西湖T2536彩电图纸

分类:电子电工 日期: 点击:0
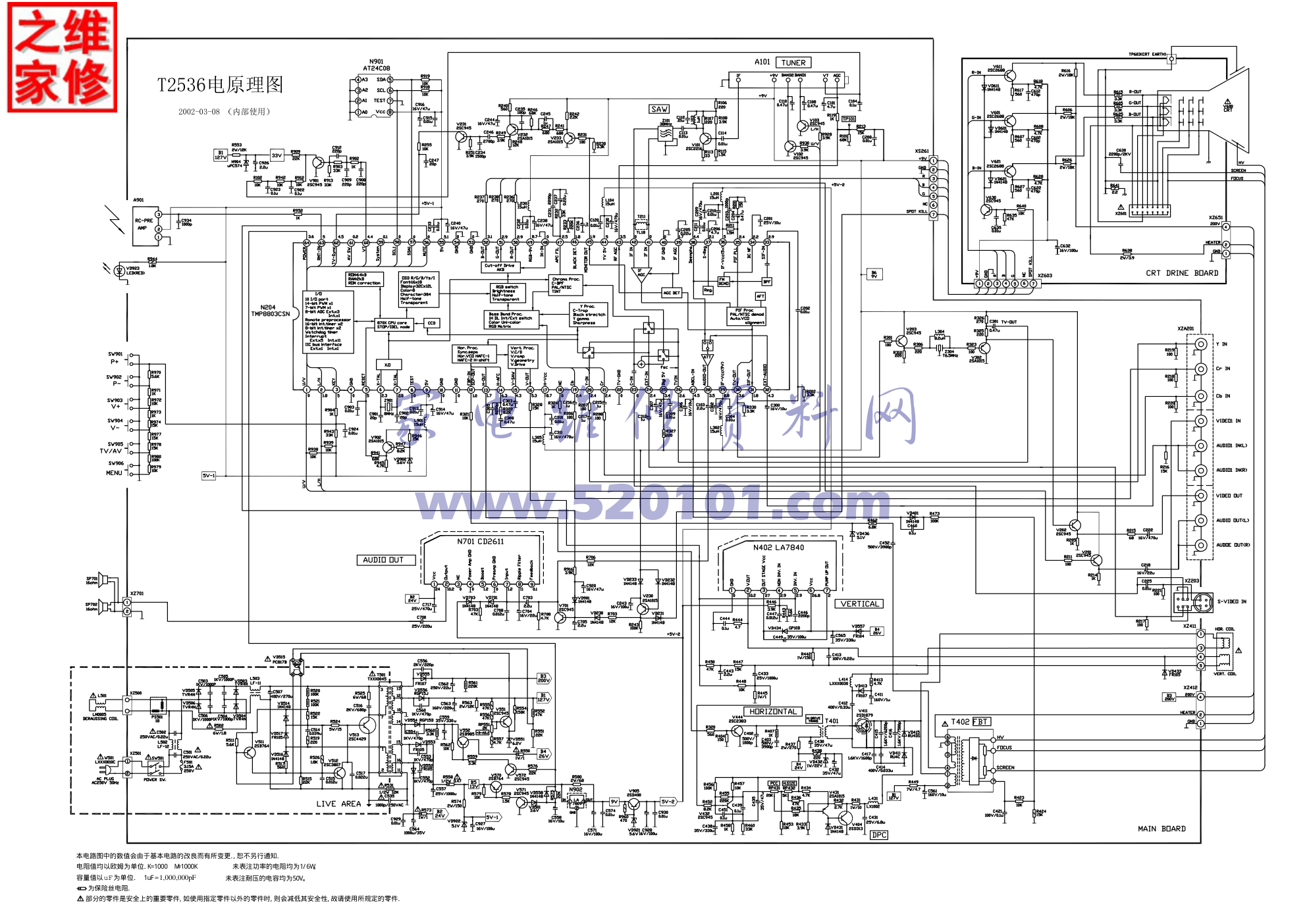
西湖T2536彩电图纸-0

, 恕不另行通知. 部分的零件是安全上的重要零件, 如使用指定零件以外的零件时, 则会减低其安全性, 故请使用所规定的零件. 容量值以uF为单位. 1uF=1,000,000pF 电阻值均以欧姆为单位. K=1000 M=1000K 本电路图中的数值会由于基本电路的改良而有所变更. 为保险丝电阻. 未表注功率的电阻均为1/6W 未表注耐压的电容均为50V T2536电原理图 2002-03-08 内部使用 家电维修资料网 www.520101.com

标签:

版权声明

1. 本站所有素材,仅限学习交流,仅展示部分内容,如需查看完整内容,请下载原文件。
2. 会员在本站下载的所有素材,只拥有使用权,著作权归原作者所有。
3. 所有素材,未经合法授权,请勿用于商业用途,会员不得以任何形式发布、传播、复制、转售该素材,否则一律封号处理。
4. 如果素材损害你的权益请联系客服QQ:77594475 处理。