液晶电视采用715G5309-P01-001-002S电源板电路图

分类:电子电工 日期: 点击:0
液晶电视采用715G5309-P01-001-002S电源板电路图-0 液晶电视采用715G5309-P01-001-002S电源板电路图-1

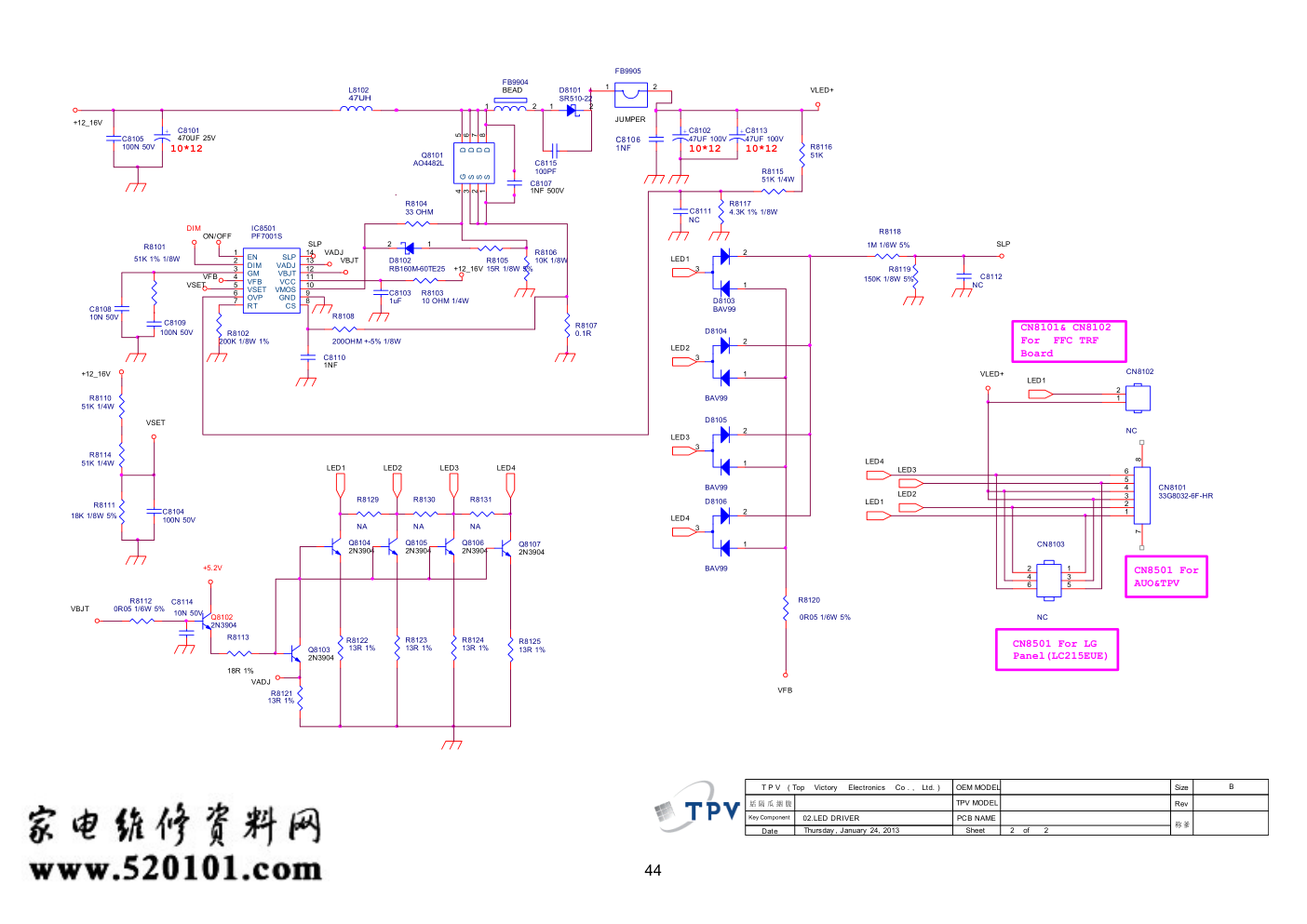
43 9.2 Power Board 715G5309P01001002S 1 2 ZD9102 GDZJ22B ! 1 2 3 4 HS1 HEAT SINK 1 2 ZD9104 BZT52-C5V6 10*12 10*12 10*12 C9124 10N 50V BBY(510V) BBY(NC) BBY(200V) 1 2 3 D9102 MBRF20150CT + C9102 NC R9128 1K 1/8W +5.2V R9119 100 OHM 1/4W D9106 1N4148 1 2 4 3 IC9102 PC123X2YFZOF 056G 139 3A RV9901 TVR14561KFAOZF +12_16V +12_16V +12_16V R9116 47 OHM 1/4W R9102 6.8K 1/4W R9105 100K 1/4W R9103 6.8K 1/4W R9101 6.8K 1/4W 10*12 R9106 100K 1/4W + C9113 470UF 25V 1 2 t NR9902 NTCR 1 2 3 4 5 6 7 8 9 10 11 12 13 CN9101 CONN R9111 10K 1/8W 10*12 R9120 100 OHM 1/4W R9126 2K43 1/8W 1% 10*7 +5.2V R9104 100K 1/4W R9115 47 OHM 1/4W + C9123 470UF 25V R9131 1K 1/8W OTP 1 COMP 2 CS 3 GND 4 OUT 5 VCC 6 HV 8 IC9101 LD7750RGR + C9101 NC +5.2V R9107 100K 1/4W R9114 100KOHM +-5% 1/8W +12_16V Q9102 2SD1623S-TD-E Q9103 PMBS3904 D9107 1N4148 1 2 ZD9101 GDJ13B 1 2 CN9901 SOCKET R9122 7.5K +-5%1/8W ON/OFF OEM MODEL Size Rev Date Sheet of TPV MODEL PCB NAME 称爹 T P V ( Top Victory Electronics Co . , Ltd. ) Key Component 絬 隔 瓜 絪 腹 A3 1 2 Thursday , January 24, 2013 01.POWER +5.2V (Q9101) C9119 100N 50V DIM (D9101&D9102) R9118 100 OHM 1/4W (C9101A&C9102A) ! ! ! C9120 1NF 1 2 FB9906 BEAD R9124 1K OHM +-5% 1/8W C9114 100N 50V C9110 100N 50V C9104 100N 50V R9123 3K3 1/8W 1% 1 2 3 HS4 SHIELD C9112 100N 50V 1 2 FB9907 BEAD C9115 100N 50V R9130 470R ! 1 2 FB9901 BEAD +5.2V 1 2 3 4 F9901 T3.15AH 250V C9118 100N 50V +12_16V D9105 FR107 C9108 1NF 500V C9107 1NF 500V L 1 N 2 CN901 CONN 1 2 FB9908 BEAD 1 2 FB9902 BEAD R9132 620K 2 1 4 5 6 7 8 9 10 11 12 T9101 POWER X'FMR R9110 47OHM +-5% 1/8W C9125 2.2nF 630V BBY(jumper) + C9105 47UF 50V 1 2 t NR9901 NTCR Q9101 AOTF8N65 C9103 2.2nF 630V L9101 3.5uH L9102 3.5uH SG9901 DSPL-501N-A21F R9125 68K 1/8W 1% BBY(凹础Α) ! C9126 100PF R9129 470 OHM D9103 FR107 1 2 3 4 HS3 HEAT SINK + C9109 330UF 16V IC9103 AS431AZTR-E1 2 1 3 4 - + BD9101 GBL408-C C9906 100PF 250V BBY(NC) C9907 100PF 250V 1 2 4 3 L9901 30MH + C9111 470UF 25V R9133 620K R9134 620K 1 2 3 D9101 MBRF1560CT C9106 470P 50V R9113 220 OHM 1/4W R9112 0.43 OHM +-5% 2WS R9121 1K 1/8W C9905 1NF 250V C9902 470PF 250V C9904 470PF 250V C9117 470NF 50V R9127 3.3K +-5%1/8W ! ! ! ! ! ! ! ! ! ! ! ! ! C9901 470NF 305V R9108 4.7 OHM ! + C9101A 47UF 450V SG9902 DSPL-501N-A21F + C9122 470UF 25V + C9102A 47UF 450V 13*40 13*40 13*45 13*45 1 2 ZD9103 GDZJ5.6B 44 R8106 10K 1/8W R8104 33 OHM R8108 200OHM +-5% 1/8W 1 2 CN8102 NC VLED+ C8106 1NF LED1 1 2 FB9904 BEAD Q8103 2N3904 C8103 1uF Q8104 2N3904 R8117 4.3K 1% 1/8W R8105 15R 1/8W 5% LED4 LED3 LED2 LED1 ON/OFF DIM Q8105 2N3904 1 2 D8102 RB160M-60TE25 C8108 10N 50V 1 2 3 4 5 6 7 8 CN8101 33G8032-6F-HR 2 4 6 1 3 5 CN8103 NC Q8106 2N3904 VFB VSET Q8107 2N3904 R8103 10 OHM 1/4W R8101 51K 1% 1/8W C8109 100N 50V + C8102 47UF 100V R8111 18K 1/8W 5% CN8501 For AUO&TPV R8116 51K 10*12 10*12 OEM MODEL Size Rev Date Sheet of TPV MODEL PCB NAME 称爹 T P V ( Top Victory Electronics Co . , Ltd. ) Key Component 絬 隔 瓜 絪 腹 B 2 2 Thursday , January 24, 2013 02.LED DRIVER 10*12 R8118 1M 1/6W 5% R8119 150K 1/8W 5% CN8101& CN8102 For FFC TRF Board C8107 1NF 500V R8110 51K 1/4W R8114 51K 1/4W C8105 100N 50V C8110 1NF 1 2 D8101 SR510-22 VBJT VADJ VFB +5.2V L8102 47UH +12_16V VADJ VBJT SLP 3 1 2 D8103 BAV99 3 1 2 D8104 BAV99 3 1 2 D8106 BAV99 3 1 2 D8105 BAV99 C8115 100PF + C8113 47UF 100V VLED+ Q8102 2N3904 R8121 13R 1% + C8101 470UF 25V R8122 13R 1% R8124 13R 1% R8123 13R 1% R8125 13R 1% LED1 LED2 LED3 LED4 R8129 NA R8130 NA R8131 NA R8113 18R 1% C8104 100N 50V +12_16V EN 1 DIM 2 GM 3 VFB 4 VSET 5 OVP 6 RT 7 CS 8 GND 9 VMOS 10 VCC 11 VBJT 12 VADJ 13 SLP 14 IC8501 PF7001S VSET +12_16V LED2 LED1 LED4 LED3 SLP C8112 NC R8107 0.1R CN8501 For LG Panel(LC215EUE) R8112 0R05 1/6W 5% C8111 NC 1 2 FB9905 JUMPER R8115 51K 1/4W C8114 10N 50V R8120 0R05 1/6W 5% S 1 S 2 S 3 G 4 D 8 D 7 D 6 D 5 Q8101 AO4482L R8102 200K 1/8W 1%

标签:

版权声明

1. 本站所有素材,仅限学习交流,仅展示部分内容,如需查看完整内容,请下载原文件。
2. 会员在本站下载的所有素材,只拥有使用权,著作权归原作者所有。
3. 所有素材,未经合法授权,请勿用于商业用途,会员不得以任何形式发布、传播、复制、转售该素材,否则一律封号处理。
4. 如果素材损害你的权益请联系客服QQ:77594475 处理。