海尔液晶电视715G5778-P02-002-002M电源板电路原理图

分类:电子电工 日期: 点击:0
海尔液晶电视715G5778-P02-002-002M电源板电路原理图-0 海尔液晶电视715G5778-P02-002-002M电源板电路原理图-1

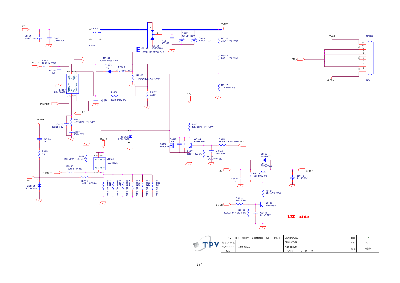
56 715G5778P02002002M (55”) C9832 100N 50V ! P_Scan 1 2 3 4 HS9901 HEAT SINK 1 2 3 4 F9901 FUSE 1 2 FB9302 BEAD R9145 20K 1/8W 1% VCC1 D9307 FR107 D9305 FR107 1 2 3 4 HS9101 HEAT SINK C9910 470NF 275V C9911 470NF 275V R9320 510K 1% 1/8W 6 1 L9801 240uH C9157 NC 12V C9980 470PF 250V + C9147 22UF 50V HEAT SINK(Q9101,Q9102) NC 1 D1 2 D1 3 NC 4 NC 5 D2 6 D2 7 NC 8 IC9999 NC DIM 5.2V 24VA On/Of f C9877 47PF 1 2 3 4 5 6 7 8 9 10 11 12 13 CN902 CONN PS-On 12V HEAT SINK(BD9901) R9161 24K 1/8W 1% Q9304 2N7002 R9311 NC R9163 2K 1/8W 1% C9912 470PF 250V + C9344 470UF 25V R9180 27K 1/8W 1% + C9341 470UF 25V + C9340 470UF 25V B1+ R9171 5.1K 1/4W C9831 NC R9175 1.5K 1/4W R9339 NC PS-On C9170 100N 50V P_Scan Q9301 NC 1 2 3 4 HS9301 HEAT SINK (D9308) C9335 100N 50V ! ! ! ! R9901 1MOHM +-5% 1/2W ! ! ! ! ! ! ! R9341 NC R9804 NC ! ! ! R9331 47 OHM 1/4W ! ! ! ! R9807 470 OHM 1/4W 12V 7 6 1 2 11 10 15 14 8 9 13 12 T9101A POWER X'FMR 1 2 4 3 IC9303 PC123X8YFZOF FB 1 COMP 2 RT 3 NC 4 CS 5 GND 6 OUT 7 VCC 8 IC9801 R2A20133ESP R9340 NC R9317 1.5M 1% 1/4W ! ! 5.2V 24VA C9151 1UF C9153 1UF C9333 0.47UF 50V 5.2V 2 1 3 4 - + BD9901 TS10K80-01 ! 12V R9806 56K 1/8W Q9302 2N7002K C9824 22N 50V C9144 100N 50V R9151 10 OHM R9141 0.1R C9825 220N 50V R9329 0.1R R9390 0R05 RV9902 620V D9801 FMN-1106S R9318 1.5M 1% 1/4W 1 2 FB9804 BEAD + C9164 330UF 35V C9342 100N 50V C9827 1NF D9802 IN5408G-04 R9810 13K OHM 1% C9159 330NF 50V C9833 47pF Q9103 PMBS3904 + C9804 47UF 450V C9171 1.5NF + C9802 47UF 450V + C9801 47UF 450V C9338 3.3NF 50V R9140 1K 1/8W 1% C9395 3.3NF 50V R9149 470 OHM 1/8W + C9168 470UF 25V + C9163 NC + C9169 470UF 25V change to 150uF D9306 1N4148 C9826 3.3NF 50V + C9830 10UF 50V R9172 5.1K 1/4W R9153 10K 1/8W 1% R9173 5.1K 1/4W R9303 20K OHM R9174 5.1K 1/4W D9109 1N4148 R9156 10K 1/8W 1% ! S/OCP 1 BR 2 GND 3 FB/OLP 4 VCC 5 D/ST 7 D/ST 8 IC9301 A6069H R9306 10K 1/8W 1% R9332 2R2 +-5% 1/4W C9152 5PF R9808 10R 1/8W 5% C9828 100N 50V R9158 3.9K 1/4W R9176 1.5K 1/4W 1 2 ZD9104 GDZJ15B R9177 1.5K 1/4W Q9305 MMBT3906 PNP R9335 3K3 1/8W 5% R9160 10K 1/8W 1% VCC1 change to 8.5mm R9816 680K OHM +-1% 1/4W R9308 10K 1/8W 1% VCC C9829 100N 50V R9815 680K OHM +-1% 1/4W R9817 0R05 C9345 NC 1 2 ZD9101 GDZJ30B R9302 100K 1/6W 5% C9331 1NF DV5 R9888 0 OHM +-5% 1/8W R9310 100K 1/8W 1% SB+ R9813 10K 1/4W R9801 0.07R Q9801 TK18A60V R9809 30 OHM D9803 SS1060FL R9333 1K 1/8W 1% 24V R9324 1K 1/8W 1% R9148 NC R9330 47 OHM 1/4W R9309 100K 1/8W 1% R9304 100K 1/8W 1% 1 2 ZD9102 GDZJ15B 24V 1 2 ZD9105 GDZJ30B 1 2 CN905 NC C9343 220N 50V R9146 2K43 1/8W 1% C9150 0.47UF 50V D9113 SS1060FL OEM MODEL Size Rev Date Sheet of TPV MODEL PCB NAME 称爹 T P V ( Top Victory Electronics Co . , Ltd. ) Key Component 絬 隔 瓜 絪 腹 C A2 1 3 <称爹> POWER CIRCUIT Tuesday , July 02, 2013 D9112 SS1060FL 1 2 4 3 IC9106 PC123X8YFZOF 1 2 3 D9308 MBRF1560CT 1 2 ZD9303 GDZJ15B BOX 1 2 t NR9901 2.5R 1 2 t NR9902 2.5R 1 2 ZD9304 NC 1 2 FB9801 BEAD 1 2 FB9802 BEAD R9101 200R 1/8W 1% L9105 3UH L9106 3UH 1 2 FB9810 BEAD 1 2 ZD9301 GDZJ18B VBoot B1+ Q9106 MMBT3906 PNP B1+ C9909 150PF 250V C9908 150PF 250V R9336 1Kohm +-1% 1/4W C9907 150PF 250V C9906 150PF 250V C9156 100PF1KV D145T60P7_5-1_2-R D145T60P7_5-1_2-R R9139 100R 1% BOX C9149 1uF C9155 1N 50V 5.2V C9334 1N 50V 12V R9301 1.0R R9334 220 OHM 1/4W VBoot R9111 NC R9814 680K OHM +-1% 1/4W R9143 NC SG9905 DSPL-501N-A21F SG9904 DSPL-501N-A21F C9803 470PF1KV 2 3 1 IC9304 AZ432AZTR-G1 R9178 5K1 +-5% 1/8W 1 2 3 D9115 FMEN-2308 HEAT SINK(Q9801,D9801) C9165 100N 50V change package VCC1 R9995 NC R9996 NC VCC Vsen 1 Vcc 2 FB 3 GND 4 Css 5 OC 6 RC 7 Reg 8 RV 9 COM 10 VGL 11 NC 12 NC 13 VB 14 VS 15 VGH 16 NC 17 NC 18 IC9101 SSC9512S-TL VCC1 R9993 NC 5.2V R9992 NC R9811 100 OHM 1/4W R9337 12.7 KOHM +-1% 1/8W R9144 1M 1% 1/4W R9307 10K 1% 1/8W R9994 NC R9338 7.87K 1% C9154 560PF 50V 1 2 FB9996 NC Q9303 BTC4672M3 C9301 100N 50V 1 2 4 3 L9901 12MH D9110 1N4148 R9152 47OHM +-5% 1/8W R- L 1 N 2 CN904 CONN-NC change package IC9107 AS431AZTR-E1 1 2 4 3 L9903 12MH R9154 47OHM +-5% 1/8W C9955 220PF 250V C9146 100N 50V 1 2 4 3 IC9302 PC123X8YFZOF R9159 3.3K 1/4W Q9802 AOD1N60 C9347 1uF25V 1 2 CN901 SOCKET D9114 UF4007 D9301 SS1060FL ! D9302 SS1060FL R- D9304 FR107 C9158 NC C9145 100N 50V R- R8550 10K 1% 1/4W C9166 NC C9348 100N 50V DV5 Main_ov R9805 200KOHM 1/8W +/-5% Main_ov C9820 1UF 450V C9981 470PF 250V C9157A 22NF 800V 1 2 ZD9107 BZT52-B22 C9148 4.7UF 10V R- 1 2 3 D9116 MBRF1560CT R9147 470 OHM R9818 1K 1/8W HEAT SINK(D9115,D9116) C9875 1UF 450V R9991 NC for 4000series 3.3V 1 2 FB9999 BEAD + C9161 NC + C9174 330UF 35V C9349 100N 50V R9399 47 OHM 1/4W C9999 NC C8550 1N 50V R9138 1Kohm +-1% 1/4W R9325 100K R9326 100K R9328 100K R9327 100K A B 1 2 ZD9106 BZT52-B3V6 B A + C9172 NC 1 2 3 4 HS9103 HEAT SINK R2A20113A R9319 1.5M 1% 1/4W + C9160 330UF 35V + C9302 22UF 50V R9142 1.5M 1% 1/4W R9150 1.5M 1% 1/4W R9346 1K 1/4W 24VA 3 4 1 2 HS9102 HEAT SINK HEAT SINK(D8101,Q8101) 1 2 3 4 5 6 7 8 9 10 11 12 CN903 CONN 1 2 3 4 5 7 9 T9301 POWER X'FMR R9323 4.7M OHM +-5% 1/4W 24V R- DV5 DIM On/Of f 1 4 5 6 7 8 9 10 11 12 T9101 830uH + C9336 10UF 50V 1 2 3 4 HS9801 HEAT SINK RV9907 620V 24V R9819 10K 1/8W R9102 10 OHM Q9101 TK10A50D R9103 10 OHM Q9102 TK10A50D + C9337 47UF 50V 57 1 2 3 D8101 FME-220A 3 1 2 4 L8102 33uH DIMOUT VLED+ Q8103 2N7002K Q8104 PMBT3904 C8111 100N 50V FB R8101 10K OHM +-5% 1/8W DIMOUT R8104 22OHM +-5% 1/8W DIM C8106 1NF VCC_1 12V LED_a R8105 2R2 +-5% 1/8W FB R8106 10K OHM +-5% 1/8W 24V C8109 470NF 50V D8103 NC LED side R8108 330R 1/8W 5% R8107 0.05R LED_a C8112 1nF R8124 10K 1/10W 5% + C8115 22UF 50V Q8101 SM1A15NSFPC-TUG OEM MODEL Size Rev Date Sheet of TPV MODEL PCB NAME 称爹 T P V ( Top Victory Electronics Co . , Ltd. ) Key Component 絬 隔 瓜 絪 腹 C B 3 3 <称爹> .LED Driv er S 1 S 2 S 3 G 4 D 8 D 7 D 6 D 5 Q8102 AO4482L VLED+ VLED+ C8103 1uF 12V C8114 1uF DIMOUT 1 GM 2 FB 3 OVP/DIM 4 CS 5 GND 6 OUT 7 VCC 8 IC8101 PF;7903BS Q8105 PMBS3904 Q8106 PMBS3906 On/Of f VCC_1 R8113 1K OHM +-5% 1/8W D8102 1N4148W R8123 15K 1/8W 1% R8121 51K +-5% 1/8W C8105 0.1uF 50V R8110 100R 1/8W 5% R8114 100R 1/8W 5% R8111 10K OHM +-5% 1/8W 1 2 3 4 5 6 7 8 9 10 11 12 CN8501 NC R8119 NC C8108 NC R8102 47KOHM +-1% 1/8W C8110 1NF + C8118 120UF 100V + C8102 120UF 100V R8109 10 OHM 1/4W R9119 30K 1/4W C8104 1nF 50V C8113 0.1uF 50V + C8101 330UF 35V R8103 10K 1/10W 5% R8122 100KOHM +-5% 1/8W VLED+ 1 2 ZD8102 BZT52-B22 R8116 330K +-1% 1/4W R8118 1oHM 1% 1/4W R8112 330K +-1% 1/4W R8117 27K 1/8W 1% R8115 1oHM 1% 1/4W R8126 1oHM 1% 1/4W R8120 1oHM 1% 1/4W R8125 1oHM 1% 1/4W R8127 1oHM 1% 1/4W 1 2 ZD8101 BZT52-B4V7

标签:

版权声明

1. 本站所有素材,仅限学习交流,仅展示部分内容,如需查看完整内容,请下载原文件。
2. 会员在本站下载的所有素材,只拥有使用权,著作权归原作者所有。
3. 所有素材,未经合法授权,请勿用于商业用途,会员不得以任何形式发布、传播、复制、转售该素材,否则一律封号处理。
4. 如果素材损害你的权益请联系客服QQ:77594475 处理。