海信RSAG7.820.6449主板电路原理图

分类:电子电工 日期: 点击:0
海信RSAG7.820.6449主板电路原理图-0 海信RSAG7.820.6449主板电路原理图-1 海信RSAG7.820.6449主板电路原理图-2 海信RSAG7.820.6449主板电路原理图-3 海信RSAG7.820.6449主板电路原理图-4 海信RSAG7.820.6449主板电路原理图-5 海信RSAG7.820.6449主板电路原理图-6 海信RSAG7.820.6449主板电路原理图-7 海信RSAG7.820.6449主板电路原理图-8 海信RSAG7.820.6449主板电路原理图-9

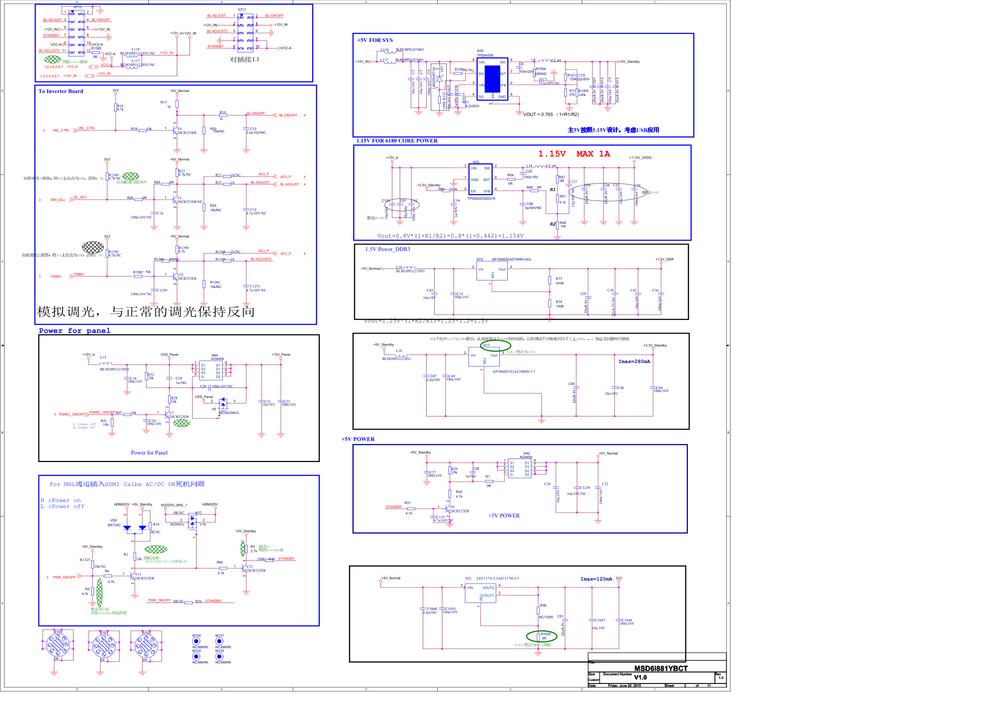
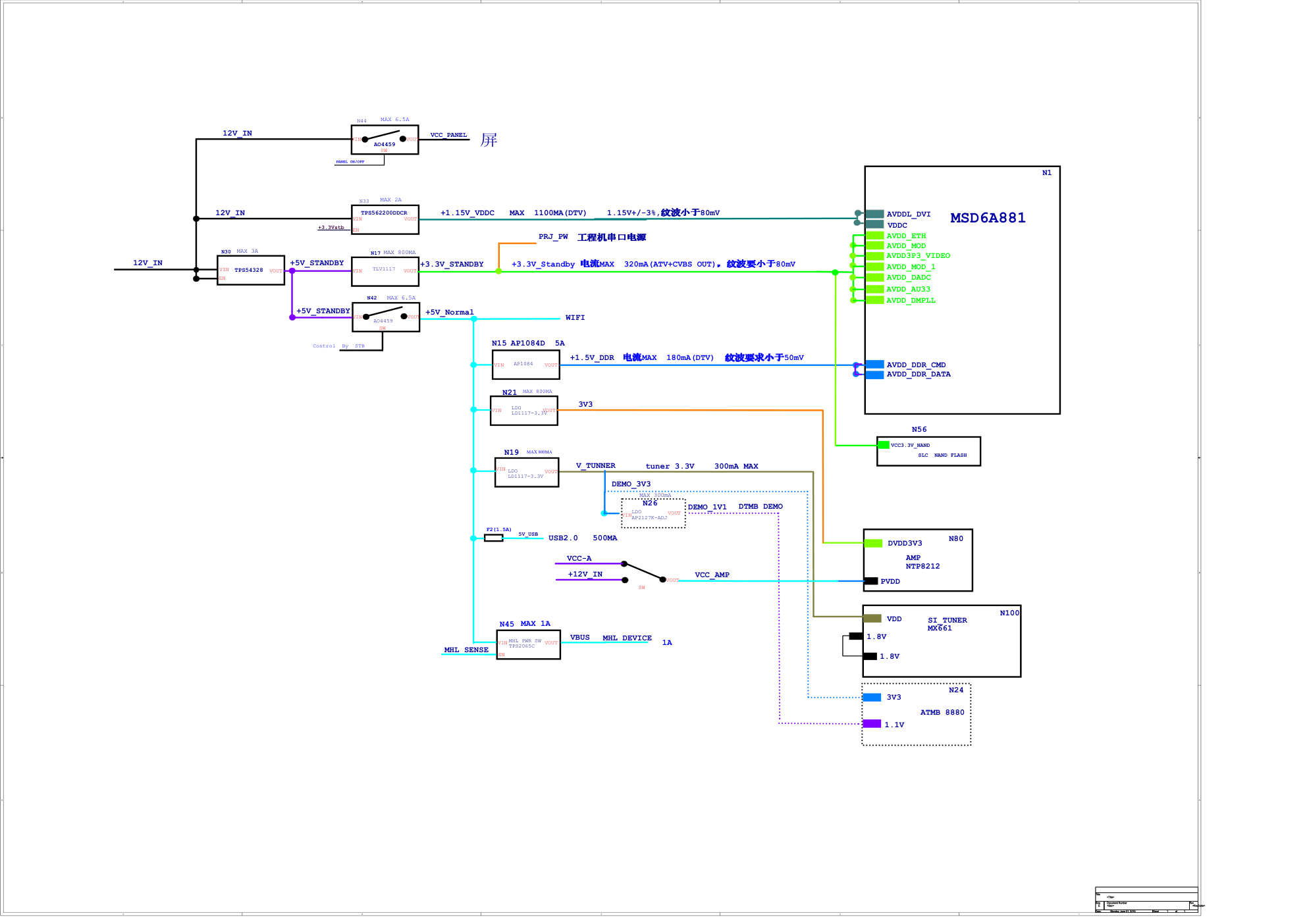
Cap placed at each vdd1.2 pin of N42 DTMB DEMO 30.4MHZ Closed demod Closed tuner 300mA 可可可可可可可可可可可可可可 L113靠靠N018放放 预预3.3V,需需需需需需需需LDO 3.3V_Tuner close to Tuner AGC RC Filter &I2C 靠靠tuner AGC IF 100R改 改 改 改220nH, , , ,原 原 原 原100pf改 改 改 改47pF加 加 加 加加 加 加 加 改 改 改 改改 改 改 改ATV水 水 水 水水 水 水 水水 水 水 水! ! ! !---5.13 或 或 或 或1120830 2.2nH 1120827 可 可 可 可NC, , , ,软 软 软 软软 软 软 软加 加 加 加软 软 软 软12pF 加 加 加 加4个 个 个 个个 个 个 个个 个 个 个软 软 软 软 tunerI2C, , , ,地 地 地 地地 地 地 地96 用1132967 用1128018 回回回回1140218 1113891 1113892 918原1uF 1103934 用1125462 8.2nH 1120829 预预 replace for Balun Silicon On Board L/C 晶晶晶晶晶16M料,物料物1146512 With Balun Without Balun L100 R709 C648 R708 L142 BW21S7511A01TF 0R NC NC NC NC NC 5.6pF 0R 30nH L141 560nH 1131395 30nH R2020 1kR NC 增增增增 连连连连 注注注注注注注.2200pF/2000V/1133166 OK 其其其其其其其其其5838板.C289,C290背背背背 增增背背C3367/C3366,layout其放放放放 IF电增C508,C513删删 增 增 增 增增 增 增 增增 增 增 增增 增 增 增RC IF_DTMB_P IF_DTMB_N M_SCL M_SDA IF_AGC_DEMO+ TSI1_CLK_P DEMOD_RST TSI1_VLD_P TSI1_SYNC_P IF_AGC_DEMO IF_AGC_DEMO+ IF_DTMB_N IF_DTMB_P TSI1_VLD_P TSI1_SYNC_P TSI1_CLK_P M_SCL M_SDA I2C_TSDA I2C_TSCL VIF_M VIF_P N_IF_1N N_IF_1P TSI1_D0 TSI1_VLD TSI1_SYNC TSI1_CLK DEMOD_RST SOB_LNA_INP SOB_LNA_INN IF_AGC_TUNER N_IF_1P N_IF_1N I2C_TSCL SOB_LNA_INP SOB_LNA_INN I2C_TSDA IF_AGC_DEMO N_IF_2P N_IF_2N TSI1_D0 N_IF_2P N_IF_2N IF_AGC_TUNER ASIC_1v1 ASIC_1v1 ASIC_1v1 3v3_demo 3v3_demo ASIC_3V3 3v3_demo ASIC_1v1 3v3_demo ASIC_1v1 ASIC_1v1 3v3_demo ASIC_3V3 3v3_demo ASIC_1v1 3v3_demo 3v3_demo V_TUNER +5V_Normal 3V3 3V3 V_TUNER VDD_1V8_SOB V_TUNER_SOB V_TUNER V_TUNER_SOB V_TUNER_SOB V_TUNER_SOB V_TUNER_SOB VDD_1V8_SOB VDD_1V8_SOB 3v3_demo M_SDA 3 M_SCL 3 IF-AGC-T 3 VIF_M 3 VIF_P 3 TSI1_D0 6 TSI1_VLD 6 TSI1_SYNC 6 TSI1_CLK 6 DEMOD_RST 6 R2018 33R R455 100R C300 1n/50V L141 560nH R2016 10k R2014 0R C664 100n/16V C298 1n/50V R2004 47k R2006 33R C1328 1p/50VV C577 2.2u/6.3VV R2012 1k L65 BLM18PG181SN1 C303 100n/16V N19 LD1117A-3.3AZ1117H-3.3 ADJ 1 VOUT_3 2 VIN 3 VOUT 4 C301 4.7n/50V L67 BLM18PG181SN1/NC C648 5.6p/50V/NC R454 100R C200 2.2u/10V C665 10u/10V R2009 249R C3361 4.7n/50V/NC L140 0.22 uH C568 47p/50V R2000 4.7k R2020 1k C658 100n/16V C302 4.7n/50V C313 47p/50V C574 1u/10V C576 22u/6.3V R442 470k L100 DXW21BN7511TL 1 2 3 4 L64 BLM18PG181SN1 Z2 JAS30C 1 2 R20014.7k C290 2.2n/2000V C295 2.2n/2000V N100 MxL661 CLK_OUT 18 AS 24 RESET_N 23 SDA 17 GND_DIG 14 VDD_3p3_2 11 VDD_3p3_1 1 IF_OUTN_1 10 LNA_INN 3 LNA_INP 2 VDD_1p8_1 4 AGC_1 6 AGC_2/GPO_3 5 VDD_1p8_2 12 VDD_1p2_1 13 IF_OUTN_2/GPO_2 8 IF_OUTP_1 9 XTAL_P 20 XTAL_N 19 SCL 16 VDD_1p8_3 22 GND_XTAL 21 VDD_IO 15 IF_OUTP_2/GPO_1 7 EPAD 25 C507 100n/16V Z3 HC-49SM16MHZ 1 2 C1001 100n/16V C202 10u/10V R1393 0R C1000 22u/6.3V L139 0.22 uH C297 470p/2000V L59 BLM18PG121SN1 L113 BLM18PG121SN1/NC C292 2.2n/2000V VD3 ESDC0402 1 2 C1252 18p/50VV/NC C518 100n/16V C567 10u/6.3VV C578 100n/16V C3366 2.2n/2000V/NC C312 47p/50V C573 100n/16V R2005 0R U7 RF-M-407-SMT IF_IN 1 GND2 2 GND3 3 GND4 4 C657 100n/16V C519 100n/16V R2007 33R L102 330nH 140mA 5% R2019 33R R2015 200R C305 1n/50V C582 100n/16V C291 1.5n/50V C505 100n/16V C1253 18p/50VV/NC C520 100n/16V C663 1u/10V C659 10n/50V R2002 2.7k C575 22u/6.3V C210 33p/50V C293 2.2n/2000V R2008 110R C3367 2.2n/2000V/NC L201 BLM18PG181SN1 C201 100n/16V C296 100n/16V C304 1u/10V R1108 0R/NC C3362 4.7n/50V/NC C510 12p/50V C580 100n/16V R446 1k C581 100n/16V C569 47p/50V R2003 0R C503 100n/16V R2013 0R C203 100n/16V C294 2.2n/2000V C211 33p/50V C579 100n/16V C509 12p/50V R1109 0R C571 100n/16V R2029 200R C572 100n/16V L39 BLM15AG102SN1 L202 0.0082 uH N26 AP2127K-ADJ VIN 1 ShutD 3 VOUT 5 ADJ 4 GND 2 C517 100n/16V C587 12p/V C512 10n/50V C570 100n/16V C662 100n/16V C504 100n/16V N91 ATBM8880 SDAM 1 SCLM 2 CVDD_3 3 TEST0 4 I2CINT/GPO4 5 VDD33 6 TESTIO23/STATUS 7 TSSYNC 8 TSVLD 9 TSCLK 10 TS0 11 TS1 12 TS2 13 TS3 14 TS4 15 TS5 16 TS6 17 TS7 18 VDD33_19 19 CVDD_20 20 RESET 21 CVDD_22 22 SCLS 23 SDAS 24 CVDD_25 25 TEST1 26 VDD33_27 27 TESTIO20/GPO1 28 NC_29 29 NC_30 30 XTAL1 31 XTAL0 32 ADDR 33 NC_34 34 AVDD33 35 GND 36 NC_37 37 NC_38 38 IFBP 39 IFBN 40 NC_41 41 CLK_IO 42 IFAP 43 IFAN 44 VDD33_45 45 CVDD_46 46 PWM1/GPO2 47 PWM0/GPO3 48 EPAD 49 C3368 100n/16V C506 100n/16V L142 0.018 uH/NC C289 2.2n/2000V R2017 33R 5 5 4 4 3 3 2 2 1 1 D D C C B B A A 1,C209 改改 1132967 片片片片片\GR431BR7LA471KW01L\TP\JK\ROH 2.C210,C211,C212,C213,C219,C220,C221,C222 不不不不1uf,不可可可可可可可,需需不 2.2uf, 1133166 片片片片\GRM31BR73A222KW75L\TP\ROH 1027437 c653改改1030181 (奇奇?导导导导导导,但但但但但导但) L001物物物物----仍仍仍仍 L111物物物物----仍仍仍仍 1064752 N009 改改1125049 1109810 N020改改1112675 如如如如如如如如改如如但但,但但但但cadence有有有改导有 1109974 R031改改1059509 1061872 R051改改1109318 1062285 R300改改102850 U2 无无无,参参5842但bom Title Size Document Number Rev Date: Sheet of A 1 1 Monday, June 01, 2015 Title Size Document Number Rev Date: Sheet of <Doc> <RevCode> <Title> A 1 1 Monday, June 01, 2015 Title Size Document Number Rev Date: Sheet of <Doc> <RevCode> <Title> A 1 1 Monday, June 01, 2015 5 5 4 4 3 3 2 2 1 1 D D C C B B A A MSD6I881 USB1 (USB2) NAND FLASH S34ML01G2 HDMI1+ARC USB USB HDMI2+MHL 按按按 遥遥按 CVBS OUT CVBS OUT HDMI HDMI KEY IR PANEL TUNER MX661 IF I2C DIF I2C AMP NTP8212 I2C I2C I2S 分分/AV 复仍复复 COMPOSITE/AV 音音复复 AUDIO IN LVDS/MINI LVDS MSD6180ZB 方方方方方方方 EEPROM K24C32-SITGA WIFI VGA VGA 模模 AMP 3110 AUDIO OUT 工 工 工 工工 工 工 工工 工 工 工 Title Size Document Number Rev Date: Sheet of <Doc> <RevCode> <Title> A 1 1 Monday, June 01, 2015 Title Size Document Number Rev Date: Sheet of <Doc> <RevCode> <Title> A 1 1 Monday, June 01, 2015 Title Size Document Number Rev Date: Sheet of <Doc> <RevCode> <Title> A 1 1 Monday, June 01, 2015 5 5 4 4 3 3 2 2 1 1 D D C C B B A A SLC NAND FLASH AMP NTP8212 DVDD3V3 PVDD SI_TUNER MX661 VDD 1.8V 1.8V tuner 3.3V ATMB 8880 3V3 DTMB DEMO VIN 1.1V VOUT VIN VOUT VIN VOUT VIN +5V_STANDBY 12V_IN AO4459 VIN TLV1117 VOUT EN VIN SW +1.5V_DDR VOUT AP1084 LDO LD1117-3.3V VOUT VIN MSD6A881 300mA MAX MAX 6.5A MAX 800MA MAX 6.5A MAX 2A MAX 3A AVDD_ETH AVDDL_DVI VOUT VIN WIFI 电 电 电 电电 电 电 电MAX 180mA(DTV) 纹 纹 纹 纹纹 纹 纹 纹纹 纹 纹 纹纹 纹 纹 纹纹 纹 纹 纹纹 纹 纹 纹50mV MAX 1100MA(DTV) 1.15V+/-3%,纹 纹 纹 纹纹 纹 纹 纹纹 纹 纹 纹纹 纹 纹 纹80mV MHL PWR SW TPS2065C MHL DEVICE +3.3V_Standby 电 电 电 电电 电 电 电MAX 320mA(ATV+CVBS OUT), , , ,纹 纹 纹 纹纹 纹 纹 纹纹 纹 纹 纹纹 纹 纹 纹纹 纹 纹 纹80mV 12V_IN N44 12V_IN N33 +3.3Vstb TPS562200DDCR +1.15V_VDDC EN TPS54328 Control By STB N42 N17 N30 +5V_Normal MAX 800MA AP1084D 5A MAX 300mA N80 N15 N56 VCC3.3V_NAND V_TUNNER N19 N21 DEMO_3V3 DEMO_1V1 N26 N24 N100 VBUS N45 VOUT VIN N1 EN MHL SENSE VOUT SW +12V_IN VCC_AMP 1A USB2.0 500MA 5V_USB F2(1.5A) VCC_PANEL VOUT LDO AP2127K-ADJ VDDC AVDD_MOD_1 AVDD3P3_VIDEO AVDD_MOD AVDD_DMPLL AVDD_AU33 AVDD_DADC AVDD_DDR_DATA AVDD_DDR_CMD PANEL ON/OFF SW VOUT VIN AO4459 屏 +5V_STANDBY +3.3V_STANDBY PRJ_PW 工 工 工 工工 工 工 工工 工 工 工工 工 工 工工 工 工 工电 电 电 电工 工 工 工 3V3 LDO LD1117-3.3V VCC-A MAX 1A MAX 800MA Title Size Document Number Rev Date: Sheet of <Doc> <RevCode> <Title> E 1 1 Monday, June 01, 2015 Title Size Document Number Rev Date: Sheet of <Doc> <RevCode> <Title> E 1 1 Monday, June 01, 2015 Title Size Document Number Rev Date: Sheet of <Doc> <RevCode> <Title> E 1 1 Monday, June 01, 2015 5 5 4 4 3 3 2 2 1 1 D D C C B B A A 1.5V Power_DDR3 L :Power off H :Power on Power for Panel Power for panel Imax=120mA +5V POWER +5V POWER H :Power on L :Power off For MHL通通通通HDMI Calbe AC/DC ON死死死死 To Inverter Board 如如如如如如如,则3v3上上上上10K,否则4.7k 如如如如如如如,则3v3上上上上10K,否则4.7k 1.15V MAX 1A Vout=0.8V*(1+R1/R2)=0.8*(1+0.442)=1.154V R1 R2 靠靠DC-DC 靠靠DC-DC 1.15V FOR 6180 CORE POWER Vout=1.25V*(1+R2/R1)=1.25*1.2=1.5V 模模模模,与与与与模模与与与与 主 主 主 主5V按 按 按 按按 按 按 按5.15V设 设 设 设设 设 设 设, , , ,考 考 考 考考 考 考 考USB应 应 应 应应 应 应 应 VOUT = 0.765 (1+R1/R2) +5V FOR SYS Imax=280mA PCB不不不1117与1084叠叠,此此此此此此1084用用用用,以以以以不以以以以以以以以1084。。。验验验验验验以验验 对对对对 启启启启启启用启 预此10Pin插插 待待待待 R002/R003/R1325改启10K B:R550603 B:N17更改启1084 更改R3 提提Standby值 standby PANEL_ON/OFF STANDBY STANDBY STANDBY PWR_ON/OFF VBL_CTRL ADJ_P BL-ADJUST BL-ON/OFF BL_ADJ ADJ_P BL-ADJUST2 PWM1 +12V_IN +12V_IN VCC-A BL-ADJUST2 BL-ON/OFF BL-ADJUST STANDBY BL-ON/OFF STANDBY BL-ADJUST BL-ADJUST2 +1.5V_DDR +5V_Normal VDD_Panel +12V_in VDD_Panel +12V_Panel 3V3 +5V_Normal +5V_Standby +5V_Normal +5V_Standby +5V_Standby HDMI2/5V HDMI2/5V AVDD5V_MHL_1 +5V_Standby 3V3 3V3 +5V_Normal +5V_Normal 3V3 +5V_Normal +3.3V_Standby +12V_in +1.15V_VDDC +5V_Standby +12V_IN +3.3V_Standby +5V_Standby +12V_in+12V_IN VCC-A +12V_IN VCC-A +12V_IN VCC-A +12V_IN VCC-A +12V_IN PANEL_ON/OFF 3 PWR_ON/OFF 3 BL-ADJUST 4 VBL_CTRL 3 BL-ON/OFF 4 BRI_ADJ 3 ADJ_P 4 PWM1 3 ADJ_P 4 +12V_IN 1,2,3,4,5,6,7 VCC-A 1,2,3,4,5,6,7 Title Size Document Number Rev Date: Sheet of V1.0 1.0 MSD6I881YBCT Custom 2 11 Friday, June 26, 2015 Title Size Document Number Rev Date: Sheet of V1.0 1.0 MSD6I881YBCT Custom 2 11 Friday, June 26, 2015 Title Size Document Number Rev Date: Sheet of V1.0 1.0 MSD6I881YBCT Custom 2 11 Friday, June 26, 2015 S101 D4 R1 0R R23 4.7k/NC R48 10k R1325 10k/NC R17 1k S102 D4 C1050 100n/16V C48 100n/16V R4 4.7k C29 10u/10V C1327 22u/6.3V C45 10u/10V C59 1n/50V C1016 1u/25V R19 10k V12 2SCR523EB 1 2 3 C36 100n/16V AP1084D33GAZ1084D-3.3 N17 ADJ 1 Vout 3 Vin 2 R38 100R R1389 1k C46 10u/10V VZ1 LM3Z5V6T1G 1 2 R11 27k C26 100n/16V C23 100n/16V C14 4.7u/10V/NC V9 2SCR523EB 1 2 3 N21 LD1117A-3.3AZ1117H-3.3 ADJ 1 VOUT2 4 VIN 3 VOUT1 2 R31 4.7k R1349 4.7k/NC C37 22u/6.3V C42 10u/10V C124 10u/16V C1013 22u/6.3V R1387 10k C1015 100n/16V C16 100n/16V/NC C27 100n/16V C1048 2.2u/10V L15 BLM18PG121SN1 R1385 0R/NC R35 499R R1390 4.7k R1056 0R R41 10k L137 BLM18PG121SN1 V6 NC/AO3401L 1 2 3 C7 1n/50V/NC R56 0R/NC C22 100n/16V C20 100n/16V/NC V7 2SCR523EB 1 2 3 R24 10k/NC R30 4.7k V32 2SCR523EB 1 2 3 R5 4.7k C3 10u/16V C9 100n/16V R49 100R R22 1k C28 1u/16V V4 2SCR523EB 1 2 3 R51 5.1k C62 100n/16V C50 22u/6.3V C1251 4.7u/10V/NC R1392 4.7k/NC C57 10u/16V M100 NC/MARK M101 NC/MARK C4 100n/16V R21 1k/NC L4 2.2 uH C56 100n/16V R3 2.7k C38 22u/6.3V/NC C21 10u/16V R46 NC/120R C19 1u/16V N44 AO4459 S1 1 S2 2 S3 3 G 4 D1 8 D1 7 D2 6 D2 5 V10 AO3401L 1 2 3 XP21 1 2 3 5 7 9 10 8 4 6 R66 100k N33 TPS562200DDCR GND 1 SW 2 VIN 3 VFB 4 EN 5 BST 6 N15 AP1084DGAZ1084D-ADJ ADJ 1 Vout 3 Vin 2 R16 4.7k C1239 10u/10V/NC XP10 1 2 3 5 7 9 11 4 6 8 10 12 N42 AO4459 S1 1 S2 2 S3 3 G 4 D1 8 D1 7 D2 6 D2 5 L138 BLM18PG121SN1 R50 4.7k C1012 22u/6.3V R52 0R/NC V5 2SCR523EB/NC 1 2 3 R1391 10k/NC C119 4.7u/16V/NC L14 2.2 uH R1001 10k/NC R1382 0R R1388 1k/NC C1049 100n/16V L117 BLM18PG121SN1/NC R54 0R/NC R27 10k C1047 10u/10V C49 100n/16V R20 10k/NC R2 10k R29 20k S100 D4 C18 100n/16V C5 22p/50V L16 BLM18PG121SN1 N30 TPS54328 VIN 8 EN 1 VRG5 3 SS 4 GND 5 VFB 2 VBST 7 SW 6 EPAD 9 L118 BLM18PG121SN1/NC C35 100n/16V C47 2.2u/10V M102 NC/MARK R1008 140k C58 5p/50V/NC C24 22u/6.3V C123 15p/50V/NC C6 100n/25V R28 10k R25 0R R64 0R R32 20k V11 2SCR523EB 1 2 3 R18 1k C51 22u/6.3V R26 0R C63 10u/10V VD5 BAT54C 1 2 3 M103 NC/MARK R12 130k C1017 8.2n/50V C13 2.2u/10V/NC R65 0R R47 0R R1004 22R/NC C1250 100n/16V/NC L18 BLM18PG121SN1 C25 22u/6.3V R122 100k C2 10u/16V C32 100n/16V 5 5 4 4 3 3 2 2 1 1 D D C C B B A A 工 工 工 工工 工 工 工工 工 工 工工 工 工 工工 工 工 工 工 工 工 工工 工 工 工工 工 工 工工 工 工 工工 工 工 工工 工 工 工工 工 工 工工 工 工 工工 工 工 工 工工工工工 0: Normal 1: Shutdown Power On Mute Power Off Mute MUTE 工 工 工 工工 工 工 工工 工 工 工工 工 工 工工 工 工 工工 工 工 工工 工 工 工 VIDEO OUT MSTAR说说说说说说说说说说说 HDMI的的的的IO的口口,注注注注注注注注注注注注注注 工工串串 1145452 AV\AV2-8.4-20ND-WR-SMT\ROH 待待待待 R1918/R1920改改10K 去去5V-standby 和R452/R415 V020/V019更更更更更 1145452 增增C1271/C1272两两两两 MUTE_881复复复复复复复复复; 1、开复:MUTE_881 H mute 8212; 正正复正正,MUTE_881为 L;当当当当当正当复mute i2s 2、待复:MUTE_881为 L,复复复当当工工复复工工 for Full Current Mode,C055 NC;R364=75R;R057 0R!R218 NC! for 1/4 Current Mode R364=150R;R057 NC full Current 1/4 current Mode 3.3V30ma, 3110输输输输输输输,如如EMC有有有 更更更:1068082 片片片片 OUT-R OUT-L AU-Lout- AU-Lout+ AU-Rout+ AU-Rout- SHUTDOWN AU_ROUT AU_LOUT OUT-L PRJ_TX C_RXD C_TXD PCRXD PRJ_RX PCTXD OUT-R SHUTDOWN PRJ-MUTE AV-OUT AV-OUT PRJ-MUTE MUTE_881 AU-Rout+ AU-Rout- AU-Lout+ AU-Lout- +12V_IN VCC-A PCRXD PCTXD VCC-A VCC-A VCC-A PRJ_PW +5V_Normal +5V_Normal +12V_IN +12V_IN +5V_Normal +5V_Normal +3.3V_Standby PRJ_PW +3.3V_Standby +3.3V_Standby AU_LOUT 2 AU_ROUT 2 UART_RX UART_TX CVBS_OUT0 3 PRJ_MUTE +12V_IN 1,2,3,4,5,6,7 VCC-A 1,2,3,4,5,6,7 MUTE_881 3,4,5 Title Size Document Number Rev Date: Sheet of V1.0 1.0 MSD6180ZB Custom 2 11 Friday, June 26, 2015 Title Size Document Number Rev Date: Sheet of V1.0 1.0 MSD6180ZB Custom 2 11 Friday, June 26, 2015 Title Size Document Number Rev Date: Sheet of V1.0 1.0 MSD6180ZB Custom 2 11 Friday, June 26, 2015 C434 330p/50V V105 2SCR523EB 1 2 3 C1160 10u/16V RV3 ICVL0518030FR/NC L54 BLM21PG221SN1 C1156 100n/16V R409 22k VD19 1N4148W 1 2 R487 NC/1k C448 1n/50V C423 330p/50V C437 470n/16V C416 220n/25V V101 2SCR523EB 1 2 3 R536 10R R526 0R C1155 100n/16V R218 75R V19 2SCR523EB 1 2 3 C413 220n/25V R531 1k R216 75R R448 1M V20 2SAR523EB 1 2 3 R412 10k R227 12k V106 2SCR523EB 1 2 3 R530 10R VD14 1N4148W 1 2 V100 2SAR523EB 1 2 3 C435 10u/25V R449 NC/0R R522 NC/100k R410 47k R407 22k VD13 1N4148W 1 2 R1924 4.7k C420 1u/25V C438 1n/50V R1919 4.7k VD16 1N4148W 1 2 C418 10u/25V XS23 SIGNAL1 1 SIGNAL3 3 GND 2 SIGNAL4 4 GND 5 SIGNAL6 6 R364 150R C1159 100n/16V R1915 4.7k/NC N101 MAX3232C C1+ 1 V+ 2 C1- 3 C2+ 4 C2- 5 V- 6 R2IN 8 R2OUT 9 T2IN 10 T1IN 11 R1OUT 12 R1IN 13 VCC 16 T2OUT 7 T1OUT 14 GND 15 C1234 100u/25V N81 TPA3110D2 SD 1 FAULT 2 LINP 3 LINN 4 GAIN0 5 GAIN1 6 AVCC 7 AGND 8 GVDD 9 PLIMIT 10 RINN 11 RINP 12 NC 13 PBTL 14 PVCCR 15 PVCCR 16 BSPR 17 OUTPR 18 PGND 19 OUTNR 20 BSNR 21 BSNL 22 OUTNL 23 PGND 24 OUTPL 25 BSPL 26 PVCCL 27 PVCCL 28 GND 29 V104 AO3401L 1 2 3 R1920 10k C429 1u/25V C431 1n/50V C440 1u/25V R527 0R C55 10u/10V C417 1n/50V R57 0R/NC C433 330p/50V R533 NC/100k C439 330p/50V R5341k C415 1u/25V L55 BLM21PG220SN1D C422 1n/50V R532 10R C1232 1n/50V C1273 10u/25V L9 BLM18PG121SN1 C426 1n/50V L56 BLM21PG221SN1 R363 20k C427 470n/16V R525 0R C1274 10u/25V R1921 0R/NC R544 NC/0R R411 0R C1157 100n/16V R503 0R L57 BLM21PG220SN1D VD17 1N4148W 1 2 L200 BLM18PG181SN1 R543 NC/0R R524 10R C421 1n/50V C428 470n/16V R1916 4.7k/NC R542 22k/NC C453 470n/25V/NC R419 1k R408 0R R1918 10k C424 220n/25V R1922 0R R1100 0R 黄 XS28 SIGNAL1 1 SIGNAL3 3 GND 2 R505 100R R529 10k/NC R504 100R C436 220n/25V C1233 100n/16V R349 470R L60 BLM21PG220SN1D R523 0R R217 75R C411 470n/16V R535 0R R528 22k L58 BLM21PG220SN1D C430 1u/25V C196 100n/16V XS27 1 6 7 8 9 2 3 4 5 11 10 C1158 100n/16V R545 0R 5 5 4 4 3 3 2 2 1 1 D D C C B B A A YPBPR AV Close to MST IC with wide trace RESET EEPROM Close to MSTAR IC with width trace VGA 靠 靠 靠 靠靠 靠 靠 靠mstar IC MHL port HDMI2 {PAD_PWM1, PAD_PWM0} OTHER VIF IN Audio Line IN YPBPR/AV/VGA/DVI共 共 共 共共 共 共 共共 共 共 共共 共 共 共共 共 共 共共 共 共 共 2b01:Boot from MIPS With SPI NOR FLASH! 2b10:Boot from MIPS with ROM BOOT! 不不不不! I2C address at A0. 需需需需需需需需需需需需需boot启启 CHIP_CONFIG DEBUG Debug port XS21, XP11改改改改改改改改 工 工 工 工工 工 工 工工 工 工 工 功 功 功 功功 功 功 功功 功 功 功功 功 功 功 200K,1nf注注注注注注 WIFI板+5V_Normal,射射板+5V_Standby KEY & IR & RF_IR WIFI板+5V_Normal,射射板+5V_Standby 增增R1332,C1235 防防防防防防防防防 HDMI1 5V来来来来来来来 由由由由HDMI芯芯芯芯芯芯芯由CLOCK 导导来来来导导导导,所所所所所芯所5v的来来来来 靠靠靠靠靠靠靠 LED/KEY SLC NAND FLASH mute 不不demo时不tcon2,不demo不tcon5 LVDS &DEMO I2S OUT Close to IC with width trace 靠 靠 靠 靠靠 靠 靠 靠mstar IC C600603 NOTE:晶 晶 晶 晶晶 晶 晶 晶晶 晶 晶 晶晶 晶 晶 晶晶 晶 晶 晶晶 晶 晶 晶晶 晶 晶 晶晶 晶 晶 晶30PPM System XTAL System XTAL System XTAL System XTAL Crystal C1=C2=2*CL-5 COG COG 24MHz_8pF_20ppm 删 删 删 删删 删 删 删1M电 电 电 电电 电 电 电! ! ! ! 预预预预R2032 C:增增C1277,C1278,改改改改,靠靠L44放 增增C1276,靠靠C92放 增增C1280,C1281,改改改改,靠靠L45放 增增C1279 靠靠C101放 增增C1283 靠靠C103放 增增C1282 靠靠C104放 B: esd,RV423 RV43 VGA C:改改改改,C93由100n更改更1u。 USB1 用用USB口 USB2 用用WIFI 干干干干; I2S-MCLK 干干WIFI_DM/WIFI_DP,EMC辐辐辐辐; IFAGC VIFP VIFM GIN1N RIN0 GIN0P BIN0 GIN0N RIN1 GIN1P BIN1 HD_LIN HD_RIN HD-LIN HD-RIN VSYNC0 HSYNC0 AUVRM HDMI2_RX1P HDMI2_RX2N HDMI2_RX1N HDMI2_RX2P HDMI2_RX0N HDMI2_RX0P HDMI2_CLKN HDMI2_CLKP HDMI2_SCL HDMI2_SDA HDMI2_HPDIN USB1_DM USB1_DP PWM1 BRI_ADJ BIN0 VSYNC0 HSYNC0 GIN0P GIN0N RIN0 RIN1 BIN1 GIN1N GIN1P VCOM0 CVBS0P CVBS_OUT0 HD_RIN HD_LIN AUVAG AUVRM IFAGC 1RXE4- 1RXE4+ 1RXE3+ 1RXE3- 1RXEC- 1RXE2+ 1RXEC+ I2S_OUT_WS VIFP XTALI M_SDA M_SCL I2S_OUT_MCK I2S_OUT_BCK 1RXE1+ 1RXE2- 1RXE1- 1RXE0+ 1RXE0- 1RXO1+ 1RXO0- 1RXO1- 1RXO0+ 1RXO3+ 1RXOC+ 1RXO3- 1RXO4- 1RXO2+ 1RXOC- 1RXO2- 1RXO4+ PWM1 IRIN System_RST BRI_ADJ PANEL_ON_OFF NAND_D6 NAND_D5 NAND_D4 NAND_D7 NAND_D3 NAND_RBZ NAND_WEZ NAND_WPZ NAND_REZ NAND_ALE NAND_CEZ NAND_CLE AMP_RESET AMP_RESET PWR_ON/OFF XTALO VIFM I2S_OUT_SD M_SDA M_SCL HDMI2_RX1P HDMI2_RX1N HDMI2_RX0N HDMI2_RX0P HDMI2_RX2N HDMI2_RX2P HDMI2_CLKN HDMI2_CLKP VCOM0 CVBS0P System_RST M_SCL M_SDA EEP_Vcc EEPROM_WP AUVAG HDM2_5V_CHECK HDMI2_HPDIN HDMI2_SCL HDMI2_SDA MDI_TP KEY0_IN MDI_TN MDI_RN MDI_RP VBL_CTRL PWR_ON/OFF MHL_CABLE-DET UART-TX0 UART-RX0 NAND_D2 NAND_D1 NAND_D0 PRJ_MUTE UART_RX UART_TX AU_ROUT AU_LOUT AU_LOUT AU_ROUT USB2_DP USB2_DM IR_IN LED_CTL_IR1 KEYPAD-KEY0 IR_IN IRIN EEPROM-WP ARC ARC HDM2_5V_CHECK 1RXE0+ 1RXOC- 1RXO2+ 1RXE4+ 1RXEC- 1RXO4- 1RXO3- 1RXE3+ 1RXE1- 1RXOC+ 1RXE2- 1RXEC+ 1RXO3+ 1RXE1+ 1RXE2+ 1RXE0- 1RXO2- 1RXO0+ 1RXO0- 1RXO1+ 1RXO1- 1RXE4- 1RXO4+ 1RXE3- TCON_5 TCON_0 TCON_2 TCON_3 TCON_4 TCON_1 NAND-ALE NAND-WEZ NAND-WPZ NAND-D1 NAND-D0 NAND-D7 NAND-D6 NAND-D5 NAND-CLE NAND-D4 NAND-D3 NAND-RBZ NAND-D2 NAND-REZ NAND-WEZ NAND_WEZ NAND_WPZ NAND-WPZ NAND-CEZ NAND-CLE NAND_CLE NAND-ALE NAND_ALE NAND-D3 NAND-D1 NAND-D2 NAND-D0 NAND_D6 NAND_D5 NAND_D4 NAND_D7 NAND_D3 NAND_D2 NAND_D1 NAND_D0 NAND_RBZ NAND-RBZ NAND-D6 NAND-D5 NAND-D4 NAND_REZ NAND-REZ NAND-D7 NAND_CEZ NAND-CEZ TCON_0 TSI1_D0 TCON_1 TSI1_CLK TSI1_SYNC TCON_3 TSI1_VLD TCON_4 TCON_5 MUTE_881 MUTE_881 LED_CTL_IR1 KEYPAD-KEY0 KEY0_IN NAND_CEZ UART_RX UART_TX I2S_OUT_SD I2S-OUT_BCKO I2S-OUT_SDO I2S-OUT_MCKO I2S_OUT_BCK I2S_OUT_MCK I2S_OUT_WS I2S-OUT_WSO TCON_2 XTALO XTALI EEPROM-WP UART-RX0 UART-TX0 UART_RX UART_TX USB1_DM USB1_DP USB2_DP USB2_DM AVDD_MOD AVDD_AU33 AVDD_DMPLL VDDC AVDD_MOD VDDC AVDD3P3_VIDEO +3.3V_Standby +3.3V_Nand VDDC +1.5V_DDR AVDD_DDR_CMD AVDD_DDR_DATA AVDDL_DVI +3.3V_Standby AVDD_MOD_1 AVDD_MOD AVDD3P3_VIDEO +3.3V_Standby AVDD_DMPLL AVDD_DADC AVDD_AU33 +1.15V_VDDC DVDD_DDR AVDD_ETH VDDC AVDD_DADC AVDD_DDR_CMD AVDD_MOD +5V_Standby V_TUNER +3.3V_Standby +3.3V_Standby +3.3V_Standby AVDDL_DVI VDDC AVDD_ETH AVDD_DDR_CMD DVDD_DDR AVDD_DDR_DATA AVDD_MOD_1 AVDD5V_MHL VDDC +5V_Standby +5V_Normal +5V_Standby +3.3V_Standby +5V_Normal +5V_Standby HDMI2/5V +3.3V_Nand +3.3V_Nand +3.3V_Nand +5V_Normal +5V_Standby +5V_Standby +3.3V_Standby +3.3V_Nand IF-AGC-T 9 VIF_P 9 VIF_M 9 YPbPr-PR 6 YPbPr-Y 6 YPbPr-PB 6 VGA-B 6 VGA-G 6 VGA-R 6 HD-RIN 6 HD-LIN 6 VGA-HSYNC 6 VGA-VSYNC 6 HDMI2_RX2P 5 HDMI2_RX2N 5 HDMI2_RX1P 5 HDMI2_RX1N 5 HDMI2_RX0P 5 HDMI2_RX0N 5 HDMI2_CLKP 5 HDMI2_CLKN 5 HDMI2_SCL 5 HDMI2_HPDIN 5 HDMI2_SDA 5 USB1_DP 7 USB1_DM 7 CVBS_OUT0 6 BRI_ADJ 2 PANEL_ON/OFF 2 UART_TX 6 UART_RX 6 PWR_ON/OFF 2 M_SDA 4,8,9 M_SCL 4,8,9 AV-IN 6 M_SDA 4,8,9 M_SCL 4,8,9 AMP_RESET 8 MHL_CABLE-DET 5 PRJ_MUTE 2 MDI_RP 10 MDI_RN 10 MDI_TN 10 MDI_TP 10 AU_LOUT 13 AU_ROUT 13 PWM1 2 VBL_CTRL 11 ARC 5 1RXO0- 4 1RXO0+ 4 1RXO1- 4 1RXO1+ 4 1RXO2- 4 1RXO2+ 4 1RXOC- 4 1RXOC+ 4 1RXO3- 4 1RXO3+ 4 1RXO4- 4 1RXO4+ 4 1RXE0- 4 1RXE0+ 4 1RXE1- 4 1RXE1+ 4 1RXE2- 4 1RXE2+ 4 1RXEC- 4 1RXEC+ 4 1RXE3- 4 1RXE3+ 4 1RXE4- 4 1RXE4+ 4 TSI1_D0 4 TSI1_CLK 4 TSI1_SYNC 4 TSI1_VLD 4 DEMOD_RST 4 MUTE_881 4 I2S-OUT_MCKO 8 I2S-OUT_WSO 8 I2S-OUT_SDO 8 I2S-OUT_BCKO 8 Title Size Document Number Rev Date: Sheet of V1.0 1.0 MSD6I881YBCT Custom 3 11 Friday, June 26, 2015 Title Size Document Number Rev Date: Sheet of V1.0 1.0 MSD6I881YBCT Custom 3 11 Friday, June 26, 2015 Title Size Document Number Rev Date: Sheet of V1.0 1.0 MSD6I881YBCT Custom 3 11 Friday, June 26, 2015 C54 10u/10V C115 100n/16V C74 47n/16V RV43 R1376 0R/NC C34 10u/10V C53 100n/16V R1341 0R/NC R1375 4.7k/NC MSD6i881YBCT N1 MSD6I881YBCT-TN RXE4+/B_ODD[0] 70 BIN1P 25 GIN1N 27 GIN1P 26 CVBS0 30 AUL0 35 GIN0P 20 XOUT 52 XIN 51 AVDD3P3_DMPLL 50 AVDD_MOD 9 RIN1P 28 RXE0-/G_ODD[3] 81 GPIO51/I2S_OUT_MCK 62 RXE4-/B_ODD[1] 71 BRI_ADJ/PWM0 108 GIN0M 21 GPIO46/MHL_VBS 56 GPIO47/I2S_OUT_WS 57 GPIO48/I2S_OUT_SD 58 GPIO50/I2S_OUT_BCK 61 RXEC+/B_ODD[4] 74 RXEC-/B_ODD[5] 75 RXE2+/B_ODD[6] 76 RXE2-/B_ODD[7] 77 RXE1+/G_ODD[0] 78 RXE3-/B_ODD[3] 73 NAND_AD7 120 SAR0 139 LINEOUTR3 43 LINEOUTL0 44 LINEOUTL3 42 IFAGC 46 LINEOUTR0 45 VIFP 47 RX1N_B 5 RX1P_B 6 RX2N_B 7 RX2P_B 8 RXCN_A 10 RXCP_A 11 RX0N_A 12 RX0P_A 13 RX1N_A 14 RX1P_A 15 RX2N_A 16 RX2P_A 17 HSYNC0 18 BIN0P 19 RIN0P 22 VSYNC0 23 AVDD3P3_ADC 24 VCOM 31 CVBS_OUT1 32 AVDD_AU33 33 AUR4 38 AUL4 39 AUR5 40 AUL5 41 VIFM 48 VDDC 60 GPIO44/TX1 54 GPIO45/RX1 55 VDDIO_CMD 59 RXE3+/B_ODD[2] 72 RXE1-/G_ODD[1] 79 RXE0+/G_ODD[2] 80 HOTPLUG_A 152 DDCA_DA 130 PWM1 109 VBL_CTRL 140 AMP_MUTE 29 AUR0 34 VAG 36 VDDC1 53 DDCA_CK 131 MHL_DET 132 CEC 150 IRIN 110 WIFI_DM 63 WIFI_DP 64 RESET 111 DP_P1 67 DM_P1 66 VDDC/AVDDL_DVI 156 GND 154 AVDD_5V 153 HOTPLUG_B 151 DDCDB_CL 147 DDCDB_DA 146 ETH_RN 135 DDCDA_DA 148 DDCDA_CL 149 AVDD33_ETH 134 VDDC2 133 RX0P_B 4 RX0N_B 3 RXCP_B 2 RXCN_B 1 E-PAD1 157 ARC 155 AVDD3P3_DADC 49 DM_P0 68 DP_P0 69 AVDD_MOD1 65 VDDC3 112 VDDC4 128 ETH_RP 136 ETH_TN 137 ETH_TP 138 DVDD_DDR_DATA 141 AVDD_MOD2 142 VDDIO_DATA 143 VDDIO_DRAM 144 AUVRM 37 NAND_AD6 121 NAND_AD5 122 NAND_AD4 123 NAND_AD3 124 NAND_AD2 125 NAND_AD1 126 NAND_AD0 127 NAND_ALE 118 NAND_WPZ 117 NAND_WEZ 116 NAND_REZ 115 NAND_CLE 114 NAND_CEZ 113 NAND_RBZ 119 EJ_RSTZ/TCON0 107 EJ_TRST_N/TCON1 106 EJ_DINT/TCON2 105 EJ_TMS/TCON3 104 EJ_TCK/TCON4 103 EJ_TDO/TCON5 102 EJ_TDI/TCON6 101 TCON7 100 PANEL_ON/OFF 99 LVSYNC 98 LHSYNC 97 LDE 96 LCK 95 RXO0-/R_ODD[7] 94 RXO0+/R_ODD[6] 93 RXO1-/R_ODD[5] 92 RXO1+/R_ODD[4] 91 AVDD_MOD3 90 RXO2-/R_ODD[3] 89 RXO2+/R_ODD[2] 88 RXOC-/R_ODD[1] 87 RXOC+/R_ODD[0] 86 RXO3-/G_ODD[7] 85 RXO3+/G_ODD[6] 84 RXO4-/G_ODD[5] 83 RXO4+/G_ODD[4] 82 SPDIF_OUT 129 PWR_ON/OFF 145 E-PAD2 158 E-PAD3 159 E-PAD4 160 E-PAD5 161 E-PAD6 162 E-PAD7 163 E-PAD8 164 E-PAD9 165 C180 100n/16V R2023 4.7k C95 2.2u/10V R72 100k C1279 1u/10V R1384 200k R548 33R R347 10k/NC C109 100n/16V C104 100n/16V C1284 22p/50V C61 2.2u/10V C52 100n/16V R87 180R C65 8.2p/50V R1377 0R R144 0R C15 10p/50V C83 2.2u/10V N56 S34ML01G2 NC_1 1 NC_2 2 NC_3 3 NC_4 4 NC_5 5 NC_6 6 R/B 7 RE 8 CE 9 NC_10 10 NC_11 11 VCC 12 VSS 13 NC_14 14 NC_15 15 CLE 16 ALE 17 WE 18 WP 19 NC_20 20 NC_21 21 NC_22 22 NC_23 23 NC_24 24 NC_25 25 NC_26 26 NC_27 27 NC_28 28 I/O0 29 I/O1 30 I/O2 31 I/O3 32 NC_33 33 NC_34 34 NC_35 35 VSS 36 VCC 37 NC_38 38 NC_39 39 NC_40 40 I/O4 41 I/O5 42 I/O6 43 I/O7 44 NC_45 45 NC_46 46 NC_47 47 NC_48 48 C81 47n/16V V28 2SCR523EB/NC 1 2 3 R60 10k R2022 4.7k R93 0R C68 33p/50V/NC C103 100n/16V R1926 0R/NC C94 2.2u/10V C64 100n/16V R348 4.7k C368 10p/50V C110 100n/16V C106 100n/16V C69 47n/16V R90 33R L40 BLM18PG121SN1 C1283 1u/10V R110 0R/NC C98 100n/16V V29 2SAR523EB/NC 1 2 3 R77 68R R14 100R R1928 0R/NC C75 47n/16V C11 100n/16V C1278 22u/6.3V R138 100R V1 BAV99LT1 1 2 3 C1248 1n/50V R2021 4.7k/NC C99 47n/16V C1282 1u/10V C1247 100n/16V RP1 22R 1 8 2 3 4 5 7 6 R2028 10k R1929 0R C70 33p/50V/NC L45 BLM18PG121SN1 C1055 10u/10V/NC C100 100n/16V C85 100n/16V C1245100n/16V C12 2.2u/10V R9 0R R78 68R R2032 100k/NC C77 100n/16V C102 100n/16V R84 22R C79 47n/16V R79 33R R130 4.7k R1930 0R/NC R81 22R R89 33R R100 0R R62 10k C107 100n/16V R8 100R R69 10k C111 100n/16V R192 0R/NC R75 4.7k R126 5.1R R114 0R R1347 1k C72 47n/16V R1932 0R/NC C67 33p/50V/NC R91 33R N50 AT24C32N-10SI-2.7 A0 1 GND 4 A2 3 SCL 6 VCC 8 A1 2 WP 7 SDA 5 R68 100k RP2 22R 1 8 2 3 4 5 7 6 L46 BLM18PG121SN1 C182 1n/50V C1249 1n/50V C1280 2.2u/10V R1405 22R C365 10p/50V R1934 0R/NC R80 10k R133 4.7k/NC C84 2.2u/10V R86 150R C78 47n/16V C113 100n/16V C105 22n/25V R70 0R C114 100n/16V R156 2.2k C101 100n/16V C1281 2.2u/10V C1277 2.2u/10V R1406 22R R2026 33R R1348 2.2k R1936 0R/NC C1246 100n/16V C17 10p/50V L42 BLM18PG121SN1 R74 4.7k C1238 100n/16V C108 100n/16V XP1 1 2 3 4 5 6 7 8 9 10 11 12 13 14 17 16 15 V18 2SCR523EB 3 1 2 R2027 33R XP11 1 2 3 4 6 5 L43 BLM18PG121SN1 RP3 22R 1 8 2 3 4 5 7 6 TP2 ~_0 C179 20p/50V R132 4.7k/NC R1383 200k R350 4.7k Z1 8Z24000016 X1 1 GND 2 X2 3 GND 4 C112 100n/16V R1380 1k R92 33R R15 100R C39 10u/10V R554 33R R71 1k C91 100n/16V C86 100n/16V R85 22R C82 100n/16V R127 2.2k R1346 100R C92 100n/16V C1285 22p/50V V21 2SAR523EB 1 2 3 C367 10p/50V C76 100n/16V C73 47n/16V C181 4.7u/10V C1276 1u/10V R145 0R R83 33R L49 BLM18PG121SN1 L41 BLM18PG121SN1 C66 8.2p/50V RV42 C369 10p/50V R128 5.1R R1378 10k L44 BLM18PG121SN1 C93 1u/10V R101 0R C80 47n/16V C60 2.2u/10V R1342 0R/NC 5 5 4 4 3 3 2 2 1 1 D D C C B B A A SZ LVDS Connector GND26 预预预预预预预预预预 当当当当当lvds接接接,使使0欧欧欧欧,不不10k! RXO4+/RXO4-与RXE4-/RXE4+需需NC BL-ADJUST DPWM_OUT DPWM_IN ADJ_P ADJ_P LVDS_SEL GND26 LVDS_SEL RXE0- RXE0+ RXE1- RXE1+ RXE2- RXE2+ RXE3- RXE3+ RXE4+ RXE4- RXEC- RXEC+ RXO0- RXO0+ RXO1- RXO1+ RXO2- RXO2+ RXO3- RXO4- RXO4+ RXO3+ RXOC- RXOC+ DPWM_IN PWM2_PANEL BL-ADJUST DPWM_OUT PWM1_PANEL BL-ON/OFF RXO0- FL2P RXO0+ FL2N RXO1- FCLKP RXO1+ FCLKN RXO2- FL3P RXOC- FL4P RXOC+ FL4N RXO3- FL5P RXO3+ FL5N RXO4- BL0P RXO4+ BL0N RXE0- BL1P RXE0+ BL1N RXE1- BL2P RXE1+ BL2N RXE2- BCLKP RXE2+ BCLKN RXEC- RXEC+ RXE3- RXE3+ RXE4- RXE4+ RXO2+ FL3N RXO4- RXO4+ RXE4- RXE4+ PWM2_PANEL PWM1_PANEL GND26 +12V_Panel +12V_Panel +12V_Panel 3V3 3V3 3V3 3V3 3V3 3V3 3V3 1RXO2+ 3 1RXE1+ 3 1RXOC- 3 1RXE2- 3 1RXOC+ 3 1RXE2+ 3 1RXO3- 3 1RXEC- 3 1RXO0- 3 1RXO3+ 3 1RXEC+ 3 1RXO0+ 3 1RXO4- 3 1RXO1- 3 1RXE3- 3 1RXO1+ 3 1RXO4+ 3 1RXE3+ 3 1RXE0- 3 1RXE4- 3 1RXE0+ 3 1RXO2- 3 1RXE4+ 3 1RXE1- 3 ADJ_P 2 BL-ADJUST 2 BL-ON/OFF 2 Title Size Document Number Rev Date: Sheet of V1.0 1.0 MSD6I881YBCT Custom 4 11 Monday, June 01, 2015 Title Size Document Number Rev Date: Sheet of V1.0 1.0 MSD6I881YBCT Custom 4 11 Monday, June 01, 2015 Title Size Document Number Rev Date: Sheet of V1.0 1.0 MSD6I881YBCT Custom 4 11 Monday, June 01, 2015 R180 NC/0R R575 NC/27k R1147 0R/NC R1150 0R R102100R/NC R107 10k R1151 0R/NC XP14 1 2 3 5 7 9 11 13 15 17 19 21 23 25 27 29 31 33 35 37 39 4 6 8 10 12 14 16 18 20 22 24 26 28 30 32 34 36 38 40 42 41 44 43 R1152 0R/NC XP15 A2006WSO-2X20P-K-W 1 2 3 5 7 9 11 13 15 17 19 21 23 25 27 29 31 33 35 37 39 4 6 8 10 12 14 16 18 20 22 24 26 28 30 32 34 36 38 40 R1252 10k/NC R108 10k/NC R1148 0R/NC RP13 0R 1 8 2 3 4 5 7 6 R576 10k/NC R574 10k/NC R181 NC/0R R95 27k/NC RP10 0R 1 8 2 3 4 5 7 6 R103 100R/NC R112 NC/27k R88 0R R1253 NC/27k R96 27k/NC R578 10k/NC R540 10k/NC R579 27k/NC R105 10k/NC RP12 0R 1 8 2 3 4 5 7 6 R573 27k/NC R1149 0R R577 27k/NC R1146 0R R1145 0R RP11 0R 1 8 2 3 4 5 7 6 5 5 4 4 3 3 2 2 1 1 D D C C B B A A MHL 5V POWER SUPPLY MHL Signal: CMR:24.57 ~35.54Ω, DMR:95.3~115 靠 靠 靠 靠靠 靠 靠 靠靠 靠 靠 靠靠 靠 靠 靠靠 靠 靠 靠靠 靠 靠 靠 此HDMI port IC内内hotplug HDMI2(MHL) 公公公公5vstb,可可可可可可可可可,但但可可但但可可,请请请请请 HDMI1 ARC NC,已但300K下下 MHL-CD-SENSE MHL_CABLE-DET HDMI2-CLKN HDMI2-RX0P HDMI2-RX2N HDMI2-RX0N HDMI2-RX1P HDMI2-CLKP HDMI2-RX2P HDMI2-RX1N MHL-CD-SENSE HDMI2-SCL HDMI2-SDA HDMI2-SCL HDMI2-SDA HDMI2_RX1P HDMI2_RX2N HDMI2_RX1N HDMI2_RX2P HDMI2_RX0N HDMI2_RX0P HDMI2_CLKN HDMI2_CLKP HDMI2-RX1P HDMI2-RX1N HDMI2-RX0N HDMI2-RX2N HDMI2-CLKN HDMI2-RX2P HDMI2-CLKP HDMI2-RX0P HDMI2-RX1P HDMI2-RX1N HDMI2-SDA HDMI2-SCL HDMI2-HPD MHL-CD-SENSE HDMI2-HPD HDMI2-CLKN HDMI2-RX2N HDMI2-RX0N HDMI2-RX2P HDMI2-RX0P HDMI2-CLKP HDMI-ARC ARC HDMI-ARC AVDD5V_MHL AVDD5V_MHL_1 HDMI2/5V +5V_Normal HDMI2/5V +5V_Standby HDMI2/5V +5V_Standby HDMI2/5V MHL_CABLE-DET 3 HDMI2_RX2P 3 HDMI2_RX2N 3 HDMI2_RX1P 3 HDMI2_RX1N 3 HDMI2_RX0P 3 HDMI2_RX0N 3 HDMI2_CLKP 3 HDMI2_CLKN 3 HDMI2_HPDIN 3 HDMI2_SCL 3 HDMI2_SDA 3 ARC 3 Title Size Document Number Rev Date: Sheet of V1.0 1.0 MSD6I881YBCT Custom 5 11 Monday, June 01, 2015 Title Size Document Number Rev Date: Sheet of V1.0 1.0 MSD6I881YBCT Custom 5 11 Monday, June 01, 2015 Title Size Document Number Rev Date: Sheet of V1.0 1.0 MSD6I881YBCT Custom 5 11 Monday, June 01, 2015 VD27 ESDC0402 1 2 R684 10k/NC VD26 ESDC0402 1 2 C198 22u/6.3V/NC R345 10R R1343 0R R326 0R XS14 DC1R019JB1 DATA2+_0 1 DATA2S 2 DATA2-_2 3 DATA1+_3 4 DATA1S 5 DATA1-_5 6 DATA0+_6 7 DATA0S 8 DATA0-_8 9 CLK+_9 10 CLKS 11 CLK-_11 12 CEC 13 NC 14 SCL 15 SDA 16 CEC/GND_16 17 +5V_17 18 HPDET 19 GND1 20 GND2 21 GND3 22 GND4 23 R343 100R R342 33R R341 22R R683 0R VD11 ESDA6V8UF IC1 4 GND 2 I/O3 3 I/O1 1 VCC 5 IC2 6 VD10 ESDA6V8UF IC1 4 GND 2 I/O3 3 I/O1 1 VCC 5 IC2 6 R325 0R R346 300k R1344 0R/NC VD22 ESDC0402 1 2 R131 10k R321 0R C197 22u/6.3V R319 0R R322 0R C257 47n/16V R1345 10k/NC R339 10k R338 10k VD20 ESDC0402 1 2 R323 0R C199 100n/16V R166 100R R320 0R C1206 2.2u/10V R682 39k/NC N45 TPS2065C_2 EN 4 OUT 1 GND 2 FLT 3 IN 5 R324 0R R228 10k/NC R340 22R 5 5 4 4 3 3 2 2 1 1 D D C C B B A A Close to Mstar IC Close to Mstar IC VGA YPBPR & VIDEO 预预R2030/R2031电电 删删删删删XP9 Y1 PB1 PR1 YPbPr-Y+ YPbPr-PB+ YPbPr-PR+ HS-RGB VGA_RIN+ VGA_GIN+ VS-RGB VGA_BIN+ DDC_SDA VGA5V DDC_SCL VGA5V DDC_SDA DDC_SCL DDC_SDA DDC_SCL VS-RGB VGA_BIN+ VS_RGB VGA_TX_1 VGA_RX_1 VGA_RIN+ HS_RGB VGA_GIN+ VGA-R VGA-G HS-RGB VGA-B HD-AuRin HD-AuLin PB1 PR1 HD-AuLin HD-AuRin Y1 VGA_TX_1 VGA_RX_1 VGA_TX VGA_RX YPbPr-PR 3 YPbPr-PB 3 YPbPr-Y 3 AV-IN 3 VGA-HSYNC 2 UART_RX 2 VGA-VSYNC 2 UART_TX 2 VGA-R 2 VGA-B 2 VGA-G 2 HD-LIN 3 HD-RIN 3 Title Size Document Number Rev Date: Sheet of V1.0 1.0 MSD6I881YBCT Custom 6 11 Monday, June 01, 2015 Title Size Document Number Rev Date: Sheet of V1.0 1.0 MSD6I881YBCT Custom 6 11 Monday, June 01, 2015 Title Size Document Number Rev Date: Sheet of V1.0 1.0 MSD6I881YBCT Custom 6 11 Monday, June 01, 2015 XS30 1 2 3 4 5 6 7 8 9 10 11 12 13 14 15 17 16 R210 12k RV19 AVLC18S02015/NC R1300 0R R1811 0R R1910 4.7k/NC XP27 1 2 3 4 5 6 7 8 9 10 11 12 R199 75R R212 12k R53 0R R1812 0R RV46 R1909 4.7k/NC RV15 AVLC18S02015/NC R1900 0R/NC R1904 100R R63 0R R1813 0R R1905 10k RV47 R2031 0R R1907 75R R200 75R R1901 0R/NC R660 0R/NC RV48 R1906 75R R201 75R R1903 100R R209 10k RV18 AVLC18S02015/NC R2030 0R R1319 0R RV49 R1902 10k R211 10k R1320 0R RV50 R1908 75R RV17 AVLC18S02015/NC RV16 AVLC18S02015/NC 5 5 4 4 3 3 2 2 1 1 D D C C B B A A USB ESD分分分分分分<2pF Note:5.1R电 电 电 电电 电 电 电电 电 电 电电 电 电 电电 电 电 电电 电 电 电,减 减 减 减减 减 减 减ESD. Note:电 电 电 电电 电 电 电电 电 电 电电 电 电 电USB电 电 电 电电 电 电 电,提 提 提 提提 提 提 提usb读 读 读 读读 读 读 读读 读 读 读读 读 读 读读 读 读 读 USB1_DP USB1_DM +5V_Normal USB1_DP 3 USB1_DM 3 Title Size Document Number Rev Date: Sheet of V1.0 1.0 MSD6I881YBCT Custom 7 11 Monday, June 01, 2015 Title Size Document Number Rev Date: Sheet of V1.0 1.0 MSD6I881YBCT Custom 7 11 Monday, June 01, 2015 Title Size Document Number Rev Date: Sheet of V1.0 1.0 MSD6I881YBCT Custom 7 11 Monday, June 01, 2015 VD1 ESDA6V8UL 2 I/O2 3 GND 1 I/O1 VD12 LM3Z5V6T1G 1 2 C170 100n/16V C169 10u/16V R154 5.1R F1 SMD1206P150TFT 1 2 XS16 VCC 1 D -_1 2 D+_2 3 GND_4 4 GND_5 5 GND_6 6 R155 5.1R C168 100n/16V 5 5 4 4 3 3 2 2 1 1 D D C C B B A A MUTE CONTROL Power Off Mute I2C 0X54 4个C靠靠靠靠靠靠靠靠 靠 靠 靠 靠靠 靠 靠 靠N80功 功 功 功功 功 功 功功 功 功 功功 功 功 功功 功 功 功功 功 功 功 增增增增,跑跑跑跑跑跑GPIO非非非 增增22u C1269/C1271/C1275/C1272 靠8212放放 MUTE_881 MUTE_8212 AMP-Lout- AMP-Lout+ AMP-Rout- AMP-Rout+ MUTE_8212 I2S-OUT_MCKO I2S-OUT_BCKO I2C-SDA I2C-SCL AMP-Rout+ I2S-OUT_WSO I2S-OUT_SDO AMP-Rout- AMP-Lout- AMP-Lout+ VCC-A RST_AMP +5V_Normal VRAIL +3.3VA +3.3VA VRAIL VRAIL VCC-A +3.3VA 3V3 VCC-A MUTE_881 3,4,5 I2S-OUT_MCKO 3 M_SCL 3,4 I2S-OUT_SDO 3 I2S-OUT_WSO 3 I2S-OUT_BCKO 3 AMP_RESET 3 M_SDA 3,4 VCC-A 1,2,3,4,5,6,7 Title Size Document Number Rev Date: Sheet of V1.0 1.0 MSD6I881YBCT Custom 8 11 Monday, June 01, 2015 Title Size Document Number Rev Date: Sheet of V1.0 1.0 MSD6I881YBCT Custom 8 11 Monday, June 01, 2015 Title Size Document Number Rev Date: Sheet of V1.0 1.0 MSD6I881YBCT Custom 8 11 Monday, June 01, 2015 C341 22n/25V R472 4.7k C340 220p/50V L12 10.0 uH C323 470n/50V R458 33R C337 220p/50V C334 1u/16V C320 10u/25V C319 220p/50V L10 10.0 uH C318 100n/25V C314 100n/16V L13 10.0 uH R469 5.1R C331 2.2u/10V C336 100n/25V C335 22n/25V C1011 100n/25V N80 NTP8212 OUT1B_2 36 VDD_PLL 48 VDDIO 47 OUT1B_1 35 VDR1 32 NC_5 14 NC_6 15 #FAULT 8 PVDD2B 23 NC_2 11 MONITOR_O 9 NC_1 10 OUT1A_2 40 NC_7 16 GND 1 NC_3 12 OUT2B_2 22 NC_4 13 DVDD 7 WCK 3 SDATA 2 BCK 4 SCL 6 SDA 5 NC_8 17 OUT2A_1 25 OUT1A_1 39 PVDD2A 24 PVDD1A 38 PVDD1B 37 OUT2A_2 26 VCC5 31 BST2A 28 BST1A 42 PGND1A 41 PGND2A 27 PGND2B 20 OUT2B_1 21 AGND 30 AD 44 #RESET 43 VDR2 29 PGND1B 34 CLK_O 46 CLK_I 45 BST1B 33 NC_9 18 BST2B 19 EPAD 49 XP26 HX2.0-4P-W-K 1 2 3 4 5 6 R361 4.7k R46622R C328 22n/25V C327 100n/25V C1269 22u/25V C326 100n/25V C315 22n/25V R460 5.1R C342 100n/25V C339 100n/25V C316 100n/16V/NC C10 100n/25V L11 10.0 uH V2 2SCR523EB 1 2 3 R459 0R R353 10k C1271 22u/25V L143 BLM18PG121SN1 C330 100n/16V C338 470n/50V C329 1u/16V C322 220p/50V C1270 10p/50V/NC C1275 22u/25V R468 22R R298 0R C321 10u/25V R357 10k R471 5.1R C332 100n/16V R2024 100k R470 4.7k R461 4.7k C1006 10p/50V/NC C1272 22u/25V R465 4.7k C317 100n/25V R463 5.1R R457 15k/NC C325 100n/25V C333 1u/16V 5 5 4 4 3 3 2 2 1 1 D D C C B B A A Connector 隔 隔 隔 隔隔 隔 隔 隔,隔 隔 隔 隔地 地 地 地地 地 地 地地 地 地 地地 地 地 地地 地 地 地 NC,影影影影影影 RXP TXP TXN RXN TXN TXP RXN RXP 3V3 GND GND MDI_RP 3 MDI_TP 3 MDI_RN 3 MDI_TN 3 Title Size Document Number Rev Date: Sheet of V1.0 1.0 MSD6I881YBCT Custom 10 11 Monday, June 01, 2015 Title Size Document Number Rev Date: Sheet of V1.0 1.0 MSD6I881YBCT Custom 10 11 Monday, June 01, 2015 Title Size Document Number Rev Date: Sheet of V1.0 1.0 MSD6I881YBCT Custom 10 11 Monday, June 01, 2015 T1 PM44-11BP TD1+_0 1 CT1 2 TD1-_2 3 NC1 4 NC2 5 RD2+_5 6 CT2 7 RD2-_7 8 RX2-_8 9 CMT2 10 RX2+_10 11 NC3 12 NC4 13 TX2-_13 14 CMT1 15 TX1+_15 16 C1325 100n/16V C1326 1n/2000V R1911 75R R1914 75R R1912 75R VD2 ESDA6V8UE/NC IC1 4 GND 2 I/O3 3 I/O1 1 VCC 5 IC2 6 C649 100n/16V XS8 TX+ 1 TX- 2 RX+ 3 NC1 4 NC2 5 RX- 6 NC3 7 NC4 8 GND 10 GND 9 C650 10u/16V R1913 75R C651 100n/16V 5 5 4 4 3 3 2 2 1 1 D D C C B B A A date change list 20120914 20121018 20121023 Title Size Document Number Rev Date: Sheet of V1.0 1.0 MSD6I881YBCT A 11 11 Monday, June 01, 2015 Title Size Document Number Rev Date: Sheet of V1.0 1.0 MSD6I881YBCT A 11 11 Monday, June 01, 2015 Title Size Document Number Rev Date: Sheet of V1.0 1.0 MSD6I881YBCT A 11 11 Monday, June 01, 2015 </p> <div class="main-left-down hidden-xl hidden-lg hidden-md"> <!--资源收费且没有购买--> <a href="http://www.wenhuiw.com/index.php?s=score&c=buy&m=index&module=wenku&id=8326" id="down_box_confirm" class="not-logged-in btn bg-green"><i class="fa fa-shopping-cart"></i> 立即购买</a> <p class="down-score">下载本素材需消耗 <span class="f-red">10</span> 积分</p> <p class="down-feedback">无法下载?<a class="hover:text-green-600" href="tencent://message/?uin=77594475" target="_blank">立即反馈</a></p> </div> <div class="tag">标签: </div> <div class="use-tip"> <h3>版权声明</h3> <p><b>1. 本站所有素材,仅限学习交流,仅展示部分内容,如需查看完整内容,请下载原文件。</b><br> 2. 会员在本站下载的所有素材,只拥有使用权,著作权归原作者所有。<br> 3. 所有素材,未经合法授权,请勿用于商业用途,会员不得以任何形式发布、传播、复制、转售该素材,否则一律封号处理。<br> 4. 如果素材损害你的权益请联系客服QQ:<a href="tencent://message/?uin=77594475">77594475</a> 处理。 </p> </div> </div> <div class="main-relate hidden-sm hidden-xs"> <div class="module-title-box"> <h2 class="title">相关素材</h2> </div> <ul class="module-list"> <li class="col-xl-3 col-lg-3 col-md-3 col-sm-6 col-6"> <div class="module-list_box"> <a class="module-list_thumb wide lazyload" href="/wenku/a23253.html" title="员工花名册.xlsx" data-original="http://file.wenhuiw.com/202403/389f25971624d9f.jpg#系统开启了相对路径模式,本地址是站外域名,不能转为相对路径(在关闭开发者模式后不显示这句话)#没有设置高宽参数,将以原图输出"></a> <div class="module-list_detail"> <h4 class="title txt-ov"><a href="/wenku/a23253.html" title="员工花名册.xlsx">员工花名册.xlsx</a></h4> </div> </div> </li> <li class="col-xl-3 col-lg-3 col-md-3 col-sm-6 col-6"> <div class="module-list_box"> <a class="module-list_thumb wide lazyload" href="/wenku/a23251.html" title="实验室安全歌.doc" data-original="http://file.wenhuiw.com/202309/310d89e8c45eb81.jpg#系统开启了相对路径模式,本地址是站外域名,不能转为相对路径(在关闭开发者模式后不显示这句话)#没有设置高宽参数,将以原图输出"></a> <div class="module-list_detail"> <h4 class="title txt-ov"><a href="/wenku/a23251.html" title="实验室安全歌.doc">实验室安全歌.doc</a></h4> </div> </div> </li> <li class="col-xl-3 col-lg-3 col-md-3 col-sm-6 col-6"> <div class="module-list_box"> <a class="module-list_thumb wide lazyload" href="/wenku/a23229.html" title="JCT 970.3-2005 陶瓷瓷质砖抛光技术装备 第3部分 刮平定厚机" data-original="http://file.wenhuiw.com/202306/a838dad70271770.png#系统开启了相对路径模式,本地址是站外域名,不能转为相对路径(在关闭开发者模式后不显示这句话)#没有设置高宽参数,将以原图输出"></a> <div class="module-list_detail"> <h4 class="title txt-ov"><a href="/wenku/a23229.html" title="JCT 970.3-2005 陶瓷瓷质砖抛光技术装备 第3部分 刮平定厚机">JCT 970.3-2005 陶瓷瓷质砖抛光技术装备 第3部分 刮平定厚机</a></h4> </div> </div> </li> <li class="col-xl-3 col-lg-3 col-md-3 col-sm-6 col-6"> <div class="module-list_box"> <a class="module-list_thumb wide lazyload" href="/wenku/a23228.html" title="JCT 970.2-2005 陶瓷瓷质砖抛光技术装备 第2部分 磨边倒角机" data-original="http://file.wenhuiw.com/202306/78675c50ee3fdeb.png#系统开启了相对路径模式,本地址是站外域名,不能转为相对路径(在关闭开发者模式后不显示这句话)#没有设置高宽参数,将以原图输出"></a> <div class="module-list_detail"> <h4 class="title txt-ov"><a href="/wenku/a23228.html" title="JCT 970.2-2005 陶瓷瓷质砖抛光技术装备 第2部分 磨边倒角机">JCT 970.2-2005 陶瓷瓷质砖抛光技术装备 第2部分 磨边倒角机</a></h4> </div> </div> </li> <li class="col-xl-3 col-lg-3 col-md-3 col-sm-6 col-6"> <div class="module-list_box"> <a class="module-list_thumb wide lazyload" href="/wenku/a23227.html" title="JCT 970.1-2005 陶瓷瓷质砖抛光技术装备 第1部分 抛光机" data-original="http://file.wenhuiw.com/202306/6486642dd20305.png#系统开启了相对路径模式,本地址是站外域名,不能转为相对路径(在关闭开发者模式后不显示这句话)#没有设置高宽参数,将以原图输出"></a> <div class="module-list_detail"> <h4 class="title txt-ov"><a href="/wenku/a23227.html" title="JCT 970.1-2005 陶瓷瓷质砖抛光技术装备 第1部分 抛光机">JCT 970.1-2005 陶瓷瓷质砖抛光技术装备 第1部分 抛光机</a></h4> </div> </div> </li> <li class="col-xl-3 col-lg-3 col-md-3 col-sm-6 col-6"> <div class="module-list_box"> <a class="module-list_thumb wide lazyload" href="/wenku/a23158.html" title="JCT 848.2-2010 耐磨氧化铝衬砖" data-original="http://file.wenhuiw.com/202306/b9e1027fdbf4bd0.png#系统开启了相对路径模式,本地址是站外域名,不能转为相对路径(在关闭开发者模式后不显示这句话)#没有设置高宽参数,将以原图输出"></a> <div class="module-list_detail"> <h4 class="title txt-ov"><a href="/wenku/a23158.html" title="JCT 848.2-2010 耐磨氧化铝衬砖">JCT 848.2-2010 耐磨氧化铝衬砖</a></h4> </div> </div> </li> <li class="col-xl-3 col-lg-3 col-md-3 col-sm-6 col-6"> <div class="module-list_box"> <a class="module-list_thumb wide lazyload" href="/wenku/a23117.html" title="JCT 658.1-2007 玻璃纤维增强塑料水箱 第1部分 SMC组合式水箱" data-original="http://file.wenhuiw.com/202306/b8a6cbedcf2a8b2.png#系统开启了相对路径模式,本地址是站外域名,不能转为相对路径(在关闭开发者模式后不显示这句话)#没有设置高宽参数,将以原图输出"></a> <div class="module-list_detail"> <h4 class="title txt-ov"><a href="/wenku/a23117.html" title="JCT 658.1-2007 玻璃纤维增强塑料水箱 第1部分 SMC组合式水箱">JCT 658.1-2007 玻璃纤维增强塑料水箱 第1部分 SMC组合式水箱</a></h4> </div> </div> </li> <li class="col-xl-3 col-lg-3 col-md-3 col-sm-6 col-6"> <div class="module-list_box"> <a class="module-list_thumb wide lazyload" href="/wenku/a23099.html" title="JCT 564.2-2008 纤维增强硅酸钙板 第2部分:温石棉硅酸钙板" data-original="http://file.wenhuiw.com/202306/a6799d5872a2b09.png#系统开启了相对路径模式,本地址是站外域名,不能转为相对路径(在关闭开发者模式后不显示这句话)#没有设置高宽参数,将以原图输出"></a> <div class="module-list_detail"> <h4 class="title txt-ov"><a href="/wenku/a23099.html" title="JCT 564.2-2008 纤维增强硅酸钙板 第2部分:温石棉硅酸钙板">JCT 564.2-2008 纤维增强硅酸钙板 第2部分:温石棉硅酸钙板</a></h4> </div> </div> </li> </ul> </div> </div> <div class="main-right col-xl-3 col-lg-3 col-md-3 hidden-sm hidden-xs"> <div class="side-box-dw"></div> <div class="side-fixed-box"> <div class="side shadow"> <a href="javasctipr:;" class="not-logged-in btn bg-yellow"><i class="fa fa-download"></i> 立即下载</a> <p class="down-score">下载本素材需消耗 <span class="f-red">10</span> 积分</p> <p class="down-feedback">无法下载?<a class="hover:text-green-600" href="tencent://message/?uin=77594475" target="_blank">立即反馈</a></p> <ul class="down-attribute"> <li><span>文件大小:</span>842.39 KB</li> <li><span>文件格式:</span>pdf</li> </ul> </div> <div class="side mt20 shadow"> <div class="module-title-box mb15"> <h2 class="title">随机推荐</h2> </div> <ul class="module-list"> <li class="col-lg-4 col-md-3 col-sm-4 col-xs-3 col-4"> <div class="module-list_box p0"> <a class="module-list_thumb wide" href="/wenku/a23254.html" title="一张母狮子卧在草丛里的照片" style="display: block; background-image: url('http://file.wenhuiw.com/202403/c18d26349a7554b.jpg#系统开启了相对路径模式,本地址是站外域名,不能转为相对路径(在关闭开发者模式后不显示这句话)#没有设置高宽参数,将以原图输出')" ;> </a> <div class="module-list_detail"> <h4 class="title"><a href="/wenku/a23254.html" title="一张母狮子卧在草丛里的照片">一张母狮子卧在草丛里的照片</a></h4> </div> </div> </li> <li class="col-lg-4 col-md-3 col-sm-4 col-xs-3 col-4"> <div class="module-list_box p0"> <a class="module-list_thumb wide" href="/wenku/a23253.html" title="员工花名册.xlsx" style="display: block; background-image: url('http://file.wenhuiw.com/202403/389f25971624d9f.jpg#系统开启了相对路径模式,本地址是站外域名,不能转为相对路径(在关闭开发者模式后不显示这句话)#没有设置高宽参数,将以原图输出')" ;> </a> <div class="module-list_detail"> <h4 class="title"><a href="/wenku/a23253.html" title="员工花名册.xlsx">员工花名册.xlsx</a></h4> </div> </div> </li> <li class="col-lg-4 col-md-3 col-sm-4 col-xs-3 col-4"> <div class="module-list_box p0"> <a class="module-list_thumb wide" href="/wenku/a23252.html" title="员工年假统计表" style="display: block; background-image: url('http://file.wenhuiw.com/202403/bde7ec85b0ccdf1.jpg#系统开启了相对路径模式,本地址是站外域名,不能转为相对路径(在关闭开发者模式后不显示这句话)#没有设置高宽参数,将以原图输出')" ;> </a> <div class="module-list_detail"> <h4 class="title"><a href="/wenku/a23252.html" title="员工年假统计表">员工年假统计表</a></h4> </div> </div> </li> <li class="col-lg-4 col-md-3 col-sm-4 col-xs-3 col-4"> <div class="module-list_box p0"> <a class="module-list_thumb wide" href="/wenku/a23251.html" title="实验室安全歌.doc" style="display: block; background-image: url('http://file.wenhuiw.com/202309/310d89e8c45eb81.jpg#系统开启了相对路径模式,本地址是站外域名,不能转为相对路径(在关闭开发者模式后不显示这句话)#没有设置高宽参数,将以原图输出')" ;> </a> <div class="module-list_detail"> <h4 class="title"><a href="/wenku/a23251.html" title="实验室安全歌.doc">实验室安全歌.doc</a></h4> </div> </div> </li> <li class="col-lg-4 col-md-3 col-sm-4 col-xs-3 col-4"> <div class="module-list_box p0"> <a class="module-list_thumb wide" href="/wenku/a23250.html" title="JCT 998-2006 喷涂聚氨酯硬泡体保温材料" style="display: block; background-image: url('http://file.wenhuiw.com/202306/a9f08eb9830da52.png#系统开启了相对路径模式,本地址是站外域名,不能转为相对路径(在关闭开发者模式后不显示这句话)#没有设置高宽参数,将以原图输出')" ;> </a> <div class="module-list_detail"> <h4 class="title"><a href="/wenku/a23250.html" title="JCT 998-2006 喷涂聚氨酯硬泡体保温材料">JCT 998-2006 喷涂聚氨酯硬泡体保温材料</a></h4> </div> </div> </li> <li class="col-lg-4 col-md-3 col-sm-4 col-xs-3 col-4"> <div class="module-list_box p0"> <a class="module-list_thumb wide" href="/wenku/a23249.html" title="JCT 997-2006 装饰纸面石膏板" style="display: block; background-image: url('http://file.wenhuiw.com/202306/e292ed4137e88a.png#系统开启了相对路径模式,本地址是站外域名,不能转为相对路径(在关闭开发者模式后不显示这句话)#没有设置高宽参数,将以原图输出')" ;> </a> <div class="module-list_detail"> <h4 class="title"><a href="/wenku/a23249.html" title="JCT 997-2006 装饰纸面石膏板">JCT 997-2006 装饰纸面石膏板</a></h4> </div> </div> </li> <li class="col-lg-4 col-md-3 col-sm-4 col-xs-3 col-4"> <div class="module-list_box p0"> <a class="module-list_thumb wide" href="/wenku/a23248.html" title="JCT 996-2006 玻璃纤维壁布" style="display: block; background-image: url('http://file.wenhuiw.com/202306/5156b2f64e53176.png#系统开启了相对路径模式,本地址是站外域名,不能转为相对路径(在关闭开发者模式后不显示这句话)#没有设置高宽参数,将以原图输出')" ;> </a> <div class="module-list_detail"> <h4 class="title"><a href="/wenku/a23248.html" title="JCT 996-2006 玻璃纤维壁布">JCT 996-2006 玻璃纤维壁布</a></h4> </div> </div> </li> <li class="col-lg-4 col-md-3 col-sm-4 col-xs-3 col-4"> <div class="module-list_box p0"> <a class="module-list_thumb wide" href="/wenku/a23247.html" title="JCT 995-2006 低比表面积高烧结活性氧化锆粉体" style="display: block; background-image: url('http://file.wenhuiw.com/202306/8c1c96b37a561d4.png#系统开启了相对路径模式,本地址是站外域名,不能转为相对路径(在关闭开发者模式后不显示这句话)#没有设置高宽参数,将以原图输出')" ;> </a> <div class="module-list_detail"> <h4 class="title"><a href="/wenku/a23247.html" title="JCT 995-2006 低比表面积高烧结活性氧化锆粉体">JCT 995-2006 低比表面积高烧结活性氧化锆粉体</a></h4> </div> </div> </li> <li class="col-lg-4 col-md-3 col-sm-4 col-xs-3 col-4"> <div class="module-list_box p0"> <a class="module-list_thumb wide" href="/wenku/a23246.html" title="JCT 994-2006 微晶玻璃陶瓷复合砖" style="display: block; background-image: url('http://file.wenhuiw.com/202306/fff87b6f9176d27.png#系统开启了相对路径模式,本地址是站外域名,不能转为相对路径(在关闭开发者模式后不显示这句话)#没有设置高宽参数,将以原图输出')" ;> </a> <div class="module-list_detail"> <h4 class="title"><a href="/wenku/a23246.html" title="JCT 994-2006 微晶玻璃陶瓷复合砖">JCT 994-2006 微晶玻璃陶瓷复合砖</a></h4> </div> </div> </li> </ul> </div> </div> </div> </div> <div class="main-box-dw"></div> <div class="scroll-to-top hidden-sm hidden-xs" id="toTop"> <i class="bi bi-arrow-up-circle-fill"></i> </div> <!-- 底部 --> <div class="footer"> <div class="container"> <div class="flex justify-center"> <span class="hidden-sm hidden-xs">© CopyRight 2022 文汇知识网</span> <a class="ml10 mr10" href="https://beian.miit.gov.cn" target="_blank">滇ICP备2022006959号-4</a> <span class="hidden-sm hidden-xs"><script> var _hmt = _hmt || []; (function() { var hm = document.createElement("script"); hm.src = "https://hm.baidu.com/hm.js?f0f56f82f7c67c360794e2549e59d9cd"; var s = document.getElementsByTagName("script")[0]; s.parentNode.insertBefore(hm, s); })(); </script> <a href="http://news.zzszq.net/">深知资讯网</a><a href="http://tv.zzszq.net/">深视网</a><a href="http://www.80hlw.com/">80商务</a></span> </div> </div> </div> <!-- 会员登录 --> <div id="login_box" class="hidden fixed"> <div class="login_box_title"> <h4 class="tc">会员登录</h4> <button id="close_login"><i class="fa fa-close"></i></button> </div> <form class="login-form" id="myform" action="" method="post"> <div class="form-group"> <input class="form-control" type="text" autocomplete="off" placeholder="会员名/邮箱/手机" name="data[username]" /> </div> <div class="form-group"> <input class="form-control" type="password" autocomplete="off" placeholder="登录密码" name="data[password]" /> </div> <div class="form-group"> <div class="col-6 pl0 pr0 fl"> <input class="form-control" type="text" autocomplete="off" placeholder="验证码" name="code" /> </div> <div class="col-6 tr fr"> <img align="absmiddle" style="cursor:pointer;" onclick="this.src='/index.php?s=api&c=api&m=captcha&width=120&height=35&t='+Math.random();" src="/index.php?s=api&c=api&m=captcha&width=120&height=35" /> </div> <div class="clearfix"></div> </div> <div class="form-group"> <button type="button" onclick="dr_ajax_member('http://www.wenhuiw.com/index.php?s=member&c=login&m=index', 'myform');" class="btn bg-green">登录</button> </div> <div class="form-group"> <a href="http://www.wenhuiw.com/index.php?s=member&c=register&m=index" id="register-btn" class="fr">注册账号</a> <input type="checkbox" name="remember" value="1" checked="checked" style="vertical-align: -2px;"/> 记住我 <a href="http://www.wenhuiw.com/index.php?s=member&c=login&m=find">忘记密码</a> </div> <div class="form-group tc"> <!--<p class="text-muted">第三方快捷登录</p>--> </div> </form> </div> <div class="mask-body mask-body-dark" style="display: none;"></div> <script src="/static/x2h-002/js/swiper-bundle.min.js"></script> <script src="/static/x2h-002/js/jquery.lazyload.js"></script> <script src="/static/x2h-002/js/common.js"></script> <script> $(function () { $.ajax({ type: "GET",dataType:"json", url: "/index.php?s=api&c=run&is_ajax=1&num=5" }); }); </script> </body> </html>