索尼LDI-D100BE液晶显示器维修手册和原理图

分类:电子电工 日期: 点击:0
索尼LDI-D100BE液晶显示器维修手册和原理图-0 索尼LDI-D100BE液晶显示器维修手册和原理图-1 索尼LDI-D100BE液晶显示器维修手册和原理图-2 索尼LDI-D100BE液晶显示器维修手册和原理图-3 索尼LDI-D100BE液晶显示器维修手册和原理图-4 索尼LDI-D100BE液晶显示器维修手册和原理图-5 索尼LDI-D100BE液晶显示器维修手册和原理图-6 索尼LDI-D100BE液晶显示器维修手册和原理图-7 索尼LDI-D100BE液晶显示器维修手册和原理图-8 索尼LDI-D100BE液晶显示器维修手册和原理图-9

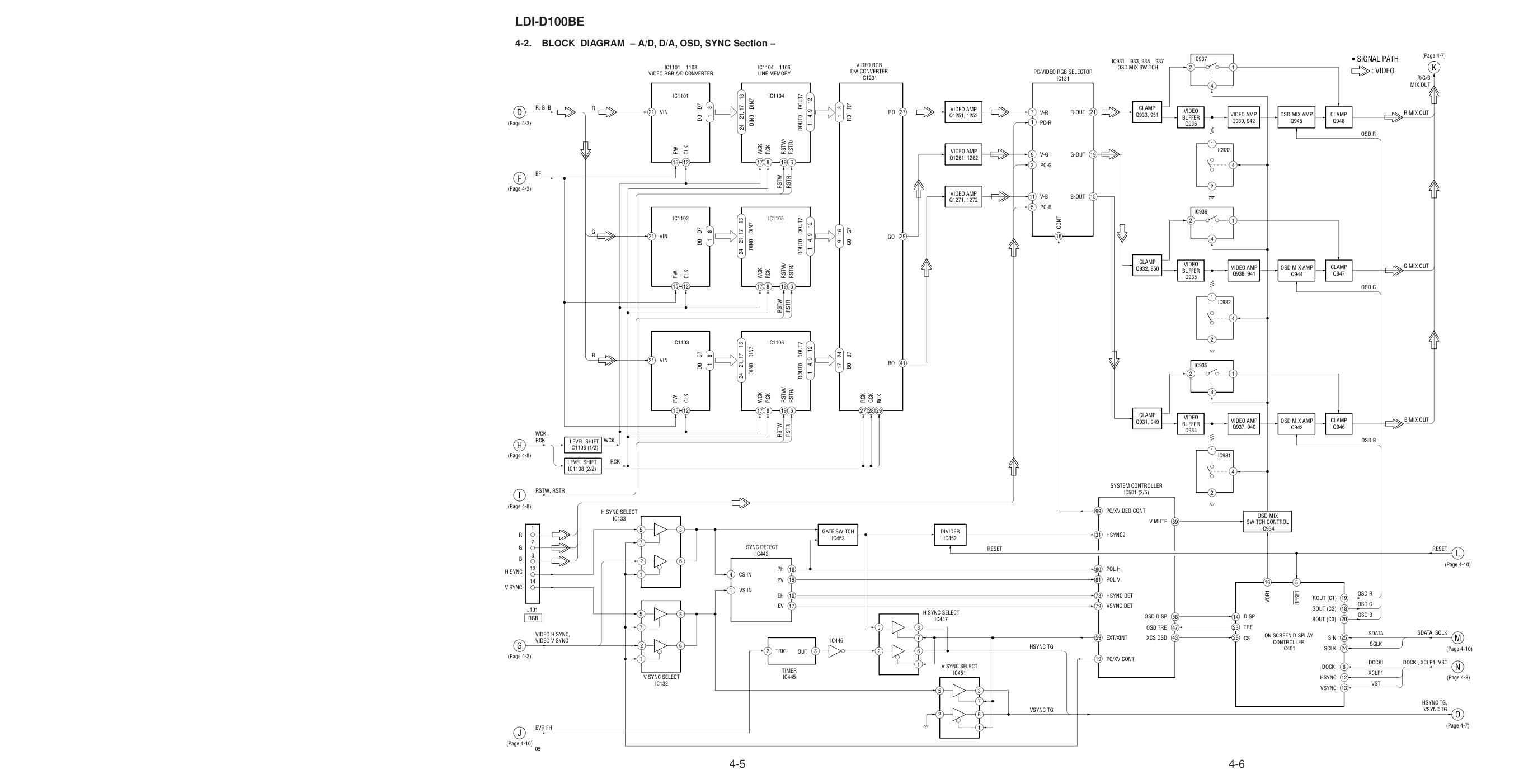
SERVICE MANUAL パーソナル LCDディスプレイ PERSONAL LCD DISPLAY PAL Model LDI-D100BE 9-928-116-41: PAL 4. 回路図 SCHEMATIC DIAGRAM 注 :“4. ダイヤグラム”以外は,9-928-116-01に記載 されています。 NOTE : All of the contents except “SECTION 4 DIAGRAMS” are described in 9-928-116-01 1. 概要 GENERAL パーソナル LCD ディスプレイは, 新しいタイプの映像ディスプレイです ................. 1-1 パーソナル LCD ディスプレイとは ........................ 1-1 各部のなまえ .............................................................. 1-1 接続する ...................................................................... 1-1 装着する ...................................................................... 1-4 見る .............................................................................. 1-4 外の様子を見る .......................................................... 1-5 調整する ...................................................................... 1-5 別売りのバッテリーパックで使う.......................... 1-7 使用上のご注意 .......................................................... 1-7 The Personal LCD Display is a Brand-new Concept in Visual Display ..................... 1-8 About the Personal LCD Display ................................ 1-8 Locating the Parts and Controls .................................. 1-8 Connecting the Personal LCD Display ....................... 1-9 Wearing the Personal LCD Display ............................ 1-11 Using the Personal LCD Display ................................ 1-11 Viewing the Surrounding Environment ....................... 1-12 Adjusting the Sound and Picture ................................. 1-12 Using the Optional Battery Pack ................................. 1-14 Precautions ................................................................... 1-14 2. 外し方 DISASSEMBLY ...................................................... 2-1 3. 電気調整 .................................................................... 3-1 ELECTRICAL ADJUSTMENTS...................... 3-16 4. ダイヤグラム DIAGRAMS 4-1. Block Diagram – AUDIO/VIDEO Section – ............. 4-1 4-2. Block Diagram – A/D, D/A, OSD, SYNC Section – ............................ 4-5 4-3. Block Diagram – GAMMA CONTROL/LCD DRIVE Section – ........ 4-7 4-4. Block Diagram – MODE CONTROL/SENSOR/LCS Section – ......... 4-9 4-5. Block Diagram – POWER SUPPLY Section – .......... 4-11 4-6. プリント図,回路図共通ノート Note for Printed Wiring Boards and Schematic Diagrams .................................................... 4-14 4-7. Printed Wiring Board – JK-136 (F) Board – .............. 4-15 4-8. Schematic Diagram – JK-136 (F) Board – .................. 4-16 4-9. Schematic Diagram – YC-148 (F) Board (1/3) – ........ 4-17 4-10. Schematic Diagram – YC-148 (F) Board (2/3) – ........ 4-19 4-11. Schematic Diagram – YC-148 (F) Board (3/3) – ........ 4-24 4-12. Printed Wiring Board – YC-148 (F) Board – ............. 4-27 4-13. Printed Wiring Board – MA-324 (F) Board – ............ 4-30 4-14. Schematic Diagram – MA-324 (F) Board (1/7) – ....... 4-33 4-15. Schematic Diagram – MA-324 (F) Board (2/7) – ....... 4-37 4-16. Schematic Diagram – MA-324 (F) Board (3/7) – ....... 4-41 4-17. Schematic Diagram – MA-324 (F) Board (4/7) – ....... 4-44 4-18. Schematic Diagram – MA-324 (F) Board (5/7) – ....... 4-47 4-19. Schematic Diagram – MA-324 (F) Board (6/7) – ....... 4-51 4-20. Schematic Diagram – MA-324 (F) Board (7/7) – ....... 4-53 4-21. Printed Wiring Board – LC-61 (F) Board – ............... 4-55 4-22. Schematic Diagram – LC-61 (F) Board – ................... 4-57 4-23. Printed Wiring Board – SW-306 (F) Board –............. 4-60 4-24. Schematic Diagram – SW-306 (F) Board – ................ 4-63 4-25. Printed Wiring Board – DD-107 (F) Board – ............ 4-65 4-26. Schematic Diagram – DD-107 (F) Board – ................ 4-67 5. ICダイヤグラム IC DIAGRAMS 5-1. IC Block Diagrams ...................................................... 5-1 5-2. IC Pin Function Description ........................................ 5-11 6. 分解図 EXPLODED VIEWS ............................................. 6-1 7. 電気部品表 ELECTRICAL PARTS LIST ............................ 7-1 TABLE OF CONTENTS LDI-D100BE 4-1 4-2 4-3 4-1. BLOCK DIAGRAM – AUDIO/VIDEO Section 4. ダイヤグラム SECTION 4 DIAGRAMS X1003 4.433619MHz VIDEO H SYNC VIDEO V SYNC CLP FSC OUT PAL FSC LATCH IC1016 LATCH IC1012 CK Q1036 SYNC Y R G B Y IC1009 IC1010 DBB SWITCH Q153, 154 AVLS SWITCH Q156 VIDEO BUFFER Q1018 SYNC BUFFER Q1024 VIDEO AMP Q1033 – 1035 VIDEO AMP Q1030 – 1032 VIDEO AMP Q1027 – 1029 CLAMP Q1022 SYNC DETECT D1001, Q1001, 1002 GATE SWITCH IC1013, 1015, IC1020 SWITCHING IC1019 SWITCHING IC1017 BUFFER Q1025 BUFFER Q1026 TIME CONSTANT SWITCH Q1023 IC1009, 1010 VIDEO SELECT SWITCH & VIDEO AMP VIDEO RGB DECODER IC1001 SAMPLE & HOLD IC1004 APC CONTROL SWITCH IC1011 SAND 27 29 X1002 500kHz 32FHVCO OUT 32FHVCO IN1 3 1 32FHVCO IN2 2 5 5 7 22 6 3 1 9 10 11 5 6 1 36 Y IN 16 Y 12 R-Y IN 16 R-Y 13 B-Y IN 14 B-Y 14 R-Y IN 18 R-Y 11 B-Y IN 19 B-Y 12 23 SUB COLOR 37 CONT 38 COLOR 20 HUE SUB COLOR CONTRAST COLOR HUE 21 24 25 39 C 34 H AFC BLK HD VD 4 7 IN1 1 IN1 1 OUT 7 SW2 4 SW1 2 IC1302 IC1301, 1302 LINE SELECT SWITCH & LINE AMP HEADPHONE AMP IC151 IN1 13 IN2 14 DBB MID ON SYSTEM CONTROLLER IC501 (1/5) XVIDEO SYNC DET 49 83 DBB NORM ON 50 XAVLS ON 48 AU MUTE 90 IN2 3 OUT 7 OUT1 4 VREF 3 OUT2 2 LP 9 BB SW 8 MIX OUT 5 AVC IN 6 MUTE SW 11 SEL 2 IC1301 IN2 3 OUT 7 SEL 2 OUT 7 SW2 4 SW1 2 2 1 3 Y C 4 (ON: PLUG IN) C (Page 4-8) L/R FLD A (Page 4-10) APC CONT 05 G (Page 4-5) VIDEO H SYNC, VIDEO V SYNC F (Page 4-5) BF D (Page 4-5) R, G, B E (Page 4-10) SUB COLOR, CONTRAST, COLOR, HUE R G B RV1301 VOL HP402 (HEADPHONE) R HP401 (HEADPHONE) L J1001 AUDIO J1002 CONTROL J1401 S VIDEO IC1006 Q CLR CK 6 3 1 Q CLR COUNTER IC1014 MULTIVIBRATOR IC1005 CK 2 1B 12 2A 1Q 10 2Q 9 2Q 14 QA 11 QD 1 CLR • SIGNAL PATH : AUDIO : VIDEO V 5V 64 32 XEXT 3D IN L/R FLD LDI-D100BE VIDEO BUFFER Q936 LEVEL SHIFT IC1108 (2/2) LEVEL SHIFT IC1108 (1/2) GATE SWITCH IC453 DIVIDER IC452 CLAMP Q933, 951 CLAMP Q948 VIDEO AMP Q939, 942 OSD MIX AMP Q945 VIDEO AMP Q1251, 1252 VIDEO AMP Q1261, 1262 VIDEO AMP Q1271, 1272 IC1101 – 1103 VIDEO RGB A/D CONVERTER IC1104 – 1106 LINE MEMORY D (Page 4-3) R, G, B R G B J101 RGB • SIGNAL PATH : VIDEO K (Page 4-7) L (Page 4-10) O (Page 4-7) F (Page 4-3) BF I (Page 4-8) H SYNC SELECT IC133 05 SYNC DETECT IC443 IC446 RSTW, RSTR RSTW RSTR J (Page 4-10) EVR FH G (Page 4-3) VIDEO H SYNC, VIDEO V SYNC H (Page 4-8) WCK, RCK WCK RCK DISP R MIX OUT R/G/B MIX OUT OSD R OSD R IC937 IC931 – 933, 935 – 937 OSD MIX SWITCH V-R PC-R V-G PC-G V-B PC-B RO GO BO HSYNC TG HSYNC TG, VSYNC TG M (Page 4-10) SDATA, SCLK VSYNC TG PH PV EH EV CS IN VS IN R G B 2 3 1 IC1101 IC1104 IC1102 IC1105 VIN VOB1 CONT PW CLK D0 – D7 DOUT0 – DOUT7 DIN0 – DIN7 25 24 14 58 16 5 2 1 4 IC933 2 1 4 16 7 R-OUT 21 G-OUT 19 B-OUT 15 1 3 5 9 11 37 39 41 19 16 17 4 POL H 80 HSYNC2 RESET RESET RESET 31 POL V 81 HSYNC DET 78 VSYNC DET 79 EXT/XINT 59 PC/XV CONT 19 PC/XVIDEO CONT V MUTE OSD DISP CS 26 43 XCS OSD TRE 23 ROUT (C1) 19 BOUT (C0) 20 GOUT (C2) SCLK SIN HSYNC DOCKI SCLK SDATA 18 47 OSD TRE 99 89 18 TIMER IC445 OUT TRIG 2 3 1 5 7 3 15 WCK 17 RCK 8 RSTW/ 19 RSTR/ 6 12 21 N (Page 4-8) DOCKI, XCLP1, VST 8 12 XCLP1 DOCKI VSYNC 13 VST 1 – 8 24 – 21, 17 – 13 VIDEO RGB D/A CONVERTER IC1201 PC/VIDEO RGB SELECTOR IC131 R0 – R7 G0 – G7 B0 – B7 1 – 4, 9 – 12 RSTW RSTR RSTW RSTR DOUT0 – DOUT7 DIN0 – DIN7 WCK 17 RCK 8 RSTW/ 19 RSTR/ 6 24 – 21, 17 – 13 1 – 4, 9 – 12 IC1106 IC1103 DOUT0 – DOUT7 DIN0 – DIN7 WCK 17 RCK 8 RCK 27 GCK 28 BCK 29 RSTW/ 19 RSTR/ 6 24 – 21, 17 – 13 1 – 4, 9 – 12 VIN PW CLK D0 – D7 15 12 21 1 – 8 VIN PW CLK D0 – D7 15 12 21 1 – 8 17 – 24 9 – 16 1 – 8 H SYNC V SYNC 13 14 2 1 6 5 7 3 2 1 6 V SYNC SELECT IC132 H SYNC SELECT IC447 ON SCREEN DISPLAY CONTROLLER IC401 SYSTEM CONTROLLER IC501 (2/5) 5 7 3 2 1 6 V SYNC SELECT IC451 5 7 3 2 1 6 VIDEO BUFFER Q935 CLAMP Q932, 950 CLAMP Q947 VIDEO AMP Q938, 941 OSD MIX AMP Q944 G MIX OUT OSD G OSD G IC936 2 1 4 IC932 2 1 4 VIDEO BUFFER Q934 CLAMP Q931, 949 CLAMP Q946 VIDEO AMP Q937, 940 OSD MIX SWITCH CONTROL IC934 OSD MIX AMP Q943 B MIX OUT OSD B OSD B IC935 2 1 4 IC931 2 1 4 4-5 4-6 4-2. BLOCK DIAGRAM – A/D, D/A, OSD, SYNC Section – LDI-D100BE 4-7 4-8 4-3. BLOCK DIAGRAM – GAMMA CONTROL/LCD DRIVE Section – SID AMP Q201 – 204 D/A CONVERTER (FOR GAMMA COMPENSATION) IC206 GAMMA CONTROL IC201 LCD DRIVER IC202 LCD DRIVER IC203 D/A CONVERTER (FOR GAMMA COMPENSATION) IC205 D/A CONVERTER IC207 SYSTEM CONTROLLER IC501 (3/5) K (Page 4-6) R/G/B MIX OUT R G B • SIGNAL PATH : VIDEO Q (Page 4-10) P (Page 4-10) 05 SDATA, SCLK N (Page 4-6) DOCKI, XCLP1, VST H (Page 4-5) I (Page 4-5) WCK, RCK RSTW, RSTR SDATA SCLK C (Page 4-1) L/R FLD LCD UNIT (RIGHT SIDE) LCD UNIT (LEFT SIDE) 2C1 RSTW RSTW RSTR RSTR HSYNC TG VSYNC TG CLKH CLKL SID INVC DIRC DLYC POS2 POS1 V33 SID INVC DIRC DLYC POS2 POS1 V33 DIN R IN G IN B IN R OUT G OUT B OUT AMP R GAIN AMP G GAIN AMP B GAIN AMP R BIAS AMP G BIAS AMP B BIAS A SEL B SEL XCS PLL 11 2C0 10 1C2 4 1C1 5 OUTPUT 2Y 9 OUTPUT 1Y 7 1C0 6 14 2 2C3 VST L VST R 13 68 70 SCTR 14 XCLR 74 XCS TG 22 XTG RES 57 XVSYNC 62 3D POL OUT 56 EXT 3D CONT 20 3D ON 55 9 23 IIC SDA 5 IIC SCL 6 XCS DA5 24 XCS DA12 25 12 11 10 27 28 29 30 31 32 DA01 DA02 DA03 DA04 DA05 DA06 DO 18 19 2 3 4 5 14 17 DIN GAM R WHG GAM G WHG GAM B WHG GAM R B1G GAM G B1G GAM B B1G GAM R B2G GAM G B2G GAM B B2G 42 43 44 45 46 47 48 49 50 DA04 DA05 DA06 DA07 DA08 DA09 DA10 DA11 DA12 3 4 5 6 7 8 9 12 13 17 CLK 16 LD 15 CLK 16 LD 15 DIN SID LEV PRG LEV BLK LIM CLP LEV SDA (IIC) SCL (IIC) 9 11 12 25 52 51 DA05 DA06 DA07 DA08 DA03 DA02 DA01 VCOMOS L VCOMOS R SIG CEN VCOMOS R SIG CEN FRP PRG PRG PCG VCOM OFST SIG CEN FRP PRG 4 5 6 7 16 15 14 3 RESET R 20 CLK SDATA SCLK SDATA SCLK 2 O (Page 4-6) HSYNC TG, VSYNC TG LD 1 22 24 26 18 16 14 SID OUT 6 INV CNT 5 DIR CNT 4 DLY CNT 3 62 44 35 34 POS CNT2 2 POS CNT1 1 V33 SID IN INV CNT DIR CNT DLY CNT POS CNT2 POS CNT1 OFFSET SID OFST 8 39 VIDEO IN 47 52 13 49 2 1 48 42 SID INVC DIRC DLYC POS2 POS1 V33 VCOMOS L SIG CEN FRP PRG VCOM OFST SIG CEN FRP PRG 62 44 35 34 SID IN INV CNT DIR CNT DLY CNT POS CNT2 POS CNT1 OFFSET SID OFST 39 VIDEO IN 47 52 13 49 2 1 48 42 PRG PLS 10 CLP PLS 20 MODE2 MODE1 DOCKI XCLP1 VST 54 VST 62 XCLP1 27 53 RGT MODE3 51 49 DWN BLK 58 67 VCK 61 HST 55 HCK1 56 HCK2 57 FLDO 79 RCK RCK WCK WCK 71 69 LCD DRIVER IC204 PLL IC302 LCD TIMING GENERATOR IC301 DATA SELECTOR IC304 SID INVC DIRC DLYC POS2 POS1 V33 VCOMOS L SIG CEN FRP PRG VCOM OFST SIG CEN FRP PRG 62 44 CLKL CLKH SCLK ENABLE SDATA 32 31 CLK SYNC DSYNC 24 23 35 34 SID IN INV CNT DIR CNT DLY CNT POS CNT2 POS CNT1 OFFSET SID OFST 39 31 29 27 21 19 17 VIDEO IN SH OUT1 SIG R 1 SIG R 2 SIG R 3 SIG R 4 SIG R 5 SIG R 6 SIG R 1 – SIG R 6 SIG G 1 – SIG G 6 SIG B 1 – SIG B 6 COM R P SIG R/G/B PCG MODE 1/2/3 RGT BLK DWN HST HCK1 HCK2 VST R VCK SH OUT2 SH OUT3 SH OUT4 SH OUT5 SH OUT6 33 38 12 50 51 VCOM OUT SID OUT ENB MCLK MCLK/ 47 52 13 49 2 1 48 42 SID AMP Q205 – 208 CLKH CLKL 31 29 27 21 19 17 SH OUT1 SIG G 1 SIG G 2 SIG G 3 SIG G 4 SIG G 5 SIG G 6 SH OUT2 SH OUT3 SH OUT4 SH OUT5 SH OUT6 33 38 12 50 51 VCOM OUT SID OUT ENB MCLK MCLK/ SID AMP Q209 – 212 LEVEL SHIFT IC303 (1/3) LEVEL SHIFT IC303 (2/3) LEVEL SHIFT IC303 (3/3) CLKH P SIG B P SIG G P SIG R CLKL 31 29 27 21 19 17 SH OUT1 SIG B 1 SIG B 2 SIG B 3 SIG B 4 SIG B 5 SIG B 6 SH OUT2 SH OUT3 SH OUT4 SH OUT5 SH OUT6 33 38 12 60 50 51 VCOM OUT SID OUT ENB ENB 4 HSYNC 3 CLI2 5 VSYNC 15 SCLK 16 SDAT 29 PRG 30 FRP 65 PCG PRG FRP PCG MCLK MCLK/ SIG R 1 – SIG R 6 SIG G 1 – SIG G 6 SIG B 1 – SIG B 6 COM L P SIG R/G/B PCG MODE 1/2/3 RGT BLK DWN HST HCK1 HCK2 VST L VCK SWITCHING IC306 SWITCHING IC305 3 5 1 2 CK Q Q D LATCH IC307 LDI-D100BE 4-9 4-10 4-4. BLOCK DIAGRAM – MODE CONTROL/SENSOR/LCS Section – SERVICE LANC INTERFACE Q502 SHUTTER MUTE SWITCH Q193 COMPARATOR IC505 (1/2) SHUTTER CONTROL SWITCH Q192 LED DRIVE Q901 LED DRIVE Q902 SYSTEM CONTROLLER IC501 (4/5) EEPROM IC502 L (Page 4-6) Q (Page 4-7) X502 20MHz X501 32.768kHz BRIGHT S1301 PUSH DISPLAY S905 ON/OFF . S902 (POWER SWITCH) SEE THROUGH RV901 05 COMPARATOR IC505 (2/2), IC506 (2/2), Q503 BUFFER IC506 (1/2) BUFFER Q191 BUFFER IC801 (1/2) FILM LIQUID CRYSTAL PANEL (LEFT SIDE) FILM LIQUID CRYSTAL PANEL (RIGHT SIDE) BUFFER IC801 (2/2) FILTER Q803 FILTER Q802 RIPPLE FILTER Q801 LED DRIVE Q504 LCS1 LCS2 COM LCS1 LCS2 COM BIAS 15.5V CS RST SDATA SUB COLOR CONTRAST COLOR HUE RESET RESET J (Page 4-5) EVR FH A (Page 4-1) APC CONT E (Page 4-3) SUB COLOR, CONTRAST, COLOR , HUE M (Page 4-6) SDATA, SCLK P (Page 4-7) SDATA, SCLK DA08 DA07 DA05 DA04 DA03 DA02 DA01 VD CLR COUNTER IC508 D/A CONVERTER IC507 CLK QB QC SHUTTER MUTE D901 POWER LED CN501 LANC DC FOR CHECK LANC SIG 1 2 HI UNREG DOWN UP BRIGHT A BRIGHT B LCS CK FIX LCS LCS 20MHZ IN 7 6 DI CLK 17 16 LD 15 4 3 2 19 18 1 13 12 2 21 3D POL IN 30 SHUTTER 36 XCS DAYC 28 XHI SCK 35 HI SO 34 XEEPROM WE 27 XCS EEPROM 26 HI SI DO 33 4 SCK 2 DI 3 1 6 XLOOK ON 82 XSYS RES 9 91 P SAVE LED 29 CHARGE LED 92 41 32KHZ IN 52 32KHZ OUT 53 20MHZ OUT 40 2 68 67 LANC IN LANC OUT 1 XPOWER SW 14 2 1 3 ENTER MENU DOWN XENTER MENU B 15 66 4 6 MENU UP MENU A 65 1 3 5 SCLK SDATA SCLK 2 VIDEO/PC S904 VIDEO/XPC IN 18 MENU S903 POWER (GREEN) CHARGE D902 POWER SAVING (RED) POWER SAVING SENSOR XMENU 16 VIDEO PC S501 (PASSWORD RESET) XPASS RES 17 + POLARITY S901 A B -1 -2 LDI-D100BE 4-11 4-12 4-5. BLOCK DIAGRAM – POWER SUPPLY Section – B+ SWITCH Q1331, 1332 SWITCH Q501 SWITCHING REGULATOR Q702 RESET SIGNAL GENERATOR IC504 SYSTEM CONTROLLER IC501 (5/5) DC/DC CONVERTER IC701 DC/DC CONVERTER IC703 05 38 SWITCHING Q706, 707 SWITCHING Q705-1 +5V REGULATOR IC503 CHARGE SWITCH Q796 CHARGE CONTROL SWITCH Q787, 788 BATTERY CONTROL SWITCH Q781, 782 MA 5V BL 7V BL ON CS2 EXT2 VDD F701 DC IN B+ CHARGE B+ RE VCC VCC DC/DC CONVERTER T701 FAN 5V SEN 5V HI UNREG BACKUP +5V SYSTEM CONTROLLER (IC501) B+ M701 (FAN) L704 L703 L706 RE A OUT SCP: A TH501 BACKUP +5V HI UNREG XRESET 61 BATT IN 70 TEMP 10 9 FB2 12 2 45 18 46 8 SWITCHING REGULATOR Q703 RE C OUT SCP:C 40 24 71 BATT SENS DC IN B+ D781 73 DC IN A/D DC IN B+ 84 DC IN MON CHARGE B+ D789 72 CHARGE A/D 98 DD SENSOR 94 DD MAIN 95 CHARGE ON 96 BATT CHK 97 BATT CONT 93 BL ON 85 BATT IN MON 100 VIDEO 5V ON L701 L702 L752 MA 5V L710 D 5V L705 L711 RE D OUT SCP: D 39 29 SWITCHING REGULATOR Q701 RE B OUT SCP:B 44 13 POWER CONT CTL B 20 21 CTL C/D 22 L751 L753 B+ SWITCH Q791, 792 BATTERY CONTROL SWITCH Q783, 784 BATTERY CONTROL SWITCH Q785, 786 B+ SWITCH Q793, 794 B+ SWITCH Q795 B+ SWITCH Q751, 753 V 5V VIDEO 5V L712 12V 15.5V (HVDD, VVDD) AU 3.5V (AU VCC) L709 L708 D701 D702 L707 M DC/DC CONVERTER T702 D751 SWITCHING Q705-2 CS1 EXT1 5 6 FB1 3 SHDN1 11 SHDN2 15 D752 D782 PS501 PS701 PS702 BACK LIGHT UNIT D783 D784 J701 DC IN 8.4V – + F702 D785 (OFF: BATTERY PACK IN) D786 F703 F704 BATTERY TERMINAL F705 Q789 BATTERY CHECK SWITCH + – F706 L754 SWITCHING REGULATOR Q704 4-13 4-14 • Circuit Boards Location 4-6. プリント図,回路図共通ノート (他に必要なノートは各セクションに記載してあります) NOTE FOR PRINTED WIRING BOARDS AND SCHEMATIC DIAGRAMS (In addition to this, the necessary note is printed ineach block) Note on Schematic Diagram: • All capacitors are in µF unless otherwise noted. pF: µµF 50 WV or less are not indicated except for electrolytics and tantalums. • All resistors are in Ω and 1/4 W or less unless otherwise specified. • f : internal component. • C : panel designation. Note on Printed Wiring Board: • X : parts extracted from the component side. • Y : parts extracted from the conductor side. • b : Pattern from the side which enables seeing. (The other layers' patterns are not indicated.) • U : B+ Line. • Power voltage is dc 8.4 V and fed with regulated dc power supply from external power voltage jack. • Voltages and waveforms are dc with respect to ground in color-bar signal input. no mark : VIDEO MODE • Voltages are taken with a VOM (Input impedance 10 MΩ). Voltage variations may be noted due to normal produc- tion tolerances. • Waveforms are taken with a oscilloscope. Voltage variations may be noted due to normal produc- tion tolerances. • Circled numbers refer to waveforms. • Signal path. F : AUDIO L : VIDEO Note: The components identified by mark 0 or dotted line with mark 0 are critical for safety. Replace only with part number specified. Caution: Pattern face side: Parts on the pattern face side seen from (Side B) the pattern face are indicated. Parts face side: Parts on the parts face side seen from (Side A) the parts face are indicated. • JK-136 (F), YC-148 (F), MA-324 (F), LC-61 (F), SW-306 (F), and DD-107 (F) boards are multi-layer printed board. However, the patterns of intermediate-layer have not been included in the diagram. • Indication of transistor LC-61 (F) board JK-136 (F) board SW-306 (F) board DD-107 (F) board YC-148 (F) board MA-324 (F) board プリント図ノート ・ X :部品面側取付のリード線。 ・ Y :パターン面側取付のリード線。 ・ b :見ている面側のパターン。 (他のパターンについては,表示されていません。) 注意 パターン面側: パターン面より見たパターン面側 (SIDE B) の部品が記載されています。 部品面側: 部品面より見た部品面側の部品が (SIDE A) 記載されています。 回路図ノート ・ケミコン,タンタルを除くコンデンサで,耐圧50V 以下のもの は,その耐圧を省略。単位はすべて µF(p は pF)。 ・抵抗で指示のないものは 1/4W 以下を示す。単位はすべてΩ 。 ・f 印は内蔵部品。 ・ C :パネル表示名称。 ・ U :B +ライン。 ・電源は外部電源ジャックより安定化電源で DC8.4V を供給。 ・電圧および波形は,対アース間をカラーバー信号入力状態で 測定。 無 印:VIDEO モード ・電圧値は,テスタ(入力インピーダンス 10MΩ )で測定した 参考値。 ・波形図は,オシロスコープで測定した参考図。 ・a 番号は波形図の照合番号。 ・信号の流れについて F :AUDIO L :VIDEO 0 印の部品,または 0 印付きの点線で囲まれた部品 は,安全性を維持するために重要な部品です。 従って交換時は,必ず指定の部品を使用して下さい。 ・J K-136(F),YC-148(F),MA-324(F),LC-61(F),S W- 306(F),DD-107(F)基板は多層構造のプリント基板ですが, 中間層のパターン図は掲載していません。 ・トランジスタ表示 C B These are omitted. E Q C B 省略してあります。� E Q LDI-D100BE 4-7. PRINTED WIRING BOARD – JK-136 (F) Board – • See page 4-13 for Circuit Boards Location. 4-8. SCHEMATIC DIAGRAM – JK-136 (F) Board – 4-15 4-16 (Page 4-27) (Page 4-18) LDI-D100BE 4-17 4-18 4-9. SCHEMATIC DIAGRAM – YC-148 (F) Board (1/3) – (Page 4-24) (Page 4-67) (Page 4-19) (Page 4-22) (Page 4-26) (Page 4-41) (Page 4-24) (Page 4-16) (Page 4-19) LDI-D100BE 4-19 4-20 4-21 4-22 4-10. SCHEMATIC DIAGRAM – YC-148 (F) Board (2/3) – • See page 4-72 for Waveforms. (Page 4-18) (Page 4-18) (Page 4-26) (Page 4-24) (Page 4-18) LDI-D100BE 4-24 4-25 4-26 4-11. SCHEMATIC DIAGRAM – YC-148 (F) Board (3/3) – • See page 4-72 for Waveforms. LDI-D100BE (Page 4-18) (Page 4-18) (Page 4-22) (Page 4-18) (Page 4-19) LDI-D100BE 4-27 4-28 4-29 4-12. PRINTED WIRING BOARD – YC-148 (F) Board – • See page 4-13 for Circuit Boards Location. Ref. No. Location Ref. No. Location • Semiconductor Location (Side B) Ref. No. Location Ref. No. Location • Semiconductor Location (Side A) D1001 A-3 D1002 B-4 D1003 C-3 D1301 C-12 D1302 C-11 IC1001 B-6 IC1014 C-7 IC1016 C-7 IC1017 C-7 IC1019 C-7 IC1106 A-9 IC1108 B-10 Q1001 A-3 Q1002 A-3 Q1003 B-4 Q1004 B-4 Q1005 B-4 Q1006 C-4 Q1007 C-4 Q1008 C-4 Q1009 B-4 Q1010 A-4 Q1011 A-4 Q1012 A-4 Q1013 A-5 Q1014 A-3 Q1015 A-4 Q1017 A-4 Q1020 B-3 Q1021 B-3 Q1030 B-7 Q1031 B-7 Q1032 B-8 Q1033 B-7 Q1034 C-7 Q1035 B-7 Q1251 B-11 Q1252 A-11 Q1261 B-11 Q1262 B-11 Q1271 B-11 Q1272 B-11 Q1331 C-6 Q1332 C-5 D1303 C-3 D1304 C-3 D1305 C-3 D1308 C-4 D1309 C-4 D1312 C-2 D1313 C-3 IC1002 B-4 IC1003 B-3 IC1004 C-6 IC1005 C-7 IC1006 C-5 IC1007 B-6 IC1008 B-6 IC1009 A-5 IC1010 A-5 IC1011 B-5 IC1012 C-7 IC1013 C-7 IC1015 C-7 IC1020 C-7 IC1101 B-8 IC1102 A-8 IC1103 A-7 IC1104 B-9 IC1105 A-9 IC1201 B-11 IC1301 A-3 IC1302 B-3 Q1016 A-4 Q1018 A-5 Q1019 B-3 Q1022 A-6 Q1023 C-6 Q1024 A-5 Q1025 C-5 Q1026 C-5 Q1027 B-7 Q1028 B-7 Q1029 B-7 Q1036 B-7 (Page 4-15) (Page 4-65) (Page 4-32) LDI-D100BE 4-31 4-32 4-30 4-13. PRINTED WIRING BOARD – MA-324 (F) Board – • See page 4-13 for Circuit Boards Location. Ref. No. Location Ref. No. Location • Semiconductor Location (Side B) Ref. No. Location Ref. No. Location • Semiconductor Location (Side A) D101 B-11 D102 B-11 D103 B-11 D111 C-9 D113 C-9 D501 A-11 D503 B-10 IC132 C-9 IC133 C-9 IC202 B-5 IC203 B-4 IC204 B-3 IC207 A-6 IC443 C-10 IC445 B-9 IC446 C-8 IC447 C-8 IC451 C-9 IC452 C-9 IC453 C-9 IC502 A-9 IC503 C-11 IC504 C-11 IC505 B-8 IC506 B-8 IC507 A-9 IC508 A-8 D104 B-11 D105 B-11 D112 A-11 D114 A-11 D504 C-11 IC131 C-10 IC151 C-7 IC201 A-4 IC205 A-3 IC206 A-2 IC301 C-4 IC302 C-2 IC303 B-4 IC304 B-4 IC305 B-3 IC306 B-2 IC307 B-2 IC401 A-8 IC501 B-10 Q153 C-7 Q154 C-6 Q156 C-8 Q931 B-6 Q932 B-6 Q933 B-6 Q934 A-6 Q935 B-6 Q936 B-6 Q937 A-6 Q938 B-6 Q939 B-6 Q940 A-6 Q941 B-6 Q942 B-6 Q943 B-6 Q944 B-6 Q945 C-5 Q946 A-5 Q947 B-5 Q948 B-5 Q949 B-6 Q950 B-6 Q951 B-6 IC931 A-6 IC932 B-6 IC933 B-6 IC934 A-7 IC935 B-6 IC936 B-6 IC937 B-7 Q191 A-8 Q192 A-8 Q193 A-8 Q201 B-5 Q202 B-5 Q203 B-4 Q204 B-4 Q205 B-3 Q206 B-3 Q207 B-3 Q208 B-3 Q209 B-2 Q210 B-2 Q211 B-2 Q212 B-2 Q501 B-10 Q502 A-11 Q503 B-8 Q504 B-8 (Page 4-55) (Page 4-65) (Page 4-28) (Page 4-60) LDI-D100BE 4-33 4-34 4-35 4-14. SCHEMATIC DIAGRAM – MA-324 (F) Board (1/7) – • See page 4-73 for Waveforms. LDI-D100BE (Page 4-41) (Page 4-51) (Page 4-37) (Page 4-50) LDI-D100BE 4-37 4-38 4-39 4-40 4-15. SCHEMATIC DIAGRAM – MA-324 (F) Board (2/7) – (Page 4-41) (Page 4-50) (Page 4-35) (Page 4-52) (Page 4-44) (Page 4-41) (Page 4-41) LDI-D100BE 4-41 4-42 4-16. SCHEMATIC DIAGRAM – MA-324 (F) Board (3/7) – Note: The components identified by mark 0 or dotted line with mark 0 are critical for safety. Replace only with part number specified. 0印の部品,または 0印付きの点線で囲まれた部品は, 安全性を維持するために重要な部品です。 従って交換時は,必ず指定の部品を使用して下さい。 (Page 4-63) (Page 4-18) (Page 4-67) (Page 4-50) (Page 4-33) (Page 4-50) (Page 4-44) (Page 4-53) (Page 4-50) (Page 4-57) (Page 4-50) (Page 4-46) (Page 4-40) (Page 4-40) (Page 4-54) (Page 4-37) (Page 4-47) LDI-D100BE 4-44 4-45 4-46 4-17. SCHEMATIC DIAGRAM – MA-324 (F) Board (4/7) – • See page 4-73 for Waveforms. (Page 4-51) (Page 4-41) (Page 4-50) (Page 4-37) (Page 4-42) (Page 4-51) (Page 4-50) LDI-D100BE 4-47 4-48 4-49 4-50 4-18. SCHEMATIC DIAGRAM – MA-324 (F) Board (5/7) – • See page 4-74 for Waveforms. (Page 4-41) (Page 4-42) (Page 4-44) (Page 4-37) (Page 4-51) (Page 4-46) (Page 4-52) (Page 4-35) (Page 4-41) (Page 4-54) (Page 4-42) (Page 4-41) LDI-D100BE 4-51 4-52 4-53 4-54 4-19. SCHEMATIC DIAGRAM – MA-324 (F) Board (6/7) – • See page 4-73 for Waveforms. 4-20. SCHEMATIC DIAGRAM – MA-324 (F) Board (7/7) – LDI-D100BE (Page 4-44) (Page 4-46) (Page 4-50) (Page 4-35) (Page 4-37) (Page 4-50) (Page 4-41) (Page 4-50) (Page 4-41) LDI-D100BE • Semiconductor Location (Side B) Ref. No. Location 4-55 4-56 4-57 4-58 4-59 4-21. PRINTED WIRING BOARD – LC-61 (F) Board – • See page 4-13 for Circuit Boards Location. 4-22. SCHEMATIC DIAGRAM – LC-61 (F) Board – • Semiconductor Location (Side A) Ref. No. Location Q801 A-6 Q802 A-5 Q803 A-5 D801 A-2 D802 A-2 IC801 A-5 (Page 4-31) (Page 4-42) LDI-D100BE D901 B-5 D902 B-5 D903 B-2 D904 B-1 D905 B-1 D906 B-2 D909 A-6 D910 A-6 D911 A-6 D912 B-5 Q901 B-5 Q902 C-5 4-60 4-61 4-62 4-63 4-64 4-23. PRINTED WIRING BOARD – SW-306 (F) Board – • See page 4-13 for Circuit Boards Location. 4-24. SCHEMATIC DIAGRAM – SW-306 (F) Board – • Semiconductor Location (Side A) Ref. No. Location • Semiconductor Location (Side B) Ref. No. Location D907 A-4 D908 B-4 (Page 4-31) (Page 4-41) LDI-D100BE (500 mA) (500 mA) 4-65 4-66 4-67 4-68 4-69 4-25. PRINTED WIRING BOARD – DD-107 (F) Board – • See page 4-13 for Circuit Boards Location. 4-26. SCHEMATIC DIAGRAM – DD-107 (F) Board – • See page 4-74 for Waveforms. Ref. No. Location Ref. No. Location • Semiconductor Location (Side A) Ref. No. Location Ref. No. Location • Semiconductor Location (Side B) Note: The components identified by mark 0 or dotted line with mark 0 are critical for safety. Replace only with part number specified. 0 印の部品,または 0 印付きの点線で囲まれた部品 は,安全性を維持するために重要な部品です。 従って交換時は,必ず指定の部品を使用して下さい。 D781 C-3 D783 C-5 D784 B-5 D785 C-5 Q705 B-2 Q706 B-3 Q707 B-3 Q753 C-3 Q781 C-2 Q782 C-1 Q783 B-1 Q784 B-1 Q787 C-5 Q788 C-5 Q789 C-3 Q791 C-2 Q792 C-1 Q793 B-1 Q794 B-1 Q796 C-4 D701 B-3 D702 A-3 D751 C-2 D752 A-3 D755 B-2 D782 C-3 D786 C-2 D787 C-4 D788 C-4 D789 C-3 D790 C-5 D791 B-5 D792 C-5 D793 C-3 D794 C-3 D795 C-3 D796 C-4 IC701 C-4 IC703 B-2 Q701 B-4 Q702 B-5 Q703 B-4 Q704 C-4 Q751 C-3 Q785 A-2 Q786 A-2 Q795 A-1 (Page 4-28) (Page 4-31) (Page 4-18) (Page 4-41) 4-72 4-73 4-74 E – MA-324 (F) Board – 1 IC131 wa (R-OUT) 2 IC131 ql (G-OUT) 7 IC301 4 (H SYNC) 8 IC301 5 (V SYNC) 9 IC301 qg (SCLK) qs IC1104, 1105, 1106 8 (RCK) qd IC1201 ra (BO) qf IC1201 el (GO) • Waveforms (Video Mode) – YC-148 (F) Board – 1 IC1001 eh (Y) 2 IC1001 ef (C) 3 IC1001 wl (PAL FSC) 4 IC1001 1 (32 FHVCO IN 1) 5 IC1001 qd (R-Y) 6 IC1001 qf (B-Y) 7 Q1027 (Base) 8 Q1030 (Base) 9 Q1033 (Base) q; IC1101, 1102, 1103 qs (CLK) qa IC1105, IC1106 qj (WCK) – DD-107 (F) Board – 1 IC701 qj 3 IC131 qg (B-OUT) q; IC301 wj (XCLP1) 6 IC301 3 (CK12), IC302 wd (CLK) qa IC302 es (CLKH) qg IC1201 ej (RO) 4 IC301 yl (RCK) 5 IC301 ua (WCK) qs IC302 ea (CLKL) qj IC501 ea (H SYNC2) qk IC501 r; (20MHZ OUT) ql IC501 ts (32KHZ IN) qd IC302 9 (SYNC) w; IC501 ys (XV SYNC) qh IC401 wf (SCLK) qf IC302 qa (SCLK) qg IC401 8 (DOCKI) 2 IC701 1 (CA 1) 3 IC701 rk (CA 2) 4 IC701 rj 5 IC701 ra 7 Q701 (Collector) 8 Q701 (Base) 9 Q703 2 (Base) 0 Q704 2 (Base) 6 IC701 ek 1 Vp-p H 712 mVp-p H 1.1 Vp-p H 508 mVp-p 500 kHz 416 mVp-p 4.433619 MHz H 432 mVp-p 952 mVp-p H 944 mVp-p H 944 mVp-p H 6.4 Vp-p 65.6 ns 6.6 Vp-p 65.6 ns 1.3 Vp-p H 1.3 Vp-p H 1.3 Vp-p H 6.2 Vp-p 32.6 ns 492 mVp-p H 497 mVp-p H 495 mVp-p H 6.1 Vp-p 32.6 ns 5.8 Vp-p 26.5 ns 5 Vp-p 30.6 µs 4.1 Vp-p 800 ns 5 Vp-p 20 ms 3.2 Vp-p 62.4 µs 3.9 Vp-p 32.6 ns 1.1 Vp-p 33 ns 1.5 Vp-p 33 ns 5.8 Vp-p 64 µs 4.1 Vp-p 800 ns 4.1 Vp-p 31.8 ns 2.1 Vp-p 32.768 kHz 4.9 Vp-p 128 µs 4.2 Vp-p 800 ns 730 mVp-p 2.26 µs 3.9 Vp-p 2.14 µs 2.4 Vp-p 2.21 µs 2.5 Vp-p 2.21 µs 2.5 Vp-p 2.21 µs 1.1 Vp-p 2.2 µs 1.2 mVp-p 2.2 µs 1 Vp-p 2.22 µs 2.4 Vp-p 2.21 µs 4.9 Vp-p 20 ms 注:波形図は,対アース間をカラーバー信号 入力状態で測定。 Note: Waveforms are dc with respect to ground in color-bar signal input. 6 Vp-p 20 MHz 18 Vp-p 2.22 µs

标签:

版权声明

1. 本站所有素材,仅限学习交流,仅展示部分内容,如需查看完整内容,请下载原文件。
2. 会员在本站下载的所有素材,只拥有使用权,著作权归原作者所有。
3. 所有素材,未经合法授权,请勿用于商业用途,会员不得以任何形式发布、传播、复制、转售该素材,否则一律封号处理。
4. 如果素材损害你的权益请联系客服QQ:77594475 处理。