松下TH-P50X20C等离子显示器(GPH13DA机芯)维修手册和图纸

分类:电子电工 日期: 点击:0
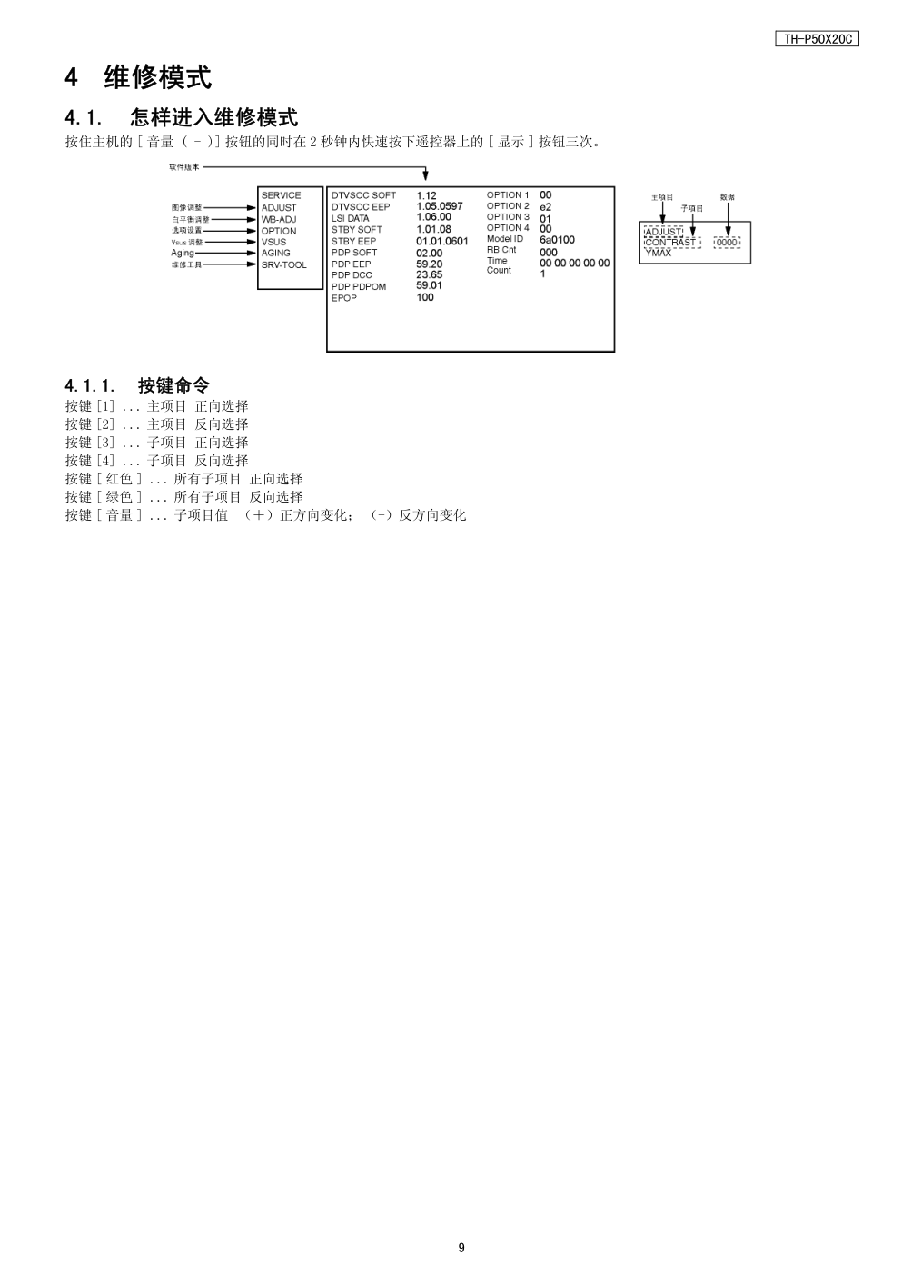
松下TH-P50X20C等离子显示器(GPH13DA机芯)维修手册和图纸-0 松下TH-P50X20C等离子显示器(GPH13DA机芯)维修手册和图纸-1 松下TH-P50X20C等离子显示器(GPH13DA机芯)维修手册和图纸-2 松下TH-P50X20C等离子显示器(GPH13DA机芯)维修手册和图纸-3 松下TH-P50X20C等离子显示器(GPH13DA机芯)维修手册和图纸-4 松下TH-P50X20C等离子显示器(GPH13DA机芯)维修手册和图纸-5 松下TH-P50X20C等离子显示器(GPH13DA机芯)维修手册和图纸-6 松下TH-P50X20C等离子显示器(GPH13DA机芯)维修手册和图纸-7 松下TH-P50X20C等离子显示器(GPH13DA机芯)维修手册和图纸-8 松下TH-P50X20C等离子显示器(GPH13DA机芯)维修手册和图纸-9

© 2010 松下电器产业株式会社版权所有。 未经本公司许可而复制或分发者均属违法。 ORDER NO. PPDS1004150CC 高清晰等离子显示器 TH-P50X20C GPH13DA 机芯 技术规格 电源: 220 V AC, 50/60Hz 耗电量: 消耗功率 290 W 待机消耗功率 0.45 W 等离子显示屏: 屏幕宽高比 16:9 可见屏幕尺寸 127 cm (对角线) 1,105 mm (宽) x 622 mm (高) 像素数 786,432 (1,024 (宽) x 768 (高)) [3,072 x 768 点 ] 声音: 喇叭 160 mm x 40 mm x 2 只, 6 Ω 音频输出 16 W (8 W + 8 W ) 耳机 M3 (3.5 mm) 立体声微型插孔 x 1 电脑信号: VGA, SVGA, WVGA, XGA SXGA, WXGA ..... (压缩) 水平扫描频率: 31 - 69 kHz 垂直扫描频率: 59 - 86 Hz 2 TH-P50X20C 接收制式 / 频带名称: 接收频道 VHF 频段 (模拟电视) 2-12 (PAL/SECAM B, K1) 0-12 (PAL B 澳大利亚 ) 1-9 (PAL 新西兰 ) 1-12 (PAL/SECAM D) 1-12 (NTSC M 日本 ) 2-13 (NTSC M 美国 ) UHF 频段 21-69 (PAL G, H, I/SECAM G, K, K1) 28-69 (PAL B 澳大利亚 ) 13-57 (PAL D, K) 13-62 (NTSC M 日本 ) 14-69 (NTSC M 美国 ) 有线电视 S1-S20 (OSCAR) 1-125 ( 美国有线电视 ) C13-C49 ( 日本 ) S21-S41 (HYPER) Z1-Z37 ( 中国 ) 5A, 9A ( 澳大利亚 ) 天线 - 背部: VHF / UHF 使用环境: 温度 : 0 ° C - 40 ° C 湿度 : 20 % - 80 % 相对湿度 ( 无结露 ) 连接端子: 视频 / 音频输入 1 视频 RCA 针式× 1 1.0 V [p-p] (75 Ω ) 分量视频 Y 1.0 V [p-p] ( 包括同步 ) PB / CB, PR/ CR ± 0.35 V [p-p] 音频 L-R RCA 针式× 2 0.5 V[rms] 视频 / 音频输入 2 视频 RCA 针式× 1 1.0 V [p-p] (75 Ω ) 音频 L-R RCA 针式× 2 0.5 V[rms] 视频 / 音频输入 3 视频 RCA 针式× 1 1.0 V [p-p] (75 Ω ) 音频 L-R RCA 针式× 2 0.5 V[rms] 视频输出 视频 RCA 针式× 1 1.0 V [p-p] (75 Ω ) 音频 L-R RCA 针式× 2 0.5 V[rms] ( 高阻抗 ) 其他端子 HDMI1-2-3 输入 A 型连接器 本机支持 “HDAVI control 5” 功能。 电脑视频输入 高密度 D-SUB 15 针 R/G/B: 0.7 V[p-p] (75 Ω ) HD/VD: TTL 级 2.0-5.0 V[p-p] ( 高阻抗 ) 存储卡插槽 SD 卡插槽× 1 尺寸 ( 宽×高×厚 ): 1,218 mm x 817 mm x 357 mm ( 包括电视机底座 ) 1,218 mm x 769 mm x 93 mm ( 仅电视机 ) 重量 : 净重 33.0 kg ( 包括电视机底座 ) 净重 31.5 kg ( 仅电视机 ) 执行标准 Q/YXNS19-2010 说明: • 设计和技术规格如有变更,恕不另行通知。以上所示重量和尺寸均为近似值。 • 本设备符合下述所列标准。GB13837-2003,GB17625.1-2003,GB8898-2001 3 TH-P50X20C 目录 页数 页数 1 安全警告 ---------------------------------------- 4 1.1. 一般准则 ---------------------------------- 4 2 警告--------------------------------------------- 5 2.1. 对静电敏感设备 (ES)的静电放电保护 (ESD)-- 5 2.2. 无铅焊接 (PbF)---------------------------- 6 3 维修指南----------------------------------------- 7 3.1. PCB 板分布 --------------------------------- 7 3.2. 适用信号 ----------------------------------- 8 4 维修模式----------------------------------------- 9 4.1. 怎样进入维修模式 --------------------------- 9 4.2. 选项——镜像显示 -------------------------- 11 4.3. 维修工具模式 ------------------------------ 11 4.4. 旅馆模式 ---------------------------------- 12 4.5. SD 卡拷贝数据 ----------------------------- 13 5 故障检修指南------------------------------------ 16 5.1. 检测 IIC 总线 ------------------------------ 16 5.2. 电源指示灯闪烁间隔表 ---------------------- 17 5.3. 无电源 ------------------------------------ 18 5.4. 无图象 ------------------------------------ 19 5.5. 显示屏局部故障 ---------------------------- 20 6 维修检测工具------------------------------------ 21 6.1. SC 夹具 ----------------------------------- 21 7 拆装指南---------------------------------------- 22 7.1. 取下后盖 ---------------------------------- 22 7.2. 取下 AC 接入口组件 ------------------------- 22 7.3. 取下 P 板 ---------------------------------- 22 7.4. 取下侧端子盖和侧端金属保护板 -------------- 22 7.5. 取下调谐器组件 ---------------------------- 23 7.6. 取下 A 板 ---------------------------------- 23 7.7. 取下扬声器 -------------------------------- 23 7.8. 取下 SU 板 --------------------------------- 23 7.9. 取下 SD 板 --------------------------------- 24 7.10. 取下 SC 板 --------------------------------- 24 7.11. 取下 SS 板 --------------------------------- 24 7.12. 取下吊挂金属件和支架 ---------------------- 24 7.13. 取下 C1 板 --------------------------------- 25 7.14. 取下 C2 板 --------------------------------- 25 7.15. 从面框组件中取出等离子显示屏 (玻璃)------ 25 7.16. 取下玻璃固定压条 -------------------------- 26 7.17. 取下 K 板 ---------------------------------- 26 7.18. 更换等离子显示屏 -------------------------- 26 8 测量及调整-------------------------------------- 27 8.1. 微调 -------------------------------------- 27 9 方框图 ----------------------------------------- 31 9.1. 主方框图 --------------------------------- 31 9.2. 方框图 (1/4)----------------------------- 32 9.3. 方框图 (2/4)----------------------------- 33 9.4. 方框图 (3/4)----------------------------- 34 9.5. 方框图 (4/4)----------------------------- 35 10 配线连接图-------------------------------------- 37 10.1. 注意事项 ---------------------------------- 37 10.2. 配线 (1)--------------------------------- 37 10.3. 配线 (2)--------------------------------- 38 10.4. 配线 (3)--------------------------------- 38 10.5. 配线 (4)--------------------------------- 39 11 线路图------------------------------------------ 41 11.1. 线路图注意事项 --------------------------- 41 11.2. A 电路板 (1/13)线路图 -------------------- 42 11.3. A 电路板 (2/13)线路图 -------------------- 43 11.4. A 电路板 (3/13)线路图 -------------------- 44 11.5. A 电路板 (4/13)线路图 -------------------- 45 11.6. A 电路板 (5/13)线路图---------------------46 11.7. A 电路板 (6/13)线路图---------------------47 11.8. A 电路板 (7/13)线路图---------------------48 11.9. A 电路板 (8/13)线路图---------------------49 11.10. A 电路板 (9/13)线路图---------------------50 11.11. A 电路板 (10/13)和 K 电路板线路图----------51 11.12. A 电路板 (11/13)线路图--------------------52 11.13. A 电路板 (12/13)线路图--------------------53 11.14. A 电路板 (13/13)线路图--------------------54 11.15. C1 电路板线路图 ----------------------------55 11.16. C2 电路板线路图 ----------------------------56 11.17. SC 电路板 (1/4) 线路图 ----------------------57 11.18. SC 电路板 (2/4) 线路图 ----------------------58 11.19. SC 电路板 (3/4) 线路图 ----------------------59 11.20. SC 电路板 (4/4) 线路图 ----------------------60 11.21. SS 电路板 (1/2)线路图---------------------61 11.22. SS 电路板 (2/2)线路图---------------------62 12 导线图 -----------------------------------------63 12.1. K 电路板 -----------------------------------63 12.2. A 电路板 -----------------------------------64 12.3. C1 电路板 ----------------------------------66 12.4. C2 电路板 ----------------------------------67 12.5. SC 电路板 ----------------------------------68 12.6. SS 电路板 ----------------------------------70 13 分解图和更换部件清单 ----------------------------73 13.1. 分解图和机械更换部件清单-------------------73 13.2. 更换部件清单 ------------------------------78 4 TH-P50X20C 1 安全警告 1.1. 一般准则 1. 维修时,请勿试图更换设备零件或材料。 2. 维修连接线 (如电缆、柔性电缆或导线)时,即使仅一根或几根导线外皮破损或断裂,也勿试图维修或重新为其连接。应整体 更换连接线。 3. 维修时,请勿扭曲连接插头,应径直插入拔出。 4. 维修时,检查引线的外观。如发现短路,更换所有因短路而过热或被损坏的部件。 5. 维修后,检查并确认所有的保护装置,如:绝缘隔障、绝缘纸、屏蔽等安装正确。 6. 维修后,进行以下漏电检查,以免用户遭受触电危险。 1.1.1. 漏电检查 1. 将 AC 电源线直接插入 AC 电源插座。进行检查时,请勿使用隔离变压器。 2. 在设备上各外露金属部分和良好接地 (如水管)之间连接一个电流测量装置,如图 1 所示。 3. 用漏电测试仪 (Simpson 228 或类似型号)测量通过该装置的电势。 4. 检查各外露金属部件,并测量各点的电压。 5. 变换 AC 插座中的 AC 插头,并重复上述各项测量。 6. 各点 (漏电)的电势表示为电压 U1 和 U2,并且不能超过以下各值: 交流:U1 = 35 V (峰值) U2 = 0.35 V (峰值); 直流:U1 = 1.0 V 注: 与交流的 U2 限定峰值 0.35V 和直流的 U1 限定峰值 1.0V 相对应的电流峰值分别为 0.7mA 和 2.0mA。 与交流的 U1 限定峰值 35V 相对应的 100kHz 以上的电流峰值为 70mA。 7. 当测量值超出规定的限制时,可能会引起触电。所以必须在设备返回用户手中之前对其进行修理和再检测。 图 1 5 TH-P50X20C 2 警告 2.1. 对静电敏感设备 (ES)的静电放电保护 (ESD) 一些半导体(固态)装置很容易遭静电损坏。这些组件通常被称为静电敏感装置(ES)。典型的 ES 装置有集成电路和一些场效应晶体 管以及半导体 “芯片”组件。以下方法通常被用来减少由于静电放电 (ESD)所产生的组件损坏。 1. 处理任何半导体组件或是配备有半导体组件的设备之前,应立即接地 (已知) ,去静电。或者戴上市场上出售的抗静电放电腕 带,但是在待检设备通电之前应将其拿掉,以免遭受电击。 2. 在拆卸配有静电敏感装置的电器组件之后,要将该组件放置于导体表面上 (如铝箔),以防组件聚集静电或组件外露。 3. 仅使用末端接地烙铁来焊接或拆焊静电敏感装置。 4. 仅使用防静电拆焊装置。一些不属于防静电 (静电放电保护)的拆焊装置会产生足以损坏静电敏感装置的电荷。 5. 切勿使用类似氟利昂推进剂的化学物质。这些化学物质会产生足以损坏静电敏感装置的电荷。 6. 准备即刻安装之前才能拆开静电敏感备换装置的保护性包装。(大多数静电敏感备换装置都是采用铅制包装,通过与传导泡沫、 铝箔或是类似的导体材料一起造成短路)。 7. 拆掉静电敏感备换装置上的铅制保护性材料之前,立刻将保护性材料与即将安装该装置的机芯或是电路组件相接触。 注意 确定机芯或电路无电源,并遵守其它所有的安全措施。 8. 当处理未包装的静电敏感备换装置时,尽量减小身体的动作幅度。(否则,一些无关紧要的动作如:衣服织物一起掠过或是从铺 有地毯的地板上抬起脚,都会产生足以损坏静电敏感装置的静电 (静电放电))。 6 TH-P50X20C 2.2. 无铅焊接 (PbF) 注:在元素周期表中,铅的化学符号表示为 Pb。 在下文中,Pb 表示有铅焊料,PbF 则表示无铅焊料。 制造过程中所使用的以及下文中提及的无铅焊料皆为由 (Sn+Ag+Cu) 组成的焊料。 即:锡 (Sn)、银 (Ag)和铜 (Cu)。(其它类型也可使用) 出于环保考虑,本设备制造中采用无铅焊料。尽管有铅焊料也可行,但我们建议在维护时同样采用无铅焊料。 出于环境保护的考虑,本设备制造中使用了无铅焊接工艺。我们建议在维修和修理工作中最好使用无铅焊接,尽管有铅焊接也可使用。 使用无铅焊接工艺制造的印刷电路板背面的树叶形符号 内有 PbF 字样。 注意 • 无铅焊料比标准焊料的熔点高。通常情况下,无铅焊料的熔点相对高 50 ~ 70°F (30 ~ 40°C)。 请使用高温电烙铁,并将其温度设定为 700 ± 20°F (370 ± 10°C)。 • 温度过高 (达到大约 1100°F 或 600°C)时,无铅焊料可能会发生喷溅。 如果必须采用有铅焊接,请勿必在焊接前将焊脚或焊料区的无铅焊料彻底清除。如若不能彻底清除,则勿必确保将无铅焊料加热到 熔化状态后再使用有铅焊料。 • 在对双面电路板进行无铅焊接后,请检查部件侧部是否有多余焊料,防止其流到电路板另一面。( 参见下图 ) 推荐使用的无铅焊料 有几种无铅焊料可供选购。本产品使用的是 Sn+Ag+Cu (锡 + 银 + 铜)组合的焊料。 但也可使用 Sn+Cu (锡+铜)和 Sn+Zn+Bi (锡+锌+铋)组合的焊料。 7 TH-P50X20C 3 维修指南 3.1. PCB 板分布 电路板名称 功能 电路板名称 功能 P 电源供应 维护时需要更换 P 板 C1 数据驱动 (右下) C2 数据驱动 (左下) A 直流-直流转换器,调谐器 扬声器输出,AV 端子,HDMI 输入,SD 卡 数字信号处理器,PEAKS-sLD 格式转换器,等离子 AI 处理器,子场处理器 按键开关,电源开关 SC 扫描驱动 SS 维持驱动 SU 扫描输出 (上) 维修时需要更换 SU 板 K 遥控接收器,电源指示灯, C.A.T.S 感应器 SD 扫描输出 (下) 维修时需要更换 SD 板 8 TH-P50X20C 3.2. 适用信号 分量视频 (Y,PB/CB,PR/CR),HDMI * 标记:可适用的输入信号 电脑(来自 D-Sub 15P) 可兼容的电脑的输入信号基本符合 VESA 标准。 电脑 (来自 HDMI 端子) 可兼容的电脑的输入信号基本符合 HDMI 标准。 说明 不属于上述规格的信号可能无法正确显示。 上述信号均经重新格式化,以达到最佳观看效果。 电脑信号的放大或压缩可能不能很好地显示细节。 信号名称 分量视频 HDMI 525 (480) / 60i * * 525 (480) / 60p * * 625 (576) / 50i * * 625 (576) / 50p * * 750 (720) / 60p * * 750 (720) / 50p * * 1,125 (1,080) / 60i * * 1,125 (1,080) / 50i * * 1,125 (1,080) / 60p * 1,125 (1,080) / 50p * 1,125 (1,080) / 24p * 信号名称 水平频率 (kHz) 垂直频率 (Hz) 640 x 400 @70Hz 31.47 70.07 640 x 480 @60 Hz 31.47 59.94 640 x 480 @75 Hz 37.50 75.00 800 x 600 @60 Hz 37.88 60.32 800 x 600 @75 Hz 46.88 75.00 800 x 600 @85 Hz 53.67 85.06 852 x 480 @60 Hz 31.44 59.89 1,024 x 768 @60 Hz 48.36 60.00 1,024 x 768 @70 Hz 56.48 70.07 1,024 x 768 @75 Hz 60.02 75.03 1,024 x 768 @85 Hz 68.68 85.00 1,280 x 1,024@60 Hz 63.98 60.02 1,280 x 768 @60 Hz 47.70 60.00 1,366 x 768 @60 Hz 48.39 60.04 Macintosh 13" (640 x 480) 35.00 66.67 Macintosh 16" (832 x 624) 49.73 74.55 Macintosh 21" (1,152 x 870) 68.68 75.06 信号名称 水平频率 (kHz) 垂直频率 (Hz) 640 x 400 @60 Hz 31.47 60.00 750 (720) / 60p 45.00 60.00 1,125 (1,080) / 60p 67.50 60.00 9 TH-P50X20C 4 维修模式 4.1. 怎样进入维修模式 按住主机的 [ 音量 ( - )] 按钮的同时在 2 秒钟内快速按下遥控器上的 [ 显示 ] 按钮三次。 4.1.1. 按键命令 按键 [1] ... 主项目 正向选择 按键 [2] ... 主项目 反向选择 按键 [3] ... 子项目 正向选择 按键 [4] ... 子项目 反向选择 按键 [ 红色 ] ... 所有子项目 正向选择 按键 [ 绿色 ] ... 所有子项目 反向选择 按键 [ 音量 ] ... 子项目值 (+)正方向变化; (-)反方向变化 10 TH-P50X20C 4.1.2. 调节模式内容 • 数值显示为十六进制。 • 预设值根据型号不同而不同。 • 进入调整模式后,请先记录下每个项目的数值,然后开始调整。 4.1.3. 如何退出 按主机或遥控器的 [ ] 键可关闭电源退出。 11 TH-P50X20C 4.2. 选项——镜像显示 图象可左右或上下翻转显示。 00: 默认 (图象正常显示)。 01: 图象左右翻转显示。 02: 图象上下翻转显示。 注:选择镜像 显示选项后,如果出现屏幕显示不良现象 (如:横线或竖线),可能是由于 A 板故障引起的。 4.3. 维修工具模式 4.3.1. 怎样进入 1. 在维修模式中选择 [SRV-TOOL]。 2. 按遥控器的 [ 确定 ] 按钮。 4.3.2. 显示 SOS 历史 SOS 历史 (指示灯闪烁显示的数字)显示。 从左侧开始依次为:最后一次 SOS,倒数第二次,倒数第三次,出厂后第二次,出厂后第一次。 通过 “自检指示和恢复出厂设置”可清除该显示。 4.3.3. 启动时间 / 计数 按住静音按键三秒钟,高亮位置显示累计开启时间 / 累计开启次数。 时间:累计开启时间 (表示为小时):分钟 (十进制计) 计数:累计开启次数 (十进制计)。 注:自检或其他命令不会清除此显示。 4.3.4. 退出 1. 把交流电源线从墙面电源插座中拔出或按主机上 [ 电源 ] 按钮关闭电源。 12 TH-P50X20C 4.4. 旅馆模式 1. 目的 对旅馆限制功能。 2. 使用命令进入旅馆模式设置菜单 为显示旅馆模式设置菜单,请在两秒钟内使用以下命令。 请按下主机上的音量 [ - ] 按钮,并按下遥控器上的 [ 视 频 ] 按钮 (3 次)。 这样,旅馆模式设置菜单显示。 3. 退出旅馆模式设置菜单 从墙面电源插座中拔出交流电源线。 4. 旅馆模式设置菜单说明 项目 功能 旅馆模式 选择旅馆模式开 / 关 初始输入 选择输入信号模式。 每当电源接通时,可设置输入。 选择: AV1/AV2/AV3/PC/HDMI1/HDMI2/HDMI3/TV/OFF • PC:VGA 选项可选 初始 POS 选择节目号码。 选择: Off/0 至 99 • Off:优先上次记忆。 初始音量等级 每当电源接通时,请调节音量。 选择 / 范围: Off/0 至 100 • Off:优先上次记忆。 最大音量等级 设定最大音量。 范围: 0 至 100 键锁定 选择当前按键状态。 选择: Off/SETUP/MENU/ALL • Off:全部有效 • SETUP:仅 F 键无效 (调谐菜单不可选) • MENU:仅 F 键无效 ( 仅音量 / 静音可选 ) • ALL:全部无效 遥控器锁定 选择遥控器按键状态。 选择: Off/SETUP/MENU • Off:全部有效 • SETUP:仅设置菜单无效 • MENU:图像 / 声音 / 设置菜单无效 13 TH-P50X20C 4.5. SD 卡拷贝数据 4.5.1. 目的 (a) 电路板更换 (更换 A 板时拷贝数据): 更换 A 板时,A 板的数据可通过 SD 卡拷贝至新的 A 板上。 (b) 旅馆 (用于在旅馆安装多台电视机或其它设备时拷贝数据): 在旅馆安装多台电视机或其它设备时,主电视机上的数据可通过 SD 卡拷贝至其它电视机。 4.5.2. 准备 在空的 SD 卡上设置 pwd 文件为 (a)或 (b)的启动文件。 1. 将空的 SD 卡插入您的电脑。 2. 右键单击SD卡窗口的空白区域,选择新建,然后选择文本文档,以创建一个新的文件(默认文件名称为New Text Document.txt)。 3. 右键单击新建的文本文档,选择重命名,然后根据以下说明更改 (a)或 (b)的文件名称及扩展名,最后按 ENTER 确认。 文件名: (a) 更换电路板:boardreplace.pwd (b) 旅馆:hotel.pwd 注: 请仅创建一个文件,以免操作出错。 其它任何文件请勿保存在 SD 卡中。 14 TH-P50X20C 4.5.3. 从电视机拷贝数据至 SD 卡 1. 打开电视机。 2. 将带启动文件 (pwd 文件)的 SD 卡插入 SD 插槽。根据启动文件,屏幕显示将自动出现。 3. 通过遥控器输入 (a)或 (b)的密码。 (a) 更换电路板:2770 (b) 旅馆:4850 数据将由电视机拷贝至 SD 卡。 拷贝过程需大约 2 至 6 分钟。 4. 拷贝完毕后,从电视机上移除 SD 卡。 5. 关闭电视机。 注: SD 卡中将新建以下文件夹,以保存电视中拷贝过来的数据。 (a) 更换电路板:user_setup (b) 旅馆:hotel 15 TH-P50X20C 4.5.4. 从 SD 卡拷贝数据至电视机 1. 打开电视机。 2. 将载有数据的 SD 卡插入 SD 插槽。根据数据文件夹,屏幕显示将自动出现。 3. 通过遥控器输入 (a)或 (b)的密码。 (a) 更换电路板:2771 (b) 旅馆:4851 数据将由 SD 卡拷贝至电视机。 4. 拷贝完毕后,从电视机上移除 SD 卡。 (a) 更换电路板:拷贝后数据将被删除 (拷贝的数据)。 (b) 旅馆:数据不会被删除且可用于其它电视机。 5. 关闭电视机。 注: 1. 如果电路板出现故障,更换电路板时数据拷贝功能将失效。 2. 数据拷贝功能同样适用于同型号的电视机。 16 TH-P50X20C 5 故障检修指南 使用自检功能检测整机。 1. 检测 IIC 总线 2. 电源指示灯闪烁次数 5.1. 检测 IIC 总线 5.1.1. 怎样进入 仅自检显示: 按下主机上的 [ 音量 (-)] 按钮,并按遥控器的 [ 确定 ] 按键超过三秒,电视接收屏幕出现。 自检显示并强制返回出厂设置: 按下主机上的 [ 音量 (-)] 按钮,并按遥控器的 [ 菜单 ] 按钮超过三秒,电视接收屏幕出现。 5.1.2. 屏幕显示 5.1.3. 检测点 如果屏幕显示异常,请确认下面部分。 5.1.4. 退出 把交流电源线从墙面电源插座中拔出或按主机上 [ 电源 ] 按钮关闭电源。 17 TH-P50X20C 5.2. 电源指示灯闪烁间隔表 1. 主题 电源指示灯闪烁间隔表信息。 2. 内容 当设备出现异常时,保护电路将运行并将设备复位到待机状态。此时,通过本机前端的电源指示灯闪烁次数便可识别出故障部 位。 * 拆除电路板时使用 SC 夹具。 18 TH-P50X20C 5.3. 无电源 第一检测点 电源指示灯的无电源指示有以下 3 种情况: 1. 不亮。 2. 绿灯亮,几秒钟后转为红灯闪烁。(参见 5.2.) 3. 仅红灯亮。 19 TH-P50X20C 5.4. 无图象 20 TH-P50X20C 5.5. 显示屏局部故障 等离子显示器屏幕上可能会出现局部故障。图 1 是各局部可能会出现故障的 P.C.B. 印刷电路板分布。 图 1 21 TH-P50X20C 6 维修检测工具 6.1. SC 夹具 目的 当电源指示灯闪烁 7 次时,使用该工具可检测到发生故障的电路板 (SC,SU 或 SD 板)。 SC 夹具: 跳线连接件,连接 SC 板上的连接件 SC50。 部件号: TZSC09187 如何操作: 注意: 检查后,从 SC 板上取下 SC 夹具。 1. 取下 SC 板和 SU/SD 板之间的所有连接件,将 SC 板与 SU 和 SD 板分离。 注: 务必确保所有的连接件均已取出,否则可能损坏线路板 (例如:仅断开与 SU 板相连的连接件而与 SD 板仍然相连,将损坏 线路板。) 2. 连接 SC 夹具与 SC 板左下端的连接件 SC50。 3. 打开 TV/ 显示器,确认 LED 指示灯是否闪烁。 LED 指示灯闪烁: SC 板可能发生故障 LED 指示灯不闪烁 (亮或不亮): SU 板或 SD 板可能发生故障 4. 检查后,关闭 TV/ 显示器,等待几分钟使其放电。 5. 从 SC 板上取下 SC 夹具。 备注: 该 SC 夹具适用于所有 2010 年等离子电视机。 22 TH-P50X20C 7 拆装指南 7.1. 取下后盖 1. 参见电路板分布 (第 3 章)。 7.2. 取下 AC 接入口组件 注意: 由于电解电容器放电原因,请等待电源切断一分钟后再取下 P.C.B.。 1. 解开线夹,放出电线。 2. 断开连接件 (P9)。 3. 卸下螺丝 (× 1 ),取下 AC 接入口组件。 7.3. 取下 P 板 注意: 由于电解电容器放电原因,请等待电源切断一分钟后再取下 P.C.B.。 1. 解开线夹,放出电线。 2. 断开连接件 (P2, P6, P7, P9, P11 和 P35)。 3. 卸下螺丝 ( × 9 ),然后取下 P 板。 7.4. 取下侧端子盖和侧端金属保护板 1. 卸下螺丝 ( × 2 , × 1 , × 1 )。 2. 取下侧端子盖。 3. 取下侧端金属保护板。 23 TH-P50X20C 7.5. 取下调谐器组件 1. 取下侧端子盖和侧端金属保护板 (参见 7.4.)。 2. 解开线夹,放出电线。 3. 断开连接件 (A1, A6, A7 和 A11)。 4. 断开柔性电缆 (A21, A33 和 A34)。 5. 卸下螺丝 ( × 2 ),然后取下调谐器组件。 7.6. 取下 A 板 1. 取下调谐器组件 ( 参见 7.5.)。 2. 卸下螺丝 ( × 2 ),然后取下 A 板。 7.7. 取下扬声器 1. 解开线夹,放出电线。 2. 断开扬声器端子。 3. 卸下螺丝 ( 各× 2 ),然后取下扬声器 (左、右)。 7.8. 取下 SU 板 1. 断开连接 SU 板的柔性电缆 (SU1, SU2, SU3 和 SU4)。 2. 断开柔性电缆(SU11-SD11)和桥式连接件(SC41-SU41B)。 3. 松开支撑件 ( × 1 )。 4. 卸下螺丝 ( × 2 × 2 ),然后取下 SU 板。 24 TH-P50X20C 7.9. 取下 SD 板 1. 断开连接 SD 板的柔性电缆 (SD1, SD2, SD3 和 SD4)。 2. 断开柔性电缆(SU11-SD11)和桥式连接件(SC42-SD42B 和 SC46-SD46B)。 3. 松开支撑件 (× 1 )。 4. 卸下螺丝 (× 2 , × 2 ),然后取下 SD 板。 7.10. 取下 SC 板 1. 取下 SU 板和 SD 板 (参见 7.8. 和 7.9.)。 2. 解开线夹,放出电线。 3. 断开连接件 (SC2 和 SC3)。 4. 断开柔性电缆 (SC20)。 5. 卸下螺丝 (× 8 ),然后取下 SC 板。 7.11. 取下 SS 板 1. 取下调谐器组件 ( 参见 7.5.)。 2. 解开线夹,放出电线。 3. 断开连接件 (SS3,SS11 和 SS23)。 4. 断开柔性电缆 (SS52 和 SS55)。 5. 卸下螺丝 ( × 4 ),然后取下 SS 板。 7.12. 取下吊挂金属件和支架 1. 从维修台座上取下等离子显示屏,显示屏表面朝下放置于 合适的地方,如盖有软布的工作台。 2. 卸下左右支架分别紧固的螺丝 ( 各× 3 ) ,然后将左右 支架取下。 25 TH-P50X20C 3. 卸下紧固左右吊挂金属件的螺丝 ( 各× 2 ) ,然后取下 左右吊挂金属件。 7.13. 取下 C1 板 1. 分别取下吊挂金属件 ( 右 ) 和支架 (右)(参见 7.12.)。 2. 卸下紧固柔性电缆固定器的螺丝 ( × 8 )。 3. 断开柔性电缆 (CB1, CB2, CB3 和 CB4)。 4. 断开柔性电缆 (C10 和 C11)。 5. 卸下螺丝 ( × 4 ),然后取下 C1 板。 7.14. 取下 C2 板 1. 取下调谐器组件 ( 参见 7.5.)。 2. 分别取下吊挂金属件 ( 左 ) 和支架 (左)(参见 7.12.)。 3. 卸下紧固柔性电缆固定器的螺丝 ( × 8 )。 4. 断开柔性电缆 (CB5, CB6, CB7 和 CB8)。 5. 断开柔性电缆 (C20 和 C21)。 6. 断开连接件 (C23 和 C25)。 7. 卸下螺丝 ( × 4 ),然后取下 C2 板。 7.15. 从面框组件中取出等离子显示屏 (玻璃) 1. 取下紧固等离子显示屏的螺丝(×3 )并取下面框组件。 2. 将面框底部拉出,上提,并从等离子显示屏上取下面框组 件。 26 TH-P50X20C 7.16. 取下玻璃固定压条 1. 取下面框组件。( 参见 7.15.) 2. 卸下螺丝 ( × 4 )。 3. 取下玻璃固定压条 (左、右)。 4. 卸下螺丝 (× 9 )。 5. 取下顶部玻璃固定压条。 6. 卸下螺丝 (× 7 )。 7. 取下底部玻璃固定压条。 7.17. 取下 K 板 1. 取下玻璃固定压条。( 参见 7.16.) 2. 卸下螺丝 ( × 2 )。 3. 卸下卡扣 ( × 2 )。 4. 断开连接件 (K1),并从 LED 透光板上取下 K 板。 7.18. 更换等离子显示屏 注意: 未安装吊挂金属件的新等离子显示屏,其本身很容易损坏。 请待吊挂金属件和支架安装完毕后,再行更换。更换时请握住 吊挂金属件,以免损坏新的等离子显示屏。 1. 请将装有新等离子显示屏的纸箱放置于水平工作台上。 2. 拆开纸箱,先勿将新等离子显示屏取出。装上 C1, C2 板, 连接等离子显示屏和 C1,C2 板之间的柔性电缆,安装柔性 电缆固定器。 3. 将吊挂金属件和托架装在新等离子显示屏上。 4. 握住吊挂金属件,将新等离子显示屏移至维修台。 5. 将面框组件和各个 P.C. 板分别安装到新等离子显示屏上。 * 安装面框组件时,请注意前面玻璃和等离子显示屏之间不能残 留任何碎片,灰尘或操作残骸。 27 TH-P50X20C 8 测量及调整 8.1. 微调 8.1.1. Vsus 选择 注意: 更换等离子显示屏或 A 板后,Vsus 应设置为 LOW (低)或 HIGH (高)。 步骤 1. 进入维修模式的 [VSUS] 主项目,屏幕上将显示 LOW (低)或 HIGH (高)选项。 2. 按 [ 确定 ] 键进入 TEST (测试)阶段。在 TEST (测试)和 CONF 阶段时屏幕显示白信号且无 OSD。按 [5] 键显示 OSD。 3. 按遥控器上的 [ 音量 (-)] 按钮设置为 LOW (低)。 4. 设置为 LOW (低) a. 如果白信号上无明显可见的坏点,按 [3] 按钮进入 CONF 阶段。 b. 如果白信号上有明显可见的坏点,按 [ 音量 (+)] 按钮设置为 HIGH (高)。若坏点减少或消失,按 [3] 按钮进入 CONF 阶段。 5. 在 CONF 阶段按 [ 确定 ] 按钮以保存 LOW (低)或 HIGH (高)设置。 6. 按 [ 电源 ] 按钮退出维修模式。 28 TH-P50X20C 8.1.2. 副对比度调整 测量工具名称 连接 备注 射频发生器 基带信号发生器 高清信号发生器 步骤 备注 TV 调整 (射频系统) 1. 接收射频 PAL 制式 100% 全白信号或者彩条信号,如下所示: 2. 进入维修调整模式。 3. 按 [1] 或 [2] 键,进入调整模式的 [CONTRAST] (对比度)选项。 微调 1. 按遥控器上色彩键的黄色按钮。 2. 副对比度的 OSD (屏显)文字变红。 (内部正在进行自动调整) 3. 副对比度的 OSD (屏显)文字变黑。 4. 完成。 注: AV/HD 输入时,副对比度未经调整。 如需手动选择调整,请参见 [ 其它步骤 ]。 29 TH-P50X20C 步骤 备注 其它步骤 AV 系统调整 1. 接收 AV1( 或 AV2)PAL 制式 100% 全白信号或彩条信号,如下所示: 2. 进入维修调整模式。 3. 按 [1] 或 [2] 键,进入调整模式的 [CONTRAST] (对比度)选项。 微调 1. 按遥控器上色彩键的黄色按钮。 2. 副对比度的 OSD (屏显)文字变红。 (内部正在进行自动调整) 3. 副对比度的 OSD (屏显)文字变黑。 4. 完成。 步骤 备注 其它步骤 HD 系统调整 1. 1080i 100% 全白或彩条色域下接收分信号,如下所示: 2. 进入维修调整模式。 3. 按 [1] 或 [2] 键,进入调整模式的 [CONTRAST] (对比度)选项。 微调 1. 按遥控器上色彩键的黄色按钮。 2. 副对比度的 OSD (屏显)文字变红。 (内部正在进行自动调整) 3. 副对比度的 OSD (屏显)文字变黑。 4. 完成。 30 TH-P50X20C 8.1.3. 白平衡调整 测量工具名称 连接 备注 W/B 模式 色彩分析仪 ( 美能达 CA-100 或类似产品 ) 显示屏表面 步骤 备注 • 确保前面板适用于整机。 • 确保最终设置所用到的前面板安装到整机。 • 将色彩分析仪放置到色差十分微小的地方。 图像菜单:鲜艳 屏幕宽高比:16:9 微调 备注 1. 进入维修模式。 请使用外部信号或选择 CVBS/YUV (无同步)。 2. 按数字键 [1] 或 [2],显示 [ WB-ADJ ]。 确认色温为 [COOL] (冷色)。 3. 按数字键 [0],选择 [ METHOD ]。 4. 按数字键 [5],显示 [INNER PATTERN] (内部信号)。 5. 按数字键[3]或[4],选择[ G-CUTOFF ]项目;然后按音量键[+]或[-],将其设置为[80]。 同时,将 [B-CUTOFF] 和 [R-CUTOFF] 项目设置为 [80]。 6. 将 [G-DRIVE] (绿驱动)设定为 [D0]。 7. 然后调节 B drive(蓝驱动)和 R drive(红驱动),直到 x、y 项的数值与表 1 中的 [COLOR TEMP COOL] (色温的冷色项)相符。 8. 所有 RGB 驱动值增加,最大的 RGB 驱动值可变成 [FF]。 ([ALL-DRIVE] (所有驱动)设置为 [FF]。) 9. 按 [7] 键,设置色彩平衡为 [NORMAL] (正常)。 10. 调整 G-CUTOFF、B-CUTOFF 和 R-CUTOFF 为 [80]。 11. 将 [G-DRIVE] (绿驱动)设定为 [D0]。 12. 调节 B-DRIVE (蓝驱动)和 R-DRIVE (红驱动),直到 INNER PATTERN 的 (内部信号)x、 y 项的数值与表 1 中的 [COLOR TEMP NORMAL] (色温的正常项)相符。 13. 所有 RGB 驱动值增加,最大的 RGB 驱动值可变成 [FF]。 ([ALL-DRIVE] (所有驱动)设置为 [FF]。) 14. 按 [7] 键,设置色彩平衡为 [WARM] (暖色)。 15. 调整 G-CUTOFF、B-CUTOFF 和 R-CUTOFF 为 [80]。 16. 将 [G-DRIVE] (绿驱动)设定为 [D0]。 17. 调节 B-DRIVE (蓝驱动)和 R-DRIVE (驱动),直到 INNER PATTERN (内部信号)的 x、y 项的数值与表 1 中的 [COLOR TEMP WARM] (色温的暖色项)相符。 18. 所有 RGB 驱动值增加,最大的 RGB 驱动值可变成 [FF]。 ([ALL-DRIVE] (所有驱动)设置为 [FF]。) METHOD=01 按相同步骤调整 31 TH-P50X20C 9 方框图 9.1. 主方框图 PUSH (LED:3TIMES) (LED:4TIMES) (LED:8TIMES) (LED:6TIMES) (LED:5TIMES) (LED:10TIMES) (LED:2TIMES) (LED:7TIMES) (LED:9TIMES) ANALOG-ASIC DCDC P+5V VIDEO DATA PANEL STATUS P+5V PLASMA AI CPG with SS H/V Sync Control Sub Filed Processor Plasma AI SOS6_SC1 POWER SOS A21 LVDS DATA L/R P+3.3V KEY SWITCH KEYSCAN1 L/R REMOTE IN SUB1.8V DET SUB5V DET SUB1.2V DET SOS7_SC2 SOS8_SS PANEL SOS DCDC SUB1.8V V/Y/PB/PR AI SENSOR DCDC DCDC PC P+5V DET AV2 L RECEIVER HDMI I/F SUB1.2V SUB1.2V P+3.3V P+15V DCDC A11 AI SENSOR P+5V EEPROM P+5V R/G/B AV1 PANEL STB_ON P+15V CONTROL SIGNAL CPU BUS I/F CPU BUS NOR FLASH P+15V A34 P+15V DET SOS6_SC1 SOS STB5V PANEL STB_ON SUSTAIN CONTROL P+3.3V REMOTE RECEIVER SUB1.8V V/Y/C TUNER LVDS DATA SPEAKER(R) STB5V SD CARD DATA SOS8_SS SPEAKER(L) P+1.2V V PD4 A1 P+5V DDR2 AV SW K EEPROM EEPROM AUDIO L/R PANEL STATUS A33 MPU AMP V SD DIGITAL SIGNAL PROCESSOR SUB5V POWER LED SCAN CONTROL SOS VIDEO DATA L/R K1 AI SENSOR MONITOR PANEL SOS Nile-TCON REMOTE RECEIVER A SD CARD SLOT PANEL MICOM SD CARD DATA SOS7_SC2 AV3 P+1.2V P+5V R F15V STB1.2V P+3.3V DET STB3.3V STB3.3V POWER SWITCH A6 P+15V A7 SOUND15V F15V DCDC SUB9V SUB9V SOUND15V DCDC SUB5V SUB5V PANEL MAIN ON (SIDE) V HEAD_ PHONE HP L/R SIF I/F SIF I/F STB3.3V 5V STB_PS LED_R/G LED_R/G STB_D3.3V STB5V_M DCDC STB_D3.3V SOS_DCC A6 A7 HDMI3 HDMI2 TMDS DATA HDMI1 TMDS DATA TMDS DATA OUT OPTICAL AUDIO OPTICAL AUDIO OUT OPTICAL OUT SDIN AUDIO I/F (LED:3TIMES) (LED:4TIMES) (LED:8TIMES) (LED:6TIMES) (LED:5TIMES) (LED:10TIMES) (LED:2TIMES) (LED:7TIMES) (LED:9TIMES) COLD (LED:8TIME) (LED:7TIMES) HOT (LED:6TIMES) (LED:4TIME) SU SCAN OUT (UPPER) SU11 SU41B SC41 BUFFER SC46 SD11 SD SCAN DRIVER SC42 SD46B SCAN DRIVER SCAN OUT (LOWER) SD42B C1 C11 SC C20 Vda AC CORD P+15V P+15V SOS6_SC1 VAD GEN. VSUS VIDEO DATA RELAY ENERGY RECOVERY P-BOARD SOS DETECT DATA DRIVER SUSTAIN CONTROL STB5V SC-BOARD FLOATING PART SOS DETECT P2 Vda SCAN CONTROL C23 PS SOS4 F15V SUSTAIN CONTROL SS23 DATA DRIVER SC-BOARD ENERGY RECOVERY SOS DETECT DATA DRIVER SOS8_SS SOS7_SC2 P35 P P9 DATA DRIVER (RIGHT) DATA DRIVER SC2 VIDEO DATA Vda F15V P+3.3V VSET GEN. SS-BOARD SOS DETECT P+5V SUSTAIN VOLTAGE RECTIFIER C2 VSCAN GEN. P+5V DATA DRIVER DATA DRIVER CONTROL PULSE POWER SUPPLY Vda VSUS GEN. POWER FACTOR CONTROL RECTIFIER SUSTAIN CONTROL P6 P11 P+3.3V,P+5V P+3.3V SOS8_SS VIDEO DATA STANDBY VOLTAGE RECTIFIER C10 C25 DATA DRIVER C21 Vda P+5V SOUND15V STB5V PROCESS VOLTAGE RECTIFIER VE GEN. ENERGY RECOVERY COIL VSUS SOS8_SS SUSTAIN DRIVE VSUS P+15V SS11 DATA DRIVER (LEFT) P+5V SS P+3.3V P7 SC20 ON/OFF CONTROL DATA DRIVER P+15V SCAN DRIVE POWER MICOM VSUS VIDEO DATA RECTIFIER VIDEO DATA VSUS P+5V P+15V SS3 COLD (LED:8TIME) (LED:7TIMES) HOT (LED:6TIMES) (LED:4TIME) SC3 TH-P50X20C Main Block Diagram TH-P50X20C Main Block Diagram 32 TH-P50X20C 9.2. 方框图 (1/4) (LED:10TIMES) PUSH F15V X8000 STB3.3V SUB5V D5692 SUB3.3V Q5612 Q4702 Q4703 STB5V SUB5V STB3.3V STB5V SUB3.3V STB3.3V Q4704 P+15V F15V Q5613 SUB3.3V SUB3.3V SOUND15V SUB1.2V SUB1.8V STB5V SOUND15V P+15V D5600 Q5602 STB5V SUB5V F15V D2144 D2145 SUB9V STB1.2V SW001 MCU_RESET VIDEO MCU_RESET 3 IIC1 AV SW 7 DDC5V_B VCC 1 L(+) DDC5V_A 2 SD DATA:4bit MPU SUB1.2V SD CARD I/F 3.3V HDMI I/F RECEIVER IC5607 5V 2 RF_AGC SOS4_PS IIC0 TEMP SENSOR HDMI_CEC STB5V_SW_ON HDMI_CEC_ IN_OUT SUB1.2V DET ECO ON DDC5V_C SUB5V DET 3 PC_V H/V 4 R/G/B 5 PC SOUND15V 9 STB +3.3V TMDS DATA CLOCK P+15V HDMI IN 3 JK4502 IC8004 JK4500 IIC0 SUB3.3V_HDMI MCU_ RESET HDMI_CEC PANEL READY(STATUS) IC2106 DDR2 PANEL STB_ON IIC0 SPEAKER 3.3V IC8001 PANEL ALARM(SOS) MCU_ IIC ANALOG-ASIC R(-) Nile-TCON MCU_RESET X OUT IC8502 F15V IC8503 A6 3 15V V CLK X IN SUB3.3V SUB1.8V PANEL READY A PANEL STB_ON DIGITAL SIGNAL PROCESSOR PANEL ALARM ON/OFF IC5608 F15V DET DDC IIC SUB5V HDMI IN 2 KEYSCAN1 3.3V IC5613 L/R HDMI IN 1 F15V PC_B IC5609 IIC1 HDMI_CEC IC5605 IIC1 +5V SDIN IIC2 IC2110 IIC_DDC_C L_OUT INVERTER JK4501 LVDS DATA F15V LVDS_OUT MCU_XRST TMDS DATA CLOCK 1 L(-) IIC_DDC_A R(+) RXB TV SUB ON +5V RXA SD CARD JK8502 SOS POWER LED(R) 3.3V SOS C.A.T.S SENSOR IC8002 8 REMOTE IN ECO ON AGC SIF (SIDE) SPEAKER_R SUB5V DDC IIC AGC SPEAKER_L SUB1.8V DET +5V AFT SDOUT EEPROM ANT IN TV_V TV SUB ON 3.3V SOS IIC1 SUB3.3V_A SPEAKER SIF_OUT KEYSCAN1 SOS 6 AFT PC_G 2 SIF_IN A11 TU8301 TV TUNER 1 IC4700 R_OUT Y/C/V 4 IIC2 POWER LED(R) AUDIO AMP IIC2 PC L/R REMOTE IN IIC_DDC_B HDMI_CEC TMDS DATA CLOCK RXC DDC IIC +1.8V IC5606 IC4701 +1.2V SUB1.2V PC_H IC5610 EEPROM +5V STB3.3V CPU BUS I/F SUB1.8V NOR FLASH DDR I/F SOUND15V PC_R JK2108 Q8005 8 P_S0 P7 PANEL_MAIN_ON P_S0 7 PANEL_MAIN_ON MAIN_SW_2 P_S1 SOS4_PS 5 P_S1 STB5V_SW_ON 9 SOS4_PS STB5V_SW_ON 4 A7 TV_SUB_ON 3 STB5V 1 TV_SUB_ON 12 MAIN_SW_1 14 TUNER SW1 TUNER SW2 JK2102 AV3 HEADPHONE MONITOR OUT AV2 JK2111 AV1 V1_V V1_L V1_R V2_PR V2_L V2_Y V2_V V2_PB V2_R LOUT ROUT VOUT V3_L V3_V V3_R HP_R HP_L AFT HP_L,R_OUT L,ROUT IC2109 HP AMP IC4702 AUDIO AMP VOUT VIDEO AMP IC2108 TUNER SW2 TUNER SW1 AG_SOS ERROR DET DROP VOLTAGE P6 AV3 L/R V IC2300 9V AV1 V/Y/PB/PR AV2 IIC1 STB LED(G) STB LED(G) 25MHz STB +1.2V STB1.2V C.A.T.S. ARC_OFF Q4514 POWER SWITCH (LED:10TIMES) TH-P50X20C Block (1/4) Diagram TH-P50X20C Block (1/4) Diagram 33 TH-P50X20C 9.3. 方框图 (2/4) (LED:8TIMES) (LED:5TIMES) (LED:6TIMES) (LED:2TIMES) (LED:4TIMES) (LED:3TIMES) (LED:7TIMES) (LED:9TIMES) P+5V P+3.3V STB3.3V SUB3.3V P+5V P+15V STB3.3V STB_D3.3V D2520 P+15V STB5V P+15V P+15V SUB3.3V P+3.3V STB5V X9300 P+1.2V P+3.3V X9000 30 DIGITAL SIGNAL PROCESSOR P+3.3V POWER LED RESET STB3.3V 1.2V K IC9300 55 P_S0 1 P_S1 3 P+15V DET 6 3.3V 1 VIDEO DATA SUB3.3V UHZ STB+3.3V/RESET K1 SOS6_SC1 P+3.3V A1 PANEL MICOM R_LED_ON SUSTAIN CONTROL SOS8_SS SOS7_SC2 29 IC9400,01 BUFFER IC9802 1 16 UHZ CONTROL DATA 52 IC9003 PANEL MAIN ON CONTROL DATA 49 P+5V DET IC9800 IIC1 CONTROL DATA PANEL READY P+5V POWER ON/OFF 3 PLASMA AI CPG with SS H/V Sync Control Sub Filed Processor 5 SCAN CONTROL A34 P+15V +3.3V 15 A33 IIC2 C11 FLASH I/F STB IIC2 SCAN CONTROL 6 +1.2V 2 40 SOS6_SC1 35 VIDEO DATA DRVRST REMOTE IN XRSTSYS 3 XRSTSYS 1 P_S0 MCU_ IIC P_S1 STB_ IIC2 DRVRST_D 2 IIC1 OSD I/F OSD I/F RESET SOS8_SS P+15V PANEL ALARM P3V_ IIC2 REMOTE RECEIVER 2 POWER LED LVDS DATA C.A.T.S. SENSOR ADDR/DATA A FLASH MEMORY VIDEO DATA PANEL MAIN ON POWER LED(R) PANEL READY(STATUS) IC9304 31 4 SOS4_PS 5 SOS4_PS VIDEO DATA SUSTAIN CONTROL STB_D3.3V 18 KEYSCAN1 SC20 IC9004 A21 38 3.3V IC9801 P+3.3V +5V 11 6 3 5 P3V_ IIC2 SOS7_SC2 C21 DRVRST P+5V GenX7 IIC1 XRSTSYS EEPROM P+3.3V DET C.A.T.S. PD4 PANEL ALARM(SOS) REMOTE IN IC9001 DISCHARGE CONTROL PANEL STB_ON 53 P+3.3V SW3765 F TV VOL.DN/CH.UP AV SW3759 SW3762 VOL.UP/CH.UP KEY SWITCH SW3763 SW3764 X0 X1 25MHz OSCX0 10MHz IIC3 IIC3 OSCX1 SOS_DCC SOS IIC2 STB_IIC2 MCU_IIC A17 A18 FOR FACTORY USE FOR FACTORY USE IIC0 IIC1 IIC3 UARXD1/ UATXD1 A19 FOR FACTORY USE SN2510 C.A.T.S SENSOR REMOTE RM2510 C.A.T.S. (LED:8TIMES) (LED:5TIMES) (LED:6TIMES) (LED:2TIMES) (LED:4TIMES) (LED:3TIMES) (LED:7TIMES) (LED:9TIMES) TH-P50X20C Block (2/4) Diagram TH-P50X20C Block (2/4) Diagram (LED:8TIMES) (LED:5TIMES) (LED:6TIMES) (LED:2TIMES) (LED:4TIMES) (LED:3TIMES) (LED:7TIMES) (LED:9TIMES) P+5V P+3.3V STB3.3V SUB3.3V P+5V P+15V STB3.3V STB_D3.3V D2520 P+15V STB5V P+15V P+15V SUB3.3V P+3.3V STB5V X9300 P+1.2V P+3.3V X9000 30 DIGITAL SIGNAL PROCESSOR P+3.3V POWER LED RESET STB3.3V 1.2V K IC9300 55 P_S0 1 P_S1 3 P+15V DET 6 3.3V 1 VIDEO DATA SUB3.3V UHZ STB+3.3V/RESET K1 SOS6_SC1 P+3.3V A1 PANEL MICOM R_LED_ON SUSTAIN CONTROL SOS8_SS SOS7_SC2 29 IC9400,01 BUFFER IC9802 1 16 UHZ CONTROL DATA 52 IC9003 PANEL MAIN ON CONTROL DATA 49 P+5V DET IC9800 IIC1 CONTROL DATA PANEL READY P+5V POWER ON/OFF 3 PLASMA AI CPG with SS H/V Sync Control Sub Filed Processor 5 SCAN CONTROL A34 P+15V +3.3V 15 A33 IIC2 C11 FLASH I/F STB IIC2 SCAN CONTROL 6 +1.2V 2 40 SOS6_SC1 35 VIDEO DATA DRVRST REMOTE IN XRSTSYS 3 XRSTSYS 1 P_S0 MCU_ IIC P_S1 STB_ IIC2 DRVRST_D 2 IIC1 OSD I/F OSD I/F RESET SOS8_SS P+15V PANEL ALARM P3V_ IIC2 REMOTE RECEIVER 2 POWER LED LVDS DATA C.A.T.S. SENSOR ADDR/DATA A FLASH MEMORY VIDEO DATA PANEL MAIN ON POWER LED(R) PANEL READY(STATUS) IC9304 31 4 SOS4_PS 5 SOS4_PS VIDEO DATA SUSTAIN CONTROL STB_D3.3V 18 KEYSCAN1 SC20 IC9004 A21 38 3.3V IC9801 P+3.3V +5V 11 6 3 5 P3V_ IIC2 SOS7_SC2 C21 DRVRST P+5V GenX7 IIC1 XRSTSYS EEPROM P+3.3V DET C.A.T.S. PD4 PANEL ALARM(SOS) REMOTE IN IC9001 DISCHARGE CONTROL PANEL STB_ON 53 P+3.3V SW3765 F TV VOL.DN/CH.UP AV SW3759 SW3762 VOL.UP/CH.UP KEY SWITCH SW3763 SW3764 X0 X1 25MHz OSCX0 10MHz IIC3 IIC3 OSCX1 SOS_DCC SOS IIC2 STB_IIC2 MCU_IIC A17 A18 FOR FACTORY USE FOR FACTORY USE IIC0 IIC1 IIC3 UARXD1/ UATXD1 A19 FOR FACTORY USE SN2510 C.A.T.S SENSOR REMOTE RM2510 C.A.T.S. (LED:8TIMES) (LED:5TIMES) (LED:6TIMES) (LED:2TIMES) (LED:4TIMES) (LED:3TIMES) (LED:7TIMES) (LED:9TIMES) TH-P50X20C Block (2/4) Diagram TH-P50X20C Block (2/4) Diagram 34 TH-P50X20C 9.4. 方框图 (3/4) HOT COLD HOT COLD (LED:4TIMES) + + + + D151 F001 F002 D007 D008 D517 D521 D528 D525 D524 D017 D883 L005 D812 D811 D006 D010 D107 D106 D194 D193 D371 D551 D451 D491 L401 D602 D753 D607 D603 D615 Vsus T101 P+15V PC803 IC101 1 P2 D001 +15V STB5V RECTIFIER Q608 P9 STB_5V_ON CONTROL Q609 STB5V_ON POWER MPU P+15V 9 ALL_OFF AC_LOW 5 P+15V 1 POWER SUPPLY RL002 P P25 7 FSTB+15V MAIN SW2 P11 FILTER ALL_OFF 9 SS11 1 LIVE MAIN SW_ON NEUTRAL 14 3 LIVE MAIN SW1 10 POWER SOS PFC_ON/OFF P34 RUSH RELAY_ON RL001 +5V A7 8 Vda IC351 11 L001,L002 1 PANEL_MAIN_ON FSTB+15V VR251 AC CORD 12 T6.3AH 250V +15V(SND) PC801 PHOTO COUPLER Vsus 1 MAIN RELAY_ON 3 VR451 AC DET Q801,802 D801 F15V_ON SOS_PS 3 Vsus AC DET IC601 C25 P+15V T6.3AH 250V Vda Vda STB A6 Q205 Vsus 2 P35 2 AC_LOW MAIN_SW_2 2 1 PHOTO COUPLER P7 2 P6 AC IN PHOTO COUPLER PC502 PHOTO COUPLER PC501 T501 IC501 VSUS CONTROL Q501 Q521 RESONANCE ERROR DET Q522 D012 D011 V_ CORRECTION Q001 IC001 PFC Q881 Q882 Q644 RESET Q371 PFC_VCC STB_Vin CORRECTION Q101 Q102 D192 D191 PC101 PHOTO COUPLER D196 D195 Q192 IC151 ERROR DET Q203 Q206 Q202 P15V_ON P15V ON Q681 STB5V_OFF F15V ON +15V(SND) 1 Vda_OUT CONTROL Q451 Vda ERROR DET IC471 PHOTO COUPLER PC401 Vda CONTROL IC451 Vsus Q751 Vda ERROR DET DET Q601,678 Q677 S0 S1 Q583 Q585 Vsus ERROR DET IC571 D457 D454 Q603 15V_0C_DET S1 10 SOS4_PS S0 PANEL_MAIN_ON 7 8 9 MAIN_SW_1 7 5 4 3 1 PANEL_MAIN_ON F_STB_ON S1 S0 STB5V S0 S1 F_STB_ON F15V_DET Q602 Q613 Q614 Q615 Q604 Q221 0C_15V PROTECT OFF NEUTRAL LIVE F+15V +15V(SND) Vda SC2 NO USE HOT COLD HOT COLD (LED:4TIMES) OPEN TH-P50X20C Block (3/4) Diagram TH-P50X20C Block (3/4) Diagram 35 TH-P50X20C 9.5. 方框图 (4/4) (LED:8TIMES) (LED:6TIMES) (LED:7TIMES) TPVSUS TPSS1 D16280 D16282 TPSOS6 D16822 D16901 TPSC1 D16920 D16721 TPVAD D16728 TPVSUS TPVSCN D16473 D16820 D16583 D16475 D16493 D16480 D16490 D16618 TPSOS7 D16821 L16303 TPVE 2 IC14901-04 DRIVER SCAN SD 42B 4 SU 11 SCAN DRIVER IC14951-54 PLASMA PANEL PANEL SCAN SCAN OUT (LOWER) SD SU1-SU4 ELECTRODES SD1-SD4 SCAN DATA SCAN OUT (UPPER) SU SU 41B SD 11 SCNR_PRO LOGIC IC 8 SD 46B 1 5 8 2 Vsus BUFFER 1 IC16131 13 SC3 13 VE Gen. ELECTRODE PANEL SUSTAIN SS 23 C23 PC16191 Q16001 1 SUSTAIN DRIVE UEH FPC DET 4 SS DRIVER 1 P11 Q16101 UML PLASMA PANEL IC16241 VSUS Gen. UML 1 MID MID 5 DRIVER MID Q16022 Q16280 UEH UMH ERROR DET Q16002 SUSTAIN CONTROL 2 SUSTAIN CONTROL 2 Q16021 SS 11 UMH P+15V Q16102 SOS8_SS P+5V 3 SS3 5 IC16563 5V_F 5 CML 15 Q16401 9 1 IC16692 PHOTO COUPLER PC16685 1 IC16771 SHUNT REG 2 SC 50 SC 46 COUPLER SCNR_PRO CRC2 SOS7_SC2 OC2 SIU SEPA PROTECT SC3 PC16684 INVERTER IC16773 SS3 P2 CIS UHZ D16859 MID PHOTO 2 CLK MID Q16621 +5V COUPLER CSH UHZ F16V GEN. Q16421 CERS SOS6_SC1 CPH1 CSL PHOTO P+5V SCAN CONTROL VSCN-F P+15V VSCN GEN. VFG SHUNT REG SC 42 SC 20 F16V Q16490 OC2 REG. 1 1 6 VAD GEN. CRC2 CHA CML IC16490,91 CEL PC16480 CEL IC16501 IC16521 IC16581 OC1 CSH/CMH GATE DRIVE CIRCUIT IPD CIRCUIT A21 30 Q16885 T16471 16 Q16876 Q16607 Q16672 COMPARATOR SC2 Q16818 Q16451 PHOTO COUPLER PHOTO CSL/CML GATE DRIVE CIRCUIT PC16461 IC16471 CRC1 IC16661 CRC1 CMH BUFFER CMH OC1 VOL SHUNT (SC1) TP59,TP60 TP61,TP62 Q16661 13 PC16603 IC16724 IPD CIRCUIT Vfo F16V Q16601 CERS SIU IC16561,62 Vad+5V D16481 P+15V CLK Q16441 5 P+5V SCAN CONTROL Q16471 CSL COUPLER CSH ERROR DET (16V_F) INVERTER 2 CPH1 SHUNT REG CIRCUIT Q16402 LED(G) ERROR DET 8 CIS 3 SC JIG 2 SC 41 4 8 CHA 9 IC14961-63 6 Vfo VSCN-F SCAN DRIVE SC 30 16 3 P35 VIDEO DATA 7 5 P+3.3V C23 CONTROL DATA CB6 SUSTAIN CONTROL P+3.3V 53 Vda CB7 P+3.3V Vda C20 1 Vda 1 18 PANEL DRIVER SUSTAIN CONTROL PLASMA PANEL SOS8_SS 1 C21 20 CB3 19 CB1 PANEL DRIVER 3 DATA DRIVER (LEFT) A33 P+5V 1 C10 P+3.3V BUFFER CB8 CB4 DATA DRIVER (RIGHT) IC17203 IC17202 CONTROL DATA P+3.3V IC17101 P+3.3V 2 C2 C11 BUFFER CB2 C25 4 P+5V SOS8_SS BUFFER 5 Vda CB5 SS23 3 6 A34 VIDEO DATA C1 2 1 25 MID P+15V D16871 Vscn VRL VRH CSH CMH VFG IC16784,85 PC16896,97 PC16722,23 IC16786,87 PC16192 IC16304 D16316 IC16312 IPD CIRCUIT REG. SHUNT VE GEN. PHOTO COUPLER Vsus (LED:8TIMES) (LED:6TIMES) (LED:7TIMES) SS 52 SS 55 D16462 Q16452 TH-P50X20C Block (4/4) Diagram TH-P50X20C Block (4/4) Diagram 36 TH-P50X20C 37 TH-P50X20C 10 配线连接图 10.1. 注意事项 注意: 确认所有柔性电缆正确装配。 并确保它们均由固定在连接插件上。 可轻轻拉动柔性电缆以证实是否锁定。 10.2. 配线 (1) 38 TH-P50X20C 10.3. 配线 (2) 10.4. 配线 (3) 39 TH-P50X20C 10.5. 配线 (4) 40 TH-P50X20C 41 TH-P50X20C 11 线路图 11.1. 线路图注意事项 42 TH-P50X20C 11.2. A 电路板 (1/13)线路图 S S S S S S S S S P P C8012 16V 0.1u C8020 16V 0.1u C8025 16V 5p C8023 50V 5p C8001 6.3V 1u C8015 16V 150p C8002 6.3V 1u C8028 16V 0.1u C8019 16V 0.1u C8018 16V 0.1u C8017 16V 0.1u C8016 16V 0.1u C8014 16V 0.1u C8027 16V 0.1u C8011 16V 0.1u C8026 16V 0.01u C8024 16V 0.01u C8021 16V 0.1u C8013 16V 0.1u C8065 16V 0.1u C8133 50V 1000p C8127 16V 0.1u C8064 10V 1u C8146 50V 1000p C8145 16V 0.1u C8101 16V 0.1u C8063 50V 1000p C8046 4V 22u C8051 10u 10V C8045 10V 1u C8054 16V 0.1u C8036 16V 0.1u C8141 16V 0.1u C8078 10V 1u C8030 10u 10V C8140 50V 1000p C8069 16V 0.1u C8035 10u 10V C8053 16V 0.1u C8147 16V 0.1u C8034 16V 0.1u *C8041 10u 10V C8075 16V 0.1u C8060 16V 0.1u C8132 10V 1u C8050 16V 0.1u C8047 16V 0.1u *C8131 50V 1000p *C8073 16V 0.1u C8062 16V 0.1u C8049 10V 1u C8082 10u 10V C8044 10V 1u C8056 16V 0.1u C8033 10u 10V C8070 50V 1000p C8130 16V 0.1u C8009 4.7u 10V C8058 10u 10V C8136 16V 0.1u C8068 10V 1u *C8043 10V 1u C8079 10V 1u *C8061 50V 1000p C8059 10V 1u C8038 16V 0.1u C8042 16V 0.1u C8071 16V 0.1u C8067 10V 1u C8080 10V 1u *C8037 16V 0.1u C8039 10u 10V C8074 50V 1000p C8048 50V 1000p C8081 10V 1u C8116 16V 0.1u C8040 16V 0.1u C8022 16V 0.01u C8029 16V 0.015u C8139 16V 0.1u C8007 4p 50V C8008 5p 50V C8144 10V 1u C8143 10V 1u D8006 B0ACCJ000048 D8005 B0ACCJ000048 D8004 B0ACCJ000048 IC8001 A1 VSS IC8001 P13 VSS IC8001 P3 MODE_IN IC8001 U3 DCIN3 IC8001 W2 EBADD12 IC8001 M23 AGWU IC8001 L13 VSS IC8001 C16 VC1IN IC8001 G26 I2CCLK2 IC8001 AB6 P02_POWER_TV IC8001 L1 VSS IC8001 D20 ARIN5 IC8001 AD5 SDWP IC8001 A19 AVSS IC8001 R5 MCU_SCL IC8001 N4 PB7_CEC_OUT IC8001 C18 VCVS2IN IC8001 H26 UARXD0 IC8001 H5 ACK_DDC_B IC8001 A22 ALIN2 IC8001 D23 TSI1VALID IC8001 K6 TESTIN IC8001 B16 VY1IN IC8001 B7 GPIO1 IC8001 Y3 EBADD9 IC8001 B14 VG2IN IC8001 K4 SDA_DDC_B IC8001 A18 SIFIN IC8001 Y4 EBADD10 IC8001 AD1 EBDAT7 IC8001 K13 AVSS IC8001 A26 AVSS IC8001 L15 VSS IC8001 A4 RXP1_A IC8001 C20 ALIN5 IC8001 W3 NABSY_N IC8001 R15 VSS IC8001 AF18 VSS IC8001 D21 HDMITEST3 IC8001 F4 PB4_HPLUG_A IC8001 E2 RXN1_B IC8001 V6 SLOW_AD1 IC8001 G2 RXNC_C IC8001 A3 RXP2_A IC8001 B26 AVSS IC8001 N15 VSS IC8001 E26 AMCLKOX IC8001 B20 ARIN4 IC8001 H25 UATXD0 IC8001 F23 PANELCLKO IC8001 L12 VSS IC8001 AD2 EBDAT8 IC8001 R23 BL0PWM IC8001 AC3 EBDAT12 IC8001 AB1 EBDAT14 IC8001 P22 GPIO12 IC8001 AA1 EBADD3 IC8001 AE26 TF2 IC8001 K25 UATXD1 IC8001 K12 AVSS IC8001 W21 DBGTRST_N IC8001 AC2 EBDAT11 IC8001 K26 UARXD1 IC8001 AD6 SDDATA3 IC8001 N1 RTC_XIN IC8001 A2 VSS IC8001 D26 ALRCKOX IC8001 Y5 P81_POWER_LCD IC8001 C6 HDMITEST1 IC8001 C25 GPIO18 IC8001 AC4 EBDAT13 IC8001 W5 P80_BL_ONOFF IC8001 W1 EBADD11 IC8001 Y23 GPIO6 IC8001 AF6 SDDATA1 IC8001 T3 DCIN2 IC8001 P1 EBCE0_N IC8001 AB26 TCLK2 IC8001 T10 VSS IC8001 P16 VSS IC8001 E7 IFAGC IC8001 C11 VREFCIN IC8001 B13 VR3IN IC8001 U11 VSS IC8001 M25 TA1_N IC8001 E22 TSI1SYNC IC8001 L16 VSS IC8001 W6 SLOW_AD2 IC8001 D16 VREFAIN IC8001 A21 ALIN3 IC8001 B9 DAOUT3 IC8001 AB9 VSS IC8001 AA3 EBADD5 IC8001 N26 TB1 IC8001 V26 TF1 IC8001 T13 VSS IC8001 N22 GPIO13 IC8001 Y2 EBADD8 IC8001 E4 I2CCLK0 IC8001 D3 HDMITEST5 IC8001 L10 VSS IC8001 AF1 VSS IC8001 L14 VSS IC8001 C3 HDMITEST4 IC8001 E8 RFAGC IC8001 R17 VSS IC8001 B4 RXN1_A IC8001 B19 AVSS IC8001 A25 ALSPOUT IC8001 D24 ASDOX1 IC8001 R2 EBCE3_N IC8001 AC5 P12_PW_PROTECT IC8001 AB3 EBADD1 IC8001 D14 AADVCML IC8001 M26 TA1 IC8001 A20 ALIN4 IC8001 C10 VREFDIN IC8001 C12 SYNCIN3 IC8001 G6 REXT_A IC8001 N11 VSS IC8001 B24 ARTUNEOUT IC8001 D13 VBGE IC8001 AB2 EBDAT15 IC8001 E1 RXP1_B IC8001 R13 VSS IC8001 E10 P2FIL IC8001 G23 VCXPWMOUT IC8001 B15 VB1IN IC8001 Y22 GPIO7 IC8001 V1 EBOE_N IC8001 A23 ALIN1 IC8001 J1 RXP1_C IC8001 AA5 P74_POWER_SIG IC8001 U22 RIEXT_A IC8001 T1 EBCE4_N IC8001 J4 PB6_HPLUG_C IC8001 T17 VSS IC8001 M16 VSS IC8001 AA21 IRQ3 IC8001 T5 MCU_SDA IC8001 H23 UACTS0_N IC8001 N16 VSS IC8001 A5 RXP0_A IC8001 T4 P03_POWERKEY IC8001 Y25 TB2_N IC8001 J5 P00_DDC5V_C IC8001 AF4 EBDAT0 IC8001 L11 VSS IC8001 M11 VSS IC8001 B3 RXN2_A IC8001 T11 VSS IC8001 E6 GPIO2 IC8001 AB7 P13_REMOTEIN IC8001 V5 P25_BL_STATUS IC8001 J23 UATXD2 IC8001 AE15 VSS IC8001 L22 GPIO15 IC8001 H2 RXN0_C IC8001 B2 VSS IC8001 AE3 EBDAT4 IC8001 C26 ATXO IC8001 L6 SDA_DDC_A IC8001 A16 VR1IN IC8001 AC25 TD2_N IC8001 J2 RXN1_C IC8001 N24 VSS IC8001 M13 VSS IC8001 T12 VSS IC8001 A8 P2CKIN IC8001 R3 OCD_CLOCK IC8001 A10 AVSS IC8001 AF3 EBDAT3 IC8001 E24 IRQ0 IC8001 AE19 VSS IC8001 P4 ICERST_N IC8001 D12 P3FIL IC8001 V4 EBBE0_N IC8001 M15 VSS IC8001 Y21 DBGTMS IC8001 E9 ANTCON IC8001 M12 VSS IC8001 K16 AVSS IC8001 AC7 SLOW_AD5 IC8001 L23 TCN_LD IC8001 F5 P10_DDC5V_A IC8001 AD7 SLOW_AD6 IC8001 H22 CLKIN42 IC8001 P10 VSS IC8001 AA2 EBADD4 IC8001 W4 EBBE1_N IC8001 R24 VSS IC8001 J3 HDMITEST6 IC8001 T22 TEST IC8001 K1 RXP2_C IC8001 B8 DAOUT2 IC8001 M1 XIN IC8001 M22 GPIO14 IC8001 F24 IRQ1 IC8001 V25 TF1_N IC8001 U25 TE1_N IC8001 F6 GPIO3 IC8001 U17 VSS IC8001 AD4 EBDAT2 IC8001 AD25 TE2_N IC8001 H4 P01_DDC5V_B IC8001 AA23 GPIO4 IC8001 V22 GPIO11 IC8001 M3 COLDRST_N IC8001 J25 UA2EXCLK IC8001 G4 PB5_HPLUG_B IC8001 V2 EBWE_N IC8001 B11 VSB_INN IC8001 C22 GPIO21 IC8001 W25 TA2_N IC8001 U2 EBACK_N IC8001 R16 VSS IC8001 B5 RXN0_A IC8001 K15 AVSS IC8001 C8 AVDIN IC8001 K24 TCN_LPL IC8001 P14 VSS IC8001 D1 RXP0_B IC8001 B22 ARIN2 IC8001 AD9 VSS IC8001 B25 ARSPOUT IC8001 D7 FBINB IC8001 AE7 SLOW_AD7 IC8001 D18 P72_PPG IC8001 AA26 TC2 IC8001 AC26 TD2 IC8001 W26 TA2 IC8001 D2 RXN0_B IC8001 N25 TB1_N IC8001 P25 TC1_N IC8001 A13 VB2IN IC8001 AB5 P73_POWER_DB IC8001 AD3 EBDAT9 IC8001 C24 GPIO19 IC8001 AE22 VSS IC8001 G1 RXPC_C IC8001 B23 ARIN1 IC8001 P26 TC1 IC8001 AB4 EBADD2 IC8001 U1 SPI_CLK IC8001 A24 ALTUNEOUT IC8001 F22 PANELCLKI IC8001 A9 P3CKIN IC8001 M4 P76_CEC_IN IC8001 C15 VREFBIN IC8001 AC1 EBDAT10 IC8001 AD24 DBGTDI IC8001 U4 P70_POWER_LED IC8001 R1 EBCE2_N IC8001 L17 VSS IC8001 AD18 VSS IC8001 T16 VSS IC8001 F25 I2CDATA1 IC8001 A14 VR2IN IC8001 P11 VSS IC8001 P5 P11_AC_DETECT IC8001 J26 UA0EXCLK IC8001 D8 AHDIN IC8001 AF5 SDCLK IC8001 A7 GPIO0 IC8001 F26 I2CCLK1 IC8001 B17 VCVS4IN IC8001 M10 VSS IC8001 A11 VSB_INP IC8001 A12 VG3IN IC8001 AF2 VSS IC8001 T26 TD1 IC8001 AB25 TCLK2_N IC8001 AE25 TF2_N IC8001 K11 AVSS IC8001 R25 TCLK1_N IC8001 K22 GPIO16 IC8001 D22 TSI1DATA IC8001 AB12 VSS IC8001 C7 FBINA IC8001 U13 VSS IC8001 AA6 SLOW_AD4 IC8001 AA22 GPIO5 IC8001 K5 ACK_DDC_C IC8001 N12 VSS IC8001 R22 BL1PWM IC8001 N2 RTC_XOUT IC8001 E13 VREFEIN IC8001 P23 MTEST IC8001 AA25 TC2_N IC8001 T14 VSS IC8001 C17 VMONIOUT IC8001 AE1 EBDAT5 IC8001 M5 P77_AVLINK0IN IC8001 Y26 TB2 IC8001 H1 RXP0_C IC8001 P24 VSS IC8001 L3 SDA_DDC_C IC8001 AE2 EBDAT6 IC8001 AD26 TE2 IC8001 Y1 EBADD7 IC8001 AE6 SDDATA2 IC8001 D17 AVSS IC8001 K3 HDMITEST7 IC8001 M14 VSS IC8001 B21 ARIN3 IC8001 N17 VSS IC8001 D15 AVSS IC8001 AB22 VSS IC8001 K14 AVSS IC8001 C1 RXPC_B IC8001 AB16 VSS IC8001 P15 VSS IC8001 T2 EBCE5_N IC8001 B10 AVSS IC8001 E25 ABCKOX IC8001 M17 VSS IC8001 J6 REXT_C IC8001 C13 SYNCIN2 IC8001 L2 VSS IC8001 K23 TCN_POLL IC8001 AE4 EBDAT1 IC8001 K17 AVSS IC8001 AF24 DBGTCK IC8001 D9 DCIN1 IC8001 AE13 VSS IC8001 B12 VB3IN IC8001 N23 AGWK IC8001 E11 BIASDA3 IC8001 R4 OCD_DATA IC8001 D11 BIASDA2 IC8001 AF7 SDDATA0 IC8001 K2 RXN2_C IC8001 C2 RXNC_B IC8001 N13 VSS IC8001 Y6 SLOW_AD3 IC8001 M24 VSS IC8001 AE5 SDCMD IC8001 F1 RXP2_B IC8001 AC19 VSS IC8001 U26 TE1 IC8001 R12 VSS IC8001 U5 P71_STANDBY_LED IC8001 R26 TCLK1 IC8001 G22 VCXOI IC8001 W23 GPIO8 IC8001 AE24 DBGTDO IC8001 L24 TCN_POLR IC8001 V3 EBALE_N IC8001 C9 DCIN0 IC8001 E12 VBG IC8001 R10 VSS IC8001 N10 VSS IC8001 G5 ACK_DDC_A IC8001 P2 EBCE1_N IC8001 AA4 EBADD6 IC8001 P12 VSS IC8001 E5 I2CDATA0 IC8001 H24 UARTS0_N IC8001 B18 VCVS1IN IC8001 A6 RXPC_A IC8001 A15 VG1IN IC8001 N5 P75_AVLINK1IN IC8001 C14 SYNCIN1 IC8001 J22 GPIO17 IC8001 T25 TD1_N IC8001 N14 VSS IC8001 N3 MCUCLKOUT IC8001 M8 VDD33HDMI IC8001 L26 VDD12PLL IC8001 C19 AVDD33AADC IC8001 H15 AVDD12SIF IC8001 U24 VDDC IC8001 AF25 VDD33 IC8001 C21 AVDD33ADAC IC8001 U20 VDDC IC8001 K8 VDD12HDMI IC8001 AB15 VDD12DDRPLL IC8001 H10 VDD12PLL IC8001 AC14 VDD18DDR IC8001 AB13 VDD12DDR IC8001 H11 AVDD12V IC8001 P20 VDD33 IC8001 H14 AVDD12V IC8001 AC23 VDD18DDR IC8001 L8 VDD12HDMI IC8001 T20 VDDC IC8001 L19 VDD12PLL IC8001 U14 VDD12DDR IC8001 T19 VDDC IC8001 U8 VDD12MCU IC8001 H13 AVDD33V IC8001 AB17 VDD12DDR IC8001 AE20 VDD18DDR IC8001 AF26 VDD33 IC8001 U23 VDDC IC8001 N8 VDD33HDMI IC8001 H12 AVDD33V IC8001 AB8 VDD12DDR IC8001 AF8 VDD18DDR IC8001 AB21 VDD12DDR IC8001 T23 VDDC IC8001 T24 VDDC IC8001 AC21 VDD18DDR IC8001 L20 VDD12PLL IC8001 R8 VDDC IC8001 U19 VDDC IC8001 M19 VDDC IC8001 M20 VDDC IC8001 N19 VDDC IC8001 H17 AVDD33ADAC IC8001 AE11 VDD18DDR IC8001 AF17 VDD18DDR IC8001 R19 VDD33LVDS IC8001 AC10 VDD18DDR IC8001 T8 VDD33MCU IC8001 P8 VDDC IC8001 AC16 VDD18DDR IC8001 H16 AVDD33AADC IC8001 N20 VDDC IC8001 P19 VDD33 IC8001 R20 VDD33LVDS IC8001 U12 VDD12DDR IC8001 L25 VDD12PLL IC8001 U16 VDD12DDR IC8001 H6 REXT_B IC8001 R14 VSS IC8001 AC6 SDCD IC8001 G24 IRQ2 IC8001 C23 GPIO20 IC8001 J24 UARXD2 IC8001 B1 VSS IC8001 W22 GPIO9 IC8001 M2 XOUT IC8001 D25 ASDOX2 IC8001 D6 HDMITEST2 IC8001 P17 VSS IC8001 D10 AVSS IC8001 U6 SLOW_AD0 IC8001 T15 VSS IC8001 M6 SCL_DDC_A IC8001 K10 VSS IC8001 U15 VSS IC8001 L4 SCL_DDC_C IC8001 U10 VSS IC8001 B6 RXNC_A IC8001 G25 I2CDATA2 IC8001 L5 SCL_DDC_B IC8001 R11 VSS IC8001 E23 TSI1CLKI IC8001 D19 P22_EXT_MUTE IC8001 F2 RXN2_B IC8001 A17 VCVS3IN IC8001 V23 GPIO10 *IC8004 TVRR601 1 A0 2 A1 3 A2 4 GND 5 SDA 6 SCL 7 WP 8 Vcc L8013 J0JHC0000045 L8014 J0JHC0000045 L8017 J0JHC0000045 L8004 J0JHC0000045 L8002 J0JHC0000045 L8008 J0JHC0000045 L8010 J0JHC0000045 L8005 J0JHC0000045 L8012 J0JHC0000045 L8006 J0JHC0000045 L8003 J0JHC0000045 L8009 J0JHC0000045 L8011 J0JHC0000045 L8016 J0JHC0000045 L8007 ELJRF10NJFB SUB3.3V_A SUB3.3V_A STB3.3V SUB3.3V STB3.3V STB1.2V SUB3.3V DDR_VCC_POST STB3.3V STB3.3V STB3.3V SUB3.3V_SD STB3.3V SUB3.3V_HDMI SUB3.3V_A SUB3.3V STB5V SUB1.2V STB5V SUB3.3V_HDMI R8073 R8072 R8071 R8070 R8065 R8064 R8063 R8059 R8029 VJ8000 VJUMP1608-P R8032 TP8012 TP8002 TP8022 TP8034 TP8039 TP8029 TP8015 TP8017 TP8026 TP8010 TP8028 TP8013 TP8031 TP8005 TP8014 TP8038 TP8030 TP8000 TP8018 TP8021 TP8008 TP8009 TP8004 TP8025 TP8001 TP8023 TP8027 TP8037 TP8036 TP8006 TP8035 TP8024 TP8019 TP8011 TP8020 TP8003 TP8016 TP8033 TP8032 TP8007 RXP2_C RXP1_C SCL_DDC_C RXNC_C SYNCIN2 RXP0_C RXN1_C ARIN3 ALIN3 RXN2_A SDWP RXNC_B DDC5V_C SCL_DDC_B RXP0_A RIEXT_A SCL_DDC_A ARIN5 ALIN5 ARIN4 RXP1_B ALIN4 ALIN2 VG1IN ARIN1 ALIN1 RXN2_C AHDIN VR3IN SYNCIN1 VG2IN VB3IN DDC5V_B DDC5V_A VY1IN VC1IN RXN0_C RXP2_B VCVS2IN VCVS1IN VCVS3IN RXPC_A RXNC_A VG3IN RXP1_A SDCD FACT_SDBOOT RXN0_B RXN1_B VCVS4IN ARIN2 RXN1_A SYNCIN3 RXPC_C RXN2_B SIFIN AVDIN VR1IN VB1IN RXN0_A VB2IN VR2IN RXP0_B RXPC_B RXP2_A MCU_XRST XEWE0 SDCLK RC_E+ RB_O- MCLK RB_E+ RA_E- ACK_DDC_A RCLK_E+ RD_E- XERE 24KEC_I2CCLK2 24KEC_I2CCLK1 RC_E- RA_E+ ACK_DDC_B ARTUNEOUT ALTUNEOUT SDIN BCLK SPDIF LRCLK RD_E+ RE_E+ RCLK_O+ VMONIOUT RE_O- XECS0 RB_O+ RE_E- RCLK_O- RA_O- RC_O+ RD_O+ RC_O- RE_O+ RA_O+ RD_O- 24KEC_I2CCLK0 RCLK_E- ACK_DDC_C RB_E- UACTS0_N 24KEC_I2CDATA0 24KEC_I2CDATA2 24KEC_I2CDATA1 EBADD8 EBADD12 EBADD22/NAALE EBDAT3 EBDAT12 EBADD16 EBADD10 EBADD17 EBDAT2 EBADD6 EBDAT11 DISPEN EBDAT15 EBDAT13 EBADD1 EBADD21/NACLE EBDAT10 EBADD15 EBADD9 EBADD14 SDA_DDC_B RFAGC IFAGC UA0EXCLK SDA_DDC_C EBDAT8 EBADD13 EBADD18 POWER_DET_24KEC EBADD5 EBDAT14 EBADD23/NABSY_N MCU_I2CDATA EBDAT7 ARC2_OFF EBADD7 EBDAT1 EBDAT6 UARTS0_N POWER_DET_24KEC TV_SYNC/TUNERBOX_SEL SOS SRQ RF_AFT KEY1 HPLUG_C HPLUG_B HPLUG_A PANEL_STBY_ON/PANEL_VCC_ON KEY3/STBY_LED_ON POWER_LED_ON EBADD2 GRAB_MODULE_IIC/PWM_POW_ON TV_SUB_ON RM_IN ECO_ON/INVERTER_ON EBADD4 EBDAT4 EBADD20 INVERTER_SOS UATXD1 UARXD1 UATXD0 UARXD0 EBDAT5 EBDAT0 EBDAT9 SDDAT1 SDCMD TUNER_SW1 FAN_MAX/LCD_EEP_WP/ZWEI_VOUT_ENB 24KEC_EEP_WP TUNER_SW2 EBADD3 PANEL_ALARM/PANEL_LED_ON PANEL_TEST_ON/VDD25_EN PANEL_READY/FV_SEL PANEL_AGW/AVDD_ENB AUDIO_XRST S_XDET YUV_DET SDDAT0 SDDAT2 SDA_DDC_A SDDAT3 HP_MUTE_TEMP EBADD24 HDMI_CEC CATS_EYE EBADD19 MCU_I2CCLK TCON_GDATA1 EBADD11 Q8005 B1CBGD000001 Q8002 B1ABCF000231 Q8003 B1ABCF000231 R8084 EXB2HV103JV 10k 1M R8023 R8056 1.5k R8037 10k R8062 4.7k R8102 4.7k R8100 22k R8051 100 R8089 0 *R8103 4.7k R8058 220 R8050 100 R8053 1k R8024 2.2k R8055 2.2k R8043 47k R8040 4.7k R8106 0 R8098 4.7k R8048 27k R8027 2k 1% R8049 100 R8099 1k R8101 4.7k R8054 1.2k R8041 4.7k R8045 47k R8026 2k 1% R8039 4.7k R8044 1k R8057 1.5k R8094 4.7k R8025 2k 1% X8000 H0J250500094 MON_MUTE/IPOD_PWR_ON 25MHz GPIO20 DISPEN GPIO18 PANEL_READY/FV_SEL GPIO19 PANEL_ALARM/PANEL_LED_ON GPIO2 PANEL_TEST_ON/VDD25_EN GPIO3 PANEL_AGW/AVDD_ENB GPIO17 AUDIO_XRST GPIO16 S_XDET GPIO15 YUV_DET GPIO21 TV_SYNC/TUNERBOX_SEL GPIO14 SIF_FIL_ON DCIN0 IPOD_ACC_PWR_XDET DCIN1 HP_DET PIO7 ETHER_XRST IRQ2 ETHER_IRQ PIO8 SD_LED_OFF P73 IPOD_XDET / HOTEL_SERIAL_SW P02 ECO_ON / INVERTER_ON P13 RM_IN P12 TV_SUB_ON P72 GRAB_MODULE_IIC / PWM_POW_ON P22 HP_MUTE1 P11 POWER_DET LVDS/LCD VCC JTAG Digital Audio SD CLOCK IIC_24KEc UART_24KEc GPIO/IRQ_24KEc HDMI DVSS/AVSS GPIO/IRQ_MCU EBUS I2C0:TU/iPOD I2C1:AMP/PANEL/HP I2C2:24KEC_EEPROM P70 POWER_LED_ON P71 KEY3/STBY_LED_ON P74 HOT_START[DDR_Self_Refresh] P03 MON_MUTE / IPOD_PWR_ON P25 GUARD_DOG_EXE P81 PANEL_STBY_ON/PANEL_VCC_ON P10 DDC5V_A P01 DDC5V_B P00 DDC5V_C P76 CEC_IN P75 CEC_OUT PB4 HPLUG_A PB5 HPLUG_B PB6 HPLUG_C INVERTER_SOS SLOW1 KEY1 SLOW2 CATS_EYE SLOW3 RF_AFT SLOW4 SRQ SLOW5 SOS[Power, Sub9, Sub5, FAN, Sound] SLOW6 DPMS_STS SLOW7 FACT G S D for 256Mb NOR AVSW GPIO8 24KEc_EEP_WP P77 SUB3.3V_SENSE PB7 IPOD_SOS GPIO6 RED_LED(for debug) GPIO7 GREEN_LED(for debug) GPIO5 FAN_OFF GPIO4 FAN_MAX/LCD_EEP_WP/ZWEI_VOUT_ENB GPIO11 IPOD_CP_RST GPIO9 SP_LED_OFF GPIO10 SP_LED_DIM GPIO12 TUNER_SW1 GPIO13 TUNER_SW2 IRQ3 POWER_DET_24KEC GPIO0 HOT_START_24KEC GPIO1 LCD_EEP_WP 5V tolerant 8mACell C 3 D 1 A E 2 9 6 B 8 4 F 5 7 ! A-BOARD TNPH0842NC (1/13) PIO03 TCON_GDATA1 PIO02 TCON_CPV UATX/RX1 : Kernel UATX/RX0 : YAMON PIO04 TCON_GDATA2 EEPROM IC8001 C1AB00003250 Nile-TCON TO 8/13 TO 10,11/13 TO 11/13 TO 10/13 TO 9/13 TO 10/13 TO 7/13 TO 10/13 TO 3,7/13 TO 10/13 TO 11/13 TO 10/13 TO 10,11/13 TO 10/13 TO 7/13 TO 7/13 TO 1/13 TO 1/13 TO 8/13 TO 11/13 TO 4/13 TO 3/13 TO 8/13 TO 6/13 TO 11/13 TO 9/13 TO 10/13 TO 10/13 TO 11/13 TO 9/13 TO 9/13 TO 6/13 TO 5/13 TO 6/13 TO 5/13 TO 6/13 TO 11/13 TU TO 3/13 TO 8/13 TO 8/13 TO 8/13 TO 6/13 TO 7,8/13 TO 11/13 TO 3/13 TH-P50X20C A-Board (1/13) Schematic Diagram TH-P50X20C A-Board (1/13) Schematic Diagram 43 TH-P50X20C 11.3. A 电路板 (2/13)线路图 CH0A4 CH0XBA2 CH0A5 CH0DQ1 CH0DQ2 CH0DQ3 CH0DQ14 CH0DQ10 CH0DQ6 CH0DQ5 CH0DQ12 CH0DQ11 CH0DQ4 CH0DQ9 CH0DQ0 CH0DQ8 CH0DM0 CH0DQS0 CH0DQ7 CH0DQ13 CH0DQ15 CH0DQS1 CH0DM1 CH0XCAS CH0XCS0 CH0DQS1_N CH0DQS0_N CH0CKE CH0ODT CH0A7 CH0A12 CH0A3 CH0A9 CH0A6 CH0A11 CH0A8 CH0A2 CH0A0 CH0BA0 CH0BA1 CH0A1 CH0XWE CH0A10 CH0XRAS CH0CK CH0XCK C8003 16V 0.1u C8006 16V 0.1u C8005 16V 0.1u C8004 16V 0.1u C8104 50V 1000p C8121 50V 1000p C8113 10V 1u C8111 10u 10V C8112 50V 1000p C8120 16V 0.1u C8105 50V 1000p C8148 50V 1000p C8110 16V 0.1u C8097 10u 10V C8102 50V 5p IC8002 C3ABSY000043 A1 VDD IC8001 AD10 DDRDM0 IC8001 AC22 DDRAD11 IC8001 AF15 DDRODT0 IC8001 AB19 DDRAD2 IC8002 K2 CKE IC8001 AB20 DDRAD7 IC8001 AD11 DDRDQ0 IC8001 AD12 DDRDQ11 IC8001 AE23 DDRAD10 IC8001 AF11 DDRDQ14 IC8001 AB11 DDRDQ15 IC8001 AC13 DDRD1_VREF IC8001 AF13 DDRDQS1 IC8001 AE17 DDRCS0_N IC8001 AC20 DDRVCAL IC8001 AC18 DDRRDRV IC8001 AF21 DDRREFCLKA IC8001 AF9 DDRDQSN0 IC8001 AD8 DDRDQ6 IC8001 AE16 DDRRAS_N IC8001 AD16 DDRBCLK IC8001 AF14 DDRDQ8 IC8001 AC17 DDRAD1 IC8001 AD21 DDRAD4 IC8001 AB14 DDRWE_N IC8001 AE12 DDRDQ13 IC8001 AC8 DDRDQ7 IC8001 AE14 DDRDQ9 IC8001 AE8 DDRDQ5 IC8001 AC11 DDRDQ2 IC8001 AB23 DDRAD6 IC8001 AF23 DDRAD9 IC8001 AD19 RQDRVEN IC8001 AD23 DDRAD12 IC8001 AF19 DDRAD0 IC8001 AD17 DDRBA2 IC8001 AE10 DDRDQ3 IC8001 AC15 DDRCAS_N IC8001 AC12 DDRDQ12 IC8001 AD14 DDRDQ10 IC8001 AF20 DDRBA0 IC8001 AE21 DDRREFCLKAN IC8001 AF10 DDRDQ1 IC8001 AD15 DDRCLK IC8002 L3 BA1 IC8001 AB18 DDRRODT IC8001 AC9 DDRDQ4 IC8001 AB10 DDRD0_VREF IC8002 G9 VDDQ IC8002 D9 DQ13 IC8002 G1 VDDQ IC8002 H2 VSSQ IC8002 E2 NC IC8002 N3 A5 IC8002 E7 VSSQ IC8002 K8 CK IC8002 A7 VSSQ IC8002 G3 VDDQ IC8002 D3 DQ11 IC8002 K3 WE IC8002 L2 BA0 IC8002 H9 DQ5 IC8002 R1 VDD IC8002 F9 DQ7 IC8002 H7 DQ2 IC8002 F8 VSSQ IC8002 P9 VSS IC8002 N1 VSS IC8002 F3 LDM IC8002 P2 A7 IC8002 D8 VSSQ IC8002 J7 VSSDL IC8002 M9 VDD IC8002 B1 DQ14 IC8002 G8 DQ0 IC8002 G2 DQ1 IC8002 N2 A3 IC8002 H3 DQ3 IC8002 M8 A0 IC8002 A3 VSS IC8002 A8 UDQS IC8002 M7 A2 IC8002 C1 VDDQ IC8002 J2 VREF IC8002 C8 DQ8 IC8002 F1 DQ6 IC8002 P7 A11 IC8002 B3 UDM IC8002 J8 CK IC8002 M2 A10 IC8002 L7 CAS IC8002 J9 VDD IC8002 K7 RAS IC8002 J3 VSS IC8002 K9 ODT IC8002 H8 VSSQ IC8002 R2 A12 IC8002 A9 VDDQ IC8002 R7 NC IC8002 A2 NC IC8002 G7 VDDQ IC8002 B9 DQ15 IC8002 D7 DQ10 IC8002 P8 A8 IC8002 R8 NC IC8002 C9 VDDQ IC8002 P3 A9 IC8002 D1 DQ12 IC8002 E1 VDD IC8002 B7 UDQS IC8002 M3 A1 IC8002 E3 VSS IC8002 R3 NC IC8002 L1 NC IC8002 B2 VSSQ IC8002 F7 LDQS IC8002 E8 LDQS IC8002 C7 VDDQ IC8002 H1 DQ4 IC8002 N8 A4 IC8002 L8 CS IC8002 N7 A6 IC8002 F2 VSSQ IC8002 C2 DQ9 IC8002 E9 VDDQ IC8001 AF16 DDRCKE IC8001 AF22 DDRAD5 IC8001 AF12 DDRDQSN1 IC8001 AE9 DDRDQS0 IC8001 AE18 DDRBA1 IC8001 AD13 DDRDM1 IC8001 AD20 DDRAD3 IC8002 D2 VSSQ IC8001 AD22 DDRAD8 IC8002 B8 VSSQ IC8002 J1 VDDL IC8002 C3 VDDQ L8000 J0JHC0000045 DDR_VCC_POST DDR_VCC_POST SUB1.8V R8012 EXB28V101JX 100 R8015 EXB28V101JX 100 R8013 EXB28V101JX 100 R8016 EXB28V101JX 100 R8014 EXB28V101JX 100 R8017 EXB28V101JX 100 R8018 EXB28V101JX 100 R8010 EXB28V101JX 100 R8019 EXB28V101JX 100 R8011 EXB28V101JX 100 R8000 1k R8001 1k 1% R8091 80.6 1% R8005 102 R8008 1k 1% R8079 73.2 1% R8003 301 R8009 1k 1% R8004 402 1% R8007 102 1% R8006 402 R8068 150 84FBGA DDR2 800Mz x 16bit DDR2IF 14 18 15 16 17 11 10 13 ! A-BOARD TNPH0842NC (2/13) 12 IC8002 IC8001 Nile-TCON C1AB00003250 DDR2 #0 TH-P50X20C A-Board (2/13) Schematic Diagram TH-P50X20C A-Board (2/13) Schematic Diagram 44 TH-P50X20C 11.4. A 电路板 (3/13)线路图 AA_ED1 AA_EA6 AA_ED4 AA_ED13 AA_EA3 AA_EA10 AA_EA21 AA_EA17 AA_XERE AE_SDCLK AA_ED2 AA_XECS0 AA_ED11 AA_EA8 AA_ED15 AA_EA18 AA_EA16 AA_ED14 AA_EA5 AA_ED8 AA_EA13 AA_EA2 AA_EA22 AA_EA11 AA_EA9 AA_XEWE0 AA_XECS0 AA_ED12 AA_ED5 AA_EA14 AA_ED10 AA_ED0 AA_ED6 AA_ED7 AA_EA7 AA_EA15 AA_ED3 AA_ED9 AA_EA4 AA_EA12 AA_EA1 AA_EA20 AA_EA19 AA_EA23 AA_EA21 AA_EA11 AA_EA13 AA_EA23 AA_EA19 AA_EA12 AA_EA15 AA_EA18 AA_EA10 AA_EA17 AA_EA22 AE_SDCD AE_SDCMD AE_SDDAT3 AE_SDDAT1 AE_SDDAT2 AE_SDDAT0 AE_SDWP MCU_XRST AA_EA24 AA_EA24 AA_EA16 AA_EA20 AA_EA14 AE_SDCLK AE_SDWP AE_SDDAT2 AE_SDDAT3 AE_SDCMD AE_SDDAT0 AE_SDDAT1 AE_SDCD AA_XERE AA_XEWE0 MCU_XRST AA_ED7 AA_ED6 AA_ED5 AA_ED4 AA_ED3 AA_ED2 AA_ED1 AA_ED0 AA_ED8 AA_ED9 AA_ED10 AA_ED11 AA_ED12 AA_ED13 AA_ED14 AA_ED15 AA_EA7 AA_EA8 AA_EA9 AA_EA1 AA_EA6 AA_EA5 AA_EA4 AA_EA3 AA_EA2 C8503 16V 0.1u C8501 16V 0.1u C8506 16V 0.1u C8513 16V 0.1u C8517 10u 10V C8505 16V 0.1u C8504 16V 0.1u C8515 10u 10V C8514 16V 0.01u C8519 10V 1u C8520 0.1u 16V C8512 16V 47u *IC8503 TVRR597(K/M/V) TVRR597AA 1 E0 2 E1 3 E2 4 VSS 5 SDA 6 SCL 7 WC 8 VCC TVRR307AC *IC8502 1 N.C. 2 A22 3 A15 4 A14 5 A13 6 A12 7 A11 8 A10 9 A9 10 A8 11 A19 12 A20 13 WE 14 RESET 15 A21 16 WP/ACC 17 RY/BY 18 A18 19 A17 20 A7 21 A6 22 A5 23 A4 24 A3 25 A2 26 A1 27 N.C. 28 N.C. 29 Vio 30 N.C. 31 A0 32 CE 33 Vss 34 OE 35 DQ0 36 DQ8 37 DQ1 38 DQ9 39 DQ2 40 DQ10 41 DQ3 42 DQ11 43 Vcc 44 DQ4 45 DQ12 46 DQ5 47 DQ13 48 DQ6 49 DQ14 50 DQ7 51 DQ15/A-1 52 Vss 53 BYTE 54 A16 55 N.C. 56 N.C. JK8502 1 2 3 4 5 6 7 8 9 10 11 12 L8500 J0JHC0000045 L8501 J0JHC0000045 SUB3.3V_SD SUB3.3V STB3.3V STB3.3V STB3.3V L8502 R8510 R8511 TP8501 TP8511 TP8510 TP8504 TP8502 TP8509 TP8503 TP8512 TP8508 TP8506 TP8507 TP8505 MCU_XRST 24KEC_I2CCLK2_EEP XERE XEWE0 SDCLK SDWP EBADD21/NACLE EBADD14 EBDAT6 EBDAT14 EBADD20 24KEC_I2CDATA2_EEP EBADD11 SDCMD EBADD5 EBADD16 SDDAT2 EBDAT10 EBADD18 SDDAT1 EBADD4 EBADD2 EBDAT13 EBADD22/NAALE EBADD9 EBADD23/NABSY_N EBDAT12 EBADD6 EBADD15 EBDAT0 EBADD7 EBDAT15 EBADD13 EBADD19 EBDAT7 EBADD3 EBADD1 EBADD8 EBDAT4 EBDAT3 EBDAT2 EBDAT1 EBDAT11 SDDAT0 24KEC_EEP_WP EBADD10 EBADD12 EBDAT5 EBDAT8 SDCD EBADD24 SDDAT3 XECS0 EBDAT9 EBADD17 R8515 EXB2HV680JV R8513 EXB2HV680JV R8514 EXB2HV680JV R8530 EXB2HV330JV R8543 EXB2HV103JV R8539 EXB2HV680JV R8512 EXB2HV680JV R8516 EXB2HV680JV R8560 4.7k R8528 4.7k R8523 4.7k R8538 4.7k R8501 68 R8557 4.7k R8547 47k R8533 68 R8548 47k R8521 4.7k R8546 100 R8531 68 R8532 68 R8502 4.7k R8522 4.7k (A23) (VIO) SD_CARD SD_CARD_SLOT GND 3.3V GND SDDAT3 SDDAT0 SDCMD SDDAT1 SD/IC_CARD SDCLK SDDAT2 (for 256Mb) ! A-BOARD TNPH0842NC (3/13) 19 20 26 23 27 25 21 22 24 EEPROM NOR FLASH TO 1,7/13 TO 1/13 TO 1/13 TO 1/13 TO 1/13 TO 1/13 TO 10/13 + D.SW W.P. S S S TH-P50X20C A-Board (3/13) Schematic Diagram TH-P50X20C A-Board (3/13) Schematic Diagram 45 TH-P50X20C 11.5. A 电路板 (4/13)线路图 + Thermal Pad Thermal Pad Thermal Pad P5.0GND C5765 1u 10V C5764 1u 10V C5703 1u 10V C5702 1u 10V C5771 0.047u 25V C5698 22u 6.3V C5709 22u 6.3V C5713 0.1u 25V C5717 22u 6.3V C5722 10u 25V C5731 10u 25V C5730 25V 10u C5711 10u 25V C5720 22u 6.3V C5734 1u 25V C5714 0.33u 10V C5694 0.1u 25V C5692 10u 25V C5728 22u 6.3V C5689 22u 6.3V C5724 0.1u 25V C5695 0.015u 16V C5719 22u 6.3V C5706 0.01u 25V C5690 22u 6.3V C5725 0.33u 10V C5708 22u 6.3V C5726 0.015u 16V C5707 0.1u 16V C5715 8200p 25V *C5701 4.7u 6.3V C5705 10u 25V C5704 25V 10u C5736 10V 1u C5737 10V 1u C5738 10V 1u C5739 10V 1u *C5700 4.7u 6.3V C5777 1u 10V C5776 1u 10V C5611 1000p 50V C5696 0.01u 25V C5613 1000p 50V C5733 25V 47u D5608 B0JCPG000030 D5606 B0JCPD000026 D5610 B0JCPG000030 D5765 B0HCMM000014 D5633 B0ACCJ000048 D5670 B0JCCE000008 D5671 B0JCCE000008 D5629 DZ2J082M0L C0DBGYY00887 IC5609 4 VDD 3 VOUT 1 CE 2 VSS C0DBGYY00887 IC5607 4 VDD 3 VOUT 1 CE 2 VSS C0DBAGF00030 IC5605 1 ON/OFF 2 VSS 3 NC 5 VOUT 4 VIN C0DBGYY00893 IC5613 VOUT 3 2 VSS VIN 1 IC5610 C0DBAYY00755 1 BOOT 2 VIN 3 SW 4 GND 5 FB 6 COMP 7 EN 8 SS Thermal_Pad IC5606 C0DBAYY00755 1 BOOT 2 VIN 3 SW 4 GND 5 FB 6 COMP 7 EN 8 SS Thermal_Pad IC5608 C0DBAYY00755 1 BOOT 2 VIN 3 SW 4 GND 5 FB 6 COMP 7 EN 8 SS Thermal_Pad L5613 J0JHC0000075 L5609 G1C6R8MA0416 L5610 G1C100MA0416 L5611 G1C220MA0416 SUB1.8V SUB3.3V_A F15V SUB5V SUB3.3V_SD SUB5V SUB5V F15V_FIL SUB1.2V F15V SUB5V SUB5V SUB3.3V_HDMI SUB3.3V TP5509 TP5603 TP5601 TP5600 TP5510 TP5602 TP5511 Q5613 B1ABCF000231 Q5615 B1ABGC000011 Q5614 DSC2001S0L Q5612 B1ABCF000231 R5668 10k R5671 68k R5603 15 R5673 47k R5675 10k R5715 4.3k R5680 2.2k 1% R5613 2.2 R5706 0 R5611 2.2 R5705 0 R5674 2.2k R5602 15 R5669 12k R5601 15 R5678 9.1k R5672 10k R5683 6.8k 1% R5681 47k R5676 47k R5670 22k R5696 62k R5697 3.16k R5713 6.2k R5682 10k R5714 620 R5679 10k R5667 5.1k SUB6V AG_FAN_SOS D5600 B0ADEJ000035 C5522 16V 0.1u R5657 10k R5606 47k R5610 470 STB5V R5663 10k C5521 16V 0.1u R5607 1.5k FAN_MAX/LCD_EEP_WP/ZWEI_VOUT_ENB TP5607 F15V Q5602 B1ADCE000022 R5695 470 R5608 2.2k R5605 22k AG_SOS TPS0S "H": ON "L": OFF "H": ON "L": OFF "H": ON "L": OFF "H": ON "L": OFF "H": ON "L": OFF "H": ON "L": OFF ! A-BOARD TNPH0842NC (4/13) 34 30 33 29 36 32 35 28 31 SUB1.2V SUB1.8V SUB5V 3.3V 3.3V 3.3V 3.3V TO 1/13 TO 7/13 TO 7/13 TH-P50X20C A-Board (4/13) Schematic Diagram TH-P50X20C A-Board (4/13) Schematic Diagram 46 TH-P50X20C 11.6. A 电路板 (5/13)线路图 + + + + + + S S S S S P *C2217 4.7u 6.3V *C2116 50V 560p *C2167 25V 0.047u *C2206 4.7u 6.3V *C2166 25V 0.047u *C2115 50V 560p *C2267 50V 0.01u *C2271 1u 16V *C2277 1u 16V *C2301 16V 0.1u *C2275 1u 25V *C2298 10V 1u C2111 16V 0.01u *C2100 1u 25V C2107 10V 1u C2108 10V 1u C2109 6.3V 1u *C2305 1u 25V *C2306 1u 16V *C2273 10V 10u *C2205 10u 10V C2176 10u 10V *C2175 10u 10V C2174 10u 10V *C2173 10u 10V *C2308 50V 22p *C2274 10V 10u *C2203 10V 10u C2279 16V 0.1u *C2310 0.1u 16V *C2309 0.1u 16V C2318 50V 1000p C2319 50V 1000p C2281 25V 10u C2282 10V 10u C2285 10V 10u *C2300 10V 100u *C2299 10V 100u *C2268 16V 47u *C2302 10V 22u *C2295 6.3V 220u *C2294 6.3V 220u *D2145 B0ACCJ000048 *D2144 B0JCME000076 *D2300 B0BC01100001 FL2103 J0HABB000004 1 2 3 4 FL2104 J0HABB000004 1 2 3 4 FL2100 J0HABB000003 1 2 3 4 FL2101 J0HABB000003 1 2 3 4 FL2102 J0HABB000004 1 2 3 4 *IC2108 C1AB00003240 1 PS 2 OUT 3 SAG 4 IN 5 GND 6 Vcc C0ABBB000230 *IC4702 1 A_OUTPUT 2 A-INPUT 3 A+INPUT 4 V- 5 B+INPUT 6 B-INPUT 7 B_OUTPUT 8 V+ *IC2109 C1AB00002428 1 V+ 2 OUTb 3 NC 4 CAPb 5 INb 6 ADR 7 SDA 8 SCL 9 Vref 10 INa 11 CAPa 12 NC 13 OUTa 14 GND C0JBAB000408 *IC2110 1 1A 2 1Y 3 2A 4 2Y 5 3A 6 3Y 7 GND 8 4Y 9 4A 10 5Y 11 5A 12 6Y 13 6A 14 VCC C0CBZZE00001 *IC2300 OUTPUT 3 2 COMMON INPUT 1 *L2121 J0JYC0000331 *L2135 J0JHC0000075 *L2134 J0JHC0000075 *L2110 J0JYC0000331 *L2111 J0JYC0000331 *L2120 J0JYC0000331 SUB3.3V_A SUB9V SUB9V F15V_FIL SOUND15V SUB5V SUB5V R2206 R2201 R2318 R2317 R2205 *VJ2118 *TP2301 *TP2302 *TP2300 MONITOROUT_MUTE VMONIOUT HP_MUTE ALTUNEOUT PC_R_TERMINAL PC_B_TERMINAL 24KEC_I2CCLK1_HP MONITOROUT_MUTE PC_VD_TERMINAL PC_G_TERMINAL PC_HD_TERMINAL ARTUNEOUT AVDIN ARIN3 VB3IN ALIN3 SYNCIN3 VR3IN U_NONUSE/A_HP_L__TERMINAL U_NONUSE/A_HP_R__TERMINAL U_NONUSE/A_VOUT__TERMINAL AHDIN VG3IN U_YPBPR1_L/A_AUDIOOUT_L__TERMINAL 24KEC_I2CDATA1_HP U_YPBPR1_R/A_AUDIOOUT_R__TERMINAL *Q2101 B1ABCF000231 Q2114 B1ABCF000231 *Q2102 B1ABCF000231 *Q2112 DSC2001S0L *Q2109 DSC2001S0L Q2115 B1ABCF000231 Q2116 B1ABCF000231 *Q2110 DSC2001S0L *Q2113 DSC2001S0L *Q2111 DSA2001S0L 1% *R2123 33k *R2219 22 1/2W *R2220 22 1/2W *R2222 22 1/2W *R2221 22 1/2W *R2185 22 R2122 220 1% *R2124 33k 1% R2115 75 *R2356 10k *R2363 100 *R2357 10k R2117 47 *R2364 1M 1% R2116 75 R2118 47 R2119 47 *R2157 100 *R2361 100 *R2159 100k *R2158 100 *R2225 1k *R2160 100k *R2367 10k *R2105 47k *R2366 100 R2199 4.7k R2207 10k R2209 100 R2212 100k *R2360 100 R2213 100k R2210 100 *R2107 10k *R2106 10k *R2362 100 *R2217 100 *R2216 100 *R2164 2.2k *R2104 47k *R2239 2.2k R2218 68 R2223 68 1% *R2376 75 R2198 4.7k *R2377 100k *R2184 22 *R2211 1k 1% R2114 75 *R2312 100 AUDIO OUT U_NONUSE/A_OUT_L B U_NONUSE/A_OUT_R PC MODEL HP OUT VIDEO OUT 100mA U_PDP_NONUSE/U_LCD_IPOD_R/A_NONUSE U_PDP_NONUSE/U_LCD_IPOD_L/A_NONUSE US iPOD L/R 41 43 ! A-BOARD TNPH0842NC (5/13) 37 45 40 39 42 38 44 INVERTER VIDEO AMP AUDIO AMP HP AMP 9V TO 1/13 TO 1/13 TO 1/13 TO 1/13 TO 1/13 TO 1/13 TO 7/13 TO 7/13 TO 6,7/13 TO 7/13 TO 7/13 TO 5,7/13 TO 5,7/13 TO 10/13 TO 10/13 TH-P50X20C A-Board (5/13) Schematic Diagram TH-P50X20C A-Board (5/13) Schematic Diagram 47 TH-P50X20C 11.7. A 电路板 (6/13)线路图 + Thermal Pad S S S S S S S S S S S S S S S P SDIN_POST BCLK_POST LRCLK_POST AUDIO_XRST MCLK_POST 24KEC_I2CDATA1_AMP 24KEC_I2CCLK1_AMP AUDIO_XRST AMP_MUTE S_XDET AMP_MUTE SDIN_POST LRCLK_POST MCLK_POST BCLK_POST 24KEC_I2CDATA1_AMP 24KEC_I2CCLK1_AMP C2199 25V 1u C2264 25V 0.1u C2234 25V 0.1u C2220 0.1u 16V C2250 50V 0.1u C2245 50V 0.47u C2262 50V 1000p C2238 25V 1u C2253 50V 0.022u C2266 25V 10u C2248 50V 0.022u C2260 50V 1000p C2257 50V 0.022u C2244 50V 0.47u C2243 0.033u 25V C2247 50V 0.1u C2254 25V 0.1u C2242 0.033u 25V C2252 50V 0.022u C2225 0.047u 10V C2256 50V 0.022u C2246 50V 0.1u C2221 0.1u 16V C2263 50V 1000p C2259 50V 0.022u C2261 50V 1000p C2255 25V 0.1u C2240 0.033u 25V C2251 50V 0.1u C2226 0.047u 10V C2224 4700p 25V C2269 4.7u 10V C2249 50V 0.022u C2258 50V 0.022u C2237 25V 1u C2304 10V 10u C2303 16V 0.1u C2223 4700p 25V C2232 25V 0.1u C2198 25V 1u C2241 0.033u 25V C2213 25V 1u C2200 10V 1u C2201 10V 1u C2202 10V 1u C2204 25V 1u C2214 25V 1u C2103 10V 10u C2227 10u 10V C2222 10u 10V C2210 2.2u 10V C2209 2.2u 10V C2208 2.2u 10V C2207 2.2u 10V C2297 2.2u 10V C2296 2.2u 10V C2212 2.2u 10V C2211 2.2u 10V C2272 16V 0.01u C2307 25V 1u C2197 16V 0.01u C2312 50V 560p C2313 50V 560p C2314 50V 560p C2315 50V 560p *C2316 50V 560p *C2317 50V 560p C2311 10V 1u C2265 25V 470u D2102 EZJP0V080GA *D2130 EZJP0V080GA *D2129 EZJP0V080GA C1AB00003069 IC2106 1 OUT_A 2 PVDD_A 3 PVDD_A 4 BST_A 5 GVDD_OUT 6 SSTIMER 7 OC_ADJ 8 NC 9 AVSS 10 PLL_FLTM 11 PLL_FLTP 12 VR_ANA 13 AVDD 14 FAULT 15 MCLK 16 OSC_RES 17 DVSS 18 VR_DIG 19 PDN 20 LRCLK 21 SCLK 22 SDIN 23 SDA 24 SCL 25 RESET 26 STEST 27 DVDD 28 DVSS 29 GND 30 AGND 31 VREG 32 GVDD_OUT 33 BST_D 34 PVDD_D 35 PVDD_D 36 OUT_D 37 PGND_CD 38 PGND_CD 39 OUT_C 40 PVDD_C 41 PVDD_C 42 BST_C 43 BST_B 44 PVDD_B 45 PVDD_B 46 OUT_B 47 PGND_AB 48 PGND_AB 49 A11 1 2 3 4 *L2122 J0JCC0000287 L2136 J0JCC0000287 L2138 J0JYC0000331 L2127 J0JYC0000068 *L2137 J0JCC0000287 L2140 J0JYC0000331 *L2124 J0JCC0000287 *L2143 J0JYC0000331 *L2142 J0JYC0000331 L2126 J0JYC0000068 L2139 J0JYC0000331 L2141 J0JYC0000331 L2125 J0JCC0000287 L2129 G1C220MA0416 L2128 G1C220MA0416 L2130 G1C220MA0416 L2131 G1C220MA0416 SOUND15V SUB3.3V R2392 R2390 R2386 R2385 R2374 R2307 R2305 R2304 R2301 R2298 R2293 R2292 VJ2201 R2291 VJ2200 VJ2117 TP2108 TP2100 TP2101 TP2102 U_AV1_R/A_AV2_R__TERMINAL A_AV1_V__TERMINAL 24KEC_I2CCLK1_AMP LRCLK PDP_U_YPBPR2_PR/LCD_U_YPBPR1_PR/A_AV1_PR__TERMINAL AUDIO_XRST SDIN RF_V U_AV1_V/A_AV2_V__TERMINAL MCLK U_AV1_L/A_AV2_L__TERMINAL BCLK PDP_U_YPBPR2_L/LCD_U_YPBPR1_L/A_AV1_L__TERMINAL U_AV2_R/A_AV3_R__TERMINAL U_AV2_V/A_AV3_V__TERMINAL PDP_U_YPBPR2_R/LCD_U_YPBPR2_R/A_AV1_R__TERMINAL U_NONUSE_A_AV1_YSW__TERMINAL PDP_U_YPBPR2_Y/LCD_U_YPBPR1_Y/A_AV1_Y__TERMINAL AMP_MUTE PDP_U_YPBPR2_PB/LCD_U_YPBPR1_PB/A_AV1_PB__TERMINAL U_AV2_L/A_AV3_L__TERMINAL SYNCIN2 VR2IN VG2IN ARIN2 VY1IN ALIN5 ALIN1 ALIN2 ALIN4 ARIN4 ARIN5 VC1IN ARIN1 VCVS1IN VCVS2IN VG1IN VCVS4IN VR1IN SYNCIN1 VB2IN VB1IN 24KEC_I2CDATA1_AMP YUV_DET S_XDET *R2260 10k R2288 15k R2290 15k R2285 15k *R2282 0 *R2279 0 R2336 0 1% R2306 75 1% R2258 75 R2128 4.7k R2382 0 R2381 0 R2331 3.3 1% R2265 75 R2337 0 470 R2324 470 R2325 R2343 0 R2330 10k R2281 10k R2348 10k R2332 3.3 22.1k 1% R2326 R2300 22 R2286 10k 1% R2329 18.2k 1% R2200 75 R2287 15k R2289 0 R2283 15k R2327 0 1% R2308 75 R2311 22 R2378 10k R2309 22 R2333 3.3 R2284 15k *R2280 10k 1% *R2310 75 1% R2299 75 R2393 0 *R2130 4.7k 1% R2391 75 R2334 3.3 R2303 22 R2314 10k C2230 0.1u 16V VCVS3IN PDP_U_YPBPR2_Y/LCD_U_YPBPR1_Y/A_AV1_Y PDP_U_YPBPR2_PB/LCD_U_YPBPR1_PB/A_AV1_PB PDP_U_YPBPR2_PR/LCD_U_YPBPR1_PR/A_AV1_PR PDP_U_YPBPR2_SYNC/LCD_U_YPBPR1_SYNC/A_AV1_SYNC PDP_U_YPBPR1_SYNC/LCD_U_NONUSE/A_NONUSE U_YPBPR1_PR/LCD_U_NONUSE/A_NONUSE U_YPBPR1_PB/LCD_U_NONUSE/A_NONUSE U_YPBPR1_Y/LCD_U_NONUSE/A_NONUSE U_YPBPR1_R/LCD_U_NONUSE/A_NONUSE U_YPBPR1_L/LCD_U_NONUSE/A_NONUSE PDP_U_YPBPR2_L/LCD_U_YPBPR1_L/A_AV1_L PDP_U_YPBPR2_R/LCD_U_YPBPR1_R/A_AV1_R PDP_U_NONUSE/LCD_U_iPOD_V/A_AV1_V U_AV1_R/A_AV2_R U_AV1_L/A_AV2_L U_AV2_V/A_AV3_V U_AV2_L/A_AV3_L U_AV2_R/A_AV3_R U_AV1_V/A_AV2_V U_AV1_S_Y/A_AV2_S_Y U_AV1_S_C/A_AV2_S_C U_TU_V/A_TU_V U_NONUSE/A_AV1_YDET SOS(3.12V) MUTE OPERATE RESET OPERATE MUTE OPERATE 12.288MHz I2S 3.072MHz 48KHz 3.072MHz 12.288MHz 48KHz OPERATE RESET MUTE OPERATE MUTE I2C/I2S/RESET U_AV1_SDET/A_AV2_SDET TU US AV1_S AS AV2_S US AV1 AS AV2 AS AV1 PDP US YPBPR2 AS AV1 YDET AS AV3 US AV2 3.072MHz 48KHz 12.288MHz 3.072MHz AS AV1 V US iPOD V US iPOD V LCD US YPBPR1 PDP US YPBPR1 L+ L- R+ R- TO SPEAKER A-BOARD TNPH0842NC (6/13) ! 47 49 52 51 50 53 48 46 54 AUDIO AMP TO 1/13 TO 1/13 TO 1/13 TO 1/13 TO 1/13 TO 1/13 TO 1/13 TO 1/13 TO 1/13 TO 1/13 TO 1/13 TO 9/13 TO 7/13 TO 7/13 TO 7/13 TO 7/13 TO 7/13 TO 10/13 TO 7/13 TO 7/13 TH-P50X20C A-Board (6/13) Schematic Diagram TH-P50X20C A-Board (6/13) Schematic Diagram 48 TH-P50X20C 11.8. A 电路板 (7/13)线路图 AV1 AV2 PB PR V L R R L Y V R V L MONITOR OUT SHIELD V R L S S + *JK2111 K2HA917A0001 V L R G Y-SW Y G PB PR V L R G V L R G *JK2102 K4AK13B00006 a b c d V-SW V V-G L L-G R R-G *JK2108 K1FY315A0008 1 2 3 4 5 6 7 8 9 10 11 12 13 14 15 SUB3.3V PC_R_TERMINAL U_NONUSE/A_HP_L__TERMINAL PC_B_TERMINAL PC_HD_TERMINAL U_NONUSE/A_VOUT__TERMINAL U_NONUSE/A_HP_R__TERMINAL PC_G_TERMINAL PC_VD_TERMINAL SPDIF U_AV2_L/A_AV3_L__TERMINAL PDP_U_YPBPR2_R/LCD_U_YPBPR2_R/A_AV1_R__TERMINAL A_AV1_V__TERMINAL U_AV1_R/A_AV2_R__TERMINAL U_AV1_L/A_AV2_L__TERMINAL PDP_U_YPBPR2_Y/LCD_U_YPBPR1_Y/A_AV1_Y__TERMINAL PDP_U_YPBPR2_L/LCD_U_YPBPR1_L/A_AV1_L__TERMINAL U_AV1_V/A_AV2_V__TERMINAL PDP_U_YPBPR2_PB/LCD_U_YPBPR1_PB/A_AV1_PB__TERMINAL PDP_U_YPBPR2_PR/LCD_U_YPBPR1_PR/A_AV1_PR__TERMINAL U_AV2_V/A_AV3_V__TERMINAL U_NONUSE_A_AV1_YSW__TERMINAL U_AV2_R/A_AV3_R__TERMINAL U_YPBPR1_R/A_AUDIOOUT_R__TERMINAL U_YPBPR1_L/A_AUDIOOUT_L__TERMINAL *R2347 10k *R2388 22 SUB1.8V *Q4706 DSC2001S0L R4748 10k *Q4707 DSC2001S0L R4810 27k R4742 15 AG_SOS *Q4700 DSA2001S0L *R4815 220 MCU_XRST D4706 B0ADEJ000035 SUB1.2V R4822 0 SUB5V STB5V STB3.3V *R4833 18k 2.2k *R4818 C4706 10V 1u R4811 Q4704 DSC2001S0L *Q4705 DSC2001S0L C4705 16V 0.1u R4752 10k *R4739 47k STB5V AMP_MUTE MON_MUTE/IPOD_PWR_ON C4707 10V 1u *R4740 47k D4704 B0ACCJ000048 R4821 10k STB5V_SW_ON D4703 B0JCME000076 D4707 B0JCME000076 SUB5V STB1.2V HP_MUTE_TEMP *D4705 B0ACCJ000048 HP_MUTE R4809 10k *R4745 0 C4779 6.3V 10u *R4834 220 Q4703 DSC2001S0L C1ZBZ0004161 IC4700 1 UHZ 2 P3.3V 3 TEST 4 PANEL_SOS 5 DRVRST_PD4 6 STB1.2V 7 STB5V 8 STB3.3V 9 AMUTE 10 SP_MUTE 11 MUTE_VCC 12 AUDIO_MUTE_IN 13 DTB9V 14 MONITOR_MUTE 15 FB 16 GND 17 FC 18 PGND 19 DRV 20 DTV5VOUT 21 DTV5VIN 22 EN_DCDC 23 CD 24 STB_RST 25 DRVRST 26 STB5V_SW_ON 27 P_SOS4 28 SC_SOS6 29 SC_SOS7 30 SS_SOS8 31 D_SOS_RSV 32 SC_OHZ VJ4700 STB3.3V R4711 4.7k Q4702 DSC2001S0L STB5V C4772 16V 0.1u R4830 100k STB3.3V R4831 100k C4704 100u 10V STB3.3V AG_FAN_SOS MONITOROUT_MUTE R4753 10k SOS STB3.3V < SPDIF PC IN A_AV2 A_AV1_YPbPr A_AV1 A_MONITOR_OUT A-BOARD TNPH0842NC (7/13) ! 56 58 61 60 59 62 57 55 63 MUTE MUTE MUTE ANALOG-ASIC TO 1/13 TO 1,3/13 TO 1/13 TO 1/13 TO 1,8/13 TO 4/13 TO 4/13 TO 5/13 TO 5/13 TO 5,6/13 TO 5/13 TO 5/13 TO 6/13 TO 6/13 TO 6/13 TO 6/13 TO 6/13 TO 10/13 TH-P50X20C A-Board (7/13) Schematic Diagram TH-P50X20C A-Board (7/13) Schematic Diagram 49 TH-P50X20C 11.9. A 电路板 (8/13)线路图 HPD1 *C4548 10V 1u *C4546 10V 1u *C4540 10V 1u C4541 10V 1u *C4539 10V 1u *D4504 DZ2J056M0L D4509 DZ2J056M0L *D4505 DZ2J056M0L *D4508 EZAEG2A50AX D4510 EZAEG2A50AX *D4503 EZAEG2A50AX D4511 EZAEG2A50AX *D4507 EZAEG2A50AX *D4506 EZAEG2A50AX JK4500 K1FY119D0011 1 2 3 4 5 6 7 8 9 10 11 12 13 14 15 16 17 18 19 *JK4502 K1FY119E0015 1 2 3 4 5 6 7 8 9 10 11 12 13 14 15 16 17 18 19 *JK4501 K1FY119D0011 1 2 3 4 5 6 7 8 9 10 11 12 13 14 15 16 17 18 19 *L4507 J0JYC0000068 *L4503 J0JYC0000068 L4513 J0JYC0000068 *L4502 J0JYC0000068 L4512 J0JYC0000068 *L4500 J0JYC0000068 *L4504 J0JYC0000068 L4511 J0JYC0000068 *L4501 J0JYC0000068 *L4506 J0JYC0000068 *L4505 J0JYC0000068 L4508 J0JYC0000068 SUB3.3V TP4500 TP4503 TP4502 TP4505 TP4504 TP4501 TP4506 ACK_DDC_C ACK_DDC_B SPDIF ACK_DDC_A RXN0_B RXP0_C DDC5V_B RXNC_C RXP1_B SCL_DDC_B RXN2_B SCL_DDC_A RXP0_B RXPC_B RXN0_C RXP2_B SCL_DDC_C RXPC_C RXN1_A RXN2_A RXP2_A RXP0_A RXNC_A RXP1_C RXN0_A RXN2_C RXN1_C RXN1_B RXP2_C RXP1_A DDC5V_A DDC5V_C RXPC_A RXNC_B HDMI_CEC SDA_DDC_B SDA_DDC_A ARC2_OFF HPLUG_B HPLUG_A SDA_DDC_C HPLUG_C Q4502 DSC2001S0L *Q4501 DSC2001S0L *Q4500 DSC2001S0L *Q4513 B1ADCE000022 *Q4514 B1HFCFA00026 *R4548 22 *R4527 4.7k *R4555 1k *R4557 150 *R4512 47k *R4526 4.7k R4525 4.7k *R4509 47k R4507 10k *R4563 10k *R4504 10k *R4502 47k R4505 47k R4516 47k *R4506 10k *R4503 47k *R4519 1k R4565 10k *R4566 10k *R4567 10k *R4558 56 *R4515 1k *R4549 150 *R4550 150 R4520 1k CEC DDCG D2+ CLK+ N.C. SCL D2- D1G D1+ D0G D2G HPDT +5V D2G D0+ +5V CLKG N.C. D1G D0- DDCG CLK- D1- SDA CEC HPDT D1- SDA CLK- D1+ D2- D0G D0+ CLK+ D2+ CLKG D0- HDMI1 HDMI2 CEC DDCG SCL +5V HPDT D1G D0+ CLKG N.C. CLK+ SDA CLK- D0- D0G SCL D2+ D1+ D2G D2- D1- HDMI3_SIDE FOR HDMI1.4 ARC 69 64 70 71 72 65 66 67 68 A-BOARD TNPH0842NC (8/13) ! TO 1/13 TO 1/13 TO 1/13 TO 1/13 TO 1/13 TO 1/13 TO 1/13 TO 1/13 TO 1,7/13 TH-P50X20C A-Board (8/13) Schematic Diagram TH-P50X20C A-Board (8/13) Schematic Diagram 50 TH-P50X20C 11.10.A 电路板 (9/13)线路图 RF_V RF_V VIDEO_OUT AG_RF_AFT TU_SIF TU_RFAGC AG_RF_AFT TU_RFAGC TU_SIF VIDEO_OUT C8328 16V 0.1u C8355 10V 1u C8353 10V 1u C8351 50V 1000p C8352 16V 0.1u C8350 16V 0.1u C8349 50V 1000p C8302 16V 0.1u C8315 50V 1000p C8313 16V 0.1u C8312 50V 180p C8307 2200p 50V C8306 50V 1500p C8303 50V 1000p C8305 220p 50V C8308 16V 0.1u C8304 10V 1u C8354 10V 1u C8370 16V 0.1u C8324 6.3V 220u D8300 B0ACCJ000048 L8302 J0JGC0000070 L8315 J0JCC0000269 L8306 J0JHC0000045 SUB5V SUB3.3V SUB5V SUB5V SUB5V SUB5V R8350 R8411 R8410 R8335 TP8305 TP8302 TP8304 24KEC_I2CCLK0_TU SIFIN RF_V RF_AFT IFAGC TV_SYNC/TUNERBOX_SEL TUNER_SW1 RFAGC TUNER_SW2 24KEC_I2CDATA0_TU Q8312 B1CBHD000002 Q8313 B1CBHD000002 *Q8309 DSC2001S0L Q8303 B1ABCF000231 *Q8310 DSC2001S0L Q8307 B1ABCF000231 Q8304 B1ABCF000231 Q8308 DSA2001S0L Q8301 DSA2001S0L Q8311 DSA2001S0L Q8302 DSA2001S0L Q8306 B1ADCE000022 R8312 4.7k R8306 2.2k R8308 100 R8305 100 R8318 22k R8311 10k R8325 0 R8341 820 R8316 47k *R8377 4.7k *R8401 10k R8315 22k *R8400 10k R8339 220 R8321 4.7k R8320 100 *R8388 4.7k R8332 22 R8317 47k R8314 33k R8403 10k R8402 10k R8302 560 R8330 2.2k R8326 100 R8319 39k R8404 820 R8405 220 R8407 0 R8337 1k R8307 100 R8331 2.2k R8303 1k R8322 4.7k R8309 75 R8313 10k R8342 1k R8310 470k R8323 33k R8336 22 R8324 100 *TU8301 ENG39F02GF NC 1 BB 2 RF-AGC_Monitor 3 NC 5 BT_Monitor 6 +B 10 Video-out 11 SCL 13 SDA 14 AFT_out 15 SW1 16 VB 17 NC 19 SW2 20 NC 8 SIF-OUT 9 < ANALOG ANALOG TUNER 80 74 73 76 78 77 81 75 79 A-BOARD TNPH0842NC (9/13) ! TO 1/13 TO 1/13 TO 1/13 TO 1/13 TO 1/13 TO 1/13 TO 6/13 TO 10/13 ! + S S S P IF_Monitor 21 TH-P50X20C A-Board (9/13) Schematic Diagram TH-P50X20C A-Board (9/13) Schematic Diagram 51 TH-P50X20C 11.11.A 电路板 (10/13)和 K 电路板线路图 S S S S S S S S S S S S S S S S S S S S S P PUSH VCC GND OUT G R S BOTTOM PAD NC AR_PANEL_SDA D_IIC_CONT D_RXD AR_PANEL_SDA AR_PANEL_SCL D_IIC_CONT 24KEC_I2CCLK2_EEP MCU_I2CDATA MCU_I2CCLK MCU_I2CDATA AR_PANEL_SCL MCU_I2CCLK 24KEC_I2CDATA2_EEP 24KEC_I2CCLK2_EEP D_TXD 24KEC_I2CDATA1_POST 24KEC_I2CCLK1_POST AR_STB_SCL03 D_RXD D_TXD AR_STB_SDA03 24KEC_I2CCLK0_POST 24KEC_I2CDATA0_POST 24KEC_I2CDATA0_POST 24KEC_I2CCLK0_POST 24KEC_I2CCLK1_POST 24KEC_I2CDATA1_POST AR_STB_SDA03 AR_STB_SCL03 0V C4769 50V 1000p C4768 50V 1000p C4754 16V 0.1u C4734 50V 1000p C4758 50V 1000p C4727 16V 0.1u C4750 16V 0.1u C4766 16V 0.1u C4759 16V 0.1u C4728 16V 0.1u C4752 16V 0.1u C4745 16V 0.1u C4732 50V 1000p C4767 50V 1000p C4751 16V 0.1u C4741 16V 0.1u C4740 16V 0.1u C4770 50V 1000p C4762 16V 0.1u C4749 50V 1000p C4729 50V 1000p C4765 16V 0.1u C4744 50V 1000p C4763 50V 1000p C4733 50V 1000p C4747 16V 0.1u C4746 50V 1000p C4753 16V 0.1u C4735 50V 1000p C4730 50V 1000p C4764 16V 0.1u C4761 16V 0.1u C4760 50V 1000p C4748 16V 0.1u C4771 16V 0.1u C8367 16V 0.1u C8368 16V 0.1u C8366 16V 0.1u C8364 16V 0.1u C4718 0.1u 16V C8365 16V 0.1u C4719 10V 10u C4731 10V 1u C9108 25V 0.01u C9106 10u 25V C3752 1000p 50V C3754 25V 0.01u C4720 25V 0.01u FL4704 J0HAAB000036 1 2 3 4 FL4703 J0HAAB000036 1 2 3 4 *FL4706 J0HAAB000036 1 2 3 4 FL4701 J0HAAB000036 1 2 3 4 IC4701 C1ZBZ0003775 1 SDA 2 SCL 3 ALERT 4 GND 5 A2 6 A1 7 A0 8 V+ A19 1 2 3 4 A1 1 2 3 4 5 6 7 8 A6 1 2 3 4 5 6 7 8 9 10 11 A18 1 2 3 4 5 6 7 8 9 10 11 A7 1 2 3 4 5 6 7 8 9 10 11 12 13 14 A17 1 2 3 4 5 6 7 8 9 10 11 12 13 14 15 16 17 18 19 20 SUB3.3V F15V SUB3.3V P15V STB5V SUB3.3V SUB3.3V STB3.3V STB5V SUB5V STB5V STB5V SUB3.3V SUB5V STB3.3V STB3.3V SUB3.3V SOUND15V R4823 R4817 R4816 R4814 R4813 R4787 R4786 R4734 R4733 R4732 R4728 R4726 R4723 R4721 R4720 R4718 R4710 R4709 R3765 R4702 R4825 R4819 ZA4701 K4AZ01D00004 ZA4702 K4AZ01D00004 PA001 K5H5022A0031 TP4710 TP4730 TP4702 TP4750 TP4738 TP4732 TP4740 TP4725 TP4743 TP4734 TP3701 TP4746 TP4705 TP4736 TP4728 TP4741 TP4723 TP4749 TP4712 TP4742 TP4714 TP4717 TP4726 TP4708 TP4711 TP4713 TP4700 TP2810 TP4720 TP4744 TP4747 TP9196 TP4748 TP4716 TP4703 PANEL_MAIN_ON 24KEC_I2CCLK1 24KEC_I2CCLK2 24KEC_I2CCLK0 24KEC_I2CCLK1_PANEL 24KEC_I2CCLK0_TU SOS4_PS 24KEC_I2CCLK1_HP FACT_SDBOOT STB5V_SW_ON 24KEC_I2CCLK1_AMP 24KEC_I2CCLK2_EEP 24KEC_I2CDATA2 PANEL_LED_ON 24KEC_I2CDATA1 UATXD1 UARXD1 AR_PANEL_SDA D_TXD UACTS0_N UARXD0 KEY1 24KEC_I2CDATA1_HP KEY3/STBY_LED_ON UARTS0_N REMOCON AR_STB_SDA03 AR_STB_SCL03 D_PCB_MODE UATXD0 D_RXD 24KEC_I2CDATA1_PANEL 24KEC_I2CDATA0_TU P_S1 CATS_EYE RM_IN POWER_LED_ON TV_SUB_ON 24KEC_I2CDATA0 MCU_I2CDATA 24KEC_I2CDATA1_AMP 24KEC_I2CDATA2_EEP AR_PANEL_SCL P_S0 UA0EXCLK MCU_I2CCLK ECO_ON/INVERTER_ON SRQ R4762 EXB2HV220JV R4802 EXB2HV220JV R4780 EXB2HV220JV JS3701 0 JS3700 0 JS3702 0 R4806 47k R4705 220 R4756 180k 1% R2880 14.3k R4719 100 R3766 7.15k 1% R4778 10k R9120 100 R4755 0 R4729 10k R4754 0 R4722 100 R4706 100 R4717 2.2k R4757 1k 1% R2881 6.65k R4731 2.2k R9191 100 R9190 100 R4835 1k 1% R2882 7.15k 1% R2883 1.74k R4803 100 R4715 2.2k R4716 2.2k R4804 100 R4730 10k R4805 47k R9145 100 SW3765 K0H1BA000445 SW3759 K0H1BA000445 SW3764 K0H1BA000445 SW3763 K0H1BA000445 SW3762 K0H1BA000445 *SW001 K0F122A00031 D_IIC_CONT R2515 47k R2510 47 C2515 50V 0.01u R2516 680 R2517 22k C2511 10V 10u R2511 100k Q2511 DSC200100L TP2504 RM2510 B3RAD0000168 1 2 3 D2520 B3AGB0000060 TP2502 R2518 47k R2519 1.82k TP2506 TP2501 C2521 16V 0.1u TP2505 TP2508 VJ2512 Q2510 DSC200100L TP2503 C2510 0.01u 50V R2514 10k SN2510 B3JB00000078 1 IOUT 4 NC 2 GND 3 VCC 5 GC1 6 GC2 Q2512 DSC200100L K1 1 2 3 4 5 6 7 8 R2513 22k R2512 220k SRQ1 STB5V GND MCU_I2CDATA MPU_EEP & FACT MCU_I2CCLK MPU_EEP & FACT PANEL_EEP SCL PANEL_EEP SDA GENX7 SRQ STB3.3V Panel_TXD Panel_RXD (PANEL/T_sensor/A_Amp/HP) 24KEC_I2CCLK0 24KEC_I2CDATA0 IIC_CONT STB5V 24KEC_I2CCLK2 24KEC_EEP GND PANEL_LED_R INEXCH (PANEL/T_sensor/A_Amp/HP) 24KEC_I2CCLK1 24KEC_I2CDATA1 PANEL REM_CON (Tuner/iPOD) 24KEC_I2CDATA2 24KEC_EEP TEMP SENSOR Panel_TXD (Panel Dpr.E2PROM) Panel_RXD (Panel Dpr.E2PROM) SBO0 SBI0 +5V GND PANEL_EEP SDA PANEL_EEP SCL YAMON_RX YAMON_TX YAMON_CTS YAMON_RTS (Tuner/iPOD) +15V_S +15V_S +15V_C S_GND S_GND F+15V F+15V F+15V GND GND STBY5V GND S0 S1 TUNER_SUB_ON ECO_ON PANEL_MAIN_ON STBY5V_SW SOS4_PS N.C.(AC_LOW) ALL_OFF MAIN_SW_1 MAIN_SW_2 N.C. (F_STBY_ON) TUNER_SUB_ON ECO_ON ALL_OFF +/ -/ F AV TV RMIN G_LED_ON R_LED_ON STB3.3V GND AI_SENSOR GND SUB3.3V --> SD_boot_mode 83 90 87 84 85 82 A-BOARD TNPH0842NC (10/13) 86 ! 88 89 TO 1,11/13 TO 1/13 TO 1/13 TO 1/13 TO 1/13 TO 1/13 TO 1/13 TO 1/13 TO 1,11/13 TO 1/13 TO 1/13 TO 1/13 TO 1/13 TO 1/13 TO 1/13 TO 1/13 TO 3/13 TO 3/13 TO 5/13 TO 5/13 TO 6/13 TO 6/13 TO 7/13 TO 9/13 TO 9/13 TO 11/13 TO 11/13 TO 11/13 TO 11/13 TO 11/13 TO P-BOARD POWER SWITCH (P7) TO P-BOARD (P6) FOR FACTORY USE FOR FACTORY USE FOR FACTORY USE STBY3.3V AI_SENSOR SUB3.3V STBY3.3V G_LED_ON C.A.T.S. SENSOR REMOTE RECEIVER REMOCON K-BOARD TXN/K1LYUC ! R_LED_ON POWER LED SUB3.3V TH-P50X20C A-Board (10/13) and K-Board Schematic Diagram TH-P50X20C A-Board (10/13) and K-Board Schematic Diagram 52 TH-P50X20C 11.12.A 电路板 (11/13)线路图 (FIN) TERM SIDE S S S S S S S S S S S S S S S S S S S S P P P PANEL_MAIN_ON AR_STB_SDA02 AR_IIC_CONT OSD_HI SOS7_SC2 OSD_HIN STB_SCL01 OSD_CKI OSD_VIN SOS8_SS D_UHZ AR_RXD_PC SC_CRC2 SC_CEL SC_CSL SOS6_SC1 IIC_SW SC_CRC1 NCS SOS7 SC_OC1 OSD_YS STB_SCL02 SCLK SC_SIU READY SOS6 P3V_SDA01 OSD_G SC_CSH AR_IIC_CONT SC_CML SOS6 SC_SCCLK RXD_PC ALARM AR_RXD_PC SC_CERS P3V_SCL01 EEP_WR_CTL SOS7 TXD_PC PANEL_STBY_ON OSD_CLKIN OSD_B SCNRST SIN DRVRST SOS8 RXD_PC SC_UHZ SOS6_SC1 SC_CIS SOS8 STB_SDA02 IIC_SW SC_CMH STB_SDA01 SC_OC2 DRVMUTE AR_TXD_PC SOUT IIC_CONT P_ON/OFF P_S0 IIC_CONT STB_SCL02 PANEL_MAIN_ON P_S1 READY TXD_PC P_ON/OFF SOS4_PS STB_SDA02 OSD_R SOS_DCC NRST PANEL_STBY_ON SC_CPH1 AR_STB_SCL02 RD_O- RD_E+ RA_E- RCLK_O- RD_E- RB_E+ RCLK_O+ RA_O- RD_O+ RE_O- RB_O- RA_O+ RCLK_E+ RCLK_E- RE_E+ RA_E+ RB_E- RC_O- RE_E- RB_O+ RC_O+ RE_O+ RC_E+ RC_E- SOS7_SC2 SC_UHZ ALARM AR_STB_SDA02 AR_STB_SCL02 AR_TXD_PC SC_OC1 SCNRST SC_CRC1 SC_OC2 SC_CRC2 SC_CERS SC_SCCLK SC_SIU PD_OC1 PD_SIU PD_SCCLK PD_CRC2 PD_CERS PD_SCNRST PD_OC2 PD_CRC1 SC_CML SC_CMH SC_CSL SC_CSH SC_CEL SC_CIS SC_CPH1 PD_CEL PD_CMH PD_CSL PD_CML PD_CSH PD_CIS PD_CPH1 STB_SDA01 P3V_SCL01 P3V_SDA01 STB_SCL01 STB_SDA03 STB_SDA03 STB_SCL03 STB_SCL02 STB_SDA02 P_ON/OFF OHZ1 NRST P3V_SDA02 P3V_SCL02 IIC_CONT XRST_SYS STB_SDA02 EEP_WR_CTL STB_SCL02 REM_IN SOS4_PS STB_SCL03 C9053 16V 0.1u C9061 16V 0.1u C9035 10V 10u C9057 16V 0.1u C9045 16V 0.1u C9036 10V 10u C9809 1000p 50V C9807 200p 50V C9034 16V 0.1u C9063 16V 0.1u C9801 6800p 25V C9105 50V 100p C9825 22u 6.3V C9048 16V 0.1u C9812 10u 25V C9033 16V 0.1u C9804 10u 25V C9816 0.01u 25V C9815 22u 6.3V C9811 0.1u 16V C9044 10V 4.7u C9037 0.01u 25V C9806 100p 50V C9046 16V 0.1u C9047 16V 0.1u C9817 10u 10V C9814 22u 6.3V C9065 16V 0.1u C9813 10u 25V C9803 4700p 25V C9800 0.1u 25V C9805 10u 25V C9052 16V 0.1u C9055 16V 0.1u C9062 4.7u 10V C9819 10u 10V C9040 16V 0.1u C9101 25V 0.01u C9100 10u 10V C9103 25V 0.01u C9400 16V 0.1u C9401 16V 0.1u C9102 10u 25V C9843 22u 6.3V C9844 1000p 50V D9000 B0JCCE000008 D9110 B0JCGD000002 D9804 B0JCPG000030 D9808 B0ADCJ000100 *IC9001 TVRR712 1 A0 2 A1 3 A2 4 GND 5 SDA 6 SCL 7 WP 8 Vcc IC9801 C0DBAYY00462 1 BOOT 2 VIN 3 SW 4 GND 5 FB 6 COMP 7 EN 8 SS C0DBAYY00605 IC9800 PGND 1 2 PGND 3 PGND 4 SW 5 SW 6 SW 7 BOOT 8 NC 9 SS/DELAY 10 GND 11 FB 12 FC 13 RT 14 PSET 15 EN 16 NC 17 NC 18 VIN 19 VIN 20 VIN C0JBAZ002692 IC9400 G1 1 2 A1 3 A2 4 A3 5 A4 6 A5 7 A6 8 A7 9 A8 10 GND 11 Y8 12 Y7 13 Y6 14 Y5 15 Y4 16 Y3 17 Y2 18 Y1 19 G2 20 Vcc C0JBAZ002692 IC9401 G1 1 2 A1 3 A2 4 A3 5 A4 6 A5 7 A6 8 A7 9 A8 10 GND 11 Y8 12 Y7 13 Y6 14 Y5 15 Y4 16 Y3 17 Y2 18 Y1 19 G2 20 Vcc C1ZBZ0003983 IC9004 1 Y5 2 Y4 3 Y3 4 Y2 5 Y1 6 RESET 7 CD_OUT 8 STB33V 9 GND 10 DCDC_OE 11 VIN_OR 12 P_SDA1 13 P_SCL1 14 P_SDA2 15 P_SCL2 16 P33V_IN 17 IIC_SW 18 S_SCL2 19 S_SDA2 20 S_SCL1 21 S_SDA1 22 STB33VIN 23 P33V 24 P_ON_OFF 25 STB5V_IN 26 GND 27 CE 28 A1 29 A2 30 A3 31 A4 32 A5 MN103SH8HFS4 IC9003 1 P60_SBO0A 2 P61_SBT0A 3 P62_SBI0A 4 P05_IRQ6 5 P06_IRQ7 6 P07_IRQ8 7 P70_SDA0 8 P71_SCL0 9 P50_RMIN_IRQ0 10 P20 11 P21 12 P22 13 P23 14 IVDD 15 VSS 16 P10 17 P11 18 P12 19 P13 20 P14 21 P15 22 P16 23 EXCLKSEL 24 P72_SDA1 25 P73_SCL1 26 P65_SBT2 27 P66_SBI2 28 P30 29 P31 30 P32 31 P33 32 P34 33 P35 34 P36 35 P37 36 VPPEX_(N.C.) 37 IVDD 38 VDD 39 RONA 40 VSS 41 OSCXO 42 OSCXI 43 IVDD 44 P64_SBI1 45 P63_SBT1 46 NBOOT_(N.C.) 47 NRST 48 NTEST 49 SCLOCK_(UND) 50 SDATA_(UND) 51 ENTRG0_(UND) 52 ENTRG1_(UND) 53 TRCCLK_(UND) 54 TRCST_(UND) 55 TRCD0_(UND) 56 TRCD1_(UND) 57 TRCD2_(UND) 58 TRCD3_(UND) 59 P80_ADIN0 60 P81_ADIN1 61 P82_ADIN2 62 P83_ADIN3 63 IVDD 64 VSS 65 P84_ADIN4 66 P85_ADIN5 67 P86_ADIN6 68 P87_ADIN7 69 P90_ADIN8 70 P91_ADIN9 71 P92_ADIN10 72 P93_ADIN11 73 P74_SDA2 74 P75_SCL2 75 P40_TM0IO 76 P41_TM1IO 77 P42_TM2IO 78 P43_TM3IO 79 P44_TM4IO_SYSCLK 80 P00 81 P01 82 P02 83 P03_SBT0B 84 P04_SBO0B 85 P51_IRQ2 86 P52_IRQ3 87 P53_IRQ4 88 P54_IRQ5 89 PA7_VCLKOUT 90 PA6_HOUT 91 PA5_YSOUT 92 PA4_B00 93 PA3_G00 94 PA2_R00 95 PA1_VSYNC_IRQ1 96 PA0_HSYNC 97 VSS 98 OSDXI 99 IVDD 100 VDD C0DBEHG00006 IC9802 1 CTL 2 Vcc 4 OUT 5 ADJ 3 GND(FIN) A21 1 2 3 4 5 6 7 8 9 10 11 12 13 14 15 16 17 18 19 20 21 22 23 24 25 26 27 28 29 30 L9801 G1C100MA0416 L9800 G1C6R8Z00010 STB_D3.3V P1.2V P15V P15V SUB3.3V STB_D3.3V P5V P3.3V P15V P3.3V P3.3V P15V STB_D3.3V P5V P3.3V STB5V P15V P5V P15V P5V P5V_DCDC P5V STB_D3.3V R9200 VJ9013 R9201 VJ9011 VJ9012 VJ9021 VJ9020 VJ9010 VJ9009 VJ9008 VJ9007 VJ9004 VJ9003 VJ9002 R9150 R9186 R9185 R9151 VJ9001 R9099 R9012 R9996 VJ9014 TP9092 TP9094 TP9093 TP9084 TP9090 TP9095 TP9201 TP9200 TP9086 TP9204 TP9088 TP9082 TP9081 TP9087 TP9085 TP9000 TP9089 TP9103 TP9083 TP9102 TP9104 TP9203 TP9096 TP9202 TP9011 TP9012 TP9500 TP9091 TP9101 RM_IN 24KEC_I2CCLK1_PANEL RIEXT_A INVERTER_SOS PANEL_LED_ON SOS4_PS P3V_SDA01 PANEL_MAIN_ON PANEL_TEST_ON/VDD25_EN P3V_SDA01 P3V_SCL01 RA_E- RB_O- RA_E+ RD_O- RE_O+ PANEL_STBY_ON/PANEL_VCC_ON RE_E- RC_E+ RA_O- RCLK_O+ RD_O+ RA_O+ RB_E+ RCLK_O- RD_E+ RB_E- RB_O+ RE_E+ RC_E- RE_O- RC_O+ RC_O- RD_E- TCON_GDATA1 MCU_I2CDATA MCU_I2CCLK AR_STB_SCL03 24KEC_I2CDATA1_PANEL P3V_SCL01 P_S0 AR_STB_SDA03 PANEL_AGW/AVDD_ENB GRAB_MODULE_IIC/PWM_POW_ON P_S1 D_RXD PANEL_ALARM/PANEL_LED_ON PANEL_READY/FV_SEL REMOCON RCLK_E+ D_PCB_MODE D_IIC_CONT D_TXD AR_PANEL_SDA RCLK_E- DISPEN AR_PANEL_SCL Q9004 B1ABCF000231 Q9003 B1ABCF000231 Q9802 B1ABCF000231 Q9800 B1ABCF000231 Q9000 B1ABCF000231 Q9001 B1ABCF000231 Q9002 B1ABCF000231 R9198 EXB28V101JX R9104 EXB38V101JV R9119 EXB28V470JX R9401 EXB2HV103JV R9209 EXB2HV470JV R9208 EXB2HV470JV R9400 EXB2HV103JV R9880 10k R9194 330 R9958 4.7k R9206 56k R9114 100k R9118 100k R9117 10k R9112 4.7k R9113 10k R9116 10k R9154 2.7k R9878 10k 1% R9103 100 R9101 33k R9164 10k R9212 47 R9100 47k R9881 10k R9110 47k R9877 47k 1% R9072 10k R9216 0 R9152 10k R9871 10k R9070 10k R9875 20k 1% R9225 2.7k R9884 10k R9914 0 R9213 47 R9891 32.4k 1% R9916 0 R9879 15k 1% R9985 4.7k R9873 10k 1% R9963 5.6k 1% R9959 39 R9874 27k 1% R9901 2.2 R9872 3.3k 1% R9027 0 R9149 100k R9130 47 R9868 100k R9121 100k R9223 2.7k R9155 2.7k R9023 2.7k R9022 2.7k R9203 22k R9102 100 R9029 100 R9028 100 R9153 10k 1% R9998 1.6k R9026 0 R9124 47 R9882 47k R9032 0 R9105 22 R9215 100k R9999 4.7k R9187 2.7k R9207 24k R9890 110k 1% R9188 2.7k R9899 0 R9984 4.7k R9129 68k R9107 3.3k R9205 33k X9000 H2D100500004 R9111 0 R9041 0 IIC_CLK2 MAIN_CONF IIC_CLK1 IIC_DATA1 INT_CONF Soft_PullUP OC1 GND CSH GND CSL GND OC2 SIU GND CRC2 NC SCCLK GND CML +15V +15V CERS SOS7_SC2 CPH1 CMH SCNRST GND GND CRC1 CEL SOS6_SC1 P5V UHZ CIS GND GND GND CMH CIS GND +15V NC CPH1 UHZ CEL SOS7_SC2 GND CRC1 CML P5V SIU GND OC2 CSH GND SOS6_SC1 GND CERS CSL SCCLK OC1 SCNRST CRC2 GND +15V 10MHz RC_O+ RCLK_O- RB_O- RC_E- RE_E+(LSB) RE_O-(LSB) RB_E- RD_E+ RCLK_E- RCLK_O+ RD_E- RCLK_E+ RB_E+ RA_O-(MSB) RB_O+ RD_O+ RA_O+(MSB) RE_O+(LSB) RA_E+(MSB) RC_O- RD_O- RC_E+ RA_E-(MSB) RE_E-(LSB) A-BOARD TNPH0842NC (11/13) ! 92 99 96 93 94 91 95 97 98 1 2 BUFFER BUFFER +5V 3.3V 1.2V STB+3.3V/RESET GenX7 EEPROM TO 1,10/13 TO 1/13 TO 1/13 TO 1,10/13 TO 1/13 TO 10/13 TO 10/13 TO 10/13 TO 10/13 TO 10/13 TO 11/13 TO 11/13 TO 1/13 TO 10/13 TO SC-BOARD (SC20) TH-P50X20C A-Board (11/13) Schematic Diagram TH-P50X20C A-Board (11/13) Schematic Diagram 53 TH-P50X20C 11.13.A 电路板 (12/13)线路图 TERM SIDE S S S S S S S S S S S P P DD1_1P PD_PCD2 DRVCLK7N DD6_1N PD_SCNRST DD3_2N DD1_2N DRVRST D-PCD1 DRVCLK7P DD6_1P DRVCLK5N D-CLRD2 DD1_2P DD2_1N OHZ1 DD11_1N D-PCD4 PD_CRC1 DD6_2N OSD_B D_UHZ DD11_1P P3V_SDA02 DRVCLK9N DD6_2P DD7_2P USH_C PD_LED2 DD11_2N PD_OC2 DRVCLK9P DRVCLK3N DD4_2P D-ODED1 DRVCLK3P PD_CLRD2 DD11_2P UEH_C DD3_1N DD15_1N DRVCLK3P DD2_2P PD_PCD4 DD10_1N DD8_1N DD8_2N DD15_1P OSD_HIN DD5_1N PD_UEH D-ODED2 DD1_1N D-LED1 PD_PCD3 DD10_1P DD15_2N DD5_1P DRVCLK2N PD_ODED2 DD10_2N PD_CERS DD15_2P DD5_2N DRVCLK5P DRVCLK1N PD_USL/UML2 PD_UMH DD10_2P PD_CRC2 DD14_1N DD5_2P OSD_G PD_UML PD_SCCLK DRVCLK6N D-ODED1 DD5_2P DD14_1P DD4_1N PD_USH DD1_2N OSD_CLKIN PD_USH PD_CML DRVCLK6P PD_PCD1 OSD_VIN DD14_2N DD4_1P UML_C D-LED2 PD_USL/UML2 PD_SIU DRVCLK2P DD9_1N D-LED1 DD14_2P PD_UML DD4_2N DD1_1P DD7_1P PD_CMH DD4_1N PD_UEH PD_LED1 DD9_1P DRVCLK8N DD4_2P DD6_1P PD_LED1 DD9_2N PD_UMH DRVCLK8P DRVCLK2N OSD_HI OSD_CKI SIN PD_CLRD1 PD_CPH1 PD_ODED1 DD5_1N DD9_2P DD13_1N DRVCLK2P DD8_2P DD4_2N DRVCLK3N PD_PCD1 DRVCLK5N D-PCD2 PD_LED2 DD13_1P DD3_1N NCS PD_CSL DD7_1N PD_PCD2 DD3_1P DRVCLK5P DD13_2N DD3_1P DD5_2N UMH_C PD_CLRD1 DD8_1N PD_PCD3 DD13_2P SOUT DD3_2N PD_CSH DD8_1P D-PCD3 DD3_2P DRVCLK1P PD_PCD4 DD8_2N DD5_1P DD2_1N SCLK PD_CEL P3V_SCL02 DD2_2N DD8_2P DD3_2P DD6_1N DD2_1P DD1_2P P_S1 USL/UML2_C PD_ODED2 DRVCLK4N OSD_YS DD6_2P DD2_2N DRVMUTE D-PCD1 DD8_1P DRVCLK4P SOS_DCC DD2_2P DD12_1N XRST_SYS PD_CLRD2 DD7_1N PD_CIS D-CLRD1 DRVCLK1N DD7_2N DD12_1P DD7_1P DRVCLK4N OSD_R DRVCLK1P DD12_2N PD_ODED1 P_S0 DD7_2N PD_OC1 D-CLRD1 DD4_1P DD1_1N DD6_2N D-PCD2 DD12_2P DRVCLK4P DD7_2P DD2_1P RD_O- RB_O+ RCLK_O+ RA_O- RA_O+ RCLK_O- RD_O+ RE_O- RE_O+ RC_O+ RB_O- RC_O- RD_E- RB_E- RB_E+ RC_E+ RCLK_E- RCLK_E+ RE_E+ RD_E+ RA_E- RC_E- RA_E+ RE_E- C9302 50V 15p C9301 50V 15p C9300 16V 0.1u IC9300 M2 DCCOP33 IC9300 AJ5 LVDOD7P IC9300 U3 DCCOP40 IC9300 B27 SOS IC9300 R28 DCCOP23 IC9300 M3 DCCOP35 IC9300 AH6 LVDRCK4N IC9300 N2 DCCOSCRST IC9300 AJ13 LVDOD13P IC9300 A28 DCCIDRVRST IC9300 T2 DCCOP2 IC9300 AK19 LVDOD19N IC9300 AJ19 LVDOD19P IC9300 AK18 LVDOD18N IC9300 V3 DCCOP11 IC9300 P1 DCCIFBK0 IC9300 AH26 LVDRCK12N IC9300 AE2 LVDOD2P IC9300 AF3 LVDRCK2N IC9300 R3 DCCIFBK1 IC9300 AG2 LVDOD4P IC9300 N1 DCCOP32 IC9300 B30 DCCIPORT0 IC9300 AK4 LVDOD6N IC9300 AK14 LVDOD14N IC9300 AK25 LVDOD23N IC9300 P3 DCCOP41 IC9300 AC2 LVDOD0P IC9300 AF30 LVDOD28N IC9300 AF28 LVDRCK13P IC9300 E3 OSDHI IC9300 L1 DCCOP38 IC9300 AJ18 LVDOD18P IC9300 A5 FLSIO3 IC9300 L30 DCCOP14 IC9300 AH9 LVDRCK5P IC9300 T30 CKMO IC9300 Y1 DCCOP16 IC9300 AG28 LVDRCK13N IC9300 U2 DCCOP4 IC9300 AK6 LVDOD8N IC9300 A27 SFRST IC9300 AE29 LVDOD29P IC9300 A6 FLSIO2 IC9300 E1 OSDBI IC9300 AH8 LVDRCK5N IC9300 N29 DCCOP29 IC9300 AJ9 LVDOD11P IC9300 R1 DCCOP9 IC9300 AH27 LVDRCK12P IC9300 V2 DCCOP1 IC9300 AK17 LVDOD17N IC9300 AH16 LVDRCK8N IC9300 AH12 LVDRCK6N IC9300 N30 DCCOP19 IC9300 AD1 LVDOD1N IC9300 AC30 LVDOD31N IC9300 AD2 LVDOD1P IC9300 F1 OSDCKI IC9300 D2 OSDRI IC9300 AJ17 LVDOD17P IC9300 E28 FPDAT0 IC9300 E29 FPDAT1 IC9300 AE1 LVDOD2N IC9300 AD3 LVDRCK1N IC9300 B28 XRSTSYS IC9300 R29 DCCOP37 IC9300 AH4 LVDRCK3N IC9300 AG29 LVDOD27P IC9300 A29 XRST IC9300 D1 OSDVO IC9300 M30 DCCOP12 IC9300 AH5 LVDRCK3P IC9300 W30 XO IC9300 N28 DCCOP26 IC9300 T1 DCCOP3 IC9300 C30 DCCIDISPEN IC9300 AK16 LVDOD16N IC9300 U1 DCCOP0 IC9300 D30 FPCLK IC9300 AG1 LVDOD4N IC9300 AH29 LVDOD26P IC9300 V1 DCCOP8 IC9300 M29 DCCOP13 IC9300 AK23 LVDOD21N IC9300 P29 DCCOP18 IC9300 V30 XI IC9300 AH15 LVDRCK7P IC9300 K2 DCCOP30 IC9300 AG3 LVDRCK2P IC9300 AH7 LVDRCK4P IC9300 Y3 DCCOP22 IC9300 C4 EXTFLSI IC9300 M1 DCCOP7 IC9300 AJ7 LVDOD9P IC9300 AJ27 LVDOD25P IC9300 AE28 LVDRCK14N IC9300 AJ26 LVDOD24P IC9300 AG30 LVDOD27N IC9300 AE30 LVDOD29N IC9300 P2 DCCOP10 IC9300 AD30 LVDOD30N IC9300 AJ16 LVDOD16P IC9300 AJ4 LVDOD6P IC9300 L2 DCCOP6 IC9300 T3 DCCIFBK2 IC9300 W1 DCCOP36 IC9300 Y2 DCCOP20 IC9300 W2 DCCOP31 IC9300 K1 DCCOP34 IC9300 A3 EXTFLSCK IC9300 AA2 DCCOP17 IC9300 AJ12 LVDOD12P IC9300 AC29 LVDOD31P IC9300 AJ24 LVDOD22P IC9300 E2 OSDYSI IC9300 AJ25 LVDOD23P IC9300 AC4 LVDRCK0P IC9300 AH2 LVDOD5P IC9300 AH30 LVDOD26N IC9300 AH23 LVDRCK10P IC9300 D3 OSDGI IC9300 L3 DCCOP27 IC9300 AJ14 LVDOD14P IC9300 AJ6 LVDOD8P IC9300 AK22 LVDOD20N IC9300 AF1 LVDOD3N IC9300 AF29 LVDOD28P IC9300 R2 DCCOP5 IC9300 AH13 LVDRCK6P IC9300 AK26 LVDOD24N IC9300 AH24 LVDRCK11N IC9300 AH17 LVDRCK8P IC9300 AH22 LVDRCK10N IC9300 AF2 LVDOD3P IC9300 AK9 LVDOD11N IC9300 C2 OSDHO IC9300 AD28 LVDRCK14P IC9300 AK15 LVDOD15N IC9300 K29 SFVO IC9300 AK7 LVDOD9N IC9300 AE3 LVDRCK1P IC9300 AH14 LVDRCK7N IC9300 AH25 LVDRCK11P IC9300 AD29 LVDOD30P IC9300 AA1 DCCOP28 IC9300 C1 OSDCKO IC9300 L29 DCCOP15 IC9300 AH18 LVDRCK9N IC9300 AJ15 LVDOD15P IC9300 C5 FLSIO1 IC9300 B6 SPIHZ IC9300 AK8 LVDOD10N IC9300 A2 EXTFLNCS IC9300 C29 SFLATCHI IC9300 P30 DCCOP21 IC9300 AJ22 LVDOD20P IC9300 AC3 LVDRCK0N IC9300 A7 SCL IC9300 AK24 LVDOD22N IC9300 AC1 LVDOD0N IC9300 AK27 LVDOD25N IC9300 A4 FLSCK IC9300 N3 DCCOP39 IC9300 B3 EXTFLSO IC9300 B26 SFVRST IC9300 AC28 LVDRCK15N IC9300 AJ23 LVDOD21P IC9300 AB28 LVDRCK15P IC9300 B7 SDA IC9300 AJ8 LVDOD10P IC9300 AK13 LVDOD13N IC9300 A16 RXEEN IC9300 A21 RXEAN IC9300 A19 RXECN IC9300 A17 RXEDN IC9300 A18 RXECKN IC9300 B19 RXECP IC9300 B21 RXEAP IC9300 B20 RXEBP IC9300 B16 RXEEP IC9300 B18 RXECKP IC9300 B17 RXEDP IC9300 A20 RXEBN IC9300 A10 RXOEN IC9300 B12 RXOCKP IC9300 A11 RXODN IC9300 A15 RXOAN IC9300 A14 RXOBN IC9300 A12 RXOCKN IC9300 B15 RXOAP IC9300 B10 RXOEP IC9300 B13 RXOCP IC9300 B11 RXODP IC9300 A13 RXOCN IC9300 B14 RXOBP IC9300 B5 FLNCS IC9300 AK12 LVDOD12N IC9300 K30 DCCOP24 IC9300 AH19 LVDRCK9P IC9300 P28 DCCOP25 IC9300 AH1 LVDOD5N IC9300 AK5 LVDOD7N IC9300 B4 FLSIO0 *IC9304 TVRR809 1 CS# 2 SO/SIO1 3 WP#/SIO2 4 GND 5 SI/SIO0 6 SCLK 7 NC/SIO3 8 VCC A33 K1MY40BA0345 1 2 3 4 5 6 7 8 9 10 11 12 13 14 15 16 17 18 19 20 21 22 23 24 25 26 27 28 29 30 31 32 33 34 35 36 37 38 39 40 P3.3V P3.3V P3.3V R9013 R9342 R9340 R9309 R9307 R9306 R9335 R9334 R9308 R9339 R9123 R9127 VJ9902 TP9301 TP9117 TP9118 TP9300 TP9903 TP9138 TP9195 TP9904 TP9106 TP9152 TP9900 TP9901 TP9119 TP9120 TP9121 TP9122 TP9123 TP9124 TP9125 TP9126 TP9127 TP9128 TP9129 TP9130 TP9131 TP9132 TP9133 TP9135 TP9193 TP9194 TP9197 TP9136 TP9137 TP9139 TP9140 TP9141 TP9142 TP9151 TP9143 TP9145 TP9146 TP9147 TP9148 TP9149 TP9156 TP9155 TP9154 TP9144 TP9153 TP9150 TP9100 TP9115 TP9116 TP9076 TP9902 TP9113 TP9112 TP9111 TP9110 TP9109 TP9108 TP9107 TP9105 TP9134 R9609 EXB2HV470JV R9610 EXB2HV470JV R9608 EXB2HV470JV R9318 47 R9341 0 R9320 1k R9319 47 R9322 47 R9321 1M R9323 1k R9125 1k R9316 47 X9300 H0J200500076 DATA_DRIVER IIC SS_PULSE LVDS_INPUT PC2 DD8_1- DD7_2+ DRVCLK4- DD6_1+ DD6_2- DRVCLK3- GND DD7_2- GND PC1 DRVCLK3+ CLR1 LE1 GND DD7_1+ DD5_2+ DD8_2+ DD5_1- P3.3V DD5_2- KEY_SCAN NC P3.3V DD5_1+ DRVCLK4+ P3.3V GND GND DD8_1+ ODE1 GND GND GND DD8_2- DD7_1- GND DD6_1- GND DD6_2+ GND 100 104 106 108 105 107 101 102 103 A-BOARD TNPH0842NC (12/13) ! 2 1 11 12 13 FLASH MEMORY IC9300 C1AB00003259 PD4 TO C1-BOARD (C11) TH-P50X20C A-Board (12/13) Schematic Diagram TH-P50X20C A-Board (12/13) Schematic Diagram 54 TH-P50X20C 11.14.A 电路板 (13/13)线路图 TERM SIDE P P P P P P P DRVCLK9N DD10_2P DD12_1P DD11_1N UEH_C DD11_1P DD9_2P USL/UML2_C DD13_1N DD13_2P USH_C DD12_2P DD15_1P DD13_2N UML_C UMH_C DD15_2N D-CLRD2 DD14_1P DRVCLK7P DD12_1N DD13_1P DD15_1N DD14_2P DRVCLK8N D-PCD4 DD10_2N SOS8_SS DD11_2P D-PCD3 DD14_1N DRVCLK8P DD9_1N DRVCLK7N DRVCLK6N DD9_1P D-ODED2 DD10_1P DD11_2N DD14_2N DRVCLK9P D-LED2 DD10_1N DD12_2N DD9_2N DRVRST DD15_2P DRVCLK6P C9307 0.1u 16V C9308 0.1u 16V C9900 25V 0.01u C9374 0.1u 16V C9375 0.1u 16V C9351 0.1u 16V C9350 0.1u 16V C9352 6.3V 1u C9315 0.1u 16V C9311 0.1u 16V C9312 10V 10u C9313 0.1u 16V C9314 10V 10u C9316 10V 10u C9322 0.1u 16V C9337 10V 10u C9323 0.1u 16V C9327 0.1u 16V C9335 10V 10u C9336 10V 10u C9325 0.1u 16V C9319 0.1u 16V C9347 1u 6.3V C9349 10u 10V C9339 0.1u 16V C9340 0.1u 16V C9342 0.1u 16V C9344 0.1u 16V C9361 0.1u 16V C9356 0.1u 16V C9363 0.1u 16V C9372 10V 10u C9371 10V 10u C9373 10V 10u C9392 10V 10u C9391 10V 10u C9380 0.1u 16V C9383 0.1u 16V IC9300 C1AB00003259 A1 VDD33 IC9300 AG16 MLVDS_VDD IC9300 J28 SCS_ANA_26 IC9300 AJ29 GND IC9300 AH10 SCS_ANA_19 IC9300 B23 GND IC9300 AG14 MLVDS_VDD IC9300 H1 GND IC9300 H5 VDDC IC9300 B2 VDD33 IC9300 B1 GND IC9300 E15 GND IC9300 D26 GND IC9300 K3 OCKOUT IC9300 R26 SCS_VDD18 IC9300 D15 VTEST0 IC9300 F4 GND IC9300 AF22 VDDC IC9300 AJ21 SCS_ANA_1 IC9300 C21 GND IC9300 E21 VDDC IC9300 H3 VDD33 IC9300 E27 SCS_ANA_7 IC9300 C20 GND IC9300 U4 SCS_ANA_35 IC9300 AK11 GND IC9300 AG24 MLVDS_VDD IC9300 E8 VDDC IC9300 G28 SRLF2 IC9300 AB1 VDDC IC9300 E19 LRX_V12 IC9300 AK29 GND IC9300 AD4 MLVDS_VDD IC9300 AF13 SCS_VDD18 IC9300 C14 GND IC9300 C28 GND IC9300 AG10 SCS_ANA_24 IC9300 A8 GND IC9300 AB3 VDDC IC9300 G3 SCS_ANA_27 IC9300 D23 VDD33 IC9300 U26 VDDC IC9300 M4 SCS_ANA_31 IC9300 D11 SCS_ANA_6 IC9300 M28 DCCIPORT1 IC9300 P26 SCS_VDD18 IC9300 C9 GND IC9300 V27 GND IC9300 G26 VDDC IC9300 AB29 MLVDS_VDD IC9300 AF12 GND IC9300 AF27 miniLVDS_RI3 IC9300 AC27 MLVDS_VDD IC9300 E13 SCS_VDD18 IC9300 W5 GND IC9300 C27 GND IC9300 AA27 PLLSSDCCCK_AVS IC9300 C22 GND IC9300 Y29 SCS_ANA_36 IC9300 AG4 GND IC9300 G4 GND IC9300 A26 SFLATCHO IC9300 F3 SCS_ANA_4 IC9300 AG7 MLVDS_VDD IC9300 U29 SCS_ANA_32 IC9300 K27 GND IC9300 E23 VDDC IC9300 AG21 SCS_ANA_20 IC9300 H28 VDD33 IC9300 AG25 MLVDS_VDD IC9300 Y27 PLLICK_AVS IC9300 E10 VDDC IC9300 D9 VDD33 IC9300 F29 SBT1 IC9300 M26 SCS_VDD15 IC9300 E26 GND IC9300 AA3 GND IC9300 D10 VDD33 IC9300 AF10 VDDC IC9300 T4 GND IC9300 B24 ID1 IC9300 AH3 GND IC9300 G27 SCS_ANA_5 IC9300 J4 VDD33 IC9300 E18 GND IC9300 G30 SRLF0 IC9300 V29 GND IC9300 AF15 GND IC9300 P4 VDD33 IC9300 AE5 miniLVDS_MON0 IC9300 E11 LRX_V12 IC9300 D6 LRX_TXN_1 IC9300 D22 GND IC9300 H26 VDDC IC9300 Y4 GND IC9300 K26 GND IC9300 E6 GND IC9300 AK30 GND IC9300 AD5 MLVDS_VDD IC9300 AG11 miniLVDS_MON1 IC9300 AB30 MLVDS_VDD IC9300 F26 GND IC9300 AE27 miniLVDS_MON3 IC9300 AJ3 SCS_ANA_37 IC9300 AF26 GND IC9300 N4 SCS_ANA_33 IC9300 AG15 VTEST1 IC9300 A9 LRX_VDDH IC9300 D5 GND IC9300 AF9 VDDC IC9300 AJ28 SCS_ANA_16 IC9300 AF24 VDDC IC9300 C11 GND IC9300 B22 LRX_VDDH IC9300 W27 PLLICK_AVD IC9300 H29 MVIO IC9300 W26 GND IC9300 C3 VDD33 IC9300 C24 SCS_ANA_14 IC9300 D17 VDD33 IC9300 C25 SCS_ANA_12 IC9300 L28 TMODE1 IC9300 AF19 SCS_ANA_2 IC9300 Y28 MLVDS_VDD IC9300 J2 GND IC9300 AK21 SCS_ANA_3 IC9300 AJ11 GND IC9300 E22 VDDC IC9300 AF21 VDDC IC9300 C16 GND IC9300 K4 GND IC9300 G5 VDDC IC9300 M5 GND IC9300 E12 LRX_V12 IC9300 E20 LRX_V12 IC9300 V5 SCS_VDD18 IC9300 F30 SBT0 IC9300 D18 LRX_V12C_2 IC9300 AG18 PLLSSMLCK_AVS IC9300 AJ10 SCS_ANA_17 IC9300 F28 SBO1 IC9300 J29 SVIO IC9300 AF16 SCS_VDD18 IC9300 A23 GND IC9300 AG6 MLVDS_VDD IC9300 C15 GND IC9300 B29 GND IC9300 C18 SCS_ANA_13 IC9300 D16 VDD33 IC9300 C17 GND IC9300 AB4 VDDC IC9300 A24 ID0 IC9300 AJ1 GND IC9300 AK1 GND IC9300 AG12 miniLVDS_RI1 IC9300 G2 SCS_ANA_29 IC9300 C6 IICSYNC IC9300 H30 MHIO IC9300 R5 SCS_VDD18 IC9300 AK10 SCS_ANA_21 IC9300 E7 VDDC IC9300 C13 GND IC9300 K28 TMODE0 IC9300 AG23 miniLVDS_RI2 IC9300 AF7 MLVDS_VDD IC9300 A30 GND IC9300 AC5 MLVDS_VDD IC9300 L26 SCS_VDD15 IC9300 E24 VDDC IC9300 V28 VDD33 IC9300 T28 GND IC9300 AE26 VDDC IC9300 W4 VDD33 IC9300 AJ2 GND IC9300 E25 GND IC9300 D12 SCS_ANA_11 IC9300 B9 LRX_VDDH IC9300 Y5 GND IC9300 L27 GND IC9300 AG27 GND IC9300 C12 GND IC9300 E17 SCS_VDD18 IC9300 M27 SCS_ANA_28 IC9300 AG5 SCS_ANA_39 IC9300 D25 VDD33 IC9300 H4 GND IC9300 AF14 SCS_VDD18 IC9300 C23 GND IC9300 L4 GND IC9300 U30 GND IC9300 D27 GND IC9300 R27 SCS_ANA_30 IC9300 R30 GND IC9300 AE4 miniLVDS_RI0 IC9300 A25 ID2 IC9300 AH11 GND IC9300 D24 VDD33 IC9300 E16 SCS_VDD18 IC9300 G29 SRLF1 IC9300 W29 GND IC9300 F27 SCS_ANA_9 IC9300 AH28 GND IC9300 AG17 MLVDS_VDD IC9300 K5 VDDC IC9300 F5 GND IC9300 AH20 GND IC9300 D7 LRX_TXP_1 IC9300 AH21 SCS_ANA_22 IC9300 D13 LRX_TXN_0 IC9300 B25 TEST IC9300 J26 VDDC IC9300 AD27 MLVDS_VDD IC9300 AJ20 GND IC9300 J3 VDD33 IC9300 AF6 MLVDS_VDD IC9300 C7 SCS_ANA_23 IC9300 D29 SBI0 IC9300 V4 VDD33 IC9300 P5 SCS_VDD15 IC9300 W3 VDD33 IC9300 AF5 GND IC9300 N26 SCS_VDD18 IC9300 V26 VDDC IC9300 AA28 MLVDS_VDD IC9300 E14 SCS_VDD18 IC9300 J5 VDDC IC9300 AF11 GND IC9300 AG19 PLLSSMLCK_AVD IC9300 AB5 VDDC IC9300 AD26 VDDC IC9300 AJ30 GND IC9300 T27 GND IC9300 AB2 VDDC IC9300 AA29 MLVDS_VDD IC9300 AG22 miniLVDS_MON2 IC9300 P27 VDD33 IC9300 R4 VDD33 IC9300 N27 VDD33 IC9300 Y26 SCS_ANA_38 IC9300 AK3 GND IC9300 AF4 GND IC9300 D28 SBI1 IC9300 AG26 MLVDS_VDD IC9300 AF18 SCS_ANA_0 IC9300 AA4 VDDC IC9300 D20 LRX_V12C_0 IC9300 C8 SCS_ANA_8 IC9300 D4 VDD33 IC9300 H2 GND IC9300 D21 LRX_V12C_1 IC9300 J1 GND IC9300 T5 SCS_VDD18 IC9300 T26 SCS_VDD18 IC9300 C10 GND IC9300 H27 VDD33 IC9300 D19 LRX_V12C_3 IC9300 E9 VDDC IC9300 AG9 MLVDS_VDD IC9300 AK2 GND IC9300 A22 LRX_VDDH IC9300 AB26 VDDC IC9300 AF17 SCS_VDD18 IC9300 AK28 GND IC9300 AG8 MLVDS_VDD IC9300 C26 SCS_ANA_10 IC9300 AG13 MLVDS_VDD IC9300 AA30 MLVDS_VDD IC9300 AA26 SCS_ANA_40 IC9300 F2 SCS_ANA_25 IC9300 AA5 VDDC IC9300 Y30 GND IC9300 D8 VDD33 IC9300 D14 LRX_TXP_0 IC9300 E5 VDD33 IC9300 U27 SCS_ANA_34 IC9300 AG20 GND IC9300 J27 VDD33 IC9300 AF25 SCS_ANA_18 IC9300 C19 SCS_ANA_15 IC9300 AF20 GND IC9300 G1 GND IC9300 J30 SHIO IC9300 U28 VDD33 IC9300 B8 GND IC9300 AF8 VDDC IC9300 U5 SCS_VDD18 IC9300 AC26 VDDC IC9300 AF23 VDDC IC9300 W28 VDD33 IC9300 AB27 PLLSSDCCCK_AVD IC9300 N5 SCS_VDD15 IC9300 L5 GND IC9300 T29 GND IC9300 E30 SBO0 IC9300 AK20 GND IC9300 E4 GND A34 1 2 3 4 5 6 7 8 9 10 11 12 13 14 15 16 17 18 19 20 21 22 23 24 25 26 27 28 29 30 31 32 33 34 35 36 37 38 39 40 41 42 43 44 45 46 47 48 49 50 51 52 53 54 55 L9300 J0JHC0000117 L9302 J0JHC0000117 L9301 J0JHC0000117 P3.3V P5V P2.5V P3.3V P3.3V P1.2V VJ9303 VJ9300 VJ9901 VJ9900 R9132 VJ9302 VJ9301 TP9205 TP9912 TP9914 TP9010 TP9206 TP9189 TP9188 TP9905 TP9186 TP9165 TP9167 TP9114 TP9169 TP9170 TP9171 TP9173 TP9182 TP9181 TP9180 TP9907 TP9178 TP9177 TP9191 TP9192 TP9183 TP9184 TP9185 TP9198 TP9164 TP9163 TP9162 TP9161 TP9160 TP9159 TP9158 TP9157 TP9910 TP9174 TP9911 TP9166 TP9913 TP9908 TP9179 TP9172 TP9187 TP9175 TP9190 TP9176 TP9168 TP9199 TP9906 TP9909 Q9900 B1ABCF000231 Q9901 B1ABCF000231 R9903 4.7k R9327 1.6k R9905 10k R9326 1.6k R9907 100 R9324 1.6k R9904 100k R9906 100k R9325 1.6k 3.3V_DET GND DD9_2- GND DD12_1+ LE2 DD11_1- GND GND P5V UML GND GND DD9_2+ DD9_1+ GND USL/UML2_C GND DRVCLK7- USH GND DRVCLK7+ GND DD11_2- ODE2 GND DRVSOS8 DD12_2- DOWN_RIGHT DRVCLK6+ GND P3.3V GND PC3 UMH CLR2 GND GND DD10_2+ DD9_1- DD11_2+ DRVCLK6- UEH NC DD12_2+ DD11_1+ DD10_2- DD10_1- GND NC GND DD10_1+ GND DD12_1- PC4 P3.3V 116 110 111 112 A-BOARD TNPH0842NC (13/13) ! 109 113 115 117 114 11 13 12 IC9300 C1AB00003259 PD4 TO C2-BOARD (C21) TH-P50X20C A-Board (13/13) Schematic Diagram TH-P50X20C A-Board (13/13) Schematic Diagram 55 TH-P50X20C 11.15.C1 电路板线路图 SIDE TERM TERM SIDE TERM SIDE TERM SIDE TERM SIDE TERM SIDE DD8_1- DD6_2- AB_CLRD1 DD8_2+ DRVCLK3+ AB_PCD2 AB_ODED1 DD8_2- DRVCLK3- AB_CLRD1 DRVCLK4+ DD5_1+ AB_PCD2 AB_ODED1 DRVCLK4- DD5_1- AB_LED1 AB_CLRD1 DD7_1+ DD5_2+ AB_PCD1 AB_ODED1 DD7_1- DD5_2- AB_LED1 AB_CLRD1 DD7_2+ AB_PCD1 AB_ODED1 DD7_2- AB_LED1 DRVCLK3+ DRVCLK3- DRVCLK4+ DD6_1+ DRVCLK4- DD6_1- DD8_1+ DD6_2+ AB_CLRD1 AB_PCD2 AB_PCD1 AB_ODED1 AB_LED1 3.3V_DET AA_ODED1 AA_PCD1 AA_PCD2 AA_CLRD1 DD7_1+ DRVCLK4- DRVCLK4+ DD8_2- DD8_2+ DD8_1- DD8_1+ DD7_1- DD7_2+ DD7_2- DD6_1+ DD6_1- DD6_2+ DD6_2- DRVCLK3+ DRVCLK3- DD5_1+ DD5_1- DD5_2+ DD5_2- AA_LED1 AA_CLRD1 AA_PCD2 AA_PCD1 AA_ODED1 AA_LED1 AB_LED1 C17113 16V 0.1u C10 1 2 3 4 5 6 7 8 9 10 11 12 13 14 15 16 17 18 19 20 C1_P3.3V C1_P3.3V C1_P3.3V VDA VDA C1_P3.3V C1_P3.3V C1_P3.3V VDA C1_P3.3V VDA VDA ZA17103 K4CD01000013 ZA17104 K4CD01000013 ZA17105 K4CD01000013 ZA17102 K4CD01000013 R17127 EXB38V681JV R17125 EXB38V470JV C17108 10V 1u C17107 10V 1u C17105 10V 1u C17104 10V 1u C0JBAU000043 IC17101 G1 1 2 A1 3 A2 4 A3 5 A4 6 A5 7 A6 8 A7 9 A8 10 GND 11 Y8 12 Y7 13 Y6 14 Y5 15 Y4 16 Y3 17 Y2 18 Y1 19 G2 20 Vcc R17116 1 R17112 1 R17101 150 R17120 1 CB4 1 3 4 5 7 8 9 11 12 13 14 15 16 17 18 19 20 21 22 23 24 25 26 27 28 29 30 31 32 33 34 35 36 37 38 39 40 41 42 43 44 45 47 48 49 51 52 53 55 CB2 1 3 4 5 7 8 9 11 12 13 14 15 16 17 18 19 20 21 22 23 24 25 26 27 28 29 30 31 32 33 34 35 36 37 38 39 40 41 42 43 44 45 47 48 49 51 52 53 55 CB1 1 3 4 5 7 8 9 11 12 13 14 15 16 17 18 19 20 21 22 23 24 25 26 27 28 29 30 31 32 33 34 35 36 37 38 39 40 41 42 43 44 45 47 48 49 51 52 53 55 C17109 100V 0.33u C17110 100V 0.33u C17112 100V 0.33u R17126 680 R17128 1k R17110 200 R17108 200 R17129 220k R17102 100 R17111 100 R17105 200 R17131 0 R17107 100 R17106 100 R17115 200 R17130 0 R17109 100 R17132 0 R17104 100 R17124 47 R17103 100 R17113 100 C11 1 2 3 4 5 6 7 8 9 10 11 12 13 14 15 16 17 18 19 20 21 22 23 24 25 26 27 28 29 30 31 32 33 34 35 36 37 38 39 40 R17118 1 C17111 100V 0.33u CB3 1 3 4 5 7 8 9 11 12 13 14 15 16 17 18 19 20 21 22 23 24 25 26 27 28 29 30 31 32 33 34 35 36 37 38 39 40 41 42 43 44 45 47 48 49 51 52 53 55 1 40 1 C10 C11 20 55 1 55 1 55 1 55 1 GND VDD2 GND NC NC DM LEN GND GND NC A1N VDD2 A2P FXP VDD2 GND VDD2 VDD2 GND DM GND GND GND GND VDD2 ODE BLK NC GND GND NC VDD2 GND GND VDD2 GND NC GND TEST NC OHZ LEN GND GND CLR A1N A2N A2P GND VDD2 VDD1 VDD2 VDD2 GND VDD2 GND NC FXN GND VDD2 VDD1 VDD2 GND GND A1P GND VDD2 NC DM GND GND NC NC VDD2 GND FXP VDD1 GND GND VDD2 NC DM VDD2 GND VDD2 GND LEN ODE GND NC A1N GND A2P VDD2 GND VDD2 GND VDD2 VDD2 GND BLK GND GND GND GND NC NC GND LEN GND VDD2 GND VDD2 GND A1N NC NC A2P TEST GND VDD2 OHZ NC VDD2 GND OHZ GND CLR GND GND A2N CLR GND GND A2N VDD2 VDD1 VDD1 BLK VDD2 VDD2 GND VDD2 VDD2 NC NC FXN GND FXN VDD2 VDD2 GND NC VDD2 VDD2 TEST GND VDD1 OHZ GND VDD2 GND A1P GND CLR GND GND A2N GND A1P GND VDD2 GND VDD1 GND VDD2 VDD2 GND NC VDD2 GND DM NC NC GND FXN VDD2 NC GND DM VDD2 VDD2 GND FXP VDD1 GND GND VDD2 NC VDD2 GND DM DM GND NC GND A1P VDD2 GND GND FXP ODE ODE NC BLK GND GND VDD2 TEST GND VDA VDA VDA VDA VDA NC GND GND GND GND GND NC NC NC P3.3V GND P3.3V GND 3.3V_DET GND GND GND GND GND DD7_2+ DD7_1+ GND DRVCLK3- GND DD6_2- P3.3V DD6_1- DD8_2- DD7_1- DD7_2- DD8_2+ NC DD6_2+ DRVCLK4+ P3.3V DD5_2- DD5_2+ GND PC2 DD8_1- DD5_1- DD8_1+ LE1 DRVCLK4- GND PC1 DD5_1+ DRVCLK3+ DD6_1+ P3.3V GND ODE1 GND GND CLR1 1 C 5 B 2 8 6 7 E 9 A D F 4 3 ! PANEL DATA CB1 TO DRIVER TO DRIVER PANEL DATA CB2 PANEL DATA CB3 DRIVER TO DRIVER TO CB4 PANEL DATA BUFFER TO C2-BOARD (C20) TO A-BOARD (A33) C1-BOARD TXNC11LNUC TH-P50X20C C1-Board Schematic Diagram TH-P50X20C C1-Board Schematic Diagram 56 TH-P50X20C 11.16.C2 电路板线路图 SIDE TERM TERM SIDE TERM SIDE TERM SIDE TERM SIDE TERM SIDE DRVCLK6+ DD10_1- DD10_1+ DRVCLK7- DRVCLK6- DD12_1+ DRVCLK7- DD12_2+ AB_PCD3 DRVCLK7+ AB_LED2 DD10_2+ AB_PCD4 AB_ODED2 AB_ODED2 AB_ODED2 DD11_1+ DD11_1- DD10_2- DRVCLK7+ AB_LED2 AB_CLRD2 AB_CLRD2 AB_CLRD2 DD12_2- DD11_2+ DD12_1- DD11_2- AB_PCD4 DRVCLK6- AB_LED2 AB_ODED2 AB_PCD3 DRVCLK6+ DD9_2- AB_CLRD2 DD9_1+ DD9_1- DD9_2+ AB_PCD4 AB_ODED2 AB_PCD3 AB_CLRD2 AB_UMH AB_UML AB_UEH AB_UEH AB_UML AB_UMH AA_CLRD2 AB_LED2 DD9_2- DD9_2+ DD9_1- DD9_1+ DRVCLK6- DRVCLK6+ DD10_2- DD10_2+ DD10_1- DD10_1+ DD11_2- DD11_2+ DD11_1- DD11_1+ DRVCLK7- DRVCLK7+ DD12_2- DD12_1+ DD12_1- DD12_2+ AA_UMH AA_UML AA_UEH AA_LED2 AA_ODED2 AA_PCD3 AA_PCD4 AA_UEH AA_UML AA_UMH AA_LED2 AA_ODED2 AA_PCD3 AA_PCD4 AA_CLRD2 SOS8_SS AB_LED2 C17210 16V 0.1u C17214 16V 0.1u C0JBAZ002692 IC17203 G1 1 2 A1 3 A2 4 A3 5 A4 6 A5 7 A6 8 A7 9 A8 10 GND 11 Y8 12 Y7 13 Y6 14 Y5 15 Y4 16 Y3 17 Y2 18 Y1 19 G2 20 Vcc C20 1 2 3 4 5 6 7 8 9 10 11 12 13 14 15 16 17 18 19 20 C21 1 2 3 4 5 6 7 8 9 10 11 12 13 14 15 16 17 18 19 20 21 22 23 24 25 26 27 28 29 30 31 32 33 34 35 36 37 38 39 40 41 42 43 44 45 46 47 48 49 50 51 52 53 54 55 C25 1 2 3 4 C23 1 2 3 4 5 6 C2_P3.3V C2_P3.3V C2_P3.3V SS_5V SS_5V VDA VDA C2_P3.3V VDA VDA VDA SS_5V C2_P3.3V C2_P3.3V VDA ZA17204 K4CD01000013 ZA17201 K4CD01000013 ZA17202 K4CD01000013 ZA17203 K4CD01000013 R17217 EXB38V681JV R17218 EXB38V470JV R17209 EXB38V470JV R17203 EXB38V681JV C17209 10V 1u C17216 10V 1u C17208 10V 1u C17217 10V 1u C0JBAU000043 IC17202 G1 1 2 A1 3 A2 4 A3 5 A4 6 A5 7 A6 8 A7 9 A8 10 GND 11 Y8 12 Y7 13 Y6 14 Y5 15 Y4 16 Y3 17 Y2 18 Y1 19 G2 20 Vcc R17229 1 R17215 1 R17227 1 R17231 150 R17213 1 C17212 100V 0.33u C17215 100V 0.33u C17211 100V 0.33u C17218 100V 0.33u 1 3 4 5 7 8 9 11 12 13 14 15 16 17 18 19 20 21 22 23 24 25 26 27 28 29 30 31 32 33 34 35 36 37 38 39 40 41 42 43 44 45 47 48 49 51 52 53 55 1 3 4 5 7 8 9 11 12 13 14 15 16 17 18 19 20 21 22 23 24 25 26 27 28 29 30 31 32 33 34 35 36 37 38 39 40 41 42 43 44 45 47 48 49 51 52 53 55 1 3 4 5 7 8 9 11 12 13 14 15 16 17 18 19 20 21 22 23 24 25 26 27 28 29 30 31 32 33 34 35 36 37 38 39 40 41 42 43 44 45 47 48 49 51 52 53 55 1 3 4 5 7 8 9 11 12 13 14 15 16 17 18 19 20 21 22 23 24 25 26 27 28 29 30 31 32 33 34 35 36 37 38 39 40 41 42 43 44 45 47 48 49 51 52 53 55 R17206 100 R17226 220k R17208 100 R17223 100 R17221 100 R17212 200 R17222 200 R17232 0 R17204 680 R17233 0 R17211 100 R17205 100 R17210 47 R17207 200 R17219 0 R17220 100 R17225 200 R17224 100 C2_P3.3V GND VDD2 GND NC VDD2 TEST GND VDD1 VDD2 VDD1 GND VDD2 NC DM GND GND GND DM VDD2 VDD2 GND OHZ VDD2 NC GND VDD2 NC TEST GND VDD2 GND VDD2 BLK NC TEST GND DM VDD2 VDD1 A2P VDD2 DM GND VDD2 DM NC VDD1 LEN GND VDD2 GND CLR GND GND CLR A1N VDD2 VDD1 A2N GND GND NC GND VDD2 BLK GND GND VDD2 GND VDD2 VDD2 NC GND VDD2 GND VDD2 NC OHZ GND NC ODE A2P FXN A2P GND GND GND NC VDD2 VDD2 VDD2 LEN OHZ VDD2 VDD2 VDD2 GND A1P GND VDD1 GND BLK VDD2 GND GND ODE GND VDD2 NC GND GND GND FXP GND A2N GND NC ODE A1P NC GND GND NC NC GND GND NC GND NC NC FXN DM GND FXN GND CLR GND A1P GND GND GND LEN VDD2 GND A2N NC FXP GND VDD2 GND GND GND VDD2 A1N GND GND NC FXP VDD2 VDD2 VDD2 GND A1N VDD2 GND 20 1 55 1 55 1 1 5 5 55 C20 4 1 1 55 C21 6 1 1 LEN GND VDD2 GND GND GND GND VDD2 GND GND GND FXN CLR GND BLK A2N GND GND ODE GND VDD1 A2P VDD2 VDD2 GND NC VDD2 NC VDD1 FXP A1N VDD2 GND VDD2 GND NC VDD2 NC GND TEST NC GND VDD2 GND NC OHZ VDD2 VDD2 NC VDD2 DM A1P GND GND DM GND VDA VDA NC VDA NC GND GND GND GND GND VDA VDA VDA NC NC NC P3.3V GND P3.3V VDA GND 3.3V_DET GND SOS8_SS UML UMH 5V GND UEH UML GND UMH DRVCLK7- DD11_1+ GND GND GND GND GND GND DD9_1+ GND DRVCLK6- P3.3V DD11_2- DD12_1+ NC GND DD10_1- P5V_SS DD9_2+ DD11_1- NC(USH) DD10_2+ CLR2 UEH DD9_2- GND GND PC4 GND DD12_2- GND DD10_2- PC3 DRVCLK7+ P3.3V DRVSOS8 GND 3.3V_DET ODE2 DD9_1- DD12_1- GND NC DD10_1+ NC(USL) DD11_2+ GND DRVCLK6+ LE2 GND GND DD12_2+ C A 5 9 E B 2 D F 4 3 8 1 6 7 ! BUFFER BUFFER PANEL DATA CB7 TO DRIVER TO DRIVER PANEL DATA CB8 TO DRIVER PANEL DATA CB6 PANEL DATA CB5 TO DRIVER TO C1-BOARD (C10) TO A-BOARD (A34) TO SS-BOARD (SS23) TO P-BOARD (P35) C2-BOARD TXNC21LNUC TH-P50X20C C2-Board Schematic Diagram TH-P50X20C C2-Board Schematic Diagram 57 TH-P50X20C 11.17.SC 电路板 (1/4) 线路图 + + TERM SIDE AA_CSL AA_CSH AA_OC1 MAIN_STOP0 AA_CML2 AA_SC_FPGANRST AA_OC2 AA_CERS AA_CLK AA_SIU AA_CIS AA_UHZ AA_CMH AA_CML AA_CEL AA_CPH1 AA_CRC2 AA_CRC1 MID C16593 50V 1000p C16562 16V 1u C16581 25V 1u C16566 50V 0.01u C16565 50V 0.01u C16564 16V 1u C16412 1.5u 250V C16582 25V 4.7u C16561 10u 10V C16411 220V 250u C16791 25V 220u D16480 B0ACCJ000048 D16875 B0ACCJ000048 D16820 B0ACCJ000048 D16790 B0JCME000093 D16822 B0ADCJ000100 D16583 B3ABB0000210 D16821 DZ2J330M0L D16874 DZ2J051M0L D16871 DZ2J330M0L IC16581 C0BBBA000024 1 A_OUTPUT 2 A_-INPUT 3 A_+INPUT 4 GND 5 B_+INPUT 6 B_-INPUT 7 B_OUTPUT 8 VCC IC16563 C0JBAB000916 1 1A 2 1Y 3 2A 4 2Y 5 3A 6 3Y 7 GND 8 4Y 9 4A 10 5Y 11 5A 12 6Y 13 6A 14 VCC C0JBAU000043 IC16561 G1 1 2 A1 3 A2 4 A3 5 A4 6 A5 7 A6 8 A7 9 A8 10 GND 11 Y8 12 Y7 13 Y6 14 Y5 15 Y4 16 Y3 17 Y2 18 Y1 19 G2 20 Vcc C0JBAU000043 IC16562 G1 1 2 A1 3 A2 4 A3 5 A4 6 A5 7 A6 8 A7 9 A8 10 GND 11 Y8 12 Y7 13 Y6 14 Y5 15 Y4 16 Y3 17 Y2 18 Y1 19 G2 20 Vcc SC20 1 2 3 4 5 6 7 8 9 10 11 12 13 14 15 16 17 18 19 20 21 22 23 24 25 26 27 28 29 30 SC2 1 3 VSCN 5V SOS7_SC2 5V 15V 15V 15V 5V VSUS SOS7_SC2 TP21 TP11 TP35 TP40 TP52 TP23 TP16 TP24 TP74 TP18 TP82 TP2 TP37 TP72 TP117 TP113 TP34 TP71 TP14 TP13 TP109 TP36 TP106 TP114 TP112 TP107 TP105 TP38 TP32 TP7 TP10 TP17 TP118 TP110 TP5 TP19 TP1 TP20 TP28 TP6 TP33 TP73 TP31 TP39 TP29 TP26 TP4 TP8 TP12 TP116 TP27 TP115 TP22 TP9 TP25 TP125 TP111 TP108 TP70 TP30 Q16876 B1ABCF000231 R16561 EXB38V470JV R16566 EXB38V472JV R16568 EXB38V472JV R16567 EXB38V472JV R16564 EXB38V470JV R16563 EXB38V470JV R16591 EXB38V472JV R16565 EXB38V472JV R16562 EXB38V470JV R16585 1k R16584 6.81k R16476 4.7k R16586 1.69k R16587 2.2k R16593 1.33k R16581 22k R16590 220 R16583 39k R16774 27k R16753 47k R16751 150k R16755 27k R16580 5.6k R16783 150k R16752 4.7k R16582 39k R16750 27k R16588 10k * GND Vsus TPVSUS CRC1 OC1 GND GND CERS OC2 P5V CRC1 SOS7 SIU GND CIS CLK CSH SIU CEL CRC2 CERS CSH CML CMH P15V SC_FPGANRST NC CEL GND OC1 CPH1 CLK P15V TPSOS7 TPSOS6 CMH SC_FPGANRST CML CPH1 GND GND CSL CSL OC2 GND CIS P5V UHZ SOS6 GND CRC2 UHZ 7 B 3 C D 1 E 9 6 2 8 F 5 A 4 ! (GREEN LED) VAD VOLTAGE ERROR DET OPERATES AT -169V OR MORE AND -210V OR LESS VSCAN VOLTAGE ERROR DET OPERATES AT 166V OR MORE AND 125V OR LESS VOLTAGE ERROR DET(C16582) OPERATES AT 11.8V OR MORE AND 5.2V OR LESS BUFFER BUFFER INVERTER ERROR DET 1 2 SC-BOARD TXNSC1LNUC (1/4) TO P-BOARD (P2) TO A-BOARD (A21) TH-P50X20C SC-Board (1/4) Schematic Diagram TH-P50X20C SC-Board (1/4) Schematic Diagram 58 TH-P50X20C 11.18.SC 电路板 (2/4) 线路图 TO SS-BOARD (SS3) + + + AA_CSL AA_CML2 AA_CML AA_CSH AA_CMH C16471 630V 1000p C16421 630V 5600p C16491 630V 1000p C16501 25V 1u C16771 16V 1u C16401 5600p 630V C16505 25V 1u C16521 25V 1u C16502 25V 4.7u C16504 25V 4.7u C16527 25V 4.7u C16525 25V 4.7u C16524 25V 4.7u C16522 25V 4.7u C16533 25V 1u C16727 1500p 630V C16892 1000p 630V C16796 25V 470u C16503 25V 470u C16523 25V 470u D16534 B0ECHR000001 D16411 B0ACCJ000048 D16536 B0ECHR000001 D16503 B0ECHR000001 D16620 B0ECKP000055 D16522 B0ECHR000001 D16451 B0ECHR000001 D16441 B0ECHR000001 D16421 B0FACP000006 D16722 DA3DF30ACSRP D16462 B0FACQ000001 D16724 DA3DF30ACSLW D16401 DA3DF50ACSLW D16481 B0FACQ000002 C0ZBZ0001708 IC16521 1 LO 2 VCOM 3 VCC2 4 NC 5 NC 6 VS 7 VB 8 HO 9 NC 10 NC 11 VCC 12 HIN 13 NC 14 LIN 15 GND 16 NC C0ZBZ0001708 IC16501 1 LO 2 VCOM 3 VCC2 4 NC 5 NC 6 VS 7 VB 8 HO 9 NC 10 NC 11 VCC 12 HIN 13 NC 14 LIN 15 GND 16 NC IC16771 C0CBADC00072 VIN 3 2 COM VOUT 1 SC3 1 3 5 L16424 G0ZZ00002183 L16422 G0ZZ00002183 L16423 G0ZZ00002183 L16421 G0ZZ00002183 L16411 G0C1R1K00002 L16401 G0C1R1K00002 15V VSUS 15V VAD VSUS VSUS 16V_F PC16461 PS9856-2-F3-AX 1 2 3 4 5 6 7 8 TP99 TP90 TP92 TP91 TP93 TP100 Q16422 B1JAEP000014 Q16402 B1JAEQ000010 Q16421 B1JAEP000014 Q16451 B1JAEP000012 Q16441 DG3D5010CSLW Q16401 B1JAEQ000010 Q16501 B1HFPFA00001 Q16531 CPH5524-TL-E Q16551 B1HFPFA00001 Q16521 B1HFPFA00001 R16411 270 R16534 5.6 R16522 100 R16551 10 R16402 7.5 R16421 7.5 R16503 10 R16553 47k R16521 100 R16510 1 R16422 7.5 R16517 47k R16451 5.6 75 R16523 R16506 10 R16410 390 R16441 5.6 R16418 100 R16417 100 R16512 47k R16401 7.5 R16416 10k 75 R16524 75 R16504 R16533 47k R16531 10 R16619 1 Vad+5V Vad+5V VFG VRH MIDC MIDF VRL 14 12 11 10 15 16 13 17 18 ! Vad+5V FET DRIVER CSH/CMH GATE DRIVE CIRCUIT FET DRIVER CSL/CML GATE DRIVE CIRCUIT 1 11 12 VFG 13 VOL Vad+5V 14 15 2 TH-P50X20C SC-Board (2/4) Schematic Diagram TH-P50X20C SC-Board (2/4) Schematic Diagram SC-BOARD TXNSC1LNUC (2/4) 59 TH-P50X20C 11.19.SC 电路板 (3/4) 线路图 + AA_CIS AA_CPH1 AA_CEL AA_CRC1 AA_CERS AA_CRC2 VAD VFG C16603 630V 1000p C16891 25V 1u C16664 50V 68p C16685 50V 0.1u C16684 50V 0.1u C16641 3300p 630V C16604 630V 1000p C16707 50V 22p C16665 50V 68p C16642 3300p 630V C16708 50V 0.1u C16602 50V 22p C16666 50V 68p C16608 50V 220p C16662 630V 1000p C16661 630V 1000p C16675 50V 390p C16490 16V 1u C16773 25V 1u C16756 25V 4.7u C16755 25V 4.7u C16753 25V 4.7u C16712 200p 50V C16414 220V 250u D16407 B0JCME000093 D16672 B0ECHR000001 D16670 B0ECHR000001 D16765 B0ECKP000055 D16478 B0ACCJ000048 D16607 B0ACCJ000048 D16610 B0ACCJ000048 D16671 B0ACCJ000048 D16701 B0ACCJ000048 D16702 B0ACCJ000048 D16490 B0ECKP000055 D16497 B0ECKP000055 D16618 B0ECKP000055 D16494 B0ADCJ000100 D16493 B0ADCJ000100 D16604 B0ADCJ000100 D16920 B0ADCJ000100 D16901 B0ADCJ000100 D16641 B0FBCN000007 D16642 B0FBCN000007 D16662 DZ2J330M0L D16664 DZ2J330M0L D16605 DZ2J051L0L D16678 DZ2J15000L D16663 DZ2J330M0L D16602 DZ2J150M0L D16492 DZ2J047M0L D16477 DZ2J047L0L C0DBZMC00006 IC16490 4 REFERENCE 3 CATHODE 1 NC 2 ANODE C0DBZYY00352 IC16692 4 REFERENCE 3 CATHODE 1 NC 2 ANODE C0BBAA000008 IC16491 1 -INPUT 2 GND 3 +INPUT 5 VCC 4 OUTPUT C0JBAB000715 IC16773 1 NC 2 IN_A 3 GND 5 VCC 4 OUT_Y IC16661 C0BBBA000024 1 A_OUTPUT 2 A_-INPUT 3 A_+INPUT 4 GND 5 B_+INPUT 6 B_-INPUT 7 B_OUTPUT 8 VCC 15V 5V 16V_F VSUS 16V_F 5V 16V_F PC16603 B3PBA0000223 1 2 3 4 PC16684 B3PBA0000496 1 2 3 4 5 6 PC16685 B3PBA0000496 1 2 3 4 5 6 TP67 TP68 Q16818 B1CBGD000001 Q16490 B1CBGD000001 Q16672 B1CBGD000001 Q16607 B1CBGD000001 Q16601 B1CERR000025 G D S Q16662 DSC2001Q0L Q16810 B1ABCF000231 Q16602 DSC2001Q0L Q16671 B1ABCF000231 Q16702 B1ABCF000231 Q16676 B1ABCF000231 Q16921 B1ABCN000007 Q16920 B1ABCN000007 Q16606 DSC2001Q0L Q16661 B1JAER000010 Q16621 B1JADN000004 Q16663 DSA2001S0L Q16701 B1ADCN000007 Q16670 B1ADCN000007 Q16675 B1ADCN000007 Q16603 DSA2001S0L DSA2001S0L Q16801 Q16762 B1HFPFA00001 R16661 1.2k R16776 47 R16686 10k R16921 1.54k R16609 2k R16802 33.2k R16491 110k R16490 100k R16761 10 R16679 10k R16498 10k R16604 330 R16605 1.8k R16631 10k R16634 470 R16691 56k R16621 220 R16674 1k R16892 82.5k R16745 470k R16633 22k R16711 4.7k R16607 6.49k R16923 10k R16699 10k R16742 47k R16617 2.2k R16665 33 R16897 2.61k R16763 47k R16717 1k R16658 9.76k R16663 6.98k R16666 22k R16747 2.2k R16904 22k R16685 220 R16769 75 R16694 56k R16922 4.02k R16899 3.01k R16493 6.98k R16684 220 R16927 22k R16712 1k R16695 1.5k R16920 10k 10 R16765 R16496 47 R16804 1.1k R16495 390 R16692 1.5k R16891 69.8k R16681 10 R16690 4.7k R16675 4.7k R16492 120k R16664 1k R16494 2k R16928 4.7k R16497 47k R16746 47k R16610 100k R16707 3.9k R16801 22k R16615 1.13k R16612 47 R16601 1 R16893 82.5k R16680 10k R16926 2.2k Vad+5V 27 20 25 19 23 24 21 22 26 ! CIRCUIT SEPA PROTECT SHUNT REG SEPA PROTECT COMPARATOR INVERTER SHUNT REG 11 12 VFG 13 VOL Vad+5V 14 15 VSUS VAD 23 24 VFG 25 26 21 22 SC-BOARD TXNSC1LNUC (3/4) TH-P50X20C SC-Board (3/4) Schematic Diagram TH-P50X20C SC-Board (3/4) Schematic Diagram 60 TH-P50X20C 11.20.SC 电路板 (4/4) 线路图 SC-BOARD TXNSC1LNUC (4/4) TO SU-BOARD (SU41B) TO SD-BOARD (SD46B) TO SD-BOARD (SD42B) FOR FACTORY USE + + + + + + + AA_SC_FPGANRST MAIN_STOP0 AA_OC1 AA_CLK AA_OC2 AA_SIU AA_UHZ C16863 50V 0.1u C16861 0.1u 16V C16472 25V 1u C16460 630V 2200p C16862 1u 10V C16844 50V 0.1u C16860 1u 10V C16864 0.1u 50V C16794 10u 10V C16856 1u 10V C16854 50V 0.1u C16858 1u 10V C16857 0.1u 16V C16859 0.1u 50V C16843 50V 0.1u C16724 25V 4.7u C16723 25V 1u C16461 630V 330p C16463 630V 4700p C16413 220V 250u C16795 25V 470u C16691 160V 100u C16793 25V 220u C16813 220V 220u C16842 160V 100u C16721 50V 100u D16859 B0ECHR000001 D16721 B0ECHR000001 D16474 B0ACCJ000048 D16473 B0ACCJ000048 D16711 B0ECHR000001 D16720 B0ECKP000055 D16728 B0ECKP000055 D16713 B0ECHR000001 D16719 B0ECKP000055 D16712 DZ2J15000L D16824 DZ2J330M0L D16893 DZ2J056H0L D16710 DZ2J15000L D16475 DZ2J051M0L D16825 DZ2J330M0L C0DBZYY00352 IC16787 4 REFERENCE 3 CATHODE 1 NC 2 ANODE C0DBZYY00352 IC16785 4 REFERENCE 3 CATHODE 1 NC 2 ANODE C0DBEYY00114 IC16471 4 REFERENCE 3 CATHODE 1 NC 2 ANODE IC16784 MIP3910MSSCF 1 VDD 2 NC 3 FB 4 LS 5 DRAIN 7 SOURCE 8 SOURCE IC16786 MIP3910MSSCF MIP3910MSSCF 1 VDD 2 NC 3 FB 4 LS 5 DRAIN 7 SOURCE 8 SOURCE IC16724 C0CBADE00049 OUT 3 2 COMMON IN 1 SC50 1 2 SC42 1 2 3 4 5 6 7 8 9 SC46 1 2 3 4 5 6 7 8 9 SC41 1 2 3 4 5 6 7 8 9 L16851 G0ZZ00002183 L16472 G0ZZ00002183 L16698 G0C681MA0065 T16471 G4DYA0000201 1 NC 2 S3 4 S1 5 NC 6 P2 10 P1 8 PT VSCN_F 16V_F VAD 5V 15V_F SCNR_PRO 5V_F SCNR_PRO VSCN_F 16V_F VSCN VSCN CHA CHA 5V_F 5V_F VSCN_F 15V_F 5V_F ZA16421 TUXJ490 ZA16401 K4CD01000011 ZA16422 TUXJ490 ZA16402 K4CD01000011 ZA16411 TUXJ490 ZA16404 K4CD01000011 ZA16412 TUXJ490 ZA16403 K4CD01000011 PC16897 B3PBA0000223 1 2 3 4 PC16896 B3PBA0000223 1 2 3 4 PC16480 B3PBA0000223 1 2 3 4 PC16723 B3PBA0000223 1 2 3 4 PC16722 B3PBA0000223 1 2 3 4 TP61 TP60 TP41 TP78 TP79 TP81 TP95 TP59 TP51 TP96 TP44 TP94 TP43 TP80 TP62 TP58 TP42 TP63 TP57 Q16885 B1CFNG000001 Q16931 B1ABCN000007 Q16471 B1ABCF000231 Q16932 DSC2001Q0L Q16817 DSC2001Q0L Q16816 DSC2001Q0L Q16930 DSC2001Q0L Q16815 B1ABCN000007 R16721 EXB38V220JV R16696 2.2 R16471 3.9k R16475 4.7k R16789 10k R16844 2.4k R16935 5.1k R16870 68k R16822 82k R16932 22k R16936 2.2k R16934 6.8k R16823 82k R16786 100k R16937 180k R16478 5.6k R16825 150k R16474 1k R16852 470k R16785 100k R16772 4.7k R16832 71.5k R16849 60.4k R16851 470k R16933 10k R16831 68.1k R16838 82k R16472 2.2k R16846 60.4k R16787 33k R16841 4.7k R16845 60.4k R16930 2.7 R16929 1 R16827 2.2k R16843 1k R16873 2.4k R16773 1k R16938 180k R16860 8.2 R16824 33k R16473 560 R16931 2.7 R16826 10k R16829 1k R16837 1k R16479 10k * TPSC1 TPVSCN SC46 SC42 TPVAD SC2 SC20 SC3 33 31 28 29 32 35 30 34 36 ! SHUNT REG 5V_F SHUNT REG VAD GEN. VSCN GEN. VSUS VAD 23 24 25 VFG 26 SHUNT REG 22 21 TH-P50X20C SC-Board (4/4) Schematic Diagram TH-P50X20C SC-Board (4/4) Schematic Diagram 61 TH-P50X20C 11.21.SS 电路板 (1/2)线路图 + + + AA_UMH AA_SOS8 AA_UMH AA_UML AA_UML AAA_UEH C16001 630V 1000p C16131 25V 4.7u C16242 16V 1u C16135 25V 1u C16133 25V 4.7u C16018 1.5u 250V C16243 50V 0.01u C16022 630V 1000p C16103 25V 47p C16104 25V 47p C16244 10V 10u C16105 630V 220p C16106 630V 220p C16272 25V 470u D16131 B0ECKP000055 D16021 B0FCCN000003 *D16022 B0FCCN000003 D16001 B0FCCN000003 D16281 DZ2J051M0L C0ZBZ0001707 IC16131 1 LO 2 GND 3 VCC 4 NC 5 NC 6 VS 7 VB 8 HO 9 NC 10 NC 11 NC 12 HIN 13 NC 14 LIN 15 GND 16 NC C0JBAU000043 IC16241 G1 1 2 A1 3 A2 4 A3 5 A4 6 A5 7 A6 8 A7 9 A8 10 GND 11 Y8 12 Y7 13 Y6 14 Y5 15 Y4 16 Y3 17 Y2 18 Y1 19 G2 20 Vcc SS11 1 3 4 SS3 1 3 5 SS23 1 2 3 4 5 6 7 8 5V TP7 TP1 TP65 TP66 TP18 TP67 TP22 TP8 TP68 TP70 TP63 TP13 TP17 TP14 TP71 TP69 TP2 TP61 TP16 TP60 TP64 TP62 Q16022 B1JBEN000002 Q16001 B1JBEN000002 Q16002 B1JBEN000002 Q16021 B1JBEN000002 Q16161 B1HFPFA00001 Q16141 B1HFPFA00001 R16242 EXB38V472JV R16241 EXB38V470JV R16001 7.5 R16131 100 R16141 10 R16143 47k R16161 10 R16002 7.5 R16132 100 75 R16134 R16021 7.5 R16163 47k R16137 1 R16022 7.5 R16280 2.2k *L16011 G0ZZ00002183 *L16012 G0ZZ00002183 *L16013 G0ZZ00002183 *L16014 G0ZZ00002183 *C16101 1000p 630V *C16004 630V 2200p C16002 630V 5600p F1L2J562A022 *C16011 220V 250u *C16012 220V 250u VSUS GND TPSOS8 P5V AAA_UEH UML UMH SOS8_SS GND 15V 8 9 D 6 A F B 5 E C 7 4 1 3 2 TPVSUS TO C2-BOARD (C23) ! TO SC-BOARD (SC3) 1 3 4 2 BUFFER FET DRIVER DRIVER VSUS Gen. TO P-BOARD (P11) SS-BOARD TXNSS1LNUC (1/2) TH-P50X20C SS-Board (1/2) Schematic Diagram TH-P50X20C SS-Board (1/2) Schematic Diagram 62 TH-P50X20C 11.22.SS 电路板 (2/2)线路图 + + TERM SIDE TERM SIDE + AA_SOS8 AAA_UEH AA_UML C16195 25V 1u C16317 1u 10V C16102 5600p 630V C16315 1u 10V C16192 25V 0.1u C16319 50V 0.1u C16318 0.1u 50V C16191 25V 4.7u C16316 0.1u 16V C16287 0.1u 50V C16286 0.1u 50V C16193 25V 47u C16328 200u 200V D16316 B0ECKP000055 D16101 B0JCME000093 D16280 B0ACCJ000048 D16195 B0ECKP000055 D16192 B0ACCJ000048 D16317 B0ECKP000055 D16285 B0ADEJ000035 D16282 DZ2J068M0L D16315 DZ2J150M0L D16196 DZ2J200M0L C0DBZMC00006 IC16312 4 REFERENCE 3 CATHODE 1 NC 2 ANODE IC16304 MIP3900MSSCF 1 VDD 2 CL 3 FB 4 LS 5 DRAIN 7 SOURCE 8 SOURCE *SS55 1 2 3 4 5 6 7 8 9 10 11 12 13 *SS52 1 2 3 4 5 6 7 8 9 10 11 12 13 L16103 G0ZZ00002183 L16303 G0C471MA0049 ZA002 K4CD01000011 ZA001 K4CD01000011 PC16192 B3PBA0000223 1 2 3 4 PC16191 B3PBA0000496 1 2 3 4 5 6 TP54 TP42 TP43 TP36 TP73 TP72 TP56 Q16101 B1CFRM000008 G D S Q16102 B1CFRM000008 G D S Q16280 B1ABCF000231 Q16191 B1HFPFA00001 R16285 EXB38V623JV R16309 33k R16101 220 R16334 4.7k R16289 330k R16283 47k R16102 220 R16335 1k R16320 68k R16290 330k R16104 10 R16116 47k R16109 10 R16307 62k R16195 1 R16192 10k R16330 1k R16318 56k R16193 75 R16281 10k R16191 150 R16105 470k R16282 220 R16284 220k R16103 10 R16319 2.4k R16332 470k *C16310 220V 250u * TPVe 15 10 18 11 12 14 13 16 17 FPC protector TPSS1 ELECTRODE SUSTAIN PANEL ELECTRODE SUSTAIN PANEL ! 1 2 3 4 VE GEN. SHUNT REG. SS-BOARD TXNSS1LNUC (2/2) TH-P50X20C SS-Board (2/2) Schematic Diagram TH-P50X20C SS-Board (2/2) Schematic Diagram 63 TH-P50X20C 12 导线图 12.1. K 电路板 A B C D E F G H I 1 2 3 4 5 6 C510 C511 C512 C513 C514 Q510 Q511 C515 Q512 C520 C521 C522 D501 D511 D512 R510 D515 R511 R512 R513 R514 R515 R516 R517 R518 R519 D520 R525 K1 VJ512 RM510 SN510 P b F 1 K NO. ORDER 1 8 1 TP501 TP504 TP505 TP506 TP508 TP503 TP502 RM510 P b F 1 CRNO.2 K TNPA5142 S E E R E V E R S E F O R O R D E R N O . Q510 P b F C521 D512 D520 TNPA5142 CRNO.2 SN510 CL2511 CL2512 CL2516 CL2517 CL2518 CL2521 CL2522 CL2523 C2510 C2511 C2512 C2513 C2514 Q2510 Q2511 C2515 Q2512 C2520 C2521 C2522 D2501 D2511 D2512 R2510 D2515 R2511 R2512 R2513 R2514 R2515 R2516 R2517 R2518 R2519 D2520 R2525 K1 VJ2512 RM2510 SN2510 TP2501 TP2504 TP2505 TP2506 TP2508 TP2503 TP2502 RM2510 K-BOARD (FOIL SIDE) TXN/K1LYUC K-BOARD (COMPONENT SIDE) TXN/K1LYUC K TH-P50X20C K-Board TXN/K1LYUC TH-P50X20C K-Board TXN/K1LYUC 64 TH-P50X20C 12.2. A 电路板 A B C D E F G H I 1 2 3 4 5 6 JK2111 JK2112 IC9001 IC9004 IC9400 IC9401 IC9402 Q2101 Q2102 IC9802 Q2114 Q2115 Q2116 IC2105 IC2106 IC2300 Q5614 Q8301 Q5615 Q8302 Q8303 Q8304 Q8305 Q8306 Q8307 Q8308 Q8309 D2142 Q8500 Q8310 Q8311 Q8312 Q8313 TU8301 IC5613 IC8300 IC8502 IC8503 Q4501 Q4502 Q9901 Q4700 Q4702 Q4704 IC9304 Q4705 Q4706 Q4707 SW3759 SW3762 SW3763 SW3764 SW3765 IC4700 IC4702 Q8005 IC9189 IC8004 SW001 A11 JK2101 JK2102 JK2108 Q9000 Q9001 1 3 Thermal pad 1 3 A 1 TNPH0842 CHUP CHDN VOLUP VOLDN INPUT PbF AV2 AV1 AV1 MONITOROUT 1 4 5 8 1 16 17 32 1 10 11 20 1 10 11 20 1 10 11 20 1 5 S E E F O R O R D E R N O . R E V E R S E 1 3 4 5 36 25 48 37 12 1 13 24 IFMONITOR SDA SCL VIDEOOUT SIFOUT BTMONITOR +B SW1 VB SW2 BB AFTOUT RFAGCMONITOR 1 3 4 5 1 28 29 56 1 4 5 8 1 4 5 8 1 16 17 32 1 4 5 8 1 10 11 20 5 8 1 4 1 4 AV2 AV1 AV1 MONITOROUT AV2S R L V 4 5 8 1 5 10 15 1 6 11 R9999 C9348 C8358 C8510 Q8303 TP9133 C8073 L8302 R8404 TD9362 C8114 R9071 C8075 C2285 R4512 C4704 R8504 R8101 C9034 TP8508 TP9095 C8047 TD9016 C8013 C2231 C9325 TP9188 C8513 C9045 C9806 IC9001 R8013 R8009 C9386 C5694 R2197 C8325 TP9157 C9065 R8011 TD9020 R9959 TP9800 R9917 C9343 R9102 TP5509 TP9164 TP9156 C8106 C2211 C9117 C8152 R8310 TP9111 R8071 TP8302 C9396 C9368 TP8015 R8511 R8503 C8507 Q8301 L4511 L4500 R2291 R9916 C9330 TP9175 R2118 TP9106 C8069 C8054 C4776 C9354 TP8039 R9888 TP9900 TP9103 C4774 C9381 C8323 C8504 R2106 R9400 TD9060 TD9019 TD9007 C9392 R8377 R8353 R8326 IC8503 C8503 C8103 R2105 VJ9303 TP8304 R2286 C8065 C8050 C8033 R9963 Q4706 C9326 R2382 R8315 C8320 TP4714 R9213 TD9057 R8411 C2274 TD9018 TP8033 TD9369 TP4746 Q5614 R8090 TP8506 C8049 R4728 R9325 R8540 L8012 FL2103 R5601 TP9135 TP5601 R8027 C2256 C2237 C2224 R4507 TD9367 TP8009 R8325 R8508 R5602 TP9906 C9821 R8400 C2210 C8369 C8151 TD9327 TP9159 TP9153 C8305 VJ9300 C9401 R4715 TP9154 TP9122 R9206 C5776 C2297 C8039 R8007 R2214 C9363 TP8011 TP9195 D8300 TP9909 C2299 TD9011 R4732 C9365 C9345 TD9370 TP8013 TP9183 C2111 SW3764 Q4702 Q4501 TP4750 TP9179 R9873 TP8511 C9801 R4793 R8405 C8011 R4502 Q4700 C9324 C2114 R2881 TP9092 C2201 C9311 TD9348 Q8304 TP9134 TD9373 TP9198 C8307 TP4708 TP9903 L8318 Q9001 TP9083 C8016 R4718 R9327 Q4705 VJ9003 C8158 C8148 TP4732 Q8312 TP4713 L4505 IC9802 C2109 L8306 R9985 R4505 C9334 VJ9001 TP8006 L8003 R9099 TP4711 L4503 R9227 R9025 TP5603 C2267 C2226 IC4702 Q4707 TP8024 TD9350 TP4734 TP9161 C8119 C9818 TP8505 TP5602 R8410 C2273 TD9017 C9390 C2225 TP8032 R8336 R8509 TP9143 C9817 D9000 C5713 C9350 TP8027 C8159 L8007 R8307 R9207 TD9028 R8548 TP8010 L8008 TP4738 C8104 TP9117 C9810 TP8307 R8004 C9371 TP9000 TP9173 TP9126 TP9119 R4802 C9053 C8057 R9958 TP9203 D4512 TD9380 R2378 TP9132 R4820 C8062 R8023 TD9005 R4716 TD9384 TD9365 R8332 C8156 R8507 C8509 L4504 C2107 R9026 C8064 R8026 TD9006 C4740 C9335 TP8022 R8334 L8004 C8136 C8117 TP9115 L9301 TP9099 TD9040 R4566 Q4502 C9317 R8335 R8303 TP9160 Q8308 C9057 C9816 R8059 TP9086 C2227 R8545 R2385 L8006 R8305 TP9144 C9819 R8063 C8038 TD9008 C2239 C2209 SW3759 TP8036 TP8028 TP9190 TP9180 TP9163 D2144 TP9908 C9040 L8315 C8036 R2210 R9122 C9328 R2386 R8519 R8317 C8322 TP4717 TP8303 R2285 C8056 R8006 TP9202 C8160 C8141 TP4505 C2311 TD9059 TP9089 R9186 R8399 R9306 C8140 TP4504 TP9127 R8401 TP8017 TP9186 TD9328 C8508 TP9146 L4512 C5777 R4741 C9358 R8341 TP9145 R9247 C9808 R2290 TD9021 R9149 D5633 C8109 TD9048 R4752 C9384 C9364 TP8012 TD9332 C8130 C8107 TP9094 C8045 C2264 R2208 C2212 D4506 R9115 R8550 C8153 TP9178 C2308 R9402 IC9004 R8065 CL2100 TD9003 C8006 C2203 TD9382 R8505 TP9076 C9389 D4504 TD9372 TP8003 TP9166 TP4723 TD9103 R2324 R2119 TP9093 C9377 SW3762 TD9363 TP9199 C8328 C8302 R2318 C8076 R2281 TP2300 R9915 D4510 TP9194 TP9130 R9608 C2296 TP2302 C9373 C9362 D4705 R9308 R8520 R8501 TP9105 TP2108 C2249 VJ2117 R9121 TD9378 VJ9007 L8015 C2197 IC5613 TP9162 TP9137 R8072 R8045 R8010 L2126 C8018 R2212 C9341 R9101 R8530 TP4749 TP4700 TP8308 R8049 C8067 C5724 C4733 C9338 C9319 R8316 C8515 C8502 R9215 R8062 TD9055 TP9084 C2266 R4525 C9336 TP8023 R2381 R9891 C8137 C8514 C8118 TP9912 TP9123 C9047 C8081 TP9082 C2236 C9316 TP8008 R8324 R8314 R9029 TP9097 R8024 C2234 C2222 R8560 TP8007 R8323 C8147 C8135 TP4712 R8099 L9300 R9027 C8044 R2207 R5696 C9312 C8511 TP4710 TP9142 TP9904 TP4501 TP9091 C8042 R2219 C9375 C9322 R2392 TD9347 R4794 C9379 D4507 C9332 C8154 C8145 TP4726 C9035 C8005 C9378 C2202 R9309 TP8030 TP9187 TP4725 R9200 TP9204 C9101 TP9181 TP4702 TP9107 C8059 TP2100 TP9205 D4501 R9104 C9307 TP9196 C8343 R9879 TP4705 R4809 TP2102 C9367 R8390 TD9359 C8345 TP9176 C8319 R2336 Q5615 TP9121 D2102 C9038 C8041 R2390 C8347 C8144 Q8310 R2306 TP9112 VJ9302 C9403 C2269 C2257 R8389 C9329 R9100 L8017 R8318 IC8300 R9209 R8055 C8070 L2134 C9382 C9353 R9110 TP9191 R8319 C8324 TP9151 TP9139 R2107 R8058 R2289 R2280 C8053 L2127 TD9009 C9360 TP8038 TP9192 TP9101 R8089 TP5607 TD9046 C2219 C9355 TP8000 TP9128 IC2106 TP9098 R8025 C2255 C2223 R4506 VJ9002 R8517 FL2104 Q8311 TP9905 C9820 R2260 C2254 C9369 TD9364 R8331 R8506 TP9168 C8120 TP9149 R4812 R9226 C8052 L2124 Q8005 TP9200 TP8025 R8339 C8139 IC2300 IC9401 TP8507 C8051 C8034 C8027 R2220 R4526 C9337 C9327 C9318 C9300 IC8502 C8138 R9875 Q8309 TP9124 C9058 IC9400 TP8504 IC8004-A R8408 R9324 C9333 FL2102 R9874 TP9100 R9212 TP8512 R8406 IC9189 C8012 SW3763 TD9381 R8320 TD9329 R9872 R9403 TP8510 R2882 R8403 C2200 R9107 TD9360 TP8004 C8133 C8113 TP9141 R2317 R8402 D4503 R8523 C8132 TP9147 TP9910 R2122 TP9129 TD9012 C9395 C9357 R8502 C8124 TP9152 R2328 R4563 R4742 C4548 C9359 C8346 TP9177 R2337 R9205 C8079 C8058 R8008 R4753 R4730 TP9010 R2196 C8122 TP4703 C9063 R2239 R2218 C9346 TD9371 C9308 TP8002 C8150 TP9165 TP9158 C2318 C2307 C8066 R8029 IC8004 R4567 C2248 C4732 R8553 R8350 R8338 TP9913 TP8503 R4786 C8035 C8028 C9391 C9339 VJ9014 R8352 TD9351 CL3767 TP4716 TP9125 R2880 R8044 C8048 C8014 R9341 TD9383 C9313 TP8005 L8011 L8002 C8134 VJ8000 TD9105 X8000 L4502 L9302 TP5600 C2235 R9119 TD9366 TP5510 R8518 C8121 Q8307 TP9136 R2104 R9610 R8088 R8043 C8055 C9372 R4519 D4511 TPS0S R2164 TP9901 R2117 C2310 R4787 R9185 C4540 TP9172 TP4502 C9822 D8006 C2258 R9166 C9352 TP8037 VJ9009 PA001 R8309 R9878 C8505 R9401 C8071 FL4703 R9165 C9351 C9340 TP8035 R2374 TD9330 TP9170 C8517 TP9150 R2128 R9018 TP8306 R2288 C2272 TP2101 R4733 C9366 D5671 TD9358 C8344 C8318 C2306 R8012 C8030 TD9010 R2215 C9344 R8521 C8342 D2130 TP9108 C2303 C8040 C9309 TP9185 C8143 R2305 TP9110 C8022 JS3701 TP4720 C8312 C2319 C8078 C9374 TP8019 C8112 TP4506 C8043 R4721 C9323 R8524 TP9167 TP9148 C4761 R5697 C9331 TP2810 TP4741 C2309 TP8509 C8061 R9984 TD9004 C2232 C4707 VJ9012 C8155 C8146 Q2115 TD9096 C9037 C2270 R4754 C9385 R4710 R8533 TP8001 Q8313 C8108 C8021 C9387 TP9012 R8522 C8131 TP9300 C2305 C9356 R8340 TP9184 C8142 TP9914 TP9301 C8097 C2281 C2220 C4539 R8342 TP4740 R2329 R4822 VJ9301 C8003 C9376 C9310 R2157 TD9104 TP9911 R4833 TP4500 C8074 TP9090 C2282 C9388 C9347 C9321 R8538 C8127 Q8302 TP9140 C9095 C8072 R8407 C2253 IC4700 D4508 TP8031 R8321 R8103 TP3701 C9802 C8060 C8046 R4565 C2252 R2209 R9323 R8551 L8010 R8102 C9044 R9201 C9030 R8040 FL4701 C8009 C9370 R9914 TP8034 R8546 R8306 C8304 R8064 TD9056 TP9085 D8003 C8008 R4516 TD9368 L8005 R8104 C8303 R9224 TP8502 C8063 R4780 C8015 R4717 Q4704 C9315 R8333 TP4744 C8116 TP9114 R8094 R9028 TP9096 TD9039 SW3765 TP8020 R8322 R8313 C8329 C8314 Q8305 R4834 C9830 Q2102 R9024 R8041 TP9088 R9198 C8019 TP9201 TP9193 R2312 D2300 Q2116 TP2301 C4777 R2202 C9361 R9307 TP9174 TP9131 IC2105 C9055 C8029 C9380 R8388 Q9901 R8547 L8016 TP4748 R8308 R9877 TP9907 TP9116 R8073 R2287 TD9029 R8003 R4740 C9383 C4727 C9342 R8558 TP8029 L8009 C8105 TP9500 R8079 R8038 C2230 VJ9011 R8311 C8512 R9404 R2883 R8039 C8007 R4726 C4731 R4504 R8552 R8312 R2343 Q2114 C9803 R4734 TP8018 TP9197 C8306 TP9902 L8316 C9349 VJ9010 TD9361 R8330 TP4730 C8308 R2325 C5771 C9397 R4520 TP8016 C8313 C8111 C9809 C9402 TP9206 TP8014 R8510 TP9120 C9807 C9400 R9996 R8014 R4755 C9320 C8368 C8123 C8020 TP9011 TD9357 C8161 TP9182 R5603 TP9109 C4775 R2213 R9907 TD9331 TP9171 D2145 S2105 TP9118 C8080 C8037 R8001 C8017 R2222 VJ2118 TD9379 VJ9008 C2198 C8330 Q8500 TP9138 R9208 TP8305 R8048 L8502 TD9045 R8005 C4541 C9100 TD9900 TP9104 C2100 L8501 C2259 TP4503 R4818 TP9102 CL2101 R8409 C2233 C2221 IC9304 C9314 TD9349 TP9189 TP4743 R2158 C8115 TP9113 R8096 Q9000 TP9081 R4729 R9326 TP8021 R8528 C8157 R9890 TP9169 TP9155 Q8306 C8101 C2108 R4709 VJ9013 VJ9004 R8337 C8149 R8304 TP4728 TD9097 TP8501 C8068 TP9087 C2275 C2268 R2221 C2228 TP8026 TP4736 R9876 C8110 Q2101 IC9402 TU8301 JK2101 A11 JK2112 SW001 D2142 JK2108 JK2102 JK2111 A-BOARD (FOIL SIDE) TNPH0842NC A TH-P50X20C A-Board TNPH0842NC TH-P50X20C A-Board TNPH0842NC 65 TH-P50X20C A B C D E F G H I 1 2 3 4 5 6 JK2111 JK2112 A31 A32 A33 A34 IC9003 Q9800 Q9801 Q9802 Q9803 ZA4701 ZA4702 A77 IC9800 Q2109 IC9801 JK8502 IC9803 A1 Q2110 Q2111 Q2112 A6 Q2113 A7 IC2108 IC2109 IC2110 Q5602 CN8500 Q5612 Q5613 Q8300 D2142 TU8301 IC5605 IC5606 IC5607 IC5608 IC5609 JK4500 JK4501 JK4502 IC5610 IC8301 Q4500 Q9900 IC9300 Q4703 Q4512 Q4513 Q4514 Q4515 IC4701 Q8000 Q8001 Q8002 Q8003 IC8001 IC8002 SW001 A11 A17 A18 A19 JK2101 JK2102 A20 A21 JK2108 Q9002 Q9003 Q9004 Thermal pad POWER TNPH0842 A-BOARD (COMPONENT SIDE) TNPH0842NC 1 A Thermal pad Thermal pad PbF MONITOROUT AV1 AV1 AV2 1 68 68 1 1 40 1 55 1 26 51 76 100 1 10 11 10 20 1 1 4 5 8 8 1 9 10 1 4 5 8 1 8 1 11 1 14 1 3 4 6 1 7 8 14 1 7 8 14 O R D E R N O . 1 37 38 74 SCL SDA BTMONITOR SIFOUT VIDEO OUT RFAGCMONITOR +B SW1 VB SW2 BB AFTOUT IFMONITOR 1 3 4 5 4 5 8 1 4 5 8 1 19 1 19 1 19 1 4 5 8 1 1 4 5 8 1 A 1 4 5 8 1 A 1 A 1 4 1 2 19 20 1 11 4 1 MONITOROUT AV1 AV1 AV2 AV2S V R L 1 35 1 30 1 5 10 15 6 11 R5613 R2130 C9096 R2393 C5697 D4531 C2241 TD9033 JK4500 TD9119 Q5612 C8359 C5698 R5695 R4722 Q8000 R8037 R8513 C9042 Q2110 Q4500 R9322 D4533 C2244 TD9001 R4564 FL2101 A7 C4706 R9130 C2214 C2246 A19 R2367 D2131 C2316 C9102 TD9395 D4521 R4560 A17 R2365 C2302 C9843 C8366 C8126 TD9110 D2139 L9801 TD9014 R5715 TD9309 R8070 R8391 TD9013 R8018 TD9047 R9223 R2303 R2315 R2184 D4706 C4747 R9188 R4762 D9800 R2377 R9145 R2201 L2128 C8350 R2364 R2160 R8056 C9304 C5690 R8556 TD9390 R9905 C9393 D8005 C5734 R9884 R8106 C8363 R5675 R9904 R9164 C5733 IC5610 C8082 C9827 R8543 D4519 D4529 R4548 R9881 TU8301 R2331 C9049 R2308 C8361 R8564 C2216 R9153 C4765 TD9052 TD9125 R8084 R9033 IC9800 C9106 R9118 R9342 R4554 TD9127 TD9108 VJ9901 C9062 R5682 R9340 C4769 R4756 R8512 TD9904 R5606 R4811 R5657 R8392 R4550 C5720 TD9031 C2199 D5606 JK8502 C2312 C3752 R9126 C4779 IC5609 TD9113 C5612 C2317 C8356 C2271 C5738 A21 C9815 C2116 D4518 TD8041 C4762 R4553 C2265 L2143 TD9337 FL2100 C2175 C9804 C9812 D4516 R4723 Q8001 C8024 TD9124 R9871 TD9065 R2310 R9108 R2206 C5700 C2284 JK2101 TD9123 C8128 R9320 C4749 C8002 C2283 C9051 C8102 TP5511 C4753 R8516 R8301 R8098 D4526 TD8044 C5711 A11 R2327 CL8300 TD9377 L2105 L2130 R9880 TD9310 R2330 C2103 L4513 R5663 Q4512 C2215 TD9312 D2143 JK2112 R8053 R4815 S2103 R2192 R8555 R9316 C4754 C5706 C5725 C2276 TD9340 TD9313 R2334 A31 R5676 R9318 R4509 R2211 C4767 C5714 C5726 C5765 C2294 R4830 TD9343 R8559 C4735 C5521 TD9901 A77 R4806 IC2110 R2203 FL9902 JK4501 TD9106 C2300 S2101 R9131 C4750 L8014 S2121 ZA4701 C9832 S2102 R9903 C4752 TD9139 R2326 TD9386 R4515 R9151 C2247 IC8002 L8500 TD9311 D2142 C9829 R2114 R8554 Q4514 C2217 R4549 R9194 SW001 IC8301 R8057 R4817 R2388 JS3700 D5702 R9883 R9013 C2321 R5667 R9134 L2106 C4772 D8004 R2283 C9826 R9114 R4701 C4778 C9824 C9070 R2300 X9000 D4704 C4551 C5729 TD9117 R9012 R4706 C4549 TD9000 R9190 TD9335 TD9903 TD9115 L9800 C2262 TD9030 TD9049 D8301 VJ4700 C2315 R2185 C8367 D5670 R9129 R4731 C2260 C5737 TD9112 C9833 C2313 TD9345 C3753 R9128 R5704 L2135 R5609 C5701 R4551 R8514 C2176 R8068 Q9801 C9814 Q2112 TD9375 R9910 D4535 C8025 TD9037 R8034 L8317 Q5602 R2391 R4720 C8129 R2311 C9900 C8004 L2140 R4788 TD9324 R4803 R4819 R2116 R9112 C2229 C5716 D9802 L4703 C9094 R4831 C5718 C2167 R2293 VJ2201 C9302 C2207 R4556 L2131 C8351 R9885 IC5608 D5600 R9019 L4507 R8557 R9906 C5708 TD9042 TD9129 R9225 C9301 D9110 R4527 C5705 C5731 D9803 TD9376 IC4701 C5704 TD9023 JK2108 TD9126 TD9107 D9808 C2301 C2320 TD9385 C2206 D4528 C5712 C8315 R4814 R4835 C5689 C2205 C4771 JK2102 R8300 TD9066 C9105 TD9374 C4760 S2132 TD9118 D2134 TD9063 R2316 TD9398 C9800 TD9094 A6 R9109 R8394 C5702 R4552 L2121 C2286 TD9050 D5629 D5765 C9813 C9069 R8393 R4745 C5721 L2141 L5610 TD9120 C8316 IC9803 TD9356 C5692 R9127 C4758 C5719 R2824 C2279 C8317 C9835 R2216 IC8001 L2137 X9300 R2225 R5714 S2127 TD9102 R3766 D4525 C2250 L2120 IC5607 R9094 R4816 S2104 R2193 D3750 C2238 R2223 C2277 TD9321 C9811 TD9355 R5669 R9125 C9394 R4558 C5727 R2356 L4508 R9072 D4703 C4550 TD9325 R9609 R4805 IC9300 C4552 R9187 L2129 R8302 VJ9900 C9831 VJ2200 C9108 R5681 TD8045 R4795 TD9339 R9023 VJ9902 R2124 VJ9020 D4509 TD8043 Q9004 R2362 R8105 C2166 TD9100 D9805 R5674 TD9389 C4744 TD9025 Q9003 R2133 R9336 R8515 C9033 R5672 R9335 TD8042 C4763 C4770 L2122 Q2111 C5699 C2213 TD8040 R4739 L8301 R8100 A34 C2143 R2205 C2242 R9998 C2173 R8539 R9106 R2204 C8001 R9899 R8050 R9203 D2101 R2304 R2198 D4523 R5713 R5605 TD9101 R4810 IC2109 R2199 C2280 R9896 R2348 C9844 C8355 C5693 D4500 C5736 L5613 CN8500 C4546 C8032 R8015 R2361 C8520 IC5605 TD9109 C9048 C9828 R4823 Q4513 R9152 TD9058 R9882 Q8300 R9022 R8091 C4734 R9154 R2279 R8082 R9032 C4720 D4537 R2265 R2360 JK4502 Q2109 R9132 R9150 L2111 C9825 L4702 C8354 C5717 FL9901 C5764 R4801 R2309 R2376 C4700 ZA2100 R2200 C5728 TD9341 R2298 C8364 R9319 C4768 FL4704 TD9354 R5668 C5707 R4557 L2125 R8032 S2131 D2133 D2100 C8162 TD9396 C5739 A18 R5610 S2122 R8532 R9103 D4520 C8125 R8051 C9039 R4705 D4524 JS3702 C8023 R2175 TD9902 R2134 Q9803 IC2108 C9115 D4707 C4547 R8017 L8300 TD9122 R5607 A33 C8357 C5696 TD9397 C2240 TD9032 R8035 C2174 C8301 R9070 C8370 D4505 A20 S2129 Q9800 TD9093 R5671 D4517 D4534 C2251 R9191 TD9036 D5610 IC9003 C2204 R8395 C5703 C8026 C2298 R2366 R5611 C9834 C2314 ZA4800 FL4706 L5612 TD9140 D5608 C5613 C9114 C5695 C4719 TD9022 L2138 TD9308 TD9067 D4522 C5709 C2261 L2139 TD9336 TD9116 R9868 R2292 R4743 C2263 R8036 S2128 R2188 R5670 R9321 TD9034 D8302 R4832 C9103 D4530 TD9051 TP4742 C9036 Q2113 R9117 D4536 Q8003 C5722 TD9905 R9041 R9116 R9334 Q8002 TD9043 TP4747 IC5606 R2332 R2284 R9216 C2105 C8362 Q4515 R8000 TD9128 C8501 R9214 C8360 R5673 R5683 R4719 TD9024 L8013 R2159 TD9111 IC9801 D2129 C4721 C4751 R4813 R2189 R5680 L9802 D4538 R4748 R2357 C9052 R4825 R5679 C4728 C4745 R2282 C2295 R4804 TD9344 R9909 R2333 R8054 C9303 R9123 C4766 C4773 TD9027 C8352 TD9322 S2130 R2335 A32 R2299 R8531 C5715 TD9338 C9805 C2115 C4705 R4503 C4730 C2245 TD9002 TD9015 L2142 C8349 Q9802 C9046 Q4703 C5710 D8002 C2287 R8033 R5612 C8300 R9105 D4502 C4748 R8019 L5616 R5608 C2144 R2123 D4532 C2243 R4778 R2176 L8000 S2126 L4501 R4821 R3765 R4757 R2258 TD9326 TD9114 C8506 D2138 TD2751 R4702 S2201 R4561 R8016 TD9334 TD9121 D2132 A1 TD2750 TD9346 ZA4801 R4711 R2217 R5706 L5611 C8519 C5611 C2304 C3754 C4718 C4759 R5705 L2136 TD9342 TD9314 TD9062 C9041 C8365 C5691 R5678 C4715 S2200 R9197 C2278 R2347 L4506 TD9353 R9124 C2208 R2301 R2314 R9113 C4729 C4746 C5522 TD9044 TD9323 ZA4702 C8353 R9111 R9908 R9339 R9155 FL9900 S2120 R8083 C2106 S2100 R9901 L2110 C9050 C9061 VJ9021 D4527 R4555 Q9002 L5609 D2140 Q5613 D9804 R2307 R8563 C4741 C4764 C5723 C5730 R2363 R9093 JK2111 D5764 R2115 TD9352 Q9900 R9120 C2218 A TH-P50X20C A-Board TNPH0842NC TH-P50X20C A-Board TNPH0842NC 66 TH-P50X20C 12.3. C1 电路板 A B C D E F G H I 1 2 3 4 5 6 C104 C105 C106 C107 C108 C109 IC101 C110 C111 C112 C113 C114 C115 C116 C117 C118 C119 C120 C121 C122 FL102 ZA102 ZA103 ZA104 ZA105 R101 R102 R103 R104 R105 R106 R107 R108 R109 R110 R111 R112 R113 R114 R115 R116 R117 R118 R119 R120 R121 R124 R125 R126 R127 R128 R129 R130 R131 R132 CB1 CB2 CB3 CB4 C10 C11 C101 C102 C103 CR NO.17 1 C1 TNPA5079 CMM11 PbF 1 10 11 20 1 55 1 55 O R D E R N O . 1 20 1 55 1 55 1 55 1 55 1 55 1 55 1 40 1 20 1 40 1 2 TNPA5079 1 C1 3 CMM11 PbF S E E R E V E R S E F O R O R D E R N O . C1-BOARD (FOIL SIDE) TXNC11LNUC C1-BOARD (COMPONENT SIDE) TXNC11LNUC C1 TH-P50X20C C1-Board TXNC11LNUC TH-P50X20C C1-Board TXNC11LNUC 67 TH-P50X20C 12.4. C2 电路板 A B C D E F G H I 1 2 3 4 5 6 C20 C21 C23 C25 C204 C205 C206 C207 C208 CB5 C209 IC202 CB6 IC203 CB7 CB8 C210 C211 C212 C213 C214 C215 C216 C217 C218 C219 C220 C221 C222 C223 C224 C225 C226 C227 C228 C229 FL201 C230 ZA201 ZA202 ZA203 ZA204 R203 R204 R205 R206 R207 R208 R209 R210 R211 R212 R213 R214 R215 R216 R217 R218 R219 R220 R221 R222 R223 R224 R225 R226 R227 R228 R229 R230 R231 R232 R233 CR NO.17 C2 1 TNPA5080 CMM21 PbF 1 20 1 55 1 6 1 4 1 55 1 55 1 55 O R D E R N O . 1 55 1 10 11 20 1 55 1 10 11 20 1 55 1 55 1 20 1 55 1 55 1 2 3 C2 TNPA5080 1 CMM21 PbF S E E R E V E R S E F O R O R D E R N O . C2-BOARD (FOIL SIDE) TXNC21LNUC C2-BOARD (COMPONENT SIDE) TXNC21LNUC C2 TH-P50X20C C2-Board TXNC21LNUC TH-P50X20C C2-Board TXNC21LNUC 68 TH-P50X20C 12.5. SC 电路板 A B C D E F G H I 1 2 3 4 5 6 SC41 SC42 TP90 TP91 TP92 SC46 TP93 TP94 TP95 TP96 TP99 L698 SC50 C563 D722 D724 TP100 TP105 TP106 TP107 TP108 T471 TP109 IC784 IC786 TP110 TP111 C791 TP112 C793 TP113 TP114 C795 TP115 C796 TP116 TP117 TP118 TP125 ZA421 ZA422 ZA411 ZA412 C411 C412 C413 C414 R774 C813 Q401 Q402 C641 Q601 D401 C642 C842 C460 Q421 C461 Q422 C462 C463 D421 Q621 Q441 Q442 Q451 D641 D642 C691 TP1 TP2 TP4 TP5 TP6 TP7 TP8 Q661 TP9 D462 L400 L401 L411 SC2 SC3 D481 D482 TP10 TP11 TP12 TP13 TP14 TP16 TP17 TP18 TP19 L421 L422 L423 R838 L424 TP20 TP21 TP22 TP23 TP24 TP25 TP26 TP27 TP28 TP29 TP30 TP31 TP32 TP33 TP34 TP35 TP36 TP37 TP38 TP39 TP40 TP41 TP42 C503 TP43 TP44 R860 TP51 TP52 TP58 TP59 TP60 L851 TP61 TP62 C523 TP63 TP67 L472 C721 R696 TP70 TP73 TP74 TP78 TP79 TP80 TP81 2 SC CRNo.16 2 1 3 TNPA5063 PbF 2 8 9 1 2 8 9 1 2 8 9 1 1 2 A A K A A K P 1 P T P 2 S 1 S 3 8 5 4 1 8 5 4 1 S E E R E V E R S E F O R O R D E R N O . C G E C G E G D S A A K G C E G C E A A K G C E C G E C G E G C E A A K A A K C G E A A K 1 3 1 5 A A K A A K SC-BOARD (FOIL SIDE) TXNSC1LNUC SC TH-P50X20C SC-Board TXNSC1LNUC TH-P50X20C SC-Board TXNSC1LNUC 69 TH-P50X20C A B C D E F G H I 1 2 3 4 5 6 SC41 Q701 Q702 SC42 D503 SC46 D701 D702 L698 SC50 C753 C754 Q521 C755 C561 C756 C562 C757 C563 C564 D901 C565 C566 D710 D711 IC561 IC562 D712 D713 IC563 D522 Q531 D719 D720 Q920 Q921 D721 D722 D724 C771 C772 C773 D534 D728 C581 C582 D536 C583 D920 IC771 D921 IC773 Q930 IC581 Q931 Q932 R501 R502 R503 R504 Q551 R506 C593 T471 IC784 IC785 IC786 IC787 R510 R511 C791 R512 C793 R707 C794 C795 R516 C796 R517 R904 R711 R712 R521 Q762 R522 R523 R717 R524 R721 R531 D765 R532 R533 R534 R920 R921 R922 R923 R926 R927 R928 R929 ZA421 ZA422 D583 R930 R931 R932 R933 R934 R935 R742 R936 R937 R938 ZA411 R551 R745 R552 ZA412 R746 R553 R747 R750 D790 R751 R752 R753 R754 R561 R755 R562 R563 R564 R565 R566 R567 R568 C401 R761 R762 R763 R765 R769 C602 C603 C604 C411 C412 C413 C414 C608 R772 R773 IC490 R774 R580 R581 IC491 R582 R776 R777 R583 R584 R585 R586 R587 R588 C421 IC692 R783 R590 R591 R785 R786 R592 R593 C813 R787 R789 ZA401 ZA402 ZA403 ZA404 PC603 C827 Q401 C441 C442 Q402 C641 Q601 D401 C642 Q602 Q603 C451 Q606 D407 Q607 Q801 C842 D602 C843 D604 C844 D411 D605 D607 C460 Q421 C461 Q422 C462 C463 C464 D610 Q810 IC464 C854 C661 D421 Q621 IC465 Q815 C662 Q816 C856 C857 Q817 Q818 C664 C858 D618 C665 C471 C859 C666 C472 IC661 D620 C860 IC471 C861 C862 C863 C864 PC896 PC897 C675 Q441 Q442 D820 D821 D822 D824 D825 R401 D441 R402 C490 C684 Q451 C491 C685 PC461 R601 D641 D642 R410 R604 D451 R411 C691 R605 R607 R414 R415 R609 R416 R417 R418 R419 R801 R802 R610 R804 IC521 C891 C892 R612 R420 R421 Q661 R615 D462 R422 Q662 Q663 R617 PC480 R619 Q471 L400 IC724 L401 R621 D662 D663 D664 Q670 D859 Q671 Q672 D473 D667 PC684 D474 PC685 D475 Q675 Q676 D477 D478 R822 R823 D670 R824 D671 L411 R825 R631 D672 SC2 R826 SC3 R827 R633 R634 D480 D481 R441 R829 D482 R442 Q876 D678 Q490 R831 D871 R832 D874 D875 L421 L422 R837 L423 R838 D490 L424 R451 Q885 D492 PC722 D493 PC723 D494 D497 R841 R843 R844 R845 R846 R849 R658 R851 R852 D893 R661 R663 R664 R665 R471 R666 R472 R473 R474 C501 R475 C502 R476 C503 C504 R478 R860 C505 R479 IC501 R674 R675 R679 C707 C708 R870 TP57 R873 R680 R681 R684 R490 R685 R491 C712 R686 R492 R493 R494 C521 L851 R495 C522 R496 C523 R497 C524 R498 C525 C527 TP68 R690 R691 L472 R692 R694 SC20 C721 R695 R696 C723 C724 R699 TPSOS6 TPSOS7 C727 C533 C535 R891 C536 R892 R893 R897 R899 Q501 TP82 TPVAD H.V. DANGER H.V. DANGER H.V. DANGER 2 SC H.V. DANGER TPSC1 TPVSCN DIP CRNo.16 TNPA5063 PbF 1 2 8 9 1 2 8 9 1 2 8 9 1 2 1 10 11 20 1 10 11 20 7 8 1 4 1 A A K A A K 1 3 4 5 1 4 5 8 S 1 P 1 P T P 2 S 3 1 4 5 8 1 4 5 8 1 3 0 O R D E R N O . 1 3 4 5 1 2 3 4 G C E G C E D G S A A K C G E C G E 1 3 4 5 A A K C G E 1 3 4 5 1 4 5 8 1 2 3 4 1 2 3 4 G C E G C E C G E A A K A A K G C E A A K 1 2 3 4 3 1 1 5 A A K A A K 1 8 9 1 6 1 2 3 4 1 2 4 3 8 1 1 6 9 SC-BOARD (COMPONENT SIDE) TXNSC1LNUC SC TH-P50X20C SC-Board TXNSC1LNUC TH-P50X20C SC-Board TXNSC1LNUC 70 TH-P50X20C 12.6. SS 电路板 A B C D E F G H I 1 2 3 4 5 6 C193 SS11 R309 L103 L303 SS52 SS55 SS3 C003 C011 C012 C018 C023 C241 C272 TPVSUS TP2 TP7 TP8 L011 L012 L013 L014 TP13 TP14 TP16 TP17 TP18 TPSOS8 TP24 TP25 TP26 TP27 TP28 TP29 C105 SS53A SS53B C106 TP30 TP31 TP32 TP33 TP36 IC304 TPVe TPSS1 C310 SS55A SS55B TP54 TP56 C328 TP60 TP61 TP62 TP63 TP64 TP65 TP66 TP67 TP68 TP69 TP70 TP71 TP72 TP73 PbF 1 2 3 C R N o . 1 6 1 TNPA5072 SS 4 1 1 13 S E E R E V E R S E F O R O R D E R N O . 1 13 1 5 1 13 1 13 1 13 1 13 1 13 1 13 1 13 1 13 8 5 4 1 1 13 1 13 1 13 1 13 1 13 1 13 1 13 1 13 SS-BOARD (FOIL SIDE) TXNSS1LNUC SS TH-P50X20C SS-Board TXNSS1LNUC TH-P50X20C SS-Board TXNSS1LNUC 71 TH-P50X20C A B C D E F G H I 1 2 3 4 5 6 D315 D316 D317 D131 Q141 R101 R102 R103 R104 C191 R105 C192 C193 SS11 R109 C195 C198 R110 R307 R309 Q161 R116 SS23 R318 R319 R320 ZA001 ZA002 L103 R131 R132 R134 R135 R136 R137 L303 R330 IC241 R332 R334 R335 R141 R142 R143 Q191 SS52 SS55 D192 D195 D196 SS3 R161 R162 R163 C001 C002 C003 C004 C011 C012 C018 C021 C022 C023 R191 R192 R193 R195 Q001 Q002 D001 C241 C242 C243 C244 Q021 Q022 D021 D022 C272 C280 R001 C281 R002 C286 C287 IC312 R021 R022 IC131 TD37 L011 L012 L013 L014 Q280 TPVe D280 R241 D281 R242 D282 D285 C101 C102 C103 C104 C105 SS53A SS53B C106 IC304 R280 R281 R282 R283 C310 R284 R285 R289 C315 C316 C317 C318 C319 SS55A SS55B R290 C131 C133 C328 C135 Q101 Q102 D101 PC191 PC192 SSMM1 TPSOS8 TPSS1 TPVSUS PbF DIP CR No.16 Discharge 1 TNPA5072 SS 1 4 1 6 1 10 11 20 1 1 3 13 1 O R D E R N O . 1 5 13 1 13 1 C E G C E G 1 13 1 13 13 1 1 3 1 C E G C E G 16 9 8 1 1 13 1 13 1 4 5 8 1 1 3 13 1 1 3 1 13 1 D G S D G S 13 1 1 3 13 1 13 1 1 2 3 4 3 1 5 1 4 6 1 2 2 5 2 1 4 4 5 4 1 4 2 3 SS53A SS53B SS55A SS55B SS-BOARD (COMPONENT SIDE) TXNSS1LNUC SS TH-P50X20C SS-Board TXNSS1LNUC TH-P50X20C SS-Board TXNSS1LNUC 72 TH-P50X20C 73 TH-P50X20C 13 分解图和更换部件清单 13.1. 分解图和机械更换部件清单 13.1.1. 分解图 1 74 TH-P50X20C 13.1.2. 分解图 2 75 TH-P50X20C 13.1.3. 包装 1 76 TH-P50X20C 13.1.4. 包装 2 77 TH-P50X20C 13.1.5. 维修部品表 参考号 部件号 部件名称及说明 数量 备注 1 K1TWACC00001 RF 信号线 1 2 K2AHYH000033 AC 接入口 1 3 K2CK3YY00025 电源线 1 4 K2YZYY000014 RF 隔离器 1 5 L0AA14C00004 喇叭 2 6 MD-50GH13ME1 50HD13 PDP 屏 1 N0AE5JK00002 P 线路板 1 7 N2QAYB000495 遥控器 1 R6DWC/2SK 电池 2 8 TBL3DX0018 台座 1 9 TKGA5622 前面玻璃 1 10 TKK3DC5004 LED 透光板 1 11 TKKL5493 M8 盖 4 12 TKU3DX00801 后盖 1 13 TMK3DG006 海绵 ( 前面玻璃 H) 2 14 TMK3DG007 海绵 ( 前面玻璃 V) 2 TMK3DG023 喇叭海绵 4 15 TMXX064 电源线夹 A 1 16 TPC3DA00603 包装箱底箱 1 17 TPC3DA03302 包装箱外箱 1 18 TPD3DA0061 台座衬垫 1 19 TPD3DA0062 顶部衬垫 1 20 TPD3DA0063 底部衬垫 1 21 TPDX0035 箱扣 4 22 TPEH344A 整机保护袋 1 23 TPEP026-1 电源线袋 1 TQB3DA7003 警告单 1 TQD3D18001 保修证 1 24 TQZ3DB017 使用说明书 1 25 TSXL519 FFC(SU11-SD11) 1 26 TSXL927 FFC(C10-C20) 1 27 TSXL970 FFC(A21-SC20) 1 28 TSXL971 FFC(C11-A33) 1 29 TSXL972 FFC(C21-A34) 1 30 TXFBL01LQUC 台座附件 1 TXFKR01LQUC 声音反射板组件 2 31 TXFKY01LNUC 面框 1 TXFNZ01LNUC 高频头组件 1 TXJ/A6MLUE 线束 (A6-P6) 1 TXJ/A7MLUE 线束 (A7-P7) 1 TXJ/K1LMUM 线束 (K1-A1) 1 TXJ/P2LNUU 线束 (P2-SC2) 1 TXJP11LNUU 线束 (P11-SS11) 1 TXJP35LNUU 线束 (P35-C25) 1 TXJS23LNUU 线束 (C23-SS23) 1 TXJSS3LNUU 线束 (SC3-SS3) 1 TXN/K1LYUC K 线路板 1 TXNC11LNUC C1 线路板 1 TXNC21LNUC C2 线路板 1 TXNSC1LNUC SC 线路板 1 TXNSD1LNUC SD 线路板 1 TXNSS1LNUC SS 线路板 1 TXNSU1LNUC SU 线路板 1 78 TH-P50X20C 13.2. 更换部件清单 13.2.1. 更换部件清单注意事项 79 TH-P50X20C 13.2.2. 电器部件更换清单 参考号 部件号 部件名称及说明 件数 备注 A1 K1KY08AA0719 8P 连接接头 1 A6 K1KY11AA0719 11P 连接接头 1 A7 K1KY14AA0719 14P 连接接头 1 PPDS A11 K1KA04AA0190 4P 连接接头 1 A17 K1KA20AA0009 20P 连接接头 1 A18 K1KA11A00178 11P 连接接头 1 A19 K1KA04AA0104 4P 连接接头 1 A21 K1MY30BA0345 30P 连接接头 1 PPDS A33 K1MY40BA0345 40P 连接接头 1 PPDS A34 K1MY55BA0345 55P 连接接头 1 C10 K1MN20BA0231 20P 连接接头 1 C11 K1MY40BA0345 40P 连接接头 1 PPDS C20 K1MY20BA0345 20P 连接接头 1 C21 K1MY55BA0345 55P 连接接头 1 C23 K1KY06AA0719 6P 连接接头 1 C25 K1KA04BA0107 4P 连接接头 1 C2100 F1J1E105A231 C 1 UF 25V 1 C2103 F1J1A106A087 C 0.010UF, K, 10V 1 C2107 F1G1A105A047 C 1UF, K, 10V 1 C2108 F1G1A105A047 C 1UF, K, 10V 1 C2109 ECJ1VB0J105K C 1UF, K, 6.3V 1 C2111 F1G1C103A116 C 0.010UF, K, 16V 1 C2115 F1G1H561A730 C 56UF, 50V 1 C2116 F1G1H561A730 C 56UF, 50V 1 C2166 F1G1E473A091 C 4200UF, Z, 25V 1 PPDS C2167 F1G1E473A091 C 4200UF, Z, 25V 1 PPDS C2173 F1J1A106A087 C 0.010UF, K, 10V 1 C2174 F1J1A106A087 C 0.010UF, K, 10V 1 C2175 F1J1A106A087 C 0.010UF, K, 10V 1 C2176 F1J1A106A087 C 0.010UF, K, 10V 1 C2197 F1G1C103A116 C 0.010UF, K, 16V 1 C2198 F1J1E105A231 C 1 UF 25V 1 C2199 F1J1E105A231 C 1 UF 25V 1 C2200 F1G1A105A047 C 1UF, K, 10V 1 C2201 F1G1A105A047 C 1UF, K, 10V 1 C2202 F1G1A105A047 C 1UF, K, 10V 1 C2203 F1J1A106A087 C 0.010UF, K, 10V 1 C2204 F1J1E105A231 C 1 UF 25V 1 C2205 F1J1A106A087 C 0.010UF, K, 10V 1 C2206 F1H0J475A041 C 4.7UF, K, 16V 1 C2207 F1H1A225A051 C 22UF, 50V 1 C2208 F1H1A225A051 C 22UF, 50V 1 C2209 F1H1A225A051 C 22UF, 50V 1 C2210 F1H1A225A051 C 22UF, 50V 1 C2211 F1H1A225A051 C 22UF, 50V 1 C2212 F1H1A225A051 C 22UF, 50V 1 C2213 F1J1E105A231 C 1 UF 25V 1 C2214 F1J1E105A231 C 1 UF 25V 1 C2217 F1H0J475A041 C 4.7UF, K, 16V 1 C2220 F1G1C104A116 C 0.10UF, K, 16V 1 C2221 F1G1C104A116 C 0.10UF, K, 16V 1 C2222 F1J1A106A087 C 0.010UF, K, 10V 1 C2223 F1G1E472A123 C 4200UF, Z, 25V 1 C2224 F1G1E472A123 C 4200UF, Z, 25V 1 C2225 F1G1A473A053 C 0.47UF, 10V 1 C2226 F1G1A473A053 C 0.47UF, 10V 1 C2227 F1J1A106A087 C 0.010UF, K, 10V 1 C2230 F1G1C104A116 C 0.10UF, K, 16V 1 C2232 F1H1E104A129 C 0.1UF, 25V 1 C2234 F1H1E104A129 C 0.1UF, 25V 1 C2237 F1J1E105A231 C 1 UF 25V 1 C2238 F1J1E105A231 C 1 UF 25V 1 C2240 F1H1E333A129 C 0.033UF, 25V 1 C2241 F1H1E333A129 C 0.033UF, 25V 1 C2242 F1H1E333A129 C 0.033UF, 25V 1 C2243 F1H1E333A129 C 0.033UF, 25V 1 C2244 F1J1H474A757 C 0.47UF, 50V 1 C2245 F1J1H474A757 C 0.47UF, 50V 1 C2246 F1J1H104A835 C 0.10UF, 50V 1 C2247 F1J1H104A835 C 0.10UF, 50V 1 C2248 F1H1H223A970 C 0.22UF, K, 50V 1 C2249 F1H1H223A970 C 0.22UF, K, 50V 1 C2250 F1J1H104A835 C 0.10UF, 50V 1 C2251 F1J1H104A835 C 0.10UF, 50V 1 C2252 F1H1H223A970 C 0.22UF, K, 50V 1 C2253 F1H1H223A970 C 0.22UF, K, 50V 1 C2254 F1H1E104A129 C 0.1UF, 25V 1 C2255 F1H1E104A129 C 0.1UF, 25V 1 C2256 F1H1H223A970 C 0.22UF, K, 50V 1 C2257 F1H1H223A970 C 0.22UF, K, 50V 1 C2258 F1H1H223A970 C 0.22UF, K, 50V 1 C2259 F1H1H223A970 C 0.22UF, K, 50V 1 C2260 F1G1H102A730 C 1000UF, 50V 1 C2261 F1G1H102A730 C 1000UF, 50V 1 C2262 F1G1H102A730 C 1000UF, 50V 1 C2263 F1G1H102A730 C 1000UF, 50V 1 C2264 F1H1E104A129 C 0.1UF, 25V 1 C2265 EEEFG1E471P E 470UF, 25V 1 C2266 F1K1E106A136 C 10UF, Z, 25V 1 C2267 F1H1H103A970 C 0.001UF, K, 50V 1 C2268 F2G1C470A022 E 47UF, 16V 1 C2269 F1J1A475A087 C 4.7UF, K, 10V 1 C2271 F1H1C105A145 C 0.01UF, K, 16V 1 C2272 F1G1C103A116 C 0.010UF, K, 16V 1 C2273 F1J1A106A087 C 0.010UF, K, 10V 1 C2274 F1J1A106A087 C 0.010UF, K, 10V 1 C2275 F1J1E105A231 C 1 UF 25V 1 C2277 F1H1C105A145 C 0.01UF, K, 16V 1 C2279 F1G1C104A116 C 0.10UF, K, 16V 1 C2281 F1K1E106A136 C 10UF, Z, 25V 1 C2282 F1J1A106A087 C 0.010UF, K, 10V 1 C2285 F1J1A106A087 C 0.010UF, K, 10V 1 C2294 EEEHB0J221UP E 220UF, J, 6.3V 1 C2295 EEEHB0J221UP E 220UF, J, 6.3V 1 C2296 F1H1A225A051 C 22UF, 50V 1 C2297 F1H1A225A051 C 22UF, 50V 1 C2298 F1G1A105A047 C 1UF, K, 10V 1 C2299 F2H1A101A009 E 100 UF, 10V 1 PPDS C2300 F2H1A101A009 E 100 UF, 10V 1 PPDS C2301 F1G1C104A116 C 0.10UF, K, 16V 1 C2302 F2G1A220A019 E 22UF, 10V 1 PPDS C2303 F1G1C104A116 C 0.10UF, K, 16V 1 C2304 F1J1A106A087 C 0.010UF, K, 10V 1 C2305 F1J1E105A231 C 1 UF 25V 1 C2306 F1H1C105A145 C 0.01UF, K, 16V 1 C2307 F1J1E105A231 C 1 UF 25V 1 C2308 F1G1H220A731 C 22UF, 50V 1 C2309 F1G1C104A116 C 0.10UF, K, 16V 1 C2310 F1G1C104A116 C 0.10UF, K, 16V 1 C2311 ECJ1VB1A105K C 1UF, Z, 10V 1 C2312 F1G1H561A730 C 56UF, 50V 1 C2313 F1G1H561A730 C 56UF, 50V 1 C2314 F1G1H561A730 C 56UF, 50V 1 C2315 F1G1H561A730 C 56UF, 50V 1 C2316 F1G1H561A730 C 56UF, 50V 1 C2317 F1G1H561A730 C 56UF, 50V 1 C2318 F1G1H102A730 C 1000UF, 50V 1 C2319 F1G1H102A730 C 1000UF, 50V 1 C2510 F1H1H103A970 C 0.001UF, K, 50V 1 C2511 F1J1A106A087 C 0.010UF, K, 10V 1 C2515 F1H1H103A970 C 0.001UF, K, 50V 1 C2521 F1H1C104A143 C 0.1UF, K, 16V 1 C3752 F1J1H102A836 C 1000PF, 50V 1 C3754 F1G1E103A123 C 0.010UF, K, 25V 1 C4539 F1G1A105A047 C 1UF, K, 10V 1 C4540 F1G1A105A047 C 1UF, K, 10V 1 C4541 F1G1A105A047 C 1UF, K, 10V 1 C4546 F1G1A105A047 C 1UF, K, 10V 1 C4548 F1G1A105A047 C 1UF, K, 10V 1 C4704 F2H1A101A009 E 100 UF, 10V 1 PPDS C4705 F1G1C104A116 C 0.10UF, K, 16V 1 C4706 ECJ1VB1A105K C 1UF, Z, 10V 1 C4707 ECJ1VB1A105K C 1UF, Z, 10V 1 C4718 F1G1C104A116 C 0.10UF, K, 16V 1 C4719 F1J1A106A087 C 0.010UF, K, 10V 1 C4720 F1G1E103A123 C 0.010UF, K, 25V 1 C4727 F1G1C104A116 C 0.10UF, K, 16V 1 C4728 F1G1C104A116 C 0.10UF, K, 16V 1 C4729 F1G1H102A730 C 1000UF, 50V 1 C4730 F1G1H102A730 C 1000UF, 50V 1 参考号 部件号 部件名称及说明 件数 备注 80 TH-P50X20C C4731 F1G1A105A047 C 1UF, K, 10V 1 C4732 F1G1H102A730 C 1000UF, 50V 1 C4733 F1G1H102A730 C 1000UF, 50V 1 C4734 F1G1H102A730 C 1000UF, 50V 1 C4735 F1G1H102A730 C 1000UF, 50V 1 C4740 F1G1C104A116 C 0.10UF, K, 16V 1 C4741 F1G1C104A116 C 0.10UF, K, 16V 1 C4744 F1G1H102A730 C 1000UF, 50V 1 C4745 F1G1C104A116 C 0.10UF, K, 16V 1 C4746 F1G1H102A730 C 1000UF, 50V 1 C4747 F1G1C104A116 C 0.10UF, K, 16V 1 C4748 F1G1C104A116 C 0.10UF, K, 16V 1 C4749 F1G1H102A730 C 1000UF, 50V 1 C4750 F1G1C104A116 C 0.10UF, K, 16V 1 C4751 F1G1C104A116 C 0.10UF, K, 16V 1 C4752 F1G1C104A116 C 0.10UF, K, 16V 1 C4753 F1G1C104A116 C 0.10UF, K, 16V 1 C4754 F1G1C104A116 C 0.10UF, K, 16V 1 C4758 F1G1H102A730 C 1000UF, 50V 1 C4759 F1G1C104A116 C 0.10UF, K, 16V 1 C4760 F1G1H102A730 C 1000UF, 50V 1 C4761 F1G1C104A116 C 0.10UF, K, 16V 1 C4762 F1G1C104A116 C 0.10UF, K, 16V 1 C4763 F1G1H102A730 C 1000UF, 50V 1 C4764 F1G1C104A116 C 0.10UF, K, 16V 1 C4765 F1G1C104A116 C 0.10UF, K, 16V 1 C4766 F1G1C104A116 C 0.10UF, K, 16V 1 C4767 F1G1H102A730 C 1000UF, 50V 1 C4768 F1G1H102A730 C 1000UF, 50V 1 C4769 F1G1H102A730 C 1000UF, 50V 1 C4770 F1G1H102A730 C 1000UF, 50V 1 C4771 F1G1C104A116 C 0.10UF, K, 16V 1 C4772 F1G1C104A116 C 0.10UF, K, 16V 1 C4779 F1J0J106A004 C 0.010UF, K, 16V 1 C5521 F1G1C104A116 C 0.10UF, K, 16V 1 C5522 F1G1C104A116 C 0.10UF, K, 16V 1 C5611 F1G1H102A730 C 1000UF, 50V 1 C5613 F1G1H102A730 C 1000UF, 50V 1 C5689 F1K0J226A008 C 22UF, K,6.3V 1 C5690 F1K0J226A008 C 22UF, K,6.3V 1 C5692 F1K1E106A136 C 10UF, Z, 25V 1 C5694 F1H1E104A129 C 0.1UF, 25V 1 C5695 F1G1C153A116 C 0.015UF, K, 16V 1 C5696 F1G1E103A123 C 0.010UF, K, 25V 1 C5698 F1K0J226A008 C 22UF, K,6.3V 1 C5700 F1H0J475A041 C 4.7UF, K, 16V 1 C5701 F1H0J475A041 C 4.7UF, K, 16V 1 C5702 ECJ1VB1A105K C 1UF, Z, 10V 1 C5703 ECJ1VB1A105K C 1UF, Z, 10V 1 C5704 F1K1E106A136 C 10UF, Z, 25V 1 C5705 F1K1E106A136 C 10UF, Z, 25V 1 C5706 F1G1E103A123 C 0.010UF, K, 25V 1 C5707 F1G1C104A116 C 0.10UF, K, 16V 1 C5708 F1K0J226A008 C 22UF, K,6.3V 1 C5709 F1K0J226A008 C 22UF, K,6.3V 1 C5711 F1K1E106A136 C 10UF, Z, 25V 1 C5713 F1H1E104A129 C 0.1UF, 25V 1 C5714 F1H1A334A084 C 0.33UF, K, 50V 1 C5715 F1G1E822A123 C 8200UF, Z, 25V 1 C5717 F1K0J226A008 C 22UF, K,6.3V 1 C5719 F1K0J226A008 C 22UF, K,6.3V 1 C5720 F1K0J226A008 C 22UF, K,6.3V 1 C5722 F1K1E106A136 C 10UF, Z, 25V 1 C5724 F1H1E104A129 C 0.1UF, 25V 1 C5725 F1H1A334A084 C 0.33UF, K, 50V 1 C5726 F1G1C153A116 C 0.015UF, K, 16V 1 C5728 F1K0J226A008 C 22UF, K,6.3V 1 C5730 F1K1E106A136 C 10UF, Z, 25V 1 C5731 F1K1E106A136 C 10UF, Z, 25V 1 C5733 F2H1E470A007 E 47UF, 25V 1 C5734 F1J1E105A231 C 1 UF 25V 1 C5736 F1G1A105A047 C 1UF, K, 10V 1 C5737 F1G1A105A047 C 1UF, K, 10V 1 C5738 F1G1A105A047 C 1UF, K, 10V 1 C5739 F1G1A105A047 C 1UF, K, 10V 1 C5764 ECJ1VB1A105K C 1UF, Z, 10V 1 C5765 ECJ1VB1A105K C 1UF, Z, 10V 1 参考号 部件号 部件名称及说明 件数 备注 C5771 F1H1E473A129 C 0.047UF, 25V 1 C5776 ECJ1VB1A105K C 1UF, Z, 10V 1 C5777 ECJ1VB1A105K C 1UF, Z, 10V 1 C8001 ECJ1VB0J105K C 1UF, K, 6.3V 1 C8002 ECJ1VB0J105K C 1UF, K, 6.3V 1 C8003 F1G1C104A116 C 0.10UF, K, 16V 1 C8004 F1G1C104A116 C 0.10UF, K, 16V 1 C8005 F1G1C104A116 C 0.10UF, K, 16V 1 C8006 F1G1C104A116 C 0.10UF, K, 16V 1 C8007 F1G1H4R0A732 C 4.0PF, K, 50V 1 PPDS C8008 F1G1H5R0A732 C 5.0PF, K, 50V 1 C8009 F1J1A475A087 C 4.7UF, K, 10V 1 C8011 F1G1C104A116 C 0.10UF, K, 16V 1 C8012 F1G1C104A116 C 0.10UF, K, 16V 1 C8013 F1G1C104A116 C 0.10UF, K, 16V 1 C8014 F1G1C104A116 C 0.10UF, K, 16V 1 C8015 F1G1C151A117 C 150UF, K, 16V 1 PPDS C8016 F1G1C104A116 C 0.10UF, K, 16V 1 C8017 F1G1C104A116 C 0.10UF, K, 16V 1 C8018 F1G1C104A116 C 0.10UF, K, 16V 1 C8019 F1G1C104A116 C 0.10UF, K, 16V 1 C8020 F1G1C104A116 C 0.10UF, K, 16V 1 C8021 F1G1C104A116 C 0.10UF, K, 16V 1 C8022 F1G1C103A116 C 0.010UF, K, 16V 1 C8023 F1G1H5R0A732 C 5.0PF, K, 50V 1 C8024 F1G1C103A116 C 0.010UF, K, 16V 1 C8025 F1G1C5R0A118 C 5.0UF, K, 16V 1 PPDS C8026 F1G1C103A116 C 0.010UF, K, 16V 1 C8027 F1G1C104A116 C 0.10UF, K, 16V 1 C8028 F1G1C104A116 C 0.10UF, K, 16V 1 C8029 F1G1C153A116 C 0.015UF, K, 16V 1 C8030 F1J1A106A087 C 0.010UF, K, 10V 1 C8033 F1J1A106A087 C 0.010UF, K, 10V 1 C8034 F1G1C104A116 C 0.10UF, K, 16V 1 C8035 F1J1A106A087 C 0.010UF, K, 10V 1 C8036 F1G1C104A116 C 0.10UF, K, 16V 1 C8037 F1G1C104A116 C 0.10UF, K, 16V 1 C8038 F1G1C104A116 C 0.10UF, K, 16V 1 C8039 F1J1A106A087 C 0.010UF, K, 10V 1 C8040 F1G1C104A116 C 0.10UF, K, 16V 1 C8041 F1J1A106A087 C 0.010UF, K, 10V 1 C8042 F1G1C104A116 C 0.10UF, K, 16V 1 C8043 F1G1A105A047 C 1UF, K, 10V 1 C8044 F1G1A105A047 C 1UF, K, 10V 1 C8045 F1G1A105A047 C 1UF, K, 10V 1 C8046 F1J0G2260001 C 0.001UF, 6.3V 1 C8047 F1G1C104A116 C 0.10UF, K, 16V 1 C8048 F1G1H102A730 C 1000UF, 50V 1 C8049 F1G1A105A047 C 1UF, K, 10V 1 C8050 F1G1C104A116 C 0.10UF, K, 16V 1 C8051 F1J1A106A087 C 0.010UF, K, 10V 1 C8053 F1G1C104A116 C 0.10UF, K, 16V 1 C8054 F1G1C104A116 C 0.10UF, K, 16V 1 C8056 F1G1C104A116 C 0.10UF, K, 16V 1 C8058 F1J1A106A087 C 0.010UF, K, 10V 1 C8059 F1G1A105A047 C 1UF, K, 10V 1 C8060 F1G1C104A116 C 0.10UF, K, 16V 1 C8061 F1G1H102A730 C 1000UF, 50V 1 C8062 F1G1C104A116 C 0.10UF, K, 16V 1 C8063 F1G1H102A730 C 1000UF, 50V 1 C8064 F1G1A105A047 C 1UF, K, 10V 1 C8065 F1G1C104A116 C 0.10UF, K, 16V 1 C8067 F1G1A105A047 C 1UF, K, 10V 1 C8068 F1G1A105A047 C 1UF, K, 10V 1 C8069 F1G1C104A116 C 0.10UF, K, 16V 1 C8070 F1G1H102A730 C 1000UF, 50V 1 C8071 F1G1C104A116 C 0.10UF, K, 16V 1 C8073 F1G1C104A116 C 0.10UF, K, 16V 1 C8074 F1G1H102A730 C 1000UF, 50V 1 C8075 F1G1C104A116 C 0.10UF, K, 16V 1 C8078 F1G1A105A047 C 1UF, K, 10V 1 C8079 F1G1A105A047 C 1UF, K, 10V 1 C8080 F1G1A105A047 C 1UF, K, 10V 1 C8081 F1G1A105A047 C 1UF, K, 10V 1 C8082 F1J1A106A087 C 0.010UF, K, 10V 1 C8097 F1J1A106A087 C 0.010UF, K, 10V 1 C8101 F1G1C104A116 C 0.10UF, K, 16V 1 参考号 部件号 部件名称及说明 件数 备注 81 TH-P50X20C C8102 F1G1H5R0A732 C 5.0PF, K, 50V 1 C8104 F1G1H102A730 C 1000UF, 50V 1 C8105 F1G1H102A730 C 1000UF, 50V 1 C8110 F1G1C104A116 C 0.10UF, K, 16V 1 C8111 F1J1A106A087 C 0.010UF, K, 10V 1 C8112 F1G1H102A730 C 1000UF, 50V 1 C8113 F1G1A105A047 C 1UF, K, 10V 1 C8116 F1G1C104A116 C 0.10UF, K, 16V 1 C8120 F1G1C104A116 C 0.10UF, K, 16V 1 C8121 F1G1H102A730 C 1000UF, 50V 1 C8127 F1G1C104A116 C 0.10UF, K, 16V 1 C8130 F1G1C104A116 C 0.10UF, K, 16V 1 C8131 F1G1H102A730 C 1000UF, 50V 1 C8132 F1G1A105A047 C 1UF, K, 10V 1 C8133 F1G1H102A730 C 1000UF, 50V 1 C8136 F1G1C104A116 C 0.10UF, K, 16V 1 C8139 F1G1C104A116 C 0.10UF, K, 16V 1 C8140 F1G1H102A730 C 1000UF, 50V 1 C8141 F1G1C104A116 C 0.10UF, K, 16V 1 C8143 F1G1A105A047 C 1UF, K, 10V 1 C8144 F1G1A105A047 C 1UF, K, 10V 1 C8145 F1G1C104A116 C 0.10UF, K, 16V 1 C8146 F1G1H102A730 C 1000UF, 50V 1 C8147 F1G1C104A116 C 0.10UF, K, 16V 1 C8148 F1G1H102A730 C 1000UF, 50V 1 C8302 F1G1C104A116 C 0.10UF, K, 16V 1 C8303 F1G1H102A730 C 1000UF, 50V 1 C8304 F1G1A105A047 C 1UF, K, 10V 1 C8305 F1G1H221A731 C 220UF, 50V 1 C8306 F1G1H152A730 C 1500UF, 50V 1 C8307 F1G1H222A730 C 2200UF, 50V 1 C8308 F1G1C104A116 C 0.10UF, K, 16V 1 C8312 F1G1H181A731 C 180UF, 50V 1 C8313 F1G1C104A116 C 0.10UF, K, 16V 1 C8315 F1G1H102A730 C 1000UF, 50V 1 C8324 EEEHB0J221UP E 220UF, J, 6.3V 1 C8328 F1G1C104A116 C 0.10UF, K, 16V 1 C8349 F1G1H102A730 C 1000UF, 50V 1 C8350 F1G1C104A116 C 0.10UF, K, 16V 1 C8351 F1G1H102A730 C 1000UF, 50V 1 C8352 F1G1C104A116 C 0.10UF, K, 16V 1 C8353 F1G1A105A047 C 1UF, K, 10V 1 C8354 F1G1A105A047 C 1UF, K, 10V 1 C8355 F1G1A105A047 C 1UF, K, 10V 1 C8364 F1G1C104A116 C 0.10UF, K, 16V 1 C8365 F1G1C104A116 C 0.10UF, K, 16V 1 C8366 F1G1C104A116 C 0.10UF, K, 16V 1 C8367 F1G1C104A116 C 0.10UF, K, 16V 1 C8368 F1G1C104A116 C 0.10UF, K, 16V 1 C8370 F1G1C104A116 C 0.10UF, K, 16V 1 C8501 F1G1C104A116 C 0.10UF, K, 16V 1 C8503 F1G1C104A116 C 0.10UF, K, 16V 1 C8504 F1G1C104A116 C 0.10UF, K, 16V 1 C8505 F1G1C104A116 C 0.10UF, K, 16V 1 C8506 F1G1C104A116 C 0.10UF, K, 16V 1 C8512 F2G1C470A022 E 47UF, 16V 1 C8513 F1G1C104A116 C 0.10UF, K, 16V 1 C8514 F1G1C103A116 C 0.010UF, K, 16V 1 C8515 F1J1A106A087 C 0.010UF, K, 10V 1 C8517 F1J1A106A087 C 0.010UF, K, 10V 1 C8519 F1G1A105A047 C 1UF, K, 10V 1 C8520 F1G1C104A116 C 0.10UF, K, 16V 1 C9033 F1G1C104A116 C 0.10UF, K, 16V 1 C9034 F1G1C104A116 C 0.10UF, K, 16V 1 C9035 F1J1A106A087 C 0.010UF, K, 10V 1 C9036 F1J1A106A087 C 0.010UF, K, 10V 1 C9037 F1G1E103A123 C 0.010UF, K, 25V 1 C9040 F1G1C104A116 C 0.10UF, K, 16V 1 C9044 F1J1A475A087 C 4.7UF, K, 10V 1 C9045 F1G1C104A116 C 0.10UF, K, 16V 1 C9046 F1G1C104A116 C 0.10UF, K, 16V 1 C9047 F1G1C104A116 C 0.10UF, K, 16V 1 C9048 F1G1C104A116 C 0.10UF, K, 16V 1 C9052 F1G1C104A116 C 0.10UF, K, 16V 1 C9053 F1G1C104A116 C 0.10UF, K, 16V 1 C9055 F1G1C104A116 C 0.10UF, K, 16V 1 C9057 F1G1C104A116 C 0.10UF, K, 16V 1 参考号 部件号 部件名称及说明 件数 备注 C9061 F1G1C104A116 C 0.10UF, K, 16V 1 C9062 F1J1A475A087 C 4.7UF, K, 10V 1 C9063 F1G1C104A116 C 0.10UF, K, 16V 1 C9065 F1G1C104A116 C 0.10UF, K, 16V 1 C9100 F1J1A106A087 C 0.010UF, K, 10V 1 C9101 F1G1E103A123 C 0.010UF, K, 25V 1 C9102 F1K1E106A136 C 10UF, Z, 25V 1 C9103 F1G1E103A123 C 0.010UF, K, 25V 1 C9105 F1G1H101A731 C 100PF, K, 50V 1 C9106 F1K1E106A136 C 10UF, Z, 25V 1 C9108 F1G1E103A123 C 0.010UF, K, 25V 1 C9300 F1G1C104A116 C 0.10UF, K, 16V 1 C9301 F1G1H150A731 C 15UF, 50V 1 C9302 F1G1H150A731 C 15UF, 50V 1 C9307 F1G1C104A116 C 0.10UF, K, 16V 1 C9308 F1G1C104A116 C 0.10UF, K, 16V 1 C9311 F1G1C104A116 C 0.10UF, K, 16V 1 C9312 F1J1A106A087 C 0.010UF, K, 10V 1 C9313 F1G1C104A116 C 0.10UF, K, 16V 1 C9314 F1J1A106A087 C 0.010UF, K, 10V 1 C9315 F1G1C104A116 C 0.10UF, K, 16V 1 C9316 F1J1A106A087 C 0.010UF, K, 10V 1 C9319 F1G1C104A116 C 0.10UF, K, 16V 1 C9322 F1G1C104A116 C 0.10UF, K, 16V 1 C9323 F1G1C104A116 C 0.10UF, K, 16V 1 C9325 F1G1C104A116 C 0.10UF, K, 16V 1 C9327 F1G1C104A116 C 0.10UF, K, 16V 1 C9335 F1J1A106A087 C 0.010UF, K, 10V 1 C9336 F1J1A106A087 C 0.010UF, K, 10V 1 C9337 F1J1A106A087 C 0.010UF, K, 10V 1 C9339 F1G1C104A116 C 0.10UF, K, 16V 1 C9340 F1G1C104A116 C 0.10UF, K, 16V 1 C9342 F1G1C104A116 C 0.10UF, K, 16V 1 C9344 F1G1C104A116 C 0.10UF, K, 16V 1 C9347 ECJ1VB0J105K C 1UF, K, 6.3V 1 C9349 F1J1A106A087 C 0.010UF, K, 10V 1 C9350 F1G1C104A116 C 0.10UF, K, 16V 1 C9351 F1G1C104A116 C 0.10UF, K, 16V 1 C9352 ECJ1VB0J105K C 1UF, K, 6.3V 1 C9356 F1G1C104A116 C 0.10UF, K, 16V 1 C9361 F1G1C104A116 C 0.10UF, K, 16V 1 C9363 F1G1C104A116 C 0.10UF, K, 16V 1 C9371 F1J1A106A087 C 0.010UF, K, 10V 1 C9372 F1J1A106A087 C 0.010UF, K, 10V 1 C9373 F1J1A106A087 C 0.010UF, K, 10V 1 C9374 F1G1C104A116 C 0.10UF, K, 16V 1 C9375 F1G1C104A116 C 0.10UF, K, 16V 1 C9380 F1G1C104A116 C 0.10UF, K, 16V 1 C9383 F1G1C104A116 C 0.10UF, K, 16V 1 C9391 F1J1A106A087 C 0.010UF, K, 10V 1 C9392 F1J1A106A087 C 0.010UF, K, 10V 1 C9400 F1G1C104A116 C 0.10UF, K, 16V 1 C9401 F1G1C104A116 C 0.10UF, K, 16V 1 C9800 F1H1E104A129 C 0.1UF, 25V 1 C9801 F1G1E682A123 C 6800UF, Z, 25V 1 C9803 F1G1E472A123 C 4200UF, Z, 25V 1 C9804 F1K1E106A136 C 10UF, Z, 25V 1 C9805 F1K1E106A136 C 10UF, Z, 25V 1 C9806 F1G1H101A731 C 100PF, K, 50V 1 C9807 F1G1H201A731 C 200 UF, K, 50V 1 C9809 F1G1H102A730 C 1000UF, 50V 1 C9811 F1G1C104A116 C 0.10UF, K, 16V 1 C9812 F1K1E106A136 C 10UF, Z, 25V 1 C9813 F1K1E106A136 C 10UF, Z, 25V 1 C9814 F1K0J226A008 C 22UF, K,6.3V 1 C9815 F1K0J226A008 C 22UF, K,6.3V 1 C9816 F1G1E103A123 C 0.010UF, K, 25V 1 C9817 F1J1A106A087 C 0.010UF, K, 10V 1 C9819 F1J1A106A087 C 0.010UF, K, 10V 1 C9825 F1K0J226A008 C 22UF, K,6.3V 1 C9843 F1K0J226A008 C 22UF, K,6.3V 1 C9844 F1G1H102A730 C 1000UF, 50V 1 C9900 F1G1E103A123 C 0.010UF, K, 25V 1 C16001 F1L2J1020001 C 1000UF, K,6.3V 1 C16002 F1L2J562A022 C 5600UF, K,6.3V 1 C16004 F1L2J222A022 C 2200UF, K,6.3V 1 C16011 F2A2T251A004 E 250UF, 220V 1 参考号 部件号 部件名称及说明 件数 备注 82 TH-P50X20C C16012 F2A2T251A004 E 250UF, 220V 1 C16018 F0C2E155A252 E 0.015UF, 250V 1 C16022 F1L2J1020001 C 1000UF, K,6.3V 1 C16101 F1L2J1020001 C 1000UF, K,6.3V 1 C16102 F1L2J562A022 C 5600UF, K,6.3V 1 C16103 F1H1E470A130 C 47UF, K, 25V 1 C16104 F1H1E470A130 C 47UF, K, 25V 1 C16105 F1E2J221A002 C 22PF, 600V 1 PPDS C16106 F1E2J221A002 C 22PF, 600V 1 PPDS C16131 F1K1E475A134 C 4.7UF, Z, 25V 1 C16133 F1K1E475A134 C 4.7UF, Z, 25V 1 C16135 F1K1E105A029 C 1UF, Z, 25V 1 C16191 F1K1E475A134 C 4.7UF, Z, 25V 1 C16192 F1H1E104A129 C 0.1UF, 25V 1 C16193 EEUFC1E470 E 47UF, 25V 1 C16195 F1K1E105A029 C 1UF, Z, 25V 1 C16242 F1H1C105A145 C 0.01UF, K, 16V 1 C16243 F1H1H103A970 C 0.001UF, K, 50V 1 C16244 F1J1A106A087 C 0.010UF, K, 10V 1 C16272 F2A1E471A102 E 470UF, 25V 1 C16286 F1H1H104A970 C 0.1UF, K, 50V 1 C16287 F1H1H104A970 C 0.1UF, K, 50V 1 C16310 F2A2T251A004 E 250UF, 220V 1 C16315 ECJ1VB1A105K C 1UF, Z, 10V 1 C16316 F1H1C104A143 C 0.1UF, K, 16V 1 C16317 ECJ1VB1A105K C 1UF, Z, 10V 1 C16318 F1J1H104A835 C 0.10UF, 50V 1 C16319 F1J1H104A835 C 0.10UF, 50V 1 C16328 F2A2D201A226 E 220UF, 200V 1 C16401 F1L2J562A022 C 5600UF, K,6.3V 1 C16411 F2A2T251A004 E 250UF, 220V 1 C16412 F0C2E155A252 E 0.015UF, 250V 1 C16413 F2A2T251A004 E 250UF, 220V 1 C16414 F2A2T251A004 E 250UF, 220V 1 C16421 F1L2J562A022 C 5600UF, K,6.3V 1 C16460 F1E2J222A002 C 2200PF, 600V 1 C16461 F1E2J331A002 C 33PF, 600V 1 PPDS C16463 F1E2J472A001 C 4700PF, 600V 1 C16471 F1L2J1020001 C 1000UF, K,6.3V 1 C16472 F1K1E105A029 C 1UF, Z, 25V 1 C16490 F1H1C105A145 C 0.01UF, K, 16V 1 C16491 F1L2J1020001 C 1000UF, K,6.3V 1 C16501 F1K1E105A029 C 1UF, Z, 25V 1 C16502 F1K1E475A134 C 4.7UF, Z, 25V 1 C16503 F2A1E471A102 E 470UF, 25V 1 C16504 F1K1E475A134 C 4.7UF, Z, 25V 1 C16505 F1K1E105A029 C 1UF, Z, 25V 1 C16521 F1K1E105A029 C 1UF, Z, 25V 1 C16522 F1K1E475A134 C 4.7UF, Z, 25V 1 C16523 F2A1E471A102 E 470UF, 25V 1 C16524 F1K1E475A134 C 4.7UF, Z, 25V 1 C16525 F1K1E475A134 C 4.7UF, Z, 25V 1 C16527 F1K1E475A134 C 4.7UF, Z, 25V 1 C16533 F1K1E105A029 C 1UF, Z, 25V 1 C16561 F1J1A106A087 C 0.010UF, K, 10V 1 C16562 F1H1C105A145 C 0.01UF, K, 16V 1 C16564 F1H1C105A145 C 0.01UF, K, 16V 1 C16565 F1H1H103A970 C 0.001UF, K, 50V 1 C16566 F1H1H103A970 C 0.001UF, K, 50V 1 C16581 F1K1E105A029 C 1UF, Z, 25V 1 C16582 F1K1E475A134 C 4.7UF, Z, 25V 1 C16593 F1H1H102A971 C 1000PF, K, 50V 1 C16602 F1H1H220A971 C 22PF, K, 50V 1 C16603 F1K2J102A014 C 1000UF, K,6.3V 1 C16604 F1K2J102A014 C 1000UF, K,6.3V 1 C16608 F1H1H221A971 C 220UF, K, 50V 1 C16641 F1E2J332A002 C 3300PF, 600V 1 C16642 F1E2J332A002 C 3300PF, 600V 1 C16661 F1K2J102A038 C 1000UF, K,6.3V 1 C16662 F1K2J102A038 C 1000UF, K,6.3V 1 C16664 F1H1H680A971 C 68PF, K, 50V 1 C16665 F1H1H680A971 C 68PF, K, 50V 1 C16666 F1H1H680A971 C 68PF, K, 50V 1 C16675 F1H1H391A971 C 391UF, 50V 1 C16684 F1H1H104A970 C 0.1UF, K, 50V 1 C16685 F1H1H104A970 C 0.1UF, K, 50V 1 C16691 F2A2C101A097 E 1000UF, 160V 1 参考号 部件号 部件名称及说明 件数 备注 C16707 F1H1H220A971 C 22PF, K, 50V 1 C16708 F1H1H104A970 C 0.1UF, K, 50V 1 C16712 F1G1H201A731 C 200 UF, K, 50V 1 C16721 F2A1H101A128 E 100UF, 50V 1 C16723 F1K1E105A029 C 1UF, Z, 25V 1 C16724 F1K1E475A134 C 4.7UF, Z, 25V 1 C16727 F1L2J1520001 C 1500UF, K,6.3V 1 C16753 F1K1E475A134 C 4.7UF, Z, 25V 1 C16755 F1K1E475A134 C 4.7UF, Z, 25V 1 C16756 F1K1E475A134 C 4.7UF, Z, 25V 1 C16771 F1H1C105A145 C 0.01UF, K, 16V 1 C16773 F1K1E105A029 C 1UF, Z, 25V 1 C16791 EEUFC1E221 E 220UF, 25V 1 C16793 EEUFC1E221 E 220UF, 25V 1 C16794 F1J1A106A087 C 0.010UF, K, 10V 1 C16795 F2A1E471A102 E 470UF, 25V 1 C16796 F2A1E471A102 E 470UF, 25V 1 C16813 F2A2T221A015 E 220UF, 220V 1 PPDS C16842 F2A2C101A097 E 1000UF, 160V 1 C16843 F1J1H104A835 C 0.10UF, 50V 1 C16844 F1J1H104A835 C 0.10UF, 50V 1 C16854 F1J1H104A835 C 0.10UF, 50V 1 C16856 ECJ1VB1A105K C 1UF, Z, 10V 1 C16857 F1H1C104A143 C 0.1UF, K, 16V 1 C16858 ECJ1VB1A105K C 1UF, Z, 10V 1 C16859 F1J1H104A835 C 0.10UF, 50V 1 C16860 ECJ1VB1A105K C 1UF, Z, 10V 1 C16861 F1H1C104A143 C 0.1UF, K, 16V 1 C16862 ECJ1VB1A105K C 1UF, Z, 10V 1 C16863 F1J1H104A835 C 0.10UF, 50V 1 C16864 F1J1H104A835 C 0.10UF, 50V 1 C16891 F1K1E105A029 C 1UF, Z, 25V 1 C16892 F1L2J1020001 C 1000UF, K,6.3V 1 C17104 ECJ1VB1A105K C 1UF, Z, 10V 1 C17105 ECJ1VB1A105K C 1UF, Z, 10V 1 C17107 ECJ1VB1A105K C 1UF, Z, 10V 1 C17108 ECJ1VB1A105K C 1UF, Z, 10V 1 C17109 F1L2A334A031 E 3300UF, 100V 1 C17110 F1L2A334A031 E 3300UF, 100V 1 C17111 F1L2A334A031 E 3300UF, 100V 1 C17112 F1L2A334A031 E 3300UF, 100V 1 C17113 F1H1C104A143 C 0.1UF, K, 16V 1 C17208 ECJ1VB1A105K C 1UF, Z, 10V 1 C17209 ECJ1VB1A105K C 1UF, Z, 10V 1 C17210 F1H1C104A143 C 0.1UF, K, 16V 1 C17211 F1L2A334A031 E 3300UF, 100V 1 C17212 F1L2A334A031 E 3300UF, 100V 1 C17214 F1H1C104A143 C 0.1UF, K, 16V 1 C17215 F1L2A334A031 E 3300UF, 100V 1 C17216 ECJ1VB1A105K C 1UF, Z, 10V 1 C17217 ECJ1VB1A105K C 1UF, Z, 10V 1 C17218 F1L2A334A031 E 3300UF, 100V 1 CB1 K1MY55B00002 55P 连接接头 1 CB2 K1MY55B00002 55P 连接接头 1 CB3 K1MY55B00002 55P 连接接头 1 CB4 K1MY55B00002 55P 连接接头 1 CB5 K1MY55B00002 55P 连接接头 1 CB6 K1MY55B00002 55P 连接接头 1 CB7 K1MY55B00002 55P 连接接头 1 CB8 K1MY55B00002 55P 连接接头 1 D2102 EZJP0V080GA 变阻器 1 D2129 EZJP0V080GA 变阻器 1 D2130 EZJP0V080GA 变阻器 1 D2144 B0JCME000076 二极管 1 D2145 B0ACCJ000048 二极管 1 D2300 B0BC01100001 稳压二极管 1 D2520 B3AGB0000060 LED 1 PPDS D4503 EZAEG2A50AX 静电抑制器 1 D4504 DZ2J056M0L 稳压二极管 1 D4505 DZ2J056M0L 稳压二极管 1 D4506 EZAEG2A50AX 静电抑制器 1 D4507 EZAEG2A50AX 静电抑制器 1 D4508 EZAEG2A50AX 静电抑制器 1 D4509 DZ2J056M0L 稳压二极管 1 D4510 EZAEG2A50AX 静电抑制器 1 参考号 部件号 部件名称及说明 件数 备注 83 TH-P50X20C D4511 EZAEG2A50AX 静电抑制器 1 D4703 B0JCME000076 二极管 1 D4704 B0ACCJ000048 二极管 1 D4705 B0ACCJ000048 二极管 1 D4706 B0ADEJ000035 稳压二极管 1 D4707 B0JCME000076 二极管 1 D5600 B0ADEJ000035 稳压二极管 1 D5606 B0JCPD000026 二极管 1 D5608 B0JCPG000030 二极管 1 D5610 B0JCPG000030 二极管 1 D5629 DZ2J082M0L 稳压二极管 1 PPDS D5633 B0ACCJ000048 二极管 1 D5670 B0JCCE000008 二极管 1 D5671 B0JCCE000008 二极管 1 D5765 B0HCMM000014 二极管 1 D8004 B0ACCJ000048 二极管 1 D8005 B0ACCJ000048 二极管 1 D8006 B0ACCJ000048 二极管 1 D8300 B0ACCJ000048 二极管 1 D9000 B0JCCE000008 二极管 1 D9110 B0JCGD000002 二极管 1 D9804 B0JCPG000030 二极管 1 D9808 B0ADCJ000100 二极管 1 D16001 B0FCCN000003 二极管 1 PPDS D16021 B0FCCN000003 二极管 1 PPDS D16022 B0FCCN000003 二极管 1 PPDS D16101 B0JCME000093 二极管 1 D16131 B0ECKP000055 二极管 1 D16192 B0ACCJ000048 二极管 1 D16195 B0ECKP000055 二极管 1 D16196 DZ2J200M0L 稳压二极管 1 D16280 B0ACCJ000048 二极管 1 D16281 DZ2J051M0L 稳压二极管 1 D16282 DZ2J068M0L 稳压二极管 1 PPDS D16285 B0ADEJ000035 稳压二极管 1 D16315 DZ2J150M0L 稳压二极管 1 D16316 B0ECKP000055 二极管 1 D16317 B0ECKP000055 二极管 1 D16401 DA3DF50ACSLW 稳压二极管 1 D16407 B0JCME000093 二极管 1 D16411 B0ACCJ000048 二极管 1 D16421 B0FACP000006 二极管 1 D16441 B0ECHR000001 二极管 1 D16451 B0ECHR000001 二极管 1 D16462 B0FACQ000001 二极管 1 D16473 B0ACCJ000048 二极管 1 D16474 B0ACCJ000048 二极管 1 D16475 DZ2J051M0L 稳压二极管 1 D16477 DZ2J047L0L 稳压二极管 1 D16478 B0ACCJ000048 二极管 1 D16480 B0ACCJ000048 二极管 1 D16481 B0FACQ000002 二极管 1 D16490 B0ECKP000055 二极管 1 D16492 DZ2J047M0L 稳压二极管 1 D16493 B0ADCJ000100 二极管 1 D16494 B0ADCJ000100 二极管 1 D16497 B0ECKP000055 二极管 1 D16503 B0ECHR000001 二极管 1 D16522 B0ECHR000001 二极管 1 D16534 B0ECHR000001 二极管 1 D16536 B0ECHR000001 二极管 1 D16583 B3ABB0000210 LED 1 D16602 DZ2J150M0L 稳压二极管 1 D16604 B0ADCJ000100 二极管 1 D16605 DZ2J051L0L 稳压二极管 1 D16607 B0ACCJ000048 二极管 1 D16610 B0ACCJ000048 二极管 1 D16618 B0ECKP000055 二极管 1 D16620 B0ECKP000055 二极管 1 D16641 B0FBCN000007 二极管 1 D16642 B0FBCN000007 二极管 1 D16662 DZ2J330M0L 稳压二极管 1 D16663 DZ2J330M0L 稳压二极管 1 D16664 DZ2J330M0L 稳压二极管 1 D16670 B0ECHR000001 二极管 1 D16671 B0ACCJ000048 二极管 1 D16672 B0ECHR000001 二极管 1 参考号 部件号 部件名称及说明 件数 备注 D16678 DZ2J15000L 稳压二极管 1 D16701 B0ACCJ000048 二极管 1 D16702 B0ACCJ000048 二极管 1 D16710 DZ2J15000L 稳压二极管 1 D16711 B0ECHR000001 二极管 1 D16712 DZ2J15000L 稳压二极管 1 D16713 B0ECHR000001 二极管 1 D16719 B0ECKP000055 二极管 1 D16720 B0ECKP000055 二极管 1 D16721 B0ECHR000001 二极管 1 D16722 DA3DF30ACSRP 稳压二极管 1 PPDS D16724 DA3DF30ACSLW 稳压二极管 1 PPDS D16728 B0ECKP000055 二极管 1 D16765 B0ECKP000055 二极管 1 D16790 B0JCME000093 二极管 1 D16820 B0ACCJ000048 二极管 1 D16821 DZ2J330M0L 稳压二极管 1 D16822 B0ADCJ000100 二极管 1 D16824 DZ2J330M0L 稳压二极管 1 D16825 DZ2J330M0L 稳压二极管 1 D16859 B0ECHR000001 二极管 1 D16871 DZ2J330M0L 稳压二极管 1 D16874 DZ2J051M0L 稳压二极管 1 D16875 B0ACCJ000048 二极管 1 D16893 DZ2J056H0L 稳压二极管 1 D16901 B0ADCJ000100 二极管 1 D16920 B0ADCJ000100 二极管 1 FL2100 J0HABB000003 LC 滤波器 1 FL2101 J0HABB000003 LC 滤波器 1 FL2102 J0HABB000004 LC 滤波器 1 FL2103 J0HABB000004 LC 滤波器 1 FL2104 J0HABB000004 LC 滤波器 1 FL4701 J0HAAB000036 LC 滤波器 1 FL4703 J0HAAB000036 LC 滤波器 1 FL4704 J0HAAB000036 LC 滤波器 1 FL4706 J0HAAB000036 LC 滤波器 1 IC2106 C1AB00003069 IC 1 IC2108 C1AB00003240 IC 1 PPDS IC2109 C1AB00002428 IC 1 PPDS IC2110 C0JBAB000408 IC 1 IC2300 C0CBZZE00001 IC 1 IC4700 C1ZBZ0004161 IC 1 IC4701 C1ZBZ0003775 IC 1 IC4702 C0ABBB000230 IC 1 IC5605 C0DBAGF00030 IC 1 IC5606 C0DBAYY00755 IC 1 PPDS IC5607 C0DBGYY00887 IC 1 PPDS IC5608 C0DBAYY00755 IC 1 PPDS IC5609 C0DBGYY00887 IC 1 PPDS IC5610 C0DBAYY00755 IC 1 PPDS IC5613 C0DBGYY00893 IC 1 PPDS IC8001 C1AB00003250 IC 1 PPDS IC8002 C3ABSY000043 IC 1 IC8004 TVRR601 IC 1 PPDS IC8502 TVRR307AC IC 1 PPDS IC8503 TVRR587AA IC 1 PPDS IC9001 TVRR712 IC 1 PPDS IC9003 MN103SH8HFS4 IC 1 PPDS IC9004 C1ZBZ0003983 IC 1 IC9300 C1AB00003259 IC 1 PPDS IC9304 TVRR809 IC 1 PPDS IC9400 C0JBAZ002692 IC 1 IC9401 C0JBAZ002692 IC 1 IC9800 C0DBAYY00605 IC 1 IC9801 C0DBAYY00462 IC 1 IC9802 C0DBEHG00006 IC 1 IC16131 C0ZBZ0001707 IC 1 IC16241 C0JBAU000088 IC 1 PPDS IC16304 MIP3900MSSCF IC 1 IC16312 C0DBZMC00006 IC 1 IC16471 C0DBEYY00114 IC 1 IC16490 C0DBZMC00006 IC 1 IC16491 C0BBAA000008 线状 IC 1 IC16501 C0ZBZ0001708 IC 1 IC16521 C0ZBZ0001708 IC 1 参考号 部件号 部件名称及说明 件数 备注 84 TH-P50X20C IC16561 C0JBAU000088 IC 1 PPDS IC16562 C0JBAU000088 IC 1 PPDS IC16563 C0JBAB000916 IC 1 IC16581 C0BBBA000024 IC 1 IC16661 C0BBBA000024 IC 1 IC16692 C0DBZYY00352 IC 1 IC16724 C0CBADE00049 IC 1 IC16771 C0CBADC00072 IC 1 IC16773 C0JBAB000715 IC 1 IC16784 MIP3910MSSCF IC 1 IC16785 C0DBZYY00352 IC 1 IC16786 MIP3910MSSCF IC 1 IC16787 C0DBZYY00352 IC 1 IC17101 C0JBAU000088 IC 1 PPDS IC17202 C0JBAU000088 IC 1 PPDS IC17203 C0JBAZ002692 IC 1 JK2102 K4AK13B00006 端子板 1 JK2108 K1FY315A0008 连接接头 1 PPDS JK2111 K2HA917A0001 插孔 1 PPDS JK4500 K1FY119D0011 连接接头 1 PPDS JK4501 K1FY119D0011 连接接头 1 PPDS JK4502 K1FY119E0015 连接接头 1 PPDS JK8502 K1NA12E00017 SD 卡连接接头 1 JS3700 D0GBR00Z0002 M 0 OHM J 1/10W 1 JS3701 D0GBR00Z0002 M 0 OHM J 1/10W 1 JS3702 D0GBR00Z0002 M 0 OHM J 1/10W 1 K1 K1KA08B00270 8P 连接接头 1 L2110 J0JYC0000331 片状电感 1 PPDS L2111 J0JYC0000331 片状电感 1 PPDS L2120 J0JYC0000331 片状电感 1 PPDS L2121 J0JYC0000331 片状电感 1 PPDS L2122 J0JCC0000287 片状电感 1 L2124 J0JCC0000287 片状电感 1 L2125 J0JCC0000287 片状电感 1 L2126 J0JYC0000068 片状电感 1 L2127 J0JYC0000068 片状电感 1 L2128 G1C220MA0416 感应线圈 1 L2129 G1C220MA0416 感应线圈 1 L2130 G1C220MA0416 感应线圈 1 L2131 G1C220MA0416 感应线圈 1 L2134 J0JHC0000075 片状电感 1 L2135 J0JHC0000075 片状电感 1 L2136 J0JCC0000287 片状电感 1 L2137 J0JCC0000287 片状电感 1 L2138 J0JYC0000331 片状电感 1 PPDS L2139 J0JYC0000331 片状电感 1 PPDS L2140 J0JYC0000331 片状电感 1 PPDS L2141 J0JYC0000331 片状电感 1 PPDS L2142 J0JYC0000331 片状电感 1 PPDS L2143 J0JYC0000331 片状电感 1 PPDS L4500 J0JYC0000068 片状电感 1 L4501 J0JYC0000068 片状电感 1 L4502 J0JYC0000068 片状电感 1 L4503 J0JYC0000068 片状电感 1 L4504 J0JYC0000068 片状电感 1 L4505 J0JYC0000068 片状电感 1 L4506 J0JYC0000068 片状电感 1 L4507 J0JYC0000068 片状电感 1 L4508 J0JYC0000068 片状电感 1 L4511 J0JYC0000068 片状电感 1 L4512 J0JYC0000068 片状电感 1 L4513 J0JYC0000068 片状电感 1 L5609 G1C6R8MA0416 感应线圈 1 PPDS L5610 G1C100MA0416 感应线圈 1 L5611 G1C220MA0416 感应线圈 1 L5613 J0JHC0000075 片状电感 1 L8000 J0JHC0000045 片状电感 1 L8002 J0JHC0000045 片状电感 1 L8003 J0JHC0000045 片状电感 1 L8004 J0JHC0000045 片状电感 1 L8005 J0JHC0000045 片状电感 1 L8006 J0JHC0000045 片状电感 1 L8007 ELJRF10NJFB 感应线圈 1 参考号 部件号 部件名称及说明 件数 备注 L8008 J0JHC0000045 片状电感 1 L8009 J0JHC0000045 片状电感 1 L8010 J0JHC0000045 片状电感 1 L8011 J0JHC0000045 片状电感 1 L8012 J0JHC0000045 片状电感 1 L8013 J0JHC0000045 片状电感 1 L8014 J0JHC0000045 片状电感 1 L8016 J0JHC0000045 片状电感 1 L8017 J0JHC0000045 片状电感 1 L8302 J0JGC0000070 滤波器 1 L8306 J0JHC0000045 片状电感 1 L8315 J0JCC0000269 片状电感 1 L8500 J0JHC0000045 片状电感 1 L8501 J0JHC0000045 片状电感 1 L9300 J0JHC0000117 片状电感 1 L9301 J0JHC0000117 片状电感 1 L9302 J0JHC0000117 片状电感 1 L9800 G1C6R8Z00010 感应线圈 1 L9801 G1C100MA0416 感应线圈 1 L16011 G0ZZ00002183 校正线圈 1 L16012 G0ZZ00002183 校正线圈 1 L16013 G0ZZ00002183 校正线圈 1 L16014 G0ZZ00002183 校正线圈 1 L16103 G0ZZ00002183 校正线圈 1 L16303 G0C471MA0049 校正线圈 1 PPDS L16401 G0C1R1K00002 校正线圈 1 PPDS L16411 G0C1R1K00002 校正线圈 1 PPDS L16421 G0ZZ00002183 校正线圈 1 L16422 G0ZZ00002183 校正线圈 1 L16423 G0ZZ00002183 校正线圈 1 L16424 G0ZZ00002183 校正线圈 1 L16472 G0ZZ00002183 校正线圈 1 L16698 G0C681MA0065 校正线圈 1 L16851 G0ZZ00002183 校正线圈 1 PA001 K5H5022A0031 保险丝 1 PC16191 B3PBA0000496 IC 1 PC16192 B3PBA0000223 IC 1 PC16461 B3PBE0000054 IC 1 PC16480 B3PBA0000223 IC 1 PC16603 B3PBA0000223 IC 1 PC16684 B3PBA0000496 IC 1 PC16685 B3PBA0000496 IC 1 PC16722 B3PBA0000223 IC 1 PC16723 B3PBA0000223 IC 1 PC16896 B3PBA0000223 IC 1 PC16897 B3PBA0000223 IC 1 PCB TNPH0842NC 电路板 A 1 (RTL)PPDS PCB N0AE5JK00002 电路板 P 1 PPDS PCB TXNC11LNUC 电路板 C1 1 (RTL) PCB TXNC21LNUC 电路板 C2 1 (RTL) PCB TXNSC1LNUC 电路板 SC 1 (RTL)PPDS PCB TXNSD1LNUC 电路板 SD 1 PCB TXNSS1LNUC 电路板 SS 1 (RTL)PPDS PCB TXNSU1LNUC 电路板 SU 1 PCB TXN/K1LYUC 电路板 K 1 (RTL)PPDS Q2101 B1ABCF000231 三极管 1 Q2102 B1ABCF000231 三极管 1 Q2109 DSC2001S0L 三极管 1 Q2110 DSC2001S0L 三极管 1 Q2111 DSA2001S0L 三极管 1 Q2112 DSC2001S0L 三极管 1 Q2113 DSC2001S0L 三极管 1 Q2114 B1ABCF000231 三极管 1 Q2115 B1ABCF000231 三极管 1 Q2116 B1ABCF000231 三极管 1 Q2510 DSC200100L 三极管 1 Q2511 DSC200100L 三极管 1 Q2512 DSC200100L 三极管 1 Q4500 DSC2001S0L 三极管 1 Q4501 DSC2001S0L 三极管 1 参考号 部件号 部件名称及说明 件数 备注 85 TH-P50X20C Q4502 DSC2001S0L 三极管 1 Q4513 B1ADCE000022 三极管 1 Q4514 B1HFCFA00026 三极管 1 Q4700 DSA2001S0L 三极管 1 Q4702 DSC2001S0L 三极管 1 Q4703 DSC2001S0L 三极管 1 Q4704 DSC2001S0L 三极管 1 Q4705 DSC2001S0L 三极管 1 Q4706 DSC2001S0L 三极管 1 Q4707 DSC2001S0L 三极管 1 Q5602 B1ADCE000022 三极管 1 Q5612 B1ABCF000231 三极管 1 Q5613 B1ABCF000231 三极管 1 Q5614 DSC2001S0L 三极管 1 Q5615 B1ABGC000011 三极管 1 Q8002 B1ABCF000231 三极管 1 Q8003 B1ABCF000231 三极管 1 Q8005 B1CBGD000001 FET 1 Q8301 DSA2001S0L 三极管 1 Q8302 DSA2001S0L 三极管 1 Q8303 B1ABCF000231 三极管 1 Q8304 B1ABCF000231 三极管 1 Q8306 B1ADCE000022 三极管 1 Q8307 B1ABCF000231 三极管 1 Q8308 DSA2001S0L 三极管 1 Q8309 DSC2001S0L 三极管 1 Q8310 DSC2001S0L 三极管 1 Q8311 DSA2001S0L 三极管 1 Q8312 B1CBHD000002 FET 1 Q8313 B1CBHD000002 FET 1 Q9000 B1ABCF000231 三极管 1 Q9001 B1ABCF000231 三极管 1 Q9002 B1ABCF000231 三极管 1 Q9003 B1ABCF000231 三极管 1 Q9004 B1ABCF000231 三极管 1 Q9800 B1ABCF000231 三极管 1 Q9802 B1ABCF000231 三极管 1 Q9900 B1ABCF000231 三极管 1 Q9901 B1ABCF000231 三极管 1 Q16001 B1JBEN000002 三极管 1 PPDS Q16002 B1JBEN000002 三极管 1 PPDS Q16021 B1JBEN000002 三极管 1 PPDS Q16022 B1JBEN000002 三极管 1 PPDS Q16101 B1CFRM000008 FET 1 Q16102 B1CFRM000008 FET 1 Q16141 B1HFPFA00001 三极管 1 Q16161 B1HFPFA00001 三极管 1 Q16191 B1HFPFA00001 三极管 1 Q16280 B1ABCF000231 三极管 1 Q16401 B1JAEQ000010 三极管 1 PPDS Q16402 B1JAEQ000010 三极管 1 PPDS Q16421 B1JAEP000014 三极管 1 PPDS Q16422 B1JAEP000014 三极管 1 PPDS Q16441 DG3D5010CSLW 稳压二极管 1 PPDS Q16451 B1JAEP000012 三极管 1 Q16471 B1ABCF000231 三极管 1 Q16490 B1CBGD000001 FET 1 Q16501 B1HFPFA00001 三极管 1 Q16521 B1HFPFA00001 三极管 1 Q16531 B1HFPFA00001 三极管 1 Q16551 B1HFPFA00001 三极管 1 Q16601 B1CERR000025 FET 1 Q16602 DSC2001Q0L 三极管 1 Q16603 DSA2001S0L 三极管 1 Q16606 DSC2001Q0L 三极管 1 Q16607 B1CBGD000001 FET 1 Q16621 B1JADN000004 三极管 1 Q16661 B1JAER000010 三极管 1 Q16662 DSC2001Q0L 三极管 1 Q16663 DSA2001S0L 三极管 1 Q16670 B1ADCN000007 三极管 1 Q16671 B1ABCF000231 三极管 1 Q16672 B1CBGD000001 FET 1 Q16675 B1ADCN000007 三极管 1 Q16676 B1ABCF000231 三极管 1 Q16701 B1ADCN000007 三极管 1 Q16702 B1ABCF000231 三极管 1 参考号 部件号 部件名称及说明 件数 备注 Q16762 B1HFPFA00001 三极管 1 Q16801 DSA2001S0L 三极管 1 Q16810 B1ABCF000231 三极管 1 Q16815 B1ABCN000007 三极管 1 Q16816 DSC2001Q0L 三极管 1 Q16817 DSC2001Q0L 三极管 1 Q16818 B1CBGD000001 FET 1 Q16876 B1ABCF000231 三极管 1 Q16885 B1CFNG000001 FET 1 Q16920 B1ABCN000007 三极管 1 Q16921 B1ABCN000007 三极管 1 Q16930 DSC2001Q0L 三极管 1 Q16931 B1ABCN000007 三极管 1 Q16932 DSC2001Q0L 三极管 1 R2104 D0GB473JA057 M 47KOHM,J,1/10W 1 R2105 D0GB473JA057 M 47KOHM,J,1/10W 1 R2106 D1BB1002A055 M 10KOHM, 1/10W 1 R2107 D1BB1002A055 M 10KOHM, 1/10W 1 R2114 D1BB75R0A055 M 75 OHM, 1/10W 1 R2115 D1BB75R0A055 M 75 OHM, 1/10W 1 R2116 D1BB75R0A055 M 75 OHM, 1/10W 1 R2117 D0GA470JA015 M 47 OHM, J,0.063W 1 R2118 D0GA470JA015 M 47 OHM, J,0.063W 1 R2119 D0GA470JA015 M 47 OHM, J,0.063W 1 R2122 ERJ2GEJ221 M 220 OHM, J,0.063W 1 R2123 D1BB3302A055 M 33KOHM, 1/10W 1 R2124 D1BB3302A055 M 33KOHM, 1/10W 1 R2128 D0GA472JA015 M 4.7KOHM, J,0.063W 1 R2130 D0GA472JA015 M 4.7KOHM, J,0.063W 1 R2157 D0GA101JA015 M 100 OHM, J,0.063W 1 R2158 D0GA101JA015 M 100 OHM, J,0.063W 1 R2159 ERJ2GEJ104 M100KOHM, J,0.063W 1 R2160 ERJ2GEJ104 M100KOHM, J,0.063W 1 R2164 D0GA222JA015 M 2.2KOHM, J,0.063W 1 R2184 ERJ2GEJ220 M 22 OHM, J,0.063W 1 R2185 ERJ2GEJ220 M 22 OHM, J,0.063W 1 R2198 D0GA472JA015 M 4.7KOHM, J,0.063W 1 R2199 D0GA472JA015 M 4.7KOHM, J,0.063W 1 R2200 D1BB75R0A055 M 75 OHM, 1/10W 1 R2207 ERJ2GEJ103 M 10KOHM, J,0.063W 1 R2209 D0GA101JA015 M 100 OHM, J,0.063W 1 R2210 D0GA101JA015 M 100 OHM, J,0.063W 1 R2211 ERJ2GEJ102X M 1KOHM, J,0.063W 1 R2212 ERJ2GEJ104 M100KOHM, J,0.063W 1 R2213 ERJ2GEJ104 M100KOHM, J,0.063W 1 R2216 D0GA101JA015 M 100 OHM, J,0.063W 1 R2217 D0GA101JA015 M 100 OHM, J,0.063W 1 R2218 D0GA680JA015 M 68 OHM, J,0.063W 1 R2219 ERJ14YJ220U M 22 OHM, J,1/4W 1 R2220 ERJ14YJ220U M 22 OHM, J,1/4W 1 R2221 ERJ14YJ220U M 22 OHM, J,1/4W 1 R2222 ERJ14YJ220U M 22 OHM, J,1/4W 1 R2223 D0GA680JA015 M 68 OHM, J,0.063W 1 R2225 ERJ2GEJ102X M 1KOHM, J,0.063W 1 R2239 D0GA222JA015 M 2.2KOHM, J,0.063W 1 R2258 D1BB75R0A055 M 75 OHM, 1/10W 1 R2260 ERJ2GEJ103 M 10KOHM, J,0.063W 1 R2265 D1BB75R0A055 M 75 OHM, 1/10W 1 R2279 D0GAR00Z0001 C 0 OHM, 0.063W 1 R2280 ERJ2GEJ103 M 10KOHM, J,0.063W 1 R2281 ERJ2GEJ103 M 10KOHM, J,0.063W 1 R2282 D0GAR00Z0001 C 0 OHM, 0.063W 1 R2283 D0GA153JA015 M 15K OHM J 0.063W 1 R2284 D0GA153JA015 M 15K OHM J 0.063W 1 R2285 D0GA153JA015 M 15K OHM J 0.063W 1 R2286 ERJ2GEJ103 M 10KOHM, J,0.063W 1 R2287 D0GA153JA015 M 15K OHM J 0.063W 1 R2288 D0GA153JA015 M 15K OHM J 0.063W 1 R2289 D0GAR00Z0001 C 0 OHM, 0.063W 1 R2290 D0GA153JA015 M 15K OHM J 0.063W 1 R2299 D1BB75R0A055 M 75 OHM, 1/10W 1 R2300 ERJ2GEJ220 M 22 OHM, J,0.063W 1 R2303 ERJ2GEJ220 M 22 OHM, J,0.063W 1 R2306 D1BB75R0A055 M 75 OHM, 1/10W 1 R2308 D1BB75R0A055 M 75 OHM, 1/10W 1 R2309 ERJ2GEJ220 M 22 OHM, J,0.063W 1 参考号 部件号 部件名称及说明 件数 备注 86 TH-P50X20C R2310 D1BB75R0A055 M 75 OHM, 1/10W 1 R2311 ERJ2GEJ220 M 22 OHM, J,0.063W 1 R2312 D0GA101JA015 M 100 OHM, J,0.063W 1 R2314 ERJ2GEJ103 M 10KOHM, J,0.063W 1 R2324 D0GA471JA015 M 470OHM, J,0.063W 1 R2325 D0GA471JA015 M 470OHM, J,0.063W 1 R2326 D1BB2212A055 M22.1KOHM, 1/10W 1 R2327 D0GBR00Z0002 M 0 OHM J 1/10W 1 R2329 D1BA1822A014 M18.2KOHM, 0.063W 1 R2330 ERJ2GEJ103 M 10KOHM, J,0.063W 1 R2331 ERJ8GEYJ3R3V M 3.3 OHM, J,1/8W 1 R2332 ERJ8GEYJ3R3V M 3.3 OHM, J,1/8W 1 R2333 ERJ8GEYJ3R3V M 3.3 OHM, J,1/8W 1 R2334 ERJ8GEYJ3R3V M 3.3 OHM, J,1/8W 1 R2336 D0GAR00Z0001 C 0 OHM, 0.063W 1 R2337 D0GAR00Z0001 C 0 OHM, 0.063W 1 R2343 D0GAR00Z0001 C 0 OHM, 0.063W 1 R2347 ERJ2GEJ103 M 10KOHM, J,0.063W 1 R2348 ERJ2GEJ103 M 10KOHM, J,0.063W 1 R2356 ERJ2GEJ103 M 10KOHM, J,0.063W 1 R2357 ERJ2GEJ103 M 10KOHM, J,0.063W 1 R2360 D0GA101JA015 M 100 OHM, J,0.063W 1 R2361 D0GA101JA015 M 100 OHM, J,0.063W 1 R2362 D0GA101JA015 M 100 OHM, J,0.063W 1 R2363 D0GA101JA015 M 100 OHM, J,0.063W 1 R2364 D0GA105JA015 M 1M OHM, J,0.063W 1 R2366 ERJ3GEYJ101 M 100 OHM,J,1/16W 1 R2367 ERJ2GEJ103 M 10KOHM, J,0.063W 1 R2376 ERJ6RED750 M 75 OHM, 1/10W 1 R2377 ERJ2GEJ104 M100KOHM, J,0.063W 1 R2378 ERJ2GEJ103 M 10KOHM, J,0.063W 1 R2381 D0GAR00Z0001 C 0 OHM, 0.063W 1 R2382 D0GAR00Z0001 C 0 OHM, 0.063W 1 R2388 ERJ2GEJ220 M 22 OHM, J,0.063W 1 R2391 D1BB75R0A055 M 75 OHM, 1/10W 1 R2393 D0GAR00Z0001 C 0 OHM, 0.063W 1 R2510 ERJ3GEYJ470 M 47 OHM,J,1/16W 1 R2511 D0GB104JA041 M 100KOHM J 1/10W 1 R2512 D0GB224JA041 M 2.2KOHM,J,1/10W 1 R2513 ERJ3GEYJ223 M 22KOHM,J,1/16W 1 R2514 D0GB103JA057 M 10K OHM J 1/10W 1 R2515 D0GB473JA057 M 47KOHM,J,1/10W 1 R2516 D1BB6800A055 M 680 OHM, 1/10W 1 R2517 ERJ3GEYJ223 M 22KOHM,J,1/16W 1 R2518 D0GB473JA057 M 47KOHM,J,1/10W 1 R2519 D1BB1821A055 M1.82KOHM, 1/10W 1 R2880 D1BB1432A055 M14.3KOHM, 1/10W 1 R2881 D1BB6651A055 M6.65KOHM, 1/10W 1 R2882 D1BB7151A055 M7.15KOHM, 1/10W 1 R2883 D1BB1741A055 M 1.74KOHM, 1/16W 1 R3766 D1BB7151A055 M7.15KOHM, 1/10W 1 R4502 D0GA473JA015 M 47KOHM, J,0.063W 1 R4503 D0GA473JA015 M 47KOHM, J,0.063W 1 R4504 ERJ2GEJ103 M 10KOHM, J,0.063W 1 R4505 D0GA473JA015 M 47KOHM, J,0.063W 1 R4506 ERJ2GEJ103 M 10KOHM, J,0.063W 1 R4507 ERJ2GEJ103 M 10KOHM, J,0.063W 1 R4509 D0GA473JA015 M 47KOHM, J,0.063W 1 R4512 D0GA473JA015 M 47KOHM, J,0.063W 1 R4515 ERJ2GEJ102X M 1KOHM, J,0.063W 1 R4516 D0GA473JA015 M 47KOHM, J,0.063W 1 R4519 ERJ2GEJ102X M 1KOHM, J,0.063W 1 R4520 ERJ2GEJ102X M 1KOHM, J,0.063W 1 R4525 D0GA472JA015 M 4.7KOHM, J,0.063W 1 R4526 D0GA472JA015 M 4.7KOHM, J,0.063W 1 R4527 D0GA472JA015 M 4.7KOHM, J,0.063W 1 R4548 ERJ2GEJ220 M 22 OHM, J,0.063W 1 R4549 D0GA151JA015 M 150 OHM, J,0.063W 1 R4550 D0GA151JA015 M 150 OHM, J,0.063W 1 R4555 ERJ2GEJ102X M 1KOHM, J,0.063W 1 R4557 D0GA151JA015 M 150 OHM, J,0.063W 1 R4558 D0GA560JA015 M 56 OHM, J,0.063W 1 R4563 ERJ2GEJ103 M 10KOHM, J,0.063W 1 R4565 ERJ2GEJ103 M 10KOHM, J,0.063W 1 R4566 ERJ2GEJ103 M 10KOHM, J,0.063W 1 R4567 ERJ2GEJ103 M 10KOHM, J,0.063W 1 R4705 ERJ2GEJ221 M 220 OHM, J,0.063W 1 参考号 部件号 部件名称及说明 件数 备注 R4706 D0GA101JA015 M 100 OHM, J,0.063W 1 R4711 D0GA472JA015 M 4.7KOHM, J,0.063W 1 R4715 D0GA222JA015 M 2.2KOHM, J,0.063W 1 R4716 D0GA222JA015 M 2.2KOHM, J,0.063W 1 R4717 D0GA222JA015 M 2.2KOHM, J,0.063W 1 R4719 D0GA101JA015 M 100 OHM, J,0.063W 1 R4722 D0GA101JA015 M 100 OHM, J,0.063W 1 R4729 ERJ2GEJ103 M 10KOHM, J,0.063W 1 R4730 ERJ2GEJ103 M 10KOHM, J,0.063W 1 R4731 D0GA222JA015 M 2.2KOHM, J,0.063W 1 R4739 D0GA473JA015 M 47KOHM, J,0.063W 1 R4740 D0GA473JA015 M 47KOHM, J,0.063W 1 R4742 ERJ6GEYJ150V M 15 OHM,J,1/10W 1 R4745 D0GAR00Z0001 C 0 OHM, 0.063W 1 R4748 ERJ2GEJ103 M 10KOHM, J,0.063W 1 R4752 ERJ2GEJ103 M 10KOHM, J,0.063W 1 R4753 ERJ2GEJ103 M 10KOHM, J,0.063W 1 R4754 ERJ6GEY0R00V M 0 OHM J 1/10W 1 R4755 ERJ6GEY0R00V M 0 OHM J 1/10W 1 R4756 D0GA184JA015 M 180KOHM J 0.063W 1 R4757 ERJ2GEJ102X M 1KOHM, J,0.063W 1 R4762 EXB2HV220JV 电阻阵列 1 R4778 ERJ2GEJ103 M 10KOHM, J,0.063W 1 R4780 EXB2HV220JV 电阻阵列 1 R4802 EXB2HV220JV 电阻阵列 1 R4803 D0GA101JA015 M 100 OHM, J,0.063W 1 R4804 D0GA101JA015 M 100 OHM, J,0.063W 1 R4805 D0GA473JA015 M 47KOHM, J,0.063W 1 R4806 D0GA473JA015 M 47KOHM, J,0.063W 1 R4809 ERJ2GEJ103 M 10KOHM, J,0.063W 1 R4810 D0GA273JA015 M 27K OHM J ,0.063W 1 R4815 ERJ2GEJ221 M 220 OHM, J,0.063W 1 R4818 D0GA222JA015 M 2.2KOHM, J,0.063W 1 R4821 ERJ2GEJ103 M 10KOHM, J,0.063W 1 R4822 D0GAR00Z0001 C 0 OHM, 0.063W 1 R4830 ERJ2GEJ104 M100KOHM, J,0.063W 1 R4831 ERJ2GEJ104 M100KOHM, J,0.063W 1 R4833 D0GA183JA015 M 18K OHM J 0.063W 1 R4834 ERJ2GEJ221 M 220 OHM, J,0.063W 1 R4835 ERJ2GEJ102X M 1KOHM, J,0.063W 1 R5601 D0GB150JA041 M 15 OHM J 1/10W 1 PPDS R5602 D0GB150JA041 M 15 OHM J 1/10W 1 PPDS R5603 D0GB150JA041 M 15 OHM J 1/10W 1 PPDS R5605 D0GA223JA015 M 22K OHM J 0.063W 1 R5606 D0GA473JA015 M 47KOHM, J,0.063W 1 R5607 D0GA152JA015 M 1.5KOHM, J,0.063W 1 R5608 D0GA222JA015 M 2.2KOHM, J,0.063W 1 R5610 D0GA471JA015 M 470OHM, J,0.063W 1 R5611 D0GB2R2JA057 M 2.2OHM J 1/10W 1 R5613 D0GB2R2JA057 M 2.2OHM J 1/10W 1 R5657 ERJ2GEJ103 M 10KOHM, J,0.063W 1 R5663 ERJ2GEJ103 M 10KOHM, J,0.063W 1 R5667 D1BB5101A087 M5.1 KOHM, 1/10W 1 PPDS R5668 D1BB1002A087 M 10KOHM, 1/10W 1 R5669 D1BB1202A087 M 12KOHM, 1/10W 1 PPDS R5670 D0GA223JA015 M 22K OHM J 0.063W 1 R5671 D0GA683JA015 M 68KOHM, J,0.063W 1 R5672 ERJ2GEJ103 M 10KOHM, J,0.063W 1 R5673 D0GA473JA015 M 47KOHM, J,0.063W 1 R5674 D0GA222JA015 M 2.2KOHM, J,0.063W 1 R5675 ERJ2GEJ103 M 10KOHM, J,0.063W 1 R5676 D0GA473JA015 M 47KOHM, J,0.063W 1 R5678 D1BB9101A087 M9.1 KOHM, 1/10W 1 PPDS R5679 D1BB1002A087 M 10KOHM, 1/10W 1 R5680 D1BA2201A014 M2.2 KOHM, 0.063W 1 R5681 D1BB4702A087 M 47KOHM, 1/10W 1 PPDS R5682 D1BB1002A087 M 10KOHM, 1/10W 1 R5683 D1BA6801A014 M6.8 KOHM, 0.063W 1 R5695 D0GA471JA015 M 470OHM, J,0.063W 1 R5696 D0GA623JA015 M 62KOHM,J,0.063W 1 PPDS R5697 D1BB3161A055 M3.16KOHM, 1/10W 1 R5705 ERJ6GEY0R00V M 0 OHM J 1/10W 1 R5706 ERJ6GEY0R00V M 0 OHM J 1/10W 1 R5713 D1BB6201A087 M 6.2KOHM, 1/10W 1 PPDS R5714 D1BB6200A087 M 620 OHM, 1/10W 1 PPDS R5715 D1BB4301A087 M4.3 KOHM, 1/10W 1 PPDS R8000 ERJ2GEJ102X M 1KOHM, J,0.063W 1 参考号 部件号 部件名称及说明 件数 备注 87 TH-P50X20C R8001 ERJ2GEJ102X M 1KOHM, J,0.063W 1 R8003 D1BA3010A014 M 301 OHM, 0.063W 1 PPDS R8004 D1BA4020A014 M 402 OHM, 0.063W 1 PPDS R8005 D1BA1020A014 M 102 OHM, 0.063W 1 PPDS R8006 D1BA4020A014 M 402 OHM, 0.063W 1 PPDS R8007 D1BA1020A014 M 102 OHM, 0.063W 1 PPDS R8008 ERJ2GEJ102X M 1KOHM, J,0.063W 1 R8009 ERJ2GEJ102X M 1KOHM, J,0.063W 1 R8010 EXB28V101JX 电阻阵列 1 R8011 EXB28V101JX 电阻阵列 1 R8012 EXB28V101JX 电阻阵列 1 R8013 EXB28V101JX 电阻阵列 1 R8014 EXB28V101JX 电阻阵列 1 R8015 EXB28V101JX 电阻阵列 1 R8016 EXB28V101JX 电阻阵列 1 R8017 EXB28V101JX 电阻阵列 1 R8018 EXB28V101JX 电阻阵列 1 R8019 EXB28V101JX 电阻阵列 1 R8023 D0GA105JA015 M 1M OHM, J,0.063W 1 R8024 D0GA222JA015 M 2.2KOHM, J,0.063W 1 R8025 D1BB2001A055 M 2KOHM, 1/10W 1 R8026 D1BB2001A055 M 2KOHM, 1/10W 1 R8027 D1BB2001A055 M 2KOHM, 1/10W 1 R8037 ERJ2GEJ103 M 10KOHM, J,0.063W 1 R8039 D0GA472JA015 M 4.7KOHM, J,0.063W 1 R8040 D0GA472JA015 M 4.7KOHM, J,0.063W 1 R8041 D0GA472JA015 M 4.7KOHM, J,0.063W 1 R8043 D0GA473JA015 M 47KOHM, J,0.063W 1 R8044 ERJ2GEJ102X M 1KOHM, J,0.063W 1 R8045 D0GA473JA015 M 47KOHM, J,0.063W 1 R8048 D0GA273JA015 M 27K OHM J ,0.063W 1 R8049 D0GA101JA015 M 100 OHM, J,0.063W 1 R8050 D0GA101JA015 M 100 OHM, J,0.063W 1 R8051 D0GA101JA015 M 100 OHM, J,0.063W 1 R8053 ERJ2GEJ102X M 1KOHM, J,0.063W 1 R8054 D0GA122JA015 M 1.2KOHM, J,0.063W 1 R8055 D0GA222JA015 M 2.2KOHM, J,0.063W 1 R8056 D0GA152JA015 M 1.5KOHM, J,0.063W 1 R8057 D0GA152JA015 M 1.5KOHM, J,0.063W 1 R8058 ERJ2GEJ221 M 220 OHM, J,0.063W 1 R8062 D0GA472JA015 M 4.7KOHM, J,0.063W 1 R8068 D0GA151JA015 M 150 OHM, J,0.063W 1 R8079 ERJ2RKF73R2 M 73.2 OHM, , 0.063W 1 PPDS R8084 EXB2HV103JV 电阻阵列 1 R8089 D0GAR00Z0001 C 0 OHM, 0.063W 1 R8091 D1BA80R6A014 M 80.6 OHM, 0.063W 1 PPDS R8094 D0GA472JA015 M 4.7KOHM, J,0.063W 1 R8098 D0GA472JA015 M 4.7KOHM, J,0.063W 1 R8099 ERJ2GEJ102X M 1KOHM, J,0.063W 1 R8100 D0GA223JA015 M 22K OHM J 0.063W 1 R8101 D0GA472JA015 M 4.7KOHM, J,0.063W 1 R8102 D0GA472JA015 M 4.7KOHM, J,0.063W 1 R8103 D0GA472JA015 M 4.7KOHM, J,0.063W 1 R8106 D0GAR00Z0001 C 0 OHM, 0.063W 1 R8302 D0GA561JA015 M 560OHM, J,0.063W 1 PPDS R8303 ERJ2GEJ102X M 1KOHM, J,0.063W 1 R8305 D0GA101JA015 M 100 OHM, J,0.063W 1 R8306 D0GA222JA015 M 2.2KOHM, J,0.063W 1 R8307 D0GA101JA015 M 100 OHM, J,0.063W 1 R8308 D0GA101JA015 M 100 OHM, J,0.063W 1 R8309 D0GA750JA015 M 75 OHM, J,0.063W 1 PPDS R8310 D0GA474JA015 M470KOHM, J,0.063W 1 PPDS R8311 ERJ2GEJ103 M 10KOHM, J,0.063W 1 R8312 D0GA472JA015 M 4.7KOHM, J,0.063W 1 R8313 ERJ2GEJ103 M 10KOHM, J,0.063W 1 R8314 D0GA333JA015 M 33KOHM,J,0.063W 1 R8315 D0GA223JA015 M 22K OHM J 0.063W 1 R8316 D0GA473JA015 M 47KOHM, J,0.063W 1 R8317 D0GA473JA015 M 47KOHM, J,0.063W 1 R8318 D0GA223JA015 M 22K OHM J 0.063W 1 R8319 D0GA393JA015 M 39KOHM,J,0.063W 1 R8320 D0GA101JA015 M 100 OHM, J,0.063W 1 R8321 D0GA472JA015 M 4.7KOHM, J,0.063W 1 R8322 D0GA472JA015 M 4.7KOHM, J,0.063W 1 R8323 D0GA333JA015 M 33KOHM,J,0.063W 1 R8324 D0GA101JA015 M 100 OHM, J,0.063W 1 R8325 D0GAR00Z0001 C 0 OHM, 0.063W 1 参考号 部件号 部件名称及说明 件数 备注 R8326 D0GA101JA015 M 100 OHM, J,0.063W 1 R8330 D0GA222JA015 M 2.2KOHM, J,0.063W 1 R8331 D0GA222JA015 M 2.2KOHM, J,0.063W 1 R8332 ERJ2GEJ220 M 22 OHM, J,0.063W 1 R8336 ERJ2GEJ220 M 22 OHM, J,0.063W 1 R8337 ERJ2GEJ102X M 1KOHM, J,0.063W 1 R8339 ERJ2GEJ221 M 220 OHM, J,0.063W 1 R8341 ERJ6GEYG821 M 820 OHM,J,1/10W 1 R8342 ERJ2GEJ102X M 1KOHM, J,0.063W 1 R8377 D0GA472JA015 M 4.7KOHM, J,0.063W 1 R8388 D0GA472JA015 M 4.7KOHM, J,0.063W 1 R8400 ERJ2GEJ103 M 10KOHM, J,0.063W 1 R8401 ERJ2GEJ103 M 10KOHM, J,0.063W 1 R8402 ERJ2GEJ103 M 10KOHM, J,0.063W 1 R8403 ERJ2GEJ103 M 10KOHM, J,0.063W 1 R8404 ERJ6GEYG821 M 820 OHM,J,1/10W 1 R8405 ERJ2GEJ221 M 220 OHM, J,0.063W 1 R8407 D0GAR00Z0001 C 0 OHM, 0.063W 1 R8501 D0GA680JA015 M 68 OHM, J,0.063W 1 R8502 D0GA472JA015 M 4.7KOHM, J,0.063W 1 R8512 EXB2HV680J 电阻阵列 1 R8513 EXB2HV680J 电阻阵列 1 R8514 EXB2HV680J 电阻阵列 1 R8515 EXB2HV680J 电阻阵列 1 R8516 EXB2HV680J 电阻阵列 1 R8521 D0GA472JA015 M 4.7KOHM, J,0.063W 1 R8522 D0GA472JA015 M 4.7KOHM, J,0.063W 1 R8523 D0GA472JA015 M 4.7KOHM, J,0.063W 1 R8528 D0GA472JA015 M 4.7KOHM, J,0.063W 1 R8530 EXB2HV330JV 电阻阵列 1 R8531 D0GA680JA015 M 68 OHM, J,0.063W 1 R8532 D0GA680JA015 M 68 OHM, J,0.063W 1 R8533 D0GA680JA015 M 68 OHM, J,0.063W 1 R8538 D0GA472JA015 M 4.7KOHM, J,0.063W 1 R8539 EXB2HV680J 电阻阵列 1 R8543 EXB2HV103JV 电阻阵列 1 R8546 D0GA101JA015 M 100 OHM, J,0.063W 1 R8547 D0GA473JA015 M 47KOHM, J,0.063W 1 R8548 D0GA473JA015 M 47KOHM, J,0.063W 1 R8557 D0GA472JA015 M 4.7KOHM, J,0.063W 1 R8560 D0GA472JA015 M 4.7KOHM, J,0.063W 1 R9022 D0GA272JA015 M 2.7KOHM, J,0.063W 1 R9023 D0GA272JA015 M 2.7KOHM, J,0.063W 1 R9026 D0GAR00Z0001 C 0 OHM, 0.063W 1 R9027 D0GAR00Z0001 C 0 OHM, 0.063W 1 R9028 D0GA101JA015 M 100 OHM, J,0.063W 1 R9029 D0GA101JA015 M 100 OHM, J,0.063W 1 R9032 D0GAR00Z0001 C 0 OHM, 0.063W 1 R9041 D0GAR00Z0001 C 0 OHM, 0.063W 1 R9070 ERJ2GEJ103 M 10KOHM, J,0.063W 1 R9072 ERJ2GEJ103 M 10KOHM, J,0.063W 1 R9100 D0GA473JA015 M 47KOHM, J,0.063W 1 R9101 D0GA333JA015 M 33KOHM,J,0.063W 1 R9102 D0GA101JA015 M 100 OHM, J,0.063W 1 R9103 D0GA101JA015 M 100 OHM, J,0.063W 1 R9104 EXB38V101JV 电阻阵列 1 R9105 ERJ2GEJ220 M 22 OHM, J,0.063W 1 R9107 D0GA332JA015 M 3.3KOHM, J,0.063W 1 R9110 D0GA473JA015 M 47KOHM, J,0.063W 1 R9111 D0GAR00Z0001 C 0 OHM, 0.063W 1 R9112 D0GA472JA015 M 4.7KOHM, J,0.063W 1 R9113 ERJ2GEJ103 M 10KOHM, J,0.063W 1 R9114 ERJ2GEJ104 M100KOHM, J,0.063W 1 R9116 ERJ2GEJ103 M 10KOHM, J,0.063W 1 R9117 ERJ2GEJ103 M 10KOHM, J,0.063W 1 R9118 ERJ2GEJ104 M100KOHM, J,0.063W 1 R9119 EXB28V470JX 电阻阵列 1 R9120 D0GA101JA015 M 100 OHM, J,0.063W 1 R9121 ERJ2GEJ104 M100KOHM, J,0.063W 1 R9124 D0GA470JA015 M 47 OHM, J,0.063W 1 R9125 ERJ2GEJ102X M 1KOHM, J,0.063W 1 R9129 D0GA683JA015 M 68KOHM, J,0.063W 1 R9130 D0GA470JA015 M 47 OHM, J,0.063W 1 R9145 D0GA101JA015 M 100 OHM, J,0.063W 1 R9149 ERJ2GEJ104 M100KOHM, J,0.063W 1 R9152 ERJ2GEJ103 M 10KOHM, J,0.063W 1 R9153 ERJ2GEJ103 M 10KOHM, J,0.063W 1 参考号 部件号 部件名称及说明 件数 备注 88 TH-P50X20C R9154 D0GA272JA015 M 2.7KOHM, J,0.063W 1 R9155 D0GA272JA015 M 2.7KOHM, J,0.063W 1 R9164 ERJ2GEJ103 M 10KOHM, J,0.063W 1 R9187 D0GA272JA015 M 2.7KOHM, J,0.063W 1 R9188 D0GA272JA015 M 2.7KOHM, J,0.063W 1 R9190 D0GA101JA015 M 100 OHM, J,0.063W 1 R9191 D0GA101JA015 M 100 OHM, J,0.063W 1 R9194 D0GA331JA015 M 330 OHM, J,0.063W 1 R9198 EXB28V101JX 电阻阵列 1 R9203 D0GA223JA015 M 22K OHM J 0.063W 1 R9205 D0GA333JA015 M 33KOHM,J,0.063W 1 R9206 D0GA563JA015 M 56KOHM, J,0.063W 1 R9207 D0GA243JA015 M 24K OHM J 0.063W 1 PPDS R9208 EXB2HV470JV 电阻阵列 1 R9209 EXB2HV470JV 电阻阵列 1 R9212 D0GA470JA015 M 47 OHM, J,0.063W 1 R9213 D0GA470JA015 M 47 OHM, J,0.063W 1 R9215 ERJ2GEJ104 M100KOHM, J,0.063W 1 R9216 D0GAR00Z0001 C 0 OHM, 0.063W 1 R9223 D0GA272JA015 M 2.7KOHM, J,0.063W 1 R9225 D0GA272JA015 M 2.7KOHM, J,0.063W 1 R9316 D0GA470JA015 M 47 OHM, J,0.063W 1 R9318 D0GA470JA015 M 47 OHM, J,0.063W 1 R9319 D0GA470JA015 M 47 OHM, J,0.063W 1 R9320 ERJ2GEJ102X M 1KOHM, J,0.063W 1 R9321 D0GA105JA015 M 1M OHM, J,0.063W 1 R9322 D0GA470JA015 M 47 OHM, J,0.063W 1 R9323 ERJ2GEJ102X M 1KOHM, J,0.063W 1 R9324 D0GB162JA041 N 1.6KOHM J 1/10W 1 R9325 D0GB162JA041 N 1.6KOHM J 1/10W 1 R9326 D0GB162JA041 N 1.6KOHM J 1/10W 1 R9327 D0GB162JA041 N 1.6KOHM J 1/10W 1 R9341 D0GAR00Z0001 C 0 OHM, 0.063W 1 R9400 EXB2HV103JV 电阻阵列 1 R9401 EXB2HV103JV 电阻阵列 1 R9608 EXB2HV470JV 电阻阵列 1 R9609 EXB2HV470JV 电阻阵列 1 R9610 EXB2HV470JV 电阻阵列 1 R9868 ERJ2GEJ104 M100KOHM, J,0.063W 1 R9871 ERJ2GEJ103 M 10KOHM, J,0.063W 1 R9872 D1BB3301A055 M 3.3KOHM, 1/10W 1 R9873 D1BB1002A055 M 10KOHM, 1/10W 1 R9874 D1BB2702A055 M 27KOHM, 1/10W 1 R9875 D1BB2002A055 M 20KOHM, 1/10W 1 R9877 D1BB4702A055 M 47KOHM, 1/10W 1 R9878 D1BB1002A055 M 10KOHM, 1/10W 1 R9879 D1BB1502A055 M 15KOHM, 1/10W 1 R9880 ERJ2GEJ103 M 10KOHM, J,0.063W 1 R9881 ERJ2GEJ103 M 10KOHM, J,0.063W 1 R9882 D0GA473JA015 M 47KOHM, J,0.063W 1 R9884 ERJ2GEJ103 M 10KOHM, J,0.063W 1 R9890 D1BB11030002 M 110KOHM, 1/10W 1 R9891 D1BB3242A055 M32.4KOHM, 1/10W 1 R9899 ERJ6GEY0R00V M 0 OHM J 1/10W 1 R9901 D0GB2R2JA057 M 2.2OHM J 1/10W 1 R9903 D0GA472JA015 M 4.7KOHM, J,0.063W 1 R9904 ERJ2GEJ104 M100KOHM, J,0.063W 1 R9905 ERJ2GEJ103 M 10KOHM, J,0.063W 1 R9906 ERJ2GEJ104 M100KOHM, J,0.063W 1 R9907 D0GA101JA015 M 100 OHM, J,0.063W 1 R9914 ERJ6GEY0R00V M 0 OHM J 1/10W 1 R9916 ERJ6GEY0R00V M 0 OHM J 1/10W 1 R9958 D0GA472JA015 M 4.7KOHM, J,0.063W 1 R9959 D0GB390JA041 M 39 OHM,J,1/10W 1 R9963 D1BB5601A055 M 5.6KOHM, 1/10W 1 R9984 D0GA472JA015 M 4.7KOHM, J,0.063W 1 R9985 D0GA472JA015 M 4.7KOHM, J,0.063W 1 R9998 D1BA1601A014 M1.60KOHM, 0.063W 1 PPDS R9999 D0GA472JA015 M 4.7KOHM, J,0.063W 1 R16001 ERJT08J7R5V M 7.5OHM,J, 0.33W 1 R16002 ERJT08J7R5V M 7.5OHM,J, 0.33W 1 R16021 ERJT08J7R5V M 7.5OHM,J, 0.33W 1 R16022 ERJT08J7R5V M 7.5OHM,J, 0.33W 1 R16101 ERJT06J221V M 220 OHM,F,0.25W 1 R16102 ERJT06J221V M 220 OHM,F,0.25W 1 R16103 ERJT06J100V M 10 OHM,F,0.25W 1 R16104 ERJT06J100V M 10 OHM,F,0.25W 1 参考号 部件号 部件名称及说明 件数 备注 R16105 ERJ8GEYJ474 M 470KOHM, J,1/8W 1 R16109 ERJT06J100V M 10 OHM,F,0.25W 1 R16116 D0GB473JA057 M 47KOHM,J,1/10W 1 R16131 ERJ6GEYJ101V M 100 OHM,J,1/10W 1 R16132 ERJ6GEYJ101V M 100 OHM,J,1/10W 1 R16134 ERJT06J750V M 75 OHM,F,0.25W 1 R16137 ERJT08J1R0V M 1.8OHM,J, 0.33W 1 R16141 ERJT06J100V M 10 OHM,F,0.25W 1 R16143 D0GB473JA057 M 47KOHM,J,1/10W 1 R16161 ERJT06J100V M 10 OHM,F,0.25W 1 R16163 D0GB473JA057 M 47KOHM,J,1/10W 1 R16191 ERJ6GEYJ151V M 150 OHM,J,1/10W 1 R16192 D0GB103JA057 M 10K OHM J 1/10W 1 R16193 ERJ6GEYJ750 M 75 OHM,J,1/10W 1 R16195 ERJT08J1R0V M 1.8OHM,J, 0.33W 1 R16241 EXB38V470J 电阻阵列 1 R16242 EXB38V472JV 电阻阵列 1 R16280 D0GB222JA041 M 2.2KOHM,J,1/10W 1 R16281 D0GB103JA057 M 10K OHM J 1/10W 1 R16282 ERJ6GEYJ221V M 220 OHM,J,1/10W 1 R16283 D0GB473JA057 M 47KOHM,J,1/10W 1 R16284 D0GB224JA041 M 2.2KOHM,J,1/10W 1 R16285 EXB38V623J 电阻阵列 1 R16289 ERJT08J334V M 330KOHM,F,0.33W 1 R16290 ERJT08J334V M 330KOHM,F,0.33W 1 R16307 ERJ6RBD623 M 62KOHM,J,1/10W 1 R16309 ERG1FJS333D M 33KOHM, J, 1W 1 R16318 ERJ6RBD563 M 56KOHM, J,1/10W 1 R16319 ERJ6RBD242 M 2.4KOHM,J,1/10W 1 R16320 ERJ14YJ683 M 68KOHM, 1/4W 1 R16330 D0GB102JA041 M 1KOHM,J,1/10W 1 R16332 D0GB474JA041 M 470KOHM,J,1/10W 1 R16334 ERJ3GEYJ472 M 4.7KOHM,J,1/16W 1 R16335 D0GB102JA041 M 1KOHM,J,1/10W 1 R16401 ERJT08J7R5V M 7.5OHM,J, 0.33W 1 R16402 ERJT08J7R5V M 7.5OHM,J, 0.33W 1 R16410 D0GB391JA041 M 390 OHM,J,1/10W 1 R16411 ERJ6ENF2700 M 270 OHM, 1/10W 1 R16416 D0GB103JA057 M 10K OHM J 1/10W 1 R16417 ERJ6GEYJ101V M 100 OHM,J,1/10W 1 R16418 ERJ6GEYJ101V M 100 OHM,J,1/10W 1 R16421 ERJT08J7R5V M 7.5OHM,J, 0.33W 1 R16422 ERJT08J7R5V M 7.5OHM,J, 0.33W 1 R16441 ERJT08J5R6V M 5.6 OHM,F,0.33W 1 R16451 ERJT08J5R6V M 5.6 OHM,F,0.33W 1 R16471 D0GB392JA041 M 3.9KOHM,J,1/10W 1 R16472 D0GB222JA041 M 2.2KOHM,J,1/10W 1 R16473 ERJ6GEYF561 M 560 OHM,F,1/10W 1 R16474 D0GB102JA041 M 1KOHM,J,1/10W 1 R16475 ERJ3GEYJ472 M 4.7KOHM,J,1/16W 1 R16476 ERJ3GEYJ472 M 4.7KOHM,J,1/16W 1 R16478 D0GB562JA041 M 5.6KOHM,J,1/10W 1 R16479 ERJ6GEYJ103V M 10K OHM J 1/10W 1 R16490 ERJ6RBD104 M 100KOHM, 1/10W 1 R16491 ERJ6RED114 M 110KOHM, 1/10W 1 R16492 ERJ6RED124 M 120KOHM, 1/10W 1 R16493 ERJ6RBD6981 M69.8 OHM,F,1/10W 1 PPDS R16494 D1BB2001A055 M 2KOHM, 1/10W 1 R16495 ERJ6ENF3900 M 390 OHM, 1/10W 1 R16496 ERJ6GEYJ470V M 47 OHM,J,1/10W 1 R16497 D0GB473JA057 M 47KOHM,J,1/10W 1 R16498 D0GB103JA057 M 10K OHM J 1/10W 1 R16503 ERJT06J100V M 10 OHM,F,0.25W 1 R16504 ERJT06J750V M 75 OHM,F,0.25W 1 R16506 ERJT06J100V M 10 OHM,F,0.25W 1 R16510 ERJT14J1R0U C1.0 OHM, J,1/4W 1 R16512 D0GB473JA057 M 47KOHM,J,1/10W 1 R16517 D0GB473JA057 M 47KOHM,J,1/10W 1 R16521 ERJ6GEYJ101V M 100 OHM,J,1/10W 1 R16522 ERJ6GEYJ101V M 100 OHM,J,1/10W 1 R16523 ERJT06J750V M 75 OHM,F,0.25W 1 R16524 ERJT06J750V M 75 OHM,F,0.25W 1 R16531 ERJT06J100V M 10 OHM,F,0.25W 1 R16533 D0GB473JA057 M 47KOHM,J,1/10W 1 R16534 ERJT08J5R6V M 5.6 OHM,F,0.33W 1 R16551 ERJT06J100V M 10 OHM,F,0.25W 1 R16553 D0GB473JA057 M 47KOHM,J,1/10W 1 参考号 部件号 部件名称及说明 件数 备注 89 TH-P50X20C R16561 EXB38V470J 电阻阵列 1 R16562 EXB38V470J 电阻阵列 1 R16563 EXB38V470J 电阻阵列 1 R16564 EXB38V470J 电阻阵列 1 R16565 EXB38V472JV 电阻阵列 1 R16566 EXB38V472JV 电阻阵列 1 R16567 EXB38V472JV 电阻阵列 1 R16568 EXB38V472JV 电阻阵列 1 R16580 D0GB562JA041 M 5.6KOHM,J,1/10W 1 R16581 ERJ3GEYJ223 M 22KOHM,J,1/16W 1 R16582 ERJT08J393 M 39 KOHM,J, 0.33W 1 R16583 ERJT08J393 M 39 KOHM,J, 0.33W 1 R16584 D1BD6811A044 M6.81KOHM, 1/10W 1 R16585 D1BB1001A055 M 1KOHM, 1/10W 1 R16586 D1BB1691A055 M1.69KOHM, 1/10W 1 PPDS R16587 D0GB222JA041 M 2.2KOHM,J,1/10W 1 R16588 D0GB103JA057 M 10K OHM J 1/10W 1 R16590 ERJ3GEYJ221 M 220 OHM,J,1/16W 1 R16591 EXB38V472JV 电阻阵列 1 R16593 D1BB1331A055 M1.33KOHM, 1/10W 1 PPDS R16601 ERJT08J1R0V M 1.8OHM,J, 0.33W 1 R16604 ERJ6GEYJ331V M 330 OHM J 1/10W 1 R16605 ERJ6GEYG182 M 1.8KOHM,J,1/10W 1 R16607 D1BB6491A055 M6.49KOHM, 1/10W 1 PPDS R16609 ERJT08J202V M 2KOHM,J, 0.33W 1 R16610 D0GB104JA041 M 100KOHM J 1/10W 1 R16612 ERJT06J470V M 47 OHM,F,0.25W 1 R16615 D1BB1131A055 M1.13KOHM, 1/10W 1 PPDS R16617 ERJ6GEYJ222V M 2.2K OHM J 1/10W 1 R16619 ERJT08J1R0V M 1.8OHM,J, 0.33W 1 R16621 ERJ6GEYJ221V M 220 OHM,J,1/10W 1 R16631 D0GB103JA057 M 10K OHM J 1/10W 1 R16633 ERJ6GEYJ223 M 22KOHM,J,1/10W 1 R16634 ERJ6GEYJ471 M 470 OHM,J,1/10W 1 R16658 ERJ3RBD9761 M9.76K OHM, 1/16W 1 PPDS R16661 D0GB122JA041 N 1.2KOHM J 1/10W 1 R16663 ERJ3RBD6981 M6.98K OHM, 1/16W 1 PPDS R16664 ERJT08J102V M 1KOHM,J, 0.33W 1 R16665 ERJT06J330V M 33 OHM,F,0.25W 1 R16666 D1BB2202A087 M 22KOHM, 1/10W 1 R16674 ERJT08J102V M 1KOHM,J, 0.33W 1 R16675 ERJ3GEYJ472 M 4.7KOHM,J,1/16W 1 R16679 D1BB1002A087 M 10KOHM, 1/10W 1 R16680 D1BB1002A087 M 10KOHM, 1/10W 1 R16681 ERJT06J100V M 10 OHM,F,0.25W 1 R16684 ERJ6GEYJ221V M 220 OHM,J,1/10W 1 R16685 ERJ6GEYJ221V M 220 OHM,J,1/10W 1 R16686 D0GB103JA057 M 10K OHM J 1/10W 1 R16690 ERJ3GEYJ472 M 4.7KOHM,J,1/16W 1 R16691 ERJ8GEYJ563 M 56KOHM, J,1/8W 1 R16692 ERJ6RBD152 M 1.5KOHM,J,1/10W 1 R16694 ERJ8GEYJ563 M 56KOHM, J,1/8W 1 R16695 ERJ6RBD152 M 1.5KOHM,J,1/10W 1 R16696 ERF5TK2R2 W 2.2 OHM, K, 5W 1 R16699 D0GB103JA057 M 10K OHM J 1/10W 1 R16707 ERJ6GEYG392 M 3.9KOHM,J,1/10W 1 R16711 ERJ3GEYJ472 M 4.7KOHM,J,1/16W 1 R16712 ERJ6GEYJ102V M 1K OHM J 1/10W 1 R16717 D0GB102JA041 M 1KOHM,J,1/10W 1 R16721 EXB38V220JV 电阻阵列 1 R16742 D0GB473JA057 M 47KOHM,J,1/10W 1 R16745 D0GB474JA041 M 470KOHM,J,1/10W 1 R16746 ERJ6GEYF473 M 47KOHM,J,1/10W 1 R16747 ERJ6GEYJ222V M 2.2K OHM J 1/10W 1 R16750 ERJT06J273V M 27KOHM,J,0.25W 1 PPDS R16751 ERJT06J154V M 150KOHM,F,0.25W 1 R16752 ERJ3GEYJ472 M 4.7KOHM,J,1/16W 1 R16753 ERJ6GEYF473 M 47KOHM,J,1/10W 1 R16755 ERJT06J273V M 27KOHM,J,0.25W 1 PPDS R16761 ERJT06J100V M 10 OHM,F,0.25W 1 R16763 D0GB473JA057 M 47KOHM,J,1/10W 1 R16765 ERJT06J100V M 10 OHM,F,0.25W 1 R16769 ERJT06J750V M 75 OHM,F,0.25W 1 R16772 ERJ3GEYJ472 M 4.7KOHM,J,1/16W 1 R16773 ERJ6GEYJ102V M 1K OHM J 1/10W 1 R16774 ERG1SJ273 M 27KOHM, J, 1W 1 R16776 ERJ6GEYJ470V M 47 OHM,J,1/10W 1 参考号 部件号 部件名称及说明 件数 备注 R16783 ERJT06J154V M 150KOHM,F,0.25W 1 R16785 ERJ6ENF1003 M 100KOHM, 1/10W 1 R16786 ERJ6ENF1003 M 100KOHM, 1/10W 1 R16787 ERJ6ENF3302 M 33KOHM, 1/10W 1 R16789 D0GB103JA057 M 10K OHM J 1/10W 1 R16801 ERJ6RBD223V M 22KOHM, 1/16W 1 R16802 ERJ6RBD3322 M33.2KOHM,F,1/10W 1 PPDS R16804 ERJ8GEYJ112 M 1.1KOHM, J,1/8W 1 R16822 ERJ6ENF8202 M 82KOHM, 1/10W 1 R16823 ERJ6ENF8202 M 82KOHM, 1/10W 1 R16824 ERJ6ENF3302 M 33KOHM, 1/10W 1 R16825 ERJT06J154V M 150KOHM,F,0.25W 1 R16826 ERJ6GEYJ103V M 10K OHM J 1/10W 1 R16827 D0GB222JA041 M 2.2KOHM,J,1/10W 1 R16829 D0GB102JA041 M 1KOHM,J,1/10W 1 R16831 ERJ6RBD6812 M68.1KOHM,F,1/10W 1 R16832 ERJ6RBD7152 M71.5KOHM,F,1/10W 1 R16837 D0GB102JA041 M 1KOHM,J,1/10W 1 R16838 ERG1FJS823D M 82KOHM, J, 1W 1 R16841 ERJ3GEYJ472 M 4.7KOHM,J,1/16W 1 R16843 ERJ6GEYJ102V M 1K OHM J 1/10W 1 R16844 ERA6YEB242 M 24KOHM, 1/10W 1 R16845 ERJ6RBD6042 M60.4KOHM,F,1/10W 1 PPDS R16846 ERJ6RBD6042 M60.4KOHM,F,1/10W 1 PPDS R16849 ERJ6RBD6042 M60.4KOHM,F,1/10W 1 PPDS R16851 D0GB474JA041 M 470KOHM,J,1/10W 1 R16852 D0GB474JA041 M 470KOHM,J,1/10W 1 R16860 ERG2FNJS8R2E M 8.2 OHM, J, 2W 1 R16870 ERJ14YJ683 M 68KOHM, 1/4W 1 R16873 ERA6YEB242 M 24KOHM, 1/10W 1 R16891 D1BF6982A058 M 6.98KOHM, 1/4W 1 R16892 D1BF8252A058 M 8.25KOHM, 1/4W 1 R16893 D1BF8252A058 M 8.25KOHM, 1/4W 1 R16897 ERJ6ENF2611 M2.61KOHM, 1/10W 1 R16899 ERJ6ENF3011 M3.01KOHM, 1/10W 1 R16904 ERJ6GEYJ223 M 22KOHM,J,1/10W 1 R16920 D0GB103JA057 M 10K OHM J 1/10W 1 R16921 ERJ6ENF1541 M1.54KOHM, 1/10W 1 R16922 ERJ6ENF4021 M4.02KOHM, 1/10W 1 R16923 D0GB103JA057 M 10K OHM J 1/10W 1 R16926 D0GB222JA041 M 2.2KOHM,J,1/10W 1 R16927 ERJ6GEYJ223 M 22KOHM,J,1/10W 1 R16928 ERJ6GEYJ472V M 4.7K OHM J 1/10W 1 R16929 ERJT08J1R0V M 1.8OHM,J, 0.33W 1 R16930 D1BF2R70A021 M 2.7 OHM, 1/4W 1 R16931 D1BF2R70A021 M 2.7 OHM, 1/4W 1 R16932 ERJ6GEYJ223 M 22KOHM,J,1/10W 1 R16933 D1BB1002A055 M 10KOHM, 1/10W 1 R16934 D1BB6801A055 M 6.8KOHM, 1/10W 1 R16935 ERJ6GEYJ512 M 5.1KOHM,J,1/10W 1 R16936 D0GB222JA041 M 2.2KOHM,J,1/10W 1 R16937 D0GB184JA041 M 180KOHM J 1/10W 1 R16938 D0GB184JA041 M 180KOHM J 1/10W 1 R17101 ERJT08J151V M150 OHM,F,0.33W 1 R17102 D0GB101JA041 M 100 OHM,J,1/10W 1 R17103 D0GB101JA041 M 100 OHM,J,1/10W 1 R17104 D0GB101JA041 M 100 OHM,J,1/10W 1 R17105 D0GB201JA041 M 200 OHM,J,1/10W 1 PPDS R17106 D0GB101JA041 M 100 OHM,J,1/10W 1 R17107 D0GB101JA041 M 100 OHM,J,1/10W 1 R17108 D0GB201JA041 M 200 OHM,J,1/10W 1 PPDS R17109 D0GB101JA041 M 100 OHM,J,1/10W 1 R17110 D0GB201JA041 M 200 OHM,J,1/10W 1 PPDS R17111 D0GB101JA041 M 100 OHM,J,1/10W 1 R17112 ERJT14J1R0U C1.0 OHM, J,1/4W 1 R17113 D0GB101JA041 M 100 OHM,J,1/10W 1 R17115 D0GB201JA041 M 200 OHM,J,1/10W 1 PPDS R17116 ERJT14J1R0U C1.0 OHM, J,1/4W 1 R17118 ERJT14J1R0U C1.0 OHM, J,1/4W 1 R17120 ERJT14J1R0U C1.0 OHM, J,1/4W 1 R17124 D0GB470JA041 M 47 OHM,J,1/10W 1 R17125 EXB38V470J 电阻阵列 1 R17126 D0GB681JA041 M 680 OHM,J,1/10W 1 R17127 EXB38V681J 电阻阵列 1 R17128 D0GB102JA041 M 1KOHM,J,1/10W 1 R17129 ERJ6GEYJ224 M 220KOHM,J,1/10W 1 R17130 ERJ6GEY0R00V M 0 OHM J 1/10W 1 参考号 部件号 部件名称及说明 件数 备注 90 TH-P50X20C 04/2010 iPress3050 中国制作 R17131 D0GBR00Z0002 M 0 OHM J 1/10W 1 R17132 D0GBR00Z0002 M 0 OHM J 1/10W 1 R17203 EXB38V681J 电阻阵列 1 R17204 D0GB681JA041 M 680 OHM,J,1/10W 1 R17205 D0GB101JA041 M 100 OHM,J,1/10W 1 R17206 D0GB101JA041 M 100 OHM,J,1/10W 1 R17207 D0GB201JA041 M 200 OHM,J,1/10W 1 PPDS R17208 D0GB101JA041 M 100 OHM,J,1/10W 1 R17209 EXB38V470J 电阻阵列 1 R17210 D0GB470JA041 M 47 OHM,J,1/10W 1 R17211 D0GB101JA041 M 100 OHM,J,1/10W 1 R17212 D0GB201JA041 M 200 OHM,J,1/10W 1 PPDS R17213 ERJT14J1R0U C1.0 OHM, J,1/4W 1 R17215 ERJT14J1R0U C1.0 OHM, J,1/4W 1 R17217 EXB38V681J 电阻阵列 1 R17218 EXB38V470J 电阻阵列 1 R17219 ERJ6GEY0R00V M 0 OHM J 1/10W 1 R17220 D0GB101JA041 M 100 OHM,J,1/10W 1 R17221 D0GB101JA041 M 100 OHM,J,1/10W 1 R17222 D0GB201JA041 M 200 OHM,J,1/10W 1 PPDS R17223 D0GB101JA041 M 100 OHM,J,1/10W 1 R17224 D0GB101JA041 M 100 OHM,J,1/10W 1 R17225 D0GB201JA041 M 200 OHM,J,1/10W 1 PPDS R17226 ERJ6GEYJ224 M 220KOHM,J,1/10W 1 R17227 ERJT14J1R0U C1.0 OHM, J,1/4W 1 R17229 ERJT14J1R0U C1.0 OHM, J,1/4W 1 R17231 ERJT08J151V M150 OHM,F,0.33W 1 R17232 D0GBR00Z0002 M 0 OHM J 1/10W 1 R17233 D0GBR00Z0002 M 0 OHM J 1/10W 1 RM2510 B3RAD0000168 遥控接收器 1 SC2 K1KY02B00012 2P 连接接头 1 SC3 K1KA03A00596 3P 连接接头 1 SC20 K1MY30BA0345 30P 连接接头 1 PPDS SC41 K1KA09AA0707 9P 连接接头 1 SC42 K1KA09AA0707 9P 连接接头 1 SC46 K1KA09AA0707 9P 连接接头 1 SC50 K1KA02AA0193 2P 连接接头 1 SN2510 B3JB00000078 IC 1 PPDS SS3 K1KY03BA0236 3P 连接接头 1 SS11 K1KY03B00006 3P 连接接头 1 SS23 K1KY06AA0719 6P 连接接头 1 SS52 K1MY13BA0376 13P 连接接头 1 PPDS SS55 K1MY13BA0376 13P 连接接头 1 PPDS SW001 K0F122A00031 开关 1 SW3759 K0H1BA000445 开关 1 SW3762 K0H1BA000445 开关 1 SW3763 K0H1BA000445 开关 1 SW3764 K0H1BA000445 开关 1 SW3765 K0H1BA000445 开关 1 T16471 G4DYA0000201 变压器 1 PPDS TU8301 ENG39F02GF 调谐器 1 PPDS X8000 H0J250500094 晶体 1 PPDS X9000 H2D100500004 晶体 1 PPDS X9300 H0J200500076 晶体 1 ZA001 K4CD01000011 AV 端子 1 ZA002 K4CD01000011 AV 端子 1 ZA4701 K4AZ01D00004 端子 1 ZA4702 K4AZ01D00004 端子 1 ZA16401 K4CD01000011 AV 端子 1 ZA16402 K4CD01000011 AV 端子 1 ZA16403 K4CD01000011 AV 端子 1 ZA16404 K4CD01000011 AV 端子 1 ZA17102 K4CD01000013 AV 端子 1 ZA17103 K4CD01000013 AV 端子 1 ZA17104 K4CD01000013 AV 端子 1 ZA17105 K4CD01000013 AV 端子 1 ZA17201 K4CD01000013 AV 端子 1 ZA17202 K4CD01000013 AV 端子 1 参考号 部件号 部件名称及说明 件数 备注 ZA17203 K4CD01000013 AV 端子 1 ZA17204 K4CD01000013 AV 端子 1 参考号 部件号 部件名称及说明 件数 备注

标签:

版权声明

1. 本站所有素材,仅限学习交流,仅展示部分内容,如需查看完整内容,请下载原文件。
2. 会员在本站下载的所有素材,只拥有使用权,著作权归原作者所有。
3. 所有素材,未经合法授权,请勿用于商业用途,会员不得以任何形式发布、传播、复制、转售该素材,否则一律封号处理。
4. 如果素材损害你的权益请联系客服QQ:77594475 处理。