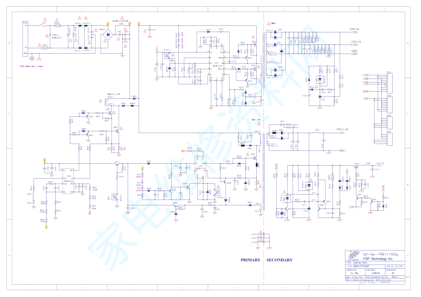
长虹FSP306-4F01电源板电路原理图

分类:电子电工 日期: 点击:0
长虹FSP306-4F01电源板电路原理图-0

1 2 3 4 5 6 7 A B C D 8 7 6 5 4 3 2 1 D C B A APPROVED: TILE: Date: 16-Nov-2007 File: C:\PROTEL 99SE\Mydesign.ddb - FSP306-4F01-R1.SCH CHECKED: PCB File:FSP306-4F01-R1 size: A2 rev:R1 DESIGNER: Sheet of 0 0 P/N: :7000P-0106 ½u¸ô¹Ï ªí³æ½s¸¹ FSP306-4F01 Lj Wei JARON ZL 3BS0177910GP ¥þº~¥ø·~ªÑ¥÷¦³¤½¥q FSP GROUP R FSP Technology Inc. R216 C209 + C205 + C206 + C207 3 4 PC502:1 F101 BD101 CX101 1 2 LF101:1 34 LF101:2 C601 C602 R632 C609 C606 R628 R603 400V R601 400V R602 400V R630 R626 CY104 CY103 VAR101 TVR10621 1 2 PC501:2 Q501 R522 R526 C501 R521 C608 R525 GND R621 R212 U201 C210 R217 R220 R219 1 2 PC101:2 R218 L203 L601 8LM0105901GP +5VS/1.0A 1 2 LF102:1 34 LF102:2 +5VS L602:8 L602:2 PQ3225-12P L602:5 L602:11 R215 R227 R229 D204 +24Vi/9A GND +24Vi GND + C101 3 4 PC501:1 R138 Q110 R137 + C201 + C202 + C212 R201 R202 R203 R204 R205 D203 + C604 R528 R527 R524 C507 C504 Q503 ZD501 R536 R529 + C508 + C503 TH101 NTC(Hole size=2.6mm) R221 R210 R211 R207 R209 R208 D205 Q201 R213 ZD503 R534 Q109 R535 R113 400V R532 R533 C502 C117 R523 C505 ZD502 C506 R631 Q105 P1 P2 P1 R228 FB502 FB501 FB205 +24Va +24Va/3A C116 TH102 CY102 PRIMARY SECONDARY R101 400V R115 400V R114 400V Q601 R623 D201 D202 T101:14 T101:13 T101:11 T101:12 T101:9 T101:8 P2 CY101 CY105 T501:4 T501:5 T501:2 T501:1 T501:10 T501:9 T501:7 T501:6 R222 U202 C211 R224 R226 R225 R223 1 2 PC502:2 ! T101:7 Q204 T101:2 L204 R238 R235 + C217 C215 5V/2.5A Q203 R236 R237 Q205 R241 R240 +5V PFC 1 HV 8 Vcc 6 NC 7 CS 3 DRV 5 FB 2 GND 4 U501 NCP1230 Vcc 8 FB 1 GND 6 DRV 7 Mult 3 ZCD 5 Comp 2 Cs 4 U601 NCP1606 Vcc + C218 PS_ON PS_ON + C203 ! ! ! ! ! ! ! ! ! ! ! ! ! ! ! ! ! ! ! ! ! ! ! ! ! R633 C610 ER40 EI28-11P ! SC101 L FG N R622 ! ZD202 ZD201 R231 R232 R206 Q206 TH201 R230 Q202 R214 Q602 R624 ! Q603 C603 R131 Q102 R130 Q101 D105 C111 R144 R129 C103 C109 + C102 C110 D104 R143 C108 R122 R126 R123 C104 R124 C107 R141 R125 3 4 PC101:1 R128 Vcc C112 R142 Q103 Q104 ZD101 D103 D102 R132 R133 Fmax 2 SF 9 CT 3 DT 7 FB 6 FF 8 Css 1 Rt 4 GND 10 Bo 5 MLower 11 MUpper 15 HB 14 Vcc 12 Vbost 16 N.C.13 U101 NCP1396 C105 C106 D101 R127 R121 R104 400V R102 400V R103 400V +24Va ZD504 1 2 3 4 5 6 7 8 P202 1 2 3 4 5 6 P203 1 2 3 4 5 6 7 8 9 10 P201 1 2 3 4 5 6 P204 +24Vi +24Va +5VS +5V PS_ON GND ! D206 D207 D208 D603 D604 D601 D602 D504 D106 D503 D505 D506 R233 D210 D209 + C204 J201 J202 12 FB601 Q605 Q504 R537 P1 +24Va R146 R145 ! ! ! ! R635 R636 R637 R638 R147 R148 C208 R606 400V R604 400V R605 400V P3 P3 C605 ! ! ! 家电维修资料网

标签:

版权声明

1. 本站所有素材,仅限学习交流,仅展示部分内容,如需查看完整内容,请下载原文件。
2. 会员在本站下载的所有素材,只拥有使用权,著作权归原作者所有。
3. 所有素材,未经合法授权,请勿用于商业用途,会员不得以任何形式发布、传播、复制、转售该素材,否则一律封号处理。
4. 如果素材损害你的权益请联系客服QQ:77594475 处理。