长虹CHD-TD3708HD(LS08机芯)

分类:电子电工 日期: 点击:0
长虹CHD-TD3708HD(LS08机芯)-0 长虹CHD-TD3708HD(LS08机芯)-1 长虹CHD-TD3708HD(LS08机芯)-2 长虹CHD-TD3708HD(LS08机芯)-3 长虹CHD-TD3708HD(LS08机芯)-4 长虹CHD-TD3708HD(LS08机芯)-5 长虹CHD-TD3708HD(LS08机芯)-6 长虹CHD-TD3708HD(LS08机芯)-7 长虹CHD-TD3708HD(LS08机芯)-8 长虹CHD-TD3708HD(LS08机芯)-9

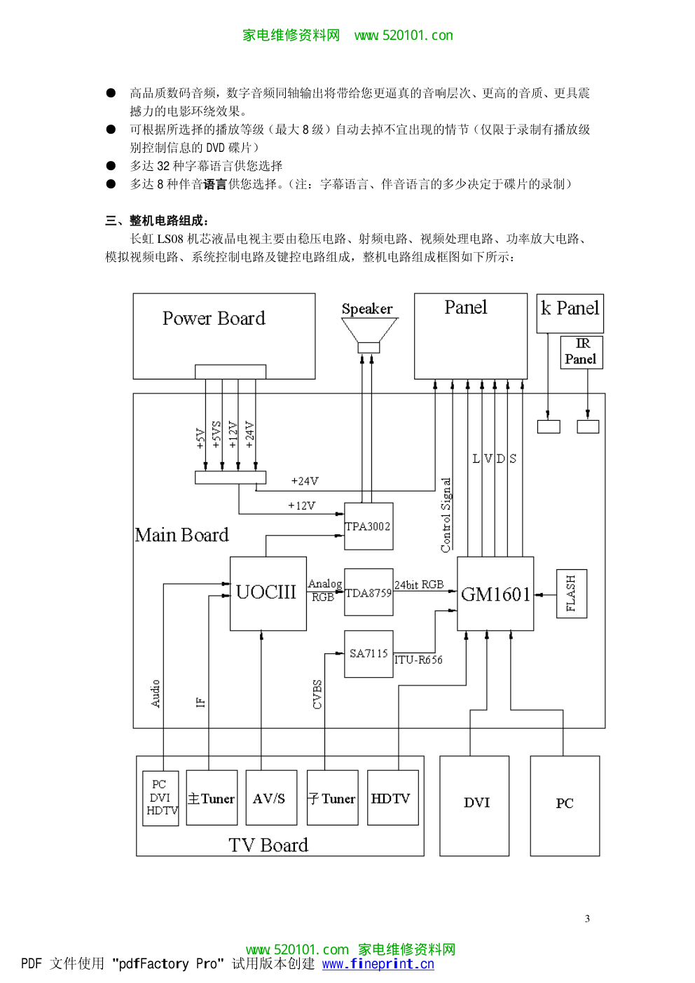
1 目 录 第一章 LS08 机芯液晶电视的特点和整机组成…………………………………2 第二章 LS08 机芯液晶电视的主要集成电路功能简介…………………………5 第三章 LS08 机芯液晶电视整机信号流程分析…………………………………21 第四章 LS08 机芯液晶电视典型故障维修流程及实例…………………………30 第五章 LS08 机芯液晶电视维备件清单…………………………………………31 第六章 LS08 机芯液晶电视工厂模式设置及注意事项…………………………33 附:一 、长虹 LS08 机芯液晶电视原理图 二 、长虹 LS08 机芯液晶电视装配图(以 CHD-TD370F8 为例) 三 、长虹 LS08 机芯液晶电视接线图(以 CHD-TD370F8 为例) PDF 文件使用 "pdfFactory Pro" 试用版本创建 www.fineprint.cn 家电维修资料网 www. 520101. com www. 520101. com 家电维修资料网 2 第一章 LS08 机芯特点和整机组成 一、LS08 机芯所含的机型: CHD-W270F8、CHD-W270F8P、CHD-TD270F8 CHD-W320F8、CHD-W320F8P、CHD-TD320F8 CHD-W370F8、CHD-W370F8P、CHD-TD370F8 二、主要特点: ● 射频输入,具有 CATV 功能 可接收 470MHz 的有线电视全增补节目。 ● PIP 功能 ● DVI 数字视频输入 ● VGA 视频输入 ● 高清 YPbPr 视频输入 ● AV 音/视频输入 可以接收 PAL、NTSC、SECAM 制式的音视频信号,很方便的欣赏录像机、摄像机、各种影 碟机的节目,使您进入完美的视听境界。 ● AV 音/视频输出 可以输出视频信号一路,左右音频信号各一路。 ● Y/C 分量视频输入 即 S-Video 输入,可以方便的接驳 DVD 等设备输出的高清晰度的 Y/C 分量视频信号。 ● 236 套节目预置 在 TV 状态下,本机可以存储 236 套节目,为未来丰富的节目收视作好了充分准备。 ● 多制式 可以接收 PAL、NTSC、SECAM 彩色制式的电视信号,可接收 D/K、I、B/G、M 伴音制式的 电视信号。 ● 定时开关机功能 可设置液晶电视在预定的时间自动开机或关机。 ● 蓝背景静噪 TV、AV、S-Video 状态下,无信号时屏幕呈现柔和的蓝背景,并进入静音状态。 ● 无信号自动关机 TV 状态下,无信号后约 15 分钟可自动关机,进入待机状态。 ● 中英文菜单 采用简易方便的图形化菜单设计,使菜单操作更方便、更直观。 ● 省电功能(电源管理模式) 当本机用做 PC 的显示终端,且用户使用的 PC 无输出信号时,约 30 秒后液晶电视将自动 关闭,进入待机省电模式,当按本机任意键或遥控器上任意键或 PC 再次出现时,液晶 电视将自动打开。 ● 即插即用 本液晶电视作为电脑终端显示设备,无须单独配备安装软件,作到真正的即插即用。 ● 重量轻、体积小、功耗低 ● 数码相框功能(仅限 CHD-W270F8P/ CHD-W320F8P/ CHD-W370F8P/) ● 内置 DVD 功能模块(仅限 CHD-TD270F8/CHD-TD320F8/CHD-TD370F8) ● 全面兼容 DVD、超级 VCD、VCD、CD、MP3 等。 ● 兼容 PAL/NTSC 制碟片 PDF 文件使用 "pdfFactory Pro" 试用版本创建 www.fineprint.cn 家电维修资料网 www. 520101. com www. 520101. com 家电维修资料网 3 ● 高品质数码音频,数字音频同轴输出将带给您更逼真的音响层次、更高的音质、更具震 撼力的电影环绕效果。 ● 可根据所选择的播放等级(最大 8 级)自动去掉不宜出现的情节(仅限于录制有播放级 别控制信息的 DVD 碟片) ● 多达 32 种字幕语言供您选择 ● 多达 8 种伴音语言供您选择。(注:字幕语言、伴音语言的多少决定于碟片的录制) 三、整机电路组成: 长虹 LS08 机芯液晶电视主要由稳压电路、射频电路、视频处理电路、功率放大电路、 模拟视频电路、系统控制电路及键控电路组成,整机电路组成框图如下所示: PDF 文件使用 "pdfFactory Pro" 试用版本创建 www.fineprint.cn 家电维修资料网 www. 520101. com www. 520101. com 家电维修资料网 4 四、印制板组件介绍: 长虹 LS08 机芯液晶电视主要由 TV 板、遥控接收板、K 板和主板组成。下表是各印制 板组件功能的介绍: 序号 组件名称 功能描述 1 主板组件 主板组件是液晶电视中信号处理的核心部分,在系统控制电路的作用 下承担着将外接输入信号转换为统一的液晶显示屏所能识别的数字 信号的任务。TV 板输入的 TV 和 AV 信号在 UOCIII 中进行音视频解 码后输出的RGB基色信号经过TDA8759模数转换,输出24bit的RGB 数字信号通过 GM1601/GM1501 格式变换等处理后产生 LVDS信号再 上屏显示,另外经 VGA、DVI 端子输入的信号则直接进入 GM1501 处理、格式变换和上屏显示。 2 TV 板组件 TV 板上主要由主、子 2 个调谐器,AV/S 及高清信号端子和一些外围 处理电路组成,主调谐器将 RF 信号解调为 IF 信号,子调谐器则产生 CVBS 信号,所有信号通过转接后送入主板作相应处理。 3 遥 控 接 收 板 组件 遥控接收板组件由一个工作指示灯和一个遥控接收头构成。用户通过 该组件使用遥控器可以对液晶电视方便地进行操作以及知道液晶电 视所处的工作状态。。 4 内 置 电 源 板 组件 将 AC 220V 转换成多路所需要的直流电 ,有+24V,+12V,+5V, 及待机状态下供电的+5VS。 5 K 板组件 K 板组件有 7 个功能按键。用户通过该组件可以对液晶电视方便地进 行操作。 PDF 文件使用 "pdfFactory Pro" 试用版本创建 www.fineprint.cn 家电维修资料网 www. 520101. com www. 520101. com 家电维修资料网 5 6 屏组件 LS08 中屏都内置有逆变器,逆变器将直流变成高压的交流信号,点 亮背灯;液晶屏用以将来自主板经处理后的图像信号进行图像显示 第二章 长虹液晶电视 LS08 机芯的主要集成电路功能简介 一、长虹液晶电视 LS08 机芯主要集成电路及其功能: TV 板 序号 位号 型号 主要功能 1 UT1 TMI4-C22P2RW 输出声音和图象中频信号 2 UT2 TAD5-C2IP1RW 输出子画面的 CVBS 信号 主板 3 U302,U303 24LC21A T/SN EEPROM 4 U701 24LC32A T/SN 缓冲器 5 U306,U307,UA3 FSAV330QSCX 选择切换开关 6 K201 K7262N 声表面滤波器 7 K202 K9352N 声表面滤波器 8 U6 TPA3002D2PHPR 音频放大器 9 U801 AM29LV800DT-70EC Flash,整机控制程序放置于其中 10 U700 GM1501-BD 视频处理器 11 U201 TDA15063H-N1B06557 音视频解码器 12 U402 SAA7115HL/V1 子通道视频解码器 13 U305 SM5302AS-G-ET 高清信号滤波器 14 U400 TDA8759HV/8/C1 视频信号模数转换器 15 U5 TDA9178T/N1 视频信号画质改善 16 U600 MT46V2M32LG-4 帧缓存器 PDF 文件使用 "pdfFactory Pro" 试用版本创建 www.fineprint.cn 家电维修资料网 www. 520101. com www. 520101. com 家电维修资料网 6 二、长虹液晶电视 LS08 机芯集成电路功能介绍 1.主高频头(TMI4-C22P2RW) 管脚 管脚定义 管脚功能描述 1 AGC 自动增益控制 2 UT 未接 3 ADD 地 4 SCL IIC 总线(时钟) 5 SDA IIC 总线(数据) 6 NC 不接 7 +5V 电源 8 NC 不接 9 30V 形成 0~30V 的调谐电压 10 NC 不接 11 IF 输出中频 TV 信号 2.副高频头(TAD5-C2IP1RW): 管脚 管脚定义 管脚功能描述 1 AGC 自动增益控制 2 NC 不接 3 ADD 地 4 SCL IIC 总线(时钟) 5 SDA IIC 总线(数据) 6 NC 不接 7 +5V 电源 8 NC 不接 9 33V 形成 0~33V 调谐电压 10 NC 不接 11 IF 中频信号输出(未接) 12 IF 中频信号输出(未接) 13 SW0 波段控制 14 SW1 波段控制 15 NC 不接 16 SIF 未接 17 AGC 自动增益控制 18 VEDIO CVBS 信号输出 19 +5V 电源 20 AUDIO 不接 3.GM1501 GM1501 是一种双通道图象和视频处理芯片,主要用于 LCD 显示器和电视一体化产品上, 支持画中画技术,分辩率可达 WUXGA,它囊括了所有应用于图象捕捉、处理及显示时钟 控制等方面 IC 的功能,其内部集成了高速率的 AD 转换器,PLL,和高可靠的 DVI 接收器, PDF 文件使用 "pdfFactory Pro" 试用版本创建 www.fineprint.cn 家电维修资料网 www. 520101. com www. 520101. com 家电维修资料网 7 X86 系列的微控制器,及 LVDS 转换器等。它有以下主要特点: ● 高品质的图象缩放功能 ●模拟 RGB 基色信号输入接口 ●智能化输入信号模式自动识别; ●集成高性能的 PLL 锁相环输出 ●高可靠的自适应 DVI 输入接口 ●4:4:4/4:2:2/CCR656/601 8/16/24bit 数字视频接口; ●内置增益、对比度、亮度、色饱和度、色调、肤色校正调节电路; ●有效降低 EMI 电磁干扰功耗技术; ●小角度斜纹处理 ●高品质的视频处理技术 ●可编程的输出格式 ●内置 LVDS 传输器 ●高级屏显菜单(OSD)支持; ●内置微控制器 管脚功能描述: 管脚 管脚名称 管脚功能 模拟信号输入端口 L3 AVSYNC ADC 场同步信号输入 L4 AHSYNC ADC 行同步信号输入 N2 VGA-SCL VGA 时钟输入 N1 VGA-SDA VGA 数据输入 D1、D2 RED+、RED- 红色模拟信号输入 C3 SOG 绿基色上的同步信号 C1、C2 GREEN+、- 绿色模拟信号输入 B1、B2 BLUE+、BLUE- 蓝色模拟信号输入 A2,B3,E3,D3 ADC3.3 ADC3.3V 电源 A3,A4 ADC1.8 ADC1.8V 电源 A5,B4 ADC-DGND ADC 数字地 C4,D4,E1,E2,E4 ADC-AGND ADC 模拟地 DVI 输入端口 N4 DVI-SCL DDC 接口,串行时钟信号 N3 DVI-SDA DDC 接口,串行数据信号 A6,B6 RXC+,RXC- DVI 时钟输入信号 A8~A10 B8~B10 RX0+~RX2+ RX0-~RX2- DVI 输入口 B11 REXT 外部中断电阻 C6~C11 DVI-3.3 DVI 3.3V 电源 D6、D8~D10 DVI-1.8 DVI 1.8V 电源 A7,A11,B5,B7,C7,D7 D11 DVI-GND DVI 地 低带宽 ADC 端口 C13 LBADC-33 ADC3.3V 电源 PDF 文件使用 "pdfFactory Pro" 试用版本创建 www.fineprint.cn 家电维修资料网 www. 520101. com www. 520101. com 家电维修资料网 8 A12,B12,C12 LBADC_IN1~ LBADC_IN3 ADC 模拟输入通道 D12 LBADC_RETURN 通道模拟地 D13 LBADC-GND 供电电压模拟地 OCM 总线端口 AA1~AA3,Y1~Y3, W1~W3,V1~V4, U1~U4,T1~T3 OCMADDR0~ OCMADDR19 地址输入输出端口 AB1~AB3,AC1~AC3, AD1~AD4,AE1~AE3, AF1~AF3 OCMDATA0~ OCMDATA15 数据输入输出端口 OCM 端口控制信号 R1,T4,P1,P2 ROM_CSn~ ROM_CS2n 片选信号 R2 OCM_REn 读使能信号 R3 OCM_WEn 写使能信号 L1 L2 OCM_INT2 OCM_INT1 中断信号 M1 OCM_UDO OCM 数据输出 M2 OCM_UDI OCM 数据输入 D25 OCM_TIMER1 OCM 定时器输入 标准清晰度视频控制端口 D16 SVCLK SV 象素时钟输入 C14 SVHSYNC SV 行同步信号 B14 SVVSYNC SV 场同步信号 A14 SVODD 扫描状态输入 A17 SVDV SV 数据输入 标准清晰度视频数据端口 D14,D15,A15,A16, B15,B16,C15,C16 SVDATA7~ SVDATA0 SV ITU656 数据输入 视频控制端口 A20 VCLK 视频象素时钟信号 D19 VHS_CSYNC 视频行同步信号 C20 VVS 视频场同步信号 B20 VODD 扫描状态输入 D20 VDV (VSOG) 视频数据输入 B17 VCLAMP 视频钳位使能输出 A21,A22,A23,B21, B22,C21,C22,D21 VGRN7~ VGRN0 绿基色信号或 Y 信号输入 C17,C18,C19,A18 A19,B18,B19,D18 VRED7~ VRED0 红基色信号或 V/Cr/Pr 信号输入 B23,B24,B25,A24 A25,C23,C24,D24 VBLU7~ VBLU0 蓝基色信号或 U/Cb/Pb 信号输入 PDF 文件使用 "pdfFactory Pro" 试用版本创建 www.fineprint.cn 家电维修资料网 www. 520101. com www. 520101. com 家电维修资料网 9 屏控制端口 A26 PPWR 屏功率控制 B26 PBIAS 屏偏置控制 D26,C25,C26 PWM2 ~PWM0 脉宽调制输出 AC7 DCLK 象素时钟输出 AC16 OEXTR 接外部 LVDS 偏置电阻 LVDS 端口 AE14~AE16,AE19~ AE23,AF13~AF16 AF19~AF23,AF11 A0-~A3-, A0+~A3+ B0-~B3-, B0+~B3+ 低压差分数据输入 AD14,AD11,AE13 AE11,AC11,AF10 LVDS_SHIELD[5] ~ LVDS_SHIELD[0] 低压差分保护输出 AE12,AF12, AF20,AE20 AC+,AC-,BC+,BC- 低压差分时钟输入 屏端口电源 AD12,AD13,AC12 LVDSB_3.3 LVDS B 通道电源 AC13,AC14,AC15 LVDSB_GND B 通道地 AC20,AC21,AC22 LVDSA_3.3 LVDS A 通道电源 AD19,AC19,AC20 LVDSA_GND A 通道地 AE17 VDDD33_LVDS 模拟电源 AD17 VSSD33_LVDS 模拟地 时钟合成和电源 G4 XTAL 晶振接口 F2 VDDD33_PLL, H1 VDDD33_SDDS J1 VDDD33_DDDS 数字电源 G2 VSSD33_PLL J4 VSSD33_SDDS K4 VSSD33_DDDS 数字地 F4 VDDA33_RPLL G1 VDDA33_FPLL H3 VDDA33_SDDS J3 VDDA33_DDDS 模拟电源 F3 VSSA33_RPLL H4 VSSA33_FPLL H2 VSSA33_DDDS J2 VSSA33_DDDS 模拟地 G3 TCLK 参考时钟信号输入 K2 ACS_RSET_HD 外接电阻端 系统信号 K1 RESETn 复位信号 M3,M4 IR0,IR1 P4 MSTR_SCL 主时钟输出信号 PDF 文件使用 "pdfFactory Pro" 试用版本创建 www.fineprint.cn 家电维修资料网 www. 520101. com www. 520101. com 家电维修资料网 10 P3 MSTR_SDA 主数据输出/输入信号 R4 EXTCLK 外部时钟输入 帧存储器接口 U24,U23 FSCLKp,FSCLKn 微分存储时钟输出 V24,V25 FSRAS,FSCAS 地址输出 V26 FSWE 写使能端 W26 FSCKE 读使能端 J24 FSVREF 参考电压输入 K26 FSVREFVSS 参考电压地 W25 FSVREF 参考电压输入 W24 FSVREFVSS 参考电压地 L26 FSDQS 数据滤波 F24~F26,G23~G26 H24~H26,J25,J26, R24~R26,P24~P26 N23~N26,……. FSDATA31~ FSDATA0 数据输入输出端 T24,T25,U25,U26 FSDQM3~ FSDQM0 数据输出标识 Y26 Y25 FSBKSEL1, FSBKSEL0 层选地址 AA24~AA26 AB24~AB26, AC24~AC26 AD24~AD26 FSADDR11~ FSADDR0 行列地址输出 E23, F23, H23, J23, L23,M23,P23, R23, T23,V23,W23,Y23, AA23,AB23,AC23 FS_2.5 2.5V 电源 K23 VDDA18_DLL 1.8V 电源 K25 VSSA18_DLL 电源地 数字电源 K10,K11,K16,K17, L11,L16,T11,T16, T17,U10,U11,U16,U17 CORE_1.8 1.8V 电源 D23, W4,Y4, AA4, AB4,AC4,AC6,D17, D22,AC8,AC10 IO_3.3 3.3V 电源 K12,K13,K14,K15, L10,L12,L13,L14, L15,L17,M10,M11, M12,M13。。。。。。 D_GND 电源地 A1,AC,D5,AC17, K3,F1 NO_CONNECT NC PDF 文件使用 "pdfFactory Pro" 试用版本创建 www.fineprint.cn 家电维修资料网 www. 520101. com www. 520101. com 家电维修资料网 11 GM1501 内部框图: 4.TDA8759 简介: TDA8759 是一种 3 倍率 8-bit 视频信号转换器,采样速率达 81Msps,可将模拟的 RGB 信 号转换成 24bit 的 RGB 数字信号,也可将模拟的 YUV 或 YCbCr 模拟信号转换为数字信号 PDF 文件使用 "pdfFactory Pro" 试用版本创建 www.fineprint.cn 家电维修资料网 www. 520101. com www. 520101. com 家电维修资料网 12 或 RGB 数字信号。支持格式下至 480i 和 VGA 格式,上至高清电视信号和 XGA 格式, ●3 倍率 8-bit 模数转换器 ●3 只独立的 I²C 可选模拟视频信号源 ●可对隔行扫描视频信号自动检测 ●1.8V 和 3.3V 供电 ●较低的增益温度漂移 ●输出格式支持 RGB4:4:4,YUV4:4:4,YUV4:2:2,CCIR656 等格式; ●I²C 总线控制 ●内置可编程时钟相位校正电路 ●100MHZ 的放大器带宽 ●内置 PLL 分配器 ●Power-Down 掉电模式 TDA8759 内部原理框图: 管脚功能描述: 管脚 名称 功能描述 1 HREF 行参考输出 2 VCLK 视频时钟输出 3,13,21,29, 37,45,164 VDDO 供电端 PDF 文件使用 "pdfFactory Pro" 试用版本创建 www.fineprint.cn 家电维修资料网 www. 520101. com www. 520101. com 家电维修资料网 13 4,14,22,30 38,46,165 OGND 视频地 7,8,9,10, 15,16,17,18 VPA0~VPA7 视频端口 A 11,116,130,132 VDDC 供电端 12,117,159 CGND 地 23~28,31,32 VPB0~VPB7 视频端口 B 35,36,39~44 VPC0~VPC7 视频端口 C 47,53,57,58,55 60,66,70,71,75 81,83,85,86, AGND 模拟地 48,54,59,61,67 69,76,82,85,87,88 VDDA 供电端 49 REFB/Pb 蓝基色/蓝色度参考输入信号 52,51,50 B/Pb1~ B/Pb3 蓝基色/蓝色度模拟信号输入 56 BIAS 偏置输入 62 REFG/Y 绿基色/亮度参考输入信号 65,64,63 G/Y1~G/Y3 绿基色/亮度模拟输入信号 74,73,72 SOG/Y1~SOG/Y3 绿同步/亮度输入信号 77 REFR/Pr 红基色/红色度参考输入信号 80,79,78 R/Pr1~ R/Pr3 红基色/红色度模拟信号输入 89~92,97~101 112,121,122, 124,125,160~163 TST0~TST17 预留测试点 93 PD 掉电控制输入 94 OE 输出使能信号输入 96 A0 I²C 总线地址控制信号输入 102 COAST PLL 控制信号输入 103 GAIN 增益输入 104 CLAMP 钳位输入 105~107 VSYNC1~VSYNC3 场同步信号输入 108~110 H(C)SYNC1~ H(C)SYNC3 行(色)同步信号输入 111 CKEXT 外部时钟输入 113 TCLK 预留测试点 114 DIS I²C 总线关闭控制信号输入 118 SDA I²C 总线数据输入/输出 119 SCL I²C 总线时钟信号输入 120,126,127,131 133,142,148, IGND 数字地 123,138,139,145 151,157 VDDI 数字电源 166 PL PLL 锁闭信号输出 PDF 文件使用 "pdfFactory Pro" 试用版本创建 www.fineprint.cn 家电维修资料网 www. 520101. com www. 520101. com 家电维修资料网 14 167 DE 数据使能输出 168 HS 行同步信号输出 169 VS 场同步信号输出 170 CS 色同步信号输出 171 ORR/V 红基色/色度 ADC 输出 172 ORB/U 蓝基色/色度 ADC 输出 173 ORG/Y 绿基色/亮度 ADC 输出 174 VAI 视频动态指示信号输出 175 FREF 扫描信号输出 17 VREF 场参考信号输出 5.TPA3002D2 简介: TPA3002D2 是一种高效率的 9W(每通道)的 D 类音频放大器,用于推动桥结式立体声 扬声器;在播放音乐时,其较高的效率可以降低外部散热、供电设备等方面的要求。 TPA3002D2 内部有一 5V 调节电源可用于驱动外部耳机工作。 主要特点: ●12V 供电 ●每通道 9W 的功率驱动 8Ω的负载; ●高效率,D 类放大器 ●-40db~36db 宽范围的 32 阶直流音量控制 ●线性输出驱动外接耳机 ●内有过热和短路保护 管脚介绍: 管脚 名称 功能描述 PDF 文件使用 "pdfFactory Pro" 试用版本创建 www.fineprint.cn 家电维修资料网 www. 520101. com www. 520101. com 家电维修资料网 15 26, 30 AGND 模拟地 33 AVCC 模拟电源(8~14V) 29 AVDD 5V 调节输出 7 AVDDREF 参考 5V 输出 13 BSLN 24 BSLP 左通道输入输出 48 BSRN 37 BSRP 右通道输入输出 28 COSC 外接电容充/放电端 6 LINN 5 LINP 左通道差分音频信号输入 16,17 LOUTN 20,21 LOUTP 左通道放大器输出端 34 MODE 模式控制输入 35 MODE_OUT 模式控制输出 18,19,42,43 PGNDR,PGNDL 音频地 14,15,22,23 PVCCL 38,39,46,47 PVCCR 供电端 12 REFGND 地 32 RINP 2 RINN 右通道差分音频信号输入 27 ROSC 外接电阻到地 44,45, 40,41 ROUTN, ROUTP 右通道放大器输出端 1 SD 关断信号输入端 9 VARDIFF 差分增益设置端 10 VARMAX 最大增益设置 31 VAROUTL 左通道音频变量输出 32 VAROUTR 右通道音频变量输出 25 VCLAMPL 左通道内部电压供应端 36 VCLAMPR 右通道内部电压供应端 11 VOLUME 音量控制输出 8 VREF 增益控制参考端 4 V2P5 2.5V 模拟参考电压 TPA3002D2 内部框图: PDF 文件使用 "pdfFactory Pro" 试用版本创建 www.fineprint.cn 家电维修资料网 www. 520101. com www. 520101. com 家电维修资料网 16 6.SM5301AS 简介: SM5301AS 是一种高清信号滤波器,其主要特点: ●供电电压:5V±10%; ●电压同步嵌位功能 ●通道间增益差异:0.5db; ●通道间相位差异:3.5 度 ●输出信号谐波失真:1.5% ●中断频率:5.8-37MHz; SM5301AS 内部框图: PDF 文件使用 "pdfFactory Pro" 试用版本创建 www.fineprint.cn 家电维修资料网 www. 520101. com www. 520101. com 家电维修资料网 17 管脚介绍: 管脚 名称 功能描述 2 GSG1 绿色增益输入 1 GINA/UINA 3 GINB/UINB 模拟绿基色/U 信号输入 5 BINA/VINA 7 BINB/VINB 模拟蓝基色/V 信号输入 6 GSB1 蓝色增益输入 9 DISABLE 省电模式功能脚 10,13,16,19 GND 地 11 BOUT/VOUT 蓝色/V 信号输出 14 GOUT/UOUT 绿色/U 信号输出 17 ROUT/YINB 红色/Y 信号输出 12,15,18,24 VCC 供电端 20 RFC 低通滤波器中止频率设置接电阻端 21 VFC 低通滤波器中止频率设置接电压端 22 MUXSEL 输入选择 23 SYNCIN 外部行同步信号输入 26 GSR1 红色增益输入 25 RINA/YINA 27 RINB/YINB 模拟红基色/Y 信号输入 4,8,28 NC 未用 7.SAA7115 简介: SAA7115是一种支持多制式格式的视频解码器,内有自适应NTSC/PAL/SECAM制式的 PDF 文件使用 "pdfFactory Pro" 试用版本创建 www.fineprint.cn 家电维修资料网 www. 520101. com www. 520101. com 家电维修资料网 18 梳状滤波器,高性能的图象缩放功能及I²C总线Readback和SQ象素输出技术,其主要特点: ●6通道模拟信号输入,内有源选择器 ●2只改进的9-bit的CMOS模数转换器 ●可实现对CVBS、Y、C信号的自动嵌位控制 ●加强型行、场同步检测 ●自动延迟矫正PAL制式相位误差 ●TV/VCR信号源自动检寻 SAA7115内部框图: 管脚功能: 管脚 名称 功能描述 1,8,11,17,23,25,33 43,51,58,68,75,83 93 VDD 供电端 2 TDO 边缘扫描检测数据输出信号 3 TDI 边缘扫描检测数据输入信号 4 XTOUT 晶振输出信号 6 XTALO 7 XTALI 外接 24.576(32.11)MHZ 晶振 6 VXDD 晶振供电 10,12,14,16 AI21~AI24 模拟信号输入 21~24 13 AI2D 19 AI1D 模数转换器微分信号输入 20 AI11 模拟信号输入 11~22 PDF 文件使用 "pdfFactory Pro" 试用版本创建 www.fineprint.cn 家电维修资料网 www. 520101. com www. 520101. com 家电维修资料网 19 18 AI12 5,9,15,21,24,26,38 50,63,76,88,100 AGND VSS 地 22 AOUT 不接 27 CE 使能或复位信号输入 28 LLC 29 LLC2 线锁定时钟信号输出 30 RESON 复位信号输出 31 SCL I²C 总线时钟信号线 32 SDA I²C 总线数据线 34 RTS0 35 RTS1 实时状态和同步信息 36 RTCO 实时控制输出 37 AMCLK 音频主时钟信号输出 39 ASCLK 音频系列时钟信号输出 40 ALRCLK 音频左右声道时钟 41 AMXCLK 音频外部主时钟信号 42 ITRDY 准输入 45 ICLK 图象主时钟输出 46 IDQ 图象数据限制 47 ITRI 图象端口控制信号 48 IGP0 49 IGP1 图象端口 52 IGPV 多目标场参考信号 53 IGPH 多目标行参考信号 54~57,59~62 IPD0~IPD7 图象数据输出口 64~67,69~72 HPD0~HPD7 主端口数据输入/输出 80 XTRI X 端口输出控制 81,82,84,85, 89,90,86,87 XPD0~XPD7 扩展端口数据输入/输出 91 XRV 场扩展端口 92 XRH 行扩展端口 94 XCLK 时钟扩展端口 95 XDQ 限制数据扩展口 96 XRDY 任务标识或读信号 97 TRSTN 边缘扫描终止复位 98 TCK 边缘扫描检测时钟 99 TMS 边缘扫描模式选择 PDF 文件使用 "pdfFactory Pro" 试用版本创建 www.fineprint.cn 家电维修资料网 www. 520101. com www. 520101. com 家电维修资料网 20 8.UOCⅢ(TDA15063H)简介: UOCⅢ是种应用于电视的音视频解码芯片,它内置带有图文控制程序的 FLASH 融合了 视频信号处理器和字模解码器的所有功能,具有数字视频、数字音效处理器,多规格立体声 解码器,其主要特点有: ●内有处理数字电视信号的 DVB/VSB 中频电路 ●3 路 CVBS 输入,1 路 CVBS 输出 ●Y/C 信号自动检测功能 ●自适应数字 NTSC/PAL 制式梳状滤波器 ●更先进的图象改善技术 ●内置可调亮度延迟电路 ●可切换亮度信号传输率 管脚介绍: 管脚 名称 功能描述 1,2,12,18,28,40 68,81,89,92,95,101 121,125 VSS,GND 地 3,4,45,69,82,88,90, 91,93,94,96,100, 110,117,118,124 VDD 供电端 5 VREF_POS_LSL 6 VREF_NEG_LSL+HPL 7 VREF_POS_LSR+HPR 8 VREF_NEG_HPL+HPR SDAC 输入信号 PDF 文件使用 "pdfFactory Pro" 试用版本创建 www.fineprint.cn 家电维修资料网 www. 520101. com www. 520101. com 家电维修资料网 21 9 VREF_POS_HPR 10 XTALIN 晶振输入 11 XTALOUT 晶振输出 13 VGUARD/SWIO 保护信号输入 14 DECDIG 退藕数字电源 15 VP1 5V 电源 16 PH2LF 17 PH1LF 相位滤波器 19 SECPLL 20 DECBG SECAM 制式 PLL 退耦 21 EWD/AVL 带隙退耦 22 VDRB 23 VDRA 垂直驱动输出 24 VIFIN1 25 VIFIN2 IF 输入 27 IREF 参考电流输入 29 SIFIN1/DVBIN1 30 SIFIN2/DVBIN2 SIF 信号输入 31 AGCOUT 调谐器 AGC 信号输出 32 EHTO 过压保护输入 33 AVL/SWO/SSIF/REFO/REFIN 切换信号端。。。 34 AUDIOIN5L 35 AUDIOIN5R 音频信号输入 36 AUDOUTSL 37 AUDOUTSR SCART 音频输出 38 DECSDEM 退耦音频解调器 39 QSSO/AMOUT/AUDEEM QSS 输出 41 PLLIF PLL 滤波器 42 SIFAGC/DVBAGC AGC 中频 43 DVBO/IFVO/FMRO 44 DVBO/FMRO 数字视频信号输出 46 AGC2SIF 第二中频 AGC 47 VP2 5V 电源 48 IFVO/SVO/CVBSI 视频 IF 输出 49 AUDIOIN4L 50 AUDIOIN4R 音频输入 51 CVBS4/Y4 CVBS/Y 输入 52 C4 色度输入 53 AUDIOIN2L/SSIF 54 AUDIOIN2R 56 AUDIOIN3L PDF 文件使用 "pdfFactory Pro" 试用版本创建 www.fineprint.cn 家电维修资料网 www. 520101. com www. 520101. com 家电维修资料网 22 57 AUDIOIN3R 30 AUDOUTLSL 61 AUDOUTLSR 62 AUDOUTHPL 63 AUDOUTHPR 音频输入 58 CVBS3/Y3 CVBS/Y 输入 59 C2/C3 色度输入 55 CVBS2/Y2 CVBS/Y 输入 64 CVBSO/PIP CVBS/PIP 信号输出 65 SVM 扫描速度调制信号 66 FBISO/CSY 回扫信号输入 67 HOUT 场输出 70 VIN (R/PRIN2/CX) V 信号输入 71 UIN (B/PBIN2) U 信号输入 72 YIN (G/YIN2/CVBS-YX) Y 信号输入 73 YSYNC 同步隔离 Y 信号输入 74 YOUT Y 信号输出 75 UOUT (INSSW2) U 信号输出 76 VOUT (SWO1) V 信号输出 77 INSSW3 3 基色/YpbPr 信号输入 78 R/PRIN3 R 基色/Pr 输入 79 G/YIN3 G 基色/Y 输入 80 B/PBIN3 B 基色/Pb 输入 83 BCLIN 限流信号 85 RO 红基色输出 86 GO 绿基色输出 87 BO 蓝基色输出 97 INT0/P0.5 外部中断信号 98,99,102~109 111~116,119,120 122,123,126~ 128 P0.0~ P0.4 P1.0~P1.7,P2.0~P2.5, P3.0~P3.3 数据端口 UOCⅢ内部框图: PDF 文件使用 "pdfFactory Pro" 试用版本创建 www.fineprint.cn 家电维修资料网 www. 520101. com www. 520101. com 家电维修资料网 23 PDF 文件使用 "pdfFactory Pro" 试用版本创建 www.fineprint.cn 家电维修资料网 www. 520101. com www. 520101. com 家电维修资料网 24 第三章 整机信号流程分析及关键点测量数据 本章主要介绍长虹液晶电视的图象信号的接收及处理、声音信号的接收及处理和整机 系统控制过程、整机供电系统。 一、图像信号流程: AV/S和经过主调谐器解调后的 IF信号通过 TV板转接送入至视频解码芯片 UOCⅢ进行 解码后,输出的模拟视频信号送入模数转换器 TDA8759HV/8/C1 作 A/D 变换,其输出的数 字 R、G、B 信号经过 GM1601/GM1501 进行格式变换,将不同的输入格式变成统一的上屏 信号格式。 经过子调谐器解调后的信号则直接送入子画面视频解码器 SAA7115HL/V1 进行视频解 码和 A/D 变换,之后再送至 GM1601/GM1501 进行格式变换,输出的上屏信号用于子画面 的显示。 PC 和 HDTV(YPBPR)及 DVI 信号经过二选一后直接送入 GM1601/GM1501 进行处理形 成统一的上屏信号。 二、伴音流程: TV 伴音:射频信号经主调谐器解调后输出 SIF(伴音中频)信号,SIF 输入到 UOCⅢ中 进行解调和音效处理,输出的音频信号到 D 类功放 TPA3002D2PHPR 中进行功率放大,最 后送入扬声器。 AV 伴音:经过 AV 输入的音频信号直接经 UOCⅢ处理和 TPA3002D2PHPR 放大后推动 扬声器。 PC 、 DVI 、 YPBPR 的 伴 音 经 过 MC74LVX4052DR2 选 通 后 经 UOC Ⅲ 处 理 和 TPA3002D2PHPR 放大后推动扬声器。 三、整机供电系统: 从电源板共有 4 路电压输出,+24V,+12V,+5V 和+5VS。其中+24V 供 LCD 屏的逆变 器使用,+12V 供功放使用,+5V 通过 DO(如 LM1117、LM1084 等)变成 3.3V、2.5V 和 1.8V, 供 IC 使用,在待机状态下会被关断,而+5VS 则供 MCU、红外接收器、EEPROM 等供电 5V 将分成两路,一路给其它 IC 和器件等供电,这路 5V 电压在待机时将被关断(5VB), 在待机时不会被切断。另一路 5V 专给 MCU、红外接收器、EEPROM 等供电,在待机时不 会被切断。 1、 整机电源组成与分布:(见下页) PDF 文件使用 "pdfFactory Pro" 试用版本创建 www.fineprint.cn 家电维修资料网 www. 520101. com www. 520101. com 家电维修资料网 25 3、主板上各稳压管管脚电平一览表 位号 型号 PIN1(V) PIN2(V) PIN3(V) PIN4(V) PIN5(V) UP7 LM1117-1.8V 0 1.8 5 1.8 UP1 LM1117-3.3V 0 3.3 5 3.3 UP6 LM2596-5.0 24 5 0 5 0 U405 LM1117-3.3 0 3.3 5 3.3 PDF 文件使用 "pdfFactory Pro" 试用版本创建 www.fineprint.cn 家电维修资料网 www. 520101. com www. 520101. com 家电维修资料网 26 U3 78M08 12 0 8 U403 LM1117-1.8V 0 1.8 5 1.8 U503 LM1806-3.3 0 3.3 5 3.3 U505 LM1117-2.5 0 2.5 5 2.5 U506 LM1117-3.3 0 3.3 5 3.3 U501 LM2596-5.0 12 5 0 5 U502 LM2596-5.0 24 5 0 5 0 U504 LM1117-1.8V 0 1.8 5 1.8 四、主板上各主要元器件及插座位置及定义: 插座定义 序号 位号 连接对象 功能描述 1 JP5 接 TV 板 2 JP2 接侧置 AV 端 3 JP6 接 DVD AV 输出 PDF 文件使用 "pdfFactory Pro" 试用版本创建 www.fineprint.cn 家电维修资料网 www. 520101. com www. 520101. com 家电维修资料网 27 4 JP7 接扬声器 5 JP8 接扬声器 6 JP4 接 DVD 解码板 7 JP3 接外部 AV 输入 8 JP9 上屏(屏上逆变器输入) 9 JP10 上屏(屏上逆变器输入) 10 JP12 接电源板 GND,GND,GND,+12V,+12V,+12V 11 J171 待用 13 JP11 接电源板 +12V,+12V,GND,GND,GND,GND,24V,24V 14 JP1 接电源板 SB,GND,GND,5V,5V,5V,GND,GND,12V,12V 15 J700 待用 16 CN702 待用 17 CN700 接遥控板 18 CN701 接 K 板 19 CN304 待用 20 CN303 待用 21 JP701 接显示屏 22 CN306 待用 23 AVP303 DVI 音频输入 24 CN300 DVI 端子 25 AVP300 VGA 音频输入 26 CN301 VGA 端子 主要元器件说明 序 号 位号 元器件 功能描述 A U201 TDA15063H-N1B06557 音视频解码器 B U400 TDA8759HV/8/C1 视频信号模数转换器 C U402 SAA7115HL/V1 子通道视频解码器 D U600 MT46V2M32LG-4 帧缓存器 E U700 GM1601/GM1501-BD 视频处理器 F U305 SM5302AS-G-ET 高清信号滤波器 G U801 AM29LV800DT-70EC Flash,整机控制程序放置于其中 H U6 TPA3002D2PHPR 音频功率放大器 I U5 TDA9178T/N1 视频信号画质改善 J K202 K9352N 声表面滤波器 K K201 K7262N 声表面滤波器 L UA3 FSAV330QSCX 选择切换开关 M U701 24LC32A T/SN 缓冲器 N U307 FSAV330QSCX 选择切换开关 O U306 FSAV330QSCX 选择切换开关 P U302 24LC21A T/SN EEPROM Q U303 24LC21A T/SN EEPROM PDF 文件使用 "pdfFactory Pro" 试用版本创建 www.fineprint.cn 家电维修资料网 www. 520101. com www. 520101. com 家电维修资料网 28 五、关键点波形图 1、射频输入全彩条信号, 子高频头 UT1 第 19 脚处全电视信号波形: JP5 第 45 脚,SAA7115 第 10 脚处的波形也是如此: 2.射频输入全彩条信号,U201 的 Pin85,Pin86,Pin87 输出的 R,G,B 信号波 形,Q171,Q172,Q173 的 E 极处波形: 2、射频输入全彩条信号,I²C 总线时钟信号 UOCIII_SCL,U201 的第 98 脚,U5 的 11 脚,主、子高频头 UT1 和 UT2 第 4 脚,JP5 第 25 脚处波形: PDF 文件使用 "pdfFactory Pro" 试用版本创建 www.fineprint.cn 家电维修资料网 www. 520101. com www. 520101. com 家电维修资料网 29 3、射频输入全彩条信号,I²C 总线数据信号 UOCIII_SDA,U201 的第 99 脚,U5 的 14 脚,主、子高频头 UT1 和 UT2 第 5 脚,JP5 第 24 脚处波形: 4、射频输入全彩条信号,UOC 场同步信号,U201 第 22 脚,U400 第 105 脚处波 形: PDF 文件使用 "pdfFactory Pro" 试用版本创建 www.fineprint.cn 家电维修资料网 www. 520101. com www. 520101. com 家电维修资料网 30 5、射频输入全彩条信号,UOC 场同步信号,U201 第 22 脚,U400 第 105 脚处波 形: 6、射频输入灰阶信号, 子高频头 UT1 第 19 脚处全电视信号波形: JP5 第 45 脚,SAA7115 第 10 脚处的波形也是如此: PDF 文件使用 "pdfFactory Pro" 试用版本创建 www.fineprint.cn 家电维修资料网 www. 520101. com www. 520101. com 家电维修资料网 31 7、频率为 1KHz 的伴音信号输入,U201 第 60,61 脚处波形,U6 第 2、6 脚波形 也是如此: 8、频率为 1KHz 的伴音信号输入,U6 第 16、17、20、2140、41、44、45 和脚处 波形: PDF 文件使用 "pdfFactory Pro" 试用版本创建 www.fineprint.cn 家电维修资料网 www. 520101. com www. 520101. com 家电维修资料网 32 PDF 文件使用 "pdfFactory Pro" 试用版本创建 www.fineprint.cn 家电维修资料网 www. 520101. com www. 520101. com 家电维修资料网 33 第四章 常见问题及处理 1.故障现象:PC 的显卡在 DVI 下无图象显示 原因及处理:某些 DVI 显卡在开机时若得不到数据,将不会有输出;在使用中若突然将 DVI 线拔掉,也将停止 DVI 输出;在 PC 启动前,将 DVI 线与液晶电视可靠连接,以便 DVI 在开机时从 DDC( Display Data Channel)准确得到数据,DDC 存于芯片 24LC21 中。 2.故障现象:有声音无图象,开机也不出 LOGO,背光亮 原因及处理:检查上屏的连接线没接好;接好上屏线。 3.故障现象:TV 下无图像、无声音,也无雪花点,但 AV 正常 原因及处理:检查高频外围是否工作正常(包括总线和电源),若正常高频仍然没有输出, 则高频头失效。 4.故障现象:液晶电视不受控(包括红灯亮但不开机、遥控器和本机键对其不起作用等) 原因及处理:液晶电视出现了死机现象,断电重启。 PDF 文件使用 "pdfFactory Pro" 试用版本创建 www.fineprint.cn 家电维修资料网 www. 520101. com www. 520101. com 家电维修资料网 34 第五章 维备件、易损件清单 本维修备件清单仅供参考,参数更改恕不另行通知。准确型号或规格请以公司最新资 料为准。 27 寸系列: 序号 名称 组件代码 组件号 印制板号 易损比例 (‰) 1. 面框 8807400310J JUJ8.074.031 0.1 2. 悬浮屏 8864000190J JUJ8.640.019 0.1 3. 后盖 8807400341J JUJ8.074.034-1 0.1 4. 底座装饰板 8735600050J JUJ7.356.005 0.1 5. 底座 8807000130J JUJ8.070.013 0.1 6. 主板组件 8669000353J JUJ6.690.035-3 印制板 JUJ7.820.088 1 7. AV 板组件 8669300150J JUJ6.693.015 印制板 JUJ7.820.103 0.5 8. TV 板组件 8669700040J JUJ6.697.004 印制板 JUJ7.820.128 1 9. 遥控接收板组件 8669400180J JUJ6.694.018 印制板 JUJ7.820.104 0.5 10. 按键板组件 8669400190J JUJ6.694.019 印制板 JUJ7.820.091 0.5 11. 按键 8833700110J JUJ8.337.011 0.1 12. DVD 触摸按键标牌 8661800060J JUJ6.618.006 (仅限于 CHD-TD270F8) 2 13. DVD 输出板组件 8669300120J JUJ6.693.012 (仅限于 CHD-TD270F8) 0.1 14. DVD 解码板组件 8669300130J JUJ6.693.013 (仅限于 CHD-TD270F8) 1 15. 转接板组件 8669100080J JUJ6.691.008 (仅限于 CHD-TD270F8) 0.1 16. DVD 驱动器 59C11060850 TDR-085 (仅限于 CHD-TD270F8) 1 17. 内置电源模块 67128017905 FSP179-4F01 5 18. 液晶显示屏 68219602735 V270W1-L04 0.1 19. 电子调谐器 8289100063E TMI4-C22P2RW 1 20. 电子调谐器 8289100454E TAD5-C2IP1RW 1 21. 电动式扬声器 56224605080 Y2929-01-5W-8Ω 2 22. 电动式扬声器 562D6608082 Y50138-01-8W-8Ω 2 23. 遥控发射器 8201803760L KLC5B 1 37 寸系列: 序号 名称 组件代码 组件号 印制板号 易损比例 (‰) 24. 面框 8807400430J JUJ8.074.043 0.1 25. 后盖 8807400442J JUJ8.074.044-2 0.1 26. 底座 8807000160J JUJ8.070.016 0.1 27. 主板组件 8669000354J JUJ6.690.035-9 印制板 JUJ7.820.088 1 28. AV 板组件 8669300150J JUJ6.693.015 印制板 JUJ7.820.103 0.5 29. TV 板组件 8669700040J JUJ6.697.004 印制板 JUJ7.820.128 1 30. 遥控接收板组件 8669400200J JUJ6.694.020 印制板 JUJ7.820.104 0.5 PDF 文件使用 "pdfFactory Pro" 试用版本创建 www.fineprint.cn 家电维修资料网 www. 520101. com www. 520101. com 家电维修资料网 35 31. 按键板组件 8669400240J JUJ6.694.024 印制板 JUJ7.820.091 0.5 32. DVD 触摸按键标牌 8661800060J JUJ6.618.006 (仅限于 CHD-TD370F8) 2 33. DVD 输出板组件 8669300120J JUJ6.693.012 (仅限于 CHD-TD370F8) 0.1 34. DVD 解码板组件 8669300130J JUJ6.693.013 (仅限于 CHD-TD370F8) 1 35. 转接板组件 8669100080J JUJ6.691.008 (仅限于 CHD-TD370F8) 0.1 36. DVD 驱动器 59C11060850 TDR-085 (仅限于 CHD-TD370F8) 1 37. 内置电源模块 67128024105 FSP241-4F01 5 38. 液晶显示屏 68213700105 LC370W01 0.1 39. 悬浮屏 8864000150J JUJ8.640.015 0.1 40. 电子调谐器 8289100063E TMI4-C22P2RW 1 41. 电子调谐器 8289100454E TAD5-C2IP1RW 1 42. 音箱 56232971081 Y3297-L-10W-8Ω 1 43. 音箱 56232971082 Y3297-R-10W-8Ω 1 44. 电动式扬声器 56239390580 Y3939-01-5W-8Ω 2 45. 遥控发射器 8201803510L KLC5B 1 PDF 文件使用 "pdfFactory Pro" 试用版本创建 www.fineprint.cn 家电维修资料网 www. 520101. com www. 520101. com 家电维修资料网 36 第六章 工厂模式设置及注意事项 1.进入工厂菜单 (1)在 TV 模式下的主菜单中进入童锁菜单项,按 OK 调出密码输入框; (2)再通过遥控器,按如下顺序输入: 数字键 7,红色键,数字键 9,蓝色键,即可 进入工厂模式菜单。进入工厂模式后,会有工厂菜单标志 M 出现。 2.工厂菜单及其设置 ⑴ 工厂菜单显示如下图: M Index: 1 HWUC_BRI 0x1F 其中字母 M 表示当前进入了工厂模式,Index 后面的数字代表当前调节的索引号, HWUC_BRI 表示当前调节项的名称,0X1F 表示其数值。 每个调节项目都有唯一的索引号与之对应,操作人员直接按数字键或按 P+/P-。 ⑵ 可以选择调节的项目,索引号与调节项目对应关系如下图: 索 引 号 (Index) 项目名称 项目含义 操作键 备注 1 HWUC_BRI UocIII 副亮度 V+/V- 调整副亮度 2 HWUC_SAT UocIII 饱和度 V+/V- 调整副饱和度 3 HWUC_CON UocIII 对比度 V+/V- 调整副对比度 4 HWUC_AGC UocIII AGC V+/V- 调整 AGC 5 pipBrightness 7115 副亮度 V+/V- 调节时打开子画面 6 PiVGAontrast 7115 对比度 V+/V- 调节时打开子画面 7 Balance 声音平衡 V+/V- 调整的值 50,-50,0 8 Volume 音量大小 V+/V- 步长为 10 9 Sound System 声音制式 V+/V- DK/I/BG/M 10 Auto Search 自动搜索 V+/ok 信号源为 TV 11 White Balance 白平衡 V+/ok 12 AutoColor 自动颜色校正 V+/ok 信号源 VGA /YpbPr /TV 13 DVD DVD 预置 V+/V- 1 代表预置 14 BBE BBE 预置 V+/V- 1 代表预置 15 TruSurround TruSurround 预置 V+/V- 1 代表预置 16 SALESFOR SALESFOR V+/V- 设置销售的国家 17 Factory Out 初始化 V+/ok 出厂设置 18 GoldRatio 黄金比预置 V+/ok 19 ClearEEProm 初始化 EEPRom V+/ok 将存储的数据初始化 20 D Mode 进入设计模式 V+/ok 可调整设计模式所有参数 21 DPF DPF 预置 V+/V- 1 代表预置 22 BBE_CONT BBE 增益设置 V+/V- 调整 BBE 增益 23 BBE_PROC BBE 增益设置 V+/V- 调整 BBE 增益 24 Newcom 新视通设置 V+/V- 1 代表预置 注意: 1、如没有特殊要求,请不要进入第 20 项(设计模式); 2、第 16 项调整时会清空存储的数据,因此,若非必须请不要调动,索引号为 1、2、 PDF 文件使用 "pdfFactory Pro" 试用版本创建 www.fineprint.cn 家电维修资料网 www. 520101. com www. 520101. com 家电维修资料网 37 3、4、5、6 的项一般不需要调节。 3.工厂菜单的调节方法 ⑴ 选择所调节的项目 操作人员可通过数字键直接跳至所需调节的项目,也可按 P+/P-顺序选择所调项目。 按数字键时,如果调节的是 1~9 项,则输入对应的数字键然后按 OK 键,调节的项目索引 号是 2 位数时,则输入一个 2 位数即可。例如调节声音时按数字键 8,可以看到索引号变 成绿色,然后再按 OK,索引号为红色,表示已经选择了对应的声音调节项目。如果调节 DVD 预置,则输入 1 再输入 3, 就可以进行 DVD 预置的调整了。 ⑵ 调整方法 调整时按上述表中的操作键进行调节,对于某个动作操作, 按 OK/V+键, 如 AutoColor,对于一些变量的增减,如 Volume,按 V+/V-键即可。 ⑶ 白平衡与 AutoColor 的调整方法说明 索引号 11 对应项为手动白平衡,按 OK 键或 V+键后,出现对应的 3 个变量,以 P+/P- 键进行选择,V+/V-调节,按菜单键退出; AutoColor 对应索引号为 12,按 OK 或 V+键后,进行自动色彩校正,校正完后会显示 调整后的值。 ⑷ BBE 增益调整 索引号为 22 和 23 的为 BBE 增益调整项,通过 V+/V-键进行调整,对 W270F8E 和 W320F8E 两种机型这两项的值均设置为 0X09,对 W370F8E 则设置为 0X0F; ⑸在工厂模式下切换 TV 节目号,必须先按【显示】键,在显示内容未消失之前按 P+/P- 键进行切换; ⑹工厂模式下所有的菜单功能全部开放,如有必要可使用菜单进行项目检查和效果测 试。 4. 工厂调试项目 (1).自动颜色校正(AutoColor) 在进行工厂调试前,必须首先完成自动颜色校正。分别在 TV、YPBPR 和 PC 下进行校 正。 ① 所需仪表 PC 机 一台 高清信号源 一台 ②调试(分别在 TV,YPBPR 和 PC 下调整) TV 下将频道置于 C-3,并执行 AutoColor。 YPBPR 下输入全彩条信号并执行 AutoColor。 PC 下输入窗口信号,窗口为白色,四周为黑色信号。 AutoColor 调整后屏幕上将显示调整后的结果,对于 TV 应使 Rgain、Ggain 和 Bgain 的调整结果尽量靠近 0×80,如果偏差太大,可调整 HWUC_CON(副饱和度)的值,并重 新进行 AutoColor 的调试。 2.白平衡、色温调节 ①所需仪表 CHROMA 7120 彩色分析仪(或同等功能仪表,含色坐标-色度转换卡)一台 白平衡调整工装(要求视频输出幅度 0-1V 可调,75ohm 负载) 一套 ②准备 A. 连接全部设备,将液晶电视机切换到 AV 状态; B. 将液晶电视机画质设定为标准状态; PDF 文件使用 "pdfFactory Pro" 试用版本创建 www.fineprint.cn 家电维修资料网 www. 520101. com www. 520101. com 家电维修资料网 38 C. 将白平衡的受光器置于距离液晶显示屏的中央部分 15cm±3cm 处 D. 确认环境亮度小于 2cd/m 2 ③白平衡、色温调节 调试前,先将第一台液晶电视置于 AV 状态,图像置于标准状态,将白平衡调整工装 视频输出的白场信号到液晶电视 AV 输入端,调整白平衡调整工装的输出幅度,使液晶电 视的亮度值在 200±20cd/m 2(使用 CHROMA 7120 彩色分析仪读取亮度值),然后固定其 白平衡调整工装视频输出幅度(直到所有液晶电视调试完毕)。 进入工厂模式的白平衡调整项,改变 R,G,B 的值(尽量让其 3 个值最大)。 使色温坐标值如下表要求(误差限值±4%): X Y K12000 0.270 0.277 注意:在色温和色坐标满足上述要求后,应判断是否有偏色现象,即Δuv 值为是否为 0, 若Δuv 不为 0 则表示偏色,应重新调整 R、G、B 值使其为 0,并同时满足色坐标要求。 第七章 部分元件故障的判断 1.判断逆变器和背光灯 屏幕无光,背光灯也没有发光,测量电源板输入的电压正常,此时将 Q502 基极对地短路,背光灯应该发光,若不能发光就说明背光灯或者逆变器有问题, 就不需要对主板,若背光灯能够亮,故障就应该在主板电路上。 2.判断电源板故障和主板故障的方法 从 GM1501 输出的 POWER 信号让 QP2 截止,+5V 电压通过 RP2 加到电源板, 让继电器吸合,使电源板工作,输出+5V,+12V,+24V。所以当电源板在没工作 的情况下,直接将+5V 电压加到 QP2 的集电极(也就是表示 RP2 短路),让电源 板上的继电器吸合,这时,电源板输出到主板的所有电压都应该正常。如果电 PDF 文件使用 "pdfFactory Pro" 试用版本创建 www.fineprint.cn 家电维修资料网 www. 520101. com www. 520101. com 家电维修资料网 39 压不正常,主板没有明显的短路现象,就是电源板已经损坏。 3.判断 AV 板与主板的好坏,主要通过测量总线电压来判断是哪块板,总线的 正常电压应该在 4。6V 左右。 4.判断 GM1501 首先测量复位电压是否正常,复位电压如果低于 4。1V,此机就一直工作 PDF 文件使用 "pdfFactory Pro" 试用版本创建 www.fineprint.cn 家电维修资料网 www. 520101. com www. 520101. com 家电维修资料网 40 在复位状态,不能开机,正常时应该在 4。8V 以上。另外应该检查 14M 的晶振 是否启振;集成块的供电是否正常。 5.对于 FLASH 处理集成块的判断 (1) 26 脚片选信号,此脚是低电平有效,(0。4V 左右) (2) 11 脚写使能信号,用示波器测量波形。 (3) 28 脚读使能信号,示波器测量波形。 如果二次开机指示灯闪烁,说明程序已经工作。 6.判断 TDA8759 测量 RN402 上的数据线有无数据输出, 行,场同步脉冲是否正常。 PDF 文件使用 "pdfFactory Pro" 试用版本创建 www.fineprint.cn 家电维修资料网 www. 520101. com www. 520101. com 家电维修资料网 41 7.TDA9178 的判断 直接将输入和输出信号短接,就可以判断此集成块的好坏。 PDF 文件使用 "pdfFactory Pro" 试用版本创建 www.fineprint.cn 家电维修资料网 www. 520101. com www. 520101. com 家电维修资料网 42 1.一台 32 液晶,有声音无图象,屏幕不亮.? 液晶有声音无图像应该是背光没有工作,请检查逆变器供电和控制电路 2. 长虹 CHD-300C6 液晶升级后出现了“M",通过遥控关机后,也能退出“M"但是断电关机后再开机,屏 幕上又出"M"? 在遥控关机后等上 30 秒后再断电 30 秒后再重新开机 3. CHD-320C6L 多台无声,有些刚开机时有声,2 秒后无声? 请升级软件 4. CHD-TM201F7,170F7 在收台的过程中:从 L 段的末尾的 142.250MHz 一下跳收到 H 段 145.250MHz 整整少了 3MHz? 升级软件可以解决! 5. 一台 CHD-201B3 在用户模式图象声音一切正常,但在柔和,标准,亮丽状态下光很暗,无法正常收 看? 内部总线数据出现错误,重新升级软件 6. 300E6N 开机屏幕亮一下后就黑屏?亮时能看到长虹的标志,有声音? 检查屏亮起来又黑后,请检查给屏逆变器供电的 24V 和控制逆变器开关的电压是否正常。建议在 无信号状态下检查,若能工作,请更换电源板。若不能工作,可先进行机芯调换,检查主板和 AV 板是否 损坏。在以上方法无效时,可判断屏的逆变器损坏。(逆变器坏) 7.PT4208.PT4206 CHD-W300E6 和 37 不带 DV 的 AV 板型号或 AV 转的集成块型号? PT4206 AV 板组件号 JUJ.693.008 PT4208 AV 板组件号 JUJ.693.016 CHD-W370F8 AV 板组件号 JUJ6.693.015 8.4206 屏上左边三分之一处有黑色垂直亮带? 若是屏上出现垂直的亮带或黑带,建议先检查亮带或黑带对应位置的插座和柔性电缆连接,若正 常,请更换屏。 9.CHD-TD370F8 机器接 PC 接口开机瞬间图象正常几秒后图象偏移到右边? 请进入菜单选择“自动校正”进行校正即可。 10. 一台 CHD-TD370F8 有时用遥控器不开机,用按键能开机? 电源板问题,公司已经更改好了。 11.PT4206(H)等离子换台时满屏红色有信号时图像有红色斑点这是什么故障? 主板输出的上屏信号异常也可能出现这种情况。 12.F 系列悬浮屏起雾”修理办法? 1. 取消液晶屏与面框结合处粘贴的 4 根防尘垫。 2. 将取下的防尘垫剪成 8 根 50 毫米长的小段。 3. 两根叠加,粘贴于液晶屏与面框结合面的 4 角,使液晶屏与面框合拢后可以垫高液晶 屏与面框之间的距离。 4. 重新合拢液晶屏与面框,并恢复整机。 13.平板类产品的序列号中出厂日期的解释说明——请各产品服务中心参考。 数显公司 LCD、PDP 平板电视机,以及后续上市的 DLP 光显投影电视机,在全国各销售中心 已陆续产生 LCD、PDP 屏和 DLP 光机的关键失效物资,现数显公司将其序列号中表示出厂日期的作如下 解释: LCD: ①奇美:系列号“26C130E4AG20263”第 8、9、10 位分别表示年月日年:1~9 表示 2001~2009 月: 1~9,A~C 表示 1 月~12 月日:1~9,A~Y(除 I、O、U 以外)表示 1~31。即为“2004.10.16”。 ②LG-Philips:序列号“1714B4KJ33971J”第 4、5 位分别表示年月年:1~9 表示 2001~2009 月: 1~9,A~C 表示 1 月~12 月;即为“2004 年 11 月”。 PDF 文件使用 "pdfFactory Pro" 试用版本创建 www.fineprint.cn 家电维修资料网 www. 520101. com www. 520101. com 家电维修资料网 43 ③三星:序列号“6K4D33101C”第 3、4 位分别表示年月年:1~9 表示 2001~2009 月: A~L 表示 1 月~12 月;即为“2004 年 4 月”。 PDP: ①三星:序列号“121305100001”第 4 位表示年,第 5、6 位表示月,第 7、8 位表示日期;即为“2003 年 5 月 10 日”; ②松下:序列号“YB4230051”第 3、4、5 位分别表示年月日年:1~9 表示 2001~2009 月:1 表示 1~2 月,2 表示 3~4 月…6 表示 11~12 月;日:1、4 表示 1~10;2、5 表示 11~20;3、6 表示 21~30。 即为“2004 年 3 月或 4 月下旬”。 ③LG: 序列号“4614PI1001”第 1 位表示年即“2004 年”,第 2 位表示月即为“6 月”,第 3、4 位表 示日期即为“14 号”——LG 屏的型号标签上有厂家的生产日期。 最后进行编辑的是 democracy on 2005-Aug-16 Tue, pm4:20, 总计第 2 次编辑 14.关于降低 DLP 噪音措施的通知 为了降低 DLP 光显电视的噪音,数字平面显示公司结构工艺所和投影电子所 进行了一系列的试验,针对市场上正在销售的 DLP 光显电视的降低噪音的措施总 结如下: 1. 取消进风口风扇组件 JUT6.116.1077(从整机后面看左边的风扇)。 取 消 后 主 板 上 对 应 的 带 线 插 头 需 要 换 为 一 短 接 的 带 线 插 头 (JUT6.604.608)。带线插头(JUT6.604.608)见附图一 2. 取消 DMD 处的小风扇,在 DMD 对应位置处增加一个大风扇组件 (JUT6.116.1474)和一个钣金件支架(JUT8.048.608),风扇组件 (JUT6.116.1474)见附图二,钣金件支架(JUT8.048.608)见附图 三。先用 3 颗带盘六角木螺钉 4X16HwAHO 将支架固定到底座上,然 后用组合螺钉 M4X40(GB9074.4-88)将风扇组件固定到支架,风向 为风吹向散热器。具体见附图四。 注:风扇侧面有叶轮转动方向和风向。 3. 将 出 风 口 风 扇 组 件 ( JUT6.116.1077 ) 改 为 风 扇 组 件 (JUT6.116.1475),风扇组件(JUT6.116.1475)见附图五。将原来 的螺钉 4X40(GB845)更换为螺钉 4X45(GB845)。风向为向右(从 整机后面看)。 综上所述需要增加和取消的零部件如下: 序号 名称 代号(型号) 用量 备注 1 风扇组件 JUT6.116.1077 2 取 消 2 风扇 1 该风扇为光机自带 3 螺钉 4X40 4 GB845 1 风扇组件 JUT6.116.1474 1 2 风扇组件 JUT6.116.1475 1 增 加 3 支架 JUT8.048.608 1 PDF 文件使用 "pdfFactory Pro" 试用版本创建 www.fineprint.cn 家电维修资料网 www. 520101. com www. 520101. com 家电维修资料网 44 4 带盘六角木螺钉 4X16HwAHO 3 5 组合螺钉 M4X40 4 GB9074.4-88 6 螺钉 4X45 4 GB845 对 于 后 续 生 产 的 机 器 需 要 按 照 上 面 的 措施 整 改 。 对 于 换 下 的 风 扇 组 件 (JUT6.116.1077)可以用于后续教育机。 PDF 文件使用 "pdfFactory Pro" 试用版本创建 www.fineprint.cn 家电维修资料网 www. 520101. com www. 520101. com 家电维修资料网

标签:

版权声明

1. 本站所有素材,仅限学习交流,仅展示部分内容,如需查看完整内容,请下载原文件。
2. 会员在本站下载的所有素材,只拥有使用权,著作权归原作者所有。
3. 所有素材,未经合法授权,请勿用于商业用途,会员不得以任何形式发布、传播、复制、转售该素材,否则一律封号处理。
4. 如果素材损害你的权益请联系客服QQ:77594475 处理。