AOC M222A液晶显示器维修手册

分类:电子电工 日期: 点击:0
AOC M222A液晶显示器维修手册-0 AOC M222A液晶显示器维修手册-1 AOC M222A液晶显示器维修手册-2 AOC M222A液晶显示器维修手册-3 AOC M222A液晶显示器维修手册-4 AOC M222A液晶显示器维修手册-5 AOC M222A液晶显示器维修手册-6 AOC M222A液晶显示器维修手册-7 AOC M222A液晶显示器维修手册-8 AOC M222A液晶显示器维修手册-9

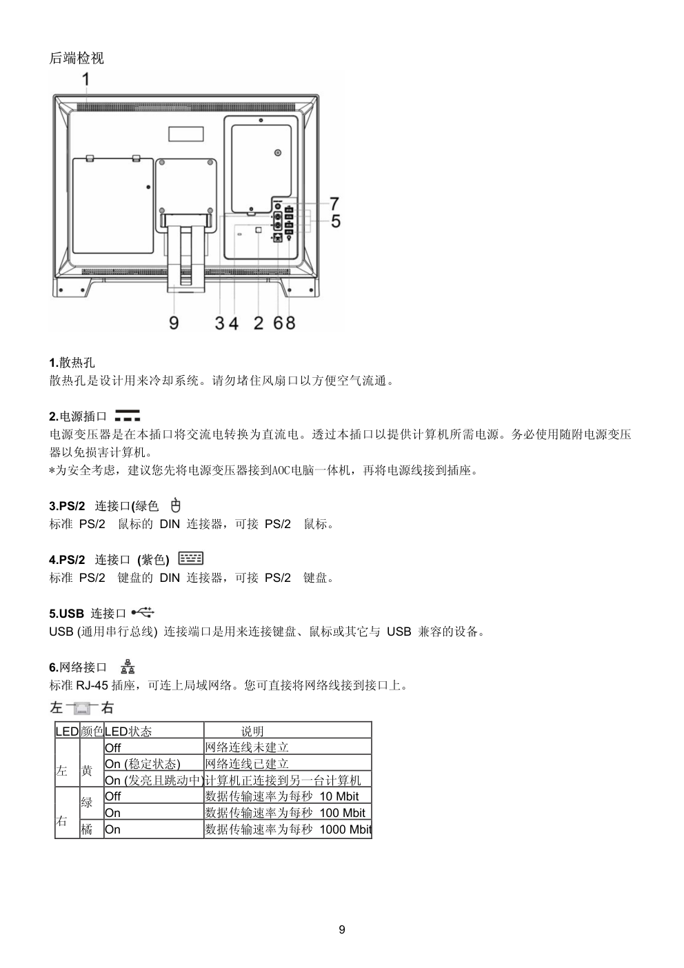
21.5″ AIO 维修手册 AOC M222A 维 修 手 册 AOC M222A 2 目录 变更说明.......................................................................................................................................3 注意事项.......................................................................................................................................4 1.基本规格....................................................................................................................................6 1.1 系统规格 .............................................................................................................................6 1.2 主板规格 .............................................................................................................................6 2.操作说明....................................................................................................................................8 2.1 外观介绍 .............................................................................................................................8 2.2 摆放方法 ........................................................................................................................... 11 2.3 一般操作 ........................................................................................................................... 12 3.输入/输出规格 ......................................................................................................................... 21 4.方框图 ..................................................................................................................................... 24 5.板级维修流程 .......................................................................................................................... 25 6.软体介绍.................................................................................................................................. 27 7.拆卸流程.................................................................................................................................. 32 8.爆炸图 ..................................................................................................................................... 47 9.layout 分布图.......................................................................................................................... 49 10.主要料件清单 ........................................................................................................................ 53 3 变更说明 版本 日期 变更描述 TPV 机种名 AB9AANNY7WA1NN A00 2010/6/17 第一版本发布 AB9AADNY7WA1NN 4 安全守则 1.请务必详阅安全守则。 2.请保留本手册,以供日后参考。 3.本设备须远离潮湿的位置。 4.设置前,请将本设备平放在稳定的平面上。 5.机壳的开口是供空气对流使用,以防止本设备过热。请勿盖住开口。 6.请检查 AC 交流电输入:100-240V~, 50-60Hz, 1.5A. 7.请检查 DC 直流电输出:19V 3.42A. 8.将本设备连接到电源插座之前,请确定电源的电压,并正确调整至 110-240V。 9.请将电源线置于不会被踩踏的位置。请勿在电源在线放置任何物品。 10.插入任何附加卡或模块前,务必拔掉电源插头。 11.请注意设备上的所有注意与警告标示。 12.切勿往开口内倾倒任何液体,以免造成损伤或触电。 13.如果发生下列任一情况,请将本设备交由维修人员检查。 电源线或电源插头损坏。 液体渗入本设备内。 本设备受潮。 本设备无法正常运作,或无法依照使用手册使其运作。 本设备摔落并损坏。 本设备有明显的破裂征兆。 14.请勿将本设备放置在无空调、存放温度超过 40℃ (102°F)的环境,否则可能造成本设备损坏。 警告: 1. 换用其它电源线时,请使用经许可、规格大于或相当于本产品提供 的电源线。 2. 内部零件是危险的零件,请勿让手指和其它部位接触到内部零件。 3. 请务必使用电源插头的接地保护插销,因本设备必须连接至已接地的电源插座。 4. 将音量或均衡器调整到中等以上可能会增加头罩式或一般耳机的输出频率以及声音压力等级。 可更换电池 如果设备配备有可更换的电池,而且,如果用不正确型号的电池替代会引起爆炸(例如,某些锂电池),则应符 合下列要求:---如果电池安装在设备的其他地方,则应电池邻近处有标记或在维修说明中说明。 这类标记或说 明应包括下述或类似的语句: 注意:用错误型号电池更换会有爆炸危险务必按照说明处置用完的电池。 5 FCC-B 无线电频率干扰声明 本装置经测试过并确认符合FCC法规( )第15 B类数字装置的规范。这些规范 的目的在于针对住 宅区所产生的有害干扰,提供合理的防护。由于本装置会产生、使用及发射无线电频率能量,若未依据操 作 指示安装或使用本装置,可能会对无线通讯造成不良干扰。然而在特定的安装情形 下,仍有产生干扰的可能。 请藉由关闭再开启本装置电源,来判定是否对无线电或电视 收讯造成有害干扰。如果有的话,建议您以下列 方法来修正干扰情形。 重新调整接收天线的方向或位置 拉大本装置与接收器间的距离 将本装置及接收器分别插到不同电路的插座上 请教经销商或有经验的无线电或电视技术人员 注意1 未经负责符合性认证机构之明确核准所做的变更或修改,会导致使用者操作本装置的权 利失效。 注意2 为了符合电磁辐射限制,必须使用屏蔽线及 AC 电源线。 VOIR LA NOTICE D’INSTALLATION AVANT DE RACCORDER AU RESEAU. 本装置符合 FCC 法规第 15 节 B 类数字装置的规范,并依下列两个前提来操作: (1) 本装置不得产生有害的电波干扰。 (2) 本装置须接收所有可能接收到的电波干扰,包含可能造成不必-要操作的电波干扰。 10 6 1.基本规格 1.1 系统规格 LCD 显示器 AUO (M215HW01 V0) 中央处理器 Intel Mobil Penryn T4400 内存条 Swissbit 2GB SO-DDR PC2-6400 800 (MEN02G64D2BF2EP-2AR) 硬盘 Seagate, Barracuda LP ST31000520AS 光驱 NBC DVD-RW LG SATA GSA-T50N w/BEZEL 无线网卡 Azurewave, AW-NE104H 摄像头 Chicony CNF9129_A1 喇叭 Veco 32CCG04H-6 (L/R stereo, no woofer) 键盘+鼠标 Chicony Wireless set (KB : 0902 + Mouse 0846) : WUG0902 电源盒 FSP135-ASAN1(135W) 1.2 主板规格 Project Name MS-7621 MB for AIO - Type LGA 478 - Vendor Intel - Speed Support Mobil Celeron Penryn and Merom (TDP<35W) T4300 CPU - FSB Up to 1066MHz - Vendor Nvidia Chipset - North/South Bridge MCP79-MH (ver:B3) colay MCP79-D (ver:TBD) -Number of Slots 2SO-DIMMs - Channel Dual Channel - Type and Speed DDR 2 (667/800 MHz) non-ECC Memory - Max Memory Support 4GB -BOM option 1 Onboard (for MCP79-MH) *First project will focus on it, w/o MXM card. Graphics -BOM option 2 Interface:MXM 3.0 -Audio Blu-ray support Yes -Audio Codec Realtek ALC889/885 Audio -Amplifier IC TI/TPA2008D2PWPR (3W) LAN - Controller REALTEK/RTL8111DL giga controller (via PCIE) Super I/O - Vendor/Type Fintek 71858 SATA - SATA Device No. - SATA Type &Transfer Rate 2 ports SATAI & SATA II, up to 3.0 Gbps PWM IC - Vendor/Type - VRM Spec -System fan Intercil 6262ACRZ-P (2 phase) TDP=35W 2 (4 pin) reserved 1 for MXM card Expansion -PCI-E by 16 / PCI-E by 1/PCI 0 / mini PCIEx2 / 0 - Form Factor Proprietary PCB - Layer 6 7 - Size (W x D) 240x190mm (±0.127mm) -Revision 1.2 - PS2/USB 0/0 -DVI/D-SUB/Serial/Parallel 0/0/0/0 - Audio NA(Mic-In, Headphone-Out on IO board) Rear I/O -DC-in 1 - Front Audio Ports 1 -Min-in pin header 1 -Internal USB pin 4 (1 for webcam, 1 for touch panel, 2 for mini PCIe,) -Speaker pin header 1 - LVDS & power connector 1 -Inverter connector 1 -OSD switch pin header 1 -SATA connector 2 (1 for HDD 3.5”, 1 for ODDtray-load type,12.7mm, super multi-, blu-ray support ) -HDD/ODD power connector 1 -LED pin header 2 (To support LED pipe in the front ID) - BtB connector 1 (80 pin) --Internal I/O(pin header) -D-sub pin header Reserved for debugging OS -Windows Win7 RemarK Support S5<50 mA Project Name MS-4224 IO board for AIO - Form Factor Proprietary - Layer 4 - Size (W x D) 140x76mm(±0.127mm) PCB -Revision 1.0 Card Reader -Vendor REALTEK/RTS5159-GR -USB ports 4 -LAN connector 1 -SPDIF-out connector (coaxial) 1 IO Connector -PS2 KB+Mouse 2 -USB ports 3 -Card reader Taitwun 4 in 1: SD+MS+MMC+XD (via USB) Side Connector -Audio Mic-in, Headphone-out Internal Connector - BtB connector 1(80 pin) 8 2.操作说明 2.1 外观介绍 前端检视 1.网络视频摄像头 内建网络视频摄像头以及麦克风可用于影像摄影、录像、视频及其它互动应用程序。 2.麦克风 内建麦克风可用来在线视频聊天。 3.电源钮 / 电源 LED 按此钮来启动或关闭系统。亮白灯表系统启动,反之则表关闭。 4. 立体声喇叭 可输出高质音效并支持立体声系统及 Hi-Fi 功能。 5. LCD 显示器 21.5 寸 TFT LCD 显示器,最佳分辨率为 1920 X 1080。 6~10.快速功能键 可用来调整显示屏的亮度、主机喇叭声音、或关闭声音。(仅适用于配置Microsoft Windows的使用者) 6 亮度增加 7 亮度减少 8 音量增加 9 音量减少 10 静音 (注)需先安装 Microsoft VisualC++2005 Redistrbutable Package 于下列Microsoft 官方网址 http://www.microsoft.com/downloads/details.aspx?displaylang=zh-cn&FamilyID=32bc1bee-a3f9-4c13-9c99-220b62 a191ee 9 后端检视 1.散热孔 散热孔是设计用来冷却系统。请勿堵住风扇口以方便空气流通。 2.电源插口 电源变压器是在本插口将交流电转换为直流电。透过本插口以提供计算机所需电源。务必使用随附电源变压 器以免损害计算机。 *为安全考虑,建议您先将电源变压器接到AOC电脑一体机,再将电源线接到插座。 3.PS/2 连接口(绿色) 标准 PS/2 鼠标的 DIN 连接器,可接 PS/2 鼠标。 4.PS/2 连接口 (紫色) 标准 PS/2 键盘的 DIN 连接器,可接 PS/2 键盘。 5.USB 连接口 USB (通用串行总线) 连接端口是用来连接键盘、鼠标或其它与 USB 兼容的设备。 6.网络接口 标准 RJ-45 插座,可连上局域网络。您可直接将网络线接到接口上。 LED 颜色LED状态 说明 Off 网络连线未建立 On (稳定状态) 网络连线已建立 左 黄 On (发亮且跳动中)计算机正连接到另一台计算机 Off 数据传输速率为每秒 10 Mbit 绿 On 数据传输速率为每秒 100 Mbit 右 橘 On 数据传输速率为每秒 1000 Mbit 10 7. S/PDIF输出 可用来输出数字格式音源至外部音源功率放大器。 8. 音源输入 可用来以外部音源输入音效。 9. 支架脚座 可用来固定并调整显示屏的角度。 侧端检视 1.退出按钮/ 光驱 LED 按本钮以开启光驱。光驱 LED 若亮表示正在读取 CD/ DVD 或正由 CD / DVD 写入数据。 2.光驱 (选配) 3.USB 连接口 USB (通用串行总线) 连接端口是用来连接键盘、鼠标或其它与 USB 兼容的设备。 4.读卡器 内建读卡器支援 XD (eXtreme Digital), SD (Secure Digital), SDHC (SD High Capacity), MS (Memory Stick), MS Pro (Memory Stick Pro) 或是 MMC (Multi-Media Card) 记忆卡,通 常用于数码相机、MP3 播放器、手 机及 PDA 等装置。请咨询当地经销商以获得最新 支持记忆卡种类信息,若有变动恕不另行通。 5.麦克风接孔 (粉红色) 本项连接麦克风。 6.耳机接孔 (绿色) 本项连接喇叭或耳机。 11 2.2 摆放方法 摆放在桌面上 为保证机器能够安稳地放置在平坦的桌面上,请将屏幕后方的支撑脚架拉开至定位。然后,您可根据视觉的需要 调整机器的倾斜角度,请在与桌面垂直的5度至22度之间调节。 吊挂在墙面上 此机器可以安装到您单独购买的墙壁装配架上。在执行此步骤之前应断开电源。按照下列步骤进行: 1. 取下支撑脚架。 2. 按照厂商说明安装墙壁装配架。 3. 将墙壁装配架放到机器后部。使装配架上的孔与监视器后部的孔对准。 4. 将四个螺丝插入孔中并拧紧。 5. 重新连接电缆。有关安装到墙壁上的说明,请参见选购的墙壁装配架附带的用户手册。 12 2.3 一般操作 首次开机 (仅适用于配置Microsoft Windows的使用者) 当您第一次开始使用AOC 电脑一体机时,开机之后会自动启动首次启动精灵,引导您建立个人化设定并输入一 些简单的基本数据。请依照精灵指示的步骤来 完成初始化设定。 1. 首次开机后会出现「欢迎使用 Microsoft Windows」画面,点选“下一步”。 2. 接下来请依照精灵的指示来完成Microsoft Windows 初始化设定。 键盘的使用 (仅适用于配置Microsoft Windows的使用者) 组合按键:键盘上使用彩色文字或图像标示部分,是电脑一体机的功能组合键,须同时按住键盘左下角的 功 能键才会发生作用。 组合键 功能 Fn + F1 进入睡眠模式 Fn + F2 执行搜寻功能 Fn + F3 执行邮件程序 Fn + F4 开启互联网首页 Fn + F5 启动静音 Fn + F6 降低音量 Fn + F7 提高音量 Fn + F8 播放前一首影音多媒体档案 Fn + F9 停止播放影音多媒体档案 Fn + F10 播放/暂停影音多媒体档案 Fn + F11 播放下一首影音多媒体档案 Fn + F12 暂停程序执行(仅于DOS环境有效。) Fn + Insert 开启或关闭内建数字键盘功能 Fn + Delete 开启或关闭「锁定卷页」功能 设置屏幕分辨率 此显示器的推荐分辨率是 1920x1080 。要将显示器设置成此分辨率,请执行下面的步骤。 1.单击开始。 2.单击控制面板。 13 3 .单击外观和个性化。 4. 单击显示。 5. 单击调整分辨率。 6. 把分辨率设置为 1920x1080。 14 设置有线网络连接 (仅适用于配置Microsoft Windows的使用者) 使用固定 IP 1. 在 Windows 操作系统桌面右下角,用鼠标右键点击任务栏上的网络状态图标后选择 “打开网络和共享中心”。 2.在网络和共享窗口中心点击“更改适配器设置”。 3. 使用鼠标右键点击 “本地连接” 后,再选择 “属性” 15 4. 选择 Internet 协议(TCP/IP) 后点击 “属性” 5. 选择 “使用下面的 IP 地址” 6. 输入 “IP 地址”,“子网掩码”,“默认网关” 。 7. 若有需要,再输入 “备用 DNS 服务器” 。 8. 请想您的网络管理员取得正确的 IP 设置数据。当输入所有需要的数值后,点击 “确定” 完成创建。 16 使用动态 IP 1. 请比照固定 IP 的设置步骤 1~3 设置。 2. 再选择 “自动获得 IP 地址” 后,点击 “确定”。 3. 设置新的连接或网络,开启 “新建连接向导”。 4. 选择“连接到 internet”后,点击 “下一步”。 17 5. 选择 “带宽 PPPoE(R)”。 6. 输入 ISP 用户名及密码,点击“连接”。 7. 进入 “正在连接到宽带连接”。 18 设置无线网络连接 (仅适用于配置Microsoft Windows的使用者) 1. 在 Windows 操作系统桌面右下角,用鼠标右键点击 任务栏上的网络状态缩略图后,再点击 “查看可用的无 线网络”。 2. 在无线网络列表中,点击您要连接的网络名称后,双击。如果您选择启用安全性的无线网络项目,则需要输 入密码。 触摸屏设置 (仅适用于配置Microsoft Windows的使用者) 1. 安装 eTurbo Touch Panel 程序,安装 setup.exe File 19 2. 安装完后再重新开机,在开始选单中点选 Touch tool 3.打开 Touch tool 程序后,点选校准 4.会出现触控点来做校正动作 20 系统还原 在硬盘中有一隐藏的扇区包含有一个操作系统的出厂默认值的影像文件,可以让您的系统与系统中的应用程 序快速的还原至系统最初的状态,让您的硬盘可以在最佳的状态下运作。在使用执行还原系统的动作之前,请先 将您的数据文件,例如:Outlook PST 档案等复制到 USB 或外接储存装置,并将您习惯使用的设定记录下来,例 如网络设定等。 1.当开机显示“Press F3 button for system recovery...”时,按住键盘 F3 的按钮,将进入系统还原程序。 2. 进入还原接口后有三个选项可以选择 (1) Restore to new disk : 此选项会将硬盘里的所有数据清除,回到设定到的出厂硬盘分割状态。 (2) Restore to factory default : 此选项只会还原系统槽(C槽)里面的数据,使用者的D槽数据将会被保留。 (3) Exit : 此选项按下之后将会离开还原系统并且重新开机。 3.按下选项Restore to new disk或者选项Restore to factory default 的情形,会再问你一次是否确定你要执行的 动作 4.系统还原开始后,大约用时10~15分钟,期间请勿断开电源。 5.系统还原完成后,请根据系统提示进行个人信息设置。第一次进入系统时,系统显示“System will reboot for initialization, please wait…”后,会重新启动以保存您的个人设置。 6.再次进入系统后,请继续您的计算机应用之旅。 21 3.输入/输出规格 USB USB(Universal Serial Bus 通用串行总线)用于将鼠标、键盘、移动硬盘、数码相机、VoIP 电话(Skype)或 打印机等外设等连接到 PC。理论上单个 USB host 控制器可以连接最多 127 个设备。 USB 目前有两个版本,USB1.1 的最高数据传输率为 12Mbps,USB2.0 则提高到 480Mbps。注意:二者的 物理接口完全一致,数据传输率上的差别完全由 PC 的 USB host 控制器以及 USB 设备决定。USB 可以通过连 接线为设备提供最高 5V,500mA 的电力。 引脚 功能 颜色 备注 1 V BUS 红 电源+5V 2 DATA- 白 数据- 3 DATA+ 绿 数据+ 4 GND 黑 地 RJ45 RJ45,用于网络(LAN)连接接口 引脚 功能 描述 1 TDP 数据发送正端 2 TDN 数据发送负端 3 RDP 数据接收正端 4 GND 未用 5 NC 未用 6 NC 未用 7 RDN 数据接收负端 8 NC 未用 22 PS/2 接口 PS/2 是一种古老的接口,广泛用于键盘和鼠标的连接。现在的 PS/2 接口一般都带有颜色标示,紫色用于连接键 盘,绿色用于连接鼠标。 Mouse Connector 引脚 功能 描述 1 MOUSE DATA 鼠标数据信号 2 空 未连接 3 GND 地 4 VCC +5V 5 MOUSE CLOCK 鼠标时钟信号 6 空 黑 KEY BOARD Connector 引脚 功能 描述 1 KEYBOARD DATA 键盘数据信号 2 空 未连接 3 GND 地 4 VCC +5V 5 KEYBOARD CLOCK 键盘时钟信号 6 空 未连接 23 耳机接口 青色为耳机接口 麦克风接口 红色为麦克风接口 24 4.方框图 NA 25 5.板级维修流程 NA 将后盖拆下检查 有无明显零件烧 毁,外造成零件破 裂等 查看不良PC 上提供的不良现象 并外观检验PC外壳(正反面) 直接维修后走测试流程 1. 检查Power是否OK(AC-DC)正常输出 2. 检查SYS FAN 是否转动 3. 确认面板按键是否不良 4. 检查SYS FAN CABLE是否漏铜与CASE造成短路现象 5. Clear CMOS,断开电源再重接 6. 确认主板不良走主板维修流程 1. 检查电源线是否接触到位 2. SW CABLE 是否接触OK 3. 小喇叭线是否压到主板芯片 4. 新插拔内存或者更换内存,验证内存条是否不良 5. 确认主板不良走主板维修流程 1. 不显示 1.) 检查JLVDS1排线是否出现松动,断裂 2.) LCD 高压小卡电压是否正常,线路是否正常,检查 LCD CABLE 是否被面板支架压到或者出现插脆Pin现象 2. 花屏 3.) 测试过程中出现小部分字体颜色异常或者出现死机现象可确 认内存是否不良 4.) 单项测试三G色注意观察LCD本体是否出现单一或者多个亮 点。确认是否为LCD本体不良 5.) 更换PCB板确认主板不良走主板维修流程 不通电 不开机 不显示或者花屏 是 否 否 否 否 是 Y 是 26 完成 1. 测试中如发现黑屏现象且键盘可正常工作,可考虑LCD是否为OK (可做交叉试验) 2. DOS 测试Pass,进XP出现黑屏,或者跑3D出现蓝屏或复位现象 分析为PCB板不良。 3. 测试过程中出现不定时死机可观察风扇是否转动,风扇排线是否 正常安装。 4. XP测试音效时将光驱打开放入光碟运行时出现死机或者不读光 碟,可考虑光碟机本身不良或者安装出错。 5. 更换PCB板确认主板不良走主板维修流程 1. 确认ODD中无其他光碟片且没有外接U盘,SD卡,XD卡, MMC,MS卡,进入COMS中的BOOT项目中将1ST Boot Device 更 改为HDD并按F10保存后推出(注:如果Boot选项中无HDD说明PC 没有找到HDD,可检查HDD电源线和数据线是否连接OK,通电同时 触摸HDD是否震动) 2. 交叉验证HDD,确认是否为OS数据遗失,可重新恢复OS数据。 3. 确认CMOS,HDD硬软体无不良可交换PCB板验证是否为PCB板 不良。 1. 测试中发现DOS下六项音效测试Fail,优化CMOS可排除此故障 2. 进XP实测音效如发现播放器无法播放或者能播放没有声音先确 认是否前置和后置(板载)均没有声音。可重新安装驱动排除问题。 3. 左声或者右声道出现异常或者没有声音可检查喇叭线是否被压 到或者没有正确接触到主板的Jampl1和Jamprl接口上。 4. 排除组装造成的不良可判定PCB板不良 1. 检查XP或者Vista中能否找到光碟机 1.) 检查SATA1(数据线)与JPWER1(电源线)是否正确接入 光碟机 2.) 交叉验证光碟机是否为本体不良 2. 排除以上不良可判定为PCB板不良,走主板维修流程 走测试流程 出现不定时当机 不能正常进XP 或者Vista系统 音效不正常 光碟机不能正常 工作 否 否 否 否 是 是 是 是 27 6.软体介绍 此机种目前只需要升级 BIOS,BIOS 升级方法: 1.进入 DOS 系统 2.运行 FLASH 文件(文件名:A7621AOC.108,不能保证是最新版本,目前还在更新),即可自动升级 BIOS, 完毕后重启即可 和 PC 相关的部分名字解释: AIO:All In One,一体机,PC 主机与显示模块整合在一起,与输入设备配合可独立运作的系统 USB:Universal Serial Bus 的缩写,中文含义是“通用串行总线” SATA:使用 SATA(Serial ATA)口的硬盘又叫串口硬盘,是目前 PC 机硬盘的趋势 SATAII:SATA II 是在 SATA 的基础上发展起来的,其主要特征是外部传输率从 SATA 的 1.5Gbps(150MB/sec) 进一步提高到了 3Gbps(300MB/sec),此外还包括 NCQ(Native Command Queuing,原生命令队列)、端口多路 器(Port Multiplier)、交错启动(Staggered Spin-up)等一系列的技术特征。单纯的外部传输率达到 3Gbps 并不是 真正的 SATA II。 PCI-Express:这个新标准将全面取代现行的 PCI 和 AGP,最终实现总线标准的统一。它的主要优势就是数据 传输速率高,目前最高的 16X 2.0 版本可达到 10GB/s,而且还有相当大的发展潜力 DIMM:Dual-Inline-Memory-Modules,即双列直插式存储模块 SODIMM:小外形双列直插式内存模块 MIC:麦克风 SD 卡:Secure Digital Memory Card CF 卡:CF 卡全称为“Compact Flash”卡,CF 卡是最早推出的存储卡产品,由最大的 FLASH MEMORY 厂商之 一的美国 SANDISK 于 1994 年研发成功的。 MS 卡:我们俗称的“记忆棒”英文全称是“Memory Stick”,其主要功能是记录不同类型的数字化内容,并且在不 同的产品中进行分享和交流 MMC 卡:MMC 卡的英文全称是 MultiMedia Card,尺寸非常的小如同一枚邮票,略薄于 SD 卡,具有耐冲击、 可反复读写 30 万次以上等特点,新标准的 MMC 多媒体存储卡读取速度最高达到了 150 倍速(22.5MB/S),而 写入速度也达到了惊人的 120 倍速(18MB/S)。 WEBCAM:摄像头 PNP:Plug-and-Play(即插即用)的缩写。它的作用是自动配置(低层)计算机中的板卡和其他设备,然后告 诉对应的设备都做了什么。PnP 的任务是把物理设备和软件(设备驱动程序)相配合,并操作设备,在每个设 备和它的驱动程序之间建立通信信道。换种说法,PnP 分配下列资源给设备和硬件:I/O 地址、IRQ、DMA 通道 和内存段。 NB:北桥芯片(North Bridge)是主板芯片组中起主导作用的最重要的组成部分,也称为主桥(Host Bridge)。 一般来说,芯片组的名称就是以北桥芯片的名称来命名的,例如英特尔 GM45 芯片组的北桥芯片是 G45、最新 的则是支持酷睿 i7 处理器的 X58 系列的北桥芯片。主流的有 P45、P43、X48、790GX、790FX、780G 等等。 NVIDIA 还有 780i、790/等。 SB:南桥芯片(South Bridge)是主板芯片组的重要组成部分,一般位于主板上离 CPU 插槽较远的下方,PCI 插槽的附近,这种布局是考虑到它所连接的 I/O 总线较多,离处理器远一点有利于布线 CPU:CPU 是中央处理单元(Central Process Unit)的缩写,它可以被简称做微处理器。(Microprocessor),不过 经常被人们直接称为处理器 WIFI:俗称 无线宽带,全称 Wireless Fidelity。802.11b 有时也被错误地标为 Wi-Fi,实际上 Wi-Fi 是无线局域网 联盟(WLANA)的一个商标,该商标仅保障使用该商标的商品互相之间可以合作,与标准本身实际上没有关系。 但是后来人们逐渐习惯用 WIFI 来称呼 802.11b 协议。它的最大优点就是传输速度较高,可以达到 11Mbps,另 外它的有效距离也很长,同时也与已有的各种 802.11 DSSS 设备兼容。笔记本电脑技术——迅驰技术就是基于 该标准的。 28 RJ45 接口:通常用于数据传输,共有八芯做成,最常见的应用为网卡接口。 OS:operation system 操作系统 BIOS 简单介绍: 如何进入 BIOS: 1.当开启 M222A 时,马上连续按“DEL”键(一定要在看到系统界面前),然后会出现如下的 BIOS 界面: 上图界面是 BIOS 的主界面,里面是一些此机器的一些参数 2. Standard Bios Features 窗口 29 3. Advanced Bios Features 窗口 4. Integrated Peripherals 30 5.PCI/PNP Resource Management 窗口 . 6. Power Management Features 窗口 31 7. PC Health Status 8. Frequency/Voltage Control 32 7.拆卸流程 工具: 十字起: 大 小 塑料卡片: 静电手环: 主要零件图 品名 图片 品名 图片 电源盒 铁盘 电源线 支架 天线 隔离罩 33 前框 触摸屏控 制板 后壳 IO 隔离罩 光驱 摄像头板 硬盘 升压板 喇叭 电源开关 按键板 34 主板内料件清单: 主板 IO 接口板 电池 网卡 内存条 风扇 散热组 件 35 1.拆卸支架 拧开支架上的四个螺丝,向上抬起支架,即可去掉支架(如下图所示) 36 2.拆卸后壳 如下图所示,取下硬盘后盖,拧开螺丝。 37 按蓝色箭头方向,取消光驱线和光驱的连接。 此处可借助工具(白色塑料刀片)一次划开后饰盖的几个卡勾,进而卸掉后饰盖。 塑料刀片 38 拧开此处红色圆圈内的螺丝,以拆卸屏蔽罩。 39 3. 拆卸板子 拧开此处的 7 个螺丝,以取下 IO 板 拧开红色圆圈内的螺丝,可拆卸风扇组件。 40 拧开螺丝,拔下上图所示的接口,可卸掉主板。 拧开螺丝,并拔掉上图所示的接口。 41 拧开螺丝,拔掉接口,可拆除电源板。 4. 拆卸前框 拧开上图的螺丝,可拆除喇叭和电源按键板。 42 拧开螺丝,拔掉蓝色椭圆圈内的按键板接口,进而拆卸前框。 拧开螺丝,可拆除前框的按键板和摄像头板。 43 5. 拆卸铁盘 底部 顶部 左边 右边 44 拧开上面几图中所示的 10 颗螺丝,可拆除铁盘。 45 个别零件拆卸方法: 内存条拆卸方法: a.拆支架 b.拆后壳和后饰盖 c.拆内存饰盖 d.拆内存条 如图所示向两边掰开卡槽,同时向上掀起内存条,即可将其拆卸。 电池的拆卸方法: a.拆支架 b.拆后壳和后饰盖 c.拆隔离罩 d.拆电池 46 硬盘拆卸方法: a.拆硬盘后盖。 b.拧开螺丝 c.取下硬盘 拧开此处四颗螺丝即可将硬盘取出。 47 8.爆炸图 48 料件 序号 组件描述 组件号 个数 01 BEZEL A34G1484AEDA2B 30 1 02 REARCOVER A34G1486AED 1B 30 1 03 HINGE ASS'Y A37G0119 2BEP 1 04 SAFETY MYLAR Q52G6025 14007 1 05 --- --- - 06 FAN 017G F06 5 DE 1 07 AIO_215W_TP_GLASS_BRK-A A15G0913101 1 08 IO-BOARD 017G IOB 2 MS 1 09 MAIN FRAME A15G0920101 1 10 PANEL 750GLU215H1014N000 1 11 INVERTER BOARD INPC9B44AAB1 1 12 AIO_215W_ODD_SUP_BRK A15G0918101 1 13 AIO_215W_DC-IN_BRK A15G0926101 1 14 SHIELDING A85G0209101 1 15 IO SHIELDING A85G0210101 1 16 RAM_DOOR BRK A15G0919201 1 17 AIO_HDD_35_BRK A15G0915101 1 18 RAM-COVER-BKT A15G0806-101 1 19 WEBCAM 017G WCM 11 C 1 20 KEY BOARD KEPA9QA5 1 21 SPEAKER 078G0030 3 V 1 22 ANTENNA ASS’Y --- 1 23 AIO_215W_VESA_HINGE_BRK A15G0931101 1 24 STAND COVER A34G1489AEDA1B 1 25 HDD DOOR A34G1487AED 1B 1 26 RAM DOOR A34G1488AED 2B 1 27 Q52G6025 14009 MYLAR 1 28 Q52G6025 14010 MYLAR 1 29 AIO DC IN BOARD 715G3745T0B000004P 1 30 MIDDLE A34G1485BEP 1C 1 31 LIGHTPIPT --- 1 32 LED LENS --- 1 33 SPEAKER MESH Q36G 501002 1 34 ODD DUSTSHEET Q52G6025-13-217 1 35 ANTENNA CABLE 150MM 089G 17356Z64L 1 36 ANTENNA CABLE 260MM 089G 17356Z64R 1 37 STANDFRONT_LEFT A20G0018 1 1 38 STANDFRONT_RIGHT A20G0017 1 1 39 RUBBER FOOT Q12G6300252 2 40 POWER BUTTON A33G0693 X2A1L0100 1 49 9.Layout 分布图 主板 50 51 IO 接口板 52 53 注意: 以下料件信息仅供参考,如有变更,恕不另行通知,请到 http://cs.tpv.com.cn 获取最新信息。 10.主要料件清单 AB9AAPNY7WA1NN 组件 对象描述 说明 017G F06 5 DE FAN DC12V 0.48A 100*95*28mm DELTA 017G IOB 2 MS IO-BOARD MS-4224 V1.2 017G WCM 11 C Webcam Module CPF9111 050G 600 3 HANDLE2 050G 600 4 HANDLE 1 052G 1150 C INSULATING TAPE 052G 1208 A ALUMINIUM TAPE 052G 1211 B Conductive Tape 85mm *40mm *0.09mm (单导) 052G 1211518 GP ALUMINUM FOIL TAPE 052G 2191 A PAPER TAPE 052G6019 1 INSULATING TAPE 056G 666 8 IC CPU T4200 078G0030 3 V SPEAKER 4 OHM 3 W 380/380mm 60X37mm 080G L19 10 SP ADAPTER 19V 150W FSP 089G 17356Z 63 SATA CABLE 7P+4P+7P-15P+13P 370/230mm 089G 17356Z64L ANTENNA CABLE 150mm 089G 17356Z64R ANTENNA CABLE 260mm 089G414A15N IS POWER CORD 095G8014 4D946 HARNESS 4P-4P 170mm FQE90665I 095G8014 4X946 HARNESS 4P-4P 170mm LCDXXTF0261 2nd Source 095G8014 6D908 HARNESS 6P-6P 650mm FQE90667I 095G8014 6D909 HARNESS 6P-6P 480mm FQE90677I 095G8014 6W908 HARNESS 6P-6P 650mm WDK09061203 2nd Source 095G8014 6W909 HARNESS 6P-6P 480mm WDK09061209 2nd Source 095G8014 7D932 HARNESS 7P-7P 210mm FQE90666I 095G8014 7W932 HARNESS 7P-7P 210mm WDK09061205 2nd Source 095G801410D909 HARNESS 10P-7P 120mm FQE093275HY 095G8018 30979 D HARNESS 30P-20*2P 230mm FQE90670I 095G8018 30979 X HARNESS 30P-20*2P 230mm LVDSXTF0108 2nd Source 099GKCCPCBKB1100AC Key board PS2 Standard KB-0903 099GMCCP3BKB1100AC MOUSE Wired Optical MSB0846 0M1G 130 8120 SCREW 42A9930022 0M1G 320 3125 M2*3 SCREW 0M1G 330 5 47 CR3 SCREW 0M1G 330 5125 SCREW 0M1G 330 8120 SCREW 42-D000887 0M1G1030 5120 SCREW SPIN BASE PLATE 0M1G1830 10120 screw 0M1G2640 14225 CR3 M4*14 SCREW 0M1G3120 2125 SCREW 0M1G3130 5120 M3*5_SCREW 54 0Q1G 320 4120 SCREW 0Q1G 330 6 47 CR3 SCREW 0Q1G 330 8 47 CR3 SCREW 0Q1G1030 5120 SCREW 300G7621V122MS PC Main Board MS-7621 301GC3207AS11S HD 3.5 7200rpm 320G ST3320418AS 302GD22066D1YD MOMERY 2GB 200PIN M2SJ-2GHF6C05-C 303GDDRWNSD2HL ODD 12.7mm SATA Tray type GT10N 305GLMNCE541MS WiFi Module 802.11 b/g MS-6894 400G0001 01 Thermal Module Intel Mobile 35W 750GLU215H1013N000 PANEL M215HW01 V00 XM AUO 750GLU215H1014N000 PANEL M215HW01 V000 SH AUO 2nd Source 750GLU215H1023N000 PANEL M215HW01 V00A XM AUO 2nd Source 750GLU215H1024N000 PANEL M215HW01 V00A SH AUO 2nd Source A15G0915101 AIO_HDD_35_BRK A15G0917101 AIO_215W_ODD_EMI_BRK A15G0918101 AIO_215W_ODD_SUP_BRK A15G0919201 RAM_DOOR BRK A15G0920201 215W AIO Mainframe A15G0926101 AIO_215W_DC-IN_BRK A15G0931101 AIO_215W_VESA_HINGE_BRK A20G0017 1 aio_215w_standfront_right A20G0018 1 aio_215w_standfront_left A33G0693 X2A1L0100 POWER BUTTON A34G1484AEDA2B 30 BEZEL A34G1485BEP 1C MIDDLE A34G1486AED 1B 30 REARCOVER A34G1487AED 1B HDD DOOR A34G1488AED 2B RAM DOOR A34G1489AEDA1B STAND COVER A37G0119 2BEP HINGE ASS'Y A85G0209101 AIO_215W_SHIELDING A85G0210101 AIO_215W_IO_SHIELDING-A P15G8299 1 BKT-VESA Q01G6137 1 UNC_3*5_SCREW Q02G7031 1 NUT Q05G6099 2 WASHER Q12G6300251 AIO-215W-HDD-RUBBER Q12G6300252 AIO-215W-RUBBER FOOT Q12G6300253 AIO-215W-VESA RUBBER Q12G6300254 WEBCAM RUBBER Q16G0001 10 51 EMI GASKET Q16G0002 10 50 HDD-GASKET Q36G 501002 SPEAKER MESH Q40G000361583A CARTON LABEL Q40G000361585A POP LABEL FOR M222 55 Q40G000361589A CPU LABEL FOR M222A Q44GB015101 EPS Q44GB015201 EPS Q44GB015301EPE EPE Q44GB015615 1A 21.5 AIO AOC CARTON Q44GB015ACC 1A PIZZA BOX FOR CABLE Q45G 88609119 EPE BAG FOR MONITOR Q50G 4 10 TIE (Y1900221) Q52G 1185 98 MIDDLE CARTON TAPE FOR AOC Q52G 1185 99 BIG CARTON TAPE FOR AOC Q52G 32002 DOUBLE TAPE Q52G6025 14001 AIO-215W-HDD-MYLAR Q52G6025 14002 AIO-215W-INVERTER-MYLAR Q52G6025 14007 SAFETY MYLAR Q52G6025 14009 AOC_21.5_MYLAR Q52G6025 14010 AOC_21.5_MYLAR Q52G6025 14011 AIO_215W_MYLAR 070G2000506AIO CD-ROM AIO 315GVHRV500 Anti-Virus disk Q41G22MA615 1A manual for M222a Q41G780B61564C Warranty Card for AIO Q41G78DA615 5A packing list Q41G78DA615 6A system specifications Q41G78SA615 1A qsg fro M222A Q45G2007M0101A PE BAG 026G 800700 1A BARCODE LABEL 040G 58162435A P/N LABEL FOR MANUAL PE BAG 040G 581689 4A BARCODE LABEL FOR 1 Q40G22AE615 1A RATING LABEL KEPA9QA5 KEY G3684-K0C-000-004P-1-090903 033G8032 6F S HR CONNECTOR 056G 665 43 IC CY8C20180-LDX2I QFN-16(COL) 061G0603000 JT RST CHIP MAX 0R05 1/10W TZAI YUAN 061G0603561 JT RST CHIPR 560OHM +-5% 1/10W TZAI YUAN 061G0603561 JT RST CHIPR 560OHM +-5% 1/10W TZAI YUAN 061G0603561 JT RST CHIPR 560OHM +-5% 1/10W TZAI YUAN 061G0603561 JT RST CHIPR 560OHM +-5% 1/10W TZAI YUAN 061G0603561 JT RST CHIPR 560OHM +-5% 1/10W TZAI YUAN 065G060310221J Y CAP CHIP 0603 1N 25V NPO +/-5% 065G0603225A5K T CAP CHIP 0603 2.2uF K 10V X5R 715G3684K0C000004P AIO KEY-PCB FR-4 2L 120*9.6MM T1.0MM 056G 665 84 IC CY8C20180-LDX2I-C/S QFN-16(COL) KEPA9QA6 KEY G3797-K0C-000-0040-1-090825 077G610D 1A WB TACT SWITCH +LED WHITE 061G0603221 JF ST CHIPR 220 OHM +-5% 1/10W FENGHUA 033G8032 7F HR CONNECTOR 56 715G3797K0C000004M AIO KEY-PCB 60x28x1.0MM FR4 1OZ DS CTPA9QA3 CONVERTER G3745-K0B-000-0040-1-090807 033G3802 4B Y L CONN 2.0 4P 088G 304 13 CL DC POWER JACK 2P 2.5mm 10A 088G 304 13 ST DC POWER JACK 3P 2.5mm 7A 715G3745T0B000004P AIO DC IN BOARD FR-4 2L 95*110*1.2MM INPC9B44AAB1 INVERTER BOARD 040G 45762412B CBPC LABEL 033G3802 7B YH CONN.7P 2.0 DIP 033G8021 2E U INVERT CONNECTOR 033G8021 2E U INVERT CONNECTOR 033G8021 2E U INVERT CONNECTOR 033G8021 2E U INVERT CONNECTOR 065G 3J8096ES CAP 8PF +/-0.5pF NPO 3KV 065G 3J8096ES CAP 8PF +/-0.5pF NPO 3KV 065G 3J8096ES CAP 8PF +/-0.5pF NPO 3KV 065G 3J8096ES CAP 8PF +/-0.5pF NPO 3KV 065G 3J8096ET 8PF +/-0.5pF SL 3KV 065G 3J8096ET 8PF +/-0.5pF SL 3KV 065G 3J8096ET 8PF +/-0.5pF SL 3KV 065G 3J8096ET 8PF +/-0.5pF SL 3KV 067G215D3314KV LOW ESR EC 330uF 25V M 10*12mm 067G215D3314KV LOW ESR EC 330uF 25V M 10*12mm 080GL19T 50 DN INVERTER X'FMR 872UH 30% TK.2806H.101 080GL19T 50 DN INVERTER X'FMR 872UH 30% TK.2806H.101 080GL19T 50 DN INVERTER X'FMR 872UH 30% TK.2806H.101 080GL19T 50 DN INVERTER X'FMR 872UH 30% TK.2806H.101 056G 379166 IC DT8211A SOP-18 057G 417 4 PMBS3904/PHILIPS-SMT(04) 057G 417 6 PMBS3906/PHILIPS-SMT(06) 057G 417 6 PMBS3906/PHILIPS-SMT(06) 057G 763 6 AO4828 SOIC-8 BY AOS 057G 763 6 AO4828 SOIC-8 BY AOS 061G0603102 JT RST CHIP 1K 1/10W 5% TZAI YUAN 061G0603102 JT RST CHIP 1K 1/10W 5% TZAI YUAN 061G0603102 JT RST CHIP 1K 1/10W 5% TZAI YUAN 061G0603102 JT RST CHIP 1K 1/10W 5% TZAI YUAN 061G0603102 JY RST CHIPR 1KOHM +-5% 1/10W YAGEO 061G0603102 JY RST CHIPR 1KOHM +-5% 1/10W YAGEO 061G0603102 JY RST CHIPR 1KOHM +-5% 1/10W YAGEO 061G0603102 JY RST CHIPR 1KOHM +-5% 1/10W YAGEO 061G0603104 JT RST CHIP 100K 1/10W 5% TZAI YUAN 061G0603151 JY RST CHIP 150R 1/10W 5% YAGEO 061G0603151 JY RST CHIP 150R 1/10W 5% YAGEO 061G0603151 JY RST CHIP 150R 1/10W 5% YAGEO 061G0603151 JY RST CHIP 150R 1/10W 5% YAGEO 57 061G0603183 JF RST CHIPR 18KOHM 5% 1/10W FENGHUA 061G0603202 JF RST CHIPR 2K OHM +-5% 1/10W FENGHUA 061G0603202 JF RST CHIPR 2K OHM +-5% 1/10W FENGHUA 061G0603202 JF RST CHIPR 2K OHM +-5% 1/10W FENGHUA 061G0603202 JF RST CHIPR 2K OHM +-5% 1/10W FENGHUA 061G0603243 JF RST CHIPR 24KOHM 5% 1/10W FENGHUA 061G06034702FF RST CHIPR 47KOHM +-1% 1/10W FENGHUA 061G0603471 JY RST CHIPR 470 OHM 5% 1/10W YAGEO 061G0603471 JY RST CHIPR 470 OHM 5% 1/10W YAGEO 061G0603471 JY RST CHIPR 470 OHM 5% 1/10W YAGEO 061G0603471 JY RST CHIPR 470 OHM 5% 1/10W YAGEO 061G0603472 JY RST CHIPR 4.7KOHM +-5% 1/10W YAGEO 061G0603623 JF ST CHIPR 62KOHM 5% 1/10W FENGHUA 061G06037502FF RST CHIPR 75KOHM +-1% 1/10W FENGHUA 061G0603912 JF RST CHIPR 9.1KOHM 5% 1/10W FENGHUA 061G0805000 JY RST CHIPR MAX 0R05 OHM 1/8W YAGEO 061G0805000 JY RST CHIPR MAX 0R05 OHM 1/8W YAGEO 061G0805000 JY RST CHIPR MAX 0R05 OHM 1/8W YAGEO 061G0805103 JF RST CHIPR 10K OHM +-5% 1/8W FENGHUA 061G0805103 JF RST CHIPR 10K OHM +-5% 1/8W FENGHUA 061G0805103 JY RST CHIPR 10KOHM +-5% 1/8W YAGEO 061G0805103 JY RST CHIPR 10KOHM +-5% 1/8W YAGEO 061G0805391 JT RST CHIP 390R 1/8W 5% TZAI YUAN 061G0805471 JF RST CHIPR 470 OHM +-5% 1/8W FENGHUA 061G0805479 JY RST CHIP 4R7 1/8W 5% YAGEO 061G0805479 JY RST CHIP 4R7 1/8W 5% YAGEO 061G0805479 JY RST CHIP 4R7 1/8W 5% YAGEO 061G0805479 JY RST CHIP 4R7 1/8W 5% YAGEO 061G1206000 JF RST CHIPR MAX0R05 1/4W FENGHUA 061G1206000 JF RST CHIPR MAX0R05 1/4W FENGHUA 061G1206000 JF RST CHIPR MAX0R05 1/4W FENGHUA 061G1206000 JF RST CHIPR MAX0R05 1/4W FENGHUA 061G1206000 JF RST CHIPR MAX0R05 1/4W FENGHUA 061G1206000 JF RST CHIPR MAX0R05 1/4W FENGHUA 061G1206000 JF RST CHIPR MAX0R05 1/4W FENGHUA 061G1206000 JF RST CHIPR MAX0R05 1/4W FENGHUA 061G1206000 JY RST CHIPR MAX0R05 1/4W YAGEO 061G12061009FF RST CHIP 10 OHM 1% 1/4W FENGHUA 061G12061009FF RST CHIP 10 OHM 1% 1/4W FENGHUA 065G080510131J 3 CAP CHIP 0805 100P 50V NPO +/-5% 065G080510231J A CAP CHIP 0805 1000pF J 50V NPO 065G080510231J A CAP CHIP 0805 1000pF J 50V NPO 065G080510231J A CAP CHIP 0805 1000pF J 50V NPO 065G080510231J A CAP CHIP 0805 1000pF J 50V NPO 065G080510332K 3 CAP CHIP 0805 10N 50V X7R +/-10% 065G080510332K 3 CAP CHIP 0805 10N 50V X7R +/-10% 58 065G080510332K 3 CAP CHIP 0805 10N 50V X7R +/-10% 065G080510332K 3 CAP CHIP 0805 10N 50V X7R +/-10% 065G080510332K 3 CAP CHIP 0805 10N 50V X7R +/-10% 065G080510332K F CAP CHIP 0805 10NF K 50V X7R 065G080510332K F CAP CHIP 0805 10NF K 50V X7R 065G080510332K F CAP CHIP 0805 10NF K 50V X7R 065G080510332K F CAP CHIP 0805 10NF K 50V X7R 065G080510432K 3 CAP CHIP 0805 100N 50V X7R +/-10% 065G080510432K 3 CAP CHIP 0805 100N 50V X7R +/-10% 065G080522332K Y CAP CHIP 0805 22N 50V X7R +/-10% 065G080522525K T CAP CHIP 0805 2.2uF K 25V X5R 065G080522525K T CAP CHIP 0805 2.2uF K 25V X5R 065G080533231J 3 CAP CHIP 0805 3N3 50V NPO +/-5% 065G080533231J 3 CAP CHIP 0805 3N3 50V NPO +/-5% 065G080533231J 3 CAP CHIP 0805 3N3 50V NPO +/-5% 065G080533231J 3 CAP CHIP 0805 3N3 50V NPO +/-5% 065G080533332K Y CAP CHIP 0805 33N 50V X7R +/-10% 065G080533432K 3 CAP CHIP 0805 330N 50V X7R +/-10% 065G080533432K 3 CAP CHIP 0805 330N 50V X7R +/-10% 065G080533432K F CAP CHIP 0805 0.33UF K 50V X7R 065G080533432K F CAP CHIP 0805 0.33UF K 50V X7R 065G120610231J Y CAP CHIP 1206 1NF J 50V NPO 065G120610231J Y CAP CHIP 1206 1NF J 50V NPO 093G 64 42 PP BAV70 SOT-23 093G 64 42 PP BAV70 SOT-23 093G 64 42 PP BAV70 SOT-23 093G 64 42 PP BAV70 SOT-23 093G 64 42 PP BAV70 SOT-23 093G 64 42 PP BAV70 SOT-23 093G 64 1152T 1N4148 095G 90 23 JUMPER WIRE 095G 90 23 JUMPER WIRE 095G 90 23 JUMPER WIRE 095G 90 23 JUMPER WIRE 095G 90 23 JUMPER WIRE 095G 90 23 JUMPER WIRE 095G 90 23 JUMPER WIRE 095G 90 23 JUMPER WIRE 095G 90 23 JUMPER WIRE 095G 90 23 JUMPER WIRE 095G 90 23 JUMPER WIRE 095G 90 23 JUMPER WIRE 095G 90 23 JUMPER WIRE 095G 90 23 JUMPER WIRE 095G 90 23 JUMPER WIRE 095G 90 23 JUMPER WIRE 59 095G 90 23 JUMPER WIRE 715G3675P01000001S AIO INVERTER PCB FR-1 110x95x1.6MM SS 065G080522332K F CAP CHIP 0805 22NF K 50V X7R 061G0805471 JF RST CHIPR 470 OHM +-5% 1/8W FENGHUA 061G0805471 JY RST CHIPR 470OHM +-5% 1/8W YAGEO 065G080510231J F CAP CHIP 0805 1NF J 50V NPO 065G080510231J F CAP CHIP 0805 1NF J 50V NPO 065G080510231J F CAP CHIP 0805 1NF J 50V NPO 065G080510231J F CAP CHIP 0805 1NF J 50V NPO 065G080510332K Y CAP CHIP 0805 10N 50V X7R +/-10% 065G080510332K Y CAP CHIP 0805 10N 50V X7R +/-10% 065G080510332K Y CAP CHIP 0805 10N 50V X7R +/-10% 065G080510332K Y CAP CHIP 0805 10N 50V X7R +/-10% 065G080510332K Y CAP CHIP 0805 10N 50V X7R +/-10% 065G080533231J Y CAP CHIP 0805 3300PF J 50V NPO 065G080533231J Y CAP CHIP 0805 3300PF J 50V NPO 065G080533231J Y CAP CHIP 0805 3300PF J 50V NPO 065G080533231J Y CAP CHIP 0805 3300PF J 50V NPO 065G080510432K F CAP CHIP 0805 0.1UF K 50V X7R 065G080510432K F CAP CHIP 0805 0.1UF K 50V X7R 065G080510131J F CAP CHIP 0805 100PF J 50V NPO 065G080510131J A CAP CHIP 0805 100pF J 50V NPO

标签:

版权声明

1. 本站所有素材,仅限学习交流,仅展示部分内容,如需查看完整内容,请下载原文件。
2. 会员在本站下载的所有素材,只拥有使用权,著作权归原作者所有。
3. 所有素材,未经合法授权,请勿用于商业用途,会员不得以任何形式发布、传播、复制、转售该素材,否则一律封号处理。
4. 如果素材损害你的权益请联系客服QQ:77594475 处理。