JCT 413-2005 辊道窑用陶瓷辊
                        
                        
                        
                        
                        
                        
                        
                        
            
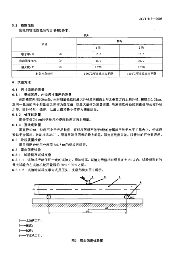
            备 案 号 : 15194- 2005 i c 中 华 人 民 共 和 国 建 材 行 」立标 准 J C /T 413- 2005 代替J C/T 413- 1991 ( 1996) 辊 道 窑用 陶瓷辊 C er a mi c r ol l er f or ro ll er k i l n 2005- 02- 14 发布 2005-01- 01实施 中 华 人 民 共 和 国 国 家 发 展 和 改 革 委 员 会 发布 免费标准下载网(www.freebz.net) 免费标准下载网(www.freebz.net) 无需注册 即可下载 J C / T 4 13- 20 05 fl ij 胃 本标准是对J C/T 413- 19910 996) 《辊道窑用陶瓷辊》进行的修订。 本标准自实施日期起代替JC/T 413- 1991(1996) 0 本标准对J C/T 413- 19910 996)标准内容作了如下修订: — 取消了外观质量和尺寸偏差上产品等级的划分; — 调整了外观质量和尺寸偏差的指标; — 调整了耐火度的指标。 本标准的附录A为规范性附录。 本标准由中国建筑材料工业协会提出。 本标准由全国工业陶瓷标准化技术委员会归口。 本标准负责起草单位: 山东工业陶瓷研究设计院。 本标准参加起草单位: 广东佛山陶瓷研究所、潍坊奥克罗拉精细陶瓷有限公司。 本标准主要起草人: 韩乃红、谢文斌、段高峰、王永华、陶建涛、马燕。 本标准为第一次修订。 免费标准下载网(www.freebz.net) 免费标准下载网(www.freebz.net) 无需注册 即可下载 J CI T 413- 2005 辊道窑用陶瓷辊 1 范围 本标准规定了辊道窑用陶瓷辊的术语和定义、 及标志、包装、运输和贮存。 本标准适用于陶瓷生产所用的辊道窑中支撑、 品种和规格形状、技术要求、试验方法、检验规则以 输送产品的陶瓷辊。 2 规范性引用文件 下列文件中的条款通过本标准的引用而成为本标准的条款。凡是注日期的引用文件,其随后所有的 修改单(不包括勘误的内容) 或修订版均不适用于本标准,然而,鼓励根据本标准达成协议的各方研究是 否可使用这些文件的最新版本。凡是不注日期的引用文件,其最新版本适用于本标准。 GB/T 5574- 1994 工业用橡胶板 GB/ T 7322- 1997 耐火材料 耐火度试验方法(i dt ISO 528: 1983) 3 术语和定义 下列术语和定义适用于本标准。 瓷 辊 由氧化铝、粘土、或其它无机非金属原料,经成型、烧结等工艺处理,用于辊道窑中支撑、输送产 品的管状陶瓷制品。 4 . 1 4 . 2 4 . 3 瓷辊的品种和规格形状 瓷辊的品种 根据使用温度分为: a) 1 类> 1 2000C ; b) 2 类簇1 200 0C o 瓷辊的规格形状 瓷辊的规格形状见图1, 屁月 1 · 。 . 令 图 1 制品通用的规格尺寸 制品通用的规格尺寸见表1, 免费标准下载网(www.freebz.net) 免费标准下载网(www.freebz.net) 无需注册 即可下载 J C /T 4 13 - 2 00 5 表 1 单位为毫米 KfkL 公称直径 D, gm D MITS 1 200- 4 500 25 2 5 3, 4. 5 3 0 3 0 4 0 4 0 4 5 4 5 4 . 5 . 6 5 0 5 0 55 5 5 6 0 6 0 6 5 6 5 注: 用户如需特殊 规格,可按供需双方 协议执行。 4 . 4 产品标记 标记顺序为: 产品名称、类别代号、外径X 长度X 壁厚、本标准号. 示例 : 外径为 30 mm,长度为 2 000 mm,壁厚 为 5 mm的 1类 瓷辊标记 为: 辊道 窑用 陶瓷辊 1类 : (D30X 2000X 5 ( mm) TC/T 413- 2005 5 技术要求 5.1 外观质量 5.1.1 瓷辊的外观质量 瓷辊的外观质量应符合表2的要求。 表 2 单位为毫米 项 目 质量指标 裂 纹 不允许有 熔洞、气泡 直径) 2 不允许有 斑 点 2< 直 径< 3 6 个 凸 起 高度 ) 1 不允许有 5. 1. 2 外观尺寸偏差及变形 瓷辊的外观尺寸偏差及变形应符合表3的规定。 表 3 单位为毫米 项 目 允许偏 差 外径 ( 30 士0. 8 > 30 士 1. 0 壁 厚 士 0. 5 圈度 1. 0 长度 士3. 0 直线度 ,% 0. 10 免费标准下载网(www.freebz.net) 免费标准下载网(www.freebz.net) 无需注册 即可下载 J C /T 4 13- 200 5 5. 2 物理性能 瓷辊的物理性能应符合表4的要求。 表 4 项 目 指标 1类 2 类 吸水率/ % ( 1 0 . 0 16. 0 弯曲强度/MPa 3 45. 0 35 .0 耐火度/ ℃ ) 1 77 0 1 7 5 0 耐急冷 急热 性 1 300℃至室温三 次不裂 1200℃至 室温 三次不裂 试 验 方 法 6. 1 尺寸偏差的测量 6. 1. 1 瓷辊圆度、外径尺寸偏差的测量 在距瓷辊两端100 mm处,分别测量瓷辊的最大外径及同截面上与之垂直方向上的外径,精确至0. 02mm. 取同一截面的两个测量值之差作为圆度值,以最大值作为测量结果,所测四次外径的测量值与公称外径 之差,即外径尺寸偏差,以最大值和最小值作为测量结果口 6. 1.2 长度的测量 用分度值为1 mm的钢卷尺沿瓷辊长度方向上测量。 6. 1.3 直线度测量 用直径40mm,长度不小于产品长度,直线度等级不低于9级的金属棒平放于水平工作台上,使试样 紧贴于金属棒,转动样品3600 ,用塞尺测得两者的最大间隙,即为直线度公差。以管长的百分数表示。 6.2 外观质量检查 用 目测配合使用分度值为0. 5 二的钢板尺进行。 6.3 弯曲强度试验 6.3. 1 试验机及试样支座 6.3. 1. 1 试验机应能保证一定的试验力、施加速率,试验力示值相对误差在士1%以内,试验断裂时的 最大试验力在试验机使用量程的20%- 90%之间。 6.3. 1. 2 试验时试样支承方式及压头、支座形状如图2所示。 工— 上加荷刀 口 2一 橡皮 : 3— 试样; 4— 下支承刀 口。 图2 弯曲强度试验图 免费标准下载网(www.freebz.net) 免费标准下载网(www.freebz.net) 无需注册 即可下载 J C /T 4 13- 20 05 6. 3. 2 试 样 从检验瓷辊中段切取长度为外径10倍的管段作为试样,数量至少为五个。 6. 3,3 试样步骤 6.3.3. 1 把干燥试样放置在支座上,使试样的两端面与支座的距离相等。支座间距为瓷辊直径的八倍。 6. 3. 3. 2 在支座、压头与试样之间应垫以符合 GB/T 5574- 1994 规定的硬度为(邵尔A)45- 60、厚度为 3 二 的橡胶板,以每秒(0. 1- 0. 3)二 的速率均匀的增加负荷,直至试样断裂。读取断裂时的最大试验 力 . 6. 3. 3. 3 测量试样断裂处的内、外径,精确至 0. 02 mm. 6.3.4 结果计算 按式 (1)计算弯曲强度,取三位有效数字。 R}. 8p 小 D ··· ··· ·· ···· ··· ·· ··· ··· ·⋯ ⋯ (1) 式中: 凡 — 弯曲强度,单位为兆帕(MPa) ; p — 试样断裂时的最大试验力,单位为牛顿(N) ; 1 — 支座间距,单位为毫米(mm) ; D — 试样断裂处外径,单位为毫米 (,) : d — 试样断裂处内径,单位为毫米 (,) 。 6. 3. 5 数据处理 按本标准附录A进行数据处理,至少有五个有效数据计算平均值和标准偏差,作为试验结果。 6. 4 吸水率 6. 4. 1 试样 从三支瓷辊上各切取长度不小于50 mm的一个管段作为试样。切取处距管端200 mm以上,试样数量为 三个。 6. 4. 2 试验步骤 6. 4. 2. 1 将试样置于电热干燥箱中在(105士5) ℃下烘干至恒重,称量精确至0. 01 g. 6. 4. 2.2 将试样放在器皿内,器皿底部和试样间应垫以干净的纱布,加以蒸馏水,在煮沸过程中,使 试样完全被淹没,加热器皿至水沸腾并继续煮沸2 h,然后冷却至室温。 6. 4. 2. 3 取出试样,用轻轻绞过的多层湿纱布擦去试样内外表面过剩水分,迅速称量,精确至0. 01 g, 6. 4. 3 结果计算 6. 4.3. 1 按式(2) 计算吸水率: A=m2 - m, x 100% 码 ... .. ... ... .... ... ... ... ... .. . (2) 式中: A — 试样吸水率,单位为百分数(%) : m, — 干燥试样质量,单位为克(8) ; m2— 饱含水时试样质量,单位为克(8) 6. 4. 3.2 至少对三块试样试验,取算术平均值作为试验结果,计算精确至小数点后一位。 6. 5 耐急冷急热性试验 免费标准下载网(www.freebz.net) 免费标准下载网(www.freebz.net) 无需注册 即可下载 J C T 413- 2005 用随机抽样方法抽取表5中各检验项目所需的样本。切取约600 mm长的瓷辊,迅速插入规定温度的 电炉中,插入深度为400 二,两端支起,沿长度方向温差不大于士500C ,保温10 mi n迅速取出,平放在 耐火材料支座上,在空气中冷却至室温,检验有无裂纹及断裂,试样数量为三根。 表5 性 能项 目 样 本大小 第一次 第 二 次 M-?k n, 第京“ 合格判定数 c 不合格 判定数 R. 合格判定数 Cz 不合格判定数 R. 外观质量 40 4 0 2 4 6 7 尺 寸偏差 4 0 4 0 2 4 6 7 耐急冷急热性 3 3 0 2 1 2 6. 6 耐火度试验 耐火度试验按GB/T 7322- 199了进行。 7 检验规则 7. 1 检验分类 7. 1. 1 出厂检验 出厂检验包括外观质量、尺寸偏差、吸水率、耐急冷急热。 7. 1. 2 型式检验 型式检验项目为本标准规定的全部技术要求项目。有下列情况之一时,应进行型式检验: a) 新产品试制定型鉴定: b) 正常生产条件下,每半年进行一次; c) 材料、配方、工艺有较大改变,可能影响产品质量; d) 出厂检验结果与上次型式检验结果有较大差异时。 7. 2 检验批量的确定 以同一原料、配方、同一生产工艺稳定连续生产的同一品种产品为一批。每批数量以1 000支为一 批,少于1 000支时由供需双方协商验收方法。 7. 2. 1 吸水率试验 随机抽取三支瓷辊,每支取一个样。 7.2.2 弯曲强度试验 随机抽取(5- 7)支瓷辊,每支取一个样。 7. 2.3 耐火度试验 从弯曲强度试验后的瓷辊中制取试样。 7. 3 结果判定 7. 3. 1 外观质量、尺寸偏差、耐急冷急热性检验时,第一样本中检出的不符合表2, 3. 4 对瓷辊要求 的数量不超过C,时,判为检验合格: 否则应抽取第二样本继续检验,联合样本中检出不符合表2, 3, 4 对瓷辊要求的样品数不超过 C: 时,判为检验合格: 超过 C, 时,应判为这批瓷辊不合格。 7.3.2 吸水率、弯曲强度、耐火度的试验结果必须符合表4的要求。如有一项不符合进行复验,如有 两项以上不符合,则判为不符合。 7. 4 复验规则 7.4. 1 吸水率一项不合格时,允许重新抽样复验,复验结果符合表4 的要求。应认为该项性能符合本 标准要求。 7.4.2 弯曲强度一项不合格时,允许重新抽样复验,至少以10 个有效数据的平均值报出。复验结果符 合表 4 的要求,应认为该项性能符合本标准要求。 免费标准下载网(www.freebz.net) 免费标准下载网(www.freebz.net) 无需注册 即可下载 J C /T 4 1 3- 2 00 5 7.4.3 耐火度一项不合格时,允许重新抽样复验,复验结果符合表4 的要求,应认为该项性能合格。 8 标志、包装、运输和贮存 8. 1 标志 包装上应标有产品名称、类别、企业名称、地址、注册商标、生产日期、规格、数量、防污染、禁 扔和执行标准等标志,还应标明易碎字样或标记。 8. 2 包 装 产品应有厂方专门包装箱包装,内附合格证,每支之间应有软物隔开,防止松动、互相碰撞破损。 8. 3 运输 产品储存、运输应防震、防潮,装卸时轻拿轻放,防止机械损伤。 8. 4 贮存 产品应按不同种类、规格在室内堆放,堆放场地应平整、坚实、防潮。产品堆放时上部不应堆放其 它 物 品 。 免费标准下载网(www.freebz.net) 免费标准下载网(www.freebz.net) 无需注册 即可下载 J C /T 4 13- 20 05 附 录 A (资料性附录) 异常数据取舍方法 A . 1 X A . 2 把实验或测定所得子样数据按其数值从小到大排列成: X - u , Xio 根据n查表A, 1得T(,,. 。〕值。 A . 3 S 二 A . 4 计算T值: 当最小值Xa,是可疑时,则T = X 一X}}1 当最大值X} 是可疑时,则T = 戈n)一X X =土Y XI n 龙 为测定值: n为子样大小: S 为子样标准偏差, 比较T与T . 。值进行判断: 当T-> To, 。,,则所怀疑的数据是异常的,应予弃去。 当TG To,. 。),则不能将危险率a弃去。 表 A. 1 n 3 4 5 6 7 8 9 1 0 1 1 T m. d 1. 15 1. 46 1. 67 1. 8 2 1. 94 2. 03 2. 11 2. 18 2 .23 n 1 2 13 1 4 15 16 17 18 19 T伽 司 2 . 29 2. 33 2 . 3 7 2 . 4 1 2 . 4 4 2 .4 7 2. 96 3. 21 免费标准下载网(www.freebz.net) 免费标准下载网(www.freebz.net) 无需注册 即可下载
版权声明
1. 本站所有素材,仅限学习交流,仅展示部分内容,如需查看完整内容,请下载原文件。
        2. 会员在本站下载的所有素材,只拥有使用权,著作权归原作者所有。
        3. 所有素材,未经合法授权,请勿用于商业用途,会员不得以任何形式发布、传播、复制、转售该素材,否则一律封号处理。
        4. 如果素材损害你的权益请联系客服QQ:77594475 处理。