JCT 2007-2010 摩擦材料用有机纤维

分类:建材标准 日期: 点击:0
JCT 2007-2010 摩擦材料用有机纤维-0 JCT 2007-2010 摩擦材料用有机纤维-1 JCT 2007-2010 摩擦材料用有机纤维-2 JCT 2007-2010 摩擦材料用有机纤维-3 JCT 2007-2010 摩擦材料用有机纤维-4

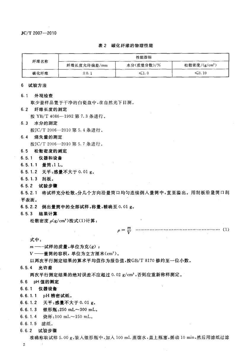
I CS 59 080 20 Q61 备案号:30019—201 J C 中华人民共和国建材行业标准 J C/T 2007—2010 2010—11—22发布 摩擦材料用有机纤维 Organi c f i ber f or f ri ct i on mat eri al s 2011—03—01实施 中华人民共和国工业和信息化部发布 www.bzfxw.com 摩擦材料用有机纤维 J C/T 2007—2010 1范围 本标准规定了摩擦材料用有机纤维的分类、术语和定义、要求、试验方法、检验规则、标志、包装、运 输与贮存。 本标准适用于摩擦材料用有机纤维。 2规范性引用文件 下列文件对于本文件的应用是必不可少的。凡是注日期的引用文件,仅注日期的版本适用于本文 件。凡是不注目期的引用文件,其最新版本( 包括所有的修改单) 适用于本文件。 GB/T 8170数字修约规则与极限数值的表示和判定 J C/T 2006- - 2010摩擦材料用复合纤维 YB/T 4086—1 992钢棉纤维 3分类 摩擦材料用有机纤维按成分分为纤维素纤维、碳化纤维两类。 4术语和定义 下列术语和定义适用于本文件。 4.1 纤维素。cel l ul ose 由D一葡萄吡喃糖基以1,4一B一苷键连接而成的大分子多糖,是一种天然有机高分子化合物,通式 ( c6H。O。) n,不溶于水及一般有机溶剂。 4.2 碳化纤维carbon f i ber 主要是由碳元素组成的一种特种纤维,是含碳量高于90%的高分子纤维。碳化纤维通常是指有机 纤维在2 000℃以下碳化而制得的纤维。 5要求 5.1 摩擦材料用有机纤维外观应均匀、蓬松,无明显杂质颗粒。 5.2 纤维索纤维的物理性能应符台表l 的规定。 表1 纤维索纤维的物理性能 性能指标 纤维名称 纤维长度允许偏差 烧失量( 质量 水分( 质量 松散密度( 质量 pH值 /ram 分数) /% ,分数) /% 分数) /( g/cd) 纤维索纤维 士0.1 ≥95 ≤8 ≤0.10 6.5~8.5 5.3碳化纤维的物理性能应符合表2的规定。 www.bzfxw.com www.bzfxw.com J C/T 2007—2010 于烧杯中,用试纸对滤液进行pH值的测定。 7检验规则 7.1 组批原则 以同批次、同品种的摩擦材料用有机纤维产品5 000 kg为一批,不足5 000 kg也按一批计。 7.2取祥和匍样 袋装产品按表3进行随机取样。 表3 取样袋数 单位为袋 批量 抽取样奉数 。 ≤40 2 41~120 3 ≥121 S 从每袋样品中抽取1 000 g样品,将所抽样品充分混匀,以四分法缩分至试验所需样量。 7.3检验分类 7.3一 摩擦材料甩有机纤维产品的检验分为出厂检验和型式检验。出厂检验项目为外观、水分、松散 密度。型式检验项目为第5章规定的所有项目。 7.3.2 有下动情况之一时,应进行型式检验: ——新产品投产时; ——原材料或生产工艺有较大改变时} ——停产时间超过六个月恢复生产时; ——正常生产时,每年至少进行一次; ——出厂检验结果与上次型式检验有较大差异时; ——供需双方合同有要求时。 7.4 判定规则 经检验各项质量指标符合本标准要求时,判定该批产品合格。若其中一项或一项以上指标不符合 本标准要求时,应重新加倍抽样复验不符合项。若复验结果全部符合本标准要求时,仍判定该批产品合 格;若复验结果仍有一项或一项以上不符合本标准要求时,判定该批产品不合格。 8标志、包装、运输与贮存 8.1 标志 8.1.1 每袋摩擦材料用有机纤维产品外包装上应标明产品名称、生产单位、生产地址、净重和防雨防潮 标志。 8.1.2 每批摩擦材料用有机纤维产品应附有产品检验报告。 8.2包装 摩擦材料用有机纤维产品用袋包装。包装袋要坚固、整洁、密闭。每袋净重允许误差应小于0.5%。 8 3运输与贮存 运输与贮存过程中应防雨、防潮、防破损。

标签:

版权声明

1. 本站所有素材,仅限学习交流,仅展示部分内容,如需查看完整内容,请下载原文件。
2. 会员在本站下载的所有素材,只拥有使用权,著作权归原作者所有。
3. 所有素材,未经合法授权,请勿用于商业用途,会员不得以任何形式发布、传播、复制、转售该素材,否则一律封号处理。
4. 如果素材损害你的权益请联系客服QQ:77594475 处理。