JCT 2004-2010 摩擦材料用金属纤维

分类:建材标准 日期: 点击:0
JCT 2004-2010 摩擦材料用金属纤维-0 JCT 2004-2010 摩擦材料用金属纤维-1 JCT 2004-2010 摩擦材料用金属纤维-2 JCT 2004-2010 摩擦材料用金属纤维-3 JCT 2004-2010 摩擦材料用金属纤维-4 JCT 2004-2010 摩擦材料用金属纤维-5

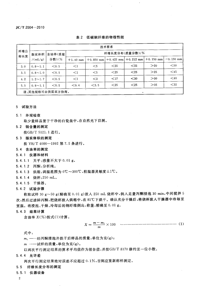
I Cs 59,080 20 Q61 备案号:30016—2011 J C 中华人民共和国建Szt 行业标准 J C/T 2004—2010 2010—1 1—22发布 摩擦材料用金属纤维 Met al l i c f i bet f or f ri ct i on mat eri ai s 2011—03—01实施 中华人民共和国工业和信息化部发布 www.bzfxw.com 摩擦材料用金属纤维 J C/T 2004—2010 1范围 本标准规定了摩擦材料用粉碎型金属纤维的分类、要求、试验方法、检验规则、标志、包装、运输与贮 存。 本标准适用于摩擦材料用粉碎型铜纤维和低碳钢纤维。 2规范性引用文件 下列文件对于本文件的应用是必不可少的。凡是注日期的引用文件,仅注日期的版本适用于本文 件。凡是不注日期的引用文件,其最新版本( 包括所有的修改单) 适用于本文件。 GB/T 5121.1铜及铜合金化学分析方法第1部分:铜含量的测定 GB/T 6003.1金属丝编织网试验筛 GB/T 8170数字修约规则与极限数值的表示和判定 YB/T 4086- - 1992 钢棉纤维 3分类 摩擦材料用金属纤维按金属种类分为铜纤维和低碳钢纤维两类。 铜纤维分为紫铜纤维和黄铜纤维两种。 低碳钢纤维按纤维长度分为四个规格。 4要求 4.1摩擦材料用金属纤维外观应清洁,星金属本色,无油污,锈蚀现象和其他夹杂物。 4.2铜纤维的物理性能应符合表l 的规定。 表1铜纤维的物理性能 技术要求 纤维名称 金属古量 振实体积 纤维长度分布( 质量分效) /“ ( 质量分数) /% /( mL/g) +1.40mm +1.00mm +0.600mm +0.212 mm 一0.212 mm 紫铜纤维 Cu>99.5 0.30~0.60 <0.5 <2.0 <13 >65 <35 黄铜纤维 Cu>55 0.50t 0.95 <0.5 <2.0 <13 >20 <80 4.3低碳钢纤维的物理性能应符合表2的规定。 www.bzfxw.com www.bzfxw.com J C/T 2004—2010 5 5 1 1 偏心振动式振筛机:摇动次数为270~300次/rai n,振动次数为140~160次/mi n。 5 5 1 2标准筛:应符合GB/T 6003.1的要求。 5 5 1 3天平:感量不大于0.01 g。 5 5 2试验步聚 5 5 2 1铜纤维用筛孔为1.40 mm、I .00 mm、0.600 mm、0.212 mm四级筛子,低碳钢纤维用筛孔为 1.40 mm、0.850 mm、0.425 mm、0.212 mm、0.150 mm五级筛子,按筛孔大小顺序叠放在底盘上。 5 5 2 2称取约100 g试样( 精确至0.01 g) ,放人最上层筛子中,盖上筛盖。将套筛固定在振筛机上。 5 5 2 3开动振筛机,筛振15 mi n。 5 5 2 4筛振完成后,将各层筛子( 含底盘) 中的筛余物清扫出来,逐一称量,精确至0.01 g。 5 5 3结果计算 筛余物按式( 2) 计算: N,一堡× 100⋯ ⋯ ⋯ ⋯ ⋯ ⋯ ⋯ ⋯ ⋯ ⋯ ⋯ ⋯ ⋯ ⋯ ⋯ ...( 2) m 式中: M——各层筛子里的筛余物的质量分数,%; m。——各层筛子里的筛余物的质量。单位为克( g) ; m——试样质量,单位为克( g) 。 以两次平行测定结果的算术平均值作为报告值,并按GB/T 8170修约至一位小数。 5.5 4允许差 两次平行测定结果相对误差不应超过2%,否则应重新称样测定。 6检验规则 6.1组批原则 以同批次、同规格的摩擦材料用金属纤维产品5 000 kg为一批,不足5 000 kg也按一批计。 6 2取样和制样 袋装产品按表3进行随机取样。 表3取样 单位为袋 批量 抽取样本数 ≤40 2 41~120 3 ≥121 5 、 从每袋样品中抽取1 000 g样品,将所抽样品充分混匀,以四分法缩分至试验所需样量。 6 3检验分类 6 3.1摩擦材料用金属纤维产品的检验分为出厂检验和型式检验。出厂检验项目为外观、振实体积。 型式检验项目为第4章规定所有项目。 6 3 2有下列情况之一时,应进行型式检验: 一一新产品投产时; ——原材料或生产工艺有较大改变时; 停产时间超过六个月恢复生产时; ——正常生产时,每年至少进行一次; ——出厂检验结果与上次型式检验结果有较大差异时; 3 www.bzfxw.com

标签:

版权声明

1. 本站所有素材,仅限学习交流,仅展示部分内容,如需查看完整内容,请下载原文件。
2. 会员在本站下载的所有素材,只拥有使用权,著作权归原作者所有。
3. 所有素材,未经合法授权,请勿用于商业用途,会员不得以任何形式发布、传播、复制、转售该素材,否则一律封号处理。
4. 如果素材损害你的权益请联系客服QQ:77594475 处理。