JCT 1020-2007 低温装置绝热用膨胀珍珠岩

分类:建材标准 日期: 点击:0
JCT 1020-2007 低温装置绝热用膨胀珍珠岩-0 JCT 1020-2007 低温装置绝热用膨胀珍珠岩-1 JCT 1020-2007 低温装置绝热用膨胀珍珠岩-2 JCT 1020-2007 低温装置绝热用膨胀珍珠岩-3 JCT 1020-2007 低温装置绝热用膨胀珍珠岩-4 JCT 1020-2007 低温装置绝热用膨胀珍珠岩-5 JCT 1020-2007 低温装置绝热用膨胀珍珠岩-6 JCT 1020-2007 低温装置绝热用膨胀珍珠岩-7 JCT 1020-2007 低温装置绝热用膨胀珍珠岩-8

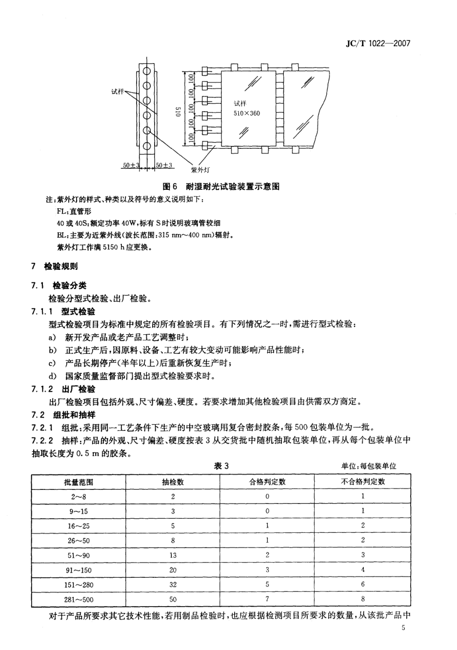
ICS 81. 040 Q 33 备案号 :20460一2007 J c 中 华 人 民 共 和 国 建 材 行 业 标 准 J C/ T 1022- 2007 中空玻璃用复合密封胶条 Compound sealing spacer in insulating glass 2007 一04 一13 发布 2007 - 10 一01 实施 中 华 人 民 共 和 国 国 家 发 展 和 改 革 委 员 会 发 布 www.17jzw.com www.17bzw.cn www.17jzw.net www.3x888.com J C/T 1022- 2007 前 - - 几 一 曰 本标准的粘接性能修改采用EN 1279. 4,耐湿耐光性能试验方法采用JIS R 3209, 本标准的粘接性能与EN 1279. 4的主要差异为: — 增加了标准条件的粘接性能要求; — 规定了水浸条件的水温要求; — 试样为 4 组,每组试样为至少六个; — 六个试样的平均值为试验结果。 本标准由中国建筑材料工业协会提出。 本标准由全国建筑用玻璃标准化技术委员会归口。 本标准负责起草单位:秦皇岛玻璃工业研究设计院。 本标准参加起草单位:盘锦黑马胶业有限公司、东营胜明玻璃有限公司、美国创奇( 中国) 有限公司 本标准主要起草人:李勇、Alt书伟、王立祥、高淑兰、周建国、李新达、刘军 本标准为首次发布。 J C/ T 1022- 2007 中空玻璃用复合密封胶条 范围 本标准规定了中空玻璃用复合密封胶条的术语和定义、分类、技术要求、试验方法、检验规则及包 装、标志、运输和贮存。 本标准适用于中空玻璃以及镶嵌玻璃的复合密封胶条。 2 规范性引用文件 下列文件中的条款通过本标准的引用而成为本标准的条款。凡是注 日期的引用文件,其随后所有 的修改单(不包括勘误的内容) 或修订版均不适用于本标准;然而,鼓励根据本标准达成协议的各方研究 是否可使用这些文件的最新版本。凡是不注日期的引用文件,其最新版本适用于本标准。 GB/T 308 滚动轴承 钢球 GB/T 531- 1999 橡胶袖珍硬度剂压人硬度试验方法 GB/T 1682 硫化橡胶脆化温度的测定 GB/T 2943 胶粘剂术语 GB/T 3159 液压式万能试验机 GB/T 4852一2002 压敏胶粘带初粘性试验方法(滚球法) GB/T 5721 橡胶密封制品标志、包装、运输、贮存的一般规定 GB/T 11944- 2002 中空玻璃 3 术语和定义 下列术语和定义适用于本标准。 1 1 中空玻璃用复合密封胶条 compound sealing spacer in insulating glass 以丁基胶为主要原料,嵌人波浪形支撑带并挤压成一定形状,内部含有干燥剂,用于中空玻璃内部 分隔支撑、边部密封的制品。 3.2 初粘性 tack 物体与复合密封胶条粘接面之间以微小压力发生短暂接触时,复合密封胶条对物体的粘附作用。 4 分类 4. 1 按结构和形状,中空玻璃用复合密封胶条可分为矩形胶条和凹形胶条。 卜- 一一槽宽一一 州 可十赵进水姿 试 丁基胶 巨一一一胶条宽度一一一圳 / 片一“”带宽度一 刊、 厂一一一贾二〕 二 二 支撑带 支撑带了 巨— 胶条宽度一一月 图 1 矩形复合密封胶条截面示意图 图 2 凹形复合密封胶条截面示意图 www.17jzw.com www.17bzw.cn www.17jzw.net www.3x888.com J C/T 1022- 2007 4. 2 中空玻璃用复合密封胶条按形状、尺寸分为不同规格。常用规格见表 t o 表 1 中空玻璃用复合密封胶条常用规格 规 格 胶条宽度(mm) 胶条厚度(mm) 支撑带宽度(mm) 支撑带厚度(mm) 矩形胶条 6 M M 9 6 5 . 5 0 . 18 8 m 11 6 7 . 5 0 . 1 8 9 M M 12 6. 3 8 . 5 0 . 18 10 M M 13 6. 3 9 . 5 0 . 20 1 1 M M 14 6. 3 10 . 5 0 . 20 12 M M 15 6. 5 1 1. 5 0 . 2 0 14 M M 17 6. 7 1 3. 5 0 . 20 16 M M 19 7 1 5. 5 0 . 20 凹形胶条 9 U 12. 0 6. 5 8 . 5 0 . 20 12 U 15. 0 6. 5 1 1. 5 0 . 20 12 W 15. 0 6. 5 1 1. 5 0 . 20 16 U 19. 0 7. 0 1 5. 5 0 . 20 16 W 19. 0 7. 0 15 . 5 0. 20 19 U 2 2. 0 7 . 0 18 . 5 0. 20 19 W 2 2. 0 7 . 0 18 . 5 0. 20 22 U 2 5. 0 7. 5 2 1. 5 0. 20 22 W 2 5. 0 7 . 5 21. 5 0. 20 5 技术要求 5. 1 外观 复合密封胶条表面应光滑、无划痕、裂纹、气泡、疵点和杂质等缺陷,且颜色均匀一致。 5. 2 尺寸偏差 复合密封胶条的长度、宽度及厚度等尺寸允许偏差见表 20 表2 单位:m 项 目 1 允许偏差 胶条宽度 士0. 50 胶条厚度 士0 . 50 支撑带宽度 + 0. 10、一0. 20 支撑带厚度 + 0. 05、一0. 03 凹型胶条槽宽 士 0. 30 凹型胶条槽深 士0. 50 J C/T 1022- 2007 5. 3 硬度 复合密封胶条的硬度应大于400 5. 4 初粘性 复合密封胶条初粘性的滚球距离应不大于450 mm. 5. 5 粘接性能 复合密封胶条与玻璃的拉伸粘接强度在各种暴露条件下均应大于。. 45 MPa,且测试样品在图3所 示 OAB 测试区域内,应无玻璃与胶条的粘接失效且无内聚力的破坏,见图40 0. 50 MPa 以A 玻璃 胶 条 2 I C二二》 ,叫岌 2 、. 了一J ,- ,. ,‘ 、、 1 玻璃 二 拉伸强度 1— 内聚力破坏 二 密封胶条的变形 2— 粘接失效 图3 评估区域 图 4 内聚和粘接破坏示意 5. 6 耐低温冲击性能 任取5段复合密封胶条试样,进行耐低温冲击试验,只允许一段试样的胶层出现裂口或断裂。 5. 7 干燥速度 用复合密封胶条制作 10块中空玻璃样品,将样品在规定环境条件下放置 504 h,露点应成- 40-C a 5. 8 耐紫外线辐照性能 用复合密封胶条制作 2 块中空玻璃样品,经紫外线辐照试验后,试样内表面应无结雾和污染的痕 迹,玻璃应无明显错位,胶条应无明显蠕变。 5. 9 耐湿耐光性能 用复合密封胶条制成 6 块中空玻璃样品,经耐湿耐光性能试验后,试样的露点应镇- 400C 6 检验方法 6. 1 外观 以制品为试样,在较好的自然光线照射或散射光照条件下,用 目测方法进行检查。 6. 2 尺寸偏差 复合密封胶条尺寸采用精度为 0. 02 mm 的游标卡尺测量。 支撑带的尺寸偏差用精度为。. 01 mm千分尺测量。 6. 3 硬度 取 3段长度为 25 mm复合密封胶条样品,将样品置于 45℃士2℃水浴箱中保持 30 min士5 min,将 其与玻璃粘接面置于硬度计压足之下,使用符合 GB/T 308 的直径为 3. 175 mm的压针,按照邵尔A 型 硬度试验方法进行试验,3 次测试的平均值即为复合密封胶条的硬度。 6. 4 初粘性 取长度为700 mm的复合密封胶条若干段,将粘接面朝上并列固定在斜槽滚球装置的前端,在胶条 表面放清洁干燥的隔离纸,将胶条表面压平并使胶条总宽度超过 15 mm,揭去隔离纸按 GB/T 4852一 2002((压敏胶粘带初粘性试验方法(滚球法) )) B方法试验,测量球停止滚动的距离。试验进行 3次,试验 环境温度为25 0C士2'C o 3次测试的平均值为检测结果。 6. 5 粘接性能 3 www.17jzw.com www.17bzw.cn www.17jzw.net www.3x888.com J C/T 1022- 2007 6. 5 2℃。 6 个 1 试样:测试样品由玻璃一复合密封胶条一玻璃构成,如图5 所示。 玻璃尺寸为75 mm X 12 mm X 6 mm,复合密封胶条长度为 50 mm; 用烘箱将试样加热到 60℃士 向两块玻璃板中间加压,使加压后的复合密封胶条达到使用厚度,样品分为 4 组,每组数量不少于 卜12州 S C川 一了 尸匀 . . 目睁~ 一 ,. 亡 叫- 玻璃 复合密封胶条 复创密封胶条使用厚度 玻璃 图 5 粘接性能测试样品示意 6. 5. 2 试验暴露条件 6. 5. 2. 1 标准条件:测试样品在温度 23℃士20C ,湿度 60%士10%的环境下放置 24 h, 6.5.2.2 水浸:测试样品在20℃士5℃的去离子水中浸泡 168 h。样品应在4 h之内进行拉伸试验。 6.5.2.3 紫外线辐照:将测试样品放置在辐照强度为UVA (40士5) W/m2紫外线灯下暴露96 h,紫外 线灯光应垂直于玻璃表面,光源与试样的距离为300 mm, 6.5.2.4 热暴露:将测试样品放置在60℃士2℃的烘箱中保温168 h后,在23℃士2℃环境下放置24 h. 6. 5. 3 试验过程 样品在进行拉伸试验前,应测量并记录样品粘接面积和拉伸前的初始长度。用符合 GB/T 3159的 拉力试验机,以(5士0. 25) mm/min 的速度进行拉伸试验,记录最大拉伸负荷,及胶条变形量,6个试样的 平均值为粘接强度值。试验环境温度为 23℃士20C 。 粘接强度按下式计算: P= F /S ············,··············,····················⋯ ⋯ ( 1) 式中: P 粘接强度,MPa; F一 一试样最大拉伸负荷,N; Sse一~ 粘接面积,mm2。 6.6 耐低温冲击试验 将复合密封胶条截取长度为20 mm的试样5段,分别置于符合GB/T 1682 的材料脆化温度测试仪 夹具内,试验温度设定为一18℃士10C ,试样冷冻3 min后,启动试验装置,观察试样破坏情况。 6.7 干燥速度 用复合密封胶条制作10块规格为510 mmX 360 mm的中空玻璃样品,在温度为23℃士2'C,相对湿 度 30%- 75%的环境中放置 504 h,按 GB/T 11944 测试露点。 6. 8 耐紫外线辐照性能 将已经通过6. 7试验的2块中空玻璃样品,按GB/T 11944耐辐照性能试验方法试验。 6. 9 耐湿耐光性能 将已经通过 6. 7 试验的6 块露点达到镇- 40℃中空玻璃试样,放在 55℃士30C ,相对湿度 95% 以上 的恒温恒湿箱内,如图6 所示,用紫外线灯 Fl- 40 BI. 或FL 40 SBL 照射玻璃与胶条的粘接面,紫外灯的 轴心与玻璃表面的距离为50 mm士3 mm。试验周期为672 h,试验完成后将试样在温度为 23℃士20C, 相对湿度30%- 75写的环境中放置24 h 以上,按GB/T 11944测试露点。 J C/T 1022- 2007 试样 广 Z 试样 5 10 X 3 60 i / 紫外幻 图6 耐湿耐光试验装置示意图 注:紫外灯的样式、种类以及符号的意义说明如下: FL :直管形 40或40S:额定功率40W,标有 S 时说明玻璃管较细 BL :主要为近紫外线(波长范围:315 nm- 400 nm)辐射。 紫外灯工作满5150 h应更换。 7 检验规则 7. 1 检验分类 检验分型式检验、出厂检验。 7. 1. 1 型式检验 型式检验项 目为标准中规定的所有检验项 目。有下列情况之一时,需进行型式检验: a) 新开发产品或老产品工艺调整时; b) 正式生产后,因原料、设备、工艺有较大变动可能影响产品性能时; c) 产品长期停产(半年以上)后重新恢复生产时; d) 国家质量监督部门提出型式检验要求时。 7. 1. 2 出厂检验 出厂检验项目包括外观、尺寸偏差、硬度。若要求增加其他检验项目由供需双方商定。 7. 2 组批和抽样 7. 2. 1 组批 :采用同一工艺条件下生产的中空玻璃用复合密封胶条,每 500 包装单位为一批。 7.2.2 抽样:产品的外观、尺寸偏差、硬度按表3从交货批中随机抽取包装单位,再从每个包装单位中 抽取长度为 0. 5 m 的胶条。 表 3 单位:每包装单位 批量范围 抽检数 合格判定数 不合格判定数 2^ -8 2 0 1 9 ' --15 3 0 1 16^ -2 5 5 1 2 2 6^ -5 0 8 1 2 5 1 ^ -90 13 2 3 91一150 20 3 4 15 1- 2 80 3 2 5 6 28 1- 500 50 7 8 对于产品所要求其它技术性能,若用制品检验时,也应根据检测项目所要求的数量,从该批产品中 www.17jzw.com www.17bzw.cn www.17jzw.net www.3x888.com J C/T 1022- 2007 随机抽取。 7. 3 判定规则 7.3. 1 所抽胶条的外观、尺寸偏差、硬度不合格数等于或大于表3 的不合格判定数,则认为该批产品外 观质量、尺寸偏差、硬度不合格。 7.3.2 其它性能也应符合相应条款的规定,否则认为该项不合格。 7. 3. 3 上述各项中,若有一项不合格,则认为该批产品不合格。 包装、标志、运输、贮存 8. 1 包装 中空玻璃用复合密封胶条应缠绕在卷轴上,胶条之间用隔离纸分隔,并保持清洁、干燥,装人密封袋 后用纸箱或木箱包装。 8. 2 标志 包装标志应符合国家有关标准的规定。应包括产品名称、规格、数量、批号、执行标准、商标、生产日 期、厂名、厂址,应标明”朝上、轻搬正放、防雨、防潮”等字样。 8. 3 运输 运输时应有防雨、防晒措施,严禁与油脂、酸、碱等物品接触或与大件混装。堆高不应超过 5层。 8.4 贮存 一 卜 复合密封胶条应放置于清洁、干燥的库房中,避免太阳直射和强紫外线照射。贮存期限为两年。 中 华 人 民 共 和 国 建 材 行 业 标 准 中空玻瑞用复合密封胶条 J C /T 1022- 2007 中国建材工业出版社出版 建筑材料工业技术监督研究中心(原国家建筑 材料工业局标准化研究所) 发行 新华书店北京发行所发行 各地新华书店经售 地矿经研院印刷厂印刷 版权所有 不得翻印 开本 880 X 1230 1八6 印张 0. 75字数 17 千字 2007年 月第一版 2007年 月第一次印刷 印数 1- 300 定价 9.00元 书号: 1580227 · 087 编号: 0444 标准资料收藏家www.17bzw.cn易启标准网免费提供十万标准书籍资料下载 会打字、5分钟快速自助建网站www.17jzw.com易启建站网免费提供建站平台,商业网站1年仅60元 www.17jzw.com www.17bzw.cn www.17jzw.net www.3x888.com 标准资料收藏家www.17bzw.cn易启标准网免费提供十万标准书籍资料下载 会打字、5分钟快速自助建网站www.17jzw.com易启建站网免费提供建站平台,商业网站1年仅60元 www.17jzw.com www.17bzw.cn www.17jzw.net www.3x888.com

标签:

版权声明

1. 本站所有素材,仅限学习交流,仅展示部分内容,如需查看完整内容,请下载原文件。
2. 会员在本站下载的所有素材,只拥有使用权,著作权归原作者所有。
3. 所有素材,未经合法授权,请勿用于商业用途,会员不得以任何形式发布、传播、复制、转售该素材,否则一律封号处理。
4. 如果素材损害你的权益请联系客服QQ:77594475 处理。