JCT 1016-2006 材料负离子发生量的测试方法
) 
                        ) 
                        ) 
                        ) 
                        ) 
                        ) 
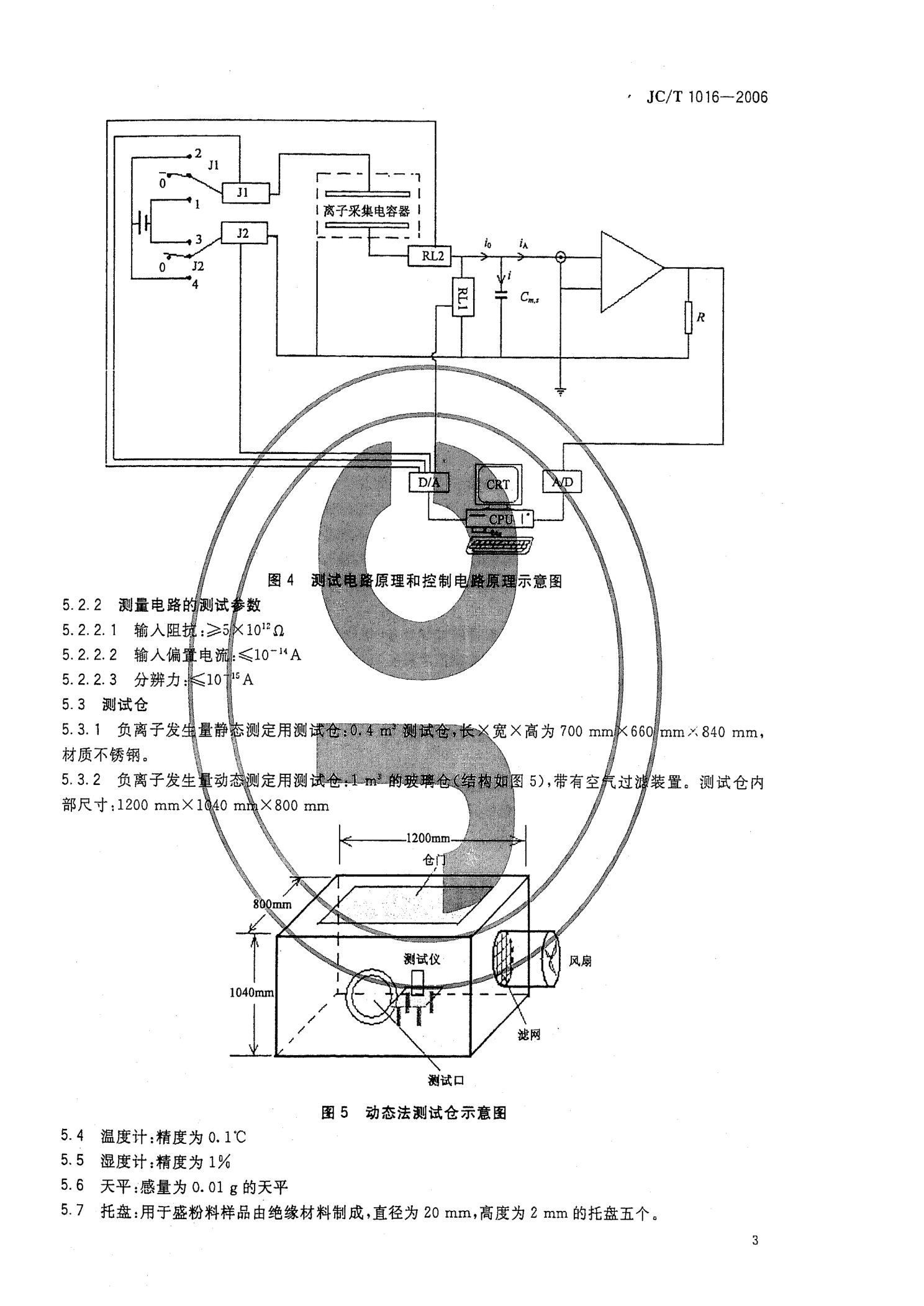
                        ) 
                        ) 
                        ) 
            
            
            
            标签:
                            
            版权声明
1. 本站所有素材,仅限学习交流,仅展示部分内容,如需查看完整内容,请下载原文件。
        2. 会员在本站下载的所有素材,只拥有使用权,著作权归原作者所有。
        3. 所有素材,未经合法授权,请勿用于商业用途,会员不得以任何形式发布、传播、复制、转售该素材,否则一律封号处理。
        4. 如果素材损害你的权益请联系客服QQ:77594475 处理。