长虹715G6154-P01-000-002H电源板电路图

分类:电子电工 日期: 点击:0
长虹715G6154-P01-000-002H电源板电路图-0 长虹715G6154-P01-000-002H电源板电路图-1 长虹715G6154-P01-000-002H电源板电路图-2

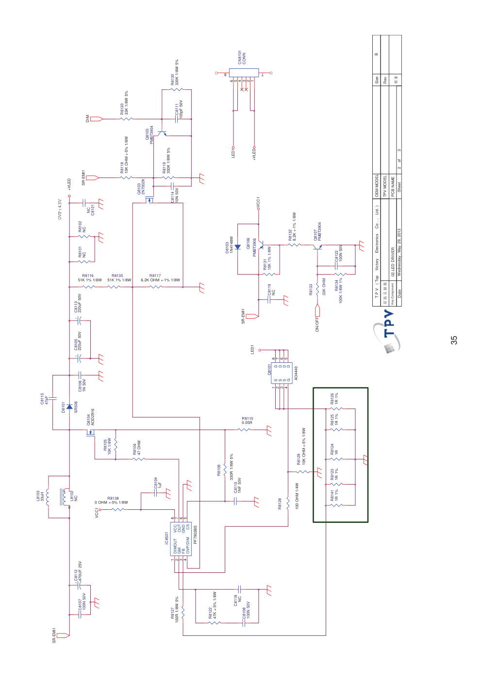
� 34 9.2 ��� 715G6154P01000002H Q9301 NC C9119 1uF C9108 100N 50V 1 2 D9106 NC PS_ON + C9113 470UF 25V (Q9101) (Q9102) + C9100 NC R9307 NC OEM MODEL Size Rev Date Sheet of TPV MODEL PCB NAME �� T P V ( Top Victory Electronics Co . , Ltd. ) Key Component � � � � � A3 1 3 Wednesday , May 29, 2013 01.POWER FUSE 4AL/250V R9123 100R 1% 1 2 ZD9104 BZT52-B39 R9121 1.8K 1/4W C9106 470P 50V C9103 2.2NF R9140 620K 1/4W R9104 100K 1 2 3 4 5 6 7 9 10 T9101 POWER X'FMR 1 2 3 4 IC9102 EL817M(X) R9132 620K 1/4W 1 2 3 4 HS9101 HEAT SINK C9909 220PF 250V C9135 1nF 50V R9141 620K 1/4W 1 2 3 4 HS9102 HEAT SINK Q9102 AOTF298L 1 2 t NR9901 2.5R R9114 100R 1% C9104 100N 50V R9120 100R 1% R9108 4.7 OHM 1 2 CN9901 SOCKET R9115 NC 1 2 4 3 L9902 18MH C9117 0.47UF 50V R9113 470OHM +-5% 1/8W R9142 33K 1/8W 1% R9112 0.3R + C9107 NC L9102 3uH GND 1 FB/OLP 2 NC 3 ST 4 NC 5 DRIVE 6 OCP 7 VCC 8 IC9101 SSC2S110 R9105 100K C9132 100N 50V R9106 100K C9130 100N 50V RV9901 620V + C9116 470UF 25V 1 2 D9109 SS1060FL R9134 620K 1/4W 1 2 ZD9106 BZT52-B15 C9125 NC R9122 1K8 1/8W 5% R9125 9.31K OHM 1% 1 2 FB9907 BEAD R9119 100R 1% D9105 FR107G-A0 + C9134 10UF50V 1 2 D9104 SS1060FL Q9101 TK6A65D 1 2 FB9909 BEAD 2 1 3 4 - + BD9101 GBL08-07 C9904 220PF 250V R9109 10R 1/8W 5% C9905 470PF 250V R9102 100K R9144 7.5K OHM 1% + C9115 470UF 25V R9143 5K1 +-5% 1/8W C9901 220NF 305V 1 2 ZD9105 BZT52-B39 R9133 620K 1/4W C9137 100P 50V + C9122 470UF 25V IC9103 AS431AZTR-E1 1 2 D9108 MB510 C9114 100N 50V C9131 100PF 50V C9906 220PF 250V 1 2 D9107 SR34 R9110 62R 1% C9903 220PF 250V R9116 100R 1% C9124 4N7 50V R9145 4.7 OHM 1/8W R9107 100K L 1 N 2 CN901 NC + C9102 100UF 220V C9908 NC 1 2 FB9904 NC R9103 100K R9117 5K1 +-5% 1/8W R9148 0 OHM 1/8W 1 2 4 3 L9901 18MH + C9128 NC + C9105 47uF/50V R9118 100R 1% R9139 620K 1/4W Timing 1 Pred 2 VR 3 Adj 4 GND 5 MOSG-C 6 Vdd 7 SYNC 8 IC9104 SP6018S8RGB + C9123 470UF 25V C9126 NC R9124 1K OHM +-5% 1/8W R9126 2K4 +/-1% 1/8W 2 1 3 4 - + BD9102 NC C9907 220PF 250V C9136 1nF 50V 1 2 FB9908 BEAD + C9101 100UF 220V F9902 T4AL 250V R9111 10K 1/8W D9103 FR107G-A0 Vdd SYNC SYNC Vdd SR-EMI2 SR-EMI1 SR-EMI1 SR-EMI2 SR-EMI1 ! ! ! ! ! ! ! ! +12V ! ! ! ! ! ! ! ! ! ! ! ! +12VOA ! SR-EMI1 C9306 NC R9302 NC + C9303 NC R9304 NC SG9102 NC SG9101 NC Q9305 NC � 35 SR-EMI1 SR-EMI1 SR-EMI1 R8141 1R 1% R8124 1R L8103 33uH OVP:43V OEM MODEL Size Rev Date Sheet of TPV MODEL PCB NAME �� T P V ( Top Victory Electronics Co . , Ltd. ) Key Component � � � � � B 2 3 Wednesday , May 29, 2013 02.LED DRIVER R8131 15K 1% 1/8W R8138 0 OHM +-5% 1/8W C8106 1N 50V Q8106 PMBT3906 C8108 100N 50V C8111 100pF 50V 1 2 3 4 5 6 7 8 CN8101 CONN D8101 SR506 R8130 330K 1/8W 5% R8135 51K 1% 1/8W R8118 10K OHM +-5% 1/8W C8119 NC Q8104 AOD2916 R8125 1R 1% R8108 330R 1/8W 5% S 1 S 2 S 3 G 4 D 8 D 7 D 6 D 5 Q8101 AO4440 R8117 6.2K OHM +-1% 1/8W R8122 47K +-5% 1/8W 8 1 L8102 NC DIMOUT 1 GM 2 FB 3 OVP/DIM 4 CS 5 GND 6 OUT 7 VCC 8 IC8501 PF7903BS R8119 330K 1/8W 5% D8103 1N4148W R8129 10K OHM +-5% 1/8W C8122 100N 50V R8127 100R 1/8W 5% Q8105 PMBT3904 C8118 NC Q8107 PMBT3904 R8105 10K 1/8W R8110 0.05R R8104 47 OHM + C8112 470UF 25V C8107 100N 50V C8121 NC C8115 47pF Q8103 2N7002K R8132 8.2K +-1% 1/8W C8104 1uF R8123 1R 1% R8133 33K OHM + C8113 220uF 50V R8116 51K 1% 1/8W C8114 10N 50V C8110 1NF 50V R8128 100 OHM 1/4W + C8105 220uF 50V R8134 100K 1/8W 1% R8126 1R 1% ON/OFF DIM VCC1 +VLED LED1 LED1 VCC1 +VLED R8120 33K 1/8W 5% R8101 NC R8102 NC � 36 C9146 NC SR-EMI1 PS_ON +12V C9121 100N 50V 2 4 6 8 10 12 14 16 1 3 5 7 9 11 13 15 CN9101 CONN C9118 100N 50V C9120 100N 50V R9128 100 OHM 1/8W C9129 1nF 50V ON/OFF DIM OEM MODEL Size Rev Date Sheet of TPV MODEL PCB NAME �� T P V ( Top Victory Electronics Co . , Ltd. ) Key Component � � � � � A4 1 3 Wednesday , May 29, 2013 03.DC/DC R9415 NC R9416 NC C9408 NC R9411 NC C9404 NC + C9412 NC + C9402 NC PGND 1 VIN 2 AGND 3 VCC 4 FB 5 COMP 6 LX 7 EN 8 IC9105 NC R9414 NC R9161 NC C9409 NC R9407 NC C9413 NC L9410 NC C9403 NC 1 2 FB9401 NC R9406 NC +5.2V +5.2V +12VOA C9405 NC

标签:

版权声明

1. 本站所有素材,仅限学习交流,仅展示部分内容,如需查看完整内容,请下载原文件。
2. 会员在本站下载的所有素材,只拥有使用权,著作权归原作者所有。
3. 所有素材,未经合法授权,请勿用于商业用途,会员不得以任何形式发布、传播、复制、转售该素材,否则一律封号处理。
4. 如果素材损害你的权益请联系客服QQ:77594475 处理。