组装机采用TP.MS881.PC701方案主板电路图

分类:电子电工 日期: 点击:0
组装机采用TP.MS881.PC701方案主板电路图-0 组装机采用TP.MS881.PC701方案主板电路图-1 组装机采用TP.MS881.PC701方案主板电路图-2 组装机采用TP.MS881.PC701方案主板电路图-3 组装机采用TP.MS881.PC701方案主板电路图-4 组装机采用TP.MS881.PC701方案主板电路图-5 组装机采用TP.MS881.PC701方案主板电路图-6 组装机采用TP.MS881.PC701方案主板电路图-7 组装机采用TP.MS881.PC701方案主板电路图-8 组装机采用TP.MS881.PC701方案主板电路图-9

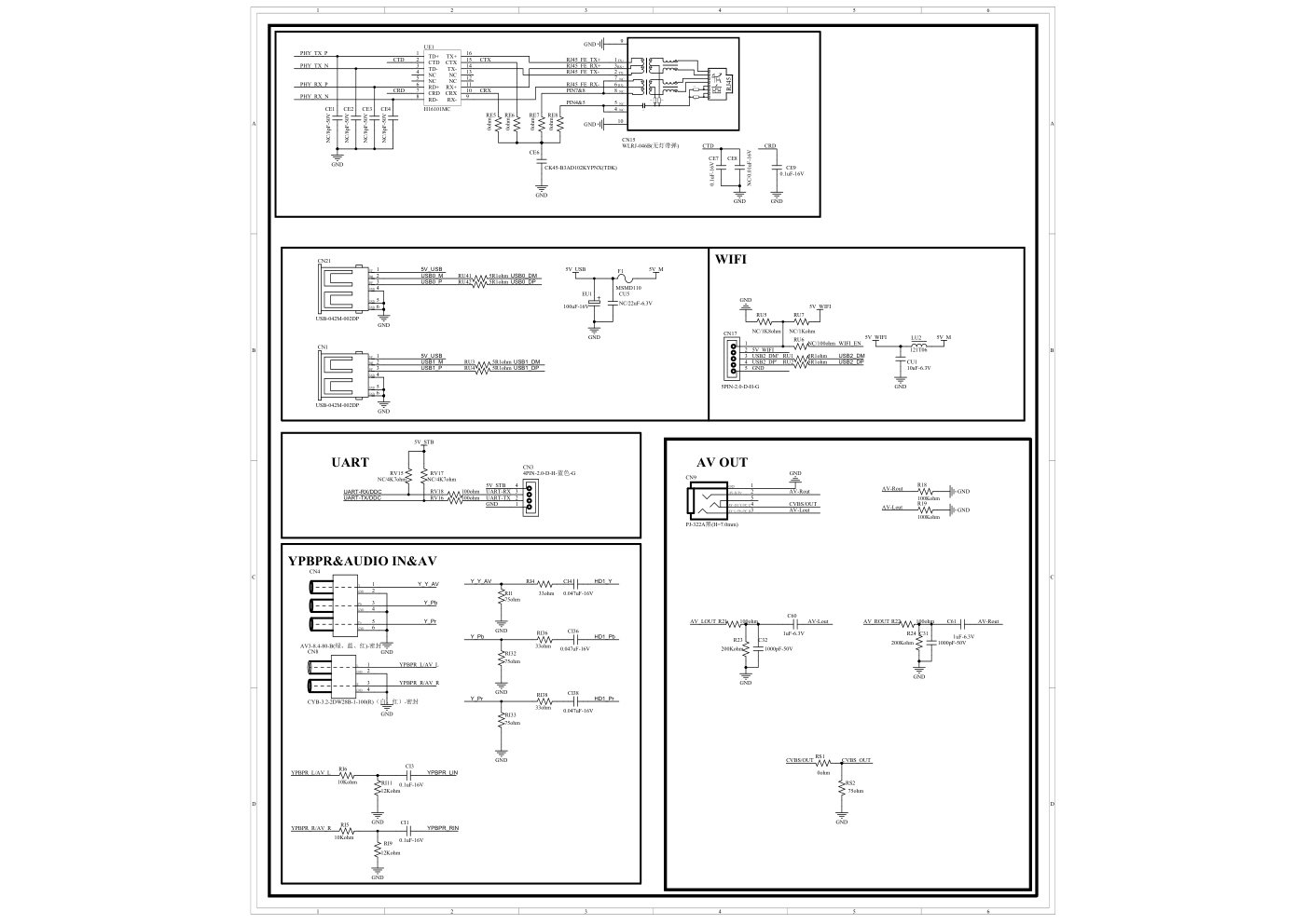
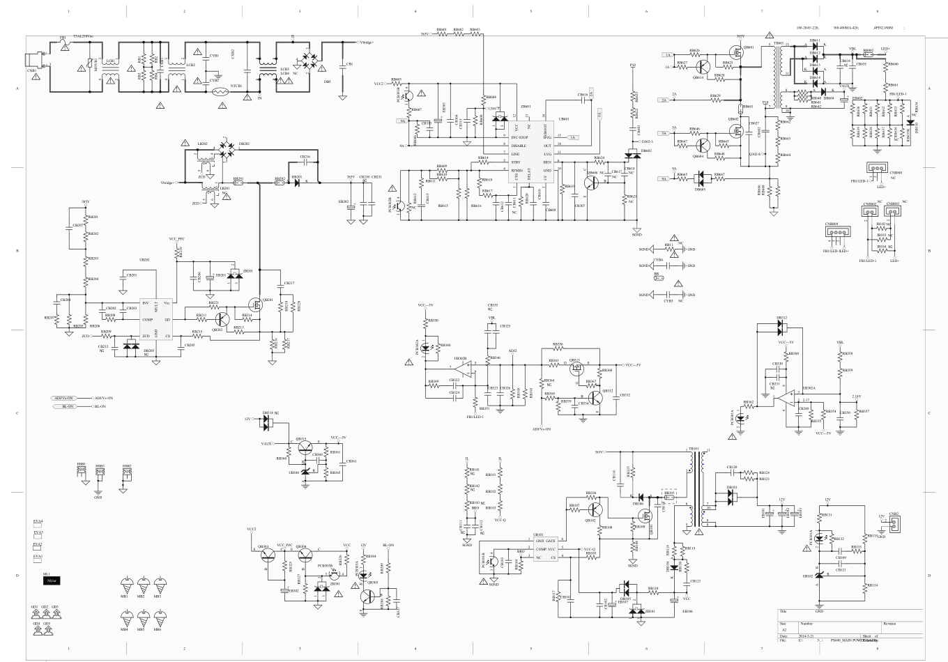
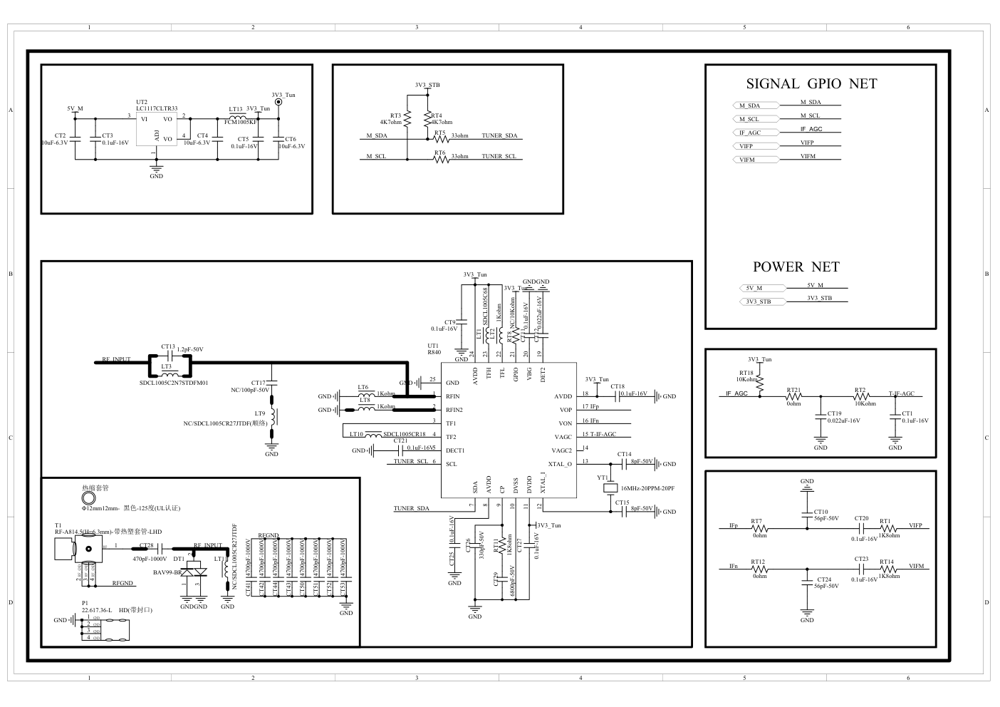
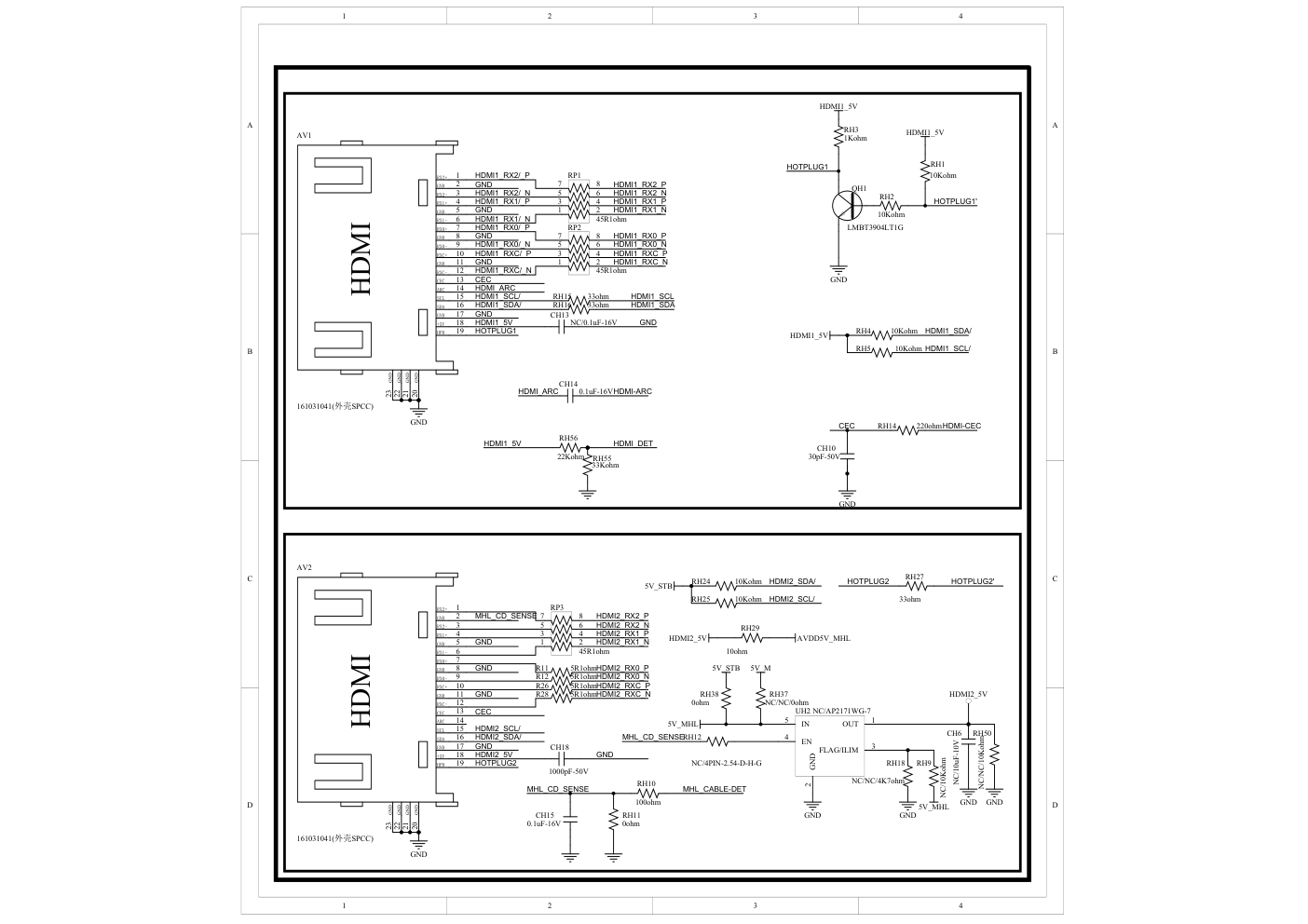
1 1 2 2 3 3 4 4 5 5 6 6 D D C C B B A A 5V_STB 5V_STB 3V3_STB 5V_M 3V3_STB 5V_M +1.5V_DDR 1.15V_STB VCC-PANEL 1.15V_STB VCC-PANEL +1.5V_DDR HDMI2_5V HDMI2_5V 12V 12V PWR_ON/OFF PWR_ON/OFF LED-SHORT LED-SHORT ADJ/Vs-ON BL-ON BL-ON BL-ON ADJ/Vs-ON ADJ/Vs-ON CD47 3300pF-50V RD9 22Kohm CD13 0.1uF-16V CD17 0.1uF-16V CD12 0.1uF-16V CD16 0.1uF-16V 5V_STB GND GND RD6 100Kohm CD18 10uF-6.3V LD2 CTD0504-4R7-M CD1 NC/10uF-6.3V GND GND 12V CD44 0.1uF-16V CD14 10uF-25V BOOT 1 VIN 2 SW 3 GND 4 FB 5 COMP 6 EN 7 SS 8 UD2 RT7257GHZSP RD20 10ohm 5V_STB + ED12 100uF-16V GND GND CD46 220pF-50V RD8 5K6ohm RD7 30Kohm 5V_STB GND 3V3_STB CD24 NC/10uF-6.3V CD25 0.1uF-16V CD27 0.1uF-16V CD26 10uF-6.3V VI 3 VO 2 ADJ 1 VO 4 UD4 LC1117CLTR33 3V3_STB 5V_M +1.5V_DDR RD10 470ohm RD11 100ohm CD21 0.1uF-16V CD19 10uF-6.3V CD20 0.1uF-16V CD22 10uF-6.3V GND GND GND CD23 10uF-6.3V 1.5V_DDR VI 3 VO 2 ADJ 1 VO 4 UD3 LC1117CLTRAD RD2 12K4ohm CD5 0.1uF-16V RD1 10Kohm EN 1 GND 2 SW 3 VIN 4 FB 5 UD1 LC3406CB5TR 1.15V_STB 1.15V_STB TEST CD3 22uF-6.3V CD2 0.1uF-16V CD48 10uF-16V CD4 10uF-6.3V 5V_STB GND GND GND LD1 SCD54TL-6R8M RD3 13Kohm QM6 LMBT3904LT1G RM5 4K7ohm D G S QM5 WPM3407C-3/TR RM7 200Kohm CM4 0.1uF-16V PVCC VCC-PANEL GND GND CM5 10uF-16V RM11 3Kohm RM8 100ohm PWR_ON/OFF CM2 0.1uF-16V QM2 LMBT3904LT1G RM1 4K7ohm RM4 10Kohm QM1 WPM2341A-3/TR RM2 100Kohm 5V_STB PWR_ON/OFF GND 5V_M GND 5V_STB RG1 510ohm PWM/ADJ GND GND 5V_M QG1 LMBT3904LT1G RG4 1Kohm RG12 33ohm RG14 1K8ohm RG13 10Kohm BL_EN PI105V0DDR01 CO105V0DDR PI1015V0STB01 CO1015V0STB PI3V30STB01 CO3V30STB PI5V0STB01 CO5V0STB PICD101 PICD102 COCD1 PICD201 PICD202 COCD2 PICD301 PICD302 COCD3 PICD401 PICD402 COCD4 PICD501 PICD502 COCD5 PICD1201 PICD1202 COCD12 PICD1301 PICD1302 COCD13 PICD1401 PICD1402 COCD14 PICD1601 PICD1602 COCD16 PICD1701 PICD1702 COCD17 PICD1801 PICD1802 COCD18 PICD1901 PICD1902 COCD19 PICD2001 PICD2002 COCD20 PICD2101 PICD2102 COCD21 PICD2201 PICD2202 COCD22 PICD2301 PICD2302 COCD23 PICD2401 PICD2402 COCD24 PICD2501 PICD2502 COCD25 PICD2601 PICD2602 COCD26 PICD2701 PICD2702 COCD27 PICD4401 PICD4402 COCD44 PICD4601 PICD4602 COCD46 PICD4701 PICD4702 COCD47 PICD4801 PICD4802 COCD48 PICM201 PICM202 COCM2 PICM401 PICM402 COCM4 PICM501 PICM502 COCM5 PIED1201 PIED1202 COED12 PILD101 PILD102 COLD1 PILD201 PILD202 COLD2 PIQG10B PIQG10C PIQG10E COQG1 PIQM10D PIQM10G PIQM10S COQM1 PIQM20B PIQM20C PIQM20E COQM2 PIQM50D PIQM50G PIQM50S COQM5 PIQM60B PIQM60C PIQM60E COQM6 PIRD101 PIRD102 CORD1 PIRD201 PIRD202 CORD2 PIRD301 PIRD302 CORD3 PIRD601 PIRD602 CORD6 PIRD701 PIRD702 CORD7 PIRD801 PIRD802 CORD8 PIRD901 PIRD902 CORD9 PIRD1001 PIRD1002 CORD10 PIRD1101 PIRD1102 CORD11 PIRD2001 PIRD2002 CORD20 PIRG101 PIRG102 CORG1 PIRG401 PIRG402 CORG4 PIRG1201 PIRG1202 CORG12 PIRG1301 PIRG1302 CORG13 PIRG1401 PIRG1402 CORG14 PIRM101 PIRM102 CORM1 PIRM201 PIRM202 CORM2 PIRM401 PIRM402 CORM4 PIRM501 PIRM502 CORM5 PIRM701 PIRM702 CORM7 PIRM801 PIRM802 CORM8 PIRM1101 PIRM1102 CORM11 PIUD101 PIUD102 PIUD103 PIUD104 PIUD105 COUD1 PIUD201 PIUD202 PIUD203 PIUD204 PIUD205 PIUD206 PIUD207 PIUD208 COUD2 PIUD301 PIUD302 PIUD303 PIUD304 COUD3 PIUD401 PIUD402 PIUD403 PIUD404 COUD4 PO0105V0DDR PO1015V0STB PO3V30STB PO5V0M PO5V0STB PO12V POADJ0VS0ON POBL0ON POHDMI205V POLED0SHORT POPWR0ON0OFF POVCC0PANEL 1 1 2 2 3 3 4 4 5 5 6 6 D D C C B B A A 5V_STB 5V_STB 3V3_STB 5V_M 3V3_STB 5V_M +1.5V_DDR 1.15V_STB VCC-PANEL 1.15V_STB VCC-PANEL +1.5V_DDR HDMI2_5V HDMI2_5V 12V 12V PWR_ON/OFF PWR_ON/OFF LED-SHORT LED-SHORT ADJ/Vs-ON BL-ON BL-ON BL-ON ADJ/Vs-ON ADJ/Vs-ON CD47 3300pF-50V RD9 22Kohm CD13 0.1uF-16V CD17 0.1uF-16V CD12 0.1uF-16V CD16 0.1uF-16V 5V_STB GND GND RD6 100Kohm CD18 10uF-6.3V LD2 CTD0504-4R7-M CD1 NC/10uF-6.3V GND GND 12V CD44 0.1uF-16V CD14 10uF-25V BOOT 1 VIN 2 SW 3 GND 4 FB 5 COMP 6 EN 7 SS 8 UD2 RT7257GHZSP RD20 10ohm 5V_STB + ED12 100uF-16V GND GND CD46 220pF-50V RD8 5K6ohm RD7 30Kohm 5V_STB GND 3V3_STB CD24 NC/10uF-6.3V CD25 0.1uF-16V CD27 0.1uF-16V CD26 10uF-6.3V VI 3 VO 2 ADJ 1 VO 4 UD4 LC1117CLTR33 3V3_STB 5V_M +1.5V_DDR RD10 470ohm RD11 100ohm CD21 0.1uF-16V CD19 10uF-6.3V CD20 0.1uF-16V CD22 10uF-6.3V GND GND GND CD23 10uF-6.3V 1.5V_DDR VI 3 VO 2 ADJ 1 VO 4 UD3 LC1117CLTRAD RD2 12K4ohm CD5 0.1uF-16V RD1 10Kohm EN 1 GND 2 SW 3 VIN 4 FB 5 UD1 LC3406CB5TR 1.15V_STB 1.15V_STB TEST CD3 22uF-6.3V CD2 0.1uF-16V CD48 10uF-16V CD4 10uF-6.3V 5V_STB GND GND GND LD1 SCD54TL-6R8M RD3 13Kohm QM6 LMBT3904LT1G RM5 4K7ohm D G S QM5 WPM3407C-3/TR RM7 200Kohm CM4 0.1uF-16V PVCC VCC-PANEL GND GND CM5 10uF-16V RM11 3Kohm RM8 100ohm PWR_ON/OFF CM2 0.1uF-16V QM2 LMBT3904LT1G RM1 4K7ohm RM4 10Kohm QM1 WPM2341A-3/TR RM2 100Kohm 5V_STB PWR_ON/OFF GND 5V_M GND 5V_STB RG1 510ohm PWM/ADJ GND GND 5V_M QG1 LMBT3904LT1G RG4 1Kohm RG12 33ohm RG14 1K8ohm RG13 10Kohm BL_EN PI105V0DDR01 CO105V0DDR PI1015V0STB01 CO1015V0STB PI3V30STB01 CO3V30STB PI5V0STB01 CO5V0STB PICD101 PICD102 COCD1 PICD201 PICD202 COCD2 PICD301 PICD302 COCD3 PICD401 PICD402 COCD4 PICD501 PICD502 COCD5 PICD1201 PICD1202 COCD12 PICD1301 PICD1302 COCD13 PICD1401 PICD1402 COCD14 PICD1601 PICD1602 COCD16 PICD1701 PICD1702 COCD17 PICD1801 PICD1802 COCD18 PICD1901 PICD1902 COCD19 PICD2001 PICD2002 COCD20 PICD2101 PICD2102 COCD21 PICD2201 PICD2202 COCD22 PICD2301 PICD2302 COCD23 PICD2401 PICD2402 COCD24 PICD2501 PICD2502 COCD25 PICD2601 PICD2602 COCD26 PICD2701 PICD2702 COCD27 PICD4401 PICD4402 COCD44 PICD4601 PICD4602 COCD46 PICD4701 PICD4702 COCD47 PICD4801 PICD4802 COCD48 PICM201 PICM202 COCM2 PICM401 PICM402 COCM4 PICM501 PICM502 COCM5 PIED1201 PIED1202 COED12 PILD101 PILD102 COLD1 PILD201 PILD202 COLD2 PIQG10B PIQG10C PIQG10E COQG1 PIQM10D PIQM10G PIQM10S COQM1 PIQM20B PIQM20C PIQM20E COQM2 PIQM50D PIQM50G PIQM50S COQM5 PIQM60B PIQM60C PIQM60E COQM6 PIRD101 PIRD102 CORD1 PIRD201 PIRD202 CORD2 PIRD301 PIRD302 CORD3 PIRD601 PIRD602 CORD6 PIRD701 PIRD702 CORD7 PIRD801 PIRD802 CORD8 PIRD901 PIRD902 CORD9 PIRD1001 PIRD1002 CORD10 PIRD1101 PIRD1102 CORD11 PIRD2001 PIRD2002 CORD20 PIRG101 PIRG102 CORG1 PIRG401 PIRG402 CORG4 PIRG1201 PIRG1202 CORG12 PIRG1301 PIRG1302 CORG13 PIRG1401 PIRG1402 CORG14 PIRM101 PIRM102 CORM1 PIRM201 PIRM202 CORM2 PIRM401 PIRM402 CORM4 PIRM501 PIRM502 CORM5 PIRM701 PIRM702 CORM7 PIRM801 PIRM802 CORM8 PIRM1101 PIRM1102 CORM11 PIUD101 PIUD102 PIUD103 PIUD104 PIUD105 COUD1 PIUD201 PIUD202 PIUD203 PIUD204 PIUD205 PIUD206 PIUD207 PIUD208 COUD2 PIUD301 PIUD302 PIUD303 PIUD304 COUD3 PIUD401 PIUD402 PIUD403 PIUD404 COUD4 PO0105V0DDR PO1015V0STB PO3V30STB PO5V0M PO5V0STB PO12V POADJ0VS0ON POBL0ON POHDMI205V POLED0SHORT POPWR0ON0OFF POVCC0PANEL 1 1 2 2 3 3 4 4 5 5 6 6 D D C C B B A A 1.15V_STB DDR_CMD DDR_CMD DDR_DATA AVDD_MOD 3V3_STB 3V3_STB 3V3_STB 3V3_STB AVDD_DMPLL AVDD_DADC 3V3_STB 1.15V_STB 1.15V_STB 1.15V_STB 1.15V_STB 1.15V_STB M_SDA M_SCL NAND-CZ NAND-CK NAND-DI IF_AGC NAND-DO NAND-WP XTALO NAND-HOLD XTALI AUVAG AUVRM LVA0- 70 GIN1P 22 BIN1P 21 RIN1P 24 GIN1M 23 AVDD33_AU 28 CVBS_OUT1 27 LINEINR5 36 GIN0P 16 DP_P2 55 LVACLK- 64 DM_P2 54 VDDC 53 AVDD_MOD 5 CVBS0 25 I2S_OUT_MCK/GPIO5 80 LVA1+ 67 LVB3+ 71 VDDIO_DATA 112 AVDD_MOD 111 GIN0M 17 SPI_NAND_WPN 93 SPI_NAND_HOLD 92 SPI_NAND_DI 91 VDDC 90 RESET 89 LVA3- 62 LVACLK+ 63 LVA2+ 65 LVA2- 66 SPI_NAND_CZ 97 LVB2- 74 LVB1+ 75 LVB1- 76 LVB0+ 77 LVB0- 78 EJ_TRST_N/I2S_OUT_SD/GPIO2 83 LVB2+ 73 VDDC 96 VDDIO_DRAM 113 DDCDB_DA 114 DDCDB_CL 115 RX0P_B 128 XIN 46 XOUT 47 AVDD33_DADC 44 AVDD33_DMPLL 45 GPIO45/UART_RX1/EJ_TDO 50 GPIO44/UART_TX1/EJ_TCK 49 GPIO46/I2S_OUT_WS/EJ_TDI 51 RX1N_B 1 RX1P_B 2 RX2N_B 3 RX2P_B 4 RXCN_A 6 RXCP_A 7 RX0N_A 8 RX0P_A 9 RX1N_A 10 RX1P_A 11 RX2N_A 12 RX2P_A 13 HSYNC0 14 BIN0P 15 RIN0P 18 VSYNC0 19 AVDD33_ADC 20 LINEINR0 29 LINEINL0 30 VAG 31 AUVRM 32 LINEOUTL3 37 LINEINR4 34 LINEINL5 35 LINEOUTR0 40 IFAGC 41 VDDIO_CMD 52 DP_P1 58 DM_P0 59 LVA3+ 61 DM_P1 57 LVA0+ 69 LVB3- 72 LVA1- 68 AVDD_MOD 79 I2S_OUT_BCK/GPIO4 81 EJ_RSTZ/GPIO1 84 SPDIF_OUT/GPIO0 85 PWM0 86 GPIO3 82 ETH_RP 105 ETH_TN 106 GPIO87 98 ETH_RN 104 DDCA_DA 99 DDCA_CK 100 SAR1 109 SPI_NAND_CK 94 EJ_DINT/DDCDA_DA 116 SPI_NAND_DO 95 DVDD_DDR_DATA 110 ETH_TP 107 SAR0 108 E-PAD 129 VCOM 26 LINEINL4 33 VIFM 43 VIFP 42 AVDD_MOD 56 MHL_VBUS/PWM1 87 EJ_TMS/DDCDA_CL 117 CEC 118 HOTPLUG_B 119 HOTPLUG_A 120 AVDD_5V 121 ARC 123 VDDC/AVDDL_DVI 124 GND 122 RXCP_B 126 RX0N_B 127 RXCN_B 125 LINEOUTR3 38 LINEOUTL0 39 VDDC 102 MHL_DET 101 AVDD33_ETH 103 DP_P0 60 IRIN 88 VDDC 48 U1 MSD6I881YU-XZ GND HDMI1_RXC_N HDMI1_RXC_P HDMI1_RX0_N HDMI1_RX0_P HDMI1_RX1_N HDMI1_RX1_P HDMI1_RX2_N HDMI1_RX2_P HDMI1_SCL HDMI1_SDA HOTPLUG1' HDMI-ARC HDMI2_SCL HDMI2_SDA HDMI2_RXC_N HDMI2_RXC_P HDMI2_RX0_N HDMI2_RX0_P HDMI2_RX1_N HDMI2_RX1_P HDMI2_RX2_N HDMI2_RX2_P HOTPLUG2' HDMI-CEC AVDD5V_MHL GND AVDDL_DVI 3V3_STB GIN0M HD1_Y HD1_Pr HD1_Pb HD1_COM VCOM CVBS_OUT YPBPR_RIN YPBPR_LIN VIFP VIFM USB0_DP USB0_DM USB1_DP USB1_DM USB2_DP USB2_DM RXE3_P RXE2_N RXE1_P RXE1_N RXE0_N RXE0_P RXE2_P RXE3_N RXEC_N RXEC_P RXO2_N RXO3_P RXO3_N RXO2_P RXO0_N RXO1_P RXO1_N RXO0_P PWR_ON/OFF PWM/ADJ REMOTE RESET_H AMP_MUTE UART-RX/DDC UART-TX/DDC MHL_CABLE-DET BL_EN PHY_TX_P PHY_TX_N PHY_RX_P PHY_RX_N LED_RED KEY R1 4K7ohm R2 4K7ohm-0402-¡À5%-1/16W 3V3_STB GND GND C3 10uF-6.3V C4 0.1uF-16V L5 121T06 LED_RED PWR_ON/OFF PWR_ON/OFF LED_RED KEY KEY HDMI_DET HDMI_DET HDMI_DET AMP-L0 AMP-R0 WIFI_EN AV_LOUT AV_ROUT A0 1 A1 2 A2 3 GND 4 VCC 8 WP 7 SDA 5 SCL 6 U5 NC/GT24C16-2GLI-TR GND 3V3_STB C36 NC/0.1uF-16V GND EEPROM_WP 1 2 3 4 5 CN2 NC/5PIN-2.0-D-H-G 3V3_STB GND M_SDA/ M_SCL/ M_SDA/ M_SCL/ EEPROM_WP R39 NC/33ohm R40 NC/33ohm EEPROM_WP M_SDA M_SCL R38 NC/4K7ohm 3V3_STB 3V3_STB C2 1uF-6.3V C8 0.1uF-16V C9 0.1uF-16V C10 0.1uF-16V C11 0.1uF-16V C12 1uF-6.3V C1 1uF-6.3V L1 FCM1005KF AVDD_MOD L2 FCM1005KF C13 0.1uF-16V GND GND AVDD_DMPLL C7 0.1uF-16V L3 FCM1005KF C14 0.1uF-16V GND AVDD_DADC C27 1uF-6.3V C17 1uF-6.3V C18 1uF-6.3V C16 1uF-6.3V C19 1uF-6.3V C20 1uF-6.3V C15 10uF-6.3V L4 FCM1005KF-121T06(120ohm-500mA) C21 1uF-6.3V AVDDL_DVI 1.15V_JP1 NC 1.15V_STB C22 1uF-6.3V VDDC GND GND C24 1uF-6.3V C23 1uF-6.3V +1.5V_JP1 NC +1.5V_JP2 NC C25 1uF-6.3V GND +1.5V_DDR DDR_CMD GND DDR_DATA CF2 30pF-50V CF1 30pF-50V GND GND XTALO XTALI Y1 24MHz-¡À20PPM -20PF NAND-CZ NAND-CK NAND-DI NAND-DO NAND-WP NAND-HOLD 3V3_STB R7 4K7ohm R4 NC/4K7ohm R8 4K7ohm R3 4K7ohm 3V3_STB CS# 1 SO 2 WP# 3 VSS 4 SI 5 SCK 6 HOLD# 7 VDD 8 EPAD 9 U2 GD5F1GQ4UAYIG GND C26 0.1uF-16V GND R13 0ohm RV7 68ohm CV7 0.047uF-16V GIN0M GND CI10 0.047uF-16V RI14 68ohm GND RI7 180ohm CI7 0.047uF-16V GND HD1_COM VCOM C5 1000pF-50V C6 1000pF-50V GND R5 200Kohm R6 200Kohm AMP-Lin AMP-Rin R10 100ohm R9 100ohm AMP-L0 AMP-R0 PI0105V0JP10JP01K PI0105V0JP10JP02K CO0105V0JP1 PI0105V0JP20JP01K PI0105V0JP20JP02K CO0105V0JP2 PI1015V0JP10JP01K PI1015V0JP10JP02K CO1015V0JP1 PIC101 PIC102 COC1 PIC201 PIC202 COC2 PIC301 PIC302COC3 PIC401 PIC402 COC4 PIC501 PIC502 COC5 PIC601 PIC602 COC6 PIC701 PIC702 COC7 PIC801 PIC802 COC8 PIC901 PIC902 COC9 PIC1001 PIC1002 COC10 PIC1101 PIC1102 COC11 PIC1201 PIC1202 COC12 PIC1301 PIC1302 COC13 PIC1401 PIC1402 COC14 PIC1501 PIC1502 COC15 PIC1601 PIC1602 COC16 PIC1701 PIC1702 COC17 PIC1801 PIC1802 COC18 PIC1901 PIC1902 COC19 PIC2001 PIC2002 COC20 PIC2101 PIC2102 COC21 PIC2201 PIC2202 COC22 PIC2301 PIC2302 COC23 PIC2401 PIC2402 COC24 PIC2501 PIC2502 COC25 PIC2601 PIC2602 COC26 PIC2701 PIC2702 COC27 PIC3601 PIC3602 COC36 PICF101 PICF102 COCF1 PICF201 PICF202 COCF2 PICI701 PICI702 COCI7 PICI1001 PICI1002 COCI10 PICN201 PICN202 PICN203 PICN204 PICN205 COCN2 PICV701 PICV702 COCV7 PIL101 PIL102 COL1 PIL201 PIL202 COL2 PIL301 PIL302 COL3 PIL401 PIL402 COL4 PIL501 PIL502 COL5 PIR101 PIR102 COR1 PIR201 PIR202 COR2 PIR301 PIR302 COR3 PIR401 PIR402 COR4 PIR501 PIR502 COR5 PIR601 PIR602 COR6 PIR701 PIR702 COR7 PIR801 PIR802 COR8 PIR901 PIR902 COR9 PIR1001 PIR1002 COR10 PIR1301 PIR1302 COR13 PIR3801 PIR3802 COR38 PIR3901 PIR3902 COR39 PIR4001 PIR4002 COR40 PIRI701 PIRI702 CORI7 PIRI1401 PIRI1402 CORI14 PIRV701 PIRV702 CORV7 PIU101 PIU102 PIU103 PIU104 PIU105 PIU106 PIU107 PIU108 PIU109 PIU1010 PIU1011 PIU1012 PIU1013 PIU1014 PIU1015 PIU1016 PIU1017 PIU1018 PIU1019 PIU1020 PIU1021 PIU1022 PIU1023 PIU1024 PIU1025 PIU1026 PIU1027 PIU1028 PIU1029 PIU1030 PIU1031 PIU1032 PIU1033 PIU1034 PIU1035 PIU1036 PIU1037 PIU1038 PIU1039 PIU1040 PIU1041 PIU1042 PIU1043 PIU1044 PIU1045 PIU1046 PIU1047 PIU1048 PIU1049 PIU1050 PIU1051 PIU1052 PIU1053 PIU1054 PIU1055 PIU1056 PIU1057 PIU1058 PIU1059 PIU1060 PIU1061 PIU1062 PIU1063 PIU1064 PIU1065 PIU1066 PIU1067 PIU1068 PIU1069 PIU1070 PIU1071 PIU1072 PIU1073 PIU1074 PIU1075 PIU1076 PIU1077 PIU1078 PIU1079 PIU1080 PIU1081 PIU1082 PIU1083 PIU1084 PIU1085 PIU1086 PIU1087 PIU1088 PIU1089 PIU1090 PIU1091 PIU1092 PIU1093 PIU1094 PIU1095 PIU1096 PIU1097 PIU1098 PIU1099 PIU10100 PIU10101 PIU10102 PIU10103 PIU10104 PIU10105 PIU10106 PIU10107 PIU10108 PIU10109 PIU10110 PIU10111 PIU10112 PIU10113 PIU10114 PIU10115 PIU10116 PIU10117 PIU10118 PIU10119 PIU10120 PIU10121 PIU10122 PIU10123 PIU10124 PIU10125 PIU10126 PIU10127 PIU10128 PIU10129 COU1 PIU201 PIU202 PIU203 PIU204 PIU205 PIU206 PIU207 PIU208 PIU209 COU2 PIU501 PIU502 PIU503 PIU504 PIU505 PIU506 PIU507 PIU508 COU5 PIY101 PIY102 COY1 POHDMI0DET POKEY POLED0RED POPWR0ON0OFF 1 1 2 2 3 3 4 4 D D C C B B A A LED_RED IR RK16 1Kohm RK15 10Kohm REMOTE RK23 10Kohm 3V3_STB CK2 0.01uF-50V RK11 1Kohm GND KEY K0/AD 3V3_STB QK1 LMBT3904LT1G GND RK3 10Kohm 3V3_STB RK5 10Kohm LED_R 1 2 3 4 5 6 7 CN11 7PIN-2.0-D-H-G 5V_STB LED_R IR GND GND RK4 12Kohm K0/AD K0/AD CK5 0.1uF-16V GND 5V_STB RK6 22ohm RF5 510ohm RF7 1Kohm GND 5V_M VCC-PANEL VCC-PANEL VCC-PANEL VCC-PANEL GND GND GND RXE3_P RXE3_N RXEC_P RXEC_N GND RXE2_P RXE2_N GND GND GND RXE1_P RXE1_N RXE0_P RXE0_N RXO3_P RXO3_N RXEC_P RXEC_N RXO2_P RXO2_N RXO1_P RXO1_N RXO0_P RXO0_N GND GND GND LVDS_CON_DET LVDS_CON_DET 53 52 1 2 3 4 5 6 7 8 9 10 11 12 13 14 15 16 17 18 19 20 21 22 23 24 25 26 27 28 29 30 31 32 33 34 35 36 37 38 39 40 41 42 43 44 45 46 47 48 49 50 51 CN7 51PIN-0.5-L-M-下接-翻盖-H=2.7mm-XFE PICK201 PICK202 COCK2 PICK501 PICK502 COCK5 PICN701 PICN702 PICN703 PICN704 PICN705 PICN706 PICN707 PICN708 PICN709 PICN7010 PICN7011 PICN7012 PICN7013 PICN7014 PICN7015 PICN7016 PICN7017 PICN7018 PICN7019 PICN7020 PICN7021 PICN7022 PICN7023 PICN7024 PICN7025 PICN7026 PICN7027 PICN7028 PICN7029 PICN7030 PICN7031 PICN7032 PICN7033 PICN7034 PICN7035 PICN7036 PICN7037 PICN7038 PICN7039 PICN7040 PICN7041 PICN7042 PICN7043 PICN7044 PICN7045 PICN7046 PICN7047 PICN7048 PICN7049 PICN7050 PICN7051 PICN7052 PICN7053 COCN7 PICN1101 PICN1102 PICN1103 PICN1104 PICN1105 PICN1106 PICN1107 COCN11 PIQK10B PIQK10C PIQK10E COQK1 PIRF501 PIRF502 CORF5 PIRF701 PIRF702 CORF7 PIRK301 PIRK302 CORK3 PIRK401 PIRK402 CORK4 PIRK501 PIRK502 CORK5 PIRK601 PIRK602 CORK6 PIRK1101 PIRK1102 CORK11 PIRK1501 PIRK1502 CORK15 PIRK1601 PIRK1602 CORK16 PIRK2301 PIRK2302 CORK23 1 1 2 2 3 3 4 4 5 5 6 6 D D C C B B A A RV18 100ohm RV16 100ohm RV17 NC/4K7ohm RV15 NC/4K7ohm 5V_STB UART-RX/DDC UART-TX/DDC CU1 10uF-6.3V LU2 121T06 5V_M 5V_WIFI GND 5V_WIFI USB2_DM' USB2_DP' RU1 5R1ohm RU2 5R1ohm USB2_DP USB2_DM GND WIFI_EN GND RU6 NC/100ohm 1 2 3 4 5 CN17 5PIN-2.0-D-H-G 5V_STB RU5 NC/1K8ohm RU7 NC/1Kohm 5V_WIFI AV OUT GND CVBS/OUT YPBPR&AUDIO IN&AV Y_Y_AV Y_Pr Y_Pb YPBPR_R/AV_R YPBPR_L/AV_L GND GND WIFI UART 1 2 4 3 5 GND AV-R/Pr AV-L/Pb/PC_R AV-IN/Y/PC_L CN9 PJ-322A黑(H=7.0mm) 1 2 3 4 CN3 4PIN-2.0-D-H-蓝色-G GND UART-TX UART-RX C60 1uF-6.3V C61 1uF-6.3V C32 1000pF-50V C31 1000pF-50V GND R23 200Kohm R24 200Kohm AV-Lout AV-Rout R22 100ohm R21 100ohm AV_LOUT AV_ROUT GND GND R18 100Kohm GND R19 100Kohm 1 2 3 4 5 6 Pb GND Y GND Pr GND CN4 AV3-8.4-80-B(绿、蓝、红)-密封 1 4 2 L GND R GND 3 CN8 CYB-3.2-2DW28B-1-100(R)(白、红)-密封 AV-Lout AV-Rout AV-Lout AV-Rout PHY_TX_P PHY_TX_N PHY_RX_P PHY_RX_N GND CTX CRX GND GND CE7 0.1uF-16V CE9 0.1uF-16V RE5 0ohm RE6 0ohm RE8 0ohm RE7 0ohm RJ45_FE_TX+ RJ45_FE_TX- RJ45_FE_RX+ RJ45_FE_RX- PIN7&8 PIN4&5 GND GND CRD CTD CTD CRD CE8 NC/0.01uF-16V GND CE6 CK45-B3AD102KYPNX(TDK) 75R 75R 75R 75R 1nF 9 10 RJ45 卧式 1 2 3 5 6 7 8 TX+ NC RX+ TX- RX- NC NC 4 NC CN15 WLRJ-046B(无灯带弹) CE1 NC/8pF-50V CE2 NC/8pF-50V CE3 NC/8pF-50V CE4 NC/8pF-50V TD+ 1 CTD 2 TD- 3 NC 4 NC 5 RD+ 6 CRD 7 RD- 8 RX- 9 CRX 10 RX+ 11 NC 12 NC 13 TX- 14 CTX 15 TX+ 16 UE1 H16101MC GND 5V_USB 5V_M F1 MSMD110 USB0_DP USB0_DM 5V_USB GND 1 2 3 4 GND DM DP 5V 5 6 GND GND CN21 USB-042M-002DP RU41 5R1ohm RU42 5R1ohm USB0_P USB0_M CU5 NC/22uF-6.3V + EU1 100uF-16V USB1_DP USB1_DM 5V_USB GND 1 2 3 4 GND DM DP 5V 5 6 GND GND CN1 USB-042M-002DP RU3 5R1ohm RU4 5R1ohm USB1_P USB1_M RI6 10Kohm YPBPR_L/AV_L RI5 10Kohm YPBPR_R/AV_R YPBPR_RIN YPBPR_LIN RI11 12Kohm RI9 12Kohm GND GND CI3 0.1uF-16V CI1 0.1uF-16V HD1_Y RI4 33ohm CI4 0.047uF-16V GND RI1 75ohm Y_Y_AV RI33 75ohm RI32 75ohm GND GND RI38 33ohm RI36 33ohm CI36 0.047uF-16V CI38 0.047uF-16V HD1_Pr HD1_Pb Y_Pb Y_Pr CVBS_OUT CVBS/OUT RS1 0ohm RS2 75ohm GND PIC3101 PIC3102 COC31 PIC3201 PIC3202 COC32 PIC6001 PIC6002 COC60 PIC6101 PIC6102 COC61 PICE101 PICE102 COCE1 PICE201 PICE202 COCE2 PICE301 PICE302 COCE3 PICE401 PICE402 COCE4 PICE601 PICE602 COCE6 PICE701 PICE702 COCE7 PICE801 PICE802 COCE8 PICE901 PICE902 COCE9 PICI101 PICI102 COCI1 PICI301 PICI302 COCI3 PICI401 PICI402 COCI4 PICI3601 PICI3602 COCI36 PICI3801 PICI3802 COCI38 PICN101 PICN102 PICN103 PICN104 PICN105 PICN106 COCN1 PICN301 PICN302 PICN303 PICN304 COCN3 PICN401 PICN402 PICN403 PICN404 PICN405 PICN406 COCN4 PICN801 PICN802 PICN803 PICN804 COCN8 PICN901 PICN902 PICN903 PICN904 PICN905 COCN9 PICN1501 PICN1502 PICN1503 PICN1504 PICN1505 PICN1506 PICN1507 PICN1508 PICN1509 PICN15010 COCN15 PICN1701 PICN1702 PICN1703 PICN1704 PICN1705 COCN17 PICN2101 PICN2102 PICN2103 PICN2104 PICN2105 PICN2106 COCN21 PICU101 PICU102 COCU1 PICU501 PICU502 COCU5 PIEU101 PIEU102 COEU1 PIF101 PIF102 COF1 PILU201 PILU202 COLU2 PIR1801 PIR1802 COR18 PIR1901 PIR1902 COR19 PIR2101 PIR2102 COR21 PIR2201 PIR2202 COR22 PIR2301 PIR2302 COR23 PIR2401 PIR2402 COR24 PIRE501 PIRE502 CORE5 PIRE601 PIRE602 CORE6 PIRE701 PIRE702 CORE7 PIRE801 PIRE802 CORE8 PIRI101 PIRI102 CORI1 PIRI401 PIRI402 CORI4 PIRI501 PIRI502 CORI5 PIRI601 PIRI602 CORI6 PIRI901 PIRI902 CORI9 PIRI1101 PIRI1102 CORI11 PIRI3201 PIRI3202 CORI32 PIRI3301 PIRI3302 CORI33 PIRI3601 PIRI3602 CORI36 PIRI3801 PIRI3802 CORI38 PIRS101 PIRS102 CORS1 PIRS201 PIRS202 CORS2 PIRU101 PIRU102 CORU1 PIRU201 PIRU202 CORU2 PIRU301 PIRU302 CORU3 PIRU401 PIRU402 CORU4 PIRU501 PIRU502 CORU5 PIRU601 PIRU602 CORU6 PIRU701 PIRU702 CORU7 PIRU4101 PIRU4102 CORU41 PIRU4201 PIRU4202 CORU42 PIRV1501 PIRV1502 CORV15 PIRV1601 PIRV1602 CORV16 PIRV1701 PIRV1702 CORV17 PIRV1801 PIRV1802 CORV18 PIUE101 PIUE102 PIUE103 PIUE104 PIUE105 PIUE106 PIUE107 PIUE108 PIUE109 PIUE1010 PIUE1011 PIUE1012 PIUE1013 PIUE1014 PIUE1015 PIUE1016 COUE1 1 1 2 2 3 3 4 4 D D C C B B A A 5V_STB RH27 33ohm HOTPLUG2' HOTPLUG2 RH25 10Kohm RH24 10Kohm HDMI2_SCL/ HDMI2_SDA/ RH29 10ohm AVDD5V_MHL HDMI2_5V GND GND GND GND GND HDMI1_5V CEC HOTPLUG1 HDMI1_SCL/ HDMI1_SDA/ HDMI1_SCL HDMI1_SDA GND HDMI1_RXC_N HDMI1_RXC_P HDMI1_RX0_N HDMI1_RX0_P HDMI1_RX1_N HDMI1_RX1_P HDMI1_RX2_N HDMI1_RX2_P RH16 33ohm RH15 33ohm 1 2 3 4 5 6 7 8 9 10 11 12 13 14 15 16 17 18 19 20 HPD HDMI +5V GND SDA SCL ARC CEC RXC- GND RXC+ RX0- GND RX0+ RX1- GND RX1+ GND RX2+ RX2- 21 22 23 GND GND GND GND AV1 161031041(外壳SPCC) CH13 NC/0.1uF-16V GND HDMI_ARC 1 2 3 4 5 6 7 8 RP1 4¡Á5R1ohm 1 2 3 4 5 6 7 8 RP2 4¡Á5R1ohm HDMI-ARC HDMI_ARC CH14 0.1uF-16V HDMI1_RX2/_P HDMI1_RX2/_N HDMI1_RX1/_P HDMI1_RX1/_N HDMI1_RX0/_P HDMI1_RX0/_N HDMI1_RXC/_P HDMI1_RXC/_N HDMI1_5V RH3 1Kohm QH1 LMBT3904LT1G RH2 10Kohm RH1 10Kohm HDMI1_5V HOTPLUG1' HDMI1_5V HOTPLUG1 RH5 10Kohm RH4 10Kohm HDMI1_SCL/ HDMI1_SDA/ GND GND GND GND GND HDMI2_5V CEC HOTPLUG2 HDMI2_SCL/ HDMI2_SDA/ GND HDMI2_RXC_N HDMI2_RXC_P HDMI2_RX0_N HDMI2_RX0_P HDMI2_RX1_N HDMI2_RX1_P HDMI2_RX2_N HDMI2_RX2_P 1 2 3 4 5 6 7 8 9 10 11 12 13 14 15 16 17 18 19 20 HPD HDMI +5V GND SDA SCL ARC CEC RXC- GND RXC+ RX0- GND RX0+ RX1- GND RX1+ GND RX2+ RX2- 21 22 23 GND GND GND GND AV2 161031041(外壳SPCC) CH18 1000pF-50V MHL_CD_SENSE GND 1 2 3 4 5 6 7 8 RP3 4¡Á5R1ohm R11 5R1ohm R26 5R1ohm R28 5R1ohm R12 5R1ohm HDMI-CEC RH14 220ohm GND CEC CH10 30pF-50V RH56 22Kohm RH55 33Kohm HDMI_DET HDMI1_5V IN 5 EN 4 GND 2 FLAG/ILIM 3 OUT 1 UH2 NC/AP2171WG-7 GND HDMI2_5V 5V_MHL GND CH6 NC/10uF-10V RH50 NC/NC/10Kohm GND RH9 NC/10Kohm 5V_MHL MHL_CD_SENSERH12 NC/4PIN-2.54-D-H-G RH38 0ohm 5V_STB 5V_M RH37 NC/NC/0ohm RH18 NC/NC/4K7ohm GND RH10 100ohm RH11 0ohm MHL_CABLE-DET MHL_CD_SENSE CH15 0.1uF-16V PIAV101 PIAV102 PIAV103 PIAV104 PIAV105 PIAV106 PIAV107 PIAV108 PIAV109 PIAV1010 PIAV1011 PIAV1012 PIAV1013 PIAV1014 PIAV1015 PIAV1016 PIAV1017 PIAV1018 PIAV1019 PIAV1020 PIAV1021 PIAV1022 PIAV1023 COAV1 PIAV201 PIAV202 PIAV203 PIAV204 PIAV205 PIAV206 PIAV207 PIAV208 PIAV209 PIAV2010 PIAV2011 PIAV2012 PIAV2013 PIAV2014 PIAV2015 PIAV2016 PIAV2017 PIAV2018 PIAV2019 PIAV2020 PIAV2021 PIAV2022 PIAV2023 COAV2 PICH601 PICH602 COCH6 PICH1001 PICH1002 COCH10 PICH1301 PICH1302 COCH13 PICH1401 PICH1402 COCH14 PICH1501 PICH1502 COCH15 PICH1801 PICH1802 COCH18 PIQH10B PIQH10C PIQH10E COQH1 PIR1101 PIR1102 COR11 PIR1201 PIR1202 COR12 PIR2601 PIR2602 COR26 PIR2801 PIR2802 COR28 PIRH101 PIRH102 CORH1 PIRH201 PIRH202 CORH2 PIRH301 PIRH302 CORH3 PIRH401 PIRH402 CORH4 PIRH501 PIRH502 CORH5 PIRH901 PIRH902 CORH9 PIRH1001 PIRH1002 CORH10 PIRH1101 PIRH1102 CORH11 PIRH1201 PIRH1202 CORH12 PIRH1401 PIRH1402 CORH14 PIRH1501 PIRH1502 CORH15 PIRH1601 PIRH1602 CORH16 PIRH1801 PIRH1802 CORH18 PIRH2401 PIRH2402 CORH24 PIRH2501 PIRH2502 CORH25 PIRH2701 PIRH2702 CORH27 PIRH2901 PIRH2902 CORH29 PIRH3701 PIRH3702 CORH37 PIRH3801 PIRH3802 CORH38 PIRH5001 PIRH5002 CORH50 PIRH5501 PIRH5502 CORH55 PIRH5601 PIRH5602 CORH56 PIRP101 PIRP102 PIRP103 PIRP104 PIRP105 PIRP106 PIRP107 PIRP108 CORP1 PIRP201 PIRP202 PIRP203 PIRP204 PIRP205 PIRP206 PIRP207 PIRP208 CORP2 PIRP301 PIRP302 PIRP303 PIRP304 PIRP305 PIRP306 PIRP307 PIRP308 CORP3 PIUH201 PIUH202 PIUH203 PIUH204 PIUH205 COUH2 1 1 2 2 3 3 4 4 5 5 6 6 D D C C B B A A SIGNAL GPIO NET M_SDA M_SCL IF_AGC VIFP IF_AGC VIFP VIFM VIFM POWER NET 5V_M 5V_M 3V3_STB 3V3_STB M_SDA M_SCL CT6 10uF-6.3V CT3 0.1uF-16V CT5 0.1uF-16V GND CT2 10uF-6.3V CT4 10uF-6.3V 5V_M 3V3_Tun VI 3 VO 2 ADJ 1 VO 4 UT2 LC1117CLTR33 LT13 FCM1005KF 3V3_Tun 3V3_STB TUNER_SDA TUNER_SCL RT6 33ohm RT5 33ohm RT3 4K7ohm RT4 4K7ohm M_SDA M_SCL IF_AGC RT21 0ohm RT18 10Kohm 3V3_Tun GND CT19 0.022uF-16V T-IF-AGC RT2 10Kohm CT1 0.1uF-16V GND VIFP VIFM IFn IFp GND GND CT10 56pF-50V CT24 56pF-50V CT20 0.1uF-16V CT23 0.1uF-16V RT7 0ohm RT12 0ohm RT1 1K8ohm RT14 1K8ohm GND GND GND GND GND GND GND GND GND GND GND RF_INPUT RT11 1K8ohm CT29 6800pF-50V CT26 330pF-50V CT18 0.1uF-16V RT8 NC/10Kohm CT110.1uF-16V CT120.022uF-16V CT13 1.2pF-50V CT17 NC/100pF-50V LT9 NC/SDCL1005CR27JTDF(顺络) LT6 1Kohm LT8 1Kohm 3V3_Tun CT9 0.1uF-16V LT1 SDCL1005C68 3V3_Tun CT27 0.1uF-16V 3V3_Tun CT25 0.1uF-16V LT10 SDCL1005CR18 CT21 0.1uF-16V 3V3_Tun T-IF-AGC IFn IFp LT3 SDCL1005C2N7STDFM01 RFIN2 2 TF1 3 TF2 4 DECT1 5 SCL 6 SDA 7 AVDD 8 AVDD 18 VOP 17 VON 16 VAGC 15 DVSS 10 CP 9 RFIN 1 AVDD 24 TFH 23 TFL 22 GPIO 21 VBG 20 DET2 19 GND 25 DVDD 11 XTAL_I 12 VAGC2 14 XTAL_O 13 UT1 R840 LT2 1Kohm TUNER_SDA TUNER_SCL YT1 16MHz-¡À20PPM-20PF CT14 8pF-50V CT15 8pF-50V GND GND 热缩套管 Φ12mm¡Á12mm- 黑色-125度(UL认证) 1 2 3 4 GND GND GND GND P1 22.6¡Á17.3¡Á6-L HD(带封口) GND 1 2 3 4 RF_GND RF RF_GND RF_GND T1 RF-A814.5(H=6.3mm)-带热塑套管-LHD RFGND GND GNDGND 1 3 2 DT1 BAV99-BR RF_INPUT LT11 NC/SDCL1005CR27JTDF CT28 470pF-1000V CT41 4700pF-1000V CT42 4700pF-1000V GND CT43 4700pF-1000V CT44 4700pF-1000V CT50 4700pF-1000V RFGND CT51 4700pF-1000V CT52 4700pF-1000V CT53 4700pF-1000V PI3V30Tun01 CO3V30Tun PICT101 PICT102 COCT1 PICT201 PICT202 COCT2 PICT301 PICT302 COCT3 PICT401 PICT402 COCT4 PICT501 PICT502 COCT5 PICT601 PICT602 COCT6 PICT901 PICT902 COCT9 PICT1001 PICT1002 COCT10 PICT1101 PICT1102 COCT11 PICT1201 PICT1202 COCT12 PICT1301 PICT1302 COCT13 PICT1401 PICT1402 COCT14 PICT1501 PICT1502 COCT15 PICT1701 PICT1702 COCT17 PICT1801 PICT1802 COCT18 PICT1901 PICT1902 COCT19 PICT2001 PICT2002 COCT20 PICT2101 PICT2102 COCT21 PICT2301 PICT2302 COCT23 PICT2401 PICT2402 COCT24 PICT2501 PICT2502 COCT25 PICT2601 PICT2602 COCT26 PICT2701 PICT2702 COCT27 PICT2801 PICT2802 COCT28 PICT2901 PICT2902 COCT29 PICT4101 PICT4102 COCT41 PICT4201 PICT4202 COCT42 PICT4301 PICT4302 COCT43 PICT4401 PICT4402 COCT44 PICT5001 PICT5002 COCT50 PICT5101 PICT5102 COCT51 PICT5201 PICT5202 COCT52 PICT5301 PICT5302 COCT53 PIDT101 PIDT102 PIDT103 CODT1 PILT101 PILT102 COLT1 PILT201 PILT202 COLT2 PILT301 PILT302 COLT3 PILT601 PILT602 COLT6 PILT801 PILT802 COLT8 PILT901 PILT902 COLT9 PILT1001 PILT1002 COLT10 PILT1101 PILT1102 COLT11 PILT1301 PILT1302 COLT13 PIP101 PIP102 PIP103 PIP104 COP1 PIRT101 PIRT102 CORT1 PIRT201 PIRT202 CORT2 PIRT301 PIRT302 CORT3 PIRT401 PIRT402 CORT4 PIRT501 PIRT502 CORT5 PIRT601 PIRT602 CORT6 PIRT701 PIRT702 CORT7 PIRT801 PIRT802 CORT8 PIRT1101 PIRT1102 CORT11 PIRT1201 PIRT1202 CORT12 PIRT1401 PIRT1402 CORT14 PIRT1801 PIRT1802 CORT18 PIRT2101 PIRT2102 CORT21 PIT101 PIT102 PIT103 PIT104 COT1 PIUT101 PIUT102 PIUT103 PIUT104 PIUT105 PIUT106 PIUT107 PIUT108 PIUT109 PIUT1010 PIUT1011 PIUT1012 PIUT1013 PIUT1014 PIUT1015 PIUT1016 PIUT1017 PIUT1018 PIUT1019 PIUT1020 PIUT1021 PIUT1022 PIUT1023 PIUT1024 PIUT1025 COUT1 PIUT201 PIUT202 PIUT203 PIUT204 COUT2 PIYT101 PIYT102 COYT1 COÈÈËõÌ×¹Ü PO3V30STB PO5V0M POIF0AGC POM0SCL POM0SDA POVIFM POVIFP 1 1 2 2 3 3 4 4 5 5 6 6 D D C C B B A A GND RA7 12Kohm RA9 NC/9K1ohm CA39 1uF-16V CA40 NC/1uF-16V GVDD PLIMIT GND RA8 10ohm AVCC 12V CA7 0.1uF-16V 12V + EA1 470uF-16V GND CA1 0.1uF-16V CA2 10uF16V ROUT- LOUT- LOUT+ ROUT+ 1 2 3 4 RSPK Rout- LSPK Lout- CNA3 4PIN-2.54-D-H-G-B CA44 1000pF-50V LOUT- AVCC CA42 1000pF-50V ROUT- SD 1 FAULT 2 LINP 3 LINN 4 GAIN0 5 GAIN1 6 AVCC 7 AGND 8 GVDD 9 PLIMIT 10 RINN 11 RINP 12 NC 13 PBTL 14 PVCCR 15 PVCCR 16 BSPR 17 OUTPR 18 PGND 19 OUTNR 20 BSNR 21 BSNL 22 OUTNL 23 PGND 24 OUTPL 25 BSPL 26 PVCCL 27 PVCCL 28 UA1 TPA3110LD2PWPR GND GND GND GND GND 8Ω 8Ω LA36 SCD54TL-220M LA37 SCD54TL-220M LA38 SCD54TL-220M LA39 SCD54TL-220M GND GND CA46 0.22uF-16V CA47 0.22uF-16V CA53 0.22uF-16V CA54 0.22uF-16V GND CA52 0.47uF-16V CA51 0.47uF-16V CA58 0.47uF-16V CA59 0.47uF-16V GND GND CA36 0.22uF-16V CA35 0.22uF-16V CA34 0.22uF-16V CA33 0.22uF-16V GND GVDD PLIMIT GND 5V_M RA46 4K7ohm RA5 NC/0ohm GAIN0 GAIN0 ROUT+ LOUT+ 12V 12V RA16 100ohm RA17 100ohm AMP_MUTE R125 100ohm RA11 4K7ohm GND CA5 0.1uF-16V CA6 0.1uF-16V AMP_MUTE/ AMP-Lin AMP-Rin CA31 1000pF-50V CA32 1000pF-50V CA3 NC/0.1uF-16V CA8 NC/0.1uF-16V CA9 NC/0.1uF-16V CA10 NC/0.1uF-16V GND GND PICA101 PICA102 COCA1 PICA201 PICA202 COCA2 PICA301 PICA302 COCA3 PICA501 PICA502 COCA5 PICA601 PICA602 COCA6 PICA701 PICA702 COCA7 PICA801 PICA802 COCA8 PICA901 PICA902 COCA9 PICA1001 PICA1002 COCA10 PICA3101 PICA3102 COCA31 PICA3201 PICA3202 COCA32 PICA3301 PICA3302 COCA33 PICA3401 PICA3402 COCA34 PICA3501 PICA3502 COCA35 PICA3601 PICA3602 COCA36 PICA3901 PICA3902 COCA39 PICA4001 PICA4002 COCA40 PICA4201 PICA4202 COCA42 PICA4401 PICA4402 COCA44 PICA4601 PICA4602 COCA46 PICA4701 PICA4702 COCA47 PICA5101 PICA5102 COCA51 PICA5201 PICA5202 COCA52 PICA5301 PICA5302 COCA53 PICA5401 PICA5402 COCA54 PICA5801 PICA5802 COCA58 PICA5901 PICA5902 COCA59 PICNA301 PICNA302 PICNA303 PICNA304 COCNA3 PIEA101 PIEA102 COEA1 PILA3601 PILA3602 COLA36 PILA3701 PILA3702 COLA37 PILA3801 PILA3802 COLA38 PILA3901 PILA3902 COLA39 PIR12501 PIR12502 COR125 PIRA501 PIRA502 CORA5 PIRA701 PIRA702 CORA7 PIRA801 PIRA802 CORA8 PIRA901 PIRA902 CORA9 PIRA1101 PIRA1102 CORA11 PIRA1601 PIRA1602 CORA16 PIRA1701 PIRA1702 CORA17 PIRA4601 PIRA4602 CORA46 PIUA101 PIUA102 PIUA103 PIUA104 PIUA105 PIUA106 PIUA107 PIUA108 PIUA109 PIUA1010 PIUA1011 PIUA1012 PIUA1013 PIUA1014 PIUA1015 PIUA1016 PIUA1017 PIUA1018 PIUA1019 PIUA1020 PIUA1021 PIUA1022 PIUA1023 PIUA1024 PIUA1025 PIUA1026 PIUA1027 PIUA1028 COUA1 1 1 2 2 3 3 4 4 5 5 6 6 7 7 8 8 D D C C B B A A Title Number Revision Size A2 Date: 2014-3-21 Sheet of File: E:\ 3\..\ PS#00_MAIN POWER.SchDoc Drawn By: CB201 CB203 385V RB201 CB202 RB208 INV COMP MULT ZCD Vcc GND CS GD UB201 RB209 CB205 RB205 RB206 RB215 ZCD CB204 RB207 ZCD Vbridge+ 385V VCC_PFC VCC A K DB104 12V DB101 3 1 6 5 LB201 CYB2 CYB1 CXB1 Vbridge+ IL IN FB1/LED-1 RB364 RB369 C B E QB312 CB334 ADJ/Vs-ON RB363 2 4 3 1 DB202 RB348 RB350 RB341 RB345 CB322 RB349 CB323 ADJ2 CB326 FB1/LED-1 RB346 RB351 RB356 D G S QB313 RB368 RB367 6 5 7 UB302B RB357 RB358 RB359 RB362 RB354 CB331 CB240 CB330 2 3 1 4 8 UB302A VCC_PFC RB384 CB327 BL-ON C B E QB304 RB326 1 1 3 3 2 2 ZB301 RB325 VCC2 VCC C B E QB303 RB327 12V Mylar ML1 CB332 RB355 2.18V RB370 1 A 2 K DB310 RB380 LED+ FB1/LED-1 JB102 JB103 JB104 EVA1 EVA2 EVA3 IL EVA4 RB608 CSS 1 DELAY 2 CF 3 RFMIN 4 STBY 5 ISEN 6 LINE 7 DISABLE 8 PFC-STOP 9 GND 10 LVG 11 VCC 12 NC 13 OUT 14 HVG 15 VBOOT 16 UB601 RB609 RB620 CB608 CB616 2A 5A 1A 9A 9A SGND CB612 DB602 RB605 RB619 P10 RB614 RB604 RB624 RB618 RB616 385V CB610 RB601 CB307 RB611 CB613 RB621 RB610 RB612 RB607 D302-3 U301-7 CB617 RB617 CB602 1A 5A 2A QB601 9A RB628 1A 2A 5A RB667 RB626 5 13 7 9 11 10 8 TB601 9A Q302-S RB662 P10 VCC2 2 4 3 1 DB5 HS HSB3 HS HSB2 3 1 N L CNB1 RB1 RB2 RB3 RB4 MOVB1 CB1 RB602 RB603 CB304 3 4 PCB302B RB606 CB313 CB315 3 4 PCB301B 1 2 PCB302A GD1 GD2 GD3 GD4 GD5 MB1 MB2 MB3 MB4 MB5 MB6 HS HSB1 GND 12V 1 2 CNB2 GND 12V 1 2 PCB101A K A R UB102 RB132 RB135 RB133 CB109 CB121 RB134 RB131 3 1 5 6 9 7 8 10 11 TB101 + EB101 + EB102 + EB103 RB123 RB124 CB120 A K DB106 BB101 RB125 QB101 CB114 385V SGND BRO RB141 RB142 RB143 CB111 CB112 SGND RB107 RB108 RB109 QB102 RB106 VCC-Q SGND BRO 3 4 PCB101B CB103 RB104 RB105 GND 1 COMP 2 NC 3 CS 4 VCC 5 GATE 6 UB101 RB114 RB115 CB116 RB130 CB123 RB148 RB110 DB105 1 1 3 3 2 2 ZB101 CB102 CB101 IL RB101 RB102 RB103 VCC-Q C B E QB305 1 2 PCB303A 3 4 PCB303B RB388 RB389 A K DB611 A K DB612 A K DB613 A K DB614 1 2 3 CNB801 FB1/LED-1 LED+ 1 2 CNB802 1 2 CNB803 BB802 LED+ RB661 RB660 BL-ON ADJ/Vs-ON ADJ/Vs-ON BL-ON GND CYB3 SGND GND CYB4 SGND RB630 180-204V-228; 380-400MA-420; ,4PIN2.0MM ; 1 2 PCB301A 1 2 3 4 CNB804 LED+ FB1/LED-1 RB631 RB632 RB633 RB635 RB636 RB637 RB638 RB639 QB614 RB627 RB629 QB602 RB646 RB647 QB604 RB648 RB663 RB664 RB625 RB645 RB665 DB605 CB216 BB201 RB202 RB203 RB204 CB207 RB210 1 1 3 3 2 2 ZB201 CB206 QB201 CB217 RB218 RB213 RB221 QB202 RB214 RB211 RB216 RB217 DB312 CB350 CB324 385V RB623 RB622 CB601 CB618 C B E QB606 CB611 GND DB205 RB228 RB666 RB668 FB1 RB11 GND SGND NTCB1 A K DB604 + EB602 VAUX K A R UB304 C B E QB315 VAUX RB640 RB641 RB642 RB360 RB361 RB365 CB360 VCC---5V VCC---5V VCC---5V VCC---5V VCC---5V CB361 CB634 4 2 6 5 LB202 ZCD CXB2 1 4 2 3 LCB3 CB635 VBL VBL VBL RB634 BB202 CB627 1 1 3 3 2 2 ZB601 CB230 CB231 + EB202 CB355 A A K K DB201 CB325 RB117 RB615 CB212 + EB106 + EB201 + EB303 + EB302 + EB107 2.17 1 4 2 3 LCB4 1 4 2 3 LCB2 1 4 2 3 LCB1 DB318 12V BB601 T5AL250Vac NC NC NC NC NC NC NC NC NC NC NC ! ! ! ! ! ! ! ! ! ! ! ! ! ! ! ! ! ! ! ! ! ! ! ! ! ! ! ! ! PIBB10101 PIBB10102 COBB101 PIBB20101 PIBB20102 COBB201 PIBB20201 PIBB20202 COBB202 PIBB60101 PIBB60102 COBB601 PIBB80201 PIBB80202 COBB802 PICB101 PICB102 COCB1 PICB10101 PICB10102 COCB101 PICB10201 PICB10202 COCB102 PICB10301 PICB10302 COCB103 PICB10901 PICB10902 COCB109 PICB11101 PICB11102 COCB111 PICB11201 PICB11202 COCB112 PICB11401 PICB11402 COCB114 PICB11601 PICB11602 COCB116 PICB12001 PICB12002 COCB120 PICB12101 PICB12102 COCB121 PICB12301 PICB12302 COCB123 PICB20101 PICB20102 COCB201 PICB20201 PICB20202 COCB202 PICB20301 PICB20302 COCB203 PICB20401 PICB20402 COCB204 PICB20501 PICB20502 COCB205 PICB20601 PICB20602 COCB206 PICB20701 PICB20702 COCB207 PICB21201 PICB21202 COCB212 PICB21601 PICB21602 COCB216 PICB21701 PICB21702 COCB217 PICB23001 PICB23002 COCB230 PICB23101 PICB23102 COCB231 PICB24001 PICB24002COCB240 PICB30401 PICB30402 COCB304 PICB30701 PICB30702 COCB307 PICB31301 PICB31302 COCB313 PICB31501 PICB31502 COCB315 PICB32201 PICB32202 COCB322 PICB32301 PICB32302COCB323 PICB32401 PICB32402 COCB324 PICB32501 PICB32502 COCB325 PICB32601 PICB32602COCB326 PICB32701 PICB32702 COCB327 PICB33001 PICB33002 COCB330 PICB33101 PICB33102 COCB331 PICB33201 PICB33202 COCB332 PICB33401 PICB33402 COCB334 PICB35001 PICB35002COCB350 PICB35501 PICB35502 COCB355 PICB36001 PICB36002 COCB360 PICB36101 PICB36102 COCB361 PICB60101 PICB60102 COCB601 PICB60201 PICB60202 COCB602 PICB60801 PICB60802 COCB608 PICB61001 PICB61002 COCB610 PICB61101 PICB61102 COCB611 PICB61201 PICB61202 COCB612 PICB61301 PICB61302 COCB613 PICB61601 PICB61602 COCB616 PICB61701 PICB61702 COCB617 PICB61801 PICB61802COCB618 PICB62701 PICB62702 COCB627 PICB63401 PICB63402COCB634 PICB63501 PICB63502 COCB635 PICNB101 PICNB103 COCNB1 PICNB201 PICNB202 COCNB2 PICNB80101 PICNB80102 PICNB80103 COCNB801 PICNB80201 PICNB80202 COCNB802 PICNB80301 PICNB80302 COCNB803 PICNB80401 PICNB80402 PICNB80403 PICNB80404 COCNB804 PICXB101 PICXB102COCXB1 PICXB201 PICXB202 COCXB2 PICYB101 PICYB102 COCYB1 PICYB201 PICYB202 COCYB2 PICYB301 PICYB302 COCYB3 PICYB401 PICYB402 COCYB4 PIDB501 PIDB502 PIDB503 PIDB504 CODB5 PIDB10101 PIDB10102 PIDB10103 CODB101 PIDB1040A PIDB1040K CODB104 PIDB10501 PIDB10502 PIDB10503 CODB105 PIDB1060A PIDB1060K CODB106 PIDB2010A PIDB2010K CODB201 PIDB20201 PIDB20202 PIDB20203 PIDB20204 CODB202 PIDB20501 PIDB20502 PIDB20503 CODB205 PIDB3100A PIDB3100K CODB310 PIDB31201 PIDB31202 PIDB31203 CODB312 PIDB31801 PIDB31802 PIDB31803 CODB318 PIDB60201 PIDB60202 PIDB60203 CODB602 PIDB6040A PIDB6040K CODB604 PIDB60501 PIDB60502 PIDB60503 CODB605 PIDB6110A PIDB6110K CODB611 PIDB6120A PIDB6120K CODB612 PIDB6130A PIDB6130K CODB613 PIDB6140A PIDB6140K CODB614 PIEB10101 PIEB10102 COEB101 PIEB10201 PIEB10202 COEB102 PIEB10301 PIEB10302 COEB103 PIEB10601 PIEB10602 COEB106 PIEB10701 PIEB10702 COEB107 PIEB20101 PIEB20102 COEB201 PIEB20201 PIEB20202 COEB202 PIEB30201 PIEB30202 COEB302 PIEB30301 PIEB30302 COEB303 PIEB60201 PIEB60202 COEB602 COEVA1 COEVA2 COEVA3 COEVA4 PIFB101 PIFB102 COFB1 COGD1 COGD2 COGD3 COGD4 COGD5 PIHSB101 PIHSB102 PIHSB103 COHSB1 PIHSB201 PIHSB202 PIHSB203 COHSB2 PIHSB301 PIHSB302 COHSB3 PIJB10201 PIJB10202 COJB102 PIJB10301 PIJB10302 COJB103 PIJB10401 PIJB10402 COJB104 PILB20101 PILB20103 PILB20105 PILB20106 COLB201 PILB20202 PILB20204 PILB20205 PILB20206 COLB202 PILCB101 PILCB102 PILCB103 PILCB104 COLCB1 PILCB201 PILCB202 PILCB203 PILCB204 COLCB2 PILCB301 PILCB302 PILCB303 PILCB304 COLCB3 PILCB401 PILCB402 PILCB403 PILCB404 COLCB4 PIMB101 COMB1 PIMB201 COMB2 PIMB301 COMB3 PIMB401 COMB4 PIMB501 COMB5 PIMB601 COMB6 COML1 PIMOVB101 PIMOVB102 COMOVB1 PINTCB101 PINTCB102 CONTCB1 PIPCB10101 PIPCB10102 COPCB101A PIPCB10103 PIPCB10104 COPCB101B PIPCB30101 PIPCB30102 COPCB301A PIPCB30103 PIPCB30104 COPCB301B PIPCB30201 PIPCB30202 COPCB302A PIPCB30203 PIPCB30204 COPCB302B PIPCB30301 PIPCB30302 COPCB303A PIPCB30303 PIPCB30304 COPCB303B PIQB1010D PIQB1010G PIQB1010S COQB101 PIQB1020B PIQB1020C PIQB1020E COQB102 PIQB2010D PIQB2010G PIQB2010S COQB201 PIQB2020B PIQB2020C PIQB2020E COQB202 PIQB3030B PIQB3030C PIQB3030E COQB303 PIQB3040B PIQB3040C PIQB3040E COQB304 PIQB3050B PIQB3050C PIQB3050E COQB305 PIQB3120B PIQB3120C PIQB3120E COQB312 PIQB3130D PIQB3130G PIQB3130S COQB313 PIQB3150B PIQB3150C PIQB3150E COQB315 PIQB6010D PIQB6010G PIQB6010S COQB601 PIQB6020D PIQB6020G PIQB6020S COQB602 PIQB6040B PIQB6040C PIQB6040E COQB604 PIQB6060B PIQB6060C PIQB6060E COQB606 PIQB6140B PIQB6140C PIQB6140E COQB614 PIRB101 PIRB102 CORB1 PIRB201 PIRB202 CORB2 PIRB301 PIRB302 CORB3 PIRB401 PIRB402 CORB4 PIRB1101 PIRB1102 CORB11 PIRB10101 PIRB10102 CORB101 PIRB10201 PIRB10202 CORB102 PIRB10301 PIRB10302 CORB103 PIRB10401 PIRB10402 CORB104 PIRB10501 PIRB10502 CORB105 PIRB10601 PIRB10602 CORB106 PIRB10701 PIRB10702 CORB107 PIRB10801 PIRB10802 CORB108 PIRB10901 PIRB10902 CORB109 PIRB11001 PIRB11002 CORB110 PIRB11401 PIRB11402 CORB114 PIRB11501 PIRB11502 CORB115 PIRB11701 PIRB11702 CORB117 PIRB12301 PIRB12302 CORB123 PIRB12401 PIRB12402 CORB124 PIRB12501 PIRB12502 CORB125 PIRB13001 PIRB13002 CORB130 PIRB13101 PIRB13102 CORB131 PIRB13201 PIRB13202 CORB132 PIRB13301 PIRB13302 CORB133 PIRB13401 PIRB13402 CORB134 PIRB13501 PIRB13502 CORB135 PIRB14101 PIRB14102 CORB141 PIRB14201 PIRB14202 CORB142 PIRB14301 PIRB14302 CORB143 PIRB14801 PIRB14802 CORB148 PIRB20101 PIRB20102 CORB201 PIRB20201 PIRB20202 CORB202 PIRB20301 PIRB20302 CORB203 PIRB20401 PIRB20402 CORB204 PIRB20501 PIRB20502 CORB205 PIRB20601 PIRB20602 CORB206 PIRB20701 PIRB20702 CORB207 PIRB20801 PIRB20802 CORB208 PIRB20901 PIRB20902 CORB209 PIRB21001 PIRB21002 CORB210 PIRB21101 PIRB21102 CORB211 PIRB21301 PIRB21302 CORB213 PIRB21401 PIRB21402 CORB214 PIRB21501 PIRB21502 CORB215 PIRB21601 PIRB21602 CORB216 PIRB21701 PIRB21702 CORB217 PIRB21801 PIRB21802 CORB218 PIRB22101 PIRB22102 CORB221 PIRB22801 PIRB22802 CORB228 PIRB32501 PIRB32502 CORB325 PIRB32601 PIRB32602 CORB326 PIRB32701 PIRB32702 CORB327 PIRB34101 PIRB34102 CORB341 PIRB34501 PIRB34502 CORB345 PIRB34601 PIRB34602 CORB346 PIRB34801 PIRB34802 CORB348 PIRB34901 PIRB34902 CORB349 PIRB35001 PIRB35002 CORB350 PIRB35101 PIRB35102 CORB351 PIRB35401 PIRB35402 CORB354 PIRB35501 PIRB35502CORB355 PIRB35601 PIRB35602 CORB356 PIRB35701 PIRB35702 CORB357 PIRB35801 PIRB35802 CORB358 PIRB35901 PIRB35902 CORB359 PIRB36001 PIRB36002 CORB360 PIRB36101 PIRB36102 CORB361 PIRB36201 PIRB36202 CORB362 PIRB36301 PIRB36302 CORB363 PIRB36401 PIRB36402 CORB364 PIRB36501 PIRB36502 CORB365 PIRB36701 PIRB36702 CORB367 PIRB36801 PIRB36802 CORB368 PIRB36901 PIRB36902 CORB369 PIRB37001 PIRB37002 CORB370 PIRB38001 PIRB38002 CORB380 PIRB38401 PIRB38402 CORB384 PIRB38801 PIRB38802 CORB388 PIRB38901 PIRB38902 CORB389 PIRB60101 PIRB60102 CORB601 PIRB60201 PIRB60202 CORB602 PIRB60301 PIRB60302 CORB603 PIRB60401 PIRB60402 CORB604 PIRB60501 PIRB60502 CORB605 PIRB60601 PIRB60602 CORB606 PIRB60701 PIRB60702 CORB607 PIRB60801 PIRB60802 CORB608 PIRB60901 PIRB60902 CORB609 PIRB61001 PIRB61002 CORB610 PIRB61101 PIRB61102 CORB611 PIRB61201 PIRB61202 CORB612 PIRB61401 PIRB61402 CORB614 PIRB61501 PIRB61502 CORB615 PIRB61601 PIRB61602 CORB616 PIRB61701 PIRB61702 CORB617 PIRB61801 PIRB61802 CORB618 PIRB61901 PIRB61902 CORB619 PIRB62001 PIRB62002 CORB620 PIRB62101 PIRB62102 CORB621 PIRB62201 PIRB62202 CORB622 PIRB62301 PIRB62302 CORB623 PIRB62401 PIRB62402 CORB624 PIRB62501 PIRB62502 CORB625 PIRB62601 PIRB62602 CORB626 PIRB62701 PIRB62702 CORB627 PIRB62801 PIRB62802 CORB628 PIRB62901 PIRB62902 CORB629 PIRB63001 PIRB63002 CORB630 PIRB63101 PIRB63102 CORB631 PIRB63201 PIRB63202 CORB632 PIRB63301 PIRB63302 CORB633 PIRB63401 PIRB63402 CORB634 PIRB63501 PIRB63502 CORB635 PIRB63601 PIRB63602 CORB636 PIRB63701 PIRB63702 CORB637 PIRB63801 PIRB63802 CORB638 PIRB63901 PIRB63902 CORB639 PIRB64001 PIRB64002 CORB640 PIRB64101 PIRB64102 CORB641 PIRB64201 PIRB64202 CORB642 PIRB64501 PIRB64502 CORB645 PIRB64601 PIRB64602 CORB646 PIRB64701 PIRB64702 CORB647 PIRB64801 PIRB64802 CORB648 PIRB66001 PIRB66002 CORB660 PIRB66101 PIRB66102 CORB661 PIRB66201 PIRB66202 CORB662 PIRB66301 PIRB66302 CORB663 PIRB66401 PIRB66402 CORB664 PIRB66501 PIRB66502 CORB665 PIRB66601 PIRB66602 CORB666 PIRB66701 PIRB66702 CORB667 PIRB66801 PIRB66802 CORB668 PITB10101 PITB10103 PITB10105 PITB10106 PITB10107 PITB10108 PITB10109 PITB101010 PITB101011 COTB101 PITB60105 PITB60107 PITB60108 PITB60109 PITB601010 PITB601011 PITB601013 COTB601 PIUB10101 PIUB10102 PIUB10103 PIUB10104 PIUB10105 PIUB10106 COUB101 PIUB1020A PIUB1020K PIUB1020R COUB102 PIUB20101 PIUB20102 PIUB20103 PIUB20104 PIUB20105 PIUB20106 PIUB20107 PIUB20108 COUB201 PIUB30201 PIUB30202 PIUB30203 PIUB30204 PIUB30208 COUB302A PIUB30205 PIUB30206 PIUB30207 COUB302B PIUB3040A PIUB3040K PIUB3040R COUB304 PIUB60101 PIUB60102 PIUB60103 PIUB60104 PIUB60105 PIUB60106 PIUB60107 PIUB60108 PIUB60109 PIUB601010 PIUB601011 PIUB601012 PIUB601013 PIUB601014 PIUB601015 PIUB601016 COUB601 PIZB10101 PIZB10102 PIZB10103 COZB101 PIZB20101 PIZB20102 PIZB20103 COZB201 PIZB30101 PIZB30102 PIZB30103 COZB301 PIZB60101 PIZB60102 PIZB60103 COZB601 PO1A PO2A PO5A PO9A POADJ0VS0ON POBL0ON NC NC NC NC NC NC NC NC NC NC NC NC NC NC NC NC NC NC NC NC BB 1 1 2 2 3 3 4 4 5 5 6 6 D D C C B B A A 1.15V_STB DDR_CMD DDR_CMD DDR_DATA AVDD_MOD 3V3_STB 3V3_STB 3V3_STB 3V3_STB AVDD_DMPLL AVDD_DADC 3V3_STB 1.15V_STB 1.15V_STB 1.15V_STB 1.15V_STB 1.15V_STB M_SDA M_SCL NAND-CZ NAND-CK NAND-DI IF_AGC NAND-DO NAND-WP XTALO NAND-HOLD XTALI AUVAG AUVRM LVA0- 70 GIN1P 22 BIN1P 21 RIN1P 24 GIN1M 23 AVDD33_AU 28 CVBS_OUT1 27 LINEINR5 36 GIN0P 16 DP_P2 55 LVACLK- 64 DM_P2 54 VDDC 53 AVDD_MOD 5 CVBS0 25 I2S_OUT_MCK/GPIO5 80 LVA1+ 67 LVB3+ 71 VDDIO_DATA 112 AVDD_MOD 111 GIN0M 17 SPI_NAND_WPN 93 SPI_NAND_HOLD 92 SPI_NAND_DI 91 VDDC 90 RESET 89 LVA3- 62 LVACLK+ 63 LVA2+ 65 LVA2- 66 SPI_NAND_CZ 97 LVB2- 74 LVB1+ 75 LVB1- 76 LVB0+ 77 LVB0- 78 EJ_TRST_N/I2S_OUT_SD/GPIO2 83 LVB2+ 73 VDDC 96 VDDIO_DRAM 113 DDCDB_DA 114 DDCDB_CL 115 RX0P_B 128 XIN 46 XOUT 47 AVDD33_DADC 44 AVDD33_DMPLL 45 GPIO45/UART_RX1/EJ_TDO 50 GPIO44/UART_TX1/EJ_TCK 49 GPIO46/I2S_OUT_WS/EJ_TDI 51 RX1N_B 1 RX1P_B 2 RX2N_B 3 RX2P_B 4 RXCN_A 6 RXCP_A 7 RX0N_A 8 RX0P_A 9 RX1N_A 10 RX1P_A 11 RX2N_A 12 RX2P_A 13 HSYNC0 14 BIN0P 15 RIN0P 18 VSYNC0 19 AVDD33_ADC 20 LINEINR0 29 LINEINL0 30 VAG 31 AUVRM 32 LINEOUTL3 37 LINEINR4 34 LINEINL5 35 LINEOUTR0 40 IFAGC 41 VDDIO_CMD 52 DP_P1 58 DM_P0 59 LVA3+ 61 DM_P1 57 LVA0+ 69 LVB3- 72 LVA1- 68 AVDD_MOD 79 I2S_OUT_BCK/GPIO4 81 EJ_RSTZ/GPIO1 84 SPDIF_OUT/GPIO0 85 PWM0 86 GPIO3 82 ETH_RP 105 ETH_TN 106 GPIO87 98 ETH_RN 104 DDCA_DA 99 DDCA_CK 100 SAR1 109 SPI_NAND_CK 94 EJ_DINT/DDCDA_DA 116 SPI_NAND_DO 95 DVDD_DDR_DATA 110 ETH_TP 107 SAR0 108 E-PAD 129 VCOM 26 LINEINL4 33 VIFM 43 VIFP 42 AVDD_MOD 56 MHL_VBUS/PWM1 87 EJ_TMS/DDCDA_CL 117 CEC 118 HOTPLUG_B 119 HOTPLUG_A 120 AVDD_5V 121 ARC 123 VDDC/AVDDL_DVI 124 GND 122 RXCP_B 126 RX0N_B 127 RXCN_B 125 LINEOUTR3 38 LINEOUTL0 39 VDDC 102 MHL_DET 101 AVDD33_ETH 103 DP_P0 60 IRIN 88 VDDC 48 U1 MSD6I881YU-XZ GND HDMI1_RXC_N HDMI1_RXC_P HDMI1_RX0_N HDMI1_RX0_P HDMI1_RX1_N HDMI1_RX1_P HDMI1_RX2_N HDMI1_RX2_P HDMI1_SCL HDMI1_SDA HOTPLUG1' HDMI-ARC HDMI2_SCL HDMI2_SDA HDMI2_RXC_N HDMI2_RXC_P HDMI2_RX0_N HDMI2_RX0_P HDMI2_RX1_N HDMI2_RX1_P HDMI2_RX2_N HDMI2_RX2_P HOTPLUG2' HDMI-CEC AVDD5V_MHL GND AVDDL_DVI 3V3_STB GIN0M HD1_Y HD1_Pr HD1_Pb HD1_COM VCOM CVBS_OUT YPBPR_RIN YPBPR_LIN VIFP VIFM USB0_DP USB0_DM USB1_DP USB1_DM USB2_DP USB2_DM RXE3_P RXE2_N RXE1_P RXE1_N RXE0_N RXE0_P RXE2_P RXE3_N RXEC_N RXEC_P RXO2_N RXO3_P RXO3_N RXO2_P RXO0_N RXO1_P RXO1_N RXO0_P PWR_ON/OFF PWM/ADJ REMOTE RESET_H AMP_MUTE UART-RX/DDC UART-TX/DDC MHL_CABLE-DET BL_EN PHY_TX_P PHY_TX_N PHY_RX_P PHY_RX_N LED_RED KEY R1 4K7ohm R2 4K7ohm-0402-¡À5%-1/16W 3V3_STB GND GND C3 10uF-6.3V C4 0.1uF-16V L5 121T06 LED_RED PWR_ON/OFF PWR_ON/OFF LED_RED KEY KEY HDMI_DET HDMI_DET HDMI_DET AMP-L0 AMP-R0 WIFI_EN AV_LOUT AV_ROUT A0 1 A1 2 A2 3 GND 4 VCC 8 WP 7 SDA 5 SCL 6 U5 NC/GT24C16-2GLI-TR GND 3V3_STB C36 NC/0.1uF-16V GND EEPROM_WP 1 2 3 4 5 CN2 NC/5PIN-2.0-D-H-G 3V3_STB GND M_SDA/ M_SCL/ M_SDA/ M_SCL/ EEPROM_WP R39 NC/33ohm R40 NC/33ohm EEPROM_WP M_SDA M_SCL R38 NC/4K7ohm 3V3_STB 3V3_STB C2 1uF-6.3V C8 0.1uF-16V C9 0.1uF-16V C10 0.1uF-16V C11 0.1uF-16V C12 1uF-6.3V C1 1uF-6.3V L1 FCM1005KF AVDD_MOD L2 FCM1005KF C13 0.1uF-16V GND GND AVDD_DMPLL C7 0.1uF-16V L3 FCM1005KF C14 0.1uF-16V GND AVDD_DADC C27 1uF-6.3V C17 1uF-6.3V C18 1uF-6.3V C16 1uF-6.3V C19 1uF-6.3V C20 1uF-6.3V C15 10uF-6.3V L4 FCM1005KF-121T06(120ohm-500mA) C21 1uF-6.3V AVDDL_DVI 1.15V_JP1 NC 1.15V_STB C22 1uF-6.3V VDDC GND GND C24 1uF-6.3V C23 1uF-6.3V +1.5V_JP1 NC +1.5V_JP2 NC C25 1uF-6.3V GND +1.5V_DDR DDR_CMD GND DDR_DATA CF2 30pF-50V CF1 30pF-50V GND GND XTALO XTALI Y1 24MHz-¡À20PPM -20PF NAND-CZ NAND-CK NAND-DI NAND-DO NAND-WP NAND-HOLD 3V3_STB R7 4K7ohm R4 NC/4K7ohm R8 4K7ohm R3 4K7ohm 3V3_STB CS# 1 SO 2 WP# 3 VSS 4 SI 5 SCK 6 HOLD# 7 VDD 8 EPAD 9 U2 GD5F1GQ4UAYIG GND C26 0.1uF-16V GND R13 0ohm RV7 68ohm CV7 0.047uF-16V GIN0M GND CI10 0.047uF-16V RI14 68ohm GND RI7 180ohm CI7 0.047uF-16V GND HD1_COM VCOM C5 1000pF-50V C6 1000pF-50V GND R5 200Kohm R6 200Kohm AMP-Lin AMP-Rin R10 100ohm R9 100ohm AMP-L0 AMP-R0 PI0105V0JP10JP01K PI0105V0JP10JP02K CO0105V0JP1 PI0105V0JP20JP01K PI0105V0JP20JP02K CO0105V0JP2 PI1015V0JP10JP01K PI1015V0JP10JP02K CO1015V0JP1 PIC101 PIC102 COC1 PIC201 PIC202 COC2 PIC301 PIC302COC3 PIC401 PIC402 COC4 PIC501 PIC502 COC5 PIC601 PIC602 COC6 PIC701 PIC702 COC7 PIC801 PIC802 COC8 PIC901 PIC902 COC9 PIC1001 PIC1002 COC10 PIC1101 PIC1102 COC11 PIC1201 PIC1202 COC12 PIC1301 PIC1302 COC13 PIC1401 PIC1402 COC14 PIC1501 PIC1502 COC15 PIC1601 PIC1602 COC16 PIC1701 PIC1702 COC17 PIC1801 PIC1802 COC18 PIC1901 PIC1902 COC19 PIC2001 PIC2002 COC20 PIC2101 PIC2102 COC21 PIC2201 PIC2202 COC22 PIC2301 PIC2302 COC23 PIC2401 PIC2402 COC24 PIC2501 PIC2502 COC25 PIC2601 PIC2602 COC26 PIC2701 PIC2702 COC27 PIC3601 PIC3602 COC36 PICF101 PICF102 COCF1 PICF201 PICF202 COCF2 PICI701 PICI702 COCI7 PICI1001 PICI1002 COCI10 PICN201 PICN202 PICN203 PICN204 PICN205 COCN2 PICV701 PICV702 COCV7 PIL101 PIL102 COL1 PIL201 PIL202 COL2 PIL301 PIL302 COL3 PIL401 PIL402 COL4 PIL501 PIL502 COL5 PIR101 PIR102 COR1 PIR201 PIR202 COR2 PIR301 PIR302 COR3 PIR401 PIR402 COR4 PIR501 PIR502 COR5 PIR601 PIR602 COR6 PIR701 PIR702 COR7 PIR801 PIR802 COR8 PIR901 PIR902 COR9 PIR1001 PIR1002 COR10 PIR1301 PIR1302 COR13 PIR3801 PIR3802 COR38 PIR3901 PIR3902 COR39 PIR4001 PIR4002 COR40 PIRI701 PIRI702 CORI7 PIRI1401 PIRI1402 CORI14 PIRV701 PIRV702 CORV7 PIU101 PIU102 PIU103 PIU104 PIU105 PIU106 PIU107 PIU108 PIU109 PIU1010 PIU1011 PIU1012 PIU1013 PIU1014 PIU1015 PIU1016 PIU1017 PIU1018 PIU1019 PIU1020 PIU1021 PIU1022 PIU1023 PIU1024 PIU1025 PIU1026 PIU1027 PIU1028 PIU1029 PIU1030 PIU1031 PIU1032 PIU1033 PIU1034 PIU1035 PIU1036 PIU1037 PIU1038 PIU1039 PIU1040 PIU1041 PIU1042 PIU1043 PIU1044 PIU1045 PIU1046 PIU1047 PIU1048 PIU1049 PIU1050 PIU1051 PIU1052 PIU1053 PIU1054 PIU1055 PIU1056 PIU1057 PIU1058 PIU1059 PIU1060 PIU1061 PIU1062 PIU1063 PIU1064 PIU1065 PIU1066 PIU1067 PIU1068 PIU1069 PIU1070 PIU1071 PIU1072 PIU1073 PIU1074 PIU1075 PIU1076 PIU1077 PIU1078 PIU1079 PIU1080 PIU1081 PIU1082 PIU1083 PIU1084 PIU1085 PIU1086 PIU1087 PIU1088 PIU1089 PIU1090 PIU1091 PIU1092 PIU1093 PIU1094 PIU1095 PIU1096 PIU1097 PIU1098 PIU1099 PIU10100 PIU10101 PIU10102 PIU10103 PIU10104 PIU10105 PIU10106 PIU10107 PIU10108 PIU10109 PIU10110 PIU10111 PIU10112 PIU10113 PIU10114 PIU10115 PIU10116 PIU10117 PIU10118 PIU10119 PIU10120 PIU10121 PIU10122 PIU10123 PIU10124 PIU10125 PIU10126 PIU10127 PIU10128 PIU10129 COU1 PIU201 PIU202 PIU203 PIU204 PIU205 PIU206 PIU207 PIU208 PIU209 COU2 PIU501 PIU502 PIU503 PIU504 PIU505 PIU506 PIU507 PIU508 COU5 PIY101 PIY102 COY1 POHDMI0DET POKEY POLED0RED POPWR0ON0OFF 1 1 2 2 3 3 4 4 D D C C B B A A LED_RED IR RK16 1Kohm RK15 10Kohm REMOTE RK23 10Kohm 3V3_STB CK2 0.01uF-50V RK11 1Kohm GND KEY K0/AD 3V3_STB QK1 LMBT3904LT1G GND RK3 10Kohm 3V3_STB RK5 10Kohm LED_R 1 2 3 4 5 6 7 CN11 7PIN-2.0-D-H-G 5V_STB LED_R IR GND GND RK4 12Kohm K0/AD K0/AD CK5 0.1uF-16V GND 5V_STB RK6 22ohm RF5 510ohm RF7 1Kohm GND 5V_M VCC-PANEL VCC-PANEL VCC-PANEL VCC-PANEL GND GND GND RXE3_P RXE3_N RXEC_P RXEC_N GND RXE2_P RXE2_N GND GND GND RXE1_P RXE1_N RXE0_P RXE0_N RXO3_P RXO3_N RXEC_P RXEC_N RXO2_P RXO2_N RXO1_P RXO1_N RXO0_P RXO0_N GND GND GND LVDS_CON_DET LVDS_CON_DET 53 52 1 2 3 4 5 6 7 8 9 10 11 12 13 14 15 16 17 18 19 20 21 22 23 24 25 26 27 28 29 30 31 32 33 34 35 36 37 38 39 40 41 42 43 44 45 46 47 48 49 50 51 CN7 51PIN-0.5-L-M-下接-翻盖-H=2.7mm-XFE PICK201 PICK202 COCK2 PICK501 PICK502 COCK5 PICN701 PICN702 PICN703 PICN704 PICN705 PICN706 PICN707 PICN708 PICN709 PICN7010 PICN7011 PICN7012 PICN7013 PICN7014 PICN7015 PICN7016 PICN7017 PICN7018 PICN7019 PICN7020 PICN7021 PICN7022 PICN7023 PICN7024 PICN7025 PICN7026 PICN7027 PICN7028 PICN7029 PICN7030 PICN7031 PICN7032 PICN7033 PICN7034 PICN7035 PICN7036 PICN7037 PICN7038 PICN7039 PICN7040 PICN7041 PICN7042 PICN7043 PICN7044 PICN7045 PICN7046 PICN7047 PICN7048 PICN7049 PICN7050 PICN7051 PICN7052 PICN7053 COCN7 PICN1101 PICN1102 PICN1103 PICN1104 PICN1105 PICN1106 PICN1107 COCN11 PIQK10B PIQK10C PIQK10E COQK1 PIRF501 PIRF502 CORF5 PIRF701 PIRF702 CORF7 PIRK301 PIRK302 CORK3 PIRK401 PIRK402 CORK4 PIRK501 PIRK502 CORK5 PIRK601 PIRK602 CORK6 PIRK1101 PIRK1102 CORK11 PIRK1501 PIRK1502 CORK15 PIRK1601 PIRK1602 CORK16 PIRK2301 PIRK2302 CORK23 1 1 2 2 3 3 4 4 5 5 6 6 D D C C B B A A RV18 100ohm RV16 100ohm RV17 NC/4K7ohm RV15 NC/4K7ohm 5V_STB UART-RX/DDC UART-TX/DDC CU1 10uF-6.3V LU2 121T06 5V_M 5V_WIFI GND 5V_WIFI USB2_DM' USB2_DP' RU1 5R1ohm RU2 5R1ohm USB2_DP USB2_DM GND WIFI_EN GND RU6 NC/100ohm 1 2 3 4 5 CN17 5PIN-2.0-D-H-G 5V_STB RU5 NC/1K8ohm RU7 NC/1Kohm 5V_WIFI AV OUT GND CVBS/OUT YPBPR&AUDIO IN&AV Y_Y_AV Y_Pr Y_Pb YPBPR_R/AV_R YPBPR_L/AV_L GND GND WIFI UART 1 2 4 3 5 GND AV-R/Pr AV-L/Pb/PC_R AV-IN/Y/PC_L CN9 PJ-322A黑(H=7.0mm) 1 2 3 4 CN3 4PIN-2.0-D-H-蓝色-G GND UART-TX UART-RX C60 1uF-6.3V C61 1uF-6.3V C32 1000pF-50V C31 1000pF-50V GND R23 200Kohm R24 200Kohm AV-Lout AV-Rout R22 100ohm R21 100ohm AV_LOUT AV_ROUT GND GND R18 100Kohm GND R19 100Kohm 1 2 3 4 5 6 Pb GND Y GND Pr GND CN4 AV3-8.4-80-B(绿、蓝、红)-密封 1 4 2 L GND R GND 3 CN8 CYB-3.2-2DW28B-1-100(R)(白、红)-密封 AV-Lout AV-Rout AV-Lout AV-Rout PHY_TX_P PHY_TX_N PHY_RX_P PHY_RX_N GND CTX CRX GND GND CE7 0.1uF-16V CE9 0.1uF-16V RE5 0ohm RE6 0ohm RE8 0ohm RE7 0ohm RJ45_FE_TX+ RJ45_FE_TX- RJ45_FE_RX+ RJ45_FE_RX- PIN7&8 PIN4&5 GND GND CRD CTD CTD CRD CE8 NC/0.01uF-16V GND CE6 CK45-B3AD102KYPNX(TDK) 75R 75R 75R 75R 1nF 9 10 RJ45 卧式 1 2 3 5 6 7 8 TX+ NC RX+ TX- RX- NC NC 4 NC CN15 509053073(无灯无弹) CE1 NC/8pF-50V CE2 NC/8pF-50V CE3 NC/8pF-50V CE4 NC/8pF-50V TD+ 1 CTD 2 TD- 3 NC 4 NC 5 RD+ 6 CRD 7 RD- 8 RX- 9 CRX 10 RX+ 11 NC 12 NC 13 TX- 14 CTX 15 TX+ 16 UE1 H16101MC GND 5V_USB 5V_M F1 MSMD110 USB0_DP USB0_DM 5V_USB GND 1 2 3 4 GND DM DP 5V 5 6 GND GND CN21 USB-042M-002DP RU41 5R1ohm RU42 5R1ohm USB0_P USB0_M CU5 NC/22uF-6.3V + EU1 100uF-16V USB1_DP USB1_DM 5V_USB GND 1 2 3 4 GND DM DP 5V 5 6 GND GND CN1 USB-042M-002DP RU3 5R1ohm RU4 5R1ohm USB1_P USB1_M RI6 10Kohm YPBPR_L/AV_L RI5 10Kohm YPBPR_R/AV_R YPBPR_RIN YPBPR_LIN RI11 12Kohm RI9 12Kohm GND GND CI3 0.1uF-16V CI1 0.1uF-16V HD1_Y RI4 33ohm CI4 0.047uF-16V GND RI1 75ohm Y_Y_AV RI33 75ohm RI32 75ohm GND GND RI38 33ohm RI36 33ohm CI36 0.047uF-16V CI38 0.047uF-16V HD1_Pr HD1_Pb Y_Pb Y_Pr CVBS_OUT CVBS/OUT RS1 0ohm RS2 75ohm GND PIC3101 PIC3102 COC31 PIC3201 PIC3202 COC32 PIC6001 PIC6002 COC60 PIC6101 PIC6102 COC61 PICE101 PICE102 COCE1 PICE201 PICE202 COCE2 PICE301 PICE302 COCE3 PICE401 PICE402 COCE4 PICE601 PICE602 COCE6 PICE701 PICE702 COCE7 PICE801 PICE802 COCE8 PICE901 PICE902 COCE9 PICI101 PICI102 COCI1 PICI301 PICI302 COCI3 PICI401 PICI402 COCI4 PICI3601 PICI3602 COCI36 PICI3801 PICI3802 COCI38 PICN101 PICN102 PICN103 PICN104 PICN105 PICN106 COCN1 PICN301 PICN302 PICN303 PICN304 COCN3 PICN401 PICN402 PICN403 PICN404 PICN405 PICN406 COCN4 PICN801 PICN802 PICN803 PICN804 COCN8 PICN901 PICN902 PICN903 PICN904 PICN905 COCN9 PICN1501 PICN1502 PICN1503 PICN1504 PICN1505 PICN1506 PICN1507 PICN1508 PICN1509 PICN15010 COCN15 PICN1701 PICN1702 PICN1703 PICN1704 PICN1705 COCN17 PICN2101 PICN2102 PICN2103 PICN2104 PICN2105 PICN2106 COCN21 PICU101 PICU102 COCU1 PICU501 PICU502 COCU5 PIEU101 PIEU102 COEU1 PIF101 PIF102 COF1 PILU201 PILU202 COLU2 PIR1801 PIR1802 COR18 PIR1901 PIR1902 COR19 PIR2101 PIR2102 COR21 PIR2201 PIR2202 COR22 PIR2301 PIR2302 COR23 PIR2401 PIR2402 COR24 PIRE501 PIRE502 CORE5 PIRE601 PIRE602 CORE6 PIRE701 PIRE702 CORE7 PIRE801 PIRE802 CORE8 PIRI101 PIRI102 CORI1 PIRI401 PIRI402 CORI4 PIRI501 PIRI502 CORI5 PIRI601 PIRI602 CORI6 PIRI901 PIRI902 CORI9 PIRI1101 PIRI1102 CORI11 PIRI3201 PIRI3202 CORI32 PIRI3301 PIRI3302 CORI33 PIRI3601 PIRI3602 CORI36 PIRI3801 PIRI3802 CORI38 PIRS101 PIRS102 CORS1 PIRS201 PIRS202 CORS2 PIRU101 PIRU102 CORU1 PIRU201 PIRU202 CORU2 PIRU301 PIRU302 CORU3 PIRU401 PIRU402 CORU4 PIRU501 PIRU502 CORU5 PIRU601 PIRU602 CORU6 PIRU701 PIRU702 CORU7 PIRU4101 PIRU4102 CORU41 PIRU4201 PIRU4202 CORU42 PIRV1501 PIRV1502 CORV15 PIRV1601 PIRV1602 CORV16 PIRV1701 PIRV1702 CORV17 PIRV1801 PIRV1802 CORV18 PIUE101 PIUE102 PIUE103 PIUE104 PIUE105 PIUE106 PIUE107 PIUE108 PIUE109 PIUE1010 PIUE1011 PIUE1012 PIUE1013 PIUE1014 PIUE1015 PIUE1016 COUE1 1 1 2 2 3 3 4 4 D D C C B B A A 5V_STB RH27 33ohm HOTPLUG2' HOTPLUG2 RH25 10Kohm RH24 10Kohm HDMI2_SCL/ HDMI2_SDA/ RH29 10ohm AVDD5V_MHL HDMI2_5V GND GND GND GND GND HDMI1_5V CEC HOTPLUG1 HDMI1_SCL/ HDMI1_SDA/ HDMI1_SCL HDMI1_SDA GND HDMI1_RXC_N HDMI1_RXC_P HDMI1_RX0_N HDMI1_RX0_P HDMI1_RX1_N HDMI1_RX1_P HDMI1_RX2_N HDMI1_RX2_P RH16 33ohm RH15 33ohm 1 2 3 4 5 6 7 8 9 10 11 12 13 14 15 16 17 18 19 20 HPD HDMI +5V GND SDA SCL ARC CEC RXC- GND RXC+ RX0- GND RX0+ RX1- GND RX1+ GND RX2+ RX2- 21 22 23 GND GND GND GND AV1 161031041(外壳SPCC) CH13 NC/0.1uF-16V GND HDMI_ARC 1 2 3 4 5 6 7 8 RP1 4¡Á5R1ohm 1 2 3 4 5 6 7 8 RP2 4¡Á5R1ohm HDMI-ARC HDMI_ARC CH14 0.1uF-16V HDMI1_RX2/_P HDMI1_RX2/_N HDMI1_RX1/_P HDMI1_RX1/_N HDMI1_RX0/_P HDMI1_RX0/_N HDMI1_RXC/_P HDMI1_RXC/_N HDMI1_5V RH3 1Kohm QH1 LMBT3904LT1G RH2 10Kohm RH1 10Kohm HDMI1_5V HOTPLUG1' HDMI1_5V HOTPLUG1 RH5 10Kohm RH4 10Kohm HDMI1_SCL/ HDMI1_SDA/ GND GND GND GND GND HDMI2_5V CEC HOTPLUG2 HDMI2_SCL/ HDMI2_SDA/ GND HDMI2_RXC_N HDMI2_RXC_P HDMI2_RX0_N HDMI2_RX0_P HDMI2_RX1_N HDMI2_RX1_P HDMI2_RX2_N HDMI2_RX2_P 1 2 3 4 5 6 7 8 9 10 11 12 13 14 15 16 17 18 19 20 HPD HDMI +5V GND SDA SCL ARC CEC RXC- GND RXC+ RX0- GND RX0+ RX1- GND RX1+ GND RX2+ RX2- 21 22 23 GND GND GND GND AV2 161031041(外壳SPCC) CH18 1000pF-50V MHL_CD_SENSE GND 1 2 3 4 5 6 7 8 RP3 4¡Á5R1ohm R11 5R1ohm R26 5R1ohm R28 5R1ohm R12 5R1ohm HDMI-CEC RH14 220ohm GND CEC CH10 30pF-50V RH56 22Kohm RH55 33Kohm HDMI_DET HDMI1_5V IN 5 EN 4 GND 2 FLAG/ILIM 3 OUT 1 UH2 NC/AP2171WG-7 GND HDMI2_5V 5V_MHL GND CH6 NC/10uF-10V RH50 NC/NC/10Kohm GND RH9 NC/10Kohm 5V_MHL MHL_CD_SENSERH12 NC/4PIN-2.54-D-H-G RH38 0ohm 5V_STB 5V_M RH37 NC/NC/0ohm RH18 NC/NC/4K7ohm GND RH10 100ohm RH11 0ohm MHL_CABLE-DET MHL_CD_SENSE CH15 0.1uF-16V PIAV101 PIAV102 PIAV103 PIAV104 PIAV105 PIAV106 PIAV107 PIAV108 PIAV109 PIAV1010 PIAV1011 PIAV1012 PIAV1013 PIAV1014 PIAV1015 PIAV1016 PIAV1017 PIAV1018 PIAV1019 PIAV1020 PIAV1021 PIAV1022 PIAV1023 COAV1 PIAV201 PIAV202 PIAV203 PIAV204 PIAV205 PIAV206 PIAV207 PIAV208 PIAV209 PIAV2010 PIAV2011 PIAV2012 PIAV2013 PIAV2014 PIAV2015 PIAV2016 PIAV2017 PIAV2018 PIAV2019 PIAV2020 PIAV2021 PIAV2022 PIAV2023 COAV2 PICH601 PICH602 COCH6 PICH1001 PICH1002 COCH10 PICH1301 PICH1302 COCH13 PICH1401 PICH1402 COCH14 PICH1501 PICH1502 COCH15 PICH1801 PICH1802 COCH18 PIQH10B PIQH10C PIQH10E COQH1 PIR1101 PIR1102 COR11 PIR1201 PIR1202 COR12 PIR2601 PIR2602 COR26 PIR2801 PIR2802 COR28 PIRH101 PIRH102 CORH1 PIRH201 PIRH202 CORH2 PIRH301 PIRH302 CORH3 PIRH401 PIRH402 CORH4 PIRH501 PIRH502 CORH5 PIRH901 PIRH902 CORH9 PIRH1001 PIRH1002 CORH10 PIRH1101 PIRH1102 CORH11 PIRH1201 PIRH1202 CORH12 PIRH1401 PIRH1402 CORH14 PIRH1501 PIRH1502 CORH15 PIRH1601 PIRH1602 CORH16 PIRH1801 PIRH1802 CORH18 PIRH2401 PIRH2402 CORH24 PIRH2501 PIRH2502 CORH25 PIRH2701 PIRH2702 CORH27 PIRH2901 PIRH2902 CORH29 PIRH3701 PIRH3702 CORH37 PIRH3801 PIRH3802 CORH38 PIRH5001 PIRH5002 CORH50 PIRH5501 PIRH5502 CORH55 PIRH5601 PIRH5602 CORH56 PIRP101 PIRP102 PIRP103 PIRP104 PIRP105 PIRP106 PIRP107 PIRP108 CORP1 PIRP201 PIRP202 PIRP203 PIRP204 PIRP205 PIRP206 PIRP207 PIRP208 CORP2 PIRP301 PIRP302 PIRP303 PIRP304 PIRP305 PIRP306 PIRP307 PIRP308 CORP3 PIUH201 PIUH202 PIUH203 PIUH204 PIUH205 COUH2 1 1 2 2 3 3 4 4 5 5 6 6 D D C C B B A A SIGNAL GPIO NET M_SDA M_SCL IF_AGC VIFP IF_AGC VIFP VIFM VIFM POWER NET 5V_M 5V_M 3V3_STB 3V3_STB M_SDA M_SCL CT6 10uF-6.3V CT3 0.1uF-16V CT5 0.1uF-16V GND CT2 10uF-6.3V CT4 10uF-6.3V 5V_M 3V3_Tun VI 3 VO 2 ADJ 1 VO 4 UT2 LC1117CLTR33 LT13 FCM1005KF 3V3_Tun 3V3_STB TUNER_SDA TUNER_SCL RT6 33ohm RT5 33ohm RT3 4K7ohm RT4 4K7ohm M_SDA M_SCL IF_AGC RT21 0ohm RT18 10Kohm 3V3_Tun GND CT19 0.022uF-16V T-IF-AGC RT2 10Kohm CT1 0.1uF-16V GND VIFP VIFM IFn IFp GND GND CT10 56pF-50V CT24 56pF-50V CT20 0.1uF-16V CT23 0.1uF-16V RT7 0ohm RT12 0ohm RT1 1K8ohm RT14 1K8ohm GND GND GND GND GND GND GND GND GND GND GND RF_INPUT RT11 1K8ohm CT29 6800pF-50V CT26 330pF-50V CT18 0.1uF-16V RT8 NC/10Kohm CT110.1uF-16V CT120.022uF-16V CT13 1.2pF-50V CT17 NC/100pF-50V LT9 NC/SDCL1005CR27JTDF(顺络) LT6 1Kohm LT8 1Kohm 3V3_Tun CT9 0.1uF-16V LT1 SDCL1005C68 3V3_Tun CT27 0.1uF-16V 3V3_Tun CT25 0.1uF-16V LT10 SDCL1005CR18 CT21 0.1uF-16V 3V3_Tun T-IF-AGC IFn IFp LT3 SDCL1005C2N7STDFM01 RFIN2 2 TF1 3 TF2 4 DECT1 5 SCL 6 SDA 7 AVDD 8 AVDD 18 VOP 17 VON 16 VAGC 15 DVSS 10 CP 9 RFIN 1 AVDD 24 TFH 23 TFL 22 GPIO 21 VBG 20 DET2 19 GND 25 DVDD 11 XTAL_I 12 VAGC2 14 XTAL_O 13 UT1 R840 LT2 1Kohm TUNER_SDA TUNER_SCL YT1 16MHz-¡À 20PPM-20PF CT14 8pF-50V CT15 8pF-50V GND GND 热缩套管 Φ12mm¡Á12mm- 黑色-125度(UL认证) 1 2 3 4 GND GND GND GND P1 22.6¡Á17.3¡Á6-L HD(带封口) GND 1 2 3 4 RF_GND RF RF_GND RF_GND T1 RF-A814.5(H=6.3mm)-带热塑套管-LHD RFGND GND GNDGND 1 3 2 DT1 BAV99-BR RF_INPUT LT11 NC/SDCL1005CR27JTDF CT28 470pF-1000V CT41 4700pF-1000V CT42 4700pF-1000V GND CT43 4700pF-1000V CT44 4700pF-1000V CT50 4700pF-1000V RFGND CT51 4700pF-1000V CT52 4700pF-1000V CT53 4700pF-1000V PI3V30Tun01 CO3V30Tun PICT101 PICT102 COCT1 PICT201 PICT202 COCT2 PICT301 PICT302 COCT3 PICT401 PICT402 COCT4 PICT501 PICT502 COCT5 PICT601 PICT602 COCT6 PICT901 PICT902 COCT9 PICT1001 PICT1002 COCT10 PICT1101 PICT1102 COCT11 PICT1201 PICT1202 COCT12 PICT1301 PICT1302 COCT13 PICT1401 PICT1402 COCT14 PICT1501 PICT1502 COCT15 PICT1701 PICT1702 COCT17 PICT1801 PICT1802 COCT18 PICT1901 PICT1902 COCT19 PICT2001 PICT2002 COCT20 PICT2101 PICT2102 COCT21 PICT2301 PICT2302 COCT23 PICT2401 PICT2402 COCT24 PICT2501 PICT2502 COCT25 PICT2601 PICT2602 COCT26 PICT2701 PICT2702 COCT27 PICT2801 PICT2802 COCT28 PICT2901 PICT2902 COCT29 PICT4101 PICT4102 COCT41 PICT4201 PICT4202 COCT42 PICT4301 PICT4302 COCT43 PICT4401 PICT4402 COCT44 PICT5001 PICT5002 COCT50 PICT5101 PICT5102 COCT51 PICT5201 PICT5202 COCT52 PICT5301 PICT5302 COCT53 PIDT101 PIDT102 PIDT103 CODT1 PILT101 PILT102 COLT1 PILT201 PILT202 COLT2 PILT301 PILT302 COLT3 PILT601 PILT602 COLT6 PILT801 PILT802 COLT8 PILT901 PILT902 COLT9 PILT1001 PILT1002 COLT10 PILT1101 PILT1102 COLT11 PILT1301 PILT1302 COLT13 PIP101 PIP102 PIP103 PIP104 COP1 PIRT101 PIRT102 CORT1 PIRT201 PIRT202 CORT2 PIRT301 PIRT302 CORT3 PIRT401 PIRT402 CORT4 PIRT501 PIRT502 CORT5 PIRT601 PIRT602 CORT6 PIRT701 PIRT702 CORT7 PIRT801 PIRT802 CORT8 PIRT1101 PIRT1102 CORT11 PIRT1201 PIRT1202 CORT12 PIRT1401 PIRT1402 CORT14 PIRT1801 PIRT1802 CORT18 PIRT2101 PIRT2102 CORT21 PIT101 PIT102 PIT103 PIT104 COT1 PIUT101 PIUT102 PIUT103 PIUT104 PIUT105 PIUT106 PIUT107 PIUT108 PIUT109 PIUT1010 PIUT1011 PIUT1012 PIUT1013 PIUT1014 PIUT1015 PIUT1016 PIUT1017 PIUT1018 PIUT1019 PIUT1020 PIUT1021 PIUT1022 PIUT1023 PIUT1024 PIUT1025 COUT1 PIUT201 PIUT202 PIUT203 PIUT204 COUT2 PIYT101 PIYT102 COYT1 COÈÈËõÌ×¹Ü PO3V30STB PO5V0M POIF0AGC POM0SCL POM0SDA POVIFM POVIFP 1 1 2 2 3 3 4 4 5 5 6 6 D D C C B B A A GND RA7 12Kohm RA9 NC/9K1ohm CA39 1uF-16V CA40 NC/1uF-16V GVDD PLIMIT GND RA8 10ohm AVCC 12V CA7 0.1uF-16V 12V + EA1 470uF-16V GND CA1 0.1uF-16V CA2 10uF16V ROUT- LOUT- LOUT+ ROUT+ 1 2 3 4 RSPK Rout- LSPK Lout- CNA3 4PIN-2.54-D-H-G-B CA44 1000pF-50V LOUT- AVCC CA42 1000pF-50V ROUT- SD 1 FAULT 2 LINP 3 LINN 4 GAIN0 5 GAIN1 6 AVCC 7 AGND 8 GVDD 9 PLIMIT 10 RINN 11 RINP 12 NC 13 PBTL 14 PVCCR 15 PVCCR 16 BSPR 17 OUTPR 18 PGND 19 OUTNR 20 BSNR 21 BSNL 22 OUTNL 23 PGND 24 OUTPL 25 BSPL 26 PVCCL 27 PVCCL 28 UA1 TPA3110LD2PWPR GND GND GND GND GND 8Ω 8Ω LA36 SCD54TL-220M LA37 SCD54TL-220M LA38 SCD54TL-220M LA39 SCD54TL-220M GND GND CA46 0.22uF-16V CA47 0.22uF-16V CA53 0.22uF-16V CA54 0.22uF-16V GND CA52 0.47uF-16V CA51 0.47uF-16V CA58 0.47uF-16V CA59 0.47uF-16V GND GND CA36 0.22uF-16V CA35 0.22uF-16V CA34 0.22uF-16V CA33 0.22uF-16V GND GVDD PLIMIT GND 5V_M RA46 4K7ohm RA5 NC/0ohm GAIN0 GAIN0 ROUT+ LOUT+ 12V 12V RA16 100ohm RA17 100ohm AMP_MUTE R125 100ohm RA11 4K7ohm GND CA5 0.1uF-16V CA6 0.1uF-16V AMP_MUTE/ AMP-Lin AMP-Rin CA31 1000pF-50V CA32 1000pF-50V CA3 NC/0.1uF-16V CA8 NC/0.1uF-16V CA9 NC/0.1uF-16V CA10 NC/0.1uF-16V GND GND PICA101 PICA102 COCA1 PICA201 PICA202 COCA2 PICA301 PICA302 COCA3 PICA501 PICA502 COCA5 PICA601 PICA602 COCA6 PICA701 PICA702 COCA7 PICA801 PICA802 COCA8 PICA901 PICA902 COCA9 PICA1001 PICA1002 COCA10 PICA3101 PICA3102 COCA31 PICA3201 PICA3202 COCA32 PICA3301 PICA3302 COCA33 PICA3401 PICA3402 COCA34 PICA3501 PICA3502 COCA35 PICA3601 PICA3602 COCA36 PICA3901 PICA3902 COCA39 PICA4001 PICA4002 COCA40 PICA4201 PICA4202 COCA42 PICA4401 PICA4402 COCA44 PICA4601 PICA4602 COCA46 PICA4701 PICA4702 COCA47 PICA5101 PICA5102 COCA51 PICA5201 PICA5202 COCA52 PICA5301 PICA5302 COCA53 PICA5401 PICA5402 COCA54 PICA5801 PICA5802 COCA58 PICA5901 PICA5902 COCA59 PICNA301 PICNA302 PICNA303 PICNA304 COCNA3 PIEA101 PIEA102 COEA1 PILA3601 PILA3602 COLA36 PILA3701 PILA3702 COLA37 PILA3801 PILA3802 COLA38 PILA3901 PILA3902 COLA39 PIR12501 PIR12502 COR125 PIRA501 PIRA502 CORA5 PIRA701 PIRA702 CORA7 PIRA801 PIRA802 CORA8 PIRA901 PIRA902 CORA9 PIRA1101 PIRA1102 CORA11 PIRA1601 PIRA1602 CORA16 PIRA1701 PIRA1702 CORA17 PIRA4601 PIRA4602 CORA46 PIUA101 PIUA102 PIUA103 PIUA104 PIUA105 PIUA106 PIUA107 PIUA108 PIUA109 PIUA1010 PIUA1011 PIUA1012 PIUA1013 PIUA1014 PIUA1015 PIUA1016 PIUA1017 PIUA1018 PIUA1019 PIUA1020 PIUA1021 PIUA1022 PIUA1023 PIUA1024 PIUA1025 PIUA1026 PIUA1027 PIUA1028 COUA1

标签:

版权声明

1. 本站所有素材,仅限学习交流,仅展示部分内容,如需查看完整内容,请下载原文件。
2. 会员在本站下载的所有素材,只拥有使用权,著作权归原作者所有。
3. 所有素材,未经合法授权,请勿用于商业用途,会员不得以任何形式发布、传播、复制、转售该素材,否则一律封号处理。
4. 如果素材损害你的权益请联系客服QQ:77594475 处理。