组装机采用TP.HV320.PB801 C方案电路原理图

分类:电子电工 日期: 点击:0
组装机采用TP.HV320.PB801 C方案电路原理图-0 组装机采用TP.HV320.PB801 C方案电路原理图-1 组装机采用TP.HV320.PB801 C方案电路原理图-2 组装机采用TP.HV320.PB801 C方案电路原理图-3 组装机采用TP.HV320.PB801 C方案电路原理图-4 组装机采用TP.HV320.PB801 C方案电路原理图-5 组装机采用TP.HV320.PB801 C方案电路原理图-6 组装机采用TP.HV320.PB801 C方案电路原理图-7 组装机采用TP.HV320.PB801 C方案电路原理图-8 组装机采用TP.HV320.PB801 C方案电路原理图-9

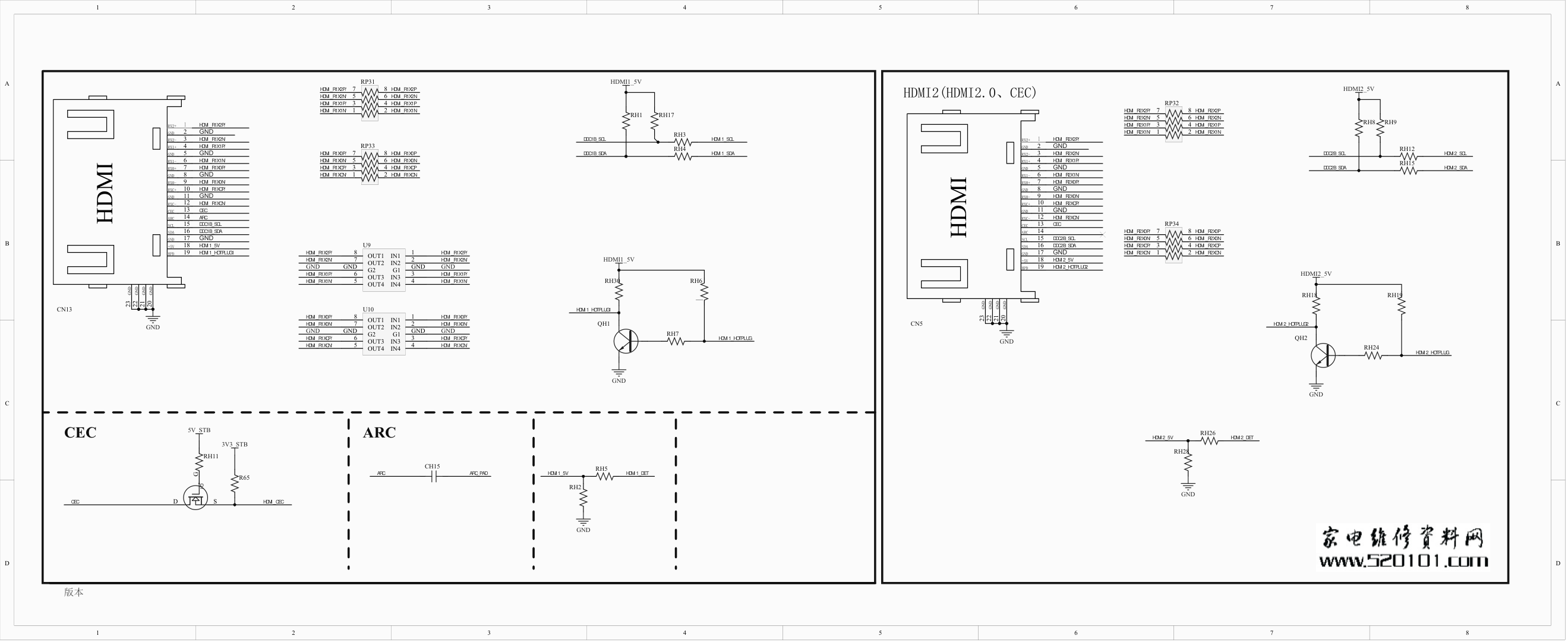
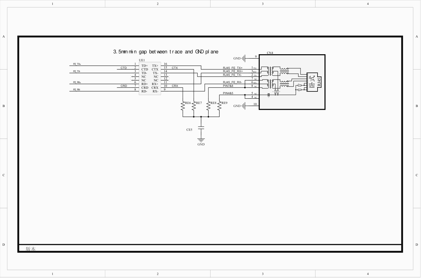
1 1 2 2 3 3 4 4 5 5 6 6 7 7 8 8 D D C C B B A A 3V3_M GND CD60 5V_M GND CD61 CD62 GND GND CD77 VI 3 VO 2 ADJ 1 VO 4 UD5 GND GND CD76 CD75 5V_STB 3V3_STB 3V3_STB 版本:SN1501019DDCR-01 CD59 RD26 CD69 更新:杨继龙15-8-7 说明: CD71 CD65 CD64 CD66 12V VDD_1V1CORE_1V1 RD28 CD73 RD31 CD74 GND RD34 GND GND GND GND GND 版本:SN1501019DDCR-01 更新:杨继龙15-8-7 说明: CD68 CD70 SN1504025DDCR 更新:杨继龙15-8-7 说明: 1V5_DDR3 LDO_1V2 VI 3 VO 2 ADJ 1 VO 4 U3 GND C7 GND C8 C9 GND 3V3_M 版本:SN1501019DDCR-01 CD50 CD49 CD40 RD19 RD18 RD25 CD58 RD8 更新:杨继龙15-8-7 12V 5V_STB 5V_STB RD22 GND GND GND GND GND GND CD53 CD54 CD52 IN 3 EN 5 BS 6 SW 2 FB 4 GND 1 UD2 CD51 VCC_Panel QM2 RM1 RM3 GND GND CM3 CM2 RM2 CM4 RM4 GND 5V_STB 5V_M RM5 GND RM6 RM8 RM7 GND CM6 CM5 PVCC CM7 CM1 GND A_EN RG1 RG2 GND PWM0 RG4 GND BL_PWR 3V3_WIFI R12V R5V + ED2 LD2 LD3 QM3 12V=>5V_STB 12V=>1V1_CORE 12V=>1V1_GPU 0.9V~1.4V 5V_STB=>1V5_DDR3 3V3_M=>LDO_1V2 5V_M=>3V3_M 5V_STB=>3V3_STB 5V_STB=>5V_M Inverter STB_PWR PMC0 PVCC 5V_STB 12V TCON_PWR STB_PWR VI 3 VO 2 ADJ 1 UD41 CM8 GND RD9 RD20 RD7 CD41 5V_STB GND GND GND LD5 EN 1 GND 2 SW 3 VIN 4 FB 5 UD1 CD83 CD20 RD17 GND 1V5_DDR3 CD48 CD47 GND CD45 CD46 D G S QM1 QM32 3V3_WIFI GND CL2 CL4 CL3 GND GND 5V_M VI 3 VO 2 ADJ 1 VO 4 UD14 STB_GPI O0_0 IN 3 EN 5 BS 6 SW 2 FB 4 GND 1 UD3 BL_ON PWM_REF RG3 RD30 RD32 RD33 RD27 GND LD1 EN 1 GND 2 SW 3 VIN 4 FB 5 UD6 CD42 CD88 CD96 GND RD45 CD86 GND GND CPU_1V1 GPU_1V1 CD84 CD85 CD87 PMC1 CD81 CD80 CD82 RD38 CD95 RD42 GND GND STB_PWR 5V_STB RD37 RD40 RD44 RD46 RD5 PI1V50DDR301 CO1V50DDR3 PI3V30STB01 CO3V30STB PI5V0STB01 CO5V0STB PIC701 PIC702 COC7 PIC801 PIC802 COC8 PIC901 PIC902 COC9 PICD2001 PICD2002 COCD20 PICD4001 PICD4002 COCD40 PICD4101 PICD4102 COCD41 PICD4201 PICD4202 COCD42 PICD4501 PICD4502 COCD45 PICD4601 PICD4602 COCD46 PICD4701 PICD4702 COCD47 PICD4801 PICD4802 COCD48 PICD4901 PICD4902 COCD49 PICD5001 PICD5002 COCD50 PICD5101 PICD5102 COCD51 PICD5201 PICD5202 COCD52 PICD5301 PICD5302 COCD53 PICD5401 PICD5402 COCD54 PICD5801 PICD5802 COCD58 PICD5901 PICD5902 COCD59 PICD6001 PICD6002 COCD60 PICD6101 PICD6102 COCD61 PICD6201 PICD6202 COCD62 PICD6401 PICD6402COCD64 PICD6501 PICD6502COCD65 PICD6601 PICD6602COCD66 PICD6801 PICD6802 COCD68 PICD6901 PICD6902 COCD69 PICD7001 PICD7002 COCD70 PICD7101 PICD7102 COCD71 PICD7301 PICD7302 COCD73 PICD7401 PICD7402 COCD74 PICD7501 PICD7502 COCD75 PICD7601 PICD7602 COCD76 PICD7701 PICD7702 COCD77 PICD8001 PICD8002COCD80 PICD8101 PICD8102COCD81 PICD8201 PICD8202COCD82 PICD8301 PICD8302 COCD83 PICD8401 PICD8402 COCD84 PICD8501 PICD8502 COCD85 PICD8601 PICD8602 COCD86 PICD8701 PICD8702 COCD87 PICD8801 PICD8802 COCD88 PICD9501 PICD9502 COCD95 PICD9601 PICD9602 COCD96 PICL201 PICL202 COCL2 PICL301 PICL302 COCL3 PICL401 PICL402 COCL4 PICM101 PICM102 COCM1 PICM201 PICM202 COCM2 PICM301 PICM302 COCM3 PICM401 PICM402 COCM4 PICM501 PICM502 COCM5 PICM601 PICM602 COCM6 PICM701 PICM702 COCM7 PICM801 PICM802 COCM8 PICORE01V101 COCORE01V1 PIED201 PIED202 COED2 PIGPU01V101 COGPU01V1 PILD101 PILD102 COLD1 PILD201 PILD202 COLD2 PILD301 PILD302 COLD3 PILD501 PILD502 COLD5 PIQM10D PIQM10G PIQM10S COQM1 PIQM20B PIQM20C PIQM20E COQM2 PIQM30B PIQM30C PIQM30E COQM3 PIQM320D PIQM320G PIQM320S COQM32 PIR5V01 PIR5V02 COR5V PIR12V01 PIR12V02 COR12V PIRD501 PIRD502 CORD5 PIRD701 PIRD702 CORD7 PIRD801 PIRD802 CORD8 PIRD901 PIRD902 CORD9 PIRD1701 PIRD1702 CORD17 PIRD1801 PIRD1802 CORD18 PIRD1901 PIRD1902 CORD19 PIRD2001 PIRD2002 CORD20 PIRD2201 PIRD2202 CORD22 PIRD2501 PIRD2502 CORD25 PIRD2601 PIRD2602 CORD26 PIRD2701 PIRD2702 CORD27 PIRD2801 PIRD2802 CORD28 PIRD3001 PIRD3002 CORD30 PIRD3101 PIRD3102 CORD31 PIRD3201 PIRD3202 CORD32 PIRD3301 PIRD3302 CORD33 PIRD3401 PIRD3402 CORD34 PIRD3701 PIRD3702 CORD37 PIRD3801 PIRD3802 CORD38 PIRD4001 PIRD4002 CORD40 PIRD4201 PIRD4202 CORD42 PIRD4401 PIRD4402 CORD44 PIRD4501 PIRD4502 CORD45 PIRD4601 PIRD4602 CORD46 PIRG101 PIRG102 CORG1 PIRG201 PIRG202 CORG2 PIRG301 PIRG302 CORG3 PIRG401 PIRG402 CORG4 PIRM101 PIRM102 CORM1 PIRM201 PIRM202 CORM2 PIRM301 PIRM302 CORM3 PIRM401 PIRM402 CORM4 PIRM501 PIRM502 CORM5 PIRM601 PIRM602 CORM6 PIRM701 PIRM702 CORM7 PIRM801 PIRM802 CORM8 PIU301 PIU302 PIU303 PIU304 COU3 PIUD101 PIUD102 PIUD103 PIUD104 PIUD105 COUD1 PIUD201 PIUD202 PIUD203 PIUD204 PIUD205 PIUD206 COUD2 PIUD301 PIUD302 PIUD303 PIUD304 PIUD305 PIUD306 COUD3 PIUD501 PIUD502 PIUD503 PIUD504 COUD5 PIUD601 PIUD602 PIUD603 PIUD604 PIUD605 COUD6 PIUD1401 PIUD1402 PIUD1403 PIUD1404 COUD14 PIUD4101 PIUD4102 PIUD4103 COUD41 PI1V50DDR301 PICD4501 PICD4601 PICD4701 PICD4802 PICD8302 PILD502 PIRD902 PIC701 PICD6101 PICD6201 PIU303 PIUD4102 PI3V30STB01 PICD7602 PICD7701 PIUD502 PIUD504 PICL301 PICL401 PIUD1402 PIUD1404 PICD6001 PICL201 PICM602 PICM702 PIQM320D PIUD1403 PIUD4103 PI5V0STB01 PICD2001 PICD4101 PICD5202 PICD5302 PICD5402 PICD7502 PICD8002 PICD8102 PICD8202 PICM502 PIED201 PILD202 PIQM320S PIR5V01 PIRD701 PIRD1802 PIRD3801 PIRM501 PIUD104 PIUD503 PIUD604 NL5V0STB PICD4902 PICD5001 PICD5101 PICD6402 PICD6502 PICD6602 PIR12V01 PIRD1901 PIRD2801 PIUD203 PIUD303 NL12V PICD7302 PIRD2802 PIRD3101 PIUD305 NLA0EN PIRG301 NLBL0ON PIRG302 PIRG402 NLBL0PWR PICD4202 PICD8401 PICD8501 PICD8601 PICD8701 PICD8802 PIGPU01V101 PILD102 PIRD3702 PIC702 PIC802 PIC902 PICD2002 PICD4102 PICD4502 PICD4602 PICD4702 PICD4801 PICD4901 PICD5002 PICD5102 PICD5201 PICD5301 PICD5401 PICD5801 PICD6002 PICD6102 PICD6202 PICD6401 PICD6501 PICD6601 PICD6801 PICD6902 PICD7002 PICD7101 PICD7301 PICD7401 PICD7501 PICD7601 PICD7702 PICD8001 PICD8101 PICD8201 PICD8402 PICD8502 PICD8602 PICD8702 PICD8801 PICD9501 PICD9601 PICL202 PICL302 PICL402 PICM102 PICM202 PICM601 PICM701 PICM801 PIED202 PIQM20E PIQM30E PIRD1702 PIRD2001 PIRD2201 PIRD2501 PIRD3201 PIRD4401 PIRG201 PIRG401 PIRM401 PIRM802 PIU301 PIUD102 PIUD201 PIUD301 PIUD501 PIUD602 PIUD1401 PIUD4101 PIC801 PIC901 PIU302 PIU304 PICD4001 PIRD802 PICD4002 PILD201 PIUD202 PICD4201 PIRD4001 PIRD4402 PIRD4602 PIUD605 PICD5802 PIRD1801 PIRD2502 PIUD204 PICD5901 PIRD2602 PICD5902 PILD301 PIUD302 PICD7402 PIRD3302 PIRD3402 PICD8301 PIRD901 PIRD2002 PIUD105 PICD9502 PIRD3802 PIRD4201 PIUD601 PICD9602 PIRD4502 PIRD4601 PICM301 PICM401 PIQM10G PIRM202 PICM501 PIQM320G PIRM601 PILD101 PIUD603 PILD501 PIUD103 PIQM20B PIRM302 PIRM402 PIQM20C PIRM102 PIRM201 PIQM30B PIRM701 PIRM801 PIQM30C PIRM502 PIRM602 PIRD501 PIRD702 PIRD1701 PIUD101 PIRD801 PIUD206 PIRD1902 PIRD2202 PIUD205 PIRD2601 PIUD306 PIRD2701 PIRD3002 PIRD3001 PIRD3202 PIRD3301 PIUD304 PIRD3701 PIRD4002 PIRD3401 NLPMC0 PIRD4501 NLPMC1 PICM101 PICM302 PIQM10S PIR5V02 PIR12V02 PIRM101 NLPVCC PIRG102 PIRG202 NLPWM0 PIRG101 NLPWM0REF PIRD502 NLSTB0GPIO000 PIRD3102 PIRD4202 PIRM702 NLSTB0PWR PICM802 PIRM301 NLTCON0PWR PICM201 PICM402 PIQM10D PICD6802 PICD6901 PICD7001 PICD7102 PICORE01V101 PILD302 PIRD2702 1 1 2 2 3 3 4 4 5 5 6 6 7 7 8 8 D D C C B B A A EMMC_CMD EMMC_D4 EMMC_D0 EMMC_D7 EMMC_D6 EMMC_D2 EMMC_D1 EMC_D4 EMC_D6 EMC_CMD EMC_D2 EMC_D0 EMC_D1 EMC_D7 Uni t 3 of Hi 3751V320( CI / SCI / EMMC/ SFC/ I F) I 2C3_SDA/ I 2C3_SCL/ EMMC_CMD EMMC_D4 EMMC_D0 EMMC_D7 EMMC_D6 SD_CWPR EMMC_D3 EMMC_RST EMMC_CLK EMMC_D2 EMMC_D1 CI _WAI TN/ SI M0_DATA CI _ADR4/ SI M0_CLK CI _RDY/ SI M0_RST CI _ADR3/ SI M0_DET CI _ADR12/ BOOT_SEL0 I F- I F+ RF_AGC/ JTAG_MUX0 R1 R5 GND GND C86 C87 C79 GND C81 C82 C83 GND C80 GND 3V3_M 3V3_M GND GND GND VDDI VDDI GND C110C1 C5 GND EMMC_CLK EMMC_RST VDD K9 VDD J10 VDD F5 VDD E6 VDD_IF P3 VDD_IF P5 VDD_IF N4 VDD_IF M4 VDD_IF C6 CREG/VDDi C2 VSS C4 CLK M6 CMD M5 D0 A3 D1 A4 D2 A5 D3 B2 VSS E7 VSS G5 VSS H10 VSS K8 VSS N2 VSS N5 VSS P4 VSS P6 D4 B3 D5 B4 D6 B5 D7 B6 RESET K5 ERR F3 ERR G2 ERR G1 ERR D4 ERR E3 ERR F2 ERR F1 ERR E1 ERR E2 ERR D3 ERR D1 ERR D2 ERR C3 ERR C1 ERR A2 ERR B7 ERR A8 ERR N7 ERR P8 ERR M8 ERR N9 ERR P9 ERR M9 ERR N10 ERR P11 ERR N1 Vss A6 VSF E9 VSF E10 VSF F10 DS H5 Vss J5 ERR A1 ERR C5 ERR M1 ERR M2 U1 EMC_CLK EMC_CMD EMC_D0 EMC_D1 EMC_D2 EMC_D3 EMC_D4 EMC_D5 EMC_D6 EMC_D7 EMC_RST EMC_CLK EMC_D5 EMC_D5 EMC_D3 EMC_D4 EMC_CLK EMC_CMD EMC_RST EMC_D6 EMC_D7 EMC_D6 R2 3V3_M EMC_CMD EMMC_RST R3 EMMC TSI0_D0/JTAG_TMS TSI0_D1/JTAG_TRSTN TSI0_D3/JTAG_TDI TSI0_D2/JTAG_TCK TSI0_D4/JTAG_TDO TCK TDI TMS TRST TDO SFC_CLK/GPIO3_2/SPI0_CLK V22 QAMAD_VINNI AE8 QAMAD_VINPI AF8 AGC_SEL/JTAG_MUX1/GPIO10_1 AE6 EMMC_D0/GPIO7_5 B3 SD_PWREN/TSI1_SYNC/GPIO12_0 AD6 SD_CWPR/TSI1_D0/GPIO12_1 AB9 SD_CCMD/TSI1_D4/GPIO12_5 AF9 SD_CLK/TSI1_D3/GPIO12_4 AA9 SD_CDZ/GPIO11_7 AC10 SD_D3/TSI1_/GPIO12_6 AE9 SD_D2/TSI1_D6/GPIO12_7 AA10 SD_D1/TSI1_D1/GPIO12_2 AD9 SD_D0/TSI1_D2/GPIO12_3 AC9 TSI1_VLD/GPIO13_2 AA8 TSI1_CLK/GPIO13_1 AB8 TSO0_D3/GPIO13_6 AF16 TSO0_/GPIO14_0 AD17 TSO0_D2/GPIO13_5 AD15 TSO0_D6/GPIO14_1 AB16 TSO0_D1/GPIO13_4 AD14 TSO0_D7/GPIO14_2 AB17 TSO0_D0/GPIO13_3 AC14 TSO0_VLD/GPIO14_4 AD16 TSO0_SYNC/GPIO14_5 AA14 TSO0_CLK/GPIO14_3 AC16 RF_AGC/JTAG_MUX0/GPIO10_0 AC7 EMMC_RSTN/GPIO7_2 C5 EMMC_CCMD/GPIO7_3 B4 EMMC_CLK/GPIO7_4 A5 SFC_DOI/GPIO3_3/SPI0_DI Y22 SFC_DIO/GPIO3_0/SPI0_DO AC24 SFC_HOLDN/GPIO3_4 AB22 SFC_CS1N/GPIO3_5 AD22 SFC_WPN/GPIO3_1 AC23 TSI0_SYNC/GPIO11_6 AC19 TSI0_VLD/GPIO11_5 AB20 TSI0_CLK/GPIO11_4 AF18 TSI1_D7/GPIO13_0 AC8 EMMC_D7/GPIO8_4 C1 EMMC_D6/GPIO8_3 B2 EMMC_/GPIO8_2 C4 EMMC_D4/GPIO8_1 A3 EMMC_D3/GPIO8_0 B5 EMMC_D2/GPIO7_7 B1 EMMC_D1/GPIO7_6 A2 TSI0_D0/JTAG_TMS/GPIO10_4 AF21 TSI0_D7/GPIO11_3 AC12 TSI0_D6/GPIO11_2 AA12 TSI0_/GPIO11_1 AF12 TSI0_D4/JTAG_TDO/GPIO11_0 AE11 TSI0_D3/JTAG_TDI/GPIO10_7 AD11 TSI0_D2/JTAG_TCK/GPIO10_6 AE22 TSI0_D1/JTAG_TRSTN/GPIO10_5 AE20 CI_WAITN/SIM0_DATA AF19 CI_RDY/SIM0_RST AC15 CI_RST/GPIO17_2 AB18 TSO0_D4/GPIO13_7 AE16 CI_REGN/GPIO17_5 AE19 CI_IOWRN/GPIO17_4 AE14 CI_IORDN/GPIO17_3 AA13 CI_WEN/GPIO17_1 AE15 CI_OEN/GPIO17_0 AF13 CI_CEN/GPIO16_7 AB12 CI_CDN/GPIO16_6 AF22 CI_ADR14/GPIO16_5 AA15 CI_ADR13/PCB_L AF15 CI_ADR12/BOOT_SEL0 AE17 CI_ADR11/ROMBOOT_SEL AD13 CI_ADR10/BOOT_SEL AD12 CI_ADR9/GPIO16_4 AE13 CI_ADR8/GPIO16_3 AC13 CI_ADR7/GPIO16_2 AC17 CI_ADR6/GPIO16_1 AC18 CI_ADR5/SIM0_PWREN AD18 CI_ADR4/SIM0_CLK AE18 CI_ADR3/SIM0_DET AD19 CI_ADR2/GPIO16_0 AD20 CI_ADR1/GPIO15_7 AC20 CI_ADR0/GPIO15_6 AE21 CI_DQ7/GPIO15_5 AC11 CI_DQ6/GPIO15_4 AF10 CI_DQ5/GPIO15_3 AE12 CI_DQ4/GPIO15_2 AD10 CI_DQ3/GPIO15_1 AE10 CI_DQ2/GPIO15_0 AD21 CI_DQ1/GPIO14_7 AB19 CI_DQ0/GPIO14_6 AC21 HI 3751V320 U15B EMMC_D5 EMC_D5 EMMC_D3 EMMC_D5 WIFI_RST_IC SD_CLK_IC SD_CDZ_IC SD_D2_IC SD_D3_IC SD_CMD_IC SD_D0_IC SD_D1_IC SD_PWREN Audio_SW R19 3V3_M R9 1 2 3 4 5 6 7 8 RP2 1 2 3 4 5 6 7 8 RP1 PIC101 PIC102COC1 PIC501 PIC502 COC5 PIC7901 PIC7902COC79 PIC8001 PIC8002COC80 PIC8101 PIC8102COC81 PIC8201 PIC8202COC82 PIC8301 PIC8302COC83 PIC8601 PIC8602 COC86 PIC8701 PIC8702 COC87 PIC11001 PIC11002COC110 PIR101 PIR102 COR1 PIR201 PIR202 COR2 PIR301 PIR302 COR3 PIR501 PIR502 COR5 PIR901 PIR902 COR9 PIR1901 PIR1902 COR19 PIRP101 PIRP102 PIRP103 PIRP104 PIRP105 PIRP106 PIRP107 PIRP108 CORP1 PIRP201 PIRP202 PIRP203 PIRP204 PIRP205 PIRP206 PIRP207 PIRP208 CORP2 PITCK01 COTCK PITDI01 COTDI PITDO01 COTDO PITMS01 COTMS PITRST01 COTRST PIU10A1 PIU10A2 PIU10A3 PIU10A4 PIU10A5 PIU10A6 PIU10A8 PIU10B2 PIU10B3 PIU10B4 PIU10B5 PIU10B6 PIU10B7 PIU10C1 PIU10C2 PIU10C3 PIU10C4 PIU10C5 PIU10C6 PIU10D1 PIU10D2 PIU10D3 PIU10D4 PIU10E1 PIU10E2 PIU10E3 PIU10E6 PIU10E7 PIU10E9 PIU10E10 PIU10F1 PIU10F2 PIU10F3 PIU10F5 PIU10F10 PIU10G1 PIU10G2 PIU10G5 PIU10H5 PIU10H10 PIU10J5 PIU10J10 PIU10K5 PIU10K8 PIU10K9 PIU10M1 PIU10M2 PIU10M4 PIU10M5 PIU10M6 PIU10M8 PIU10M9 PIU10N1 PIU10N2 PIU10N4 PIU10N5 PIU10N7 PIU10N9 PIU10N10 PIU10P3 PIU10P4 PIU10P5 PIU10P6 PIU10P8 PIU10P9 PIU10P11 COU1 PIU150A2 PIU150A3 PIU150A5 PIU150AA8 PIU150AA9 PIU150AA10 PIU150AA12 PIU150AA13 PIU150AA14 PIU150AA15 PIU150AB8 PIU150AB9 PIU150AB12 PIU150AB16 PIU150AB17 PIU150AB18 PIU150AB19 PIU150AB20 PIU150AB22 PIU150AC7 PIU150AC8 PIU150AC9 PIU150AC10 PIU150AC11 PIU150AC12 PIU150AC13 PIU150AC14 PIU150AC15 PIU150AC16 PIU150AC17 PIU150AC18 PIU150AC19 PIU150AC20 PIU150AC21 PIU150AC23 PIU150AC24 PIU150AD6 PIU150AD9 PIU150AD10 PIU150AD11 PIU150AD12 PIU150AD13 PIU150AD14 PIU150AD15 PIU150AD16 PIU150AD17 PIU150AD18 PIU150AD19 PIU150AD20 PIU150AD21 PIU150AD22 PIU150AE6 PIU150AE8 PIU150AE9 PIU150AE10 PIU150AE11 PIU150AE12 PIU150AE13 PIU150AE14 PIU150AE15 PIU150AE16 PIU150AE17 PIU150AE18 PIU150AE19 PIU150AE20 PIU150AE21 PIU150AE22 PIU150AF8 PIU150AF9 PIU150AF10 PIU150AF12 PIU150AF13 PIU150AF15 PIU150AF16 PIU150AF18 PIU150AF19 PIU150AF21 PIU150AF22 PIU150B1 PIU150B2 PIU150B3 PIU150B4 PIU150B5 PIU150C1 PIU150C4 PIU150C5 PIU150V22 PIU150Y22 COU15B PIC102 PIC7902 PIC8102 PIC8202 PIC8302 PIC11002 PIR202 PIR302 PIR1902 PIU10C6 PIU10E6 PIU10F5 PIU10J10 PIU10K9 PIU10M4 PIU10N4 PIU10P3 PIU10P5 PIU150AC24 NLAudio0SW PIU150AD19 NLCI0ADR30SIM00DET PIU150AE18 NLCI0ADR40SIM00CLK PIR1901 PIU150AE17 NLCI0ADR120BOOT0SEL0 PIU150AC15 NLCI0RDY0SIM00RST PIU150AF19 NLCI0WAITN0SIM00DATA PIC502 PIR502 PIU10M6 PIU10N7 PIU10P8 NLEMC0CLK PIR201 PIRP201 PIU10M5 PIU10M8 PIU10N9 PIU10P9 NLEMC0CMD PIRP207 PIU10A3 NLEMC0D0 PIRP101 PIU10A4 NLEMC0D1 PIRP103 PIU10A5 NLEMC0D2 PIR902 PIU10B2 PIU10C1 NLEMC0D3 PIRP205 PIU10A2 PIU10B3NLEMC0D4 PIRP203 PIU10B4 PIU10C3 PIU10D3 PIU10E1 PIU10E2 NLEMC0D5 PIRP105 PIU10B5 PIU10C5 PIU10F3 PIU10G1 PIU10G2 NLEMC0D6 PIRP107 PIU10A8 PIU10B6 PIU10B7 NLEMC0D7 PIR101 PIU10K5 PIU10M9 PIU10N10 PIU10P11 NLEMC0RST PIR501 PIU150A5 NLEMMC0CLK PIRP202 PIU150B4 NLEMMC0CMD PIRP208 PIU150B3 NLEMMC0D0 PIRP102 PIU150A2 NLEMMC0D1 PIRP104 PIU150B1 NLEMMC0D2 PIR901 PIU150B5 NLEMMC0D3 PIRP206 PIU150A3 NLEMMC0D4 PIRP204 PIU150C4 NLEMMC0D5 PIRP106 PIU150B2 NLEMMC0D6 PIRP108 PIU150C1 NLEMMC0D7 PIC8002 PIR102 PIR301 PIU150C5 NLEMMC0RST PIC101 PIC501 PIC7901 PIC8001 PIC8101 PIC8201 PIC8301 PIC8601 PIC8701 PIC11001 PIU10A6 PIU10C4 PIU10D4 PIU10E3 PIU10E7 PIU10F1 PIU10F2 PIU10G5 PIU10H5 PIU10H10 PIU10J5 PIU10K8 PIU10M1 PIU10M2 PIU10N2 PIU10N5 PIU10P4 PIU10P6 PIU150AE8 NLIF0 PIU150AF8 NLIF0 PIU10A1 PIU10E9 PIU10E10 PIU10F10 PIU10N1 PIU150AA8 PIU150AA12 PIU150AA13 PIU150AA14 PIU150AA15 PIU150AB8 PIU150AB12 PIU150AB16 PIU150AB17 PIU150AB18 PIU150AB19 PIU150AB20 PIU150AB22 PIU150AC8 PIU150AC11 PIU150AC12 PIU150AC13 PIU150AC14 PIU150AC16 PIU150AC17 PIU150AC18 PIU150AC19 PIU150AC20 PIU150AC21 PIU150AC23 PIU150AD6 PIU150AD10 PIU150AD12 PIU150AD13 PIU150AD14 PIU150AD15 PIU150AD16 PIU150AD17 PIU150AD18 PIU150AD20 PIU150AD21 PIU150AD22 PIU150AE10 PIU150AE12 PIU150AE13 PIU150AE14 PIU150AE15 PIU150AE16 PIU150AE19 PIU150AE21 PIU150AF10 PIU150AF12 PIU150AF13 PIU150AF15 PIU150AF16 PIU150AF18 PIU150AF22 PIU150V22 PIU150AC7 NLRF0AGC0JTAG0MUX0 PIU150AC10 NLSD0CDZ0IC PIU150AA9 NLSD0CLK0IC PIU150AF9 NLSD0CMD0IC PIU150AB9 NLSD0CWPR PIU150AC9 NLSD0D00IC PIU150AD9 NLSD0D10IC PIU150AA10 NLSD0D20IC PIU150AE9 NLSD0D30IC PIU150Y22 NLSD0PWREN PITMS01 PIU150AF21 NLTSI00D00JTAG0TMS PITRST01 PIU150AE20 NLTSI00D10JTAG0TRSTN PITCK01 PIU150AE22 NLTSI00D20JTAG0TCK PITDI01 PIU150AD11 NLTSI00D30JTAG0TDI PITDO01 PIU150AE11 NLTSI00D40JTAG0TDO PIC8602 PIC8702 PIU10C2 PIU10D1 PIU10D2 NLVDDI PIU150AE6 NLWIFI0RST0IC 1 1 2 2 3 3 4 4 D D C C B B A A USB3_TXP USB3_TXM USB3_DP USB3_RXP USB3_RXM USB3_DM USB2_DM1 USB2_DP1 USB2_DP0 USB2_DM0 HDMI 0_SDA HDMI 0_SCL HDMI _CEC HDMI 0_DET STB_GPI O0_1 HDMI _R0X2N HDMI _R0X1P HDMI _R0X1N HDMI _R0X0P/ MHL HDMI _R0X0N/ MHL HDMI _R0XCP HDMI _R0XCN HDMI _R0X2P HDMI 0_HTP_CBUS MHL_CD_SENSE HDMI 2_SDA HDMI 2_SCL HDMI 2_DET HDMI 2_HOTPLUG HDMI _R2X2P HDMI _R2X2N HDMI _R2X1P HDMI _R2X1N HDMI _R2X0P HDMI _R2X0N HDMI _R2XCP HDMI _R2XCN GND GND GND R81 FE_RX+ FE_TX+ FE_RX- FE_TX- FE_LED1 FE_LED0 AV2_IN_IC YPbPr_Y_IC YPbPr_SOY_IC YPbPr_Pb_IC YPbPr_Pr_IC CVBS_VCOM YPbPr_Y0N_IC CVBS_OUT_IC R88 LINEIN_L2 LINEIN_R2 CI1 RI1 GND RI51 GND RI7 CI7 YPbPr_Y0N_IC RI54 Y0N GND GND CVBS_VCOM CVBS_VCOM/ LINEOUT_L2 LINEOUT_R2 AMP-LO AMP-RO LINEOUT_R1 LINEOUT_L1 LINEOUT_R2 LINEOUT_L2 PWM0 STB_GPI O0_0 I RI N LS_ADC0_KEY UART1_RXD UART1_TXD GPI O4_7 LD_EN DF0/ SYNC_3D_I N DF1/ SYNC_3D_OUT LVDS1_TBP LVDS1_TBN LVDS0_TDN LVDS0_TBP LVDS0_TBN I 2C1_SCL LVDS1_TDP LVDS1_TDN I 2C1_SDA LVDS0_TAN LVDS0_TAP LVDS0_TCN LVDS0_TCP LVDS0_TCLKN LVDS0_TCLKP LVDS0_TDP LVDS0_TEN LVDS0_TEP LVDS1_TAN LVDS1_TAP LVDS1_TCN LVDS1_TCP 3D_MODE LVDS1_TCLKN LVDS1_TCLKP LVDS1_TEP LVDS1_TEN LS_ADC2/ STB_GPI O1_0 I 2C2_SCL I 2C2_SDA AMP_MUTE STB_PWR TCON_PWR PMC0 PMC1 GND R78 R80 XOUT XIN Y1 XIN XOUT CVBS1_IN HDMI _R1X1N HDMI _R1X1P HDMI _R1X2N HDMI _R1X2P HDMI _R1XCN HDMI _R1XCP HDMI _R1X0N HDMI _R1X0P HDMI 1_SDA HDMI 1_SCL ARC_PAD HDMI 1_DET HDMI 1_HOTPLUG 晶振 LED_GREEN LVDS1_TEN AB24 LVDS1_TEP AB23 LVDS1_TCLKN AA26 LVDS1_TCLKP AA25 LVDS1_TCN Y24 LVDS1_TCP Y23 LVDS1_TAN W26 LVDS1_TAP W25 LVDS0_TEN V24 LVDS0_TEP V23 LVDS0_TCLKN U26 LVDS0_TCLKP U25 LVDS0_TCN T24 LVDS0_TCP T23 LVDS0_TAN R26 LVDS0_TAP R25 GPIO4_4 M26 GPIO4_3/LVDS_SEL M25 I2C2_SDA/GPIO10_3/PWM2 AD7 I2C2_SCL/GPIO10_2/PWM1 AE5 I2C1_SCL/GPIO5_3 L24 I2C1_SDA/GPIO5_2 M24 I2C0_SCL/GPIO6_6 C7 I2C0_SDA/GPIO6_7 E7 LVDS0_TDN U23 LVDS0_TDP U22 LVDS0_TBN R23 LVDS0_TBP R22 LVDS1_TDP AA22 LVDS1_TDN AA23 LVDS1_TBN W23 LVDS1_TBP W22 I2S_DOUT/GPIO6_3/I2S_DIN D7 I2S_WS/GPIO6_2/PWM0 F7 I2S_BCLK/GPIO6_1 C6 I2S_MCLK/GPIO6_0 E6 SYNC_3DI/GPIO5_1 K26 SYNC_3DO/GPIO5_0 J26 VSYNC_GLSS/GPIO4_7 H26 BLK_ON/GPIO4_6 K25 BRI_PWM0/GPIO4_5 L26 PWR_EN/GPIO4_2 L25 EN_3D/GPIO4_1 M23 LD_EN/GPIO4_0/SCN_EN J25 STB_GPIO0_0 E11 JTAG_SEL F5 POR_SEL C11 RESTIN E12 FUNC_SEL A14 SPDIF_OUT/GPIO8_5 E5 PMC1/GPIO6_5 B6 PMC0/GPIO6_4 A6 UART2_TXD/GPIO7_1/I2C4_SDA B7 UART2_RXD/GPIO7_0/I2C4_SCL D6 UART1_TXD/UART0_TXD/DBGI2C_SCL D10 UART1_RXD/UART0_RXD/DBGI2C_SDA C10 XOUT A12 XIN B12 LS_ADC3/STB_GPIO1_1 D12 LS_ADC2/STB_GPIO1_0 B14 LS_ADC1/STB_GPIO0_7 A15 LS_ADC0/STB_GPIO0_6 C14 AMP_MUTE/STB_GPIO0_5 F11 LED_PWM/STB_GPIO0_4 E10 STANDBY/STB_GPIO0_3 D11 IRIN/STB_GPIO0_2 B10 HI 3751V320 U15C FE_REXT F2 FE_LED1/GPIO9_1 E4 FE_LED0/GPIO9_0 C2 FE_TXN E1 FE_RXP D3 FE_RXN C3 FE_TXP E2 MIC_N AF6 MIC_P Y6 PR0P J3 PB0P H1 Y0P H3 SOY0 K2 VGA_DDC_SCL/GPIO8_6 D4 VGA_DDC_SDA/GPIO8_7 D5 VGA_HS F3 VGA_BP G1 VGA_GN G3 VGA_GP G2 VGA_RP H2 VGA_VS F4 SOG G4 Y0N J2 USB2_RBIAS AC22 USB3_RXP AF25 USB3_TXP AF23 USB2_DM2 AD23 USB2_DP2 AD24 USB2_DP1 AD26 USB2_DM1 AE26 USB2_DM0 AC25 USB2_DP0 AC26 HDMI_R2X0P T4 HDMI_R2X0N T3 ARC_PAD AA7 HDMI1_SCL/STB_GPIO2_3 U5 HDMI1_SDA/STB_GPIO2_2 T6 HDMI1_HTP/STB_GPIO1_6 R6 HDMI1_DET/STB_GPIO1_4 T5 MHL_CD_SENSE/STB_GPIO1_2 P6 MHL_VBUS_CTRL/STB_GPIO0_1 F10 HDMI_CEC/STB_GPIO2_6 P3 HDMI0_SCL/STB_GPIO2_1 R5 HDMI0_SDA/STB_GPIO2_0 P4 HDMI0_DET/STB_GPIO1_3 P5 CBUS_PAD N5 USB3_TXN AE23 USB3_RXN AE25 HDMI2_SCL/STB_GPIO2_5 N4 HDMI2_SDA/STB_GPIO2_4 N1 HDMI2_HTP/STB_GPIO1_7 N3 HDMI2_DET/STB_GPIO1_5 N2 HDMI_R2XCP R2 HDMI_R2XCN R1 HDMI_R2X2P V4 HDMI_R2X2N V3 HDMI_R2X1P U2 HDMI_R2X1N U1 HDMI_R1XCP W2 HDMI_R1XCN W1 HDMI_R1X2P AB4 HDMI_R1X2N AB3 HDMI_R1X1P AA2 HDMI_R1X1N AA1 HDMI_R1X0P Y4 HDMI_R1X0N Y3 HDMI_R0XCP AC2 HDMI_R0XCN AC1 HDMI_R0X2P AF3 HDMI_R0X2N AF2 HDMI_R0X1P AE2 HDMI_R0X1N AE1 HDMI_R0X0P AD4 HDMI_R0X0N AD3 VDAC1_OUT M3 LINEOUT_R2 AA6 LINEOUT_R1 AB7 LINEOUT_L2 AC6 LINEOUT_L1 AB5 LINEIN_R2 AC5 LINEIN_R1 AB6 LINEIN_L2 Y5 LINEIN_L1 AA5 CVBS_VCOM L2 CVBS2 L1 CVBS1 L3 CVBS0 K1 BG_RES_10K M2 HI 3751V320 U15D R83 R84 C187 C190 RW61 RW60 3V3_M I 2C1_SCL I 2C1_SDA VGA_RIN_IC VGA_GIN_IC VGA_BIN_IC VGA_HS_IC VGA_VS_IC VGA_SOG_IC VGA_GN_IC RXD0/VGA_SCL_IC TXD0/VGA_SDA_IC PC_RIN_IC PC_LIN_IC SPDIF_OUT BL_PWR LED_PWM MICP MICN RI52 GND R22 STB_PWR AMP_IR 3V3_STB RA2 RA4 PIC18701 PIC18702 COC187 PIC19001 PIC19002 COC190 PICI101 PICI102 COCI1 PICI701 PICI702 COCI7 PIR2201 PIR2202 COR22 PIR7801 PIR7802 COR78 PIR8001 PIR8002 COR80 PIR8101 PIR8102 COR81 PIR8301 PIR8302 COR83 PIR8401 PIR8402 COR84 PIR8801 PIR8802 COR88 PIRA201 PIRA202 CORA2 PIRA401 PIRA402 CORA4 PIRI101 PIRI102 CORI1 PIRI701 PIRI702 CORI7 PIRI5101 PIRI5102 CORI51 PIRI5201 PIRI5202 CORI52 PIRI5401 PIRI5402 CORI54 PIRW6001 PIRW6002 CORW60 PIRW6101 PIRW6102 CORW61 PIU150A6 PIU150A12 PIU150A14 PIU150A15 PIU150AA22 PIU150AA23 PIU150AA25 PIU150AA26 PIU150AB23 PIU150AB24 PIU150AD7 PIU150AE5 PIU150B6 PIU150B7 PIU150B10 PIU150B12 PIU150B14 PIU150C6 PIU150C7 PIU150C10 PIU150C11 PIU150C14 PIU150D6 PIU150D7 PIU150D10 PIU150D11 PIU150D12 PIU150E5 PIU150E6 PIU150E7 PIU150E10 PIU150E11 PIU150E12 PIU150F5 PIU150F7 PIU150F11 PIU150H26 PIU150J25 PIU150J26 PIU150K25 PIU150K26 PIU150L24 PIU150L25 PIU150L26 PIU150M23 PIU150M24 PIU150M25 PIU150M26 PIU150R22 PIU150R23 PIU150R25 PIU150R26 PIU150T23 PIU150T24 PIU150U22 PIU150U23 PIU150U25 PIU150U26 PIU150V23 PIU150V24 PIU150W22 PIU150W23 PIU150W25 PIU150W26 PIU150Y23 PIU150Y24 COU15C PIU150AA1 PIU150AA2 PIU150AA5 PIU150AA6 PIU150AA7 PIU150AB3 PIU150AB4 PIU150AB5 PIU150AB6 PIU150AB7 PIU150AC1 PIU150AC2 PIU150AC5 PIU150AC6 PIU150AC22 PIU150AC25 PIU150AC26 PIU150AD3 PIU150AD4 PIU150AD23 PIU150AD24 PIU150AD26 PIU150AE1 PIU150AE2 PIU150AE23 PIU150AE25 PIU150AE26 PIU150AF2 PIU150AF3 PIU150AF6 PIU150AF23 PIU150AF25 PIU150C2 PIU150C3 PIU150D3 PIU150D4 PIU150D5 PIU150E1 PIU150E2 PIU150E4 PIU150F2 PIU150F3 PIU150F4 PIU150F10 PIU150G1 PIU150G2 PIU150G3 PIU150G4 PIU150H1 PIU150H2 PIU150H3 PIU150J2 PIU150J3 PIU150K1 PIU150K2 PIU150L1 PIU150L2 PIU150L3 PIU150M2 PIU150M3 PIU150N1 PIU150N2 PIU150N3 PIU150N4 PIU150N5 PIU150P3 PIU150P4 PIU150P5 PIU150P6 PIU150R1 PIU150R2 PIU150R5 PIU150R6 PIU150T3 PIU150T4 PIU150T5 PIU150T6 PIU150U1 PIU150U2 PIU150U5 PIU150V3 PIU150V4 PIU150W1 PIU150W2 PIU150Y3 PIU150Y4 PIU150Y5 PIU150Y6 COU15D PIY101 PIY102 COY1 PIU150M23 NL3D0MODE PIRW6002 PIRW6102 PIR2202 PIRA202 NLAMP0LO PIRA402 NLAMP0RO PIU150A15 NLAMP0IR PIU150F11 NLAMP0MUTE PIU150AA7 NLARC0PAD PIU150K1 NLAV20IN0IC PIU150K25 NLBL0PWR PIU150L3 NLCVBS10IN PIU150M3 NLCVBS0OUT0IC PICI102 PIU150L2 NLCVBS0VCOM PIU150K26 NLDF00SYNC03D0IN PIU150J26 NLDF10SYNC03D0OUT PIU150C2 NLFE0LED0 PIU150E4 NLFE0LED1 PIU150D3 NLFE0RX0 PIU150C3 NLFE0RX0 PIU150E2 NLFE0TX0 PIU150E1 NLFE0TX0 PIU150H26 NLGPIO407 PIU150P5 NLHDMI00DET PIU150N5 NLHDMI00HTP0CBUS PIU150R5 NLHDMI00SCL PIU150P4 NLHDMI00SDA PIU150T5 NLHDMI10DET PIU150R6 NLHDMI10HOTPLUG PIU150U5 NLHDMI10SCL PIU150T6 NLHDMI10SDA PIU150N2 NLHDMI20DET PIU150N3 NLHDMI20HOTPLUG PIU150N4 NLHDMI20SCL PIU150N1 NLHDMI20SDA PIU150P3 NLHDMI0CEC PIU150AD3 NLHDMI0R0X0N0MHL PIU150AD4 NLHDMI0R0X0P0MHL PIU150AE1 NLHDMI0R0X1N PIU150AE2 NLHDMI0R0X1P PIU150AF2 NLHDMI0R0X2N PIU150AF3 NLHDMI0R0X2P PIU150AC1 NLHDMI0R0XCN PIU150AC2 NLHDMI0R0XCP PIU150Y3 NLHDMI0R1X0N PIU150Y4 NLHDMI0R1X0P PIU150AA1 NLHDMI0R1X1N PIU150AA2 NLHDMI0R1X1P PIU150AB3 NLHDMI0R1X2N PIU150AB4 NLHDMI0R1X2P PIU150W1 NLHDMI0R1XCN PIU150W2 NLHDMI0R1XCP PIU150T3 NLHDMI0R2X0N PIU150T4 NLHDMI0R2X0P PIU150U1 NLHDMI0R2X1N PIU150U2 NLHDMI0R2X1P PIU150V3 NLHDMI0R2X2N PIU150V4 NLHDMI0R2X2P PIU150R1 NLHDMI0R2XCN PIU150R2 NLHDMI0R2XCP PIRW6101 PIU150L24 NLI2C10SCL PIRW6001 PIU150M24 NLI2C10SDA PIU150AE5 NLI2C20SCL PIU150AD7 NLI2C20SDA PIU150B10 NLIRIN PIU150J25 NLLD0EN PIU150D12 NLLED0GREEN PIU150E10 NLLED0PWM PIU150Y5 NLLINEIN0L2 PIU150AC5 NLLINEIN0R2 PIU150AB5 NLLINEOUT0L1 PIRA201 PIU150AC6 NLLINEOUT0L2 PIU150AB7 NLLINEOUT0R1 PIRA401 PIU150AA6 NLLINEOUT0R2 PIU150C14 NLLS0ADC00KEY PIU150B14 NLLS0ADC20STB0GPIO100 PIU150R26 NLLVDS00TAN PIU150R25 NLLVDS00TAP PIU150R23 NLLVDS00TBN PIU150R22 NLLVDS00TBP PIU150U26 NLLVDS00TCLKN PIU150U25 NLLVDS00TCLKP PIU150T24 NLLVDS00TCN PIU150T23 NLLVDS00TCP PIU150U23 NLLVDS00TDN PIU150U22 NLLVDS00TDP PIU150V24 NLLVDS00TEN PIU150V23 NLLVDS00TEP PIU150W26 NLLVDS10TAN PIU150W25 NLLVDS10TAP PIU150W23 NLLVDS10TBN PIU150W22 NLLVDS10TBP PIU150AA26 NLLVDS10TCLKN PIU150AA25 NLLVDS10TCLKP PIU150Y24 NLLVDS10TCN PIU150Y23 NLLVDS10TCP PIU150AA23 NLLVDS10TDN PIU150AA22 NLLVDS10TDP PIU150AB24 NLLVDS10TEN PIU150AB23 NLLVDS10TEP PIU150P6 NLMHL0CD0SENSE PIU150AF6 NLMICN PIU150Y6 NLMICP PIC18702 PIR7801 PIY102 PICI101 PIRI102 PICI702 PIRI702 PIR8102 PIU150F2 PIR8302 PIR8402 PIU150AC22 PIR8802 PIU150M2 PIU150A14 PIU150B7 PIU150C6 PIU150C7 PIU150C11 PIU150D6 PIU150D7 PIU150E6 PIU150E7 PIU150E12 PIU150F5 PIU150F7 PIU150L1 PIU150M25 PIU150M26 PIU150AA5 NLPC0LIN0IC PIU150AB6 NLPC0RIN0IC PIU150A6 NLPMC0 PIU150B6 NLPMC1 PIU150L26 NLPWM0 PIU150D4 NLRXD00VGA0SCL0IC PIU150E5 NLSPDIF0OUT PIU150E11 NLSTB0GPIO000 PIU150F10 NLSTB0GPIO001 PIR2201 PIU150D11 NLSTB0PWR PIU150L25 NLTCON0PWR PIU150D5 NLTXD00VGA0SDA0IC PIU150C10 NLUART10RXD PIU150D10 NLUART10TXD PIU150AC25 NLUSB20DM0 PIU150AE26 NLUSB20DM1 PIU150AC26 NLUSB20DP0 PIU150AD26 NLUSB20DP1 PIU150AD23 NLUSB30DM PIU150AD24 NLUSB30DP PIU150AE25 NLUSB30RXM PIU150AF25 NLUSB30RXP PIU150AE23 NLUSB30TXM PIU150AF23 NLUSB30TXP PIU150G1 NLVGA0BIN0IC PIU150G2 NLVGA0GIN0IC PIU150G3 NLVGA0GN0IC PIU150F3 NLVGA0HS0IC PIU150H2 NLVGA0RIN0IC PIU150G4 NLVGA0SOG0IC PIU150F4 NLVGA0VS0IC PIC19002 PIR8001 PIU150B12 PIY101 NLXIN PIR7802 PIR8002 PIU150A12 NLXOUT PIC18701 PIC19001 PIR8101 PIR8301 PIR8401 PIR8801 PIRI101 PIRI701 PIRI5101 PIRI5102 PIRI5201 PIRI5202 PIRI5401 PIRI5402 NLCVBS0VCOM0 NLY0N PIU150H1 NLYPbPr0Pb0IC PIU150J3 NLYPbPr0Pr0IC PIU150K2 NLYPbPr0SOY0IC PICI701 PIU150J2 NLYPbPr0Y0N0IC PIU150H3 NLYPbPr0Y0IC 1 1 2 2 3 3 4 4 5 5 6 6 7 7 8 8 D D C C B B A A 版本 RI4 CI2 RI5 RI6 CI4 RI9 RI8 CI8 YPbPr_Y_IC YPbPr_SOY_IC YPbPr_Pb_IC RI24 RI21 CI18 YPbPr_Pr_IC GND GND GND RI16 RI15 RI19 RI18 GND GND AV1_IN RI2 CI6 GND AV1_L AV1_R CVBS1_I N 版本 AV1 RI3 Y/CVBS2 YPbPr_Pb/Lin YPbPr_Pr/Rin VGA部分 VGA_RIN_IC VGA_GIN_IC VGA_BIN_IC GND GND GND GND CV1 CV3 CV7 GND RXD0/VGA_SCL_IC TXD0/VGA_SDA_IC GND GND PC AUDIO RV19 RV26 DDC VGA_HS_IC VGA_VS_IC 版本 PC_RIN_IC PC_LIN_IC VGA_SDA VGA_SCL VGA_SDA VGA_SCL VGA_HSYNC VGA_VSYNC 1 2 3 4 5 GND ERO RSPK LSPK ELO CN9 RV1 RV6 C2 VGA_SOG_IC VGA_RIN VGA_GIN VGA_BIN RV9 RV2 RV8 RV10 RV12 RV18 RV21 GND CV9 VGA_GN_IC VGA_BN VGA_GN VGA_RN RV23 RV25 RV27 RV28 RV3 RV4 RV22 RV24 CV11 CV12 RV16 RV17 URAT_RX URAT_TX RV15 RV14 UART1_RXD UART1_TXD URAT_TX URAT_RX UART 5V_M RV5 RV7 1 6 2 7 3 8 4 9 5 11 12 13 14 15 10 17 16 TXD SDA HS VS SCL R GND G GND B GND RXD 5V DET GND GND GND DB15 CN8 5V_STB YPbPr(Y支持CVBS2) 版本 COAX输出时需更改同轴端子为橙色 GND LI1 RI13 GND CVBS_OUT/COAX CVBS_OUT_IC RI10 HP_ALOUT HP_AROUT GND CA63 GND Mini Line Out 版本 GND 版本 COAX输出时需更改同轴端子为橙色 COAX(与CVBS_OUT兼容) RI29 RI30 CI23 CI22 GND GND CVBS_OUT/COAX SPDIF_OUT RA20 CA62 RA44 CA64 LINEOUT_R1/ LINEOUT_L1/ LINEOUT_L1 AV2 Audio 版本 GND 1 2 COAX GND 3 GND CN6 1 2 CVBS GND 3 GND CN3 1 2 3 4 5 GND ERO RSPK LSPK ELO CN1 HP_AROUT HP_ALOUT RI11 RI22 RI25 RI14 GND GND AV2_Lin AV2_RIN YPbPr_Pb/Lin YPbPr_Pr/Rin RI31 CI24 AV2_IN_IC CI11 CI35 S1 7 S2 6 DA 8 DB 5 A1 10 B1 2 A2 1 B2 3 GND 4 VDD 9 UI1 5V_VMUX GND CI19 GND GND RI26 RI27 2V5_CLAMP MUX_VSW1 GND RI17 5V_VMUX CI29 2V5_CLAMP 5V_M 5V_VMUX RI12 CI30 GND LINEIN_L2 LINEIN_R2 MUX_VSW1 AV1_LIN AV1_RIN Audio_SW CI36 CI10 MICP MICN CA61 LINEOUT_R1 Line Out接Swtich LINEOUT-R1 LINEOUT-L1 CI37 CI38 LINEOUT_R1/ LINEOUT_L1/ RI37 RI32 RI39 RI38 GND CV16 GND CV17 GND RI20 LINEOUT-R1 LINEOUT-L1 GND Y/CVBS2 YPbPr_Pb/Lin YPbPr_Pr/Rin 2 1 4 3 6 5 Pb GND Y GND Pr GND CN2 1 2 3 4 5 6 L GND R GND CVBS GND CN7 AV1_IN AV1_L AV1_R GND 1 2 3 4 5 6 L GND R GND CVBS GND CN25 PIC201 PIC202 COC2 PICA6101 PICA6102 COCA61 PICA6201 PICA6202 COCA62 PICA6301 PICA6302 COCA63 PICA6401 PICA6402 COCA64 PICI201 PICI202 COCI2 PICI401 PICI402 COCI4 PICI601 PICI602 COCI6 PICI801 PICI802 COCI8 PICI1001 PICI1002 COCI10 PICI1101 PICI1102 COCI11 PICI1801 PICI1802 COCI18 PICI1901 PICI1902 COCI19 PICI2201 PICI2202 COCI22 PICI2301 PICI2302 COCI23 PICI2401 PICI2402 COCI24 PICI2901 PICI2902 COCI29 PICI3001 PICI3002 COCI30 PICI3501 PICI3502 COCI35 PICI3601 PICI3602 COCI36 PICI3701 PICI3702 COCI37 PICI3801 PICI3802 COCI38 PICN101 PICN102 PICN103 PICN104 PICN105 COCN1 PICN201 PICN202 PICN203 PICN204 PICN205 PICN206 COCN2 PICN301 PICN302 PICN303 COCN3 PICN601 PICN602 PICN603 COCN6 PICN701 PICN702 PICN703 PICN704 PICN705 PICN706 COCN7 PICN801 PICN802 PICN803 PICN804 PICN805 PICN806 PICN807 PICN808 PICN809 PICN8010 PICN8011 PICN8012 PICN8013 PICN8014 PICN8015 PICN8016 PICN8017 COCN8 PICN901 PICN902 PICN903 PICN904 PICN905 COCN9 PICN2501 PICN2502 PICN2503 PICN2504 PICN2505 PICN2506 COCN25 PICV101 PICV102 COCV1 PICV301 PICV302 COCV3 PICV701 PICV702 COCV7 PICV901 PICV902 COCV9 PICV1101 PICV1102 COCV11 PICV1201 PICV1202 COCV12 PICV1601 PICV1602 COCV16 PICV1701 PICV1702 COCV17 PILI101 PILI102 COLI1 PIRA2001 PIRA2002 CORA20 PIRA4401 PIRA4402 CORA44 PIRI201 PIRI202 CORI2 PIRI301 PIRI302CORI3 PIRI401 PIRI402 CORI4 PIRI501 PIRI502CORI5 PIRI601 PIRI602 CORI6 PIRI801 PIRI802 CORI8 PIRI901 PIRI902CORI9 PIRI1001 PIRI1002 CORI10 PIRI1101 PIRI1102 CORI11 PIRI1201 PIRI1202 CORI12 PIRI1301 PIRI1302 CORI13 PIRI1401 PIRI1402 CORI14 PIRI1501 PIRI1502 CORI15 PIRI1601 PIRI1602 CORI16 PIRI1701 PIRI1702 CORI17 PIRI1801 PIRI1802 CORI18 PIRI1901 PIRI1902 CORI19 PIRI2001 PIRI2002 CORI20 PIRI2101 PIRI2102 CORI21 PIRI2201 PIRI2202 CORI22 PIRI2401 PIRI2402CORI24 PIRI2501 PIRI2502 CORI25 PIRI2601 PIRI2602 CORI26 PIRI2701 PIRI2702 CORI27 PIRI2901 PIRI2902 CORI29 PIRI3001 PIRI3002 CORI30 PIRI3101 PIRI3102 CORI31 PIRI3201 PIRI3202 CORI32 PIRI3701 PIRI3702 CORI37 PIRI3801 PIRI3802 CORI38 PIRI3901 PIRI3902 CORI39 PIRV101 PIRV102 CORV1 PIRV201 PIRV202 CORV2 PIRV301 PIRV302 CORV3 PIRV401 PIRV402CORV4 PIRV501 PIRV502 CORV5 PIRV601 PIRV602 CORV6 PIRV701 PIRV702 CORV7 PIRV801 PIRV802 CORV8 PIRV901 PIRV902 CORV9 PIRV1001 PIRV1002 CORV10 PIRV1201 PIRV1202CORV12 PIRV1401 PIRV1402 CORV14 PIRV1501 PIRV1502 CORV15 PIRV1601 PIRV1602 CORV16 PIRV1701 PIRV1702 CORV17 PIRV1801 PIRV1802CORV18 PIRV1901 PIRV1902 CORV19 PIRV2101 PIRV2102CORV21 PIRV2201 PIRV2202 CORV22 PIRV2301 PIRV2302 CORV23 PIRV2401 PIRV2402 CORV24 PIRV2501 PIRV2502 CORV25 PIRV2601 PIRV2602 CORV26 PIRV2701 PIRV2702CORV27 PIRV2801 PIRV2802CORV28 PIUI101 PIUI102 PIUI103 PIUI104 PIUI105 PIUI106 PIUI107 PIUI108 PIUI109 PIUI1010 COUI1 PICI2902 PIRI1701 PIRI2001 PIRI2602 PIRI2702 PICV1601 PICV1701 PIRI1201 PIRV302 PIRV402 PIRV1601 PIRV1701 PICI1901 PICI3002 PIRI1202 PIRI1702 PIUI109 PIRI3201 NLAudio0SW PICN2501 PIRI202 PIRI302 NLAV10IN PICN2503 PIRI1601 NLAV10L PICI3501 PIRI1501 PIRI1602 NLAV10LIN PICN2505 PIRI1901 NLAV10R PICI1101 PIRI1801 PIRI1902 NLAV10RIN PICI2401NLAV20IN0IC PICI1001 PIRI1101 PIRI1402 NLAV20Lin PICI3601 PIRI2201 PIRI2502 NLAV20RIN PICI601NLCVBS10IN PICI2201 PICN301 PICN601 PIRI1001 NLCVBS0OUT0COAX PILI102 PIRI1302 NLCVBS0OUT0IC PICA6201 PICA6401 PICI1902 PICI2301 PICI2901 PICI3001 PICN101 PICN202 PICN204 PICN206 PICN302 PICN303 PICN602 PICN603 PICN702 PICN704 PICN706 PICN805 PICN806 PICN807 PICN808 PICN8010 PICN8016 PICN8017 PICN901 PICN2502 PICN2504 PICN2506 PICV1602 PICV1702 PIRI301 PIRI501 PIRI901 PIRI1102 PIRI1301 PIRI1502 PIRI1802 PIRI2002 PIRI2202 PIRI2401 PIRI3001 PIRI3702 PIRI3801 PIRI3901 PIRV201 PIRV801 PIRV1001 PIRV1201 PIRV1801 PIRV2101 PIRV2202 PIRV2401 PIRV2701 PIRV2801 PIUI104 NLGND NLVGA0BN NLVGA0GN NLVGA0RN PICA6402 PICN103 PICN104 PIRA4402 NLHP0ALOUT PICA6202 PICN102 PICN105 PIRA2002 NLHP0AROUT PICI3502 NLLINEIN0L2 PICI1102 NLLINEIN0R2 PIRI2701 PIUI103 NLLINEOUT0L1 PIRI2601 PIUI101 NLLINEOUT0R1 PICA6301 NLLINEOUT0L1 PICA6302 PICI3801 PIRA4401 NLLINEOUT0L10 PICA6101 NLLINEOUT0R1 PICA6102 PICI3701 PIRA2001 NLLINEOUT0R10 PICI3602 NLMICN PICI1002 NLMICP PIRI3202 PIRI3701 PIUI106 PIUI107 NLMUX0VSW1 PICI202 PIRI401 PICI401 PIRI602 PICI602 PIRI201 PICI802 PIRI801 PICI1802 PIRI2101 PICI2202 PICI2302 PIRI2901 PIRI3002 PICI2402 PIRI3101 PICI3702 PIUI108 PICI3802 PIUI105 PICN809 PICN902 PICN905 PIRV1902 PICN903 PICN904 PIRV2602 PICV101 PIRV102 PICV301 PIRV602 PICV701 PIRV902 PICV901 PIRV1202 PIRV1802 PIRV2102 PICV1101 PIRV1901 PIRV2201 PICV1201 PIRV2402 PIRV2601 PILI101 PIRI1002 PIRI3802 PIUI1010 PIRI3902 PIUI102 PICV1202 NLPC0LIN0IC PICV1102 NLPC0RIN0IC PIRV702NLRXD00VGA0SCL0IC PIRI2902 NLSPDIF0OUT PIRV502NLTXD00VGA0SDA0IC PIRV1502 NLUART10RXD PIRV1402 NLUART10TXD PICN804 PIRV1501 PIRV1602 NLURAT0RX PICN8011 PIRV1401 PIRV1702 NLURAT0TX PICN803 PIRV901 PIRV1002 NLVGA0BIN PICV702 NLVGA0BIN0IC PIC201 PICN802 PIRV601 PIRV802 NLVGA0GIN PICV302 NLVGA0GIN0IC PICV902NLVGA0GN0IC PIRV2502 PIRV2802 NLVGA0HS0IC PICN8013 PIRV2501 NLVGA0HSYNC PICN801 PIRV101 PIRV202 NLVGA0RIN PICV102 NLVGA0RIN0IC PICN8015 PIRV301 PIRV701 NLVGA0SCL PICN8012 PIRV401 PIRV501 NLVGA0SDA PIC202 NLVGA0SOG0IC PIRV2302 PIRV2702 NLVGA0VS0IC PICN8014 PIRV2301 NLVGA0VSYNC PICN201 PICN701 PIRI402 PIRI502 PIRI601 PIRI3102 NLY0CVBS2 PICN203 PICN703 PIRI802 PIRI902 PIRI1401 NLYPbPr0Pb0Lin PICI801NLYPbPr0Pb0IC PICN205 PICN705 PIRI2102 PIRI2402 PIRI2501 NLYPbPr0Pr0Rin PICI1801NLYPbPr0Pr0IC PICI402NLYPbPr0SOY0IC PICI201NLYPbPr0Y0IC 1 1 2 2 3 3 4 4 5 5 6 6 7 7 8 8 D D C C B B A A 1 2 3 4 5 6 7 8 9 10 11 12 13 14 15 16 17 18 19 20 HPD HDMI +5V GND SDA SCL ARC CEC RXC- GND RXC+ RX0- GND RX0+ RX1- GND RX1+ GND RX2+ RX2- 21 22 23 GND GND GND GND CN13 GND ARC CH15 ARC RH2 RH5 GND ARC_PAD 版本 RH1 RH17 RH3 RH4 GND GND GND GND GND HDMI _R1XCN/ HDMI _R1XCP/ HDMI _R1X0N/ HDMI _R1X0P/ HDMI _R1X1N/ HDMI _R1X1P/ HDMI _R1X2N/ HDMI _R1X2P/ ARC HDMI 1_5V HDMI 1_HOTPLUG1 DDC1B_SCL DDC1B_SDA CEC HDMI _R1X1N/ HDMI _R1X1P/ HDMI _R1X2N/ HDMI _R1X2P/ HDMI _R1X1N HDMI _R1X1P HDMI _R1X2N HDMI _R1X2P 1 2 3 4 5 6 7 8 RP31 HDMI _R1XCN/ HDMI _R1XCP/ HDMI _R1X0N/ HDMI _R1X0P/ HDMI _R1XCN HDMI _R1XCP HDMI _R1X0N HDMI _R1X0P 1 2 3 4 5 6 7 8 RP33 IN1 1 IN2 2 G1 GND IN4 4 OUT3 6 G2 GND OUT2 7 OUT1 8 IN3 3 OUT4 5 U9 IN1 1 IN2 2 G1 GND IN4 4 OUT3 6 G2 GND OUT2 7 OUT1 8 IN3 3 OUT4 5 U10 HDMI _R1X2N/ HDMI _R1X2P/ HDMI _R1X1N/ HDMI _R1X1P/ HDMI _R1X2N/ HDMI _R1X2P/ HDMI _R1X1N/ HDMI _R1X1P/ HDMI _R1XCN/ HDMI _R1XCP/ HDMI _R1X0N/ HDMI _R1X0P/ HDMI _R1XCN/ HDMI _R1XCP/ HDMI _R1X0N/ HDMI _R1X0P/ GND GND GND GND HDMI1_5V DDC1B_SCL DDC1B_SDA HDMI 1_SDA HDMI 1_SCL HDMI 1_HOTPLUG RH30 QH1 RH7 RH6 HDMI1_5V GND HDMI 1_HOTPLUG1 HDMI 1_5V HDMI 1_DET CEC CEC 3V3_STB R65 RH11 5V_STB D G S Q1 HDMI _CEC HDMI 2_5V RH18 QH2 RH24 RH19 HDMI2_5V GND HDMI2(HDMI2.0、CEC) GND GND GND GND GND 1 2 3 4 5 6 7 8 9 10 11 12 13 14 15 16 17 18 19 20 HPD HDMI +5V GND SDA SCL ARC CEC RXC- GND RXC+ RX0- GND RX0+ RX1- GND RX1+ GND RX2+ RX2- 21 22 23 GND GND GND GND CN5 GND HDMI2_5V RH12 RH15 RH28 RH26 GND HDMI _R2X2P/ HDMI _R2X2N/ HDMI _R2X1P/ HDMI _R2X1N/ HDMI _R2X0P/ HDMI _R2X0N/ HDMI _R2XCP/ HDMI _R2XCN/ HDMI 2_5V HDMI 2_HOTPLUG2 DDC2B_SCL DDC2B_SDA CEC HDMI 2_HOTPLUG2 DDC2B_SCL DDC2B_SDA HDMI _R2X2P/ HDMI _R2X2N/ HDMI _R2X1P/ HDMI _R2X1N/ HDMI _R2X0P/ HDMI _R2X0N/ HDMI _R2XCP/ HDMI _R2XCN/ HDMI _R2X2P HDMI _R2X2N HDMI _R2X1P HDMI _R2X1N HDMI _R2X0P HDMI _R2X0N HDMI _R2XCP HDMI _R2XCN HDMI 2_SCL HDMI 2_SDA HDMI 2_HOTPLUG HDMI 2_DET 1 2 3 4 5 6 7 8 RP32 1 2 3 4 5 6 7 8 RP34 RH8 RH9 PICH1501 PICH1502 COCH15 PICN501 PICN502 PICN503 PICN504 PICN505 PICN506 PICN507 PICN508 PICN509 PICN5010 PICN5011 PICN5012 PICN5013 PICN5014 PICN5015 PICN5016 PICN5017 PICN5018 PICN5019 PICN5020 PICN5021 PICN5022 PICN5023 COCN5 PICN1301 PICN1302 PICN1303 PICN1304 PICN1305 PICN1306 PICN1307 PICN1308 PICN1309 PICN13010 PICN13011 PICN13012 PICN13013 PICN13014 PICN13015 PICN13016 PICN13017 PICN13018 PICN13019 PICN13020 PICN13021 PICN13022 PICN13023 COCN13 PIQ10D PIQ10G PIQ10S COQ1 PIQH10B PIQH10C PIQH10E COQH1 PIQH20B PIQH20C PIQH20E COQH2 PIR6501 PIR6502 COR65 PIRH101 PIRH102 CORH1 PIRH201 PIRH202 CORH2 PIRH301 PIRH302 CORH3 PIRH401 PIRH402 CORH4 PIRH501 PIRH502 CORH5 PIRH601 PIRH602 CORH6 PIRH701 PIRH702 CORH7 PIRH801 PIRH802 CORH8 PIRH901 PIRH902 CORH9 PIRH1101 PIRH1102 CORH11 PIRH1201 PIRH1202 CORH12 PIRH1501 PIRH1502 CORH15 PIRH1701 PIRH1702 CORH17 PIRH1801 PIRH1802 CORH18 PIRH1901 PIRH1902 CORH19 PIRH2401 PIRH2402 CORH24 PIRH2601 PIRH2602 CORH26 PIRH2801 PIRH2802 CORH28 PIRH3001 PIRH3002 CORH30 PIRP3101 PIRP3102 PIRP3103 PIRP3104 PIRP3105 PIRP3106 PIRP3107 PIRP3108 CORP31 PIRP3201 PIRP3202 PIRP3203 PIRP3204 PIRP3205 PIRP3206 PIRP3207 PIRP3208 CORP32 PIRP3301 PIRP3302 PIRP3303 PIRP3304 PIRP3305 PIRP3306 PIRP3307 PIRP3308 CORP33 PIRP3401 PIRP3402 PIRP3403 PIRP3404 PIRP3405 PIRP3406 PIRP3407 PIRP3408 CORP34 PIU901 PIU902 PIU903 PIU904 PIU905 PIU906 PIU907 PIU908 PIU90GND COU9 PIU1001 PIU1002 PIU1003 PIU1004 PIU1005 PIU1006 PIU1007 PIU1008 PIU100GND COU10 PIR6502 PIRH1102 PICH1502 PICN13014 NLARC PICH1501 NLARC0PAD PICN5013 PICN13013 PIQ10D NLCEC PICN13015 PIRH301 PIRH1701 NLDDC1B0SCL PICN13016 PIRH101 PIRH401 NLDDC1B0SDA PICN5015 PIRH901 PIRH1201 NLDDC2B0SCL PICN5016 PIRH801 PIRH1501 NLDDC2B0SDA PICN502 PICN505 PICN508 PICN5011 PICN5017 PICN5020 PICN5021 PICN5022 PICN5023 PICN1302 PICN1305 PICN1308 PICN13011 PICN13017 PICN13020 PICN13021 PICN13022 PICN13023 PIQH10E PIQH20E PIRH201 PIRH2801 PIU90GND PIU100GND NLGND PICN13018 PIRH102 PIRH202 PIRH502 PIRH601 PIRH1702 PIRH3002 NLHDMI105V PIRH501 NLHDMI10DET PIRH602 PIRH702 NLHDMI10HOTPLUG PICN13019 PIQH10C PIRH3001 NLHDMI10HOTPLUG1 PIRH302 NLHDMI10SCL PIRH402 NLHDMI10SDA PICN5018 PIRH802 PIRH902 PIRH1802 PIRH1901 PIRH2602 PIRH2802 NLHDMI205V PIRH2601 NLHDMI20DET PIRH1902 PIRH2402 NLHDMI20HOTPLUG PICN5019 PIQH20C PIRH1801 NLHDMI20HOTPLUG2 PIRH1202 NLHDMI20SCL PIRH1502 NLHDMI20SDA PIQ10S PIR6501 NLHDMI0CEC PIRP3306 NLHDMI0R1X0N PICN1309 PIRP3305 PIU1002 PIU1007 NLHDMI0R1X0N0 PIRP3308 NLHDMI0R1X0P PICN1307 PIRP3307 PIU1001 PIU1008 NLHDMI0R1X0P0 PIRP3102 NLHDMI0R1X1N PICN1306 PIRP3101 PIU904 PIU905 NLHDMI0R1X1N0 PIRP3104 NLHDMI0R1X1P PICN1304 PIRP3103 PIU903 PIU906 NLHDMI0R1X1P0 PIRP3106 NLHDMI0R1X2N PICN1303 PIRP3105 PIU902 PIU907 NLHDMI0R1X2N0 PIRP3108 NLHDMI0R1X2P PICN1301 PIRP3107 PIU901 PIU908 NLHDMI0R1X2P0 PIRP3302 NLHDMI0R1XCN PICN13012 PIRP3301 PIU1004 PIU1005 NLHDMI0R1XCN0 PIRP3304 NLHDMI0R1XCP PICN13010 PIRP3303 PIU1003 PIU1006 NLHDMI0R1XCP0 PIRP3406 NLHDMI0R2X0N PICN509 PIRP3405 NLHDMI0R2X0N0 PIRP3408 NLHDMI0R2X0P PICN507 PIRP3407 NLHDMI0R2X0P0 PIRP3202 NLHDMI0R2X1N PICN506 PIRP3201 NLHDMI0R2X1N0 PIRP3204 NLHDMI0R2X1P PICN504 PIRP3203 NLHDMI0R2X1P0 PIRP3206 NLHDMI0R2X2N PICN503 PIRP3205 NLHDMI0R2X2N0 PIRP3208 NLHDMI0R2X2P PICN501 PIRP3207 NLHDMI0R2X2P0 PIRP3402 NLHDMI0R2XCN PICN5012 PIRP3401 NLHDMI0R2XCN0 PIRP3404 NLHDMI0R2XCP PICN5010 PIRP3403 NLHDMI0R2XCP0 PICN5014 PIQ10G PIRH1101 PIQH10B PIRH701 PIQH20B PIRH2401 1 1 2 2 3 3 4 4 5 5 6 6 D D C C B B A A RK18 1 2 3 4 6 5 7 8 9 10 11 12 13 14 CNK2 RK3 RK2 0V 0.67V 1.05V 1.36V 1.79V 2.24V 2.78V 0.32V RK1 5V_STB RK6 RK5 RK7 RK10 RK11 RK9 RK8 3V3_STB 5V_IR LED_R LED_G IR GND K0 K1 K2 K3 K4 K5 K6 K7 GND K6 K7 K0 K1 K2 K3 K4 K5 IR IRIN 版本 LS_ADC0_KEY RK19 5V_STB LED_PWM RK16 GND RK15 RK13 QK1 5V_M LED_R LED_G 3V3_STB RK4 RK12 3V3_STB LED_GREEN PICNK201 PICNK202 PICNK203 PICNK204 PICNK205 PICNK206 PICNK207 PICNK208 PICNK209 PICNK2010 PICNK2011 PICNK2012 PICNK2013 PICNK2014 COCNK2 PIQK10B PIQK10C PIQK10E COQK1 PIRK101 PIRK102 CORK1 PIRK201 PIRK202 CORK2 PIRK301 PIRK302 CORK3 PIRK401 PIRK402 CORK4 PIRK501 PIRK502 CORK5 PIRK601 PIRK602 CORK6 PIRK701 PIRK702 CORK7 PIRK801 PIRK802 CORK8 PIRK901 PIRK902 CORK9 PIRK1001 PIRK1002 CORK10 PIRK1101 PIRK1102 CORK11 PIRK1201 PIRK1202 CORK12 PIRK1301 PIRK1302 CORK13 PIRK1501 PIRK1502 CORK15 PIRK1601 PIRK1602 CORK16 PIRK1801 PIRK1802 CORK18 PIRK1901 PIRK1902 CORK19 PIRK102 PIRK402 PIRK1202 PICNK2014 PIRK202 NL5V0IR PIRK1302 PIRK201 PIRK1802 PICNK201 PICNK2010 PIQK10E NLGND PICNK2011 PIRK1801 PIRK1901 NLIR PIRK1902 NLIRIN PICNK209 PIRK601 PIRK702 NLK0 PICNK208 PIRK701 PIRK802 NLK1 PICNK207 PIRK801 PIRK902 NLK2 PICNK206 PIRK901 PIRK1002 NLK3 PICNK205 PIRK1001 PIRK1102 NLK4 PICNK204 PIRK1101 NLK5 PICNK203 PIRK101 PIRK302 PIRK502 NLK6 PICNK202 PIRK501 PIRK602 NLK7 PICNK2012 PIQK10C PIRK1301 NLLED0G PIRK1201 PIRK1602 NLLED0GREEN PIRK401 PIRK1501 NLLED0PWM PICNK2013 PIRK1502 NLLED0R PIRK301 NLLS0ADC00KEY PIQK10B PIRK1601 1 1 2 2 3 3 4 4 D D C C B B A A 3. 5mm mi n gap bet ween t r ace and GND pl ane TD+ 1 CTD 2 TD- 3 NC 4 NC 5 RD+ 6 CRD 7 RD- 8 RX- 9 CRX 10 RX+ 11 NC 12 NC 13 TX- 14 CTX 15 TX+ 16 UE1 CTX CRX RJ45_FE_TX+ RJ45_FE_TX- RJ45_FE_RX+ RJ45_FE_RX- PIN7&8 PIN4&5 CE5 CRD CTD FE_RX+ FE_TX+ FE_RX- FE_TX- GND GND GND 版本 RE6 RE8 RE7 RE9 75R 75R 75R 75R 1nF 9 10 RJ45 卧式 1 2 3 5 6 7 8 TX+ NC RX+ TX- RX- NC NC 4 NC CN4 PICE501 PICE502 COCE5 PICN401 PICN402 PICN403 PICN404 PICN405 PICN406 PICN407 PICN408 PICN409 PICN4010 COCN4 PIRE601 PIRE602 CORE6 PIRE701 PIRE702 CORE7 PIRE801 PIRE802 CORE8 PIRE901 PIRE902 CORE9 PIUE101 PIUE102 PIUE103 PIUE104 PIUE105 PIUE106 PIUE107 PIUE108 PIUE109 PIUE1010 PIUE1011 PIUE1012 PIUE1013 PIUE1014 PIUE1015 PIUE1016 COUE1 PIUE107 NLCRD PIRE602 PIUE1010 NLCRX PIUE102 NLCTD PIRE702 PIUE1015 NLCTX PIUE106 NLFE0RX0 PIUE108 NLFE0RX0 PIUE101 NLFE0TX0 PIUE103 NLFE0TX0 PICE502 PICN409 PICN4010 PICE501 PIRE601 PIRE701 PIRE801 PIRE901 PIUE104 PIUE105 PIUE1012 PIUE1013 PICN404 PICN405 PIRE902 NLPIN4&5 PICN407 PICN408 PIRE802 NLPIN7&8 PICN403 PIUE1011 NLRJ450FE0RX0 PICN406 PIUE109 NLRJ450FE0RX0 PICN401 PIUE1016 NLRJ450FE0TX0 PICN402 PIUE1014 NLRJ450FE0TX0 1 1 2 2 3 3 4 4 5 5 6 6 7 7 8 8 D D C C B B A A Amplifier CA2 CA4 GND CA50 AMPVCC CA51 + EA4 GND GND GND GND LOUT+ LOUT- ROUT- ROUT+ AVCC GND GND GND AVCC RA6 RA7 RA11 RA13 CA9 CA7 LBA1 LBA2 LBA3 LBA4 CA10 CA14 CA28 CA29 CA11 CA19 CA20 CA30 CA23 CA25 AMPVCC AMPVCC AMPVCC CA15 CA24 AMP-LO AMP-RO GND CA8 CA6 RA3 GND GAIN: 26dB Input Impedance:30Kohm GND GND AMP_LINP AMP_RINP CA18 LOUT- ROUT- 1 2 3 4 CN11 12V RA1 AMP-MUTE/ LOUT+ ROUT+ RA9 RA10 外挂功放 RA12 RA14 RA16 RA17 RA18 RA15 1 2 3 4 6 5 7 8 9 CNA5 1 2 3 4 6 5 7 8 9 CNA6 5V_M GND GND AMP_IR I2C1_SDA I2C1_SCL AMP-MUTE/ AMP_LINP AMP_RINP RA19 5V_STB SD 1 NC 2 LINP 3 LINN 4 NC 5 NC 6 AVCC 7 AGND 8 GVDD 9 NC 10 RINN 11 RINP 12 NC 13 NC 14 PVCCR 15 NC 16 BSPR 17 OUTPR 18 PGND 19 OUTNR 20 BSNR 21 BSNL 22 OUTNL 23 PGND 24 OUTPL 25 BSPL 26 NC 27 PVCCL 28 UA2 PICA201 PICA202 COCA2 PICA401 PICA402 COCA4 PICA601 PICA602 COCA6 PICA701 PICA702 COCA7 PICA801 PICA802 COCA8 PICA901 PICA902 COCA9 PICA1001 PICA1002 COCA10 PICA1101 PICA1102 COCA11 PICA1401 PICA1402 COCA14 PICA1501 PICA1502 COCA15 PICA1801 PICA1802 COCA18 PICA1901 PICA1902 COCA19 PICA2001 PICA2002 COCA20 PICA2301 PICA2302 COCA23 PICA2401 PICA2402 COCA24 PICA2501 PICA2502 COCA25 PICA2801 PICA2802 COCA28 PICA2901 PICA2902 COCA29 PICA3001 PICA3002 COCA30 PICA5001 PICA5002 COCA50 PICA5101 PICA5102 COCA51 PICN1101 PICN1102 PICN1103 PICN1104 COCN11 PICNA501 PICNA502 PICNA503 PICNA504 PICNA505 PICNA506 PICNA507 PICNA508 PICNA509 COCNA5 PICNA601 PICNA602 PICNA603 PICNA604 PICNA605 PICNA606 PICNA607 PICNA608 PICNA609 COCNA6 PIEA401 PIEA402 COEA4 PILBA101 PILBA102 COLBA1 PILBA201 PILBA202 COLBA2 PILBA301 PILBA302 COLBA3 PILBA401 PILBA402 COLBA4 PIRA101 PIRA102 CORA1 PIRA301 PIRA302 CORA3 PIRA601 PIRA602 CORA6 PIRA701 PIRA702 CORA7 PIRA901 PIRA902 CORA9 PIRA1001 PIRA1002 CORA10 PIRA1101 PIRA1102 CORA11 PIRA1201 PIRA1202 CORA12 PIRA1301 PIRA1302 CORA13 PIRA1401 PIRA1402 CORA14 PIRA1501 PIRA1502 CORA15 PIRA1601 PIRA1602 CORA16 PIRA1701 PIRA1702 CORA17 PIRA1801 PIRA1802 CORA18 PIRA1901 PIRA1902 CORA19 PIUA201 PIUA202 PIUA203 PIUA204 PIUA205 PIUA206 PIUA207 PIUA208 PIUA209 PIUA2010 PIUA2011 PIUA2012 PIUA2013 PIUA2014 PIUA2015 PIUA2016 PIUA2017 PIUA2018 PIUA2019 PIUA2020 PIUA2021 PIUA2022 PIUA2023 PIUA2024 PIUA2025 PIUA2026 PIUA2027 PIUA2028 COUA2 PICNA509 PICNA609 PIRA1902 PIRA102 NL12V PIRA601 NLAMP0LO PIRA1502 PIUA201 PIUA202 NLAMP0MUTE0 PIRA1301 NLAMP0RO PIRA1802 NLAMP0IR PICA1002 PICA1501 PIRA602 PIRA1202 NLAMP0LINP PICA2402 PICA2902 PIRA1302 PIRA1402 NLAMP0RINP PICA201 PICA401 PICA602 PICA702 PICA802 PICA902 PICA5001 PICA5101 PIEA401 PIRA101 PIRA301 PIUA2015 PIUA2016 PIUA2027 PIUA2028 NLAMPVCC PICA1801 PIRA302 PIRA701 PIUA207 NLAVCC PICA202 PICA402 PICA601 PICA701 PICA801 PICA901 PICA1402 PICA1502 PICA1802 PICA2302 PICA2401 PICA2502 PICA2802 PICA5002 PICA5102 PICNA502 PICNA505 PICNA602 PICNA605 PIEA402 PIRA901 PIRA1001 PIUA206 PIUA208 PIUA2014 PIUA2019 PIUA2024 NLGND PIRA1602 NLI2C10SCL PIRA1702 NLI2C10SDA PICN1104 PILBA102 NLLOUT0 PICN1103 PILBA202 NLLOUT0 PICA1001 PIUA203 PICA1101 PILBA101 PIUA2025 PICA1102 PIUA2026 PICA1401 PIUA204 PICA1901 PILBA201 PIUA2023 PICA1902 PIUA2022 PICA2001 PILBA301 PIUA2020 PICA2002 PIUA2021 PICA2301 PIRA1101 PIUA209 PICA2501 PIRA1002 PIRA1102 PIUA2010 PICA2801 PIUA2011 PICA2901 PIUA2012 PICA3001 PILBA401 PIUA2018 PICA3002 PIUA2017 PICNA501 PICNA601 PIRA1201 PICNA503 PICNA603 PIRA1401 PICNA504 PICNA604 PIRA1501 PICNA506 PICNA606 PIRA1601 PICNA507 PICNA607 PIRA1701 PICNA508 PICNA608 PIRA1801 PIRA1901 PIRA702 PIRA902 PIUA205 PIUA2013 PICN1101 PILBA402 NLROUT0 PICN1102 PILBA302 NLROUT0 1 1 2 2 3 3 4 4 5 5 6 6 7 7 8 8 D D C C B B A A Tuner CT23 CT9 GND GND TUNER_SDA TUNER_SCL GND GND IFN IFP CT16 GND CT15 GND 3V3_Tun CT17 RT3 CT2 CT19 CT20 CT1 YT1 LT4 GND LT5 LT6 XTAL_O LT3 LT7 RF_INPUT SI2159 CT8 CT4 CT7 GND CT5 3V3_Tun CT6 RT4 3V3_STB Power 3V3_STB RT1 RT2 RT16 RT17 I2C TUNER_SDA TUNER_SCL IFN IFP RT12 RT10 CT3 CT32 VIF RT9 AGC TUN_IF_AGC TUN_IF_AGC GND CT11 CT12 CT13 GND CT10 GND IFN/ IFP/ SDA 2 SCL 3 AGC2 4 AGC1 5 GND 6 +1.8V 7 GND 8 NC 18 +3.3V 17 GND 16 +3.3V 15 LIF_N 10 +3.3V 9 GPIO2 1 GPIO1 24 ADDR 23 RF_IN 22 GND 21 RF_IP 20 RF_REF 19 GND EPAD LIF_P 11 XOUT 12 XTAL_O 14 XTAL_I 13 UT2 RFGND RF_INPUT I 2C2_SDA I 2C2_SCL I F+ I F- 1 2 3 4 RF_GND RF RF_GND RF_GND T1 RF_AGC/ JTAG_MUX0 CT25 CT41 CT42 GND CT43CT44CT50 RFGND CT51 CT52CT53 CT26 CT27 CT14 CT28 PICT101 PICT102 COCT1 PICT201 PICT202 COCT2 PICT301 PICT302 COCT3 PICT401 PICT402 COCT4 PICT501 PICT502 COCT5 PICT601 PICT602 COCT6 PICT701 PICT702 COCT7 PICT801 PICT802 COCT8 PICT901 PICT902 COCT9 PICT1001 PICT1002 COCT10 PICT1101 PICT1102 COCT11 PICT1201 PICT1202COCT12 PICT1301 PICT1302 COCT13 PICT1401 PICT1402 COCT14 PICT1501 PICT1502 COCT15 PICT1601 PICT1602 COCT16 PICT1701 PICT1702 COCT17 PICT1901 PICT1902 COCT19 PICT2001 PICT2002 COCT20 PICT2301 PICT2302 COCT23 PICT2501 PICT2502 COCT25 PICT2601 PICT2602 COCT26 PICT2701 PICT2702 COCT27 PICT2801 PICT2802 COCT28 PICT3201 PICT3202 COCT32 PICT4101 PICT4102 COCT41 PICT4201 PICT4202 COCT42 PICT4301 PICT4302 COCT43 PICT4401 PICT4402 COCT44 PICT5001 PICT5002 COCT50 PICT5101 PICT5102 COCT51 PICT5201 PICT5202 COCT52 PICT5301 PICT5302 COCT53 PILT301 PILT302 COLT3 PILT401 PILT402 COLT4 PILT501 PILT502 COLT5 PILT601 PILT602 COLT6 PILT701 PILT702 COLT7 PIRT101 PIRT102 CORT1 PIRT201 PIRT202 CORT2 PIRT301 PIRT302 CORT3 PIRT401 PIRT402 CORT4 PIRT901 PIRT902 CORT9 PIRT1001 PIRT1002 CORT10 PIRT1201 PIRT1202 CORT12 PIRT1601 PIRT1602 CORT16 PIRT1701 PIRT1702 CORT17 PIT101 PIT102 PIT103 PIT104 COT1 PIUT201 PIUT202 PIUT203 PIUT204 PIUT205 PIUT206 PIUT207 PIUT208 PIUT209 PIUT2010 PIUT2011 PIUT2012 PIUT2013 PIUT2014 PIUT2015 PIUT2016 PIUT2017 PIUT2018 PIUT2019 PIUT2020 PIUT2021 PIUT2022 PIUT2023 PIUT2024 PIUT20EPAD COUT2 PIYT101 PIYT102 COYT1 PICT401 PIRT102 PIRT202 PIRT401 PICT102 PICT502 PICT602 PICT702 PICT801 PICT1501 PICT1902 PICT2002 PIRT402 PIUT209 PIUT2015 PIUT2017 PICT101 PICT201 PICT402 PICT501 PICT601 PICT701 PICT802 PICT1001 PICT1101 PICT1201 PICT1301 PICT1401 PICT1502 PICT1601 PICT1701 PICT1901 PICT2001 PICT2601 PICT2701 PICT4101 PICT4201 PICT4301 PICT4401 PICT5001 PICT5101 PICT5201 PICT5301 PILT402 PILT702 PIUT206 PIUT208 PIUT2016 PIUT2021 PIUT2023 PIUT20EPAD PIRT201 PIRT1701 NLI2C20SCL PIRT101 PIRT1601 NLI2C20SDA PICT301 NLIF0 PICT3202 NLIF0 PIRT1002 PIUT2010 NLIFN PICT3201 PIRT1001 NLIFN0 PIRT1202 PIUT2011 NLIFP PICT302 PIRT1201 NLIFP0 PICT202 PILT302 PIUT2019 PICT901 PILT601 PIUT2022 PICT902 PICT2302 PIRT302 PICT1602 PICT1702 PIUT207 PICT2301 PILT501 PIUT2020 PICT2502 PIRT301 PICT2801 PIT101 PILT301 PILT502 PILT602 PILT701 PIUT201 PIUT204 PIUT2012 PIUT2014 PIYT102 PIUT2018 PIUT2024 PICT1302 PIRT902 NLRF0AGC0JTAG0MUX0 PICT2501 PICT2802 PILT401 NLRF0INPUT PICT1402 PICT2602 PICT2702 PICT4102 PICT4202 PICT4302 PICT4402 PICT5002 PICT5102 PICT5202 PICT5302 PIT102 PIT103 PIT104 NLRFGND PICT1002 PIRT901 PIUT205 NLTUN0IF0AGC PICT1202 PIRT1702 PIUT203 NLTUNER0SCL PICT1102 PIRT1602 PIUT202 NLTUNER0SDA PIUT2013 PIYT101 NLXTAL0O 1 1 2 2 3 3 4 4 5 5 6 6 D D C C B B A A RFGND 1 GND 3 ANT 2 D- 5 D+ 4 3.3V 6 UF1 115mA GND CF3 CF4 RF1 FEED 1 GND 2 GND 3 CNF3 WIFI_DP WIFI_DM ANT2 3V3_WIFI 版本 GND 5V_USB2 USB2.0 1 2 3 4 GND DM DP 5V 5 6 GND GND AV5 USB2_DP1 USB2_DM1 DU6 DU7 5V_USB2 CU1 GND + EF2 5V_M F1 FGND FGND FGND FGND FGND CU2 WIFI_DP WIFI_DM GND WIFI_RST EXT_WIFI_PWR LF1 LF2 3V3_WIFI 5V_M CF1 GND 1 2 3 4 5 CNF2 1 2 3 4 5 CNF1 RF10 CF2 RF9 RF11 GND GND WIFI_RST WIFI_RST_IC 3V3_M DM1 DP1 USB1_M USB1_P GND USB3_DP USB3_DM 1 2 3 4 GND DM DP 5V 5 6 GND GND AV1 5V_USB2 CU3 CU4 GND DM3 DP3 WIFI_DM WIFI_DP USB2_DP0 USB2_DM0 C62 C61 ON OFF SD_PWREN 0 1 GND 3V3_SD RT51 3V3_WIFI CD/DATA3 2 CMD 3 VDD 4 CLK 5 VSS 6 DATA0 7 DATA1 8 CD 9 G1 10 DATA2 1 G2 11 G3 12 G4 13 CN10 GND GND 3V3_SD SD_D3 SD_CMD SD_D1 SD_D2 SD_D0 SD_CLK SD_CDZ SD_CLK_IC R18 SD_CLK R14 R15 R16 R17 R20 R13 SD_CDZ_IC SD_D2_IC SD_D3_IC SD_CMD_IC SD_D0_IC SD_D1_IC SD_D2 SD_D3 SD_CMD SD_D0 SD_D1 R90 CT81 GND SD_CDZ 3V3_SD RT20 GND SD_CWPR RT46 RT41 RT42 RT43 RT44 RT45 RU1 RU2 PIAV101 PIAV102 PIAV103 PIAV104 PIAV105 PIAV106 COAV1 PIAV501 PIAV502 PIAV503 PIAV504 PIAV505 PIAV506 COAV5 PIC6101 PIC6102COC61 PIC6201 PIC6202COC62 PICF101 PICF102 COCF1 PICF201 PICF202 COCF2 PICF301 PICF302 COCF3 PICF401 PICF402 COCF4 PICN1001 PICN1002 PICN1003 PICN1004 PICN1005 PICN1006 PICN1007 PICN1008 PICN1009 PICN10010 PICN10011 PICN10012 PICN10013 COCN10 PICNF101 PICNF102 PICNF103 PICNF104 PICNF105 COCNF1 PICNF201 PICNF202 PICNF203 PICNF204 PICNF205 COCNF2 PICNF301 PICNF302 PICNF303 COCNF3 PICT8101 PICT8102 COCT81 PICU101 PICU102 COCU1 PICU201 PICU202 COCU2 PICU301 PICU302 COCU3 PICU401 PICU402COCU4 PIDM101 CODM1 PIDM301 CODM3 PIDP101 CODP1 PIDP301 CODP3 PIDU60A PIDU60K CODU6 PIDU70A PIDU70K CODU7 PIEF201 PIEF202 COEF2 PIF101 PIF102 COF1 PILF101 PILF102 COLF1 PILF201 PILF202 COLF2 PIR1301 PIR1302 COR13 PIR1401 PIR1402 COR14 PIR1501 PIR1502 COR15 PIR1601 PIR1602 COR16 PIR1701 PIR1702 COR17 PIR1801 PIR1802 COR18 PIR2001 PIR2002 COR20 PIR9001 PIR9002 COR90 PIRF101 PIRF102 CORF1 PIRF901 PIRF902 CORF9 PIRF1001 PIRF1002 CORF10 PIRF1101 PIRF1102 CORF11 PIRT2001 PIRT2002 CORT20 PIRT4101 PIRT4102 CORT41 PIRT4201 PIRT4202 CORT42 PIRT4301 PIRT4302 CORT43 PIRT4401 PIRT4402 CORT44 PIRT4501 PIRT4502 CORT45 PIRT4601 PIRT4602 CORT46 PIRT5101 PIRT5102 CORT51 PIRU101 PIRU102CORU1 PIRU201 PIRU202CORU2 PIUF101 PIUF102 PIUF103 PIUF104 PIUF105 PIUF106 COUF1 PIRF902 PIC6102 PIC6202 PICN1004 PIR1301 PIR1401 PIR1501 PIR1601 PIR1701 PIR2001 PIR9001 PIRT5102 PILF202 PIRT5101 PIUF106 NL3V30WIFI PIF101 PILF102 PIAV101 PIAV501 PICU101 PICU201 PICU302 PICU401 PIEF201 PIF102 NL5V0USB2 PICF302 PIRF101 PIUF102 NLANT2 PICF101 PICNF102 PICNF202 PILF101 PILF201 NLEXT0WIFI0PWR PICF301 PICF401 PICNF302 PICNF303 PIUF101 PIAV104 PIAV105 PIAV106 PIAV504 PIAV505 PIAV506 PIC6101 PIC6201 PICF102 PICF202 PICN1006 PICN10010 PICN10011 PICN10012 PICN10013 PICNF105 PICNF205 PICT8101 PICU102 PICU202 PICU301 PICU402 PIDU60A PIDU70A PIEF202 PIRF1101 PIRT2001 PIUF103 NLGND PICF402 PICNF301 PIRF102 PICN1009 PIR1302 PIRT4601 NLSD0CDZ PIRT4602NLSD0CDZ0IC PICN1005 PICT8102 PIR1801 PIR9002 NLSD0CLK PIR1802NLSD0CLK0IC PICN1003 PIR1602 PIRT4301 NLSD0CMD PIRT4302NLSD0CMD0IC PIRT2002 NLSD0CWPR PICN1007 PIR1702 PIRT4401 NLSD0D0 PIRT4402NLSD0D00IC PICN1008 PIR2002 PIRT4501 NLSD0D1 PIRT4502NLSD0D10IC PICN1001 PIR1402 PIRT4101 NLSD0D2 PIRT4102NLSD0D20IC PICN1002 PIR1502 PIRT4201 NLSD0D3 PIRT4202NLSD0D30IC PIDM101NLUSB10M PIDP101NLUSB10P PIRU201 NLUSB20DM0 PIAV502 PIDU70K NLUSB20DM1 PIRU101 NLUSB20DP0 PIAV503 PIDU60K NLUSB20DP1 PIAV102 PIDM301 NLUSB30DM PIAV103 PIDP301 NLUSB30DP PICNF103 PICNF203 PIRU202 PIUF105 NLWIFI0DM PICNF104 PICNF204 PIRU102 PIUF104 NLWIFI0DP PICNF101 PICNF201 PIRF1002 NLWIFI0RST PICF201 PIRF901 PIRF1001 PIRF1102 NLWIFI0RST0IC 1 1 2 2 3 3 4 4 D D C C B B A A CF5 CF8 GND LVDS1_TBP LVDS1_TBN LVDS0_TDN LVDS0_TBP LVDS0_TBN LVDS1_TDP LVDS1_TDN LVDS0_TAN LVDS0_TAP LVDS0_TCN LVDS0_TCP LVDS0_TCLKN LVDS0_TCLKP LVDS0_TDP LVDS1_TAN LVDS1_TAP LVDS1_TCN LVDS1_TCP LVDS1_TCLKN LVDS1_TCLKP LVDS1_TCLKN LVDS1_TCLKP CF7 CF6 LVDS0_TCLKN LVDS0_TCLKP GND RF6 CON2/ CON1/ RF7 RF8 PANEL_SCL PANEL_SDA I2C1_SDA I2C1_SCL RF26 PWM_REF 3V3_M RF69 RF70 GND GND VCC_Panel GND GND VCC_Panel VCC_Panel GND GND GND 1 2 3 4 5 7 8 9 10 11 12 13 14 15 16 17 18 19 20 21 22 23 24 25 26 27 28 29 30 31 32 33 34 35 36 37 38 39 40 CNW1 PANEL_SDA PANEL_SCL GND GND CON2/ CON1/ LVDS0_TEN LVDS0_TEP LVDS1_TEP LVDS1_TEN 2 4 8 12 10 14 16 18 20 22 24 26 28 30 1 27 25 23 19 21 17 15 13 11 9 7 5 3 29 31 33 32 34 35 37 38 39 40 36 CNW5 LVDS1_TBN LVDS0_TDN LVDS0_TBN LVDS1_TDN LVDS0_TAN LVDS0_TCN LVDS0_TCLKN LVDS1_TAN LVDS1_TCN LVDS1_TCLKN VCC_Panel GND VCC_Panel GND GND PANEL_SCL GND CON1/ LVDS0_TEN LVDS1_TEN LVDS1_TBP LVDS0_TBP LVDS1_TDP LVDS0_TAP LVDS0_TCP LVDS0_TCLKP LVDS0_TDP LVDS1_TAP LVDS1_TCP LVDS1_TCLKP GND GND VCC_Panel GND PANEL_SDA GND CON2/ LVDS0_TEP LVDS1_TEP PICF501 PICF502 COCF5 PICF601 PICF602 COCF6 PICF701 PICF702 COCF7 PICF801 PICF802 COCF8 PICNW101 PICNW102 PICNW103 PICNW104 PICNW105 PICNW107 PICNW108 PICNW109 PICNW1010 PICNW1011 PICNW1012 PICNW1013 PICNW1014 PICNW1015 PICNW1016 PICNW1017 PICNW1018 PICNW1019 PICNW1020 PICNW1021 PICNW1022 PICNW1023 PICNW1024 PICNW1025 PICNW1026 PICNW1027 PICNW1028 PICNW1029 PICNW1030 PICNW1031 PICNW1032 PICNW1033 PICNW1034 PICNW1035 PICNW1036 PICNW1037 PICNW1038 PICNW1039 PICNW1040 COCNW1 PICNW501 PICNW502 PICNW503 PICNW504 PICNW505 PICNW507 PICNW508 PICNW509 PICNW5010 PICNW5011 PICNW5012 PICNW5013 PICNW5014 PICNW5015 PICNW5016 PICNW5017 PICNW5018 PICNW5019 PICNW5020 PICNW5021 PICNW5022 PICNW5023 PICNW5024 PICNW5025 PICNW5026 PICNW5027 PICNW5028 PICNW5029 PICNW5030 PICNW5031 PICNW5032 PICNW5033 PICNW5034 PICNW5035 PICNW5036 PICNW5037 PICNW5038 PICNW5039 PICNW5040 COCNW5 PIRF601 PIRF602 CORF6 PIRF701 PIRF702 CORF7 PIRF801 PIRF802 CORF8 PIRF2601 PIRF2602 CORF26 PIRF6901 PIRF6902 CORF69 PIRF7001 PIRF7002 CORF70 PIRF6901 PICNW1033 PICNW5033 PIRF6902 PIRF7001 NLCON10 PICNW1034 PICNW5034 PIRF602 PIRF2602 NLCON20 PICF501 PICF601 PICF701 PICF801 PICNW104 PICNW105 PICNW1013 PICNW1014 PICNW1025 PICNW1026 PICNW1031 PICNW1032 PICNW504 PICNW505 PICNW5013 PICNW5014 PICNW5025 PICNW5026 PICNW5031 PICNW5032 PIRF601 PIRF7002 NLGND PIRF802 NLI2C10SCL PIRF702 NLI2C10SDA PICNW107 PICNW507 NLLVDS00TAN PICNW108 PICNW508 NLLVDS00TAP PICNW109 PICNW509 NLLVDS00TBN PICNW1010 PICNW5010 NLLVDS00TBP PICF602 PICNW1015 PICNW5015 NLLVDS00TCLKN PICF702 PICNW1016 PICNW5016 NLLVDS00TCLKP PICNW1011 PICNW5011 NLLVDS00TCN PICNW1012 PICNW5012 NLLVDS00TCP PICNW1017 PICNW5017 NLLVDS00TDN PICNW1018 PICNW5018 NLLVDS00TDP PICNW1037 PICNW5037 NLLVDS00TEN PICNW1038 PICNW5038 NLLVDS00TEP PICNW1019 PICNW5019 NLLVDS10TAN PICNW1020 PICNW5020 NLLVDS10TAP PICNW1021 PICNW5021 NLLVDS10TBN PICNW1022 PICNW5022 NLLVDS10TBP PICF802 PICNW1027 PICNW5027 NLLVDS10TCLKN PICF502 PICNW1028 PICNW5028 NLLVDS10TCLKP PICNW1023 PICNW5023 NLLVDS10TCN PICNW1024 PICNW5024 NLLVDS10TCP PICNW1029 PICNW5029 NLLVDS10TDN PICNW1030 PICNW5030 NLLVDS10TDP PICNW1039 PICNW5039 NLLVDS10TEN PICNW1040 PICNW5040 NLLVDS10TEP PICNW1035 PICNW5035 PIRF801 NLPANEL0SCL PICNW1036 PICNW5036 PIRF701 NLPANEL0SDA PIRF2601 PICNW101 PICNW102 PICNW103 PICNW501 PICNW502 PICNW503 NLVCC0Panel 1 1 2 2 3 3 4 4 5 5 6 6 7 7 8 8 D D C C B B A A Title Number Revision Size A2 Date: 2016/11/5 Sheet of File: D:\平台项目\..\012_TV_V320_PWR.SchDoc Drawn By: LDO_1V1_OUT LDO_1V1_OUT VREF_DQ_0 VREF_DQ_0 PLL_3V3 PLL_3V3 AVREF AVREF VREF_CA VREF_CA AFE_3V3 AFE_3V3 VREF_DQ_1 VREF_DQ_1 CPU_1V1 GND LDO_1V2 1V5_DDR3 GND GND GND GND GND 1V5_DDR3 GND GND GND GND 1V5_DDR3 VDD_1V1 GND C101 C102 C108 C109 C93 C57 C118 C56 C107 C54 C55 C58 C59 C121 C122 C123 C126 C125 C120C128 C44 C46 C45 C47 C48 C130 C131 C132 C133 C134 C135 C136 C52 C53 C51 C50 C49 RD4 RD3 GND CD17 1V5_DDR3 RD2 RD1 GND CD15 1V5_DDR3 RD14 RD13 GND CD37 1V5_DDR3 C31 C30 3V3_M GND C33 3V3_M C34 C28 LDO_1V2 GND C21 C25 C24 C27 C84 C63 GND C43 C42 C41 C39 C38 C37 C4 C6 C11 C13 C14 C15 C3 C16 C20 3V3_M 3V3_M C35 3V3_STB 3V3_STB C23 GND R4 R6 R7 VDD_1V1 CPU_1V1 C32 C65 LDO_1V2 VDDIO_DDR21 J14 VDDIO_DDR24 J18 VDDIO_DDR23 J17 VDDIO_DDR29 L21 VDDIO_DDR28 K21 VDDIO_DDR27 J21 VDDIO_DDR26 J20 VDDIO_DDR25 J19 VDD_CPU7 M10 VDD_CPU6 M9 VDD_CPU5 E9 VDD_CPU4 D9 VDD_CPU3 C9 VDD_CPU2 B9 VDD_CPU1 A9 AVDD11_LVDS1 U18 VDD22 V17 VDD21 V16 VDD20 V15 VDD19 U17 VDD18 U16 VDD_CPU11 P10 VDD_CPU10 P9 VDD_CPU9 N10 VDD_CPU8 N9 DVDD11_LDO1_OUT A10 AVREF AF5 VREFDQ_T B26 VREFDQ_B A19 VREFCA A18 KGD_ZQ_B B19 KGD_ZQ_T B18 DDR_ZQ_SOC A16 VDDIO_CK_DDR J16 VDDIO_DDR20 H21 VDDIO_DDR19 H20 VDDIO_DDR18 H19 VDDIO_DDR17 H18 VDDIO_DDR16 G21 VDDIO_DDR15 G20 VDDIO_DDR14 G19 VDDIO_DDR13 F22 VDDIO_DDR12 F21 VDDIO_DDR11 F20 VDDIO_DDR10 E22 VDDIO_DDR9 E21 VDDIO_DDR8 D22 VDDIO_DDR7 D21 VDDIO_DDR6 C22 VDDIO_DDR5 C21 VDDIO_DDR4 B22 VDDIO_DDR3 B21 VDDIO_DDR2 A22 VDDIO_DDR1 A21 AVDD11_QAM Y10 AVDDREF Y9 AVDD11_HDMIRX2 W9 AVDD11_HDMIRX1 V9 AVDD11_AFE U9 AVDD11_PLL_AFE T9 AVDD11_FE R9 AVDD11_PLL M18 DVDD11_USB3 W17 AVCC11_USB2 W18 AVDD11_LVDS2 V18 VDD17 U15 VDD16 T18 VDD15 T17 VDD14 T16 VDD13 T15 VDD12 R18 VDD11 R17 VDD10 R16 VDD9 R15 VDD8 P18 VDD7 P17 VDD6 P16 VDD5 P15 VDD4 N18 VDD3 N17 VDD2 N16 VDD1 N15 AVDD_DDR_PLL T21 AVDD33_PLL U21 AVDD33_HDMIRX2 W6 AVDD33_HDMIRX1 W5 AVDD33_AFE V6 AVDD33_FE U6 AVDD33_USB3 AB21 AVDD33_USB2 Y21 AVDD33_LVDS2 W21 AVDD33_LVDS1 V21 DVDD33_5 Y16 DVDD33_4 Y15 DVDD33_3 Y14 DVDD33_2 Y13 DVDD33_1 Y12 AVDD33_HDMI_VBUS E13 DVDD33_STANDBY2 D13 DVDD33_STANDBY1 C13 VDDIO_DDR22 J15 HI 3751V320 U15A VSS178 AF26 VSS177 AF1 VSS176 AE3 VSS175 AD25 VSS174 AD8 VSS173 AC4 VSS172 AC3 VSS171 AA24 VSS170 AA11 VSS169 AA4 VSS168 AA3 VSS167 Y18 VSS166 Y17 VSS165 Y11 VSS164 W24 VSS163 W16 VSS162 W15 VSS161 W14 VSS160 W13 VSS159 W12 VSS158 W11 VSS157 W10 VSS156 W4 VSS155 W3 VSS154 V14 VSS153 V13 VSS152 V12 VSS151 V11 VSS150 V10 VSS149 V5 VSS148 U24 VSS147 U14 VSS146 U13 VSS145 U12 VSS144 U11 VSS143 U10 VSS142 U4 VSS141 U3 VSS140 T22 VSS139 T14 VSS138 T13 VSS137 T12 VSS136 T11 VSS135 T10 VSS134 R24 VSS133 R14 VSS132 R13 VSS131 R12 VSS130 R11 VSS129 R10 VSS128 R4 VSS127 R3 VSS126 P14 VSS125 P13 VSS124 P12 VSS123 P11 VSS122 N14 VSS121 N13 VSS120 N12 VSS119 N11 VSS118 M22 VSS117 M21 VSS116 M17 VSS115 M16 VSS114 M15 VSS113 M14 VSS112 M13 VSS111 M12 VSS110 M11 VSS109 M4 VSS108 L23 VSS107 L22 VSS106 L4 VSS105 K24 VSS104 K23 VSS103 K22 VSS102 K13 VSS101 K4 VSS100 K3 VSS99 J24 VSS98 J23 VSS97 J22 VSS96 J13 VSS95 J5 VSS94 J4 VSS93 H25 VSS92 H24 VSS91 H23 VSS90 H22 VSS89 H17 VSS88 H16 VSS87 H15 VSS86 H14 VSS85 H13 VSS84 H6 VSS83 H5 VSS82 H4 VSS81 G26 VSS80 G25 VSS79 G24 VSS78 G23 VSS77 G22 VSS76 G18 VSS75 G17 VSS74 G16 VSS73 G15 VSS72 G14 VSS71 G13 VSS70 G12 VSS69 G11 VSS68 G7 VSS67 G6 VSS66 G5 VSS65 F26 VSS64 F25 VSS63 F24 VSS62 F23 VSS61 F19 VSS60 F18 VSS59 F17 VSS58 F16 VSS57 F15 VSS56 F14 VSS55 F13 VSS54 F12 VSS53 F6 VSS52 E26 VSS51 E25 VSS50 E24 VSS49 E23 VSS48 E20 VSS47 E19 VSS46 E18 VSS45 E17 VSS44 E16 VSS43 E15 VSS42 E14 VSS41 E8 VSS40 E3 VSS39 D26 VSS38 D25 VSS37 D24 VSS36 D23 VSS35 D20 VSS34 D19 VSS33 D18 VSS32 D17 VSS31 D16 VSS30 D15 VSS29 D14 VSS28 D8 VSS27 C26 VSS26 C25 VSS25 C23 VSS24 C20 VSS23 C19 VSS22 C18 VSS21 C17 VSS20 C16 VSS19 C15 VSS18 C12 VSS17 C8 VSS16 B25 VSS15 B24 VSS14 B23 VSS13 B20 VSS12 B17 VSS11 B16 VSS10 B15 VSS9 B8 VSS8 A26 VSS7 A25 VSS6 A24 VSS5 A23 VSS4 A20 VSS3 A17 VSS2 A8 VSS1 A1 HI 3751V320 U15E LDO_1V2 PLL_1V2 PLL_1V2 C60 C64 C66 C67 AVDD_QAM GND LDO_1V2 AVDD_QAM LVDS_1V2 LDO_1V2 R29 LVDS_1V2 GND C22 C29 L1 C36 LVDS_3V3 GND 3V3_M LVDS_3V3 C10 USB_3V3 USB_3V3 GND 3V3_M C18 L2 C12 C19 R11 R25 R10 R8 PIC301 PIC302COC3 PIC401 PIC402COC4 PIC601 PIC602COC6 PIC1001 PIC1002COC10 PIC1101 PIC1102COC11 PIC1201 PIC1202COC12 PIC1301 PIC1302COC13 PIC1401 PIC1402COC14 PIC1501 PIC1502COC15 PIC1601 PIC1602COC16 PIC1801 PIC1802COC18 PIC1901 PIC1902 COC19 PIC2001 PIC2002COC20 PIC2101 PIC2102COC21 PIC2201 PIC2202COC22 PIC2301 PIC2302COC23 PIC2401 PIC2402COC24 PIC2501 PIC2502COC25 PIC2701 PIC2702COC27 PIC2801 PIC2802COC28 PIC2901 PIC2902 COC29 PIC3001 PIC3002COC30 PIC3101 PIC3102COC31 PIC3201 PIC3202COC32 PIC3301 PIC3302COC33 PIC3401 PIC3402COC34 PIC3501 PIC3502COC35 PIC3601 PIC3602 COC36 PIC3701 PIC3702COC37 PIC3801 PIC3802COC38 PIC3901 PIC3902COC39 PIC4101 PIC4102COC41 PIC4201 PIC4202COC42 PIC4301 PIC4302COC43 PIC4401 PIC4402COC44 PIC4501 PIC4502COC45 PIC4601 PIC4602COC46 PIC4701 PIC4702COC47 PIC4801 PIC4802COC48 PIC4901 PIC4902COC49 PIC5001 PIC5002COC50 PIC5101 PIC5102 COC51 PIC5201 PIC5202COC52 PIC5301 PIC5302COC53 PIC5401 PIC5402COC54 PIC5501 PIC5502COC55 PIC5601 PIC5602COC56 PIC5701 PIC5702COC57 PIC5801 PIC5802COC58 PIC5901 PIC5902 COC59 PIC6001 PIC6002 COC60 PIC6301 PIC6302 COC63 PIC6401 PIC6402 COC64 PIC6501 PIC6502COC65 PIC6601 PIC6602 COC66 PIC6701 PIC6702 COC67 PIC8401 PIC8402 COC84 PIC9301 PIC9302COC93 PIC10101 PIC10102COC101 PIC10201 PIC10202COC102 PIC10701 PIC10702COC107 PIC10801 PIC10802COC108 PIC10901 PIC10902COC109 PIC11801 PIC11802COC118 PIC12001 PIC12002COC120 PIC12101 PIC12102COC121 PIC12201 PIC12202COC122 PIC12301 PIC12302COC123 PIC12501 PIC12502COC125 PIC12601 PIC12602COC126 PIC12801 PIC12802 COC128 PIC13001 PIC13002COC130 PIC13101 PIC13102COC131 PIC13201 PIC13202COC132 PIC13301 PIC13302COC133 PIC13401 PIC13402COC134 PIC13501 PIC13502COC135 PIC13601 PIC13602 COC136 PICD1501 PICD1502COCD15 PICD1701 PICD1702COCD17 PICD3701 PICD3702COCD37 PIL101 PIL102 COL1 PIL201 PIL202 COL2 PIR401 PIR402 COR4 PIR601 PIR602 COR6 PIR701 PIR702 COR7 PIR801 PIR802 COR8 PIR1001 PIR1002 COR10 PIR1101 PIR1102 COR11 PIR2501 PIR2502 COR25 PIR2901 PIR2902 COR29 PIRD101 PIRD102 CORD1 PIRD201 PIRD202 CORD2 PIRD301 PIRD302 CORD3 PIRD401 PIRD402 CORD4 PIRD1301 PIRD1302 CORD13 PIRD1401 PIRD1402 CORD14 PIU150A9 PIU150A10 PIU150A16 PIU150A18 PIU150A19 PIU150A21 PIU150A22 PIU150AB21 PIU150AF5 PIU150B9 PIU150B18 PIU150B19 PIU150B21 PIU150B22 PIU150B26 PIU150C9 PIU150C13 PIU150C21 PIU150C22 PIU150D9 PIU150D13 PIU150D21 PIU150D22 PIU150E9 PIU150E13 PIU150E21 PIU150E22 PIU150F20 PIU150F21 PIU150F22 PIU150G19 PIU150G20 PIU150G21 PIU150H18 PIU150H19 PIU150H20 PIU150H21 PIU150J14 PIU150J15 PIU150J16 PIU150J17 PIU150J18 PIU150J19 PIU150J20 PIU150J21 PIU150K21 PIU150L21 PIU150M9 PIU150M10 PIU150M18 PIU150N9 PIU150N10 PIU150N15 PIU150N16 PIU150N17 PIU150N18 PIU150P9 PIU150P10 PIU150P15 PIU150P16 PIU150P17 PIU150P18 PIU150R9 PIU150R15 PIU150R16 PIU150R17 PIU150R18 PIU150T9 PIU150T15 PIU150T16 PIU150T17 PIU150T18 PIU150T21 PIU150U6 PIU150U9 PIU150U15 PIU150U16 PIU150U17 PIU150U18 PIU150U21 PIU150V6 PIU150V9 PIU150V15 PIU150V16 PIU150V17 PIU150V18 PIU150V21 PIU150W5 PIU150W6 PIU150W9 PIU150W17 PIU150W18 PIU150W21 PIU150Y9 PIU150Y10 PIU150Y12 PIU150Y13 PIU150Y14 PIU150Y15 PIU150Y16 PIU150Y21 COU15A PIU150A1 PIU150A8 PIU150A17 PIU150A20 PIU150A23 PIU150A24 PIU150A25 PIU150A26 PIU150AA3 PIU150AA4 PIU150AA11 PIU150AA24 PIU150AC3 PIU150AC4 PIU150AD8 PIU150AD25 PIU150AE3 PIU150AF1 PIU150AF26 PIU150B8 PIU150B15 PIU150B16 PIU150B17 PIU150B20 PIU150B23 PIU150B24 PIU150B25 PIU150C8 PIU150C12 PIU150C15 PIU150C16 PIU150C17 PIU150C18 PIU150C19 PIU150C20 PIU150C23 PIU150C25 PIU150C26 PIU150D8 PIU150D14 PIU150D15 PIU150D16 PIU150D17 PIU150D18 PIU150D19 PIU150D20 PIU150D23 PIU150D24 PIU150D25 PIU150D26 PIU150E3 PIU150E8 PIU150E14 PIU150E15 PIU150E16 PIU150E17 PIU150E18 PIU150E19 PIU150E20 PIU150E23 PIU150E24 PIU150E25 PIU150E26 PIU150F6 PIU150F12 PIU150F13 PIU150F14 PIU150F15 PIU150F16 PIU150F17 PIU150F18 PIU150F19 PIU150F23 PIU150F24 PIU150F25 PIU150F26 PIU150G5 PIU150G6 PIU150G7 PIU150G11 PIU150G12 PIU150G13 PIU150G14 PIU150G15 PIU150G16 PIU150G17 PIU150G18 PIU150G22 PIU150G23 PIU150G24 PIU150G25 PIU150G26 PIU150H4 PIU150H5 PIU150H6 PIU150H13 PIU150H14 PIU150H15 PIU150H16 PIU150H17 PIU150H22 PIU150H23 PIU150H24 PIU150H25 PIU150J4 PIU150J5 PIU150J13 PIU150J22 PIU150J23 PIU150J24 PIU150K3 PIU150K4 PIU150K13 PIU150K22 PIU150K23 PIU150K24 PIU150L4 PIU150L22 PIU150L23 PIU150M4 PIU150M11 PIU150M12 PIU150M13 PIU150M14 PIU150M15 PIU150M16 PIU150M17 PIU150M21 PIU150M22 PIU150N11 PIU150N12 PIU150N13 PIU150N14 PIU150P11 PIU150P12 PIU150P13 PIU150P14 PIU150R3 PIU150R4 PIU150R10 PIU150R11 PIU150R12 PIU150R13 PIU150R14 PIU150R24 PIU150T10 PIU150T11 PIU150T12 PIU150T13 PIU150T14 PIU150T22 PIU150U3 PIU150U4 PIU150U10 PIU150U11 PIU150U12 PIU150U13 PIU150U14 PIU150U24 PIU150V5 PIU150V10 PIU150V11 PIU150V12 PIU150V13 PIU150V14 PIU150W3 PIU150W4 PIU150W10 PIU150W11 PIU150W12 PIU150W13 PIU150W14 PIU150W15 PIU150W16 PIU150W24 PIU150Y11 PIU150Y17 PIU150Y18 COU15E PIC3702 PIC3802 PIC3902 PIC4102 PIC4202 PIC4302 PIC5402 PIC5502 PIC5602 PIC5702 PIC9302 PIC10102 PIC10202 PIC10702 PIC10802 PIC10902 PIC11802 PIRD102 PIRD302 PIRD1302 PIU150A21 PIU150A22 PIU150B21 PIU150B22 PIU150C21 PIU150C22 PIU150D21 PIU150D22 PIU150E21 PIU150E22 PIU150F20 PIU150F21 PIU150F22 PIU150G19 PIU150G20 PIU150G21 PIU150H18 PIU150H19 PIU150H20 PIU150H21 PIU150J14 PIU150J15 PIU150J16 PIU150J17 PIU150J18 PIU150J19 PIU150J20 PIU150J21 PIU150K21 PIU150L21 PIC302 PIC402 PIC602 PIC1102 PIC1302 PIC1402 PIC1502 PIC1602 PIC2002 PIL201 PIR1001 PIR1101 PIR2501 PIU150Y12 PIU150Y13 PIU150Y14 PIU150Y15 PIU150Y16 PIC3502 PIC3602 PIU150C13 PIU150D13 PIU150E13 PIC3002 PIC3102 PIC3202 PIR1002 PIU150U6 PIU150V6 PIU150W5 PIU150W6 NLAFE03V3 PIC2202 PIC2402 PIL102 PIU150Y9 PIU150Y10 NLAVDD0QAM PIC6001 PIC6302 PIU150AF5 NLAVREF PIC4902 PIC5002 PIC5101 PIC5202 PIC5302 PIC13002 PIC13102 PIC13202 PIC13302 PIC13402 PIC13502 PIC13601 PIU150A9 PIU150B9 PIU150C9 PIU150D9 PIU150E9 PIU150M9 PIU150M10 PIU150N9 PIU150N10 PIU150P9 PIU150P10 PIC301 PIC401 PIC601 PIC1001 PIC1101 PIC1201 PIC1301 PIC1401 PIC1501 PIC1601 PIC1801 PIC1901 PIC2001 PIC2101 PIC2201 PIC2301 PIC2401 PIC2501 PIC2701 PIC2801 PIC2901 PIC3001 PIC3101 PIC3201 PIC3301 PIC3401 PIC3501 PIC3601 PIC3701 PIC3801 PIC3901 PIC4101 PIC4201 PIC4301 PIC4401 PIC4501 PIC4601 PIC4701 PIC4801 PIC4901 PIC5001 PIC5102 PIC5201 PIC5301 PIC5401 PIC5501 PIC5601 PIC5701 PIC5801 PIC5902 PIC6002 PIC6301 PIC6402 PIC6501 PIC6602 PIC6702 PIC8401 PIC9301 PIC10101 PIC10201 PIC10701 PIC10801 PIC10901 PIC11801 PIC12001 PIC12101 PIC12201 PIC12301 PIC12501 PIC12601 PIC12802 PIC13001 PIC13101 PIC13201 PIC13301 PIC13401 PIC13501 PIC13602 PICD1501 PICD1701 PICD3701 PIR402 PIR602 PIR702 PIRD202 PIRD402 PIRD1402 PIU150A1 PIU150A8 PIU150A17 PIU150A20 PIU150A23 PIU150A24 PIU150A25 PIU150A26 PIU150AA3 PIU150AA4 PIU150AA11 PIU150AA24 PIU150AC3 PIU150AC4 PIU150AD8 PIU150AD25 PIU150AE3 PIU150AF1 PIU150AF26 PIU150B8 PIU150B15 PIU150B16 PIU150B17 PIU150B20 PIU150B23 PIU150B24 PIU150B25 PIU150C8 PIU150C12 PIU150C15 PIU150C16 PIU150C17 PIU150C18 PIU150C19 PIU150C20 PIU150C23 PIU150C25 PIU150C26 PIU150D8 PIU150D14 PIU150D15 PIU150D16 PIU150D17 PIU150D18 PIU150D19 PIU150D20 PIU150D23 PIU150D24 PIU150D25 PIU150D26 PIU150E3 PIU150E8 PIU150E14 PIU150E15 PIU150E16 PIU150E17 PIU150E18 PIU150E19 PIU150E20 PIU150E23 PIU150E24 PIU150E25 PIU150E26 PIU150F6 PIU150F12 PIU150F13 PIU150F14 PIU150F15 PIU150F16 PIU150F17 PIU150F18 PIU150F19 PIU150F23 PIU150F24 PIU150F25 PIU150F26 PIU150G5 PIU150G6 PIU150G7 PIU150G11 PIU150G12 PIU150G13 PIU150G14 PIU150G15 PIU150G16 PIU150G17 PIU150G18 PIU150G22 PIU150G23 PIU150G24 PIU150G25 PIU150G26 PIU150H4 PIU150H5 PIU150H6 PIU150H13 PIU150H14 PIU150H15 PIU150H16 PIU150H17 PIU150H22 PIU150H23 PIU150H24 PIU150H25 PIU150J4 PIU150J5 PIU150J13 PIU150J22 PIU150J23 PIU150J24 PIU150K3 PIU150K4 PIU150K13 PIU150K22 PIU150K23 PIU150K24 PIU150L4 PIU150L22 PIU150L23 PIU150M4 PIU150M11 PIU150M12 PIU150M13 PIU150M14 PIU150M15 PIU150M16 PIU150M17 PIU150M21 PIU150M22 PIU150N11 PIU150N12 PIU150N13 PIU150N14 PIU150P11 PIU150P12 PIU150P13 PIU150P14 PIU150R3 PIU150R4 PIU150R10 PIU150R11 PIU150R12 PIU150R13 PIU150R14 PIU150R24 PIU150T10 PIU150T11 PIU150T12 PIU150T13 PIU150T14 PIU150T22 PIU150U3 PIU150U4 PIU150U10 PIU150U11 PIU150U12 PIU150U13 PIU150U14 PIU150U24 PIU150V5 PIU150V10 PIU150V11 PIU150V12 PIU150V13 PIU150V14 PIU150W3 PIU150W4 PIU150W10 PIU150W11 PIU150W12 PIU150W13 PIU150W14 PIU150W15 PIU150W16 PIU150W24 PIU150Y11 PIU150Y17 PIU150Y18 PIC8402 PIU150A10 NLLDO01V10OUT PIC2102 PIC2302 PIC2802 PIC6502 PIC6601 PIC6701 PIL101 PIR801 PIR2901 PIU150R9 PIU150T9 PIU150U9 PIU150V9 PIU150W9 PIU150W17 PIU150W18 NLLDO01V2 PIC2502 PIC2702 PIR2902 PIU150U18 PIU150V18 NLLVDS01V2 PIC1002 PIC1202 PIL202 PIU150V21 PIU150W21 NLLVDS03V3 PIR401 PIU150B19 PIR601 PIU150B18 PIR701 PIU150A16 PIC2902 PIC6401 PIR802 PIU150M18 NLPLL01V2 PIC3302 PIC3402 PIR1102 PIU150T21 PIU150U21 NLPLL03V3 PIC1802 PIC1902 PIR2502 PIU150AB21 PIU150Y21 NLUSB03V3 PIC4402 PIC4502 PIC4602 PIC4702 PIC4802 PIC5802 PIC5901 PIC12002 PIC12102 PIC12202 PIC12302 PIC12502 PIC12602 PIC12801 PIU150N15 PIU150N16 PIU150N17 PIU150N18 PIU150P15 PIU150P16 PIU150P17 PIU150P18 PIU150R15 PIU150R16 PIU150R17 PIU150R18 PIU150T15 PIU150T16 PIU150T17 PIU150T18 PIU150U15 PIU150U16 PIU150U17 PIU150V15 PIU150V16 PIU150V17 PICD1502 PIRD101 PIRD201 PIU150A18 NLVREF0CA PICD1702 PIRD301 PIRD401 PIU150A19 NLVREF0DQ00 PICD3702 PIRD1301 PIRD1401 PIU150B26 NLVREF0DQ01

标签:

版权声明

1. 本站所有素材,仅限学习交流,仅展示部分内容,如需查看完整内容,请下载原文件。
2. 会员在本站下载的所有素材,只拥有使用权,著作权归原作者所有。
3. 所有素材,未经合法授权,请勿用于商业用途,会员不得以任何形式发布、传播、复制、转售该素材,否则一律封号处理。
4. 如果素材损害你的权益请联系客服QQ:77594475 处理。