组装机液晶采用TP.VST59.E68方案电路原理图

分类:电子电工 日期: 点击:0
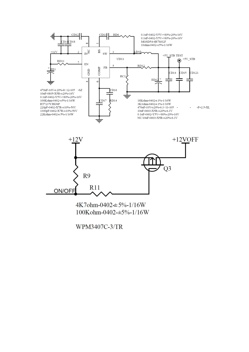
组装机液晶采用TP.VST59.E68方案电路原理图-0 组装机液晶采用TP.VST59.E68方案电路原理图-1 组装机液晶采用TP.VST59.E68方案电路原理图-2 组装机液晶采用TP.VST59.E68方案电路原理图-3 组装机液晶采用TP.VST59.E68方案电路原理图-4 组装机液晶采用TP.VST59.E68方案电路原理图-5 组装机液晶采用TP.VST59.E68方案电路原理图-6 组装机液晶采用TP.VST59.E68方案电路原理图-7 组装机液晶采用TP.VST59.E68方案电路原理图-8 组装机液晶采用TP.VST59.E68方案电路原理图-9

Service Manual B24PFL3545/T3 (TP.VST59.E68) LCD TV Service Manual 1. Diagram: 1.1 Function of Board: 1) Main Board: Control all input signals, Decode the video signal, De-interlace, and send digital signals (LVDS signal) sent from image Board and display; 2) Power Board: All the power supply; *Power supply using adapter *Led light-bar power supply combined with main board 3) Panel: Display all images; 4) IR Board: Receive remote operation; 5) Key Board : buttons of POWER、 SOURCE、 MENU、 VOL+/- ,Channel +/-; 6) AC Power Input: connecting AC power; 1.2 Part apt to decrease: 1) Bezel, Rear Cover and Panel; 2) Terminal of all plugs. 2. Main Board Service Chart 2.1 Main Board and connector definition 2.1.1 Main Board 2.1.2 Main Board interface definition 1)CN7 (14pin/2.0):IR & KEY BOARD CONNECTOR 2)CNA1 (4pin/2.54): SPEAKER CONNECTOR 3)CN12 (2×15PIN/2.0) LVDS INTERFACE 4)CNB802 (2PIN/2.0) LED DRIVER OUTPUT CONNECTOR 2.2 TP.VST59S.P89 frequently malfunction obviate 3. Mainboard Common problems solution 3.1 Power Units Problem Solving Power input 3.2 Display unit(mess) 3.3 Display unit(white screen) 3.4 Audio unit(no sound) 3.5 Function unit (ATV video broke down) 3.6 Function unit (TV) 3.7 Function unit(PC) 3.8 Function unit(HDMI\YPbPr\CVBS\USB) 3.9 V59 Chipset

标签:

版权声明

1. 本站所有素材,仅限学习交流,仅展示部分内容,如需查看完整内容,请下载原文件。
2. 会员在本站下载的所有素材,只拥有使用权,著作权归原作者所有。
3. 所有素材,未经合法授权,请勿用于商业用途,会员不得以任何形式发布、传播、复制、转售该素材,否则一律封号处理。
4. 如果素材损害你的权益请联系客服QQ:77594475 处理。