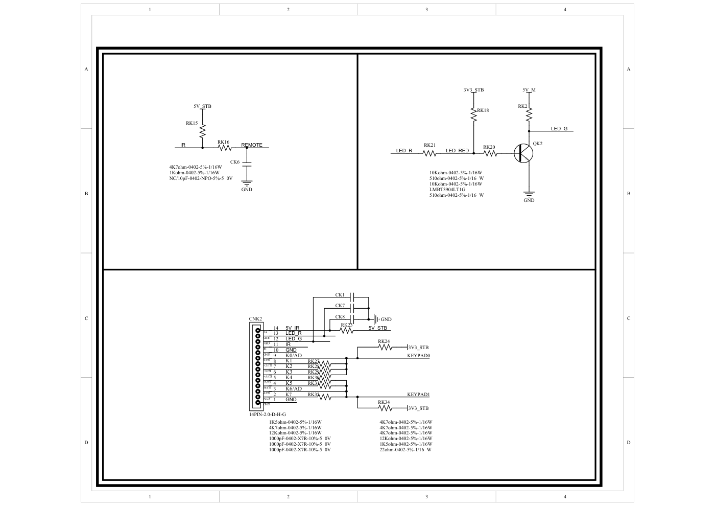
组装机液晶采用TP.RT2984D.PB831B方案主板电路原理图

分类:电子电工 日期: 点击:0
组装机液晶采用TP.RT2984D.PB831B方案主板电路原理图-0 组装机液晶采用TP.RT2984D.PB831B方案主板电路原理图-1 组装机液晶采用TP.RT2984D.PB831B方案主板电路原理图-2 组装机液晶采用TP.RT2984D.PB831B方案主板电路原理图-3 组装机液晶采用TP.RT2984D.PB831B方案主板电路原理图-4 组装机液晶采用TP.RT2984D.PB831B方案主板电路原理图-5 组装机液晶采用TP.RT2984D.PB831B方案主板电路原理图-6 组装机液晶采用TP.RT2984D.PB831B方案主板电路原理图-7 组装机液晶采用TP.RT2984D.PB831B方案主板电路原理图-8 组装机液晶采用TP.RT2984D.PB831B方案主板电路原理图-9

1 1 2 2 3 3 4 4 5 5 6 6 7 7 8 8 D D C C B B A A 5V_STB PVCC 12V PVCC 5V_STB 5V_M POWER_EN RD2 20Kohm-0402-¡À1%-1/16W CD30 0.1uF-0402-X5R-¡À20%-16V RD1 100Kohm-0402-¡À5%-1/16W EN 1 GND 2 SW 3 VIN 4 FB 5 UD6 LC3406CB5TR DDR_POWER DDR_POWER TEST CD5 22uF-0805-X5R-¡À20%-6.3V CD2 0.1uF-0402-X5R-¡À20%-16V CD1 10uF-0805-X5R-¡À20%-16V 5V_M GND GND GND LD1 CTD0403-6R8-M RD3 13Kohm-0402-¡À1%-1/16W CD29 10uF-0603-X5R-¡À20%-6.3V 5V_STB CD23 10uF-0805-X5R-¡À20%-16V CD24 0.1uF-0402-X5R-¡À20%-16V CD10 0.1uF-0402-X5R-¡À20%-16V RD6 10ohm-0402-¡À5%-1/16W LD3 SWPA6045S4R7MT RD11 18Kohm-0402-¡À1%-1/16W RD7 100Kohm-0402-¡À5%-1/16W CD32 3300pF-0402-X7R-¡À10%-50V RD10 10Kohm-0402-¡À5%-1/16W RD14 3K3ohm-0402-¡À1%-1/16W CD25 0.1uF-0402-X5R-¡À20%-16V 5V_STB TEST CD28 10uF-0603-X5R-¡À20%-6.3V 12V CD4 NC/10uF-0805-X5R-¡À20%-16V + ED1 100uF-16V-¡À20%-5¡Á11-105 ℃-F=2.5-XF PVCC VCC-PANEL QM2 LMBT3904LT1G RM1 4K7ohm-0402-¡À5%-1/16W RM3 10Kohm-0402-¡À5%-1/16W GND GND R5V NC/0ohm-0805-¡À5%-1/8W PANEL_EN CM1 10uF-0805-X5R-¡À20%-16V R12V 0ohm-0805-¡À5%-1/8W RM2 200Kohm-0402-¡À1%-1/16W D G S QM1 WPM3407C-3/TR QM4 LMBT3904LT1G RM5 4K7ohm-0402-¡À5%-1/16W RM7 10Kohm-0402-¡À5%-1/16W QM3 WPM2341A-3/TR RM6 100Kohm-0402-¡À5%-1/16W GND GND CM5 0.1uF-0402-X5R-¡À20%-16V RD17 4K7ohm-0402-¡À5%-1/16W RD15 510ohm-0402-¡À5%-1/16W RD16 510ohm-0402-¡À5%-1/16W RD18 4K7ohm-0402-¡À5%-1/16W GND PWM_REF BL_ON BL_ADJ CD41 10uF-0603-X5R-¡À20%-6.3V GND CD20 10uF-0603-X5R-¡À20%-6.3V GND GND CD21 0.1uF-0402-X5R-¡À20%-16V CD19 0.1uF-0402-X5R-¡À20%-16V 5V_M 3V3_M VI 3 VO 2 ADJ 1 VO 4 UD4 LC1117CLTR33 BL_EN/REF RD19 0ohm-0402-¡À5%-1/16W RD12 NC/0ohm-0402-¡À5%-1/16W 5V_STB GND GND + ED2 100uF-16V-¡À20%-5¡Á11-105 ℃-F=2.5-XF LD2 Power Inductor,2.2uH,¡À20%,8A,7.3¡Á6.6,SMD,TMPC0603H-2R2MG-D,TAITECH GND CD27 1uF-0402-X5R-¡À20%-6.3V CD13 0.1uF-0402-X5R-¡À20%-16V RD5 22ohm-0402-¡À5%-1/16W IN 7 GND 10 ILMT 3 EN 1 VCC 5 PG 2 BS 6 LX 8 FB 4 IN 9 GND 12 LX 11 UD1 DC-DC芯片,IC DC-DC,Syn,6A,28V,800kHz,QFN3x3-12,SMD,SY8366AQQC,Silergy GND RD9 4K7ohm-0402-¡À5%-1/16W GND RD13 115Kohm-0402-¡À1%-1/16W RD21 121Kohm-0402-¡À1%-1/16W ILMT RD4 100Kohm-0402-¡À5%-1/16W POWER_EN 1V05_CORE CD16 0.1uF-0402-X5R-¡À20%-16V GND CD15 10uF-0603-X5R-¡À20%-6.3V CD17 22uF-0805-X5R-¡À20%-6.3V CD18 22uF-0805-X5R-¡À20%-6.3V GND CD11 10uF-0805-X5R-¡À20%-16V CD6 0.1uF-0402-X5R-¡À20%-16V 12V CD12 10uF-1206-X5R-¡À10%-25V PIN_5_VCC RD20 100Kohm-0402-¡À5%-1/16W RD22 NC/0ohm-0402-¡À5%-1/16W GND ILMT PIN_5_VCC 5V_STB 3V3_STB GND CD34 10uF-0603-X5R-¡À20%-6.3V GND GND CD35 0.1uF-0402-X5R-¡À20%-16V CD22 0.1uF-0402-X5R-¡À20%-16V 3V3_STB TEST CD9 NC/10uF-0805-X5R-¡À20%-16V BOOT 1 VIN 2 SW 3 GND 4 FB 5 COMP 6 EN 7 SS 8 UD2 RT7257GHZSP CD33 220pF-0402-X7R-¡À10%-50V VI 3 VO 2 ADJ 1 VO 4 UD5 LC1117CLTR33 CT23 NC/10uF-0603-X5R-¡À20%-6.3V CT25 NC/0.1uF-0402-X5R-¡À20%-16V VI 3 VO 2 ADJ 1 VO 4 UT2 NC/LC1117CLTR33 GND CT26 NC/0.1uF-0402-X5R-¡À20%-16V 3V3_Tun/ 5V_M LT4 0ohm-0402-¡À5%-1/16W 3V3_Tun CT27 10uF-0603-X5R-¡À20%-6.3V GND 3V3_STB + ED3 100uF-16V-¡À20%-5¡Á11-105 ℃-F=2.5-XF CT7 NC/10uF-0603-X5R-¡À20%-6.3V CD31 NC/10uF-0603-X5R-¡À20%-6.3V 3V3_Tun/ LT5 NC/0ohm-0402-¡À5%-1/16W CT28 0.01uF-0402-X7R-¡À10%-50V PI3V30STB01 CO3V30STB PI5V0STB01 CO5V0STB PICD101 PICD102 COCD1 PICD201 PICD202 COCD2 PICD401 PICD402 COCD4 PICD501 PICD502 COCD5 PICD601 PICD602 COCD6 PICD901 PICD902 COCD9 PICD1001 PICD1002 COCD10 PICD1101 PICD1102 COCD11 PICD1201 PICD1202 COCD12 PICD1301 PICD1302 COCD13 PICD1501 PICD1502 COCD15 PICD1601 PICD1602 COCD16 PICD1701 PICD1702 COCD17 PICD1801 PICD1802 COCD18 PICD1901 PICD1902 COCD19 PICD2001 PICD2002 COCD20 PICD2101 PICD2102 COCD21 PICD2201 PICD2202 COCD22 PICD2301 PICD2302 COCD23 PICD2401 PICD2402 COCD24 PICD2501 PICD2502 COCD25 PICD2701 PICD2702 COCD27 PICD2801 PICD2802 COCD28 PICD2901 PICD2902 COCD29 PICD3001 PICD3002 COCD30 PICD3101 PICD3102 COCD31 PICD3201 PICD3202 COCD32 PICD3301 PICD3302 COCD33 PICD3401 PICD3402 COCD34 PICD3501 PICD3502 COCD35 PICD4101 PICD4102 COCD41 PICM101 PICM102 COCM1 PICM501 PICM502 COCM5 PICT701 PICT702COCT7 PICT2301 PICT2302 COCT23 PICT2501 PICT2502 COCT25 PICT2601 PICT2602 COCT26 PICT2701 PICT2702 COCT27 PICT2801 PICT2802 COCT28 PIDDR0POWER01 CODDR0POWER PIED101 PIED102 COED1 PIED201 PIED202 COED2 PIED301 PIED302 COED3 PILD101 PILD102 COLD1 PILD201 PILD202 COLD2 PILD301 PILD302 COLD3 PILT401 PILT402 COLT4 PILT501 PILT502 COLT5 PIQM10D PIQM10G PIQM10S COQM1 PIQM20B PIQM20C PIQM20E COQM2 PIQM30D PIQM30G PIQM30S COQM3 PIQM40B PIQM40C PIQM40E COQM4 PIR5V01 PIR5V02 COR5V PIR12V01 PIR12V02 COR12V PIRD101 PIRD102 CORD1 PIRD201 PIRD202 CORD2 PIRD301 PIRD302 CORD3 PIRD401 PIRD402 CORD4 PIRD501 PIRD502 CORD5 PIRD601 PIRD602 CORD6 PIRD701 PIRD702 CORD7 PIRD901 PIRD902 CORD9 PIRD1001 PIRD1002 CORD10 PIRD1101 PIRD1102 CORD11 PIRD1201 PIRD1202 CORD12 PIRD1301 PIRD1302 CORD13 PIRD1401 PIRD1402 CORD14 PIRD1501 PIRD1502 CORD15 PIRD1601 PIRD1602 CORD16 PIRD1701 PIRD1702 CORD17 PIRD1801 PIRD1802 CORD18 PIRD1901 PIRD1902 CORD19 PIRD2001 PIRD2002 CORD20 PIRD2101 PIRD2102 CORD21 PIRD2201 PIRD2202 CORD22 PIRM101 PIRM102 CORM1 PIRM201 PIRM202 CORM2 PIRM301 PIRM302 CORM3 PIRM501 PIRM502 CORM5 PIRM601 PIRM602 CORM6 PIRM701 PIRM702 CORM7 PIUD101 PIUD102 PIUD103 PIUD104 PIUD105 PIUD106 PIUD107 PIUD108 PIUD109 PIUD1010 PIUD1011 PIUD1012 COUD1 PIUD201 PIUD202 PIUD203 PIUD204 PIUD205 PIUD206 PIUD207 PIUD208 COUD2 PIUD401 PIUD402 PIUD403 PIUD404 COUD4 PIUD501 PIUD502 PIUD503 PIUD504 COUD5 PIUD601 PIUD602 PIUD603 PIUD604 PIUD605 COUD6 PIUT201 PIUT202 PIUT203 PIUT204 COUT2 PICD1501 PICD1601 PICD1702 PICD1802 PILD202 PIRD1302 PICD2001 PICD2102 PICD3101 PIUD402 PIUD404 PI3V30STB01 PICD3401 PICD3502 PILT401 PIUD502 PIUD504 PICT702 PICT2702 PICT2802 PILT402 PILT502 PICT2302 PICT2602 PILT501 PIUT202 PIUT204 PICD1902 PICM502 PICT2501 PIQM30D PIRD1201 PIUD403 PIUT203 PI5V0STB01 PICD2202 PICD2502 PICD2802 PIED101 PILD302 PIQM30S PIR5V01 PIRD1102 PIRD1901 PIRM502 PIUD503 NL5V0STB PICD401 PICD602 PICD902 PICD1102 PICD1201 PICD2301 PICD2401 PIED201 PIED301 PIR12V01 PIRD402 PIRD702 PIUD107 PIUD109 PIUD202 NL12V PIRD1502 PIRD1802 NLBL0ADJ PIRD1602 PIRD1702 NLBL0EN0REF PIRD1601 NLBL0ON PICD502 PICD2902 PICD3002 PICD4102 PIDDR0POWER01 PILD102 PIRD202 PICD101 PICD202 PICD402 PICD501 PICD601 PICD901 PICD1101 PICD1202 PICD1502 PICD1602 PICD1701 PICD1801 PICD1901 PICD2002 PICD2101 PICD2201 PICD2302 PICD2402 PICD2501 PICD2701 PICD2801 PICD2901 PICD3001 PICD3102 PICD3301 PICD3402 PICD3501 PICD4101 PICM102 PICM501 PICT701 PICT2301 PICT2502 PICT2601 PICT2701 PICT2801 PIED102 PIED202 PIED302 PIQM20E PIQM40E PIRD301 PIRD1001 PIRD1401 PIRD1701 PIRD1801 PIRD2101 PIRD2202 PIUD1010 PIUD1012 PIUD204 PIUD401 PIUD501 PIUD602 PIUT201 PIRD2001 PIRD2201 PIUD103 NLILMT PICD102 PICD201 PIRD101 PIRD1202 PIRD1902 PIUD604 PICD1001 PIRD601 PICD1002 PIUD201 PICD1301 PIRD501 PICD1302 PILD201 PIUD108 PIUD1011 PICD3201 PIRD1002 PICD3202 PICD3302 PIUD206 PILD101 PIUD603 PILD301 PIRD602 PIUD203 PIQM10G PIRM202 PIQM20B PIRM302 PIQM20C PIRM102 PIRM201 PIQM30G PIRM602 PIQM40B PIRM701 PIQM40C PIRM501 PIRM601 PIRD102PIUD601 PIRD201 PIRD302 PIUD605 PIRD401 PIUD102 PIRD502 PIUD106 PIRD701 PIUD207 PIRD901 PIUD101 PIRD1101 PIRD1402 PIUD205 PIRD1301 PIRD2102 PIUD104 PIUD208 PIRM301 NLPANEL0EN PICD2702 PIRD2002 PIUD105 NLPIN050VCC PIRD902 PIRM702 NLPOWER0EN PIQM10S PIR5V02 PIR12V02 PIRM101 NLPVCC PIRD1501 NLPWM0REF PICM101 PIQM10D 1 1 2 2 3 3 4 4 5 5 6 6 7 7 8 8 9 9 10 10 11 11 12 12 D D C C B B A A XIN XOUT R49 NC/1Mohm-0402-¡À5%-1/16W C97 33pF-0402-NPO-¡À5%-50V C98 33pF-0402-NPO-¡À5%-50V GND Y1 27MHz-¡À20PPM-20PF-HC-49S-SMD-JWT TSI_D6 TSI_D7 TSI_CLK R8 10Kohm-0402-¡À5%-1/16W R9 10Kohm-0402-¡À5%-1/16W R10 10Kohm-0402-¡À5%-1/16W 3V3_M GND RESET# C41 0.1uF-0402-X5R-¡À20%-16V R27 10Kohm-0402-¡À5%-1/16W 3V3_STB POWER_EN 3V3_STB R15 10Kohm-0402-¡À5%-1/16W EJTAG_EN 3V3_STB R14 10Kohm-0402-¡À5%-1/16W R33 NC/10Kohm-0402-¡À5%-1/16W CI_A6 3V3_M CI_A5 CI_A9 CI_A13 CI_A14 R3 NC/10Kohm-0402-¡À5%-1/16W R4 NC/10Kohm-0402-¡À5%-1/16W R6 NC/10Kohm-0402-¡À5%-1/16W R7 NC/10Kohm-0402-¡À5%-1/16W GND R39 10Kohm-0402-¡À5%-1/16W 3V3_M R5 10Kohm-0402-¡À5%-1/16W 3V3_M CI_A8 SPI_SCK 3V3_VDD GND L1 0ohm-0402-¡À5%-1/16W BB_GND GND L2 0ohm-0402-¡À5%-1/16W YPP_APLL_GND BB_GND C9 1uF-0402-X5R-¡À20%-6.3V C8 0.1uF-0402-X5R-¡À20%-16V VCM_BB 3V3_ETN GND GND C104 0.1uF-0402-X5R-¡À20%-16V C113 0.1uF-0402-X5R-¡À20%-16V C108 1uF-0402-X5R-¡À20%-6.3V C76 1uF-0402-X5R-¡À20%-6.3V C78 0.1uF-0402-X5R-¡À20%-16V C75 1uF-0402-X5R-¡À20%-6.3V C77 1uF-0402-X5R-¡À20%-6.3V GND C114 1uF-0402-X5R-¡À20%-6.3V C107 1uF-0402-X5R-¡À20%-6.3V C11 0.1uF-0402-X5R-¡À20%-16V 3V3_VDD GND C52 0.1uF-0402-X5R-¡À20%-16V 3V3_STB 3V3_BB2 C59 0.1uF-0402-X5R-¡À20%-16V GND 3V3_STB C21 10uF-0603-X5R-¡À20%-6.3V 3V3_HDMI Q1 3CG3906M R18 68Kohm-0402-¡À1%-1/16W R19 27Kohm-0402-¡À5%-1/16W R21 22Kohm-0402-¡À5%-1/16W GND 12V 3V3_M R20 10Kohm-0402-¡À5%-1/16W POWER_DET L14 0ohm-0402-¡À5%-1/16W L19 0ohm-0402-¡À5%-1/16W L6 0ohm-0402-¡À5%-1/16W L9 0ohm-0402-¡À5%-1/16W 3V3_M DDR_1V5_M VGA_B- RV7 100ohm-0402-¡À5%-1/16W CV7 0.047uF-0402-X7R-¡À10%-16V YPBPR0- RI9 100ohm-0402-¡À5%-1/16W CI22 0.047uF-0402-X7R-¡À10%-16V GND VIN_A0- CI26 0.047uF-0402-X7R-¡À10%-16V GND GND CS3 0.047uF-0402-X7R-¡À10%-16V RS4 100ohm-0402-¡À5%-1/16W GND VIN_Y1N CI3 0.047uF-0402-X7R-¡À10%-16V GND VIN_A2- GND C74 0.1uF-0402-X5R-¡À20%-16V L15 0ohm-0402-¡À5%-1/16W 1V05_CORE 1V05_ETN C66 0.1uF-0402-X5R-¡À20%-16V GND L3 0ohm-0402-¡À5%-1/16W 3V3_USB C13 NC/0.1uF-0402-X5R-¡À20%-16V 3V3_STB GND C12 0.1uF-0402-X5R-¡À20%-16V YPP_APLL_GND 3V3_STB C1 0.1uF-0402-X5R-¡À20%-16V BB_GND 3V3_STB C14 0.1uF-0402-X5R-¡À20%-16V 3V3_STB GND C15 NC/10uF-0603-X5R-¡À20%-6.3V C2 0.1uF-0402-X5R-¡À20%-16V C3 0.1uF-0402-X5R-¡À20%-16V C4 0.1uF-0402-X5R-¡À20%-16V 3V3_STB GND C10 0.1uF-0402-X5R-¡À20%-16V C94 10uF-0603-X5R-¡À20%-6.3V GND C80 0.1uF-0402-X5R-¡À20%-16V C81 0.1uF-0402-X5R-¡À20%-16V C82 0.1uF-0402-X5R-¡À20%-16V C83 0.1uF-0402-X5R-¡À20%-16V C84 0.1uF-0402-X5R-¡À20%-16V CORE_1V1 TEST C96 0.1uF-0402-X5R-¡À20%-16V C95 0.1uF-0402-X5R-¡À20%-16V C90 0.1uF-0402-X5R-¡À20%-16V C91 0.1uF-0402-X5R-¡À20%-16V 1V05_CORE C5 0.1uF-0402-X5R-¡À20%-16V C6 0.1uF-0402-X5R-¡À20%-16V C7 1uF-0402-X5R-¡À20%-6.3V GND_BB W4 GND_IFPGA AC5 GND_YPPADC U6 DGND F20 DGND J9 DGND J10 DGND K8 DGND K9 DGND K10 DGND K20 DGND K25 DGND L9 DGND L10 DGND L20 DGND L21 DGND L24 DGND M8 DGND M9 DGND M10 DGND M20 DGND M25 DGND N9 DGND N10 DGND N13 DGND N20 DGND N24 DGND P6 DGND P8 DGND P9 DGND P10 DGND P13 DGND P20 DGND R4 DGND R5 DGND R6 DGND R8 DGND R9 DGND R10 DGND R13 DGND R15 DGND R16 DGND R17 DGND R18 DGND R20 DGND R23 DGND T4 DGND T5 DGND T6 DGND T15 DGND T16 DGND T17 DGND T18 DGND T20 DGND T23 DGND U5 DGND U15 DGND U16 DGND U17 DGND U18 DGND U19 DGND U20 DGND V4 DGND V11 DGND V12 DGND V16 DGND V17 DGND V18 DGND V19 DGND V20 DGND V23 DGND V24 DGND W19 DGND W20 DGND W23 DGND Y20 DGND AA5 DGND AA6 DGND AA20 DGND AA24 DGND AB20 DGND AB22 DGND AB25 DGND AC3 DGND AC23 DGND AC24 DGND AD21 DGND AD22 DGND AD25 DGND AE21 DGND AE23 U100F TV,IC Main Chip,RTD2984D-GR,32bit,Quad-Core,EHS-TFBGA,SMD,Realtek BB_GND GND GND YPP_APLL_GND AV105_ETN V10 AV33_BB1 W5 AV33_BB2 W6 AV33_ETN AB5 AV33_USB AB6 AV33_IFADC AC4 AV33_PLL27X AD4 AV33_LVDS E20 V33_POR H9 V33_POR H10 AV33_HDMI_MHL J8 AV33_HDMI_PLL L8 AV33_VADC N8 AV33_YPPADC V5 AV33_VDAC V6 V105_CORE A18 V105_CORE A19 V105_CORE B18 V105_CORE B19 V105_CORE C18 V105_CORE C19 V105_CORE H11 V105_CORE H12 V105_CORE H13 V105_CORE J11 V105_CORE J12 V105_CORE K11 V105_CORE K12 V105_CORE L11 V105_CORE L12 V105_CORE M11 V105_CORE M12 V105_CORE N11 V105_CORE N12 V105_CORE P11 V105_CORE P12 V105_CORE R11 V105_CORE R12 V15_DDR J13 V15_DDR J20 V15_DDR J21 V15_DDR J22 V15_DDR K13 V15_DDR L13 V15_DDR M13 V33_IO Y4 V33_IO Y5 V33_IO Y6 U100N TV,IC Main Chip,RTD2984D-GR,32bit,Quad-Core,EHS-TFBGA,SMD,Realtek 1V05_CORE 1V05_ETN 3V3_STB 3V3_BB2 3V3_ETN 3V3_STB DDR_1V5_M 3V3_VDD 3V3_STB 3V3_HDMI 3V3_STB 3V3_VDD 3V3_USB SCART S-VIDEO AV1_CVBS VGA YPbPr CVBS OUT VGA_DDC_SDA / UARTX / ST_GPIO14 C4 VGA_DDC_SCL / UARRX / ST_GPIO15 C5 VSYNCVIN / GPI111 M1 HSYNCVIN / GPI112 M2 VIN_0P / GPIO113 M3 VIN_BN / GPI114 N2 VIN_1P / GPIO115 N3 VIN_4P P1 VIN_2P / GPIO116 P2 VIN_Y0N P3 VIN_3P R1 VIN_5P R2 VIN_6P / GPIO117 R3 VIN_Y1N / GPIO118 T2 VIN_7P / GPIO119 T3 VIN_8P / GPIO120 U2 IDACO_TV / GPIO129 W3 SCART_FSW_0 / GPIO127 Y9 VDBSO AA4 VIN_13P / GPIO126 U1 VIN_10P / GPIO125 U3 VIN_A2N / GPIO124 V1 VIN_A0N / GPIO123 V2 VIN_12P / GPIO122 V3 VIN_9P / GPIO121 W2 U100R TV,IC Main Chip,RTD2984D-GR,32bit,Quad-Core,EHS-TFBGA,SMD,Realtek SCART_VI VIN_A0- VIN_Y1N SCART_G SCART_R SCART_B AV1_CVBS+ PB0+ Y0+ PR0+ YPBPR0- VGA_R+ VGA_G+ VGA_B+ VGA_VS VGA_HS VGA_B- VGA_DDC_SDA VGA_DDC_SCL VIN_A2- SCART_FB/ CR_SD_CMD / GPIO99 C13 CR_SD_WP / GPIO100 C17 CR_SD_CLK / GPIO98 D16 CR_SD_D1 / GPIO103 C12 CR_SD_D3 / GPIO105 D12 CR_SD_D0 / GPIO102 D13 CR_SD_D2 / GPIO104 F10 CR_SD_CD / GPIO101 C14 U100B TV,IC Main Chip,RTD2984D-GR,32bit,Quad-Core,EHS-TFBGA,SMD,Realtek VCM_BB V9 AIN_1L Y1 AIN_1R Y2 AIN_2L / GPIO130 Y3 AIN_2R / GPIO131 AA1 AIN_3L / GPIO132 AA2 AIN_3R / GPIO133 AA3 AIN_4L / GPIO134 AB2 AIN_4R / GPIO135 AB3 AIO2L AC1 AIO2R AC2 AIO1L / GPIO136 AD1 AIO1R / GPIO137 AD2 HP_R / GPIO139 AE1 HP_L / GPIO138 AE2 U100A TV,IC Main Chip,RTD2984D-GR,32bit,Quad-Core,EHS-TFBGA,SMD,Realtek SC_RI SC_LI VCM_BB AV1_IN_L AV1_IN_R PC_IN_L PC_IN_R SC_LOUT/ SC_ROUT/ AMP-Lin AMP-Rin HP_R HP_L U0DM A1 U0DP B1 U1DM AC7 U2DP / GPIO109 AC8 U2DM / GPIO110 AD8 U1DP AE8 U100Q TV,IC Main Chip,RTD2984D-GR,32bit,Quad-Core,EHS-TFBGA,SMD,Realtek USB0_DP USB0_DM USB1_DP USB1_DM Wifi_USB0_DM Wifi_USB0_DP ETHER_TXP ETHER_TXN ETHER_RXP ETHER_RXN MDIP1 AD7 MDIN1 AE7 MDIN0 AC6 MDIP0 AD6 MDIN2 AA7 MDIP2 AB7 MDIN3 Y8 MDIP3 AA8 U100E TV,IC Main Chip,RTD2984D-GR,32bit,Quad-Core,EHS-TFBGA,SMD,Realtek XOUT AD3 XIN AE3 RESET B4 U100O TV,IC Main Chip,RTD2984D-GR,32bit,Quad-Core,EHS-TFBGA,SMD,Realtek XIN XOUT RESET# LSADC4 / ST_GPIO4 A5 LSADC2 / ST_GPIO3 A7 LSADC6 / ST_GPIO5 B6 LSADC0 / ST_GPIO1 B7 LSADC1 / ST_GPIO2 C6 LSADC7 / ST_GPIO6 C7 LSADC_REF / ST_GPIO0 D7 U100J TV,IC Main Chip,RTD2984D-GR,32bit,Quad-Core,EHS-TFBGA,SMD,Realtek LED_RED KEYPAD0 KEYPAD1 DEMOD_RST/ SCART_FS/ GPIO174 B16 GPIO97 C11 GPIO83 E22 GPIO82 E25 GPIO171 F11 GPIO84 F22 GPIO81 F23 GPIO141 F24 GPIO140 F25 GPIO85 G22 GPIO196 AB4 UART1_TX / GPIO54 AC20 UART1_RX / GPIO53 AD20 ST_GPIO40 A8 ST_GPIO39 B8 ST_GPIO10 B9 ST_GPIO13 B10 ST_GPIO11 C8 IRRX / ST_GPIO8 C10 ST_GPIO36 D8 ST_GPIO30 E6 ST_GPIO35 E7 ST_GPIO25 E8 PWR_EN / ST_GPIO7 E9 ST_GPIO12 E10 ST_GPIO31 F6 ST_GPIO38 F7 ST_GPIO37 F8 ST_GPIO9 F9 ST_GPIO16 D4 U100G TV,IC Main Chip,RTD2984D-GR,32bit,Quad-Core,EHS-TFBGA,SMD,Realtek #F_WP 2D/3D# URAT_RX2 URAT_TX2 SPDIF_OUT HDMI2_MHL_SEL PANEL_EN POWER_DET BL_ADJ POWER_EN REMOTE MHL_IN_SENSE EJTAG_EN ARC AMP_MUTE HP_OUT_DET/ MII_MDIO / ST_GPIO32 G6 MII_MDC / ST_GPIO33 H6 MII_RXDV / ST_GPIO42 J4 MII_CRS / ST_GPIO41 J5 MII_RXER / ST_GPIO34 J6 MII_RXD2 / GPIO189 K4 MII_RXD1 / ST_GPIO44 K5 MII_RXD0 / ST_GPIO43 K6 MII_RXC / GPIO191 L5 MII_RXD3 / GPIO190 L6 MII_COL / GPIO149 P5 MII_TXD1 / GPIO145 M4 MII_TXC / GPIO3 M5 MII_TXD0 / GPIO4 M6 MII_TXD3 / GPIO147 N4 MII_TXD2 / GPIO146 N5 MII_TXEN / GPIO148 N6 U100L TV,IC Main Chip,RTD2984D-GR,32bit,Quad-Core,EHS-TFBGA,SMD,Realtek SDA_M SCL_M C16 10uF-0603-X5R-¡À20%-6.3V R13 10Kohm-0402-¡À5%-1/16W GND 3V3_M 3V3_M R2 NC/10Kohm-0402-¡À5%-1/16W GND HDMI2_5V_DET HDMI0_5V_DET HDMI1_5V_DET CVBSOUT PIC101 PIC102 COC1 PIC201 PIC202 COC2 PIC301 PIC302 COC3 PIC401 PIC402 COC4 PIC501 PIC502 COC5 PIC601 PIC602 COC6 PIC701 PIC702 COC7 PIC801 PIC802 COC8 PIC901 PIC902 COC9 PIC1001 PIC1002 COC10 PIC1101 PIC1102 COC11 PIC1201 PIC1202 COC12 PIC1301 PIC1302 COC13 PIC1401 PIC1402 COC14 PIC1501 PIC1502 COC15 PIC1601 PIC1602 COC16 PIC2101 PIC2102 COC21 PIC4101 PIC4102 COC41 PIC5201 PIC5202 COC52 PIC5901 PIC5902 COC59 PIC6601 PIC6602 COC66 PIC7401 PIC7402 COC74 PIC7501 PIC7502 COC75 PIC7601 PIC7602 COC76 PIC7701 PIC7702 COC77 PIC7801 PIC7802 COC78 PIC8001 PIC8002 COC80 PIC8101 PIC8102 COC81 PIC8201 PIC8202 COC82 PIC8301 PIC8302 COC83 PIC8401 PIC8402 COC84 PIC9001 PIC9002 COC90 PIC9101 PIC9102 COC91 PIC9401 PIC9402 COC94 PIC9501 PIC9502 COC95 PIC9601 PIC9602 COC96 PIC9701 PIC9702 COC97 PIC9801 PIC9802 COC98 PIC10401 PIC10402 COC104 PIC10701 PIC10702 COC107 PIC10801 PIC10802 COC108 PIC11301 PIC11302 COC113 PIC11401 PIC11402 COC114 PICI301 PICI302 COCI3 PICI2201 PICI2202 COCI22 PICI2601 PICI2602 COCI26 PICORE01V101 COCORE01V1 PICS301 PICS302 COCS3 PICV701 PICV702 COCV7 PIL101 PIL102 COL1 PIL201 PIL202 COL2 PIL301 PIL302 COL3 PIL601 PIL602 COL6 PIL901 PIL902 COL9 PIL1401 PIL1402 COL14 PIL1501 PIL1502 COL15 PIL1901 PIL1902 COL19 PIQ10B PIQ10C PIQ10E COQ1 PIR201 PIR202 COR2 PIR301 PIR302 COR3 PIR401 PIR402 COR4 PIR501 PIR502 COR5 PIR601 PIR602 COR6 PIR701 PIR702 COR7 PIR801 PIR802 COR8 PIR901 PIR902 COR9 PIR1001 PIR1002 COR10 PIR1301 PIR1302 COR13 PIR1401 PIR1402 COR14 PIR1501 PIR1502 COR15 PIR1801 PIR1802 COR18 PIR1901 PIR1902 COR19 PIR2001 PIR2002 COR20 PIR2101 PIR2102 COR21 PIR2701 PIR2702 COR27 PIR3301 PIR3302 COR33 PIR3901 PIR3902 COR39 PIR4901 PIR4902 COR49 PIRI901 PIRI902 CORI9 PIRS401 PIRS402 CORS4 PIRV701 PIRV702 CORV7 PIU1000AA1 PIU1000AA2 PIU1000AA3 PIU1000AB2 PIU1000AB3 PIU1000AC1 PIU1000AC2 PIU1000AD1 PIU1000AD2 PIU1000AE1 PIU1000AE2 PIU1000V9 PIU1000Y1 PIU1000Y2 PIU1000Y3 COU100A PIU1000C12 PIU1000C13 PIU1000C14 PIU1000C17 PIU1000D12 PIU1000D13 PIU1000D16 PIU1000F10 COU100B PIU1000AA7 PIU1000AA8 PIU1000AB7 PIU1000AC6 PIU1000AD6 PIU1000AD7 PIU1000AE7 PIU1000Y8 COU100E PIU1000AA5 PIU1000AA6 PIU1000AA20 PIU1000AA24 PIU1000AB20 PIU1000AB22 PIU1000AB25 PIU1000AC3 PIU1000AC5 PIU1000AC23 PIU1000AC24 PIU1000AD21 PIU1000AD22 PIU1000AD25 PIU1000AE21 PIU1000AE23 PIU1000F20 PIU1000J9 PIU1000J10 PIU1000K8 PIU1000K9 PIU1000K10 PIU1000K20 PIU1000K25 PIU1000L9 PIU1000L10 PIU1000L20 PIU1000L21 PIU1000L24 PIU1000M8 PIU1000M9 PIU1000M10 PIU1000M20 PIU1000M25 PIU1000N9 PIU1000N10 PIU1000N13 PIU1000N20 PIU1000N24 PIU1000P6 PIU1000P8 PIU1000P9 PIU1000P10 PIU1000P13 PIU1000P20 PIU1000R4 PIU1000R5 PIU1000R6 PIU1000R8 PIU1000R9 PIU1000R10 PIU1000R13 PIU1000R15 PIU1000R16 PIU1000R17 PIU1000R18 PIU1000R20 PIU1000R23 PIU1000T4 PIU1000T5 PIU1000T6 PIU1000T15 PIU1000T16 PIU1000T17 PIU1000T18 PIU1000T20 PIU1000T23 PIU1000U5 PIU1000U6 PIU1000U15 PIU1000U16 PIU1000U17 PIU1000U18 PIU1000U19 PIU1000U20 PIU1000V4 PIU1000V11 PIU1000V12 PIU1000V16 PIU1000V17 PIU1000V18 PIU1000V19 PIU1000V20 PIU1000V23 PIU1000V24 PIU1000W4 PIU1000W19 PIU1000W20 PIU1000W23 PIU1000Y20 COU100F PIU1000A8 PIU1000AB4 PIU1000AC20 PIU1000AD20 PIU1000B8 PIU1000B9 PIU1000B10 PIU1000B16 PIU1000C8 PIU1000C10 PIU1000C11 PIU1000D4 PIU1000D8 PIU1000E6 PIU1000E7 PIU1000E8 PIU1000E9 PIU1000E10 PIU1000E22 PIU1000E25 PIU1000F6 PIU1000F7 PIU1000F8 PIU1000F9 PIU1000F11 PIU1000F22 PIU1000F23 PIU1000F24 PIU1000F25 PIU1000G22 COU100G PIU1000A5 PIU1000A7 PIU1000B6 PIU1000B7 PIU1000C6 PIU1000C7 PIU1000D7 COU100J PIU1000G6 PIU1000H6 PIU1000J4 PIU1000J5 PIU1000J6 PIU1000K4 PIU1000K5 PIU1000K6 PIU1000L5 PIU1000L6 PIU1000M4 PIU1000M5 PIU1000M6 PIU1000N4 PIU1000N5 PIU1000N6 PIU1000P5 COU100L PIU1000A18 PIU1000A19 PIU1000AB5 PIU1000AB6 PIU1000AC4 PIU1000AD4 PIU1000B18 PIU1000B19 PIU1000C18 PIU1000C19 PIU1000E20 PIU1000H9 PIU1000H10 PIU1000H11 PIU1000H12 PIU1000H13 PIU1000J8 PIU1000J11 PIU1000J12 PIU1000J13 PIU1000J20 PIU1000J21 PIU1000J22 PIU1000K11 PIU1000K12 PIU1000K13 PIU1000L8 PIU1000L11 PIU1000L12 PIU1000L13 PIU1000M11 PIU1000M12 PIU1000M13 PIU1000N8 PIU1000N11 PIU1000N12 PIU1000P11 PIU1000P12 PIU1000R11 PIU1000R12 PIU1000V5 PIU1000V6 PIU1000V10 PIU1000W5 PIU1000W6 PIU1000Y4 PIU1000Y5 PIU1000Y6 COU100N PIU1000AD3 PIU1000AE3 PIU1000B4 COU100O PIU1000A1 PIU1000AC7 PIU1000AC8 PIU1000AD8 PIU1000AE8 PIU1000B1 COU100Q PIU1000AA4 PIU1000C4 PIU1000C5 PIU1000M1 PIU1000M2 PIU1000M3 PIU1000N2 PIU1000N3 PIU1000P1 PIU1000P2 PIU1000P3 PIU1000R1 PIU1000R2 PIU1000R3 PIU1000T2 PIU1000T3 PIU1000U1 PIU1000U2 PIU1000U3 PIU1000V1 PIU1000V2 PIU1000V3 PIU1000W2 PIU1000W3 PIU1000Y9 COU100R PIY101 PIY102 COY1 PIU1000F22 NL#F0WP PIC502 PIC602 PIC702 PIC8002 PIC8102 PIC8202 PIC8302 PIC8402 PIC9002 PIC9102 PIC9402 PIC9502 PIC9602 PICORE01V101 PIL1501 PIU1000A18 PIU1000A19 PIU1000B18 PIU1000B19 PIU1000C18 PIU1000C19 PIU1000H11 PIU1000H12 PIU1000H13 PIU1000J11 PIU1000J12 PIU1000K11 PIU1000K12 PIU1000L11 PIU1000L12 PIU1000M11 PIU1000M12 PIU1000N11 PIU1000N12 PIU1000P11 PIU1000P12 PIU1000R11 PIU1000R12 PIC7402 PIL1502 PIU1000V10 PIU1000B16 NL2D03D# PIC5202 PIL602 PIU1000W6 PIC10402 PIL1402 PIU1000AB5 PIC2102 PIC5902 PIL902 PIU1000L8 PIL301 PIL1401 PIL1901 PIQ10E PIR501 PIR801 PIR901 PIR3301 PIR3901 PIC102 PIC202 PIC302 PIC402 PIC1002 PIC1202 PIC1302 PIC1402 PIC1502 PIL601 PIL901 PIR1401 PIR1501 PIR2702 PIU1000AC4 PIU1000AD4 PIU1000H9 PIU1000H10 PIU1000J8 PIU1000N8 PIU1000V5 PIU1000V6 PIU1000W5 PIC6602 PIL302 PIU1000AB6 PIC1102 PIC7502 PIC7602 PIC7702 PIC7802 PIL1902 PIR1001 PIU1000E20 PIU1000Y4 PIU1000Y5 PIU1000Y6 PIR1802 PIU1000AD1 NLAMP0Lin PIU1000AD2 NLAMP0Rin PIU1000E8 NLAMP0MUTE PIU1000A8 NLARC PIU1000V3 NLAV10CVBS0 PIU1000Y3 NLAV10IN0L PIU1000AA1 NLAV10IN0R PIC101 PIC801 PIC901 PIL102 PIU1000W4 NLBB0GND PIU1000F24 NLBL0ADJ PIR302 NLCI0A5 PIR1302 PIR3302 NLCI0A6 PIR202 PIR502 NLCI0A8 PIR402 NLCI0A9 PIR602 NLCI0A13 PIR702 NLCI0A14 PIU1000W3 NLCVBSOUT PIC1602 PIC10702 PIC10802 PIC11302 PIC11402 PIU1000J13 PIU1000J20 PIU1000J21 PIU1000J22 PIU1000K13 PIU1000L13 PIU1000M13 PIU1000B6 NLDEMOD0RST0 PIR1402 PIU1000C8 NLEJTAG0EN PIU1000AE7 NLETHER0RXN PIU1000AD7 NLETHER0RXP PIU1000AC6 NLETHER0TXN PIU1000AD6 NLETHER0TXP PIC201 PIC301 PIC401 PIC501 PIC601 PIC701 PIC1001 PIC1101 PIC1301 PIC1401 PIC1501 PIC1601 PIC2101 PIC4101 PIC5201 PIC5901 PIC6601 PIC7401 PIC7501 PIC7601 PIC7701 PIC7801 PIC8001 PIC8101 PIC8201 PIC8301 PIC8401 PIC9001 PIC9101 PIC9401 PIC9501 PIC9601 PIC9701 PIC9801 PIC10401 PIC10701 PIC10801 PIC11301 PIC11401 PICI301 PICI2601 PIL101 PIL201 PIR201 PIR301 PIR401 PIR601 PIR701 PIR1301 PIR1901 PIR2101 PIRI902 PIRS401 PIRV702 PIU1000AA5 PIU1000AA6 PIU1000AA20 PIU1000AA24 PIU1000AB20 PIU1000AB22 PIU1000AB25 PIU1000AC3 PIU1000AC5 PIU1000AC23 PIU1000AC24 PIU1000AD21 PIU1000AD22 PIU1000AD25 PIU1000AE21 PIU1000AE23 PIU1000F20 PIU1000J9 PIU1000J10 PIU1000K8 PIU1000K9 PIU1000K10 PIU1000K20 PIU1000K25 PIU1000L9 PIU1000L10 PIU1000L20 PIU1000L21 PIU1000L24 PIU1000M8 PIU1000M9 PIU1000M10 PIU1000M20 PIU1000M25 PIU1000N9 PIU1000N10 PIU1000N13 PIU1000N20 PIU1000N24 PIU1000P6 PIU1000P8 PIU1000P9 PIU1000P10 PIU1000P13 PIU1000P20 PIU1000R4 PIU1000R5 PIU1000R6 PIU1000R8 PIU1000R9 PIU1000R10 PIU1000R13 PIU1000R15 PIU1000R16 PIU1000R17 PIU1000R18 PIU1000R20 PIU1000R23 PIU1000T4 PIU1000T5 PIU1000T6 PIU1000T15 PIU1000T16 PIU1000T17 PIU1000T18 PIU1000T20 PIU1000T23 PIU1000U5 PIU1000U15 PIU1000U16 PIU1000U17 PIU1000U18 PIU1000U19 PIU1000U20 PIU1000V4 PIU1000V11 PIU1000V12 PIU1000V16 PIU1000V17 PIU1000V18 PIU1000V19 PIU1000V20 PIU1000V23 PIU1000V24 PIU1000W19 PIU1000W20 PIU1000W23 PIU1000Y20 PIU1000J5 NLHDMI005V0DET PIU1000J6 NLHDMI105V0DET PIU1000J4 NLHDMI205V0DET PIU1000F9 NLHDMI20MHL0SEL PIU1000AE2 NLHP0L PIU1000E22 NLHP0OUT0DET0 PIU1000AE1 NLHP0R PIU1000B7 NLKEYPAD0 PIU1000C6 NLKEYPAD1 PIU1000D7 NLLED0RED PIU1000B10 NLMHL0IN0SENSE PICI2201 PIRI901 PICS301 PIRS402 PICV701 PIRV701 PIQ10B PIR1801 PIR1902 PIQ10C PIR2001 PIR2102 PIU1000A5 PIU1000A7 PIU1000AA4 PIU1000AA7 PIU1000AA8 PIU1000AB4 PIU1000AB7 PIU1000B8 PIU1000B9 PIU1000C11 PIU1000C12 PIU1000C13 PIU1000C14 PIU1000C17 PIU1000D4 PIU1000D8 PIU1000D12 PIU1000D13 PIU1000D16 PIU1000E6 PIU1000E7 PIU1000E10 PIU1000F6 PIU1000F7 PIU1000F8 PIU1000F10 PIU1000F11 PIU1000F25 PIU1000K4 PIU1000K5 PIU1000K6 PIU1000L5 PIU1000L6 PIU1000M4 PIU1000M5 PIU1000M6 PIU1000N4 PIU1000N5 PIU1000N6 PIU1000P5 PIU1000U3 PIU1000W2 PIU1000Y1 PIU1000Y2 PIU1000Y8 PIU1000E25 NLPANEL0EN PIU1000R1 NLPB00 PIU1000AA2 NLPC0IN0L PIU1000AA3 NLPC0IN0R PIR2002 PIU1000G22 NLPOWER0DET PIR1502 PIU1000E9 NLPOWER0EN PIU1000R2 NLPR00 PIU1000C10 NLREMOTE PIC4102 PIR2701 PIU1000B4 NLRESET# PIU1000AB2 NLSC0LI PIU1000AC1 NLSC0LOUT0 PIU1000AB3 NLSC0RI PIU1000AC2 NLSC0ROUT0 PIU1000R3 NLSCART0B PIU1000Y9 NLSCART0FB0 PIU1000C7 NLSCART0FS0 PIU1000T3 NLSCART0G PIU1000U2 NLSCART0R PIU1000U1 NLSCART0VI PIU1000H6 NLSCL0M PIU1000G6 NLSDA0M PIU1000F23 NLSPDIF0OUT PIR3902 NLSPI0SCK PIR1002 NLTSI0CLK PIR902 NLTSI0D6 PIR802 NLTSI0D7 PIU1000AD20 NLURAT0RX2 PIU1000AC20 NLURAT0TX2 PIU1000AD8 NLUSB00DM PIU1000AC8 NLUSB00DP PIU1000AC7 NLUSB10DM PIU1000AE8 NLUSB10DP PIC802 PIC902 PIU1000V9 NLVCM0BB PIU1000M3 NLVGA0B0 PICV702 PIU1000N2 NLVGA0B0 PIU1000C5 NLVGA0DDC0SCL PIU1000C4 NLVGA0DDC0SDA PIU1000N3 NLVGA0G0 PIU1000M2 NLVGA0HS PIU1000P2 NLVGA0R0 PIU1000M1 NLVGA0VS PICI2602 PIU1000V2 NLVIN0A00 PICI302 PIU1000V1 NLVIN0A20 PICS302 PIU1000T2 NLVIN0Y1N PIU1000A1 NLWifi0USB00DM PIU1000B1 NLWifi0USB00DP PIC9702 PIR4902 PIU1000AE3 PIY102 NLXIN PIC9802 PIR4901 PIU1000AD3 PIY101 NLXOUT PIU1000P1 NLY00 PICI2202 PIU1000P3 NLYPBPR00 PIC1201 PIL202 PIU1000U6NLYPP0APLL0GND 1 1 2 2 3 3 4 4 5 5 6 6 7 7 8 8 D D C C B B A A CMM3 1uF-0402-X5R-¡À20%-6.3V EMC_CMD EMC_CLK EMC_CMD EMC_D0 EMC_D1 EMC_D2 EMC_D3 EMC_D4 EMC_D5 EMC_D6 EMC_D7 EMC_RSTN GND 3V3_M GND 3V3_M EMC_D4 EMC_CLK EMC_D6 EMC_D7 EMC_RSTN VDDI CMM1 0.1uF-0402-X5R-¡À20%-16V CMM2 1uF-0402-X5R-¡À20%-6.3V GND GND EMC_D3 VDDI EMC_D6 EMC_D5 EMC_D5 GND iNAND VDD K9 VDD J10 VDD F5 VDD E6 VDD_IF P3 VDD_IF P5 VDD_IF N4 VDD_IF M4 VDD_IF C6 CREG/VDDi C2 VSS C4 CLK M6 CMD M5 D0 A3 D1 A4 D2 A5 D3 B2 VSS E7 VSS G5 VSS H10 VSS K8 VSS N2 VSS N5 VSS P4 VSS P6 D4 B3 D5 B4 D6 B5 D7 B6 RESET K5 ERR F3 ERR G2 ERR G1 ERR D4 ERR E3 ERR F2 ERR F1 ERR E1 ERR E2 ERR D3 ERR D1 ERR D2 ERR C3 ERR C1 ERR A2 ERR B7 ERR A8 ERR N7 ERR P8 ERR M8 ERR N9 ERR P9 ERR M9 ERR N10 ERR P11 ERR N1 Vss A6 VSF E9 VSF E10 VSF F10 DS H5 Vss J5 ERR A1 ERR C5 ERR M1 ERR M2 U1001 THGBMBG5D1KBAIT GND SPI_SCK SPI_SDI SPI_CSN #F_WP SPI_SDO CMM4 NC/0.1uF-0402-X5R-¡À20%-16V GND GND CE# 1 SO 2 WP# 3 VSS 4 SI 5 SCK 6 HOLD# 7 VDD 8 U10 NC/GD25Q16BSIG 3V3_M RMM5 NC/10Kohm-0402-¡À5%-1/16W GND HOLD# RMM4 NC/4K7ohm-0402-¡À5%-1/16W HOLD# RMM6 NC/4K7ohm-0402-¡À5%-1/16W SPI_CSN 3V3_M SPI_SCK / NF_CLE / GPIO39 Y19 SPI_DO / NF_ALE / GPIO42 AA19 SPI_DI / NF_WR_N / GPIO40 AB19 NF_RD / GPIO52 AC19 NF_CE0 / GPIO55 AD19 NF_RDY / GPIO56 AE19 SPI_CS_N / GPIO41 AE20 U100P TV,IC Main Chip,RTD2984D-GR,32bit,Quad-Core,EHS-TFBGA,SMD,Realtek SPI_CSN SPI_SDO SPI_SDI SPI_SCK RMM15 10Kohm-0402-¡À5%-1/16W RMM18 10Kohm-0402-¡À5%-1/16W RMM22 10Kohm-0402-¡À5%-1/16W 3V3_M EMMC_DATA5 EMMC_DATA6 EMMC_DATA7 EMMC_DATA1 EMMC_DATA2 EMMC_DATA3 EMMC_DATA4 EMMC_DATA0 RMM16 10Kohm-0402-¡À5%-1/16W RMM19 10Kohm-0402-¡À5%-1/16W RMM20 10Kohm-0402-¡À5%-1/16W RMM21 10Kohm-0402-¡À5%-1/16W RMM12 10Kohm-0402-¡À5%-1/16W RMM13 10Kohm-0402-¡À5%-1/16W EMMC_RSTN EMMC_CMD RMM17 10Kohm-0402-¡À5%-1/16W RMM14 NC/10Kohm-0402-¡À5%-1/16W EMMC_CLK 1 2 3 4 5 6 7 8 RPM1 4*10ohm-0402-¡À5%-1/16W EMMC_RSTN EMC_RSTN EMC_CMD EMMC_CMD EMMC_CLK EMC_CLK GND GND 1 2 3 4 5 6 7 8 RPM2 4*10ohm-0402-¡À5%-1/16W EMMC_DATA5 EMMC_DATA1 EMC_D1 EMC_D5 EMMC_DATA2 EMMC_DATA0 EMC_D0 EMC_D2 EMMC_DATA6 EMMC_DATA3 EMC_D3 EMC_D6 1 2 3 4 5 6 7 8 RPM3 4*10ohm-0402-¡À5%-1/16W EMMC_DATA7 EMMC_DATA4 EMC_D4 EMC_D7 GND PCMCIA_D1 / GPIO24 G24 PCMCIA_D2 / GPIO33 H24 GPIO142 H25 PCMCIA_IORD_N / GPIO13 Y12 PCMCIA_WAIT_N / GPIO31 Y16 PCMCIA_REG_N / GPIO28 Y17 PCMCIA_CD0_N / GPIO5 AA9 PCMCIA_RST / GPIO26 AA16 PCMCIA_INPACK_N / GPIO30 AA17 PCMCIA_IOWR_N / GPIO202 AB13 PCMCIA_D4 / GPIO7 AC9 PCMCIA_A10 / GPIO9 AC10 PCMCIA_OE_N / GPIO200 AC11 PCMCIA_A8 / NF_D1 / GPIO45 AC12 PCMCIA_A6 / GPIO35 AC13 PCMCIA_A9 / NF_D0 / GPIO44 AC14 PCMCIA_D0 / GPIO38 AC15 PCMCIA_A3 / NF_D5 / GPIO49 AC16 PCMCIA_A1 / GPIO143 AC17 PCMCIA_A4 / NF_D6 / GPIO50 AC18 PCMCIA_D3 / GPIO197 AD9 PCMCIA_D6 / GPIO199 AD10 PCMCIA_D7 / GPIO11 AD11 PCMCIA_A11 / GPIO14 AD12 PCMCIA_WE_N / GPIO19 AD14 PCMCIA_A0 / GPIO43 AD15 PCMCIA_A7 / GPIO203 AD16 PCMCIA_A14 / NF_D3 / GPIO47 AD17 PCMCIA_A2 / NF_D7 / GPIO51 AD18 PCMCIA_D5 / GPIO6 AE10 PCMCIA_CARD1_EN_N / GPIO201 AE11 PCMCIA_IREQ_N / GPIO18 AE13 PCMCIA_A12 / GPIO25 AE14 PCMCIA_A13 / NF_D2 / GPIO46 AE16 PCMCIA_A5 / NF_D4 / GPIO48 AE17 TP1_SYNC / ST_GPIO28 A2 TP1_D0 / ST_GPIO26 A3 TP1_VAL / ST_GPIO29 B2 TP1_CLK / ST_GPIO27 B3 TP0_D2 / GPIO29 G23 TP0_D1 / GPIO32 H23 TP0_D6 / GPIO8 Y10 TPO_SYNC / GPIO12 Y11 TPO_D4 / GPIO205 Y13 TPO_D3 / GPIO16 Y14 TPO_CLK / GPIO22 Y15 TP0_D0 / GPIO34 Y18 TP0_D5 / GPIO198 AA10 TPO_D1 / GPIO204 AA11 TPO_D0 / GPIO15 AA12 TPO_D7 / GPIO20 AA13 TPO_D2 / GPIO206 AA14 TPO_D6 / GPIO21 AA15 TP0_SYNC / GPIO36 AA18 TP0_D3 / GPIO2 AB9 TP0_D4 / GPIO1 AB10 TP0_D7 / GPIO10 AB12 TPO_D5 / GPIO23 AB15 TP0_CLK / GPIO27 AB16 TP0_VALID / GPIO37 AB18 TPO_VALID / GPIO17 AD13 U100M TV,IC Main Chip,RTD2984D-GR,32bit,Quad-Core,EHS-TFBGA,SMD,Realtek PCM_CD_N TSO_D0 TSO_D1 TSO_D2 TSO_D3 TSO_D4 TSO_D5 TSO_D6 TSO_D7 TSI_D0 TSI_D1 TSI_D2 TSI_D3 TSI_D4 TSI_D5 TSI_D6 TSI_D7 TSI_START TSI_VLD TSI_CLK TS_MOSTART0 TS_MOVAL0 TSO_CK CI_D0 CI_D1 CI_D2 CI_D3 CI_D4 CI_D5 CI_D6 CI_D7 CI_A0 CI_A1 CI_A2 CI_A3 CI_A4 CI_A5 CI_A6 CI_A7 CI_A8 CI_A9 CI_A10 CI_A11 CI_A12 CI_A13 CI_A14 CI_IORD_N CI_IOWR_N CI_RESET CI_WAIT_N INPACK# CI_REG_N CI_IRQA_N CI_WE_N CI_OE_N CI_CE_N T2_TS_CLK T2_TS_VLD T2_TS_SYNC T2_TS_D0 BL_EN/REF EMMC_CMD / GPIO150 A12 EMMC_RST / GPIO151 A16 EMMC_CLK / GPIO157 D10 EMMC_D7 / GPIO182 A13 EMMC_D2 / GPIO181 B11 EMMC_D3 / GPIO153 B12 EMMC_D4 / GPIO152 B13 EMMC_D6 / GPIO169 C15 EMMC_D5 / GPIO188 E11 EMMC_D1 / GPIO185 E12 EMMC_D0 / GPIO184 F12 U100D TV,IC Main Chip,RTD2984D-GR,32bit,Quad-Core,EHS-TFBGA,SMD,Realtek EMMC_RSTN EMMC_CMD EMMC_CLK EMMC_DATA5 EMMC_DATA6 EMMC_DATA7 EMMC_DATA1 EMMC_DATA2 EMMC_DATA3 EMMC_DATA4 EMMC_DATA0 SC0_CMDVCC / GPIO173 A15 SC0_PWR_SEL / GPIO96 B14 SC0_RST / GPIO95 B15 SC0_CD / GPIO93 B17 SC0_SCLK / GPIO94 C16 SC0_D0 / GPIO92 D15 U100S TV,IC Main Chip,RTD2984D-GR,32bit,Quad-Core,EHS-TFBGA,SMD,Realtek CI_WR_EN PICMM101 PICMM102 COCMM1 PICMM201 PICMM202 COCMM2 PICMM301 PICMM302 COCMM3 PICMM401 PICMM402 COCMM4 PIRMM401 PIRMM402 CORMM4 PIRMM501 PIRMM502 CORMM5 PIRMM601 PIRMM602 CORMM6 PIRMM1201 PIRMM1202 CORMM12 PIRMM1301 PIRMM1302 CORMM13 PIRMM1401 PIRMM1402 CORMM14 PIRMM1501 PIRMM1502 CORMM15 PIRMM1601 PIRMM1602 CORMM16 PIRMM1701 PIRMM1702 CORMM17 PIRMM1801 PIRMM1802 CORMM18 PIRMM1901 PIRMM1902 CORMM19 PIRMM2001 PIRMM2002 CORMM20 PIRMM2101 PIRMM2102 CORMM21 PIRMM2201 PIRMM2202 CORMM22 PIRPM101 PIRPM102 PIRPM103 PIRPM104 PIRPM105 PIRPM106 PIRPM107 PIRPM108 CORPM1 PIRPM201 PIRPM202 PIRPM203 PIRPM204 PIRPM205 PIRPM206 PIRPM207 PIRPM208 CORPM2 PIRPM301 PIRPM302 PIRPM303 PIRPM304 PIRPM305 PIRPM306 PIRPM307 PIRPM308 CORPM3 PIU1001 PIU1002 PIU1003 PIU1004 PIU1005 PIU1006 PIU1007 PIU1008 COU10 PIU1000A12 PIU1000A13 PIU1000A16 PIU1000B11 PIU1000B12 PIU1000B13 PIU1000C15 PIU1000D10 PIU1000E11 PIU1000E12 PIU1000F12 COU100D PIU1000A2 PIU1000A3 PIU1000AA9 PIU1000AA10 PIU1000AA11 PIU1000AA12 PIU1000AA13 PIU1000AA14 PIU1000AA15 PIU1000AA16 PIU1000AA17 PIU1000AA18 PIU1000AB9 PIU1000AB10 PIU1000AB12 PIU1000AB13 PIU1000AB15 PIU1000AB16 PIU1000AB18 PIU1000AC9 PIU1000AC10 PIU1000AC11 PIU1000AC12 PIU1000AC13 PIU1000AC14 PIU1000AC15 PIU1000AC16 PIU1000AC17 PIU1000AC18 PIU1000AD9 PIU1000AD10 PIU1000AD11 PIU1000AD12 PIU1000AD13 PIU1000AD14 PIU1000AD15 PIU1000AD16 PIU1000AD17 PIU1000AD18 PIU1000AE10 PIU1000AE11 PIU1000AE13 PIU1000AE14 PIU1000AE16 PIU1000AE17 PIU1000B2 PIU1000B3 PIU1000G23 PIU1000G24 PIU1000H23 PIU1000H24 PIU1000H25 PIU1000Y10 PIU1000Y11 PIU1000Y12 PIU1000Y13 PIU1000Y14 PIU1000Y15 PIU1000Y16 PIU1000Y17 PIU1000Y18 COU100M PIU1000AA19 PIU1000AB19 PIU1000AC19 PIU1000AD19 PIU1000AE19 PIU1000AE20 PIU1000Y19 COU100P PIU1000A15 PIU1000B14 PIU1000B15 PIU1000B17 PIU1000C16 PIU1000D15 COU100S PIU10010A1 PIU10010A2 PIU10010A3 PIU10010A4 PIU10010A5 PIU10010A6 PIU10010A8 PIU10010B2 PIU10010B3 PIU10010B4 PIU10010B5 PIU10010B6 PIU10010B7 PIU10010C1 PIU10010C2 PIU10010C3 PIU10010C4 PIU10010C5 PIU10010C6 PIU10010D1 PIU10010D2 PIU10010D3 PIU10010D4 PIU10010E1 PIU10010E2 PIU10010E3 PIU10010E6 PIU10010E7 PIU10010E9 PIU10010E10 PIU10010F1 PIU10010F2 PIU10010F3 PIU10010F5 PIU10010F10 PIU10010G1 PIU10010G2 PIU10010G5 PIU10010H5 PIU10010H10 PIU10010J5 PIU10010J10 PIU10010K5 PIU10010K8 PIU10010K9 PIU10010M1 PIU10010M2 PIU10010M4 PIU10010M5 PIU10010M6 PIU10010M8 PIU10010M9 PIU10010N1 PIU10010N2 PIU10010N4 PIU10010N5 PIU10010N7 PIU10010N9 PIU10010N10 PIU10010P3 PIU10010P4 PIU10010P5 PIU10010P6 PIU10010P8 PIU10010P9 PIU10010P11 COU1001 PIRMM501 PIU1003 NL#F0WP PICMM102 PICMM202 PICMM401 PIRMM402 PIRMM602 PIRMM1201 PIRMM1301 PIRMM1401 PIRMM1501 PIRMM1601 PIRMM1701 PIRMM1801 PIRMM1901 PIRMM2001 PIRMM2101 PIRMM2201 PIU1008 PIU10010C6 PIU10010E6 PIU10010F5 PIU10010J10 PIU10010K9 PIU10010M4 PIU10010N4 PIU10010P3 PIU10010P5 PIU1000H25 NLBL0EN0REF PIU1000AD15 NLCI0A0 PIU1000AC17 NLCI0A1 PIU1000AD18 NLCI0A2 PIU1000AC16 NLCI0A3 PIU1000AC18 NLCI0A4 PIU1000AE17 NLCI0A5 PIU1000AC13 NLCI0A6 PIU1000AD16 NLCI0A7 PIU1000AC12 NLCI0A8 PIU1000AC14 NLCI0A9 PIU1000AC10 NLCI0A10 PIU1000AD12 NLCI0A11 PIU1000AE14 NLCI0A12 PIU1000AE16 NLCI0A13 PIU1000AD17 NLCI0A14 PIU1000AE11 NLCI0CE0N PIU1000AC15 NLCI0D0 PIU1000G24 NLCI0D1 PIU1000H24 NLCI0D2 PIU1000AD9 NLCI0D3 PIU1000AC9 NLCI0D4 PIU1000AE10 NLCI0D5 PIU1000AD10 NLCI0D6 PIU1000AD11 NLCI0D7 PIU1000Y12 NLCI0IORD0N PIU1000AB13 NLCI0IOWR0N PIU1000AE13 NLCI0IRQA0N PIU1000AC11 NLCI0OE0N PIU1000Y17 NLCI0REG0N PIU1000AA16 NLCI0RESET PIU1000Y16 NLCI0WAIT0N PIU1000AD14 NLCI0WE0N PIU1000B14 NLCI0WR0EN PIRPM102 PIU10010M6 PIU10010N7 PIU10010P8 NLEMC0CLK PIRPM106 PIU10010M5 PIU10010M8 PIU10010N9 PIU10010P9 NLEMC0CMD PIRPM208 PIU10010A3 NLEMC0D0 PIRPM206 PIU10010A4 NLEMC0D1 PIRPM204 PIU10010A5 NLEMC0D2 PIRPM304 PIU10010B2 PIU10010C1 NLEMC0D3 PIRPM302 PIU10010A2 PIU10010B3 NLEMC0D4 PIRPM306 PIU10010B4 PIU10010C3 PIU10010D3 PIU10010E1 PIU10010E2 NLEMC0D5 PIRPM308 PIU10010B5 PIU10010C5 PIU10010F3 PIU10010G1 PIU10010G2 NLEMC0D6 PIRPM202 PIU10010A8 PIU10010B6 PIU10010B7 NLEMC0D7 PIRPM108 PIU10010K5 PIU10010M9 PIU10010N10 PIU10010P11 NLEMC0RSTN PIRMM1402 PIRPM101 PIU1000D10 NLEMMC0CLK PIRMM1302 PIRPM105 PIU1000A12 NLEMMC0CMD PIRMM1602 PIRPM207 PIU1000F12 NLEMMC0DATA0 PIRMM1702 PIRPM205 PIU1000E12 NLEMMC0DATA1 PIRMM1802 PIRPM203 PIU1000B11 NLEMMC0DATA2 PIRMM1902 PIRPM303 PIU1000B12 NLEMMC0DATA3 PIRMM2102 PIRPM301 PIU1000B13 NLEMMC0DATA4 PIRMM1502 PIRPM305 PIU1000E11 NLEMMC0DATA5 PIRMM2202 PIRPM307 PIU1000C15 NLEMMC0DATA6 PIRMM2002 PIRPM201 PIU1000A13 NLEMMC0DATA7 PIRMM1202 PIRPM107 PIU1000A16 NLEMMC0RSTN PICMM101 PICMM201 PICMM302 PICMM402 PIRMM502 PIRPM103 PIRPM104 PIU1004 PIU10010A6 PIU10010C4 PIU10010D4 PIU10010E3 PIU10010E7 PIU10010F1 PIU10010F2 PIU10010G5 PIU10010H5 PIU10010H10 PIU10010J5 PIU10010K8 PIU10010M1 PIU10010M2 PIU10010N2 PIU10010N5 PIU10010P4 PIU10010P6 NLGND PIRMM401 PIU1007 NLHOLD# PIU1000AA17 NLINPACK# PIU1000A15 PIU1000AC19 PIU1000AD19 PIU1000AE19 PIU1000B15 PIU1000B17 PIU1000C16 PIU1000D15 PIU10010A1 PIU10010E9 PIU10010E10 PIU10010F10 PIU10010N1 PIU1000AA9 NLPCM0CD0N PIRMM601 PIU1001 PIU1000AE20 NLSPI0CSN PIU1006 PIU1000Y19 NLSPI0SCK PIU1005 PIU1000AA19 NLSPI0SDI PIU1002 PIU1000AB19 NLSPI0SDO PIU1000B3 NLT20TS0CLK PIU1000A3 NLT20TS0D0 PIU1000A2 NLT20TS0SYNC PIU1000B2 NLT20TS0VLD PIU1000AA18 NLTS0MOSTART0 PIU1000AB18 NLTS0MOVAL0 PIU1000Y15 NLTSI0CLK PIU1000AA12 NLTSI0D0 PIU1000AA11 NLTSI0D1 PIU1000AA14 NLTSI0D2 PIU1000Y14 NLTSI0D3 PIU1000Y13 NLTSI0D4 PIU1000AB15 NLTSI0D5 PIU1000AA15 NLTSI0D6 PIU1000AA13 NLTSI0D7 PIU1000Y11 NLTSI0START PIU1000AD13 NLTSI0VLD PIU1000AB16 NLTSO0CK PIU1000Y18 NLTSO0D0 PIU1000H23 NLTSO0D1 PIU1000G23 NLTSO0D2 PIU1000AB9 NLTSO0D3 PIU1000AB10 NLTSO0D4 PIU1000AA10 NLTSO0D5 PIU1000Y10 NLTSO0D6 PIU1000AB12 NLTSO0D7 PICMM301 PIU10010C2 PIU10010D1 PIU10010D2 NLVDDI 1 1 2 2 3 3 4 4 D D C C B B A A GND VCC-PANEL GND GND VCC-PANEL VCC-PANEL GND GND GND RXE3_P RXE2_N RXE1_P RXE1_N RXE0_N RXE0_P RXE2_P RXE3_N RXEC_N RXEC_P RXO2_N RXO3_P RXO3_N RXO2_P RXO0_N RXO1_P RXO1_N RXO0_P RXOC_P RXOC_N 3D_EN RXO4_N RXE4_N 3D_GSYNC RXO4_P RXE4_P 3V3_M 3V3_M RF2 NC/4K7ohm-0402-¡À5%-1 /16W 1 2 3 4 5 7 8 9 10 11 12 13 14 15 16 17 18 19 20 21 22 23 24 25 26 27 28 29 30 31 32 33 34 35 36 37 38 39 40 CN14 2¡Á20PIN-2.0-D-H-M( 脚长=2.6mm)-LK(缺第6PIN) RF3 NC/4K7ohm-0402-¡À5%-1 /16W GND RF4 NC/4K7ohm-0402-¡À5%-1 /16W GND R28 4K7ohm-0402-¡À5%-1/1 6W R29 4K7ohm-0402-¡À5%-1/1 6W 3V3_M Display GND 1 2 3 4 5 6 7 8 RP46 4*22ohm-0402-¡À5%-1/16 W 1 2 3 4 5 6 7 8 RP48 4*22ohm-0402-¡À5%-1/16 W 1 2 3 4 5 6 7 8 RP50 4*22ohm-0402-¡À5%-1/16 W 1 2 3 4 5 6 7 8 RP45 4*22ohm-0402-¡À5%-1/16 W 1 2 3 4 5 6 7 8 RP47 4*22ohm-0402-¡À5%-1/16 W 1 2 3 4 5 6 7 8 RP49 4*22ohm-0402-¡À5%-1/16 W RXO0_N/ RXO1_N/ RXO2_N/ RXOC_N/ RXO3_N/ RXE0_N/ RXE1_N/ RXE2_N/ RXEC_N/ RXE3_N/ RXO4_N/ RXE4_N/ RXO0_P/ RXO1_P/ RXO2_P/ RXOC_P/ RXO3_P/ RXE0_P/ RXE1_P/ RXE2_P/ RXEC_P/ RXE3_P/ RXO4_P/ RXE4_P/ RXO0_N/ RXO1_N/ RXO2_N/ RXOC_N/ RXO3_N/ RXE0_N/ RXE1_N/ RXE2_N/ RXEC_N/ RXE3_N/ RXO4_N/ RXE4_N/ RXO0_P/ RXO1_P/ RXO2_P/ RXOC_P/ RXO3_P/ RXE0_P/ RXE1_P/ RXE2_P/ RXEC_P/ RXE3_P/ RXO4_P/ RXE4_P/ RF1 NC/4K7ohm-0402-¡À5%-1 /16W Display PWM_REF RF8 NC/0ohm-0402-¡À5%-1/1 6W RF7 NC/100ohm-0402-¡À5%-1/1 6W 2D/3D# 3D_EN SDA_M SCL_M LVDSA_BP / GPIO65 A24 LVDSA_CP / GPIO63 A25 LVDSA_AN / GPIO68 B23 LVDSA_BN / GPIO66 B24 LVDSA_DN / GPIO62 B25 LVDSA_AP / GPIO67 C23 LVDSA_CN / GPIO64 C24 LVDSA_DP / GPIO61 C25 LVDSA_EN / GPIO60 D23 LVDSA_EP / GPIO59 D24 LVDSA_FN / GPIO58 E23 LVDSA_FP / GPIO57 E24 LVDSB_BP / GPIO77 A21 LVDSB_CP / GPIO75 A22 LVDSB_AN / GPIO80 B20 LVDSB_BN / GPIO78 B21 LVDSB_DN / GPIO74 B22 LVDSB_AP / GPIO79 C20 LVDSB_CN / GPIO76 C21 LVDSB_DP / GPIO73 C22 LVDSB_FP / GPIO69 D21 LVDSB_FN / GPIO70 D22 LVDSB_EN / GPIO72 E21 LVDSB_EP / GPIO71 F21 U100K TV,IC Main Chip,RTD2984D-GR,32bit,Quad-Core,EHS-TFBGA,SMD,Realtek RXO2_N RXO3_P RXO3_N RXO2_P RXO0_N RXO1_P RXO1_N RXO0_P RXOC_P RXOC_N RXO4_N RXO4_P RXE2_N RXE1_P RXE1_N RXE0_N RXE0_P RXE2_P RXE3_P RXE3_N RXEC_N RXEC_P RXE4_N RXE4_P SCL_M SDA_M PICN1401 PICN1402 PICN1403 PICN1404 PICN1405 PICN1407 PICN1408 PICN1409 PICN14010 PICN14011 PICN14012 PICN14013 PICN14014 PICN14015 PICN14016 PICN14017 PICN14018 PICN14019 PICN14020 PICN14021 PICN14022 PICN14023 PICN14024 PICN14025 PICN14026 PICN14027 PICN14028 PICN14029 PICN14030 PICN14031 PICN14032 PICN14033 PICN14034 PICN14035 PICN14036 PICN14037 PICN14038 PICN14039 PICN14040 COCN14 PIR2801 PIR2802 COR28 PIR2901 PIR2902 COR29 PIRF101 PIRF102 CORF1 PIRF201 PIRF202 CORF2 PIRF301 PIRF302 CORF3 PIRF401 PIRF402 CORF4 PIRF701 PIRF702 CORF7 PIRF801 PIRF802 CORF8 PIRP4501 PIRP4502 PIRP4503 PIRP4504 PIRP4505 PIRP4506 PIRP4507 PIRP4508 CORP45 PIRP4601 PIRP4602 PIRP4603 PIRP4604 PIRP4605 PIRP4606 PIRP4607 PIRP4608 CORP46 PIRP4701 PIRP4702 PIRP4703 PIRP4704 PIRP4705 PIRP4706 PIRP4707 PIRP4708 CORP47 PIRP4801 PIRP4802 PIRP4803 PIRP4804 PIRP4805 PIRP4806 PIRP4807 PIRP4808 CORP48 PIRP4901 PIRP4902 PIRP4903 PIRP4904 PIRP4905 PIRP4906 PIRP4907 PIRP4908 CORP49 PIRP5001 PIRP5002 PIRP5003 PIRP5004 PIRP5005 PIRP5006 PIRP5007 PIRP5008 CORP50 PIU1000A21 PIU1000A22 PIU1000A24 PIU1000A25 PIU1000B20 PIU1000B21 PIU1000B22 PIU1000B23 PIU1000B24 PIU1000B25 PIU1000C20 PIU1000C21 PIU1000C22 PIU1000C23 PIU1000C24 PIU1000C25 PIU1000D21 PIU1000D22 PIU1000D23 PIU1000D24 PIU1000E21 PIU1000E23 PIU1000E24 PIU1000F21 COU100K PIRF701 NL2D03D# PICN14033 PIRF101 PIRF402 PIRF702 NL3D0EN PICN14034 PIRF201 PIRF302 NL3D0GSYNC PIR2802 PIR2902 PIRF102 PIRF202 PICN14032 PIRF802 NLDisplay PICN1404 PICN1405 PICN14013 PICN14014 PICN14025 PICN14026 PICN14031 PIRF301 PIRF401 NLGND PIRF801 NLPWM0REF PIRP4501 PIU1000B23 NLRXE00N PICN14019 PIRP4502 NLRXE00N0 PIRP4503 PIU1000C23 NLRXE00P PICN14020 PIRP4504 NLRXE00P0 PIRP4505 PIU1000B24 NLRXE10N PICN14021 PIRP4506 NLRXE10N0 PIRP4507 PIU1000A24 NLRXE10P PICN14022 PIRP4508 NLRXE10P0 PIRP4701 PIU1000C24 NLRXE20N PICN14023 PIRP4702 NLRXE20N0 PIRP4703 PIU1000A25 NLRXE20P PICN14024 PIRP4704 NLRXE20P0 PIRP4901 PIU1000D23 NLRXE30N PICN14029 PIRP4902 NLRXE30N0 PIRP4903 PIU1000D24 NLRXE30P PICN14030 PIRP4904 NLRXE30P0 PIRP4905 PIU1000E23 NLRXE40N PICN14039 PIRP4906 NLRXE40N0 PIRP4907 PIU1000E24 NLRXE40P PICN14040 PIRP4908 NLRXE40P0 PIRP4705 PIU1000B25 NLRXEC0N PICN14027 PIRP4706 NLRXEC0N0 PIRP4707 PIU1000C25 NLRXEC0P PICN14028 PIRP4708 NLRXEC0P0 PIRP4601 PIU1000B20 NLRXO00N PICN1407 PIRP4602 NLRXO00N0 PIRP4603 PIU1000C20 NLRXO00P PICN1408 PIRP4604 NLRXO00P0 PIRP4605 PIU1000B21 NLRXO10N PICN1409 PIRP4606 NLRXO10N0 PIRP4607 PIU1000A21 NLRXO10P PICN14010 PIRP4608 NLRXO10P0 PIRP4801 PIU1000C21 NLRXO20N PICN14011 PIRP4802 NLRXO20N0 PIRP4803 PIU1000A22 NLRXO20P PICN14012 PIRP4804 NLRXO20P0 PIRP5007 PIU1000E21 NLRXO30N PICN14017 PIRP5008 NLRXO30N0 PIRP5005 PIU1000F21 NLRXO30P PICN14018 PIRP5006 NLRXO30P0 PIRP5003 PIU1000D22 NLRXO40N PICN14037 PIRP5004 NLRXO40N0 PIRP5001 PIU1000D21 NLRXO40P PICN14038 PIRP5002 NLRXO40P0 PIRP4805 PIU1000B22 NLRXOC0N PICN14015 PIRP4806 NLRXOC0N0 PIRP4807 PIU1000C22 NLRXOC0P PICN14016 PIRP4808 NLRXOC0P0 PICN14035 PIR2901 NLSCL0M PICN14036 PIR2801 NLSDA0M PICN1401 PICN1402 PICN1403 NLVCC0PANEL 1 1 2 2 3 3 4 4 5 5 6 6 7 7 8 8 D D C C B B A A VGA_DDC_SDA VGA_B+ VGA_DDC_SCL VGA_G+ VGA_R+ URAT_RX2 URAT_TX2 RV10 2Kohm-0402-¡À5%-1/16W CV4 NC/22pF-0402-NPO-¡À5%-50V RV9 100ohm-0402-¡À5%-1/16W 1 6 2 7 3 8 4 9 5 11 12 13 14 15 10 17 16 TXD SDA HS VS SCL R GND G GND B GND RXD 5V DET GND GND GND DB15 CN9 LK-VGHRF30823056-U007 RV8 100ohm-0402-¡À5%-1/16W RV11 2Kohm-0402-¡À5%-1/16W CV5 NC/10pF-0402-NPO-¡À5%-50V VS_VGA HS_VGA RV1 75ohm-0402-¡À5%-1/16W RV3 75ohm-0402-¡À5%-1/16W RV5 75ohm-0402-¡À5%-1/16W RV2 100ohm-0402-¡À5%-1/16W RV4 100ohm-0402-¡À5%-1/16W RV6 100ohm-0402-¡À5%-1/16W GND GND GND RV16 4K7ohm-0402-¡À5%-1/16W RV17 4K7ohm-0402-¡À5%-1/16W GND GND VGA_HS VGA_VS RV18 4K7ohm-0402-¡À5%-1/16W RV19 4K7ohm-0402-¡À5%-1/16W CV6 0.047uF-0402-X7R-¡À10%-16V CV8 0.047uF-0402-X7R-¡À10%-16V CV9 0.047uF-0402-X7R-¡À10%-16V GND GND 1 2 3 4 5 GND ERO RSPK LSPK ELO CN8 PJ-325 RV22 10Kohm-0402-¡À5%-1/16W RV25 10Kohm-0402-¡À5%-1/16W CV11 1uF-0402-X5R-¡À20%-6.3V CV12 1uF-0402-X5R-¡À20%-6.3V PC_IN_L PC_IN_R RV23 10Kohm-0402-¡À5%-1/16W RV24 10Kohm-0402-¡À5%-1/16W CV14 NC/5pF-0402-NPO-¡À5%-50V CV15 NC/5pF-0402-NPO-¡À5%-50V CV16 NC/5pF-0402-NPO-¡À5%-50V 5V_STB 5V_STB RS7 NC/75ohm-0402-¡À5%-1/16W GND RS3 NC/51ohm-0402-¡À5%-1/16W CS2 NC/0.047uF-0402-X7R-¡À10%-16V SCART_VI 1 2 3 4 5 6 L GND R GND CVBS GND CN5 NC/AV3-8.4-07C(黄、白、红)-密封 GND SCART_VIN&VOUT SC_RIN&ROUT SC_LIN&LOUT SCART_VIN&VOUT PB0+ Y0+ PR0+ RI14 75ohm-0402-¡À5%-1/16W RI13 75ohm-0402-¡À5%-1/16W RI12 75ohm-0402-¡À5%-1/16W RI18 100ohm-0402-¡À5%-1/16W GND RI10 100ohm-0402-¡À5%-1/16W GND RI11 100ohm-0402-¡À5%-1/16W GND YPbPr_Pb YPbPr_Pr CI21 0.047uF-0402-X7R-¡À10%-16V CI23 0.047uF-0402-X7R-¡À10%-16V CI24 0.047uF-0402-X7R-¡À10%-16V YPbPr_Y/AV2_IN 1 2 3 4 5 6 Pb GND Y GND Pr GND AV4 AV3-8.4-07C(绿、蓝、红)-密封 YPbPr_Y/AV2_IN YPbPr_Pr YPbPr_Pb GND 1 4 2 L GND R GND 3 AV2 NC/CYB-3.2-2DW28B-1-100(R)(白、红)-密封 GND YPBPR&AV_LIN YPBPR&AV_RIN AV1_IN_L GND CI20 1uF-0402-X5R-¡À20%-6.3V RI6 10Kohm-0402-¡À5%-1/16W RI7 10Kohm-0402-¡À5%-1/16W YPBPR&AV_LIN AV1_IN_R GND CI19 1uF-0402-X5R-¡À20%-6.3V RI4 10Kohm-0402-¡À5%-1/16W RI3 10Kohm-0402-¡À5%-1/16W YPBPR&AV_RIN CS14 1uF-0402-X5R-¡À20%-6.3V RS35 NC/NC/1Kohm-0402-¡À5%-1/16W CS15 NC/NC/0.1uF-0402-X5R-¡À20%-16V GND SC_ROUT/ SC_RIN&ROUT CS11 1uF-0402-X5R-¡À20%-6.3V RS17 NC/NC/1Kohm-0402-¡À5%-1/16W CS12 NC/NC/0.1uF-0402-X5R-¡À20%-16V GND SC_LOUT/ SC_LIN&LOUT RS29 75ohm-0402-¡À5%-1/16W CS8 22pF-0402-NPO-¡À5%-50V GND VOUT&SPDIF RS1 NC/0ohm-0402-¡À5%-1/16W RI21 100ohm-0402-¡À5%-1/16W GND RI20 180ohm-0402-¡À5%-1/16W SPDIF_OUT VOUT&SPDIF SCART_VIN&VOUT SC_RIN&ROUT SC_LIN&LOUT 1 2 3 4 5 6 L GND R GND CVBS GND CN4 AV3-8.4-07C(黄、白、红)-密封 GND RS2 0ohm-0402-¡À5%-1/16W CVBSOUT CVBSOUT SCART_VIN&VOUT GND CS10 NC/1uF-0402-X5R-¡À20%-6.3V RS11 NC/10Kohm-0402-¡À5%-1/16W RS12 NC/10Kohm-0402-¡À5%-1/16W SC_LI SC_LIN&LOUT GND CS6 NC/1uF-0402-X5R-¡À20%-6.3V RS6 NC/10Kohm-0402-¡À5%-1/16W RS9 NC/10Kohm-0402-¡À5%-1/16W SC_RI SC_RIN&ROUT 1 2 3 4 5 6 L GND R GND COAX GND AV1 AV3-8.4-07C(橙、白、红)-密封 GND YPBPR&AV_RIN YPBPR&AV_LIN VOUT&SPDIF PIAV101 PIAV102 PIAV103 PIAV104 PIAV105 PIAV106 COAV1 PIAV201 PIAV202 PIAV203 PIAV204 COAV2 PIAV401 PIAV402 PIAV403 PIAV404 PIAV405 PIAV406 COAV4 PICI1901 PICI1902 COCI19 PICI2001 PICI2002 COCI20 PICI2101 PICI2102 COCI21 PICI2301 PICI2302 COCI23 PICI2401 PICI2402 COCI24 PICN401 PICN402 PICN403 PICN404 PICN405 PICN406 COCN4 PICN501 PICN502 PICN503 PICN504 PICN505 PICN506 COCN5 PICN801 PICN802 PICN803 PICN804 PICN805 COCN8 PICN901 PICN902 PICN903 PICN904 PICN905 PICN906 PICN907 PICN908 PICN909 PICN9010 PICN9011 PICN9012 PICN9013 PICN9014 PICN9015 PICN9016 PICN9017 COCN9 PICS201 PICS202 COCS2 PICS601 PICS602 COCS6 PICS801 PICS802 COCS8 PICS1001 PICS1002 COCS10 PICS1101 PICS1102 COCS11 PICS1201 PICS1202 COCS12 PICS1401 PICS1402 COCS14 PICS1501 PICS1502 COCS15 PICV401 PICV402 COCV4 PICV501 PICV502 COCV5 PICV601 PICV602 COCV6 PICV801 PICV802 COCV8 PICV901 PICV902 COCV9 PICV1101 PICV1102 COCV11 PICV1201 PICV1202 COCV12 PICV1401 PICV1402 COCV14 PICV1501 PICV1502 COCV15 PICV1601 PICV1602 COCV16 PIRI301 PIRI302 CORI3 PIRI401 PIRI402 CORI4 PIRI601 PIRI602 CORI6 PIRI701 PIRI702 CORI7 PIRI1001 PIRI1002 CORI10 PIRI1101 PIRI1102 CORI11 PIRI1201 PIRI1202 CORI12 PIRI1301 PIRI1302 CORI13 PIRI1401 PIRI1402 CORI14 PIRI1801 PIRI1802 CORI18 PIRI2001 PIRI2002 CORI20 PIRI2101 PIRI2102 CORI21 PIRS101 PIRS102 CORS1 PIRS201 PIRS202 CORS2 PIRS301 PIRS302 CORS3 PIRS601 PIRS602 CORS6 PIRS701 PIRS702 CORS7 PIRS901 PIRS902 CORS9 PIRS1101 PIRS1102 CORS11 PIRS1201 PIRS1202 CORS12 PIRS1701 PIRS1702 CORS17 PIRS2901 PIRS2902 CORS29 PIRS3501 PIRS3502 CORS35 PIRV101 PIRV102 CORV1 PIRV201 PIRV202 CORV2 PIRV301 PIRV302 CORV3 PIRV401 PIRV402 CORV4 PIRV501 PIRV502 CORV5 PIRV601 PIRV602 CORV6 PIRV801 PIRV802 CORV8 PIRV901 PIRV902 CORV9 PIRV1001 PIRV1002 CORV10 PIRV1101 PIRV1102 CORV11 PIRV1601 PIRV1602 CORV16 PIRV1701 PIRV1702 CORV17 PIRV1801 PIRV1802 CORV18 PIRV1901 PIRV1902 CORV19 PIRV2201 PIRV2202 CORV22 PIRV2301 PIRV2302 CORV23 PIRV2401 PIRV2402 CORV24 PIRV2501 PIRV2502 CORV25 PIRV1601 PIRV1701 PIRV1801 PIRV1901 PICI2002 NLAV10IN0L PICI1902 NLAV10IN0R PICS802 PIRS101 PIRS201 PIRS2902 NLCVBSOUT PIAV102 PIAV104 PIAV106 PIAV202 PIAV204 PIAV402 PIAV404 PIAV406 PICN402 PICN404 PICN406 PICN502 PICN504 PICN506 PICN801 PICN905 PICN906 PICN907 PICN908 PICN9010 PICN9016 PICN9017 PICS801 PICS1201 PICS1501 PICV402 PICV502 PICV1401 PICV1501 PICV1601 PIRI301 PIRI702 PIRI1201 PIRI1301 PIRI1401 PIRI2102 PIRS701 PIRS901 PIRS1201 PIRS1701 PIRS2901 PIRS3501 PIRV101 PIRV301 PIRV501 PIRV1002 PIRV1102 PIRV2202 PIRV2501 PICN9013 PIRV901 PIRV1101 NLHS0VGA PICI1901 PIRI302 PIRI402 PICI2001 PIRI601 PIRI701 PICI2101 PIRI1801 PICI2301 PIRI1001 PICI2401 PIRI1101 PICN802 PICN805 PIRV2302 PICN803 PICN804 PIRV2402 PICN901 PIRV102 PIRV202 PICN902 PIRV302 PIRV402 PICN903 PIRV502 PIRV602 PICN909 PICS201 PIRS302 PICS601 PIRS602 PIRS902 PICS1001 PIRS1102 PIRS1202 PICV601 PICV1402 PIRV201 PICV801 PICV1502 PIRV401 PICV901 PICV1602 PIRV601 PICV1101 PIRV2201 PIRV2301 PICV1201 PIRV2401 PIRV2502 PICI2302 NLPB00 PICV1202NLPC0IN0L PICV1102NLPC0IN0R PICI2402 NLPR00 PICS1002 NLSC0LI PICN403 PICN503 PICS1102 PICS1202 PIRS1101 PIRS1702 NLSC0LIN&LOUT PICS1101 NLSC0LOUT0 PICS602 NLSC0RI PICN405 PICN505 PICS1402 PICS1502 PIRS601 PIRS3502 NLSC0RIN&ROUT PICS1401 NLSC0ROUT0 PICS202 NLSCART0VI PICN401 PICN501 PIRS202 PIRS301 PIRS702 NLSCART0VIN&VOUT PIRI2002 NLSPDIF0OUT PICN904 PIRV1902 NLURAT0RX2 PICN9011 PIRV1802 NLURAT0TX2 PICV902 NLVGA0B0 PICN9015 PIRV1602 NLVGA0DDC0SCL PICN9012 PIRV1702 NLVGA0DDC0SDA PICV802 NLVGA0G0 PICV501 PIRV902 NLVGA0HS PICV602 NLVGA0R0 PICV401 PIRV802 NLVGA0VS PIAV101 PIRI2001 PIRI2101 PIRS102 NLVOUT&SPDIF PICN9014 PIRV801 PIRV1001 NLVS0VGA PICI2102 NLY00 PIAV103 PIAV201 PIRI602 NLYPBPR&AV0LIN PIAV105 PIAV203 PIRI401 NLYPBPR&AV0RIN PIAV403 PIRI1002 PIRI1302 NLYPbPr0Pb PIAV405 PIRI1102 PIRI1402 NLYPbPr0Pr PIAV401 PIRI1202 PIRI1802 NLYPbPr0Y0AV20IN 1 1 2 2 3 3 4 4 5 5 6 6 7 7 8 8 D D C C B B A A 12V 12V LOUT- ROUT- AMP_MUTE/ AVCC GND AVCC ROUT+ LOUT+ LOUT- ROUT- RA6 100ohm-0402-¡À 5%-1/16W CA15 0.033uF-0402-X7R-¡À 10%-16V RA7 100Kohm-0402-¡À 5%-1/16W RA8 NC/0ohm-0402-¡À 5%-1/16W RA11 12Kohm-0402-¡À 5%-1/16W RA12 NC/10Kohm-0402-¡À 5%-1/16W RA13 100ohm-0402-¡À 5%-1/16W CA24 0.033uF-0402-X7R-¡À 10%-16V CA9 1000pF-0402-X7R-¡À 10%-50V CA32 1000pF-0402-X7R-¡À 10%-50V + LA4 SCD54TL-220M + LA3 SCD54TL-220M + LA2 SCD54TL-220M + LA1 SCD54TL-220M LBA1 NC/UPZ2012E601-2R0TF(600ohm-2000mA) LBA2 NC/UPZ2012E601-2R0TF(600ohm-2000mA) LBA3 NC/UPZ2012E601-2R0TF(600ohm-2000mA) LBA4 NC/UPZ2012E601-2R0TF(600ohm-2000mA) CA13 1uF-0603-X5R-¡À 10%-25V CA17 1uF-0603-X5R-¡À 10%-25V CA22 1uF-0603-X5R-¡À 10%-25V CA27 1uF-0603-X5R-¡À 10%-25V CA12 NC/0.47uF-0603-X5R-¡À 10%-16V CA16 NC/0.47uF-0603-X5R-¡À 10%-16V CA21 NC/0.47uF-0603-X5R-¡À 10%-16V CA26 NC/0.47uF-0603-X5R-¡À 10%-16V 1 2 3 4 CN16 4PIN-2.54-D-H-G-B CA10 1uF-0402-X5R-¡À 20%-6.3V CA14 1uF-0402-X5R-¡À 20%-6.3V CA18 0.1uF-0402-X5R-¡À 20%-16V CA28 1uF-0402-X5R-¡À 20%-6.3V CA29 1uF-0402-X5R-¡À 20%-6.3V CA11 0.22uF-0402-X5R-¡À 10%-16V CA19 0.22uF-0402-X5R-¡À 10%-16V CA20 0.22uF-0402-X5R-¡À 10%-16V CA30 0.22uF-0402-X5R-¡À 10%-16V CA23 1uF-0402-X5R-¡À 20%-16V CA25 NC/1uF-0402-X5R-¡À 20%-16V AMP-Lin AMP-Rin SD 1 FAULT 2 LINP 3 LINN 4 GAIN0 5 GAIN1 6 AVCC 7 AGND 8 GVDD 9 PLIMIT 10 RINN 11 RINP 12 NC 13 PBTL 14 PVCCR 15 PVCCR 16 BSPR 17 OUTPR 18 PGND 19 OUTNR 20 BSNR 21 BSNL 22 OUTNL 23 PGND 24 OUTPL 25 BSPL 26 PVCCL 27 PVCCL 28 UA1 TPA3110LD2PWPR CA3 1uF-0603-X5R-¡À 10%-25V CA4 1uF-0603-X5R-¡À 10%-25V LOUT+ ROUT+ AMP_MUTE AMP_MUTE/ RA2 4K7ohm-0402-¡À 5%-1/16W RA1 4K7ohm-0402-¡À 5%-1/16W CA1 NC/0.1uF-0402-X5R-¡À 20%-16V 12V AVCC RA3 10ohm-0402-¡À 5%-1/16W CA2 1uF-0603-X5R-¡À 10%-25V + E1 470uF-25V-¡À 20%-10¡Á 12.5-105℃-GF-编带-F=5.0(CapXon) 12V CA31 10uF-1206-X5R-¡À 10%-25V CA64 NC/0.1uF-0402-X5R-¡À 20%-16V GND RA62 NC/1Kohm-0402-¡À 5%-1/16W HP_OUT_R CA6 NC/0.1uF-0402-X5R-¡À 20%-16V GND RA5 NC/1Kohm-0402-¡À 5%-1/16W HP_OUT_L RA61 4K7ohm-0402-¡À 5%-1/16W RA4 NC/4K7ohm-0402-¡À 5%-1/16W 3V3_M HP_OUT_DET/ QA1 NC/LMBT3904LT1G RA9 NC/4K7ohm-0402-¡À 5%-1/16W GND HP_OUT_DET 3V3_M 1 2 3 5 4 7 6 GND RIN RSPK ERO ELO LSPK LIN AV30 NC/PJ-339 GND HP_OUT_R HP_OUT_L HP_OUT_DET GND CA8 NC/22uF-0805-X5R-¡À 20%-6.3V CA7 NC/22uF-0805-X5R-¡À 20%-6.3V HP_R HP_L RA10 NC/270ohm-0402-¡À 5%-1/16W RA14 NC/270ohm-0402-¡À 5%-1/16W PIAV3001 PIAV3002 PIAV3003 PIAV3004 PIAV3005 PIAV3006 PIAV3007 COAV30 PICA101 PICA102 COCA1 PICA201 PICA202 COCA2 PICA301 PICA302 COCA3 PICA401 PICA402 COCA4 PICA601 PICA602 COCA6 PICA701 PICA702 COCA7 PICA801 PICA802 COCA8 PICA901 PICA902 COCA9 PICA1001 PICA1002 COCA10 PICA1101 PICA1102 COCA11 PICA1201 PICA1202 COCA12 PICA1301 PICA1302 COCA13 PICA1401 PICA1402 COCA14 PICA1501 PICA1502 COCA15 PICA1601 PICA1602 COCA16 PICA1701 PICA1702 COCA17 PICA1801 PICA1802 COCA18 PICA1901 PICA1902 COCA19 PICA2001 PICA2002 COCA20 PICA2101 PICA2102 COCA21 PICA2201 PICA2202 COCA22 PICA2301 PICA2302 COCA23 PICA2401 PICA2402 COCA24 PICA2501 PICA2502 COCA25 PICA2601 PICA2602 COCA26 PICA2701 PICA2702 COCA27 PICA2801 PICA2802 COCA28 PICA2901 PICA2902 COCA29 PICA3001 PICA3002 COCA30 PICA3101 PICA3102 COCA31 PICA3201 PICA3202 COCA32 PICA6401 PICA6402 COCA64 PICN1601 PICN1602 PICN1603 PICN1604 COCN16 PIE101 PIE102 COE1 PILA10F PILA10S COLA1 PILA20F PILA20S COLA2 PILA30F PILA30S COLA3 PILA40F PILA40S COLA4 PILBA101 PILBA102 COLBA1 PILBA201 PILBA202 COLBA2 PILBA301 PILBA302 COLBA3 PILBA401 PILBA402 COLBA4 PIQA10B PIQA10C PIQA10E COQA1 PIRA101 PIRA102 CORA1 PIRA201 PIRA202 CORA2 PIRA301 PIRA302 CORA3 PIRA401 PIRA402 CORA4 PIRA501 PIRA502 CORA5 PIRA601 PIRA602 CORA6 PIRA701 PIRA702 CORA7 PIRA801 PIRA802 CORA8 PIRA901 PIRA902 CORA9 PIRA1001 PIRA1002 CORA10 PIRA1101 PIRA1102 CORA11 PIRA1201 PIRA1202 CORA12 PIRA1301 PIRA1302 CORA13 PIRA1401 PIRA1402 CORA14 PIRA6101 PIRA6102 CORA61 PIRA6201 PIRA6202 CORA62 PIUA101 PIUA102 PIUA103 PIUA104 PIUA105 PIUA106 PIUA107 PIUA108 PIUA109 PIUA1010 PIUA1011 PIUA1012 PIUA1013 PIUA1014 PIUA1015 PIUA1016 PIUA1017 PIUA1018 PIUA1019 PIUA1020 PIUA1021 PIUA1022 PIUA1023 PIUA1024 PIUA1025 PIUA1026 PIUA1027 PIUA1028 COUA1 PIRA402 PIRA6101 PICA202 PICA302 PICA402 PICA902 PICA3101 PICA3202 PIE101 PIRA302 PIUA1015 PIUA1016 PIUA1027 PIUA1028 NL12V PIRA601 NLAMP0Lin PIRA1301 NLAMP0Rin PIRA101 PIRA201 NLAMP0MUTE PICA102 PIRA102 PIUA101 PIUA102 NLAMP0MUTE0 PICA1801 PIRA301 PIRA701 PIUA107 NLAVCC PIAV3001 PIAV3005 PICA101 PICA201 PICA301 PICA401 PICA601 PICA901 PICA1201 PICA1301 PICA1402 PICA1501 PICA1602 PICA1702 PICA1802 PICA2101 PICA2201 PICA2302 PICA2402 PICA2502 PICA2602 PICA2702 PICA2802 PICA3102 PICA3201 PICA6401 PIE102 PIQA10E PIRA202 PIRA502 PIRA801 PIRA1201 PIRA6202 PIUA106 PIUA108 PIUA1014 PIUA1019 PIUA1024 NLGND PICA802 NLHP0L PIAV3007 PIRA401 PIRA902 NLHP0OUT0DET PIQA10C PIRA6102 NLHP0OUT0DET0 PIAV3003 PICA602 PIRA501 PIRA1402 NLHP0OUT0L PIAV3002 PICA6402 PIRA1002 PIRA6201 NLHP0OUT0R PICA702 NLHP0R PICA1202 PICA1302 PICN1604 PILA10S PILBA102 NLLOUT0 PICA1601 PICA1701 PICN1603 PILA20F PILBA202 NLLOUT0 PIAV3004 PIAV3006 PICA701 PIRA1001 PICA801 PIRA1401 PICA1001 PIUA103 PICA1002 PICA1502 PIRA602 PICA1101 PILA10F PILBA101 PIUA1025 PICA1102 PIUA1026 PICA1401 PIUA104 PICA1901 PILA20S PILBA201 PIUA1023 PICA1902 PIUA1022 PICA2001 PILA30F PILBA301 PIUA1020 PICA2002 PIUA1021 PICA2301 PIRA1101 PIUA109 PICA2401 PICA2902 PIRA1302 PICA2501 PIRA1102 PIRA1202 PIUA1010 PICA2801 PIUA1011 PICA2901 PIUA1012 PICA3001 PILA40S PILBA401 PIUA1018 PICA3002 PIUA1017 PIQA10B PIRA901 PIRA702 PIRA802 PIUA105 PIUA1013 PICA2601 PICA2701 PICN1601 PILA40F PILBA402 NLROUT0 PICA2102 PICA2202 PICN1602 PILA30S PILBA302 NLROUT0 1 1 2 2 3 3 4 4 5 5 6 6 7 7 8 8 9 9 10 10 11 11 12 12 13 13 14 14 15 15 16 16 D D C C B B A A RT16 4K7ohm-0402-¡À5%-1/16W RT14 4K7ohm-0402-¡À5%-1/16W 3V3_Tun TUNER_SCL / GPIO183 A10 TUNER_SDA / GPIO170 C9 IF_P AD5 RF/IF AGC / GPIO0 AE4 IF_N AE5 U100I TV,IC Main Chip,RTD2984D-GR,32bit,Quad-Core,EHS-TFBGA,SMD,Realtek MAIN_TUN_SCL MAIN_TUN_SDA MAIN_TUN_SCL MAIN_TUN_SDA IFn IFp CT4 0.1uF-0402-X5R-¡À20%-16V CT32 0.1uF-0402-X5R-¡À20%-16V RT7 100ohm-0402-¡À5%-1/16W RT12 100ohm-0402-¡À5%-1/16W RT10 0ohm-0402-¡À5%-1/16W RT15 0ohm-0402-¡À5%-1/16W TUN_IF- TUN_IF+ TUN_IF- TUN_IF+ ATV_IF_AGC 1 2 3 4 RF_GND RF RF_GND RF_GND T5 RF-A814.5(H=6.3mm) RFGND GND RF_INPUT LT11 NC/SDCL1005CR27JTDF(顺络) CT5 470pF-0402-X7R-¡À10%-50V GND GND GND GND GND GND GND GND GND RF_INPUT RT11 1K8ohm-0402-¡À5%-1/16W CT29 6800pF-0402-X7R-¡À10%-50V CT3 330pF-0402-NPO-¡À5%-50V CT18 0.1uF-0402-X5R-¡À20%-16V CT11 0.1uF-0402-X5R-¡À20%-16V CT12 0.022uF-0402-X7R-¡À10%-16V CT13 NC/1.2pF-0402-NPO-¡À0.25pf-50V CT17 NC/100pF-0402-NPO-¡À5%-50V LT9 NC/SDCL1005CR27JTDF(顺络) LT6 1Kohm-0402-¡À25% LT8 1Kohm-0402-¡À25% 3V3_Tun CT9 0.1uF-0402-X5R-¡À20%-16V LT1 SDCL1005C68NJTDF(68nH-0402¡À5%-C) CT6 0.1uF-0402-X5R-¡À20%-16V 3V3_Tun CT2 0.1uF-0402-X5R-¡À20%-16V LT10 SDCL1005CR18JTDF(180nH-0402¡À5%-C) CT21 0.1uF-0402-X5R-¡À20%-16V 3V3_Tun IFn IFp LT3 0ohm-0402-¡À5%-1/16W RFIN2 2 TF1 3 TF2 4 DECT1 5 SCL 6 SDA 7 AVDD 8 AVDD 18 VOP 17 VON 16 VAGC 15 DVSS 10 CP 9 RFIN 1 AVDD 24 TFH 23 TFL 22 GPIO 21 VBG 20 DET2 19 GND 25 DVDD 11 XTAL_I 12 VAGC2 14 XTAL_O 13 UT1 R840 LT2 1Kohm-0402-¡À25% YT1 16MHz-¡À20PPM -20PF-HC-49S-SMD-JWT CT14 8pF-0402-NPO-¡À5%-50V CT15 8pF-0402-NPO-¡À5%-50V GND GND GND 1 3 2 DT1 BAV99-BR GND CT1 0.1uF-0402-X5R-¡À20%-16V GND RT8 1Kohm-0402-¡À1%-1/16W CT19 0.01uF-0402-X7R-¡À10%-16V RT5 10Kohm-0402-¡À5%-1/16W RT9 NC/1Kohm-0402-¡À1%-1/16W ATV_AGC ATV_IF_AGC 3V3_M 热缩套管 Φ12mm¡Á12mm CT41 4700pF-1206-X7R-¡À10%-1000V CT42 4700pF-1206-X7R-¡À10%-1000V GND CT44 4700pF-1206-X7R-¡À10%-1000V CT43 4700pF-1206-X7R-¡À10%-1000V CT45 4700pF-1206-X7R-¡À10%-1000V RFGND CT46 NC/4700pF-1206-X7R-¡À10%-1000V CT47 4700pF-1206-X7R-¡À10%-1000V CT48 NC/4700pF-1206-X7R-¡À10%-1000V 1 2 3 4 GND GND GND GND P5 22.6¡Á17.3¡Á6-LHD( 带封口) GND ATV_AGC MAIN_TUN_SDA MAIN_TUN_SCL ! PICT101 PICT102 COCT1 PICT201 PICT202 COCT2 PICT301 PICT302 COCT3 PICT401 PICT402 COCT4 PICT501 PICT502 COCT5 PICT601 PICT602 COCT6 PICT901 PICT902 COCT9 PICT1101 PICT1102 COCT11 PICT1201 PICT1202 COCT12 PICT1301 PICT1302 COCT13 PICT1401 PICT1402 COCT14 PICT1501 PICT1502 COCT15 PICT1701 PICT1702 COCT17 PICT1801 PICT1802 COCT18 PICT1901 PICT1902 COCT19 PICT2101 PICT2102 COCT21 PICT2901 PICT2902 COCT29 PICT3201 PICT3202 COCT32 PICT4101 PICT4102 COCT41 PICT4201 PICT4202 COCT42 PICT4301 PICT4302 COCT43 PICT4401 PICT4402 COCT44 PICT4501 PICT4502 COCT45 PICT4601 PICT4602 COCT46 PICT4701 PICT4702 COCT47 PICT4801 PICT4802 COCT48 PIDT101 PIDT102 PIDT103 CODT1 PILT101 PILT102 COLT1 PILT201 PILT202 COLT2 PILT301 PILT302 COLT3 PILT601 PILT602 COLT6 PILT801 PILT802 COLT8 PILT901 PILT902 COLT9 PILT1001 PILT1002 COLT10 PILT1101 PILT1102 COLT11 PIP501 PIP502 PIP503 PIP504 COP5 PIRT501 PIRT502 CORT5 PIRT701 PIRT702 CORT7 PIRT801 PIRT802 CORT8 PIRT901 PIRT902 CORT9 PIRT1001 PIRT1002 CORT10 PIRT1101 PIRT1102 CORT11 PIRT1201 PIRT1202 CORT12 PIRT1401 PIRT1402 CORT14 PIRT1501 PIRT1502 CORT15 PIRT1601 PIRT1602 CORT16 PIT501 PIT502 PIT503 PIT504 COT5 PIU1000A10 PIU1000AD5 PIU1000AE4 PIU1000AE5 PIU1000C9 COU100I PIUT101 PIUT102 PIUT103 PIUT104 PIUT105 PIUT106 PIUT107 PIUT108 PIUT109 PIUT1010 PIUT1011 PIUT1012 PIUT1013 PIUT1014 PIUT1015 PIUT1016 PIUT1017 PIUT1018 PIUT1019 PIUT1020 PIUT1021 PIUT1022 PIUT1023 PIUT1024 PIUT1025 COUT1 PIYT101 PIYT102 COYT1 COÈÈËõÌ×¹Ü PIRT902 PICT601 PICT901 PICT1802 PILT101 PILT202 PIRT1402 PIRT1602 PIUT1011 PIUT1018 PIUT1024 PICT102 PIRT802 PIUT1015 NLATV0AGC PIRT501 PIRT901 PIU1000AE4 NLATV0IF0AGC PICT101 PICT202 PICT301 PICT602 PICT902 PICT1101 PICT1202 PICT1401 PICT1501 PICT1801 PICT1901 PICT2102 PICT2901 PICT4101 PICT4201 PICT4301 PICT4401 PICT4501 PICT4601 PICT4701 PICT4801 PIDT101 PIDT103 PILT602 PILT802 PILT901 PILT1102 PIP501 PIP502 PIP503 PIP504 PIUT1010 PIUT1025 PIRT1202 PIUT1016 NLIFn PIRT702 PIUT1017 NLIFp PIRT1601 PIU1000A10 PIUT106 NLMAIN0TUN0SCL PIRT1401 PIU1000C9 PIUT107 NLMAIN0TUN0SDA PICT201 PIUT108 PICT302 PIRT1102 PIUT109 PICT401 PIRT1001 PICT501 PIT501 PICT1102 PIUT1020 PICT1201 PIUT1019 PICT1302 PICT1702 PIDT102 PILT302 PILT601 PIUT101 PICT1402 PIUT1013 PIYT102 PICT1502 PIUT1012 PIYT101 PICT1701 PILT902 PICT1902 PIRT502 PIRT801 PICT2101 PIUT105 PICT2902 PIRT1101 PICT3201 PIRT1501 PILT102 PIUT1023 PILT201 PIUT1022 PILT801 PIUT102 PILT1001 PIUT104 PILT1002 PIUT103 PIRT701 PIRT1002 PIRT1201 PIRT1502 PIUT1014 PIUT1021 PICT502 PICT1301 PILT301 PILT1101 NLRF0INPUT PICT4102 PICT4202 PICT4302 PICT4402 PICT4502 PICT4602 PICT4702 PICT4802 PIT502 PIT503 PIT504 NLRFGND PICT402 PIU1000AD5 NLTUN0IF0 PICT3202 PIU1000AE5 NLTUN0IF0 1 1 2 2 3 3 4 4 D D C C B B A A QK2 LMBT3904LT1G RK20 10Kohm-0402-¡À5%-1/16W 5V_M LED_G RK18 10Kohm-0402-¡À5%-1/16W RK2 510ohm-0402-¡À5%-1/16 W LED_RED RK21 510ohm-0402-¡À5%-1/16 W GND 3V3_STB IR REMOTE RK16 1Kohm-0402-¡À5%-1/16W 5V_STB RK15 4K7ohm-0402-¡À5%-1/16W CK6 NC/10pF-0402-NPO-¡À5%-5 0V GND LED_R KEYPAD0 KEYPAD1 K0/AD K1 K2 K3 K4 K5 K6/AD K7 5V_IR GND 5V_STB IR GND GND RK23 22ohm-0402-¡À5%-1/16 W RK27 1K5ohm-0402-¡À5%-1/16W RK28 4K7ohm-0402-¡À5%-1/16W RK29 12Kohm-0402-¡À5%-1/16W RK30 4K7ohm-0402-¡À5%-1/16W RK31 12Kohm-0402-¡À5%-1/16W RK32 1K5ohm-0402-¡À5%-1/16W CK7 1000pF-0402-X7R-¡À10%-5 0V CK8 1000pF-0402-X7R-¡À10%-5 0V 3V3_STB 3V3_STB 1 2 3 4 5 6 7 8 9 10 11 12 13 14 5V IR GND K1/C+ K2/C- K3/V+ K5/M K6/P K7/N GND K4/V- K0/S GRN RED CNK2 14PIN-2.0-D-H-G RK24 4K7ohm-0402-¡À5%-1/16W RK34 4K7ohm-0402-¡À5%-1/16W CK1 1000pF-0402-X7R-¡À10%-5 0V LED_R LED_G PICK101 PICK102 COCK1 PICK601 PICK602 COCK6 PICK701 PICK702 COCK7 PICK801 PICK802 COCK8 PICNK201 PICNK202 PICNK203 PICNK204 PICNK205 PICNK206 PICNK207 PICNK208 PICNK209 PICNK2010 PICNK2011 PICNK2012 PICNK2013 PICNK2014 COCNK2 PIQK20B PIQK20C PIQK20E COQK2 PIRK201 PIRK202 CORK2 PIRK1501 PIRK1502 CORK15 PIRK1601 PIRK1602 CORK16 PIRK1801 PIRK1802 CORK18 PIRK2001 PIRK2002 CORK20 PIRK2101 PIRK2102 CORK21 PIRK2301 PIRK2302 CORK23 PIRK2401 PIRK2402 CORK24 PIRK2701 PIRK2702 CORK27 PIRK2801 PIRK2802 CORK28 PIRK2901 PIRK2902 CORK29 PIRK3001 PIRK3002 CORK30 PIRK3101 PIRK3102 CORK31 PIRK3201 PIRK3202 CORK32 PIRK3401 PIRK3402 CORK34 PIRK1801 PIRK2402 PIRK3402 PICK802 PICNK2014 PIRK2302 NL5V0IR PIRK202 PIRK1501 PIRK2301 NL5V0STB PICK101 PICK601 PICK701 PICK801 PICNK201 PICNK2010 PIQK20E NLGND PICNK2011 PIRK1502 PIRK1602 NLIR PICNK209 PIRK2401 PIRK2701 PIRK2801 PIRK2901 NLK00AD NLKEYPAD0 PICNK208 PIRK2702 NLK1 PICNK207 PIRK2802 NLK2 PICNK206 PIRK2902 NLK3 PICNK205 PIRK3001 NLK4 PICNK204 PIRK3102 NLK5 PICNK203 PIRK3002 PIRK3101 PIRK3201 PIRK3401 NLK60AD NLKEYPAD1 PICNK202 PIRK3202 NLK7 PICK102 PICNK2012 PIQK20C PIRK201 NLLED0G PICK702 PICNK2013 PIRK2102 NLLED0R PIRK1802 PIRK2002 PIRK2101 NLLED0RED PIQK20B PIRK2001 PICK602 PIRK1601 NLREMOTE 1 1 2 2 3 3 4 4 5 5 6 6 7 7 8 8 D D C C B B A A HDMI2_CLK- HDMI2_D0- HDMI2_D0+ HDMI2_D1+ HDMI2_D2- HDMI2_D2+ HDMI2_D1- HDMI_CEC GND GND GND HDMI2_5V HDMI2_HPD_CBUS 1 2 3 4 5 6 7 8 9 10 11 12 13 14 15 16 17 18 19 20 HPD HDMI +5V GND SDA SCL ARC CEC RXC- GND RXC+ RX0- GND RX0+ RX1- GND RX1+ GND RX2+ RX2- 21 22 23 GND GND GND GND CN3 161031041(外壳SPCC) HDMI2_CLK+ HDMI2_DDC_SDA HDMI2_DDC_SCL HDMI2_HPD_CBUS HDMI2_MHL_SEL GND GND QH4 LMBT3904LT1G QH3 3CG3906M RH21 4K7ohm-0402-¡À5%-1/16W RH24 4K7ohm-0402-¡À5%-1/16W RH20 0ohm-0402-¡À5%-1/16W RH29 1Kohm-0402-¡À5%-1/16W CH12 NC/100pF-0402-NPO-¡À5%-50V HDMI2_5V HDMI2_DDC_SCL HDMI2_DDC_SDA CH9 100pF-0402-NPO-¡À5%-50V MHL_DET GND 5V_STB RH32 47Kohm-0402-¡À5%-1/16W RH35 47Kohm-0402-¡À5%-1/16W RH28 NC/100ohm-0402-¡À5%-1/16W GND CH11 100pF-0402-NPO-¡À5%-50V CH10 NC/0.01uF-0402-X7R-¡À10%-16V RH25 NC/180ohm-0402-¡À5%-1/16W GND ARC HDMI_ARC RH27 NC/39Kohm-0402-¡À5%-1/16W RH23 NC/10Kohm-0402-¡À5%-1/16W GND 5V_M GND RH33 22Kohm-0402-¡À5%-1/16W RH36 33Kohm-0402-¡À5%-1/16W RH34 1Kohm-0402-¡À5%-1/16W HDMI2_5V HDMI2_5V_DET RH14 NC/10Kohm-0402-¡À5%-1/16W RH16 NC/4K7ohm-0402-¡À1%-1/16W HDMI2_5V RH12 NC/NC/10Kohm-0402-¡À5%-1/16W 5V_STB GND GND CH5 NC/10uF-0603-X5R-¡À20%-6.3V OUT 1 GND 2 FLG 3 EN 4 IN 5 UH1 NC/限流开关芯片,IC switch,0.4-2A adj,5.5V,H,SOT23-5,SMD,SY6280AAAC,SILERGY MHL_DET RH11 33ohm-0402-¡À5%-1/16W RH13 300kohm-0402-¡À5%-1/16W GND MHL_DET MHL_IN_SENSE CH6 100pF-0402-NPO-¡À5%-50V HDMI_CEC CEC R12 100ohm-0402-¡À5%-1/16W HDMI_ARC HDMI_HPD1 / ST_GPIO19 E4 P1_CKN F1 P1_CKP F2 P1_BN F3 HDMI1_DDC_SDA / ST_GPIO21 F4 HDMI1_DDC_SCL / ST_GPIO20 F5 P1_BP G2 P1_GN G3 HDMI_HPD0 / ST_GPIO22 G4 HDMI0_DDC_SCL / ST_GPIO23 G5 P1_RN H1 P1_GP H2 P1_RP H3 HDMI0_DDC_SDA / ST_GPIO24 H5 P0_CKN J1 P0_CKP J2 P0_BN J3 P0_BP K2 P0_GN K3 P0_RN L1 P0_GP L2 P0_RP L3 CBUS A4 VOCEC B5 P2_CKN C1 P2_CKP C2 P2_BN C3 P2_BP D2 P2_GN D3 HDMI2_DDC_SCL / ST_GPIO17 D5 P2_RN E1 P2_GP E2 P2_RP E3 HDMI2_DDC_SDA / ST_GPIO18 E5 HDMI_REXT H8 U100H TV,IC Main Chip,RTD2984D-GR,32bit,Quad-Core,EHS-TFBGA,SMD,Realtek HDMI1_D2+ HDMI1_D2- HDMI1_D1+ HDMI1_D1- HDMI1_D0+ HDMI1_D0- HDMI1_CLK+ HDMI1_CLK- HDMI2_CLK- HDMI2_CLK+ HDMI2_D0- HDMI2_D0+ HDMI2_D1- HDMI2_D1+ HDMI2_D2- HDMI2_D2+ CEC HDMI_REXT HDMI2_HPD_CBUS HDMI2_DDC_SCL HDMI2_DDC_SDA HDMI1_DDC_SCL HDMI1_DDC_SDA HDMI_HPD1 HDMI0_DDC_SCL HDMI0_DDC_SDA HDMI0_CLK- HDMI0_D0- HDMI0_D0+ HDMI0_D1+ HDMI0_D2- HDMI0_D2+ HDMI0_D1- HDMI0_CLK+ HDMI_HPD0 GND HDMI_REXT R11 6K2ohm-0402-¡À1%-1/16W CH15 NC/10uF-0603-X5R-¡À20%-6.3V GND HDMI0_CLK- HDMI0_D0- HDMI0_D0+ HDMI0_D1+ HDMI0_D2- HDMI0_D2+ HDMI0_D1- HDMI_CEC GND GND GND HDMI0_5V 1 2 3 4 5 6 7 8 9 10 11 12 13 14 15 16 17 18 19 20 HPD HDMI +5V GND SDA SCL ARC CEC RXC- GND RXC+ RX0- GND RX0+ RX1- GND RX1+ GND RX2+ RX2- 21 22 23 GND GND GND GND CN1 161031041(外壳SPCC) HDMI0_CLK+ GND QH1 LMBT3904LT1G RH3 10Kohm-0402-¡À5%-1/16W RH1 1Kohm-0402-¡À5%-1/16W HDMI0_5V HDMI0_DDC_SCL HDMI0_DDC_SDA GND GND CH1 100pF-0402-NPO-¡À5%-50V GND HOTPLUG0 HOTPLUG0 RH6 47Kohm-0402-¡À5%-1/16W RH7 47Kohm-0402-¡À5%-1/16W HDMI0_DDC_SDA HDMI0_DDC_SCL HDMI0_5V GND RH37 22Kohm-0402-¡À5%-1/16W RH39 33Kohm-0402-¡À5%-1/16W RH38 1Kohm-0402-¡À5%-1/16W CH16 NC/22pF-0402-NPO-¡À5%-50V HDMI0_5V HDMI0_5V_DET HDMI_HPD0 RH2 10Kohm-0402-¡À5%-1/16W RH22 5K6ohm-0402-¡À5%-1/16W RH26 3K4ohm-0402-¡À1%-1/16W PICH101 PICH102 COCH1 PICH501 PICH502 COCH5 PICH601 PICH602 COCH6 PICH901 PICH902 COCH9 PICH1001 PICH1002 COCH10 PICH1101 PICH1102 COCH11 PICH1201 PICH1202 COCH12 PICH1501 PICH1502 COCH15 PICH1601 PICH1602 COCH16 PICN101 PICN102 PICN103 PICN104 PICN105 PICN106 PICN107 PICN108 PICN109 PICN1010 PICN1011 PICN1012 PICN1013 PICN1014 PICN1015 PICN1016 PICN1017 PICN1018 PICN1019 PICN1020 PICN1021 PICN1022 PICN1023 COCN1 PICN301 PICN302 PICN303 PICN304 PICN305 PICN306 PICN307 PICN308 PICN309 PICN3010 PICN3011 PICN3012 PICN3013 PICN3014 PICN3015 PICN3016 PICN3017 PICN3018 PICN3019 PICN3020 PICN3021 PICN3022 PICN3023 COCN3 PIQH10B PIQH10C PIQH10E COQH1 PIQH30B PIQH30C PIQH30E COQH3 PIQH40B PIQH40C PIQH40E COQH4 PIR1101 PIR1102 COR11 PIR1201 PIR1202 COR12 PIRH101 PIRH102 CORH1 PIRH201 PIRH202 CORH2 PIRH301 PIRH302 CORH3 PIRH601 PIRH602 CORH6 PIRH701 PIRH702 CORH7 PIRH1101 PIRH1102 CORH11 PIRH1201 PIRH1202 CORH12 PIRH1301 PIRH1302 CORH13 PIRH1401 PIRH1402 CORH14 PIRH1601 PIRH1602 CORH16 PIRH2001 PIRH2002 CORH20 PIRH2101 PIRH2102 CORH21 PIRH2201 PIRH2202 CORH22 PIRH2301 PIRH2302 CORH23 PIRH2401 PIRH2402 CORH24 PIRH2501 PIRH2502 CORH25 PIRH2601 PIRH2602 CORH26 PIRH2701 PIRH2702 CORH27 PIRH2801 PIRH2802 CORH28 PIRH2901 PIRH2902 CORH29 PIRH3201 PIRH3202 CORH32 PIRH3301 PIRH3302 CORH33 PIRH3401 PIRH3402 CORH34 PIRH3501 PIRH3502 CORH35 PIRH3601 PIRH3602 CORH36 PIRH3701 PIRH3702 CORH37 PIRH3801 PIRH3802 CORH38 PIRH3901 PIRH3902 CORH39 PIU1000A4 PIU1000B5 PIU1000C1 PIU1000C2 PIU1000C3 PIU1000D2 PIU1000D3 PIU1000D5 PIU1000E1 PIU1000E2 PIU1000E3 PIU1000E4 PIU1000E5 PIU1000F1 PIU1000F2 PIU1000F3 PIU1000F4 PIU1000F5 PIU1000G2 PIU1000G3 PIU1000G4 PIU1000G5 PIU1000H1 PIU1000H2 PIU1000H3 PIU1000H5 PIU1000H8 PIU1000J1 PIU1000J2 PIU1000J3 PIU1000K2 PIU1000K3 PIU1000L1 PIU1000L2 PIU1000L3 COU100H PIUH101 PIUH102 PIUH103 PIUH104 PIUH105 COUH1 PIRH2301 PICH1501 PIRH1202 PIRH3202 PIRH3502 PIUH105 PIRH2502 NLARC PIR1201 PIU1000B5 NLCEC PICH101 PICH501 PICH601 PICH901 PICH1101 PICH1202 PICH1502 PICH1601 PICN102 PICN105 PICN108 PICN1011 PICN1017 PICN1020 PICN1021 PICN1022 PICN1023 PICN305 PICN308 PICN3011 PICN3017 PICN3020 PICN3021 PICN3022 PICN3023 PIQH10E PIQH40E PIR1101 PIRH1301 PIRH1602 PIRH2702 PIRH2802 PIRH3601 PIRH3901 PIUH102 NLGND PICH102 PICN1018 PIRH102 PIRH201 PIRH601 PIRH701 PIRH3701 NLHDMI005V PIRH3802 NLHDMI005V0DET PICN1010 PIU1000J2 NLHDMI00CLK0 PICN1012 PIU1000J1 NLHDMI00CLK0 PICN107 PIU1000K2 NLHDMI00D00 PICN109 PIU1000J3 NLHDMI00D00 PICN104 PIU1000L2 NLHDMI00D10 PICN106 PIU1000K3 NLHDMI00D10 PICN101 PIU1000L3 NLHDMI00D20 PICN103 PIU1000L1 NLHDMI00D20 PICN1015 PIRH602 PIU1000G5 NLHDMI00DDC0SCL PICN1016 PIRH702 PIU1000H5 NLHDMI00DDC0SDA PIU1000F2 NLHDMI10CLK0 PIU1000F1 NLHDMI10CLK0 PIU1000G2 NLHDMI10D00 PIU1000F3 NLHDMI10D00 PIU1000H2 NLHDMI10D10 PIU1000G3 NLHDMI10D10 PIU1000H3 NLHDMI10D20 PIU1000H1 NLHDMI10D20 PIU1000F5 NLHDMI10DDC0SCL PIU1000F4 NLHDMI10DDC0SDA PICH502 PICH902 PICN3018 PIRH2002 PIRH2102 PIRH2202 PIRH3301 PIUH101 NLHDMI205V PIRH3402 NLHDMI205V0DET PICN3010 PIU1000C2 NLHDMI20CLK0 PICN3012 PIU1000C1 NLHDMI20CLK0 PICN307 PIU1000D2 NLHDMI20D00 PICN309 PIU1000C3 NLHDMI20D00 PICN304 PIU1000E2 NLHDMI20D10 PICN306 PIU1000D3 NLHDMI20D10 PICN301 PIU1000E3 NLHDMI20D20 PICN303 PIU1000E1 NLHDMI20D20 PICN3015 PIRH3201 PIU1000D5 NLHDMI20DDC0SCL PICN3016 PIRH3501 PIU1000E5 NLHDMI20DDC0SDA PICH1201 PICN3019 PIRH2901 PIU1000A4 NLHDMI20HPD0CBUS PIRH2201 PIRH2602 NLHDMI20MHL0SEL PICH1001 PICH1102 PICN1014 PIRH2302 PIRH2701 NLHDMI0ARC PICN1013 PICN3013 PIR1202 NLHDMI0CEC PIRH202 PIRH302 PIU1000G4 NLHDMI0HPD0 PIU1000E4 NLHDMI0HPD1 PIR1102 PIU1000H8 NLHDMI0REXT PICN1019 PIQH10C PIRH101 NLHOTPLUG0 PICH602 PICN302 PIRH1101 PIRH1302 PIRH1402 NLMHL0DET PIRH1102 NLMHL0IN0SENSE PICH1002 PIRH2501 PIRH2801 PICH1602 PIRH3702 PIRH3801 PIRH3902 PICN3014 PIQH10B PIRH301 PIQH30B PIRH2401 PIQH30C PIRH2902 PIQH30E PIRH2001 PIQH40B PIRH2601 PIQH40C PIRH2101 PIRH2402 PIRH1201 PIRH1601 PIUH103 PIRH1401 PIUH104 PIRH3302 PIRH3401 PIRH3602 1 1 2 2 3 3 4 4 D D C C B B A A CTX CRX GND CE5 0.1uF-0402-X5R-¡À20%-16V CE9 0.1uF-0402-X5R-¡À20%-16V RE5 75ohm-0402-¡À5%-1/16W RE6 75ohm-0402-¡À5%-1/16W RR8 NC/75ohm-0402-¡À5%-1/16W RE7 NC/75ohm-0402-¡À5%-1/16W RJ45_FE_TX+ RJ45_FE_TX- RJ45_FE_RX+ RJ45_FE_RX- PIN7&8 PIN4&5 CRD CTD CTD CRD CE7 NC/0.01uF-0402-X7R-¡À10%-16V GND CE6 1000pF-1206-X7R-¡À20%-2000V 75R 75R 75R 75R 1nF 9 10 RJ45 卧式 1 2 3 5 6 7 8 TX+ NC RX+ TX- RX- NC NC 4 NC CN11 WLRJ-055B(无灯无弹) TD+ 1 CTD 2 TD- 3 NC 4 NC 5 RD+ 6 CRD 7 RD- 8 RX- 9 CRX 10 RX+ 11 NC 12 NC 13 TX- 14 CTX 15 TX+ 16 U8 Net Transformer,350uH,0.09¡Á1P,H6.0MAX,B1601S,SMD,DDY ETHER_TXP ETHER_TXN ETHER_RXP ETHER_RXN USB0_DP_0 USB0_DM_0 D5V_USB 1 2 3 4 GND DM DP 5V 5 6 GND GND CN12 USB-042M-002DP RU2 0ohm-0402-¡À5%-1/16W USB1_DP USB1_DM D5V_USB 5V_M F1 NC/MSMD110 CU5 10uF-0603-X5R-¡À20%-6.3V GND GND GND + E5 100uF-16V-¡À20%-5¡Á11-105 ℃-F=2.5-XF RFGND 1 GND 3 ANT 2 D- 5 D+ 4 3.3V 6 U4 WIFI,USB,2.4GHz,WIFI-2-R04USA5,CH,Changhong GND GND GND CU12 NC/1pF-0402-NPO-¡À5%-50V CU11 NC/1pF-0402-NPO-¡À5%-50V RU14 0ohm-0402-¡À5%-1/16W GND GND 3V3_WIFI GND FEED 1 GND 2 GND 3 CN10 U.FL-R-SMT-1 Wifi_USB0_DM Wifi_USB0_DP IN1 1 IN2 2 G1 GND IN4 4 OUT3 6 G2 GND OUT2 7 OUT1 8 IN3 3 OUT4 5 U2 NC/RCLAMP0524P-TCT ETHER_TXP ETHER_TXP ETHER_TXN ETHER_TXN ETHER_RXP ETHER_RXP ETHER_RXN ETHER_RXN GND GND 1 1 2 2 SG3 Spark Gap 1 1 2 2 SG4 Spark Gap 1 1 2 2 SG2 Spark Gap 1 1 2 2 SG1 Spark Gap PIN4&5 PIN4&5 PIN7&8 PIN7&8 GND GND GND GND 1 1 2 2 SG6 Spark Gap 1 1 2 2 SG5 Spark Gap GND GND CRX CTX GND GND GND 1 2 3 4 CN21 NC/4PIN-2.0-D-H-G D5V_USB GND 1 2 3 4 GND-1 DM-1 DP-1 5V-1 5 6 GND GND 1 2 GND GND 7 8 GND-2 DM-2 DP-2 5V-2 9 10 11 12 CN6 NC/USB2-002M-001DP D5V_USB USB0_DP USB0_DM USB1_DP USB1_DM GND GND D5V_USB GND USB0_DP_0 USB0_DM_0 CE1 NC/5pF-0402-NPO-¡À5%-50V CE2 NC/5pF-0402-NPO-¡À5%-50V CE3 NC/5pF-0402-NPO-¡À5%-50V CE4 NC/5pF-0402-NPO-¡À5%-50V GND 1 2 3 4 GND DM DP 5V 5 6 GND GND CN7 USB-042M-002DP GND 3V3_M 3V3_WIFI GND CU7 0.1uF-0402-X5R-¡À20%-16V RU5 0ohm-0402-¡À5%-1/16W GND CU1 22uF-0805-X5R-¡À20%-6.3V 1 2 3 4 CN15 NC/4PIN-2.0-D-H-G GND Wifi_USB0_DM Wifi_USB0_DP 3V3_WIFI RU1 0ohm-0402-¡À5%-1/16W RU3 0ohm-0603-¡À5%-1/10W USB0_DM_0 USB0_DM USB0_DP_0 USB0_DP PICE101 PICE102 COCE1 PICE201 PICE202 COCE2 PICE301 PICE302 COCE3 PICE401 PICE402 COCE4 PICE501 PICE502 COCE5 PICE601 PICE602 COCE6 PICE701 PICE702 COCE7 PICE901 PICE902 COCE9 PICN601 PICN602 PICN603 PICN604 PICN605 PICN606 PICN607 PICN608 PICN609 PICN6010 PICN6011 PICN6012 COCN6 PICN701 PICN702 PICN703 PICN704 PICN705 PICN706 COCN7 PICN1001 PICN1002 PICN1003 COCN10 PICN1101 PICN1102 PICN1103 PICN1104 PICN1105 PICN1106 PICN1107 PICN1108 PICN1109 PICN11010 COCN11 PICN1201 PICN1202 PICN1203 PICN1204 PICN1205 PICN1206 COCN12 PICN1501 PICN1502 PICN1503 PICN1504 COCN15 PICN2101 PICN2102 PICN2103 PICN2104 COCN21 PICU101 PICU102 COCU1 PICU501 PICU502 COCU5 PICU701 PICU702 COCU7 PICU1101 PICU1102 COCU11 PICU1201 PICU1202 COCU12 PIE501 PIE502 COE5 PIF101 PIF102 COF1 PIRE501 PIRE502 CORE5 PIRE601 PIRE602 CORE6 PIRE701 PIRE702 CORE7 PIRR801 PIRR802 CORR8 PIRU101 PIRU102 CORU1 PIRU201 PIRU202 CORU2 PIRU301 PIRU302 CORU3 PIRU501 PIRU502 CORU5 PIRU1401 PIRU1402 CORU14 PISG101 PISG102 COSG1 PISG201 PISG202 COSG2 PISG301 PISG302 COSG3 PISG401 PISG402 COSG4 PISG501 PISG502 COSG5 PISG601 PISG602 COSG6 PIU201 PIU202 PIU203 PIU204 PIU205 PIU206 PIU207 PIU208 PIU20GND COU2 PIU401 PIU402 PIU403 PIU404 PIU405 PIU406 COU4 PIU801 PIU802 PIU803 PIU804 PIU805 PIU806 PIU807 PIU808 PIU809 PIU8010 PIU8011 PIU8012 PIU8013 PIU8014 PIU8015 PIU8016 COU8 PIRU502 PICN1504 PICU102 PICU702 PIRU501 PIU406 NL3V30WIFI PIF101 PIRU201 PICE901 PIU807 NLCRD PIRE502 PISG601 PIU8010 NLCRX PICE502 PICE702 PIU802 NLCTD PIRE602 PISG501 PIU8015 NLCTX PICN601 PICN605 PICN701 PICN1201 PICN2104 PICU502 PIE501 PIF102 PIRU202 NLD5V0USB PICE402 PIU201 PIU208 PIU808 NLETHER0RXN PICE302 PIU202 PIU207 PIU806 NLETHER0RXP PICE202 PIU203 PIU206 PIU803 NLETHER0TXN PICE102 PIU204 PIU205 PIU801 NLETHER0TXP PICE101 PICE201 PICE301 PICE401 PICE501 PICE601 PICE701 PICE902 PICN604 PICN608 PICN609 PICN6010 PICN6011 PICN6012 PICN704 PICN705 PICN706 PICN1002 PICN1003 PICN1109 PICN11010 PICN1204 PICN1205 PICN1206 PICN1501 PICN2101 PICU101 PICU501 PICU701 PICU1101 PICU1201 PIE502 PISG102 PISG202 PISG302 PISG402 PISG502 PISG602 PIU20GND PIU401 PIU403 NLGND PICE602 PIRE501 PIRE601 PIRE701 PIRR801 PICN1001 PICU1102 PIRU1402 PICU1202 PIRU1401 PIU402 PIU804 PIU805 PIU8012 PIU8013 PICN1104 PICN1105 PIRR802 PISG301 PISG401 NLPIN4&5 PICN1107 PICN1108 PIRE702 PISG101 PISG201 NLPIN7&8 PICN1103 PIU8011 NLRJ450FE0RX0 PICN1106 PIU809 NLRJ450FE0RX0 PICN1101 PIU8016 NLRJ450FE0TX0 PICN1102 PIU8014 NLRJ450FE0TX0 PICN602 PIRU301 NLUSB00DM PICN702 PICN2103 PIRU302NLUSB00DM00 PICN603 PIRU101 NLUSB00DP PICN703 PICN2102 PIRU102NLUSB00DP00 PICN606 PICN1202 NLUSB10DM PICN607 PICN1203 NLUSB10DP PICN1503 PIU405 NLWifi0USB00DM PICN1502 PIU404 NLWifi0USB00DP 1 1 2 2 3 3 4 4 5 5 6 6 7 7 8 8 D D C C B B A A DDR3-A5 DDR3-A14 DDR3-A12 DDR3-A3 DDR3-MCLKZ DDR3-A10 DDR3-CKE DDR3-BA2 DDR3-MCLK DDR3-A2 DDR3-A7 DDR3-A11 CSZ DDR3-DQSL DDR3-BA1 DDR3-A13 DDR3-DML DDR3-A6 DDR3-DQSUB DDR3-A0 DDR3-WEZ DDR3-DMU DDR3-RESET MVREFCA DDR3-ODT DDR3-BA0 DDR3-DQSLB DDR3-DQSU DDR3-RASZ DDR3-CASZ DDR3-A4 DDR3-A9 DDR3-A8 DDR3-A1 MVREFDQ GND RDD10 240ohm-0402-¡À1%-1/16W A0 N3 A1 P7 A2 P3 A3 N2 A4 P8 A5 P2 A6 R8 A7 R2 A8 T8 A9 R3 A10 L7 A11 R7 A12 N7 DQU0 D7 DQU1 C3 DQU2 C8 DQU3 C2 DQU4 A7 DQU5 A2 DQU6 B8 DQU7 A3 DQSU C7 /DQSU B7 DMU D3 DQL0 E3 DQL1 F7 DQL2 F2 DQL3 F8 DQL4 H3 DQL5 H8 DQL6 G2 DQL7 H7 DQSL F3 /DQSL G3 DML E7 BA0 M2 BA1 N8 BA2 M3 /CS L2 /RAS J3 /CAS K3 /WE L3 CK J7 /CK K7 CKE K9 ODT K1 /RESET T2 VREFCA M8 VREFDQ H1 ZQ L8 VDDQ A1 VDDQ A8 VDDQ C1 VDDQ C9 VDDQ D2 VDDQ E9 VDDQ F1 VDDQ H2 VDDQ H9 VSSQ B9 VSSQ B1 VSSQ D1 VSSQ D8 VSSQ E2 VSSQ E8 VSSQ F9 VSSQ G1 VSSQ G9 VDD B2 VDD D9 VDD G7 VDD K2 VDD K8 VDD N1 VDD N9 VDD R1 VDD R9 VSS A9 VSS E1 VSS G8 VSS J2 VSS J8 VSS M1 VSS M9 VSS P1 VSS P9 VSS T1 VSS T9 NC1 J1 NC2 J9 NC3 L1 NC4 L9 NC5 M7 A13 T3 NC7 T7 VSS B3 U5 H5TQ4G63AFR-PBC DDR3-DQU0 DDR3-DQU1 DDR3-DQU2 DDR3-DQU3 DDR3-DQU4 DDR3-DQU5 DDR3-DQU6 DDR3-DQU7 DDR3-DQL0 DDR3-DQL1 DDR3-DQL2 DDR3-DQL3 DDR3-DQL4 DDR3-DQL5 DDR3-DQL6 DDR3-DQL7 DDR_1V5 1 2 3 4 5 6 7 8 RPD1 4*0ohm-0402-¡À5%-1/16W DDR3-A10 DDR3-CKE DDR3-A10/ DDR3-CKE/ 1 2 3 4 5 6 7 8 RPD2 4*0ohm-0402-¡À5%-1/16W DDR3-A4 DDR3-A14 DDR3-A4/ DDR3-A14/ 1 2 3 4 5 6 7 8 RPD3 4*0ohm-0402-¡À5%-1/16W DDR3-A11 DDR3-CASZ DDR3-A11/ DDR3-CASZ/ 1 2 3 4 5 6 7 8 RPD4 4*0ohm-0402-¡À5%-1/16W DDR3-A13 DDR3-WEZ DDR3-WEZ/ DDR3-A13/ 1 2 3 4 5 6 7 8 RPD5 4*0ohm-0402-¡À5%-1/16W DDR3-A5 DDR3-A9 DDR3-A9/ DDR3-A5/ 1 2 3 4 5 6 7 8 RPD6 4*0ohm-0402-¡À5%-1/16W DDR3-A3 DDR3-BA2 DDR3-A3/ DDR3-BA2/ 1 2 3 4 5 6 7 8 RPD7 4*0ohm-0402-¡À5%-1/16W DDR3-A12 DDR3-BA1 DDR3-BA1/ DDR3-A12/ 1 2 3 4 5 6 7 8 RPD8 4*0ohm-0402-¡À5%-1/16W DDR3-A6 DDR3-A8 DDR3-A6/ DDR3-A8/ 1 2 3 4 5 6 7 8 RPD9 4*0ohm-0402-¡À5%-1/16W DDR3-A1 DDR3-RASZ DDR3-A1/ DDR3-RASZ/ 1 2 3 4 5 6 7 8 RPD10 4*0ohm-0402-¡À5%-1/16W DDR3-A0 DDR3-A2 DDR3-A0/ DDR3-A2/ 1 2 3 4 5 6 7 8 RPD11 4*0ohm-0402-¡À5%-1/16W DDR3-A7 DDR3-RESET DDR3-RESET/ DDR3-A7/ 1 2 3 4 5 6 7 8 RPD12 4*0ohm-0402-¡À5%-1/16W DDR3-BA0 DDR3-ODT DDR3-ODT/ DDR3-BA0/ GND GND DDR_AD3 T21 DDR_BA2 T22 DDR_RSTN U21 DDR_AD7 U22 DDR_MCLKB U23 DDR_MCLK U24 DDR_AD0 V21 DDR_AD2 V22 DDR_CSN V25 DDR_AD1 W21 DDR_RASN W22 DDR_BA0 W24 DDR_ODT W25 DDR_AD8 Y21 DDR_AD6 Y22 DDR_AD9 Y23 DDR_AD5 Y24 DDR_BA1 AA21 DDR_AD12 AA22 DDR_WEN AA23 DDR_AD13 AA25 VREF_DDR AB21 DDR_AD11 AB23 DDR_CASN AB24 DDR_VRI AC21 DDR_AD15 AC22 DDR_AD14 AD23 DDR_AD4 AD24 DDR_ZQ AE22 DDR_AD10 AE24 DDR_CKE AE25 DDR_DQ19_3 K21 DDR_DQ17_1 K22 DDR_DQ23_7 K23 DDR_DQ21_5 K24 DDR_DQ30_14 L22 DDR_DM2_0 M21 DDR_DQ26_10 M22 DDR_DQ28_12 M23 DDR_DQ24_8 M24 DDR_DQ25_9 N21 DDR_DQS3B_1 N23 DDR_DQS3_1 N25 DDR_DQ29_13 P21 DDR_DQ31_15 P22 DDR_DQS2B_0 P23 DDR_DQS2_0 P24 DDR_DM3_1 R21 DDR_DQ16_0 R22 DDR_DQ27_11 R24 DDR_DQ18_2 R25 DDR_DQ20_4 T24 DDR_DQ22_6 T25 U100C TV主芯片,IC Main Chip,RTD2984D-GR,32bit,Quad-Core,EHS-TFBGA,SMD,Realtek RDD6 NC/240ohm-0402-¡À1%-1/16W DDR3-DML DDR3-DQSL DDR3-DQSLB DDR3-DMU DDR3-DQSU DDR3-DQSUB DDR3-DQU0 DDR3-DQU1 DDR3-DQU2 DDR3-DQU3 DDR3-DQU4 DDR3-DQU5 DDR3-DQU6 DDR3-DQU7 DDR3-DQL0 DDR3-DQL1 DDR3-DQL2 DDR3-DQL3 DDR3-DQL4 DDR3-DQL5 DDR3-DQL6 DDR3-DQL7 DDR3-A0/ DDR3-A1/ DDR3-A2/ DDR3-A3/ DDR3-A4/ DDR3-A5/ DDR3-A6/ DDR3-A7/ DDR3-A8/ DDR3-A9/ DDR3-A10/ DDR3-A11/ DDR3-A12/ DDR3-A13/ DDR3-A14/ DDR3-BA0/ DDR3-BA1/ DDR3-BA2/ DDR3-CKE/ DDR3-MCLK/ DDR3-MCLKZ/ DDR3-RESET/ CSZ/ DDR3-CASZ/ DDR3-RASZ/ DDR3-ODT/ DDR3-WEZ/ DC_VREF DC_VREF DC_ZQ GND RDD11 1Kohm-0402-¡À1%-1/16W CDD15 1000pF-0402-X7R-¡À10%-50V CDD16 0.1uF-0402-X5R-¡À20%-16V RDD12 1Kohm-0402-¡À1%-1/16W GND DC_VREF DDR_1V5_M RDD13 1Kohm-0402-¡À1%-1/16W CDD17 1000pF-0402-X7R-¡À10%-50V CDD18 0.1uF-0402-X5R-¡À20%-16V DDR_1V5 RDD16 1Kohm-0402-¡À1%-1/16W GND MVREFCA MVREFDQ RDD14 1Kohm-0402-¡À1%-1/16W CDD19 1000pF-0402-X7R-¡À10%-50V CDD20 0.1uF-0402-X5R-¡À20%-16V DDR_1V5 RDD15 1Kohm-0402-¡À1%-1/16W GND RDD1 0ohm-0402-¡À5%-1/16W RDD2 0ohm-0402-¡À5%-1/16W DDR3-MCLKZ DDR3-MCLK DDR3-MCLK/ DDR3-MCLKZ/ RDD5 0ohm-0402-¡À5%-1/16W RDD3 499ohm-0402-¡À1%-1/16W RDD7 499ohm-0402-¡À1%-1/16W CDD13 NC/0.1uF-0402-X5R-¡À20%-16V RDD4 0ohm-0402-¡À5%-1/16W CSZ GND DDR_1V5 CSZ/ DDR_POWER FBD1 0ohm-0402-¡À5%-1/16W DDR_1V5 FBD2 0ohm-0402-¡À5%-1/16W DDR_1V5_M CDD2 0.1uF-0402-X5R-¡À20%-16V GND CDD1 10uF-0603-X5R-¡À20%-6.3V DDR_1V5 CDD3 0.1uF-0402-X5R-¡À20%-16V CDD4 0.1uF-0402-X5R-¡À20%-16V CDD5 0.1uF-0402-X5R-¡À20%-16V CDD6 0.1uF-0402-X5R-¡À20%-16V CDD7 0.1uF-0402-X5R-¡À20%-16V CDD8 0.1uF-0402-X5R-¡À20%-16V CDD9 0.1uF-0402-X5R-¡À20%-16V CDD10 0.1uF-0402-X5R-¡À20%-16V CDD11 0.1uF-0402-X5R-¡À20%-16V CDD12 10uF-0603-X5R-¡À20%-6.3V CDD21 0.1uF-0402-X5R-¡À20%-16V PICDD101 PICDD102 COCDD1 PICDD201 PICDD202 COCDD2 PICDD301 PICDD302 COCDD3 PICDD401 PICDD402 COCDD4 PICDD501 PICDD502 COCDD5 PICDD601 PICDD602 COCDD6 PICDD701 PICDD702 COCDD7 PICDD801 PICDD802 COCDD8 PICDD901 PICDD902 COCDD9 PICDD1001 PICDD1002 COCDD10 PICDD1101 PICDD1102 COCDD11 PICDD1201 PICDD1202 COCDD12 PICDD1301 PICDD1302 COCDD13 PICDD1501 PICDD1502 COCDD15 PICDD1601 PICDD1602 COCDD16 PICDD1701 PICDD1702 COCDD17 PICDD1801 PICDD1802 COCDD18 PICDD1901 PICDD1902 COCDD19 PICDD2001 PICDD2002 COCDD20 PICDD2101 PICDD2102 COCDD21 PIFBD101 PIFBD102 COFBD1 PIFBD201 PIFBD202 COFBD2 PIRDD101 PIRDD102 CORDD1 PIRDD201 PIRDD202 CORDD2 PIRDD301 PIRDD302 CORDD3 PIRDD401 PIRDD402 CORDD4 PIRDD501 PIRDD502 CORDD5 PIRDD601 PIRDD602 CORDD6 PIRDD701 PIRDD702 CORDD7 PIRDD1001 PIRDD1002 CORDD10 PIRDD1101 PIRDD1102 CORDD11 PIRDD1201 PIRDD1202 CORDD12 PIRDD1301 PIRDD1302 CORDD13 PIRDD1401 PIRDD1402 CORDD14 PIRDD1501 PIRDD1502 CORDD15 PIRDD1601 PIRDD1602 CORDD16 PIRPD101 PIRPD102 PIRPD103 PIRPD104 PIRPD105 PIRPD106 PIRPD107 PIRPD108 CORPD1 PIRPD201 PIRPD202 PIRPD203 PIRPD204 PIRPD205 PIRPD206 PIRPD207 PIRPD208 CORPD2 PIRPD301 PIRPD302 PIRPD303 PIRPD304 PIRPD305 PIRPD306 PIRPD307 PIRPD308 CORPD3 PIRPD401 PIRPD402 PIRPD403 PIRPD404 PIRPD405 PIRPD406 PIRPD407 PIRPD408 CORPD4 PIRPD501 PIRPD502 PIRPD503 PIRPD504 PIRPD505 PIRPD506 PIRPD507 PIRPD508 CORPD5 PIRPD601 PIRPD602 PIRPD603 PIRPD604 PIRPD605 PIRPD606 PIRPD607 PIRPD608 CORPD6 PIRPD701 PIRPD702 PIRPD703 PIRPD704 PIRPD705 PIRPD706 PIRPD707 PIRPD708 CORPD7 PIRPD801 PIRPD802 PIRPD803 PIRPD804 PIRPD805 PIRPD806 PIRPD807 PIRPD808 CORPD8 PIRPD901 PIRPD902 PIRPD903 PIRPD904 PIRPD905 PIRPD906 PIRPD907 PIRPD908 CORPD9 PIRPD1001 PIRPD1002 PIRPD1003 PIRPD1004 PIRPD1005 PIRPD1006 PIRPD1007 PIRPD1008 CORPD10 PIRPD1101 PIRPD1102 PIRPD1103 PIRPD1104 PIRPD1105 PIRPD1106 PIRPD1107 PIRPD1108 CORPD11 PIRPD1201 PIRPD1202 PIRPD1203 PIRPD1204 PIRPD1205 PIRPD1206 PIRPD1207 PIRPD1208 CORPD12 PIU50A1 PIU50A2 PIU50A3 PIU50A7 PIU50A8 PIU50A9 PIU50B1 PIU50B2 PIU50B3 PIU50B7 PIU50B8 PIU50B9 PIU50C1 PIU50C2 PIU50C3 PIU50C7 PIU50C8 PIU50C9 PIU50D1 PIU50D2 PIU50D3 PIU50D7 PIU50D8 PIU50D9 PIU50E1 PIU50E2 PIU50E3 PIU50E7 PIU50E8 PIU50E9 PIU50F1 PIU50F2 PIU50F3 PIU50F7 PIU50F8 PIU50F9 PIU50G1 PIU50G2 PIU50G3 PIU50G7 PIU50G8 PIU50G9 PIU50H1 PIU50H2 PIU50H3 PIU50H7 PIU50H8 PIU50H9 PIU50J1 PIU50J2 PIU50J3 PIU50J7 PIU50J8 PIU50J9 PIU50K1 PIU50K2 PIU50K3 PIU50K7 PIU50K8 PIU50K9 PIU50L1 PIU50L2 PIU50L3 PIU50L7 PIU50L8 PIU50L9 PIU50M1 PIU50M2 PIU50M3 PIU50M7 PIU50M8 PIU50M9 PIU50N1 PIU50N2 PIU50N3 PIU50N7 PIU50N8 PIU50N9 PIU50P1 PIU50P2 PIU50P3 PIU50P7 PIU50P8 PIU50P9 PIU50R1 PIU50R2 PIU50R3 PIU50R7 PIU50R8 PIU50R9 PIU50T1 PIU50T2 PIU50T3 PIU50T7 PIU50T8 PIU50T9 COU5 PIU1000AA21 PIU1000AA22 PIU1000AA23 PIU1000AA25 PIU1000AB21 PIU1000AB23 PIU1000AB24 PIU1000AC21 PIU1000AC22 PIU1000AD23 PIU1000AD24 PIU1000AE22 PIU1000AE24 PIU1000AE25 PIU1000K21 PIU1000K22 PIU1000K23 PIU1000K24 PIU1000L22 PIU1000M21 PIU1000M22 PIU1000M23 PIU1000M24 PIU1000N21 PIU1000N23 PIU1000N25 PIU1000P21 PIU1000P22 PIU1000P23 PIU1000P24 PIU1000R21 PIU1000R22 PIU1000R24 PIU1000R25 PIU1000T21 PIU1000T22 PIU1000T24 PIU1000T25 PIU1000U21 PIU1000U22 PIU1000U23 PIU1000U24 PIU1000V21 PIU1000V22 PIU1000V25 PIU1000W21 PIU1000W22 PIU1000W24 PIU1000W25 PIU1000Y21 PIU1000Y22 PIU1000Y23 PIU1000Y24 COU100C PIRDD401 PIRDD502 PIU50L2 NLCSZ PIRDD402 PIU1000V25 NLCSZ0 PICDD1502 PICDD1602 PIRDD1102 PIRDD1201 PIU1000AB21 PIU1000AC21 NLDC0VREF PIRDD602 PIU1000AE22 NLDC0ZQ PIRPD1005 PIU50N3 NLDDR30A0 PIRPD1006 PIU1000V21 NLDDR30A00 PIRPD905 PIU50P7 NLDDR30A1 PIRPD906 PIU1000W21 NLDDR30A10 PIRPD1003 PIU50P3 NLDDR30A2 PIRPD1004 PIU1000V22 NLDDR30A20 PIRPD605 PIU50N2 NLDDR30A3 PIRPD606 PIU1000T21 NLDDR30A30 PIRPD203 PIU50P8 NLDDR30A4 PIRPD204 PIU1000AD24 NLDDR30A40 PIRPD505 PIU50P2 NLDDR30A5 PIRPD506 PIU1000Y24 NLDDR30A50 PIRPD803 PIU50R8 NLDDR30A6 PIRPD804 PIU1000Y22 NLDDR30A60 PIRPD1103 PIU50R2 NLDDR30A7 PIRPD1104 PIU1000U22 NLDDR30A70 PIRPD805 PIU50T8 NLDDR30A8 PIRPD806 PIU1000Y21 NLDDR30A80 PIRPD503 PIU50R3 NLDDR30A9 PIRPD504 PIU1000Y23 NLDDR30A90 PIRPD105 PIU50L7 NLDDR30A10 PIRPD106 PIU1000AE24 NLDDR30A100 PIRPD303 PIU50R7 NLDDR30A11 PIRPD304 PIU1000AB23 NLDDR30A110 PIRPD703 PIU50N7 NLDDR30A12 PIRPD704 PIU1000AA22 NLDDR30A120 PIRPD405 PIU50T3 NLDDR30A13 PIRPD406 PIU1000AA25 NLDDR30A130 PIRPD205 PIU50T7 NLDDR30A14 PIRPD206 PIU1000AD23 NLDDR30A140 PIRPD1203 PIU50M2 NLDDR30BA0 PIRPD1204 PIU1000W24 NLDDR30BA00 PIRPD705 PIU50N8 NLDDR30BA1 PIRPD706 PIU1000AA21 NLDDR30BA10 PIRPD603 PIU50M3 NLDDR30BA2 PIRPD604 PIU1000T22 NLDDR30BA20 PIRPD305 PIU50K3 NLDDR30CASZ PIRPD306 PIU1000AB24 NLDDR30CASZ0 PIRPD103 PIU50K9 NLDDR30CKE PIRPD104 PIU1000AE25 NLDDR30CKE0 PIU50E7 PIU1000M21NLDDR30DML PIU50D3 PIU1000R21NLDDR30DMU PIU50E3 PIU1000R22NLDDR30DQL0 PIU50F7 PIU1000K22NLDDR30DQL1 PIU50F2 PIU1000R25NLDDR30DQL2 PIU50F8 PIU1000K21NLDDR30DQL3 PIU50H3 PIU1000T24NLDDR30DQL4 PIU50H8 PIU1000K24NLDDR30DQL5 PIU50G2 PIU1000T25NLDDR30DQL6 PIU50H7 PIU1000K23NLDDR30DQL7 PIU50F3 PIU1000P24NLDDR30DQSL PIU50G3 PIU1000P23NLDDR30DQSLB PIU50C7 PIU1000N25NLDDR30DQSU PIU50B7 PIU1000N23NLDDR30DQSUB PIU50D7 PIU1000L22NLDDR30DQU0 PIU50C3 PIU1000N21NLDDR30DQU1 PIU50C8 PIU1000M22NLDDR30DQU2 PIU50C2 PIU1000R24NLDDR30DQU3 PIU50A7 PIU1000M23NLDDR30DQU4 PIU50A2 PIU1000P21NLDDR30DQU5 PIU50B8 PIU1000M24NLDDR30DQU6 PIU50A3 PIU1000P22NLDDR30DQU7 PIRDD201 PIU50J7 NLDDR30MCLK PIRDD202 PIU1000U24 NLDDR30MCLK0 PIRDD101 PIU50K7 NLDDR30MCLKZ PIRDD102 PIU1000U23 NLDDR30MCLKZ0 PIRPD1205 PIU50K1 NLDDR30ODT PIRPD1206 PIU1000W25 NLDDR30ODT0 PIRPD903 PIU50J3 NLDDR30RASZ PIRPD904 PIU1000W22 NLDDR30RASZ0 PIRPD1105 PIU50T2 NLDDR30RESET PIRPD1106 PIU1000U21 NLDDR30RESET0 PIRPD403 PIU50L3 NLDDR30WEZ PIRPD404 PIU1000AA23 NLDDR30WEZ0 PICDD102 PICDD201 PICDD301 PICDD401 PICDD501 PICDD601 PICDD701 PICDD801 PICDD901 PICDD1001 PICDD1101 PICDD1202 PICDD2101 PIFBD101 PIRDD301 PIRDD1301 PIRDD1401 PIU50A1 PIU50A8 PIU50B2 PIU50C1 PIU50C9 PIU50D2 PIU50D9 PIU50E9 PIU50F1 PIU50G7 PIU50H2 PIU50H9 PIU50K2 PIU50K8 PIU50N1 PIU50N9 PIU50R1 PIU50R9 PIFBD201 PIRDD1101 PIFBD102 PIFBD202 PICDD101 PICDD202 PICDD302 PICDD402 PICDD502 PICDD602 PICDD702 PICDD802 PICDD902 PICDD1002 PICDD1102 PICDD1201 PICDD1302 PICDD1501 PICDD1601 PICDD1701 PICDD1801 PICDD1901 PICDD2001 PICDD2102 PIRDD601 PIRDD702 PIRDD1001 PIRDD1202 PIRDD1502 PIRDD1602 PIRPD101 PIRPD102 PIRPD107 PIRPD108 PIRPD201 PIRPD202 PIRPD207 PIRPD208 PIRPD301 PIRPD302 PIRPD307 PIRPD308 PIRPD401 PIRPD402 PIRPD407 PIRPD408 PIRPD501 PIRPD502 PIRPD507 PIRPD508 PIRPD601 PIRPD602 PIRPD607 PIRPD608 PIRPD701 PIRPD702 PIRPD707 PIRPD708 PIRPD801 PIRPD802 PIRPD807 PIRPD808 PIRPD901 PIRPD902 PIRPD907 PIRPD908 PIRPD1001 PIRPD1002 PIRPD1007 PIRPD1008 PIRPD1101 PIRPD1102 PIRPD1107 PIRPD1108 PIRPD1201 PIRPD1202 PIRPD1207 PIRPD1208 PIU50A9 PIU50B1 PIU50B3 PIU50B9 PIU50D1 PIU50D8 PIU50E1 PIU50E2 PIU50E8 PIU50F9 PIU50G1 PIU50G8 PIU50G9 PIU50J2 PIU50J8 PIU50M1 PIU50M9 PIU50P1 PIU50P9 PIU50T1 PIU50T9 PICDD1702 PICDD1802 PIRDD1302 PIRDD1601 PIU50M8 NLMVREFCA PICDD1902 PICDD2002 PIRDD1402 PIRDD1501 PIU50H1 NLMVREFDQ PICDD1301 PIRDD302 PIRDD501 PIRDD701 PIRDD1002 PIU50L8 PIU50J1 PIU50J9 PIU50L1 PIU50L9 PIU50M7 PIU1000AC22 1 1 2 2 3 3 4 4 5 5 6 6 7 7 8 8 D D C C B B A A TP.RT2984T.PB801 Model Name: CHK'D: APP'D: DATE: VERSION: DATE: DATE: DRAWN: 杨永强 2014-11-07 V1.0 Cannot open file ClipboardPicture2013/ 10/14 18:24:51 GD1 GD2 GD3 Mylar ML1 GD4 VCC1 SGND SGND SGND SGND Vbridge GND SGND RB116 GND 12V CB113 ! ! L GND 1 COMP 2 NC 3 CS 4 VCC 5 GATE 6 UB101 3 4 PCB101B CB103 CB102 RB109 GND 12V 12V ! 1 2 PCB101A K A R UB102 RB132 RB135 RB133 CB109 CB110 RB134 BB101 CB118 CYB3 RB101 RB102 RB131 RB105 RB110 1 1 3 3 2 2 ZDB101 RB114 RB115 CB116 SGND BRO GND 12V 1 2 CNB2 TP2 TP1 VCC2 SGND SGND SGND GND LED+ RB308 RB307 RB309 CB301 CB304 DB306 RB360 ! ! RB305 C B E QB302 A K DB301 Vbridge 3 4 PCB301B PWM_REF PWM_REF 3V3_STB 3V3_STB BL_ON BL_ON RB304 RB340 GND 1 COMP 2 NC 3 CS 4 VCC 5 GATE 6 UB301 BB301 CB316 RB347 1 1 HS 2 2 HSB2 HS HS1 3 1 5 6 9 7 8 10 11 TB101 RB117 RB118 CB101 RB125 RB107 QB102 RB108 SGND CB303 HS 1 1 HS 2 2 HSB3 HS1 A K DB302 1 1 HS 2 2 HSB4 D G S D G S D G S QB101 A K DB106 RB103 COMP RB124 BB303 RB337 RB338 RB339 CB356 LED_FB SGND Vbridge ! ! ! ! ! ! ! ! 3 1 N L CNB1 FB1 L ! CXB2 RB1 RB2 RB3 RB4 ! NTCB1 CXB1 1 4 2 3 LCB2 GND ! ! CYB1 CYB2 MOVB1 RB362 CB328 OVP + EB101 RB119 D G S QB301 CB117 A K DB104 + EB106 EB1底部 EB303底部 7 11 6 1 5 2 10 8 TB301 RB303 BL_ON PWM_REF + EB303 5V_M 5V_M + EB301 + EB302 A K DB310 RB317 RB318 + EB102 + EB103 ! LED+ LED_FB LED_FB LED+ 1 2 CNB801 1 2 3 CNB802 1 2 CNB805 RB845 1 2 CNB806 RB106 RB306 L SGND BRO CB111 RB141 RB142 RB143 RB361 RB341 DB1 DB2 DB3 DB4 1 4 2 3 + EB1 CB114 CB306 5V_STB 5V_STB GND HS HSB5 FOR 12V 整流管 + EB104 1 2 3 CNB803 1 2 3 CNB804 1 3 2 DB101 1 1 HS 3 3 2 2 HSB6 1 3 2 DB102 RB104 + EB2 + NTCB2 RB400 SGND SGND RB148 RB310 1 1 HS 2 2 HSB1 EB2底部 MB1 MB2 DB101和散热片之间 DB102和散热片之间 LED+ CB305 5V_P 2 3 1 4 8 UB302A OVP 3V3_STB CB350 DB312 Vovp=2.0V DB311 LED_FB RB358 RB348 RB352 RB345 CB326 LED_FB ! 1 2 PCB301A 5V_STB 5V_P 6 5 7 UB302B PWM_REF OVP RB301 RB350 CB322 RB349 RB364 5V_P QB306 5V_M RB342 CB340 CB302 RB356 CB323 RB351 RB363 RB355 RB354 RB357 CB324 BL_ON VCC2 VCC1 CB327 RB385 ! ! QB305 1 2 PCB303A 3 4 PCB303B RB386 M QB304 RB302 RB388 C B E QB303 SGND SGND CB333 M COMP RB387 RB384 5V_STB RB326 CB311 A K DB307 CB312 RB330 RB331 RB332 RB333 RB334 RB335 GND SGND CYB4 GND CYB5 Vbridge T3.15AL 250V~ NC ! ! ! NC

标签:

版权声明

1. 本站所有素材,仅限学习交流,仅展示部分内容,如需查看完整内容,请下载原文件。
2. 会员在本站下载的所有素材,只拥有使用权,著作权归原作者所有。
3. 所有素材,未经合法授权,请勿用于商业用途,会员不得以任何形式发布、传播、复制、转售该素材,否则一律封号处理。
4. 如果素材损害你的权益请联系客服QQ:77594475 处理。