创维5800-A8R610-0000主板电路原理图

分类:电子电工 日期: 点击:0
创维5800-A8R610-0000主板电路原理图-0 创维5800-A8R610-0000主板电路原理图-1 创维5800-A8R610-0000主板电路原理图-2 创维5800-A8R610-0000主板电路原理图-3 创维5800-A8R610-0000主板电路原理图-4 创维5800-A8R610-0000主板电路原理图-5 创维5800-A8R610-0000主板电路原理图-6 创维5800-A8R610-0000主板电路原理图-7 创维5800-A8R610-0000主板电路原理图-8 创维5800-A8R610-0000主板电路原理图-9

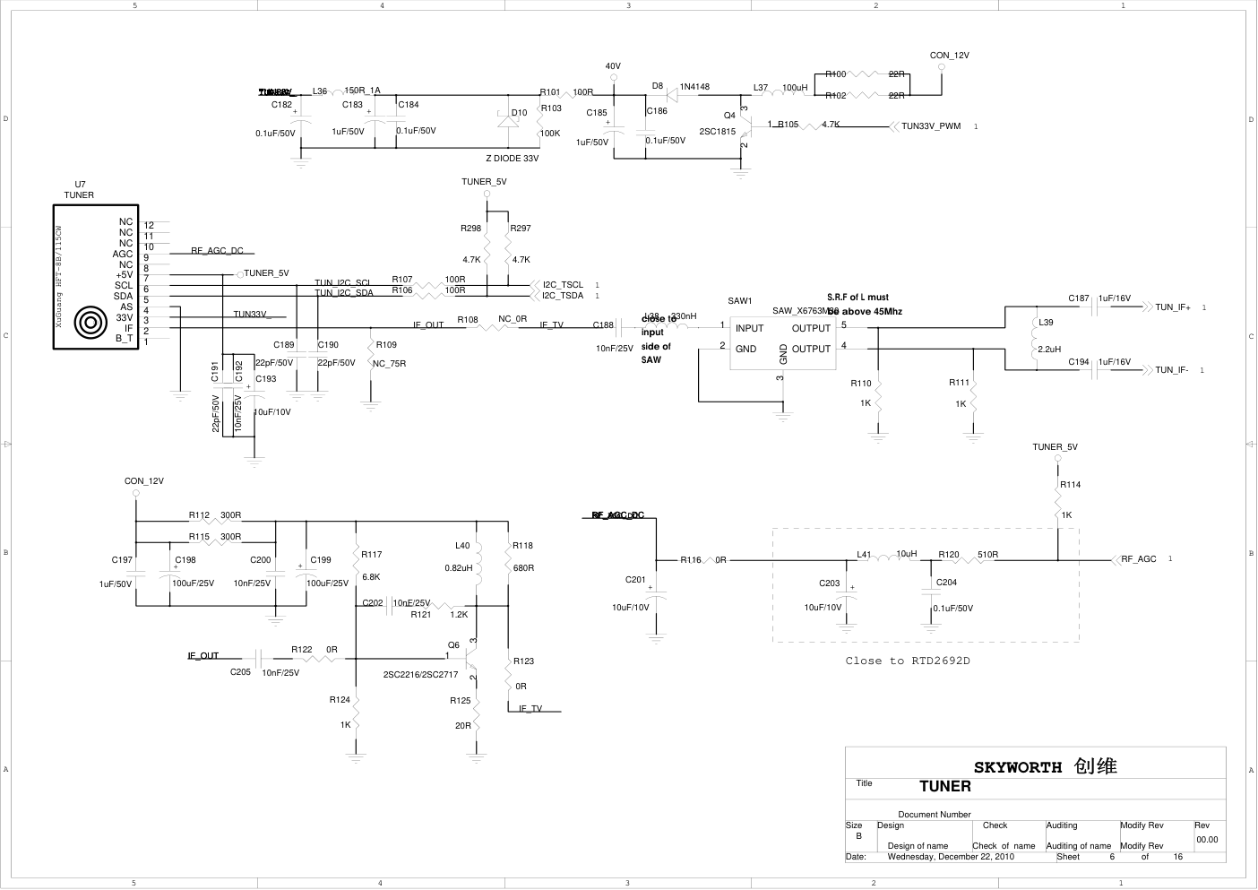
Friday, December 03, 2010 B 00.00 RTD2692D 16 1 8R61-E20 of Sheet Date: Rev Document Number Size Title TO LVDS TO USB TO DDR2 (36mA) SKYWORTH 创维 By RTK 2010/9/8 A B C D 5 4 3 2 1 D C B A 1 2 3 4 5 7 7 7 7 6 7 7 6 6 7 7 7 7 7 7 7 7 7 7 6 6 7 7 7 7 7 7 7 7 12 12 12 12 12 12 12 12 11 6 3 3 3 3 3 3 4 4 4 3,4 4 4 4 3,4 3,4 3,4 3,4 3,4 3,4 3,4 3,4 3,4 1 2 C31 10uF/10V/X5R R286 51R C18 0.1uF/16V R17 100R 1 2 C32 10uF/10V/X5R L4 0 L12 150R_1A C46 0.1uF/16V R275 51R R295 51R R285 51R C27 0.1uF/16V C11 0.1uF/16V C17 0.1uF/16V R18 100R C33 0.1uF/16V C44 0.1uF/16V C30 22pF/50V C23 4.7uF/10V C2 20pF/50V C37 0.1uF/16V R293 51R RTD2692D 1 VDAC3V3 2 AVOUT1 3 AVOUT2 4 VDACGND 5 ADC2XGND 6 IF1N 7 IF1P 8 ADC2X3V3 9 PLLGND 10 XIN 11 XOUT 12 PLL3V3 13 MT1V3 14 RF_AGC 15 DGND 16 I2C0_SCL 17 I2C0_SDA 18 GPIO_M3 19 GPIO_M4 20 GPIO_M6 21 GPIO_M5 22 GPIO_M7 23 GPIO_T1 24 D3V3 25 GPIO_T2 26 GPIO_T3 27 GPIO_T4 28 GPIO_T5 29 GPIO_T6 30 GPIO_U2 31 GPIO_U3 32 GPIO_U4 33 GPIO_U5 34 GPIO_R4 35 GPIO_R3 36 EFUSE_D3V3 U1-A 2692 R273 51R L15 150R_1A R11 100R C28 0.1uF/16V C38 0.1uF/16V C8 1uF/16V C14 0.1uF/16V R280 51R C35 0.1uF/16V L16 150R_1A R288 51R C6 0.1uF/16V R4 0R L8 150R_1A L10 0R L9 150R_1A RTD2692D 37 ETN3V3 38 ETN_RXIN 39 ETN_RXIP 40 ETN_TXON 41 ETN_TXOP 42 DGND 43 MT1V3 44 DDR18VCC 45 DQ_14 46 DM1 47 DQ_9 48 DQ_11 49 DDR18VCC 50 DQ_12 51 DQ_6 52 DM0 53 DQ_1 54 DDR18VCC 55 DQ_4 56 DQ_3 57 DQS0 58 DQS0_N 59 DDR18VCC 60 DQS1 61 DQS1_N 62 DQ_15 63 DQ_8 64 DDR18VCC 65 DQ_10 66 DQ_13 67 DQ_7 68 DQ_0 69 DDR18VCC 70 DQ_2 71 DQ_5 72 DVRI 73 CK 74 CK# U1-B 2692 R292 51R R14 4.7K C26 0.1uF/16V R268 51R L1 150R_1A C29 22pF/50V L14 150R_1A R13 1K 1% L5 150R_1A C41 0.1uF/16V C45 0.1uF/16V RTD2692D 127 DGND 128 USB1V2 129 HSDM_0 130 HSDP_0 131 USB3V3 132 HSDM_1 133 HSDP_1 134 USB1V2 135 MT1V3 136 GPIO_K4 137 GPIO_K5 138 D3V3 139 LVDS_B_FP 140 LVDS_B_FN 141 LVDS_B_EP 142 LVDS_B_EN 143 LVDS_B_DP 144 LVDS_B_DN 145 LVDS_B_CP 146 LVDS_B_CN 147 LVDS_B_BP 148 LVDS_B_BN 163 LVDS_A_AN 162 LVDS_A_AP 161 LVDS_A_BN 160 LVDS_A_BP 159 LVDS_A_CN 158 LVDS_A_CP 157 LVDS_A_DN 156 LVDS_A_DP 155 LVDS_A_EN 154 LVDS_A_EP 153 LVDS_A_FN 152 LVDS_A_FP 151 D3V3 150 LVDS_B_AN 149 LVDS_B_AP U1-D 2692 R287 51R L11 150R_1A R261 51R C5 20pF/50V L6 150R_1A C47 0.1uF/16V R1 100R C22 0.1uF/16V R19 100R C25 0.1uF/16V R279 51R R16 4.7K C4 0.1uF/16V C12 0.1uF/16V L2 0R R10 NC_0R L7 150R_1A R283 51R L18 150R_1A L19 150R_1A C7 0.1uF/16V R5 NC C39 0.1uF/16V C43 0.1uF/16V C24 0.1uF/16V R281 51R R15 4.7K C34 0.1uF/16V 4.7uF/10V C21 0.1uF/16V R272 51R 1 2 3 4 Y1 27MHz C9 0.1uF/16V 1 NC 2 NC 3 NC 4 GND 5 SDA 6 SCL 7 WP 8 VCC U26 24C32/64 C36 0.1uF/16V R289 51R L3 150R_1A C13 0.1uF/16V L20 120R_2A L13 330nH C3 0.1uF/16V R271 51R C10 0.1uF/16V C16 0.1uF/16V RTD2692D 75 RAS# 76 DDR18VCC 77 CAS# 78 ADDR0 79 ADDR2 80 ADDR4 81 ADDR6 82 ADDR8 83 ADDR11 84 DDR18VCC 85 WE# 86 BA1 87 BA0 88 DDR13VCC 89 ADDR1 90 ADDR10 91 ADDR5 92 ADDR3 93 DDR18VCC 94 ADDR9 95 ADDR7 96 ADDR12 97 BA2 98 ODT 99 DDR18VCC 100 DQ_20 101 DQ_19 102 DQ_17 103 DQ_22 104 DDR18VCC 105 DM2 106 DQ_27 107 DQ_28 108 DQ_25 109 DDR18VCC 110 DQ_30 111 DM3 112 DQ_21 113 DQ_18 114 DDR18VCC 115 DQ_16 116 DQ_23 117 DQS2 118 DQS2_N 119 DDR18VCC 120 DQ_26 121 DQ_24 122 DQS3 123 DQS3_N 124 DDR18VCC 125 DQ_29 126 DQ_31 U1-C 2692 R12 1K 1% C15 0.1uF/16V R290 51R C19 0.1uF/16V R260 51R C1 0.1uF/16V C40 0.1uF/16V C42 0.1uF/16V 1 2 3 4 5 CON2 5_pin_2mm VDAC_3_3V IO_3_3V GND PLL_3_3V CORE_1_3V VADC_3_3V PLL_GND EFUSE_3_3V GND DDR_1_8V GND ETH_3_3V CORE_1_3V DDR_1_8V USB_1_2V USB_3_3V CORE_1_3V GND IO_3_3V DDR_1_8V GND D1V8 GND D3V3 A1V2 GND HDMI_1_2V USB_1_2V A1V2 GND A1V2 GND VD_1_2V D3V3 VD_3_3V D3V3 GND VADCGND VADC_3_3V D3V3 D3V3 GND APLL3_3V GND GND IO_3_3V D3V3 HDMI_3_3V D3V3 GND USB_3_3V D3V3 GND PLL_3_3V PLL_GND D3V3 GND VDAC_3_3V D3V3 GND ETH_3_3V D3V3 GND Y_1_2V A1V2 GND D3V3 GND Y_3_3V GND GND GND GND DDR_1_8V CORE_1_3V PLL_GND GND D3V3 D3V3 EFUSE_3_3V TECLKP TOAN TEDN TOAP RF_AGC TEDP TOBN TUN_IF+ TUN_IF- TEEN TOBP TEEP TOCN TEAN TOCP TEAP TOCLKN TEBN TOCLKP I2C_TSCL I2C_TSDA TEBP TODN TECN TODP TECP TOEN TECLKN TOEP ETHER_TXP ETHER_TXN ETHER_RXP ETHER_RXN USB_DP1 USB_DM1 USB_DP0 USB_DM0 CVBS_OUT EEPROM_WP TUN33V_PWM S_LLDQS_IN S_DM1_IN S_LUDQS#_IN S_LUDQS_IN S_LLDQS#_IN S_DM0_IN S_DM2_IN S_DM3_IN S_LUDQS#_IN3 S_DODT_IN S_LUDQS_IN3 S_LLDQS#_IN2 S_LLDQS_IN2 CKE# EEPROM_WP S_CAS#_IN S_RAS#_IN S_WE#_IN S_DBA0_IN S_DBA1_IN S_DBA2_IN S_CK_IN S_CK#_IN S_DQ_IN7 I2C_SDA S_DA_IN7- S_DQ_IN28 S_DQ_IN6 S_DQ_IN31 S_DQ_IN5 S_DA_IN11 S_DQ_IN29 S_DQ_IN27 S_DA_IN8 TEEP TOCLKN S_DA_IN6 I2C_SCL S_DA_IN9 S_DA_IN2 S_DQ_IN12 S_DA_IN7 S_DQ_IN19 S_DA_IN0 S_DQ_IN18 S_DA_IN4 S_DQ_IN17 S_DBA1_IN- S_DQ_IN16 S_WE#_IN- XOUT XIN S_DA_IN5 S_RAS#_IN- S_DQ_IN22 S_DA_IN10 TECN S_DA_IN1 S_DQ_IN24 S_DQ_IN1 S_DA_IN3 S_DQ_IN10 TECP S_DQ_IN13 S_DQ_IN26 TOAN S_DQ_IN23 S_DQ_IN4 TOAP S_DQ_IN3 TOBN S_DQ_IN21 S_DQ_IN2 TOBP S_DQ_IN30 S_DA_IN9- TOCN S_DA_IN12 S_DQ_IN20 TOCP S_DQ_IN0 S_DBA2_IN- S_DQ_IN9 S_DA_IN11- TEAN TOCLKP S_DODT_IN- S_DA_IN8- S_DQ_IN25 TEAP TODN S_DA_IN6- TEBN S_DA_IN4- TODP TEBP S_DA_IN2- TEEN S_DA_IN0- TECLKN TOEP S_CAS#_IN- TECLKP TOEN S_DBA0_IN- S_DQ_IN15 TEDN S_DA_IN3- TEDP S_DA_IN5- S_DQ_IN14 S_DVREF0 S_DQ_IN8 S_DQ_IN11 S_DA_IN10- S_DA_IN1- VDACGND S_DA_IN12- S_DQ_IN7 I2C_SDA I2C_SDA S_DQ_IN28 S_DQ_IN6 S_DQ_IN31 S_DQ_IN5 S_DA_IN11 S_DQ_IN29 S_DQ_IN27 S_DA_IN8 S_DA_IN6 I2C_SCL I2C_SCL S_DA_IN9 VADCGND S_DA_IN2 S_DQ_IN12 S_DA_IN7 S_DQ_IN19 S_DA_IN0 S_DQ_IN18 S_DA_IN4 S_DQ_IN17 S_DQ_IN16 XOUT XIN S_DA_IN5 S_DQ_IN22 S_DA_IN10 S_DA_IN1 S_DQ_IN24 S_DQ_IN1 S_DA_IN3 S_DQ_IN10 S_DQ_IN13 S_DQ_IN26 S_DQ_IN23 S_DQ_IN4 S_DQ_IN3 S_DQ_IN21 S_DQ_IN2 S_DQ_IN30 S_DA_IN12 S_DQ_IN20 S_DQ_IN0 S_DQ_IN9 S_DQ_IN25 S_DQ_IN15 S_DQ_IN14 S_DVREF0 S_DQ_IN8 S_DQ_IN11 Friday, December 24, 2010 B 16 RTD2692D 00.00 2 8R61-E20 of Sheet Date: Rev Document Number Size Title TO HDMI TO Flash ROM boot (PIN151 pad_spi_sclk) 0 : boot from ROM 1 : don't boot from ROM Flash type (PIN150 pad_spi_cs_n) 0 : SPI-Flash boot 1 : NAND-Flash boot 1 Power-On-Latch (POL) 1 1 SKYWORTH 创维 & UART1_RX & UART1_TX (0.5A) TO Flash A B C D 5 4 3 2 1 D C B A 1 2 3 4 5 9 9 9 9 9 9 9 9 12 12 11 11 10 10 10 10 10 10 10 10 12 13 14 14 14 14 14 14 8 10 10 10 13 13 9 9 9 9 9 9 12 14 14 10 10 14 14 14 14 14 14 12 9 9 9 9 9 9 9 9 14 10 8 11 11 8 7 8 8 5 5 8 8 8 8 5 12 R23 10K R24 4.7K C93 0.1uF/16V 2.2uF/10V R32 2K7 1% 2.2uF/10V 47nF/16V 47nF/16V R42 0R L24 120R_2A L21 330nH C95 10uF/10V/X5R 47nF/16V 2.2uF/10V 2.2uF/10V RTD2692D 241 DGND 240 ST_D1V2 239 NAND_D0 238 NAND_D1 237 NAND_D2 236 NAND_D3 235 NAND_D4 234 NAND_D5 233 NAND_WE_N 232 PMM_GPIO_B6 231 VDDC_SCL 230 VDDC_SDA 229 PMM_GPIO_B5 228 PMM_GPIO_B3 227 D3V3 226 LSADC_REF 225 LSADC0 224 LSADC1 223 LSADC2 222 LSADC4 221 RSTI_N U1-G 2692 47nF/16V 1uF/16V RTD2692D 220 CEC 219 HDMI1V2 218 HDMI_2_2P 217 HDMI_2_2N 216 HDMI_2_1P 215 HDMI_2_1N 214 HDMI_2_0P 213 HDMI_2_0N 212 HDMI_2_CLKP 211 HDMI_2_CLKN 210 HDMI_1_2P 209 HDMI_1_2N 208 HDMI_1_1P 207 HDMI_1_1N 206 HDMI_1_0P 205 HDMI_1_0N 204 HDMI_1_CLKP 203 HDMI_1_CLKN 202 TMDS_REXT 201 HDMI3V3 200 HDMI_0_2P 199 HDMI_0_2N 198 HDMI_0_1P 197 HDMI_0_1N 196 HDMI_0_0P 195 HDMI_0_0N 194 HDMI_0_CLKP 193 HDMI_0_CLKN 192 HDMI1V2 191 ST_D1V2 190 DGND 189 IRRX 188 HDDC0_SDA 187 HDDC0_SCL 186 HDDC1_SDA 185 HDDC1_SCL 184 HDDC2_SDA 183 HDDC2_SCL U1-F 2692 RTD2692D 182 PMM_GPIO_C4 181 NAND_D7 180 NAND_D6 179 NAND_RE_N 178 SPI_CSN 177 NAND_CS1 176 NAND_CS0 175 NAND_RDY/BUSY 174 PMM_GPIO_D6 173 NAND_ALE 172 NAND_CLE 171 D3V3 170 MT1V3 169 GPIO_F1 168 D3V3 167 GPIO_F4 166 GPIO_K1 165 MT1V3 164 DGND U1-E 2692 2.2uF/10V 47nF/16V 47nF/16V L22 150R_1A RTD2692D 297 EPAD 296 LSADC5 295 LSADC3 294 AIN_5R 293 AIN_5L 292 AIN_4R 291 AIN_4L 290 AIN_1R 289 AIN_1L 288 HPOUT_R 287 HPOUT_L 286 AOUT_R 285 AOUT_L 284 AIO_1R 283 AIO_1L 282 AIO_2R 281 AIO_2L 280 AIN_3R 279 AIN_3L 278 VCM_BB 277 BB0_3V3 276 BB1GND 275 BB1_3V3 274 MT1V3 273 VD3V3 272 VIN_14P 271 VIN_13P 270 VIN_10P 269 VIN1N 268 VIN_12P 267 VIN_9P 266 VIN0N 265 VIN_11P 264 VD1V2 263 VD_GND33 262 ADC_GND33 261 YPP1V2 260 VIN_8P 259 VIN_7P 258 VIN_Y1N 257 VIN_6P 256 VIN_5P 255 VIN_4P 254 VIN_Y0N 253 VIN_3P 252 VIN_RN 251 VIN_2P 250 VIN_GN 249 VIN_1P 248 VIN_BN 247 VIN_0P 246 YPP3V3 245 VSYNC 244 HSYNC 243 APLLGND 242 APLL3V3 U1-H 2692 R41 0R 47nF/16V C82 0.1uF/16V 47nF/16V C91 1uF/10V L23 330nH NC_47nF/16V R22 4.7K C83 0.1uF/16V C49 NC_1uF/16V C88 0.1uF/16V 1uF/16V 47nF/16V C92 4.7uF/10V 2.2uF/10V 2.2uF/10V 2.2uF/10V 47nF/16V 47nF/16V 0.1uF/16V NC_2.2uF/10V C89 0.1uF/16V 47nF/16V 47nF/16V 1uF/16V 2.2uF/10V R21 NC_4.7K C81 10uF/10V/X5R L25 120R_2A 47nF/16V R27 NC_4.7K R44 0R R29 4.7K R43 0R 47nF/16V R20 4.7K 47nF/16V 47nF/16V R26 4.7K C94 0.1uF/16V 47nF/16V C80 10uF/10V/X5R 47nF/16V R6 0 C90 1uF/10V 0.1uF/16V D1 NC_1N4148 2.2uF/10V 47nF/16V IO_3_3V DGND CORE_1_3V HDMI_1_2V DGND HDMI_3_3V HDMI_1_2V DGND DGND IO_3_3V IO_3_3V DGND CORE_1_3V DGND DGND D1V3 CORE_1_3V D3V3 D3V3 DGND D3V3 DGND D3V3 AGND VD_1_2V AGND AGND BB1GND Y_1_2V Y_3_3V AGND APLL3_3V AGND BB_3_3V AGND BB1GND VD_3_3V DGND AGND A1V2 A1V2 A1V2 AGND HDMI1_CLK- HDMI1_CLK+ HDMI1_D0- HDMI1_D0+ HDMI1_D1- HDMI1_D1+ HDMI1_D2- HDMI1_D2+ LSADC0 LSADC1 AIO_2L AIO_2R VGA_HS VGA_VS VGA_B- VGA_B+ VGA_G- VGA_G+ VGA_R- VGA_R+ LEDG POWER_EN N_CLE N_CE0# N_RDY SPI_SCK-N_RE# N_WE# N_ALE AV1_CVBS+ Y1+ PB1+ PR1+ BL_EN BL_ADJ HDMI2_DDC_SCL HDMI1_DDC_SCL HDMI1_DDC_SDA HDMI2_DDC_SDA HOTPLUG1 HOTPLUG2 USB_PWR_FLAG0 SPI_MISO-N_DATA6 SPI_MOSI-N_DATA7 VGA_DDC_SCL VGA_DDC_SDA N_DATA5 N_DATA4 N_DATA3 N_DATA2 N_DATA1 N_DATA0 IRRX HDMI2_D1- HDMI2_D0+ HDMI2_D0- HDMI2_CLK+ HDMI2_CLK- HDMI2_D2+ HDMI2_D2- HDMI2_D1+ SPI_WP VIN_Y0- VIN_A0- HPOUT_R HPOUT_L AV2_CVBS+ PANEL_EN AV2_IN_R AV2_IN_L AV_R_OUT AV_L_OUT AV1_IN_R AV1_IN_L VGA_IN_R VGA_IN_L AMP_MUTE SENSOR SPI_CS# BB1GND AVDD_BB0 RESET# RESET# RESET# RESET# N_CE1# VCM_BB N_CE0# N_ALE SPI_SCK-N_RE# SPI_CS# N_CE1# Design of name Check of name Auditing of name Modify Rev Friday, December 03, 2010 B 00.00 DDR & FLASH & EEPROM 3 16 Modify Rev Auditing Check Design Title of Sheet Date: Rev Document Number Size SKYWORTH 创维 From RTD2692D closed to UD1 (210mA) By RTK 2010/9/8 By RTK 2010/9/8 By RTK 2010/9/8 By RTK 2010/9/8 By RTK 2010/9/8 8R61-E20 A B C D 5 4 3 2 1 D C B A 1 2 3 4 5 1,4 1 1 1 1,4 1,4 1 1 1,4 1,4 1,4 1,4 1,4 1,4 1 1,4 C111 0.1uF/16V R130 22R R72 22R R53 1K 1% C101 0.1uF/16V R70 22R R89 22R R82 22R R69 22R R93 22R R62 22R R67 22R C102 0.1uF/16V C109 0.1uF/16V R61 22R R97 22R R76 22R R64 22R R95 22R R51 22R C107 0.1uF/16V R74 22R R135 22R C110 0.1uF/16V R119 22R R126 22R R47 10K R52 22R C104 0.1uF/16V R104 22R R128 22R 1 2 C98 10uF/10V/X5R R133 22R G8 DQ0 G2 DQ1 H7 DQ2 H3 DQ3 H1 DQ4 H9 DQ5 F1 DQ6 F9 DQ7 C8 DQ8 C2 DQ9 D7 DQ10 D3 DQ11 D1 DQ12 D9 DQ13 B1 DQ14 B9 DQ15 M8 A0 M3 A1 M7 A2 N2 A3 N8 A4 N3 A5 N7 A6 P2 A7 P8 A8 P3 A9 M2 A10 P7 A11 R2 A12 L2 BA0 L3 BA1 L1 BA2 A8 UDQS B7 UDQS E8 LDQS F7 LDQS B3 UDM F3 LDM K3 WE L7 CAS K7 RAS L8 CS K2 CKE J8 CK K8 CK K9 ODT A1 VDD E1 VDD J9 VDD M9 VDD R1 VDD A9 VDDQ C1 VDDQ C3 VDDQ C7 VDDQ C9 VDDQ G1 VDDQ G3 VDDQ G7 VDDQ G9 VDDQ J1 VDDL E9 VDDQ A3 VSS J3 VSS N1 VSS P9 VSS B2 VSSQ B8 VSSQ D2 VSSQ D8 VSSQ E3 VSS E7 VSSQ F2 VSSQ F8 VSSQ H2 VSSQ H8 VSSQ J7 VSSDL J2 VREF A7 VSSQ R8 A13 U2 DDR2-800MHz C97 0.1uF/16V R131 22R R73 22R C108 0.1uF/16V C103 0.1uF/16V R129 22R R71 22R R90 22R R55 390R R86 22R R94 22R R68 22R R77 22R R66 22R C105 0.1uF/16V R98 22R C96 0.1uF/16V R96 22R R75 22R 1 2 C99 10uF/10V/X5R R136 22R L26 120R_2A R65 22R C106 0.1uF/16V R46 22R R113 22R C100 0.1uF/16V R134 22R R54 1K 1% R48 1K R132 22R R99 22R R127 22R DGND 1V8DDR DGND 1V8DDR 1V8DDR D1V8 DGND DGND 1V8DDR S_DODT_IN S_LUDQS_IN S_LLDQS#_IN S_LLDQS_IN CKE# S_WE#_IN S_DM0_IN S_DM1_IN S_CAS#_IN S_RAS#_IN S_DBA0_IN S_DBA1_IN S_CK_IN S_CK#_IN S_LUDQS#_IN S_DBA2_IN S_DA_IN[0:12] S_DA_IN4 S_DVREF S_DM0 S_DM0 S_DA_IN6 S_DA_IN11 S1_DA12 S_DA_IN5 S1_DA11 S_DQ6 S_DQ6 S_LLDQS#_IN S_DA_IN8 S1_DA10 S_DQ11 S_DQ11 S_DA_IN3 S_DQ13 S_DQ13 S1_CK# S_DA_IN0 S_CK_IN S_DQ10 S_DQ10 S_DQ2 S_DQ2 S_DQ_IN3 S_DQ_IN6 S_DA_IN7 S_DQ15 S_DQ15 S_DQ9 S_DQ9 S_DQ_IN4 S1_CK S_LUDQS S_LUDQS S_DQ_IN5 S_DQ8 S_DQ8 S_RAS#_IN S_DA_IN12 S1_DA3 S_DQ7 S_DQ7 S_LUDQS# S_LUDQS# S_CAS#_IN S_DA_IN1 S_DQ5 S_DQ5 S_DQ4 S_DQ4 S_LLDQS S_LLDQS S_DQ_IN0 S1_DBA2 S_LLDQS# S_LLDQS# S_DQ_IN1 S_DA_IN10 S1_RAS# S1_DA2 S_WE#_IN S_DODT_IN S1_DA1 S_DQ_IN15 S_DQ3 S_DQ3 S1_DA8 CKE# S_DQ_IN14 S_DQ12 S_DQ12 S_LUDQS#_IN S_DQ_IN12 S_DBA1_IN S1_DA0 S_DQ_IN11 S1_DA4 S_DQ0 S_DQ0 S_DBA0_IN S_LUDQS_IN S_DQ_IN13 S_DQ_IN7 S_CK#_IN S_DQ_IN10 S_DQ14 S_DQ14 S_DM0_IN S_DQ_IN9 S1_DA7 S_DM1_IN S_DQ_IN8 S_DBA2_IN S1_DA9 S_DQ_IN2 S_DM1 S_DM1 S_DA_IN9 S_DA_IN2 S1_CAS# S1_DA6 S1_DA5 S1_DBA0 S1_DBA1 S_DQ1 S_DQ1 S1_WE# S_LLDQS_IN S_DA_IN4 S_DVREF S_DM0 S_DA_IN6 S_DA_IN11 S1_DA12 S_DA_IN5 S1_DA11 S_DQ6 S_LLDQS#_IN S_DA_IN8 S1_DA10 S_DQ11 S_DA_IN3 S_DQ13 S1_CK# S1_CK# S_DA_IN0 S_CK_IN S_DQ10 S_DQ2 S_DQ_IN3 S_DQ_IN6 S_DA_IN7 S_DQ15 S_DQ9 S_DQ_IN4 S1_CK S1_CK S_LUDQS S_DQ_IN5 S_DQ8 S_RAS#_IN S_DA_IN12 S1_DA3 S_DQ7 S_LUDQS# S_CAS#_IN S_DA_IN1 S_DQ5 S_DQ4 S_LLDQS S_DQ_IN0 S1_DBA2 S_LLDQS# S_DQ_IN1 S_DA_IN10 S1_RAS# S1_DA2 S_WE#_IN S_DODT_IN S1_DA1 S_DQ_IN15 S_DQ3 S1_DA8 CKE# S_DQ_IN14 S_DQ12 S_LUDQS#_IN S_DQ_IN12 S_DBA1_IN S1_DA0 S_DQ_IN11 S1_DA4 S_DQ0 S_DBA0_IN S_LUDQS_IN S_DQ_IN13 S_DQ_IN7 S_CK#_IN S_DQ_IN10 S_DQ14 S_DM0_IN S_DQ_IN9 S1_DA7 S_DM1_IN S_DQ_IN8 S_DBA2_IN S1_DA9 S_DQ_IN2 S_DM1 S_DA_IN9 S_DA_IN2 S1_CAS# S1_DA6 S1_DA5 S1_DBA0 S1_DBA1 S_DQ1 S1_WE# S_LLDQS_IN Design of name Check of name Auditing of name Modify Rev Friday, December 03, 2010 B 00.00 DDR 4 16 Modify Rev Auditing Check Design Title of Sheet Date: Rev Document Number Size closed to UD2 From RTD2692D (210mA) SKYWORTH 创维 add A13(R8) 20091214 wm By RTK 2010/9/8 By RTK 2010/9/8 A B C D 5 4 3 2 1 D C B A 1 2 3 4 5 1,3 1,3 1 1 1 1 1 1 1,3 1,3 1,3 1,3 1,3 1,3 1,3 1,3 1,3 1,3 R92 22R R149 22R R137 22R R63 390R R185 22R R179 22R C113 0.1uF/16V R144 22R 1 2 C115 10uF/10V/X5R R142 22R C118 0.1uF/16V G8 DQ0 G2 DQ1 H7 DQ2 H3 DQ3 H1 DQ4 H9 DQ5 F1 DQ6 F9 DQ7 C8 DQ8 C2 DQ9 D7 DQ10 D3 DQ11 D1 DQ12 D9 DQ13 B1 DQ14 B9 DQ15 M8 A0 M3 A1 M7 A2 N2 A3 N8 A4 N3 A5 N7 A6 P2 A7 P8 A8 P3 A9 M2 A10 P7 A11 R2 A12 L2 BA0 L3 BA1 L1 BA2 A8 UDQS B7 UDQS E8 LDQS F7 LDQS B3 UDM F3 LDM K3 WE L7 CAS K7 RAS L8 CS K2 CKE J8 CK K8 CK K9 ODT A1 VDD E1 VDD J9 VDD M9 VDD R1 VDD A9 VDDQ C1 VDDQ C3 VDDQ C7 VDDQ C9 VDDQ G1 VDDQ G3 VDDQ G7 VDDQ G9 VDDQ J1 VDDL E9 VDDQ A3 VSS J3 VSS N1 VSS P9 VSS B2 VSSQ B8 VSSQ D2 VSSQ D8 VSSQ E3 VSS E7 VSSQ F2 VSSQ F8 VSSQ H2 VSSQ H8 VSSQ J7 VSSDL J2 VREF A7 VSSQ R8 A13 U3 DDR2-800MHz R148 22R C119 0.1uF/16V R197 22R R257 22R R146 22R C116 0.1uF/16V R151 22R R156 22R R255 22R R163 22R R153 22R 1 2 C114 10uF/10V/X5R R189 22R C120 0.1uF/16V R140 22R R204 22R C123 0.1uF/16V R187 22R R192 22R R138 22R R186 22R C122 0.1uF/16V R184 22R R57 1K 1% C112 0.1uF/16V L27 120R_2A R91 22R R143 22R R59 22R R58 1K R60 10K C126 0.1uF/16V C121 0.1uF/16V R147 22R C117 0.1uF/16V R152 22R R195 22R R158 22R R256 22R R141 22R R145 22R C125 0.1uF/16V R150 22R R191 22R R154 22R R254 22R R162 22R C124 0.1uF/16V R190 22R R211 22R R56 1K 1% R188 22R C127 0.1uF/16V R139 22R R199 22R DGND 1V8DDR_2 DGND 1V8DDR 1V8DDR_2 DGND 1V8DDR_2 DGND 1V8DDR_2 S_DODT_IN CKE# S_LLDQS_IN2 S_LLDQS#_IN2 S_LUDQS_IN3 S_DM3_IN S_DM2_IN S_LUDQS#_IN3 S_CK_IN S_CK#_IN S_WE#_IN S_CAS#_IN S_RAS#_IN S_DBA0_IN S_DBA1_IN S_CK_IN S_CK#_IN S_DBA2_IN S_DA_IN[0:12] S2_WE# S2_DA6 S2_CK S_DQ16 S2_DBA1 S_DQ27 S2_DA3 S_LLDQS2 S2_DA12 S_DQ_IN26 S_DQ_IN18 S2_DA11 S_LUDQS3 S_DM3 S2_DA10 S_DQ18 S_DQ_IN16 S2_DBA2 S_DQ_IN23 S_LLDQS2# S_LUDQS#_IN3 S_DM2 S_DVREF1 S_DA_IN11 S_DBA0_IN S_DM3_IN S_DM2_IN S_CK#_IN S_LUDQS3# S_LUDQS_IN3 S_DODT_IN S_DA_IN0 S_CK_IN S_DA_IN1 S2_DA2 S_RAS#_IN S_DQ28 S_LLDQS#_IN2 S_CAS#_IN S2_DA8 S_DQ_IN24 S_DA_IN2 S_DQ17 S_WE#_IN S_DQ19 S_DQ25 S_DQ26 S2_DA1 S_DQ_IN25 S_DQ30 S2_RAS# S_DA_IN10 S_DBA2_IN S_DA_IN4 S_DQ_IN29 S_DQ_IN17 S_DQ22 S_DA_IN9 S2_DA0 S_DA_IN3 S_DQ_IN19 S_DQ20 S_DA_IN5 S_DQ_IN20 S_DQ_IN22 S2_CK# S_DQ21 S_DQ_IN21 S_DQ23 S_DA_IN7 S_DQ24 S_DQ31 S_DQ_IN27 S_DA_IN6 S_DQ_IN28 S2_DBA0 S_DQ29 S_DA_IN8 S_DQ_IN30 S_DA_IN12 S_DBA1_IN S_DQ_IN31 S2_DA9 S2_DA7 S2_DA5 S2_DA4 S_LLDQS_IN2 CKE# S2_CAS# S2_WE# S2_DA6 S2_CK S2_CK S_DQ16 S2_DBA1 S_DQ27 S2_DA3 S_LLDQS2 S2_DA12 S_DQ_IN26 S_DQ_IN18 S2_DA11 S_LUDQS3 S_DM3 S2_DA10 S_DQ18 S_DQ_IN16 S2_DBA2 S_DQ_IN23 S_LLDQS2# S_LUDQS#_IN3 S_DM2 S_DVREF1 S_DA_IN11 S_DBA0_IN S_DM3_IN S_DM2_IN S_CK#_IN S_CK#_IN S_LUDQS3# S_LUDQS_IN3 S_DODT_IN S_DA_IN0 S_CK_IN S_CK_IN S_DA_IN1 S2_DA2 S_RAS#_IN S_DQ28 S_LLDQS#_IN2 S_CAS#_IN S2_DA8 S_DQ_IN24 S_DA_IN2 S_DQ17 S_WE#_IN S_DQ19 S_DQ25 S_DQ26 S2_DA1 S_DQ_IN25 S_DQ30 S2_RAS# S_DA_IN10 S_DBA2_IN S_DA_IN4 S_DQ_IN29 S_DQ_IN17 S_DQ22 S_DA_IN9 S2_DA0 S_DA_IN3 S_DQ_IN19 S_DQ20 S_DA_IN5 S_DQ_IN20 S_DQ_IN22 S2_CK# S2_CK# S_DQ21 S_DQ_IN21 S_DQ23 S_DA_IN7 S_DQ24 S_DQ31 S_DQ_IN27 S_DA_IN6 S_DQ_IN28 S2_DBA0 S_DQ29 S_DA_IN8 S_DQ_IN30 S_DA_IN12 S_DBA1_IN S_DQ_IN31 S2_DA9 S2_DA7 S2_DA5 S2_DA4 S_LLDQS_IN2 CKE# S2_CAS# Design of name Check of name Auditing of name Modify Rev Tuesday, December 28, 2010 B 00.00 AUDIO AMP 5 16 Modify Rev Auditing Check Design Title of Sheet Date: Rev Document Number Size High Mute enablde Mute disabled 此处改交流关机冲击声 TPA3113D2 Mute Low Input阻抗 AMP GAIN0 GAIN1 0 功放输出端增益放大倍数表 36 32 26 20 1 1 1 1 0 0 0 9 15 30 60 SKYWORTH 创维 A B C D 5 4 3 2 1 D C B A 1 2 3 4 5 2 2 2 13 11 SD SD POWER_MUTE POWER_MUTE POWER_MUTE C139 0.22uF/50V C145 1uF/50V R85 NC_10K_1206封装 L30 22UH R660 NC_100K R651 NC_10K R37 10R C621 0.22uF/50V R34 470R R25 10K R656 4.7K R650 0R L105 100R_3A C135 0.22uF/50V D21 1N4148 M9 Fiducial_Mark R39 10R C619 2.2uF/10V M1 Fiducial_Mark C133 1nF/50V R28 10R L107 NC_100R_3A M2 Fiducial_Mark C620 1nF/50V R658 10K 3 1 2 D3 NC_BAV99 1 2 CN4 2X2.5mm R7 100K D19 1N4148 R659 10K R36 10R R2 3.3K C50 1uF/16V M8 Fiducial_Mark R657 10K C630 1uF/16V D2 1N4148 C629 1nF/50V +C631 100uF/25V + C144 100uF/25V C140 1uF/50V L32 22UH C625 1uF/50V M3 Fiducial_Mark R38 10R C137 1uF/50V 7 AVCC 9 GVDD 1 SD 2 FAULT 15 PVCCR 16 PVCCR 5 GAIN0 11 RINN 3 LINP 13 NC 8 AGND 10 PLIMIT 4 LINN 14 PBTL 6 GAIN1 12 RINP 17 BSPR 18 OUTPR 19 PGND 20 OUTNR 21 BSNR 22 BSNL 23 OUTNL 24 PGND 29 PGNDL 25 OUTPL 26 BSPL 27 PVCCL 28 PVCCL U4 TPA3113D2_0 + C624 100uF/25V C134 1uF/50V R649 NC_0 M10 Fiducial_Mark + C628 NC_2.2uF/50V C143 0.1uF/50V M7 Fiducial_Mark D22 NC_1N4148 C142 0.22uF/50V R31 NC 1 2 3 Q7 2N3904 M12 Fiducial_Mark 1 2 3 Q1 2N3904 R30 4.7K L106 22UH C132 1uF/16V 1 2 CN5 2X2.0mm C623 0.1uF/50V R655 0 R33 10K 1 2 3 Q39 2N3904 C618 2.2uF/10V C48 1uF/16V C131 1uF/16V C141 1nF/50V M4 Fiducial_Mark R654 NC_10K R3 3.3K M11 Fiducial_Mark C627 0.1uF/50V R648 10K R8 100K R652 4K7_1206封装 R661 100K C622 1uF/16V D20 1N4148 1 2 3 Q2 2N3906 M6 Fiducial_Mark L31 22UH C54 1uF/16V C138 1nF/50V R653 NC_0R C136 1nF/50V M5 Fiducial_Mark GND GND GND AMP_VDD GND AMP_VDD GND GND AMP_VDD AMP_VDD GND GND AMP_VDD GND GND GND GND GND GND GND GND GND CON_12V AMP_VDD GND GND GND GND D_5V GND PW_12V GND AV_L_OUT AV_R_OUT AMP_MUTE POWER_MUTE HP_AMP_MUTE SD SD SD AV_L_OUT# AV_R_OUT# AMP_MUTE HP_AMP_MUTE POWER_MUTE POWER_MUTE POWER_MUTE SD AV_L_OUT# AV_L_OUT# AV_R_OUT# AV_R_OUT# POWER_MUTE Design of name Check of name Auditing of name Modify Rev Wednesday, December 22, 2010 B 16 6 TUNER 00.00 Modify Rev Auditing Check Design Title of Sheet Date: Rev Document Number Size S.R.F of L must be above 45Mhz close to input side of SAW SKYWORTH 创维 Close to RTD2692D A B C D 5 4 3 2 1 D C B A 1 2 3 4 5 1 1 1 1 1 1 TUN33V_ TUN33V_ TUN33V_ TUN33V_ TUN33V_ TUN33V_ TUN33V_ TUN33V_ TUN33V_ TUN33V_ TUN33V_ TUN33V_ TUN33V_ TUN33V_ TUN33V_ TUN33V_ TUN33V_ TUN33V_ TUN33V_ TUN33V_ TUN33V_ RF_AGC_DC RF_AGC_DC RF_AGC_DC R117 6.8K C191 22pF/50V + C185 1uF/50V + C201 10uF/10V 1 INPUT 2 GND 4 OUTPUT 5 OUTPUT 3 GND SAW1 SAW_X6763M30 XuGuang HFT-8B/115CW 1 B_T 2 IF 3 33V 4 AS 5 SDA 6 SCL 7 +5V 8 NC 9 AGC 10 NC 11 NC 12 NC U7 TUNER R111 1K R105 4.7K R116 0R R109 NC_75R + C203 10uF/10V D8 1N4148 R297 4.7K R123 0R R106 100R +C198 100uF/25V R125 20R C189 22pF/50V R101 100R + C182 0.1uF/50V R122 0R R124 1K L40 0.82uH 1 3 2 Q6 2SC2216/2SC2717 C200 10nF/25V C188 10nF/25V C187 1uF/16V L41 10uH C192 10nF/25V R102 22R L36 150R_1A C194 1uF/16V R110 1K C204 0.1uF/50V R103 100K + C193 10uF/10V C184 0.1uF/50V R120 510R L39 2.2uH R108 NC_0R + C183 1uF/50V R107 100R C197 1uF/50V R114 1K R121 1.2K C190 22pF/50V L37 100uH C186 0.1uF/50V D10 Z DIODE 33V R118 680R R112 300R R298 4.7K R100 22R C205 10nF/25V R115 300R 1 2 3 Q4 2SC1815 C202 10nF/25V + C199 100uF/25V L38 330nH 40V TUNER_5V TUNER_5V TUNER_5V CON_12V CON_12V TUN33V_PWM TUN_IF+ TUN_IF- I2C_TSCL I2C_TSDA RF_AGC TUN_I2C_SCL IF_TV TUN33V_ TUN33V_ TUN33V_ IF_OUT TUN_I2C_SDA RF_AGC_DC RF_AGC_DC RF_AGC_DC IF_TV TUN33V_ IF_OUT IF_OUT RF_AGC_DC Design of name Check of name Auditing of name Modify Rev Friday, December 03, 2010 B 00.00 LVDS OUTPUT 7 16 Modify Rev Auditing Check Design Title of Sheet Date: Rev Document Number Size SKYWORTH 创维 预留 From RTD2692D Mark on board LVDS Select L33 short : 12V L28 short : 5V A B C D 5 4 3 2 1 D C B A 1 2 3 4 5 2 1 1 1 1 1 1 1 1 1 1 1 1 1 1 1 1 1 1 1 1 1 1 1 1 2 + C248 100uF/25V R160 47K 1 2 3 4 5 6 7 8 9 H4 CON8 1 8 2 7 3 6 4 5 RP4 22R L28 NC_100R_3A + C406 100uF/25V R155 NC 1 VCC 2 VCC 3 VCC 4 VCC 5 GND 6 GND 7 GND 8 GND 9 RA4+ 10 RA4- 11 RA3+ 12 RA3- 13 RAC+ 14 RAC- 15 RA2+ 16 RA2- 17 RA1+ 18 RA1- 19 RA0+ 20 RA0- 21 GND 22 GND 23 I/O 24 MODE 25 GND 26 GND 27 RB4+ 28 RB4- 29 RB3+ 30 RB3- 31 RBC+ 32 RBC- 33 RB2+ 34 RB2- 35 RB1+ 36 RB1- 37 RB0+ 38 RB0- 39 GND 40 GND 41 GND 42 GND 43 SDA 44 SCL 45 GND 46 GND CON5 LVDS-CONNECT 1 8 2 7 3 6 4 5 RP3 22R R157 NC R159 100K R164 10k L33 100R_3A 1 8 2 7 3 6 4 5 RP5 22R C612 0.1uF/50V R639 NC R161 75K 1 2 3 4 5 6 7 8 9 H5 CON8 1 8 2 7 3 6 4 5 RP6 22R R641 10K 1 2 3 Q37 ME2345A 1 2 3 4 5 6 7 8 9 H6 CON8 C611 2.2uF/10V 1 8 2 7 3 6 4 5 RP1 22R C247 0.1uF/50V 1 2 3 4 5 6 7 8 9 H3 CON8 R640 0R 1 2 3 Q38 2N3904 1 8 2 7 3 6 4 5 RP2 22R D3V3 GND GND GND GND D_5V PW_12V PANEL_EN TOAN TOAP TOBN TOBP TOCN TOCP TOCLKN TOCLKP TODN TODP TEAN TEAP TEBN TEBP TECN TECP TECLKN TECLKP TEDN TEDP TEEP TEEN TOEP TOEN PANEL_EN TECLKN TECLKP TEDN TEDP TOAN TOAP TOEN TOEP TEEN TEAN TEAP TEBN TODN TEBP TODP TEEP TOBN TOBP TOCN TOCP TOCLKN TOCLKP TECN TECP TECLKN TECLKP TEDN TEDP TOAN TOAP PANEL_EN TOEN TOEP TEEN TEAN TEAP TEBN TODN TEBP TODP TEEP TOBN TOBP TOCN TOCP TOCLKN TOCLKP TECN TECP Design of name Check of name Auditing of name Modify Rev Friday, December 03, 2010 B 16 8 AV INPUT 00.00 Modify Rev Auditing Check Design Title of Sheet Date: Rev Document Number Size SKYWORTH 创维 AV1 VGA YUV Close to 2692 Close to JA3 A B C D 5 4 3 2 1 D C B A 1 2 3 4 5 2 2 2 2 2 2 2 2 2 2 AV1_IN_L AV1_IN_L AV1_IN_L AV1_IN_L AV1_IN_L AV1_IN_L AV1_IN_L AV1_IN_L AV1_IN_L AV1_IN_L AV1_IN_L AV1_IN_L AV1_IN_L AV1_IN_L AV1_IN_L AV1_IN_L AV1_IN_L AV1_IN_L AV1_IN_L AV1_IN_L AV1_IN_R AV1_IN_R AV1_IN_R AV1_IN_R AV1_IN_R AV1_IN_R AV1_IN_R AV1_IN_R AV1_IN_R AV1_IN_R AV1_IN_R AV1_IN_R AV1_IN_R AV1_IN_R AV1_IN_R AV1_IN_R AV1_IN_R AV1_IN_R AV1_IN_R AV1_IN_R C262 470pF/50V C256 470pF/50V 1 2 E8 5pF C257 470pF/50V C254 NC R170 10K R171 10K 1 2 E7 5pF R173 Short R172 6.8K 7 13 8 14 9 15 10 16 11 17 12 18 J1-B RCA-9P R167 Short C261 470pF/50V 1 2 E3 5pF 1 2 E4 5pF R183 10K C259 NC R174 6.8K R181 6.8K R180 6.8K C258 470pF/50V R175 0R R178 75R R177 10K R165 0R C255 470pF/50V 1 2 E2 5pF R176 10K 4 2 1 3 JA5 HP_IN 1 2 E6 5pF 1 1 2 2 3 3 4 4 JA3 RCA-2P R166 75R R168 6.8K 1 2 E1 5pF R169 6.8K 1 2 E5 5pF R182 10K AV2_IN_L AV2_IN_R VGA_IN_L VGA_IN_R AV1_CVBS+ VIN_A0- AV1_IN_L AV1_IN_R AV2_CVBS+ VIN_A0- AV2_CVBS+ AV1_IN_L AV1_IN_L AV1_IN_R AV1_IN_R AV1_CVBS+ AV1_CVBS+ VIN_A0- VIN_A0- Design of name Check of name Auditing of name Modify Rev Friday, December 03, 2010 B 00.00 HDMI INPUT 9 16 Modify Rev Auditing Check Design Title of Sheet Date: Rev Document Number Size 创维 TO RTD2692D SKYWORTH 创维 A B C D 5 4 3 2 1 D C B A 1 2 3 4 5 2 2 2 2 2 2 2 2 2 2 2 2 2 2 2 2 2 2 2 2 2 2 2 2 HDMI2_HPD HDMI2_HPD 3 1 2 D13 NC_BAT54C 18 +5V_POWER 1 DATA2+ 2 DATA2_SHIELD 3 DATA2- 19 HOT_PLUG_DETECT 20 GND 6 DATA1- 7 DATA0+ 8 DATA0_SHIELD 9 DATA0- 10 CLK+ 11 CLK_SHIELD 21 GND 22 GND 14 RESERVED 15 SCL 16 SDA 17 DDC/CEC_GROUND 4 DATA1+ 5 DATA1_SHIELD 12 CLK- 13 CEC JA7 HDMI-2 1 2 E39 1pF R212 100R 1 2 3 Q15 2N3904 1 2 3 Q13 2N3904 1 2 E29 1pF 1 2 3 Q14 2N3904 R308 NC_100K 1 2 E28 1pF 3 1 2 D12 NC_BAT54C R205 100R 1 2 E40 1pF R213 100R R209 10K R206 100R 1 2 E38 1pF R207 1K 1 2 E19 1pF 1 2 E37 1pF 1 2 E22 1pF R214 1K 1 2 E33 1pF 1 2 E25 1pF R215 47K R200 4.7K C273 0.1uF/16V R374 NC_0R 1 2 E26 1pF R208 47K 1 2 E35 1pF 1 2 E32 1pF R201 4.7K R375 NC_100K 1 2 3 Q12 2N3904 1 2 E24 1pF C274 0.1uF/16V R193 4.7K R217 10K 1 2 E34 1pF R301 0R 1 2 E31 1pF 1 2 E30 1pF 1 2 E21 1pF R216 10K 1 2 E27 1pF R194 4.7K R302 0R R303 NC_0R 18 +5V_POWER 1 DATA2+ 2 DATA2_SHIELD 3 DATA2- 19 HOT_PLUG_DETECT 20 GND 6 DATA1- 7 DATA0+ 8 DATA0_SHIELD 9 DATA0- 10 CLK+ 11 CLK_SHIELD 21 GND 22 GND 14 RESERVED 15 SCL 16 SDA 17 DDC/CEC_GROUND 4 DATA1+ 5 DATA1_SHIELD 12 CLK- 13 CEC JA6 HDMI-2 1 2 E36 1pF 1 2 E20 1pF R210 10K 1 2 E23 1pF HDMI1_CON5V D_5V HDMI1_CON5V HDMI2_CON5V HDMI2_CON5V D_5V HOTPLUG1 HOTPLUG2 HDMI2_DDC_SCL HDMI2_DDC_SDA HOTPLUG2 HDMI2_D2+ HDMI2_D2- HDMI2_D1+ HDMI2_D1- HDMI2_D0+ HDMI2_D0- HDMI2_CLK+ HDMI2_CLK- HOTPLUG1 HDMI1_D2+ HDMI1_D2- HDMI1_D1+ HDMI1_D1- HDMI1_D0+ HDMI1_D0- HDMI1_CLK+ HDMI1_CLK- HDMI1_DDC_SCL HDMI1_DDC_SDA HDMI1_SDA# HDMI1_D0- HDMI2_CLK+ HDMI1_D0+ HDMI2_SDA# HDMI1_D2- HDMI1_DDC_SDA HDMI1_DDC_SCL HDMI1_HPD HDMI2_HPD HDMI2_HPD HDMI2_HPD HDMI2_HPD HDMI2_DDC_SCL HDMI1_CLK- HDMI1_CLK+ HDMI1_SCL# HDMI1_D1- HDMI1_D2+ HDMI1_D1+ HDMI2_D1- HDMI2_D2+ HDMI2_D1+ HDMI2_D0- HDMI2_D0+ HDMI2_D2- HDMI2_DDC_SDA HDMI2_SCL# HDMI2_CLK- HDMI1_SDA# HDMI1_SDA# HDMI1_D0- HDMI1_D0- HDMI1_D0- HDMI2_CLK+ HDMI2_CLK+ HDMI2_CLK+ HDMI1_D0+ HDMI1_D0+ HDMI1_D0+ HDMI2_SDA# HDMI2_SDA# HDMI1_D2- HDMI1_D2- HDMI1_D2- HDMI1_DDC_SDA HDMI1_DDC_SDA HOTPLUG1 HDMI1_DDC_SCL HDMI1_DDC_SCL HDMI1_HPD GND GND GND GND GND GND GND GND GND GND GND GND GND GND GND GND GND GND GND GND HDMI2_HPD HDMI2_DDC_SCL HDMI2_DDC_SCL HOTPLUG2 HDMI1_CLK- HDMI1_CLK- HDMI1_CLK- HDMI1_CLK+ HDMI1_CLK+ HDMI1_CLK+ HDMI1_SCL# HDMI1_SCL# HDMI1_D1- HDMI1_D1- HDMI1_D1- HDMI1_D2+ HDMI1_D2+ HDMI1_D2+ HDMI1_D1+ HDMI1_D1+ HDMI1_D1+ HDMI2_D1- HDMI2_D1- HDMI2_D1- HDMI2_D2+ HDMI2_D2+ HDMI2_D2+ HDMI2_D1+ HDMI2_D1+ HDMI2_D1+ HDMI2_D0- HDMI2_D0- HDMI2_D0- HDMI2_D0+ HDMI2_D0+ HDMI2_D0+ HDMI2_D2- HDMI2_D2- HDMI2_D2- HDMI2_DDC_SDA HDMI2_DDC_SDA HDMI2_SCL# HDMI2_SCL# HDMI2_CLK- HDMI2_CLK- HDMI2_CLK- Design of name Check of name Auditing of name Modify Rev Friday, December 03, 2010 B 00.00 Y,Pb,Pr, & VGA INPUT 10 16 Modify Rev Auditing Check Design Title of Sheet Date: Rev Document Number Size 创维 Close to Main Chip RS232 3.3V TX RX GND Mark on board SKYWORTH 创维 A B C D 5 4 3 2 1 D C B A 1 2 3 4 5 2 2 2 2 2 2 2 2 2 2 2 2 2 2 2 2 2 2 2 2 R250 100R R234 Short R253 100R L64 150R_1A L56 0R 1 2 E42 5pF C276 NC_100pF C281 5PF/50V 1 2 3 4 CON1 NC_CON6-2.0MM R247 2K R218 100R L60 0R L58 0R R219 75R R237 100R L57 0R L61 0R R243 100R 1 2 E48 5pF L63 0R R229 100R R221 4.7K C278 NC_100pF R245 100R R239 100R C277 5PF/50V R224 NC_100R 1 2 E43 5pF 1 2 E41 5pF R235 75R R242 100R R231 100R L53 0R R238 75R R228 Short R252 100R 1 2 E46 5pF C275 5PF/50V C283 10pF/50V 1 2 E52 5pF 1 13 2 14 3 15 4 16 5 17 6 18 J1-A RCA-9P R223 100R 1 2 E44 5pF 1 2 E47 5pF R246 75R C279 5PF/50V 1 2 E49 5pF R248 2K R249 Short R230 100R 1 2 E45 5pF R225 75R R227 NC_100R 1 2 E51 5pF L54 0R R240 100R R226 100R 1 2 E50 5pF C284 22pF/50V RX/SDA GND GND VSIN HSIN DDCSCL DDCSDA DGND NC VGA_B- VGA_G- VGA_R- DGND TX/SCL VGA_B+ VGA_G+ VGA_R+ 1 2 3 4 5 6 7 8 9 10 11 12 13 14 15 16 17 JA13 VGA L52 0R R220 4.7K R251 100R L59 0R L55 0R R222 Short R236 100R L62 0R R241 Short R244 100R C280 5PF/50V C282 5PF/50V R233 Short R232 75R M3_3V M3_3V VGA_B+ VGA_B- VGA_G+ VGA_G- VGA_R+ VGA_R- URAT_TX URAT_RX Y1+ VIN_Y0- PB1+ VIN_Y0- PR1+ VIN_Y0- URAT_TX URAT_RX URAT_TX URAT_RX VGA_VS VGA_HS VGA_BIN VGA_BIN VGA_DDC_SCL# VGA_GIN VGA_GIN VGA_DDC_SDA# VGA_RIN VGA_RIN VGA_BIN VGA_DDC_SCL# URAT_RX URAT_RX VGA_GIN VGA_DDC_SDA# URAT_TX VGA_RIN Design of name Check of name Auditing of name Modify Rev Tuesday, December 28, 2010 B 16 11 VIDEO & AUDIO OUTPUT 00.00 Modify Rev Auditing Check Design Title of Sheet Date: Rev Document Number Size SKYWORTH 创维 To AVout connector close to main chip A B C D 5 4 3 2 1 D C B A 1 2 3 4 5 1 2 2 2 2 5 CVBS_OUT CVBS_OUT CVBS_OUT CVBS_OUT + C153 470uF/16V 1 2 3 Q36 2N3904 R266 75K R263 150K 1 2 3 Q16 2N3906 + C289 10uF/50V R45 47K R258 NC_47K C285 2.2uF/10V R378 150R R262 330R 1 2 E13 NC_5pF C609 NC_2.2uF/10V R80 NC_47K 13 13 14 14 15 15 16 16 17 17 18 18 J1-C RCA-9P 2 3 1 4 5 JA10 PHONEJACK STEREO SW_3 R296 NC_100R_1206封装 1 2 E54 5pF C288 0.1uF/50V C613 2.2uF/10V R265 220R C614 2.2uF/10V 1 2 E55 5pF R267 220R + C287 10uF/10V 1 2 E15 NC_5pF C286 2.2uF/10V R642 47K R84 10K 1 2 3 Q17 2N3904 1 2 E53 5pF R264 75R R83 4.7K R294 75R_1206封装 R78 10K R259 NC_47K GND GND GND GND GND GND TUNER_5V TUNER_5V TUNER_5V CON_12V CVBS_OUT AIO_2L AIO_2R HPOUT_L HPOUT_R HP_AMP_MUTE HP_AMP_MUTE PH-OUT-L PH-OUT-R CVBS_OUT PH-OUT-R Design of name Check of name Auditing of name Modify Rev Friday, December 24, 2010 B 16 12 IR & KEY INPUT 00.00 Modify Rev Auditing Check Design Title of Sheet Date: Rev Document Number Size SKYWORTH 创维 CONTROL A B C D 5 4 3 2 1 D C B A 1 2 3 4 5 2 2 2 2 2 1 1 1 1 1 1 1 1 2 USB_PWR_FLAG0 USB_PWR_FLAG0 USB_PWR_FLAG0 + C314 470uF/16V 1 2 E59 NC_5pF R88 49.9R R198 NC_4.7K L67 150R_1A C291 0.1uF/16V R291 47K C332 5pF/50V L68 150R_1A R282 30K 1 POWER_IO 2 KEY1 3 KEY2 4 GND 5 ST_5V 6 GND 7 IR 8 GND 9 LED 10 GND 11 LIGHT 12 3_3V CON7 CON20-J20-12 R270 100K 1 2 E56 NC_5pF 1 2 E60 NC_5pF R307 0R R305 0R C294 0.1uF/50V L73 100R_3A L69 NC_150R_1A R79 75R L70 150R_1A C321 5pF/50V 1 2 L79 150R_1A L71 150R_1A 1 2 E66 NC_1pF 1 2 3 Q11 NC_2N3904 C296 100pF/50V 1 VBUS 2 DM 3 DP 4 GND 5 CHASSIS 6 CHASSIS JA20 HOST Socket(A Type) C632 0.1uF/16V C617 1000pF/2kV C331 10nF/25V C616 10nF/50V 1 2 E67 NC_1pF R269 100K C633 0.1uF/16V R202 NC_4.7K C295 100pF/50V R196 10K C292 100pF/50V C302 0.1uF/16V C626 10nF/50V R306 0R R376 0R L72 100R_3A 1 VBUS 2 DM 3 DP 4 GND 5 CHASSIS 6 CHASSIS JA19 HOST Socket(A Type) R203 NC_10K 1 TX+ 2 TX- 4 TX-CT 8 CHS-GND 7 NC 6 RX- 3 RX+ 5 RX-CT 9 SHIELD 10 SHIELD 11 SHIELD 12 SHIELD JA15 HR911105C R299 470R FU1 1.5A R276 4.7K C315 10nF/25V R300 0R 1 2 E57 NC_5pF 1 TD+ 2 TD-CT 4 NC 8 RD- 7 RD-CT 6 RD+ 3 TD- 5 NC 9 RX- 10 RX-CT 11 RX+ 12 NC 13 NC 14 TX- 15 TX-CT 16 TX+ U27 HR911105C R647 75R R644 49.9R R304 0R 1 2 E65 NC_1pF C293 100pF/50V R278 100R C320 5pF/50V L87 150R_1A R643 49.9R 1 2 L77 150R_1A R87 49.9R 1 2 3 Q19 2N3904 C333 5pF/50V R284 0R 1 2 E58 NC_5pF R646 75R R274 100R R277 4.7K 1 2 E68 NC_1pF D3V3 D3V3 VUSB VUSB DGND VUSB D_5V D3V3 D3V3 GND D3V3 STANDBY_5V STANDBY_5V LSADC0 LSADC1 IRRX USB_PWR_FLAG0 LEDG ETHER_RXN ETHER_RXP ETHER_TXN ETHER_TXP USB_DM0 USB_DP0 USB_DM1 USB_DP1 SENSOR ETHER_TXN LED_LAMP_OUT LSADC1 ETHER_RXN LSADC0 KEY0-IN USB_PWR_FLAG0 KEY1-IN ETHER_RXP IR-IN ETHER_TXP LED_LAMP_OUT Design of name Check of name Auditing of name Modify Rev Tuesday, December 28, 2010 B 16 13 POWER 00.00 Modify Rev Auditing Check Design Title of Sheet Date: Rev Document Number Size 这个电路是用来消除 关机瞬间闪白屏的。 SKYWORTH 创维 R184 = 10K R172 = 10.81*(VOUT- 0.925) K 这部份的电路不能取消,以适应POWER Module的开机方式 1800MA 3000MA option for power OPTION FOR EMC U16 (SY8082) :Del--R315, R356, C350, C392, R320, R316,R321, Add--R336, R318, R322, R317 U16(MP1492): Add--R315, R356, C350, C392, R320,R365 R316,R321, Del--R336, R318, R322, R317 option,lower power standby 100MA R314 = 27K R314 = 18K 靠近第一脚 VOUT=1.25*(1+R372/R332) A B C D 5 4 3 2 1 D C B A 1 2 3 4 5 2 2 5 2 R356 NC_0R R312 10K 1 2 3 Q23 NC_2N3904 R318 0R R332 1.2K L92 NC_100uH R349 10K C364 0.1uF/50V 1 2 3 4 L81 22UH + C342 470uF/16V C369 0.1uF/16V L85 NC/100R_3A 1 2 3 4 5 6 7 8 9 10 11 CON8 CON25-J25-11 1 2 3 4 B1 NC/SHIELD BOX R341 100R 1 2 3 Q21 NC_2N3904 1 BS 2 IN 3 SW 4 GND 5 FB 6 COM 7 EN 8 SS 9 GND U21 MP1484/9884 + C370 100uF/25V 1 BS 2 IN 3 SW 4 GND 5 FB 6 COM 7 EN 8 SS 9 GND U17 EUP3482 R342 10K C355 0.1uF/16V C357 0.1uF/16V + C394 100uF/25V R317 0R + C346 10uF/10V L84 100R_3A C399 1uF/16V + C378 10uF/10V C360 1uF/50V R329 33R R377 100K R361 4.7K R335 NC_0R R379 10K C393 1uF/16V + C343 470uF/16V 1 2 3 Q30 2N3904 1 2 3 Q22 2N3904 2 VO 1 ADJ 3 VI 4 VO U18 SOT223-1.8V/1117-ADJ R372 3.6K + C354 10uF/10V/X5R C375 0.1uF/16V R351 0R C363 6.8nF/50V + C368 NC_10uF/10V + C341 10uF/10V R313 NC_220K + C351 100uF/25V R350 5.6K 1% C353 0.1uF/50V L96 0R 1 2 3 Q31 2N3904 R327 18K 1% + C367 470uF/16V C380 10nF/25V L83 100R_3A + C374 10uF/10V R365 NC_470K R337 10K 1 2 3 Q24 NC_2N3904 R309 3.6K C390 0.1uF/16V 1 2 3 Q26 NC_2N3904 C382 0.1uF/50V R346 NC_249/1% 2 VO 1 ADJ 3 VI 4 VO U19 SOT223-5V/1117-ADJ R360 10K R357 1K R325 75R R326 10K R355 NC_1K R330 10K,1% C361 0.1uF/50V R364 10K R371 4.7/1W 1 NC 5 FB 3 LX 4 GND 2 IN 7 EN 6 NC 8 NC 9 GND U16 SY8082 R353 4.7K C391 1uF/16V C362 NC C348 0.47uF/50V R310 6.8K D15 1N5822 + C371 100uF/25V C386 0.1uF/50V C387 0.1uF/50V 1 2 3 Q29 2N3904 L88 0R + C376 10uF/10V L82 100R_3A + C389 NC_10uF/10V L90 100R_3A C349 NC_1uF/16V D18 NC_1N5822 R352 12K 1% R311 100K R321 NC_1M R324 0 1 2 3 Q27 2N3904 R322 0R R331 22/2W 1 BS 5 IN 3 FB 4 EN 2 GND 6 LX U5 SY8161C R358 100K C358 10nF/25V C400 0.1uF/16V C372 0.1uF/16V R334 1K 1 2 3 Q20 NC_ME2345A 1 2 3 4 L97 22UH R381 NC_2.4K R323 NC_100K R343 NC_1K + C359 10uF/10V/X5R C350 NC_1uF R333 1K C339 2.2nF/50V R328 27K 1% R384 4.7K C352 0.1uF/50V C381 1uF/50V 1 2 L93 100R_3A + C383 100uF/25V R320 NC_0R C385 6.8nF/50V 1 2 3 Q25 2N3904 R373 NC_0R C384 NC C344 0.1uF/16V + C388 470uF/16V R315 NC_0R + C365 100uF/25V C347 1uF/16V C366 0.1uF/50V R347 NC_100K R344 NC_1K + C356 100uF/25V R359 4.7K R340 100R R348 0 R319 NC_33K R354 10K 1 2 3 Q28 2N3904 R339 4.7K C373 0.1uF/50V C340 0.1uF/16V C379 0.1uF/16V C392 NC_1uF 1 2 3 4 L91 22UH R345 0R R316 NC_0R R336 0R + C377 10uF/10V D16 NC_1N5822 L94 100R_3A R314 27K R380 220K 2 VO 1 ADJ 3 VI 4 VO U20 SOT223-1.2V/1117-ADJ R363 220K R338 4.7K R362 10K PW_12V PW_12V STANDBY_5V D_5V D_5V D3V3 D3V3 D3V3 PW_12V STANDBY_5V D1V3 PW_12V PW_12V GND D1V8 GND STANDBY_5V D_5V D3V3 D3V3 GND D3V3 A1V2 PW_12V PW_12V GND GND TUNER_5V D1V8 D_5V BB_3_3V D3V3 PW_12V CON_12V CON_12V D_5V D3V3 ST_5V POWER_EN BL_ADJ POWER_MUTE BL_EN POWER_ON/OFF VBRI_O EN_5V ST_5V POWER_MUTE VRMT_O BL_ADJ BL_EN BL_EN POWER_EN POWER_EN POWER_EN POWER_EN POWER_ON/OFF VBRI_O EN_5V POWER_MUTE VRMT_O BL_ADJ BL_EN Friday, December 03, 2010 B FLASH 16 14 00.00 of Sheet Date: Rev Document Number Size Title SKYWORTH 创维 A B C D 5 4 3 2 1 D C B A 1 2 3 4 5 2 2 2 2 2 2 2 2 2 2 2 2 2 2 2 SPI_WP R370 4.7K 0.1uF/16V R368 4.7K C396 0.1uF/16V L98 150R_1A R369 4.7K R366 22R R367 22R 0.1uF/16V 1 NC 2 NC 3 NC 4 R/B4# 5 R/B3# 6 R/B2# 7 R/B1# 8 RE# 9 CE1# 10 CE2# 11 NC 12 VCC 13 VSS 14 CE3# 15 CE4# 16 CLE 17 ALE 18 WE# 19 WP# 20 NC 21 NC 22 NC 23 NC 24 NC 48 NC 47 NC 46 NC 45 NC 44 DQ7 43 DQ6 42 DQ5 41 DQ4 40 NC 39 NC 38 NC 37 VCC 36 VSS 35 NC 34 NC 33 NC 32 DQ3 31 DQ2 30 DQ1 29 DQ0 28 NC 27 NC 26 NC 25 NC U22 NAND FLASH(48TSOP) C395 0.1uF/16V M3_3V DGND D3V3 M3_3V M3_3V DGND DGND M3_3V M3_3V SPI_WP N_RDY N_CE0# N_WE# N_CLE N_ALE SPI_SCK-N_RE# SPI_MOSI-N_DATA7 SPI_MISO-N_DATA6 N_DATA5 N_DATA4 N_DATA3 N_DATA2 N_DATA1 N_DATA0 SPI_WP N_CE0# N_RDY SPI_WP SPI_WP Friday, December 03, 2010 B RTD2692D POWER TREE 00.00 15 16 POWER TREE of Sheet Date: Rev Document Number Size Title FB FB 7805 CON_12V OPTION ALWAYS ON 3.3V_IR 3.3V_LED Power Off => EN Pin pull Low Power Module D12V+5V/1A +12V Always on A3V3 D1V3 EUP3482 Always on(D3.3V) D3V3 1A D1V8 400mA 300mA LDO G1117 1A Always on A1V2 ST_D1V2 Always on(D1.2V) 250mA 200mA 1.3V EUP3484 1.8V (For DDR Power) SY8082 mps1492 3.3V_STANDBY EN EN 160mA 360mA 1.8A 300mA LDO G1117 Can be power saving Always on Power On Power Off D12V ST_5V On 12V Off On On +5V 500mA TUNER D_5V 1A USB IF VT33V FB T_CON MOS EN 12V AMP STBY CON_12V SKYWORTH 创维 D_5V MOS CON_12V CVBSOUT D_5V A B C D 5 4 3 2 1 D C B A 1 2 3 4 5 Friday, December 03, 2010 B POWER TREE 16 16 00.00 RTD2692D POWER TREE of Sheet Date: Rev Document Number Size Title DDR DDR LVDS 副板接口 VGA 分量/VGA/DVI 音频输入 Power Module 3.3V DC-DC 5V DC-DC Main1.3V DC-DC LVDS OutPut NAND Flash Power CON. SPK CON. HDMI2 HDMI1 Tuner (ATV) USB_port2 USB_port1 AMP RTD2692D SAW Ethernet Tuner 33V DDR1.8V Core1.2V Power EEPROM 耳机输出 L1 Pr Pb Y L3 AVOUT R3 R1 LOUT ROUT AV1 三合一 AV端子 7805 TUNER_I2C TXD/RXD R/G/B HS/VS R/G/B HS/VS TXD/RXD SKYWORTH 创维 A B C D 5 4 3 2 1 D C B A 1 2 3 4 5

标签:

版权声明

1. 本站所有素材,仅限学习交流,仅展示部分内容,如需查看完整内容,请下载原文件。
2. 会员在本站下载的所有素材,只拥有使用权,著作权归原作者所有。
3. 所有素材,未经合法授权,请勿用于商业用途,会员不得以任何形式发布、传播、复制、转售该素材,否则一律封号处理。
4. 如果素材损害你的权益请联系客服QQ:77594475 处理。