苏泊尔C21S03-DL02-A0电磁炉电路图

分类:电子电工 日期: 点击:0
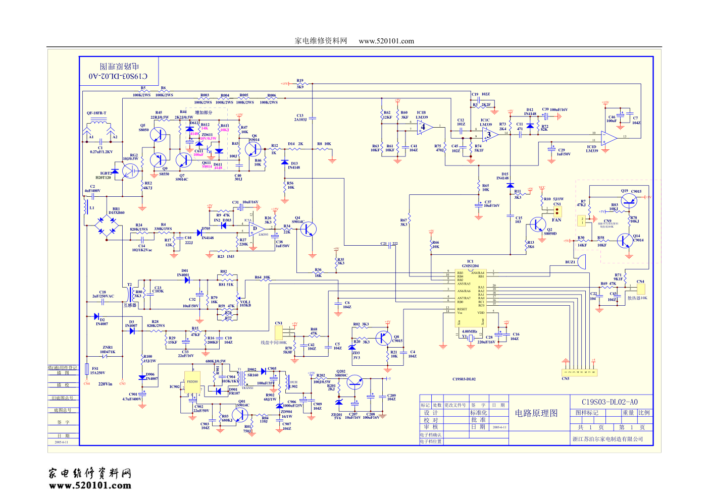
苏泊尔C21S03-DL02-A0电磁炉电路图-0

家电维修资料网 www.520101.com 审 核 校 对 浙江苏泊尔家电制造有限公司 图样标记 重量 比例 C19S03-DL02-A0 电路原理图 设 计 标准化 批 准 日 期 标记 处数 更改文件号 签 字 日 期 共 1 页 第 1 页 C19S03-DL02-A0 电路原理图 日 期 签 字 底图总号 旧底图总号 描 校 描 图 借 通 用件登记 ( ) 电子档确认 电子档位置 R004 100K/2WS CN3 R003 100K/2WS R3 2K2F CN4 R4 330K/1WS IGBT2 ZNR1 BR1 D15XB60 FS1 15A250V L1 T2 互感器 220Vin A1 A2   C1 0.27uF/1.2KV C2 4uF/400V 1 2 CN1 11 10 13 IC1D LM339 R5 100K/2WS R72 82K R6 100K/2WS D12 IN4148 R73 2K4 R59 47K C41 104Z R60 3KF R61 10KF R62 12KF C39 100uF/16V FAN R65 10K R67 3K3 7 6 1 IC1B LM339 1 2 3 CN1 R10 5J/1W VOL1 103KB R13 3K6 R68 47K +5V R70 5K8F R74 5K1F C45 102Z R75 470J Q2 S8050D +5V R8 10K +5V C4 104Z C16 104Z C5 104Z C7 104Z +5V C46 100uF R9 47K R19 3K9 R12 1K BUZ1 C11 471 C29 1uF/50V +15V +5V Y1 4.00MHz +15V C28 220uF/16V R15 47KF R16 200KF C44 222J R17 12K C10 104Z 9 8 14 IC1C LM339 3 4 +5V R20 3K3 R21 10K +15V C12 101Z R23 1M5 Xout 12 Xin 11 RA0 17 RA1 18 RA2 19 RA3 20 AN4/RA4 1 AN5/RA5 2 AN6/RA6 3 AN7/RA7 4 RB0 6 RB1 7 RB2 8 RB3 9 RB4 10 RC0 15 RC1 16 VDD 5 Vss 14 RESET 13 IC1 GMS1204 +5 VCC C13 2A103J R24 820K/1WS C14 102/1K2Vac IN4148 D705 R26 3K3 C31 10uF/16V +5V IN2 D303 +15V R27 220K D2 IN4007 D3 IN4007 R28 820K/2WS R29 15KF 1 2 3 4 5 6 7 8 CN5 C32 10uF/50V C33 22uF/16V RE2 4K7J C18 2uF/250VAC ZD3 3V3 R69 47K R71 9K1F C22 104 D 5 4 2 3 12 IC5A LM393 R63 10KF Q4 S9014C R34 22K D14 IN4148 Q8 C9015 C19 102Z C37 10uF/16V R56 D13 C21 222 C38 1uF/50V C23 C103K C40 301J R43 100J Q5 S8050 Q9 S8550 R44 2K2J/0.5W Q6 S9014 Q7 S9014C R45 22RJ/0.5W R47 10K R46 10K RG2 10J/0.5W 10K R64 10K C6 104Z R66 10K R36 18K R35 3K3 +5V 10D471K R80 3K3 R79 18K 1 2 CN4 1 2 CN9 R78 10KJ Q14 C9014 R83 10KJ R58 10KF R30 14KF Q19 C9015 R7 47KJ +5V +5V 线盘底100K 散热器10K 线盘中间100K 接插件为黑色塑料 R81 51K IN4001 D01 R02 3K3 D15 IN4148 C15 103 R11 3K3 +5V +5V R82 C19S03-DL02 R76 R77 H20T120 C901 4.7uF/400V D906 IN4007 2K R612 14K R611 10KJ D612 4148 Q611 S9014 D611 4148 ZD611 10V/0.5W C611 100uF 增加部分 R100 15J/2W C209 104Z Q202 S8050C ZD201 5V6 R201 2KJ C208 100uF16V +5 R202 100J/0.5W C207 10uF/16V C909 104Z T1 TRANS1 R901 680KJ/0.5W C904 103K/1KV D901 FR107 C903 104Z C905 100uF/35V D902 SR160 L902 7 8 R902 68J/1W 4 C902 22uF/50V 1 2 3 5 FSD200 10UH IC902 C906 1000uF/25V Q01 S9014C R03 680KJ ZD904 16/1W R01 750J R04 110J +15V C907 104Z R006 100K/2WS R005 100K/2WS C42 104Z C43 104Z QF-18FR-T 2005-6-11 2005-6-11

标签:

版权声明

1. 本站所有素材,仅限学习交流,仅展示部分内容,如需查看完整内容,请下载原文件。
2. 会员在本站下载的所有素材,只拥有使用权,著作权归原作者所有。
3. 所有素材,未经合法授权,请勿用于商业用途,会员不得以任何形式发布、传播、复制、转售该素材,否则一律封号处理。
4. 如果素材损害你的权益请联系客服QQ:77594475 处理。