苏泊尔C19S05-A-DL02-A0电磁炉电路图

分类:电子电工 日期: 点击:0
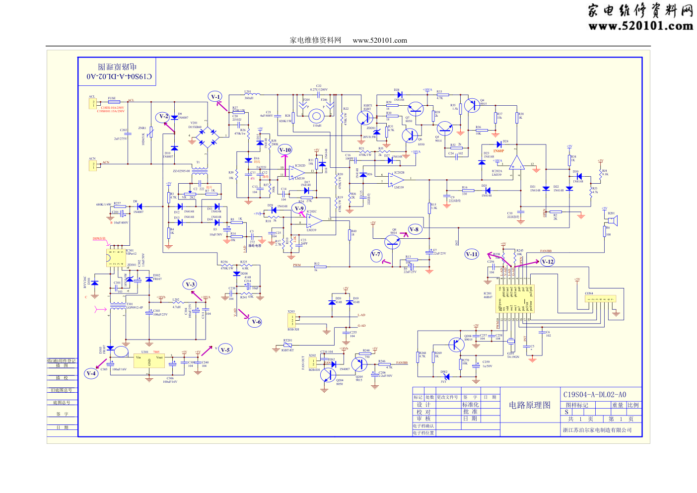
苏泊尔C19S05-A-DL02-A0电磁炉电路图-0

家电维修资料网 www.520101.com 审 核 校 对 浙江苏泊尔家电制造有限公司 图样标记 重量 比例 C19S04-A-DL02-A0 电路原理图 设 计 标准化 批 准 日 期 标记 处数 更改文件号 签 字 日 期 共 1 页 第 1 页 C19S04-A-DL02-A0 电路原理图 日 期 签 字 底图总号 旧底图总号 描 校 描 图 借 通 用件登记 ( ) 电子档确认 电子档位置 Q6 8550 D28 1N4148 C2 222 3 4 1 2 V201 D15XB60 RJ8 200K C22 0.27U/1200V F205 P F206 P 1 2 110uH IGBT1 IGBT 5 4 2 3 12 IC202A LM339 11 10 13 IC202D LM339 7 6 1 IC202B LM339 9 8 14 IC202C LM339 T1 ZZ-02505-00 C11 R7 1K VR 2K2 ZNR1 10D651K 1 2 ACL 1 2 ACN FUSE C202 2uF/275V D10 1N4007 D9 1N4007 D13 1N4148 D26 1N4148 D11 1N4148 D12 1N4148 D141N4148 R14 10k I-AD R31 4.7K RJ7 300k Q7 8050 C23 56PF C9 222J涤纶 R27 820K/1W R26 470k/1w RJ9 10k C20 2J102J L201 360uH C21 4uF/400V C10 222J涤纶 +5V +5V +5V R24 27K R11 16k R17 2.7K R18 3k R20 470K/1W RJ5 2k C12 2A222J C13 104 C14 104 D17 1N4148 D18 1N4148 D25 1N4148 R21 470K/1W R39 2k RJ6 2K R28 820K/1W D15 1N4148 D29 1N4148 R19 470K/1W RJ10 2.2K R40 18 R34 1K R30 18 R29 18 Q8 9014 Q5 9014 Q4 9015 R32 2k R33 4.7K R35 1.5k R38 1K C24 102 C16 100PF R37 33k R36 10K RJ3 4.7k RJ4 9.1K R16 330 D24 1N60P D23 1N4148 +18VA D22 1N4148 ACL ACN R12 1k E5 10uF/50V D21 1N4148 C15 222J涤纶 OPEN R13 10K E7 22uF/25V E6 22uF/25V R15 3.3K +5V R22 470K/1W +5V +18VA D30 1N4148 A D27 1N4148 D16 跳线 +5V PWM 471 +5V R238 10k + B201 R245 10K Q208 S9015 R268 4.7K R269 1K R270 10K DW2 3V3 C259 1u/50V +5V C258 104 G201 T4.19GN 1 2 3 4 5 6 7 CON4 +5V pa3/pfd 1 pa2 2 pa1 3 pa0 4 pb3/an3 5 pb2/an2 6 pb1/an1 7 pb0/an0 8 vss 9 pd0/pwm 10 res 11 vdd 12 osc2 13 osc1 14 pa7 15 pa6 16 pa5/int 17 pa4/tmr 18 IC201 46R47 C257 104 OPEN INT PWM FAN/BB I-AD L-AD V-AD C256 104 G-AD +5V INT 1 2 3 X203 B3B-XH RT201 IGBT-RT G-AD L-AD Q204 8050 D262 1N4007 R246 4.7K C206 2.2uF/50V Q205 9015 R248 750 +5V 1 2 X202 B2B-EH +18Vb C234 104 FAN/BB FAN OUT FAN- C255 104 Vin 1 GND 2 Vout 3 U301 7805 C301 103 +18Vb C303 100uF/25V D302 FR107 D301 BYV26C D303 FR107 C305 100uF/16V C306 100uF/16V C309 104 +5V C302 1.0uF/50V DIP8封装 C 1 8 2 3 6 4 5 7 IC301 VIPer12 +18VA C304 100uF/25V C311 104 A K ZD301 18V/0.5W L202 4.7uH V-4 C240 104 +5V R256 470K/1W R225 6.8K D208 4148 R241 43K C214 10uF C238 104 V-AD C201 10uF/400V R257 680K/1/4W B 1 2 3 4 T301 LGP0912-4P R6 100 R5 1K C3 272 涤纶电容 R3 4.7K R4 1K +5V 瓷片 涤纶 C25 104 C18ES:10A/250V C19S0101:15A/250V V-3 V-2 V-1 V-8 V-7 V-5 V-6 V-12 V-11 C5 * C6 102 ZD201 20V/0.5W R2 2K D8 1N4007 D19 4148 D20 4148 +5V +18VA V-10 V-9 S

标签:

版权声明

1. 本站所有素材,仅限学习交流,仅展示部分内容,如需查看完整内容,请下载原文件。
2. 会员在本站下载的所有素材,只拥有使用权,著作权归原作者所有。
3. 所有素材,未经合法授权,请勿用于商业用途,会员不得以任何形式发布、传播、复制、转售该素材,否则一律封号处理。
4. 如果素材损害你的权益请联系客服QQ:77594475 处理。