海信液晶RSAG7.820.4359主板电路原理图

分类:电子电工 日期: 点击:0
海信液晶RSAG7.820.4359主板电路原理图-0 海信液晶RSAG7.820.4359主板电路原理图-1 海信液晶RSAG7.820.4359主板电路原理图-2 海信液晶RSAG7.820.4359主板电路原理图-3 海信液晶RSAG7.820.4359主板电路原理图-4 海信液晶RSAG7.820.4359主板电路原理图-5

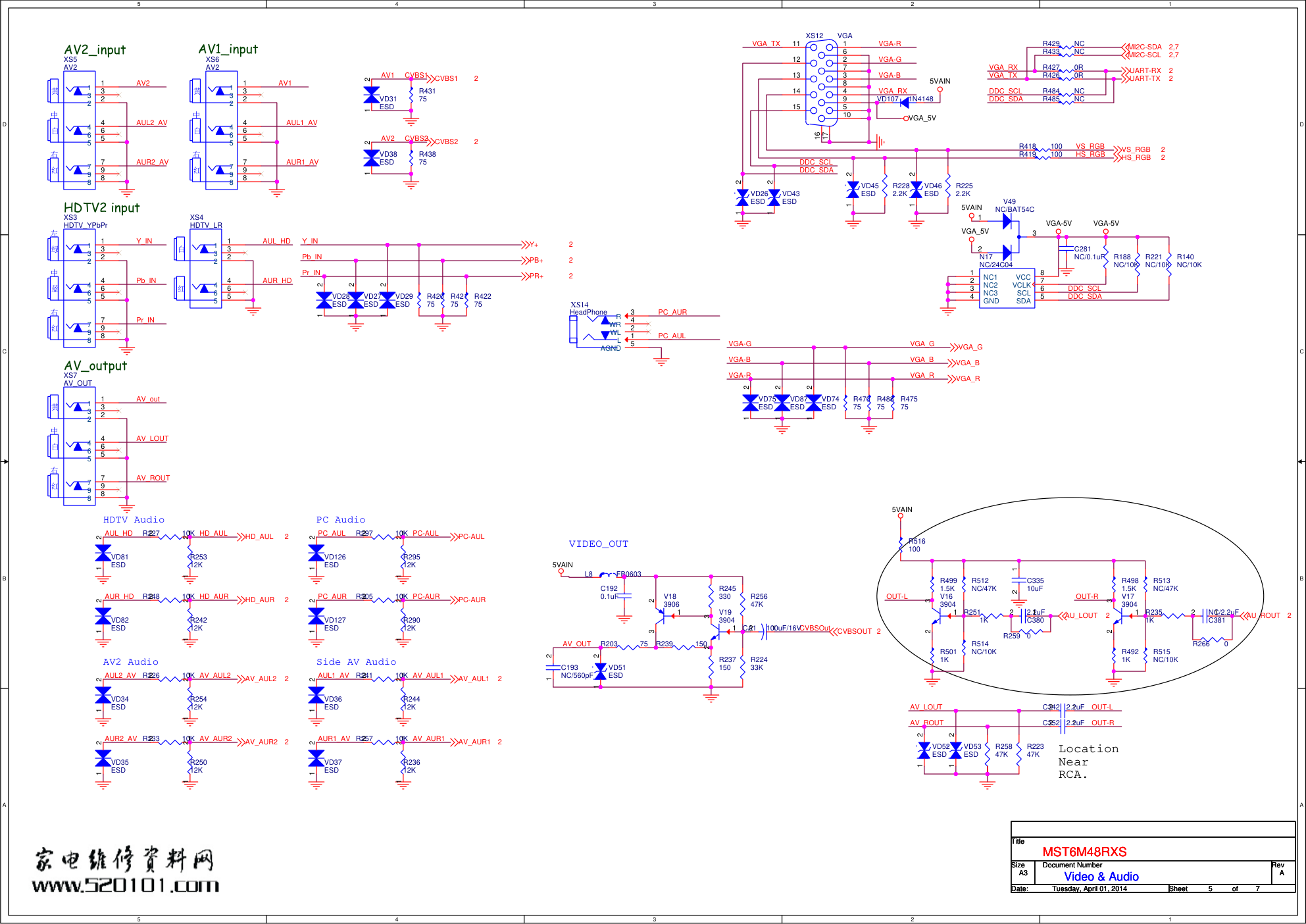
5 4 3 2 1 D D C C B B A A SOT-223 SOT-223 3.3V Power_Standby 3.3V Power_Normal Standby Power 3.3V Normal Power 2.5V Normal Power 3.3V DDR2 1.8V Power for Panel Power for USB Normal Power 1.2V 1.8V Power for DDR SOT-252 2.5V Power 靠近芯片 靠近芯片 靠近N15 背光控制 12V to 5V Power for 5VAIN V=0.8*(1+R781/R774) Change to 7Pin ZYY 2010.11.09 R1:根据电源要求,更改为1K. ADJ-PWM0 BL-ADJUST AVSS_PGA BL-ADJUST BL-ON/OFF ON_PBACK PWR-ON PWR-ON/OFF BL-ON/OFF PWR-ON PWR-ON BL-ADJUST BL-ON/OFF PWR-ON AMP-Lout+ AMP-Lout- AMP-Rout- AMP-Rout+ PWR-ON PWR-ON BL-ADJUST BL-ON/OFF BL-ADJUST VCC1.26V 5Vstb 5Vstb 5VAIN 5VAIN 33V_Normal 5Vstb 3.3Vstb 5VAIN 2.5V_Normal +2.5V_PGA 33V_Normal VDD33 AU33 AVDD_PLL AVDD_EAR33 AVDD_DDR_1.8V AVDD_DMPLL AVDD_ADC AVDD_DVI 3.3Vstb AVDD2P5_MOD AU25 2.5V_Normal AVDD25_DEMOD ADC2P5 AVDD_NODIE 1.8V-MIU0 1.8V_DDR2 +12V 5VAIN VCC-Panel 3.3Vstb AVSS_PGA VDDC VCC1.26V AVDD1P2 DVDD_DDR_1.2V 5VAIN 1.8V_DDR2 12V VCC-A 5VAIN 5V_USB +12V 12V 1.8V_DDR2 5VAIN 5VAIN +12V 5VS 5VS 5VAIN 5Vstb 12V VCC-A 5VS 5Vstb 12V +12V +12V_TUNER 12V PWR-ON/OFF 2 ON_PANEL 2 ON_PBACK 2 ADJ-PWM0 2 AMP-Lout+2 AMP-Lout- 2 AMP-Rout- 2 AMP-Rout+2 BL-ADJUST 2 Title Size Document Number Rev Date: Sheet of 7 A System Power MST6M48RXS A2 Tuesday, April 01, 2014 1 Title Size Document Number Rev Date: Sheet of 7 A System Power MST6M48RXS A2 Tuesday, April 01, 2014 1 Title Size Document Number Rev Date: Sheet of 7 A System Power MST6M48RXS A2 Tuesday, April 01, 2014 1 C98 0.1uF C196 0.1uF 1 2 C310 2.2uF 1 2 N25 AO3401 1 2 3 C155 0.1uF N6 APM7328 S1 1 G1 2 S3 3 G2 4 D4 5 D2 6 D3 7 D1 8 R780 15K C157 1uF R1 2.2K C32 0.1uF L14 FB0603 R340 47K C4 0.1uF C139 0.1uF C99 0.1uF R779 0 C149 0.1uF C150 0.1uF R775 22 C95 0.1uF L6 NC/FB220 C302 0.1uF 1 2 CA13 220uF/16V 1 2 CA6 100uF/16V 1 2 C91 0.1uF R24 4.7K R776 NC/10K R345 10K L18 FB0603 C702 0.1uF R348 NC/10K R375 2.2K C343 1uF 1 2 L22 NC/FB220 L33 NC/FB220 C156 0.1uF R359 22K L34 FB0603 R343 22K XP9 1 2 3 4 5 6 7 V11 3904 1 2 3 R344 1K R346 22K C142 0.1uF C705 0.1uF R374 6.04K/1% R25 NC/10K R20 NC C351 10uF 1 2 R778 0 C123 0.1uF C30 0.1uF R12 0 1 2 C353 4.7uF 1 2 C126 0.1uF + CA12 100uF/16V C340 4.7uF 1 2 C101 0.1uF C354 4.7uF 1 2 R19 10K V28 3904 1 2 3 L12 FB0603 R14 NC/4.7K R378 2.4K/1% L16 FB0603 C117 0.1uF C110 0.1uF XP8 Power_Sub 1 2 3 4 5 6 7 8 9 10 C199 1uF 1 2 C306 2.2uF V10 3904 1 2 3 C195 1uF 1 2 C136 0.1uF TO-252 N15 AP1084-ADJ GND 1 VIN 2 VOUT 3 L106 FB/220 1 2 R51 10K C334 2.2uF 1 2 C7 10uF 1 2 R347 22K R5 NC/0 1 2 R777 22 C339 2.2uF 1 2 C102 0.1uF VD108 1N4148 SOT-223 N2 AMS1117-3.3 GND 1 VOUT 2 VIN 3 VOUT_3 4 R23 1K 1 2 C152 0.1uF R8 1K R15 4.7K V2 3904 1 2 3 C108 2.2uF 1 2 C341 4.7uF 1 2 CA15 100uF/16V 1 2 CA9 100uF/16V 1 2 C382 10uF/16V C14 0.1uF C96 0.1uF C153 0.1uF V3 3904 1 2 3 L23 FB220 C134 0.1uF C50 4.7uF N14 AO3401 1 2 3 L32 FB220 C304 3.3nF 1 2 R771 10 CA14 100uF/16V 1 2 C130 0.1uF C393 4.7uF 1 2 C89 0.1uF + CA20 220uF/16V R395 NC R4 4.7K 1 2 R6 47K1 2 C308 0.1uF C704 NC/1nF R7 4.7K L11 10uH/2A 1 2 C51 1uF 1 2 R379 1K/1% C131 0.1uF XP14 ZJ/POWER_INPUT 1 2 3 4 5 6 7 8 9 10 11 12 13 C122 0.1uF C133 0.1uF L15 FB0603 SOT-223 N26 AMS1117-ADJ GND 1 VOUT 2 VIN 3 VOUT_3 4 C725 4700P/50V V5 3904 1 2 3 R9 4.7K C90 0.1uF L19 FB0603 C31 10uF 1 2 C125 0.1uF V13 3904 1 2 3 V1 3904 1 2 3 L98 10uH C128 0.1uF L17 FB0603 C307 0.1uF 1 2 C703 0.1uF C5 10uF 1 2 SOT-223 N3 AMS1117-3.3 GND 1 VOUT 2 VIN 3 VOUT_3 4 C197 10uF/16V C301 0.1uF 1 2 C132 0.1uF CA8 100uF/16V 1 2 N24 AO4459 S1 1 S2 2 S3 3 G2 4 D4 5 D3 6 D2 7 D1 8 + CA21 220uF/16V R377 2.2/2W C706 1uF/16v C309 2.2uF 1 2 C154 0.1uF R10 10K C137 0.1uF C135 0.1uF C11 10uF R774 1.8K C116 0.1uF C201 0.1uF 1 2 N10 APW7120 BOOT 1 UGATE1 2 GND 3 LGATE 4 VCC 5 FB 6 OCSET 7 PHASE 8 R3 100 C6 0.1uF C103 0.1uF C97 0.1uF C140 0.1uF C303 10uF 1 2 R341 47K C12 0.1uF R52 1K C121 0.1uF R26 4.7K R781 10K R2 10K C129 0.1uF C118 0.1uF R373 100K L41 FB220 C127 0.1uF R354 10K L13 FB0603 CA11 220uF/16V 1 2 R50 10K R18 4.7K V8 3904 1 2 3 SOT-223 N13 AMS1117-2.5 GND 1 VOUT 2 VIN 3 VOUT_3 4 C391 10uF C29 10uF 1 2 C312 2.2uF 1 2 L7 FB220 C124 0.1uF R11 4.7K C198 0.1uF N1 MP1482 BST 1 VCC 2 OUT 3 GND 4 FB 5 COMP 6 EN 7 SS 8 C151 0.1uF C311 2.2uF 1 2 C115 0.1uF R376 16K/1% C145 0.1uF R342 10K C305 0.1uF 1 2 V4 3904 1 2 3 VD106 1N4148 C105 0.1uF C109 0.1uF C300 10nF 1 2 5 4 3 2 1 D D C C B B A A I2C address at A0. // CHIP Config {I2S_OUT_SD} Boot from SPI flash 1'b0 Boot from NOR flash 1'b1 {I2S_OUT_BCK, I2S_OUT_MCK, PAD_PWM1, PAD_PWM0} B51_no_EJ 4'h0 MIPS_no_EJ_NOR8 4'h3 MIPS_EJ1_NOR16 4'h7 Debug port Note: SW don't support MX25L6405D Mode Selection Power off detection Close to IC with width trace GPIO PULL-UP HDCP KEY Address: 0xA4 2010-02-23 USB CMO/LG ICT ZYY 2010.11.09 NC NC 32''SAMSUNG 26'' CMO HD A-MADR0 A-MADR0 A-MADR1 A-MADR1 A-MADR10 A-MADR10 A-MADR11 A-MADR11 A-MADR12 A-MADR12 A-MADR13 A-MADR13 A-MADR2 A-MADR2 A-MADR3 A-MADR3 A-MADR4 A-MADR4 A-MADR5 A-MADR5 A-MADR6 A-MADR6 A-MADR7 A-MADR7 A-MADR8 A-MADR8 A-MADR9 A-MADR9 A-MBADR0 A-MBADR0 A-MBADR1 A-MBADR1 A-MBADR2 A-MBADR2 A-MCASZ A-MCASZ A-MCKE A-MCKE A-MDATA0 A-MDATA0 A-MDATA1 A-MDATA1 A-MDATA10 A-MDATA10 A-MDATA11 A-MDATA11 A-MDATA12 A-MDATA12 A-MDATA13 A-MDATA13 A-MDATA14 A-MDATA14 A-MDATA15 A-MDATA15 A-MDATA2 A-MDATA2 A-MDATA3 A-MDATA3 A-MDATA4 A-MDATA4 A-MDATA5 A-MDATA5 A-MDATA6 A-MDATA6 A-MDATA7 A-MDATA7 A-MDATA8 A-MDATA8 A-MDATA9 A-MDATA9 A-MODT A-MODT A-MRASZ A-MRASZ A-MVREF A-MVREF A-MWEZ A-MWEZ ADJ-PWM0 ADJ-PWM0 ADJ-PWM0 AMP-MUTE AMP-MUTE AUBCK_OUT AUBCK_OUT AUMCK_OUT AUMCK_OUT AUOUTL0 AUOUTL0 AUOUTL3 AUOUTL3 AUOUTR0 AUOUTR0 AUOUTR3 AUOUTR3 AUVAG AUVRM AUVRP AVSS_PGA AV_AUL1 AV_AUL2 AV_AUR1 AV_AUR2 A_LDQM A_LDQM A_LDQSM A_LDQSM A_LDQSP A_LDQSP A_MADR0 A_MADR0 A_MADR1 A_MADR1 A_MADR10 A_MADR10 A_MADR11 A_MADR11 A_MADR12 A_MADR12 A_MADR13 A_MADR13 A_MADR2 A_MADR2 A_MADR3 A_MADR3 A_MADR4 A_MADR4 A_MADR5 A_MADR5 A_MADR6 A_MADR6 A_MADR7 A_MADR7 A_MADR8 A_MADR8 A_MADR9 A_MADR9 A_MBADR0 A_MBADR0 A_MBADR1 A_MBADR1 A_MBADR2 A_MBADR2 A_MCASZ A_MCASZ A_MCKE A_MCKE A_MCLK A_MCLK A_MCLK+ A_MCLK+ A_MCLK- A_MCLK- A_MCLKZ A_MCLKZ A_MDATA0 A_MDATA0 A_MDATA1 A_MDATA1 A_MDATA10 A_MDATA10 A_MDATA11 A_MDATA11 A_MDATA12 A_MDATA12 A_MDATA13 A_MDATA13 A_MDATA14 A_MDATA14 A_MDATA15 A_MDATA15 A_MDATA2 A_MDATA2 A_MDATA3 A_MDATA3 A_MDATA4 A_MDATA4 A_MDATA5 A_MDATA5 A_MDATA6 A_MDATA6 A_MDATA7 A_MDATA7 A_MDATA8 A_MDATA8 A_MDATA9 A_MDATA9 A_MDQML A_MDQML A_MDQMU A_MDQMU A_MDQSL A_MDQSL A_MDQSLZ A_MDQSLZ A_MDQSU A_MDQSU A_MDQSUZ A_MDQSUZ A_MODT A_MODT A_MRASZ A_MRASZ A_MWEZ A_MWEZ A_UDQM A_UDQM A_UDQSM A_UDQSM A_UDQSP A_UDQSP CVBS1 CVBS2 CVBSOut EARPHONE_OUTL EARPHONE_OUTL EARPHONE_OUTR EARPHONE_OUTR EEPROM-WP EEPROM-WP FLASH_WPN HDMI-CEC HDMI1-CLKN HDMI1-CLKP HDMI1-RX0N HDMI1-RX0P HDMI1-RX1N HDMI1-RX1P HDMI1-RX2N HDMI1-RX2P HDMI1-SCL HDMI1-SDA HDMI_HP1 HDMI_HP1 HD_AUL HD_AUR HS_RGB IR-in IR-in IRIN IRIN KEY0-in KEY0-SAR0 KEY0-SAR0 KEY1-in KEY1-SAR1 KEY1-SAR1 LED LED LED_CTL LED_CTL MDDR_VREF MDDR_VREF MI2C-SCL MI2C-SCL MI2C-SCL MI2C-SDA MI2C-SDA MI2C-SDA MUTE_DET MUTE_DET XTALO ON-PBACK ON-PBACK ON_PANEL ON_PANEL ON_PBACK ON_PBACK ON_PBACK ON_USB1 ON_USB1 PB+ PC-AUL PC-AUR PR+ PWR-ON/OFF RXE0+ RXE0+ G2_RXE0+ RXE0- RXE0- G3_RXE0- RXE1+ RXE1+ G0_RXE1+ RXE1- RXE1- G1_RXE1- RXE2+ RXE2+ B6_RXE2+ RXE2- RXE2- B7_RXE2- RXE3+ RXE3+ B2_RXE3+ RXE3- RXE3- B3_RXE3- RXEC+ RXEC+ B4_RXEC+ RXEC- RXEC- B5_RXEC- RXO0+ R6_RXO0+ RXO0- R7_RXO0- RXO1+ R4_RXO1+ RXO1- R5_RXO1- RXO2+ R2_RXO2+ RXO2- R3_RXO2- RXO3+ G6_RXO3+ RXO3- G7_RXO3- RXOC+ R0_RXOC+ RXOC- R1_RXOC- SIF-SW SIF-SW SPI-CS0N SPI-SCK SPI-SDI SPI-SDO SPI_CS0N SPI_CS0N SPI_Flash-SCK SPI_Flash-SCK SPI_Flash-SDI SPI_Flash-SDI SPI_Flash-SDO SPI_Flash-SDO SPI_WP0N SPI_WP0N System-RST System-RST TAGC TAGC TUNER_SCL TGPIO2 TGPIO3 TUNER_SDA UART-RX UART-RX UART-TX UART-TX USB0_DM USB0_DP USB2_DM USB2_DP VCC_EEP VCC_EEP VGA_B VGA_G VGA_R VIFM VIFP VS_RGB XTALI XTALI XTALO Y+ HDMI_HP2 HDMI2-CLKN HDMI2-CLKP HDMI2-RX0N HDMI2-RX0P HDMI2-SDA HDMI2-RX2N HDMI2-RX2P HDMI2-SCL HDMI2-RX1N HDMI2-RX1P USB0_DM USB0_DP USB1_D1+_in USB1_D1+_in USB1_D1-_in USB1_D1-_in USB2_D1+_in USB2_D1+_in USB2_D1-_in USB2_D1-_in USB2_DM USB2_DP LVDS_SCL R7_RXO0- R6_RXO0+ R5_RXO1- R4_RXO1+ R3_RXO2- R2_RXO2+ G7_RXO3- G6_RXO3+ R1_RXOC- R0_RXOC+ G3_RXE0- G2_RXE0+ G1_RXE1- G0_RXE1+ B7_RXE2- B6_RXE2+ B3_RXE3- B2_RXE3+ B5_RXEC- B4_RXEC+ G7_RXO3- ODSEL G6_RXO3+ R2_RXO2+ R3_RXO2- R5_RXO1- LVDS_SCL R1_RXOC- R7_RXO0- VCC-Panel R6_RXO0+ R0_RXOC+ R4_RXO1+ ODSEL LVDS_SCL R4_RXO1+ VCC-Panel G6_RXO3+ VCC-Panel VCC-Panel VCC-Panel R5_RXO1- VCC-Panel R0_RXOC+ R6_RXO0+ R1_RXOC- R7_RXO0- R2_RXO2+ LVDS_SCL G7_RXO3- R3_RXO2- BRI_OUT BRI_EXT BRI_EXT BRI_OUT LVDS_SCL BL-ADJUST ADJ-PWM0 33V_Normal 5VAIN 5VAIN VCC-Panel 3.3Vstb 3.3Vstb 33V_Normal AVSS_PGA AVDD_DDR_1.8V 5Vstb 3.3Vstb 5Vstb 5Vstb VDDC AVDD_DDR_1.8V AVDD_DDR_1.8V AVDD1P2 AVDD2P5_MOD AU33 AVDD_DDR_1.8V AVDD_DDR_1.8V AVDD_ADC AVDD_DVI VDDC AVDD25_DEMOD AVDD_NODIE AVDD_DDR_1.8V AVDD_DDR_1.8V VDDC VDDC AVDD_EAR33 VDD33 AVDD2P5_MOD AU25 AVDD_PLL VDD33 +2.5V_PGA AVDD_DMPLL AVDD_DDR_1.8V DVDD_DDR_1.2V VDDC AVDD_DDR_1.8V AVDD_DVI ADC2P5 AVDD_PLL 5VAIN 1.8V-MIU0 1.8V-MIU0 VDD33 5VAIN VCC-Panel 33V_Normal 5VAIN 3.3Vstb 3.3Vstb 5V_USB VCC-PANEL 33V_Normal PHONE-L 7 PHONE-R 7 VS_RGB 4 HS_RGB 4 CVBS2 5 CVBS1 5 AMP-R 7 AMP-L 7 AU_ROUT 5 AU_LOUT 5 AV_AUL1 5 AV_AUL2 5 AV_AUR1 5 AV_AUR2 5 HD_AUL 5 HD_AUR 5 HDMI1-RX2P 3 HDMI1-RX2N 3 HDMI1-RX1P 3 HDMI1-RX1N 3 HDMI1-RX0P 3 HDMI1-RX0N 3 HDMI1-CLKP 3 HDMI1-CLKN 3 HDMI1-SCL 3 HDMI1-SDA 3 HDMI-CEC 3 HDMI_HP1 3 CVBSOUT 5 UART-RX 4 VIFM 6 VIFP 6 TAGC 6 TUNER_SCL 6 TUNER_SDA 6 PWR-ON/OFF 1 UART-TX 4 ON_PANEL 1 ADJ-PWM0 1 AMP-MUTE 7 ON_PBACK 1 PC-AUL 4 PC-AUR 4 MI2C-SCL 4,7 MI2C-SDA 4,7 MUTE_DET 7 VGA_B 4 VGA_G 4 VGA_R 4 PB+ 5 Y+ 5 PR+ 5 HDMI2-CLKN 3 HDMI2-RX0P 3 HDMI2-CLKP 3 HDMI2-RX0N 3 HDMI_HP2 3 HDMI2-RX1P 3 HDMI2-RX2N 3 HDMI2-RX2P 3 HDMI2-RX1N 3 HDMI2-SCL 3 HDMI2-SDA 3 BL-ADJUST 1 Title Size Document Number Rev Date: Sheet of 2 7 A MST6M48RS MST6M48RXS A2 Tuesday, April 01, 2014 Title Size Document Number Rev Date: Sheet of 2 7 A MST6M48RS MST6M48RXS A2 Tuesday, April 01, 2014 Title Size Document Number Rev Date: Sheet of 2 7 A MST6M48RS MST6M48RXS A2 Tuesday, April 01, 2014 Z1 24MHz 1 2 R351 NC/10K C53 1uF C107 2.2uF R197 22 R200 22 R126 4.7K VD70 ESD_HDMI 1 2 L9 10uH/0805 R69 33 RP16 22 1 2 3 4 5 6 7 8 C76 1nF R216 1K C165 0.1uF C319 1nF C138 0.1uF VZ5 3V 1 2 XP5 Debug 1 1 2 2 3 3 4 4 R37 5.1 C329 10uF 1 2 R119 NC R152 4.7K RP15 22 1 2 3 4 5 6 7 8 R153 4.7K R408 0R/NC XP4 KEY 1 1 2 2 3 3 4 4 RP2 75 1 2 3 4 5 6 7 8 R199 22 R405 0/NC 1 2 R113 1K/1% R201 22 C88 47nF C327 47nF C114 1nF R135 10K R321 10K R116 100 R195 22 R38 5.1 RP5 75 1 2 3 4 5 6 7 8 R106 220K R411 0R/NC C161 20pF 1 2 R318 27K/NC R65 681 2 R198 1K/1% Audio-Inx5 SPI RGBx2 SARx3 HDMIB PM I2S Out & GPIO Audio-Outx3 LVDSx2 10Bit CVBSx5 UART VIF & SIF DDR2 Data & Addr HDMIA I2CM USB2 USB0 N20 MST6M48RXS RESET 1 HOTPLUGB 2 RXCN_B 3 RXCP_B 4 RX0N_B 5 RX0P_B 6 AVDD_DVI_3.3V_6_6 7 RX1N_B 8 RX1P_B 9 DDCDB_DA 10 RX2N_B 11 RX2P_B 12 DDCDB_CK 13 RXCN_A 14 RXCP_A 15 RX0N_A 16 RX0P_A 17 DDCDA_DA 18 RX1N_A 19 RX1P_A 20 DDCDA_CK 21 RX2N_A 22 RX2P_A 23 VDDC 24 HSYNC0 25 BIN0P 26 SOGIN0 27 GIN0P 28 GIN0M 29 RIN0P 30 VSYNC0 31 AVDD1P2 32 AVDD2P5_ADC 33 BIN2P 34 SOGIN2 35 GIN2P 36 GIN2M 37 RIN2P 38 AVDD3P3_ADC 39 CVBS4 40 CVBS3 41 CVBS2 42 CVBS1 43 CVBS0 44 VCOM 45 CVBS_OUT 46 LINEIN_L0 47 LINEIN_R0 48 LINEIN_L1 49 LINEIN_R1 50 VRM 51 VRP 52 VAG 53 AVDD_AU25 54 LINEIN_L3 55 LINEIN_R3 56 LINEIN_L4 57 LINEIN_R4 58 LINEIN_L5 59 LINEIN_R5 60 AVDD_AU33 61 LINEOUT_L3 62 LINEOUT_R3 63 LINEOUT_L0 64 LINEOUT_R0 65 EARPHONE_OUTL 66 EARPHONE_OUTR 67 AVDD_EAR33 68 XTAL_IN 69 XTAL_OUT 70 AVDD_DMPLL 71 AVDD25_ADC 72 AVSS_PGA 73 VIFM 74 VIFP 75 AVDD25_PGA 76 SIFP 77 SIFM 78 TAGC 79 GPIO/I2S_OUT_WS/RX2_79_79 80 GPIO/I2S_OUT_SD/TX2_80_80 81 TGPIO2 82 TGPIO3 83 GPIO/SPDIF_IN/RX1/PWM3_83_83 84 GPIO/SPDIF_OUT_84_84 85 VDDC_85 86 VDDP_1 87 GPIO44 88 GPIO/I2S_OUT_MCK_88_88 89 GPIO/I2S_OUT_BCK_89_89 90 GPIO52 91 GPIO53 92 GPIO54 93 DM_P2 94 DP_P2 95 GPIO/TX1/PWM2_95_95 96 AVDD_DVI_PC 97 B_ODD0/RXE4+_97_97 98 B_ODD1/RXE4-_98_98 99 B_ODD2/RXE3+_99_99 100 B_ODD3/RXE3-_100_100 101 B_ODD4/RXEC+_101_101 102 B_ODD5/RXEC-_102_102 103 B_ODD6/RXE2+_103_103 104 B_ODD7/RXE2-_104_104 105 G_ODD0/RXE1+_105_105 106 G_ODD1/RXE1-_106_106 107 AVDD2P5_MOD 108 G_ODD2/RXE0+_108_108 109 G_ODD3/RXE0-_109_109 110 G_ODD4/RXO4+_110_110 111 G_ODD5/RXO4-_111_111 112 G_ODD6/RXO3+_112_112 113 G_ODD7/RXO3-_113_113 114 R_ODD0/RXOC+_114_114 115 R_ODD1/RXOC-_115_115 116 R_ODD2/RXO2+_116_116 117 R_ODD3/RXO2-_117_117 118 R_ODD4/RXO1+_118_118 119 R_ODD5/RXO1-_119_119 120 R_ODD6/RXO0+_120_120 121 R_ODD7/RXO0-_121_121 122 VDDC_122 123 AVDD2P5_MOD_123 124 AVDD_LPLL 125 GPIO/I2S_IN_WS/PWM4/RX3/LCK_125_125 126 GPIO/I2S_IN_SD/PWM5/TX3/LDE_126_126 127 GPIO/I2S_IN_BCK/PWM2/LHSYNC_127_127 128 GPIO/I2S_OUT_MUTE/PWM3/LVSYNC_128_128 129 VDDP_2 130 GPIO/PWM0_130_130 131 GPIO/PWM1_131_131 132 VDDC_132 133 A_DDR2_A12 134 A_DDR2_A9 135 A_DDR2_A7 136 A_DDR2_A5 137 A_DDR2_A3 138 A_DDR2_A10 139 A_DDR2_A1 140 A_DDR2_BA2 141 AVDDIO_1.8V_141_141 142 A_DDR2_BA0 143 A_DDR2_BA1 144 A_DDR2_CLK 145 A_DDR2_WEZ 146 A_DDR2_DQ[4]_146_146 147 AVDDIO_1.8V_147_147 148 A_DDR2_DQ[3]_148_148 149 A_DDR2_DQ[1]_149_149 150 A_DDR2_DQ[6]_150_150 151 A_DDR2_DQ[11]_151_151 152 AVDDIO_1.8V_152_152 153 A_DDR2_DQ[12]_153_153 154 A_DDR2_DQ[9]_154_154 155 A_DDR2_DQ[14]_155_155 156 A_DDR2_DQMU 157 A_DDR2_DQML 158 AVDDIO_1.8V_158_158 159 A_DDR2_DQSL 160 A_DDR2_DQSLZ 161 DVDD_DDR_1.2V_161_161 162 AVDD_PLL 163 A_DDR2_DQSU 164 A_DDR2_DQSUZ 165 A_DDR2_DQ[15]_165_165 166 A_DDR2_DQ[8]_166_166 167 AVDDIO_1.8V_167_167 168 A_DDR2_DQ[10]_168_168 169 A_DDR2_DQ[13]_169_169 170 A_DDR2_DQ[7]_170_170 171 A_DDR2_DQ[0]_171_171 172 A_MVREF 173 A_DDR2_DQ[2]_173_173 174 AVDDIO_1.8V_174_174 175 A_DDR2_DQ[5]_175_175 176 A_DDR2_MCLK 177 AVDDIO_1.8V_177_177 178 A_DDR2_MCLKZ 179 A_DDR2_ODT 180 A_DDR2_RASZ 181 A_DDR2_CASZ 182 A_DDR2_A0 183 A_DDR2_A2 184 AVDDIO_1.8V_184_184 185 A_DDR2_A4 186 A_DDR2_A6 187 A_DDR2_A8 188 A_DDR2_A11 189 A_DDR2_A13 190 VDDC_190 191 DDCR_DA 192 VDDP_3 193 DDCR_CK 194 TESTPIN 195 DM 196 DP 197 AVDD_NODIE 198 DVDD_NODIE 199 GND_EFUSE 200 SPI_CK 201 SPI_DI 202 SPI_DO 203 SPI_CZ 204 GPIO/SAR0_204_204 205 GPIO/SAR1_205_205 206 GPIO/SAR2_206_206 207 HOTPLUGA 208 DDCA_CK 209 DDCA_DA 210 GPIO_PM1 211 GPIO_PM4 212 GPIO_PM5 213 GPIO_PM6 214 IRIN 215 CEC 216 E-PAD_216_216 217 R136 NC/4.7K C328 47nF C324 47nF R122 4.7K R158 4.7K C320 47nF R150 681 2 R168 47 R74 33 R55 100k 1 2 R112 220K N9 NC/MX25L3205 CE#_0_0 1 SO 2 WP#_2_2 3 VSS 4 SI 5 SCK 6 HOLD#_6_6 7 VDD 8 C325 47nF C322 47nF R73 33 C106 2.2uF XS25 ZJ/USB-W 1 2 3 4 5 6 R349 4.7K R385 0 R390 NC VD73 ESD_HDMI 1 2 R121 100 C144 2.2uF R90 75 R91 75 N21 APX810-29 C158 20pF 1 2 C66 220pF C190 0.1uF 1 2 C104 0.1uF XP11 SAMSUNG 1 2 3 4 5 6 7 8 9 10 11 12 13 14 15 16 17 18 19 20 21 22 23 24 25 26 27 28 29 30 31 32 V7 3904 1 2 3 RP14 22 1 2 3 4 5 6 7 8 R196 22 C318 47nF C177 10uF R111 220K R66 200 C78 0.1uF C63 220pF R400 100/NC 1 2 XP12 CMO 32 IPS 32 LG26 32 AUO26 1 2 3 4 5 6 7 8 9 10 11 12 13 14 15 16 17 18 19 20 21 22 23 24 25 26 27 28 29 30 31 32 VD72 ESD_HDMI 1 2 C331 22pF N8 NC/24C04 A0 1 A1 2 A2 3 GND 4 SDA 5 SCL 6 WP 7 VCC 8 L107 FB/220 1 2 C100 2.2uF C148 0.1uF R133 10K R383 100 R118 47 C46 220pF R381 100 C314 NC/2.2pF R386 0 R302 2.2K R92 4.7K C321 47nF R143 33 R410 10k/NC R77 0 R36 5.1 R402 NC/0 1 2 C332 0.1uF R406 0/NC 1 2 C188 0.1uF 1 2 RP3 75 1 2 3 4 5 6 7 8 R63 1M 1 2 R53 22 VD5 ESD 1 2 L10 10uH/0805 R393 4.7K R391 4.7K R142 0 C141 0.1uF 1 2 R387 NC C179 0.1uF 1 2 VD71 ESD_HDMI 1 2 R401 0/NC 1 2 R83 4.7K R403 NC/0 1 2 R382 100 C360 2.2uF C315 10nF R176 0 R322 2.2K R120 47 C323 1nF R175 33 C82 2.2uF XP25 1 2 3 4 5 6 7 8 9 10 11 12 13 14 15 16 17 18 19 20 21 22 23 24 25 26 27 28 29 30 31 32 33 34 35 36 37 38 39 40 41 42 43 44 45 46 47 48 49 50 51 52 53 C316 0.47uF R154 4.7K XP1 IR&LED 1 2 3 4 5 C44 220pF VD3 ESD 1 2 RP1 75 1 2 3 4 5 6 7 8 R396 100/NC 1 2 R145 681 2 R409 4.7k R127 4.7K R138 33 R238 NC/0 C85 2.2uF R49 22 R392 NC R380 100 C146 1nF 1 2 R39 5.1 R115 10K N4 24C64 A0 1 A1 2 A2 3 GND 4 SDA 5 SCL 6 WP 7 VCC 8 R104 220K R155 33 L20 FB0603 R389 4.7K R156 4.7K C166 0.1uF R350 10K A B C D E F G H J K L M N P R 1 2 3 7 8 9 Vdd NC Vss DQ14 VssQ UDM VddQ DQ9 VddQ DQ12 VssQ DQ11 Vdd NC Vss DQ6 VssQ LDM VddQ DQ1 VddQ DQ4 VssQ DQ3 VddL Vref Vss CKE WE# RFU BA0 BA1 A10 A1 Vss A3 A5 A7 A9 Vdd A12 RFU VssQ UDQS# VddQ UDQS VssQ DQ15 VddQ DQ8 VddQ DQ10 VssQ DQ13 VssQ LDQS# VddQ LDQS VssQ DQ7 VddQ DQ0 VddQ DQ2 VssQ DQ5 VssDL CK Vdd RAS# CK# ODT CAS# CS# A2 A0 Vdd A6 A4 A11 A8 RFU NC Vss N19 DDR2_512Mb VDD A1 NC2 A2 VSS A3 DQ14 B1 VSSQ B2 UDM B3 A4 N8 A6 N7 VDD_8 M9 A0 M8 A2 M7 CS#_11_11 L8 CAS#_12_12 L7 ODT K9 CLK#_14_14 K8 RAS#_15_15 K7 VDD_16 J9 CLK J8 VSSDL J7 DQ5 H9 VSSQ_20 H8 DQ2 H7 VDDQ G9 DQ0 G8 VDDQ_24 G7 DQ7 F9 VSSQ_26 F8 LDQS F7 VDDQ_28 E9 LDQS#_29_29 E8 VSSQ_30 E7 DQ13 D9 VSSQ_32 D8 DQ10 D7 VDDQ_34 C9 DQ8 C8 VDDQ_36 C7 A7 P2 A9 P3 VDD_39 R1 A12 R2 RFU3 R3 VSSQ_42 A7 UDQS#_43_43 A8 VDDQ_44 A9 UDQS B7 VSSQ_46 B8 DQ15 B9 A10 M2 A1 M3 VSS_50 N1 A3 N2 A5 N3 VDDQ_53 C1 DQ9 C2 VDDQ_55 C3 DQ12 D1 VSSQ_57 D2 DQ11 D3 VDD_59 E1 NC3 E2 VSS_61 E3 DQ6 F1 VSSQ_63 F2 LDM F3 VDDQ_65 G1 DQ1 G2 VDDQ_67 G3 DQ4 H1 VSSQ_69 H2 DQ3 H3 VDDL J1 VREF J2 VSS_73 J3 CKE K2 WE#_75_75 K3 BA2/RFU2_76_76 L1 BA0 L2 BA1 L3 RFU1 R7 NC1 R8 VSS_81 P9 A8 P8 A11 P7 C317 0.47uF RP13 22 1 2 3 4 5 6 7 8 R130 1K R117 47 R159 4.7K R125 1K/1% R144 33 R123 100 C326 47nF CA10 100uF/16V 1 2 R128 4.7K R124 4.7K C143 0.1uF C119 47nF R129 1K N5 MX25L6445E HOLD_0_0 1 VCC 2 NC1 3 NC2 4 NC3 5 NC4 6 SO16-CS_6_6 7 DO 8 WP/Vpp_8_8 9 VSS 10 NC5 11 NC6 12 NC7 13 NC8 14 DI 15 CLK 16 R134 10K C75 2.2uF C330 10uF 1 2 RP4 75 1 2 3 4 5 6 7 8 R404 0 1 2 VD4 ESD 1 2 R407 0R/NC XS24 ZJ/USB-W 1 2 3 4 5 6 R388 NC RP10 33 1 2 3 4 5 6 7 8 R202 1K/1% R137 4.7K R107 4.7K C71 2.2uF 5 4 3 2 1 D D C C B B A A CEC CEC HDMI1-DDC-SCL HDMI1-DDC-SCL HDMI1-DDC-SDA HDMI1-DDC-SDA HDMI1-HPD HDMI1-HPD HDMI1-RX0+ HDMI1-RX0+ HDMI1-RX0- HDMI1-RX0- HDMI1-RX1+ HDMI1-RX1+ HDMI1-RX1- HDMI1-RX1- HDMI1-RX2+ HDMI1-RX2+ HDMI1-RX2- HDMI1-RX2- HDMI1-RXC+ HDMI1-RXC+ HDMI1-RXC- HDMI1-RXC- HDMI_HP1 HDMI2-RX2+ HDMI_HP2 HDMI2-RX2- HDMI2-RX1+ HDMI2-RX1- HDMI2-RX0+ HDMI2-RX0+ HDMI2-RX0- HDMI2-RXC+ HDMI2-RXC- HDMI2-HPD HDMI2-RX0- HDMI2-RX2+ HDMI2-RX2- HDMI2-RX1+ HDMI2-RX1- HDMI2-RXC+ HDMI2-RXC- HDMI2-DDC-SCL HDMI2-DDC-SDA HDMI2-DDC-SDA HDMI2-DDC-SCL CEC HDMI2-HPD HDMI1/5V HDMI2/5V HDMI-CEC 2 HDMI_HP1 2 HDMI1-RX2P 2 HDMI1-RX2N 2 HDMI1-RX1P 2 HDMI1-RX1N 2 HDMI1-RX0P 2 HDMI1-RX0N 2 HDMI1-CLKP 2 HDMI1-CLKN 2 HDMI1-SCL 2 HDMI1-SDA 2 HDMI2-SCL 2 HDMI2-SDA 2 HDMI2-RX2P 2 HDMI2-RX2N 2 HDMI2-RX1P 2 HDMI2-RX1N 2 HDMI2-RX0P 2 HDMI2-RX0N 2 HDMI2-CLKP 2 HDMI2-CLKN 2 HDMI_HP2 2 Title Size Document Number Rev Date: Sheet of MST6M48RXS HDMI A 7 3 A3 Tuesday, April 01, 2014 Title Size Document Number Rev Date: Sheet of MST6M48RXS HDMI A 7 3 A3 Tuesday, April 01, 2014 Title Size Document Number Rev Date: Sheet of MST6M48RXS HDMI A 7 3 A3 Tuesday, April 01, 2014 XS11 HDMI_1 DATA2+_0 1 DATA2 SHIELD_1 2 DATA2-_2 3 DATA1+_3 4 DATA1 SHIELD_4 5 DAT1A-_5 6 DATA0+_6 7 DATA0 SHIELD_7 8 DATA0-_8 9 CLK+_9 10 CLK SHIELD_10 11 CLK-_11 12 CEC 13 NC 14 SCL 15 SDA 16 DDC/CEC GND_16 17 +5V POWER_17 18 HOT PLUG_18 19 GND1 20 GND2 21 GND3 22 GND4 23 GND5 24 R163 10 R207 100 R147 100 VD57 ESD_HDMI 1 2 R298 10 R162 10 VD30 ESD_HDMI 1 2 R220 10 VD11 ESD_HDMI 1 2 VD18 ESD 1 2 VD65 ESD_HDMI 1 2 VD6 ESD_HDMI 1 2 R194 NC/1K 1 2 R161 10 R204 10K 1 2 R187 10 VD68 ESD_HDMI 1 2 VD17 ESD 1 2 R180 10 R185 1K VD10 ESD_HDMI 1 2 R208 10K 1 2 VD58 ESD 1 2 R181 200 1 2 R303 10K R177 1K R178 4.7K R300 10 VD13 ESD_HDMI 1 2 R166 10K R213 10 VD14 ESD 1 2 R210 10 R212 10 VD9 ESD_HDMI 1 2 VD7 ESD_HDMI 1 2 VD59 ESD 1 2 VD69 ESD_HDMI 1 2 R160 10 R186 10K R313 NC/1K 1 2 R296 10 R191 100 VD60 ESD 1 2 R209 10 V29 3904 1 2 3 VD16 ESD 1 2 R219 10K VD55 ESD_HDMI 1 2 R146 100 R215 10 XS13 HDMI_2 DATA2+ 1 DATA2 SHIELD 2 DATA2- 3 DATA1+ 4 DATA1 SHIELD 5 DAT1A- 6 DATA0+ 7 DATA0 SHIELD 8 DATA0- 9 CLK+ 10 CLK SHIELD 11 CLK- 12 CEC 13 NC 14 SCL 15 SDA 16 DDC/CEC GND 17 +5V POWER 18 HOT PLUG 19 GND1 20 GND2 21 GND3 22 GND4 23 GND 24 VD12 ESD_HDMI 1 2 V9 3904 1 2 3 VD61 ESD 1 2 R164 10K R307 10 VD66 ESD_HDMI 1 2 VD56 ESD_HDMI 1 2 VD8 ESD_HDMI 1 2 5 4 3 2 1 D D C C B B A A AV2 Audio VIDEO_OUT Location Near RCA. HDTV Audio Side AV Audio PC Audio HDTV2 input AV2_input AV_output AV1_input AUL1_AV AUL1_AV AUL2_AV AUL_HD AUR1_AV AUR1_AV AUR2_AV AUR_HD AV_AUL1 AV_AUL2 AV_AUR1 AV_AUR2 AV_LOUT AV_OUT AV_ROUT CVBS1 AV1 AV1 CVBS2 AV2 CVBSOut DDC_SCL DDC_SCL DDC_SCL DDC_SDA DDC_SDA DDC_SDA HD_AUL HD_AUR HS_RGB OUT-L OUT-L OUT-R OUT-R Pb_IN PC-AUL PC-AUR PC_AUL PC_AUR Pr_IN VGA-B VGA-B VGA_B VGA-G VGA-G VGA_G VGA-R VGA-R VGA_R VGA_RX VGA_RX VGA_TX VGA_TX VS_RGB Y_IN AUL_HD AUR_HD Pb_IN Pr_IN Y_IN AUL2_AV AUR2_AV AV_LOUT AV_out AV_ROUT AV2 PC_AUR PC_AUL 5VAIN VGA-5V 5VAIN VGA-5V VGA_5V VGA_5V 5VAIN 5VAIN CVBS2 2 PR+ 2 Y+ 2 PB+ 2 AV_AUL2 2 AV_AUR2 2 CVBSOUT 2 HD_AUL 2 HD_AUR 2 AV_AUL1 2 AV_AUR1 2 CVBS1 2 AU_ROUT 2 AU_LOUT 2 MI2C-SCL 2,7 MI2C-SDA 2,7 HS_RGB 2 VS_RGB 2 UART-RX 2 UART-TX 2 VGA_G VGA_B VGA_R PC-AUL PC-AUR Title Size Document Number Rev Date: Sheet of MST6M48RXS Video & Audio A 7 5 A3 Tuesday, April 01, 2014 Title Size Document Number Rev Date: Sheet of MST6M48RXS Video & Audio A 7 5 A3 Tuesday, April 01, 2014 Title Size Document Number Rev Date: Sheet of MST6M48RXS Video & Audio A 7 5 A3 Tuesday, April 01, 2014 R305 10K 1 2 R223 47K R188 NC/10K R237 150 VD81 ESD 1 2 黄 白 红 中 右 XS5 AV2 1 1 2 2 3 3 4 4 5 5 6 6 7 7 8 8 9 9 VD35 ESD 1 2 C192 0.1uF L8 FB0603 VD28 ESD 1 2 R429 NC R290 12K 1 2 白 红 XS4 HDTV_LR 1 1 2 2 3 3 4 4 5 5 6 6 VD53 ESD 1 2 R470 75 R492 1K C352 2.2uF 1 2 R438 75 R266 0 VD75 ESD 1 2 R426 0R R242 12K 1 2 R485 NC R514 NC/10K R421 75 VD87 ESD 1 2 R433 NC VD107 1N4148 VD46 ESD 1 2 V18 3906 1 2 3 黄 白 红 中 右 XS6 AV2 1 1 2 2 3 3 4 4 5 5 6 6 7 7 8 8 9 9 R512 NC/47K C193 NC/560pF 1 2 R418 100 R248 10K 1 2 R228 2.2K V49 NC/BAT54C 1 2 3 V17 3904 1 2 3 CA1 100uF/16V 1 2 R203 75 VD31 ESD 1 2 C335 10uF 1 2 R236 12K 1 2 R258 47K R419 100 C342 2.2uF 1 2 R295 12K 1 2 R515 NC/10K R225 2.2K VD126 ESD 1 2 R420 75 R256 47K C381 NC/2.2uF 1 2 R227 10K 1 2 R499 1.5K VD36 ESD 1 2 R241 10K 1 2 VD34 ESD 1 2 R251 1K VD37 ESD 1 2 R498 1.5K VD74 ESD 1 2 R239 150 VD127 ESD 1 2 R244 12K 1 2 R235 1K N17 NC/24C04 NC1 1 NC2 2 NC3 3 GND 4 SDA 5 SCL 6 VCLK 7 VCC 8 R484 NC R233 10K 1 2 VD27 ESD 1 2 R245 330 R253 12K 1 2 R513 NC/47K XS14 HeadPhone L 1 WL 2 R 3 WR 4 AGND 5 R257 10K 1 2 R259 0 R475 75 VD45 ESD 1 2 黄 白 红 中 右 XS7 AV_OUT 1 1 2 2 3 3 4 4 5 5 6 6 7 7 8 8 9 9 R431 75 R224 33K R297 10K 1 2 R254 12K 1 2 VD51 ESD 1 2 VD82 ESD 1 2 VD38 ESD 1 2 VD29 ESD 1 2 R221 NC/10K V19 3904 1 2 3 C281 NC/0.1uF V16 3904 1 2 3 R501 1K R250 12K 1 2 R516 100 绿 蓝 红 左 中 右 XS3 HDTV_YPbPr 1 1 2 2 3 3 4 4 5 5 6 6 7 7 8 8 9 9 R226 10K 1 2 VD26 ESD 1 2 VD43 ESD 1 2 R422 75 XS12 VGA 1 2 3 4 5 6 7 8 9 10 11 12 13 14 15 16 17 VD52 ESD 1 2 R488 75 R140 NC/10K C380 2.2uF 1 2 R427 0R 5 4 3 2 1 D D C C B B A A N6274 0: NTSC 1: PAL STM-6F-V236H IF_TV RF_AGC TAGC TUNER-SCL TUNER-SDA VIFM VIFP IF_TV RF_AGC TUNER-SCL TUNER-SDA 5V-IF 5V-Tuner AGND +12V_TUNER 5V-IF +12V_TUNER +12V_TUNER 33V 33V 5V-Tuner TAGC 2 TUNER_SDA 2 TUNER_SCL 2 VIFP 2 VIFM 2 Title Size Document Number Rev Date: Sheet of MST6M48RXS Tuner A 7 6 A4 Tuesday, April 01, 2014 Title Size Document Number Rev Date: Sheet of MST6M48RXS Tuner A 7 6 A4 Tuesday, April 01, 2014 Title Size Document Number Rev Date: Sheet of MST6M48RXS Tuner A 7 6 A4 Tuesday, April 01, 2014 R263 680 SAW N7 N6274 IN 1 ING 2 GND 3 OUT1 4 OUT2 5 U22 HFT-8B1/V116H IF 1 VT_33V__2 2 AS 3 SDA 4 SCL 5 MB_+5V__9 6 SIF 7 AGC 8 GND4 9 GND3 10 GND2 11 GND1 12 C220 10nF C348 10uF 1 2 C233 100pF C392 10uF N12 78D05 IN 1 OUT 2 TAB/GND_2_2 3 C230 100pF L30 NC/100uH C299 2.2uF 1 2 R283 100 CA4 1uF/50V L3 0.82uH R452 2.2K C248 0.1uF C249 0.1uF C349 1.5nF 1 2 R264 10/2W CA3 10uF/50V R276 68/0603 N18 34063 SC 1 SE 2 Timing_6_2 3 GND 4 FB 5 VCC 6 IPK 7 Driver_2_7 8 R261 6.8K V12 2SC2717 1 2 3 C219 10nF R291 12K R270 10/2W L4 FB0603 C239 0.1uF R280 300/0805 R262 0 L24 170uH R289 100 C254 0.1uF R275 NC/75 C235 10nF R234 1K VD67 1N4148 C226 0.1uF R260 0 C346 NC R450 10/0805 R449 1K CA2 100uF/16V 1 2 C345 1uF 1 2 C238 0.1uF R278 0/0603 C350 2.2uF 1 2 R446 4.7/0805 C252 0.1uF R288 300/0805 R451 56K R272 100 C234 22pF/NC R448 20/0603 5 4 3 2 1 D D C C B B A A 0: Normal 1: Shutdown Power On Mute Power Off Mute MUTE AMP-L AMP-Lout+ AMP-Lout+ AMP-Lout- AMP-Lout- AMP-MUTE AMP-R AMP-Rout+ AMP-Rout+ AMP-Rout- AMP-Rout- AMP_L AMP_L AMP_R AMP_R MUTE_DET PH-Lin PH-Lin PH-Rin PH-Rin PWD_MT PWD_MT SHUTDOWN SHUTDOWN 5VAIN GND AGND DGND VCC-A 5VAIN +12V VCC-A 5VAIN +12V VCC-A VCC-A VCC-A 5V-IF AMP-MUTE 2 MUTE_DET 2 PHONE-R 2 PHONE-L 2 AMP-L AMP-R AMP-Rout- 2 AMP-Lout- 2 AMP-Lout+ 2 AMP-Rout+ 2 Title Size Document Number Rev Date: Sheet of 7 7 A Audio Amplifier MST6M48RXS A3 Tuesday, April 01, 2014 Title Size Document Number Rev Date: Sheet of 7 7 A Audio Amplifier MST6M48RXS A3 Tuesday, April 01, 2014 Title Size Document Number Rev Date: Sheet of 7 7 A Audio Amplifier MST6M48RXS A3 Tuesday, April 01, 2014 C357 1uF/25V 1 2 R502 1.5K C365 1uF/25V 1 2 C368 220nF/25V 1 2 R397 0 C371 NC/1nF/50V 1 2 R504 470 CA16 100uF/16V C361 1uF/25V 1 2 R372 1K R507 33K R453 NC C366 0.47uF/16V 1 2 R455 10 VZ2 NC/10V 1 2 C395 2.2uF 1 2 C374 0.47uF/16V 1 2 R369 NC/0 R480 22K H3 NC 1 1 2 2 3 3 4 4 5 5 6 6 7 7 8 8 L27 FB/221 1 2 V31 3904 C370 1nF/25V 1 2 VD103 1N4148 R481 1K C376 1nF V32 3904 CA22 220uF/16V R456 0 1 2 R399 22K L25 FB/221 R468 NC/100K R506 10K R454 0 1 2 CA23 220uF/16V C383 1nF/25V 1 2 R416 0 R505 33K R255 1K R503 470 VD101 BAV99 1 2 3 R309 47K L21 FB0603 L36 FB220 1 2 R299 470 R352 47K C385 220nF/25V 1 2 C362 1nF/25V L26 FB220 1 2 H1 NC 1 1 2 2 3 3 4 4 5 5 6 6 7 7 8 8 R384 47K C359 10uF 1 2 C372 0.47uF/16V 1 2 R508 10K R357 NC/0 R353 NC/1K C363 330pF/25V 1 2 C367 0.47uF/16V 1 2 R371 100K C379 1nF/25V 1 2 C389 NC/1nF/50V 1 2 XS8 HeadPhone L 1 WL 2 R 3 WR 4 AGND 5 VZ1 NC/10V 1 2 R398 4.7K C253 1uF/16V R368 100K VD100 1N4148 C373 220nF/25V 1 2 R310 100K C387 1nF CA18 47uF/16V L40 NC/22uH 1 2 C390 NC/1nF/50V 1 2 VD54 NC/1N4148 VZ4 3V 1 2 CA19 100uF/16V N16 R-TSOP29N-065-640-HX TPA3110D2 SD_0 1 FAULT_1 2 LINP 3 LINN 4 GAIN0 5 GAIN1 6 AVCC 7 AGND 8 GVDD 9 PLIMIT 10 RINN 11 RINP 12 NC 13 PBTL 14 PVCCR 15 PVCCR_15 16 BSPR 17 OUTPR 18 PGND 19 OUTNR 20 BSNR 21 BSNL 22 OUTNL 23 PGND_23 24 OUTPL 25 BSPL 26 PVCCL 27 PVCCL_27 28 GND 29 R479 10 VD105 1N4148 R252 1K VD32 ESD 1 2 H5 NC 1 1 2 2 3 3 4 4 5 5 6 6 7 7 8 8 C386 10uF R370 NC/0 V24 3906 1 2 3 C247 NC/10uF C375 220nF/25V 1 2 L37 FB/221 1 2 R335 470 R356 4.7K R467 NC/100K L28 FB220 1 2 R500 1.5K L35 FB220 1 2 R457 1K C384 330pF/25V 1 2 R415 10 VD102 1N4148 C377 1uF/16V 1 2 C358 1nF/25V R469 10 R417 0 C388 NC/1nF/50V 1 2 L29 NC/22uH 1 2 R478 4.7K R358 1K CA17 100uF/16V R355 NC/0 XP6 Speaker 1 2 3 4 VD33 ESD 1 2 L38 NC/22uH 1 2 R315 100 C369 330pF/25V 1 2 H4 NC 1 1 2 2 3 3 4 4 5 5 6 6 7 7 8 8 R367 0 R319 10K V23 3904 C364 1nF/25V 1 2 L39 NC/22uH 1 2 C396 2.2uF 1 2 C378 330pF/25V 1 2 VD104 1N4148

标签:

版权声明

1. 本站所有素材,仅限学习交流,仅展示部分内容,如需查看完整内容,请下载原文件。
2. 会员在本站下载的所有素材,只拥有使用权,著作权归原作者所有。
3. 所有素材,未经合法授权,请勿用于商业用途,会员不得以任何形式发布、传播、复制、转售该素材,否则一律封号处理。
4. 如果素材损害你的权益请联系客服QQ:77594475 处理。