松下TH-P65S20C等离子电视(GPF13DA机芯)维修手册

分类:电子电工 日期: 点击:0
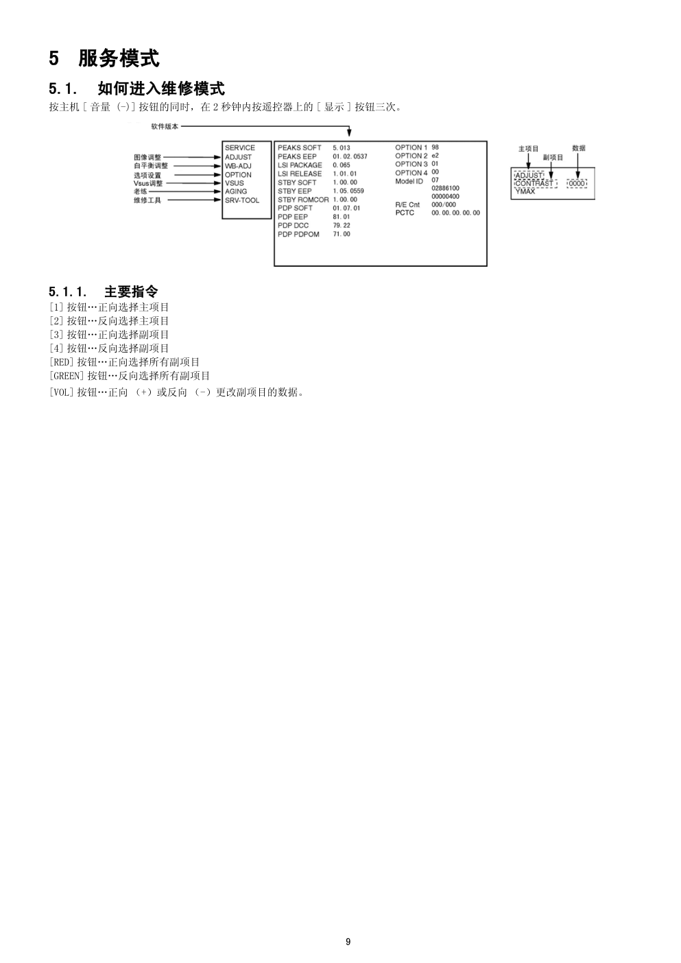
松下TH-P65S20C等离子电视(GPF13DA机芯)维修手册-0 松下TH-P65S20C等离子电视(GPF13DA机芯)维修手册-1 松下TH-P65S20C等离子电视(GPF13DA机芯)维修手册-2 松下TH-P65S20C等离子电视(GPF13DA机芯)维修手册-3 松下TH-P65S20C等离子电视(GPF13DA机芯)维修手册-4 松下TH-P65S20C等离子电视(GPF13DA机芯)维修手册-5 松下TH-P65S20C等离子电视(GPF13DA机芯)维修手册-6 松下TH-P65S20C等离子电视(GPF13DA机芯)维修手册-7 松下TH-P65S20C等离子电视(GPF13DA机芯)维修手册-8 松下TH-P65S20C等离子电视(GPF13DA机芯)维修手册-9

© 2010 松下电器产业株式会社版权所有。 未经本公司许可而复制或分发者均属违法。 ORDER NO. PPDS1009165CC 等离子电视机 型号 TH-P65S20C GPF13DA 机芯 目录 页数 页数 1 安全事项 -----------------------------------------3 1.1. 一般准则------------------------------------3 1.2. 漏电检查------------------------------------3 2 警告 ---------------------------------------------4 2.1. 静电敏感设备 (ES) 的静电放电保护 (ESD) -------4 2.2. 关于无铅焊接 (PbF) --------------------------5 3 服务导航 -----------------------------------------6 3.1. 印刷电路板布局------------------------------6 3.2. 适用信号------------------------------------7 4 技术规格 -----------------------------------------8 5 服务模式 -----------------------------------------9 5.1. 如何进入维修模式----------------------------9 5.2. 选项 - 镜像---------------------------------11 5.3. 维修工具模式-------------------------------11 5.4. 旅馆模式-----------------------------------12 5.5. 通过 SD 卡进行数据复制----------------------13 6 修理指导 ----------------------------------------16 6.1. IIC 总线检测 -------------------------------16 6.2. 电源 LED 闪烁次数图-------------------------17 6.3. 无电源-------------------------------------18 6.4. 无图像-------------------------------------19 6.5. 显示器局部故障-----------------------------20 7 维修设备和工具 ----------------------------------21 7.1. SC 夹具 ------------------------------------21 8 拆解和组装介绍 ----------------------------------22 8.1. 取下后盖-----------------------------------22 8.2. 取下 AC 接入口------------------------------22 8.3. 取下 P 板 ---------------------------------- 22 8.4. 取下侧部端子盖和后 AV 盖板 ----------------- 22 8.5. 取下调谐器组件 ---------------------------- 23 8.6. 取下 A 板 ---------------------------------- 23 8.7. 取下扬声器 -------------------------------- 23 8.8. 取下 SU 板 --------------------------------- 23 8.9. 取下 SD 板 --------------------------------- 24 8.10. 取下 SC 板 --------------------------------- 24 8.11. 取下 SS3 板 -------------------------------- 24 8.12. 取下 SS 板 --------------------------------- 24 8.13. 取下金属支架 ------------------------------ 25 8.14. 取下金属悬挂架 ---------------------------- 25 8.15. 取下 C1 板 --------------------------------- 25 8.16. 取下 C2 板 --------------------------------- 25 8.17. 取下 C3 板 --------------------------------- 25 8.18. 从面框组件上卸下等离子显示屏 -------------- 26 8.19. 取下玻璃固定压条 -------------------------- 26 8.20. 取下 S 板 ---------------------------------- 27 8.21. 取下 K 板 ---------------------------------- 27 8.22. 更换等离子显示屏 -------------------------- 27 9 测量和调整-------------------------------------- 28 9.1. 调整步骤 ---------------------------------- 28 10 方框图------------------------------------------ 33 10.1. 主方框图 ---------------------------------- 33 10.2. 方框图 (1/4)------------------------------- 34 10.3. 方框图 (2/4)------------------------------- 35 10.4. 方框图 (3/4)------------------------------- 36 2 10.5. 方框图 (4/4)------------------------------- 37 11 导线连接图-------------------------------------- 39 11.1. 注意事项 ---------------------------------- 39 11.2. 导线 (1)--------------------------------- 39 11.3. 导线 (2)--------------------------------- 40 11.4. 导线 (3) -------------------------------- 41 11.5. 导线 (4)--------------------------------- 42 11.6. 导线 (5)--------------------------------- 43 11.7. 导线 (6)--------------------------------- 44 12 电路图------------------------------------------ 45 12.1. 线路图注意事项 ---------------------------- 45 12.2. P(MAIN) 电路板 (1/3) 线路图----------------- 46 12.3. P(MAIN) 电路板 (2/3) 线路图----------------- 47 12.4. P(MAIN) 电路板 (3/3) 线路图----------------- 48 12.5. P(SUB) 电路板线路图------------------------ 49 12.6. A 电路板 (1/19) 线路图---------------------- 50 12.7. A 电路板 (2/19) 线路图---------------------- 51 12.8. A 电路板 (3/19) 线路图---------------------- 52 12.9. A 电路板 (4/19) 线路图---------------------- 53 12.10. A 电路板 (5/19) 线路图---------------------- 54 12.11. A 电路板 (6/19) 线路图---------------------- 55 12.12. A 电路板 (7/19) 线路图---------------------- 56 12.13. A 电路板 (8/19) 线路图---------------------- 57 12.14. A 电路板 (9/19) 线路图---------------------- 58 12.15. A 电路板 (10/19) 线路图--------------------- 59 12.16. A 电路板 (11/19) 线路图--------------------- 60 12.17. A 电路板 (12/19) 线路图--------------------- 61 12.18. A 电路板 (13/19) 线路图--------------------- 62 12.19. A 电路板 (14/19) 线路图--------------------- 63 12.20. A 电路板 (15/19) 线路图--------------------- 64 12.21. A 电路板 (16/19) 线路图--------------------- 65 12.22. A 电路板 (17/19) 线路图--------------------- 66 12.23. A 电路板 (18/19) 线路图--------------------- 67 12.24. A 电路板 (19/19) 线路图--------------------- 68 12.25. K 电路板和 S 电路板线路图------------------- 69 12.26. C1 电路板线路图---------------------------- 70 12.27. C2 电路板 (1/2) 线路图---------------------- 71 12.28. C2 电路板 (2/2) 线路图---------------------- 72 12.29. C3 电路板 (1/2) 线路图---------------------- 73 12.30. C3 电路板 (2/2) 线路图---------------------- 74 12.31. SC 电路板 (1/4) 线路图---------------------- 75 12.32. SC 电路板 (2/4) 线路图---------------------- 76 12.33. SC 电路板 (3/4) 线路图---------------------- 77 12.34. SC 电路板 (4/4) 线路图---------------------- 78 12.35. SS 电路板 (1/2) 线路图---------------------- 79 12.36. SS 电路板 (2/2) 和 SS3 电路板线路图---------- 80 13 印刷电路板基板图-------------------------------- 81 13.1. P(MAIN) 电路板----------------------------- 81 13.2. P(SUB) 电路板------------------------------ 84 13.3. K 电路板,S 电路板和 SS3 电路板 ------------- 86 13.4. A 电路板----------------------------------- 87 13.5. C1 电路板---------------------------------- 89 13.6. C2 电路板---------------------------------- 90 13.7. C3 电路板---------------------------------- 91 13.8. SC 电路板---------------------------------- 92 13.9. SS 电路板---------------------------------- 94 14 零件位置和零件清单------------------------------ 97 14.1. 零件位置和机械部件更换清单 ---------------- 97 14.2. 电器部件更换清单 ------------------------- 103 3 1.1. 一般准则 1. 进行维修和维护时,请勿试图更改设备及其部件或其材料。 2. 维修连接线 (如电缆、柔性电缆或导线)时,当仅有一条导线或几条导线损坏或断开时,请勿试图维修或重新为其连接。请更 换整条连接线。 3. 进行维修和维护时,应直接插入或拉出固定连接器,而不应将其扭曲。 4. 维修时,检查引线的外观。如发现短路,更换所有因短路而过热或被损坏的部件。 5. 维修后,检查并确认所有的保护装置,如:绝缘隔障、绝缘纸屏蔽等安装正确。 6. 维修后,进行以下漏电检查,以免用户遭受触电危险。 1.2. 漏电检查 1. 将 AC 电源线直接插入 AC 电源插座。进行检查时,请勿使用隔离变压器。 2. 在设备上各外露金属部分和良好接地 (如水管)之间连接一个电流测量装置,如图 1 所示。 3. 用漏电测试仪 (Simpson 228 或类似型号)测量通过该装置的电势。 4. 检查各外露金属部件,并测量各点电压。 5. 变换 AC 插座中的 AC 插头,并重复上述各项测量。 6. 各点 (漏电)的电势表示为电压 U1 和 U2,并且不能超过以下各值: 交流:U1=35V (峰值) U2=0.35V (峰值); 直流:U1=1.0V, 注: 与交流的 U2 限定峰值 0.35V 和直流的 U1 限定峰值 1.0V 相对应的电流峰值分别为 0.7mA 和 2.0mA。 与交流的 U1 限定峰值 35V 相对应的 100kHz 以上的电流峰值为 70mA。 7. 当测量值超出规定的限制时,可能会引起触电。所以必须在机器返回用户手中之前对其进行修理和再检测。 漏电测量电路 电阻值 (Ω) V:电压表或示波器 (r.m.s. 或峰值) 输入电阻:≥ 1MΩ 输入电容:≤ 200pF 频率范围:分别为直流 15Hz 到 1MHz 注:必须使用合适的测量设备,以便在非正弦波形时测量准确。 图 1 4 2.1. 静电敏感设备 (ES) 的静电放电保护 (ESD) 一些半导体(固态)装置很容易被静电损坏。这些装置通称为静电敏感装置(ES)。典型的 ES 装置有集成电路和一些场效应晶体管以 及半导体 “芯片”组件。以下方法通常被用来减少由于静电释放 (ESD) 所造成的组件损坏。 1. 在处理任何半导体组件或是配备有半导体组件的设备之前,接触已知地线以排除身体上的静电。或者戴上市面上可购买到的抗静 电腕带,但是在待检设备通电之前应将其拿掉,以免遭受电击。 2. 在拆卸配有静电敏感装置的电气组件后,请将组件放置于导体表面上 (如铝箔),以防止静电聚集或组件外露。 3. 仅使用末端接地的烙铁焊接或拆焊静电敏感装置。 4. 仅使用防静电拆焊装置。不属于 “防静电 (静电放电保护)”的拆焊装置可能会产生足以损坏静电敏感装置的电荷。 5. 禁止使用氟里昂驱动的化学物质。它们能产生足以损坏静电敏感装置的电荷。 6. 在准备立即安装之前,才能拆开备换静电敏感装置的保护性包装,取出备换静电敏感装置。(大多数备换静电敏感装置都使用导 电泡沫、铝箔或类似导电性材料包装,其导线被短接。) 7. 从备换静电敏感装置导线上取下防护性材料前,使防护性材料接触机芯或即将安装的电路组件。 注意: 确定机芯或电路无电源,并遵守其它所有安全注意事项。 8. 在处理未包装的备换静电敏感装置时,尽量减少身体活动。(否则,如衣物纤维的摩擦或从铺有地毯的地面抬起脚等动作都会产 生足以损坏静电敏感装置的静电 (静电释放))。 5 2.2. 关于无铅焊接 (PbF) 注:在元素周期表中,铅用 Pb 表示。 在下文中,Pb 表示有铅焊接,PbF 表示无铅焊接。 在制造流程中使用和下文中介绍的无铅焊接 (Sn+Ag+Cu)。 即:锡 (Sn),银 (Ag)和铜 (Cu),其他类型也可使用。 出于环境保护的考虑,本设备制造中使用了无铅焊接工艺。我们建议在维护和修理工作中最好使用无铅焊接,不过也允许使用有铅焊 接。 使用无铅焊接工艺制造的印刷电路板背面的树叶形符号 内有 PbF 字样。 注意: • 无铅焊接的熔点比标准焊接的熔点高。通常熔点超过 50-70°F (30-40°C)。 请使用高温烙铁,并将其温度设为 700±20°F (370±10°C)。 • 当温度过高 (约 1100°F 或 600°C)时,无铅焊料可能会发生喷溅。 如果必须使用有铅焊接,请在焊接前先全部去除焊脚或焊区上的无铅焊料。如果做到这点实际操作困难,则确保无铅焊料加热到熔 化后再进行有铅焊接。 • 在对双面电路板进行无铅焊接后,请检查部件侧部是否有过量焊料,否则会流到另一侧。(见下图) 推荐的无铅焊料 有几种无铅焊料可供选购。本产品使用 Sn+Ag+Cu( 锡 + 银 + 铜 ) 焊料。 也可使用 Sn+Cu (锡,铜),Sn+Zn+Bi( 锡,锌,铋 ) 焊料。 6 3.1. 印刷电路板布局 电路板名称 功能 电路板名称 功能 P 电源供应 C1 数据驱动 (下右) A DC-DC 转换器,调谐器 C2 数据驱动 (下中) 扬声器输出,AV 端子,HDMI 接口,SD 卡 C3 数据驱动 (下左) 数字信号处理器,PEAKS SC 扫描驱动 格式转换器,等离子 AI 处理器,子场处理器 SS 维持驱动 按键开关 SS3 维持输出 (下) K 遥控接收器,电源指示灯,C.A.T.S 传感器 SU 扫描输出 (上) 维修时应更换 SU 板。 S 电源开关 SD 扫描输出 (下) 维修时应更换 SD 板。 7 3.2. 适用信号 分量视频 (Y, PB/CB, PR/CR),HDMI * 标记:可适用的输入信号 电脑 (D-sub 15P) 可兼容的电脑的输入信号基本符合 VESA 标准。 电脑 (HDMI 端子 ) 可兼容的电脑的输入信号基本符合 HDMI 标准。 注意 • 不属于上述规格的信号可能无法正确显示。 • 上述信号均经重新格式化,以达到最佳观看效果。 • 电脑信号的放大或压缩可能不能很好地显示细节。 信号名称 分量视频 HDMI 525 (480) / 60i * * 525 (480) / 60p * * 625 (576) / 50i * * 625 (576) / 50p * * 750 (720) / 60p * * 750 (720) / 50p * * 1,125 (1,080) / 60i * * 1,125 (1,080) / 50i * * 1,125 (1,080) / 60p * 1,125 (1,080) / 50p * 1,125 (1,080) / 24p * 信号名称 水平频率 (kHz) 垂直频率 (Hz) 640 × 400 @70 Hz 31.47 70.07 640 × 480 @60 Hz 31.47 59.94 640 × 480 @75 Hz 37.50 75.00 800 × 600 @60 Hz 37.88 60.32 800 × 600 @75 Hz 46.88 75.00 800 × 600 @85 Hz 53.67 85.06 852 × 480 @60 Hz 31.44 59.89 1,024 × 768 @60 Hz 48.36 60.00 1,024 × 768 @70 Hz 56.48 70.07 1,024 × 768 @75 Hz 60.02 75.03 1,024 × 768 @85 Hz 68.68 85.00 1,280 × 1,024 @60 Hz 63.98 60.02 1,280 × 768 @60 Hz 47.70 60.00 1,366 × 768 @60 Hz 48.39 60.04 Macintosh13” (640 × 480) 35.00 66.67 Macintosh16” (832 × 624) 49.73 74.55 Macintosh21” (1,152 × 870) 68.68 75.06 信号名称 水平频率 (kHz) 垂直频率 (Hz) 640 × 480 @60 Hz 31.47 60.00 750 (720)/60p 45.00 60.00 1,125 (1,080)/60p 67.50 60.00 8 电源 交流 220 V ~ ,50/60Hz 耗电量 消耗功率 610 W 待机功率 0.4 W 显示屏 画面纵横比 16:9 可见屏幕尺寸 1,434 毫米 (W) × 806 毫米 (H),165 厘米 ( 对角线) (像素数) 2,073,600(1,920(W) × 1,080(H)) [5,760 × 1,080 点 ] 声音 喇叭 喇叭 (160 mm × 40 mm) × 2 只 音频输出 16 W (8W+8W) 耳机 M3(3.5 毫米 ) 立体声微型插孔 × 1 电脑信号 VGA,SVGA,WVGA,XGA,SXGA,WXGA...( 压缩) 水平扫描频率 31 - 69 kHz 垂直扫描频率 59 - 86 Hz 接收制式 / 频带名称 接收频道 (模似频道) 天线 - 背部 VHF/UHF 工作环境 温度 0°C - 40°C 湿度 20% - 80% 相对湿度 (无结露) 连接端子 视频/音频输入1 视频 RCA 插针式 × 1 1.0V[p-p](75Ω) 分量视频 Y PB/CB,PR/CR 1.0V[p-p]( 包括同步 ) ±0.35V[p-p] 音频 左 - 右 RCA 插针式 × 2 0.5V[rms] 视频/音频输入2 视频 RCA 插针式 × 1 1.0V[p-p](75Ω) 音频 左 - 右 RCA 插针式 × 2 0.5V[rms] 视频/音频输入3 视频 RCA 插针式 × 1 1.0V[p-p](75Ω) 音频 左 - 右 RCA 插针式 × 2 0.5V[rms] 视频输出 视频 RCA 插针式 × 1 1.0V[p-p](75Ω) 音频 左 - 右 RCA 插针式 × 2 0.5V[rms]( 高阻抗 ) 其他端子 HDMI1-3 输入 A 型连接器 • 本机支持 “HDAVI Control 5”功能。 电脑视频输入 高密度 D-SUB 15 针 R,G,B/0.7V[p-p](75Ω) HD,VD/TTL Level 2.0-5.0V[p-p]( 高阻抗 ) 数字音频输出 PCM( 脉冲编码调制 )/ 杜比数字,光纤 存储卡插槽 SD 卡插槽 × 1 USB 1/2 USB 2.0 A 型接口,直流 5V,最大电流 500 mA LAN 10BASE-T / 100BASE-TX 尺寸 (W × H × D) 1,574 mm × 1,016 mm × 415 mm( 带台座 ) 1,574 mm × 965mm × 105 mm( 仅电视机 ) 重量 净重 62.0Kg( 带台座 ) 净重 56.0Kg( 仅电视机 ) 说明: • 设计和规格若有变化,恕不另行通知。所示尺寸和重量均为近似值。 • 本设备符合下述所列标准 GB13837-2003、GB17625.1-2003、GB8898-2001 9 5.1. 如何进入维修模式 按主机 [ 音量 (-)] 按钮的同时,在 2 秒钟内按遥控器上的 [ 显示 ] 按钮三次。 5.1.1. 主要指令 [1] 按钮…正向选择主项目 [2] 按钮…反向选择主项目 [3] 按钮…正向选择副项目 [4] 按钮…反向选择副项目 [RED] 按钮…正向选择所有副项目 [GREEN] 按钮…反向选择所有副项目 [VOL] 按钮…正向 (+)或反向 (-)更改副项目的数据。 10 5.1.2. 调整模式内容 • 按十六进制显示数值。 • 预设值根据型号的不同而不同。 • 进入调整模式后,在开始调整前请记录各项目的值。 5.1.3. 如何退出 使用主机或遥控器上的电源按钮关闭电源。 主项目 副项目 示例数据 备注 ADJUST CONTRAST 23A COLOR 2B TINT 00 SUB-BRT 80C H-POS 0 H-AMP 0 V-POS 0 V-AMP 0 WB-ADJ R-CUT 80 G-CUT 80 B-CUT 80 R-DRV F1 G-DRV FC B-DRV D0 ALL-CUT 80 ALL-DRV FC OPTION Panel-Type 65FHD 出厂预设 Boot ROM STBY-SET 00 EMERGENCY ON Y/C Delay OPT 1 10011000 OPT 2 11100010 OPT 3 00000001 OPT 4 00000000 EDID-CLK HIGH MIRROR 00( 见下页 ) VSUS AGING ALL WHITE 可显示内置测试 模式。 ALL BLUE WITH WHITE OUTSIDE FRAME ALL GREEN ALL RED LOW STEP WHITE LOW STEP BLUE LOW STEP GREEN LOW STEP RED WHITE DIAGONAL STRIPE RED DIAGONAL STRIPE GREEN DIAGONAL STRIPE BLUE DIAGONAL STRIPE A-ZONE & B-ZONE 1% WINDOW COLOR BAR 9 POINTS BRIGHT MEASURE 2 DOT OUTSIDE FRAME ALL BLUE DOUBLE FIXED 1% WINDOW VERTICAL LINE SCROLL ON/OFF OR WHITE R/G/B/W ROTATION HALF FIXED ALL WHITE ALL WHITE WITH COUNT DISPLAY SRV-TOOL 参见下页 目的 C Check sum b1ab EDID d0 ecdccc- 11 5.2. 选项 - 镜像 可对图像进行左右或上下翻转。 00 : 默认 (显示正常图像) 01 : 左右翻转后的图像。 02 : 上下翻转后的图像。 提示:如果故障现象 (例如竖线或横线)因选择镜像功能而移动,则引起故障的原因可能位于 A 板。 5.3. 维修工具模式 5.3.1. 如何进入 1. 选择维修模式下的 “SRV-TOOL”。 2. 按遥控器上的 [ 确定 ] 按钮。 5.3.2. 显示 SOS 历史记录 SOS 历史记录 (LED 闪烁次数)指示。 从左侧开始依次为:最后一次 SOS、倒数第二次、倒数第三次、出厂后第二次、出厂后第一次。通过 “自检指示和恢复出厂设置”即 可清除该指示。 5.3.3. 开启 TIME/COUNT 注意:高亮位置显示 TIME/COUNT 菜单,然后按消音键 3 秒钟。 TIME (计时):累计开启时间,显示十进制小时:分钟 Count ( 计数 ):十进制开启 / 关闭次数 注意:无法通过自检或任何指令清除该指示。 5.3.4. 退出 1. 从墙面插座上拔下 AC 电源线或者关闭主机上的电源按钮。 12 5.4. 旅馆模式 1. 目的 设置旅馆功能。 2. 进入旅馆模式设置菜单指令 为了显示旅馆模式设置菜单,请输入以下指令 (在 2 秒钟 内)。 电视机:[ 音量 -]+ 遥控器:视频 (3 次 ) 随后将显示旅馆模式设置菜单。 3. 若要退出旅馆模式设置菜单, 从墙面插座上拔下 AC 电源线。 4. 旅馆模式设置菜单说明 项目 功能 旅馆模式 选择旅馆模式开启 / 关闭。 初始输入 选择输入信号模式。 每次接通电源后都设置此输入。 选项: AV1/AV2/AV3/PC/HDMI1/HDMI2/HDMI3/TV/Off • PC: VGA 可选 初始位置 选择频道号。 选项: Off/0 到 99 • Off: 以最后一次存储为准。 初始音量等级 每次接通电源后都设置音量。 选项 / 范围: Off/0 到 100 • Off: 以最后一次储存为准。 最大音量等级 调节最大音量。 范围: 0 到 100 键锁定 选择本机按键条件。 选项: Off/SETUP/MENU/ALL • Off: 所有按键有效 • SETUP: 只有 F 键无效 (菜单中调谐指示 (菜单)无法选择。) • MENU: 只有 F 键无效 (只可选择音量 / 静音。) • ALL: 所有按键全部无效。 遥控锁定 选择遥控键入条件。 选项: Off/SETUP/MENU • Off: 所有按键有效 • SETUP: 只有设置菜单无效 • MENU: 图像 / 声音 / 设置菜单无效 个人信息 电视机电源接通后,如果旅馆模式设置为 “开”, 选择 VIERA Cast 的个人信息为保持或重置。 选项: Keep/Reset • Keep: VIERA Cast 的个人信息为保持 • Reset: VIERA Cast 的个人信息为重置 13 5.5. 通过 SD 卡进行数据复制 5.5.1. 目的 (a) 板更换 (更换 A 板时复制数据): 更换 A 板时,可先将原来 A 板中的数据复制到 SD 卡,然后复制到新的 A 板中。 (b) 旅馆 (在旅馆或任何设施中安装多个组件时复制数据): 在旅馆或任何设施中安装组件时,主电视中的数据可以先复制到 SD 卡中,然后再复制到其他电视中。 5.5.2. 准备 在空的 SD 卡中创建用作 (a) 或 (b) 启动文件的 pwd 文件。 1. 将空的 SD 卡插入您的电脑中。 2. 在 SD 卡窗口中右键单击空白区域,指向 " 新建 ",然后点击文本文档。默认状态下,创建一个新文件 (新文本文档 .txt)。 3. 右键单击您刚创建的文本文档,选择重命名,将文件的名称和扩展名变更为以下 (a) 或 (b) 的名称,然后按确认键。 文件名: (a).对于板更换:boardreplace.pwd (b).对于旅馆:hotel.pwd 注: 请仅创建一个文件,以防止出现操作错误。 SD 卡中不应包含任何其他文件。 14 5.5.3. 从电视机复制数据到 SD 卡 1. 打开电视机。 2. 将包含启动文件 (pwd 文件)的 SD 卡插入 SD 插槽中。 屏幕显示将根据启动文件自动显示。 3. 通过使用远程控制输入 (a) 或 (b) 的密码: (a) 对于板更换:2770 (b) 对于旅馆:4850 数据将从电视机复制到 SD 卡。 复制最多将花费 2 到 6 分钟。 4. 复制到 SD 卡后,从电视机上移除 SD 卡。 5. 关闭电视机。 注: SD 卡中将创建以下新文件夹,用于存储来自电视机的数据: (a).对于板更换:user_setup (b).对于旅馆:hotel 15 5.5.4. 从 SD 卡复制数据到电视机 1. 打开电视机。 2. 将带有数据的 SD 卡插入 SD 插槽。 屏幕显示将根据启动文件自动显示。 3. 通过使用远程控制输入 (a) 或 (b) 的密码: (a) 对于板更换:2771 (b) 对于旅馆:4851 数据将从 SD 卡复制到电视机。 4. 将数据复制到 SD 卡后,从电视机上移除 SD 卡。 (a) 对于板更换:复制后,数据将被删除 (限于一次复制)。 (b) 对于旅馆:数据将不会被删除,且可用于其他电视机。 5. 关闭电视机。 注: 1. 根据板故障,板更换的数据复制功能不可用。 2. 该功能可在相同的型号中生效。 16 应用自检功能测试本机。 1. 检测 IIC 总线 2. 电源 LED 闪烁次数 6.1. IIC 总线检测 6.1.1. 如何进入 仅自检指示: 进入 TV 接收屏幕,然后按主机 [ 音量 (-)] 按钮的同时按下遥控器上的 [ 确定 ] 按钮 3 秒钟以上。 自检指示和恢复出厂设置: 进入 TV 接收屏幕,然后按主机 [ 音量 (-)] 按钮的同时按下遥控器上的 [ 菜单 ] 按钮 3 秒钟以上。 6.1.2. 屏幕显示 6.1.3. 检查点 如果显示 NG,请确认检查下列部件。 6.1.4. 退出 从墙面插座上拔下 AC 电源线或者使用主机上的电源按钮关闭电源。 显示 参考号 说明 电路板 TUN TU2901B 调谐器 A 板 STBY IC8001 MPU A 板 MEM1 IC1100 EEPROM (MPU) A 板 MEM2 IC8950 EEPROM (PEAKS) A 板 ADAM IC8001 A-chip (PEAKS) A 板 AVSW IC3000 音频 / 视频切换 A 板 PDROM IC9300 PD4H A 板 TEMP IC1000 温度传感器 A 板 17 6.2. 电源 LED 闪烁次数图 1. 主题 发光二极管闪烁时间图信息。 2. 内容 当设备出现异常时,保护电路将运行并将设备复位到待机状态。此时,通过本机前端的 LED 电源闪烁次数便可识别出故障部位。 18 6.3. 无电源 第一检测点 LED 无电源指示有二种情况: 1. 不亮 2. 绿灯亮,几秒钟后转为红灯闪烁。(请参见第 6.2 章节) 3. 仅红灯亮。 19 6.4. 无图像 20 6.5. 显示器局部故障 等离子显示屏可能会出现局部故障。图 1 是各局部可能会出现故障的印刷电路板。 图 1 21 7.1. SC 夹具 目的: 电源指示灯闪烁 7 次时,找到问题板 (SC 或 SU/SD 板)。 SC 夹具: 连接到 SC 板上的 SC50 连接器的跳线接头 部件编号: TZSC09187 使用方法: 警告:检测完后将 SC 夹具从 SC 板上移除。 1. 移除 SC 板与 SU/SD 板之间的所有连接器,使 SC 板与 SU 板、SD 板隔离。 注:如有连接器未移除会损坏 SC 板。(如:只移除连接 SU 板的连接器而仍与 SD 板连接,SC 板会损坏。) 2. 在 SC 板的左下侧将 SC 夹具与 SC50 连接器连接。 3. 开启电视 / 显示器并确认电源指示灯的闪烁情况。 指示灯闪烁:说明问题可能来自 SC 板 无指示灯闪烁 (点亮或不亮):说明问题可能来自 SU 板或 SD 板 4. 检测完后,关闭电视 / 显示器,等待几分钟待其放电。 5. 将 SC 夹具从 SC 板上移除。 备注:此 SC 夹具适用于所有的 2010 等离子电视和等离子显示器。 22 8.1. 取下后盖 1. 参见印刷电路板布局。(第 3 章节) 8.2. 取下 AC 接入口 注意 : 由于电解电容器放电原因,电源切断后等候一分钟再取下 P.C.B. 印刷电路板。 1. 松开线夹,取下电缆。 2. 断开连接件 (P9)。 3. 松开螺丝 (×1 ), 取下 AC 接入口。 8.3. 取下 P 板 注意 : 由于电解电容器放电原因,电源切断后等候一分钟再取下 P.C.B. 印刷电路板。 1. 松开线夹,取下电缆。 2. 断开连接件 (P51-P52,P53-P54 和 P55-P56)。 3. 断开连接件 (P2,P6,P7,P9,P11 和 P35)。 4. 松开螺丝 (×9 ),取下 P(MAIN) 板。 5. 松开螺丝 (×6 ),取下 P(SUB) 板。 8.4. 取下侧部端子盖和后 AV 盖板 1. 松开卡扣 (×2 )。 2. 取下侧部端子盖。 3. 松开螺丝 (×2 , ×3 )。 4. 取下后 AV 盖板。 23 8.5. 取下调谐器组件 1. 取下侧部端子盖和后 AV 盖板。(请参见第 8.4 章节) 2. 松开线夹,取下电缆。 3. 断开连接件 (A1,A6,A7 和 A11)。 4. 断开柔性电缆 (A20,A31 和 A32)。 5. 松开螺丝 (×2 , ×1 ),取下调谐器组件。 8.6. 取下 A 板 1. 取下调谐器组件。(请参见第 8.5 章节) 2. 松开螺丝 (×4 ),取下 A 板。 8.7. 取下扬声器 1. 松开线夹,取下电缆。 2. 断开扬声器端子。 3. 松开螺丝 (各 ×2 ),取下左右扬声器。 8.8. 取下 SU 板 1. 断开连接至 SU 板上的柔性电缆 (SU1,SU2,SU3,SU4 和 SU5)。 2. 断开柔性电缆(SU11-SD11)和桥接连接器(SC41-SU41)。 3. 取下支撑件 (×2 )。 4. 松开螺丝 (×3 , ×2 ),取下 SU 板。 24 8.9. 取下 SD 板 1. 断开连接至 SD 板上的柔性电缆 (SD1,SD2,SD3,SD4 和 SD5)。 2. 断开柔性电缆 (SU11-SD11)和桥接连接器 (SC42-SD42 和 SC46-SD46)。 3. 取下支撑件 (×3 )。 4. 松开螺丝 (×3 , ×2 ),取下 SD 板。 8.10. 取下 SC 板 1. 取下 SU 板和 SD 板。(请参照第 8.8 和 8.9 章节) 2. 松开线夹,取下电缆。 3. 断开连接件 (SC2)。 4. 断开柔性电缆 (SC20)。 5. 松开螺丝 (×10 ),取下 SC 板。 8.11. 取下 SS3 板 1. 取下调谐器组件。(请参见第 8.5 章节) 2. 断开桥接连接器 (SS03-SS22) ,断开柔性电缆 (SS57 和 SS59)。 3. 松开螺丝 (×4 ),取下 SS3 板。 8.12. 取下 SS 板 1. 取下调谐器组件。(请参见第 8.5 章节) 2. 松开线夹,取下电缆。 3. 断开连接件 (SS11)。 4. 断开柔性电缆 (SS33,SS53,SS55 和 SS56)。 5. 断开桥接连接器 (SS03-SS22)。 6. 松开螺丝 (×7 ),取下 SS 板。 25 8.13. 取下金属支架 1. 松开螺丝 (×2 )。 2. 取下金属支架。 8.14. 取下金属悬挂架 1. 从维修支架上取下等离子显示屏部件,放置在类似桌子(铺 有软布)等的平坦的表面上,并且使等离子显示屏表面朝 下。 2. 取下金属支架。(请参见第 8.13 章节) 3. 从左、右金属悬挂架上松开固定螺丝(各 ×6 ,×2 ), 并取下左右金属悬挂架。 4. 松开左右底部 V 条连接金属固定螺丝(各 ×2 ),取下左 右底部 V 条连接金属和左右支架盖。 8.15. 取下 C1 板 1. 取下右金属悬挂架。(请参见第 8.14 章节) 2. 松开柔性电缆固定螺丝 (×10 )。 3. 断开柔性电缆 (CB1,CB2,CB3,CB4 和 CB5)。 4. 断开柔性电缆 (C10)。 5. 松开螺丝 (×5 ),取下 C1 板。 8.16. 取下 C2 板 1. 取下金属支架。(请参见第 8.13 章节) 2. 松开柔性电缆固定螺丝 (×10 )。 3. 断开柔性电缆 (CB6,CB7,CB8,CB9 和 CB10)。 4. 断开柔性电缆 (C20,C21 和 C26)。 5. 松开螺丝 (×5 ),取下 C2 板。 8.17. 取下 C3 板 1. 取下左金属悬挂架。(请参见第 8.14 章节) 2. 松开柔性电缆固定螺丝 (×10 )。 3. 断开柔性电缆 (CB11,CB12,CB13,CB14 和 CB15)。 4. 断开柔性电缆 (C31,C33 和 C36)。 5. 断开连接件 (C35)。 6. 松开螺丝 (×6 ),取下 C3 板。 26 8.18. 从面框组件上卸下等离子显示屏 1. 卸下等离子显示屏固定螺丝 (×15 , ×2 , ×4 ) 然后取下面框组件。 2. 将等离子显示屏从前面框上分离时,拉住前面框底部,抬 起,并向前拉出。 8.19. 取下玻璃固定压条 1. 卸下面框组件。(请参见第 8.18 章节) 2. 松开螺丝 (×14 , ×16 )。 3. 取下后上玻璃固定压条和后下玻璃固定压条。 4. 松开螺丝 (×8 )。 5. 取下左右玻璃固定压条。 6. 取下前面玻璃。 7. 取下前上玻璃固定压条。 8. 取下前下玻璃固定压条。 9. 松开螺丝 (×2 )。 10. 取下左右后盖卡钩。 27 8.20. 取下 S 板 1. 取下玻璃固定压条。(请参见第 8.19 章节) 2. 松开螺丝 (×2 ),取下 S 板组件。 3. 松开连接件 (S1B)。 4. 取下电源按钮。 5. 松开螺丝 (×1 ),取下 S 板。 8.21. 取下 K 板 1. 取下玻璃固定压条。(请参见第 8.19 章节) 2. 松开螺丝 (×1 )。 3. 松开卡扣 (×1 )。 4. 断开连接件 (K1),从 LED 透光板上取下 K 板。 8.22. 更换等离子显示屏 注意: 未带有金属悬挂架的新等离子显示屏易损坏。 组装好金属悬挂架后,取出新等离子显示屏时握住金属悬挂 架以避免受损。 1. 将包装有新等离子显示屏的纸箱放置于水平工作台。 2. 打开纸箱,暂不取出新的等离子显示屏。 安装 C1 板,C2 板和 C3 板,用柔性电缆将等离子显示屏与 C1 板,C2 板和 C3 板连接,并安装柔性电缆固定器。 3. 将金属悬挂架安装到新的等离子显示屏上。 4. 握住金属悬挂架,将等离子显示屏放置到维修架上。 5. 将面框组件和各 P.C. 板等安装到新的等离子显示屏上。 * 安装面框组件时,注意前面玻璃和等离子显示屏之间不要有任 何的碎屑、灰尘或杂质存在。 28 9.1. 调整步骤 9.1.1. Vsus 选择 注意: 更换等离子屏或 A 板时,Vsus 应设置为 LOW 或 HIGH。 步骤 1. 进入 “维修模式”的主项目 [VSUS]。将显示 LOW 或 HIGH。 2. 按 [ 确定 ] 按钮进入 TEST 阶段。 TEST (测试)和 CONF (配置 )阶段将会显示无 OSD 的白屏模式。请按 [5] 按钮显示 OSD。 3. 按 [ 音量 (-)] 按钮将其设置为 LOW。 4. 设置为 LOW 时 a. 如果白屏模式下无明显可见的坏点,请按 [3] 按钮进入 CONF 阶段。 b. 如果白屏模式下有多个明显可见的坏点,请按 [ 音量 (+)] 按钮将其设置为 HIGH。如果该现象有所改善,请按 [3] 按钮进入 CONF 阶段。 5. 在 CONF 阶段按 [ 确定 ] 按钮存储 LOW 或 HIGH。 6. 按电源按钮退出 “维修模式”。 29 9.1.2. 副对比度调整 仪器名称 连接 备注 RF 发生器 基带信号发生器 HD 信号发生器 步骤 备注 调整 TV (RF 系统 ) 1. 接收 RF PAL 100% 全白或彩条,如下图。 2. 进入维修模式。 3. 按 “1”或 “2”键,进入 “对比度”调整模式。 调整 1. 按遥控器上的黄色键。 2. 副对比度的屏幕显示字符变为红色。 (由内部自动调整完成) 3. 副对比度的屏幕显示字符恢复为黑色。 4. 结束。 注意: AV/HD 输入信号不能进行副对比度调整。 但是,如需选择手动调整则请参考 [ 其他步骤 ]。 30 步骤 备注 其他步骤 调整 AV 系统 1. PAL 100% 全白或彩条接收 AV1 (或 AV2),如下图所示。 2. 进入维修模式。 3. 按 “1”或 “2”键,进入 “对比度”调整模式。 调整 1. 按遥控器上的黄色键。 2. 副对比度的屏幕显示字符变为红色。 (由内部自动调整完成) 3. 副对比度的屏幕显示字符恢复为黑色。 4. 结束。 步骤 备注 其他步骤 调整 HD 系统 1. 1080i 100% 全白或彩条接收分量信号,如下图所示。 2. 进入维修模式。 3. 按 “1”或 “2”键,进入 “对比度”调整模式。 调整 1. 按遥控器上的黄色键。 2. 副对比度的屏幕显示字符变为红色。 (由内部自动调整完成) 3. 副对比度的屏幕显示字符恢复为黑色。 4. 结束。 31 9.1.3. 白平衡调整 仪器名称 连接 备注 黑白模式 彩色分析仪 (Minolta CA-100 或同等产品) 显示屏表面 步骤 备注 • 确保前面玻璃最终使用于该整机。 • 确保在调整前不会出现彩色信号。 • 将彩色分析仪放置在有微小色彩差异的地方。 图像菜单:鲜艳 宽高比:16:9 调整 备注 1. 进入维修模式。 请接收外部信号。或者选择 CVBS/YUV (无同步)。 2. 使用数字键 “1”或 “2”,显示 “WB-ADJ”。 查看确保色温为 “低”。 3. 使用数字键 “0”,选择 “METHOD=01”。 4. 使用数字键 “5”,显示 “内部测试图”。 5. 使用数字键 “3”或 “4”选择 “G-CUTOFF”项目,使用音量 “+”或 “-”键将其 设置为 “80”,并将 “B-CUTOFF”和 “R-CUTOFF”也设置为 “80”。 6. 将 “G-DRIVE”设置为 “D0”。 7. 将彩色分析仪的信号接收器放到内部测试图的中间位置,然后调整 B-DRIVE 和 R-DRIVE, 将 x,y 的值调整为下表中的 “色温 - 低”的值。 8. 所有的 RGB 驱动值增大,从而最大的 RGB 驱动值变为 "FF"。(将 “ALL-DRIVE” 设置为 “FF”。) 9. 使用 “7”键将色温设置为 “中”。 10. 将 G-CUTOFF、B-CUTOFF 和 R-CUTOFF 固定为 “80”。 11. 将 “G-DRIVE”设置为 “D0”。 12. 调整 B-DRIVE 和 R-DRIVE,将内部测试图的 x, y 的值调整为下表中的 “色温 - 中”的值。 13. 所有的 RGB 驱动值增大,从而最大的 RGB 驱动值变为 "FF"。(将 “ALL-DRIVE” 设置为 “FF”。) 14. 使用 “7”键将色温设置为 “高”。 15. 将 G-CUTOFF、B-CUTOFF 和 R-CUTOFF 固定为 “80”。 16. 将 “G-DRIVE”设置为 “D0”。 17. 调整 B-DRIVE 和 R-DRIVE,将内部测试图的 x, y 的值调整为下表中的 “色温 - 高”的值。 18. 所有的 RGB 驱动值增大,从而最大的 RGB 驱动值变为 "FF"。(将 “ALL-DRIVE” 设置为 “FF”。) METHOD=01 复制调整 32 33 10.1. 主方框图 (LED:3TIMES) (LED:5TIMES) (LED:12TIMES) (LED:7TIMES) (LED:8TIMES) (LED:12TIMES) (LED:6TIMES) (LED:9TIMES) (LED:2TIMES) (LED:4TIMES) SUB9V LED_R/G PANEL MAIN ON LED_R/G R SOUND15V A SUB6V TV_L/R PWM SOUND SOS F15V VIDEO DATA OPTICAL AUDIO OUT SOS8_SS SUB3.3V CPU BUS I/F MON_L/R AM NAND FLASH K1 STB3.3V P+15V AUDIO I/F PANEL SOS POWER LED SUB1.8V SPEAKER(R) SLOT SUSTAIN CONTROL SUB3.3V SCAN CONTROL OUT SOUND SOS DET CIRCUIT SUB1.2V STB5V SUB9V HEAD_ PHONE SUB9V SUB1.5V VCC SOS Plasma AI CPG with SS H/V Sync Control Sub Filed Processor Discharge Control DCDC DCDC STB3.3V HP_L/R A32 V SOS6_SC1 R/G/B DIGITAL SIGNAL PROCESSOR PANEL MAIN ON P+15V P+3.3V DET (SIDE) POWER SOS A7 USB SIF I/F P+15V DET ANALOG PD4H P+3.3V AUDIO AMP AV I/O A6 ANALOG-ASIC AV3 REMOTE RECEIVER L/R AV SW SPEAKER(L) HP_L/R SUB+5V DET SOS P+5V P+1.2V P+3.3V P+5V AV2 LVDS DATA L/R USB V/Y/PB/PR SD CARD DATA LVDS DATA SOS8_SS AI SENSOR KEYSCAN1 SD CARD L/R V/Y/PB/PR HP L/R L/R STB5V P+5V PEAKS-sLD CPU BUS AI SENSOR OPTICAL OUT F15V SOS_DCC STB3.3V DCDC SUB6V SUB1.5V SUB1.2V PC L SUB3.3V PWM DCDC RECEIVER SUB5V EEPROM DCDC P+3.3V SUB5V A31 PANEL SOS AUDIO V A11 SD CARD DATA VIDEO DATA DCDC SUB1.8V REMOTE IN DCDC HDMI I/F TV_L/R P+1.2V AUDIO P+15V P+5V DET USB SOS6_SC1 OUT I/F A20 REMOTE RECEIVER SOS7_SC2 SOS7_SC2 KEY SWITCH AI SENSOR A1 K MON_L/R AV1 MONITOR SUB+3.3V DET V OPTICAL TUNER HDMI3 HDMI2 TMDS DATA HDMI1 TMDS DATA TMDS DATA EEPROM (LED:3TIMES) (LED:5TIMES) (LED:12TIMES) (LED:7TIMES) (LED:8TIMES) (LED:12TIMES) (LED:12TIMES) (LED:10TIMES) (LED:12TIMES) (LED:10TIMES) (LED:12TIMES) (LED:10TIMES) (LED:6TIMES) (LED:9TIMES) (LED:2TIMES) (LED:4TIMES) (LED:4TIMES) (LED:8TIMES) (LED:4TIMES) (LED:4TIMES) LVDS DATA P+3.3V P+5V P+3.3V P+5V P+15V S1B ON POWER SWITCH POWER SW S L/R Y/PR/PB Y/PR/PB L/R CVBS MVDAC0 (LED:7TIMES) (LED:6TIMES) HOT COLD HOT COLD SC-BOARD ENERGY RECOVERY SOS DETECT P35 VSCAN GEN. VIDEO DATA SC SUSTAIN CONTROL C26 P+3.3V,P+5V P+15V SOS6_SC1 P+3.3V P6 BUFFER VAD GEN. SD11 C35 SCAN OUT (LOWER) SC41 RECTIFIER SC20 SOS8_SS SCAN DRIVER VIDEO DATA DATA DRIVER DATA DRIVER P2 POWER SUPPLY C33 DATA DRIVER VIDEO DATA CONTROL PULSE C21 SC46 DATA DRIVER (CENTER) P-BOARD SOS DETECT POWER FACTOR CONTROL SCAN DRIVE SS11 SCAN DRIVER P+5V POWER FACTOR CONTROL SOS8_SS P+15V ON/OFF CONTROL SC42 P53 SU11 P+15V SUB P11 POWER MICOM P7 VSUS Vda P56 MAIN VSUS SCAN OUT (UPPER) P+15V Vda P9 SUSTAIN CONTROL F15V P+5V PROCESS VOLTAGE RECTIFIER DATA DRIVER STANDBY VOLTAGE RECTIFIER SOUND15V C20 C36 P52 DATA DRIVER DATA DRIVER C1 STB5V F15V P7 DATA DRIVER VSUS SCAN CONTROL C2 SD P DATA DRIVER DATA DRIVER PS SOS4 C10 SC2 DATA DRIVER SU DATA DRIVER (LEFT) SOS7_SC2 P55 P+3.3V SU41 MAIN SW2 SC-BOARD FLOATING PART SOS DETECT RECTIFIER P+3.3V Vda AC CORD SD42 Vda VIDEO DATA DATA DRIVER RECTIFIER DATA DRIVER DATA DRIVER (RIGHT) C31 STB5V P51 VSUS DATA DRIVER P+15V C3 MAIN SW1 SUSTAIN VOLTAGE RECTIFIER P54 RELAY DATA DRIVER Vda P+5V SUSTAIN VOLTAGE RECTIFIER DATA DRIVER SD46 RELAY SS33 SS3 SOS8_SS SS-BOARD SOS DETECT ENERGY RECOVERY VE GEN. SS SUSTAIN DRIVE SS03 P+5V SS22 SUSTAIN (LOWER) OUT SUSTAIN CONTROL VSUS GEN. (LED:7TIMES) (LED:6TIMES) HOT COLD HOT COLD TH-P65S20C Main Block Diagram TH-P65S20C Main Block Diagram 34 10.2. 方框图 (1/4) (LED:12TIMES) (LED:10TIMES) (LED:10TIMES) (LED:10TIMES) SOUND15V STB3.3V D5485 Q5603 SUB1.2V SUB3.3V SUB9V D5477 Q5472 SUB1.8V D5486 P+15V SUB1.5V SOUND15V D5602 P+15V F15V SUB1.5V D2014 D5481 D5479 STB5V SUB3.3V STB5V F15V SUB5V SUB9V D5483 SUB5V D5472 AV3.3V D5482 SUB5V STB3.3V D5476 D5475 Q5471 SUB6V SUB9V Q5602 D5478 D5484 SUB3.3V D5480 D5471 P5V P3.3V P5V STB3.3V SD CARD ANT IN 4 SOS HDMI_CEC VOLTAGE TEMP SENSOR D3300 HDMI_CEC SUB1.8V IIC_IF 7 DDC IIC0 5V SIF_OUT USB MON_L/ROUT SIF VOUT RX1 +6V MAIN Y/C/V P_S0 8 PANEL_MAIN_ON 3.3V V1_R V2_V IC8001 PC_B V2_R +5V TV TMDS DATA CLOCK CVBSIN1 V2_PR MVDAC0 P_S1 F15V V2_L V P_S1 DDC_IIC2 P+15V DDC_IIC0 +1.5V 9 DDC_IIC1 JK4702 SUB1.5V SOS4_PS OPTICAL AUDIO OUT V/Y/PB/PR Y/PR/PB AUDIO I/F IECOUT V/Y/PB/PR SPEAKER_L Y/PR/PB A7 SUB6V SUB3.3V V2_PB L/R SUB1.5V 5V V2_Y LO1_L/R JK3100A L/R Q2301 PC_G MON_VOUT L/R IC5600 1 VOLTAGE TV_SUB_ON V1_V 9V V1_PB 3 P7 IC1000 SUB1.2V TU2901B DROP 2 DDC IIC2 7 R(-) JK3304 SIF I/F F15V DET JK3107 L(-) STB5V_SW_ON SPEAKER +1.2V 3 SUB_SD_3.3V PC_R 15V RX2 +5V OUT SIDE AVDDH TV_V HEADPHONE TMDS DATA CLOCK SOUND SOS DET A11 L/R NAND FLASH TNR5V CPU BUS L(+) 5 SOS4_PS OPTICAL IIC2 STB5V IC3000 SPEAKER_R AV2 IC5250 1 AUDIO AMP V1_PR TV_SUB_ON PEAKS-SLD IC5601 V1_L CPU BUS I/F IC5603 IC2301 AV1 6 LOUT 9V AUDIO P_S0 SUB5V SOUND15V 8 3.3V JK4700 SD DATA:4bit USB AVDDH ROUT SPEAKER +3.3V L_OUT V1_Y IC8950 IC2952 AVDD3.3V 8 SUB9V 7 JK8850 IC8851 VCC LO2_L/R ERROR DET STB3.3V AV3 IC5604 R(+) 3 +1.8V EEPROM HDMI IN 3 SUB1.2V 4 PWMS L/R HP_L/R R_OUT IIC1_ EEP DDC IIC1 SOUND15V IC2870 L/R HP_L SOS JK4701 JK8801 PC HDMI IN 2 F15V AV2 IIC2 AV1 F15V HDMI I/F RECEIVER AV3 3 STB5V_SW_ON 3.3V USB SUB1.2V_A MON_L/R 5V SUB3.3V 2 1 ON/OFF A SUB6V VIDEO HDMI_CEC +5V PANEL_MAIN_ON V3_L 4 V3_V L/R MONITOR OUT AUDIO HP_R PC OUT I/F 9 OVER IC8921 ANALOG A6 TMDS DATA CLOCK 5 AV I/O SD CARD I/F IIC2 DIGITAL SIGNAL PROCESSOR HDMI IN 1 USB5V 9 PWMS L/R P6 V3_R TUNER IC5401 RX0 AV SW R/G/B IC2953 +3.3V +3.3V IC3001 2 10 DDC5V_B HDMI_CEC DDC5V_A DDC5V_C IIC_TU SOUND SOS EEPROM PANEL MAIN ON TV SUB ON GENX IIC GENX IIC IC1100 SOS TV SUB ON SOS PANEL MAIN ON ARC_OFF Q4512 ARC (LED:12TIMES) (LED:10TIMES) (LED:10TIMES) SUB5V SNESE (LED:10TIMES) SUB3.3V SNESE TH-P65S20C Block (1/4) Diagram TH-P65S20C Block (1/4) Diagram 35 10.3. 方框图 (2/4) (LED:4TIMES) (LED:3TIMES) (LED:6TIMES) (LED:9TIMES) (LED:5TIMES) (LED:7TIMES) (LED:8TIMES) G R P+15V STB3.3V P+5V STB3.3V Q5100 P+15V P+3.3V Q5000 STB5V Q5101 STB5V P+3.3V D9807 D5000 D5100 D2520 SUB9V P+15V SUB9V SUB5V P+5V STB3.3V AV3.3V SUB5V X9300 P+15V P5V P3.3V SCAN CONTROL RMIN SUSTAIN CONTROL POWER LED STB3.3V P+15V PLASMA AI CPG with SS H/V Sync Control Sub Filed Processor SOS7_SC2 C21 IC9800 FOR FACTORY USE P+15V SOS8_SS DRVRST CONTROL DATA CN0102 SW_OFF_DET DISCHARGE CONTROL IC5000 63 VIDEO DATA 4 SOS8_SS SUSTAIN CONTROL 3 SOS6_SC1 2 +1.2V 1 K 10 A LVDS DATA 4 66 SOS_DCC SC_UHZ STB_RST SOS_DCC DIGITAL SIGNAL PROCESSOR SC_UHZ D_UHZ STB+3.3V +3.3V SW5151 XRST_SYS_PD4 5 P_S1 VOL.UP/CH.UP +5V XRST_SYS_PD4 KEY SWITCH SW5152 OHZ1 SW5153 POWER VCC ON SW5154 P+3.3V ANALOG-ASIC IIC0 POWER LED 1 A32 6 P+3.3V IIC1 48 VIDEO DATA UHZ CONTROL DATA SOS6_SC1 FOR FACTORY USE SOS6_SC1 CN0102 VIDEO DATA IIC1 SW_OFF_DET IIC1 IIC2 Genx_IIC P_S1 AV SW5150 3 G_LED_ON AI_SENSOR AI_SENSOR REMOTE IN KEY SWITCH STB LED(G) PD4H P+3.3V P+5V REMOTE RECEIVER SBI0 SBO0 IIC0 IIC1 IIC2 Genx_IIC P+3.3V DET A31 DRVRST_PD4 DRVRST SOS8_SS POWER VCC ON 2 UHZ P3.3V R_LED_ON SOS7_SC2 8 8 POWER LED(R) IIC2 A1 C31 LVDS_OUT FLASH I/F A20 P+5V DET SOS8_SS IC9300 IIC2 IC9801 63 TV SUB ON 1.2V SCAN CONTROL SBI0 SBO0 LVDS DATA 3 9 POWER_DET AC_SW_OFF 68 IIC0 8 DRVRST_PD4 PANEL SOS P_S0 BUFFER ADDR/DATA PANEL SOS C.A.T.S. SENSOR 66 KEYSCAN1 AC_SW_OFF 6 REMOTE SOS4_PS 18 SUB3.3V RM2510 DRVRST_PD4 SOS7_SC2 3 SN2510 STB_RST XRST_SYS_PD4 4 F 68 STB5V_SW_ON 16 6 TV K1 VOL.DN/CH.UP 29 FLASH MEMORY 3.3V SOS7_SC2 IC9400,01,02 VIDEO DATA POWER VCC ON SOS4_PS 1 IC9304 SOS6_SC1 7 X0 X1 SOS_DCC 15 DRVRST_PD4 UHZ C.A.T.S. SENSOR D_UHZ STB_RST 30 P_S0 P+5V SOS_DCC IC9803 SC20 CONTROL DATA 2 10 POWER LED(R) POWER_DET SW_OFF_DET STB LED(G) C.A.T.S. SENSOR STB LED(G) AI SENSOR POWER_DET DRVRST REMOTE IN PANEL SOS PANEL SOS STB_RST REMOTE IN STB_RST SW_OFF_DET KEYSCAN1 DRVRST KEYSCAN1 POWER LED(R) (LED:4TIMES) (LED:3TIMES) (LED:6TIMES) (LED:9TIMES) (LED:5TIMES) (LED:7TIMES) (LED:8TIMES) TH-P65S20C Block (2/4) Diagram TH-P65S20C Block (2/4) Diagram 36 10.4. 方框图 (3/4) (LED:4TIMES) HOT HOT COLD COLD HOT COLD F501 F602 F601 D707 D510 F901 D701 D504 D552 ZD803 ZD401 ZD402 F801 ZD503 ZD505 F802 ZD603 F201 D505 D508 D551 D708 D554 D555 D351 D402 D556 D706 D403 D557 G G D705 K802 PC201 STB+5V Q901,Q902 3 OCP RF601 1 CONT RF801 +15V(P) K805 SS11 Q802,Q803 OVP +15V(P) +15(DD)Vo BIAS2(+) Vsus VR401 VR951 Vda PC202 PHOTO COUPLER 10A 250V RUSH RELAY1_ON Vda_Vo MAIN RELAY ON BIAS_PFC LINE FILTER Q405,Q406 2 8 2 15V P53 POWER SOS P54 LIVE RESONANCE 1 +5V 10A 250V SOS4_PS Q407,Q408 MAIN D501 SUB PANEL_ON NEUTRAL 1 STB_IN OVP Vsus POWER CONTROL Vda DET Q560 SUS_S1 IC951 P34 Q404 IC901 Q903 PC501 Q507 STB+DET FSTB+15V QN LIVE T901 MAIN SW_ON PANEL_MAIN_ON Vsus 4 CONTROL 5 +15V(P) P11 AC DET AC DET AC CORD PHOTO COUPLER P25 STB_ON K602 IC801 PFC/DRIVER RECTIFIER P9 SC2 9 POWER MICOM SUS_S0 Vsus ERROR DET 5A 250V P PHOTO COUPLER BIAS1_MAIN ALL_OFF PC801 PC903 1 PC502 PHOTO COUPLER 2 SUS_Vo2 NEUTRAL P55 RUSH RELAY ON 5 Vsus 4 STB IC501 3 4 V_SET1 P56 D953 P2 9 1 9 NO USE 7 PHOTO COUPLER 2 7 Vsus Vda Vsus_ON PC902 10 BIAS_PFC_ON D251 POWER SUPPLY 2A 250V P52 Q401 1 T201 4 T501 1 FET DRIVER 4 Q355 L601 L602 P51 Q402 1 BIAS_MAIN 1 Q403 Vda CONTROL DET OVP Q356,Q357 DET IC352 BIAS1(+) MC701 STB-IN DET PHOTO COUPLER K605 P35 2 Vda 1 Vda C35 P65 2 Vda 1 Vda NO USE SOUND+15V 7 P+15V SOUND+15V P6 1 FSTB+15V 9 3 2 A6 FSTB+15V 14 12 STB+5V 9 MAIN SW2 STB5V_ON 7 P7 4 5 8 MAIN SW1 S1 11 PANEL_MAIN_ON 1 3 S0 ALL OFF SOS4_PS STB+5V 7 S1 S0 6 10 2 1 8 6 10 2 1 5 8 3 V_SET_2 V_SET_1 IC902 Q904 RECTIFIER PHOTO COUPLER PC504 Q506 Q502 Q505 10A 250V OCP FB VGL VGH Vsen Vc1 FB VDET IS Vcc Q809 Q808 Q807 Q805 OVP S PFC ON D803 RECTIFIER L803 ZD351 10A 250V BIAS(+) BIAS1(+) LIVE LIVE NEUTRAL NEUTRAL 15V RUSH RELAY1 MAIN RELAY1 V_SET_2 V_SET_1 STB_IN CONTROL Q804, Q806 FB VDET Q601,Q604,Q606 CONTROL L603 OVP IC201 RESONANCE D603 OCP FB VGL VGH Vsen Vc1 Q602,Q603 Q201,Q202 IC601 PFC/DRIVER IS Vcc Q503 Q504 5A 250V Q605 Q204 Q203 MULTI POWER CONTROL IC202 BIAS1_PFC RECTIFIER Q709 PC510 PHOTO COUPLER PHOTO COUPLER C D Q508 FSTB_ON Q702 Q561 Q711 MAIN RELAY ON Q712 D401 RECTIFIER L351 L401 F_STB ERROR DET IC551 FV ON Q607 Q558 Q559 Q551 Q710 VDD MAIN RELAY1 ON MC551 Q557 STB+5V ON F_STB_ON V_SET2 Vsus ERROR DET IC251 IC403 VR251 Vsus FB VIN +15V CONTROL PGATE +15V_ON Q951 EN ILIM Q952 LIVE LIVE NEUTRAL L801 L402 + - BIAS(+) BIAS(-) BIAS(-) Vsus ON BIAS_PFC BIAS_MAIN SUS_Vo2 STB_IN RUSH RELAY1_ON MAIN RELAY1_ON BIAS1(+) OVP DET AC DET STB+5V DET + - + - Q706 A7 SUS_Vo1 V_SET_1 Q251 V_SET_2 Q252 (LED:4TIMES) HOT HOT COLD COLD HOT COLD ZD552 ZD553 MAIN SW2 MAIN SW1 1 3 PUSH SW2500 S1B POWER SWITCH S POWER SWITCH TH-P65S20C Block (3/4) Diagram TH-P65S20C Block (3/4) Diagram 37 10.5. 方框图 (4/4) (LED:7TIMES) (LED:8TIMES) (LED:6TIMES) D16820 D16822 TPSOS7 TPVE TPSOS8 TPSS1 D16721 TPVSCN D16280 L16303 D16662 D16473 TPSC1 D16618 TPVSUS D16253 D16920 D16480 D16490 D16901 D16282 D16583 TPVAD D16821 D16493 TPSOS6 D16255 TPVSUS D16475 D16728 SS33 SEL SU1-SU5 SC 50 CEL VFG 66 VFG VIDEO DATA P+3.3V BUFFER IPD CIRCUIT P+5V ENERGY Vfo IPD CIRCUIT SD 11 1 1 PC16896 DRIVER LED(G) CIS Q16501,02.31 SHUNT REG C10 Q16647 IC16251 Q16876 CML Q16021-24 9 P+3.3V VSCN GEN. 13 1 SS 11 UMH Vda Q16001-04 SC 42 Q16521,22,51 SUSTAIN CONTROL 1 +5V IC16131 2 CB6 PHOTO COUPLER P+15V OC2 PC16191 CEL LED(G) P+3.3V Vda SUSTAIN DRIVE SS 56 ERROR DET LOGIC IC Q16421-25 USH Vscn CLK 2 SEL SCNR_PRO SCAN CONTROL 1 UEH CHA 19 UMH CLK UML P+3.3V IC16724 CB 10 P+5V Q16141,61 C33 6 26 SS 33 5 IC16563 27 VSCN-F 3 FPC DET 4 SHUNT REG 1 P+5V USH ERROR DET ELECTRODE VSUS Gen. P+3.3V CSH BUFFER IC17301 CML P2 PLASMA PANEL PC16685 C35 CB 14 SOS6_SC1 CIS Q16055,56 9 SOS8_SS 15V_F IC16471 CB 13 6 28 USL IC16312 Q16280 59 PC16722,23 IC16151 CB 12 Q16608 REG. C33 PC16461 CSH CRC1 CB3 (16V_F) 2 1 CSH C3 SC 41 VRH 1 Vda SCAN BUFFER 1 5 DRIVER SC 20 CB5 SOS8_SS NAND A32 PANEL DRIVER SIU SOS7_SC2 PANEL DRIVER CSL/CML GATE DRIVE CIRCUIT 25 DRIVER 19 13 Vda COMPARATOR DATA DRIVER (LEFT) SC 46 PC16684 5 PANEL DRIVER 2 CIS A31 SS 55 CPH1 PLASMA PANEL 2 DATA DRIVER (CENTER) COMPARATOR SC JIG IC14961,62,64 P+5V SS 53 2 4 6 CB7 C2 Q16051,52 Vda 25 CB4 P+3.3V VIDEO DATA P+15V 21 CPH1 20 BUFFER Q16818 VE Gen. CERS VIDEO DATA PHOTO COUPLER CONTROL DATA 2 REG. COUPLER 13 PC16603 CB 15 4 F16V INVERTER CEL PC16301 C31 7 IC16304 5V_F 2 35 CHA UHZ PHOTO COUPLER Q16607 P35 CIRCUIT IPD CIRCUIT SCNR_PRO Q16920 SEPA PROTECT SHUNT IC16501 SOS8_SS OC1 IC16561,62 1 Vsus CMH VFG F16V GEN. SCAN DATA DRIVER (RIGHT) IC14951,52,53,54 IC16771 SD CML CRC2 Vfo 47 -06 INVERTER CB2 CMH 8 F16V IC17201 SD 42 1 Vsus IC16786,87 SCAN OUT (LOWER) Vad+5V 20 PHOTO COUPLER SHUNT REG CSL Q16441-43 USL P+3.3V CONTROL DATA Q16662,63 4 P+15V PHOTO IC16692 30 P+5V CERS 8 2 C36 IC14901,02,03,04 PLASMA PANEL Vda SD1-SD5 SHUNT MID VE GEN. Q16621-23 IC16241 IC16490,91 D16316 IC16691 SC Q16191 SD 46 1 Q16675,76 DRIVER C1 IC16521 C20 CSL 53 UHZ VIDEO DATA PC16480 VFG Q16251 VIDEO DATA SCAN OC1 1 IC16661 8 51 SC2 CRC1 Q16885 SU 41 RECOVERY Q16041,42 1 55 SCAN DRIVE Q16661 15 CONTROL DATA ELECTRODE 6 CSL Q16670,71 Q16101.02 Q16660 VIDEO DATA UML VAD GEN. IC16920 PANEL SUSTAIN Q16490 Q16471 5 SUSTAIN CONTROL SUSTAIN CONTROL IC16784,85 IC17302 A20 P11 CHA SIU 4 UML 20 OC2 12 C21 DRIVER 21 18 6 6 SUSTAIN CONTROL CB8 50 CRC2 SU 11 Q16452-54 Vsus SS CRC1 VOL C26 ERROR DET CMH IC16581 SCAN VRL 27 9 PHOTO ERROR DET 6 PANEL SCAN Q16402 SCAN CONTROL 52 DRIVER CB 11 2 55 Q16601 COUPLER 9 BUFFER UEH TP59,TP60 TP61,TP62 9 SU 1 CB1 CSH/CMH GATE DRIVE CIRCUIT 3 8 41 3 CRC2 SOS6_SC1 IC16773 CB9 SCAN OUT (UPPER) Q16668 P+5V WAVEFORMSHAPER WAVEFORMSHAPER SS3 SS 59 1 2 1 SS 57 2 23 4 SS 22 23 4 SS 03 13 13 SUSTAIN CONNECTOR (LOWER) 3 2 2 3 IC14905,06,07,08 IC14955,56,57,58 D16051,52 D16042,43 64 D16871 D16462-64 D16481-83 T16471 L16411 L16401 D16652 D16859 (LED:7TIMES) (LED:8TIMES) (LED:6TIMES) TH-P65S20C Block (4/4) Diagram TH-P65S20C Block (4/4) Diagram 38 39 11.1. 注意事项 注意: 请确认正确的安装了所有的柔性电缆。 同时请确保将它们完全插入连接件。 轻拉柔性电缆确认以上事项。 11.2. 导线 (1) 40 11.3. 导线 (2) 41 11.4. 导线 (3) 42 11.5. 导线 (4) 43 11.6. 导线 (5) 44 11.7. 导线 (6) 45 12.1. 线路图注意事项 TH-P65S20C TH-P65S20C 46 12.2. P(MAIN) 电路板 (1/3) 线路图 E B 4 D 7 3 1 C 5 F 2 8 9 6 A TO P(SUB)-BOARD (P51) COLD HOT PFC TO P(SUB)-BOARD (P53) F_STB ERROR DET STB CONTROL +5V COLD HOT COLD HOT ! P(MAIN)-BOARD ETX2MM813MSM (1/3) TH-P65S20C P(MAIN)-Board (1/3) Schematic Diagram TH-P65S20C P(MAIN)-Board (1/3) Schematic Diagram 47 12.3. P(MAIN) 电路板 (2/3) 线路图 E B 4 D 7 3 1 C 5 F 2 8 9 6 A MULTI POWER CONTROL COMPARATOR COLD HOT Vsus ERROR DET Vsus Vda CONTROL Vda COLD HOT ! P(MAIN)-BOARD ETX2MM813MSM (2/3) +15V CONTROL TO SS-BOARD (SS11) TO C3-BOARD (C35) NO USE TO A-BOARD (A6) TH-P65S20C P(MAIN)-Board (2/3) Schematic Diagram TH-P65S20C P(MAIN)-Board (2/3) Schematic Diagram 48 12.4. P(MAIN) 电路板 (3/3) 线路图 E B 4 D 7 3 1 C 5 F 2 8 9 6 A POWER MICOM TO P(SUB)-BOARD (P55) NO USE TO A-BOARD (A7/S1B) ! P(MAIN)-BOARD ETX2MM813MSM (3/3) TH-P65S20C P(MAIN)-Board (3/3) Schematic Diagram TH-P65S20C P(MAIN)-Board (3/3) Schematic Diagram 49 12.5. P(SUB) 电路板线路图 E B 4 D 7 3 1 C 5 F 2 8 9 6 A TO P(MAIN)-BOARD (P52) TO P(MAIN)-BOARD (P54) PFC Vsus POWER CONTROL COMPARATOR Vsus ERROR DET Vsus TO SC-BOARD (SC2) ! P(SUB)-BOARD ETX2MM813MSS TO P(MAIN)-BOARD (P56) COLD HOT COLD HOT TH-P65S20C P(SUB)-Board Schematic Diagram TH-P65S20C P(SUB)-Board Schematic Diagram 50 12.6. A 电路板 (1/19) 线路图 S S S S S S S S S S S S S S C0900 16V 0.1u SUB3.3V SUB3.3V SUB3.3V P3.3V STB3.3V R0987 R0959 R0954 R0970 R0978 R0958 R0950 R0971 R0953 R0952 R0986 R0955 R0951 R0979 TP0940 TDO SBT1 TMS TCK TDI XRST TRST SDA1 DEVELOP_SCL2 SCL1 ADJ-STM_SDA P3V_SDA02 MSCL ADJ-PEAKS_SDA SDA0 I2CSEL SDA TMP-SENS_SDA MSDA P3V_SCL02 STMSCL SCL0 SCL AV-SW_SDA PEAKS-EEP_SCL STM-EEP_SCL PEAKS-EEP_SDA DEVELOP_SDA2 ADJ-STM_SCL STMSDA AV-SW_SCL ADJ-PEAKS_SCL DEVELOP_SDA2 DEVELOP_SCL2 STM-EEP_SDA DEVELOP_SDA1 TMP-SENS_SCL DEVELOP_SCL1 R0902 EXB28V680JX 5 8 R0900 68 R0984 4.7k R0966 4.7k R0949 2.2k R0910 10k R0948 2.2k R0982 22 R0941 68 R0980 4.7k R0945 68 R0967 4.7k R0942 68 R0901 68 R0913 10k R0911 10k R0912 10k R0981 4.7k R0944 68 R0983 22 R0940 68 R0943 68 R0903 68 R0957 1k R0985 4.7k R0905 10k IIC A-Chip sLD Development Connector CN0101 FE Adjustment Connector STM I2CSEL H: Outside IIC control (Study only) L: D-chip internal control (Normal) PDP-PANEL Peaks EEP 32k GenX EEP 16k IC1100 TEMP SENSOR CN0100 AV-SW (Peaks BE E2PROM) SCL2 SDA2 (STM Loarder/E2PROM) OPEN DEVELOP_SCL0 DEVELOP_SDA0 PDP-PANEL_SCL PDP-PANEL_SDA FE_SDA FE_SCL C A B 6 E 1 F 4 3 5 D 2 9 8 7 ! TO 3/19 TO 13/19 TO 17/19 TO 2/19 TO 9/19 TO 1,17,19/19 TO 1,17/19 TO 5/19 TO 2/19 TO 3/19 TO 6/19 TO 17/19 TO 17/19 TO 3,12/19 TO 3/19 S S R0972 R0973 A-TNR_SCL A-TNR_SDA TUNER TU2901 TO 11/19 TH-P65S20C A-Board (1/19) Schematic Diagram TH-P65S20C A-Board (1/19) Schematic Diagram A-BOARD (1/19) TNPH0840GC 51 12.7. A 电路板 (2/19) 线路图 C8081 50V 10p C8079 50V 12p *IC8001 A1 VSS *IC8001 M17 AVSSADA *IC8001 B24 VSS *IC8001 R20 VDD3 *IC8001 AE31 VSS *IC8001 B21 NC *IC8001 J3 VSS *IC8001 C14 NC *IC8001 T17 VDD12 *IC8001 W15 VDD12 *IC8001 N22 VSS *IC8001 R2 RX2M0 *IC8001 C18 HP1_L1 *IC8001 AA19 VSS *IC8001 D5 AVSSV *IC8001 D7 VREFL1 *IC8001 C10 BIAS *IC8001 D11 S11 *IC8001 U2 RX2M2 *IC8001 U14 VSS *IC8001 AF32 VSS *IC8001 U11 TMODE0 *IC8001 D23 TEST_A2 *IC8001 K2 RXCM1 *IC8001 T1 RX2P1 *IC8001 R13 AVDDH *IC8001 R12 AVDDH *IC8001 A23 LIN5_RP *IC8001 AB15 VSS *IC8001 E2 T_L0N *IC8001 AM20 VSS *IC8001 P17 VDD12 *IC8001 A6 B2 *IC8001 D16 ZEROMUTE1 *IC8001 R22 VSS *IC8001 D18 HP1_R1 *IC8001 M24 AVSSHP *IC8001 W23 VSS *IC8001 B17 ZEROMUTE2 *IC8001 A9 B3 *IC8001 T2 RX2M1 *IC8001 U33 VDD12 *IC8001 A4 R1 *IC8001 U31 VDD12 *IC8001 C13 NC *IC8001 A11 V1 *IC8001 C20 LIN2_LP *IC8001 Y19 VSS *IC8001 M14 AVSSSIF *IC8001 F1 RXCP0 *IC8001 B19 LIN_LN *IC8001 D10 BIAS2 *IC8001 AL4 VSS *IC8001 AA12 VSS *IC8001 M21 AVSSA *IC8001 T33 VDD3 *IC8001 AA18 VSS *IC8001 H1 RX0P1 *IC8001 D1 VIN *IC8001 R19 VDD12 *IC8001 D14 V2 *IC8001 AE32 VSS *IC8001 H3 VSS *IC8001 AC32 VSS *IC8001 B16 AXI *IC8001 K4 ADCT0 *IC8001 AC11 VDD3 *IC8001 C3 T_L1N *IC8001 N19 VDD3 *IC8001 AM24 VSS *IC8001 AB16 VSS *IC8001 J2 RX0M2 *IC8001 Y12 VSS *IC8001 C16 TESTIO *IC8001 H4 AVDDV *IC8001 B4 R1N *IC8001 C11 NC *IC8001 AM9 NC *IC8001 L17 AVDDADA *IC8001 M2 RX1M1 *IC8001 R17 VDD12 *IC8001 B14 FEAINN *IC8001 AM7 NC *IC8001 W21 VSS *IC8001 U20 VDD12 *IC8001 N12 VDDAVAD *IC8001 A13 SIFINP *IC8001 T3 NRST *IC8001 G4 AVDDV *IC8001 AA17 VSS *IC8001 T14 VSS *IC8001 F4 AVDDV *IC8001 B20 NC *IC8001 P12 AVDDH *IC8001 U18 VDD12 *IC8001 C12 NC *IC8001 AC3 SDA *IC8001 W17 VDD12 *IC8001 P21 VSS *IC8001 C1 FBL1 *IC8001 L2 RX1M0 *IC8001 AM21 VSS *IC8001 C15 VREFLSIF *IC8001 E3 VSS *IC8001 B6 NC *IC8001 G1 RX0P0 *IC8001 T13 VSS *IC8001 B22 NC *IC8001 A21 LIN3_RP *IC8001 D15 VREFHSIF *IC8001 D21 VREF1V5 *IC8001 AD21 VSS *IC8001 N1 RX1P2 *IC8001 AL3 VSS *IC8001 L23 AVDDHP *IC8001 W12 VSS *IC8001 D9 VREFL3 *IC8001 U19 VDD12 *IC8001 AM8 NC *IC8001 W16 VDD12 *IC8001 D22 TEST_A1 *IC8001 AC18 VSS *IC8001 AA14 VSS *IC8001 R14 AVDDH *IC8001 AB13 VSS *IC8001 K3 DDCSCL0 *IC8001 AL6 VSS *IC8001 W13 VDD12 *IC8001 B12 NC *IC8001 V34 VDD12 *IC8001 N3 DDCSDA0 *IC8001 V18 VDD12 *IC8001 A15 VSS *IC8001 N18 VDD12 *IC8001 C7 VREFH1 *IC8001 AC22 VSS *IC8001 V24 VDD12 *IC8001 AP1 VSS *IC8001 N17 VDD12 *IC8001 AN31 VSS *IC8001 W14 VDD12 *IC8001 T11 VSS *IC8001 N13 AVSSV *IC8001 V16 VDD12 *IC8001 A3 B1 *IC8001 M15 AVSSADA *IC8001 L20 AVDDA *IC8001 Y21 VSS *IC8001 G2 RX0M0 *IC8001 N15 AVSSV *IC8001 D20 VREG *IC8001 C2 T_L1P *IC8001 M20 AVSSA *IC8001 B1 VCMOBGR *IC8001 W11 TESTIOH *IC8001 M11 VDDAVAD *IC8001 R23 VSS *IC8001 D6 VREFL0 *IC8001 B23 LIN_RN *IC8001 T31 VDD3 *IC8001 AC31 VSS *IC8001 AM23 VSS *IC8001 T24 VDD3 *IC8001 V21 VDD12 *IC8001 AF31 VSS *IC8001 C22 LIN4_LP *IC8001 AB3 SCL *IC8001 AL5 VSS *IC8001 P14 AVDDH *IC8001 U32 VDD12 *IC8001 AM22 VSS *IC8001 C21 LIN3_LP *IC8001 A20 LIN2_RP *IC8001 AM30 VSS *IC8001 V13 VDD12 *IC8001 U34 VDD12 *IC8001 B18 LO1_R *IC8001 U24 VDD12 *IC8001 A14 FEAINP *IC8001 C9 VREFH3 *IC8001 N20 VDD3 *IC8001 R16 AVSSV *IC8001 F3 VSS *IC8001 A12 V3 *IC8001 M22 AVSSHP *IC8001 J1 RX0P2 *IC8001 AA16 VSS *IC8001 R3 DDCSDA2 *IC8001 AB18 VSS *IC8001 U15 VSS *IC8001 V22 VDD12 *IC8001 A22 LIN4_RP *IC8001 D4 AVSSV *IC8001 AC21 VSS *IC8001 D19 A_MUTE *IC8001 A5 G2 *IC8001 B8 NC *IC8001 AA13 VSS *IC8001 C24 I2CSEL *IC8001 K1 RXCP1 *IC8001 P18 VDD12 *IC8001 M23 AVSSHP *IC8001 Y22 VSS *IC8001 L22 AVDDHP *IC8001 B7 NC *IC8001 U1 RX2P2 *IC8001 N2 RX1M2 *IC8001 AD31 VSS *IC8001 V14 VDD12 *IC8001 N11 VDDAVAD *IC8001 AM19 VSS *IC8001 L18 AVDDADA *IC8001 R15 AVSSV *IC8001 W18 VDD12 *IC8001 P1 RXCP2 *IC8001 L24 AVDDHP *IC8001 R1 RX2P0 *IC8001 M16 AVSSADA *IC8001 P2 RXCM2 *IC8001 T12 VSS *IC8001 N14 AVSSV *IC8001 H2 RX0M1 *IC8001 AC17 VSS *IC8001 Y18 VSS *IC8001 A19 LIN1_RP *IC8001 AB22 VSS *IC8001 W20 VDD12 *IC8001 P22 VSS *IC8001 L3 DDCSCL1 *IC8001 L15 AVDDPLLA *IC8001 AB12 VSS *IC8001 AB17 VSS *IC8001 AA15 VSS *IC8001 T32 VDD3 *IC8001 F2 RXCM0 *IC8001 AN2 VSS *IC8001 L21 AVDDA *IC8001 T18 VDD12 *IC8001 A7 R2 *IC8001 B2 G1N *IC8001 G3 VSS *IC8001 Y13 VSS *IC8001 B10 NC *IC8001 U21 VDD12 *IC8001 V32 VDD12 *IC8001 U23 VDD12 *IC8001 P15 AVSSV *IC8001 T15 VSS *IC8001 D17 LO2_R *IC8001 C5 AVSSV *IC8001 P20 VDD3 *IC8001 L14 AVDDSIF *IC8001 C23 LIN5_LP *IC8001 R21 VSS *IC8001 T23 VDD3 *IC8001 W19 VDD12 *IC8001 C19 LIN1_LP *IC8001 L12 VDDAVAD *IC8001 U16 VSS *IC8001 P11 AVDDH *IC8001 N21 VSS *IC8001 V23 VDD12 *IC8001 T16 VSS *IC8001 AJ3 VSS *IC8001 AD32 VSS *IC8001 M12 VDDAVAD *IC8001 AM10 NC *IC8001 J4 AVDDV *IC8001 N16 AVSSV *IC8001 D8 VREFL2 *IC8001 R18 VDD12 *IC8001 U13 VSS *IC8001 T19 VDD12 *IC8001 AA21 VSS *IC8001 AL20 VSS *IC8001 T34 VDD3 *IC8001 L11 VDDAVAD *IC8001 A16 AXO *IC8001 P13 AVDDH *IC8001 AA22 VSS *IC8001 A8 G3 *IC8001 U17 VDD12 *IC8001 Y14 VSS *IC8001 T22 VDD3 *IC8001 A18 LO1_L *IC8001 AC12 VDD3 *IC8001 AK3 VSS *IC8001 E1 T_L0P *IC8001 P16 AVSSV *IC8001 M18 AVSSADA *IC8001 AM3 VSS *IC8001 M1 RX1P1 *IC8001 C8 VREFH2 *IC8001 R11 AVDDH *IC8001 C17 LO2_L *IC8001 M19 AVSSA *IC8001 V15 VDD12 *IC8001 V31 VDD12 *IC8001 L1 RX1P0 *IC8001 D13 C1 *IC8001 A2 G1 *IC8001 V19 VDD12 *IC8001 C25 VSS *IC8001 V33 VDD12 *IC8001 W22 VSS *IC8001 R24 VSS *IC8001 B5 G2N *IC8001 U22 VDD12 *IC8001 E5 AVSSV *IC8001 L13 AVDDPLLV *IC8001 M3 DDCSCL2 *IC8001 M13 AVSSV *IC8001 U12 VSS *IC8001 A17 VSS *IC8001 B15 ZEROMUTE0 *IC8001 B11 V1N *IC8001 B3 B1N *IC8001 V12 VSS *IC8001 P3 DDCSDA1 *IC8001 B9 NC *IC8001 C4 ADCT1 *IC8001 A10 R3 *IC8001 A24 VSS *IC8001 T21 VDD3 *IC8001 C6 VREFH0 *IC8001 D12 Y1 *IC8001 D3 ADCT2 *IC8001 D2 HIN *IC8001 AB21 VSS *IC8001 V11 TMODE1 *IC8001 B13 SIFINN *IC8001 T20 VDD3 *IC8001 P19 VDD3 *IC8001 L16 AVDDADA *IC8001 L19 AVDDA *IC8001 V17 VDD12 *IC8001 AD22 VSS *IC8001 V20 VDD12 *IC8001 E4 AVDD75D *IC8001 AD11 VDD3 AVDDV3.3V RX2P1 LIN5_LP RX2P0 D8_VREFL2 D7_VREFL1 AVDDADA1/2/3 NRST RX0P0 RX0M2 LIN5_RP L15_AVDDPLLA VDD12 RXCM1 AVDDPLLV/75D B1 RX2M0 D6_VREFL0 A_MUTE VIN B1N RX2M2 C9_VREFH3 RX0P1 RX1M1 D20_VREG HIN C10_BIAS AVDDADA1/2/3 D9_VREFL3 RX1P0 D10_BIAS2 D21_VREF1V5 RX0M0 G1N D15_VREFHSIF RXCM0 RX1P1 RXCP0 R1 AVDDV3.3V VDD3 RXCM2 RX0P2 SIFINP C7_VREFH1 RX0M1 RX1P2 AVDDHP C6_VREFH0 G1 AVDDA RX2M1 RX1M0 AVDDH VDDAVAD RX1M2 C15_VREFLSIF DDCSCL1 AVDDADA1/2/3 RXCP2 L14_AVDDSIF SIFINN DDCSCL0 DDCSCL2 RXCP1 C8_VREFH2 R1N LO1_L HP1_R1 LO1_R HP1_L1 DDCSDA1 DDCSDA2 C SCL SDA C C DDCSDA0 I2CSEL C C C C C G_SIF R8015 1k X8000 H0J245500101 RX2P2 Peaks-COMMON A-BOARD (2/19) TNPH0840GC HDMI AVDD3.3V SIF I/F SUB1.2V IF I/F SUB3.3V GND GND GND GND S_GND AVDD3.3V AVDD3.3V SUB1.2V AVDDH3.3V VSW ADC Analog Video In I/F CLK IIC I/F TEST 24.576MHz Achip GND GND AVDD3.3V AVDD3.3V AVDD3.3V GND Analog Audio In I/F Analog Audio Out I/F RESET SUB3.3V SUB3.3V GND 17 11 13 18 15 14 10 16 12 ! TO 1/19 TO 12/19 TO 7/19 TO 18/19 TO 18/19 TO 7/19 TO 7,9/19 TO 8/19 TO 8/19 TO 18/19 TO 8/19 TO 8,9/19 TO 18/19 TO 8/19 TO 18/19 TO 18/19 TO 18/19 TO 18/19 TO 2,3,18/19 TO 2,3,18/19 TO 2,3,18/19 TO 2,3,18/19 TO 2,3,18/19 TO 2,3,18/19 TO 2,3,18/19 TO 2,3,18/19 TO 18/19 TO 18/19 TO 18/19 TO 2,18/19 TO 2,18/19 TO 2,18/19 TO 18/19 TO 18/19 IC8001 MN2WS0130FH PEAKS-SLD TH-P65S20C A-Board (2/19) Schematic Diagram TH-P65S20C A-Board (2/19) Schematic Diagram 52 12.8. A 电路板 (3/19) 线路图 S C8080 50V 8p C8016 1u 6.3V C8015 1u 6.3V C8127 6.3V 1u C8082 50V 8p C8045 16V 0.1u *IC8001 C34 TB1P *IC8001 AD19 VDDA *IC8001 AN4 EA9 *IC8001 AA11 VDDUSB *IC8001 B30 LOSDOUT0 *IC8001 AN1 EA16 *IC8001 G31 LOSDOUT8 *IC8001 J32 LVVSS *IC8001 C28 TSTAIO *IC8001 AP26 STMTIME0 *IC8001 D25 AGCR *IC8001 AN19 SDDAT1 *IC8001 AM13 CLK74 *IC8001 AN8 SBT1 *IC8001 AC34 TDO *IC8001 AG4 ED5 *IC8001 Y24 VDDIO *IC8001 AM6 EA2 *IC8001 AP3 EA11 *IC8001 AA1 XECS2 *IC8001 AP5 EA6 *IC8001 M32 LVVSS *IC8001 AD12 USBRREF *IC8001 A26 VCOMP *IC8001 AN12 XDSR0 *IC8001 AP10 SBO0 *IC8001 AH1 ED1 *IC8001 G34 TE1P *IC8001 AP8 SMTSEL *IC8001 AN30 OSCXI *IC8001 W3 XNFRE *IC8001 AL2 EA18 *IC8001 H33 TF1N *IC8001 AA3 XEWE1 *IC8001 AL1 EA21 *IC8001 AN24 STMADIN0 *IC8001 M31 LVVDD33 *IC8001 Y34 PORT2 *IC8001 AN26 STMTIME1 *IC8001 AH33 STMGPIO5 *IC8001 Y31 MMDQS0 *IC8001 AA24 VDDIO *IC8001 AM31 VDDIO *IC8001 E33 TCLK1N *IC8001 AD1 ED15 *IC8001 AF34 STMGPIO0 *IC8001 G33 TE1N *IC8001 AL8 BOOTSWAP *IC8001 AN14 CH0VAL *IC8001 N32 LVVSS *IC8001 K34 TB2P *IC8001 AJ31 VDDIO *IC8001 AA33 STMGPIO6 *IC8001 F31 LOSDOUT7 *IC8001 Y23 VDDIO *IC8001 AP15 CH1DATA *IC8001 AP19 SDDAT0 *IC8001 AP31 VDD33STM *IC8001 Y20 VDDR *IC8001 AN18 SDCMD *IC8001 N33 TD2N *IC8001 AN33 VDDIO *IC8001 AC15 AVSSPWM *IC8001 AN15 CH1PSYNC *IC8001 AB2 XEDK *IC8001 AB19 VDDA *IC8001 AC20 VDDR *IC8001 M33 TCLK2N *IC8001 C33 TB1N *IC8001 AG3 ED3 *IC8001 AN23 PWM0LN *IC8001 AP18 SDDAT2 *IC8001 AB31 MMCKE *IC8001 AL14 TXD0 *IC8001 B32 LVVSS *IC8001 B25 VIREF *IC8001 A25 VDACO *IC8001 AE3 ED14 *IC8001 AK1 EA23 *IC8001 E34 TCLK1P *IC8001 AP23 PWM0LP *IC8001 AF3 ED9 *IC8001 W4 XNFWP *IC8001 AD23 VDDIO *IC8001 AB1 ESZ1 *IC8001 AD15 VDDAUSB *IC8001 AG34 STMRMIN *IC8001 D29 SRCK0 *IC8001 AE33 STMSCL *IC8001 D34 TC1P *IC8001 AM4 EA10 *IC8001 AN17 CH0DATA *IC8001 AM11 A2TCPOUT *IC8001 AN16 SDA1 *IC8001 P24 M1A1AVDD *IC8001 AB24 VDDIO *IC8001 AP33 VDDIO *IC8001 D27 MSDA *IC8001 H34 TF1P *IC8001 C30 LOSDOUT1 *IC8001 AB11 VDD33SD *IC8001 AL9 SMTRST *IC8001 C26 SDOUT0 *IC8001 H31 LOSDOUT9 *IC8001 D24 AGCI *IC8001 L34 TC2P *IC8001 D30 LOSDOUT4 *IC8001 K31 LVVDD33 *IC8001 Y32 MMXDQS0 *IC8001 AM2 EA15 *IC8001 AM28 STMTEST1 *IC8001 AP21 NSHUTDOWN *IC8001 AL15 CH0PSYNC *IC8001 AC1 XECS1 *IC8001 AB23 VDDIO *IC8001 N31 LVVDD33 *IC8001 AN5 EA5 *IC8001 AC4 XERE *IC8001 AH34 XRSTSTM *IC8001 AA4 NANDRYBY *IC8001 AP11 SBO1 *IC8001 J34 TA2P *IC8001 AC13 USBRREF *IC8001 AK34 SCLOCK *IC8001 AL24 STMSBO1 *IC8001 AC14 VSSAPUSB *IC8001 E32 LVVSS *IC8001 AP27 STMTIME2 *IC8001 AJ33 STMGPIO4 *IC8001 AN11 SBI1 *IC8001 AL13 XRTS0 *IC8001 AG2 ED2 *IC8001 AP17 SDA0 *IC8001 AC2 ESZ0 *IC8001 V1 STMGPIO7 *IC8001 AE4 ED12 *IC8001 R31 LVVDD33 *IC8001 P34 TE2P *IC8001 AD24 VDDIO *IC8001 F33 TD1N *IC8001 AN7 EA0 *IC8001 AM18 SDCD *IC8001 V3 STMGPIO9 *IC8001 C31 XNMIRQ *IC8001 AF33 STMGPIO3 *IC8001 M4 STMDDCSCL1 *IC8001 B31 SDOUT3 *IC8001 D33 TC1N *IC8001 AM32 VDDIO *IC8001 N34 TD2P *IC8001 AB34 TMS *IC8001 R32 LVVSS *IC8001 AP13 XCTS0 *IC8001 AL12 XRI0 *IC8001 Y33 XRST *IC8001 AN29 ADAVSS *IC8001 AJ34 STMGPIO1 *IC8001 AM29 STMTEST0 *IC8001 AB14 USBATEST *IC8001 AP29 ADAVDD *IC8001 AN28 STMSBI1 *IC8001 AN3 EA12 *IC8001 J33 TA2N *IC8001 AA32 MMDQ13 *IC8001 AN25 STMTIME4 *IC8001 M34 TCLK2P *IC8001 G32 LVVSS *IC8001 AM27 STMTEST2 *IC8001 AM12 CLK27 *IC8001 AN34 VDDIO *IC8001 R34 TF2P *IC8001 AL18 SDDAT3 *IC8001 N23 MVAVSS *IC8001 B33 TA1N *IC8001 AD34 STMCECAVL1A *IC8001 B26 VVREF *IC8001 AN32 VDDIO *IC8001 AA23 VDDIO *IC8001 AP34 VDDIO *IC8001 AF1 ED8 *IC8001 AH3 ED0 *IC8001 AL34 STMEXTRG *IC8001 A31 XIRQ1 *IC8001 R4 STMDDCSDA1 *IC8001 AP14 CH1CLK *IC8001 AL23 STMADIN4 *IC8001 W33 PORT0 *IC8001 AF4 ED10 *IC8001 AJ2 EA22 *IC8001 AN6 EA3 *IC8001 AL30 VDDIO *IC8001 AL16 CH0CLK *IC8001 AK31 VDDIO *IC8001 AL21 STMADIN2 *IC8001 AM33 VDDIO *IC8001 AB4 XEWE0 *IC8001 AK33 STMSBO0 *IC8001 AA20 VDDR *IC8001 W31 MMXDQS1 *IC8001 AG33 STMGPIO2 *IC8001 AN21 MUTEB *IC8001 Y2 NFCLE *IC8001 AN9 SMTD *IC8001 AG1 ED4 *IC8001 AD18 DPAVDD *IC8001 Y3 XNFWE *IC8001 AN13 XDTR0 *IC8001 AH31 MMVCAL *IC8001 AC24 VDDIO *IC8001 K32 LVVSS *IC8001 D32 LVVSS *IC8001 E31 LOSDOUT6 *IC8001 AH2 EA24 *IC8001 D31 LOSDOUT5 *IC8001 P32 LVVSS *IC8001 P23 M1A1AVSS *IC8001 W1 STMCECO *IC8001 AC19 VDDA *IC8001 AD16 AVDDPWM *IC8001 AN20 USBDN *IC8001 V2 STMGPIO8 *IC8001 AK4 EA14 *IC8001 A27 DAAVDD *IC8001 A29 LOSDOUT2 *IC8001 P33 TE2N *IC8001 AM26 MMDQS3 *IC8001 AP30 OSCXO *IC8001 A30 ADCCK *IC8001 B29 LOSDOUT3 *IC8001 AD14 VDDPUSB *IC8001 L32 LVVSS *IC8001 L33 TC2N *IC8001 AP9 SMTCLK *IC8001 W24 LVVDD12 *IC8001 T4 STMDDCSDA2 *IC8001 AC16 A2AVSS *IC8001 Y1 XNFCE *IC8001 AP7 ECLK *IC8001 AD17 A2AVDD *IC8001 AN10 SBI0 *IC8001 Y15 TSTSEL *IC8001 Y17 V2TCPOUT *IC8001 AD2 XECS0 *IC8001 AJ32 MMDQ22 *IC8001 A28 IECIN *IC8001 U4 STMHPD2 *IC8001 D26 SDOUT2 *IC8001 AH4 ED7 *IC8001 N24 MVAVDD *IC8001 V4 STMHPD0 *IC8001 AL25 MMDQS2 *IC8001 AP22 PWM1RP *IC8001 AD4 EAS *IC8001 AD13 VSSAPUSB *IC8001 AM5 EA7 *IC8001 AM14 CH1VAL *IC8001 AE2 ED13 *IC8001 AP4 EA8 *IC8001 AP20 USBDP *IC8001 AL10 SMTCMD *IC8001 B28 IECOUT *IC8001 AM25 MMXDQS2 *IC8001 Y11 FPENF *IC8001 W34 PORT1 *IC8001 Y4 NFALE *IC8001 H32 LVVSS *IC8001 AP24 STMADIN5 *IC8001 AB33 TDI *IC8001 AM15 RXD0 *IC8001 AL26 MMXDQS3 *IC8001 AB20 VDDR *IC8001 AL31 VDDIO *IC8001 AL22 STMADIN3 *IC8001 B27 DAAVSS *IC8001 AL19 SDCLK *IC8001 AB32 MMODT *IC8001 C27 SDOUT1 *IC8001 P31 LVVDD33 *IC8001 AJ1 EA25 *IC8001 AE1 ED11 *IC8001 AK32 VDDIO *IC8001 AD3 ERXW *IC8001 AM17 SDWP *IC8001 C32 LVVSS *IC8001 F32 LVVSS *IC8001 AL17 SCL0 *IC8001 AP2 EA13 *IC8001 Y16 M1A1TCPOUT *IC8001 AP28 STMSBT0 *IC8001 AA34 TCK *IC8001 K33 TB2N *IC8001 L31 LVVDD33 *IC8001 AL32 VDDIO *IC8001 F34 TD1P *IC8001 AP12 XDCD0 *IC8001 AL27 MMRDRV *IC8001 AN27 STMTIME3 *IC8001 AD20 VDDR *IC8001 P4 STMDDCSDA0 *IC8001 AM16 DTCPOUT *IC8001 AC33 TRST *IC8001 AP25 STMADIN1 *IC8001 AA2 XECS3 *IC8001 AJ4 EA17 *IC8001 D28 MSCL *IC8001 AL11 SBT0 *IC8001 AP6 EA4 *IC8001 AA31 MMDQ6 *IC8001 AC23 VDDIOCK *IC8001 AL29 MMVREF *IC8001 AD33 STMSDA *IC8001 AL7 EA1 *IC8001 L4 STMDDCSCL0 *IC8001 AE34 STMCECAVL1B *IC8001 R33 TF2N *IC8001 AG32 MMXCK *IC8001 AK2 EA20 *IC8001 AM1 EA19 *IC8001 N4 STMDDCSCL2 *IC8001 AN22 PWM1RN *IC8001 B34 TA1P *IC8001 U3 STMHPD1 *IC8001 A34 LVVSS *IC8001 A33 XIRQ3 *IC8001 W2 STMCECPUL *IC8001 AP32 VDD12STM *IC8001 AF2 ED6 *IC8001 AH32 MMDQ29 *IC8001 AP16 SCL1 *IC8001 J31 LVVDD33 *IC8001 AL28 MMRODT *IC8001 A32 XIRQ2 *IC8001 C29 SLRCK *IC8001 AL33 STMSBI0 *IC8001 AG31 MMCK *IC8001 AM34 SDATA *IC8001 W32 MMDQS1 L8007 J0JHC0000045 SUB3.3V R8016 1.8V_DDRI/F TRST EA17 SUB_SD_3.3V STMRMIN XRSTSTM EA16 STMHPD1 NSHUTDOWN AD18_DPAVDD EA15 EA14 MMVCAL/REF TCK EA20 AD15_VDDAUSB AB32_MMODT VDD33STM/ADAVDD TDI BOOTSWAP STMHPD0 STMHPD2 AL28_MMRODT W24_LVVDD12 CH0DATA EA12 AB31_MMCKE EA13 SDWP LVVDD33 AD14_VDDPUSB EA21 AG31_MMCK XRTS0 SBI0 XNMIRQ EA19 N24_MVAVDD AD17_A2AVDD VDDR/A XRST AG32_MMXCK XIRQ1 MUTEB AL27_MMRDRV TXD0 EA22 EA18 AA11_VDDUSB SDCD XRST AP32_VDD12STM XIRQ3 TMS CH0CLK AD16_AVDDPWM P24_M1A1AVDD XIRQ2 VDACO SCL1 IECOUT XDCD0 TDO STMDDCSCL2 ECLK SBT1 XECS1 XDTR0 SDCLK PWM1RP MSCL PWM1RN PWM0LP RXD0 STMSCL CH0PSYNC SBO0 PWM0LN XRI0 SCL0 CH0VAL STMDDCSCL1 XDSR0 XCTS0 STMDDCSCL0 STMCECAVL1B STMSBT0 EA9 CH1PSYNC ESZ0 SDOUT0 TC2P SDA0 EA10 LOSDOUT0 STMDDCSDA0 TE2N TCLK2P USBDP STMTIME3 EAS ERXW STMADIN4 SBT0 XERE LOSDOUT4 STMADIN5 STMADIN1 SMTRST ED11 STMADIN2 STMDDCSDA2 C PORT1 EA0 ED2 TC2N STMGPIO5 ED4 XNFRE SLRCK STMGPIO8 ED13 STMCECAVL1A IECIN XEWE1 XECS3 TA2P ED6 ED15 XECS2 STMSBI0 EA24 STMGPIO3 STMSDA SDOUT3 STMDDCSDA1 ED10 XNFWE STMSBI1 SMTCMD C AGCI ED5 NFCLE TB1N CH1CLK C TE1P TCLK1P LOSDOUT1 STMTIME0 STMEXTRG ESZ1 STMTIME4 CH1VAL C STMADIN0 TB2P ED1 ED14 SDDAT3 XEDK TA1P SDA1 EA2 TB1P TD2N STMCECPUL SDCMD XEWE0 PORT2 PORT0 EA25 C STMGPIO1 STMGPIO6 LOSDOUT5 STMGPIO2 TE2P ED0 EA11 EA5 ADCCK SDDAT0 STMADIN3 TD1N TD1P TB2N STMCECO EA4 EA8 SDDAT1 STMSBO1 TC1P EA1 TD2P TCLK1N ED7 ED9 STMTIME2 NANDRYBY STMGPIO0 C NFALE STMTIME1 EA7 STMSBO0 XNFCE MSDA EA6 STMGPIO4 ED8 AGCR TCLK2N TC1N TE1N C XNFWP USBDN EA3 USBRREF STMGPIO9 SRCK0 ED12 EA23 STMGPIO7 TA1N TA2N SMTSEL ED3 C SDDAT2 R8032 10k 1% R8002 24k 1% R8004 24k R8017 470 R8212 10k R8211 10k 1% R8003 10k X8001 H0J120500062 CPV P70 (PORT15[3]) GDATA1 P71 JTAG P72 TEST GDATA2 LD PORT7[4] VC27 HSDIN5 PORT0[6] HSDIN6 PORT16[4] SUB3.3V TRCD2 SUB3.3V TRCD3 TRCCLK PORT9[2] SDBOOT PORT9[3] TRCD0 USB I/F TRCD1 Analog Video Out I/F SRQ_GenX AUDIO I/F GenX-EEP_WP G_LED_ON ACTIVE_ANTENNA_ON AI_SENSOR VOUTENB RF_AFT1 TRCST REMOTE FACT Dchip HDMI_5V_DET1 BEPOWER DEBUG DTV_XRST CPU BUS I/F HDMI_5V_DET2 BENST TV_SUB_ON PORT3[0] SUB3.3V HDMI_5V_DET0 SUB3.3V SUB1.2V SUB3.3V SUB1.2V GND PORT14[2] PORT7[5] IIC I/F PORT1[0] PORT7[6] PORT7[7] P76 P80 P81 PORT6[2] PORT7[1] PORT7[2] PCREADY PCCE1 PCIOWR PCRESET PORT16[2] TS I/F PCDOE XETS_CI PORT15[4] CI_OSEL PORT1[3] STM CLK COMMON PORT PORT9[0] SDVOLC LPL PORT9[1] LPR POLL SUPPORT_CARD FE_IRQ XEAB FE_XRST / SDRAM_CHK PCWAIT CI_OCP HSDIN1 PCOE HSDIN2 P85 12.0MHz NAND IF IIC I/F PCCD1 HDMI I/F HSSYNIN HSVALIN MAIN_FAN_ON / SP_LED_ON FAN_MAX / SP_LED_DIM DDR MONITOR DDR PORT1[4] CLK PORT1[5] TCON SCL2 SD CARD I/F SDA2 (PORT15[1]) LVDS I/F (PORT15[2]) P14 SUB3.3V GND SUB3.3V GND GND GND P01 P02 P03 RESET RESET P43 P44 P04 P82 P45 P05 P83 P10 P84 PORT3[1] PORT3[2] PANEL PWM PWM1 HSDIN3 SUB1.8V PWM2 HSDIN4 SUB3.3V P11 GND P12 P13 GND COMMON PORT KEY1 PORT15[5] EEPROM_WP GND PORT15[6] PORT16[1] DISPEN SUB1.2V SOS PD4H_DRVRST / PWM_POW_ON TEST R_LED_ON PORT10[0] SP_HP_MUTE HSDIN7 PORT10[1] Parallel SUB3.3V_SENSE P73 PCWE SERIAL I/F P74 POWER_DET PCIORD CI I/F P75 USB_OCP HSBCLKIN PORT14[0] MON_MUTE HSDIN0 PORT14[1] POLR ARC_OFF AVDD_ENB REV_DAC_ENB PANEL_LED_ON LCD_EEP_WP SOUND_SOS SIF_FIL_ON PD4H_NCS / SD_LED_ON FILM_DET PD4H_OSD_VIN/DTV_VOUTENB FAN_SOS/FV_STS PANEL_SOS/BL_SOS P3.3V_DET/SBO PD4H_PANEL_MAIN_ON/SBI SW_OFF_DET SUB5V/SUB12V_SENSE PANEL_VCC_ON P5V_DET/BL_ON PD4H_XRST_SYS/PANEL_TEST_ON SD_COIN_DET SD_PWR_ON USB_VBUS 20 21 26 22 27 23 24 19 25 A-BOARD (3/19) TNPH0840GC ! TO 1/19 TO 1/19 TO 1,3,12/19 TO 1,3,12/19 TO 1/19 TO 1/19 TO 2,3,18/19 TO 2,3,18/19 TO 2,3,18/19 TO 2,3,18/19 TO 2,3,18/19 TO 2,3,18/19 TO 2,3,18/19 TO 2,3,18/19 TO 4/19 TO 11/19 TO 4/19 TO 4/19 TO 18/19 TO 5/19 TO 18/19 TO 5/19 TO 4,5/19 TO 5/19 TO 4/19 TO 18/19 TO 18/19 TO 5/19 TO 4/19 TO 5/19 TO 4/19 TO 5/19 TO 4/19 TO 7/19 TO 4/19 TO 5,6/19 TO 4/19 TO 6/19 TO 11/19 TO 6,8/19 TO 6/19 TO 5/19 TO 6/19 TO 5,6/19 TO 6/19 TO 4/19 TO 6/19 TO 4/19 TO 6/19 TO 4/19 TO 12/19 TO 4/19 TO 6/19 TO 6,17/19 TO 4/19 TO 18/19 TO 18/19 TO 18/19 TO 18/19 TO 18/19 TO 18/19 TO 18/19 TO 18/19 TO 4,9/19 TO 8/19 TO 7,10/19 TO 8/19 TO 6/19 TO 6,17/19 TO 6,7/19 TO 6/19 TO 6,10/19 TO 6,7/19 TO 18/19 TO 18/19 TO 11,13/19 TO 11/19 TO 6/19 TO 6,17/19 TO 6,12/19 TO 6/19 TO 6,7/19 TO 6/19 TO 6,12/19 TO 6/19 TO 6,17/19 TO 6/19 TO 6,9,11,12,17/19 TO 6,12/19 TO 6/19 TO 6,12/19 TO 6,16/19 TO 6/19 PEAKS-SLD IC8001 MN2WS0125FE Peaks-COMMON TH-P65S20C A-Board (3/19) Schematic Diagram TH-P65S20C A-Board (3/19) Schematic Diagram 53 12.9. A 电路板 (4/19) 线路图 S S S S S S S S S S S S S S S S S S S S S S S S S S S CH0DATA AC_CHDI0 AC_CHDI2 CI_OCP AC_CHDI7 AC_CHDI5 AC_CHCLK CH0CLK AC_CHDI6 AC_CHDI1 CH0DATA AC_CHSYNC AC_CHDI1 AC_CHDI3 AC_CHSYNC AC_CHDI6 CH0CLK AC_CHCLK AC_XPDWT AC_CHDI4 AC_CHDI7 AC_CHDI5 AC_CHDI0 AC_CHVAL AC_CHDI2 AC_XPDWT AC_CHDI4 AC_CHVAL AC_CHDI3 CI_OCP C8600 50V 1000p SUB3.3V SUB3.3V SUB3.3V SUB3.3V SUB3.3V SUB3.3V SUB3.3V R8623 R8624 VJ8517 VJUMP1005-S VJ8603 R8510 R8505 R8498 R8506 R8507 R8508 R8480 VJ8602 VJ8600 VJ8601 R8619 R8655 R8656 R8644 R8607 R8625 R8626 R8634 R8635 R8621 R8642 R8641 R8643 R8501 VARAY405 6 7 TP8601 TP8600 TP8730 AB_NANDRYBY VDACO AA_XIRQ2 AGCR AA_XIRQ6 AA_XIRQ2 EA18 EA19 AA_FE_RST EA14 EA16 EA12 EA22 EA13 EA15 EA21 VDACO EA20 EA17 XNMIRQ XIRQ1 SBO0 EA6 XERE SMTCMD XEWE0 PORT2 SMTRST SBI0 EA3 XRTS0 EA7 CH0CLK ESZ0 CH1CLK BOOTSWAP EA0 XDTR0 XDCD0 XEWE1 CH0DATA CH0PSYNC XECS2 EAS SBT0 EA1 XECS3 ERXW NANDRYBY EA2 CH0VAL XECS1 SMTSEL XCTS0 ESZ1 XRI0 EA5 XDSR0 XECS3 NFALE XEDK EA4 ECLK AA_XECS2 XIRQ2 R8511 EXB28V103JX R8500 EXB2HV103JV 1 R8660 EXB2HV680JV R8671 2.2k R8633 2.2k R8617 2.2k R8622 68 R8470 10k R8616 2.2k R8632 10k R8514 2.2k R8491 68 R8606 2.2k R8610 68 R8649 10k R8628 10k R8513 10k R8664 10k R8496 68 R8497 68 R8636 68 R8493 68 R8494 68 R8645 68 R8489 68 R8488 68 R8661 2.2k R8646 10k R8669 10k R8639 10k R8490 68 R8396 10k R8492 68 R8631 10k R8499 68 R8627 10k 1% R8733 160 R8618 10k R8495 68 R8652 10k R8512 10k R8638 10k XIRQ6 PORT16[4] XIRQ0 XNMIRQ NANDRYBY PORT15[6] XIRQ1 XIRQ12 XIRQ2 USB_OCP SUPPORT_CARD FE_IRQ FE_XRST / SDRAM_CHK PORT10[1] Peaks-DEST A-BOARD (4/19) TNPH0840GC SDBOOT PORT14[2] 8730-8799 XEAB CI_OSEL PCDOE PCWAIT PCIORD PCOE PCREADY PCWE PCIOWR PCCD1 PCCE1 PCRESET HSSYNIN HSVALIN HSBCLKIN HSDIN0 XETS_CI HSDIN1 HSDIN3 HSDIN5 CI_OCP HSDIN6 HSDIN2 HSDIN4 HSDIN7 31 28 36 33 29 30 34 35 32 ! TO 3/19 TO 3/19 TO 3/19 TO 3,5/19 TO 3/19 TO 3/19 TO 3/19 TO 3/19 TO 3/19 TO 3/19 TO 3,4/19 TO 3,4/19 TO 3,4,9/19 TO 3,4,9/19 TO 4,11,19/19 TO 5/19 TO 5/19 TO 4/19 TO 4/19 TO 5/19 TH-P65S20C A-Board (4/19) Schematic Diagram TH-P65S20C A-Board (4/19) Schematic Diagram 54 12.10.A 电路板 (5/19) 线路图 + D.SW W.P. S S S S S P AA_ED0 AA_ED1 AB_XNFWP AA_ED4 AB_NFCLE AA_ED5 AB_XNFCE AA_ED2 AB_NFALE AB_NANDRYBY AB_XNFRE AB_NFCLE AB_XNFWE AB_XNFCE AB_NANDRYBY AA_ED6 AA_ED7 AB_XNFRE AB_NFALE AB_XNFWE AB_XNFWP AA_ED3 AA_ED3 AA_ED2 AA_ED1 AA_ED7 AA_ED6 AA_ED4 AA_ED5 AA_ED0 AD_SDWP AD_SDCMD AD_SDDAT2 AD_SDCLK AD_SDDAT1 AD_SDDAT2 AD_SDDAT1 AD_SDDAT0 AD_SDCD AD_SDDAT3 AD_SDCMD AD_SDDAT3 AD_SDCLK AD_SDDAT0 AD_SDWP AD_SDCD C8950 16V 0.01u C8922 16V 0.1u C8923 16V 0.1u *C8864 10u 10V *C8865 16V 0.1u *C8869 10u 10V *C8868 10u 10V C8862 16V 0.01u C8854 16V 0.1u C8853 16V 0.1u C8861 16V 0.1u C8863 22u 4V C8860 16V 47u C0DBZYY00350 *IC8851 1 Vin 2 GND 3 EN 5 VOUT 4 /OC TVRR537 *IC8950 1 NC 2 NC 3 NC 4 VSS 5 SDA 6 SCL 7 WC 8 VCC TVRR587AF *IC8921 1 NC 2 NC 3 NC 4 NC 5 NC 6 NC 7 R/B# 8 RE# 9 CE# 10 NC 11 NC 12 VCC 13 VSS 14 NC 15 NC 16 CLE 17 ALE 18 WE# 19 WP# 20 NC 21 NC 22 NC 23 NC 24 NC 25 NC 26 NC 27 NC 28 NC 29 I/O0 30 I/O1 31 I/O2 32 I/O3 33 NC 34 NC 35 NC 36 VSS 37 VCC 38 NC 39 NC 40 NC 41 I/O4 42 I/O5 43 I/O6 44 I/O7 45 NC 46 NC 47 NC 48 NC *JK8801 K1FY104B0039 1 2 3 4 JK8850 1 2 3 4 5 6 7 8 9 10 11 12 L8920 J0JHC0000075 *L8851 J0JHC0000045 L8850 J0JHC0000045 SUB_SD_3.3V SUB3.3V SUB3.3V SUB3.3V SUB_SD_3.3V SUB5V SUB3.3V SUB3.3V R8952 R8864 R8871 R8866 R8858 R8893 TP8951 TP8950 TP8952 TP8856 TP8857 TP8855 TP8859 TP8858 TP8853 TP8862 TP8854 TP8863 TP8850 TP8860 AA_XECS2 SDCLK SDWP AB_NANDRYBY XIRQ3 SDCD AA_XIRQ6 EA24 ED8 ED13 PEAKS-EEP_SDA USBDN USBRREF XNFRE XNFWP SDDAT1 LOSDOUT1 SDDAT3 ED14 ED10 ED12 ED5 NFALE XNFWE SDDAT0 SDCMD ED9 ED6 ED0 SDOUT0 SDDAT2 PEAKS-EEP_SCL ED1 XNFCE ED2 NFCLE ED3 USBDP ED4 ED15 ED11 ED7 R8879 EXB28V103JX 1 4 R8918 EXB2HV680JV 1 R8922 EXB2HVR000V 1 8 R8919 EXB2HV680JV 1 R8872 33 R8856 47k *R8884 0 R8869 10k 1% R8824 6.2k R8867 10k R8923 68 R8928 68 R8950 4.7k R8925 68 R8926 68 R8900 68 R8878 10k R8857 68 R8868 33 R8927 68 R8876 33 R8870 10k R8873 33 R8874 33 R8920 2.2k R8860 68 R8862 68 *R8881 0 R8859 68 R8924 68 R8890 10k R8875 33 R8861 68 R8863 68 *R8883 0 R8877 33 *R8880 4.7k PORT6[2] EEPROM_WP Peaks-MODEL VBUS1 DP1 DM1 GND DeMPX ED[15-0] --> EA[23-8] PORT0[6] SDVOLC GND SD/IC_CARD GND SDCMD SDCLK SDDAT0 SDDAT1 3.3V SDDAT3 SDDAT2 L:1.8V H:3.3V SD_COIN_DET (PORT15[3]) 44 42 37 40 45 38 43 41 39 A-BOARD (5/19)TNPH0840GC ! TO 1/19 TO 3/19 TO 3/19 TO 3,4/19 TO 3/19 TO 3/19 TO 3/19 TO 3/19 TO 3/19 TO 3,6/19 TO 3/19 TO 3,6/19 TO 4/19 TO 4/19 TO 4/19 NAND FLASH EEPROM USB 5V SD CARD USB TH-P65S20C A-Board (5/19) Schematic Diagram TH-P65S20C A-Board (5/19) Schematic Diagram 55 12.11.A 电路板 (6/19) 线路图 S S S S S S S S S S S S S S S S S S S S ADCCK STMHPD0 STMGPIO5 XRSTSTM LOSDOUT0 SLRCK STMGPIO8 STMGPIO9 STMDDCSCL2 STMGPIO1 CH1PSYNC STMGPIO2 STMHPD1 STMSBI0 STMDDCSCL0 STMADIN5 SG-RF_AFT1 SG-PD4H_DRVRST/PWM_POW_ON SDOUT3 SRCK0 STMGPIO4 SG-AI_SENSOR STMDDCSDA1 STMHPD2 STMGPIO6 STMSBO0 STMCECAVL1B STMDDCSDA0 STMGPIO7 STMSBT0 STMRMIN P3.3V_DET EA11 XIRQ3 STMCECPUL PG-FILM_DET PG-FILM_DET P3.3V_DET STMSBI1 EA8 STMDDCSCL1 EA10 SG-G_LED_ON P5V_DET STMCECAVL1A PORT0 STMDDCSDA2 STMGPIO0 STMADIN4 EA9 LOSDOUT1 P_ON/OFF STMTIME4 STMCECO STMTIME0 STMADIN0 STMTIME3 STMEXTRG STMADIN1 STMTIME2 STMTIME1 STMTIME3 STMTIME2 STMTIME1 STMTIME0 STMADIN1 STMADIN0 STMEXTRG STMADIN3 AGCI STMHPD2 STMHPD1 STMHPD0 STMGPIO9 STMDDCSDA0 STMDDCSCL0 SRCK0 STMDDCSDA1 STMDDCSCL1 STMGPIO7 STMDDCSCL2 STMDDCSDA2 STMGPIO8 STMGPIO3 STMGPIO3 STMSBT0 STMADIN5 STMRMIN STMADIN4 STMGPIO0 STMGPIO1 STMGPIO2 SDOUT3 STMCECO STMCECPUL STMCECAVL1A STMCECAVL1B STMADIN2 STMADIN2 STMADIN3 XRSTSTM STMGPIO4 STMGPIO5 STMSBO0 STMSBI0 STMGPIO6 STMTIME4 XIRQ3 PORT0 EA11 LOSDOUT0 SLRCK SG-AI_SENSOR SG-G_LED_ON P_ON/OFF P5V_DET SG-PD4H_DRVRST/PWM_POW_ON SG-RF_AFT1 EA10 LOSDOUT1 EA9 EA8 CH1PSYNC ADCCK AGCI STMSBI1 C1100 25V 0.01u C1102 16V 0.1u C1101 25V 0.01u D1101 B0JCCE000008 *IC1100 TVRR559 1 NC 2 NC 3 NC 4 VSS 5 SDA 6 SCL 7 WC 8 VCC STB3.3V STB3.3V STB3.3V STB3.3V STB3.3V SUB5V SUB3.3V R1160 R1176 R1206 R1207 R1204 R1201 R1109 R1202 R1564 R1559 R1505 R1177 R1205 R1107 R1106 R1101 R1203 R1103 R1105 R1108 TP1501 TP1100 TP1101 STMGPIO0 SG-RF_AFT1 STMGPIO2 STMGPIO7 STMGPIO8 STMSBT0 STMADIN5 STMGPIO3 STB_RST STMRMIN XIRQ3 OSD_VIN EA8 EA10 STMSBT0 STMADIN4 FACT_SDBOOT STMSBI1 STMGPIO9 SG-PD4H_DRVRST/PWM_POW_ON SG-AI_SENSOR STMGPIO1 KEY_SCAN EA11 EA25 SG-PD4H_DRVRST/PWM_POW_ON STMSBI1 SRCK0 STMHPD0 STMGPIO6 STMGPIO0 ADCCK PORT0 STMSBO0 LOSDOUT1 P5V_DET P3.3V_DET STMSBI0 STMHPD1 STMGPIO2 P_ON/OFF AGCI STMHPD2 SG-G_LED_ON LOSDOUT0 EA9 EA10 SDOUT3 STMGPIO5 CH1PSYNC XRST_SYS PG-FILM_DET STMTIME4 PANEL_MAIN_ON SLRCK STMGPIO0 STMADIN3 LOSDOUT1 PORT1 STMSBT0 XIRQ3 STMDDCSCL1 STMHPD0 STMSBI0 STMDDCSDA1 STMDDCSCL1 EA8 STMSBI1 EA11 STMTIME2 STM-EEP_SCL STM-EEP_SDA STMCECO EA10 STMGPIO9 STMCECAVL1B STMCECAVL1A STMADIN4 ADCCK STMTIME4 STMDDCSCL2 STMADIN5 STMHPD1 STMGPIO6 STMGPIO2 STMDDCSDA0 STMGPIO7 STMGPIO8 SDOUT3 STMADIN0 STMDDCSDA2 STMSBO1 SRCK0 STMTIME0 STMDDCSDA0 STMDDCSCL0 STMDDCSCL0 STMDDCSDA1 PORT0 STMGPIO5 STMDDCSDA2 STMGPIO1 STMRMIN EA9 STMEXTRG STMSBO0 SLRCK STMGPIO3 STMADIN2 STMDDCSCL2 STMCECAVL1A AGCI STMHPD2 STMCECO CH1PSYNC STMADIN1 STMCECPUL STMTIME3 XRSTSTM LOSDOUT0 STMCECAVL1B STMTIME1 R1185 100 R1521 100k R1562 47k R1519 47k R1552 4.7k R1520 10k R1518 68k R1563 47k R1503 47k R1104 47k R1183 4.7k R1181 47k R1179 7.15k 1% R1180 1k R1186 47k R1187 27k STMGPIO4 Standby MPU STM STM STM STM STM STM STM STM STM TO Sheet A-Chip_V STM STM STM PEAKS PEAKS STM STM STM (SG-AI_SENSOR) STM STM PEAKS STM STM TO Sheet TUNER STM STM (DEST) TO Sheet Standby-MPU STM STM STM (SG-RF_AFT1) (SG-PD4H_DRVRST/PWM_POW_ON) STM STM PEAKS STM PEAKS PEAKS STM (SG-G_LED_ON) TO Sheet TUNER STM STM (MODEL) STM STM STM PEAKS STM STM STM STM PEAKS STM POWER/PANEL CTRL STM STM PEAKS PEAKS STM PEAKS PEAKS PEAKS PEAKS PEAKS STM SG-TRCD3 SG-TRCD2 SG-TRCD1 SG-TRCD0 SG-TRCST SG-TRCCLK SG-EXTRG0 SG-TRCD3 SG-TRCD2 SG-TRCST SG-TRCCLK SG-TRCD1 SG-TRCD0 SG-EXTRG0 SG-P15V_DET SG-PD4H_PANEL_MAIN_ON/SBI SG-P3.3V_DET SG-P3.3V_DET/SBO SG-P3.3V_DET/SBO PG-PD4H_P_ON_OFF/LCD_EEP_WP SG-PD4H_PANEL_MAIN_ON/PANEL_VCC_ON SG-PD4H_PANEL_MAIN_ON/PANEL_VCC_ON SG-HPD0 SG-HPD1 SG-HPD2 SG-HPD1 SG-HPD2 SG-HPD0 SG-HPD1 SG-HPD2 SG-HPD0 SG-HDMI_5V_DET0 SG-HDMI_5V_DET1 SG-HDMI_5V_DET2 SG-HDMI_5V_DET2 SG-HDMI_5V_DET1 SG-HDMI_5V_DET0 SG-HDMI_5V_DET0 SG-DDCSDA0 SG-DDCSCL0 SG-DDCSDA1 SG-DDCSCL1 SG-DDCSDA2 SG-DDCSCL2 SG-DDCSDA0 SG-DDCSCL0 SG-DDCSDA1 SG-DDCSCL1 SG-DDCSDA2 SG-DDCSCL2 SG-DDCSDA0 SG-DDCSCL0 SG-DDCSDA1 SG-DDCSCL1 SG-DDCSDA2 SG-DDCSCL2 PG-PANEL_LED_ON PG-PANEL_LED_ON PG-SD_LED_ON SG-HDMI_5V_DET1 SG-SRQ_GENX SG-SRQ_GENX SG-SRQ_GENX SG-SOS SG-SOS SG-SOS SG-RMIN SG-RMIN SG-RMIN SG-PANEL_SOS/BL_SOS SG-PANEL_SOS/BL_SOS SG-PANEL_SOS/BL_SOS SG-SUB3.3V_SENSE SG-SUB3.3V_SENSE SG-SUB3.3V_SENSE SG-SW_OFF_DET SG-SW_OFF_DET SG-SW_OFF_DET SG-HDMI_CEC SG-HDMI_CEC SG-HDMI_CEC SG-HDMI_CEC_PU_ON SG-HDMI_CEC_PU_ON SG-QLINK1 SG-QLINK2 SG-QLINK1 SG-QLINK2 SG-QLINK1 SG-QLINK2 SG-FACT SG-FACT SG-GENX-KEY1 SG-GENX-KEY1 SG-NRST SG-NRST SG-GENX-EEP_WP SG-GENX-EEP_WP SG-TV_SUB_ON SG-TV_SUB_ON SG-TV_SUB_ON SG-SP_HP_MUTE SG-SP_HP_MUTE SG-SP_HP_MUTE SG-MON_MUTE SG-MON_MUTE SG-MON_MUTE SG-DTV_XRST SG-DTV_XRST SG-DTV_XRST SG-R_LED_ON SG-R_LED_ON SG-R_LED_ON PG-ACTIVE_ANTENNA_DET PG-ACTIVE_ANTENNA_DET PG-ACTIVE_ANTENNA_DET PG-MAIN_FAN_ON/SP_LED_ON PG-MAIN_FAN_ON/SP_LED_ON PG-MAIN_FAN_ON/SP_LED_ON PG-FAN_SOS PG-FAN_SOS PG-FAN_SOS PG-FAN_MAX/SP_LED_DIM PG-FAN_MAX/SP_LED_DIM PG-FAN_MAX/SP_LED_DIM SG-KEY1 PG-ACTIVE_ANTENNA_ON PG-ACTIVE_ANTENNA_ON PG-ACTIVE_ANTENNA_ON PG-SOUND_SOS PG-SOUND_SOS PG-SOUND_SOS PG-SIF_FIL_ON PG-SIF_FIL_ON PG-SIF_FIL_ON PD4H_XRST/PANEL_AGW PG-PD4H_XRST/PANEL_AGW PG-PD4H_XRST/PANEL_AGW PG-AVDD_ENB PG-AVDD_ENB PG-AVDD_ENB PG-REV_DAC_ENB PG-REV_DAC_ENB PG-REV_DAC_ENB PG-LCD_EEP_WP PG-LCD_EEP_WP PG-LCD_EEP_WP PG-ACTIVE_STBY_LED_ON PANEL_VCC_ON PG-PD4H_NCS / SD_LED_ON PG-PD4H_NCS / SD_LED_ON PG-PD4H_NCS / SD_LED_ON SG-SUB5V/SUB12V_SENSE SG-SUB5V/SUB12V_SENSE SG-SUB5V/SUB12V_SENSE SG-PD4H_PANEL_MAIN_ON/SBI SG-PD4H_XRST_SYS/PANEL_TEST_ON SG-PD4H_XRST_SYS/PANEL_TEST_ON SG-PD4H_XRST_SYS/PANEL_TEST_ON (SG-P5V_DET/BL_ON) (SG-PANEL_VCC_ON) Reset Release Release Reset TO Sheet PANEL-D TO Sheet Analog-ASIC TO Sheet Peaks-COMMON FACT-MODE TP SOS PG-PD4H_NCS / SD_LED_ON PD4H_OSD_VIN SG-SUB5V/SUB12V_SENSE SG-PD4H_PANEL_MAIN_ON/SBI SG-SUB3.3V_SENSE TO Sheet Peaks-COMMON SG-PD4H_XRST_SYS/PANEL_TEST_ON 49 50 53 47 54 48 52 46 51 A-BOARD (6/19) TNPH0840GC ! TO 1/19 TO 3,5,6/19 TO 3,5,6/19 TO 3,6/19 TO 3,6/19 TO 3,6,8/19 TO 3,6,8/19 TO 3,6/19 TO 3,6/19 TO 3,6/19 TO 3,6/19 TO 3,6/19 TO 3,6/19 TO 3,6/19 TO 3,5,6/19 TO 3,5,6/19 TO 3,6/19 TO 3,6/19 TO 3,6/19 TO 3,6/19 TO 3,6/19 TO 3/19 TO 3/19 TO 3,6,17/19 TO 3,6,17/19 TO 3/19 TO 3,6,17/19 TO 3,6,17/19 TO 3,6,7/19 TO 3/19 TO 3,6,10/19 TO 3,6,10/19 TO 3,6,7/19 TO 3,6,7/19 TO 3,6,7/19 TO 3/19 TO 3,6,17/19 TO 3,6,12/19 TO 3,6,12/19 TO 3,6/19 TO 3,6/19 TO 3/19 TO 3,6/19 TO 3,6/19 TO 3,6/19 TO 3,6,7/19 TO 3,6/19 TO 3,6/19 TO 3,6/19 TO 3,6,12/19 TO 3,6,12/19 TO 3,6/19 TO 3,6,17/19 TO 3,6,17/19 TO 3/19 TO 3,6,9,11,12,17/19 TO 3,6,9,11,12,17/19 TO 3,6,12/19 TO 3,6,12/19 TO 3,6,16/19 TO 3,6,16/19 TO 17/19 TO 13/19 TO 13,17/19 TO 6,12/19 TO 6,12/19 TO 14/19 TO 14/19 TO 13/19 TO 11/19 TO 17/19 TO 17/19 TO 17/19 TO 12/19 TO 14/19 EEPROM TH-P65S20C A-Board (6/19) Schematic Diagram TH-P65S20C A-Board (6/19) Schematic Diagram 56 12.12.A 电路板 (7/19) 线路图 S S S S S S S S S S S S S S S S S S S HDMI_DDCSCL0 RXCP0 RX1M2 STMGPIO8 HDMI_DDCSCL1 RX2P1 HDMI_DDCSDA1 STMHPD0 STMGPIO7 RX2P2 RX1M0 HDMI_DDCSDA0 HDMI_DDCSCL2 HDMI_DDCSCL1 RXCP0 STMHPD2 RX1M2 HDMI_DDCSDA2 HDMI_DDCSCL1 RX1P2 HDMI_CEC RX2P0 RX0M2 RX0P1 RX0M0 STMHPD2 STMGPIO9 RX0P0 RXCM0 RX0P2 RX0M2 HDMI_DDCSCL2 STMHPD1 RX0P0 RXCP1 STMGPIO7 RXCP2 RX0P1 RX2P2 RX0M1 RX1P1 RX0P2 RXCP2 RX2P0 RXCM2 RX1M1 RX0M0 RX0M1 RXCM1 RX1M1 RX2M0 STMGPIO8 RX2M2 RX1P1 RX1M0 RX1P0 HDMI_CEC RX2M0 HDMI_CEC RXCM2 RXCP1 RXCM1 RX1P0 RX2P1 HDMI_CEC STMGPIO9 RX1P2 RX2M1 RXCM0 STMHPD1 STMHPD0 RX2M1 RX2M2 HDMI_DDCSDA0 HDMI_DDCSDA1 VIN HIN HDMI_DDCSDA2 HDMI_DDCSCL0 HDMI_DDCSDA1 HDMI_DDCSDA0 HDMI_DDCSCL0 HIN VIN HDMI_DDCSCL2 HDMI_DDCSDA2 C4662 6.3V 1u C4708 0.1u 16V C4705 0.1u 16V C4665 6.3V 1u C4707 0.1u 16V C4702 0.1u 16V C4663 6.3V 1u C4666 6.3V 1u C4667 6.3V 1u C4704 0.1u 16V C4701 0.1u 16V C4664 6.3V 1u C4546 6.3V 1u C4547 6.3V 1u D4735 B0ACCJ000048 D4702 B0ACCJ000048 D4719 B0ACCJ000048 D4737 B0JCCE000008 D4721 B0JCCE000008 D4704 B0JCCE000008 JK4702 K1FY119E0015 1 2 3 4 5 6 7 8 9 10 11 12 13 14 15 16 17 18 19 JK4700 K1FY119D0011 1 2 3 4 5 6 7 8 9 10 11 12 13 14 15 16 17 18 19 JK4701 K1FY119D0011 1 2 3 4 5 6 7 8 9 10 11 12 13 14 15 16 17 18 19 L4700 J0JYC0000068 L4707 J0JYC0000068 L4705 J0JYC0000068 L4703 J0JYC0000068 L4704 J0JYC0000068 L4706 J0JYC0000068 L4708 J0JYC0000068 L4701 J0JYC0000068 L4702 J0JYC0000068 STB5V SUB3.3V STB5V SUB3.3V STB5V R4746 R4705 R4743 R4706 R4719 R4732 R4749 R4742 R4745 R4748 R4731 R4740 R4751 R4718 R4744 R4750 R4555 R4747 R4741 RXCM2 MAIN_Y/CVBS RX0M1 RX1M2 RX0M2 DDCSCL2 RX2M0 RX0P0 RX0M0 STMHPD1 RXCM0 DDCSCL1 RX1P2 STMHPD2 RX1P0 IECOUT STMHPD0 RX1P1 HIN RXCP2 DDCSCL0 RX0P1 RX1M0 RX2P1 RX2M1 IECIN RXCM1 MAIN_PB/C MAIN_PR VIN RXCP1 RX1M1 RX2M2 RX2P2 RX2P0 RX0P2 RXCP0 B1 STMGPIO8 STMGPIO7 R1N G1N VIN G1 R1 HIN B1N DDCSDA2 STMDDCSDA1 STMDDCSDA0 STMDDCSCL2 DDCSDA1 STMDDCSDA2 STMDDCSCL0 STMDDCSCL1 STMCECO DDCSDA0 Q4704 DSC200100L Q4702 DSC200100L Q4700 DSC200100L Q4513 DSA200100L Q4512 B1HFCFA00026 R4737 1k R4756 68 R4757 68 R4754 68 R4663 22 R4753 68 R4655 22 R4659 22 R4672 33 R4670 33 R4668 33 R4553 10k R4722 10k R4702 10k R4717 47k R4728 10k R4755 68 R4709 10k R4551 150 R4704 47k R4729 33 R4715 10k R4764 100k R4724 1k R4752 68 R4703 33 R4716 33 R4721 10k R4738 47k R4763 100k R4734 10k R4730 47k R4735 10k R4725 47k R4739 22 R4708 10k R4712 47k R4552 56 R4765 100k R4556 10k R4560 47k R4711 1k R4548 22 R4549 150 R4550 150 R4554 1k STMGPIO9 A-Chip_V HDMI2 CLK- HDMI2: HPD1/DDC1/DET1 D2G CLK- +5V D0G D0- CLK+ DDCG CEC SCL N.C. N.C. HDMI3 CLK+ D2+ HPDT SDA SCL CEC D2- sLD-STMHPD2 CEC sLD-STMDDCSDA2 HDMI3 D2G D1+ D2+ +5V D1+ D0+ sLD-STMCECO SDA D2- HDMI2 To Sheet Peaks-COMMON to Sheet Standby-MPU to Sheet Standby-MPU to Sheet Standby-MPU To Sheet Peaks-COMMON To Sheet Peaks-COMMON HDMI1: HPD0/DDC0/DET0 HDMI1 D1+ N.C. D0- sLD-STMDDCSDA0 D1G sLD-STMDDCSCL0 HDMI3: HPD2/DDC2/DET2 sLD-STMHPD0 DDCG HPDT sLD-STMDDCSCL2 D0+ CLK+ D1G +5V HDMI1 D0+ D1- D0- sLD-STMGPI09 D1- D0G to Sheet Standby-MPU D1G sLD-STMGPI07 D1- HPDT sLD-STMHPD1 SDA D0G sLD-STMDDCSDA1 sLD-STMDDCSCL1 SCL sLD-STMGPI08 CLKG D2+ D2G DDCG CLKG D2- CLK- CLKG AVSW Peaks-Common PR PB/C YIN SG-HPD2 SG-HPD1 SG-HPD0 SG-HDMI_5V_DET0 SG-DDCSDA0 SG-DDCSCL0 SG-DDCSDA1 SG-DDCSCL1 SG-HDMI_5V_DET1 SG-HDMI_5V_DET1 SG-HDMI_5V_DET1 SG-HDMI_5V_DET0 SG-HDMI_5V_DET2 SG-HPD0 SG-HPD2 SG-HPD1 SG-HPD1 SG-HPD2 SG-HPD0 SG-DDCSDA2 SG-DDCSCL2 SG-HDMI_5V_DET2 SG-HDMI_5V_DET2 SG-HDMI_5V_DET0 SG-HDMI_CEC PC_HS PC_VS PC_HS PC_VS PC_HS PC_VS 62 60 57 59 55 58 63 61 56 A-BOARD (7/19) TNPH0840GC ! TO 2/19 TO 2/19 TO 2/19 TO 2/19 TO 2,7,9/19 TO 2,7,9/19 TO 3/19 TO 3,10/19 TO 3,6/19 TO 3,6/19 TO 3,6/19 TO 3,6/19 TO 9/19 TH-P65S20C A-Board (7/19) Schematic Diagram TH-P65S20C A-Board (7/19) Schematic Diagram 57 12.13.A 电路板 (8/19) 线路图 + + Thermal Pad S S PWM_WO_L- PWM_WO_L+ C2316 0.1u 50V C2324 25V 1u C2301 16V 0.1u C2335 25V 0.1u C2318 0.1u 50V C2323 0.1u 50V C2068 16V 0.01u C2325 50V 1000p C2347 50V 0.022u C2321 0.1u 50V C2343 50V 0.022u C2340 50V 0.022u C2345 50V 0.022u C2342 50V 0.022u C2334 50V 0.47u C2338 25V 0.1u C2302 16V 0.1u C2057 10u 10V C2336 25V 0.1u C2055 10u 10V C2346 50V 0.022u C2355 50V 1000p C2067 16V 0.01u C2341 50V 0.022u C2313 50V 1000p C2344 50V 0.022u C2304 25V 1u C2337 50V 0.47u C2320 25V 1u C2073 25V 0.033u C2351 50V 1000p C2339 25V 0.1u C2074 25V 0.033u C2353 50V 1000p C2314 25V 1u C2349 50V 1000p C2317 25V 1u C2107 10V 1u C2108 10V 1u C2357 10u 25V C2309 10u 25V C2312 10u 25V C2356 10u 25V C2104 50V 10p C2110 16V 0.1u C2072 6.3V 100u C2071 6.3V 100u D2014 B0ACCJ000048 C1AB00003230 IC2301 1 STBY 44 PVD1 2 MUTE 3 SOS 4 NC1 5 NC2 6 NC3 7 NC4 8 PWM_A1 9 PWM_B1 10 NC5 11 NC6 12 NC7 13 GND 14 PWM_B2 15 PWM_A2 16 NC8 17 NC9 18 NC10 19 NC11 20 NC12 21 NC13 22 NC14 23 PVD2 24 PVD2 25 OUT_CH2_P 26 OUT_CH2_P 27 BOOT_CH2_P 28 VDDA2 29 BOOT_CH2_N 30 OUT_CH2_N 31 OUT_CH2_N 32 PGND2 33 PGND2 34 PGND1 35 PGND1 36 OUT_CH1_N 37 OUT_CH1_N 38 BOOT_CH1_N 39 VDDA1 40 BOOT_CH1_P 41 OUT_CH1_P 42 OUT_CH1_P 43 PVD1 A11 1 2 3 4 L2301 J0JHC0000042 L2304 G1C220MA0416 L2302 G1C3R0ZA0156 L2305 G1C220MA0416 L2306 G1C220MA0416 L2303 G1C220MA0416 AVDD3.3V S_15V SUB3.3V SUB3.3V SUB5V R2066 R2065 TP2303 TP2008 TP2301 TP2304 TP2302 PWM0LP SIF AV_R NSHUTDOWN PWM1RP PWM1RN AMP_MUTE AV_L MUTEB PWM0LN HP_MUTE_CTL LO1_L LO1_R HP1_R1 HP1_L1 LIN5_LP A_MUTE LIN5_RP SIFINP EA8 HP_ROUT SIFINN LO1_L HP_LOUT LO1_R Q2255 DSC2001S0L Q2253 B1AAFB000002 Q2254 B1AAFB000002 Q2301 DSA200100L Q2252 DSA200100L Q2101 DSA200100L Q2109 DSA200100L R2302 EXB28V220JX R2121 680 R2264 100 R2260 10k R2256 10k R2110 22 R2102 4.7k 140k 1% R2055 R2107 0 R2304 47k 10k R2301 R2307 4.7k R2308 220 R2259 100 R2070 10k R2318 3.3 R2069 10k R2257 1M R2319 3.3 R2320 3.3 R2258 100 R2263 10k 140k 1% R2053 R2321 3.3 R2309 2.2k R2139 220 R2104 1.2k R2103 22 R2254 100 R2310 2.2k R2135 1k R2101 3.3k R2255 47k R2330 0 R2331 0 A-Chip_A To SOS MUTE SOS RESET PWM_READY OPERATE OPERATE << Monitor L TO Sheet Peaks-COMMON >> MainHP L to HeadPhone out L, R << Monitor R >> MainHP R TO Sheet TUNER TO Sheet AVSW R+ L+ R- TO SPEAKER L- MON_R-OUT MON_L-OUT TO Sheet Analog-ASIC MUTE OPERATE PG-SOUND_SOS MUTE NORMAL 72 64 67 68 70 71 65 66 69 A-BOARD (8/19) TNPH0840GC ! TO 2/19 TO 2/19 TO 2/19 TO 2,8,9/19 TO 2,8,9/19 TO 2/19 TO 3,6/19 TO 3/19 TO 3/19 TO 11/19 TO 9/19 TO 10/19 TO 12/19 TO 12/19 AUDIO AMP TH-P65S20C A-Board (8/19) Schematic Diagram TH-P65S20C A-Board (8/19) Schematic Diagram 58 12.14.A 电路板 (9/19) 线路图 AV1 AV2 PB PR V L R R L Y V R V L MONITOR OUT SHIELD V R L S S S S S P P P MAIN_PB/C VIN MAIN_PR HIN HIN MAIN_Y/CVBS MAIN_PR MAIN_PB/C VIN MAIN_Y/CVBS C3003 16V 0.1u C3015 10u 10V C3016 16V 0.1u C3022 10V 1u C3018 16V 0.1u C3025 10V 10u C3024 10V 10u C3004 16V 0.1u C3011 10u 10V C3023 10V 1u C3019 16V 0.1u C3031 1u 10V C3032 1u 10V C0DBGYY00281 IC3001 1 NC 2 VSS 3 CE 5 VOUT 4 VIN C1AB00003218 IC3000 1 Gin 2 HDin 3 Rin 4 T_DET5 5 CVBSin4 6 T_DET4 7 CVBSin3 8 BG 9 Yin3 10 S2_DET3 11 R2/Cin3 12 GND 13 G2/Yin2 14 S2_DET2 15 B2/Cin2 16 T_DET3 17 CVBSin1 18 T_DET2 19 G1/Yin1 20 S2_DET1 21 B1/Cin1 22 T_DET1 23 CVBSin2 24 VCC5V 25 R1 26 Rtate_out 27 T_DET10/Fbout 28 SDA 29 SCL 30 GND 31 G/CY/CVBSout1 32 HD_out1 33 B/PB/Cout1 34 VD_out1 35 R/Prout1 36 VCC5V 37 SAG_CVBSout4 38 Y/Y+C/CVBSout4 39 S2out 40 SAG_CVBSout5 41 C/Y+C/CVBSout5 42 GND 43 SAG_CVBSout3 44 CVBS/Y+Cout3 45 VCC9V 46 G/CY/Y/CVBSout7 47 O3 48 AU_GND 49 R4out 50 L4out 51 R3out 52 L3out 53 R2out 54 L2out 55 R10in/R1out 56 L10in/L1out 57 AU1/2Vcc 58 L1in 59 R1in 60 L2in 61 R2in 62 L3in 63 R3in 64 L4in 65 R4in 66 L5in 67 R5in 68 L6in 69 R6in 70 L7in 71 R7in 72 L8in 73 R8in 74 L9in 75 R9in 76 FBin1/O1 77 CVBSin7 78 FBin2/O2 79 CVBSin6 80 VCC9V 81 CVBSin5 82 T_DET9 83 Yin4 84 T_DET8 85 Cin4 86 VCC5V 87 PBin2/B3 88 L3_DET2 89 CYin2/G3 90 T_DET7 91 PRin2/R3 92 T_DET6 93 PBin1 94 L3_DET1 95 CYin1 96 HD_VD/FBKMUTE 97 PRin1 98 GND 99 Bin 100 VDin JK3100A K2HA917A0002 V L R G Y-SW Y G PB PR V L R G V L R G JK3107 K4AK13B00006 a b c d V-SW V V-G L L-G R R-G JK3304 K1FY315A0008 1 2 3 4 5 6 7 8 9 10 11 12 13 14 15 SUB9V SUB3.3V SUB5.6V R3011 R3000 R3007 R3010 R3006 R3001 R3002 R3019 TP3002 TP3005 TP3004 TP3003 TP3001 AVSW_R069PIN_R6IN VDACO LO1_R AVSW_R062PIN_L3IN AVSW_R079PIN_CVBSIN6 MAIN_RF_CVBS RCA_AUDIOOUT_R__TERMINAL AVSW_R068PIN_L6IN PC_G_TERMINAL AVSW_R063PIN_R3IN PC_B_TERMINAL E_AV1_VIN(20P)/A_AV2_V__TERMINAL AVSW_R099PIN_BIN AVSW_R043PIN_SAGCVBSOUT3 AVSW_R003PIN_RIN LO1_L AVSW_R081PIN_CVBSIN5 PC_R_TERMINAL AVSW_R001PIN_GIN AVSW_R071PIN_R7IN AVSW_R093PIN_PBIN1 A_AV1_V__TERMINAL SIDE_HP_L_TERMINAL AVSW_R020PIN_S2DET1 AVSW_R051PIN_R3OUT AVSW_R002PIN_HDIN E_AV1_LIN(_6PIN)/A_AV2_L__TERMINAL AVSW_R092PIN_TDET6 PC_HD_TERMINAL AVSW_R014PIN_S2DET2 E_AV1_RIN(_2PIN)/A_AV2_R__TERMINAL AVSW_R097PIN_PRIN1 AVSW_R095PIN_CYIN1 AVSW_R052PIN_L3OUT E_AV1_VOUT(19P)/A_VOUT__TERMINAL AVSW_R007PIN_CVBS3 SIDE_HP_GND AVSW_R100PIN_VDIN SIDE_HP_R_TERMINAL PC_VD_TERMINAL AVSW_R037PIN_SAGCVBSOUT4 AVSW_R070PIN_L7IN RCA_AUDIOOUT_L__TERMINAL STMGPIO5 MAIN_Y/CVBS AVSW_R038PIN_Y/Y+C/CVBSOUT4 E_PC_RIN/A_AV1_RIN__TERMINAL E_PC_LIN/A_AV1_LIN__TERMINAL MAIN_PB/C AV_R E_YPBPR_PB/A_AV1C_PB__TERMINAL E_YPBPR_Y/A_AV1C_Y__TERMINAL SIDE_RIN_TERMINAL SIDE_LIN_TERMINAL SIDE_VIN_TERMINAL AV_L E_YPBPR_PR/A_AV1C_PR__TERMINAL VIN HIN AVSW_R044PIN_CVBS/Y+COUT3 MAIN_PR AV-SW_SDA AV-SW_SCL R3013 220 R3012 220 A_AV1C_YSW__TERMINAL < < AV-SW PC OUT AUDIO IN AUDIO YPBPR PC/A-IN E_AV2_SLOW AUDIO OUT Sheet TUNER Sheet Sheet A-TNR AV3 A-IN A-Chip_V Sheet RF MAIN_PB/C/B AV3 V-IN SP OUT RF AV1 A-IN MAIN_PR/R YPbPr-IN Peaks-COMMON DVB A-Chip_A AV1 V-OUT A-Chip_A AUDIO OUT E_AV1_SLOW Sheet AV2 V-OUT MAIN_Y/CVBS/G AV1 V-IN PC_HS PC_VS PC_HS PC_VS PC_VS PC_HS FB_OUT 76 79 73 74 77 78 80 81 75 A-BOARD (9/19) TNPH0840GC ! TO 1/19 TO 2,7/19 TO 2,8/19 TO 3,4/19 TO 3,6,11,12,17/19 TO 7/19 TO 8/19 TO 10/19 TO 10/19 TO 10/19 TO 10/19 TO 10/19 TO 10/19 TO 9/19 TO 10/19 TO 10/19 TO 9/19 TO 9/19 TO 9/19 AV SW +3.3V AV3 PC AVSW_R076PIN_FBIN/O1 AVSW_R078PIN_FBIN2/O2 MAIN_TNR_SW1 MAIN_TNR_SW2 TO 11/19 TH-P65S20C A-Board (9/19) Schematic Diagram TH-P65S20C A-Board (9/19) Schematic Diagram 59 12.15.A 电路板 (10/19) 线路图 + + S S S S S S S S S S S S PC_B PC_G PC_R C3026 10V 10u C3150 10V 1u C3160 10u 10V C3112 10V 1u C3165 10V 10u C3164 10V 10u C3123 10V 10u C3118 10V 10u C3158 10V 1u C3154 50V 560p C3159 10u 10V C3117 10V 10u C3108 25V 0.033u C3111 10V 1u C3113 10V 10u C3155 50V 560p C3156 50V 560p C3157 10V 1u C3162 10u 10V C3153 50V 560p C3116 10V 10u C3109 25V 0.033u C3161 10u 10V C3137 50V 560p C3163 10V 10u C3149 10V 1u C3138 50V 560p C3106 560p 50V C3105 560p 50V C3122 100u 10V C3119 10V 100u D3109 DZ2J140M0L D3108 DZ2J140M0L D3107 DZ2J140M0L D3106 DZ2J140M0L D3105 DZ2J140M0L L3121 J0JYC0000331 L3120 J0JYC0000331 L3103 J0JYC0000331 L3104 J0JYC0000331 L3115 J0JYC0000331 L3118 J0JYC0000331 L3119 J0JYC0000331 L3102 J0JYC0000331 L3117 J0JYC0000331 L3114 J0JYC0000331 L3107 J0JYC0000331 L3101 J0JYC0000331 L3100 J0JYC0000331 SUB5V SUB5V SUB5V R3300 R3302 R3126 JS3106 R3149 R3205 R3206 JS3103 R3303 JS3112 R3301 JS3101 SIDE_RIN_TERMINAL E_AV1_RIN(_2PIN)/A_AV2_R__TERMINAL AVSW_R044PIN_CVBS/Y+COUT3 A_AV1_V__TERMINAL AVSW_R051PIN_R3OUT AVSW_R038PIN_Y/Y+C/CVBSOUT4 E_YPBPR_PR/A_AV1C_PR__TERMINAL HP_ROUT E_AV1_VIN(20P)/A_AV2_V__TERMINAL SIDE_LIN_TERMINAL MONITOROUT_MUTE A_AV1C_YSW__TERMINAL E_YPBPR_Y/A_AV1C_Y__TERMINAL PC_VD_TERMINAL HP_LOUT PC_HD_TERMINAL E_PC_RIN/A_AV1_RIN__TERMINAL PC_G_TERMINAL E_YPBPR_PB/A_AV1C_PB__TERMINAL E_PC_LIN/A_AV1_LIN__TERMINAL IECOUT PC_R_TERMINAL SIDE_VIN_TERMINAL E_AV1_LIN(_6PIN)/A_AV2_L__TERMINAL AVSW_R052PIN_L3OUT PC_B_TERMINAL AVSW_R002PIN_HDIN AVSW_R001PIN_GIN AVSW_R079PIN_CVBSIN6 AVSW_R092PIN_TDET6 SIDE_HP_R_TERMINAL AVSW_R069PIN_R6IN SIDE_HP_GND AVSW_R081PIN_CVBSIN5 AVSW_R043PIN_SAGCVBSOUT3 AVSW_R003PIN_RIN AVSW_R070PIN_L7IN AVSW_R063PIN_R3IN AVSW_R071PIN_R7IN RCA_AUDIOOUT_R__TERMINAL E_AV1_VOUT(19P)/A_VOUT__TERMINAL AVSW_R100PIN_VDIN AVSW_R007PIN_CVBS3 OPT_SPDIF_TERMINAL AVSW_R014PIN_S2DET2 AVSW_R093PIN_PBIN1 AVSW_R037PIN_SAGCVBSOUT4 AVSW_R020PIN_S2DET1 AVSW_R099PIN_BIN AVSW_R095PIN_CYIN1 SIDE_HP_L_TERMINAL AVSW_R097PIN_PRIN1 AVSW_R068PIN_L6IN RCA_AUDIOOUT_L__TERMINAL STMCECAVL1A STMCECAVL1B Q3104 DSC200100L Q3105 DSC200100L R3123 EXB28V680JX 8 R3120 EXB28V221JX R3192 EXB28V820JX R3184 100k R3014 220 R3173 220 R3174 220 1% R3221 75 R3228 0 R3227 0 R3224 0 R3225 0 R3165 33k 1% R3144 75 R3166 33k R3185 100k R3127 68 R3194 330 R3119 47k R3214 47k R3191 2.2k *R3108 100 R3186 33k 1% R3181 75 1% R3104 75 R3117 220 R3190 2.2k R3106 33k 1% R3109 75 R3195 330 R3226 0 R3213 47k R3152 220 R3107 33k 1% R3105 75 1% R3103 75 1% R3130 75 R3128 100k 1% R3182 75 1% R3183 75 R3187 33k AVSW_R062PIN_L3IN R3101 4.7k R3102 4.7k Standby-MPU PC/Audio IN(RCA AV1in) A_AV1_YPbPr Peaks-COMMON R IN A_AV1C_YSW A_SIDE L/R VIDEO IN VIDEO OUT L IN R PC A-Monitor OUT QLINK_AV2 AUDIO IN QLINK_AV1 A_Monitor OUT A_SIDE V A_AV2_Vi A_AV2_LRi A-Chip_A OUT OPT A_AV1/2_YPbPr G A_AV1V HP Analog-ASIC AUDIO E_AV2_SLOW Sheet SG-QLINK1 SG-QLINK2 A_AV1in B 90 86 84 88 87 85 83 89 82 A-BOARD (10/19) TNPH0840GC ! TO 3,7/19 TO 3,6/19 TO 8/19 TO 9/19 TO 9/19 TO 9/19 TO 9/19 TO 9/19 TO 9/19 TO 9/19 TO 9/19 TO 9/19 TO 9/19 TO 9/19 TO 9/19 TO 9/19 TO 9/19 TO 9/19 TO 9/19 TO 9/19 TO 9/19 TO 9/19 TO 9/19 TO 9/19 TO 9/19 TO 9/19 TO 9/19 TO 9/19 TO 9/19 TO 12/19 TO 9/19 TO 9/19 AV-SW TH-P65S20C A-Board (10/19) Schematic Diagram TH-P65S20C A-Board (10/19) Schematic Diagram 60 12.16.A 电路板 (11/19) 线路图 + P P IF_Monitor 21 S C2959 16V 0.1u C2961 1u 10V C2908 16V 0.1u C2911 16V 0.1u C2917 50V 2200p C2907 16V 0.1u C2910 16V 0.1u *C2919 16V 0.01u C2965 10V 1u C2966 10V 2.2u C2905 10V 100u C0DBFYY00049 IC2953 1 VIN 2 VSS 3 CE 5 VOUT 4 NC C0DBGYY00281 IC2952 1 NC 2 VSS 3 CE 5 VOUT 4 VIN *L2909 J0JCC0000278 *L2910 J0JCC0000278 L2904 J0JCC0000278 TNR5V TNR5V SUB5.6V SUB5.6V AV3.3V SUB3.3V TNR3.3V ACT5V R2966 R2959 TP2951 TP2952 STMGPIO5 AVSW_R076PIN_FBIN/O1 STMGPIO5 AVSW_R078PIN_FBIN2/O2 MAIN_RF_CVBS SIF SG-RF_AFT1 A-TNR_SDA A-TNR_SCL *Q2903 B1CBHD000002 *Q2904 B1CBHD000002 *R2903 0 *R2911 220 *R2910 0 *R2905 0 *R2901 10k *R2900 10k *R2921 6.8k *R2904 0 *R2908 6.8k *R2906 0 *R2902 0 R2918 0 *TU2901B ENG39F02GF NC 1 BB 2 RF-AGC_Monitor 3 NC 5 BT_Monitor 6 +B 10 Video-out 11 SCL 13 SDA 14 AFT_out 15 SW1 16 VB 17 NC 19 SW2 20 NC 8 SIF-OUT 9 TA2N TXD0 TD2N R4004 47k TA2P TP4022 TP4020 TE1N TP4006 TD1P R4006 47k TCLK2P TC1P TA1N LOSDOUT4 TP4008 TCLK2N TP4018 RXD0 TCLK1N TP4002 R4005 47k TP4009 TP4014 TP4001 R4011 47k TP4013 TP4005 LOSDOUT5 TC1N R4010 TE1P TP4016 TA1P TP4010 TP4023 TE2P TC2P TB1P TP4000 TB1N TP4015 TC2N TP4003 TD2P TCLK1P TP4012 DRVMUTE TP4011 TE2N TP4019 TP4004 TB2N CH1VAL TP4021 TB2P TP4017 TD1N R4003 47k TP4007 < TUNER TUNER5V to GENX to AVSW from ADV to ADV IIC_From_Peaks SG-TV_SUB_ON MAIN_TNR_SW1 MAIN_TNR_SW2 to Tuner to K-PCB SG-TV_SUB_ON TUNER3.3V 95 94 98 93 99 96 92 97 91 POLL POLR TO Peaks-COMMON TO Panel-D DISPEN RE_E+(LSB) RB_E- RB_E+ RE_E-(LSB) RD_O+ RC_O- RD_O- RC_O+ TB2N RD_E- RD_E+ RC_E+ RC_E- TB1N TC1P TA2P TD1P TC2P TC1N TE2P TA2N TC2N TCLK2P TA1P TB1P TCLK1P TD1N TE1P TCLK1N TD2P TA1N TD2N TCLK2N TB2P TE1N TE2N RB_O+ RE_O-(LSB) RB_O- RA_O-(MSB) RE_O+(LSB) RCLK_O- RA_E+(MSB) RCLK_E+ RCLK_O+ RA_O+(MSB) RCLK_E- RA_E-(MSB) A-BOARD (11/19) TNPH0840GC ! ! TO 1/19 TO 3,13/19 TO 3/19 TO 3,6,9,11,12,17/19 TO 3,6,9,11,12,17/19 TO 6/19 TO 8/19 TO 9/19 TO 9/19 TO 13/19 TH-P65S20C A-Board (11/19) Schematic Diagram TH-P65S20C A-Board (11/19) Schematic Diagram 61 12.17.A 电路板 (12/19) 线路图 + S S S C5101 0.47u 10V C5100 0.1u 16V C5001 16V 0.1u C5002 16V 0.1u C5003 16V 0.1u C5000 16V 0.1u C5058 6.3V 1u C5055 16V 0.1u C5050 10V 4.7u C5156 10u 6.3V C5158 10u 6.3V C5157 10u 6.3V C5159 10u 6.3V C5160 10u 6.3V C5155 10u 6.3V C5004 50V 1000p C5052 10V 220u D5051 B0JCME000076 D5052 B0ACCJ000048 D5100 B0ADEJ000035 D5000 B0ADCJ000100 C1ZBZ0004161 IC5000 1 UHZ 2 P3.3V 3 TEST 4 PANEL_SOS 5 DRVRST_PD4 6 STB1.2V 7 STB5V 8 STB3.3V 9 AMUTE 10 SP_MUTE 11 MUTE_VCC 12 AUDIO_MUTE_IN 13 DTB9V 14 MONITOR_MUTE 15 FB 16 GND 17 FC 18 PGND 19 DRV 20 DTV5VOUT 21 DTV5VIN 22 EN_DCDC 23 CD 24 STB_RST 25 DRVRST 26 STB5V_SW_ON 27 P_SOS4 28 SC_SOS6 29 SC_SOS7 30 SS_SOS8 31 D_SOS_RSV 32 SC_OHZ L5000 J0JYC0000068 SUB3.3V SUB3.3V STB5V SUB5V STB1.2V STB3.3V SUB9V P3.3V SUB5V SUB3.3V STB3.3V R5001 R5000 R5105 TP5000 TP5001 TP5150 SC_UHZ SOS4_PS SOS_DCC SG-PD4H_DRVRST/PWM_POW_ON SOS8_SS STMSBI0 STB_5V_SWON STMSBO0 SOS6_SC1 STMGPIO5 HP_MUTE_CTL SOS7_SC2 STMGPIO6 PDP_DRVRST MONITOROUT_MUTE STB_RST HP_MUTE_CTL D_UHZ STB_RST AMP_MUTE STMADIN4 NRST XRST STMGPIO1 EA23 Q5101 DSC200100L Q5000 DSC200100L Q5100 DSC2001S0L Q5051 DSA200100L R5051 47k R5106 68k R5154 47 R5008 8.2k R5153 100 R5007 47k R5005 47k R5155 100 R5052 1M R5101 100k R5100 27k R5050 47k R5006 10k R5104 47k R5151 100 R5152 2.2k R5061 15 R5065 10k R5102 100k R5110 100 R5103 68k Analog-ASIC Peaks-RESET MUTE SET RESET : L MUTE Sheet STB-RESET-LCD OPERATE Sheet AVSW-MODEL TO Sheet GENX-DEST TO Sheet Peaks-COMMON TO Sheet Peaks-COMMON PORT15[5] POWER_DET TO Sheet GENX-DEST TO Sheet A-Chip_A ON OFF sLD-STMADIN4/ES0=PANEL_ALARM TO Sheet PANEL-D SG-PANEL_SOS/BL_SOS TO Sheet GENX-DEST SG-SP_HP_MUTE SG-MON_MUTE SG-DTV_XRST TO Sheet Panel-D TO Sheet Peaks-COMMON/GENX-DEST TO Sheet A-Chip_A PD4H_SOS SG-TV_SUB_ON TO Sheet GENX-DEST SG-SW_OFF_DET 102 107 104 105 101 100 103 106 108 A-BOARD (12/19) TNPH0840GC ! TO 1,3/19 TO 2/19 TO 3/19 TO 3,6/19 TO 3,6/19 TO 3,6,9,11,17/19 TO 3,6/19 TO 3,6/19 TO 6/19 TO 6,12/19 TO 6,12/19 TO 8,12/19 TO 8,12/19 TO 8/19 TO 10/19 TO 17/19 TO 13,17/19 TO 13/19 TO 13/19 ANALOG-ASIC TH-P65S20C A-Board (12/19) Schematic Diagram TH-P65S20C A-Board (12/19) Schematic Diagram 62 12.18.A 电路板 (13/19) 线路图 TERM SIDE S S P SOS8_SS SOS6_SC1 SOS7_SC2 TE2P TE2N TD2P TCLK2P TCLK2N TC2P TC2N TB2P TA2P TA2N TA1N TA1P TB1N TB1P TC1N TC1P TCLK1N TCLK1P TD1N TD1P TE1N TE1P TB2N TD2N DRVMUTE PANEL_MAIN_ON SC_UHZ D_UHZ SOS4_PS SOS_DCC P3V_SCL02 P3V_SDA02 DRVRST SOS4_PS PANEL_MAIN_ON D_XRST_SYS SC_CEL PD_OC2 SC_SEL PD_CPH1 SC_OC1 PD_SIU SC_CRC1 PD_OC1 SC_CRC2 SC_CERS 0V SC_CRC3 SC_CSH 0V SC_SIU SCNRST SC_OC2 SC_CSL PD_CML PD_CMH PD_SCNRST SC_CMH PD_CRC1 PD_CIS 0V 0V 0V 0V PD_CRC3 SC_CPH1 PD_SEL SC_SCCLK PD_CERS PD_SEL2 PD_CEL 0V PD_CRC2 SC_SEL2 PD_SCCLK 0V 0V SC_CML SC_CIS PD_CSL PD_CSH P_S0 P_S1 SC_OC1 SC_CEL SC_CPH1 SC_CRC3 SC_SEL SC_CRC1 SC_CMH SC_CML SC_SIU SC_OC2 SC_CSL SC_SCCLK SC_CML2 SOS6_SC1 SC_CIS SC_SEL2 SC_CERS SC_CRC2 SCNRST SC_CSH PD_CML2 SC_CML2 SOS7_SC2 SC_UHZ 0V OSD_VIN OHZ1 C9807 200p 50V C9801 6800p 25V C9825 22u 6.3V C9804 10u 25V C9806 100p 50V C9803 4700p 25V C9800 0.1u 25V C9805 10u 25V C9401 16V 0.1u *C9402 16V 0.1u C9400 16V 0.1u C9100 10u 10V C9102 10u 25V C9101 25V 0.01u C9103 25V 0.01u C9813 10u 25V C9816 0.01u 25V C9815 22u 6.3V C9814 22u 6.3V C9812 10u 25V *C9834 22u 6.3V *C9827 10u 25V *C9835 22u 6.3V *C9828 10u 25V C9809 1000p 50V C9811 0.1u 16V C9066 22u 6.3V *C9831 2700p 50V *C9829 0.1u 16V *C9830 0.01u 25V C9067 560p 50V C9116 16V 0.1u *C9069 560p 50V *D9805 B0JCPG000030 D9804 B0JCPG000030 D9807 B0ADCJ000100 *IC9803 C0DBAYY00462 1 BOOT 2 VIN 3 SW 4 GND 5 FB 6 COMP 7 EN 8 SS IC9801 C0DBAYY00462 1 BOOT 2 VIN 3 SW 4 GND 5 FB 6 COMP 7 EN 8 SS C0JBAZ002692 *IC9402 G1 1 2 A1 3 A2 4 A3 5 A4 6 A5 7 A6 8 A7 9 A8 10 GND 11 Y8 12 Y7 13 Y6 14 Y5 15 Y4 16 Y3 17 Y2 18 Y1 19 G2 20 Vcc C0JBAZ002692 IC9400 G1 1 2 A1 3 A2 4 A3 5 A4 6 A5 7 A6 8 A7 9 A8 10 GND 11 Y8 12 Y7 13 Y6 14 Y5 15 Y4 16 Y3 17 Y2 18 Y1 19 G2 20 Vcc C0JBAZ002692 IC9401 G1 1 2 A1 3 A2 4 A3 5 A4 6 A5 7 A6 8 A7 9 A8 10 GND 11 Y8 12 Y7 13 Y6 14 Y5 15 Y4 16 Y3 17 Y2 18 Y1 19 G2 20 Vcc C0DBAYY00605 IC9800 PGND 1 2 PGND 3 PGND 4 SW 5 SW 6 SW 7 BOOT 8 NC 9 SS/DELAY 10 GND 11 FB 12 FC 13 RT 14 PSET 15 EN 16 NC 17 NC 18 VIN 19 VIN 20 VIN *A20 23 29 30 2 12 5 33 14 32 20 28 26 4 9 11 19 22 21 25 8 13 6 31 17 10 34 24 18 1 7 27 16 15 3 35 *L9802 G1C100MA0416 L9801 G1C100MA0416 L9800 G1C6R8Z00010 P15V P5V P1.2V P15V P15V P5V P3.3V P15V P5V P5V P5V R9111 R9110 R9899 TP9202 TP9201 TP9081 TP9082 TP9091 TP9087 TP9103 TP9095 TP9088 TP9090 TP9085 TP9094 TP9093 TP9104 TP9089 TP9096 TP9102 TP9083 TP9203 TP9098 TP9086 TP9101 TP9099 TP9084 TP9097 TP9092 D_UHZ SC_UHZ P_S1 TC1N TD2P PDP_DRVRST SOS_DCC OSD_VIN PANEL_MAIN_ON TE1P AR_STB_SCL02 SOS7_SC2 P_ON/OFF TCLK2N TCLK2P TA1P TB1P SOS6_SC1 SOS4_PS XRST_SYS TC2P SOS8_SS AR_STB_SDA02 PANEL_MAIN_ON SOS4_PS TD1N TA1N P3V_SCL02 DRVMUTE TE2P TE2N TC2N TCLK1P TD1P TE1N TA2N TB1N TA2P TC1P P_S0 TB2N TB2P TD2N P3V_SDA02 R9198 EXB28V101JX *R9402 EXB28V103JX R9401 EXB2HV103JV R9400 EXB2HV103JV R9208 EXB2HV470JV 1 8 R9209 EXB2HV470JV 1 8 R9872 3.3k 1% *R9247 47 R9875 20k 1% R9874 27k 1% *R9019 2.2 *R9017 4.7k 1% R9920 39 *R9921 39 R9104 100 *R9224 47 R9103 100 *R9226 47 R9107 3.3k R9039 47k R9040 4.7k R9873 10k 1% *R9908 12k 1% R9016 2.2 *R9910 10k 1% *R9909 27k 1% R9105 47k R9878 10k 1% R9877 47k 1% R9014 5.6k 1% R9879 15k 1% TCLK1N < RB_O+ RE_O-(LSB) RE_O+(LSB) DISPEN RA_E+(MSB) RA_O+(MSB) RE_E+(LSB) RB_E+ RE_E-(LSB) RD_O+ RC_O- RD_O- RC_O+ RD_E- RD_E+ RC_E+ RC_E- Analog ASIC RB_O- RA_O-(MSB) RCLK_O- RCLK_E+ RCLK_O+ RCLK_E- RA_E-(MSB) RB_E- 1.2V TB1N TC1P TA2P TD1P TC2P TC1N TE2P TA2N TC2N TCLK2P TA1P TB1P TCLK1P TD1N TE1P TCLK1N TD2P TA1N TD2N TCLK2N TB2P TE1N TE2N TB2N UHZ GND CRC2 OC2 SCCLK CPH1 NC +15V CERS GND CEL P5V CSH +15V GND GND CMH GND SOS6_SC1 SEL GND GND CSL RSV SIU CRC1 OC1 SOS7_SC2 CIS GND NC SCNRST CRC3 SEL2 CML 3.3V D_XRST 5V 109 117 114 115 116 111 110 113 112 A-BOARD (13/19) TNPH0840GC ! 2 1 TO 1/19 TO 3,11/19 TO 6/19 TO 6/19 TO 6,13,17/19 TO 6,13,17/19 TO 6/19 TO 11/19 TO 12,13,17/19 TO 12,13,17/19 TO 12/19 TO 12/19 TO 12/19 TO 17/19 TO 12/19 TO 17/19 BUFFER BUFFER BUFFER TO SC-BOARD (SC20) Panel TH-P65S20C A-Board (13/19) Schematic Diagram TH-P65S20C A-Board (13/19) Schematic Diagram 63 12.19.A 电路板 (14/19) 线路图 TERM SIDE S S S S S S S S S S S S S S S P OSD_VIN DRVCLK2P TCLK1P TCLK2N DRVCLK2N TCLK1N P3V_SCL02 DD3_1P TC2P P3V_SDA02 TB1P DD3_1N TC1N DD3_2P D-PCD3 TB2P TB1N DD3_2N TC2N TD2P DD2_1P TD1P D-LED1 DD2_1N TCLK2P TC1P D-ODED2 DD2_2P UMH_C DD2_2N TD2N DRVCLK1P DRVCLK1N DD1_1P D-PCD2 DD1_1N D-ODED1 D-PCD1 DD1_2P DD1_2N UEH_C USH_C D-PCD4 DRVCLK5P TA2N D-CLRD2 DRVCLK5N USL/UML2_C TE2N TB2N UML_C TE1P TA1N DD4_1P D-CLRD1 TA2P TA1P DD4_1N D-LED2 DD4_2P TE1N DD4_2N TD1N TE2P PD_CLRD1 PD_LED1 PD_PCD1 PD_PCD2 PD_ODED1 PD_CLRD2 PD_ODED2 PD_PCD4 PD_PCD3 PD_LED2 PD_UMH PD_UML PD_USH PD_USL/UML2 PD_UEH PD_SIU PD_SCCLK PD_CERS PD_SEL PD_OC2 PD_CRC1 PD_OC1 PD_CIS PD_CML2 PD_CEL PD_CSH PD_CSL PD_CPH1 PD_CMH PD_CML PD_CRC2 PD_CRC3 D_UHZ DD1_2P DD1_2N DD1_1P DD1_1N DRVCLK1P DRVCLK1N DD2_2P DD2_2N DD2_1P DD2_1N DD3_2P DD3_2N DD3_1P DD3_1N DRVCLK2P DRVCLK2N DD4_2P DD4_2N DD4_1P DD4_1N DD5_2P DD5_2N DD5_1P DD5_1N DRVCLK3P DRVCLK3N DD6_2P DD6_2N DD6_1P DD6_1N DD7_2P DD7_2N DD7_1P DD7_1N DRVCLK4P DRVCLK4N DD8_2P DD8_2N DD8_1P DD8_1N DRVCLK5P DRVCLK5N DD9_2P DD9_2N DD9_1P DD9_1N DRVCLK6P DRVCLK6N DD10_2P DD10_2N DD10_1P DD10_1N DD11_2P DD11_2N DD11_1P DD11_1N DRVCLK7P DRVCLK7N DD12_2P DD12_2N DD12_1P DD12_1N DD13_2P DD13_2N DD13_1P DD13_1N DRVCLK8P DRVCLK8N DD14_2P DD14_2N DD14_1P DD14_1N DD15_2P DD15_2N DD15_1P DD15_1N DRVCLK9P DRVCLK9N DRVRST PD_CLRD1 PD_PCD2 PD_PCD1 PD_ODED1 PD_LED1 PD_UEH PD_USL/UML2 PD_USH PD_UML PD_UMH PD_ODED2 PD_PCD3 PD_PCD4 PD_CLRD2 PD_LED2 DRVMUTE SOS_DCC P_S0 P_S1 PD_SEL2 DD8_1P DD8_1N DD8_2P DD8_2N DRVCLK4P DRVCLK4N DD7_1P DD7_1N DD7_2P DD7_2N DD6_1P DD6_1N DD6_2P DD6_2N DRVCLK3P DRVCLK3N DD5_1P DD5_1N DD5_2P DD5_2N D-ODED1 D-PCD1 D-CLRD1 D_XRST_SYS OHZ1 D-PCD2 D-LED1 C9052 16V 0.1u C9040 16V 0.1u C9300 16V 0.1u C9301 50V 15p C9302 50V 18p C9394 16V 0.1u C9303 16V 0.1u D9806 B0ADCJ000100 *IC9300 AH17 LVDRCK8P *IC9300 B15 RXOAP *IC9300 AC30 LVDOD31N *IC9300 N30 DCCOP19 *IC9300 K28 TMODE0 *IC9300 Y1 DCCOP16 *IC9300 P2 DCCOP10 *IC9300 W2 DCCOP31 *IC9300 B5 FLNCS *IC9300 B16 RXEEP *IC9300 L3 DCCOP27 *IC9300 F1 OSDCKI *IC9300 D13 LRX_TXN_0 *IC9300 R28 DCCOP23 *IC9300 V3 DCCOP11 *IC9300 C4 EXTFLSI *IC9300 P28 DCCOP25 *IC9300 AF27 miniLVDS_RI3 *IC9300 AJ25 LVDOD23P *IC9300 E2 OSDYSI *IC9300 B4 FLSIO0 *IC9300 AJ16 LVDOD16P *IC9300 V1 DCCOP8 *IC9300 B30 DCCIPORT0 *IC9300 AK7 LVDOD9N *IC9300 AE2 LVDOD2P *IC9300 AD30 LVDOD30N *IC9300 AH24 LVDRCK11N *IC9300 A12 RXOCKN *IC9300 A14 RXOBN *IC9300 AH25 LVDRCK11P *IC9300 AJ4 LVDOD6P *IC9300 F29 SBT1 *IC9300 AK13 LVDOD13N *IC9300 A26 SFLATCHO *IC9300 F30 SBT0 *IC9300 AJ17 LVDOD17P *IC9300 K29 SFVO *IC9300 AH2 LVDOD5P *IC9300 AD29 LVDOD30P *IC9300 AH5 LVDRCK3P *IC9300 N28 DCCOP26 *IC9300 B11 RXODP *IC9300 D1 OSDVO *IC9300 AJ24 LVDOD22P *IC9300 D6 LRX_TXN_1 *IC9300 L28 TMODE1 *IC9300 AK5 LVDOD7N *IC9300 T1 DCCOP3 *IC9300 AK9 LVDOD11N *IC9300 AK14 LVDOD14N *IC9300 C1 OSDCKO *IC9300 B3 EXTFLSO *IC9300 AH6 LVDRCK4N *IC9300 L29 DCCOP15 *IC9300 AJ15 LVDOD15P *IC9300 T2 DCCOP2 *IC9300 L2 DCCOP6 *IC9300 A29 XRST *IC9300 C5 FLSIO1 *IC9300 T30 CKMO *IC9300 D2 OSDRI *IC9300 AH9 LVDRCK5P *IC9300 B27 SOS *IC9300 AK27 LVDOD25N *IC9300 B28 XRSTSYS *IC9300 AG2 LVDOD4P *IC9300 AK24 LVDOD22N *IC9300 AK16 LVDOD16N *IC9300 P29 DCCOP18 *IC9300 M28 DCCIPORT1 *IC9300 AD3 LVDRCK1N *IC9300 A6 FLSIO2 *IC9300 AG11 miniLVDS_MON1 *IC9300 AC1 LVDOD0N *IC9300 AJ18 LVDOD18P *IC9300 V2 DCCOP1 *IC9300 AJ8 LVDOD10P *IC9300 P3 DCCOP41 *IC9300 B26 SFVRST *IC9300 K2 DCCOP30 *IC9300 C30 DCCIDISPEN *IC9300 AD28 LVDRCK14P *IC9300 AJ6 LVDOD8P *IC9300 AE28 LVDRCK14N *IC9300 M30 DCCOP12 *IC9300 AH23 LVDRCK10P *IC9300 AG23 miniLVDS_RI2 *IC9300 AG30 LVDOD27N *IC9300 N3 DCCOP39 *IC9300 A16 RXEEN *IC9300 AJ22 LVDOD20P *IC9300 W30 XO *IC9300 F28 SBO1 *IC9300 D30 FPCLK *IC9300 AH30 LVDOD26N *IC9300 N1 DCCOP32 *IC9300 R1 DCCOP9 *IC9300 K30 DCCOP24 *IC9300 A3 EXTFLSCK *IC9300 AH29 LVDOD26P *IC9300 AJ7 LVDOD9P *IC9300 U3 DCCOP40 *IC9300 AC4 LVDRCK0P *IC9300 A13 RXOCN *IC9300 P30 DCCOP21 *IC9300 E1 OSDBI *IC9300 N29 DCCOP29 *IC9300 B25 TEST *IC9300 L1 DCCOP38 *IC9300 B20 RXEBP *IC9300 AF29 LVDOD28P *IC9300 B12 RXOCKP *IC9300 AK12 LVDOD12N *IC9300 AH4 LVDRCK3N *IC9300 A2 EXTFLNCS *IC9300 A20 RXEBN *IC9300 AF2 LVDOD3P *IC9300 AK17 LVDOD17N *IC9300 AG29 LVDOD27P *IC9300 A27 SFRST *IC9300 AE30 LVDOD29N *IC9300 AK4 LVDOD6N *IC9300 V30 XI *IC9300 AK6 LVDOD8N *IC9300 B21 RXEAP *IC9300 AH1 LVDOD5N *IC9300 A15 RXOAN *IC9300 AE3 LVDRCK1P *IC9300 A4 FLSCK *IC9300 AJ5 LVDOD7P *IC9300 AK18 LVDOD18N *IC9300 AF30 LVDOD28N *IC9300 AD1 LVDOD1N *IC9300 AC29 LVDOD31P *IC9300 B14 RXOBP *IC9300 B17 RXEDP *IC9300 AH15 LVDRCK7P *IC9300 L30 DCCOP14 *IC9300 B7 SDA *IC9300 R29 DCCOP37 *IC9300 B19 RXECP *IC9300 A7 SCL *IC9300 B10 RXOEP *IC9300 AJ14 LVDOD14P *IC9300 AE5 miniLVDS_MON0 *IC9300 AG22 miniLVDS_MON2 *IC9300 P1 DCCIFBK0 *IC9300 AH14 LVDRCK7N *IC9300 AE29 LVDOD29P *IC9300 B13 RXOCP *IC9300 U2 DCCOP4 *IC9300 AE4 miniLVDS_RI0 *IC9300 AJ27 LVDOD25P *IC9300 Y2 DCCOP20 *IC9300 AK23 LVDOD21N *IC9300 A21 RXEAN *IC9300 AJ19 LVDOD19P *IC9300 AH18 LVDRCK9N *IC9300 D29 SBI0 *IC9300 A28 DCCIDRVRST *IC9300 A19 RXECN *IC9300 AF3 LVDRCK2N *IC9300 N2 DCCOSCRST *IC9300 D28 SBI1 *IC9300 AE27 miniLVDS_MON3 *IC9300 AA2 DCCOP17 *IC9300 AK8 LVDOD10N *IC9300 AK22 LVDOD20N *IC9300 AH26 LVDRCK12N *IC9300 AG28 LVDRCK13N *IC9300 C2 OSDHO *IC9300 AG3 LVDRCK2P *IC9300 A10 RXOEN *IC9300 M2 DCCOP33 *IC9300 AC2 LVDOD0P *IC9300 AK19 LVDOD19N *IC9300 E29 FPDAT1 *IC9300 AK26 LVDOD24N *IC9300 B18 RXECKP *IC9300 D3 OSDGI *IC9300 AH13 LVDRCK6P *IC9300 Y3 DCCOP22 *IC9300 AG1 LVDOD4N *IC9300 E30 SBO0 *IC9300 T3 DCCIFBK2 *IC9300 AH19 LVDRCK9P *IC9300 K1 DCCOP34 *IC9300 AH8 LVDRCK5N *IC9300 AG12 miniLVDS_RI1 *IC9300 E28 FPDAT0 *IC9300 AH16 LVDRCK8N *IC9300 AH12 LVDRCK6N *IC9300 U1 DCCOP0 *IC9300 D7 LRX_TXP_1 *IC9300 AD2 LVDOD1P *IC9300 AF1 LVDOD3N *IC9300 AC28 LVDRCK15N *IC9300 M1 DCCOP7 *IC9300 AJ23 LVDOD21P *IC9300 D14 LRX_TXP_0 *IC9300 M3 DCCOP35 *IC9300 E3 OSDHI *IC9300 AK15 LVDOD15N *IC9300 C29 SFLATCHI *IC9300 AH7 LVDRCK4P *IC9300 AC3 LVDRCK0N *IC9300 A11 RXODN *IC9300 AJ13 LVDOD13P *IC9300 R3 DCCIFBK1 *IC9300 AJ12 LVDOD12P *IC9300 AE1 LVDOD2N *IC9300 AJ9 LVDOD11P *IC9300 B6 SPIHZ *IC9300 AA1 DCCOP28 *IC9300 AH27 LVDRCK12P *IC9300 M29 DCCOP13 *IC9300 AJ26 LVDOD24P *IC9300 A5 FLSIO3 *IC9300 AF28 LVDRCK13P *IC9300 W1 DCCOP36 *IC9300 AH22 LVDRCK10N *IC9300 A18 RXECKN *IC9300 R2 DCCOP5 *IC9300 AB28 LVDRCK15P *IC9300 AK25 LVDOD23N *IC9300 A17 RXEDN *IC9304 TVRR584AA 1 CS# 2 SO/SIO1 3 WP#/SIO2 4 GND 5 SI/SIO0 6 SCLK 7 NC/SIO3 8 VCC *A31 1 2 3 4 5 6 7 8 9 10 11 12 13 14 15 16 17 18 19 20 21 22 23 24 25 26 27 28 29 30 31 32 33 34 35 36 37 38 39 40 41 42 43 44 45 46 47 48 49 50 51 52 53 54 55 57 58 59 60 61 62 63 64 65 66 67 68 56 P3.3V P5V P3.3V P3.3V P3.3V P3.3V R9306 R9042 R9122 R9341 R9340 R9334 R9335 R9307 R9309 R9342 R9339 R9125 R9099 R9308 R9123 VJ9902 TP9127 TP9144 TP9904 TP9118 TP9121 TP9903 TP9100 TP9125 TP9120 TP9132 TP9133 TP9139 TP9134 TP9130 TP9117 TP9154 TP9300 TP9122 TP9116 TP9901 TP9151 TP9153 TP9135 TP9138 TP9131 TP9155 TP9124 TP9301 TP9141 TP9902 TP9114 TP9113 TP9112 TP9111 TP9108 TP9110 TP9107 TP9109 TP9105 TP9156 TP9076 TP9128 TP9137 TP9149 TP9193 TP9146 TP9143 TP9123 TP9115 TP9119 TP9383 TP9148 TP9900 TP9150 TP9126 TP9145 TP9194 TP9195 TP9106 TP9152 TP9197 TP9129 TP9136 TP9140 TP9142 TP9147 PG-FILM_DET P5V_DET P3.3V_DET OSDCLK R9608 EXB2HV470JV R9610 EXB2HV470JV 1 R9609 EXB2HV470JV 1 R9320 1.5k R9326 1.6k R9206 56k R9325 1.6k R9205 33k R9323 1k R9327 1.6k R9030 4.7k 1/8W R9324 1.6k R9035 3.3k R9318 1k *R9118 0 R9054 0 R9058 0 R9031 330 R9321 1M R9203 2.7k X9300 H0J200500076 DD7_2+ DD7_1+ DRVCLK5+ DRVCLK5- GND DD1_2+ DD6_2- DRVCLK3- DD2_1- GND DD6_2+ DD4_2+ DD6_1+ CLR1 GND DD1_1- DD5_1+ GND GND GND KEY_SCAN GND GND DD5_2- DD5_2+ DD5_1- DD8_1+ GND DD4_2- DATA_DRIVER DD3_1+ NC DD1_1+ IIC DD3_2+ GND DRVCLK2+ SS_PULSE DRVCLK4+ P3.3V GND P3.3V DRVCLK4- DD2_2+ DD2_1+ DD6_1- ODE1 DD8_1- DRVCLK1- LE1 GND PC2 DRVCLK1+ DD2_2- DD4_1- DD3_2- DD7_1- DD8_2- DD7_2- DD8_2+ DD3_1- LVDS_INPUT DD4_1+ GND GND GND PC1 DRVCLK3+ DRVCLK2- P3.3V DD1_2- GND 119 123 125 126 122 124 118 120 121 IC9300 C1AB00003258 A-BOARD (14/19) TNPH0840GC ! 2 1 13 12 11 TO 6/19 TO 6/19 TO 6/19 TO 15/19 FLASH MEMORY PD4H TO C2-BOARD (C21) Panel-D TH-P65S20C A-Board (14/19) Schematic Diagram TH-P65S20C A-Board (14/19) Schematic Diagram 64 12.20.A 电路板 (15/19) 线路图 TERM SIDE P P P P P DRVCLK8P DD15_1P DD14_1P DD14_2N DD15_2N DD13_1N DRVCLK9P DD14_2P DD14_1N DD13_2N DD15_1N DRVCLK9N SOS8_SS DD15_2P DRVCLK8N DD13_1P DD13_2P DRVRST DD9_2N DD9_2P DD9_1P DRVCLK6N DRVCLK6P DD10_1P DD11_2N DD11_2P DD11_1N DD11_1P DRVCLK7N DRVCLK7P DD12_2N DD12_2P DD12_1P D-LED2 D-ODED2 D-PCD3 D-PCD4 D-CLRD2 UMH_C UML_C USH_C USL/UML2_C UEH_C DD10_2N DD10_2P DD10_1N DD9_1N DD12_1N C9307 0.1u 16V C9308 0.1u 16V C9900 25V 0.01u C9319 0.1u 16V C9322 0.1u 16V C9323 0.1u 16V C9325 0.1u 16V C9327 0.1u 16V C9335 10V 10u C9336 10V 10u C9337 10V 10u C9356 0.1u 16V C9361 0.1u 16V C9363 0.1u 16V C9371 10V 10u C9372 10V 10u C9374 0.1u 16V C9375 0.1u 16V C9380 0.1u 16V C9383 0.1u 16V C9392 10V 10u C9391 10V 10u C9352 6.3V 1u C9351 0.1u 16V C9350 0.1u 16V C9347 1u 6.3V C9340 0.1u 16V C9342 0.1u 16V C9349 10u 10V C9344 0.1u 16V C9339 0.1u 16V C9315 0.1u 16V C9312 10V 10u C9314 10V 10u C9313 0.1u 16V C9316 10V 10u C9311 0.1u 16V C9373 10V 10u *IC9300 C1AB00003259 A1 VDD33 *IC9300 C28 GND *IC9300 U28 VDD33 *IC9300 AF14 SCS_VDD18 *IC9300 D10 VDD33 *IC9300 D12 SCS_ANA_11 *IC9300 V4 VDD33 *IC9300 C26 SCS_ANA_10 *IC9300 E27 SCS_ANA_7 *IC9300 A23 GND *IC9300 AG18 PLLSSMLCK_AVS *IC9300 D16 VDD33 *IC9300 C14 GND *IC9300 AA5 VDDC *IC9300 U5 SCS_VDD18 *IC9300 H30 MHIO *IC9300 AK1 GND *IC9300 AF9 VDDC *IC9300 E16 SCS_VDD18 *IC9300 W29 GND *IC9300 D11 SCS_ANA_6 *IC9300 C22 GND *IC9300 C18 SCS_ANA_13 *IC9300 AG9 MLVDS_VDD *IC9300 Y26 SCS_ANA_38 *IC9300 G29 SRLF1 *IC9300 G27 SCS_ANA_5 *IC9300 D22 GND *IC9300 B22 LRX_VDDH *IC9300 AK20 GND *IC9300 T27 GND *IC9300 C15 GND *IC9300 J28 SCS_ANA_26 *IC9300 C17 GND *IC9300 V26 VDDC *IC9300 H29 MVIO *IC9300 AH10 SCS_ANA_19 *IC9300 G28 SRLF2 *IC9300 E18 GND *IC9300 D25 VDD33 *IC9300 R26 SCS_VDD18 *IC9300 AK28 GND *IC9300 AF21 VDDC *IC9300 AG10 SCS_ANA_24 *IC9300 AH20 GND *IC9300 L4 GND *IC9300 E24 VDDC *IC9300 E25 GND *IC9300 AA29 MLVDS_VDD *IC9300 AB3 VDDC *IC9300 D21 LRX_V12C_1 *IC9300 G4 GND *IC9300 E23 VDDC *IC9300 J27 VDD33 *IC9300 E8 VDDC *IC9300 AG15 VTEST1 *IC9300 AJ1 GND *IC9300 D27 GND *IC9300 AD27 MLVDS_VDD *IC9300 AB4 VDDC *IC9300 D26 GND *IC9300 F5 GND *IC9300 Y29 SCS_ANA_36 *IC9300 AJ21 SCS_ANA_1 *IC9300 AK3 GND *IC9300 AG26 MLVDS_VDD *IC9300 D24 VDD33 *IC9300 V5 SCS_VDD18 *IC9300 AF16 SCS_VDD18 *IC9300 AG21 SCS_ANA_20 *IC9300 J3 VDD33 *IC9300 AF18 SCS_ANA_0 *IC9300 E12 LRX_V12 *IC9300 AG19 PLLSSMLCK_AVD *IC9300 AF24 VDDC *IC9300 AB2 VDDC *IC9300 D5 GND *IC9300 E26 GND *IC9300 AK2 GND *IC9300 AA30 MLVDS_VDD *IC9300 AG13 MLVDS_VDD *IC9300 H28 VDD33 *IC9300 B2 VDD33 *IC9300 M26 SCS_VDD15 *IC9300 AG25 MLVDS_VDD *IC9300 AG14 MLVDS_VDD *IC9300 AG4 GND *IC9300 K5 VDDC *IC9300 AF6 MLVDS_VDD *IC9300 E15 GND *IC9300 P26 SCS_VDD18 *IC9300 C8 SCS_ANA_8 *IC9300 V27 GND *IC9300 AH21 SCS_ANA_22 *IC9300 N26 SCS_VDD18 *IC9300 AK10 SCS_ANA_21 *IC9300 AF15 GND *IC9300 AJ11 GND *IC9300 AB1 VDDC *IC9300 G3 SCS_ANA_27 *IC9300 A24 ID0 *IC9300 A9 LRX_VDDH *IC9300 P4 VDD33 *IC9300 AB29 MLVDS_VDD *IC9300 U27 SCS_ANA_34 *IC9300 C13 GND *IC9300 C21 GND *IC9300 AJ20 GND *IC9300 E11 LRX_V12 *IC9300 AF13 SCS_VDD18 *IC9300 M4 SCS_ANA_31 *IC9300 AJ2 GND *IC9300 AF11 GND *IC9300 AK11 GND *IC9300 A8 GND *IC9300 AG16 MLVDS_VDD *IC9300 D23 VDD33 *IC9300 AF19 SCS_ANA_2 *IC9300 B24 ID1 *IC9300 C25 SCS_ANA_12 *IC9300 H26 VDDC *IC9300 C11 GND *IC9300 F26 GND *IC9300 D15 VTEST0 *IC9300 B9 LRX_VDDH *IC9300 B29 GND *IC9300 AC27 MLVDS_VDD *IC9300 G1 GND *IC9300 AH3 GND *IC9300 C16 GND *IC9300 C6 IICSYNC *IC9300 J26 VDDC *IC9300 AF26 GND *IC9300 J30 SHIO *IC9300 U30 GND *IC9300 Y27 PLLICK_AVS *IC9300 AF7 MLVDS_VDD *IC9300 F2 SCS_ANA_25 *IC9300 L27 GND *IC9300 P27 VDD33 *IC9300 R5 SCS_VDD18 *IC9300 AB30 MLVDS_VDD *IC9300 P5 SCS_VDD15 *IC9300 AJ30 GND *IC9300 U29 SCS_ANA_32 *IC9300 AF8 VDDC *IC9300 D19 LRX_V12C_3 *IC9300 AA3 GND *IC9300 E22 VDDC *IC9300 AF12 GND *IC9300 C10 GND *IC9300 E4 GND *IC9300 AF22 VDDC *IC9300 AE26 VDDC *IC9300 E21 VDDC *IC9300 AF23 VDDC *IC9300 E14 SCS_VDD18 *IC9300 AJ10 SCS_ANA_17 *IC9300 AA28 MLVDS_VDD *IC9300 E10 VDDC *IC9300 F27 SCS_ANA_9 *IC9300 AG27 GND *IC9300 N27 VDD33 *IC9300 D17 VDD33 *IC9300 E7 VDDC *IC9300 AF20 GND *IC9300 W5 GND *IC9300 G26 VDDC *IC9300 A30 GND *IC9300 M5 GND *IC9300 AG24 MLVDS_VDD *IC9300 AJ28 SCS_ANA_16 *IC9300 D4 VDD33 *IC9300 G2 SCS_ANA_29 *IC9300 W28 VDD33 *IC9300 AJ29 GND *IC9300 E5 VDD33 *IC9300 AD4 MLVDS_VDD *IC9300 AF10 VDDC *IC9300 B23 GND *IC9300 C7 SCS_ANA_23 *IC9300 J1 GND *IC9300 AG7 MLVDS_VDD *IC9300 AD26 VDDC *IC9300 R27 SCS_ANA_30 *IC9300 H1 GND *IC9300 J5 VDDC *IC9300 E13 SCS_VDD18 *IC9300 E17 SCS_VDD18 *IC9300 H3 VDD33 *IC9300 AG20 GND *IC9300 T26 SCS_VDD18 *IC9300 C9 GND *IC9300 M27 SCS_ANA_28 *IC9300 AJ3 SCS_ANA_37 *IC9300 U4 SCS_ANA_35 *IC9300 W3 VDD33 *IC9300 D8 VDD33 *IC9300 C27 GND *IC9300 AF4 GND *IC9300 D18 LRX_V12C_2 *IC9300 AB27 PLLSSDCCCK_AVD *IC9300 AC26 VDDC *IC9300 K27 GND *IC9300 C24 SCS_ANA_14 *IC9300 AG8 MLVDS_VDD *IC9300 AA27 PLLSSDCCCK_AVS *IC9300 AK21 SCS_ANA_3 *IC9300 AK30 GND *IC9300 H27 VDD33 *IC9300 AB5 VDDC *IC9300 J4 VDD33 *IC9300 AC5 MLVDS_VDD *IC9300 Y4 GND *IC9300 AK29 GND *IC9300 Y30 GND *IC9300 AA4 VDDC *IC9300 T28 GND *IC9300 AH11 GND *IC9300 G5 VDDC *IC9300 AH28 GND *IC9300 L5 GND *IC9300 V29 GND *IC9300 AF25 SCS_ANA_18 *IC9300 H4 GND *IC9300 J2 GND *IC9300 N4 SCS_ANA_33 *IC9300 Y28 MLVDS_VDD *IC9300 E9 VDDC *IC9300 R4 VDD33 *IC9300 F4 GND *IC9300 C19 SCS_ANA_15 *IC9300 T4 GND *IC9300 F3 SCS_ANA_4 *IC9300 B8 GND *IC9300 C3 VDD33 *IC9300 U26 VDDC *IC9300 R30 GND *IC9300 W26 GND *IC9300 H5 VDDC *IC9300 V28 VDD33 *IC9300 AB26 VDDC *IC9300 E6 GND *IC9300 D20 LRX_V12C_0 *IC9300 J29 SVIO *IC9300 W27 PLLICK_AVD *IC9300 AG5 SCS_ANA_39 *IC9300 T5 SCS_VDD18 *IC9300 Y5 GND *IC9300 E19 LRX_V12 *IC9300 L26 SCS_VDD15 *IC9300 AF17 SCS_VDD18 *IC9300 C12 GND *IC9300 D9 VDD33 *IC9300 A25 ID2 *IC9300 N5 SCS_VDD15 *IC9300 G30 SRLF0 *IC9300 T29 GND *IC9300 AA26 SCS_ANA_40 *IC9300 E20 LRX_V12 *IC9300 AG17 MLVDS_VDD *IC9300 K3 OCKOUT *IC9300 AD5 MLVDS_VDD *IC9300 A22 LRX_VDDH *IC9300 AG6 MLVDS_VDD *IC9300 C20 GND *IC9300 W4 VDD33 *IC9300 B1 GND *IC9300 C23 GND *IC9300 H2 GND *IC9300 AF5 GND *IC9300 K26 GND *IC9300 K4 GND *A32 1 2 3 4 5 6 7 8 9 10 11 12 13 14 15 16 17 18 19 20 21 22 23 24 25 26 27 28 29 30 31 32 33 34 35 36 37 38 39 40 41 42 43 44 45 46 47 48 49 50 51 52 53 54 55 57 58 59 60 61 62 63 64 65 66 67 68 56 L9302 J0JHC0000117 L9300 J0JHC0000117 L9301 J0JHC0000117 P1.2V P3.3V P2.5V P5V P3.3V P3.3V VJ9302 VJ9301 VJ9300 VJ9901 VJ9900 TP9178 TP9167 TP9174 TP9176 TP9179 TP9168 TP9175 TP9161 TP9177 TP9165 TP9189 TP9163 TP9164 TP9187 TP9183 TP9188 TP9180 TP9911 TP9185 TP9166 TP9909 TP9191 TP9157 TP9160 TP9159 TP9912 TP9010 TP9913 TP9914 TP9172 TP9907 TP9910 TP9162 TP9184 TP9908 TP9906 TP9181 TP9905 TP9186 TP9158 TP9190 TP9206 TP9205 TP9198 TP9192 TP9169 TP9171 TP9170 TP9173 TP9182 TP9199 OSDCLK Q9901 DSC200100L Q9900 DSC200100L R9903 4.7k R9904 100k R9907 100 R9906 100k R9905 10k P5V DD15_1- GND LE2 DD13_2- UML DD15_1+ DD9_1- DD12_1- GND DD9_2+ GND DD14_1+ GND UMH DRVCLK7- DRVCLK6- DD11_2- DD12_1+ NC DD15_2+ USL/UML2_C DD9_1+ DD13_1+ GND DD12_2- PC3 GND DD12_2+ DD10_2+ DD11_1+ DD10_2- DRVCLK9- DD13_1- DD14_2+ DD10_1- DD11_1- DRVCLK8- USH GND DD9_2- DD15_2- GND PC4 CLR2 GND UEH GND GND DD14_2- DRVCLK8+ DRVCLK7+ P3.3V DRVSOS8 GND 3.3V_DET ODE2 GND NC DD10_1+ GND DD13_2+ DD14_1- DD11_2+ DRVCLK9+ GND DRVCLK6+ GND 127 132 131 129 130 133 128 134 135 IC9300 C1AB00003258 A-BOARD (15/19) TNPH0840GC ! 11 12 13 TO 14/19 PD4H Panel-D TO C3-BOARD (C31) TH-P65S20C A-Board (15/19) Schematic Diagram TH-P65S20C A-Board (15/19) Schematic Diagram 65 12.21.A 电路板 (16/19) 线路图 S S S S S S P C5615 2.2u 10V C5616 0.01u 25V C5651 4.7u 10V C5649 10V 1u C5652 4.7u 10V C5650 10V 2.2u C5627 0.039u 10V C5632 4.7u 10V C5643 22u 6.3V C5641 22u 6.3V C5626 25V 10u C5634 0.1u 16V C5642 22u 6.3V C5628 10u 25V C5635 1u 16V C5633 0.1u 16V C5658 22u 6.3V C5629 10u 25V C5659 22u 6.3V C5625 25V 10u C5660 22u 6.3V C5631 0.1u 16V D5605 B0HCMM000014 D5602 DZ2J056M0L C0DBFYY00049 IC5603 1 VIN 2 VSS 3 CE 5 VOUT 4 NC C0DBGYY00578 IC5604 1 ON/OFF 2 VSS 3 NC 5 VOUT 4 VIN C0DBAYY00715 IC5601 1 DRVH1 2 VBST1 3 EN1 4 VO1 5 VFB1 6 GND 7 SS1 8 VFB2 9 VO2 10 EN2 11 VBST2 12 DRVH2 13 SW2 14 DRVL2 15 PGND2 16 TRIP2 17 SS2 18 V5FILT 19 VREG5 20 VIN 21 TRIP1 22 PGND1 23 DRVL1 24 SW1 L5608 J0JHC0000045 L5604 G1C3R3Z00005 L5605 G1C4R7Z00014 L5606 G1C100MA0077 SUB3.3V AVDD3.3V DCDC15V AVDDH3.3V F15V SUB3.3V SUB3.3V SUB5V SUB5V SUB5V R5647 R5635 R5639 R5638 R5648 R5634 R5500 TP5603 TP5602 DCDC_CTL1 Q5604 B1MBDDA00003 S1 G1 S2 G2 D2 D2 D1 D1 Q5605 B1MBEDA00015 S1 G1 S2 G2 D2 D2 D1 D1 Q5603 DSC2001S0L Q5602 DSC2001S0L R5642 100k R5600 68 R5626 10 R5613 47k R5641 10k R5607 22k R5618 3.3k 1% R5619 5.6k 1% R5622 24k 1% R5640 10k R5623 22k 1% R5609 10k R5627 10 R5610 47k R5608 68k R5621 1k 1% R5620 1k 1% R5611 2.2k R5643 10k R5644 7.5k R5612 10k SUB3.3V P3.3V SUB9V TP5409 D5478 B0ADCJ000100 SUB1.2V C0DBGYY00884 IC5401 VOUT 3 2 VSS VIN 1 SUB5V R5493 4.7k C5722 1u 25V R5485 100k D5472 B0ADEJ000035 R5491 4.7k SUB9V P5V D5471 B0ACCJ000048 Q5471 DSA200100L D5483 DZ2J068M0L R5481 220 D5482 DZ2J120M0L D5481 DZ2J120M0L R5472 3.3k R5473 1k D5475 B0ADCJ000100 SUB1.8V D5486 DZ2J068M0L TP5471 D5484 DZ2J068M0L STMADIN5 D5476 DZ2J068M0L Q5472 DSC2001S0L R5471 2.2k SUB5V F15V R5474 10k R5492 4.7k D5485 DZ2J068M0L C5472 16V 0.1u R5487 4.7k R5479 470 D5477 DZ2J068M0L R5488 4.7k STB3.3V R5475 220 D5479 B0ADCJ000100 R5494 4.7k SUB9V R5490 4.7k C5723 1u 16V SUB5.6V SUB5.6V D5480 B0ADCJ000100 R5489 4.7k C5471 16V 0.1u R5486 1k POWER PATTER LOCK_1.2/1.8V 3.32V/2A 144 138 140 137 139 142 143 141 136 SG-SOS 100mA A-BOARD (16/19) TNPH0840GC ! TO 3,6/19 TO 17,19/19 SUB3.3V SUB1.5V 9V 3.3V 3.3V TH-P65S20C A-Board (16/19) Schematic Diagram TH-P65S20C A-Board (16/19) Schematic Diagram 66 12.22.A 电路板 (17/19) 线路图 + S P P C2879 25V 0.01u C2751 25V 1u C2824 10u 10V C9108 25V 0.01u C2884 1u 25V C9106 10u 25V C2885 10u 25V C2874 10u 10V C2886 10u 25V C2873 10u 10V C2871 10u 25V C2878 4700p 50V C2872 0.01u 25V C2877 0.022u 50V C2883 25V 47u D2870 B0JCME000092 IC1000 C1ZBZ0003775 1 SDA 2 SCL 3 ALERT 4 GND 5 A2 6 A1 7 A0 8 V+ IC2870 C0DBAYY00462 1 BOOT 2 VIN 3 SW 4 GND 5 FB 6 COMP 7 EN 8 SS A1 1 2 3 4 5 6 7 8 A6 1 2 3 4 5 6 7 8 9 10 11 CN0102 1 2 3 4 5 6 7 8 9 10 11 A7 1 2 3 4 5 6 7 8 9 10 11 12 13 14 L2871 J0JHC0000075 L2870 G1C101MA0416 P15V SUB5.6V F15V AV3.3V STB5V STB3.3V S_15V STB5V SUB3.3V R2878 R2874 R2884 TP2750 TP2810 TP2805 TP2873 TP2870 TP2759 TPST5 TP2760 TP2878 TP2756 TP2823 TP2822 TP2820 TP2824 TP2821 TP2825 TPS15V TP2876 TPS0N TP2875 TPF15V TP2871 TP2755 TP2752 TP2751 TP2757 TP2874 TP2753 TP2758 TP2803 TP2804 TP2754 TP9196 TP2877 TP2879 SG-G_LED_ON DCDC_CTL1 PANEL_MAIN_ON STMGPIO5 STMTIME4 SOS4_PS EA11 STB_5V_SWON FACT_SDBOOT STMGPIO3 KEY_SCAN STMRMIN SG-AI_SENSOR DEVELOP_SCL1 P_S0 ADJ-PEAKS_SCL P_S1 TMP-SENS_SDA AR_STB_SDA02 ADJ-STM_SDA DEVELOP_SDA1 ADJ-PEAKS_SDA ADJ-STM_SCL TMP-SENS_SCL DEVELOP_SCL2 AR_STB_SCL02 DEVELOP_SDA2 1% R2879 180k 1% R2880 14.3k R2820 100 R2753 10k R2750 100 R2875 39 R2870 2.2k R9191 100 R9190 100 R2816 47k R2873 10k 1% 1% R2881 6.65k 1% R2883 1.74k 1% R2882 7.15k R9120 100 R2823 47k R2872 1.5k 1% R2871 10k R9145 100 SW5152 K0H1BA000445 SW5154 K0H1BA000445 SW5151 K0H1BA000445 SW5153 K0H1BA000445 SW5150 K0H1BA000445 SET TO Sheet Standby-MPU TO Sheet Standby-MPU (sLD-STMTIME4) sLD-STMTIME0 sLD-STMRMIN sLD-STMADIN0 TO Sheet Standby-MPU sLD-STMGPIO5 TO Sheet Analog-ASIC (GenX8 Loarder/E2PROM) PEAKS_SDA3 SRQ Panel_SCL (Panel Dpr.E2PROM) PEAKS_SCL3 GenX8_SDA IIC_CONT (GenX8 Loarder/E2PROM) Panel_SDA GND STB5V (PEAKS E2PROM) GenX8_SCL (Panel Dpr.E2PROM) (Genx7_SRQ) (PEAKS E2PROM) G_LED_ON AI_SENSOR SUB3.3V RMIN STB3.3V R_LED_ON SG-SRQ_GENX SG-RMIN SG-TV_SUB_ON SG-R_LED_ON PG-FAN_SOS +/ -/ F AV TV +15V_S +15V_S +15V_C S_GND S_GND GND F+15V F+15V F+15V GND GND STBY5V GND S0 S1 TUNER_SUB_ON ECO_ON PANEL_MAIN_ON STBY5V_SW SOS4_PS N.C.(AC_LOW) ALL_OFF MAIN_SW_1 MAIN_SW_2 N.C. Panel-D Panel-D PANEL_SCL2 PANEL_SDA2 (F_STBY_ON) NORMAL SOS GND GND "H": ON "L": OFF SD_boot_mode 149 150 151 145 147 152 153 146 148 A-BOARD (17/19)TNPH0840GC ! TO 1/19 TO 1/19 TO 1/19 TO 1/19 TO 3,6/19 TO 3,6/19 TO 3,6/19 TO 3,6/19 TO 3,6,9, 11,12/19 TO 6/19 TO 6,13/19 TO 6/19 TO 6/19 TO 6/19 TO 12/19 TO 12,13/19 TO 13/19 TO 13/19 TO 16,19/19 SUB6V TEMP SENSOR TO P-BOARD (P6) FOR FACTORY USE TO K-BOARD (K1) TO P-BOARD (P7) TH-P65S20C A-Board (17/19) Schematic Diagram TH-P65S20C A-Board (17/19) Schematic Diagram 67 12.23.A 电路板 (18/19) 线路图 C8064 22u 4V C8063 16V 0.1u C8055 16V 0.1u C8105 16V 0.1u C8000 16V 0.1u C8012 16V 0.1u C8117 16V 0.1u C8091 16V 0.1u C8108 16V 0.1u C8044 10u 10V C8003 16V 0.1u C8002 16V 0.1u C8067 16V 0.1u C8051 16V 0.1u C8013 16V 0.1u C8014 16V 0.1u C8073 6.3V 1u C8004 16V 0.1u C8112 16V 0.1u C8017 16V 0.1u C8115 16V 0.1u C8008 16V 0.1u C8024 10u 10V C8019 16V 0.1u C8036 10u 10V C8047 16V 0.1u C8022 10u 10V C8062 16V 0.1u C8125 10u 10V C8048 6.3V 1u C8007 16V 0.1u C8114 16V 0.1u C8101 10u 10V C8020 16V 0.1u C8054 16V 0.1u C8037 16V 0.1u C8093 6.3V 1u C8123 16V 0.1u C8111 16V 0.1u C8010 16V 0.1u C8046 16V 0.1u C8006 16V 0.1u C8053 16V 0.1u C8074 6.3V 1u C8050 16V 0.1u C8104 6.3V 1u C8057 16V 0.1u C8021 16V 0.1u C8110 16V 0.1u C8005 16V 0.1u C8009 16V 0.1u C8099 6.3V 1u C8120 16V 0.1u C8023 10u 10V C8070 16V 0.1u C8056 16V 0.1u C8077 25V 0.01u C8058 16V 0.1u C8113 16V 0.1u C8100 10u 10V C8076 16V 0.1u C8126 10u 10V C8075 6.3V 1u C8116 16V 0.1u C8069 16V 0.1u C8042 6.3V 1u C8001 16V 0.1u C8068 16V 0.1u C8052 16V 0.1u C8035 10u 10V C8085 10u 10V C8097 16V 0.1u C8011 16V 0.1u C8124 10u 10V L8019 J0JHC0000045 L8008 J0JHC0000045 L8025 J0JHC0000045 L8012 J0JHC0000045 L8024 J0JHC0000045 L8009 J0JHC0000045 L8015 J0JHC0000045 L8010 J0JHC0000045 L8005 J0JKC0000021 L8013 J0JHC0000045 L8001 J0JHC0000116 L8014 J0JHC0000045 L8016 J0JHC0000045 L8011 J0JHC0000045 L8004 J0JHC0000045 L8000 J0JHC0000045 L8022 J0JHC0000045 L8017 J0JHC0000045 L8021 J0JHC0000045 L8018 J0JHC0000045 L8020 J0JHC0000045 L8023 J0JHC0000045 L8002 J0JKC0000021 L8003 J0JKC0000021 SUB_SD_3.3V AVDDV3.3V SUB3.3V 1.8V_DDRI/F SUB1.8V SUB1.2V SUB1.2V SUB3.3V SUB1.2V AVDD3.3V 1.8V_DDRI/F STB3.3V SUB3.3V SUB1.2V SUB1.2V SUB3.3V SUB3.3V SUB3.3V SUB3.3V SUB3.3V AVDDH3.3V STB1.2V AG31_MMCK AB32_MMODT AB31_MMCKE AG32_MMXCK VDDR/A L14_AVDDSIF D6_VREFL0 AD15_VDDAUSB AVDDADA1/2/3 C15_VREFLSIF C8_VREFH2 VDDAVAD D21_VREF1V5 AVDDADA1/2/3 D7_VREFL1 C9_VREFH3 C10_BIAS D15_VREFHSIF D8_VREFL2 AVDDA SUB_SD_3.3V AD17_A2AVDD AP32_VDD12STM 1.8V_DDRI/F LVVDD33 AA11_VDDUSB C7_VREFH1 VDD33STM/ADAVDD AVDDV3.3V AD18_DPAVDD AD16_AVDDPWM AVDDADA1/2/3 C6_VREFH0 D20_VREG AVDDPLLV/75D P24_M1A1AVDD L15_AVDDPLLA AD14_VDDPUSB N24_MVAVDD AL27_MMRDRV D9_VREFL3 AVDDHP D10_BIAS2 MMVCAL/REF W24_LVVDD12 AL28_MMRODT AVDDH VDD12 VDD3 C C C C C C C G_SIF C C C C C C C C C 1% R8009 56 1% R8010 300 R8014 10k 1% R8006 1k R8007 110 R8011 330 R8008 10k 1% R8005 1k R8031 2.2k VSW DDR ADC Analog Audio In I/F SD CARD I/F USB I/F Dchip STM SIF I/F Achip 162 154 157 158 161 156 159 155 160 A-BOARD (18/19) TNPH0840GC ! TO 2/19 TO 2/19 TO 2/19 TO 2/19 TO 2/19 TO 2/19 TO 2/19 TO 2/19 TO 2,3,18/19 TO 2,3,18/19 TO 2,3,18/19 TO 2,3,18/19 TO 2,3,18/19 TO 2,3,18/19 TO 2,3,18/19 TO 2,3,18/19 TO 2,3,18/19 TO 2,3,18/19 TO 2,3,18/19 TO 2,3,18/19 TO 2,3,18/19 TO 2,3,18/19 TO 2,3,18/19 TO 2,3,18/19 TO 2/19 TO 2/19 TO 2/19 TO 2/19 TO 2,18/19 TO 2,18/19 TO 2,18/19 TO 2/19 TO 2/19 TO 3/19 TO 3/19 TO 3/19 TO 3/19 TO 3/19 TO 3/19 TO 3/19 TO 3/19 TO 3/19 TO 3/19 TO 3/19 TO 3/19 TO 3/19 TO 3/19 TH-P65S20C A-Board (18/19) Schematic Diagram TH-P65S20C A-Board (18/19) Schematic Diagram 68 12.24.A 电路板 (19/19) 线路图 S S S S S S C5622 22u 6.3V C5618 22u 6.3V C5612 1u 16V C5607 4.7u 10V C5600 25V 10u C5609 0.1u 16V C5619 22u 6.3V C5603 10u 25V C5617 22u 6.3V C5606 0.15u 10V C5604 10u 25V C5611 1u 25V C5621 22u 6.3V C5620 22u 6.3V C5608 0.1u 16V C5601 25V 10u C5602 6800p 25V C0DBAYY00715 IC5600 1 DRVH1 2 VBST1 3 EN1 4 VO1 5 VFB1 6 GND 7 SS1 8 VFB2 9 VO2 10 EN2 11 VBST2 12 DRVH2 13 SW2 14 DRVL2 15 PGND2 16 TRIP2 17 SS2 18 V5FILT 19 VREG5 20 VIN 21 TRIP1 22 PGND1 23 DRVL1 24 SW1 L5603 J0JHC0000075 L5602 G1C100MA0077 L5600 G1C2R2Z00006 L5601 G1C3R3Z00004 SUB1.8V DCDC15V SUB1.2V F15V R5646 R5628 R5631 R5645 R5636 R5637 PA5610 K5H4022A0031 TP5600 TP5601 DCDC_CTL1 Q5600 B1MBDDA00003 S1 G1 S2 G2 D2 D2 D1 D1 Q5601 B1MBEDA00015 S1 G1 S2 G2 D2 D2 D1 D1 R5605 20k 1% R5604 2k 0.5% R5601 820 0.5% R5606 24k 1% R5616 10 R5603 1.24k 0.5% R5602 2.7k 0.5% R5617 10 169 167 163 170 165 166 171 164 168 A-BOARD (19/19) TNPH0840GC ! TO 16,17/19 SUB1.8V SUB1.2V TH-P65S20C A-Board (19/19) Schematic Diagram TH-P65S20C A-Board (19/19) Schematic Diagram 69 12.25.K 电路板和 S 电路板线路图 G R S BOTTOM PAD NC VCC GND OUT PUSH 0V 0V C2510 0.01u 50V C2521 16V 0.1u C2515 50V 0.01u C2511 10V 10u *D2520 B3AGB0000060 K1 1 2 3 4 5 6 7 8 VJ2512 SN2510 B3JB00000078 1 IOUT 4 NC 2 GND 3 VCC 5 GC1 6 GC2 TP2503 TP2506 TP2508 TP2504 TP2505 TP2502 TP2501 RM2510 B3RAD0000168 1 2 3 Q2511 DSC200100L Q2510 DSC200100L Q2512 DSC200100L 1% *R2519 1.82k R2514 10k R2513 22k R2515 47k R2518 47k R2517 22k R2511 100k R2510 47 1% *R2516 680 R2512 220k SW2500 K0F162B00002 S1B 1 2 3 < POWER LED STBY3.3V AI_SENSOR G_LED_ON REMOCON REMOTE CONTROL SENSOR R_LED_ON GND STB3.3V R_LED_ON REMOCON G_LED_ON AI_SENSOR SUB3.3V GND SUB3.3V STBY3.3V SUB3.3V TO A-BOARD (A1) G R LED L H RED H H UMBER H L GREEN L L OFF AI SENSOR K-BOARD TXN/K1LQUC ! A 5 E C 6 D 3 7 4 2 1 B 8 TXN/S1EQUC ! ! TO P-BOARD (P7) POWER SWITCH STB_PS 5V S-BOARD K-Board and S-Board Schematic Diagram TH-P65S20C K-Board and S-Board Schematic Diagram TH-P65S20C 70 12.26.C1 电路板线路图 TERM SIDE TERM SIDE TERM SIDE TERM SIDE TERM SIDE TERM SIDE AB_PCD1 AB_CLRD1 AB_ODED1 AB_ODED1 AB_LED1 DD4_1- DD2_1+ AB_ODED1 DRVCLK2+ DD3_2- AB_PCD1 DRVCLK2- DD2_1- DRVCLK1+ AB_CLRD1 DD2_2- DRVCLK1- DD2_2+ AB_LED1 AB_ODED1 DD3_1+ AB_PCD1 DD4_2- DRVCLK2+ AB_CLRD1 DD4_1+ DRVCLK2- AB_CLRD1 DD1_2+ DRVCLK1- DD4_2+ DD1_1- AB_LED1 DD1_1+ AB_PCD1 DD1_2- DD3_1- DD3_2+ DRVCLK1- DD1_2+ DD3_2- DRVCLK2+ DD4_2+ DD3_2+ DD3_1+ DD4_1- DD1_1- DD2_2- DD2_1+ DD2_2+ DRVCLK2- DD3_1- DD4_2- DRVCLK1+ DD2_1- DD5_1+ DRVCLK3- DD5_2+ DD5_1- DRVCLK3+ DD5_2- DD4_1+ AB_LED1 3.3V_DET AB_ODED1 DRVCLK3- DD5_1- AB_LED1 AB_PCD1 DD5_2- DRVCLK3+ DD5_1+ AB_CLRD1 DD5_2+ AB_PCD1 DD1_2- DD1_1+ AB_CLRD1 DRVCLK1+ AB_LED1 C17104 10V 1u C17109 100V 0.33u C17101 10V 1u C17102 10V 1u C17107 100V 0.33u C17113 100V 0.33u C17111 100V 0.33u C17103 10V 1u C17105 10V 1u C17115 100V 0.33u C10 1 2 3 4 5 6 7 8 9 10 11 12 13 14 15 16 17 18 19 20 21 22 23 24 25 26 27 28 29 30 31 32 33 34 35 36 37 38 39 40 41 42 43 44 45 46 47 48 49 50 51 52 53 54 55 1 3 4 5 7 8 9 11 12 13 14 15 16 17 18 19 20 21 22 23 24 25 26 27 28 29 30 31 32 33 34 35 36 37 38 39 40 41 42 43 44 45 47 48 49 51 52 53 55 1 3 4 5 7 8 9 11 12 13 14 15 16 17 18 19 20 21 22 23 24 25 26 27 28 29 30 31 32 33 34 35 36 37 38 39 40 41 42 43 44 45 47 48 49 51 52 53 55 1 3 4 5 7 8 9 11 12 13 14 15 16 17 18 19 20 21 22 23 24 25 26 27 28 29 30 31 32 33 34 35 36 37 38 39 40 41 42 43 44 45 47 48 49 51 52 53 55 1 3 4 5 7 8 9 11 12 13 14 15 16 17 18 19 20 21 22 23 24 25 26 27 28 29 30 31 32 33 34 35 36 37 38 39 40 41 42 43 44 45 47 48 49 51 52 53 55 1 3 4 5 7 8 9 11 12 13 14 15 16 17 18 19 20 21 22 23 24 25 26 27 28 29 30 31 32 33 34 35 36 37 38 39 40 41 42 43 44 45 47 48 49 51 52 53 55 VDA VDA VDA VDA VDA C1_3.3V C1_3.3V VDA C1_3.3V C1_3.3V C1_3.3V C1_3.3V ZA17103 K4CD01000013 ZA17101 K4CD01000013 ZA17104 K4CD01000013 ZA17102 K4CD01000013 ZA17105 K4CD01000013 R17113 200 R17109 100 R17110 100 R17117 220k R17111 200 R17103 100 R17116 1k R17129 150 R17114 200 R17125 1 R17105 100 R17115 100 R17123 1 R17121 1 R17108 100 R17104 100 R17102 100 R17107 100 R17112 200 R17106 100 R17101 100 R17118 1 R17127 1 CLR NC(GND) A1(+) NC(GND) GND CLK(-) GND NC GND(TEST) HBLK(ODE) NC LE(LEN) LBLK(BLK) NC VDD2 VDD2 GND(TEST) GND VDD1 NC VDD2 VDD2 TEST1(GND) A2(+) NC NC(GND) NC NC(GND) LE(LEN) NC NC(GND) GND 55 VDD2 1 55 VDD2 TEST1(GND) 1 NC 55 VDD2 DM 1 GND VDD2 CLK(+) 55 VDD2 GND VDD2 VDD2 A1(-) 1 NC GND C10 GND CLK(+) 1 GND VDD2 55 DM A2(-) GND TEST1(GND) VDD1 NC VDD2 VDD2 CLK(-) VDD2 CLR NC(GND) DM GND VDD2 NC(GND) VDD2 GND(TEST) HBLK(ODE) NC(GND) NC GND GND CLK(-) NC GND VDD2 LBLK(BLK) VDD2 VDD1 GND HBLK(ODE) VDD2 VDD2 GND A1(+) GND A1(-) GND(TEST) VDD1 GND GND GND GND GND LE(LEN) HBLK(ODE) GND A2(-) GND VDD2 VDD2 GND VDD1 VDD2 NC NC VDD2 NC(GND) GND VDD2 GND LE(LEN) CLR VDD2 CLR VDD1 GND DM NC A1(+) GND NC DM GND NC(GND) GND GND NC NC(GND) NC(GND) DM GND VDD2 GND NC VDD2 VDD2 GND A2(-) NC(GND) LBLK(BLK) VDD2 GND VDD2 GND LBLK(BLK) NC GND GND NC NC(GND) GND NC CLK(-) NC GND GND DM VDD2 NC(GND) DM NC(GND) VDD2 NC(GND) CLK(+) A1(-) GND GND NC(GND) GND NC(GND) GND VDD1 GND VDD2 NC GND A2(+) VDD2 A2(+) TEST1(GND) VDD2 A2(-) A1(+) GND VDD2 GND NC GND NC NC VDD2 VDD2 CLK(+) NC GND GND NC(GND) GND VDD2 A2(+) A1(-) VDD2 GND GND GND VDD2 VDD2 VDD2 VDD2 VDD2 VDD2 GND GND GND NC VDD1 LE1 ODE1 P3.3V VDA PC1 GND VDA GND VDA NC NC NC CLR1 VDA DRVCLK1+ GND DRVCLK2- DRVCLK2+ GND GND DRVCLK3- DRVCLK3+ GND DD5_1+ DD5_2+ DD5_2- DD5_1- DD4_1+ DD4_2- DD4_2+ DD4_1- DD3_1+ DD3_2- DD3_2+ DD3_1- GND DD2_2+ DD2_1- DD2_1+ DD2_2- DRVCLK1- GND DD1_1+ DD1_2+ DD1_1- DD1_2- GND GND GND GND P3.3V NC 3.3V_DET NC KEY GND GND VDD2 VDD2 NC NC(GND) A2(+) GND NC(GND) CLK(+) VDD2 GND A2(-) VDD1 NC CLR CLK(-) A1(+) NC(GND) VDD2 VDD2 GND(TEST) VDD2 HBLK(ODE) NC GND GND LE(LEN) VDD2 DM VDD2 NC GND GND GND GND VDD2 VDD1 NC(GND) GND VDD2 NC NC(GND) GND LBLK(BLK) VDD2 NC GND A1(-) VDD2 TEST1(GND) GND NC GND DM 1 5 5 CB1 CB2 CB3 CB4 CB5 D E 9 1 6 8 2 7 B 3 F 5 A 4 C ! TO PANEL DATA CB1 DRIVER CB2 PANEL DATA DRIVER TO CB3 PANEL DATA DRIVER TO CB4 PANEL DATA DRIVER TO CB5 PANEL DATA DRIVER TO TO C2-BOARD (C20) C1-BOARD TXNC11LLUC TH-P65S20C C1-Board Schematic Diagram TH-P65S20C C1-Board Schematic Diagram 71 12.27.C2 电路板 (1/2) 线路图 C2-BOARD TXNC21LLUC (1/2) TERM SIDE TERM SIDE TERM SIDE TERM SIDE AB_PCD2 DD6_2- AB_CLRD2 DD6_2+ DD6_1- AB_LED2 DRVCLK4- AB_ODED2 DD6_1+ AB_PCD2 DD7_2- AB_CLRD2 DD7_2+ DD7_1- DRVCLK4- AB_ODED2 DD7_1+ AB_PCD2 DD8_2- AB_CLRD2 DD8_2+ DD8_1- AB_LED2 AB_ODED2 DD8_1+ DRVCLK5- DRVCLK5+ DD5_1- DD5_2+ DRVCLK3- DD5_1+ DD2_1- DRVCLK1+ DD4_2- DD3_1- DRVCLK2- DD2_2+ DD2_1+ DD2_2- DD4_2+ DD1_1+ DD4_1- DRVCLK2+ DD3_1+ DD3_2- DD3_2+ DRVCLK1- DD4_1+ DD1_2- DD5_2- DD1_2+ DD1_1- DRVCLK3+ AB_PCD1 AB_ODED1 AB_LED1 AB_LED2 DRVCLK4+ DRVCLK4+ AB_PCD1 AB_ODED1 AB_ODED2 AB_PCD2 AB_CLRD2 AB_LED2 AB_CLRD1 AB_LED1 AB_CLRD1 AA_LED1 AA_CLRD1 AA_PCD2 AA_PCD1 AA_ODED1 C17201 10V 1u C17203 10V 1u C17214 100V 0.33u C17210 100V 0.33u C17202 10V 1u C17206 16V 0.1u C17213 100V 0.33u C17217 50V 100p C20 1 2 3 4 5 6 7 8 9 10 11 12 13 14 15 16 17 18 19 20 21 22 23 24 25 26 27 28 29 30 31 32 33 34 35 36 37 38 39 40 41 42 43 44 45 46 47 48 49 50 51 52 53 54 55 1 3 4 5 7 8 9 11 12 13 14 15 16 17 18 19 20 21 22 23 24 25 26 27 28 29 30 31 32 33 34 35 36 37 38 39 40 41 42 43 44 45 47 48 49 51 52 53 55 1 3 4 5 7 8 9 11 12 13 14 15 16 17 18 19 20 21 22 23 24 25 26 27 28 29 30 31 32 33 34 35 36 37 38 39 40 41 42 43 44 45 47 48 49 51 52 53 55 1 3 4 5 7 8 9 11 12 13 14 15 16 17 18 19 20 21 22 23 24 25 26 27 28 29 30 31 32 33 34 35 36 37 38 39 40 41 42 43 44 45 47 48 49 51 52 53 55 VDA VDA VDA VDA C2_3.3V C2_3.3V C2_3.3V C2_3.3V C2_3.3V R17230 EXB38V470JV R17229 EXB38V470JV R17228 EXB38V681JV R17212 200 R17207 100 R17216 680 R17231 0 R17204 100 R17232 0 R17222 1 R17206 100 R17224 1 R17214 100 R17213 200 R17205 100 R17203 100 R17208 100 R17220 1 R17233 0 C0JBAU000088 IC17201 G1 1 2 A1 3 A2 4 A3 5 A4 6 A5 7 A6 8 A7 9 A8 10 GND 11 Y8 12 Y7 13 Y6 14 Y5 15 Y4 16 Y3 17 Y2 18 Y1 19 G2 20 Vcc GND(TEST) VDD1 GND GND A2(+) VDD2 NC(GND) NC(GND) VDD2 CLK(-) VDD2 GND DM LBLK(BLK) NC(GND) VDD2 A2(-) GND GND NC VDD2 VDD2 NC VDD2 VDD2 NC NC(GND) GND NC(GND) VDD2 GND GND VDD2 GND NC CLR A1(+) HBLK(ODE) GND VDD2 VDD1 GND NC GND TEST1(GND) A1(-) VDD2 DM CLK(+) NC GND GND GND LE(LEN) NC GND(TEST) VDD1 GND GND A2(+) VDD2 NC(GND) NC(GND) VDD2 CLK(-) VDD2 GND DM LBLK(BLK) NC(GND) VDD2 A2(-) GND GND NC VDD2 VDD2 NC VDD2 VDD2 NC NC(GND) GND NC(GND) VDD2 GND GND VDD2 GND NC CLR A1(+) HBLK(ODE) GND VDD2 VDD1 GND NC GND TEST1(GND) A1(-) VDD2 DM CLK(+) NC GND GND GND LE(LEN) NC GND(TEST) VDD1 GND GND A2(+) VDD2 NC(GND) NC(GND) VDD2 CLK(-) VDD2 GND DM LBLK(BLK) NC(GND) VDD2 A2(-) GND GND NC VDD2 VDD2 NC VDD2 VDD2 NC NC(GND) GND NC(GND) VDD2 GND GND VDD2 GND NC CLR A1(+) HBLK(ODE) GND VDD2 VDD1 GND NC GND TEST1(GND) A1(-) VDD2 DM CLK(+) NC GND GND GND LE(LEN) NC DD4_1- DD3_1+ DD1_1- DD1_2- P3.3V VDA DD5_1- DD4_1+ GND GND PC1 GND DD2_2+ DD2_1- VDA NC GND GND GND GND DD1_1+ DD1_2+ P3.3V NC 3.3V_DET NC KEY GND DD5_1+ DD2_1+ DD2_2- DD4_2- DD4_2+ DD5_2+ DD5_2- NC NC DRVCLK3- DRVCLK3+ DRVCLK1- GND CLR1 VDA VDA GND DRVCLK1+ GND LE1 ODE1 DD3_2- DD3_2+ DD3_1- GND DRVCLK2- DRVCLK2+ D E 9 1 6 8 2 7 B 3 F 5 A 4 C BUFFER ! TO CB6 DRIVER PANEL DATA PANEL DATA CB7 DRIVER TO PANEL DATA CB8 DRIVER TO 4 3 2 1 TO C1-BOARD (C10) TH-P65S20C C2-Board (1/2) Schematic Diagram TH-P65S20C C2-Board (1/2) Schematic Diagram 72 12.28.C2 电路板 (2/2) 线路图 C2-BOARD TXNC21LLUC (2/2) TERM SIDE TERM SIDE TERM SIDE TERM SIDE P DD9_1- AB_ODED2 DD9_2+ DD9_2- DD9_1+ DRVCLK6+ DRVCLK6- AB_PCD2 AB_CLRD2 DD10_1+ DD10_2- AB_CLRD2 DD10_2+ AB_ODED2 DD10_1- AB_PCD2 DRVCLK6- DRVCLK6+ AB_LED2 AB_LED2 DD5_1+ DD5_1- DD8_1- DRVCLK5+ DD5_2+ DRVCLK5- DD8_2+ DD5_2- DD4_1+ DD4_1- DD8_1+ DD6_2- DRVCLK4+ DD3_1- DD4_2+ DD4_2- DD3_2- DD3_2+ DRVCLK2+ DD2_1+ AA_ODED1 DRVCLK2- DD8_2- DD3_1+ DD2_2- AA_LED1 DRVCLK4- DD2_2+ DD2_1- DRVCLK1+ DD7_1+ DRVCLK1- DD7_1- DD1_2- DD1_1+ DD1_1- DD1_2+ DD7_2+ AA_CLRD1 DD7_2- DD6_1+ AA_PCD2 DD6_1- DRVCLK3+ AA_PCD1 DD6_2+ DRVCLK3- DRVCLK6- DRVCLK6+ DD9_2- DD9_2+ DD9_1- DD9_1+ DD10_2- DD10_2+ DD10_1- DD10_1+ 3.3V_DET_I C17205 10V 1u C17216 100V 0.33u C17204 10V 1u C17209 100V 0.33u C26 1 2 3 4 5 6 7 8 9 10 11 12 13 14 15 16 17 18 19 20 21 22 23 24 25 26 27 28 29 30 C21 1 2 3 4 5 6 7 8 9 10 11 12 13 14 15 16 17 18 19 20 21 22 23 24 25 26 27 28 29 30 31 32 33 34 35 36 37 38 39 40 41 42 43 44 45 46 47 48 49 50 51 52 53 54 55 57 58 59 60 61 62 63 64 65 66 67 68 56 1 3 4 5 7 8 9 11 12 13 14 15 16 17 18 19 20 21 22 23 24 25 26 27 28 29 30 31 32 33 34 35 36 37 38 39 40 41 42 43 44 45 47 48 49 51 52 53 55 1 3 4 5 7 8 9 11 12 13 14 15 16 17 18 19 20 21 22 23 24 25 26 27 28 29 30 31 32 33 34 35 36 37 38 39 40 41 42 43 44 45 47 48 49 51 52 53 55 C2_3.3V C2_3.3V VDA C2_3.3V C2_3.3V VDA VDA VJ17201 ZA17204 K4CD01000013 ZA17201 K4CD01000013 ZA17203 K4CD01000013 ZA17205 K4CD01000013 ZA17202 K4CD01000013 R17226 1 R17201 100 R17217 220k R17215 200 R17218 1 R17210 100 R17202 100 R17209 100 R17211 200 1 C21 68 GND(TEST) VDD1 GND GND A2(+) VDD2 NC(GND) NC(GND) VDD2 CLK(-) VDD2 GND DM LBLK(BLK) NC(GND) VDD2 A2(-) GND GND NC VDD2 VDD2 NC VDD2 VDD2 NC NC(GND) GND NC(GND) VDD2 GND GND VDD2 GND NC CLR A1(+) HBLK(ODE) GND VDD2 VDD1 GND NC GND TEST1(GND) A1(-) VDD2 DM CLK(+) NC GND GND GND LE(LEN) NC GND VDD2 NC(GND) TEST1(GND) NC(GND) VDD2 CLK(-) VDD2 NC GND NC DM LBLK(BLK) NC(GND) VDD2 A2(-) GND GND NC(GND) A1(+) GND GND A1(-) NC VDD2 GND(TEST) VDD1 GND VDD2 DM CLK(+) NC GND VDD2 GND NC GND GND HBLK(ODE) LE(LEN) VDD2 NC GND GND VDD2 VDD1 VDD2 GND NC(GND) CLR NC VDD2 GND VDD2 A2(+) 55 1 55 1 C26 1 55 1 55 CB6 CB7 CB8 CB9 CB10 30 1 55 1 55 1 C20 DRVCLK3+ GND DRVCLK3- GND GND PC1 CLR1 DD4_2- DD4_1- KEY GND DRVCLK4+ DRVCLK4- DD6_2- DD6_1- P3.3V P3.3V DD8_2+ DD8_1+ GND DD2_2+ GND DD2_1+ DD7_2- DRVCLK2+ DD7_1- DRVCLK2- DD5_2- DD5_1- DD7_2+ LE1 DD7_1+ PC2 DD2_2- DD2_1- GND ODE1 DD4_2+ DD8_2- DRVCLK1- DD4_1+ DD8_1- P3.3V NC DD1_1+ DD1_1- GND GND DD3_2+ DRVCLK1+ DD3_1+ DD5_2+ DD5_1+ GND GND DD3_2- GND DD3_1- GND GND GND DD1_2- DD1_2+ DD6_2+ DD6_1+ DRVCLK5+ DRVCLK5- GND NC DD10_1- VDA VDA NC DD9_1- GND DD10_2- GND P3.3V GND GND 3.3V_DET VDA VDA DD10_1+ DRVCLK6+ GND DD9_2+ NC GND VDA DD10_2+ DD9_2- DRVCLK6- P3.3V DD9_1+ GND GND NC 11 10 15 18 13 12 16 14 17 ! DRIVER CB9 TO PANEL DATA TO DRIVER CB10 PANEL DATA 3 2 4 1 TO A-BOARD (A31) TO C3-BOARD (C36) TH-P65S20C C2-Board (2/2) Schematic Diagram TH-P65S20C C2-Board (2/2) Schematic Diagram 73 12.29.C3 电路板 (1/2) 线路图 SIDE TERM TERM SIDE TERM SIDE P DD13_1- DD13_2- DD9_2- DD11_1+ DRVCLK8+ DD9_2+ DD10_1+ AA_LED2 AA_CLRD2 DD9_1- DD13_2+ DRVCLK6- AA_ODED2 DRVCLK6+ DD14_2+ DRVCLK9- DD10_2- AA_UML DD12_1- DD10_1- DD11_2+ DD14_1+ DRVCLK7+ DD12_2- AA_PCD3 DD14_1- DD15_1- DD10_2+ DD12_2+ AA_USH DRVCLK7- DRVCLK9+ DD15_2- DD14_2- AA_UEH DD13_1+ AA_USL DRVCLK8- AA_PCD4 DD12_1+ DD9_1+ DD15_2+ DD15_1+ DD11_1- AA_UMH AB_USH AA_USL AA_USH AB_UEH AA_UML AB_UMH AA_UMH AB_UML AB_USL AA_UEH DRVSOS8 DD9_1+ DD9_1- DD9_2+ DRVCLK6+ DD10_1- DD10_1+ DD10_2- DD10_2+ DRVCLK6- DD9_2- DD11_2- 3.3V_DET AA_CLRD2 AA_LED2 AA_PCD4 AA_PCD3 AA_ODED2 DRVSOS8 AB_USL AB_USH AB_UML AB_UEH AB_UMH AB_LED22 AB_LED21 C17306 16V 0.1u C17318 50V 100p C17323 16V 0.1u C0JBAZ002692 IC17302 G1 1 2 A1 3 A2 4 A3 5 A4 6 A5 7 A6 8 A7 9 A8 10 GND 11 Y8 12 Y7 13 Y6 14 Y5 15 Y4 16 Y3 17 Y2 18 Y1 19 G2 20 Vcc C33 1 2 3 4 5 6 7 8 9 10 11 12 13 14 15 16 17 18 19 20 C36 1 2 3 4 5 6 7 8 9 10 11 12 13 14 15 16 17 18 19 20 21 22 23 24 25 26 27 28 29 30 C31 1 2 3 4 5 6 7 8 9 10 11 12 13 14 15 16 17 18 19 20 21 22 23 24 25 26 27 28 29 30 31 32 33 34 35 36 37 38 39 40 41 42 43 44 45 46 47 48 49 50 51 52 53 54 55 57 58 59 60 61 62 63 64 65 66 67 68 56 C35 1 2 3 4 C3_3.3V SS_5V VDA C3_3.3V SS_5V SS_5V C3_3.3V VDA VJ17301 R17327 EXB38V470JV R17328 EXB38V681JV R17330 EXB38V470JV R17331 EXB38V681JV R17332 EXB38V681JV R17329 EXB38V470JV R17337 0 R17335 0 R17334 680 R17333 47 R17316 220k R17338 0 R17339 47 C0JBAU000088 IC17301 G1 1 2 A1 3 A2 4 A3 5 A4 6 A5 7 A6 8 A7 9 A8 10 GND 11 Y8 12 Y7 13 Y6 14 Y5 15 Y4 16 Y3 17 Y2 18 Y1 19 G2 20 Vcc GND VDA VDA NC UML UMH SOS8_SS P5V UEH USL USH DD11_1- DRVSOS8 GND DD10_2+ DD10_1+ DRVCLK9- DD14_2- DD13_1- P5V_SS GND GND DD15_1+ DD15_2- GND DRVCLK7+ ODE2 LE2 DD14_2+ DRVCLK8- DD10_2- 3.3V_DET USL UEH DRVCLK6- DD9_2- DD13_2- DRVCLK8+ DRVCLK9+ NC DD14_1+ DRVCLK7- P5V/P3.3V NC GND GND DD11_2+ DD11_1+ DD12_2- DD15_2+ UMH GND GND DD10_1- DD12_2+ DD12_1+ GND GND DD12_1- GND DD9_1+ GND DD13_2+ DD13_1+ DD9_1- DRVCLK6+ DD15_1- GND UML DD14_1- USH PC4 DD9_2+ GND PC3 CLR2 GND GND DD11_2- VDA DD10_2+ NC DD10_1- VDA VDA NC GND GND VDA DD10_1+ GND 3.3V_DET VDA DD9_1+ GND GND DD9_2- DRVCLK6- P3.3V DRVCLK6+ GND DD10_2- GND P3.3V NC DD9_1- GND DD9_2+ NC NC P5V GND GND GND GND GND GND GND GND GND GND GND D E 9 1 6 8 2 7 B 3 F 5 A 4 C ! TO C2-BOARD (C26) TO A-BOARD (A32) TO SS-BOARD (SS33) TO P-BOARD (P35) BUFFER BUFFER 1 C3-BOARD TXNC31LLUC (1/2) AA_CLRD2 AA_PCD4 AA_PCD3 AA_ODED2 TH-P65S20C C3-Board (1/2) Schematic Diagram TH-P65S20C C3-Board (1/2) Schematic Diagram 74 12.30.C3 电路板 (2/2) 线路图 C3-BOARD TXNC31LLUC (2/2) TERM SIDE TERM SIDE TERM SIDE TERM SIDE TERM SIDE AB_ODED2 DD11_1+ DRVCLK7- DRVCLK7+ DD11_2- AB_PCD3 DD11_2+ DD11_1- DD12_1+ AB_PCD3 DD12_2- DD12_1- AB_LED21 AB_ODED2 AB_CLRD2 DD12_2+ AB_ODED2 DD13_1- DD13_1+ AB_PCD4 DD13_2- DD13_2+ DD14_1+ DD14_2- DD14_2+ AB_PCD4 DD14_1- AB_ODED2 DD15_1+ DD15_2- AB_ODED2 DD15_1- AB_PCD4 DD15_2+ DRVCLK7- DRVCLK7+ DRVCLK8- DRVCLK8+ DRVCLK8- DRVCLK8+ DRVCLK9- DRVCLK9+ AB_LED22 AB_CLRD2 AB_CLRD2 AB_CLRD2 AB_CLRD2 AB_LED21 AB_LED22 AB_LED22 C17315 100V 0.33u C17310 100V 0.33u C17309 100V 0.33u C17301 10V 1u C17312 100V 0.33u C17316 100V 0.33u C17305 10V 1u C17303 10V 1u C17302 10V 1u C17304 10V 1u 1 3 4 5 7 8 9 11 12 13 14 15 16 17 18 19 20 21 22 23 24 25 26 27 28 29 30 31 32 33 34 35 36 37 38 39 40 41 42 43 44 45 47 48 49 51 52 53 55 1 3 4 5 7 8 9 11 12 13 14 15 16 17 18 19 20 21 22 23 24 25 26 27 28 29 30 31 32 33 34 35 36 37 38 39 40 41 42 43 44 45 47 48 49 51 52 53 55 1 3 4 5 7 8 9 11 12 13 14 15 16 17 18 19 20 21 22 23 24 25 26 27 28 29 30 31 32 33 34 35 36 37 38 39 40 41 42 43 44 45 47 48 49 51 52 53 55 1 3 4 5 7 8 9 11 12 13 14 15 16 17 18 19 20 21 22 23 24 25 26 27 28 29 30 31 32 33 34 35 36 37 38 39 40 41 42 43 44 45 47 48 49 51 52 53 55 1 3 4 5 7 8 9 11 12 13 14 15 16 17 18 19 20 21 22 23 24 25 26 27 28 29 30 31 32 33 34 35 36 37 38 39 40 41 42 43 44 45 47 48 49 51 52 53 55 C3_3.3V C3_3.3V C3_3.3V C3_3.3V VDA VDA VDA VDA VDA C3_3.3V ZA17302 K4CD01000013 ZA17305 K4CD01000013 ZA17303 K4CD01000013 ZA17301 K4CD01000013 ZA17304 K4CD01000013 ZA17306 K4CD01000013 R17309 100 R17315 200 R17303 100 R17324 1 R17301 100 R17326 1 R17314 200 R17305 100 R17310 100 R17336 150 R17306 100 R17317 1 R17322 1 R17320 1 R17307 100 R17313 200 R17308 100 R17311 100 R17304 100 R17312 200 R17302 100 1 5 5 1 5 5 1 5 5 1 5 5 1 55 1 CB11 CB12 CB13 CB14 CB15 GND(TEST) VDD1 GND GND A2(+) VDD2 NC(GND) NC(GND) VDD2 CLK(-) VDD2 GND DM LBLK(BLK) NC(GND) VDD2 A2(-) GND GND NC VDD2 VDD2 NC VDD2 VDD2 NC NC(GND) GND NC(GND) VDD2 GND GND VDD2 GND NC CLR A1(+) HBLK(ODE) GND VDD2 VDD1 GND NC GND TEST1(GND) A1(-) VDD2 DM CLK(+) NC GND GND GND LE(LEN) NC GND(TEST) VDD1 GND GND A2(+) VDD2 NC(GND) NC(GND) VDD2 CLK(-) VDD2 GND DM LBLK(BLK) NC(GND) VDD2 A2(-) GND GND NC VDD2 VDD2 NC VDD2 VDD2 NC NC(GND) GND NC(GND) VDD2 GND GND VDD2 GND NC CLR A1(+) HBLK(ODE) GND VDD2 VDD1 GND NC GND TEST1(GND) A1(-) VDD2 DM CLK(+) NC GND GND GND LE(LEN) NC GND(TEST) VDD1 GND GND A2(+) VDD2 NC(GND) NC(GND) VDD2 CLK(-) VDD2 GND DM LBLK(BLK) NC(GND) VDD2 A2(-) GND GND NC VDD2 VDD2 NC VDD2 VDD2 NC NC(GND) GND NC(GND) VDD2 GND GND VDD2 GND NC CLR A1(+) HBLK(ODE) GND VDD2 VDD1 GND NC GND TEST1(GND) A1(-) VDD2 DM CLK(+) NC GND GND GND LE(LEN) NC GND(TEST) VDD1 GND GND A2(+) VDD2 NC(GND) NC(GND) VDD2 CLK(-) VDD2 GND DM LBLK(BLK) NC(GND) VDD2 A2(-) GND GND NC VDD2 VDD2 NC VDD2 VDD2 NC NC(GND) GND NC(GND) VDD2 GND GND VDD2 GND NC CLR A1(+) HBLK(ODE) GND VDD2 VDD1 GND NC GND TEST1(GND) A1(-) VDD2 DM CLK(+) NC GND GND GND LE(LEN) NC GND(TEST) VDD1 GND GND A2(+) VDD2 NC(GND) NC(GND) VDD2 CLK(-) VDD2 GND DM LBLK(BLK) NC(GND) VDD2 A2(-) GND GND NC VDD2 VDD2 NC VDD2 VDD2 NC NC(GND) GND NC(GND) VDD2 GND GND VDD2 GND NC CLR A1(+) HBLK(ODE) GND VDD2 VDD1 GND NC GND TEST1(GND) A1(-) VDD2 DM CLK(+) NC GND GND GND LE(LEN) NC 30 1 C36 1 4 C35 C33 20 1 C31 68 1 11 10 15 18 13 12 16 14 17 ! CB11 TO DRIVER PANEL DATA DRIVER CB12 TO PANEL DATA CB13 DRIVER TO PANEL DATA DRIVER PANEL DATA CB14 TO CB15 DRIVER TO PANEL DATA 1 TH-P65S20C C3-Board (2/2) Schematic Diagram TH-P65S20C C3-Board (2/2)) Schematic Diagram 75 12.31.SC 电路板 (1/4) 线路图 + + + + + TERM SIDE MAIN_STOP0 AA_SIU AA_CLK AA_CERS AA_SEL AA_OC2 AA_SC_FPGANRST AA_OC1 AA_CEL AA_CSH AA_CSL AA_CPH1 AA_CMH AA_CML AA_CML2 AA_CRC2 AA_UHZ AA_CRC1 AA_CIS AA_CRC3 AA_SOS6 VSUS 5V C16562 16V 1u C16564 16V 1u C16565 50V 0.01u C16566 50V 0.01u C16582 16V 1u C16593 50V 1000p C16418 1.5u 250V C16581 25V 1u C16561 10V 10u *C16419 300u 220V C16416 220V 300u C16791 25V 220u C16411 220V 300u C16412 220V 300u D16480 B0ACCJ000048 D16790 B0JCME000093 D16822 B0ADCJ000100 D16583 B3ABB0000210 IC16581 C0BBBA000024 1 A_OUTPUT 2 A_-INPUT 3 A_+INPUT 4 GND 5 B_+INPUT 6 B_-INPUT 7 B_OUTPUT 8 VCC IC16563 C0JBAB000916 1 1A 2 1Y 3 2A 4 2Y 5 3A 6 3Y 7 GND 8 4Y 9 4A 10 5Y 11 5A 12 6Y 13 6A 14 VCC C0JBAU000088 IC16562 G1 1 2 A1 3 A2 4 A3 5 A4 6 A5 7 A6 8 A7 9 A8 10 GND 11 Y8 12 Y7 13 Y6 14 Y5 15 Y4 16 Y3 17 Y2 18 Y1 19 G2 20 Vcc C0JBAU000088 IC16561 G1 1 2 A1 3 A2 4 A3 5 A4 6 A5 7 A6 8 A7 9 A8 10 GND 11 Y8 12 Y7 13 Y6 14 Y5 15 Y4 16 Y3 17 Y2 18 Y1 19 G2 20 Vcc SC20 23 29 30 2 12 5 33 14 32 20 28 26 4 9 11 19 22 21 25 8 13 6 31 17 10 34 24 18 1 7 27 16 15 3 35 SC2 1 3 5V 15V 15V SOS7_SC2 TP105 TP116 TP9 TP4 TP1 TP21 TP8 TP108 TP114 TP107 TP40 TP5 TP120 TP33 TP22 TP122 TP38 TP28 TP20 TP3 TP109 TP115 TP117 TP119 TP118 TP26 TP121 TP29 TP6 TP70 TP52 TP106 TP7 TP23 TP89 TP25 TP124 TP15 TP14 TP46 TP37 TP11 TP36 TP30 TP88 TP71 TP17 TP97 TP16 TP39 TP34 TP82 TP98 TP99 TP32 TP18 TP111 TP113 TP112 TP72 TP19 TP10 TP123 TP31 TP24 TP101 TP2 TP35 TP110 R16563 EXB38V470JV R16579 EXB38V470JV R16564 EXB38V470JV R16567 EXB38V472JV R16570 EXB38V472JV R16568 EXB38V472JV R16561 EXB38V470JV R16562 EXB38V470JV R16591 EXB38V472JV R16565 EXB38V472JV R16566 EXB38V472JV R16590 220 R16585 1k R16586 2.15k R16584 6.8k R16588 10k R16593 1.4k R16476 4.7k R16582 39k R16583 39k R16587 2.2k R16580 5.6k SC_FPGANRST CRC1 SEL SIU CLK TPSOS7 TPSOS6 (GREEN LED) NC SEL2 GND CRC3 GND P5V CMH SC_FPGANRST CML CPH1 CSL CSL CSH CSH CML CMH P15V CRC2 CRC3 P5V Vsus GND GND CLK GND SIU SEL CERS CIS CPH1 OC2 SOS6 SOS7 GND NC CEL GND OC1 GND P15V Vsus CRC1 OC1 UHZ GND CERS OC2 Reserve CEL CRC2 SEL2 Reserve B E 9 6 8 7 3 D 4 C 1 2 F 5 A TPVSUS BUFFER BUFFER INVERTER ERROR DET VOLTAGE ERROR DET OPERATES AT 152.8V OR MORE AND 60.2V OR LESS MID ! 1 2 3 TO P-BOARD (P2) TO A-BOARD (A20) SC-BOARD TXNSC1LXUC (1/4) UHZ TH-P65S20C SC-Board (1/4) Schematic Diagram TH-P65S20C SC-Board (1/4) Schematic Diagram 76 12.32.SC 电路板 (2/4) 线路图 + + + AA_CML AA_CSL AA_CMH AA_CSH AA_CML2 VRL MIDC VRH MIDF C16524 25V 4.7u C16471 630V 1000p C16631 250V 4u C16461 1000p 630V C16491 630V 1000p C16525 25V 4.7u C16421 630V 5600p C16481 1000p 630V C16771 16V 1u C16501 25V 1u C16441 50V 3900p C16522 25V 4.7u C16401 5600p 630V C16633 250V 4u C16504 25V 4.7u C16521 25V 1u C16505 25V 1u *C16452 50V 3900p C16632 250V 4u C16442 50V 3900p C16502 25V 4.7u C16534 25V 1u *C16634 250V 4u *C16443 50V 3900p C16454 50V 3900p C16453 50V 3900p C16523 25V 470u C16796 25V 470u C16503 25V 470u D16503 B0ECHR000001 D16536 B0ECHR000001 D16466 B0ACCJ000048 D16522 B0ECHR000001 D16523 B0ECHR000001 D16411 B0ACCJ000048 D16451 B0ECKP000055 D16534 B0ECHR000001 *D16482 B0FACP000005 *D16464 B0FACP000005 *D16462 B0FACP000005 *D16481 B0FACP000005 *D16483 B0FACP000005 *D16421 B0FACP000006 *D16463 B0FACP000005 *D16402 DA3DF50ACSLW *D16403 DA3DF50ACSLW *D16401 DA3DF50ACSLW C0ZBZ0001708 IC16521 1 LO 2 VCOM 3 VCC2 4 NC 5 NC 6 VS 7 VB 8 HO 9 NC 10 NC 11 VCC 12 HIN 13 NC 14 LIN 15 GND 16 NC C0ZBZ0001708 IC16501 1 LO 2 VCOM 3 VCC2 4 NC 5 NC 6 VS 7 VB 8 HO 9 NC 10 NC 11 VCC 12 HIN 13 NC 14 LIN 15 GND 16 NC IC16771 C0CBADC00072 VIN 3 2 COM VOUT 1 *L16411 G0CR21K00001 *L16401 G0CR21K00001 15V PC16461 PS9856-2-F3-AX 1 2 3 4 5 6 7 8 TP93 TP92 TP90 TP91 *Q16442 B1JAEP000013 *Q16425 DG3D4020CSRP *Q16424 DG3D4020CSRP *Q16406 DG3D5020CSLW *Q16422 DG3D4020CSRP *Q16452 B1JAEP000012 *Q16453 B1JAEP000012 *Q16454 B1JAEP000012 *Q16421 DG3D4020CSRP *Q16402 DG3D5020CSLW *Q16403 DG3D5020CSLW *Q16441 B1JAEP000013 *Q16443 B1JAEP000013 *Q16423 DG3D4020CSRP *Q16404 DG3D5020CSLW *Q16405 DG3D5020CSLW Q16502 B1HFPFA00001 Q16551 B1HFPFA00001 Q16522 B1HFPFA00001 Q16501 B1HFPFA00001 Q16521 B1HFPFA00001 Q16531 B1HFPFA00001 R16468 82k R16506 10 R16509 1 R16511 47k R16422 7.5 R16466 56k R16441 5.6 R16467 82k R16410 390 R16522 100 R16517 47k R16534 5.6 R16417 100 R16531 10 R16404 7.5 *R16405 7.5 *R16406 7.5 R16505 10 R16513 47k R16514 47k R16465 27k R16533 47k R16424 7.5 *R16425 7.5 R16518 47k R16519 47k R16507 10 R16416 10k R16421 7.5 R16553 47k R16453 5.6 R16454 5.6 *R16443 5.6 R16411 270 *R16402 7.5 R16423 7.5 75 R16504 R16403 7.5 R16442 5.6 R16532 47k *R16452 5.6 R16552 47k R16516 47k 75 R16523 R16512 47k R16418 100 R16551 10 R16503 10 R16521 100 Vad+5V Vad+5V VFG VOL MID MIDF VFG 16V_F Vsus Vsus Vsus VAD 14 18 12 10 16 11 15 13 17 Vad+5V FET DRIVER CSH/CMH GATE DRIVE CIRCUIT CSL/CML GATE DRIVE CIRCUIT FET DRIVER Vsus VOL VFG VAD 16V_F Vsus Vad+5V MID ! 1 2 3 11 12 13 15 16 14 18 17 SC-BOARD TXNSC1LXUC (2/4) TH-P65S20C SC-Board (2/4) Schematic Diagram TH-P65S20C SC-Board (2/4) Schematic Diagram 77 12.33.SC 电路板 (3/4) 线路图 + + AA_CERS AA_CIS AA_CEL AA_UHZ AA_CRC2 AA_CRC1 AA_CPH1 VOL C16684 50V 0.1u C16668 50V 220p C16603 630V 1000p C16608 50V 220p C16661 630V 1000p C16692 50V 0.1u C16756 25V 4.7u C16666 50V 82p C16664 50V 82p C16604 630V 1000p C16665 50V 82p C16646 630V 1000p C16662 630V 1000p C16675 50V 390p C16641 2200p 630V C16891 25V 1u C16708 50V 0.1u C16490 16V 1u C16773 25V 1u C16753 25V 4.7u C16602 50V 22p C16645 630V 1000p C16685 50V 0.1u C16755 25V 4.7u C16707 50V 22p C16642 5600p 630V C16690 160V 100u C16691 160V 100u D16671 B0ACCJ000048 D16478 B0ACCJ000048 D16407 B0JCME000093 D16902 B0ACCJ000048 D16497 B0ECKP000055 D16652 B0ECKP000055 D16669 B0ACCJ000048 D16618 B0ECKP000055 D16674 B0ECHR000001 D16673 B0ECHR000001 D16653 B0ACCJ000048 D16607 B0ACCJ000048 D16491 B0ECKP000055 D16610 B0ACCJ000048 D16490 B0ECKP000055 D16702 B0ACCJ000048 D16765 B0ECKP000055 D16677 B0ADEJ000035 D16494 B0ADCJ000100 D16901 B0ADCJ000100 D16493 B0ADCJ000100 D16920 B0ADCJ000100 D16604 B0ADCJ000100 D16422 B0FACP000005 D16642 B0FBCN000006 D16643 B0FBCN000006 D16641 B0FBCN000006 D16605 DZ2J051L0L D16492 DZ2J047M0L D16678 DZ2J15000L D16646 DZ2J150M0L D16662 DZ2J150M0L D16645 DZ2J150M0L D16651 DZ2J051M0L D16602 DZ2J150M0L D16663 DZ2J150M0L D16664 DZ2J150M0L D16648 DZ2J043M0L D16647 DZ2J150M0L D16477 DZ2J047L0L C0DBZMC00006 IC16490 4 REFERENCE 3 CATHODE 1 NC 2 ANODE C0DBZYY00352 IC16692 4 REFERENCE 3 CATHODE 1 NC 2 ANODE C0BBAA000008 IC16491 1 -INPUT 2 GND 3 +INPUT 5 VCC 4 OUTPUT C0JBAC000363 IC16691 1 IN_B 2 IN_A 3 GND 5 VCC 4 OUT C0JBAB000715 IC16773 1 NC 2 IN_A 3 GND 5 VCC 4 OUT_Y IC16661 C0BBBA000024 1 A_OUTPUT 2 A_-INPUT 3 A_+INPUT 4 GND 5 B_+INPUT 6 B_-INPUT 7 B_OUTPUT 8 VCC IC16920 C0BBBA000024 1 A_OUTPUT 2 A_-INPUT 3 A_+INPUT 4 GND 5 B_+INPUT 6 B_-INPUT 7 B_OUTPUT 8 VCC 5V 15V 5V 15V PC16603 B3PBA0000498 1 2 3 4 PC16684 B3PBA0000496 1 2 3 4 5 6 PC16685 B3PBA0000496 1 2 3 4 5 6 TP103 TP67 TP104 TP68 Q16647 B1CBGD000001 Q16818 B1CBGD000001 *Q16601 B1CERQ000061 G D S Q16490 B1CBGD000001 Q16607 B1CBGD000001 Q16608 B1CBGD000001 Q16660 B1CERR000042 Q16921 B1ABCN000007 Q16702 B1ABCF000231 Q16677 DSC2001Q0L Q16678 B1ABCF000231 Q16606 DSC2001Q0L Q16671 B1ABCF000231 Q16668 DSC2001Q0L Q16662 DSC2001Q0L Q16920 B1ABCN000007 Q16649 B1ABCN000007 Q16810 B1ABCF000231 Q16676 B1ABCF000231 Q16602 DSC2001Q0L Q16622 B1JADN000009 Q16661 B1JAER000010 Q16623 B1JADN000009 Q16621 B1JADN000009 Q16701 B1ADCN000007 Q16675 B1ADCN000007 Q16663 DSA2001S0L Q16603 DSA2001S0L DSA2001S0L Q16801 Q16646 DSA2001S0L Q16670 B1ADCN000007 Q16762 B1HFPFA00001 R16898 1.05k R16633 22k R16634 470 R16904 22k R16694 56k R16804 1.1k R16495 750 R16605 1.8k R16899 2.74k R16621 220 R16900 10k R16648 2k R16761 10 R16699 10k 10 R16765 R16920 10k R16498 10k R16684 220 R16631 10k R16658 6.34k R16745 470k R16802 30.9k R16660 2.2k R16688 8.87k R16654 47 R16681 10 R16691 56k R16617 2.2k R16923 10k R16661 1.2k R16657 10k R16897 1k R16677 2k R16494 2k R16674 2k R16928 4.7k R16746 47k R16769 75 R16891 69.8k R16668 2k R16622 220 R16801 22k R16490 110k R16926 2.2k R16747 2.2k R16686 10k R16673 4.7k R16650 100k R16655 10k R16612 47 R16927 22k R16921 1.24k R16667 2k R16663 7.15k R16682 10 R16717 1k R16679 10.7k R16623 220 R16683 10 R16763 47k R16678 2k R16711 4.7k R16893 82.5k R16695 1.5k R16615 1.1k R16666 22k R16680 4.7k R16656 4.7k R16776 47 R16685 220 R16492 110k R16664 2k R16675 4.7k R16497 47k R16762 47k R16646 866 R16692 1.5k R16491 110k R16604 330 R16687 27k R16901 4.7k R16665 33 R16645 5.6k R16653 2.2k R16892 82.5k R16652 8.2k R16707 3.9k R16649 33 R16651 2k R16610 100k R16607 6.98k R16609 2k R16493 6.49k R16922 3.48k R16690 4.7k R16496 47 R16662 10k 1 R16601 R16712 1k R16742 47k VOL VFG 16V_F Vsus VAD VAD Vad+5V VSCN_F 16V_F Vad+5V VOL 16V_F 22 21 20 19 25 27 26 23 24 SHUNT REG SEPA PROTECT COMPARATOR COMPARATOR INVERTER SHUNT REG NAND GATE VAD Vad+5V 16V_F 16V_F Vsus Vsus VAD VSCN_F VFG ! 11 12 13 15 16 14 18 17 21 22 23 24 25 26 27 VOL VFG SC-BOARD TXNSC1LXUC (3/4) TH-P65S20C SC-Board (3/4) Schematic Diagram TH-P65S20C SC-Board (3/4) Schematic Diagram 78 12.34.SC 电路板 (4/4) 线路图 + + + + + + AA_SEL AA_SC_FPGANRST MAIN_STOP0 AA_OC2 AA_CLK AA_OC1 AA_SIU VFO_A AA_SOS6 VFO_B 5V_F VAD VSCN_F VFG C16472 25V 1u *C16902 4700p 630V C16861 0.1u 16V C16843 50V 0.1u C16724 25V 4.7u C16844 50V 0.1u C16460 630V 820p C16860 1u 10V C16863 50V 0.1u C16862 1u 10V C16864 0.1u 50V C16723 25V 1u C16794 10u 10V C16859 0.1u 50V C16854 50V 0.1u C16856 1u 10V C16857 4700p 50V C16858 0.1u 16V C16903 1500p 630V C16417 220V 300u C16842 160V 100u C16721 50V 82u C16813 220V 220u C16795 25V 470u C16793 25V 220u D16728 B0ECKP000055 D16875 B0ACCJ000048 D16820 B0ACCJ000048 D16473 B0ACCJ000048 D16713 B0ECHR000001 D16711 B0ECHR000001 D16474 B0ACCJ000048 D16721 B0ECHR000001 D16719 B0ECKP000055 D16720 B0ECKP000055 D16859 B0HCKS000002 D16821 DZ2J330M0L D16874 DZ2J051M0L D16871 DZ2J240M0L D16824 DZ2J330M0L D16712 DZ2J15000L D16710 DZ2J15000L D16893 DZ2J056H0L D16825 DZ2J330M0L D16475 DZ2J051M0L C0DBZYY00352 IC16785 4 REFERENCE 3 CATHODE 1 NC 2 ANODE C0DBEYY00114 IC16471 4 REFERENCE 3 CATHODE 1 NC 2 ANODE C0DBZYY00352 IC16787 4 REFERENCE 3 CATHODE 1 NC 2 ANODE IC16786 MIP3910MSSCF 1 VDD 2 NC 3 FB 4 LS 5 DRAIN 7 SOURCE 8 SOURCE MIP9L02MBS IC16784 1 SOURCE 2 BY 3 FB 5 VCC 6 GND 7 V01 8 VOUT 10 DRAIN IC16724 C0CBADE00049 OUT 3 2 COMMON IN 1 SC50 1 2 SC42 1 2 3 4 5 6 7 8 9 SC41 1 2 3 4 5 6 7 8 9 SC46 1 2 3 4 5 6 7 8 9 L16472 G0ZZ00002183 L16851 G0ZZ00002183 L16698 G0C681MA0065 T16471 G4DYA0000222 1 NC 3 S2 4 S1 5 NC 6 P2 10 P1 8 PT 15V SOS7_SC2 5V CHA CHA 5V SCNR_PRO SCNR_PRO ZA16407 K4AZ01D00004 ZA16404 K4AZ01D00004 ZA16422 TUXJ490 ZA16412 TUXJ490 ZA16411 TUXJ490 ZA16406 K4AZ01D00004 ZA16421 TUXJ490 ZA16402 K4AZ01D00004 PC16480 B3PBA0000498 1 2 3 4 PC16723 B3PBA0000498 1 2 3 4 PC16722 B3PBA0000498 1 2 3 4 PC16896 B3PBA0000498 1 2 3 4 TP62 TP44 TP51 TP95 TP58 TP81 TP59 TP61 TP57 TP41 TP42 TP45 TP43 TP79 TP96 TP60 TP80 TP94 TP125 TP78 Q16816 DSC2001Q0L Q16817 DSC2001Q0L Q16930 DSC2001Q0L Q16885 B1BBCF000028 Q16815 B1ABCN000007 Q16471 B1ABCF000231 Q16876 B1ABCF000231 Q16931 B1ABCN000007 Q16932 DSC2001Q0L Q16871 DSA2001S0L R16721 EXB38V220JV R16825 150k R16852 470k R16843 10k R16822 82k R16751 150k R16478 5.6k R16824 33k R16827 560 R16753 100k R16472 2.2k R16829 1k R16755 27k R16938 180k R16474 1k R16844 2.4k R16860 8.2 R16774 27k R16789 10k R16848 3.9k R16849 57.6k R16750 27k R16831 69.8k R16934 6.8k R16773 1k R16932 22k R16935 5.1k R16783 150k R16696 2.2 R16936 2.2k R16787 33k R16752 4.7k R16870 68k R16841 2.2k R16823 82k R16838 47k R16873 2.4k R16845 59k R16937 180k R16778 2.2 R16785 107k R16719 22 R16475 4.7k R16826 10k R16832 69.8k R16786 107k R16930 2.4 R16933 10k R16931 2.4 R16471 3.9k R16473 560 R16479 10k 1 R16929 R16851 470k R16758 0 R16772 4.7k R16846 59k * * TPVSCN SC46 SC41 SC42 VSCN_F VFG VAD 16V_F 15V_F VSCN 5V_F 5V_F 5V_F 30 36 33 28 32 31 34 35 29 TPVAD TPSC1 5V_F SHUNT REG VAD GEN. SHUNT REG SHUNT REG VSCN GEN. VAD Vsus VFG VSCN_F 5V_F VSCN_F ! 21 22 23 24 25 26 27 TO SD-BOARD (SD46) TO SU-BOARD (SU41) TO SD-BOARD (SD42) FOR FACTORY USE SC-BOARD TXNSC1LXUC (4/4) TH-P65S20C SC-Board (4/4) Schematic Diagram TH-P65S20C SC-Board (4/4) Schematic Diagram 79 12.35.SS 电路板 (1/2) 线路图 + + + + + SIDE TERM AA_SOS8 AA_UMH AA_UML AA_USL AA_USH AA_SOS8 AA_UEH AA_USL AA_USH AA_UML AA_UMH C16092 630V 1000p C16242 16V 1u C16244 10V 10u C16131 25V 4.7u C16133 25V 4.7u C16251 16V 1u C16151 25V 1u C16105 25V 47p C16104 25V 47p *C16023 630V 5600p C16152 25V 4.7u C16252 25V 1u C16153 25V 4.7u *C16071 630V 1000p C16072 630V 1000p C16243 50V 0.01u C16091 630V 1000p C16154 25V 4.7u C16135 25V 1u *C16202 250V 4u *C16201 250V 4u *C16203 250V 4u C16336 50V 100p C16335 50V 100p C16334 50V 100p C16333 50V 100p C16332 50V 100p *C16204 250V 4u *C16013 1.5u 250V *C16006 630V 5600p C16073 220p 630V C16093 220p 630V *C16014 220V 300u *C16031 300u 220V *C16012 220V 300u C16271 25V 220u *C16011 220V 300u D16151 B0ECKP000055 D16153 B0ECKP000055 D16131 B0ECKP000055 D16050 B0ECKP000055 D16152 B0ECKP000055 D16255 B0ACCJ000048 *D16002 B0FBCN000008 *D16052 B0FBCN000005 *D16043 B0FACP000006 *D16042 B0FACP000006 *D16051 B0FBCN000005 *D16001 B0FBCN000008 *D16024 B0FCCN000003 *D16021 B0FCCN000003 *D16023 B0FCCN000003 *D16022 B0FCCN000003 D16253 B3ABB0000210 D16281 DZ2J051M0L IC16251 C0BBBA000024 1 A_OUTPUT 2 A_-INPUT 3 A_+INPUT 4 GND 5 B_+INPUT 6 B_-INPUT 7 B_OUTPUT 8 VCC C0ZBZ0001708 IC16151 1 LO 2 VCOM 3 VCC2 4 NC 5 NC 6 VS 7 VB 8 HO 9 NC 10 NC 11 VCC 12 HIN 13 NC 14 LIN 15 GND 16 NC C0ZBZ0001707 IC16131 1 LO 2 GND 3 VCC 4 NC 5 NC 6 VS 7 VB 8 HO 9 NC 10 NC 11 NC 12 HIN 13 NC 14 LIN 15 GND 16 NC C0JBAU000088 IC16241 G1 1 2 A1 3 A2 4 A3 5 A4 6 A5 7 A6 8 A7 9 A8 10 GND 11 Y8 12 Y7 13 Y6 14 Y5 15 Y4 16 Y3 17 Y2 18 Y1 19 G2 20 Vcc SS33 1 2 3 4 5 6 7 8 9 10 11 12 13 14 15 16 17 18 19 20 SS11 1 3 4 *L16001 G0CR21K00001 *L16011 G0CR21K00001 VSUS VSUS TP19 TP33 TP7 TP8 TP10 TP39 TP20 TP41 TP16 TP22 TP40 TP6 TP18 TP9 TP2 TP34 TP13 TP35 TP1 TP17 TP14 TP5 TP38 TP21 Q16251 B1ABCF000231 *Q16023 B1JADN000008 *Q16052 B1JAEN000010 *Q16003 B1JADN000008 *Q16021 B1JADN000008 *Q16041 B1JAEN000010 *Q16042 B1JAEN000010 *Q16004 B1JADN000008 *Q16001 B1JADN000008 *Q16002 B1JADN000008 *Q16022 B1JADN000008 *Q16024 B1JADN000008 *Q16051 B1JAEN000010 Q16056 B1HFPFA00001 Q16141 B1HFPFA00001 Q16055 B1HFPFA00001 Q16161 B1HFPFA00001 R16241 EXB38V470JV R16242 EXB38V472JV R16151 100 R16034 27k R16173 47k R16155 1 *R16023 7.5 R16143 47k R16162 47k 75 R16134 R16183 47k R16159 1 R16257 27k *R16002 7.5 *R16004 7.5 R16142 47k R16137 1 *R16041 5.6 *R16003 7.5 R16258 10k R16253 39k *R16052 5.6 *R16022 7.5 R16161 10 R16230 47 *R16042 5.6 *R16051 5.6 R16181 10 *R16021 7.5 R16172 47k R16231 4.7k R16182 47k R16255 1.2k R16031 82k R16132 100 R16260 2.2k R16032 82k R16254 6.8k R16280 2.2k R16141 10 R16163 47k *R16001 7.5 75 R16154 R16131 100 R16252 30.9k R16171 10 R16251 1.4k R16152 100 R16256 1.96k R16033 56k *R16024 7.5 (GREEN LED) VSUS GND 15V GND USL UEH GND UML GND GND P5V UMH USH SOS8_SS GND GND GND GND GND GND N.C GND P5V Vsus 1 A 8 5 F 7 B 3 C D E 9 4 6 2 TPVSUS TO P-BOARD (P11) TO C3-BOARD (C33) TPSOS8 BUFFER ERROR DET DRIVER FET DRIVER VSUS Gen. ! 1 2 3 4 FET DRIVER RECOVERY ENERGY SS-BOARD TXNSS1LXUC (1/2) TH-P65S20C SS-Board (1/2) Schematic Diagram TH-P65S20C SS-Board (1/2) Schematic Diagram 80 12.36.SS 电路板 (2/2) 和 SS3 电路板线路图 + + + TERM SIDE TERM SIDE TERM SIDE TERM SIDE TERM SIDE AA_UML AA_SOS8 AA_UEH C16192 25V 0.1u C16331 250V 1u C16319 50V 0.1u C16317 1u 10V *C16103 2200p 630V C16315 1u 10V C16191 25V 4.7u C16318 0.1u 50V C16316 0.1u 16V C16280 25V 1u *C16284 0.1u 50V C16289 0.1u 50V *C16285 0.1u 50V C16287 0.1u 50V C16288 0.1u 50V C16286 0.1u 50V *C16314 220V 300u C16328 220u 160V C16193 25V 47u D16280 B0ACCJ000048 D16192 B0ACCJ000048 D16101 B0JCME000093 D16191 B0ECKP000055 D16317 B0ECKP000055 D16316 B0ECKP000055 D16286 B0ADEJ000035 *D16284 B0ADEJ000035 D16285 B0ADEJ000035 D16282 DZ2J068M0L D16315 DZ2J150M0L D16196 DZ2J200M0L C0DBZMC00006 IC16312 4 REFERENCE 3 CATHODE 1 NC 2 ANODE IC16304 MIP3900MSSCF 1 VDD 2 CL 3 FB 4 LS 5 DRAIN 7 SOURCE 8 SOURCE SS56 1 2 3 4 5 6 7 8 9 10 11 12 13 SS53 1 2 3 4 5 6 7 8 9 10 11 12 13 *SS55 1 2 3 4 5 6 7 8 9 10 11 12 13 *SS22 1 2 3 4 5 6 7 8 9 10 11 12 13 14 15 16 17 18 19 20 21 22 23 L16303 G0C471MA0049 PC16301 B3PBA0000498 1 2 3 4 PC16191 B3PBA0000496 1 2 3 4 5 6 TP58 TP28 TP42 TP31 TP55 TP29 TP43 TP26 TP27 TP24 TP56 TP30 TP36 TP54 TP57 TP53 TP25 *Q16102 B1CERM000029 G D S *Q16101 B1CERM000028 G D S Q16280 B1ABCF000231 Q16191 B1HFPFA00001 R16286 EXB38V623JV *R16285 EXB38V623JV R16110 47k R16104 10 R16320 68k R16281 10k R16109 10 R16309 33k R16319 2.49k R16293 330k R16191 150 R16335 1k R16192 10k R16282 220 R16105 470k R16102 220 R16330 1k R16294 330k *R16307 51.1k R16332 470k *R16337 0 *R16318 76.8k R16103 10 R16116 47k R16193 75 R16101 220 R16195 1 R16334 4.7k R16284 220k *R16289 330k R16283 47k R16291 330k R16292 330k *R16290 330k ZA16001 K4AZ01D00004 ZA16003 K4AZ01D00004 D16442 B0FBCN000009 ZA16013 K4ZZ01000216 C16552 2200p 630V SS59 1 2 3 4 5 6 7 8 9 10 11 12 13 C16554 2700p 630V SS57 1 2 3 4 5 6 7 8 9 10 11 12 13 D16444 B0FBCN000009 SS03 1 2 3 4 5 6 7 8 9 10 11 12 13 14 15 16 17 18 19 20 21 22 23 ZA16015 K4ZZ01000216 * FPC protector Vsus 15 14 18 12 17 10 16 13 11 VE GEN. SHUNT REG. TPVe TPSS1 PANEL SUSTAIN ELECTRODE PANEL SUSTAIN ELECTRODE PANEL SUSTAIN ELECTRODE SS22 SS11 SS54 SS33 SS56 SS24 SS53 SS55 ELECTRODE PANEL SUSTAIN TXNSS31LLUC ELECTRODE PANEL ! SUSTAIN SS3-BOARD ! 1 2 4 3 SS-BOARD TXNSS1LXUC (2/2) TH-P65S20C SS-Board (2/2) and SS3-Board Schematic Diagram TH-P65S20C SS-Board (2/2) and SS3-Board Schematic Diagram 81 13.1. P(MAIN) 电路板 1 2 3 4 5 6 P(MAIN)-BOARD (FOIL SIDE) ETX2MM813MSM TH-P65S20C P(MAIN)-Board ETX2MM813MSM TH-P65S20C P(MAIN)-Board ETX2MM813MSM E F G H I A B C D 82 Parts Location P(MAIN)-BOARD (FOIL SIDE) IC201 D-4 IC202 D-2 IC251 G-3 IC352 F-3 IC403 H-5 IC501 D-2 IC551 D-1 IC601 D-5 MC551 E-1 MC701 G-1 PC201 F-3 PC202 F-3 PC501 F-3 PC502 C-1 PC504 C-1 PC510 D-1 IC PHOTO COUPLER MODULE Q201 D-3 Q202 E-3 Q203 E-4 Q204 D-3 Q251 G-2 Q252 G-2 Q355 F-3 Q356 G-3 Q357 F-3 Q401 G-4 Q402 H-5 Q403 H-5 Q404 H-5 Q405 H-5 Q406 H-5 Q407 H-4 Q408 H-4 Q502 C-2 Q503 E-3 Q504 D-3 Q505 C-2 Q506 C-1 Q507 D-1 Q508 D-1 Q551 F-2 Q557 F-2 Q558 F-2 Q559 F-3 Q560 D-1 Q561 E-1 TRANSISTOR TP5 H-3 TP9 I-5 Q601 D-5 Q602 E-5 Q603 E-5 Q604 E-5 Q605 D-2 Q606 E-4 Q607 D-3 Q702 G-1 Q706 H-2 Q707 G-1 Q708 G-1 Q709 I-1 Q710 H-1 Q711 I-2 Q712 H-1 TEST POINT VR251 H-3 VR401 H-5 VOLUME Parts Location P(MAIN)-BOARD (COMPONENT SIDE) IC201 D-3 IC501 D-5 MC551 E-6 MC701 G-6 IC MODULE Q201 D-4 Q202 E-4 Q355 F-4 Q401 H-3 Q402 H-2 Q403 H-2 Q551 F-4 Q601 D-2 Q604 E-2 Q606 E-2 TRANSISTOR TP5 H-4 TP9 H-2 TEST POINT VR251 H-4 VR401 H-2 VOLUME P (MAIN) TH-P65S20C P-Board Parts Location TH-P65S20C P-Board Parts Location 83 1 2 3 4 5 6 P(MAIN)-BOARD (COMPONENT SIDE) ETX2MM813MSM TH-P65S20C P(MAIN)-Board ETX2MM813MSM TH-P65S20C P(MAIN)-Board ETX2MM813MSM E F G H I A B C D 84 13.2. P(SUB) 电路板 1 2 3 4 5 6 P(SUB)-BOARD (FOIL SIDE) ETX2MM813MSS P (SUB) Parts Location P(SUB)-BOARD (FOIL SIDE) IC801 E-2 IC901 E-3 IC902 D-4 IC951 H-3 PC801 G-4 PC902 G-4 PC903 G-3 IC PHOTO COUPLER Q801 D-2 Q802 D-2 Q803 D-2 Q804 E-2 Q805 D-4 Q806 E-2 Q807 D-4 Q808 D-3 Q809 D-3 Q901 F-3 Q902 F-3 Q903 D-3 Q904 D-3 Q951 H-4 Q952 H-3 TRANSISTOR TP5 H-1 TEST POINT VR951 H-3 VOLUME E F G H I A B C D TH-P65S20C P(SUB)-Board ETX2MM813MSS TH-P65S20C P(SUB)-Board ETX2MM813MSS 85 1 2 3 4 5 6 P(SUB)-BOARD (COMPONENT SIDE) ETX2MM813MSS P (SUB) Parts Location P(SUB)-BOARD (COMPONENT SIDE) IC901 E-2 IC Q801 D-3 Q804 E-3 Q806 E-3 Q901 F-2 Q902 F-2 TRANSISTOR TP5 H-3 TEST POINT VR951 H-2 VOLUME E F G H I A B C D TH-P65S20C P(SUB)-Board ETX2MM813MSS TH-P65S20C P(SUB)-Board ETX2MM813MSS 86 13.3. K 电路板,S 电路板和 SS3 电路板 1 2 3 4 5 6 C16551 C16552 C16554 SS03 SS57 SS58 SS59 ZA16013 ZA16015 D16441 D16442 D16443 D16444 TNPA4984 1 SS3 DIP PbF 1 1 3 2 3 2 2 1 2 1 1 3 1 1 3 1 1 3 O R D E R N O . A A K A A K A A K A A K 1 1 3 1 1 3 C16551 C16552 C16554 SS03 SS57 SS58 SS59 ZA16013 ZA16015 D16441 D16442 D16443 D16444 TNPA4984 1 SS3 SS3MM1 SS3MM2 PbF 1 1 3 2 3 2 2 1 2 1 1 3 1 1 3 1 1 3 S E E R E V E R S E F O R O R D E R N O . A K A A K A A K A A K A 1 1 3 1 1 3 SS3-BOARD (COMPONENT SIDE) TXNSS31LLUC SS3-BOARD (FOIL SIDE) TXNSS31LLUC SW2500 S1 ORDER NO. 1 3 1 3 1 S TNPA4858 PbF SW2500 S1 SEE REVERSE FOR ORDERNO. 1 3 1 P b F 1 S TNPA4858 S-BOARD (COMPONENT SIDE) TXN/S1EQUC S-BOARD (FOIL SIDE) TXN/S1EQUC K-BOARD (FOIL SIDE) TXN/K1LQUC RM10 TP01 TP02 TP03 TP04 TP05 TP06 TP08 P b F CRNO.25 TNPA5143 1 K SEE REVERSE FOR ORDER NO. C10 C11 C12 C13 Q10 C14 Q11 C15 Q12 Q13 Q17 C20 C21 C22 D01 D11 D12 R10 R11 D15 R12 R13 R14 R15 R16 R17 R18 R19 D20 R20 R21 R22 R23 R24 R25 R34 RM10 K1 SN10 VJ12 PbF 1 K CRNO.25 TNPA5143 O R D E R N O . 1 8 1 Q13 R16 R19 K-BOARD (COMPONENT SIDE) TXN/K1LQUC S SS3 K SS3-Board TXNSS31LLUC K-Board TXN/K1LQUC TH-P65S20C S-Board TXN/S1EQUC E F G H I A B C D SS3-Board TXNSS31LLUC K-Board TXN/K1LQUC TH-P65S20C S-Board TXN/S1EQUC 87 13.4. A 电路板 1 2 3 4 5 6 Q9010 Q9011 Q9012 Q9013 IC1100 Q9800 Q9801 Q9802 Q9803 Q4020 Q4021 Q4022 Q4023 IC8852 Q2101 Q2102 JK3100 JK3107 Q2301 JK3304 Q2903 Q2904 IC5000 TU2901 IC5401 IC5600 IC5601 IC8300 IC8301 IC8302 D3300 Q5471 Q5472 IC2950 IC2952 IC2953 Q4701 IC9304 Q4512 Q4513 IC8950 JK8801 IC2801 Q2255 IC9189 SW001 IC3000 IC3001 SW5150 SW5151 SW5152 SW5153 SW5154 A11 IC5150 Q9002 Q9003 TNPH0840 1 A F +/ -/ TV AV PbF 1 4 5 8 1 4 7 5 AV2 AV1 AV1 MONITOROUT AV2S R L V 5 10 15 1 6 11 16 17 32 1 IFMONITOR IFDOUT1 IFAGC VB2 SDA SCL VIDEOOUT VB1 SIFOUT AUDIOOUT BB RFAGCMONITOR BTMONITOR IFDOUT2 RESET +BACTIVEANTENNA IFMONITOR IFDOUT2 IFDOUT1 IFAGC VB2 SDA SCL VIDEOOUT VB1 SIFOUT BTMONITOR RFAGCMONITOR BB +BACTIVEANTENNA RESET AUDIOOUT IFMONITOR SDA SCL VIDEOOUT SIFOUT BTMONITOR RFAGCMONITOR +B SW1 SW2 BB AFTOUT VB IFMONITOR RESET VB2 SDA SCL VIDEOOUT VB1 BTMONITOR RFAGCMONITOR BB +BACTIVEANTENNA SIFOUT IFMONITOR RESET VB2 SDA SCL VIDEOOUT VB1 SIFOUT BTMONITOR RFAGCMONITOR BB +BACTIVEANTENNA IFDOUT1 IFDOUT2 IFMONITOR IFAGC AFTOUT SDA SCL VIDEOOUT VB SIFOUT BTMONITOR RFAGCMONITOR BB +B 1 12 13 24 1 12 13 24 1 13 37 48 25 3 4 5 1 1 3 4 5 3 4 6 1 1 3 4 5 1 3 4 5 1 4 5 8 1 4 5 8 1 4 1 4 5 8 1 10 11 20 S E E R E V E R S E F O R O R D E R N O . AV2 AV1 AV1 MONITOROUT 1 26 51 76 100 1 3 4 5 1 4 1 3 4 5 A A88A JK3100 JK3107 A88 JK3304 TU2901 TU2901A TU2901B TU2901C TU2901D TU2901E CN8700 JK3107A JK4700 JK4701 JK4702 D3300 JK8801 JK8850 SW001 JK3100A A11 ZA1000 ZA1001 C1500 R3225 R8622 R3227 C8070 C8071 R8626 C8072 C8073 C8074 Q9010 C8075 Q9011 C8076 Q9012 C8077 Q9013 TP8300 C9400 C8078 TP8301 C9401 C9402 C9403 R8630 R8824 R2872 R2873 R2875 C8083 IC1100 L2950 C8854 C8084 C8855 C8085 C8856 C8086 C8087 C8857 C8858 C8088 C8859 C8089 R2880 R0940 R2881 R0941 R2882 R0942 R2883 R8643 R0943 R2884 C8860 C8090 R8644 C9801 D1501 R8645 C8861 C8091 C9802 C8862 C8092 R8647 C9803 C8093 C8863 Q9800 TP2750 C8094 R0948 Q9801 TP2751 C8095 R1501 R0949 C9806 Q9802 TP2752 C8096 C9807 Q9803 TP2753 R1503 C8097 R9203 TP2754 Q4020 VJ9300 C8098 TP2755 Q4021 VJ9301 C8099 TP2756 Q4022 VJ9302 TP2757 Q4023 TP2758 R4000 TP2759 R4001 R0952 R4002 R4003 R0953 TP2950 R0954 L8920 R4004 R0955 TP2951 C8871 R4005 TP2952 R0956 C8872 R4006 R0957 R9403 C8873 R4007 R0958 TP2760 C8874 R4008 R0959 C8875 R4009 C9816 C8876 C8877 TD9099 R1518 R1519 R8857 R8858 R8665 R0966 IC8852 R8666 C9052 R0967 C9824 R0968 R1520 R0969 R9609 C2102 C2103 C2104 TP8340 R9030 C2105 TP8341 Q2101 Q2102 C2106 TP8342 D9807 TP8343 R9227 R8863 C2107 D9808 R9610 TD8300 R0970 R4020 TP8344 L9300 C2108 R8864 R0971 R4021 TP8345 L9301 R8671 R0972 R4022 TP8346 L9302 R0973 R4023 TP8347 R8867 C9830 TP8730 TP8348 R4024 R9039 C2301 R4025 TP8349 C2302 R0976 R4026 C2303 R0977 R4027 R0978 TD3100 C2304 R4028 C2110 Q2301 R0979 C2305 R4029 R8485 C2306 C2307 R9040 C2308 TP8350 C2309 TP8351 TP5471 R8871 R8489 TP8352 R8872 R9042 TP8353 R8873 TP8354 TP9100 R0980 R8874 TP9101 R8875 TD8311 R0981 TP9102 TD8312 R0982 R8876 TP9103 R0983 TD8313 R8877 TP9104 R0984 C2310 R8878 C2311 R0985 TP9105 R8879 C2312 R0986 TP9106 R0987 TP9107 R8493 TP9108 C5001 TD8701 TP9109 C5002 TD8702 C2317 TP9300 C5004 TP9301 R9051 R9052 R9053 TP9110 TD8514 R9054 R2101 TP9111 R9055 R2102 TP9112 R9056 TP9113 R9057 C2320 TP9114 R9058 R2105 R8889 TP9115 R2106 TP9116 R2107 TP9117 R2108 TP9118 R2109 C2901 TP9119 C2326 C2327 C2328 C2904 R8890 C2329 C2905 R8891 R1556 C2906 L4702 R8892 C2907 Q2903 R8893 R2304 C2908 TP8950 Q2904 TP9120 C2909 L4705 TP8951 TP9121 TP8952 TP9122 R2307 TP9123 L4708 R2308 TP9124 R2309 TP9125 TP9126 R1176 TP9127 C2334 C2910 TP9128 C2335 R1179 TP9129 C2912 C2336 R1562 C2913 R2310 C2914 C2915 R2312 C5602 R2313 R2314 TP9900 TP9130 R1180 R5001 R2315 TP9901 TP9131 R1182 TP9132 C5606 TP9902 R1183 C5607 TP9903 TP9133 R2318 C2340 C5608 TP9904 TP9134 C8100 TP9905 C2341 R2319 C5609 TP9135 C8101 R1185 C2342 TP9906 TP9136 C8102 R1186 C2343 TP9907 TP9137 C8103 TP9908 IC5000 TP9138 C8104 TP9909 C2921 TP9139 C8105 C8106 C8107 C2348 C8108 C2349 C5611 C8109 C4671 R2322 C5612 R2323 TP9910 R2900 C8300 TP9140 C8301 TP9911 TP9141 R2902 TP9912 C8302 TP9142 C8303 TP9913 TP9143 PA5610 C8304 C2350 TP9914 TP9144 C8110 C2351 R2905 C8305 TP9145 C8111 C4679 R2135 TD9102 R2906 C8306 TP9146 C8112 TD9103 C8307 TP9147 C8113 TD9104 C3100 C8308 R2908 TP9148 C8114 TD9105 R2139 C8309 R4655 TP9149 C8115 C2356 C8116 C2357 C3103 C8117 C8118 R4659 C8119 R2331 R2910 TP2008 R2140 C8310 TP9150 IC5401 C8311 D5601 TP9151 C8312 TP9152 C8313 C5627 D5603 TP9153 D5604 C8314 TP9154 C8120 R9099 C8315 R5601 TP9155 C8121 C8316 R5602 TP9156 C8122 R4663 C8317 R5603 TP9157 C8123 C8318 R5604 TP9158 C8124 C5051 C8319 C3111 R5605 TP9159 C8125 C3112 R5606 C8126 C3113 C8127 IC5600 C5055 IC5601 C5631 R9872 C3116 C5632 R9873 C5057 C3117 C5633 C5058 R9874 C3118 C8320 C5634 TD9310 TP9160 R9875 C5059 R2921 C5635 C8321 TD9311 TP9161 R9876 C8322 R2922 TD9312 TP9162 R2923 C8323 TP9163 C8324 D8300 C5638 TP9164 C8325 TP9165 C5639 TP9166 C8326 R2926 TP9167 C8327 C8328 TP9168 C2950 R8300 TP9169 C2951 R8301 R8302 C2952 R5616 R8303 C3123 R5617 R4677 R9880 R8304 R5618 R9881 R5619 R8305 R4679 R9882 C2956 R8306 R9883 D3103 D5620 R9884 TP9170 IC8300 C2958 R9885 R8309 D3105 C2959 IC8301 R3101 TP9171 TPS15V IC8302 TP9172 TP9173 TD9323 R9888 TD9130 R3104 TD9900 TP9174 R5620 TD9324 R5621 D3109 TP9175 TD9325 TD9132 TP9176 R5622 TD9326 R5623 TD9133 TP9177 TD9327 R3108 TP9178 R8310 C2960 TD9328 VJ8600 L8000 R8311 C2961 TP9179 TD9329 R8505 L8001 R5626 TP2802 R8506 VJ8602 L8002 R5627 C2963 VJ8603 R8313 TP2803 R8507 L8003 C2964 TP2804 R5628 R8508 L8004 C2965 D5051 TP2805 R8315 R3301 L8005 C2966 D5052 R8316 C5653 L8007 TP9180 C5654 TD9330 L8008 TD9331 TP9181 L8009 R9896 TP9182 TD9332 TP9183 C8343 TP9184 L8200 TD9334 R9899 TP9185 R5631 FL2301 R2752 TP9186 C8922 R8512 TP9187 R3117 C8923 R8513 TP2810 TP9188 R8320 R5634 L8010 R8514 TP9189 R5635 R8321 R3119 R8515 L8011 R8322 R5636 L8012 R8323 R5637 L8013 L3000 R8324 R5638 L8014 L3001 R8325 R5639 L8015 R8326 L8016 TP9383 R8327 L8017 TP9190 R3120 L8018 R5061 TP9191 C5471 L8019 TD9342 TP9192 TD9343 R3123 TP9193 C9100 TD9344 TP9194 TD9345 Q5471 R5065 TP9195 Q5472 R5066 C9102 TP9196 R2956 TD9346 C9103 R5067 TD9347 R3127 R2957 TP9197 TD9348 TP9198 IC2950 L8020 TP2820 TP9199 TD9349 R2959 R5645 L8021 TP2821 IC2952 R5646 L8022 TP2822 IC2953 R5647 L8023 TP2823 R5648 L8024 TP2824 L8025 TP2825 D3132 C3157 TD9350 C3158 C9300 TD9351 C3159 C9303 R8918 TP2251 R8919 R2966 C9307 C3160 D1008 C9308 D1009 C3161 TP3001 C9309 C9116 C3162 TP3002 C3163 TP3003 TP3004 C3164 R8344 C3165 TP3005 R8923 D1010 TP8404 C9310 TP8405 C9311 TD2026 TP8406 C9312 D1013 R8927 C9313 D1014 C8950 C9314 D5471 D1015 C9315 D1016 D5472 C9316 R1207 C9317 TP8600 C9318 D5475 R5471 R3149 C9319 TP8601 D5476 R5472 D5477 R5473 R8930 D5478 R5475 D5479 R5476 R9103 R9104 C9320 R5479 C9321 R9106 R3152 C9322 C9323 R9108 TP5150 C9324 D5480 R9109 C9325 D5481 C9326 TD9376 D5482 C9327 D5483 R5480 TD9378 C9328 D5484 R5481 C9329 TD9379 D5485 R5482 TPS0N D5486 C4700 R5485 R9111 R5486 R9112 L2872 R9306 R5487 R9113 C4703 R9307 R5488 R9114 R9308 C9330 TD9380 Q4701 R9309 TD9381 C9331 R5489 R9116 C9332 TD9382 R9117 C9333 IC9304 TD9384 C9334 R9118 C9335 Q4512 C9336 Q4513 C9337 C9338 R5490 FL3101 C9339 R5491 R5492 R5493 R9120 R8950 R5494 FL3106 R8952 R9122 C9340 C9341 C9342 C9343 IC8950 C9344 C9345 TD8202 C9346 TD8203 C9347 TP2870 TP1100 C9348 TP2871 TP1101 C9349 R9322 TP2873 R9323 TP2874 R9324 TP2875 R9325 TP2876 R9326 TP2877 R9327 TP2878 C9350 TP2879 C9351 C9352 R9907 C9353 D4704 C9354 R4701 D4705 C9355 D4706 C9356 D4707 C9357 D4708 C9358 L8850 TP0940 R4705 C9359 R4706 R4707 R4709 TPST5 TD0901 TD0902 TD0903 C9360 TD0904 R9145 TP1501 TP9201 TD0905 C9361 TD8411 TP9202 R3192 TD0906 C9362 TP9203 C9363 R3194 R4710 TP9010 C9364 TP9205 R3195 C9365 TP9206 C4546 R4712 C9366 C4547 R4713 C9367 TP4000 C9368 TP4001 R9341 C9369 R9342 TP4002 TP4003 R9920 TP4004 R9921 TP4005 C2802 TP4006 TP4007 C4550 C2804 C9370 TP4008 D4721 C2805 TP4009 C9371 D4722 C2806 C9372 D4723 C2807 C9373 D4724 R4720 D2014 C2808 C9374 TP8850 D4725 C9375 R4722 C9376 R4723 C9377 TP8853 TP4010 C9378 TP8854 R4725 C9379 TP4011 TP8855 R4726 TP4012 TP8856 TP4013 TP8857 TP4014 TP8858 TP8859 TP4015 TP4016 TP4017 C9380 TP4018 TP4019 C9381 C9382 C2817 C9383 TP8860 C2818 C9384 TP8861 C9385 C9386 TP8862 TP8863 D4737 C9387 D4738 TP4020 C9388 C8000 R4735 D4739 TP4021 C9389 C8001 R4736 TP4022 C8002 TP4023 C8003 R4738 C8004 C2821 L2101 C8005 L2102 C2822 C8006 L2103 C2823 C8007 D4740 R4548 C9390 C8008 D4741 R4549 C9391 C8009 D2802 C9392 D2803 C9393 R5104 C8200 R4740 D2805 C9395 R4741 C8202 R2802 D2806 C9396 R4742 R2803 C9397 R4743 R4550 R2804 C8010 R4744 L2301 R4551 D2809 C8011 R4745 L2302 R4552 C8012 R4746 L2303 R4553 C8207 R4747 C8013 R4554 L2304 C8208 C8014 R4748 R4555 C8015 IC2801 R4749 R4556 C8016 C8017 X8300 D2810 Q2255 D2811 C8019 C3007 C2067 C3008 C2068 R2810 R4750 C3009 R2811 R4751 C8406 R2814 C8020 R4560 R2815 C8021 C8022 R2816 C8023 L5000 R9190 C3010 C8024 C0900 R9191 IC9189 C8025 C5722 C8026 C5723 C8027 C8028 C8029 R8002 C3016 R8003 R9198 C3018 C3019 TP2301 R8005 R2822 TP2302 R8006 R2823 R4763 TP2303 R8007 R2824 TP2304 R8008 C8030 C5151 R4765 R8009 C8031 C5152 TD9022 C8032 C5153 TD9023 C8033 TD9024 C8034 C5155 TD9025 C8035 C5156 R8202 C8036 C5157 C8037 C5158 VJ8300 C8038 R8010 C5159 L2905 R8205 R8011 C8039 L2906 R8207 R8208 R8014 L2909 R3001 R8209 R3002 C5160 TP5000 C8040 R8400 R8018 JS8360 TP5001 C8041 JS8361 R8019 R3006 TP9076 C8042 JS8362 R3007 C8043 JS8363 IC3000 L2910 R8210 C8044 JS8364 IC3001 C3031 R8211 JS8365 C8045 TPF15V C3032 R8212 C8046 JS8366 JS8367 C8047 R2260 R8020 JS8368 C8048 R2261 C8049 JS8369 R8021 R2263 L5603 R8600 R2264 SW5150 TP9081 SW5151 R0901 TP9082 SW5152 TP9083 SW5153 TP9084 SW5154 R0904 C8050 JS8370 TP9085 R0905 C8051 TP9086 R0906 C8052 R8606 TP9087 R3017 R8607 R0907 C8053 TP9088 R3018 C1100 C8054 TP9089 R3019 R8609 R0909 C8055 C2872 C1102 D8802 C8056 C8057 R8418 C8058 C2875 R8031 R5152 R8032 VJ8517 R3213 TP9090 L8300 R3020 R0910 R3214 R8610 TP9091 L8301 R0911 R5155 TP9092 L8302 R0912 TP9093 R3217 L8303 R0913 TPEC0 IC5150 R5158 TP9094 L8304 R0914 TP5409 TP9095 R5159 L8305 R8615 TD9052 TP9096 R8616 C8062 TP9097 R8617 C8063 TP9098 TP5600 C8064 TP9099 TP5601 C8065 Q9002 C2882 TD9056 TP5602 C8066 Q9003 TP5603 C8067 C8068 C2885 C8069 C2886 A-BOARD (FOIL SIDE) TNPH0840GC E F G H I A B C D TH-P65S20C A-Board TNPH0840GC TH-P65S20C A-Board TNPH0840GC 88 1 2 3 4 5 6 A31 A32 Q8850 IC2870 IC9400 IC9401 IC9402 IC8850 IC8851 JK3100 IC9800 Q2109 IC9801 IC9802 JK3107 IC9803 A1 A6 A7 A8 JK3304 Q5000 Q2902 IC2301 Q5600 Q5601 Q5602 Q5603 Q5604 Q5605 TU2901 CN8702 Q3104 Q3105 Q5051 IC5603 IC5604 Q2950 JK4700 JK4701 JK4702 D3300 IC2951 IC1000 IC8921 Q9900 Q9901 IC9300 Q4700 Q4702 Q4703 Q4704 Q4705 JK8801 Q5100 Q5101 CN0101 CN0102 Q2252 Q2253 Q2254 JK8850 IC8001 SW001 IC8200 CN7 CN1102 A11 A20 Q9000 Q9001 Q9005 Q9006 TNPH0840 1 A THERMAL PAD A88 CN8700 PbF 1 68 1 68 1 4 5 8 1 10 11 20 1 10 11 20 1 10 11 20 3 5 1 4 1 3 4 5 MONITOROUT AV1 AV1 AV2 AV2S 11 10 20 1 1 4 5 8 1 5 V L R 1 4 5 8 1 8 1 11 1 14 1 6 1 6 11 5 10 15 44 22 23 1 1 40 1 55 4 1 1 3 4 5 3 4 5 1 19 1 19 1 19 1 1 3 4 5 4 8 1 5 1 24 25 48 1 24 25 48 1 A 4 1 1 2 19 20 1 11 1 30 8 1 9 10 A 1 O R D E R N O . 8 9 16 1 1 10 AV1 AV1 AV2 MONITOROUT 1 2 19 20 1 4 1 35 1 30 1 30 1 30 31 60 C2888 R3224 L3108 R8620 R8621 C1501 R3226 R8623 R3228 JS8390 R8624 JS8391 A31 R8625 JS8392 A32 R8627 R8628 R8629 D2870 X9300 L3114 D1100 R8438 D2871 C8079 L3115 D1101 R8822 L3117 L3118 R1100 R2870 L3119 R2871 R1101 R8631 R1102 R8632 R8633 R1103 R2874 R8634 C8080 R1104 C8850 C8081 R8635 R1105 C8851 R8636 R1106 C8852 C8082 R1107 C8853 IC2870 R2878 R8638 L3120 R1108 Q8850 L3121 R2879 R1109 R8639 L2952 L3122 L3126 L3127 R8640 R8641 R8642 C9800 R0944 R0945 R8646 C9804 R8648 C8864 C9805 C8865 R8649 C8866 R1502 C8867 C9808 R1504 VJ8360 C8868 C9809 C8869 R9205 R1505 R9206 R9208 R9014 R0950 R8650 L8340 R9209 R0951 L8341 R9016 R8652 R9017 L8343 R8653 C9810 C9040 C8870 R9400 R9019 C9811 R9401 R8655 C9812 R9402 R8656 C9813 C9814 R8658 C9815 R8659 C9817 TD9097 TD9098 C9818 IC9400 R8850 C9819 IC9401 R8851 IC9402 R8852 R8853 R4010 R8854 R8660 R4011 R8661 R8855 R8856 C9820 R8664 IC8850 R8470 C9821 R8859 R8471 IC8851 C9822 R8667 D9800 R9608 R8669 C9825 R1521 C9826 C9827 C9828 D9804 R9224 R8860 D9805 C9829 R8861 R9031 D9806 R9226 R8862 R9034 VJ9900 R8670 R9035 VJ9901 R9036 VJ9902 R8866 R9037 R9038 IC9800 R8480 FL8800 R8868 C9831 IC9801 Q2109 R8869 C9832 IC9802 C9833 IC9803 C9834 C9835 A1 C9066 C9067 R8488 R8870 C9069 A6 A7 A8 C2119 R8490 R8491 R8492 C2313 C5000 TD8700 C2314 R8494 C2315 R8495 C2316 R8496 C5003 R8497 Q5000 C2318 R8880 R8498 TD8705 R8881 R8499 R8883 R9247 TD8707 TD8513 R8884 R1160 TD8515 TD8516 R2103 R2104 R8888 C2321 C2322 C2323 C2324 R1550 C2325 R1552 C2903 L4700 R1554 L4701 R2301 Q2902 R2302 L4703 L4704 R2110 R8894 R1559 L4706 L4707 C2330 C2331 IC2301 C2332 C2333 R1177 R1178 C2911 C2337 R1563 D5000 C2338 C5600 R1564 C2339 C5601 C4662 C2916 C4663 C2917 C5603 R5000 C4664 C2918 Q5600 C5604 C2919 R2121 C4665 Q5601 A31A R1181 C4666 R2316 Q5602 R2317 C4667 Q5603 X8000 Q5604 R5005 Q5605 X8001 R5006 R5007 R1187 R5008 C2920 C2344 R1188 C2345 C2922 C2346 C2347 R2320 C5610 R2321 C5613 C5614 X8200 R2901 C5615 A32A C5616 R2903 C5617 TD9100 R2904 C5618 C5619 TD9101 C2352 C2353 R2907 C2354 R2138 C3101 C2355 C3102 TD9107 C3104 C5620 TD9108 R2330 C3105 C5621 TD9109 CN8702 C3106 C5622 R2332 C3108 Q3104 D5600 C5625 Q3105 R2911 C3109 C5626 D5602 R2914 C5628 R5600 TD9110 C5629 TD9111 D5605 D5606 TD9112 R2917 D5607 TD9113 D5608 C5050 R2918 TD9114 R2919 D5609 TD9309 TD9115 C5052 TD9116 R5607 TD9117 C2750 R5608 TD9118 R4668 Q5051 C2751 R5609 TD9119 R4669 C2752 IC5603 L2803 R2920 IC5604 C3119 C5636 R9877 C5637 TD9313 R9878 R5610 TD9314 TD9120 R4670 R9879 R5611 TD9121 R4671 R5612 TD9122 R4672 R5613 TD9123 R4673 TD9124 TD9125 C3122 TD9126 C2953 TD9127 Q2950 C2954 TD9128 C5641 C2955 C3125 TD9129 D3102 C5642 C5643 TD9321 R3102 D3106 TD9322 D3107 R3103 D3108 R8500 TD9131 R3105 TD9901 C5649 R8501 R3106 TD9902 R3107 TD9903 C3130 TD9904 TD9134 R3109 VJ8601 TD9135 TD9905 TD9136 TD9137 R9890 D3110 C5650 R3300 R9891 C5651 D3112 R3302 C5652 R3303 D3113 C3137 C2967 C3138 R3110 R5050 R8700 R3111 R5051 C8341 R5052 C8342 R2750 C5658 R3114 R8510 C5659 R2751 TD9335 R8511 TD9336 R2753 TD9337 TD9338 TD9339 D2950 C5660 D3120 R8900 D2951 D3121 D3122 TD9340 C3149 TD9341 C5472 R2953 R2954 R5640 R3125 C9101 R5641 R2955 R3126 R5642 R5643 C3150 R2958 R3128 R5644 IC2951 C9106 C3153 C9108 C3154 C3155 D3131 C3156 D3133 R3130 D3134 R2960 C9301 C9302 TD9352 R8917 TD9353 TD9354 C9304 TD9355 TD9356 TD9357 C9114 R8340 TD9358 R8341 TD9359 R8342 C9117 R8343 IC1000 R8920 R8346 R8922 R8924 R1200 TD9360 D1011 R8925 R8349 R1201 TD9361 D1012 R1202 R8926 TD9362 R8733 R1203 TD9363 R3144 R8928 R1204 TD9364 R8929 R1205 IC8921 TD9365 R3146 R1206 TD9366 TD9367 C3170 R3148 R8350 TD9368 C3171 R8351 TD9369 R5474 R9100 IC8921-A R9101 R9102 TD9370 R3151 R9105 TD9371 TD9372 R9107 R3153 TD9373 C9900 TD9374 TD9375 TD9377 Q9900 Q9901 L2870 R9110 L2871 C4701 C4702 Q4700 C4704 IC9300 C4705 R9115 Q4702 C4706 C4707 Q4703 C4708 Q4704 R3165 Q4705 TD9385 R3166 TD9386 FL3100 TD9389 FL3102 FL3105 R9123 TD9390 R9318 R9125 R3173 R3174 TD8200 TD8201 TD9395 TD9396 TD9397 R9320 TD9398 R9321 R9903 R9904 R3181 D4701 R9905 D4702 R3182 R9906 R3183 R9908 R3184 R9909 R3185 R3186 R4702 R3187 R4703 R4704 D4709 L8851 R9910 R4708 R9334 TD0900 R9335 R8396 R9336 R9914 D4710 R3190 R9915 D4711 R3191 R9339 R9916 D4712 R9917 D4713 D4714 R4711 D4715 D4716 D4718 C5100 L9800 R9340 L9801 D4719 R4715 C5101 L9802 R4716 R4717 R4718 Q5100 R4719 C2801 Q5101 C2803 JS3101 CN0101 CN0102 JS3103 A20A R4721 C2809 JS3106 D4726 D4727 D4728 R4724 L8870 D4729 R4728 C2810 R4729 D4730 D4731 R9166 D4732 JS3112 C2816 D4733 R4730 D4734 R4731 D4735 R4732 R4733 R4734 R4737 D5100 R4739 C2824 R5100 C2055 R5101 D2801 D4742 R5102 D4743 C2057 R5103 D4744 D2804 C9394 D4745 R5105 C8201 R2801 D4746 R5106 D4747 C8203 D4748 R5108 C8204 D4749 R2805 C8205 C8206 R2806 TD9002 R2807 C3001 L2305 Q2252 L2306 C3002 Q2253 C3003 C3004 Q2254 R5110 D4750 R4752 R4753 R4754 R5500 R4755 R5501 R4756 R4757 R2817 C8600 R2818 C2071 C3011 R2819 C2072 TD9016 C2073 R8000 C2074 C3015 R8001 R2820 R8004 FL9900 FL9901 FL9902 R2053 R4764 C5150 R2055 IC8001 R4766 R4767 L2900 R8200 L2901 R8201 C3022 TD9026 C3023 R8203 TD9027 C3024 L2904 R8204 C3025 C3026 R8206 R2254 L2908 R3000 IC8200 R8015 R2255 R2256 R8016 R2257 CN7 R8017 R2258 R2065 R2259 R2066 R2067 R2068 R2069 L5600 L5601 CN1102 L5602 R2070 L5604 R3010 R0900 L5605 R3205 R3011 L5606 R3012 R3206 R0902 R3013 R0903 L5608 R3014 JS8371 JS8372 JS8373 C2870 JS8374 R8608 D8800 C2871 JS8375 C1101 D8801 C2873 JS8377 C2874 VJ8514 R5151 C2876 C2877 R5153 C2878 R5154 R3215 C2879 A20 R3218 R8614 L3100 C2880 R8618 Q9000 TD9055 L3101 C2881 Q9001 R8619 L3102 C2883 TD9057 L3103 C2884 L3104 JS8388 R8428 Q9005 R3221 JS8389 Q9006 L3107 A88A JK3100 JK3107 A88 JK3304 TU2901 TU2901A TU2901B TU2901C TU2901D TU2901E CN8700 JK3107A JK4700 JK4701 JK4702 D3300 JK8801 JK8850 SW001 JK3100A A11 ZA1000 ZA1001 A-BOARD (COMPONENT SIDE) TNPH0840GC A E F G H I A B C D TH-P65S20C A-Board TNPH0840GC TH-P65S20C A-Board TNPH0840GC 89 13.5. C1 电路板 1 2 3 4 5 6 C104 C105 C106 C107 C108 C109 C110 C111 C112 C113 C114 C115 C116 C117 C118 C119 C120 ZA101 ZA102 ZA103 ZA104 ZA105 R101 R102 R103 R104 R105 R106 R107 R108 R109 R110 R111 R112 R113 R114 R115 R116 R117 R118 R119 R120 R121 R122 R123 R124 R125 R126 R127 R129 CB1 CB2 CB3 CB4 CB5 C10 C101 C102 C103 CR NO.17 1 C1 TNPA5178 PbF 1 55 1 55 1 55 O R D E R N O . 1 55 1 55 1 55 1 55 1 55 1 55 1 55 1 55 1 55 3 2 1 1 C1 TNPA5178 PbF S E E R E V E R S E F O R O R D E R N O . C1-BOARD (FOIL SIDE) TXNC11LLUC C1-BOARD (COMPONENT SIDE) TXNC11LLUC C1 E F G H I A B C D TH-P65S20C C1-Board TXNC11LLUC TH-P65S20C C1-Board TXNC11LLUC 90 13.6. C2 电路板 1 2 3 4 5 6 C20 C21 C26 VJ201 CB10 C201 C202 C203 C204 C205 C206 C207 C208 C209 IC201 CB6 CB7 CB8 CB9 C210 C211 C212 C213 C214 C215 C216 C217 C218 C219 C220 C221 C222 C223 C224 C225 C226 C227 FL201 ZA201 ZA202 ZA203 ZA204 ZA205 R201 R202 R203 R204 R205 R206 R207 R208 R209 R210 R211 R212 R213 R214 R215 R216 R217 R218 R219 R220 R221 R222 R223 R224 R225 R226 R227 R228 R229 R230 R231 R232 R233 1 C2 TNPA5179 CR NO.17 PbF 1 55 68 1 1 30 1 68 1 55 1 55 O R D E R N O . 1 55 1 55 1 10 11 20 1 55 1 55 1 55 1 55 1 55 1 30 1 55 1 55 C2 TNPA5179 1 1 2 3 PbF S E E R E V E R S E F O R O R D E R N O . C2-BOARD (FOIL SIDE) TXNC21LLUC C2-BOARD (COMPONENT SIDE) TXNC21LLUC C2 E F G H I A B C D TH-P65S20C C2-Board TXNC21LLUC TH-P65S20C C2-Board TXNC21LLUC 91 13.7. C3 电路板 1 2 3 4 5 6 C301 C302 C303 C304 C305 C306 C307 C308 C309 IC301 C31 IC302 C33 C35 C36 C310 C311 C312 C313 C314 C315 C316 C317 C318 C319 C320 C321 C322 C323 C324 C325 C326 C327 C328 C329 FL301 ZA301 ZA302 ZA303 ZA304 ZA305 ZA306 R301 R302 R303 R304 R305 R306 R307 R308 R309 CB11 CB12 CB13 R310 CB14 R311 CB15 R312 R313 R314 R315 R316 R317 R318 R319 R320 R321 R322 R323 R324 R325 R326 R327 R328 R329 R330 R331 R332 R333 R334 R335 R336 R337 R338 R339 VJ301 CR NO.17 1 C3 TNPA5180 PbF 1 55 1 55 1 10 11 20 1 68 1 10 11 20 1 20 1 4 1 30 55 1 O R D E R N O . 1 68 1 20 1 55 1 55 1 55 55 1 1 55 1 55 1 55 C3 TNPA5180 1 1 2 3 PbF S E E R E V E R S E F O R O R D E R N O . C3-BOARD (FOIL SIDE) TXNC31LLUC C3-BOARD (COMPONENT SIDE) TXNC31LLUC C3 E F G H I A B C D TH-P65S20C C3-Board TXNC31LLUC TH-P65S20C C3-Board TXNC31LLUC 92 13.8. SC 电路板 1 2 3 4 5 6 SC41 SC42 TP90 TP91 SC46 TP92 TP93 TP94 TP95 TP96 TP97 TP98 TP99 SC50 L698 C563 TP100 TP101 TP102 TP103 TP104 TP105 TP106 TP107 TP108 T471 TP109 IC784 IC786 TP110 C791 TP111 TP112 C793 TP113 TP114 C795 TP115 C796 TP116 TP117 TP118 TP119 TP120 TP121 TP122 TP123 TP124 TP125 ZA421 ZA422 ZA411 ZA412 C400 C411 C412 C413 C416 C417 R774 C418 C419 R778 C806 C813 C631 C632 C633 C634 Q402 Q403 Q404 Q405 Q406 D401 Q601 D402 D403 C450 C842 C460 Q421 Q422 Q423 Q424 Q425 Q426 D421 Q621 D422 Q622 D423 Q623 D424 Q441 Q442 Q443 Q452 Q453 Q454 D641 D642 D643 C690 C691 TP1 TP2 TP4 TP5 TP6 TP7 TP8 Q660 Q661 TP9 D462 D463 D464 L400 L401 L411 SC2 D481 D482 D483 TP10 TP11 TP14 TP15 TP16 TP17 TP18 TP19 R838 TP20 TP21 TP22 TP23 TP24 TP25 TP26 TP28 TP29 TP30 TP31 TP32 TP33 TP34 TP35 TP36 TP37 TP38 TP39 TP40 TP41 TP42 C503 TP43 R860 TP44 TP45 C506 C507 C508 C509 C510 C511 TP51 C512 TP52 TP58 C900 C901 TP59 C902 C903 C904 C905 TP60 L851 TP61 TP62 TP63 C523 TP67 L472 C721 R696 TP70 TP78 TP79 TP80 TP81 TP88 TP89 3 1 CRNo.16 2 1 SC TNPA5175 PbF 2 8 9 1 2 8 9 1 2 8 9 1 1 2 P 1 P T P 2 S 2 S 1 5 6 1 0 1 8 5 4 1 S E E R E V E R S E F O R O R D E R N O . C G E C G E C G E C G E C G E A A K G S D A A K A A K G C E G C E G C E G C E G C E G C E A A K C G E A A K C G E A A K C G E A A K C G E C G E C G E G C E G C E G C E A A K A A K A A K G S D C G E A A K A A K A A K 1 3 A A K A A K A A K SC-BOARD (FOIL SIDE) TXNSC1LXUC SC E F G H I A B C D TH-P65S20C SC-Board TXNSC1LXUC TH-P65S20C SC-Board TXNSC1LXUC 93 1 2 3 4 5 6 Q701 SC41 SC42 Q702 D503 SC46 D701 D702 SC50 L698 C753 C754 C561 C755 Q521 C562 C756 Q522 C563 C564 D900 D901 C565 D902 C566 C567 D710 IC561 D711 IC562 D712 IC563 D713 IC564 D522 D523 D719 Q531 Q920 D720 Q921 D721 D723 C771 C772 C773 D728 D534 C581 C582 D536 C583 D920 IC771 D921 IC773 Q930 Q931 IC581 Q932 R501 R502 R503 R504 R505 Q551 R506 C593 R507 R509 T471 IC784 IC785 IC786 IC787 R511 C791 R512 C793 R513 R707 C794 R514 C795 C796 R516 C797 R517 R900 R518 R901 R519 R904 R711 R712 R521 Q762 R522 R523 R717 R719 R720 R721 R531 R919 D765 R532 R533 R534 R920 R921 R922 R923 R926 R927 R928 ZA421 R929 ZA422 D583 R930 R931 R932 R933 R934 R935 R936 R742 R937 R938 R745 R551 ZA411 R746 ZA412 R552 R747 R553 D790 R750 R751 D792 R752 D793 R753 R560 D794 R754 R561 R755 R562 R563 R564 R758 R565 R566 R567 R568 C400 R569 C401 C402 C403 C404 C405 R761 C406 R762 R763 R570 R765 R769 C602 C603 C604 R579 C411 C412 C413 C608 R772 C416 C417 R773 IC490 R774 R580 C418 IC491 C419 R582 R776 R583 R777 R584 R778 R585 C806 R586 R587 R588 C421 C422 C423 C424 IC691 C425 IC692 C426 R783 R590 R591 R785 R592 R786 C813 R593 R787 R789 ZA402 R797 R798 ZA404 R799 C631 ZA406 C632 C827 ZA407 PC603 C633 C634 C441 Q402 C442 Q403 C443 Q404 Q405 Q406 D401 C641 Q601 D402 C642 Q602 D403 Q603 C450 C645 C646 Q606 C452 C647 Q607 D407 C453 Q608 C454 Q609 Q801 C842 D602 C843 C844 D604 D411 D605 D607 C460 Q421 C461 Q422 Q423 Q424 Q425 Q426 Q810 D610 IC464 C854 C661 IC465 Q815 D421 Q621 C856 C662 Q816 D422 Q622 Q817 C663 C857 D423 Q623 C858 Q818 C664 D424 D618 C665 C859 C471 C472 C666 C668 IC661 C860 IC471 C861 C862 C863 C864 PC896 C675 C481 Q441 C676 Q442 Q443 D820 D821 D822 D824 D825 D441 R402 R403 D443 C490 R404 C684 PC461 R405 C685 C491 Q646 R406 Q452 Q647 R407 Q453 Q454 Q649 C497 D641 R601 D642 D643 R410 C690 R604 D645 C691 R411 R605 D451 C692 D646 D647 R607 R414 D648 R415 R609 R416 R417 R418 R801 R419 R802 TP3 R804 R610 C891 D651 IC521 D652 R612 D653 R420 Q660 Q661 R615 R421 Q662 D462 R422 Q663 R617 R423 D463 PC480 D464 R424 Q471 D465 R425 R426 D466 R427 Q668 IC724 L400 R621 L401 D662 R622 D663 R623 R818 D664 Q670 Q671 D859 R819 D667 D473 D474 IC920 PC684 D669 Q675 D475 PC685 Q676 D477 Q677 D478 R820 Q678 R822 R823 D670 R824 Q871 D671 R825 R631 L411 R826 D672 SC2 D673 R827 R633 D674 D480 R634 R829 D481 R441 Q876 R442 D482 D677 R443 D483 D678 Q490 D871 R831 R832 D872 D874 D875 R837 R838 D490 Q885 R645 D491 D492 PC722 R646 R452 R647 D493 PC723 R453 D494 R648 R454 R649 D497 R841 R843 R650 R844 R651 R845 R652 R846 R653 R848 R654 R655 R849 R656 R657 R658 R465 R466 R467 R468 R851 R852 D893 R660 R661 R662 R663 R664 R665 R471 R666 R472 R667 R473 R668 R474 R475 C501 C502 R476 C503 R860 C504 R478 R479 C505 C506 TP46 C507 C508 R670 C509 IC501 R673 R674 R675 R676 R677 C510 R678 C511 R679 C512 C707 C708 R870 R873 TP57 R680 C900 C901 R681 C902 R682 C903 R683 C904 R490 R684 C905 R491 R685 R492 R686 R493 R687 R688 R494 L851 R495 C521 R496 C522 R497 C523 C524 R498 C525 IC792 IC793 C527 R690 TP68 R691 L472 R692 SC20 R694 R695 C721 R696 C723 C724 TPSOS6 R699 TPSOS7 C533 C534 R891 C535 C536 R892 R893 R897 R898 R899 Q501 Q502 TP82 1 H.V. DANGER CRNo.16 TNPA5175 H.V. DANGER Discharge TPVSUS DIP H.V. DANGER H.V. DANGER TPVSCN TPVAD TPSC1 SC PbF 1 2 8 9 1 2 8 9 1 2 8 9 1 2 1 10 20 11 1 10 11 20 7 8 14 1 1 3 5 4 1 2 3 4 1 3 4 2 1 3 4 5 1 4 8 5 P 1 P T P 2 S2 S1 1 2 3 4 1 5 6 1 0 1 4 5 8 O R D E R N O . 1 3 4 5 G C E G C E G C E G C E G C E A A K G S D A A K A A K 1 2 3 4 C G E C G E C G E C G E C G E C G E 1 3 4 5 1 3 4 5 1 2 3 4 A A K G C E A A K G C E A A K G C E A A K 1 4 5 8 G C E G C E G C E C G E C G E C G E A A K A A K A A K G S D G C E A A K A A K A A K 1 4 5 8 3 1 A A K A A K A A K 1 8 9 1 6 B C E 8 9 1 16 1 3 4 5 1 3 5 SC-BOARD (COMPONENT SIDE) TXNSC1LXUC SC E F G H I A B C D TH-P65S20C SC-Board TXNSC1LXUC TH-P65S20C SC-Board TXNSC1LXUC 94 13.9. SS 电路板 1 2 3 4 5 6 C193 SS11 R309 SS22 SS24 L303 SS53 SS54 SS55 SS56 SS22A C201 C202 C203 C204 C011 C012 C013 C014 C031 Q001 Q002 Q003 Q004 Q005 D001 D002 Q021 Q022 Q023 Q024 Q025 C073 C271 Q041 Q042 D041 D042 D043 Q051 Q052 C093 D051 D052 D053 L001 TPVSUS TP2 TP5 TP6 TP7 TP8 TP9 L011 TP10 TP13 TP14 TP16 TP17 TP18 TP19 TP20 TP21 TPSOS8 TP24 TP25 TP26 TP27 TP28 TP29 TP30 TP31 TP33 TP34 TP36 TP38 TP39 IC304 TP40 TP41 TPVe TPSS1 C314 TP51 TP52 TP53 TP54 TP55 TP56 TP57 TP58 C331 Q101 Q102 L002 C328 C340 C111 C112 C074 C094 PbF 1 2 3 CR No.16 SS 1 TNPA5176 4 1 1 2 2 2 23 1 2 8 9 1 1 3 1 1 3 1 1 3 1 1 3 S E E R E V E R S E F O R O R D E R N O . 1 2 1 4 15 G C E G C E G C E G C E G C E A A K K A A 1 1 3 1 1 3 1 1 3 1 1 3 G C E G C E G C E G C E G C E G C E G C E A A K A A K A A K G C E G C E A A K A A K A A K 8 5 4 1 G S D G D S 1 1 3 1 1 3 1 1 3 1 1 3 SS-BOARD (FOIL SIDE) TXNSS1LXUC SS E F G H I A B C D TH-P65S20C SS-Board TXNSS1LXUC TH-P65S20C SS-Board TXNSS1LXUC 95 1 2 3 4 5 6 D315 D316 D317 D131 D132 Q141 R101 R102 R103 R104 R105 C191 C192 C193 C195 R109 SS11 C198 R110 D151 D152 R307 D153 R309 Q161 R116 SS22 SS24 R318 R319 SS33 R320 R131 R132 R134 R135 R136 R137 L303 R330 IC241 R332 R334 R335 R141 R142 R336 R143 R337 R338 Q191 R339 SS53 SS54 SS55 SS56 R150 D191 R151 SS22A D192 R152 R153 R154 R155 D196 R159 R161 R162 R163 C001 C002 C003 C004 C005 C006 R171 R172 R173 C201 C202 C203 C204 C011 C012 C013 C014 R181 R182 R183 C211 C212 C213 C214 C021 C215 C022 C023 C024 C025 R191 R192 R193 R195 C221 C222 C223 C224 C225 C031 ZA001 ZA002 ZA003 Q001 C041 Q002 C042 Q003 Q004 Q005 D001 C242 D002 C243 C244 C051 C052 C251 C252 Q021 Q022 Q023 Q024 IC251 Q025 D021 D022 D023 C071 C072 C073 C271 D032 Q041 Q042 C280 C281 D041 R001 D042 R002 C282 R003 D043 C283 C284 R004 Q051 C285 C091 R005 C092 C286 Q052 C093 C287 C288 Q055 C289 Q056 D050 Q251 D051 D052 D053 IC312 D253 D255 R021 R022 R023 R024 R025 IC131 L001 R031 R032 R033 R034 TPSOS8 R230 R231 L011 Q280 R041 R042 D280 D281 R241 D282 R242 D283 D284 R051 D285 R052 D286 R251 R252 R253 R254 R255 R256 R257 R258 R259 R260 C101 C103 C104 C105 TPSS1 TPSS2 TPSS3 TP35 VeRef1 VeRef2 IC304 R280 R281 R282 R283 R284 R285 R286 R287 C314 R288 C315 R289 C316 C317 C318 C319 R290 R291 R292 R293 R294 C131 C133 C135 C331 PC301 C332 C333 C334 Q101 C335 Q102 C336 D101 C151 C152 C153 C154 C157 IC151 PC191 TPVSUS TPVe SSMM1 SSMM2 SSMM3 L002 C328 D024 C340 C111 C112 C341 C094 C074 PbF DIP CR No.16 Discharge TNPA5176 1 SS 1 3 4 2 1 4 1 2 22 23 1 2 8 9 1 20 1 10 11 20 1 13 1 13 1 13 1 13 O R D E R N O . 1 2 14 15 C G E C G E C G E C G E C G E A A K A A K 13 1 13 13 1 13 C G E C G E C E G C G E 8 5 4 1 C G E C G E C G E A A K A A K A K A C G E C G E A A K A A K A A K 1 8 9 16 1 4 8 5 G S D G S D 13 1 13 16 9 8 1 13 1 13 SS-BOARD (COMPONENT SIDE) TXNSS1LXUC SS E F G H I A B C D TH-P65S20C SS-Board TXNSS1LXUC TH-P65S20C SS-Board TXNSS1LXUC 96 97 14.1. 零件位置和机械部件更换清单 14.1.1. 分解图 1 98 14.1.2. 分解图 2 99 14.1.3. 包装图 1 100 14.1.4. 包装图 2 101 14.1.5. 包装图 3 102 14.1.6. 机械部件更换清单 安全 标记 参考号 部品号 部品名称及说明 数 量 备注 ETX2MM813MSM P 线路板 (MAIN) 1 ETX2MM813MSS P 线路板 (SUB) 1 1 K1TWACC00001 绝缘天线 1 2 K2AHYH000038 AC 接入口 1 3 K2CK3YY00025 电源线 1 4 K2YZYY000017 RF 隔离器 1 5 L0AA14C00004 喇叭 2 6 MD-65AF13MU1 65FHD13 PDP 屏 1 7 N2QAYB000495 遥控器 1 8 R6DWC/2SK 电池 2 9 TBLX0196 台座 1 10 TBX3DA00101 电源按钮 1 11 TKGA5653 前面玻璃 1 12 TKK3DC5001 LED 透光板 1 13 TKKL5493 M8 盖 4 14 TKPB53201 侧端子盖 1 15 TKRA52502A 后盖把手 1 16 TKUX19701 后盖 1 TMK3DG023 喇叭海绵 4 17 TMKG987 海绵 ( 前面玻璃 H) 2 18 TMKG988 海绵 ( 前面玻璃 V) 2 19 TMXX064 AC 电源线夹 A 1 20 TMXX065 AC 电源线夹 B 1 21 TPC3DA02403 包装箱外箱 1 22 TPC3DA02501 包装箱底箱 1 23 TPD3DA0051 台座衬垫 1 24 TPD3DA0088 顶部衬垫 1 25 TPD3DA0089 底部衬垫 1 26 TPD3DF0013 顶盖 1 27 TPD3DF0014 底盖 2 28 TPDA1943 刹车衬垫 2 29 TPDX0007 箱扣 - 小 4 30 TPDX0035 箱扣 4 45 TPDX0059 台座箱扣 4 31 TPEH370 整机保护袋 1 32 TPEH405 保护片 2 33 TPEP026-1 电源线袋 1 TQB3DA7003 警告单页 1 TQD3D18001 保修证 1 34 TQZ3DB021 使用说明书 1 35 TSXL519 FFC(SU11-SD11) 1 36 TSXL737 FFC(C10-C20) 1 37 TSXM117 FFC(C26-C36) 1 38 TSXM124 FFC(C33-SS33) 1 39 TSXM141 FFC(A20-SC20) 1 40 TSXM142 FFC(A31-C21) 1 41 TSXM143 FFC(A32-C31) 1 TXANZ01LXUC 高频头组件 1 42 TXFBL01LLUC 台座附件组件 1 43 TXFBL02DNUC 台座支柱组件 2 TXFKR01LQUC 声音反射板组件 2 44 TXFKY01LTUA 面框 1 TXJ/A6LEUM 线束 (A6-P6) 1 TXJ/P7LEUM 线束 (A7-P7) 1 TXJ/K1LEUM 线束 (K1-A1) 1 TXJ/P2LZUU 线束 (P2-SC2) 1 TXJA11LEUM 线束 (A11-SPR/SPL) 1 TXJP11MBUU 线束 (P11-SS11) 1 TXJP35MAUU 线束 (P35-C35) 1 TXJP51LZUU 线束 (P51-P52) 1 TXJP53LZUU 线束 (P53-P54) 1 TXJP55LZUU 线束 (P55-P56) 1 TXN/K1LQUC K 线路板 1 TXN/S1EQUC S 线路板 1 TXNC11LLUC C1 线路板 1 TXNC21LLUC C2 线路板 1 TXNC31LLUC C3 线路板 1 TXNSC1LXUC SC 线路板 1 TXNSD1LXUC SD 线路板 1 TXNSS1LXUC SS 线路板 1 TXNSS31LLUC SS3 线路板 1 TXNSU1LXUC SU 线路板 1 安全 标记 参考号 部品号 部品名称及说明 数 量 备注 103 14.2. 电器部件更换清单 14.2.1. 更换部件清单注意事项 104 14.2.2. 电器部件更换清单 注意:除在备注栏中标注 [PPDS] 的部件由 PPDS 提供,所有零件均由 AVC-CSPC 提供。 安全 标记 参考号 部品号 部品名称及说明 数量 备注 A1 K1KY08AA0719 8P 连接接头 1 A6 K1KY11AA0719 11P 连接接头 1 A7 K1KY14AA0719 14P 连接接头 1 A11 K1KA04AA0190 4P 连接接头 1 A20 K1MY35BA0345 35P 连接接头 1 A31 K1MY68BA0345 68P 连接接头 1 A32 K1MY68BA0345 68P 连接接头 1 C10 K1MY55BA0345 55P 连接接头 1 C20 K1MY55BA0345 55P 连接接头 1 C21 K1MY68BA0345 68P 连接接头 1 C26 K1MY30BA0345 30P 连接接头 1 C31 K1MY68BA0345 68P 连接接头 1 C33 K1MN20BA0231 20P 连接接头 1 C35 K1KA04BA0107 4P 连接接头 1 C36 K1MY30BA0345 30P 连接接头 1 C0900 F1G1C104A116 C 0.1UF 16V 1 C1100 F1G1E103A123 C 0.01UF 25V 1 C1101 F1G1E103A123 C 0.01UF 25V 1 C1102 F1G1C104A116 C 0.1UF 16V 1 C2055 F1J1A106A087 C 10UF, 10V 1 C2057 F1J1A106A087 C 10UF, 10V 1 C2067 F1G1C103A116 C 0.01UF 16V 1 C2068 F1G1C103A116 C 0.01UF 16V 1 C2071 EEEHB0J101UR E 100UF, 6.3V 1 C2072 EEEHB0J101UR E 100UF, 6.3V 1 C2073 F1G1E333A091 C 0.033UF 25V 1 C2074 F1G1E333A091 C 0.033UF 25V 1 C2104 F1G1H100A731 C 10PF 50V 1 C2107 F1G1A105A047 C 1UF 10V 1 C2108 F1G1A105A047 C 1UF 10V 1 C2110 F1G1C104A116 C 0.1UF 16V 1 C2301 F1G1C104A116 C 0.1UF 16V 1 C2302 F1G1C104A116 C 0.1UF 16V 1 C2304 F1J1E105A231 C 1 UF 25V 1 C2309 F1K1E106A136 C 10UF, 25V 1 C2312 F1K1E106A136 C 10UF, 25V 1 C2313 F1G1H102A730 C 1000PF 50V 1 C2314 F1J1E105A231 C 1 UF 25V 1 C2316 F1H1H104A970 C 0.1UF, , 50V 1 C2317 F1J1E105A231 C 1 UF 25V 1 C2318 F1H1H104A970 C 0.1UF, , 50V 1 C2320 F1J1E105A231 C 1 UF 25V 1 C2321 F1H1H104A970 C 0.1UF, , 50V 1 C2323 F1H1H104A970 C 0.1UF, , 50V 1 C2324 F1J1E105A231 C 1 UF 25V 1 C2325 F1G1H102A730 C 1000PF 50V 1 C2334 F1J1H474A757 C 0.47UF, 50V 1 C2335 F1H1E104A129 C 0.1 uF 25 V 1 C2336 F1H1E104A129 C 0.1 uF 25 V 1 C2337 F1J1H474A757 C 0.47UF, 50V 1 C2338 F1H1E104A129 C 0.1 uF 25 V 1 C2339 F1H1E104A129 C 0.1 uF 25 V 1 C2340 F1H1H223A970 C 0.022UF, 50V 1 C2341 F1H1H223A970 C 0.022UF, 50V 1 C2342 F1H1H223A970 C 0.022UF, 50V 1 C2343 F1H1H223A970 C 0.022UF, 50V 1 C2344 F1H1H223A970 C 0.022UF, 50V 1 C2345 F1H1H223A970 C 0.022UF, 50V 1 C2346 F1H1H223A970 C 0.022UF, 50V 1 C2347 F1H1H223A970 C 0.022UF, 50V 1 C2349 F1G1H102A730 C 1000PF 50V 1 C2351 F1G1H102A730 C 1000PF 50V 1 C2353 F1G1H102A730 C 1000PF 50V 1 C2355 F1G1H102A730 C 1000PF 50V 1 C2356 F1K1E106A136 C 10UF, 25V 1 C2357 F1K1E106A136 C 10UF, 25V 1 C2510 F1H1H103A970 C 0.01 uF 50 V 1 C2511 F1J1A106A087 C 10UF, 10V 1 C2515 F1H1H103A970 C 0.01 uF 50 V 1 C2521 F1H1C104A143 C 0.1UF, 16V 1 C2751 F1J1E105A231 C 1 UF 25V 1 C2824 F1J1A106A087 C 10UF, 10V 1 C2871 F1K1E106A136 C 10UF, 25V 1 C2872 F1G1E103A123 C 0.01UF 25V 1 C2873 F1J1A106A087 C 10UF, 10V 1 C2874 F1J1A106A087 C 10UF, 10V 1 C2877 F1H1H223A970 C 0.022UF, 50V 1 C2878 F1H1H472A970 C 4700PF, , 50V 1 C2879 F1G1E103A123 C 0.01UF 25V 1 C2883 F2H1E470A007 E 47UF, 25V 1 C2884 F1J1E105A231 C 1 UF 25V 1 C2885 F1K1E106A136 C 10UF, 25V 1 C2886 F1K1E106A136 C 10UF, 25V 1 C2905 F2H1A101A009 E 100 UF, 10V 1 C2907 F1G1C104A116 C 0.1UF 16V 1 C2908 F1G1C104A116 C 0.1UF 16V 1 C2910 F1G1C104A116 C 0.1UF 16V 1 C2911 F1G1C104A116 C 0.1UF 16V 1 C2917 F1G1H222A730 C 2200PF, 50V 1 C2919 F1G1C103A116 C 0.01UF 16V 1 C2959 F1G1C104A116 C 0.1UF 16V 1 C2961 ECJ1VB1A105K C 1UF, 10V 1 C2965 ECJ1VB1A105K C 1UF, 10V 1 C2966 F1H1A225A051 C 2.2UF, 10V 1 C3003 F1G1C104A116 C 0.1UF 16V 1 C3004 F1G1C104A116 C 0.1UF 16V 1 C3011 F1J1A106A087 C 10UF, 10V 1 C3015 F1J1A106A087 C 10UF, 10V 1 C3016 F1G1C104A116 C 0.1UF 16V 1 C3018 F1G1C104A116 C 0.1UF 16V 1 C3019 F1G1C104A116 C 0.1UF 16V 1 C3022 ECJ1VB1A105K C 1UF, 10V 1 C3023 ECJ1VB1A105K C 1UF, 10V 1 C3024 F1J1A106A087 C 10UF, 10V 1 C3025 F1J1A106A087 C 10UF, 10V 1 C3026 F1J1A106A087 C 10UF, 10V 1 C3031 ECJ1VB1A105K C 1UF, 10V 1 C3032 ECJ1VB1A105K C 1UF, 10V 1 C3105 F1G1H561A730 C 560 pF 50 V 1 C3106 F1G1H561A730 C 560 pF 50 V 1 C3108 F1G1E333A091 C 0.033UF 25V 1 C3109 F1G1E333A091 C 0.033UF 25V 1 C3111 ECJ1VB1A105K C 1UF, 10V 1 C3112 ECJ1VB1A105K C 1UF, 10V 1 C3113 F1J1A106A087 C 10UF, 10V 1 C3116 F1J1A106A087 C 10UF, 10V 1 C3117 F1J1A106A087 C 10UF, 10V 1 C3118 F1J1A106A087 C 10UF, 10V 1 C3119 F2H1A101A009 E 100 UF, 10V 1 C3122 F2H1A101A009 E 100 UF, 10V 1 C3123 F1J1A106A087 C 10UF, 10V 1 C3137 F1G1H561A730 C 560 pF 50 V 1 C3138 F1G1H561A730 C 560 pF 50 V 1 C3149 ECJ1VB1A105K C 1UF, 10V 1 C3150 ECJ1VB1A105K C 1UF, 10V 1 C3153 F1G1H561A730 C 560 pF 50 V 1 C3154 F1G1H561A730 C 560 pF 50 V 1 C3155 F1G1H561A730 C 560 pF 50 V 1 安全 标记 参考号 部品号 部品名称及说明 数量 备注 105 C3156 F1G1H561A730 C 560 pF 50 V 1 C3157 ECJ1VB1A105K C 1UF, 10V 1 C3158 ECJ1VB1A105K C 1UF, 10V 1 C3159 F1J1A106A087 C 10UF, 10V 1 C3160 F1J1A106A087 C 10UF, 10V 1 C3161 F1J1A106A087 C 10UF, 10V 1 C3162 F1J1A106A087 C 10UF, 10V 1 C3163 F1J1A106A087 C 10UF, 10V 1 C3164 F1J1A106A087 C 10UF, 10V 1 C3165 F1J1A106A087 C 10UF, 10V 1 C4546 ECJ1VB0J105K C 1UF, 6.3V 1 C4547 ECJ1VB0J105K C 1UF, 6.3V 1 C4662 ECJ1VB0J105K C 1UF, 6.3V 1 C4663 ECJ1VB0J105K C 1UF, 6.3V 1 C4664 ECJ1VB0J105K C 1UF, 6.3V 1 C4665 ECJ1VB0J105K C 1UF, 6.3V 1 C4666 ECJ1VB0J105K C 1UF, 6.3V 1 C4667 ECJ1VB0J105K C 1UF, 6.3V 1 C4701 F1G1C104A116 C 0.1UF 16V 1 C4702 F1G1C104A116 C 0.1UF 16V 1 C4704 F1G1C104A116 C 0.1UF 16V 1 C4705 F1G1C104A116 C 0.1UF 16V 1 C4707 F1G1C104A116 C 0.1UF 16V 1 C4708 F1G1C104A116 C 0.1UF 16V 1 C5000 F1G1C104A116 C 0.1UF 16V 1 C5001 F1G1C104A116 C 0.1UF 16V 1 C5002 F1G1C104A116 C 0.1UF 16V 1 C5003 F1G1C104A116 C 0.1UF 16V 1 C5004 F1G1H102A730 C 1000PF 50V 1 C5050 F1J1A475A087 C 4.7UF, 10V 1 C5051 F1H1A225A051 C 2.2UF, 10V 1 C5052 F2G1A221A149 E 220UF, 10V 1 C5055 F1G1C104A116 C 0.1UF 16V 1 C5057 ECJ1VB0J105K C 1UF, 6.3V 1 C5058 ECJ1VB0J105K C 1UF, 6.3V 1 C5100 F1G1C104A116 C 0.1UF 16V 1 C5101 F1H1A474A084 C 0.47UF, 10V 1 C5471 F1G1C104A116 C 0.1UF 16V 1 C5472 F1G1C104A116 C 0.1UF 16V 1 C5600 F1K1E106A136 C 10UF, 25V 1 C5601 F1K1E106A136 C 10UF, 25V 1 C5602 F1G1E682A123 C 6800 pF 25 V 1 C5603 F1K1E106A136 C 10UF, 25V 1 C5604 F1K1E106A136 C 10UF, 25V 1 C5606 F1G1A154A053 C 0.15UF, 10V 1 C5607 F1J1A475A087 C 4.7UF, 10V 1 C5608 F1H1C104A143 C 0.1UF, 16V 1 C5609 F1H1C104A143 C 0.1UF, 16V 1 C5611 F1J1E105A231 C 1 UF 25V 1 C5612 F1H1C105A145 C 1 uF 16 V 1 C5615 F1H1A225A051 C 2.2UF, 10V 1 C5616 F1G1E103A123 C 0.01UF 25V 1 C5617 F1K0J226A008 C 22UF, 6.3V 1 C5618 F1K0J226A008 C 22UF, 6.3V 1 C5619 F1K0J226A008 C 22UF, 6.3V 1 C5620 F1K0J226A008 C 22UF, 6.3V 1 C5621 F1K0J226A008 C 22UF, 6.3V 1 C5622 F1K0J226A008 C 22UF, 6.3V 1 C5625 F1K1E106A136 C 10UF, 25V 1 C5626 F1K1E106A136 C 10UF, 25V 1 C5627 F1G1A393A053 C 0.039 uF 10 V 1 C5628 F1K1E106A136 C 10UF, 25V 1 C5629 F1K1E106A136 C 10UF, 25V 1 C5631 F1G1C104A116 C 0.1UF 16V 1 C5632 F1J1A475A087 C 4.7UF, 10V 1 C5633 F1H1C104A143 C 0.1UF, 16V 1 C5634 F1H1C104A143 C 0.1UF, 16V 1 C5635 F1H1C105A145 C 1 uF 16 V 1 安全 标记 参考号 部品号 部品名称及说明 数量 备注 C5641 F1K0J226A008 C 22UF, 6.3V 1 C5642 F1K0J226A008 C 22UF, 6.3V 1 C5643 F1K0J226A008 C 22UF, 6.3V 1 C5649 ECJ1VB1A105K C 1UF, 10V 1 C5650 F1H1A225A051 C 2.2UF, 10V 1 C5651 F1J1A475A087 C 4.7UF, 10V 1 C5652 F1J1A475A087 C 4.7UF, 10V 1 C5658 F1K0J226A008 C 22UF, 6.3V 1 C5659 F1K0J226A008 C 22UF, 6.3V 1 C5660 F1K0J226A008 C 22UF, 6.3V 1 C5722 F1J1E105A231 C 1 UF 25V 1 C5723 F1H1C105A145 C 1 uF 16 V 1 C8000 F1G1C104A116 C 0.1UF 16V 1 C8001 F1G1C104A116 C 0.1UF 16V 1 C8002 F1G1C104A116 C 0.1UF 16V 1 C8003 F1G1C104A116 C 0.1UF 16V 1 C8004 F1G1C104A116 C 0.1UF 16V 1 C8005 F1G1C104A116 C 0.1UF 16V 1 C8006 F1G1C104A116 C 0.1UF 16V 1 C8007 F1G1C104A116 C 0.1UF 16V 1 C8008 F1G1C104A116 C 0.1UF 16V 1 C8009 F1G1C104A116 C 0.1UF 16V 1 C8010 F1G1C104A116 C 0.1UF 16V 1 C8011 F1G1C104A116 C 0.1UF 16V 1 C8012 F1G1C104A116 C 0.1UF 16V 1 C8013 F1G1C104A116 C 0.1UF 16V 1 C8014 F1G1C104A116 C 0.1UF 16V 1 C8015 ECJ1VB0J105K C 1UF, 6.3V 1 C8016 ECJ1VB0J105K C 1UF, 6.3V 1 C8017 F1G1C104A116 C 0.1UF 16V 1 C8019 F1G1C104A116 C 0.1UF 16V 1 C8020 F1G1C104A116 C 0.1UF 16V 1 C8021 F1G1C104A116 C 0.1UF 16V 1 C8022 F1J1A106A087 C 10UF, 10V 1 C8023 F1J1A106A087 C 10UF, 10V 1 C8024 F1J1A106A087 C 10UF, 10V 1 C8035 F1J1A106A087 C 10UF, 10V 1 C8036 F1J1A106A087 C 10UF, 10V 1 C8037 F1G1C104A116 C 0.1UF 16V 1 C8042 ECJ1VB0J105K C 1UF, 6.3V 1 C8044 F1J1A106A087 C 10UF, 10V 1 C8045 F1G1C104A116 C 0.1UF 16V 1 C8046 F1G1C104A116 C 0.1UF 16V 1 C8047 F1G1C104A116 C 0.1UF 16V 1 C8048 ECJ1VB0J105K C 1UF, 6.3V 1 C8050 F1G1C104A116 C 0.1UF 16V 1 C8051 F1G1C104A116 C 0.1UF 16V 1 C8052 F1G1C104A116 C 0.1UF 16V 1 C8053 F1G1C104A116 C 0.1UF 16V 1 C8054 F1G1C104A116 C 0.1UF 16V 1 C8055 F1G1C104A116 C 0.1UF 16V 1 C8056 F1G1C104A116 C 0.1UF 16V 1 C8057 F1G1C104A116 C 0.1UF 16V 1 C8058 F1G1C104A116 C 0.1UF 16V 1 C8062 F1G1C104A116 C 0.1UF 16V 1 C8063 F1G1C104A116 C 0.1UF 16V 1 C8064 F1J0G2260001 C 22 UF 4 V 1 C8067 F1G1C104A116 C 0.1UF 16V 1 C8068 F1G1C104A116 C 0.1UF 16V 1 C8069 F1G1C104A116 C 0.1UF 16V 1 C8070 F1G1C104A116 C 0.1UF 16V 1 C8073 ECJ1VB0J105K C 1UF, 6.3V 1 C8074 ECJ1VB0J105K C 1UF, 6.3V 1 C8075 ECJ1VB0J105K C 1UF, 6.3V 1 C8076 F1G1C104A116 C 0.1UF 16V 1 C8077 F1G1E103A123 C 0.01UF 25V 1 C8079 F1G1H120A731 C 12PF, 50V 1 C8080 F1G1H8R0A732 C 8 PF, 50V 1 安全 标记 参考号 部品号 部品名称及说明 数量 备注 106 C8081 F1G1H100A731 C 10PF 50V 1 C8082 F1G1H8R0A732 C 8 PF, 50V 1 C8085 F1J1A106A087 C 10UF, 10V 1 C8091 F1G1C104A116 C 0.1UF 16V 1 C8093 ECJ1VB0J105K C 1UF, 6.3V 1 C8097 F1G1C104A116 C 0.1UF 16V 1 C8099 ECJ1VB0J105K C 1UF, 6.3V 1 C8100 F1J1A106A087 C 10UF, 10V 1 C8101 F1J1A106A087 C 10UF, 10V 1 C8104 ECJ1VB0J105K C 1UF, 6.3V 1 C8105 F1G1C104A116 C 0.1UF 16V 1 C8108 F1G1C104A116 C 0.1UF 16V 1 C8110 F1G1C104A116 C 0.1UF 16V 1 C8111 F1G1C104A116 C 0.1UF 16V 1 C8112 F1G1C104A116 C 0.1UF 16V 1 C8113 F1G1C104A116 C 0.1UF 16V 1 C8114 F1G1C104A116 C 0.1UF 16V 1 C8115 F1G1C104A116 C 0.1UF 16V 1 C8116 F1G1C104A116 C 0.1UF 16V 1 C8117 F1G1C104A116 C 0.1UF 16V 1 C8120 F1G1C104A116 C 0.1UF 16V 1 C8123 F1G1C104A116 C 0.1UF 16V 1 C8124 F1J1A106A087 C 10UF, 10V 1 C8125 F1J1A106A087 C 10UF, 10V 1 C8126 F1J1A106A087 C 10UF, 10V 1 C8127 ECJ1VB0J105K C 1UF, 6.3V 1 C8600 F1G1H102A730 C 1000PF 50V 1 C8853 F1G1C104A116 C 0.1UF 16V 1 C8854 F1G1C104A116 C 0.1UF 16V 1 C8860 F2G1C470A022 E 47UF, 16V 1 C8861 F1G1C104A116 C 0.1UF 16V 1 C8862 F1G1C103A116 C 0.01UF 16V 1 C8863 F1J0G226A001 C 22 UF 4 V 1 C8864 F1J1A106A087 C 10UF, 10V 1 C8865 F1G1C104A116 C 0.1UF 16V 1 C8867 EEEHB0J221UP E 220UF, 6.3V 1 C8870 F1G1C104A116 C 0.1UF 16V 1 C8922 F1G1C104A116 C 0.1UF 16V 1 C8923 F1G1C104A116 C 0.1UF 16V 1 C8950 F1G1C103A116 C 0.01UF 16V 1 C9040 F1G1C104A116 C 0.1UF 16V 1 C9052 F1G1C104A116 C 0.1UF 16V 1 C9066 F1K0J226A008 C 22UF, 6.3V 1 C9067 F1G1H561A730 C 560 pF 50 V 1 C9069 F1G1H561A730 C 560 pF 50 V 1 C9100 F1J1A106A087 C 10UF, 10V 1 C9101 F1G1E103A123 C 0.01UF 25V 1 C9102 F1K1E106A136 C 10UF, 25V 1 C9103 F1G1E103A123 C 0.01UF 25V 1 C9106 F1K1E106A136 C 10UF, 25V 1 C9108 F1G1E103A123 C 0.01UF 25V 1 C9116 F1G1C104A116 C 0.1UF 16V 1 C9300 F1G1C104A116 C 0.1UF 16V 1 C9301 F1G1H150A731 C 15PF, 50V 1 C9302 F1G1H180A731 C 18PF, 50V 1 C9303 F1G1C104A116 C 0.1UF 16V 1 C9307 F1G1C104A116 C 0.1UF 16V 1 C9308 F1G1C104A116 C 0.1UF 16V 1 C9311 F1G1C104A116 C 0.1UF 16V 1 C9312 F1J1A106A087 C 10UF, 10V 1 C9313 F1G1C104A116 C 0.1UF 16V 1 C9314 F1J1A106A087 C 10UF, 10V 1 C9315 F1G1C104A116 C 0.1UF 16V 1 C9316 F1J1A106A087 C 10UF, 10V 1 C9319 F1G1C104A116 C 0.1UF 16V 1 C9322 F1G1C104A116 C 0.1UF 16V 1 C9323 F1G1C104A116 C 0.1UF 16V 1 C9325 F1G1C104A116 C 0.1UF 16V 1 安全 标记 参考号 部品号 部品名称及说明 数量 备注 C9327 F1G1C104A116 C 0.1UF 16V 1 C9335 F1J1A106A087 C 10UF, 10V 1 C9336 F1J1A106A087 C 10UF, 10V 1 C9337 F1J1A106A087 C 10UF, 10V 1 C9339 F1G1C104A116 C 0.1UF 16V 1 C9340 F1G1C104A116 C 0.1UF 16V 1 C9342 F1G1C104A116 C 0.1UF 16V 1 C9344 F1G1C104A116 C 0.1UF 16V 1 C9347 ECJ1VB0J105K C 1UF, 6.3V 1 C9349 F1J1A106A087 C 10UF, 10V 1 C9350 F1G1C104A116 C 0.1UF 16V 1 C9351 F1G1C104A116 C 0.1UF 16V 1 C9352 ECJ1VB0J105K C 1UF, 6.3V 1 C9356 F1G1C104A116 C 0.1UF 16V 1 C9361 F1G1C104A116 C 0.1UF 16V 1 C9363 F1G1C104A116 C 0.1UF 16V 1 C9371 F1J1A106A087 C 10UF, 10V 1 C9372 F1J1A106A087 C 10UF, 10V 1 C9373 F1J1A106A087 C 10UF, 10V 1 C9374 F1G1C104A116 C 0.1UF 16V 1 C9375 F1G1C104A116 C 0.1UF 16V 1 C9380 F1G1C104A116 C 0.1UF 16V 1 C9383 F1G1C104A116 C 0.1UF 16V 1 C9391 F1J1A106A087 C 10UF, 10V 1 C9392 F1J1A106A087 C 10UF, 10V 1 C9394 F1G1C104A116 C 0.1UF 16V 1 C9400 F1G1C104A116 C 0.1UF 16V 1 C9401 F1G1C104A116 C 0.1UF 16V 1 C9402 F1G1C104A116 C 0.1UF 16V 1 C9800 F1H1E104A129 C 0.1 uF 25 V 1 C9801 F1G1E682A123 C 6800 pF 25 V 1 C9803 F1G1E472A123 C 4700pF 25V 1 C9804 F1K1E106A136 C 10UF, 25V 1 C9805 F1K1E106A136 C 10UF, 25V 1 C9806 F1G1H101A731 C 100PF 50V 1 C9807 F1G1H201A731 C 200 PF, 50V 1 C9809 F1G1H102A730 C 1000PF 50V 1 C9811 F1G1C104A116 C 0.1UF 16V 1 C9812 F1K1E106A136 C 10UF, 25V 1 C9813 F1K1E106A136 C 10UF, 25V 1 C9814 F1K0J226A008 C 22UF, 6.3V 1 C9815 F1K0J226A008 C 22UF, 6.3V 1 C9816 F1G1E103A123 C 0.01UF 25V 1 C9825 F1K0J226A008 C 22UF, 6.3V 1 C9827 F1K1E106A136 C 10UF, 25V 1 C9828 F1K1E106A136 C 10UF, 25V 1 C9829 F1G1C104A116 C 0.1UF 16V 1 C9830 F1G1E103A123 C 0.01UF 25V 1 C9831 F1G1H272A730 C 2700PF, 50V 1 C9834 F1K0J226A008 C 22UF, 6.3V 1 C9835 F1K0J226A008 C 22UF, 6.3V 1 C9900 F1G1E103A123 C 0.01UF 25V 1 C16006 F1L2J562A022 C 5600PF, 630V 1 C16011 F2A2T301A004 E 300UF, 220V 1 C16012 F2A2T301A004 E 300UF, 220V 1 C16013 F0C2E155A252 C 1.5UF, 250V 1 C16014 F2A2T301A004 E 300UF, 220V 1 C16023 F1L2J562A022 C 5600PF, 630V 1 C16031 F2A2T301A004 E 300UF, 220V 1 C16071 F1L2J1020001 C 1000PF, 630V 1 C16072 F1L2J1020001 C 1000PF, 630V 1 C16073 F1E2J221A002 C 220PF, 630V 1 C16091 F1L2J1020001 C 1000PF, 630V 1 C16092 F1L2J1020001 C 1000PF, 630V 1 C16093 F1E2J221A002 C 220PF, 630V 1 C16103 F1L2J222A022 C 2200PF, 630V 1 C16104 F1H1E470A130 C 47PF, 25V 1 C16105 F1H1E470A130 C 47PF, 25V 1 安全 标记 参考号 部品号 部品名称及说明 数量 备注 107 C16131 F1K1E475A134 C 4.7UF 25V 1 C16133 F1K1E475A134 C 4.7UF 25V 1 C16135 F1K1E105A029 C 1UF, 25V 1 C16151 F1K1E105A029 C 1UF, 25V 1 C16152 F1K1E475A134 C 4.7UF 25V 1 C16153 F1K1E475A134 C 4.7UF 25V 1 C16154 F1K1E475A134 C 4.7UF 25V 1 C16191 F1K1E475A134 C 4.7UF 25V 1 C16192 F1H1E104A129 C 0.1 uF 25 V 1 C16193 F2A1E4700094 E 47UF, 25V 1 C16201 F0C2E405A232 C 4UF, 250V 1 C16202 F0C2E405A232 C 4UF, 250V 1 C16203 F0C2E405A232 C 4UF, 250V 1 C16204 F0C2E405A232 C 4UF, 250V 1 C16242 F1H1C105A145 C 1 uF 16 V 1 C16243 F1H1H103A970 C 0.01 uF 50 V 1 C16244 F1J1A106A087 C 10UF, 10V 1 C16251 F1H1C105A145 C 1 uF 16 V 1 C16252 F1K1E105A029 C 1UF, 25V 1 C16271 EEUFC1E221 E 220UF, 25V 1 C16280 F1K1E105A029 C 1UF, 25V 1 C16284 F1H1H104A970 C 0.1UF, , 50V 1 C16285 F1H1H104A970 C 0.1UF, , 50V 1 C16286 F1H1H104A970 C 0.1UF, , 50V 1 C16287 F1H1H104A970 C 0.1UF, , 50V 1 C16288 F1H1H104A970 C 0.1UF, , 50V 1 C16289 F1H1H104A970 C 0.1UF, , 50V 1 C16314 F2A2T301A004 E 300UF, 220V 1 C16315 ECJ1VB1A105K C 1UF, 10V 1 C16316 F1H1C104A143 C 0.1UF, 16V 1 C16317 ECJ1VB1A105K C 1UF, 10V 1 C16318 F1J1H104A835 C 0.1UF, 50V 1 C16319 F1J1H104A835 C 0.1UF, 50V 1 C16328 F2A2C221A195 E 220UF, 160V 1 C16331 F0C2E105A252 C 1 UF 250 V 1 C16332 F1H1H101A971 C 100PF, 50V 1 C16333 F1H1H101A971 C 100PF, 50V 1 C16334 F1H1H101A971 C 100PF, 50V 1 C16335 F1H1H101A971 C 100PF, 50V 1 C16336 F1H1H101A971 C 100PF, 50V 1 C16401 F1L2J562A022 C 5600PF, 630V 1 C16411 F2A2T301A004 E 300UF, 220V 1 C16412 F2A2T301A004 E 300UF, 220V 1 C16416 F2A2T301A004 E 300UF, 220V 1 C16417 F2A2T301A004 E 300UF, 220V 1 C16418 F0C2E155A252 C 1.5UF, 250V 1 C16419 F2A2T301A004 E 300UF, 220V 1 C16421 F1L2J562A022 C 5600PF, 630V 1 C16441 F1H1H392A970 C 3900PF, 50V 1 C16442 F1H1H392A970 C 3900PF, 50V 1 C16443 F1H1H392A970 C 3900PF, 50V 1 C16452 F1H1H392A970 C 3900PF, 50V 1 C16453 F1H1H392A970 C 3900PF, 50V 1 C16454 F1H1H392A970 C 3900PF, 50V 1 C16460 F1E2J821A002 C 820PF, 630V 1 C16461 F1L2J1020001 C 1000PF, 630V 1 C16471 F1L2J1020001 C 1000PF, 630V 1 C16472 F1K1E105A029 C 1UF, 25V 1 C16481 F1L2J1020001 C 1000PF, 630V 1 C16490 F1H1C105A145 C 1 uF 16 V 1 C16491 F1L2J1020001 C 1000PF, 630V 1 C16501 F1K1E105A029 C 1UF, 25V 1 C16502 F1K1E475A134 C 4.7UF 25V 1 C16503 F2A1E471A102 E 470UF, 25V 1 C16504 F1K1E475A134 C 4.7UF 25V 1 C16505 F1K1E105A029 C 1UF, 25V 1 C16521 F1K1E105A029 C 1UF, 25V 1 C16522 F1K1E475A134 C 4.7UF 25V 1 安全 标记 参考号 部品号 部品名称及说明 数量 备注 C16523 F2A1E471A102 E 470UF, 25V 1 C16524 F1K1E475A134 C 4.7UF 25V 1 C16525 F1K1E475A134 C 4.7UF 25V 1 C16534 F1K1E105A029 C 1UF, 25V 1 C16552 F1E2J222A002 C 2200PF, 630V 1 C16554 F1E2J272A002 C 2700PF, 630V 1 C16561 F1J1A106A087 C 10UF, 10V 1 C16562 F1H1C105A145 C 1 uF 16 V 1 C16564 F1H1C105A145 C 1 uF 16 V 1 C16565 F1H1H103A970 C 0.01 uF 50 V 1 C16566 F1H1H103A970 C 0.01 uF 50 V 1 C16581 F1K1E105A029 C 1UF, 25V 1 C16582 F1H1C105A145 C 1 uF 16 V 1 C16593 F1H1H102A971 C 1000PF, 50V 1 C16602 F1H1H220A971 C 22PF, 50V 1 C16603 F1K2J102A014 C 1000PF, 630V 1 C16604 F1K2J102A014 C 1000PF, 630V 1 C16608 F1H1H221A971 C 220PF, 50V 1 C16631 F0C2E405A232 C 4UF, 250V 1 C16632 F0C2E405A232 C 4UF, 250V 1 C16633 F0C2E405A232 C 4UF, 250V 1 C16634 F0C2E405A232 C 4UF, 250V 1 C16641 F1K2J222A014 C 2200PF ,630V 1 C16642 F1L2J562A022 C 5600PF, 630V 1 C16645 F1K2J102A014 C 1000PF, 630V 1 C16646 F1K2J102A014 C 1000PF, 630V 1 C16661 F1K2J102A038 C 1000PF, 630V 1 C16662 F1K2J102A038 C 1000PF, 630V 1 C16664 F1H1H820A971 C 82PF, 50V 1 C16665 F1H1H820A971 C 82PF, 50V 1 C16666 F1H1H820A971 C 82PF, 50V 1 C16668 F1H1H221A971 C 220PF, 50V 1 C16675 F1H1H391A971 C 390PF, 50V 1 C16684 F1H1H104A970 C 0.1UF, , 50V 1 C16685 F1H1H104A970 C 0.1UF, , 50V 1 C16690 F2A2C101A097 E 100UF, 160V 1 C16691 F2A2C101A097 E 100UF, 160V 1 C16692 F1H1H104A970 C 0.1UF, , 50V 1 C16707 F1H1H220A971 C 22PF, 50V 1 C16708 F1H1H104A970 C 0.1UF, , 50V 1 C16721 F2A1H820A115 E 82UF, 50V 1 C16723 F1K1E105A029 C 1UF, 25V 1 C16724 F1K1E475A134 C 4.7UF 25V 1 C16753 F1K1E475A134 C 4.7UF 25V 1 C16755 F1K1E475A134 C 4.7UF 25V 1 C16756 F1K1E475A134 C 4.7UF 25V 1 C16771 F1H1C105A145 C 1 uF 16 V 1 C16773 F1K1E105A029 C 1UF, 25V 1 C16791 EEUFC1E221 E 220UF, 25V 1 C16793 EEUFC1E221 E 220UF, 25V 1 C16794 F1J1A106A087 C 10UF, 10V 1 C16795 F2A1E471A102 E 470UF, 25V 1 C16796 F2A1E471A102 E 470UF, 25V 1 C16813 F2A2T221A009 E 220UF, 220V 1 C16842 F2A2C101A097 E 100UF, 160V 1 C16843 F1J1H104A835 C 0.1UF, 50V 1 C16844 F1J1H104A835 C 0.1UF, 50V 1 C16854 F1J1H104A835 C 0.1UF, 50V 1 C16856 ECJ1VB1A105K C 1UF, 10V 1 C16857 F1H1H472A970 C 4700PF, , 50V 1 C16858 F1H1C104A143 C 0.1UF, 16V 1 C16859 F1J1H104A835 C 0.1UF, 50V 1 C16860 ECJ1VB1A105K C 1UF, 10V 1 C16861 F1H1C104A143 C 0.1UF, 16V 1 C16862 ECJ1VB1A105K C 1UF, 10V 1 C16863 F1J1H104A835 C 0.1UF, 50V 1 C16864 F1J1H104A835 C 0.1UF, 50V 1 C16891 F1K1E105A029 C 1UF, 25V 1 安全 标记 参考号 部品号 部品名称及说明 数量 备注 108 C16902 F1E2J472A001 C 4700PF, 630V 1 C16903 F1E2J152A002 C 1500PF, 630V 1 C17101 ECJ1VB1A105K C 1UF, 10V 1 C17102 ECJ1VB1A105K C 1UF, 10V 1 C17103 ECJ1VB1A105K C 1UF, 10V 1 C17104 ECJ1VB1A105K C 1UF, 10V 1 C17105 ECJ1VB1A105K C 1UF, 10V 1 C17107 F1L2A334A034 C 0.33 UF 200 V 1 C17109 F1L2A334A034 C 0.33 UF 200 V 1 C17111 F1L2A334A034 C 0.33 UF 200 V 1 C17113 F1L2A334A034 C 0.33 UF 200 V 1 C17115 F1L2A334A034 C 0.33 UF 200 V 1 C17201 ECJ1VB1A105K C 1UF, 10V 1 C17202 ECJ1VB1A105K C 1UF, 10V 1 C17203 ECJ1VB1A105K C 1UF, 10V 1 C17204 ECJ1VB1A105K C 1UF, 10V 1 C17205 ECJ1VB1A105K C 1UF, 10V 1 C17206 F1H1C104A143 C 0.1UF, 16V 1 C17209 F1L2A334A034 C 0.33 UF 200 V 1 C17210 F1L2A334A034 C 0.33 UF 200 V 1 C17213 F1L2A334A034 C 0.33 UF 200 V 1 C17214 F1L2A334A034 C 0.33 UF 200 V 1 C17216 F1L2A334A034 C 0.33 UF 200 V 1 C17217 F1H1H101A971 C 100PF, 50V 1 C17301 ECJ1VB1A105K C 1UF, 10V 1 C17302 ECJ1VB1A105K C 1UF, 10V 1 C17303 ECJ1VB1A105K C 1UF, 10V 1 C17304 ECJ1VB1A105K C 1UF, 10V 1 C17305 ECJ1VB1A105K C 1UF, 10V 1 C17306 F1H1C104A143 C 0.1UF, 16V 1 C17309 F1L2A334A034 C 0.33 UF 200 V 1 C17310 F1L2A334A034 C 0.33 UF 200 V 1 C17312 F1L2A334A034 C 0.33 UF 200 V 1 C17315 F1L2A334A034 C 0.33 UF 200 V 1 C17316 F1L2A334A034 C 0.33 UF 200 V 1 C17318 F1H1H101A971 C 100PF, 50V 1 C17323 F1H1C104A143 C 0.1UF, 16V 1 CB1 K1MY55B00002 55P 连接接头 1 CB2 K1MY55B00002 55P 连接接头 1 CB3 K1MY55B00002 55P 连接接头 1 CB4 K1MY55B00002 55P 连接接头 1 CB5 K1MY55B00002 55P 连接接头 1 CB6 K1MY55B00002 55P 连接接头 1 CB7 K1MY55B00002 55P 连接接头 1 CB8 K1MY55B00002 55P 连接接头 1 CB9 K1MY55B00002 55P 连接接头 1 CB10 K1MY55B00002 55P 连接接头 1 CB11 K1MY55B00002 55P 连接接头 1 CB12 K1MY55B00002 55P 连接接头 1 CB13 K1MY55B00002 55P 连接接头 1 CB14 K1MY55B00002 55P 连接接头 1 CB15 K1MY55B00002 55P 连接接头 1 CN0102 K1KA11A00178 11P 连接接头 1 D1101 B0JCCE000008 二极管 1 D2014 B0ACCJ000048 二极管 1 D2520 B3AGB0000060 LED 1 D2870 B0JCME000092 二极管 1 D3105 DZ2J140M0L 稳压二极管 1 D3106 DZ2J140M0L 稳压二极管 1 D3107 DZ2J140M0L 稳压二极管 1 D3108 DZ2J140M0L 稳压二极管 1 D3109 DZ2J140M0L 稳压二极管 1 D3300 K7AAAY000006 光纤端子 1 D4702 B0ACCJ000048 二极管 1 D4704 B0JCCE000008 二极管 1 安全 标记 参考号 部品号 部品名称及说明 数量 备注 D4719 B0ACCJ000048 二极管 1 D4721 B0JCCE000008 二极管 1 D4735 B0ACCJ000048 二极管 1 D4737 B0JCCE000008 二极管 1 D5000 B0ADCJ000100 二极管 1 D5051 B0JCME000076 二极管 1 D5052 B0ACCJ000048 二极管 1 D5100 B0ADEJ000035 稳压二极管 1 D5471 B0ACCJ000048 二极管 1 D5472 B0ADEJ000035 稳压二极管 1 D5475 B0ADCJ000100 二极管 1 D5476 DZ2J068M0L 稳压二极管 1 D5477 DZ2J068M0L 稳压二极管 1 D5478 B0ADCJ000100 二极管 1 D5479 B0ADCJ000100 二极管 1 D5480 B0ADCJ000100 二极管 1 D5481 DZ2J120M0L 稳压二极管 1 D5482 DZ2J120M0L 稳压二极管 1 D5483 DZ2J068M0L 稳压二极管 1 D5484 DZ2J068M0L 稳压二极管 1 D5485 DZ2J068M0L 稳压二极管 1 D5486 DZ2J068M0L 稳压二极管 1 D5602 DZ2J056M0L 稳压二极管 1 D5605 B0HCMM000014 二极管 1 D9804 B0JCPG000030 二极管 1 D9805 B0JCPG000030 二极管 1 D9806 B0ADCJ000100 二极管 1 D9807 B0ADCJ000100 二极管 1 D16001 B0FBCN000008 二极管 1 D16002 B0FBCN000008 二极管 1 D16021 B0FCCN000003 二极管 1 D16022 B0FCCN000003 二极管 1 D16023 B0FCCN000003 二极管 1 D16024 B0FCCN000003 二极管 1 D16042 B0FACP000006 二极管 1 D16043 B0FACP000006 二极管 1 D16050 B0ECKP000055 二极管 1 D16051 B0FBCN000005 二极管 1 D16052 B0FBCN000005 二极管 1 D16101 B0JCME000093 二极管 1 D16131 B0ECKP000055 二极管 1 D16151 B0ECKP000055 二极管 1 D16152 B0ECKP000055 二极管 1 D16153 B0ECKP000055 二极管 1 D16191 B0ECKP000055 二极管 1 D16192 B0ACCJ000048 二极管 1 D16196 DZ2J200M0L 稳压二极管 1 D16253 B3ABB0000210 LED 1 D16255 B0ACCJ000048 二极管 1 D16280 B0ACCJ000048 二极管 1 D16281 DZ2J051M0L 稳压二极管 1 D16282 DZ2J068M0L 稳压二极管 1 D16284 B0ADEJ000035 稳压二极管 1 D16285 B0ADEJ000035 稳压二极管 1 D16286 B0ADEJ000035 稳压二极管 1 D16315 DZ2J150M0L 稳压二极管 1 D16316 B0ECKP000055 二极管 1 D16317 B0ECKP000055 二极管 1 D16401 DA3DF50ACSLW 稳压二极管 1 D16402 DA3DF50ACSLW 稳压二极管 1 D16403 DA3DF50ACSLW 稳压二极管 1 D16407 B0JCME000093 二极管 1 D16411 B0ACCJ000048 二极管 1 D16421 B0FACP000006 二极管 1 D16422 B0FACP000005 二极管 1 D16442 B0FBCN000009 二极管 1 D16444 B0FBCN000009 二极管 1 D16451 B0ECKP000055 二极管 1 安全 标记 参考号 部品号 部品名称及说明 数量 备注 109 D16462 B0FACP000005 二极管 1 D16463 B0FACP000005 二极管 1 D16464 B0FACP000005 二极管 1 D16466 B0ACCJ000048 二极管 1 D16473 B0ACCJ000048 二极管 1 D16474 B0ACCJ000048 二极管 1 D16475 DZ2J051M0L 稳压二极管 1 D16477 DZ2J047L0L 稳压二极管 1 D16478 B0ACCJ000048 二极管 1 D16480 B0ACCJ000048 二极管 1 D16481 B0FACP000005 二极管 1 D16482 B0FACP000005 二极管 1 D16483 B0FACP000005 二极管 1 D16490 B0ECKP000055 二极管 1 D16491 B0ECKP000055 二极管 1 D16492 DZ2J047M0L 稳压二极管 1 D16493 B0ADCJ000100 二极管 1 D16494 B0ADCJ000100 二极管 1 D16497 B0ECKP000055 二极管 1 D16503 B0ECHR000001 二极管 1 D16522 B0ECHR000001 二极管 1 D16523 B0ECHR000001 二极管 1 D16534 B0ECHR000001 二极管 1 D16536 B0ECHR000001 二极管 1 D16583 B3ABB0000210 LED 1 D16602 DZ2J150M0L 稳压二极管 1 D16604 B0ADCJ000100 二极管 1 D16605 DZ2J051L0L 稳压二极管 1 D16607 B0ACCJ000048 二极管 1 D16610 B0ACCJ000048 二极管 1 D16618 B0ECKP000055 二极管 1 D16641 B0FBCN000006 二极管 1 D16642 B0FBCN000006 二极管 1 D16643 B0FBCN000006 二极管 1 D16645 DZ2J150M0L 稳压二极管 1 D16646 DZ2J150M0L 稳压二极管 1 D16647 DZ2J150M0L 稳压二极管 1 D16648 DZ2J043M0L 稳压二极管 1 D16651 DZ2J051M0L 稳压二极管 1 D16652 B0ECKP000055 二极管 1 D16653 B0ACCJ000048 二极管 1 D16662 DZ2J150M0L 稳压二极管 1 D16663 DZ2J150M0L 稳压二极管 1 D16664 DZ2J150M0L 稳压二极管 1 D16669 B0ACCJ000048 二极管 1 D16671 B0ACCJ000048 二极管 1 D16673 B0ECHR000001 二极管 1 D16674 B0ECHR000001 二极管 1 D16677 B0ADEJ000035 稳压二极管 1 D16678 DZ2J15000L 稳压二极管 1 D16702 B0ACCJ000048 二极管 1 D16710 DZ2J15000L 稳压二极管 1 D16711 B0ECHR000001 二极管 1 D16712 DZ2J15000L 稳压二极管 1 D16713 B0ECHR000001 二极管 1 D16719 B0ECKP000055 二极管 1 D16720 B0ECKP000055 二极管 1 D16721 B0ECHR000001 二极管 1 D16728 B0ECKP000055 二极管 1 D16765 B0ECKP000055 二极管 1 D16790 B0JCME000093 二极管 1 D16820 B0ACCJ000048 二极管 1 D16821 DZ2J330M0L 稳压二极管 1 D16822 B0ADCJ000100 二极管 1 D16824 DZ2J330M0L 稳压二极管 1 D16825 DZ2J330M0L 稳压二极管 1 D16859 B0HCKS000002 二极管 1 D16871 DZ2J240M0L 稳压二极管 1 安全 标记 参考号 部品号 部品名称及说明 数量 备注 D16874 DZ2J051M0L 稳压二极管 1 D16875 B0ACCJ000048 二极管 1 D16893 DZ2J056H0L 稳压二极管 1 D16901 B0ADCJ000100 二极管 1 D16902 B0ACCJ000048 二极管 1 D16920 B0ADCJ000100 二极管 1 IC1000 C1ZBZ0003775 IC 1 IC1100 TVRR559 IC 1 IC2301 C1AB00003230 IC 1 IC2870 C0DBAYY00462 IC 1 IC2952 C0DBGYY00281 IC 1 IC2953 C0DBFYY00049 IC 1 IC3000 C1AB00003218 IC 1 IC3001 C0DBGYY00281 IC 1 IC5000 C1ZBZ0004246 IC 1 IC5401 C0DBGYY00884 IC 1 IC5600 C0DBAYY00715 IC 1 IC5601 C0DBAYY00715 IC 1 IC5603 C0DBFYY00049 IC 1 IC5604 C0DBGYY00578 IC 1 IC8001 MN2WS0130FH IC 1 IC8851 C0DBZYY00350 IC 1 IC8921 TVRR587AF IC 1 IC8950 TVRR537 IC 1 PPDS IC9300 C1AB00003258 IC 1 IC9304 TVRR584AA IC 1 IC9400 C0JBAZ002692 IC 1 IC9401 C0JBAZ002692 IC 1 IC9402 C0JBAZ002692 IC 1 IC9800 C0DBAYY00605 IC 1 IC9801 C0DBAYY00462 IC 1 IC9803 C0DBAYY00462 IC 1 IC16131 C0ZBZ0001707 IC 1 IC16151 C0ZBZ0001708 IC 1 IC16241 C0JBAU000088 IC 1 IC16251 C0BBBA000024 IC 1 IC16304 MIP3900MSSCF IC 1 IC16312 C0DBZMC00006 IC 1 IC16471 C0DBEYY00114 IC 1 IC16490 C0DBZMC00006 IC 1 IC16491 C0BBAA000008 线形 IC 1 IC16501 C0ZBZ0001708 IC 1 IC16521 C0ZBZ0001708 IC 1 IC16561 C0JBAU000088 IC 1 IC16562 C0JBAU000088 IC 1 IC16563 C0JBAB000916 IC 1 IC16581 C0BBBA000024 IC 1 IC16661 C0BBBA000024 IC 1 IC16691 C0JBAC000363 IC 1 IC16692 C0DBZYY00352 IC 1 IC16724 C0CBADE00049 IC 1 IC16771 C0CBADC00072 IC 1 IC16773 C0JBAB000715 IC 1 IC16784 MIP9L02MBS IC 1 IC16785 C0DBZYY00352 IC 1 IC16786 MIP3910MSSCF IC 1 IC16787 C0DBZYY00352 IC 1 IC16920 C0BBBA000024 IC 1 IC17201 C0JBAU000088 IC 1 IC17301 C0JBAU000088 IC 1 IC17302 C0JBAZ002692 IC 1 JK3107 K4AK13B00008 端子 1 JK3304 K1FY315A0008 连接接头 1 JK4700 K1FY119D0011 连接接头 1 JK4701 K1FY119D0011 连接接头 1 JK4702 K1FY119E0015 连接接头 1 安全 标记 参考号 部品号 部品名称及说明 数量 备注 110 JK8801 K1FY104B0039 连接接头 1 JK8850 K1NA12E00017 SD 卡插槽 1 JK3100A K2HA917A0002 插孔 1 K1 K1KA08B00270 8P 连接接头 1 L2301 J0JHC0000042 片状电感 1 L2302 G1C3R0ZA0156 感应线圈 1 L2303 G1C220MA0416 感应线圈 1 L2304 G1C220MA0416 感应线圈 1 L2305 G1C220MA0416 感应线圈 1 L2306 G1C220MA0416 感应线圈 1 L2870 G1C101MA0416 感应线圈 1 L2871 J0JHC0000075 片状电感 1 L2904 J0JCC0000278 片状电感 1 L2909 J0JCC0000278 片状电感 1 L2910 J0JCC0000278 片状电感 1 L3100 J0JYC0000331 片状电感 1 L3101 J0JYC0000331 片状电感 1 L3102 J0JYC0000331 片状电感 1 L3103 J0JYC0000331 片状电感 1 L3104 J0JYC0000331 片状电感 1 L3107 J0JYC0000331 片状电感 1 L3114 J0JYC0000331 片状电感 1 L3115 J0JYC0000331 片状电感 1 L3117 J0JYC0000331 片状电感 1 L3118 J0JYC0000331 片状电感 1 L3119 J0JYC0000331 片状电感 1 L3120 J0JYC0000331 片状电感 1 L3121 J0JYC0000331 片状电感 1 L4700 J0JYC0000068 片状电感 1 L4701 J0JYC0000068 片状电感 1 L4702 J0JYC0000068 片状电感 1 L4703 J0JYC0000068 片状电感 1 L4704 J0JYC0000068 片状电感 1 L4705 J0JYC0000068 片状电感 1 L4706 J0JYC0000068 片状电感 1 L4707 J0JYC0000068 片状电感 1 L4708 J0JYC0000068 片状电感 1 L5000 J0JYC0000068 片状电感 1 L5600 G1C2R2Z00006 感应线圈 1 L5601 G1C3R3Z00004 感应线圈 1 L5602 G1C100MA0077 感应线圈 1 L5603 J0JHC0000075 片状电感 1 L5604 G1C3R3Z00005 感应线圈 1 L5605 G1C4R7Z00014 感应线圈 1 L5606 G1C100MA0077 感应线圈 1 L5608 J0JHC0000045 片状电感 1 L8000 J0JHC0000045 片状电感 1 L8001 J0JHC0000116 片状电感 1 L8002 J0JKC0000021 片状电感 1 L8003 J0JKC0000021 片状电感 1 L8004 J0JHC0000045 片状电感 1 L8005 J0JKC0000021 片状电感 1 L8007 J0JHC0000045 片状电感 1 L8008 J0JHC0000045 片状电感 1 L8009 J0JHC0000045 片状电感 1 L8010 J0JHC0000045 片状电感 1 L8011 J0JHC0000045 片状电感 1 L8012 J0JHC0000045 片状电感 1 L8013 J0JHC0000045 片状电感 1 L8014 J0JHC0000045 片状电感 1 L8015 J0JHC0000045 片状电感 1 L8016 J0JHC0000045 片状电感 1 L8017 J0JHC0000045 片状电感 1 L8018 J0JHC0000045 片状电感 1 L8019 J0JHC0000045 片状电感 1 L8020 J0JHC0000045 片状电感 1 安全 标记 参考号 部品号 部品名称及说明 数量 备注 L8021 J0JHC0000045 片状电感 1 L8022 J0JHC0000045 片状电感 1 L8023 J0JHC0000045 片状电感 1 L8024 J0JHC0000045 片状电感 1 L8025 J0JHC0000045 片状电感 1 L8850 J0JHC0000045 片状电感 1 L8851 J0JHC0000045 片状电感 1 L8920 J0JHC0000075 片状电感 1 L9300 J0JHC0000117 片状电感 1 L9301 J0JHC0000117 片状电感 1 L9302 J0JHC0000117 片状电感 1 L9800 G1C6R8Z00010 感应线圈 1 L9801 G1C100MA0416 感应线圈 1 L9802 G1C100MA0416 感应线圈 1 L16001 G0CR21K00001 校正线圈 1 L16011 G0CR21K00001 校正线圈 1 L16303 G0C471MA0049 校正线圈 1 L16401 G0CR21K00001 校正线圈 1 L16411 G0CR21K00001 校正线圈 1 L16472 G0ZZ00002183 校正线圈 1 L16698 G0C681MA0065 校正线圈 1 L16851 G0ZZ00002183 校正线圈 1 PA5610 K5H4022A0031 保险丝 1 PC16191 B3PBA0000496 IC 1 PC16301 B3PBA0000498 IC 1 PC16461 B3PBE0000054 IC 1 PC16480 B3PBA0000498 IC 1 PC16603 B3PBA0000498 IC 1 PC16684 B3PBA0000496 IC 1 PC16685 B3PBA0000496 IC 1 PC16722 B3PBA0000498 IC 1 PC16723 B3PBA0000498 IC 1 PC16896 B3PBA0000498 IC 1 PCB TNPH0840GC A 电路板 1 (RTL)PP DS PCB ETX2MM813MSM P (MAIN) 电路板 1 (RTL) PCB ETX2MM813MSS P (SUB) 电路板 1 (RTL) PCB TXNC11LLUC C1 电路板 1 (RTL) PCB TXNC21LLUC C2 电路板 1 (RTL) PCB TXNC31LLUC C3 电路板 1 (RTL) PCB TXNSC1LXUC SC 电路板 1 (RTL)PP DS PCB TXNSD1LXUC SD 电路板 1 PCB TXNSS1LXUC SS 电路板 1 (RTL)PP DS PCB TXNSS31LLUC SS3 电路板 1 (RTL) PCB TXNSU1LXUC SU 电路板 1 PCB TXN/S1EQUC S 电路板 1 (RTL) PCB TXN/K1LQUC K 电路板 1 (RTL) Q2101 DSA200100L 三极管 1 Q2109 DSA200100L 三极管 1 Q2252 DSA200100L 三极管 1 Q2253 B1AAFB000002 三极管 1 Q2254 B1AAFB000002 三极管 1 Q2255 DSC2001S0L 三极管 1 Q2301 DSA200100L 三极管 1 Q2510 DSC200100L 三极管 1 Q2511 DSC200100L 三极管 1 Q2512 DSC200100L 三极管 1 Q2903 B1CBHD000002 FET 1 Q2904 B1CBHD000002 FET 1 Q3104 DSC200100L 三极管 1 Q3105 DSC200100L 三极管 1 Q4512 B1HFCFA00026 三极管 1 安全 标记 参考号 部品号 部品名称及说明 数量 备注 111 Q4513 DSA200100L 三极管 1 Q4700 DSC200100L 三极管 1 Q4702 DSC200100L 三极管 1 Q4704 DSC200100L 三极管 1 Q5000 DSC200100L 三极管 1 Q5051 DSA200100L 三极管 1 Q5100 DSC2001S0L 三极管 1 Q5101 DSC200100L 三极管 1 Q5471 DSA200100L 三极管 1 Q5472 DSC2001S0L 三极管 1 Q5600 B1MBDDA00003 FET 1 Q5601 B1MBEDA00015 FET 1 Q5602 DSC2001S0L 三极管 1 Q5603 DSC2001S0L 三极管 1 Q5604 B1MBDDA00003 FET 1 Q5605 B1MBEDA00015 FET 1 Q9900 DSC200100L 三极管 1 Q9901 DSC200100L 三极管 1 Q16001 B1JADN000008 三极管 1 Q16002 B1JADN000008 三极管 1 Q16003 B1JADN000008 三极管 1 Q16004 B1JADN000008 三极管 1 Q16021 B1JADN000008 三极管 1 Q16022 B1JADN000008 三极管 1 Q16023 B1JADN000008 三极管 1 Q16024 B1JADN000008 三极管 1 Q16041 B1JAEN000010 三极管 1 Q16042 B1JAEN000010 三极管 1 Q16051 B1JAEN000010 三极管 1 Q16052 B1JAEN000010 三极管 1 Q16055 B1HFPFA00001 三极管 1 Q16056 B1HFPFA00001 三极管 1 Q16101 B1CERM000028 FET 1 Q16102 B1CERM000029 FET 1 Q16141 B1HFPFA00001 三极管 1 Q16161 B1HFPFA00001 三极管 1 Q16191 B1HFPFA00001 三极管 1 Q16251 B1ABCF000231 三极管 1 Q16280 B1ABCF000231 三极管 1 Q16402 DG3D5020CSLW 三极管 1 Q16403 DG3D5020CSLW 三极管 1 Q16404 DG3D5020CSLW 三极管 1 Q16405 DG3D5020CSLW 三极管 1 Q16406 DG3D5020CSLW 三极管 1 Q16421 DG3D4020CSRP 三极管 1 Q16422 DG3D4020CSRP 三极管 1 Q16423 DG3D4020CSRP 三极管 1 Q16424 DG3D4020CSRP 三极管 1 Q16425 DG3D4020CSRP 三极管 1 Q16441 B1JAEP000013 三极管 1 Q16442 B1JAEP000013 三极管 1 Q16443 B1JAEP000013 三极管 1 Q16452 B1JAEP000012 三极管 1 Q16453 B1JAEP000012 三极管 1 Q16454 B1JAEP000012 三极管 1 Q16471 B1ABCF000231 三极管 1 Q16490 B1CBGD000001 FET 1 Q16501 B1HFPFA00001 三极管 1 Q16502 B1HFPFA00001 三极管 1 Q16521 B1HFPFA00001 三极管 1 Q16522 B1HFPFA00001 三极管 1 Q16531 B1HFPFA00001 三极管 1 Q16551 B1HFPFA00001 三极管 1 Q16601 B1CERQ000061 FET 1 Q16602 DSC2001Q0L 三极管 1 Q16603 DSA2001S0L 三极管 1 Q16606 DSC2001Q0L 三极管 1 Q16607 B1CBGD000001 FET 1 安全 标记 参考号 部品号 部品名称及说明 数量 备注 Q16608 B1CBGD000001 FET 1 Q16621 B1JADN000009 三极管 1 Q16622 B1JADN000009 三极管 1 Q16623 B1JADN000009 三极管 1 Q16646 DSA2001S0L 三极管 1 Q16647 B1CBGD000001 FET 1 Q16649 B1ABCN000007 三极管 1 Q16660 B1CERR000042 FET 1 Q16661 B1JAEQ000010 三极管 1 Q16662 DSC2001Q0L 三极管 1 Q16663 DSA2001S0L 三极管 1 Q16668 DSC2001Q0L 三极管 1 Q16670 B1ADCN000007 三极管 1 Q16671 B1ABCF000231 三极管 1 Q16675 B1ADCN000007 三极管 1 Q16676 B1ABCF000231 三极管 1 Q16677 DSC2001Q0L 三极管 1 Q16678 B1ABCF000231 三极管 1 Q16701 B1ADCN000007 三极管 1 Q16702 B1ABCF000231 三极管 1 Q16762 B1HFPFA00001 三极管 1 Q16801 DSA2001S0L 三极管 1 Q16810 B1ABCF000231 三极管 1 Q16815 B1ABCN000007 三极管 1 Q16816 DSC2001Q0L 三极管 1 Q16817 DSC2001Q0L 三极管 1 Q16818 B1CBGD000001 FET 1 Q16871 DSA2001S0L 三极管 1 Q16876 B1ABCF000231 三极管 1 Q16885 B1BBCF000028 三极管 1 Q16920 B1ABCN000007 三极管 1 Q16921 B1ABCN000007 三极管 1 Q16930 DSC2001Q0L 三极管 1 Q16931 B1ABCN000007 三极管 1 Q16932 DSC2001Q0L 三极管 1 R0900 D0GA680JA015 M 68 OHM, J,1/16W 1 R0901 D0GA680JA015 M 68 OHM, J,1/16W 1 R0902 EXB28V680JX M 68 OHM 1/32 W 1 R0903 D0GA680JA015 M 68 OHM, J,1/16W 1 R0905 ERJ2GEJ103 M 10KOHM, J,1/16 W 1 R0910 ERJ2GEJ103 M 10KOHM, J,1/16 W 1 R0911 ERJ2GEJ103 M 10KOHM, J,1/16 W 1 R0912 ERJ2GEJ103 M 10KOHM, J,1/16 W 1 R0913 ERJ2GEJ103 M 10KOHM, J,1/16 W 1 R0940 D0GA680JA015 M 68 OHM, J,1/16W 1 R0941 D0GA680JA015 M 68 OHM, J,1/16W 1 R0942 D0GA680JA015 M 68 OHM, J,1/16W 1 R0943 D0GA680JA015 M 68 OHM, J,1/16W 1 R0944 D0GA680JA015 M 68 OHM, J,1/16W 1 R0945 D0GA680JA015 M 68 OHM, J,1/16W 1 R0948 D0GA222JA015 M 2.2KOHM, J,1/16W 1 R0949 D0GA222JA015 M 2.2KOHM, J,1/16W 1 R0957 ERJ2GEJ102X M 1KOHM, J.1/16 W 1 R0966 D0GA472JA015 M 4.7KOHM, J,1/16W 1 R0967 D0GA472JA015 M 4.7KOHM, J,1/16W 1 R0980 D0GA472JA015 M 4.7KOHM, J,1/16W 1 R0981 D0GA472JA015 M 4.7KOHM, J,1/16W 1 R0982 ERJ2GEJ220 M 22 OHM, J,1/16 W 1 R0983 ERJ2GEJ220 M 22 OHM, J,1/16 W 1 R0984 D0GA472JA015 M 4.7KOHM, J,1/16W 1 R0985 D0GA472JA015 M 4.7KOHM, J,1/16W 1 R1179 D1BB7151A055 M7.15KOHM,J.1/10W 1 R1180 ERJ2GEJ102X M 1KOHM, J.1/16 W 1 R1181 D0GA473JA015 M 47KOHM, J,1/16W 1 R1183 D0GA472JA015 M 4.7KOHM, J,1/16W 1 R1185 D0GA101JA015 M 100 OHM, J,1/16W 1 R1186 D0GA473JA015 M 47KOHM, J,1/16W 1 安全 标记 参考号 部品号 部品名称及说明 数量 备注 112 R1187 D0GA273JA015 M 27K OHM J ,1/16W 1 R1503 D0GA473JA015 M 47KOHM, J,1/16W 1 R1518 D0GA683JA015 M 68KOHM, J,1/16W 1 R1519 D0GA473JA015 M 47KOHM, J,1/16W 1 R1520 ERJ2GEJ103 M 10KOHM, J,1/16 W 1 R1521 ERJ2GEJ104 M100KOHM, J,1/16 W 1 R1552 D0GA472JA015 M 4.7KOHM, J,1/16W 1 R1562 D0GA473JA015 M 47KOHM, J,1/16W 1 R1563 D0GA473JA015 M 47KOHM, J,1/16W 1 R2053 D1BB1403A055 M 140KOHM,J.1/10W 1 R2055 D1BB1403A055 M 140KOHM,J.1/10W 1 R2069 ERJ2GEJ103 M 10KOHM, J,1/16 W 1 R2070 ERJ2GEJ103 M 10KOHM, J,1/16 W 1 R2101 D0GA332JA015 M 3.3KOHM, J,1/16W 1 R2102 D0GA472JA015 M 4.7KOHM, J,1/16W 1 R2103 ERJ2GEJ220 M 22 OHM, J,1/16 W 1 R2104 D0GA122JA015 M 1.2KOHM, J,1/16W 1 R2107 D0GAR00Z0001 M 0 OHM, 1/16W 1 R2110 ERJ2GEJ220 M 22 OHM, J,1/16 W 1 R2121 D0GA681JA015 M680 OHM, J,1/16W 1 R2135 ERJ2GEJ102X M 1KOHM, J.1/16 W 1 R2139 ERJ2GEJ221 M 220 OHM, J,1/16 W 1 R2254 D0GA101JA015 M 100 OHM, J,1/16W 1 R2255 D0GA473JA015 M 47KOHM, J,1/16W 1 R2256 ERJ2GEJ103 M 10KOHM, J,1/16 W 1 R2257 D0GA105JA015 M 1M OHM, J,1/16W 1 R2258 D0GA101JA015 M 100 OHM, J,1/16W 1 R2259 D0GA101JA015 M 100 OHM, J,1/16W 1 R2260 ERJ2GEJ103 M 10KOHM, J,1/16 W 1 R2263 ERJ2GEJ103 M 10KOHM, J,1/16 W 1 R2264 D0GA101JA015 M 100 OHM, J,1/16W 1 R2301 ERJ2GEJ103 M 10KOHM, J,1/16 W 1 R2302 EXB28V220J M 22 OHM 1/32 W 1 R2304 D0GA473JA015 M 47KOHM, J,1/16W 1 R2307 D0GA472JA015 M 4.7KOHM, J,1/16W 1 R2308 ERJ2GEJ221 M 220 OHM, J,1/16 W 1 R2309 D0GA222JA015 M 2.2KOHM, J,1/16W 1 R2310 D0GA222JA015 M 2.2KOHM, J,1/16W 1 R2318 ERJ8GEYJ3R3V M 3.3 OHM, J,1/4W 1 R2319 ERJ8GEYJ3R3V M 3.3 OHM, J,1/4W 1 R2320 ERJ8GEYJ3R3V M 3.3 OHM, J,1/4W 1 R2321 ERJ8GEYJ3R3V M 3.3 OHM, J,1/4W 1 R2510 ERJ3GEYJ470 M 47 OHM,J,1/10W 1 R2511 D0GB104JA041 M 100KOHM J 1/10W 1 R2512 D0GB224JA041 M 220KOHM,J,1/10W 1 R2513 ERJ3GEYJ223 M 22KOHM,J,1/10W 1 R2514 D0GB103JA057 M 10K OHM J 1/10W 1 R2515 D0GB473JA057 M 47KOHM,J,1/10W 1 R2516 D1BB6800A055 M 680 OHM,J.1/10W 1 R2517 ERJ3GEYJ223 M 22KOHM,J,1/10W 1 R2518 D0GB473JA057 M 47KOHM,J,1/10W 1 R2519 D1BB1821A055 M1.82KOHM,J.1/10W 1 R2750 D0GA101JA015 M 100 OHM, J,1/16W 1 R2753 D0GB103JA057 M 10K OHM J 1/10W 1 R2816 D0GA473JA015 M 47KOHM, J,1/16W 1 R2820 D0GA101JA015 M 100 OHM, J,1/16W 1 R2823 D0GA473JA015 M 47KOHM, J,1/16W 1 R2870 D0GA222JA015 M 2.2KOHM, J,1/16W 1 R2871 ERJ2GEJ103 M 10KOHM, J,1/16 W 1 R2872 D1BA1501A014 M 1.5KOHM,J.1/16 W 1 R2873 D1BA1002A014 M 10KOHM,J. 1/16 W 1 R2875 D0GA390JA015 M 39 OHM, J,1/16W 1 R2879 D1BA1803A014 M 180KOHM,J.1/16 W 1 R2880 D1BB1432A055 M14.3KOHM,J.1/10W 1 R2881 D1BB6651A055 M6.65KOHM,J.1/10W 1 R2882 D1BB7151A055 M7.15KOHM,J.1/10W 1 R2883 D1BB1741A055 M1.74KOHM,J.1/10W 1 R2900 D0GB103JA057 M 10K OHM J 1/10W 1 安全 标记 参考号 部品号 部品名称及说明 数量 备注 R2901 D0GB103JA057 M 10K OHM J 1/10W 1 R2902 D0GAR00Z0001 M 0 OHM, 1/16W 1 R2903 D0GAR00Z0001 M 0 OHM, 1/16W 1 R2904 D0GAR00Z0001 M 0 OHM, 1/16W 1 R2905 D0GAR00Z0001 M 0 OHM, 1/16W 1 R2906 D0GAR00Z0001 M 0 OHM, 1/16W 1 R2908 D0GA682JA015 M6.8KOHM, J,1/16W 1 R2910 D0GBR00Z0002 M 0 OHM J 1/10W 1 R2911 ERJ2GEJ221 M 220 OHM, J,1/16 W 1 R2918 D0GAR00Z0001 M 0 OHM, 1/16W 1 R2921 D0GA682JA015 M6.8KOHM, J,1/16W 1 R3012 ERJ2GEJ221 M 220 OHM, J,1/16 W 1 R3013 ERJ2GEJ221 M 220 OHM, J,1/16 W 1 R3014 ERJ2GEJ221 M 220 OHM, J,1/16 W 1 R3101 D0GA472JA015 M 4.7KOHM, J,1/16W 1 R3102 D0GA472JA015 M 4.7KOHM, J,1/16W 1 R3103 ERJ6RED750 M 75 OHM,.D1/10W 1 R3104 ERJ6RED750 M 75 OHM,.D1/10W 1 R3105 ERJ6RED750 M 75 OHM,.D1/10W 1 R3106 D0GA333JA015 M 33KOHM,J,1/16W 1 R3107 D0GA333JA015 M 33KOHM,J,1/16W 1 R3108 D0GA101JA015 M 100 OHM, J,1/16W 1 R3109 ERJ6RED750 M 75 OHM,.D1/10W 1 R3117 ERJ2GEJ221 M 220 OHM, J,1/16 W 1 R3119 D0GA473JA015 M 47KOHM, J,1/16W 1 R3120 EXB28V221JX M 220 OHM 1/32 W 1 R3123 EXB28V680JX M 68 OHM 1/32 W 1 R3127 D0GA680JA015 M 68 OHM, J,1/16W 1 R3128 ERJ2GEJ104 M100KOHM, J,1/16 W 1 R3130 ERJ6RED750 M 75 OHM,.D1/10W 1 R3144 ERJ6RED750 M 75 OHM,.D1/10W 1 R3152 ERJ2GEJ221 M 220 OHM, J,1/16 W 1 R3165 D0GA333JA015 M 33KOHM,J,1/16W 1 R3166 D0GA333JA015 M 33KOHM,J,1/16W 1 R3173 ERJ2GEJ221 M 220 OHM, J,1/16 W 1 R3174 ERJ2GEJ221 M 220 OHM, J,1/16 W 1 R3181 ERJ6RED750 M 75 OHM,.D1/10W 1 R3182 ERJ6RED750 M 75 OHM,.D1/10W 1 R3183 ERJ6RED750 M 75 OHM,.D1/10W 1 R3184 ERJ2GEJ104 M100KOHM, J,1/16 W 1 R3185 ERJ2GEJ104 M100KOHM, J,1/16 W 1 R3186 D0GA333JA015 M 33KOHM,J,1/16W 1 R3187 D0GA333JA015 M 33KOHM,J,1/16W 1 R3190 D0GA222JA015 M 2.2KOHM, J,1/16W 1 R3191 D0GA222JA015 M 2.2KOHM, J,1/16W 1 R3192 EXB28V820JX M 82 OHM 1/32 W 1 R3194 D0GA331JA015 M 330 OHM, J,1/16W 1 R3195 D0GA331JA015 M 330 OHM, J,1/16W 1 R3213 D0GA473JA015 M 47KOHM, J,1/16W 1 R3214 D0GA473JA015 M 47KOHM, J,1/16W 1 R3221 ERJ6RED750 M 75 OHM,.D1/10W 1 R4003 D0GA473JA015 M 47KOHM, J,1/16W 1 R4004 D0GA473JA015 M 47KOHM, J,1/16W 1 R4005 D0GA473JA015 M 47KOHM, J,1/16W 1 R4006 D0GA473JA015 M 47KOHM, J,1/16W 1 R4011 D0GA473JA015 M 47KOHM, J,1/16W 1 R4548 ERJ2GEJ220 M 22 OHM, J,1/16 W 1 R4549 D0GA151JA015 M 150 OHM, J,1/16W 1 R4550 D0GA151JA015 M 150 OHM, J,1/16W 1 R4551 D0GA151JA015 M 150 OHM, J,1/16W 1 R4552 D0GA560JA015 M 56 OHM, J,1/16W 1 R4553 ERJ2GEJ103 M 10KOHM, J,1/16 W 1 R4554 ERJ2GEJ102X M 1KOHM, J.1/16 W 1 R4556 ERJ2GEJ103 M 10KOHM, J,1/16 W 1 R4560 D0GA473JA015 M 47KOHM, J,1/16W 1 R4655 ERJ2GEJ220 M 22 OHM, J,1/16 W 1 R4659 ERJ2GEJ220 M 22 OHM, J,1/16 W 1 R4663 ERJ2GEJ220 M 22 OHM, J,1/16 W 1 安全 标记 参考号 部品号 部品名称及说明 数量 备注 113 R4668 D0GA330JA015 M 33 OHM, J,1/16W 1 R4670 D0GA330JA015 M 33 OHM, J,1/16W 1 R4672 D0GA330JA015 M 33 OHM, J,1/16W 1 R4702 ERJ2GEJ103 M 10KOHM, J,1/16 W 1 R4703 D0GA330JA015 M 33 OHM, J,1/16W 1 R4704 D0GA473JA015 M 47KOHM, J,1/16W 1 R4708 ERJ2GEJ103 M 10KOHM, J,1/16 W 1 R4709 ERJ2GEJ103 M 10KOHM, J,1/16 W 1 R4711 ERJ2GEJ102X M 1KOHM, J.1/16 W 1 R4712 D0GA473JA015 M 47KOHM, J,1/16W 1 R4715 ERJ2GEJ103 M 10KOHM, J,1/16 W 1 R4716 D0GA330JA015 M 33 OHM, J,1/16W 1 R4717 D0GA473JA015 M 47KOHM, J,1/16W 1 R4721 ERJ2GEJ103 M 10KOHM, J,1/16 W 1 R4722 ERJ2GEJ103 M 10KOHM, J,1/16 W 1 R4724 ERJ2GEJ102X M 1KOHM, J.1/16 W 1 R4725 D0GA473JA015 M 47KOHM, J,1/16W 1 R4728 ERJ2GEJ103 M 10KOHM, J,1/16 W 1 R4729 D0GA330JA015 M 33 OHM, J,1/16W 1 R4730 D0GA473JA015 M 47KOHM, J,1/16W 1 R4734 ERJ2GEJ103 M 10KOHM, J,1/16 W 1 R4735 ERJ2GEJ103 M 10KOHM, J,1/16 W 1 R4737 ERJ2GEJ102X M 1KOHM, J.1/16 W 1 R4738 D0GA473JA015 M 47KOHM, J,1/16W 1 R4739 ERJ2GEJ220 M 22 OHM, J,1/16 W 1 R4752 D0GA680JA015 M 68 OHM, J,1/16W 1 R4753 D0GA680JA015 M 68 OHM, J,1/16W 1 R4754 D0GA680JA015 M 68 OHM, J,1/16W 1 R4755 D0GA680JA015 M 68 OHM, J,1/16W 1 R4756 D0GA680JA015 M 68 OHM, J,1/16W 1 R4757 D0GA680JA015 M 68 OHM, J,1/16W 1 R4763 ERJ2GEJ104 M100KOHM, J,1/16 W 1 R4764 ERJ2GEJ104 M100KOHM, J,1/16 W 1 R4765 ERJ2GEJ104 M100KOHM, J,1/16 W 1 R5005 D0GA473JA015 M 47KOHM, J,1/16W 1 R5006 ERJ2GEJ103 M 10KOHM, J,1/16 W 1 R5007 D0GA473JA015 M 47KOHM, J,1/16W 1 R5008 D0GA822JA015 M8.2KOHM, J,1/16W 1 R5050 D0GA473JA015 M 47KOHM, J,1/16W 1 R5051 D0GA473JA015 M 47KOHM, J,1/16W 1 R5052 D0GA105JA015 M 1M OHM, J,1/16W 1 R5061 ERJ6GEYJ150V M 15 OHM,J,1/8W 1 R5065 ERJ2GEJ103 M 10KOHM, J,1/16 W 1 R5100 D0GA273JA015 M 27K OHM J ,1/16W 1 R5101 ERJ2GEJ104 M100KOHM, J,1/16 W 1 R5102 ERJ2GEJ104 M100KOHM, J,1/16 W 1 R5103 D0GA683JA015 M 68KOHM, J,1/16W 1 R5104 D0GA473JA015 M 47KOHM, J,1/16W 1 R5106 D0GA683JA015 M 68KOHM, J,1/16W 1 R5110 D0GA101JA015 M 100 OHM, J,1/16W 1 R5151 D0GA101JA015 M 100 OHM, J,1/16W 1 R5152 D0GA222JA015 M 2.2KOHM, J,1/16W 1 R5153 D0GA101JA015 M 100 OHM, J,1/16W 1 R5154 D0GA470JA015 M 47 OHM, J,1/16W 1 R5155 D0GA101JA015 M 100 OHM, J,1/16W 1 R5471 D0GA222JA015 M 2.2KOHM, J,1/16W 1 R5472 D0GA332JA015 M 3.3KOHM, J,1/16W 1 R5473 ERJ2GEJ102X M 1KOHM, J.1/16 W 1 R5474 ERJ2GEJ103 M 10KOHM, J,1/16 W 1 R5475 ERJ6GEYJ221V M 220 OHM,J,1/8W 1 R5479 ERJ6GEYJ471 M 470 OHM,J,1/8W 1 R5481 ERJ2GEJ221 M 220 OHM, J,1/16 W 1 R5485 ERJ6GEYJ104V M 100KOHM,J,1/8W 1 R5486 ERJ6GEYJ102V M 1K OHM J 1/8W 1 R5487 ERJ6GEYJ472V M 4.7KOHM.J.1/8W 1 R5488 ERJ6GEYJ472V M 4.7KOHM.J.1/8W 1 R5489 ERJ6GEYJ472V M 4.7KOHM.J.1/8W 1 R5490 ERJ6GEYJ472V M 4.7KOHM.J.1/8W 1 安全 标记 参考号 部品号 部品名称及说明 数量 备注 R5491 ERJ6GEYJ472V M 4.7KOHM.J.1/8W 1 R5492 ERJ6GEYJ472V M 4.7KOHM.J.1/8W 1 R5493 ERJ6GEYJ472V M 4.7KOHM.J.1/8W 1 R5494 ERJ6GEYJ472V M 4.7KOHM.J.1/8W 1 R5600 D0GA680JA015 M 68 OHM, J,1/16W 1 R5601 D1BB8200A087 M 820 OHM,J.1/10W 1 R5602 D1BB2701A087 M 2.7KOHM,J.1/10W 1 R5603 D1BB1241A087 M1.24KOHM,J.1/10W 1 R5604 D1BB2001A087 M 2KOHM,J.1/10W 1 R5605 D1BB2002A055 M 20KOHM,J.1/10W 1 R5606 D1BB2402A055 M 24KOHM,J.1/10W 1 R5607 D0GA223JA015 M 22K OHM J 1/16W 1 R5608 D0GA683JA015 M 68KOHM, J,1/16W 1 R5609 ERJ2GEJ103 M 10KOHM, J,1/16 W 1 R5610 D0GA473JA015 M 47KOHM, J,1/16W 1 R5611 D0GA222JA015 M 2.2KOHM, J,1/16W 1 R5612 ERJ2GEJ103 M 10KOHM, J,1/16 W 1 R5613 D0GA473JA015 M 47KOHM, J,1/16W 1 R5616 D0GB100JA041 M 10 OHM J 1/10W 1 R5617 D0GB100JA041 M 10 OHM J 1/10W 1 R5618 D1BB3301A055 M 3.3KOHM,J.1/10W 1 R5619 D1BB5601A055 M 5.6KOHM,J.1/10W 1 R5620 D1BB1001A055 M 1KOHM,J. 1/10W 1 R5621 D1BB1001A055 M 1KOHM,J. 1/10W 1 R5622 D1BB2402A055 M 24KOHM,J.1/10W 1 R5623 D1BB2202A055 M 22KOHM,J.1/10W 1 R5626 D0GB100JA041 M 10 OHM J 1/10W 1 R5627 D0GB100JA041 M 10 OHM J 1/10W 1 R5640 ERJ2GEJ103 M 10KOHM, J,1/16 W 1 R5641 ERJ2GEJ103 M 10KOHM, J,1/16 W 1 R5642 ERJ2GEJ104 M100KOHM, J,1/16 W 1 R5643 ERJ2GEJ103 M 10KOHM, J,1/16 W 1 R5644 D0GA752JA015 M7.5KOHM, J,1/16W 1 R8002 D1BB2402A055 M 24KOHM,J.1/10W 1 R8003 D1BB1002A055 M 10KOHM,J.1/10W 1 R8004 D1BB2402A055 M 24KOHM,J.1/10W 1 R8005 D1BA1001A014 M 1KOHM,J. 1/16 W 1 R8006 D1BA1001A014 M 1KOHM,J. 1/16 W 1 R8007 D0GA111JA015 M 110 OHM, J.1/16W 1 R8008 ERJ2GEJ103 M 10KOHM, J,1/16 W 1 R8009 D1BA56R0A014 M 56 OHM,J.1/16 W 1 R8010 D1BA3000A014 M 300 OHM.J.1/16 W 1 R8011 D0GB331JA041 M330 OHM J 1/10W 1 R8014 ERJ2GEJ103 M 10KOHM, J,1/16 W 1 R8015 ERJ2GEJ102X M 1KOHM, J.1/16 W 1 R8017 D0GA471JA015 M 470OHM, J,1/16W 1 R8031 D0GA222JA015 M 2.2KOHM, J,1/16W 1 R8032 ERJ2GEJ103 M 10KOHM, J,1/16 W 1 R8211 ERJ2GEJ103 M 10KOHM, J,1/16 W 1 R8212 ERJ2GEJ103 M 10KOHM, J,1/16 W 1 R8396 ERJ2GEJ103 M 10KOHM, J,1/16 W 1 R8470 ERJ2GEJ103 M 10KOHM, J,1/16 W 1 R8488 D0GA680JA015 M 68 OHM, J,1/16W 1 R8489 D0GA680JA015 M 68 OHM, J,1/16W 1 R8490 D0GA680JA015 M 68 OHM, J,1/16W 1 R8491 D0GA680JA015 M 68 OHM, J,1/16W 1 R8492 D0GA680JA015 M 68 OHM, J,1/16W 1 R8493 D0GA680JA015 M 68 OHM, J,1/16W 1 R8494 D0GA680JA015 M 68 OHM, J,1/16W 1 R8495 D0GA680JA015 M 68 OHM, J,1/16W 1 R8496 D0GA680JA015 M 68 OHM, J,1/16W 1 R8497 D0GA680JA015 M 68 OHM, J,1/16W 1 R8499 D0GA680JA015 M 68 OHM, J,1/16W 1 R8500 EXB2HV103JV M 10 kOHM 1/16 W 1 R8511 EXB28V103JX M 10KOHM 1/32 W 1 R8512 ERJ2GEJ103 M 10KOHM, J,1/16 W 1 R8513 ERJ2GEJ103 M 10KOHM, J,1/16 W 1 R8514 D0GA222JA015 M 2.2KOHM, J,1/16W 1 安全 标记 参考号 部品号 部品名称及说明 数量 备注 114 R8606 D0GA222JA015 M 2.2KOHM, J,1/16W 1 R8610 D0GA680JA015 M 68 OHM, J,1/16W 1 R8616 D0GA222JA015 M 2.2KOHM, J,1/16W 1 R8617 D0GA222JA015 M 2.2KOHM, J,1/16W 1 R8618 ERJ2GEJ103 M 10KOHM, J,1/16 W 1 R8622 D0GA680JA015 M 68 OHM, J,1/16W 1 R8627 ERJ2GEJ103 M 10KOHM, J,1/16 W 1 R8628 ERJ2GEJ103 M 10KOHM, J,1/16 W 1 R8631 ERJ2GEJ103 M 10KOHM, J,1/16 W 1 R8632 ERJ2GEJ103 M 10KOHM, J,1/16 W 1 R8633 D0GA222JA015 M 2.2KOHM, J,1/16W 1 R8636 D0GA680JA015 M 68 OHM, J,1/16W 1 R8638 ERJ2GEJ103 M 10KOHM, J,1/16 W 1 R8639 ERJ2GEJ103 M 10KOHM, J,1/16 W 1 R8645 D0GA680JA015 M 68 OHM, J,1/16W 1 R8646 ERJ2GEJ103 M 10KOHM, J,1/16 W 1 R8649 ERJ2GEJ103 M 10KOHM, J,1/16 W 1 R8652 ERJ2GEJ103 M 10KOHM, J,1/16 W 1 R8660 EXB2HV680J M 68 OHM 1/16 W 1 R8661 D0GA222JA015 M 2.2KOHM, J,1/16W 1 R8664 ERJ2GEJ103 M 10KOHM, J,1/16 W 1 R8669 ERJ2GEJ103 M 10KOHM, J,1/16 W 1 R8671 D0GA222JA015 M 2.2KOHM, J,1/16W 1 R8733 D1BB1600A055 M 160 OHM,J.1/10W 1 R8824 D1BA6201A014 M 6.2KOHM,J.1/16 W 1 R8856 D0GA473JA015 M 47KOHM, J,1/16W 1 R8857 D0GA680JA015 M 68 OHM, J,1/16W 1 R8859 D0GA680JA015 M 68 OHM, J,1/16W 1 R8860 D0GA680JA015 M 68 OHM, J,1/16W 1 R8861 D0GA680JA015 M 68 OHM, J,1/16W 1 R8862 D0GA680JA015 M 68 OHM, J,1/16W 1 R8863 D0GA680JA015 M 68 OHM, J,1/16W 1 R8867 ERJ2GEJ103 M 10KOHM, J,1/16 W 1 R8868 D0GA330JA015 M 33 OHM, J,1/16W 1 R8869 ERJ2GEJ103 M 10KOHM, J,1/16 W 1 R8870 ERJ2GEJ103 M 10KOHM, J,1/16 W 1 R8872 D0GA330JA015 M 33 OHM, J,1/16W 1 R8873 D0GA330JA015 M 33 OHM, J,1/16W 1 R8874 D0GA330JA015 M 33 OHM, J,1/16W 1 R8875 D0GA330JA015 M 33 OHM, J,1/16W 1 R8876 D0GA330JA015 M 33 OHM, J,1/16W 1 R8877 D0GA330JA015 M 33 OHM, J,1/16W 1 R8878 ERJ2GEJ103 M 10KOHM, J,1/16 W 1 R8879 EXB28V103JX M 10KOHM 1/32 W 1 R8880 D0GA472JA015 M 4.7KOHM, J,1/16W 1 R8890 ERJ2GEJ103 M 10KOHM, J,1/16 W 1 R8894 D0GA272JA015 M 2.7KOHM, J.1/16W 1 R8900 D0GA680JA015 M 68 OHM, J,1/16W 1 R8918 EXB2HV680J M 68 OHM 1/16 W 1 R8919 EXB2HV680J M 68 OHM 1/16 W 1 R8920 D0GA222JA015 M 2.2KOHM, J,1/16W 1 R8922 EXB2HVR000 M 0 OHM 1/16 W 1 R8923 D0GA680JA015 M 68 OHM, J,1/16W 1 R8924 D0GA680JA015 M 68 OHM, J,1/16W 1 R8925 D0GA680JA015 M 68 OHM, J,1/16W 1 R8926 D0GA680JA015 M 68 OHM, J,1/16W 1 R8927 D0GA680JA015 M 68 OHM, J,1/16W 1 R8928 D0GA680JA015 M 68 OHM, J,1/16W 1 R8950 D0GA472JA015 M 4.7KOHM, J,1/16W 1 R9014 D1BB5601A055 M 5.6KOHM,J.1/10W 1 R9016 D0GA2R2JA014 M 2.2OHM, J,1/16W 1 R9017 D1BB4701A055 M 4.7KOHM,J.1/10W 1 R9019 D0GA2R2JA014 M 2.2OHM, J,1/16W 1 R9030 ERJ6GEYJ472V M 4.7KOHM.J.1/8W 1 R9031 ERJ6GEYJ331V M 330 OHM J 1/8W 1 R9035 D0GA332JA015 M 3.3KOHM, J,1/16W 1 R9039 D0GA473JA015 M 47KOHM, J,1/16W 1 R9040 D0GA472JA015 M 4.7KOHM, J,1/16W 1 安全 标记 参考号 部品号 部品名称及说明 数量 备注 R9054 D0GAR00Z0001 M 0 OHM, 1/16W 1 R9058 D0GAR00Z0001 M 0 OHM, 1/16W 1 R9103 D0GA101JA015 M 100 OHM, J,1/16W 1 R9104 D0GA101JA015 M 100 OHM, J,1/16W 1 R9105 D0GA473JA015 M 47KOHM, J,1/16W 1 R9107 D0GA332JA015 M 3.3KOHM, J,1/16W 1 R9118 D0GAR00Z0001 M 0 OHM, 1/16W 1 R9120 D0GA101JA015 M 100 OHM, J,1/16W 1 R9145 D0GA101JA015 M 100 OHM, J,1/16W 1 R9190 D0GA101JA015 M 100 OHM, J,1/16W 1 R9191 D0GA101JA015 M 100 OHM, J,1/16W 1 R9198 EXB28V101JX M 100 OHM 1/32 W 1 R9203 D0GA272JA015 M 2.7KOHM, J.1/16W 1 R9205 D0GA333JA015 M 33KOHM,J,1/16W 1 R9206 D0GA563JA015 M 56KOHM, J,1/16W 1 R9208 EXB2HV470JV M 47 OHM 1/16 W 1 R9209 EXB2HV470JV M 47 OHM 1/16 W 1 R9224 D0GA470JA015 M 47 OHM, J,1/16W 1 R9226 D0GA470JA015 M 47 OHM, J,1/16W 1 R9247 D0GA470JA015 M 47 OHM, J,1/16W 1 R9318 ERJ2GEJ102X M 1KOHM, J.1/16 W 1 R9320 D0GA152JA015 M 1.5KOHM, J,1/16W 1 R9321 D0GA105JA015 M 1M OHM, J,1/16W 1 R9323 ERJ2GEJ102X M 1KOHM, J.1/16 W 1 R9324 D0GB162JA041 M 1.6KOHM J 1/10W 1 R9325 D0GB162JA041 M 1.6KOHM J 1/10W 1 R9326 D0GB162JA041 M 1.6KOHM J 1/10W 1 R9327 D0GB162JA041 M 1.6KOHM J 1/10W 1 R9400 EXB2HV103JV M 10 kOHM 1/16 W 1 R9401 EXB2HV103JV M 10 kOHM 1/16 W 1 R9402 EXB28V103JX M 10KOHM 1/32 W 1 R9608 EXB2HV470JV M 47 OHM 1/16 W 1 R9609 EXB2HV470JV M 47 OHM 1/16 W 1 R9610 EXB2HV470JV M 47 OHM 1/16 W 1 R9872 D1BB3301A055 M 3.3KOHM,J.1/10W 1 R9873 D1BB1002A055 M 10KOHM,J.1/10W 1 R9874 D1BB2702A055 M 27KOHM,J.1/10W 1 R9875 D1BB2002A055 M 20KOHM,J.1/10W 1 R9877 D1BB4702A055 M 47KOHM,J.1/10W 1 R9878 D1BB1002A055 M 10KOHM,J.1/10W 1 R9879 D1BB1502A055 M 15KOHM, J.1/10W 1 R9903 D0GA472JA015 M 4.7KOHM, J,1/16W 1 R9904 ERJ2GEJ104 M100KOHM, J,1/16 W 1 R9905 ERJ2GEJ103 M 10KOHM, J,1/16 W 1 R9907 D0GA101JA015 M 100 OHM, J,1/16W 1 R9908 D1BB1202A055 M 12KOHM,J.1/10W 1 R9909 D1BB2702A055 M 27KOHM,J.1/10W 1 R9910 D1BB1002A055 M 10KOHM,J.1/10W 1 R9920 D0GA390JA015 M 39 OHM, J,1/16W 1 R9921 D0GA390JA015 M 39 OHM, J,1/16W 1 R16001 D0GF7R5JA047 M 7.5 OHM,J, 1/3W 1 R16002 D0GF7R5JA047 M 7.5 OHM,J, 1/3W 1 R16003 D0GF7R5JA047 M 7.5 OHM,J, 1/3W 1 R16004 D0GF7R5JA047 M 7.5 OHM,J, 1/3W 1 R16021 D0GF7R5JA047 M 7.5 OHM,J, 1/3W 1 R16022 D0GF7R5JA047 M 7.5 OHM,J, 1/3W 1 R16023 D0GF7R5JA047 M 7.5 OHM,J, 1/3W 1 R16024 D0GF7R5JA047 M 7.5 OHM,J, 1/3W 1 R16031 ERJ6ENF8202 M 82KOHM,F.1/8W 1 R16032 ERJ6ENF8202 M 82KOHM,F.1/8W 1 R16033 ERJ6ENF5602 M 56KOHM,F.1/8W 1 R16034 ERJ6ENF2702 M 27KOHM,F.1/8W 1 R16041 D0GF5R6JA047 M 5.6 OHM,J, 1/3W 1 R16042 D0GF5R6JA047 M 5.6 OHM,J, 1/3W 1 R16051 D0GF5R6JA047 M 5.6 OHM,J, 1/3W 1 R16052 D0GF5R6JA047 M 5.6 OHM,J, 1/3W 1 R16101 D0GD221JA059 M 220 OHM,J,1/4W 1 R16102 D0GD221JA059 M 220 OHM,J,1/4W 1 安全 标记 参考号 部品号 部品名称及说明 数量 备注 115 R16103 D0GD100JA059 M 10 OHM,J,1/4W 1 R16104 D0GD100JA059 M 10 OHM,J,1/4W 1 R16105 ERJ8GEYJ474 M470KOHM, J,1/4W 1 R16109 D0GD100JA059 M 10 OHM,J,1/4W 1 R16110 D0GB473JA057 M 47KOHM,J,1/10W 1 R16116 D0GB473JA057 M 47KOHM,J,1/10W 1 R16131 ERJ3GEYJ101 M 100 OHM,J,1/10W 1 R16132 ERJ3GEYJ101 M 100 OHM,J,1/10W 1 R16134 D0GD750JA059 M 75 OHM,J,1/4W 1 R16137 D0GF1R0JA047 M 1 OHM,J,1/3W 1 R16141 D0GD100JA059 M 10 OHM,J,1/4W 1 R16142 D0GB473JA057 M 47KOHM,J,1/10W 1 R16143 D0GB473JA057 M 47KOHM,J,1/10W 1 R16151 ERJ3GEYJ101 M 100 OHM,J,1/10W 1 R16152 ERJ3GEYJ101 M 100 OHM,J,1/10W 1 R16154 D0GD750JA059 M 75 OHM,J,1/4W 1 R16155 D0GF1R0JA047 M 1 OHM,J,1/3W 1 R16159 D0GF1R0JA047 M 1 OHM,J,1/3W 1 R16161 D0GD100JA059 M 10 OHM,J,1/4W 1 R16162 D0GB473JA057 M 47KOHM,J,1/10W 1 R16163 D0GB473JA057 M 47KOHM,J,1/10W 1 R16171 D0GD100JA059 M 10 OHM,J,1/4W 1 R16172 D0GB473JA057 M 47KOHM,J,1/10W 1 R16173 D0GB473JA057 M 47KOHM,J,1/10W 1 R16181 D0GD100JA059 M 10 OHM,J,1/4W 1 R16182 D0GB473JA057 M 47KOHM,J,1/10W 1 R16183 D0GB473JA057 M 47KOHM,J,1/10W 1 R16191 ERJ6GEYJ151V M 150 OHM,J,1/8W 1 R16192 D0GB103JA057 M 10K OHM J 1/10W 1 R16193 ERJ6GEYJ750 M 75 OHM,J,1/8W 1 R16195 D0GF1R0JA047 M 1 OHM,J,1/3W 1 R16230 ERJ6GEYJ470V M 47 OHM,J,1/8W 1 R16231 ERJ3GEYJ472 M 4.7KOHM,J,1/10W 1 R16241 EXB38V470J M 47 OHM 1/16 W 1 R16242 EXB38V472JV M 4.7 kOHM 1/16 W 1 R16251 D1BB1401A055 M 1.4KOHM,J.1/10W 1 R16252 ERJ6ENF3092 M30.9KOHM,F.1/8W 1 R16253 ERJ6ENF3902 M 39KOHM,F.1/8W 1 R16254 ERJ6ENF6801 M 6.8KOHM,F.1/8W 1 R16255 D1BB1201A055 M 1.2KOHM,J.1/10W 1 R16256 D1BB1961A055 M1.96KOHM,J.1/10W 1 R16257 D0GB273JA041 M 27K OHM J 1/10W 1 R16258 D0GB103JA057 M 10K OHM J 1/10W 1 R16260 ERJ6GEYJ222V M 2.2KOHM.J. 1/8W 1 R16280 D0GB222JA041 M 2.2KOHM,J,1/10W 1 R16281 D0GB103JA057 M 10K OHM J 1/10W 1 R16282 ERJ6GEYJ221V M 220 OHM,J,1/8W 1 R16283 D0GB473JA057 M 47KOHM,J,1/10W 1 R16284 D0GB224JA041 M 220KOHM,J,1/10W 1 R16285 EXB38V623J M 62 kOHM 1/16 W 1 R16286 EXB38V623J M 62 kOHM 1/16 W 1 R16289 D0GF334JA047 M 330KOHMJ,1/3W 1 R16290 D0GF334JA047 M 330KOHMJ,1/3W 1 R16291 D0GF334JA047 M 330KOHMJ,1/3W 1 R16292 D0GF334JA047 M 330KOHMJ,1/3W 1 R16293 D0GF334JA047 M 330KOHMJ,1/3W 1 R16294 D0GF334JA047 M 330KOHMJ,1/3W 1 R16307 ERJ6RBD5112 M51.1KOHM,D.1/10W 1 R16309 ERG1FJS333D M 33KOHM, J, 1W 1 R16318 ERJ6RBD7682 M76.8KOHM,D.1/10W 1 R16319 ERJ6RBD2491 M2.49KOHM,D.1/10W 1 R16320 ERJ14YJ683 M 68KOHM, J. 1/4W 1 R16330 D0GB102JA041 M 1KOHM,J,1/10W 1 R16332 D0GB474JA041 M 470KOHM,J,1/10W 1 R16334 ERJ3GEYJ472 M 4.7KOHM,J,1/10W 1 R16335 D0GB102JA041 M 1KOHM,J,1/10W 1 R16337 D0GDR00Z0002 M 0 OHM, 1/4W 1 R16402 D0GF7R5JA047 M 7.5 OHM,J, 1/3W 1 安全 标记 参考号 部品号 部品名称及说明 数量 备注 R16403 D0GF7R5JA047 M 7.5 OHM,J, 1/3W 1 R16404 D0GF7R5JA047 M 7.5 OHM,J, 1/3W 1 R16405 D0GF7R5JA047 M 7.5 OHM,J, 1/3W 1 R16406 D0GF7R5JA047 M 7.5 OHM,J, 1/3W 1 R16410 D0GB391JA041 M 390 OHM,J,1/10W 1 R16411 ERJ6ENF2700 M 270 OHM,F.1/8W 1 R16416 D0GB103JA057 M 10K OHM J 1/10W 1 R16417 ERJ6GEYJ101V M 100 OHM,J,1/8W 1 R16418 ERJ6GEYJ101V M 100 OHM,J,1/8W 1 R16421 D0GF7R5JA047 M 7.5 OHM,J, 1/3W 1 R16422 D0GF7R5JA047 M 7.5 OHM,J, 1/3W 1 R16423 D0GF7R5JA047 M 7.5 OHM,J, 1/3W 1 R16424 D0GF7R5JA047 M 7.5 OHM,J, 1/3W 1 R16425 D0GF7R5JA047 M 7.5 OHM,J, 1/3W 1 R16441 D0GF5R6JA047 M 5.6 OHM,J, 1/3W 1 R16442 D0GF5R6JA047 M 5.6 OHM,J, 1/3W 1 R16443 D0GF5R6JA047 M 5.6 OHM,J, 1/3W 1 R16452 D0GF5R6JA047 M 5.6 OHM,J, 1/3W 1 R16453 D0GF5R6JA047 M 5.6 OHM,J, 1/3W 1 R16454 D0GF5R6JA047 M 5.6 OHM,J, 1/3W 1 R16465 ERJ6ENF2702 M 27KOHM,F.1/8W 1 R16466 ERJ6ENF5602 M 56KOHM,F.1/8W 1 R16467 ERJ6ENF8202 M 82KOHM,F.1/8W 1 R16468 ERJ6ENF8202 M 82KOHM,F.1/8W 1 R16471 D0GB392JA041 M 3.9KOHM,J,1/10W 1 R16472 D0GB222JA041 M 2.2KOHM,J,1/10W 1 R16473 ERJ6GEYF561 M 560 OHM,J,1/8W 1 R16474 D0GB102JA041 M 1KOHM,J,1/10W 1 R16475 ERJ3GEYJ472 M 4.7KOHM,J,1/10W 1 R16476 ERJ3GEYJ472 M 4.7KOHM,J,1/10W 1 R16478 D0GB562JA041 M 5.6KOHM,J,1/10W 1 R16479 ERJ6GEYJ103V M 10KOHM J 1/8W 1 R16490 ERJ6RED114 M 110KOHM,D 1/10W 1 R16491 ERJ6RED114 M 110KOHM,D 1/10W 1 R16492 ERJ6RED114 M 110KOHM,D 1/10W 1 R16493 ERJ6RBD6491 M6.49KOHM,D.1/10W 1 R16494 D1BB2001A055 M 2KOHM,J.1/10W 1 R16495 ERJ6ENF7500 M 750 OHM,F.1/8W 1 R16496 ERJ6GEYJ470V M 47 OHM,J,1/8W 1 R16497 D0GB473JA057 M 47KOHM,J,1/10W 1 R16498 D0GB103JA057 M 10K OHM J 1/10W 1 R16503 D0GD100JA059 M 10 OHM,J,1/4W 1 R16504 D0GD750JA059 M 75 OHM,J,1/4W 1 R16505 D0GD100JA059 M 10 OHM,J,1/4W 1 R16506 D0GD100JA059 M 10 OHM,J,1/4W 1 R16507 D0GD100JA059 M 10 OHM,J,1/4W 1 R16509 D0GF1R0JA047 M 1 OHM,J,1/3W 1 R16511 D0GB473JA057 M 47KOHM,J,1/10W 1 R16512 D0GB473JA057 M 47KOHM,J,1/10W 1 R16513 D0GB473JA057 M 47KOHM,J,1/10W 1 R16514 D0GB473JA057 M 47KOHM,J,1/10W 1 R16516 D0GB473JA057 M 47KOHM,J,1/10W 1 R16517 D0GB473JA057 M 47KOHM,J,1/10W 1 R16518 D0GB473JA057 M 47KOHM,J,1/10W 1 R16519 D0GB473JA057 M 47KOHM,J,1/10W 1 R16521 ERJ6GEYJ101V M 100 OHM,J,1/8W 1 R16522 ERJ6GEYJ101V M 100 OHM,J,1/8W 1 R16523 D0GD750JA059 M 75 OHM,J,1/4W 1 R16531 D0GD100JA059 M 10 OHM,J,1/4W 1 R16532 D0GB473JA057 M 47KOHM,J,1/10W 1 R16533 D0GB473JA057 M 47KOHM,J,1/10W 1 R16534 D0GF5R6JA047 M 5.6 OHM,J, 1/3W 1 R16551 D0GD100JA059 M 10 OHM,J,1/4W 1 R16552 D0GB473JA057 M 47KOHM,J,1/10W 1 R16553 D0GB473JA057 M 47KOHM,J,1/10W 1 R16561 EXB38V470J M 47 OHM 1/16 W 1 R16562 EXB38V470J M 47 OHM 1/16 W 1 R16563 EXB38V470J M 47 OHM 1/16 W 1 安全 标记 参考号 部品号 部品名称及说明 数量 备注 116 R16564 EXB38V470J M 47 OHM 1/16 W 1 R16565 EXB38V472JV M 4.7 kOHM 1/16 W 1 R16566 EXB38V472JV M 4.7 kOHM 1/16 W 1 R16567 EXB38V472JV M 4.7 kOHM 1/16 W 1 R16568 EXB38V472JV M 4.7 kOHM 1/16 W 1 R16570 EXB38V472JV M 4.7 kOHM 1/16 W 1 R16579 EXB38V470J M 47 OHM 1/16 W 1 R16580 D0GB562JA041 M 5.6KOHM,J,1/10W 1 R16582 ERJ6ENF3902 M 39KOHM,F.1/8W 1 R16583 ERJ6ENF3902 M 39KOHM,F.1/8W 1 R16584 ERJ6ENF6801 M 6.8KOHM,F.1/8W 1 R16585 D1BB1001A055 M 1KOHM,J. 1/10W 1 R16586 D1BB2151A055 M2.15KOHM,J.1/10W 1 R16587 D0GB222JA041 M 2.2KOHM,J,1/10W 1 R16588 D0GB103JA057 M 10K OHM J 1/10W 1 R16590 ERJ3GEYJ221 M 220 OHM,J,1/10W 1 R16591 EXB38V472JV M 4.7 kOHM 1/16 W 1 R16593 D1BB1401A055 M 1.4KOHM,J.1/10W 1 R16601 D0GF1R0JA047 M 1 OHM,J,1/3W 1 R16604 ERJ6GEYJ331V M 330 OHM J 1/8W 1 R16605 ERJ6GEYG182 M 1.8KOHM,J,1/8W 1 R16607 D1BB6981A055 M6.98KOHM,J.1/10W 1 R16609 D0GF202JA047 M 2KOHM,J,1/3W 1 R16610 D0GB104JA041 M 100KOHM J 1/10W 1 R16612 D0GD470JA059 M 47 OHM,J,1/4W 1 R16615 D1BB1101A055 M 1.1 KOHM,J.1/10W 1 R16617 ERJ6GEYJ222V M 2.2KOHM.J. 1/8W 1 R16621 ERJ6GEYJ221V M 220 OHM,J,1/8W 1 R16622 ERJ6GEYJ221V M 220 OHM,J,1/8W 1 R16623 ERJ6GEYJ221V M 220 OHM,J,1/8W 1 R16631 D0GB103JA057 M 10K OHM J 1/10W 1 R16633 ERJ6GEYJ223 M 22KOHM,J,1/8W 1 R16634 ERJ6GEYJ471 M 470 OHM,J,1/8W 1 R16645 D0GB562JA041 M 5.6KOHM,J,1/10W 1 R16646 ERJ6ENF8660 M 866 OHM,F.1/8W 1 R16648 D0GF202JA047 M 2KOHM,J,1/3W 1 R16649 D0GD330JA059 M 33 OHM,F,1/4W 1 R16650 D0GB104JA041 M 100KOHM J 1/10W 1 R16651 D0GF202JA047 M 2KOHM,J,1/3W 1 R16652 ERJ6GEYF822 M 8.2KOHM,J,1/8W 1 R16653 ERJ6GEYJ222V M 2.2KOHM.J. 1/8W 1 R16654 ERJ6GEYJ470V M 47 OHM,J,1/8W 1 R16655 D0GB103JA057 M 10K OHM J 1/10W 1 R16656 ERJ8GEYJ472V M 4.7KOHM, J,1/4W 1 R16657 D0GB103JA057 M 10K OHM J 1/10W 1 R16658 ERJ3RBD6341 M6.34KOHM,D 1/16W 1 R16660 ERJ6GEYJ222V M 2.2KOHM.J. 1/8W 1 R16661 D0GB122JA041 M 1.2KOHM J 1/10W 1 R16662 D1BB1002A087 M 10KOHM,J.1/10W 1 R16663 ERJ6RBD7151 M 7.15KOHM,D.1/10W 1 R16664 D0GF202JA047 M 2KOHM,J,1/3W 1 R16665 D0GD330JA059 M 33 OHM,F,1/4W 1 R16666 D1BB2202A087 M 22KOHM,J.1/10W 1 R16667 D0GF202JA047 M 2KOHM,J,1/3W 1 R16668 D0GF202JA047 M 2KOHM,J,1/3W 1 R16673 ERJ6GEYJ472V M 4.7KOHM.J.1/8W 1 R16674 D0GF202JA047 M 2KOHM,J,1/3W 1 R16675 ERJ3GEYJ472 M 4.7KOHM,J,1/10W 1 R16677 D0GF202JA047 M 2KOHM,J,1/3W 1 R16678 D0GF202JA047 M 2KOHM,J,1/3W 1 R16679 ERJ3RBD1072 M10.7KOHM,D 1/16W 1 R16680 ERJ6GEYJ472V M 4.7KOHM.J.1/8W 1 R16681 D0GD100JA059 M 10 OHM,J,1/4W 1 R16682 D0GD100JA059 M 10 OHM,J,1/4W 1 R16683 D0GD100JA059 M 10 OHM,J,1/4W 1 R16684 ERJ6GEYJ221V M 220 OHM,J,1/8W 1 R16685 ERJ6GEYJ221V M 220 OHM,J,1/8W 1 R16686 D0GB103JA057 M 10K OHM J 1/10W 1 安全 标记 参考号 部品号 部品名称及说明 数量 备注 R16687 D1BB2702A055 M 27KOHM,J.1/10W 1 R16688 D1BB8871A055 M8.87KOHM,J.1/10W 1 R16690 ERJ3GEYJ472 M 4.7KOHM,J,1/10W 1 R16691 ERJ8GEYJ563 M 56KOHM, J,1/4W 1 R16692 ERJ6RBD152 M 1.5 kOHM D 1/10 W 1 R16694 ERJ8GEYJ563 M 56KOHM, J,1/4W 1 R16695 ERJ6RBD152 M 1.5 kOHM D 1/10 W 1 R16696 ERF5TK2R2 W 2.2 OHM, K, 5W 1 R16699 D0GB103JA057 M 10K OHM J 1/10W 1 R16707 ERJ6GEYG392 M 3.9KOHM,J,1/8W 1 R16711 ERJ3GEYJ472 M 4.7KOHM,J,1/10W 1 R16712 ERJ6GEYJ102V M 1K OHM J 1/8W 1 R16717 D0GB102JA041 M 1KOHM,J,1/10W 1 R16719 ERJ3GEYJ220 M 22 OHM,J,1/10W 1 R16721 EXB38V220JV M 22 OHM 1/16 W 1 R16742 D0GB473JA057 M 47KOHM,J,1/10W 1 R16745 D0GB474JA041 M 470KOHM,J,1/10W 1 R16746 ERJ6GEYF473 M 47KOHM,J,1/8W 1 R16747 ERJ6GEYJ222V M 2.2KOHM.J. 1/8W 1 R16750 D0GD273JA059 M 27KOHM,J,1/4W 1 R16751 D0GD154JA059 M 150KOHM,J,1/4W 1 R16752 ERJ3GEYJ472 M 4.7KOHM,J,1/10W 1 R16753 ERJ6GEYJ104V M 100KOHM,J,1/8W 1 R16755 D0GD273JA059 M 27KOHM,J,1/4W 1 R16758 D0GBR00Z0002 M 0 OHM J 1/10W 1 R16761 D0GD100JA059 M 10 OHM,J,1/4W 1 R16762 D0GB473JA057 M 47KOHM,J,1/10W 1 R16763 D0GB473JA057 M 47KOHM,J,1/10W 1 R16765 D0GD100JA059 M 10 OHM,J,1/4W 1 R16769 D0GD750JA059 M 75 OHM,J,1/4W 1 R16772 ERJ3GEYJ472 M 4.7KOHM,J,1/10W 1 R16773 ERJ6GEYJ102V M 1K OHM J 1/8W 1 R16774 ERG1SJ273 M 27KOHM, J, 1W 1 R16776 ERJ6GEYJ470V M 47 OHM,J,1/8W 1 R16778 ERF5TK2R2 W 2.2 OHM, K, 5W 1 R16783 D0GD154JA059 M 150KOHM,J,1/4W 1 R16785 ERJ6ENF1073 M 107KOHM,F. 1/8W 1 R16786 ERJ6ENF1073 M 107KOHM,F. 1/8W 1 R16787 ERJ6ENF3302 M 33KOHM,F.1/8W 1 R16789 D0GB103JA057 M 10K OHM J 1/10W 1 R16801 ERJ6RBD223V M 22KOHM,D.1/10W 1 R16802 ERJ6RBD3092 M30.9KOHM,D.1/10W 1 R16804 ERJ8GEYJ112 M 1.1KOHM, J,1/4W 1 R16822 ERJ6ENF8202 M 82KOHM,F.1/8W 1 R16823 ERJ6ENF8202 M 82KOHM,F.1/8W 1 R16824 ERJ6ENF3302 M 33KOHM,F.1/8W 1 R16825 D0GD154JA059 M 150KOHM,J,1/4W 1 R16826 ERJ6GEYJ103V M 10KOHM J 1/8W 1 R16827 ERJ6GEYF561 M 560 OHM,J,1/8W 1 R16829 D0GB102JA041 M 1KOHM,J,1/10W 1 R16831 ERJ6RBD6982 M69.8KOHM,D.1/10W 1 R16832 ERJ6RBD6982 M69.8KOHM,D.1/10W 1 R16838 ERG2FJS473D M 47KOHM, J, 2W 1 R16841 D0GB222JA041 M 2.2KOHM,J,1/10W 1 R16843 ERJ6GEYJ103V M 10KOHM J 1/8W 1 R16844 ERA6YEB242 M 2.4KOHM, B 1/10W 1 R16845 ERJ6RBD5902 M 59KOHM,D.1/10W 1 R16846 ERJ6RBD5902 M 59KOHM,D.1/10W 1 R16848 D0GB392JA041 M 3.9KOHM,J,1/10W 1 R16849 ERJ6RBD5762 M57.6KOHM,D.1/10W 1 R16851 D0GB474JA041 M 470KOHM,J,1/10W 1 R16852 D0GB474JA041 M 470KOHM,J,1/10W 1 R16860 ERG2FNJS8R2E M 8.2 OHM, J, 2W 1 R16870 ERJ14YJ683 M 68KOHM, J. 1/4W 1 R16873 ERA6YEB242 M 2.4KOHM, B 1/10W 1 R16891 D1BF6982A058 M 69.8KOHM, 1/4W 1 R16892 D1BF8252A058 M82.50KOHM, 1/4W 1 R16893 D1BF8252A058 M82.50KOHM, 1/4W 1 安全 标记 参考号 部品号 部品名称及说明 数量 备注 117 R16897 D1BB1001A055 M 1KOHM,J. 1/10W 1 R16898 D1BB1051A055 M1.05KOHM,J.1/10W 1 R16899 D1BB2741A055 M2.74KOHM,J.1/10W 1 R16900 D0GB103JA057 M 10K OHM J 1/10W 1 R16901 ERJ3GEYJ472 M 4.7KOHM,J,1/10W 1 R16904 ERJ6GEYJ223 M 22KOHM,J,1/8W 1 R16920 D0GB103JA057 M 10K OHM J 1/10W 1 R16921 D1BB1241A055 M1.24KOHM,J.1/10W 1 R16922 D1BB3481A055 M3.48KOHM,J.1/10W 1 R16923 D0GB103JA057 M 10K OHM J 1/10W 1 R16926 ERJ6GEYJ222V M 2.2KOHM.J. 1/8W 1 R16927 ERJ6GEYJ223 M 22KOHM,J,1/8W 1 R16928 ERJ6GEYJ472V M 4.7KOHM.J.1/8W 1 R16929 D0GF1R0JA047 M 1 OHM,J,1/3W 1 R16930 D1BF2R40A021 M 2.4 OHM, 1/4W 1 R16931 D1BF2R40A021 M 2.4 OHM, 1/4W 1 R16932 ERJ6GEYJ223 M 22KOHM,J,1/8W 1 R16933 D1BB1002A055 M 10KOHM,J.1/10W 1 R16934 D1BB6801A055 M 6.8KOHM,J.1/10W 1 R16935 D0GB512JA041 M 5.1KOHM,J,1/10W 1 R16936 D0GB222JA041 M 2.2KOHM,J,1/10W 1 R16937 D0GB184JA041 M 180KOHM J 1/10W 1 R16938 D0GB184JA041 M 180KOHM J 1/10W 1 R17101 ERJ3GEYJ101 M 100 OHM,J,1/10W 1 R17102 ERJ3GEYJ101 M 100 OHM,J,1/10W 1 R17103 ERJ3GEYJ101 M 100 OHM,J,1/10W 1 R17104 ERJ3GEYJ101 M 100 OHM,J,1/10W 1 R17105 ERJ3GEYJ101 M 100 OHM,J,1/10W 1 R17106 ERJ3GEYJ101 M 100 OHM,J,1/10W 1 R17107 ERJ3GEYJ101 M 100 OHM,J,1/10W 1 R17108 ERJ3GEYJ101 M 100 OHM,J,1/10W 1 R17109 ERJ3GEYJ101 M 100 OHM,J,1/10W 1 R17110 ERJ3GEYJ101 M 100 OHM,J,1/10W 1 R17111 D0GB201JA041 M 200 OHM,J,1/10W 1 R17112 D0GB201JA041 M 200 OHM,J,1/10W 1 R17113 D0GB201JA041 M 200 OHM,J,1/10W 1 R17114 D0GB201JA041 M 200 OHM,J,1/10W 1 R17115 ERJ3GEYJ101 M 100 OHM,J,1/10W 1 R17116 D0GB102JA041 M 1KOHM,J,1/10W 1 R17117 ERJ6GEYJ224 M 220KOHM,J,1/8W 1 R17118 D0GZ1R0JA020 M 1 OHM, J,1/2W 1 R17121 D0GZ1R0JA020 M 1 OHM, J,1/2W 1 R17123 D0GZ1R0JA020 M 1 OHM, J,1/2W 1 R17125 D0GZ1R0JA020 M 1 OHM, J,1/2W 1 R17127 D0GZ1R0JA020 M 1 OHM, J,1/2W 1 R17129 ERJT08J151V M 150 OHM,J, 1/3W 1 R17201 ERJ3GEYJ101 M 100 OHM,J,1/10W 1 R17202 ERJ3GEYJ101 M 100 OHM,J,1/10W 1 R17203 ERJ3GEYJ101 M 100 OHM,J,1/10W 1 R17204 ERJ3GEYJ101 M 100 OHM,J,1/10W 1 R17205 ERJ3GEYJ101 M 100 OHM,J,1/10W 1 R17206 ERJ3GEYJ101 M 100 OHM,J,1/10W 1 R17207 ERJ3GEYJ101 M 100 OHM,J,1/10W 1 R17208 ERJ3GEYJ101 M 100 OHM,J,1/10W 1 R17209 ERJ3GEYJ101 M 100 OHM,J,1/10W 1 R17210 ERJ3GEYJ101 M 100 OHM,J,1/10W 1 R17211 D0GB201JA041 M 200 OHM,J,1/10W 1 R17212 D0GB201JA041 M 200 OHM,J,1/10W 1 R17213 D0GB201JA041 M 200 OHM,J,1/10W 1 R17214 ERJ3GEYJ101 M 100 OHM,J,1/10W 1 R17215 D0GB201JA041 M 200 OHM,J,1/10W 1 R17216 D0GB681JA041 M 680 OHM,J,1/10W 1 R17217 ERJ6GEYJ224 M 220KOHM,J,1/8W 1 R17218 D0GZ1R0JA020 M 1 OHM, J,1/2W 1 R17220 D0GZ1R0JA020 M 1 OHM, J,1/2W 1 R17222 D0GZ1R0JA020 M 1 OHM, J,1/2W 1 R17224 D0GZ1R0JA020 M 1 OHM, J,1/2W 1 R17226 D0GZ1R0JA020 M 1 OHM, J,1/2W 1 安全 标记 参考号 部品号 部品名称及说明 数量 备注 R17228 EXB38V681J M 680 OHM 1/16 W 1 R17229 EXB38V470J M 47 OHM 1/16 W 1 R17230 EXB38V470J M 47 OHM 1/16 W 1 R17231 D0GBR00Z0002 M 0 OHM J 1/10W 1 R17232 D0GBR00Z0002 M 0 OHM J 1/10W 1 R17233 D0GBR00Z0002 M 0 OHM J 1/10W 1 R17301 ERJ3GEYJ101 M 100 OHM,J,1/10W 1 R17302 ERJ3GEYJ101 M 100 OHM,J,1/10W 1 R17303 ERJ3GEYJ101 M 100 OHM,J,1/10W 1 R17304 ERJ3GEYJ101 M 100 OHM,J,1/10W 1 R17305 ERJ3GEYJ101 M 100 OHM,J,1/10W 1 R17306 ERJ3GEYJ101 M 100 OHM,J,1/10W 1 R17307 ERJ3GEYJ101 M 100 OHM,J,1/10W 1 R17308 ERJ3GEYJ101 M 100 OHM,J,1/10W 1 R17309 ERJ3GEYJ101 M 100 OHM,J,1/10W 1 R17310 ERJ3GEYJ101 M 100 OHM,J,1/10W 1 R17311 ERJ3GEYJ101 M 100 OHM,J,1/10W 1 R17312 D0GB201JA041 M 200 OHM,J,1/10W 1 R17313 D0GB201JA041 M 200 OHM,J,1/10W 1 R17314 D0GB201JA041 M 200 OHM,J,1/10W 1 R17315 D0GB201JA041 M 200 OHM,J,1/10W 1 R17316 ERJ6GEYJ224 M 220KOHM,J,1/8W 1 R17317 D0GZ1R0JA020 M 1 OHM, J,1/2W 1 R17320 D0GZ1R0JA020 M 1 OHM, J,1/2W 1 R17322 D0GZ1R0JA020 M 1 OHM, J,1/2W 1 R17324 D0GZ1R0JA020 M 1 OHM, J,1/2W 1 R17326 D0GZ1R0JA020 M 1 OHM, J,1/2W 1 R17327 EXB38V470J M 47 OHM 1/16 W 1 R17328 EXB38V681J M 680 OHM 1/16 W 1 R17329 EXB38V470J M 47 OHM 1/16 W 1 R17330 EXB38V470J M 47 OHM 1/16 W 1 R17331 EXB38V681J M 680 OHM 1/16 W 1 R17332 EXB38V681J M 680 OHM 1/16 W 1 R17333 ERJ3GEYJ470 M 47 OHM,J,1/10W 1 R17334 D0GB681JA041 M 680 OHM,J,1/10W 1 R17335 D0GBR00Z0002 M 0 OHM J 1/10W 1 R17336 ERJT08J151V M 150 OHM,J, 1/3W 1 R17337 D0GBR00Z0002 M 0 OHM J 1/10W 1 R17338 D0GBR00Z0002 M 0 OHM J 1/10W 1 R17339 ERJ3GEYJ470 M 47 OHM,J,1/10W 1 RM2510 B3RAD0000168 遥控接收器 1 S1B K1KA03BA0237 3P 连接接头 1 SC2 K1KY02B00012 2P 连接接头 1 SC20 K1MY35BA0345 35P 连接接头 1 SC41 K1KA09AA0707 9P 连接接头 1 SC42 K1KA09AA0707 9P 连接接头 1 SC46 K1KA09AA0707 9P 连接接头 1 SC50 K1KA02AA0193 2P 连接接头 1 SN2510 B3JB00000078 IC 1 SS03 K1KB23A00004 23P 连接接头 1 SS11 K1KY03B00006 3P 连接接头 1 SS22 K1KY23AA0606 23P 连接接头 1 SS33 K1MY20BA0345 20P 连接接头 1 SS53 K1MY13BA0343 13P 连接接头 1 SS55 K1MY13BA0343 13P 连接接头 1 SS56 K1MY13BA0343 13P 连接接头 1 SS57 K1MY13BA0343 13P 连接接头 1 SS59 K1MY13BA0343 13P 连接接头 1 SW2500 K0F162B00002 开关 1 SW5150 K0H1BA000445 开关 1 SW5151 K0H1BA000445 开关 1 SW5152 K0H1BA000445 开关 1 安全 标记 参考号 部品号 部品名称及说明 数量 备注 118 SW5153 K0H1BA000445 开关 1 SW5154 K0H1BA000445 开关 1 T16471 G4DYA0000222 变压器 1 TU2901B ENG39F02GF 调谐器 1 X8000 H0J245500101 晶振 1 X8001 H0J120500062 晶振 1 X9300 H0J200500076 晶振 1 ZA16001 K4AZ01D00004 端子 1 ZA16002 K4AZ01D00004 端子 1 ZA16003 K4AZ01D00004 端子 1 ZA16013 K4ZZ01000216 端子 1 ZA16015 K4ZZ01000216 端子 1 ZA16402 K4AZ01D00004 端子 1 ZA16404 K4AZ01D00004 端子 1 ZA16406 K4AZ01D00004 端子 1 ZA16407 K4AZ01D00004 端子 1 ZA17101 K4CD01000013 AV 端子 1 ZA17102 K4CD01000013 AV 端子 1 ZA17103 K4CD01000013 AV 端子 1 ZA17104 K4CD01000013 AV 端子 1 ZA17105 K4CD01000013 AV 端子 1 ZA17201 K4CD01000013 AV 端子 1 ZA17202 K4CD01000013 AV 端子 1 ZA17203 K4CD01000013 AV 端子 1 ZA17204 K4CD01000013 AV 端子 1 ZA17205 K4CD01000013 AV 端子 1 ZA17301 K4CD01000013 AV 端子 1 ZA17302 K4CD01000013 AV 端子 1 ZA17303 K4CD01000013 AV 端子 1 ZA17304 K4CD01000013 AV 端子 1 ZA17305 K4CD01000013 AV 端子 1 ZA17306 K4CD01000013 AV 端子 1 A601 AYRA362MSV7A 放电管 1 A602 AYRA362MSV7A 放电管 1 C201 ECJ1VB1H332K C 3300PF, 50V 1 C202 ACDE2R221KP 2kV 220p 1 C203 ACDE2R221KP 2kV 220p 1 C204 ECWH8473HA P 0.033UF 800V 1 C205 ECWH8473HA P 0.033UF 800V 1 C206 ACKX331KYP 250V 330p 1 C207 ECJ2XB1H104K C 0.1UF, K, 50V 1 C208 ACMBC681J5T 50V 680p 1 C209 ECJ1VC1H471J C 470PF J 50V 1 C211 ACRZL1H100T 50V 1000P 1 C212 ACRZL1H100T 50V 1000P 1 C213 ACYBB475K2F 25V 4.7PF 1 C214 ACMH1H010T 50V 1P 1 C215 ECJ1VB1E333K C 0.033UF, 25V 1 C217 ACMEB104K2T 25V 0.1P 1 C218 ACMBB106K1AT 10V 10P 1 C219 ECJ1VB1H472K C 4700PF, 50V 1 C220 ACMBB106K1AT 10V 10P 1 C221 ACMEB104K5T 50V 0.1P 1 C223 ECJ2VC1H221J C 220PF, K, 50V 1 C251 ACMEB104K2T 25V 0.1P 1 C252 ECQV1H224JL P 0.22UF, J, 50V 1 C255 ECQE2473SKF C 0.047U 250V 1 C256 ACCST230102K 230V 1000P 1 C352 ACRZL1V561T 35V 560P 1 C366 ACRZL1E471LT 25V 470P 1 C375 ACMAB225K5T 50V 2.2p 1 C376 ACMEB105K1T 16V 1P 1 安全 标记 参考号 部品号 部品名称及说明 数量 备注 C379 ECJ2VB1H472K C 0.42PF, 50V 1 C380 ACMEB333K5T 50V 0.033P 1 C382 ECJ1VB1H102K C 1000UF, 50V 1 C383 ACMEB105K1T 16V 1P 1 C386 ACMBB105K2T 25V 1P 1 C387 ECJ1VB1H103K C 0.01UF, 50V 1 C401 ECQE2104SKF 250V 0.1PF 1 C402 ECQE2104SKF 250V 0.1PF 1 C403 ACKMQ140471H 140V 470P 1 C404 ACRZL1H101T 50V 100P 1 C405 ACMBR222K2ET 250V 2200p 1 C406 ACKMQ1K182ZE 80V 1500P 1 C407 ACRR3DD101K7 2kV 100PF 1 C408 ACKMQ1K182ZE 80V 1500P 1 C409 ACMBR222K2ET 250V 2200p 1 C410 ECJ1VB1H222K C 2200UF, 50V 1 C413 ECJ1VB1H103K C 0.01UF, 50V 1 C415 ACMEB104K5T 50V 0.1P 1 C416 ACMEB224K2T 25V 0.22P 1 C418 ECJ1VB1H222K C 2200UF, 50V 1 C419 ECJ1VB1H103K C 0.01UF, 50V 1 C420 ACMEB224K2T 25V 0.22P 1 C501 ACLE103KC 0.01PF 1 C503 ACPAG2W470T 450V 47P 1 C505 ACRZL1H220T 50V 22P 1 C506 ECJ1VB1H102K C 1000UF, 50V 1 C507 ECJ1VB1H103K C 0.01UF, 50V 1 C508 ACMBB474K2T 25V 0.47P 1 C509 ECJ1VB1H103K C 0.01UF, 50V 1 C510 ACRZL1H100T 50V 1000P 1 C511 ECJ1VB1H102K C 1000UF, 50V 1 C512 ECJ1VB1H103K C 0.01UF, 50V 1 C513 ECJ1VB1H102K C 1000UF, 50V 1 C514 ACRZL1H221T 50V 220P 1 C515 ACRZL1H220T 50V 22P 1 C516 ACKX221KYP 250V 220p 1 C517 ACMEB104K5T 50V 0.1P 1 C518 ECQE2103SKF 250V 0.01PF 1 C519 ACMEB104K5T 50V 0.1P 1 C520 ACMEB104K5T 50V 0.1P 1 C521 ACRZL1H221T 50V 220P 1 C522 ACMEB104K5T 50V 0.1P 1 C551 ACKZE1E471ST 25V 470p 1 C553 ACMBB225K2T 25V 2.2P 1 C555 ACMBB225K2T 25V 2.2P 1 C556 ACMBB105K2T 25V 1P 1 C557 ECJ2XB1H104K C 0.1UF, K, 50V 1 C558 ACMEB224K2T 25V 0.22P 1 C560 ACRZL1E221T 25V 220P 1 C561 ACRZL1H100T 50V 1000P 1 C573 ACDE1R152KP 1kV 1500p 1 C574 ACMEB681K5T 50V 680P 1 C575 ECJ1VB1H103K C 0.01UF, 50V 1 C576 ACMBB225K2T 25V 2.2P 1 C579 ACRZL1A471T 50V 470P 1 C580 ACTEB473K5T 50V 0.047p 1 C581 ECQE2104SKF 250V 0.1PF 1 C601 ACLEM474XKC 塑料薄膜电容器 (Xcap) 1 C602 ACKX221KYP 250V 220p 1 C603 ACKX221KYP 250V 220p 1 C605 ECWF2W225KA 450V 2.2P 1 C606 ECJ1VB1H102K C 1000UF, 50V 1 C608 ECJ1VB1H222K C 2200UF, 50V 1 C609 ACTEB104K5T 50V 0.1P 1 C610 ACMEB224K2T 25V 0.22P 1 C611 ECJ1XC1H102J C 1000PF, J, 50V 1 C613 ECJ1VB1H103K C 0.01UF, 50V 1 C615 ACMBB225K2T 25V 2.2P 1 安全 标记 参考号 部品号 部品名称及说明 数量 备注 119 C616 ACTEB474K1T 16V 0.47P 1 C617 ACLEM474XKC 塑料薄膜电容器 (Xcap) 1 C620 ACMBB474K2T 25V 0.47P 1 C623 ACKMQ2W391LZ 450V 330P 1 C628 ACMBB225K2T 25V 2.2P 1 C629 ECQV1H334JL 50V 0.33P 1 C630 ECJ1VC1H471J C 470PF J 50V 1 C631 ECJ1VB1H103K C 0.01UF, 50V 1 C701 ACRZL1A221T 50V 0.1P 1 C702 ACMEB104K5T 50V 0.1P 1 C713 ACMBB225K2T 25V 2.2P 1 C715 ACMEB105K1T 16V 1P 1 D201 VDERA83-004T 二极管 1 D202 VDERA83-004T 二极管 1 D203 VDAG01AT 二极管 1 D204 VDAG01AT 二极管 1 D205 VDAG01AT 二极管 1 D206 VD1SS133T 二极管 1 D251 VDD4SBL40 二极管 1 D252 VD1SS133T 二极管 1 D351 VDFMEN210A 二极管 1 D359 VDRK46LF307 二极管 1 D401 VDD4SBL20U 二极管 1 D402 VDAG01AT 二极管 1 D403 VDYG901C3R 二极管 1 D501 VDS1WBA80 二极管 1 D502 VD1SS133T 二极管 1 D503 VXST3D140LM2 二极管 1 D504 VDAG01AT 二极管 1 D505 VDAG01AT 二极管 1 D506 VD1T7GA1 二极管 1 D507 VD1T7GA1 二极管 1 D508 VD1SS133T 二极管 1 D509 VDAP01CT 二极管 1 D510 VDAG01AT 二极管 1 D511 VDAP01CT 二极管 1 D512 VDRF101A2S 二极管 1 D551 VDYG901C3R 二极管 1 D552 VDYG901C3R 二极管 1 D554 VD1SS133T 二极管 1 D555 VD1SS133T 二极管 1 D556 VD1SS133T 二极管 1 D557 VD1SS133T 二极管 1 D559 VDERA83-004T 二极管 1 D601 VD1SS133T 二极管 1 D602 VD1SS133T 二极管 1 D603 VDD15XB80 二极管 1 D605 VD1SS133T 二极管 1 D606 VD1N5406G-07 二极管 1 D607 VDYG982C6R 二极管 1 D608 VDERA83-004T 二极管 1 D610 VD1SS133T 二极管 1 D701 VDERA83-004T 二极管 1 D705 VD1SS133T 二极管 1 D706 VD1SS133T 二极管 1 D707 VD1SS133T 二极管 1 D708 VD1SS133T 二极管 1 D709 VDRB721Q40 二极管 1 F201 HU216005BEP 保险丝 1 F501 HU215002BEP 保险丝 1 F601 HU215010BEP 保险丝 1 F602 HU215010BEP 保险丝 1 IC201 VIMCZ5203D 集成电路 1 IC202 VINJM2903ME1 集成电路 1 IC251 VIJM1431AF IC 1 安全 标记 参考号 部品号 部品名称及说明 数量 备注 IC352 VISC2628T 集成电路 1 IC403 VISC2603ASKT IC 1 IC501 MIP3E70MY IC 1 IC551 VIJM1431AF IC 1 IC601 VIFA5610NTE1 IC 1 JQ1 ERJ6GEY0R00V M 0 OHM 1/8W 1 JQ2 ERJ6GEY0R00V M 0 OHM 1/8W 1 JQ3 ERJ6GEY0R00V M 0 OHM 1/8W 1 JQ4 ERJ6GEY0R00V M 0 OHM 1/8W 1 JQ5 ERJ6GEY0R00V M 0 OHM 1/8W 1 JQ6 ERJ6GEY0R00V M 0 OHM 1/8W 1 JQ7 ERJ6GEY0R00V M 0 OHM 1/8W 1 JQ8 ERJ6GEY0R00V M 0 OHM 1/8W 1 JQ9 ERJ6GEY0R00V M 0 OHM 1/8W 1 JQ10 ERJ6GEY0R00V M 0 OHM 1/8W 1 JQ11 ERJ6GEY0R00V M 0 OHM 1/8W 1 JQ12 ERJ6GEY0R00V M 0 OHM 1/8W 1 JQ13 ERJ6GEY0R00V M 0 OHM 1/8W 1 JQ14 ERJ6GEY0R00V M 0 OHM 1/8W 1 JQ16 ERJ6GEY0R00V M 0 OHM 1/8W 1 JQ17 ERJ6GEY0R00V M 0 OHM 1/8W 1 JR1 ERJ8GEY0R00 M 0 OHM, 1/8W 1 JR2 ERJ8GEY0R00 M 0 OHM, 1/8W 1 JR3 ERJ8GEY0R00 M 0 OHM, 1/8W 1 JR4 ERJ8GEY0R00 M 0 OHM, 1/8W 1 JR5 ERJ8GEY0R00 M 0 OHM, 1/8W 1 K602 ALKT329M02 继电器 1 K605 ALKT329M02 继电器 1 L201 AYTSKA170T 铁氧体线圈 1 L351 AYS1215003D 扼流线圈 1 L353 EXCELSA35T 扼流线圈 1 L401 AYCA45VB681K 扼流线圈 1 L402 AYJ231214HY 扼流线圈 1 L501 EXCELSA35T 扼流线圈 1 L503 EXCELDR35V 扼流线圈 1 L505 AY2643001601 铁氧体磁芯 1 L506 AY2643001601 铁氧体磁芯 1 L507 AY2643001601 铁氧体磁芯 1 L508 AY2643001601 铁氧体磁芯 1 L509 AY2643001601 铁氧体磁芯 1 L510 AY2643001601 铁氧体磁芯 1 L511 AY2643001601 铁氧体磁芯 1 L512 AY2643001601 铁氧体磁芯 1 L601 AYS259027HY 扼流线圈 1 L602 AYS259027HY 扼流线圈 1 L603 ETB42AZ14GAD 变压器 1 MC551 MDPLSC561 模块 1 MC701 MDPZDC221 模块 1 P6 AKB11B-PH-KS 11P 连接接头 1 P7 AKB14B-PH-KS 14P 连接接头 1 P9 AKS02B-VT 连接接头 1 P11 AKB3P4VH-B-L 3P 连接接头 1 P25 AKB10B-PH-KS 10P 连接接头 1 P34 AKB3B-PH-KS 3P 连接接头 1 P35 AKB4B-PH-KS 4P 连接接头 1 P52 AKB2P4-VH-B 2P 连接接头 1 P54 AKB2P-VH 2P 连接接头 1 P56 AKB12B-PH-KS 12P 连接接头 1 P65 AKB5B-PH-KS 5P 连接接头 1 PC201 VPS2581AL2HE 光电耦合器 1 PC202 VPS2581AL2HE 光电耦合器 1 安全 标记 参考号 部品号 部品名称及说明 数量 备注 120 PC501 VPS2581AL2HE 光电耦合器 1 PC502 VPS2581AL2HE 光电耦合器 1 PC504 VPS2581AL2HE 光电耦合器 1 PC510 VPS2581AL2HE 光电耦合器 1 Q201 VKFMV19N57ES FET 1 Q202 VKFMV19N57ES FET 1 Q203 VQ2PB709ART 三极管 1 Q204 VQ2PD601ART 三极管 1 Q251 2SK3018TL FET 1 Q252 2SK3018TL FET 1 Q355 2SJ651 FET 1 Q356 VQ2PD601ART 三极管 1 Q357 2SK3018TL FET 1 Q401 2SK3607 FET 1 Q402 2SA1776TV2P FET 1 Q403 2SA1776TV2P FET 1 Q404 VQPBSS4350T 三极管 1 Q405 VQ2PD601ART 三极管 1 Q406 2SK3018TL FET 1 Q407 VQPBSS4350T 三极管 1 Q408 VQPBSS5350T 三极管 1 Q502 2SK3018TL FET 1 Q503 VQPBSS4350T 三极管 1 Q504 VQ2PB709ART 三极管 1 Q505 2SK3018TL FET 1 Q506 VQ2PB709ART 三极管 1 Q507 VQ2PB709ART 三极管 1 Q508 VQ2PD601ART 三极管 1 Q551 2SJ673 FET 1 Q557 VKRJJ0319DSP FET 1 Q558 2SK3018TL FET 1 Q559 VQ2PB709ART 三极管 1 Q560 VQ2PD601ART 三极管 1 Q561 VQ2PB709ART 三极管 1 Q601 VKR6015ANZ FET 1 Q602 VQPBSS4350T 三极管 1 Q603 VQPBSS5350T 三极管 1 Q604 VKR6015ANZ FET 1 Q605 VKRK7002BT FET 1 Q606 VKR6015ANZ FET 1 Q607 VQ2PB709ART 三极管 1 Q702 VQ2PB709ART 三极管 1 Q706 VQ2PB709ART 三极管 1 Q707 VQ2PD601ART 三极管 1 Q708 VQ2PD601ART 三极管 1 Q709 2SD2656T 三极管 1 Q710 2SD2656T 三极管 1 Q711 2SD2656T 三极管 1 Q712 2SD2656T 三极管 1 R201 ERJ6GEYJ153V M 15KOHM,J,1/8W 1 R202 ERJ6GEYJ223 M 22KOHM,J,1/8W 1 R203 D0GB103JA057 M 10K OHM J 1/10W 1 R204 D0GB103JA057 M 10K OHM J 1/10W 1 R205 ERJ6ENF3903 M 390KOHM,J1/8W 1 R206 ERJ6ENF3903 M 390KOHM,J1/8W 1 R207 ERJ6ENF3903 M 390KOHM,J1/8W 1 R208 ERJ6ENF3903 M 390KOHM,J1/8W 1 R209 D0GB183JA057 M 18K OHM J 1/10W 1 R210 ERJ6RBD152 M 1.5KOHM,D.1/10W 1 R211 ERJ3EKF1872 M18.7KOHM, 1/10W 1 R213 ERX1SJ1R0 M 1.0 OHM, J, 1W 1 R214 ERX12SJ5R6J M 5.6 OHM, J,1/2W 1 R215 ERG12SJ680J M 68 OHM, J,1/2W 1 R216 ERG12SJ680J M 68 OHM, J,1/2W 1 R217 ERJ6ENF1800 M 180 OHM,F.1/8W 1 R218 ERJ6ENF1500 M 150 OHM.F.1/8W 1 安全 标记 参考号 部品号 部品名称及说明 数量 备注 R219 ARRF5EJ50MB 0.05 OHM, 5W 1 R221 ERJ6ENF3903 M 390KOHM,J1/8W 1 R222 ERJ6ENF3903 M 390KOHM,J1/8W 1 R223 ERJ6ENF3903 M 390KOHM,J1/8W 1 R224 ERJ6ENF3903 M 390KOHM,J1/8W 1 R231 ERQ14AJ4R7J F 4.7 OHM, J,1/4W 1 R232 ERJ3EKF1001 M 1KOHM, 1/10W 1 R233 ERJ3EKF1001 M 1KOHM, 1/10W 1 R234 ERJ3EKF1502 M 15KOHM, 1/10W 1 R235 ERJ3EKF1131 M1.13KOHM, 1/10W 1 R236 ERDS2FJ472 C 4.7KOHM, J,1/4W 1 R237 D0GB473JA057 M 47KOHM,J,1/10W 1 R238 ERJ6RBD152 M 1.5KOHM,D.1/10W 1 R239 ER0S2CHF1002 M 10KOHM, F,1/4W 1 R253 ERJ6GEY0R00V M 0 OHM 1/8W 1 R254 ERJ6GEYJ102V M 1K OHM J 1/8W 1 R256 ERJ6ENF3901 M 3.9KOHM,F.1/8W 1 R257 ERJ6GEYJ472V M 4.7KOHM.J.1/8W 1 R258 ERJ6GEYJ472V M 4.7KOHM.J.1/8W 1 R259 ERJ6GEYJ472V M 4.7KOHM.J.1/8W 1 R260 ERJ6ENF2001V M 2KOHM,F.1/8W 1 R264 ERJ6GEYJ102V M 1K OHM J 1/8W 1 R265 ERJ6ENF1802 M 18KOHM,F.1/8W 1 R266 ERJ6ENF7682 M76.8KOHM,F.1/8W 1 R267 ERJ6ENF7502 M 75KOHM,F.1/8W 1 R268 ERJ6ENF7682 M76.8KOHM,F.1/8W 1 R269 ERJ6ENF7502 M 75KOHM,F.1/8W 1 R270 ERJ6ENF4992 M49.9KOHM,F.1/8W 1 R271 ERJ6ENF4992 M49.9KOHM,F.1/8W 1 R272 ERJ6ENF4992 M49.9KOHM,F.1/8W 1 R273 ERJ6ENF4992 M49.9KOHM,F.1/8W 1 R274 ERJ6ENF4872 M48.7KOHM,F.1/8W 1 R275 ERJ6ENF8452 M84.5KOHM,F.1/8W 1 R276 D0GB103JA057 M 10K OHM J 1/10W 1 R277 ERJ6ENF1873 M187KOHM,F. 1/8W 1 R278 D0GB103JA057 M 10K OHM J 1/10W 1 R279 D0GB102JA057 M 1KOHM,J,1/10W 1 R280 D0GB102JA057 M 1KOHM,J,1/10W 1 R281 ERJ6ENF2320 M 232 OHM,F.1/8W 1 R282 ERJ6ENF3651 M3.65KOHM,F.1/8W 1 R353 ERJ6ENF8661 M8.66KOHM,F.1/8W 1 R354 ERJ6ENF8661 M8.66KOHM,F.1/8W 1 R364 ERJ3EKF3302 M 33KOHM, 1/10W 1 R365 D0GB103JA057 M 10K OHM J 1/10W 1 R366 ERJ3GEYD153V M 15KOHM,D, 1/10W 1 R367 ERJ3GEYD153V M 15KOHM,D, 1/10W 1 R368 ERJ3GEYJ223 M 22KOHM,J,1/10W 1 R369 ERJ3GEYJ470 M 47 OHM,J,1/10W 1 R371 ERJ6RND1782 片状电阻 1 R372 ERJ6RND1001 片状电阻 1 R389 ERJ3GEYJ104 M100KOHM,J,1/10W 1 R390 ERJ6GEY0R00V M 0 OHM 1/8W 1 R391 ERJ6GEYJ183V M 18KOHM,J,1/8W 1 R392 ERJ6ENF3921 M3.92KOHM,F.1/8W 1 R393 ERJ6GEYJ472V M 4.7KOHM.J.1/8W 1 R394 ERJ6ENF1002 M 10KOHM,F. 1/8W 1 R402 ERJ3EKF1002 M 10KOHM, 1/10W 1 R403 ERG12SJ100J M 10 OHM, J,1/2W 1 R404 ERJ6ENF2492 M24.9KOHM,F.1/8W 1 R405 ARRF2EJR10B 250V 2200P 1 R408 ERJ3GEYJ682 M 6.8KOHM,J,1/10W 1 R409 ERJ6GEYF473 M 47KOHM,J,1/8W 1 R411 ERJ6ENF2001V M 2KOHM,F.1/8W 1 R412 ERJ6ENF2001V M 2KOHM,F.1/8W 1 R413 ERJ6ENF2492 M24.9KOHM,F.1/8W 1 R414 ERJ6ENF2492 M24.9KOHM,F.1/8W 1 R416 ERJ3EKF3302 M 33KOHM, 1/10W 1 R417 ERJ6ENF3482 M34.8KOHM,F.1/8W 1 安全 标记 参考号 部品号 部品名称及说明 数量 备注 121 R418 ERJ6ENF3482 M34.8KOHM,F.1/8W 1 R419 D0GB103JA057 M 10K OHM J 1/10W 1 R420 ERJ6ENF6190 M 619 OHM,F.1/8W 1 R421 ERJ6ENF1332 M13.3KOHM,F. 1/8W 1 R422 ERJ6ENF2492 M24.9KOHM,F.1/8W 1 R423 ARSG734K220U 22 OHM, 0.33W 1 R425 ERJ3GEYD153V M 15KOHM,D, 1/10W 1 R426 ERJ3GEYD153V M 15KOHM,D, 1/10W 1 R428 ERJ3GEYJ223 M 22KOHM,J,1/10W 1 R429 ERJ3GEYJ470 M 47 OHM,J,1/10W 1 R433 ERJ3EKF82R5 M 82.5 OHM 1/10W 1 R434 ERJ6GEYG270 M 27 OHM,G,1/8W 1 R435 ERJ3EKF1820 M 182 OHM, 1/10W 1 R436 ERJ6GEYG270 M 27 OHM,G,1/8W 1 R437 ERJ3EKF1241 M1.24KOHM, 1/10W 1 R438 ERJ3EKF5621 M5.62KOHM, 1/10W 1 R439 D0GB154JA057 M 150KOHM J 1/10W 1 R440 ERJ14YJ220U M 22 OHM, J,1/4W 1 R441 ARSG734K150U 15 OHM, 0.33W 1 R501 ERJ6ENF4123 M 412KOHM,F. 1/8W 1 R502 ERJ6ENF4123 M 412KOHM,F. 1/8W 1 R503 ERJ6ENF4123 M 412KOHM,F. 1/8W 1 R504 ERJ6ENF4123 M 412KOHM,F. 1/8W 1 R505 ERJ6ENF4123 M 412KOHM,F. 1/8W 1 R506 ERJ6ENF4123 M 412KOHM,F. 1/8W 1 R507 ARRCR6J825M 8.2MOHM, 1W 1 R508 ERJ3EKF1303 M 130KOHM, 1/10W 1 R511 ERJ3GEY0R00 M 0 OHM, 1/10W 1 R512 ERJ3GEYJ224 M 220KOHM,J,1/10W 1 R513 ERJ3GEYJ223 M 22KOHM,J,1/10W 1 R514 ERJ3EKF1303 M 130KOHM, 1/10W 1 R515 D0GB103JA057 M 10K OHM J 1/10W 1 R516 ERJ6GEYF473 M 47KOHM,J,1/8W 1 R517 ERJ3GEY0R00 M 0 OHM, 1/10W 1 R518 ERG12SJ220J M 22 OHM, J,1/2W 1 R519 ERJ3GEYJ224 M 220KOHM,J,1/10W 1 R520 ERDS2FJ121 C 120 OHM, J,1/4W 1 R521 ERJ3GEYJ223 M 22KOHM,J,1/10W 1 R522 ERJ6GEYJ180 M 18 OHM,J,1/8W 1 R524 ERJ3GEYJ223 M 22KOHM,J,1/10W 1 R525 ERJ6ENF1002 M 10KOHM,F. 1/8W 1 R526 ERJ3GEYJ472 M 4.7KOHM,J,1/10W 1 R529 ARR5B100JC2 5W 10 OHM 1 R530 ERJ3GEYJ471 M 470 OHM,J,1/10W 1 R531 ERJ6ENF1002 M 10KOHM,F. 1/8W 1 R532 ERJ6ENF4123 M 412KOHM,F. 1/8W 1 R533 ERJ6ENF4123 M 412KOHM,F. 1/8W 1 R534 ERJ6ENF4123 M 412KOHM,F. 1/8W 1 R535 ERJ6ENF4123 M 412KOHM,F. 1/8W 1 R536 ERJ6ENF4123 M 412KOHM,F. 1/8W 1 R537 ERJ6ENF4123 M 412KOHM,F. 1/8W 1 R538 ERG1SJ473 M 47KOHM, J, 1W 1 R539 D0GB152JA057 M 1.5KOHM J 1/10W 1 R540 ERJ3GEYJ472 M 4.7KOHM,J,1/10W 1 R541 ERG12SJ220J M 22 OHM, J,1/2W 1 R542 ERJ6ENF1002 M 10KOHM,F. 1/8W 1 R543 D0GB152JA057 M 1.5KOHM J 1/10W 1 R551 ERJ6GEYJ121V M 120 OHM,J,1/8W 1 R552 ERJ3GEYJ472 M 4.7KOHM,J,1/10W 1 R553 D0GB102JA057 M 1KOHM,J,1/10W 1 R555 ERJ3EKF3482 M34.8KOHM, 1/10W 1 R556 ERJ3EKF1502 M 15KOHM, 1/10W 1 R557 ERJ3EKF7872 M78.7KOHM, 1/10W 1 R558 ERJ6GEYJ124V M 120KOHM,J,1/8W 1 R561 ERJ3EKF1102 M 11KOHM, 1/10W 1 R562 D0GB103JA057 M 10K OHM J 1/10W 1 R563 D0GB103JA057 M 10K OHM J 1/10W 1 R564 D0GB103JA057 M 10K OHM J 1/10W 1 安全 标记 参考号 部品号 部品名称及说明 数量 备注 R565 D0GB103JA057 M 10K OHM J 1/10W 1 R566 ERJ3GEYJ100 M 10 OHM,J,1/10W 1 R567 ERJ3GEYJ100 M 10 OHM,J,1/10W 1 R570 D0GB473JA057 M 47KOHM,J,1/10W 1 R573 ERJ6GEYJ332V M 3.3KOHM J 1/8W 1 R574 ERG2SJ561H M 560 OHM, J, 2W 1 R575 ERG2SJ561H M 560 OHM, J, 2W 1 R576 ERJ3GEYJ223 M 22KOHM,J,1/10W 1 R577 ERJ6GEYJ333V M 33KOHM,J,1/8W 1 R578 ERJ6GEYF561 M 560 OHM,J,1/8W 1 R579 ERJ3GEYJ104 M100KOHM,J,1/10W 1 R580 ERJ3GEYJ104 M100KOHM,J,1/10W 1 R581 D0GB103JA057 M 10K OHM J 1/10W 1 R582 D0GB103JA057 M 10K OHM J 1/10W 1 R583 D0GB102JA057 M 1KOHM,J,1/10W 1 R601 ARRCR5J624M 620M 0.5W 1 R603 ERJ6ENF2703 M 270KOHM,F.1/8W 1 R604 ERJ6ENF2703 M 270KOHM,F.1/8W 1 R605 ERJ6ENF2703 M 270KOHM,F.1/8W 1 R606 ERJ6ENF2703 M 270KOHM,F.1/8W 1 R607 ERJ3EKF3302 M 33KOHM, 1/10W 1 R608 ERJ3EKF1002 M 10KOHM, 1/10W 1 R609 D0GB225JA057 M 2.2MOHM J 1/10W 1 R610 ERJ3GEYJ470 M 47 OHM,J,1/10W 1 R611 ERJ3GEYJ470 M 47 OHM,J,1/10W 1 R612 ERJ6ENF3093 M 309KOHM,F.1/8W 1 R613 ERJ3GEYJ223 M 22KOHM,J,1/10W 1 R614 ERJ6ENF3093 M 309KOHM,F.1/8W 1 R615 D0GB103JA057 M 10K OHM J 1/10W 1 R616 ERJ6ENF3093 M 309KOHM,F.1/8W 1 R617 ARRF5EJ75MB 0.075 OHM, 5W 1 R618 ARRF5EJ75MB 0.075 OHM, 5W 1 R619 ERJ6ENF3163 M 316KOHM,F. 1/8W 1 R620 ERJ6ENF3163 M 316KOHM,F. 1/8W 1 R621 ERJ3EKF1652 M16.5KOHM, 1/10W 1 R622 ERJ6ENF8662 M86.6KOHM,F.1/8W 1 R623 ERJ6ENF8662 M86.6KOHM,F.1/8W 1 R624 ERDS2FJ472 C 4.7KOHM, J,1/4W 1 R625 ER0S2CKF1000 M 100 OHM, F,1/4W 1 R626 ERJ6ENF8662 M86.6KOHM,F.1/8W 1 R627 ERDS2FJ154 C 150KOHM, J,1/4W 1 R628 ERJ6ENF8662 M86.6KOHM,F.1/8W 1 R629 ERG12SJ470J M 47 OHM, J,1/2W 1 R630 ERJ6ENF8662 M86.6KOHM,F.1/8W 1 R631 ERJ6ENF8662 M86.6KOHM,F.1/8W 1 R634 ERJ6ENF3093 M 309KOHM,F.1/8W 1 R635 ERJ6ENF3093 M 309KOHM,F.1/8W 1 R636 ERJ6ENF3093 M 309KOHM,F.1/8W 1 R637 ERJ6ENF8662 M86.6KOHM,F.1/8W 1 R638 ERJ6ENF8662 M86.6KOHM,F.1/8W 1 R640 ERJ6ENF1692 M16.9KOHM,F.1/8W 1 R641 ERJ6ENF1500 M 150 OHM.F.1/8W 1 R642 D0GB473JA057 M 47KOHM,J,1/10W 1 R649 ERJ6ENF2703 M 270KOHM,F.1/8W 1 R650 ERJ6ENF2703 M 270KOHM,F.1/8W 1 R651 ERJ6GEYJ220 M 22 OHM,J,1/8W 1 R652 ERJ6GEYJ220 M 22 OHM,J,1/8W 1 R653 ERJ6GEYJ220 M 22 OHM,J,1/8W 1 R654 ERJ6GEYJ220 M 22 OHM,J,1/8W 1 R655 ERJ6GEYJ220 M 22 OHM,J,1/8W 1 R656 ERJ6GEYJ220 M 22 OHM,J,1/8W 1 R657 ERJ6GEYJ220 M 22 OHM,J,1/8W 1 R658 ERJ6GEYJ220 M 22 OHM,J,1/8W 1 R659 ERDS2FJ472 C 4.7KOHM, J,1/4W 1 R660 ERDS2FJ472 C 4.7KOHM, J,1/4W 1 R661 ERJ6GEYJ220 M 22 OHM,J,1/8W 1 R662 ERJ6GEYJ220 M 22 OHM,J,1/8W 1 R663 ERJ6GEYJ220 M 22 OHM,J,1/8W 1 安全 标记 参考号 部品号 部品名称及说明 数量 备注 122 R664 ERJ6GEYJ220 M 22 OHM,J,1/8W 1 R665 D0GB103JA057 M 10K OHM J 1/10W 1 R666 ERJ3GEYJ223 M 22KOHM,J,1/10W 1 R667 D0GB181JA057 M 180 OHM,J,1/10W 1 R668 ERDS2FJ2R2 C 2.2 OHM, J,1/2W 1 R702 ERJ3GEYJ221 M 220 OHM,J,1/10W 1 R704 ERJ6GEYJ104V M 100KOHM,J,1/8W 1 R705 ER0S2THF4530 M 453 OHM, F,1/4W 1 R707 D0GB103JA057 M 10K OHM J 1/10W 1 R709 ER0S2CKF1001 M 1KOHM, F,1/4W 1 R719 ERJ6GEY0R00V M 0 OHM 1/8W 1 R736 ERJ3GEYJ122 M 1.2KOHM,J,1/10W 1 R738 D0GB103JA057 M 10K OHM J 1/10W 1 R743 ERJ3GEYJ271 M 270 OHM,J,1/10W 1 R745 ERJ6GEYJ103V M 10KOHM J 1/8W 1 R746 D0GB103JA057 M 10K OHM J 1/10W 1 R747 D0GB103JA057 M 10K OHM J 1/10W 1 R748 D0GB103JA057 M 10K OHM J 1/10W 1 R749 D0GB103JA057 M 10K OHM J 1/10W 1 R750 D0GB103JA057 M 10K OHM J 1/10W 1 R751 ERJ6GEYJ102V M 1K OHM J 1/8W 1 R752 D0GB103JA057 M 10K OHM J 1/10W 1 R755 ERJ6GEYJ472V M 4.7KOHM.J.1/8W 1 R756 ERJ6GEYJ101V M 100 OHM,J,1/8W 1 R757 ARRF5EJR15B 0.15 OHM 5W 1 R758 ER0S2CHF1002 M 10KOHM, F,1/4W 1 R759 ER0S2CHF1002 M 10KOHM, F,1/4W 1 R760 ERJ6GEYJ102V M 1K OHM J 1/8W 1 R762 ER0S2CKF1001 M 1KOHM, F,1/4W 1 R763 ERJ6GEYF561 M 560 OHM,J,1/8W 1 R764 ER0S2THF2200 M 220 OHM, F,1/4W 1 R765 ERJ6GEYJ101V M 100 OHM,J,1/8W 1 R766 ERJ6GEY0R00V M 0 OHM 1/8W 1 R767 ER0S2THF4530 M 453 OHM, F,1/4W 1 R768 ER0S2THF2200 M 220 OHM, F,1/4W 1 R769 ERJ6GEYJ103V M 10KOHM J 1/8W 1 R770 ERJ6GEYJ103V M 10KOHM J 1/8W 1 R771 ER0S2CKF1000 M 100 OHM, F,1/4W 1 R772 ERJ6GEYJ103V M 10KOHM J 1/8W 1 R773 ERJ6GEYJ103V M 10KOHM J 1/8W 1 R774 ERJ6GEYJ101V M 100 OHM,J,1/8W 1 RF601 HUA5MC100JP2 热截止电阻 1 SPA2 KL59 隔离器 1 SPA3 KL59 隔离器 1 T201 ETB42LZ15GAD 变压器 1 T501 ETB35BC2EGAD 变压器 1 VR251 EVMAASA00B25 电位器 200KOHMB 1 VR401 EVMAASA00B54 电位器 50KOHMB 1 Z501 ERZV14D471 变阻器 1 Z502 ERZV14D471 变阻器 1 Z602 ERZVGAD471 变阻器 1 ZD203 VZMTZJ27DT 稳压二极管 1 ZD204 VZMTZJ27DT 稳压二极管 1 ZD205 VZMTZJ27DT 稳压二极管 1 ZD206 VZMTZJ5.1BT 稳压二极管 1 ZD251 VZMTZJ5.6BT 稳压二极管 1 ZD351 VZMTZJ10CT 稳压二极管 1 ZD401 VZMTZJ15CT 稳压二极管 1 ZD402 VZMTZJ10CT 稳压二极管 1 ZD501 VZMTZJ30DT 稳压二极管 1 ZD502 VZMTZJ30DT 稳压二极管 1 ZD503 VZMTZJ30DT 稳压二极管 1 安全 标记 参考号 部品号 部品名称及说明 数量 备注 ZD504 VZMTZJ15CT 稳压二极管 1 ZD505 VZMTZJ30DT 稳压二极管 1 ZD506 VZMTZJ18CT 稳压二极管 1 ZD507 VZMTZJ8.2CT 稳压二极管 1 ZD508 VZMTZJ15CT 稳压二极管 1 ZD509 VZMTZJ27DT 稳压二极管 1 ZD510 VZMTZJ27DT 稳压二极管 1 ZD551 VZMTZJ6.8BT 稳压二极管 1 ZD552 VZMTZJ18CT 稳压二极管 1 ZD553 VZMTZJ5.1BT 稳压二极管 1 ZD601 VZMTZJ5.1BT 稳压二极管 1 ZD602 VZMTZJ4.7BT 稳压二极管 1 ZD603 VZMTZJ10CT 稳压二极管 1 C801 ACLEM474XKC 塑料薄膜电容器 (Xcap) 1 C802 ACKX221KYP 250V 220p 1 C803 ACKX221KYP 250V 220p 1 C805 ECWF2W225KA 450V 2.2P 1 C806 ECJ1VB1H102K C 1000UF, 50V 1 C808 ECJ1VB1H222K C 2200UF, 50V 1 C809 ACTEB104K5T 50V 0.1P 1 C810 ACMEB224K2T 25V 0.22P 1 C811 ECJ1XC1H102J C 1000PF, J, 50V 1 C813 ECJ1VB1H103K C 0.01UF, 50V 1 C815 ACMBB225K2T 25V 2.2P 1 C816 ACTEB474K1T 16V 0.47P 1 C817 ACLEM474XKC 塑料薄膜电容器 (Xcap) 1 C820 ACMBB474K2T 25V 0.47P 1 C823 ACKMQ2W291KZ 450V 290p 1 C828 ACMBB225K2T 25V 2.2P 1 C829 ECQV1H334JL 50V 0.33P 1 C830 ECJ1VC1H471J C 470PF J 50V 1 C831 ECJ1VB1H103K C 0.01UF, 50V 1 C832 ECJ1VB1H103K C 0.01UF, 50V 1 C833 ACRZL1H220T 50V 22P 1 C901 ECJ1VB1H332K C 3300PF, 50V 1 C902 ACDE2R221KP 2kV 220p 1 C903 ACDE2R221KP 2kV 220p 1 C904 ECWH8473HA P 0.033UF 800V 1 C905 ECWH8473HA P 0.033UF 800V 1 C906 ACKX331KYP 250V 330p 1 C907 ECJ2XB1H104K C 0.1UF, K, 50V 1 C908 ECJ2XC1H681J C 680PF, J, 50V 1 C909 ECJ1VC1H471J C 470PF J 50V 1 C911 ACRZL1H100T 50V 1000P 1 C912 ACRZL1H100T 50V 1000P 1 C913 ACYBB475K2F 25V 4.7PF 1 C914 ACMH1H010T 50V 1P 1 C915 ECJ1VB1E333K C 0.033UF, 25V 1 C917 ACMEB104K2T 25V 0.1P 1 C918 ACMBB106K1AT 10V 10P 1 C919 ECJ1VB1H472K C 4700PF, 50V 1 C920 ACMBB106K1AT 10V 10P 1 C921 ACMEB104K5T 50V 0.1P 1 C923 ECJ2XC1H331J C 330PF, J, 50V 1 C951 ACMEB104K2T 25V 0.1P 1 C952 ECQV1H224JL P 0.22UF, J, 50V 1 C955 ECQE2473SKF C 0.047U 250V 1 C956 ACCST230102K 230V 1000P 1 D801 VD1SS133T 二极管 1 D802 VD1SS133T 二极管 1 D803 VDD15XB80 二极管 1 D805 VD1SS133T 二极管 1 D806 VD1N5406G-07 二极管 1 D807 VDYG982S6R 二极管 1 D808 VDERA83-004T 二极管 1 D810 VD1SS133T 二极管 1 安全 标记 参考号 部品号 部品名称及说明 数量 备注 123 D901 VDERA83-004T 二极管 1 D902 VDERA83-004T 二极管 1 D903 VDAG01AT 二极管 1 D904 VDAG01AT 二极管 1 D905 VDAG01AT 二极管 1 D906 VD1SS133T 二极管 1 D952 VD1SS133T 二极管 1 D953 VDD4SBL40 二极管 1 F801 HU215010BEP 保险丝 1 F802 HU215010BEP 保险丝 1 F901 HU216005BEP 保险丝 1 IC801 VIFA5610NTE1 IC 1 IC901 VIMCZ5203D 集成电路 1 IC902 VINJM2903ME1 集成电路 1 IC951 VIJM1431AF IC 1 K802 ALKT329M02 继电器 1 K805 ALKT329M02 继电器 1 L801 AYS251733HY 滤波扼流圈 1 L803 ETB42AZ14GAD 变压器 1 L901 AYTSKA170T 铁氧体线圈 1 P2 AKB2P3S-VH 2P 连接接头 1 P51 AKB2P4-VH-B 2P 连接接头 1 P53 AKB2P-VH 2P 连接接头 1 P55 AKB12B-PH-KS 12P 连接接头 1 PC801 VPS2581AL2HE 光电耦合器 1 PC902 VPS2581AL2HE 光电耦合器 1 PC903 VPS2581AL2HE 光电耦合器 1 Q802 VQPBSS4350T 三极管 1 Q803 VQPBSS5350T 三极管 1 Q804 VKR6015ANZ FET 1 Q805 VKRK7002BT FET 1 Q806 VKR6015ANZ FET 1 Q807 VQ2PB709ART 三极管 1 Q808 VQ2PB709ART 三极管 1 Q809 VQPBSS4350T 三极管 1 Q901 VKFMV17N55ES FET 1 Q902 VKFMV17N55ES FET 1 Q903 VQ2PB709ART 三极管 1 Q904 VQ2PD601ART 三极管 1 Q951 2SK3018TL FET 1 Q952 2SK3018TL FET 1 R801 ARRCR5J624M 620M 0.5W 1 R803 ERJ6ENF2703 M 270KOHM,F.1/8W 1 R804 ERJ6ENF2703 M 270KOHM,F.1/8W 1 R805 ERJ6ENF2703 M 270KOHM,F.1/8W 1 R806 ERJ6ENF2703 M 270KOHM,F.1/8W 1 R807 ERJ3EKF3302 M 33KOHM, 1/10W 1 R808 ERJ3EKF1002 M 10KOHM, 1/10W 1 R809 D0GB225JA057 M 2.2MOHM J 1/10W 1 R810 ERJ3GEYJ470 M 47 OHM,J,1/10W 1 R811 ERJ3GEYJ470 M 47 OHM,J,1/10W 1 R812 ERJ6ENF3093 M 309KOHM,F.1/8W 1 R813 ERJ3GEYJ223 M 22KOHM,J,1/10W 1 R814 ERJ6ENF3093 M 309KOHM,F.1/8W 1 R815 D0GB103JA057 M 10K OHM J 1/10W 1 R816 ERJ6ENF3093 M 309KOHM,F.1/8W 1 R817 ARRF5EJ75MB 0.075 OHM, 5W 1 R818 ARRF5EJ75MB 0.075 OHM, 5W 1 R819 ERJ6ENF3163 M 316KOHM,F. 1/8W 1 R820 ERJ6ENF3163 M 316KOHM,F. 1/8W 1 安全 标记 参考号 部品号 部品名称及说明 数量 备注 R821 ERJ3EKF1652 M16.5KOHM, 1/10W 1 R822 ERJ6ENF8662 M86.6KOHM,F.1/8W 1 R823 ERJ6ENF8662 M86.6KOHM,F.1/8W 1 R825 ERDS2FJ101 C 100 OHM, J,1/4W 1 R826 ERJ6ENF8662 M86.6KOHM,F.1/8W 1 R827 ERDS2FJ154 C 150KOHM, J,1/4W 1 R828 ERJ6ENF8662 M86.6KOHM,F.1/8W 1 R829 ERG12SJ150J M 15 OHM, J,1/2W 1 R830 ERJ6ENF8662 M86.6KOHM,F.1/8W 1 R831 ERJ6ENF8662 M86.6KOHM,F.1/8W 1 R834 ERJ6ENF3093 M 309KOHM,F.1/8W 1 R835 ERJ6ENF3093 M 309KOHM,F.1/8W 1 R836 ERJ6ENF3093 M 309KOHM,F.1/8W 1 R837 ERJ6ENF8662 M86.6KOHM,F.1/8W 1 R838 ERJ6ENF8662 M86.6KOHM,F.1/8W 1 R840 ERJ6ENF1692 M16.9KOHM,F.1/8W 1 R841 ERJ6GEYJ151V M 150 OHM,J,1/8W 1 R842 D0GB473JA057 M 47KOHM,J,1/10W 1 R849 ERJ6ENF2703 M 270KOHM,F.1/8W 1 R850 ERJ6ENF2703 M 270KOHM,F.1/8W 1 R855 ERJ6GEYJ220 M 22 OHM,J,1/8W 1 R856 ERJ6GEYJ220 M 22 OHM,J,1/8W 1 R857 ERJ6GEYJ220 M 22 OHM,J,1/8W 1 R858 ERJ6GEYJ220 M 22 OHM,J,1/8W 1 R859 ERDS2FJ472 C 4.7KOHM, J,1/4W 1 R860 ERDS2FJ472 C 4.7KOHM, J,1/4W 1 R861 ERJ6GEYJ220 M 22 OHM,J,1/8W 1 R862 ERJ6GEYJ220 M 22 OHM,J,1/8W 1 R863 ERJ6GEYJ220 M 22 OHM,J,1/8W 1 R864 ERJ6GEYJ220 M 22 OHM,J,1/8W 1 R865 D0GB103JA057 M 10K OHM J 1/10W 1 R866 ERJ6GEYJ223 M 22KOHM,J,1/8W 1 R867 D0GB181JA057 M 180 OHM,J,1/10W 1 R868 D0GB103JA057 M 10K OHM J 1/10W 1 R869 ERJ6GEYF473 M 47KOHM,J,1/8W 1 R870 ERJ3GEYJ471 M 470 OHM,J,1/10W 1 R871 ERDS2FJ2R2 C 2.2 OHM, J,1/2W 1 R901 ERJ6GEYJ153V M 15KOHM,J,1/8W 1 R902 ERJ6GEYJ223 M 22KOHM,J,1/8W 1 R903 D0GB103JA057 M 10K OHM J 1/10W 1 R904 D0GB103JA057 M 10K OHM J 1/10W 1 R905 ERJ6ENF3903 M 390KOHM,J1/8W 1 R906 ERJ6ENF3903 M 390KOHM,J1/8W 1 R907 ERJ6ENF3903 M 390KOHM,J1/8W 1 R908 ERJ6ENF3903 M 390KOHM,J1/8W 1 R909 D0GB183JA057 M 18K OHM J 1/10W 1 R910 ERJ6RBD152 M 1.5KOHM,D.1/10W 1 R911 ERJ3EKF1872 M18.7KOHM, 1/10W 1 R913 ERX1SJ1R0 M 1.0 OHM, J, 1W 1 R914 ERX12SJ5R6J M 5.6 OHM, J,1/2W 1 R915 ERG12SJ680J M 68 OHM, J,1/2W 1 R916 ERG12SJ680J M 68 OHM, J,1/2W 1 R917 ERJ6ENF1800 M 180 OHM,F.1/8W 1 R918 ERJ6ENF1500 M 150 OHM.F.1/8W 1 R919 ARRF5EJ82MB 0.082 OHM. 5W 1 R921 ERJ6ENF3903 M 390KOHM,J1/8W 1 R922 ERJ6ENF3903 M 390KOHM,J1/8W 1 R923 ERJ6ENF3903 M 390KOHM,J1/8W 1 R924 ERJ6ENF3903 M 390KOHM,J1/8W 1 R931 ERQ14AJ4R7J F 4.7 OHM, J,1/4W 1 R932 ERJ3EKF1001 M 1KOHM, 1/10W 1 R933 ERJ3EKF1001 M 1KOHM, 1/10W 1 R934 ERJ3EKF1502 M 15KOHM, 1/10W 1 R935 ERJ3EKF1131 M1.13KOHM, 1/10W 1 R936 ERDS2FJ472 C 4.7KOHM, J,1/4W 1 R937 D0GB473JA057 M 47KOHM,J,1/10W 1 R938 ERJ6RBD152 M 1.5KOHM,D.1/10W 1 R939 ERDS2FJ103 C 10KOHM, J,1/4W 1 安全 标记 参考号 部品号 部品名称及说明 数量 备注 124 FLE2010010012CC R953 ERJ6GEY0R00V M 0 OHM 1/8W 1 R954 ERJ6GEYJ102V M 1K OHM J 1/8W 1 R956 ERJ6ENF3901 M 3.9KOHM,F.1/8W 1 R957 ERJ6GEYJ472V M 4.7KOHM.J.1/8W 1 R958 ERJ6GEYJ472V M 4.7KOHM.J.1/8W 1 R959 ERJ6GEYJ472V M 4.7KOHM.J.1/8W 1 R960 ERJ6GEYJ202 M 2KOHM,J,1/8W 1 R964 ERJ6GEYJ102V M 1K OHM J 1/8W 1 R965 ERJ6ENF1802 M 18KOHM,F.1/8W 1 R966 ERJ6ENF7322 M73.2KOHM,F.1/8W 1 R967 ERJ6ENF7502 M 75KOHM,F.1/8W 1 R968 ERJ6ENF7502 M 75KOHM,F.1/8W 1 R969 ERJ6ENF7502 M 75KOHM,F.1/8W 1 R970 ERJ6ENF4992 M49.9KOHM,F.1/8W 1 R971 ERJ6ENF4992 M49.9KOHM,F.1/8W 1 R972 ERJ6ENF4992 M49.9KOHM,F.1/8W 1 R973 ERJ6ENF4992 M49.9KOHM,F.1/8W 1 R974 ERJ6ENF4872 M48.7KOHM,F.1/8W 1 R975 ERJ6ENF8252 M82.5KOHM,F.1/8W 1 R976 D0GB103JA057 M 10K OHM J 1/10W 1 R977 ERJ6ENF1873 M187KOHM,F. 1/8W 1 R978 D0GB103JA057 M 10K OHM J 1/10W 1 R979 D0GB102JA057 M 1KOHM,J,1/10W 1 R980 D0GB102JA057 M 1KOHM,J,1/10W 1 R981 ERJ6ENF8310 M 831 OHM,F. 1/8W 1 R982 ERJ6ENF7150 M 715 OHM,F.1/8W 1 R983 ERJ3GEYJ122 M 1.2KOHM,J,1/10W 1 R984 ERJ6GEYJ471 M 470 OHM,J,1/8W 1 R985 D0GB103JA057 M 10K OHM J 1/10W 1 R986 ERJ6GEYJ271V M 270 OHMJ. 1/8W 1 R987 ERJ6GEY0R00V M 0 OHM 1/8W 1 R988 D0GB103JA057 M 10K OHM J 1/10W 1 RF801 HUA5MC100JP2 热截止电阻 1 T901 ETB39LJ13GAD 变压器 1 TG1 TW-4BS-2L 接线片 1 TG2 TW-4BS-2L 接线片 1 VR951 EVMAASA00B25 电位器 200KOHMB 1 Z801 ERZVGED751 变阻器 1 ZD801 VZMTZJ5.1BT 稳压二极管 1 ZD802 VZMTZJ4.7BT 稳压二极管 1 ZD803 VZMTZJ10CT 稳压二极管 1 ZD804 VZMTZJ18CT 稳压二极管 1 ZD903 VZMTZJ27DT 稳压二极管 1 ZD904 VZMTZJ27DT 稳压二极管 1 ZD905 VZMTZJ27DT 稳压二极管 1 ZD906 VZMTZJ5.1BT 稳压二极管 1 ZD951 VZMTZJ5.6BT 稳压二极管 1 ZD603 VZMTZJ10CT 稳压二极管 1 安全 标记 参考号 部品号 部品名称及说明 数量 备注

标签:

版权声明

1. 本站所有素材,仅限学习交流,仅展示部分内容,如需查看完整内容,请下载原文件。
2. 会员在本站下载的所有素材,只拥有使用权,著作权归原作者所有。
3. 所有素材,未经合法授权,请勿用于商业用途,会员不得以任何形式发布、传播、复制、转售该素材,否则一律封号处理。
4. 如果素材损害你的权益请联系客服QQ:77594475 处理。