松下TH-P46G20C等离子电视(GPF13DA机芯)维修手册

分类:电子电工 日期: 点击:0
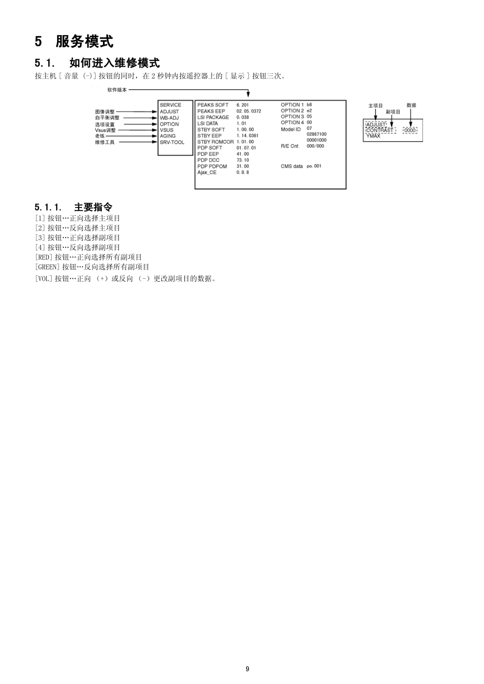
松下TH-P46G20C等离子电视(GPF13DA机芯)维修手册-0 松下TH-P46G20C等离子电视(GPF13DA机芯)维修手册-1 松下TH-P46G20C等离子电视(GPF13DA机芯)维修手册-2 松下TH-P46G20C等离子电视(GPF13DA机芯)维修手册-3 松下TH-P46G20C等离子电视(GPF13DA机芯)维修手册-4 松下TH-P46G20C等离子电视(GPF13DA机芯)维修手册-5 松下TH-P46G20C等离子电视(GPF13DA机芯)维修手册-6 松下TH-P46G20C等离子电视(GPF13DA机芯)维修手册-7 松下TH-P46G20C等离子电视(GPF13DA机芯)维修手册-8 松下TH-P46G20C等离子电视(GPF13DA机芯)维修手册-9

© 2010 松下电器产业株式会社版权所有。 未经本公司许可而复制或分发者均属违法。 ORDER NO. PPDS1005152CC 等离子电视机 型号 TH-P46G20C GPF13DA 机芯 目录 页数 页数 1 安全事项 -----------------------------------------3 1.1. 一般准则------------------------------------3 1.2. 漏电检查------------------------------------3 2 警告 ---------------------------------------------4 2.1. 静电敏感设备 (ES) 的静电放电保护 (ESD) -------4 2.2. 关于无铅焊接 (PbF) --------------------------5 3 服务导航 -----------------------------------------6 3.1. 印刷电路板布局------------------------------6 3.2. 适用信号------------------------------------7 4 技术规格 -----------------------------------------8 5 服务模式 -----------------------------------------9 5.1. 如何进入维修模式----------------------------9 5.2. 选项 - 镜像---------------------------------11 5.3. 维修工具模式-------------------------------11 5.4. 旅馆模式-----------------------------------12 5.5. 通过 SD 卡进行数据复制----------------------13 6 修理指导 ----------------------------------------16 6.1. IIC 总线检测 -------------------------------16 6.2. 电源 LED 闪烁次数图-------------------------17 6.3. 无电源-------------------------------------18 6.4. 无图像-------------------------------------19 6.5. 显示器局部故障-----------------------------20 7 维修设备和工具 ----------------------------------21 7.1. SC 夹具 ------------------------------------21 8 拆解和组装介绍 ----------------------------------22 8.1. 取下后盖-----------------------------------22 8.2. 取下 AC 接入口------------------------------22 8.3. 取下 P 板 ---------------------------------- 22 8.4. 取下侧部端子盖和侧部屏蔽金属条 ------------ 22 8.5. 取下 XH 组件 ------------------------------- 22 8.6. 取下调谐器组件 ---------------------------- 23 8.7. 取下 A 板 ---------------------------------- 23 8.8. 取下扬声器 -------------------------------- 23 8.9. 取下 SU 板 --------------------------------- 23 8.10. 取下 SD 板 --------------------------------- 24 8.11. 取下 SC 板 --------------------------------- 24 8.12. 取下 SS2 板 -------------------------------- 24 8.13. 取下 SS 板 --------------------------------- 24 8.14. 取下金属悬挂架和单脚支架 ------------------ 25 8.15. 取下面框安装金属 -------------------------- 25 8.16. 取下 C1 板 --------------------------------- 25 8.17. 取下 C2 板 --------------------------------- 26 8.18. 从面框组件上卸下等离子显示屏部分 ---------- 26 8.19. 取下连接金属条 ---------------------------- 26 8.20. 取下 K 板 ---------------------------------- 27 8.21. 更换等离子显示屏 -------------------------- 27 9 测量和调整-------------------------------------- 28 9.1. 调整步骤 ---------------------------------- 28 10 方框图------------------------------------------ 33 10.1. 主方框图 ---------------------------------- 33 10.2. 方框图 (1/4)------------------------------- 34 10.3. 方框图 (2/4)------------------------------- 35 10.4. 方框图 (3/4)------------------------------- 36 10.5. 方框图 (4/4)------------------------------- 37 2 11 导线连接图-------------------------------------- 39 11.1. 注意事项 ---------------------------------- 39 11.2. 导线 (1)--------------------------------- 39 11.3. 导线 (2)--------------------------------- 40 11.4. 导线 (3) -------------------------------- 40 11.5. 导线 (4)--------------------------------- 41 12 电路图------------------------------------------ 43 12.1. 线路图注意事项 ---------------------------- 43 12.2. P 电路板 (1/3) 线路图----------------------- 44 12.3. P 电路板 (2/3) 线路图----------------------- 45 12.4. P 电路板 (3/3) 线路图----------------------- 46 12.5. XH 电路板线路图---------------------------- 47 12.6. A 电路板 (1/22) 线路图---------------------- 48 12.7. A 电路板 (2/22) 线路图---------------------- 49 12.8. A 电路板 (3/22) 线路图---------------------- 50 12.9. A 电路板 (4/22) 线路图---------------------- 51 12.10. A 电路板 (5/22) 线路图---------------------- 52 12.11. A 电路板 (6/22) 线路图---------------------- 53 12.12. A 电路板 (7/22) 线路图---------------------- 54 12.13. A 电路板 (8/22) 线路图---------------------- 55 12.14. A 电路板 (9/22) 线路图---------------------- 56 12.15. A 电路板 (10/22) 线路图--------------------- 57 12.16. A 电路板 (11/22) 线路图--------------------- 58 12.17. A 电路板 (12/22) 线路图--------------------- 59 12.18. A 电路板 (13/22) 线路图--------------------- 60 12.19. A 电路板 (14/22) 线路图--------------------- 61 12.20. A 电路板 (15/22) 线路图--------------------- 62 12.21. A 电路板 (16/22) 线路图--------------------- 63 12.22. A 电路板 (17/22) 线路图--------------------- 64 12.23. A 电路板 (18/22) 线路图--------------------- 65 12.24. A 电路板 (19/22) 和 K 电路板线路图----------- 66 12.25. A 电路板 (20/22) 线路图--------------------- 67 12.26. A 电路板 (21/22) 线路图--------------------- 68 12.27. A 电路板 (22/22) 线路图--------------------- 69 12.28. C1 电路板 (1/2) 线路图---------------------- 70 12.29. C1 电路板 (2/2) 线路图---------------------- 71 12.30. C2 电路板 (1/2) 线路图---------------------- 72 12.31. C2 电路板 (2/2) 线路图---------------------- 73 12.32. SC 电路板 (1/4) 线路图---------------------- 74 12.33. SC 电路板 (2/4) 线路图---------------------- 75 12.34. SC 电路板 (3/4) 线路图---------------------- 76 12.35. SC 电路板 (4/4) 线路图---------------------- 77 12.36. SS 电路板 (1/2) 线路图---------------------- 78 12.37. SS 电路板 (2/2) 和 SS2 电路板线路图---------- 79 13 印刷电路板基板图-------------------------------- 80 13.1. P 电路板----------------------------------- 80 13.2. K 和 SS2 电路板----------------------------- 83 13.3. XH 电路板---------------------------------- 84 13.4. A 电路板----------------------------------- 85 13.5. C1 电路板---------------------------------- 87 13.6. C2 电路板---------------------------------- 88 13.7. SC 电路板---------------------------------- 89 13.8. SS 电路板---------------------------------- 91 14 零件位置和零件清单------------------------------ 93 14.1. 零件位置和机械部件更换清单 ---------------- 93 14.2. 电器部件更换清单 -------------------------- 98 3 1.1. 一般准则 1. 进行维修和维护时,请勿试图更改设备及其部件或其材料。 2. 维修连接线 (如电缆、柔性电缆或导线)时,当仅有一条导线或几条导线损坏或断开时,请勿试图维修或重新为其连接。请更 换整条连接线。 3. 进行维修和维护时,应直接插入或拉出固定连接器,而不应将其扭曲。 4. 维修时,检查引线的外观。如发现短路,更换所有因短路而过热或被损坏的部件。 5. 维修后,检查并确认所有的保护装置,如:绝缘隔障、绝缘纸屏蔽等安装正确。 6. 维修后,进行以下漏电检查,以免用户遭受触电危险。 1.2. 漏电检查 1. 将 AC 电源线直接插入 AC 电源插座。进行检查时,请勿使用隔离变压器。 2. 在设备上各外露金属部分和良好接地 (如水管)之间连接一个电流测量装置,如图 1 所示。 3. 用漏电测试仪 (Simpson 228 或类似型号)测量通过该装置的电势。 4. 检查各外露金属部件,并测量各点电压。 5. 变换 AC 插座中的 AC 插头,并重复上述各项测量。 6. 各点 (漏电)的电势表示为电压 U1 和 U2,并且不能超过以下各值: 交流:U1=35V (峰值) U2=0.35V (峰值); 直流:U1=1.0V, 注: 与交流的 U2 限定峰值 0.35V 和直流的 U1 限定峰值 1.0V 相对应的电流峰值分别为 0.7mA 和 2.0mA。 与交流的 U1 限定峰值 35V 相对应的 100kHz 以上的电流峰值为 70mA。 7. 当测量值超出规定的限制时,可能会引起触电。所以必须在机器返回用户手中之前对其进行修理和再检测。 漏电测量电路 电阻值 (Ω) V:电压表或示波器 (r.m.s. 或峰值) 输入电阻:≥ 1MΩ 输入电容:≤ 200pF 频率范围:分别为直流 15Hz 到 1MHz 注:必须使用合适的测量设备,以便在非正弦波形时测量准确。 图 1 4 2.1. 静电敏感设备 (ES) 的静电放电保护 (ESD) 一些半导体(固态)装置很容易被静电损坏。这些装置通称为静电敏感装置(ES)。典型的 ES 装置有集成电路和一些场效应晶体管以 及半导体 “芯片”组件。以下方法通常被用来减少由于静电释放 (ESD) 所造成的组件损坏。 1. 在处理任何半导体组件或是配备有半导体组件的设备之前,接触已知地线以排除身体上的静电。或者戴上市面上可购买到的抗静 电腕带,但是在待检设备通电之前应将其拿掉,以免遭受电击。 2. 在拆卸配有静电敏感装置的电气组件后,请将组件放置于导体表面上 (如铝箔),以防止静电聚集或组件外露。 3. 仅使用末端接地的烙铁焊接或拆焊静电敏感装置。 4. 仅使用防静电拆焊装置。不属于 “防静电 (静电放电保护)”的拆焊装置可能会产生足以损坏静电敏感装置的电荷。 5. 禁止使用氟里昂驱动的化学物质。它们能产生足以损坏静电敏感装置的电荷。 6. 在准备立即安装之前,才能拆开备换静电敏感装置的保护性包装,取出备换静电敏感装置。(大多数备换静电敏感装置都使用导 电泡沫、铝箔或类似导电性材料包装,其导线被短接。) 7. 从备换静电敏感装置导线上取下防护性材料前,使防护性材料接触机芯或即将安装的电路组件。 注意: 确定机芯或电路无电源,并遵守其它所有安全注意事项。 8. 在处理未包装的备换静电敏感装置时,尽量减少身体活动。(否则,如衣物纤维的摩擦或从铺有地毯的地面抬起脚等动作都会产 生足以损坏静电敏感装置的静电 (静电释放))。 5 2.2. 关于无铅焊接 (PbF) 注:在元素周期表中,铅用 Pb 表示。 在下文中,Pb 表示有铅焊接,PbF 表示无铅焊接。 在制造流程中使用和下文中介绍的无铅焊接 (Sn+Ag+Cu)。 即:锡 (Sn),银 (Ag)和铜 (Cu),其他类型也可使用。 出于环境保护的考虑,本设备制造中使用了无铅焊接工艺。我们建议在维护和修理工作中最好使用无铅焊接,不过也允许使用有铅焊 接。 使用无铅焊接工艺制造的印刷电路板背面的树叶形符号 内有 PbF 字样。 注意: • 无铅焊接的熔点比标准焊接的熔点高。通常熔点超过 50-70°F (30-40°C)。 请使用高温烙铁,并将其温度设为 700±20°F (370±10°C)。 • 当温度过高 (约 1100°F 或 600°C)时,无铅焊料可能会发生喷溅。 如果必须使用有铅焊接,请在焊接前先全部去除焊脚或焊区上的无铅焊料。如果做到这点实际操作困难,则确保无铅焊料加热到熔 化后再进行有铅焊接。 • 在对双面电路板进行无铅焊接后,请检查部件侧部是否有过量焊料,否则会流到另一侧。(见下图) 推荐的无铅焊料 有几种无铅焊料可供选购。本产品使用 Sn+Ag+Cu( 锡 + 银 + 铜 ) 焊料。 也可使用 Sn+Cu (锡,铜),Sn+Zn+Bi( 锡,锌,铋 ) 焊料。 6 3.1. 印刷电路板布局 电路板名称 功能 电路板名称 功能 P 电源供应 SC 扫描驱动 A DC-DC 转换器,调谐器 SS 维持驱动 扬声器输出,AV 端子,HDMI 接口,SD 卡,PC 接口 SS2 维持输出 (下) 数字信号处理器,峰值 LDA2,格式转换器, SU 扫描输出 维修时应更换 SU 板。 等离子 AI 处理器,子场处理器,电源开关,按键开关 K 遥控接收器,电源指示灯,C.A.T.S 传感器 SD 扫描输出 维修时应更换 SD 板。 C1 数据驱动 (右下) C2 数据驱动 (左下) XH 数字调谐器 7 3.2. 适用信号 分量视频 (Y, PB/CB, PR/CR),HDMI * 标记:可适用的输入信号 电脑 (D-sub 15P) 可兼容的电脑的输入信号基本符合 VESA 标准。 电脑 (HDMI 端子 ) 可兼容的电脑的输入信号基本符合 HDMI 标准。 注意 • 不属于上述规格的信号可能无法正确显示。 • 上述信号均经重新格式化,以达到最佳观看效果。 • 电脑信号的放大或压缩可能不能很好地显示细节。 信号名称 分量视频 HDMI 525 (480) / 60i * * 525 (480) / 60p * * 625 (576) / 50i * * 625 (576) / 50p * * 750 (720) / 60p * * 750 (720) / 50p * * 1,125 (1,080) / 60i * * 1,125 (1,080) / 50i * * 1,125 (1,080) / 60p * 1,125 (1,080) / 50p * 1,125 (1,080) / 24p * 信号名称 水平频率 (kHz) 垂直频率 (Hz) 640 × 400 @70 Hz 31.47 70.07 640 × 480 @60 Hz 31.47 59.94 640 × 480 @75 Hz 37.50 75.00 800 × 600 @60 Hz 37.88 60.32 800 × 600 @75 Hz 46.88 75.00 800 × 600 @85 Hz 53.67 85.06 852 × 480 @60 Hz 31.44 59.89 1,024 × 768 @60 Hz 48.36 60.00 1,024 × 768 @70 Hz 56.48 70.07 1,024 × 768 @75 Hz 60.02 75.03 1,024 × 768 @85 Hz 68.68 85.00 1,280 × 1,024 @60 Hz 63.98 60.02 1,280 × 768 @60 Hz 47.70 60.00 1,366 × 768 @60 Hz 48.39 60.04 Macintosh13” (640 × 480) 35.00 66.67 Macintosh16” (832 × 624) 49.73 74.55 Macintosh21” (1,152 × 870) 68.68 75.06 信号名称 水平频率 (kHz) 垂直频率 (Hz) 640 × 480 @60 Hz 31.47 60.00 750 (720)/60p 45.00 60.00 1,125 (1,080)/60p 67.50 60.00 8 电源 交流 220 V ~ ,50/60Hz 耗电量 消耗功率 365 W 待机功率 0.4 W 显示屏 画面纵横比 16:9 可见屏幕尺寸 1,019 毫米 (W) × 573 毫米 (H),117 厘米 ( 对角线) (像素数) 2,073,600(1,920(W) × 1,080(H)) [5,760 × 1,080 点 ] 声音 喇叭 160 mm × 40 mm × 2 只,6Ω 音频输出 16W[8W + 8W] 耳机 M3(3.5 毫米 ) 立体声微型插孔 × 1 电脑信号 VGA,SVGA,WVGA,XGA,SXGA,WXGA...( 压缩) 水平扫描频率 31 - 69 kHz 垂直扫描频率 59 - 86 Hz 接收制式 / 频带名称 接收频道 (模似频道) 天线 - 背部 VHF/UHF 工作环境 温度 0°C - 40°C 湿度 20% - 80% 相对湿度 (无结露) 连接端子 视频/音频输入1 视频 RCA 插针式 × 1 1.0V[p-p](75Ω) 分量视频 Y PB/CB,PR/CR 1.0V[p-p]( 包括同步 ) ±0.35V[p-p] 音频 左 - 右 RCA 插针式 × 2 0.5V[rms] 视频/音频输入2 视频 RCA 插针式 × 1 1.0V[p-p](75Ω) 分量视频 Y PB/CB,PR/CR 1.0V[p-p]( 包括同步 ) ±0.35V[p-p] 音频 左 - 右 RCA 插针式 × 2 0.5V[rms] 视频/音频输入3 视频 RCA 插针式 × 1 1.0V[p-p](75Ω) S 端子 迷你 DIN4 针 Y:1.0V[p-p](75Ω) C:0.286V[p-p](75Ω) 音频 左 - 右 RCA 插针式 × 2 0.5V[rms] 视频/音频输入4 视频 RCA 插针式 × 1 1.0V[p-p](75Ω) 音频 左 - 右 RCA 插针式 × 2 0.5V[rms] 视频输出 视频 RCA 插针式 × 1 1.0V[p-p](75Ω) 音频 左 - 右 RCA 插针式 × 2 0.5V[rms]( 高阻抗 ) 其他端子 HDMI1-4 输入 A 型连接器 • 本机支持 “HDAVI Control 5”功能。 电脑视频输入 高密度 D-SUB 15 针 R,G,B/0.7V[p-p](75Ω) HD,VD/TTL Level 2.0-5.0V[p-p]( 高阻抗 ) 数字音频输出 PCM( 脉冲编码调制 )/Dolby Digital,光纤 存储卡插槽 SD 卡插槽 × 1 USB 1/2 USB 2.0 A 型接口,直流 5V,最大电流 500 mA LAN 10BASE-T / 100BASE-TX 尺寸 (W × H × D) 1,132 mm × 761 mm × 335 mm( 带台座 ) 1,132 mm × 722mm × 88 mm( 仅电视机 ) 重量 净重 27.0Kg( 带台座 ) 净重 24.0Kg( 仅电视机 ) 执行标准 Q/YXNS22-2010 说明: • 设计和规格若有变化,恕不另行通知。所示尺寸和重量均为近似值。 • 本设备符合下述所列标准 GB13837-2003、GB17625.1-2003、GB8898-2001 9 5.1. 如何进入维修模式 按主机 [ 音量 (-)] 按钮的同时,在 2 秒钟内按遥控器上的 [ 显示 ] 按钮三次。 5.1.1. 主要指令 [1] 按钮…正向选择主项目 [2] 按钮…反向选择主项目 [3] 按钮…正向选择副项目 [4] 按钮…反向选择副项目 [RED] 按钮…正向选择所有副项目 [GREEN] 按钮…反向选择所有副项目 [VOL] 按钮…正向 (+)或反向 (-)更改副项目的数据。 10 5.1.2. 调整模式内容 • 按十六进制显示数值。 • 预设值根据型号的不同而不同。 • 进入调整模式后,在开始调整前请记录各项目的值。 5.1.3. 如何退出 使用主机或遥控器上的电源按钮关闭电源。 主项目 副项目 示例数据 备注 ADJUST CONTRAST 23A COLOR 2B TINT 00 SUB-BRT 80C H-POS 0 H-AMP 0 V-POS 0 V-AMP 0 WB-ADJ R-CUT 80 G-CUT 80 B-CUT 80 R-DRV F1 G-DRV FC B-DRV D0 ALL-CUT 80 ALL-DRV FC OPTION Panel-Type 46FHD 出厂预设 Boot ROM STBY-SET 00 EMERGENCY ON Y/C Delay 0 OPT 1 10111000 OPT 2 11100010 OPT 3 00000101 OPT 4 00000000 EDID-CLK HIGH MIRROR 00( 见下页 ) VSUS AGING ALL WHITE 可显示内置测试 模式。 AI ALL BLUEB + WHITE FLAME AI ALL GREEN AI ALL RED LOW STEP WHITE LOW STEP BLUE LOW STEP GREEN LOW STEP RED RAMP WHITE RAMP RED RAMP GREEN RAMP BLUE A-ZONE B-ZONE 1%WINDOW COLOR BAR 9 POINT BRIGHTNESS WHITE FLAME AI ALL BLUE TWICE FIXATION 1% WINDOW SCROLL ON/OFF OR WHITE R/G/B/W AGING MODE 0.5 TIME FIXATION ALL WHITE ALL WHITE WITH COUNT SRV-TOOL 参见下页 目的 G/S Check sum 93c0 EDID d1c1b1a191 11 5.2. 选项 - 镜像 可对图像进行左右或上下翻转。 00 : 默认 (显示正常图像) 01 : 左右翻转后的图像。 02 : 上下翻转后的图像。 提示:如果缺损现象 (例如竖线或横线)因选择镜像功能而移动,则引起缺损的原因可能位于 A 板。 5.3. 维修工具模式 5.3.1. 如何进入 1. 选择维修模式下的 “SRV-TOOL”。 2. 按遥控器上的 [ 确定 ] 按钮。 5.3.2. 显示 SOS 历史记录 SOS 历史记录 (LED 闪烁次数)指示。 从左侧开始依次为:最后一次 SOS、倒数第二次、倒数第三次、出厂后第二次、出厂后第一次。通过 “自检指示和恢复出厂设置”即 可清除该指示。 5.3.3. 开启 TIME/COUNT 注意:高亮位置显示 TIME/COUNT 菜单,然后按消音键 3 秒钟。 TIME (计时):累计开启时间,显示十进制小时:分钟 Count ( 计数 ):十进制开启 / 关闭次数 注意:无法通过自检或任何指令清除该指示。 5.3.4. 退出 1. 从墙面插座上拔下 AC 电源线或者关闭主机上的电源按钮。 12 5.4. 旅馆模式 1. 目的 设置旅馆功能。 2. 进入旅馆模式设置菜单指令 为了显示旅馆模式设置菜单,请输入以下指令 (在 2 秒钟 内)。 电视机:[ 音量 -]+ 遥控器:视频 (3 次 ) 随后将显示旅馆模式设置菜单。 3. 若要退出旅馆模式设置菜单, 从墙面插座上拔下 AC 电源线。 4. 旅馆模式设置菜单说明 项目 功能 旅馆模式 选择旅馆模式开启 / 关闭。 初始输入 选择输入信号模式。 每次接通电源后都设置此输入。 选项: AV1/AV2/AV3/AV4/PC/HDMI1/HDMI2/HDMI3/HDMI4/ TV/Off • PC: VGA 可选 初始位置 选择频道号。 选项: Off/0 到 99 • Off: 以最后一次存储为准。 初始音量等级 每次接通电源后都设置音量。 选项 / 范围: Off/0 到 100 • Off: 以最后一次储存为准。 最大音量等级 调节最大音量。 范围: 0 到 100 键锁定 选择本机按键条件。 选项: Off/SETUP/MENU/ALL • Off: 所有按键有效 • SETUP: 只有 F 键无效 (菜单中调谐指示 (菜单)无法选择。) • MENU: 只有 F 键无效 (只可选择音量 / 静音。) • ALL: 所有按键全部无效。 遥控锁定 选择遥控键入条件。 选项: Off/SETUP/MENU • Off: 所有按键有效 • SETUP: 只有设置菜单无效 • MENU: 图像 / 声音 / 设置菜单无效 13 5.5. 通过 SD 卡进行数据复制 5.5.1. 目的 (a) 板更换 (更换 A 板时复制数据): 更换 A 板时,可先将原来 A 板中的数据复制到 SD 卡,然后复制到新的 A 板中。 (b) 旅馆 (在旅馆或任何设施中安装多个组件时复制数据): 在旅馆或任何设施中安装组件时,主电视中的数据可以先复制到 SD 卡中,然后再复制到其他电视中。 5.5.2. 准备 在空的 SD 卡中创建用作 (a) 或 (b) 启动文件的 pwd 文件。 1. 将空的 SD 卡插入您的电脑中。 2. 在 SD 卡窗口中右键单击空白区域,指向 " 新建 ",然后点击文本文档。默认状态下,创建一个新文件 (新文本文档 .txt)。 3. 右键单击您刚创建的文本文档,选择重命名,将文件的名称和扩展名变更为以下 (a) 或 (b) 的名称,然后按确认键。 文件名: (a).对于板更换:boardreplace.pwd (b).对于旅馆:hotel.pwd 注: 请仅创建一个文件,以防止出现操作错误。 SD 卡中不应包含任何其他文件。 14 5.5.3. 从电视机复制数据到 SD 卡 1. 打开电视机。 2. 将包含启动文件 (pwd 文件)的 SD 卡插入 SD 插槽中。 屏幕显示将根据启动文件自动显示。 3. 通过使用远程控制输入 (a) 或 (b) 的密码: (a) 对于板更换:2770 (b) 对于旅馆:4850 数据将从电视机复制到 SD 卡。 复制最多将花费 2 到 6 分钟。 4. 复制到 SD 卡后,从电视机上移除 SD 卡。 5. 关闭电视机。 注: SD 卡中将创建以下新文件夹,用于存储来自电视机的数据: (a).对于板更换:user_setup (b).对于旅馆:hotel 15 5.5.4. 从 SD 卡复制数据到电视机 1. 打开电视机。 2. 将带有数据的 SD 卡插入 SD 插槽。 屏幕显示将根据启动文件自动显示。 3. 通过使用远程控制输入 (a) 或 (b) 的密码: (a) 对于板更换:2771 (b) 对于旅馆:4851 数据将从 SD 卡复制到电视机。 4. 将数据复制到 SD 卡后,从电视机上移除 SD 卡。 (a) 对于板更换:复制后,数据将被删除 (限于一次复制)。 (b) 对于旅馆:数据将不会被删除,且可用于其他电视机。 5. 关闭电视机。 注: 1. 根据板故障,板更换的数据复制功能不可用。 2. 该功能可在相同的型号中生效。 16 应用自检功能测试本机。 1. 检测 IIC 总线 2. 电源 LED 闪烁次数 6.1. IIC 总线检测 6.1.1. 如何进入 6.1.1.1. 仅自检指示: 进入 TV 接收屏幕,然后按主机 [ 音量 (-)] 按钮的同时按下遥控器上的 [ 确定 ] 按钮 3 秒钟以上。 6.1.1.2. 自检指示和恢复出厂设置: 进入 TV 接收屏幕,然后按主机 [ 音量 (-)] 按钮的同时按下遥控器上的 [ 菜单 ] 按钮 3 秒钟以上。 6.1.2. 屏幕显示 6.1.3. 检查点 如果显示 NG,请确认检查下列部件。 6.1.4. 退出 从墙面插座上拔下 AC 电源线或者使用主机上的电源按钮关闭电源。 显示 参考号 说明 电路板 TUN TU2901C 调谐器 A 电路板 STBY IC1100 MPU A 电路板 MEM1 IC1101 EEPROM (MPU) A 电路板 MEM2 IC8950 EEPROM (PEAKS-LDA2) A 电路板 ADAM IC8000 A-chip (PEAKS-LDA2) A 电路板 AVSW IC3001 音频 / 视频切换 A 电路板 PDROM IC9300 PD4H A 电路板 TEMP IC1000 温度传感器 A 电路板 LAN IC8703 以太网 IF A 电路板 2nd FE IC6702 数字解调器 XH 电路板 17 6.2. 电源 LED 闪烁次数图 1. 主题 发光二极管闪烁时间图信息。 2. 内容 当设备出现异常时,保护电路将运行并将设备复位到待机状态。此时,通过本机前端的 LED 电源闪烁次数便可识别出故障部位。 18 6.3. 无电源 第一检测点 LED 无电源指示有二种情况: 1. 不亮 2. 绿灯亮,几秒钟后转为红灯闪烁。(请参见第 6.2 章节) 3. 仅红灯亮。 19 6.4. 无图像 20 6.5. 显示器局部故障 等离子显示屏可能会出现局部故障。图 1 是各局部可能会出现故障的印刷电路板。 图 1 21 7.1. SC 夹具 目的: 电源指示灯闪烁 7 次时,找到问题板 (SC 或 SU/SD 板)。 SC 夹具: 连接到 SC 板上的 SC50 连接器的跳线接头 部件编号: TZSC09187 使用方法: 警告:检测完后将 SC 夹具从 SC 板上移除。 1. 移除 SC 板与 SU/SD 板之间的所有连接器,使 SC 板与 SU 板、SD 板绝缘。 注:如有连接器未移除会损坏 SC 板。(如:只移除连接 SU 板的连接器而仍与 SD 板连接,SC 板会损坏。) 2. 在 SC 板的左下侧将 SC 夹具与 SC50 连接器连接。 3. 开启电视 / 显示器并确定电源指示灯在闪烁。 指示灯闪烁:说明问题可能来自 SC 板 无指示灯闪烁 (点亮或不亮):说明问题可能来自 SU 板或 SD 板 4. 检测完后,关闭电视 / 显示器,等待几分钟待其放电。 5. 将 SC 夹具从 SC 板上移除。 备注:此 SC 夹具适用于所有的 2010 等离子电视和等离子显示器。 22 8.1. 取下后盖 1. 参见印刷电路板布局。(第 3 章节) 8.2. 取下 AC 接入口 注意 : 由于电解电容器放电原因,电源切断后等候一分钟再取下 P.C.B. 印刷电路板。 1. 松开线夹,取下电缆。 2. 断开连接件 (P9)。 3. 松开螺丝 (×1 ), 取下 AC 接入口。 8.3. 取下 P 板 注意 : 由于电解电容器放电原因,电源切断后等候一分钟再取下 P.C.B. 印刷电路板。 1. 松开线夹,取下电缆。 2. 断开连接件 (P2,P6,P7,P9,P11 和 P35)。 3. 松开螺丝 (×9 ),取下 P 板。 8.4. 取下侧部端子盖和侧部屏蔽金属条 1. 松开螺丝 (×2 , ×1 , ×1 )。 2. 取下侧部端子盖。 3. 取下侧部屏蔽金属条。 8.5. 取下 XH 组件 1. 松开线夹,取下电缆。 2. 断开柔性电缆 XH4。 3. 松开螺丝 (×3 )。 4. 取下 XH 组件。 5. 松开螺丝 (×3 ,取下 XH 板。 23 8.6. 取下调谐器组件 1. 取下侧部端子盖和侧部屏蔽金属条。(请参见第 8.4 章节) 2. 取下 XH 组件。(请参见 8.5 章节) 3. 松开线夹,取下电缆。 4. 断开连接件 (A1,A6,A7 和 A11)。 5. 断开柔性电缆 (A20,A31,A32 和 A88A)。 6. 松开螺丝 (×1 ),并取下调谐器组件。 8.7. 取下 A 板 1. 取下 XH 组件。(请参见 8.5 章节) 2. 取下调谐器组件。(请参见第 8.6 章节) 3. 松开螺丝 (×3 ),取下 A 板。 8.8. 取下扬声器 1. 松开线夹,取下电缆。 2. 断开扬声器端子。 3. 松开螺丝 (各 ×2 ),取下左右扬声器。 8.9. 取下 SU 板 1. 断开连接至 SU 板上的柔性电缆(SU1,SU2,SU3 和 SU4)。 2. 断开柔性电缆(SU11-SD11)和桥接连接器(SC41-SU41)。 3. 取下支撑件 (×1 )。 4. 松开螺丝 (×2 , ×2 ),取下 SU 板。 24 8.10. 取下 SD 板 1. 断开连接至 SD 板上的柔性电缆(SD1,SD2,SD3 和 SD4)。 2. 断开柔性电缆 (SU11-SD11)和桥接连接器 (SC42-SD42 和 SC46-SD46)。 3. 取下支撑件 (×1 )。 4. 松开螺丝 (×2 , ×2 ),取下 SD 板。 8.11. 取下 SC 板 1. 取下 SU 板和 SD 板。(请参照第 8.9 和 8.10 章节) 2. 断开连接件 (SC2)。 3. 断开柔性电缆 (SC20)。 4. 松开螺丝 (×7 ),取下 SC 板。 8.12. 取下 SS2 板 1. 取下调谐器组件。(请参见第 8.6 章节) 2. 断开桥接连接器 (SS21-SS24),断开柔性电缆 (SS58)。 3. 松开螺丝 (×2 ),取下 SS2 板。 8.13. 取下 SS 板 1. 取下调谐器组件。(请参见第 8.6 章节) 2. 松开线夹,取下电缆。 3. 断开连接件 (SS11 和 SS33)。 4. 断开柔性电缆 (SS61 和 SS64)。 5. 断开桥接连接器 (SS21-SS24)。 6. 松开螺丝 (×6 ),取下 SS 板。 25 8.14. 取下金属悬挂架和单脚支架 1. 从维修支架上取下等离子显示屏部件,放置在类似桌子(铺 有软布)等的平坦的表面上,并且使等离子显示屏表面朝 下。 2. 从单脚支架上松开固定螺丝 (各 ×4 )并取下单脚支 架。 3. 从左、右金属悬挂架上松开固定螺丝(各 ×2 ),并取下 左右金属悬挂架。 8.15. 取下面框安装金属 1. 取下单脚支架。(请参见第 8.14 章节) 2. 松开面框安装金属固定螺丝 (×7 , ×14 )取下上下 面框安装金属。 8.16. 取下 C1 板 1. 取下右金属悬挂架和单脚支架。(请参见第 8.14 章节) 2. 取下下面框安装金属。(请参见第 8.15 章节) 3. 松开柔性电缆固定螺丝 (×12 )。 4. 断开柔性电缆 (CB1,CB2,CB3,CB4,CB5,CB6,CB7 和 CB8)。 5. 断开柔性电缆 (C10 和 C11)。 6. 松开螺丝 (×5 ),取下 C1 板。 26 8.17. 取下 C2 板 1. 取下调谐器组件。(请参见第 8.6 章节) 2. 取下左金属悬挂架和单脚支架。(请参见第 8.14 章节) 3. 取下下面框安装金属。(请参见第 8.15 章节) 4. 松开柔性电缆固定螺丝 (×10 )。 5. 断开柔性电缆 (CB9,CB10,CB11,CB12,CB13,CB14 和 CB15)。 6. 断开柔性电缆 (C20 和 C21)。 7. 断开连接件 (C23 和 C25)。 8. 松开螺丝 (×4 ),取下 C2 板。 8.18. 从面框组件上卸下等离子显示屏部 分 1. 松开面框安装金属固定螺丝 (×7 )。 2. 卸下等离子显示屏固定螺丝(×3 ,×8 )和面框组件。 3. 将等离子显示屏从前面框上分离时,拉住前面框底部,抬 起,并向前拉出。 8.19. 取下连接金属条 1. 卸下面框组件。(请参见第 8.18 章节) 2. 松开螺丝 (×4 )。 3. 取下上连接金属条。 4. 松开螺丝 (×3 )。 5. 取下下连接金属条。 6. 松开螺丝 (×4 )。 7. 取下左右连接金属条。 27 8.20. 取下 K 板 1. 取下下连接金属条。(请参见第 8.19 章节) 2. 松开螺丝 (×1 )。 3. 松开卡扣 (×1 )。 4. 断开连接件 (K1),从 LED 透光板上取下 K 板。 8.21. 更换等离子显示屏 注意: 未带有金属悬挂架的新等离子显示屏易损坏。 组装好金属悬挂架和单脚支架后,取出新等离子显示屏时握 住金属悬挂架以避免受损。 1. 将包装有新等离子显示屏的纸箱放置于水平工作台。 2. 打开纸箱,暂不取出新的等离子显示屏。 安装 C1 板和 C2 板,用柔性电缆将等离子显示屏与 C1 板和 C2 板连接,并固定柔性电缆固定器。 3. 安装金属悬挂架,并将单脚支架安装到新的等离子显示屏 上。 4. 握住金属悬挂架,将等离子显示屏放置到维修架上。 5. 将面框组件和各 P.C. 板等安装到新的等离子显示屏上。 * 安装面框组件时,注意前面玻璃和等离子显示屏之间不 要有任何的碎屑、灰尘或杂质存在。 28 9.1. 调整步骤 9.1.1. Vsus 选择 注意: 更换等离子屏或 A 板时,Vsus 应设置为 LOW 或 HIGH。 步骤 1. 进入 “维修模式”的主项目 [VSUS]。将显示 LOW 或 HIGH。 2. 按 [ 确定 ] 按钮进入 TEST 阶段。 TEST (测试)和 CONF (配置 )阶段将会显示无 OSD 的白屏模式。请按 [5] 按钮显示 OSD。 3. 按 [ 音量 (-)] 按钮将其设置为 LOW。 4. 设置为 LOW 时 a. 如果白屏模式下无明显可见的坏点,请按 [3] 按钮进入 CONF 阶段。 b. 如果白屏模式下有多个明显可见的坏点,请按 [ 音量 (+)] 按钮将其设置为 HIGH。如果该现象有所改善,请按 [3] 按钮进入 CONF 阶段。 5. 在 CONF 阶段按 [ 确定 ] 按钮存储 LOW 或 HIGH。 6. 按电源按钮退出 “维修模式”。 29 9.1.2. 副对比度调整 仪器名称 连接 备注 RF 发生器 基带信号发生器 HD 信号发生器 步骤 备注 调整 TV (RF 系统 ) 1. 接收 RF PAL 100% 全白或彩条,如下图。 2. 进入维修模式。 3. 按 “1”或 “2”键,进入 “对比度”调整模式。 调整 1. 按遥控器上的黄色键。 2. 副对比度的屏幕显示字符变为红色。 (由内部自动调整完成) 3. 副对比度的屏幕显示字符恢复为黑色。 4. 结束。 注意: AV/HD 输入信号不能进行副对比度调整。 但是,如需选择手动调整则请参考 [ 其他步骤 ]。 30 步骤 备注 其他步骤 调整 AV 系统 1. PAL 100% 全白或彩条接收 AV1 (或 AV2),如下图所示。 2. 进入维修模式。 3. 按 “1”或 “2”键,进入 “对比度”调整模式。 调整 1. 按遥控器上的黄色键。 2. 副对比度的屏幕显示字符变为红色。 (由内部自动调整完成) 3. 副对比度的屏幕显示字符恢复为黑色。 4. 结束。 步骤 备注 其他步骤 调整 HD 系统 1. 1080i 100% 全白或彩条接收分量信号,如下图所示。 2. 进入维修模式。 3. 按 “1”或 “2”键,进入 “对比度”调整模式。 调整 1. 按遥控器上的黄色键。 2. 副对比度的屏幕显示字符变为红色。 (由内部自动调整完成) 3. 副对比度的屏幕显示字符恢复为黑色。 4. 结束。 31 9.1.3. 白平衡调整 仪器名称 连接 备注 黑白模式 彩色分析仪 (Minolta CA-100 或同等产品) 显示屏表面 步骤 备注 • 确保前面板适用于最后的设置中。 • 确保在调整前不会出现彩色信号。 • 将彩色分析仪放置在无色彩差异的地方。 图像菜单:鲜艳 宽高比:16:9 调整 备注 1. 进入维修模式。 请接收外部信号。或者选择 CVBS/YUV (无同步)。 2. 使用数字键 “1”或 “2”,显示 “WB-ADJ”。 查看确保色温为 “低”。 3. 使用数字键 “0”,选择 “METHOD”。 4. 使用数字键 “5”,显示 “内部模式”。 5. 使用数字键 “3”或 “4”选择 “G-CUTOFF”项目,使用音量 “+”或 “-”键将其 设置为 “80”,并将 “B-CUTOFF”和 “R-CUTOFF”也设置为 “80”。 6. 将 “G-DRIVE”设置为 “D0”。 7. 将彩色分析仪的信号接收器放到内部模式的中间位置,然后调整B-DRIVE 和R-DRIVE, 将 x,y 的值调整为下表中的 “色温 - 低”的值。 8. 所有的 RGB 驱动值增大,从而最大的 RGB 驱动值变为 "FF"。(将 “ALL-DRIVE” 设置为 “FF”。) 9. 使用 “7”键将色温设置为 “中”。 10. 将 G-CUTOFF、B-CUTOFF 和 R-CUTOFF 固定为 “80”。 11. 将 “G-DRIVE”设置为 “D0”。 12. 调整 B-DRIVE 和 R-DRIVE,将内部模式的 x, y 的值调整为下表中的“色温 - 中” 的值。 13. 所有的 RGB 驱动值增大,从而最大的 RGB 驱动值变为 "FF"。(将 “ALL-DRIVE” 设置为 “FF”。) 14. 使用 “7”键将色温设置为 “高”。 15. 将 G-CUTOFF、B-CUTOFF 和 R-CUTOFF 固定为 “80”。 16. 将 “G-DRIVE”设置为 “D0”。 17. 调整 B-DRIVE 和 R-DRIVE,将内部模式的 x, y 的值调整为下表中的“色温 - 高” 的值。 18. 所有的 RGB 驱动值增大,从而最大的 RGB 驱动值变为 "FF"。(将 “ALL-DRIVE” 设置为 “FF”。) METHOD=01 复制调整 32 33 10.1. 主方框图 TH-P46G20C Main Block Diagram TH-P46G20C Main Block Diagram PUSH (LED:2TIMES) (LED:3TIMES) (LED:12TIMES) (LED:8TIMES) (LED:12TIMES) (LED:6TIMES) (LED:7TIMES) (LED:5TIMES) (LED:4TIMES) (LED:9TIMES) L A11 SCAN CONTROL P+5V DET AV4 SD CARD AI SENSOR KEY SWITCH P+5V KEYSCAN1 SLOT POWER SOS POWER SWITCH A31 MON_L/R TV_L/R P+15V DET A1 AMP ANALOG-ASIC SOS6_SC1 AI SENSOR STB3.3V TUNER +5V(P) OPTICAL OUT P+3.3V DET SUB3.3V AUDIO SUB+5V DET LVDS DATA R A32 PANEL SOS SUB5V SOS7_SC2 SUB5V SOS7_SC2 CPU BUS EEPROM F15V STB5V V SOUND15V MON_L/R HEAD_ PHONE TV_L/R OFDM HP_L/R STB3.3V SOUND SOS A6 P+15V A7 LVDS DATA SD CARD DATA SPEAKER(R) P+15V +5V(P) PANEL MAIN ON VIDEO DATA AUDIO PD4 V Parallel_TS OUT SOUND SOS DET CIRCUIT A20 AV SW L/R HP L/R K PWM IFD_OUT POWER LED REMOTE RECEIVER A +5V(P) STB3.3V SOS8_SS HP_L/R VIDEO DATA OPTICAL AUDIO OUT SOS8_SS CPU BUS I/F AM NAND FLASH EEPROM PLASMA AI CPG with SS H/V Sync Control Sub Filed Processor Plasma AI SOS6_SC1 PANEL MAIN ON K1 L/R PANEL SOS SUSTAIN CONTROL Y/PR/PB P+3.3V REMOTE RECEIVER SPEAKER(L) DIGITAL SIGNAL PROCESSOR REMOTE IN HDMI I/F AI SENSOR SUB+3.3V DET OPTICAL PWM RECEIVER +15V(P) STB5V R/G/B PC DDR3 ETHER_ NET IF 100BASE-TX ETHERNET DATA USB ETHERPHY USB_0,1 10BASE-T/ ETHERNET USB SD CARD DATA ETHERPHY MPU P+2.5V P+5V P+1.2V P+15V DCDC P+2.5V DCDC DCDC P+1.2V P+3.3V P+5V DCDC P+3.3V L/R AV3 (SIDE) V L/R V/Y/PB/PR AV2 L/R V/Y/PB/PR AV1 MONITOR V L/R PEAKS-LDA2 F15V DCDC SUB6V SUB1.5V SUB1.2V_A SUB3.3V SUB1.2V_D DCDC SUB1.2V_A DCDC SUB1.2V_D SUB3.3V DCDC SUB9V SUB9V SUB1.5V SUB6V 5V STB_PS LED_R/G LED_R/G SIF I/F ANALOG AUDIO AV I/O OUT I/F Y/PR/PB L/R AUDIO I/F SUB9V SOS_DCC HDMI3,4 HDMI2 TMDS DATA HDMI1 TMDS DATA (LED:2TIMES) (LED:3TIMES) (LED:12TIMES) (LED:8TIMES) (LED:12TIMES) (LED:6TIMES) (LED:7TIMES) (LED:5TIMES) (LED:4TIMES) (LED:9TIMES) COLD (LED:6TIMES) (LED:7TIMES) (LED:8TIME) (LED:4TIME) HOT C25 SOS6_SC1 Vda SC41 STB5V SCAN OUT (LOWER) P9 SS21 SOS8_SS P+15V P+3.3V,P+5V C1 P+3.3V SOS7_SC2 SUSTAIN CONTROL DATA DRIVER SD11 SUSTAIN VOLTAGE RECTIFIER SS-BOARD SOS DETECT P7 SOS8_SS DATA DRIVER ON/OFF CONTROL P+15V SC20 SCAN DRIVER C11 VSUS SOUND15V STB5V F15V P+15V PS SOS4 VSUS P+5V DATA DRIVER Vda P6 DATA DRIVER SS VIDEO DATA (LOWER) SC P2 DATA DRIVER DATA DRIVER (LEFT) CONNECTOR Vda DATA DRIVER DATA DRIVER VE GEN. DATA DRIVER RECTIFIER SCAN OUT (UPPER) STANDBY VOLTAGE RECTIFIER SD42 ENERGY RECOVERY POWER MICOM PROCESS VOLTAGE RECTIFIER DATA DRIVER DATA DRIVER CONTROL PULSE Vda C2 Vda SC2 SC-BOARD FLOATING PART SOS DETECT VSUS SCAN DRIVER DATA DRIVER P DATA DRIVER P11 DATA DRIVER RELAY SU41 VSUS P+5V P+3.3V P+5V VSUS GEN. VIDEO DATA P35 SCAN DRIVE SD VIDEO DATA C21 SC46 POWER FACTOR CONTROL C10 BUFFER SU VIDEO DATA DATA DRIVER POWER SUPPLY VIDEO DATA C23 SCAN CONTROL SUSTAIN CONTROL SUSTAIN SOS8_SS VSUS SD46 C20 VSCAN GEN. VAD GEN. SUSTAIN DRIVE SU11 SUSTAIN CONTROL SS33 SC-BOARD ENERGY RECOVERY SOS DETECT P+5V P+15V P+3.3V SS11 P+5V F15V DATA DRIVER (RIGHT) P+15V SC42 RECTIFIER SS24 P-BOARD SOS DETECT DATA DRIVER AC CORD SS2 P34 COLD (LED:6TIMES) (LED:7TIMES) (LED:8TIME) (LED:4TIME) HOT FE +3.3V(S) +5V(S) A88A +3.3V(S) XH4 +5V(S) XH Digital Tuner DIGITAL TUNER TS I/F HSDATA TMDS DATA HSDATA 34 10.2. 方框图 (1/4) PUSH Q5602 Q5431 SUB3.3V SUB9V SUB3.3V SUB1.2V_D SUB9V P+15V SUB5V STB5V SUB3.3V SOUND15V P+15V STB5V SOUND15V SW2500 D5432 Q5603 STB3.3V STB3.3V D5602 F15V SUB1.2V_A SUB3.3V FE1.2V SUB3.3V Q5432 D5441 D5433 D5442 D5431 SUB1.5V SUB1.5V D2014 SUB3.3V D5444 D5445 D5434 D5437 D5449 D5443 D5435 D5440 D5439 SUB9V SUB5V SUB_OP_5V F15V SUB6V DDR1.5V X8002 SUB_AI_3.3V SUB5V IC8100 CLOCK GEN SIF_OUT RX1 P_S0 PANEL_MAIN_ON +5V TMDS DATA CLOCK P_S1 L(+) SOS4_PS OPTICAL STB5V SPEAKER_R 1 TV_SUB_ON IC2301 AUDIO P_S0 SOUND15V L_OUT V P_S1 P+15V 9 SOS4_PS OPTICAL AUDIO OUT Y/PR/PB V/Y/PB/PR SPEAKER_L A7 L/R L/R 1 TV_SUB_ON 2 R(-) L(-) SPEAKER SUB_SD_3.3V 15V SPEAKER IC2952 SUB9V VCC ERROR DET STB3.3V R(+) EEPROM 5 JK8301 A11 NAND FLASH 6 IC3001 AV2 AUDIO AMP CPU BUS I/F 7 10BASE-T/ AV SW ANT IN 4 ETHERPHY D3015 USB_0,1 MON_L/ROUT ETHERNET IF R_OUT JK8700 F15V ETHERPHY USB 1 3 ETHER NET OUT ETHERNET TV_V SOUND SOS DET IC8703 CPU BUS IIC_TU SUB6V Parallel_ TS 5V Q2301 VOLTAGE 9V 3 P7 TU2901A DROP 7 SIF I/F STB5V_SW_ON PWMS L/R TUNER R/G/B SUB_OP_5V SOS TS I/F HDMI_CEC 7 5V +6V IC5470 8 PWMS L/R IC5302 SOS 1.2V F15V 3 RESET MON_L/R ON/OFF VIDEO +5V 2 SUB6V 4 L/R PC 5 MAIN_SW_2 14 Y/C/V MAIN_SW_1 IC8000 TV JK4700 USB IC8950 JK8850 LVDS_OUT TMDS DATA CLOCK IC8240,41 12 9 A6 AV I/O CLOCK P6 TMDS DATA CLOCK SD CARD I/F DIGITAL SIGNAL PROCESSOR HDMI IN 1 RX0 SD CARD DDR I/F HDMI_CEC DDR3 #0,1 IIC_IF HDMI_CEC HDMI I/F RECEIVER STB5V_SW_ON A HDMI_CEC PANEL_MAIN_ON +5V POWER SWITCH DDC IIC RX2 +5V TMDS DATA CLOCK LVDS DATA IIC0 F15V L/R PEAKS-LDA2 AV1 9 10 IC5290 AV3 9V SOUND15V IC8921 SD DATA:4bit 8 3.3V SUB3.3V 3.3V MAIN V/Y/PB/PR Y/PR/PB L/R L/R LO2_L/R DDC IIC HP_L/R DDC IIC DDC IIC LO1_L/R F15V DET PA_NRST PD_XRST OFDM IC8302 DVB DEMODULATOR 1.2V IF_AGC IIC0 IC2950 IC8300 2.5V IIC_TU IFD_OUT2 IF_AGC IFD_OUT1 SUB1.2V_D SUB1.2V_A SUB1.2V_A +1.2V +1.2V SUB1.2V_D IC5500 +3.3V IC5303 SUB1.5V 5V SUB3.3V +5V SUB_OP_5V +1.5V IC5250 IC5501 SUB1.5V 3.3V AVDDH ACHIP3.3V IC5603 IC5604 AVDDH SUB5V IC8701 USB5V EQUALIZER IC4500 &SWITCH HDMI IN 4 JK4703 (SIDE) JK4702 HDMI IN 3 HDMI IN 2 JK4701 HDMI 3.3V IC4701 OVER VOLTAGE 100BASE-TX SIF 8 TNR5V POWER_DET POWER_DET DTV_RST IIC1 IIC1 IIC0 IIC2 IIC2 IIC0 IIC1_ EEP JK3001 JK3707 SIDE HEADPHONE MONITOR OUT HP_R V3_L PC_R V3_R VOUT V1_PR V1_L ROUT V1_Y V1_V V1_PB V1_R PC_B LOUT V3_V HP_L PC V4_L V4_V V4_R AV3 JK3100 PC_G V2_PR V2_L V2_PB V2_Y V2_V V2_R MON_VOUT L/R AV4 V AV2 AV1 AV4 SOUND SOS DDC_IIC2 DDC_IIC0 DDC_IIC1 AUDIO I/F IECOUT AX0 AX1 24.576MHz SBI0 SBO0 SBI0 SBO0 3.3V IC5251 4 AUDIO OUT I/F ANALOG CVBSIN1 MVDAC0 ARC_OFF Q4512 ARC IIC0 HSDATA HSDATA 1 2 3 TH-P46G20C Block (1/4) Diagram TH-P46G20C Block (1/4) Diagram 11 35 10.3. 方框图 (2/4) TH-P46G20C Block (2/4) Diagram TH-P46G20C Block (2/4) Diagram (LED:4TIMES) (LED:7TIMES) (LED:8TIMES) (LED:6TIMES) (LED:5TIMES) (LED:10TIMES) (LED:3TIMES) (LED:10TIMES) (LED:9TIMES) G R SUB5V STB3.3V P+3.3V Q5476 P+5V SUB9V P+15V STB5V STB5V STB3.3V D5450 P+3.3V SUB9V STB3.3V SUB5V P+15V P+5V SUB3.3V P+15V SUB_AI_3.3V P+15V D5470 Q5478 Q5475 D2520 STB3.3V X9300 D9807 X1100 SUB_AI_3.3V SOS6_SC1 SOS7_SC2 SOS8_SS IC5481 SUSTAIN CONTROL A31 ANALOG-ASIC A32 P+3.3V IC1000 63 PD4 DISCHARGE CONTROL ADDR/DATA SOS4_PS FLASH MEMORY VIDEO DATA IC9304 VIDEO DATA SOS7_SC2 SOS6_SC1 IIC0 P_S0 SOS_DCC TEMP SENSOR CONTROL DATA VIDEO DATA LVDS DATA SOS8_SS SCAN CONTROL 30 SC20 SCAN CONTROL SUSTAIN CONTROL P+15V P+5V PLASMA AI CPG with SS H/V Sync Control Sub Filed Processor C11 29 IC9400,01,02 SOS4_PS SOS_DCC VIDEO DATA CONTROL DATA P_S1 A20 IC9300 TV SUB ON 68 P_S0 66 66 48 P+3.3V A 10 BUFFER 1.2V 3 C21 2 3 IIC2 DIGITAL SIGNAL PROCESSOR P_S1 P+5V LVDS DATA KEY SWITCH FLASH I/F KEYSCAN1 68 P+3.3V P+15V CONTROL DATA 1 SW_OFF_DET PANEL MAIN ON XRST_SYS_PD4 KEYSCAN1 POWER LED(R) PANEL SOS SUB5V DET SUB3.3V DET SOS STB_RST KEYSCAN1 TV SUB ON P+5V DET STB_RST REMOTE IN SOS REMOTE IN SW_OFF_DET PANEL MAIN ON PANEL SOS STB3.3V C.A.T.S. SENSOR TV SUB ON P+3.3V DET DTV_RST C.A.T.S. POWER LED(R) XRST_SYS_PD4 DTV_RST GenX8 MPU IC1100 9 5 6 7 8 10 DRVRST DRVRST POWER VCC ON +1.2V +3.3V IC9803 IC9800 IC9801 +5V 3.3V DDC5V_B DDC5V_C HDMI_CEC SOUND SOS DDC_0_IIC DDC_1_IIC SOUND SOS DDC_2_IIC DDC5V_B HDMI_CEC DDC5V_A DDC_2_IIC DDC_1_IIC DDC_0_IIC HDMI_CEC DDC5V_C DDC5V_A IIC1 IIC2 Genx_IIC CN0102 FOR FACTORY USE DRVRST SW_OFF_DET DRVRST POWER VCC ON P3.3V PANEL SOS PANEL SOS AC_SW_OFF DRVRST_PD4 STB_RST STB5V_SW_ON POWER_DET AC_SW_OFF DRVRST_PD4 STB_RST SC_UHZ STB+3.3V UHZ D_UHZ STB_RST SW_OFF_DET AV SW2550 SW2551 VOL.UP/CH.UP KEY SWITCH SW2552 SW2553 SW2554 F TV VOL.DN/CH.UP 3 AI_SENSOR 4 6 K1 4 POWER LED 1 2 R_LED_ON 8 2 1 K 6 SUB_3.3V 3 RMIN POWER LED STB3.3V 8 POWER LED(R) A1 G_LED_ON AI_SENSOR REMOTE IN STB LED(G) REMOTE RECEIVER C.A.T.S. SENSOR FOR FACTORY USE CN0102 IIC1 IIC2 Genx_IIC GENX IIC IIC1 IIC1 GENX IIC IC1101 EEPROM 63 SOS8_SS 18 SOS7_SC2 XRST_SYS_PD4 16 SOS_DCC SC_UHZ SOS_DCC D_UHZ X0 X1 15 DRVRST_PD4 DRVRST_PD4 SOS8_SS UHZ SOS7_SC2 UHZ SOS6_SC1 SOS6_SC1 OSD VIN OSD VOUT 10MHz STB LED(G) STB LED(G) 4 XRST_SYS_PD4 XRST_SYS_PD4 OHZ1 POWER VCC ON C.A.T.S. SENSOR REMOTE RM2510 SN2510 (LED:4TIMES) (LED:7TIMES) (LED:8TIMES) (LED:6TIMES) (LED:5TIMES) (LED:10TIMES) (LED:3TIMES) (LED:12TIMES) (LED:9TIMES) IIC2 TU6701 TS IF Digital Tuner SDA SCL 30 29 7 IC6703 16 24 XH4 26 27 13 18 20 TS DATA 7 A88A FE SCL 11 +5V(S) +2.5V FE SDA 24 15 +3.3V(S) +3.3V(S) 4 5 1 3 +3.3V(S) +3.3V(S) +B IC6705 +1.2V IC6704 VOLTAGE CTL BUFFER IC6707 BUFFER IC6706 FE IC6702 IC6700 IIC2 IIC2 1 XH DIGITAL TUNER OSDXO OSDXI REG 11 36 10.4. 方框图 (3/4) COLD HOT (LED:4TIMES) COLD HOT D402 F501 F601 D551 D251 D504 F201 D705 D403 D552 F602 D401 D351 P25 LIVE STB+5V Q407 POWER SUPPLY Q201,Q202 RF601 RESONANCE RECTIFIER +5V PHOTO COUPLER D501 PHOTO COUPLER A6 PHOTO COUPLER 4 COMPARATOR PFC RESONANCE CONTROL Vsus AC CORD FET DRIVER FILTER VDET RECTIFIER 1 PHOTO COUPLER 3 PHOTO COUPLER P34 STB ERROR DET Vda DET BIAS_PFC CONTROL Q706 STB 2 L351 T501 15V_OUT DET S0 P+15V 2A 250V 3 S0 P2 VGH Vda 2 VGL IC501 ALL OFF OCP 1 FB P7 VC1 NEUTRAL STB5V_ON ALL OFF 1 8 P+15V MAIN SW2 TV SUB ON BIAS_MAIN Vda VR251 IC601 Q408 SOUND+15V Q401 Q355 Q402 5 9 BIAS_PFC POWER MICOM A7 OPEN Q557 F+15V Vsus ERROR DET PC202 IC201 1 DET IC202 P35 PANEL_MAIN_ON 1 9 L601,L602 2 3 15V_IN PANEL_MAIN_ON Q602,Q603 Vsus_Vo L603 11 SOS4_PS Q702 NO USE TV SUB ON STB+5V D603 SOS4_PS S1 IC403 K604 P+15V L402 L401 SS11 S1 7 12 10A 250V AC DET VR401 PANEL_MAIN_ON Vda CONTROL T201 Q504 SC2 F_15V_ON 1 SOS4_PS K605 P9 Vda_Vo 7 MAIN SW2 BIAS 5V BIAS_MAIN IC701 SOUND+15V S1 VSET1/VSET2 MAIN SW1 PC504 MAIN RELAY_ON P+15V MAIN SW_ON MAIN SW2 VSET1/2 K602 Q403 Vsus IC551 MAIN SW1 Q251,Q252 Q502,05,06 STB+5V 1 STB5V_ ON/OFF Vda DET LIVE F+15V 10A 250V CONT Vda 4 IC251 NEUTRAL Vsus Q405 Q406 5 PC501 PC502 P P+15V Q551 Q503 Q203 MAIN SW1 10 PC201 1 AC DET Vda P6 P11 8 7 14 C25 BIAS Q404 IC352 F+15V 2 Q701 15V P+15V S0 Vsus 5A 250V 9 Q601,04,06 COLD HOT (LED:4TIMES) COLD HOT TH-P46G20C Block (3/4) Diagram TH-P46G20C Block (3/4) Diagram 37 10.5. 方框图 (4/4) (LED:7TIMES) (LED:8TIMES) (LED:6TIMES) D16920 D16721 D16822 TPSC1 TPSOS7 D16280 TPVSUS D16618 D16901 TPVSCN D16820 TPSOS6 D16490 TPVSUS D16480 TPVAD TPSOS8 D16583 D16493 D16728 TPSS1 D16282 D16475 D16473 D16791 D16476 D16821 D16253 D16255 TPVE L16303 SS 64 F16V GEN. Vfo SCAN OUT (LOWER) PHOTO COUPLER 5 Q16102 UML PHOTO IC16490,91 UML Q16885 UML SD 11 IC14901,02,04 6 SS 11 COUPLER USH CEL SS 33 CIS CEL 21 F16V 2 SD1-SD4 F16V LED(G) IC16241 2 SD 42 CPH1 USL CML (SC1) CMH CEL PC16685 OC2 CSL Q16661 SEL Q16490 CLK 1 IPD CIRCUIT IC17202 VOL IC16563 CB5 1 BUFFER 8 SOS6_SC1 7 PANEL SUSTAIN BUFFER Vfo 6 IC17201 CB 14 PC16603 SS 61 SC 42 CRC1 CB4 CB 13 UHZ PLASMA PANEL ERROR DET SC 41 VIDEO DATA A32 Vad+5V SCAN 19 NAND Q16607 SC 50 CB 15 IC16691 Vda ELECTRODE 1 1 SOS7_SC2 SUSTAIN CONTROL CB9 OC1 DRIVER SEL CSL CB1 5 16 SC2 BUFFER CMH CRC2 Q16441 1 IC16920 P35 CERS 8 3 Vda OC2 SUSTAIN CONTROL VFG CSH IC17101 20 D16482 CB 12 SCAN DRIVE IC16581 C10 Q16601 CB 11 C23 Q16876 SS33 TP59,TP60 TP61,TP62 1 +5V A31 CSH/CMH GATE DRIVE CIRCUIT CB7 D16859 SOS8_SS CLK CSL/CML GATE DRIVE CIRCUIT 3 CPH1 VHIZ GEN. VSCN-F CML CB2 7 PHOTO COUPLER VSUS Gen. SS 21 RECOVERY CONNECTOR UEH Q16422 SCAN CONTROL IC14804-06 P2 IC16501 SUSTAIN SC 46 Vsus IC14601-03 VE Gen. SC C11 UEH BUFFER CRC2 PLASMA PANEL IC16471 PLASMA PANEL CRC1 (LOWER) PC16480 59 Q16608 T16471 18 IC16131 C20 SS2 ERROR DET 1 ELECTRODES 6 SC 20 A20 DATA DRIVER (RIGHT) SHUNT REG CONTROL DATA 2 C25 SCAN CONTROL SUSTAIN CONTROL REG. IC16724 SCAN C1 COMPARATOR 21 13 INVERTER COMPARATOR CIS C21 SCAN OUT (UPPER) 2 IC14604-06 20 CSH Q16818 1 2 66 7 VHIZ Q16001 IC16521 7 C2 P+5V 18 6 35 IC16773 4 DATA DRIVER (LEFT) Vda 1 CIRCUIT IC16692 2 SHUNT CERS SEPA PROTECT Q16421 8 CB3 SCAN UHZ 4 1 SIU IC16561,62 CB 10 8 SIU 3 5V_F INVERTER USH IC16771 SOS8_SS IC14801-03 IC16792,93 Q16621 D16041 Vda OC1 Q16051 6 IC16661 2 Q16660 CB6 SU 11 1 CB8 1 BUFFER PC16684 4 13 D16051 DRIVER P11 SOS8_SS 6 1 SS 58 1 7 ERROR DET DRIVER 7 FPC DET LOGIC IC PC16191 IC16151 13 Vsus UMH C23 Q16280 2 SUSTAIN CONTROL 1 1 DRIVER DRIVER VHIZ SCAN ENERGY Q16041 SS 24 DRIVER 7 SU 41 SD 46 SD SS 6 VIDEO DATA Q16002 SU1-SU4 PANEL SCAN CONTROL DATA UMH SUSTAIN DRIVE 2 USL PANEL DRIVER SCNR_PRO 5 PANEL DRIVER Q16101 SU PHOTO COUPLER P+5V P+3.3V P+15V P+5V P+5V P+15V P+3.3V P+15V P+5V P+3.3V P+3.3V P+3.3V Q16647 9 9 15V_F Q16471 CHA SCNR_PRO CHA 2 SC JIG Vscn VFG D16872 CMH PHOTO PC16461 (16V_F) CSH VRH D16871 COUPLER P+15V MID VRL ERROR DET LED(G) IC16251 SHUNT VE GEN. D16316 PHOTO COUPLER REG. PC16301 IC16304 IC16312 PC16722,23 IC16786,87 SHUNT REG VAD GEN. IC16784,85 IPD CIRCUIT IPD CIRCUIT PC16896,97 SHUNT REG VSCN GEN. Q16021 D16462 Q16452 Q16402 Q16403 Q16022 Q16622 (LED:7TIMES) (LED:8TIMES) (LED:6TIMES) TH-P46G20C Block (4/4) Diagram TH-P46G20C Block (4/4) Diagram 38 39 11.1. 注意事项 注意: 请确认正确的安装了所有的柔性电缆。 同时请确保将它们完全插入连接件。 轻拉柔性电缆确认以上事项。 11.2. 导线 (1) 40 11.3. 导线 (2) 11.4. 导线 (3) 41 11.5. 导线 (4) 42 43 12.1. 线路图注意事项 TH-P46G20C TH-P46G20C 44 12.2. P 电路板 (1/3) 线路图 ! P-BOARD ETX2MM805MSL (1/3) COLD HOT COLD HOT COLD HOT PFC STB ERROR DET STB CONTROL E B 4 D 7 3 1 C 5 F 2 8 9 6 A TH-P46G20C P-Board (1/3) Schematic Diagram TH-P46G20C P-Board (1/3) Schematic Diagram 45 12.3. P 电路板 (2/3) 线路图 RESONANCE CONTROL COMPARATOR Vsus ERROR DET Vda Vsus P+15V Vda CONTROL TO C2-BOARD (C25) TO A-BOARD (A6) TO SC-BOARD (SC2) TO SS-BOARD (SS11) COLD HOT COLD HOT ! P-BOARD ETX2MM805MSL (2/3) E B 4 D 7 3 1 C 5 F 2 8 9 6 A TH-P46G20C P-Board (2/3) Schematic Diagram TH-P46G20C P-Board (2/3) Schematic Diagram 46 12.4. P 电路板 (3/3) 线路图 ! P-BOARD ETX2MM805MSL (3/3) POWER MICOM NO USE TO A-BOARD (A7) E B 4 D 7 3 1 C 5 F 2 8 9 6 A TH-P46G20C P-Board (3/3) Schematic Diagram TH-P46G20C P-Board (3/3) Schematic Diagram 47 12.5. XH 电路板线路图 E B 4 D 7 3 1 C 5 F 2 8 9 6 A XH-BOARD TXNXH1LBUC ! + (FIN) (FIN) TOP IF_Monitor 21 2 TI_D1 TI_A1 IRQ MDO6 MDO0 TI_D2 MDO0 TI_D3 TI_D6 TI_A10 NTI_CAS MDO4 TI_BA1 TI_A0 TI_BA0 TS_VAL TI_A10 NTI_WE TI_D3 TI_BA1 TI_A11 MDO7 TI_BA0 TI_A9 MDO1 TI_A11 TI_A8 TI_A8 TI_D8 TI_A4 TI_D1 TI_A5 IRQ TS_PSYNC TI_D10 TI_A6 TS_CLK TI_D12 MDO2 TI_D9 NTI_CAS TI_A7 NTI_CS TI_A7 TI_D11 NTI_WE TI_A3 TI_D7 TI_A5 TI_D10 NTI_RAS TI_A2 NTI_RAS NTI_CS TI_A1 TI_A6 TS_VAL MDO3 TI_D2 TI_D11 TI_D9 MDO7 TI_D14 TS_PSYNC MDO4 MDO6 TI_A4 TI_D12 MDO5 TI_A3 TI_D4 TI_A9 TI_D5 MDO3 TS_CLK MDO5 TI_D13 TI_D7 MDO2 TI_D0 TI_D0 TI_D8 TI_A0 TI_D5 MDO1 TI_D14 TI_D6 TI_D4 TI_A2 TI_D13 C6733 0.1u 16V C6701 10u 10V C6715 0.1u 10V C6714 0.1u 16V C6700 10u 10V SUB 5.6V C6738 0.1u 16V C6724 1u 10V C6741 0.1u 10V C6717 0.1u 16V C6745 C6718 0.1u 16V C6709 0.1u 10V C6747 10u 10V C6753 0.1u 10V C6719 0.1u 16V C6726 0.1u 10V C6764 0.1u 16V C6754 0.1u 16V C6722 10u 10V C6721 0.1u 16V C6737 12p 50V C6720 0.1u 16V C6755 0.1u 16V C6750 8p 50V C6740 0.1u 10V C6763 0.1u 16V C6728 1u 10V C6727 10u 10V C6746 10u 10V C6742 0.1u 16V C6716 0.1u 16V C0EBD0000221 IC6704 4 OUT 3 Cd 1 GND 2 Vdd C0DBAHF00015 IC6700 1 ON/OFF 2 VSS 3 NC 5 VOUT 4 VIN C0JBAZ002811 IC6706 1 1G 2 1A1 3 2Y4 4 1A2 5 2Y3 6 1A3 7 2Y2 8 1A4 9 2Y1 10 GND 11 2A1 12 1Y4 13 2A2 14 1Y3 15 2A3 16 1Y2 17 2A4 18 1Y1 19 2G 20 VCC 1 1G 2 1A1 3 2Y4 4 1A2 5 2Y3 6 1A3 7 2Y2 8 1A4 9 2Y1 10 GND 11 2A1 12 1Y4 13 2A2 14 1Y3 15 2A3 16 1Y2 17 2A4 18 1Y1 19 2G 20 VCC 1 VDD 2 DQ0 3 VDDQ 4 DQ1 5 DQ2 6 VSSQ 7 DQ3 8 DQ4 9 VDDQ 10 DQ5 11 DQ6 12 VSSQ 13 DQ7 14 VDD 15 DQML 16 WE# 17 CAS# 18 RAS# 19 CS# 20 BA0 21 BA1 22 A10 23 A0 24 A1 25 A2 26 A3 27 VDD 28 VSS 29 A4 30 A5 31 A6 32 A7 33 A8 34 A9 35 A11 36 NC 37 CKE 38 CLK 39 DQMH 40 NC 41 VSS 42 DQ8 43 VDDQ 44 DQ9 45 DQ10 46 VSSQ 47 DQ11 48 DQ12 49 VDDQ 50 DQ13 51 DQ14 52 VSSQ 53 DQ15 54 VSS C1AB00003110 IC6702 1 TI_D4 2 TI_D5 3 TI_D6 4 TI_D7 5 VDD2.5 6 DGND 7 MPEG_D5 8 MPEG_D4 9 RES 10 RES 11 RES 12 RES 13 VDD1.2 14 DGND 15 CLKO 16 RES 17 RES 18 RES 19 VDD2.5 20 DGND 21 BP1 22 BP2 23 RES 24 RES 25 RES 26 RES 27 MPEG_D3 28 MPEG_D2 29 MPEG_D1 30 MPEG_D0 31 RES 32 RES 33 RES 34 RES 35 XTALIN 36 XTALOUT 37 RES 38 RES 39 I9 40 I8 41 PLLVDD1.2 42 PLLGND 43 AVDD2.5 44 AGND 45 I7 46 I6 47 I5 48 I4 49 VDD1.2 50 DGND 51 I3 52 I2 53 I1 54 I0 55 VDD2.5 56 DGND 57 AVDD2.5 58 AGND 59 REXT25 60 RES 61 IP 62 IM 63 RES 64 RES 65 RES 66 RES 67 RES 68 RES 69 VDD2.5 70 DGND 71 RES 72 IFCLK 73 TI_CAS 74 TI_WE 75 TI_RAS 76 TI_CS 77 VDD2.5 78 VDD1.2 79 DGND 80 CE_A0 81 TI_A10 82 TI_A1 83 TI_A2 84 TI_A0 85 VDD2.5 86 DGND 87 TI_A3 88 TI_BA1 89 TI_BA0 90 TI_A9 91 VDD1.2 92 DGND 93 SM 94 IFTEST 95 VDD2.5 96 DGND 97 TI_A4 98 TI_A6 99 AGC 100 RESET 101 SCL 102 SDA 103 TI_A5 104 TI_A7 105 VDD2.5 106 DGND 107 SCLT 108 SDAT 109 TI_A8 110 TI_A11 111 TI_CLK 112 TI_DQM 113 BLKERRN 114 LOCK 115 VDD1.2 116 DGND 117 TI_D8 118 TI_D9 119 TI_D10 120 TI_D11 121 VDD2.5 122 DGND 123 TI_D12 124 TI_D13 125 TI_D14 126 RES 127 VDD1.2 128 DGND 129 BIST 130 TESTCLK 131 TI_D0 132 TI_D1 133 TI_D2 134 TI_D3 135 RES 136 MPEG_SYNC 137 MPEG_VALID 138 MPEG_CLK 139 VDD2.5 140 DGND 141 VDD1.2 142 RES 143 MPEG_D7 144 MPEG_D6 1 CTL 2 Vcc 4 OUT 5 ADJ 3 GND(FIN) 1 CTL 2 Vcc 4 OUT 5 ADJ 3 GND(FIN) *XH4 K1KY30AA0369 1 2 3 4 5 6 7 8 9 10 11 12 13 14 15 16 17 18 19 20 21 22 23 24 25 26 27 28 29 30 L6700 J0JJC0000015 L6703 J0JJC0000015 L6701 J0JHC0000045 1.2V SUB5.6V 2.5V SUB3.3V SUB3.3V 2.5V SUB3.3V 1.2V SUB3.3V TP6719 TP6716 TP6717 TP6718 TP6720 Q6702 B1CBGD000001 Q6704 B1CBGD000001 Q6703 B1ABCF000010 R6801 EXB28V103JX R6725 EXB28V220JX R6713 EXB28V220JX R6724 EXB28V220JX R6715 EXB28V220JX R6708 EXB28V220JX R6723 EXB28V220JX R6829 EXB2HV103JV R6741 10k R6740 56 R6710 1.2k R6761 56 R6762 56 R6748 1M R6788 1k R6768 56 R6707 1.2k R6767 56 R6746 3.3k R6769 4.7k R6709 1.2k R6787 24k R6742 12k R6727 10k R6790 24.9k 1% R6764 100 1% *R6802 10k R6795 R6796 R6756 20k R6755 20k R6739 56 R6749 10k R6721 10k R6803 22 R6718 0 R6706 1.2k R6770 4.7k 1% R6743 56k 1% 1% R6763 100 1% R6753 649 1% R6754 1k 1% R6744 12k *TU6701 ENV59S02D8F +B_active_antenna 1 BB 2 RF-AGC_Monitor 3 BT_Monitor 6 SCL 13 SDA 14 IF_AGC 16 +B 17 IFD-out1 19 IFD-out2 20 X6700 H0J304500001 IFN IFP R6736 R6733 R6732 R6737 R6735 R6738 R6734 R6731 56 56 56 56 56 56 56 56 56 R6728 56 R6729 56 R6730 0.1u 16V R6786 68k 16.MDO0 15.MDO1 14.MDO2 12.MDO3 11.MDO4 9.MDO5 8.MDO6 7.MDO7 5.TS_CLK 3.TS_VAL 1.TS_PSYNC 18.SDA 20.SCL 22.RESET TP6705 TP6703 TP6710 TP6704 TP6707 TP6708 TP6701 TP6702 TP6706 TP6709 TP6711 TP6715 TP6714 TP6713 TP6712 R6785 56 R6784 56 C6703 0.1u 16V C6704 0.1u 16V R6791 0 R6792 0 R6789 0 R6771 56 R6772 56 R6773 56 R6774 56 56 56 56 56 R6775 R6776 0 R6777 0 R6778 R6793 0 R6794 0 0 0 0 0 R6800 R6797 R6799 R6798 R6779 R6780 R6781 R6782 56 56 56 56 C6756 0.1u 16V C0JBAZ002811 IC6707 R6726 10k R6783 56 R6705 22 R6704 22 R6712 22 R6711 22 C6708 0.1u 10V C6710 0.1u 16V R6714 EXB28V220JX C6707 0.1u 16V C6706 0.1u 16V C6711 47u 6.3V C6705 10u 10V C3ABPY000028 IC6701 C6712 0.1u 16V R6722 EXB28V220JX C6713 0.1u 16V R6719 1.2k R6720 4.7k C6730 0.1u 10V L6702 J0JHC0000045 C6731 1000p 50V C6734 10u 10V C6736 1u 10V C6743 10u 10V C6744 1u 10V R6750 33k R6751 20k C0DBEHG00006 IC6703 C0DBEHG00006 IC6705 C6735 12p 50V L6704 J0JJC0000015 C6739 0.1u 10V C6723 0.1u 16V C6725 0.1u 16V C6729 0.1u 10V R6745 10k C6732 0.1u 16V R6752 10k R6757 180 C6748 0.1u 16V C6749 0.1u 16V Q6701 B1CBGD000001 Q6700 B1CBGD000001 R6765 4.7k R6766 4.7k R6759 4.7k R6760 4.7k C6751 0.047u 16V C6752 0.047u 16V TH-P46G20C XH-Board Schematic Diagram TH-P46G20C XH-Board Schematic Diagram 30.SUB3.3V 29.SUB3.3V 26.SUB3.3V 28.SUB3.3V 24.SUB5V 23.IRQ TO A-BOARD (A88A) JS6707 SUFFIX (AC) 48 12.6. A 电路板 (1/22) 线路图 S S S S S S S S S S S S STB3.3V P3.3V SUB3.3V SUB3.3V R0921 R0922 TP0902 TP0904 PD_SCL1 PD_EVTRG GENX_SCL1 PD_SCL0 PD_SCL2 PEAKS_SCL2 GENX-EEP_SCL PD4H_SCL PEAKS-EEP_SCL PD_TMS PEAKS_SCL1 PD_TCK ADJ-GENX_SCL TMP-SENS_SCL PD_TDI PD_TRST GENX_SCL0 AV-SW_SCL PEAKS-EEP_SDA ADJ_GENX_SDA GENX_SDA1 AV-SW_SDA PD_SDA0 TMP-SENS_SDA PEAKS_SDA2 PEAKS_SDA1 PD4H_SDA PD_SDA1 GENX-EEP_SDA PEAKS_SDA0 GENX_SDA0 PD_SDA2 R0907 EXB28V103JX R0916 4.7k R0913 22 R0958 4.7k R0952 68 R0957 4.7k R0949 68 R0950 68 R0956 2.2k R0918 22 R0951 68 R0947 68 R0917 22 R0948 68 R0955 2.2k R0915 4.7k R0954 100 R0953 100 R0959 2.2k R0960 2.2k R0908 10k R0914 22 R0903 R0904 R0909 R0910 R0930 R0929 R0946 R0945 R0911 R0912 PEAKS_SCL0 IIC JTAG IC1100 PDP-FHD(LDA2/GenX8/PD4H) CN0101 Peaks EEP 16k IC8001 GenX8 IC1000 CN0100 AV-SW TEMP SENSOR IC3001 IC1101 (GenX8 Loarder/E2PROM) TU2901C Adjustment Connector AVC31 Development Connector IC8601 GenX EEP 8k (PD4H) PANEL IC9300 Peaks LDA2 IC8000 8 7 C A B 6 E 1 D 2 9 F 4 3 5 IIC A-BOARD TNPH0845HC (1/22) ! TO 20/22 TO 15/22 TO 19/22 TO 12/22 TO 13/22 TO 2/22 TO 19/22 TO 5/22 TO 6/22 TO 6/22 TO 6/22 TO 19/22 TO 19/22 TO 20/22 TH-P46G20C A-Board (1/22) Schematic Diagram TH-P46G20C A-Board (1/22) Schematic Diagram FE1_SCL FE1_SD A-TNR_SCL A-TNR_SDA A *R0936 *R0935 22 22 TO 2nd_FE D FE TUNER 49 12.7. A 电路板 (2/22) 线路图 S S S S S S S S S S P S S S S R8691 10k R8606 10k R8110 10k C8360 16V 0.1u R8692 68 PD_SBO0 R8600 10k SUB3.3V R8642 68 PD_XRTS0 SUB3.3V PD_XNFWP PD_XIRQ3 VJ8605 PD_XNFCE AB_NANDRYBY PD_XECS5 C8155 50V 15p PD_XIRQ1 C8157 16V 0.1u R8748 10k R8825 R8651 10k PD_XIRQ10 PD_DCK33IN XNFCE R8661 10k C8742 1u 10V PD_EA24 PD_VOUTENB R8636 68 PD_MVDACOY C8340 10u 25V PD_NFRYBY VJ8600 AA_EA1 R8689 68 R8660 EXB2HV680JV VJ8611 AA_EA6 VJ8610 PD_EA2 AA_EA2 R8622 68 VJ8609 R8649 10k PD_SBI0 R8757 160 1% PD_NFALE PD_EA6 VJ8604 XNFRE AA_ERXW PD_CK74A VJ8613 VJ8612 SUB3.3V VJ8601 R8754 10k C8361 16V 0.1u NFCLE PD_EA3 C8154 16V 0.01u PD_XERE PD_EA1 R8645 68 C8160 10V 1u VJ8397 PD_XIRQ4 AA_XIRQ2 R8743 10k R8880 10k R8652 10k AA_FE_RST AA_EA4 1% R8758 24k TP8600 PD_XIRQ2 PD_XIRQ6 PD_DAAVDD1 X8100 H0J270500120 VJ8606 PD_XECS4 PD_VCOMP R8673 10k C1ZBZ0003967 IC8100 1 X1 2 S0 3 S1 4 VIN 5 VDD1 6 GND1 7 CLK1 8 CLK2 9 REFOUT 10 CLK3 11 CLK4 12 GND2 13 VDD2 14 S2 15 VDD3 16 X2 C8156 50V 0.5p C8362 16V 0.1u C8600 50V 1000p R8114 56 R8115 56 PD_CK27A C8741 1u 10V XNFWE R8739 10k ETHER_25M PD_XECS2 R8116 56 R8120 0 R8658 2.2k 1% R8759 10k R8672 10k AA_XEAS PD_XECS3 PD_EA0 R8112 56 PD_IPCK33IN C8159 10u 10V PD_MVDACOY R8119 10k R8117 100k AA_XIRQ10 TP8109 PD_XNFRE *R8109 10k PD_EA5 TP8733 VJ8608 R8607 68 NFALE PD_XIRQ8 PD_NFCLE R8657 2.2k AA_EA7 R8641 68 R8610 68 VJ8607 PD_VVREF PD_ERXW R8685 2.2k F15V VJ8615 PD_VC27A R8638 10k C8158 16V 0.1u PD_EA4 AA_EA3 XNFWP R8111 56 PD_XEWE1 L8100 J0JHC0000045 R8669 10k PD_MVIREF SUB3.3V USB_12M_2 PD_XNFWE PG-DTV_VOUTENB PD_EA7 AA_EA5 PG-SD_BOOT_STS 1% R8760 24k PD_XIRQ7 R8644 68 12 16 10 14 15 18 13 11 17 NANDRYBY TO 20/22 XIRQ1 TO 20/22 TO 6/22 SDBOOT HDMI-MUX_INT TO 20/22 PORT13[0] XIRQ3 XIRQ14 XIRQ12 XIRQ11 TO 3/22 TO 6/22 XIRQ2 VOUTENB XIRQ13 BOOTBT PCREADY PD4H_OSD_VIN INT_PANEL_CEC (HDD_SOS) (PCCD) (MDIO_INTL) (APL_GP02_IO) HDMI-RX_IRQ PEAKS-LDA2 USB 12MHz TO 2,5/22 DEVICE CLK TO 2/22 TO 20/22 TO 15/22 ! Defalt:50Hz TO 20/22 TO 20/22 TO 20/22 TO 3/22 EtherPHY 25MHz LDA2 27MHzA LDA2 74.175824MHz XIRQ7 XIRQ6 XIRQ5 XIRQ0 XIRQ4 XIRQ9 XIRQ10 Peaks-COMMON DDR3 33.3MHz 27MHz VCXO #0 TO 20/22 TO 20/22 TO 5/22 CI_OCP (FE_EX_IRQ) POWER_DET (APL_PR_RDY) CLOCK GEN SUPPORT_CARD TO 3/22 TO 5/22 FE_IRQ TO 4/22 FE_XRST / SDRAM_CHK TO 2,11,20/22 XIRQ15 TO 2,11,20/22 XIRQ8 TO 20,21/22 TH-P46G20C A-Board (2/22) Schematic Diagram TH-P46G20C A-Board (2/22) Schematic Diagram A-BOARD TNPH0845HC (2/22) *JS8372 *JS8371 *JS8389 *JS8390 *JS8388 *JS8391 *JS8392 FE1_MDO6 FE1_MDO7 FE1_MDO3 FE1_PSYNC FE_MDO6 FE_MDO3 FE_CH0PSYNC FE_MDO7 FE1_MDO2 FE_MDO2 FE_MDO5 FE_CH0VAL FE_MDO1 FE_MDO0 FE_MDO4 FE_CH0CLK FE1_MDO4 FE1_MDO5 FE1_MDO0 FE1_MDO1 FE1_VAL FE1_CLK *JS8377 *JS8375 *JS8373 *JS8374 TO 1/22 TO 2,5/22 FE1_TS_Parallel TOP S FE1_VAL *R8346 EXB28V680JX SUB6V *A88A 1 2 3 4 5 6 7 8 9 10 11 12 13 14 15 16 17 18 19 20 21 22 23 24 25 26 27 28 29 30 *R8340 EXB2HV680JV SUB3.3V TP8355 *L8343 J0JDC0000002 VJ8616 C8342 10u 10V *L8340 J0JDC0000002 *L8341 J0JDC0000002 FE1_MDO5 FE1_MDO7 FE1_MDO4 FE1_MDO6 FE1_MDO3 FE1_PSYNC FE1_CLK FE1_MDO1 FE1_MDO0 FE1_MDO2 FE1_SDA FE1_SCL AA_FE_RST FE1_XIRQ F15V/SUB3.3V SUB6V TS_CLK XIRQ MDO1 MDO7 FE_SDA MDO2 TS_PSYNC FE_XRST MDO5 SUB3.3V MDO6 FE_SCL MDO0 F15V/SUB3.3V MDO3 TS_VAL F15V/SUB3.3V MDO4 *TP8347 *TP8341 *TP8350 *TP8354 *TP8345 *TP8346 *TP8349 *TP8342 *TP8344 *TP8348 *TP8353 *TP8352 *TP8351 *TP8343 *R8341 68 *R8342 68 *R8343 68 *R8344 68 TP8406 TP8404 TP8405 TP8340 C8341 10u 10V TO XH-BOARD (XH3) S FE1_XIRQ SUB3.3V AA_XIRQ2 VJ8360 R8396 10k TO 2/22 1 50 12.8. A 电路板 (3/22) 线路图 S S S S P P FE_MDO2 FE_CH0VAL AA_XEAS AC_CHSYNC FE_MDO3 AC_CHSYNC FE_MDO0 FE_CH0CLK AC_CHDI0 AC_CHDI3 FE_MDO6 AC_CHDI5 AC_CHVAL FE_MDO1 AC_CHDI7 FE_MDO5 FE_MDO7 AC_CHDI6 FE_MDO4 CI_OCP FE_CH0PSYNC AA_ERXW AC_CHVAL AC_CHDI4 AA_XEAS AC_CHDI2 AA_ERXW AC_CHCLK AC_CHCLK PD_HSBCLKOUT AC_CHDI1 PD_HSBCLKOUT CI_OCP AC_XPDWT AC_XPDWT C8405 16V 0.1u C8403 16V 0.1u C8412 16V 0.1u C8406 16V 0.1u C8409 16V 0.1u C8404 16V 0.1u C8408 16V 0.1u C8147 16V 0.1u C8137 16V 0.1u C8138 16V 0.1u C8145 16V 0.1u C8148 10V 1u C8141 16V 0.1u C8136 16V 0.1u C8140 16V 0.1u C8143 16V 0.1u C2077 16V 0.1u C2076 16V 0.1u C2078 10V 1u C8149 10V 1u C8146 16V 0.1u C2079 16V 0.01u C2075 16V 0.1u C8139 16V 0.1u C8142 16V 0.1u C8144 16V 0.1u C8151 50V 8p C8416 22u 6.3V C8417 22u 6.3V C8418 22u 6.3V C8150 50V 8p SUB3.3V SUB5V SUB_CI_5V SUB5V_CI SUB3.3V SUB3.3V VJ8520 VJUMP1005-S VJ8511 VJ8517 VJUMP1005-S VJ8512 VJ8513 VJ8514 TP8106 TP8108 TP8107 TP8105 TP8102 TP8101 TP8104 TP8402 TP8103 TP8400 USB_12M_2 F7 PA_VREFL0 PA_VREG PA_VREF1V5 PA_VREFL1 PA_BIAS2 PA_VREFL3 PA_BIAS PA_VREFHSIF PA_VREFH1 PA_AXO PA_VREFLSIF PA_VREFL2 PD_WAKEUP PA_VREFH2 PA_VREFH3 PA_VREFH0 PD_HS0D2 PD_HS0D6 PD_WUC PD_HS0D0 PD_HS0D1 PD_HS0D4 PD_HS0CLK PD_HS0PSYNC PD_HS0D3 PD_HS0D5 PD_HS0VAL PD_USBXI PD_CK27B PD_CK74B PA_AXI PD_HS0D7 PD_HSBCLKOUT PD_MII_SBO PD_PWMA PD_PWMK PD_PWMB PD_XIRQ9 PD_HSDOUT4 PD_PWMC PD_PWMD AA_XEAS AA_ERXW *R8476 EXB2HVR000V *R8490 68 *R8489 68 *R8488 68 *R8482 0 *R8479 0 *R8513 10k *R8512 10k R8102 10k R8103 10k *R8477 0 R8105 0 R8470 10k R8511 10k R8498 68 R8100 220 X8002 H0J245500101 HSDIN6 HSVALIN Command Inteface Buffers --> Level shifter IC HSDIN3 HSDIN0 HSDIN4 HSDIN1 HSDIN2 HSDIN7 HSBCLKIN HSSYNIN HSDIN5 PCCD1 PCWAIT CI_OCP 8400 - 8599 24.576MHz ADC PEAKS-LDA2 Achip SIF PEAKS-LDA2 Achip PEAKS-LDA2 PEAKS-LDA2 25 19 24 23 27 22 26 Peaks-COMMON 21 20 ! 1 TO 2/22 TO 2/22 TO 20/22 TO 4,20/22 TO 20/22 TO 20/22 TO 20/22 TO 20/22 TO 20/22 TO 20/22 AC_CHDI6 AC_CHDI1 AC_CHDI0 AC_CHDI4 AC_CHDI7 AC_CHDI5 AC_CHDI2 AC_CHDI3 R8491 68 R8496 68 R8497 68 R8493 68 R8494 68 R8492 68 R8499 68 R8495 68 TH-P46G20C A-Board (3/22) Schematic Diagram TH-P46G20C A-Board (3/22) Schematic Diagram A-BOARD TNPH0845HC (3/22) 51 12.9. A 电路板 (4/22) 线路图 + + P P 2 1 S S PD_MII_RXD2 AP_MDIO AP_MDC AP_MII_TXD3 AP_MII_TXD2 PD_MII_CRS AP_MII_TXD1 PD_MII_COL AP_MII_TXD0 PD_MII_RXER AP_MII_TXEN PD_MII_RXDV PD_MII_RXD3 PD_MII_RXD2 PD_MII_RXD1 PD_MII_RXD0 PD_MII_RXCLK AP_MII_TXEN AP_MDC PD_MII_RXD1 AP_MDIO AP_MII_TXD3 PD_MII_RXD0 AP_MII_TXD2 PD_MII_TXCLK AP_MII_TXD1 PD_MII_TXCLK PD_MDIO_INTL AP_MII_TXD0 PD_MII_RXER PD_MDIO_INTL PD_MII_RXCLK PD_MII_RXDV PD_MII_CRS AP_PHYRSTL PD_MII_COL PD_MII_RXD3 AP_PHYRSTL C8720 16V 0.1u C8712 16V 0.1u C8722 10u 10V C8718 16V 0.1u C8714 50V 100p C8740 10u 10V C8719 16V 0.1u C8721 16V 0.1u C8717 10u 10V C8713 16V 0.1u C8711 10u 10V *C8726 10u 10V *C8731 16V 0.1u *C8727 16V 0.1u *C8747 16V 0.1u C8513 16V 0.1u C8512 16V 0.1u C8739 10u 10V *C8728 220u 6.3V *C8744 220u 6.3V *FL8702 J0MAB0000140 1 2 3 4 *FL8701 J0MAB0000140 1 2 3 4 JK8301 K2LC1YYA0005 1 2 3 4 5 6 7 8 L8705 J0JHC0000045 L8701 J0JHC0000045 *L8708 J0JHC0000045 *L8707 J0JHC0000045 L8702 J0JHC0000045 L8706 J0JHC0000045 T8301 G5BYC0000015 1 2 3 4 5 6 9 10 11 12 8 7 SUB3.3V SUB3.3V SUB_OP_5V SUB3.3V SUB3.3V SUB3.3V VJ8500 VJ8501 TP8708 TP8707 TP8734 TP8735 PD_MDC PD_USB0RREF PD_MII_TXD2 PD_MII_TXD3 ETHER_25M PD_WAKEUP PD_MII_TXD0 PD_USB1VBUS PD_MII_TXD1 PD_MII_TXEN PD_PHYRSTL PD_MII_RXD1 PD_USB1OC PD_USB1RREF PD_MII_COL PD_MII_CRS PD_MII_RXER PD_MII_RXD3 PD_MII_RXD2 PD_MII_TXCLK PD_MII_RXD0 PD_MII_RXCLK PD_MII_RXDV PD_WUC PD_MDIO PD_USB1DP PD_USB0DP PD_USB0DN PD_MDIO_INTL PD_USB1DN R8732 56 R8706 56 1% R8737 6.49k R8733 56 R8730 56 1% *R8744 6.2k *R8745 4.7k R8712 4.7k R8708 56 R8723 56 R8729 56 *R8747 10k R8705 56 R8731 56 R8724 56 R8710 56 R8725 56 R8734 0 1% R8527 49.9 1% R8525 49.9 1% R8524 49.9 1% R8526 49.9 R8728 56 R8711 4.7k R8722 56 *R8764 10k 1% *R8761 6.2k *R8762 4.7k 1% R8383 75 1% R8381 75 1% R8382 75 1% R8384 75 R8707 56 R8709 56 R8703 56 R8735 10k R8721 56 R8704 56 R8726 10k R8727 10k *JK8700 K1FY208B0008 A-1 A-2 A-3 A-4 B-1 B-2 B-3 B-4 *R8741 2.7k *R8742 2.7k C8515 10u 10V *C8516 16V 0.01u R8566 0 L8512 J0ZZB0000083 1 12 2 3 4 L8511 J0ZZB0000083 1 12 2 3 4 L8513 J0ZZB0000083 1 1 2 2 3 4 C0DBZYY00365 *IC8701 1 GND 2 IN 3 EN1 4 EN2 5 /OC2 6 OUT2 7 OUT1 8 /OC1 IC8703 C1CB00003239 1 GND 2 GND 3 GND 4 VDDA_1.8 5 VDDA_1.8 6 V1.8_OUT 7 VDDA_3.3 8 VDDA_3.3 9 RX- 10 RX+ 11 TX- 12 TX+ 13 GND 14 XO 15 XI 16 REXT 17 GND 18 MDIO 19 MDC 20 RXD3/PHYAD0 21 RXD2/PHYAD1 22 RXD1/PHYAD2 23 RXD0/DUPLEX 24 GND 25 VDDIO_3.3 26 VDDIO_3.3 27 RXDV/CONFIG2 28 RXC 29 RXER/ISO 30 GND 31 VDD_1.8 32 INTRP 33 TXC 34 TXEN 35 TXD0 36 TXD1 37 GND 38 TXD2 39 TXD3 40 COL/CONFIG0 41 CRS/CONFIG1 42 LED0/MWAYEN 43 LED1/SPEED 44 NC 45 NC 46 NC 47 RST# 48 NC PD_USB0VBUS PD_USB0OC R8763 R8746 PEAKS-LDA2 RX+ TX- TX+ RX- TX+ RX+ TX- RX- LAN PEAKS-LDA2 PEAKS-LDA2 VBUS1 DP1 DM1 GND VBUS0 DM0 GND DP0 28 33 30 35 29 31 32 36 34 ! TO 2/22 TO 3,20/22 TO 20/22 TO 20/22 TO 20/22 USB5V ETHERNET IF 100BASE-TX 10BASE-T/ ETHERNET TH-P46G20C A-Board (4/22) Schematic Diagram TH-P46G20C A-Board (4/22) Schematic Diagram A-BOARD TNPH0845HC (4/22) 52 12.10.A 电路板 (5/22) 线路图 + S S S D.SW W.P. S AA_ED5 AB_NFALE AD_SDWP AD_SDDAT2 AB_NFCLE AA_ED6 AB_NFCLE AB_XNFCE AA_ED7 AA_ED0 AB_XNFWP AA_ED1 AB_XNFRE AA_ED3 AD_SDDAT1 AA_ED1 AB_NANDRYBY AB_NANDRYBY AA_ED5 AD_SDCD AA_ED4 AB_NFALE AA_ED6 AB_XNFWE AA_ED7 AA_ED3 AD_SDCMD AB_XNFRE AD_SDDAT3 AA_ED2 AD_SDCLK AB_XNFWP AD_SDDAT0 AD_SDCMD AA_ED2 AA_ED0 AA_ED4 AB_XNFCE AB_XNFWE AD_SDCLK AA_ED5 AA_ED1 AA_ED7 AA_ED3 AA_ED6 AA_ED1 AA_ED2 AA_ED6 AA_ED2 AA_ED4 AA_ED5 AA_ED7 AA_ED0 AA_ED4 AA_ED0 AA_ED3 PD_ED0 PD_ED1 PD_ED2 PD_ED3 PD_ED4 PD_ED5 PD_ED6 PD_ED7 PD_ED8 PD_ED9 PD_ED10 PD_ED11 PD_ED12 PD_ED13 PD_ED14 PD_ED15 AD_SDDAT1 AD_SDDAT0 AD_SDDAT2 AD_SDDAT3 AD_SDWP AD_SDCD C8950 16V 0.01u C8922 16V 0.1u C8923 16V 0.1u C8861 16V 0.1u C8862 16V 0.01u C8854 16V 0.1u C8853 16V 0.1u C8863 22u 4V C8860 16V 47u TVRR354AA *IC8921 1 NC 2 NC 3 NC 4 NC 5 NC 6 NC 7 R/B# 8 RE# 9 CE# 10 NC 11 NC 12 VCC 13 VSS 14 NC 15 NC 16 CLE 17 ALE 18 WE# 19 WP# 20 NC 21 NC 22 NC 23 NC 24 NC 25 NC 26 NC 27 NC 28 NC 29 I/O0 30 I/O1 31 I/O2 32 I/O3 33 NC 34 NC 35 NC 36 VSS 37 VCC 38 NC 39 NC 40 NC 41 I/O4 42 I/O5 43 I/O6 44 I/O7 45 NC 46 NC 47 NC 48 NC L8850 J0JHC0000045 L8920 J0JDC0000002 SUB3.3V SUB3.3V SUB3.3V SUB3.3V SUB3.3V VJ8864 VJ8858 VJ8850 TP8854 TP7003 TP8855 TP8860 TP8853 TP8601 TP7002 TP7004 TP8857 TP8858 TP8863 TP8951 TP8859 TP8856 TP8952 TP8950 AA_FE_RST PD_SDVOLC AB_NANDRYBY DISPEN PD_LOSDICLK PD_SDDAT0 PD_SDCD PD_SDCLK PD_SDDAT1 PD_SDDAT2 PD_SDDAT3 PD_SDCMD PD_SDWP AA_ED7 AA_ED3 PD_HSDOUT6 PEAKS-EEP_SDA AA_ED5 AA_ED2 AA_ED4 PD_RXD2 AA_ED7 AA_ED3 PD_SMTSEL0 XNFWP PD_XCTS0 AA_ED6 AA_ED2 PD_HSDOUT5 AA_ED1 AA_ED0 PD_ED[0-15] PD_CH0CLK PD_CH1CLK AA_ED4 AA_ED5 XNFWE PEAKS-EEP_SCL PD_LOSDO10 AA_ED1 NFALE NFCLE XNFRE XNFCE AA_ED6 AA_ED0 R8918 EXB2HV680JV R8922 EXB2HVR000V R8919 EXB2HV680JV R8887 10k R8869 10k R8870 10k R8867 10k R8877 33 R8859 68 R8856 47k R8860 68 R8883 10k R8861 68 R8872 33 R8871 0 R8923 68 R8857 68 R8927 68 R8888 0 R8928 68 R8868 33 R8886 10k 68 R8668 R8864 10k R8924 68 R8885 10k R8680 10k R8882 10k R8858 10k R8881 10k R8925 68 R8863 68 R8878 10k R8879 10k R8950 4.7k R8862 68 R8926 68 TP8861 VDDSD R8874 68 R8875 68 R8876 68 R8873 68 VDDSD TVRR372 *IC8950 1 E0 2 E1 3 E2 4 VSS 5 SDA 6 SCL 7 WC 8 VCC JK8850 1 2 3 4 5 6 7 8 9 10 11 12 R8952 GND SD/IC_CARD GND SDCMD SDCLK SDDAT0 SDDAT1 3.3V SDDAT3 SDDAT2 L:1.8V H:3.3V SDVOLC TS in from Apollo (Reserved) TS I/F (Reserved) LOSD I/F (Reserved) SUB_SD_3.3V SDRAM_CHK Port TS in for Rec (Reserved) 43 44 40 41 45 37 38 42 39 ! TO 1/22 TO 2/22 TO 2/22 TO 5/22 TO 5/22 TO 20/22 TO 20/22 TO 20/22 TO 15/22 TO 20/22 TO 20/22 TO 20/22 TO 20/22 TO 20/22 NAND FLASH EEPROM SD CARD TH-P46G20C A-Board (5/22) Schematic Diagram TH-P46G20C A-Board (5/22) Schematic Diagram A-BOARD TNPH0845HC (5/22) 53 12.11.A 电路板 (6/22) 线路图 S S S S S SG-HDMI_CEC SG-SP_HP_MUTE SG-SOUND_SOS PG-PEAKS_SERIAL_SBO SG-MON_MUTE SG-HPD1 SG-G_LED_ON PG-MAIN_FAN_ON SG-AI_SENSOR SG-FACT SG-DDCSCL1 SG-SOS PG-SD_BOOT_STS SG-DDCSDA2 SG-DDCSDA0 SG-HPD2 PG-DTV_VOUTENB SG-RMIN PG-FAN_MAX PG-PANEL_VCC_ON PG-PEAKS_SERIAL_SBI PG-FAN_SOS PG-P5V_DET SG-DDCSDA3 SG-TV_SUB_ON SG-NRST SG-SUB5V_SENSE PG-ACTIVE_ANTENNA_DET SG-HDMI_CEC_PU_ON SG-HDMI_5V_DET0 SG-GENX-EEP_WP SG-HDMI_5V_DET1 SG-DTV_XRST GENX-KEY1 SG-P3.3V_DET SG-HDMI_5V_DET2 SG-DDCSCL2 SG-DDCSCL3 SG-SRQ_GENX SG-HPD3 SG-SRQ_GENX SG-R_LED_ON NG-SW_OFF_DET SG-RF_AFT1 GENX_SDA1 GENX_SDA0 SG-DDCSCL0 SG-HDMI_5V_DET3 GENX_SCL1 SG-DDCSDA1 GENX_SCL0 SG-HPD0 PG-PANEL_SOS PG-PD4H_XRST_SYS SG-PD4H_DRVRST SG-PD4H_PANEL_MAIN_ON SG-HDMI_5V_DET3 SG-DDCSCL3 SG-DDCSDA3 SG-HDMI_CEC SG-HDMI_CEC_PU_ON SG-GENX-EEP_WP SG-TV_SUB_ON SG-SP_HP_MUTE SG-MON_MUTE SG-DTV_XRST PG-SD_BOOT_STS NG-SW_OFF_DET PG-DTV_VOUTENB PG-FAN_MAX PG-MAIN_FAN_ON SG-HPD3 SG-AI_SENSOR GENX_SCL1 SG-HPD0 SG-HPD1 SG-HPD2 SG-R_LED_ON SG-G_LED_ON SG-HDMI_5V_DET0 SG-DDCSDA0 SG-DDCSCL0 SG-DDCSDA1 SG-DDCSCL1 SG-HDMI_5V_DET1 SG-DDCSDA2 SG-DDCSCL2 PG-PEAKS_SERIAL_SBO PG-PEAKS_SERIAL_SBI GENX_SDA0 GENX_SCL0 SG-HDMI_5V_DET2 GENX-KEY1 SG-FACT SG-RF_AFT1 PG-PANEL_SOS PG-ACTIVE_ANTENNA_DET GENX_SDA1 SG-PD4H_DRVRST SG-SUB5V_SENSE SG-SUB3.3V_SENSE SG-P3.3V_DET PG-P5V_DET SG-RMIN PG-PD4H_XRST_SYS SG-PD4H_PANEL_MAIN_ON PG-PANEL_VCC_ON SG-SOS SG-SOUND_SOS SG-SRQ_GENX PG-FAN_SOS SG-NRST SG-SUB3.3V_SENSE C1111 1u 10V C1123 1u 10V C1114 16V 0.1u C1104 16V 0.1u C1112 16V 0.1u C1109 1u 10V C1117 16V 0.1u C1102 10u 10V C1103 16V 0.1u C1122 25V 0.01u C1108 16V 0.1u C1106 50V 27p C1107 50V 22p D1107 B0JCCE000008 *IC1101 TVRR361AA 1 NC 2 NC 3 E2 4 VSS 5 SDA 6 SCL 7 WC 8 VCC L1100 J0JYC0000068 STB3.3V STB3.3V SUB3.3V STB3.3V SUB5V STB3.3V SUB3.3V STB3.3V R1146 R1207 TP1108 TP1400 TP1102 TP1107 TP1103 TP1401 SG-KEY1 SG-SOS SG-HPD3 SG-HPD0 SG-HDMI_5V_DET0 GENX_SCL1 PG-FAN_SOS SG-DDCSCL0 SG-HPD2 SG-DDCSCL2 SG-HPD1 SG-P3.3V_DET PG-P5V_DET SG-RF_AFT1 PG-PANEL_SOS SG-SOUND_SOS SG-SRQ_GENX SG-RMIN SG-AI_SENSOR SG-HDMI_5V_DET1 SG-DDCSCL3 GENX_SCL0 SG-DDCSCL1 SG-HDMI_5V_DET3 PG-ACTIVE_ANTENNA_DET SG-HDMI_5V_DET2 FACT_SDBOOT SG-SP_HP_MUTE PG-FAN_MAX PG-SD_BOOT_STS SG-G_LED_ON SG-PD4H_PANEL_MAIN_ON PG-PD4H_XRST_SYS SG-PD4H_DRVRST PG-MAIN_FAN_ON SG-MON_MUTE PG-DTV_VOUTENB SG-R_LED_ON PG-PANEL_VCC_ON SG-DTV_XRST SG-TV_SUB_ON GENX_SDA0 PD_TXD1 SG-DDCSDA3 SG-DDCSDA2 SG-DDCSDA1 GENX-EEP_SCL GENX_SDA1 NG-SW_OFF_DET GENX-EEP_SDA SG-DDCSDA0 PD_RXD1 SG-HDMI_CEC R1237 1k R1407 47k R1225 10k R1221 7.15k 1% R1163 1M R1411 100k R1243 47k R1224 10k R1153 470 R1406 68k R1236 47k R1209 4.7k R1182 27k R1255 1k R1410 10k R1203 47k X1100 H0J100500035 MN103SH9FPB1 IC1100 1 P41_TMIO1 2 P42_TMIO2 3 P43_TMIO3 4 P44_TMIO4 5 P00 6 P01 7 PF3 8 P03_SBT0B 9 P04_SBO0B 10 PD0_DDCSDA0 11 PD1_DDCSCL0 12 PD2_DDCSDA1 13 PD3_DDCSCL1 14 PF1 15 PD4_DDCSDA2 16 PD5_DDCSCL2 17 P65_USBO2 18 P66_USBI2 19 P26 20 P70_SDA0 21 P71_SCL0 22 VSS 23 PF2 24 IVDD 25 VDD 26 P60_SBO0A 27 P61_SBT0A 28 P62_SBI0A 29 P05_IRQ6 30 P06_IRQ7 31 P07_IRQ8 32 P50_RMIN_IRQ0 33 P20_IRQ1 34 P21_IRQ2 35 P22_IRQ3 36 P23_IRQ4 37 P24_IRQ5 38 P25 39 IVDD 40 VSS 41 P10 42 P11 43 P12 44 P13 45 P14 46 P15 47 P16 48 P17 49 P72_SDA1 50 P73_SCL1 51 P30 52 P31 53 P32 54 P33 55 P34 56 P35 57 P36 58 P37 59 PE0 60 PE3 61 PE4_VPPEX 62 IVDD 63 VDD 64 NTEST 65 VSS 66 OSCXO 67 OSCXI 68 IVDD 69 PE1 70 PE2 71 NBOOT 72 NRST 73 P02 74 SCLOCK 75 SDATA 76 EXTRG0 77 TRCCLK 78 TRCST 79 TRCD0 80 TRCD1 81 TRCD2 82 TRCD3 83 P40_TMIO0_SYSCLK 84 P80_ADIN0 85 P81_ADIN1 86 P82_ADIN2 87 P83_ADIN3 88 IVDD 89 VSS 90 P84_ADIN4 91 P85_ADIN5 92 P74_CECAVL1B 93 P75_CECAVL1A 94 PF0 95 P76_CEC0 96 PD6_DDCSDA3 97 PD7_DDCSCL3 98 P63_SBO1 99 P64_SBI1 100 PF4 R1197 R1181 R1179 STB_RST TO Sheet ADV-MODEL OSCXI TO Sheet Peaks-DEST TO Sheet ADV_A-MODEL TO Sheet Peaks-COMMON TO Sheet Set-MODEL TO Sheet TUNER TO Sheet IIC TO Sheet Set-PDP 10MHz FACT-MODE TP TO Sheet IIC TO Sheet STB-RESET-LCD/PDP POWER/PANEL CTRL GenX8 50 48 54 46 51 49 53 47 52 ! TO 1/22 TO 1/22 TO 2/22 TO 19/22 TO 20/22 TO 7/22 TO 14,15/22 TO 19/22 TO 14,19/22 TO 14,15,16/22 TO 14,15/22 TO 14/22 TO 15/22 TO 14/22 TO 13/22 TO 8/22 TO 19/22 TO 14/22 TO 18/22 TO 14/22 TO 19/22 EEPROM TH-P46G20C A-Board (6/22) Schematic Diagram TH-P46G20C A-Board (6/22) Schematic Diagram A-BOARD TNPH0845HC (6/22) 54 12.12.A 电路板 (7/22) 线路图 S S S S S S S S S S S P S S S S S S RX2M2 RX2M0 HDMI_CEC HDMI_DDCSCL0S PA_RXCP0 HDMI_DDCSCL3 RX0SP1 PA_RX1M0 SG-HPD2 SG-HDMI_5V_DET3 HDMI_DDCSCL1 RX2P2 HDMI_DDCSDA0S PA_RX0P1 AVSW_R027PIN_FBOUT/TDET10 HDMI_DDCSDA3 PA_RX1M1 RX0SP2 PA_RX1P1 HDMI_DDCSDA1 PC_VS PA_RX0M1 PC_HS PA_RX1M0 HDMI_DDCSDA3 SG-HDMI_5V_DET3 PA_RX2P0 RXCM0S PA_RX2P2 PA_RXCM2 PA_RX0M2 RX2P0 PC_VS PA_RX0M0 RX0SP0 RX0SM0 HDMI_DDCSDA2 PA_RX0P0 AVSW_R027PIN_FBOUT/TDET10 PA_RX1M2 SG-HPD3 PA_RX1P0 HDMI_CEC PA_RX2M0 HDMI_CEC PA_RXCP1 RX2P1 SG-HDMI_5V_DET0 PA_RXCM0 HDMI_CEC SG-HDMI_5V_DET2 SG-HDMI_5V_DET2 PA_RXCM0 SG-HPD0 SG-HPD0 PA_RX0P2 RXCP0S RX0SM2 HDMI_DDCSCL2 PA_RX0M2 PA_RXCP0 SG-HPD1 PA_RX0P2 SG-HPD3 PC_HS SG-HPD1 RXCM2 PA_RX1P2 PA_RXCM1 PA_RX2M1 PA_RX1M2 PA_RXCP2 HDMI_CEC PA_RX0P0 SG-HDMI_5V_DET1 PA_RX0M0 RXCP2 PA_RX2P1 SG-HDMI_5V_DET0 PA_RXCM1 PA_RX0M1 SG-HPD2 PA_RX0P1 RX0SM1 RX2M1 HDMI_DDCSCL1 PA_RX1P0 PA_RX2M2 HDMI_DDCSDA1 SG-HDMI_5V_DET1 HDMI_DDCSCL3 PA_RX1P2 PA_RX1M1 PA_RX2P0 PA_RXCP2 PA_RX2M0 RX2P2 RX2M1 PA_RX2M2 PA_RX2M1 RX2M0 PA_RXCM2 RXCM2 RX2P1 RX2P0 PA_RX2P2 RXCP2 RX2M2 PA_RX2P1 DDC_SINK_SDA2 DDC_SINK_SCL2 DDC_SINK_SCL2 DDC_SINK_SDA2 HDMI_DDCSDA0S HDMI_DDCSCL0S RXCM0S RX0SP2 RXCP0S RX0SM0 RX0SM2 RX0SM1 RX0SP1 RX0SP0 HDMI_DDCSDA2 HDMI_DDCSCL2 HDMI_DDCSCL1 HDMI_DDCSDA1 HDMI_DDCSDA2 HDMI_DDCSCL2 HDMI_DDCSCL3 HDMI_DDCSDA3 HDMI_DDCSCL0S HDMI_DDCSDA0S *C4731 0.1u 16V C4701 0.1u 16V C4707 0.1u 16V C4702 0.1u 16V C4663 6.3V 1u C4705 0.1u 16V C4662 6.3V 1u C4661 6.3V 1u C4665 6.3V 1u *C4730 0.1u 16V C4666 6.3V 1u C4664 6.3V 1u C4708 0.1u 16V C4660 6.3V 1u C4704 0.1u 16V C4667 6.3V 1u C4548 6.3V 1u C4546 6.3V 1u C4721 16V 0.1u 0.1u 16V C4724 0.1u 16V C4713 0.1u 16V C4715 C4717 10V 10u C4719 0.1u 16V C4718 4.7u 10V D4737 B0JCCE000008 D4704 B0JCCE000008 D4702 B0ACCJ000048 D4719 B0ACCJ000048 D4735 B0ACCJ000048 *D4770 B0ACCJ000048 D4772 B0JCCE000008 D4721 B0JCCE000008 D4771 DZ2J056M0L D4720 DZ2J056M0L D4703 DZ2J056M0L D4736 DZ2J056M0L C0DBGYY00578 IC4701 1 ON/OFF 2 VSS 3 NC 5 VOUT 4 VIN L4700 J0JYC0000068 L4705 J0JYC0000068 L4704 J0JYC0000068 L4701 J0JYC0000068 L4708 J0JYC0000068 *L4717 J0JYC0000068 *L4715 J0JYC0000068 L4702 J0JYC0000068 *L4716 J0JYC0000068 L4712 J0JHC0000045 L4703 J0JYC0000068 L4707 J0JYC0000068 L4706 J0JYC0000068 STB5V STB5V STB5V SUB5V STB5V SUB3.3V SUB3.3V VJ4704 VJ4705 VJ4706 VJ4700 VJ4707 VJ4703 VJ4701 VJ4510 VJ4702 VJ4508 VJ4509 R4585 TP4701 PD_IECOUT0 PA_RX2P1 PA_DDCSCL0 PA_RX1M2 PA_RX2M2 PC_VS PA_DDCSCL2 PA_RXCM0 PA_RX1M0 PA_RX0M1 PA_RX0M2 PA_RX2M0 SG-HPD0 PA_DDCSCL1 PA_RX2M1 SG-HPD2 PA_RXCP1 SG-HPD3 PA_RX1P0 PA_RXCM1 PA_RX0P2 PA_RX1P2 MAIN_PR PA_RXCP0 PA_RX1P1 PA_RX1M1 PA_RX0M0 SG-DDCSCL3 PA_RX0P0 PA_RX0P1 MAIN_PB/C PA_RX2P0 PA_RXCP2 PC_HS ARC_2 PA_RXCM2 MAIN_Y/CVBS SG-HPD1 PA_RX2P2 RGB_CVBS AVSW_R027PIN_FBOUT/TDET10 SG-DDCSCL1 PA_V1 PA_VIN PA_B1N SG-DDCSCL0 PA_HIN PA_V1N ARC_2 PA_G1N PA_FBL1 PA_G1 PA_R1N SG-DDCSCL2 PA_B1 PA_R1 PD_HSDOUT7 PA_DDCSDA0 PA_DDCSDA1 PD_XRI0 PD_LOSDO2 SG-HDMI_5V_DET1 PA_DDCSDA2 SG-HDMI_5V_DET0 SG-DDCSDA0 SG-HDMI_5V_DET2 SG-HDMI_5V_DET3 SG-DDCSDA3 SG-HDMI_CEC SG-DDCSDA2 SG-DDCSDA1 Q4700 B1ABCF000231 Q4704 B1ABCF000231 Q4702 B1ABCF000231 *Q4710 B1ABCF000231 Q4703 B1ABCF000231 Q4701 B1ABCF000231 Q4705 B1ABCF000231 *Q4709 B1ABCF000231 Q4513 DSA200100L Q4512 B1HFCFA00026 R4750 68 R4751 68 R4781 68 R4785 68 R4655 22 R4659 22 R4663 22 R4796 47k R4553 10k 10k *R4792 R4702 10k R4776 68 R4721 10k R4651 22 R4711 1k R4677 1.2k *R4794 10k R4732 10k R4793 47k R4704 47k R4743 68 R4737 1k R4723 47k R4707 47k R4728 10k R4708 10k R4557 0 R4563 10k R4725 47k R4666 33 R4749 68 R4767 100k R4771 100k 1% R4765 4.7k R4798 47k R4733 47k R4738 47k R4770 100k R4712 47k R4764 100k R4676 1k *R4790 47k R4552 56 R4719 10k *R4795 10k R4551 150 10k R4706 *R4789 33 R4717 47k R4703 33 *R4788 10k R4709 10k *R4797 1k R4741 68 R4748 68 R4672 33 R4670 33 R4668 33 R4763 100k R4745 68 R4734 10k R4762 68 R4736 47k R4742 68 R4777 68 R4710 47k R4597 1.5k R4598 1.5k R4720 47k R4715 10k R4716 33 R4799 68 R4824 47k R4783 47k R4778 1k R4775 1k R4724 1k R4735 10k R4739 22 R4729 33 R4744 68 R4730 47k R4740 68 R4722 10k JK4703 K1FY119E0015 1 2 3 4 5 6 7 8 9 10 11 12 13 14 15 16 17 18 19 JK4700 K1FY119D0011 1 2 3 4 5 6 7 8 9 10 11 12 13 14 15 16 17 18 19 JK4701 K1FY119D0011 1 2 3 4 5 6 7 8 9 10 11 12 13 14 15 16 17 18 19 *JK4702 K1FY119D0011 1 2 3 4 5 6 7 8 9 10 11 12 13 14 15 16 17 18 19 TP4501 D4785 B0ECKM000048 R4549 150 R4550 150 R4548 22 R4554 1k R4758 R4756 R4752 R4754 R4674 R4675 R4599 47k C1AB00003079 IC4500 1 RXTM 2 SDA_C 3 SCL_C 4 GND 5 CCLKN 6 CCLKP 7 VCC 8 CDT0N 9 CDT0P 10 GND 11 CDT1N 12 CDT1P 13 VCC 14 CDT2N 15 CDT2P 16 GND 17 VCC 18 REXT 19 OPACTRLN 20 CEC_TX 21 SELC 22 SELB 23 SELA 24 GND 25 YDT2P 26 YDT2N 27 VCC 28 YDT1P 29 YDT1N 30 GND 31 YDT0P 32 YDT0N 33 VCC 34 YCLKP 35 YCLKN 36 GND 37 GND 38 SCL_SINK 39 SDA_SINK 40 HPD_SINK 41 CEC_RX 42 OUTDIS 43 VCC 44 HPD_A 45 SDA_A 46 SCL_A 47 GND 48 ACLKN 49 ACLKP 50 VCC 51 ADT0N 52 ADT0P 53 GND 54 ADT1N 55 ADT1P 56 VCC 57 ADT2N 58 ADT2P 59 GND 60 CEC_LINE 61 CVCC 62 HPD_B 63 SDA_B 64 SCL_B 65 GND 66 GND 67 BCLKN 68 BCLKP 69 VCC 70 BDT0N 71 BDT0P 72 GND 73 BDT1N 74 BDT1P 75 VCC 76 BDT2N 77 BDT2P 78 GND 79 VCC 80 HPD_C D2G D1+ SDA D2+ D0+ CEC sLD-STMGPI07 to Sheet Standby-MPU D0+ DDCG +5V D1G HDMI4: HPD0S/DDC0S/DET0S CLK- D0- D1+ CLK- D0G D0+ D2G sLD-STMDDCSCL0 D2G DDCG HDMI1: HPD2/DDC2/DET2 HDMI4 HPDT sLD-STMHPD1 N.C. to Sheet Standby-MPU D1- HDMI2 CLK+ sLD-STMGPI08 SDA CLKG D2- +5V +5V sLD-STMDDCSDA1 D0G sLD-STMDDCSDA0 D1- D1- To Sheet Peaks-COMMON D2+ sLD-STMHPD2 AVSW CEC SCL D0G sLD-STMDDCSCL2 CLKG CLK- sLD-STMCECO RGB_FB sLD-STMDDCSDA2 N.C. RGB_FB PB/C D2+ Peaks-Common CLK+ RGB_CVBS D0- PB/C PR sLD-STMDDCSCL1 D2G CEC DDCG SDA D0+ CLK- N.C. D1+ To Sheet Peaks-COMMON D2+ To Sheet Peaks-COMMON DDCG D1G SCL HDMI4 D1+ to Sheet Standby-MPU N.C. CEC CLKG +5V CLK+ CLK+ sLD-STMHPD0 CLKG D1G sLD-STMDDCSCL0 D1- D1G HDMI3 YIN HDMI3: HPD3/DDC3/DET3 PR D0- sLD-STMDDCSDA0 HDMI2 D2- sLD-STMGPI09 HPDT HDMI1 SDA to Sheet Standby-MPU HPDT YIN HDMI1 SCL sLD-STMGPI07 D0G to Sheet Standby-MPU D2- D2- SCL sLD-STMHPD0 HDMI2: HPD1/DDC1/DET1 HPDT D0- HDMI3 HDMI_TMDS_SEL2 to Sheet PEAKS-COMMON HDMI_TMDS_SEL1 61 60 55 56 58 59 62 63 57 Euro ONLY ! TO 6/22 TO 6/22 TO 6/22 TO 6/22 TO 6/22 TO 11,12/22 TO 12/22 TO 20/22 TO 7/22 TO 7/22 TO 10,20/22 TO 20/22 TO 20/22 TO 20/22 TO 20/22 TO 20/22 EQUALIZER &SWITCH HDMI 3.3V TH-P46G20C A-Board (7/22) Schematic Diagram TH-P46G20C A-Board (7/22) Schematic Diagram A-BOARD TNPH0845HC (7/22) 55 12.13.A 电路板 (8/22) 线路图 + + S S Thermal Pad PWM_SQ_L+ PWM_SQ_R+ PWM_SQ_R- PWM_SQ_L- C2308 25V 1u C2316 0.1u 50V C2324 25V 1u C2301 16V 0.1u C2335 25V 0.1u C2318 0.1u 50V C2303 25V 10u C2323 0.1u 50V C2315 10u 25V C2068 16V 0.01u C2070 16V 0.01u C2104 50V 10p C2069 16V 0.01u C2325 50V 1000p C2347 50V 0.022u C2321 0.1u 50V C2343 50V 0.022u C2340 50V 0.022u C2322 10u 25V C2345 50V 0.022u C2342 50V 0.022u C2334 50V 0.47u C2338 25V 0.1u C2302 16V 0.1u C2057 10u 10V C2306 25V 1u C2336 25V 0.1u C2055 10u 10V C2311 10u 25V C2346 50V 0.022u C2355 50V 1000p C2067 16V 0.01u C2341 50V 0.022u C2313 50V 1000p C2344 50V 0.022u C2304 25V 1u C2337 50V 0.47u C2320 25V 1u C2307 25V 1u C2073 25V 0.033u C2351 50V 1000p C2339 25V 0.1u C2074 25V 0.033u C2353 50V 1000p C2314 25V 1u C2349 50V 1000p C2305 50V 1000p C2317 25V 1u C2319 10u 25V C2108 10V 1u C2107 10V 1u C2110 16V 0.1u C2072 6.3V 100u C2071 6.3V 100u D2014 B0ACCJ000048 A11 1 2 3 4 L2301 J0JHC0000045 L2302 G1C3R0ZA0156 L2303 G1C220MA0416 L2304 G1C220MA0416 L2305 G1C220MA0416 L2306 G1C220MA0416 ACHIP3.3V SUB3.3V SUB5V S_15V SUB3.3V R2066 R2065 TP2304 TP2302 TP2303 TP2301 TP2008 PD_MUTEB PA_LO1_R SIF AV_L PA_LO2_L AMP_MUTE PD_NSHUTDOWN PA_LO1_L AV_R PD_APWMSLN PD_APWMSLP PD_APWMSRN PA_LO2_R HP_MUTE_ PD_APWMSRP PA_HP1_L1 PA_HP1_R1 PA_LIN1_LP PA_LO1_L SG-SOUND_SOS PA_LO2_L PA_LO2_R HP_LOUT PA_LIN1_RP PA_SIFINN PA_SIFINP PA_LO1_R HP_ROUT PA_HP_MUTE Q2255 DSC2001S0L Q2252 DSA200100L Q2109 DSA200100L Q2101 DSA200100L Q2301 DSA200100L R2302 22 EXB28V220JX R2310 2.2k R2107 0 R2307 4.7k R2318 3.3 10k R2301 R2321 3.3 R2259 100 R2256 10k R2104 1.2k R2254 100 140k 1% R2055 R2320 3.3 R2260 10k R2264 100 R2308 220 R2258 100 R2257 1M R2139 220 R2135 1k R2110 22 R2121 680 R2101 3.3k R2319 3.3 R2070 10k R2263 10k R2102 4.7k R2255 47k R2309 2.2k R2306 47k 140k 1% R2053 R2103 22 R2069 10k C1AB00003230 IC2301 1 STBY 44 PVD1 2 MUTE 3 SOS 4 NC1 5 NC2 6 NC3 7 NC4 8 PWM_A1 9 PWM_B1 10 NC5 11 NC6 12 NC7 13 GND 14 PWM_B2 15 PWM_A2 16 NC8 17 NC9 18 NC10 19 NC11 20 NC12 21 NC13 22 NC14 23 PVD2 24 PVD2 25 OUT_CH2_P 26 OUT_CH2_P 27 BOOT_CH2_P 28 VDDA2 29 BOOT_CH2_N 30 OUT_CH2_N 31 OUT_CH2_N 32 PGND2 33 PGND2 34 PGND1 35 PGND1 36 OUT_CH1_N 37 OUT_CH1_N 38 BOOT_CH1_N 39 VDDA1 40 BOOT_CH1_P 41 OUT_CH1_P 42 OUT_CH1_P 43 PVD1 Q2253 B1AAFB000002 Q2254 B1AAFB000002 To SOS MUTE SOS RESET PWM_READY OPERATE OPERATE << Monitor L TO Sheet Peaks-COMMON >> MainHP L << TV R to HeadPhone out L, R << TV L << Monitor R >> MainHP R TO Sheet TUNER TO Sheet AVSW R+ L+ R- TO SPEAKER L- TV_L-OUT TV_R-OUT MON_R-OUT MON_L-OUT sLD-STMSBT0 MUTE NORMAL TO Sheet Analog-ASIC MUTE OPERATE 70 64 72 67 66 69 71 65 68 ! TO 6/22 TO 13/22 TO 12/22 TO 8,10,20/22 TO 8,10,20/22 TO 10/22 TO 20/22 TO 20/22 TO 20/22 TO 10,14/22 TO 14/22 TO 20/22 TO 20/22 AUDIO AMP TH-P46G20C A-Board (8/22) Schematic Diagram TH-P46G20C A-Board (8/22) Schematic Diagram A-BOARD TNPH0845HC (8/22) 56 12.14.A 电路板 (9/22) 线路图 DRIVE IC VCC Vin GND AV3 AV3S AV1 AV2 PR PB Y PR V L C R R L Y R L V R V V L MONITOR OUT PB Y E_AV1_VIN(20P)/A_AV2_V__TERMINAL E_AV1_VOUT(19P)/A_VOUT__TERMINAL E_AV1_RED(15PIN)/A_AV2C_PR__TERMINAL E_AV1_GREEN(11P)/A_AV2C_Y__TERMINAL E_AV1_BLUE(_7PIN)/A_AV2C_PR__TERMINAL E_AV1_LIN(_6PIN)/A_AV2_L__TERMINAL E_AV1_RIN(_2PIN)/A_AV2_R__TERMINAL E_YPBPR_Y/A_AV1C_Y__TERMINAL E_YPBPR_PR/A_AV1C_PR__TERMINAL E_AV2_RIN(_2PIN)/A_AV3_R__TERMINAL E_AV2_LIN(_6PIN)/A_AV3_L__TERMINAL E_AV2_VIN(20P)/A_AV3_V__TERMINAL E_PC_LIN/A_AV1_LIN__TERMINAL E_PC_RIN/A_AV1_RIN__TERMINAL RCA_AUDIOOUT_L__TERMINAL RCA_AUDIOOUT_R__TERMINAL D3015 K7AAAY000006 SUB3.3V A_AV1C_YSW__TERMINAL RCA_AUDIOOUT_R__TERMINAL RCA_AUDIOOUT_L__TERMINAL A_AV2C_YSW__TERMINAL E_AV1_VOUT(19P)/A_VOUT__TERMINAL OPT_SPDIF_TERMINAL PC_VD_TERMINAL PC_HD_TERMINAL PC_B_TERMINAL PC_G_TERMINAL PC_R_TERMINAL E_YPBPR_Y/A_AV1C_Y__TERMINAL E_YPBPR_PB/A_AV1C_PB__TERMINAL E_YPBPR_PR/A_AV1C_PR__TERMINAL E_PC_RIN/A_AV1_RIN__TERMINAL E_PC_LIN/A_AV1_LIN__TERMINAL E_AV1_BLUE(_7PIN)/A_AV2C_PR__TERMINAL E_AV1_GREEN(11P)/A_AV2C_Y__TERMINAL E_AV1_RED(15PIN)/A_AV2C_PR__TERMINAL E_AV1_VIN(20P)/A_AV2_V__TERMINAL E_AV2_VIN(20P)/A_AV3_V__TERMINAL E_AV2_LIN(_6PIN)/A_AV3_L__TERMINAL E_AV2_RIN(_2PIN)/A_AV3_R__TERMINAL E_AV1_LIN(_6PIN)/A_AV2_L__TERMINAL E_AV1_RIN(_2PIN)/A_AV2_R__TERMINAL A_AV1_V__TERMINAL *JK3001 1 2 3 4 5 6 7 8 9 10 11 12 13 14 15 *JK3100 Y-SW Y G PB PR V L R G Y-SW Y G PB PR V L R G C Y G Y-G C-G G V L R G V L R G A_AV3S_C__TERMINAL A_AV3S_Y__TERMINAL A_AV3S_S__TERMINAL VIDEO IN AV1 AUDIO YPBPR BLUE IN L IN TV VIDEO OUT GREEN IN RED IN VIDEO IN R IN L IN OUT AUDIO AV2 R IN IN 74 79 77 73 78 80 76 81 75 ! TO 11/22 TO 10/22 TO 11/22 TO 10/22 TO 11/22 TO 10/22 TO 11/22 TO 10/22 TO 11/22 TO 11/22 TO 11/22 TO 11/22 PC TH-P46G20C A-Board (9/22) Schematic Diagram TH-P46G20C A-Board (9/22) Schematic Diagram A-BOARD TNPH0845HC (9/22) SHIELD V R L SIDE_HP_L_TERMINAL SIDE_HP_R_TERMINAL SIDE_VIN_TERMINAL SIDE_RIN_TERMINAL SIDE_LIN_TERMINAL HP_GND JK3707 K4AK13B00008 a b c d V-SW V V-G *R3293 EZAEG2A50AX SIDE_A/V L L-G R R-G TO 10/22 TO 11/22 TO 10/22 57 12.15.A 电路板 (10/22) 线路图 S S S S MONITOROUT_MUTE C3039 10V 1u C3025 10V 1u C3022 10V 1u C3046 10V 1u C3116 10u 10V C3049 10V 1u C3014 50V 560p C3003 50V 560p C3044 10V 1u C3114 10u 10V C3117 10u 10V C3026 10V 1u C3041 10V 1u C3048 10V 1u C3257 560p 50V C3099 560p 50V C3010 50V 560p C3011 50V 560p C3013 50V 560p C3024 10V 1u C3043 10V 1u C3047 10V 1u C3115 10u 10V C3008 50V 560p C3002 50V 560p C3007 50V 560p *L2107 J0ZZB0000097 1 2 3 4 *L2106 J0ZZB0000097 1 2 3 4 HP_LOUT HP_ROUT SIDE_LIN_TERMINAL E_AV1_LIN(_6PIN)/A_AV2_L__TERMINAL E_PC_RIN/A_AV1_RIN__TERMINAL HP_MUTE_ AVSW_R051PIN_R3OUT E_AV2_RIN(_2PIN)/A_AV3_R__TERMINAL AVSW_R052PIN_L3OUT E_PC_LIN/A_AV1_LIN__TERMINAL PD_IECOUT0 PA_LO1_R PA_LO1_L PA_LO2_L PA_LO2_R E_AV1_RIN(_2PIN)/A_AV2_R__TERMINAL SIDE_RIN_TERMINAL E_AV2_LIN(_6PIN)/A_AV3_L__TERMINAL OPT_SPDIF_TERMINAL RCA_AUDIOOUT_R__TERMINAL AVSW_R071PIN_R7IN AVSW_R060PIN_L2IN SIDE_HP_R_TERMINAL AVSW_R058PIN_L1IN AVSW_R063PIN_R3IN AVSW_R069PIN_R6IN AVSW_R065PIN_R4IN AVSW_R061PIN_R2IN AVSW_R070PIN_L7IN RCA_AUDIOOUT_L__TERMINAL SIDE_HP_L_TERMINAL AVSW_R059PIN_R1IN AVSW_R062PIN_L3IN AVSW_R068PIN_L6IN AVSW_R064PIN_L4IN Q3001 B1ABCF000231 Q3000 B1ABCF000231 Q3008 DSA200100L R3121 EXB28V221JX R3173 EXB28V221JX R3021 2.2k R3717 22k R3000 22k R3291 47k R3292 1M R3290 47k R3005 22k R3002 22k R3004 22k R3003 22k R3019 2.2k R3017 0 R3024 100k R3716 22k R3120 330 R3001 22k R3146 330 R3030 100 R3025 100k L3002 J0JYC0000331 L3003 J0JYC0000331 L3006 J0JYC0000331 L3007 J0JYC0000331 L3011 J0JYC0000331 L3010 J0JYC0000331 L3014 J0JYC0000331 L3015 J0JYC0000331 L3029 J0JYC0000331 L3030 J0JYC0000331 HP_GND R3033 R3034 R3037 R3038 *L3020 D0GAR00Z0001 AUDIOOUT_L R IN A_AV1 AUDIOOUT_R ADV_A-DEST M-OUT AVSW-COMMON ADV_A-MODEL IN A-AV2 AUDIO OUT Sheet IC3001 L IN A_AV4 A-Chip_A Sheet AUDIO OUT OPT A-Chip_A M-OUT Sheet A-AV3 Sheet HP Sheet AUDIO 84 85 89 82 88 87 86 90 83 ! TO 7,20/22 TO 8,20/22 TO 8,20/22 TO 8/22 TO 8,14/22 TO 9/22 TO 9/22 TO 9/22 TO 9/22 TO 9/22 TO 9/22 TO 9/22 TO 9/22 TO 9/22 TO 12/22 TO 12/22 TO 12/22 TO 12/22 TH-P46G20C A-Board (10/22) Schematic Diagram TH-P46G20C A-Board (10/22) Schematic Diagram A-BOARD TNPH0845HC (10/22) HP_LOUT HP_ROUT *L2107 J0ZZB0000097 1 2 3 4 *L2106 J0ZZB0000097 1 2 3 4 HP_LOUT HP_ROUT SIDE_HP_R_TERMINAL SIDE_HP_L_TERMINAL HP_GND HP_TERMINAL ADV_A-DEST Sheet 58 12.16.A 电路板 (11/22) 线路图 + + S S S S S S S S S C3090 10V 10u C3091 10V 10u *C3107 10V 10u C3144 10V 10u C3070 10V 10u C3092 10V 10u *C3098 10V 1u C3084 10V 10u C3083 10V 10u *C3108 10V 10u C3073 10V 10u C3071 10V 10u C3072 16V 0.1u C3086 10V 10u *C3093 10V 10u C3085 10V 10u *C3078 10V 10u *C3109 10V 10u C3103 100u 10V C3095 10V 100u *D3007 EZJP0V080GA *D3050 EZJP0V080GA L3018 J0JCC0000287 *L3024 J0JCC0000287 *L3019 J0JCC0000287 *L3023 J0JCC0000287 L3028 J0JCC0000287 L3017 J0JCC0000287 JS3012 JS3007 JS3013 JS3008 JS3009 R3229 JS3010 JS3014 R3228 TP3007 E_AV1_BLUE(_7PIN)/A_AV2C_PR__TERMINAL AVSW_R027PIN_FBOUT/TDET10 PC_R_TERMINAL E_YPBPR_Y/A_AV1C_Y__TERMINAL PC_HD_TERMINAL SIDE_VIN_TERMINAL AVSW_R044PIN_CVBS/Y+COUT3 E_AV1_VIN(20P)/A_AV2_V__TERMINAL E_AV1_RED(15PIN)/A_AV2C_PR__TERMINAL A_AV3S_Y__TERMINAL A_AV3S_C__TERMINAL A_AV1C_YSW__TERMINAL A_AV1_V__TERMINAL PC_VD_TERMINAL E_YPBPR_PB/A_AV1C_PB__TERMINAL PC_B_TERMINAL MAIN_RF_CVBS E_YPBPR_PR/A_AV1C_PR__TERMINAL E_AV2_VIN(20P)/A_AV3_V__TERMINAL PD_MVDACOY E_AV1_GREEN(11P)/A_AV2C_Y__TERMINAL A_AV2C_YSW__TERMINAL AVSW_R038PIN_Y/Y+C/CVBSOUT4 PC_G_TERMINAL A_AV3S_S__TERMINAL AVSW_R037PIN_SAGCVBSOUT4 AVSW_R020PIN_S2DET1 AVSW_R016PIN_TDET3 AVSW_R043PIN_SAGCVBSOUT3 AVSW_R087PIN_PBIN2/B3 AVSW_R095PIN_CYIN1 AVSW_R091PIN_PRIN2/R3 AVSW_R089PIN_CYIN2/G3 AVSW_R021PIN_B1/CIN1 AVSW_R002PIN_HDIN E_AV1_VOUT(19P)/A_VOUT__TERMINAL AVSW_R092PIN_TDET6 AVSW_R093PIN_PBIN1 AVSW_R090PIN_TDET7 AVSW_R079PIN_CVBSIN6 AVSW_R019PIN_G1/YIN1 AVSW_R100PIN_VDIN AVSW_R099PIN_BIN AVSW_R023PIN_CVBSIN2 AVSW_R007PIN_CVBS3 AVSW_R094PIN_L3DET1 AVSW_R014PIN_S2DET2 AVSW_R081PIN_CVBSIN5 AVSW_R097PIN_PRIN1 AVSW_R003PIN_RIN AVSW_R005PIN_CVBSIN4 AVSW_R001PIN_GIN AVSW_R017PIN_CVBSIN1 *R3154 EXB28V820JX 5 7 *R3123 EXB28V680JX 8 R3192 EXB28V820JX *R3103 47k 1% R3167 75 R3169 100k 1% *R3232 75 *R3235 0 R3118 220 1% R3086 75 R3094 13k 1% 1% R3084 75 R3182 13k 1% *R3218 0 1% R3085 75 *R3233 0 1% *R3149 75 1% *R3078 75 1% *R3072 75 *R3101 47k 1% *R3234 75 *R3231 0 R3128 220 *R3147 47k *R3129 220 1% *R3230 75 R3100 100k R3240 220 1% *R3148 75 R3116 220 *R3201 220 R3117 220 *R3245 220 *R3224 0 1% *R3076 75 1% *R3075 75 1% *R3074 75 1% *R3187 75 1% *R3077 75 *R3189 68 *R3222 0 *R3227 4.7k *R3226 4.7k A_AV2C_YSW AVSW-COMMON M-OUT HP Sheet R A_AV3S_S IC3001 Sheet A_AV2 A_AV1V E_AV2_SLOW Sheet A_AV1C_YSW VIDEO PC IC3001 A_AV2_YPbPr IC3001 A_AV1_YPbPr AVSW-COMMON RGB_FB DET A_AV4 DVB_CVBS A_AV3S G Sheet VIDEO TUNER IN A_AV3S AUDIO OUT OUT Peaks-Dest AVSW-COMMON A_AV1/2_YPbPr Sheet A_AV3 A_AV3S 94 99 97 95 93 98 91 92 96 ! TO 2,20/22 TO 7,12/22 TO 9/22 TO 9/22 TO 9/22 TO 9/22 TO 9/22 TO 9/22 TO 9/22 TO 9/22 TO 9/22 TO 9/22 TO 9/22 TO 9/22 TO 12/22 TO 12/22 TO 12/22 TO 12/22 TO 12/22 TO 12/22 TO 12/22 TO 12/22 TO 12/22 TO 12/22 TO 12/22 TO 12/22 TO 12/22 TO 12/22 TO 12/22 TO 12/22 TO 13/22 TH-P46G20C A-Board (11/22) Schematic Diagram TH-P46G20C A-Board (11/22) Schematic Diagram A-BOARD TNPH0845HC (11/22) AVSW_R078PIN_FBIN2/O2 AVSW_R076PIN_FBIN/O1 MAIN_TNR_SW2 MAIN_TNR_SW1 TO 13/22 Sheet TUNER 59 12.17.A 电路板 (12/22) 线路图 + S PC_HS AV_R PC_HS PC_VS AV_L MAIN_PR MAIN_PB/C AV_L MAIN_Y/CVBS MAIN_PB/C RGB_CVBS AV_R AV-SW_SCL MAIN_Y/CVBS MAIN_PR RGB_CVBS PC_VS AV-SW_SDA C3145 16V 0.1u C3146 10u 10V C3141 16V 0.1u C3140 16V 0.1u C3139 16V 0.1u C3147 10u 10V C3143 16V 0.1u C3138 10V 100u C1AB00003218 IC3001 1 Gin 2 HDin 3 Rin 4 T_DET5 5 CVBSin4 6 T_DET4 7 CVBSin3 8 BG 9 Yin3 10 S2_DET3 11 R2/Cin3 12 GND 13 G2/Yin2 14 S2_DET2 15 B2/Cin2 16 T_DET3 17 CVBSin1 18 T_DET2 19 G1/Yin1 20 S2_DET1 21 B1/Cin1 22 T_DET1 23 CVBSin2 24 VCC5V 25 R1 26 Rtate_out 27 T_DET10/Fbout 28 SDA 29 SCL 30 GND 31 G/CY/CVBSout1 32 HD_out1 33 B/PB/Cout1 34 VD_out1 35 R/Prout1 36 VCC5V 37 SAG_CVBSout4 38 Y/Y+C/CVBSout4 39 S2out 40 SAG_CVBSout5 41 C/Y+C/CVBSout5 42 GND 43 SAG_CVBSout3 44 CVBS/Y+Cout3 45 VCC9V 46 G/CY/Y/CVBSout7 47 O3 48 AU_GND 49 R4out 50 L4out 51 R3out 52 L3out 53 R2out 54 L2out 55 R10in/R1out 56 L10in/L1out 57 AU1/2Vcc 58 L1in 59 R1in 60 L2in 61 R2in 62 L3in 63 R3in 64 L4in 65 R4in 66 L5in 67 R5in 68 L6in 69 R6in 70 L7in 71 R7in 72 L8in 73 R8in 74 L9in 75 R9in 76 FBin1/O1 77 CVBSin7 78 FBin2/O2 79 CVBSin6 80 VCC9V 81 CVBSin5 82 T_DET9 83 Yin4 84 T_DET8 85 Cin4 86 VCC5V 87 PBin2/B3 88 L3_DET2 89 CYin2/G3 90 T_DET7 91 PRin2/R3 92 T_DET6 93 PBin1 94 L3_DET1 95 CYin1 96 HD_VD/FBKMUTE 97 PRin1 98 GND 99 Bin 100 VDin SUB3.3V SUB9V_VIDEO SUB5V SUB9V TP3021 TP3005 TP3004 TP3009 TP3006 TP3008 AVSW_R091PIN_PRIN2/R3 AVSW_R094PIN_L3DET1 AVSW_R095PIN_CYIN1 AVSW_R097PIN_PRIN1 AVSW_R037PIN_SAGCVBSOUT4 AVSW_R019PIN_G1/YIN1 AVSW_R079PIN_CVBSIN6 AVSW_R093PIN_PBIN1 AVSW_R064PIN_L4IN AVSW_R100PIN_VDIN AVSW_R005PIN_CVBSIN4 AVSW_R070PIN_L7IN AVSW_R063PIN_R3IN AVSW_R016PIN_TDET3 AVSW_R058PIN_L1IN AVSW_R060PIN_L2IN AVSW_R065PIN_R4IN AVSW_R007PIN_CVBS3 AVSW_R021PIN_B1/CIN1 AVSW_R059PIN_R1IN AVSW_R061PIN_R2IN AVSW_R069PIN_R6IN AVSW_R089PIN_CYIN2/G3 AVSW_R062PIN_L3IN AVSW_R092PIN_TDET6 AVSW_R020PIN_S2DET1 AVSW_R014PIN_S2DET2 AVSW_R099PIN_BIN AVSW_R090PIN_TDET7 AVSW_R017PIN_CVBSIN1 AVSW_R002PIN_HDIN AVSW_R068PIN_L6IN AVSW_R003PIN_RIN AVSW_R001PIN_GIN AVSW_R087PIN_PBIN2/B3 AVSW_R023PIN_CVBSIN2 AVSW_R071PIN_R7IN AVSW_R081PIN_CVBSIN5 AVSW_R076PIN_FBIN/O1 AVSW_R078PIN_FBIN2/O2 AVSW_R043PIN_SAGCVBSOUT3 AVSW_R027PIN_FBOUT/TDET10 MAIN_Y/CVBS AVSW_R038PIN_Y/Y+C/CVBSOUT4 PC_VS AV_R MAIN_PB/C AV_L MAIN_PR RGB_CVBS AVSW_R044PIN_CVBS/Y+COUT3 PC_HS AVSW_R051PIN_R3OUT AVSW_R052PIN_L3OUT AV-SW_SDA AV-SW_SCL R3237 68 R3236 68 R3112 0 R3113 0 R3093 Sheet Sheet AVSW NC-PIN MAIN_PB/C/B MAIN_Y/CVBS/G Sheet SLV:90h IIC2 MAIN_PR/R RGB_CVBS R2A11014AFT#G0 ADV_V_DEST ADV_A-DEST PC/A-IN AV3 A-IN AV1 A-IN AV1 V-OUT AUDIO OUT AV2 A-IN AV2 V-OUT 101 100 104 108 102 107 103 106 105 ! TO 1/22 TO 7,11/22 TO 7/22 TO 8/22 TO 10/22 TO 11/22 TO 11/22 TO 11/22 TO 11/22 TO 11/22 TO 11/22 TO 11/22 TO 11/22 TO 11/22 TO 11/22 TO 11/22 TO 11/22 TO 11/22 TO 11/22 TO 11/22 AV SW TH-P46G20C A-Board (12/22) Schematic Diagram TH-P46G20C A-Board (12/22) Schematic Diagram A-BOARD TNPH0845HC (12/22) 60 12.18.A 电路板 (13/22) 线路图 C2961 1u 10V C2959 16V 0.1u C2951 10V 2.2u C2950 1u 10V C0DBGYY00281 IC2952 1 NC 2 VSS 3 CE 5 VOUT 4 VIN IC2950 C0CBCAG00031 1 VOUT 2 VSS 3 ON/OFF 4 NC 5 VSS 6 VIN L2950 J0JHC0000045 SUB6V SUB3.3V FE1.2V TNR5V PG-ACTIVE_ANTENNA_DET R2960 10k R2961 0 R2930 15k R2959 0 TP2952 109 117 115 114 110 116 111 113 112 ! TO 6/22 1.2V 1.2V TH-P46G20C A-Board (13/22) Schematic Diagram TH-P46G20C A-Board (13/22) Schematic Diagram A-BOARD TNPH0845HC (13/22) + IF_Monitor 21 *C2919 50V 0.01u C2917 50V 2200p C2907 16V 0.1u C2911 16V 0.1u C2910 16V 0.1u *C2908 16V 0.1u C2905 10V 100u L2904 J0JCC0000278 *L2910 J0JCC0000278 *L2909 J0JCC0000278 SUB3.3V ACT5V TNR5V A-TNR_SCL MAIN_RF_CVBS SIF SG-RF_AFT1 A-TNR_SDA *Q2904 B1CBHD000002 *Q2903 B1CBHD000002 *R2921 6.8k *R2903 0 *R2906 0 *R2908 6.8k *R2902 0 *R2904 0 *R2905 0 *R2911 220 R2918 *L2902 J0JHC0000046 *TU2901C ENG39F02GF NC 1 BB 2 RF-AGC_Monitor 3 NC 5 BT_Monitor 6 +B 10 Video-out 11 SCL 13 SDA 14 AFT_out 15 SW1 16 VB 17 NC 19 SW2 20 NC 8 SIF-OUT 9 IIC_From_Peaks to GENX to ADV to AVSW from ADV MAIN_TNR_SW2 MAIN_TNR_SW1 0 TO 1/22 TO 11/22 TO 8/22 TO 11/22 TO 6/22 61 12.19.A 电路板 (14/22) 线路图 + S S C5471 10V 0.047u C5473 25V 0.01u C5470 0.01u 16V C5487 6.3V 1u C5490 16V 0.1u C5485 16V 0.1u C5488 6.3V 1u C5437 16V 0.1u C5438 16V 0.1u C5435 16V 0.1u C5436 16V 0.1u C5474 0.1u 16V C5482 10V 220u D5482 B0ACCJ000048 D5470 B0ADEJ000035 D5450 B0ADCJ000100 IC5470 C0EBM0000026 1 OUT 2 Vdd 3 GND 5 Cd 4 NC C1ZBZ0004161 IC5481 1 UHZ 2 P3.3V 3 TEST 4 PANEL_SOS 5 DRVRST_PD4 6 STB1.2V 7 STB5V 8 STB3.3V 9 AMUTE 10 SP_MUTE 11 MUTE_VCC 12 AUDIO_MUTE_IN 13 DTB9V 14 MONITOR_MUTE 15 FB 16 GND 17 FC 18 PGND 19 DRV 20 DTV5VOUT 21 DTV5VIN 22 EN_DCDC 23 CD 24 STB_RST 25 DRVRST 26 STB5V_SW_ON 27 P_SOS4 28 SC_SOS6 29 SC_SOS7 30 SS_SOS8 31 D_SOS_RSV 32 SC_OHZ L5480 J0JYC0000068 F15V STB5V SUB9V SUB3.3V SUB3.3V SUB5V STB3.3V SUB3.3V SUB5V STB3.3V VJ5451 TP5401 SG-TV_SUB_ON SOS4_PS SG-PD4H_DRVRST SOS8_SS SOS7_SC2 SOS6_SC1 PG-PANEL_VCC_ON STB_5V_SWON SG-DTV_XRST SC_UHZ SG-SP_HP_MUTE SOS_DCC SG-MON_MUTE PD_XRST AMP_MUTE D_UHZ PD4H_DRVRST HP_MUTE_ STB_RST PG-PANEL_SOS PA_NRST PD_XIRQ5 NG-SW_OFF_DET Q5476 B1ABCF000231 Q5475 DSC2001S0L Q5478 DSC200100L R5475 12k R5476 47k R5473 47k R5474 10k R5472 47 R5470 2.2k R5471 100 R5457 0 R5493 10k R5155 100 R5482 15 R5528 10k R5478 47k R5418 100k R5486 47k R5412 27k R5413 100k R5571 68k R5419 68k R5485 100 R5479 8.2k R5489 0 R5477 10k R5481 4.7k C5475 0.47u 10V VJ5486 R5423 100k P5V R5422 68k Q5433 DSC2001S0L Q5434 DSC2001S0L SG-P3.3V_DET R5424 68k PG-P5V_DET D5454 B0ADEJ000035 R5421 100k R5420 27k D5481 B0JCME000076 TP5470 TO Sheet GENX-DEST RESET TO Sheet Peaks-COMMON POWER_DET TO Sheet GENX-DEST TO Sheet Peaks-COMMON NRST ADD FOR A-CHIP TO Sheet STB-RESET-LCD/PDP Sheet STB-RESET-MODEL Sheet ADV_A-DEST TO Sheet AVSW/A-Chip_A PD4H_SOS 120 121 118 119 126 125 123 122 124 ! TO 6,15/22 TO 6,19/22 TO 6,15,16/22 TO 6,15/22 TO 6/22 TO 6/22 TO 6/22 TO 6/22 TO 6/22 TO 8,10/22 TO 8/22 TO 20/22 TO 15/22 TO 19/22 TO 20/22 TO 15/22 TO 15/22 TO 15/22 TO 15/22 TO 19/22 ANALOG-ASIC TH-P46G20C A-Board (14/22) Schematic Diagram TH-P46G20C A-Board (14/22) Schematic Diagram A-BOARD TNPH0845HC (14/22) 62 12.20.A 电路板 (15/22) 线路图 TERM SIDE P SOS6_SC1 SOS_DCC DRVRST D_UHZ PD4H_SDA SC_UHZ SOS8_SS PD4H_SCL SOS7_SC2 DISPEN PD_TE2P PD_TE2N PD_TD2P PD_TD2N PD_TCLK2P PD_TCLK2N PD_TC2P PD_TC2N PD_TB2P PD_TB2N PD_TA2P PD_TA2N PD_TE1P PD_TE1N PD_TD1P PD_TD1N PD_TCLK1P PD_TCLK1N PD_TC1P PD_TC1N PD_TB1P PD_TB1N PD_TA1P PD_TA1N D_XRST_SYS SC_OC2 0V SCNRST SC_OC1 0V SC_CRC1 SC_CERS SC_SCCLK SC_SIU PD_SCCLK PD_CERS PD_OC2 PD_CRC1 PD_SCNRST PD_OC1 SC_CRC3 SC_CSL SC_CEL SC_CSH PD_SIU SC_SIU SC_CERS SC_OC2 SCNRST SC_OC1 SC_SCCLK SC_CRC1 P_S0 P_S1 0V PD_CEL PD_CSH PD_CSL 0V SC_CEL SC_CSH SC_CSL 0V 0V SC_CRC3 PD_CRC3 SC_CRC2 SC_CRC2 PD_CRC2 SC_CPH1 SC_CPH1 PD_CPH1 SC_CIS SC_CIS PD_CIS SC_CMH SC_CML SC_SEL2 SC_CMH PD_CMH PD_CML PD_SEL2 PD_CML2 PD_SEL SC_SEL SC_CML SC_CML2 SC_SEL2 SC_CML2 SOS6_SC1 SOS7_SC2 AA_XIRQ10 OHZ1 SC_UHZ SC_SEL C9801 6800p 25V C9040 16V 0.1u C9806 100p 50V C9052 16V 0.1u C9100 10u 10V C9101 25V 0.01u C9825 22u 6.3V C9103 25V 0.01u C9807 200p 50V C9800 0.1u 25V C9803 4700p 25V C9804 10u 25V C9805 10u 25V C9102 10u 25V C9067 1000p 50V C9066 22u 6.3V C9107 2700p 50V C9111 22u 6.3V C9097 10u 25V C9099 0.1u 16V C9098 10u 25V C9069 1000p 50V C9112 22u 6.3V C9104 0.01u 25V C9809 1000p 50V C9811 0.1u 16V C9816 0.01u 25V C9813 10u 25V C9812 10u 25V C9815 22u 6.3V C9814 22u 6.3V D9816 B0JCPG000030 D9104 B0JCPG000030 IC9801 C0DBAYY00462 1 BOOT 2 VIN 3 SW 4 GND 5 FB 6 COMP 7 EN 8 SS C0JBAZ002692 IC9400 G1 1 2 A1 3 A2 4 A3 5 A4 6 A5 7 A6 8 A7 9 A8 10 GND 11 Y8 12 Y7 13 Y6 14 Y5 15 Y4 16 Y3 17 Y2 18 Y1 19 G2 20 Vcc C0JBAZ002692 IC9401 G1 1 2 A1 3 A2 4 A3 5 A4 6 A5 7 A6 8 A7 9 A8 10 GND 11 Y8 12 Y7 13 Y6 14 Y5 15 Y4 16 Y3 17 Y2 18 Y1 19 G2 20 Vcc C0JBAZ002692 IC9402 G1 1 2 A1 3 A2 4 A3 5 A4 6 A5 7 A6 8 A7 9 A8 10 GND 11 Y8 12 Y7 13 Y6 14 Y5 15 Y4 16 Y3 17 Y2 18 Y1 19 G2 20 Vcc C0DBAYY00605 IC9800 PGND 1 2 PGND 3 PGND 4 SW 5 SW 6 SW 7 BOOT 8 NC 9 SS/DELAY 10 GND 11 FB 12 FC 13 RT 14 PSET 15 EN 16 NC 17 NC 18 VIN 19 VIN 20 VIN A20 23 29 30 2 12 5 33 14 32 20 28 26 4 9 11 19 22 21 25 8 13 6 31 17 10 34 24 18 1 7 27 16 15 3 35 L9000 G1C100MA0416 L9800 G1C6R8Z00010 L9801 G1C100MA0416 P3.3V P15V P15V P3.3V P5V P5V P1.2V P5V P5V P15V P5V P5V P15V VJ9910 TP9208 TP9207 TP9204 TP9203 TP9099 TP9102 TP9103 TP9104 TP9087 TP9083 TP9092 TP9094 TP9084 TP9093 TP9202 TP9096 TP9201 TP9097 TP9081 TP9098 TP9086 TP9090 TP9088 TP9082 TP9085 TP9101 TP9095 TP9091 TP9089 PD_TE2N PD_TA2N PD_TB2P PD_TC1P PD_TD1N PD_TB1N PD_TE1N PD_TC2N PD_TD2N PD_TB2N PD_TCLK1P PD_TCLK1N PD_TA1N PD_TD1P PD_TCLK2P PD_TC2P PD_TE2P PD_TA2P PD4H_SCL D_UHZ PD_TD2P PD_TB1P PD_TA1P PD_TC1N PD_TCLK2N PD_TE1P DISPEN PG-PD4H_XRST_SYS PG-PANEL_VCC_ON SC_UHZ SG-P3.3V_DET SOS7_SC2 SOS6_SC1 PG-P5V_DET SOS_DCC SOS8_SS AA_XIRQ10 PD4H_SDA P_S1 P_S0 R9198 EXB28V101JX R9402 EXB28V103JX R9400 EXB2HV103JV R9209 EXB2HV470JV R9401 EXB2HV103JV R9208 EXB2HV470JV R9014 5.6k 1% R9879 15k 1% R9016 2.2 R9015 39 R9878 10k 1% R9877 47k 1% R9135 27k 1% R9019 2.2 R9017 4.7k R9104 39 R9133 12k 1% R9874 27k 1% R9134 10k 1% R9205 33k R9247 47 R9226 47 R9872 3.3k 1% R9110 0 R9873 10k 1% R9206 56k R9107 3.3k R9875 20k 1% R9224 47 P3.3V R9036 10k R9038 100k R9037 47k R9040 4.7k D9807 B0ADCJ000100 R9039 47k R9203 2.7k IC9803 C0DBAYY00462 1 BOOT 2 VIN 3 SW 4 GND 5 FB 6 COMP 7 EN 8 SS Q9006 DSC200100L Q9005 DSC200100L TP9011 TP9013 C9400 16V 0.1u C9401 16V 0.1u C9402 16V 0.1u PD4H_DRVRST CIS CEL P5V GND Analog ASIC +15V CERS +15V GND CMH GND SOS6_SC1 CRC3 SEL2 SEL CML OC2 CML2 SCLK GND GND DISPEN UHZ CSH CPH1 GND SIU CRC1 OC1 GND NC SCNRST GND CSL CRC2 SOS7_SC2 NC RB_E+ RA_E-(MSB) RC_O+ RE_E+(LSB) RE_E-(LSB) RCLK_E+ RA_E+(MSB) RA_O-(MSB) RD_E- RD_E+ RB_O- RE_O-(LSB) RC_E+ RE_O+(LSB) RD_O- RB_E- RD_O+ RCLK_E- RCLK_O+ RC_E- RCLK_O- RB_O+ RA_O+(MSB) RC_O- GND 135 129 133 128 132 130 127 134 131 ! TO 1/22 TO 2/22 TO 5/22 TO 6,14/22 TO 6,14,16/22 TO 6,14/22 TO 6/22 TO 14/22 TO 14/22 TO 14/22 TO 19/22 TO 14/22 TO 20/22 BUFFER BUFFER BUFFER +3.3V +1.2V +5V TO SC-BOARD (SC20) 12 11 TH-P46G20C A-Board (15/22) Schematic Diagram TH-P46G20C A-Board (15/22) Schematic Diagram A-BOARD TNPH0845HC (15/22) 63 12.21.A 电路板 (16/22) 线路图 TERM SIDE S S S S S S S P S S S S S S S S PD_TC1P PD_PCD3 PD_TCLK1P DD8_2P DD15_2N PD_TA1N PD_OC1 DD5_1P DD2_1P D-CLRD1 PD_ODED2 DRVCLK4N DD15_2P PD_TB2N DD5_2N DD2_2N PD_PCD1 D-ODED1 DRVCLK4P DD14_1N SOS_DCC DD5_2P PD_TB1P DD2_2P PD_TA1P DD7_1N DD14_1P UMH_C DD4_1N DRVCLK1N PD_CRC1 DD7_1P DD14_2N DD4_1P PD_TE2N DRVCLK1P PD4H_SCL DRVRST DD7_2N DD14_2P DD4_2N DD1_1N USL/UML2_C PD_OC2 PD4H_SDA DD12_2P PD_TA2P DRVCLK8N DD4_2P PD_CML DRVCLK7N DRVCLK8P DRVCLK2N PD_SEL DRVCLK7P DD13_1N PD_CMH DRVCLK2P PD_TCLK1N PD_TD1P PD_TD1N DD11_1N D_UHZ D-PCD4 DD13_1P PD_CERS DD3_1N PD_CRC3 DD11_1P DRVCLK9N PD_CPH1 DD13_2N DD3_1P DD11_2N DRVCLK9P PD_SCCLK DD13_2P DD3_2N PD_CRC2 DD11_2P PD_TC2P PD_CSL DD15_1N DD3_2P PD_PCD4 DD10_1N PD_SIU PD_TD2P DD7_2P PD_CSH DD10_1P DD6_1N PD_TE1P PD_ODED2 DD10_2N PD_TD2N PD_TE2P DD6_1P PD_CEL PD_UMH DD10_2P USH_C PD_TB2P DD6_2N PD_CLRD2 PD_UML DRVCLK6N UEH_C DD6_2P PD_TE1N PD_CML2 DISPEN PD_TC2N PD_USH D-PCD3 D-CLRD2 DRVCLK6P DRVCLK3N PD_ODED1 PD_USL/UML2 DD9_1N DRVCLK3P PD_CIS PD_UEH DD9_1P PD_PCD2 UML_C D-LED2 PD_LED1 DD9_2N D-ODED2 PD_ODED1 PD_UML DD9_2P PD_PCD1 PD_TA2N PD_TB1N PD_UEH DRVCLK5N PD_TC1N PD_TCLK2N DD12_1N PD_UMH DRVCLK5P PD_LED1 PD_LED2 DD12_1P DD1_1P PD_USL/UML2 DD8_1N PD_CLRD2 PD_LED2 DD12_2N DD1_2N PD_CLRD1 DD8_1P PD_PCD4 PD_USH D-PCD1 DD8_2N DD15_1P DD5_1N PD_TCLK2P DD2_1N PD_PCD3 AA_XIRQ10 D-LED1 D-ODED1 D-PCD1 D-PCD2 D-CLRD1 DD1_2N DD1_2P DD1_1N DD1_1P DRVCLK1N DRVCLK1P DD2_2N DD2_2P DD2_1N DD2_1P DD3_2N DD3_2P DD3_1N DD3_1P DRVCLK2N DRVCLK2P DD4_2N DD4_2P DD4_1N DD4_1P DD5_2N DD5_2P DD5_1N DD5_1P DRVCLK3N DRVCLK3P DD6_2N DD6_2P DD6_1N DD6_1P DD7_2N DD7_2P DD7_1N DD7_1P DRVCLK4N DRVCLK4P DD8_2N DD8_2P DD8_1N DD8_1P DRVCLK5N DRVCLK5P P_S1 PD_SEL2 PD_SCNRST PD_CLRD1 D-LED1 D-PCD2 OHZ1 D_XRST_SYS PD_PCD2 P_S0 DD1_2P C9300 16V 0.1u *IC9304 1 CS# 2 SO/SIO1 3 WP#/SIO2 4 GND 5 SI/SIO0 6 SCLK 7 NC/SIO3 8 VCC A31 1 2 3 4 5 6 7 8 9 10 11 12 13 14 15 16 17 18 19 20 21 22 23 24 25 26 27 28 29 30 31 32 33 34 35 36 37 38 39 40 41 42 43 44 45 46 47 48 49 50 51 52 53 54 55 57 58 59 60 61 62 63 64 65 66 67 68 56 P3.3V P3.3V P3.3V P3.3V R9013 R9339 R9125 R9340 R9123 R9342 R9099 VJ9902 TP9197 TP9194 TP9195 TP9193 TP9105 TP9915 TP9123 TP9126 TP9125 TP9128 TP9121 TP9127 TP9119 TP9116 TP9115 TP9120 TP9118 TP9117 TP9900 TP9904 TP9903 TP9143 TP9902 TP9145 TP9113 TP9111 TP9112 TP9107 TP9106 TP9108 TP9109 TP9110 TP9100 TP9129 TP9300 TP9131 TP9122 TP9153 TP9149 TP9151 TP9156 TP9150 TP9155 TP9154 TP9142 TP9152 TP9137 TP9141 TP9144 TP9076 TP9901 TP9135 TP9136 TP9132 TP9138 TP9134 TP9133 TP9130 TP9147 TP9124 TP9140 TP9148 TP9146 TP9139 PD_LOSDO1 R9300 EXB28VR000X R9609 EXB2HV470JV R9608 EXB2HV470JV R9610 EXB2HV470JV R9121 68 R9321 1M R9127 0 R9323 1k X9300 H0J200500076 R9341 D9806 B0ADCJ000100 R9035 3.3k R9318 1k R9320 1k C9301 50V 18p C9302 50V 15p VJ9042 IC9300 AD1 LVDOD1N IC9300 D2 OSDRI IC9300 B4 FLSIO0 IC9300 AF29 LVDOD28P IC9300 AJ17 LVDOD17P IC9300 A17 RXEDN IC9300 Y3 DCCOP22 IC9300 N30 DCCOP19 IC9300 Y1 DCCOP16 IC9300 AH9 LVDRCK5P IC9300 AD29 LVDOD30P IC9300 AH19 LVDRCK9P IC9300 P29 DCCOP18 IC9300 B15 RXOAP IC9300 W2 DCCOP31 IC9300 A19 RXECN IC9300 N29 DCCOP29 IC9300 AK8 LVDOD10N IC9300 P1 DCCIFBK0 IC9300 M3 DCCOP35 IC9300 B27 SOS IC9300 N3 DCCOP39 IC9300 AK27 LVDOD25N IC9300 AK16 LVDOD16N IC9300 AK7 LVDOD9N IC9300 AH26 LVDRCK12N IC9300 AJ25 LVDOD23P IC9300 AK12 LVDOD12N IC9300 F1 OSDCKI IC9300 C4 EXTFLSI IC9300 B19 RXECP IC9300 C29 SFLATCHI IC9300 A18 RXECKN IC9300 AJ5 LVDOD7P IC9300 T1 DCCOP3 IC9300 A28 DCCIDRVRST IC9300 AE3 LVDRCK1P IC9300 T2 DCCOP2 IC9300 AK15 LVDOD15N IC9300 AF28 LVDRCK13P IC9300 A3 EXTFLSCK IC9300 U2 DCCOP4 IC9300 AF30 LVDOD28N IC9300 AK18 LVDOD18N IC9300 AJ12 LVDOD12P IC9300 D30 FPCLK IC9300 AJ22 LVDOD20P IC9300 P2 DCCOP10 IC9300 AE1 LVDOD2N IC9300 A7 SCL IC9300 L2 DCCOP6 IC9300 AJ26 LVDOD24P IC9300 E1 OSDBI IC9300 AJ19 LVDOD19P IC9300 AH5 LVDRCK3P IC9300 A11 RXODN IC9300 A13 RXOCN IC9300 L3 DCCOP27 IC9300 AJ15 LVDOD15P IC9300 E29 FPDAT1 IC9300 AH6 LVDRCK4N IC9300 B5 FLNCS IC9300 AG30 LVDOD27N IC9300 B3 EXTFLSO IC9300 AK6 LVDOD8N IC9300 AD28 LVDRCK14P IC9300 B10 RXOEP IC9300 AK19 LVDOD19N IC9300 M30 DCCOP12 IC9300 A20 RXEBN IC9300 T3 DCCIFBK2 IC9300 AA2 DCCOP17 IC9300 B13 RXOCP IC9300 B28 XRSTSYS IC9300 AK9 LVDOD11N IC9300 AK26 LVDOD24N IC9300 V30 XI IC9300 AH22 LVDRCK10N IC9300 AC28 LVDRCK15N IC9300 V1 DCCOP8 IC9300 AH1 LVDOD5N IC9300 B30 DCCIPORT0 IC9300 B14 RXOBP IC9300 A15 RXOAN IC9300 D3 OSDGI IC9300 R28 DCCOP23 IC9300 W1 DCCOP36 IC9300 B7 SDA IC9300 K1 DCCOP34 IC9300 AH18 LVDRCK9N IC9300 A2 EXTFLNCS IC9300 A14 RXOBN IC9300 P28 DCCOP25 IC9300 AK17 LVDOD17N IC9300 R2 DCCOP5 IC9300 AJ6 LVDOD8P IC9300 P30 DCCOP21 IC9300 AH14 LVDRCK7N IC9300 AH23 LVDRCK10P IC9300 A5 FLSIO3 IC9300 E28 FPDAT0 IC9300 AK5 LVDOD7N IC9300 AK23 LVDOD21N IC9300 AH8 LVDRCK5N IC9300 C30 DCCIDISPEN IC9300 AG2 LVDOD4P IC9300 AJ27 LVDOD25P IC9300 AH7 LVDRCK4P IC9300 D1 OSDVO IC9300 V2 DCCOP1 IC9300 B11 RXODP IC9300 AG29 LVDOD27P IC9300 K30 DCCOP24 IC9300 AK25 LVDOD23N IC9300 R1 DCCOP9 IC9300 AG1 LVDOD4N IC9300 M1 DCCOP7 IC9300 AH2 LVDOD5P IC9300 AD3 LVDRCK1N IC9300 U1 DCCOP0 IC9300 AE29 LVDOD29P IC9300 W30 XO IC9300 AJ7 LVDOD9P IC9300 AJ24 LVDOD22P IC9300 AA1 DCCOP28 IC9300 AJ16 LVDOD16P IC9300 L1 DCCOP38 IC9300 M29 DCCOP13 IC9300 AK22 LVDOD20N IC9300 B18 RXECKP IC9300 AH12 LVDRCK6N IC9300 A12 RXOCKN IC9300 AJ4 LVDOD6P IC9300 V3 DCCOP11 IC9300 AK13 LVDOD13N IC9300 AD30 LVDOD30N IC9300 A27 SFRST IC9300 AH24 LVDRCK11N IC9300 AB28 LVDRCK15P IC9300 N2 DCCOSCRST IC9300 B16 RXEEP IC9300 T30 CKMO IC9300 AE2 LVDOD2P IC9300 B20 RXEBP IC9300 B6 SPIHZ IC9300 B17 RXEDP IC9300 C1 OSDCKO IC9300 R3 DCCIFBK1 IC9300 AH13 LVDRCK6P IC9300 AF3 LVDRCK2N IC9300 E3 OSDHI IC9300 AC3 LVDRCK0N IC9300 A21 RXEAN IC9300 L29 DCCOP15 IC9300 AC1 LVDOD0N IC9300 AF1 LVDOD3N IC9300 B21 RXEAP IC9300 N28 DCCOP26 IC9300 E2 OSDYSI IC9300 A10 RXOEN IC9300 AH25 LVDRCK11P IC9300 P3 DCCOP41 IC9300 R29 DCCOP37 IC9300 AH27 LVDRCK12P IC9300 M2 DCCOP33 IC9300 AJ9 LVDOD11P IC9300 A29 XRST IC9300 AC30 LVDOD31N IC9300 AJ18 LVDOD18P IC9300 AH30 LVDOD26N IC9300 AK24 LVDOD22N IC9300 AJ14 LVDOD14P IC9300 Y2 DCCOP20 IC9300 B12 RXOCKP IC9300 AJ13 LVDOD13P IC9300 AH17 LVDRCK8P IC9300 B26 SFVRST IC9300 K2 DCCOP30 IC9300 AK14 LVDOD14N IC9300 C5 FLSIO1 IC9300 AC29 LVDOD31P IC9300 U3 DCCOP40 IC9300 AK4 LVDOD6N IC9300 AJ8 LVDOD10P IC9300 AG3 LVDRCK2P IC9300 A4 FLSCK IC9300 AF2 LVDOD3P IC9300 A16 RXEEN IC9300 AD2 LVDOD1P IC9300 AG28 LVDRCK13N IC9300 AH16 LVDRCK8N IC9300 AH29 LVDOD26P IC9300 AH4 LVDRCK3N IC9300 AE30 LVDOD29N IC9300 AH15 LVDRCK7P IC9300 AC2 LVDOD0P IC9300 C2 OSDHO IC9300 AC4 LVDRCK0P IC9300 N1 DCCOP32 IC9300 L30 DCCOP14 IC9300 AE28 LVDRCK14N IC9300 AJ23 LVDOD21P IC9300 A6 FLSIO2 IC9300 K29 SFVO R9334 R9335 R9306 R9307 R9309 R9308 TP9383 TP9301 DD5_2+ DD8_1- DD5_1- P3.3V GND DD8_1+ DRVCLK1- DD4_1- LE1 P3.3V GND DD4_2- DD3_2- GND PC2 DRVCLK1+ DD2_2- DD7_1- DRVCLK4- DD8_2- DD7_2- DD8_2+ DD3_1- DATA_DRIVER DD3_1+ NC DD1_1+ GND IIC DD3_2+ GND PC1 DRVCLK5+ DRVCLK5- GND GND DD7_2+ DD1_2+ DRVCLK3+ GND DD7_1+ DRVCLK2+ DD6_2- DRVCLK3- DD1_1- DRVCLK2- DD2_1- P3.3V GND DD1_2- DD6_2+ DD5_1+ DD4_2+ GND DD6_1+ GND GND KEY_SCAN CLR1 LVDS_INPUT DD4_1+ GND GND GND GND DD2_2+ DD2_1+ SS_PULSE DD6_1- DD5_2- DRVCLK4+ ODE1 Read 50MHz 142 141 144 139 143 136 137 138 140 IC9300 C1AB00003258 ! TO 6,14,15/22 TO 20/22 TO 17/22 FLASH MEMORY PD4 TO C1-BOARD (C11) 12 11 22 21 23 PD_TC1P PD_PCD3 PD_TCLK1P DD8_2P DD15_2N PD_TA1N PD_OC1 DD5_1P DD2_1P D-CLRD1 PD_ODED2 DRVCLK4N DD15_2P PD_TB2N DD5_2N DD2_2N PD_PCD1 D-ODED1 DRVCLK4P DD14_1N SOS_DCC DD5_2P PD_TB1P DD2_2P PD_TA1P DD7_1N DD14_1P UMH_C DD4_1N DRVCLK1N PD_CRC1 DD7_1P DD14_2N DD4_1P PD_TE2N DRVCLK1P PD4H_SCL DRVRST DD7_2N DD14_2P DD4_2N DD1_1N USL/UML2_C PD_OC2 PD4H_SDA DD12_2P PD_TA2P DRVCLK8N DD4_2P PD_CML DRVCLK7N DRVCLK8P DRVCLK2N PD_SEL DRVCLK7P DD13_1N PD_CMH DRVCLK2P PD_TCLK1N PD_TD1P PD_TD1N DD11_1N D_UHZ D-PCD4 DD13_1P PD_CERS DD3_1N PD_CRC3 DD11_1P DRVCLK9N PD_CPH1 DD13_2N DD3_1P DD11_2N DRVCLK9P PD_SCCLK DD13_2P DD3_2N PD_CRC2 DD11_2P PD_TC2P PD_CSL DD15_1N DD3_2P PD_PCD4 DD10_1N PD_SIU PD_TD2P DD7_2P PD_CSH DD10_1P DD6_1N PD_TE1P PD_ODED2 DD10_2N PD_TD2N PD_TE2P DD6_1P PD_CEL PD_UMH DD10_2P USH_C PD_TB2P DD6_2N PD_CLRD2 PD_UML DRVCLK6N UEH_C DD6_2P PD_TE1N PD_CML2 DISPEN PD_TC2N PD_USH D-PCD3 D-CLRD2 DRVCLK6P DRVCLK3N PD_ODED1 PD_USL/UML2 DD9_1N DRVCLK3P PD_CIS PD_UEH DD9_1P PD_PCD2 UML_C D-LED2 PD_LED1 DD9_2N D-ODED2 PD_ODED1 PD_UML DD9_2P PD_PCD1 PD_TA2N PD_TB1N PD_UEH DRVCLK5N PD_TC1N PD_TCLK2N DD12_1N PD_UMH DRVCLK5P PD_LED1 PD_LED2 DD12_1P DD1_1P PD_USL/UML2 DD8_1N PD_CLRD2 PD_LED2 DD12_2N DD1_2N PD_CLRD1 DD8_1P PD_PCD4 PD_USH D-PCD1 DD8_2N DD15_1P DD5_1N PD_TCLK2P DD2_1N PD_PCD3 AA_XIRQ10 D-LED1 D-ODED1 D-PCD1 D-PCD2 D-CLRD1 DD1_2N DD1_2P DD1_1N DD1_1P DRVCLK1N DRVCLK1P DD2_2N DD2_2P DD2_1N DD2_1P DD3_2N DD3_2P DD3_1N DD3_1P DRVCLK2N DRVCLK2P DD4_2N DD4_2P DD4_1N DD4_1P DD5_2N DD5_2P DD5_1N DD5_1P DRVCLK3N DRVCLK3P DD6_2N DD6_2P DD6_1N DD6_1P DD7_2N DD7_2P DD7_1N DD7_1P DRVCLK4N DRVCLK4P DD8_2N DD8_2P DD8_1N DD8_1P DRVCLK5N DRVCLK5P P_S1 PD_SEL2 PD_SCNRST PD_CLRD1 D-LED1 D-PCD2 OHZ1 D_XRST_SYS PD_PCD2 P_S0 DD1_2P C9300 16V 0.1u *IC9304 TVRR330AC 1 CS# 2 SO/SIO1 3 WP#/SIO2 4 GND 5 SI/SIO0 6 SCLK 7 NC/SIO3 8 VCC A31 1 2 3 4 5 6 7 8 9 10 11 12 13 14 15 16 17 18 19 20 21 22 23 24 25 26 27 28 29 30 31 32 33 34 35 36 37 38 39 40 41 42 43 44 45 46 47 48 49 50 51 52 53 54 55 57 58 59 60 61 62 63 64 65 66 67 68 56 P3.3V P3.3V P3.3V P3.3V R9013 R9339 R9125 R9340 R9123 R9342 R9099 VJ9902 TP9197 TP9194 TP9195 TP9193 TP9105 TP9915 TP9123 TP9126 TP9125 TP9128 TP9121 TP9127 TP9119 TP9116 TP9115 TP9120 TP9118 TP9117 TP9900 TP9904 TP9903 TP9143 TP9902 TP9145 TP9113 TP9111 TP9112 TP9107 TP9106 TP9108 TP9109 TP9110 TP9100 TP9129 TP9300 TP9131 TP9122 TP9153 TP9149 TP9151 TP9156 TP9150 TP9155 TP9154 TP9142 TP9152 TP9137 TP9141 TP9144 TP9076 TP9901 TP9135 TP9136 TP9132 TP9138 TP9134 TP9133 TP9130 TP9147 TP9124 TP9140 TP9148 TP9146 TP9139 PD_LOSDO1 OSDCLK R9300 EXB28VR000X R9609 EXB2HV470JV R9608 EXB2HV470JV R9610 EXB2HV470JV R9121 68 R9321 1M R9127 0 R9323 1k X9300 H0J200500076 R9341 D9806 B0ADCJ000100 R9035 3.3k R9318 1k R9320 1k C9301 50V 18p C9302 50V 15p SG-P3.3V_DET VJ9042 IC9300 AD1 LVDOD1N IC9300 D2 OSDRI IC9300 B4 FLSIO0 IC9300 AF29 LVDOD28P IC9300 AJ17 LVDOD17P IC9300 A17 RXEDN IC9300 Y3 DCCOP22 IC9300 N30 DCCOP19 IC9300 Y1 DCCOP16 IC9300 AH9 LVDRCK5P IC9300 AD29 LVDOD30P IC9300 AH19 LVDRCK9P IC9300 P29 DCCOP18 IC9300 B15 RXOAP IC9300 W2 DCCOP31 IC9300 A19 RXECN IC9300 N29 DCCOP29 IC9300 AK8 LVDOD10N IC9300 P1 DCCIFBK0 IC9300 M3 DCCOP35 IC9300 B27 SOS IC9300 N3 DCCOP39 IC9300 AK27 LVDOD25N IC9300 AK16 LVDOD16N IC9300 AK7 LVDOD9N IC9300 AH26 LVDRCK12N IC9300 AJ25 LVDOD23P IC9300 AK12 LVDOD12N IC9300 F1 OSDCKI IC9300 C4 EXTFLSI IC9300 B19 RXECP IC9300 C29 SFLATCHI IC9300 A18 RXECKN IC9300 AJ5 LVDOD7P IC9300 T1 DCCOP3 IC9300 A28 DCCIDRVRST IC9300 AE3 LVDRCK1P IC9300 T2 DCCOP2 IC9300 AK15 LVDOD15N IC9300 AF28 LVDRCK13P IC9300 A3 EXTFLSCK IC9300 U2 DCCOP4 IC9300 AF30 LVDOD28N IC9300 AK18 LVDOD18N IC9300 AJ12 LVDOD12P IC9300 D30 FPCLK IC9300 AJ22 LVDOD20P IC9300 P2 DCCOP10 IC9300 AE1 LVDOD2N IC9300 A7 SCL IC9300 L2 DCCOP6 IC9300 AJ26 LVDOD24P IC9300 E1 OSDBI IC9300 AJ19 LVDOD19P IC9300 AH5 LVDRCK3P IC9300 A11 RXODN IC9300 A13 RXOCN IC9300 L3 DCCOP27 IC9300 AJ15 LVDOD15P IC9300 E29 FPDAT1 IC9300 AH6 LVDRCK4N IC9300 B5 FLNCS IC9300 AG30 LVDOD27N IC9300 B3 EXTFLSO IC9300 AK6 LVDOD8N IC9300 AD28 LVDRCK14P IC9300 B10 RXOEP IC9300 AK19 LVDOD19N IC9300 M30 DCCOP12 IC9300 A20 RXEBN IC9300 T3 DCCIFBK2 IC9300 AA2 DCCOP17 IC9300 B13 RXOCP IC9300 B28 XRSTSYS IC9300 AK9 LVDOD11N IC9300 AK26 LVDOD24N IC9300 V30 XI IC9300 AH22 LVDRCK10N IC9300 AC28 LVDRCK15N IC9300 V1 DCCOP8 IC9300 AH1 LVDOD5N IC9300 B30 DCCIPORT0 IC9300 B14 RXOBP IC9300 A15 RXOAN IC9300 D3 OSDGI IC9300 R28 DCCOP23 IC9300 W1 DCCOP36 IC9300 B7 SDA IC9300 K1 DCCOP34 IC9300 AH18 LVDRCK9N IC9300 A2 EXTFLNCS IC9300 A14 RXOBN IC9300 P28 DCCOP25 IC9300 AK17 LVDOD17N IC9300 R2 DCCOP5 IC9300 AJ6 LVDOD8P IC9300 P30 DCCOP21 IC9300 AH14 LVDRCK7N IC9300 AH23 LVDRCK10P IC9300 A5 FLSIO3 IC9300 E28 FPDAT0 IC9300 AK5 LVDOD7N IC9300 AK23 LVDOD21N IC9300 AH8 LVDRCK5N IC9300 C30 DCCIDISPEN IC9300 AG2 LVDOD4P IC9300 AJ27 LVDOD25P IC9300 AH7 LVDRCK4P IC9300 D1 OSDVO IC9300 V2 DCCOP1 IC9300 B11 RXODP IC9300 AG29 LVDOD27P IC9300 K30 DCCOP24 IC9300 AK25 LVDOD23N IC9300 R1 DCCOP9 IC9300 AG1 LVDOD4N IC9300 M1 DCCOP7 IC9300 AH2 LVDOD5P IC9300 AD3 LVDRCK1N IC9300 U1 DCCOP0 IC9300 AE29 LVDOD29P IC9300 W30 XO IC9300 AJ7 LVDOD9P IC9300 AJ24 LVDOD22P IC9300 AA1 DCCOP28 IC9300 AJ16 LVDOD16P IC9300 L1 DCCOP38 IC9300 M29 DCCOP13 IC9300 AK22 LVDOD20N IC9300 B18 RXECKP IC9300 AH12 LVDRCK6N IC9300 A12 RXOCKN IC9300 AJ4 LVDOD6P IC9300 V3 DCCOP11 IC9300 AK13 LVDOD13N IC9300 AD30 LVDOD30N IC9300 A27 SFRST IC9300 AH24 LVDRCK11N IC9300 AB28 LVDRCK15P IC9300 N2 DCCOSCRST IC9300 B16 RXEEP IC9300 T30 CKMO IC9300 AE2 LVDOD2P IC9300 B20 RXEBP IC9300 B6 SPIHZ IC9300 B17 RXEDP IC9300 C1 OSDCKO IC9300 R3 DCCIFBK1 IC9300 AH13 LVDRCK6P IC9300 AF3 LVDRCK2N IC9300 E3 OSDHI IC9300 AC3 LVDRCK0N IC9300 A21 RXEAN IC9300 L29 DCCOP15 IC9300 AC1 LVDOD0N IC9300 AF1 LVDOD3N IC9300 B21 RXEAP IC9300 N28 DCCOP26 IC9300 E2 OSDYSI IC9300 A10 RXOEN IC9300 AH25 LVDRCK11P IC9300 P3 DCCOP41 IC9300 R29 DCCOP37 IC9300 AH27 LVDRCK12P IC9300 M2 DCCOP33 IC9300 AJ9 LVDOD11P IC9300 A29 XRST IC9300 AC30 LVDOD31N IC9300 AJ18 LVDOD18P IC9300 AH30 LVDOD26N IC9300 AK24 LVDOD22N IC9300 AJ14 LVDOD14P IC9300 Y2 DCCOP20 IC9300 B12 RXOCKP IC9300 AJ13 LVDOD13P IC9300 AH17 LVDRCK8P IC9300 B26 SFVRST IC9300 K2 DCCOP30 IC9300 AK14 LVDOD14N IC9300 C5 FLSIO1 IC9300 AC29 LVDOD31P IC9300 U3 DCCOP40 IC9300 AK4 LVDOD6N IC9300 AJ8 LVDOD10P IC9300 AG3 LVDRCK2P IC9300 A4 FLSCK IC9300 AF2 LVDOD3P IC9300 A16 RXEEN IC9300 AD2 LVDOD1P IC9300 AG28 LVDRCK13N IC9300 AH16 LVDRCK8N IC9300 AH29 LVDOD26P IC9300 AH4 LVDRCK3N IC9300 AE30 LVDOD29N IC9300 AH15 LVDRCK7P IC9300 AC2 LVDOD0P IC9300 C2 OSDHO IC9300 AC4 LVDRCK0P IC9300 N1 DCCOP32 IC9300 L30 DCCOP14 IC9300 AE28 LVDRCK14N IC9300 AJ23 LVDOD21P IC9300 A6 FLSIO2 IC9300 K29 SFVO R9334 R9335 R9306 R9307 R9309 R9308 TP9383 TP9301 DD5_2+ DD8_1- DD5_1- P3.3V GND DD8_1+ DRVCLK1- DD4_1- LE1 P3.3V GND DD4_2- DD3_2- GND PC2 DRVCLK1+ DD2_2- DD7_1- DRVCLK4- DD8_2- DD7_2- DD8_2+ DD3_1- DATA_DRIVER DD3_1+ NC DD1_1+ GND IIC DD3_2+ GND PC1 DRVCLK5+ DRVCLK5- GND GND DD7_2+ DD1_2+ DRVCLK3+ GND DD7_1+ DRVCLK2+ DD6_2- DRVCLK3- DD1_1- DRVCLK2- DD2_1- P3.3V GND DD1_2- DD6_2+ DD5_1+ DD4_2+ GND DD6_1+ GND GND KEY_SCAN CLR1 LVDS_INPUT DD4_1+ GND GND GND GND DD2_2+ DD2_1+ SS_PULSE DD6_1- DD5_2- DRVCLK4+ ODE1 Read 50MHz 142 141 144 139 143 136 137 138 140 IC9300 C1AB00003258 ! TO 20/22 TO 17/22 FLASH MEMORY PD4 TO C1-BOARD (C11) 12 11 22 21 23 TH-P46G20C A-Board (16/22) Schematic Diagram TH-P46G20C A-Board (16/22) Schematic Diagram A-BOARD TNPH0845HC (16/22) 64 12.22.A 电路板 (17/22) 线路图 TERM SIDE P P P P P USL/UML2_C DRVRST USH_C UML_C UMH_C SOS8_SS UEH_C DD9_2N DD9_2P DD9_1N DD9_1P DRVCLK6N DRVCLK6P DD10_2N DD10_2P DD10_1N DD10_1P DD11_2N DD11_2P DD11_1N DD11_1P DRVCLK7N DRVCLK7P DD12_2N DD12_2P DD12_1N DD12_1P DD13_2N DD13_2P DD13_1N DD13_1P DRVCLK8N DRVCLK8P DD14_2N DD14_2P DD14_1N DD14_1P DD15_2N DD15_2P DD15_1N DD15_1P DRVCLK9N DRVCLK9P D-LED2 D-ODED2 D-PCD3 D-PCD4 D-CLRD2 C9350 0.1u 16V C9313 0.1u 16V C9311 0.1u 16V C9371 10V 10u C9325 0.1u 16V C9342 0.1u 16V C9391 10V 10u C9340 0.1u 16V C9314 10V 10u C9344 0.1u 16V C9319 0.1u 16V C9392 10V 10u C9372 10V 10u C9308 0.1u 16V C9315 0.1u 16V C9307 0.1u 16V C9351 0.1u 16V C9363 0.1u 16V C9337 10V 10u C9380 0.1u 16V C9900 25V 0.01u C9356 0.1u 16V C9322 0.1u 16V C9361 0.1u 16V C9374 0.1u 16V C9327 0.1u 16V C9335 10V 10u C9339 0.1u 16V C9336 10V 10u C9323 0.1u 16V C9352 6.3V 1u C9383 0.1u 16V C9316 10V 10u C9312 10V 10u C9375 0.1u 16V C9347 1u 6.3V C9349 10u 10V C9373 10V 10u A32 1 2 3 4 5 6 7 8 9 10 11 12 13 14 15 16 17 18 19 20 21 22 23 24 25 26 27 28 29 30 31 32 33 34 35 36 37 38 39 40 41 42 43 44 45 46 47 48 49 50 51 52 53 54 55 57 58 59 60 61 62 63 64 65 66 67 68 56 L9302 J0JHC0000117 L9300 J0JHC0000117 L9301 J0JHC0000117 P1.2V P3.3V P3.3V P2.5V P3.3V P5V VJ9901 VJ9300 VJ9301 VJ9302 VJ9900 TP9198 TP9206 TP9205 TP9199 TP9917 TP9916 TP9158 TP9161 TP9160 TP9157 TP9159 TP9162 TP9114 TP9911 TP9913 TP9914 TP9912 TP9910 TP9192 TP9164 TP9169 TP9165 TP9163 TP9166 TP9167 TP9170 TP9168 TP9175 TP9174 TP9172 TP9179 TP9173 TP9178 TP9171 TP9176 TP9180 TP9177 TP9187 TP9182 TP9183 TP9184 TP9188 TP9185 TP9189 TP9190 TP9186 TP9181 TP9907 TP9909 TP9905 TP9191 TP9908 TP9906 TP9010 OSDCLK R9325 1.6k R9907 100 R9132 0 R9903 4.7k R9326 1.6k R9324 1.6k R9905 10k R9327 1.6k R9904 100k Q9901 DSC200100L Q9900 DSC200100L IC9300 A1 VDD33 IC9300 E4 GND IC9300 AF16 SCS_VDD18 IC9300 E19 LRX_V12 IC9300 J2 GND IC9300 AF17 SCS_VDD18 IC9300 AG9 MLVDS_VDD IC9300 C23 GND IC9300 AE26 VDDC IC9300 AG17 MLVDS_VDD IC9300 D28 SBI1 IC9300 B22 LRX_VDDH IC9300 D16 VDD33 IC9300 C13 GND IC9300 AF9 VDDC IC9300 G30 SRLF0 IC9300 D5 GND IC9300 AA3 GND IC9300 AB4 VDDC IC9300 AF6 MLVDS_VDD IC9300 V28 VDD33 IC9300 AB2 VDDC IC9300 AK28 GND IC9300 F30 SBT0 IC9300 Y26 SCS_ANA_38 IC9300 B23 GND IC9300 A9 LRX_VDDH IC9300 D24 VDD33 IC9300 C24 SCS_ANA_14 IC9300 C22 GND IC9300 C8 SCS_ANA_8 IC9300 J26 VDDC IC9300 AB1 VDDC IC9300 AG13 MLVDS_VDD IC9300 W29 GND IC9300 E24 VDDC IC9300 AG7 MLVDS_VDD IC9300 AA30 MLVDS_VDD IC9300 M4 SCS_ANA_31 IC9300 H28 VDD33 IC9300 AF22 VDDC IC9300 E7 VDDC IC9300 A25 ID2 IC9300 AK20 GND IC9300 AH3 GND IC9300 AF24 VDDC IC9300 B24 ID1 IC9300 G1 GND IC9300 J3 VDD33 IC9300 W5 GND IC9300 G2 SCS_ANA_29 IC9300 M5 GND IC9300 C12 GND IC9300 AK2 GND IC9300 F5 GND IC9300 E8 VDDC IC9300 T27 GND IC9300 J1 GND IC9300 G26 VDDC IC9300 P26 SCS_VDD18 IC9300 D9 VDD33 IC9300 AG11 miniLVDS_MON1 IC9300 T5 SCS_VDD18 IC9300 AB5 VDDC IC9300 AJ29 GND IC9300 M27 SCS_ANA_28 IC9300 D17 VDD33 IC9300 B2 VDD33 IC9300 D22 GND IC9300 B9 LRX_VDDH IC9300 AG18 PLLSSMLCK_AVS IC9300 A23 GND IC9300 E27 SCS_ANA_7 IC9300 D10 VDD33 IC9300 T29 GND IC9300 AF13 SCS_VDD18 IC9300 E5 VDD33 IC9300 AG19 PLLSSMLCK_AVD IC9300 C17 GND IC9300 E20 LRX_V12 IC9300 G28 SRLF2 IC9300 T26 SCS_VDD18 IC9300 AA28 MLVDS_VDD IC9300 AG14 MLVDS_VDD IC9300 AF12 GND IC9300 W27 PLLICK_AVD IC9300 AG16 MLVDS_VDD IC9300 D6 LRX_TXN_1 IC9300 G3 SCS_ANA_27 IC9300 K26 GND IC9300 V29 GND IC9300 AB27 PLLSSDCCCK_AVD IC9300 AF27 miniLVDS_RI3 IC9300 T28 GND IC9300 G29 SRLF1 IC9300 AF21 VDDC IC9300 E17 SCS_VDD18 IC9300 AG24 MLVDS_VDD IC9300 AF10 VDDC IC9300 AF19 SCS_ANA_2 IC9300 AG8 MLVDS_VDD IC9300 Y29 SCS_ANA_36 IC9300 AC27 MLVDS_VDD IC9300 D14 LRX_TXP_0 IC9300 V26 VDDC IC9300 AA29 MLVDS_VDD IC9300 H1 GND IC9300 C9 GND IC9300 AA27 PLLSSDCCCK_AVS IC9300 AK29 GND IC9300 AB30 MLVDS_VDD IC9300 K4 GND IC9300 C18 SCS_ANA_13 IC9300 K27 GND IC9300 E13 SCS_VDD18 IC9300 E10 VDDC IC9300 AK30 GND IC9300 AJ3 SCS_ANA_37 IC9300 AF25 SCS_ANA_18 IC9300 AF5 GND IC9300 AF8 VDDC IC9300 AA5 VDDC IC9300 AJ28 SCS_ANA_16 IC9300 AF11 GND IC9300 J29 SVIO IC9300 C10 GND IC9300 J5 VDDC IC9300 D13 LRX_TXN_0 IC9300 D8 VDD33 IC9300 F26 GND IC9300 AK10 SCS_ANA_21 IC9300 C20 GND IC9300 AF15 GND IC9300 L4 GND IC9300 D27 GND IC9300 AF7 MLVDS_VDD IC9300 E22 VDDC IC9300 U4 SCS_ANA_35 IC9300 D20 LRX_V12C_0 IC9300 D25 VDD33 IC9300 AE27 miniLVDS_MON3 IC9300 R30 GND IC9300 E18 GND IC9300 AC26 VDDC IC9300 D21 LRX_V12C_1 IC9300 H2 GND IC9300 D26 GND IC9300 D12 SCS_ANA_11 IC9300 C15 GND IC9300 U29 SCS_ANA_32 IC9300 AA4 VDDC IC9300 H30 MHIO IC9300 AJ30 GND IC9300 U28 VDD33 IC9300 C28 GND IC9300 A8 GND IC9300 AK21 SCS_ANA_3 IC9300 C25 SCS_ANA_12 IC9300 D29 SBI0 IC9300 AH28 GND IC9300 AE5 miniLVDS_MON0 IC9300 AJ10 SCS_ANA_17 IC9300 C3 VDD33 IC9300 N26 SCS_VDD18 IC9300 J30 SHIO IC9300 H3 VDD33 IC9300 V5 SCS_VDD18 IC9300 N5 SCS_VDD15 IC9300 AF23 VDDC IC9300 D7 LRX_TXP_1 IC9300 AK1 GND IC9300 AF18 SCS_ANA_0 IC9300 K28 TMODE0 IC9300 Y28 MLVDS_VDD IC9300 AG5 SCS_ANA_39 IC9300 U27 SCS_ANA_34 IC9300 AD4 MLVDS_VDD IC9300 AE4 miniLVDS_RI0 IC9300 T4 GND IC9300 AG21 SCS_ANA_20 IC9300 AG4 GND IC9300 E23 VDDC IC9300 K3 OCKOUT IC9300 AJ21 SCS_ANA_1 IC9300 A22 LRX_VDDH IC9300 W26 GND IC9300 D23 VDD33 IC9300 E30 SBO0 IC9300 C11 GND IC9300 AF26 GND IC9300 F3 SCS_ANA_4 IC9300 C19 SCS_ANA_15 IC9300 C27 GND IC9300 R5 SCS_VDD18 IC9300 Y4 GND IC9300 AD27 MLVDS_VDD IC9300 B1 GND IC9300 N4 SCS_ANA_33 IC9300 L27 GND IC9300 D4 VDD33 IC9300 AH20 GND IC9300 G4 GND IC9300 C16 GND IC9300 E9 VDDC IC9300 F29 SBT1 IC9300 B25 TEST IC9300 AA26 SCS_ANA_40 IC9300 E15 GND IC9300 AJ20 GND IC9300 K5 VDDC IC9300 L28 TMODE1 IC9300 E11 LRX_V12 IC9300 AG15 VTEST1 IC9300 H4 GND IC9300 G27 SCS_ANA_5 IC9300 R27 SCS_ANA_30 IC9300 AH11 GND IC9300 Y27 PLLICK_AVS IC9300 E26 GND IC9300 AG23 miniLVDS_RI2 IC9300 D15 VTEST0 IC9300 E12 LRX_V12 IC9300 D11 SCS_ANA_6 IC9300 A26 SFLATCHO IC9300 AG22 miniLVDS_MON2 IC9300 C26 SCS_ANA_10 IC9300 V27 GND IC9300 AF4 GND IC9300 AG6 MLVDS_VDD IC9300 L26 SCS_VDD15 IC9300 C21 GND IC9300 W28 VDD33 IC9300 U30 GND IC9300 AF14 SCS_VDD18 IC9300 L5 GND IC9300 AD26 VDDC IC9300 H27 VDD33 IC9300 AH21 SCS_ANA_22 IC9300 AK11 GND IC9300 E21 VDDC IC9300 P27 VDD33 IC9300 E16 SCS_VDD18 IC9300 C7 SCS_ANA_23 IC9300 H26 VDDC IC9300 AG26 MLVDS_VDD IC9300 U5 SCS_VDD18 IC9300 M26 SCS_VDD15 IC9300 AG25 MLVDS_VDD IC9300 AG27 GND IC9300 AG12 miniLVDS_RI1 IC9300 N27 VDD33 IC9300 Y30 GND IC9300 A30 GND IC9300 U26 VDDC IC9300 AH10 SCS_ANA_19 IC9300 AB26 VDDC IC9300 E6 GND IC9300 C6 IICSYNC IC9300 G5 VDDC IC9300 B29 GND IC9300 P4 VDD33 IC9300 AK3 GND IC9300 W3 VDD33 IC9300 AJ11 GND IC9300 Y5 GND IC9300 C14 GND IC9300 AD5 MLVDS_VDD IC9300 A24 ID0 IC9300 AJ2 GND IC9300 W4 VDD33 IC9300 F28 SBO1 IC9300 J28 SCS_ANA_26 IC9300 F2 SCS_ANA_25 IC9300 F4 GND IC9300 R4 VDD33 IC9300 E14 SCS_VDD18 IC9300 AB29 MLVDS_VDD IC9300 AG20 GND IC9300 R26 SCS_VDD18 IC9300 J27 VDD33 IC9300 M28 DCCIPORT1 IC9300 AC5 MLVDS_VDD IC9300 P5 SCS_VDD15 IC9300 AF20 GND IC9300 D19 LRX_V12C_3 IC9300 F27 SCS_ANA_9 IC9300 V4 VDD33 IC9300 H29 MVIO IC9300 AJ1 GND IC9300 AB3 VDDC IC9300 AG10 SCS_ANA_24 IC9300 D18 LRX_V12C_2 IC9300 E25 GND IC9300 J4 VDD33 IC9300 H5 VDDC IC9300 B8 GND GND DD10_1- DD15_2+ PC4 CLR2 DD9_2- ODE2 GND DOWN_RIGHT UEH USL/UML2_C GND GND DD15_2- DD11_1- GND GND DD14_2- DRVCLK8+ DRVCLK7+ P3.3V DRVSOS8 DD9_1+ DD13_1+ GND DD12_2- GND PC3 DD13_2+ DD14_1- DD11_2+ GND DD13_2- DRVCLK9+ P5V DD12_2+ UML GND DD15_1+ DD9_1- DRVCLK6+ DD15_1- DD12_1- GND GND DD9_2+ GND DD14_1+ GND GND UMH LE2 GND 3.3V_DET DRVCLK7- NC DD10_1+ DRVCLK6- DD10_2+ DD11_1+ DD10_2- DD11_2- DRVCLK9- DRVCLK8- DD12_1+ NC DD13_1- USH DD14_2+ 153 147 152 146 148 149 150 151 145 C1AB00003258 IC9300 ! TO 16/22 PD4 TO C2-BOARD (C21) 23 21 22 TH-P46G20C A-Board (17/22) Schematic Diagram TH-P46G20C A-Board (17/22) Schematic Diagram A-BOARD TNPH0845HC (17/22) 65 12.23.A 电路板 (18/22) 线路图 Thermal Pad Thermal Pad P P P P P Thermal Pad C5253 25V 1u C5251 1u 25V C5650 10V 2.2u C5649 10V 1u C5615 2.2u 10V C5616 0.01u 25V C5651 4.7u 10V C5652 4.7u 6.3V C5293 1u 25V C5294 1u 16V C5256 1u 10V C5729 10u 10V C5720 10u 10V C5719 10u 10V C5728 10u 10V *C5315 22u 6.3V *C5313 10u 25V *C5312 10u 25V *C5314 22u 6.3V *C5319 0.01u 25V *C5301 1000p 50V *C5318 6800p 25V C5724 0.1u 25V *C5317 0.1u 25V C5726 0.01u 25V C5311 10u 25V C5310 10u 25V C5603 1000p 50V C5725 6800p 25V C5255 1u 10V *D5301 B0JCPG000030 D5250 B0ACCJ000048 D5603 B0JCPG000030 D5602 DZ2J056M0L C0DBGYY00578 IC5604 1 ON/OFF 2 VSS 3 NC 5 VOUT 4 VIN C0DBFYY00049 IC5603 1 VIN 2 VSS 3 CE 5 VOUT 4 NC C0CBCBC00227 IC5251 1 ON/OFF 2 VSS 3 NC 5 VIN 4 VOUT IC5302 C0DBAYY00755 1 BOOT 2 VIN 3 SW 4 GND 5 FB 6 COMP 7 EN 8 SS Thermal_Pad *IC5303 C0DBAYY00755 1 BOOT 2 VIN 3 SW 4 GND 5 FB 6 COMP 7 EN 8 SS Thermal_Pad L5611 G1C6R8MA0416 *L5301 G1C6R8MA0416 AVDDH SUB3.3V SUB3.3V F15V ACHIP3.3V SUB5V SUB_AI_3.3V SUB6V SUB9V F15V SUB_OP_5V R5696 R5311 R5684 R5310 TP5250 TP5208 TP5292 TP5301 TP5291 TP5293 TP5209 DCDCEN DCDCEN DCDCEN Q5602 DSC2001S0L Q5603 DSC2001S0L R5611 2.2k R5607 22k R5608 68k 1% R5255 1k R5610 47k R5609 10k *R5312 15 1% R5254 5.36k R5642 100k R5644 7.5k R5640 10k R5253 10k *R5309 5.6k 1% R5641 10k R5612 10k R5643 10k R5603 2.2 R5681 10k 1% R5683 6.2k 1% R5600 68 *R5301 2.2 R5724 15 R5613 47k R5682 1.5k 1% *R5315 1k C0DBGYY00884 IC5290 VOUT 3 2 VSS VIN 1 PA5300 VJUMP1608-P D5605 B0ECKM000048 IC5250 C0DBEYY00123 1 VO 2 FB 3 GND 4 N.C 5 EN 6 N.C 7 N.C 8 VCC FIN *R5307 12k 0.5% *R5308 2.2k 0.5% SUB1.5V DCDCEN Q5431 DSA200100L R5454 4.7k R5435 220 *R5459 4.7k D5449 DZ2J068M0L Q5435 DSA200100L R5540 4.7k R5451 1k R5445 100k R5434 10k C5431 16V 0.1u *D5439 DZ2J068M0L Q5432 DSC2001S0L R5433 1k *R5443 220 D5435 B0ADCJ000100 R5441 220 D5432 B0ADEJ000035 SUB9V R5455 4.7k SUB5V SUB5V R5431 2.2k C5432 16V 0.1u R5452 100k R5438 4.7k D5443 DZ2J068M0L D5433 B0ADCJ000100 D5442 DZ2J068M0L SUB3.3V D5440 DZ2J120M0L D5437 B0ADCJ000100 D5445 DZ2J068M0L R5432 3.3k R5461 4.7k SG-SOS SUB1.2V_A SUB_OP_5V R5453 4.7k R5439 470 Q5436 DSC200100L SUB6V R5444 100k D5441 DZ2J120M0L R5456 4.7k R5437 2.2k SUB_OP_5V R5458 4.7k SUB1.2V_D D5431 B0ADEJ000035 D5434 B0ADCJ000100 SUB9V D5444 DZ2J068M0L SUB6V STB3.3V TP5431 "H": ON "L": OFF "H": ON "L": OFF 159 161 156 155 160 157 158 154 162 SOS TO Sheet GenX ! TO 6/22 TO 18,21/22 TO 18,21/22 TO 18,21/22 TO 18,21/22 SUB6V 5V SUB_OP_5V 9V 3.3V AVDDH 3.3V TH-P46G20C A-Board (18/22) Schematic Diagram TH-P46G20C A-Board (18/22) Schematic Diagram A-BOARD TNPH0845HC (18/22) 66 12.24.A 电路板 (19/22) 和 K 电路板线路图 + + G G S P PUSH P S C1010 25V 1u C2756 10u 25V C2759 1u 25V C3752 1000p 50V C2757 25V 0.01u C1009 16V 0.1u C2752 25V 0.01u C2758 25V 47u C2760 16V 10u D1004 EZAEG2A50AX D1007 EZAEG2A50AX D1005 EZAEG2A50AX D1006 EZAEG2A50AX D1010 EZAEG2A50AX D1008 EZAEG2A50AX D1009 EZAEG2A50AX D1002 EZJZ0V120JA D1003 EZJZ0V120JA 0.1u F1J1E104A148 FL2759 IC1000 C1ZBZ0003775 1 SDA 2 SCL 3 ALERT 4 GND 5 A2 6 A1 7 A0 8 V+ A1 1 2 3 4 5 6 7 8 9 10 11 A7 1 2 3 4 5 6 7 8 9 10 11 12 13 14 STB5V SUB3.3V SUB_AI_3.3V DCDCIN P15V S_15V STB3.3V STB5V F15V VJ2827 R2833 PA5610 K5H4022A0031 TP0102 TP2754 TP2751 TP0110 TP2758 TP1056 TP0104 TPF15V TP2756 TP2806 TP1062 TPEC0 TP2807 TP2808 TP0108 TPST5 TP0107 TPS15V TP2757 TP1057 TP2805 TPP15V TP2812 TP2811 TP2814 TP2813 TP2810 TP2752 TP1055 TP0109 TP0105 TP0106 TP0101 TP2755 TP2753 TP1054 TPS0N PG-MAIN_FAN_ON SG-TV_SUB_ON PG-FAN_MAX SG-G_LED_ON SG-PD4H_PANEL_MAIN_ON SG-R_LED_ON SG-KEY1 SOS4_PS FACT_SDBOOT SG-AI_SENSOR STB_5V_SWON SG-RMIN PG-FAN_SOS SG-SRQ_GENX PEAKS_SCL0 PEAKS_SCL1 PEAKS_SDA2 ADJ-GENX_SCL TMP-SENS_SCL PEAKS_SDA0 P_S1 PEAKS_SDA1 TMP-SENS_SDA P_S0 PEAKS_SCL2 R0931 22 R2816 47k 1% R2550 14.3k R2824 100 R2835 100 R0932 22 1% R2551 6.65k R2752 180k R1010 10k R2819 47k R2831 47k 1% R2552 7.15k R2828 100 1% R2553 1.74k R2807 47k R2830 47k R2753 1k R2826 100 R0180 100 R2834 100 R1004 0 SW2553 K0H1BA000445 SW2550 K0H1BA000445 SW2551 K0H1BA000445 SW2552 K0H1BA000445 SW2554 K0H1BA000445 SW2500 K0F122A00031 CN0102 1 2 3 4 5 6 7 8 9 10 11 A6 1 2 3 4 5 6 7 8 9 10 11 C2753 1u 10V R2804 R2751 ADJ_GENX_SDA +15V_S S_GND S_GND F+15V +15V_S +15V_C S_GND (PEAKS E2PROM) STB5V PEAKS_SDA1 GenX8_SDA1 (PEAKS E2PROM) (Panel Dpr.E2PROM) GenX7_SRQ Panel_SDA (Panel Dpr.E2PROM) (GenX8 Loarder/E2PROM) Panel_SCL TO Sheet GenX TO Sheet IIC (GenX8 Loarder/E2PROM) TO Sheet IIC GND TO Sheet IIC GenX8_SCL1 GenX8_SRQ PEAKS_SCL1 TO Sheet GenX TO Sheet GenX GND GND GND GND SD-LED RMIN TO Sheet GenX/LOCK_PEAKS-LDA2 STB3.3V R_LED_ON G_LED_ON AI_SENSOR NC ECO_ON GND PS_SOS AC_LOW ALL_OFF PANEL_MAIN_ON STBY5V F_STBY_ON STB_SW TO Sheet STB-RESET Main_SW_1 Main_SW_2 TO Sheet GenX8 NC(D_PDB_MODE) F+15V F+15V KEYSCAN F - + TV AV N.C S0 S1 SUB3.3V GND 171 165 169 167 170 163 166 164 168 ! TO 1/22 TO 1/22 TO 1/22 TO 1/22 TO 6/22 TO 6/22 TO 6,14/22 TO 6/22 TO 6/22 TO 6/22 TO 6/22 TO 14/22 TO 15/22 TEMP SENSOR FOR FACTORY USE TO P-BOARD (P6) TO P-BOARD (P7) POWER SWITCH BOTTOM PAD NC S G R VCC GND OUT 0V SN2510 B3JB00000078 1 IOUT 4 NC 2 GND 3 VCC 5 GC1 6 GC2 Q2510 DSC200100L R2514 10k TP2503 TP2504 R2519 1.82k VJ2512 C2521 16V 0.1u C2515 50V 0.01u TP2508 Q2511 DSC200100L Q2512 DSC200100L TP2506 R2517 22k C2511 10V 10u TP2501 TP2505 R2518 47k R2512 220k K1 1 2 3 4 5 6 7 8 R2511 100k R2513 22k R2516 680 R2515 47k D2520 B3AGB0000060 RM2510 B3RAD0000168 1 2 3 TP2502 R2510 47 C2510 0.01u 50V R_LED_ON SUB3.3V STBY3.3V SUB3.3V REMOCON STBY3.3V AI_SENSOR G_LED_ON C.A.T.S. SENSOR ! POWER LED K-BOARD TXN/K1LBUC REMOTE RECEIVER TH-P46G20C A-Board (19/22) and K-Board Schematic Diagram TH-P46G20C A-Board (19/22) and K-Board Schematic Diagram A-BOARD TNPH0845HC (19/22) 67 12.25.A 电路板 (20/22) 线路图 PD_ED14 PD_MMDQ17 PD_ED3 PD_MMDQ30 PD_ED0 PD_ED15 PD_MMBA1 PD_MMDQ0 PD_ED5 PD_ED11 PD_MMA0 PD_ED4 PD_MMA5 PD_MMDQ8 PD_MMA4 PD_ED9 PD_MMA13 PD_ED8 PD_ED10 PD_MMA8 PD_MMDQ7 PD_MMDQ9 PD_MMDQ18 PD_MMDQ12 PD_MMA2 PD_MMDQ3 PD_MMDQ20 PD_MMDQ6 PD_MMDQ28 PD_MMDQ21 PD_MMDQ26 PD_MMDQ22 PD_MMDQ5 PD_MMDQ19 PD_MMDQ16 PD_MMA9 PD_MMDQ11 PD_MMDQ31 PD_MMA12 PD_MMDQ23 PD_MMA3 PD_MMDQ15 PD_MMA11 PD_EA24 PD_MMDQ25 PD_MMDQ29 PD_EA5 PD_EA6 PD_MMDQ14 PD_EA2 PD_MMDQ24 PD_MMDQ2 PD_MMA6 PD_EA0 PD_MMA10 PD_MMDQ27 PD_EA1 PD_MMDQ10 PD_EA7 PD_MMDQ1 PD_EA3 PD_ED7 PD_MMA7 PD_MMBA2 PD_EA4 PD_ED13 PD_ED6 PD_MMA1 PD_ED2 PD_ED12 PD_MMBA0 PD_MMDQ4 PD_MMDQ13 PD_ED1 DDR1.5V PA_RX1M0 PD_VDDPUSB PD_VDDUSB PA_VDD12A PA_SIFINP PA_RX2P2 PA_RX1P2 PA_G1N PA_RX1M2 PD_AVDDPLL0_3 PD_CK74A PD_VDD33 PA_AVDD75D_PLLV PA_DDCSCL0 PA_RX2M0 PA_RXCP0 PA_AVDDSIF PD_AVDDPWM PA_NRST PA_DDCSCL1 PA_FBL1 PA_HIN PA_RXCM1 PD_VDDSD PD_CK27A PA_RX1P1 PA_AVDDADA PD_USBXI PD_MII_RXER PD_MII_RXDV PD_TCK PA_VDDAVAD PD_TDI PA_V1N PA_LIN1_RP PD_VDDAUSB PA_RX2P1 PA_RXCM0 PA_B1N PA_AVDDA PA_DDCSCL2 PD_XIRQ3 PD_USB1RREF PD_MMVREF1 PD_DCK33IN PD_VDDR PA_SIFINN PD_MII_CRS PD_CK27B PD_TMS PA_R1 PD_CK74B PA_RXCM2 PD_MII_TXCLK PA_RX0M1 PD_DAAVDD1 PA_RX1P0 PD_WUC PD_USB0OC PD_USB0RREF PD_VDD12 PD_LVVDD12 PD_XIRQ2 PA_RX0M2 PD_MII_RXD1 PA_R1N PD_MMVREF0 PA_RXCP2 PA_RX0P0 PA_B1 PD_NFRYBY PA_RX2M2 PD_LVVDD33 PD_XRST PA_AVDDH PD_AVDDPLL1_2 PA_AVDDPLLA PA_V1 PA_RXCP1 PD_TRST PA_AVDDV PD_IPCK33IN PA_LIN1_LP PD_MII_RXD3 PD_VDD33 PA_RX2M1 PA_RX0P1 PA_RX1M1 PD_MII_RXCLK PA_VIN PD_MII_COL PD_XIRQ1 PA_AVDDV PD_MII_RXD2 PD_VVREF PA_AVDDHP PD_MUTEB PA_G1 PA_RX0M0 PA_RX0P2 PA_RX2P0 PD_VDDA PD_USB1OC PA_AXI PD_VDDIOCK PD_MII_RXD0 PA_HP1_L1 PA_VREFLSIF PD_TA1N PA_BIAS2 PD_MII_TXD3 PD_MMDM1 PD_TCLK2P PD_TCLK1P PD_TC1P PD_TA1P PD_MMVCAL PD_TE2P PD_TD2P PD_TA2P PD_TC2N PD_MMODT PA_VREF1V5 PD_TE2N PA_VREFL1 PA_LO2_R PD_MMXRAS PD_TE1P PA_VREFH3 PD_TB1P PD_MMDM0 PD_USB1VBUS PD_MMXCAS PD_EVTRG PD_MMA[0-13] PD_APWMSRP PD_VCOMP PD_MII_TXD2 PD_TB2P PA_HP1_R1 PD_MMXCS0 PD_MVIREF PD_VC27A PA_VREFL2 PD_MMXRESET PD_MMDM3 PA_VREFH0 PD_TA2N PA_BIAS PD_MII_TXEN PD_MDC PA_AXO PD_MII_TXD1 PD_WAKEUP PD_TB2N PD_TC2P PD_TC1N PA_VREFL3 PD_MMRODT PD_APWMSRN PA_VREFH2 PD_NSHUTDOWN PD_APWMSLN PD_TCLK1N PD_MMXWE PD_IECOUT0 PD_MMBA[0-2] PD_TE1N PA_LO1_L PD_TD1P PD_TB1N PD_TD2N PD_PHYRSTL PD_MMCKE PA_VREFL0 PA_VREFH1 PD_APWMSLP PD_MII_TXD0 PA_LO1_R PA_VREFHSIF PD_USB0VBUS PD_MMXCK PD_MVDACOY PD_MMXCS1 PA_VREG PD_TCLK2N PD_MMDM2 PD_TD1N PA_LO2_L PD_MMCK PD_HSBCLKOUT PD_RXD1 PD_SCL0 PD_ERXW PA_DDCSDA1 PD_SDCLK PD_XIRQ6 PD_SDA2 PD_MMXDQS2 PD_HS0D5 PD_NFCLE PD_SBO0 PD_XIRQ5 PD_MDIO PD_HSDOUT6 PD_RXD2 PD_MMDQS3 PD_PWMK PD_XECS2 PD_XIRQ4 PD_USB0DN PD_SDDAT2 PD_XNFRE PD_XECS4 PD_CH1CLK PD_HSDOUT4 PD_SDA1 PD_MMXDQS0 PD_HS0D1 PD_SDCMD PD_PWMA PD_HS0D0 PD_XRTS0 PD_LOSDO1 PD_HS0D2 PD_HS0D4 PD_HSDOUT7 PD_HS0CLK PD_SDCD PD_SDVOLC PD_MMDQ[0-31] PD_USB1DP PD_SCL2 PD_HS0D6 PD_MMDQS1 PD_SDDAT1 PD_PWMC PD_PWMB PD_MMXDQS3 PD_VOUTENB PD_SDA0 PD_XNFCE PD_XIRQ8 PA_DDCSDA0 PD_XECS3 PD_HSDOUT5 PD_SDDAT0 PD_XNFWP PD_LOSDO2 PD_HS0VAL PD_SDDAT3 PD_PWMD PD_SCL1 PA_DDCSDA2 PD_XCTS0 PD_HS0D7 PD_MMXDQS1 PD_TXD1 PD_MMDQS2 PD_SBI0 PD_XECS5 PD_XIRQ10 PD_XEWE1 PD_SDWP PD_CH0CLK PD_HS0PSYNC PD_LOSDO10 PD_MII_SBO PD_MDIO_INTL PD_USB0DP PD_USB1DN PD_EA[0-7,24] PD_HS0D3 PD_NFALE PD_XIRQ7 PD_XRI0 PD_XNFWE PD_SMTSEL0 PD_LOSDICLK PD_ED[0-15] PD_XERE PA_HP_MUTE PD_XIRQ9 PD_MMDQS0 *IC8000 MN2WS0110C A1 VSS *IC8000 J31 PCAD31 *IC8000 AK13 VDDAUSB0 *IC8000 F12 AVDDA *IC8000 AK8 VDD33 *IC8000 F23 SBT1 *IC8000 R6 HSDOUT4 *IC8000 C31 EVTRG *IC8000 AN6 MII_CRS *IC8000 AM31 MMA2 *IC8000 M13 AVDDADA2 *IC8000 H5 AVDDV *IC8000 C3 VSS *IC8000 T30 PCCXBE1 *IC8000 L29 LVVDD33 *IC8000 G1 RX1P0 *IC8000 A29 LOSDO4 *IC8000 AA34 PCAD4 *IC8000 AM1 EA0 *IC8000 G6 AVSSV *IC8000 AD31 MMRODT *IC8000 K29 LVVDD33 *IC8000 U15 VSS *IC8000 R3 HSDOUT2 *IC8000 N21 VSS *IC8000 U33 PCAD15 *IC8000 H30 RXD2 *IC8000 AL23 MMDQ22 *IC8000 C28 LOSDO7 *IC8000 C6 VREFL2 *IC8000 B17 VVREF *IC8000 M17 VDD12A *IC8000 E28 LOSDO6 *IC8000 AA23 VDDA *IC8000 AG6 XRST *IC8000 D3 VSS *IC8000 AK10 MII_RXD0 *IC8000 M15 AVDDADA3 *IC8000 F19 APWMWRN *IC8000 W23 VSS *IC8000 AN11 VSS *IC8000 R20 VSS *IC8000 T31 VDD33 *IC8000 V12 SCL *IC8000 AM3 ED5 *IC8000 N16 VSS *IC8000 AH2 ESZ1 *IC8000 W29 PCBRQ0 *IC8000 T18 VDD12 *IC8000 R12 AVDDH *IC8000 G3 VSS *IC8000 AH30 MMDQ11 *IC8000 AJ23 MMVREF1 *IC8000 W15 VSS *IC8000 V5 HS0D0 *IC8000 F13 AVSSA *IC8000 AB22 VSS *IC8000 B7 V1N *IC8000 D28 VSS *IC8000 AE30 MMDQ4 *IC8000 AL7 MII_TXCLK *IC8000 AB2 SDDAT2 *IC8000 C11 VSS *IC8000 T20 VSS *IC8000 AL27 MMA10 *IC8000 AA33 PCAD3 *IC8000 AK24 MMDQ20 *IC8000 B13 LO1_L *IC8000 P30 PCXSTOP *IC8000 B33 TA1N *IC8000 AA12 VSS *IC8000 R32 PCAD20 *IC8000 AC13 VSS *IC8000 AF29 MMVREF0 *IC8000 A20 XIRQ5 *IC8000 N30 PCXTRDY *IC8000 Y34 PCAD7 *IC8000 AP11 USB1RREF *IC8000 AL17 VDDR *IC8000 AP30 MMXCK *IC8000 Y16 VSS *IC8000 J2 RX1M2 *IC8000 F26 LOSDO15 *IC8000 AC14 AVSSPLL12 *IC8000 AB4 VDD33 *IC8000 B28 LOSDO8 *IC8000 G34 TE1P *IC8000 AP8 MII_TXEN *IC8000 N15 AVSSADA3 *IC8000 AE34 MMDQ7 *IC8000 AM10 VC27B *IC8000 AA19 VDD12 *IC8000 AP10 USBXI *IC8000 AN26 MMBA1 *IC8000 AP7 MII_TXD2 *IC8000 C19 APWMSLN *IC8000 AK19 MMDQ25 *IC8000 AL33 VSS *IC8000 H32 LVVSS *IC8000 AF6 NFRYBY *IC8000 AG31 MMDQS0 *IC8000 AN18 MMDQ30 *IC8000 AF3 XECS5 *IC8000 P2 HIN *IC8000 P34 PCAD25 *IC8000 AN30 MMCK *IC8000 AC22 VDDR *IC8000 AM2 ED1 *IC8000 J34 TB2P *IC8000 AK18 VSS *IC8000 M34 TD2P *IC8000 AG33 VSS *IC8000 E16 TEST_A1 *IC8000 J32 LVVSS *IC8000 AP2 ED3 *IC8000 N14 AVSSADA1 *IC8000 AL10 CK27B *IC8000 AA3 CH0PSYNC *IC8000 B11 AXI *IC8000 J33 TB2N *IC8000 E26 LOSDOCLK *IC8000 W1 IS0PSYNC *IC8000 AN14 USB0DP *IC8000 AH3 ESZ0 *IC8000 AM11 CK74B *IC8000 F14 AVSSA *IC8000 AP12 USB0OC *IC8000 H6 AVSSV *IC8000 U18 VDD12 *IC8000 C18 APWMWRP *IC8000 AM29 MMXRESET *IC8000 D15 AVSSHP *IC8000 G31 LVVSS *IC8000 A21 XCTS0 *IC8000 AP9 MII_RXDV *IC8000 AA4 CH0VAL *IC8000 W34 PCAD10 *IC8000 AP24 VDDIO *IC8000 AH6 BOOTSWAP *IC8000 AE29 VDDIO *IC8000 W2 IS0VAL *IC8000 D29 LOSDO1 *IC8000 AL32 MMDQ8 *IC8000 Y29 PCBGT0 *IC8000 V22 DTCPOUT *IC8000 P16 VSS *IC8000 AA6 SBI0 *IC8000 D2 RX0M1 *IC8000 AE4 VDD33 *IC8000 E9 T_L1P *IC8000 R29 PCCXBE2 *IC8000 N1 RX2P2 *IC8000 V16 VSS *IC8000 AH1 XEDK *IC8000 J30 PCAD30 *IC8000 AB15 AVDDPLL12 *IC8000 AP20 VDDIO *IC8000 AM13 VSSAPUSB *IC8000 AC3 SMTRST0 *IC8000 AC4 VSS *IC8000 B10 VSS *IC8000 B32 TRST *IC8000 AL29 VDDIOCK *IC8000 Y2 VSS *IC8000 D9 VREFLSIF *IC8000 AC32 XIRQ6 *IC8000 U5 HS0D4 *IC8000 H33 TA2N *IC8000 C14 AVDDHP *IC8000 AJ10 MII_RXD1 *IC8000 AA15 VSS *IC8000 AK9 MII_RXD2 *IC8000 P3 NRST *IC8000 K4 DDCSCL2 *IC8000 AN22 VSS *IC8000 AM28 VSS *IC8000 D31 TSTAIO *IC8000 D12 ZEROMUTE0 *IC8000 A22 XRTS0 *IC8000 E21 XIRQ2 *IC8000 AJ24 VDDIO *IC8000 AJ19 VSS *IC8000 E14 AVDDHP *IC8000 E1 RX0P2 *IC8000 B34 TA1P *IC8000 AE6 XNFWP *IC8000 AP32 MMA0 *IC8000 C17 VCOMP *IC8000 AH5 EA7 *IC8000 M2 RX2M1 *IC8000 P21 VSS *IC8000 A3 VCMOBGR *IC8000 F5 ADCT1 *IC8000 N29 PCXIRDY *IC8000 AP5 XIRQ1 *IC8000 D34 TC1P *IC8000 AM5 ED14 *IC8000 B24 PWMB *IC8000 AH32 VSS *IC8000 N6 VDDAVAD *IC8000 AN12 USB0VBUS *IC8000 AK26 VSS *IC8000 F22 TXD0 *IC8000 A8 BIAS *IC8000 C25 LOSDOVS *IC8000 B6 R1N *IC8000 K5 AVDDV *IC8000 AJ22 VDDIO *IC8000 H4 DDCSCL0 *IC8000 W19 VDD12 *IC8000 B23 XDCD0 *IC8000 Y4 CH1VAL *IC8000 F16 VSS *IC8000 T13 AVDDH *IC8000 B8 BIAS2 *IC8000 P6 HSDOUT7 *IC8000 L2 RX2M0 *IC8000 E32 LVVSS *IC8000 D27 VSS *IC8000 E33 TCLK1N *IC8000 D14 AVDDHP *IC8000 J6 AVSSV *IC8000 C7 VREFL3 *IC8000 L31 PCAD27 *IC8000 V19 VDD12 *IC8000 AK27 MMA3 *IC8000 AN16 VDD12 *IC8000 M22 VDD33 *IC8000 G33 TE1N *IC8000 AJ14 VDDUSB *IC8000 A4 G1 *IC8000 K6 AVDDV *IC8000 AL28 MMBA0 *IC8000 AN5 ED15 *IC8000 AC16 USB0ATEST *IC8000 E7 AVDDPLLV *IC8000 AJ8 MDC *IC8000 AA17 VSS *IC8000 M6 VDDAVAD *IC8000 M31 VSS *IC8000 AL21 VSS *IC8000 B27 LOSDO13 *IC8000 AP33 MMXWE *IC8000 AM34 MMDQ10 *IC8000 AC2 SDCMD *IC8000 AP19 MMDM2 *IC8000 B22 XRI0 *IC8000 J29 LVVDD33 *IC8000 AL9 VDD33 *IC8000 AP27 MMA8 *IC8000 H1 RX1P1 *IC8000 AJ31 MMDQ9 *IC8000 R30 PCCXBE3 *IC8000 V17 VDD12 *IC8000 R23 AVDDPLL3 *IC8000 K34 TC2P *IC8000 M5 VDDAVAD *IC8000 T15 AVDDH *IC8000 AN15 VDD12 *IC8000 AN28 MMA11 *IC8000 U17 VDD12 *IC8000 AL5 ED13 *IC8000 AB13 TCPOUT12 *IC8000 C22 XDSR0 *IC8000 F9 T_L1N *IC8000 AM24 VSS *IC8000 E18 MVDACOY *IC8000 D32 LVVSS *IC8000 AC17 VSS *IC8000 AB6 SMTD0 *IC8000 C34 TB1P *IC8000 AC29 SDA2 *IC8000 W22 VSS *IC8000 AJ3 ERXW *IC8000 W6 RMCO *IC8000 U22 DPAVDD *IC8000 Y31 VDD33 *IC8000 U23 LVVDD12 *IC8000 AH4 ECLK *IC8000 AN9 MII_RXER *IC8000 AJ16 VDD12 *IC8000 A23 XDTR0 *IC8000 P23 AVDDPLL0 *IC8000 AB23 VDDA *IC8000 AA2 VSS *IC8000 E3 VSS *IC8000 AN31 VSS *IC8000 L4 DDCSDA0 *IC8000 B21 SCL0 *IC8000 AM21 VDDIO *IC8000 AN23 MMDQ21 *IC8000 AA31 VSS *IC8000 AN21 MMXDQS2 *IC8000 E5 ADCT2 *IC8000 AK21 MMXDQS3 *IC8000 T2 HSVALOUT *IC8000 L33 TCLK2N *IC8000 W4 VDD33 *IC8000 AP28 MMA1 *IC8000 C32 LVVSS *IC8000 A27 LOSDO14 *IC8000 F31 RXD1 *IC8000 AL20 MMDQ27 *IC8000 N34 TE2P *IC8000 F3 VSS *IC8000 U3 HS0D3 *IC8000 M4 DDCSDA1 *IC8000 AG4 VDDEX *IC8000 AB19 VDD12 *IC8000 D33 TC1N *IC8000 AC20 VDDR *IC8000 AK25 MMODT *IC8000 W16 VSS *IC8000 A26 LOSDIHS *IC8000 AB30 PCCLKO1 *IC8000 AN24 MMDQ23 *IC8000 V30 PCIDSELB *IC8000 P29 PCXFRAME *IC8000 AJ12 USB1VBUS *IC8000 N2 RX2M2 *IC8000 U4 VSS *IC8000 AA29 PCIRQ0 *IC8000 AN13 USB1DP *IC8000 AP16 VDD12 *IC8000 B20 XIRQ4 *IC8000 D17 MVDACOC *IC8000 B16 VSS *IC8000 N22 TCPOUT0 *IC8000 F18 MVIREF *IC8000 AN3 ED6 *IC8000 P31 VSS *IC8000 K1 RXCP2 *IC8000 AK5 ED12 *IC8000 AL24 MMDQ18 *IC8000 B15 LIN1_N *IC8000 V34 PCAD13 *IC8000 AN32 MMBA2 *IC8000 D22 VDD33 *IC8000 AA32 PCAD2 *IC8000 AK28 VDDIO *IC8000 AN20 MMDM3 *IC8000 AP17 VDDR *IC8000 AG32 MMXDQS0 *IC8000 B2 RXCM0 *IC8000 AJ9 MII_RXD3 *IC8000 AK32 VDDIO *IC8000 Y17 VSS *IC8000 G29 LVVDD33 *IC8000 G4 TMODE1 *IC8000 E13 AVSSA *IC8000 Y30 PCBGT1 *IC8000 AB20 VDD12 *IC8000 AM26 VDDIO *IC8000 AE32 VSS *IC8000 AA18 I2CSEL *IC8000 F2 RXCM1 *IC8000 Y19 VDD12 *IC8000 T12 AVDDH *IC8000 AP4 ED11 *IC8000 AH29 MMA9 *IC8000 U2 HS0D2 *IC8000 AJ5 EA6 *IC8000 B4 G1N *IC8000 AJ32 MMDM1 *IC8000 AP21 MMDQS2 *IC8000 C9 VREFHSIF *IC8000 AL16 VDD12 *IC8000 AL12 VDDPUSB1 *IC8000 AB17 TSTSEL *IC8000 AB14 AVDDPLL12 *IC8000 AC34 XNMIRQ *IC8000 A24 PWMA *IC8000 AC33 XIRQ7 *IC8000 AK14 VSSAPUSB *IC8000 AG29 VSS *IC8000 D23 VSS *IC8000 M23 VDD33 *IC8000 C33 TB1N *IC8000 AB33 PCAD0 *IC8000 AP18 MMDQ28 *IC8000 AP31 VSS *IC8000 K3 VSS *IC8000 AB31 VSS *IC8000 B25 LOSDOYM *IC8000 D16 TEST_A2 *IC8000 AJ1 XEWE1 *IC8000 AP22 VSS *IC8000 AK20 VDDIO *IC8000 G30 LVVSS *IC8000 P19 VDD12A *IC8000 P4 HSDOUT5 *IC8000 AM14 USB0RREF *IC8000 AP14 USB0DN *IC8000 F20 APWMSRN *IC8000 V13 SDA *IC8000 E11 AVDDA *IC8000 AL19 VDDIO *IC8000 AB18 VDD12 *IC8000 AK22 VSS *IC8000 AK1 EA5 *IC8000 R2 HSDOUT1 *IC8000 AA30 PCIRQ1 *IC8000 E22 RXD0 *IC8000 U14 VSS *IC8000 AB29 PCCLKO0 *IC8000 T33 PCAD18 *IC8000 V31 VSS *IC8000 D26 VDDEX *IC8000 C13 LO2_R *IC8000 AH33 MMDM0 *IC8000 A14 HP1_R1 *IC8000 AM19 MMDQ26 *IC8000 U20 VSS *IC8000 B31 TCK *IC8000 AK30 VSS *IC8000 C26 LOSDOHS *IC8000 AE33 MMDQ6 *IC8000 AM33 MMDQ14 *IC8000 AK11 VC27A *IC8000 J1 RX1P2 *IC8000 C30 VDD33 *IC8000 AL15 VDD12 *IC8000 AK34 MMXDQS1 *IC8000 AN10 USBXO *IC8000 AC30 SCL2 *IC8000 AF34 VSS *IC8000 AK16 VDD12 *IC8000 L1 RX2P0 *IC8000 AM17 VDDR *IC8000 E30 VDD33 *IC8000 AJ15 VDD12 *IC8000 AA16 VSS *IC8000 AL6 MII_RXCLK *IC8000 AC1 SDCLK *IC8000 R31 VDD33 *IC8000 T34 PCAD19 *IC8000 W20 VDD12 *IC8000 AK3 EA3 *IC8000 D5 VREFH1 *IC8000 T4 VSS *IC8000 L32 LVVSS *IC8000 AN19 VSS *IC8000 R34 PCAD22 *IC8000 W33 PCAD9 *IC8000 AM15 VDD12 *IC8000 P33 PCAD24 *IC8000 N3 VSS *IC8000 AH34 MMDQ3 *IC8000 AP1 VSS *IC8000 AM32 VSS *IC8000 W17 VDD12 *IC8000 V21 VSS *IC8000 A10 VSS *IC8000 AC19 VDD12 *IC8000 AL25 VSS *IC8000 A6 R1 *IC8000 N17 VDD12A *IC8000 T32 PCAD17 *IC8000 AG3 XECS2 *IC8000 F11 VREF1V5 *IC8000 AK2 EA4 *IC8000 B19 APWMSLP *IC8000 AN27 MMA6 *IC8000 A5 B1 *IC8000 AJ2 XEWE0 *IC8000 F30 XIRQ10 *IC8000 C2 RX0M0 *IC8000 AL8 MDIO *IC8000 AA21 VDD12 *IC8000 AB3 SMTCMD0 *IC8000 AP13 USB1DN *IC8000 AC12 FPEN *IC8000 AL2 EA1 *IC8000 U30 PCXSERR *IC8000 AC31 VSS *IC8000 AB21 VDD12 *IC8000 AA13 VSS *IC8000 F28 LOSDO5 *IC8000 N12 AVSSV *IC8000 P22 AVSSPLL0 *IC8000 W12 VDD33 *IC8000 AJ6 WAKEUP *IC8000 AL4 VSS *IC8000 H31 TXD2 *IC8000 AG2 XECS1 *IC8000 A11 AXO *IC8000 D6 VREFH2 *IC8000 B30 VDD33 *IC8000 AF33 MMDQ1 *IC8000 D13 LO2_L *IC8000 AF4 VDDEX *IC8000 C10 AVDDSIF *IC8000 F24 PWMK *IC8000 V2 HS0PSYNC *IC8000 AF32 VDDIO *IC8000 AJ29 VDDIO *IC8000 U6 HS0D5 *IC8000 N5 VDDAVAD *IC8000 C8 T_L0P *IC8000 A12 VSS *IC8000 F7 AVSSV *IC8000 AG34 MMDQ5 *IC8000 N4 DDCSDA2 *IC8000 A7 V1 *IC8000 B18 APWMWLN *IC8000 AF1 XECS3 *IC8000 Y33 PCAD6 *IC8000 AD32 DCK33IN *IC8000 AD1 SDDAT1 *IC8000 AN2 ED2 *IC8000 R15 AVDDH *IC8000 C5 VREFL1 *IC8000 P1 VIN *IC8000 E27 LOSDO11 *IC8000 F29 VDD33 *IC8000 H29 LVVDD33 *IC8000 AF5 XNFRE *IC8000 AM7 VSS *IC8000 E2 RX0M2 *IC8000 E10 HP_MUTE *IC8000 N32 LVVSS *IC8000 D8 T_L0N *IC8000 U16 VSS *IC8000 P12 AVSSV *IC8000 AD2 SDDAT0 *IC8000 L3 VSS *IC8000 E19 APWMSRP *IC8000 AK12 USB1OC *IC8000 AL3 ED4 *IC8000 AP6 MII_COL *IC8000 L30 PCAD26 *IC8000 U12 VSS *IC8000 E15 AVSSHP *IC8000 AA20 VDD12 *IC8000 AP23 MMDQ17 *IC8000 AD3 SDVOLC *IC8000 G2 RX1M0 *IC8000 A13 LO1_R *IC8000 W14 VDD33 *IC8000 AJ30 MMDQ13 *IC8000 P20 VSS *IC8000 AA5 CH0DATA *IC8000 M21 VSS *IC8000 AH31 VDDIO *IC8000 T6 HS0D7 *IC8000 D24 VSS *IC8000 P15 AVSSV *IC8000 H34 TA2P *IC8000 AP26 MMA4 *IC8000 AA1 CH0CLK *IC8000 AM16 VDD12 *IC8000 M33 TD2N *IC8000 AN1 ED0 *IC8000 V3 HS0CLK *IC8000 AK29 MMA5 *IC8000 AP34 VSS *IC8000 AG5 EA24 *IC8000 AC18 VDD12 *IC8000 Y21 VDD12 *IC8000 AJ18 MMDQ29 *IC8000 AM27 VSS *IC8000 AK6 WUC *IC8000 AD34 VDDIOCK *IC8000 M14 AVDDADA1 *IC8000 F4 FBL1 *IC8000 AN17 VDDR *IC8000 AK17 VDDR *IC8000 V15 VSS *IC8000 AD33 VSS *IC8000 F21 XIRQ8 *IC8000 AJ33 VDDIO *IC8000 A32 TDI *IC8000 V18 VDD12 *IC8000 B26 LOSDIVS *IC8000 F34 TD1P *IC8000 W31 VDD33 *IC8000 A25 LOSDOYS *IC8000 R19 VDD12 *IC8000 L5 VDDAVAD *IC8000 AD4 SDWP *IC8000 AJ20 MMDQ24 *IC8000 AN25 VDDIO *IC8000 B5 B1N *IC8000 V33 PCAD12 *IC8000 AP3 ED7 *IC8000 B12 VSS *IC8000 W18 VDD12 *IC8000 T5 HS0D6 *IC8000 AB12 VSS *IC8000 AM25 MMXCAS *IC8000 H3 VSS *IC8000 A15 LIN1_LP *IC8000 T1 HSSYNCOUT *IC8000 E34 TCLK1P *IC8000 Y15 VSS *IC8000 T29 PCCXBE0 *IC8000 A34 LVVSS *IC8000 D19 AVSSPWM *IC8000 AE31 MMDQ2 *IC8000 R21 VSS *IC8000 A31 TDO *IC8000 W5 IS0CLK *IC8000 J4 DDCSCL1 *IC8000 D11 AVDDA *IC8000 AM30 VDDIO *IC8000 U21 VSS *IC8000 AL34 VSS *IC8000 M32 LVVSS *IC8000 AJ26 MMXCS0 *IC8000 U32 PCAD14 *IC8000 AC23 VSS *IC8000 B29 LOSDO3 *IC8000 P18 VDD12A *IC8000 A18 APWMWLP *IC8000 P17 VDD12A *IC8000 A33 TMS *IC8000 K2 RXCM2 *IC8000 D21 VDD33 *IC8000 K31 PCAD29 *IC8000 C20 NSHUTDOWN *IC8000 N18 VDD12A *IC8000 W30 PCBRQ1 *IC8000 AJ27 MMA12 *IC8000 AJ34 VDDIO *IC8000 AJ13 IPCK33IN *IC8000 F15 AVSSHP *IC8000 A17 DAAVSS1 *IC8000 A9 SIFINP *IC8000 AA14 VSS *IC8000 C24 PWMC *IC8000 AP25 MMCKE *IC8000 AN8 MII_TXD0 *IC8000 Y1 CH1CLK *IC8000 AB5 SMTSEL0 *IC8000 D18 VSS *IC8000 U1 HS0D1 *IC8000 F17 VSS *IC8000 AL30 MMA13 *IC8000 M1 RX2P1 *IC8000 AL31 VDDIO *IC8000 V4 VDD33 *IC8000 E8 AVDDPLLA *IC8000 C21 SDA0 *IC8000 R1 HSDOUT0 *IC8000 K30 PCAD28 *IC8000 U13 VSS *IC8000 AM20 VSS *IC8000 T17 VDD12 *IC8000 R14 AVDDH *IC8000 E31 TXD1 *IC8000 W13 VDD33 *IC8000 D4 VREFH0 *IC8000 A19 MUTEB *IC8000 R16 VSS *IC8000 AN7 MII_TXD3 *IC8000 AD29 MMVCAL *IC8000 AP15 VDD12 *IC8000 AL18 MMDQ31 *IC8000 N31 VSS *IC8000 E20 AVDDPWM *IC8000 AL14 VDDPUSB0 *IC8000 D10 AVSSSIF *IC8000 T22 TCPOUT3 *IC8000 F32 LVVSS *IC8000 M12 AVSSV *IC8000 C23 SBO1 *IC8000 AK4 ED8 *IC8000 V6 XIRQ9 *IC8000 N19 VDD12A *IC8000 E17 DAAVDD1 *IC8000 C16 TESTIO *IC8000 V23 VSS *IC8000 AL13 VDDAUSB1 *IC8000 F1 RXCP1 *IC8000 F8 AVSSPLLA *IC8000 A16 VSS *IC8000 B1 RXCP0 *IC8000 AN34 MMDQ12 *IC8000 C15 LIN1_RP *IC8000 E6 AVDD75D *IC8000 AJ21 MMDQS3 *IC8000 R13 AVDDH *IC8000 E12 ZEROMUTE1 *IC8000 AJ7 MII_SBI *IC8000 F6 AVSSV *IC8000 AD5 SDA1 *IC8000 Y12 VDD33 *IC8000 Y5 CH1DATA *IC8000 AB32 PCRST *IC8000 AL26 MMXCS1 *IC8000 W32 PCAD8 *IC8000 AM22 MMDQ19 *IC8000 A30 VDD33 *IC8000 T14 AVDDH *IC8000 F27 LOSDO10 *IC8000 Y18 VDD12 *IC8000 T23 VSS *IC8000 Y14 VDD33 *IC8000 P14 AVSSV *IC8000 C4 VREFL0 *IC8000 Y20 VDD12 *IC8000 M20 VSS *IC8000 M30 PCPAR *IC8000 AJ11 CK74A *IC8000 AD6 SCL1 *IC8000 A28 LOSDO9 *IC8000 AJ17 VDDR *IC8000 D20 IECOUT0 *IC8000 P13 AVSSV *IC8000 N33 TE2N *IC8000 AJ28 MMA7 *IC8000 E24 PWMD *IC8000 F25 VOUTENB *IC8000 AJ25 MMXRAS *IC8000 AM12 VSSAPUSB *IC8000 T19 VDD12 *IC8000 AB16 USB1ATEST *IC8000 B14 HP1_L1 *IC8000 AA22 VSS *IC8000 AJ4 XERE *IC8000 AC5 VDDSD *IC8000 E4 TMODE0 *IC8000 AF30 VSS *IC8000 C12 ZEROMUTE2 *IC8000 C29 LOSDO2 *IC8000 Y13 VDD33 *IC8000 M18 VDD12A *IC8000 B9 SIFINN *IC8000 G5 ADCT0 *IC8000 R4 XIRQ3 *IC8000 AB1 SDDAT3 *IC8000 P5 HSDOUT6 *IC8000 W3 IS0DATA *IC8000 L6 VDDAVAD *IC8000 J3 VSS *IC8000 AM4 ED9 *IC8000 H2 RX1M1 *IC8000 D1 RX0P1 *IC8000 M3 VSS *IC8000 T21 VSS *IC8000 D30 VDD33 *IC8000 F33 TD1N *IC8000 AC6 SDCD *IC8000 AM18 VDDIO *IC8000 U31 VSS *IC8000 M29 PCDEVSEL *IC8000 Y3 CH1PSYNC *IC8000 AM9 MDIO_INTL *IC8000 AE5 XNFWE *IC8000 V14 TESTIOH *IC8000 N23 VDD33 *IC8000 AL22 MMDQ16 *IC8000 A2 VSS *IC8000 U34 PCAD16 *IC8000 J5 AVDDV *IC8000 AG1 XECS0 *IC8000 AK33 MMDQS1 *IC8000 T16 VSS *IC8000 T3 HSBCLKOUT *IC8000 R33 PCAD21 *IC8000 AN29 VDDIO *IC8000 L34 TCLK2P *IC8000 N20 VSS *IC8000 AL11 CK27A *IC8000 R18 VDD12 *IC8000 G32 LVVSS *IC8000 AE2 NFALE *IC8000 AF2 XECS4 *IC8000 E23 SBI1 *IC8000 V1 HS0VAL *IC8000 AM23 VDDIO *IC8000 AC15 AVSSPLL12 *IC8000 V20 VSS *IC8000 D7 VREFH3 *IC8000 AK23 VDDIO *IC8000 AB34 PCAD1 *IC8000 AM6 PHYRSTL *IC8000 E25 LOSDICLK *IC8000 AE3 XNFCE *IC8000 AP29 VDDIO *IC8000 AD30 VDDIO *IC8000 B3 VSS *IC8000 R17 VDD12 *IC8000 C1 RX0P0 *IC8000 AK7 MII_SBO *IC8000 G7 AVSSV *IC8000 AN4 ED10 *IC8000 P32 PCAD23 *IC8000 M16 VSS *IC8000 AC21 VDDR *IC8000 R22 AVSSPLL3 *IC8000 V29 PCIDSELA *IC8000 AK15 VDD12 *IC8000 U19 VDD12 *IC8000 C27 LOSDO12 *IC8000 AM8 MII_TXD1 *IC8000 AE1 NFCLE *IC8000 D25 VDDEX *IC8000 AN33 VDDIO *IC8000 R5 HSDOUT3 *IC8000 K32 LVVSS *IC8000 AG30 VDDIO *IC8000 Y23 VDDA *IC8000 K33 TC2N *IC8000 AF31 MMDQ0 *IC8000 M19 VDD12A *IC8000 E29 LOSDO0 *IC8000 AL1 EA2 *IC8000 W21 VSS *IC8000 Y6 SBO0 *IC8000 V32 PCAD11 *IC8000 N13 AVSSADA2 *IC8000 F10 VREG *IC8000 Y32 PCAD5 *IC8000 U29 PCXPERR *IC8000 AK31 MMDQ15 *IC8000 Y22 VSS SERIAL USB LVDS LOSD HSDATA TS IN Achip/Dchip GND SD CARD Dchip Power IC CARD Achip Power AudioOUT ExternalBus PCI_BUS System(Dchip) AV IO HDMI IN Video OUT(SD) System(Achip) Dchip Achip Dchip Achip DDR3 I/F EtherPHY 180 174 178 176 179 172 175 173 177 IC8000 ! TO 1/22 TO 1/22 TO 2/22 TO 2/22 TO 2/22 TO 2,11/22 TO 2,21/22 TO 2/22 TO 2/22 TO 2/22 TO 2/22 TO 2/22 TO 2/22 TO 2/22 TO 2/22 TO 3/22 TO 3,4/22 TO 3,4/22 TO 3/22 TO 3/22 TO 3/22 TO 3/22 TO 3/22 TO 3/22 TO 3/22 TO 2/22 TO 3/22 TO 3/22 TO 4/22 TO 4/22 TO 4/22 TO 5/22 TO 5/22 TO 5/22 TO 5/22 TO 5/22 TO 5/22 TO 5/22 TO 5/22 TO 5/22 TO 6/22 TO 7/22 TO 7/22 TO 7,10/22 TO 7/22 TO 7/22 TO 7/22 TO 7/22 TO 8,10/22 TO 8/22 TO 8/22 TO 8/22 TO 8/22 TO 14/22 TO 14/22 TO 14/22 TO 15/22 TO 16/22 TO 22/22 TO 22/22 TO 22/22 TO 22/22 TO 20,21/22 TO 20,21/22 TO 21/22 TO 21/22 TO 21/22 TO 21/22 TO 20,21/22 TO 20,21/22 TO 21/22 TO 21/22 TO 21/22 TO 21/22 PEAKS-LDA2 TO 3/22 TH-P46G20C A-Board (20/22) Schematic Diagram TH-P46G20C A-Board (20/22) Schematic Diagram A-BOARD TNPH0845HC (20/22) 68 12.26.A 电路板 (21/22) 线路图 + S S S S S S S S C8022 16V 0.1u C8057 10V 1u C8075 16V 0.1u C8065 16V 0.1u C8102 10V 10u C8122 16V 0.1u C8036 10V 1u C8035 16V 0.1u C8027 10V 1u C8018 16V 0.1u C8072 16V 0.1u C8131 16V 0.1u C8062 16V 0.1u C8030 16V 0.1u C8017 10u 10V C8083 6.3V 4.7u C8048 16V 0.1u C8119 16V 0.1u C8037 16V 0.1u C8011 16V 0.1u C8042 16V 0.1u C8068 16V 0.1u C8038 16V 0.1u C8090 16V 0.1u C8079 16V 0.1u C8111 16V 0.1u C8033 16V 0.1u C8044 16V 0.1u C8019 16V 0.1u C8129 16V 0.1u C8074 16V 0.1u C8025 16V 0.1u C8101 10V 10u C8084 10V 10u C8112 16V 0.1u C8046 16V 0.1u C8043 16V 0.1u C8070 16V 0.1u C8051 10V 1u C8050 16V 0.1u C8058 6.3V 4.7u C8110 16V 0.1u C8089 16V 0.1u C8133 16V 0.1u C8123 16V 0.1u C8052 16V 0.1u C8023 16V 0.1u C8056 16V 0.1u C8049 16V 0.1u C8067 16V 0.1u C8134 16V 0.1u C8053 16V 0.1u C8121 16V 0.1u C8004 16V 0.1u C8106 6.3V 4.7u C8132 16V 0.1u C8078 16V 0.1u C8000 10V 10u C8008 10u 10V C8120 16V 0.1u C8054 10V 1u C8005 10V 10u C8082 10u 10V C8124 16V 0.1u C8034 16V 0.1u C8127 16V 0.1u C8094 16V 0.1u C8071 16V 0.1u C8109 16V 0.1u C8010 16V 0.1u C8024 16V 0.1u C8060 6.3V 4.7u C8085 10V 10u C8015 10u 10V C8099 10V 10u C8087 16V 0.1u C8039 16V 0.1u C8091 16V 0.1u C8013 16V 0.1u C8117 16V 0.1u C8016 16V 0.1u C8063 16V 0.1u C8088 16V 0.1u C8029 16V 0.1u C8055 16V 0.1u C8009 10u 10V C8028 16V 0.1u C8059 6.3V 4.7u C8115 16V 0.1u C8130 16V 0.1u C8116 16V 0.1u C8100 10V 10u C8096 16V 0.1u C8001 10u 10V C8006 10u 10V C8104 10V 10u C8077 16V 0.1u C8113 16V 0.1u C8003 10V 10u C8020 16V 0.1u C8040 16V 0.1u C8012 16V 0.1u C8103 10V 10u C8114 16V 0.1u C8126 16V 0.1u C8076 16V 0.1u C8069 16V 0.1u C8021 16V 0.1u C8066 16V 0.1u C8073 16V 0.1u C8092 16V 0.1u C8061 10V 10u C8128 16V 0.1u C8107 6.3V 4.7u C8105 10V 10u C8064 10V 1u C8031 16V 0.1u C8045 10V 1u C8108 10u 10V C8002 68u 4V L8000 J0JCC0000287 L8011 J0JHC0000116 L8023 J0JHC0000045 L8006 J0JCC0000287 L8009 J0JHC0000045 L8003 J0JHC0000045 L8022 J0JHC0000045 L8024 J0JCC0000287 L8008 J0JCC0000287 L8020 J0JCC0000287 L8014 J0JCC0000287 L8013 J0JCC0000287 L8018 J0JHC0000045 L8007 J0JHC0000045 L8021 J0JCC0000287 L8010 J0JCC0000287 L8019 J0JHC0000045 L8001 J0JCC0000287 L8017 J0JHC0000045 L8016 J0JHC0000116 L8002 J0JCC0000287 L8004 J0JKC0000021 L8012 J0JCC0000287 L8015 J0JHC0000116 L8005 J0JKC0000021 SUB1.2V_A SUB3.3V SUB3.3V ACHIP3.3V SUB1.2V_D AVDDH SUB1.2V_A SUB3.3V DDR1.5V SUB1.5V SUB3.3V PA_AVDDH PA_AVDDADA PA_AVDDSIF PD_AVDDPLL1_2 PA_AVDDPLLA PD_VDDAUSB PD_VDD12 PD_VDDSD PD_VDDA PD_AVDDPWM PD_VDDPUSB PA_AVDDA PD_DAAVDD1 PA_AVDDV PD_VDD33 PA_VDD12A PD_LVVDD12 PA_VDDAVAD PD_AVDDPLL0_3 PA_AVDDHP PD_LVVDD33 PD_VDDUSB PA_AVDD75D_PLLV PD_VDDR PD_VDDIOCK R8000 330 SUB3.3V R8031 2.2k R5517 10k 1% SUB1.5V R5521 0 C5508 0.1u 16V R5531 R5529 C5519 10u 25V R5509 820 DCDCIN R5514 10 C0DBAYY00715 IC5500 1 DRVH1 2 VBST1 3 EN1 4 VO1 5 VFB1 6 GND 7 SS1 8 VFB2 9 VO2 10 EN2 11 VBST2 12 DRVH2 13 SW2 14 DRVL2 15 PGND2 16 TRIP2 17 SS2 18 V5FILT 19 VREG5 20 VIN 21 TRIP1 22 PGND1 23 DRVL1 24 SW1 C5516 10u 25V L5504 G1C100MA0077 C5533 22u 6.3V R5507 1.1k 1% SUB1.2V_A C5523 25V 10u Q5502 B1MBDDA00003 S1 G1 S2 G2 D2 D2 D1 D1 L5505 G1C100MA0077 R5500 R5511 3.6k 1% R5505 1.24k C5536 22u 6.3V TP5500 C5507 0.039u 10V C0DBAYY00715 IC5501 1 DRVH1 2 VBST1 3 EN1 4 VO1 5 VFB1 6 GND 7 SS1 8 VFB2 9 VO2 10 EN2 11 VBST2 12 DRVH2 13 SW2 14 DRVL2 15 PGND2 16 TRIP2 17 SS2 18 V5FILT 19 VREG5 20 VIN 21 TRIP1 22 PGND1 23 DRVL1 24 SW1 Q5504 B1CFRD000048 R5512 10 C5528 22u 6.3V R5532 R5520 15k 1% C5537 22u 6.3V C5531 22u 6.3V TP5503 C5539 22u 6.3V R5515 10 C5502 4.7u 10V C5532 22u 6.3V TP5502 C5505 4.7u 10V R5502 L5502 G1C2R2Z00007 R5510 2k 0.5% R5504 1.24k C5529 22u 6.3V C5521 25V 10u C5510 0.1u 16V TP5501 R5508 820 C5526 25V 10u Q5500 B1MBDDA00003 S1 G1 S2 G2 D2 D2 D1 D1 C5509 0.1u 16V C5535 22u 6.3V R5501 C5534 22u 6.3V R5513 10 D5505 B0JCPD000026 DCDCEN Q5503 B1MBEDA00015 S1 G1 S2 G2 D2 D2 D1 D1 C5520 25V 10u R5519 0 R5530 C5500 6800p 25V C5517 10u 25V Q5501 B1CFRD000048 SUB1.2V_D R5523 24k 1% R5522 20k 1% C5504 6800p 25V L5503 G1C3R3Z00004 C5503 1u 16V L5500 G1C2R2M00022 C5530 22u 6.3V C5511 0.1u 16V DCDCIN R5518 0 R5516 0 L5501 G1C3R3Z00005 C5538 22u 6.3V R5503 C5522 25V 10u C5506 1u 16V R5506 2.1k 0.5% C5501 0.15u 10V SUB3.3V ! TO 2,20/22 TO 18/22 TO 20/22 TO 20/22 TO 20/22 TO 20/22 TO 20/22 TO 20/22 TO 20/22 TO 20/22 TO 20/22 TO 20/22 TO 20/22 TO 20/22 181 184 182 189 186 183 187 185 188 SUB1.2V_A SUB1.2V_D SUB1.5V SUB3.3V TH-P46G20C A-Board (21/22) Schematic Diagram TH-P46G20C A-Board (21/22) Schematic Diagram A-BOARD TNPH0845HC (21/22) 69 12.27.A 电路板 (22/22) 线路图 + + S S S S S S S S S S S S S S S S S S S S S S S S S S AD_MMA4 AD_MMA9 AD_MMXCAS AD_MMODT AD_MMA6 AD_MMA12 AD_MMXWE AD_MMA12 PD_MMA9 AD_MMA8 AD_MMBA1 PD_MMA7 PD_MMA12 AD_MMBA0 AD_MMA9 PD_MMA4 AD_MMBA2 AD_MMA7 PD_MMA8 AD_MMXRAS AD_MMBA0 AD_MMXCK PD_MMA2 PD_MMA6 AD_MMA11 AD_MMA2 AD_MMA7 AD_MMXCAS AD_MMA8 AD_MMA9 PD_MMA3 AD_MMA12 AD_MMA3 AD_MMXWE AD_MMA5 AD_MMODT PD_MMA5 AD_MMA3 AD_MMXCS0 AD_MMXWE AD_MMXCS1 AD_MMBA1 AD_MMA11 AD_MMA4 AD_MMCKE AD_MMXRAS AD_MMA0 AD_MMCKE AD_MMA1 AD_MMA1 AD_MMA10 AD_MMA5 AD_MMXRAS AD_MMBA2 AD_MMCK AD_MMCKE AD_MMA2 AD_MMA6 AD_MMA11 AD_MMA10 PD_MMA10 AD_MMA2 AD_MMBA2 AD_MMBA0 AD_MMA1 AD_MMXCAS AD_MMA0 AD_MMA3 PD_MMA1 AD_MMA5 AD_MMA10 PD_MMA11 AD_MMA4 PD_MMA0 AD_MMODT AD_MMA6 AD_MMA0 AD_MMA8 AD_MMA7 AD_MMBA1 PD_MMDQ16 PD_MMDQ17 PD_MMDQ18 PD_MMDQ19 PD_MMDQ20 PD_MMDQ21 PD_MMDQ22 PD_MMDQ23 PD_MMDQ24 PD_MMDQ25 PD_MMDQ26 PD_MMDQ27 PD_MMDQ28 PD_MMDQ29 PD_MMDQ8 PD_MMDQ9 PD_MMDQ10 PD_MMDQ11 PD_MMDQ12 PD_MMDQ13 PD_MMDQ14 PD_MMDQ15 PD_MMDQ0 PD_MMDQ1 PD_MMDQ2 PD_MMDQ3 PD_MMDQ4 PD_MMDQ5 PD_MMDQ6 PD_MMDQ7 PD_MMA13 AD_MMA13 AD_MMA13 AD_MMA13 PD_MMXRESET AD_MMXCS0 AD_MMXCS1 PD_MMXRESET PD_MMXRESET AD_MMCK AD_MMXCK AD_MMCK AD_MMXCK PD_MMDQ31 PD_MMDQ30 DDR1.5V DDR1.5V DDR1.5V DDR1.5V DDR1.5V PD_MMDM3 PD_MMXRESET PD_MMXCS1 PD_MMDM2 PD_MMCKE PD_MMODT PD_MMXRAS PD_MMXCAS PD_MMCK PD_MMXCK PD_MMXCS0 PD_MMA[0-13] PD_MMBA1 PD_MMXWE PD_MMRODT PD_MMVCAL PD_MMDM1 PD_MMDM0 PD_MMBA0 PD_MMBA2 PD_MMVREF1 PD_MMVREF0 PD_MMDQS0 PD_MMXDQS3 PD_MMDQS1 PD_MMXDQS0 PD_MMDQ[16-31] PD_MMDQ[0-15] PD_MMDQS2 PD_MMXDQS2 PD_MMXDQS1 PD_MMDQS3 C8262 16V 0.1u C8284 10V 1u C8263 10V 1u C8282 16V 0.1u C8260 16V 0.1u C8256 10V 1u C8276 16V 0.1u C8290 16V 0.1u C8277 16V 0.1u C8248 16V 0.1u C8293 16V 0.1u C8274 16V 0.1u C8240 16V 0.1u C8286 10V 1u C8252 10u 10V C8243 50V 3p C8291 16V 0.1u C8258 16V 0.1u C8268 16V 0.1u C8278 10V 1u C8249 16V 0.1u C8275 10V 1u C8254 10V 1u C8247 16V 0.1u C8241 16V 0.1u C8289 16V 0.1u C8270 16V 0.1u C8246 10V 1u C8269 16V 0.1u C8257 16V 0.1u C8259 10V 1u C8255 10V 1u C8264 10V 1u C8279 16V 0.1u C8267 16V 0.1u C8272 10u 10V C8250 16V 0.1u C8265 16V 0.1u C8242 16V 0.1u C8253 16V 0.1u C8281 10V 1u C8266 16V 0.1u C8283 10V 1u C8273 10V 1u C8285 10V 1u C8280 16V 0.1u C8261 16V 0.1u C8292 16V 0.1u C8271 68u 4V C8251 68u 4V IC8241 C3ABTY000025 A1 VDDQ IC8240 C3ABTY000025 A1 VDDQ IC8241 = N2 A3 IC8240 = L8 ZQ IC8240 = M7 NC IC8240 = A9 VSS IC8240 = E3 DQL0 IC8241 = J2 VSS IC8240 = H2 VDDQ IC8240 = L2 /CS IC8240 = K1 ODT IC8240 = B3 VSS IC8240 = E8 VSSQ IC8240 = H7 DQL7 IC8241 = E7 DML IC8241 = C1 VDDQ IC8240 = N1 VDD IC8241 = D8 VSSQ IC8240 = P1 VSS IC8241 = T7 NC IC8240 = P9 VSS IC8241 = F1 VDDQ IC8240 = P8 A4 IC8240 = L1 NC IC8241 = H1 VREFDQ IC8240 = L9 NC IC8240 = J3 /RAS IC8241 = M7 NC IC8241 = D3 DMU IC8241 = J7 CK IC8240 = R3 A9 IC8240 = F7 DQL1 IC8241 = R7 A11 IC8241 = E3 DQL0 IC8240 = G2 DQL6 IC8240 = L3 /WE IC8241 = N8 BA1 IC8240 = P3 A2 IC8240 = P2 A5 IC8240 = H8 DQL5 IC8241 = L8 ZQ IC8240 = R2 A7 IC8240 = R7 A11 IC8241 = F9 VSSQ IC8241 = T2 /RESET IC8240 = N3 A0 IC8241 = B9 VSSQ IC8240 = C8 DQU2 IC8240 = N7 A12(/BC) IC8241 = G2 DQL6 IC8241 = M2 BA0 IC8241 = N1 VDD IC8241 = A9 VSS IC8241 = D2 VDDQ IC8240 = M1 VSS IC8240 = D9 VDD IC8241 = T8 A8 IC8241 = J3 /RAS IC8240 = A7 DQU4 IC8240 = A8 VDDQ IC8241 = F3 DQSL IC8240 = G9 VSSQ IC8240 = H1 VREFDQ IC8240 = K9 CKE IC8241 = J8 VSS IC8241 = F8 DQL3 IC8241 = G9 VSSQ IC8240 = E9 VDDQ IC8241 = T1 VSS IC8240 = K2 VDD IC8241 = A8 VDDQ IC8240 = B1 VSSQ IC8241 = M3 BA2 IC8241 = B7 /DQSU IC8240 = J9 NC IC8241 = K8 VDD IC8240 = G3 /DQSL IC8241 = B1 VSSQ IC8241 = B8 DQU6 IC8241 = L7 A10(AP) IC8241 = H9 VDDQ IC8241 = R8 A6 IC8240 = D2 VDDQ IC8241 = E8 VSSQ IC8241 = K2 VDD IC8240 = M2 BA0 IC8240 = A3 DQU7 IC8241 = M1 VSS IC8241 = C2 DQU3 IC8240 = F3 DQSL IC8241 = R1 VDD IC8241 = H8 DQL5 IC8240 = F9 VSSQ IC8241 = T3 NC IC8241 = L3 /WE IC8241 = K3 /CAS IC8241 = N7 A12(/BC) IC8240 = J8 VSS IC8241 = J1 NC IC8240 = C1 VDDQ IC8240 = B8 DQU6 IC8240 = L7 A10(AP) IC8240 = M3 BA2 IC8241 = G7 VDD IC8240 = P7 A1 IC8240 = F1 VDDQ IC8240 = T7 NC IC8241 = T9 VSS IC8241 = P3 A2 IC8240 = T9 VSS IC8241 = M8 VREFCA IC8241 = E9 VDDQ IC8241 = H7 DQL7 IC8240 = H3 DQL4 IC8240 = N9 VDD IC8241 = D9 VDD IC8241 = C7 DQSU IC8240 = T3 NC IC8240 = D3 DMU IC8241 = H2 VDDQ IC8240 = F2 DQL2 IC8240 = K7 /CK IC8240 = E7 DML IC8241 = A7 DQU4 IC8240 = M8 VREFCA IC8241 = B3 VSS IC8241 = C9 VDDQ IC8240 = A2 DQU5 IC8240 = T8 A8 IC8240 = G7 VDD IC8240 = R1 VDD IC8241 = A2 DQU5 IC8240 = G1 VSSQ IC8241 = G1 VSSQ IC8241 = R9 VDD IC8241 = E1 VSS IC8241 = L9 NC IC8240 = N8 BA1 IC8241 = E2 VSSQ IC8241 = N9 VDD IC8240 = J7 CK IC8241 = L1 NC IC8241 = K9 CKE IC8241 = N3 A0 IC8240 = K8 VDD IC8241 = F7 DQL1 IC8240 = D1 VSSQ IC8241 = M9 VSS IC8241 = D7 DQU0 IC8241 = C8 DQU2 IC8240 = C7 DQSU IC8240 = H9 VDDQ IC8240 = K3 /CAS IC8241 = B2 VDD IC8240 = F8 DQL3 IC8241 = P2 A5 IC8240 = D8 VSSQ IC8241 = P1 VSS IC8240 = B9 VSSQ IC8241 = F2 DQL2 IC8240 = E1 VSS IC8241 = K1 ODT IC8240 = M9 VSS IC8240 = C9 VDDQ IC8241 = A3 DQU7 IC8240 = C2 DQU3 IC8241 = L2 /CS IC8240 = B2 VDD IC8240 = N2 A3 IC8241 = J9 NC IC8240 = R9 VDD IC8241 = P9 VSS IC8240 = G8 VSS IC8241 = R3 A9 IC8240 = R8 A6 IC8241 = K7 /CK IC8240 = D7 DQU0 IC8241 = P7 A1 IC8240 = E2 VSSQ IC8241 = R2 A7 IC8241 = G3 /DQSL IC8240 = T1 VSS IC8240 = C3 DQU1 IC8241 = C3 DQU1 IC8241 = P8 A4 IC8240 = B7 /DQSU IC8240 = T2 /RESET IC8241 = D1 VSSQ IC8240 = J1 NC IC8241 = G8 VSS IC8241 = H3 DQL4 IC8240 = J2 VSS 1% R8284 1k 1% R8272 1k 1% R8254 1k 1% R8283 1k R8247 33 1% R8279 1k R8246 33 1% R8288 240 1% R8277 1k 1% R8271 1k 1% R8280 1k R8286 220 1% R8253 1k 1% R8270 1k 1% R8240 240 1% R8282 1k 1% R8278 1k R8289 10k 1% R8287 240 1% R8281 1k 1% R8255 1k R8285 220 R8241 R8242 R8243 R8244 R8245 R8248 R8249 R8250 R8251 R8252 R8261 R8256 R8264 R8266 R8262 R8269 R8257 R8263 R8259 R8260 R8265 R8258 R8268 R8267 R8274 R8275 = 1Gbit DDR3 1Gbit DDR3 PEAKS-LDA2 MMCK MMXCK 198 195 192 196 194 197 190 193 191 IC8241 IC8240 ! TO 20/22 TO 20/22 TO 20/22 TO 20/22 TO 20/22 DDR3 #0,1 DDR3 #0,1 TH-P46G20C A-Board (22/22) Schematic Diagram TH-P46G20C A-Board (22/22) Schematic Diagram A-BOARD TNPH0845HC (22/22) 70 12.28.C1 电路板 (1/2) 线路图 TERM SIDE TERM SIDE TERM SIDE TERM SIDE TERM SIDE TERM SIDE TERM SIDE TERM SIDE AB_ODE1 AB_PC1 AB_CLR1 AB_LE1 AB_ODE1 AB_PC1 AB_CLR1 AB_LE1 AB_ODE1 AB_PC1 AB_CLR1 AB_LE1 AB_ODE1 AB_PC1 AB_CLR1 AB_LE2 AB_ODE2 AB_PC2 AB_CLR2 AB_LE2 AB_ODE2 AB_PC2 AB_CLR2 AB_LE2 AB_ODE2 AB_PC2 AB_CLR2 AB_LE2 AB_ODE2 AB_PC2 AB_CLR2 DD1_2- DD1_2+ DD1_1- DD1_1+ DRVCLK1- DRVCLK1+ DD2_2- DD2_2+ DD2_1- DD2_1+ DRVCLK1- DRVCLK1+ DD3_2- DD3_2+ DD3_1- DD3_1+ DRVCLK2- DRVCLK2+ DD4_2- DD4_2+ DD4_1- DD4_1+ DRVCLK2- DRVCLK2+ DD5_2- DD5_2+ DD5_1- DD5_1+ DRVCLK3- DRVCLK3+ DD6_2- DD6_2+ DD6_1- DD6_1+ DRVCLK3- DRVCLK3+ DD7_2- DD7_2+ DD7_1- DD7_1+ DRVCLK4- DRVCLK4+ DD8_2- DD8_2+ DD8_1- DD8_1+ DRVCLK5- DRVCLK5+ AB_LE1 C17101 100V 0.33u C17123 100V 0.33u C17117 100V 0.33u C17120 100V 0.33u C17109 100V 0.33u C17105 100V 0.33u C17111 100V 0.33u C17115 100V 0.33u 1 3 4 5 7 8 9 11 12 13 14 15 16 17 18 19 20 21 22 23 24 25 26 27 28 29 30 31 32 33 34 35 36 37 38 39 40 41 42 43 44 45 47 48 49 51 52 53 55 1 3 4 5 7 8 9 11 12 13 14 15 16 17 18 19 20 21 22 23 24 25 26 27 28 29 30 31 32 33 34 35 36 37 38 39 40 41 42 43 44 45 47 48 49 51 52 53 55 1 3 4 5 7 8 9 11 12 13 14 15 16 17 18 19 20 21 22 23 24 25 26 27 28 29 30 31 32 33 34 35 36 37 38 39 40 41 42 43 44 45 47 48 49 51 52 53 55 1 3 4 5 7 8 9 11 12 13 14 15 16 17 18 19 20 21 22 23 24 25 26 27 28 29 30 31 32 33 34 35 36 37 38 39 40 41 42 43 44 45 47 48 49 51 52 53 55 1 3 4 5 7 8 9 11 12 13 14 15 16 17 18 19 20 21 22 23 24 25 26 27 28 29 30 31 32 33 34 35 36 37 38 39 40 41 42 43 44 45 47 48 49 51 52 53 55 1 3 4 5 7 8 9 11 12 13 14 15 16 17 18 19 20 21 22 23 24 25 26 27 28 29 30 31 32 33 34 35 36 37 38 39 40 41 42 43 44 45 47 48 49 51 52 53 55 1 3 4 5 7 8 9 11 12 13 14 15 16 17 18 19 20 21 22 23 24 25 26 27 28 29 30 31 32 33 34 35 36 37 38 39 40 41 42 43 44 45 47 48 49 51 52 53 55 1 3 4 5 7 8 9 11 12 13 14 15 16 17 18 19 20 21 22 23 24 25 26 27 28 29 30 31 32 33 34 35 36 37 38 39 40 41 42 43 44 45 47 48 49 51 52 53 55 VDA C1_3.3V C1_3.3V C1_3.3V VDA VDA C1_3.3V VDA VDA VDA C1_3.3V VDA C1_3.3V C1_3.3V VDA C1_3.3V C17107 10V 1u C17119 10V 1u C17110 10V 1u C17104 10V 1u C17122 10V 1u C17116 10V 1u C17113 10V 1u C17125 10V 1u R17148 150 R17121 1 R17106 1 R17136 1 R17111 1 R17131 1 R17116 1 R17126 1 R17141 1 R17135 200 R17125 200 R17115 200 R17134 100 R17144 100 R17110 200 R17143 100 R17140 100 R17130 200 R17138 100 R17118 100 R17120 200 R17108 100 R17128 100 R17119 100 R17129 100 R17133 100 R17124 100 R17123 100 R17113 100 R17139 100 R17114 100 R17145 100 R17109 100 GND GND VDD1 GND NC VDD2 VDD2 LEN GND A1N A2P VDD2 VDD2 GND GND GND VDD2 GND NC GND NC GND CLR A2N VDD1 VDD2 VDD2 FXN VDD2 VDD2 GND GND A1P GND GND VDD2 GND GND GND NC VDD2 DM GND GND NC DM NC VDD2 FXP ODE BLK GND TEST VDD2 NC DM GND NC VDD2 FXP GND VDD2 DM GND GND ODE NC GND VDD2 GND GND GND NC LEN GND A1N A2P VDD2 VDD2 GND GND GND VDD2 BLK GND NC GND VDD2 NC TEST GND CLR A2N GND VDD1 VDD2 VDD2 FXN GND VDD2 VDD1 VDD2 GND GND A1P GND VDD2 NC DM GND NC VDD2 FXP GND VDD2 DM GND GND ODE NC GND VDD2 GND GND GND NC LEN GND A1N A2P VDD2 VDD2 GND GND GND VDD2 BLK GND NC GND VDD2 NC TEST GND CLR A2N GND VDD1 VDD2 VDD2 FXN GND VDD2 VDD1 VDD2 GND GND A1P GND VDD2 NC DM GND NC VDD2 FXP GND VDD2 DM GND GND ODE NC GND VDD2 GND GND GND NC LEN GND A1N A2P VDD2 VDD2 GND GND GND VDD2 BLK GND NC GND VDD2 NC TEST GND CLR A2N GND VDD1 VDD2 VDD2 FXN GND VDD2 VDD1 VDD2 GND GND A1P GND GND VDD1 VDD2 VDD2 NC TEST NC VDD2 DM NC FXP A1N VDD2 GND NC A2P GND VDD2 VDD2 GND VDD2 DM GND VDD2 GND DM FXP VDD2 VDD2 GND GND BLK GND GND ODE NC ODE NC GND GND GND VDD2 GND GND NC GND NC GND VDD2 TEST NC A1N VDD2 GND LEN GND VDD2 DM GND GND VDD1 A2P CLR A2N GND GND VDD1 GND GND GND VDD2 GND VDD2 ODE FXP NC NC A2P FXN VDD2 GND GND GND GND GND GND VDD2 VDD2 GND GND VDD1 GND GND A1P NC VDD2 GND BLK GND LEN A1P GND GND A1N A2P NC VDD2 VDD2 GND GND NC VDD2 VDD2 VDD2 DM GND GND GND GND GND VDD2 VDD2 VDD2 VDD2 CLR GND VDD2 BLK A2N NC NC LEN GND NC GND VDD1 GND GND GND NC VDD2 VDD2 VDD2 DM FXN VDD2 GND GND BLK VDD1 GND VDD2 GND GND NC FXN VDD2 GND GND GND VDD2 GND VDD2 GND GND A1P VDD2 NC NC VDD2 GND GND VDD2 NC DM TEST GND DM GND GND NC A1N CLR GND TEST A2N GND VDD1 VDD2 CLR GND GND VDD2 A2N NC VDD2 ODE FXN VDD2 GND VDD2 GND VDD1 VDD2 VDD2 FXP GND LEN GND A1P GND GND NC OHZ NC OHZ NC OHZ NC OHZ NC OHZ NC OHZ NC OHZ NC OHZ 2 E B 1 C 4 A 7 3 8 F D 9 5 6 CB1 TO DRIVER PANEL DATA CB2 TO DRIVER PANEL DATA CB3 TO DRIVER PANEL DATA TO DRIVER CB4 PANEL DATA TO DRIVER PANEL DATA CB8 CB7 TO DRIVER PANEL DATA PANEL DATA CB6 DRIVER TO PANEL DATA TO DRIVER CB5 1 2 C1-BOARD TXNC11LRUC (1/2) ! TH-P46G20C C1-Board (1/2) Schematic Diagram TH-P46G20C C1-Board (1/2) Schematic Diagram 71 12.29.C1 电路板 (2/2) 线路图 SIDE TERM TERM SIDE AB_LE1 AB_LE2 AB_ODE1 AB_ODE2 AB_PC1 AB_PC2 AB_CLR1 AB_CLR2 DD2_2+ DD8_1+ DD2_2- DD8_1- DD8_2+ DD8_2- DRVCLK4+ DRVCLK4- DD7_1+ DD7_1- DD7_2+ DD7_2- DD6_1+ DD6_1- DD6_2+ DD6_2- DRVCLK3+ DRVCLK3- DD5_1+ DD5_1- DD5_2+ DD5_2- DD4_1+ DRVCLK1+ DD3_1+ DD4_1- DRVCLK1- DD3_1- DD4_2+ DD1_1+ DD3_2+ DD4_2- DD1_1- DD3_2- DRVCLK2+ DD1_2+ DD2_1+ DRVCLK2- DD1_2- DD2_1- AA_PC1_L AA_PC2_L AA_CLR_L AA_PC2_L AA_PC1_L AA_ODE_L AA_LE_L DRVCLK5- DRVCLK5+ AA_ODE_L AA_LE_L AA_CLR_L C17103 16V 0.1u C17141 50V 100p C10 1 2 3 4 5 6 7 8 9 10 11 12 13 14 15 16 17 18 19 20 C11 1 2 3 4 5 6 7 8 9 10 11 12 13 14 15 16 17 18 19 20 21 22 23 24 25 26 27 28 29 30 31 32 33 34 35 36 37 38 39 40 41 42 43 44 45 46 47 48 49 50 51 52 53 54 55 57 58 59 60 61 62 63 64 65 66 67 68 56 VDA C1_3.3V C1_3.3V C1_3.3V ZA17101 K4CD01000013 ZA17103 K4CD01000013 ZA17104 K4CD01000013 ZA17102 K4CD01000013 R17104 EXB38V470JV R17105 EXB38V470JV R17103 EXB38V681JV ZA17105 K4CD01000013 C0JBAU000043 IC17101 G1 1 2 A1 3 A2 4 A3 5 A4 6 A5 7 A6 8 A7 9 A8 10 GND 11 Y8 12 Y7 13 Y6 14 Y5 15 Y4 16 Y3 17 Y2 18 Y1 19 G2 20 Vcc R17146 680 R17151 0 R17150 1k R17101 0 R17152 0 R17147 220k R17153 0 55 1 68 1 C10 C11 1 20 55 1 55 1 55 1 55 1 55 1 55 1 55 1 DD4_2+ DD1_1- GND DD4_1+ DD8_2- DD8_1- DD4_2- DD4_1- GND P3.3V P3.3V P3.3V NC GND DD5_2+ DD5_1+ GND GND GND DD5_2- DD5_1- DD1_2+ DD6_2+ DD6_1+ CLR GND PC1 DRVCLK3+ DRVCLK2- DD1_2- GND DRVCLK5- GND DRVCLK3- GND DRVCLK4+ GND DRVCLK4- DD2_2+ DD2_1+ ODE DRVCLK1- LE GND PC2 DRVCLK1+ DD2_2- DD2_1- GND DD1_1+ DD3_2+ DD7_2+ DD3_1+ DD7_1+ DD7_2- DD7_1- GND DD3_2- GND DRVCLK2+ DD8_2+ DD3_1- DD8_1+ DD6_2- GND DD6_1- GND GND P3.3V P3.3V GND NC GND GND NC Vdat Vdat Vdat NC Vdat GND GND Vdat NC P3.3V_DET GND GND DRVCLK5+ 13 15 11 16 10 14 18 12 17 TO C2-BOARD (C20) TO A-BOARD (A31) BUFFER 1 2 ! TH-P46G20C C1-Board (2/2) Schematic Diagram TH-P46G20C C1-Board (2/2) Schematic Diagram C1-BOARD TXNC11LRUC (2/2) 72 12.30.C2 电路板 (1/2) 线路图 SIDE TERM TERM SIDE AB_ODE3 AB_ODE4 AB_PC3 AB_LE3 AB_LE4 AB_PC4 AB_CLR3 AB_UML AB_UMH AA_UEH AA_UMH AB_UEH AB_USL AB_USH AB_USL AB_UEH AB_UML AB_USH AA_USH DRVCLK7- DD9_1- DD11_2- DD9_2+ DD11_2+ AA_UEH DD9_2- DD11_1+ DD11_1- AA_USL DD9_1+ AA_PC4_R DD10_2+ AA_USH DRVCLK7+ DD13_2- DD10_2- DD13_1- DD10_1- DD12_1+ DRVCLK6+ DD12_2+ DRVCLK6- DRVCLK8- DD12_2- DD13_1+ AA_ODE_R DD12_1- DD13_2+ AA_LE_R DD10_1+ AA_CLR_R DRVCLK8+ AA_PC3_R DD15_2+ DD14_1+ DD15_2- DD14_2+ DD15_1- DD14_2- DD14_1- DRVCLK9- DD15_1+ AA_UML DRVCLK9+ AA_PC3_R AA_PC4_R AB_CLR4 AB_UMH AA_UMH AA_CLR_R 5V_DET AA_ODE_R AA_UML AA_USL AA_LE_R C17202 16V 0.1u C17203 16V 0.1u C17241 50V 100p C0JBAZ002692 IC17202 G1 1 2 A1 3 A2 4 A3 5 A4 6 A5 7 A6 8 A7 9 A8 10 GND 11 Y8 12 Y7 13 Y6 14 Y5 15 Y4 16 Y3 17 Y2 18 Y1 19 G2 20 Vcc C20 1 2 3 4 5 6 7 8 9 10 11 12 13 14 15 16 17 18 19 20 C21 1 2 3 4 5 6 7 8 9 10 11 12 13 14 15 16 17 18 19 20 21 22 23 24 25 26 27 28 29 30 31 32 33 34 35 36 37 38 39 40 41 42 43 44 45 46 47 48 49 50 51 52 53 54 55 57 58 59 60 61 62 63 64 65 66 67 68 56 C25 1 2 3 4 C23 1 2 3 4 5 6 7 8 VDA SS_5V SS_5V SS_5V VDA C2_3.3V C2_3.3V C2_3.3V R17203 EXB38V470JV R17204 EXB38V681JV R17207 EXB38V681JV R17206 EXB38V470JV R17205 EXB38V470JV R17208 EXB38V681JV R17202 EXB38V470JV C0JBAU000043 IC17201 G1 1 2 A1 3 A2 4 A3 5 A4 6 A5 7 A6 8 A7 9 A8 10 GND 11 Y8 12 Y7 13 Y6 14 Y5 15 Y4 16 Y3 17 Y2 18 Y1 19 G2 20 Vcc R17261 0 R17245 680 R17201 220k R17260 0 R17262 0 R17263 0 GND VDA VDA NC UML UMH SOS8_SS GND P5V UEH USL USH DD15_1- DRVCLK7+ GND DD15_2+ PC4 UEH DD11_2- PC3 DD14_2- DRVCLK8+ DD12_1+ GND DD14_1+ CLR GND GND GND DD12_2- P5V_SS GND DD15_1+ DD12_1- DD9_2+ DD14_2+ DD11_1+ DD10_2- DD13_1- DD10_1- DD11_1- DRVCLK8- USH GND DD13_2+ DD11_2+ NC GND DD9_1+ DD13_1+ GND DD12_2+ DD13_2- UML DD9_1- GND GND DRVCLK7- NC DD10_1+ GND DD14_1- DRVCLK9+ DRVCLK6+ DRVSOS8 P3.3V_DET DRVCLK6- GND GND USL DRVCLK9- LE ODE UMH GND GND DD9_2- DD10_2+ DD15_2- GND P3.3V P3.3V GND GND NC GND NC P3.3V_DET VDA GND GND NC VDA VDA GND GND NC VDA VDA P3.3V C 1 A 2 F 5 E 9 6 8 7 3 D 4 B C2-BOARD TXNC21LRUC (1/2) ! TO C1-BOARD (C10) TO A-BOARD (A32) BUFFER BUFFER TO SS-BOARD (SS33) TO P-BOARD (P35) 1 2 TH-P46G20C C2-Board (1/2) Schematic Diagram TH-P46G20C C2-Board (1/2) Schematic Diagram 73 12.31.C2 电路板 (2/2) 线路图 TERM SIDE TERM SIDE TERM SIDE TERM SIDE TERM SIDE TERM SIDE TERM SIDE DD15_2+ DD11_1- DRVCLK6- DRVCLK6- AB_PC3 AB_PC3 AB_ODE3 DRVCLK7+ DD12_2- DD10_1+ AB_LE3 AB_CLR4 AB_ODE4 AB_ODE4 DRVCLK6+ AB_ODE3 DD12_1+ DRVCLK6+ DD9_1- AB_LE3 AB_PC4 AB_CLR3 DRVCLK9+ DRVCLK9- DD13_1+ DD15_1- AB_PC3 AB_ODE3 DD10_2+ DD10_2- AB_LE3 AB_CLR3 DD14_1- AB_CLR3 AB_CLR4 AB_PC3 DD10_1- DRVCLK7+ AB_ODE3 DRVCLK7- DD12_2+ DD11_1+ DRVCLK7- AB_CLR3 AB_LE3 DD14_2- DD11_2+ DD9_2- AB_PC4 DD13_2+ DRVCLK8+ AB_PC4 AB_CLR4 AB_LE4 DD14_2+ DRVCLK8- DD13_1- DRVCLK8- DD15_1+ AB_ODE4 DD11_2- DD9_2+ DD12_1- DRVCLK8+ DD14_1+ AB_LE4 AB_LE4 DD15_2- DD9_1+ DD13_2- C17205 100V 0.33u C17207 100V 0.33u C17217 100V 0.33u C17219 100V 0.33u C17213 100V 0.33u C17210 100V 0.33u C17223 100V 0.33u 1 3 4 5 7 8 9 11 12 13 14 15 16 17 18 19 20 21 22 23 24 25 26 27 28 29 30 31 32 33 34 35 36 37 38 39 40 41 42 43 44 45 47 48 49 51 52 53 55 1 3 4 5 7 8 9 11 12 13 14 15 16 17 18 19 20 21 22 23 24 25 26 27 28 29 30 31 32 33 34 35 36 37 38 39 40 41 42 43 44 45 47 48 49 51 52 53 55 1 3 4 5 7 8 9 11 12 13 14 15 16 17 18 19 20 21 22 23 24 25 26 27 28 29 30 31 32 33 34 35 36 37 38 39 40 41 42 43 44 45 47 48 49 51 52 53 55 1 3 4 5 7 8 9 11 12 13 14 15 16 17 18 19 20 21 22 23 24 25 26 27 28 29 30 31 32 33 34 35 36 37 38 39 40 41 42 43 44 45 47 48 49 51 52 53 55 1 3 4 5 7 8 9 11 12 13 14 15 16 17 18 19 20 21 22 23 24 25 26 27 28 29 30 31 32 33 34 35 36 37 38 39 40 41 42 43 44 45 47 48 49 51 52 53 55 1 3 4 5 7 8 9 11 12 13 14 15 16 17 18 19 20 21 22 23 24 25 26 27 28 29 30 31 32 33 34 35 36 37 38 39 40 41 42 43 44 45 47 48 49 51 52 53 55 1 3 4 5 7 8 9 11 12 13 14 15 16 17 18 19 20 21 22 23 24 25 26 27 28 29 30 31 32 33 34 35 36 37 38 39 40 41 42 43 44 45 47 48 49 51 52 53 55 VDA VDA VDA VDA VDA VDA VDA C2_3.3V C2_3.3V C2_3.3V C2_3.3V C2_3.3V C2_3.3V C2_3.3V ZA17202 K4CD01000013 ZA17201 K4CD01000013 ZA17204 K4CD01000013 ZA17203 K4CD01000013 C17224 10V 1u C17218 10V 1u C17206 10V 1u C17215 10V 1u C17212 10V 1u C17209 10V 1u C17221 10V 1u R17247 150 R17215 1 R17225 1 R17230 1 R17220 1 R17210 1 R17240 1 R17235 1 R17233 100 R17237 100 R17239 200 R17244 100 R17213 100 R17214 200 R17212 100 R17218 100 R17243 100 R17238 100 R17234 200 R17228 100 R17217 100 R17224 200 R17219 200 R17223 100 R17227 100 R17242 100 R17222 100 R17229 200 R17232 100 8 55 C20 4 1 1 1 20 1 1 5 5 1 5 5 55 1 55 1 55 1 55 1 1 68 C21 FXP VDD2 LEN GND GND VDD1 VDD2 VDD2 NC TEST NC VDD2 DM NC FXP A1N VDD2 GND NC A2P GND VDD2 VDD2 VDD2 GND NC VDD2 FXP DM GND VDD2 A1N VDD2 GND DM FXP VDD2 VDD2 GND GND BLK GND GND ODE NC ODE NC GND GND GND VDD2 GND GND NC GND NC GND VDD2 TEST NC DM A1N VDD2 GND GND LEN VDD2 GND VDD2 GND DM GND GND VDD1 DM A2P CLR VDD2 A2N GND VDD2 GND GND GND BLK VDD1 GND GND GND GND GND VDD2 ODE NC GND VDD2 ODE NC ODE FXP GND NC NC A2P FXN GND VDD2 GND GND GND GND GND VDD1 GND GND GND VDD2 GND VDD2 GND GND VDD1 A1P VDD1 GND GND GND A1P NC VDD2 VDD2 VDD2 GND GND BLK GND BLK GND GND GND LEN NC A1P GND FXN GND A1P A1N VDD2 A2P GND NC GND VDD2 GND VDD2 GND GND NC VDD2 VDD2 GND VDD2 DM GND GND GND VDD2 NC GND GND VDD2 VDD2 VDD2 VDD2 GND GND VDD2 GND GND A1P VDD2 NC VDD2 CLR GND VDD2 BLK VDD2 VDD2 NC A2N NC NC NC LEN TEST VDD2 GND VDD2 NC GND DM GND VDD1 GND GND DM GND GND GND VDD2 NC GND VDD2 DM VDD2 VDD2 VDD2 VDD1 DM GND A2P VDD2 NC FXN CLR VDD2 CLR A1N A2N GND GND GND BLK GND VDD2 GND GND VDD2 BLK TEST VDD1 VDD1 GND GND A2N VDD2 NC GND GND GND NC FXN NC NC VDD2 GND GND GND GND GND LEN VDD2 GND VDD2 VDD2 GND GND A1P VDD2 NC NC GND NC CLR GND VDD2 GND NC GND GND VDD2 GND VDD2 GND NC DM GND TEST TEST VDD1 GND DM NC GND GND A2N FXP GND NC A1N A1N GND CLR NC GND TEST VDD2 GND A2N VDD2 NC GND GND NC VDD1 A2P A2P GND VDD2 VDD2 CLR ODE FXN GND GND GND LEN VDD2 VDD2 A2N NC VDD2 VDD2 VDD2 ODE GND VDD2 FXN VDD2 VDD2 GND VDD2 VDD1 GND VDD2 DM VDD2 GND GND GND VDD1 VDD2 VDD2 GND GND FXN FXP GND GND LEN GND VDD2 GND GND A1P VDD2 GND GND GND NC OHZ NC OHZ NC OHZ NC OHZ NC OHZ NC OHZ NC OHZ 11 15 13 17 18 12 10 16 14 ! DRIVER PANEL DATA CB9 TO TO DRIVER CB10 PANEL DATA TO DRIVER CB11 PANEL DATA DRIVER CB12 PANEL DATA TO PANEL DATA TO DRIVER CB13 PANEL DATA TO DRIVER CB14 CB15 DRIVER PANEL DATA TO 1 2 TH-P46G20C C2-Board (2/2) Schematic Diagram TH-P46G20C C2-Board (2/2) Schematic Diagram C2-BOARD TXNC21LRUC (2/2) 74 12.32.SC 电路板 (1/4) 线路图 + + + + TERM SIDE MAIN_STOP0 AA_SIU AA_CLK AA_CERS AA_SEL AA_OC2 AA_SC_FPGANRST AA_OC1 AA_CEL AA_CSH AA_CSL AA_CPH1 AA_CMH AA_CML AA_CML2 AA_CRC2 AA_UHZ AA_CRC1 AA_CIS AA_CRC3 AA_SOS6 5V VSUS C16562 16V 1u C16564 16V 1u C16565 50V 0.01u C16566 50V 0.01u C16582 16V 1u C16593 50V 1000p C16418 1.5u 250V C16581 25V 1u C16561 10V 10u 220V 300u C16791 25V 220u *C16416 220V 300u *C16419 1.5u 250V D16480 B0ACCJ000048 D16790 B0JCME000093 D16822 B0ADCJ000100 D16583 B3ABB0000210 IC16581 C0BBBA000024 1 A_OUTPUT 2 A_-INPUT 3 A_+INPUT 4 GND 5 B_+INPUT 6 B_-INPUT 7 B_OUTPUT 8 VCC IC16563 C0JBAB000916 1 1A 2 1Y 3 2A 4 2Y 5 3A 6 3Y 7 GND 8 4Y 9 4A 10 5Y 11 5A 12 6Y 13 6A 14 VCC C0JBAU000043 IC16561 G1 1 2 A1 3 A2 4 A3 5 A4 6 A5 7 A6 8 A7 9 A8 10 GND 11 Y8 12 Y7 13 Y6 14 Y5 15 Y4 16 Y3 17 Y2 18 Y1 19 G2 20 Vcc C0JBAU000043 IC16562 G1 1 2 A1 3 A2 4 A3 5 A4 6 A5 7 A6 8 A7 9 A8 10 GND 11 Y8 12 Y7 13 Y6 14 Y5 15 Y4 16 Y3 17 Y2 18 Y1 19 G2 20 Vcc SC20 23 29 30 2 12 5 33 14 32 20 28 26 4 9 11 19 22 21 25 8 13 6 31 17 10 34 24 18 1 7 27 16 15 3 35 SC2 1 3 SOS7_SC2 5V 15V 15V TP19 TP26 TP40 TP5 TP25 TP17 TP23 TP21 TP35 TP9 TP10 TP117 TP99 TP30 TP70 TP39 TP34 TP98 TP97 TP33 TP118 TP18 TP38 TP122 TP109 TP115 TP2 TP82 TP113 TP108 TP107 TP119 TP11 TP20 TP123 TP88 TP114 TP31 TP110 TP24 TP89 TP8 TP32 TP7 TP4 TP37 TP46 TP6 TP16 TP14 TP15 TP72 TP29 TP1 TP106 TP71 TP52 TP28 TP36 TP112 TP120 TP121 TP101 TP22 TP124 TP105 TP116 TP3 TP111 R16564 EXB38V470JV R16566 EXB38V472JV R16570 EXB38V472JV R16562 EXB38V470JV R16561 EXB38V470JV R16579 EXB38V470JV R16567 EXB38V472JV R16563 EXB38V470JV R16568 EXB38V472JV R16565 EXB38V472JV R16591 EXB38V472JV R16476 4.7k R16593 1.4k R16585 1k R16586 2.15k R16588 10k R16587 2.2k R16590 220 R16583 39k R16584 6.8k R16582 39k R16580 5.6k *C16412 SC_FPGANRST CRC1 SEL SIU CLK TPSOS7 TPSOS6 (GREEN LED) NC SEL2 GND CRC3 GND P5V CMH SC_FPGANRST CML CPH1 CSL CSL CSH CSH CML CMH P15V CRC2 CRC3 P5V Vsus GND GND CLK GND SIU SEL CERS CIS CPH1 OC2 SOS6 SOS7 GND NC CEL GND OC1 GND P15V Vsus CRC1 OC1 UHZ GND CERS OC2 Reserve CEL CRC2 SEL2 Reserve C 1 A 4 2 E 9 F 6 8 3 D B VOLTAGE ERROR DET OPERATES AT 151V OR MORE AND 60V OR LESS ! INVERTER BUFFER BUFFER ERROR DET TO A-BOARD (A20) TO P-BOARD (P2) TPVSUS MID 2 1 3 SC-BOARD TXNSC11MEK (1/4) TH-P46G20C SC-Board (1/4) Schematic Diagram TH-P46G20C SC-Board (1/4) Schematic Diagram 5 7 75 12.33.SC 电路板 (2/4) 线路图 + + + AA_CML AA_CSL AA_CMH AA_CSH AA_CML2 15V MIDC VRH VRL C16524 25V 4.7u C16471 630V 1000p *C16461 1000p 630V C16491 630V 1000p C16525 25V 4.7u C16421 630V 5600p *C16481 1000p 630V C16771 16V 1u C16501 25V 1u C16441 50V 3900p C16522 25V 4.7u C16401 5600p 630V *C16633 250V 4u C16504 25V 4.7u C16521 25V 1u C16505 25V 1u C16452 50V 3900p *C16632 250V 4u C16502 25V 4.7u C16534 25V 1u C16503 25V 470u C16796 25V 470u C16523 25V 470u D16522 D1FK60-5073 D16466 B0ACCJ000048 D16411 B0ACCJ000048 D16534 B0ECHR000001 D16451 B0ECKP000055 D16503 B0ECHR000001 D16523 B0ECHR000001 D16536 B0ECHR000001 *D16421 B0FACP000006 *D16462 B0FACP000003 *D16482 B0FACP000003 *D16401 DA3DF50ACSLW *D16402 DA3DF50ACSLW C0ZBZ0001708 IC16521 1 LO 2 VCOM 3 VCC2 4 NC 5 NC 6 VS 7 VB 8 HO 9 NC 10 NC 11 VCC 12 HIN 13 NC 14 LIN 15 GND 16 NC C0ZBZ0001708 IC16501 1 LO 2 VCOM 3 VCC2 4 NC 5 NC 6 VS 7 VB 8 HO 9 NC 10 NC 11 VCC 12 HIN 13 NC 14 LIN 15 GND 16 NC IC16771 C0CBADC00072 VIN 3 2 COM VOUT 1 *L16401 G0CR35K00001 *L16411 G0CR35K00001 15V PC16461 PS9856-2-F3-AX 1 2 3 4 5 6 7 8 TP93 TP90 TP91 TP92 *Q16422 DG3D4020CSRP *Q16403 DG3D5020CSLW *Q16441 B1JAEP000013 *Q16452 B1JAEP000012 *Q16421 DG3D4020CSRP *Q16402 DG3D5020CSLW Q16551 B1HFPFA00001 Q16531 B1HFPFA00001 Q16501 B1HFPFA00001 Q16521 B1HFPFA00001 R16452 5.6 R16410 390 R16411 270 R16517 47k R16512 47k R16466 56k R16533 47k R16467 82k R16522 100 R16416 10k R16465 27k R16421 7.5 R16441 5.6 R16402 7.5 R16506 10 R16422 7.5 75 R16523 R16551 10 R16417 100 R16418 100 R16503 10 R16531 10 R16521 100 R16553 47k R16509 1 75 R16504 R16534 5.6 R16468 82k R16403 7.5 Vad+5V Vad+5V VFG VOL MID MIDF VFG 16V_F Vsus Vsus VAD 11 13 14 10 18 15 17 12 16 ! MID 3 1 2 CSL/CML GATE DRIVE CIRCUIT FET DRIVER FET DRIVER CSH/CMH GATE DRIVE CIRCUIT Vad+5V 16V_F Vad+5V VAD 15 16 14 18 17 12 11 13 TH-P46G20C SC-Board (2/4) Schematic Diagram TH-P46G20C SC-Board (2/4) Schematic Diagram SC-BOARD TXNSC11MEK (2/4) 76 12.34.SC 电路板 (3/4) 线路图 + + AA_CERS AA_CPH1 AA_CIS AA_CEL AA_CRC1 AA_CRC2 AA_UHZ C16684 50V 0.1u C16668 50V 220p C16603 630V 1000p C16608 50V 220p C16661 630V 1000p C16692 50V 0.1u C16756 25V 4.7u C16666 50V 82p C16664 50V 82p C16604 630V 1000p C16665 50V 82p C16646 630V 1000p C16662 630V 1000p C16675 50V 390p C16641 2200p 630V C16891 25V 1u C16708 50V 0.1u C16490 16V 1u C16773 25V 1u C16753 25V 4.7u C16602 50V 22p C16645 630V 1000p C16685 50V 0.1u C16755 25V 4.7u C16707 50V 22p C16642 5600p 630V C16691 160V 100u *C16417 220V 300u F2A2T301A004 D16674 B0ECHR000001 D16618 B0ECKP000055 D16669 B0ACCJ000048 D16649 B0ACCJ000048 D16654 B0ACCJ000048 D16673 B0ECHR000001 D16671 B0ACCJ000048 D16490 B0ECKP000055 D16610 B0ACCJ000048 D16702 B0ACCJ000048 D16765 B0ECKP000055 D16653 B0ACCJ000048 D16478 B0ACCJ000048 D16407 B0JCME000093 D16607 B0ACCJ000048 D16902 B0ACCJ000048 D16497 B0ECKP000055 D16652 B0ECKP000055 D16650 B0ACCJ000048 D16491 B0ECKP000055 D16677 B0ADEJ000035 D16422 B0FACP000005 D16494 B0ADCJ000100 D16604 B0ADCJ000100 D16920 B0ADCJ000100 D16901 B0ADCJ000100 D16493 B0ADCJ000100 D16641 B0FBCN000006 D16642 B0FBCN000006 D16648 DZ2J051L0L D16647 DZ2J150M0L D16662 DZ2J150M0L D16645 DZ2J150M0L D16663 DZ2J150M0L D16678 DZ2J15000L D16646 DZ2J150M0L D16605 DZ2J051L0L D16664 DZ2J150M0L D16602 DZ2J150M0L D16651 DZ2J051M0L D16477 DZ2J047L0L D16492 DZ2J047M0L C0DBZYY00352 IC16692 4 REFERENCE 3 CATHODE 1 NC 2 ANODE C0DBZMC00006 IC16490 4 REFERENCE 3 CATHODE 1 NC 2 ANODE C0JBAB000715 IC16773 1 NC 2 IN_A 3 GND 5 VCC 4 OUT_Y C0BBAA000008 IC16491 1 -INPUT 2 GND 3 +INPUT 5 VCC 4 OUTPUT C0JBAC000363 IC16691 1 IN_B 2 IN_A 3 GND 5 VCC 4 OUT IC16661 C0BBBA000024 1 A_OUTPUT 2 A_-INPUT 3 A_+INPUT 4 GND 5 B_+INPUT 6 B_-INPUT 7 B_OUTPUT 8 VCC IC16920 C0BBBA000024 1 A_OUTPUT 2 A_-INPUT 3 A_+INPUT 4 GND 5 B_+INPUT 6 B_-INPUT 7 B_OUTPUT 8 VCC 15V 15V 5V 5V PC16603 B3PBA0000498 1 2 3 4 PC16684 B3PBA0000496 1 2 3 4 5 6 PC16685 B3PBA0000496 1 2 3 4 5 6 TP104 TP103 TP68 TP67 Q16608 B1CBGD000001 Q16647 B1CBGD000001 Q16818 B1CBGD000001 Q16607 B1CBGD000001 Q16490 B1CBGD000001 *Q16601 B1CERR000042 G D S Q16660 B1CERR000042 Q16921 B1ABCN000007 Q16602 DSC2001Q0L Q16677 DSC2001Q0L Q16606 DSC2001Q0L Q16676 B1ABCF000231 Q16649 B1ABCN000007 Q16920 B1ABCN000007 Q16678 B1ABCF000231 Q16662 DSC2001Q0L Q16645 DSC2001Q0L Q16702 B1ABCF000231 Q16671 B1ABCF000231 Q16668 DSC2001Q0L Q16810 B1ABCF000231 Q16661 B1JAER000010 Q16622 B1JADN000009 Q16621 B1JADN000009 Q16646 DSA2001S0L Q16675 B1ADCN000007 Q16701 B1ADCN000007 Q16603 DSA2001S0L Q16663 DSA2001S0L Q16670 B1ADCN000007 DSA2001S0L Q16801 Q16762 B1HFPFA00001 R16493 6.19k R16649 33 R16617 2.2k R16652 8.2k R16712 1k R16612 47 10 R16765 R16666 22k R16804 1.1k R16678 2k R16745 470k R16747 2.2k R16711 4.7k R16615 1.1k R16899 2.74k R16682 10 R16897 1k R16769 75 R16634 470 R16904 22k R16893 82.5k R16609 2k R16695 1.5k R16717 1k R16667 2k R16776 47 R16663 7.15k R16761 10 R16927 22k 1 R16601 R16660 2.2k R16490 120k R16685 220 R16631 10k R16901 4.7k R16677 2k R16654 47 R16681 10 R16691 56k R16497 47k R16692 1.5k R16892 82.5k R16661 1.2k R16687 27k R16707 3.9k R16922 3.48k R16690 4.7k R16496 47 R16604 330 R16674 2k R16928 4.7k R16665 33 R16891 69.8k R16646 1.18k R16801 22k R16607 6.98k R16926 2.2k R16662 10k R16686 10k R16673 4.7k R16650 100k R16655 10k R16920 10k R16651 2k R16633 22k R16492 120k R16742 47k R16694 56k R16498 10k R16621 220 R16763 47k R16605 1.8k R16699 10k R16645 5.6k R16684 220 R16802 30.9k R16495 750 R16746 47k R16679 10.7k R16900 10k R16898 1.05k R16659 0 R16680 4.7k R16921 1.24k R16668 2k R16648 2k R16656 4.7k R16622 220 R16664 2k R16658 6.34k R16491 120k R16494 2k R16653 1.8k R16688 8.87k R16675 4.7k R16923 10k R16610 100k VOL VFG 16V_F Vsus VAD VAD Vad+5V VSCN_F 16V_F Vad+5V VOL 16V_F 20 25 23 27 24 19 26 21 22 ! VFG VOL Vad+5V Vsus 16V_F 13 15 16 14 18 17 11 12 CIRCUIT SEPA PROTECT SEPA PROTECT SHUNT REG COMPARATOR COMPARATOR INVERTER SHUNT REG NAND GATE 16V_F VAD 27 24 22 26 23 21 25 TH-P46G20C SC-Board (3/4) Schematic Diagram TH-P46G20C SC-Board (3/4) Schematic Diagram SC-BOARD TXNSC11MEK (3/4) 77 12.35.SC 电路板 (4/4) 线路图 + + + + + AA_SEL AA_SC_FPGANRST MAIN_STOP0 AA_SOS6 AA_OC2 AA_CLK AA_OC1 AA_SIU VAD C16472 25V 1u C16856 1u 10V C16861 0.1u 16V C16843 50V 0.1u C16724 25V 4.7u C16844 50V 0.1u *C16797 50V 0.1u C16857 0.1u 16V *C16460 630V 820p C16860 1u 10V C16863 50V 0.1u C16862 1u 10V C16864 0.1u 50V C16858 1u 10V C16723 25V 1u C16794 10u 10V C16859 0.1u 50V C16854 50V 0.1u C16795 25V 470u C16793 25V 220u C16813 220V 220u C16721 50V 82u C16842 160V 100u D16719 B0ECKP000055 D16474 B0ACCJ000048 D16711 B0ECHR000001 D16875 B0ACCJ000048 *D16792 B0ACCJ000048 D16720 B0ECKP000055 D16859 B0HCKS000002 D16728 B0ECKP000055 D16476 B0ACCJ000048 D16820 B0ACCJ000048 D16473 B0ACCJ000048 D16713 B0ECHR000001 D16721 B0ECHR000001 D16893 DZ2J056H0L D16710 DZ2J15000L D16871 DZ2J240M0L D16712 DZ2J15000L D16874 DZ2J051M0L D16475 DZ2J051M0L D16825 DZ2J330M0L D16872 DZ2J200M0L D16824 DZ2J330M0L D16791 DZ2J200M0L D16821 DZ2J330M0L C0DBZYY00352 IC16787 4 REFERENCE 3 CATHODE 1 NC 2 ANODE C0DBZMC00006 *IC16793 4 REFERENCE 3 CATHODE 1 NC 2 ANODE C0DBZYY00352 IC16785 4 REFERENCE 3 CATHODE 1 NC 2 ANODE C0DBEYY00114 IC16471 4 REFERENCE 3 CATHODE 1 NC 2 ANODE C0BBAA000008 *IC16792 1 -INPUT 2 GND 3 +INPUT 5 VCC 4 OUTPUT IC16786 MIP3910MSSCF 1 VDD 2 NC 3 FB 4 LS 5 DRAIN 7 SOURCE 8 SOURCE IC16784 MIP3910MSSCF 1 VDD 2 NC 3 FB 4 LS 5 DRAIN 7 SOURCE 8 SOURCE IC16724 C0CBADE00049 OUT 3 2 COMMON IN 1 SC50 1 2 SC41 1 2 3 4 5 6 7 8 9 SC46 1 2 3 4 5 6 7 8 9 SC42 1 2 3 4 5 6 7 8 9 L16851 L16472 G0ZZ00002183 L16698 G0C681MA0065 T16471 G4DYA0000200 1 NC 3 S2 4 S1 5 NC 6 P2 10 P1 8 PT SCNR_PRO 5V SCNR_PRO CHA 5V SOS7_SC2 CHA 15V PC16723 B3PBA0000498 1 2 3 4 PC16722 B3PBA0000498 1 2 3 4 PC16897 B3PBA0000498 1 2 3 4 PC16480 B3PBA0000498 1 2 3 4 PC16896 B3PBA0000498 1 2 3 4 TP62 TP80 TP59 TP51 TP81 TP61 TP44 TP45 TP95 TP78 TP41 TP79 TP42 TP57 TP96 TP60 TP43 TP58 TP94 TP125 Q16885 B1CFNG000001 Q16816 DSC2001Q0L Q16471 B1ABCF000231 Q16876 B1ABCF000231 Q16815 B1ABCN000007 Q16817 DSC2001Q0L Q16932 DSC2001Q0L Q16931 B1ABCN000007 Q16930 DSC2001Q0L R16721 EXB38V220JV R16755 12k R16471 3.9k R16933 10k *R16799 1k R16752 4.7k R16785 107k R16825 150k R16844 2.4k R16472 2.2k R16873 2.4k R16756 12k R16937 180k R16843 1k R16822 82k *R16919 7.5k R16750 12k R16478 5.6k R16787 33k R16845 66.5k R16786 107k R16719 22 R16829 1k R16832 71.5k R16838 100k R16791 1k R16479 10k R16826 10k *R16820 150k R16789 10k R16772 4.7k R16837 1k *R16818 33k R16473 560 R16849 64.9k R16831 68.1k R16931 2.7 *R16819 150k R16934 6.8k R16773 1k R16932 22k R16935 5.1k R16783 150k R16696 2.2 R16936 2.2k R16846 64.9k R16474 1k R16860 8.2 R16751 150k R16824 33k R16852 470k R16841 4.7k R16774 27k 1 R16929 R16475 4.7k R16823 82k *R16798 2.2k R16870 68k R16827 2.2k R16938 180k R16851 470k R16930 2.7 *R16797 22 R16753 47k ZA16422 TUXJ490 *C16902 4700p 630V ZA16412 TUXJ490 ZA16402 K4CD01000011 ZA16404 K4CD01000011 ZA16421 TUXJ490 ZA16401 K4CD01000011 *C16903 1500p 630V ZA16411 TUXJ490 TUX2AX0981 TUXJ559 ZA16407 K4CD01000011 ZA16403 K4CD01000011 = * * TPVSCN VFG TPSC1 VSCN_F VFG VAD 16V_F 15V_F VSCN 5V_F 5V_F 5V_F TPVAD Vfo 5V_F 34 33 32 36 35 30 29 28 31 SC46 SC41 SC42 ! VSCN_F 16V_F VFG Vsus VAD 24 22 23 21 27 26 25 VAD GEN. SHUNT REG SHUNT REG 5V_F SHUNT REG VHIZ GEN. COMPARATOR SHUNT REG FOR FACTORY USE TO SD-BOARD (SD42) TO SD-BOARD (SD46) TO SU-BOARD (SU41) VSCN GEN. TH-P46G20C SC-Board (4/4) Schematic Diagram TH-P46G20C SC-Board (4/4) Schematic Diagram SC-BOARD TXNSC11MEK (4/4) 78 12.36.SS 电路板 (1/2) 线路图 + + + AA_SOS8 AA_UMH AA_UML AA_USL AA_USH AA_SOS8 AA_UEH AA_USL 5V AA_USH AA_UML AA_UMH C16092 630V 1000p C16242 16V 1u C16244 10V 10u C16131 25V 4.7u C16133 25V 4.7u C16251 16V 1u C16151 25V 1u C16105 25V 47p C16104 25V 47p C16152 25V 4.7u C16041 50V 3900p C16252 25V 1u C16153 25V 4.7u C16071 630V 1000p C16243 50V 0.01u C16002 630V 5600p C16154 25V 4.7u C16135 25V 1u *C16202 250V 4u *C16014 1.5u 250V *C16203 250V 4u *C16072 630V 1000p *C16091 630V 1000p *C16022 630V 3300p *C16012 220V 300u *C16011 220V 300u C16271 25V 220u D16151 B0ECKP000055 D16152 B0ECKP000055 D16255 B0ACCJ000048 D16131 B0ECKP000055 D16032 B0ACCJ000048 D16153 B0ECKP000055 D16050 B0ECKP000055 *D16001 B0FBCN000005 *D16002 B0FBCN000005 *D16041 B0FACP000004 *D16051 B0FBCN000007 *D16021 B0FCCN000003 *D16022 B0FCCN000003 D16253 B3ABB0000210 D16281 DZ2J051M0L IC16251 C0BBBA000024 1 A_OUTPUT 2 A_-INPUT 3 A_+INPUT 4 GND 5 B_+INPUT 6 B_-INPUT 7 B_OUTPUT 8 VCC C0ZBZ0001707 IC16131 1 LO 2 GND 3 VCC 4 NC 5 NC 6 VS 7 VB 8 HO 9 NC 10 NC 11 NC 12 HIN 13 NC 14 LIN 15 GND 16 NC C0ZBZ0001708 IC16151 1 LO 2 VCOM 3 VCC2 4 NC 5 NC 6 VS 7 VB 8 HO 9 NC 10 NC 11 VCC 12 HIN 13 NC 14 LIN 15 GND 16 NC C0JBAU000043 IC16241 G1 1 2 A1 3 A2 4 A3 5 A4 6 A5 7 A6 8 A7 9 A8 10 GND 11 Y8 12 Y7 13 Y6 14 Y5 15 Y4 16 Y3 17 Y2 18 Y1 19 G2 20 Vcc SS11 1 3 4 SS33 1 2 3 4 5 6 7 8 *L16001 G0CR35K00001 *L16011 G0CR35K00001 VSUS VSUS TP17 TP20 TP13 TP40 TP39 TP33 TP38 TP16 TP9 TP19 TP2 TP1 TP10 TP18 TP34 TP5 TP41 TP21 TP6 TP14 TP22 TP7 TP8 Q16251 B1ABCF000231 *Q16051 B1JAEN000011 *Q16022 B1JADN000008 *Q16041 B1JAEN000010 *Q16002 B1JADN000009 *Q16001 B1JADN000009 *Q16021 B1JADN000008 Q16161 B1HFPFA00001 Q16141 B1HFPFA00001 Q16055 B1HFPFA00001 Q16056 B1HFPFA00001 R16242 EXB38V472JV R16241 EXB38V470JV R16159 1 R16155 1 R16132 100 R16143 47k 75 R16134 R16280 2.2k R16183 47k R16163 47k R16031 82k R16041 5.6 R16002 7.5 R16131 100 R16258 10k R16152 100 R16252 39k R16032 82k R16254 6.8k R16033 56k R16022 7.5 R16257 27k R16001 7.5 R16034 27k R16141 10 R16230 47 R16251 1.4k R16021 7.5 R16151 100 R16260 2.2k R16137 1 R16231 4.7k R16161 10 R16171 10 R16051 5.6 R16255 1.2k R16173 47k R16256 1.5k 75 R16154 R16181 10 R16253 39k *C16015 250V F0C2E155A252 (GREEN LED) VSUS GND TPSOS8 - 15V P5V GND UEH USH UML SOS8_SS USL UMH 2 F E D 9 6 A 8 B C 7 1 3 4 5 ERROR DET BUFFER ENERGY FET DRIVER RECOVERY ! TO P-BOARD (P11) TO C2-BOARD (C23) FET DRIVER DRIVER VSUS Gen. TPVSUS 3 4 2 1 SS-BOARD TXNSS11FFK (1/2) TH-P46G20C SS-Board (1/2) Schematic Diagram TH-P46G20C SS-Board (1/2) Schematic Diagram 79 12.37.SS 电路板 (2/2) 和 SS2 电路板线路图 + + + TERM SIDE TERM SIDE TERM SIDE AA_UML AA_SOS8 AA_UEH *C16101 2200p 630V C16192 25V 0.1u C16331 250V 1u C16285 0.1u 50V C16319 50V 0.1u C16317 1u 10V C16287 0.1u 50V C16315 1u 10V C16191 25V 4.7u C16286 0.1u 50V C16318 0.1u 50V C16195 25V 1u C16316 0.1u 16V C16280 25V 1u C16193 25V 47u C16328 220u 160V *C16314 220V 300u D16192 B0ACCJ000048 D16280 B0ACCJ000048 D16191 B0ECKP000055 D16101 B0JCME000093 D16317 B0ECKP000055 D16286 B0ACCJ000048 D16316 B0ECKP000055 D16285 B0ADEJ000035 D16282 DZ2J068M0L D16315 DZ2J150M0L D16196 DZ2J200M0L C0DBZMC00006 IC16312 4 REFERENCE 3 CATHODE 1 NC 2 ANODE IC16304 MIP3900MSSCF 1 VDD 2 CL 3 FB 4 LS 5 DRAIN 7 SOURCE 8 SOURCE *SS64 1 2 3 4 5 6 7 8 9 10 11 12 13 *SS61 1 2 3 4 5 6 7 8 9 10 11 12 13 SS21 1 2 3 4 5 6 7 L16303 G0C471MA0049 ZA16003 K4CD01000011 ZA16001 K4CD01000011 ZA16002 K4CD01000011 PC16301 B3PBA0000498 1 2 3 4 PC16191 B3PBA0000496 1 2 3 4 5 6 TP36 TP54 TP56 TP51 TP26 TP25 TP29 TP31 TP27 TP24 TP30 TP43 TP42 TP28 Q16101 B1CFRM000008 G D S Q16102 B1CFRM000008 G D S Q16280 B1ABCF000231 Q16191 B1HFPFA00001 R16285 EXB38V623JV R16281 10k R16109 10 R16101 220 R16320 68k R16192 10k R16290 330k R16283 47k R16195 1 R16288 330k R16284 220k R16104 10 R16319 2.49k R16102 220 R16193 75 R16116 47k R16334 4.7k R16282 220 R16289 330k R16330 1k R16103 10 R16191 150 R16335 1k *R16318 68k *R16309 33k *R16307 64.9k R16105 470k R16332 470k SS24 1 2 3 4 5 6 7 SS58 1 2 3 4 5 6 7 8 9 10 11 12 13 = * 17 13 11 15 14 10 18 16 12 ! VE GEN. SHUNT REG. TPVe TPSS1 ELECTRODE SUSTAIN PANEL ELECTRODE SUSTAIN PANEL FPC protector 3 4 1 2 SS2-BOARD ! TXNSS21DYUC ELECTRODE SUSTAIN PANEL SS-BOARD TXNSS11FFK (2/2) TH-P46G20C SS-Board (2/2) and SS2-Board Schematic Diagram TH-P46G20C SS-Board (2/2) and SS2-Board Schematic Diagram 80 13.1. P 电路板 A E F G H I 1 2 3 4 5 6 P-BOARD (FOIL SIDE) ETX2MM805MSL B C D TH-P46G20C P-BOARD ETX2MM805MSL TH-P46G20C P-BOARD ETX2MM805MSL 81 Parts Location P-BOARD (FOIL SIDE) IC201 E-4 IC202 E-3 IC251 C-5 IC352 D-3 IC403 B-3 IC501 F-2 IC551 E-1 IC601 G-4 IC701 C-1 PC201 D-3 PC202 D-3 PC501 E-2 PC502 F-1 PC504 F-1 IC PHOTO COUPLER Q201 D-5 Q202 D-4 Q203 E-3 Q204 E-3 Q251 C-6 Q252 C-6 Q355 D-3 Q401 B-4 Q402 B-3 Q403 B-3 Q404 B-2 Q405 B-2 Q406 C-2 Q407 B-3 Q408 B-3 Q502 G-2 Q503 E-2 Q504 E-3 Q505 G-2 Q506 G-1 Q551 D-2 Q557 D-1 Q558 D-2 Q559 D-2 TRANSISTOR TP5 H-6 TP9 B-4 Q601 F-4 Q602 G-4 Q603 F-4 Q604 F-4 Q605 E-3 Q606 F-3 Q607 E-3 Q701 C-1 Q702 B-1 Q703 C-1 Q704 C-1 Q705 D-2 Q706 B-2 Q707 C-1 Q708 C-2 TEST POINT VR251 C-5 VR401 B-2 VOLUME Parts Location P-BOARD (COMPONENT SIDE) IC201 D-4 IC501 D-2 IC Q201 E-5 Q202 E-4 Q355 F-3 Q401 G-4 Q402 H-3 Q403 H-3 Q551 F-2 Q601 D-4 Q604 D-4 Q606 D-3 TRANSISTOR TP5 B-6 TP9 H-4 TEST POINT VR251 F-5 VR401 H-2 VOLUME P TH-P46G20C P-BOARD Parts Location TH-P46G20C P-BOARD Parts Location 82 E F G H I 1 2 3 4 5 6 P-BOARD (COMPONENT SIDE) ETX2MM805MSL TH-P46G20C P-BOARD ETX2MM805MSL TH-P46G20C P-BOARD ETX2MM805MSL A B C D 83 13.2. K 和 SS2 电路板 E F G H I 1 2 3 4 5 6 SS24 1 SS2MM2 SS2MM1 SS2 TNPA4802 SS58 P b F 7 1 2 6 O R D E R N O . 1 1 3 1 3 1 SS24 TNPA4802 1 SS2 SS58 P b F 7 1 6 2 S E E R E V E R S E F O R O R D E R N O . 1 1 3 1 1 3 C10 C11 C12 C13 C14 Q10 C15 Q11 Q12 Q13 Q17 C20 C21 C22 D01 D11 D12 R10 D15 R11 R12 R13 R14 R15 R16 R17 R18 R19 D20 R20 R21 R22 R23 R24 R25 R34 K1 SN10 VJ12 RM10 P b F TNPA5114 CRNO. 25 1 K O R D E R N O . 1 8 1 TP06 TP01 TP08 TP05 TP03 TP02 TP04 RM10 P b F K 1 TNPA5114 CRNO.25 S E E R E V E R S E F O R O R D E R N O . SS2-BOARD (COMPONENT SIDE) TXNSS21DYUC SS2-BOARD (FOIL SIDE) TXNSS21DYUC K-BOARD (COMPONENT SIDE) TXN/K1LBUC K-BOARD (FOIL SIDE) TXN/K1LBUC SS2 K A B C D K-BOARD TXN/K1LBUC SS2-BOARD TXNSS21DYUC TH-P46G20C K-BOARD TXN/K1LBUC SS2-BOARD TXNSS21DYUC TH-P46G20C 84 13.3. XH 电路板 TNPA5133 1 XH TU6701 TU6700 PbF R E V E R S E F O R S U F F I X . S E E IFMONITOR IFDOUT2 IFDOUT1 IFAGC SDA SCL BTMONITOR RFAGCMONITOR BB +BACTIVEANTENNA +B IFMONITOR IFDOUT2 IFDOUT1 IFAGC SDA SCL BTMONITOR RFAGCMONITOR BB +B TNPA5133 B TP6710 C6757 R6702 C6717 TP6717 TP6701 R6795 R6764 R6758 C6750 C6742 TP6720 TP6704 R6710 R6709 C6725 TP6715 R6793 TD001 R6763 R6757 R6707 C6721 TP6714 R6706 TP6705 C6781 C6760 C6752 C6712 C6707 TP6716 R6794 TD002 TP6711 R6767 C6764 C6758 R6703 C6718 TP6718 TP6702 R6796 TD004 C6723 TP6709 R6761 C6762 C6749 C6733 C6716 TP6712 R6762 C6719 TP6707 R6785 C6761 C6748 C6732 C6714 TP6706 R6784 C6782 R6745 C6713 TP6713 R6768 C6759 TP6708 R6752 TP6719 TP6703 C6751 C6738 C6710 TU6701 TU6700 Q6704 IC6700 IC6701 IC6702 IC6703 IC6704 IC6705 IC6706 IC6707 Q6700 Q6701 Q6702 Q6703 AB AC BC BB 1 XH TNPA5133 XH1 XH4 XH2 XH3 BE BD AD TU6701 TU6700 P b F 1 3 4 5 1 27 28 54 1 37 73 109 144 1 5 1 5 1 10 11 20 10 11 20 1 SUFFIX. 1 30 1 30 1 30 1 30 TNPA5133 A C6704 R6803 JS6708 R6788 R6775 R6753 R6748 C6763 R6721 R6715 IC6703 Q6703 R6780 C6776 C6769 R6734 C6737 R6708 C6722 Q6704 ZA6703 R6798 R6782 R6765 R6743 R6737 R6729 C6745 C6711 Q6702 L6704 C6774 C6768 R6732 R6726 C6741 C6736 C6706 L6703 XH2 R6792 R6779 R6756 C6773 C6767 R6731 R6725 R6718 IC6705 C6720 CL6700 ZA6704 R6799 R6783 R6771 C6779 R6744 C6746 C6739 IC6701 C6726 R6829 XH3 R6769 C6780 C6775 R6740 R6733 R6727 R6719 IC6706 C6730 TU6701 C6708 Q6700 L6700 JS6709 R6789 R6776 C6771 R6722 R6716 C6734 XH4 C6778 R6741 R6735 R6728 C6743 IC6707 IC6700 C6709 C6703 R6802 JS6707 R6787 R6774 C6770 C6756 R6714 C6729 C6705 L6701 JS6710 R6790 R6777 R6754 R6749 C6765 R6730 R6723 R6717 IC6704 R6704 C6700 R6800 JS6705 R6772 R6766 R6760 R6746 C6754 R6712 C6728 CL6701 ZA6705 JS6704 R6751 R6738 C6753 C6747 R6711 C6727 Q6701 L6702 XH1 R6791 R6778 R6755 C6772 C6766 R6724 C6740 C6735 R6705 TU6700 C6701 R6801 JS6706 R6786 R6773 R6747 R6739 C6755 R6720 R6713 IC6702 R6700 C6715 X6700 R6797 R6781 R6770 R6759 R6750 R6742 R6736 C6744 C6731 C6724 E F G H I 1 2 3 4 5 6 XH-BOARD (FOIL SIDE) TXNXH1LBUC XH-BOARD (COMPONENT SIDE) TXNXH1LBUC XH A B C D TH-P46G20C XH-BOARD TXNXH1LBUC TH-P46G20C XH-BOARD TXNXH1LBUC 85 13.4. A 电路板 IC8242 IC1100 IC1101 Q9800 Q9801 IC8852 JK3100 IC9801 IC9803 JK8700 JK3707 SW2500 Q2903 Q4650 Q2904 Q4651 Q4652 Q4653 JK2780 TU2901 IC2901 Q5431 Q5432 Q5433 Q5434 Q5435 Q5436 IC5603 IC5604 IC8100 IC8101 IC8300 IC8301 IC8302 IC5250 IC2950 IC2952 Q9303 Q9304 Q9305 IC8921 Q9900 Q9901 Q4700 IC5481 Q4701 Q4702 Q4703 IC9304 Q4704 Q4705 JK3001 JK3002 IC4701 Q2252 Q2253 Q2254 Q2255 Q3008 IC5500 IC5501 IC3001 IC8400 IC8401 CN1102 D3015 Q9000 Q9001 Q9002 Q9003 TNPH0845 2 A THERMAL PAD JK8401A JK8301 SW2550 SW2551 SW2552 SW2553 SW2554 F +/ -/ TV AV PbF + 1 4 5 8 1 26 51 76 100 1 4 5 8 1 4 5 7 AV2 AV1 AV1 MONITOROUT AV3S AV2 AV3 4 5 8 1 1 4 5 8 B-1 A-1 B-4 A-4 R L V IFDOUT2 IFAGC VB2 SDA SCL VIDEOOUT VB1 SIFOUT AUDIOOUT BTMONITOR BB +BACTIVEANTENNA RFAGCMONITOR IFMONITOR RESET IFDOUT1 IFDOUT2 IFAGC VB2 SDA SCL VIDEOOUT VB1 SIFOUT AUDIOOUT BTMONITOR RFAGCMONITOR BB +BACTIVEANTENNA IFMONITOR RESET IFDOUT1 IFMONITOR RESET VB2 SDA SCL VIDEOOUT VB1 SIFOUT BTMONITOR RFAGCMONITOR BB +BACTIVEANTENNA IFMONITOR SDA VIDEOOUT SIFOUT BTMONITOR +B SW2 BB RFAGCMONITOR SCL VB SW1 AFTOUT IFMONITOR RESET VB2 SDA SCL VIDEOOUT VB1 SIFOUT BTMONITOR RFAGCMONITOR BB +BACTIVEANTENNA 1 3 4 5 1 3 4 5 1 3 4 5 1 8 9 16 1 8 9 16 1 13 25 37 48 1 3 4 5 3 4 5 1 S E E R E V E R S E F O R O R D E R N O . 4 5 8 1 1 3 4 6 1 3 4 5 1 24 25 48 1 24 25 48 1 17 32 16 1 4 5 8 5 10 15 1 6 11 B21 B20 B1 B2 A2 A1 A21 A20 1 3 4 5 1 12 13 24 1 12 13 24 34 33 1 2 68 67 35 36 AUDIOOUT AUDIOIN 1 26 100 76 51 17 33 49 1 64 1 17 33 49 64 1 2 19 20 + 8 2 1 7 TP9092 JS8365 D4768 R5301 C4561 TD9331 R5424 TP9149 C2341 C8253 L8101 TPF15V C5540 R9376 R4712 R8739 R5640 C8317 C3103 TP9100 C8052 R9133 R8371 C4700 C8342 C8145 R9880 R9877 TP9112 R8680 R5540 R5532 D2810 C4548 R8374 R9112 TP8403 R2960 R5443 D5440 D5435 R8118 R8112 IC8100 C8301 C2337 TP9114 TP9107 TD8312 D9807 R5512 R4724 R8397 C9332 C9327 C3151 C2952 C8307 C8109 TP9133 CL5431 R8281 R9017 R4775 C8031 C9376 TD9381 C8306 C2923 R9040 R8269 VJ5451 C3049 R8404 R5501 R4748 TP8859 TP9203 R8382 TP3023 TD9366 C9107 C8739 C8732 TP2808 TP2401 TP9148 C8872 C9802 D3030 L8301 L2910 R4755 C8005 TP9202 R8381 IC9304 C9329 TD9365 R5461 L8023 R3121 D5445 C8114 R8284 R9019 R8255 TD9056 R8610 R4754 D2809 TD9374 R1003 C3150 TP0108 R5436 R3108 R5421 C2334 C8088 C3046 C2076 C9388 TD8424 TD9361 R8726 R2957 C2950 IC5603 TP9154 C2345 C3072 IC1100 VJ8520 R8418 R2258 R2802 C9342 R9104 C8170 D5444 TP9166 C4679 L4705 CL5442 R8279 R8658 R8636 TP9097 C8240 C9395 C9358 R8740 R8131 L8010 TP9914 TP9301 C3098 R0957 TP2754 R4789 R4759 C2450 C2803 C9355 TD9336 C8141 C3109 C3091 C8095 C8270 TP9089 R2255 R4751 C9371 R4703 TD9901 SW2554 C5432 R8487 R8466 C8247 CN1102 R5519 C8023 C9390 C9386 R9906 R8376 TP9194 TP0104 TP9159 TP7003 L4702 R8496 R8468 L8340 C8075 C8256 TP5209 R2264 R4770 R4750 R4719 R9318 R2956 TP0105 R3116 R2553 C8127 R4650 TP9908 L4704 R8499 C1123 R3220 R5523 R4769 C8021 TD9002 C8004 C2427 C9362 C9334 TD9379 C9315 C8175 R5452 L8008 C8321 R8885 TP8340 C9811 C9801 C8089 CL2507 JS8364 C8036 TP2302 R4756 C8006 R4729 R4710 R8756 C8176 R8516 C8340 TD9311 R8480 TP8341 R8647 C3078 R4765 TD8426 IC5481 TP0110 IC8301 R2906 C8107 L4716 TP9121 TD8313 L8341 R4776 TD9023 C9378 Q4703 TD9377 C8368 R8302 C8113 C9069 C8293 C8400 R4714 D4701 VJ8858 R9306 TP0903 TP2813 TP9179 SW2552 C8518 R4664 C2913 R0914 R4786 R9377 D4734 C9366 TD8400 R8364 TP8601 TP8401 L8024 R8322 TP9182 C2961 TPS15V R8111 TP9163 R4663 R2322 TP5293 TP1401 IC9803 D3027 TP9085 R8406 R5518 R5510 C8016 C5502 TD8416 TP1107 C9338 R5471 R5464 TD9328 C8520 C8323 Q5433 C8117 C8102 TP8354 R1146 C8284 TP8301 C8252 R4764 C9381 TD8415 R8758 C8341 D5434 C8138 R4662 C8116 TP8353 VJ9302 C8283 TP9096 C5543 C8024 R4701 C9340 D5451 C3145 TP2803 TP9150 C2350 Q2904 R8275 R9015 TP9095 TP9087 C8039 C5510 C5506 R9341 D4703 C9330 R5459 TP5500 R3115 TP2802 C8119 TP9142 C2343 TD8702 L8706 R0929 C8249 L2909 R4740 D4707 R8355 R3117 D5431 TP9152 R9459 C3092 C8096 R3041 C3028 R2819 C8404 TP9186 R8119 C2958 R9878 C5431 TP4501 R8465 C8289 R8248 R8423 D4776 R2801 C4715 C9303 C8159 R8708 D5437 R2926 TP9144 Q4650 R0960 C8873 C3084 C8070 C1110 X8102 C9359 C9320 TD9360 C9110 D5250 TP2804 L4700 R0958 VJ9300 R8442 C8071 C8262 D3017 C8029 R4752 C8000 TD9372 TP8405 R5643 TP0107 TP2805 VJ8000 C8105 C8066 VJ8518 TP9084 C8414 Q3008 C5316 C9324 C5487 R3128 L8400 R5437 R8310 VJ8001 TP9128 C8085 C8255 R8608 C5541 R5503 C8402 D4737 C9369 R9308 C8158 R2552 R4659 TP9137 C4658 C4652 R8274 R9014 R8422 TP9088 C3027 R5504 C5511 R4718 D4705 C8161 TP2008 TP9138 TP9300 C8291 R8247 D4774 D2802 C2801 TD8405 R9100 R8512 C8717 C8311 C2338 TP8735 C8875 R8261 R0930 VJ8512 R4771 C5320 C2806 TD8407 TP9187 TP9175 IC8101 VJ9901 C9816 C3083 C8271 TP8107 C3044 C3039 R5508 R4706 C4717 TD9370 R8348 C9304 TP0106 TP2810 C8327 C8129 R4651 L4715 C2904 C3090 C8099 C8082 TP8105 TP8103 C3043 C8027 TD8408 R8761 L8003 R9879 R8277 R8657 TP8104 TP8101 L8100 D5503 R2805 C5509 R3154 TD9362 R8727 R5644 TP2806 C8320 C2346 C8087 TP9099 C8243 C8010 C2420 R1202 D5453 TP5503 C8143 R8300 TP9909 TP9126 IC8852 R8252 C3070 C8069 VJ8519 FL9902 R2816 C2448 C2429 R1207 R8342 R5255 L8012 TD9330 R9875 TP9118 TP5292 CL3100 R8285 R0956 C8274 TD9025 C2079 C5318 R4727 TD8412 C9348 Q9901 C8369 R5438 R9874 R2908 R8691 C8285 TP5431 D1107 R8401 C9345 TD9382 C5488 R2959 R5422 TP9146 R2320 TP9122 C4731 C9344 C9331 C9325 TD9357 TP9198 C2959 R4652 TP1053 C4656 C8060 R2260 C8017 TP8860 TP9206 R9110 C3155 C8139 TP1056 TP9105 R4801 C8048 TP8861 R9134 R1420 R5473 L3023 TD9135 R8306 R8108 C8318 TP9910 C2336 C2320 TP8355 R8484 TP8343 R4785 TD9027 C9380 R9324 TP8600 R8343 C8720 C8516 C8122 C8101 VJ4509 C3086 R8642 R8438 L2905 Q2253 C9383 R9903 TP0901 TP3005 R9896 C8517 TP7002 VJ9910 R0950 R8645 C8259 VJ8516 TP9083 D5502 C9374 R5253 R5435 TP9176 R8103 Q9800 Q9002 C1108 R5724 C2078 D5301 C9375 C9900 L8020 L8006 TD9327 C5254 IC5604 R4661 TP1052 TP2751 IC1101 R0917 R8600 R5507 L3024 C8363 TP5501 R5433 TP9165 C5603 C2908 C2901 R3291 C8097 R0921 R8424 C8058 C8241 JS8360 C5724 C9396 R3173 TP3009 TD9338 R5434 TP9145 R8464 TP2755 C8276 R8623 R5312 D4722 R9101 R8513 C8718 C8519 R8272 TP2753 VJ8511 R2254 C9392 C2802 D9104 R9883 R9458 R8485 L5480 Q9801 TP8106 R2856 C8054 R2818 R5307 C9391 C9387 C2417 C9354 C4705 R8325 C8922 R8313 C3108 C8110 C2344 C3089 R8436 C8061 D4772 C4567 TD8403 C4713 TP2814 C8722 Q5436 C8303 R8893 R8497 TP5250 R8246 R8241 TP9093 C8051 R8407 C5503 R9327 R8759 R1209 R8311 C8123 R4657 C2342 FL2402 D3019 IC3001 C8038 R4711 C4721 C9337 R2784 C9117 TP9192 R2550 TP2402 C8316 R4655 CL5402 C8282 TPEC0 TP9086 R8408 TP9207 C9350 C4702 TP3007 R5456 VJ8613 R2551 C8140 C2956 TP9140 C2912 R8888 CL5435 TP8734 R8287 L8304 Q2254 TP9013 TP1108 C9339 C4701 C9319 R8922 TP0102 R8117 R8305 TD9313 R2323 R8686 TD8311 TP8733 R2259 IC4701 R9115 C8173 C8740 R8309 R8301 C8112 C2347 TP9902 R2306 R5521 TP8854 R9336 R9116 D5470 R9885 R4676 TP1054 TP9903 R3288 TP8351 L8343 C1114 C8250 R5514 R5500 R4738 TP8857 R3192 TD9384 R8361 L8019 TP0101 VJ8607 TP9160 TP9116 TP8346 C8871 C8091 R8449 TP9091 C8044 R5516 TD8414 TP1103 C9116 C8744 TD9341 TP9180 TP9161 R8453 C8280 R0918 C1104 D4785 R8000 R4742 R3189 C9310 R8326 C3140 R8508 C8132 C8128 TP9120 R8661 R8458 C8275 R0922 TP9098 C8059 TP9081 R5520 C2075 C9343 TP5502 C8149 TP9915 TP9131 C4655 L4701 R8858 R8459 C8083 C8258 R8419 TP9082 IC5501 C9397 C2807 C9321 R5642 L8017 R8315 R3106 TP9167 R8102 C8120 C8287 C3071 R8443 C8001 C5301 R8744 C9312 IC2950 TP9168 R9873 C8106 C2910 R0949 R8253 C8084 R8414 C5542 D2801 R9342 D4704 TP9195 L8014 C8147 R5412 C8104 TP9124 Q2903 R3290 R8469 R8413 R5502 C8008 D4702 R8506 C8302 R8892 R8495 TP2758 C8268 D8802 TD9016 X8100 C9357 C3752 D5443 TD9131 R9884 C8313 R2312 R8289 TD9097 TP8707 R8249 C8267 C8055 D4775 C8025 C2805 C9356 TP0905 C8923 C8131 C9099 R8288 C9806 C8072 TP2903 Q2255 C9351 TP0904 TP3008 R5458 C8157 L8001 SW2553 TP9164 TP9158 TP9141 C2914 TP9102 C2108 R8412 IC8400 D4750 C9384 D4717 C4724 R8372 R5472 C9109 TP2812 C8721 D8300 R5603 C8300 TP9129 TP9113 C2312 TP8342 C8045 VJ8300 TP2304 R9375 C5501 R9325 R9310 C9318 R3123 R8304 TP9162 C2356 R2319 TP1400 TP2757 R8244 C1117 R5517 TP2303 C5500 TP9011 R8757 R3148 R5463 TP5301 R4677 TP9904 TP2756 C8281 TP8300 C8067 C3048 R4777 R2814 R2806 C5317 R4726 C9361 R8380 TP3021 IC2952 TD9340 R8321 TP2807 TP9147 TP9110 L9302 R0954 R8254 C8068 R5515 C8415 C8409 C8013 C2428 C9309 TD9339 TP9117 TP5291 C8273 TP8853 R4709 C4719 R9309 TD9363 Q9303 C9104 C2951 TP9916 TP9132 Q4652 TP8350 TP9076 TD8411 C9347 R9300 C9314 Q9304 TP1055 R2318 Q4653 R8491 CL5432 D5500 C9393 D4721 TD8406 TP3015 C8312 C2339 C8876 R8416 C3029 R5506 C8405 C9372 R4704 TD9337 TD9325 TP9170 TP9153 VJ4510 TP8345 C8877 L8305 IC8401 C8022 C9368 TP0155 R9307 C9300 R5444 C8146 C8319 R2902 TP9906 C2905 R8689 C3088 L8705 C8074 R8616 JS8374 D4773 R5310 C8009 C5507 R4717 R4700 R8760 Q4701 R5445 C8304 TP7004 R4825 C4653 R8880 TD9055 C3047 R8410 C9389 C2809 TD9373 TP8406 D5454 L8018 R8316 TP9177 C8134 D5605 TP9127 C8094 R8447 R4799 C8242 D5501 C9373 R8327 R8509 C8133 TP4701 C4659 R0947 R8445 C8277 IC5500 R4743 R4707 D3339 R8725 R8132 TP9188 R8120 TP9901 R8270 C3085 R0936 R4798 R2833 TD8409 TP8404 L8016 C5650 C8305 TD8512 C8874 C8264 TP8102 C8042 R5513 TP8855 C9333 Q9900 TD9364 C9308 R5451 TP9172 R4653 L8920 TD8427 R8765 C9313 C9307 C8719 C2352 CL5437 TP5470 R8280 R4778 TP2301 R2815 R4739 TP8858 C9349 Q4705 TP3022 TD9359 TP2811 R2921 R4654 TP9111 R0955 R8452 TD9057 TP9090 C8043 C8034 C8012 C8003 C2426 R5254 C3141 C8308 R8283 TP2951 IC8242 L8302 R5530 R4749 TP9204 R9130 C3139 R8303 C8322 R9099 IC2901 TP9134 R9206 R8259 C8077 JS8371 C8046 Q2252 C9365 R9132 TD9368 TP3004 TP9193 L8009 L8000 TP9156 C3102 TP9135 TP8349 C3087 C8078 R3218 R4713 D4700 R8566 TD9369 TP3006 C8156 SW2551 C8130 TP9157 TP1057 C2335 R8483 R8286 R8615 R0907 R8409 C8019 C5505 TP9208 R9905 R1421 R9113 L8013 R5431 R8113 Q5435 TP9115 TP9108 R3287 R5511 C9377 TPST5 Q4702 C9326 L8021 TP9169 C8108 L4717 TP9103 C8292 C8033 R4725 C9360 C9346 R9117 R8360 TD9358 TP9199 R2321 C2340 C4657 C2310 C9040 R8427 R5522 C8020 C8011 C9379 TP9201 Q4704 C9328 L8022 L8007 R8282 C9810 R3240 R8429 C3030 L2902 C2821 C9363 C9335 Q9305 L8011 C8286 R0913 R8411 C9382 TP9205 TP9181 TP9178 SW2550 TD9312 Q5432 R4656 TP9905 R9039 CL5403 C8090 R4779 R4763 R9374 C4560 TP9010 R9323 C9317 R8712 C8144 C8137 R2922 Q5431 C8309 TP8352 R9205 R3245 C8254 R8607 C8018 R8347 TD9334 TD9329 TP9174 TD9314 R8864 R8420 L8102 R4731 C9367 R9904 TP0153 TP0902 R8323 TP9173 C8324 R8687 TP9101 C8056 R4741 D4723 D4708 C8154 C5251 D5603 R9035 C3093 C9807 R8415 R5505 R5308 D2803 C9370 D4706 C8325 C2915 TP8344 R8825 R0916 R2263 L2906 R4758 C8403 R4716 C9353 R8377 TD9380 R8130 TP9185 R5432 C3107 TP9913 TP9907 C2907 C2317 C8290 C8053 R5529 TP2501 D2811 R2414 D4719 C9352 R9121 C3144 R4665 C3104 C8103 R4824 C2906 TP9109 CL5404 C8079 TP8109 C1111 R8031 R3207 R5509 R4744 C5508 D4724 C9311 C8171 C9102 D5439 C8142 C8512 C2921 TP9125 C8093 L2950 Q9001 VJ8517 C2077 R4753 R4745 D4725 C9323 TP9197 VJ8606 C8315 C2922 R0948 C3073 C8278 C8257 VJ8513 R4781 X8101 R9125 L8015 VJ8610 VJ8604 C8326 R2905 TP9130 C4654 TP9119 CL5441 C8261 Q9000 TP5401 R2803 C4718 TD9371 TP9383 R8709 R1182 TP8951 R8891 R0959 VJ9301 C8265 R8430 C8260 D3028 JS8372 X8300 C5504 R8373 R8365 TP8402 R5455 C8733 TP9183 TP2801 Q5434 R2900 TP9106 TP9094 R4787 R3201 C9385 R9135 R5494 C4703 TP3014 R1200 TP9184 TD9905 C5250 C8124 TP9911 R8889 CL5436 TD8300 C8251 C8050 L2911 C8037 C9364 C9336 TD9367 TP9191 VJ8609 R5423 TP9155 C8115 TP8348 C9809 R8641 R8437 L8303 R5531 C8030 R9166 TP9012 R9326 R3149 TP8400 C8160 R2923 TP1062 IC9801 R9013 R5155 C8035 C5319 TD8413 TP1102 TPS0N C9316 R8341 TP0109 TP9189 C8728 C8515 C2354 TP8347 TP2952 C8092 D3048 Q9003 L8300 TP8856 VJ8864 C4708 TD9378 IC8921 C8742 TP9190 TP9917 R8448 R3042 R4767 TD8410 R8748 C8174 IC8302 C8136 R1197 D2901 C8100 TP9104 C2309 R0953 JS8361 TD9376 C8741 TP9171 TD9102 C2348 TP8952 R8684 L8342 C8064 C1105 R3206 C8040 R8001 R4708 R9105 C8155 C5651 C5253 Q4651 R8690 R8659 R8265 C8263 C8063 C8057 R2257 C8028 R4705 C9341 C8370 D5449 R3118 C8148 C8111 TP9900 TP8950 R3292 R8278 TP8708 R0935 C8065 TPP15V R4721 R9107 C8172 C9103 C5652 C8328 C8513 C8121 TP9139 R8444 R8619 C8406 R4720 C9322 D5452 R5420 R9872 R4660 C9803 C8279 R0915 JS8373 C8049 R4757 C8401 TD8402 Q4700 R2961 IC5250 R8324 L8002 R4658 TP9912 TP9136 TP9123 R2302 R8273 R8245 R8240 C8062 TP5208 R2415 TP8863 R9907 R9114 R8722 R5641 TD9335 C8126 C8310 TP9143 L4703 L8513 C8076 C3041 R5311 R4702 IC8921-A C5649 IC8300 R8109 TP9151 R8679 L9300 R8271 TP2752 R2256 R5309 TD8423 L8850 R9102 R8320 C8314 R2313 L9301 R8263 TP8108 JK3002 SW2500 TU2901E D3015 TU2901C JK3100 JK8401A JK8301 TU2901A JK3100A TU2901B JK3707 JK3001 JK8700 JK2780 TU2901 E F G H I 1 2 3 4 5 6 A-BOARD (FOIL SIDE) TNPH0845HC A A B C D TH-P46G20C A-BOARD TNPH0845HC TH-P46G20C A-BOARD TNPH0845HC 86 A31 A32 IC8240 IC8241 Q9802 IC9400 IC9401 IC9402 Q2101 Q2102 JK3100 IC9800 Q2109 IC9802 Q2301 A1 A6 A7 A8 JK8700 JK3707 SW2500 Q2901 Q2902 Q2905 IC2301 Q5602 Q5603 JK2780 TU2901 JK4700 JK4701 JK4702 JK4703 IC8701 IC8703 IC5251 Q5475 Q5476 Q5478 Q9306 IC1000 IC2780 IC5470 IC9300 IC8360 IC8361 IC8362 IC5290 Q4512 Q4513 Q4709 Q4710 IC8950 JK3001 JK3002 IC4500 CN0101 CN0102 Q5500 Q5501 IC2401 Q5502 Q5503 Q5504 IC2801 Q3000 CN0900 Q3001 Q3002 Q3003 Q8400 Q3004 Q8401 Q3005 IC5302 IC5303 IC9189 JK8850 IC8000 JK8401A Q2850 Q2851 JK3100A CN1101 IC8402 D3015 A10 A11 A12 A20 A24 Q9005 Q9006 THERMAL PAD THERMAL PAD THERMAL PAD TNPH0845 THERMAL PAD 2 A JK8301 CN8700 A88 AMM1 AMM3 AMM2 AMM4 PbF 1 68 1 68 1 A 1 A 1 1 0 11 20 1 11 20 10 1 10 11 20 MONITOROUT AV1 AV1 AV2 AV3S AV2 AV3 11 10 20 1 1 3 4 6 1 11 11 1 1 14 1 12 V R L 44 22 23 1 19 1 19 1 19 1 19 1 1 A O R D E R N O . 1 4 5 8 1 13 25 37 48 1 3 4 5 1 4 5 8 1 6 7 12 1 10 11 20 1 3 4 5 1 A 1 8 9 16 1 8 9 16 1 8 9 16 1 4 5 8 1 6 11 5 10 15 A1 A21 B20 B2 B1 B21 A20 A2 1 21 41 61 80 1 2 19 20 1 1 1 44 22 23 1 + 1 4 5 8 1 11 4 5 8 1 4 5 8 1 1 10 11 20 8 1 9 10 1 A 67 68 33 34 35 36 2 1 AUDIOOUT AUDIOIN 4 1 1 3 4 5 1 A 1 10 1 4 1 2 1 35 1 2 1 2 7 8 1 30 31 60 30 1 30 1 R3015 Q2850 D4715 R9131 R5683 CL5433 C3064 R8643 R8266 R3085 CL1050 C5473 L3020 R5470 IC8000 D4733 R8387 Q4709 X8002 R3086 R3231 C9800 R9207 R8107 R8110 R8505 R3112 R8344 R4794 C8047 C3003 R4730 C2412 D2902 R8685 IC9802 R8862 R2917 L5502 VJ8612 R5454 R8539 R2785 CN1101 R8389 C2304 C5438 R2787 R2066 JK3002 L4707 R8490 R8728 C8950 R9334 IC8950 C4666 L4706 R8877 R8474 C5255 R8524 C8367 R8733 D5481 C3022 R4762 L2102 TD9385 JS3008 R8692 R8440 R8640 R8479 R8868 R3716 L2901 FL9901 R4553 R4728 JS3007 R2101 R1103 C8862 R8673 R8105 R8700 C8244 C3018 C2436 R4722 CL2782 C8855 R8455 R8473 C5435 R5418 R8927 R8425 R3013 C5526 D4748 R8454 R3075 L8005 C2783 R3153 R0901 C8410 R8391 C4665 SW2500 R3226 R8625 C9808 TD9118 C3134 L3002 D2780 JS8377 R3003 C2074 R8379 JS3020 JS3010 R3031 R3034 R8441 R8100 R4672 TD9137 TD9353 D1010 L2908 C2057 C9098 C2305 R8626 R9610 R5610 R2930 R5474 C3012 R2418 L4712 R8433 R3235 Q9802 R8671 L5301 R2789 R8421 C5521 C2415 IC8360 L4708 R3232 TD9108 D3302 C1009 C8361 C5720 L2106 R4734 C4729 R8369 IC2301 R3234 R9209 IC9402 R2911 L3017 D3025 C3019 FL8701 R2138 R8867 C8731 R8711 JS8389 R3021 R4554 R5696 C3101 C2324 TD8516 C8080 R8462 C8351 Q5478 R3147 R8363 R2065 R8394 R3174 C2308 R8668 D1007 R3143 R8745 D4710 TU2901E Q5603 R1173 R3094 R9609 R8116 R3129 R8734 R8606 D4781 IC2401 R2901 C2313 R3092 TP2780 R9227 JK4700 C8150 R5457 R8923 D4780 C8399 R1179 C2311 C2106 R8267 C5474 A11 VJ8501 L2904 C8015 R8385 C4669 X9300 C2301 R9876 L3007 IC1000 R8738 C8248 D3014 C2068 D4742 D4738 C2418 R5489 R2309 TD8705 C3257 R1100 R5413 C8152 R8723 D4782 D5507 Q3002 R8952 JS3014 Q2902 R9208 IC9400 TD9115 IC5251 C2072 C2069 CN0101 VJ4703 R3037 R3081 R3100 R3019 L2107 C4550 VJ9042 TP2781 JS8392 D9808 R2788 R8417 R3010 C5723 R8390 C4664 JS3009 C2319 R8621 R8635 TD9117 C5490 R3150 VJ8514 D3015 D4778 C5530 R9126 C2351 R2121 C2909 TD8513 R8856 R8101 C3146 R3029 C1106 R2804 D2014 JS3016 R1108 C8856 R8648 R8665 C2753 R2928 TD9326 TD9355 C5519 D4726 TU2901C D3050 C9805 R8667 R2929 R1203 D3012 R4549 R1243 R5496 R2903 C2316 L8701 L8512 TD9309 D5441 C1401 TD9351 R3204 C5523 Q5503 R8378 IC8361 R2904 JS3015 R2110 R8242 IC9401 R4667 C3133 VJ8615 TD9352 R0909 C3011 Q3004 A31 JK3100 C2758 L5504 C8026 C2451 C4662 C9067 L5500 R5475 R3028 R3004 C5516 R8883 R3072 L8004 R4797 R0900 D3006 C2441 C2918 C2325 R8881 L5251 R9203 R5607 X1100 C2781 D1003 D3338 R5477 R8426 R4790 C5727 C2421 JS3018 R1109 R8649 C9822 R2915 TD9124 D5433 C3148 C1107 C5532 IC5302 D4739 R8260 R5600 C3117 VJ8605 C8366 R1407 VJ8500 TD9026 L2103 D4714 R9322 Q4512 R8258 C8863 L3010 R1410 R8428 R4791 JS8363 D5504 R9372 R8754 R2107 R8461 C2104 R9036 IC8701 C5471 R8526 R2781 C8032 D4728 R8396 R8878 VJ4705 R8653 R8669 L5501 R1010 R3157 D4779 JK8401A R4723 Q5602 R3093 R0952 R9608 R4675 D2783 R0906 IC4500 TD9389 JS3019 R8887 R3087 R9226 C5437 C2757 TD9332 C3142 CL2026 R8351 A20 C8246 Q3000 D4718 R3097 R3104 R8704 C3143 C8747 R8366 R2852 R3009 C8417 C2449 R1255 R3167 C2355 R8873 C8713 D8705 TD9342 R2854 C8245 JS8367 D4769 C4546 R3169 R8482 L8511 TD9107 TD9128 VJ8601 C1400 C8412 C5518 R4735 C8854 R8446 C9821 TD9110 R4674 TD9347 D1006 R8926 R8743 C5527 R4736 C8858 R3077 R3120 C5293 D2782 C1103 R3002 R2419 R3188 TD9390 PA5610 R8624 R1105 C9812 C3097 C3113 R5440 R8357 R8392 R1181 JS3011 C4650 R3293 D3039 R8857 R4669 C2782 TD9354 L3035 C1102 D3005 Q3005 C2440 R3187 C2916 C2307 C8073 R0931 R8865 R2913 L5505 C2071 C3008 FL2759 L8708 FL3001 R9888 D5442 R2070 D3003 R9124 R8894 C2318 C9403 C9819 TD9116 C9101 C9302 R4788 IC8402 C2070 C5522 C2055 L9801 IC9300 R2308 C9818 TD9109 C5475 C9301 D4771 C5538 R4557 D4716 CL5434 C2302 R8439 R5571 R8650 C8714 D8706 L3008 L3021 C5537 IC2801 D4731 X8001 A7 R3230 Q2109 TD9127 C8729 C3004 D4735 R5493 R8493 R4670 R8510 R2786 A12 D3010 C5310 C2911 R2103 D9806 TD9113 C3131 R8703 L3011 R2055 D4727 R8764 R1153 A88 VJ5486 R3078 C8373 TD9375 TD9022 R1236 R2907 JK8301 Q5475 R1004 R8747 R3007 R4761 L2302 R9320 C3100 TD8515 C8272 R8860 Q5476 R8535 C8375 Q9005 C8416 D5506 L2304 D2417 FL2781 R5682 R2139 R2109 R8634 R9402 Q2102 R3084 R5442 R8737 L1100 D3007 R3172 R2135 C2903 R8882 JS8390 C9813 R8724 R8358 D4747 R8393 R9247 R3224 R3227 R8431 C9814 R5609 R4673 R8515 R8919 R8925 R5479 C5525 C2434 TU2901A R8470 D1005 C8371 C1112 R0910 JS8370 C5533 C8407 L2301 R3076 C8726 L3004 TD9356 R4796 D4783 C8600 Q3003 C5313 Q4710 R1221 C1122 R3233 R8651 R2140 R2752 D1002 R4795 C3025 Q3001 D4736 R9340 R8375 C9401 C9817 R2919 R8705 C1010 C9100 R8721 C4704 R3001 C3009 CN0102 VJ4704 R5611 C5524 D4744 C2306 D3045 FL3002 D5602 R2855 JS8369 Q5501 L9800 R9120 C2321 R3098 A1 TD9324 R8367 R3024 C2119 C2303 C8715 L5503 D3336 R5485 R2853 R0905 C2411 R8644 R8481 C5436 TD9134 D3334 R4792 R0904 R2069 L2305 R8384 R2909 VJ4707 R8869 TD9111 R8106 L3006 R2828 C5728 VJ8850 C2322 R0932 R8451 R8477 L2804 C5489 R0911 R2068 L2101 R3193 R9321 R1225 L2404 D1112 R0946 R9401 R8861 R9037 R5419 C3138 L3005 C8743 R8736 R5482 JK3100A X8701 CL2783 VJ8397 R8652 D9800 R3101 D5482 L2900 D4729 R1224 C2353 R8460 C9826 TD9126 TD9322 TD9349 JS8375 R2830 IC9189 C9066 C8266 R1101 R8262 R9034 R4671 R8114 R8501 C8153 C9394 C2917 R3038 IC8241 R8457 TD9121 R5476 R3017 Q2851 C3005 D4740 R4732 R3182 R8467 CN8700 FL2301 D5450 D4784 C3007 L8702 L8707 R0951 TD9099 C3112 R8507 R8706 TD9345 C8362 C8413 IC5303 R4551 TU2901B R8250 R8472 VJ2827 C9306 VJ8515 C5531 C5517 C5314 C9820 C3116 JK4702 TD9346 C8365 R8349 R1406 A24 R4599 IC8240-A R2834 R8763 L2401 R2301 TD8707 R8620 R3033 R3229 R3073 C3115 R2927 R8741 R4598 R3011 C3014 C2442 R8762 C2919 Q2905 JK3707 R1106 R8264 C3099 R5608 TD9122 C8730 D1004 R5478 D4711 R1237 C2349 R2307 R8879 R8872 R8476 C8712 R3005 C5539 R8395 C4706 C2924 R9016 C8711 TD9348 R8746 JS8388 C1109 C3021 R2807 D4713 C2323 R3237 D3052 R9224 R3083 VJ8608 C3149 C3153 R3146 C5534 C5528 D4712 TD9398 IC5290 C8859 A88A VJ9902 TD9310 C8727 C3152 R8729 R8735 R5481 Q9006 R4585 C3023 R2053 D4730 Q4513 D9816 R9038 R8504 C5472 R8537 R2783 R4793 D4770 C8418 D4732 R8370 R8874 C8860 C2756 D3100 R3016 JS8368 R4558 Q5500 R1163 R8492 R8875 R3103 D3301 R3113 C8745 R1411 C5615 R2310 Q2301 VJ9900 TD9120 TD9130 C8151 TD9350 R8924 IC2780 R2835 JK3001 JS3012 R8489 C9824 TD9321 C5294 R8928 JS8362 L2403 VJ4706 C2102 C5256 R3102 R2780 R2850 TD9024 R9198 C8002 TD9397 R3236 C8861 R8672 R2920 R5441 C2784 R8340 L3029 R2851 C5535 C5529 R9373 FL2780 FL8702 R2108 R8886 R1104 R8257 R8656 Q2101 VJ4508 D8704 L8401 R5453 R2782 R8362 R4586 L4650 R2824 L2306 R8386 R5684 JK8700 C9400 TD9343 R8538 R8350 R3222 R0912 A10 L2903 TD9386 JK2780 R8243 IC9800 R5439 R3717 D3011 C5311 C2414 TD8401 R8950 C9097 R2105 R8494 R8876 R3089 TD9114 C8716 IC8703 L3014 L3030 R1413 R5528 CN0900 R2104 VJ4700 R8863 R2918 R9881 CL1051 C8343 C8746 R8346 R5486 R2831 C2073 Q8401 C4663 R8870 R8434 D3046 C3129 D5432 R8356 D3004 VJ4702 A32 R8456 C9815 JK4701 R2753 R0908 D4741 R4733 C8269 C9402 C3095 R4666 L3009 C5482 R3025 R4563 Q5502 R8368 C5616 FL3004 C3132 R8511 TD9344 L3015 C5719 R8251 R8859 R2914 R5613 L3003 R8742 R4784 C5315 R8666 L2803 R8503 R8710 C9112 C8372 D4777 JK8850 D4709 R3228 C8081 VJ8360 R8463 R8660 R4668 L3018 R8730 L3034 R3012 D3009 R5315 C4730 TD9101 TD8514 R1107 R3074 C2752 TD9123 R8121 C5485 T8301 C2413 R8388 R3091 C2110 C2107 R2924 TD9129 TD9323 D1402 C5520 R3198 C4660 C2314 VJ4701 R9882 C8360 D3032 C5536 C8014 R2402 R8383 C4668 A6 C2755 C3130 Q9306 JS8366 C3024 C3002 L9000 A8 C3065 R8450 TD9112 C2760 VJ8600 IC8241-A D3031 R3008 C5729 D5505 L2303 PA5300 R5681 R2102 R8256 C2105 R8527 R2067 C3020 FL9900 C8408 R4552 R4737 R9339 R2106 R0990 R0945 R9400 C2103 R3082 R8104 D8703 VJ8611 D1009 R3006 C2424 TD9396 C4707 JS3013 C9825 R8525 C8374 R2826 C2423 R9335 TD9395 IC8362 C4667 R8871 R3079 TD9125 D1008 L3028 C2443 R9127 Q2901 R3030 JS8391 C8853 R8664 TD9119 VJ8616 L3019 R8731 R3205 D4746 C2902 R8622 D3038 R9403 C3114 R5612 R8918 IC5470 R3213 R0903 C5726 D4749 C2435 C8857 C9804 C9052 JK4703 C5470 R8732 L5611 R4783 C5725 R4550 Q5504 TU2901 R8638 R8471 TD9902 C8725 C3147 C9111 D2781 D3001 R4548 C5312 R4715 R5495 C2315 R0180 R2751 D3013 C3026 C3010 C2067 C2416 R9123 C2920 R8498 R8268 FL3005 TD9136 C2780 R3000 Q8400 D4743 D4720 C4661 R8432 IC8240 R8707 R4597 C3013 D4745 R8488 R1102 FL3003 C2759 R8115 R8502 E F G H I 1 2 3 4 5 6 A-BOARD (COMPONENT SIDE) TNPH0845HC A A B C D TH-P46G20C A-BOARD TNPH0845HC TH-P46G20C A-BOARD TNPH0845HC 87 13.5. C1 电路板 E F G H I 1 2 3 4 5 6 C104 C105 C106 C107 C108 IC101 C109 C110 C111 C112 C113 C114 C115 C116 C117 C118 C119 C120 C121 C122 C123 C124 C125 FL101 ZA101 ZA102 ZA103 ZA104 ZA105 C141 C142 C143 C144 C145 C146 C147 C148 C149 C150 C151 C152 C153 C154 R101 R103 R104 R105 R106 R107 R108 R109 R110 R111 R112 R113 R114 R115 R116 R117 R118 R119 R120 R121 R122 R123 R124 R125 R126 R127 R128 R129 R130 R131 R132 R133 R134 R135 R136 R137 R138 R139 R140 R141 R142 R143 R144 R145 R146 R147 R148 R150 R151 R152 R153 CB1 CB2 CB3 CB4 CB5 CB6 CB7 CB8 C10 C11 C101 C102 C103 CR NO.17 TNPA5096 C1 1 PbF 1 10 11 20 1 55 1 55 1 55 1 55 O R D E R N O . 1 20 1 55 1 55 1 55 1 55 1 55 1 55 1 55 1 55 1 55 1 55 1 55 1 55 1 68 1 20 1 68 TNPA5096 1 C1 3 2 1 PbF S E E R E V E R S E F O R O R D E R N O . C1-BOARD (FOIL SIDE) TXNC11LRUC C1-BOARD (COMPONENT SIDE) TXNC11LRUC C1 A TH-P46G20C C1-BOARD TXNC11LRUC TH-P46G20C C1-BOARD TXNC11LRUC B C D 88 13.6. C2 电路板 E F G H I 1 2 3 4 5 6 C20 C21 C23 C25 CB10 CB11 CB12 CB13 CB14 CB15 C201 C202 C203 C204 C205 C206 C207 C208 IC201 C209 IC202 CB9 C210 C211 C212 C213 C214 C215 C216 C217 C218 C219 C220 C221 C222 C223 C224 FL202 ZA201 ZA202 ZA203 ZA204 C241 C242 C243 C244 C245 C246 C247 C248 C249 C250 C251 C252 C253 C254 C255 C256 C257 C258 R201 R202 R203 R204 R205 R206 R207 R208 R210 R211 R212 R213 R214 R215 R216 R217 R218 R219 R220 R221 R222 R223 R224 R225 R226 R227 R228 R229 R230 R231 R232 R233 R234 R235 R236 R237 R238 R239 R240 R241 R242 R243 R244 R245 R247 R260 R261 R262 R263 CR NO.17 TNPA5097 C2 1 PbF 1 20 1 68 1 5 5 1 8 1 4 1 55 1 55 1 68 1 55 O R D E R N O . 1 55 1 5 5 1 55 1 55 1 55 1 55 1 55 1 55 1 10 11 20 1 10 11 20 1 55 1 55 1 20 TNPA5097 1 C2 3 2 1 PbF S E E R E V E R S E F O R O R D E R N O . C2-BOARD (FOIL SIDE) TXNC21LRUC C2-BOARD (COMPONENT SIDE) TXNC21LRUC C2 A TH-P46G20C C2-BOARD TXNC21LRUC TH-P46G20C C2-BOARD TXNC21LRUC B C D 89 13.7. SC 电路板 E F G H I 1 2 3 4 5 6 SC41 SC42 TP90 TP91 SC46 TP92 TP93 TP94 TP95 TP96 TP97 TP98 L698 SC50 C563 TP100 TP103 TP104 TP105 C592 TP106 TP107 TP108 T471 TP109 IC784 IC786 TP110 TP111 C791 TP112 C793 TP113 TP114 C795 TP115 C796 TP116 TP117 TP118 TP119 TP120 TP121 TP122 TP123 TP124 TP125 ZA421 ZA422 ZA411 ZA412 C400 C412 C413 C416 C417 C418 R774 C419 C806 C813 C631 C632 C633 Q401 Q402 Q403 D401 Q601 D402 C450 C842 C460 Q421 Q422 Q423 D421 Q621 D422 Q622 Q441 Q442 D441 Q451 Q452 D641 D642 C691 TP1 TP2 TP4 TP5 TP6 TP7 Q660 TP8 Q661 D461 TP9 D462 L400 L401 L411 SC2 D481 D482 TP10 TP11 TP14 TP15 TP16 TP17 TP18 TP19 R838 TP20 TP21 TP22 TP23 TP24 TP25 TP26 TP28 TP29 TP30 TP31 TP32 TP33 TP34 TP35 TP36 TP37 TP38 TP39 TP40 TP41 TP42 C503 TP43 R860 TP44 TP45 TP51 TP52 TP58 C900 TP59 C901 C902 C903 TP60 L851 TP61 TP62 C523 TP63 TP67 L472 C721 R696 TP70 TP78 TP79 TP80 TP81 TP88 TP89 3 1 CRNo.16 1 SC TNPA5081 2 PbF 2 8 2 8 9 1 2 8 1 2 9 1 P 1 P T P 2 S 2 S 1 8 5 4 1 8 5 4 1 S E E R E V E R S E F O R O R D E R N O . C G E C G E C G E A A K G S D A A K G C E G C E G C E A A K C G E A A K C G E C G E C G E A A K G C E G C E 1 9 A A K A A K G S D C G E A A K A A K 1 3 A A K A A K SC-BOARD (FOIL SIDE) TXNSC11MEK SC TH-P46G20C SC-BOARD TXNSC11MEK TH-P46G20C SC-BOARD TXNSC11MEK A B C D 90 E F G H I 1 2 3 4 5 6 Q701 SC41 SC42 Q702 D503 SC46 TP99 D701 D702 L698 SC50 C753 C754 C755 Q521 C561 C562 C756 C563 D900 C564 C565 D901 D902 C566 C567 D710 D711 IC561 IC562 D712 D713 IC563 IC564 D522 D523 Q531 D719 D720 Q920 Q921 D721 C771 C772 C773 D534 D728 C581 D536 C582 C583 D920 IC771 D921 IC773 Q930 Q931 IC581 Q932 R501 TP101 R502 TP102 R503 R504 Q551 C592 R506 C593 T471 R509 IC784 IC785 IC786 IC787 R511 C791 R512 C793 R707 C794 C795 C796 R516 C797 R517 R900 R901 R904 R711 R712 R521 R522 Q762 R523 R717 R719 R720 R721 R531 R919 D765 R532 R533 R534 R920 R921 R922 R923 R926 R927 R928 ZA421 R929 ZA422 D583 R930 R931 R932 R933 R934 R935 R742 R936 R937 R938 R745 ZA411 R551 ZA412 R746 R552 R747 R553 R750 D790 D791 R751 D792 R752 D793 R753 R560 D794 R754 R561 R755 R562 R756 R563 R564 R565 R566 R567 R568 C400 R569 C401 C402 C403 R761 R762 R763 R570 R765 R769 C602 C603 C604 R579 C412 C413 C608 C416 R772 C417 R773 IC490 C418 R774 R580 C419 IC491 R776 R582 R583 R777 R584 R585 C806 R586 R587 R588 C421 C422 C423 IC691 IC692 R783 R590 R785 R591 R592 R786 R787 C813 R593 R789 R791 ZA401 ZA402 R797 ZA403 R798 ZA404 R799 C631 C632 C827 ZA407 PC603 C633 Q401 C441 Q402 C442 Q403 D401 Q601 C641 C642 D402 Q602 Q603 C450 C645 C451 C646 Q606 C452 C647 Q607 D407 Q608 Q609 Q801 C842 D602 C843 C844 D604 D605 D411 D607 C460 C461 Q421 Q422 Q423 Q810 D610 IC464 C854 Q815 IC465 C661 D421 Q621 C856 Q816 C662 D422 Q622 Q817 C857 C663 C858 C664 Q818 D618 C859 C665 C471 C666 C472 C668 IC661 C860 IC471 C861 C862 C863 C864 PC896 PC897 C675 C481 Q441 C676 Q442 D820 D821 D822 D824 D825 R401 D441 R402 R403 C684 C490 PC461 Q645 C685 C491 Q451 Q646 Q452 Q647 Q649 R601 D641 D642 R604 R410 D645 C691 R605 D451 R411 D646 C692 D647 R607 R414 D648 R415 D649 R609 R416 R417 R418 R419 R801 R802 TP3 D650 R804 R610 C891 IC521 D651 D652 R612 D653 R420 D654 Q660 Q661 R615 R421 D461 Q662 D462 R422 Q663 R617 R423 PC480 Q471 D465 D466 Q668 L400 IC724 R621 L401 D662 R622 D663 D664 R818 Q670 D859 R819 Q671 Q672 Q673 D667 D473 IC920 PC684 D474 D475 D669 Q675 PC685 D476 Q676 D477 Q677 R820 Q678 D478 R822 R823 R824 D670 R825 D671 R631 L411 R826 D672 SC2 R827 D673 R633 D674 R634 D480 R829 R441 D481 R442 D482 Q876 D677 D678 Q490 R831 D871 R832 D872 D874 D875 R837 R838 D490 Q885 R451 R645 D491 PC722 R646 D492 R452 PC723 R647 D493 D494 R648 R649 D497 R841 R843 R844 R650 R845 R651 R846 R652 R653 R654 R849 R655 R656 R657 R658 R659 R465 R466 R467 R468 R851 R852 D893 R660 R661 R662 R663 R664 R471 R665 R472 R666 R473 R667 R668 R474 C501 R475 C502 R476 C503 C504 R860 R478 R479 C505 TP46 R670 IC501 R671 R672 R673 R674 R675 R676 R677 R678 R679 C707 C708 R870 TP57 R873 R680 C900 R681 C901 C902 R682 C903 R684 R490 R491 R685 R492 R686 R687 R493 R688 R494 L851 C521 R495 C522 R496 C523 R497 C524 R498 C525 IC792 IC793 C527 R690 TP68 R691 L472 R692 R694 SC20 R695 C721 R696 C723 C724 TPSOS6 R699 TPSOS7 C533 C534 C535 R891 C536 R892 R893 R897 R898 R899 Q501 TP82 Discharge TPVSUS SCMM2 DIP H.V. DANGER H.V. DANGER TPSC1 H.V. DANGER SC 1 H.V. DANGER SCMM1 CRNo.16 TPVSCN TPVAD A A TNPA5081 PbF 1 2 8 9 1 8 9 2 1 2 3 4 9 1 2 8 1 2 1 10 11 20 1 10 11 20 7 8 14 1 1 3 4 5 1 2 3 4 1 2 3 4 1 3 4 5 1 4 8 5 S2 S1 P1 PT P2 1 2 3 4 1 4 5 8 1 4 5 8 O R D E R N O . 1 3 4 5 G C E G C E G C E A A K G S D A A K 1 2 3 4 C G E C G E C G E 1 3 4 5 1 2 3 4 1 3 4 5 A A K G C E A A K G C E 1 4 5 8 G C E G C E A A K C G E C G E A A K A A K G S D G C E A A K A A K 1 4 5 8 3 1 A A K A A K 1 8 9 1 6 8 9 1 16 1 3 4 5 1 3 5 SC-BOARD (COMPONENT SIDE) TXNSC11MEK SC A TH-P46G20C SC-BOARD TXNSC11MEK TH-P46G20C SC-BOARD TXNSC11MEK B C D 91 13.8. SS 电路板 E F G H I 1 2 3 4 5 6 C193 SS11 R309 SS21 L303 SS53 SS55 SS56 VR001 SS61 SS63 SS64 C201 C202 C203 C011 C012 C013 C014 C015 Q001 Q002 Q003 D001 C241 D002 Q021 Q022 Q023 C271 C272 Q041 Q042 D041 D042 Q051 D051 D052 L001 TPVSUS TP2 TP5 TP6 TP7 TP8 TP9 L011 TP10 TP13 TP14 TP16 TP17 TP18 TP19 TP20 TP21 TPSOS8 TP24 TP25 TP26 TP27 TP28 TP29 TP30 TP31 TP33 TP34 TP36 TP38 TP39 TP40 IC304 TP41 TPVe TPSS1 C314 TP51 TP53 TP54 TP56 C328 C331 PbF SS 1 1 2 3 TNPA5082 CR No.16 4 1 1 7 2 6 1 1 3 1 1 3 1 1 3 1 1 3 S E E R E V E R S E F O R O R D E R N O . 1 1 3 1 1 3 1 1 3 C G E C G E C G E A A K A A K 1 1 3 1 1 3 G C E G C E G C E G C E G C E A A K A A K C G E A A K A A K 1 1 3 1 1 3 8 5 4 1 1 1 3 SS-BOARD (FOIL SIDE) TXNSS11FFK SS A TH-P46G20C SS-BOARD TXNSS11FFK TH-P46G20C SS-BOARD TXNSS11FFK B C D 92 E F G H I 1 2 3 4 5 6 D315 D316 D317 D131 Q141 R101 R102 R103 R104 C191 R105 C192 C193 SS11 R109 C195 C198 R110 D151 D152 D153 R307 Q161 R309 R116 SS21 R318 R319 SS33 R320 R131 R132 R134 R135 R136 R137 L303 R330 IC241 R332 R334 R141 R335 R142 R143 Q191 SS53 SS55 SS56 R150 R151 D191 R152 D192 R153 R154 R155 D196 VR001 SS61 R159 SS63 SS64 R161 R162 R163 C001 C002 C003 C004 R171 R172 R173 C201 C202 C203 C011 C012 C013 C014 C015 R181 R182 R183 C021 C022 C023 R191 R192 R193 R195 ZA001 ZA002 ZA003 C041 Q001 C042 Q002 Q003 D001 C241 D002 C242 C243 C244 C051 C251 C252 Q021 Q022 Q023 IC251 D021 D022 D023 C071 C072 C271 D032 C272 Q041 Q042 C280 R001 D041 C281 R002 D042 R003 C284 C091 C285 Q051 C286 C092 C287 Q055 Q056 D050 D051 Q251 D052 D054 IC312 D253 R021 D255 R022 R023 L001 IC131 R031 R032 R033 R034 TPSOS8 R230 L011 R231 Q280 R041 R042 D280 R241 D281 R242 D282 D284 D285 R051 D286 R251 R252 R253 R254 R255 R256 R257 R258 R259 R260 C101 C103 C104 C105 TPVSUS TPVe TPSS1 R280 IC304 R281 R282 R283 R284 R285 R287 R288 C314 R289 C315 C316 C317 C318 C319 R290 C131 C133 C328 C135 PC301 C331 Q101 Q102 D101 C151 C152 C153 C154 C157 IC151 PC191 DIP S S M M 1 S S M M 2 PbF SS Discharge 1 TNPA5082 CR No.16 1 2 3 4 1 4 2 6 7 1 13 1 1 8 1 1 0 11 20 1 13 1 13 13 1 O R D E R N O . 1 13 1 13 1 13 G C E G C E G C E A A K A A K 13 1 13 1 C G E C G E C G E 8 5 4 1 C G E C G E K A A A K A G C E A A K A A K 13 1 13 1 1 8 9 16 1 8 9 16 1 4 5 8 G S D G S D 16 9 8 1 13 1 SS61 SS63 SS64 SS-BOARD (COMPONENT SIDE) TXNSS11FFK SS A TH-P46G20C SS-BOARD TXNSS11FFK TH-P46G20C SS-BOARD TXNSS11FFK B C D 93 14.1. 零件位置和机械部件更换清单 14.1.1. 分解图 94 14.1.2. 分解图 2 95 14.1.3. 包装图 1 96 14.1.4. 包装图 2 97 14.1.5. 机械部件更换清单 安全 标记 参考号 部品号 部品名称及说明 数量 备注 ETX2MM805MSL P 线路板 1 1 J0KG00000146 铁氧体磁芯 1 2 K1TWACC00001 绝缘天线 1 3 K2AHYH000033 AC 接入口 1 4 K2CK3YY00025 电源线 1 5 K2YZYY000017 RF 信号隔离器 1 6 L0AA14C00004 喇叭 2 7 N2QAYB000492 遥控器 1 8 R6DWC/2SK 电池 2 9 TBL3DX0023 台座 1 10 TKK3DC5005 LED 透光板 1 11 TKKL5493 M8 盖 4 12 TKU3DX00702 后盖 1 TMK3DG023 喇叭海绵 4 13 TMXX064 AC 电源线夹 A 1 14 TPC3DA03102 包装箱外箱 1 15 TPC3DA03201 包装箱底箱 1 16 TPD3DA0071 顶部衬垫 1 17 TPD3DA0072 底部衬垫 1 18 TPD3DA0074 台座衬垫 1 19 TPDX0035 箱扣 4 20 TPEH344A 整机保护袋 1 21 TPEP026-1 电源线袋 1 TQB3DA7003 警告单 1 TQD3D18001 保修证 1 22 TQZ3DB019-2 使用说明书 1 23 TSXL519 FFC(C10-C20/SU11- SD11) 2 24 TSXM020 FFC(A20-SC20) 1 25 TSXM021 FFC(C11-A31) 1 26 TSXM022 FFC(C21-A32) 1 27 TSXM099 FFC(XH4-A88) 1 28 TXFBL01LBUC 台座附件 1 TXFKR01LQUC 声音反射板组件 2 29 TXFKY01LDUC 面框 1 TXFNZ01LDUC 高频头组件 1 30 TXFUA011FFK 46FHD13 PDP 屏 1 TXJ/A6LDUC 线束 (A6-P6) 1 TXJ/A7LBUC 线束 (A7-P7) 1 TXJ/K1LQUS 线束 (K1-A1) 1 TXJ/P2LKUU 线束 (SC2-P2) 1 TXJA11LDUC 线束 (A11-SPR/SPL) 1 TXJP11LHUU 线束 (P11-SS11) 1 TXJP35LLUU 线束 (P35-C25) 1 TXJS33LLUU 线束 (SS33-C23) 1 TXN/K1LBUC K 线路板 1 TXNC11LRUC C1 线路板 1 TXNC21LRUC C2 线路板 1 TXNSC11MEK SC 线路板 1 TXNSD1LRUC SD 线路板 1 TXNSS11FFK SS 线路板 1 TXNSS21DYUC SS2 线路板 1 TXNSU1LRUC SU 线路板 1 TXNXH1LBUC XH 线路板 1 98 14.2. 电器部件更换清单 14.2.1. 更换部件清单注意事项 99 14.2.2. 电器部件更换清单 注意:除在备注栏中标注 [PPDS] 的部件由 PPDS 提供,所有零件均由 AVC-CSPC 提供。 安全 标记 参考号 部品号 部品名称及说明 数量 备注 A1 K1KA11B00092 11P 连接接头 1 A6 K1KA11BA0107 11P 连接接头 1 PPDS A7 K1KY14AA0719 14P 连接接头 1 PPDS A11 K1KA04AA0728 4P 连接接头 1 A20 K1MY35BA0345 35P 连接接头 1 A31 K1MY68BA0345 68P 连接接头 1 A32 K1MY68BA0345 68P 连接接头 1 A88A K1KY30AA0369 30P 连接接头 1 C10 K1MN20BA0231 20P 连接接头 1 C11 K1MY68BA0345 68P 连接接头 1 C20 K1MY20BA0345 20P 连接接头 1 C21 K1MY68BA0345 68P 连接接头 1 C23 K1KY08AA0719 8P 连接接头 1 C25 K1KA04BA0107 4P 连接接头 1 C1009 F1G1C104A116 C 0.1UF 16V 1 C1010 F1J1E105A231 C 1 UF 25V 1 C1102 F1J1A106A087 C 10UF@ 10V 1 C1103 F1G1C104A116 C 0.1UF 16V 1 C1104 F1G1C104A116 C 0.1UF 16V 1 C1106 F1H1H270A971 C 27PF@ 50V 1 C1107 F1G1H220A731 C 22PF@ 50V 1 C1108 F1G1C104A116 C 0.1UF 16V 1 C1109 ECJ1VB1A105K C 1UF@ 10V 1 C1111 ECJ1VB1A105K C 1UF@ 10V 1 C1112 F1G1C104A116 C 0.1UF 16V 1 C1114 F1G1C104A116 C 0.1UF 16V 1 C1117 F1G1C104A116 C 0.1UF 16V 1 C1122 F1G1E103A123 C 0.01UF 25V 1 C1123 ECJ1VB1A105K C 1UF@ 10V 1 C2055 F1J1A106A087 C 10UF@ 10V 1 C2057 F1J1A106A087 C 10UF@ 10V 1 C2067 F1G1C103A116 C 0.01UF 16V 1 C2068 F1G1C103A116 C 0.01UF 16V 1 C2069 F1G1C103A116 C 0.01UF 16V 1 C2070 F1G1C103A116 C 0.01UF 16V 1 C2071 EEEHB0J101UR E 100UF@ 6.3V 1 C2072 EEEHB0J101UR E 100UF@ 6.3V 1 C2073 F1G1E333A091 C 0.033UF 25V 1 C2074 F1G1E333A091 C 0.033UF 25V 1 C2075 F1G1C104A116 C 0.1UF 16V 1 C2076 F1G1C104A116 C 0.1UF 16V 1 C2077 F1G1C104A116 C 0.1UF 16V 1 C2078 F1G1A105A047 C 1UF 10V 1 C2079 F1G1C103A116 C 0.01UF 16V 1 C2104 F1G1H100A731 C 10PF 50V 1 C2107 F1G1A105A047 C 1UF 10V 1 C2108 F1G1A105A047 C 1UF 10V 1 C2110 F1G1C104A116 C 0.1UF 16V 1 C2301 F1G1C104A116 C 0.1UF 16V 1 C2302 F1G1C104A116 C 0.1UF 16V 1 C2303 F1K1E106A136 C 10UF@ 25V 1 C2304 F1J1E105A231 C 1 UF 25V 1 C2305 F1G1H102A730 C 1000PF 50V 1 C2306 F1J1E105A231 C 1 UF 25V 1 C2307 F1J1E105A231 C 1 UF 25V 1 C2308 F1J1E105A231 C 1 UF 25V 1 C2311 F1K1E106A136 C 10UF@ 25V 1 C2313 F1G1H102A730 C 1000PF 50V 1 C2314 F1J1E105A231 C 1 UF 25V 1 C2315 F1K1E106A136 C 10UF@ 25V 1 C2316 F1H1H104A970 C 0.1PF@ @ 50V 1 C2317 F1J1E105A231 C 1 UF 25V 1 C2318 F1H1H104A970 C 0.1PF@ @ 50V 1 C2319 F1K1E106A136 C 10UF@ 25V 1 C2320 F1J1E105A231 C 1 UF 25V 1 C2321 F1H1H104A970 C 0.1PF@ @ 50V 1 C2322 F1K1E106A136 C 10UF@ 25V 1 C2323 F1H1H104A970 C 0.1PF@ @ 50V 1 C2324 F1J1E105A231 C 1 UF 25V 1 C2325 F1G1H102A730 C 1000PF 50V 1 C2334 F1J1H474A757 C 0.47UF@ 50V 1 C2335 F1H1E104A129 C 0.1PF@ 25V 1 C2336 F1H1E104A129 C 0.1PF@ 25V 1 C2337 F1J1H474A757 C 0.47UF@ 50V 1 C2338 F1H1E104A129 C 0.1PF@ 25V 1 C2339 F1H1E104A129 C 0.1PF@ 25V 1 C2340 F1H1H223A970 C 0.022PF@ 50V 1 C2341 F1H1H223A970 C 0.022PF@ 50V 1 C2342 F1H1H223A970 C 0.022PF@ 50V 1 C2343 F1H1H223A970 C 0.022PF@ 50V 1 C2344 F1H1H223A970 C 0.022PF@ 50V 1 C2345 F1H1H223A970 C 0.022PF@ 50V 1 C2346 F1H1H223A970 C 0.022PF@ 50V 1 C2347 F1H1H223A970 C 0.022PF@ 50V 1 C2349 F1G1H102A730 C 1000PF 50V 1 C2351 F1G1H102A730 C 1000PF 50V 1 C2353 F1G1H102A730 C 1000PF 50V 1 C2355 F1G1H102A730 C 1000PF 50V 1 C2510 F1H1H103A970 C 0.01PF@ 50V 1 C2511 F1J1A106A087 C 10UF@ 10V 1 C2515 F1H1H103A970 C 0.01PF@ 50V 1 C2521 F1H1C104A143 C 0.1UF@ 16V 1 C2752 F1G1E103A123 C 0.01UF 25V 1 C2753 F1G1A105A047 C 1UF 10V 1 C2756 F1K1E106A136 C 10UF@ 25V 1 C2757 F1G1E103A123 C 0.01UF 25V 1 C2758 F2H1E470A007 E 47UF@ 25V 1 C2759 F1J1E105A231 C 1 UF 25V 1 C2760 F2G1C100A022 E 10UF J 16V 1 C2905 F2H1A101A009 E 100 UF@ 10V 1 C2907 F1G1C104A116 C 0.1UF 16V 1 C2908 F1H1C104A143 C 0.1UF@ 16V 1 C2910 F1H1C104A143 C 0.1UF@ 16V 1 C2911 F1G1C104A116 C 0.1UF 16V 1 C2917 F1H1H222A970 C 2200PF@ 50V 1 C2919 F1H1H103A970 C 0.01PF@ 50V 1 C2950 ECJ1VB1A105K C 1UF@ 10V 1 C2951 F1H1A225A051 C 2.2UF@ 10V 1 C2959 F1G1C104A116 C 0.1UF 16V 1 C2961 ECJ1VB1A105K C 1UF@ 10V 1 C3002 F1G1H561A730 C 56UF@ 50V 1 C3003 F1G1H561A730 C 56UF@ 50V 1 C3007 F1G1H561A730 C 56UF@ 50V 1 C3008 F1G1H561A730 C 56UF@ 50V 1 C3010 F1G1H561A730 C 56UF@ 50V 1 C3011 F1G1H561A730 C 56UF@ 50V 1 C3013 F1G1H561A730 C 56UF@ 50V 1 C3014 F1G1H561A730 C 56UF@ 50V 1 C3022 ECJ1VB1A105K C 1UF@ 10V 1 C3024 ECJ1VB1A105K C 1UF@ 10V 1 C3025 ECJ1VB1A105K C 1UF@ 10V 1 C3026 ECJ1VB1A105K C 1UF@ 10V 1 C3039 ECJ1VB1A105K C 1UF@ 10V 1 C3041 ECJ1VB1A105K C 1UF@ 10V 1 C3043 ECJ1VB1A105K C 1UF@ 10V 1 C3044 ECJ1VB1A105K C 1UF@ 10V 1 C3046 ECJ1VB1A105K C 1UF@ 10V 1 C3047 ECJ1VB1A105K C 1UF@ 10V 1 C3048 ECJ1VB1A105K C 1UF@ 10V 1 C3049 ECJ1VB1A105K C 1UF@ 10V 1 C3070 F1J1A106A087 C 10UF@ 10V 1 安全 标记 参考号 部品号 部品名称及说明 数量 备注 100 C3071 F1J1A106A087 C 10UF@ 10V 1 C3072 F1G1C104A116 C 0.1UF 16V 1 C3073 F1J1A106A087 C 10UF@ 10V 1 C3078 F1J1A106A087 C 10UF@ 10V 1 C3083 F1J1A106A087 C 10UF@ 10V 1 C3084 F1J1A106A087 C 10UF@ 10V 1 C3085 F1J1A106A087 C 10UF@ 10V 1 C3086 F1J1A106A087 C 10UF@ 10V 1 C3090 F1J1A106A087 C 10UF@ 10V 1 C3091 F1J1A106A087 C 10UF@ 10V 1 C3092 F1J1A106A087 C 10UF@ 10V 1 C3093 F1J1A106A087 C 10UF@ 10V 1 C3095 F2H1A101A009 E 100 UF@ 10V 1 C3098 ECJ1VB1A105K C 1UF@ 10V 1 C3099 F1G1H561A730 C 56UF@ 50V 1 C3103 F2H1A101A009 E 100 UF@ 10V 1 C3107 F1J1A106A087 C 10UF@ 10V 1 C3108 F1J1A106A087 C 10UF@ 10V 1 C3109 F1J1A106A087 C 10UF@ 10V 1 C3114 F1J1A106A087 C 10UF@ 10V 1 C3115 F1J1A106A087 C 10UF@ 10V 1 C3116 F1J1A106A087 C 10UF@ 10V 1 C3117 F1J1A106A087 C 10UF@ 10V 1 C3138 F2H1A101A009 E 100 UF@ 10V 1 C3139 F1G1C104A116 C 0.1UF 16V 1 C3140 F1G1C104A116 C 0.1UF 16V 1 C3141 F1G1C104A116 C 0.1UF 16V 1 C3143 F1G1C104A116 C 0.1UF 16V 1 C3144 F1J1A106A087 C 10UF@ 10V 1 C3145 F1G1C104A116 C 0.1UF 16V 1 C3146 F1J1A106A087 C 10UF@ 10V 1 C3147 F1J1A106A087 C 10UF@ 10V 1 C3257 F1G1H561A730 C 56UF@ 50V 1 C3752 F1J1H102A836 C 1000UF@ 50V 1 C4546 ECJ1VB0J105K C 1UF@ 6.3V 1 C4548 ECJ1VB0J105K C 1UF@ 6.3V 1 C4660 ECJ1VB0J105K C 1UF@ 6.3V 1 C4661 ECJ1VB0J105K C 1UF@ 6.3V 1 C4662 ECJ1VB0J105K C 1UF@ 6.3V 1 C4663 ECJ1VB0J105K C 1UF@ 6.3V 1 C4664 ECJ1VB0J105K C 1UF@ 6.3V 1 C4665 ECJ1VB0J105K C 1UF@ 6.3V 1 C4666 ECJ1VB0J105K C 1UF@ 6.3V 1 C4667 ECJ1VB0J105K C 1UF@ 6.3V 1 C4701 F1G1C104A116 C 0.1UF 16V 1 C4702 F1G1C104A116 C 0.1UF 16V 1 C4704 F1G1C104A116 C 0.1UF 16V 1 C4705 F1G1C104A116 C 0.1UF 16V 1 C4707 F1G1C104A116 C 0.1UF 16V 1 C4708 F1G1C104A116 C 0.1UF 16V 1 C4713 F1G1C104A116 C 0.1UF 16V 1 C4715 F1G1C104A116 C 0.1UF 16V 1 C4717 F1J1A106A087 C 10UF@ 10V 1 C4718 F1J1A475A087 C 4.7UF@ 10V 1 C4719 F1G1C104A116 C 0.1UF 16V 1 C4721 F1G1C104A116 C 0.1UF 16V 1 C4724 F1G1C104A116 C 0.1UF 16V 1 C4730 F1G1C104A116 C 0.1UF 16V 1 C4731 F1G1C104A116 C 0.1UF 16V 1 C5251 F1J1E105A231 C 1 UF 25V 1 C5253 F1J1E105A231 C 1 UF 25V 1 C5255 ECJ1VB1A105K C 1UF@ 10V 1 C5256 ECJ1VB1A105K C 1UF@ 10V 1 C5293 F1J1E105A231 C 1 UF 25V 1 C5294 F1H1C105A145 C 0.01UF@ 16V 1 C5301 F1G1H102A730 C 1000PF 50V 1 C5310 F1K1E106A136 C 10UF@ 25V 1 C5311 F1K1E106A136 C 10UF@ 25V 1 C5312 F1K1E106A136 C 10UF@ 25V 1 安全 标记 参考号 部品号 部品名称及说明 数量 备注 C5313 F1K1E106A136 C 10UF@ 25V 1 C5314 F1K0J226A008 C 22UF@ 6.3V 1 C5315 F1K0J226A008 C 22UF@ 6.3V 1 C5317 F1H1E104A129 C 0.1PF@ 25V 1 C5318 F1G1E682A123 C 6800UF 25V 1 C5319 F1G1E103A123 C 0.01UF 25V 1 C5431 F1G1C104A116 C 0.1UF 16V 1 C5432 F1G1C104A116 C 0.1UF 16V 1 C5435 F1G1C104A116 C 0.1UF 16V 1 C5436 F1G1C104A116 C 0.1UF 16V 1 C5437 F1G1C104A116 C 0.1UF 16V 1 C5438 F1G1C104A116 C 0.1UF 16V 1 C5470 F1G1C103A116 C 0.01UF 16V 1 C5471 F1G1A473A053 C0.047UF@ 10V 1 C5473 F1G1E103A123 C 0.01UF 25V 1 C5474 F1G1C104A116 C 0.1UF 16V 1 C5475 F1G1A4740003 C 0.47UF@ @ 10V 1 C5482 F2G1A221A149 E 220UF@ 10V 1 C5485 F1G1C104A116 C 0.1UF 16V 1 C5487 ECJ1VB0J105K C 1UF@ 6.3V 1 C5488 ECJ1VB0J105K C 1UF@ 6.3V 1 C5490 F1G1C104A116 C 0.1UF 16V 1 C5500 F1G1E682A123 C 6800UF 25V 1 C5501 F1G1A154A053 C 0.15UF@ 10V 1 C5502 F1J1A475A087 C 4.7UF@ 10V 1 C5503 F1H1C105A145 C 0.01UF@ 16V 1 C5504 F1G1E682A123 C 6800UF 25V 1 C5505 F1J1A475A087 C 4.7UF@ 10V 1 C5506 F1H1C105A145 C 0.01UF@ 16V 1 C5507 F1G1A393A053 C0.015UF@ 10V 1 C5508 F1H1C104A143 C 0.1UF@ 16V 1 C5509 F1H1C104A143 C 0.1UF@ 16V 1 C5510 F1H1C104A143 C 0.1UF@ 16V 1 C5511 F1H1C104A143 C 0.1UF@ 16V 1 C5516 F1K1E106A136 C 10UF@ 25V 1 C5517 F1K1E106A136 C 10UF@ 25V 1 C5519 F1K1E106A136 C 10UF@ 25V 1 C5520 F1K1E106A136 C 10UF@ 25V 1 C5521 F1K1E106A136 C 10UF@ 25V 1 C5522 F1K1E106A136 C 10UF@ 25V 1 C5523 F1K1E106A136 C 10UF@ 25V 1 C5526 F1K1E106A136 C 10UF@ 25V 1 C5528 F1K0J226A008 C 22UF@ 6.3V 1 C5529 F1K0J226A008 C 22UF@ 6.3V 1 C5530 F1K0J226A008 C 22UF@ 6.3V 1 C5531 F1K0J226A008 C 22UF@ 6.3V 1 C5532 F1K0J226A008 C 22UF@ 6.3V 1 C5533 F1K0J226A008 C 22UF@ 6.3V 1 C5534 F1K0J226A008 C 22UF@ 6.3V 1 C5535 F1K0J226A008 C 22UF@ 6.3V 1 C5536 F1K0J226A008 C 22UF@ 6.3V 1 C5537 F1K0J226A008 C 22UF@ 6.3V 1 C5538 F1K0J226A008 C 22UF@ 6.3V 1 C5539 F1K0J226A008 C 22UF@ 6.3V 1 C5603 F1G1H102A730 C 1000PF 50V 1 C5615 F1H1A225A051 C 2.2UF@ 10V 1 C5616 F1G1E103A123 C 0.01UF 25V 1 C5649 ECJ1VB1A105K C 1UF@ 10V 1 C5650 F1H1A225A051 C 2.2UF@ 10V 1 C5651 F1J1A475A087 C 4.7UF@ 10V 1 C5652 F1H0J475A041 C 4.7UF@ 16V 1 C5719 F1J1A106A087 C 10UF@ 10V 1 C5720 F1J1A106A087 C 10UF@ 10V 1 C5724 F1H1E104A129 C 0.1PF@ 25V 1 C5725 F1G1E682A123 C 6800UF 25V 1 C5726 F1G1E103A123 C 0.01UF 25V 1 C5728 F1J1A106A087 C 10UF@ 10V 1 C5729 F1J1A106A087 C 10UF@ 10V 1 C6700 F1J1A106A087 C 10UF@ 10V 1 安全 标记 参考号 部品号 部品名称及说明 数量 备注 101 C6701 F1J1A106A087 C 10UF@ 10V 1 C6703 F1H1C104A143 C 0.1UF@ 16V 1 C6704 F1H1C104A143 C 0.1UF@ 16V 1 C6705 F1J1A106A087 C 10UF@ 10V 1 C6706 F1H1C104A143 C 0.1UF@ 16V 1 C6707 F1H1C104A143 C 0.1UF@ 16V 1 C6708 F1G1A104A053 C 0.01UF 10V 1 C6709 F1G1A104A053 C 0.01UF 10V 1 C6710 F1H1C104A143 C 0.1UF@ 16V 1 C6711 F2G0J470A019 E 47UF 6.3V 1 C6712 F1H1C104A143 C 0.1UF@ 16V 1 C6713 F1H1C104A143 C 0.1UF@ 16V 1 C6714 F1H1C104A143 C 0.1UF@ 16V 1 C6715 F1G1A104A053 C 0.01UF 10V 1 C6716 F1H1C104A143 C 0.1UF@ 16V 1 C6717 F1H1C104A143 C 0.1UF@ 16V 1 C6718 F1H1C104A143 C 0.1UF@ 16V 1 C6719 F1H1C104A143 C 0.1UF@ 16V 1 C6720 F1H1C104A143 C 0.1UF@ 16V 1 C6721 F1H1C104A143 C 0.1UF@ 16V 1 C6722 F1J1A106A087 C 10UF@ 10V 1 C6723 F1H1C104A143 C 0.1UF@ 16V 1 C6724 F1G1A105A047 C 1UF 10V 1 C6725 F1H1C104A143 C 0.1UF@ 16V 1 C6726 F1G1A104A053 C 0.01UF 10V 1 C6727 F1J1A106A087 C 10UF@ 10V 1 C6728 F1G1A105A047 C 1UF 10V 1 C6729 F1G1A104A053 C 0.01UF 10V 1 C6730 F1G1A104A053 C 0.01UF 10V 1 C6731 F1G1H102A730 C 1000PF 50V 1 C6732 F1H1C104A143 C 0.1UF@ 16V 1 C6733 F1H1C104A143 C 0.1UF@ 16V 1 C6734 F1J1A106A087 C 10UF@ 10V 1 C6735 F1G1H120A731 C 12PF@ 50V 1 C6736 F1G1A105A047 C 1UF 10V 1 C6737 F1G1H120A731 C 12PF@ 50V 1 C6738 F1H1C104A143 C 0.1UF@ 16V 1 C6739 F1G1A104A053 C 0.01UF 10V 1 C6740 F1G1A104A053 C 0.01UF 10V 1 C6741 F1G1A104A053 C 0.01UF 10V 1 C6742 F1H1C104A143 C 0.1UF@ 16V 1 C6743 F1J1A106A087 C 10UF@ 10V 1 C6744 F1G1A105A047 C 1UF 10V 1 C6745 F1H1C104A143 C 0.1UF@ 16V 1 C6746 F1J1A106A087 C 10UF@ 10V 1 C6747 F1J1A106A087 C 10UF@ 10V 1 C6748 F1H1C104A143 C 0.1UF@ 16V 1 C6749 F1H1C104A143 C 0.1UF@ 16V 1 C6750 F1H1H8R0A972 C 8. PF@ 50V 1 C6751 F1H1C473A143 C 0.047UF. 16V 1 PPDS C6752 F1H1C473A143 C 0.047UF. 16V 1 PPDS C6753 F1G1A104A053 C 0.01UF 10V 1 C6754 F1H1C104A143 C 0.1UF@ 16V 1 C6755 F1H1C104A143 C 0.1UF@ 16V 1 C6756 F1H1C104A143 C 0.1UF@ 16V 1 C6763 F1H1C104A143 C 0.1UF@ 16V 1 C6764 F1H1C104A143 C 0.1UF@ 16V 1 C8000 F1J1A106A087 C 10UF@ 10V 1 C8001 F1J1A106A087 C 10UF@ 10V 1 C8002 ECGRL0G680ER C 68UF@ J@ 4V 1 C8003 F1J1A106A087 C 10UF@ 10V 1 C8004 F1G1C104A116 C 0.1UF 16V 1 C8005 F1J1A106A087 C 10UF@ 10V 1 C8006 F1J1A106A087 C 10UF@ 10V 1 C8008 F1J1A106A087 C 10UF@ 10V 1 C8009 F1J1A106A087 C 10UF@ 10V 1 C8010 F1G1C104A116 C 0.1UF 16V 1 C8011 F1G1C104A116 C 0.1UF 16V 1 C8012 F1G1C104A116 C 0.1UF 16V 1 安全 标记 参考号 部品号 部品名称及说明 数量 备注 C8013 F1G1C104A116 C 0.1UF 16V 1 C8015 F1J1A106A087 C 10UF@ 10V 1 C8016 F1G1C104A116 C 0.1UF 16V 1 C8017 F1J1A106A087 C 10UF@ 10V 1 C8018 F1G1C104A116 C 0.1UF 16V 1 C8019 F1G1C104A116 C 0.1UF 16V 1 C8020 F1G1C104A116 C 0.1UF 16V 1 C8021 F1G1C104A116 C 0.1UF 16V 1 C8022 F1G1C104A116 C 0.1UF 16V 1 C8023 F1G1C104A116 C 0.1UF 16V 1 C8024 F1G1C104A116 C 0.1UF 16V 1 C8025 F1G1C104A116 C 0.1UF 16V 1 C8027 F1G1A105A047 C 1UF 10V 1 C8028 F1G1C104A116 C 0.1UF 16V 1 C8029 F1G1C104A116 C 0.1UF 16V 1 C8030 F1G1C104A116 C 0.1UF 16V 1 C8031 F1G1C104A116 C 0.1UF 16V 1 C8033 F1G1C104A116 C 0.1UF 16V 1 C8034 F1G1C104A116 C 0.1UF 16V 1 C8035 F1G1C104A116 C 0.1UF 16V 1 C8036 F1G1A105A047 C 1UF 10V 1 C8037 F1G1C104A116 C 0.1UF 16V 1 C8038 F1G1C104A116 C 0.1UF 16V 1 C8039 F1G1C104A116 C 0.1UF 16V 1 C8040 F1G1C104A116 C 0.1UF 16V 1 C8042 F1G1C104A116 C 0.1UF 16V 1 C8043 F1G1C104A116 C 0.1UF 16V 1 C8044 F1G1C104A116 C 0.1UF 16V 1 C8045 F1G1A105A047 C 1UF 10V 1 C8046 F1G1C104A116 C 0.1UF 16V 1 C8048 F1G1C104A116 C 0.1UF 16V 1 C8049 F1G1C104A116 C 0.1UF 16V 1 C8050 F1G1C104A116 C 0.1UF 16V 1 C8051 F1G1A105A047 C 1UF 10V 1 C8052 F1G1C104A116 C 0.1UF 16V 1 C8053 F1G1C104A116 C 0.1UF 16V 1 C8054 F1G1A105A047 C 1UF 10V 1 C8055 F1G1C104A116 C 0.1UF 16V 1 C8056 F1G1C104A116 C 0.1UF 16V 1 C8057 F1G1A105A047 C 1UF 10V 1 C8058 F1H0J475A041 C 4.7UF@ 16V 1 C8059 F1H0J475A041 C 4.7UF@ 16V 1 C8060 F1H0J475A041 C 4.7UF@ 16V 1 C8061 F1J1A106A087 C 10UF@ 10V 1 C8062 F1G1C104A116 C 0.1UF 16V 1 C8063 F1G1C104A116 C 0.1UF 16V 1 C8064 F1G1A105A047 C 1UF 10V 1 C8065 F1G1C104A116 C 0.1UF 16V 1 C8066 F1G1C104A116 C 0.1UF 16V 1 C8067 F1G1C104A116 C 0.1UF 16V 1 C8068 F1G1C104A116 C 0.1UF 16V 1 C8069 F1G1C104A116 C 0.1UF 16V 1 C8070 F1G1C104A116 C 0.1UF 16V 1 C8071 F1G1C104A116 C 0.1UF 16V 1 C8072 F1G1C104A116 C 0.1UF 16V 1 C8073 F1G1C104A116 C 0.1UF 16V 1 C8074 F1G1C104A116 C 0.1UF 16V 1 C8075 F1G1C104A116 C 0.1UF 16V 1 C8076 F1G1C104A116 C 0.1UF 16V 1 C8077 F1G1C104A116 C 0.1UF 16V 1 C8078 F1G1C104A116 C 0.1UF 16V 1 C8079 F1G1C104A116 C 0.1UF 16V 1 C8082 F1J1A106A087 C 10UF@ 10V 1 C8083 F1H0J475A041 C 4.7UF@ 16V 1 C8084 F1J1A106A087 C 10UF@ 10V 1 C8085 F1J1A106A087 C 10UF@ 10V 1 C8087 F1G1C104A116 C 0.1UF 16V 1 C8088 F1G1C104A116 C 0.1UF 16V 1 C8089 F1G1C104A116 C 0.1UF 16V 1 安全 标记 参考号 部品号 部品名称及说明 数量 备注 102 C8090 F1G1C104A116 C 0.1UF 16V 1 C8091 F1G1C104A116 C 0.1UF 16V 1 C8092 F1G1C104A116 C 0.1UF 16V 1 C8094 F1G1C104A116 C 0.1UF 16V 1 C8096 F1G1C104A116 C 0.1UF 16V 1 C8099 F1J1A106A087 C 10UF@ 10V 1 C8100 F1J1A106A087 C 10UF@ 10V 1 C8101 F1J1A106A087 C 10UF@ 10V 1 C8102 F1J1A106A087 C 10UF@ 10V 1 C8103 F1J1A106A087 C 10UF@ 10V 1 C8104 F1J1A106A087 C 10UF@ 10V 1 C8105 F1J1A106A087 C 10UF@ 10V 1 C8106 F1H0J475A041 C 4.7UF@ 16V 1 C8107 F1H0J475A041 C 4.7UF@ 16V 1 C8108 F1J1A106A087 C 10UF@ 10V 1 C8109 F1G1C104A116 C 0.1UF 16V 1 C8110 F1G1C104A116 C 0.1UF 16V 1 C8111 F1G1C104A116 C 0.1UF 16V 1 C8112 F1G1C104A116 C 0.1UF 16V 1 C8113 F1G1C104A116 C 0.1UF 16V 1 C8114 F1G1C104A116 C 0.1UF 16V 1 C8115 F1G1C104A116 C 0.1UF 16V 1 C8116 F1G1C104A116 C 0.1UF 16V 1 C8117 F1G1C104A116 C 0.1UF 16V 1 C8119 F1G1C104A116 C 0.1UF 16V 1 C8120 F1G1C104A116 C 0.1UF 16V 1 C8121 F1G1C104A116 C 0.1UF 16V 1 C8122 F1G1C104A116 C 0.1UF 16V 1 C8123 F1G1C104A116 C 0.1UF 16V 1 C8124 F1G1C104A116 C 0.1UF 16V 1 C8126 F1G1C104A116 C 0.1UF 16V 1 C8127 F1G1C104A116 C 0.1UF 16V 1 C8128 F1G1C104A116 C 0.1UF 16V 1 C8129 F1G1C104A116 C 0.1UF 16V 1 C8130 F1G1C104A116 C 0.1UF 16V 1 C8131 F1G1C104A116 C 0.1UF 16V 1 C8132 F1G1C104A116 C 0.1UF 16V 1 C8133 F1G1C104A116 C 0.1UF 16V 1 C8134 F1G1C104A116 C 0.1UF 16V 1 C8136 F1G1C104A116 C 0.1UF 16V 1 C8137 F1G1C104A116 C 0.1UF 16V 1 C8138 F1G1C104A116 C 0.1UF 16V 1 C8139 F1G1C104A116 C 0.1UF 16V 1 C8140 F1G1C104A116 C 0.1UF 16V 1 C8141 F1G1C104A116 C 0.1UF 16V 1 C8142 F1G1C104A116 C 0.1UF 16V 1 C8143 F1G1C104A116 C 0.1UF 16V 1 C8144 F1G1C104A116 C 0.1UF 16V 1 C8145 F1G1C104A116 C 0.1UF 16V 1 C8146 F1G1C104A116 C 0.1UF 16V 1 C8147 F1G1C104A116 C 0.1UF 16V 1 C8148 F1G1A105A047 C 1UF 10V 1 C8149 F1G1A105A047 C 1UF 10V 1 C8150 F1G1H8R0A732 C 8 PF@ 50V 1 C8151 F1G1H8R0A732 C 8 PF@ 50V 1 C8154 F1G1C103A116 C 0.01UF 16V 1 C8155 F1G1H150A731 C 15PF@ 50V 1 C8156 F1G1HR50A577 C 0.5PF@ 50V 1 C8157 F1G1C104A116 C 0.1UF 16V 1 C8158 F1G1C104A116 C 0.1UF 16V 1 C8159 F1J1A106A087 C 10UF@ 10V 1 C8160 ECJ1VF1A105Z C 1UF@ Z@ 10V 1 C8240 F1G1C104A116 C 0.1UF 16V 1 C8241 F1G1C104A116 C 0.1UF 16V 1 C8242 F1G1C104A116 C 0.1UF 16V 1 C8243 F1G1H3R0A732 C 3 PF@ 50V 1 C8246 F1G1A105A047 C 1UF 10V 1 C8247 F1G1C104A116 C 0.1UF 16V 1 C8248 F1G1C104A116 C 0.1UF 16V 1 安全 标记 参考号 部品号 部品名称及说明 数量 备注 C8249 F1G1C104A116 C 0.1UF 16V 1 C8250 F1G1C104A116 C 0.1UF 16V 1 C8251 ECGRL0G680ER C 68UF@ J@ 4V 1 C8252 F1J1A106A087 C 10UF@ 10V 1 C8253 F1G1C104A116 C 0.1UF 16V 1 C8254 F1G1A105A047 C 1UF 10V 1 C8255 F1G1A105A047 C 1UF 10V 1 C8256 F1G1A105A047 C 1UF 10V 1 C8257 F1G1C104A116 C 0.1UF 16V 1 C8258 F1G1C104A116 C 0.1UF 16V 1 C8259 F1G1A105A047 C 1UF 10V 1 C8260 F1G1C104A116 C 0.1UF 16V 1 C8261 F1G1C104A116 C 0.1UF 16V 1 C8262 F1G1C104A116 C 0.1UF 16V 1 C8263 F1G1A105A047 C 1UF 10V 1 C8264 F1G1A105A047 C 1UF 10V 1 C8265 F1G1C104A116 C 0.1UF 16V 1 C8266 F1G1C104A116 C 0.1UF 16V 1 C8267 F1G1C104A116 C 0.1UF 16V 1 C8268 F1G1C104A116 C 0.1UF 16V 1 C8269 F1G1C104A116 C 0.1UF 16V 1 C8270 F1G1C104A116 C 0.1UF 16V 1 C8271 ECGRL0G680ER C 68UF@ J@ 4V 1 C8272 F1J1A106A087 C 10UF@ 10V 1 C8273 F1G1A105A047 C 1UF 10V 1 C8274 F1G1C104A116 C 0.1UF 16V 1 C8275 F1G1A105A047 C 1UF 10V 1 C8276 F1G1C104A116 C 0.1UF 16V 1 C8277 F1G1C104A116 C 0.1UF 16V 1 C8278 F1G1A105A047 C 1UF 10V 1 C8279 F1G1C104A116 C 0.1UF 16V 1 C8280 F1G1C104A116 C 0.1UF 16V 1 C8281 F1G1A105A047 C 1UF 10V 1 C8282 F1G1C104A116 C 0.1UF 16V 1 C8283 F1G1A105A047 C 1UF 10V 1 C8284 F1G1A105A047 C 1UF 10V 1 C8285 F1G1A105A047 C 1UF 10V 1 C8286 F1G1A105A047 C 1UF 10V 1 C8289 F1G1C104A116 C 0.1UF 16V 1 C8290 F1G1C104A116 C 0.1UF 16V 1 C8291 F1G1C104A116 C 0.1UF 16V 1 C8292 F1G1C104A116 C 0.1UF 16V 1 C8293 F1G1C104A116 C 0.1UF 16V 1 C8340 F1K1E106A136 C 10UF@ 25V 1 C8341 F1J1A106A087 C 10UF@ 10V 1 C8342 F1J1A106A087 C 10UF@ 10V 1 C8360 F1G1C104A116 C 0.1UF 16V 1 C8361 F1G1C104A116 C 0.1UF 16V 1 C8362 F1G1C104A116 C 0.1UF 16V 1 C8403 F1G1C104A116 C 0.1UF 16V 1 C8404 F1G1C104A116 C 0.1UF 16V 1 C8405 F1G1C104A116 C 0.1UF 16V 1 C8406 F1G1C104A116 C 0.1UF 16V 1 C8408 F1G1C104A116 C 0.1UF 16V 1 C8409 F1G1C104A116 C 0.1UF 16V 1 C8412 F1G1C104A116 C 0.1UF 16V 1 C8416 F1K0J226A008 C 22UF@ 6.3V 1 C8417 F1K0J226A008 C 22UF@ 6.3V 1 C8418 F1K0J226A008 C 22UF@ 6.3V 1 C8512 F1G1C104A116 C 0.1UF 16V 1 C8513 F1G1C104A116 C 0.1UF 16V 1 C8515 F1J1A106A087 C 10UF@ 10V 1 C8516 F1G1C103A116 C 0.01UF 16V 1 C8600 F1G1H102A730 C 1000PF 50V 1 C8711 F1J1A106A087 C 10UF@ 10V 1 C8712 F1G1C104A116 C 0.1UF 16V 1 C8713 F1G1C104A116 C 0.1UF 16V 1 C8714 F1G1H101A731 C 100PF 50V 1 C8717 F1J1A106A087 C 10UF@ 10V 1 安全 标记 参考号 部品号 部品名称及说明 数量 备注 103 C8718 F1G1C104A116 C 0.1UF 16V 1 C8719 F1G1C104A116 C 0.1UF 16V 1 C8720 F1G1C104A116 C 0.1UF 16V 1 C8721 F1G1C104A116 C 0.1UF 16V 1 C8722 F1J1A106A087 C 10UF@ 10V 1 C8726 F1J1A106A087 C 10UF@ 10V 1 C8727 F1G1C104A116 C 0.1UF 16V 1 C8728 EEEHB0J221UP E 220UF@ 6.3V 1 C8731 F1G1C104A116 C 0.1UF 16V 1 C8739 F1J1A106A087 C 10UF@ 10V 1 C8740 F1J1A106A087 C 10UF@ 10V 1 C8741 F1G1A105A047 C 1UF 10V 1 C8742 F1G1A105A047 C 1UF 10V 1 C8744 EEEHB0J221UP E 220UF@ 6.3V 1 C8747 F1G1C104A116 C 0.1UF 16V 1 C8853 F1G1C104A116 C 0.1UF 16V 1 C8854 F1G1C104A116 C 0.1UF 16V 1 C8860 F2G1C470A022 E 47UF@ 16V 1 C8861 F1G1C104A116 C 0.1UF 16V 1 C8862 F1G1C103A116 C 0.01UF 16V 1 C8863 F1J0G226A001 C 22 UF 4 V 1 C8922 F1G1C104A116 C 0.1UF 16V 1 C8923 F1G1C104A116 C 0.1UF 16V 1 C8950 F1G1C103A116 C 0.01UF 16V 1 C9040 F1G1C104A116 C 0.1UF 16V 1 C9052 F1G1C104A116 C 0.1UF 16V 1 C9066 F1K0J226A008 C 22UF@ 6.3V 1 C9067 F1G1H102A730 C 1000PF 50V 1 C9069 F1G1H102A730 C 1000PF 50V 1 C9097 F1K1E106A136 C 10UF@ 25V 1 C9098 F1K1E106A136 C 10UF@ 25V 1 C9099 F1G1C104A116 C 0.1UF 16V 1 C9100 F1J1A106A087 C 10UF@ 10V 1 C9101 F1G1E103A123 C 0.01UF 25V 1 C9102 F1K1E106A136 C 10UF@ 25V 1 C9103 F1G1E103A123 C 0.01UF 25V 1 C9104 F1G1E103A123 C 0.01UF 25V 1 C9107 F1G1H272A730 C 2700PF@ 50V 1 C9111 F1K0J226A008 C 22UF@ 6.3V 1 C9112 F1K0J226A008 C 22UF@ 6.3V 1 C9300 F1G1C104A116 C 0.1UF 16V 1 C9301 F1G1H180A731 C 18PF@ 50V 1 C9302 F1G1H150A731 C 15PF@ 50V 1 C9307 F1G1C104A116 C 0.1UF 16V 1 C9308 F1G1C104A116 C 0.1UF 16V 1 C9311 F1G1C104A116 C 0.1UF 16V 1 C9312 F1J1A106A087 C 10UF@ 10V 1 C9313 F1G1C104A116 C 0.1UF 16V 1 C9314 F1J1A106A087 C 10UF@ 10V 1 C9315 F1G1C104A116 C 0.1UF 16V 1 C9316 F1J1A106A087 C 10UF@ 10V 1 C9319 F1G1C104A116 C 0.1UF 16V 1 C9322 F1G1C104A116 C 0.1UF 16V 1 C9323 F1G1C104A116 C 0.1UF 16V 1 C9325 F1G1C104A116 C 0.1UF 16V 1 C9327 F1G1C104A116 C 0.1UF 16V 1 C9335 F1J1A106A087 C 10UF@ 10V 1 C9336 F1J1A106A087 C 10UF@ 10V 1 C9337 F1J1A106A087 C 10UF@ 10V 1 C9339 F1G1C104A116 C 0.1UF 16V 1 C9340 F1G1C104A116 C 0.1UF 16V 1 C9342 F1G1C104A116 C 0.1UF 16V 1 C9344 F1G1C104A116 C 0.1UF 16V 1 C9347 ECJ1VB0J105K C 1UF@ 6.3V 1 C9349 F1J1A106A087 C 10UF@ 10V 1 C9350 F1G1C104A116 C 0.1UF 16V 1 C9351 F1G1C104A116 C 0.1UF 16V 1 C9352 ECJ1VB0J105K C 1UF@ 6.3V 1 C9356 F1G1C104A116 C 0.1UF 16V 1 安全 标记 参考号 部品号 部品名称及说明 数量 备注 C9361 F1G1C104A116 C 0.1UF 16V 1 C9363 F1G1C104A116 C 0.1UF 16V 1 C9371 F1J1A106A087 C 10UF@ 10V 1 C9372 F1J1A106A087 C 10UF@ 10V 1 C9373 F1J1A106A087 C 10UF@ 10V 1 C9374 F1G1C104A116 C 0.1UF 16V 1 C9375 F1G1C104A116 C 0.1UF 16V 1 C9380 F1G1C104A116 C 0.1UF 16V 1 C9383 F1G1C104A116 C 0.1UF 16V 1 C9391 F1J1A106A087 C 10UF@ 10V 1 C9392 F1J1A106A087 C 10UF@ 10V 1 C9400 F1G1C104A116 C 0.1UF 16V 1 C9401 F1G1C104A116 C 0.1UF 16V 1 C9402 F1G1C104A116 C 0.1UF 16V 1 C9800 F1H1E104A129 C 0.1PF@ 25V 1 C9801 F1G1E682A123 C 6800UF 25V 1 C9803 F1G1E472A123 C 4700UF 25V 1 C9804 F1K1E106A136 C 10UF@ 25V 1 C9805 F1K1E106A136 C 10UF@ 25V 1 C9806 F1G1H101A731 C 100PF 50V 1 C9807 F1G1H201A731 C 200 PF@ 50V 1 C9809 F1G1H102A730 C 1000PF 50V 1 C9811 F1G1C104A116 C 0.1UF 16V 1 C9812 F1K1E106A136 C 10UF@ 25V 1 C9813 F1K1E106A136 C 10UF@ 25V 1 C9814 F1K0J226A008 C 22UF@ 6.3V 1 C9815 F1K0J226A008 C 22UF@ 6.3V 1 C9816 F1G1E103A123 C 0.01UF 25V 1 C9825 F1K0J226A008 C 22UF@ 6.3V 1 C9900 F1G1E103A123 C 0.01UF 25V 1 C16002 F1L2J562A022 C 5600PF@ 630V 1 C16011 F2A2T301A004 E 300UF@ 220V 1 C16012 F2A2T301A004 E 300UF@ 220V 1 C16014 F0C2E155A252 C 1.5UF@ 250V 1 C16015 F0C2E155A252 C 1.5UF@ 250V 1 C16022 F1L2J332A022 C 3300PF@ 630V 1 C16041 F1H1H392A970 C 3900PF@ 50V 1 C16071 F1L2J1020001 C 1000PF@ 630V 1 C16072 F1L2J1020001 C 1000PF@ 630V 1 C16074 F1E2J221A002 C 220PF@ 630V 1 C16091 F1L2J1020001 C 1000PF@ 630V 1 C16092 F1L2J1020001 C 1000PF@ 630V 1 C16101 F1L2J222A022 C 2200PF@ 630V 1 C16104 F1H1E470A130 C 47PF@ 25V 1 C16105 F1H1E470A130 C 47PF@ 25V 1 C16131 F1K1E475A134 C 4.7UF 25V 1 C16133 F1K1E475A134 C 4.7UF 25V 1 C16135 F1K1E105A029 C 1UF@ 25V 1 C16151 F1K1E105A029 C 1UF@ 25V 1 C16152 F1K1E475A134 C 4.7UF 25V 1 C16153 F1K1E475A134 C 4.7UF 25V 1 C16154 F1K1E475A134 C 4.7UF 25V 1 C16191 F1K1E475A134 C 4.7UF 25V 1 C16192 F1H1E104A129 C 0.1PF@ 25V 1 C16193 F2A1E4700094 E 47UF@ 25V 1 C16195 F1K1E105A029 C 1UF@ 25V 1 C16202 F0C2E405A252 C 4UF@ 250V 1 C16203 F0C2E405A252 C 4UF@ 250V 1 C16242 F1H1C105A145 C 0.01UF@ 16V 1 C16243 F1H1H103A970 C 0.01PF@ 50V 1 C16244 F1J1A106A087 C 10UF@ 10V 1 C16251 F1H1C105A145 C 0.01UF@ 16V 1 C16252 F1K1E105A029 C 1UF@ 25V 1 C16271 EEUFC1E221 E 220UF@ 25V 1 C16280 F1K1E105A029 C 1UF@ 25V 1 C16285 F1H1H104A970 C 0.1PF@ @ 50V 1 C16286 F1H1H104A970 C 0.1PF@ @ 50V 1 C16287 F1H1H104A970 C 0.1PF@ @ 50V 1 C16314 F2A2T301A004 E 300UF@ 220V 1 安全 标记 参考号 部品号 部品名称及说明 数量 备注 104 C16315 ECJ1VB1A105K C 1UF@ 10V 1 C16316 F1H1C104A143 C 0.1UF@ 16V 1 C16317 ECJ1VB1A105K C 1UF@ 10V 1 C16318 F1J1H104A835 C 0.1UF@ 50V 1 C16319 F1J1H104A835 C 0.1UF@ 50V 1 C16328 F2A2C221A195 E 220UF@ 160V 1 C16331 F0C2E105A252 C 1 UF 250 V 1 C16401 F1L2J562A022 C 5600PF@ 630V 1 C16412 F2A2T301A004 E 300UF@ 220V 1 C16416 F2A2T301A004 E 300UF@ 220V 1 C16417 F2A2T301A004 E 300UF@ 220V 1 C16418 F0C2E155A252 C 1.5UF@ 250V 1 C16419 F0C2E155A252 C 1.5UF@ 250V 1 C16421 F1L2J562A022 C 5600PF@ 630V 1 C16441 F1H1H392A970 C 3900PF@ 50V 1 C16452 F1H1H392A970 C 3900PF@ 50V 1 C16460 F1E2J821A002 C 820PF@ 630V 1 C16461 F1L2J1020001 C 1000PF@ 630V 1 C16471 F1L2J1020001 C 1000PF@ 630V 1 C16472 F1K1E105A029 C 1UF@ 25V 1 C16481 F1L2J1020001 C 1000PF@ 630V 1 C16490 F1H1C105A145 C 0.01UF@ 16V 1 C16491 F1L2J1020001 C 1000PF@ 630V 1 C16501 F1K1E105A029 C 1UF@ 25V 1 C16502 F1K1E475A134 C 4.7UF 25V 1 C16503 F2A1E471A102 E 470UF@ 25V 1 C16504 F1K1E475A134 C 4.7UF 25V 1 C16505 F1K1E105A029 C 1UF@ 25V 1 C16521 F1K1E105A029 C 1UF@ 25V 1 C16522 F1K1E475A134 C 4.7UF 25V 1 C16523 F2A1E471A102 E 470UF@ 25V 1 C16524 F1K1E475A134 C 4.7UF 25V 1 C16525 F1K1E475A134 C 4.7UF 25V 1 C16534 F1K1E105A029 C 1UF@ 25V 1 C16561 F1J1A106A087 C 10UF@ 10V 1 C16562 F1H1C105A145 C 0.01UF@ 16V 1 C16564 F1H1C105A145 C 0.01UF@ 16V 1 C16565 F1H1H103A970 C 0.01PF@ 50V 1 C16566 F1H1H103A970 C 0.01PF@ 50V 1 C16581 F1K1E105A029 C 1UF@ 25V 1 C16582 F1H1C105A145 C 0.01UF@ 16V 1 C16593 F1H1H102A971 C 1000PF@ 50V 1 C16602 F1H1H220A971 C 22PF@ 50V 1 C16603 F1K2J102A014 C 1000PF@ 630V 1 C16604 F1K2J102A014 C 1000PF@ 630V 1 C16608 F1H1H221A971 C 220PF@ 50V 1 C16632 F0C2E405A252 C 4UF@ 250V 1 C16633 F0C2E405A252 C 4UF@ 250V 1 C16641 F1K2J222A014 C 2200PF @630V 1 C16642 F1L2J562A022 C 5600PF@ 630V 1 C16645 F1K2J102A014 C 1000PF@ 630V 1 C16646 F1K2J102A014 C 1000PF@ 630V 1 C16661 F1K2J102A038 C 1000PF@ 630V 1 C16662 F1K2J102A038 C 1000PF@ 630V 1 C16664 F1H1H820A971 C 82PF@ 50V 1 C16665 F1H1H820A971 C 82PF@ 50V 1 C16666 F1H1H820A971 C 82PF@ 50V 1 C16668 F1H1H221A971 C 220PF@ 50V 1 C16675 F1H1H391A971 C 390PF@ 50V 1 C16684 F1H1H104A970 C 0.1PF@ @ 50V 1 C16685 F1H1H104A970 C 0.1PF@ @ 50V 1 C16691 F2A2C101A097 E 100UF@ 160V 1 C16692 F1H1H104A970 C 0.1PF@ @ 50V 1 C16707 F1H1H220A971 C 22PF@ 50V 1 C16708 F1H1H104A970 C 0.1PF@ @ 50V 1 C16721 F2A1H820A115 E 82UF@ 50V 1 C16723 F1K1E105A029 C 1UF@ 25V 1 C16724 F1K1E475A134 C 4.7UF 25V 1 C16753 F1K1E475A134 C 4.7UF 25V 1 安全 标记 参考号 部品号 部品名称及说明 数量 备注 C16755 F1K1E475A134 C 4.7UF 25V 1 C16756 F1K1E475A134 C 4.7UF 25V 1 C16771 F1H1C105A145 C 0.01UF@ 16V 1 C16773 F1K1E105A029 C 1UF@ 25V 1 C16791 EEUFC1E221 E 220UF@ 25V 1 C16793 EEUFC1E221 E 220UF@ 25V 1 C16794 F1J1A106A087 C 10UF@ 10V 1 C16795 F2A1E471A102 E 470UF@ 25V 1 C16796 F2A1E471A102 E 470UF@ 25V 1 C16797 F1H1H104A970 C 0.1PF@ @ 50V 1 C16813 F2A2T221A009 E 220UF@ 220V 1 C16842 F2A2C101A097 E 100UF@ 160V 1 C16843 F1J1H104A835 C 0.1UF@ 50V 1 C16844 F1J1H104A835 C 0.1UF@ 50V 1 C16854 F1J1H104A835 C 0.1UF@ 50V 1 C16856 ECJ1VB1A105K C 1UF@ 10V 1 C16857 F1H1C104A143 C 0.1UF@ 16V 1 C16858 ECJ1VB1A105K C 1UF@ 10V 1 C16859 F1J1H104A835 C 0.1UF@ 50V 1 C16860 ECJ1VB1A105K C 1UF@ 10V 1 C16861 F1H1C104A143 C 0.1UF@ 16V 1 C16862 ECJ1VB1A105K C 1UF@ 10V 1 C16863 F1J1H104A835 C 0.1UF@ 50V 1 C16864 F1J1H104A835 C 0.1UF@ 50V 1 C16891 F1K1E105A029 C 1UF@ 25V 1 C16902 F1E2J472A001 C 4700PF@ 630V 1 C16903 F1E2J152A002 C 1500PF@ 630V 1 C17101 F1L2A334A034 C 0.33 UF 200 V 1 PPDS C17103 F1H1C104A143 C 0.1UF@ 16V 1 C17104 ECJ1VB1A105K C 1UF@ 10V 1 C17105 F1L2A334A034 C 0.33 UF 200 V 1 PPDS C17107 ECJ1VB1A105K C 1UF@ 10V 1 C17109 F1L2A334A034 C 0.33 UF 200 V 1 PPDS C17110 ECJ1VB1A105K C 1UF@ 10V 1 C17111 F1L2A334A034 C 0.33 UF 200 V 1 PPDS C17113 ECJ1VB1A105K C 1UF@ 10V 1 C17115 F1L2A334A034 C 0.33 UF 200 V 1 PPDS C17116 ECJ1VB1A105K C 1UF@ 10V 1 C17117 F1L2A334A034 C 0.33 UF 200 V 1 PPDS C17119 ECJ1VB1A105K C 1UF@ 10V 1 C17120 F1L2A334A034 C 0.33 UF 200 V 1 PPDS C17122 ECJ1VB1A105K C 1UF@ 10V 1 C17123 F1L2A334A034 C 0.33 UF 200 V 1 PPDS C17125 ECJ1VB1A105K C 1UF@ 10V 1 C17141 F1H1H101A971 C 100PF@ 50V 1 C17202 F1H1C104A143 C 0.1UF@ 16V 1 C17203 F1H1C104A143 C 0.1UF@ 16V 1 C17205 F1L2A334A034 C 0.33 UF 200 V 1 PPDS C17206 ECJ1VB1A105K C 1UF@ 10V 1 C17207 F1L2A334A034 C 0.33 UF 200 V 1 PPDS C17209 ECJ1VB1A105K C 1UF@ 10V 1 C17210 F1L2A334A034 C 0.33 UF 200 V 1 PPDS C17212 ECJ1VB1A105K C 1UF@ 10V 1 C17213 F1L2A334A034 C 0.33 UF 200 V 1 PPDS C17215 ECJ1VB1A105K C 1UF@ 10V 1 C17217 F1L2A334A034 C 0.33 UF 200 V 1 PPDS C17218 ECJ1VB1A105K C 1UF@ 10V 1 C17219 F1L2A334A034 C 0.33 UF 200 V 1 PPDS C17221 ECJ1VB1A105K C 1UF@ 10V 1 C17223 F1L2A334A034 C 0.33 UF 200 V 1 PPDS C17224 ECJ1VB1A105K C 1UF@ 10V 1 C17241 F1H1H101A971 C 100PF@ 50V 1 CB1 K1MY55B00002 55P 连接接头 1 CB2 K1MY55B00002 55P 连接接头 1 CB3 K1MY55B00002 55P 连接接头 1 CB4 K1MY55B00002 55P 连接接头 1 CB5 K1MY55B00002 55P 连接接头 1 CB6 K1MY55B00002 55P 连接接头 1 安全 标记 参考号 部品号 部品名称及说明 数量 备注 105 CB7 K1MY55B00002 55P 连接接头 1 CB8 K1MY55B00002 55P 连接接头 1 CB9 K1MY55B00002 55P 连接接头 1 CB10 K1MY55B00002 55P 连接接头 1 CB11 K1MY55B00002 55P 连接接头 1 CB12 K1MY55B00002 55P 连接接头 1 CB13 K1MY55B00002 55P 连接接头 1 CB14 K1MY55B00002 55P 连接接头 1 CB15 K1MY55B00002 55P 连接接头 1 CN0102 K1KA11A00178 11P 连接接头 1 D1002 EZJZ0V120JA 变阻器 1 D1003 EZJZ0V120JA 变阻器 1 D1004 EZAEG2A50AX ESD SUPPRESSOR 1 D1005 EZAEG2A50AX ESD SUPPRESSOR 1 D1006 EZAEG2A50AX ESD SUPPRESSOR 1 D1007 EZAEG2A50AX ESD SUPPRESSOR 1 D1008 EZAEG2A50AX ESD SUPPRESSOR 1 D1009 EZAEG2A50AX ESD SUPPRESSOR 1 D1010 EZAEG2A50AX ESD SUPPRESSOR 1 D1107 B0JCCE000008 二极管 1 D2014 B0ACCJ000048 二极管 1 D2520 B3AGB0000060 LED 1 PPDS D3007 EZJP0V080GA 变阻器 1 D3015 K7AAAY000006 光纤端子 1 D3050 EZJP0V080GA 变阻器 1 D4702 B0ACCJ000048 二极管 1 D4703 DZ2J056M0L 稳压二极管 1 D4704 B0JCCE000008 二极管 1 D4719 B0ACCJ000048 二极管 1 D4720 DZ2J056M0L 稳压二极管 1 D4721 B0JCCE000008 二极管 1 D4735 B0ACCJ000048 二极管 1 D4736 DZ2J056M0L 稳压二极管 1 D4737 B0JCCE000008 二极管 1 D4770 B0ACCJ000048 二极管 1 D4771 DZ2J056M0L 稳压二极管 1 D4772 B0JCCE000008 二极管 1 D4785 B0ECKM000048 二极管 1 D5250 B0ACCJ000048 二极管 1 D5301 B0JCPG000030 二极管 1 D5431 B0ADEJ000035 稳压二极管 1 D5432 B0ADEJ000035 稳压二极管 1 D5433 B0ADCJ000100 二极管 1 D5434 B0ADCJ000100 二极管 1 D5435 B0ADCJ000100 二极管 1 D5437 B0ADCJ000100 二极管 1 D5439 DZ2J068M0L 稳压二极管 1 D5440 DZ2J120M0L 稳压二极管 1 D5441 DZ2J120M0L 稳压二极管 1 D5442 DZ2J068M0L 稳压二极管 1 D5443 DZ2J068M0L 稳压二极管 1 D5444 DZ2J068M0L 稳压二极管 1 D5445 DZ2J068M0L 稳压二极管 1 D5449 DZ2J068M0L 稳压二极管 1 D5450 B0ADCJ000100 二极管 1 D5454 B0ADEJ000035 稳压二极管 1 D5470 B0ADEJ000035 稳压二极管 1 D5481 B0JCME000076 二极管 1 D5482 B0ACCJ000048 二极管 1 D5505 B0JCPD000026 二极管 1 D5602 DZ2J056M0L 稳压二极管 1 D5603 B0JCPG000030 二极管 1 D5605 B0ECKM000048 二极管 1 D9104 B0JCPG000030 二极管 1 D9806 B0ADCJ000100 二极管 1 D9807 B0ADCJ000100 二极管 1 D9816 B0JCPG000030 二极管 1 安全 标记 参考号 部品号 部品名称及说明 数量 备注 D16001 B0FBCN000005 二极管 1 D16002 B0FBCN000005 二极管 1 D16021 B0FCCN000003 二极管 1 PPDS D16022 B0FCCN000003 二极管 1 PPDS D16032 B0ACCJ000048 二极管 1 D16041 B0FACP000004 二极管 1 PPDS D16050 B0ECKP000055 二极管 1 D16051 B0FBCN000007 二极管 1 D16101 B0JCME000093 二极管 1 D16131 B0ECKP000055 二极管 1 D16151 B0ECKP000055 二极管 1 D16152 B0ECKP000055 二极管 1 D16153 B0ECKP000055 二极管 1 D16191 B0ECKP000055 二极管 1 D16192 B0ACCJ000048 二极管 1 D16196 DZ2J200M0L 稳压二极管 1 D16253 B3ABB0000210 LED 1 D16255 B0ACCJ000048 二极管 1 D16280 B0ACCJ000048 二极管 1 D16281 DZ2J051M0L 稳压二极管 1 D16282 DZ2J068M0L 稳压二极管 1 D16285 B0ADEJ000035 稳压二极管 1 D16286 B0ACCJ000048 二极管 1 D16315 DZ2J150M0L 稳压二极管 1 D16316 B0ECKP000055 二极管 1 D16317 B0ECKP000055 二极管 1 D16401 DA3DF50ACSLW 稳压二极管 1 D16402 DA3DF50ACSLW 稳压二极管 1 D16407 B0JCME000093 二极管 1 D16411 B0ACCJ000048 二极管 1 D16421 B0FACP000006 二极管 1 D16422 B0FACP000005 二极管 1 D16451 B0ECKP000055 二极管 1 D16462 B0FACP000003 二极管 1 D16466 B0ACCJ000048 二极管 1 D16473 B0ACCJ000048 二极管 1 D16474 B0ACCJ000048 二极管 1 D16475 DZ2J051M0L 稳压二极管 1 D16476 B0ACCJ000048 二极管 1 D16477 DZ2J047L0L 稳压二极管 1 D16478 B0ACCJ000048 二极管 1 D16480 B0ACCJ000048 二极管 1 D16482 B0FACP000003 二极管 1 D16490 B0ECKP000055 二极管 1 D16491 B0ECKP000055 二极管 1 D16492 DZ2J047M0L 稳压二极管 1 D16493 B0ADCJ000100 二极管 1 D16494 B0ADCJ000100 二极管 1 D16497 B0ECKP000055 二极管 1 D16503 B0ECHR000001 二极管 1 D16522 B0ECHR000001 二极管 1 D16523 B0ECHR000001 二极管 1 D16534 B0ECHR000001 二极管 1 D16536 B0ECHR000001 二极管 1 D16583 B3ABB0000210 LED 1 D16602 DZ2J150M0L 稳压二极管 1 D16604 B0ADCJ000100 二极管 1 D16605 DZ2J051L0L 稳压二极管 1 D16607 B0ACCJ000048 二极管 1 D16610 B0ACCJ000048 二极管 1 D16618 B0ECKP000055 二极管 1 D16641 B0FBCN000006 二极管 1 D16642 B0FBCN000006 二极管 1 D16645 DZ2J150M0L 稳压二极管 1 D16646 DZ2J150M0L 稳压二极管 1 D16647 DZ2J150M0L 稳压二极管 1 D16648 DZ2J051L0L 稳压二极管 1 D16649 B0ACCJ000048 二极管 1 D16650 B0ACCJ000048 二极管 1 安全 标记 参考号 部品号 部品名称及说明 数量 备注 106 D16651 DZ2J051M0L 稳压二极管 1 D16652 B0ECKP000055 二极管 1 D16653 B0ACCJ000048 二极管 1 D16654 B0ACCJ000048 二极管 1 D16662 DZ2J150M0L 稳压二极管 1 D16663 DZ2J150M0L 稳压二极管 1 D16664 DZ2J150M0L 稳压二极管 1 D16669 B0ACCJ000048 二极管 1 D16671 B0ACCJ000048 二极管 1 D16673 B0ECHR000001 二极管 1 D16674 B0ECHR000001 二极管 1 D16677 B0ADEJ000035 稳压二极管 1 D16678 DZ2J15000L 稳压二极管 1 D16702 B0ACCJ000048 二极管 1 D16710 DZ2J15000L 稳压二极管 1 D16711 B0ECHR000001 二极管 1 D16712 DZ2J15000L 稳压二极管 1 D16713 B0ECHR000001 二极管 1 D16719 B0ECKP000055 二极管 1 D16720 B0ECKP000055 二极管 1 D16721 B0ECHR000001 二极管 1 D16728 B0ECKP000055 二极管 1 D16765 B0ECKP000055 二极管 1 D16790 B0JCME000093 二极管 1 D16791 DZ2J200M0L 稳压二极管 1 D16792 B0ACCJ000048 二极管 1 D16820 B0ACCJ000048 二极管 1 D16821 DZ2J330M0L 稳压二极管 1 D16822 B0ADCJ000100 二极管 1 D16824 DZ2J330M0L 稳压二极管 1 D16825 DZ2J330M0L 稳压二极管 1 D16859 B0HCKS000002 二极管 1 D16871 DZ2J240M0L 稳压二极管 1 D16872 DZ2J200M0L 稳压二极管 1 D16874 DZ2J051M0L 稳压二极管 1 D16875 B0ACCJ000048 二极管 1 D16893 DZ2J056H0L 稳压二极管 1 D16901 B0ADCJ000100 二极管 1 D16902 B0ACCJ000048 二极管 1 D16920 B0ADCJ000100 二极管 1 FL2759 F1J1E104A148 C 0.1UF@ 25V 1 FL8701 J0MAB0000140 LC 滤波器 1 FL8702 J0MAB0000140 LC 滤波器 1 IC1000 C1ZBZ0003775 IC 1 IC1100 MN103SH9FPB1 IC 1 IC1101 TVRR361AA IC 1 PPDS IC2301 C1AB00003230 IC 1 IC2950 C0CBCAG00031 IC 1 IC2952 C0DBGYY00281 IC 1 IC3001 C1AB00003218 IC 1 IC4500 C1AB00003079 IC 1 IC4701 C0DBGYY00578 IC 1 IC5250 C0DBEYY00123 IC 1 PPDS IC5251 C0CBCBC00227 IC 1 IC5290 C0DBGYY00884 IC 1 IC5302 C0DBAYY00755 IC 1 PPDS IC5303 C0DBAYY00755 IC 1 PPDS IC5470 C0EBM0000026 IC 1 IC5481 C1ZBZ0004161 IC 1 IC5500 C0DBAYY00715 IC 1 IC5501 C0DBAYY00715 IC 1 IC5603 C0DBFYY00049 IC 1 IC5604 C0DBGYY00578 IC 1 IC6700 C0DBAHF00015 IC 1 IC6701 C3ABPY000028 IC 1 IC6702 C1AB00003110 IC 1 IC6703 C0DBEHG00006 IC 1 安全 标记 参考号 部品号 部品名称及说明 数量 备注 IC6704 C0EBD0000221 IC 1 IC6705 C0DBEHG00006 IC 1 IC6706 C0JBAZ002811 IC 1 IC6707 C0JBAZ002811 IC 1 IC8000 MN2WS0110C IC 1 PPDS IC8100 C1ZBZ0003967 IC 1 IC8240 C3ABTY000025 IC 1 IC8241 C3ABTY000025 IC 1 IC8701 C0DBZYY00365 IC 1 IC8703 C1CB00003239 IC 1 IC8921 TVRR354AA IC 1 PPDS IC8950 TVRR372 IC 1 PPDS IC9300 C1AB00003258 IC 1 IC9304 TVRR330AC IC 1 PPDS IC9400 C0JBAZ002692 IC 1 IC9401 C0JBAZ002692 IC 1 IC9402 C0JBAZ002692 IC 1 IC9800 C0DBAYY00605 IC 1 IC9801 C0DBAYY00462 IC 1 IC9803 C0DBAYY00462 IC 1 IC16131 C0ZBZ0001707 IC 1 IC16151 C0ZBZ0001708 IC 1 IC16241 C0JBAU000088 IC 1 PPDS IC16251 C0BBBA000024 IC 1 IC16304 MIP3900MSSCF IC 1 IC16312 C0DBZMC00006 IC 1 IC16471 C0DBEYY00114 IC 1 IC16490 C0DBZMC00006 IC 1 IC16491 C0BBAA000008 线形 IC 1 IC16501 C0ZBZ0001708 IC 1 IC16521 C0ZBZ0001708 IC 1 IC16561 C0JBAU000088 IC 1 PPDS IC16562 C0JBAU000088 IC 1 PPDS IC16563 C0JBAB000916 IC 1 IC16581 C0BBBA000024 IC 1 IC16661 C0BBBA000024 IC 1 IC16691 C0JBAC000363 IC 1 IC16692 C0DBZYY00352 IC 1 IC16724 C0CBADE00049 IC 1 IC16771 C0CBADC00072 IC 1 IC16773 C0JBAB000715 IC 1 IC16784 MIP3910MSSCF IC 1 IC16785 C0DBZYY00352 IC 1 IC16786 MIP3910MSSCF IC 1 IC16787 C0DBZYY00352 IC 1 IC16792 C0BBAA000008 线形 IC 1 IC16793 C0DBZMC00006 IC 1 IC16920 C0BBBA000024 IC 1 IC17101 C0JBAU000088 IC 1 PPDS IC17201 C0JBAU000088 IC 1 PPDS IC17202 C0JBAZ002692 IC 1 JK3001 K1FY315A0008 连接接头 1 PPDS JK3100 K1U932A00005 连接接头 1 PPDS JK3707 K4AK13B00008 端子 1 PPDS JK4700 K1FY119D0011 连接接头 1 PPDS JK4701 K1FY119D0011 连接接头 1 PPDS JK4702 K1FY119D0011 连接接头 1 PPDS JK4703 K1FY119E0015 连接接头 1 PPDS JK8301 K2LC1YYA0005 插孔 1 JK8700 K1FY208B0008 连接接头 1 JK8850 K1NA12E00017 SD 卡插槽 1 JS6707 D0GAR00Z0001 M 0 OHM@ 1/16W 1 JS8371 D0GAR00Z0001 M 0 OHM@ 1/16W 1 JS8372 D0GAR00Z0001 M 0 OHM@ 1/16W 1 JS8373 D0GAR00Z0001 M 0 OHM@ 1/16W 1 JS8374 D0GAR00Z0001 M 0 OHM@ 1/16W 1 JS8375 D0GAR00Z0001 M 0 OHM@ 1/16W 1 安全 标记 参考号 部品号 部品名称及说明 数量 备注 107 JS8377 D0GAR00Z0001 M 0 OHM@ 1/16W 1 JS8388 D0GAR00Z0001 M 0 OHM@ 1/16W 1 JS8389 D0GAR00Z0001 M 0 OHM@ 1/16W 1 JS8390 D0GAR00Z0001 M 0 OHM@ 1/16W 1 JS8391 D0GAR00Z0001 M 0 OHM@ 1/16W 1 JS8392 D0GAR00Z0001 M 0 OHM@ 1/16W 1 K1 K1KA08B00270 8P 连接接头 1 L1100 J0JYC0000068 片状电感 1 L2106 J0ZZB0000097 滤波器 1 L2107 J0ZZB0000097 滤波器 1 L2301 J0JHC0000045 片状电感 1 L2302 G1C3R0ZA0156 感应线圈 1 L2303 G1C220MA0416 感应线圈 1 L2304 G1C220MA0416 感应线圈 1 L2305 G1C220MA0416 感应线圈 1 L2306 G1C220MA0416 感应线圈 1 L2902 J0JHC0000046 片状电感 1 L2904 J0JCC0000278 片状电感 1 L2909 J0JCC0000278 片状电感 1 L2910 J0JCC0000278 片状电感 1 L2950 J0JHC0000045 片状电感 1 L3002 J0JYC0000331 片状电感 1 PPDS L3003 J0JYC0000331 片状电感 1 PPDS L3006 J0JYC0000331 片状电感 1 PPDS L3007 J0JYC0000331 片状电感 1 PPDS L3010 J0JYC0000331 片状电感 1 PPDS L3011 J0JYC0000331 片状电感 1 PPDS L3014 J0JYC0000331 片状电感 1 PPDS L3015 J0JYC0000331 片状电感 1 PPDS L3017 J0JCC0000287 片状电感 1 L3018 J0JCC0000287 片状电感 1 L3019 J0JCC0000287 片状电感 1 L3020 D0GAR00Z0001 M 0 OHM@ 1/16W 1 L3023 J0JCC0000287 片状电感 1 L3024 J0JCC0000287 片状电感 1 L3028 J0JCC0000287 片状电感 1 L3029 J0JYC0000331 片状电感 1 PPDS L3030 J0JYC0000331 片状电感 1 PPDS L4700 J0JYC0000068 片状电感 1 L4701 J0JYC0000068 片状电感 1 L4702 J0JYC0000068 片状电感 1 L4703 J0JYC0000068 片状电感 1 L4704 J0JYC0000068 片状电感 1 L4705 J0JYC0000068 片状电感 1 L4706 J0JYC0000068 片状电感 1 L4707 J0JYC0000068 片状电感 1 L4708 J0JYC0000068 片状电感 1 L4712 J0JHC0000045 片状电感 1 L4715 J0JYC0000068 片状电感 1 L4716 J0JYC0000068 片状电感 1 L4717 J0JYC0000068 片状电感 1 L5301 G1C6R8MA0416 感应线圈 1 PPDS L5480 J0JYC0000068 片状电感 1 L5500 G1C2R2M00022 感应线圈 1 L5501 G1C3R3Z00005 感应线圈 1 L5502 G1C2R2Z00007 感应线圈 1 L5503 G1C3R3Z00004 感应线圈 1 L5504 G1C100MA0077 感应线圈 1 L5505 G1C100MA0077 感应线圈 1 L5611 G1C6R8MA0416 感应线圈 1 PPDS L6700 J0JJC0000015 片状电感 1 L6701 J0JHC0000045 片状电感 1 L6702 J0JHC0000045 片状电感 1 L6703 J0JJC0000015 片状电感 1 L6704 J0JJC0000015 片状电感 1 L8000 J0JCC0000287 片状电感 1 L8001 J0JCC0000287 片状电感 1 安全 标记 参考号 部品号 部品名称及说明 数量 备注 L8002 J0JCC0000287 片状电感 1 L8003 J0JHC0000045 片状电感 1 L8004 J0JKC0000021 片状电感 1 L8005 J0JKC0000021 片状电感 1 L8006 J0JCC0000287 片状电感 1 L8007 J0JHC0000045 片状电感 1 L8008 J0JCC0000287 片状电感 1 L8009 J0JHC0000045 片状电感 1 L8010 J0JCC0000287 片状电感 1 L8011 J0JHC0000116 片状电感 1 L8012 J0JCC0000287 片状电感 1 L8013 J0JCC0000287 片状电感 1 L8014 J0JCC0000287 片状电感 1 L8015 J0JHC0000116 片状电感 1 L8016 J0JHC0000116 片状电感 1 L8017 J0JHC0000045 片状电感 1 L8018 J0JHC0000045 片状电感 1 L8019 J0JHC0000045 片状电感 1 L8020 J0JCC0000287 片状电感 1 L8021 J0JCC0000287 片状电感 1 L8022 J0JHC0000045 片状电感 1 L8023 J0JHC0000045 片状电感 1 L8024 J0JCC0000287 片状电感 1 L8100 J0JHC0000045 片状电感 1 L8340 J0JDC0000002 片状电感 1 L8341 J0JDC0000002 片状电感 1 L8343 J0JDC0000002 片状电感 1 L8511 J0ZZB0000083 滤波器 1 PPDS L8512 J0ZZB0000083 滤波器 1 PPDS L8513 J0ZZB0000083 滤波器 1 PPDS L8701 J0JHC0000045 片状电感 1 L8702 J0JHC0000045 片状电感 1 L8705 J0JHC0000045 片状电感 1 L8706 J0JHC0000045 片状电感 1 L8707 J0JHC0000045 片状电感 1 L8708 J0JHC0000045 片状电感 1 L8850 J0JHC0000045 片状电感 1 L8920 J0JDC0000002 片状电感 1 L9000 G1C100MA0416 感应线圈 1 L9300 J0JHC0000117 片状电感 1 L9301 J0JHC0000117 片状电感 1 L9302 J0JHC0000117 片状电感 1 L9800 G1C6R8Z00010 感应线圈 1 L9801 G1C100MA0416 感应线圈 1 L16001 G0CR35K00001 校正线圈 1 L16011 G0CR35K00001 校正线圈 1 L16303 G0C471MA0049 校正线圈 1 PPDS L16401 G0CR35K00001 校正线圈 1 L16411 G0CR35K00001 校正线圈 1 L16472 G0ZZ00002183 校正线圈 1 L16698 G0C681MA0065 校正线圈 1 L16851 G0ZZ00002183 校正线圈 1 PA5610 K5H4022A0031 保险丝 1 PC16191 B3PBA0000496 IC 1 PC16301 B3PBA0000498 IC 1 PC16461 B3PBE0000054 IC 1 PC16480 B3PBA0000498 IC 1 PC16603 B3PBA0000498 IC 1 PC16684 B3PBA0000496 IC 1 PC16685 B3PBA0000496 IC 1 PC16722 B3PBA0000498 IC 1 PC16723 B3PBA0000498 IC 1 PC16896 B3PBA0000498 IC 1 PC16897 B3PBA0000498 IC 1 PCB TNPH0845HC A 电路板 1 (RTL)PP DS 安全 标记 参考号 部品号 部品名称及说明 数量 备注 108 PCB TXNXH1LBUC XH 电路板 1 (RTL)PP DS PCB ETX2MM805MSL P 电路板 1 (RTL)PP DS PCB TXNC11LRUC C1 电路板 1 (RTL) PCB TXNC21LRUC C2 电路板 1 (RTL) PCB TXNSC11MEK SC 电路板 1 (RTL)PP DS PCB TXNSD1LRUC SD 电路板 1 PCB TXNSS11FFK SS 电路板 1 (RTL)PP DS PCB TXNSS21DYUC SS2 电路板 1 (RTL) PCB TXNSU1LRUC SU 电路板 1 PCB TXN/K1LBUC K 电路板 1 (RTL)PP DS Q2101 DSA200100L 三极管 1 Q2109 DSA200100L 三极管 1 Q2252 DSA200100L 三极管 1 Q2253 B1AAFB000002 三极管 1 PPDS Q2254 B1AAFB000002 三极管 1 PPDS Q2255 DSC2001S0L 三极管 1 Q2301 DSA200100L 三极管 1 Q2510 DSC200100L 三极管 1 Q2511 DSC200100L 三极管 1 Q2512 DSC200100L 三极管 1 Q2903 B1CBHD000002 FET 1 Q2904 B1CBHD000002 FET 1 Q3000 B1ABCF000231 三极管 1 Q3001 B1ABCF000231 三极管 1 Q3008 DSA200100L 三极管 1 Q4512 B1HFCFA00026 三极管 1 Q4513 DSA200100L 三极管 1 Q4700 B1ABCF000231 三极管 1 Q4701 B1ABCF000231 三极管 1 Q4702 B1ABCF000231 三极管 1 Q4703 B1ABCF000231 三极管 1 Q4704 B1ABCF000231 三极管 1 Q4705 B1ABCF000231 三极管 1 Q4709 B1ABCF000231 三极管 1 Q4710 B1ABCF000231 三极管 1 Q5431 DSA200100L 三极管 1 Q5432 DSC2001S0L 三极管 1 Q5433 DSC2001S0L 三极管 1 Q5434 DSC2001S0L 三极管 1 Q5435 DSA200100L 三极管 1 Q5436 DSC200100L 三极管 1 Q5475 DSC2001S0L 三极管 1 Q5476 B1ABCF000231 三极管 1 Q5478 DSC200100L 三极管 1 Q5500 B1MBDDA00003 FET 1 Q5501 B1CFRD000048 FET 1 Q5502 B1MBDDA00003 FET 1 Q5503 B1MBEDA00015 FET 1 Q5504 B1CFRD000048 FET 1 Q5602 DSC2001S0L 三极管 1 Q5603 DSC2001S0L 三极管 1 Q6700 B1CBGD000001 FET 1 Q6701 B1CBGD000001 FET 1 Q6702 B1CBGD000001 FET 1 Q6703 2SD0601ARL 三极管 1 Q6704 B1CBGD000001 FET 1 Q9005 DSC200100L 三极管 1 Q9006 DSC200100L 三极管 1 Q9900 DSC200100L 三极管 1 Q9901 DSC200100L 三极管 1 Q16001 B1JADN000009 三极管 1 Q16002 B1JADN000009 三极管 1 Q16021 B1JADN000008 三极管 1 PPDS 安全 标记 参考号 部品号 部品名称及说明 数量 备注 Q16022 B1JADN000008 三极管 1 PPDS Q16041 B1JAEN000010 三极管 1 PPDS Q16051 B1JAEN000011 三极管 1 PPDS Q16055 B1HFPFA00001 三极管 1 Q16056 B1HFPFA00001 三极管 1 Q16101 B1CFRM000008 FET 1 Q16102 B1CFRM000008 FET 1 Q16141 B1HFPFA00001 三极管 1 Q16161 B1HFPFA00001 三极管 1 Q16191 B1HFPFA00001 三极管 1 Q16251 B1ABCF000231 三极管 1 Q16280 B1ABCF000231 三极管 1 Q16402 DG3D5020CSLW 三极管 1 Q16403 DG3D5020CSLW 三极管 1 Q16421 DG3D4020CSRP 三极管 1 Q16422 DG3D4020CSRP 三极管 1 Q16441 B1JAEP000013 三极管 1 Q16452 B1JAEP000012 三极管 1 Q16471 B1ABCF000231 三极管 1 Q16490 B1CBGD000001 FET 1 Q16501 B1HFPFA00001 三极管 1 Q16521 B1HFPFA00001 三极管 1 Q16531 B1HFPFA00001 三极管 1 Q16551 B1HFPFA00001 三极管 1 Q16601 B1CERR000042 FET 1 Q16602 DSC2001Q0L 三极管 1 Q16603 DSA2001S0L 三极管 1 Q16606 DSC2001Q0L 三极管 1 Q16607 B1CBGD000001 FET 1 Q16608 B1CBGD000001 FET 1 Q16621 B1JADN000009 三极管 1 Q16622 B1JADN000009 三极管 1 Q16645 DSC2001Q0L 三极管 1 Q16646 DSA2001S0L 三极管 1 Q16647 B1CBGD000001 FET 1 Q16649 B1ABCN000007 三极管 1 Q16660 B1CERR000042 FET 1 Q16661 B1JAER000010 三极管 1 Q16662 DSC2001Q0L 三极管 1 Q16663 DSA2001S0L 三极管 1 Q16668 DSC2001Q0L 三极管 1 Q16670 B1ADCN000007 三极管 1 Q16671 B1ABCF000231 三极管 1 Q16675 B1ADCN000007 三极管 1 Q16676 B1ABCF000231 三极管 1 Q16677 DSC2001Q0L 三极管 1 Q16678 B1ABCF000231 三极管 1 Q16701 B1ADCN000007 三极管 1 Q16702 B1ABCF000231 三极管 1 Q16762 B1HFPFA00001 三极管 1 Q16801 DSA2001S0L 三极管 1 Q16810 B1ABCF000231 三极管 1 Q16815 B1ABCN000007 三极管 1 Q16816 DSC2001Q0L 三极管 1 Q16817 DSC2001Q0L 三极管 1 Q16818 B1CBGD000001 FET 1 Q16876 B1ABCF000231 三极管 1 Q16885 B1CFNG000001 FET 1 Q16920 B1ABCN000007 三极管 1 Q16921 B1ABCN000007 三极管 1 Q16930 DSC2001Q0L 三极管 1 Q16931 B1ABCN000007 三极管 1 Q16932 DSC2001Q0L 三极管 1 R0180 D0GA101JA015 M 100 OHM@ J@1/16W 1 R0907 EXB28V103JX M 10KOHM 1/32 W 1 R0908 ERJ2GEJ103 M 10KOHM@ J@1/16 W 1 R0913 ERJ2GEJ220 M 22 OHM@ J@1/16 W 1 R0914 ERJ2GEJ220 M 22 OHM@ J@1/16 W 1 安全 标记 参考号 部品号 部品名称及说明 数量 备注 109 R0915 D0GA472JA015 M 4.7KOHM@ J@1/16W 1 R0916 D0GA472JA015 M 4.7KOHM@ J@1/16W 1 R0917 ERJ2GEJ220 M 22 OHM@ J@1/16 W 1 R0918 ERJ2GEJ220 M 22 OHM@ J@1/16 W 1 R0931 ERJ2GEJ220 M 22 OHM@ J@1/16 W 1 R0932 ERJ2GEJ220 M 22 OHM@ J@1/16 W 1 R0935 ERJ2GEJ220 M 22 OHM@ J@1/16 W 1 R0936 ERJ2GEJ220 M 22 OHM@ J@1/16 W 1 R0947 D0GA680JA015 M 68 OHM@ J@1/16W 1 R0948 D0GA680JA015 M 68 OHM@ J@1/16W 1 R0949 D0GA680JA015 M 68 OHM@ J@1/16W 1 R0950 D0GA680JA015 M 68 OHM@ J@1/16W 1 R0951 D0GA680JA015 M 68 OHM@ J@1/16W 1 R0952 D0GA680JA015 M 68 OHM@ J@1/16W 1 R0953 D0GA101JA015 M 100 OHM@ J@1/16W 1 R0954 D0GA101JA015 M 100 OHM@ J@1/16W 1 R0955 D0GA222JA015 M 2.2KOHM@ J@1/16W 1 R0956 D0GA222JA015 M 2.2KOHM@ J@1/16W 1 R0957 D0GA472JA015 M 4.7KOHM@ J@1/16W 1 R0958 D0GA472JA015 M 4.7KOHM@ J@1/16W 1 R0959 D0GA222JA015 M 2.2KOHM@ J@1/16W 1 R0960 D0GA222JA015 M 2.2KOHM@ J@1/16W 1 R1004 D0GBR00Z0002 M 0 OHM J 1/10W 1 R1010 D0GB103JA057 M 10K OHM J 1/10W 1 R1153 D0GA471JA015 M 470OHM@ J@1/16W 1 R1163 D0GA105JA015 M 1M OHM@ J@1/16W 1 R1182 D0GA273JA015 M 27K OHM J @1/16W 1 R1203 D0GA473JA015 M 47KOHM@ J@1/16W 1 R1209 D0GA472JA015 M 4.7KOHM@ J@1/16W 1 R1221 D1BB7151A055 M7.15KOHM@J.1/10W 1 R1224 ERJ2GEJ103 M 10KOHM@ J@1/16 W 1 R1225 ERJ2GEJ103 M 10KOHM@ J@1/16 W 1 R1236 D0GA473JA015 M 47KOHM@ J@1/16W 1 R1237 ERJ2GEJ102X M 1KOHM@ J.1/16 W 1 R1243 D0GA473JA015 M 47KOHM@ J@1/16W 1 R1255 ERJ2GEJ102X M 1KOHM@ J.1/16 W 1 R1406 D0GA683JA015 M 68KOHM@ J@1/16W 1 R1407 D0GA473JA015 M 47KOHM@ J@1/16W 1 R1410 ERJ2GEJ103 M 10KOHM@ J@1/16 W 1 R1411 ERJ2GEJ104 M100KOHM@ J@1/16 W 1 R2053 D1BB1403A055 M 140KOHM@J.1/10W 1 R2055 D1BB1403A055 M 140KOHM@J.1/10W 1 R2069 ERJ2GEJ103 M 10KOHM@ J@1/16 W 1 R2070 ERJ2GEJ103 M 10KOHM@ J@1/16 W 1 R2101 D0GA332JA015 M 3.3KOHM@ J@1/16W 1 R2102 D0GA472JA015 M 4.7KOHM@ J@1/16W 1 R2103 ERJ2GEJ220 M 22 OHM@ J@1/16 W 1 R2104 D0GA122JA015 M 1.2KOHM@ J@1/16W 1 R2107 D0GAR00Z0001 M 0 OHM@ 1/16W 1 R2110 ERJ2GEJ220 M 22 OHM@ J@1/16 W 1 R2121 D0GA681JA015 M680 OHM@ J@1/16W 1 R2135 ERJ2GEJ102X M 1KOHM@ J.1/16 W 1 R2139 ERJ2GEJ221 M 220 OHM@ J@1/16 W 1 R2254 D0GA101JA015 M 100 OHM@ J@1/16W 1 R2255 D0GA473JA015 M 47KOHM@ J@1/16W 1 R2256 ERJ2GEJ103 M 10KOHM@ J@1/16 W 1 R2257 D0GA105JA015 M 1M OHM@ J@1/16W 1 R2258 D0GA101JA015 M 100 OHM@ J@1/16W 1 R2259 D0GA101JA015 M 100 OHM@ J@1/16W 1 R2260 ERJ2GEJ103 M 10KOHM@ J@1/16 W 1 R2263 ERJ2GEJ103 M 10KOHM@ J@1/16 W 1 R2264 D0GA101JA015 M 100 OHM@ J@1/16W 1 R2301 ERJ2GEJ103 M 10KOHM@ J@1/16 W 1 R2302 EXB28V220J M 22 OHM 1/32 W 1 R2306 D0GA473JA015 M 47KOHM@ J@1/16W 1 R2307 D0GA472JA015 M 4.7KOHM@ J@1/16W 1 R2308 ERJ2GEJ221 M 220 OHM@ J@1/16 W 1 R2309 D0GA222JA015 M 2.2KOHM@ J@1/16W 1 R2310 D0GA222JA015 M 2.2KOHM@ J@1/16W 1 安全 标记 参考号 部品号 部品名称及说明 数量 备注 R2318 ERJ8GEYJ3R3V M 3.3 OHM@ J@1/4W 1 R2319 ERJ8GEYJ3R3V M 3.3 OHM@ J@1/4W 1 R2320 ERJ8GEYJ3R3V M 3.3 OHM@ J@1/4W 1 R2321 ERJ8GEYJ3R3V M 3.3 OHM@ J@1/4W 1 R2510 ERJ3GEYJ470 M 47 OHM@J@1/10W 1 R2511 D0GB104JA041 M 100KOHM J 1/10W 1 R2512 D0GB224JA041 M 220KOHM@J@1/10W 1 R2513 ERJ3GEYJ223 M 22KOHM@J@1/10W 1 R2514 D0GB103JA057 M 10K OHM J 1/10W 1 R2515 D0GB473JA057 M 47KOHM@J@1/10W 1 R2516 D1BB6800A055 M 680 OHM@J.1/10W 1 R2517 ERJ3GEYJ223 M 22KOHM@J@1/10W 1 R2518 D0GB473JA057 M 47KOHM@J@1/10W 1 R2519 D1BB1821A055 M1.82KOHM@J.1/10W 1 R2550 ERJ6ENF1432 M14.3KOHM@F.1/8W 1 R2551 ERJ6ENF6651 M6.65KOHM@F.1/8W 1 R2552 ERJ6ENF7151 M7.15KOHM@ F.1/8W 1 R2553 ERJ6ENF1741 M1.74KOHM@F.1/8W 1 R2752 D0GA184JA015 M 180KOHM J.1/16W 1 R2753 D0GB102JA041 M 1KOHM@J@1/10W 1 R2807 D0GA473JA015 M 47KOHM@ J@1/16W 1 R2816 D0GA473JA015 M 47KOHM@ J@1/16W 1 R2819 D0GA473JA015 M 47KOHM@ J@1/16W 1 R2824 D0GA101JA015 M 100 OHM@ J@1/16W 1 R2826 D0GA101JA015 M 100 OHM@ J@1/16W 1 R2828 D0GA101JA015 M 100 OHM@ J@1/16W 1 R2830 D0GA473JA015 M 47KOHM@ J@1/16W 1 R2831 D0GA473JA015 M 47KOHM@ J@1/16W 1 R2834 D0GA101JA015 M 100 OHM@ J@1/16W 1 R2835 D0GA101JA015 M 100 OHM@ J@1/16W 1 R2902 D0GAR00Z0001 M 0 OHM@ 1/16W 1 R2903 D0GAR00Z0001 M 0 OHM@ 1/16W 1 R2904 D0GAR00Z0001 M 0 OHM@ 1/16W 1 R2905 D0GAR00Z0001 M 0 OHM@ 1/16W 1 R2906 D0GAR00Z0001 M 0 OHM@ 1/16W 1 R2908 D0GA682JA015 M6.8KOHM@ J@1/16W 1 R2911 ERJ2GEJ221 M 220 OHM@ J@1/16 W 1 R2918 D0GAR00Z0001 M 0 OHM@ 1/16W 1 R2921 D0GA682JA015 M6.8KOHM@ J@1/16W 1 R2930 D0GA153JA015 M 15K OHM J 1/16W 1 R2959 D0GBR00Z0002 M 0 OHM J 1/10W 1 R2960 ERJ2GEJ103 M 10KOHM@ J@1/16 W 1 R2961 D0GBR00Z0002 M 0 OHM J 1/10W 1 R3000 D0GA223JA015 M 22K OHM J 1/16W 1 R3001 D0GA223JA015 M 22K OHM J 1/16W 1 R3002 D0GA223JA015 M 22K OHM J 1/16W 1 R3003 D0GA223JA015 M 22K OHM J 1/16W 1 R3004 D0GA223JA015 M 22K OHM J 1/16W 1 R3005 D0GA223JA015 M 22K OHM J 1/16W 1 R3017 D0GAR00Z0001 M 0 OHM@ 1/16W 1 R3019 D0GA222JA015 M 2.2KOHM@ J@1/16W 1 R3021 D0GA222JA015 M 2.2KOHM@ J@1/16W 1 R3024 ERJ2GEJ104 M100KOHM@ J@1/16 W 1 R3025 ERJ2GEJ104 M100KOHM@ J@1/16 W 1 R3030 D0GA101JA015 M 100 OHM@ J@1/16W 1 R3072 ERJ6RED750 M 75 OHM@.D1/10W 1 R3074 ERJ6RED750 M 75 OHM@.D1/10W 1 R3075 ERJ6RED750 M 75 OHM@.D1/10W 1 R3076 ERJ6RED750 M 75 OHM@.D1/10W 1 R3077 ERJ6RED750 M 75 OHM@.D1/10W 1 R3078 ERJ6RED750 M 75 OHM@.D1/10W 1 R3084 ERJ6RED750 M 75 OHM@.D1/10W 1 R3085 ERJ6RED750 M 75 OHM@.D1/10W 1 R3086 ERJ6RED750 M 75 OHM@.D1/10W 1 R3094 D1BA1302A014 M 13KOHM@J.1/16 W 1 PPDS R3100 ERJ2GEJ104 M100KOHM@ J@1/16 W 1 R3101 D0GA473JA015 M 47KOHM@ J@1/16W 1 R3103 D0GA473JA015 M 47KOHM@ J@1/16W 1 R3112 D0GAR00Z0001 M 0 OHM@ 1/16W 1 安全 标记 参考号 部品号 部品名称及说明 数量 备注 110 R3113 D0GAR00Z0001 M 0 OHM@ 1/16W 1 R3116 ERJ2GEJ221 M 220 OHM@ J@1/16 W 1 R3117 ERJ2GEJ221 M 220 OHM@ J@1/16 W 1 R3118 ERJ2GEJ221 M 220 OHM@ J@1/16 W 1 R3120 D0GA331JA015 M 330 OHM@ J@1/16W 1 R3121 EXB28V221JX M 220 OHM 1/32 W 1 R3123 EXB28V680JX M 68 OHM 1/32 W 1 R3128 ERJ2GEJ221 M 220 OHM@ J@1/16 W 1 R3129 ERJ2GEJ221 M 220 OHM@ J@1/16 W 1 R3146 D0GA331JA015 M 330 OHM@ J@1/16W 1 R3147 D0GA473JA015 M 47KOHM@ J@1/16W 1 R3148 ERJ6RED750 M 75 OHM@.D1/10W 1 R3149 ERJ6RED750 M 75 OHM@.D1/10W 1 R3154 EXB28V820JX M 82 OHM 1/32 W 1 R3167 ERJ6RED750 M 75 OHM@.D1/10W 1 R3169 ERJ2GEJ104 M100KOHM@ J@1/16 W 1 R3173 EXB28V221JX M 220 OHM 1/32 W 1 R3182 D1BA1302A014 M 13KOHM@J.1/16 W 1 PPDS R3187 ERJ6RED750 M 75 OHM@.D1/10W 1 R3189 D0GA680JA015 M 68 OHM@ J@1/16W 1 R3192 EXB28V820JX M 82 OHM 1/32 W 1 R3201 ERJ2GEJ221 M 220 OHM@ J@1/16 W 1 R3218 D0GAR00Z0001 M 0 OHM@ 1/16W 1 R3222 D0GAR00Z0001 M 0 OHM@ 1/16W 1 R3224 D0GAR00Z0001 M 0 OHM@ 1/16W 1 R3226 D0GA472JA015 M 4.7KOHM@ J@1/16W 1 R3227 D0GA472JA015 M 4.7KOHM@ J@1/16W 1 R3230 ERJ6RED750 M 75 OHM@.D1/10W 1 R3231 D0GAR00Z0001 M 0 OHM@ 1/16W 1 R3232 ERJ6RED750 M 75 OHM@.D1/10W 1 R3233 D0GAR00Z0001 M 0 OHM@ 1/16W 1 R3234 ERJ6RED750 M 75 OHM@.D1/10W 1 R3235 D0GAR00Z0001 M 0 OHM@ 1/16W 1 R3236 D0GA680JA015 M 68 OHM@ J@1/16W 1 R3237 D0GA680JA015 M 68 OHM@ J@1/16W 1 R3240 ERJ2GEJ221 M 220 OHM@ J@1/16 W 1 R3245 ERJ2GEJ221 M 220 OHM@ J@1/16 W 1 R3290 D0GA473JA015 M 47KOHM@ J@1/16W 1 R3291 D0GA473JA015 M 47KOHM@ J@1/16W 1 R3292 D0GA105JA015 M 1M OHM@ J@1/16W 1 R3293 EZAEG2A50AX ESD SUPPRESSOR 1 R3716 D0GA223JA015 M 22K OHM J 1/16W 1 R3717 D0GA223JA015 M 22K OHM J 1/16W 1 R4548 ERJ2GEJ220 M 22 OHM@ J@1/16 W 1 R4549 D0GA151JA015 M 150 OHM@ J@1/16W 1 R4550 D0GA151JA015 M 150 OHM@ J@1/16W 1 R4551 D0GA151JA015 M 150 OHM@ J@1/16W 1 R4552 D0GA560JA015 M 56 OHM@ J@1/16W 1 R4553 ERJ2GEJ103 M 10KOHM@ J@1/16 W 1 R4554 ERJ2GEJ102X M 1KOHM@ J.1/16 W 1 R4557 D0GAR00Z0001 M 0 OHM@ 1/16W 1 R4563 ERJ2GEJ103 M 10KOHM@ J@1/16 W 1 R4597 D0GA152JA015 M 1.5KOHM@ J@1/16W 1 R4598 D0GA152JA015 M 1.5KOHM@ J@1/16W 1 R4599 D0GA473JA015 M 47KOHM@ J@1/16W 1 R4651 ERJ2GEJ220 M 22 OHM@ J@1/16 W 1 R4655 ERJ2GEJ220 M 22 OHM@ J@1/16 W 1 R4659 ERJ2GEJ220 M 22 OHM@ J@1/16 W 1 R4663 ERJ2GEJ220 M 22 OHM@ J@1/16 W 1 R4666 D0GA330JA015 M 33 OHM@ J@1/16W 1 R4668 D0GA330JA015 M 33 OHM@ J@1/16W 1 R4670 D0GA330JA015 M 33 OHM@ J@1/16W 1 R4672 D0GA330JA015 M 33 OHM@ J@1/16W 1 R4676 ERJ2GEJ102X M 1KOHM@ J.1/16 W 1 R4677 D0GA122JA015 M 1.2KOHM@ J@1/16W 1 R4702 ERJ2GEJ103 M 10KOHM@ J@1/16 W 1 R4703 D0GA330JA015 M 33 OHM@ J@1/16W 1 R4704 D0GA473JA015 M 47KOHM@ J@1/16W 1 R4706 ERJ2GEJ103 M 10KOHM@ J@1/16 W 1 安全 标记 参考号 部品号 部品名称及说明 数量 备注 R4707 D0GA473JA015 M 47KOHM@ J@1/16W 1 R4708 ERJ2GEJ103 M 10KOHM@ J@1/16 W 1 R4709 ERJ2GEJ103 M 10KOHM@ J@1/16 W 1 R4710 D0GA473JA015 M 47KOHM@ J@1/16W 1 R4711 ERJ2GEJ102X M 1KOHM@ J.1/16 W 1 R4712 D0GA473JA015 M 47KOHM@ J@1/16W 1 R4715 ERJ2GEJ103 M 10KOHM@ J@1/16 W 1 R4716 D0GA330JA015 M 33 OHM@ J@1/16W 1 R4717 D0GA473JA015 M 47KOHM@ J@1/16W 1 R4719 ERJ2GEJ103 M 10KOHM@ J@1/16 W 1 R4720 D0GA473JA015 M 47KOHM@ J@1/16W 1 R4721 ERJ2GEJ103 M 10KOHM@ J@1/16 W 1 R4722 ERJ2GEJ103 M 10KOHM@ J@1/16 W 1 R4723 D0GA473JA015 M 47KOHM@ J@1/16W 1 R4724 ERJ2GEJ102X M 1KOHM@ J.1/16 W 1 R4725 D0GA473JA015 M 47KOHM@ J@1/16W 1 R4728 ERJ2GEJ103 M 10KOHM@ J@1/16 W 1 R4729 D0GA330JA015 M 33 OHM@ J@1/16W 1 R4730 D0GA473JA015 M 47KOHM@ J@1/16W 1 R4732 ERJ2GEJ103 M 10KOHM@ J@1/16 W 1 R4733 D0GA473JA015 M 47KOHM@ J@1/16W 1 R4734 ERJ2GEJ103 M 10KOHM@ J@1/16 W 1 R4735 ERJ2GEJ103 M 10KOHM@ J@1/16 W 1 R4736 D0GA473JA015 M 47KOHM@ J@1/16W 1 R4737 ERJ2GEJ102X M 1KOHM@ J.1/16 W 1 R4738 D0GA473JA015 M 47KOHM@ J@1/16W 1 R4739 ERJ2GEJ220 M 22 OHM@ J@1/16 W 1 R4740 D0GA680JA015 M 68 OHM@ J@1/16W 1 R4741 D0GA680JA015 M 68 OHM@ J@1/16W 1 R4742 D0GA680JA015 M 68 OHM@ J@1/16W 1 R4743 D0GA680JA015 M 68 OHM@ J@1/16W 1 R4744 D0GA680JA015 M 68 OHM@ J@1/16W 1 R4745 D0GA680JA015 M 68 OHM@ J@1/16W 1 R4748 D0GA680JA015 M 68 OHM@ J@1/16W 1 R4749 D0GA680JA015 M 68 OHM@ J@1/16W 1 R4750 D0GA680JA015 M 68 OHM@ J@1/16W 1 R4751 D0GA680JA015 M 68 OHM@ J@1/16W 1 R4762 D0GA680JA015 M 68 OHM@ J@1/16W 1 R4763 ERJ2GEJ104 M100KOHM@ J@1/16 W 1 R4764 ERJ2GEJ104 M100KOHM@ J@1/16 W 1 R4765 D1BB4701A055 M 4.7KOHM@J.1/10W 1 R4767 ERJ2GEJ104 M100KOHM@ J@1/16 W 1 R4770 ERJ2GEJ104 M100KOHM@ J@1/16 W 1 R4771 ERJ2GEJ104 M100KOHM@ J@1/16 W 1 R4775 D1BA1001A014 M 1KOHM@J. 1/16 W 1 R4776 D0GA680JA015 M 68 OHM@ J@1/16W 1 R4777 D0GA680JA015 M 68 OHM@ J@1/16W 1 R4778 D1BA1001A014 M 1KOHM@J. 1/16 W 1 R4781 D0GA680JA015 M 68 OHM@ J@1/16W 1 R4783 D0GA473JA015 M 47KOHM@ J@1/16W 1 R4785 D0GA680JA015 M 68 OHM@ J@1/16W 1 R4788 ERJ2GEJ103 M 10KOHM@ J@1/16 W 1 R4789 D0GA330JA015 M 33 OHM@ J@1/16W 1 R4790 D0GA473JA015 M 47KOHM@ J@1/16W 1 R4792 ERJ2GEJ103 M 10KOHM@ J@1/16 W 1 R4793 D0GA473JA015 M 47KOHM@ J@1/16W 1 R4794 ERJ2GEJ103 M 10KOHM@ J@1/16 W 1 R4795 ERJ2GEJ103 M 10KOHM@ J@1/16 W 1 R4796 D0GA473JA015 M 47KOHM@ J@1/16W 1 R4797 ERJ2GEJ102X M 1KOHM@ J.1/16 W 1 R4798 D0GA473JA015 M 47KOHM@ J@1/16W 1 R4799 D0GA680JA015 M 68 OHM@ J@1/16W 1 R4824 D0GA473JA015 M 47KOHM@ J@1/16W 1 R5155 D0GA101JA015 M 100 OHM@ J@1/16W 1 R5253 ERJ2GEJ103 M 10KOHM@ J@1/16 W 1 R5254 D1BA5361A014 M5.36KOHM@J.1/16 W 1 PPDS R5255 D1BA1001A014 M 1KOHM@J. 1/16 W 1 R5301 D0GA2R2JA014 M 2.2OHM@ J@1/16W 1 R5307 D1BB1202A087 M 12KOHM@J.1/10W 1 PPDS 安全 标记 参考号 部品号 部品名称及说明 数量 备注 111 R5308 D1BB2201A087 M 2.2KOHM@J.1/10W 1 R5309 D1BB5601A055 M 5.6KOHM@J.1/10W 1 R5312 D0GA150JA015 M 15 OHM@ J@1/16W 1 PPDS R5315 D0GB102JA041 M 1KOHM@J@1/10W 1 R5412 D0GA273JA015 M 27K OHM J @1/16W 1 R5413 ERJ2GEJ104 M100KOHM@ J@1/16 W 1 R5418 ERJ2GEJ104 M100KOHM@ J@1/16 W 1 R5419 D0GA683JA015 M 68KOHM@ J@1/16W 1 R5420 D0GA273JA015 M 27K OHM J @1/16W 1 R5421 ERJ2GEJ104 M100KOHM@ J@1/16 W 1 R5422 D0GA683JA015 M 68KOHM@ J@1/16W 1 R5423 ERJ2GEJ104 M100KOHM@ J@1/16 W 1 R5424 D0GA683JA015 M 68KOHM@ J@1/16W 1 R5431 D0GA222JA015 M 2.2KOHM@ J@1/16W 1 R5432 D0GA332JA015 M 3.3KOHM@ J@1/16W 1 R5433 ERJ2GEJ102X M 1KOHM@ J.1/16 W 1 R5434 ERJ2GEJ103 M 10KOHM@ J@1/16 W 1 R5435 ERJ6GEYJ221V M 220 OHM@J@1/8W 1 R5437 D0GA222JA015 M 2.2KOHM@ J@1/16W 1 R5438 D0GA472JA015 M 4.7KOHM@ J@1/16W 1 R5439 ERJ6GEYJ471 M 470 OHM@J@1/8W 1 R5441 ERJ2GEJ221 M 220 OHM@ J@1/16 W 1 R5443 ERJ2GEJ221 M 220 OHM@ J@1/16 W 1 R5444 ERJ2GEJ104 M100KOHM@ J@1/16 W 1 R5445 ERJ2GEJ104 M100KOHM@ J@1/16 W 1 R5451 ERJ6GEYJ102V M 1K OHM J 1/8W 1 R5452 ERJ6GEYJ104V M 100KOHM@J@1/8W 1 R5453 ERJ6GEYJ472V M 4.7KOHM.J.1/8W 1 R5454 ERJ6GEYJ472V M 4.7KOHM.J.1/8W 1 R5455 ERJ6GEYJ472V M 4.7KOHM.J.1/8W 1 R5456 ERJ6GEYJ472V M 4.7KOHM.J.1/8W 1 R5457 D0GAR00Z0001 M 0 OHM@ 1/16W 1 R5458 ERJ6GEYJ472V M 4.7KOHM.J.1/8W 1 R5459 ERJ6GEYJ472V M 4.7KOHM.J.1/8W 1 R5461 ERJ6GEYJ472V M 4.7KOHM.J.1/8W 1 R5470 D0GA222JA015 M 2.2KOHM@ J@1/16W 1 R5471 D0GA101JA015 M 100 OHM@ J@1/16W 1 R5472 D0GA470JA015 M 47 OHM@ J@1/16W 1 R5473 D0GA473JA015 M 47KOHM@ J@1/16W 1 R5474 ERJ2GEJ103 M 10KOHM@ J@1/16 W 1 R5475 D0GA123JA015 M 12K OHM J 1/16W 1 R5476 D0GA473JA015 M 47KOHM@ J@1/16W 1 R5477 ERJ2GEJ103 M 10KOHM@ J@1/16 W 1 R5478 D0GA473JA015 M 47KOHM@ J@1/16W 1 R5479 D0GA822JA015 M8.2KOHM@ J@1/16W 1 R5481 D0GA472JA015 M 4.7KOHM@ J@1/16W 1 R5482 ERJ6GEYJ150V M 15 OHM@J@1/8W 1 R5485 D0GA101JA015 M 100 OHM@ J@1/16W 1 R5486 D0GA473JA015 M 47KOHM@ J@1/16W 1 R5489 D0GAR00Z0001 M 0 OHM@ 1/16W 1 R5493 ERJ2GEJ103 M 10KOHM@ J@1/16 W 1 R5504 D1BB1241A087 M1.24KOHM@J.1/10W 1 R5505 D1BB1241A087 M1.24KOHM@J.1/10W 1 R5506 D1BB2101A087 M 2.1KOHM@J.1/10W 1 R5507 D1BB1101A055 M 1.1 KOHM@J.1/10W 1 R5508 D1BB8200A087 M 820 OHM@J.1/10W 1 R5509 D1BB8200A087 M 820 OHM@J.1/10W 1 R5510 D1BB2001A087 M 2KOHM@J.1/10W 1 R5511 D1BB3601A055 M 3.6KOHM@J.1/10W 1 R5512 D0GB100JA041 M 10 OHM J 1/10W 1 R5513 D0GB100JA041 M 10 OHM J 1/10W 1 R5514 D0GB100JA041 M 10 OHM J 1/10W 1 R5515 D0GB100JA041 M 10 OHM J 1/10W 1 R5516 D0GAR00Z0001 M 0 OHM@ 1/16W 1 R5517 D1BB1002A055 M 10KOHM@J.1/10W 1 R5518 D0GAR00Z0001 M 0 OHM@ 1/16W 1 R5519 D0GAR00Z0001 M 0 OHM@ 1/16W 1 R5520 D1BB1502A055 M 15KOHM@ J.1/10W 1 R5521 D0GAR00Z0001 M 0 OHM@ 1/16W 1 安全 标记 参考号 部品号 部品名称及说明 数量 备注 R5522 D1BB2002A055 M 20KOHM@J.1/10W 1 R5523 D1BB2402A055 M 24KOHM@J.1/10W 1 R5528 ERJ2GEJ103 M 10KOHM@ J@1/16 W 1 R5540 ERJ6GEYJ472V M 4.7KOHM.J.1/8W 1 R5571 D0GA683JA015 M 68KOHM@ J@1/16W 1 R5600 D0GA680JA015 M 68 OHM@ J@1/16W 1 R5603 D0GA2R2JA014 M 2.2OHM@ J@1/16W 1 R5607 D0GA223JA015 M 22K OHM J 1/16W 1 R5608 D0GA683JA015 M 68KOHM@ J@1/16W 1 R5609 ERJ2GEJ103 M 10KOHM@ J@1/16 W 1 R5610 D0GA473JA015 M 47KOHM@ J@1/16W 1 R5611 D0GA222JA015 M 2.2KOHM@ J@1/16W 1 R5612 ERJ2GEJ103 M 10KOHM@ J@1/16 W 1 R5613 D0GA473JA015 M 47KOHM@ J@1/16W 1 R5640 ERJ2GEJ103 M 10KOHM@ J@1/16 W 1 R5641 ERJ2GEJ103 M 10KOHM@ J@1/16 W 1 R5642 ERJ2GEJ104 M100KOHM@ J@1/16 W 1 R5643 ERJ2GEJ103 M 10KOHM@ J@1/16 W 1 R5644 D0GA752JA015 M7.5KOHM@ J@1/16W 1 R5681 D1BB1002A055 M 10KOHM@J.1/10W 1 R5682 D1BB1501A055 M1.50KOHM@J.1/10W 1 R5683 D1BB6201A055 M6.20KOHM@J.1/10W 1 R5724 D0GA150JA015 M 15 OHM@ J@1/16W 1 PPDS R6704 ERJ3GEYJ220 M 22 OHM@J@1/10W 1 R6705 ERJ3GEYJ220 M 22 OHM@J@1/10W 1 R6706 D0GB122JA041 M 1.2KOHM J 1/10W 1 R6707 D0GB122JA041 M 1.2KOHM J 1/10W 1 R6708 EXB28V220J M 22 OHM 1/32 W 1 R6709 D0GB122JA041 M 1.2KOHM J 1/10W 1 R6710 D0GB122JA041 M 1.2KOHM J 1/10W 1 R6711 ERJ2GEJ220 M 22 OHM@ J@1/16 W 1 R6712 ERJ2GEJ220 M 22 OHM@ J@1/16 W 1 R6713 EXB28V220J M 22 OHM 1/32 W 1 R6714 EXB28V220J M 22 OHM 1/32 W 1 R6715 EXB28V220J M 22 OHM 1/32 W 1 R6718 D0GAR00Z0001 M 0 OHM@ 1/16W 1 R6719 D0GA122JA015 M 1.2KOHM@ J@1/16W 1 R6720 D0GA472JA015 M 4.7KOHM@ J@1/16W 1 R6721 ERJ2GEJ103 M 10KOHM@ J@1/16 W 1 R6722 EXB28V220J M 22 OHM 1/32 W 1 R6723 EXB28V220J M 22 OHM 1/32 W 1 R6724 EXB28V220J M 22 OHM 1/32 W 1 R6725 EXB28V220J M 22 OHM 1/32 W 1 R6726 D0GB103JA057 M 10K OHM J 1/10W 1 R6727 D0GB103JA057 M 10K OHM J 1/10W 1 R6728 D0GA560JA015 M 56 OHM@ J@1/16W 1 R6729 D0GA560JA015 M 56 OHM@ J@1/16W 1 R6730 D0GA560JA015 M 56 OHM@ J@1/16W 1 R6731 D0GA560JA015 M 56 OHM@ J@1/16W 1 R6732 D0GA560JA015 M 56 OHM@ J@1/16W 1 R6733 D0GA560JA015 M 56 OHM@ J@1/16W 1 R6734 D0GA560JA015 M 56 OHM@ J@1/16W 1 R6735 D0GA560JA015 M 56 OHM@ J@1/16W 1 R6736 D0GA560JA015 M 56 OHM@ J@1/16W 1 R6737 D0GA560JA015 M 56 OHM@ J@1/16W 1 R6738 D0GA560JA015 M 56 OHM@ J@1/16W 1 R6739 D0GA560JA015 M 56 OHM@ J@1/16W 1 R6740 D0GA560JA015 M 56 OHM@ J@1/16W 1 R6741 ERJ2GEJ103 M 10KOHM@ J@1/16 W 1 R6742 D1BA1202A040 M 12KOHM@J.1/16 W 1 PPDS R6743 D1BA5602A014 M 56KOHM@J.1/16 W 1 R6744 D1BA1202A040 M 12KOHM@J.1/16 W 1 PPDS R6745 D0GB103JA057 M 10K OHM J 1/10W 1 R6746 D0GA332JA015 M 3.3KOHM@ J@1/16W 1 R6748 D0GA105JA015 M 1M OHM@ J@1/16W 1 R6749 ERJ2GEJ103 M 10KOHM@ J@1/16 W 1 R6750 D1BA3302A014 M 33KOHM@J.1/16 W 1 R6751 D1BA20020005 M 20KOHM@J.1/16 W 1 PPDS R6752 D0GB103JA057 M 10K OHM J 1/10W 1 安全 标记 参考号 部品号 部品名称及说明 数量 备注 112 R6753 D1BA6490A014 M 649 OHM@J.1/16 W 1 PPDS R6754 D1BB1001A055 M 1KOHM@J. 1/10W 1 R6755 D0GA203JA015 M 20K OHM J 1/16W 1 R6756 D0GA203JA015 M 20K OHM J 1/16W 1 R6757 D0GB181JA041 M 180 OHM@J@1/10W 1 PPDS R6759 D0GA472JA015 M 4.7KOHM@ J@1/16W 1 R6760 D0GA472JA015 M 4.7KOHM@ J@1/16W 1 R6761 D0GB560JA041 M 56 OHM@J@1/10W 1 R6762 D0GB560JA041 M 56 OHM@J@1/10W 1 R6763 D1BB1000A055 M 100 OHM@J.1/10W 1 R6764 D1BB1000A055 M 100 OHM@J.1/10W 1 R6765 D0GA472JA015 M 4.7KOHM@ J@1/16W 1 R6766 D0GA472JA015 M 4.7KOHM@ J@1/16W 1 R6767 D0GB560JA041 M 56 OHM@J@1/10W 1 R6768 D0GB560JA041 M 56 OHM@J@1/10W 1 R6769 D0GA472JA015 M 4.7KOHM@ J@1/16W 1 R6770 D0GA472JA015 M 4.7KOHM@ J@1/16W 1 R6771 D0GA560JA015 M 56 OHM@ J@1/16W 1 R6772 D0GA560JA015 M 56 OHM@ J@1/16W 1 R6773 D0GA560JA015 M 56 OHM@ J@1/16W 1 R6774 D0GA560JA015 M 56 OHM@ J@1/16W 1 R6775 D0GA560JA015 M 56 OHM@ J@1/16W 1 R6776 D0GA560JA015 M 56 OHM@ J@1/16W 1 R6777 D0GA560JA015 M 56 OHM@ J@1/16W 1 R6778 D0GA560JA015 M 56 OHM@ J@1/16W 1 R6779 D0GA560JA015 M 56 OHM@ J@1/16W 1 R6780 D0GA560JA015 M 56 OHM@ J@1/16W 1 R6781 D0GA560JA015 M 56 OHM@ J@1/16W 1 R6782 D0GA560JA015 M 56 OHM@ J@1/16W 1 R6783 D0GB560JA041 M 56 OHM@J@1/10W 1 R6784 D0GB560JA041 M 56 OHM@J@1/10W 1 R6785 D0GB560JA041 M 56 OHM@J@1/10W 1 R6786 D0GA683JA015 M 68KOHM@ J@1/16W 1 R6787 D0GA243JA015 M 24K OHM J.1/16W 1 PPDS R6788 ERJ2GEJ102X M 1KOHM@ J.1/16 W 1 R6789 D0GAR00Z0001 M 0 OHM@ 1/16W 1 R6790 D1BA2492A014 M24.9KOHM@J.1/16 W 1 PPDS R6791 D0GAR00Z0001 M 0 OHM@ 1/16W 1 R6792 D0GAR00Z0001 M 0 OHM@ 1/16W 1 R6793 D0GBR00Z0002 M 0 OHM J 1/10W 1 R6794 D0GBR00Z0002 M 0 OHM J 1/10W 1 R6795 D0GBR00Z0002 M 0 OHM J 1/10W 1 R6796 D0GBR00Z0002 M 0 OHM J 1/10W 1 R6797 D0GAR00Z0001 M 0 OHM@ 1/16W 1 R6798 D0GAR00Z0001 M 0 OHM@ 1/16W 1 R6799 D0GAR00Z0001 M 0 OHM@ 1/16W 1 R6800 D0GAR00Z0001 M 0 OHM@ 1/16W 1 R6801 EXB28V103JX M 10KOHM 1/32 W 1 R6802 ERJ2GEJ103 M 10KOHM@ J@1/16 W 1 R6803 ERJ2GEJ220 M 22 OHM@ J@1/16 W 1 R6829 EXB2HV103JV M 10 kOHM 1/16 W 1 R8000 D0GA331JA015 M 330 OHM@ J@1/16W 1 R8031 D0GA222JA015 M 2.2KOHM@ J@1/16W 1 R8100 ERJ2GEJ221 M 220 OHM@ J@1/16 W 1 R8102 ERJ2GEJ103 M 10KOHM@ J@1/16 W 1 R8103 ERJ2GEJ103 M 10KOHM@ J@1/16 W 1 R8105 D0GAR00Z0001 M 0 OHM@ 1/16W 1 R8109 ERJ2GEJ103 M 10KOHM@ J@1/16 W 1 R8110 ERJ2GEJ103 M 10KOHM@ J@1/16 W 1 R8111 D0GA560JA015 M 56 OHM@ J@1/16W 1 R8112 D0GA560JA015 M 56 OHM@ J@1/16W 1 R8114 D0GA560JA015 M 56 OHM@ J@1/16W 1 R8115 D0GA560JA015 M 56 OHM@ J@1/16W 1 R8116 D0GA560JA015 M 56 OHM@ J@1/16W 1 R8117 ERJ2GEJ104 M100KOHM@ J@1/16 W 1 R8119 ERJ2GEJ103 M 10KOHM@ J@1/16 W 1 R8120 D0GAR00Z0001 M 0 OHM@ 1/16W 1 R8240 D1BA2400A014 M 240 OHM@J.1/16 W 1 R8246 D0GA330JA015 M 33 OHM@ J@1/16W 1 安全 标记 参考号 部品号 部品名称及说明 数量 备注 R8247 D0GA330JA015 M 33 OHM@ J@1/16W 1 R8253 D1BA1001A014 M 1KOHM@J. 1/16 W 1 R8254 D1BA1001A014 M 1KOHM@J. 1/16 W 1 R8255 D1BA1001A014 M 1KOHM@J. 1/16 W 1 R8270 D1BA1001A014 M 1KOHM@J. 1/16 W 1 R8271 D1BA1001A014 M 1KOHM@J. 1/16 W 1 R8272 D1BA1001A014 M 1KOHM@J. 1/16 W 1 R8277 D1BA1001A014 M 1KOHM@J. 1/16 W 1 R8278 D1BA1001A014 M 1KOHM@J. 1/16 W 1 R8279 D1BA1001A014 M 1KOHM@J. 1/16 W 1 R8280 D1BA1001A014 M 1KOHM@J. 1/16 W 1 R8281 D1BA1001A014 M 1KOHM@J. 1/16 W 1 R8282 D1BA1001A014 M 1KOHM@J. 1/16 W 1 R8283 D1BA1001A014 M 1KOHM@J. 1/16 W 1 R8284 D1BA1001A014 M 1KOHM@J. 1/16 W 1 R8285 ERJ2GEJ221 M 220 OHM@ J@1/16 W 1 R8286 ERJ2GEJ221 M 220 OHM@ J@1/16 W 1 R8287 D1BA2400A014 M 240 OHM@J.1/16 W 1 R8288 D1BA2400A014 M 240 OHM@J.1/16 W 1 R8289 ERJ2GEJ103 M 10KOHM@ J@1/16 W 1 R8340 EXB2HV680J M 68 OHM 1/16 W 1 R8341 D0GA680JA015 M 68 OHM@ J@1/16W 1 R8342 D0GA680JA015 M 68 OHM@ J@1/16W 1 R8343 D0GA680JA015 M 68 OHM@ J@1/16W 1 R8344 D0GA680JA015 M 68 OHM@ J@1/16W 1 R8346 EXB28V680JX M 68 OHM 1/32 W 1 R8381 D1BA75R0A014 M 75 OHM@J.1/16 W 1 R8382 D1BA75R0A014 M 75 OHM@J.1/16 W 1 R8383 D1BA75R0A014 M 75 OHM@J.1/16 W 1 R8384 D1BA75R0A014 M 75 OHM@J.1/16 W 1 R8396 ERJ2GEJ103 M 10KOHM@ J@1/16 W 1 R8470 ERJ2GEJ103 M 10KOHM@ J@1/16 W 1 R8476 EXB2HVR000 M 0 OHM 1/16 W 1 R8477 D0GAR00Z0001 M 0 OHM@ 1/16W 1 R8479 D0GAR00Z0001 M 0 OHM@ 1/16W 1 R8482 D0GAR00Z0001 M 0 OHM@ 1/16W 1 R8488 D0GA680JA015 M 68 OHM@ J@1/16W 1 R8489 D0GA680JA015 M 68 OHM@ J@1/16W 1 R8490 D0GA680JA015 M 68 OHM@ J@1/16W 1 R8491 D0GA680JA015 M 68 OHM@ J@1/16W 1 R8492 D0GA680JA015 M 68 OHM@ J@1/16W 1 R8493 D0GA680JA015 M 68 OHM@ J@1/16W 1 R8494 D0GA680JA015 M 68 OHM@ J@1/16W 1 R8495 D0GA680JA015 M 68 OHM@ J@1/16W 1 R8496 D0GA680JA015 M 68 OHM@ J@1/16W 1 R8497 D0GA680JA015 M 68 OHM@ J@1/16W 1 R8498 D0GA680JA015 M 68 OHM@ J@1/16W 1 R8499 D0GA680JA015 M 68 OHM@ J@1/16W 1 R8511 ERJ2GEJ103 M 10KOHM@ J@1/16 W 1 R8512 ERJ2GEJ103 M 10KOHM@ J@1/16 W 1 R8513 ERJ2GEJ103 M 10KOHM@ J@1/16 W 1 R8524 D1BA49R9A014 M 49.9 OHM@J.1/16 W 1 R8525 D1BA49R9A014 M 49.9 OHM@J.1/16 W 1 R8526 D1BA49R9A014 M 49.9 OHM@J.1/16 W 1 R8527 D1BA49R9A014 M 49.9 OHM@J.1/16 W 1 R8566 D0GBR00Z0002 M 0 OHM J 1/10W 1 R8600 ERJ2GEJ103 M 10KOHM@ J@1/16 W 1 R8606 ERJ2GEJ103 M 10KOHM@ J@1/16 W 1 R8607 D0GA680JA015 M 68 OHM@ J@1/16W 1 R8610 D0GA680JA015 M 68 OHM@ J@1/16W 1 R8622 D0GA680JA015 M 68 OHM@ J@1/16W 1 R8636 D0GA680JA015 M 68 OHM@ J@1/16W 1 R8638 ERJ2GEJ103 M 10KOHM@ J@1/16 W 1 R8641 D0GA680JA015 M 68 OHM@ J@1/16W 1 R8642 D0GA680JA015 M 68 OHM@ J@1/16W 1 R8644 D0GA680JA015 M 68 OHM@ J@1/16W 1 R8645 D0GA680JA015 M 68 OHM@ J@1/16W 1 R8649 ERJ2GEJ103 M 10KOHM@ J@1/16 W 1 R8651 ERJ2GEJ103 M 10KOHM@ J@1/16 W 1 安全 标记 参考号 部品号 部品名称及说明 数量 备注 113 R8652 ERJ2GEJ103 M 10KOHM@ J@1/16 W 1 R8657 D0GA222JA015 M 2.2KOHM@ J@1/16W 1 R8658 D0GA222JA015 M 2.2KOHM@ J@1/16W 1 R8660 EXB2HV680J M 68 OHM 1/16 W 1 R8661 ERJ2GEJ103 M 10KOHM@ J@1/16 W 1 R8668 D0GA680JA015 M 68 OHM@ J@1/16W 1 R8669 ERJ2GEJ103 M 10KOHM@ J@1/16 W 1 R8672 ERJ2GEJ103 M 10KOHM@ J@1/16 W 1 R8673 ERJ2GEJ103 M 10KOHM@ J@1/16 W 1 R8680 ERJ2GEJ103 M 10KOHM@ J@1/16 W 1 R8685 D0GA222JA015 M 2.2KOHM@ J@1/16W 1 R8689 D0GA680JA015 M 68 OHM@ J@1/16W 1 R8691 ERJ2GEJ103 M 10KOHM@ J@1/16 W 1 R8692 D0GA680JA015 M 68 OHM@ J@1/16W 1 R8703 D0GA560JA015 M 56 OHM@ J@1/16W 1 R8704 D0GA560JA015 M 56 OHM@ J@1/16W 1 R8705 D0GA560JA015 M 56 OHM@ J@1/16W 1 R8706 D0GA560JA015 M 56 OHM@ J@1/16W 1 R8707 D0GA560JA015 M 56 OHM@ J@1/16W 1 R8708 D0GA560JA015 M 56 OHM@ J@1/16W 1 R8709 D0GA560JA015 M 56 OHM@ J@1/16W 1 R8710 D0GA560JA015 M 56 OHM@ J@1/16W 1 R8711 D0GA472JA015 M 4.7KOHM@ J@1/16W 1 R8712 D0GA472JA015 M 4.7KOHM@ J@1/16W 1 R8721 D0GA560JA015 M 56 OHM@ J@1/16W 1 R8722 D0GA560JA015 M 56 OHM@ J@1/16W 1 R8723 D0GA560JA015 M 56 OHM@ J@1/16W 1 R8724 D0GA560JA015 M 56 OHM@ J@1/16W 1 R8725 D0GA560JA015 M 56 OHM@ J@1/16W 1 R8726 ERJ2GEJ103 M 10KOHM@ J@1/16 W 1 R8727 ERJ2GEJ103 M 10KOHM@ J@1/16 W 1 R8728 D0GA560JA015 M 56 OHM@ J@1/16W 1 R8729 D0GA560JA015 M 56 OHM@ J@1/16W 1 R8730 D0GA560JA015 M 56 OHM@ J@1/16W 1 R8731 D0GA560JA015 M 56 OHM@ J@1/16W 1 R8732 D0GA560JA015 M 56 OHM@ J@1/16W 1 R8733 D0GA560JA015 M 56 OHM@ J@1/16W 1 R8734 D0GAR00Z0001 M 0 OHM@ 1/16W 1 R8735 ERJ2GEJ103 M 10KOHM@ J@1/16 W 1 R8737 D1BA6491A014 M6.49KOHM@J.1/16 W 1 R8739 ERJ2GEJ103 M 10KOHM@ J@1/16 W 1 R8741 D0GA272JA015 M 2.7KOHM@ J.1/16W 1 R8742 D0GA272JA015 M 2.7KOHM@ J.1/16W 1 R8743 ERJ2GEJ103 M 10KOHM@ J@1/16 W 1 R8744 D1BA6201A014 M 6.2KOHM@J.1/16 W 1 R8745 D0GA472JA015 M 4.7KOHM@ J@1/16W 1 R8747 ERJ2GEJ103 M 10KOHM@ J@1/16 W 1 R8748 ERJ2GEJ103 M 10KOHM@ J@1/16 W 1 R8754 ERJ2GEJ103 M 10KOHM@ J@1/16 W 1 R8757 D1BA1600A014 M 160 OHM@J.1/16 W 1 R8758 D1BA2402A014 M 24KOHM@J.1/16 W 1 R8759 D1BA1002A014 M 10KOHM@J. 1/16 W 1 R8760 D1BA2402A014 M 24KOHM@J.1/16 W 1 R8761 D1BA6201A014 M 6.2KOHM@J.1/16 W 1 R8762 D0GA472JA015 M 4.7KOHM@ J@1/16W 1 R8764 ERJ2GEJ103 M 10KOHM@ J@1/16 W 1 R8856 D0GA473JA015 M 47KOHM@ J@1/16W 1 R8857 D0GA680JA015 M 68 OHM@ J@1/16W 1 R8858 ERJ2GEJ103 M 10KOHM@ J@1/16 W 1 R8859 D0GA680JA015 M 68 OHM@ J@1/16W 1 R8860 D0GA680JA015 M 68 OHM@ J@1/16W 1 R8861 D0GA680JA015 M 68 OHM@ J@1/16W 1 R8862 D0GA680JA015 M 68 OHM@ J@1/16W 1 R8863 D0GA680JA015 M 68 OHM@ J@1/16W 1 R8864 ERJ2GEJ103 M 10KOHM@ J@1/16 W 1 R8867 ERJ2GEJ103 M 10KOHM@ J@1/16 W 1 R8868 D0GA330JA015 M 33 OHM@ J@1/16W 1 R8869 ERJ2GEJ103 M 10KOHM@ J@1/16 W 1 R8870 ERJ2GEJ103 M 10KOHM@ J@1/16 W 1 安全 标记 参考号 部品号 部品名称及说明 数量 备注 R8871 D0GAR00Z0001 M 0 OHM@ 1/16W 1 R8872 D0GA330JA015 M 33 OHM@ J@1/16W 1 R8873 D0GA680JA015 M 68 OHM@ J@1/16W 1 R8874 D0GA680JA015 M 68 OHM@ J@1/16W 1 R8875 D0GA680JA015 M 68 OHM@ J@1/16W 1 R8876 D0GA680JA015 M 68 OHM@ J@1/16W 1 R8877 D0GA330JA015 M 33 OHM@ J@1/16W 1 R8878 ERJ2GEJ103 M 10KOHM@ J@1/16 W 1 R8879 ERJ2GEJ103 M 10KOHM@ J@1/16 W 1 R8880 ERJ2GEJ103 M 10KOHM@ J@1/16 W 1 R8881 ERJ2GEJ103 M 10KOHM@ J@1/16 W 1 R8882 ERJ2GEJ103 M 10KOHM@ J@1/16 W 1 R8883 ERJ2GEJ103 M 10KOHM@ J@1/16 W 1 R8885 ERJ2GEJ103 M 10KOHM@ J@1/16 W 1 R8886 ERJ2GEJ103 M 10KOHM@ J@1/16 W 1 R8887 ERJ2GEJ103 M 10KOHM@ J@1/16 W 1 R8888 D0GBR00Z0002 M 0 OHM J 1/10W 1 R8918 EXB2HV680J M 68 OHM 1/16 W 1 R8919 EXB2HV680J M 68 OHM 1/16 W 1 R8922 EXB2HVR000 M 0 OHM 1/16 W 1 R8923 D0GA680JA015 M 68 OHM@ J@1/16W 1 R8924 D0GA680JA015 M 68 OHM@ J@1/16W 1 R8925 D0GA680JA015 M 68 OHM@ J@1/16W 1 R8926 D0GA680JA015 M 68 OHM@ J@1/16W 1 R8927 D0GA680JA015 M 68 OHM@ J@1/16W 1 R8928 D0GA680JA015 M 68 OHM@ J@1/16W 1 R8950 D0GA472JA015 M 4.7KOHM@ J@1/16W 1 R9014 D1BB5601A055 M 5.6KOHM@J.1/10W 1 R9015 D0GA390JA015 M 39 OHM@ J@1/16W 1 R9016 D0GA2R2JA014 M 2.2OHM@ J@1/16W 1 R9017 D1BB4701A055 M 4.7KOHM@J.1/10W 1 R9019 D0GA2R2JA014 M 2.2OHM@ J@1/16W 1 R9035 D0GA332JA015 M 3.3KOHM@ J@1/16W 1 R9036 ERJ2GEJ103 M 10KOHM@ J@1/16 W 1 R9037 D0GA473JA015 M 47KOHM@ J@1/16W 1 R9038 ERJ2GEJ104 M100KOHM@ J@1/16 W 1 R9039 D0GA473JA015 M 47KOHM@ J@1/16W 1 R9040 D0GA472JA015 M 4.7KOHM@ J@1/16W 1 R9104 D0GA390JA015 M 39 OHM@ J@1/16W 1 R9107 D0GA332JA015 M 3.3KOHM@ J@1/16W 1 R9110 D0GAR00Z0001 M 0 OHM@ 1/16W 1 R9121 D0GA680JA015 M 68 OHM@ J@1/16W 1 R9127 ERJ6GEY0R00V M 0 OHM 1/8W 1 R9132 ERJ6GEY0R00V M 0 OHM 1/8W 1 R9133 D1BB1202A055 M 12KOHM@J.1/10W 1 R9134 D1BB1002A055 M 10KOHM@J.1/10W 1 R9135 D1BB2702A055 M 27KOHM@J.1/10W 1 R9198 EXB28V101JX M 100 OHM 1/32 W 1 R9203 D0GA272JA015 M 2.7KOHM@ J.1/16W 1 R9205 D0GA333JA015 M 33KOHM@J@1/16W 1 R9206 D0GA563JA015 M 56KOHM@ J@1/16W 1 R9208 EXB2HV470JV M 47 OHM 1/16 W 1 R9209 EXB2HV470JV M 47 OHM 1/16 W 1 R9224 D0GA470JA015 M 47 OHM@ J@1/16W 1 R9226 D0GA470JA015 M 47 OHM@ J@1/16W 1 R9247 D0GA470JA015 M 47 OHM@ J@1/16W 1 R9300 EXB28VR000X M 0 OHM 1/32 W 1 R9318 ERJ2GEJ102X M 1KOHM@ J.1/16 W 1 R9320 ERJ2GEJ102X M 1KOHM@ J.1/16 W 1 R9321 D0GA105JA015 M 1M OHM@ J@1/16W 1 R9323 ERJ2GEJ102X M 1KOHM@ J.1/16 W 1 R9324 D0GB162JA041 M 1.6KOHM J 1/10W 1 R9325 D0GB162JA041 M 1.6KOHM J 1/10W 1 R9326 D0GB162JA041 M 1.6KOHM J 1/10W 1 R9327 D0GB162JA041 M 1.6KOHM J 1/10W 1 R9400 EXB2HV103JV M 10 kOHM 1/16 W 1 R9401 EXB2HV103JV M 10 kOHM 1/16 W 1 R9402 EXB28V103JX M 10KOHM 1/32 W 1 R9608 EXB2HV470JV M 47 OHM 1/16 W 1 安全 标记 参考号 部品号 部品名称及说明 数量 备注 114 R9609 EXB2HV470JV M 47 OHM 1/16 W 1 R9610 EXB2HV470JV M 47 OHM 1/16 W 1 R9872 D1BB3301A055 M 3.3KOHM@J.1/10W 1 R9873 D1BB1002A055 M 10KOHM@J.1/10W 1 R9874 D1BB2702A055 M 27KOHM@J.1/10W 1 R9875 D1BB2002A055 M 20KOHM@J.1/10W 1 R9877 D1BB4702A055 M 47KOHM@J.1/10W 1 R9878 D1BB1002A055 M 10KOHM@J.1/10W 1 R9879 D1BB1502A055 M 15KOHM@ J.1/10W 1 R9903 D0GA472JA015 M 4.7KOHM@ J@1/16W 1 R9904 ERJ2GEJ104 M100KOHM@ J@1/16 W 1 R9905 ERJ2GEJ103 M 10KOHM@ J@1/16 W 1 R9907 D0GA101JA015 M 100 OHM@ J@1/16W 1 R16001 D0GF7R5JA047 M 7.5 OHM@J@ 1/3W 1 R16002 D0GF7R5JA047 M 7.5 OHM@J@ 1/3W 1 R16021 D0GF7R5JA047 M 7.5 OHM@J@ 1/3W 1 R16022 D0GF7R5JA047 M 7.5 OHM@J@ 1/3W 1 R16031 ERJ6ENF8202 M 82KOHM@F.1/8W 1 R16032 ERJ6ENF8202 M 82KOHM@F.1/8W 1 R16033 ERJ6ENF5602 M 56KOHM@F.1/8W 1 R16034 ERJ6ENF2702 M 27KOHM@F.1/8W 1 R16041 D0GF5R6JA047 M 5.6 OHM@J@ 1/3W 1 R16051 D0GF5R6JA047 M 5.6 OHM@J@ 1/3W 1 R16101 D0GD221JA059 M 220 OHM@J@1/4W 1 R16102 D0GD221JA059 M 220 OHM@J@1/4W 1 R16103 D0GD100JA059 M 10 OHM@J@1/4W 1 R16104 D0GD100JA059 M 10 OHM@J@1/4W 1 R16105 ERJ8GEYJ474 M470KOHM@ J@1/4W 1 R16109 D0GD100JA059 M 10 OHM@J@1/4W 1 R16116 D0GB473JA057 M 47KOHM@J@1/10W 1 R16131 ERJ8GEYJ101V M 100 OHM@ J@1/4W 1 R16132 ERJ8GEYJ101V M 100 OHM@ J@1/4W 1 R16134 D0GD750JA059 M 75 OHM@J@1/4W 1 R16137 D0GF1R0JA047 M 1 OHM@J@1/3W 1 R16141 D0GD100JA059 M 10 OHM@J@1/4W 1 R16143 D0GB473JA057 M 47KOHM@J@1/10W 1 R16151 ERJ8GEYJ101V M 100 OHM@ J@1/4W 1 R16152 ERJ8GEYJ101V M 100 OHM@ J@1/4W 1 R16154 D0GD750JA059 M 75 OHM@J@1/4W 1 R16155 D0GF1R0JA047 M 1 OHM@J@1/3W 1 R16159 D0GF1R0JA047 M 1 OHM@J@1/3W 1 R16161 D0GD100JA059 M 10 OHM@J@1/4W 1 R16163 D0GB473JA057 M 47KOHM@J@1/10W 1 R16171 D0GD100JA059 M 10 OHM@J@1/4W 1 R16173 D0GB473JA057 M 47KOHM@J@1/10W 1 R16181 D0GD100JA059 M 10 OHM@J@1/4W 1 R16183 D0GB473JA057 M 47KOHM@J@1/10W 1 R16191 ERJ6GEYJ151V M 150 OHM@J@1/8W 1 R16192 D0GB103JA057 M 10K OHM J 1/10W 1 R16193 ERJ6GEYJ750 M 75 OHM@J@1/8W 1 R16195 D0GF1R0JA047 M 1 OHM@J@1/3W 1 R16230 ERJ6GEYJ470V M 47 OHM@J@1/8W 1 R16231 ERJ3GEYJ472 M 4.7KOHM@J@1/10W 1 R16241 EXB38V470J M 47 OHM 1/16 W 1 R16242 EXB38V472JV M 4.7 kOHM 1/16 W 1 R16251 D1BB1401A055 M 1.4KOHM@J.1/10W 1 R16252 ERJ6ENF3902 M 39KOHM@F.1/8W 1 R16253 ERJ6ENF3902 M 39KOHM@F.1/8W 1 R16254 ERJ6ENF6801 M 6.8KOHM@F.1/8W 1 R16255 D1BB1201A055 M 1.2KOHM@J.1/10W 1 R16256 D1BB1501A055 M1.50KOHM@J.1/10W 1 R16257 D0GB273JA041 M 27K OHM J 1/10W 1 R16258 D0GB103JA057 M 10K OHM J 1/10W 1 R16260 ERJ6GEYJ222V M 2.2KOHM.J. 1/8W 1 R16280 D0GB222JA041 M 2.2KOHM@J@1/10W 1 R16281 D0GB103JA057 M 10K OHM J 1/10W 1 R16282 ERJ6GEYJ221V M 220 OHM@J@1/8W 1 R16283 D0GB473JA057 M 47KOHM@J@1/10W 1 R16284 D0GB224JA041 M 220KOHM@J@1/10W 1 安全 标记 参考号 部品号 部品名称及说明 数量 备注 R16285 EXB38V623J M 62 kOHM 1/16 W 1 R16288 D0GF334JA047 M 330KOHMJ@1/3W 1 R16289 D0GF334JA047 M 330KOHMJ@1/3W 1 R16290 D0GF334JA047 M 330KOHMJ@1/3W 1 R16307 ERJ6RBD6492 M64.9KOHM@D.1/10W 1 R16309 ERG1FJS333D M 33KOHM@ J@ 1W 1 R16318 ERJ6RBD683 M 68KOHM@D.1/10W 1 R16319 ERJ6RBD2491 M2.49KOHM@D.1/10W 1 R16320 ERJ14YJ683 M 68KOHM@ J. 1/4W 1 R16330 D0GB102JA041 M 1KOHM@J@1/10W 1 R16332 D0GB474JA041 M 470KOHM@J@1/10W 1 R16334 ERJ3GEYJ472 M 4.7KOHM@J@1/10W 1 R16335 D0GB102JA041 M 1KOHM@J@1/10W 1 R16402 D0GF7R5JA047 M 7.5 OHM@J@ 1/3W 1 R16403 D0GF7R5JA047 M 7.5 OHM@J@ 1/3W 1 R16410 D0GB391JA041 M 390 OHM@J@1/10W 1 R16411 ERJ6ENF2700 M 270 OHM@F.1/8W 1 R16416 D0GB103JA057 M 10K OHM J 1/10W 1 R16417 ERJ6GEYJ101V M 100 OHM@J@1/8W 1 R16418 ERJ6GEYJ101V M 100 OHM@J@1/8W 1 R16421 D0GF7R5JA047 M 7.5 OHM@J@ 1/3W 1 R16422 D0GF7R5JA047 M 7.5 OHM@J@ 1/3W 1 R16441 D0GF5R6JA047 M 5.6 OHM@J@ 1/3W 1 R16452 D0GF5R6JA047 M 5.6 OHM@J@ 1/3W 1 R16465 ERJ6ENF2702 M 27KOHM@F.1/8W 1 R16466 ERJ6ENF5602 M 56KOHM@F.1/8W 1 R16467 ERJ6ENF8202 M 82KOHM@F.1/8W 1 R16468 ERJ6ENF8202 M 82KOHM@F.1/8W 1 R16471 D0GB392JA041 M 3.9KOHM@J@1/10W 1 R16472 D0GB222JA041 M 2.2KOHM@J@1/10W 1 R16473 ERJ6GEYF561 M 560 OHM@J@1/8W 1 R16474 D0GB102JA041 M 1KOHM@J@1/10W 1 R16475 ERJ3GEYJ472 M 4.7KOHM@J@1/10W 1 R16476 ERJ3GEYJ472 M 4.7KOHM@J@1/10W 1 R16478 D0GB562JA041 M 5.6KOHM@J@1/10W 1 R16479 ERJ6GEYJ103V M 10KOHM J 1/8W 1 R16490 ERJ6RED124 M 120KOHM@D.1/10W 1 R16491 ERJ6RED124 M 120KOHM@D.1/10W 1 R16492 ERJ6RED124 M 120KOHM@D.1/10W 1 R16493 ERJ6RBD6191 M6.19KOHM@D.1/10W 1 R16494 D1BB2001A055 M 2KOHM@J.1/10W 1 R16495 ERJ6ENF7500 M 750 OHM@F.1/8W 1 R16496 ERJ6GEYJ470V M 47 OHM@J@1/8W 1 R16497 D0GB473JA057 M 47KOHM@J@1/10W 1 R16498 D0GB103JA057 M 10K OHM J 1/10W 1 R16503 D0GD100JA059 M 10 OHM@J@1/4W 1 R16504 D0GD750JA059 M 75 OHM@J@1/4W 1 R16506 D0GD100JA059 M 10 OHM@J@1/4W 1 R16509 D0GF1R0JA047 M 1 OHM@J@1/3W 1 R16512 D0GB473JA057 M 47KOHM@J@1/10W 1 R16517 D0GB473JA057 M 47KOHM@J@1/10W 1 R16521 ERJ6GEYJ101V M 100 OHM@J@1/8W 1 R16522 ERJ6GEYJ101V M 100 OHM@J@1/8W 1 R16523 D0GD750JA059 M 75 OHM@J@1/4W 1 R16531 D0GD100JA059 M 10 OHM@J@1/4W 1 R16533 D0GB473JA057 M 47KOHM@J@1/10W 1 R16534 D0GF5R6JA047 M 5.6 OHM@J@ 1/3W 1 R16551 D0GD100JA059 M 10 OHM@J@1/4W 1 R16553 D0GB473JA057 M 47KOHM@J@1/10W 1 R16561 EXB38V470J M 47 OHM 1/16 W 1 R16562 EXB38V470J M 47 OHM 1/16 W 1 R16563 EXB38V470J M 47 OHM 1/16 W 1 R16564 EXB38V470J M 47 OHM 1/16 W 1 R16565 EXB38V472JV M 4.7 kOHM 1/16 W 1 R16566 EXB38V472JV M 4.7 kOHM 1/16 W 1 R16567 EXB38V472JV M 4.7 kOHM 1/16 W 1 R16568 EXB38V472JV M 4.7 kOHM 1/16 W 1 R16570 EXB38V472JV M 4.7 kOHM 1/16 W 1 R16579 EXB38V470J M 47 OHM 1/16 W 1 安全 标记 参考号 部品号 部品名称及说明 数量 备注 115 R16580 D0GB562JA041 M 5.6KOHM@J@1/10W 1 R16582 ERJ6ENF3902 M 39KOHM@F.1/8W 1 R16583 ERJ6ENF3902 M 39KOHM@F.1/8W 1 R16584 ERJ6ENF6801 M 6.8KOHM@F.1/8W 1 R16585 D1BB1001A055 M 1KOHM@J. 1/10W 1 R16586 D1BB2151A055 M2.15KOHM@J.1/10W 1 R16587 D0GB222JA041 M 2.2KOHM@J@1/10W 1 R16588 D0GB103JA057 M 10K OHM J 1/10W 1 R16590 ERJ3GEYJ221 M 220 OHM@J@1/10W 1 R16591 EXB38V472JV M 4.7 kOHM 1/16 W 1 R16593 D1BB1401A055 M 1.4KOHM@J.1/10W 1 R16601 D0GF1R0JA047 M 1 OHM@J@1/3W 1 R16604 ERJ6GEYJ331V M 330 OHM J 1/8W 1 R16605 ERJ6GEYG182 M 1.8KOHM@J@1/8W 1 R16607 D1BB6981A055 M6.98KOHM@J.1/10W 1 R16609 D0GF202JA047 M 2KOHM@J@1/3W 1 R16610 D0GB104JA041 M 100KOHM J 1/10W 1 R16612 D0GD470JA059 M 47 OHM@J@1/4W 1 R16615 D1BB1101A055 M 1.1 KOHM@J.1/10W 1 R16617 ERJ6GEYJ222V M 2.2KOHM.J. 1/8W 1 R16621 ERJ6GEYJ221V M 220 OHM@J@1/8W 1 R16622 ERJ6GEYJ221V M 220 OHM@J@1/8W 1 R16631 D0GB103JA057 M 10K OHM J 1/10W 1 R16633 ERJ6GEYJ223 M 22KOHM@J@1/8W 1 R16634 ERJ6GEYJ471 M 470 OHM@J@1/8W 1 R16645 D0GB562JA041 M 5.6KOHM@J@1/10W 1 R16646 D1BB1181A055 M 1.18KOHM@J.1/10W 1 R16648 D0GF202JA047 M 2KOHM@J@1/3W 1 R16649 D0GD330JA059 M 33 OHM@F@1/4W 1 R16650 D0GB104JA041 M 100KOHM J 1/10W 1 R16651 D0GF202JA047 M 2KOHM@J@1/3W 1 R16652 ERJ6GEYF822 M 8.2KOHM@J@1/8W 1 R16653 ERJ8GEYJ182 M 1.8KOHM@ J@1/4W 1 R16654 ERJ6GEYJ470V M 47 OHM@J@1/8W 1 R16655 D0GB103JA057 M 10K OHM J 1/10W 1 R16656 ERJ8GEYJ472V M 4.7KOHM@ J@1/4W 1 R16658 ERJ3RBD6341 M6.34KOHM@D 1/16W 1 R16659 ERJ6GEY0R00V M 0 OHM 1/8W 1 R16660 ERJ6GEYJ222V M 2.2KOHM.J. 1/8W 1 R16661 D0GB122JA041 M 1.2KOHM J 1/10W 1 R16662 D1BB1002A087 M 10KOHM@J.1/10W 1 R16663 ERJ6RBD7151 M 7.15KOHM@D.1/10W 1 R16664 D0GF202JA047 M 2KOHM@J@1/3W 1 R16665 D0GD330JA059 M 33 OHM@F@1/4W 1 R16666 D1BB2202A087 M 22KOHM@J.1/10W 1 R16667 D0GF202JA047 M 2KOHM@J@1/3W 1 R16668 D0GF202JA047 M 2KOHM@J@1/3W 1 R16673 ERJ6GEYJ472V M 4.7KOHM.J.1/8W 1 R16674 D0GF202JA047 M 2KOHM@J@1/3W 1 R16675 ERJ3GEYJ472 M 4.7KOHM@J@1/10W 1 R16677 D0GF202JA047 M 2KOHM@J@1/3W 1 R16678 D0GF202JA047 M 2KOHM@J@1/3W 1 R16679 ERJ3RBD1072 M10.7KOHM@D 1/16W 1 R16680 ERJ6GEYJ472V M 4.7KOHM.J.1/8W 1 R16681 D0GD100JA059 M 10 OHM@J@1/4W 1 R16682 D0GD100JA059 M 10 OHM@J@1/4W 1 R16684 ERJ6GEYJ221V M 220 OHM@J@1/8W 1 R16685 ERJ6GEYJ221V M 220 OHM@J@1/8W 1 R16686 D0GB103JA057 M 10K OHM J 1/10W 1 R16687 D1BB2702A055 M 27KOHM@J.1/10W 1 R16688 D1BB8871A055 M8.87KOHM@J.1/10W 1 R16690 ERJ3GEYJ472 M 4.7KOHM@J@1/10W 1 R16691 ERJ8GEYJ563 M 56KOHM@ J@1/4W 1 R16692 ERJ6RBD152 M 1.5KOHM@D.1/10W 1 R16694 ERJ8GEYJ563 M 56KOHM@ J@1/4W 1 R16695 ERJ6RBD152 M 1.5KOHM@D.1/10W 1 R16696 ERF5TK2R2 W 2.2 OHM@ K@ 5W 1 R16699 D0GB103JA057 M 10K OHM J 1/10W 1 R16707 ERJ6GEYG392 M 3.9KOHM@J@1/8W 1 安全 标记 参考号 部品号 部品名称及说明 数量 备注 R16711 ERJ3GEYJ472 M 4.7KOHM@J@1/10W 1 R16712 ERJ6GEYJ102V M 1K OHM J 1/8W 1 R16717 D0GB102JA041 M 1KOHM@J@1/10W 1 R16719 ERJ3GEYJ220 M 22 OHM@J@1/10W 1 R16721 EXB38V220JV M 22 OHM 1/16 W 1 R16742 D0GB473JA057 M 47KOHM@J@1/10W 1 R16745 D0GB474JA041 M 470KOHM@J@1/10W 1 R16746 ERJ6GEYF473 M 47KOHM@J@1/8W 1 R16747 ERJ6GEYJ222V M 2.2KOHM.J. 1/8W 1 R16750 D0GD123JA059 M 12KOHM@J@1/4W 1 R16751 D0GD154JA059 M 150KOHM@J@1/4W 1 R16752 ERJ3GEYJ472 M 4.7KOHM@J@1/10W 1 R16753 ERJ6GEYF473 M 47KOHM@J@1/8W 1 R16755 D0GD123JA059 M 12KOHM@J@1/4W 1 R16756 D0GD123JA059 M 12KOHM@J@1/4W 1 R16761 D0GD100JA059 M 10 OHM@J@1/4W 1 R16763 D0GB473JA057 M 47KOHM@J@1/10W 1 R16765 D0GD100JA059 M 10 OHM@J@1/4W 1 R16769 D0GD750JA059 M 75 OHM@J@1/4W 1 R16772 ERJ3GEYJ472 M 4.7KOHM@J@1/10W 1 R16773 ERJ6GEYJ102V M 1K OHM J 1/8W 1 R16774 ERG1SJ273 M 27KOHM@ J@ 1W 1 R16776 ERJ6GEYJ470V M 47 OHM@J@1/8W 1 R16783 D0GD154JA059 M 150KOHM@J@1/4W 1 R16785 ERJ6ENF1073 M 107KOHM@F. 1/8W 1 R16786 ERJ6ENF1073 M 107KOHM@F. 1/8W 1 R16787 ERJ6ENF3302 M 33KOHM@F.1/8W 1 R16789 D0GB103JA057 M 10K OHM J 1/10W 1 R16791 D0GB102JA041 M 1KOHM@J@1/10W 1 R16797 ERJ6GEYJ220 M 22 OHM@J@1/8W 1 R16798 D0GB222JA041 M 2.2KOHM@J@1/10W 1 R16799 D0GB102JA041 M 1KOHM@J@1/10W 1 R16801 ERJ6RBD223V M 22KOHM@D.1/10W 1 R16802 ERJ6RBD3092 M30.9KOHM@D.1/10W 1 R16804 ERJ8GEYJ112 M 1.1KOHM@ J@1/4W 1 R16818 D1BB3302A055 M 33KOHM@J.1/10W 1 R16819 ERJ6ENF1503 M 150KOHM.F.1/8W 1 R16820 ERJ6ENF1503 M 150KOHM.F.1/8W 1 R16822 ERJ6ENF8202 M 82KOHM@F.1/8W 1 R16823 ERJ6ENF8202 M 82KOHM@F.1/8W 1 R16824 ERJ6ENF3302 M 33KOHM@F.1/8W 1 R16825 D0GD154JA059 M 150KOHM@J@1/4W 1 R16826 ERJ6GEYJ103V M 10KOHM J 1/8W 1 R16827 D0GB222JA041 M 2.2KOHM@J@1/10W 1 R16829 D0GB102JA041 M 1KOHM@J@1/10W 1 R16831 ERJ6RBD6812 M68.1KOHM@D.1/10W 1 R16832 ERJ6RBD7152 M71.50KOHM@D.1/10W 1 R16837 D0GB102JA041 M 1KOHM@J@1/10W 1 R16838 ERG1FJS104D M 100KOHM@ J@ 1W 1 R16841 ERJ3GEYJ472 M 4.7KOHM@J@1/10W 1 R16843 ERJ6GEYJ102V M 1K OHM J 1/8W 1 R16844 ERA6YEB242 M 2.4KOHM@ B 1/10W 1 R16845 ERJ6RBD6652 M66.5KOHM@D.1/10W 1 R16846 ERJ6RBD6492 M64.9KOHM@D.1/10W 1 R16849 ERJ6RBD6492 M64.9KOHM@D.1/10W 1 R16851 D0GB474JA041 M 470KOHM@J@1/10W 1 R16852 D0GB474JA041 M 470KOHM@J@1/10W 1 R16860 ERG2FNJS8R2E M 8.2 OHM@ J@ 2W 1 R16870 ERJ14YJ683 M 68KOHM@ J. 1/4W 1 R16873 ERA6YEB242 M 2.4KOHM@ B 1/10W 1 R16891 D1BF6982A058 M 69.8KOHM@ 1/4W 1 R16892 D1BF8252A058 M82.50KOHM@ 1/4W 1 R16893 D1BF8252A058 M82.50KOHM@ 1/4W 1 R16897 D1BB1001A055 M 1KOHM@J. 1/10W 1 R16898 D1BB1051A055 M1.05KOHM@J.1/10W 1 R16899 D1BB2741A055 M2.74KOHM@J.1/10W 1 R16900 D0GB103JA057 M 10K OHM J 1/10W 1 R16901 ERJ3GEYJ472 M 4.7KOHM@J@1/10W 1 R16904 ERJ6GEYJ223 M 22KOHM@J@1/8W 1 安全 标记 参考号 部品号 部品名称及说明 数量 备注 116 R16919 D1BB7501A055 M 7.5KOHM@J.1/10W 1 R16920 D0GB103JA057 M 10K OHM J 1/10W 1 R16921 D1BB1241A055 M1.24KOHM@J.1/10W 1 R16922 D1BB3481A055 M3.48KOHM@J.1/10W 1 R16923 D0GB103JA057 M 10K OHM J 1/10W 1 R16926 ERJ6GEYJ222V M 2.2KOHM.J. 1/8W 1 R16927 ERJ6GEYJ223 M 22KOHM@J@1/8W 1 R16928 ERJ6GEYJ472V M 4.7KOHM.J.1/8W 1 R16929 D0GF1R0JA047 M 1 OHM@J@1/3W 1 R16930 D1BF2R70A021 M 2.7 OHM@ 1/4W 1 R16931 D1BF2R70A021 M 2.7 OHM@ 1/4W 1 R16932 ERJ6GEYJ223 M 22KOHM@J@1/8W 1 R16933 D1BB1002A055 M 10KOHM@J.1/10W 1 R16934 D1BB6801A055 M 6.8KOHM@J.1/10W 1 R16935 D0GB512JA041 M 5.1KOHM@J@1/10W 1 R16936 D0GB222JA041 M 2.2KOHM@J@1/10W 1 R16937 D0GB184JA041 M 180KOHM J 1/10W 1 R16938 D0GB184JA041 M 180KOHM J 1/10W 1 R17101 ERJ6GEY0R00V M 0 OHM 1/8W 1 R17103 EXB38V681J M 680 OHM 1/16 W 1 R17104 EXB38V470J M 47 OHM 1/16 W 1 R17105 EXB38V470J M 47 OHM 1/16 W 1 R17106 D0GZ1R0JA020 M 1 OHM@ J@1/2W 1 PPDS R17108 D0GB101JA041 M 100 OHM@J@1/10W 1 R17109 D0GB101JA041 M 100 OHM@J@1/10W 1 R17110 D0GB201JA041 M 200 OHM@J@1/10W 1 PPDS R17111 D0GZ1R0JA020 M 1 OHM@ J@1/2W 1 PPDS R17113 D0GB101JA041 M 100 OHM@J@1/10W 1 R17114 D0GB101JA041 M 100 OHM@J@1/10W 1 R17115 D0GB201JA041 M 200 OHM@J@1/10W 1 PPDS R17116 D0GZ1R0JA020 M 1 OHM@ J@1/2W 1 PPDS R17118 D0GB101JA041 M 100 OHM@J@1/10W 1 R17119 D0GB101JA041 M 100 OHM@J@1/10W 1 R17120 D0GB201JA041 M 200 OHM@J@1/10W 1 PPDS R17121 D0GZ1R0JA020 M 1 OHM@ J@1/2W 1 PPDS R17123 D0GB101JA041 M 100 OHM@J@1/10W 1 R17124 D0GB101JA041 M 100 OHM@J@1/10W 1 R17125 D0GB201JA041 M 200 OHM@J@1/10W 1 PPDS R17126 D0GZ1R0JA020 M 1 OHM@ J@1/2W 1 PPDS R17128 D0GB101JA041 M 100 OHM@J@1/10W 1 R17129 D0GB101JA041 M 100 OHM@J@1/10W 1 R17130 D0GB201JA041 M 200 OHM@J@1/10W 1 PPDS R17131 D0GZ1R0JA020 M 1 OHM@ J@1/2W 1 PPDS R17133 D0GB101JA041 M 100 OHM@J@1/10W 1 R17134 D0GB101JA041 M 100 OHM@J@1/10W 1 R17135 D0GB201JA041 M 200 OHM@J@1/10W 1 PPDS R17136 D0GZ1R0JA020 M 1 OHM@ J@1/2W 1 PPDS R17138 D0GB101JA041 M 100 OHM@J@1/10W 1 R17139 D0GB101JA041 M 100 OHM@J@1/10W 1 R17140 D0GB101JA041 M 100 OHM@J@1/10W 1 R17141 D0GZ1R0JA020 M 1 OHM@ J@1/2W 1 PPDS R17143 D0GB101JA041 M 100 OHM@J@1/10W 1 R17144 D0GB101JA041 M 100 OHM@J@1/10W 1 R17145 D0GB101JA041 M 100 OHM@J@1/10W 1 R17146 D0GB681JA041 M 680 OHM@J@1/10W 1 R17147 ERJ6GEYJ224 M 220KOHM@J@1/8W 1 R17148 D0GF151JA047 M 150 OHM@J@ 1/3W 1 R17150 D0GB102JA041 M 1KOHM@J@1/10W 1 R17151 D0GBR00Z0002 M 0 OHM J 1/10W 1 R17152 D0GBR00Z0002 M 0 OHM J 1/10W 1 R17153 D0GBR00Z0002 M 0 OHM J 1/10W 1 R17201 ERJ6GEYJ224 M 220KOHM@J@1/8W 1 R17202 EXB38V470J M 47 OHM 1/16 W 1 R17203 EXB38V470J M 47 OHM 1/16 W 1 R17204 EXB38V681J M 680 OHM 1/16 W 1 R17205 EXB38V470J M 47 OHM 1/16 W 1 R17206 EXB38V470J M 47 OHM 1/16 W 1 R17207 EXB38V681J M 680 OHM 1/16 W 1 R17208 EXB38V681J M 680 OHM 1/16 W 1 安全 标记 参考号 部品号 部品名称及说明 数量 备注 R17210 D0GZ1R0JA020 M 1 OHM@ J@1/2W 1 PPDS R17212 D0GB101JA041 M 100 OHM@J@1/10W 1 R17213 D0GB101JA041 M 100 OHM@J@1/10W 1 R17214 D0GB201JA041 M 200 OHM@J@1/10W 1 PPDS R17215 D0GZ1R0JA020 M 1 OHM@ J@1/2W 1 PPDS R17217 D0GB101JA041 M 100 OHM@J@1/10W 1 R17218 D0GB101JA041 M 100 OHM@J@1/10W 1 R17219 D0GB201JA041 M 200 OHM@J@1/10W 1 PPDS R17220 D0GZ1R0JA020 M 1 OHM@ J@1/2W 1 PPDS R17222 D0GB101JA041 M 100 OHM@J@1/10W 1 R17223 D0GB101JA041 M 100 OHM@J@1/10W 1 R17224 D0GB201JA041 M 200 OHM@J@1/10W 1 PPDS R17225 D0GZ1R0JA020 M 1 OHM@ J@1/2W 1 PPDS R17227 D0GB101JA041 M 100 OHM@J@1/10W 1 R17228 D0GB101JA041 M 100 OHM@J@1/10W 1 R17229 D0GB201JA041 M 200 OHM@J@1/10W 1 PPDS R17230 D0GZ1R0JA020 M 1 OHM@ J@1/2W 1 PPDS R17232 D0GB101JA041 M 100 OHM@J@1/10W 1 R17233 D0GB101JA041 M 100 OHM@J@1/10W 1 R17234 D0GB201JA041 M 200 OHM@J@1/10W 1 PPDS R17235 D0GZ1R0JA020 M 1 OHM@ J@1/2W 1 PPDS R17237 D0GB101JA041 M 100 OHM@J@1/10W 1 R17238 D0GB101JA041 M 100 OHM@J@1/10W 1 R17239 D0GB201JA041 M 200 OHM@J@1/10W 1 PPDS R17240 D0GZ1R0JA020 M 1 OHM@ J@1/2W 1 PPDS R17242 D0GB101JA041 M 100 OHM@J@1/10W 1 R17243 D0GB101JA041 M 100 OHM@J@1/10W 1 R17244 D0GB101JA041 M 100 OHM@J@1/10W 1 R17245 D0GB681JA041 M 680 OHM@J@1/10W 1 R17247 D0GF151JA047 M 150 OHM@J@ 1/3W 1 R17260 ERJ6GEY0R00V M 0 OHM 1/8W 1 R17261 D0GBR00Z0002 M 0 OHM J 1/10W 1 R17262 D0GBR00Z0002 M 0 OHM J 1/10W 1 R17263 D0GBR00Z0002 M 0 OHM J 1/10W 1 RM2510 B3RAD0000168 遥控接收器 1 SC2 K1KY02B00012 2P 连接接头 1 SC20 K1MY35BA0345 35P 连接接头 1 SC41 K1KA09AA0707 9P 连接接头 1 SC42 K1KA09AA0707 9P 连接接头 1 SC46 K1KA09AA0707 9P 连接接头 1 SC50 K1KA02AA0193 2P 连接接头 1 SN2510 B3JB00000078 IC 1 PPDS SS11 K1KY03B00006 3P 连接接头 1 SS21 K1KA07A00170 7P 连接接头 1 SS24 K1KB07AA0087 7P 连接接头 1 SS33 K1KY08AA0719 8P 连接接头 1 SS58 K1MN13B00091 13P 连接接头 1 SS61 K1MN13B00091 13P 连接接头 1 SS64 K1MN13B00091 13P 连接接头 1 SW2500 K0F122A00031 开关 1 SW2550 K0H1BA000445 开关 1 SW2551 K0H1BA000445 开关 1 SW2552 K0H1BA000445 开关 1 SW2553 K0H1BA000445 开关 1 SW2554 K0H1BA000445 开关 1 T8301 G5BYC0000015 TRANS 1 T16471 G4DYA0000200 转接变压器 1 TU2901C ENG39F02GF 调谐器 1 PPDS TU6701 ENV59S02D8F 调谐器 1 PPDS X1100 H0J100500035 晶振 1 X6700 H0J304500001 晶振 1 安全 标记 参考号 部品号 部品名称及说明 数量 备注 117 X8002 H0J245500101 晶振 1 X8100 H0J270500120 晶振 1 X9300 H0J200500076 晶振 1 XH4 K1KY30AA0369 30P 连接接头 1 ZA16001 K4CD01000011 AV 端子 1 ZA16002 K4CD01000011 AV 端子 1 ZA16003 K4CD01000011 AV 端子 1 ZA16401 K4CD01000011 AV 端子 1 ZA16402 K4CD01000011 AV 端子 1 ZA16403 K4CD01000011 AV 端子 1 ZA16404 K4CD01000011 AV 端子 1 ZA16407 K4CD01000011 AV 端子 1 ZA17101 K4CD01000013 AV 端子 1 ZA17102 K4CD01000013 AV 端子 1 ZA17103 K4CD01000013 AV 端子 1 ZA17104 K4CD01000013 AV 端子 1 ZA17105 K4CD01000013 AV 端子 1 ZA17201 K4CD01000013 AV 端子 1 ZA17202 K4CD01000013 AV 端子 1 ZA17203 K4CD01000013 AV 端子 1 ZA17204 K4CD01000013 AV 端子 1 A601 AYRA652MSV8T 放电管 1 C201 ECJ1VB1H332K C 3300PF@ K@ 50V 1 C202 ACDE2R221KP 2kV 220p 1 C203 ACDE2R221KP 2kV 220p 1 C204 ECWH8473HA 800V 0.033P 1 C205 ECWH8473HA 800V 0.033P 1 C206 ACKX101KYTJ5 250V 100p 1 C207 ECJ2XB1H104K C 0.1UF@ K@ 50V 1 C208 ACMBC681J5T 50V 680p 1 C209 ECJ1VC1H471J C 470PF J 50V 1 C211 ACRZL1H100T 50V 10P 1 C212 ACRZL1H100T 50V 10P 1 C213 ACYBB475K2F 25V 4.7PF 1 C214 ACMH1H010T 50V 1P 1 C215 ECJ1VB1E333K C 0.033UF@ K@ 25V 1 C218 ACMBB106K1AT 10V 10P 1 C219 ECJ1VB1H472K C 4700PF@ K@ 50V 1 C220 ACMBB106K1AT 10V 10P 1 C221 ACMEB104K5T 50V 0.1P 1 C251 ACMEB104K2T 25V 0.1P 1 C252 ECQV1H224JL P 0.22UF@ J@ 50V 1 C255 ECQE2473SKF C 0.047U 250V 1 C256 ACCST230821K 230V 820P 1 C352 ACRZL1V561T 35V 560P 1 C366 ACRZL1E471LT 25V 470P 1 C375 ACMAB105K5T 50V 1P 1 C376 ACMEB105K1T 16V 1P 1 C379 ECJ2VB1H472K C 0.42PF@ K@ 50V 1 C380 ACMEB333K5T 50V 0.033P 1 C382 ECJ1VB1H103K C 0.001UF@ K@ 50V 1 C383 ACMEB105K1T 16V 1P 1 C401 ECQE2104SKF 250V 0.1PF 1 C402 ECQE2104SKF 250V 0.1PF 1 C403 ACKMQ140471H 140V 470P 1 C404 ACRZL1H101T 50V 100P 1 C405 ACMBR222K2ET 250V 2200p 1 C406 ACKZE1K152ZE 80V 1500P 1 C407 ACRR3DD101K7 2kV 100PF 1 C408 ACKMQ1K182ZE 80V 1500P 1 C409 ACMBR222K2ET 250V 2200p 1 C410 ACMEB222K5T 50V 2200p 1 C413 ECJ1VB1H103K C 0.001UF@ K@ 50V 1 C415 ACMEB104K5T 50V 0.1P 1 C416 ACMEB224K2T 25V 0.22P 1 安全 标记 参考号 部品号 部品名称及说明 数量 备注 C418 ECJ1VB1H103K C 0.001UF@ K@ 50V 1 C419 ECJ1VB1H103K C 0.001UF@ K@ 50V 1 C420 ACMEB224K2T 25V 0.22P 1 C501 ACLE103KC 塑料薄膜电容器 (Xcap) 1 C503 ACPAG2W390T 450V  39P 1 C505 ACRZL1H220T 50V 22P 1 C506 ECJ1VB1H102K C 1000PF@ K@ 50V 1 C507 ECJ1VB1H103K C 0.001UF@ K@ 50V 1 C508 ACMBB474K2T 25V 0.47P 1 C509 ECJ1VB1H103K C 0.001UF@ K@ 50V 1 C510 ACRZL1H100T 50V 10P 1 C511 ECJ1VB1H102K C 1000PF@ K@ 50V 1 C512 ECJ1VB1H103K C 0.001UF@ K@ 50V 1 C513 ACMEB102K5T 50V 1000p 1 C515 ACRZL1H220T 50V 22P 1 C516 ACKX221KYP 250V 220p 1 C551 ACRZG1A471T 10V 470P 1 C553 ACMEB474K1T 16V 0.47P 1 C554 ACRZL1E821LT 16V 0.47P 1 C555 ACMBB225K2T 25V 2.2P 1 C556 ACMBB105K2T 25V 1P 1 C557 ECJ2XB1H104K C 0.1UF@ K@ 50V 1 C558 ECJ1VB1H103K C 0.001UF@ K@ 50V 1 C560 ACRZL1E221T 25V 220P 1 C561 ACRZL1H100T 50V 10P 1 C573 ACDE1R102KP 1kV 1000P 1 C574 ACMEB681K5T 50V 680P 1 C601 ACLEM474XKC 450V 2.2P 1 C602 ACKX221KYP 250V 220p 1 C603 ACKX221KYP 250V 220p 1 C605 ECWF2W225KA 450V 2.2P 1 C606 ECJ1VB1H102K C 1000PF@ K@ 50V 1 C608 ECJ1VB1H222K C 2200PF@ K@ 50V 1 C609 ACTEB104K5T 50V 0.1P 1 C610 ACMEB224K2T 25V 0.22P 1 C611 ECJ1XC1H102J C 1000PF@ J@ 50V 1 C613 ECJ1VB1H103K C 0.001UF@ K@ 50V 1 C615 ACMBB225K2T 25V 2.2P 1 C616 ACTEB474K1T 16V 0.47P 1 C617 ACLEM474XKC 450V 2.2P 1 C620 ACMBB474K2T 25V 0.47P 1 C623 ACKMQ2W331LZ 450V 330P 1 C628 ACMBR225K2T 25V 2.2P 1 C629 ECQV1H334JL 50V 0.33P 1 C630 ECJ1VC1H471J C 470PF J 50V 1 C631 ECJ1VB1H103K C 0.001UF@ K@ 50V 1 C701 ACRZL1A221T 50V 0.1P 1 C702 ACMEB104K5T 50V 0.1P 1 C703 ACMEB104K5T 50V 0.1P 1 C704 ECJ2XB1H104K C 0.1UF@ K@ 50V 1 C705 ECJ2XB1H104K C 0.1UF@ K@ 50V 1 C706 ECJ2XC1H102J C 1000PF@ J@ 50V 1 C707 ACMEB104K5T 50V 0.1P 1 C708 ECJ2XB1H104K C 0.1UF@ K@ 50V 1 C709 ACMEB104K5T 50V 0.1P 1 C710 ACMEB224K1T 16V 0.22P 1 C711 ACMEB223K5T 50V 0.022P 1 C712 ECJ2XB1H104K C 0.1UF@ K@ 50V 1 C713 ACMBB225K2T 25V 2.2P 1 C715 ACMEB105K1T 16V 1P 1 CN701 AKB6B-PH-KS 6P 连接接头 1 D201 VDERA83-004T 二极管 1 D202 VDERA83-004T 二极管 1 D203 VDAG01AT 二极管 1 D204 VDAG01AT 二极管 1 D205 VDAG01AT 二极管 1 D206 VD1SS133T 二极管 1 安全 标记 参考号 部品号 部品名称及说明 数量 备注 118 D251 VDD4SBL40 二极管 1 D252 VD1SS133T 二极管 1 D351 VDFMEN210A 二极管 1 D359 VDRK46LF307 二极管 1 D401 VDD4SBL20U 二极管 1 D402 VDAG01AT 二极管 1 D403 VDYG901C3R 二极管 1 D501 VDS1WBA80 二极管 1 D502 VD1SS133T 二极管 1 D503 VXST3D140LM2 二极管 1 D504 VDAG01AT 二极管 1 D505 VDAG01AT 二极管 1 D506 VD1T7GA1 二极管 1 D507 VD1T7GA1 二极管 1 D551 VDCB863-12T 二极管 1 D601 VD1SS133T 二极管 1 D602 VD1SS133T 二极管 1 D603 VDD15XB80 二极管 1 D605 VD1SS133T 二极管 1 D606 VD1N5406G-07 二极管 1 D607 VDSF10L60U 二极管 1 D608 VDERA83-004T 二极管 1 D701 VDERA83-004T 二极管 1 D702 VDRB721Q40 二极管 1 D703 VDRB721Q40 二极管 1 D704 VDRB721Q40 二极管 1 D705 VD1SS133T 二极管 1 D706 VD1SS355T 二极管 1 D707 VD1SS355T 二极管 1 D708 VD1SS355T 二极管 1 F201 HU216005BEP 保险丝 1 F501 HU215002BEP 保险丝 1 F601 HU215010BEP 保险丝 1 F602 HU5013010PRC 熔断器 1 IC201 VIMCZ5203D 集成电路板 1 IC202 VINJM2903ME1 集成电路板 1 IC251 VIJM1431AF IC 1 IC352 VISC2628T 集成电路板 1 IC403 VISC2603ASKT IC 1 IC501 MIP3E50MY POWER 集成电路板 1 IC551 VIJM2380AFE1 IC 1 IC601 VIFA5610NTE1 IC 1 IC701 VISM42N04T IC 1 JQ1 ERJ6GEY0R00V M 0 OHM J 1/10W 1 JQ2 ERJ6GEY0R00V M 0 OHM J 1/10W 1 JQ3 ERJ6GEY0R00V M 0 OHM J 1/10W 1 JQ4 ERJ6GEY0R00V M 0 OHM J 1/10W 1 JQ5 ERJ6GEY0R00V M 0 OHM J 1/10W 1 JQ6 ERJ6GEY0R00V M 0 OHM J 1/10W 1 JQ7 ERJ6GEY0R00V M 0 OHM J 1/10W 1 JQ8 ERJ6GEY0R00V M 0 OHM J 1/10W 1 JQ9 ERJ6GEY0R00V M 0 OHM J 1/10W 1 JQ10 ERJ6GEY0R00V M 0 OHM J 1/10W 1 JR1 ERJ8GEY0R00 M 0 OHM@ 1/8W 1 JR2 ERJ8GEY0R00 M 0 OHM@ 1/8W 1 JR3 ERJ8GEY0R00 M 0 OHM@ 1/8W 1 JR4 ERJ8GEY0R00 M 0 OHM@ 1/8W 1 K602 ALKT329M02 继电器 1 K605 ALKT329M02 继电器 1 L201 AYTSKA170T FERRITE BEAD INDUCTOR 1 L351 AYS1215003D 扼流线圈 1 L353 EXCELSA35T 扼流流圈 1 安全 标记 参考号 部品号 部品名称及说明 数量 备注 L401 AYCA45VB681K 扼流线圈 1 L402 AYJ231214HY 扼流线圈 1 L501 AYTSKA170T 铁氧体线圈 1 L601 AYS259027HY 扼流线圈 1 L602 AYS256227HY 扼流线圈 1 L603 ETB42AZ14GAD 变压器 1 P2 AKB2P3S-VH 2P 连接接头 1 P6 AKB11B-PH-KS 11P 连接接头 1 P7 AKB14B-PH-KS 14P 连接接头 1 P9 AKS02B-VT 连接接头 1 P11 AKB3P4S-VH-L 3P 连接接头 1 P25 AKB10B-PH-KS 10P 连接接头 1 P34 AKB3B-PH-KS 3P 连接接头 1 P35 AKB4B-PH-KS 4P 连接接头 1 PC201 VPS2581AL2HE 光电耦合器 1 PC202 VPS2581AL2HE 光电耦合器 1 PC501 VPS2581AL2HE 光电耦合器 1 PC502 VPS2581AL2HE 光电耦合器 1 PC504 VPS2581AL2HE 光电耦合器 1 Q201 VKFMV19N57ES FET 1 Q202 VKFMV19N57ES FET 1 Q203 VQ2PB709ART 三极管 1 Q204 VQ2PD601ART 三极管 1 Q251 2SK3018TL FET 1 Q252 2SK3018TL FET 1 Q355 2SJ651 FET 1 Q401 2SK3607 FET 1 Q402 2SA1776TV2P FET 1 Q403 2SA1776TV2P FET 1 Q404 VQPBSS4350T 三极管 1 Q405 VQ2PD601ART 三极管 1 Q406 2SK3018TL FET 1 Q407 VQPBSS4350T 三极管 1 Q408 VQPBSS5350T 三极管 1 Q502 2SK3018TL FET 1 Q503 VQPBSS4350T 三极管 1 Q504 VQ2PB709ART 三极管 1 Q505 2SK3018TL FET 1 Q506 VQ2PB709ART 三极管 1 Q551 2SJ673 FET 1 Q557 VKRJJ0319DSP FET 1 Q558 2SK3018TL FET 1 Q559 VQ2PB709ART 三极管 1 Q601 VKR6015ANZ FET 1 Q602 VQPBSS4350T 三极管 1 Q603 VQPBSS5350T 三极管 1 Q604 VKR6015ANZ FET 1 Q605 2SK3018TL FET 1 Q606 VKR6015ANZ FET 1 Q607 VQ2PB709ART 三极管 1 Q701 VQ2PB710ARLT 三极管 1 Q702 VQ2PB710ARLT 三极管 1 Q703 VQ2PD601ART 三极管 1 Q704 VQ2PD601ART 三极管 1 Q705 VQ2PD601ART 三极管 1 Q706 VQ2PB709ART 三极管 1 Q707 VQ2PD601ART 三极管 1 Q708 VQ2PD601ART 三极管 1 R201 ERJ6GEYJ103V M 10K OHM J 1/10W 1 R202 ERJ6GEYJ153V M 15KOHM@J@1/10W 1 R203 D0GB103JA057 M 10K OHM J 1/10W 1 R204 D0GB103JA057 M 10K OHM J 1/10W 1 R205 ERJ6ENF3903 M 390KOHM@ 1/10W 1 R206 ERJ6ENF3903 M 390KOHM@ 1/10W 1 R207 ERJ6ENF3903 M 390KOHM@ 1/10W 1 安全 标记 参考号 部品号 部品名称及说明 数量 备注 119 R208 ERJ6ENF3903 M 390KOHM@ 1/10W 1 R209 D0GB183JA057 M 18K OHM J 1/10W 1 R210 ERJ6RBD152 M 1.5KOHM@J@1/10W 1 R211 ERJ3EKF1872 M18.7KOHM@ 1/16W 1 R213 ERX1SJ1R0 M 1.0 OHM@ J@ 1W 1 R214 ERX12SJ5R6J M 5.6 OHM@ J@1/2W 1 R215 ERG12SJ680J M 68 OHM@ J@1/2W 1 R216 ERG12SJ680J M 68 OHM@ J@1/2W 1 R217 ERJ6ENF1800 M 180 OHM@ 1/10W 1 R218 ERJ6ENF1500 M 150 OHM@ 1/10W 1 R219 ARRF5EJ50MB 0.05 OHM@ 5W 1 R221 ERJ6ENF3903 M 390KOHM@ 1/10W 1 R222 ERJ6ENF3903 M 390KOHM@ 1/10W 1 R223 ERJ6ENF3903 M 390KOHM@ 1/10W 1 R224 ERJ6ENF3903 M 390KOHM@ 1/10W 1 R231 ERQ14AJ4R7J F 4.7 OHM@ J@1/4W 1 R232 ERJ3EKF1001 M 1KOHM@ 1/16W 1 R233 ERJ3EKF1001 M 1KOHM@ 1/16W 1 R234 ERJ3EKF1502 M 15KOHM@ 1/16W 1 R235 ERJ3EKF1301 M 1.3KOHM@ 1/16W 1 R236 ERDS2FJ472 C 4.7KOHM@ J@1/4W 1 R237 D0GB473JA057 M 47KOHM@J@1/10W 1 R238 ERJ6RBD152 M 1.5KOHM@J@1/10W 1 R239 ERDS2FJ103 C 10KOHM@ J@1/4W 1 R253 ERJ6GEY0R00V M 0 OHM J 1/10W 1 R254 ERJ6GEYJ102V M 1K OHM J 1/10W 1 R256 ERJ6ENF3901 M 3.9KOHM@ 1/10W 1 R257 ERJ6GEYJ472V M 4.7K OHM J 1/10W 1 R258 ERJ6GEYJ472V M 4.7K OHM J 1/10W 1 R259 ERJ6GEYJ472V M 4.7K OHM J 1/10W 1 R260 ERJ6GEYJ202 M 2KOHM@J@1/10W 1 R264 ERJ6GEYJ102V M 1K OHM J 1/10W 1 R265 ERJ6ENF1742 M17.4KOHM@ 1/10W 1 R266 ERJ6ENF7502 M 75KOHM@ 1/10W 1 R267 ERJ6ENF7502 M 75KOHM@ 1/10W 1 R268 ERJ6ENF7502 M 75KOHM@ 1/10W 1 R269 ERJ6ENF7502 M 75KOHM@ 1/10W 1 R270 ERJ6ENF4992 M49.9KOHM@ 1/10W 1 R271 ERJ6ENF4992 M49.9KOHM@ 1/10W 1 R272 ERJ6ENF4992 M49.9KOHM@ 1/10W 1 R273 ERJ6ENF4992 M49.9KOHM@ 1/10W 1 R274 ERJ6ENF4872 M48.7KOHM@ 1/10W 1 R275 ERJ6ENF9532 M95.3KOHM@ 1/10W 1 R276 D0GB103JA057 M 10K OHM J 1/10W 1 R277 ERJ6ENF1503 M 150KOHM@ 1/10W 1 R278 D0GB103JA057 M 10K OHM J 1/10W 1 R279 D0GB102JA057 M 1KOHM@J@1/10W 1 R280 D0GB102JA057 M 1KOHM@J@1/10W 1 R351 ERJ6ENF1332 M13.3KOHM@ 1/10W 1 R352 ERJ6ENF1302 M 13KOHM@ 1/10W 1 R353 ERJ6ENF8661 M8.66KOHM@ 1/10W 1 R354 ERJ6ENF8661 M8.66KOHM@ 1/10W 1 R371 ERJ6RND1782 片状电阻 1 R372 ERJ6RND1001 片状电阻 1 R389 ERJ3GEYJ104 M 100KOHM@J@1/16W 1 R390 ERJ3GEY0R00 M 0 OHM@ 1/16W 1 R391 ERJ6GEYJ183V M 18KOHM@J@1/10W 1 R392 ERJ6ENF3921 M3.92KOHM@ 1/10W 1 R393 ERJ6GEYJ472V M 4.7K OHM J 1/10W 1 R394 ERJ6ENF1002 M 10KOHM@ 1/10W 1 R402 ERJ3EKF1002 M 10KOHM@ 1/16W 1 R403 ERG12SJ100J M 10 OHM@ J@1/2W 1 R404 ERJ6ENF2492 M24.9KOHM@ 1/10W 1 R405 ARRF2EJR10B 250V 2200P 1 R408 ERJ3GEYJ682 M 6.8KOHM@J@1/16W 1 R409 ERJ6GEYF473 M 47KOHM@J@1/10W 1 R411 ERJ6ENF2001V M 2KOHM@ 1/10W 1 R412 ERJ6ENF2001V M 2KOHM@ 1/10W 1 R413 ERJ6ENF2552 M25.5KOHM@ 1/10W 1 安全 标记 参考号 部品号 部品名称及说明 数量 备注 R414 ERJ6ENF2492 M24.9KOHM@ 1/10W 1 R416 ERJ3GEYJ333 M 33KOHM@J@1/16W 1 R417 ERJ6ENF3482 M34.8KOHM@ 1/10W 1 R418 ERJ6ENF3482 M34.8KOHM@ 1/10W 1 R419 D0GB103JA057 M 10K OHM J 1/10W 1 R420 ERJ6ENF1301 M 1.3KOHM@ 1/10W 1 R421 ERJ6ENF1332 M13.3KOHM@ 1/10W 1 R422 ERJ6ENF2492 M24.9KOHM@ 1/10W 1 R423 ARSG734K220U 22 OHM@ 0.33W 1 R425 ERJ3GEYD153V M 15KOHM@J@1/16W 1 R426 ERJ3GEYD153V M 15KOHM@J@1/16W 1 R428 ERJ3GEYJ223 M 22KOHM@J@1/16W 1 R429 ERJ3GEYJ470 M 47 OHM@J@1/16W 1 R433 ERJ3EKF82R5 82.5 OHM 62.5mW 1 R434 ERJ3RED270 M 27 OHM@ 1/16W 1 R435 ERJ3EKF1820 M 182 OHM@ 1/16W 1 R436 ERJ3RED270 M 27 OHM@ 1/16W 1 R437 ERJ3EKF1241 M1.24KOHM@ 1/16W 1 R438 ERJ3EKF5621 M5.62KOHM@ 1/16W 1 R439 D0GB154JA057 M 150KOHM J 1/10W 1 R440 ERJ14YJ220U M 22 OHM@ J@1/4W 1 R441 ARSG734K150U 15 OHM@ 0.33W 1 R501 ERJ6ENF4123 M 412KOHM@ 1/10W 1 R502 ERJ6ENF4123 M 412KOHM@ 1/10W 1 R503 ERJ6ENF4123 M 412KOHM@ 1/10W 1 R504 ERJ6ENF4123 M 412KOHM@ 1/10W 1 R505 ERJ6ENF4123 M 412KOHM@ 1/10W 1 R506 ERJ6ENF4123 M 412KOHM@ 1/10W 1 R507 ARRCR6J825M 8.2MOHM@ 1W 1 R508 ERJ3EKF1303 M 130KOHM@ 1/16W 1 R512 ERJ3GEYJ224 M 220KOHM@J@1/16W 1 R513 ERJ3GEYJ223 M 22KOHM@J@1/16W 1 R514 ERJ3EKF1303 M 130KOHM@ 1/16W 1 R515 D0GB103JA057 M 10K OHM J 1/10W 1 R516 ERJ6GEYF473 M 47KOHM@J@1/10W 1 R518 ERG12SJ220J M 22 OHM@ J@1/2W 1 R519 ERJ3GEYJ224 M 220KOHM@J@1/16W 1 R520 ERDS2FJ121 C 120 OHM@ J@1/4W 1 R521 ERJ3GEYJ223 M 22KOHM@J@1/16W 1 R522 ERJ6GEYJ180 M 18 OHM@J@1/10W 1 R524 ERJ3GEYJ223 M 22KOHM@J@1/16W 1 R525 ERJ6GEYJ103V M 10K OHM J 1/10W 1 R526 ERJ3GEYJ472 M 4.7KOHM@J@1/16W 1 R529 ARR5B100JC2 5W 10 OHM 1 R530 ERJ3GEYJ471 M 470 OHM@J@1/16W 1 R531 ERJ6GEYJ103V M 10K OHM J 1/10W 1 R532 ERJ6ENF4123 M 412KOHM@ 1/10W 1 R533 ERJ6ENF4123 M 412KOHM@ 1/10W 1 R534 ERJ6ENF4123 M 412KOHM@ 1/10W 1 R535 ERJ6ENF4123 M 412KOHM@ 1/10W 1 R536 ERJ6ENF4123 M 412KOHM@ 1/10W 1 R537 ERJ6ENF4123 M 412KOHM@ 1/10W 1 R551 ERJ6GEYJ151V M 150 OHM@J@1/10W 1 R552 ERJ3GEYJ472 M 4.7KOHM@J@1/16W 1 R553 D0GB102JA057 M 1KOHM@J@1/10W 1 R555 ERJ3EKF1072 M10.7KOHM@ 1/16W 1 R556 ERJ3EKF1002 M 10KOHM@ 1/16W 1 R557 ERJ3EKF7872 M78.7KOHM@ 1/16W 1 R558 ERJ6GEYJ124V M 120KOHM@J@1/10W 1 R570 D0GB473JA057 M 47KOHM@J@1/10W 1 R573 ERJ6GEYJ332V M 3.3K OHM J 1/10W 1 R574 ERG2SJ561H M 560 OHM@ J@ 2W 1 R575 ERG2SJ561H M 560 OHM@ J@ 2W 1 R576 ERJ3GEYJ223 M 22KOHM@J@1/16W 1 R577 ERJ6GEYJ333V M 33KOHM@J@1/10W 1 R578 ERJ6GEYF561 M 560 OHM@F@1/10W 1 R579 ERJ3GEYJ104 M 100KOHM@J@1/16W 1 R580 ERJ3GEYJ104 M 100KOHM@J@1/16W 1 R601 ARRCR5J624M 620M 0.5W 1 安全 标记 参考号 部品号 部品名称及说明 数量 备注 120 R603 ERJ6ENF2703 M 270KOHM@ 1/10W 1 R604 ERJ6ENF2703 M 270KOHM@ 1/10W 1 R605 ERJ6ENF2703 M 270KOHM@ 1/10W 1 R606 ERJ6ENF2703 M 270KOHM@ 1/10W 1 R607 ERJ3EKF3302 M 33KOHM@ 1/16W 1 R608 ERJ3EKF1002 M 10KOHM@ 1/16W 1 R609 D0GB225JA057 M 2.2MOHM J 1/10W 1 R610 ERJ3GEYJ470 M 47 OHM@J@1/16W 1 R611 ERJ3GEYJ470 M 47 OHM@J@1/16W 1 R612 ERJ6ENF3093 M 309KOHM@ 1/10W 1 R613 ERJ3GEYJ223 M 22KOHM@J@1/16W 1 R614 ERJ6ENF3093 M 309KOHM@ 1/10W 1 R615 D0GB103JA057 M 10K OHM J 1/10W 1 R616 ERJ6ENF3093 M 309KOHM@ 1/10W 1 R617 ARRF5EJ75MB 0.075 OHM@ 5W 1 R618 ARRF5EJ75MB 0.075 OHM@ 5W 1 R619 ERJ6ENF3163 M 316KOHM@ 1/10W 1 R620 ERJ6ENF3163 M 316KOHM@ 1/10W 1 R621 ERJ3EKF1652 M16.5KOHM@ 1/16W 1 R622 ERJ6ENF9312 M93.1KOHM@ 1/10W 1 R623 ERJ6ENF9312 M93.1KOHM@ 1/10W 1 R624 ERDS2FJ472 C 4.7KOHM@ J@1/4W 1 R625 ERDS2FJ101 C 100 OHM@ J@1/4W 1 R626 ERJ6ENF9312 M93.1KOHM@ 1/10W 1 R627 ERDS2FJ154 C 150KOHM@ J@1/4W 1 R628 ERJ6ENF9312 M93.1KOHM@ 1/10W 1 R629 ERG12SJ150J M 15 OHM@ J@1/2W 1 R630 ERJ6ENF9312 M93.1KOHM@ 1/10W 1 R631 ERJ6ENF9312 M93.1KOHM@ 1/10W 1 R634 ERJ6ENF3093 M 309KOHM@ 1/10W 1 R635 ERJ6ENF3093 M 309KOHM@ 1/10W 1 R636 ERJ6ENF3093 M 309KOHM@ 1/10W 1 R637 ERJ6ENF9312 M93.1KOHM@ 1/10W 1 R638 ERJ6ENF9312 M93.1KOHM@ 1/10W 1 R640 ERJ6ENF1692 M16.9KOHM@ 1/10W 1 R641 ERJ6GEYJ151V M 150 OHM@J@1/10W 1 R642 D0GB473JA057 M 47KOHM@J@1/10W 1 R649 ERJ6ENF2703 M 270KOHM@ 1/10W 1 R650 ERJ6ENF2703 M 270KOHM@ 1/10W 1 R651 ERJ6GEYJ220 M 22 OHM@J@1/10W 1 R652 ERJ6GEYJ220 M 22 OHM@J@1/10W 1 R653 ERJ6GEYJ220 M 22 OHM@J@1/10W 1 R654 ERJ6GEYJ220 M 22 OHM@J@1/10W 1 R655 ERJ6GEYJ220 M 22 OHM@J@1/10W 1 R656 ERJ6GEYJ220 M 22 OHM@J@1/10W 1 R657 ERJ6GEYJ220 M 22 OHM@J@1/10W 1 R658 ERJ6GEYJ220 M 22 OHM@J@1/10W 1 R659 ERDS2FJ472 C 4.7KOHM@ J@1/4W 1 R660 ERDS2FJ472 C 4.7KOHM@ J@1/4W 1 R661 ERJ6GEYJ220 M 22 OHM@J@1/10W 1 R662 ERJ6GEYJ220 M 22 OHM@J@1/10W 1 R663 ERJ6GEYJ220 M 22 OHM@J@1/10W 1 R664 ERJ6GEYJ220 M 22 OHM@J@1/10W 1 R665 D0GB103JA057 M 10K OHM J 1/10W 1 R666 ERJ3GEYJ223 M 22KOHM@J@1/16W 1 R667 D0GB181JA057 M 180 OHM@J@1/10W 1 R701 ERJ6GEYJ1R0 M 1 OHM@J@1/10W 1 R702 ERJ3GEYJ221 M 220 OHM@J@1/16W 1 R704 ERJ6ENF4992 M49.9KOHM@ 1/10W 1 R705 ERJ6GEYJ1R0 M 1 OHM@J@1/10W 1 R706 D0GB103JA057 M 10K OHM J 1/10W 1 R707 D0GB103JA057 M 10K OHM J 1/10W 1 R708 ERJ3GEYJ101 M 100 OHM@J@1/16W 1 R709 ERDS2FJ102 M 1KOHM@J@1/10W 1 R710 ERJ6GEYJ104V M 100KOHM@J@1/10W 1 R711 ERJ3GEYJ514 M 510KOHM@J@1/16W 1 R712 ERJ3GEYJ101 M 100 OHM@J@1/16W 1 R713 ERJ3GEYJ104 M 100KOHM@J@1/16W 1 R714 ERJ6ENF4991 M4.99KOHM@ 1/10W 1 安全 标记 参考号 部品号 部品名称及说明 数量 备注 R715 ERJ6ENF4991 M4.99KOHM@ 1/10W 1 R716 ERJ6ENF4991 M4.99KOHM@ 1/10W 1 R717 ERJ6ENF4991 M4.99KOHM@ 1/10W 1 R718 ERJ3GEYJ101 M 100 OHM@J@1/16W 1 R720 ERJ3GEYJ561 M 560 OHM@J@1/16W 1 R721 ERJ3GEYJ101 M 100 OHM@J@1/16W 1 R722 ERJ3GEYJ101 M 100 OHM@J@1/16W 1 R723 ERJ6GEYJ103V M 10K OHM J 1/10W 1 R724 ERJ3GEYJ101 M 100 OHM@J@1/16W 1 R725 D0GB103JA057 M 10K OHM J 1/10W 1 R729 D0GB103JA057 M 10K OHM J 1/10W 1 R730 ERJ6GEYJ224 M 220KOHM@J@1/10W 1 R731 ERJ6GEYJ101V M 100 OHM@J@1/10W 1 R732 D0GB103JA057 M 10K OHM J 1/10W 1 R733 ERJ3EKF4701 M 4.7KOHM@ 1/16W 1 R734 ERJ3EKF5601 M 5.6KOHM@ 1/16W 1 R735 ERJ6GEYJ102V M 1K OHM J 1/10W 1 R736 ERJ3GEYJ122 M 1.2KOHM@J@1/16W 1 R737 ERJ6GEYJ221V M 220 OHM@J@1/10W 1 R738 D0GB103JA057 M 10K OHM J 1/10W 1 R739 ERJ3GEYJ101 M 100 OHM@J@1/16W 1 R740 D0GB103JA057 M 10K OHM J 1/10W 1 R741 D0GB103JA057 M 10K OHM J 1/10W 1 R742 ERDS2FJ103 C 10KOHM@ J@1/4W 1 R743 ERJ3GEYJ221 M 220 OHM@J@1/16W 1 R744 D0GB103JA057 M 10K OHM J 1/10W 1 R745 D0GB103JA057 M 10K OHM J 1/10W 1 R746 D0GB103JA057 M 10K OHM J 1/10W 1 R747 D0GB103JA057 M 10K OHM J 1/10W 1 R748 D0GB103JA057 M 10K OHM J 1/10W 1 R749 D0GB103JA057 M 10K OHM J 1/10W 1 R750 D0GB103JA057 M 10K OHM J 1/10W 1 R751 ERJ6GEYJ102V M 1K OHM J 1/10W 1 R752 D0GB103JA057 M 10K OHM J 1/10W 1 R755 ERJ6GEYJ472V M 4.7K OHM J 1/10W 1 R756 ERJ6GEYJ101V M 100 OHM@J@1/10W 1 R757 ARRF5EJR15B 0.15 OHM 5W 1 R758 ER0S2CHF1002 M 10KOHM@ F@1/4W 1 R759 ER0S2CHF1002 M 10KOHM@ F@1/4W 1 R760 ERJ6GEYG681 M 680 OHM@J@1/10W 1 R761 ERJ6GEYG681 M 680 OHM@J@1/10W 1 RF601 HUA5MC100JP2 热截止电阻 1 T201 ETB42LZ14GAD 变压器 1 T501 ETB29AK1RGAD 变压器 1 TG1 TW-4BS-2L 接线片 1 TG2 TW-4BS-2L 接线片 1 TG3 TW-4BS-2L 接线片 1 TG4 TW-4BS-2L 接线片 1 TG5 TW-4BS-2L 接线片 1 VR251 EVMEASA01B25 电位器 200KOHMB 1 VR401 EVMAASA00B54 电位器 50KOHMB 1 Z601 ERZVGED751 变阻器 1 Z602 ERZVGAD471 变阻器 1 ZD203 VZMTZJ27DT 稳压二极管 1 ZD204 VZMTZJ27DT 稳压二极管 1 ZD205 VZMTZJ27DT 稳压二极管 1 ZD206 VZMTZJ5.1BT 稳压二极管 1 ZD251 VZMTZJ5.6BT 稳压二极管 1 ZD401 VZMTZJ15CT 稳压二极管 1 ZD402 VZMTZJ10CT 稳压二极管 1 ZD501 VZMTZJ30DT 稳压二极管 1 ZD502 VZMTZJ30DT 稳压二极管 1 ZD503 VZMTZJ30DT 稳压二极管 1 安全 标记 参考号 部品号 部品名称及说明 数量 备注 121 FLE201004002CC ZD504 VZMTZJ15CT 稳压二极管 1 ZD505 VZMTZJ30DT 稳压二极管 1 ZD506 VZMTZJ18CT 稳压二极管 1 ZD507 VZMTZJ8.2CT 稳压二极管 1 ZD508 VZMTZJ15CT 稳压二极管 1 ZD509 VZMTZJ27DT 稳压二极管 1 ZD554 VZPTZ6.2BT 稳压二极管 1 ZD601 VZMTZJ5.1BT 稳压二极管 1 ZD602 VZMTZJ4.7BT 稳压二极管 1 ZD603 VZMTZJ10CT 稳压二极管 1 安全 标记 参考号 部品号 部品名称及说明 数量 备注

标签:

版权声明

1. 本站所有素材,仅限学习交流,仅展示部分内容,如需查看完整内容,请下载原文件。
2. 会员在本站下载的所有素材,只拥有使用权,著作权归原作者所有。
3. 所有素材,未经合法授权,请勿用于商业用途,会员不得以任何形式发布、传播、复制、转售该素材,否则一律封号处理。
4. 如果素材损害你的权益请联系客服QQ:77594475 处理。