松下TH-P42U20C等离子电视(GPF13DA机芯)维修手册

分类:电子电工 日期: 点击:0
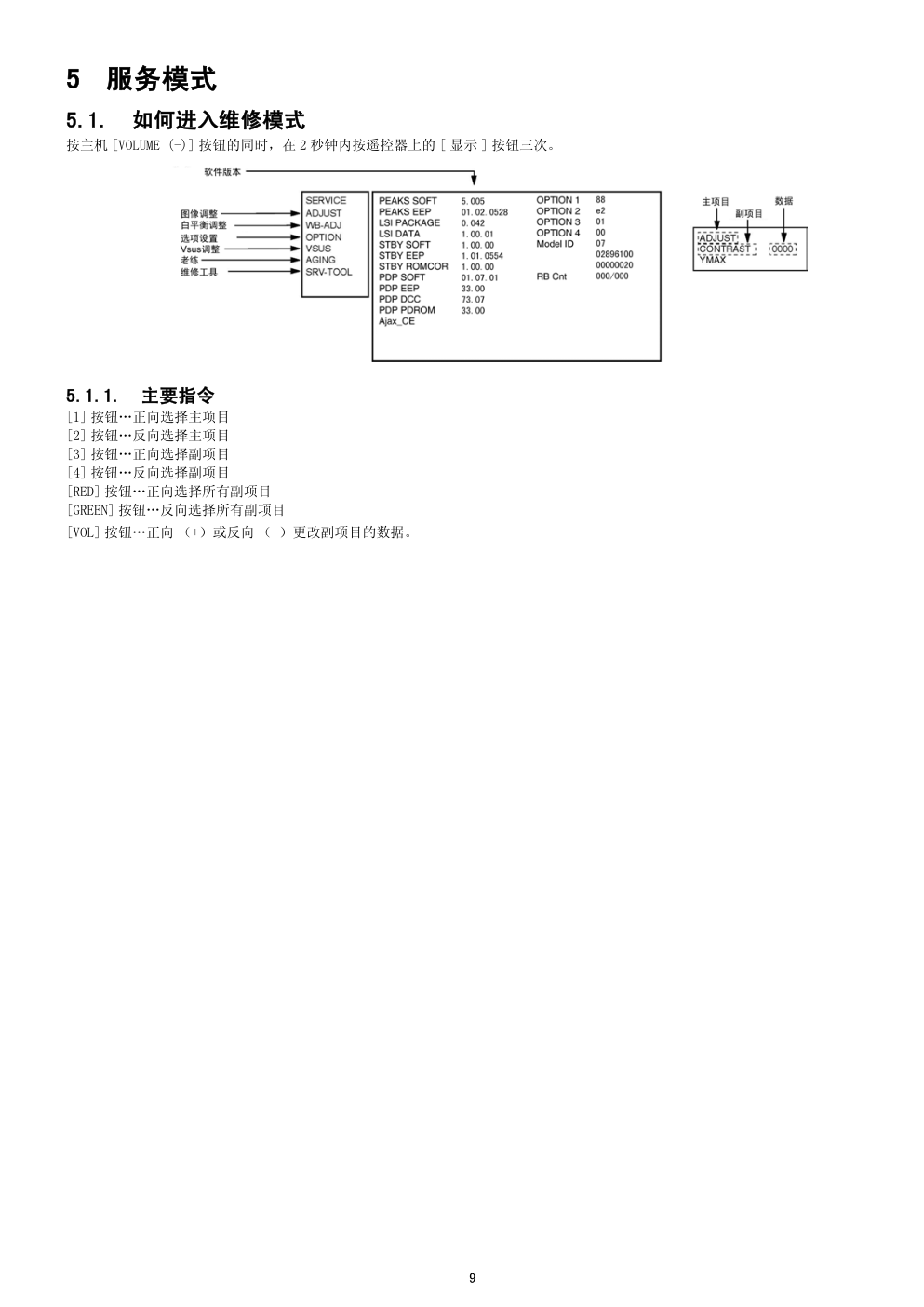
松下TH-P42U20C等离子电视(GPF13DA机芯)维修手册-0 松下TH-P42U20C等离子电视(GPF13DA机芯)维修手册-1 松下TH-P42U20C等离子电视(GPF13DA机芯)维修手册-2 松下TH-P42U20C等离子电视(GPF13DA机芯)维修手册-3 松下TH-P42U20C等离子电视(GPF13DA机芯)维修手册-4 松下TH-P42U20C等离子电视(GPF13DA机芯)维修手册-5 松下TH-P42U20C等离子电视(GPF13DA机芯)维修手册-6 松下TH-P42U20C等离子电视(GPF13DA机芯)维修手册-7 松下TH-P42U20C等离子电视(GPF13DA机芯)维修手册-8 松下TH-P42U20C等离子电视(GPF13DA机芯)维修手册-9

© 2010 松下电器产业株式会社版权所有。 未经本公司许可而复制或分发者均属违法。 ORDER NO. PPDS1004147CC 等离子电视机 型号 TH-P42U20C GPF13DA 机芯 目录 页数 页数 1 安全事项 -----------------------------------------3 1.1. 一般准则------------------------------------3 1.2. 漏电检查------------------------------------3 2 警告 ---------------------------------------------4 2.1. 静电敏感设备 (ES) 的静电放电保护 (ESD) -------4 2.2. 关于无铅焊接 (PbF) --------------------------5 3 服务导航 -----------------------------------------6 3.1. 印刷电路板布局------------------------------6 3.2. 适用信号------------------------------------7 4 技术规格 -----------------------------------------8 5 服务模式 -----------------------------------------9 5.1. 如何进入维修模式----------------------------9 5.2. 选项 - 镜像---------------------------------11 5.3. 维修工具模式-------------------------------11 5.4. 旅馆模式-----------------------------------12 5.5. 通过 SD 卡进行数据复制----------------------13 6 修理指导 ----------------------------------------16 6.1. IIC 总线检测 -------------------------------16 6.2. 电源 LED 闪烁次数图-------------------------17 6.3. 无电源-------------------------------------18 6.4. 无图像-------------------------------------19 6.5. 显示器局部故障-----------------------------20 7 维修设备和工具 ----------------------------------21 7.1. SC 夹具 ------------------------------------21 8 拆解和组装介绍 ----------------------------------22 8.1. 取下后盖-----------------------------------22 8.2. 取下 AC 连接件------------------------------22 8.3. 取下 P 板 ---------------------------------- 22 8.4. 取下侧部端子盖和侧部屏蔽金属条 ------------ 22 8.5. 取下调谐器组件 ---------------------------- 23 8.6. 取下 A 板 ---------------------------------- 23 8.7. 取下扬声器 -------------------------------- 23 8.8. 取下 SM 板 --------------------------------- 23 8.9. 取下 SC 板 --------------------------------- 24 8.10. 取下 SS2 板 -------------------------------- 24 8.11. 取下 SS 板 --------------------------------- 24 8.12. 取下金属悬挂架和支架 ---------------------- 25 8.13. 取下 C1 板 --------------------------------- 25 8.14. 取下 C2 板 --------------------------------- 25 8.15. 取下 S 板 ---------------------------------- 26 8.16. 从面框组件上卸下等离子显示屏部分 ---------- 26 8.17. 取下玻璃固定压条 -------------------------- 26 8.18. 取下 K 板 ---------------------------------- 27 8.19. 更换等离子显示屏 -------------------------- 27 9 测量和调整-------------------------------------- 28 9.1. 调整步骤 ---------------------------------- 28 10 方框图------------------------------------------ 33 10.1. 主方框图 ---------------------------------- 33 10.2. 方框图 (1/4)------------------------------- 34 10.3. 方框图 (2/4)------------------------------- 35 10.4. 方框图 (3/4)------------------------------- 36 10.5. 方框图 (4/4)------------------------------- 37 11 导线连接图-------------------------------------- 39 11.1. 注意事项 ---------------------------------- 39 2 11.2. 导线 (1)--------------------------------- 39 11.3. 导线 (2)--------------------------------- 40 11.4. 导线 (3) -------------------------------- 40 11.5. 导线 (4)--------------------------------- 41 12 电路图------------------------------------------ 43 12.1. 线路图注意事项 ---------------------------- 43 12.2. P 电路板 (1/4) 线路图----------------------- 44 12.3. P 电路板 (2/4) 线路图----------------------- 45 12.4. P 电路板 (3/4) 线路图----------------------- 46 12.5. P 电路板 (4/4) 线路图----------------------- 47 12.6. A 电路板 (1/19) 线路图---------------------- 48 12.7. A 电路板 (2/19) 线路图---------------------- 49 12.8. A 电路板 (3/19) 线路图---------------------- 50 12.9. A 电路板 (4/19) 线路图---------------------- 51 12.10. A 电路板 (5/19) 线路图---------------------- 52 12.11. A 电路板 (6/19) 线路图---------------------- 53 12.12. A 电路板 (7/19) 线路图---------------------- 54 12.13. A 电路板 (8/19) 线路图---------------------- 55 12.14. A 电路板 (9/19) 线路图---------------------- 56 12.15. A 电路板 (10/19) 线路图--------------------- 57 12.16. A 电路板 (11/19) 线路图--------------------- 58 12.17. A 电路板 (12/19) 线路图--------------------- 59 12.18. A 电路板 (13/19) 线路图--------------------- 60 12.19. A 电路板 (14/19) 线路图--------------------- 61 12.20. A 电路板 (15/19) 线路图--------------------- 62 12.21. A 电路板 (16/19) 线路图--------------------- 63 12.22. A 电路板 (17/19) 线路图--------------------- 64 12.23. A 电路板 (18/19) 线路图--------------------- 65 12.24. A 电路板 (19/19) 线路图--------------------- 66 12.25. K 电路板和 S 电路板线路图------------------- 67 12.26. C1 电路板 (1/2) 线路图---------------------- 68 12.27. C1 电路板 (2/2) 线路图---------------------- 69 12.28. C2 电路板 (1/2) 线路图---------------------- 70 12.29. C2 电路板 (2/2) 线路图---------------------- 71 12.30. SC 电路板 (1/4) 线路图---------------------- 72 12.31. SC 电路板 (2/4) 线路图---------------------- 73 12.32. SC 电路板 (3/4) 线路图---------------------- 74 12.33. SC 电路板 (4/4) 线路图---------------------- 75 12.34. SS 电路板 (1/2) 线路图---------------------- 76 12.35. SS 电路板 (2/2) 和 SS2 电路板线路图---------- 77 13 印刷电路板基板图-------------------------------- 78 13.1. P 电路板----------------------------------- 78 13.2. K,S 和 SS2 电路板-------------------------- 81 13.3. A 电路板----------------------------------- 82 13.4. C1 电路板---------------------------------- 84 13.5. C2 电路板---------------------------------- 85 13.6. SC 电路板---------------------------------- 86 13.7. SS 电路板---------------------------------- 88 14 零件位置和零件清单------------------------------ 91 14.1. 零件位置和机械部件更换清单 ---------------- 91 14.2. 电器部件更换清单 -------------------------- 96 3 1.1. 一般准则 1. 进行维修和维护时,请勿试图更改设备及其部件或其材料。 2. 维修连接线 (如电缆、柔性电缆或导线)时,当仅有一条导线或几条导线损坏或断开时,请勿试图维修或重新为其连接。请更 换整条连接线。 3. 进行维修和维护时,应直接拉出或插入固定连接器,而不应将其扭曲。 4. 维修时,检查引线的外观。如发现短路,更换所有因短路而过热或被损坏的部件。 5. 维修后,检查并确认所有的保护装置,如:绝缘隔障、绝缘纸屏蔽等安装正确。 6. 维修后,进行以下漏电检查,以免用户遭受触电危险。 1.2. 漏电检查 1. 将 AC 电源线直接插入 AC 电源插座。进行检查时,请勿使用隔离变压器。 2. 在设备上各外露金属部分和良好接地 (如水管)之间连接一个电流测量装置,如图 1 所示。 3. 用漏电测试仪 (Simpson 228 或类似型号)测量通过该装置的电势。 4. 检查各外露金属部件,并测量各点电压。 5. 变换 AC 插座中的 AC 插头,并重复上述各项测量。 6. 各点 (漏电)的电势表示为电压 U1 和 U2,并且不能超过以下各值: 交流:U1=35V (峰值) U2=0.35V (峰值); 直流:U1=1.0V, 注: 与交流的 U2 限定峰值 0.35V 和直流的 U1 限定峰值 1.0V 相对应的电流峰值分别为 0.7mA 和 2.0mA。 与交流的 U1 限定峰值 35V 相对应的 100kHz 以上的电流峰值为 70mA。 7. 当测量值超出规定的限制时,可能会引起触电。所以必须在机器返回用户手中之前对其进行修理和再检测。 漏电测量电路 电阻值 (Ω) V:电压表或示波器 (r.m.s. 或峰值) 输入电阻:≥ 1MΩ 输入电容:≤ 200pF 频率范围:分别为直流 15Hz 到 1MHz 注:必须使用合适的测量设备,以便在非正弦波形时测量准确。 图 1 4 2.1. 静电敏感设备 (ES) 的静电放电保护 (ESD) 一些半导体(固态)装置很容易被静电损坏。这些装置通称为静电敏感装置(ES)。典型的 ES 装置有集成电路和一些场效应晶体管以 及半导体 “芯片”组件。以下方法通常被用来减少由于静电释放 (ESD) 所造成的组件损坏。 1. 在处理任何半导体组件或是配备有半导体组件的设备之前,接触已知地线以排除身体上的静电。或者戴上市面上可购买到的抗静 电腕带,但是在待检设备通电之前应将其拿掉,以免遭受电击。 2. 在拆卸配有静电敏感装置的电气组件后,请将组件放置于导体表面上 (如铝箔),以防止聚集静电或组件外露。 3. 仅使用末端接地的烙铁焊接或拆焊静电敏感装置。 4. 仅使用防静电拆焊装置。不属于 “防静电 (静电放电保护)”的拆焊装置可能会产生足以损坏静电敏感装置的电荷。 5. 禁止使用氟里昂驱动的化学物质。它们能产生足以损坏静电敏感装置的电荷。 6. 在准备立即安装之前,才能拆开备换静电敏感装置的保护性包装,取出备换静电敏感装置。(大多数备换静电敏感装置都使用导 电泡沫、铝箔或类似导电性材料包装,其导线被短接。) 7. 从备换静电敏感装置导线上取下防护性材料前,使防护性材料接触机芯或即将安装的电路组件。 注意: 确定机芯或电路无电源,并遵守其它所有安全注意事项。 8. 在处理未包装的备换静电敏感装置时,尽量减少身体活动。(否则,如衣物纤维的摩擦或从铺有地毯的地面抬起脚等动作都会产 生足以损坏静电敏感装置的静电 (静电释放))。 5 2.2. 关于无铅焊接 (PbF) 注:在元素周期表中,铅用 Pb 表示。 在下文中,Pb 表示有铅焊接,PbF 表示无铅焊接。 在制造流程中使用和下文中介绍的无铅焊接 (Sn+Ag+Cu)。 即:锡 (Sn),银 (Ag)和铜 (Cu),其他类型也可使用。 出于环境保护的考虑,本设备制造中使用了无铅焊接工艺。我们建议在维修和修理工作中最好使用无铅焊接,不过也允许使用有铅焊 接。 使用无铅焊接工艺制造的印刷电路板背面的树叶形符号 内有 PbF 字样。 注意: • 无铅焊接的熔点比标准焊接的熔点高。通常熔点超过 50-70°F (30-40°C)。 请使用高温烙铁,并将其温度设为 700±20°F (370±10°C)。 • 当温度过高 (约 1100°F 或 600°C)时,无铅焊料可能会发生喷溅。 如果必须使用有铅焊接,请在焊接前先全部去除焊脚或焊区上的无铅焊料。如果做到这点实际操作困难,则确保无铅焊料加热到熔 化后再进行有铅焊接。 • 在对双面电路板进行无铅焊接后,请检查部件侧部是否有过量焊料,否则会流到另一侧。(见下图) 推荐的无铅焊料 有几种无铅焊料可供选购。本产品使用 Sn+Ag+Cu( 锡 + 银 + 铜 ) 焊料。 也可使用 Sn+Cu (锡,铜),Sn+Zn+Bi( 锡,锌,铋 ) 焊料。 6 3.1. 印刷电路板布局 电路板名称 功能 电路板名称 功能 P 电源供应 C1 数据驱动 (右下) A DC-DC 转换器,调谐器 C2 数据驱动 (左下) 扬声器输出,AV 端子,HDMI 接口,SD 卡 SC 扫描驱动 数字信号处理器,峰值,格式转换器, SS 维持驱动 等离子 AI 处理器,子场处理器,按键开关 SS2 维持输出 (下) K 遥控接收器,电源指示灯,C.A.T.S. 传感器 SM 扫描输出 维修时应更换 SM 板。 S 电源开关 7 3.2. 适用信号 分量视频 (Y, PB/CB, PR/CR),HDMI * 标记:可适用的输入信号 电脑 (D-sub 15P) 可兼容的电脑的输入信号基本符合 VESA 标准。 电脑 (HDMI 端子 ) 可兼容的电脑的输入信号基本符合 HDMI 标准。 注意 • 不属于上述规格的信号可能无法正确显示。 • 上述信号均经重新格式化,以达到最佳观看效果。 • 电脑信号的放大或压缩可能不能很好地显示细节。 信号名称 分量视频 HDMI 525 (480) / 60i * * 525 (480) / 60p * * 625 (576) / 50i * * 625 (576) / 50p * * 750 (720) / 60p * * 750 (720) / 50p * * 1,125 (1,080) / 60i * * 1,125 (1,080) / 50i * * 1,125 (1,080) / 60p * 1,125 (1,080) / 50p * 1,125 (1,080) / 24p * 信号名称 水平频率 (kHz) 垂直频率 (Hz) 640 × 400 @70 Hz 31.47 70.07 640 × 480 @60 Hz 31.47 59.94 640 × 480 @75 Hz 37.50 75.00 800 × 600 @60 Hz 37.88 60.32 800 × 600 @75 Hz 46.88 75.00 800 × 600 @85 Hz 53.67 85.06 852 × 480 @60 Hz 31.44 59.89 1,024 × 768 @60 Hz 48.36 60.00 1,024 × 768 @70 Hz 56.48 70.07 1,024 × 768 @75 Hz 60.02 75.03 1,024 × 768 @85 Hz 68.68 85.00 1,280 × 1,024 @60 Hz 63.98 60.02 1,280 × 768 @60 Hz 47.70 60.00 1,366 × 768 @60 Hz 48.39 60.04 Macintosh13” (640 × 480) 35.00 66.67 Macintosh16” (832 × 624) 49.73 74.55 Macintosh21” (1,152 × 870) 68.68 75.06 信号名称 水平频率 (kHz) 垂直频率 (Hz) 640 × 480 @60 Hz 31.47 60.00 750 (720)/60p 45.00 60.00 1,125 (1,080)/60p 67.50 60.00 8 电源 交流 220 V ~ ,50/60Hz 耗电量 消耗功率 275 W 待机功率 0.4 W 显示屏 画面纵横比 16:9 可见屏幕尺寸 921 毫米 (W) × 518 毫米 (H),106 厘米 ( 对角线) (像素数) 2,073,600(1,920(W) × 1,080(H)) [5,760 × 1,080 点 ] 声音 喇叭 160 mm × 40 mm × 2 只,6Ω 音频输出 16W[8W + 8W] 耳机 M3(3.5 毫米 ) 立体声微型插孔 × 1 电脑信号 VGA,SVGA,WVGA,XGA,SXGA,WXGA...( 压缩) 水平扫描频率 31 - 69 kHz 垂直扫描频率 59 - 86 Hz 接收制式 / 频带名称 接收频道 (模似频道) 天线 - 背部 VHF/UHF 工作环境 温度 0°C - 40°C 湿度 20% - 80% 相对湿度 (无结露) 连接端子 视频/音频输入1 视频 RCA 插针式 × 1 1.0V[p-p](75Ω) 分量视频 Y PB/CB,PR/CR 1.0V[p-p]( 包括同步 ) ±0.35V[p-p] 音频 左 - 右 RCA 插针式 × 2 0.5V[rms] 视频/音频输入2 视频 RCA 插针式 × 1 1.0V[p-p](75Ω) 音频 左 - 右 RCA 插针式 × 2 0.5V[rms] 视频/音频输入3 视频 RCA 插针式 × 1 1.0V[p-p](75Ω) 音频 左 - 右 RCA 插针式 × 2 0.5V[rms] 视频输出 视频 RCA 插针式 × 1 1.0V[p-p](75Ω) 音频 左 - 右 RCA 插针式 × 2 0.5V[rms]( 高阻抗 ) 其他端子 HDMI1-3 输入 A 型连接器 • 本机支持 “HDAVI Control 4”功能。 电脑视频输入 高密度 D-SUB 15 针 R,G,B/0.7V[p-p](75Ω) HD,VD/TTL Level 2.0-5.0V[p-p]( 高阻抗 ) 存储卡插槽 SD 卡插槽 × 1 尺寸 (W × H × D) 1,029 mm × 704 mm × 307 mm( 带台座 ) 1,029 mm × 661mm × 93 mm( 仅电视机 ) 重量 净重 24.5Kg( 带台座 ) 净重 23.0Kg( 仅电视机 ) 执行标准 Q/YXNS16-2010 说明: • 设计和规格若有变化,恕不另行通知。所示尺寸和重量均为近似值。 • 本设备符合下述所列标准 GB13837-2003、GB17625.1-2003、GB8898-2001 9 5.1. 如何进入维修模式 按主机 [VOLUME (-)] 按钮的同时,在 2 秒钟内按遥控器上的 [ 显示 ] 按钮三次。 5.1.1. 主要指令 [1] 按钮…正向选择主项目 [2] 按钮…反向选择主项目 [3] 按钮…正向选择副项目 [4] 按钮…反向选择副项目 [RED] 按钮…正向选择所有副项目 [GREEN] 按钮…反向选择所有副项目 [VOL] 按钮…正向 (+)或反向 (-)更改副项目的数据。 10 5.1.2. 调整模式内容 • 按十六进制显示数值。 • 预设值根据型号的不同而不同。 • 进入调整模式后,在开始调整前请记录各项目的值。 5.1.3. 如何退出 使用主机或遥控器上的电源按钮关闭电源。 主项目 副项目 示例数据 备注 ADJUST CONTRAST 23A COLOR 2B TINT 00 SUB-BRT 80C H-POS 0 H-AMP 0 V-POS 0 V-AMP 0 WB-ADJ R-CUT 80 G-CUT 80 B-CUT 80 R-DRV FF G-DRV F0 B-DRV CF ALL-CUT 80 ALL-DRV FF OPTION Panel-Type 42FHD 出厂预设 Boot ROM STBY-SET 00 EMERGENCY ON Y/C Delay 0 OPT 1 10001000 OPT 2 11100010 OPT 3 00000001 OPT 4 00000000 EDID-CLK HIGH MIRROR 00( 见下页 ) VSUS AGING ALL WHITE 可显示内置测试 模式。 AI ALL BLUEB + WHITE FLAME AI ALL GREEN AI ALL RED LOW STEP WHITE LOW STEP BLUE LOW STEP GREEN LOW STEP RED RAMP WHITE RAMP RED RAMP GREEN RAMP BLUE A-ZONE B-ZONE 1%WINDOW COLOR BAR 9 POINT BRIGHTNESS WHITE FLAME AI ALL BLUE TWICE FIXATION 1% WINDOW SCROLL ON/OFF OR RGBW R/G/B/W AGING MODE 0.5 TIME FIXATION ALL WHITE Low setup blue SRV-TOOL 参见下页 目的 C Check sum 9754 EDID d0 ecdccc- 11 5.2. 选项 - 镜像 可对图像进行左右或上下反转。 00 : 默认 (显示正常图像) 01 : 左右反转后的图像。 02 : 上下反转后的图像。 提示:如果缺损现象 (例如竖线或横线)因选择此反射镜而移动,则引起缺损的原因可能位于 A 板。 5.3. 维修工具模式 5.3.1. 如何进入 1. 选择维修模式下的 “SRV-TOOL”。 2. 按遥控器上的 [ 确定 ] 按钮。 5.3.2. 显示 SOS 历史记录 SOS 历史记录 (LED 闪烁次数)指示。 从左侧开始依次为:最后一次 SOS、倒数第二次、倒数第三次、出厂后第二次、出厂后第一次。通过 “自检指示和恢复出厂设置”即 可清除该指示。 5.3.3. 开启 TIME/COUNT 注意:高亮位置显示 TIME/COUNT 菜单,然后按消音键 3 秒钟。 TIME (计时):累计开启时间,显示十进制小时:分钟 Count ( 计数 ):十进制开启 / 关闭次数 注意:无法通过自检或任何指令清除该指示。 5.3.4. 退出 1. 从墙面插座上拔下 AC 电源线或者关闭主机上的电源按钮。 12 5.4. 旅馆模式 1. 目的 设置旅馆功能。 2. 进入旅馆模式设置菜单指令 为了显示旅馆模式设置菜单,请输入以下指令 (在 2 秒钟 内)。 [TV]:Vol. [Down] + [REMOTE]:视频 (3 次 ) 随后将显示旅馆模式设置菜单。 3. 若要退出旅馆模式设置菜单, 从墙面插座上拔下 AC 电源线。 4. 旅馆模式设置菜单说明 项目 功能 旅馆模式 选择旅馆模式开启 / 关闭。 初始输入 选择输入信号模式。 每次接通电源后都设置此输入。 选项: AV1/AV2/AV3/PC/HDMI1/HDMI2/HDMI3/TV/OFF • PC: VGA 可选 初始位置 选择频道号。 选项: Off/0 到 99 • Off: 以最后一次存储为准。 初始音量等级 每次接通电源后都设置音量。 选项 / 范围: Off/0 到 100 • Off: 以最后一次储存为准。 最大音量等级 调节最大音量。 范围: 0 到 100 键锁定 选择本机按键条件。 选项: Off/SETUP/MENU/ALL • Off: 所有按键有效 • SETUP: 只有 F 键无效 (菜单中调谐指示 (菜单)无法选择) • MENU: 只有 F 键无效 (只可选择音量 / 静音。) • ALL: 所有按键全部无效。 遥控锁定 选择遥控键入条件。 选项: Off/SETUP/MENU • Off: 所有按键有效 • SETUP: 只有设置菜单无效 • MENU: 图像 / 声音 / 设置菜单无效 13 5.5. 通过 SD 卡进行数据复制 5.5.1. 目的 (a) 板更换 (更换 A 板时复制数据): 更换 A 板时,可先将原来 A 板中的数据复制到 SD 卡,然后复制到新的 A 板中。 (b) 旅馆 (在旅馆或任何设施中安装多个组件时复制数据): 在旅馆或任何设施中安装组件时,主电视中的数据可以先复制到 SD 卡中,然后再复制到其他电视中。 5.5.2. 准备 在空的 SD 卡中创建用作 (a) 或 (b) 启动文件的 pwd 文件。 1. 将空的 SD 卡插入您的电脑中。 2. 在 SD 卡窗口中右键单击空白区域,指向 " 新建 ",然后点击文本文档。默认状态下,创建一个新文件 (新文本文档 .txt)。 3. 右键单击您刚创建的文本文档,选择重命名,将文件的名称和扩展名变更为以下 (a) 或 (b) 的名称,然后按确认键。 文件名: (a).对于板更换:boardreplace.pwd (b).对于旅馆:hotel.pwd 注: 请仅创建一个文件,以防止出现操作错误。 SD 卡中不应包含任何其他文件。 14 5.5.3. 从电视机复制数据到 SD 卡 1. 打开电视机。 2. 将包含启动文件 (pwd 文件)的 SD 卡插入 SD 插槽中。 屏幕显示将根据启动文件自动显示。 3. 通过使用远程控制输入 (a) 或 (b) 的密码: (a) 对于板更换:2770 (b) 对于旅馆:4850 数据将从电视机复制到 SD 卡。 复制最多将花费 2 到 6 分钟。 4. 复制到 SD 卡后,从电视机上移除 SD 卡。 5. 关闭电视机。 注: SD 卡中将创建以下新文件夹,用于存储来自电视机的数据: (a).对于板更换:user_setup (b).对于旅馆:hotel 15 5.5.4. 从 SD 卡复制数据到电视机 1. 打开电视机。 2. 将带有数据的 SD 卡插入 SD 插槽。 屏幕显示将根据启动文件自动显示。 3. 通过使用远程控制输入 (a) 或 (b) 的密码: (a) 对于板更换:2771 (b) 对于旅馆:4851 数据将从 SD 卡复制到电视机。 4. 将数据复制到 SD 卡后,从电视机上移除 SD 卡。 (a) 对于板更换:复制后,数据将被删除 (限于一次复制)。 (b) 对于旅馆:数据将不会被删除,且可用于其他电视机。 5. 关闭电视机。 注: 1. 根据板故障,板更换的数据复制功能不可用。 2. 2. 该功能可在相同的型号中生效。 16 应用自检功能测试本机。 1. 检测 IIC 总线 2. 电源 LED 闪烁次数 6.1. IIC 总线检测 6.1.1. 如何进入 仅自检指示: 进入 TV 接收屏幕,然后按主机 [VOLUME (-)] 按钮的同时按下遥控器上的 [ 确定 ] 按钮 3 秒钟以上。 自检指示和恢复出厂设置: 进入 TV 接收屏幕,然后按主机 [VOLUME (-)] 按钮的同时按下遥控器上的 [ 菜单 ] 按钮 3 秒钟以上。 6.1.2. 屏幕显示 6.1.3. 检查点 如果显示 NG,请确认检查下列部件。 6.1.4. 退出 从墙面插座上拔下 AC 电源线或者使用主机上的电源按钮关闭电源。 显示 参考号 说明 电路板 TUN TU2901B 调谐器 A 电路板 STBY IC8001 STBY MPU A 电路板 MEM1 IC1100 EEPROM (MPU) A 电路板 MEM2 IC8950 EEPROM (峰值) A 电路板 ADAM IC8001 A-chip (峰值) A 电路板 AVSW IC3000 音频 / 视频切换 A 电路板 PDROM IC9300 PD4H A 电路板 TEMP IC1000 温度传感器 A 电路板 VIF TU2901B 调谐器 A 电路板 17 6.2. 电源 LED 闪烁次数图 1. 主题 发光二极管闪烁时间图信息。 2. 内容 当设备出现异常时,保护电路将运行并将设备复位到待机状态。此时,通过本机前端的 LED 电源闪烁次数便可识别出故障部位。 18 6.3. 无电源 第一检测点 LED 无电源指示有二种情况: 1. 不亮 2. 红灯亮,几秒钟后转为红灯闪烁。(请参见第 6.2 章节) 19 6.4. 无图像 20 6.5. 显示器局部故障 等离子显示屏屏幕上可能会出现局部故障。图 1 是各局部可能会出现故障的 P.C.B. 印刷电路板。 图 1 21 7.1. SC 夹具 目的: 电源指示灯闪烁 7 次时,找到问题板 (SC 或 SM 板)。 SC 夹具: 连接到 SC 板上的 SC50 连接器的跳线接头 部件编号: TZSC09187 使用方法: 警告:检测完后将 SC 夹具从 SC 板上移除。 1. 移除 SC 板与 SM 板之间的所有连接器,使 SC 板与 SM 板绝缘。 2. 在 SC 板的左下侧将 SC 夹具与 SC50 连接器连接。 3. 开启电视 / 显示器组件并确定电源指示灯在闪烁。 指示灯闪烁:说明问题可能来自 SC 板 无指示灯闪烁 (点亮或不亮):说明问题可能来自 SM 板 4. 检测完后,关闭电视 / 显示器组件,等待几分钟待其放电。 5. 将 SC 夹具从 SC 板上移除。 备注:此 SC 夹具适用于所有的 2010 等离子电视和等离子显示器。 22 8.1. 取下后盖 1. 参见印刷电路板布局。(第 3 章节) 8.2. 取下 AC 连接件 注意 : 由于电解电容器放电原因,电源切断后等候一分钟再取下 P.C.B. 印刷电路板。 1. 松开线夹,取下电缆。 2. 断开连接件 (P9)。 3. 松开螺丝 (×1 ), 取下 AC 连接件。 8.3. 取下 P 板 注意 : 由于电解电容器放电原因,电源切断后等候一分钟再取下 P.C.B. 印刷电路板。 1. 松开线夹,取下电缆。 2. 断开连接件 (P2,P6,P7,P9,P11,P34 和 P35)。 3. 松开螺丝 (×9 ),取下 P 板。 8.4. 取下侧部端子盖和侧部屏蔽金属条 1. 松开螺丝 (×2 , ×1 , ×1 )。 2. 取下侧部端子盖。 3. 取下侧部屏蔽金属条。 23 8.5. 取下调谐器组件 1. 取下侧部端子盖和侧部屏蔽金属条。(请参见第 8.4 章节) 2. 松开线夹,取下电缆。 3. 断开连接件 (A1,A6,A7 和 A11)。 4. 断开柔性电缆 (A20,A31 和 A32)。 5. 松开螺丝 (×2 ),并取下调谐器组件。 8.6. 取下 A 板 1. 取下调谐器组件。(请参见第 8.5 章节) 2. 松开螺丝 (×2 ),取下 A 板。 8.7. 取下扬声器 1. 松开线夹,取下电缆。 2. 断开扬声器端子。 3. 松开螺丝 (×2 ),取下左右扬声器。 8.8. 取下 SM 板 1. 断开连接至 SM 板上的柔性电缆 (SM1,SM2,SM3,SM4, SM5,SM6,SM7 和 SM8)。 2. 取下桥接连接器 (SC41-SM41,SC42-SM42 和 SC46-SM46)。 3. 取下支撑件 (×4 )。 4. 松开螺丝 (×3 , ×4 ),取下 SM 板。 24 8.9. 取下 SC 板 1. 取下 SM 板。(请参照第 8.8 章节) 2. 断开连接件 (SC2)。 3. 断开柔性电缆 (SC20)。 4. 松开螺丝 (×7 ),取下 SC 板。 8.10. 取下 SS2 板 1. 取下调谐器组件。(请参见第 8.5 章节) 2. 断开桥接连接器 (SS21-SS24),断开柔性电缆 (SS58)。 3. 松开螺丝 (×2 ),取下 SS2 板。 8.11. 取下 SS 板 1. 取下调谐器组件。(请参见第 8.5 章节) 2. 松开线夹,取下电缆。 3. 断开连接件 (SS11 和 SS33)。 4. 断开柔性电缆 (SS61 和 SS64)。 5. 断开桥接连接件 (SS21-SS24)。 6. 松开螺丝 (×6 ),取下 SS 板。 25 8.12. 取下金属悬挂架和支架 1. 从维修支架上取下等离子显示屏部件,放置在类似桌子(铺 有软布)等的平坦的表面上,并且使等离子显示屏表面朝 下。 2. 从左、右支架上松开固定螺丝 (各 ×3 )并取下左右支 架。 3. 从左、右金属悬挂架上松开固定螺丝(各 ×2 ),并取下 左右金属悬挂架。 8.13. 取下 C1 板 1. 取下右金属悬挂架和右支架。(请参见第 8.12 章节) 2. 取下面框安装金属底座。(请参见第 8.13 章节) 3. 松开柔性电缆固定螺丝 (×12 )。 4. 断开柔性电缆 (CB1,CB2,CB3,CB4,CB5,CB6,CB7 和 CB8)。 5. 断开柔性电缆 (C10 和 C11)。 6. 松开螺丝 (×4 ),取下 C1 板。 8.14. 取下 C2 板 1. 取下调谐器组件。(请参见第 8.5 章节) 2. 取下左金属悬挂架和左支架。(请参见第 8.12 章节) 3. 取下面框安装金属底座。(请参见第 8.13 章节) 4. 松开柔性电缆固定螺丝 (×10 )。 5. 断开柔性电缆 (CB9,CB10,CB11,CB12,CB13,CB14 和 CB15)。 6. 断开柔性电缆 (C20,C21),断开连接件 (C23 和 C25)。 7. 松开螺丝 (×4 ),取下 C2 板。 26 8.15. 取下 S 板 1. 松开螺丝 (×2 ),取下 S 板组件。 2. 断开连接件 (S1)。 3. 取下电源按钮。 4. 松开螺丝 (×1 ),取下 S 板。 8.16. 从面框组件上卸下等离子显示屏部分 1. 卸下面框组件和等离子显示屏固定螺丝 (×3 )。 2. 将等离子显示屏从前面框上分离时,拉住前面框底部,抬 起,并向前拉出。 8.17. 取下玻璃固定压条 1. 卸下面框组件。(请参见第 8.16 章节) 2. 取下 S 板。(请参见第 8.15 章节) 3. 松开螺丝 (×4 )。 4. 取下左右玻璃固定压条。 5. 松开螺丝 (×7 )。 6. 取下上玻璃固定压条。 7. 松开螺丝 (×5 )。 8. 取下下玻璃固定压条。 27 8.18. 取下 K 板 1. 取下玻璃固定压条。(请参见第 8.17 章节) 2. 松开螺丝 (×1 )。 3. 松开卡扣 (×1 )。 4. 断开连接件 (K1),从 LED 透光板上取下 K 板。 8.19. 更换等离子显示屏 注意: 未带有金属悬挂架的新等离子显示屏易损坏。 组装好金属悬挂架和支架后,取出新等离子显示屏时握住金 属悬挂架以避免受损。 1. 将包装有新等离子显示屏的纸箱放置于水平工作台。 2. 打开纸箱,暂不取出新的等离子显示屏。 安装 C1 板和 C2 板,用柔性电缆将等离子显示屏与 C1 板和 C2 板连接,并固定柔性电缆固定器。 3. 安装金属悬挂架,并将支架安装到新的等离子显示屏上。 4. 握住金属悬挂架,将等离子显示屏放置到维修架上。 5. 将面框组件和各 P.C. 板等安装到新的等离子显示屏上。 * 安装面框组件时,注意前面玻璃和等离子显示屏之间不 要有任何的碎屑、灰尘或杂质存在。 28 9.1. 调整步骤 9.1.1. Vsus 选择 注意: 更换等离子面板或 A 板时,Vsus 应设置为 LOW 或 HIGH。 步骤 1. 转到 “维修模式”的主项目 [VSUS]。将显示 LOW 或 HIGH。 2. 按 [ 确定 ] 按钮转到 “测试”阶段。 TEST (测试)和 CONF (配置 )阶段将会显示无 OSD 的白模式。请按 [5] 按钮显示 OSD。 3. 按 [ 音量 (-)] 按钮将其设置为 LOW。 4. 设置为 LOW 时 a. 如果白模式下无明显可见的坏点,请按 [3] 按钮转到 CONF 阶段。 b. 如果白模式下有多个明显可见的坏点,请按 [ 音量 (+)] 按钮将其设置为 HIGH。如果该现象有所改善,请按 [3] 按钮转到 CONF 阶段。 5. 在 CONF 阶段按 [ 确定 ] 按钮存储 LOW 或 HIGH。 6. 按电源按钮退出 “维修模式”。 29 9.1.2. 副对比度调整 仪器名称 连接 备注 RF 发生器 基带信号发生器 HD 信号发生器 步骤 备注 调整 TV (RF 系统 ) 1. 接收 RF PAL 100% 全白或彩条,如下图。 2. 进入维修模式。 3. 按 “1”或 “2”键,进入 “对比度”调整模式。 调整 1. 按遥控器上的黄色键。 2. 副对比度的屏幕显示字符变为红色。 (由内部自动调整完成) 3. 副对比度的屏幕显示字符恢复为黑色。 4. 结束。 注意: AV/HD 输入信号不能进行副对比度调整。 但是,如需选择手动调整则请参考 [ 其他步骤 ]。 30 步骤 备注 其他步骤 调整 AV 系统 1. PAL 100% 全白或彩条接收 AV1 (或 AV2),如下图所示。 2. 进入维修模式。 3. 按 “1”或 “2”键,进入 “对比度”调整模式。 调整 1. 按遥控器上的黄色键。 2. 副对比度的屏幕显示字符变为红色。 (由内部自动调整完成) 3. 副对比度的屏幕显示字符恢复为黑色。 4. 结束。 步骤 备注 其他步骤 调整 HD 系统 1. 1080i 100% 全白或彩条接收分量信号,如下图所示。 2. 进入维修模式。 3. 按 “1”或 “2”键,进入 “对比度”调整模式。 调整 1. 按遥控器上的黄色键。 2. 副对比度的屏幕显示字符变为红色。 (由内部自动调整完成) 3. 副对比度的屏幕显示字符恢复为黑色。 4. 结束。 31 9.1.3. 白平衡调整 仪器名称 连接 备注 黑白模式 彩色分析仪 (Minolta CA-100 或同等产品) 显示屏表面 步骤 备注 • 确保前面板适用于最后的设置中。 • 确保在调整前不会出现彩色信号。 • 将彩色分析仪放置在无色彩差异的地方。 图像菜单:鲜艳 宽高比:16:9 调整 备注 1. 进入维修模式。 请接收外部信号。或者选择 CVBS/YUV (无同步)。 2. 使用数字键 “1”或 “2”,显示 “WB-ADJ”。 查看确保色温为 “低”。 3. 使用数字键 “0”,选择 “METHOD=01”。 4. 使用数字键 “5”,显示 “内部模式”。 5. 使用数字键 “3”或 “4”选择 “G-CUTOFF”项目,使用音量 “+”或 “-”键将其 设置为 “80”,并将 “B-CUTOFF”和 “R-CUTOFF”也设置为 “80”。 6. 将 “G-DRIVE”设置为 “D0”。 7. 将彩色分析仪的信号接收器放到内部模式的中间位置,然后调整 B-DRIVE 和 R-DRIVE, 将 x,y 的值调整为下表中的 “色温 - 低”的值。 8. 所有的 RGB 驱动值增大,从而最大的 RGB 驱动值变为 "FF"。(将 “ALL-DRIVE” 设置为 “FF”。) 9. 使用 “7”键将色温设置为 “中”。 10. 将 G-CUTOFF、B-CUTOFF 和 R-CUTOFF 固定为 “80”。 11. 将 “G-DRIVE”设置为 “D0”。 12. 调整 B-DRIVE 和 R-DRIVE,将内部模式的 x, y 的值调整为下表中的“色温 - 中” 的值。 13. 所有的 RGB 驱动值增大,从而最大的 RGB 驱动值变为 "FF"。(将 “ALL-DRIVE” 设置为 “FF”。) 14. 使用 “7”键将色温设置为 “高”。 15. 将 G-CUTOFF、B-CUTOFF 和 R-CUTOFF 固定为 “80”。 16. 将 “G-DRIVE”设置为 “D0”。 17. 调整 B-DRIVE 和 R-DRIVE,将内部模式的 x, y 的值调整为下表中的“色温 - 高” 的值。 18. 所有的 RGB 驱动值增大,从而最大的 RGB 驱动值变为 "FF"。(将 “ALL-DRIVE” 设置为 “FF”。) METHOD=01 复制调整 32 33 10.1. 主方框图 (LED:8TIMES) (LED:12TIMES) (LED:7TIMES) (LED:2TIMES) (LED:9TIMES) (LED:5TIMES) (LED:4TIMES) (LED:12TIMES) (LED:6TIMES) (LED:3TIMES) COLD (LED:8TIME) (LED:7TIMES) (LED:6TIMES) (LED:4TIME) HOT F15V P+3.3V L/R A VIDEO DATA L/R SOUND SOS SUB6V SD CARD DATA TV_L/R DCDC STB3.3V HP_L/R AUDIO PLASMA AI CPG with SS H/V Sync Control Sub Filed Processor Plasma AI SUB1.5V PEAKS-sLD HDMI2 TV_L/R SUB1.2V R AMP CPU BUS ANALOG-ASIC L/R SOS7_SC2 PC AV I/O A32 AI SENSOR STB5V +5V(P) P+5V SOUND15V AV3 VIDEO DATA SOS7_SC2 AUDIO P+15V K1 STB3.3V +5V(P) PANEL SOS KEY SWITCH P+15V AV2 AUDIO I/F SUB+5V DET V SCAN CONTROL PWM STB3.3V +15V(P) V P+1.2V SOUND SOS DET CIRCUIT SUB1.2V STB5V TMDS DATA TUNER REMOTE RECEIVER L/R SLOT SUB1.8V AV SW SUSTAIN CONTROL REMOTE IN SUB5V SUB3.3V EEPROM SIF I/F P+15V DET DIGITAL SIGNAL PROCESSOR PANEL MAIN ON DCDC P+15V SUB9V DCDC Y/PR/PB MON_L/R NAND FLASH P+3.3V DET RECEIVER V HP L/R HEAD_ PHONE LED_R/G SUB9V HDMI I/F L SOS6_SC1 SOS8_SS SUB3.3V PANEL MAIN ON R/G/B SUB3.3V SUB1.5V PWM DCDC OUT I/F AI SENSOR A1 SD CARD DATA SUB6V A11 A20 (SIDE) POWER SOS A7 USB_0,1 P+5V DET USB +5V(P) EEPROM DCDC V/Y/PB/PR DCDC Y/PR/PB MONITOR SOS6_SC1 K P+3.3V MON_L/R SUB+3.3V DET AV1 P+5V F15V REMOTE RECEIVER LED_R/G DCDC LVDS DATA ANALOG P+5V SOS8_SS SUB9V P+1.2V PD4 AI SENSOR P+3.3V KEYSCAN1 PANEL SOS POWER LED L/R SUB5V SUB1.8V SOS_DCC SPEAKER(L) A31 OPTICAL OUT CPU BUS I/F SPEAKER(R) LVDS DATA A6 SD CARD USB L/R HP_L/R V P-BOARD SOS DETECT VSUS VSUS P+15V DATA DRIVER P+5V VIDEO DATA BUFFER SS11 P+15V POWER MICOM SC-BOARD FLOATING PART SOS DETECT P+3.3V DATA DRIVER SS2 MAIN SW2 Vda VSUS POWER SUPPLY SC41 C11 SM42 SS33 S1B DATA DRIVER P+15V SUSTAIN DRIVE ON Vda DATA DRIVER POWER SWITCH (LOWER) P+5V C10 SC SUSTAIN CONTROL P+3.3V VIDEO DATA P+5V SCAN DRIVER P+3.3V,P+5V SC2 SM SOS7_SC2 ON/OFF CONTROL Vda SS CONNECTOR DATA DRIVER VE GEN. SCAN DRIVER VIDEO DATA MAIN SW2 SC20 POWER SW C1 P7 PS SOS4 VSCAN GEN. DATA DRIVER SM41 SUSTAIN P9 VIDEO DATA SC42 DATA DRIVER VSUS STANDBY VOLTAGE RECTIFIER P2 DATA DRIVER DATA DRIVER P+5V MAIN SW1 C20 VSUS SM46 P+5V DATA DRIVER (RIGHT) SUSTAIN CONTROL MAIN SW1 DATA DRIVER P34 SUSTAIN VOLTAGE RECTIFIER Vda CONTROL PULSE SCAN OUT SCAN DRIVE DATA DRIVER PROCESS VOLTAGE RECTIFIER SOUND15V POWER FACTOR CONTROL SOS6_SC1 P6 C25 F15V AC CORD STB5V C21 VSUS GEN. P+15V SOS8_SS SS-BOARD SOS DETECT P C23 SC-BOARD ENERGY RECOVERY SOS DETECT DATA DRIVER (LEFT) C2 VAD GEN. DATA DRIVER P35 RELAY SS24 P+15V P+3.3V RECTIFIER DATA DRIVER STB5V SUSTAIN CONTROL P11 SCAN CONTROL SOS8_SS S F15V VIDEO DATA RECTIFIER SC46 DATA DRIVER SS21 DATA DRIVER SOS8_SS Vda ENERGY RECOVERY HDMI3 TMDS DATA HDMI1 TMDS DATA (LED:8TIMES) (LED:12TIMES) (LED:7TIMES) (LED:2TIMES) (LED:9TIMES) (LED:5TIMES) (LED:4TIMES) (LED:12TIMES) (LED:6TIMES) (LED:3TIMES) COLD (LED:8TIME) (LED:7TIMES) (LED:6TIMES) (LED:4TIME) HOT TH-P42U20C Main Block Diagram TH-P42U20C Main Block Diagram 34 10.2. 方框图 (1/4) (LED:10TIMES) (LED:10TIMES) STB5V D5480 STB3.3V STB3.3V P+15V P5V D2014 D5485 D5475 P3.3V AV3.3V D5479 D5476 F15V F15V D5602 SUB3.3V P5V SUB5V Q5471 D5483 SUB1.5V D5481 SUB9V SUB1.5V SOUND15V D5478 D5482 D5486 SUB1.2V Q5472 STB5V D5477 SUB3.3V SUB5V STB3.3V SOUND15V SUB9V SUB3.3V D5472 SUB3.3V D5471 Q5602 Q5603 SUB5V SUB6V SUB1.8V D5484 P+15V SUB9V AUDIO I/F F15V IECOUT L/R IIC2 SPEAKER MON_L/ROUT TEMP SENSOR IC2870 PANEL_MAIN_ON V/Y/PB/PR STB5V MON_L/R 5V HDMI I/F RECEIVER SUB1.5V 3.3V +1.2V IC3000 V1_R 1 V1_L V2_V 5V SIF TMDS DATA CLOCK CPU BUS I/F V2_Y ROUT IC5603 5 LO1_L/R SPEAKER AV3 R_OUT IC2301 HDMI_CEC +3.3V 3 AV I/O SD DATA:4bit SUB3.3V 7 AV1 V1_V Y/PR/PB VOLTAGE R(-) F15V DET L_OUT VIDEO JK3304 SD CARD I/F +6V TNR5V SUB_SD_3.3V AV3 JK3107 HDMI_CEC L/R SIF I/F CPU BUS +5V AVDDH L(-) TMDS DATA CLOCK STB5V_SW_ON IIC2 2 L(+) JK8850 SOUND SOS DET 1 VCC ON/OFF +5V LO2_L/R A V RX0 SUB6V 7 P_S1 8 SOUND SOS DDC IIC AV SW DDC_IIC2 SUB9V PC_R 3 R/G/B 7 DDC5V_B V2_L 15V IC2953 4 RX2 +3.3V +3.3V STB5V_SW_ON IC3001 ERROR DET IC1000 3 SOS 6 PANEL MAIN ON IC5604 LOUT SUB1.2V 9 9V 3.3V R(+) IC8001 TU2901B 9V JK4702 DDC_IIC1 SUB1.5V PC_B P_S0 V2_R SUB1.2V_A SOS4_PS SUB5V 5V SIF_OUT P_S0 DIGITAL SIGNAL PROCESSOR V1_PB 4 8 GENX IIC 4 IC1100 AV2 PC P+15V V4_V 1.2V HDMI IN 2 L/R STB3.3V DDC_IIC0 DDC5V_C MONITOR OUT HDMI IN 1 IIC2 +1.5V F15V P7 HP_L AUDIO 10 SUB1.8V SOS HP_R V SOS IIC_IF TV SUB ON MAIN JK4701 JK3100 PC L/R P6 L/R OUT I/F Y/C/V IC5600 IC8921 9 1 Q2301 V4_R PANEL MAIN ON PANEL_MAIN_ON AUDIO AMP PC_G GENX IIC TV SUB ON OVER 9 SPEAKER_L VOLTAGE VOUT DDC5V_A ANALOG EEPROM TV_SUB_ON MON_VOUT RX1 V1_PR TUNER V4_L EEPROM TV_SUB_ON HDMI IN 3 SUB1.2V PEAKS-SLD IC5401 A6 PWMS L/R 2 IC5601 1 SOS L/R HDMI_CEC NAND FLASH PWMS L/R IIC_TU SD CARD SIDE HP_L/R DROP SPEAKER_R AVDDH ANT IN TV_V AV2 2 A11 HEADPHONE TV SOUND15V DDC IIC 8 3 AVDD3.3V 5 +1.8V TMDS DATA CLOCK MVDAC0 IIC1_ EEP A7 3.3V DDC IIC P_S1 CVBSIN1 SUB6V JK4700 F15V SUB3.3V SOS4_PS SOUND15V +5V V1_Y IC8950 Y/PR/PB V2_PR V2_PB AV1 IC5250 IC2952 HDMI_CEC ARC_OFF Q4512 ARC (LED:10TIMES) (LED:10TIMES) TH-P42U20C Block (1/4) Diagram TH-P42U20C Block (1/4) Diagram 35 10.3. 方框图 (2/4) (LED:8TIMES) (LED:5TIMES) (LED:6TIMES) (LED:4TIMES) (LED:3TIMES) (LED:7TIMES) (LED:9TIMES) G R P3.3V P+5V P+5V STB5V STB5V X9300 STB3.3V P+3.3V SUB9V Q5101 SUB9V D2520 STB3.3V Q5000 P+15V P+15V Q5100 D5000 P+15V STB3.3V AV3.3V SUB5V D9807 P+15V SUB5V P+3.3V D5100 P5V REMOTE ANALOG-ASIC VOL.UP/CH.UP POWER VCC ON REMOTE RECEIVER SOS6_SC1 CN0102 AI SENSOR C.A.T.S. SENSOR KEY SWITCH P+3.3V +5V POWER_DET PANEL SOS VIDEO DATA 1 PANEL SOS K1 PANEL SOS P+15V VOL.DN/CH.UP C.A.T.S. SENSOR SW5153 SOS6_SC1 POWER LED SW_OFF_DET 66 POWER VCC ON D_UHZ POWER VCC ON SOS4_PS KEYSCAN1 SBI0 SBO0 OSD VIN PLASMA AI CPG with SS H/V Sync Control Sub Filed Processor AC_SW_OFF A31 IIC0 SW5154 DRVRST UHZ IC9304 STB_RST AI_SENSOR DRVRST_PD4 63 CONTROL DATA SOS4_PS DISCHARGE CONTROL 8 REMOTE IN 18 10 POWER LED(R) SW5150 SUB3.3V IC5000 SOS6_SC1 SOS6_SC1 C.A.T.S. SENSOR STB LED(G) RM2510 66 SOS7_SC2 2 IIC2 SOS_DCC P3.3V SC20 R_LED_ON SC_UHZ CONTROL DATA 1 STB_RST SOS7_SC2 8 29 KEYSCAN1 FLASH MEMORY CN0102 POWER LED(R) A1 4 C21 LVDS_OUT FLASH I/F VIDEO DATA AC_SW_OFF A20 68 IIC0 P+5V DET 8 6 SUSTAIN CONTROL STB+3.3V 3.3V 3 IIC1 48 P+3.3V SOS7_SC2 IIC1 IIC2 Genx_IIC VIDEO DATA DRVRST OSD VOUT REMOTE IN 63 1 TV SUB ON KEYSCAN1 VIDEO DATA C11 RMIN A32 2 DRVRST 4 SUSTAIN CONTROL +3.3V IC9800 IC9400,01,02 F STB_RST SOS8_SS X1 SOS_DCC 68 XRST_SYS_PD4 IC9300 STB5V_SW_ON DIGITAL SIGNAL PROCESSOR SOS_DCC IIC2 16 SC_UHZ D_UHZ IC9801 4 15 6 DRVRST_PD4 TV STB_RST SOS7_SC2 SW_OFF_DET 3 SW5152 DRVRST_PD4 SW_OFF_DET P+5V FOR FACTORY USE STB LED(G) SW5151 SN2510 P+15V SOS_DCC OHZ1 IIC0 IC9803 XRST_SYS_PD4 7 30 P_S0 SOS8_SS DRVRST X0 CONTROL DATA G_LED_ON STB_RST REMOTE IN 9 UHZ DRVRST_PD4 POWER_DET PANEL SOS POWER LED AI_SENSOR P+5V P_S0 SW_OFF_DET BUFFER SCAN CONTROL IIC1 IIC2 Genx_IIC POWER LED(R) P_S1 ADDR/DATA POWER_DET 2 AV +1.2V UHZ 3 1 1.2V P+3.3V P+3.3V DET SOS8_SS KEY SWITCH K SCAN CONTROL 10 SOS8_SS STB LED(G) SBI0 SBO0 A LVDS DATA LVDS DATA 5 XRST_SYS_PD4 6 3 FOR FACTORY USE P_S1 PD4 STB3.3V IIC1 (LED:8TIMES) (LED:5TIMES) (LED:6TIMES) (LED:4TIMES) (LED:3TIMES) (LED:7TIMES) (LED:9TIMES) TH-P42U20C Block (2/4) Diagram TH-P42U20C Block (2/4) Diagram 36 10.4. 方框图 (3/4) COLD HOT HOT COLD (LED:4TIMES) + PUSH F100 F101 F200 SW2500 DRIVE Q103 Q104 D108 CONTROL D109 PR900 PR101 4A 250V Q901 5A 250V DISCHARGE R141 T301 PFC T100 Vsus P35 CONTROL T900 Q101 Q701 DET DET IC401 1 Q703 Q714 Vda_IN Q715 P+15V XOUT 10A 250V Q805 ALL_OFF Q807 PFC NEUTRAL P2 Vsus_IN LIVE PFC_ON D701 SC2 10A 250V L100,L101 RL100 RESONANCE D200 P25 PFC_ON 2 Vsus Adj A7 TV SUB ON PHOTO COUPLER Q709-Q712 S1 NO USE D800 Vsus REFERENCE PHOTO COUPLER +5V F+15V ERROR DET Vsus PANEL_MAIN_ON IC800 VR251 RL101 RESET Q705 4 D904 D501 Q707 TV SUB ON AC FAIL D903 IC500 Q609 ALL_OFF F+15V Vda ERROR DET 9 Q602 IC904 3 Q600 POWER SOS DISCHARGE 1 Q505 PANEL_MAIN_ON IC601 SOUND+15V R923 D600 RUSH RELAY_ON D100 Vda MAIN RELAY_ON IC603 D708 STBY5V Vsus ERROR DET A6 IC701 Q800 Q706 ON/OFF Q801 630mA 250V 15V DET P+15V STB 4MHz C25 X600 CONTROL 11 MULTI CONTROL F_15V_ON P STB5V_SW_ON IC600 LIVE 7 Vda 8 SOS_P4 IC100 MAIN_SW_2 9 PHOTO COUPLER MAIN_SW_1 MAIN_SW_1 NEUTRAL S0 STB5V_ ON/OFF STB ERROR DET P9 5 RL102 7 POWER SUPPLY 3 3 SOUND+15V Q400-Q402 1 SS11 T200 7 IC200 MAIN SW_ON AC DET F+15V 10 CONTROL IC901 T400 STB Vda ERROR DET P7 IC201 + IC700 8 PHOTO COUPLER - 9 IC202 DRIVE P34 P11 PHOTO COUPLER + P+15V RECTIFIER IC903 - 1 IC400 RECTIFIER IC902 1 Vda CONTROL 4 IC602 D703 3 P+15V Vda AC CORD D702 Vsus P6 T300 5 12 POWER MICOM MAIN_SW_2 Vsus 1 Q300-Q303 14 2 STB5V 2 S0 1 S1 1 PANEL_MAIN_ON SOS_P4 V_RESO_ON RST STB5V_IN FILTER XIN 3 S1B 1 POWER SWITCH 5V STB_PS S POWER SWITCH COLD HOT HOT COLD (LED:4TIMES) TH-P42U20C Block (3/4) Diagram TH-P42U20C Block (3/4) Diagram 37 10.5. 方框图 (4/4) (LED:6TIMES) (LED:8TIMES) (LED:7TIMES) D16901 D16480 TPVAD TPSC1 TPVSCN D16493 D16820 TPSOS7 D16721 TPVSUS D16821 D16920 TPSOS6 D16583 TPSS1 TPVSUS D16255 TPVE D16253 TPSOS8 D16280 D16282 D16618 D16490 D16728 D16822 D16475 D16473 D16791 D16476 L16303 CB1 IC17101 C23 CB7 SOS8_SS CB2 BUFFER CB4 Vda P35 CB 12 CB 11 SS33 A31 1 C25 C21 2 P+5V CB3 CB 10 SOS8_SS 6 CB6 CB8 1 CB5 7 CB 14 CB 13 A32 CB 15 CB9 16 1 20 C10 5 C11 C20 21 66 Vda 1 P+5V P+3.3V 3 P+3.3V 1 3 P+3.3V IC17202 VIDEO DATA CONTROL DATA PANEL DRIVER PANEL DRIVER PLASMA PANEL CONTROL DATA VIDEO DATA SUSTAIN CONTROL BUFFER SUSTAIN CONTROL DATA DRIVER (RIGHT) C1 C2 DATA DRIVER (LEFT) 59 6 2 18 3 19 BUFFER IC17201 CPH1 (SC1) CEL 4 6 21 SM 42 IC16501 Q16607 IC14601-03 IC16581 Q16441 P2 PC16685 Vscn P+15V D16872 VSCN-F VHIZ SC 42 SC 20 Q16490 CSL P+15V CRC1 8 CRC2 SEL CPH1 SIU OC1 SC 46 2 D16859 Q16818 1 UHZ IC14804-06 Q16601 CML CERS IC16771 CMH 8 Q16451 Vfo D16482 Q16661 6 SC 41 1 SM 46 IC16490,91 IC14901,02,04 2 Q16608 CLK A20 8 LED(G) VHIZ GEN. SOS7_SC2 Q16402 Q16621 IC16563 CLK OC2 VHIZ IC16692 IC14801-03 IC16561,62 2 PC16461 CML OC2 CSL Q16876 CIS +5V P+5V PC16480 CSH D16461 CSH SCNR_PRO Vsus VOL Vad+5V Vfo Q16422 18 CRC2 35 20 SM 41 SM1-SM8 IC16786,87 SC2 CERS IC14604-06 IC16521 SIU SOS6_SC1 CMH 7 Q16401 Q16421 IC16661 7 4 UHZ CRC1 OC1 IC16920 IC16724 CIS PC16684 PC16603 (16V_F) 5V_F SEL SCAN DRIVE SC SCAN OUT SM UMH SS 11 Q16022 13 Q16001 IC16241 USL SS 64 UML P11 PC16301 D16051 7 D16041 Q16051 UML SS 33 Q16023 1 P+15V P+5V 13 Q16102 1 SS 61 UMH 1 C23 2 1 Q16041 6 2 IC16304 USH 7 PC16191 SS 21 UEH Q16002 USL 4 SOS8_SS USH IC16251 UEH IC16131 Q16101 IC16312 LED(G) 1 IC16151 Vsus SS SUSTAIN DRIVE CONNECTOR SUSTAIN (LOWER) SS2 6 1 SS 24 7 2 1 13 SS 58 SHUNT VE GEN. PHOTO COUPLER REG. IPD CIRCUIT PANEL SUSTAIN PLASMA PANEL ELECTRODE ERROR DET FPC DET Q16280 DRIVER VE Gen. BUFFER SUSTAIN CONTROL SUSTAIN CONTROL DRIVER VSUS Gen. RECOVERY ENERGY ERROR DET PHOTO COUPLER PHOTO COUPLER CSH/CMH GATE DRIVE CIRCUIT CSL/CML GATE DRIVE CIRCUIT PHOTO COUPLER ERROR DET SCAN SCAN DRIVER DRIVER PANEL SCAN PLASMA PANEL ELECTRODES DRIVER LOGIC IC SCAN DRIVER SCAN SHUNT REG. COMPARATOR COMPARATOR IPD CIRCUIT SHUNT REG VSCN GEN. BUFFER SCAN CONTROL SCAN CONTROL INVERTER CIRCUIT SEPA PROTECT ERROR DET SC JIG UML P+3.3V Vda Vda P+3.3V IC16471 D16871 SHUNT REG VAD GEN. IC16784,85 IPD CIRCUIT IC16792,93 T16471 SHUNT REG IC16773 INVERTER Q16660 Q16647 IC16691 NAND 5 1 7 2 8 6 5 PHOTO COUPLER CEL F16V F16V GEN. Q16885 CEL F16V SC 50 1 VFG TP59,TP60 TP61,TP62 PHOTO COUPLER P+5V P+15V 9 9 15V_F Q16471 CHA SCNR_PRO CHA 2 CMH CSH VRH VRL MID VFG D16316 PC16896,97 PC16722,23 (LED:6TIMES) (LED:8TIMES) (LED:7TIMES) TH-P42U20C Block (4/4) Diagram TH-P42U20C Block (4/4) Diagram 38 39 11.1. 注意事项 注意: 请确认正确的安装了所有的柔性电缆。 同时请确保将它们捆绑于连接件。 轻拉柔性电缆确认以上事项。 11.2. 导线 (1) 40 11.3. 导线 (2) 11.4. 导线 (3) 41 11.5. 导线 (4) 42 43 12.1. 线路图注意事项 TH-P42U20C TH-P42U20C 44 12.2. P 电路板 (1/4) 线路图 5 8 2 7 1 F 3 D B C 4 E A 9 6 COLD HOT COLD HOT COLD HOT PFC C0DBZYY00361 3 2 1 TO P-BOARD (3/4) AA AB AG AC AD AF AH AJ AK AI AE P-BOARD LSEP1287MTHB (1/4) ! TO AC CORD TH-P42U20C P-Board (1/4) Schematic Diagram TH-P42U20C P-Board (1/4) Schematic Diagram 45 12.3. P 电路板 (2/4) 线路图 13 18 12 17 10 15 16 14 11 COLD HOT COLD HOT PHOTO COUPLER B3PBA0000459 Vda ERROR DET C0DBZMC00006 Vsus ERROR DET C0DBZMC00006 Vda ERROR DET C0DBZMC00006 Vda CONTROL C0DBZYY00360 MULTI CONTROL LSSK0087 3 2 1 TO P-BOARD (4/4) BD BH BA BB BC BE BF BG BK BI BJ BL BM TO C2-BOARD (C25) TO SC-BOARD (SC2) TO SS-BOARD (SS11) P-BOARD LSEP1287MTHB (2/4) ! TH-P42U20C P-Board (2/4) Schematic Diagram TH-P42U20C P-Board (2/4) Schematic Diagram 46 12.4. P 电路板 (3/4) 线路图 5 2 7 8 1 F 3 D B C 4 E A 9 6 COLD HOT COLD HOT COLD HOT COLD HOT PHOTO COUPLER B3PBA0000459 PHOTO COUPLER B3PBA0000459 PHOTO COUPLER ********* PHOTO COUPLER B3PBA0000459 AC DET C0DBZMC00006 STB CONTROL MIP2K20MSSCF STB ERROR DET C0DBZMC00006 11 12 13 14 20 21 22 15 17 16 18 19 TO P-BOARD (1/4) AA AB AG AC AD AF AH AJ AK AI AE P-BOARD LSEP1287MTHB (3/4) ! TH-P42U20C P-Board (3/4) Schematic Diagram TH-P42U20C P-Board (3/4) Schematic Diagram 47 12.5. P 电路板 (4/4) 线路图 13 18 12 17 10 15 16 14 11 COLD HOT COLD HOT POWER MICOM RESET C2ABDB000129 C0EBH0000447 PHOTO COUPLER B3PBA0000459 F+15V ERROR DET C0DBZMC00006 11 12 13 14 20 21 22 15 17 16 18 19 TO P-BOARD (2/4) BD BH BA BB BC BE BF BG BK BI BJ BL BM TO A-BOARD (A6) NO USE TO A-BOARD (A7) TO S-BOARD (S1B) P-BOARD LSEP1287MTHB (4/4) ! STB CONTROL MIP418AMDS TH-P42U20C P-Board (4/4) Schematic Diagram TH-P42U20C P-Board (4/4) Schematic Diagram 48 12.6. A 电路板 (1/19) 线路图 S S S S S S S S S S S S S S S S S S C0900 16V 0.1u SUB3.3V SUB3.3V SUB3.3V P3.3V STB3.3V R0987 R0977 R0959 R0954 R0970 R0978 R0972 R0958 R0950 R0971 R0953 R0952 R0986 R0955 R0973 R0976 R0951 R0979 TP0940 TDO SBT1 TMS TCK TDI XRST TRST FE-OUT_SCL SDA1 DEVELOP_SCL2 SCL1 ADJ-STM_SDA P3V_SDA02 MSCL FE1_SCL ADJ-PEAKS_SDA SDA0 I2CSEL SDA TMP-SENS_SDA MSDA P3V_SCL02 STMSCL SCL0 SCL AV-SW_SDA PEAKS-EEP_SCL STM-EEP_SCL FE-OUT_SDA PEAKS-EEP_SDA DEVELOP_SDA2 ADJ-STM_SCL FE-OUT_SCL FE1_SDA STMSDA AV-SW_SCL ADJ-PEAKS_SCL DEVELOP_SDA2 DEVELOP_SCL2 STM-EEP_SDA DEVELOP_SDA1 TMP-SENS_SCL DEVELOP_SCL1 FE-OUT_SDA R0902 EXB28V680JX 5 8 R0900 68 R0984 4.7k R0966 4.7k R0949 2.2k R0910 10k R0948 2.2k R0982 22 R0941 68 R0980 4.7k R0945 68 R0967 4.7k R0942 68 R0901 68 R0913 10k R0911 10k R0912 10k R0981 4.7k R0944 68 R0983 22 R0940 68 R0943 68 R0903 68 R0957 1k R0985 4.7k R0905 10k IIC A-Chip sLD Development Connector TO TU-PWB IIC TUNER CN0101 FE Adjustment Connector Free-SAT NIM HK digital FE Brazil FE DVB-T2 FE STM TU2901 I2CSEL H: Outside IIC control (Study only) L: D-chip internal control (Normal) PDP-PANEL Peaks EEP 32k GenX EEP 16k IC1100 TEMP SENSOR CN0100 AV-SW (Peaks BE E2PROM) SCL2 SDA2 (STM Loarder/E2PROM) OPEN DEVELOP_SCL0 DEVELOP_SDA0 PDP-PANEL_SCL PDP-PANEL_SDA FE_SDA FE_SCL D-TNR_SCL D-TNR_SDA C A B 6 E 1 F 4 3 5 D 2 9 8 7 A-BOARD TNPH0840HC (1/19) ! TO 3/19 TO 13/19 TO 17/19 TO 2/19 TO 9/19 TO 1,17,19/19 TO 1,17,19/19 TO 1,11,19/19 TO 1,11,19/19 TO 4/19 TO 5/19 TO 2/19 TO 3/19 TO 6/19 TO 17/19 TO 17/19 TO 3,12/19 TO 3/19 TH-P42U20C A-Board (1/19) Schematic Diagram TH-P42U20C A-Board (1/19) Schematic Diagram 49 12.7. A 电路板 (2/19) 线路图 C8081 50V 10p C8079 50V 12p *IC8001 A1 VSS *IC8001 M17 AVSSADA *IC8001 B24 VSS *IC8001 R20 VDD3 *IC8001 AE31 VSS *IC8001 B21 NC *IC8001 J3 VSS *IC8001 C14 NC *IC8001 T17 VDD12 *IC8001 W15 VDD12 *IC8001 N22 VSS *IC8001 R2 RX2M0 *IC8001 C18 HP1_L1 *IC8001 AA19 VSS *IC8001 D5 AVSSV *IC8001 D7 VREFL1 *IC8001 C10 BIAS *IC8001 D11 S11 *IC8001 U2 RX2M2 *IC8001 U14 VSS *IC8001 AF32 VSS *IC8001 U11 TMODE0 *IC8001 D23 TEST_A2 *IC8001 K2 RXCM1 *IC8001 T1 RX2P1 *IC8001 R13 AVDDH *IC8001 R12 AVDDH *IC8001 A23 LIN5_RP *IC8001 AB15 VSS *IC8001 E2 T_L0N *IC8001 AM20 VSS *IC8001 P17 VDD12 *IC8001 A6 B2 *IC8001 D16 ZEROMUTE1 *IC8001 R22 VSS *IC8001 D18 HP1_R1 *IC8001 M24 AVSSHP *IC8001 W23 VSS *IC8001 B17 ZEROMUTE2 *IC8001 A9 B3 *IC8001 T2 RX2M1 *IC8001 U33 VDD12 *IC8001 A4 R1 *IC8001 U31 VDD12 *IC8001 C13 NC *IC8001 A11 V1 *IC8001 C20 LIN2_LP *IC8001 Y19 VSS *IC8001 M14 AVSSSIF *IC8001 F1 RXCP0 *IC8001 B19 LIN_LN *IC8001 D10 BIAS2 *IC8001 AL4 VSS *IC8001 AA12 VSS *IC8001 M21 AVSSA *IC8001 T33 VDD3 *IC8001 AA18 VSS *IC8001 H1 RX0P1 *IC8001 D1 VIN *IC8001 R19 VDD12 *IC8001 D14 V2 *IC8001 AE32 VSS *IC8001 H3 VSS *IC8001 AC32 VSS *IC8001 B16 AXI *IC8001 K4 ADCT0 *IC8001 AC11 VDD3 *IC8001 C3 T_L1N *IC8001 N19 VDD3 *IC8001 AM24 VSS *IC8001 AB16 VSS *IC8001 J2 RX0M2 *IC8001 Y12 VSS *IC8001 C16 TESTIO *IC8001 H4 AVDDV *IC8001 B4 R1N *IC8001 C11 NC *IC8001 AM9 NC *IC8001 L17 AVDDADA *IC8001 M2 RX1M1 *IC8001 R17 VDD12 *IC8001 B14 FEAINN *IC8001 AM7 NC *IC8001 W21 VSS *IC8001 U20 VDD12 *IC8001 N12 VDDAVAD *IC8001 A13 SIFINP *IC8001 T3 NRST *IC8001 G4 AVDDV *IC8001 AA17 VSS *IC8001 T14 VSS *IC8001 F4 AVDDV *IC8001 B20 NC *IC8001 P12 AVDDH *IC8001 U18 VDD12 *IC8001 C12 NC *IC8001 AC3 SDA *IC8001 W17 VDD12 *IC8001 P21 VSS *IC8001 C1 FBL1 *IC8001 L2 RX1M0 *IC8001 AM21 VSS *IC8001 C15 VREFLSIF *IC8001 E3 VSS *IC8001 B6 NC *IC8001 G1 RX0P0 *IC8001 T13 VSS *IC8001 B22 NC *IC8001 A21 LIN3_RP *IC8001 D15 VREFHSIF *IC8001 D21 VREF1V5 *IC8001 AD21 VSS *IC8001 N1 RX1P2 *IC8001 AL3 VSS *IC8001 L23 AVDDHP *IC8001 W12 VSS *IC8001 D9 VREFL3 *IC8001 U19 VDD12 *IC8001 AM8 NC *IC8001 W16 VDD12 *IC8001 D22 TEST_A1 *IC8001 AC18 VSS *IC8001 AA14 VSS *IC8001 R14 AVDDH *IC8001 AB13 VSS *IC8001 K3 DDCSCL0 *IC8001 AL6 VSS *IC8001 W13 VDD12 *IC8001 B12 NC *IC8001 V34 VDD12 *IC8001 N3 DDCSDA0 *IC8001 V18 VDD12 *IC8001 A15 VSS *IC8001 N18 VDD12 *IC8001 C7 VREFH1 *IC8001 AC22 VSS *IC8001 V24 VDD12 *IC8001 AP1 VSS *IC8001 N17 VDD12 *IC8001 AN31 VSS *IC8001 W14 VDD12 *IC8001 T11 VSS *IC8001 N13 AVSSV *IC8001 V16 VDD12 *IC8001 A3 B1 *IC8001 M15 AVSSADA *IC8001 L20 AVDDA *IC8001 Y21 VSS *IC8001 G2 RX0M0 *IC8001 N15 AVSSV *IC8001 D20 VREG *IC8001 C2 T_L1P *IC8001 M20 AVSSA *IC8001 B1 VCMOBGR *IC8001 W11 TESTIOH *IC8001 M11 VDDAVAD *IC8001 R23 VSS *IC8001 D6 VREFL0 *IC8001 B23 LIN_RN *IC8001 T31 VDD3 *IC8001 AC31 VSS *IC8001 AM23 VSS *IC8001 T24 VDD3 *IC8001 V21 VDD12 *IC8001 AF31 VSS *IC8001 C22 LIN4_LP *IC8001 AB3 SCL *IC8001 AL5 VSS *IC8001 P14 AVDDH *IC8001 U32 VDD12 *IC8001 AM22 VSS *IC8001 C21 LIN3_LP *IC8001 A20 LIN2_RP *IC8001 AM30 VSS *IC8001 V13 VDD12 *IC8001 U34 VDD12 *IC8001 B18 LO1_R *IC8001 U24 VDD12 *IC8001 A14 FEAINP *IC8001 C9 VREFH3 *IC8001 N20 VDD3 *IC8001 R16 AVSSV *IC8001 F3 VSS *IC8001 A12 V3 *IC8001 M22 AVSSHP *IC8001 J1 RX0P2 *IC8001 AA16 VSS *IC8001 R3 DDCSDA2 *IC8001 AB18 VSS *IC8001 U15 VSS *IC8001 V22 VDD12 *IC8001 A22 LIN4_RP *IC8001 D4 AVSSV *IC8001 AC21 VSS *IC8001 D19 A_MUTE *IC8001 A5 G2 *IC8001 B8 NC *IC8001 AA13 VSS *IC8001 C24 I2CSEL *IC8001 K1 RXCP1 *IC8001 P18 VDD12 *IC8001 M23 AVSSHP *IC8001 Y22 VSS *IC8001 L22 AVDDHP *IC8001 B7 NC *IC8001 U1 RX2P2 *IC8001 N2 RX1M2 *IC8001 AD31 VSS *IC8001 V14 VDD12 *IC8001 N11 VDDAVAD *IC8001 AM19 VSS *IC8001 L18 AVDDADA *IC8001 R15 AVSSV *IC8001 W18 VDD12 *IC8001 P1 RXCP2 *IC8001 L24 AVDDHP *IC8001 R1 RX2P0 *IC8001 M16 AVSSADA *IC8001 P2 RXCM2 *IC8001 T12 VSS *IC8001 N14 AVSSV *IC8001 H2 RX0M1 *IC8001 AC17 VSS *IC8001 Y18 VSS *IC8001 A19 LIN1_RP *IC8001 AB22 VSS *IC8001 W20 VDD12 *IC8001 P22 VSS *IC8001 L3 DDCSCL1 *IC8001 L15 AVDDPLLA *IC8001 AB12 VSS *IC8001 AB17 VSS *IC8001 AA15 VSS *IC8001 T32 VDD3 *IC8001 F2 RXCM0 *IC8001 AN2 VSS *IC8001 L21 AVDDA *IC8001 T18 VDD12 *IC8001 A7 R2 *IC8001 B2 G1N *IC8001 G3 VSS *IC8001 Y13 VSS *IC8001 B10 NC *IC8001 U21 VDD12 *IC8001 V32 VDD12 *IC8001 U23 VDD12 *IC8001 P15 AVSSV *IC8001 T15 VSS *IC8001 D17 LO2_R *IC8001 C5 AVSSV *IC8001 P20 VDD3 *IC8001 L14 AVDDSIF *IC8001 C23 LIN5_LP *IC8001 R21 VSS *IC8001 T23 VDD3 *IC8001 W19 VDD12 *IC8001 C19 LIN1_LP *IC8001 L12 VDDAVAD *IC8001 U16 VSS *IC8001 P11 AVDDH *IC8001 N21 VSS *IC8001 V23 VDD12 *IC8001 T16 VSS *IC8001 AJ3 VSS *IC8001 AD32 VSS *IC8001 M12 VDDAVAD *IC8001 AM10 NC *IC8001 J4 AVDDV *IC8001 N16 AVSSV *IC8001 D8 VREFL2 *IC8001 R18 VDD12 *IC8001 U13 VSS *IC8001 T19 VDD12 *IC8001 AA21 VSS *IC8001 AL20 VSS *IC8001 T34 VDD3 *IC8001 L11 VDDAVAD *IC8001 A16 AXO *IC8001 P13 AVDDH *IC8001 AA22 VSS *IC8001 A8 G3 *IC8001 U17 VDD12 *IC8001 Y14 VSS *IC8001 T22 VDD3 *IC8001 A18 LO1_L *IC8001 AC12 VDD3 *IC8001 AK3 VSS *IC8001 E1 T_L0P *IC8001 P16 AVSSV *IC8001 M18 AVSSADA *IC8001 AM3 VSS *IC8001 M1 RX1P1 *IC8001 C8 VREFH2 *IC8001 R11 AVDDH *IC8001 C17 LO2_L *IC8001 M19 AVSSA *IC8001 V15 VDD12 *IC8001 V31 VDD12 *IC8001 L1 RX1P0 *IC8001 D13 C1 *IC8001 A2 G1 *IC8001 V19 VDD12 *IC8001 C25 VSS *IC8001 V33 VDD12 *IC8001 W22 VSS *IC8001 R24 VSS *IC8001 B5 G2N *IC8001 U22 VDD12 *IC8001 E5 AVSSV *IC8001 L13 AVDDPLLV *IC8001 M3 DDCSCL2 *IC8001 M13 AVSSV *IC8001 U12 VSS *IC8001 A17 VSS *IC8001 B15 ZEROMUTE0 *IC8001 B11 V1N *IC8001 B3 B1N *IC8001 V12 VSS *IC8001 P3 DDCSDA1 *IC8001 B9 NC *IC8001 C4 ADCT1 *IC8001 A10 R3 *IC8001 A24 VSS *IC8001 T21 VDD3 *IC8001 C6 VREFH0 *IC8001 D12 Y1 *IC8001 D3 ADCT2 *IC8001 D2 HIN *IC8001 AB21 VSS *IC8001 V11 TMODE1 *IC8001 B13 SIFINN *IC8001 T20 VDD3 *IC8001 P19 VDD3 *IC8001 L16 AVDDADA *IC8001 L19 AVDDA *IC8001 V17 VDD12 *IC8001 AD22 VSS *IC8001 V20 VDD12 *IC8001 E4 AVDD75D *IC8001 AD11 VDD3 AVDDV3.3V RX2P1 LIN5_LP RX2P0 D8_VREFL2 D7_VREFL1 AVDDADA1/2/3 NRST RX0P0 RX0M2 LIN5_RP L15_AVDDPLLA VDD12 RXCM1 AVDDPLLV/75D B1 RX2M0 D6_VREFL0 A_MUTE VIN B1N RX2M2 C9_VREFH3 RX0P1 RX1M1 D20_VREG HIN C10_BIAS AVDDADA1/2/3 D9_VREFL3 RX1P0 D10_BIAS2 D21_VREF1V5 RX0M0 G1N D15_VREFHSIF RXCM0 RX1P1 RXCP0 R1 AVDDV3.3V VDD3 RXCM2 RX0P2 SIFINP C7_VREFH1 RX0M1 RX1P2 AVDDHP C6_VREFH0 G1 AVDDA RX2M1 RX1M0 AVDDH VDDAVAD RX1M2 C15_VREFLSIF DDCSCL1 AVDDADA1/2/3 RXCP2 L14_AVDDSIF SIFINN DDCSCL0 DDCSCL2 RXCP1 C8_VREFH2 R1N LO1_L HP1_R1 LO1_R HP1_L1 DDCSDA1 DDCSDA2 C SCL SDA C C DDCSDA0 I2CSEL C C C C C G_SIF R8015 1k X8000 H0J245500101 RX2P2 Peaks-COMMON HDMI AVDD3.3V SIF I/F SUB1.2V IF I/F SUB3.3V GND GND GND GND S_GND AVDD3.3V AVDD3.3V SUB1.2V AVDDH3.3V VSW ADC Analog Video In I/F CLK IIC I/F TEST 24.576MHz Achip GND GND AVDD3.3V AVDD3.3V AVDD3.3V GND Analog Audio In I/F Analog Audio Out I/F RESET SUB3.3V SUB3.3V GND 17 11 13 18 15 14 10 16 12 ! TO 1/19 TO 12/19 TO 7/19 TO 18/19 TO 18/19 TO 7/19 TO 7,9/19 TO 8/19 TO 8/19 TO 18/19 TO 8/19 TO 8,9/19 TO 18/19 TO 8/19 TO 18/19 TO 18/19 TO 18/19 TO 18/19 TO 2,3,18/19 TO 2,3,18/19 TO 2,3,18/19 TO 2,3,18/19 TO 2,3,18/19 TO 2,3,18/19 TO 2,3,18/19 TO 2,3,18/19 TO 18/19 TO 18/19 TO 18/19 TO 2,18/19 TO 2,18/19 TO 2,18/19 TO 18/19 TO 18/19 IC8001 MN2WS0125FE PEAKS-SLD A-BOARD TNPH0840HC (2/19) TH-P42U20C A-Board (2/19) Schematic Diagram TH-P42U20C A-Board (2/19) Schematic Diagram 50 12.8. A 电路板 (3/19) 线路图 S C8080 50V 8p C8016 1u 6.3V C8015 1u 6.3V C8127 6.3V 1u C8082 50V 8p C8045 16V 0.1u *IC8001 C34 TB1P *IC8001 AD19 VDDA *IC8001 AN4 EA9 *IC8001 AA11 VDDUSB *IC8001 B30 LOSDOUT0 *IC8001 AN1 EA16 *IC8001 G31 LOSDOUT8 *IC8001 J32 LVVSS *IC8001 C28 TSTAIO *IC8001 AP26 STMTIME0 *IC8001 D25 AGCR *IC8001 AN19 SDDAT1 *IC8001 AM13 CLK74 *IC8001 AN8 SBT1 *IC8001 AC34 TDO *IC8001 AG4 ED5 *IC8001 Y24 VDDIO *IC8001 AM6 EA2 *IC8001 AP3 EA11 *IC8001 AA1 XECS2 *IC8001 AP5 EA6 *IC8001 M32 LVVSS *IC8001 AD12 USBRREF *IC8001 A26 VCOMP *IC8001 AN12 XDSR0 *IC8001 AP10 SBO0 *IC8001 AH1 ED1 *IC8001 G34 TE1P *IC8001 AP8 SMTSEL *IC8001 AN30 OSCXI *IC8001 W3 XNFRE *IC8001 AL2 EA18 *IC8001 H33 TF1N *IC8001 AA3 XEWE1 *IC8001 AL1 EA21 *IC8001 AN24 STMADIN0 *IC8001 M31 LVVDD33 *IC8001 Y34 PORT2 *IC8001 AN26 STMTIME1 *IC8001 AH33 STMGPIO5 *IC8001 Y31 MMDQS0 *IC8001 AA24 VDDIO *IC8001 AM31 VDDIO *IC8001 E33 TCLK1N *IC8001 AD1 ED15 *IC8001 AF34 STMGPIO0 *IC8001 G33 TE1N *IC8001 AL8 BOOTSWAP *IC8001 AN14 CH0VAL *IC8001 N32 LVVSS *IC8001 K34 TB2P *IC8001 AJ31 VDDIO *IC8001 AA33 STMGPIO6 *IC8001 F31 LOSDOUT7 *IC8001 Y23 VDDIO *IC8001 AP15 CH1DATA *IC8001 AP19 SDDAT0 *IC8001 AP31 VDD33STM *IC8001 Y20 VDDR *IC8001 AN18 SDCMD *IC8001 N33 TD2N *IC8001 AN33 VDDIO *IC8001 AC15 AVSSPWM *IC8001 AN15 CH1PSYNC *IC8001 AB2 XEDK *IC8001 AB19 VDDA *IC8001 AC20 VDDR *IC8001 M33 TCLK2N *IC8001 C33 TB1N *IC8001 AG3 ED3 *IC8001 AN23 PWM0LN *IC8001 AP18 SDDAT2 *IC8001 AB31 MMCKE *IC8001 AL14 TXD0 *IC8001 B32 LVVSS *IC8001 B25 VIREF *IC8001 A25 VDACO *IC8001 AE3 ED14 *IC8001 AK1 EA23 *IC8001 E34 TCLK1P *IC8001 AP23 PWM0LP *IC8001 AF3 ED9 *IC8001 W4 XNFWP *IC8001 AD23 VDDIO *IC8001 AB1 ESZ1 *IC8001 AD15 VDDAUSB *IC8001 AG34 STMRMIN *IC8001 D29 SRCK0 *IC8001 AE33 STMSCL *IC8001 D34 TC1P *IC8001 AM4 EA10 *IC8001 AN17 CH0DATA *IC8001 AM11 A2TCPOUT *IC8001 AN16 SDA1 *IC8001 P24 M1A1AVDD *IC8001 AB24 VDDIO *IC8001 AP33 VDDIO *IC8001 D27 MSDA *IC8001 H34 TF1P *IC8001 C30 LOSDOUT1 *IC8001 AB11 VDD33SD *IC8001 AL9 SMTRST *IC8001 C26 SDOUT0 *IC8001 H31 LOSDOUT9 *IC8001 D24 AGCI *IC8001 L34 TC2P *IC8001 D30 LOSDOUT4 *IC8001 K31 LVVDD33 *IC8001 Y32 MMXDQS0 *IC8001 AM2 EA15 *IC8001 AM28 STMTEST1 *IC8001 AP21 NSHUTDOWN *IC8001 AL15 CH0PSYNC *IC8001 AC1 XECS1 *IC8001 AB23 VDDIO *IC8001 N31 LVVDD33 *IC8001 AN5 EA5 *IC8001 AC4 XERE *IC8001 AH34 XRSTSTM *IC8001 AA4 NANDRYBY *IC8001 AP11 SBO1 *IC8001 J34 TA2P *IC8001 AC13 USBRREF *IC8001 AK34 SCLOCK *IC8001 AL24 STMSBO1 *IC8001 AC14 VSSAPUSB *IC8001 E32 LVVSS *IC8001 AP27 STMTIME2 *IC8001 AJ33 STMGPIO4 *IC8001 AN11 SBI1 *IC8001 AL13 XRTS0 *IC8001 AG2 ED2 *IC8001 AP17 SDA0 *IC8001 AC2 ESZ0 *IC8001 V1 STMGPIO7 *IC8001 AE4 ED12 *IC8001 R31 LVVDD33 *IC8001 P34 TE2P *IC8001 AD24 VDDIO *IC8001 F33 TD1N *IC8001 AN7 EA0 *IC8001 AM18 SDCD *IC8001 V3 STMGPIO9 *IC8001 C31 XNMIRQ *IC8001 AF33 STMGPIO3 *IC8001 M4 STMDDCSCL1 *IC8001 B31 SDOUT3 *IC8001 D33 TC1N *IC8001 AM32 VDDIO *IC8001 N34 TD2P *IC8001 AB34 TMS *IC8001 R32 LVVSS *IC8001 AP13 XCTS0 *IC8001 AL12 XRI0 *IC8001 Y33 XRST *IC8001 AN29 ADAVSS *IC8001 AJ34 STMGPIO1 *IC8001 AM29 STMTEST0 *IC8001 AB14 USBATEST *IC8001 AP29 ADAVDD *IC8001 AN28 STMSBI1 *IC8001 AN3 EA12 *IC8001 J33 TA2N *IC8001 AA32 MMDQ13 *IC8001 AN25 STMTIME4 *IC8001 M34 TCLK2P *IC8001 G32 LVVSS *IC8001 AM27 STMTEST2 *IC8001 AM12 CLK27 *IC8001 AN34 VDDIO *IC8001 R34 TF2P *IC8001 AL18 SDDAT3 *IC8001 N23 MVAVSS *IC8001 B33 TA1N *IC8001 AD34 STMCECAVL1A *IC8001 B26 VVREF *IC8001 AN32 VDDIO *IC8001 AA23 VDDIO *IC8001 AP34 VDDIO *IC8001 AF1 ED8 *IC8001 AH3 ED0 *IC8001 AL34 STMEXTRG *IC8001 A31 XIRQ1 *IC8001 R4 STMDDCSDA1 *IC8001 AP14 CH1CLK *IC8001 AL23 STMADIN4 *IC8001 W33 PORT0 *IC8001 AF4 ED10 *IC8001 AJ2 EA22 *IC8001 AN6 EA3 *IC8001 AL30 VDDIO *IC8001 AL16 CH0CLK *IC8001 AK31 VDDIO *IC8001 AL21 STMADIN2 *IC8001 AM33 VDDIO *IC8001 AB4 XEWE0 *IC8001 AK33 STMSBO0 *IC8001 AA20 VDDR *IC8001 W31 MMXDQS1 *IC8001 AG33 STMGPIO2 *IC8001 AN21 MUTEB *IC8001 Y2 NFCLE *IC8001 AN9 SMTD *IC8001 AG1 ED4 *IC8001 AD18 DPAVDD *IC8001 Y3 XNFWE *IC8001 AN13 XDTR0 *IC8001 AH31 MMVCAL *IC8001 AC24 VDDIO *IC8001 K32 LVVSS *IC8001 D32 LVVSS *IC8001 E31 LOSDOUT6 *IC8001 AH2 EA24 *IC8001 D31 LOSDOUT5 *IC8001 P32 LVVSS *IC8001 P23 M1A1AVSS *IC8001 W1 STMCECO *IC8001 AC19 VDDA *IC8001 AD16 AVDDPWM *IC8001 AN20 USBDN *IC8001 V2 STMGPIO8 *IC8001 AK4 EA14 *IC8001 A27 DAAVDD *IC8001 A29 LOSDOUT2 *IC8001 P33 TE2N *IC8001 AM26 MMDQS3 *IC8001 AP30 OSCXO *IC8001 A30 ADCCK *IC8001 B29 LOSDOUT3 *IC8001 AD14 VDDPUSB *IC8001 L32 LVVSS *IC8001 L33 TC2N *IC8001 AP9 SMTCLK *IC8001 W24 LVVDD12 *IC8001 T4 STMDDCSDA2 *IC8001 AC16 A2AVSS *IC8001 Y1 XNFCE *IC8001 AP7 ECLK *IC8001 AD17 A2AVDD *IC8001 AN10 SBI0 *IC8001 Y15 TSTSEL *IC8001 Y17 V2TCPOUT *IC8001 AD2 XECS0 *IC8001 AJ32 MMDQ22 *IC8001 A28 IECIN *IC8001 U4 STMHPD2 *IC8001 D26 SDOUT2 *IC8001 AH4 ED7 *IC8001 N24 MVAVDD *IC8001 V4 STMHPD0 *IC8001 AL25 MMDQS2 *IC8001 AP22 PWM1RP *IC8001 AD4 EAS *IC8001 AD13 VSSAPUSB *IC8001 AM5 EA7 *IC8001 AM14 CH1VAL *IC8001 AE2 ED13 *IC8001 AP4 EA8 *IC8001 AP20 USBDP *IC8001 AL10 SMTCMD *IC8001 B28 IECOUT *IC8001 AM25 MMXDQS2 *IC8001 Y11 FPENF *IC8001 W34 PORT1 *IC8001 Y4 NFALE *IC8001 H32 LVVSS *IC8001 AP24 STMADIN5 *IC8001 AB33 TDI *IC8001 AM15 RXD0 *IC8001 AL26 MMXDQS3 *IC8001 AB20 VDDR *IC8001 AL31 VDDIO *IC8001 AL22 STMADIN3 *IC8001 B27 DAAVSS *IC8001 AL19 SDCLK *IC8001 AB32 MMODT *IC8001 C27 SDOUT1 *IC8001 P31 LVVDD33 *IC8001 AJ1 EA25 *IC8001 AE1 ED11 *IC8001 AK32 VDDIO *IC8001 AD3 ERXW *IC8001 AM17 SDWP *IC8001 C32 LVVSS *IC8001 F32 LVVSS *IC8001 AL17 SCL0 *IC8001 AP2 EA13 *IC8001 Y16 M1A1TCPOUT *IC8001 AP28 STMSBT0 *IC8001 AA34 TCK *IC8001 K33 TB2N *IC8001 L31 LVVDD33 *IC8001 AL32 VDDIO *IC8001 F34 TD1P *IC8001 AP12 XDCD0 *IC8001 AL27 MMRDRV *IC8001 AN27 STMTIME3 *IC8001 AD20 VDDR *IC8001 P4 STMDDCSDA0 *IC8001 AM16 DTCPOUT *IC8001 AC33 TRST *IC8001 AP25 STMADIN1 *IC8001 AA2 XECS3 *IC8001 AJ4 EA17 *IC8001 D28 MSCL *IC8001 AL11 SBT0 *IC8001 AP6 EA4 *IC8001 AA31 MMDQ6 *IC8001 AC23 VDDIOCK *IC8001 AL29 MMVREF *IC8001 AD33 STMSDA *IC8001 AL7 EA1 *IC8001 L4 STMDDCSCL0 *IC8001 AE34 STMCECAVL1B *IC8001 R33 TF2N *IC8001 AG32 MMXCK *IC8001 AK2 EA20 *IC8001 AM1 EA19 *IC8001 N4 STMDDCSCL2 *IC8001 AN22 PWM1RN *IC8001 B34 TA1P *IC8001 U3 STMHPD1 *IC8001 A34 LVVSS *IC8001 A33 XIRQ3 *IC8001 W2 STMCECPUL *IC8001 AP32 VDD12STM *IC8001 AF2 ED6 *IC8001 AH32 MMDQ29 *IC8001 AP16 SCL1 *IC8001 J31 LVVDD33 *IC8001 AL28 MMRODT *IC8001 A32 XIRQ2 *IC8001 C29 SLRCK *IC8001 AL33 STMSBI0 *IC8001 AG31 MMCK *IC8001 AM34 SDATA *IC8001 W32 MMDQS1 L8007 J0JHC0000045 SUB3.3V R8016 1.8V_DDRI/F TRST EA17 SUB_SD_3.3V STMRMIN XRSTSTM EA16 STMHPD1 NSHUTDOWN AD18_DPAVDD EA15 EA14 MMVCAL/REF TCK EA20 AD15_VDDAUSB AB32_MMODT VDD33STM/ADAVDD TDI BOOTSWAP STMHPD0 STMHPD2 AL28_MMRODT W24_LVVDD12 CH0DATA EA12 AB31_MMCKE EA13 SDWP LVVDD33 AD14_VDDPUSB EA21 AG31_MMCK XRTS0 SBI0 XNMIRQ EA19 N24_MVAVDD AD17_A2AVDD VDDR/A XRST AG32_MMXCK XIRQ1 MUTEB AL27_MMRDRV TXD0 EA22 EA18 AA11_VDDUSB SDCD XRST AP32_VDD12STM XIRQ3 TMS CH0CLK AD16_AVDDPWM P24_M1A1AVDD XIRQ2 VDACO SCL1 IECOUT XDCD0 TDO STMDDCSCL2 ECLK SBT1 XECS1 XDTR0 SDCLK PWM1RP MSCL PWM1RN PWM0LP RXD0 STMSCL CH0PSYNC SBO0 PWM0LN XRI0 SCL0 CH0VAL STMDDCSCL1 XDSR0 XCTS0 STMDDCSCL0 STMCECAVL1B STMSBT0 EA9 CH1PSYNC ESZ0 SDOUT0 TC2P SDA0 EA10 LOSDOUT0 STMDDCSDA0 TE2N TCLK2P STMTIME3 EAS ERXW STMADIN4 SBT0 XERE LOSDOUT4 STMADIN5 STMADIN1 SMTRST ED11 STMADIN2 STMDDCSDA2 C PORT1 EA0 ED2 TC2N STMGPIO5 ED4 XNFRE SLRCK STMGPIO8 ED13 STMCECAVL1A IECIN XEWE1 XECS3 TA2P ED6 ED15 XECS2 STMSBI0 EA24 STMGPIO3 STMSDA SDOUT3 STMDDCSDA1 ED10 XNFWE STMSBI1 SMTCMD C AGCI ED5 NFCLE TB1N CH1CLK C TE1P TCLK1P LOSDOUT1 STMTIME0 STMEXTRG ESZ1 STMTIME4 CH1VAL C STMADIN0 TB2P ED1 ED14 SDDAT3 XEDK TA1P SDA1 EA2 TB1P TD2N STMCECPUL SDCMD XEWE0 PORT2 PORT0 EA25 C STMGPIO1 STMGPIO6 LOSDOUT5 STMGPIO2 TE2P ED0 EA11 EA5 ADCCK SDDAT0 STMADIN3 TD1N TD1P TB2N STMCECO EA4 EA8 SDDAT1 STMSBO1 TC1P EA1 TD2P TCLK1N ED7 ED9 STMTIME2 NANDRYBY STMGPIO0 C NFALE STMTIME1 EA7 STMSBO0 XNFCE MSDA EA6 STMGPIO4 ED8 AGCR TCLK2N TC1N TE1N C XNFWP EA3 USBRREF STMGPIO9 SRCK0 ED12 EA23 STMGPIO7 TA1N TA2N SMTSEL ED3 C SDDAT2 R8032 10k 1% R8002 24k 1% R8004 24k R8017 470 R8212 10k R8211 10k 1% R8003 10k X8001 H0J120500062 CPV P70 (PORT15[3]) GDATA1 P71 JTAG P72 TEST GDATA2 LD PORT7[4] VC27 HSDIN5 PORT0[6] HSDIN6 PORT16[4] SUB3.3V TRCD2 SUB3.3V TRCD3 TRCCLK PORT9[2] SDBOOT PORT9[3] TRCD0 USB I/F TRCD1 Analog Video Out I/F SRQ_GenX AUDIO I/F GenX-EEP_WP G_LED_ON ACTIVE_ANTENNA_ON AI_SENSOR VOUTENB RF_AFT1 TRCST REMOTE FACT Dchip HDMI_5V_DET1 BEPOWER DEBUG DTV_XRST CPU BUS I/F HDMI_5V_DET2 BENST TV_SUB_ON PORT3[0] SUB3.3V HDMI_5V_DET0 SUB3.3V SUB1.2V SUB3.3V SUB1.2V GND PORT14[2] PORT7[5] IIC I/F PORT1[0] PORT7[6] PORT7[7] P76 P80 P81 PORT6[2] PORT7[1] PORT7[2] PCREADY PCCE1 PCIOWR PCRESET PORT16[2] TS I/F PCDOE XETS_CI PORT15[4] CI_OSEL PORT1[3] STM CLK COMMON PORT PORT9[0] SDVOLC LPL PORT9[1] LPR POLL SUPPORT_CARD FE_IRQ XEAB FE_XRST / SDRAM_CHK PCWAIT CI_OCP HSDIN1 PCOE HSDIN2 P85 12.0MHz NAND IF IIC I/F PCCD1 HDMI I/F HSSYNIN HSVALIN MAIN_FAN_ON / SP_LED_ON FAN_MAX / SP_LED_DIM DDR MONITOR DDR PORT1[4] CLK PORT1[5] TCON SCL2 SD CARD I/F SDA2 (PORT15[1]) LVDS I/F (PORT15[2]) P14 SUB3.3V GND SUB3.3V GND GND GND P01 P02 P03 RESET RESET P43 P44 P04 P82 P45 P05 P83 P10 P84 PORT3[1] PORT3[2] PANEL PWM PWM1 HSDIN3 SUB1.8V PWM2 HSDIN4 SUB3.3V P11 GND P12 P13 GND COMMON PORT KEY1 PORT15[5] EEPROM_WP GND PORT15[6] PORT16[1] DISPEN SUB1.2V SOS PD4H_DRVRST / PWM_POW_ON TEST R_LED_ON PORT10[0] SP_HP_MUTE HSDIN7 PORT10[1] Parallel SUB3.3V_SENSE P73 PCWE SERIAL I/F P74 POWER_DET PCIORD CI I/F P75 USB_OCP HSBCLKIN PORT14[0] MON_MUTE HSDIN0 PORT14[1] POLR ARC_OFF AVDD_ENB REV_DAC_ENB PANEL_LED_ON LCD_EEP_WP SOUND_SOS SIF_FIL_ON PD4H_NCS / SD_LED_ON FILM_DET PD4H_OSD_VIN/DTV_VOUTENB FAN_SOS/FV_STS PANEL_SOS/BL_SOS P3.3V_DET/SBO PD4H_PANEL_MAIN_ON/SBI SW_OFF_DET SUB5V/SUB12V_SENSE PANEL_VCC_ON P5V_DET/BL_ON PD4H_XRST_SYS/PANEL_TEST_ON SD_COIN_DET SD_PWR_ON USB_VBUS 20 21 26 22 27 23 24 19 25 ! TO 1/19 TO 1/19 TO 1,3,12/19 TO 1,3,12/19 TO 1/19 TO 1/19 TO 2,3,18/19 TO 2,3,18/19 TO 2,3,18/19 TO 2,3,18/19 TO 2,3,18/19 TO 2,3,18/19 TO 2,3,18/19 TO 2,3,18/19 TO 4/19 TO 11/19 TO 4/19 TO 4/19 TO 18/19 TO 5/19 TO 18/19 TO 5/19 TO 4,5/19 TO 5/19 TO 4/19 TO 18/19 TO 18/19 TO 5/19 TO 4/19 TO 5/19 TO 4/19 TO 5/19 TO 4/19 TO 7/19 TO 4/19 TO 5,6/19 TO 4/19 TO 6/19 TO 11/19 TO 6,8/19 TO 6/19 TO 5/19 TO 6/19 TO 5,6/19 TO 6/19 TO 4/19 TO 6/19 TO 4/19 TO 6/19 TO 4/19 TO 12/19 TO 4/19 TO 6/19 TO 6,17/19 TO 4/19 TO 18/19 TO 18/19 TO 18/19 TO 18/19 TO 18/19 TO 18/19 TO 18/19 TO 18/19 TO 4,9/19 TO 8/19 TO 7/19 TO 8/19 TO 6/19 TO 6,17/19 TO 6,7/19 TO 6/19 TO 6,10/19 TO 6,7/19 TO 18/19 TO 18/19 TO 11,13/19 TO 11/19 TO 6/19 TO 6,17/19 TO 6,12/19 TO 6/19 TO 6,7/19 TO 6/19 TO 6,12/19 TO 6/19 TO 6,17/19 TO 6/19 TO 6,9,11,12,17/19 TO 6,12/19 TO 6/19 TO 6,12/19 TO 6,16/19 TO 6/19 PEAKS-SLD IC8001 MN2WS0125FE Peaks-COMMON A-BOARD TNPH0840HC (3/19) TH-P42U20C A-Board (3/19) Schematic Diagram TH-P42U20C A-Board (3/19) Schematic Diagram 51 12.9. A 电路板 (4/19) 线路图 S S S S S S S S S S S S S S S S S S S S S S S S S S S S P CH0DATA FE0_MDO7 AC_CHDI0 AC_CHDI2 CI_OCP AC_CHDI7 AC_CHDI5 AC_CHCLK CH0CLK AC_CHDI6 AC_CHDI1 CH0DATA FE0_VAL AC_CHSYNC AC_CHDI1 AC_CHDI3 FE0_MDO4 AC_CHSYNC FE0_MDO6 AC_CHDI6 CH0CLK AC_CHCLK FE0_MDO5 AC_XPDWT FE0_MDO3 FE0_CLK AC_CHDI4 FE0_MDO1 AC_CHDI7 AC_CHDI5 FE0_PSYNC AC_CHDI0 FE0_MDO0 AC_CHVAL FE0_MDO2 AC_CHDI2 AC_XPDWT AC_CHDI4 AC_CHVAL FE1_XIRQ AC_CHDI3 AC_CHCLK AC_CHVAL AC_CHSYNC AC_CHDI0 AC_CHDI1 AC_CHDI2 AC_CHDI3 AC_CHDI4 AC_CHDI5 AC_CHDI6 AC_CHDI7 FE1_XIRQ AC_CHDI1 AC_CHVAL AC_CHSYNC FE0_MDO0 FE0_MDO1 FE0_MDO4 FE0_MDO5 FE0_CLK FE0_VAL FE0_MDO3 FE0_MDO2 FE0_MDO7 FE0_MDO6 FE0_PSYNC CI_OCP AC_CHDI0 C8600 50V 1000p SUB3.3V SUB3.3V SUB3.3V SUB3.3V SUB3.3V SUB3.3V SUB3.3V SUB3.3V R8623 R8624 VJ8517 VJUMP1005-S VJ8603 VJ8360 R8510 R8505 R8498 R8506 R8507 R8508 R8480 VJ8602 VJ8600 VJ8601 R8619 R8655 R8656 R8644 R8607 R8625 R8626 R8634 R8635 R8621 R8642 R8641 R8643 VJ8514 R8501 VARAY405 6 7 TP8601 TP8600 TP8730 TP8340 TP8343 TP8342 FE0_VAL AB_NANDRYBY VDACO FE0_MDO6 FE0_MDO3 FE0_MDO7 FE0_CLK AA_XIRQ2 FE0_MDO4 FE0_MDO2 FE0_MDO0 FE0_MDO5 AGCR FE0_PSYNC FE0_MDO1 AA_XIRQ2 EA18 EA19 AA_FE_RST EA14 EA16 EA12 EA22 EA13 EA15 EA21 VDACO EA20 EA17 XNMIRQ XIRQ1 SBO0 EA6 XERE SMTCMD XEWE0 PORT2 SMTRST SBI0 EA3 XRTS0 EA7 CH0CLK ESZ0 CH1CLK BOOTSWAP EA0 XDTR0 XDCD0 XEWE1 CH0DATA CH0PSYNC XECS2 EAS SBT0 EA1 FE1_SDA XECS3 ERXW NANDRYBY EA2 CH0VAL XECS1 SMTSEL XCTS0 ESZ1 FE1_SCL XRI0 EA5 XDSR0 XECS3 NFALE XEDK EA4 ECLK AA_XECS2 XIRQ2 R8511 EXB28V103JX R8500 EXB2HV103JV 1 R8660 EXB2HV680JV R8671 2.2k R8633 2.2k R8617 2.2k R8622 68 R8470 10k R8616 2.2k R8632 10k R8514 2.2k R8491 68 R8606 2.2k R8610 68 R8649 10k R8628 10k R8513 10k R8664 10k R8496 68 R8497 68 R8636 68 R8493 68 R8494 68 R8645 68 R8489 68 R8488 68 R8661 2.2k R8646 10k R8669 10k R8639 10k R8490 68 R8396 10k R8492 68 R8631 10k R8499 68 R8627 10k 1% R8733 160 R8618 10k R8495 68 R8652 10k R8512 10k R8638 10k XIRQ6 PORT16[4] XIRQ0 XNMIRQ NANDRYBY PORT15[6] XIRQ1 XIRQ12 XIRQ2 USB_OCP SUPPORT_CARD FE_IRQ FE_XRST / SDRAM_CHK PORT10[1] Peaks-DEST SDBOOT PORT14[2] 8730-8799 XEAB CI_OSEL PCDOE PCWAIT PCIORD PCOE PCREADY PCWE PCIOWR PCCD1 PCCE1 PCRESET HSSYNIN HSVALIN HSBCLKIN HSDIN0 XETS_CI HSDIN1 HSDIN3 HSDIN5 FE1_TS_Parallel CI_OCP HSDIN6 FE0_TS_Parallel HSDIN2 HSDIN4 HSDIN7 AC_CHCLK AC_CHVAL AC_CHSYNC AC_CHDI0 AC_CHDI1 AC_CHDI2 AC_CHDI3 AC_CHDI4 AC_CHDI5 AC_CHDI6 AC_CHDI7 31 28 36 33 29 30 34 35 32 ! TO 1/19 TO 3/19 TO 3/19 TO 3/19 TO 3,5/19 TO 3/19 TO 3/19 TO 3/19 TO 3/19 TO 3/19 TO 3/19 TO 3,4/19 TO 3,4/19 TO 3,4,9/19 TO 3,4,9/19 TO 19/19 TO 4,11,19/19 TO 5/19 TO 5/19 TO 4/19 TO 4/19 A-BOARD TNPH0840HC (4/19) TH-P42U20C A-Board (4/19) Schematic Diagram TH-P42U20C A-Board (4/19) Schematic Diagram 52 12.10.A 电路板 (5/19) 线路图 + D.SW W.P. S S S S P AD_SDWP AD_SDCMD AD_SDDAT2 AD_SDCLK AD_SDDAT1 AD_SDDAT2 AD_SDDAT1 AD_SDDAT0 AD_SDCD AD_SDDAT3 AD_SDCMD AD_SDDAT3 AD_SDCLK AD_SDDAT0 AD_SDWP AD_SDCD C8862 16V 0.01u C8854 16V 0.1u C8853 16V 0.1u C8861 16V 0.1u C8863 22u 4V C8860 16V 47u JK8850 1 2 3 4 5 6 7 8 9 10 11 12 L8850 J0JHC0000045 SUB_SD_3.3V SUB3.3V SUB3.3V SUB_SD_3.3V SUB3.3V R8864 R8871 R8866 R8858 R8893 TP8856 TP8857 TP8855 TP8859 TP8858 TP8853 TP8862 TP8854 TP8863 TP8850 TP8860 AA_XECS2 SDCLK SDWP XIRQ3 SDCD USBRREF SDDAT1 SDDAT3 SDDAT0 SDCMD SDDAT2 R8879 EXB28V103JX 1 4 R8872 33 R8856 47k R8869 10k 1% R8824 6.2k R8867 10k R8878 10k R8857 68 R8868 33 R8876 33 R8870 10k R8873 33 R8874 33 R8860 68 R8862 68 R8859 68 R8890 10k R8875 33 R8861 68 R8863 68 R8877 33 Peaks-MODEL PORT0[6] SDVOLC GND SD/IC_CARD GND SDCMD SDCLK SDDAT0 SDDAT1 3.3V SDDAT3 SDDAT2 L:1.8V H:3.3V SD_COIN_DET (PORT15[3]) 44 42 37 40 45 38 43 41 39 ! TO 3/19 TO 3/19 TO 3,6/19 TO 4/19 EEPROM SD CARD A-BOARD TNPH0840HC (5/19) TH-P42U20C A-Board (5/19) Schematic Diagram TH-P42U20C A-Board (5/19) Schematic Diagram S C8950 16V 0.01u TVRR587AD *IC8950 M24C16-WMN6TP 1 NC 2 NC 3 NC 4 VSS 5 SDA 6 SCL 7 WC 8 VCC SUB3.3V R8952 TP8951 TP8950 TP8952 PEAKS-EEP_SDA SDOUT0 PEAKS-EEP_SCL R8950 4.7k I2C:0xA0 PORT6[2] EEPROM_WP 1 AA_ED0 AA_ED1 AB_XNFWP AA_ED4 AB_NFCLE AA_ED5 AB_XNFCE AA_ED2 AB_NFALE AB_NANDRYBY AB_XNFRE AB_NFCLE AB_XNFWE AB_XNFCE AB_NANDRYBY AA_ED6 AA_ED7 AB_XNFRE AB_NFALE AB_XNFWE AB_XNFWP AA_ED3 AA_ED1 AA_ED0 AA_ED6 AA_ED4 AA_ED3 AA_ED2 AA_ED7 AA_ED5 C8922 16V 0.1u C8923 16V 0.1u TVRR587AD *IC8921 1 NC 2 NC 3 NC 4 NC 5 NC 6 NC 7 R/B# 8 RE# 9 CE# 10 NC 11 NC 12 VCC 13 VSS 14 NC 15 NC 16 CLE 17 ALE 18 WE# 19 WP# 20 NC 21 NC 22 NC 23 NC 24 NC 25 NC 26 NC 27 NC 28 NC 29 I/O0 30 I/O1 31 I/O2 32 I/O3 33 NC 34 NC 35 NC 36 VSS 37 VCC 38 NC 39 NC 40 NC 41 I/O4 42 I/O5 43 I/O6 44 I/O7 45 NC 46 NC 47 NC 48 NC L8920 J0JHC0000075 C SUB3.3V AB_NANDRYBY AA_ED0 AA_ED1 XNFRE XNFWP AA_ED2 AA_ED6 AA_ED5 NFALE XNFWE AA_ED3 XNFCE AA_ED7 NFCLE AA_ED4 R8922 EXB2HVR000V 1 8 R8923 68 R8928 68 R8925 68 R8926 68 R8927 68 R8924 68 = Hynix 1Gbx8 TSOP Numonyx 1Gbx8 TSOP 53 12.11.A 电路板 (6/19) 线路图 S S S S S S S S S S S S S S S S S S S S ADCCK STMHPD0 STMGPIO5 XRSTSTM LOSDOUT0 SLRCK STMGPIO8 STMGPIO9 STMDDCSCL2 STMGPIO1 CH1PSYNC STMGPIO2 STMHPD1 STMSBI0 STMDDCSCL0 STMADIN5 SG-RF_AFT1 SG-PD4H_DRVRST/PWM_POW_ON SDOUT3 SRCK0 STMGPIO4 SG-AI_SENSOR STMDDCSDA1 STMHPD2 STMGPIO6 STMSBO0 STMCECAVL1B STMDDCSDA0 STMGPIO7 STMSBT0 STMRMIN P3.3V_DET EA11 XIRQ3 STMCECPUL PG-FILM_DET PG-FILM_DET P3.3V_DET STMSBI1 EA8 STMDDCSCL1 EA10 SG-G_LED_ON P5V_DET STMCECAVL1A PORT0 STMDDCSDA2 STMGPIO0 STMADIN4 EA9 LOSDOUT1 P_ON/OFF STMTIME4 STMCECO STMTIME0 STMADIN0 STMTIME3 STMEXTRG STMADIN1 STMTIME2 STMTIME1 STMTIME3 STMTIME2 STMTIME1 STMTIME0 STMADIN1 STMADIN0 STMEXTRG STMADIN3 AGCI STMHPD2 STMHPD1 STMHPD0 STMGPIO9 STMDDCSDA0 STMDDCSCL0 SRCK0 STMDDCSDA1 STMDDCSCL1 STMGPIO7 STMDDCSCL2 STMDDCSDA2 STMGPIO8 STMGPIO3 STMGPIO3 STMSBT0 STMADIN5 STMRMIN STMADIN4 STMGPIO0 STMGPIO1 STMGPIO2 SDOUT3 STMCECO STMCECPUL STMCECAVL1A STMCECAVL1B STMADIN2 STMADIN2 STMADIN3 XRSTSTM STMGPIO4 STMGPIO5 STMSBO0 STMSBI0 STMGPIO6 STMTIME4 XIRQ3 PORT0 EA11 LOSDOUT0 SLRCK SG-AI_SENSOR SG-G_LED_ON P_ON/OFF P5V_DET SG-PD4H_DRVRST/PWM_POW_ON SG-RF_AFT1 EA10 LOSDOUT1 EA9 EA8 CH1PSYNC ADCCK AGCI STMSBI1 C1100 25V 0.01u C1102 16V 0.1u C1101 25V 0.01u D1101 B0JCCE000008 *IC1100 TVRR554 1 NC 2 NC 3 NC 4 VSS 5 SDA 6 SCL 7 WC 8 VCC STB3.3V STB3.3V STB3.3V STB3.3V STB3.3V SUB5V SUB3.3V R1160 R1176 R1206 R1207 R1204 R1201 R1109 R1202 R1564 R1559 R1505 R1177 R1205 R1107 R1106 R1101 R1203 R1103 R1105 R1108 TP1501 TP1100 TP1101 STMGPIO0 SG-RF_AFT1 STMGPIO2 STMGPIO7 STMGPIO8 STMSBT0 STMADIN5 STMGPIO3 STB_RST STMRMIN XIRQ3 OSD_VIN EA8 EA10 STMSBT0 STMADIN4 FACT_SDBOOT STMSBI1 STMGPIO9 SG-PD4H_DRVRST/PWM_POW_ON SG-AI_SENSOR STMGPIO1 KEY_SCAN EA11 EA25 SG-PD4H_DRVRST/PWM_POW_ON STMSBI1 SRCK0 STMHPD0 STMGPIO6 STMGPIO0 ADCCK PORT0 STMSBO0 LOSDOUT1 P5V_DET P3.3V_DET STMSBI0 STMHPD1 STMGPIO2 P_ON/OFF AGCI STMHPD2 SG-G_LED_ON LOSDOUT0 EA9 EA10 SDOUT3 STMGPIO5 CH1PSYNC XRST_SYS PG-FILM_DET STMTIME4 PANEL_MAIN_ON SLRCK STMGPIO0 STMADIN3 LOSDOUT1 PORT1 STMSBT0 XIRQ3 STMDDCSCL1 STMHPD0 STMSBI0 STMDDCSDA1 STMDDCSCL1 EA8 STMSBI1 EA11 STMTIME2 STM-EEP_SCL STM-EEP_SDA STMCECO EA10 STMGPIO9 STMCECAVL1B STMCECAVL1A STMADIN4 ADCCK STMTIME4 STMDDCSCL2 STMADIN5 STMHPD1 STMGPIO6 STMGPIO2 STMDDCSDA0 STMGPIO7 STMGPIO8 SDOUT3 STMADIN0 STMDDCSDA2 STMSBO1 SRCK0 STMTIME0 STMDDCSDA0 STMDDCSCL0 STMDDCSCL0 STMDDCSDA1 PORT0 STMGPIO5 STMDDCSDA2 STMGPIO1 STMRMIN EA9 STMEXTRG STMSBO0 SLRCK STMGPIO3 STMADIN2 STMDDCSCL2 STMCECAVL1A AGCI STMHPD2 STMCECO CH1PSYNC STMADIN1 STMCECPUL STMTIME3 XRSTSTM LOSDOUT0 STMCECAVL1B STMTIME1 R1185 100 R1521 100k R1562 47k R1519 47k R1552 4.7k R1520 10k R1518 68k R1563 47k R1503 47k R1104 47k R1183 4.7k R1181 47k R1179 7.15k 1% R1180 1k R1186 47k R1187 27k STMGPIO4 Standby MPU STM STM STM STM STM STM STM STM STM TO Sheet A-Chip_V STM STM STM PEAKS PEAKS STM STM STM (SG-AI_SENSOR) STM STM PEAKS STM STM TO Sheet TUNER STM STM (DEST) TO Sheet Standby-MPU STM STM STM (SG-RF_AFT1) (SG-PD4H_DRVRST/PWM_POW_ON) STM STM PEAKS STM PEAKS PEAKS STM (SG-G_LED_ON) TO Sheet TUNER STM STM (MODEL) STM STM STM PEAKS STM STM STM STM PEAKS STM POWER/PANEL CTRL STM STM PEAKS PEAKS STM PEAKS PEAKS PEAKS PEAKS PEAKS STM SG-TRCD3 SG-TRCD2 SG-TRCD1 SG-TRCD0 SG-TRCST SG-TRCCLK SG-EXTRG0 SG-TRCD3 SG-TRCD2 SG-TRCST SG-TRCCLK SG-TRCD1 SG-TRCD0 SG-EXTRG0 SG-P15V_DET SG-PD4H_PANEL_MAIN_ON/SBI SG-P3.3V_DET SG-P3.3V_DET/SBO SG-P3.3V_DET/SBO PG-PD4H_P_ON_OFF/LCD_EEP_WP SG-PD4H_PANEL_MAIN_ON/PANEL_VCC_ON SG-PD4H_PANEL_MAIN_ON/PANEL_VCC_ON SG-HPD0 SG-HPD1 SG-HPD2 SG-HPD1 SG-HPD2 SG-HPD0 SG-HPD1 SG-HPD2 SG-HPD0 SG-HDMI_5V_DET0 SG-HDMI_5V_DET1 SG-HDMI_5V_DET2 SG-HDMI_5V_DET2 SG-HDMI_5V_DET1 SG-HDMI_5V_DET0 SG-HDMI_5V_DET0 SG-DDCSDA0 SG-DDCSCL0 SG-DDCSDA1 SG-DDCSCL1 SG-DDCSDA2 SG-DDCSCL2 SG-DDCSDA0 SG-DDCSCL0 SG-DDCSDA1 SG-DDCSCL1 SG-DDCSDA2 SG-DDCSCL2 SG-DDCSDA0 SG-DDCSCL0 SG-DDCSDA1 SG-DDCSCL1 SG-DDCSDA2 SG-DDCSCL2 PG-PANEL_LED_ON PG-PANEL_LED_ON PG-SD_LED_ON SG-HDMI_5V_DET1 SG-SRQ_GENX SG-SRQ_GENX SG-SRQ_GENX SG-SOS SG-SOS SG-SOS SG-RMIN SG-RMIN SG-RMIN SG-PANEL_SOS/BL_SOS SG-PANEL_SOS/BL_SOS SG-PANEL_SOS/BL_SOS SG-SUB3.3V_SENSE SG-SUB3.3V_SENSE SG-SUB3.3V_SENSE SG-SW_OFF_DET SG-SW_OFF_DET SG-SW_OFF_DET SG-HDMI_CEC SG-HDMI_CEC SG-HDMI_CEC SG-HDMI_CEC_PU_ON SG-HDMI_CEC_PU_ON SG-QLINK1 SG-QLINK2 SG-QLINK1 SG-QLINK2 SG-QLINK1 SG-QLINK2 SG-FACT SG-FACT SG-GENX-KEY1 SG-GENX-KEY1 SG-NRST SG-NRST SG-GENX-EEP_WP SG-GENX-EEP_WP SG-TV_SUB_ON SG-TV_SUB_ON SG-TV_SUB_ON SG-SP_HP_MUTE SG-SP_HP_MUTE SG-SP_HP_MUTE SG-MON_MUTE SG-MON_MUTE SG-MON_MUTE SG-DTV_XRST SG-DTV_XRST SG-DTV_XRST SG-R_LED_ON SG-R_LED_ON SG-R_LED_ON PG-ACTIVE_ANTENNA_DET PG-ACTIVE_ANTENNA_DET PG-ACTIVE_ANTENNA_DET PG-MAIN_FAN_ON/SP_LED_ON PG-MAIN_FAN_ON/SP_LED_ON PG-MAIN_FAN_ON/SP_LED_ON PG-FAN_SOS PG-FAN_SOS PG-FAN_SOS PG-FAN_MAX/SP_LED_DIM PG-FAN_MAX/SP_LED_DIM PG-FAN_MAX/SP_LED_DIM SG-KEY1 PG-ACTIVE_ANTENNA_ON PG-ACTIVE_ANTENNA_ON PG-ACTIVE_ANTENNA_ON PG-SOUND_SOS PG-SOUND_SOS PG-SOUND_SOS PG-SIF_FIL_ON PG-SIF_FIL_ON PG-SIF_FIL_ON PD4H_XRST/PANEL_AGW PG-PD4H_XRST/PANEL_AGW PG-PD4H_XRST/PANEL_AGW PG-AVDD_ENB PG-AVDD_ENB PG-AVDD_ENB PG-REV_DAC_ENB PG-REV_DAC_ENB PG-REV_DAC_ENB PG-LCD_EEP_WP PG-LCD_EEP_WP PG-LCD_EEP_WP PG-ACTIVE_STBY_LED_ON PANEL_VCC_ON PG-PD4H_NCS / SD_LED_ON PG-PD4H_NCS / SD_LED_ON PG-PD4H_NCS / SD_LED_ON SG-SUB5V/SUB12V_SENSE SG-SUB5V/SUB12V_SENSE SG-SUB5V/SUB12V_SENSE SG-PD4H_PANEL_MAIN_ON/SBI SG-PD4H_XRST_SYS/PANEL_TEST_ON SG-PD4H_XRST_SYS/PANEL_TEST_ON SG-PD4H_XRST_SYS/PANEL_TEST_ON (SG-P5V_DET/BL_ON) (SG-PANEL_VCC_ON) Reset Release Release Reset TO Sheet PANEL-D TO Sheet Analog-ASIC TO Sheet Peaks-COMMON FACT-MODE TP SOS PG-PD4H_NCS / SD_LED_ON PD4H_OSD_VIN SG-SUB5V/SUB12V_SENSE SG-PD4H_PANEL_MAIN_ON/SBI SG-SUB3.3V_SENSE TO Sheet Peaks-COMMON SG-PD4H_XRST_SYS/PANEL_TEST_ON 49 50 53 47 54 48 52 46 51 ! TO 1/19 TO 3,5,6/19 TO 3,5,6/19 TO 3,6/19 TO 3,6/19 TO 3,6,8/19 TO 3,6,8/19 TO 3,6/19 TO 3,6/19 TO 3,6/19 TO 3,6/19 TO 3,6/19 TO 3,6/19 TO 3,6/19 TO 3,5,6/19 TO 3,5,6/19 TO 3,6/19 TO 3,6/19 TO 3,6/19 TO 3,6/19 TO 3,6/19 TO 3/19 TO 3/19 TO 3,6,17/19 TO 3,6,17/19 TO 3/19 TO 3,6,17/19 TO 3,6,17/19 TO 3,6,7/19 TO 3/19 TO 3,6,10/19 TO 3,6,10/19 TO 3,6,7/19 TO 3,6,7/19 TO 3,6,7/19 TO 3/19 TO 3,6,17/19 TO 3,6,12/19 TO 3,6,12/19 TO 3,6/19 TO 3,6/19 TO 3/19 TO 3,6/19 TO 3,6/19 TO 3,6/19 TO 3,6,7/19 TO 3,6/19 TO 3,6/19 TO 3,6/19 TO 3,6,12/19 TO 3,6,12/19 TO 3,6/19 TO 3,6,17/19 TO 3,6,17/19 TO 3/19 TO 3,6,9,11,12,17/19 TO 3,6,9,11,12,17/19 TO 3,6,12/19 TO 3,6,12/19 TO 3,6,16/19 TO 3,6,16/19 TO 17/19 TO 13/19 TO 13,17/19 TO 6,12/19 TO 6,12/19 TO 14/19 TO 14/19 TO 13/19 TO 11/19 TO 17/19 TO 17/19 TO 17/19 TO 12/19 TO 14/19 EEPROM A-BOARD TNPH0840HC (6/19) TH-P42U20C A-Board (6/19) Schematic Diagram TH-P42U20C A-Board (6/19) Schematic Diagram 54 12.12.A 电路板 (7/19) 线路图 S S S S S S S S S S S S S S S S S S S HDMI_DDCSCL0 RXCP0 RX1M2 STMGPIO8 HDMI_DDCSCL1 RX2P1 HDMI_DDCSDA1 STMHPD0 STMGPIO7 RX2P2 RX1M0 HDMI_DDCSDA0 HDMI_DDCSCL2 HDMI_DDCSCL1 RXCP0 STMHPD2 RX1M2 HDMI_DDCSDA2 HDMI_DDCSCL1 RX1P2 HDMI_CEC RX2P0 RX0M2 RX0P1 RX0M0 STMHPD2 STMGPIO9 RX0P0 RXCM0 RX0P2 RX0M2 HDMI_DDCSCL2 STMHPD1 RX0P0 RXCP1 STMGPIO7 RXCP2 RX0P1 RX2P2 RX0M1 RX1P1 RX0P2 RXCP2 RX2P0 RXCM2 RX1M1 RX0M0 RX0M1 RXCM1 RX1M1 RX2M0 STMGPIO8 RX2M2 RX1P1 RX1M0 RX1P0 HDMI_CEC RX2M0 HDMI_CEC RXCM2 RXCP1 RXCM1 RX1P0 RX2P1 HDMI_CEC STMGPIO9 RX1P2 RX2M1 RXCM0 STMHPD1 STMHPD0 RX2M1 RX2M2 HDMI_DDCSDA0 HDMI_DDCSDA1 VIN HIN HDMI_DDCSDA2 HDMI_DDCSCL0 HDMI_DDCSDA1 HDMI_DDCSDA0 HDMI_DDCSCL0 HIN VIN HDMI_DDCSCL2 HDMI_DDCSDA2 C4662 6.3V 1u C4708 0.1u 16V C4705 0.1u 16V C4665 6.3V 1u C4707 0.1u 16V C4702 0.1u 16V C4663 6.3V 1u C4666 6.3V 1u C4667 6.3V 1u C4704 0.1u 16V C4701 0.1u 16V C4664 6.3V 1u C4546 6.3V 1u C4547 6.3V 1u D4735 B0ACCJ000048 D4702 B0ACCJ000048 D4719 B0ACCJ000048 D4737 B0JCCE000008 D4721 B0JCCE000008 D4704 B0JCCE000008 JK4702 K1FY119E0015 1 2 3 4 5 6 7 8 9 10 11 12 13 14 15 16 17 18 19 JK4700 K1FY119D0011 1 2 3 4 5 6 7 8 9 10 11 12 13 14 15 16 17 18 19 JK4701 K1FY119D0011 1 2 3 4 5 6 7 8 9 10 11 12 13 14 15 16 17 18 19 L4700 J0JYC0000068 L4707 J0JYC0000068 L4705 J0JYC0000068 L4703 J0JYC0000068 L4704 J0JYC0000068 L4706 J0JYC0000068 L4708 J0JYC0000068 L4701 J0JYC0000068 L4702 J0JYC0000068 STB5V SUB3.3V STB5V SUB3.3V STB5V R4746 R4705 R4743 R4706 R4719 R4732 R4749 R4742 R4745 R4748 R4731 R4740 R4751 R4718 R4744 R4750 R4555 R4747 R4741 RXCM2 MAIN_Y/CVBS RX0M1 RX1M2 RX0M2 DDCSCL2 RX2M0 RX0P0 RX0M0 STMHPD1 RXCM0 DDCSCL1 RX1P2 STMHPD2 RX1P0 IECOUT STMHPD0 RX1P1 HIN RXCP2 DDCSCL0 RX0P1 RX1M0 RX2P1 RX2M1 IECIN RXCM1 MAIN_PB/C MAIN_PR VIN RXCP1 RX1M1 RX2M2 RX2P2 RX2P0 RX0P2 RXCP0 B1 STMGPIO8 STMGPIO7 R1N G1N VIN G1 R1 HIN B1N DDCSDA2 STMDDCSDA1 STMDDCSDA0 STMDDCSCL2 DDCSDA1 STMDDCSDA2 STMDDCSCL0 STMDDCSCL1 STMCECO DDCSDA0 Q4704 DSC200100L Q4702 DSC200100L Q4700 DSC200100L Q4513 DSA200100L Q4512 B1HFCFA00026 R4737 1k R4756 68 R4757 68 R4754 68 R4663 22 R4753 68 R4655 22 R4659 22 R4672 33 R4670 33 R4668 33 R4553 10k R4722 10k R4702 10k R4717 47k R4728 10k R4755 68 R4709 10k R4551 150 R4704 47k R4729 33 R4715 10k R4764 100k R4724 1k R4752 68 R4703 33 R4716 33 R4721 10k R4738 47k R4763 100k R4734 10k R4730 47k R4735 10k R4725 47k R4739 22 R4708 10k R4712 47k R4552 56 R4765 100k R4556 10k R4560 47k R4711 1k R4548 22 R4549 150 R4550 150 R4554 1k STMGPIO9 A-Chip_V HDMI2 CLK- HDMI2: HPD1/DDC1/DET1 D2G CLK- +5V D0G D0- CLK+ DDCG CEC SCL N.C. N.C. HDMI3 CLK+ D2+ HPDT SDA SCL CEC D2- sLD-STMHPD2 CEC sLD-STMDDCSDA2 HDMI3 D2G D1+ D2+ +5V D1+ D0+ sLD-STMCECO SDA D2- HDMI2 To Sheet Peaks-COMMON to Sheet Standby-MPU to Sheet Standby-MPU to Sheet Standby-MPU To Sheet Peaks-COMMON To Sheet Peaks-COMMON HDMI1: HPD0/DDC0/DET0 HDMI1 D1+ N.C. D0- sLD-STMDDCSDA0 D1G sLD-STMDDCSCL0 HDMI3: HPD2/DDC2/DET2 sLD-STMHPD0 DDCG HPDT sLD-STMDDCSCL2 D0+ CLK+ D1G +5V HDMI1 D0+ D1- D0- sLD-STMGPI09 D1- D0G to Sheet Standby-MPU D1G sLD-STMGPI07 D1- HPDT sLD-STMHPD1 SDA D0G sLD-STMDDCSDA1 sLD-STMDDCSCL1 SCL sLD-STMGPI08 CLKG D2+ D2G DDCG CLKG D2- CLK- CLKG AVSW Peaks-Common PR PB/C YIN SG-HPD2 SG-HPD1 SG-HPD0 SG-HDMI_5V_DET0 SG-DDCSDA0 SG-DDCSCL0 SG-DDCSDA1 SG-DDCSCL1 SG-HDMI_5V_DET1 SG-HDMI_5V_DET1 SG-HDMI_5V_DET1 SG-HDMI_5V_DET0 SG-HDMI_5V_DET2 SG-HPD0 SG-HPD2 SG-HPD1 SG-HPD1 SG-HPD2 SG-HPD0 SG-DDCSDA2 SG-DDCSCL2 SG-HDMI_5V_DET2 SG-HDMI_5V_DET2 SG-HDMI_5V_DET0 SG-HDMI_CEC PC_HS PC_VS PC_HS PC_VS PC_HS PC_VS 62 60 57 59 55 58 63 61 56 ! TO 2/19 TO 2/19 TO 2/19 TO 2/19 TO 2,7,9/19 TO 2,7,9/19 TO 3/19 TO 3,6/19 TO 3,6/19 TO 3,6/19 TO 3,6/19 TO 9/19 A-BOARD TNPH0840HC (7/19) TH-P42U20C A-Board (7/19) Schematic Diagram TH-P42U20C A-Board (7/19) Schematic Diagram TO 3/19 55 12.13.A 电路板 (8/19) 线路图 + + Thermal Pad S S PWM_WO_L- PWM_WO_L+ C2316 0.1u 50V C2324 25V 1u C2301 16V 0.1u C2335 25V 0.1u C2318 0.1u 50V C2323 0.1u 50V C2068 16V 0.01u C2325 50V 1000p C2347 50V 0.022u C2321 0.1u 50V C2343 50V 0.022u C2340 50V 0.022u C2345 50V 0.022u C2342 50V 0.022u C2334 50V 0.47u C2338 25V 0.1u C2302 16V 0.1u C2057 10u 10V C2336 25V 0.1u C2055 10u 10V C2346 50V 0.022u C2355 50V 1000p C2067 16V 0.01u C2341 50V 0.022u C2313 50V 1000p C2344 50V 0.022u C2304 25V 1u C2337 50V 0.47u C2320 25V 1u C2073 25V 0.033u C2351 50V 1000p C2339 25V 0.1u C2074 25V 0.033u C2353 50V 1000p C2314 25V 1u C2349 50V 1000p C2317 25V 1u C2107 10V 1u C2108 10V 1u C2357 10u 25V C2309 10u 25V C2312 10u 25V C2356 10u 25V C2104 50V 10p C2110 16V 0.1u C2072 6.3V 100u C2071 6.3V 100u D2014 B0ACCJ000048 C1AB00003230 IC2301 1 STBY 44 PVD1 2 MUTE 3 SOS 4 NC1 5 NC2 6 NC3 7 NC4 8 PWM_A1 9 PWM_B1 10 NC5 11 NC6 12 NC7 13 GND 14 PWM_B2 15 PWM_A2 16 NC8 17 NC9 18 NC10 19 NC11 20 NC12 21 NC13 22 NC14 23 PVD2 24 PVD2 25 OUT_CH2_P 26 OUT_CH2_P 27 BOOT_CH2_P 28 VDDA2 29 BOOT_CH2_N 30 OUT_CH2_N 31 OUT_CH2_N 32 PGND2 33 PGND2 34 PGND1 35 PGND1 36 OUT_CH1_N 37 OUT_CH1_N 38 BOOT_CH1_N 39 VDDA1 40 BOOT_CH1_P 41 OUT_CH1_P 42 OUT_CH1_P 43 PVD1 A11 1 2 3 4 L2301 J0JHC0000042 L2304 G1C220MA0416 L2302 G1C3R0ZA0156 L2305 G1C220MA0416 L2306 G1C220MA0416 L2303 G1C220MA0416 AVDD3.3V S_15V SUB3.3V SUB3.3V SUB5V R2066 R2065 TP2303 TP2008 TP2301 TP2304 TP2302 PWM0LP SIF AV_R NSHUTDOWN PWM1RP PWM1RN AMP_MUTE AV_L MUTEB PWM0LN HP_MUTE_CTL LO1_L LO1_R HP1_R1 HP1_L1 LIN5_LP A_MUTE LIN5_RP SIFINP EA8 HP_ROUT SIFINN LO1_L HP_LOUT LO1_R Q2255 DSC2001S0L Q2253 B1AAFB000002 Q2254 B1AAFB000002 Q2301 DSA200100L Q2252 DSA200100L Q2101 DSA200100L Q2109 DSA200100L R2302 EXB28V220JX R2121 680 R2264 100 R2260 10k R2256 10k R2110 22 R2102 4.7k 140k 1% R2055 R2107 0 R2304 47k 10k R2301 R2307 4.7k R2308 220 R2259 100 R2070 10k R2318 3.3 R2069 10k R2257 1M R2319 3.3 R2320 3.3 R2258 100 R2263 10k 140k 1% R2053 R2321 3.3 R2309 2.2k R2139 220 R2104 1.2k R2103 22 R2254 100 R2310 2.2k R2135 1k R2101 3.3k R2255 47k R2330 0 R2331 0 A-Chip_A To SOS MUTE SOS RESET PWM_READY OPERATE OPERATE << Monitor L TO Sheet Peaks-COMMON >> MainHP L to HeadPhone out L, R << Monitor R >> MainHP R TO Sheet TUNER TO Sheet AVSW R+ L+ R- TO SPEAKER L- MON_R-OUT MON_L-OUT TO Sheet Analog-ASIC MUTE OPERATE PG-SOUND_SOS MUTE NORMAL 72 64 67 68 70 71 65 66 69 ! TO 2/19 TO 2/19 TO 2/19 TO 2,8,9/19 TO 2,8,9/19 TO 2/19 TO 3,6/19 TO 3/19 TO 3/19 TO 11/19 TO 9/19 TO 10/19 TO 12/19 TO 12/19 AUDIO AMP A-BOARD TNPH0840HC (8/19) TH-P42U20C A-Board (8/19) Schematic Diagram TH-P42U20C A-Board (8/19) Schematic Diagram 56 12.14.A 电路板 (9/19) 线路图 AV1 AV2 PB PR V L R R L Y V R V L MONITOR OUT SHIELD V R L S S S S S P P P AV_R MAIN_PB/C VIN MAIN_PR HIN HIN MAIN_Y/CVBS MAIN_PR MAIN_PB/C VIN MAIN_Y/CVBS C3003 16V 0.1u C3015 10u 10V C3016 16V 0.1u C3022 10V 1u C3018 16V 0.1u C3025 10V 10u C3024 10V 10u C3004 16V 0.1u C3011 10u 10V C3023 10V 1u C3019 16V 0.1u C3031 1u 10V C3032 1u 10V C0DBGYY00281 IC3001 1 NC 2 VSS 3 CE 5 VOUT 4 VIN C1AB00003218 IC3000 1 Gin 2 HDin 3 Rin 4 T_DET5 5 CVBSin4 6 T_DET4 7 CVBSin3 8 BG 9 Yin3 10 S2_DET3 11 R2/Cin3 12 GND 13 G2/Yin2 14 S2_DET2 15 B2/Cin2 16 T_DET3 17 CVBSin1 18 T_DET2 19 G1/Yin1 20 S2_DET1 21 B1/Cin1 22 T_DET1 23 CVBSin2 24 VCC5V 25 R1 26 Rtate_out 27 T_DET10/Fbout 28 SDA 29 SCL 30 GND 31 G/CY/CVBSout1 32 HD_out1 33 B/PB/Cout1 34 VD_out1 35 R/Prout1 36 VCC5V 37 SAG_CVBSout4 38 Y/Y+C/CVBSout4 39 S2out 40 SAG_CVBSout5 41 C/Y+C/CVBSout5 42 GND 43 SAG_CVBSout3 44 CVBS/Y+Cout3 45 VCC9V 46 G/CY/Y/CVBSout7 47 O3 48 AU_GND 49 R4out 50 L4out 51 R3out 52 L3out 53 R2out 54 L2out 55 R10in/R1out 56 L10in/L1out 57 AU1/2Vcc 58 L1in 59 R1in 60 L2in 61 R2in 62 L3in 63 R3in 64 L4in 65 R4in 66 L5in 67 R5in 68 L6in 69 R6in 70 L7in 71 R7in 72 L8in 73 R8in 74 L9in 75 R9in 76 FBin1/O1 77 CVBSin7 78 FBin2/O2 79 CVBSin6 80 VCC9V 81 CVBSin5 82 T_DET9 83 Yin4 84 T_DET8 85 Cin4 86 VCC5V 87 PBin2/B3 88 L3_DET2 89 CYin2/G3 90 T_DET7 91 PRin2/R3 92 T_DET6 93 PBin1 94 L3_DET1 95 CYin1 96 HD_VD/FBKMUTE 97 PRin1 98 GND 99 Bin 100 VDin JK3100A K2HA917A0001 V L R G Y-SW Y G PB PR V L R G V L R G JK3107 K4AK13B00006 a b c d V-SW V V-G L L-G R R-G JK3304 K1FY315A0008 1 2 3 4 5 6 7 8 9 10 11 12 13 14 15 SUB9V SUB3.3V SUB5.6V R3011 R3000 R3007 R3010 R3006 R3001 R3002 R3019 TP3002 TP3005 TP3004 TP3003 TP3001 AVSW_R069PIN_R6IN VDACO LO1_R AVSW_R062PIN_L3IN AVSW_R079PIN_CVBSIN6 MAIN_RF_CVBS RCA_AUDIOOUT_R__TERMINAL AVSW_R068PIN_L6IN PC_G_TERMINAL AVSW_R063PIN_R3IN PC_B_TERMINAL E_AV1_VIN(20P)/A_AV2_V__TERMINAL AVSW_R099PIN_BIN AVSW_R043PIN_SAGCVBSOUT3 AVSW_R003PIN_RIN LO1_L AVSW_R081PIN_CVBSIN5 PC_R_TERMINAL AVSW_R001PIN_GIN AVSW_R071PIN_R7IN AVSW_R093PIN_PBIN1 A_AV1_V__TERMINAL SIDE_HP_L_TERMINAL AVSW_R020PIN_S2DET1 AVSW_R051PIN_R3OUT AVSW_R002PIN_HDIN E_AV1_LIN(_6PIN)/A_AV2_L__TERMINAL AVSW_R092PIN_TDET6 PC_HD_TERMINAL AVSW_R014PIN_S2DET2 E_AV1_RIN(_2PIN)/A_AV2_R__TERMINAL AVSW_R097PIN_PRIN1 AVSW_R095PIN_CYIN1 AVSW_R052PIN_L3OUT E_AV1_VOUT(19P)/A_VOUT__TERMINAL AVSW_R007PIN_CVBS3 SIDE_HP_GND AVSW_R100PIN_VDIN SIDE_HP_R_TERMINAL PC_VD_TERMINAL AVSW_R037PIN_SAGCVBSOUT4 AVSW_R070PIN_L7IN RCA_AUDIOOUT_L__TERMINAL STMGPIO5 MAIN_Y/CVBS AVSW_R038PIN_Y/Y+C/CVBSOUT4 E_PC_RIN/A_AV1_RIN__TERMINAL E_PC_LIN/A_AV1_LIN__TERMINAL MAIN_PB/C AV_R E_YPBPR_PB/A_AV1C_PB__TERMINAL E_YPBPR_Y/A_AV1C_Y__TERMINAL SIDE_RIN_TERMINAL SIDE_LIN_TERMINAL SIDE_VIN_TERMINAL AV_L E_YPBPR_PR/A_AV1C_PR__TERMINAL VIN HIN AVSW_R044PIN_CVBS/Y+COUT3 MAIN_PR AV-SW_SDA AV-SW_SCL R3013 220 R3012 220 A_AV1C_YSW__TERMINAL < < AV-SW PC OUT AUDIO IN AUDIO YPBPR PC/A-IN E_AV2_SLOW AUDIO OUT Sheet TUNER Sheet Sheet A-TNR AV3 A-IN A-Chip_V Sheet RF MAIN_PB/C/B AV3 V-IN SP OUT RF AV1 A-IN MAIN_PR/R YPbPr-IN Peaks-COMMON DVB A-Chip_A AV1 V-OUT A-Chip_A AUDIO OUT E_AV1_SLOW Sheet AV2 V-OUT MAIN_Y/CVBS/G AV1 V-IN PC_HS PC_VS PC_HS PC_VS PC_VS PC_HS FB_OUT 76 79 73 74 77 78 80 81 75 ! TO 1/19 TO 2,7/19 TO 2,8/19 TO 3,4/19 TO 3,6,11,12,17/19 TO 7/19 TO 8/19 TO 10/19 TO 10/19 TO 10/19 TO 10/19 TO 10/19 TO 10/19 TO 9/19 TO 10/19 TO 10/19 TO 9/19 TO 9/19 TO 9/19 AV SW +3.3V AV3 PC A-BOARD TNPH0840HC (9/19) TH-P42U20C A-Board (9/19) Schematic Diagram TH-P42U20C A-Board (9/19) Schematic Diagram 57 12.15.A 电路板 (10/19) 线路图 + + S S S S S S S S S S S S PC_B PC_G PC_R C3026 10V 10u C3150 10V 1u C3160 10u 10V C3112 10V 1u C3165 10V 10u C3164 10V 10u C3123 10V 10u C3118 10V 10u C3158 10V 1u C3154 50V 560p C3159 10u 10V C3117 10V 10u C3108 25V 0.033u C3111 10V 1u C3113 10V 10u C3155 50V 560p C3156 50V 560p C3157 10V 1u C3162 10u 10V C3153 50V 560p C3116 10V 10u C3109 25V 0.033u C3161 10u 10V C3137 50V 560p C3163 10V 10u C3149 10V 1u C3138 50V 560p C3106 560p 50V C3105 560p 50V C3122 100u 10V C3119 10V 100u D3109 DZ2J140M0L D3108 DZ2J140M0L D3107 DZ2J140M0L D3106 DZ2J140M0L D3105 DZ2J140M0L L3121 J0JYC0000331 L3120 J0JYC0000331 L3103 J0JYC0000331 L3104 J0JYC0000331 L3115 J0JYC0000331 L3118 J0JYC0000331 L3119 J0JYC0000331 L3102 J0JYC0000331 L3117 J0JYC0000331 L3114 J0JYC0000331 L3107 J0JYC0000331 L3101 J0JYC0000331 L3100 J0JYC0000331 SUB5V SUB5V SUB5V R3300 R3302 R3126 JS3106 R3149 R3205 R3206 JS3103 R3303 JS3112 R3301 JS3101 SIDE_RIN_TERMINAL E_AV1_RIN(_2PIN)/A_AV2_R__TERMINAL AVSW_R044PIN_CVBS/Y+COUT3 A_AV1_V__TERMINAL AVSW_R051PIN_R3OUT AVSW_R038PIN_Y/Y+C/CVBSOUT4 E_YPBPR_PR/A_AV1C_PR__TERMINAL HP_ROUT E_AV1_VIN(20P)/A_AV2_V__TERMINAL SIDE_LIN_TERMINAL MONITOROUT_MUTE A_AV1C_YSW__TERMINAL E_YPBPR_Y/A_AV1C_Y__TERMINAL PC_VD_TERMINAL HP_LOUT PC_HD_TERMINAL E_PC_RIN/A_AV1_RIN__TERMINAL PC_G_TERMINAL E_YPBPR_PB/A_AV1C_PB__TERMINAL E_PC_LIN/A_AV1_LIN__TERMINAL PC_R_TERMINAL SIDE_VIN_TERMINAL E_AV1_LIN(_6PIN)/A_AV2_L__TERMINAL AVSW_R052PIN_L3OUT PC_B_TERMINAL AVSW_R002PIN_HDIN AVSW_R001PIN_GIN AVSW_R079PIN_CVBSIN6 AVSW_R092PIN_TDET6 SIDE_HP_R_TERMINAL AVSW_R069PIN_R6IN SIDE_HP_GND AVSW_R081PIN_CVBSIN5 AVSW_R043PIN_SAGCVBSOUT3 AVSW_R003PIN_RIN AVSW_R070PIN_L7IN AVSW_R063PIN_R3IN AVSW_R071PIN_R7IN RCA_AUDIOOUT_R__TERMINAL E_AV1_VOUT(19P)/A_VOUT__TERMINAL AVSW_R100PIN_VDIN AVSW_R007PIN_CVBS3 AVSW_R014PIN_S2DET2 AVSW_R093PIN_PBIN1 AVSW_R037PIN_SAGCVBSOUT4 AVSW_R020PIN_S2DET1 AVSW_R099PIN_BIN AVSW_R095PIN_CYIN1 SIDE_HP_L_TERMINAL AVSW_R097PIN_PRIN1 AVSW_R068PIN_L6IN RCA_AUDIOOUT_L__TERMINAL STMCECAVL1A STMCECAVL1B Q3104 DSC200100L Q3105 DSC200100L R3123 EXB28V680JX 8 R3120 EXB28V221JX R3192 EXB28V820JX R3184 100k R3014 220 R3173 220 R3174 220 1% R3221 75 R3228 0 R3227 0 R3224 0 R3225 0 R3165 33k 1% R3144 75 R3166 33k R3185 100k R3127 68 R3194 330 R3119 47k R3214 47k R3191 2.2k R3186 33k 1% R3181 75 1% R3104 75 R3117 220 R3190 2.2k R3106 33k 1% R3109 75 R3195 330 R3226 0 R3213 47k R3152 220 R3107 33k 1% R3105 75 1% R3103 75 1% R3130 75 R3128 100k 1% R3182 75 1% R3183 75 R3187 33k AVSW_R062PIN_L3IN R3101 4.7k R3102 4.7k Standby-MPU PC/Audio IN(RCA AV1in) A_AV1_YPbPr R IN A_AV1C_YSW A_SIDE L/R VIDEO IN VIDEO OUT L IN R PC A-Monitor OUT QLINK_AV2 AUDIO IN QLINK_AV1 A_Monitor OUT A_SIDE V A_AV2_Vi A_AV2_LRi A-Chip_A OUT A_AV1/2_YPbPr G A_AV1V HP Analog-ASIC AUDIO E_AV2_SLOW Sheet SG-QLINK1 SG-QLINK2 A_AV1in B 90 86 84 88 87 85 83 89 82 ! TO 3,6/19 TO 8/19 TO 9/19 TO 9/19 TO 9/19 TO 9/19 TO 9/19 TO 9/19 TO 9/19 TO 9/19 TO 9/19 TO 9/19 TO 9/19 TO 9/19 TO 9/19 TO 9/19 TO 9/19 TO 9/19 TO 9/19 TO 9/19 TO 9/19 TO 9/19 TO 9/19 TO 9/19 TO 9/19 TO 9/19 TO 9/19 TO 12/19 TO 9/19 TO 9/19 AV-SW A-BOARD TNPH0840HC (10/19) TH-P42U20C A-Board (10/19) Schematic Diagram TH-P42U20C A-Board (10/19) Schematic Diagram 58 12.16.A 电路板 (11/19) 线路图 P P S C2959 16V 0.1u C2961 1u 10V C2965 10V 1u C2966 10V 2.2u C0DBFYY00049 IC2953 1 VIN 2 VSS 3 CE 5 VOUT 4 NC C0DBGYY00281 IC2952 1 NC 2 VSS 3 CE 5 VOUT 4 VIN TNR5V SUB5.6V SUB5.6V AV3.3V TNR3.3V R2966 R2959 TP2951 TP2952 STMGPIO5 STMGPIO5 TA2N TXD0 TD2N R4004 47k TA2P TP4022 TP4020 TE1N TP4006 TD1P R4006 47k TCLK2P TC1P TA1N LOSDOUT4 TP4008 TCLK2N TP4018 RXD0 TCLK1N TP4002 R4005 47k TP4009 TP4014 TP4001 R4011 47k TP4013 TP4005 LOSDOUT5 TC1N R4010 TE1P TP4016 TA1P TP4010 TP4023 TE2P TC2P TB1P TP4000 TB1N TP4015 TC2N TP4003 TD2P TCLK1P TP4012 DRVMUTE TP4011 TE2N TP4019 TP4004 TB2N CH1VAL TP4021 TB2P TP4017 TD1N R4003 47k TP4007 TUNER TUNER5V SG-TV_SUB_ON to Tuner to K-PCB SG-TV_SUB_ON TUNER3.3V 95 94 98 93 99 96 92 97 91 POLL POLR TO Peaks-COMMON TO Panel-D DISPEN RE_E+(LSB) RB_E- RB_E+ RE_E-(LSB) RD_O+ RC_O- RD_O- RC_O+ TB2N RD_E- RD_E+ RC_E+ RC_E- TB1N TC1P TA2P TD1P TC2P TC1N TE2P TA2N TC2N TCLK2P TA1P TB1P TCLK1P TD1N TE1P TCLK1N TD2P TA1N TD2N TCLK2N TB2P TE1N TE2N RB_O+ RE_O-(LSB) RB_O- RA_O-(MSB) RE_O+(LSB) RCLK_O- RA_E+(MSB) RCLK_E+ RCLK_O+ RA_O+(MSB) RCLK_E- RA_E-(MSB) ! TO 3,13/19 TO 3/19 TO 3,6,9,11,12,17/19 TO 3,6,9,11,12,17/19 TO 13/19 A-BOARD TNPH0840HC (11/19) TH-P42U20C A-Board (11/19) Schematic Diagram TH-P42U20C A-Board (11/19) Schematic Diagram + IF_Monitor 21 IFD2 IFAGC IFD1 IFD2 RFAGC IFD1 C2908 16V 0.1u C2911 16V 0.1u C2917 50V 2200p C2907 16V 0.1u C2910 16V 0.1u *C2919 16V 0.01u C2905 10V 100u *L2909 J0JCC0000278 *L2910 J0JCC0000278 L2904 J0JCC0000278 TNR5V SUB3.3V AVSW_R076PIN_FBIN/O1 IFAGC AVSW_R078PIN_FBIN2/O2 IFD1 MAIN_RF_CVBS SIF IFD2 RFAGC SG-RF_AFT1 A-TNR_SDA A-TNR_SCL *Q2903 B1CBHD000002 *Q2904 B1CBHD000002 *R2903 0 *R2911 220 *R2910 0 *R2905 0 *R2901 10k *R2900 10k *R2921 6.8k *R2904 0 *R2908 6.8k *R2906 0 *R2902 0 R2918 0 *TU2901B ENG39F02GF NC 1 BB 2 RF-AGC_Monitor 3 NC 5 BT_Monitor 6 +B 10 Video-out 11 SCL 13 SDA 14 AFT_out 15 SW1 16 VB 17 NC 19 SW2 20 NC 8 SIF-OUT 9 to GENX to AVSW from ADV From/To_Demod to ADV IIC_From_Peaks F2H0J10100009 MAIN_TNR_SW1 MAIN_TNR_SW2 ACT5V 59 12.17.A 电路板 (12/19) 线路图 + S S S C5101 0.47u 10V C5100 0.1u 16V C5001 16V 0.1u C5002 16V 0.1u C5003 16V 0.1u C5000 16V 0.1u C5058 6.3V 1u C5055 16V 0.1u C5050 10V 4.7u C5156 10u 6.3V C5158 10u 6.3V C5157 10u 6.3V C5159 10u 6.3V C5160 10u 6.3V C5155 10u 6.3V C5004 50V 1000p C5052 10V 220u D5051 B0JCME000076 D5052 B0ACCJ000048 D5100 B0ADEJ000035 D5000 B0ADCJ000100 C1ZBZ0004161 IC5000 1 UHZ 2 P3.3V 3 TEST 4 PANEL_SOS 5 DRVRST_PD4 6 STB1.2V 7 STB5V 8 STB3.3V 9 AMUTE 10 SP_MUTE 11 MUTE_VCC 12 AUDIO_MUTE_IN 13 DTB9V 14 MONITOR_MUTE 15 FB 16 GND 17 FC 18 PGND 19 DRV 20 DTV5VOUT 21 DTV5VIN 22 EN_DCDC 23 CD 24 STB_RST 25 DRVRST 26 STB5V_SW_ON 27 P_SOS4 28 SC_SOS6 29 SC_SOS7 30 SS_SOS8 31 D_SOS_RSV 32 SC_OHZ L5000 J0JYC0000068 SUB3.3V SUB3.3V STB5V SUB5V STB1.2V STB3.3V SUB9V P3.3V SUB5V SUB3.3V STB3.3V R5001 R5000 R5105 TP5000 TP5001 TP5150 SC_UHZ SOS4_PS SOS_DCC SG-PD4H_DRVRST/PWM_POW_ON SOS8_SS STMSBI0 STB_5V_SWON STMSBO0 SOS6_SC1 STMGPIO5 HP_MUTE_CTL SOS7_SC2 STMGPIO6 PDP_DRVRST MONITOROUT_MUTE STB_RST HP_MUTE_CTL D_UHZ STB_RST AMP_MUTE STMADIN4 NRST XRST STMGPIO1 EA23 Q5101 DSC200100L Q5000 DSC200100L Q5100 DSC2001S0L Q5051 DSA200100L R5051 47k R5106 68k R5154 47 R5008 8.2k R5153 100 R5007 47k R5005 47k R5155 100 R5052 1M R5101 100k R5100 27k R5050 47k R5006 10k R5104 47k R5151 100 R5152 2.2k R5061 15 R5065 10k R5102 100k R5110 100 R5103 68k Analog-ASIC Peaks-RESET MUTE SET RESET : L MUTE Sheet STB-RESET-LCD OPERATE Sheet AVSW-MODEL TO Sheet GENX-DEST TO Sheet Peaks-COMMON TO Sheet Peaks-COMMON PORT15[5] POWER_DET TO Sheet GENX-DEST TO Sheet A-Chip_A ON OFF sLD-STMADIN4/ES0=PANEL_ALARM TO Sheet PANEL-D SG-PANEL_SOS/BL_SOS TO Sheet GENX-DEST SG-SP_HP_MUTE SG-MON_MUTE SG-DTV_XRST TO Sheet Panel-D TO Sheet Peaks-COMMON/GENX-DEST TO Sheet A-Chip_A PD4H_SOS SG-TV_SUB_ON TO Sheet GENX-DEST SG-SW_OFF_DET 102 107 104 105 101 100 103 106 108 ! TO 1,3/19 TO 2/19 TO 3/19 TO 3,6/19 TO 3,6/19 TO 3,6,9,11,17/19 TO 3,6/19 TO 3,6/19 TO 6/19 TO 6,12/19 TO 6,12/19 TO 8,12/19 TO 8,12/19 TO 8/19 TO 10/19 TO 17/19 TO 13,17/19 TO 13/19 TO 13/19 ANALOG-ASIC A-BOARD TNPH0840HC (12/19) TH-P42U20C A-Board (12/19) Schematic Diagram TH-P42U20C A-Board (12/19) Schematic Diagram 60 12.18.A 电路板 (13/19) 线路图 TERM SIDE S S P SOS8_SS SOS6_SC1 SOS7_SC2 TE2P TE2N TD2P TCLK2P TCLK2N TC2P TC2N TB2P TA2P TA2N TA1N TA1P TB1N TB1P TC1N TC1P TCLK1N TCLK1P TD1N TD1P TE1N TE1P TB2N TD2N DRVMUTE PANEL_MAIN_ON SC_UHZ D_UHZ SOS4_PS SOS_DCC P3V_SCL02 P3V_SDA02 DRVRST SOS4_PS PANEL_MAIN_ON D_XRST_SYS SC_CEL PD_OC2 SC_SEL PD_CPH1 SC_OC1 PD_SIU SC_CRC1 PD_OC1 SC_CRC2 SC_CERS 0V SC_CRC3 SC_CSH 0V SC_SIU SCNRST SC_OC2 SC_CSL PD_CML PD_CMH PD_SCNRST SC_CMH PD_CRC1 PD_CIS 0V 0V 0V 0V PD_CRC3 SC_CPH1 PD_SEL SC_SCCLK PD_CERS PD_SEL2 PD_CEL 0V PD_CRC2 SC_SEL2 PD_SCCLK 0V 0V SC_CML SC_CIS PD_CSL PD_CSH P_S0 P_S1 SC_OC1 SC_CEL SC_CPH1 SC_CRC3 SC_SEL SC_CRC1 SC_CMH SC_CML SC_SIU SC_OC2 SC_CSL SC_SCCLK SC_CML2 SOS6_SC1 SC_CIS SC_SEL2 SC_CERS SC_CRC2 SCNRST SC_CSH PD_CML2 SC_CML2 SOS7_SC2 SC_UHZ 0V OSD_VIN OHZ1 C9807 200p 50V C9801 6800p 25V C9825 22u 6.3V C9804 10u 25V C9806 100p 50V C9803 4700p 25V C9800 0.1u 25V C9805 10u 25V C9401 16V 0.1u *C9402 16V 0.1u C9400 16V 0.1u C9100 10u 10V C9102 10u 25V C9101 25V 0.01u C9103 25V 0.01u C9813 10u 25V C9816 0.01u 25V C9815 22u 6.3V C9814 22u 6.3V C9812 10u 25V *C9834 22u 6.3V *C9827 10u 25V *C9835 22u 6.3V *C9828 10u 25V C9809 1000p 50V C9811 0.1u 16V C9066 22u 6.3V *C9831 2700p 50V *C9829 0.1u 16V *C9830 0.01u 25V C9067 560p 50V C9116 16V 0.1u *C9069 560p 50V *D9805 B0JCPG000030 D9804 B0JCPG000030 D9807 B0ADCJ000100 *IC9803 C0DBAYY00462 1 BOOT 2 VIN 3 SW 4 GND 5 FB 6 COMP 7 EN 8 SS IC9801 C0DBAYY00462 1 BOOT 2 VIN 3 SW 4 GND 5 FB 6 COMP 7 EN 8 SS C0JBAZ002692 *IC9402 G1 1 2 A1 3 A2 4 A3 5 A4 6 A5 7 A6 8 A7 9 A8 10 GND 11 Y8 12 Y7 13 Y6 14 Y5 15 Y4 16 Y3 17 Y2 18 Y1 19 G2 20 Vcc C0JBAZ002692 IC9400 G1 1 2 A1 3 A2 4 A3 5 A4 6 A5 7 A6 8 A7 9 A8 10 GND 11 Y8 12 Y7 13 Y6 14 Y5 15 Y4 16 Y3 17 Y2 18 Y1 19 G2 20 Vcc C0JBAZ002692 IC9401 G1 1 2 A1 3 A2 4 A3 5 A4 6 A5 7 A6 8 A7 9 A8 10 GND 11 Y8 12 Y7 13 Y6 14 Y5 15 Y4 16 Y3 17 Y2 18 Y1 19 G2 20 Vcc C0DBAYY00605 IC9800 PGND 1 2 PGND 3 PGND 4 SW 5 SW 6 SW 7 BOOT 8 NC 9 SS/DELAY 10 GND 11 FB 12 FC 13 RT 14 PSET 15 EN 16 NC 17 NC 18 VIN 19 VIN 20 VIN *A20 23 29 30 2 12 5 33 14 32 20 28 26 4 9 11 19 22 21 25 8 13 6 31 17 10 34 24 18 1 7 27 16 15 3 35 *L9802 G1C100MA0416 L9801 G1C100MA0416 L9800 G1C6R8Z00010 P15V P5V P1.2V P15V P15V P5V P3.3V P15V P5V P5V P5V R9111 R9110 R9899 TP9202 TP9201 TP9081 TP9082 TP9091 TP9087 TP9103 TP9095 TP9088 TP9090 TP9085 TP9094 TP9093 TP9104 TP9089 TP9096 TP9102 TP9083 TP9203 TP9098 TP9086 TP9101 TP9099 TP9084 TP9097 TP9092 D_UHZ SC_UHZ P_S1 TC1N TD2P PDP_DRVRST SOS_DCC OSD_VIN PANEL_MAIN_ON TE1P AR_STB_SCL02 SOS7_SC2 P_ON/OFF TCLK2N TCLK2P TA1P TB1P SOS6_SC1 SOS4_PS XRST_SYS TC2P SOS8_SS AR_STB_SDA02 PANEL_MAIN_ON SOS4_PS TD1N TA1N P3V_SCL02 DRVMUTE TE2P TE2N TC2N TCLK1P TD1P TE1N TA2N TB1N TA2P TC1P P_S0 TB2N TB2P TD2N P3V_SDA02 R9198 EXB28V101JX *R9402 EXB28V103JX R9401 EXB2HV103JV R9400 EXB2HV103JV R9208 EXB2HV470JV 1 8 R9209 EXB2HV470JV 1 8 R9872 3.3k 1% *R9247 47 R9875 20k 1% R9874 27k 1% *R9019 2.2 *R9017 4.7k 1% R9920 39 *R9921 39 R9104 100 *R9224 47 R9103 100 *R9226 47 R9107 3.3k R9039 47k R9040 4.7k R9873 10k 1% *R9908 12k 1% R9016 2.2 *R9910 10k 1% *R9909 27k 1% R9105 47k R9878 10k 1% R9877 47k 1% R9014 5.6k 1% R9879 15k 1% TCLK1N < RB_O+ RE_O-(LSB) RE_O+(LSB) DISPEN RA_E+(MSB) RA_O+(MSB) RE_E+(LSB) RB_E+ RE_E-(LSB) RD_O+ RC_O- RD_O- RC_O+ RD_E- RD_E+ RC_E+ RC_E- Analog ASIC RB_O- RA_O-(MSB) RCLK_O- RCLK_E+ RCLK_O+ RCLK_E- RA_E-(MSB) RB_E- 1.2V TB1N TC1P TA2P TD1P TC2P TC1N TE2P TA2N TC2N TCLK2P TA1P TB1P TCLK1P TD1N TE1P TCLK1N TD2P TA1N TD2N TCLK2N TB2P TE1N TE2N TB2N UHZ GND CRC2 OC2 SCCLK CPH1 NC +15V CERS GND CEL P5V CSH +15V GND GND CMH GND SOS6_SC1 SEL GND GND CSL RSV SIU CRC1 OC1 SOS7_SC2 CIS GND NC SCNRST CRC3 SEL2 CML 3.3V D_XRST 5V 109 117 114 115 116 111 110 113 112 ! 2 1 TO 1/19 TO 3,11/19 TO 6/19 TO 6/19 TO 6,13,17/19 TO 6,13,17/19 TO 6/19 TO 11/19 TO 12,13,17/19 TO 12,13,17/19 TO 12/19 TO 12/19 TO 12/19 TO 17/19 TO 12/19 TO 17/19 BUFFER BUFFER BUFFER TO SC-BOARD (SC20) Panel A-BOARD TNPH0840HC (13/19) TH-P42U20C A-Board (13/19) Schematic Diagram TH-P42U20C A-Board (13/19) Schematic Diagram 61 12.19.A 电路板 (14/19) 线路图 TERM SIDE S S S S S S S S S S S S S S S P OSD_VIN DRVCLK2P TCLK1P TCLK2N DRVCLK2N TCLK1N P3V_SCL02 DD3_1P TC2P P3V_SDA02 TB1P DD3_1N TC1N DD3_2P D-PCD3 TB2P TB1N DD3_2N TC2N TD2P DD2_1P TD1P D-LED1 DD2_1N TCLK2P TC1P D-ODED2 DD2_2P UMH_C DD2_2N TD2N DRVCLK1P DRVCLK1N DD1_1P D-PCD2 DD1_1N D-ODED1 D-PCD1 DD1_2P DD1_2N UEH_C USH_C D-PCD4 DRVCLK5P TA2N D-CLRD2 DRVCLK5N USL/UML2_C TE2N TB2N UML_C TE1P TA1N DD4_1P D-CLRD1 TA2P TA1P DD4_1N D-LED2 DD4_2P TE1N DD4_2N TD1N TE2P PD_CLRD1 PD_LED1 PD_PCD1 PD_PCD2 PD_ODED1 PD_CLRD2 PD_ODED2 PD_PCD4 PD_PCD3 PD_LED2 PD_UMH PD_UML PD_USH PD_USL/UML2 PD_UEH PD_SIU PD_SCCLK PD_CERS PD_SEL PD_OC2 PD_CRC1 PD_OC1 PD_CIS PD_CML2 PD_CEL PD_CSH PD_CSL PD_CPH1 PD_CMH PD_CML PD_CRC2 PD_CRC3 D_UHZ DD1_2P DD1_2N DD1_1P DD1_1N DRVCLK1P DRVCLK1N DD2_2P DD2_2N DD2_1P DD2_1N DD3_2P DD3_2N DD3_1P DD3_1N DRVCLK2P DRVCLK2N DD4_2P DD4_2N DD4_1P DD4_1N DD5_2P DD5_2N DD5_1P DD5_1N DRVCLK3P DRVCLK3N DD6_2P DD6_2N DD6_1P DD6_1N DD7_2P DD7_2N DD7_1P DD7_1N DRVCLK4P DRVCLK4N DD8_2P DD8_2N DD8_1P DD8_1N DRVCLK5P DRVCLK5N DD9_2P DD9_2N DD9_1P DD9_1N DRVCLK6P DRVCLK6N DD10_2P DD10_2N DD10_1P DD10_1N DD11_2P DD11_2N DD11_1P DD11_1N DRVCLK7P DRVCLK7N DD12_2P DD12_2N DD12_1P DD12_1N DD13_2P DD13_2N DD13_1P DD13_1N DRVCLK8P DRVCLK8N DD14_2P DD14_2N DD14_1P DD14_1N DD15_2P DD15_2N DD15_1P DD15_1N DRVCLK9P DRVCLK9N DRVRST PD_CLRD1 PD_PCD2 PD_PCD1 PD_ODED1 PD_LED1 PD_UEH PD_USL/UML2 PD_USH PD_UML PD_UMH PD_ODED2 PD_PCD3 PD_PCD4 PD_CLRD2 PD_LED2 DRVMUTE SOS_DCC P_S0 P_S1 PD_SEL2 DD8_1P DD8_1N DD8_2P DD8_2N DRVCLK4P DRVCLK4N DD7_1P DD7_1N DD7_2P DD7_2N DD6_1P DD6_1N DD6_2P DD6_2N DRVCLK3P DRVCLK3N DD5_1P DD5_1N DD5_2P DD5_2N D-ODED1 D-PCD1 D-CLRD1 D_XRST_SYS OHZ1 D-PCD2 D-LED1 C9052 16V 0.1u C9040 16V 0.1u C9300 16V 0.1u C9301 50V 15p C9302 50V 18p C9394 16V 0.1u C9303 16V 0.1u D9806 B0ADCJ000100 *IC9300 AH17 LVDRCK8P *IC9300 B15 RXOAP *IC9300 AC30 LVDOD31N *IC9300 N30 DCCOP19 *IC9300 K28 TMODE0 *IC9300 Y1 DCCOP16 *IC9300 P2 DCCOP10 *IC9300 W2 DCCOP31 *IC9300 B5 FLNCS *IC9300 B16 RXEEP *IC9300 L3 DCCOP27 *IC9300 F1 OSDCKI *IC9300 D13 LRX_TXN_0 *IC9300 R28 DCCOP23 *IC9300 V3 DCCOP11 *IC9300 C4 EXTFLSI *IC9300 P28 DCCOP25 *IC9300 AF27 miniLVDS_RI3 *IC9300 AJ25 LVDOD23P *IC9300 E2 OSDYSI *IC9300 B4 FLSIO0 *IC9300 AJ16 LVDOD16P *IC9300 V1 DCCOP8 *IC9300 B30 DCCIPORT0 *IC9300 AK7 LVDOD9N *IC9300 AE2 LVDOD2P *IC9300 AD30 LVDOD30N *IC9300 AH24 LVDRCK11N *IC9300 A12 RXOCKN *IC9300 A14 RXOBN *IC9300 AH25 LVDRCK11P *IC9300 AJ4 LVDOD6P *IC9300 F29 SBT1 *IC9300 AK13 LVDOD13N *IC9300 A26 SFLATCHO *IC9300 F30 SBT0 *IC9300 AJ17 LVDOD17P *IC9300 K29 SFVO *IC9300 AH2 LVDOD5P *IC9300 AD29 LVDOD30P *IC9300 AH5 LVDRCK3P *IC9300 N28 DCCOP26 *IC9300 B11 RXODP *IC9300 D1 OSDVO *IC9300 AJ24 LVDOD22P *IC9300 D6 LRX_TXN_1 *IC9300 L28 TMODE1 *IC9300 AK5 LVDOD7N *IC9300 T1 DCCOP3 *IC9300 AK9 LVDOD11N *IC9300 AK14 LVDOD14N *IC9300 C1 OSDCKO *IC9300 B3 EXTFLSO *IC9300 AH6 LVDRCK4N *IC9300 L29 DCCOP15 *IC9300 AJ15 LVDOD15P *IC9300 T2 DCCOP2 *IC9300 L2 DCCOP6 *IC9300 A29 XRST *IC9300 C5 FLSIO1 *IC9300 T30 CKMO *IC9300 D2 OSDRI *IC9300 AH9 LVDRCK5P *IC9300 B27 SOS *IC9300 AK27 LVDOD25N *IC9300 B28 XRSTSYS *IC9300 AG2 LVDOD4P *IC9300 AK24 LVDOD22N *IC9300 AK16 LVDOD16N *IC9300 P29 DCCOP18 *IC9300 M28 DCCIPORT1 *IC9300 AD3 LVDRCK1N *IC9300 A6 FLSIO2 *IC9300 AG11 miniLVDS_MON1 *IC9300 AC1 LVDOD0N *IC9300 AJ18 LVDOD18P *IC9300 V2 DCCOP1 *IC9300 AJ8 LVDOD10P *IC9300 P3 DCCOP41 *IC9300 B26 SFVRST *IC9300 K2 DCCOP30 *IC9300 C30 DCCIDISPEN *IC9300 AD28 LVDRCK14P *IC9300 AJ6 LVDOD8P *IC9300 AE28 LVDRCK14N *IC9300 M30 DCCOP12 *IC9300 AH23 LVDRCK10P *IC9300 AG23 miniLVDS_RI2 *IC9300 AG30 LVDOD27N *IC9300 N3 DCCOP39 *IC9300 A16 RXEEN *IC9300 AJ22 LVDOD20P *IC9300 W30 XO *IC9300 F28 SBO1 *IC9300 D30 FPCLK *IC9300 AH30 LVDOD26N *IC9300 N1 DCCOP32 *IC9300 R1 DCCOP9 *IC9300 K30 DCCOP24 *IC9300 A3 EXTFLSCK *IC9300 AH29 LVDOD26P *IC9300 AJ7 LVDOD9P *IC9300 U3 DCCOP40 *IC9300 AC4 LVDRCK0P *IC9300 A13 RXOCN *IC9300 P30 DCCOP21 *IC9300 E1 OSDBI *IC9300 N29 DCCOP29 *IC9300 B25 TEST *IC9300 L1 DCCOP38 *IC9300 B20 RXEBP *IC9300 AF29 LVDOD28P *IC9300 B12 RXOCKP *IC9300 AK12 LVDOD12N *IC9300 AH4 LVDRCK3N *IC9300 A2 EXTFLNCS *IC9300 A20 RXEBN *IC9300 AF2 LVDOD3P *IC9300 AK17 LVDOD17N *IC9300 AG29 LVDOD27P *IC9300 A27 SFRST *IC9300 AE30 LVDOD29N *IC9300 AK4 LVDOD6N *IC9300 V30 XI *IC9300 AK6 LVDOD8N *IC9300 B21 RXEAP *IC9300 AH1 LVDOD5N *IC9300 A15 RXOAN *IC9300 AE3 LVDRCK1P *IC9300 A4 FLSCK *IC9300 AJ5 LVDOD7P *IC9300 AK18 LVDOD18N *IC9300 AF30 LVDOD28N *IC9300 AD1 LVDOD1N *IC9300 AC29 LVDOD31P *IC9300 B14 RXOBP *IC9300 B17 RXEDP *IC9300 AH15 LVDRCK7P *IC9300 L30 DCCOP14 *IC9300 B7 SDA *IC9300 R29 DCCOP37 *IC9300 B19 RXECP *IC9300 A7 SCL *IC9300 B10 RXOEP *IC9300 AJ14 LVDOD14P *IC9300 AE5 miniLVDS_MON0 *IC9300 AG22 miniLVDS_MON2 *IC9300 P1 DCCIFBK0 *IC9300 AH14 LVDRCK7N *IC9300 AE29 LVDOD29P *IC9300 B13 RXOCP *IC9300 U2 DCCOP4 *IC9300 AE4 miniLVDS_RI0 *IC9300 AJ27 LVDOD25P *IC9300 Y2 DCCOP20 *IC9300 AK23 LVDOD21N *IC9300 A21 RXEAN *IC9300 AJ19 LVDOD19P *IC9300 AH18 LVDRCK9N *IC9300 D29 SBI0 *IC9300 A28 DCCIDRVRST *IC9300 A19 RXECN *IC9300 AF3 LVDRCK2N *IC9300 N2 DCCOSCRST *IC9300 D28 SBI1 *IC9300 AE27 miniLVDS_MON3 *IC9300 AA2 DCCOP17 *IC9300 AK8 LVDOD10N *IC9300 AK22 LVDOD20N *IC9300 AH26 LVDRCK12N *IC9300 AG28 LVDRCK13N *IC9300 C2 OSDHO *IC9300 AG3 LVDRCK2P *IC9300 A10 RXOEN *IC9300 M2 DCCOP33 *IC9300 AC2 LVDOD0P *IC9300 AK19 LVDOD19N *IC9300 E29 FPDAT1 *IC9300 AK26 LVDOD24N *IC9300 B18 RXECKP *IC9300 D3 OSDGI *IC9300 AH13 LVDRCK6P *IC9300 Y3 DCCOP22 *IC9300 AG1 LVDOD4N *IC9300 E30 SBO0 *IC9300 T3 DCCIFBK2 *IC9300 AH19 LVDRCK9P *IC9300 K1 DCCOP34 *IC9300 AH8 LVDRCK5N *IC9300 AG12 miniLVDS_RI1 *IC9300 E28 FPDAT0 *IC9300 AH16 LVDRCK8N *IC9300 AH12 LVDRCK6N *IC9300 U1 DCCOP0 *IC9300 D7 LRX_TXP_1 *IC9300 AD2 LVDOD1P *IC9300 AF1 LVDOD3N *IC9300 AC28 LVDRCK15N *IC9300 M1 DCCOP7 *IC9300 AJ23 LVDOD21P *IC9300 D14 LRX_TXP_0 *IC9300 M3 DCCOP35 *IC9300 E3 OSDHI *IC9300 AK15 LVDOD15N *IC9300 C29 SFLATCHI *IC9300 AH7 LVDRCK4P *IC9300 AC3 LVDRCK0N *IC9300 A11 RXODN *IC9300 AJ13 LVDOD13P *IC9300 R3 DCCIFBK1 *IC9300 AJ12 LVDOD12P *IC9300 AE1 LVDOD2N *IC9300 AJ9 LVDOD11P *IC9300 B6 SPIHZ *IC9300 AA1 DCCOP28 *IC9300 AH27 LVDRCK12P *IC9300 M29 DCCOP13 *IC9300 AJ26 LVDOD24P *IC9300 A5 FLSIO3 *IC9300 AF28 LVDRCK13P *IC9300 W1 DCCOP36 *IC9300 AH22 LVDRCK10N *IC9300 A18 RXECKN *IC9300 R2 DCCOP5 *IC9300 AB28 LVDRCK15P *IC9300 AK25 LVDOD23N *IC9300 A17 RXEDN *IC9304 TVRR401 1 CS# 2 SO/SIO1 3 WP#/SIO2 4 GND 5 SI/SIO0 6 SCLK 7 NC/SIO3 8 VCC *A31 1 2 3 4 5 6 7 8 9 10 11 12 13 14 15 16 17 18 19 20 21 22 23 24 25 26 27 28 29 30 31 32 33 34 35 36 37 38 39 40 41 42 43 44 45 46 47 48 49 50 51 52 53 54 55 57 58 59 60 61 62 63 64 65 66 67 68 56 P3.3V P5V P3.3V P3.3V P3.3V P3.3V R9306 R9042 R9122 R9341 R9340 R9334 R9335 R9307 R9309 R9342 R9339 R9125 R9099 R9308 R9123 VJ9902 TP9127 TP9144 TP9904 TP9118 TP9121 TP9903 TP9100 TP9125 TP9120 TP9132 TP9133 TP9139 TP9134 TP9130 TP9117 TP9154 TP9300 TP9122 TP9116 TP9901 TP9151 TP9153 TP9135 TP9138 TP9131 TP9155 TP9124 TP9301 TP9141 TP9902 TP9114 TP9113 TP9112 TP9111 TP9108 TP9110 TP9107 TP9109 TP9105 TP9156 TP9076 TP9128 TP9137 TP9149 TP9193 TP9146 TP9143 TP9123 TP9115 TP9119 TP9383 TP9148 TP9900 TP9150 TP9126 TP9145 TP9194 TP9195 TP9106 TP9152 TP9197 TP9129 TP9136 TP9140 TP9142 TP9147 PG-FILM_DET P5V_DET P3.3V_DET OSDCLK R9608 EXB2HV470JV R9610 EXB2HV470JV 1 R9609 EXB2HV470JV 1 R9320 1.5k R9326 1.6k R9206 56k R9325 1.6k R9205 33k R9323 1k R9327 1.6k R9030 4.7k 1/8W R9324 1.6k R9035 3.3k R9318 1k *R9118 0 R9054 0 R9058 0 R9031 330 R9321 1M R9203 2.7k X9300 H0J200500076 DD7_2+ DD7_1+ DRVCLK5+ DRVCLK5- GND DD1_2+ DD6_2- DRVCLK3- DD2_1- GND DD6_2+ DD4_2+ DD6_1+ CLR1 GND DD1_1- DD5_1+ GND GND GND KEY_SCAN GND GND DD5_2- DD5_2+ DD5_1- DD8_1+ GND DD4_2- DATA_DRIVER DD3_1+ NC DD1_1+ IIC DD3_2+ GND DRVCLK2+ SS_PULSE DRVCLK4+ P3.3V GND P3.3V DRVCLK4- DD2_2+ DD2_1+ DD6_1- ODE1 DD8_1- DRVCLK1- LE1 GND PC2 DRVCLK1+ DD2_2- DD4_1- DD3_2- DD7_1- DD8_2- DD7_2- DD8_2+ DD3_1- LVDS_INPUT DD4_1+ GND GND GND PC1 DRVCLK3+ DRVCLK2- P3.3V DD1_2- GND 119 123 125 126 122 124 118 120 121 IC9300 C1AB00003258 ! 2 1 13 12 11 TO 6/19 TO 6/19 TO 6/19 TO 15/19 FLASH MEMORY PD4 TO C1-BOARD (C11) Panel-D A-BOARD TNPH0840HC (14/19) TH-P42U20C A-Board (14/19) Schematic Diagram TH-P42U20C A-Board (14/19) Schematic Diagram 62 12.20.A 电路板 (15/19) 线路图 TERM SIDE P P P P P DRVCLK8P DD15_1P DD14_1P DD14_2N DD15_2N DD13_1N DRVCLK9P DD14_2P DD14_1N DD13_2N DD15_1N DRVCLK9N SOS8_SS DD15_2P DRVCLK8N DD13_1P DD13_2P DRVRST DD9_2N DD9_2P DD9_1P DRVCLK6N DRVCLK6P DD10_1P DD11_2N DD11_2P DD11_1N DD11_1P DRVCLK7N DRVCLK7P DD12_2N DD12_2P DD12_1P D-LED2 D-ODED2 D-PCD3 D-PCD4 D-CLRD2 UMH_C UML_C USH_C USL/UML2_C UEH_C DD10_2N DD10_2P DD10_1N DD9_1N DD12_1N C9307 0.1u 16V C9308 0.1u 16V C9900 25V 0.01u C9319 0.1u 16V C9322 0.1u 16V C9323 0.1u 16V C9325 0.1u 16V C9327 0.1u 16V C9335 10V 10u C9336 10V 10u C9337 10V 10u C9356 0.1u 16V C9361 0.1u 16V C9363 0.1u 16V C9371 10V 10u C9372 10V 10u C9374 0.1u 16V C9375 0.1u 16V C9380 0.1u 16V C9383 0.1u 16V C9392 10V 10u C9391 10V 10u C9352 6.3V 1u C9351 0.1u 16V C9350 0.1u 16V C9347 1u 6.3V C9340 0.1u 16V C9342 0.1u 16V C9349 10u 10V C9344 0.1u 16V C9339 0.1u 16V C9315 0.1u 16V C9312 10V 10u C9314 10V 10u C9313 0.1u 16V C9316 10V 10u C9311 0.1u 16V C9373 10V 10u *IC9300 C1AB00003259 A1 VDD33 *IC9300 C28 GND *IC9300 U28 VDD33 *IC9300 AF14 SCS_VDD18 *IC9300 D10 VDD33 *IC9300 D12 SCS_ANA_11 *IC9300 V4 VDD33 *IC9300 C26 SCS_ANA_10 *IC9300 E27 SCS_ANA_7 *IC9300 A23 GND *IC9300 AG18 PLLSSMLCK_AVS *IC9300 D16 VDD33 *IC9300 C14 GND *IC9300 AA5 VDDC *IC9300 U5 SCS_VDD18 *IC9300 H30 MHIO *IC9300 AK1 GND *IC9300 AF9 VDDC *IC9300 E16 SCS_VDD18 *IC9300 W29 GND *IC9300 D11 SCS_ANA_6 *IC9300 C22 GND *IC9300 C18 SCS_ANA_13 *IC9300 AG9 MLVDS_VDD *IC9300 Y26 SCS_ANA_38 *IC9300 G29 SRLF1 *IC9300 G27 SCS_ANA_5 *IC9300 D22 GND *IC9300 B22 LRX_VDDH *IC9300 AK20 GND *IC9300 T27 GND *IC9300 C15 GND *IC9300 J28 SCS_ANA_26 *IC9300 C17 GND *IC9300 V26 VDDC *IC9300 H29 MVIO *IC9300 AH10 SCS_ANA_19 *IC9300 G28 SRLF2 *IC9300 E18 GND *IC9300 D25 VDD33 *IC9300 R26 SCS_VDD18 *IC9300 AK28 GND *IC9300 AF21 VDDC *IC9300 AG10 SCS_ANA_24 *IC9300 AH20 GND *IC9300 L4 GND *IC9300 E24 VDDC *IC9300 E25 GND *IC9300 AA29 MLVDS_VDD *IC9300 AB3 VDDC *IC9300 D21 LRX_V12C_1 *IC9300 G4 GND *IC9300 E23 VDDC *IC9300 J27 VDD33 *IC9300 E8 VDDC *IC9300 AG15 VTEST1 *IC9300 AJ1 GND *IC9300 D27 GND *IC9300 AD27 MLVDS_VDD *IC9300 AB4 VDDC *IC9300 D26 GND *IC9300 F5 GND *IC9300 Y29 SCS_ANA_36 *IC9300 AJ21 SCS_ANA_1 *IC9300 AK3 GND *IC9300 AG26 MLVDS_VDD *IC9300 D24 VDD33 *IC9300 V5 SCS_VDD18 *IC9300 AF16 SCS_VDD18 *IC9300 AG21 SCS_ANA_20 *IC9300 J3 VDD33 *IC9300 AF18 SCS_ANA_0 *IC9300 E12 LRX_V12 *IC9300 AG19 PLLSSMLCK_AVD *IC9300 AF24 VDDC *IC9300 AB2 VDDC *IC9300 D5 GND *IC9300 E26 GND *IC9300 AK2 GND *IC9300 AA30 MLVDS_VDD *IC9300 AG13 MLVDS_VDD *IC9300 H28 VDD33 *IC9300 B2 VDD33 *IC9300 M26 SCS_VDD15 *IC9300 AG25 MLVDS_VDD *IC9300 AG14 MLVDS_VDD *IC9300 AG4 GND *IC9300 K5 VDDC *IC9300 AF6 MLVDS_VDD *IC9300 E15 GND *IC9300 P26 SCS_VDD18 *IC9300 C8 SCS_ANA_8 *IC9300 V27 GND *IC9300 AH21 SCS_ANA_22 *IC9300 N26 SCS_VDD18 *IC9300 AK10 SCS_ANA_21 *IC9300 AF15 GND *IC9300 AJ11 GND *IC9300 AB1 VDDC *IC9300 G3 SCS_ANA_27 *IC9300 A24 ID0 *IC9300 A9 LRX_VDDH *IC9300 P4 VDD33 *IC9300 AB29 MLVDS_VDD *IC9300 U27 SCS_ANA_34 *IC9300 C13 GND *IC9300 C21 GND *IC9300 AJ20 GND *IC9300 E11 LRX_V12 *IC9300 AF13 SCS_VDD18 *IC9300 M4 SCS_ANA_31 *IC9300 AJ2 GND *IC9300 AF11 GND *IC9300 AK11 GND *IC9300 A8 GND *IC9300 AG16 MLVDS_VDD *IC9300 D23 VDD33 *IC9300 AF19 SCS_ANA_2 *IC9300 B24 ID1 *IC9300 C25 SCS_ANA_12 *IC9300 H26 VDDC *IC9300 C11 GND *IC9300 F26 GND *IC9300 D15 VTEST0 *IC9300 B9 LRX_VDDH *IC9300 B29 GND *IC9300 AC27 MLVDS_VDD *IC9300 G1 GND *IC9300 AH3 GND *IC9300 C16 GND *IC9300 C6 IICSYNC *IC9300 J26 VDDC *IC9300 AF26 GND *IC9300 J30 SHIO *IC9300 U30 GND *IC9300 Y27 PLLICK_AVS *IC9300 AF7 MLVDS_VDD *IC9300 F2 SCS_ANA_25 *IC9300 L27 GND *IC9300 P27 VDD33 *IC9300 R5 SCS_VDD18 *IC9300 AB30 MLVDS_VDD *IC9300 P5 SCS_VDD15 *IC9300 AJ30 GND *IC9300 U29 SCS_ANA_32 *IC9300 AF8 VDDC *IC9300 D19 LRX_V12C_3 *IC9300 AA3 GND *IC9300 E22 VDDC *IC9300 AF12 GND *IC9300 C10 GND *IC9300 E4 GND *IC9300 AF22 VDDC *IC9300 AE26 VDDC *IC9300 E21 VDDC *IC9300 AF23 VDDC *IC9300 E14 SCS_VDD18 *IC9300 AJ10 SCS_ANA_17 *IC9300 AA28 MLVDS_VDD *IC9300 E10 VDDC *IC9300 F27 SCS_ANA_9 *IC9300 AG27 GND *IC9300 N27 VDD33 *IC9300 D17 VDD33 *IC9300 E7 VDDC *IC9300 AF20 GND *IC9300 W5 GND *IC9300 G26 VDDC *IC9300 A30 GND *IC9300 M5 GND *IC9300 AG24 MLVDS_VDD *IC9300 AJ28 SCS_ANA_16 *IC9300 D4 VDD33 *IC9300 G2 SCS_ANA_29 *IC9300 W28 VDD33 *IC9300 AJ29 GND *IC9300 E5 VDD33 *IC9300 AD4 MLVDS_VDD *IC9300 AF10 VDDC *IC9300 B23 GND *IC9300 C7 SCS_ANA_23 *IC9300 J1 GND *IC9300 AG7 MLVDS_VDD *IC9300 AD26 VDDC *IC9300 R27 SCS_ANA_30 *IC9300 H1 GND *IC9300 J5 VDDC *IC9300 E13 SCS_VDD18 *IC9300 E17 SCS_VDD18 *IC9300 H3 VDD33 *IC9300 AG20 GND *IC9300 T26 SCS_VDD18 *IC9300 C9 GND *IC9300 M27 SCS_ANA_28 *IC9300 AJ3 SCS_ANA_37 *IC9300 U4 SCS_ANA_35 *IC9300 W3 VDD33 *IC9300 D8 VDD33 *IC9300 C27 GND *IC9300 AF4 GND *IC9300 D18 LRX_V12C_2 *IC9300 AB27 PLLSSDCCCK_AVD *IC9300 AC26 VDDC *IC9300 K27 GND *IC9300 C24 SCS_ANA_14 *IC9300 AG8 MLVDS_VDD *IC9300 AA27 PLLSSDCCCK_AVS *IC9300 AK21 SCS_ANA_3 *IC9300 AK30 GND *IC9300 H27 VDD33 *IC9300 AB5 VDDC *IC9300 J4 VDD33 *IC9300 AC5 MLVDS_VDD *IC9300 Y4 GND *IC9300 AK29 GND *IC9300 Y30 GND *IC9300 AA4 VDDC *IC9300 T28 GND *IC9300 AH11 GND *IC9300 G5 VDDC *IC9300 AH28 GND *IC9300 L5 GND *IC9300 V29 GND *IC9300 AF25 SCS_ANA_18 *IC9300 H4 GND *IC9300 J2 GND *IC9300 N4 SCS_ANA_33 *IC9300 Y28 MLVDS_VDD *IC9300 E9 VDDC *IC9300 R4 VDD33 *IC9300 F4 GND *IC9300 C19 SCS_ANA_15 *IC9300 T4 GND *IC9300 F3 SCS_ANA_4 *IC9300 B8 GND *IC9300 C3 VDD33 *IC9300 U26 VDDC *IC9300 R30 GND *IC9300 W26 GND *IC9300 H5 VDDC *IC9300 V28 VDD33 *IC9300 AB26 VDDC *IC9300 E6 GND *IC9300 D20 LRX_V12C_0 *IC9300 J29 SVIO *IC9300 W27 PLLICK_AVD *IC9300 AG5 SCS_ANA_39 *IC9300 T5 SCS_VDD18 *IC9300 Y5 GND *IC9300 E19 LRX_V12 *IC9300 L26 SCS_VDD15 *IC9300 AF17 SCS_VDD18 *IC9300 C12 GND *IC9300 D9 VDD33 *IC9300 A25 ID2 *IC9300 N5 SCS_VDD15 *IC9300 G30 SRLF0 *IC9300 T29 GND *IC9300 AA26 SCS_ANA_40 *IC9300 E20 LRX_V12 *IC9300 AG17 MLVDS_VDD *IC9300 K3 OCKOUT *IC9300 AD5 MLVDS_VDD *IC9300 A22 LRX_VDDH *IC9300 AG6 MLVDS_VDD *IC9300 C20 GND *IC9300 W4 VDD33 *IC9300 B1 GND *IC9300 C23 GND *IC9300 H2 GND *IC9300 AF5 GND *IC9300 K26 GND *IC9300 K4 GND *A32 1 2 3 4 5 6 7 8 9 10 11 12 13 14 15 16 17 18 19 20 21 22 23 24 25 26 27 28 29 30 31 32 33 34 35 36 37 38 39 40 41 42 43 44 45 46 47 48 49 50 51 52 53 54 55 57 58 59 60 61 62 63 64 65 66 67 68 56 L9302 J0JHC0000117 L9300 J0JHC0000117 L9301 J0JHC0000117 P1.2V P3.3V P2.5V P5V P3.3V P3.3V VJ9302 VJ9301 VJ9300 VJ9901 VJ9900 TP9178 TP9167 TP9174 TP9176 TP9179 TP9168 TP9175 TP9161 TP9177 TP9165 TP9189 TP9163 TP9164 TP9187 TP9183 TP9188 TP9180 TP9911 TP9185 TP9166 TP9909 TP9191 TP9157 TP9160 TP9159 TP9912 TP9010 TP9913 TP9914 TP9172 TP9907 TP9910 TP9162 TP9184 TP9908 TP9906 TP9181 TP9905 TP9186 TP9158 TP9190 TP9206 TP9205 TP9198 TP9192 TP9169 TP9171 TP9170 TP9173 TP9182 TP9199 OSDCLK Q9901 DSC200100L Q9900 DSC200100L R9903 4.7k R9904 100k R9907 100 R9906 100k R9905 10k P5V DD15_1- GND LE2 DD13_2- UML DD15_1+ DD9_1- DD12_1- GND DD9_2+ GND DD14_1+ GND UMH DRVCLK7- DRVCLK6- DD11_2- DD12_1+ NC DD15_2+ USL/UML2_C DD9_1+ DD13_1+ GND DD12_2- PC3 GND DD12_2+ DD10_2+ DD11_1+ DD10_2- DRVCLK9- DD13_1- DD14_2+ DD10_1- DD11_1- DRVCLK8- USH GND DD9_2- DD15_2- GND PC4 CLR2 GND UEH GND GND DD14_2- DRVCLK8+ DRVCLK7+ P3.3V DRVSOS8 GND 3.3V_DET ODE2 GND NC DD10_1+ GND DD13_2+ DD14_1- DD11_2+ DRVCLK9+ GND DRVCLK6+ GND 127 132 131 129 130 133 128 134 135 IC9300 C1AB00003258 ! 11 12 13 TO 14/19 PD4 Panel-D TO C2-BOARD (C21) A-BOARD TNPH0840HC (15/19) TH-P42U20C A-Board (15/19) Schematic Diagram TH-P42U20C A-Board (15/19) Schematic Diagram 63 12.21.A 电路板 (16/19) 线路图 S S S S S S P C5615 2.2u 10V C5616 0.01u 25V C5651 4.7u 10V C5649 10V 1u C5652 4.7u 10V C5650 10V 2.2u C5627 0.039u 10V C5632 4.7u 10V C5643 22u 6.3V C5641 22u 6.3V C5626 25V 10u C5634 0.1u 16V C5642 22u 6.3V C5628 10u 25V C5635 1u 16V C5633 0.1u 16V C5658 22u 6.3V C5629 10u 25V C5659 22u 6.3V C5625 25V 10u C5660 22u 6.3V C5631 0.1u 16V D5605 B0HCMM000014 D5602 DZ2J056M0L C0DBFYY00049 IC5603 1 VIN 2 VSS 3 CE 5 VOUT 4 NC C0DBGYY00578 IC5604 1 ON/OFF 2 VSS 3 NC 5 VOUT 4 VIN C0DBAYY00715 IC5601 1 DRVH1 2 VBST1 3 EN1 4 VO1 5 VFB1 6 GND 7 SS1 8 VFB2 9 VO2 10 EN2 11 VBST2 12 DRVH2 13 SW2 14 DRVL2 15 PGND2 16 TRIP2 17 SS2 18 V5FILT 19 VREG5 20 VIN 21 TRIP1 22 PGND1 23 DRVL1 24 SW1 L5608 J0JHC0000045 L5604 G1C3R3Z00005 L5605 G1C4R7Z00014 L5606 G1C100MA0077 SUB3.3V AVDD3.3V DCDC15V AVDDH3.3V F15V SUB3.3V SUB3.3V SUB5V SUB5V SUB5V R5647 R5635 R5639 R5638 R5648 R5634 R5500 TP5603 TP5602 DCDC_CTL1 Q5604 B1MBDDA00003 S1 G1 S2 G2 D2 D2 D1 D1 Q5605 B1MBEDA00015 S1 G1 S2 G2 D2 D2 D1 D1 Q5603 DSC2001S0L Q5602 DSC2001S0L R5642 100k R5600 68 R5626 10 R5613 47k R5641 10k R5607 22k R5618 3.3k 1% R5619 5.6k 1% R5622 24k 1% R5640 10k R5623 22k 1% R5609 10k R5627 10 R5610 47k R5608 68k R5621 1k 1% R5620 1k 1% R5611 2.2k R5643 10k R5644 7.5k R5612 10k SUB3.3V P3.3V SUB9V TP5409 D5478 B0ADCJ000100 SUB1.2V C0DBGYY00884 IC5401 VOUT 3 2 VSS VIN 1 SUB5V R5493 4.7k C5722 1u 25V R5485 100k D5472 B0ADEJ000035 R5491 4.7k SUB9V P5V D5471 B0ACCJ000048 Q5471 DSA200100L D5483 DZ2J068M0L R5481 220 D5482 DZ2J120M0L D5481 DZ2J120M0L R5472 3.3k R5473 1k D5475 B0ADCJ000100 SUB1.8V D5486 DZ2J068M0L TP5471 D5484 DZ2J068M0L STMADIN5 D5476 DZ2J068M0L Q5472 DSC2001S0L R5471 2.2k SUB5V F15V R5474 10k R5492 4.7k D5485 DZ2J068M0L C5472 16V 0.1u R5487 4.7k R5479 470 D5477 DZ2J068M0L R5488 4.7k STB3.3V R5475 220 D5479 B0ADCJ000100 R5494 4.7k SUB9V R5490 4.7k C5723 1u 16V SUB5.6V SUB5.6V D5480 B0ADCJ000100 R5489 4.7k C5471 16V 0.1u R5486 1k POWER PATTER LOCK_1.2/1.8V 3.32V/2A 144 138 140 137 139 142 143 141 136 SG-SOS 100mA ! TO 3,6/19 TO 17,19/19 SUB3.3V SUB1.5V 9V 3.3V 3.3V A-BOARD TNPH0840HC (16/19) TH-P42U20C A-Board (16/19) Schematic Diagram TH-P42U20C A-Board (16/19) Schematic Diagram 64 12.22.A 电路板 (17/19) 线路图 + S P P C2879 25V 0.01u C2751 25V 1u C2824 10u 10V C9108 25V 0.01u C2884 1u 25V C9106 10u 25V C2885 10u 25V C2874 10u 10V C2886 10u 25V C2873 10u 10V C2871 10u 25V C2878 4700p 50V C2872 0.01u 25V C2877 0.022u 50V C2883 25V 47u D2870 B0JCME000092 IC1000 C1ZBZ0003775 1 SDA 2 SCL 3 ALERT 4 GND 5 A2 6 A1 7 A0 8 V+ IC2870 C0DBAYY00462 1 BOOT 2 VIN 3 SW 4 GND 5 FB 6 COMP 7 EN 8 SS A1 1 2 3 4 5 6 7 8 A6 1 2 3 4 5 6 7 8 9 10 11 CN0102 1 2 3 4 5 6 7 8 9 10 11 A7 1 2 3 4 5 6 7 8 9 10 11 12 13 14 L2871 J0JHC0000075 L2870 G1C101MA0416 P15V SUB5.6V F15V AV3.3V STB5V STB3.3V S_15V STB5V SUB3.3V R2878 R2874 R2884 TP2750 TP2810 TP2805 TP2873 TP2870 TP2759 TPST5 TP2760 TP2878 TP2756 TP2823 TP2822 TP2820 TP2824 TP2821 TP2825 TPS15V TP2876 TPS0N TP2875 TPF15V TP2871 TP2755 TP2752 TP2751 TP2757 TP2874 TP2753 TP2758 TP2803 TP2804 TP2754 TP9196 TP2877 TP2879 SG-G_LED_ON DCDC_CTL1 PANEL_MAIN_ON STMGPIO5 STMTIME4 SOS4_PS EA11 STB_5V_SWON FACT_SDBOOT STMGPIO3 KEY_SCAN STMRMIN SG-AI_SENSOR DEVELOP_SCL1 P_S0 ADJ-PEAKS_SCL P_S1 TMP-SENS_SDA AR_STB_SDA02 ADJ-STM_SDA DEVELOP_SDA1 ADJ-PEAKS_SDA ADJ-STM_SCL TMP-SENS_SCL DEVELOP_SCL2 AR_STB_SCL02 DEVELOP_SDA2 1% R2879 180k 1% R2880 14.3k R2820 100 R2753 10k R2750 100 R2875 39 R2870 2.2k R9191 100 R9190 100 R2816 47k R2873 10k 1% 1% R2881 6.65k 1% R2883 1.74k 1% R2882 7.15k R9120 100 R2823 47k R2872 1.5k 1% R2871 10k R9145 100 SW5152 K0H1BA000445 SW5154 K0H1BA000445 SW5151 K0H1BA000445 SW5153 K0H1BA000445 SW5150 K0H1BA000445 SET TO Sheet Standby-MPU TO Sheet Standby-MPU (sLD-STMTIME4) sLD-STMTIME0 sLD-STMRMIN sLD-STMADIN0 TO Sheet Standby-MPU sLD-STMGPIO5 TO Sheet Analog-ASIC (GenX8 Loarder/E2PROM) PEAKS_SDA3 SRQ Panel_SCL (Panel Dpr.E2PROM) PEAKS_SCL3 GenX8_SDA IIC_CONT (GenX8 Loarder/E2PROM) Panel_SDA GND STB5V (PEAKS E2PROM) GenX8_SCL (Panel Dpr.E2PROM) (Genx7_SRQ) (PEAKS E2PROM) G_LED_ON AI_SENSOR SUB3.3V RMIN STB3.3V R_LED_ON SG-SRQ_GENX SG-RMIN SG-TV_SUB_ON SG-R_LED_ON PG-FAN_SOS +/ -/ F AV TV +15V_S +15V_S +15V_C S_GND S_GND GND F+15V F+15V F+15V GND GND STBY5V GND S0 S1 TUNER_SUB_ON ECO_ON PANEL_MAIN_ON STBY5V_SW SOS4_PS N.C.(AC_LOW) ALL_OFF MAIN_SW_1 MAIN_SW_2 N.C. Panel-D Panel-D PANEL_SCL2 PANEL_SDA2 (F_STBY_ON) NORMAL SOS GND GND "H": ON "L": OFF SD_boot_mode 149 150 151 145 147 152 153 146 148 ! TO 1/19 TO 1,19/19 TO 1/19 TO 1/19 TO 3,6/19 TO 3,6/19 TO 3,6/19 TO 3,6/19 TO 3,6,9, 11,12/19 TO 6/19 TO 6,13/19 TO 6/19 TO 6/19 TO 6/19 TO 12/19 TO 12,13/19 TO 13/19 TO 13/19 TO 16,19/19 SUB6V TEMP SENSOR TO P-BOARD (P6) FOR FACTORY USE TO K-BOARD (K1) TO P-BOARD (P7) A-BOARD TNPH0840HC (17/19) TH-P42U20C A-Board (17/19) Schematic Diagram TH-P42U20C A-Board (17/19) Schematic Diagram 65 12.23.A 电路板 (18/19) 线路图 C8064 22u 4V C8063 16V 0.1u C8055 16V 0.1u C8105 16V 0.1u C8000 16V 0.1u C8012 16V 0.1u C8117 16V 0.1u C8091 16V 0.1u C8108 16V 0.1u C8044 10u 10V C8003 16V 0.1u C8002 16V 0.1u C8067 16V 0.1u C8051 16V 0.1u C8013 16V 0.1u C8014 16V 0.1u C8073 6.3V 1u C8004 16V 0.1u C8112 16V 0.1u C8017 16V 0.1u C8115 16V 0.1u C8008 16V 0.1u C8024 10u 10V C8019 16V 0.1u C8036 10u 10V C8047 16V 0.1u C8022 10u 10V C8062 16V 0.1u C8125 10u 10V C8048 6.3V 1u C8007 16V 0.1u C8114 16V 0.1u C8101 10u 10V C8020 16V 0.1u C8054 16V 0.1u C8037 16V 0.1u C8093 6.3V 1u C8123 16V 0.1u C8111 16V 0.1u C8010 16V 0.1u C8046 16V 0.1u C8006 16V 0.1u C8053 16V 0.1u C8074 6.3V 1u C8050 16V 0.1u C8104 6.3V 1u C8057 16V 0.1u C8021 16V 0.1u C8110 16V 0.1u C8005 16V 0.1u C8009 16V 0.1u C8099 6.3V 1u C8120 16V 0.1u C8023 10u 10V C8070 16V 0.1u C8056 16V 0.1u C8077 25V 0.01u C8058 16V 0.1u C8113 16V 0.1u C8100 10u 10V C8076 16V 0.1u C8126 10u 10V C8075 6.3V 1u C8116 16V 0.1u C8069 16V 0.1u C8042 6.3V 1u C8001 16V 0.1u C8068 16V 0.1u C8052 16V 0.1u C8035 10u 10V C8085 10u 10V C8097 16V 0.1u C8011 16V 0.1u C8124 10u 10V L8019 J0JHC0000045 L8008 J0JHC0000045 L8025 J0JHC0000045 L8012 J0JHC0000045 L8024 J0JHC0000045 L8009 J0JHC0000045 L8015 J0JHC0000045 L8010 J0JHC0000045 L8005 J0JKC0000021 L8013 J0JHC0000045 L8001 J0JHC0000116 L8014 J0JHC0000045 L8016 J0JHC0000045 L8011 J0JHC0000045 L8004 J0JHC0000045 L8000 J0JHC0000045 L8022 J0JHC0000045 L8017 J0JHC0000045 L8021 J0JHC0000045 L8018 J0JHC0000045 L8020 J0JHC0000045 L8023 J0JHC0000045 L8002 J0JKC0000021 L8003 J0JKC0000021 SUB_SD_3.3V AVDDV3.3V SUB3.3V 1.8V_DDRI/F SUB1.8V SUB1.2V SUB1.2V SUB3.3V SUB1.2V AVDD3.3V 1.8V_DDRI/F STB3.3V SUB3.3V SUB1.2V SUB1.2V SUB3.3V SUB3.3V SUB3.3V SUB3.3V SUB3.3V AVDDH3.3V STB1.2V AG31_MMCK AB32_MMODT AB31_MMCKE AG32_MMXCK VDDR/A L14_AVDDSIF D6_VREFL0 AD15_VDDAUSB AVDDADA1/2/3 C15_VREFLSIF C8_VREFH2 VDDAVAD D21_VREF1V5 AVDDADA1/2/3 D7_VREFL1 C9_VREFH3 C10_BIAS D15_VREFHSIF D8_VREFL2 AVDDA SUB_SD_3.3V AD17_A2AVDD AP32_VDD12STM 1.8V_DDRI/F LVVDD33 AA11_VDDUSB C7_VREFH1 VDD33STM/ADAVDD AVDDV3.3V AD18_DPAVDD AD16_AVDDPWM AVDDADA1/2/3 C6_VREFH0 D20_VREG AVDDPLLV/75D P24_M1A1AVDD L15_AVDDPLLA AD14_VDDPUSB N24_MVAVDD AL27_MMRDRV D9_VREFL3 AVDDHP D10_BIAS2 MMVCAL/REF W24_LVVDD12 AL28_MMRODT AVDDH VDD12 VDD3 C C C C C C C G_SIF C C C C C C C C C 1% R8009 56 1% R8010 300 R8014 10k 1% R8006 1k R8007 110 R8011 330 R8008 10k 1% R8005 1k R8031 2.2k VSW DDR ADC Analog Audio In I/F SD CARD I/F USB I/F Dchip STM SIF I/F Achip 162 154 157 158 161 156 159 155 160 ! TO 2/19 TO 2/19 TO 2/19 TO 2/19 TO 2/19 TO 2/19 TO 2/19 TO 2/19 TO 2,3,18/19 TO 2,3,18/19 TO 2,3,18/19 TO 2,3,18/19 TO 2,3,18/19 TO 2,3,18/19 TO 2,3,18/19 TO 2,3,18/19 TO 2,3,18/19 TO 2,3,18/19 TO 2,3,18/19 TO 2,3,18/19 TO 2,3,18/19 TO 2,3,18/19 TO 2,3,18/19 TO 2,3,18/19 TO 2/19 TO 2/19 TO 2/19 TO 2/19 TO 2,18/19 TO 2,18/19 TO 2,18/19 TO 2/19 TO 2/19 TO 3/19 TO 3/19 TO 3/19 TO 3/19 TO 3/19 TO 3/19 TO 3/19 TO 3/19 TO 3/19 TO 3/19 TO 3/19 TO 3/19 TO 3/19 TO 3/19 A-BOARD TNPH0840HC (18/19) TH-P42U20C A-Board (18/19) Schematic Diagram TH-P42U20C A-Board (18/19) Schematic Diagram 66 12.24.A 电路板 (19/19) 线路图 S S S S S S C5622 22u 6.3V C5618 22u 6.3V C5612 1u 16V C5607 4.7u 10V C5600 25V 10u C5609 0.1u 16V C5619 22u 6.3V C5603 10u 25V C5617 22u 6.3V C5606 0.15u 10V C5604 10u 25V C5611 1u 25V C5621 22u 6.3V C5620 22u 6.3V C5608 0.1u 16V C5601 25V 10u C5602 6800p 25V C0DBAYY00715 IC5600 1 DRVH1 2 VBST1 3 EN1 4 VO1 5 VFB1 6 GND 7 SS1 8 VFB2 9 VO2 10 EN2 11 VBST2 12 DRVH2 13 SW2 14 DRVL2 15 PGND2 16 TRIP2 17 SS2 18 V5FILT 19 VREG5 20 VIN 21 TRIP1 22 PGND1 23 DRVL1 24 SW1 L5603 J0JHC0000075 L5602 G1C100MA0077 L5600 G1C2R2Z00006 L5601 G1C3R3Z00004 SUB1.8V DCDC15V SUB1.2V F15V R5646 R5628 R5631 R5645 R5636 R5637 PA5610 K5H4022A0031 TP5600 TP5601 DCDC_CTL1 Q5600 B1MBDDA00003 S1 G1 S2 G2 D2 D2 D1 D1 Q5601 B1MBEDA00015 S1 G1 S2 G2 D2 D2 D1 D1 R5605 20k 1% R5604 2k 0.5% R5601 820 0.5% R5606 24k 1% R5616 10 R5603 1.24k 0.5% R5602 2.7k 0.5% R5617 10 169 167 163 170 165 166 171 164 168 ! TO 16,17/19 SUB1.8V SUB1.2V A-BOARD TNPH0840HC (19/19) TH-P42U20C A-Board (19/19) Schematic Diagram TH-P42U20C A-Board (19/19) Schematic Diagram 67 12.25.K 电路板和 S 电路板线路图 G R S BOTTOM PAD NC VCC GND OUT PUSH 0V 0V C2510 0.01u 50V C2521 16V 0.1u C2515 50V 0.01u C2511 10V 10u *D2520 B3AGB0000060 K1 1 2 3 4 5 6 7 8 VJ2512 SN2510 B3JB00000078 1 IOUT 4 NC 2 GND 3 VCC 5 GC1 6 GC2 TP2503 TP2506 TP2508 TP2504 TP2505 TP2502 TP2501 RM2510 B3RAD0000168 1 2 3 Q2511 DSC200100L Q2510 DSC200100L Q2512 DSC200100L 1% *R2519 1.82k R2514 10k R2513 22k R2515 47k R2518 47k R2517 22k R2511 100k R2510 47 1% *R2516 680 R2512 220k SW2500 K0F162B00002 S1B 1 2 3 < POWER LED STBY3.3V AI_SENSOR G_LED_ON REMOCON REMOTE CONTROL SENSOR R_LED_ON GND STB3.3V R_LED_ON REMOCON G_LED_ON AI_SENSOR SUB3.3V GND SUB3.3V STBY3.3V SUB3.3V TO A-BOARD (A1) G R LED L H RED H H UMBER H L GREEN L L OFF AI SENSOR K-BOARD TXN/K1LQUC ! A 5 E C 6 D 3 7 4 2 1 B 8 TXN/S1EQUC ! ! TO P-BOARD (P34) POWER SWITCH STB_PS 5V S-BOARD TH-P42U20C K and S-Board Schematic Diagram TH-P42U20C K and S-Board Schematic Diagram 68 12.26.C1 电路板 (1/2) 线路图 TERM SIDE TERM SIDE TERM SIDE TERM SIDE TERM SIDE TERM SIDE TERM SIDE TERM SIDE AB_ODE1 AB_PC1 AB_CLR1 AB_LE1 AB_ODE1 AB_PC1 AB_CLR1 AB_LE1 AB_ODE1 AB_PC1 AB_CLR1 AB_LE1 AB_ODE1 AB_PC1 AB_CLR1 AB_LE2 AB_ODE2 AB_PC2 AB_CLR2 AB_LE2 AB_ODE2 AB_PC2 AB_CLR2 AB_LE2 AB_ODE2 AB_PC2 AB_CLR2 AB_LE2 AB_ODE2 AB_PC2 AB_CLR2 DD1_2+ DD1_1- DD1_1+ DRVCLK1- DRVCLK1+ DD2_2- DD2_2+ DD2_1- DD2_1+ DRVCLK1- DRVCLK1+ DD3_2- DD3_2+ DD3_1- DD3_1+ DRVCLK2- DRVCLK2+ DD4_2- DD4_2+ DD4_1- DD4_1+ DRVCLK2- DRVCLK2+ DD5_2+ DRVCLK3- DRVCLK3+ DD6_2- DD6_2+ DD6_1- DD6_1+ DRVCLK3- DRVCLK3+ DD7_2- DD7_2+ DD7_1- DD7_1+ DRVCLK4- DRVCLK4+ DD8_2- DD8_2+ DD8_1- DD8_1+ DRVCLK5- DRVCLK5+ AB_LE1 DD5_1- DD1_2- DD5_2- DD5_1+ C17101 100V 0.33u C17124 100V 0.33u C17121 100V 0.33u C17117 100V 0.33u C17109 100V 0.33u C17105 100V 0.33u C17111 100V 0.33u C17115 100V 0.33u C17113 10V 1u C17107 10V 1u C17119 10V 1u C17116 10V 1u C17110 10V 1u C17122 10V 1u C17125 10V 1u C17104 10V 1u 1 3 4 5 7 8 9 11 12 13 14 15 16 17 18 19 20 21 22 23 24 25 26 27 28 29 30 31 32 33 34 35 36 37 38 39 40 41 42 43 44 45 47 48 49 51 52 53 55 1 3 4 5 7 8 9 11 12 13 14 15 16 17 18 19 20 21 22 23 24 25 26 27 28 29 30 31 32 33 34 35 36 37 38 39 40 41 42 43 44 45 47 48 49 51 52 53 55 1 3 4 5 7 8 9 11 12 13 14 15 16 17 18 19 20 21 22 23 24 25 26 27 28 29 30 31 32 33 34 35 36 37 38 39 40 41 42 43 44 45 47 48 49 51 52 53 55 1 3 4 5 7 8 9 11 12 13 14 15 16 17 18 19 20 21 22 23 24 25 26 27 28 29 30 31 32 33 34 35 36 37 38 39 40 41 42 43 44 45 47 48 49 51 52 53 55 1 3 4 5 7 8 9 11 12 13 14 15 16 17 18 19 20 21 22 23 24 25 26 27 28 29 30 31 32 33 34 35 36 37 38 39 40 41 42 43 44 45 47 48 49 51 52 53 55 1 3 4 5 7 8 9 11 12 13 14 15 16 17 18 19 20 21 22 23 24 25 26 27 28 29 30 31 32 33 34 35 36 37 38 39 40 41 42 43 44 45 47 48 49 51 52 53 55 1 3 4 5 7 8 9 11 12 13 14 15 16 17 18 19 20 21 22 23 24 25 26 27 28 29 30 31 32 33 34 35 36 37 38 39 40 41 42 43 44 45 47 48 49 51 52 53 55 1 3 4 5 7 8 9 11 12 13 14 15 16 17 18 19 20 21 22 23 24 25 26 27 28 29 30 31 32 33 34 35 36 37 38 39 40 41 42 43 44 45 47 48 49 51 52 53 55 C1_3.3V C1_3.3V VDA C1_3.3V C1_3.3V C1_3.3V C1_3.3V VDA VDA C1_3.3V VDA VDA VDA C1_3.3V VDA VDA R17141 1 R17111 1 R17106 1 R17148 150 R17116 1 R17121 1 R17126 1 R17131 1 R17136 1 R17138 100 R17145 100 R17125 200 R17129 100 R17135 200 R17108 100 R17139 100 R17130 200 R17128 100 R17115 200 R17114 100 R17140 100 R17119 100 R17144 100 R17113 100 R17109 100 R17110 200 R17123 100 R17120 200 R17124 100 R17133 100 R17143 100 R17118 100 R17134 100 GND GND VDD1 GND NC VDD2 VDD2 LEN GND A1N A2P VDD2 VDD2 GND GND GND VDD2 GND NC GND NC GND CLR A2N VDD1 VDD2 VDD2 FXN VDD2 VDD2 GND A1P GND GND VDD2 GND GND GND NC VDD2 DM GND GND NC DM NC VDD2 FXP ODE BLK GND TEST VDD2 NC DM GND NC VDD2 FXP GND VDD2 DM GND GND ODE NC GND VDD2 GND GND GND NC LEN GND A1N A2P VDD2 VDD2 GND GND GND VDD2 BLK GND NC GND VDD2 NC TEST GND CLR A2N GND VDD1 VDD2 VDD2 FXN GND VDD2 VDD1 VDD2 GND GND A1P GND VDD2 NC DM GND NC VDD2 FXP GND VDD2 DM GND GND ODE NC GND VDD2 GND GND GND NC LEN GND A1N A2P VDD2 VDD2 GND GND GND VDD2 BLK GND NC GND VDD2 NC TEST GND CLR A2N GND VDD1 VDD2 VDD2 FXN GND VDD2 VDD1 VDD2 GND GND A1P GND VDD2 NC DM GND NC VDD2 FXP GND VDD2 DM GND GND ODE NC GND VDD2 GND GND GND NC LEN GND A1N A2P VDD2 VDD2 GND GND GND VDD2 BLK GND NC GND VDD2 NC TEST GND CLR A2N GND VDD1 VDD2 VDD2 FXN GND VDD2 VDD1 VDD2 GND GND A1P GND GND VDD1 VDD2 VDD2 NC TEST NC VDD2 DM NC FXP A1N VDD2 GND NC A2P GND VDD2 VDD2 GND VDD2 DM GND VDD2 GND DM FXP VDD2 VDD2 GND GND BLK GND GND ODE NC ODE NC GND GND GND VDD2 GND GND NC GND NC GND VDD2 TEST NC A1N VDD2 GND LEN GND VDD2 DM GND GND VDD1 A2P CLR A2N GND GND VDD1 GND GND GND VDD2 GND VDD2 ODE FXP NC NC A2P FXN VDD2 GND GND GND GND GND GND VDD2 VDD2 GND GND VDD1 GND GND A1P NC VDD2 GND BLK GND LEN A1P GND GND A1N A2P NC VDD2 VDD2 GND GND NC VDD2 VDD2 VDD2 DM GND GND GND GND GND VDD2 VDD2 VDD2 VDD2 CLR GND VDD2 BLK A2N NC NC LEN GND NC GND VDD1 GND GND GND NC VDD2 VDD2 VDD2 DM FXN VDD2 GND GND BLK VDD1 GND VDD2 GND GND NC FXN VDD2 GND GND GND VDD2 GND VDD2 GND GND A1P VDD2 NC NC VDD2 GND GND VDD2 NC DM TEST GND DM GND GND NC A1N CLR GND TEST A2N GND VDD1 VDD2 CLR GND GND VDD2 A2N NC VDD2 ODE FXN VDD2 GND VDD2 GND VDD1 VDD2 VDD2 FXP GND LEN GND A1P GND GND NC OHZ GND OHZ NC OHZ NC OHZ NC OHZ NC OHZ NC OHZ NC OHZ NC B A 1 8 4 E 2 D 7 3 9 6 F 5 C TO DRIVER PANEL DATA CB1 TO DRIVER PANEL DATA CB2 PANEL DATA CB3 DRIVER TO DRIVER TO CB4 PANEL DATA TO DRIVER PANEL DATA CB6 DRIVER PANEL DATA CB5 TO PANEL DATA CB7 DRIVER TO DRIVER TO CB8 PANEL DATA C1-BOARD TXNC11LQUC (1/2) ! 1 2 TH-P42U20C C1-Board (1/2) Schematic Diagram TH-P42U20C C1-Board (1/2) Schematic Diagram 69 12.27.C1 电路板 (2/2) 线路图 SIDE TERM TERM SIDE AB_LE1 AB_LE2 AB_ODE1 AB_ODE2 AB_PC1 AB_PC2 AB_CLR1 AB_CLR2 DD2_2+ DD8_1+ DD2_2- DD8_1- DD8_2+ DD8_2- DRVCLK4+ DRVCLK4- DD7_1+ DD7_1- DD7_2+ DD7_2- DD6_1+ DD6_1- DD6_2+ DD6_2- DRVCLK3+ DRVCLK3- DD5_1+ DD5_1- DD5_2+ DD5_2- DD4_1+ DRVCLK1+ DD3_1+ DD4_1- DRVCLK1- DD3_1- DD4_2+ DD1_1+ DD3_2+ DD4_2- DD1_1- DD3_2- DRVCLK2+ DD1_2+ DD2_1+ DRVCLK2- DD1_2- DD2_1- AA_PC1_L AA_PC2_L AA_CLR_L AA_PC2_L AA_PC1_L AA_ODE_L AA_LE_L 5V_DET DRVCLK5- DRVCLK5+ AA_ODE_L AA_LE_L AA_CLR_L C17103 16V 0.1u C17141 50V 100p C0JBAU000043 IC17101 G1 1 2 A1 3 A2 4 A3 5 A4 6 A5 7 A6 8 A7 9 A8 10 GND 11 Y8 12 Y7 13 Y6 14 Y5 15 Y4 16 Y3 17 Y2 18 Y1 19 G2 20 Vcc C10 1 2 3 4 5 6 7 8 9 10 11 12 13 14 15 16 17 18 19 20 C11 1 2 3 4 5 6 7 8 9 10 11 12 13 14 15 16 17 18 19 20 21 22 23 24 25 26 27 28 29 30 31 32 33 34 35 36 37 38 39 40 41 42 43 44 45 46 47 48 49 50 51 52 53 54 55 57 58 59 60 61 62 63 64 65 66 67 68 56 VDA C1_3.3V C1_3.3V C1_3.3V ZA17103 K4CD01000013 ZA17101 K4CD01000013 ZA17104 K4CD01000013 ZA17102 K4CD01000013 R17105 EXB38V470JV R17104 EXB38V470JV R17103 EXB38V681JV R17152 0 R17101 0 R17150 1k R17146 680 R17151 0 R17147 220k R17153 0 55 1 68 1 C10 C11 1 20 55 1 55 1 55 1 55 1 55 1 55 1 55 1 DD4_2+ DD1_1- GND DD4_1+ DD8_2- DD8_1- DD4_2- DD4_1- GND P3.3V P3.3V P3.3V NC GND DD5_2+ DD5_1+ GND GND GND DD5_2- DD5_1- DD1_2+ DD6_2+ DD6_1+ CLR GND PC1 DRVCLK3+ DRVCLK2- DD1_2- GND DRVCLK5- GND DRVCLK3- GND DRVCLK4+ GND DRVCLK4- DD2_2+ DD2_1+ ODE DRVCLK1- LE GND PC2 DRVCLK1+ DD2_2- DD2_1- GND DD1_1+ DD3_2+ DD7_2+ DD3_1+ DD7_1+ DD7_2- DD7_1- GND DD3_2- GND DRVCLK2+ DD8_2+ DD3_1- DD8_1+ DD6_2- GND DD6_1- GND GND P3.3V P3.3V GND NC GND GND NC Vdat Vdat Vdat NC Vdat GND GND Vdat NC P3.3V_DET GND GND DRVCLK5+ 14 15 18 16 10 12 13 17 11 BUFFER C1-BOARD TXNC11LQUC (2/2) ! 1 2 TO C2-BOARD (C20) TO A-BOARD (A31) TH-P42U20C C1-Board (2/2) Schematic Diagram TH-P42U20C C1-Board (2/2) Schematic Diagram 70 12.28.C2 电路板 (1/2) 线路图 SIDE TERM TERM SIDE AB_ODE3 AB_ODE4 AB_PC3 AB_LE3 AB_LE4 AB_PC4 AB_CLR3 AB_UML AB_UMH AA_UEH AA_UMH AB_UEH AB_USL AB_USH AB_USL AB_UEH AB_UML AB_USH AA_USH DRVCLK7- DD9_1- DD11_2- DD9_2+ DD11_2+ AA_UEH DD9_2- DD11_1+ DD11_1- AA_USL DD9_1+ AA_PC4_R DD10_2+ AA_USH DRVCLK7+ DD13_2- DD10_2- DD13_1- DD10_1- DD12_1+ DRVCLK6+ DD12_2+ DRVCLK6- DRVCLK8- DD12_2- DD13_1+ AA_ODE_R DD12_1- DD13_2+ AA_LE_R DD10_1+ AA_CLR_R DRVCLK8+ AA_PC3_R DD15_2+ DD14_1+ DD15_2- DD14_2+ DD15_1- DD14_2- DD14_1- DRVCLK9- DD15_1+ AA_UML DRVCLK9+ AA_PC3_R AA_PC4_R AB_CLR4 AB_UMH AA_UMH AA_CLR_R 5V_DET AA_ODE_R AA_UML AA_USL AA_LE_R C17202 16V 0.1u C17203 16V 0.1u C17241 50V 100p C0JBAU000043 IC17201 G1 1 2 A1 3 A2 4 A3 5 A4 6 A5 7 A6 8 A7 9 A8 10 GND 11 Y8 12 Y7 13 Y6 14 Y5 15 Y4 16 Y3 17 Y2 18 Y1 19 G2 20 Vcc C0JBAZ002692 IC17202 G1 1 2 A1 3 A2 4 A3 5 A4 6 A5 7 A6 8 A7 9 A8 10 GND 11 Y8 12 Y7 13 Y6 14 Y5 15 Y4 16 Y3 17 Y2 18 Y1 19 G2 20 Vcc C20 1 2 3 4 5 6 7 8 9 10 11 12 13 14 15 16 17 18 19 20 C21 1 2 3 4 5 6 7 8 9 10 11 12 13 14 15 16 17 18 19 20 21 22 23 24 25 26 27 28 29 30 31 32 33 34 35 36 37 38 39 40 41 42 43 44 45 46 47 48 49 50 51 52 53 54 55 57 58 59 60 61 62 63 64 65 66 67 68 56 C25 1 2 3 4 C23 1 2 3 4 5 6 7 8 C2_3.3V C2_3.3V C2_3.3V VDA SS_5V SS_5V VDA SS_5V R17205 EXB38V470JV R17208 EXB38V681JV R17206 EXB38V470JV R17207 EXB38V681JV R17203 EXB38V470JV R17204 EXB38V681JV R17202 EXB38V470JV R17201 220k R17262 0 R17245 680 R17261 0 R17260 0 R17263 0 GND VDA VDA NC UML UMH SOS8_SS GND P5V UEH USL USH DD15_1- DRVCLK7+ GND DD15_2+ PC4 UEH DD11_2- PC3 DD14_2- DRVCLK8+ DD12_1+ GND DD14_1+ CLR GND GND GND DD12_2- P5V_SS GND DD15_1+ DD12_1- DD9_2+ DD14_2+ DD11_1+ DD10_2- DD13_1- DD10_1- DD11_1- DRVCLK8- USH GND DD13_2+ DD11_2+ NC GND DD9_1+ DD13_1+ GND DD12_2+ DD13_2- UML DD9_1- GND GND DRVCLK7- NC DD10_1+ GND DD14_1- DRVCLK9+ DRVCLK6+ DRVSOS8 P3.3V_DET DRVCLK6- GND GND USL DRVCLK9- LE ODE UMH GND GND DD9_2- DD10_2+ DD15_2- GND P3.3V P3.3V GND GND NC GND NC P3.3V_DET VDA GND GND NC VDA VDA GND GND NC VDA VDA P3.3V 7 A B 2 3 E 9 4 6 8 C 1 F 5 D TO C1-BOARD (C10) TO A-BOARD (A32) TO SS-BOARD (SS33) TO P-BOARD (P35) BUFFER BUFFER 1 2 C2-BOARD TXNC21LQUC (1/2) ! TH-P42U20C C2-Board (1/2) Schematic Diagram TH-P42U20C C2-Board (1/2) Schematic Diagram 71 12.29.C2 电路板 (2/2) 线路图 TERM SIDE TERM SIDE TERM SIDE TERM SIDE TERM SIDE TERM SIDE TERM SIDE DD15_2+ DD11_1- DRVCLK6- DRVCLK6- AB_PC3 AB_PC3 AB_ODE3 DRVCLK7+ DD12_2- DD10_1+ AB_LE3 AB_CLR4 AB_ODE4 AB_ODE4 AB_ODE3 DD12_1+ DD9_1- AB_LE3 AB_PC4 AB_CLR3 DRVCLK9+ DRVCLK9- DD13_1+ DD15_1- AB_PC3 AB_ODE3 DD10_2+ DD10_2- AB_LE3 AB_CLR3 DD14_1- AB_CLR3 AB_CLR4 AB_PC3 DD10_1- AB_ODE3 DRVCLK7- DD12_2+ DD11_1+ DRVCLK7- AB_CLR3 AB_LE3 DD14_2- DD11_2+ DD9_2- AB_PC4 DD13_2+ DRVCLK8+ AB_PC4 AB_CLR4 AB_LE4 DD14_2+ DRVCLK8- DD13_1- DRVCLK8- DD15_1+ AB_ODE4 DD11_2- DD9_2+ DD12_1- DRVCLK8+ DD14_1+ AB_LE4 AB_LE4 DD15_2- DD9_1+ DD13_2- DRVCLK6+ DRVCLK6+ DRVCLK7+ C17205 100V 0.33u C17207 100V 0.33u C17217 100V 0.33u C17219 100V 0.33u C17213 100V 0.33u C17210 100V 0.33u C17223 100V 0.33u C17221 10V 1u C17212 10V 1u C17206 10V 1u C17215 10V 1u C17218 10V 1u C17224 10V 1u C17209 10V 1u 1 3 4 5 7 8 9 11 12 13 14 15 16 17 18 19 20 21 22 23 24 25 26 27 28 29 30 31 32 33 34 35 36 37 38 39 40 41 42 43 44 45 47 48 49 51 52 53 55 1 3 4 5 7 8 9 11 12 13 14 15 16 17 18 19 20 21 22 23 24 25 26 27 28 29 30 31 32 33 34 35 36 37 38 39 40 41 42 43 44 45 47 48 49 51 52 53 55 1 3 4 5 7 8 9 11 12 13 14 15 16 17 18 19 20 21 22 23 24 25 26 27 28 29 30 31 32 33 34 35 36 37 38 39 40 41 42 43 44 45 47 48 49 51 52 53 55 1 3 4 5 7 8 9 11 12 13 14 15 16 17 18 19 20 21 22 23 24 25 26 27 28 29 30 31 32 33 34 35 36 37 38 39 40 41 42 43 44 45 47 48 49 51 52 53 55 1 3 4 5 7 8 9 11 12 13 14 15 16 17 18 19 20 21 22 23 24 25 26 27 28 29 30 31 32 33 34 35 36 37 38 39 40 41 42 43 44 45 47 48 49 51 52 53 55 1 3 4 5 7 8 9 11 12 13 14 15 16 17 18 19 20 21 22 23 24 25 26 27 28 29 30 31 32 33 34 35 36 37 38 39 40 41 42 43 44 45 47 48 49 51 52 53 55 1 3 4 5 7 8 9 11 12 13 14 15 16 17 18 19 20 21 22 23 24 25 26 27 28 29 30 31 32 33 34 35 36 37 38 39 40 41 42 43 44 45 47 48 49 51 52 53 55 C2_3.3V C2_3.3V C2_3.3V C2_3.3V C2_3.3V C2_3.3V VDA VDA VDA VDA VDA VDA VDA C2_3.3V ZA17203 K4CD01000013 ZA17201 K4CD01000013 ZA17202 K4CD01000013 ZA17204 K4CD01000013 R17247 150 R17240 1 R17220 1 R17225 1 R17210 1 R17215 1 R17235 1 R17230 1 R17234 200 R17232 100 R17219 200 R17218 100 R17239 200 R17244 100 R17224 200 R17217 100 R17228 100 R17212 100 R17214 200 R17237 100 R17233 100 R17227 100 R17243 100 R17213 100 R17242 100 R17223 100 R17222 100 R17229 200 R17238 100 8 55 C20 4 1 1 1 20 1 1 5 5 1 5 5 55 1 55 1 55 1 55 1 1 68 C21 FXP VDD2 LEN GND GND VDD1 VDD2 VDD2 NC TEST NC VDD2 DM NC FXP A1N VDD2 GND NC A2P GND VDD2 VDD2 VDD2 GND NC VDD2 FXP DM GND VDD2 A1N VDD2 GND DM FXP VDD2 VDD2 GND GND BLK GND GND ODE NC ODE NC GND GND GND VDD2 GND GND NC GND NC GND VDD2 TEST NC DM A1N VDD2 GND GND LEN VDD2 GND VDD2 GND DM GND GND VDD1 DM A2P CLR VDD2 A2N GND VDD2 GND GND GND BLK VDD1 GND GND GND GND GND VDD2 ODE NC GND VDD2 ODE NC ODE FXP GND NC NC A2P FXN GND VDD2 GND GND GND GND GND VDD1 GND GND GND VDD2 GND VDD2 GND GND VDD1 A1P VDD1 GND GND GND A1P NC VDD2 VDD2 VDD2 GND GND BLK GND BLK GND GND GND LEN NC A1P GND FXN GND A1P A1N VDD2 A2P GND NC GND VDD2 GND VDD2 GND GND NC VDD2 VDD2 GND VDD2 DM GND GND GND VDD2 NC GND GND VDD2 VDD2 VDD2 VDD2 GND GND VDD2 GND GND A1P VDD2 NC VDD2 CLR GND VDD2 BLK VDD2 VDD2 NC A2N NC NC NC LEN TEST VDD2 GND VDD2 NC GND DM GND VDD1 GND GND DM GND GND GND VDD2 NC GND VDD2 DM VDD2 VDD2 VDD2 VDD1 DM GND A2P VDD2 NC FXN CLR VDD2 CLR A1N A2N GND GND GND BLK GND VDD2 GND GND VDD2 BLK TEST VDD1 VDD1 GND GND A2N VDD2 NC GND GND GND NC FXN NC NC VDD2 GND GND GND GND GND LEN VDD2 GND VDD2 VDD2 GND GND A1P VDD2 NC NC GND NC CLR GND VDD2 GND NC GND GND VDD2 GND VDD2 GND NC DM GND TEST TEST VDD1 GND DM NC GND GND A2N FXP GND NC A1N A1N GND CLR NC GND TEST VDD2 GND A2N VDD2 NC GND GND NC VDD1 A2P A2P GND VDD2 VDD2 CLR ODE FXN GND GND GND LEN VDD2 VDD2 A2N NC VDD2 VDD2 VDD2 ODE GND VDD2 FXN VDD2 VDD2 GND VDD2 VDD1 GND VDD2 DM VDD2 GND GND GND VDD1 VDD2 VDD2 GND GND FXN FXP GND GND LEN GND VDD2 GND GND A1P VDD2 GND GND GND NC OHZ NC OHZ NC OHZ NC OHZ NC OHZ NC OHZ NC OHZ 18 13 17 14 15 12 11 10 16 DRIVER PANEL DATA CB9 TO DRIVER PANEL DATA TO DRIVER PANEL DATA TO DRIVER PANEL DATA TO DRIVER PANEL DATA TO PANEL DATA TO DRIVER CB10 CB11 CB12 CB15 CB14 PANEL DATA TO DRIVER CB13 1 2 C2-BOARD TXNC21LQUC (2/2) ! TH-P42U20C C2-Board (2/2) Schematic Diagram TH-P42U20C C2-Board (2/2) Schematic Diagram 72 12.30.SC 电路板 (1/4) 线路图 + + + TERM SIDE MAIN_STOP0 AA_SIU AA_CLK AA_CERS AA_SEL AA_OC2 AA_SC_FPGANRST AA_OC1 AA_CEL AA_CSH AA_CSL AA_CPH1 AA_CMH AA_CML AA_CML2 AA_CRC2 AA_UHZ AA_CRC1 AA_CIS AA_CRC3 AA_SOS6 5V MID VSUS C16562 16V 1u C16564 16V 1u C16413 1.5u 250V C16565 50V 0.01u C16566 50V 0.01u C16582 16V 1u C16593 50V 1000p C16581 25V 1u C16561 10V 10u *C16412 220V 250u C16791 25V 220u *C16414 220V 250u D16480 B0ACCJ000048 D16790 B0JCME000093 D16822 B0ADCJ000100 D16583 B3ABB0000210 IC16581 C0BBBA000024 1 A_OUTPUT 2 A_-INPUT 3 A_+INPUT 4 GND 5 B_+INPUT 6 B_-INPUT 7 B_OUTPUT 8 VCC IC16563 C0JBAB000916 1 1A 2 1Y 3 2A 4 2Y 5 3A 6 3Y 7 GND 8 4Y 9 4A 10 5Y 11 5A 12 6Y 13 6A 14 VCC C0JBAU000043 IC16561 G1 1 2 A1 3 A2 4 A3 5 A4 6 A5 7 A6 8 A7 9 A8 10 GND 11 Y8 12 Y7 13 Y6 14 Y5 15 Y4 16 Y3 17 Y2 18 Y1 19 G2 20 Vcc C0JBAU000043 IC16562 G1 1 2 A1 3 A2 4 A3 5 A4 6 A5 7 A6 8 A7 9 A8 10 GND 11 Y8 12 Y7 13 Y6 14 Y5 15 Y4 16 Y3 17 Y2 18 Y1 19 G2 20 Vcc SC20 23 29 30 2 12 5 33 14 32 20 28 26 4 9 11 19 22 21 25 8 13 6 31 17 10 34 24 18 1 7 27 16 15 3 35 SC2 1 3 5V 15V 15V SOS7_SC2 TP25 TP39 TP97 TP7 TP30 TP52 TP36 TP38 TP28 TP98 TP46 TP22 TP15 TP72 TP1 TP82 TP33 TP11 TP71 TP88 TP108 TP109 TP110 TP111 TP113 TP114 TP115 TP118 TP116 TP121 TP120 TP119 TP123 TP31 TP105 TP19 TP26 TP3 TP5 TP8 TP18 TP21 TP35 TP9 TP4 TP2 TP6 TP99 TP32 TP89 TP40 TP23 TP37 TP24 TP10 TP17 TP106 TP34 TP29 TP70 TP117 TP112 TP20 TP107 TP14 TP16 TP122 TP124 TP101 R16565 EXB38V472JV R16579 EXB38V470JV R16563 EXB38V470JV R16564 EXB38V470JV R16566 EXB38V472JV R16591 EXB38V472JV R16567 EXB38V472JV R16561 EXB38V470JV R16568 EXB38V472JV R16562 EXB38V470JV R16570 EXB38V472JV R16590 220 R16585 1k R16586 2.15k R16582 39k R16588 10k R16587 2.2k R16584 6.8k R16583 39k R16593 1.4k R16476 4.7k R16580 5.6k SC_FPGANRST CRC1 SEL SIU CLK TPSOS7 TPSOS6 (GREEN LED) NC SEL2 GND CRC3 GND P5V CMH SC_FPGANRST CML CPH1 CSL CSL CSH CSH CML CMH P15V CRC2 CRC3 P5V Vsus GND GND CLK GND SIU SEL CERS CIS CPH1 OC2 SOS6 SOS7 GND NC CEL GND OC1 GND P15V CRC1 OC1 UHZ GND CERS OC2 Reserve CEL CRC2 SEL2 Reserve 2 7 3 4 A C B 1 F 5 D E 9 6 8 TO P-BOARD (P2) TO A-BOARD (A20) BUFFER BUFFER CIS UHZ ! SC-BOARD TXNSC1LQUC (1/4) 1 2 3 INVERTER ERROR DET VOLTAGE ERROR DET(C16582) OPERATES AT 139V OR MORE AND 67V OR LESS MID Vsus TPVSUS TH-P42U20C SC-Board (1/4) Schematic Diagram TH-P42U20C SC-Board (1/4) Schematic Diagram 73 12.31.SC 电路板 (2/4) 线路图 + + + AA_CML AA_CSL AA_CMH AA_CSH AA_CML2 VRL 15V MIDF MIDC VRH C16524 25V 4.7u C16471 630V 1000p C16491 630V 1000p C16525 25V 4.7u C16421 630V 5600p C16771 16V 1u C16451 50V 3900p C16501 25V 1u C16441 50V 3900p C16522 25V 4.7u C16401 5600p 630V *C16633 250V 4u C16504 25V 4.7u C16521 25V 1u C16505 25V 1u *C16632 250V 4u C16502 25V 4.7u C16534 25V 1u C16523 25V 470u C16503 25V 470u C16796 25V 470u D16522 B0ECHR000001 D16466 B0ACCJ000048 D16411 B0ACCJ000048 D16534 B0ECHR000001 D16451 B0ECKP000055 D16503 B0ECHR000001 D16523 B0ECHR000001 D16536 B0ECHR000001 D16461 B0FACP000005 D16482 B0FACP000005 D16402 DA3DF50ACSLW D16401 DA3DF50ACSLW C0ZBZ0001708 IC16501 1 LO 2 VCOM 3 VCC2 4 NC 5 NC 6 VS 7 VB 8 HO 9 NC 10 NC 11 VCC 12 HIN 13 NC 14 LIN 15 GND 16 NC C0ZBZ0001708 IC16521 1 LO 2 VCOM 3 VCC2 4 NC 5 NC 6 VS 7 VB 8 HO 9 NC 10 NC 11 VCC 12 HIN 13 NC 14 LIN 15 GND 16 NC IC16771 C0CBADC00072 VIN 3 2 COM VOUT 1 *L16411 G0C1R0K00014 *L16401 G0C1R0K00014 *L16403 G0C1R0K00014 *L16412 G0C1R0K00014 15V PC16461 B3PBE0000054 1 2 3 4 5 6 7 8 TP90 TP92 TP91 TP93 Q16401 DG3D5020CSLW Q16421 B1JAEP000014 Q16441 B1JAEP000013 Q16402 DG3D5020CSLW Q16451 B1JAEP000012 Q16422 B1JAEP000014 Q16521 B1HFPFA00001 Q16501 B1HFPFA00001 Q16531 B1HFPFA00001 Q16551 B1HFPFA00001 R16465 27k R16517 47k R16451 5.6 R16503 10 R16410 390 R16521 100 R16466 56k R16467 82k R16533 47k R16522 100 R16416 10k 75 R16504 R16421 7.5 R16506 10 R16534 5.6 R16509 1 R16422 7.5 R16551 10 R16401 7.5 R16417 100 R16418 100 R16512 47k R16441 5.6 R16553 47k 75 R16523 R16531 10 R16411 270 R16402 7.5 R16468 82k C16461 1000p 630V C16481 1000p 630V Vad+5V Vad+5V VFG VFG 16V_F Vsus Vsus Vsus VAD VAD 15 13 18 12 11 14 17 10 16 MID Vad+5V CSH/CMH GATE DRIVE CIRCUIT FET DRIVER FET DRIVER CSL/CML GATE DRIVE CIRCUIT VOL 16V_F VFG Vad+5V ! 1 2 3 11 12 13 14 15 16 17 18 MID Vsus SC-BOARD TXNSC1LQUC (2/4) TH-P42U20C SC-Board (2/4) Schematic Diagram TH-P42U20C SC-Board (2/4) Schematic Diagram 74 12.32.SC 电路板 (3/4) 线路图 + AA_SC_FPGANRST MAIN_STOP0 AA_CIS AA_UHZ 15V AA_CPH1 AA_CERS VOL 5V_F AA_CRC1 AA_CRC2 AA_CEL C16684 50V 0.1u C16668 50V 220p C16603 630V 1000p C16608 50V 220p C16661 630V 1000p C16472 25V 1u C16692 50V 0.1u C16756 25V 4.7u C16666 50V 82p C16664 50V 82p C16604 630V 1000p C16665 50V 82p C16646 630V 1000p C16662 630V 1000p C16675 50V 390p C16641 2200p 630V C16891 25V 1u C16708 50V 0.1u C16490 16V 1u C16773 25V 1u C16753 25V 4.7u C16602 50V 22p C16645 630V 1000p C16685 50V 0.1u C16755 25V 4.7u C16707 50V 22p C16642 5600p 630V C16691 160V 100u D16674 B0ECHR000001 D16618 B0ECKP000055 D16474 B0ACCJ000048 D16669 B0ACCJ000048 D16649 B0ACCJ000048 D16654 B0ACCJ000048 D16673 B0ECHR000001 D16671 B0ACCJ000048 D16490 B0ECKP000055 D16610 B0ACCJ000048 D16702 B0ACCJ000048 D16765 B0ECKP000055 D16653 B0ACCJ000048 D16478 B0ACCJ000048 D16407 B0JCME000093 D16476 B0ACCJ000048 D16607 B0ACCJ000048 D16902 B0ACCJ000048 D16473 B0ACCJ000048 D16497 B0ECKP000055 D16652 B0ECKP000055 D16650 B0ACCJ000048 D16491 B0ECKP000055 D16677 B0ADEJ000035 D16604 B0ADCJ000100 D16422 B0FACP000005 D16901 B0ADCJ000100 D16493 B0ADCJ000100 D16920 B0ADCJ000100 D16494 B0ADCJ000100 D16642 B0FBCN000006 D16641 B0FBCN000006 D16791 DZ2J200M0L D16663 DZ2J150M0L DZ2J150M0L D16602 D16662 DZ2J150M0L D16678 DZ2J15000L D16646 DZ2J150M0L D16605 DZ2J051L0L D16477 DZ2J047L0L D16475 DZ2J051M0L D16492 DZ2J047M0L D16664 DZ2J150M0L D16651 DZ2J051M0L D16645 DZ2J150M0L D16648 DZ2J051L0L D16647 DZ2J150M0L C0DBZYY00352 IC16692 4 REFERENCE 3 CATHODE 1 NC 2 ANODE C0DBEYY00114 IC16471 4 REFERENCE 3 CATHODE 1 NC 2 ANODE C0DBZMC00006 IC16490 4 REFERENCE 3 CATHODE 1 NC 2 ANODE C0JBAC000363 IC16691 1 IN_B 2 IN_A 3 GND 5 VCC 4 OUT C0JBAB000715 IC16773 1 NC 2 IN_A 3 GND 5 VCC 4 OUT_Y C0BBAA000008 IC16491 1 -INPUT 2 GND 3 +INPUT 5 VCC 4 OUTPUT IC16920 C0BBBA000024 1 A_OUTPUT 2 A_-INPUT 3 A_+INPUT 4 GND 5 B_+INPUT 6 B_-INPUT 7 B_OUTPUT 8 VCC IC16661 C0BBBA000024 1 A_OUTPUT 2 A_-INPUT 3 A_+INPUT 4 GND 5 B_+INPUT 6 B_-INPUT 7 B_OUTPUT 8 VCC 15V 15V 5V 5V 5V CHA SCNR_PRO 5V PC16603 B3PBA0000498 1 2 3 4 PC16480 B3PBA0000498 1 2 3 4 PC16684 B3PBA0000496 1 2 3 4 5 6 PC16685 B3PBA0000496 1 2 3 4 5 6 TP68 TP103 TP104 TP67 Q16608 B1CBGD000001 Q16818 B1CBGD000001 Q16607 B1CBGD000001 Q16490 B1CBGD000001 Q16647 B1CBGD000001 2SK3018T106 Q16601 B1CERR000042 G D S Q16660 B1CERR000042 Q16668 DSC2001Q0L Q16645 DSC2001Q0L Q16471 B1ABCF000231 Q16676 B1ABCF000231 Q16602 DSC2001Q0L Q16649 B1ABCN000007 Q16606 DSC2001Q0L Q16920 B1ABCN000007 Q16810 B1ABCF000231 Q16662 DSC2001Q0L Q16671 B1ABCF000231 Q16921 B1ABCN000007 Q16702 B1ABCF000231 Q16677 DSC2001Q0L Q16678 B1ABCF000231 Q16661 B1JAER000010 Q16621 B1JADN000005 Q16603 DSA2001S0L Q16675 B1ADCN000007 Q16670 B1ADCN000007 DSA2001S0L Q16801 Q16646 DSA2001S0L Q16663 DSA2001S0L Q16701 B1ADCN000007 Q16762 B1HFPFA00001 R16927 22k R16663 7.15k R16655 10k R16921 1.24k R16694 56k R16612 47 R16495 750 R16498 10k R16660 2.2k R16475 4.7k R16685 220 R16776 47 R16656 4.7k R16658 6.34k R16664 2k R16610 100k R16677 2k R16494 2k R16491 120k R16692 1.5k R16662 10k R16673 4.7k R16650 100k R16474 1k R16651 2k 10 R16765 R16607 6.98k R16686 10k R16801 22k R16615 1.1k R16678 2k R16802 30.9k R16746 47k R16745 470k R16747 2.2k R16684 220 R16742 47k R16667 2k R16717 1k R16899 2.74k R16898 1.05k R16897 1k R16769 75 R16711 4.7k R16634 470 R16904 22k R16605 1.8k R16679 10.7k R16621 220 R16900 10k R16478 5.6k R16648 2k R16761 10 R16659 0 1 R16601 R16668 2k R16490 120k R16631 10k R16901 4.7k R16688 8.87k R16654 47 R16791 1k R16681 10 R16691 56k R16497 47k R16653 1.8k R16892 82.5k R16479 10k R16923 10k R16661 1.2k R16687 27k R16707 3.9k R16675 4.7k R16922 3.48k R16690 4.7k R16496 47 R16604 330 R16674 2k R16928 4.7k R16473 560 R16665 33 R16926 2.2k R16472 2.2k R16646 1.18k R16609 2k R16763 47k R16617 2.2k R16680 4.7k R16891 69.8k R16712 1k R16471 3.9k R16695 1.5k R16492 120k R16649 33 R16652 8.2k R16666 22k R16893 82.5k R16645 5.6k R16699 10k R16804 1.1k R16920 10k R16493 6.19k R16633 22k = VFG Vsus VAD 5V_F Vad+5V VSCN_F 16V_F Vad+5V VOL 16V_F 27 22 21 23 24 25 26 20 19 SHUNT REG SEPA PROTECT SEPA PROTECT CIRCUIT COMPARATOR COMPARATOR INVERTER SHUNT REG NAND GATE SHUNT REG VOL 16V_F 16V_F 16V_F VFG VFG VFG VAD VAD VSCN_F ! 11 12 13 14 15 16 17 18 21 22 23 24 25 26 27 28 29 15V_F 16V_F VFG VOL Vsus Vsus VAD SC-BOARD TXNSC1LQUC (1/4) TH-P42U20C SC-Board (3/4) Schematic Diagram TH-P42U20C SC-Board (3/4) Schematic Diagram 75 12.33.SC 电路板 (4/4) 线路图 + + + + + + AA_SEL AB_HIZ AB_HIZ VFO AA_SOS6 AA_OC2 AA_OC1 AA_SIU AA_CLK VSCN_F VSCN_F 15V_F VAD C16856 1u 10V C16861 0.1u 16V C16843 50V 0.1u C16724 25V 4.7u C16844 50V 0.1u C16797 50V 0.1u C16857 0.1u 16V C16860 1u 10V C16863 50V 0.1u C16862 1u 10V C16864 0.1u 50V C16858 1u 10V C16723 25V 1u C16794 10u 10V C16859 0.1u 50V C16854 50V 0.1u *C16417 220V 250u C16795 25V 470u C16793 25V 220u C16813 220V 220u C16721 50V 82u C16842 160V 100u D16713 B0ECHR000001 D16721 B0ECHR000001 D16792 B0ACCJ000048 D16719 B0ECKP000055 D16711 B0ECHR000001 D16875 B0ACCJ000048 D16720 B0ECKP000055 D16859 B0HCKS000002 D16728 B0ECKP000055 D16820 B0ACCJ000048 D16825 DZ2J330M0L D16821 DZ2J330M0L D16871 DZ2J240M0L D16893 DZ2J056H0L D16712 DZ2J15000L D16710 DZ2J15000L D16874 DZ2J051M0L D16824 DZ2J330M0L D16872 DZ2J200M0L C0DBZYY00352 IC16787 4 REFERENCE 3 CATHODE 1 NC 2 ANODE C0DBZMC00006 IC16793 4 REFERENCE 3 CATHODE 1 NC 2 ANODE C0DBZYY00352 IC16785 4 REFERENCE 3 CATHODE 1 NC 2 ANODE C0BBAA000008 IC16792 1 -INPUT 2 GND 3 +INPUT 5 VCC 4 OUTPUT IC16786 MIP3910MSSCF 1 VDD 2 NC 3 FB 4 LS 5 DRAIN 7 SOURCE 8 SOURCE IC16784 MIP3910MSSCF 1 VDD 2 NC 3 FB 4 LS 5 DRAIN 7 SOURCE 8 SOURCE IC16724 C0CBADE00049 OUT 3 2 COMMON IN 1 SC50 1 2 *SC41 1 2 3 4 5 6 7 8 9 *SC46 1 2 3 4 5 6 7 8 9 *SC42 1 2 3 4 5 6 7 8 9 L16851 G0ZZ00002183 L16472 G0ZZ00002183 L16698 G0C681MA0065 T16471 G4DYA0000200 1 NC 3 S2 4 S1 5 NC 6 P2 10 P1 8 PT 5V SOS7_SC2 CHA 15V SCNR_PRO ZA16421 TUXJ490 ZA16412 TUXJ490 ZA16407 K4CD01000011 ZA16404 K4CD01000011 ZA16411 TUXJ490 ZA16403 K4CD01000011 ZA16401 K4CD01000011 ZA16402 K4CD01000011 ZA16422 TUXJ490 PC16722 B3PBA0000498 1 2 3 4 PC16723 B3PBA0000498 1 2 3 4 PC16897 B3PBA0000498 1 2 3 4 PC16896 B3PBA0000498 1 2 3 4 TP41 TP45 TP81 TP43 TP79 TP78 TP51 TP57 TP62 TP59 TP61 TP94 TP44 TP42 TP95 TP80 TP96 TP60 TP58 Q16885 B1CFNG000001 Q16931 B1ABCN000007 Q16930 DSC2001Q0L Q16816 DSC2001Q0L Q16817 DSC2001Q0L Q16815 B1ABCN000007 Q16932 DSC2001Q0L Q16876 B1ABCF000231 R16721 EXB38V220JV R16825 150k R16787 33k R16750 12k R16798 2.2k R16799 1k R16826 10k R16719 22 R16785 107k R16937 180k R16938 180k R16827 2.2k R16932 22k R16773 1k R16797 22 R16930 2.7 R16783 150k R16935 5.1k R16933 10k R16934 6.8k R16696 2.2 R16838 100k R16819 150k R16844 2.4k R16919 7.5k R16852 470k R16843 1k R16822 82k R16860 8.2 R16774 27k R16751 150k R16824 33k R16753 47k R16786 107k R16829 1k R16832 71.5k R16851 470k R16820 150k R16789 10k R16772 4.7k R16837 1k R16818 33k R16849 64.9k R16831 68.1k R16931 2.7 R16752 4.7k R16841 4.7k R16845 66.5k R16846 64.9k R16936 2.2k R16823 82k R16755 12k R16873 2.4k R16870 68k 1 R16929 R16756 12k C16460 630V 2200p C16902 3300p 630V = * * TPVSCN VFG SC46 SC41 SC42 TPSC1 VSCN_F VFG VAD 16V_F 15V_F VSCN 34 33 30 31 32 36 28 35 29 5V_F SHUNT REG COMPARATOR VHIZ GEN. TPVAD VAD GEN. SHUNT REG VSCN GEN. SHUNT REG TO SM-BOARD (SM46) TO SM-BOARD (SM41) TO SM-BOARD (SM42) FOR FACTORY USE VFG VAD VSCN_F ! 5V_F 5V_F 21 22 23 24 25 26 27 28 29 5V_F 5V_F 5V_F VFG 16V_F Vsus SC-BOARD TXNSC1LQUC (4/4) TH-P42U20C SC-Board (4/4) Schematic Diagram TH-P42U20C SC-Board (4/4) Schematic Diagram 76 12.34.SS 电路板 (1/2) 线路图 + + + AA_SOS8 AA_UMH AA_UML AA_USL AA_USH AA_SOS8 AA_UEH 5V AA_USL AA_USH AA_UML AA_UMH C16152 25V 4.7u C16251 16V 1u C16153 25V 4.7u C16092 630V 1000p C16133 25V 4.7u C16135 25V 1u C16154 25V 4.7u C16002 630V 5600p C16252 25V 1u C16243 50V 0.01u C16242 16V 1u C16041 50V 3900p C16151 25V 1u C16018 1.5u 250V *C16202 250V 4u *C16201 250V 4u C16071 630V 1000p C16105 25V 47p C16244 10V 10u C16104 25V 47p C16131 25V 4.7u C16271 25V 220u *C16012 220V 250u *C16013 220V 250u D16255 B0ACCJ000048 D16153 B0ECKP000055 D16152 B0ECKP000055 D16151 B0ECKP000055 D16032 B0ACCJ000048 D16050 B0ECKP000055 D16131 B0ECKP000055 D16051 B0FCCN000002 D16022 B0FCCN000003 D16021 B0FCCN000003 D16001 B0FCCN000003 D16041 B0FCCP000001 D16253 B3ABB0000210 D16281 DZ2J051M0L IC16251 C0BBBA000024 1 A_OUTPUT 2 A_-INPUT 3 A_+INPUT 4 GND 5 B_+INPUT 6 B_-INPUT 7 B_OUTPUT 8 VCC C0ZBZ0001708 IC16151 1 LO 2 VCOM 3 VCC2 4 NC 5 NC 6 VS 7 VB 8 HO 9 NC 10 NC 11 VCC 12 HIN 13 NC 14 LIN 15 GND 16 NC C0ZBZ0001707 IC16131 1 LO 2 GND 3 VCC 4 NC 5 NC 6 VS 7 VB 8 HO 9 NC 10 NC 11 NC 12 HIN 13 NC 14 LIN 15 GND 16 NC C0JBAU000043 IC16241 G1 1 2 A1 3 A2 4 A3 5 A4 6 A5 7 A6 8 A7 9 A8 10 GND 11 Y8 12 Y7 13 Y6 14 Y5 15 Y4 16 Y3 17 Y2 18 Y1 19 G2 20 Vcc SS11 1 3 4 SS33 1 2 3 4 5 6 7 8 *L16002 G0C1R0K00014 *L16011 G0C1R0K00014 *L16012 G0C1R0K00014 *L16003 G0C1R0K00014 VSUS TP22 TP40 TP21 TP14 TP17 TP10 TP5 TP18 TP2 TP6 TP33 TP7 TP057 TP13 TP9 TP19 TP20 TP8 TP38 TP41 TP39 TP1 TP16 TP34 Q16251 B1ABCF000231 Q16023 B1JBEN000002 Q16022 B1JBEN000002 Q16002 B1JBEN000002 Q16001 B1JBEN000002 Q16041 B1JBEN000003 Q16051 B1JBEN000003 Q16141 B1HFPFA00001 Q16055 B1HFPFA00001 Q16161 B1HFPFA00001 Q16056 B1HFPFA00001 R16241 EXB38V470JV R16242 EXB38V472JV R16183 47k 75 R16154 R16002 7.5 R16033 56k R16143 ERJ3GEYJ473V R16041 5.6 R16141 10 R16001 7.5 R16163 47k R16137 1 R16260 2.2k R16032 82k 75 R16134 R16280 2.2k R16255 1.2k R16252 39k R16159 1 R16181 10 R16258 10k R16256 1.5k R16155 1 R16151 100 R16161 10 R16131 100 R16051 5.6 R16023 7.5 R16152 100 R16257 27k R16231 4.7k R16230 47 R16251 1.4k R16132 100 R16254 6.8k R16171 10 R16173 47k R16253 39k R16034 27k R16031 82k R16022 7.5 C16024 630V 3300p C16091 630V 1000p VSUS *C16072 630V 1000p (GREEN LED) VSUS GND UML SOS8_SS UMH TPSOS8 P5V USH USL UEH GND - 15V 9 1 3 2 8 D 6 F B 5 E C 7 4 A SS-BOARD TXNSS1LQUC (1/2) ! TO P-BOARD (P11) TO C2-BOARD (C23) BUFFER ERROR DET FET DRIVER DRIVER VSUS Gen. ENERGY RECOVERY FET DRIVER 1 2 4 3 TPVSUS TH-P42U20C SS-Board (1/2) Schematic Diagram TH-P42U20C SS-Board (1/2) Schematic Diagram 77 12.35.SS 电路板 (2/2) 和 SS2 电路板线路图 + + + TERM SIDE TERM SIDE TERM SIDE AA_UML AA_SOS8 AA_UEH C16331 250V 1u C16286 0.1u 50V C16287 0.1u 50V C16285 0.1u 50V C16280 25V 1u C16195 25V 1u C16192 25V 0.1u C16315 1u 10V C16317 1u 10V C16318 0.1u 50V C16319 50V 0.1u C16191 25V 4.7u C16316 0.1u 16V C16193 25V 47u C16328 220u 160V *C16314 220V 250u D16101 B0JCME000093 D16192 B0ACCJ000048 D16280 B0ACCJ000048 D16317 B0ECKP000055 D16316 RF071L4STE25 *D16286 B0ACCJ000048 D16191 B0ECKP000055 D16285 B0ADEJ000035 D16282 DZ2J068M0L D16315 DZ2J150M0L D16196 DZ2J200M0L C0DBZMC00006 IC16312 4 REFERENCE 3 CATHODE 1 NC 2 ANODE IC16304 MIP3900MSSCF 1 VDD 2 CL 3 FB 4 LS 5 DRAIN 7 SOURCE 8 SOURCE *SS64 1 2 3 4 5 6 7 8 9 10 11 12 13 *SS61 1 2 3 4 5 6 7 8 9 10 11 12 13 SS21 1 2 3 4 5 6 7 L16303 G0C471MA0049 ZA16002 K4CD01000011 ZA16001 K4CD01000011 ZA16003 K4CD01000011 PC16301 B3PBA0000498 1 2 3 4 PC16191 B3PBA0000496 1 2 3 4 5 6 TP29 TP31 TP43 TP30 TP27 TP36 TP26 TP56 TP25 TP24 TP28 TP54 TP51 TP42 Q16102 B1CFRM000008 G D S Q16101 B1CFRM000008 G D S Q16280 B1ABCF000231 Q16191 B1HFPFA00001 R16285 EXB38V623JV R16116 47k R16319 2.49k R16320 68k R16101 220 R16284 220k R16103 10 R16192 10k R16195 1 R16288 330k R16281 10k R16307 64.9k R16290 330k R16289 330k R16191 150 R16318 68k R16283 47k R16309 33k R16332 470k R16104 10 R16282 220 R16109 10 R16330 1k R16335 1k R16102 220 R16334 4.7k R16105 470k R16193 75 SS58 1 2 3 4 5 6 7 8 9 10 11 12 13 SS24 1 2 3 4 5 6 7 C16101 2200p 630V * FPC protector 13 17 15 10 18 11 12 16 14 ! VE GEN. SHUNT REG. SUSTAIN PANEL ELECTRODE SUSTAIN PANEL ELECTRODE SS2-BOARD ! TXNSS21DYUC ELECTRODE SUSTAIN PANEL FPC DET 1 2 3 4 TPVe TPSS1 SS-BOARD TXNSS1LQUC (2/2) TH-P42U20C SS-Board (2/2) and SS2-Board Schematic Diagram TH-P42U20C SS-Board (2/2) and SS2-Board Schematic Diagram 78 13.1. P 电路板 A E F G H I 1 2 3 4 5 6 P-BOARD (FOIL SIDE) LSEP1287MTHB TH-P42U20C P-BOARD LSEP1287MTHB TH-P42U20C P-BOARD LSEP1287MTHB B C D 79 Parts Location P-BOARD (FOIL SIDE) IC100 F-3 IC200 G-2 IC201 E-2 IC202 F-2 IC400 E-3 IC401 D-2 IC500 E-1 IC600 E-1 IC601 E-2 IC602 D-2 IC603 D-1 IC604 G-1 IC700 C-6 IC701 D-5 IC800 D-2 IC901 C-3 IC902 C-3 IC903 C-3 IC904 C-3 IC Q100 E-2 Q101 F-3 Q103 G-3 Q104 G-3 Q200 F-1 Q300 E-4 Q301 E-4 Q302 E-5 Q303 E-4 Q400 E-3 Q401 E-3 Q402 E-3 Q505 C-1 Q600 H-5 Q601 C-2 Q602 H-5 Q609 H-5 Q701 D-5 Q703 D-5 Q705 D-6 Q706 D-6 Q707 D-6 Q708 C-6 Q709 D-5 Q710 D-5 Q711 D-5 Q712 C-5 Q713 C-5 Q714 D-6 Q715 C-6 Q800 B-2 Q801 C-2 Q804 B-2 Q805 B-2 Q806 B-2 Q807 B-2 Q900 B-3 Q901 C-4 Q902 C-3 TRANSISTOR R141 F-3 R923 B-3 VR251 D-5 TP700 F-5 TP900 B-4 VOLUME TEST POINT Parts Location IC201 D-2 IC400 E-3 IC Q103 C-3 Q104 C-3 Q302 E-5 Q303 E-4 Q901 G-4 TRANSISTOR R141 D-2 R923 H-3 VR251 F-5 TP700 D-5 TP900 H-4 VOLUME TEST POINT P-BOARD (COMPONENT SIDE) P TH-P42U20C P-BOARD LSEP1287MTHB TH-P42U20C P-BOARD LSEP1287MTHB 80 A E F G H I 1 2 3 4 5 6 P-BOARD (COMPONENT SIDE) LSEP1287MTHB TH-P42U20C P-BOARD LSEP1287MTHB TH-P42U20C P-BOARD LSEP1287MTHB B C D 81 13.2. K,S 和 SS2 电路板 A E F G H I 1 2 3 4 5 6 SS24 1 SS2MM2 SS2MM1 SS2 TNPA4802 SS58 P b F 7 1 2 6 O R D E R N O . 1 1 3 1 3 1 SS24 TNPA4802 1 SS2 SS58 P b F 7 1 6 2 S E E R E V E R S E F O R O R D E R N O . 1 1 3 1 1 3 C10 C11 C12 C13 Q10 C14 Q11 C15 Q12 Q13 Q17 C20 C21 C22 D01 D11 D12 R10 R11 D15 R12 R13 R14 R15 R16 R17 R18 R19 D20 R20 R21 R22 R23 R24 R25 R34 RM10 K1 SN10 VJ12 PbF 1 K CRNO.25 TNPA5143 O R D E R N O . 1 8 1 RM10 TP01 TP02 TP03 TP04 TP05 TP06 TP08 P b F CRNO.25 TNPA5143 1 K SEE REVERSE FOR ORDER NO. Q13 R16 R19 SW2500 S1 ORDER NO. 1 3 1 3 1 S TNPA4858 PbF SW2500 S1 SEE REVERSE FOR ORDERNO. 1 3 1 P b F 1 S TNPA4858 SS2-BOARD (COMPONENT SIDE) SS2-BOARD (FOIL SIDE) K-BOARD (COMPONENT SIDE) K-BOARD (FOIL SIDE) TXN/K1LQUC S-BOARD (COMPONENT SIDE) TXN/S1EQUC S-BOARD (FOIL SIDE) TXN/S1EQUC SS2 K S K-BOARD TXN/K1LQUC SS2-BOARD TXNSS21DYUC TH-P42U20C S-BOARD TXN/S1EQUC K-BOARD TXN/K1LQUC SS2-BOARD TXNSS21DYUC TH-P42U20C S-BOARD TXN/S1EQUC TXNSS21DYUC TXNSS21DYUC TXN/K1LQUC B C D 82 13.3. A 电路板 A E F G H I 1 2 3 4 5 6 Q9010 Q9011 Q9012 Q9013 IC1100 Q9800 Q9801 Q9802 Q9803 Q4020 Q4021 Q4022 Q4023 IC8852 Q2101 Q2102 JK3100 JK3107 Q2301 JK3304 Q2903 Q2904 IC5000 TU2901 IC5401 IC5600 IC5601 IC8300 IC8301 IC8302 D3300 Q5471 Q5472 IC2950 IC2952 IC2953 Q4701 IC9304 Q4512 Q4513 IC8950 JK8801 IC2801 Q2255 IC9189 SW001 IC3000 IC3001 SW5150 SW5151 SW5152 SW5153 SW5154 A11 IC5150 Q9002 Q9003 TNPH0840 1 A F +/ -/ TV AV PbF 1 4 5 8 1 4 7 5 AV2 AV1 AV1 MONITOROUT AV2S R L V 5 10 15 1 6 11 16 17 32 1 IFMONITOR IFDOUT1 IFAGC VB2 SDA SCL VIDEOOUT VB1 SIFOUT AUDIOOUT BB RFAGCMONITOR BTMONITOR IFDOUT2 RESET +BACTIVEANTENNA IFMONITOR IFDOUT2 IFDOUT1 IFAGC VB2 SDA SCL VIDEOOUT VB1 SIFOUT BTMONITOR RFAGCMONITOR BB +BACTIVEANTENNA RESET AUDIOOUT IFMONITOR SDA SCL VIDEOOUT SIFOUT BTMONITOR RFAGCMONITOR +B SW1 SW2 BB AFTOUT VB IFMONITOR RESET VB2 SDA SCL VIDEOOUT VB1 BTMONITOR RFAGCMONITOR BB +BACTIVEANTENNA SIFOUT IFMONITOR RESET VB2 SDA SCL VIDEOOUT VB1 SIFOUT BTMONITOR RFAGCMONITOR BB +BACTIVEANTENNA IFDOUT1 IFDOUT2 IFMONITOR IFAGC AFTOUT SDA SCL VIDEOOUT VB SIFOUT BTMONITOR RFAGCMONITOR BB +B 1 12 13 24 1 12 13 24 1 13 37 48 25 3 4 5 1 1 3 4 5 3 4 6 1 1 3 4 5 1 3 4 5 1 4 5 8 1 4 5 8 1 4 1 4 5 8 1 10 11 20 S E E R E V E R S E F O R O R D E R N O . AV2 AV1 AV1 MONITOROUT 1 26 51 76 100 1 3 4 5 1 4 1 3 4 5 A88A JK3100 JK3107 A88 JK3304 TU2901 TU2901A TU2901B TU2901C TU2901D TU2901E CN8700 JK3107A JK4700 JK4701 JK4702 D3300 JK8801 JK8850 SW001 JK3100A A11 ZA1000 ZA1001 C1500 R3225 R8622 R3227 C8070 C8071 R8626 C8072 C8073 C8074 Q9010 C8075 Q9011 C8076 Q9012 C8077 Q9013 TP8300 C9400 C8078 TP8301 C9401 C9402 C9403 R8630 R8824 R2872 R2873 R2875 C8083 IC1100 L2950 C8854 C8084 C8855 C8085 C8856 C8086 C8087 C8857 C8858 C8088 C8859 C8089 R2880 R0940 R2881 R0941 R2882 R0942 R2883 R8643 R0943 R2884 C8860 C8090 R8644 C9801 D1501 R8645 C8861 C8091 C9802 C8862 C8092 R8647 C9803 C8093 C8863 Q9800 TP2750 C8094 R0948 Q9801 TP2751 C8095 R1501 R0949 C9806 Q9802 TP2752 C8096 C9807 Q9803 TP2753 R1503 C8097 R9203 TP2754 Q4020 VJ9300 C8098 TP2755 Q4021 VJ9301 C8099 TP2756 Q4022 VJ9302 TP2757 Q4023 TP2758 R4000 TP2759 R4001 R0952 R4002 R4003 R0953 TP2950 R0954 L8920 R4004 R0955 TP2951 C8871 R4005 TP2952 R0956 C8872 R4006 R0957 R9403 C8873 R4007 R0958 TP2760 C8874 R4008 R0959 C8875 R4009 C9816 C8876 C8877 TD9099 R1518 R1519 R8857 R8858 R8665 R0966 IC8852 R8666 C9052 R0967 C9824 R0968 R1520 R0969 R9609 C2102 C2103 C2104 TP8340 R9030 C2105 TP8341 Q2101 Q2102 C2106 TP8342 D9807 TP8343 R9227 R8863 C2107 D9808 R9610 TD8300 R0970 R4020 TP8344 L9300 C2108 R8864 R0971 R4021 TP8345 L9301 R8671 R0972 R4022 TP8346 L9302 R0973 R4023 TP8347 R8867 C9830 TP8730 TP8348 R4024 R9039 C2301 R4025 TP8349 C2302 R0976 R4026 C2303 R0977 R4027 R0978 TD3100 C2304 R4028 C2110 Q2301 R0979 C2305 R4029 R8485 C2306 C2307 R9040 C2308 TP8350 C2309 TP8351 TP5471 R8871 R8489 TP8352 R8872 R9042 TP8353 R8873 TP8354 TP9100 R0980 R8874 TP9101 R8875 TD8311 R0981 TP9102 TD8312 R0982 R8876 TP9103 R0983 TD8313 R8877 TP9104 R0984 C2310 R8878 C2311 R0985 TP9105 R8879 C2312 R0986 TP9106 R0987 TP9107 R8493 TP9108 C5001 TD8701 TP9109 C5002 TD8702 C2317 TP9300 C5004 TP9301 R9051 R9052 R9053 TP9110 TD8514 R9054 R2101 TP9111 R9055 R2102 TP9112 R9056 TP9113 R9057 C2320 TP9114 R9058 R2105 R8889 TP9115 R2106 TP9116 R2107 TP9117 R2108 TP9118 R2109 C2901 TP9119 C2326 C2327 C2328 C2904 R8890 C2329 C2905 R8891 R1556 C2906 L4702 R8892 C2907 Q2903 R8893 R2304 C2908 TP8950 Q2904 TP9120 C2909 L4705 TP8951 TP9121 TP8952 TP9122 R2307 TP9123 L4708 R2308 TP9124 R2309 TP9125 TP9126 R1176 TP9127 C2334 C2910 TP9128 C2335 R1179 TP9129 C2912 C2336 R1562 C2913 R2310 C2914 C2915 R2312 C5602 R2313 R2314 TP9900 TP9130 R1180 R5001 R2315 TP9901 TP9131 R1182 TP9132 C5606 TP9902 R1183 C5607 TP9903 TP9133 R2318 C2340 C5608 TP9904 TP9134 C8100 TP9905 C2341 R2319 C5609 TP9135 C8101 R1185 C2342 TP9906 TP9136 C8102 R1186 C2343 TP9907 TP9137 C8103 TP9908 IC5000 TP9138 C8104 TP9909 C2921 TP9139 C8105 C8106 C8107 C2348 C8108 C2349 C5611 C8109 C4671 R2322 C5612 R2323 TP9910 R2900 C8300 TP9140 C8301 TP9911 TP9141 R2902 TP9912 C8302 TP9142 C8303 TP9913 TP9143 PA5610 C8304 C2350 TP9914 TP9144 C8110 C2351 R2905 C8305 TP9145 C8111 C4679 R2135 TD9102 R2906 C8306 TP9146 C8112 TD9103 C8307 TP9147 C8113 TD9104 C3100 C8308 R2908 TP9148 C8114 TD9105 R2139 C8309 R4655 TP9149 C8115 C2356 C8116 C2357 C3103 C8117 C8118 R4659 C8119 R2331 R2910 TP2008 R2140 C8310 TP9150 IC5401 C8311 D5601 TP9151 C8312 TP9152 C8313 C5627 D5603 TP9153 D5604 C8314 TP9154 C8120 R9099 C8315 R5601 TP9155 C8121 C8316 R5602 TP9156 C8122 R4663 C8317 R5603 TP9157 C8123 C8318 R5604 TP9158 C8124 C5051 C8319 C3111 R5605 TP9159 C8125 C3112 R5606 C8126 C3113 C8127 IC5600 C5055 IC5601 C5631 R9872 C3116 C5632 R9873 C5057 C3117 C5633 C5058 R9874 C3118 C8320 C5634 TD9310 TP9160 R9875 C5059 R2921 C5635 C8321 TD9311 TP9161 R9876 C8322 R2922 TD9312 TP9162 R2923 C8323 TP9163 C8324 D8300 C5638 TP9164 C8325 TP9165 C5639 TP9166 C8326 R2926 TP9167 C8327 C8328 TP9168 C2950 R8300 TP9169 C2951 R8301 R8302 C2952 R5616 R8303 C3123 R5617 R4677 R9880 R8304 R5618 R9881 R5619 R8305 R4679 R9882 C2956 R8306 R9883 D3103 D5620 R9884 TP9170 IC8300 C2958 R9885 R8309 D3105 C2959 IC8301 R3101 TP9171 TPS15V IC8302 TP9172 TP9173 TD9323 R9888 TD9130 R3104 TD9900 TP9174 R5620 TD9324 R5621 D3109 TP9175 TD9325 TD9132 TP9176 R5622 TD9326 R5623 TD9133 TP9177 TD9327 R3108 TP9178 R8310 C2960 TD9328 VJ8600 L8000 R8311 C2961 TP9179 TD9329 R8505 L8001 R5626 TP2802 R8506 VJ8602 L8002 R5627 C2963 VJ8603 R8313 TP2803 R8507 L8003 C2964 TP2804 R5628 R8508 L8004 C2965 D5051 TP2805 R8315 R3301 L8005 C2966 D5052 R8316 C5653 L8007 TP9180 C5654 TD9330 L8008 TD9331 TP9181 L8009 R9896 TP9182 TD9332 TP9183 C8343 TP9184 L8200 TD9334 R9899 TP9185 R5631 FL2301 R2752 TP9186 C8922 R8512 TP9187 R3117 C8923 R8513 TP2810 TP9188 R8320 R5634 L8010 R8514 TP9189 R5635 R8321 R3119 R8515 L8011 R8322 R5636 L8012 R8323 R5637 L8013 L3000 R8324 R5638 L8014 L3001 R8325 R5639 L8015 R8326 L8016 TP9383 R8327 L8017 TP9190 R3120 L8018 R5061 TP9191 C5471 L8019 TD9342 TP9192 TD9343 R3123 TP9193 C9100 TD9344 TP9194 TD9345 Q5471 R5065 TP9195 Q5472 R5066 C9102 TP9196 R2956 TD9346 C9103 R5067 TD9347 R3127 R2957 TP9197 TD9348 TP9198 IC2950 L8020 TP2820 TP9199 TD9349 R2959 R5645 L8021 TP2821 IC2952 R5646 L8022 TP2822 IC2953 R5647 L8023 TP2823 R5648 L8024 TP2824 L8025 TP2825 D3132 C3157 TD9350 C3158 C9300 TD9351 C3159 C9303 R8918 TP2251 R8919 R2966 C9307 C3160 D1008 C9308 D1009 C3161 TP3001 C9309 C9116 C3162 TP3002 C3163 TP3003 TP3004 C3164 R8344 C3165 TP3005 R8923 D1010 TP8404 C9310 TP8405 C9311 TD2026 TP8406 C9312 D1013 R8927 C9313 D1014 C8950 C9314 D5471 D1015 C9315 D1016 D5472 C9316 R1207 C9317 TP8600 C9318 D5475 R5471 R3149 C9319 TP8601 D5476 R5472 D5477 R5473 R8930 D5478 R5475 D5479 R5476 R9103 R9104 C9320 R5479 C9321 R9106 R3152 C9322 C9323 R9108 TP5150 C9324 D5480 R9109 C9325 D5481 C9326 TD9376 D5482 C9327 D5483 R5480 TD9378 C9328 D5484 R5481 C9329 TD9379 D5485 R5482 TPS0N D5486 C4700 R5485 R9111 R5486 R9112 L2872 R9306 R5487 R9113 C4703 R9307 R5488 R9114 R9308 C9330 TD9380 Q4701 R9309 TD9381 C9331 R5489 R9116 C9332 TD9382 R9117 C9333 IC9304 TD9384 C9334 R9118 C9335 Q4512 C9336 Q4513 C9337 C9338 R5490 FL3101 C9339 R5491 R5492 R5493 R9120 R8950 R5494 FL3106 R8952 R9122 C9340 C9341 C9342 C9343 IC8950 C9344 C9345 TD8202 C9346 TD8203 C9347 TP2870 TP1100 C9348 TP2871 TP1101 C9349 R9322 TP2873 R9323 TP2874 R9324 TP2875 R9325 TP2876 R9326 TP2877 R9327 TP2878 C9350 TP2879 C9351 C9352 R9907 C9353 D4704 C9354 R4701 D4705 C9355 D4706 C9356 D4707 C9357 D4708 C9358 L8850 TP0940 R4705 C9359 R4706 R4707 R4709 TPST5 TD0901 TD0902 TD0903 C9360 TD0904 R9145 TP1501 TP9201 TD0905 C9361 TD8411 TP9202 R3192 TD0906 C9362 TP9203 C9363 R3194 R4710 TP9010 C9364 TP9205 R3195 C9365 TP9206 C4546 R4712 C9366 C4547 R4713 C9367 TP4000 C9368 TP4001 R9341 C9369 R9342 TP4002 TP4003 R9920 TP4004 R9921 TP4005 C2802 TP4006 TP4007 C4550 C2804 C9370 TP4008 D4721 C2805 TP4009 C9371 D4722 C2806 C9372 D4723 C2807 C9373 D4724 R4720 D2014 C2808 C9374 TP8850 D4725 C9375 R4722 C9376 R4723 C9377 TP8853 TP4010 C9378 TP8854 R4725 C9379 TP4011 TP8855 R4726 TP4012 TP8856 TP4013 TP8857 TP4014 TP8858 TP8859 TP4015 TP4016 TP4017 C9380 TP4018 TP4019 C9381 C9382 C2817 C9383 TP8860 C2818 C9384 TP8861 C9385 C9386 TP8862 TP8863 D4737 C9387 D4738 TP4020 C9388 C8000 R4735 D4739 TP4021 C9389 C8001 R4736 TP4022 C8002 TP4023 C8003 R4738 C8004 C2821 L2101 C8005 L2102 C2822 C8006 L2103 C2823 C8007 D4740 R4548 C9390 C8008 D4741 R4549 C9391 C8009 D2802 C9392 D2803 C9393 R5104 C8200 R4740 D2805 C9395 R4741 C8202 R2802 D2806 C9396 R4742 R2803 C9397 R4743 R4550 R2804 C8010 R4744 L2301 R4551 D2809 C8011 R4745 L2302 R4552 C8012 R4746 L2303 R4553 C8207 R4747 C8013 R4554 L2304 C8208 C8014 R4748 R4555 C8015 IC2801 R4749 R4556 C8016 C8017 X8300 D2810 Q2255 D2811 C8019 C3007 C2067 C3008 C2068 R2810 R4750 C3009 R2811 R4751 C8406 R2814 C8020 R4560 R2815 C8021 C8022 R2816 C8023 L5000 R9190 C3010 C8024 C0900 R9191 IC9189 C8025 C5722 C8026 C5723 C8027 C8028 C8029 R8002 C3016 R8003 R9198 C3018 C3019 TP2301 R8005 R2822 TP2302 R8006 R2823 R4763 TP2303 R8007 R2824 TP2304 R8008 C8030 C5151 R4765 R8009 C8031 C5152 TD9022 C8032 C5153 TD9023 C8033 TD9024 C8034 C5155 TD9025 C8035 C5156 R8202 C8036 C5157 C8037 C5158 VJ8300 C8038 R8010 C5159 L2905 R8205 R8011 C8039 L2906 R8207 R8208 R8014 L2909 R3001 R8209 R3002 C5160 TP5000 C8040 R8400 R8018 JS8360 TP5001 C8041 JS8361 R8019 R3006 TP9076 C8042 JS8362 R3007 C8043 JS8363 IC3000 L2910 R8210 C8044 JS8364 IC3001 C3031 R8211 JS8365 C8045 TPF15V C3032 R8212 C8046 JS8366 JS8367 C8047 R2260 R8020 JS8368 C8048 R2261 C8049 JS8369 R8021 R2263 L5603 R8600 R2264 SW5150 TP9081 SW5151 R0901 TP9082 SW5152 TP9083 SW5153 TP9084 SW5154 R0904 C8050 JS8370 TP9085 R0905 C8051 TP9086 R0906 C8052 R8606 TP9087 R3017 R8607 R0907 C8053 TP9088 R3018 C1100 C8054 TP9089 R3019 R8609 R0909 C8055 C2872 C1102 D8802 C8056 C8057 R8418 C8058 C2875 R8031 R5152 R8032 VJ8517 R3213 TP9090 L8300 R3020 R0910 R3214 R8610 TP9091 L8301 R0911 R5155 TP9092 L8302 R0912 TP9093 R3217 L8303 R0913 TPEC0 IC5150 R5158 TP9094 L8304 R0914 TP5409 TP9095 R5159 L8305 R8615 TD9052 TP9096 R8616 C8062 TP9097 R8617 C8063 TP9098 TP5600 C8064 TP9099 TP5601 C8065 Q9002 C2882 TD9056 TP5602 C8066 Q9003 TP5603 C8067 C8068 C2885 C8069 C2886 A-BOARD (FOIL SIDE) TNPH0840HC A TH-P42U20C A-BOARD TNPH0840HC TH-P42U20C A-BOARD TNPH0840HC B C D 83 A E F G H I 1 2 3 4 5 6 A31 A32 Q8850 IC2870 IC9400 IC9401 IC9402 IC8850 IC8851 JK3100 IC9800 Q2109 IC9801 IC9802 JK3107 IC9803 A1 A6 A7 A8 JK3304 Q5000 Q2902 IC2301 Q5600 Q5601 Q5602 Q5603 Q5604 Q5605 TU2901 CN8702 Q3104 Q3105 Q5051 IC5603 IC5604 Q2950 JK4700 JK4701 JK4702 D3300 IC2951 IC1000 IC8921 Q9900 Q9901 IC9300 Q4700 Q4702 Q4703 Q4704 Q4705 JK8801 Q5100 Q5101 CN0101 CN0102 Q2252 Q2253 Q2254 JK8850 IC8001 SW001 IC8200 CN7 CN1102 A11 A20 Q9000 Q9001 Q9005 Q9006 TNPH0840 1 A THERMAL PAD A88 CN8700 PbF 1 68 1 68 1 4 5 8 1 10 11 20 1 10 11 20 1 10 11 20 3 5 1 4 1 3 4 5 MONITOROUT AV1 AV1 AV2 AV2S 11 10 20 1 1 4 5 8 1 5 V L R 1 4 5 8 1 8 1 11 1 14 1 6 1 6 11 5 10 15 44 22 23 1 1 40 1 55 4 1 1 3 4 5 3 4 5 1 19 1 19 1 19 1 1 3 4 5 4 8 1 5 1 24 25 48 1 24 25 48 1 A 4 1 1 2 19 20 1 11 1 30 8 1 9 10 A 1 O R D E R N O . 8 9 16 1 1 10 AV1 AV1 AV2 MONITOROUT 1 2 19 20 1 4 1 35 1 30 1 30 1 30 31 60 C2888 R3224 L3108 R8620 R8621 C1501 R3226 R8623 R3228 JS8390 R8624 JS8391 A31 R8625 JS8392 A32 R8627 R8628 R8629 D2870 X9300 L3114 D1100 R8438 D2871 C8079 L3115 D1101 R8822 L3117 L3118 R1100 R2870 L3119 R2871 R1101 R8631 R1102 R8632 R8633 R1103 R2874 R8634 C8080 R1104 C8850 C8081 R8635 R1105 C8851 R8636 R1106 C8852 C8082 R1107 C8853 IC2870 R2878 R8638 L3120 R1108 Q8850 L3121 R2879 R1109 R8639 L2952 L3122 L3126 L3127 R8640 R8641 R8642 C9800 R0944 R0945 R8646 C9804 R8648 C8864 C9805 C8865 R8649 C8866 R1502 C8867 C9808 R1504 VJ8360 C8868 C9809 C8869 R9205 R1505 R9206 R9208 R9014 R0950 R8650 L8340 R9209 R0951 L8341 R9016 R8652 R9017 L8343 R8653 C9810 C9040 C8870 R9400 R9019 C9811 R9401 R8655 C9812 R9402 R8656 C9813 C9814 R8658 C9815 R8659 C9817 TD9097 TD9098 C9818 IC9400 R8850 C9819 IC9401 R8851 IC9402 R8852 R8853 R4010 R8854 R8660 R4011 R8661 R8855 R8856 C9820 R8664 IC8850 R8470 C9821 R8859 R8471 IC8851 C9822 R8667 D9800 R9608 R8669 C9825 R1521 C9826 C9827 C9828 D9804 R9224 R8860 D9805 C9829 R8861 R9031 D9806 R9226 R8862 R9034 VJ9900 R8670 R9035 VJ9901 R9036 VJ9902 R8866 R9037 R9038 IC9800 R8480 FL8800 R8868 C9831 IC9801 Q2109 R8869 C9832 IC9802 C9833 IC9803 C9834 C9835 A1 C9066 C9067 R8488 R8870 C9069 A6 A7 A8 C2119 R8490 R8491 R8492 C2313 C5000 TD8700 C2314 R8494 C2315 R8495 C2316 R8496 C5003 R8497 Q5000 C2318 R8880 R8498 TD8705 R8881 R8499 R8883 R9247 TD8707 TD8513 R8884 R1160 TD8515 TD8516 R2103 R2104 R8888 C2321 C2322 C2323 C2324 R1550 C2325 R1552 C2903 L4700 R1554 L4701 R2301 Q2902 R2302 L4703 L4704 R2110 R8894 R1559 L4706 L4707 C2330 C2331 IC2301 C2332 C2333 R1177 R1178 C2911 C2337 R1563 D5000 C2338 C5600 R1564 C2339 C5601 C4662 C2916 C4663 C2917 C5603 R5000 C4664 C2918 Q5600 C5604 C2919 R2121 C4665 Q5601 A31A R1181 C4666 R2316 Q5602 R2317 C4667 Q5603 X8000 Q5604 R5005 Q5605 X8001 R5006 R5007 R1187 R5008 C2920 C2344 R1188 C2345 C2922 C2346 C2347 R2320 C5610 R2321 C5613 C5614 X8200 R2901 C5615 A32A C5616 R2903 C5617 TD9100 R2904 C5618 C5619 TD9101 C2352 C2353 R2907 C2354 R2138 C3101 C2355 C3102 TD9107 C3104 C5620 TD9108 R2330 C3105 C5621 TD9109 CN8702 C3106 C5622 R2332 C3108 Q3104 D5600 C5625 Q3105 R2911 C3109 C5626 D5602 R2914 C5628 R5600 TD9110 C5629 TD9111 D5605 D5606 TD9112 R2917 D5607 TD9113 D5608 C5050 R2918 TD9114 R2919 D5609 TD9309 TD9115 C5052 TD9116 R5607 TD9117 C2750 R5608 TD9118 R4668 Q5051 C2751 R5609 TD9119 R4669 C2752 IC5603 L2803 R2920 IC5604 C3119 C5636 R9877 C5637 TD9313 R9878 R5610 TD9314 TD9120 R4670 R9879 R5611 TD9121 R4671 R5612 TD9122 R4672 R5613 TD9123 R4673 TD9124 TD9125 C3122 TD9126 C2953 TD9127 Q2950 C2954 TD9128 C5641 C2955 C3125 TD9129 D3102 C5642 C5643 TD9321 R3102 D3106 TD9322 D3107 R3103 D3108 R8500 TD9131 R3105 TD9901 C5649 R8501 R3106 TD9902 R3107 TD9903 C3130 TD9904 TD9134 R3109 VJ8601 TD9135 TD9905 TD9136 TD9137 R9890 D3110 C5650 R3300 R9891 C5651 D3112 R3302 C5652 R3303 D3113 C3137 C2967 C3138 R3110 R5050 R8700 R3111 R5051 C8341 R5052 C8342 R2750 C5658 R3114 R8510 C5659 R2751 TD9335 R8511 TD9336 R2753 TD9337 TD9338 TD9339 D2950 C5660 D3120 R8900 D2951 D3121 D3122 TD9340 C3149 TD9341 C5472 R2953 R2954 R5640 R3125 C9101 R5641 R2955 R3126 R5642 R5643 C3150 R2958 R3128 R5644 IC2951 C9106 C3153 C9108 C3154 C3155 D3131 C3156 D3133 R3130 D3134 R2960 C9301 C9302 TD9352 R8917 TD9353 TD9354 C9304 TD9355 TD9356 TD9357 C9114 R8340 TD9358 R8341 TD9359 R8342 C9117 R8343 IC1000 R8920 R8346 R8922 R8924 R1200 TD9360 D1011 R8925 R8349 R1201 TD9361 D1012 R1202 R8926 TD9362 R8733 R1203 TD9363 R3144 R8928 R1204 TD9364 R8929 R1205 IC8921 TD9365 R3146 R1206 TD9366 TD9367 C3170 R3148 R8350 TD9368 C3171 R8351 TD9369 R5474 R9100 IC8921-A R9101 R9102 TD9370 R3151 R9105 TD9371 TD9372 R9107 R3153 TD9373 C9900 TD9374 TD9375 TD9377 Q9900 Q9901 L2870 R9110 L2871 C4701 C4702 Q4700 C4704 IC9300 C4705 R9115 Q4702 C4706 C4707 Q4703 C4708 Q4704 R3165 Q4705 TD9385 R3166 TD9386 FL3100 TD9389 FL3102 FL3105 R9123 TD9390 R9318 R9125 R3173 R3174 TD8200 TD8201 TD9395 TD9396 TD9397 R9320 TD9398 R9321 R9903 R9904 R3181 D4701 R9905 D4702 R3182 R9906 R3183 R9908 R3184 R9909 R3185 R3186 R4702 R3187 R4703 R4704 D4709 L8851 R9910 R4708 R9334 TD0900 R9335 R8396 R9336 R9914 D4710 R3190 R9915 D4711 R3191 R9339 R9916 D4712 R9917 D4713 D4714 R4711 D4715 D4716 D4718 C5100 L9800 R9340 L9801 D4719 R4715 C5101 L9802 R4716 R4717 R4718 Q5100 R4719 C2801 Q5101 C2803 JS3101 CN0101 CN0102 JS3103 A20A R4721 C2809 JS3106 D4726 D4727 D4728 R4724 L8870 D4729 R4728 C2810 R4729 D4730 D4731 R9166 D4732 JS3112 C2816 D4733 R4730 D4734 R4731 D4735 R4732 R4733 R4734 R4737 D5100 R4739 C2824 R5100 C2055 R5101 D2801 D4742 R5102 D4743 C2057 R5103 D4744 D2804 C9394 D4745 R5105 C8201 R2801 D4746 R5106 D4747 C8203 D4748 R5108 C8204 D4749 R2805 C8205 C8206 R2806 TD9002 R2807 C3001 L2305 Q2252 L2306 C3002 Q2253 C3003 C3004 Q2254 R5110 D4750 R4752 R4753 R4754 R5500 R4755 R5501 R4756 R4757 R2817 C8600 R2818 C2071 C3011 R2819 C2072 TD9016 C2073 R8000 C2074 C3015 R8001 R2820 R8004 FL9900 FL9901 FL9902 R2053 R4764 C5150 R2055 IC8001 R4766 R4767 L2900 R8200 L2901 R8201 C3022 TD9026 C3023 R8203 TD9027 C3024 L2904 R8204 C3025 C3026 R8206 R2254 L2908 R3000 IC8200 R8015 R2255 R2256 R8016 R2257 CN7 R8017 R2258 R2065 R2259 R2066 R2067 R2068 R2069 L5600 L5601 CN1102 L5602 R2070 L5604 R3010 R0900 L5605 R3205 R3011 L5606 R3012 R3206 R0902 R3013 R0903 L5608 R3014 JS8371 JS8372 JS8373 C2870 JS8374 R8608 D8800 C2871 JS8375 C1101 D8801 C2873 JS8377 C2874 VJ8514 R5151 C2876 C2877 R5153 C2878 R5154 R3215 C2879 A20 R3218 R8614 L3100 C2880 R8618 Q9000 TD9055 L3101 C2881 Q9001 R8619 L3102 C2883 TD9057 L3103 C2884 L3104 JS8388 R8428 Q9005 R3221 JS8389 Q9006 L3107 A88A JK3100 JK3107 A88 JK3304 TU2901 TU2901A TU2901B TU2901C TU2901D TU2901E CN8700 JK3107A JK4700 JK4701 JK4702 D3300 JK8801 JK8850 SW001 JK3100A A11 ZA1000 ZA1001 A-BOARD (COMPONENT SIDE) A TNPH0840HC TH-P42U20C A-BOARD TNPH0840HC TH-P42U20C A-BOARD TNPH0840HC B C D 84 13.4. C1 电路板 A E F G H I 1 2 3 4 5 6 C104 C105 C106 C107 C108 IC101 C109 C110 C111 C112 C113 C114 C115 C116 C117 C118 C119 C120 C121 C122 C123 C124 C125 FL101 ZA101 ZA102 ZA103 ZA104 C141 C142 C143 C144 C145 C146 C147 C148 C149 C150 C151 C152 C153 C154 R101 R103 R104 R105 R106 R107 R108 R109 R110 R111 R112 R113 R114 R115 R116 R117 R118 R119 R120 R121 R122 R123 R124 R125 R126 R127 R128 R129 R130 R131 R132 R133 R134 R135 R136 R137 R138 R139 R140 R141 R142 R143 R144 R145 R146 R147 R148 R150 R151 R152 R153 CB1 CB2 CB3 CB4 CB5 CB6 CB7 CB8 C10 C11 C101 C102 C103 PbF CR NO.17 TNPA5094 C1 1 1 11 20 10 1 55 1 55 1 55 1 55 O R D E R N O . 1 20 1 55 1 55 1 55 1 55 1 55 1 55 1 55 1 55 1 55 1 55 1 55 1 55 1 68 1 20 1 68 PbF 1 2 TNPA5094 1 C1 3 S E E R E V E R S E F O R O R D E R N O . C1-BOARD (FOIL SIDE) TXNC11LQUC C1-BOARD (COMPONENT SIDE) TXNC11LQUC C1 TH-P42U20C C1-BOARD TXNC11LQUC TH-P42U20C C1-BOARD TXNC11LQUC B C D 85 13.5. C2 电路板 A E F G H I 1 2 3 4 5 6 C20 C21 C23 C25 CB10 CB11 CB12 CB13 CB14 CB15 C201 C202 C203 C204 C205 C206 C207 C208 C209 IC201 IC202 CB9 C210 C211 C212 C213 C214 C215 C216 C217 C218 C219 C220 C221 C222 C223 C224 FL202 ZA201 ZA202 ZA203 ZA204 C241 C242 C243 C244 C245 C246 C247 C248 C249 C250 C251 C252 C253 C254 C255 C256 C257 C258 R201 R202 R203 R204 R205 R206 R207 R208 R210 R211 R212 R213 R214 R215 R216 R217 R218 R219 R220 R221 R222 R223 R224 R225 R226 R227 R228 R229 R230 R231 R232 R233 R234 R235 R236 R237 R238 R239 R240 R241 R242 R243 R244 R245 R247 R260 R261 R262 R263 TNPA5095 C2 1 CR NO.17 P b F 1 20 1 68 1 55 1 8 1 4 1 55 1 55 1 68 O R D E R N O . 1 55 1 55 1 55 1 55 1 55 1 55 1 55 1 55 1 55 1 10 11 20 1 10 11 20 1 55 1 55 1 20 TNPA5095 1 C2 3 2 1 P b F S E E R E V E R S E F O R O R D E R N O . C2-BOARD (FOIL SIDE) TXNC21LQUC C2-BOARD (COMPONENT SIDE) TXNC21LQUC C2 TH-P42U20C C2-BOARD TXNC21LQUC TH-P42U20C C2-BOARD TXNC21LQUC B C D 86 13.6. SC 电路板 A E F G H I 1 2 3 4 5 6 SC41 SC42 TP90 TP91 SC46 TP92 TP93 TP94 TP95 TP96 TP97 TP98 L698 SC50 C563 TP100 TP103 TP104 TP105 C592 TP106 TP107 TP108 T471 TP109 IC784 IC786 TP110 C791 TP111 TP112 C793 TP113 TP114 C795 TP115 C796 TP116 TP117 TP118 TP119 TP120 TP121 TP122 TP123 TP124 TP125 ZA421 ZA422 ZA411 ZA412 C400 C412 C413 C414 C415 C417 R774 C813 C631 C632 C633 Q401 Q402 D401 Q601 D402 C450 C842 C460 Q421 Q422 D421 Q621 D422 Q622 Q441 D441 Q451 D641 D642 C691 TP1 TP2 TP4 TP5 TP6 TP7 Q660 TP8 TP9 Q661 D461 D462 L400 L401 L402 L403 L411 SC2 L412 L413 D481 D482 TP10 TP11 TP14 TP15 TP16 TP17 TP18 TP19 R838 TP20 TP21 TP22 TP23 TP24 TP25 TP26 TP28 TP29 TP30 TP31 TP32 TP33 TP34 TP35 TP36 TP37 TP38 TP39 TP40 TP41 TP42 C503 TP43 R860 TP44 TP45 TP51 TP52 TP58 C900 TP59 C901 C902 C903 TP60 TP61 L851 TP62 TP63 C523 TP67 L472 C721 R696 TP70 TP78 TP79 TP80 TP81 TP88 TP89 3 1 CRNo.16 1 TNPA5105 2 SC PbF 2 8 9 1 2 8 9 1 2 8 9 1 1 2 1 2 8 9 P 1 P T P 2 S 2 S 1 8 5 4 1 8 5 4 1 S E E R E V E R S E F O R O R D E R N O . C G E C G E A A K G S D A A K G C E G C E A A K C G E A A K C G E 1 2 8 9 C G E A A K G C E A A K 1 2 8 9 A A K G S D C G E A A K A A K 1 3 A A K A A K SC-BOARD (FOIL SIDE) TXNSC1LQUC SC TH-P42U20C SC-BOARD TXNSC1LQUC TH-P42U20C SC-BOARD TXNSC1LQUC B C D 87 A E F G H I 1 2 3 4 5 6 Q701 SC41 SC42 Q702 D503 SC46 TP99 D701 D702 L698 SC50 C753 C754 C561 C755 Q521 C562 C756 C563 C564 D900 C565 D901 C566 D902 C567 D710 IC561 D711 D712 IC562 IC563 D713 IC564 D522 D523 Q531 D719 D720 Q920 D721 Q921 C771 C772 C773 D728 D534 C581 D536 C582 C583 D920 D921 IC771 IC773 Q930 Q931 IC581 Q932 R501 TP101 R502 TP102 R503 R504 Q551 C592 R506 C593 R509 T471 IC784 IC785 IC786 IC787 R511 C791 R512 R707 C793 C794 C795 C796 R516 C797 R517 R900 R901 R904 R711 R712 R521 Q762 R522 R717 R523 R719 R720 R721 R531 R919 D765 R532 R533 R534 R920 R921 R922 R923 R926 R927 R928 R929 ZA421 ZA422 D583 R930 R931 R932 R933 R934 R935 R936 R742 R937 R938 R745 ZA411 R551 R746 ZA412 R552 R747 R553 D790 R750 R751 D791 R752 D792 D793 R753 D794 R560 R754 R561 R755 R756 R562 R563 R564 R565 R566 R567 R568 C400 R569 C401 C402 C403 R761 R762 R763 R570 R765 R769 C602 C603 C604 R579 C412 C413 C414 C608 C415 R772 C417 R773 R580 R774 IC490 IC491 R776 R582 R777 R583 R584 R585 R586 R587 R588 C421 C422 IC691 IC692 R783 R590 R591 R785 R592 R786 R787 C813 R593 R789 R791 ZA401 ZA402 R797 ZA403 R798 ZA404 R799 C631 C632 C827 C633 ZA407 PC603 Q401 C441 Q402 D401 C641 Q601 C642 D402 Q602 Q603 C450 C645 C451 C646 Q606 C647 D407 Q607 Q608 Q609 Q801 C842 D602 C843 C844 D604 D411 D605 D607 C460 C461 Q421 Q422 Q810 D610 IC464 C854 Q815 C661 IC465 D421 Q621 C662 Q816 C856 D422 Q622 Q817 C663 C857 C664 C858 Q818 D618 C859 C665 C471 C472 C666 C668 IC661 C860 C861 IC471 C862 C863 C864 PC896 PC897 C675 Q441 C481 C676 D820 D821 D822 D824 D825 R401 D441 R402 C490 C684 Q645 PC461 C685 C491 Q451 Q646 Q647 Q649 C497 D641 R601 D642 R410 R604 D645 R411 C691 D451 R605 C692 D646 D647 R607 R414 D648 R415 D649 R609 R416 R417 R418 R801 R419 R802 TP3 R804 D650 R610 C891 D651 IC521 D652 R612 D653 R420 Q660 D654 Q661 D461 R615 R421 Q662 D462 R422 Q663 R617 PC480 Q471 D465 D466 Q668 IC724 L400 R621 L401 D662 L402 R622 D663 L403 Q670 R818 D664 D859 Q671 R819 Q672 D667 D473 Q673 D474 IC920 PC684 Q675 D669 D475 PC685 D476 Q676 Q677 D477 Q678 R820 D478 R822 R823 R824 D670 D671 R825 L411 R631 R826 D672 SC2 L412 R827 D673 L413 R633 D674 D480 R634 R829 R441 D481 Q876 D482 D677 D678 Q490 D871 R831 R832 D872 D874 D875 R837 D490 R838 D491 Q885 R451 R645 PC722 R646 D492 D493 R647 PC723 R648 D494 R649 D497 R841 R843 R650 R844 R845 R651 R652 R846 R653 R654 R655 R849 R656 R657 R658 R659 R465 R466 R467 R468 R851 R852 D893 R660 R661 R662 R663 R664 R665 R471 R666 R472 R473 R667 R474 R668 C501 R475 C502 R476 C503 R478 R860 C504 R479 C505 TP46 R670 R671 IC501 R672 R673 R674 R675 R676 R677 R678 R679 C707 C708 R870 R873 TP57 R680 C900 R681 C901 C902 R682 C903 R490 R684 R491 R685 R686 R492 R493 R687 R494 R688 R495 L851 C521 C522 R496 C523 R497 C524 R498 C525 IC792 IC793 C527 R690 TP68 R691 R692 L472 SC20 R694 R695 C721 R696 C723 C724 TPSOS6 R699 TPSOS7 C533 C534 C535 R891 C536 R892 R893 R897 R898 R899 Q501 TP82 Discharge TPVSUS DIP SC 1 H.V. DANGER CRNo.16 TNPA5105 A H.V. DANGER SCMM2 H.V. DANGER TPSC1 SCMM1 TPVSCN A TPVAD 50 46 42 H.V. DANGER PbF 1 2 8 9 1 2 8 9 1 2 3 4 1 2 8 9 1 2 1 10 1 1 20 1 10 11 20 7 8 14 1 1 3 4 5 1 2 3 4 1 2 8 9 1 2 3 4 1 3 4 5 1 4 5 8 S 2 S 1 P 1 P T P 2 1 2 3 4 1 4 5 8 1 4 5 8 O R D E R N O . 1 3 4 5 G C E G C E A A K G S D A A K 1 2 3 4 C G E C G E 1 3 4 5 1 3 4 5 1 2 3 4 A A K G C E A A K G C E 1 4 5 8 1 2 8 9 G C E A A K C G E A A K 1 2 8 9 A A K G S D G C E A A K A A K 1 4 5 8 3 1 A A K A A K 1 8 9 1 6 8 9 1 16 1 3 4 5 1 3 5 SC-BOARD (COMPONENT SIDE) SC TXNSC1LQUC TH-P42U20C SC-BOARD TXNSC1LQUC TH-P42U20C SC-BOARD TXNSC1LQUC B C D 88 13.7. SS 电路板 A E F G H I 1 2 3 4 5 6 C193 SS11 R309 SS21 L303 SS53 SS55 SS56 SS61 SS63 SS64 C201 C202 C203 C012 C013 C018 C241 C271 C272 L001 L002 L003 TPVSUS TP2 TP5 TP6 TP7 TP8 TP9 L011 L012 L013 TP10 TP13 TP14 TP16 TP17 TP18 TP19 TP20 TP21 TPSOS8 TP24 TP25 TP26 TP27 TP28 TP29 TP30 TP31 TP33 TP34 TP36 TP38 TP39 TP40 IC304 TP41 TPVe TPSS1 C314 TP51 TP53 TP54 TP56 C328 C331 PbF 1 SS TNPA5106 CRNo.16 3 2 1 1 4 1 7 6 2 1 1 3 1 1 3 1 13 1 1 3 1 1 3 S E E R E V E R S E F O R O R D E R N O . 1 13 1 1 3 1 1 3 1 13 1 13 1 1 3 1 1 3 1 13 1 13 1 1 3 1 1 3 8 5 4 1 1 1 3 1 1 3 SS-BOARD (FOIL SIDE) SS TH-P42U20C SS-BOARD TXNSS1LQUC TH-P42U20C SS-BOARD TXNSS1LQUC TXNSS1LQUC B C D 89 A E F G H I 1 2 3 4 5 6 D315 D316 D317 D131 Q141 R101 R102 R103 R104 C191 R105 C192 C193 SS11 R109 C195 C198 R110 D151 D152 R307 D153 Q161 R309 R116 SS21 R318 R319 SS33 R320 R131 R132 R328 R134 R135 R136 R137 L303 R330 IC241 R332 R334 R141 R335 R142 R143 Q191 SS53 SS55 SS56 R150 D191 R151 D192 R152 R153 R154 R155 D196 SS61 R159 SS63 SS64 R161 R162 R163 C001 C002 R171 R172 R173 C201 C202 C203 C012 C013 C018 R181 R182 R183 C022 C023 C024 R191 R192 R193 R195 ZA001 ZA002 ZA003 C041 Q001 Q002 Q003 C241 D001 C242 D002 C243 C244 C051 C052 C251 C252 Q022 Q023 Q024 IC251 D021 D022 C071 VRH VRL C072 P5V P15V VeRef2 VeRef1 C271 C272 D032 Q041 C280 C281 R001 D041 R002 R003 C284 C091 Q051 C285 Q052 C092 C286 C287 Q055 Q056 D050 D051 Q251 D052 IC312 D253 D255 R022 R023 R024 L001 IC131 L002 L003 R031 R032 R033 R034 TPSOS8 R230 L011 R231 L012 L013 Q280 R041 D280 D281 R241 R242 D282 D284 D285 R051 R052 D286 R251 R252 R253 R254 R255 R256 R257 R258 R259 R260 TP057 C101 C102 C103 C104 C105 IC304 R280 R281 R282 R283 R284 R285 R287 C314 R288 C315 R289 C316 C317 C318 C319 R290 C131 C133 C328 TPSS1 C135 TPVSUS TPVe PC301 C331 Q101 Q102 D101 C151 C152 C153 C154 C157 IC151 PC191 SSMM1 SSMM2 SSMM3 PbF Discharge DIP SS CRNo.16 TNPA5106 1 46 42 50 1 2 3 4 1 4 1 7 6 2 1 13 13 1 1 8 1 10 11 20 1 13 13 1 13 1 O R D E R N O . 1 13 1 13 1 13 C E G C E G C E G 1 13 13 1 1 13 13 1 C E G C E G C E G 1 4 8 5 C E G C E G C E G 1 13 13 1 1 13 13 1 16 1 9 8 1 8 16 9 1 4 5 8 D G S D G S 1 8 16 9 1 13 13 1 SS61 SS63 SS64 SS-BOARD (COMPONENT SIDE) SS TH-P42U20C SS-BOARD TXNSS1LQUC TH-P42U20C SS-BOARD TXNSS1LQUC TXNSS1LQUC B C D 90 91 14.1. 零件位置和机械部件更换清单 14.1.1. 分解图 92 14.1.2. 分解图 2 93 14.1.3. 包装图 1 94 14.1.4. 包装图 2 95 14.1.5. 机械部件更换清单 注意:除在备注栏中标注 [PAVCTH] 的部件由 PAVCTH 提供,所有零件均由 AVC-CSPC 提供。 安全 标记 参考号 部品号 部品名称及说明 数量 备注 1 K1TWACC00001 RF 信号线 1 2 K2AHYH000033 AC 接入口 1 3 K2CK3YY00025 电源线 1 4 K2YZYY000014 RF 隔离器 1 5 L0AA14C00004 喇叭 2 LSEP1287MTHB P 线路板 1 6 MD-42GF13ME1 42FHD13 PDP 屏 1 7 N2QAYB000495 遥控器 1 R6DWC/2SK 电池 2 8 TBL3DX0017 台座 1 9 TBX3DA00101 电源按钮 1 10 TKGA5615 前面玻璃 1 11 TKK3DC5001 LED 透光板 1 12 TKKL5493 M8 盖 4 13 TKU3DX00601A 后盖 1 14 TMK3DG002 海绵 ( 前面玻璃 H) 2 15 TMK3DG003 海绵 ( 前面玻璃 V) 2 TMK3DG023 喇叭海绵 4 16 TMXX064 电源线夹 A 1 17 TPC3DA03001 包装箱外箱 1 18 TPC3DA04501 包装箱底箱 1 19 TPD3DA0001-2 顶部衬垫 1 20 TPD3DA0002 底部衬垫 1 21 TPD3DA0059 台座衬垫 1 22 TPDX0035 箱扣 4 23 TPEH344A 整机保护袋 1 24 TPEP026-1 电源线袋 1 TQB3DA7003 警告单 1 TQD3D18001 保修证 1 25 TQZ3DB020-4 使用说明书 1 26 TSXL519 FFC(C10-C20) 1 27 TSXL977 FFC(A20-SC20) 1 28 TSXL978 FFC(A31-C11) 1 29 TSXL979 FFC(A32-C21) 1 30 TXFBL01LQUC 台座附件 1 TXFKR01LQUC 声音反射板组件 2 31 TXFKY01LQUCA 面框 1 TXFNZ01LQUC 高频头组件 1 TXJ/A6LWUE 线束 (A6-P6) 1 TXJ/A7LWUE 线束 (A7-P7) 1 TXJ/K1LCUA 线束 (A1-K1) 1 TXJ/P2LHUU 线束 (P2-SC2) 1 TXJ/S1LCUA 线束 (S1-P34) 1 TXJA11LLUM 线束 (A11-SPL/SPR) 1 TXJP11LHUU 线束 (P11-SS11) 1 TXJP35LJUE 线束 (P35-C25) 1 TXJS33LHUU 线束 (SS33-C23) 1 TXN/K1LQUC K 线路板 1 TXN/S1EQUC S 线路板 1 TXNC11LQUC C1 线路板 1 TXNC21LQUC C2 线路板 1 TXNSC1LQUC SC 线路板 1 TXNSM1LTUC SM 线路板 1 TXNSS1LQUC SS 线路板 1 TXNSS21DYUC SS2 线路板 1 96 14.2. 电器部件更换清单 14.2.1. 更换部件清单注意事项 97 14.2.2. 电器部件更换清单 注意:除在备注栏中标注 [PAVCTH] 的部件由 PAVCTH 提供,所有零件均由 AVC-CSPC 提供。 安全 标记 参考号 部品号 部品名称及说明 数量 备注 A1 K1KY08AA0719 8P 连接接头 1 A6 K1KY11AA0719 11P 连接接头 1 A7 K1KY14AA0719 14P 连接接头 1 PPDS A11 K1KA04AA0190 4P 连接接头 1 A20 K1MY35BA0345 35P 连接接头 1 A31 K1MY68BA0345 68P 连接接头 1 A32 K1MY68BA0345 68P 连接接头 1 C10 K1MN20BA0231 20P 连接接头 1 C11 K1MY68BA0345 68P 连接接头 1 C20 K1MY20BA0345 20P 连接接头 1 C21 K1MY68BA0345 68P 连接接头 1 C23 K1KY08AA0719 8P 连接接头 1 C25 K1KA04BA0107 4P 连接接头 1 C0900 F1G1C104A116 C 0.10UF, K, 16V 1 C1100 F1G1E103A123 C 0.010UF, K, 25V 1 C1101 F1G1E103A123 C 0.010UF, K, 25V 1 C1102 F1G1C104A116 C 0.10UF, K, 16V 1 C2055 F1J1A106A087 C 0.010UF, K, 10V 1 C2057 F1J1A106A087 C 0.010UF, K, 10V 1 C2067 F1G1C103A116 C 0.010UF, K, 16V 1 C2068 F1G1C103A116 C 0.010UF, K, 16V 1 C2071 EEEHB0J101UR C 100PF, J, 6.3V 1 C2072 EEEHB0J101UR C 100PF, J, 6.3V 1 C2073 F1G1E333A091 C 0.033UF, K, 25V 1 C2074 F1G1E333A091 C 0.033UF, K, 25V 1 C2104 F1G1H100A731 C 10PF, K, 50V 1 C2107 F1G1A105A047 C 1UF, K, 10V 1 C2108 F1G1A105A047 C 1UF, K, 10V 1 C2110 F1G1C104A116 C 0.10UF, K, 16V 1 C2301 F1G1C104A116 C 0.10UF, K, 16V 1 C2302 F1G1C104A116 C 0.10UF, K, 16V 1 C2304 F1J1E105A231 C 1 UF 25V 1 C2309 F1K1E106A136 C 10UF, Z, 25V 1 C2312 F1K1E106A136 C 10UF, Z, 25V 1 C2313 F1G1H102A730 C 1000UF, 50V 1 C2314 F1J1E105A231 C 1 UF 25V 1 C2316 F1H1H104A970 C 0.1UF, K, 50V 1 C2317 F1J1E105A231 C 1 UF 25V 1 C2318 F1H1H104A970 C 0.1UF, K, 50V 1 C2320 F1J1E105A231 C 1 UF 25V 1 C2321 F1H1H104A970 C 0.1UF, K, 50V 1 C2323 F1H1H104A970 C 0.1UF, K, 50V 1 C2324 F1J1E105A231 C 1 UF 25V 1 C2325 F1G1H102A730 C 1000UF, 50V 1 C2334 F1J1H474A757 C 0.47UF, 50V 1 C2335 F1H1E104A129 C 0.1UF, 25V 1 C2336 F1H1E104A129 C 0.1UF, 25V 1 C2337 F1J1H474A757 C 0.47UF, 50V 1 C2338 F1H1E104A129 C 0.1UF, 25V 1 C2339 F1H1E104A129 C 0.1UF, 25V 1 C2340 F1H1H223A970 C 0.22UF, K, 50V 1 C2341 F1H1H223A970 C 0.22UF, K, 50V 1 C2342 F1H1H223A970 C 0.22UF, K, 50V 1 C2343 F1H1H223A970 C 0.22UF, K, 50V 1 C2344 F1H1H223A970 C 0.22UF, K, 50V 1 C2345 F1H1H223A970 C 0.22UF, K, 50V 1 C2346 F1H1H223A970 C 0.22UF, K, 50V 1 C2347 F1H1H223A970 C 0.22UF, K, 50V 1 C2349 F1G1H102A730 C 1000UF, 50V 1 C2351 F1G1H102A730 C 1000UF, 50V 1 C2353 F1G1H102A730 C 1000UF, 50V 1 C2355 F1G1H102A730 C 1000UF, 50V 1 C2356 F1K1E106A136 C 10UF, Z, 25V 1 C2357 F1K1E106A136 C 10UF, Z, 25V 1 C2510 F1H1H103A970 C 0.001UF, K, 50V 1 C2511 F1J1A106A087 C 0.010UF, K, 10V 1 C2515 F1H1H103A970 C 0.001UF, K, 50V 1 C2521 F1H1C104A143 C 0.1UF, K, 16V 1 C2751 F1J1E105A231 C 1 UF 25V 1 C2824 F1J1A106A087 C 0.010UF, K, 10V 1 C2871 F1K1E106A136 C 10UF, Z, 25V 1 C2872 F1G1E103A123 C 0.010UF, K, 25V 1 C2873 F1J1A106A087 C 0.010UF, K, 10V 1 C2874 F1J1A106A087 C 0.010UF, K, 10V 1 C2877 F1H1H223A970 C 0.22UF, K, 50V 1 C2878 F1H1H472A970 C 4700PF, K, 50V 1 C2879 F1G1E103A123 C 0.010UF, K, 25V 1 C2883 F2H1E470A007 E 47UF, 25V 1 C2884 F1J1E105A231 C 1 UF 25V 1 C2885 F1K1E106A136 C 10UF, Z, 25V 1 C2886 F1K1E106A136 C 10UF, Z, 25V 1 C2905 F2H1A101A009 E 100 UF, 10V 1 PPDS C2907 F1G1C104A116 C 0.10UF, K, 16V 1 C2908 F1G1C104A116 C 0.10UF, K, 16V 1 C2910 F1G1C104A116 C 0.10UF, K, 16V 1 C2911 F1G1C104A116 C 0.10UF, K, 16V 1 C2917 F1G1H222A730 C 2200UF, 50V 1 C2919 F1G1C103A116 C 0.010UF, K, 16V 1 C2959 F1G1C104A116 C 0.10UF, K, 16V 1 C2961 ECJ1VB1A105K C 1 UF, K, 10 V 1 C2965 ECJ1VB1A105K C 1 UF, K, 10 V 1 C2966 F1H1A225A051 C 22UF, 50V 1 C3003 F1G1C104A116 C 0.10UF, K, 16V 1 C3004 F1G1C104A116 C 0.10UF, K, 16V 1 C3011 F1J1A106A087 C 0.010UF, K, 10V 1 C3015 F1J1A106A087 C 0.010UF, K, 10V 1 C3016 F1G1C104A116 C 0.10UF, K, 16V 1 C3018 F1G1C104A116 C 0.10UF, K, 16V 1 C3019 F1G1C104A116 C 0.10UF, K, 16V 1 C3022 ECJ1VB1A105K C 1 UF, K, 10 V 1 C3023 ECJ1VB1A105K C 1 UF, K, 10 V 1 C3024 F1J1A106A087 C 0.010UF, K, 10V 1 C3025 F1J1A106A087 C 0.010UF, K, 10V 1 C3026 F1J1A106A087 C 0.010UF, K, 10V 1 C3031 ECJ1VB1A105K C 1 UF, K, 10 V 1 C3032 ECJ1VB1A105K C 1 UF, K, 10 V 1 C3105 F1G1H561A730 C 56UF, 50V 1 C3106 F1G1H561A730 C 56UF, 50V 1 C3108 F1G1E333A091 C 0.033UF, K, 25V 1 C3109 F1G1E333A091 C 0.033UF, K, 25V 1 C3111 ECJ1VB1A105K C 1 UF, K, 10 V 1 C3112 ECJ1VB1A105K C 1 UF, K, 10 V 1 C3113 F1J1A106A087 C 0.010UF, K, 10V 1 C3116 F1J1A106A087 C 0.010UF, K, 10V 1 C3117 F1J1A106A087 C 0.010UF, K, 10V 1 C3118 F1J1A106A087 C 0.010UF, K, 10V 1 C3119 F2H1A101A009 E 100 UF, 10V 1 PPDS C3122 F2H1A101A009 E 100 UF, 10V 1 PPDS C3123 F1J1A106A087 C 0.010UF, K, 10V 1 C3137 F1G1H561A730 C 56UF, 50V 1 C3138 F1G1H561A730 C 56UF, 50V 1 C3149 ECJ1VB1A105K C 1 UF, K, 10 V 1 C3150 ECJ1VB1A105K C 1 UF, K, 10 V 1 C3153 F1G1H561A730 C 56UF, 50V 1 C3154 F1G1H561A730 C 56UF, 50V 1 C3155 F1G1H561A730 C 56UF, 50V 1 C3156 F1G1H561A730 C 56UF, 50V 1 C3157 ECJ1VB1A105K C 1 UF, K, 10 V 1 C3158 ECJ1VB1A105K C 1 UF, K, 10 V 1 C3159 F1J1A106A087 C 0.010UF, K, 10V 1 C3160 F1J1A106A087 C 0.010UF, K, 10V 1 安全 标记 参考号 部品号 部品名称及说明 数量 备注 98 C3161 F1J1A106A087 C 0.010UF, K, 10V 1 C3162 F1J1A106A087 C 0.010UF, K, 10V 1 C3163 F1J1A106A087 C 0.010UF, K, 10V 1 C3164 F1J1A106A087 C 0.010UF, K, 10V 1 C3165 F1J1A106A087 C 0.010UF, K, 10V 1 C4546 ECJ1VB0J105K C 1UF, K, 6.3V 1 C4547 ECJ1VB0J105K C 1UF, K, 6.3V 1 C4662 ECJ1VB0J105K C 1UF, K, 6.3V 1 C4663 ECJ1VB0J105K C 1UF, K, 6.3V 1 C4664 ECJ1VB0J105K C 1UF, K, 6.3V 1 C4665 ECJ1VB0J105K C 1UF, K, 6.3V 1 C4666 ECJ1VB0J105K C 1UF, K, 6.3V 1 C4667 ECJ1VB0J105K C 1UF, K, 6.3V 1 C4701 F1G1C104A116 C 0.10UF, K, 16V 1 C4702 F1G1C104A116 C 0.10UF, K, 16V 1 C4704 F1G1C104A116 C 0.10UF, K, 16V 1 C4705 F1G1C104A116 C 0.10UF, K, 16V 1 C4707 F1G1C104A116 C 0.10UF, K, 16V 1 C4708 F1G1C104A116 C 0.10UF, K, 16V 1 C5000 F1G1C104A116 C 0.10UF, K, 16V 1 C5001 F1G1C104A116 C 0.10UF, K, 16V 1 C5002 F1G1C104A116 C 0.10UF, K, 16V 1 C5003 F1G1C104A116 C 0.10UF, K, 16V 1 C5004 F1G1H102A730 C 1000UF, 50V 1 C5050 F1J1A475A087 C 4.7UF, K, 10V 1 C5052 F2G1A221A149 E 220UF, 10V 1 C5055 F1G1C104A116 C 0.10UF, K, 16V 1 C5058 ECJ1VB0J105K C 1UF, K, 6.3V 1 C5100 F1G1C104A116 C 0.10UF, K, 16V 1 C5101 F1H1A474A084 C 0.47UF, 50V 1 C5155 F1J0J106A004 C 0.010UF, K, 16V 1 C5156 F1J0J106A004 C 0.010UF, K, 16V 1 C5157 F1J0J106A004 C 0.010UF, K, 16V 1 C5158 F1J0J106A004 C 0.010UF, K, 16V 1 C5159 F1J0J106A004 C 0.010UF, K, 16V 1 C5160 F1J0J106A004 C 0.010UF, K, 16V 1 C5471 F1G1C104A116 C 0.10UF, K, 16V 1 C5472 F1G1C104A116 C 0.10UF, K, 16V 1 C5600 F1K1E106A136 C 10UF, Z, 25V 1 C5601 F1K1E106A136 C 10UF, Z, 25V 1 C5602 F1G1E682A123 C 6800UF, Z, 25V 1 C5603 F1K1E106A136 C 10UF, Z, 25V 1 C5604 F1K1E106A136 C 10UF, Z, 25V 1 C5606 F1G1A154A053 C0.015UF, K, 10V 1 C5607 F1J1A475A087 C 4.7UF, K, 10V 1 C5608 F1H1C104A143 C 0.1UF, K, 16V 1 C5609 F1H1C104A143 C 0.1UF, K, 16V 1 C5611 F1J1E105A231 C 1 UF 25V 1 C5612 F1H1C105A145 C 0.01UF, K, 16V 1 C5615 F1H1A225A051 C 22UF, 50V 1 C5616 F1G1E103A123 C 0.010UF, K, 25V 1 C5617 F1K0J226A008 C 22UF, K,6.3V 1 C5618 F1K0J226A008 C 22UF, K,6.3V 1 C5619 F1K0J226A008 C 22UF, K,6.3V 1 C5620 F1K0J226A008 C 22UF, K,6.3V 1 C5621 F1K0J226A008 C 22UF, K,6.3V 1 C5622 F1K0J226A008 C 22UF, K,6.3V 1 C5625 F1K1E106A136 C 10UF, Z, 25V 1 C5626 F1K1E106A136 C 10UF, Z, 25V 1 C5627 F1G1A393A053 C0.015UF, K, 10V 1 C5628 F1K1E106A136 C 10UF, Z, 25V 1 C5629 F1K1E106A136 C 10UF, Z, 25V 1 C5631 F1G1C104A116 C 0.10UF, K, 16V 1 C5632 F1J1A475A087 C 4.7UF, K, 10V 1 C5633 F1H1C104A143 C 0.1UF, K, 16V 1 C5634 F1H1C104A143 C 0.1UF, K, 16V 1 C5635 F1H1C105A145 C 0.01UF, K, 16V 1 C5641 F1K0J226A008 C 22UF, K,6.3V 1 C5642 F1K0J226A008 C 22UF, K,6.3V 1 安全 标记 参考号 部品号 部品名称及说明 数量 备注 C5643 F1K0J226A008 C 22UF, K,6.3V 1 C5649 ECJ1VB1A105K C 1 UF, K, 10 V 1 C5650 F1H1A225A051 C 22UF, 50V 1 C5651 F1J1A475A087 C 4.7UF, K, 10V 1 C5652 F1J1A475A087 C 4.7UF, K, 10V 1 C5658 F1K0J226A008 C 22UF, K,6.3V 1 C5659 F1K0J226A008 C 22UF, K,6.3V 1 C5660 F1K0J226A008 C 22UF, K,6.3V 1 C5722 F1J1E105A231 C 1 UF 25V 1 C5723 F1H1C105A145 C 0.01UF, K, 16V 1 C8000 F1G1C104A116 C 0.10UF, K, 16V 1 C8001 F1G1C104A116 C 0.10UF, K, 16V 1 C8002 F1G1C104A116 C 0.10UF, K, 16V 1 C8003 F1G1C104A116 C 0.10UF, K, 16V 1 C8004 F1G1C104A116 C 0.10UF, K, 16V 1 C8005 F1G1C104A116 C 0.10UF, K, 16V 1 C8006 F1G1C104A116 C 0.10UF, K, 16V 1 C8007 F1G1C104A116 C 0.10UF, K, 16V 1 C8008 F1G1C104A116 C 0.10UF, K, 16V 1 C8009 F1G1C104A116 C 0.10UF, K, 16V 1 C8010 F1G1C104A116 C 0.10UF, K, 16V 1 C8011 F1G1C104A116 C 0.10UF, K, 16V 1 C8012 F1G1C104A116 C 0.10UF, K, 16V 1 C8013 F1G1C104A116 C 0.10UF, K, 16V 1 C8014 F1G1C104A116 C 0.10UF, K, 16V 1 C8015 ECJ1VB0J105K C 1UF, K, 6.3V 1 C8016 ECJ1VB0J105K C 1UF, K, 6.3V 1 C8017 F1G1C104A116 C 0.10UF, K, 16V 1 C8019 F1G1C104A116 C 0.10UF, K, 16V 1 C8020 F1G1C104A116 C 0.10UF, K, 16V 1 C8021 F1G1C104A116 C 0.10UF, K, 16V 1 C8022 F1J1A106A087 C 0.010UF, K, 10V 1 C8023 F1J1A106A087 C 0.010UF, K, 10V 1 C8024 F1J1A106A087 C 0.010UF, K, 10V 1 C8035 F1J1A106A087 C 0.010UF, K, 10V 1 C8036 F1J1A106A087 C 0.010UF, K, 10V 1 C8037 F1G1C104A116 C 0.10UF, K, 16V 1 C8042 ECJ1VB0J105K C 1UF, K, 6.3V 1 C8044 F1J1A106A087 C 0.010UF, K, 10V 1 C8045 F1G1C104A116 C 0.10UF, K, 16V 1 C8046 F1G1C104A116 C 0.10UF, K, 16V 1 C8047 F1G1C104A116 C 0.10UF, K, 16V 1 C8048 ECJ1VB0J105K C 1UF, K, 6.3V 1 C8050 F1G1C104A116 C 0.10UF, K, 16V 1 C8051 F1G1C104A116 C 0.10UF, K, 16V 1 C8052 F1G1C104A116 C 0.10UF, K, 16V 1 C8053 F1G1C104A116 C 0.10UF, K, 16V 1 C8054 F1G1C104A116 C 0.10UF, K, 16V 1 C8055 F1G1C104A116 C 0.10UF, K, 16V 1 C8056 F1G1C104A116 C 0.10UF, K, 16V 1 C8057 F1G1C104A116 C 0.10UF, K, 16V 1 C8058 F1G1C104A116 C 0.10UF, K, 16V 1 C8062 F1G1C104A116 C 0.10UF, K, 16V 1 C8063 F1G1C104A116 C 0.10UF, K, 16V 1 C8064 F1J0G2260001 C 0.001UF, 6.3V 1 C8067 F1G1C104A116 C 0.10UF, K, 16V 1 C8068 F1G1C104A116 C 0.10UF, K, 16V 1 C8069 F1G1C104A116 C 0.10UF, K, 16V 1 C8070 F1G1C104A116 C 0.10UF, K, 16V 1 C8073 ECJ1VB0J105K C 1UF, K, 6.3V 1 C8074 ECJ1VB0J105K C 1UF, K, 6.3V 1 C8075 ECJ1VB0J105K C 1UF, K, 6.3V 1 C8076 F1G1C104A116 C 0.10UF, K, 16V 1 C8077 F1G1E103A123 C 0.010UF, K, 25V 1 C8079 F1G1H120A731 C 12UF, 50V 1 C8080 F1G1H8R0A732 C 8.0UF, 50V 1 C8081 F1G1H100A731 C 10PF, K, 50V 1 C8082 F1G1H8R0A732 C 8.0UF, 50V 1 C8085 F1J1A106A087 C 0.010UF, K, 10V 1 安全 标记 参考号 部品号 部品名称及说明 数量 备注 99 C8091 F1G1C104A116 C 0.10UF, K, 16V 1 C8093 ECJ1VB0J105K C 1UF, K, 6.3V 1 C8097 F1G1C104A116 C 0.10UF, K, 16V 1 C8099 ECJ1VB0J105K C 1UF, K, 6.3V 1 C8100 F1J1A106A087 C 0.010UF, K, 10V 1 C8101 F1J1A106A087 C 0.010UF, K, 10V 1 C8104 ECJ1VB0J105K C 1UF, K, 6.3V 1 C8105 F1G1C104A116 C 0.10UF, K, 16V 1 C8108 F1G1C104A116 C 0.10UF, K, 16V 1 C8110 F1G1C104A116 C 0.10UF, K, 16V 1 C8111 F1G1C104A116 C 0.10UF, K, 16V 1 C8112 F1G1C104A116 C 0.10UF, K, 16V 1 C8113 F1G1C104A116 C 0.10UF, K, 16V 1 C8114 F1G1C104A116 C 0.10UF, K, 16V 1 C8115 F1G1C104A116 C 0.10UF, K, 16V 1 C8116 F1G1C104A116 C 0.10UF, K, 16V 1 C8117 F1G1C104A116 C 0.10UF, K, 16V 1 C8120 F1G1C104A116 C 0.10UF, K, 16V 1 C8123 F1G1C104A116 C 0.10UF, K, 16V 1 C8124 F1J1A106A087 C 0.010UF, K, 10V 1 C8125 F1J1A106A087 C 0.010UF, K, 10V 1 C8126 F1J1A106A087 C 0.010UF, K, 10V 1 C8127 ECJ1VB0J105K C 1UF, K, 6.3V 1 C8600 F1G1H102A730 C 1000UF, 50V 1 C8853 F1G1C104A116 C 0.10UF, K, 16V 1 C8854 F1G1C104A116 C 0.10UF, K, 16V 1 C8860 F2G1C470A022 E 47UF, 16V 1 C8861 F1G1C104A116 C 0.10UF, K, 16V 1 C8862 F1G1C103A116 C 0.010UF, K, 16V 1 C8863 F1J0G226A001 C 0.001UF, 6.3V 1 C8922 F1G1C104A116 C 0.10UF, K, 16V 1 C8923 F1G1C104A116 C 0.10UF, K, 16V 1 C8950 F1G1C103A116 C 0.010UF, K, 16V 1 C9040 F1G1C104A116 C 0.10UF, K, 16V 1 C9052 F1G1C104A116 C 0.10UF, K, 16V 1 C9066 F1K0J226A008 C 22UF, K,6.3V 1 C9067 F1G1H561A730 C 56UF, 50V 1 C9069 F1G1H561A730 C 56UF, 50V 1 C9100 F1J1A106A087 C 0.010UF, K, 10V 1 C9101 F1G1E103A123 C 0.010UF, K, 25V 1 C9102 F1K1E106A136 C 10UF, Z, 25V 1 C9103 F1G1E103A123 C 0.010UF, K, 25V 1 C9106 F1K1E106A136 C 10UF, Z, 25V 1 C9108 F1G1E103A123 C 0.010UF, K, 25V 1 C9116 F1G1C104A116 C 0.10UF, K, 16V 1 C9300 F1G1C104A116 C 0.10UF, K, 16V 1 C9301 F1G1H150A731 C 15UF, 50V 1 C9302 F1G1H180A731 C 18UF, 50V 1 C9303 F1G1C104A116 C 0.10UF, K, 16V 1 C9307 F1G1C104A116 C 0.10UF, K, 16V 1 C9308 F1G1C104A116 C 0.10UF, K, 16V 1 C9311 F1G1C104A116 C 0.10UF, K, 16V 1 C9312 F1J1A106A087 C 0.010UF, K, 10V 1 C9313 F1G1C104A116 C 0.10UF, K, 16V 1 C9314 F1J1A106A087 C 0.010UF, K, 10V 1 C9315 F1G1C104A116 C 0.10UF, K, 16V 1 C9316 F1J1A106A087 C 0.010UF, K, 10V 1 C9319 F1G1C104A116 C 0.10UF, K, 16V 1 C9322 F1G1C104A116 C 0.10UF, K, 16V 1 C9323 F1G1C104A116 C 0.10UF, K, 16V 1 C9325 F1G1C104A116 C 0.10UF, K, 16V 1 C9327 F1G1C104A116 C 0.10UF, K, 16V 1 C9335 F1J1A106A087 C 0.010UF, K, 10V 1 C9336 F1J1A106A087 C 0.010UF, K, 10V 1 C9337 F1J1A106A087 C 0.010UF, K, 10V 1 C9339 F1G1C104A116 C 0.10UF, K, 16V 1 C9340 F1G1C104A116 C 0.10UF, K, 16V 1 C9342 F1G1C104A116 C 0.10UF, K, 16V 1 C9344 F1G1C104A116 C 0.10UF, K, 16V 1 安全 标记 参考号 部品号 部品名称及说明 数量 备注 C9347 ECJ1VB0J105K C 1UF, K, 6.3V 1 C9349 F1J1A106A087 C 0.010UF, K, 10V 1 C9350 F1G1C104A116 C 0.10UF, K, 16V 1 C9351 F1G1C104A116 C 0.10UF, K, 16V 1 C9352 ECJ1VB0J105K C 1UF, K, 6.3V 1 C9356 F1G1C104A116 C 0.10UF, K, 16V 1 C9361 F1G1C104A116 C 0.10UF, K, 16V 1 C9363 F1G1C104A116 C 0.10UF, K, 16V 1 C9371 F1J1A106A087 C 0.010UF, K, 10V 1 C9372 F1J1A106A087 C 0.010UF, K, 10V 1 C9373 F1J1A106A087 C 0.010UF, K, 10V 1 C9374 F1G1C104A116 C 0.10UF, K, 16V 1 C9375 F1G1C104A116 C 0.10UF, K, 16V 1 C9380 F1G1C104A116 C 0.10UF, K, 16V 1 C9383 F1G1C104A116 C 0.10UF, K, 16V 1 C9391 F1J1A106A087 C 0.010UF, K, 10V 1 C9392 F1J1A106A087 C 0.010UF, K, 10V 1 C9394 F1G1C104A116 C 0.10UF, K, 16V 1 C9400 F1G1C104A116 C 0.10UF, K, 16V 1 C9401 F1G1C104A116 C 0.10UF, K, 16V 1 C9402 F1G1C104A116 C 0.10UF, K, 16V 1 C9800 F1H1E104A129 C 0.1UF, 25V 1 C9801 F1G1E682A123 C 6800UF, Z, 25V 1 C9803 F1G1E472A123 C 4200UF, Z, 25V 1 C9804 F1K1E106A136 C 10UF, Z, 25V 1 C9805 F1K1E106A136 C 10UF, Z, 25V 1 C9806 F1G1H101A731 C 100PF, K, 50V 1 C9807 F1G1H201A731 C 200 UF, K, 50V 1 C9809 F1G1H102A730 C 1000UF, 50V 1 C9811 F1G1C104A116 C 0.10UF, K, 16V 1 C9812 F1K1E106A136 C 10UF, Z, 25V 1 C9813 F1K1E106A136 C 10UF, Z, 25V 1 C9814 F1K0J226A008 C 22UF, K,6.3V 1 C9815 F1K0J226A008 C 22UF, K,6.3V 1 C9816 F1G1E103A123 C 0.010UF, K, 25V 1 C9825 F1K0J226A008 C 22UF, K,6.3V 1 C9827 F1K1E106A136 C 10UF, Z, 25V 1 C9828 F1K1E106A136 C 10UF, Z, 25V 1 C9829 F1G1C104A116 C 0.10UF, K, 16V 1 C9830 F1G1E103A123 C 0.010UF, K, 25V 1 C9831 F1G1H272A730 C 2700UF, 50V 1 C9834 F1K0J226A008 C 22UF, K,6.3V 1 C9835 F1K0J226A008 C 22UF, K,6.3V 1 C9900 F1G1E103A123 C 0.010UF, K, 25V 1 C16002 F1L2J562A022 C 5600UF, K,6.3V 1 C16012 F2A2T251A004 E 250UF, 220V 1 C16013 F2A2T251A004 E 250UF, 220V 1 C16018 F0C2E155A252 E 0.015UF, 250V 1 C16024 F1L2J332A022 C 3300UF, K,6.3V 1 C16041 F1H1H392A970 C 3900PF, K, 50V 1 C16071 F1L2J1020001 C 1000UF, K,6.3V 1 C16072 F1L2J1020001 C 1000UF, K,6.3V 1 C16091 F1L2J1020001 C 1000UF, K,6.3V 1 C16092 F1L2J1020001 C 1000UF, K,6.3V 1 C16101 F1L2J222A022 C 2200UF, K,6.3V 1 C16104 F1H1E470A130 C 47UF, K, 25V 1 C16105 F1H1E470A130 C 47UF, K, 25V 1 C16131 F1K1E475A134 C 4.7UF, Z, 25V 1 C16133 F1K1E475A134 C 4.7UF, Z, 25V 1 C16135 F1K1E105A029 C 1UF, Z, 25V 1 C16151 F1K1E105A029 C 1UF, Z, 25V 1 C16152 F1K1E475A134 C 4.7UF, Z, 25V 1 C16153 F1K1E475A134 C 4.7UF, Z, 25V 1 C16154 F1K1E475A134 C 4.7UF, Z, 25V 1 C16191 F1K1E475A134 C 4.7UF, Z, 25V 1 C16192 F1H1E104A129 C 0.1UF, 25V 1 C16193 EEUFC1E470 E 47UF, 25V 1 C16195 F1K1E105A029 C 1UF, Z, 25V 1 C16201 F0C2E405A252 E 0.040UF, 250V 1 安全 标记 参考号 部品号 部品名称及说明 数量 备注 100 C16202 F0C2E405A252 E 0.040UF, 250V 1 C16242 F1H1C105A145 C 0.01UF, K, 16V 1 C16243 F1H1H103A970 C 0.001UF, K, 50V 1 C16244 F1J1A106A087 C 0.010UF, K, 10V 1 C16251 F1H1C105A145 C 0.01UF, K, 16V 1 C16252 F1K1E105A029 C 1UF, Z, 25V 1 C16271 EEUFC1E221 E 220UF, 25V 1 C16280 F1K1E105A029 C 1UF, Z, 25V 1 C16285 F1H1H104A970 C 0.1UF, K, 50V 1 C16286 F1H1H104A970 C 0.1UF, K, 50V 1 C16287 F1H1H104A970 C 0.1UF, K, 50V 1 C16314 F2A2T251A004 E 250UF, 220V 1 C16315 ECJ1VB1A105K C 1 UF, K, 10 V 1 C16316 F1H1C104A143 C 0.1UF, K, 16V 1 C16317 ECJ1VB1A105K C 1 UF, K, 10 V 1 C16318 F1J1H104A835 C 0.10UF, 50V 1 C16319 F1J1H104A835 C 0.10UF, 50V 1 C16328 F2A2C221A195 E 2200UF, 160V 1 C16331 F0C2E105A252 E 0.010UF, 250V 1 C16401 F1L2J562A022 C 5600UF, K,6.3V 1 C16412 F2A2T251A004 E 250UF, 220V 1 C16413 F0C2E155A252 E 0.015UF, 250V 1 C16414 F2A2T251A004 E 250UF, 220V 1 C16417 F2A2T251A004 E 250UF, 220V 1 C16421 F1L2J562A022 C 5600UF, K,6.3V 1 C16441 F1H1H392A970 C 3900PF, K, 50V 1 C16451 F1H1H392A970 C 3900PF, K, 50V 1 C16460 F1E2J222A002 C 2200PF, 600V 1 C16461 F1L2J1020001 C 1000UF, K,6.3V 1 C16471 F1L2J1020001 C 1000UF, K,6.3V 1 C16472 F1K1E105A029 C 1UF, Z, 25V 1 C16481 F1L2J1020001 C 1000UF, K,6.3V 1 C16490 F1H1C105A145 C 0.01UF, K, 16V 1 C16491 F1L2J1020001 C 1000UF, K,6.3V 1 C16501 F1K1E105A029 C 1UF, Z, 25V 1 C16502 F1K1E475A134 C 4.7UF, Z, 25V 1 C16503 F2A1E471A102 E 470UF, 25V 1 C16504 F1K1E475A134 C 4.7UF, Z, 25V 1 C16505 F1K1E105A029 C 1UF, Z, 25V 1 C16521 F1K1E105A029 C 1UF, Z, 25V 1 C16522 F1K1E475A134 C 4.7UF, Z, 25V 1 C16523 F2A1E471A102 E 470UF, 25V 1 C16524 F1K1E475A134 C 4.7UF, Z, 25V 1 C16525 F1K1E475A134 C 4.7UF, Z, 25V 1 C16534 F1K1E105A029 C 1UF, Z, 25V 1 C16561 F1J1A106A087 C 0.010UF, K, 10V 1 C16562 F1H1C105A145 C 0.01UF, K, 16V 1 C16564 F1H1C105A145 C 0.01UF, K, 16V 1 C16565 F1H1H103A970 C 0.001UF, K, 50V 1 C16566 F1H1H103A970 C 0.001UF, K, 50V 1 C16581 F1K1E105A029 C 1UF, Z, 25V 1 C16582 F1H1C105A145 C 0.01UF, K, 16V 1 C16593 F1H1H102A971 C 1000PF, K, 50V 1 C16602 F1H1H220A971 C 22PF, K, 50V 1 C16603 F1K2J102A014 C 1000UF, K,6.3V 1 C16604 F1K2J102A014 C 1000UF, K,6.3V 1 C16608 F1H1H221A971 C 220UF, K, 50V 1 C16632 F0C2E405A252 E 0.040UF, 250V 1 C16633 F0C2E405A252 E 0.040UF, 250V 1 C16641 F1K2J222A014 C 2200UF, K,6.3V 1 C16642 F1L2J562A022 C 5600UF, K,6.3V 1 C16645 F1K2J102A014 C 1000UF, K,6.3V 1 C16646 F1K2J102A014 C 1000UF, K,6.3V 1 C16661 F1K2J102A038 C 1000UF, K,6.3V 1 C16662 F1K2J102A038 C 1000UF, K,6.3V 1 C16664 F1H1H820A971 C 82UF, 50V 1 C16665 F1H1H820A971 C 82UF, 50V 1 C16666 F1H1H820A971 C 82UF, 50V 1 C16668 F1H1H221A971 C 220UF, K, 50V 1 安全 标记 参考号 部品号 部品名称及说明 数量 备注 C16675 F1H1H391A971 C 391UF, 50V 1 C16684 F1H1H104A970 C 0.1UF, K, 50V 1 C16685 F1H1H104A970 C 0.1UF, K, 50V 1 C16691 F2A2C101A097 E 1000UF, 160V 1 C16692 F1H1H104A970 C 0.1UF, K, 50V 1 C16707 F1H1H220A971 C 22PF, K, 50V 1 C16708 F1H1H104A970 C 0.1UF, K, 50V 1 C16721 F2A1H820A115 E 82UF, 50V 1 C16723 F1K1E105A029 C 1UF, Z, 25V 1 C16724 F1K1E475A134 C 4.7UF, Z, 25V 1 C16753 F1K1E475A134 C 4.7UF, Z, 25V 1 C16755 F1K1E475A134 C 4.7UF, Z, 25V 1 C16756 F1K1E475A134 C 4.7UF, Z, 25V 1 C16771 F1H1C105A145 C 0.01UF, K, 16V 1 C16773 F1K1E105A029 C 1UF, Z, 25V 1 C16791 EEUFC1E221 E 220UF, 25V 1 C16793 EEUFC1E221 E 220UF, 25V 1 C16794 F1J1A106A087 C 0.010UF, K, 10V 1 C16795 F2A1E471A102 E 470UF, 25V 1 C16796 F2A1E471A102 E 470UF, 25V 1 C16797 F1H1H104A970 C 0.1UF, K, 50V 1 C16813 F2A2T221A009 E 220UF, 220V 1 C16842 F2A2C101A097 E 1000UF, 160V 1 C16843 F1J1H104A835 C 0.10UF, 50V 1 C16844 F1J1H104A835 C 0.10UF, 50V 1 C16854 F1J1H104A835 C 0.10UF, 50V 1 C16856 ECJ1VB1A105K C 1 UF, K, 10 V 1 C16857 F1H1C104A143 C 0.1UF, K, 16V 1 C16858 ECJ1VB1A105K C 1 UF, K, 10 V 1 C16859 F1J1H104A835 C 0.10UF, 50V 1 C16860 ECJ1VB1A105K C 1 UF, K, 10 V 1 C16861 F1H1C104A143 C 0.1UF, K, 16V 1 C16862 ECJ1VB1A105K C 1 UF, K, 10 V 1 C16863 F1J1H104A835 C 0.10UF, 50V 1 C16864 F1J1H104A835 C 0.10UF, 50V 1 C16891 F1K1E105A029 C 1UF, Z, 25V 1 C16902 F1E2J332A002 C 3300PF, 600V 1 C17101 F1L2A334A034 E 3300UF, 100V 1 PPDS C17103 F1H1C104A143 C 0.1UF, K, 16V 1 C17104 ECJ1VB1A105K C 1 UF, K, 10 V 1 C17105 F1L2A334A034 E 3300UF, 100V 1 PPDS C17107 ECJ1VB1A105K C 1 UF, K, 10 V 1 C17109 F1L2A334A034 E 3300UF, 100V 1 PPDS C17110 ECJ1VB1A105K C 1 UF, K, 10 V 1 C17111 F1L2A334A034 E 3300UF, 100V 1 PPDS C17113 ECJ1VB1A105K C 1 UF, K, 10 V 1 C17115 F1L2A334A034 E 3300UF, 100V 1 PPDS C17116 ECJ1VB1A105K C 1 UF, K, 10 V 1 C17117 F1L2A334A034 E 3300UF, 100V 1 PPDS C17119 ECJ1VB1A105K C 1 UF, K, 10 V 1 C17121 F1L2A334A034 E 3300UF, 100V 1 PPDS C17122 ECJ1VB1A105K C 1 UF, K, 10 V 1 C17124 F1L2A334A034 E 3300UF, 100V 1 PPDS C17125 ECJ1VB1A105K C 1 UF, K, 10 V 1 C17141 F1H1H101A971 C 100UF, 50V 1 C17202 F1H1C104A143 C 0.1UF, K, 16V 1 C17203 F1H1C104A143 C 0.1UF, K, 16V 1 C17205 F1L2A334A034 E 3300UF, 100V 1 PPDS C17206 ECJ1VB1A105K C 1 UF, K, 10 V 1 C17207 F1L2A334A034 E 3300UF, 100V 1 PPDS C17209 ECJ1VB1A105K C 1 UF, K, 10 V 1 C17210 F1L2A334A034 E 3300UF, 100V 1 PPDS C17212 ECJ1VB1A105K C 1 UF, K, 10 V 1 C17213 F1L2A334A034 E 3300UF, 100V 1 PPDS C17215 ECJ1VB1A105K C 1 UF, K, 10 V 1 C17217 F1L2A334A034 E 3300UF, 100V 1 PPDS C17218 ECJ1VB1A105K C 1 UF, K, 10 V 1 C17219 F1L2A334A034 E 3300UF, 100V 1 PPDS C17221 ECJ1VB1A105K C 1 UF, K, 10 V 1 安全 标记 参考号 部品号 部品名称及说明 数量 备注 101 C17223 F1L2A334A034 E 3300UF, 100V 1 PPDS C17224 ECJ1VB1A105K C 1 UF, K, 10 V 1 C17241 F1H1H101A971 C 100UF, 50V 1 CB1 K1MY55B00002 55P 连接接头 1 CB2 K1MY55B00002 55P 连接接头 1 CB3 K1MY55B00002 55P 连接接头 1 CB4 K1MY55B00002 55P 连接接头 1 CB5 K1MY55B00002 55P 连接接头 1 CB6 K1MY55B00002 55P 连接接头 1 CB7 K1MY55B00002 55P 连接接头 1 CB8 K1MY55B00002 55P 连接接头 1 CB9 K1MY55B00002 55P 连接接头 1 CB10 K1MY55B00002 55P 连接接头 1 CB11 K1MY55B00002 55P 连接接头 1 CB12 K1MY55B00002 55P 连接接头 1 CB13 K1MY55B00002 55P 连接接头 1 CB14 K1MY55B00002 55P 连接接头 1 CB15 K1MY55B00002 55P 连接接头 1 CN0102 K1KA11A00178 11P 连接接头 1 D1101 B0JCCE000008 二极管 1 D2014 B0ACCJ000048 二极管 1 D2520 B3AGB0000060 LED 1 PPDS D2870 B0JCME000092 二极管 1 D3105 DZ2J140M0L 稳压二极管 1 PPDS D3106 DZ2J140M0L 稳压二极管 1 PPDS D3107 DZ2J140M0L 稳压二极管 1 PPDS D3108 DZ2J140M0L 稳压二极管 1 PPDS D3109 DZ2J140M0L 稳压二极管 1 PPDS D4702 B0ACCJ000048 二极管 1 D4704 B0JCCE000008 二极管 1 D4719 B0ACCJ000048 二极管 1 D4721 B0JCCE000008 二极管 1 D4735 B0ACCJ000048 二极管 1 D4737 B0JCCE000008 二极管 1 D5000 B0ADCJ000100 二极管 1 D5051 B0JCME000076 二极管 1 D5052 B0ACCJ000048 二极管 1 D5100 B0ADEJ000035 稳压二极管 1 D5471 B0ACCJ000048 二极管 1 D5472 B0ADEJ000035 稳压二极管 1 D5475 B0ADCJ000100 二极管 1 D5476 DZ2J068M0L 稳压二极管 1 PPDS D5477 DZ2J068M0L 稳压二极管 1 PPDS D5478 B0ADCJ000100 二极管 1 D5479 B0ADCJ000100 二极管 1 D5480 B0ADCJ000100 二极管 1 D5481 DZ2J120M0L 稳压二极管 1 D5482 DZ2J120M0L 稳压二极管 1 D5483 DZ2J068M0L 稳压二极管 1 PPDS D5484 DZ2J068M0L 稳压二极管 1 PPDS D5485 DZ2J068M0L 稳压二极管 1 PPDS D5486 DZ2J068M0L 稳压二极管 1 PPDS D5602 DZ2J056M0L 稳压二极管 1 D5605 B0HCMM000014 二极管 1 D9804 B0JCPG000030 二极管 1 D9805 B0JCPG000030 二极管 1 D9806 B0ADCJ000100 二极管 1 D9807 B0ADCJ000100 二极管 1 D16001 B0FCCN000003 二极管 1 PPDS D16021 B0FCCN000003 二极管 1 PPDS D16022 B0FCCN000003 二极管 1 PPDS D16032 B0ACCJ000048 二极管 1 D16041 B0FCCP000001 二极管 1 D16050 B0ECKP000055 二极管 1 D16051 B0FCCN000002 二极管 1 D16101 B0JCME000093 二极管 1 安全 标记 参考号 部品号 部品名称及说明 数量 备注 D16131 B0ECKP000055 二极管 1 D16151 B0ECKP000055 二极管 1 D16152 B0ECKP000055 二极管 1 D16153 B0ECKP000055 二极管 1 D16191 B0ECKP000055 二极管 1 D16192 B0ACCJ000048 二极管 1 D16196 DZ2J200M0L 稳压二极管 1 D16253 B3ABB0000210 LED 1 D16255 B0ACCJ000048 二极管 1 D16280 B0ACCJ000048 二极管 1 D16281 DZ2J051M0L 稳压二极管 1 D16282 DZ2J068M0L 稳压二极管 1 PPDS D16285 B0ADEJ000035 稳压二极管 1 D16286 B0ACCJ000048 二极管 1 D16315 DZ2J150M0L 稳压二极管 1 D16316 B0ECKP000055 二极管 1 D16317 B0ECKP000055 二极管 1 D16401 DA3DF50ACSLW 稳压二极管 1 D16402 DA3DF50ACSLW 稳压二极管 1 D16407 B0JCME000093 二极管 1 D16411 B0ACCJ000048 二极管 1 D16422 B0FACP000005 二极管 1 D16451 B0ECKP000055 二极管 1 D16461 B0FACP000005 二极管 1 D16466 B0ACCJ000048 二极管 1 D16473 B0ACCJ000048 二极管 1 D16474 B0ACCJ000048 二极管 1 D16475 DZ2J051M0L 稳压二极管 1 D16476 B0ACCJ000048 二极管 1 D16477 DZ2J047L0L 稳压二极管 1 D16478 B0ACCJ000048 二极管 1 D16480 B0ACCJ000048 二极管 1 D16482 B0FACP000005 二极管 1 D16490 B0ECKP000055 二极管 1 D16491 B0ECKP000055 二极管 1 D16492 DZ2J047M0L 稳压二极管 1 D16493 B0ADCJ000100 二极管 1 D16494 B0ADCJ000100 二极管 1 D16497 B0ECKP000055 二极管 1 D16503 B0ECHR000001 二极管 1 D16522 B0ECHR000001 二极管 1 D16523 B0ECHR000001 二极管 1 D16534 B0ECHR000001 二极管 1 D16536 B0ECHR000001 二极管 1 D16583 B3ABB0000210 LED 1 D16602 DZ2J150M0L 稳压二极管 1 D16604 B0ADCJ000100 二极管 1 D16605 DZ2J051L0L 稳压二极管 1 D16607 B0ACCJ000048 二极管 1 D16610 B0ACCJ000048 二极管 1 D16618 B0ECKP000055 二极管 1 D16641 B0FBCN000006 二极管 1 D16642 B0FBCN000006 二极管 1 D16645 DZ2J150M0L 稳压二极管 1 D16646 DZ2J150M0L 稳压二极管 1 D16647 DZ2J150M0L 稳压二极管 1 D16648 DZ2J051L0L 稳压二极管 1 D16649 B0ACCJ000048 二极管 1 D16650 B0ACCJ000048 二极管 1 D16651 DZ2J051M0L 稳压二极管 1 D16652 B0ECKP000055 二极管 1 D16653 B0ACCJ000048 二极管 1 D16654 B0ACCJ000048 二极管 1 D16662 DZ2J150M0L 稳压二极管 1 D16663 DZ2J150M0L 稳压二极管 1 D16664 DZ2J150M0L 稳压二极管 1 D16669 B0ACCJ000048 二极管 1 D16671 B0ACCJ000048 二极管 1 D16673 B0ECHR000001 二极管 1 安全 标记 参考号 部品号 部品名称及说明 数量 备注 102 D16674 B0ECHR000001 二极管 1 D16677 B0ADEJ000035 稳压二极管 1 D16678 DZ2J15000L 稳压二极管 1 D16702 B0ACCJ000048 二极管 1 D16710 DZ2J15000L 稳压二极管 1 D16711 B0ECHR000001 二极管 1 D16712 DZ2J15000L 稳压二极管 1 D16713 B0ECHR000001 二极管 1 D16719 B0ECKP000055 二极管 1 D16720 B0ECKP000055 二极管 1 D16721 B0ECHR000001 二极管 1 D16728 B0ECKP000055 二极管 1 D16765 B0ECKP000055 二极管 1 D16790 B0JCME000093 二极管 1 D16791 DZ2J200M0L 稳压二极管 1 D16792 B0ACCJ000048 二极管 1 D16820 B0ACCJ000048 二极管 1 D16821 DZ2J330M0L 稳压二极管 1 D16822 B0ADCJ000100 二极管 1 D16824 DZ2J330M0L 稳压二极管 1 D16825 DZ2J330M0L 稳压二极管 1 D16859 B0HCKS000002 二极管 1 D16871 DZ2J240M0L 稳压二极管 1 D16872 DZ2J200M0L 稳压二极管 1 D16874 DZ2J051M0L 稳压二极管 1 D16875 B0ACCJ000048 二极管 1 D16893 DZ2J056H0L 稳压二极管 1 D16901 B0ADCJ000100 二极管 1 D16902 B0ACCJ000048 二极管 1 D16920 B0ADCJ000100 二极管 1 IC1000 C1ZBZ0003775 IC 1 IC1100 TVRR554 IC 1 PPDS IC2301 C1AB00003230 IC 1 IC2870 C0DBAYY00462 IC 1 IC2952 C0DBGYY00281 IC 1 IC2953 C0DBFYY00049 IC 1 IC3000 C1AB00003218 IC 1 IC3001 C0DBGYY00281 IC 1 IC5000 C1ZBZ0004161 IC 1 IC5401 C0DBGYY00884 IC 1 IC5600 C0DBAYY00715 IC 1 IC5601 C0DBAYY00715 IC 1 IC5603 C0DBFYY00049 IC 1 IC5604 C0DBGYY00578 IC 1 IC8001 MN2WS0125FE IC 1 PPDS IC8921 TVRR587AD IC 1 PPDS IC8950 TVRR528AB IC 1 PPDS IC9300 C1AB00003259 IC 1 PPDS IC9304 TVRR401 IC 1 PPDS IC9400 C0JBAZ002692 IC 1 IC9401 C0JBAZ002692 IC 1 IC9402 C0JBAZ002692 IC 1 IC9800 C0DBAYY00605 IC 1 IC9801 C0DBAYY00462 IC 1 IC9803 C0DBAYY00462 IC 1 IC16131 C0ZBZ0001707 IC 1 IC16151 C0ZBZ0001708 IC 1 IC16241 C0JBAU000043 IC 1 IC16251 C0BBBA000024 IC 1 IC16304 MIP3900MSSCF IC 1 IC16312 C0DBZMC00006 IC 1 IC16471 C0DBEYY00114 IC 1 IC16490 C0DBZMC00006 IC 1 IC16491 NJM2406F 线形 IC * 1 IC16501 C0ZBZ0001708 IC 1 IC16521 C0ZBZ0001708 IC 1 IC16561 C0JBAU000043 IC 1 IC16562 C0JBAU000043 IC 1 安全 标记 参考号 部品号 部品名称及说明 数量 备注 IC16563 C0JBAB000916 IC 1 IC16581 C0BBBA000024 IC 1 IC16661 C0BBBA000024 IC 1 IC16691 C0JBAC000363 IC 1 IC16692 C0DBZYY00352 IC 1 IC16724 C0CBADE00049 IC 1 IC16771 C0CBADC00072 IC 1 IC16773 C0JBAB000715 IC 1 IC16784 MIP3910MSSCF IC 1 IC16785 C0DBZYY00352 IC 1 IC16786 MIP3910MSSCF IC 1 IC16787 C0DBZYY00352 IC 1 IC16792 NJM2406F 线形 IC * 1 IC16793 C0DBZMC00006 IC 1 IC16920 C0BBBA000024 IC 1 IC17101 C0JBAU000043 IC 1 IC17201 C0JBAU000043 IC 1 IC17202 C0JBAZ002692 IC 1 JK3100A K2HA917A0001 插孔 1 PPDS JK3107 K4AK13B00006 TERMINAL BOARD 1 PPDS JK3304 K1FY315A0008 连接接头 1 PPDS JK4700 K1FY119D0011 连接接头 1 PPDS JK4701 K1FY119D0011 连接接头 1 PPDS JK4702 K1FY119E0015 连接接头 1 PPDS JK8850 K1NA12E00017 12P 连接接头 1 K1 K1KA08B00270 8P 连接接头 1 L2301 J0JHC0000042 片状电感 1 L2302 G1C3R0ZA0156 感应线圈 1 L2303 G1C220MA0416 感应线圈 1 L2304 G1C220MA0416 感应线圈 1 L2305 G1C220MA0416 感应线圈 1 L2306 G1C220MA0416 感应线圈 1 L2870 G1C101MA0416 感应线圈 1 PPDS L2871 J0JHC0000075 片状电感 1 L2904 J0JCC0000278 片状电感 1 L2909 J0JCC0000278 片状电感 1 L2910 J0JCC0000278 片状电感 1 L3100 J0JYC0000331 片状电感 1 PPDS L3101 J0JYC0000331 片状电感 1 PPDS L3102 J0JYC0000331 片状电感 1 PPDS L3103 J0JYC0000331 片状电感 1 PPDS L3104 J0JYC0000331 片状电感 1 PPDS L3107 J0JYC0000331 片状电感 1 PPDS L3114 J0JYC0000331 片状电感 1 PPDS L3115 J0JYC0000331 片状电感 1 PPDS L3117 J0JYC0000331 片状电感 1 PPDS L3118 J0JYC0000331 片状电感 1 PPDS L3119 J0JYC0000331 片状电感 1 PPDS L3120 J0JYC0000331 片状电感 1 PPDS L3121 J0JYC0000331 片状电感 1 PPDS L4700 J0JYC0000068 片状电感 1 L4701 J0JYC0000068 片状电感 1 L4702 J0JYC0000068 片状电感 1 L4703 J0JYC0000068 片状电感 1 L4704 J0JYC0000068 片状电感 1 L4705 J0JYC0000068 片状电感 1 L4706 J0JYC0000068 片状电感 1 L4707 J0JYC0000068 片状电感 1 L4708 J0JYC0000068 片状电感 1 L5000 J0JYC0000068 片状电感 1 L5600 G1C2R2Z00006 感应线圈 1 L5601 G1C3R3Z00004 感应线圈 1 L5602 G1C100MA0077 感应线圈 1 L5603 J0JHC0000075 片状电感 1 L5604 G1C3R3Z00005 感应线圈 1 L5605 G1C4R7Z00014 感应线圈 1 安全 标记 参考号 部品号 部品名称及说明 数量 备注 103 L5606 G1C100MA0077 感应线圈 1 L5608 J0JHC0000045 片状电感 1 L8000 J0JHC0000045 片状电感 1 L8001 J0JHC0000116 片状电感 1 L8002 J0JKC0000021 片状电感 1 L8003 J0JKC0000021 片状电感 1 L8004 J0JHC0000045 片状电感 1 L8005 J0JKC0000021 片状电感 1 L8007 J0JHC0000045 片状电感 1 L8008 J0JHC0000045 片状电感 1 L8009 J0JHC0000045 片状电感 1 L8010 J0JHC0000045 片状电感 1 L8011 J0JHC0000045 片状电感 1 L8012 J0JHC0000045 片状电感 1 L8013 J0JHC0000045 片状电感 1 L8014 J0JHC0000045 片状电感 1 L8015 J0JHC0000045 片状电感 1 L8016 J0JHC0000045 片状电感 1 L8017 J0JHC0000045 片状电感 1 L8018 J0JHC0000045 片状电感 1 L8019 J0JHC0000045 片状电感 1 L8020 J0JHC0000045 片状电感 1 L8021 J0JHC0000045 片状电感 1 L8022 J0JHC0000045 片状电感 1 L8023 J0JHC0000045 片状电感 1 L8024 J0JHC0000045 片状电感 1 L8025 J0JHC0000045 片状电感 1 L8850 J0JHC0000045 片状电感 1 L8920 J0JHC0000075 片状电感 1 L9300 J0JHC0000117 片状电感 1 L9301 J0JHC0000117 片状电感 1 L9302 J0JHC0000117 片状电感 1 L9800 G1C6R8Z00010 感应线圈 1 L9801 G1C100MA0416 感应线圈 1 L9802 G1C100MA0416 感应线圈 1 L16002 G0C1R0K00014 校正线圈 1 PPDS L16003 G0C1R0K00014 校正线圈 1 PPDS L16011 G0C1R0K00014 校正线圈 1 PPDS L16012 G0C1R0K00014 校正线圈 1 PPDS L16303 G0C471MA0049 校正线圈 1 PPDS L16401 G0C1R0K00014 校正线圈 1 PPDS L16403 G0C1R0K00014 校正线圈 1 PPDS L16411 G0C1R0K00014 校正线圈 1 PPDS L16412 G0C1R0K00014 校正线圈 1 PPDS L16472 G0ZZ00002183 校正线圈 1 L16698 G0C681MA0065 校正线圈 1 L16851 G0ZZ00002183 校正线圈 1 PA5610 K5H4022A0031 保险丝 1 PC16191 B3PBA0000496 IC 1 PC16301 B3PBA0000498 IC 1 PC16461 B3PBE0000054 IC 1 PC16480 B3PBA0000498 IC 1 PC16603 B3PBA0000498 IC 1 PC16684 B3PBA0000496 IC 1 PC16685 B3PBA0000496 IC 1 PC16722 B3PBA0000498 IC 1 PC16723 B3PBA0000498 IC 1 PC16896 B3PBA0000498 IC 1 PC16897 B3PBA0000498 IC 1 PCB TNPH0840HC 电路板 A 1 (RTL)PP DS PCB LSEP1287MTHB 电路板 P 1 (RTL)PP DS PCB TXNC11LQUC 电路板 C1 1 (RTL) PCB TXNC21LQUC 电路板 C2 1 (RTL) 安全 标记 参考号 部品号 部品名称及说明 数量 备注 PCB TXNSC1LQUC 电路板 SC 1 (RTL)PP DS PCB TXNSM1LTUC 电路板 SM 1 PPDS PCB TXNSS1LQUC 电路板 SS 1 (RTL)PP DS PCB TXNSS21DYUC 电路板 SS2 1 (RTL) PCB TXN/S1EQUC 电路板 S 1 (RTL) PCB TXN/K1LQUC 电路板 K 1 (RTL)PP DS Q2101 DSA200100L 三极管 1 Q2109 DSA200100L 三极管 1 Q2252 DSA200100L 三极管 1 Q2253 B1AAFB000002 三极管 1 PPDS Q2254 B1AAFB000002 三极管 1 PPDS Q2255 DSC2001S0L 三极管 1 Q2301 DSA200100L 三极管 1 Q2510 DSC200100L 三极管 1 Q2511 DSC200100L 三极管 1 Q2512 DSC200100L 三极管 1 Q2903 B1CBHD000002 FET 1 Q2904 B1CBHD000002 FET 1 Q3104 DSC200100L 三极管 1 Q3105 DSC200100L 三极管 1 Q4512 B1HFCFA00026 三极管 1 Q4513 DSA200100L 三极管 1 Q4700 DSC200100L 三极管 1 Q4702 DSC200100L 三极管 1 Q4704 DSC200100L 三极管 1 Q5000 DSC200100L 三极管 1 Q5051 DSA200100L 三极管 1 Q5100 DSC2001S0L 三极管 1 Q5101 DSC200100L 三极管 1 Q5471 DSA200100L 三极管 1 Q5472 DSC2001S0L 三极管 1 Q5600 B1MBDDA00003 FET 1 Q5601 B1MBEDA00015 FET 1 Q5602 DSC2001S0L 三极管 1 Q5603 DSC2001S0L 三极管 1 Q5604 B1MBDDA00003 FET 1 Q5605 B1MBEDA00015 FET 1 Q9900 DSC200100L 三极管 1 Q9901 DSC200100L 三极管 1 Q16001 B1JBEN000002 三极管 1 PPDS Q16002 B1JBEN000002 三极管 1 PPDS Q16022 B1JBEN000002 三极管 1 PPDS Q16023 B1JBEN000002 三极管 1 PPDS Q16041 B1JBEN000003 三极管 1 PPDS Q16051 B1JBEN000003 三极管 1 PPDS Q16055 B1HFPFA00001 三极管 1 Q16056 B1HFPFA00001 三极管 1 Q16101 B1CFRM000008 FET 1 Q16102 B1CFRM000008 FET 1 Q16141 B1HFPFA00001 三极管 1 Q16161 B1HFPFA00001 三极管 1 Q16191 B1HFPFA00001 三极管 1 Q16251 B1ABCF000231 三极管 1 Q16280 B1ABCF000231 三极管 1 Q16401 DG3D5020CSLW 三极管 1 Q16402 DG3D5020CSLW 三极管 1 Q16421 B1JAEP000014 三极管 1 PPDS Q16422 B1JAEP000014 三极管 1 PPDS Q16441 B1JAEP000013 三极管 1 Q16451 B1JAEP000012 三极管 1 Q16471 B1ABCF000231 三极管 1 Q16490 B1CBGD000001 FET 1 Q16501 B1HFPFA00001 三极管 1 Q16521 B1HFPFA00001 三极管 1 Q16531 B1HFPFA00001 三极管 1 安全 标记 参考号 部品号 部品名称及说明 数量 备注 104 Q16551 B1HFPFA00001 三极管 1 Q16601 B1CERR000042 FET 1 Q16602 DSC2001Q0L 三极管 1 Q16603 DSA2001S0L 三极管 1 Q16606 DSC2001Q0L 三极管 1 Q16607 B1CBGD000001 FET 1 Q16608 B1CBGD000001 FET 1 Q16621 B1JADN000005 三极管 1 PPDS Q16645 DSC2001Q0L 三极管 1 Q16646 DSA2001S0L 三极管 1 Q16647 B1CBGD000001 FET 1 Q16649 B1ABCN000007 三极管 1 Q16660 B1CERR000042 FET 1 Q16661 B1JAER000010 三极管 1 Q16662 DSC2001Q0L 三极管 1 Q16663 DSA2001S0L 三极管 1 Q16668 DSC2001Q0L 三极管 1 Q16670 B1ADCN000007 三极管 1 Q16671 B1ABCF000231 三极管 1 Q16675 B1ADCN000007 三极管 1 Q16676 B1ABCF000231 三极管 1 Q16677 DSC2001Q0L 三极管 1 Q16678 B1ABCF000231 三极管 1 Q16701 B1ADCN000007 三极管 1 Q16702 B1ABCF000231 三极管 1 Q16762 B1HFPFA00001 三极管 1 Q16801 DSA2001S0L 三极管 1 Q16810 B1ABCF000231 三极管 1 Q16815 B1ABCN000007 三极管 1 Q16816 DSC2001Q0L 三极管 1 Q16817 DSC2001Q0L 三极管 1 Q16818 B1CBGD000001 FET 1 Q16876 B1ABCF000231 三极管 1 Q16885 B1CFNG000001 FET 1 Q16920 B1ABCN000007 三极管 1 Q16921 B1ABCN000007 三极管 1 Q16930 DSC2001Q0L 三极管 1 Q16931 B1ABCN000007 三极管 1 Q16932 DSC2001Q0L 三极管 1 R0900 D0GA680JA015 M 68 OHM, J,0.063W 1 R0901 D0GA680JA015 M 68 OHM, J,0.063W 1 R0902 EXB28V680JX 电阻阵列 1 R0903 D0GA680JA015 M 68 OHM, J,0.063W 1 R0905 ERJ2GEJ103 M 10KOHM, J,0.063W 1 R0910 ERJ2GEJ103 M 10KOHM, J,0.063W 1 R0911 ERJ2GEJ103 M 10KOHM, J,0.063W 1 R0912 ERJ2GEJ103 M 10KOHM, J,0.063W 1 R0913 ERJ2GEJ103 M 10KOHM, J,0.063W 1 R0940 D0GA680JA015 M 68 OHM, J,0.063W 1 R0941 D0GA680JA015 M 68 OHM, J,0.063W 1 R0942 D0GA680JA015 M 68 OHM, J,0.063W 1 R0943 D0GA680JA015 M 68 OHM, J,0.063W 1 R0944 D0GA680JA015 M 68 OHM, J,0.063W 1 R0945 D0GA680JA015 M 68 OHM, J,0.063W 1 R0948 D0GA222JA015 M 2.2KOHM, J,0.063W 1 R0949 D0GA222JA015 M 2.2KOHM, J,0.063W 1 R0957 ERJ2GEJ102X M 1K OHM J 1/4W 1 R0966 D0GA472JA015 M 4.7KOHM, J,0.063W 1 R0967 D0GA472JA015 M 4.7KOHM, J,0.063W 1 R0980 D0GA472JA015 M 4.7KOHM, J,0.063W 1 R0981 D0GA472JA015 M 4.7KOHM, J,0.063W 1 R0982 ERJ2GEJ220 M 22 OHM, J,0.063W 1 R0983 ERJ2GEJ220 M 22 OHM, J,0.063W 1 R0984 D0GA472JA015 M 4.7KOHM, J,0.063W 1 R0985 D0GA472JA015 M 4.7KOHM, J,0.063W 1 R1179 D1BB7151A055 M7.15KOHM, 1/10W 1 R1180 ERJ2GEJ102X M 1K OHM J 1/4W 1 R1181 D0GA473JA015 M 47KOHM, J,0.063W 1 安全 标记 参考号 部品号 部品名称及说明 数量 备注 R1183 D0GA472JA015 M 4.7KOHM, J,0.063W 1 R1185 D0GA101JA015 M 100 OHM, J,0.063W 1 R1186 D0GA473JA015 M 47KOHM, J,0.063W 1 R1187 D0GA273JA015 M 27K OHM J ,0.063W 1 R1503 D0GA473JA015 M 47KOHM, J,0.063W 1 R1518 D0GA683JA015 M 68KOHM, J,0.063W 1 R1519 D0GA473JA015 M 47KOHM, J,0.063W 1 R1520 ERJ2GEJ103 M 10KOHM, J,0.063W 1 R1521 ERJ2GEJ104 M 100KOHM, J,0.063W 1 R1552 D0GA472JA015 M 4.7KOHM, J,0.063W 1 R1562 D0GA473JA015 M 47KOHM, J,0.063W 1 R1563 D0GA473JA015 M 47KOHM, J,0.063W 1 R2053 D1BB1403A055 M 140KOHM, 1/10W 1 R2055 D1BB1403A055 M 140KOHM, 1/10W 1 R2069 ERJ2GEJ103 M 10KOHM, J,0.063W 1 R2070 ERJ2GEJ103 M 10KOHM, J,0.063W 1 R2101 D0GA332JA015 M 3.3KOHM, J,0.063W 1 R2102 D0GA472JA015 M 4.7KOHM, J,0.063W 1 R2103 ERJ2GEJ220 M 22 OHM, J,0.063W 1 R2104 D0GA122JA015 M 1.2KOHM, J,0.063W 1 R2107 D0GAR00Z0001 C 0 OHM, 0.063W 1 R2110 ERJ2GEJ220 M 22 OHM, J,0.063W 1 R2121 D0GA681JA015 M680 OHM, J,0.063W 1 R2135 ERJ2GEJ102X M 1K OHM J 1/4W 1 R2139 ERJ2GEJ221 M 220 OHM, J,0.063W 1 R2254 D0GA101JA015 M 100 OHM, J,0.063W 1 R2255 D0GA473JA015 M 47KOHM, J,0.063W 1 R2256 ERJ2GEJ103 M 10KOHM, J,0.063W 1 R2257 D0GA105JA015 M 1M OHM, J,0.063W 1 R2258 D0GA101JA015 M 100 OHM, J,0.063W 1 R2259 D0GA101JA015 M 100 OHM, J,0.063W 1 R2260 ERJ2GEJ103 M 10KOHM, J,0.063W 1 R2263 ERJ2GEJ103 M 10KOHM, J,0.063W 1 R2264 D0GA101JA015 M 100 OHM, J,0.063W 1 R2301 ERJ2GEJ103 M 10KOHM, J,0.063W 1 R2302 EXB28V220J 电阻阵列 1 R2304 D0GA473JA015 M 47KOHM, J,0.063W 1 R2307 D0GA472JA015 M 4.7KOHM, J,0.063W 1 R2308 ERJ2GEJ221 M 220 OHM, J,0.063W 1 R2309 D0GA222JA015 M 2.2KOHM, J,0.063W 1 R2310 D0GA222JA015 M 2.2KOHM, J,0.063W 1 R2318 ERJ8GEYJ3R3V M 3.3 OHM, J,1/8W 1 R2319 ERJ8GEYJ3R3V M 3.3 OHM, J,1/8W 1 R2320 ERJ8GEYJ3R3V M 3.3 OHM, J,1/8W 1 R2321 ERJ8GEYJ3R3V M 3.3 OHM, J,1/8W 1 R2510 ERJ3GEYJ470 M 47 OHM,J,1/16W 1 R2511 D0GB104JA041 M 100KOHM J 1/10W 1 R2512 D0GB224JA041 M 2.2KOHM,J,1/10W 1 R2513 ERJ3GEYJ223 M 22KOHM,J,1/16W 1 R2514 D0GB103JA057 M 10K OHM J 1/10W 1 R2515 D0GB473JA057 M 47KOHM,J,1/10W 1 R2516 D1BB6800A055 M 680 OHM, 1/10W 1 R2517 ERJ3GEYJ223 M 22KOHM,J,1/16W 1 R2518 D0GB473JA057 M 47KOHM,J,1/10W 1 R2519 D1BB1821A055 M1.82KOHM, 1/10W 1 R2750 D0GA101JA015 M 100 OHM, J,0.063W 1 R2753 D0GB103JA057 M 10K OHM J 1/10W 1 R2816 D0GA473JA015 M 47KOHM, J,0.063W 1 R2820 D0GA101JA015 M 100 OHM, J,0.063W 1 R2823 D0GA473JA015 M 47KOHM, J,0.063W 1 R2870 D0GA222JA015 M 2.2KOHM, J,0.063W 1 R2871 ERJ2GEJ103 M 10KOHM, J,0.063W 1 R2872 D1BA1501A014 M 1.5KOHM, 1/10W 1 PPDS R2873 D1BA1002A014 M 10KOHM, 1/10W 1 R2875 D0GA390JA015 M 39 OHM, J,0.063W 1 R2879 D1BA1803A014 M 18KOHM,J,1/10W 1 R2880 D1BB1432A055 M14.3KOHM, 1/10W 1 R2881 D1BB6651A055 M6.65KOHM, 1/10W 1 R2882 D1BB7151A055 M7.15KOHM, 1/10W 1 安全 标记 参考号 部品号 部品名称及说明 数量 备注 105 R2883 D1BB1741A055 M 1.74KOHM, 1/16W 1 R2900 D0GB103JA057 M 10K OHM J 1/10W 1 R2901 D0GB103JA057 M 10K OHM J 1/10W 1 R2902 D0GAR00Z0001 C 0 OHM, 0.063W 1 R2903 D0GAR00Z0001 C 0 OHM, 0.063W 1 R2904 D0GAR00Z0001 C 0 OHM, 0.063W 1 R2905 D0GAR00Z0001 C 0 OHM, 0.063W 1 R2906 D0GAR00Z0001 C 0 OHM, 0.063W 1 R2908 D0GA682JA015 M6.8KOHM, J,0.063W 1 R2910 D0GBR00Z0002 M 0 OHM J 1/10W 1 R2911 ERJ2GEJ221 M 220 OHM, J,0.063W 1 R2918 D0GAR00Z0001 C 0 OHM, 0.063W 1 R2921 D0GA682JA015 M6.8KOHM, J,0.063W 1 R3012 ERJ2GEJ221 M 220 OHM, J,0.063W 1 R3013 ERJ2GEJ221 M 220 OHM, J,0.063W 1 R3014 ERJ2GEJ221 M 220 OHM, J,0.063W 1 R3101 D0GA472JA015 M 4.7KOHM, J,0.063W 1 R3102 D0GA472JA015 M 4.7KOHM, J,0.063W 1 R3103 ERJ6RED750 M 75 OHM, 1/10W 1 R3104 ERJ6RED750 M 75 OHM, 1/10W 1 R3105 ERJ6RED750 M 75 OHM, 1/10W 1 R3106 D0GA333JA015 M 33KOHM,J,0.063W 1 R3107 D0GA333JA015 M 33KOHM,J,0.063W 1 R3109 ERJ6RED750 M 75 OHM, 1/10W 1 R3117 ERJ2GEJ221 M 220 OHM, J,0.063W 1 R3119 D0GA473JA015 M 47KOHM, J,0.063W 1 R3120 EXB28V221J 电阻阵列 1 R3123 EXB28V680JX 电阻阵列 1 R3127 D0GA680JA015 M 68 OHM, J,0.063W 1 R3128 ERJ2GEJ104 M 100KOHM, J,0.063W 1 R3130 ERJ6RED750 M 75 OHM, 1/10W 1 R3144 ERJ6RED750 M 75 OHM, 1/10W 1 R3152 ERJ2GEJ221 M 220 OHM, J,0.063W 1 R3165 D0GA333JA015 M 33KOHM,J,0.063W 1 R3166 D0GA333JA015 M 33KOHM,J,0.063W 1 R3173 ERJ2GEJ221 M 220 OHM, J,0.063W 1 R3174 ERJ2GEJ221 M 220 OHM, J,0.063W 1 R3181 ERJ6RED750 M 75 OHM, 1/10W 1 R3182 ERJ6RED750 M 75 OHM, 1/10W 1 R3183 ERJ6RED750 M 75 OHM, 1/10W 1 R3184 ERJ2GEJ104 M 100KOHM, J,0.063W 1 R3185 ERJ2GEJ104 M 100KOHM, J,0.063W 1 R3186 D0GA333JA015 M 33KOHM,J,0.063W 1 R3187 D0GA333JA015 M 33KOHM,J,0.063W 1 R3190 D0GA222JA015 M 2.2KOHM, J,0.063W 1 R3191 D0GA222JA015 M 2.2KOHM, J,0.063W 1 R3192 EXB28V820JX 电阻阵列 1 R3194 D0GA331JA015 M 330 OHM, J,0.063W 1 R3195 D0GA331JA015 M 330 OHM, J,0.063W 1 R3213 D0GA473JA015 M 47KOHM, J,0.063W 1 R3214 D0GA473JA015 M 47KOHM, J,0.063W 1 R3221 ERJ6RED750 M 75 OHM, 1/10W 1 R4003 D0GA473JA015 M 47KOHM, J,0.063W 1 R4004 D0GA473JA015 M 47KOHM, J,0.063W 1 R4005 D0GA473JA015 M 47KOHM, J,0.063W 1 R4006 D0GA473JA015 M 47KOHM, J,0.063W 1 R4011 D0GA473JA015 M 47KOHM, J,0.063W 1 R4548 ERJ2GEJ220 M 22 OHM, J,0.063W 1 R4549 D0GA151JA015 M 150 OHM, J,0.063W 1 R4550 D0GA151JA015 M 150 OHM, J,0.063W 1 R4551 D0GA151JA015 M 150 OHM, J,0.063W 1 R4552 D0GA560JA015 M 56 OHM, J,0.063W 1 R4553 ERJ2GEJ103 M 10KOHM, J,0.063W 1 R4554 ERJ2GEJ102X M 1K OHM J 1/4W 1 R4556 ERJ2GEJ103 M 10KOHM, J,0.063W 1 R4560 D0GA473JA015 M 47KOHM, J,0.063W 1 R4655 ERJ2GEJ220 M 22 OHM, J,0.063W 1 R4659 ERJ2GEJ220 M 22 OHM, J,0.063W 1 R4663 ERJ2GEJ220 M 22 OHM, J,0.063W 1 安全 标记 参考号 部品号 部品名称及说明 数量 备注 R4668 D0GA330JA015 M 33 OHM, J,0.063W 1 R4670 D0GA330JA015 M 33 OHM, J,0.063W 1 R4672 D0GA330JA015 M 33 OHM, J,0.063W 1 R4702 ERJ2GEJ103 M 10KOHM, J,0.063W 1 R4703 D0GA330JA015 M 33 OHM, J,0.063W 1 R4704 D0GA473JA015 M 47KOHM, J,0.063W 1 R4708 ERJ2GEJ103 M 10KOHM, J,0.063W 1 R4709 ERJ2GEJ103 M 10KOHM, J,0.063W 1 R4711 ERJ2GEJ102X M 1K OHM J 1/4W 1 R4712 D0GA473JA015 M 47KOHM, J,0.063W 1 R4715 ERJ2GEJ103 M 10KOHM, J,0.063W 1 R4716 D0GA330JA015 M 33 OHM, J,0.063W 1 R4717 D0GA473JA015 M 47KOHM, J,0.063W 1 R4721 ERJ2GEJ103 M 10KOHM, J,0.063W 1 R4722 ERJ2GEJ103 M 10KOHM, J,0.063W 1 R4724 ERJ2GEJ102X M 1K OHM J 1/4W 1 R4725 D0GA473JA015 M 47KOHM, J,0.063W 1 R4728 ERJ2GEJ103 M 10KOHM, J,0.063W 1 R4729 D0GA330JA015 M 33 OHM, J,0.063W 1 R4730 D0GA473JA015 M 47KOHM, J,0.063W 1 R4734 ERJ2GEJ103 M 10KOHM, J,0.063W 1 R4735 ERJ2GEJ103 M 10KOHM, J,0.063W 1 R4737 ERJ2GEJ102X M 1K OHM J 1/4W 1 R4738 D0GA473JA015 M 47KOHM, J,0.063W 1 R4739 ERJ2GEJ220 M 22 OHM, J,0.063W 1 R4752 D0GA680JA015 M 68 OHM, J,0.063W 1 R4753 D0GA680JA015 M 68 OHM, J,0.063W 1 R4754 D0GA680JA015 M 68 OHM, J,0.063W 1 R4755 D0GA680JA015 M 68 OHM, J,0.063W 1 R4756 D0GA680JA015 M 68 OHM, J,0.063W 1 R4757 D0GA680JA015 M 68 OHM, J,0.063W 1 R4763 ERJ2GEJ104 M 100KOHM, J,0.063W 1 R4764 ERJ2GEJ104 M 100KOHM, J,0.063W 1 R4765 ERJ2GEJ104 M 100KOHM, J,0.063W 1 R5005 D0GA473JA015 M 47KOHM, J,0.063W 1 R5006 ERJ2GEJ103 M 10KOHM, J,0.063W 1 R5007 D0GA473JA015 M 47KOHM, J,0.063W 1 R5008 D0GA822JA015 M8.2KOHM, J,0.063W 1 R5050 D0GA473JA015 M 47KOHM, J,0.063W 1 R5051 D0GA473JA015 M 47KOHM, J,0.063W 1 R5052 D0GA105JA015 M 1M OHM, J,0.063W 1 R5061 ERJ6GEYJ150V M 15 OHM,J,1/10W 1 R5065 ERJ2GEJ103 M 10KOHM, J,0.063W 1 R5100 D0GA273JA015 M 27K OHM J ,0.063W 1 R5101 ERJ2GEJ104 M 100KOHM, J,0.063W 1 R5102 ERJ2GEJ104 M 100KOHM, J,0.063W 1 R5103 D0GA683JA015 M 68KOHM, J,0.063W 1 R5104 D0GA473JA015 M 47KOHM, J,0.063W 1 R5106 D0GA683JA015 M 68KOHM, J,0.063W 1 R5110 D0GA101JA015 M 100 OHM, J,0.063W 1 R5151 D0GA101JA015 M 100 OHM, J,0.063W 1 R5152 D0GA222JA015 M 2.2KOHM, J,0.063W 1 R5153 D0GA101JA015 M 100 OHM, J,0.063W 1 R5154 D0GA470JA015 M 47 OHM, J,0.063W 1 R5155 D0GA101JA015 M 100 OHM, J,0.063W 1 R5471 D0GA222JA015 M 2.2KOHM, J,0.063W 1 R5472 D0GA332JA015 M 3.3KOHM, J,0.063W 1 R5473 ERJ2GEJ102X M 1K OHM J 1/4W 1 R5474 ERJ2GEJ103 M 10KOHM, J,0.063W 1 R5475 ERJ6GEYJ221V M 220 OHM,J,1/10W 1 R5479 ERJ6GEYJ471 M 470 OHM,J,1/10W 1 R5481 ERJ2GEJ221 M 220 OHM, J,0.063W 1 R5485 ERJ6GEYJ104V M 100KOHM,J,1/10W 1 R5486 ERJ6GEYJ102V M 1K OHM J 1/10W 1 R5487 ERJ6GEYJ472V M 4.7K OHM J 1/10W 1 R5488 ERJ6GEYJ472V M 4.7K OHM J 1/10W 1 R5489 ERJ6GEYJ472V M 4.7K OHM J 1/10W 1 R5490 ERJ6GEYJ472V M 4.7K OHM J 1/10W 1 R5491 ERJ6GEYJ472V M 4.7K OHM J 1/10W 1 安全 标记 参考号 部品号 部品名称及说明 数量 备注 106 R5492 ERJ6GEYJ472V M 4.7K OHM J 1/10W 1 R5493 ERJ6GEYJ472V M 4.7K OHM J 1/10W 1 R5494 ERJ6GEYJ472V M 4.7K OHM J 1/10W 1 R5600 D0GA680JA015 M 68 OHM, J,0.063W 1 R5601 D1BB8200A087 M 820 OHM, 1/10W 1 R5602 D1BB2701A087 M 2.7KOHM, 1/10W 1 R5603 D1BB1241A087 M1.24KOHM, 1/10W 1 R5604 D1BB2001A087 M 2KOHM, 1/10W 1 R5605 D1BB2002A055 M 20KOHM, 1/10W 1 R5606 D1BB2402A055 M 24KOHM, 1/10W 1 R5607 D0GA223JA015 M 22K OHM J 0.063W 1 R5608 D0GA683JA015 M 68KOHM, J,0.063W 1 R5609 ERJ2GEJ103 M 10KOHM, J,0.063W 1 R5610 D0GA473JA015 M 47KOHM, J,0.063W 1 R5611 D0GA222JA015 M 2.2KOHM, J,0.063W 1 R5612 ERJ2GEJ103 M 10KOHM, J,0.063W 1 R5613 D0GA473JA015 M 47KOHM, J,0.063W 1 R5616 D0GB100JA041 M 10 OHM J 1/10W 1 R5617 D0GB100JA041 M 10 OHM J 1/10W 1 R5618 D1BB3301A055 M 3.3KOHM, 1/10W 1 R5619 D1BB5601A055 M 5.6KOHM, 1/10W 1 R5620 D1BB1001A055 M 1KOHM, 1/10W 1 R5621 D1BB1001A055 M 1KOHM, 1/10W 1 R5622 D1BB2402A055 M 24KOHM, 1/10W 1 R5623 D1BB2202A055 M 22KOHM, 1/10W 1 R5626 D0GB100JA041 M 10 OHM J 1/10W 1 R5627 D0GB100JA041 M 10 OHM J 1/10W 1 R5640 ERJ2GEJ103 M 10KOHM, J,0.063W 1 R5641 ERJ2GEJ103 M 10KOHM, J,0.063W 1 R5642 ERJ2GEJ104 M 100KOHM, J,0.063W 1 R5643 ERJ2GEJ103 M 10KOHM, J,0.063W 1 R5644 D0GA752JA015 M7.5KOHM, J,0.063W 1 R8002 D1BB2402A055 M 24KOHM, 1/10W 1 R8003 D1BB1002A055 M 10KOHM, 1/10W 1 R8004 D1BB2402A055 M 24KOHM, 1/10W 1 R8005 D1BA1001A014 M 1KOHM, 1/10W 1 R8006 D1BA1001A014 M 1KOHM, 1/10W 1 R8007 D0GA111JA015 M 110 OHM, J,0.063W 1 R8008 ERJ2GEJ103 M 10KOHM, J,0.063W 1 R8009 D1BA56R0A014 M 56 OHM, 1/10W 1 R8010 D1BA3000A014 M 30 OHM J 1/10W 1 R8011 D0GB331JA041 M330 OHM J 1/10W 1 R8014 ERJ2GEJ103 M 10KOHM, J,0.063W 1 R8015 ERJ2GEJ102X M 1K OHM J 1/4W 1 R8017 D0GA471JA015 M 470OHM, J,0.063W 1 R8031 D0GA222JA015 M 2.2KOHM, J,0.063W 1 R8032 ERJ2GEJ103 M 10KOHM, J,0.063W 1 R8211 ERJ2GEJ103 M 10KOHM, J,0.063W 1 R8212 ERJ2GEJ103 M 10KOHM, J,0.063W 1 R8396 ERJ2GEJ103 M 10KOHM, J,0.063W 1 R8470 ERJ2GEJ103 M 10KOHM, J,0.063W 1 R8488 D0GA680JA015 M 68 OHM, J,0.063W 1 R8489 D0GA680JA015 M 68 OHM, J,0.063W 1 R8490 D0GA680JA015 M 68 OHM, J,0.063W 1 R8491 D0GA680JA015 M 68 OHM, J,0.063W 1 R8492 D0GA680JA015 M 68 OHM, J,0.063W 1 R8493 D0GA680JA015 M 68 OHM, J,0.063W 1 R8494 D0GA680JA015 M 68 OHM, J,0.063W 1 R8495 D0GA680JA015 M 68 OHM, J,0.063W 1 R8496 D0GA680JA015 M 68 OHM, J,0.063W 1 R8497 D0GA680JA015 M 68 OHM, J,0.063W 1 R8499 D0GA680JA015 M 68 OHM, J,0.063W 1 R8500 EXB2HV103JV 电阻阵列 1 R8511 EXB28V103JX 电阻阵列 1 R8512 ERJ2GEJ103 M 10KOHM, J,0.063W 1 R8513 ERJ2GEJ103 M 10KOHM, J,0.063W 1 R8514 D0GA222JA015 M 2.2KOHM, J,0.063W 1 R8606 D0GA222JA015 M 2.2KOHM, J,0.063W 1 R8610 D0GA680JA015 M 68 OHM, J,0.063W 1 安全 标记 参考号 部品号 部品名称及说明 数量 备注 R8616 D0GA222JA015 M 2.2KOHM, J,0.063W 1 R8617 D0GA222JA015 M 2.2KOHM, J,0.063W 1 R8618 ERJ2GEJ103 M 10KOHM, J,0.063W 1 R8622 D0GA680JA015 M 68 OHM, J,0.063W 1 R8627 ERJ2GEJ103 M 10KOHM, J,0.063W 1 R8628 ERJ2GEJ103 M 10KOHM, J,0.063W 1 R8631 ERJ2GEJ103 M 10KOHM, J,0.063W 1 R8632 ERJ2GEJ103 M 10KOHM, J,0.063W 1 R8633 D0GA222JA015 M 2.2KOHM, J,0.063W 1 R8636 D0GA680JA015 M 68 OHM, J,0.063W 1 R8638 ERJ2GEJ103 M 10KOHM, J,0.063W 1 R8639 ERJ2GEJ103 M 10KOHM, J,0.063W 1 R8645 D0GA680JA015 M 68 OHM, J,0.063W 1 R8646 ERJ2GEJ103 M 10KOHM, J,0.063W 1 R8649 ERJ2GEJ103 M 10KOHM, J,0.063W 1 R8652 ERJ2GEJ103 M 10KOHM, J,0.063W 1 R8660 EXB2HV680J 电阻阵列 1 R8661 D0GA222JA015 M 2.2KOHM, J,0.063W 1 R8664 ERJ2GEJ103 M 10KOHM, J,0.063W 1 R8669 ERJ2GEJ103 M 10KOHM, J,0.063W 1 R8671 D0GA222JA015 M 2.2KOHM, J,0.063W 1 R8733 D1BB1600A055 M 160 OHM, 1/10W 1 R8824 D1BA6201A014 M6.2KOHM, 1/16W 1 R8856 D0GA473JA015 M 47KOHM, J,0.063W 1 R8857 D0GA680JA015 M 68 OHM, J,0.063W 1 R8859 D0GA680JA015 M 68 OHM, J,0.063W 1 R8860 D0GA680JA015 M 68 OHM, J,0.063W 1 R8861 D0GA680JA015 M 68 OHM, J,0.063W 1 R8862 D0GA680JA015 M 68 OHM, J,0.063W 1 R8863 D0GA680JA015 M 68 OHM, J,0.063W 1 R8867 ERJ2GEJ103 M 10KOHM, J,0.063W 1 R8868 D0GA330JA015 M 33 OHM, J,0.063W 1 R8869 ERJ2GEJ103 M 10KOHM, J,0.063W 1 R8870 ERJ2GEJ103 M 10KOHM, J,0.063W 1 R8872 D0GA330JA015 M 33 OHM, J,0.063W 1 R8873 D0GA330JA015 M 33 OHM, J,0.063W 1 R8874 D0GA330JA015 M 33 OHM, J,0.063W 1 R8875 D0GA330JA015 M 33 OHM, J,0.063W 1 R8876 D0GA330JA015 M 33 OHM, J,0.063W 1 R8877 D0GA330JA015 M 33 OHM, J,0.063W 1 R8878 ERJ2GEJ103 M 10KOHM, J,0.063W 1 R8879 EXB28V103JX 电阻阵列 1 R8890 ERJ2GEJ103 M 10KOHM, J,0.063W 1 R8900 D0GA680JA015 M 68 OHM, J,0.063W 1 R8918 EXB2HV680J 电阻阵列 1 R8919 EXB2HV680J 电阻阵列 1 R8920 D0GA222JA015 M 2.2KOHM, J,0.063W 1 R8922 EXB2HVR000 电阻阵列 1 R8923 D0GA680JA015 M 68 OHM, J,0.063W 1 R8924 D0GA680JA015 M 68 OHM, J,0.063W 1 R8925 D0GA680JA015 M 68 OHM, J,0.063W 1 R8926 D0GA680JA015 M 68 OHM, J,0.063W 1 R8927 D0GA680JA015 M 68 OHM, J,0.063W 1 R8928 D0GA680JA015 M 68 OHM, J,0.063W 1 R8950 D0GA472JA015 M 4.7KOHM, J,0.063W 1 R9014 D1BB5601A055 M 5.6KOHM, 1/10W 1 R9016 D0GA2R2JA014 M 2.2OHM, J,0.063W 1 R9017 D1BB4701A055 M 4.7KOHM, 1/10W 1 R9019 D0GA2R2JA014 M 2.2OHM, J,0.063W 1 R9030 ERJ6GEYJ472V M 4.7K OHM J 1/10W 1 R9031 ERJ6GEYJ331V M 330 OHM J 1/10W 1 R9035 D0GA332JA015 M 3.3KOHM, J,0.063W 1 R9039 D0GA473JA015 M 47KOHM, J,0.063W 1 R9040 D0GA472JA015 M 4.7KOHM, J,0.063W 1 R9054 D0GAR00Z0001 C 0 OHM, 0.063W 1 R9058 D0GAR00Z0001 C 0 OHM, 0.063W 1 R9103 D0GA101JA015 M 100 OHM, J,0.063W 1 R9104 D0GA101JA015 M 100 OHM, J,0.063W 1 R9105 D0GA473JA015 M 47KOHM, J,0.063W 1 安全 标记 参考号 部品号 部品名称及说明 数量 备注 107 R9107 D0GA332JA015 M 3.3KOHM, J,0.063W 1 R9118 D0GAR00Z0001 C 0 OHM, 0.063W 1 R9120 D0GA101JA015 M 100 OHM, J,0.063W 1 R9145 D0GA101JA015 M 100 OHM, J,0.063W 1 R9190 D0GA101JA015 M 100 OHM, J,0.063W 1 R9191 D0GA101JA015 M 100 OHM, J,0.063W 1 R9198 EXB28V101JX 电阻阵列 1 R9203 D0GA272JA015 M 2.7KOHM, J,0.063W 1 R9205 D0GA333JA015 M 33KOHM,J,0.063W 1 R9206 D0GA563JA015 M 56KOHM, J,0.063W 1 R9208 EXB2HV470JV 电阻阵列 1 R9209 EXB2HV470JV 电阻阵列 1 R9224 D0GA470JA015 M 47 OHM, J,0.063W 1 R9226 D0GA470JA015 M 47 OHM, J,0.063W 1 R9247 D0GA470JA015 M 47 OHM, J,0.063W 1 R9318 ERJ2GEJ102X M 1K OHM J 1/4W 1 R9320 D0GA152JA015 M 1.5KOHM, J,0.063W 1 R9321 D0GA105JA015 M 1M OHM, J,0.063W 1 R9323 ERJ2GEJ102X M 1K OHM J 1/4W 1 R9324 D0GB162JA041 N 1.6KOHM J 1/10W 1 R9325 D0GB162JA041 N 1.6KOHM J 1/10W 1 R9326 D0GB162JA041 N 1.6KOHM J 1/10W 1 R9327 D0GB162JA041 N 1.6KOHM J 1/10W 1 R9400 EXB2HV103JV 电阻阵列 1 R9401 EXB2HV103JV 电阻阵列 1 R9402 EXB28V103JX 电阻阵列 1 R9608 EXB2HV470JV 电阻阵列 1 R9609 EXB2HV470JV 电阻阵列 1 R9610 EXB2HV470JV 电阻阵列 1 R9872 D1BB3301A055 M 3.3KOHM, 1/10W 1 R9873 D1BB1002A055 M 10KOHM, 1/10W 1 R9874 D1BB2702A055 M 27KOHM, 1/10W 1 R9875 D1BB2002A055 M 20KOHM, 1/10W 1 R9877 D1BB4702A055 M 47KOHM, 1/10W 1 R9878 D1BB1002A055 M 10KOHM, 1/10W 1 R9879 D1BB1502A055 M 15KOHM, 1/10W 1 R9903 D0GA472JA015 M 4.7KOHM, J,0.063W 1 R9904 ERJ2GEJ104 M 100KOHM, J,0.063W 1 R9905 ERJ2GEJ103 M 10KOHM, J,0.063W 1 R9907 D0GA101JA015 M 100 OHM, J,0.063W 1 R9908 D1BB1202A055 M 12KOHM, 1/10W 1 R9909 D1BB2702A055 M 27KOHM, 1/10W 1 R9910 D1BB1002A055 M 10KOHM, 1/10W 1 R9920 D0GA390JA015 M 39 OHM, J,0.063W 1 R9921 D0GA390JA015 M 39 OHM, J,0.063W 1 R16001 D0GF7R5JA047 M 7.5 OHM,J, 0.33W 1 R16002 D0GF7R5JA047 M 7.5 OHM,J, 0.33W 1 R16022 D0GF7R5JA047 M 7.5 OHM,J, 0.33W 1 R16023 D0GF7R5JA047 M 7.5 OHM,J, 0.33W 1 R16031 ERJ6ENF8202 M 82KOHM, 1/10W 1 R16032 ERJ6ENF8202 M 82KOHM, 1/10W 1 R16033 ERJ6ENF5602 M 56KOHM, 1/10W 1 R16034 ERJ6ENF2702 M 27KOHM, 1/10W 1 R16041 D0GF5R6JA047 M 5.6 OHM,J, 0.33W 1 R16051 D0GF5R6JA047 M 5.6 OHM,J, 0.33W 1 R16101 D0GD221JA059 M 220 OHM,F,0.25W 1 R16102 D0GD221JA059 M 220 OHM,F,0.25W 1 R16103 D0GD100JA059 M 10 OHM,J,0.25W 1 R16104 D0GD100JA059 M 10 OHM,J,0.25W 1 R16105 ERJ8GEYJ474 M 470KOHM, J,1/8W 1 R16109 D0GD100JA059 M 10 OHM,J,0.25W 1 R16116 D0GB473JA057 M 47KOHM,J,1/10W 1 R16131 ERJ8GEYJ101V M 100 OHM, J,1/8W 1 R16132 ERJ8GEYJ101V M 100 OHM, J,1/8W 1 R16134 D0GD750JA059 M 75 OHM,J,0.25W 1 R16137 D0GF1R0JA047 M 1.0 OHM,J, 0.33W 1 R16141 D0GD100JA059 M 10 OHM,J,0.25W 1 R16143 D0GB473JA057 M 47KOHM,J,1/10W 1 R16151 ERJ3GEYJ101 M 100 OHM,J,1/16W 1 安全 标记 参考号 部品号 部品名称及说明 数量 备注 R16152 ERJ3GEYJ101 M 100 OHM,J,1/16W 1 R16154 D0GD750JA059 M 75 OHM,J,0.25W 1 R16155 D0GF1R0JA047 M 1.0 OHM,J, 0.33W 1 R16159 D0GF1R0JA047 M 1.0 OHM,J, 0.33W 1 R16161 D0GD100JA059 M 10 OHM,J,0.25W 1 R16163 D0GB473JA057 M 47KOHM,J,1/10W 1 R16171 D0GD100JA059 M 10 OHM,J,0.25W 1 R16173 D0GB473JA057 M 47KOHM,J,1/10W 1 R16181 D0GD100JA059 M 10 OHM,J,0.25W 1 R16183 D0GB473JA057 M 47KOHM,J,1/10W 1 R16191 ERJ6GEYJ151V M 150 OHM,J,1/10W 1 R16192 D0GB103JA057 M 10K OHM J 1/10W 1 R16193 ERJ6GEYJ750 M 75 OHM,J,1/10W 1 R16195 D0GF1R0JA047 M 1.0 OHM,J, 0.33W 1 R16230 ERJ6GEYJ470V M 47 OHM,J,1/10W 1 R16231 ERJ3GEYJ472 M 4.7KOHM,J,1/16W 1 R16241 EXB38V470J 电阻阵列 1 R16242 EXB38V472JV 电阻阵列 1 R16251 D1BB1401A055 M 1.4KOHM, 1/10W 1 R16252 ERJ6ENF3902 M 39KOHM, 1/10W 1 R16253 ERJ6ENF3902 M 39KOHM, 1/10W 1 R16254 ERJ6ENF6801 M 6.8KOHM, 1/10W 1 R16255 D1BB1201A055 M 1.2KOHM, 1/10W 1 R16256 D1BB1501A055 M1.50KOHM, 1/10W 1 R16257 D0GB273JA041 M 27K OHM J 1/10W 1 R16258 D0GB103JA057 M 10K OHM J 1/10W 1 R16260 ERJ6GEYJ222V M 2.2K OHM J 1/10W 1 R16280 D0GB222JA041 M 2.2KOHM,J,1/10W 1 R16281 D0GB103JA057 M 10K OHM J 1/10W 1 R16282 ERJ6GEYJ221V M 220 OHM,J,1/10W 1 R16283 D0GB473JA057 M 47KOHM,J,1/10W 1 R16284 D0GB224JA041 M 2.2KOHM,J,1/10W 1 R16285 EXB38V623J 电阻阵列 1 R16288 D0GF334JA047 M 330KOHM,F,0.33W 1 R16289 D0GF334JA047 M 330KOHM,F,0.33W 1 R16290 D0GF334JA047 M 330KOHM,F,0.33W 1 R16307 ERJ6RBD6492 M64.9KOHM,F,1/10W 1 R16309 ERG1FJS333D M 33KOHM, J, 1W 1 R16318 ERJ6RBD683 M 68KOHM,J,1/10W 1 R16319 ERJ6RBD2491 M 2.49KOHM, 1/10W 1 R16320 ERJ14YJ683 M 68KOHM, 1/4W 1 R16330 D0GB102JA041 M 1KOHM,J,1/10W 1 R16332 D0GB474JA041 M 470KOHM,J,1/10W 1 R16334 ERJ3GEYJ472 M 4.7KOHM,J,1/16W 1 R16335 D0GB102JA041 M 1KOHM,J,1/10W 1 R16401 D0GF7R5JA047 M 7.5 OHM,J, 0.33W 1 R16402 D0GF7R5JA047 M 7.5 OHM,J, 0.33W 1 R16410 D0GB391JA041 M 390 OHM,J,1/10W 1 R16411 ERJ6ENF2700 M 270 OHM, 1/10W 1 R16416 D0GB103JA057 M 10K OHM J 1/10W 1 R16417 ERJ6GEYJ101V M 100 OHM,J,1/10W 1 R16418 ERJ6GEYJ101V M 100 OHM,J,1/10W 1 R16421 D0GF7R5JA047 M 7.5 OHM,J, 0.33W 1 R16422 D0GF7R5JA047 M 7.5 OHM,J, 0.33W 1 R16441 D0GF5R6JA047 M 5.6 OHM,J, 0.33W 1 R16451 D0GF5R6JA047 M 5.6 OHM,J, 0.33W 1 R16465 ERJ6ENF2702 M 27KOHM, 1/10W 1 R16466 ERJ6ENF5602 M 56KOHM, 1/10W 1 R16467 ERJ6ENF8202 M 82KOHM, 1/10W 1 R16468 ERJ6ENF8202 M 82KOHM, 1/10W 1 R16471 D0GB392JA041 M 3.9KOHM,J,1/10W 1 R16472 D0GB222JA041 M 2.2KOHM,J,1/10W 1 R16473 ERJ6GEYF561 M 560 OHM,F,1/10W 1 R16474 D0GB102JA041 M 1KOHM,J,1/10W 1 R16475 ERJ3GEYJ472 M 4.7KOHM,J,1/16W 1 R16476 ERJ3GEYJ472 M 4.7KOHM,J,1/16W 1 R16478 D0GB562JA041 M 5.6KOHM,J,1/10W 1 R16479 ERJ6GEYJ103V M 10K OHM J 1/10W 1 R16490 ERJ6RED124 M 120KOHM, 1/10W 1 安全 标记 参考号 部品号 部品名称及说明 数量 备注 108 R16491 ERJ6RED124 M 120KOHM, 1/10W 1 R16492 ERJ6RED124 M 120KOHM, 1/10W 1 R16493 ERJ6RBD6191 M 6.19KOHM, 1/10W 1 R16494 D1BB2001A055 M 2KOHM, 1/10W 1 R16495 ERJ6ENF7500 M 750 OHM, 1/10W 1 R16496 ERJ6GEYJ470V M 47 OHM,J,1/10W 1 R16497 D0GB473JA057 M 47KOHM,J,1/10W 1 R16498 D0GB103JA057 M 10K OHM J 1/10W 1 R16503 D0GD100JA059 M 10 OHM,J,0.25W 1 R16504 D0GD750JA059 M 75 OHM,J,0.25W 1 R16506 D0GD100JA059 M 10 OHM,J,0.25W 1 R16509 D0GF1R0JA047 M 1.0 OHM,J, 0.33W 1 R16512 D0GB473JA057 M 47KOHM,J,1/10W 1 R16517 D0GB473JA057 M 47KOHM,J,1/10W 1 R16521 ERJ6GEYJ101V M 100 OHM,J,1/10W 1 R16522 ERJ6GEYJ101V M 100 OHM,J,1/10W 1 R16523 D0GD750JA059 M 75 OHM,J,0.25W 1 R16531 D0GD100JA059 M 10 OHM,J,0.25W 1 R16533 D0GB473JA057 M 47KOHM,J,1/10W 1 R16534 D0GF5R6JA047 M 5.6 OHM,J, 0.33W 1 R16551 D0GD100JA059 M 10 OHM,J,0.25W 1 R16553 D0GB473JA057 M 47KOHM,J,1/10W 1 R16561 EXB38V470J 电阻阵列 1 R16562 EXB38V470J 电阻阵列 1 R16563 EXB38V470J 电阻阵列 1 R16564 EXB38V470J 电阻阵列 1 R16565 EXB38V472JV 电阻阵列 1 R16566 EXB38V472JV 电阻阵列 1 R16567 EXB38V472JV 电阻阵列 1 R16568 EXB38V472JV 电阻阵列 1 R16570 EXB38V472JV 电阻阵列 1 R16579 EXB38V470J 电阻阵列 1 R16580 D0GB562JA041 M 5.6KOHM,J,1/10W 1 R16582 ERJ6ENF3902 M 39KOHM, 1/10W 1 R16583 ERJ6ENF3902 M 39KOHM, 1/10W 1 R16584 ERJ6ENF6801 M 6.8KOHM, 1/10W 1 R16585 D1BB1001A055 M 1KOHM, 1/10W 1 R16586 D1BB2151A055 M2.15KOHM, 1/10W 1 R16587 D0GB222JA041 M 2.2KOHM,J,1/10W 1 R16588 D0GB103JA057 M 10K OHM J 1/10W 1 R16590 ERJ3GEYJ221 M 220 OHM,J,1/16W 1 R16591 EXB38V472JV 电阻阵列 1 R16593 D1BB1401A055 M 1.4KOHM, 1/10W 1 R16601 D0GF1R0JA047 M 1.0 OHM,J, 0.33W 1 R16604 ERJ6GEYJ331V M 330 OHM J 1/10W 1 R16605 ERJ6GEYG182 M 1.8KOHM,J,1/10W 1 R16607 D1BB6981A055 M6.98KOHM, 1/10W 1 R16609 D0GF202JA047 M 2KOHM,J, 0.33W 1 R16610 D0GB104JA041 M 100KOHM J 1/10W 1 R16612 D0GD470JA059 M 47 OHM,J,0.25W 1 R16615 D1BB1101A055 M 1.1 KOHM, 1/10W 1 R16617 ERJ6GEYJ222V M 2.2K OHM J 1/10W 1 R16621 ERJ6GEYJ221V M 220 OHM,J,1/10W 1 R16631 D0GB103JA057 M 10K OHM J 1/10W 1 R16633 ERJ6GEYJ223 M 22KOHM,J,1/10W 1 R16634 ERJ6GEYJ471 M 470 OHM,J,1/10W 1 R16645 D0GB562JA041 M 5.6KOHM,J,1/10W 1 R16646 D1BB1181A055 M 1.18KOHM, 1/10W 1 R16648 D0GF202JA047 M 2KOHM,J, 0.33W 1 R16649 D0GD330JA059 M 33 OHM,F,0.25W 1 R16650 D0GB104JA041 M 100KOHM J 1/10W 1 R16651 D0GF202JA047 M 2KOHM,J, 0.33W 1 R16652 ERJ6GEYF822 M 8.2KOHM,F,1/10W 1 R16653 ERJ8GEYJ182 M 1.8KOHM, J,1/8W 1 R16654 ERJ6GEYJ470V M 47 OHM,J,1/10W 1 R16655 D0GB103JA057 M 10K OHM J 1/10W 1 R16656 ERJ8GEYJ472V M 4.7KOHM, J,1/8W 1 R16658 ERJ3RBD6341 M6.34 OHM, 1/13W 1 R16659 ERJ6GEY0R00V M 0 OHM J 1/10W 1 安全 标记 参考号 部品号 部品名称及说明 数量 备注 R16660 ERJ6GEYJ222V M 2.2K OHM J 1/10W 1 R16661 D0GB122JA041 N 1.2KOHM J 1/10W 1 R16662 D1BB1002A087 M 10KOHM, 1/10W 1 R16663 ERJ6RBD7151 M 7.15KOHM, 1/10W 1 R16664 D0GF202JA047 M 2KOHM,J, 0.33W 1 R16665 D0GD330JA059 M 33 OHM,F,0.25W 1 R16666 D1BB2202A087 M 22KOHM, 1/10W 1 R16667 D0GF202JA047 M 2KOHM,J, 0.33W 1 R16668 D0GF202JA047 M 2KOHM,J, 0.33W 1 R16673 ERJ6GEYJ472V M 4.7K OHM J 1/10W 1 R16674 D0GF202JA047 M 2KOHM,J, 0.33W 1 R16675 ERJ3GEYJ472 M 4.7KOHM,J,1/16W 1 R16677 D0GF202JA047 M 2KOHM,J, 0.33W 1 R16678 D0GF202JA047 M 2KOHM,J, 0.33W 1 R16679 ERJ3RBD1072 M10.7KOHM, 1/13W 1 R16680 ERJ6GEYJ472V M 4.7K OHM J 1/10W 1 R16681 D0GD100JA059 M 10 OHM,J,0.25W 1 R16684 ERJ6GEYJ221V M 220 OHM,J,1/10W 1 R16685 ERJ6GEYJ221V M 220 OHM,J,1/10W 1 R16686 D0GB103JA057 M 10K OHM J 1/10W 1 R16687 D1BB2702A055 M 27KOHM, 1/10W 1 R16688 D1BB8871A055 M8.87KOHM, 1/10W 1 R16690 ERJ3GEYJ472 M 4.7KOHM,J,1/16W 1 R16691 ERJ8GEYJ563 M 56KOHM, J,1/8W 1 R16692 ERJ6RBD152 M 1.5KOHM,J,1/10W 1 R16694 ERJ8GEYJ563 M 56KOHM, J,1/8W 1 R16695 ERJ6RBD152 M 1.5KOHM,J,1/10W 1 R16696 ERF5TK2R2 W 2.2 OHM, K, 5W 1 R16699 D0GB103JA057 M 10K OHM J 1/10W 1 R16707 ERJ6GEYG392 M 3.9KOHM,J,1/10W 1 R16711 ERJ3GEYJ472 M 4.7KOHM,J,1/16W 1 R16712 ERJ6GEYJ102V M 1K OHM J 1/10W 1 R16717 D0GB102JA041 M 1KOHM,J,1/10W 1 R16719 ERJ3GEYJ220 M 22 OHM,J,1/16W 1 R16721 EXB38V220JV 电阻阵列 1 R16742 D0GB473JA057 M 47KOHM,J,1/10W 1 R16745 D0GB474JA041 M 470KOHM,J,1/10W 1 R16746 ERJ6GEYF473 M 47KOHM,J,1/10W 1 R16747 ERJ6GEYJ222V M 2.2K OHM J 1/10W 1 R16750 D0GD123JA059 M 12KOHM,F,0.25W 1 R16751 D0GD154JA059 M 150KOHM,F,0.25W 1 R16752 ERJ3GEYJ472 M 4.7KOHM,J,1/16W 1 R16753 ERJ6GEYF473 M 47KOHM,J,1/10W 1 R16755 D0GD123JA059 M 12KOHM,F,0.25W 1 R16756 D0GD123JA059 M 12KOHM,F,0.25W 1 R16761 D0GD100JA059 M 10 OHM,J,0.25W 1 R16763 D0GB473JA057 M 47KOHM,J,1/10W 1 R16765 D0GD100JA059 M 10 OHM,J,0.25W 1 R16769 D0GD750JA059 M 75 OHM,J,0.25W 1 R16772 ERJ3GEYJ472 M 4.7KOHM,J,1/16W 1 R16773 ERJ6GEYJ102V M 1K OHM J 1/10W 1 R16774 ERG1SJ273 M 27KOHM, J, 1W 1 R16776 ERJ6GEYJ470V M 47 OHM,J,1/10W 1 R16783 D0GD154JA059 M 150KOHM,F,0.25W 1 R16785 ERJ6ENF1073 M 107KOHM, 1/10W 1 R16786 ERJ6ENF1073 M 107KOHM, 1/10W 1 R16787 ERJ6ENF3302 M 33KOHM, 1/10W 1 R16789 D0GB103JA057 M 10K OHM J 1/10W 1 R16791 D0GB102JA041 M 1KOHM,J,1/10W 1 R16797 ERJ6GEYJ220 M 22 OHM,J,1/10W 1 R16798 D0GB222JA041 M 2.2KOHM,J,1/10W 1 R16799 D0GB102JA041 M 1KOHM,J,1/10W 1 R16801 ERJ6RBD223V M 22KOHM, 1/16W 1 R16802 ERJ6RBD3092 M30.9KOHM,F,1/10W 1 R16804 ERJ8GEYJ112 M 1.1KOHM, J,1/8W 1 R16818 D1BB3302A055 M 33KOHM, 1/10W 1 R16819 ERJ6ENF1503 M 150KOHM, 1/10W 1 R16820 ERJ6ENF1503 M 150KOHM, 1/10W 1 R16822 ERJ6ENF8202 M 82KOHM, 1/10W 1 安全 标记 参考号 部品号 部品名称及说明 数量 备注 109 R16823 ERJ6ENF8202 M 82KOHM, 1/10W 1 R16824 ERJ6ENF3302 M 33KOHM, 1/10W 1 R16825 D0GD154JA059 M 150KOHM,F,0.25W 1 R16826 ERJ6GEYJ103V M 10K OHM J 1/10W 1 R16827 D0GB222JA041 M 2.2KOHM,J,1/10W 1 R16829 D0GB102JA041 M 1KOHM,J,1/10W 1 R16831 ERJ6RBD6812 M68.1KOHM,F,1/10W 1 R16832 ERJ6RBD7152 M71.5KOHM,F,1/10W 1 R16837 D0GB102JA041 M 1KOHM,J,1/10W 1 R16838 ERG1FJS104D M 100KOHM, J, 1W 1 R16841 ERJ3GEYJ472 M 4.7KOHM,J,1/16W 1 R16843 ERJ6GEYJ102V M 1K OHM J 1/10W 1 R16844 ERA6YEB242 M 24KOHM, 1/10W 1 R16845 ERJ6RBD6652 M66.5KOHM,F,1/10W 1 R16846 ERJ6RBD6492 M64.9KOHM,F,1/10W 1 R16849 ERJ6RBD6492 M64.9KOHM,F,1/10W 1 R16851 D0GB474JA041 M 470KOHM,J,1/10W 1 R16852 D0GB474JA041 M 470KOHM,J,1/10W 1 R16860 ERG2FNJS8R2E M 8.2 OHM, J, 2W 1 R16870 ERJ14YJ683 M 68KOHM, 1/4W 1 R16873 ERA6YEB242 M 24KOHM, 1/10W 1 R16891 D1BF6982A058 M 6.98KOHM, 1/10W 1 R16892 D1BF8252A058 M 8.25KOHM, 1/10W 1 R16893 D1BF8252A058 M 8.25KOHM, 1/10W 1 R16897 D1BB1001A055 M 1KOHM, 1/10W 1 R16898 D1BB1051A055 M 1.05KOHM, 1/10W 1 R16899 D1BB2741A055 M2.74KOHM, 1/10W 1 R16900 D0GB103JA057 M 10K OHM J 1/10W 1 R16901 ERJ3GEYJ472 M 4.7KOHM,J,1/16W 1 R16904 ERJ6GEYJ223 M 22KOHM,J,1/10W 1 R16919 D1BB7501A055 M7.50KOHM, 1/10W 1 R16920 D0GB103JA057 M 10K OHM J 1/10W 1 R16921 D1BB1241A055 M1.24KOHM, 1/10W 1 R16922 D1BB3481A055 M3.48KOHM, 1/10W 1 R16923 D0GB103JA057 M 10K OHM J 1/10W 1 R16926 ERJ6GEYJ222V M 2.2K OHM J 1/10W 1 R16927 ERJ6GEYJ223 M 22KOHM,J,1/10W 1 R16928 ERJ6GEYJ472V M 4.7K OHM J 1/10W 1 R16929 D0GF1R0JA047 M 1.0 OHM,J, 0.33W 1 R16930 D1BF2R70A021 M 2.7 OHM, 1/10W 1 R16931 D1BF2R70A021 M 2.7 OHM, 1/10W 1 R16932 ERJ6GEYJ223 M 22KOHM,J,1/10W 1 R16933 D1BB1002A055 M 10KOHM, 1/10W 1 R16934 D1BB6801A055 M 6.8KOHM, 1/10W 1 R16935 D0GB512JA041 M 5.1KOHM,J,1/10W 1 R16936 D0GB222JA041 M 2.2KOHM,J,1/10W 1 R16937 D0GB184JA041 M 180KOHM J 1/10W 1 R16938 D0GB184JA041 M 180KOHM J 1/10W 1 R17101 ERJ6GEY0R00V M 0 OHM J 1/10W 1 R17103 EXB38V681J 电阻阵列 1 R17104 EXB38V470J 电阻阵列 1 R17105 EXB38V470J 电阻阵列 1 R17106 D0GZ1R0JA020 C1.0 OHM, J, 0.5W 1 PPDS R17108 D0GB101JA041 M 100 OHM,J,1/10W 1 R17109 D0GB101JA041 M 100 OHM,J,1/10W 1 R17110 D0GB201JA041 M 200 OHM,J,1/10W 1 PPDS R17111 D0GZ1R0JA020 C1.0 OHM, J, 0.5W 1 PPDS R17113 D0GB101JA041 M 100 OHM,J,1/10W 1 R17114 D0GB101JA041 M 100 OHM,J,1/10W 1 R17115 D0GB201JA041 M 200 OHM,J,1/10W 1 PPDS R17116 D0GZ1R0JA020 C1.0 OHM, J, 0.5W 1 PPDS R17118 D0GB101JA041 M 100 OHM,J,1/10W 1 R17119 D0GB101JA041 M 100 OHM,J,1/10W 1 R17120 D0GB201JA041 M 200 OHM,J,1/10W 1 PPDS R17121 D0GZ1R0JA020 C1.0 OHM, J, 0.5W 1 PPDS R17123 D0GB101JA041 M 100 OHM,J,1/10W 1 R17124 D0GB101JA041 M 100 OHM,J,1/10W 1 R17125 D0GB201JA041 M 200 OHM,J,1/10W 1 PPDS R17126 D0GZ1R0JA020 C1.0 OHM, J, 0.5W 1 PPDS 安全 标记 参考号 部品号 部品名称及说明 数量 备注 R17128 D0GB101JA041 M 100 OHM,J,1/10W 1 R17129 D0GB101JA041 M 100 OHM,J,1/10W 1 R17130 D0GB201JA041 M 200 OHM,J,1/10W 1 PPDS R17131 D0GZ1R0JA020 C1.0 OHM, J, 0.5W 1 PPDS R17133 D0GB101JA041 M 100 OHM,J,1/10W 1 R17134 D0GB101JA041 M 100 OHM,J,1/10W 1 R17135 D0GB201JA041 M 200 OHM,J,1/10W 1 PPDS R17136 D0GZ1R0JA020 C1.0 OHM, J, 0.5W 1 PPDS R17138 D0GB101JA041 M 100 OHM,J,1/10W 1 R17139 D0GB101JA041 M 100 OHM,J,1/10W 1 R17140 D0GB101JA041 M 100 OHM,J,1/10W 1 R17141 D0GZ1R0JA020 C1.0 OHM, J, 0.5W 1 PPDS R17143 D0GB101JA041 M 100 OHM,J,1/10W 1 R17144 D0GB101JA041 M 100 OHM,J,1/10W 1 R17145 D0GB101JA041 M 100 OHM,J,1/10W 1 R17146 D0GB681JA041 M 680 OHM,J,1/10W 1 R17147 ERJ6GEYJ224 M 220KOHM,J,1/10W 1 R17148 D0GF151JA047 M 150 OHM,J, 0.33W 1 R17150 D0GB102JA041 M 1KOHM,J,1/10W 1 R17151 D0GBR00Z0002 M 0 OHM J 1/10W 1 R17152 D0GBR00Z0002 M 0 OHM J 1/10W 1 R17153 D0GBR00Z0002 M 0 OHM J 1/10W 1 R17201 ERJ6GEYJ224 M 220KOHM,J,1/10W 1 R17202 EXB38V470J 电阻阵列 1 R17203 EXB38V470J 电阻阵列 1 R17204 EXB38V681J 电阻阵列 1 R17205 EXB38V470J 电阻阵列 1 R17206 EXB38V470J 电阻阵列 1 R17207 EXB38V681J 电阻阵列 1 R17208 EXB38V681J 电阻阵列 1 R17210 D0GZ1R0JA020 C1.0 OHM, J, 0.5W 1 PPDS R17212 D0GB101JA041 M 100 OHM,J,1/10W 1 R17213 D0GB101JA041 M 100 OHM,J,1/10W 1 R17214 D0GB201JA041 M 200 OHM,J,1/10W 1 PPDS R17215 D0GZ1R0JA020 C1.0 OHM, J, 0.5W 1 PPDS R17217 D0GB101JA041 M 100 OHM,J,1/10W 1 R17218 D0GB101JA041 M 100 OHM,J,1/10W 1 R17219 D0GB201JA041 M 200 OHM,J,1/10W 1 PPDS R17220 D0GZ1R0JA020 C1.0 OHM, J, 0.5W 1 PPDS R17222 D0GB101JA041 M 100 OHM,J,1/10W 1 R17223 D0GB101JA041 M 100 OHM,J,1/10W 1 R17224 D0GB201JA041 M 200 OHM,J,1/10W 1 PPDS R17225 D0GZ1R0JA020 C1.0 OHM, J, 0.5W 1 PPDS R17227 D0GB101JA041 M 100 OHM,J,1/10W 1 R17228 D0GB101JA041 M 100 OHM,J,1/10W 1 R17229 D0GB201JA041 M 200 OHM,J,1/10W 1 PPDS R17230 D0GZ1R0JA020 C1.0 OHM, J, 0.5W 1 PPDS R17232 D0GB101JA041 M 100 OHM,J,1/10W 1 R17233 D0GB101JA041 M 100 OHM,J,1/10W 1 R17234 D0GB201JA041 M 200 OHM,J,1/10W 1 PPDS R17235 D0GZ1R0JA020 C1.0 OHM, J, 0.5W 1 PPDS R17237 D0GB101JA041 M 100 OHM,J,1/10W 1 R17238 D0GB101JA041 M 100 OHM,J,1/10W 1 R17239 D0GB201JA041 M 200 OHM,J,1/10W 1 PPDS R17240 D0GZ1R0JA020 C1.0 OHM, J, 0.5W 1 PPDS R17242 D0GB101JA041 M 100 OHM,J,1/10W 1 R17243 D0GB101JA041 M 100 OHM,J,1/10W 1 R17244 D0GB101JA041 M 100 OHM,J,1/10W 1 R17245 D0GB681JA041 M 680 OHM,J,1/10W 1 R17247 D0GF151JA047 M 150 OHM,J, 0.33W 1 R17260 ERJ6GEY0R00V M 0 OHM J 1/10W 1 R17261 D0GBR00Z0002 M 0 OHM J 1/10W 1 R17262 D0GBR00Z0002 M 0 OHM J 1/10W 1 R17263 D0GBR00Z0002 M 0 OHM J 1/10W 1 RM2510 B3RAD0000168 遥控接收器 1 S1B K1KA03BA0237 3P 连接接头 1 安全 标记 参考号 部品号 部品名称及说明 数量 备注 110 SC2 K1KY02B00012 2P 连接接头 1 SC20 K1MY35BA0345 35P 连接接头 1 SC41 K1KA09AA0707 9P 连接接头 1 SC42 K1KA09AA0707 9P 连接接头 1 SC46 K1KA09AA0707 9P 连接接头 1 SC50 K1KA02AA0193 2P 连接接头 1 SN2510 B3JB00000078 IC 1 PPDS SS11 K1KA03A00608 3P 连接接头 1 SS21 K1KA07A00170 7P 连接接头 1 SS24 K1KB07AA0087 7P 连接接头 1 SS33 K1KY08AA0719 8P 连接接头 1 SS58 K1MN13B00091 13P 连接接头 1 SS61 K1MY13BA0343 13P 连接接头 1 SS64 K1MY13BA0343 13P 连接接头 1 SW2500 K0F162B00002 开关 1 SW5150 K0H1BA000445 开关 1 SW5151 K0H1BA000445 开关 1 SW5152 K0H1BA000445 开关 1 SW5153 K0H1BA000445 开关 1 SW5154 K0H1BA000445 开关 1 T16471 G4DYA0000200 转接变压器 1 TU2901B ENG39F02GF 调谐器 1 PPDS X8000 H0J245500101 晶体 1 X8001 H0J120500062 晶体 1 X9300 H0J200500076 晶体 1 ZA16001 K4CD01000011 AV 端子 1 ZA16002 K4CD01000011 AV 端子 1 ZA16003 K4CD01000011 AV 端子 1 ZA16401 K4CD01000011 AV 端子 1 ZA16402 K4CD01000011 AV 端子 1 ZA16403 K4CD01000011 AV 端子 1 ZA16404 K4CD01000011 AV 端子 1 ZA16407 K4CD01000011 AV 端子 1 ZA17101 K4CD01000013 AV 端子 1 ZA17102 K4CD01000013 AV 端子 1 ZA17103 K4CD01000013 AV 端子 1 ZA17104 K4CD01000013 AV 端子 1 ZA17201 K4CD01000013 AV 端子 1 ZA17202 K4CD01000013 AV 端子 1 ZA17203 K4CD01000013 AV 端子 1 ZA17204 K4CD01000013 AV 端子 1 C100 F1J1C474A059 C 0.47UF, Z, 16V 1 C101 F0CAF334A021 C 0.33UF, 250V 1 C102 F1BAF221A131 C 220UF, 250V 1 C103 F1BAF221A131 C 220UF, 250V 1 C104 F0CAF474A021 C 0.47UF, 250V 1 C105 F0CAF224A021 C 0.22UF, 250V 1 C109 ECWF2W225X03 P 0.022UF, 200V 1 C111 ECJ1VB1H102K C 1000PF, K, 50V 1 C113 F1J1E225A209 C 2.2 UF 25V 1 C114 F1H1C224A065 C 0.22UF, K, 50V 1 C115 ECJ1VB1H103K C 0.001UF, K, 50V 1 C116 ECJ1VB1H472K C 4700PF, K, 50V 1 C118 ECJ1VB1H102K C 1000PF, K, 50V 1 C120 F1E2J4730001 C 0.047PF, , 600V 1 C122 ECKD3A102KBP C 1000PF, K, 1KV 1 C123 ECKD3A102KBP C 1000PF, K, 1KV 1 C125 F2B2W3310012 C 330UF, 450V 1 C127 F1H1C105A148 C 1UF, K, 16V 1 C200 ECJ1VB1H102K C 1000PF, K, 50V 1 C201 F2B2W220A032 C 22UF, 450V 1 安全 标记 参考号 部品号 部品名称及说明 数量 备注 C204 ECJ1VB1E104K C 0.10UF, K, 25V 1 C205 F1H1H222A219 C 2200PF, K, 50V 1 C207 F2A1H1000083 E 10UF, 50V 1 C209 F1BAF221A131 C 220UF, 250V 1 C210 F2A1H4700057 E 47UF, 50V 1 C211 F1J1E225A209 C 2.2 UF 25V 1 C212 ECJ1VB1H102K C 1000PF, K, 50V 1 C300 F1BAF221A131 C 220UF, 250V 1 C301 ECKD3A101KBP C 100PF, K, 1KV 1 C302 F1BAF221A131 C 220UF, 250V 1 C314 ECWH8333HA P 0.033PF, J, 8KV 1 C400 ECJ1VB1H102K C 1000PF, K, 50V 1 C401 F1A3A221A039 E 220UF, 1KV 1 C402 F1H1C105A148 C 1UF, K, 16V 1 C403 F1J1E105A231 C 1 UF 25V 1 C406 F2A1H1000083 E 10UF, 50V 1 C407 ECWF6103HLB P 0.010UF, J,600V 1 C410 ECQE6104KF P 0.1UF, K,630V 1 C411 ECJ2VB1H103K C 0.01UF, K, 50V 1 C412 ECJ1VB1H103K C 0.001UF, K, 50V 1 C413 ECJ1VB1H102K C 1000PF, K, 50V 1 C414 ECJ1VB1H103K C 0.001UF, K, 50V 1 C500 ECJ1VB1E104K C 0.10UF, K, 25V 1 C505 F2A1A681B345 E 680UF, 10V 1 C519 ECJ1VB1H102K C 1000PF, K, 50V 1 C601 ECJ1VB1H103K C 0.001UF, K, 50V 1 C603 ECJ1VB1H103K C 0.001UF, K, 50V 1 C607 ECJ1VB1H103K C 0.001UF, K, 50V 1 C616 ECJ1VB1H103K C 0.001UF, K, 50V 1 C617 ECJ1VB1H103K C 0.001UF, K, 50V 1 C621 ECJ1VB1H103K C 0.001UF, K, 50V 1 C623 F1J0J4750018 C 4.7UF, K, 16V 1 C625 ECJ1VB1H102K C 1000PF, K, 50V 1 C627 ECJ2VB1H103K C 0.01UF, K, 50V 1 C628 ECJ1VB1H103K C 0.001UF, K, 50V 1 C700 F1J1E105A231 C 1 UF 25V 1 C703 ECJ1VB1H332K C 3300PF, K, 50V 1 C706 F1H1C105A148 C 1UF, K, 16V 1 C707 F1J1E105A231 C 1 UF 25V 1 C709 F1J1E104A137 C 0.10UF, Z, 25V 1 C711 ECJ1VB1H102K C 1000PF, K, 50V 1 C712 F1J1H471A721 C 470PF, 50V 1 C713 F1J1E105A231 C 1 UF 25V 1 C714 F1J1H333A571 C 0.033UF, 50V 1 C715 F1J1H332A623 C 3300PF, 50V 1 C716 F1J1E105A231 C 1 UF 25V 1 C717 ECJ1VB1H103K C 0.001UF, K, 50V 1 C718 ECJ1VB1H102K C 1000PF, K, 50V 1 C720 F2BZZ1020005 ZZ 102UF 1 C724 ECJ1VB1H103K C 0.001UF, K, 50V 1 C725 ECJ1VB1H103K C 0.001UF, K, 50V 1 C726 F1J1H333A571 C 0.033UF, 50V 1 C727 ECJ1VB1E104K C 0.10UF, K, 25V 1 C728 ECJ1VB1E104K C 0.10UF, K, 25V 1 C800 F2A1E1020108 E 1000UF, 25V 1 C802 ECJ1VB1E104K C 0.10UF, K, 25V 1 C804 ECJ1VB1H103K C 0.001UF, K, 50V 1 C805 F1J1E105A231 C 1 UF 25V 1 C806 F2A1E1020108 E 1000UF, 25V 1 C807 F1J1E105A231 C 1 UF 25V 1 C808 ECJ1VB1E104K C 0.10UF, K, 25V 1 C810 F1J1E105A231 C 1 UF 25V 1 C901 F2BZZ1820005 ZZ 182UF 1 C902 F2A1H4700057 E 47UF, 50V 1 C903 F1J1H104A459 C 0.10UF, 50V 1 C905 ECJ2VB1H103K C 0.01UF, K, 50V 1 C906 F1H1H222A219 C 2200PF, K, 50V 1 C907 F1H1C105A148 C 1UF, K, 16V 1 C908 ECJ1VB1H102K C 1000PF, K, 50V 1 安全 标记 参考号 部品号 部品名称及说明 数量 备注 111 C909 F1J1H273A571 C 0.027UF, 50V 1 D100 B0FBBT000008 二极管 1 D102 B0ACDD000001 二极管 1 D103 B0BC01400033 稳压二极管 1 D104 B0JCME000093 二极管 1 D106 B0EAKT000048 二极管 1 D108 B0HAPR000016 二极管 1 D109 B0HAPR000016 二极管 1 D114 B0ACDJ000010 二极管 1 D200 B0EBKT000007 二极管 1 D201 MTZJ10B 稳压二极管 1 D202 MTZJ10B 稳压二极管 1 D205 MTZJ10B 稳压二极管 1 D206 B0ACDJ000010 二极管 1 D207 B0BB17000009 稳压二极管 1 D208 B0ECKM000046 二极管 1 D209 B0ECKM000046 二极管 1 D210 B0BA03300004 稳压二极管 1 D300 B0EAAD000001 二极管 1 D301 B0EAAD000001 二极管 1 D400 MTZJ10B 稳压二极管 1 D401 MTZJ10B 稳压二极管 1 D402 B0JCCC000002 二极管 1 D404 MTZJ12B 稳压二极管 1 D405 B0BA05100010 稳压二极管 1 D406 B0EAKS000003 二极管 1 D408 B0ECKM000046 二极管 1 D410 B0HAMP000067 二极管 1 D411 B0BC8R100015 稳压二极管 1 D501 B0JAMG000031 二极管 1 D600 B0ACDJ000010 二极管 1 D602 B0EAAD000001 二极管 1 D604 B0EAAD000001 二极管 1 D605 B0EAAD000001 二极管 1 D611 B0ACDJ000010 二极管 1 D701 B0ECKM000046 二极管 1 D702 B0HBRR000001 二极管 1 D703 B0FBAR000044 二极管 1 D706 B0BC5R600065 稳压二极管 1 D708 B0ACDJ000010 二极管 1 D800 B0FBBM000023 二极管 1 D801 B0ACDJ000010 二极管 1 D900 B0BA03600020 稳压二极管 1 D901 B0JCME000093 二极管 1 D902 B0EAMR000015 二极管 1 D903 B0BA02100001 稳压二极管 1 D904 B0BA02100001 稳压二极管 1 D905 B0BA03600020 稳压二极管 1 D907 B0EAMR000015 二极管 1 D908 B0BA01500003 稳压二极管 1 F100 K5E802BZ0002 保险丝 1 F101 K5E802BZ0002 保险丝 1 F200 K5G631B00008 保险丝 1 IC100 C0DBZYY00361 IC 1 IC200 C0DBZMC00006 IC 1 IC201 MIP2K20MSSCF IC 1 IC202 B3PBA0000459 IC 1 IC400 MIP418AMDS IC 1 IC401 B3PBA0000459 IC 1 IC500 C0DBZMC00006 IC 1 IC600 B3PBA0000459 IC 1 IC601 B3PBA0000459 IC 1 IC602 C0EBH0000210 IC 1 IC603 C2ABDB000129 IC 1 IC701 C0DBZMC00006 IC 1 IC800 C0DBZMC00006 IC 1 安全 标记 参考号 部品号 部品名称及说明 数量 备注 IC901 C0DBZMC00006 IC 1 IC902 C0DBZYY00360 IC 1 IC903 B3PBA0000459 IC 1 IC904 C0DBZMC00006 IC 1 L100 G0B123Y00002 扼流线圈 1 L101 G0B123Y00002 扼流线圈 1 L700 J0JCC0000119 片状电感 1 P2 K1KY02BA0001 2P 连接接头 1 P6 K1KA11AA0082 11P 连接接头 1 P7 K1KA14AA0082 14P 连接接头 1 P9 K1KA02B00295 2P 连接接头 1 P11 K1KA03B00246 3P 连接接头 1 P25 K1KA10AA0082 10P 连接接头 1 P34 K1KA03AA0193 3P 连接接头 1 P35 K1KA03A00647 3P 连接接头 1 PR101 K5Y502B00008 保险丝 1 PR900 K5Y402B00006 保险丝 1 Q101 DSC5001R0L 三极管 1 Q103 B1BCCF000022 三极管 1 Q104 B1CERR000027 FET 1 Q300 B1CHPD000008 FET 1 Q301 B1CHPD000008 FET 1 Q302 B1CERQ000059 FET 1 Q303 B1CERQ000059 FET 1 Q400 DSC5001R0L 三极管 1 Q401 B1CFGD000030 FET 1 Q402 B1CFGD000030 FET 1 Q505 B1CHPD000008 FET 1 Q600 DSC5001R0L 三极管 1 Q602 DSC5001R0L 三极管 1 Q609 DSC5001R0L 三极管 1 Q701 B1HBCFA00033 三极管 1 Q703 B1ADCF000111 三极管 1 Q705 B1CFGD000030 FET 1 Q706 B1HDCEA00001 三极管 1 Q707 DSC5001R0L 三极管 1 Q708 B1ADCF000111 三极管 1 Q709 B1CFGD000030 FET 1 Q710 B1CFGD000030 FET 1 Q711 DSC5001R0L 三极管 1 Q712 DSC5001R0L 三极管 1 Q714 B1ADCF000116 三极管 1 Q715 B1ADCF000116 三极管 1 Q800 B1CHRD000028 三极管 1 Q801 DSC5001R0L 三极管 1 Q805 B1ADCF000111 三极管 1 Q806 DSC5001R0L 三极管 1 Q807 B1HBCFA00033 三极管 1 Q901 B1CERQ000057 FET 1 R101 D0GB394JA057 M 390KOHM J 1/10W 1 R102 ERF5TJ100 W 10 OHM, J, 5W 1 R103 ERJ6GEYJ333V M 33KOHM,J,1/10W 1 R104 ERJ6GEYJ104V M 100KOHM,J,1/10W 1 R105 D1AB6343A023 M 634 KOHM, 0.25W 1 R106 ERJ3GEYJ434 M 430KOHM,J,1/16W 1 R107 D1AB6343A023 M 634 KOHM, 0.25W 1 R108 ERJ3GEYJ223 M 22KOHM,J,1/16W 1 R109 ERJ6GEYJ103V M 10K OHM J 1/10W 1 R112 ERJ6GEY0R00V M 0 OHM J 1/10W 1 R113 ERJ3EKF1002 M 10KOHM, 1/16W 1 R114 D0BF6R8JA035 M 6.8OHM,J, 0.05W 1 R115 D0BF6R8JA035 M 6.8OHM,J, 0.05W 1 R116 ERJ8GEYJ153 M 15KOHM, J,1/8W 1 R117 ERJ8GEYJ153 M 15KOHM, J,1/8W 1 安全 标记 参考号 部品号 部品名称及说明 数量 备注 112 R118 ERJ6GEYJ183V M 18KOHM,J,1/10W 1 R119 D0GB103JA057 M 10K OHM J 1/10W 1 R121 ERJ3GEYJ333 M 33KOHM,J,1/16W 1 R122 ERX12SJ4R7 M 4.7 OHM, J,1/2W 1 R123 D0GB103JA057 M 10K OHM J 1/10W 1 R125 D0XGR10J0003 M 0.100HM,J, 5W 1 R126 D0XGR10J0003 M 0.100HM,J, 5W 1 R127 ERJ6GEYJ331V M 330 OHM J 1/10W 1 R128 ERJ6GEYJ103V M 10K OHM J 1/10W 1 R129 D0GD4R7JA059 M 4.7 OHM,J,0.25W 1 R130 ERJ3GEY0R00 M 0 OHM, 1/16W 1 R131 ERJ6GEY0R00V M 0 OHM J 1/10W 1 R132 ERJ6GEY0R00V M 0 OHM J 1/10W 1 R133 D1AB1004A023 M1000MOHM, 0.25W 1 R134 D1AB1004A023 M1000MOHM, 0.25W 1 R136 ERJ6GEYJ104V M 100KOHM,J,1/10W 1 R137 ERJ8GEYJ474 M 470KOHM, J,1/8W 1 R138 ERJ6GEYJ123V M 12KOHM,J,1/10W 1 R139 ERJ6RBD123V M 12KOHM,J,1/10W 1 R141 EVMAASA00B23 控制 2KOHMB 1 R147 D1AB8453A023 M 845 KOHM, 0.25W 1 R148 D1AB8453A023 M 845 KOHM, 0.25W 1 R150 ERJ6ENF9101 M 9.1KOHM, 1/10W 1 R200 D1AB3303A023 M330 KOHM, 0.25W 1 R201 D1AB3303A023 M330 KOHM, 0.25W 1 R203 D1AB3303A023 M330 KOHM, 0.25W 1 R204 D1AB3303A023 M330 KOHM, 0.25W 1 R206 ERJ6ENF2702 M 27KOHM, 1/10W 1 R207 ERJ6ENF4702 M 47KOHM, 1/10W 1 R208 ERJ6GEYJ222V M 2.2K OHM J 1/10W 1 R209 D0GB102JA057 M 1KOHM,J,1/10W 1 R210 ERJ3GEY0R00 M 0 OHM, 1/16W 1 R211 ERJ6GEYJ224 M 220KOHM,J,1/10W 1 R214 ERJ6GEYJ153V M 15KOHM,J,1/10W 1 R215 ERJ6GEY0R00V M 0 OHM J 1/10W 1 R216 D0GD4R7JA059 M 4.7 OHM,J,0.25W 1 R217 D0GD4R7JA059 M 4.7 OHM,J,0.25W 1 R218 D0B1825JA033 M1.22MOHM,J,0.05W 1 R300 D0GZ181JA020 M 180 OHM,J, 0.5W 1 R301 D0GZ181JA020 M 180 OHM,J, 0.5W 1 R302 ERJ8GEYJ220V M 22 OHM, J,1/8W 1 R303 ERJ8GEYJ220V M 22 OHM, J,1/8W 1 R304 D0CF240JA010 M 24 OHM, J,1/2W 1 R305 D0CF240JA010 M 24 OHM, J,1/2W 1 R400 ERJ6GEYJ222V M 2.2K OHM J 1/10W 1 R401 ERJ6GEYJ203 M 20KOHM,J,1/10W 1 R403 ERJ6GEYJ302V M 3KOHM,J,1/10W 1 R404 ERG2SJW563 M 56KOHM, J, 2W 1 R405 D0GD4R7JA059 M 4.7 OHM,J,0.25W 1 R406 D0GD123JA059 M 12KOHM,F,0.25W 1 R407 ERG2SJW563 M 56KOHM, J, 2W 1 R408 D0GD123JA059 M 12KOHM,F,0.25W 1 R409 ERJ3GEYJ273 M 27KOHM,J,1/16W 1 R410 ERJ3GEYJ273 M 27KOHM,J,1/16W 1 R411 ERJ6GEYJ104V M 100KOHM,J,1/10W 1 R412 ERJ6GEYJ102V M 1K OHM J 1/10W 1 R413 ERJ3GEYJ104 M 100KOHM,J,1/16W 1 R414 D0GB105JA057 M 1M OHM F 1/10W 1 R415 ERJ6GEYJ103V M 10K OHM J 1/10W 1 R416 D1AB7503A023 M 750 KOHM, 0.25W 1 R417 D1AB6343A023 M 634 KOHM, 0.25W 1 R418 ERJ6ENF1003 M 100KOHM, 1/10W 1 R500 ERJ6GEYJ221V M 220 OHM,J,1/10W 1 R502 ERJ3GEYJ332 M 3.3KOHM,J,1/16W 1 R503 ERJ3GEYJ472 M 4.7KOHM,J,1/16W 1 R507 ERJ6RBD333 M 33KOHM,J,1/10W 1 R508 ERJ6RBD333 M 33KOHM,J,1/10W 1 R517 ERJ6GEYJ103V M 10K OHM J 1/10W 1 R518 ERJ3GEYJ104 M 100KOHM,J,1/16W 1 安全 标记 参考号 部品号 部品名称及说明 数量 备注 R601 D0GB102JA057 M 1KOHM,J,1/10W 1 R602 ERJ3GEYJ224 M 220KOHM,J,1/16W 1 R604 ERJ3GEYJ104 M 100KOHM,J,1/16W 1 R605 ERJ3GEYJ224 M 220KOHM,J,1/16W 1 R608 ERJ6GEYJ102V M 1K OHM J 1/10W 1 R609 ERJ3GEYJ104 M 100KOHM,J,1/16W 1 R610 ERJ6GEYJ101V M 100 OHM,J,1/10W 1 R611 ERJ3GEYJ101 M 100 OHM,J,1/16W 1 R613 D0GB154JA057 M 150KOHM J 1/10W 1 R615 D0GB182JA057 M 1.8KOHM J 1/10W 1 R616 ERJ3GEYJ104 M 100KOHM,J,1/16W 1 R619 ERJ6GEYJ101V M 100 OHM,J,1/10W 1 R620 D0GB102JA057 M 1KOHM,J,1/10W 1 R622 D0GB102JA057 M 1KOHM,J,1/10W 1 R623 ERJ3GEYJ104 M 100KOHM,J,1/16W 1 R624 ERJ6GEY0R00V M 0 OHM J 1/10W 1 R625 ERJ6ENF2701 M 2.7KOHM, 1/10W 1 R626 ERJ3EKF3302 M 33KOHM, 1/16W 1 R627 D0GB103JA057 M 10K OHM J 1/10W 1 R628 ERJ3GEYJ222 M 2.2KOHM,J,1/16W 1 R630 ERJ6GEYJ101V M 100 OHM,J,1/10W 1 R632 ERJ3GEYJ224 M 220KOHM,J,1/16W 1 R633 ERJ6GEY0R00V M 0 OHM J 1/10W 1 R635 ERJ3GEYJ472 M 4.7KOHM,J,1/16W 1 R637 ERJ6RBD152 M 1.5KOHM,J,1/10W 1 R639 ERJ3EKF10R0 M 10 OHM, 1/16W 1 R641 ERJ3GEYJ472 M 4.7KOHM,J,1/16W 1 R643 ERJ6GEYJ103V M 10K OHM J 1/10W 1 R644 ERJ8GEYJ330 M 33 OHM, J,1/8W 1 R645 ERJ3GEYJ333 M 33KOHM,J,1/16W 1 R646 D0GB102JA057 M 1KOHM,J,1/10W 1 R647 D0GB103JA057 M 10K OHM J 1/10W 1 R649 ERJ6GEYJ101V M 100 OHM,J,1/10W 1 R652 ERJ6GEYG392 M 3.9KOHM,J,1/10W 1 R653 ERJ6GEYG392 M 3.9KOHM,J,1/10W 1 R654 ERJ6GEYG392 M 3.9KOHM,J,1/10W 1 R655 ERJ6GEYG392 M 3.9KOHM,J,1/10W 1 R661 ERJ6GEY0R00V M 0 OHM J 1/10W 1 R662 ERJ3GEYJ104 M 100KOHM,J,1/16W 1 R663 ERJ3GEYJ104 M 100KOHM,J,1/16W 1 R700 D0GD4R7JA059 M 4.7 OHM,J,0.25W 1 R702 ERJ3GEYJ101 M 100 OHM,J,1/16W 1 R703 ERJ6GEYG105 M 1.0 OHM,J,1/10W 1 R704 ERJ6GEYJ100V M 10 OHM,J,1/10W 1 R706 ERJ8ENF1500 M 150 OHM, 1/8W 1 R707 ERJ3EKF2702V M27.0KOHM, 1/16W 1 R708 ERJ6GEYG681 M 680 OHM,J,1/10W 1 R709 ERJ3EKF2202 M 22KOHM, 1/16W 1 R711 ERJ3EKF3302 M 33KOHM, 1/16W 1 R712 ERJ6GEY0R00V M 0 OHM J 1/10W 1 R714 ERJ6GEYJ102V M 1K OHM J 1/10W 1 R726 ERJ6GEY0R00V M 0 OHM J 1/10W 1 R727 ERJ6ENF1201 M 1.2KOHM, 1/10W 1 R728 ERJ6GEYJ101V M 100 OHM,J,1/10W 1 R729 ERJ6GEYJ100V M 10 OHM,J,1/10W 1 R730 ERJ8GEYJ472V M 4.7KOHM, J,1/8W 1 R731 ERJ6GEYJ4R7 M 4.7 OHM,J,1/10W 1 R732 ERJ6ENF1802 M 18KOHM, 1/10W 1 R733 ERJ6GEYJ4R7 M 4.7 OHM,J,1/10W 1 R734 ERJ6GEYJ101V M 100 OHM,J,1/10W 1 R736 ERJ6GEYJ101V M 100 OHM,J,1/10W 1 R739 ERJ6ENF3901 M 3.9KOHM, 1/10W 1 R740 ERJ3GEYJ331 M 330 OHM,J,1/16W 1 R741 ERJ6ENF6201 M 6.2KOHM, 1/10W 1 R742 ERJ6ENF1003 M 100KOHM, 1/10W 1 R743 ERJ6ENF1002 M 10KOHM, 1/10W 1 R744 ERJ6ENF1001 M 1KOHM, 1/10W 1 R745 ERJ6GEYJ333V M 33KOHM,J,1/10W 1 R746 ERJ6GEYJ103V M 10K OHM J 1/10W 1 安全 标记 参考号 部品号 部品名称及说明 数量 备注 113 FLE201004001CC R749 ERJ6GEY0R00V M 0 OHM J 1/10W 1 R750 ERJ6ENF1002 M 10KOHM, 1/10W 1 R752 ERJ6GEYF473 M 47KOHM,J,1/10W 1 R753 ERJ6ENF9102 M91.0KOHM, 1/10W 1 R754 ERJ6ENF9102 M91.0KOHM, 1/10W 1 R755 ERJ6ENF9102 M91.0KOHM, 1/10W 1 R756 ERJ6ENF9102 M91.0KOHM, 1/10W 1 R757 ERJ6ENF6802 M 68KOHM, 1/10W 1 R758 ERJ6ENF1503 M 150KOHM, 1/10W 1 R759 ERJ6ENF1503 M 150KOHM, 1/10W 1 R760 ERJ6ENF1503 M 150KOHM, 1/10W 1 R761 ERJ6ENF1503 M 150KOHM, 1/10W 1 R762 ERJ6ENF1603 M 160KOHM, 1/10W 1 R763 ERJ6ENF1502 M 15KOHM, 1/10W 1 R764 ERJ6ENF8201 M 8.2KOHM, 1/10W 1 R766 ERJ6GEYJ104V M 100KOHM,J,1/10W 1 R767 ERJ6GEYJ101V M 100 OHM,J,1/10W 1 R770 D0XGR01JA028 M 0.01OHM,J, 5W 1 R773 ERJ6ENF1802 M 18KOHM, 1/10W 1 R774 ERJ6GEYJ103V M 10K OHM J 1/10W 1 R775 ERJ6ENF1802 M 18KOHM, 1/10W 1 R776 ERJ6GEYJ103V M 10K OHM J 1/10W 1 R777 ERJ6GEYJ104V M 100KOHM,J,1/10W 1 R778 ERJ6GEYF473 M 47KOHM,J,1/10W 1 R779 ERJ6GEYF473 M 47KOHM,J,1/10W 1 R780 ERJ6GEY0R00V M 0 OHM J 1/10W 1 R781 ERJ6GEY0R00V M 0 OHM J 1/10W 1 R783 ERJ6ENF2003 M 200KOHM, 1/10W 1 R784 ERJ6ENF3303 M 330KOHM, 1/10W 1 R785 ERJ6GEYJ102V M 1K OHM J 1/10W 1 R786 ERJ6GEYJ104V M 100KOHM,J,1/10W 1 R787 ERJ3GEYJ331 M 330 OHM,J,1/16W 1 R788 ERJ6GEYJ101V M 100 OHM,J,1/10W 1 R789 ERJ3GEYJ334 M 330KOHM,J,1/16W 1 R790 ERJ3EKF3301 M 3.3KOHM, 1/16W 1 R792 ERJ3GEY0R00 M 0 OHM, 1/16W 1 R793 ERJ3GEY0R00 M 0 OHM, 1/16W 1 R798 ERJ3GEY0R00 M 0 OHM, 1/16W 1 R800 ERJ6GEYJ102V M 1K OHM J 1/10W 1 R801 ERJ6GEYJ562V M 5.6KOHM,J,1/10W 1 R802 ERJ3GEYJ431V M 430 OHM,J,1/16W 1 R803 ERJ6RBD333 M 33KOHM,J,1/10W 1 R804 ERJ6RBD622 M 6.2KOHM,J,1/10W 1 R807 ERJ3GEYD274V M 270KOHM,J,1/16W 1 R808 D0GB102JA057 M 1KOHM,J,1/10W 1 R809 D0GB184JA057 M 180KOHM J 1/10W 1 R810 D0GB473JA057 M 47KOHM,J,1/10W 1 R811 ERJ3GEYJ104 M 100KOHM,J,1/16W 1 R812 ERJ6GEYJ103V M 10K OHM J 1/10W 1 R900 ERJ8GEYJ222V M 2.2KOHM, J,1/8W 1 R901 ERJ6GEY0R00V M 0 OHM J 1/10W 1 R902 D0GF101JA047 M 100 OHM,J, 0.33W 1 R903 D0XGR05JA028 M 0.05OHM,J, 5W 1 R905 ERJ8GEYJ103 M 10KOHM, J,1/8W 1 R906 ERJ8GEYJ222V M 2.2KOHM, J,1/8W 1 R907 ERJ6ENF3301 M 3.3KOHM, 1/10W 1 R908 ERJ6ENF3301 M 3.3KOHM, 1/10W 1 R909 D0GB473JA057 M 47KOHM,J,1/10W 1 R910 ERJ3GEYJ333 M 33KOHM,J,1/16W 1 R911 ERJ3GEYD153V M 15KOHM,J,1/16W 1 R912 ERJ6GEYJ331V M 330 OHM J 1/10W 1 R913 ERJ6RBD152 M 1.5KOHM,J,1/10W 1 R914 ERJ6GEYJ102V M 1K OHM J 1/10W 1 R915 ERJ6GEY0R00V M 0 OHM J 1/10W 1 R916 ERJ6ENF1103 M 110KOHM, 1/10W 1 R917 ERJ6ENF1003 M 100KOHM, 1/10W 1 R918 ERJ6ENF8201 M 8.2KOHM, 1/10W 1 R919 ERJ6GEY0R00V M 0 OHM J 1/10W 1 R921 ERJ8GEYJ101V M 100 OHM, J,1/8W 1 安全 标记 参考号 部品号 部品名称及说明 数量 备注 R922 ERX12SJ5R6 M 5.6 OHM, J,1/2W 1 R923 EVMAASA00B23 控制 2KOHMB 1 R924 ERJ8GEYJ103 M 10KOHM, J,1/8W 1 R926 ERJ6ENF2003 M 200KOHM, 1/10W 1 R927 ERJ6ENF2003 M 200KOHM, 1/10W 1 R928 ERJ6ENF2202 M 2.2KOHM, 1/10W 1 R933 ERJ8GEYJ101V M 100 OHM, J,1/8W 1 R941 D0XGR10J0003 M 0.100HM,J, 5W 1 R942 ERJ6GEYJ222V M 2.2K OHM J 1/10W 1 R943 ERJ6GEYJ223 M 22KOHM,J,1/10W 1 R944 ERJ6ENF1001 M 1KOHM, 1/10W 1 R945 ERJ6ENF9102 M91.0KOHM, 1/10W 1 R946 ERJ6GEYF473 M 47KOHM,J,1/10W 1 R947 ERJ6GEYF473 M 47KOHM,J,1/10W 1 R948 ERJ6GEYJ223 M 22KOHM,J,1/10W 1 R949 ERJ6GEY0R00V M 0 OHM J 1/10W 1 R950 ERJ6ENF4702 M 47KOHM, 1/10W 1 RL100 K6B1AYY00057 继电器 1 RL101 K6B1AYY00057 继电器 1 RL102 K6B1AYY00057 继电器 1 S102 J0LV00000011 SERGE ABSORBER 1 T100 ETS42AY14GAD 转接变压器 FORMER 1 T200 ETS15AC116AH 转接变压器 FORMER 1 T300 G4DYA0000194 转接变压器 FORMER 1 T301 ETS42LZ1BGAD 转接变压器 FORMER 1 T400 ETS29AZ2YGAD 转接变压器 FORMER 1 T900 ETS28AU3KGAD 转接变压器 FORMER 1 TP700 G0ZZ00002183 校正线圈 1 TP900 G0ZZ00002183 校正线圈 1 VR251 EVMAASA00B33 控制 3KOHMB 1 X600 H2B400400021 晶体 1 Z1 K4CZ01000027 AV 端子 1 Z2 K4CZ01000027 AV 端子 1 Z3 K4CZ01000027 AV 端子 1 ZN100 D4EAD6210001 变阻器 1 ZN101 D4EAB681A011 变阻器 1 ZN102 D4EAD6210001 变阻器 1 ZN200 D4EA8511A001 变阻器 1 ZN201 D4EA8511A001 变阻器 1 安全 标记 参考号 部品号 部品名称及说明 数量 备注

标签:

版权声明

1. 本站所有素材,仅限学习交流,仅展示部分内容,如需查看完整内容,请下载原文件。
2. 会员在本站下载的所有素材,只拥有使用权,著作权归原作者所有。
3. 所有素材,未经合法授权,请勿用于商业用途,会员不得以任何形式发布、传播、复制、转售该素材,否则一律封号处理。
4. 如果素材损害你的权益请联系客服QQ:77594475 处理。