半球ZC-18电磁炉电路图

分类:电子电工 日期: 点击:0
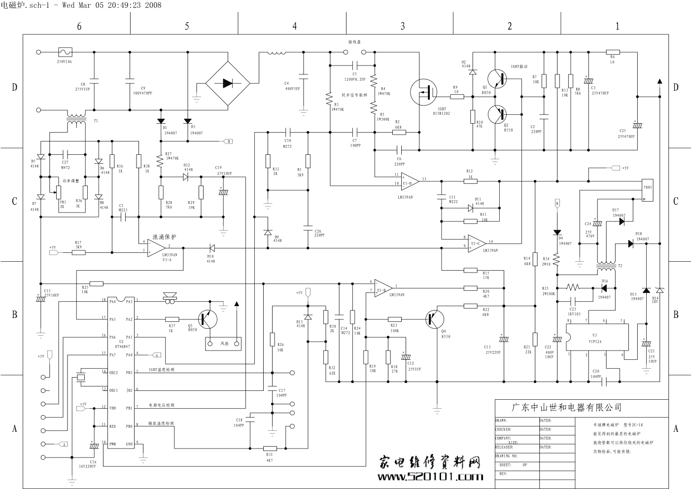
半球ZC-18电磁炉电路图-0

电磁炉.sch-1 - Wed Mar 05 20:49:23 2008 A B C D 1 2 3 4 5 6 D C B A DRAWING NO: REV: SIZE: COMPANY: RELEASED: DATED: DATED: CHECKED: DATED: DATED: DRAWN: SHEET: OF 风扇 锅底温度检测 电源电压检测 IGBT温度检测 功率调整 同步信号取样 IGBT驱动 浪涌保护 接线盘 广东中山世和电器有限公司 半球牌电磁炉 型号ZC-18 能见得到的最差的电磁炉 就烧管都可以将你烧死的电磁炉 实物绘画,可能有错. + - 4 5 2 U1-A LM339AN + - 6 7 1 U1-B LM339AN + - 8 9 14 U1-C LM339AN + - 10 11 13 U1-D LM339AN R1 3K9 R2 6K8 Q1 8050 Q2 8550 D1 1N4007 D2 4148 C1 M223 C2 220PF + C3 25V470UF C4 400V5UF C5 1200V0.2UF R3 1W470K R4 1W470K R5 1W300K C6 220PF C7 100PF IGBT H15R1202 R6 10 R7 10K R8 5K6 R9 10 R10 47K C8 275V1UF C9 500V470PF T1 D3 1N4007 D4 1N4007 D5 4148 D6 4148 D7 4148 D8 4148 1 PA3 2 PA2 3 PA1 4 PA0 5 PB3 6 [B2 7 PB1 8 PB0 9 GND 10 PWM 11 RES 12 VDD 14 OSC2 16 PA6 17 PA5 18 PA4 15 PA7 13 OSC1 U2 HT46R47 C10 M272 D9 4148 D10 4148 D11 4148 R11 10K C11 M222 R12 1K R13 10K R14 6K8 R15 15K R16 1K R17 3K9 R18 27K R19 10K + C12 25V1UF Q4 8550 R20 4K7 R21 22K R22 6K8 R23 100K + C13 25V22UF R24 10K C14 M272 R25 10K + C15 25V10UF + C16 16V220UF C17 104PF C18 104PF R26 10K R27 1W470K R28 5K6 D12 4148 R29 39K + C19 25V10UF R30 2K D13 4148 R31 4K7 R32 62K R33 2K 1 2 3 4 6 7 8 5 U3 VIP12A T2 C20 104PF D14 18V D15 1N4007 + C21 10UF 25V R34 2W10 + C22 10UF 400V D16 1N4007 R35 2W100K C23 1KV103 D17 1N4007 D18 1N4007 + C24 470V 25V 7805 250V10A + C25 25V470UF VR1 2K R36 3K C26 220PF Q5 8050 R37 1K R38 1K C27 M472 +5V +5V +5V +5V A A +5V B B

标签:

版权声明

1. 本站所有素材,仅限学习交流,仅展示部分内容,如需查看完整内容,请下载原文件。
2. 会员在本站下载的所有素材,只拥有使用权,著作权归原作者所有。
3. 所有素材,未经合法授权,请勿用于商业用途,会员不得以任何形式发布、传播、复制、转售该素材,否则一律封号处理。
4. 如果素材损害你的权益请联系客服QQ:77594475 处理。