创维8S02机芯维修手册

分类:电子电工 日期: 点击:0
创维8S02机芯维修手册-0 创维8S02机芯维修手册-1 创维8S02机芯维修手册-2 创维8S02机芯维修手册-3 创维8S02机芯维修手册-4 创维8S02机芯维修手册-5 创维8S02机芯维修手册-6 创维8S02机芯维修手册-7 创维8S02机芯维修手册-8 创维8S02机芯维修手册-9

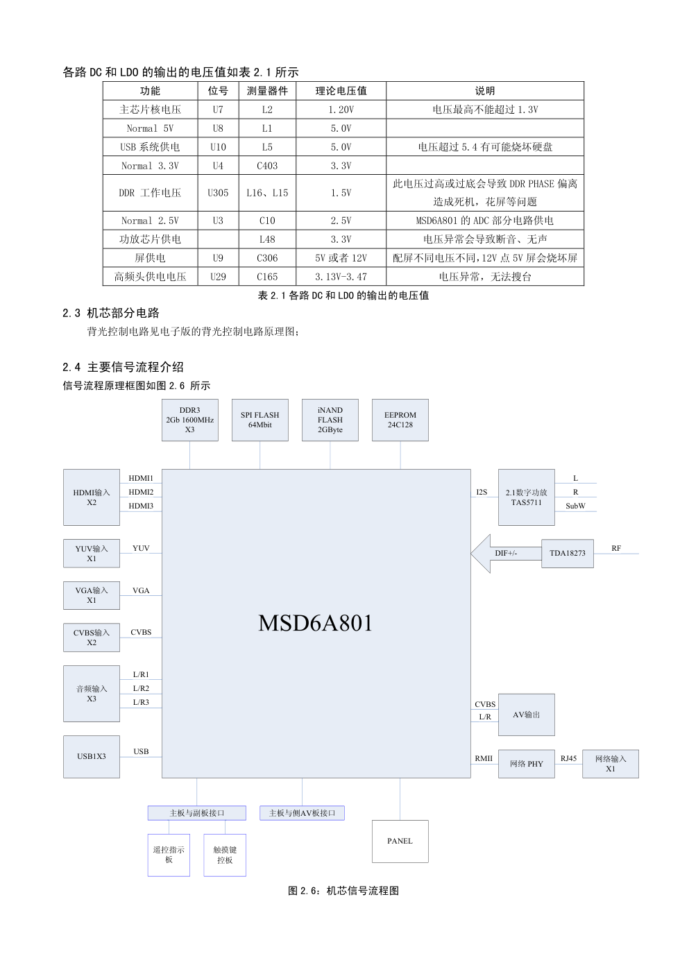
创维 8S01 机芯-E800A 系列产品维修手册 一 产品综述 1.1 机芯概述 本机芯采用 MSTAR 公司的高集成芯片 MSD6A801,是一颗功能强大的超级单芯片,采用 Android4.0 操作系统。采用符合 公司标准的 PCB 制板,可配多种新标准结构机型;硬件系统由主板、电源板(或外加恒流板)、接收板(感光模块包含在其中)、 指示灯板和键控板组成;可以支持 1366*768 和 1920*1080 的液晶屏。 1.2 机芯概述 本机芯具有多种信号接口,功能配置如下: A.1 路模拟电视信号输入(与有线数字同输入端口),1 路视频输入, 1 路分量输入,2 路 HDMI 输入,1 路 VGA 输入; B.1 路网络接口, 3 路 USB 接口,两路麦克风输入; C.3 路音频输入:1 路视频的,1 路分量的,1 路 VGA 的; D.1 路视频输出,1 路重低音输出; E. 1 路数字音频输入; 本机芯语音小博士、多屏互动等 功能。 本机芯可以通过 VGA 端口用烧录工具或者从 USB1 口进行软件升级和烧录。 1.3 主要技术规格 1. 支持ISP(在系统可编程)功能,同时支持USB升级功能; 2. 内置双核ARM Cortex A9 和双核图形处理器 Mali400; 3. 内置22G bit的存储器; 4. 内置无线WIFI,支持802.11N; 5. 支持PAL、NTSC视频解码,内置3D梳状滤波器; 6. 支持各种音频处理,支持SRS功能; 7. 内置中频处理,降低成本; 8. 3D-DEINTELACE,自动检测3:2,2:2电影模式; 9. 3D降噪,六基色处理,水平方向MEMC(配合6M20,3D-MEMC); 10. LVDS输出可到10BIT,1920×1080; 11. 多媒体接口USB2.0,支持音画同播,支持网上的大部分格式; 12. 核心供电为1.28V,整机功耗小于0.5W,封装为LFBGA536; 13. 支持硬盘的格式FAT32和NIFS; 14. 功放支持2.1声道; 15. 支持3D功能; 16. 各通道最高可支持的格式如表1.1所示: 输入通道 最高可支持的格式 TV PAL/NTSC AV PAL/NTSC YUV/VGA 1080P/60 HDMI HDMI1.3 1080P/60/12BIT USB MPEG2 1080P/60 MPEG4 1080P/60 RM 720P/60 H.264 1080P/60 表 1.1 各通道最高可支持的格式 二 电路介绍 2.1、 主板与副板、扩展板的接口定义如下: 1. 主板与副板接口: D1055 NC 1 2 VCC_KEYPAD VCC_LIGHT KEY0-in R219 100 +5V_Standby IR-in TV_IR C193 0.1uF R192 10K R193 10K C192 33pF C194 0.1uF LED R197 100R R196 10K +3.3V_Standby KEY1-in R223 100R light_s R222 100 VID0 R1093 100 D1053 NC 1 2 D1054 NC 1 2 CN2 CON14_2.0 1 2 3 4 5 6 7 8 9 10 11 12 13 14 M_SDA M_SCL 图2.1 主板与副板接口 说明: PIN1、2:IIC 总线,预留用来做键控板的一种通讯方式; PIN3:键控板的机械按键接的 IO 口,上拉3.3V,实现按键功能; PIN4、5:键控的2路模拟电压输入,接 CPU 的 A/D 口; PIN7:键控板的供电,可接3.3V 或者5V; PIN9:遥控 IR 的输入; PIN11:LED 指示灯颜色切换控制,接 CPU 的 GPIO; PIN13:环境光检测信号输入,为模拟电压,接 CPU 的 A/D 口; PIN14:接收板供电,可接主板电源 standby 3.3V 或者 standby 5V; PIN6、8、10、12:接地。 2. 主板与侧 AV 板接口: SPDIF_O USB2_D+_CON +3.3V_Normal USBI_D- USB2_D-_CON USBI_D+ +5VUSB +5VUSB CN5 HEADER_16 USBI_D- 1 GND 2 USBI_D+ 3 GND 4 USBO_D- 5 GND 6 USBO_D+ 7 GND 8 USB_P 9 USB_P 10 RSTN 11 GND 12 TV_IR 13 GND 14 SPDIF 15 GND 16 TV_IR RSTN 图2.2主板与侧 AV 板接口 说明: 侧 AV 板主要是实现 USB 口扩展和数字音频输入,该板搭载一颗 USB HUB 芯片 FE1.1,提供3路 USB,分别是 USB1、USB2, 预留一路内置2.4G 模块的接口。其中: PIN1、3:接 USB2端口; PIN5、7:接主 IC 的 USB2口; PIN9、10:侧 AV 板 USB HUB 芯片及 USB1的供电; PIN11:预留的复位信号,高电平有效; PIN13:红外遥控信号输入; PIN15:数字音频信号输出; PIN16:数字音频端子 JA17的供电; PIN2、4、6、8、10、12、14:接地。 2.2、主板与电源板接口和供电系统: 1. 主板与电源板接口: +12V_Normal H :Power on L :Power off BL-ON/OFF BL-ADJUST +5V_Standby R49 NC/2W CN1 CON14 1 2 3 4 5 6 7 8 9 10 11 12 13 14 R50 NC/1W R48 NC/3W + C27 100uF/16V +24V STANDBY 图2.4主板与电源板接口 说明: PIN1:背光开关控制信号。 PIN2:背光亮度调节信号。 PIN4:电源板待机控制信号。 PIN6:待机5V 电源,电源板待机状态下仍能保持供电。 PIN9、10:12V 电源,电源板待机状态下不供电。 PIN13、14:24V 电源,电源板待机状态下不供电。 PIN3、5、7、8、11、12:接地。 2. 主板供电系统: 图2.5:主板供电系统 各路 DC 和 LDO 的输出的电压值如表 2.1 所示 功能 位号 测量器件 理论电压值 说明 主芯片核电压 U7 L2 1.20V 电压最高不能超过 1.3V Normal 5V U8 L1 5.0V USB 系统供电 U10 L5 5.0V 电压超过 5.4 有可能烧坏硬盘 Normal 3.3V U4 C403 3.3V DDR 工作电压 U305 L16、L15 1.5V 此电压过高或过底会导致 DDR PHASE 偏离 造成死机,花屏等问题 Normal 2.5V U3 C10 2.5V MSD6A801 的 ADC 部分电路供电 功放芯片供电 L48 3.3V 电压异常会导致断音、无声 屏供电 U9 C306 5V 或者 12V 配屏不同电压不同,12V 点 5V 屏会烧坏屏 高频头供电电压 U29 C165 3.13V-3.47 电压异常,无法搜台 表 2.1 各路 DC 和 LDO 的输出的电压值 2.3 机芯部分电路 背光控制电路见电子版的背光控制电路原理图; 2.4 主要信号流程介绍 信号流程原理框图如图 2.6 所示 DDR3 2Gb 1600MHz X3 SPI FLASH 64Mbit iNAND FLASH 2GByte EEPROM 24C128 2.1数字功放 TAS5711 PANEL 主板与侧AV板接口 主板与副板接口 触摸键 控板 遥控指示 板 HDMI输入 X2 YUV输入 X1 VGA输入 X1 CVBS输入 X2 音频输入 X3 USB1X3 AV输出 TDA18273 HDMI1 HDMI2 HDMI3 YUV VGA CVBS L/R1 L/R2 L/R3 I2S CVBS L/R L R SubW RF USB 网络 PHY RMII 网络输入 X1 RJ45 DIF+/- 图 2.6:机芯信号流程图 2.5 伴音信号流程 图 2.7 伴音信号流程 三 主要芯片、主要信号流程介绍 3.1 主芯片(U304):MSD6A801 3.11 芯片概述 MSD6A801是一个高度集成化的 IC,内置双核 ARM Cortex A9 、双核图形处理器 Mali400、SCALER、TV DECODER 外,还 包含了模拟 TV demod 和中放、音效处理 DSP、多媒体编解码、网络等众多强大的功能,同时还支持最高达4路 HDMI1.4和3路 USB2.0,因此高度的集成化也让整个设计变得简洁,工作流程也简单明了。 众多的视频信号从各自的接口输入 MSD6A801后,经过解调、解码、ADC、画质调整、SCALER 后输出60Hz LVDS 信号传输 到液晶屏。另外,视频信号经过 DAC 后,还支持 CVBS 输出。TV 内置中频解调,支持 PAL,NTSC,SECAM 视频解码,内置3D 梳状 滤波器,3D 降噪,六基色处理, 3D-DEINTELACE,自动检测3:2,2:2 电影模式,最高可以支持到10BIT、1920X1080、120Hz 的 屏,HDMI 接口支持1.4版本和 HDCP,USB 支持2.0版本。 音频信号输入 MSD6A801后,经过解调、ADC、解码、DSP 音效处理、音量调节后通过 I2S 接口输出给2.1数字功放,最后 输出左右声道音频到左右喇叭,同时还输出1路重低音信号到重低音接口供外接低音音箱使用。另外,音频信号经过 DAC 后, 还支持模拟左右声道立体声输出。音效支持 SRS、5段均衡器。 内置双核 ARM Cortex A9,为32-bit MIPS 架构,主频为1GHz,支持 ISP(在系统可编程)功能,同时支持 USB 升级功能。 另外,还内置待机控制 CPU,大大降低待机功耗,实现待机功耗低于0.5W 的绿色节能标准。 USB 接口支持 U 盘、移动硬盘等多种 USB 存储设备,通过内置强大的多媒体编解码器,能够播放 USB 存储设备上的多种 视频、音频、图片、文本内容。视频播放支持1080P MPEG2,支持 VC-1、FLV、MPEG1、MPEG4视频格式文件,H.264支持到1080P , RMVB 支持到1080P 并支持 RV8/9/10。音频播放支持 MPGE/1、MPGE/2、MP3、AC-3、WMA、AAC、CDDA 多种数字音频格式。图片 支持 JPEG、BMP、PNG。文本支持 TXT。另外,硬盘支持格式 FAT32和 NTFS。通过 USB 接口外接2.4G USB dangle、U 盘和2.4G 手柄,可以支持多种有趣的健康运动。 网络数据通过 RJ45接口输入6A801内部网络处理模块,可以实现网络连接。另外,还可以内置的无线 Wifi 模块实现无 线网络连接,同时支持无线网络一键通,通过按 USB WIFI dangle 上的一个按键可以自动迅速完成无线网络相关设置实现在 线观看电影、电视剧,搜索下载视频内容。 ⑴ 片6A801供电要求 图3.3:主芯片6A801供电 ⑵芯片复位 此芯片的复位引脚D5为高电平复位,正常时为低电平。 ⑶MSD6A801芯片对E800A机芯的相关信号定义: ① MSD6A801芯片引脚 V1、V3、T2分别为VGA的R、G、B信号输入;Y4为VGA-HS输入,Y5为VGA-VS输入。 ② MSD6A801芯片引脚N2和P3、引脚G2和H3分别为HDMI1、HDMI2的时钟差分信号输入;引脚E2、D3、F2、E3、 F3、F1为HDMI0的差分信号输入,引脚D2、A1、C2、B1、C3、C1为HDMI1的差分信号输入,引脚H2、G3、J2、 H3、J3、J1为HDMI2的差分信号输入。 ③ MSD6A801芯片引脚R1为Pr信号输入、引脚U2为Pb信号输入、引脚T1、T2为Y信号输入。 ④ MSD6A801芯片引脚V2为AV1视频信号输入; MSD6A801芯片引脚AA4、AB4为8M86机芯的音频输出。 ⑤ MSD6A801芯片引脚AD3、AE3为SIF音频输入。 ⑥ MSD6A801芯片引脚T5、T4为VGA伴音输入;引脚U5、U6为AV1、Y1PB1PR1伴音输入; ⑷I 2C 总线控制引脚 MSD6A801芯片引脚AA22、Y22分别为SCL、SDA,系统采用这一路IIC做控制。 3.2 功放IC(U41):STA5711 3.21 芯片概述 功放 IC 采用 TI 公司的纯数字攻放 TAS5711,TAS5711 的音频输入是 I 2S 数字音频信号,跟模拟音频输入的攻放相比, 减少了 A/D 和 D/A 的处理过程,保留了音频的原始数据。TAS5711 还内置了 DSP,可以对各路输出音频进行的高音、低音和音 量调整,让声音效果最佳。本芯片还包含 4 个独立半桥输出,通过一定的配置,可以实现 2.1 音频输出。 3.22 芯片内部框图 图 3.4 TAS5711 内部框架示意图 3.23 管脚示意如图 3.5 所示: 图 3.5:功放 TAS5711 管脚示意图 3.24 芯片出现异常的故障现象 如果 TAS5711 芯片焊接不好,或者芯片损坏,会出现输出无声或者声音不正常等现象。 3.5 iNAND FLASH芯片(U201):THGBM4G4D1HBAIR 3.5.1 芯片概述 THGBM4G4D1HBAIR芯片为2GByte 的iNAND Flash,支持2.7V~3.6V的电压输入,芯片正常采用3.3V供电。 3.5.2 芯片内部框图 图3.10 芯片内部框图 3.5.3 芯片重要管脚功能及对应工作电压 图3.11 芯片K9F1G08U0C-PCB0 工作电压示意图 3.5.4 芯片出现异常的故障现象 芯片出现故障时机器工作出现异常,比如NAND FLASH 物理损害,或NAND FLASH中的程序数据被破坏,都会导致机器无法 正常运行,出现通道无信号、黑屏等现象。 3.6 SPI FLASH芯片(U103):EN25F16-100HIP 3.61 芯片概述 型号为EN25F16-100HIP的芯片是EON公司生产的串行FLASH,容量为16Mbit,供电电压范围为2.7V-3.6V,串行输入输出, 有软/硬件的写保护功能。 3.62 芯片管脚示意图 图3.12 EN25F16-100HIP芯片的管脚 其中SI/SIO0为数据输入管脚,包括写入指令,数据,地址信息等;SO/SIO1为数据输出管脚,主要是从设备中读出数据; SCLK为时钟控制管脚,主要是为数据的输出、输入提供时间选择,WP为写保护控制脚,当接地时,写保护。 3.63 芯片出现异常的故障现象 当MX25L6405DMI-12G虚焊或损坏时,会出现程序烧录不正常等现象。 3.7 DDR芯片(U300、U301、U302):NT5CB128M16BP-DI 3.71 芯片概述 E800A机芯采用的是nanya公司型号为NT5CB128M16BP-DI,容量为2G BYTE的DDR3 SDRAM,系统开机后,主IC MSD6A801先 将主程序装载到DDR3 SDRAM 中,然后才开始主程序的运行。 3.72 芯片重要引脚功能及对应工作电压 工作电压为1.5V,如图3.13所示,具体请参考原理图 图3.13:芯片NT5CB128M16BP-DI工作电压 3.73 芯片出现异常的故障现象 如果主IC与DDR3 SDRAM之间的匹配电阻虚焊,或者DDR引脚虚焊,芯片出现故障时,则会出现系统启动不了的现象,表现 为无信号输出;而且从打印信息中可以获得提示:正常状态下的打印信息如下图所示 如果DDR出现异常的话,则会出现BIST0-Fail的提示信息。 3.8 机芯使用的DC/DC芯片(U8、U10):MP1482DS 3.81 芯片概述 E800A机芯的DC/DC芯片采用的是MPS公司的MP1482DS,完成12V转5V和12V转1.26V,是BUCK式压降的DC/DC转换器,采用同 步整流方式,最高可输出2A的电流,输入电压范围为4.75V~18V,输出电压范围为0.923V~15V。 3.82 芯片内部框图 图3.26 芯片MP1482DS内部框图 3.83 芯片管脚图: 图3.27 芯片MP1482DS管脚示意图 3.84 芯片重要引脚功能说明: 其中,第一引脚BS为电位拉高脚位;在BS与SW之间加一10nF的电容;第二引脚IN为输入电压供应脚位;第三引脚SW为开 关输出脚位;第四引脚GND为地电平;第五引脚FB为反馈输入端;第六引脚COMP为控制电路补偿脚位;第七引脚EN为IC使能输 入端,当为高电平时IC正常工作,当为低电平时IC关断不工作;第八引脚SS为软启动脚,当悬空时,IC不能软启动,当通过 电容连接到地时IC可以软启动。 3.85 芯片出现异常的故障现象 芯片出现异常或者焊接不好时会出现无电压输出或输出电压异常等现象。 3.9 机芯使用的DC/DC芯片(U7):MP9415EN-LF-Z E800A机芯的DC/DC芯片采用的是MPS公司的MP9415EN-LF-Z,完成12V转1.26V,是BUCK式压降的DC/DC转换器,采用同步 整流方式,最高可输出5A的电流,输入电压范围为4.75V~16V,输出电压范围为0.805V~19V。 3.91 芯片管脚图 图3.29 芯片MP9415EN管脚示意图 3.92 芯片重要引脚功能说明: 其中,第一引脚IN为输入电压供应脚位;第二、三引脚SW为开关输出脚位;第四引脚BST为电位拉高脚位;在BS与SW之间 加一10nF的电容;第五引脚EN为IC使能输入端,当为高电平时IC正常工作,当为低电平时IC关断不工作;第六引脚FB为反馈 输入端;第七引脚COMP为控制电路补偿脚位;第八引脚GND为地电平。 3.93 芯片出现异常的故障现象 芯片出现异常或者焊接不好时会出现无电压输出或输出电压异常等现象. 4.0 机芯使用的DC/DC芯片(U305):SY8009BABC E800A机芯的DC/DC芯片采用的是LILERGY公司的SY8009BABC,完成12V转1.5V,是BUCK式压降的DC/DC转换器,采用同步 整流方式,最高可输出2A的电流,输入电压范围为3.0V~5.5V,输出电压范围为0.6V~5V。 4.01 芯片内部框图 图3.31:芯片SY8009BABC管脚示意图 4.02 芯片重要引脚功能说明: 其中,第一引脚EN为IC使能输入端,当为高电平时IC正常工作,当为低电平时IC关断不工作;第二引脚GND为地电平; 第三引脚SW为开关输出脚位;第四引脚IN为输入电压供应脚位;第五脚为NC,悬空;第六引脚FB为反馈输入端。 4.03 芯片出现异常的故障现象 芯片出现异常或者焊接不好时会出现无电压输出或输出电压异常等现象,特别要注意的是该芯片的输入电压为5V,如果 出现该芯片烧毁现象的,请测量该芯片的输入是否异常。 四 维修说明 4.1 常见故障分析与注意事项 维修前先检查整个不良板有没有虚焊现象,有没有坏的器件,有没有烧坏器件,然后根据不同的现象进行相应的维修。 1、屏幕显示异常的情况,如果有相应的串口通讯工具和软件的话,可以通过串口的输出信息来判断软件是否正常运行, 并参照图 7-1 的流程进行判断和维修: 图 4-1 屏显示异常的维修流程 2、电视伴音异常的判断和维修流程,参考图 7-2 的流程进行判断和维修: 图 4-2 系统声音异常的判断和维修流程 3、通过路由器无线上网无法正常连接: 如果电视通过路由器链接无法实现上网功能的时候,一般需要检查一下路由器中无线连接的设置,可以参考图 4-3 图中 路由器的无线网络的设置中的相关设置,尤其是图中画红线的位置,主要是加密方式可能不是电视机识别的加密方式: 图 4-3 路由器的无线网络的设置 4、系统上电后发现只出现开机 LOGO 或者是屏亮的现象: 出现这种现象,在更换 U44 和 U54 的程序后该现象还是没有消失,则需要通过打印信息做进一步的判断。如图 4-4 是 BGA 焊接正常时的打印信息,系统上电后,会返回前 5 行的打印信息,如果正常的话,会显示下图所示信息,如果 BIST 都是 OK 的,则可初步认为 BGA 焊接正常,否则就是 BGA 焊接异常;其中每个[]中的数字不能低于 5 个,否则会引起自动重启、播放 时重启等故障。其中:BIST0、BIST1 分别对应着 PCB 板上的元器件 U300、U301 和 U302。 图 4-4 BGA 焊接正常时的打印信息 五 调试说明: 本机芯可以通过 USB、VGA 端口和烧录工具进行软件升级和烧录。 本文档为 8S01(本调试说明适用于相关方案,后期如果有机芯升级情况,此调试说明同样适用)的调试说明。内有软件 烧录和升级、工厂参数设置等。 5.1 需要烧写程序的 IC � 主板位号 U201:IC THGBM4G4D1HBAIR(编号:4701-T34160-1530)需要烧写主程序。 � 主板位号 U101:K24C128-SIRXA(编号:47CJ-K24120-0080)需要烧写存储母片程序。 � 主板位号 U103:EN25F16-100HIP/ MX25L1605DM2I-12G(编号:4797-X64050-0160/ 4797-X25160-0080)需要烧写 Mboot。 � HDMI-KEY、MAC 地址和防窜货条码需要烧写。 5.2 生产线或维修工程师需要的工具和软件 � 升级工具:U 盘、专用在线升级工具,工程部提供; � 升级软件:升级的工具(ISP_Tool V4.3.9.exe),切割生成 KEY 码的工具(一线维修人员可不烧写此 KEY 码)(MStar HDCP Key Encoding Utility 1.10 For Skyworth) 5.3 烧写 iNAND FLASH:有两种烧写方法,推荐第一种方法; 方法一:用 USB 升级,推荐一线工程师用此方法; 1,主板位号:U201 2,程序:NAND、script ,这是两个文件夹; 3,需要主板和键控板 4,升级方法: 1) 把升级用的文件直接放置在 U 盘的根目录下(注意:如果原来的 U 盘根目录下存在与 Target、NAND、script 同名的文 件夹,则删掉原来的,将新的文件夹拷贝过去,不要采取直接替换覆盖的方法,直接替换有烧不成功的可能); 2) 必须把 U 盘插入电视机的 USB1 端口,以下有两种升级方式: A、如果此时无法进入系统的话,可以在关机状态下长按键控板上任意按键,然后按电视开关交流开机,等到屏幕出现 升级中的图片后就可以松开按键,此时系统开始升级; B、系统正常时升级,可以进入工厂菜单,选择“其他设置->软件升级->软件升级”,此时会出现一个对话框,按下“确 认”就会开始升级:系统重新启动,且会出现烧录的界面” 升级状态提示:面板指示灯不停地闪烁,同时 U 盘的指示灯也会闪烁。升级过程中请耐心等待,切勿断电,升级完毕会 自动重启,系统启动。 方法二:使用普洛烧写器烧写,由于一线工程师没有此编程器,故在此节中不介绍它使用方法: 5.4 烧写 SPI FLASH(MBoot,MEMC 模块),EEPROM(母片) 下面是烧写 Mboot 的方法与过程,可以直接用升级小板或编程器进行烧写。可用创维升级小板,此烧写主法与其它 M 机 芯相同,在此不作说明。 5.5 烧写 HDMI-KEY、MAC 地址和防窜货条码 地址分配如下: hdcpkey 的地址 0x600 开始 289 字节 mac 的地址 0x721 开始 6 字节 条码的地址 0x7c0 开始 32 字节(售后维修人员可以不烧写) 5.6 工厂参数设置 5.6.1 工厂特殊菜单(状态) � 工厂菜单:可以设置一些特殊参数、芯片寄存器的专业用户设置菜单。 � 老化模式:产品在生产线时需保持的状态,目的是无信号时不自动关机。 � BUSOFF 模式:在此模式下,电视主板 I2C 总线上没有数据活动,方便调试。 5.6.2 进入方式 17. 进入工厂菜单:在 ATV 通道下,按下遥控器的“菜单”键,然后依次按下 2、5、8、0 或按工厂遥控器“工厂调试”键。 工厂菜单根目录下,按导航键右键进入下一页。 18. 退出工厂菜单:按“返回” 键,退出工厂菜单。 19. 进入老化模式:按音量减到 0,同时按下遥控器的“交替”键,或者在工厂菜单下,按“交替”键,。 20. 退出老化模式:按遥控器上的“电源” 键,进入待机,再按“待机”键开机,即可退出老化模式。 21. BUSOFF 模式:按工厂遥控器“总线”键进入。 5.6.3 详细功能 工厂菜单各项功能: 第一项:ADC ADJUST 调整前端 ADC(只有 VGA 和 YUV 有效) 做 AUTO 时要用 802B 选择彩条图像,标清信号和高清信号要分别做 ADC AUTO 模式:当前通道 R-Gain R 增益 G-Gain G 增益 B-Gain B 增益 R-Offset R 偏移量 G-Offset G 偏移量 B-Offset B 偏移量 ADC Auto 自动调整 第二项:图像相关(图像相关参数的设定) 1, SCALER ADJUST(重显率的参数设定) Horizontal Pos. 画面行位置 Vertical Pos. 画面场位置 Up Crop 画面行缩放 Down Crop 画面场缩放 Left Crop Right Crop 2,PICTURE MODE(图像模式) 模式:当前通道 BRIGHTNESS 调整图像模式下亮度参数 CONTRAST 调整图像模式下对比度参数 COLOR 调整图像模式下色彩参数 SHARPNESS 调整图像模式下清晰度参数 TINT 调整图像模式下色调参数 COPY ALL 将调整的参数复制到其他通道 3,W/B ADJUST (白平衡和暗平衡的调整) 模式:当前通道 TEMPERATURE:色温 R-Gain R 增益 G-Gain G 增益 B-Gain B 增益 R-Offset R 偏移量 G-Offset G 偏移量 B-Offset B 偏移量 COPY ALL(将调整的参数复制到其他通道) 4,QMAP ADJUST(调节图像效果) 5,图像曲线(参数五段调节曲线设定) 模式: 当前通道 亮度: 亮度曲线参数的设定,进入亮度曲线三级菜单 对比度:对比度曲线参数的设定,进入对比度曲线三级菜单 色饱和度:对色饱和度参数的设定,进入色饱和度曲线三级菜单 色调: 色调曲线参数的设定,进入色调曲线三级菜单 清晰度:清晰度曲线参数的设定,进入清晰度曲线三级菜单 第三项:声音相关:参数五段调节设定 第四项:SSC(调节 emc 参数) 第五项:非标(非标参数的设定) 第六项:其他设置 1,SingleHotkey 1,FactoryHotkey 2,EEP Init(EEPROM 的初始化) 3,IIC Device(ICC 数据的写入) 4,UART Connector(提供给工程部的串口调试,开、关两种状态) 5,Installation Guide (开机导航状态的设定) 系统参数的设定 当前系统的信息(版本号,版本日期,屏厂家信息,屏分辨率)

标签:

版权声明

1. 本站所有素材,仅限学习交流,仅展示部分内容,如需查看完整内容,请下载原文件。
2. 会员在本站下载的所有素材,只拥有使用权,著作权归原作者所有。
3. 所有素材,未经合法授权,请勿用于商业用途,会员不得以任何形式发布、传播、复制、转售该素材,否则一律封号处理。
4. 如果素材损害你的权益请联系客服QQ:77594475 处理。