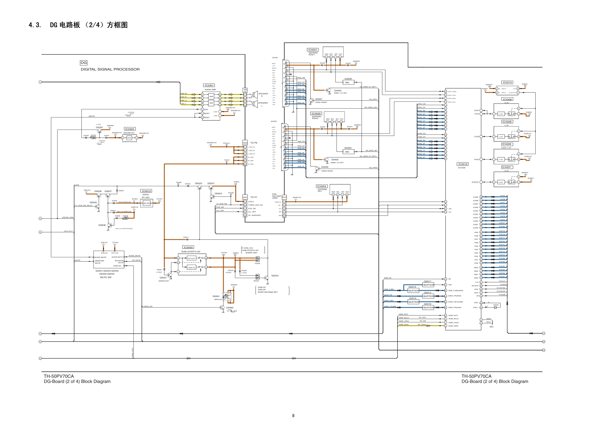
松下TH-50PV70CA等离子电视(GPH10DA机芯)电路原理图

分类:电子电工 日期: 点击:0
松下TH-50PV70CA等离子电视(GPH10DA机芯)电路原理图-0 松下TH-50PV70CA等离子电视(GPH10DA机芯)电路原理图-1 松下TH-50PV70CA等离子电视(GPH10DA机芯)电路原理图-2 松下TH-50PV70CA等离子电视(GPH10DA机芯)电路原理图-3 松下TH-50PV70CA等离子电视(GPH10DA机芯)电路原理图-4 松下TH-50PV70CA等离子电视(GPH10DA机芯)电路原理图-5 松下TH-50PV70CA等离子电视(GPH10DA机芯)电路原理图-6 松下TH-50PV70CA等离子电视(GPH10DA机芯)电路原理图-7 松下TH-50PV70CA等离子电视(GPH10DA机芯)电路原理图-8 松下TH-50PV70CA等离子电视(GPH10DA机芯)电路原理图-9

© 2007 松下电器产业株式会社版权所有。 未经本公司许可而复制或分发者均属违法。 ORDER NO. PPDS071050AC 等离子电视机 TH-50PV70CA GPH10DA 机芯 目录 页数 页数 1 不同 PCB ------------------------------------------2 2 PCB 板位置 ----------------------------------------2 3 导线图 -------------------------------------------3 3.1. DG 电路板 -----------------------------------3 4 方框图和线路图 -----------------------------------6 4.1. 主要集成电路方框图--------------------------6 4.2. DG 电路板 (1/4)方框图----------------------7 4.3. DG 电路板 (2/4)方框图----------------------8 4.4. DG 电路板 (3/4)方框图----------------------9 4.5. DG 电路板 (4/4)方框图---------------------10 4.6. DG 电路板 (1/16)线路图--------------------11 4.7. DG 电路板 (2/16)线路图--------------------12 4.8. DG 电路板 (3/16)线路图--------------------13 4.9. DG 电路板 (4/16)线路图--------------------14 4.10. DG 电路板 (5/16)线路图--------------------15 4.11. DG 电路板 (6/16)线路图--------------------16 4.12. DG 电路板 (7/16)线路图--------------------17 4.13. DG 电路板 (8/16)线路图--------------------18 4.14. DG 电路板 (9/16)线路图--------------------19 4.15. DG 电路板 (10/16)线路图-------------------20 4.16. DG 电路板 (11/16)线路图-------------------21 4.17. DG 电路板 (12/16)线路图-------------------22 4.18. DG 电路板 (13/16)线路图-------------------23 4.19. DG 电路板 (14/16)线路图-------------------24 4.20. DG 电路板 (15/16)线路图 ------------------ 25 4.21. DG 电路板 (16/16)线路图 ------------------ 26 5 部件布置及机械部件更换清单---------------------- 27 5.1. 部件布置 ---------------------------------- 27 5.2. 包装分解图 (1)----------------------------- 28 5.3. 包装分解图 (2)----------------------------- 29 5.4. 包装分解图 (3)----------------------------- 30 5.5. 附件 -------------------------------------- 31 5.6. 更换部件清单注意事项 ---------------------- 32 5.7. 机械部件更换清单 -------------------------- 33 5.8. 电器部件更换清单 -------------------------- 34 TH-50PV70C ORDER NO. PPDS070535CC 2 1 不同 PCB 2 PCB 板位置 部品号 部品名称及描述 备注 TH-50PV70C TH-50PV70CA TNPA4169 C1 电路板 TNPA4170 C2 电路板 TNPA4171 C3 电路板 TNPA4134AG D 电路板 TXNDG1HMTC TNPA4311AH DG 电路板 TNPA4262AB G 电路板 TNPA4137AJ K 电路板 ETXMM655MEH P 电路板 TNPA4138AD S 电路板 TNPA4186 SC 电路板 TNPA4189 SD 电路板 TNPA4187 SS 电路板 TNPA4202 SS2 电路板 TNPA4203 SS3 电路板 TNPA4188 SU 电路板 TXN/H1HMTC --- H 电路板 TNPA4178AG --- PA 电路板 电路板名称 功能 电路板名称 功能 P 主电源 C3 数据驱动 ( 下左 ) DG 数字信号处理器、Micom、HDMI 接口,扬声器输出、声音 处理器、AV 端子、AV 切换,DC-DC 转换器 SC 扫描驱动 K 遥控接收器,电源指示灯 SU 扫描输出 ( 上 ) S 电源开关 SD 扫描输出 ( 下 ) G 按键开关、前端子 SS 维持驱动 D 格式转换,等离子 AI, 子场处理器 SS2 维持连接 ( 上 ) C1 数据驱动 ( 下右 ) SS3 维持连接 ( 下 ) C2 数据驱动 ( 下中 ) 3 3 导线图 3.1. DG 电路板 A B C D E F G H I 1 2 3 4 5 6 R2284 D3034 R2090 R8044 TP5608 TP5609 R2091 R2285 D3035 R8621 C1119 R2861 R8045 R3032 R2862 R2092 D3036 R8622 D3037 R2093 R2863 R8623 D3038 R2094 R2864 R8048 R8624 C8070 D3039 R2095 R8049 C8071 R8625 R2096 R2866 R8626 C8072 R3037 R2097 R8627 C8073 C3060 R3038 R2098 C8074 R8628 C1120 R3039 R2099 R8629 C8075 C8076 C1122 C8077 D3040 IC5550 C8078 C1124 D3041 C8079 D3042 C3066 R8052 D3043 R3233 R8053 C3068 R3234 D3044 R3040 R8630 D3045 R1101 R8825 R8631 D3046 R8056 R8632 D1106 D3047 R8633 R2873 D3048 C8080 R1104 R8634 R2299 D3049 R8635 R8059 C8851 C8852 R8636 C8853 C3070 Q8850 C8854 TP8501 Q8851 C8855 C8856 Q8852 Q8853 R8060 D1110 R8061 R8832 R3243 C3078 R3244 TU3200A R3246 R8067 R8068 TP8700 R3249 R8069 TP8701 C3272 DG12 TP8702 C3273 TP8703 TP8704 R3059 C3081 TP8705 TP8706 C3277 TP8707 C4600 C3278 TP8708 C4601 TP8709 R8071 C3086 C4602 C3087 C4603 R3060 C4604 R8074 C4605 R8075 R8651 R3062 R1122 R3063 C4607 R8077 R3064 TP8710 R8078 R3065 C3281 C4609 TP8711 R8655 R8079 TP8712 R3067 TP8713 R3068 TP8714 R3069 TP8715 TP8716 TP8717 C4610 TP8718 R8080 C4611 TP8719 R8081 C4612 R8082 C4613 R8083 R3070 C4614 R8084 JS2031 C4615 R3266 R3072 C4616 JS2032 R8086 R3073 JS2033 R8087 C4617 C4618 R8088 R3074 JS2034 TP8720 R3075 C4619 JS2035 R8089 TP8721 TP8722 TP8723 R1138 TP8724 TP8725 TP8726 TP8727 R3270 C4620 R8090 L5670 TP8728 Q2101 R8091 TP8729 Q2102 C4623 R8093 Q2103 JK3100 R3274 R8094 R1140 R8095 R1141 R1142 C4628 R4600 R8098 TP8730 R8868 C4629 C2301 JS2045 R8099 TP8731 C2302 JS2046 TP8732 R3087 R4603 JS2047 TP8733 R1147 R3088 TP8734 R3089 Q2301 TP8735 TP8736 TP8737 TP8738 R4609 R8871 TP8739 C2116 R3090 R8874 R8875 R1151 R1152 DG6 R8877 DG7 R4610 JS2054 TP8740 R4611 JS2055 TP8741 R8879 R4612 R3096 JS2056 TP8742 R3097 JS2057 TP8743 R1157 C2120 R3098 JS2058 TP5670 TP8744 C2121 R3099 TP8745 TP8746 C2317 TP8747 L5690 TP8748 L5691 C2319 R8881 TP8749 R8883 R2100 L5694 L4502 R8886 L4503 L4504 TP8750 L4505 C2321 TP8751 R8889 R4622 L4506 TP8752 L4507 C2323 JS2067 TP8753 R1167 R2108 C2130 R4624 JS2068 TP8754 D2301 R2109 C2325 C2131 JS2069 TP8755 D2302 C2132 TP8756 D2303 TP8757 D2304 TP8758 R8890 R2301 TP8759 R8891 R2302 R2110 JS3010 R8894 R2111 L4511 JS3011 R2305 R1171 JS3012 L4512 R2112 R1172 R8896 R2113 L4513 JS3013 R2114 R4630 JS3014 TP8760 JS3015 R4631 L4515 D2119 R2115 C2331 TP8761 L4516 R4632 TP8762 L4517 C2333 IC2303 TP8763 L4518 TP8764 C2335 R2119 TP8765 TP8766 C2143 TP8767 TP4500 C5600 TP8768 TP4501 C5601 C2146 TP4502 TP4503 L2003 C2147 C5603 TP4504 L4520 L2004 C5604 TP4505 JK8731 C5605 TP4506 R2122 C5606 R2317 L2007 TP4507 C5607 R2123 TP4508 L2008 C5608 R2124 X8001 C2341 R2319 R2125 TP4509 C5609 C2343 R2127 R2128 R2129 R4839 C2153 TP4510 C5610 L2011 R2321 C2349 TP4511 L2012 R2323 TP4513 TP4514 R2130 R4840 TP4515 L2015 R2325 R2131 C8301 R2132 L2016 TP4516 C8302 C5616 R2327 TP4517 C5617 C8303 TP4518 C2350 C2351 Q8301 TP15F C2352 R4653 C3100 R4654 C3101 TP2001 C3102 TP2002 C3103 TP2003 R2330 TP2004 C5620 R2331 TP2005 C5621 TP2006 C5622 TP2007 C5623 R2140 TP2008 C5624 R2141 C8505 TP2009 C8311 C5625 L2026 C8506 R2142 C5626 C8312 L2027 D5603 R2143 C5627 C8313 L2028 C8314 R5600 D5604 R2144 R2145 R4661 C8315 R2146 D5606 D5607 TP2010 C2170 D5608 R5604 C2171 R4665 D5609 R5605 C2172 R4666 TP2012 R5606 C2173 R5607 C3113 C2174 R8100 C5630 IC5600 C3115 C2175 TP2015 R8101 C5631 JS5569 IC5601 C3116 C2176 C5632 C3117 L2034 C5634 R8104 R4284 L2035 C3119 C2179 R8105 TU8301 TP2019 C5635 TPC0F R8106 C5636 C8322 C8323 R8107 C5637 C8324 C5638 R5610 R5611 C5639 R4672 R2156 R5612 R5613 TP2020 C2180 C3120 TP2021 R5615 C8329 R8301 R5617 R8303 C3124 C2184 L2040 D3100 TP2024 R8304 R5618 C5640 R8110 D3101 C5641 R8111 R5619 D3102 R8306 C5643 R8307 C2188 R3100 C8330 C5644 R8308 R3101 IC8301 C5645 TPS15V TP2606 C8333 C8334 R5620 TP2608 C8335 R5621 TP2609 R2166 R4682 R5622 R4683 R8503 R5623 R3107 R3108 R2168 R4684 R8310 R5624 R2169 R8505 L8001 R8311 R5625 L8002 R5626 C2193 L8003 R8507 R5627 R8313 C2194 R8314 L8004 R5628 C2195 R8315 R5629 R8509 R3302 C2196 TP2612 C2197 L8007 C2198 C8340 L8008 R3305 R3111 L8009 R3112 R3113 R5630 R8510 R8704 R3114 R4691 R5631 R4692 R5632 JK2003 R5633 R2178 L8010 R5634 R5635 R8709 R4696 R5636 R5637 R8900 L3001 R8325 R8901 L3002 R8326 R3312 L3003 R8327 L3004 R8710 R8328 R8904 R2181 R3121 R8905 R2182 R8906 R2183 R3123 R8907 R2184 R8908 R5640 R2185 R5641 R8909 D2189 R2186 R5642 R2187 R5643 R2188 TP5700 R5644 TP5701 R2189 TP5702 L3010 C5670 R8910 C8551 TP5705 L3206 C8552 TP5706 C5672 L3013 L3207 C5673 R8913 R3130 C5674 R8914 R3131 R2191 C5675 R8915 R2192 C5676 R8916 R2193 R3133 R8917 R3134 R8918 R2194 R2197 R3137 R2198 D3334 D3335 R8921 D3336 R8922 D3337 R8923 D3338 R3140 R8924 R8925 JS2102 R8926 JS2103 R8927 R3143 R3144 TP3200 R3145 R3146 R3147 R8737 R3148 R3149 TP8601 R8739 TP8602 TP8603 C5690 TP8604 L3225 C5691 TP8605 L3226 C5694 D5670 C5695 D5671 R8935 R8936 D5672 R8742 R8937 D5673 Q4500 C4504 R3348 R8938 Q5694 R5670 R3349 C4505 R5671 R8939 R8551 TP8801 Q4502 R8552 TP8802 R5672 R1216 C4507 Q4503 R5673 R8553 TP8803 R1217 C4508 Q4504 TP8804 R1218 R5674 R8554 Q4505 C4509 TP8805 R8749 R1219 R8555 Q4506 TP8806 R8556 TPS0N Q4507 TP8037 TP8807 R8557 L5750 TP8808 IC5670 R8940 R3351 R8941 IC5671 IC8551 R3352 IC8552 IC5672 R8942 R3353 R8943 TPS0S R1220 R8944 R1221 R3162 C4512 R8946 R1222 C4513 R1223 R3164 R8948 R1224 R3165 R8949 R1225 C4515 R3166 R1226 R3167 R1227 R3168 R1228 R1229 R8950 R8951 D5690 R1230 Q2000 D5691 C2005 Q2001 R1231 C2006 Q2002 R1232 D5692 Q2003 R1233 D5693 R3174 R3175 JK3001 R3176 R1236 R3177 TP1100 R1238 TP1101 C2202 TP1102 C2203 TP1103 C2204 C2010 TP1104 C2011 TP1105 R4506 C2013 R8963 C2014 R3180 C2016 C2017 R1244 IC4504 Q2015 Q2016 R3186 D4512 R1246 Q2017 IC4507 D4513 C4538 IC4508 R3188 R1248 R4705 D4515 C4539 IC4509 R1249 R4707 D4517 R4708 D4518 R4709 C4540 R1250 R3191 Q2021 R4325 R1251 C4543 Q2023 C4544 Q2024 D4520 R2000 R4328 IC4515 Q2025 R1255 R4329 R2001 Q2026 R2002 Q2027 C4547 R2003 D4524 Q2028 R2004 Q2029 D4525 D4526 R2006 D4527 R2007 D4528 R4524 R4525 IC2002 C4550 Q2030 R4528 C4551 IC2006 R1263 Q2033 R2203 C4554 Q2034 R2010 C4555 D2015 R2011 R2205 TP8851 Q2035 C4556 D2016 TP8852 R2012 R2206 D4533 D2017 C4557 R2207 TP8853 R4530 D4534 R2208 TP8854 R2209 D4535 C4559 Q2039 R4532 D4536 R4533 IC2010 R2018 R4534 IC2011 R2019 IC2012 IC2013 C2813 R4537 R2210 R4538 C4560 D2020 Q2040 R4539 Q2041 C5501 C4562 Q2042 C4563 C5503 C4564 D2025 C4565 R2216 D2026 R2217 R4540 R2218 D2028 R4541 R2219 R2025 C8001 D2029 R4542 C8002 R4543 C8003 R4544 C8004 R2029 R4545 C8005 R4546 C8006 C2053 R4547 C8007 C4570 C8008 R2220 C8009 D2031 D2032 C4573 D2033 R2030 D2034 R2031 R2032 C4576 R2226 C4577 R2033 R2034 TP4800 C8010 R2035 TP4801 C4579 C8011 Q2635 R2036 TP4802 R4552 Q2636 C8012 TP4803 C8013 Q2637 TP4804 C8014 TP4805 C2061 C8015 C2062 TP4806 C8016 TP4807 C8017 C2063 C4580 TP4808 L2308 C8018 C2064 TP4809 C4581 C2065 C8019 X8301 C5522 C4583 Q2640 C4584 R2235 Q2641 C4585 R2236 C4586 Q5522 C4587 R2237 Q5523 L2310 C4588 TP4810 Q5524 C8020 R2045 TP4811 C8021 R2046 C8022 R2047 C8023 R2624 R2048 C8024 R2049 R2625 C2265 C8025 C2266 C8026 C8027 C3014 R2628 C8028 R2629 FL4501 C4591 R8001 C8029 C4592 FL4502 R8002 FL4503 C4593 R2243 FL4504 R2050 C4594 R8004 R2244 C4595 TP2301 R8005 C4596 D2632 C4597 R2053 TP2303 R8007 D2633 R2054 C2270 C4598 R8008 C8030 C2271 TP2305 C8031 C8801 C2272 C8032 TP2307 C8033 C2274 IC8004 C8034 C5730 C3021 C5731 C8035 C3022 C8036 C5732 C3023 C8037 C3024 C5734 C8038 C3025 R8011 C8039 C3026 R8012 D3003 C3027 C3028 TP2310 C2088 C3029 D3005 C2089 R3001 R8015 D3006 R3002 D5522 R8016 Q3027 R3003 R2257 C2280 R3004 C8040 C2281 R3005 R8019 C8041 R3006 D5526 C8042 R3007 C8043 C3030 R3008 C8044 C3031 R3009 IC3001 C2091 C8045 IC3002 C2092 C8046 C2093 FL2003 C3033 C8047 FL2004 Q3030 C2094 C8048 R8020 FL2005 C2095 C3035 C5551 TPAC1 C8049 Q3031 FL2006 C2096 Q3032 C2097 R8023 C2098 R3010 R8024 D5530 R2265 C2099 L5605 R8025 R2266 R3012 L5606 R8028 C8050 R8029 C8051 C8052 C8053 R5533 C3040 C8054 R5534 C8055 R5535 R5536 C8056 C3043 C8057 R5537 C8058 L5610 R5538 R8030 R8031 R8802 R8032 R8803 R8033 R3020 R5730 R8034 R8804 R3021 R8805 C1109 R8035 R3022 R8806 R8036 R5732 R2277 R8807 R8037 R5733 R2853 R2084 R2278 TPEC0 R5734 R8808 R2854 R8038 R2085 R2279 R5735 R2855 R8809 R8039 C8061 R2086 C8062 R5736 R5543 R5737 R2857 R2088 R2858 R5738 TP5600 C3051 R2089 C8065 R2859 TP5601 R5739 R5545 C3052 TP5602 R5546 C8066 C3053 C8067 R5547 TP5603 R2280 C3054 C8068 TP5604 R8040 R5548 R2281 C3055 TP5605 R8041 R5549 C8069 R2282 C3056 TP5606 R8812 R2283 L8503 TP5607 R8813 TNPA4311 B DG-BOARD (FOIL SIDE) TNPA4311AH TH-50PV70CA DG-BOARD TNPA4311AH TH-50PV70CA DG-BOARD TNPA4311AH 4 Parts Location DG-BOARD (FOIL SIDE) IC2002 IC2002 IC2010 IC2011 IC2012 IC2013 IC2303 IC3001 IC3002 IC4504 IC4507 IC4508 IC4509 IC4515 IC5550 IC5600 IC5601 IC5670 IC5671 IC5672 IC8004 IC8301 IC8551 IC8552 IC Q2000 Q2001 Q2002 Q2003 Q2015 Q2016 Q2017 Q2021 Q2023 Q2024 Q2025 Q2026 Q2027 Q2028 Q2029 Q2030 Q2033 Q2034 Q2035 Q2039 Q2040 Q2041 Q2042 Q2101 Q2102 Q2103 Q2301 Q2635 Q2636 Q2637 Q2640 Q2641 Q3027 Q3030 Q3031 Q3032 Q4500 Q4502 Q4503 Q4504 Q4505 Q4506 Q4507 Q5522 Q5523 Q5524 Q5694 Q8301 Q8850 Q8851 Q8852 Q8853 TRANSISTOR TP TP1100 TP1101 TP1102 TP1103 TP1104 TP1105 TP2001 TP2002 TP2003 TP2004 TP2005 TP2006 TP2007 TP2008 TP2009 TP2010 TP2012 TP2015 TP2019 TP2020 TP2021 TP2301 TP2606 TP2608 TP2609 TP2612 TP4504 TP4505 TP4506 TP4506 TP4507 TP4513 TP4514 TP4515 TP4516 TP4517 TP4518 TP4800 TP4801 TP4802 TP4803 TP4804 TP4805 TP4806 TP4807 TP4808 TP4809 TP4810 TP4811 TP5600 TP5601 TP5602 TP5608 TP5670 TP5700 TP5701 TP5705 TP5706 TP8037 TP8501 TP8601 TP8602 TP8603 TP8604 TP8605 TP8851 TP8852 TP8853 TP8854 TPCOF TPSOS Parts Location DG-BOARD (COMPONENT SIDE) IC1100 IC1101 IC2000 IC2008 IC2105 IC2106 IC2107 IC2301 IC2601 IC2610 IC4500 IC4501 IC4506 IC4510 IC4513 IC4514 IC4800 IC5550 IC5660 IC8001 IC8002 IC8003 IC8302 IC8553 IC8554 IC8601 IC8621 IC8622 IC Q1107 Q1108 Q1109 Q1110 Q2031 Q2638 Q2639 Q3200 Q4501 Q4514 Q4515 Q4516 Q4517 Q4519 Q4805 Q5501 Q5521 Q5551 Q5561 Q5562 Q5600 Q5601 Q5602 Q5603 Q5604 Q5690 Q5691 Q5692 Q5693 Q8501 TRANSISTOR TP TP2607 TP2610 DG TH-50PV70CA DG-BOARD PARTS LOCATION TH-50PV70CA DG-BOARD PARTS LOCATION G-5 G-5 F-5 G-4 G-2 G-2 H-3 G-2 F-2 E-4 E-4 F-4 F-5 F-5 B-5 C-5 C-5 B-2 B-2 C-3 E-5 C-4 E-2 E-2 C-3 C-3 G-1 H-1 G-4 H-5 H-5 G-4 H-2 H-2 H-2 H-2 H-2 H-2 H-2 H-2 B-3 B-3 B-3 C-3 C-3 C-3 C-3 G-5 G-5 G-4 H-3 C-3 C-3 D-3 F-4 F-4 G-2 F-3 G-4 G-4 F-3 E-3 F-3 F-3 F-3 F-3 F-3 C-2 C-2 C-3 C-2 B-3 C-4 C-4 C-4 C-4 B-2 B-2 B-2 B-2 B-3 C-3 F-5 F-5 F-5 F-5 G-5 G-5 F-5 F-5 F-5 F-5 F-5 C-3 C-3 F-4 F-3 H-3 C-2 C-2 D-3 C-3 E-3 F-3 F-3 F-3 F-3 F-4 F-4 E-4 E-4 E-4 E-4 E-5 E-5 E-5 E-5 E-5 E-5 E-5 E-5 E-5 E-5 E-5 E-5 C-5 D-5 D-5 B-2 B-3 G-4 F-5 D-5 B-4 E-5 G-2 B-2 B-2 B-2 B-2 B-2 C-3 C-3 C-3 D-4 C-3 C-3 G-3 H-2 D-5 C-4 C-4 C-5 C-5 B-1 D-4 B-5 D-3 D-3 D-4 E-3 D-3 E-3 H-1 H-5 E-5 E-5 E-5 F-5 G-4 E-3 E-3 H-2 E-4 F-3 G-2 F-3 G-4 G-4 G-4 G-4 H-3 G-3 B-5 A-5 D-3 C-3 D-3 D-3 C-3 C-3 E-5 H-5 G-2 H-5 H-4 H-4 G-5 G-5 G-5 F-5 F-5 D-5 D-5 D-4 D-5 D-4 5 A B C D E F G H I 1 2 3 4 5 6 C1118 R5740 R8814 R2860 R5741 R8815 R8046 R8816 R8047 R8817 S3010 R5550 S3011 R2865 S3012 S3013 R2867 S3014 R2868 R5554 S3015 R2869 IC8621 R5555 S3016 R5556 IC8622 S3017 R5557 C1123 S3018 R8050 IC5550 R5558 S3019 C1125 R5559 R8051 C1126 R5750 R1100 R8054 R3041 R8055 D1105 R2871 R2296 R1102 R2872 R2297 D1107 R1103 R8057 S3020 R8058 D1108 R8828 R5560 S3021 R3239 D1109 R1105 R5561 S3022 R1106 S3023 R1107 S3024 R1108 IC1100 S3025 R1109 IC1101 S3026 S3027 S3028 R3240 S3029 C3075 C5591 C3076 R8062 D1112 C5593 R8063 R8064 TU3200A C5595 D5571 R8065 R8066 R3247 D5573 C5597 C3270 R5570 C5598 R5571 DG12 R5572 R5573 C3275 C3276 C3082 C3083 X4500 R8070 C3279 R8072 R8073 R2890 R4001 R8076 R8653 C3280 C3282 C3283 FL3001 FL3002 FL3003 FL3004 FL3005 FL3006 FL3007 C4807 FL3008 Q4805 R1134 R8470 R8471 DG31 R3076 DG32 R8472 R3077 DG33 C2100 R8474 DG34 C2101 R8475 C2102 C2105 C4621 L8551 C2106 C4622 C2107 JK3100 C4624 C2108 C2109 C4625 R8865 C4626 R8866 C4627 R8867 R8097 R1144 R4601 R8869 R4602 R1146 C2303 R4604 X2010 C2110 R1148 FL5730 R4605 C2111 C2305 FL5731 R4606 C2112 FL5732 C2307 C2113 R4607 FL5733 R4608 C2114 FL5734 R8870 C2115 C2309 DG1 C2117 JS2050 C2118 R4800 DG5 JS2051 JK8701 C2119 R4801 JS2052 R8876 DG6 JK8702 JS2053 DG7 R1153 DG8 R8878 C2311 DG51 C2313 R4613 R4614 IC4800 C2315 R4615 JS2059 R4616 R4617 C2124 R4618 R8880 R4619 C2126 R8882 C2127 C2128 L4500 JS2060 R8884 L4501 C2129 JS2061 R8885 JS2062 R1162 JS2063 R1163 R8887 R2104 R8888 R1164 R1165 R2106 R1166 FL5750 R4819 R1169 FL5751 R4626 C2133 R4627 C2327 C2134 C2135 IC2105 C2329 C2136 IC2106 R8892 IC2107 C2137 R8893 C2138 R4820 R1170 R2306 JS3207 R1173 R8897 R2308 JS3208 R1174 R8898 JS3209 IC2301 R1175 R8899 R2118 R4635 R1179 R4636 C2337 R4637 R4638 D2120 C2144 C2339 R4639 C2145 R2311 L2001 L2002 C5602 R2313 Q5600 R2315 L4521 JK8731 Q5601 R1181 Q5602 R1182 Q5603 R1183 L4524 R4640 Q5604 R1184 R4641 R4835 R4642 R4836 R2126 R1186 R4643 R4837 R4838 R4644 C2151 C2345 R4645 R4646 R4647 C2347 C2154 R4648 R4649 C2155 C5611 C5612 C2157 C2159 C5615 JS3032 R2133 R2134 R4650 C5618 R1194 C8304 R2135 R4651 C5619 R1195 R2136 R4652 R1196 C8306 C2353 R2137 R1197 C8307 C2160 R2138 C8308 R1198 C2354 C2161 R4655 C2355 R1199 C8309 C2162 R4656 R4657 C2163 C2357 R4658 C2164 R4659 C2165 C8501 L2021 C2359 C2166 L2022 C8502 C8503 C2167 C8504 C8310 D5600 Q8501 D5601 D5602 R4660 C5628 L2029 C2361 D5605 C5629 C3301 C3302 R4856 R4662 JS1106 C8316 C3303 C2363 R4857 JS1107 C8317 C3304 R4858 R4664 C8318 JS1108 R2149 R4859 JS1109 C8319 C3306 R4668 JS5568 R5608 R4669 R5609 R8102 C5633 R8103 C3118 R2150 R4860 C8320 JS1110 R4861 R2151 TU8301 C8321 JS1111 R2152 R4862 R4286 JS1112 R4863 R4287 JS1113 R2154 R4864 R4288 R4670 JS1114 R8108 R4865 JS1115 C8325 R4866 C8326 JS1116 C8327 JS1117 FL4800 JK4500 C8328 C2375 JK4501 R4675 FL4801 FL4802 R4676 C2183 R4677 C2377 R4678 C2185 C2379 R8305 R4679 C2186 C5642 C2187 R2160 JS1120 C2189 C8331 R8309 JS1121 R2162 R4872 IC8302 C8332 JS1122 TP2607 JS1123 R2164 R4680 JS1124 R2165 C2381 R8501 R4681 JS1125 JS1126 C8336 R8502 R2167 C2383 C2190 C8338 R8504 R3109 C2385 C2191 D3301 C8339 R4685 C2192 D3302 R8312 R4686 R8506 R4687 C2387 R4688 R8508 TP2610 C2389 L8005 R4689 R3301 R3303 R3110 R2170 R8318 R2171 C2199 R8701 C8341 R2172 R3306 R8702 R2173 R3307 R3308 R4690 R2174 R3309 R2175 R8511 R8705 R8512 R8706 R8513 JK2003 R8707 R8514 R8708 X1100 R8515 R4695 R2179 IC8003-A D8901 C8731 R8321 R8516 R8322 R8323 C5660 R3310 L3000 R8324 R5638 C5661 R3311 C5662 R3313 C5663 R2180 R8711 R8329 R3316 R8712 R3318 R3319 L2648 L2649 R5646 R5647 R8911 C5671 R8912 C8553 R2190 L2650 C8554 L3209 C8555 R2195 R8919 R2196 L3211 S3116 S3117 R8920 R1200 JS2101 R1201 L5735 R1202 R8732 R8733 R1203 R5660 R1204 R8734 R5661 R1205 R8735 R5662 R1206 R8736 R8738 R1209 IC5660 L8621 C5692 C5693 Q5690 C4500 R1210 L5550 C4501 Q5691 R1211 L5551 Q5692 C4502 L5552 C5696 R1212 Q5693 C4503 R1213 R1214 Q4501 R8745 R1215 C4506 R8746 L1100 R8558 R8559 IC8553 C4510 IC8554 C4511 R8947 L5564 R8560 R8561 L5565 R8562 L5566 Q4514 R8564 Q4515 Q4516 R8566 Q4517 R8567 C2000 Q4519 C2003 C2004 D4500 R5690 R1234 D4501 R5691 JK3001 R1235 D4502 R5692 C4527 D4503 R5693 R1237 C4528 C2200 D4504 R5694 R4500 R5695 C2201 D4505 R4501 C4529 R5696 R4502 D4506 D4507 R4503 R5697 D4508 R4504 R4505 D4509 R4507 R4508 IC4500 C4530 R4509 C4531 IC4501 C4532 C4533 R1243 D4510 C4534 C4535 ZA2101 D4511 R1245 IC4506 ZA2102 ZA2103 C4537 R1247 R4510 ZA2104 R4704 D4514 R4511 ZA2105 D4516 R4706 ZA2106 R4512 ZA2107 C2213 R4513 ZA2108 R4514 C2021 R4515 D4519 C2216 R4516 C2022 R4322 R4517 C2023 R4323 IC4510 C2218 R4518 C2601 C4541 R4519 C2219 JK8801 C2602 C4542 R4326 IC4513 R4327 IC4514 C4545 D4521 C4546 D4522 D4523 R4520 C4548 R4521 R2005 C4549 R4522 R4523 IC2000 C2224 R4330 C2801 R4526 C2802 R4527 C2803 R4529 Q2031 C4552 C4553 IC2008 D4532 R2013 R2014 R4531 R2015 R4535 R4536 C2812 C2814 C5501 C2815 C2816 C5502 C2817 C5503 R2214 C2048 C5504 C2818 R2020 D2025 C2049 R2215 Q5501 R2021 C2819 C4566 R2022 C4567 R2023 C4568 R2024 R2601 C4569 R2602 ZA0002 R2603 ZA0003 C2050 C2244 R2028 ZA0004 C2245 ZA0005 C2052 C2246 ZA0006 ZA0007 C2054 R4548 ZA0008 IC2601 C4571 R2221 C2055 R4549 R2222 C4572 C2056 C2057 C2058 C4574 C2059 C4575 L2300 C4578 C2251 L2302 L2304 C2060 Q2638 Q2639 L2306 IC2610 C5521 C4582 R2233 R2234 C2068 D5501 Q5521 C2069 R2238 C4589 R4561 R4562 C2263 R4563 Q3200 C2264 R4564 C8601 R4565 R5506 C2267 R5507 C2268 C4590 R5508 R5509 FL4505 R2051 R2052 R8006 D2634 C4599 R8009 D2635 IC8001 R2056 D2636 IC8002 R2057 IC8003 D2637 R2058 D2638 R2059 C5733 R2250 R8010 R2252 R2253 R8013 R2254 R8014 R2061 D5521 R8017 R8018 R2066 R2067 D5528 R4585 C8621 FL2001 D5529 FL2002 C8622 R2647 R4587 R4588 L5600 R4589 C5551 L5601 R8021 C5552 L5602 R8022 L5603 C5553 L5604 C5554 Q5551 R8601 R2072 R8602 R8026 R2073 R8027 R8603 R8604 R2074 R5531 R8605 R2075 R4592 R8606 R5532 R4593 R3017 R3018 R4594 R4595 IC8002-A IC8601 R4596 C1102 R4597 C1103 R4598 C1104 R4599 R2271 C8059 L5611 C1105 C1106 C1107 C1108 R2275 R5731 L8301 Q5561 R2276 Q5562 L8302 Q1107 L8303 C8060 Q1108 L8304 R5540 Q1109 R5541 S3002 L8306 R5542 R2087 S3003 C8063 S3004 C8064 C1110 R5544 S3005 C1111 S3006 C1112 S3007 S3008 C1114 Q1110 S3009 L8501 L8502 C1116 R8042 R8043 C1117 TNPA4311 A DG-BOARD (COMPONENT SIDE) TNPA4311AH TH-50PV70CA DG-BOARD TNPA4311AH TH-50PV70CA DG-BOARD TNPA4311AH 6 4 方框图和线路图 4.1. 主要集成电路方框图 SC LVDS format POWER PULSE PULSE 64 SOS1 *Sub Filed Processor P5V S.R SCAN OUT SU 64 64 K S.R *CLK CONTROL DC/DC CONVERTER REMOTE/LED 64 D31 S.R FORMAT CONVERTER, P3.3V PLASMA AI PROCESSOR GENERATOR RESET IC ASDIO DATA0 DRVRST SUSTAIN DCLK PULSE K1 MICOM *RGB:10bit(or8bit) DCK PROM EEPROM LATCH,SFVRST,SFRST S-VIDEO IN SOS2 P5V 16/32Mbit Flash-ROM S.R FCLK,FPDATA[1:0] P_ON/OFF R[9:0] *VD,HD D5 XRST 64 32k IIC2 SWITCH B[9:0],HD,VD D32 G[9:0] 64 64 DISPEN D20 WRITE PROTECT L/R 64 FLASH CONTROL VOLTAGE SC2 KEY SW 64 FPGA VIDEO IN REMOTE RECEIVER Discharge Control(SC) OSD THERMAL S.R D *Discharge Control PCLK/NCLK *H,V Snyc Control Data Driver Control SCAN DRIVE *LVDS receiver REG RESET S.R S.R STB3.3V SD S.R S.R AV4 IN S1 PD1-M plus S.R P1.2V 64 *Plasma AI 64 Discharge Control(SS) HEADPHONE P2.5V HP_L/R SC20 G51 AI SENSOR S.R POWER LED AV4 IN SENSOR AUDIO IN RESET SCAN (4MByte) S.R CLOCK KEY SCAN POWER SW 128Mbit DDR STB12V S GENERATOR STB_PS SCAN OUT 64 G C22 C20 C33 DATA DRIVER(CENTER) C3 S.R. DATA DRIVER(LEFT) S.R. DATA DRIVER(RIGHT) C10 S.R. VDA C2 S.R. S.R. VDA C21 VDA S.R. S.R. S.R. C1 VDA C35 S.R. S.R. D25 C11 S.R. SUSTAIN CONTROL S.R. SS SOS C32 +15V ADDRESS +15V PULSE ERASE SS3 VDA SUSTAIN SS22 SS21 SS24 VOLTAGE SS SS11 SS34 SS23 SS_SOS8 PULSE SS12 (VE) VSUS SS33 SS35 SS2 SUSTAIN DRIVE STB12V STB_PS/ TH-50PV70CA Main Block Diagram TH-50PV70CA Main Block Diagram P11 RECTIFIER SD CARD RECTIFIER RECTIFIER MAIN 12V SUSTAIN PROCESS +5V BOOT ROM VOLTAGE VSUS VCXO +15V VOLTAGE Peaks-Lite 2 X'tal LINE SLOT AC CORD STB_PS PS_SOS VOLTAGE Vda RECTIFIER NOR FLASH D-LATCH CONTROL FACTOR VDA STBY5V_M +15V STANDBY FILTER 15V VOLTAGE MCU CONTROL VOLTAGE RECTIFIER VSUS 5V DC/DC 1.8V CONTROL SUSTAIN P9 [27MHz] P12 DC/DC 1.2V STB12V AD/HDMI RELAY PROTECTION(SOS) DC/DC 3.3V STANDBY LINE DG5 P25 STB5V DDR2x2 POWER SUPPLY FILTER CONTROL P2 STB12V POWER PROCESS VOLTAGE P MEM POWER SOS DC/DC DC POWER DG7 DG6 +15V P7 P6 DC POWER F_STBY_15V STB5V CONVERTER HDMI1 IN HDMI2 IN V,Y,C DG51 DIGITAL SIGNAL PROCESSOR AV1 OUT L/R AV2 AUDIO VIDEO R,G,B INPUT INPUT L/R V,Y,PB,PR AUDIO L/R PC IN DG MAIN TV-V TUNER MCU L/R MSP SELECT DDR2x2 AV3 IN TV_L/R L/R V,Y,PB,PR DG1 SELECT SIF MONITOR AMP L SPEAKER DG 12 R SPEAKER L R SPEAKER 7 4.2. DG 电路板 (1/4)方框图 DRIVE IC VCC Vin GND COMPONENT COMPONENT AV1 AV1S AV2 AV3 AV2 AV3 PR PB Y PR V L C R R L Y R L V R V V L MONITOR OUT PB Y AV1_R TUNER_MAIN_ON SQ_R- PC_LIN AV1_C SCL0B_5V VIDEO_STATUS AV2C_PB SCL0B_5V TV_R PC_RIN PC_V_IN SCL0B_5V AV3_L SDA0B_5V TV_L PC_R AV3_V SDA0B_5V AV_R SDA0B_5V AV1_Y AV2_L AV3C_PR PC_G AV2C_Y AV_L AV1_V PC_B AV2_R AV3C_PR AV2C_PR AV3C_YSW AV2C_YSW AV1_L AV3_R AV1_Y AV1_C AV3_L AV1_S AV3C_PB AV2_R AV3_R MAIN_RF_CVBS AV2_L AV3C_YSW TV_R SDA2 MAIN_Y_OUT SQ_R+ MAIN_PB_OUT HDMI_LRCK MAIN_PR_OUT TV_L PC_V HDMI_SDIN AV_L PC_B AV3_V SCL2 PC_H PC_R AV_R SDA2 AUDIOOUT_R PC_H_IN RGB_CVBS PC_G SDA0B_5V RF_AFT1 AV2C-Y AV3C_Y AUDIO_XRST PC_H_IN SCL2 AUDIOOUT_R AUDIOOUT_L AV1_V AV2C_YSW HDMI_BCLK PC_V_IN AV1_S AV2C-PR MAIN_RF_CVBS PC_LIN AV3C_PB SQ_L+ SQ_L- MON_MUTE AV1_R SCL0B_5V AV2C_PB AV1_L PC_RIN AUDIOOUT_L HPOUT_L HPOUT_R MUTE AV2_V AV2_V DTV9V Q3032 BT30V DTV9V X2010 AUD3.3V SUB3.3V *JK3001 1 2 3 4 5 6 7 8 9 10 11 12 13 14 15 SUB5V *D2025 *Q2002 *Q2003 JK3100 Y-SW Y G PB PR V L R-SW R G Y-SW Y G PB PR V L R-SW R G C Y G Y-G C-G G V L R-SW R G V L R G Q3032 SUB5V SUB3.3V Q2102 Q2101 DTV9V JK2003 L L-G R R-G PWM1A L7 5 L12 LP2 VOUT7 B4 AUDIO_OUT 41 G3 G PWM2A 42 LP3 77 17 XIN HPOUTR1 HPOUTL1 L5 13 44 33 VOUT IC2008 AV2 Q2640 75 MUTE 32 SCL B5 SDA R3 41 5 G5 16 L8 G4 5V<->3.3V AINL2 17 L6 ROUT1 5V<->3.3V 1 AUXOUTL1 AV3 I2C Q2017 I2C VCC 43 50 I2C 9 HD 7 78 35 RESET DVDD3.3V AV3 77 VOUT3 7 81 HIN2 72 8 R AV2 AV3 10 AV1 VCC4 SDA L BTL VD 1 IC2105 2 PC IN 2 PC 91 45 33 SCL LRCLK0 AVR 14 SCL AUXOUTR2 78 I2C VIDEO_OUT SPDIF_OUT AV1 DG 38 BB TV OUT1(CY) DIGITAL SIGNAL PROCESSOR VCC1 HVOE 4 40 18 75 SIF_OUT 63 AINR1 16 36 V4 65 IC2010 14 43 R5 67 15 AV1 C4 11 1 6 IC2107 SDA 1 1 5 OUT1(Pb) VCC3 AINR2 PC AUDIO IN AMP 79 39 5 3 V3 DVDD1.8V 25 19 Y4 B3 44 42 OUT1(Pr) 3 84 2 VCC2 SDA AFT_OUT SCL 15 34 13 27 38 6 33 PWM1B AVR S12 AUD3.3V V2 22 12 I2C 26 10 +B AUXOUTR1 79 SIF_IN1 14 R AVR+3.3V BCLK0 5 IC2106 11 8 16 IC2011 TH-50PV70CA DG-Board (1 of 4) Block Diagram TH-50PV70CA DG-Board (1 of 4) Block Diagram SOUND PROCESSOR TU3200 TUNER(ANALOG) 5 Q3200 20 AUXOUTL2 76 3 5 SDIN1 74 7 AINL1 PWM2B 69 45 AV SW1 83 6 Video SW FLAG VIN2 3 Q2641 5 Q2021 XOUT MONITOR OUT IC3001 85 1 V7 HOUT DVDD1.8V 8 42 TV 73 AV2 Q2015 R5 71 R6 VB AV SW2 (AUDIO SW) 60 R12 58 SIF3.3V AVR R8 AUD3.3V 21 R7 R4 PC B LOUT1 73 Q2016 AV4_C AV4_Y AV4_V AV4_S V5 C5 Y5 S13 95 96 99 97 AV4 AV4_L HP_L DG51 HP_R AV4_R AV4_L AV4_R 10 8 7 9 AV4_V AV4_S AV4_C AV4_Y AV4_V AV4_S AV4_C AV4_Y 19 17 12 15 HP AMP IC2012 IC2013 3 8 1 7 2 5 53 57 5 4 MAIN9V HPOUT_L HPOUT_R AV4_L AV4_R L3 R3 7 6 AV4 TO G51 8 4.3. DG 电路板 (2/4)方框图 RXB_2N RXA_CP VI1P13 RXA_2P SOS VI1P26 AG_HDMI_5V_DET1 RXA_CN HDMI_INT2 RXB_0N VI1P22 VI1P29 RXB_0P VI1P16 RXA_0N HDMI_BCLK RXA_1P VI1P14 RXB_1N HDMI_LRCK VI1ENB RXA_0P VI1P18 ALL_OFF TV_SUB_ON_DELAY VI1VSYNC RXB_2P ECO_ON SQ_R- SDA1 SCL1 VI1P15 TV_SUB_ON RXB_CP RXB_0P VI1HSYNC VI1P17 RXB_CN AG_HDMI_CEC SQ_L+ VI1P19 RXB_CN AMUTE HDMI_SDIN VI1P7 RXA_CN RXA_2N SQ_R+ RXB_2N SP_MUTE VI1P2 VI1P9 SOUND_SOS RXA_1N AG_EDID_WP AUDIO_MUTE VI1P3 RGB_FB RXA_1P MUTE VI1P6 AUDIO_MUTE RXA_2N SQ_L- MAIN_PB/C VI1P4 RXA_0N VI1P25 VI1P5 VI1P24 RXB_CP RXB_2P VI1P23 VI1P8 MAIN_Y/CVBS RXA_0P AG_HPD1 TV_MAIN_ON CLKOA RXB_1N AG_HDMI_5V_DET3 RGB_CVBS VI1CLK VI1P12 RXA_CP RXB_1P HDMI_INT2 MAIN_PR RXB_1P RXA_2P RXA_1N RXB_0N VI1P28 AG_HPD3 VI1P27 SUB3.3V D2632 D2636 SUB5V SUB5V SOUND12V JK4501 1 2 3 4 5 6 7 8 9 10 11 12 13 14 15 16 17 18 19 D2635 SUB3.3V D2304 Q4501 MAIN5V Q5522 BT30V D2301 MAIN9V DTV9V SOUND15V D5529 MAIN5V D4526 D5530 Q2301 D4527 D5522 Q5521 TPS0N MAIN3.3V D4524 MAIN9V D2637 Q5562 D2303 DTV9V Q5561 DTV9V Q5524 TPS0S D5521 Q5501 Q4500 STB+5V SUB5V JK4500 1 2 3 4 5 6 7 8 9 10 11 12 13 14 15 16 17 18 19 D5528 SOUND12V D2633 Q2635 STB5V MAIN5V Q4502 SUB5V D5526 SOUND15V D4525 Q5523 Q2636 D5501 SUB5V Q4503 TPS15V Q2637 Q2638 MAIN5V X4500 SUB3.3V SOUND15V TP15F STB+5V OVER VOLTAGE DET (+10V) SUB+5V SUB+9V (+6.8V) (+12V) F STB+15V SHORT DET SUB+5V/DTV+9V D1- CLK- 46 SDA +15V CLK+ 47 MDA AUDIO MUTE +5V L 112 I2C RIN0 IC4509 RIN2 39 +1.8V VSIA RIN1 5 IC2301 HSIA RIN3 8 XTAL1 +1.8V DCLKIN 1 SCL XTAL 4 3 MUTE SCL 7 DVDD+1.8V LLC F+15V YIN6 17 36 1 7 +1.8V YIN8 AMP SOS 7 INV. IC4506 5 OPERATE F+15V YIN4 To SOS +3.3V 8 YIN0 +3.3V 1 YIN3 5 5 IC4508 1 DG32 38 YIN7 WC DG 12 YIN1 39 40 R 41 BT+30V SPEAKER D1G ECO_ON 137 TO P6 5 5 7 8 R+ SCL 1 SDA 4 107 105 3 CEC IC4507 Q4514 8 CEC 5 5 BUFFER D0- F+15V EEPROM EDID2 Q4515 WC 3 BUFFER 6 N.C. 19 20 2 Q4516 6 EEPROM KEY 5 SDA BUFFER 21 6 AVDD 8 2 6 TVDD CVDD SCL IC4504 DVDD SDA WC 8 ERROR DET 1 6 11 D2G IC4510 Q4505 3 11 IC4501 12 8 DDCA_SDA1 HDMI INT AD/HDMI CLK- 13 TUNER_SUB_ON 42 IC5550 7 43 106 44 SOS EEPROM EDID1 45 13 55 STB7V VCC 58 18 7 HDMI2 +5V DET 30 135 BT30V SHORT DET DC-DC 28 SDA 17 MAIN3.3V Q4504 D2- D0+ VCC 6 29 HPDT MONITOR 132 3 XRST TV_ON OFF 33 1 3 MAIN+9V B_+_INPUT 4 27 L+ 6 D1- IC2303 9 HPDT IC2610 DE 2 3 DDCG +15V_S MCL WC 1 7 DDCA_SCL1 DTV+9V 8 DTV+9V 3 SDA UVIN4 RX_SCK N.C. 74 7 CLKG 80 RX_SD0# HDMI_BCLK 9 94 D0G VCC 5 128 99 144 HDMI1 RESET MUTE SW 5 122 SOUND12V FB AVR DG SUB_3.3V SHORT DET 31 78 1 DIGITAL SIGNAL PROCESSOR DVDDIO 97 Q4517 8 BUFFER MAIN_PR(AIN4) SCL IC4500 Q4519 VCC Q2639 HDMI1 +5V DET D0+ B_-_INPUT BUFFER D1+ 138 L- SUB+5V HDMI_SDIN AUDIO MUTE SPEAKER 15 D1G MAIN_PR(AIN4) 134 B_OUTPUT SUB_3.3V OVER VOLTAGE MAIN_PB/C(AIN8) CLK+ FOR FACTORY USED 7 129 DDCA_SCL0 YIN9 SCL YIN5 AMP 131 AUDIO AMP 9 YIN2 D0G +3.3V SUB+5V/DTV+9V 6 TO P7 D2G UVIN1 HDMI_LRCK +3.3V Q2031,Q2033-Q2035 STB+5V IC4515 DG7 5 UVIN6 16 UVIN3 SPEAKER UVIN5 RX_WS 118 18 UVIN0 RESET 119 INV. 25 UVIN8 113 +12V 16 UVIN7 R- 26 UVIN2 MUTE 24 UVIN9 +15V_S 32 DG6 HDMI_INT2 Q2039-Q2042 D2- 31 OPERATE RESET HDMI2 RESET 121 RESET 115 OUT D1+ D0- 116 1 IN CLKG 108 +15V_S 51 1 D2+ 65 SOY +5V 48 8 RGB_CVBS(AIN9) D2+ 12 66 53 ALL_OFF DDCG AC_GOOD/KEY DDCA_SDA0 28 52 TH-50PV70CA DG-Board (2 of 4) Block Diagram TH-50PV70CA DG-Board (2 of 4) Block Diagram 9 4.4. DG 电路板 (3/4)方框图 SDA1 SDA3 SCL3 SD_BOOT_STS SLRCK ADCCK VI2ENB VMUTE DTV_VOUTENB CLK74SEL PANEL_STATUS PANEL_SOS XIRQ3 SCL2 SBI0 DTV_XRST SDA2 SBO0 SCL1 SDA0 SBI2 SCL1 SBO2 SDA3 SDA1 SCL3 SCL0 VC27 SBT0 VOUTENB CK27 SUB3.3V CK27D SCL0 CLK74 ECS3 SCL1 SBO0 ADIN SDA0 XRST DTV9V SUB1.2V 3.3V SUB3.3V VI2ENB SUB3.3V MAIN3.3V SUB1.8V DSRCK SBO2 ADCCK XIRQ3 VI2P21 SBI2 SLRCK VI2P10 SBI0 SDA1 SUB3.3V SBT2 ECS5 14 ED0-ED15 SDBOOT VIN SUB3.3V TEMP.SENSOR IC8004 MMA0-12 SDCD IC4800 VI1P9-2,27,26(UVIN9-0) SLOT SD CARD VI1P19-12,29,28(YIN9-0) VI1P25-22(RIN3-0) VMUTE VI1ENB 1 VI1CLKOUT,VI1CLK 6 PANEL_STATUS 7 5 PANEL_SOS VI1VSYNC,VI1HSYNC 4 ED15-ED0 SDCMD (DEMPX) D.SW IC8601 IC5660 SDCLK EA23-EA8 XRST EA1-EA23 ED0-ED7/EA8-EA15 SDCMD ED8-ED15/EA16-EA23 SDDAT3 SDAT2 SDCLK 3.3V SDAT0 SDAT1 SD CARD TCLK1N/P TA1N/P SDDAT0 SDWP VI1P20 8 RSV1(SD_ERROR) ISOPSYNC 9 EA1-EA7 SDA I2C I2C SDAT3 W.P. VDD 2 SERIAL I/F 11 JK8801 27 1 HDMI_IRQ 26 RESET 2 DG PEAKES LITE2 RESET 24 CLOCK GEN DIGITAL SIGNAL PROCESSOR 23 DDR 22 IC8002,03 I2C RSV2(SDRAMCHK2) 1.8V 21 74M PEAKS_Lite 2 25 CLOCK GENE. IC8001 27M IC8621,22 4 D-LATCH 1 9 NOR FLASH 7 IC8554 S2 RSV3(SDRAM_CHK1) 12 SD CARD I/F ExBUS 13 IIC I/F TB1N/P TC1N/P LVDS I/F FOR ADV7493 TD1N/P CPU BUS I/F TE1N/P COMMON PORT .etc EEPROM DDR I/F MMDQ0-31 8 7 6 5 EEPROM_WP VCC WC VCC SCL 4 SCL SDA TH-50PV70CA DG-Board (3 of 4) Block Diagram TH-50PV70CA DG-Board (3 of 4) Block Diagram 10 4.5. DG 电路板 (4/4)方框图 + + + + TV_SUB_ON_DELAY TB1N SDA0 DTV_VOUTENB DTV_XRST SBO0 PANEL_SDA CLK74SEL PANEL_SCL SLRCK RMIN SOS PANEL_TXD G_LED_ON TV_SUB_ON SOUND_SOS STB_RST R_LED_ON ECO_ON AUDIO_MUTE KEY1 ALL_OFF PANEL_SDA SP_MUTE PANEL_STATUS STB_LED_ON AUDIO_XRST PANEL_RXD VIDEO_STATUS PANEL_SOS ALL_OFF RF_AFT1 IIC_CONT SDA3 ECO_ON IIC_CONT TE1N SCL1 SBI0 TC1N SCL0 SDA1 PANEL_SCL ADCCK TB1P STB_LED_ON TD1N SCL2 PANEL_TXD VI2ENB TA1P HDMI_5V_DET1 KEY1 VMUTE SDA0 TA1N HPD1 RMIN TCLK1P SCL0 HDMI_CEC R_LED_ON 7493_XRST SDA2 G_LED_ON PANEL_RXD SCL SDA3 SCL SBO0 SDA SDA SCL3 SDA SCL3 TE1P SCL TD1P SBI2 SBI0 TCLK1N TV_MAIN_ON TC1P SD_BOOT_STS SBO2 STB3.3V STB5V MAIN9V SUB5V SUB5V MAIN5V STB5V Q5604 Q1107 SUB1.2V MAIN3.3V C5690 Q2000 Q5693 STB3.3V Q5603 SUB1.8V D5691 STB5V X1100 C5694 Q1108 D5670 SUB5V C5691 Q2001 D5673 C5695 Q5691 SUB5V MAIN3.3V D5671 R5697 MAIN3.3V SUB5V SUB3.3V D5609 Q5690 STB3.3V D5690 MAIN5V Q5692 STB3.3V DTV9V DTV9V R5696 STB5V DTV9V SUB3.3V 16 SDA 10MHz Rx3+(RD+) +3.3V 17 WC MAIN9V_SENSE IC1100 8 SCL 110 PANEL_SOS(ALRAM) REMOTE (SUB) 93 VCC Ex IIC ECO_ON Rx0+(RA+) 30 65 RSV1(LITE2) DTV9V_SENSE R_LED_ON +1.8V SUB5V_SENSE SOUND_SOS 27 49 SBI0A MAIN5V_SENSE (Panel Dpr.E2PROM) PANEL_SDA(IIC_SDA1) IIC_CONT/SRQ RSV2(LITE2) 63 1 24 64 (Panel Dpr.E2PROM) Rx4+(RE+) 8 12 I2C 52 (Device Control) 10 7 2 33 11 6 34 2 5 35 ACTIVE_STBY_LED_ON 28 SBO0A 3 GenX-EEP_WP MAIN3.3V_SENSE Rx1+(RB+) IC1101 2 3 EEPROM 1 DTV_VOUTENB 69 88 CLK74SEL 7493_XRST Rx2+(RC+) A_MON_MUTE/SP_MUTE HDMI_5V_Det1 126 AUDIO_MUTE STB5V 36 7 53 1 46 8 Panel_SDA HPD1 9 118 TV_MAIN_ON HDMI_CEC IIC_CONT 22 Panel_RXD I2C 2 68 127 STB3.3V 12 SBI0 R_LED_ON RESET 12 STB RESET 20 4 8 RxCLK+(RCLK+) 9 Panel_TXD STB3.3V (GenX4 Loarder/E2PROM) 7 10 Panel_SCL (Device Control) 23 GenX4_SDA OSCXO 11 ALL_OFF 25 9 16 10 PANEL_SCL(IIC_SCL1) I2C 71 TV_SUB_ON_DELAY 6 ECO_ON 2 17 TV_SUB_ON SOS Rx2-(RC-) JK8702 1 SUB5V 1 15 (SUB) LITE2_SDA2 SBO0 23 IIC_SDA2 (Lite2 E2PROM) SBI0 (Device Control) DC-DC CONV. Q5600 21 RSV3(LITE2) SUB+3.3V SDA1 I2C GenX4 DG34 SCL1 27 STB5V 40 1 IC5671 PANEL_MUTE(DISPEN) MAIN3.3V 4 6 RMIN 29 (GenX4 Loarder/E2PROM) MAIN5V 7 4 39 MAIN+5V 2 FOR FACTORY USED MAIN+3.3V ON/OFF 23 111 ON/OFF VIDEO_STATUS FOR FACTORY USED 89 24 12 58 2 24 +1.2V 21 30 G_LED_ON 5 31 DG Rx1-(RB-) +3.3V IIC_CONT G_LED_ON 92 DG 33 DG5 KEY1 26 14 AVR 3 (Lite2 E2PROM) Q5601 Q5602 SRQ_GENX (Device Control) IC5600 1 21 GND(INEXCH) 26 DIGITAL SIGNAL PROCESSOR (STB) (Device Control) Rx3-(RD-) TO D5 SOS LED BLINKING : 10TIMES AUDIO_XRST 27 114 IC5670 Rx4-(RE-) STB+3.3V SOS LED BLINKING : 12TIMES SOS LED BLINKING : 10TIMES 26 4 24 LITE2_SDA1 6 23 LITE2_SDA3 7 GenX4_SCL HDMI_CEC_PU_ON PANEL_STATUS(READY) LITE2_SCL1 5 FOR FACTORY USED 25 (Device Control) DG1 1 22 LITE2_SDA0 SRQ SUB5V 2 21 LITE2_SCL0 RF_AFT1 (SUB) LITE2_SCL2 6 LITE2_SCL3 SBO0 SUB+1.8V/SUB+1.2V 25 MAIN3.3V DC-DC CONV. NRST 5 45 SDA0 PANEL_STBY_ON Rx0-(RA-) KEY1 SCL0 105 IIC_SCL2 RxCLK-(RCLK-) ALL_OFF NBOOT OSCXI TXD 125 RXD IC5601 PANEL_STBY_ON 66 18 67 3 115 SD_BOOT_STS 124 83 TO K1 19 DTV_XRST 87 84 ACTIVE_STBY_LED_ON TH-50PV70CA DG-Board (4 of 4) Block Diagram TH-50PV70CA DG-Board (4 of 4) Block Diagram FAN_SOS FAN_MAX MAIN5V MAIN5V FAN_SOS FAN_MAX No use DG8 4 6 5 86 117 11 4.6. DG 电路板 (1/16)线路图 CH0A8 CH0XWE CH0XCS0 CH0CK CH0DM2 CH0XRAS CH0A2 CH0DM1 CH0A12 CH0BA2 CH0A9 CH0A7 CH0DM3 CH0A5 CH0A4 CH0DQS3 CH0BA1 CH0BA0 CH0A11 CH0DQS0 CH0A10 CH0XCAS CH0A1 CH0A6 CH0A0 CH0XCS1 CH0ODT CH0DQS1 CH0CKE CH0DM0 CH0A3 CH0XCK CH0DQS2 CH0DQ0 CH0DQ1 CH0DQ2 CH0DQ3 CH0DQ4 CH0DQ5 CH0DQ6 CH0DQ7 CH0DQ8 CH0DQ9 CH0DQ10 CH0DQ11 CH0DQ12 CH0DQ13 CH0DQ14 CH0DQ15 CH0DQ16 CH0DQ17 CH0DQ18 CH0DQ19 CH0DQ20 CH0DQ21 CH0DQ22 CH0DQ23 CH0DQ24 CH0DQ25 CH0DQ26 CH0DQ27 CH0DQ28 CH0DQ29 CH0DQ30 CH0DQ31 C8053 25V 0.01u C8080 16V 0.1u C8070 16V 0.1u C8073 16V 0.1u C8052 16V 1u C8014 16V 0.1u C8074 16V 0.1u C8020 16V 0.1u C8026 16V 0.1u C8076 16V 0.1u C8001 16V 0.1u C8008 16V 0.1u C8025 16V 0.1u C8023 10u 10V C8068 16V 0.1u C8067 25V 0.01u C8030 16V 1u C8078 16V 0.1u C8072 16V 0.1u C8013 16V 0.1u C8056 16V 0.1u C8071 16V 0.1u C8075 4V 22u C8057 16V 0.1u C8009 10u 10V C8011 16V 0.1u C8017 10u 10V C8028 16V 0.1u C8021 16V 0.1u C8016 16V 1u C8012 16V 0.1u C8032 10u 10V C8038 16V 0.1u C8037 16V 0.1u C8003 1u 16V C8018 16V 0.1u C8079 16V 0.1u *C8069 50V 82p C8022 16V 1u C8051 16V 0.1u C8033 16V 0.1u C8019 16V 0.1u C8007 16V 0.1u C8058 10u 10V C8004 1u 16V C8031 16V 1u C8006 16V 0.1u C8077 16V 0.1u C8027 16V 0.1u C8024 10u 10V C8015 16V 1u C8005 1u 16V C8010 10u 10V C8029 16V 0.1u C8002 16V 1u C8034 16V 0.1u IC8001 A1 VSS IC8001 AA11 SMTD0 IC8001 K6 VDD33 IC8001 AD25 VDDIO IC8001 B19 VOP14 IC8001 AF21 VSS IC8001 P3 AGAVDD IC8001 Y24 VDDIO IC8001 M26 MMDM1 IC8001 K12 VSS IC8001 D16 VDD33 IC8001 AB23 VSS IC8001 F4 VI2P9 IC8001 D19 VSS IC8001 C14 DSRCK IC8001 AB13 SDDAT2 IC8001 AC19 MMDQ17 IC8001 AC7 IS1PSYNC IC8001 AB17 VSS IC8001 AA24 MMODT IC8001 F14 LRCK0 IC8001 B1 VI1P17 IC8001 R12 VDD12 IC8001 P25 VDDIO IC8001 E21 VDD33 IC8001 B6 VI1P7 IC8001 P21 MMDQ12 IC8001 AE12 SDWP IC8001 L1 VI2P28 IC8001 P6 VDD33 IC8001 D18 VSS IC8001 AC18 VDDIO IC8001 L6 VI2P21 IC8001 W2 ED6 IC8001 AB25 VDDIO IC8001 E20 MVSYNC IC8001 U17 VSS IC8001 AE8 SMTD1 IC8001 D4 VSS IC8001 U25 MMA9 IC8001 AB22 VDDIO IC8001 AE17 MMDQ26 IC8001 D11 MVCOMP IC8001 AC14 VDD12 IC8001 B5 VI1P9 IC8001 H22 TCPOUT IC8001 N10 VDD12 IC8001 F24 VSS IC8001 Y6 VSS IC8001 U24 VDDIO IC8001 AE26 MMRODT IC8001 AD4 XNFRE IC8001 M14 VSS IC8001 AA4 ESZ0 IC8001 V3 ED4 IC8001 A11 SVCOMP IC8001 P11 VSS IC8001 F26 TD1P IC8001 U15 VDDA IC8001 AB3 XEWE1 IC8001 V1 ED1 IC8001 V4 VSS IC8001 C21 VOP6 IC8001 L3 VI2P25 IC8001 C12 DACVDD1 IC8001 AB6 NFCLE IC8001 AA22 VSS IC8001 AC1 ESZ1 IC8001 AD23 VSS IC8001 M10 VSS IC8001 C1 VI1P19 IC8001 T3 EA3 IC8001 E13 MVDACO0 IC8001 B24 VDD33 IC8001 J21 MVAVSS IC8001 A17 VOP23 IC8001 M22 MMVREF0 IC8001 M15 VSS IC8001 P12 VSS IC8001 F8 VI2P0 IC8001 F20 VDD33 IC8001 AC8 XDTR0 IC8001 AF4 IS0DATA IC8001 H6 VI1P20 IC8001 A13 DMIX0 IC8001 A2 VI1P16 IC8001 U5 ED0 IC8001 B14 ADCCK IC8001 D7 VDD33 IC8001 AE16 VDDIO IC8001 C7 VI1P5 IC8001 AE13 SDDAT1 IC8001 R22 MMXCS0 IC8001 E3 VI1ENB IC8001 D10 VSS IC8001 P10 VDD12 IC8001 D22 VDD33 IC8001 D6 VI2P3 IC8001 E18 VOP29 IC8001 A5 VI1P8 IC8001 AE11 CH0VAL IC8001 L11 VSS IC8001 J26 MMDQ6 IC8001 W6 VSS IC8001 K11 VSS IC8001 AC16 VSS IC8001 B16 VOP0 IC8001 U11 VDD12 IC8001 J25 VSS IC8001 D8 VDD33 IC8001 M12 VSS IC8001 AE14 VDD12 IC8001 U21 MMXCAS IC8001 B26 TA1P IC8001 K21 CK27 IC8001 J5 VI2P11 IC8001 V23 MMA11 IC8001 AA23 MMMONB IC8001 AA2 ED15 IC8001 Y21 MMVCAL IC8001 F6 VSS IC8001 AF24 VSS IC8001 F2 VI1P21 IC8001 N15 VSS IC8001 C5 VI1P28 IC8001 C19 VOP16 IC8001 N23 MMDQ9 IC8001 V21 MMA4 IC8001 AB7 IS0VAL IC8001 T12 VDD12 IC8001 AB21 VSS IC8001 T13 VDD12 IC8001 AF19 MMDQS2 IC8001 C26 TB1P IC8001 AD3 XNFWE IC8001 R10 VDD12 IC8001 H3 VI2P12 IC8001 AD26 VSS IC8001 AA10 SMTRST1 IC8001 A3 VI1P14 IC8001 AF15 VDDR IC8001 B10 VI1P2 IC8001 U6 VDD33 IC8001 D23 SBO0 IC8001 AB19 VDDIO IC8001 AD1 XECS3 IC8001 AC24 MMPCLKEXT IC8001 AB20 MMDQ16 IC8001 AD7 XCTS0 IC8001 AB1 ECLK IC8001 AB24 MMMONA IC8001 L26 MMDQS0 IC8001 A22 VOP7 IC8001 A10 IECOUT0 IC8001 C17 VOP25 IC8001 K10 VSS IC8001 AD15 VDDR IC8001 N3 SDA1 IC8001 AE24 DTCPOUT IC8001 U13 VDD12 IC8001 AB18 MMVREF1 IC8001 R3 TDO IC8001 E8 VI1CK208F IC8001 AE15 VDDR IC8001 AA19 MMDQ20 IC8001 E17 VOP22 IC8001 A19 VOP13 IC8001 R1 TMS IC8001 C10 VI1P3 IC8001 R26 VSS IC8001 G4 VDD33 IC8001 M17 VDDA IC8001 Y23 VSS IC8001 AD13 SDCD IC8001 V25 VSS IC8001 F16 VOP11 IC8001 AC23 VDDIO IC8001 D25 TC1N IC8001 AF26 VDDIO IC8001 V22 VDDIO IC8001 B8 VI1P24 IC8001 F22 LVVSS IC8001 K2 VI2P22 IC8001 L14 VSS IC8001 Y25 MMA8 IC8001 AD5 IS1CLK IC8001 P22 MMDQ13 IC8001 D5 VI2P5 IC8001 L5 VI2P23 IC8001 G7 VSS IC8001 AD22 VDDIO IC8001 T23 MMBA0 IC8001 K3 VI2P20 IC8001 G6 VI1P0 IC8001 E14 DACVDD2 IC8001 N1 XIRQ2 IC8001 AA21 VDDIO IC8001 N11 VSS IC8001 P2 AGAVSS IC8001 A8 VI1CKOUT IC8001 L2 VI2P26 IC8001 AE3 NFALE IC8001 N16 VSS IC8001 AD24 CK27D IC8001 AA14 VDD12 IC8001 R16 DPAVSS IC8001 T26 MMA10 IC8001 F7 VI2P2 IC8001 AF22 MMDQ22 IC8001 AD19 VSS IC8001 N13 VSS IC8001 D14 VSS IC8001 C23 VDD33 IC8001 AE7 TXD0 IC8001 AC20 VSS IC8001 AD6 SBT2 IC8001 W3 ED8 IC8001 AB9 XDCD0 IC8001 E12 VVREF IC8001 AF5 IS1DATA IC8001 U22 MMA5 IC8001 K1 VI2P24 IC8001 V2 ED2 IC8001 K22 MMDQ4 IC8001 M13 VSS IC8001 U1 EA5 IC8001 K14 VSS IC8001 AD11 CH0PSYNC IC8001 AB2 ERXW IC8001 B23 SBO2 IC8001 AC6 NANDRYBY IC8001 P23 VSS IC8001 D1 VI1HSYNC IC8001 L10 VSS IC8001 G25 TE1N IC8001 G23 LPFIN IC8001 D21 XRST IC8001 A21 VOP3 IC8001 D17 VDD33 IC8001 R15 VSS IC8001 M16 VSS IC8001 L17 VSS IC8001 D20 VOP8 IC8001 L15 VSS IC8001 G21 LVVSS IC8001 W22 MMXCS1 IC8001 W21 VSS IC8001 M24 MMDQS1 IC8001 U12 VDD12 IC8001 L21 MMDQ1 IC8001 AC22 VSS IC8001 AA26 MMA2 IC8001 P13 VSS IC8001 E16 VOP20 IC8001 AF1 VSS IC8001 N17 VDDR IC8001 AC11 VDD33 IC8001 E6 VI2P4 IC8001 U2 EA6 IC8001 L13 VSS IC8001 R23 MMCKE IC8001 AC5 XNFCE IC8001 J1 VI2CLK2 IC8001 L16 VSS IC8001 M11 VSS IC8001 C9 VI1CLK IC8001 E11 VI1CVBS3 IC8001 L23 MMDQ0 IC8001 AF25 MMRDRV IC8001 AF17 MMDQ27 IC8001 AA1 ED14 IC8001 U16 VDDR IC8001 G5 VI1P1 IC8001 C18 VOP12 IC8001 F21 LVVDD IC8001 AD9 SMTCLK0 IC8001 T24 MMBA2 IC8001 AE23 MCLK IC8001 A4 VI1P29 IC8001 M4 VSS IC8001 F13 MVDACO2 IC8001 A15 LCSCK IC8001 AE2 XEXDMR0 IC8001 AA9 VDD33 IC8001 AC3 XECS4 IC8001 Y3 ED13 IC8001 AB16 MMDQ28 IC8001 AB26 MMXCK IC8001 N25 MMDQ10 IC8001 AF20 VDDIO IC8001 AE5 IS1VAL IC8001 K4 VI2P18 IC8001 E4 VI2P7 IC8001 H21 MVAVDD IC8001 AE4 IS0PSYNC IC8001 R21 VDDIO IC8001 T10 VDD12 IC8001 P5 AVCOIN IC8001 AA7 VSS IC8001 A16 VOP10 IC8001 R25 MMXWE IC8001 F17 VOP27 IC8001 AF8 SMTCMD1 IC8001 M5 RMCO IC8001 F3 VI1P10 IC8001 B7 VI1P4 IC8001 F1 VI2HSYNC IC8001 W25 MMXRAS IC8001 A12 DACVSS2 IC8001 AA17 MMDQ24 IC8001 C11 DACVSS1 IC8001 L24 VSS IC8001 AC25 VSS IC8001 E2 VI1CLK2 IC8001 E26 TCLK1P IC8001 J22 VC27 IC8001 D24 TSTAIO IC8001 K5 VI2P16 IC8001 T15 VDDR IC8001 K13 VSS IC8001 AE10 CH1PSYNC IC8001 AD16 MMDQ30 IC8001 C8 VI1P25 IC8001 B17 VOP24 IC8001 G3 VI2ENB IC8001 C2 VI1P18 IC8001 AE18 VSS IC8001 B22 VOP9 IC8001 R2 TRST IC8001 G26 TE1P IC8001 B2 VSS IC8001 AB10 SMTSEL1 IC8001 J6 VDD33 IC8001 B12 MVDACO1 IC8001 K25 MMDQ2 IC8001 M25 VSS IC8001 AA5 XECS0 IC8001 C15 VOP21 IC8001 C13 DACCK0 IC8001 N2 XNMIRQ IC8001 E24 VSS IC8001 H25 CLK74 IC8001 M21 VDDIO IC8001 N22 VSS IC8001 AD10 CH1CLK IC8001 U4 EA4 IC8001 Y4 XERE IC8001 T22 VSS IC8001 W23 MMA0 IC8001 F23 LVVSS IC8001 G24 VSS IC8001 Y22 VDDIOCK IC8001 AD14 VDD12 IC8001 W4 ED9 IC8001 AF9 SMTCMD0 IC8001 AA6 VSS IC8001 E5 VSS IC8001 AA16 MMDQ29 IC8001 AD12 SDCMD IC8001 AC12 VSS IC8001 A25 VDD33 IC8001 V5 ED3 IC8001 F10 VI1CVBS1 IC8001 H5 VI2VSYNC IC8001 W1 ED5 IC8001 K23 VDDIO IC8001 W5 ED12 IC8001 E15 SLRCK IC8001 T25 VDDIO IC8001 AA3 XEWE0 IC8001 AB11 SMTSEL0 IC8001 N14 VSS IC8001 E22 LVVDD IC8001 AF6 XDSR0 IC8001 F19 VOP5 IC8001 AC4 XECS5 IC8001 U10 VDD12 IC8001 K16 VSS IC8001 AB5 XEXDMK0 IC8001 C4 VI1P13 IC8001 AD18 MMDQS3 IC8001 H4 VDD33 IC8001 AF18 MMDM3 IC8001 C16 VOP1 IC8001 E7 VI2P1 IC8001 M3 VI2P29 IC8001 L22 VSS IC8001 D12 MVDACO3 IC8001 AD20 MMDQ19 IC8001 P17 VSS IC8001 H26 VOUTENB IC8001 J23 MMDQ5 IC8001 W24 VSS IC8001 N24 VDDIO IC8001 A24 SBI2 IC8001 AE20 MMDQ18 IC8001 F18 VOP15 IC8001 A6 VI1P6 IC8001 F9 VI1CK204F IC8001 C22 MHSYNC IC8001 N6 VDD33 IC8001 A14 ADIN IC8001 P1 XIRQ3 IC8001 T11 VDD12 IC8001 C3 VSS IC8001 AF11 CH0DATA IC8001 AE22 VSS IC8001 M6 VI2P27 IC8001 AF2 XNFWP IC8001 J24 MMDQ7 IC8001 AF12 CH0CLK IC8001 B11 MVIREF IC8001 AB4 XECS2 IC8001 M23 VDDIO IC8001 J4 VI2P13 IC8001 AA12 CH1VAL IC8001 W26 VDDIO IC8001 K26 VDDIO IC8001 AA20 MMDQ21 IC8001 Y26 MMA6 IC8001 U23 MMA12 IC8001 A23 MVCLK IC8001 AC17 MMDQ25 IC8001 T4 VDD33 IC8001 E23 LVVDD IC8001 Y1 ED10 IC8001 G2 VI2CLK IC8001 E1 VI1P11 IC8001 AC13 VSS IC8001 N21 MMDQ8 IC8001 D15 DAUDIO IC8001 B15 LCSID IC8001 N12 VSS IC8001 L4 VSS IC8001 AC26 MMCK IC8001 T1 EA0 IC8001 AC21 TSTSEL IC8001 R13 VDD12 IC8001 AD17 VDDIO IC8001 V26 MMA1 IC8001 AB8 SBT0 IC8001 AD21 MMDQ23 IC8001 F11 VDD33 IC8001 H1 VI2P15 IC8001 T14 VSS IC8001 E9 VI1CVBS0 IC8001 AA8 VDD33 IC8001 B13 SRCK0 IC8001 T5 TDI IC8001 Y2 ED11 IC8001 U3 EA7 IC8001 R4 VDD33 IC8001 T21 MMA3 IC8001 B20 VOP19 IC8001 K17 LVVDD12 IC8001 Y5 XEDK IC8001 L25 MMDM0 IC8001 D9 VSS IC8001 F12 VDD33 IC8001 K24 MMDQ3 IC8001 J3 VI2P17 IC8001 C6 VI1P27 IC8001 P16 DPAVDD IC8001 AA25 VSS IC8001 F5 VI2P6 IC8001 AA15 VSS IC8001 AE21 VDDIO IC8001 V6 ED7 IC8001 B3 VI1P15 IC8001 R6 TCK IC8001 T2 EA1 IC8001 AD8 SMTCLK1 IC8001 B4 VI1P12 IC8001 B18 VOP28 IC8001 AB14 VDD12 IC8001 D2 VI1VSYNC IC8001 AE9 SMTRST0 IC8001 P24 MMDQ14 IC8001 A26 VDD33 IC8001 D3 VI2P8 IC8001 AE25 VSS IC8001 AC15 VDDR IC8001 A9 VI1P22 IC8001 T17 VDDA IC8001 AF7 RXD0 IC8001 H2 VI2P14 IC8001 D26 TC1P IC8001 P14 VSS IC8001 H23 VSS IC8001 U26 MMA7 IC8001 AF16 MMDQ31 IC8001 AC2 XECS1 IC8001 P15 VSS IC8001 E10 VI1CVBS2 IC8001 AD2 XECS6 IC8001 C20 VOP2 IC8001 J2 VI2P19 IC8001 N5 SCL1 IC8001 G1 VI2P10 IC8001 AE6 XRTS0 IC8001 AF10 CH1DATA IC8001 AE1 XECS7 IC8001 N26 MMDQ11 IC8001 D13 VSS IC8001 AA18 VSS IC8001 AA13 SDDAT3 IC8001 R14 VSS IC8001 T6 EA2 IC8001 B9 VI1P23 IC8001 R17 VDDR IC8001 F25 TD1N IC8001 U14 DPAVDD12 IC8001 T16 VSS IC8001 AF13 SDCLK IC8001 A7 VI1P26 IC8001 A20 VOP17 IC8001 AC9 XRI0 IC8001 E25 TCLK1N IC8001 AB15 VDDR IC8001 R5 ATCPOUT IC8001 E19 VOP18 IC8001 G22 LPFOUT IC8001 F15 VDD33 IC8001 H24 AUDCLK IC8001 L12 VSS IC8001 M1 SDA0 IC8001 AF23 BOOTSWAP IC8001 A18 VOP26 IC8001 B25 TA1N IC8001 AE19 MMDM2 IC8001 R24 VSS IC8001 P26 MMDQ15 IC8001 B21 VOP4 IC8001 AB12 SDDAT0 IC8001 K15 VSS IC8001 V24 MMBA1 IC8001 AC10 VDD33 IC8001 AF14 VDD12 IC8001 R11 VDD12 IC8001 P4 GTCPOUT IC8001 C24 SBI0 IC8001 N4 XIRQ1 IC8001 AF3 IS0CLK IC8001 C25 TB1N IC8001 M2 SCL0 C0ZBZ0001030 IC8004 1 X1 2 S0 3 S1 4 VIN 5 VDD 6 GND 7 74M 8 COMM 9 27M 10 4.9152M 11 24.576/33M 12 GND 13 VDD 14 S2 15 VDD 16 X2 L8010 J0JHC0000045 L8001 J0JHC0000045 L8007 J0JHC0000045 L8005 J0JHC0000045 L8008 J0JHC0000045 L8009 J0JHC0000045 L8002 J0JHC0000045 L8004 J0JHC0000045 L8003 J0JHC0000045 VREF 1.8V_DDRI/F SUB3.3V SUB3.3V SUB3.3V SUB3.3V 1.8V_DDRI/F SUB3.3V SUB1.2V SUB1.2V SUB1.8V SUB1.2V SUB3.3V TP8037 CLKGEN_S2 VI1P5 XEDK VI2P10 VI1CKOUT LRCK0 CH0DATA RMCO TC1P XECS6 SDDAT3 EA1 SMTSEL0 ED11 AC_CHDI2 ED2 XECS1 EA4 XECS7 SCL1 ED8 SMTSEL1 XNFCE DMIX0 TCK IS1DATA SDCMD CH0VAL SDDAT2 SMTRST0 VI1P17 VI1P29 XIRQ2 VMUTE XECS3 XEWE1 ED14 EA5 AC_CHDI7 VI1P6 TDO XIRQ3 VI1P15 MVDACO0 VI1P24 ED15 SBO0 VI1ENB IS0CLK XNFWE ED13 ED6 VI1P19 XEXDMR0 AC_XPDWT SMTCMD0 VI1P16 ED1 VI1P25 CH1VAL AC_CHSYNC TMS VI2P20 VI1CLK2 IS0PSYNC SDA0 VI2P11 VI1P4 VI1P10 VI1P27 TD1P IECOUT0 ED12 VI1P8 VI1P3 AC_CHVAL XIRQ1 ED10 EA6 TA1N SCL0 VI1P2 TE1N SDCD IS0DATA TDI ESZ1 VI1P7 MVDACO2 AC_CHDI6 AC_CHDI4 XNFWP AC_CHDI0 VI1P21 ERXW NANDRYBY XEWE0 ED0 VI2P4 VI1P18 TCLK1P VI2CLK2 TB1P VI1P11 ED7 VI1HSYNC SDCLK SMTCMD1 ED3 XNFRE ED5 TA1P SLRCK CH0PSYNC XERE SBT2 VI1P9 AC_CHDI1 CH0CLK VI1P23 XRST CH1DATA IS1PSYNC ECLK AC_CHDI5 VI2ENB ED9 SBI2 VOUTENB SDDAT1 XECS0 ED4 MVDACO1 TE1P NFCLE CH1PSYNC AC_CHDI3 XNMIRQ XECS5 VI1P0 ESZ0 VI1P1 XECS4 SBO2 TB1N ADCCK SBT0 VI1VSYNC SRCK0 VI2P21 TRST SDWP VI1P14 XEXDMK0 XECS2 EA2 EA0 IS0VAL IS1VAL VI1P12 VI1P13 EA7 NFALE EA3 SMTCLK0 MVDACO3 CH1CLK VI1P28 TCLK1N BOOTSWAP SDDAT0 VI1P22 ADIN VI1P26 TD1N VI1P20 TC1N SBI0 VI1CLK AC_CHCLK SDA1 R8059 47 R8100 47 R8039 0 R8106 2k R8087 10k R8002 82 R8071 47 R8027 0 R8057 47 R8075 47 R8072 47 R8091 100 R8090 10k R8065 47 R8060 47 R8077 47 1% R8005 10k R8107 100 R8067 47 R8061 47 R8023 0 R8029 0 R8056 47 R8095 10k R8086 100k R8076 47 R8079 0 R8078 47 *R8108 22k R8099 10k R8073 47 R8001 180 R8064 47 R8026 0 R8024 0 1% R8004 24k R8025 0 R8062 47 R8098 10k R8066 47 R8093 47 R8080 0 1% R8082 75 1% R8006 6.8k R8069 47 R8084 0 R8111 10k R8083 300 R8068 47 R8063 47 R8036 0 R8058 47 R8030 100 R8028 0 R8070 47 X8001 H0J270500061 *R4001 10k R4330 47k R4286 47k R4287 47k R4288 47k R4284 10k EA19 IIC I/F AUDIO IF XDTR0 SD CARD I/F JTAG SERIAL I/F LVDS I/F SBI1 SCL2 SDA2 SCL3 SDA3 LOSDOUT11 LOSDOUT10 LOSDOUT13 LOSDOUT12 PORT14[1] PORT14[2] PORT14[3] LOSDOUT15 RSV2(SDRAMCHK2) PORT14[4] PORT16[1] VMUTE SCARD_NMIRQ XRI0 SCARD_IRQ XDCD0 RXD0 TXD0 XCTS0 XDSR0 RSV3(SDRAM_CHK1) B PORT (Sub Video Input or Address) SBO1 XRTS0 HSVALIN Analog Video I/F HSSYNIN POD,CI I/F HSBCLKIN CPU BUS I/F COMMON PORT .etc PORT5[6] CLOCK GEN SMT_OFF RSV1(SD_ERROR) PORT5[7] PORT16[0] HSDIN0 HSDIN1 PORT15[5] NAND I/F POWER_DET HSDIN2 HSDIN3 PORT15[7] HSDIN4 EA20 FOR HQ1L VIDEO HSDIN5 EA13 HSDIN6 EA22 EA15 EA16 HSDIN7 EA10 PORT10[6] EA21 PORT10[7] LOSDOUT14 LOSDOUT9 PORT5[4] PORT5[5] LOSDOUT8 LOSDOUT7 LOSDOUT6 PORT6[4] PORT6[5] PORT6[7] SDBOOT EA12 LOSD OUT (for HQ1) C Y Cmp V EA09 FOR ADV7493 U EA18 Y EA17 LOSDOUT5 Cmp LOSDOUT4 LOSDOUT3 RSV4 LOSDOUT2 CH,IS IF LOSDOUT1 EA24 PORT9[5] LOSDOUT0 EA11 LOSDOUT_CLK_O R LOSDOUT_H_O G LOSDOUT_YS B LOSDOUT_YM Cmp PANEL_STATUS EA23 LOSDOUT_V_I LOSDOUT_CLK_I LOSDOUT_H_I EEPROM_WP FE_IRQ P_MAIN_SW HDMI_IRQ ETHER_IRQ PANEL_SOS EA08 EA14 XPDWT Peaks-Lite2 IC8001 MN2WS0039AA B C E A 9 6 7 8 3 1 5 D 4 F 2 4 1 5 3 2 Sheet No.002 CRNo.8000-8299 Peaks-Lite2/DDR2 to (10/16) to (5/16) to (4/16) to (4/16) to (4/16) to (5/16) to (5/16) to (4/16) to (9/16) to (4/16) to (4,5/16) to (4,5/16) to (4,5/16) to (4,5/16) to (4,5/16) to (7/16) to (4/16) to (5/16) to (4/16) CLOCK GEN TH-50PV70CA DG-Board (1 of 16) Schematic Diagram TH-50PV70CA DG-Board (1 of 16) Schematic Diagram DG-BOARD (1/16) ! TNPA4311AH 12 4.7. DG 电路板 (2/16)线路图 + CH0DQ30 CH0DQ31 CH0DQ26 CH0XRAS CH0DQS0 CH0XRAS CH0A5 CH0CKE CH0DQ18 CH0CK CH0DQ8 CH0DQ21 CH0A7 CH0DQ11 CH0DQ5 CH0XCAS CH0DQ9 CH0ODT CH0ODT CH0BA2 CH0BA0 CH0DQ27 CH0A2 CH0A12 CH0DQS3 CH0BA1 CH0DM0 CH0DQ4 CH0A3 CH0DQ15 CH0CKE CH0A8 CH0XCS1 CH0DQ10 CH0BA2 CH0DQ1 CH0DQ14 CH0CK CH0DQ29 CH0A1 CH0XCK CH0XWE CH0A0 CH0DQ25 CH0DQ7 CH0ODT CH0A4 CH0A11 CH0DQ0 CH0A10 CH0DM3 CH0DQ12 CH0A9 CH0DM2 CH0DQ20 CH0A11 CH0XCS0 CH0A6 CH0A7 CH0DQ2 CH0DQ23 CH0DQ22 CH0BA0 CH0A9 CH0XCAS CH0XWE CH0A0 CH0XCK CH0A5 CH0DQ6 CH0A2 CH0A10 CH0A12 CH0A3 CH0DQ16 CH0A6 CH0DQ28 CH0DQ13 CH0DQS2 CH0A4 CH0DM1 CH0BA1 CH0DQ19 CH0DQ17 CH0DQ24 CH0A8 CH0DQ3 CH0A1 CH0DQS1 CH0CKE C8039 16V 0.1u C8049 16V 0.1u C8036 10u 10V C8050 16V 0.1u C8045 16V 0.1u C8044 16V 0.1u C8043 16V 0.1u C8047 16V 0.1u C8035 10u 10V C8040 16V 0.1u C8046 16V 0.1u C8048 16V 0.1u C8041 16V 0.1u C8042 68u 4V *IC8003 = A1 VDD *IC8002 = A1 VDD *IC8002 = H7 DQ2 *IC8003 = M8 A0 *IC8002 = K2 CKE *IC8002 = B7 UDQS *IC8002 = R3 RFU *IC8002 = A7 VSSQ *IC8002 = G7 VDDQ *IC8002 = L7 CAS *IC8002 = R7 RFU *IC8002 = E2 NC *IC8002 = G1 VDDQ *IC8002 = C7 VDDQ *IC8003 = G9 VDDQ *IC8002 = K9 ODT *IC8003 = H9 DQ5 *IC8003 = P9 VSS *IC8003 = M9 VDD *IC8002 = M9 VDD *IC8002 = E7 VSSQ *IC8003 = H3 DQ3 *IC8002 = F1 DQ6 *IC8002 = D8 VSSQ *IC8002 = G9 VDDQ *IC8002 = P7 A11 *IC8003 = K9 ODT *IC8002 = E9 VDDQ *IC8003 = D7 DQ10 *IC8002 = G3 VDDQ *IC8003 = B8 VSSQ *IC8002 = A9 VDDQ *IC8002 = R1 VDD *IC8003 = J3 VSS *IC8002 = L2 BA0 *IC8002 = P2 A7 *IC8002 = C2 DQ9 *IC8002 = M3 A1 *IC8002 = F8 VSSQ *IC8002 = J7 VSSDL *IC8002 = B2 VSSQ *IC8002 = A3 VSS *IC8002 = F7 LDQS *IC8002 = D1 DQ12 *IC8002 = N1 VSS *IC8002 = K8 CK *IC8002 = J3 VSS *IC8002 = C1 VDDQ *IC8002 = L3 BA1 *IC8002 = L8 CS *IC8002 = C3 VDDQ *IC8002 = A2 NC *IC8002 = J9 VDD *IC8002 = J8 CK *IC8002 = M8 A0 *IC8002 = P8 A8 *IC8003 = R2 A12 *IC8003 = N3 A5 *IC8002 = C8 DQ8 *IC8002 = N8 A4 *IC8002 = F2 VSSQ *IC8002 = B1 DQ14 *IC8002 = M7 A2 *IC8002 = E3 VSS *IC8002 = N3 A5 *IC8003 = H1 DQ4 *IC8002 = K7 RAS *IC8003 = N1 VSS *IC8002 = P9 VSS *IC8002 = D7 DQ10 *IC8002 = J2 VREF *IC8002 = R8 RFU *IC8003 = L2 BA0 *IC8002 = H3 DQ3 *IC8002 = B8 VSSQ *IC8002 = P3 A9 *IC8002 = E8 LDQS *IC8002 = F9 DQ7 *IC8002 = D3 DQ11 *IC8002 = H8 VSSQ *IC8003 = A9 VDDQ *IC8002 = G2 DQ1 *IC8002 = L1 RFU *IC8002 = D2 VSSQ *IC8002 = J1 VDDL *IC8002 = K3 WE *IC8003 = D3 DQ11 *IC8003 = F3 LDM *IC8002 = M2 A10 *IC8002 = G8 DQ0 *IC8003 = L8 CS *IC8002 = R2 A12 *IC8002 = H2 VSSQ *IC8002 = N2 A3 *IC8002 = H1 DQ4 *IC8002 = H9 DQ5 *IC8002 = B9 DQ15 *IC8002 = E1 VDD *IC8002 = A8 UDQS *IC8002 = F3 LDM *IC8002 = D9 DQ13 *IC8003 = A3 VSS *IC8002 = B3 UDM *IC8002 = C9 VDDQ *IC8002 = N7 A6 *IC8003 = F8 VSSQ *IC8003 = C2 DQ9 *IC8003 = H8 VSSQ *IC8003 = P2 A7 *IC8003 = R8 RFU *IC8003 = C3 VDDQ *IC8003 = C1 VDDQ *IC8003 = B2 VSSQ *IC8003 = J2 VREF *IC8003 = E8 LDQS *IC8003 = K2 CKE *IC8003 = G8 DQ0 *IC8003 = E1 VDD *IC8003 = M2 A10 *IC8003 = P8 A8 *IC8003 = N2 A3 *IC8003 = L3 BA1 *IC8003 = B7 UDQS *IC8003 = D8 VSSQ *IC8003 = G3 VDDQ *IC8003 = M7 A2 *IC8003 = C7 VDDQ *IC8003 = A2 NC *IC8003 = K8 CK *IC8003 = F7 LDQS *IC8003 = K7 RAS *IC8003 = E2 NC *IC8003 = C8 DQ8 *IC8003 = D1 DQ12 *IC8003 = G7 VDDQ *IC8003 = N7 A6 *IC8003 = L1 RFU *IC8003 = P7 A11 *IC8003 = D9 DQ13 *IC8003 = L7 CAS *IC8003 = R3 RFU *IC8003 = D2 VSSQ *IC8003 = M3 A1 *IC8003 = A7 VSSQ *IC8003 = E7 VSSQ *IC8003 = B1 DQ14 *IC8003 = F2 VSSQ *IC8003 = J9 VDD *IC8003 = E9 VDDQ *IC8003 = H2 VSSQ *IC8003 = B9 DQ15 *IC8003 = R1 VDD *IC8003 = K3 WE *IC8003 = J1 VDDL *IC8003 = E3 VSS *IC8003 = A8 UDQS *IC8003 = B3 UDM *IC8003 = F1 DQ6 *IC8003 = C9 VDDQ *IC8003 = J7 VSSDL *IC8003 = G1 VDDQ *IC8003 = P3 A9 *IC8003 = J8 CK *IC8003 = N8 A4 *IC8003 = G2 DQ1 *IC8003 = H7 DQ2 *IC8003 = R7 RFU *IC8003 = F9 DQ7 1.8V_DDRI/F 1.8V_DDRI/F R8074 220 R8081 10k 1% R8032 270 R8101 10k 1% R8031 270 R8035 0 R8097 220 DDR2 #1 84FBGA 84FBGA DDR2 #0 CRNo.8000-8299 Peaks-Lite2/DDR2 Sheet No.002 IC8002 C3ABRY000015 IC8003 DDR2 #1 C3ABRY000015 16 11 12 18 13 10 17 14 15 2 4 1 5 3 DG-BOARD (2/16) ! TNPA4311AH TH-50PV70CA DG-Board (2 of 16) Schematic Diagram TH-50PV70CA DG-Board (2 of 16) Schematic Diagram 13 4.8. DG 电路板 (3/16)线路图 AA_ED10 AA_ED0 AA_EA20 AA_EA14 AA_EA19 AA_EA12 AA_ED13 AA_EA22 AA_XEWE0 AA_EA8 AA_ED6 AA_EA18 AA_EA15 AA_ED4 AA_ED5 AA_XERE AA_EA3 AA_ED11 AA_ED1 AA_EA9 AA_ED8 AA_XECS0 AA_EA6 AA_ED9 AA_EA5 AA_EA21 AA_EA16 AA_EA10 AA_ED14 AA_EA2 AA_EA13 AA_ED15 AA_EA1 AA_EA11 AA_XRST AA_ED2 AA_EA7 AA_ED7 AA_ED12 AA_EA17 AA_EA4 AA_ED3 AC_CHDI2 AC_CHDI1 AC_CHDI0 AC_CHDI7 AC_CHDI6 AC_CHDI5 AC_CHDI4 AC_CHDI3 AC_CHCLK AC_CHVAL SMTCLK0 AA_EA23 XECS7 VI1P20 AC_CHSYNC SMTCMD0 SMTSEL0 AC_XPDWT AF_NAND_RY/BY C8554 16V 0.1u C8553 16V 0.1u C8555 16V 0.1u TVRP463-9 *IC8554 1 N.C. 2 A22 3 A15 4 A14 5 A13 6 A12 7 A11 8 A10 9 A9 10 A8 11 A19 12 A20 13 WE 14 RESET 15 A21 16 WP/ACC 17 RY/BY 18 A18 19 A17 20 A7 21 A6 22 A5 23 A4 24 A3 25 A2 26 A1 27 N.C. 28 N.C. 29 Vio 30 N.C. 31 A0 32 CE 33 Vss 34 OE 35 DQ0 36 DQ8 37 DQ1 38 DQ9 39 DQ2 40 DQ10 41 DQ3 42 DQ11 43 Vcc 44 DQ4 45 DQ12 46 DQ5 47 DQ13 48 DQ6 49 DQ14 50 DQ7 51 DQ15/A-1 52 Vss 53 BYTE 54 A16 55 N.C. 56 N.C. L8551 J0JHC0000075 SUB3.3V SUB3.3V SUB3.3V *R8475 EXB28V103JX *R8474 EXB28V103JX *R8472 EXB2HV103JV R8551 10k R8470 10k R8564 10k R8471 10k 128/256Mbit NOR FLASH AV_OUT 8500-8549 NAND/NOR 8550-8599 SUPPORT_CARD 8700-8799 MPEG 8850-8949 EEPROM 8600-8619 SD_CARD 8800-8849 SMART_CARD 8650-8699 D-LATCH 8620-8649 MODEM 8950-8999 CRNo.8300-8999 DTV FE 8300-8399 CI 8400-8499 24 20 22 19 27 21 25 26 23 12 14 13 TH-50PV70CA DG-Board (3 of 16) Schematic Diagram TH-50PV70CA DG-Board (3 of 16) Schematic Diagram DG-BOARD (3/16) ! TNPA4311AH 14 4.9. DG 电路板 (4/16)线路图 AA_XERE AA_ED4 AD_TO_SC AA_EA11 AA_EA16 AA_ED10 AA_ECLK AA_ED7 AA_XEAS AA_EA20 AA_XNMIRQ SMTCMD0 AA_EA17 AA_ED1 AA_EA4 AA_ED7 AA_XEWE0 NET0031261 AA_ED6 AA_ED10 AA_ED8 AA_ED9 AD_TRST AA_ED12 AA_EA9 AA_EA15 NET0031303 AA_XERE AA_EA19 AA_EA21 AA_EA25 AA_ED0 AA_ED14 AD_SDA3 AA_EA15 AA_XECS1 AG_DTV_VOUTENB AA_ED0 AD_SCL0 AA_EA8 AA_ED15 AA_EA9 AA_EA14 AD_TO_BA01 AA_EA11 AF_NAND_RY/BY AD_TRST AA_XNMIRQ AA_EA14 AD_SCL3 AG_DTV_XRST AA_EA17 AA_ED15 AA_ED11 AA_ED4 AA_EA19 AA_ED12 AA_EA4 AA_EA13 AA_EA5 AA_ESZ1 AA_ED13 AA_ESZ0 AA_ED2 AA_ED1 AA_EA8 AD_SCL2 AD_TO_SC AA_BOOTSWAP SMTSEL0 AA_EA7 AA_EA12 AA_ED7 AA_EA16 AA_ERXW AD_SDA0 AA_ED14 AA_XIRQ1 AA_EA23 AA_EA22 AD_SDA2 AA_EA24 AA_EA18 AA_XECS0 AA_EA7 AA_ED11 AA_EA3 AD_MODEMLED AA_ED5 AA_ED15 AA_BOOTSWAP AD_TMS AA_ED9 AA_ED12 AA_EA23 AA_XECS0 AA_ED1 AA_EA6 AA_XRST AA_XEDK AD_SCL1 AA_EA5 AA_XECS1 AA_EA18 AA_EA1 AA_ED9 AA_EA10 AA_ED5 AA_XRST AA_EA10 AA_XRST AA_EA12 AG_SRQ-GENX AA_ED0 AA_ED2 AD_TO_BA01 AA_EA3 AA_EA20 AA_EA2 AA_EA6 AA_ED13 AA_XEWE0 AA_XEWE1 AA_ED8 AA_ED3 AD_TCK AA_ED8 AA_ED11 AA_ED6 AA_ED3 AA_EA2 AA_XIRQ1 AA_ED14 SMTCLK0 AA_XEDK AA_XEWE1 AD_TMS AA_EA24 AA_ED5 AA_EA1 AA_EA13 AA_ED2 AD_SDA1 AA_EA0 AA_EA22 AA_ECLK AA_ED4 AA_ED6 AA_ED3 AA_ED13 AA_EA21 AA_EA0 AA_ERXW AA_ED10 AD_TCK AA_XEAS AA_XECS2 AA_XECS2 AG_MODEM_LED2/CLK74SEL AA_ESZ1 AA_ESZ0 AG_SD_BOOT_STS AA_SBO0 AG_SW_OFF_DET AA_SBI0 AA_SBI0 AA_SBO0 AC_CHDI0 AC_CHDI1 AC_CHDI2 AC_CHDI3 AC_CHDI4 AC_CHDI5 AC_CHDI6 AC_CHDI7 AC_CHVAL AC_CHSYNC AC_CHCLK AC_XPDWT XECS7 VI1P20 AA_XEAS C8621 16V 0.1u C8622 16V 0.1u D8901 MA3X704A0L C0JBAZ002845 IC8622 OE 1 2 Q0 3 D0 4 D1 5 Q1 6 Q2 7 D2 8 D3 9 Q3 10 GND 11 LE 12 Q4 13 D4 14 D5 15 Q5 16 Q6 17 D6 18 D7 19 Q7 20 Vcc C0JBAZ002845 IC8621 OE 1 2 Q0 3 D0 4 D1 5 Q1 6 Q2 7 D2 8 D3 9 Q3 10 GND 11 LE 12 Q4 13 D4 14 D5 15 Q5 16 Q6 17 D6 18 D7 19 Q7 20 Vcc JK8702 K1KA04AA0104 1 2 3 4 *JK8701 K1KAB0A00011 1 2 3 4 5 6 7 8 9 10 11 12 13 14 15 16 17 18 19 20 21 22 23 24 25 26 27 28 29 30 31 32 33 34 35 36 37 38 39 40 41 42 43 44 45 46 47 48 49 50 51 52 53 54 55 56 57 58 59 60 61 62 63 64 65 66 67 68 69 70 71 72 73 74 75 76 77 78 79 80 81 82 83 84 85 86 87 88 89 90 91 92 93 94 95 96 97 98 99 100 101 102 103 104 105 106 107 108 109 110 L8621 J0JHC0000075 SUB3.3V SUB3.3V SUB3.3V SUB3.3V SUB3.3V SUB3.3V SUB3.3V SUB5V MAIN3.3V TP8766 TP8747 TP8744 TP8733 TP8705 TP8742 TP8748 TP8735 TP8757 TP8750 TP8746 TP8718 TP8731 TP8767 TP8852 TP8851 TP8700 TP8755 TP8758 TP8707 TP8727 TP8704 TP8723 TP8736 TP8720 TP8765 TP8761 TP8717 TP8703 TP8768 TP8753 TP8739 TP8712 TP8749 TP8854 TP8722 TP8711 TP8759 TP8754 TP8732 TP8763 TP8726 TP8734 TP8702 TP8751 TP8729 TP8743 TP8730 TP8752 TP8725 TP8715 TP8714 TP8741 TP8745 TP8706 TP8762 TP8756 TP8764 TP8728 TP8738 TP8721 TP8713 TP8737 TP8760 TP8708 TP8709 TP8710 TP8719 TP8853 TP8724 TP8740 TP8716 TP8701 25M 24.576M 4.9152M CLKGEN_S2 AA_SBI0 ECLK EA1 XECS3 XIRQ1 SMTCMD0 VI2P11 CH1DATA AC_CHDI6 AC_CHVAL XEXDMR0 SMTSEL1 SMTRST0 AC_CHDI5 SMTCMD1 AC_XPDWT XECS2 ERXW ED6 AC_CHDI0 RMCO VI2P4 XERE XEXDMK0 ED2 XECS5 EA6 XECS4 EA2 XECS7 SBO0 ED14 ED10 ED13 TRST SBT2 VI2P20 CH1CLK EA3 EA0 AA_SBO0 EA7 XIRQ2 AC_CHDI7 ADIN TCK CH1PSYNC EA5 VI1CLK2 SBT0 ED1 TDI ESZ1 CH0PSYNC AC_CHDI1 ED15 ESZ0 XEDK ED7 SDA0 IS0PSYNC SCL1 AC_CHDI2 VOUTENB XEWE1 BOOTSWAP AC_CHDI3 VI2ENB XECS0 XEWE0 AC_CHSYNC TMS XNMIRQ XECS6 ED4 SDA1 ED11 AC_CHDI4 TDO CH0VAL AC_CHCLK SMTSEL0 VI1P20 XECS1 ED5 XRST ED12 SMTCLK0 EA4 ADCCK SLRCK CH0CLK ED3 IS1DATA NANDRYBY SBI0 ED9 ED0 CH0DATA SCL0 ED8 R8867 EXB2HV680JV R8865 EXB2HV680JV R8866 EXB2HV680JV R8883 68 R8749 10k R8898 10k *R8890 68 R8897 0 R8623 68 R8742 10k R8901 68 R8874 10k R8893 0 R8746 10k R8629 68 R8923 5.6k R8627 68 R8910 10k R8911 68 R8626 68 R8912 68 R8916 68 R8891 68 R8887 68 R8913 68 R8631 68 R8917 68 R8868 68 R8745 10k R8918 68 R8892 68 R8894 68 R8634 68 R8921 4.7k R8710 68 R8636 68 R8556 68 R8920 4.7k R8875 10k R8927 0 R8737 68 R8622 68 R8869 10k R8878 68 R8900 68 R8925 4.7k R8632 68 R8712 10k R8908 10k R8625 68 R8905 10k R8738 68 R8926 4.7k R8935 10k R8904 10k R8735 68 R8899 10k R8914 68 R8919 4.7k R8732 100 R8702 0 R8889 68 R8888 68 R8879 68 R8924 5.6k R8884 68 R8739 68 R8886 68 R8907 10k R8621 68 R8635 68 R8628 68 R8882 68 R8947 68 R8880 68 R8736 68 R8871 10k R8633 68 R8906 10k R8870 0 R8876 10k R8624 68 R8948 10k R8909 10k R8922 4.7k R8915 68 R8709 0 R8711 10k R8877 68 R8881 68 R8896 0 R8630 68 R8885 68 ExBUS SBI0 from GENX JTAG XCI_IREQ INT.PU /EA10 INT.PU /EA9 I2C /EA11 INT.PU TDO PORT16[7], SD_BOOT OUTPUT OUTPUT/(BOOTBT) XPDCD2 Hi-Z (XECS2,3 setting) /EA17 INT.PD INT.PU OUTPUT INT.PD Hi-Z RESERVED INT.PU SBO0 Hi-Z CI I/F LiteII OUTPUT /EA12 INT.PU B_PORT OUTPUT PORT16[5] PORT9[5] CI_XRST /EA16 /EA14 INT.PU INT.PU INT.PD INT.PD OUTPUT /EA21 +5V /EA22 INT.PU INT.PU Hi-Z see also SDA2 for ea_pullup_sel EA24 /EA15 XPDCD1 INT.PD ED/EA with Int.PU at start INT.PU NEED EXT.PU XIRQ3 for HDMI_INT in ADV sheet DUBUG/JIG TUNER SERIAL TS 33.75MHz Hi-Z /EA23 Hi-Z NEED EXT.PU Hi-Z INT.PD Hi-Z Hi-Z ExBUS Hi-Z /EA20 /EA13 CI_#CE1 TDI Hi-Z NAND I/F ADDRESS MPXed, if D-Latch BANKSIZE0 (ea_pullup_sel) CI PARALLEL TS PORT6[6]:PSV1 ExBUS N.C. for CLKGEN port /EA18 Reserved/(ed_pullup_sel) LiteII Hi-Z /EA19 Hi-Z /EA8 P_MAIN_SW H:Int.PU on EA PORT5[1] PORT5[2] RSV3 RSV2 CI_POWER_ON CI_OCP Hi-Z Hi-Z XECS3,5,7: USED FOR OTHER PORPOSE PINS INT.PU Hi-Z PORT16[4] PORT15[4] Hi-Z D-LATCH D-LATCH SUPPORT CARD FOR FACTORY USED to (1/16) to (1/16) to (10/16) EEPROM 8600-8619 SD_CARD 8800-8849 NAND/NOR 8550-8599 SUPPORT_CARD 8700-8799 SMART_CARD 8650-8699 D-LATCH 8620-8649 MPEG 8850-8949 MODEM 8950-8999 AV_OUT 8500-8549 CRNo.8300-8999 DTV FE 8300-8399 CI 8400-8499 34 30 36 28 33 31 32 35 29 14 12 13 21 23 22 TH-50PV70CA DG-Board (4 of 16) Schematic Diagram TH-50PV70CA DG-Board (4 of 16) Schematic Diagram DG-BOARD (4/16) ! TNPA4311AH 15 4.10. DG 电路板 (5/16)线路图 D.SW W.P. AH_LRCK0 AE_SDCLK AA_XRST AD_SCL2 AG_SW_OFF_DET AD_SDA2 AD_SDA1 MVDACO3 AG_DTV_VOUTENB AE_SDDAT0 AG_DTV_XRST AG_SD_BOOT_STS AE_SDDAT1 AE_SDCMD AD_SCL1 AE_SDCLK AG_SRQ-GENX AH_DMIX0 AD_SDA3 AD_SDA0 AH_SRCK0 AD_SCL0 AH_IECOUT0 AH_LRCK0 AE_SDDAT3 AE_SDDAT2 AD_SCL3 AD_SDA3 AD_SCL3 AH_SRCK0 MVDACO3 AH_DMIX0 AE_SDCD AE_SDWP AG_MODEM_LED2/CLK74SEL STB_RST AE_SDCD AE_SDWP DVB_CVBS AE_SDDAT0 AE_SDDAT1 AE_SDDAT2 AE_SDDAT3 AE_SDCMD C8801 50V 0.47u C8601 16V 0.1u *IC8601 TVRP692 1 A0 2 A1 3 A2 4 VSS 5 SDA 6 SCL 7 WP 8 VCC JK8801 K1NA09D00004 NO 1 2 3 4 5 6 7 8 9 10 W.P. 10 11 11 12 D.SW 12 SUB3.3V SUB3.3V SUB3.3V SUB3.3V TP8605 TP8602 TP8802 TP8601 TP8604 TP8808 TP8805 TP8804 TP8501 TP8803 TP8603 TP8801 TP8806 TP8807 AG_DTV_VOUTENB AG_SD_BOOT_STS AA_XRST AG_DTV_XRST AG_MODEM_LED2/CLK74SEL AG_SW_OFF_DET AG_SRQ-GENX AD_SCL0 AH_SRCK0 DVB_CVBS AD_SCL3 AH_LRCK0 AH_DMIX0 AD_SCL1 AD_SCL2 MVDACO2 STB_RST SDDAT3 MVDACO0 SDCLK AD_SDA1 VI1P0 VI1P21 SDCMD VI1P0 IS0DATA IECOUT0 SDWP SDDAT2 SDDAT0 IS0CLK VI2CLK2 SDDAT1 MVDACO3 VI1P11 IS1VAL CH1VAL IS0VAL SDCD AD_SDA0 DMIX0 AD_SDA3 SRCK0 AD_SDA2 VI1P1 VI1P10 MVDACO1 LRCK0 IS1PSYNC R8813 EXB28V221JX R8604 0 R8513 0 R8812 0 R8601 22 1% R8508 91 1% R8507 91 R8963 10k R8808 10k R8803 10k R8807 10k R8816 68 R8605 68 R8655 10k R8503 330 1% R8509 91 R8815 68 R8502 330 R8806 10k R8802 10k R8504 330 1% R8512 180 R8814 68 R8602 22 1% R8510 91 R8817 68 R8653 10k R8825 0 R8805 10k R8832 10k R8804 10k R8828 10k R8603 47k R8809 10k MAIN AUDIO DATA Comp. Comp. Comp. SD_CARD OUTPUT INT.PD COMMON LR/SR CLK Y Y G YC YUV RGB NO PU/PD Comp. C U B PORT9[4] EEPROM_WP - V R Output Port need no Ext.PD. FOR H.264 BOARD Hi-Z if H.264 is non use Hi-Z PORT8[0] Hi-Z PORT15[7] TXD0 Hi-Z H.264 RXD0 should be L OUTPUT setting PORT15[6] Hi-Z Hi-Z SMART CARD I/F is removed SMTCLK0 Hi-Z RESERVED SMTSEL0 SMTCMD0 PORT15[4] used for CI_OCP on DT2 Int.PU PORT5[4] SD_COIN_DET PORT7[7] PRO_SDBOOT SDCLK SDDAT3 SDCMD GND 3.3V SDDTC SDDAT2 SDDAT0 SDWP GND SDDAT1 PORT5[4] ERXW JUDGE EEPROM SD CARD SLOT to (15/16) to (9,10/16) to (7,10/16) to other devices to (4/16) to (10/16) to (10,15/16) GENX4 to (6,7,15/16) to (7/16) LiteII to (1/16) EEPROM 8600-8619 SD_CARD 8800-8849 NAND/NOR 8550-8599 SUPPORT_CARD 8700-8799 SMART_CARD 8650-8699 D-LATCH 8620-8649 MPEG 8850-8949 MODEM 8950-8999 AV_OUT 8500-8549 CRNo.8300-8999 DTV FE 8300-8399 CI 8400-8499 44 38 42 37 43 39 40 41 45 21 22 23 TH-50PV70CA DG-Board (5 of 16) Schematic Diagram TH-50PV70CA DG-Board (5 of 16) Schematic Diagram DG-BOARD (5/16) ! TNPA4311AH 16 4.11. DG 电路板 (6/16)线路图 + + + + + + + + + + + G G G G G G AG_RMIN AG_KEY1(CON-PANE) C5644 0.01u 25V C5627 0.1u 16V C5616 0.047u 10V C5645 2.2u 6.3V C5617 1u 16V C5615 10u 10V C5607 50V 220p C5608 0.1u 16V C5619 10u 10V C5626 0.1u 16V C5605 4.7u 16V C5670 16V 1u C5673 16V 1u C5637 0.1u 16V C5601 0.1u 16V C5636 0.1u 16V C5622 4.7u 16V C5674 16V 1u C5676 16V 0.1u C5620 0.1u 16V C5639 0.1u 16V C5624 220p 50V C5638 0.1u 16V C5640 0.1u 16V C5641 0.1u 16V C5643 0.1u 16V C5692 16V 0.1u C5623 470p 50V C5600 1u 16V C5693 16V 0.1u C5606 470p 50V C5603 0.01u 25V C5604 0.01u 25V C5621 0.01u 25V C5625 0.01u 25V C5632 1u 16V C5663 25V 0.01u C5662 10V 0.047u C5661 25V 0.01u C5618 10u 10V C5628 68u 4V C5695 47u 6.3V C5609 47u 16V C5690 47u 16V C5610 16V 47u C5629 68u 4V C5691 47u 6.3V C5694 47u 16V C5602 68u 4V C5631 16V 47u C5630 16V 47u D5601 MA22D3900L D5673 B0HCMM000014 D5603 B0JCDD000002 D5606 B0JCDD000002 D5671 B0HCMM000014 D5604 B0JCDD000002 D5605 MA22D3900L D5602 MA22D3900L D5670 MA2J11100L D5608 MAZ802400L D5691 B0BC6R600005 D5607 MAZ802400L D5690 B0BC6R600005 D5609 MAZ80560LL J0HABH000013 FL5733 J0HABH000013 *FL5734 J0HABH000013 *FL5730 C0CBCBC00190 IC5670 1 VDD 2 GND 3 CE 5 VOUT 4 NC C0EBF0000376 IC5671 1 RST 2 VDD 3 GND 5 Cd 4 NC IC5660 C0EBM0000026 1 OUT 2 Vdd 3 GND 5 Cd 4 NC C0DBAYY00273 IC5600 1 GND 2 REFIN 3 VREF 4 CS 5 COVP 6 CUVP 7 PGOOD 8 CTL 9 LSAT 10 ILIM 11 +INC 12 -INC 13 FSW 14 PGND 15 OUT-2 16 VB 17 VCC 18 VBIN 19 LX 20 OUT-1 21 CB 22 RT 23 VO 24 FB C0DBAYY00274 IC5601 1 RT 2 CS1 3 VO1 4 FB1 5 REFIN1 6 ILIM1 7 -INC1 8 -INC2 9 ILIM2 10 FSW 11 FB2 12 VO2 13 CS2 14 GND 15 VREF 16 CTL 17 CB2 18 OUT2-1 19 LX2 20 OUT2-2 21 VB 22 PGND 23 VCC 24 OUT1-2 25 LX1 26 OUT1-1 27 CB1 28 PGOOD 29 CUVP 30 OVP DG1 1 2 3 4 5 6 7 8 9 10 11 12 L5611 J0JHC0000035 L5605 J0JHC0000075 L5691 J0JHC0000078 L5690 J0JHC0000078 L5610 J0JHC0000035 L5670 J0JHC0000078 L5735 J0JHC0000078 L5601 G1C2R2ZA0083 L5606 G1C100MA0077 L5602 G1C3R3ZA0083 L5600 G1C2R2ZA0083 L5604 G1C100MA0077 MAIN5V SUB1.8V SUB3.3V MAIN3.3V MAIN9V SUB1.2V SUB5V DTV9V DTV9V STB5V DTV9V SUB5V STB3.3V DTV9V STB3.3V STB5V SUB3.3V SUB5V SUB5V SUB3.3V STB5V SUB3.3V STB3.3V TP5600 TP5608 TP5606 TP5609 TP5601 TP5702 TP5605 TP5701 TP5670 TP5604 TP5602 TP5603 TP5705 TP5700 TP5607 TP5706 AG_R_LED_ON AG_G_LED_ON AG_KEY2 AG_RMIN AG_KEY3 AG_KEY1(CON-PANE) AA_XRST AG_TV_MAIN_ON STB_RST Q5600 B1MBEDA00015 S1 G1 S2 G2 D2 D2 D1 D1 Q5601 B1MBEDA00015 S1 G1 S2 G2 D2 D2 D1 D1 Q5602 B1MBEDA00015 S1 G1 S2 G2 D2 D2 D1 D1 Q5693 B1DHDC000028 Q5692 B1DHDC000028 Q5603 2SD0601ASL Q5691 B1ABCF000138 Q5690 B1ABCF000138 Q5604 2SD0601ASL R5731 47k R5661 47k R5690 10k R5600 68 R5628 0 R5622 100k R5671 18k R5641 47k R5694 1k R5608 0 R5646 10k R5693 47k R5670 0 R5629 28k 1% R5633 16k 1% R5621 47k 1% R5634 16k 1% R5631 36k 1% R5630 47.5k 1% R5632 30k 1% R5604 47k 1% R5605 12.4k 1% R5611 36k 1% R5612 23.2k 1% R5606 0 R5730 47k R5607 0 R5692 47k R5625 0 R5647 47k *R5741 0 R5636 68k R5696 10k R5635 22k R5627 0 R5674 47k R5672 0 R5644 2.2k R5626 0 R5638 10k R5662 10k R5660 5.6k R5691 10k R5609 0 R5610 100k R5697 10k R5637 0 R5623 47k 1% R5620 68 R5695 1k From GenX4 CRNo.5600-5749 Peaks-LITE2 RST 5660-5669 GenX4 POWER/RST 5670-5689 Peaks-LITE2 POWER 5600-5659 MAIN5V/MAIN3.3V 5690-5709 DG-H Connecter 5710-5729 DG-G Connecter 5730-5749 to K-PCB GenX4 G_LED_ON GND AI_SENSOR SUB5V RMIN ACTIVE_STBY_LED_ON GND STB3.3V R_LED_ON GND KEY1 GND POWER SUPPLY/RST 51 52 54 47 49 46 50 53 48 STB+3.3V GenX4 RESET PEAKS-LITE2 RESET MAIN5V MAIN3.3V SUB+3.3V SUB+1.8V/+1.2V to (7,16/16) to (7,15,16/16) to (4/16) to (5,7,15/16) TH-50PV70CA DG-Board (6 of 16) Schematic Diagram TH-50PV70CA DG-Board (6 of 16) Schematic Diagram DG-BOARD (6/16) ! TNPA4311AH GenX4 to (7/16) DG8 1 2 3 4 5 6 MAIN5V No use NC NC KIKA06AA0104 FAN_SOS GND MAIN5V FAN_MAX L5750 J0JHC0000035 G G *R5750 0 G G FL5750 J0HABH000013 FL5751 J0HABH000013 R2018 47K TPCOF GenX4 to (7/16) AG_FAN_MAX AG_FAN_SOS 17 4.12. DG 电路板 (7/16)线路图 AD_SCL3 AG_HDMI_CEC AG_RMIN AG_G_LED_ON AG_KEY3 AG_R_LED_ON AG_MODEM_LED1/DT_IFSW/ACTIVE_STB_LED_ON AG_HPD2 AD_SDA3 SCL AG_TV_MAIN_ON AG_SD_LED_ON SDA AG_CONFIG_DONE AG_DTV_XRST AG_HPD1 AG_SRQ-GENX AG_LVDS_EN AG_DTV_VOUTENB AG_TV_SUB_ON AG_SD_BOOT_STS AG_KEY1(CON-PANE) AG_PWM_POW_ON AG_HDMI_5V_DET1 AG_AVSW_OFF AG_BUS_CONNECT2 AG_RF_AFT1 AG_RF_AFT2 AG_SOUND_SOS AG_SOS AG_A_MON_MUTE/SP_MUTE AG_AUDIO_MUTE AG_AUDIO_XRST AG_FAN_MAX AG_FAN_SOS AG_7493_XRST SCL SDA AG_VIDEO_STATUS AG_PANEL_STBY_ON/PANEL_VCC_ON SBI2 SBO2 AD_SCL3 AD_SDA3 SBO2 SBI2 DTV9V_SENSE ADCCK AG_BUS_CONNECT2 AG_ODU_DET AG_RF_AGC1 AG_AUDCLK SLRCK SCL SDA AG_ODU_ON/GEMSTER_STBY_EN AG_AVSW_OFF AG_KEY2 AG_MODEM_LED2/CLK74SEL AG_AUDCLK SLRCK ADCCK VI2ENB VI2ENB AG_HDMI_CEC AG_SRQ-GENX MAIN5V_SENSE AG_SRQ-GENX AG_KEY2 AG_KEY3 AG_HDCP_WP AG_EDID_WP AG_HDMI_MUX_SEL AG_HDMI_MUX_EN AG_HDMI_REP_EN AG_HPD3 AG_HDMI_5V_DET3 AG_SW_OFF_DET AU_SBO(HOTEL) AU_SBI(HOTEL) AG_TV_MAIN_ON_DELAY AG_HDMI_OPT_ENB AG_TV_SUB_ON_DELAY AG_VIDEO_STATUS AG_PANEL_STBY_ON/PANEL_VCC_ON AG_EDID_WP AG_HDCP_WP AG_RF_AFT1 AG_RF_AFT2 AG_SOS AG_FAN_SOS AG_SOUND_SOS AG_FPGA_XRST AG_DTV_XRST AG_SD_BOOT_STS AG_A_MON_MUTE/SP_MUTE AG_AUDIO_MUTE AG_ECO_ON AG_HQ1_VOUTENB AG_HDMI_MUX_SEL AG_HDMI_MUX_EN AG_HDMI_REP_EN AG_INVERTER_ON AG_PWM_POW_ON AG_LVDS_EN AG_DTV_VOUTENB AG_QLINK_PU_ON AG_ALL_OFF AG_HPD1 AG_HPD2 AG_HPD3 AG_R_LED_ON AG_TV_MAIN_ON AG_HDMI_5V_DET3 AG_HDMI_5V_DET1 AG_AUDIO_XRST AG_TV_SUB_ON_DELAY AG_HDMI_OPT_ENB AG_TV_MAIN_ON_DELAY AG_FAN_MAX AG_MODEM_LED1/DT_IFSW/ACTIVE_STB_LED_ON AG_G_LED_ON AG_MODEM_LED2/CLK74SEL AG_TV_SUB_ON AG_INVERTER_SOS AG_QLINK2 AG_QLINK1 AG_7493_XRST AG_SD_LED_ON AG_CONFIG_DONE AG_KEY1(CON-PANE) AG_RMIN AG_INVERTER_ON AG_HQ1_VOUTENB AG_FPGA_XRST AG_ALL_OFF AG_ECO_ON AG_QLINK_PU_ON AG_QLINK1 AG_QLINK2 AG_ODU_DET AG_RF_AGC1 AU_SBI(HOTEL) AU_SBO(HOTEL) AG_ODU_ON/GEMSTER_STBY_EN AG_INVERTER_SOS AG_SW_OFF_DET C1122 25V 0.01u C1103 16V 0.1u C1107 50V 22p C1106 50V 27p C1123 1u 16V C1112 16V 0.1u C1114 16V 0.1u C1108 16V 0.1u C1102 10u 10V C1111 1u 16V C1117 16V 0.1u C1109 1u 16V C1104 16V 0.1u D1107 MA3X704A0L *IC1101 1 2 3 4 5 6 7 8 MNZSFD7GP42 IC1100 1 P41/TMIO1 2 P42/TMIO2 3 P43/TMIO3 4 P44/TMIO4 5 P00/TMIO5 6 P01 7 P02 8 P03/SBT0B 9 P04/SBO0B 10 P51/IRQ2 11 P52/IRQ3 12 PB2 13 PB3 14 PB4 15 PB5 16 PB6 17 PB7 18 P53/IRQ4 19 P54/IRQ5 20 PA7 21 PA6 22 PA5 23 VSS 24 PA4 25 PA3 26 PA2 27 PA1/IRQ1 28 PA0 29 P45 30 P46 31 IVDD 32 VDD 33 P60/SBO0A 34 P61/SBT0A 35 P62/SBI0A 36 P05/IRQ6 37 P06/IRQ7 38 P07/IRQ8 39 P70/SDA0 40 P71/SCL0 41 N.C. 42 N.C. 43 N.C. 44 N.C. 45 P50/RMIN/IRQ0 46 P20 47 P21 48 P22 49 P23 50 IVDD 51 VSS 52 P10 53 P11 54 P12 55 P13 56 P14 57 P15 58 P16 59 P17 60 N.C. 61 N.C. 62 N.C. 63 P72/SDA1 64 P73/SCL1 65 P76/CEC0 66 P65/SBO2 67 P66/SBI2 68 P30 69 P31 70 P32 71 P33 72 P34 73 P35 74 VPPEX 75 N.C. 76 N.C. 77 N.C. 78 IVDD 79 VDD 80 N.C. 81 RONA 82 VSS 83 OSCXO 84 OSCXI 85 IVDD 86 P24 87 P25 88 P26 89 P27 90 P64/SBI1 91 P63/SBO1 92 NBOOT 93 NRST 94 NTEST 95 SCLOCK 96 SDATA 97 EXTRG0 98 EXTRG1 99 TRCCLK 100 TRCST 101 TRCD0 102 TRCD1 103 TRCD2 104 TRCD3 105 P90 106 P91 107 VSS 108 IVDD 109 P92 110 P93 111 P80/ADIN0 112 P81/ADIN1 113 P82/ADIN2 114 P83/ADIN3 115 P84/ADIN4 116 P85/ADIN5 117 P86/ADIN6 118 P87/ADIN7 119 P74/SDA2/CECAVL1B 120 P75/SCL2/CECAVL1A 121 P36 122 P37 123 P47 124 PB0 125 PB1 126 PC0 127 PC1 128 P40/TMIO0/SYSCLK L1100 J0JHC0000078 STB3.3V SUB5V STB3.3V STB3.3V MAIN9V DTV9V STB3.3V MAIN3.3V MAIN5V TP1104 TP1100 TP1102 TP1101 TP1105 TP1103 AG_SRQ-GENX AG_HDMI_5V_DET1 AG_SOUND_SOS AG_VIDEO_STATUS AG_KEY1(CON-PANE) AG_SOS AG_ALL_OFF STB_RST AG_HDMI_5V_DET3 AG_RF_AFT1 AG_KEY2 AG_RF_AFT2 AG_RMIN AG_KEY3 AG_HPD1 AG_HDMI_OPT_ENB AG_TV_MAIN_ON AG_TV_SUB_ON_DELAY AG_DTV_XRST AG_TV_SUB_ON AG_SW_OFF_DET AG_A_MON_MUTE/SP_MUTE AG_ECO_ON AG_HDCP_WP AG_G_LED_ON AG_AUDIO_MUTE AG_MODEM_LED2/CLK74SEL AG_AUDIO_XRST AG_FAN_MAX AG_FAN_SOS AG_EDID_WP AG_R_LED_ON AG_SD_BOOT_STS AG_HPD3 AG_PANEL_STBY_ON/PANEL_VCC_ON AG_TV_MAIN_ON_DELAY AG_DTV_VOUTENB AG_7493_XRST SBI2 SLRCK ADCCK VI2ENB SDA AD_SDA3 AG_HDMI_CEC AD_SCL3 SCL SBO2 Q1107 2SD0601A0L Q1108 2SD0601A0L R1217 56k R1171 56k R1163 1M R1152 47k R1198 100k *R1230 47k R1153 820 R1223 47k R1235 100k R1182 27k R1227 47k R1144 47k R1251 47k R1195 100k R1147 47k R1255 1k R1169 56k R1231 47k R1170 27k R1196 33k R1165 1.8k R1181 100 R1205 22 R1226 47k R1140 47k R1229 100 R1166 100k R1232 47k R1218 10k R1245 47k R1220 10k R1184 22 R1250 47k R1146 1k R1183 22 R1203 47k R1194 56k R1138 47k R1186 100 R1104 47k R1206 22 R1219 10k R1244 47k R1175 22 R1247 47k R1209 47k R1134 100 R1234 47k R1179 100 R1243 47k R1221 7.15k 1% R1228 47k R1216 33k R1148 47k R1236 47k R1246 47k R1174 22 R1122 47k R1222 47k R1200 5.6k R1204 0 R1248 47k R1249 47k R1162 100 R1172 27k R1201 5.6k R1164 10k R1199 47k R1233 47k R1237 47k X1100 H0J100500035 R4322 47k R4323 47k R4325 47k R4329 47k R4326 47k R4327 47k R4328 47k R2019 47k R2020 47k *R2022 47k R2023 47k *R2021 47k R2010 47k R2025 47k R2012 47k R2011 47k R2013 47k R2015 47k R2014 47k VIDEO_STATUS CONFIG_DONE TV_MAIN_ON ODU_ON/GEMSTER_STBY_EN AVSW_OFF(US) (SD_LED_ON) ODU_DET (BUS_CONNECT2) (USA only) SUB5V_SENSE GenX-EEP_WP MAIN5V_SENSE SRQ_GenX ALL_OFF RSV2(LITE2) (QLINK_PU_ON) (HDMI_CEC_PU_ON) HQ1_VOUTENB LVDS Out HDMI_5V_Det1 IIC HDMI_5V_Det2 MAIN9V_SENSE MAIN3.3V_SENSE RF_AFT1 RF_AFT2 AI_SENSOR SOS KEY2(US) KEY1 FAN_SOS SOUND_SOS SBI PANEL_STBY_ON R_LED_ON FAN_MAX SBO 7493_XRST RSV3(LITE2) HQ1_XRET RSV3 TV_SUB_ON_DELAY G_LED_ON PORT5[2] MODEM_XRST AUDIO_XRST PORT0[0] ETHER/1394_XRST PORT5[1] TV_SUB_ON RSV3(LITE2) Power Supply RSV4(LITE2) SYSCLK_OUT Lite2 UART(LITE2-GenX4) A_MON_MUTE/SP_MUTE AUDIO_MUTE Lite2 ExBUS/Etc. RSV4 RSV2 Hand Sheke Reserve DTV_XRST SD_BOOT_STS SW_OFF_DET (USA Only) INVERTER_ON PWM_POWER_ON DTV_VOUTENB LVDS_EN LITE2 GenX4 E2PROM LINE Lite2 E2PROM LINE Power Supply RSV4(LITE2) FPGA_RST HPD2 HPD1 CRNo.1100-1999 GenX4,EEPROM ADV7493 ECO_ON DTV_1.5V_ON RF_AGC1 DTV9V_SENSE STB5V_SENSE INVERTER_SOS GenX4 RST (HDMI_CEC_PU_ON) 10MHz KEY3(TV_POWER) PORT6[6] RSV1 RSV1(LITE2) HDMI_5V_Det3 HDCP_WP EDID_WP HDMI_MUX_SEL HDMI_MUX_EN HDMI_REP_EN STB MCU EEPROM 60 62 63 57 56 59 58 61 55 to (9/16) to (6,15,16/16) to (10/16) to (15/16) to (15,16/16) to (16/16) to (6/16) to (15/16) to (15/16) to (6/16) to (5/16) to (16/16) to (5,10,15/16) to (1,4/16) to (5,10/16) to (10/16) to (2/16) to (10/16) to (5/16) TVRP465-1 to (6,16/16) TH-50PV70CA DG-Board (7 of 16) Schematic Diagram TH-50PV70CA DG-Board (7 of 16) Schematic Diagram DG-BOARD (7/16) ! TNPA4311AH 18 4.13. DG 电路板 (8/16)线路图 + + AG_HDMI_5V_DET3 AG_EDID_WP AG_HDMI_5V_DET1 AG_HDMI_CEC AG_HPD3 AG_HPD1 RXA_1P RXA_CP RXA_2P RXA_0P RXB_CP RXB_0P RXB_1P RXB_2P RXB_2N RXB_1N RXB_0N RXB_CN RXA_2N RXA_1N RXA_0N RXA_CN *C4506 0.1u 16V *C4502 0.1u 16V C4503 0.1u 16V C4507 0.1u 16V *C4510 0.1u 16V C4501 0.1u 16V C4511 0.1u 16V *C4500 0.1u 16V 33u 6.3V *C4508 33u 6.3V C4509 *D4525 B0HCMM000014 D4527 B0HCMM000014 *D4524 B0HCMM000014 D4526 B0HCMM000014 *D4518 EZAEG2A50AX *D4500 EZAEG2A50AX *D4519 EZAEG2A50AX *D4522 EZAEG2A50AX D4503 EZAEG2A50AX D4523 EZAEG2A50AX D4528 EZAEG2A50AX *D4508 EZAEG2A50AX *D4512 EZAEG2A50AX D4521 EZAEG2A50AX *D4510 EZAEG2A50AX D4516 EZAEG2A50AX D4509 EZAEG2A50AX D4517 EZAEG2A50AX *D4504 EZAEG2A50AX D4520 EZAEG2A50AX D4505 EZAEG2A50AX *D4502 EZAEG2A50AX *D4514 EZAEG2A50AX D4507 EZAEG2A50AX *D4506 EZAEG2A50AX D4511 EZAEG2A50AX D4501 EZAEG2A50AX *D4513 MAZ30560ML D4515 MAZ30560ML *IC4501 TVRP316 1 E0 2 E1 3 E2 4 VSS 5 SDA 6 SCL 7 WC 8 VCC *IC4500 TVRP317 1 E0 2 E1 3 E2 4 VSS 5 SDA 6 SCL 7 WC 8 VCC *JK4500 K1FY119D0002 1 2 3 4 5 6 7 8 9 10 11 12 13 14 15 16 17 18 19 JK4501 K1FY119D0002 1 2 3 4 5 6 7 8 9 10 11 12 13 14 15 16 17 18 19 *L4502 J0JHC0000078 L4507 J0JHC0000078 *L4500 J0JHC0000078 *L4505 J0JHC0000078 *L4504 J0JHC0000078 L4503 J0JHC0000078 L4506 J0JHC0000078 L4501 J0JHC0000078 MAIN5V TP4504 TP4501 TP4500 TP4505 TP4506 TP4503 TP4502 TP4507 TP4508 *Q4502 2SD0601A0L *Q4500 2SD0601A0L Q4501 2SD0601A0L *Q4505 2SD0601A0L Q4503 2SD0601A0L Q4504 2SD0601A0L *R4537 47k *R4534 47k R4617 0 *R4619 0 R4616 0 *R4618 0 *R4535 4.7k R4544 10k R4523 2.2 R4522 2.2 R4520 2.2 R4541 68 *R4513 2.2 *R4510 2.2 *R4506 10k *R4509 2.2 R4536 4.7k *R4511 2.2 *R4529 4.7k *R4528 10k *R4539 68 *R4514 2.2 *R4545 10k R4530 10k *R4526 1k *R4512 2.2 R4517 2.2 R4546 10k R4531 4.7k *R4547 10k R4533 10k R4519 2.2 R4527 1k *R4508 2.2 R4521 2.2 *R4502 33 R4518 2.2 *R4515 2.2 R4525 10k *R4500 10k R4516 2.2 R4507 10k R4552 22 *R4542 68 R4501 10k R4543 68 *R4532 10k *R4524 10k R4503 33 DDCG D0G D1+ +5V CLKG D0- CRNo.4500-4799 D0G N.C. SCL D1+ CLKG CLK+ D1G D2+ D2G CLK+ D2- +5V N.C. D1- SDA CEC D2+ HPDT CEC DDCG SDA SCL D0+ CLK- D0- D1- CLK- ADV7493,HDMI-Mux D1G HPDT D2- D2G D0+ EEPROM EDID EEPROM EDID 71 65 72 66 69 67 68 70 64 35 33 34 37 31 36 32 TH-50PV70CA DG-Board (8 of 16) Schematic Diagram TH-50PV70CA DG-Board (8 of 16) Schematic Diagram DG-BOARD (8/16) ! TNPA4311AH 19 4.14. DG 电路板 (9/16)线路图 + + + + VI1P25 VI1P22 VI1P28 CLKOA VI1P27 VI1P8 VI1HSYNC RXA_1P RXA_0N XIRQ3 VI1P25 AG_HDMI_5V_DET1 VI1P7 VI1ENB AG_HPD1 VI1P7 AG_HDMI_5V_DET3 VI1VSYNC VI1P22 AH_HDMI_LRCK VI1P26 VI1P19 VI1P12 VI1P29 RXA_1N VI1P9 RXA_2N VI1P12 VI1P3 VI1P15 AH_HDMI_SDIN VI1P16 MAIN_PB/C VI1P9 RGB_CVBS VI1P6 VI1P2 VI1CLK VI1HSYNC VI1P24 VI1P4 VI1P13 AG_HDMI_CEC VI1P3 AG_7493_XRST RXA_0P VI1P15 VI1P29 RGB_FB VI1P2 VI1P27 VI1P18 VI1VSYNC VI1P13 VI1P24 VI1P28 VI1P26 VI1P17 MAIN_Y/CVBS VI1P14 VI1P5 VI1P18 VI1P4 VI1P8 VI1ENB VI1P19 VI1P23 VI1CLK RXA_CN VI1P16 VI1P5 VI1P6 VI1P23 RXA_CP MAIN_PR VI1P14 VI1P17 AH_HDMI_BCLK HDMI_SPDIF RXB_CN RXB_CP RXB_0N RXB_0P RXB_1N RXB_1P RXB_2N RXB_2P RXA_2P AG_EDID_WP AG_HPD3 XIRQ3 AG_7493_XRST PC_V PC_H CLKOA RGB_CVBS MAIN_PR MAIN_PB/C RGB_FB PC_V PC_H MAIN_Y/CVBS 1.8V C4584 1u 16V C4620 16V 1u C4590 18p 50V C4581 16V 1u C4629 10V 10u C4566 16V 0.039u C4616 16V 0.1u C4596 16V 0.1u C4535 50V 0.1u C4615 25V 0.01u C4545 16V 0.1u C4528 16V 0.1u C4573 16V 0.1u C4600 25V 0.01u C4617 16V 0.1u C4583 16V 0.1u C4574 25V 0.01u C4619 16V 0.1u C4527 16V 1u C4609 16V 1u C4557 16V 0.1u C4565 25V 0.01u C4569 16V 0.68u C4613 1u 16V C4563 16V 0.082u C4578 16V 0.1u C4602 16V 0.1u C4531 16V 0.1u C4564 25V 0.01u C4568 16V 0.1u C4601 25V 0.01u C4551 50V 0.1u C4543 16V 0.1u C4556 10V 10u C4604 6.3V 2.2u C4547 16V 0.1u C4618 25V 0.01u C4592 1u 16V C4559 16V 0.1u C4598 1u 16V C4562 50V 8200p C4625 50V 0.1u C4555 10V 10u C4589 15p 50V C4515 16V 0.1u C4595 25V 0.01u C4577 16V 0.1u C4533 50V 68p C4587 16V 0.1u C4611 1u 16V C4588 16V 0.082u C4539 10u 10V C4580 25V 0.01u C4550 16V 0.1u C4593 25V 0.01u C4605 16V 0.1u C4586 25V 0.01u C4612 25V 0.01u C4585 1u 16V C4591 1u 16V C4544 16V 0.1u C4548 50V 0.1u C4572 16V 0.1u C4541 50V 470p C4628 16V 0.1u C4560 16V 0.1u C4549 50V 0.1u C4623 16V 0.1u C4614 16V 0.1u C4546 6.3V 2.2u C4624 50V 0.1u C4552 50V 0.1u C4582 16V 0.1u C4534 50V 0.1u C4553 50V 1000p C4575 1u 16V C4570 47u 6.3V C4576 47u 6.3V C4538 47u 6.3V C4607 47u 6.3V D4532 B0HCMM000014 C0CBCBC00190 IC4507 1 VDD 2 GND 3 CE 5 VOUT 4 NC IC4515 C0BBBA000024 1 A_OUTPUT 2 A_-INPUT 3 A_+INPUT 4 GND 5 B_+INPUT 6 B_-INPUT 7 B_OUTPUT 8 VCC IC4509 C0CBCAD00082 1 Vout 2 NC 3 Cn 4 GND 5 Cont 6 NC 7 NC 8 Vin IC4504 C3EBEY000009 1 NC 2 E1 3 E2 4 VSS 5 SDA 6 SCL 7 WC 8 VCC IC4508 C0CBCAD00082 1 Vout 2 NC 3 Cn 4 GND 5 Cont 6 NC 7 NC 8 Vin C0DBGGF00001 IC4506 1 Vo 2 NC 3 GND 4 Cn Cont 5 Sub 6 Vin 7 C1AB00002753 IC4510 1 DDCB_SDA 2 SPDIF 3 I2S0 4 I2S1 5 I2S2 6 I2S3 7 LRCLK 8 SCLK 9 MCLKOUT 10 MCLKIN 11 SDA 12 SCL 13 ALSB 14 DGND 15 DVDDIO 16 DE 17 HS 18 VS/FIELD 19 INT1 20 SFL/SYNC_OUT/INT2 21 RESET 22 DGND 23 DVDD 24 P19 25 P18 26 P17 27 P16 28 P15 29 P14 30 P13 31 P12 32 P29 33 P28 34 DGND 35 DVDDIO 36 P11 37 P10 38 P9 39 P8 40 P27 41 P7 42 P6 43 P5 44 P4 45 P26 46 R_ACTIVE/P25 47 SRLIN/P24 48 DCLKIN 49 DGND 50 DVDDIO 51 LLC 52 SRLUP/P23 53 TRGIN/P22 54 P21 55 P3 56 DGND 57 DVDD 58 P2 59 P1 60 P0 61 P20 62 VS_IN 63 HS_IN 64 DGND 65 XTAL1 66 XTAL 67 DVDDIO 68 PVDD 69 PGND 70 ELPF 71 PVDD 72 PGND 73 ELPF2 74 FB 75 SOG 76 AIN7 77 AIN1 78 AIN8 79 AIN2 80 AIN9 81 AIN3 82 AGND 83 AGND 84 AVDD 85 REFOUT 86 CML 87 AGND 88 AVDD 89 BIAS 90 CAPY1 91 CAPC1 92 CAPC2 93 AIN10 94 AIN4 95 AIN11 96 AIN5 97 SOY 98 AIN12 99 AIN6 100 PGND 101 PVDD 102 ELPF3 103 CGND 104 CVDD 105 DDCA_SCL 106 DDCA_SDA 107 MDA 108 MCL 109 CVDD 110 CGND 111 TVDD 112 RXA_CN 113 RXA_CP 114 TGND 115 RXA_0N 116 RXA_0P 117 TGND 118 RXA_1N 119 RXA_1P 120 TGND 121 RXA_2N 122 RXA_2P 123 TVDD 124 RTERM 125 CVDD 126 CGND 127 TVDD 128 RXB_CN 129 RXB_CP 130 TGND 131 RXB_0N 132 RXB_0P 133 TGND 134 RXB_1N 135 RXB_1P 136 TGND 137 RXB_2N 138 RXB_2P 139 TVDD 140 CGND 141 CVDD 142 DVDD 143 DGND 144 DDCB_SCL DG32 1 2 3 4 5 6 7 L4511 J0JHC0000078 L4512 J0JCC0000077 L4524 J0JHC0000078 L4517 J0JHC0000078 L4521 J0JHC0000078 L4518 J0JHC0000078 L4516 J0JHC0000078 L4520 J0JHC0000078 SUB5V MAIN5V MAIN9V SUB5V SUB5V MAIN5V MAIN3.3V SUB3.3V TP4518 TP4514 TP4513 TP4515 TP4511 TP4510 TP4516 TP4509 TP4517 AG_HPD3 VI1P19 VI1P24 AH_HDMI_BCLK MAIN_PB/C AG_HDCP_WP RGB_FB AG_HDMI_5V_DET1 MAIN_PR VI1P26 AD_SCL1 VI1P3 RGB_CVBS VI1P4 VI1P22 VI1P5 VI1P18 VI1CLK VI1ENB VI1P12 VI1P2 XIRQ3 VI1P7 AD_SDA1 AG_HPD1 AG_EDID_WP VI1P29 MAIN_Y/CVBS VI1P17 HDMI_INT2 VI1VSYNC PC_H VI1P15 VI1HSYNC AG_HDMI_5V_DET3 AG_HDMI_CEC VI1CKOUT VI1P6 VI1P13 VI1P14 AH_HDMI_LRCK PC_V AH_HDMI_SDIN VI1P27 VI1P23 VI1P25 AG_7493_XRST VI1P8 VI1P9 HDMI_SPDIF VI1P28 VI1P16 Q4517 2SB0709ASL Q4515 2SB0709ASL Q4514 2SB0709ASL Q4516 2SB0709ASL R4649 68 EXB28V680JX R4648 EXB28V330JX R4642 68 EXB28V680JX R4635 68 EXB28V680JX R4640 68 EXB28V680JX R4639 68 EXB28V680JX R4683 10k R4666 47k R4661 100 R4548 4.7k R4549 4.7k 1% R4606 4.7k 1% R4631 499 1% R4612 1.5k 1% R4611 1.37k 1% *R4593 1k 1% R4587 820 0 R4627 R4585 100 R4707 10k R4601 1k R4658 22 R4641 22 R4597 1k R4650 68 R4657 22 *R4659 0 1% R4604 7.5k R4652 47k R4638 68 R4643 22 R4651 68 *R4672 0 R4644 22 1% R4624 1.69k 1% R4615 160 R4670 68 1% R4682 10k R4637 68 1% R4654 4.7k R4562 4.7k R4614 22 R4665 47k 1M R4626 R4622 100 R4563 4.7k R4656 2.2k R4645 68 R4613 22 R4564 22 R4655 100 R4636 68 R4706 1k R4596 1k R4692 22 R4598 1k R4646 68 R4653 10k R4647 68 R4565 22 R4708 1k R4561 4.7k R4691 22 X4500 H0J270500113 YIN3 RX_SD0# YIN1 YIN2 UVIN8 IN YIN4 OUT RIN2 UVIN9 RIN3 Peaks Lite II RIN0 Peaks Lite II RIN1 YIN0 CLKOA UVIN7 HSIA UVIN4 UVIN2 VSIA UVIN3 CLKIA UVIN5 UVIN0 UVIN6 YIN9 UVIN1 RX_WS YIN7 RX_SCK YIN5 YIN6 YIN8 EEPROM EDID AD/HDMI 3.3V 1.8V AD/HDMI DVDD1.8V COMPARATOR 3.3V CRNo.4500-4799 ADV7493,HDMI-Mux to (5/16) to (15/16) to (5,10/16) to (15/16) to (15/16) to (1/16) to (1/16) to (7/16) GenX4 74 77 79 73 76 81 75 78 80 35 32 37 33 36 34 31 TH-50PV70CA DG-Board (9 of 16) Schematic Diagram TH-50PV70CA DG-Board (9 of 16) Schematic Diagram DG-BOARD (9/16) ! TNPA4311AH 20 4.15. DG 电路板 (10/16)线路图 AD_SCL1 AD_SDA0 SCL AD_SCL3 AD_SCL2 AD_SDA2 AD_SDA1 SDA AD_SCL0 AD_SDA3 VMUTE PANEL_MUTE AD_SCL3 AD_SDA3 AD_SCL1 AD_SDA1 AD_SCL2 AD_SDA2 AR_PANEL_TXD PANEL_MUTE AD_SCL0 AD_SDA0 AR_IIC_CONT VI2P21 VI2P10 PANEL_STBY/VCC_ON AR_PANEL_SDA AR_PANEL_SCL AR_PANEL_RXD SDA SCL AD_SCL1 AD_SDA1 VI2P21 VI2P10 AR_PANEL_SCL AR_PANEL_SDA AD_SCL0 AD_SDA0 AR_PANEL_TXD AR_PANEL_RXD AR_IIC_CONT AA_SBI0 AA_SBO0 PANEL_STBY/VCC_ON C4807 16V 0.1u FL4801 J0JAD0000028 1 2 3 4 FL4800 J0JAD0000028 1 2 3 4 FL4802 J0JAD0000028 1 2 3 4 IC4800 C1ZBZ0003577 1 SCL 2 GND 3 A1 4 VDD 5 A0 6 SDA DG33 1 2 3 4 5 6 7 8 9 10 11 DG34 1 2 3 4 5 6 7 8 9 10 11 12 13 14 15 16 17 18 19 20 21 22 23 24 25 26 27 28 29 30 DG5 1 2 3 4 5 6 7 8 9 10 11 12 13 14 15 16 17 18 19 20 21 22 23 24 25 26 27 28 29 30 31 MAIN3.3V STB5V STB3.3V MAIN3.3V STB5V TP4804 TP4801 TP4800 TP4805 TP4811 TP4806 TP4808 TP4807 TP4803 TP4802 TP4810 TP4809 VMUTE VI2P10 AG_SRQ-GENX VI2P21 TB1P SCL TD1P AD_SCL0 TCLK1P TCLK1N AD_SDA2 AD_SDA0 AD_SCL3 TE1N TA1P TA1N TC1N SDA AD_SCL1 AD_SDA3 TB1N TC1P TE1P AD_SDA1 TD1N AD_SCL2 AA_SBO0 AA_SBI0 R4838 100 R4858 0 R4863 0 R4819 22 R4820 22 R4857 0 R4856 0 R4864 0 R4800 0 R4862 0 R4872 0 R4865 0 R4860 0 R4861 0 R4859 0 STB5V TP2010 R2006 10k AG_PANEL_STBY_ON/PANEL_VCC_ON Q2001 2SD0601ASL Q2000 2SD0601ASL R2002 100k R2001 100k R2007 47k ZA0008 K4AZ01D00004 ZA0006 K4AZ01D00004 ZA0007 K4AZ01D00004 ZA0002 K4AZ01D00004 ZA0005 K4AZ01D00004 ZA0003 K4AZ01D00004 ZA0004 K4AZ01D00004 JS1111 GenX4 LVDS Out IIC CRNo.4800-4999 GenX4 CN to ExIIC Lite2 PANEL_STATUS PANEL_SOS PANEL_STATUS PANEL_SOS LITE2 ExBUS/Etc. SRQ GND STB5V GenX4_SCL GenX4_SDA LITE2_SCL3 LITE2_SDA3 LITE2_SCL1 LITE2_SDA1 LITE2_SCL2 LITE2_SDA2 (GenX4 Loarder/E2PROM) (GenX4 Loarder/E2PROM) (Lite2 E2PROM) (Lite2 E2PROM) (Device Control) (Device Control) (Device Control) (Device Control) PANEL_SDA (GND) RXD PANEL_STBY_ON GND Rx2+ Rx0+ Rx0- (ALARM) (DISPEN) IIC_SCL2 TXD GND RxCLK+ RxCLK- Rx3- Rx3+ INEXCH Rx1+ Rx1- Rx2- IIC_CONT GND PANEL_SOS GND GND Rx4+ Rx4- (READY) IIC_SDA2 PANEL_STATUS PANEL_SCL GND GND PANEL_MUTE Rx1+ Rx3- Rx4+ Rx3+ RxCLK- Rx4- Rx2- Rx0- RxCLK+ Rx1- Rx0+ Rx2+ (VMUTE/DISPEN) (PANEL_STATUS) (PANEL_SOS) Lite2 LVDS OUT GND STB5V LITE2_SDA0 STB3.3V Panel_SCL IIC_CONT/SRQ Panel_TXD Panel_RXD IIC_CONT Panel_SDA LITE2_SCL0 GND (Panel Dpr.E2PROM) (Panel Dpr.E2PROM) (Device Control) (Device Control) TO D-BOARD (D5) TEMP SENSOR FOR FACTORY USED FOR FACTORY USED 86 82 90 83 88 89 85 84 87 to (1/16) to (1/16) to (1/16) to (7/16) to (7/16) to (7/16) to (5/16) to (5,9/16) to (5,15/16) to (5,7/16) to (4/16) Location of Earth Lug SUFFIX AH TH-50PV70CA DG-Board (10 of 16) Schematic Diagram TH-50PV70CA DG-Board (10 of 16) Schematic Diagram DG-BOARD (10/16) ! TNPA4311AH 21 4.16. DG 电路板 (11/16)线路图 + + + R L COMPONENT COMPONENT AV1 AV1S AV2 AV3 AV2 AV3 PR PB Y PR V L C R R L Y R L V R V V L MONITOR OUT PB Y AV_L SDA0B_5V SCL0B_5V AV4_L AV2_R AV1_R AV1_L AV2_L AV4_R AV_R PC_RIN PC_LIN TV_L TV_R DAC_PD DAC_PD PC_H_IN PC_R PC_V_IN PC_G PC_B AV3_R AV3C_YSW AV2C_Y AV2C_PR A_VOUT AV3_L AUDIOOUT_R AV1_S AUDIOOUT_L MONITOROUT_MUTE AV1_V A_LOUT AV1_R AV1_C A_AV1_R AV1_L AV2_V AV3C_Y A_AV2_R A_AV2_L AV2_R A_AV1_RSW A_AV2_L AV2C_YSW AV3C_PB A_AV2_RSW AV2_L A_LOUT A_AV1_R A_AV2_R A_AV3_R AV3C_PR AV3_V A_AV3_L A_AV1_L VOUT A_AV1_L A_AV3_L A_AV1_V A_ROUT A_AV3_RSW A_AV3_R A_ROUT AV1_Y AV2C_PB PC_LIN PC_RIN AV3_L AV3_R VOUT_FEED_B A_AV1_RSW A_AV2_RSW A_AV3_RSW SUB5V AG_TV_MAIN_ON HV/FB_CONT C2013 50V 560p C2159 16V 1u C3100 16V 1u C2006 50V 560p C2162 16V 1u C2010 50V 560p *C2155 16V 1u C3101 16V 1u C2166 16V 1u C3102 16V 1u C2016 50V 560p *C2157 16V 1u C2135 16V 1u C2011 50V 560p C2164 16V 1u C2017 50V 560p C2005 50V 560p C2022 560p 50V C2136 16V 1u C2165 16V 1u C2021 560p 50V C2163 16V 1u C2154 16V 0.1u C3060 16V 1u C3120 16V 0.1u C2160 16V 1u C2014 50V 560p C2167 16V 1u C2147 16V 22u C3070 6.3V 220u C2161 16V 100u D3337 MA2J11100L D3334 MA2J11100L D3335 MA2J11100L D3338 MA2J11100L D3102 MA2J11100L D3336 MA2J11100L D3039 MAZ81400ML D3040 MAZ81400ML D3037 MAZ81400ML D2119 B0BC01100001 D3005 MAZ81400ML D3006 MAZ81400ML D3038 MAZ81400ML D3036 MAZ81400ML D3047 MAZ81400ML D3049 MAZ81400ML D3045 MAZ81400ML D3046 MAZ81400ML D3100 MAZ81400ML D3003 MAZ81400ML D3035 MAZ81400ML D3048 MAZ81400ML FL3002 J0HABB000003 1 2 3 4 FL2001 J0HABB000004 1 2 3 4 FL2002 J0HABB000004 1 2 3 4 FL3005 J0HABB000004 1 2 3 4 FL3004 J0HABB000004 1 2 3 4 FL3003 J0HABB000004 1 2 3 4 FL3001 J0HABB000003 1 2 3 4 AN15862A-VT IC2105 1 L1 2 R1 3 L2 4 R2 5 VCC 6 L3 7 R3 8 L4 9 R4 10 L5 11 R5 12 L6 13 R6 14 L7 15 R7 16 L8 17 R8 18 L9 19 R9 20 L10 21 R10 22 O1 23 LOUT5 24 ROUT5 25 LOUT4 26 ROUT4 27 LOUT3 28 ROUT3 29 GND 30 LOUT2 31 ROUT2 32 LOUT1 33 ROUT1 34 ADR 35 SCL 36 SDA 37 O2 38 BIAS 39 L11 40 R11 41 L12 42 R12 43 L13 44 R13 JK2003 K2HA204A0053 L L-G R R-G JK3100 K1U936A00002 Y-SW Y G PB PR V L R-SW R G Y-SW Y G PB PR V L R-SW R G C Y G Y-G C-G G V L R-SW R G V L R G JK3001 K1FB315A0006 1 2 3 4 5 6 7 8 9 10 11 12 13 14 15 L3013 J0JCC0000100 L2012 J0JCC0000100 L2016 J0JCC0000100 L2001 J0JCC0000364 L2002 J0JCC0000364 L3010 J0JCC0000100 L3003 J0JCC0000100 L2007 J0JCC0000100 L3001 J0JCC0000100 L3002 J0JCC0000100 L2003 J0JCC0000100 L2015 J0JCC0000100 L2011 J0JCC0000100 L2004 J0JCC0000100 L2008 J0JCC0000100 SUB5V SUB9V_PRCT DTV9V SUB9V_VIDEO SUB9V_PRCT DTV9V Q3032 2SC584500L Q3031 2SC584500L Q2003 2SC584500L Q2002 2SC584500L JS2032 0 JS2031 0 JS2033 0 JS3013 0 JS3010 0 JS3014 0 JS3011 0 JS3012 0 JS3015 0 R2164 220 R3188 0 R3020 4.7k 1% R3143 69.8 1% R3007 75 R2048 2.2k 1% R3003 75 R2235 47k 1% R3313 75 R2052 180k *R2162 220 R2029 180k 1% R3002 75 R2152 22 R3309 0 R2138 220 R2132 47k R2031 180k 1% R3008 75 R2053 100k R3307 4.7k R2047 330 10k R3107 1% R3004 75 R2174 220 R3145 100k R2167 220 R2050 2.2k R2034 180k 1% R3006 75 R3308 0 R2172 220 10k R3114 R2171 220 R3130 220 R2137 220 R3021 4.7k 1% R3318 75 *R2160 220 R2154 22 R2173 220 R3131 220 1% R3010 75 R2170 220 1% R3310 75 R2030 180k R2032 180k R2051 180k R2049 330 1% R3001 75 R3022 4.7k 1% R3005 75 R2175 220 R2033 180k R2196 100k 1% R3009 75 R2195 100k R3306 4.7k R2054 100k 1% R3012 75 10k R3177 PC IN G HD R VD B AV3 CRNo.2000-3350 AV-TERMINAL Audio SW 97 98 95 92 96 91 94 99 93 43 41 42 TH-50PV70CA DG-Board (11 of 16) Schematic Diagram TH-50PV70CA DG-Board (11 of 16) Schematic Diagram DG-BOARD (11/16) ! TNPA4311AH 22 4.17. DG 电路板 (12/16)线路图 + + + RGB_CVBS MAIN_RGB_CVBS_OUT AV2C_Y MAIN_RF_CVBS AV1_V MAIN_RGB_CVBS_OUT MAIN_Y_OUT MAIN_PB_OUT MAIN_PR_OUT AV3_V AG_VIDEO_STATUS SCL0B_5V SDA0B_5V AV2C_PB AV2C_PR MAIN_Y_OUT MAIN_Y/CVBS MAIN_PB/C MAIN_PR_OUT PC_B PC_R PC_G PC_V_IN PC_H_IN PC_V PC_H AV3C_YSW AV2_V AV1_Y AV1_S AV1_C AV2C_YSW AV3C_PR AV3C_PB AV3C_Y VOUT VOUT_FEED_B MAIN_TNR_SW2 AV4_S AV4_V AV4_Y MAIN_PR AV4_C MAIN_TNR_SW1 MAIN_PB_OUT P_AVSW9V HV/FB_CONT P_AVSW9V2 *C3029 16V 1u C3023 16V 1u C3056 10V 2.2u C3043 16V 1u *C3027 16V 1u C3033 16V 1u C3026 16V 0.1u C3053 10V 2.2u C3024 16V 1u C3051 10V 2.2u C3117 16V 1u C3021 16V 1u C3040 16V 0.1u C3055 10V 2.2u C3052 10V 2.2u *C3031 16V 0.1u C3116 16V 0.1u C3115 16V 0.1u C3054 10V 2.2u C3078 6.3V 22u *C3028 16V 1u C3118 16V 47u C3075 16V 220u C3103 50V 10u *D3041 MAZ81400ML *D3043 MAZ81400ML *D3042 MAZ81400ML D3044 B0BC01100001 AN15876A-VT IC3001 1 V4 2 S12 3 Y4 4 S22 5 C4 6 VCC2 7 LP5 8 V3 9 O3 10 Y3 11 GND2 12 C3 13 LP4 14 V2 15 S11 16 Y2 17 S21 18 C2 19 LP3 20 V1 21 O2 22 Y1 23 O1 24 C1 25 VCC3 26 VOUT6 27 DCOUT 28 VOUT5FB 29 VOUT5 30 VOUT4FB 31 VOUT4 32 VOUT3FB 33 VOUT3 34 OUT2(Pr) 35 OUT2(Pb) 36 OUT2(CY) 37 GND3 38 OUT1(Pr) 39 OUT1(Pb) 40 OUT1(CY) 41 VOUT 42 HOUT 43 HVOE 44 VOUT7 45 VCC4 46 FBLOUT 47 FBL3 48 FBL2 49 FBL1 50 FBLOE 51 G1 52 VIN1 53 B1 54 HIN1 55 R1 56 GND4 57 G2 58 VIN2 59 B2 60 HIN2 61 R2 62 NC 63 G3 64 TEST 65 B3 66 NC 67 R3 68 NC 69 VCC1 70 NC 71 G4 72 LP1 73 B4 74 L31 75 R4 76 NC 77 G5 78 LP2 79 B5 80 L32 81 R5 82 GND1 83 SDA 84 SCL 85 FLAG 86 BIAS 87 V9 88 NC 89 V8 90 NC 91 V7 92 O4 93 V6 94 LP7 95 V5 96 S13 97 Y5 98 S23 99 C5 100 LP6 SUB9V_VIDEO DTV9V JS3032 R3101 220 R3109 0 R3140 47 R3065 220 R3087 220 R3348 68 R3113 47k R3112 47k R3069 220 *R3068 75 1% R3302 100 1% *R3233 75 R3097 68 R3110 0 R3090 22 1% *R3234 75 R3099 220 100 R3180 R3059 220 R3100 220 R3064 220 R3349 68 *R3063 220 R3074 220 R3175 68 R3176 68 R3305 100 R3098 68 R3174 68 R3191 22 R3096 68 R3121 47 R3111 22 R3089 330 R3133 22 *R3072 220 *R3062 220 1% R3137 100 *R3073 220 R3123 47 R3168 220 Video SW CRNo.2000-3350 AV-TERMINAL 106 103 105 102 101 108 104 100 107 42 41 43 54 52 53 51 TH-50PV70CA DG-Board (12 of 16) Schematic Diagram TH-50PV70CA DG-Board (12 of 16) Schematic Diagram DG-BOARD (12/16) ! TNPA4311AH 23 4.18. DG 电路板 (13/16)线路图 + + + + + + + + + + + + + + + + DRIVE IC VCC Vin GND AH_LRCK0 PWM_SQ_R- SQ_L+ PWM_SQ_R+ AD_SCL2 SQ_R+ SQ_R- PWM_SQ_L- AD_SDA2 SQ_L- PWM_SQ_L+ AH_SRCK0 AUDIOOUT_R AV_R AH_HDMI_SDIN AH_HDMI_BCLK AH_HDMI_LRCK AH_DAUDIO AG_SOUND_SOS AG_AUDIO_MUTE DAC_PD AV_L AH_DMIX0 AH_IECOUT0 TV_L TV_R AUDIOOUT_L SPDIF_OUT SPDIF_OUT SCL0B_5V SDA0B_5V MAIN_TNR_SW2 MAIN_TNR_SW1 MAIN_RF_CVBS AG_RF_AFT1 HP_LOUT HP_ROUT AMUTE SIF1 AG_AUDIO_XRST SIF3.3V C2170 50V 33p C2190 10u 10V C2054 10u 10V C2187 2.2u 6.3V C2265 0.1u 16V C2100 0.1u 16V *C2180 1u 16V C2143 50V 180p C2185 10u 10V C2216 0.1u 16V *C2184 50V 1000p C2117 0.1u 16V C2110 0.1u 16V C2109 0.1u 16V C2281 560p 50V C2114 0.1u 16V C2106 0.1u 16V C2267 100p 50V C2105 0.1u 16V C2186 0.1u 16V *C2271 470p 50V C2092 50V 22p C2111 2.2u 6.3V C2118 1u 16V *C2174 1u 16V C2050 0.1u 16V C2130 10V 10u C2089 560p 50V *C2270 470p 50V *C2202 2.2u 6.3V C2244 0.1u 16V C2146 50V 180p C3275 16V 0.1u C3280 50V 100p C2053 0.1u 16V C2097 16V 0.1u C3272 50V 0.1u C2189 1u 16V C2134 25V 0.01u C2120 56p 50V C2246 10u 10V C2048 0.1u 16V C3276 16V 0.1u *C2176 25V 0.01u C2138 0.1u 16V *C2128 16V 0.1u C2251 10u 10V C2023 0.1u 16V C2058 0.1u 16V C2121 56p 50V C2191 10u 10V C2055 12p 50V C2124 0.1u 16V C2263 10u 10V C2264 10u 10V *C2203 1u 16V C2131 16V 0.1u C2188 470p 50V C2173 4.7u 16V C2245 1000p 50V C2101 10u 10V C2171 0.01u 25V C2088 4.7u 16V C2266 0.1u 16V C2153 50V 33p C2091 50V 10p C2126 10u 10V *C2056 12p 50V C2132 25V 0.01u C2052 0.1u 16V C2049 0.1u 16V *C2204 1u 16V C2116 470p 50V C2280 4.7u 16V C2115 0.1u 16V C2102 0.1u 16V C2057 0.1u 16V C3281 16V 0.1u C2096 16V 0.1u C3279 16V 0.1u C2183 10u 10V C2268 100p 50V C2272 4.7u 16V *C2198 25V 0.033u C2213 1000p 50V *C2195 50V 1000p *C2197 25V 0.033u C2151 47u 6.3V C2112 47u 6.3V C3081 6.3V 100u C2113 47u 6.3V *C2099 6.3V 220u *C2179 16V 47u *C2175 16V 47u C2133 50V 4.7u C3273 10u 50V C2059 47u 6.3V C2137 47u 6.3V C2108 47u 6.3V C2192 47u 6.3V C3270 6.3V 1000u C2107 47u 6.3V *C2098 6.3V 220u *D2189 MA2J11100L *D2025 K7AAAY000003 C0DBGYY00281 *IC2013 1 NC 2 VSS 3 CE 5 VOUT 4 VIN C0CBCBC00190 IC2010 1 VDD 2 GND 3 CE 5 VOUT 4 NC IC2011 C0ABBB000230 1 2 3 4 5 6 7 8 *IC2012 C1BB00000947 1 OUT1 2 MUTE 3 IN1 4 GND 5 IN2 6 BIAS 7 OUT2 8 VCC C0CBCBE00001 IC2008 1 VOUT 2 NC 3 GND 4 CNCONT 5 SUB 6 VIN 7 C0DBFFD00003 IC2107 1 2 3 4 5 6 7 C1AB00002746 IC2106 1 FILTA 2 VREF 3 AGND 4 AVDD 5 SIF_REEP 6 SIF_REFCM 7 SIF_REFN 8 SIF_IN1 9 SIF_PGA_REF 10 SIF_IN2 11 AGND 12 AVDD 13 DGND 14 DVDD 15 MUTE 16 SDA 17 SCL 18 LRCLK2 19 BCLK2 20 DGND 21 DVDD 22 SDIN0 23 SDIN1 24 SDIN2 25 SDIN3 26 LRCLK0 27 BCLK0 28 ODGND 29 ODVDD 30 VDRIVE 31 DVDD 32 DGND 33 MCLKI/XIN 34 XOUT 35 BCLK1 36 LRCLK1 37 SDO0 38 SPDIF_OUT 39 SPDIF_IN 40 DVDD 41 DGND 42 PWM1A 43 PWM1B 44 PWM2A 45 PWM2B 46 PWM3A 47 PWM3B 48 PWM4A 49 PWM4B 50 RESET 51 DVDD 52 DGND 53 AVDD 54 PLL_LF 55 AGND 56 AGND 57 HPOUTL1 58 HPOUTR1 59 AVDD 60 NC 61 NC 62 NC 63 NC 64 NC 65 NC 66 VOUT_SW 67 FILTD 68 AVDD 69 AGND 70 AGND 71 AVDD 72 AUXOUTL1 73 AUXOUTR1 74 AUXOUTL2 75 AUXOUTR2 76 AINL2 77 AINR2 78 AINL1 79 AINR1 80 ISET L3209 J0JGC0000021 L3207 J0JCC0000241 L3211 J0JGC0000021 *L2034 J0JCC0000364 L2040 J0JHC0000045 L2027 J0JHC0000045 L2021 J0JHC0000078 *L3226 J0JCC0000241 L3206 J0JCC0000241 *L2035 J0JCC0000364 *L3225 J0JCC0000241 L2029 L2026 G1C6R8MA0061 DVDD3.3V DVDD1.8V SUB3.3V SUB5V SUB3.3V DTV9V AUD3.3V DVDD3.3V SUB5V SUB3.3V DVDD1.8V SUB5V DTV9V SUB5V BT30V MAIN9V TP3200 Q2016 2SC584500L Q2017 2SC584500L Q2102 2SC584500L Q2101 2SC584500L Q3200 2SA207700L Q2021 2SA207700L Q2015 2SA207700L R2271 22 EXB28V220JX *JS3209 JS3208 0 2.2k R2125 1% R2166 16k 1% R2114 75k *R2193 100k R2210 10k 1% R2169 22k 1% R2168 16k R2266 560 *R2106 0 R2096 10k 10k R2276 R3246 22 R2209 10k 1% R2113 120k *R2186 82k *R2236 15k R3239 220 0 R2257 1% R2182 36k 20k 1% R2151 *R2184 100 R2089 560 R2093 3.3k R2296 0 *R2237 15k *R3266 1.5k R3244 22 R3240 560 1% *R2098 10k 1% R2181 22k *R3249 1.5k *R2035 100 *R2189 10k R2088 100 20k 1% R2150 R2149 10k R3243 270 *R2233 10k 300 R2058 R2097 3.3k 20k 1% R2100 R2085 560 10k R2110 1M R2059 1% R2183 36k *R2036 100 R2178 1k 1% R2198 158k R2092 470 *R2185 100 R3247 220 22 R2057 R2094 2.2k 0 R2146 R2179 10k R2165 10k 2k 1% R2104 100 R2111 1% R2197 68k R2046 0 R2084 4.7k R2238 47k 22 R2056 1M R2112 *R2192 100k R2265 4.7k R2180 1k R2086 470 *R2099 10k *R2187 0 0 R2145 *R2005 < 0 R2297 0 *TU3200A ENGF9701GF < BB 5 NC 6 SW1 7 SW2 8 +B 9 AUDIO_OUT 10 SIF_OUT 11 NC 12 SCL 13 SDA 14 RF_AGC 15 VB 16 NC 17 BTL 18 NC 19 AFT_OUT 20 VIDEO_OUT 21 H0J245500082 X2010 - R L + - + SIF1 in HP AMP Audio DSP DVDD1.8V AMP SIF3.3V AUD3.3V 5V AV-TERMINAL CRNo.2000-3350 ! 111 110 113 112 116 115 117 114 109 53 54 52 51 66 63 62 64 61 65 TH-50PV70CA DG-Board (13 of 16) Schematic Diagram TH-50PV70CA DG-Board (13 of 16) Schematic Diagram DG-BOARD (13/16) ! TNPA4311AH 24 4.19. DG 电路板 (14/16)线路图 + + + + PWM_SQ_R+ PWM_SQ_R- AMUTE PWM_SQ_L- AG_SOUND_SOS AG_A_MON_MUTE/SP_MUTE HDMI_INT2 MONITOROUT_MUTE AG_AUDIO_MUTE STB_RST AMUTE PWM_SQ_L+ C2353 50V 0.1u C2337 50V 0.022u C2335 50V 0.1u C2389 50V 1000p C2343 50V 0.1u C2333 50V 0.1u C2313 50V 0.1u C2311 16V 0.1u C2359 50V 0.1u C2357 50V 0.1u C2327 16V 0.1u C2375 50V 0.022u C2385 50V 1000p C2339 50V 0.022u C2341 50V 0.1u C2383 50V 1000p C2321 0.033u 25V C2381 50V 0.022u C2301 16V 0.1u C2319 0.033u 25V C2387 50V 1000p C2345 50V 0.022u C2349 50V 0.1u C2317 0.033u 25V C2363 16V 0.1u C2377 50V 0.022u C2315 16V 0.1u C2355 50V 0.1u C2302 16V 0.1u C2352 16V 1u C2323 0.033u 25V C2379 50V 0.022u C2329 16V 0.1u C2347 50V 0.022u C2331 50V 0.47u C2325 50V 0.47u C2354 220u 16V C2361 25V 470u C2819 25V 47u C2119 16V 220u D2302 MA2J11100L D2029 MA2J11100L D2031 MA2J11100L D2034 MA2J11100L D2026 MA2J11100L D2304 MA2J11100L D2301 MA2J11100L D2028 MA2J11100L D2033 MA2J11100L D2032 MA2J11100L D2303 MAZ30560HL C1AB00002730 IC2301 1 GVDD_B 44 GVDD_A 2 OTW 3 NC 4 NC 5 SD 6 PWM_A 7 RESET_AB 8 PWM_B 9 OC_ACJ 10 GND 11 AGND 12 VREG 13 M3 14 M2 15 M1 16 PWM_C 17 RESET_CD 18 PWM_D 19 NC 20 NC 21 VDD 22 GVDD_C 23 GVDD_D 24 BST_D 25 NC 26 PVDD_D 27 PVDD_D 28 OUT_D 29 GND_D 30 GND_C 31 OUT_C 32 PVDD_C 33 BST_C 34 BST_B 35 PVDD_B 36 OUT_B 37 GND_B 38 GND_A 39 OUT_A 40 PVDD_A 41 PVDD_A 42 NC 43 BST_A C0DBGYY00202 IC2303 VIN 3 2 VSS VOUT 1 DG12 K1KA04AA0190 1 2 3 4 L2308 J0JJC0000011 L2310 J0JJC0000011 L2650 G1C3R3ZA0083 L2302 G1C330MA0291 L2304 G1C330MA0291 L2306 G1C330MA0291 L2300 G1C330MA0291 MAIN9V SOUND15V SOUND12V SOUND15V DTV9V STB5V MAIN9V STB5V S_15V TP2305 TP2307 TP2303 TP2310 TP2301 Q2042 2SC584500L Q2035 2SC584500L Q2041 2SC584500L Q2034 2SC584500L Q2040 2SC584500L Q2039 2SC584500L Q2301 2SA207700L Q2031 2SA207700L Q2033 2SA207700L R2194 1k R2308 3.3 R2217 47k R2131 10k R2216 10k R2321 10 R2305 470 R2323 10 R2144 10k R2205 20k R2319 10 R2122 10k R2127 10k R2143 10k R2208 10k R2156 330 R2124 10k R2129 10k R2315 3.3 R2206 10k R2220 12k R2128 47k R2331 2.2k R2313 3.3 R2301 2.2k R2118 1M R2302 2.2k R2218 1k R2119 10k R2306 68k R2317 10 R2325 10 R2123 47k R2311 3.3 R2330 1k MUTE MUTE SW To SOS OPERATE RESET SOS OPERATE R- L+ L- OPERATE MUTE R+ MUTE MUTE MUTE MUTE AUDIO AMP 15V TO SPEAKER CRNo.2000-3350 AV-TERMINAL 123 125 121 124 126 118 119 122 120 62 61 65 63 66 64 73 72 71 75 74 TH-50PV70CA DG-Board (14 of 16) Schematic Diagram TH-50PV70CA DG-Board (14 of 16) Schematic Diagram DG-BOARD (14/16) ! TNPA4311AH 25 4.20. DG 电路板 (15/16)线路图 + HDMI_INT2 MAIN_PR MAIN_PB/C MAIN_Y/CVBS RGB_CVBS AD_SDA2 AG_AUDIO_XRST AG_A_MON_MUTE/SP_MUTE AG_SOUND_SOS AG_RF_AFT1 AG_SOS STB_RST AG_KEY1(CON-PANE) AD_SCL2 AD_SCL2 AG_VIDEO_STATUS AD_SDA2 AG_SOS AG_TV_SUB_ON_DELAY AG_TV_SUB_ON_DELAY PC_V PC_H AV4_V AV4_S AG_AUDIO_MUTE AH_SRCK0 AH_DMIX0 AH_LRCK0 AH_DAUDIO AH_IECOUT0 AH_HDMI_BCLK AH_HDMI_SDIN AH_HDMI_LRCK AV4_C AV4_Y HP_LOUT AV4_R HP_ROUT AV4_L AG_TV_MAIN_ON SDA0B_5V SCL0B_5V AG_KEY1(CON-PANE) C2802 0.47u 50V C2817 50V 1000p C2801 16V 10u C2813 16V 0.1u C2815 16V 0.1u C2814 4700p 50V C2803 0.47u 50V C2816 35V 22u D2632 MA2J11100L D2635 MA2J11100L D2633 MA2J11100L D2637 MA2J11100L D2634 MA3X78900L D2638 B0BC03900015 D2636 MAZ30470HL *FL2006 J0HABB000003 1 2 3 4 *FL2003 J0HABB000003 1 2 3 4 *FL2004 J0HABB000003 1 2 3 4 *FL2005 J0HABB000003 1 2 3 4 *FL3008 J0HABB000003 1 2 3 4 *FL3006 J0JAD0000028 < 1 2 3 4 *FL3007 J0JAD0000028 < 1 2 3 4 C0DBAJB00004 IC2610 1 VOUT 2 VDD 3 NC 5 EXT 4 VSS *DG51 1 2 3 4 5 6 7 8 9 10 11 12 13 14 15 16 17 18 19 20 L2648 G1C470MA0077 L2649 G1C100MA0072 STB5V SUB3.3V DTV9V SUB5V SUB3.3V BT30V TP2019 TP2006 TP2008 TP2001 TP2007 TP2004 TP2015 TP2024 TP2609 TP2005 TP2002 TP2610 TP2012 TP2606 TP2009 TP2021 TP2612 TP2608 TP2003 TP2607 TP2020 AH_LRCK0 AH_HDMI_LRCK AG_VIDEO_STATUS AH_HDMI_BCLK AG_AUDIO_XRST RGB_FB AH_DAUDIO AG_AUDIO_MUTE AH_SRCK0 AG_TV_MAIN_ON HDMI_INT2 AG_KEY1(CON-PANE) RGB_CVBS PC_V AH_HDMI_SDIN MAIN_PB/C AD_SCL2 AH_IECOUT0 AD_SDA2 AG_A_MON_MUTE/SP_MUTE AG_RF_AFT1 MAIN_PR AG_RF_AFT2 PC_H AH_DMIX0 AG_SOS MAIN_Y/CVBS AG_TV_SUB_ON_DELAY AG_SOUND_SOS STB_RST Q2639 B1CFNG000001 Q2640 B1CBHD000002 Q2641 B1CBHD000002 Q2638 2SC584500L Q2635 2SC584500L Q2637 2SA207700L Q2636 2SA207700L JS2051 *JS2101 0 JS2053 JS2046 JS2047 R2861 1k R2854 2.2k R2625 22 R2855 47k R2628 6.8k 1% R2868 16k R2629 6.8k R3312 47k R2864 1k R2857 4.7k R2853 10k R2865 10k R2860 10k *R3077 0 R2863 1k R2890 100k 1% R2867 82k R2624 22 R2866 2.2k R2647 0 R2869 4.7k R2859 4.7k R2858 2.2k *R3076 0 NC NC GND GND GND NC HP_L TO G-BOARD (G51) GND HP_GND AV4_S HP_GND AV4_V GND GND KEY AV4_Y HP_R AV4_R AV4_C AV4_L BT30V CRNo.2000-3350 AV-TERMINAL 133 128 132 131 134 130 129 127 135 74 75 73 71 72 to (9/16) to (5,10/16) to (5,6,7/16) to (7,16/16) to (7/16) to (6,7/16) to (6,7,16/16) to (9/16) to (7/16) TH-50PV70CA DG-Board (15 of 16) Schematic Diagram TH-50PV70CA DG-Board (15 of 16) Schematic Diagram DG-BOARD (15/16) ! TNPA4311AH 26 4.21. DG 电路板 (16/16)线路图 + + + + C5502 16V 0.1u C5552 50V 0.1u C5504 16V 0.1u C5521 16V 0.1u C5522 16V 0.1u C5501 470u 16V C5551 330u 50V C5503 470u 16V C5595 16V 22u D5521 MA2J11100L D5530 MA2J11100L D5522 MA3X152D0L D5526 MA3X152E0L D5528 MAZ81200ML D5571 B0BC6R600005 D5529 MAZ80680LL D5573 B0BC01100001 D5501 B0BC01000035 EHMDD9851 IC5550 < 1 ON/OFF2 2 VAR2 3 VOUT2 4 SW-Node2 6 GND 7 N.C. 8 GND 9 VIN 10 N.C. 11 GND 12 SW-Node1 13 VOUT1 14 VAR1 15 ON/OFF1 16 N.C. DG7 1 2 3 4 5 6 7 8 9 10 11 DG6 1 2 3 4 5 6 7 8 9 10 11 12 L5565 22u G1C220MA0077 L5566 3.3u G1C3R3ZA0083 L5551 G1C150ZA0083 L5550 3.3u G1C3R3ZA0083 L5564 3.3u G1C3R3ZA0083 L5552 G1C150ZA0083 MAIN9V STB5V DTV9V S_15V SUB5V TPAC1 TPS0N TP15F TPS15V TPS0S TPEC0 AG_TV_MAIN_ON AG_ECO_ON AG_TV_SUB_ON AG_ALL_OFF AG_SOS Q5561 B1DHDC000028 Q5523 2SD0601ASL Q5524 2SD0601ASL Q5501 2SD0601ASL Q5562 2SD0601ASL Q5521 2SA207700L Q5522 2SA207700L JS5569 JS5568 R5535 2.2k R5547 10k 1% R5554 2.61k R5572 2.2k R5540 470 R5570 10k R5531 2.2k R5548 4.7k R5509 0 R5534 47k R5573 4.7k R5532 4.7k R5506 10k 1% R5555 1.3k R5536 4.7k R5544 220 R5542 470 R5533 10k R5549 4.7k R5546 10k R5537 680 R5507 10k R5538 2.2k R5508 47k R5571 47k 5V/9V TV_ON OFF GND GND GND F+15V F+15V F+15V +15V_S +15V_S S_GND S_GND +15V_S S_GND +15Vc +15Vc GND P5V(MON)/P12V-ON N.C. STB5V AC_GOOD/KEY TUNER_SUB_ON ALL_OFF ECO_ON GND CRNo.5400-5600 POWER-SUPPLY TO P-BOARD (P6) TO P-BOARD (P7) MAIN9V 140 142 137 143 141 139 138 144 136 to (7/16) to (7,15/16) to (6,7,15/16) TH-50PV70CA DG-Board (16 of 16) Schematic Diagram TH-50PV70CA DG-Board (16 of 16) Schematic Diagram DG-BOARD (16/16) ! TNPA4311AH 27 5 部件布置及机械部件更换清单 5.1. 部件布置 28 5.2. 包装分解图 (1) 29 5.3. 包装分解图 (2) 30 5.4. 包装分解图 (3) 31 5.5. 附件 32 5.6. 更换部件清单注意事项 33 5.7. 机械部件更换清单 参考号 部品号 部品名称及说明 数量 备注 1 EAS12S10B 喇叭 2 ETXMM655MEH P 线路板 1 GQBZ-42 高清标贴 1 2 HT7651130 遥控器 1 3 K2CK3DH00028 AC 电源线 1 K5D103BMA001 保险丝 (F601/F602) 2 4 R6PND/2SP PANASONIC 干电池 (中文) 2 5 TBLX0025 台座本体 1 6 TBMA220 PANASONIC 标牌 1 TBMG785 机型铭牌 1 TBMU747 指示标贴 1 TBMU798 SD 标贴 1 TBMU809 后端子标贴 1 7 TBXA51401 操作开关 1 8 TBXA51502 电源开关 1 9 TESA280 弹簧 1 10 TESD085 电源按钮弹簧 1 THEL037N 螺丝 1 THEL0429 螺丝 29 THEL047J 螺丝 2 THTF011N 螺丝 45 11 TKGA5329-1 前面玻璃 1 12 TKKC5277 导光板 1 13 TKKL5344-1 M8 垫片盖 4 14 TKKL5384 L/ 调整盖 (TUNER 顶部 ) 1 TKNA139-1 喇叭片 1 15 TKPA98102 AC 接入口盖 1 16 TKPB10202 门 1 TKPB10302 喇叭片按压件 L 1 TKPB10402 喇叭片按压件 R 1 TKPB10601 底板 1 TKPB12901 前面屏 1 17 TKRA48002 后盖把手 2 TKRA57301 SD 卡支撑架 1 18 TKUX13501 后盖 1 19 TKYA30401 面框 1 20 TMKG686-1 海绵 (前面玻璃 H) 2 21 TMKG687 海绵 (前面玻璃 V) 2 TMM14490 线夹 2 TMM16473-1 线夹 1 TMME226 AC 电源线夹 1 22 TMME258 线夹 2 23 TMMX148 M8 垫片 4 24 TMZX5097 台座安装块 左 1 25 TMZX5098 台座安装块 右 1 26 TPCC14701A 包装箱本体 1 27 TPCC14801 包装箱底箱 1 28 TPDA1537 顶部衬垫 1 29 TPDA1617 顶部衬垫 中 1 30 TPDA1618 底部衬垫 中 1 31 TPDA1657 底部衬垫 1 32 TPDF0764-3 附件盒 1 33 TPDF1897 顶盖 1 34 TPDF1901 纸盒支架 1 35 TPDX0035 箱扣 (ROHS) 4 36 TPEH343 顶面保护片 3 37 TPEH344A 整机保护袋 1 TQD1712010 合格票 1 TQFD070525 ROHS 回收标志 1 TQFD640 ROHS 环境标签 1 TQFD945 线夹说明标签 1 TQZF163 保修证 1 38 TQZK097 说明书 1 TSXL519 FFC(C10-C20) 1 TSXL554 FFC(C22-C32) 1 TSXL562 FFC(D31-C11) 1 TSXL600 FFC(D32-C21) 1 TSXL604 FFC(SC20-D20) 1 TUXL184 TUNER 盖 1 TXAUX01HNTC TUNER 组件 1 39 TXAUX02HMTC AC 接入口 完成品 1 40 TXFBL03LJTU 台座附件 1 41 TXFUA01HMTC 50HD 屏 (MC127H27F10) 1 ! TXJ/P2HMTU 线束 (SC2-P2) 1 TXJ/P6HQTB 线束 (DG6-P6) 1 TXJ/P7HQTB 线束 (DG7-P7) 1 TXJ/S1HMTP 线束 (S1-SS34) 1 TXJD25HMTU 线束 (D25-P25) 1 TXJDG1PPTA 线束 (DG1-K1) 1 TXJDG5HNTB 线束 (DG5-D5) 1 TXJDGSPSTP 线束 (DG-SP) 1 TXJG51PPTA 线束 (G51-DG51) 1 TXJP11HMTU-1 线束 (P11-SS11) 1 TXJP12HMTU 线束 (P12-SS12) 1 TXJS33HMTU 线束 (SS33-C33) 1 TXJS35HMTU 线束 (SS35-C35) 1 TXN/D1HMTC D 线路板 完成品 1 TXN/G1HMTC G 线路板 完成品 1 TXN/K1HMTC K 线路板 完成品 1 TXN/S1HMTC S 线路板 完成品 1 TXNC11HMTC C1 线路板 完成品 1 TXNC21HMTC C2 线路板 完成品 1 TXNC31HMTC C3 线路板 完成品 1 TXNSC1HMTC SC 线路板 完成品 1 TXNSD1HMTC SD 线路板 完成品 1 TXNSS1HMTC SS 线路板 半成品 1 TXNSS21HMTC SS2 线路板 完成品 1 TXNSS31HMTC SS3 线路板 完成品 1 TXNSU1HMTC SU 线路板 完成品 1 XTB4+12GFJ 螺丝 45 XTB4+12GFJK 螺丝 12 XTB4+16GFJ 螺丝 2 XTV3+10JFJK L/ 螺钉 ( 后面 ) 6 XTW3+10TFJ 螺丝 3 XYN3+F8FJ 螺丝 8 XYN4+F10FJ 螺丝 9 XYN4+F10FJK 螺丝 5 XYN4+F30FJK 螺丝 6 XYN5+C15FJ L/ 带垫螺丝 (标准垫片) 8 参考号 部品号 部品名称及说明 数量 备注 34 5.8. 电器部件更换清单 参考号 部品号 部品名称及说明 数量 备注 F601.602 K5D103BMA001 延时保险丝 高 2 C10 K1MN20BA0231 20P 连接接头 1 C11 K1MN55BA0076 55P 连接接头 1 C20 K1MN20BA0231 20P 连接接头 1 C21,22 K1MN68BA0076 68P 连接接头 2 C32 K1MN68BA0076 68P 连接接头 1 C33 K1KA10B00218 10P 连接接头 1 C35 K1KA04BA0107 4P 连接接头 1 C1102 F1J1A106A043 C 0.010UF, K, 10V 1 C1103,04 F1G1C104A081 C 0.10UF, K, 16V 2 C1106 F1H1H2700008 E 27UF, 50V 1 C1107 F1G1H220A565 E 22UF, 50V 1 C1108 F1G1C104A081 C 0.10UF, K, 16V 1 C1109 ECJ1VB1C105K C 0.01UF, K, 16V 1 C1111 ECJ1VB1C105K C 0.01UF, K, 16V 1 C1112 F1G1C104A081 C 0.10UF, K, 16V 1 C1114 F1G1C104A081 C 0.10UF, K, 16V 1 C1117 F1G1C104A081 C 0.10UF, K, 16V 1 C1122 F1G1E1030005 C 0.01UF, Z, 25V 1 C1123 ECJ1VB1C105K C 0.01UF, K, 16V 1 C2005,06 F1H1H5610007 E 560UF, 50V 2 C2010,11 F1H1H5610007 E 560UF, 50V 2 C2013,14 F1H1H5610007 E 560UF, 50V 2 C2016,17 F1H1H5610007 E 560UF, 50V 2 C2021,22 F1H1H5610007 E 560UF, 50V 2 C2023 F1G1C104A081 C 0.10UF, K, 16V 1 C2048-50 F1G1C104A081 C 0.10UF, K, 16V 3 C2052,53 F1G1C104A081 C 0.10UF, K, 16V 2 C2054 F1J1A106A043 C 0.010UF, K, 10V 1 C2055,56 ECJ1VC1H120J C 12PF, J, 50V 2 C2057,58 F1G1C104A081 C 0.10UF, K, 16V 2 C2059 EEEHB0J470R C 47PF, J, 6.3V 1 C2088 ECJ2FB1C475K C 47UF, K, 16V 1 C2089 F1H1H5610007 E 560UF, 50V 1 C2091 ECJ1VC1H100C C 10PF, C, 50V 1 C2092 F1G1H220A565 E 22UF, 50V 1 C2096,97 F1G1C104A081 C 0.10UF, K, 16V 2 C2098,99 EEEHB0J221UP C 220PF, J, 6.3V 2 C2100 F1G1C104A081 C 0.10UF, K, 16V 1 C2101 F1J1A106A043 C 0.010UF, K, 10V 1 C2102 F1G1C104A081 C 0.10UF, K, 16V 1 C2105,06 F1G1C104A081 C 0.10UF, K, 16V 2 C2107,08 EEEHB0J470R C 47PF, J, 6.3V 2 C2109,10 F1G1C104A081 C 0.10UF, K, 16V 2 C2111 F1H0J2250008 C 2.2UF, K, 16V 1 C2112,13 EEEHB0J470R C 47PF, J, 6.3V 2 C2114,15 F1G1C104A081 C 0.10UF, K, 16V 2 C2116 F1H1H471A792 E 470UF, 50V 1 C2117 F1G1C104A081 C 0.10UF, K, 16V 1 C2118 ECJ1VB1C105K C 0.01UF, K, 16V 1 C2119 EEEHB1C221UP C 220PF, J, 16V 1 C2120,21 F1H1H5600007 E 56UF, 50V 2 C2124 F1G1C104A081 C 0.10UF, K, 16V 1 C2126 F1J1A106A043 C 0.010UF, K, 10V 1 C2130 F1J1A106A043 C 0.010UF, K, 10V 1 C2131 F1G1C104A081 C 0.10UF, K, 16V 1 C2132 F1G1E1030005 C 0.01UF, Z, 25V 1 C2133 EEEHB1H4R7R C 4.7PF, J, 50V 1 C2134 F1G1E1030005 C 0.01UF, Z, 25V 1 C2135,36 ECJ1VB1C105K C 0.01UF, K, 16V 2 C2137 EEEHB0J470R C 47PF, J, 6.3V 1 C2138 F1G1C104A081 C 0.10UF, K, 16V 1 C2143 F1H1H181A792 E 180UF, 50V 1 C2146 F1H1H181A792 E 180UF, 50V 1 C2147 EEEHB1C220UR C 22PF, J, 16V 1 C2151 EEEHB0J470R C 47PF, J, 6.3V 1 C2153 ECJ1VC1H330J C 33PF, J, 50V 1 C2154 F1G1C104A081 C 0.10UF, K, 16V 1 C2155 ECJ1VB1C105K C 0.01UF, K, 16V 1 C2157 ECJ1VB1C105K C 0.01UF, K, 16V 1 C2159,60 ECJ1VB1C105K C 0.01UF, K, 16V 2 C2161 EEEHB1C101UP C 100PF, J, 16V 1 C2162-67 ECJ1VB1C105K C 0.01UF, K, 16V 6 C2170 ECJ1VC1H330J C 33PF, J, 50V 1 C2171 F1G1E1030005 C 0.01UF, Z, 25V 1 C2173 ECJ2FB1C475K C 47UF, K, 16V 1 C2174 ECJ1VB1C105K C 0.01UF, K, 16V 1 C2175 EEEHB1C470P C 47PF, J, 16V 1 C2176 F1G1E1030005 C 0.01UF, Z, 25V 1 C2179 EEEHB1C470P C 47PF, J, 16V 1 C2180 ECJ1VB1C105K C 0.01UF, K, 16V 1 C2183 F1J1A106A043 C 0.010UF, K, 10V 1 C2184 F1G1H1020008 E 1000UF, 50V 1 C2185 F1J1A106A043 C 0.010UF, K, 10V 1 C2186 F1G1C104A081 C 0.10UF, K, 16V 1 C2187 F1H0J2250008 C 2.2UF, K, 16V 1 C2188 F1H1H471A792 E 470UF, 50V 1 C2189 ECJ1VB1C105K C 0.01UF, K, 16V 1 C2190,91 F1J1A106A043 C 0.010UF, K, 10V 2 C2192 EEEHB0J470R C 47PF, J, 6.3V 1 C2195 F1G1H1020008 E 1000UF, 50V 1 C2197,98 ECJ1VB1C333K C 0.033UF, K, 16V 2 C2202 F1H0J2250008 C 2.2UF, K, 16V 1 C2203,04 ECJ1VB1C105K C 0.01UF, K, 16V 2 C2213 F1G1H1020008 E 1000UF, 50V 1 C2216 F1G1C104A081 C 0.10UF, K, 16V 1 C2244 F1G1C104A081 C 0.10UF, K, 16V 1 C2245 F1G1H1020008 E 1000UF, 50V 1 C2246 F1J1A106A043 C 0.010UF, K, 10V 1 C2251 F1J1A106A043 C 0.010UF, K, 10V 1 C2263,64 F1J1A106A043 C 0.010UF, K, 10V 2 C2265,66 F1G1C104A081 C 0.10UF, K, 16V 2 C2267,68 F1G1H101A565 C 100PF, K, 50V 2 C2270,71 F1H1H471A792 E 470UF, 50V 2 C2272 ECJ2FB1C475K C 47UF, K, 16V 1 C2280 ECJ2FB1C475K C 47UF, K, 16V 1 C2281 F1H1H5610007 E 560UF, 50V 1 C2301,02 F1G1C104A081 C 0.10UF, K, 16V 2 C2311 F1G1C104A081 C 0.10UF, K, 16V 1 C2313 ECJ1XB1H104K C 10PF, J, 50V 1 C2315 F1G1C104A081 C 0.10UF, K, 16V 1 C2317 ECJ1VB1C333K C 0.033UF, K, 16V 1 C2319 ECJ1VB1C333K C 0.033UF, K, 16V 1 C2321 ECJ1VB1C333K C 0.033UF, K, 16V 1 C2323 ECJ1VB1C333K C 0.033UF, K, 16V 1 C2325 F1J1H474A757 C 0.47UF, 50V 1 C2327 F1G1C104A081 C 0.10UF, K, 16V 1 C2329 F1G1C104A081 C 0.10UF, K, 16V 1 C2331 F1J1H474A757 C 0.47UF, 50V 1 C2333 ECJ1XB1H104K C 10PF, J, 50V 1 C2335 ECJ1XB1H104K C 10PF, J, 50V 1 C2337 F1H1H223A219 E 0.022UF, 50V 1 C2339 F1H1H223A219 E 0.022UF, 50V 1 C2341 ECJ1XB1H104K C 10PF, J, 50V 1 C2343 ECJ1XB1H104K C 10PF, J, 50V 1 C2345 F1H1H223A219 E 0.022UF, 50V 1 C2347 F1H1H223A219 E 0.022UF, 50V 1 C2349 ECJ1XB1H104K C 10PF, J, 50V 1 C2352 ECJ1VB1C105K C 0.01UF, K, 16V 1 C2353 ECJ1XB1H104K C 10PF, J, 50V 1 C2354 EEEHB1C221UP C 220PF, J, 16V 1 C2355 ECJ1XB1H104K C 10PF, J, 50V 1 C2357 ECJ1XB1H104K C 10PF, J, 50V 1 C2359 ECJ1XB1H104K C 10PF, J, 50V 1 C2361 EEEFG1E471P E 470UF, 25V 1 C2363 F1G1C104A081 C 0.10UF, K, 16V 1 C2375 F1H1H223A219 E 0.022UF, 50V 1 C2377 F1H1H223A219 E 0.022UF, 50V 1 C2379 F1H1H223A219 E 0.022UF, 50V 1 C2381 F1H1H223A219 E 0.022UF, 50V 1 C2383 F1G1H1020008 E 1000UF, 50V 1 C2385 F1G1H1020008 E 1000UF, 50V 1 C2387 F1G1H1020008 E 1000UF, 50V 1 C2389 F1G1H1020008 E 1000UF, 50V 1 C2502,03 ECJ2XB1H102K C 1000PF, K, 50V 2 C2512 F1K0J1060020 C 10UF, K,6.3V 1 C2515 ECJ1VB1H103K C 0.001UF, K, 50V 1 C2521 ECJ1VB1H103K C 0.001UF, K, 50V 1 C2522-27 ECJ1VB1H102K C 1000UF, Z, 50V 6 参考号 部品号 部品名称及说明 数量 备注 35 C2801 ECJ3XB1C106M C 1.0UF, K, 16V 1 C2802,03 F1J1H474A757 C 0.47UF, 50V 2 C2813 F1G1C104A081 C 0.10UF, K, 16V 1 C2814 ECJ1VB1H472K C 4700PF, K, 50V 1 C2815 F1G1C104A081 C 0.10UF, K, 16V 1 C2816 EEEHB1V220P E 22UF, 35V 1 C2817 F1G1H1020008 E 1000UF, 50V 1 C2819 EEEHB1E470P C 47PF, J, 25V 1 C3021 ECJ1VB1C105K C 0.01UF, K, 16V 1 C3023,24 ECJ1VB1C105K C 0.01UF, K, 16V 2 C3026 F1G1C104A081 C 0.10UF, K, 16V 1 C3027-29 ECJ1VB1C105K C 0.01UF, K, 16V 3 C3031 F1G1C104A081 C 0.10UF, K, 16V 1 C3033 ECJ1VB1C105K C 0.01UF, K, 16V 1 C3040 F1G1C104A081 C 0.10UF, K, 16V 1 C3043 ECJ1VB1C105K C 0.01UF, K, 16V 1 C3051-56 F1H1A225A051 E 22UF, 50V 6 C3060 ECJ1VB1C105K C 0.01UF, K, 16V 1 C3070 EEEHB0J221UP C 220PF, J, 6.3V 1 C3075 EEEHB1C221UP C 220PF, J, 16V 1 C3078 F1K0J226A008 C 22UF, K,6.3V 1 C3081 EEFUD0J101ER E 100UF 1 C3100-02 ECJ1VB1C105K C 0.01UF, K, 16V 3 C3103 EEEHB1H100P C 10PF, J, 50V 1 C3115,16 F1G1C104A081 C 0.10UF, K, 16V 2 C3117 ECJ1VB1C105K C 0.01UF, K, 16V 1 C3118 EEEHB1C470P C 47PF, J, 16V 1 C3120 F1G1C104A081 C 0.10UF, K, 16V 1 C3270 EEEHB0J102UP C 1100PF, J, 6.3V 1 C3272 ECJ1XB1H104K C 10PF, J, 50V 1 C3273 EEEHB1H100P C 10PF, J, 50V 1 C3275,76 F1G1C104A081 C 0.10UF, K, 16V 2 C3279 F1G1C104A081 C 0.10UF, K, 16V 1 C3280 F1G1H101A565 C 100PF, K, 50V 1 C3281 F1G1C104A081 C 0.10UF, K, 16V 1 C3701 ECJ2XC1H561K C 560PF, K, 50V 1 C3703 ECJ2XC1H561K C 560PF, K, 50V 1 C3711,12 ECJ2VF1H333Z C 0.033UF, Z, 50V 2 C3715 ECJ2VF1C104Z C 0.1UF, Z, 16V 1 C3750 F1J1H102A721 E 1000UF, 50V 1 C4500-03 F1G1C104A081 C 0.10UF, K, 16V 4 C4506,07 F1G1C104A081 C 0.10UF, K, 16V 2 C4508,09 EEEHB0J330R C 33PF, J, 6.3V 2 C4510,11 F1G1C104A081 C 0.10UF, K, 16V 2 C4515 F1G1C104A081 C 0.10UF, K, 16V 1 C4527 ECJ1VB1C105K C 0.01UF, K, 16V 1 C4528 F1G1C104A081 C 0.10UF, K, 16V 1 C4531 F1G1C104A081 C 0.10UF, K, 16V 1 C4533 F1G1H680A565 E 68UF, 50V 1 C4534,35 ECJ1XB1H104K C 10PF, J, 50V 2 C4538 EEEHB0J470R C 47PF, J, 6.3V 1 C4539 F1J1A106A043 C 0.010UF, K, 10V 1 C4541 F1H1H471A792 E 470UF, 50V 1 C4543-45 F1G1C104A081 C 0.10UF, K, 16V 3 C4546 F1H0J2250008 C 2.2UF, K, 16V 1 C4547 F1G1C104A081 C 0.10UF, K, 16V 1 C4548,49 ECJ1XB1H104K C 10PF, J, 50V 2 C4550 F1G1C104A081 C 0.10UF, K, 16V 1 C4551,52 ECJ1XB1H104K C 10PF, J, 50V 2 C4553 F1G1H1020008 E 1000UF, 50V 1 C4555,56 F1J1A106A043 C 0.010UF, K, 10V 2 C4557 F1G1C104A081 C 0.10UF, K, 16V 1 C4559,60 F1G1C104A081 C 0.10UF, K, 16V 2 C4562 F1H1H822A219 E 8200UF, 50V 1 C4563 ECJ1VB1C823K C 0.082UF, K, 16V 1 C4564,65 F1G1E1030005 C 0.01UF, Z, 25V 2 C4566 ECJ1XB1C393K C 0.039UF, K, 16V 1 C4568 F1G1C104A081 C 0.10UF, K, 16V 1 C4569 F1J1C684A097 C 0.68UF, Z, 16V 1 C4570 EEEHB0J470R C 47PF, J, 6.3V 1 C4572,73 F1G1C104A081 C 0.10UF, K, 16V 2 C4574 F1G1E1030005 C 0.01UF, Z, 25V 1 C4575 ECJ1VB1C105K C 0.01UF, K, 16V 1 C4576 EEEHB0J470R C 47PF, J, 6.3V 1 C4577,78 F1G1C104A081 C 0.10UF, K, 16V 2 C4580 F1G1E1030005 C 0.01UF, Z, 25V 1 C4581 ECJ1VB1C105K C 0.01UF, K, 16V 1 参考号 部品号 部品名称及说明 数量 备注 C4582,83 F1G1C104A081 C 0.10UF, K, 16V 2 C4584,85 ECJ1VB1C105K C 0.01UF, K, 16V 2 C4586 F1G1E1030005 C 0.01UF, Z, 25V 1 C4587 F1G1C104A081 C 0.10UF, K, 16V 1 C4588 ECJ1VB1C823K C 0.082UF, K, 16V 1 C4589 F1G1H150A565 E 15UF, 50V 1 C4590 ECJ0EC1H180J C 180PF, K, 50V 1 C4591,92 ECJ1VB1C105K C 0.01UF, K, 16V 2 C4593 F1G1E1030005 C 0.01UF, Z, 25V 1 C4595 F1G1E1030005 C 0.01UF, Z, 25V 1 C4596 F1G1C104A081 C 0.10UF, K, 16V 1 C4598 ECJ1VB1C105K C 0.01UF, K, 16V 1 C4600,01 F1G1E1030005 C 0.01UF, Z, 25V 2 C4602 F1G1C104A081 C 0.10UF, K, 16V 1 C4604 F1H0J2250008 C 2.2UF, K, 16V 1 C4605 F1G1C104A081 C 0.10UF, K, 16V 1 C4607 EEEHB0J470R C 47PF, J, 6.3V 1 C4609 ECJ1VB1C105K C 0.01UF, K, 16V 1 C4611 ECJ1VB1C105K C 0.01UF, K, 16V 1 C4612 F1G1E1030005 C 0.01UF, Z, 25V 1 C4613 ECJ1VB1C105K C 0.01UF, K, 16V 1 C4614 F1G1C104A081 C 0.10UF, K, 16V 1 C4615 F1G1E1030005 C 0.01UF, Z, 25V 1 C4616,17 F1G1C104A081 C 0.10UF, K, 16V 2 C4618 F1G1E1030005 C 0.01UF, Z, 25V 1 C4619 F1G1C104A081 C 0.10UF, K, 16V 1 C4620 ECJ1VB1C105K C 0.01UF, K, 16V 1 C4623 F1G1C104A081 C 0.10UF, K, 16V 1 C4624,25 ECJ1XB1H104K C 10PF, J, 50V 2 C4628 F1G1C104A081 C 0.10UF, K, 16V 1 C4629 F1J1A106A043 C 0.010UF, K, 10V 1 C4807 F1G1C104A081 C 0.10UF, K, 16V 1 C5501 F2A1C471A256 E 470UF, 16V 1 C5502 F1G1C104A081 C 0.10UF, K, 16V 1 C5503 F2A1C471A256 E 470UF, 16V 1 C5504 F1G1C104A081 C 0.10UF, K, 16V 1 C5521,22 F1G1C104A081 C 0.10UF, K, 16V 2 C5551 F2A1H331A257 E 330UF, 50V 1 C5552 ECJ1XB1H104K C 10PF, J, 50V 1 C5595 EEEHB1C220UR C 22PF, J, 16V 1 C5600 ECJ1VB1C105K C 0.01UF, K, 16V 1 C5601 F1G1C104A081 C 0.10UF, K, 16V 1 C5602 ECGRL0G680ER C 68PF, J, 4V 1 C5603,04 F1G1E1030005 C 0.01UF, Z, 25V 2 C5605 ECJ2FB1C475K C 47UF, K, 16V 1 C5606 F1H1H471A792 E 470UF, 50V 1 C5607 F1H1H221A792 E 220UF, 50V 1 C5608 F1G1C104A081 C 0.10UF, K, 16V 1 C5609,10 EEEHB1C470P C 47PF, J, 16V 2 C5615 F1J1A106A043 C 0.010UF, K, 10V 1 C5616 ECJ0EB1A473K C 0.047UF, K, 10V 1 C5617 ECJ1VB1C105K C 0.01UF, K, 16V 1 C5618,19 F1J1A106A043 C 0.010UF, K, 10V 2 C5620 F1G1C104A081 C 0.10UF, K, 16V 1 C5621 F1G1E1030005 C 0.01UF, Z, 25V 1 C5622 ECJ2FB1C475K C 47UF, K, 16V 1 C5623 F1H1H471A792 E 470UF, 50V 1 C5624 F1H1H221A792 E 220UF, 50V 1 C5625 F1G1E1030005 C 0.01UF, Z, 25V 1 C5626,27 F1G1C104A081 C 0.10UF, K, 16V 2 C5628,29 ECGRL0G680ER C 68PF, J, 4V 2 C5630,31 EEEHB1C470P C 47PF, J, 16V 2 C5632 ECJ1VB1C105K C 0.01UF, K, 16V 1 C5636-41 F1G1C104A081 C 0.10UF, K, 16V 6 C5643 F1G1C104A081 C 0.10UF, K, 16V 1 C5644 F1G1E1030005 C 0.01UF, Z, 25V 1 C5645 F1H0J2250008 C 2.2UF, K, 16V 1 C5661 F1G1E1030005 C 0.01UF, Z, 25V 1 C5662 ECJ0EB1A473K C 0.047UF, K, 10V 1 C5663 F1G1E1030005 C 0.01UF, Z, 25V 1 C5670 ECJ1VB1C105K C 0.01UF, K, 16V 1 C5673,74 ECJ1VB1C105K C 0.01UF, K, 16V 2 C5676 F1G1C104A081 C 0.10UF, K, 16V 1 C5690 EEEHB1C470P C 47PF, J, 16V 1 C5691 EEEHB0J470R C 47PF, J, 6.3V 1 C5692,93 F1G1C104A081 C 0.10UF, K, 16V 2 C5694 EEEHB1C470P C 47PF, J, 16V 1 参考号 部品号 部品名称及说明 数量 备注 36 C5695 EEEHB0J470R C 47PF, J, 6.3V 1 C6001 F1L2J562A022 C 5600UF, K,6.3V 1 C6011-16 F2A2T201A002 E 200UF, 220V 6 C6023 F1L2J562A022 C 5600UF, K,6.3V 1 C6031 F0C2E405A176 E 0.040UF, 250V 1 C6037 F1L1E4750004 C 4.7UF, 25V 1 C6111,12 F2A2D221A022 E 220UF, 200V 2 C6132 F1L1E4750004 C 4.7UF, 25V 1 C6134,35 F1L1E4750004 C 4.7UF, 25V 2 C6151 ECJ3YB1E105K C 1UF, K, 25V 1 C6152-54 F1L1E4750004 C 4.7UF, 25V 3 C6193-95 F1L1E4750004 C 4.7UF, 25V 3 C6197 F1L1E4750004 C 4.7UF, 25V 1 C6201-04 F0C2E405A176 E 0.040UF, 250V 4 C6211,12 F1L1E4750004 C 4.7UF, 25V 2 C6213 F2A1E102A220 E 1000UF, 25V 1 C6216 F1L1E4750004 C 4.7UF, 25V 1 C6221 ECJ2XB1H104K C 0.1UF, K, 50V 1 C6223 F2A2E470A022 E 47UF, 250V 1 C6241 F2A1A101A439 E 100UF, 10V 1 C6242 F1H1C105A072 C 1UF, K, 16V 1 C6243 ECJ2VB1H103K C 0.01UF, K, 50V 1 C6247,48 ECJ2XB1H104K C 0.1UF, K, 50V 2 C6251 F1H1C105A072 C 1UF, K, 16V 1 C6252 ECJ3YB1E105K C 1UF, K, 25V 1 C6261,62 F2A2A471A072 E 470UF, 100V 2 C6272,73 F2A1E221A487 E 220UF, 25V 2 C6276 F1L1E4750004 C 4.7UF, 25V 1 C6281 ECJ2XB1H104K C 0.1UF, K, 50V 1 C6287,88 ECJ2XB1H104K C 0.1UF, K, 50V 2 C6402-04 F1L2J222A022 C 2200UF, K,6.3V 3 C6411-16 F2A2T201A002 E 200UF, 220V 6 C6421-24 F1L2J222A022 C 2200UF, K,6.3V 4 C6431 F0C2E405A176 E 0.040UF, 250V 1 C6471 F1L2J1020001 C 1000UF, K,6.3V 1 C6472 ECJ2XC1H101J C 100PF, J, 50V 1 C6480 ECJ2XB1H104K C 0.1UF, K, 50V 1 C6481,82 F1L1E4750004 C 4.7UF, 25V 2 C6485 F1L1E4750004 C 4.7UF, 25V 1 C6491 F1L2J1020001 C 1000UF, K,6.3V 1 C6499 F1H1C105A072 C 1UF, K, 16V 1 C6500 ECJ3YB1E105K C 1UF, K, 25V 1 C6502 F1L1E4750004 C 4.7UF, 25V 1 C6504,05 F1L1E4750004 C 4.7UF, 25V 2 C6521 ECJ3YB1E105K C 1UF, K, 25V 1 C6522 F1L1E4750004 C 4.7UF, 25V 1 C6524,25 F1L1E4750004 C 4.7UF, 25V 2 C6527 F1L1E4750004 C 4.7UF, 25V 1 C6531-34 F0C2E405A176 E 0.040UF, 250V 4 C6561 F2A1A101A439 E 100UF, 10V 1 C6562 F1H1C105A072 C 1UF, K, 16V 1 C6563 F2A1A101A439 E 100UF, 10V 1 C6564 F1H1C105A072 C 1UF, K, 16V 1 C6565,66 ECJ2VB1H103K C 0.01UF, K, 50V 2 C6571,72 F1L2J1020001 C 1000UF, K,6.3V 2 C6579 F2A2T201A002 E 200UF, 220V 1 C6581 ECJ3YB1E105K C 1UF, K, 25V 1 C6582 F1H1C105A072 C 1UF, K, 16V 1 C6592 F2A1E221A487 E 220UF, 25V 1 C6593 ECJ2XC1H102J C 1000PF, J, 50V 1 C6594 F2A1E221A487 E 220UF, 25V 1 C6603,04 F1K2J102A014 C 1000UF, K,6.3V 2 C6605,06 F1L2J472A022 C 4700UF, K,6.3V 2 C6620,21 ECKD3A392KBP C 3900PF, K, 1KV 2 C6641 ECQE2105RKB P 1UF, 250V 1 C6661,62 F1K2J102A014 C 1000UF, K,6.3V 2 C6671 F1L1E4750004 C 4.7UF, 25V 1 C6692 ECA2CM101 E 100UF, 160V 1 C6694 ECJ3YB1E105K C 1UF, K, 25V 1 C6695 ECJ2XC1H102J C 1000PF, J, 50V 1 C6702-06 ECJ2XB1H104K C 0.1UF, K, 50V 5 C6708 ECJ2XB1H104K C 0.1UF, K, 50V 1 C6721 F2A1H101A493 E 100UF, 50V 1 C6722 ECJ2XC1H101J C 100PF, J, 50V 1 C6723-25 F1L1E4750004 C 4.7UF, 25V 3 C6726,27 F1H1C105A072 C 1UF, K, 16V 2 C6752 ECJ3YB1E105K C 1UF, K, 25V 1 参考号 部品号 部品名称及说明 数量 备注 C6753 F1L1E4750004 C 4.7UF, 25V 1 C6755,56 F1L1E4750004 C 4.7UF, 25V 2 C6771 F1H1C105A072 C 1UF, K, 16V 1 C6772,73 F1L1E4750004 C 4.7UF, 25V 2 C6775 F1L1E4750004 C 4.7UF, 25V 1 C6776,77 ECJ2XB1H104K C 0.1UF, K, 50V 2 C6791 F2A1E221A487 E 220UF, 25V 1 C6795,96 F2A1E221A487 E 220UF, 25V 2 C6802 ECQE6223KF P 0.022UF, K,400V 1 C6803 ECKD3D221KBP C 220PF, K, 2KV 1 C6804 F2A2E100A022 E 10UF, 250V 1 C6805 ECJ2XC1H102J C 1000PF, J, 50V 1 C6806 ECA2CM101 E 100UF, 160V 1 C6807 ECJ2XC1H471J C 470PF, J, 50V 1 C6811 ECJ2VB1H103K C 0.01UF, K, 50V 1 C6812 F1L1E4750004 C 4.7UF, 25V 1 C6813 ECA2CM101 E 100UF, 160V 1 C6814 F2A1E221A487 E 220UF, 25V 1 C6815 ECJ2XB1H104K C 0.1UF, K, 50V 1 C6822 F2A2G470A018 E 470UF, 400V 1 C6823 ECJ2VB1H103K C 0.01UF, K, 50V 1 C6832 ECJ2XB1H392K C 3900PF, K, 50V 1 C6841 ECA2DHG101 E 100UF, 200V 1 C6842 ECA2CM101 E 100UF, 160V 1 C6845 ECJ2XB1H104K C 0.1UF, K, 50V 1 C6861 F1H1C105A072 C 1UF, K, 16V 1 C6862 ECJ3YB1E105K C 1UF, K, 25V 1 C6863 ECJ2VB1H103K C 0.01UF, K, 50V 1 C6871 F1H1C105A072 C 1UF, K, 16V 1 C6872 ECJ3YB1E105K C 1UF, K, 25V 1 C6873 ECJ2VB1H103K C 0.01UF, K, 50V 1 C6884 ECJ2VB1H103K C 0.01UF, K, 50V 1 C6901 ECJ2XB1H102K C 1000PF, K, 50V 1 C6902 TCUY1C105ZFN C 1UF, 16V 1 C6904 TCUY1C105ZFN C 1UF, 16V 1 C6906 TCUY1C105ZFN C 1UF, 16V 1 C6908 TCUY1C105ZFN C 1UF, 16V 1 C6910 TCUY1C105ZFN C 1UF, 16V 1 C6912 TCUY1C105ZFN C 1UF, 16V 1 C6923,24 F1L2E1040002 E 1000UF, 25V 2 C6929,30 F1L2E1040002 E 1000UF, 25V 2 C6931 ECJ2XB1H102K C 1000PF, K, 50V 1 C6932,33 F1L2E1040002 E 1000UF, 25V 2 C6936,37 ECJ2VB1H221K C 220PF, K, 50V 2 C6951 ECJ2XB1H102K C 1000PF, K, 50V 1 C6952 TCUY1C105ZFN C 1UF, 16V 1 C6955 TCUY1C105ZFN C 1UF, 16V 1 C6957,58 TCUY1C105ZFN C 1UF, 16V 2 C6961 TCUY1C105ZFN C 1UF, 16V 1 C6963 TCUY1C105ZFN C 1UF, 16V 1 C6974,75 F1L2E1040002 E 1000UF, 25V 2 C6981 ECJ2XB1H102K C 1000PF, K, 50V 1 C6982-85 F1L2E1040002 E 1000UF, 25V 4 C6986,87 ECJ2VB1H221K C 220PF, K, 50V 2 C7103 ECJ1XB1C104K C 0.1UF, Z, 16V 1 C7105 ECJ1XB1C104K C 0.1UF, Z, 16V 1 C7106-08 ECJ1XC1H101J C 100PF, J, 50V 3 C7110,11 F1H1C105A072 C 1UF, K, 16V 2 C7114,15 F1H1C105A072 C 1UF, K, 16V 2 C7117-22 F1K2A474A006 C 0.47UF, 6.3V 6 C7124,25 F1H1C105A072 C 1UF, K, 16V 2 C7127,28 F1K2A474A006 C 0.47UF, 6.3V 2 C7130,31 F1H1C105A072 C 1UF, K, 16V 2 C7133 ECJ1XC1H101J C 100PF, J, 50V 1 C7134,35 F1K2A474A006 C 0.47UF, 6.3V 2 C7137,38 F1H1C105A072 C 1UF, K, 16V 2 C7140 ECJ1XC1H101J C 100PF, J, 50V 1 C7141 F1H1C105A072 C 1UF, K, 16V 1 C7201 F1H1C105A072 C 1UF, K, 16V 1 C7203 ECJ1XB1C104K C 0.1UF, Z, 16V 1 C7206 ECJ1XB1C104K C 0.1UF, Z, 16V 1 C7209,10 F1K2A474A006 C 0.47UF, 6.3V 2 C7212,13 F1H1C105A072 C 1UF, K, 16V 2 C7215-17 ECJ1XC1H101J C 100PF, J, 50V 3 C7219,20 F1H1C105A072 C 1UF, K, 16V 2 C7222-25 F1K2A474A006 C 0.47UF, 6.3V 4 C7227,28 F1H1C105A072 C 1UF, K, 16V 2 参考号 部品号 部品名称及说明 数量 备注 37 C7230 F1H1C105A072 C 1UF, K, 16V 1 C7231 ECJ1XB1C104K C 0.1UF, Z, 16V 1 C7301 F1K2A474A006 C 0.47UF, 6.3V 1 C7305,06 F1K2A474A006 C 0.47UF, 6.3V 2 C7308,09 F1H1C105A072 C 1UF, K, 16V 2 C7311 ECJ1XC1H101J C 100PF, J, 50V 1 C7312,13 F1K2A474A006 C 0.47UF, 6.3V 2 C7315,16 F1H1C105A072 C 1UF, K, 16V 2 C7318 ECJ1XC1H101J C 100PF, J, 50V 1 C7319,20 F1K2A474A006 C 0.47UF, 6.3V 2 C7322,23 F1H1C105A072 C 1UF, K, 16V 2 C7325 ECJ1XC1H101J C 100PF, J, 50V 1 C7326 F1H1C105A072 C 1UF, K, 16V 1 C7328 ECJ1XB1C104K C 0.1UF, Z, 16V 1 C7330 ECJ1XB1C104K C 0.1UF, Z, 16V 1 C7332 ECJ1XB1C104K C 0.1UF, Z, 16V 1 C7334 ECJ1XB1C104K C 0.1UF, Z, 16V 1 C8001 F1G1C104A081 C 0.10UF, K, 16V 1 C8002-05 ECJ1VB1C105K C 0.01UF, K, 16V 4 C8006-08 F1G1C104A081 C 0.10UF, K, 16V 3 C8009,10 F1J1A106A043 C 0.010UF, K, 10V 2 C8011-14 F1G1C104A081 C 0.10UF, K, 16V 4 C8015,16 ECJ1VB1C105K C 0.01UF, K, 16V 2 C8017 F1J1A106A043 C 0.010UF, K, 10V 1 C8018-21 F1G1C104A081 C 0.10UF, K, 16V 4 C8022 ECJ1VB1C105K C 0.01UF, K, 16V 1 C8023,24 F1J1A106A043 C 0.010UF, K, 10V 2 C8025-29 F1G1C104A081 C 0.10UF, K, 16V 5 C8030,31 ECJ1VB1C105K C 0.01UF, K, 16V 2 C8032 F1J1A106A043 C 0.010UF, K, 10V 1 C8033,34 F1G1C104A081 C 0.10UF, K, 16V 2 C8035,36 F1J1A106A043 C 0.010UF, K, 10V 2 C8037-41 F1G1C104A081 C 0.10UF, K, 16V 5 C8042 ECGRL0G680ER C 68PF, J, 4V 1 C8043-51 F1G1C104A081 C 0.10UF, K, 16V 9 C8052 ECJ1VB1C105K C 0.01UF, K, 16V 1 C8053 F1G1E1030005 C 0.01UF, Z, 25V 1 C8056,57 F1G1C104A081 C 0.10UF, K, 16V 2 C8058 F1J1A106A043 C 0.010UF, K, 10V 1 C8067 F1G1E1030005 C 0.01UF, Z, 25V 1 C8068 F1G1C104A081 C 0.10UF, K, 16V 1 C8069 F1G1H820A565 E 82UF, 50V 1 C8070-74 F1G1C104A081 C 0.10UF, K, 16V 5 C8075 F1J0G2260001 C 0.001UF, 6.3V 1 C8076-80 F1G1C104A081 C 0.10UF, K, 16V 5 C8553-55 F1G1C104A081 C 0.10UF, K, 16V 3 C8601 F1G1C104A081 C 0.10UF, K, 16V 1 C8621,22 F1G1C104A081 C 0.10UF, K, 16V 2 C8801 F1J1H474A757 C 0.47UF, 50V 1 C9028,29 F1J1A106A043 C 0.010UF, K, 10V 2 C9033,34 F1G1C104A083 C 0.10UF, K, 16V 2 C9035,36 F1J1A106A043 C 0.010UF, K, 10V 2 C9037 F1G1E1030005 C 0.01UF, Z, 25V 1 C9039 F1J1A106A043 C 0.010UF, K, 10V 1 C9040 F1G1C104A083 C 0.10UF, K, 16V 1 C9044 ECJ2YB0J475K C 3.3UF, Z, 4.7V 1 C9045-53 F1G1C104A083 C 0.10UF, K, 16V 9 C9055-57 F1G1C104A083 C 0.10UF, K, 16V 3 C9058 F1J1A106A043 C 0.010UF, K, 10V 1 C9061 F1G1C104A077 C 0.10UF, K, 16V 1 C9062 ECJ2YB0J475K C 3.3UF, Z, 4.7V 1 C9063 F1G1C104A083 C 0.10UF, K, 16V 1 C9468 F1G1E1030005 C 0.01UF, Z, 25V 1 C9469 F1G1C104A083 C 0.10UF, K, 16V 1 C9500 F1G1C104A077 C 0.10UF, K, 16V 1 C9505 F1G1C104A077 C 0.10UF, K, 16V 1 C9508 F1G1C104A077 C 0.10UF, K, 16V 1 C9509,10 F1G1H120A565 E 12UF, 50V 2 C9511 F1J1A106A043 C 0.010UF, K, 10V 1 C9516-25 F1G1C104A077 C 0.10UF, K, 16V 10 C9526 F1J1A106A043 C 0.010UF, K, 10V 1 C9527,28 F1G1C104A077 C 0.10UF, K, 16V 2 C9531 F1J1A106A043 C 0.010UF, K, 10V 1 C9559-64 F1G1C104A077 C 0.10UF, K, 16V 6 C9823 ECJ3YB1E106M C 10 UF, K, 25V 1 C9825 F1G1H101A565 C 100PF, K, 50V 1 C9832 F1J1A106A043 C 0.010UF, K, 10V 1 参考号 部品号 部品名称及说明 数量 备注 C9837 F1J1A106A043 C 0.010UF, K, 10V 1 C9838 F1G1C104A083 C 0.10UF, K, 16V 1 C9840 F1G1E1030005 C 0.01UF, Z, 25V 1 C9841-43 F1G1C104A083 C 0.10UF, K, 16V 3 C9844 F1G1E1030005 C 0.01UF, Z, 25V 1 C9845,46 F1G1C104A083 C 0.10UF, K, 16V 2 C9858 ECJ3YB1E106M C 10 UF, K, 25V 1 C9859 F1G1E1030005 C 0.01UF, Z, 25V 1 C9860 ECJ2YB0J475K C 3.3UF, Z, 4.7V 1 C9861,62 ECJ1VB1E104K C 0.10UF, K, 25V 2 C9863 ECJ2YB0J475K C 3.3UF, Z, 4.7V 1 C9864 ECJ1VB1E104K C 0.10UF, K, 25V 1 C9865,66 ECGRL0G680ER C 68PF, J, 4V 2 C9867-72 ECJ3YB1E106M C 10 UF, K, 25V 6 C9873 ECGRL0G680ER C 68PF, J, 4V 1 C9874 F1G1H680A565 E 68UF, 50V 1 C9877 F1G1H680A565 E 68UF, 50V 1 C9878 F1G1E1030005 C 0.01UF, Z, 25V 1 C9879,80 F1G1E822A086 C 8200UF, Z, 25V 2 C9881 F1G1E1030005 C 0.01UF, Z, 25V 1 C9882 F1G1E822A086 C 8200UF, Z, 25V 1 C9883 F1G1H101A565 C 100PF, K, 50V 1 C9884,85 F1G1H1020008 E 1000UF, 50V 2 C9886,87 ECJ1VB1E104K C 0.10UF, K, 25V 2 C9888 F1G1H361A565 E 360UF, 50V 1 C9900-25 F1G1C104A077 C 0.10UF, K, 16V 26 C9927-51 F1G1C104A077 C 0.10UF, K, 16V 25 C9955-59 F1G1C104A077 C 0.10UF, K, 16V 5 C9960-64 F1J1A106A043 C 0.010UF, K, 10V 5 C9966,67 F1G1C104A077 C 0.10UF, K, 16V 2 CB1-11 K1MN68BA0052 68P 连接接头 11 CF6281 D4DA91000001 电热调节器 1 D5 K1KB31BA0064 31P 连接接头 1 D6 K1KA21A00011 21P 连接接头 1 D9 K1KA07A00292 7P 连接接头 1 D20 K1KY30BA0090 30P 连接接头 1 D25 K1KA13B00069 13P 连接接头 1 D31 K1MN55BA0257 55P 连接接头 1 D32 K1MN68BA0251 68P 连接接头 1 D1107 MA704A 二极管 1 D2026 MA2J11100L 二极管 1 D2028,29 MA2J11100L 二极管 2 D2031-34 MA2J11100L 二极管 4 D2119 B0BC01100001 稳压二极管 1 D2189 MA2J11100L 二极管 1 D2301,02 MA2J11100L 二极管 2 D2303 MA3056HTX 二极管 1 D2304 MA2J11100L 二极管 1 D2512 MA8043LTX 稳压二极管 1 D2520 LNJ107W5PRW LED 1 D2524 MAZ80560ML 稳压二极管 1 D2632,33 MA2J11100L 二极管 2 D2634 MA3X78900L 稳压二极管 1 D2635 MA2J11100L 二极管 1 D2636 MA3047HTX 二极管 1 D2637 MA2J11100L 二极管 1 D2638 B0BC03900015 稳压二极管 1 D3003 MA8140M 稳压二极管 1 D3005,06 MA8140M 稳压二极管 2 D3035-43 MA8140M 稳压二极管 9 D3044 B0BC01100001 稳压二极管 1 D3045-49 MA8140M 稳压二极管 5 D3100 MA8140M 稳压二极管 1 D3102 MA2J11100L 二极管 1 D3334-38 MA2J11100L 二极管 5 D3702 MA8140M 稳压二极管 1 D4500-12 EZAEG2A50AX 二极管 13 D4513 MA3056MTX 稳压二极管 1 D4514 EZAEG2A50AX 二极管 1 D4515 MA3056MTX 稳压二极管 1 D4516-23 EZAEG2A50AX 二极管 8 D4524-27 B0HCMM000014 二极管 4 D4528 EZAEG2A50AX 二极管 1 D4532 B0HCMM000014 二极管 1 参考号 部品号 部品名称及说明 数量 备注 38 D5501 B0BC01000035 稳压二极管 1 D5521 MA2J11100L 二极管 1 D5522 MA3X152A0L 二极管 1 D5526 MA3X152A0L 二极管 1 D5528 MA8120M 稳压二极管 1 D5529 MAZ80680LL 稳压二极管 1 D5530 MA2J11100L 二极管 1 D5571 B0BC6R600005 稳压二极管 1 D5573 B0BC01100001 稳压二极管 1 D5601,02 MA22D3900L 二极管 2 D5603,04 B0JCDD000002 二极管 2 D5605 MA22D3900L 二极管 1 D5606 B0JCDD000002 二极管 1 D5607,08 MA8024LTX 稳压二极管 2 D5609 MA8056LTX 稳压二极管 1 D5670 MA2J11100L 二极管 1 D5671 B0HCMM000014 二极管 1 D5673 B0HCMM000014 二极管 1 D5690,91 B0BC6R600005 稳压二极管 2 D6001 B0HBSN000008 二极管 1 D6021 MA3DF30000LZ 稳压二极管 1 D6024,25 B0ECKP000047 二极管 2 D6032 MA2J11100L 二极管 1 D6061,62 B0HBSN000008 二极管 2 D6071,72 B0HBSN000008 二极管 2 D6081,82 MA3DF30000LZ 稳压二极管 2 D6091 B0HBSN000008 二极管 1 D6092 B0ECKP000047 二极管 1 D6101-04 B0JCME000037 二极管 4 D6131,32 B0ECKP000047 二极管 2 D6151-53 B0ECKP000047 二极管 3 D6191 B0ECKP000047 二极管 1 D6193 B0ECKP000047 二极管 1 D6211 B0JCME000037 二极管 1 D6221 B0HDRP000003 二极管 1 D6222,23 MA2J11100L 二极管 2 D6225 B0ECKP000047 二极管 1 D6253 LNJ301MPUJA LED 1 D6255 MA2J11100L 二极管 1 D6273 MA2J11100L 二极管 1 D6275 MA8068M 稳压二极管 1 D6277,78 MA3X152A0L 二极管 2 D6280 MAZ80510LL 稳压二极管 1 D6281,82 B0JCME000037 二极管 2 D6401,02 B0HBSN000008 二极管 2 D6422 MA3DF40000LZ 稳压二极管 1 D6442 B0ECKP000047 二极管 1 D6452 B0ECKP000047 二极管 1 D6462,63 B0HBSN000008 二极管 2 D6466 MA2J11100L 二极管 1 D6471 B0HBSN000008 二极管 1 D6472 B0ECKP000047 二极管 1 D6477 MA2J11100L 二极管 1 D6478 B0HCKS000002 二极管 1 D6480 MA2J11100L 二极管 1 D6482,83 MA3DF30000LZ 稳压二极管 2 D6491 MA3DF40000LZ 稳压二极管 1 D6497 B0ECKP000047 二极管 1 D6499 MA2J11100L 二极管 1 D6500 MAZ80510LL 稳压二极管 1 D6501 B0ECKP000047 二极管 1 D6503 B0ECKP000047 二极管 1 D6521-23 B0ECKP000047 二极管 3 D6561,62 B0ECKP000047 二极管 2 D6571 B0JCME000037 二极管 1 D6573 B0JCME000037 二极管 1 D6583 LNJ301MPUJA LED 1 D6584 MAZ80510LL 稳压二极管 1 D6585 MA2J11100L 二极管 1 D6601,02 MA8240MTX 稳压二极管 2 D6604 MA2J11100L 二极管 1 D6605 MAZ80510LL 稳压二极管 1 D6606 B0HCMM000014 二极管 1 D6607 MA2J11100L 二极管 1 D6619 B0HCKS000002 二极管 1 D6621-23 B0HDSM000005 二极管 3 D6625 B0HDSM000005 二极管 1 参考号 部品号 部品名称及说明 数量 备注 D6631 B0JCME000037 二极管 1 D6633 B0JCME000037 二极管 1 D6641,42 B0HCKS000002 二极管 2 D6643 B0JCME000037 二极管 1 D6644 B0HCKS000002 二极管 1 D6661 MA2J11100L 二极管 1 D6662-64 MA8330M 稳压二极管 3 D6665 MAZ80510LL 稳压二极管 1 D6666,67 MA2J11100L 二极管 2 D6690 MA2J11100L 二极管 1 D6691,92 MA8200M 稳压二极管 2 D6701 MA8056H 稳压二极管 1 D6721 B0HCKS000002 二极管 1 D6722 MA2J11100L 二极管 1 D6725 B0ECKP000047 二极管 1 D6726-33 MA8056H 稳压二极管 8 D6742,43 MA2J11100L 二极管 2 D6761 B0JCME000037 二极管 1 D6764 B0HCKS000002 二极管 1 D6765-67 B0ECKP000047 二极管 3 D6773 B0HCKS000002 二极管 1 D6791 MA8200M 稳压二极管 1 D6802 B0BC01000044 稳压二极管 1 D6803 B0HCKS000002 二极管 1 D6804 B0ECHP000003 二极管 1 D6805 MA2J11100L 二极管 1 D6806 B0HCKS000002 二极管 1 D6807-10 B0HCMM000014 二极管 4 D6816 MAZ80510LL 稳压二极管 1 D6817 MAZ80680HL 稳压二极管 1 D6820-23 MA2J11100L 二极管 4 D6824,25 MA8330M 稳压二极管 2 D6826 MA2J11100L 二极管 1 D6827,28 MA8330M 稳压二极管 2 D6830 MA8056H 稳压二极管 1 D6836 MAZ81500ML 稳压二极管 1 D6837 MA2J11100L 二极管 1 D6838 B0BC027A0234 稳压二极管 1 D6839 B0ECKP000047 二极管 1 D6841 B0HCKS000002 二极管 1 D6842,43 MA2J11100L 二极管 2 D6859 B0ECKP000047 二极管 1 D6860 B0HCKS000002 二极管 1 D6861 MAZ80510LL 稳压二极管 1 D6862 MA2J11100L 二极管 1 D6871 MAZ80510LL 稳压二极管 1 D6872 MA2J11100L 二极管 1 D6883 MA2J11100L 二极管 1 D6886,87 B0ECKP000047 二极管 2 D6901,02 MA8056H 稳压二极管 2 D6903,04 B0HCMM000013 二极管 2 D6907 B0HCMM000013 二极管 1 D6951,52 MA8056H 稳压二极管 2 D6953,54 B0HCMM000013 二极管 2 D6957 B0HCMM000013 二极管 1 D7101-10 B0HCMM000014 二极管 10 D7201-06 B0HCMM000014 二极管 6 D7301-06 B0HCMM000014 二极管 6 D8901 MA704A 二极管 1 D9017-19 MA3033 稳压二极管 3 D9020 B0JCCE000008 二极管 1 D9110 B0JCGD000002 二极管 1 D9802 B0JCCE000008 二极管 1 D9804 B0JCCE000008 二极管 1 D9807,08 B0JCCE000008 二极管 2 D9811 B0JCCE000008 二极管 1 D9812 MA22D3900L 二极管 1 D9813-15 B0JCGD000002 二极管 3 D9816,17 MA22D3900L 二极管 2 DG1 K1KA12B00151 12P 连接接头 1 DG5 K1KB31AA0140 31P 连接接头 1 DG6 K1KA12AA0191 12P 连接接头 1 DG7 K1KA11AA0191 11P 连接接头 1 DG8 K1KA06AA0104 6P 连接接头 1 DG12 K1KA04AA0190 4P 连接接头 1 DG32 K1KA07AA0266 7P 连接接头 1 参考号 部品号 部品名称及说明 数量 备注 39 DG33 K1KA11AA0715 11P 连接接头 1 DG34 K1KA30AA0009 30P 连接接头 1 DG51 K1KY20A00015 20P 连接接头 1 FL2001,02 J0HABB000004 LC 滤波器 2 FL2003-06 J0HABB000003 LC 滤波器 4 FL3001,02 J0HABB000003 LC 滤波器 2 FL3003-05 J0HABB000004 LC 滤波器 3 FL3006,07 J0JAD0000028 片状电感 2 FL3008 J0HABB000003 LC 滤波器 1 FL3710-12 J0MAB0000199 LC 滤波器 3 FL4800-02 J0JAD0000028 片状电感 3 FL5733,34 J0HABH000013 LC 滤波器 2 FL5750,51 J0HABH000013 LC 滤波器 2 FL7101 J0HABH000013 LC 滤波器 1 FL7201,02 J0HABH000013 LC 滤波器 2 FL7301 J0HABH000013 LC 滤波器 1 FL9300,01 F1J1E104A148 C 0.10UF, Z, 25V 2 FL9504 F1J1E104A148 C 0.10UF, Z, 25V 1 FL9803 F1J1E104A148 C 0.10UF, Z, 25V 1 FL9805,06 F1J1E104A148 C 0.10UF, Z, 25V 2 FL9900-04 F1J1E104A148 C 0.10UF, Z, 25V 5 G51 K1KY20A00015 20P 连接接头 1 IC1100 MNZSFD7GP42 IC 1 IC1101 TVRP465-1 IC 1 IC2008 C0CBCBE00001 IC 1 IC2010 C0CBCBC00190 IC 1 IC2011 C0ABBB000230 IC 1 IC2012 C1BB00000947 IC 1 IC2013 C0DBGYY00281 IC 1 IC2105 AN15862A-VT IC 1 IC2106 C1AB00002746 IC 1 IC2107 C0DBFFD00003 IC 1 IC2301 C1AB00002730 IC 1 IC2303 C0DBGYY00202 IC 1 IC2610 C0DBAJB00004 IC 1 IC3001 AN15876A-VT IC 1 IC4500 TVRP317 IC 1 IC4501 TVRP316 IC 1 IC4504 C3EBEY000009 IC 1 IC4506 C0DBGGF00001 IC 1 IC4507 C0CBCBC00190 IC 1 IC4508,09 C0CBCAD00082 IC 2 IC4510 C1AB00002753 IC 1 IC4515 NJM2903V IC 1 IC4800 C1ZBZ0003577 IC 1 IC5550 EHMDD9851 线形 IC 1 IC5600 C0DBAYY00273 IC 1 IC5601 C0DBAYY00274 IC 1 IC5660 C0EBM0000026 IC 1 IC5670 C0CBCBC00190 IC 1 IC5671 C0EBF0000376 IC 1 IC6131 C0ZBZ0000895 IC 1 IC6151 C0ZBZ0001324 IC 1 IC6191 C0ZBZ0000895 IC 1 IC6211 C0ZBZ0001325 IC 1 IC6221 C0DBEMC00043 IC 1 IC6241 C0JBAZ000005 IC 1 IC6251 NJM2903M 集成电路 1 IC6281 C0DBEMC00043 IC 1 IC6471 C0DBEKA00003 IC 1 IC6472 C0JBAA000377 IC 1 IC6481 C0ZBZ0000895 IC 1 IC6500 NJM2903M 集成电路 1 IC6501 C0ZBZ0000895 IC 1 IC6521 C0ZBZ0001324 IC 1 IC6561,62 C0JBAZ000005 IC 2 IC6581 NJM2903M 集成电路 1 IC6671 C0ZBZ0001325 IC 1 IC6721,22 C0JBAZ000994 IC 2 IC6724,25 C0CBADC00072 IC 2 IC6752 C0ZBZ0001324 IC 1 IC6771 C0CBADC00072 IC 1 IC6772 C0ZBZ0001325 IC 1 IC6773,74 C0JBAA000377 IC 2 参考号 部品号 部品名称及说明 数量 备注 IC6791 EHMDD9863 线形 IC 1 IC6801 C0DBEMC00043 IC 1 IC6803 C0DAAMH00005 IC 1 IC6821 C0DBEMC00043 IC 1 IC6841 C0DBEMC00043 IC 1 IC6861 NJM2903M 集成电路 1 IC6871 NJM2903M 集成电路 1 IC6881 C0DBEMC00043 IC 1 IC6901-06 AN16076A-VT IC 6 IC6951-56 AN16076A-VT IC 6 IC7101,02 C0JBAZ001120 IC 2 IC7201-03 C0JBAZ001120 IC 3 IC7301-04 C0JBAZ001120 IC 4 IC8001 MN2WS0039AA IC 1 IC8002,03 C3ABRY000015 IC 2 IC8004 C0ZBZ0001030 IC 1 IC8554 TVRP4963-9 IC 1 PPDS IC8601 TVRP692 IC 1 PPDS IC8621,22 C0JBAZ002845 IC 2 IC9001 TVRP208-4 IC 1 IC9002 C1ZBZ0003577 IC 1 IC9003 MN103SC9GPH3 IC 1 IC9007 TVRP211-6 IC 1 IC9011 C0EBF0000431 IC 1 IC9013 C0JBAZ002060 IC 1 IC9200 C1ZBZ0003566 IC 1 IC9303 TVRP218-2 IC 1 IC9500 C1ZBZ0003575 IC 1 IC9802,03 C0JBAZ001120 IC 2 IC9805 C0DBAYY00274 IC 1 IC9806 C0DBAYY00273 IC 1 IC9900 MN84524 IC 1 IC9901 C3ABQJ000055 IC 1 JK2003 K2HA204A0053 插孔 1 JK3001 K1FB315A0006 连接接头 1 JK3100 K1U936A00002 连接接头单元 1 JK3701C K4AK18B00003 端子 1 JK4500,01 K1FY119D0002 连接接头 2 JK8801 K1NA09D00004 9P 连接接头 1 JS1111 D0YAR0000007 M 0.0 OHM, J,0.063W 1 JS2031-33 D0YAR0000007 M 0.0 OHM, J,0.063W 3 JS2046,47 ERJ3GEY0R00 M 0 OHM, 1/16W 2 JS2051 ERJ3GEY0R00 M 0 OHM, 1/16W 1 JS2053 ERJ3GEY0R00 M 0 OHM, 1/16W 1 JS2101 ERJ3GEY0R00 M 0 OHM, 1/16W 1 JS2517 ERJ3GEY0R00 M 0 OHM, 1/16W 1 JS3010-15 ERJ6GEY0R00V M 0 OHM, 1/10W 6 JS3032 ERJ3GEY0R00 M 0 OHM, 1/16W 1 JS3208 D0YAR0000007 M 0.0 OHM, J,0.063W 1 JS3209 ERJ3GEY0R00 M 0 OHM, 1/16W 1 JS3700 ERJ3GEY0R00 M 0 OHM, 1/16W 1 JS3704,05 ERJ6GEY0R00V M 0 OHM, 1/10W 2 JS3707,08 ERJ6GEY0R00V M 0 OHM, 1/10W 2 JS5568,69 ERJ3GEY0R00 M 0 OHM, 1/16W 2 K1 K1KY12B00001 12P 连接接头 1 L1100 J0JHC0000078 片状电感 1 L2001,02 J0JCC0000364 片状电感 2 L2003,04 J0JCC0000100 扼流线圈 2 L2007,08 J0JCC0000100 扼流线圈 2 L2011,12 J0JCC0000100 扼流线圈 2 L2015,16 J0JCC0000100 扼流线圈 2 L2021 J0JHC0000078 片状电感 1 L2026 G1C6R8MA0061 感应线圈 1 L2027 J0JHC0000045 片状电感 1 L2029 J0JCC0000077 片状电感 1 L2034,35 J0JCC0000364 片状电感 2 L2040 J0JHC0000045 片状电感 1 L2300 G1C330MA0291 感应线圈 1 L2302 G1C330MA0291 感应线圈 1 L2304 G1C330MA0291 感应线圈 1 L2306 G1C330MA0291 感应线圈 1 L2308 J0JJC0000011 片状电感 1 L2310 J0JJC0000011 片状电感 1 参考号 部品号 部品名称及说明 数量 备注 40 L2648 G1C470MA0077 感应线圈 1 L2649 G1C100MA0072 感应线圈 1 L2650 G1C3R3ZA0083 感应线圈 1 L3001-03 J0JCC0000100 扼流线圈 3 L3010 J0JCC0000100 扼流线圈 1 L3013 J0JCC0000100 扼流线圈 1 L3206,07 J0JCC0000241 片状电感 2 L3209 J0JGC0000021 片状电感 1 L3211 J0JGC0000021 片状电感 1 L3225,26 J0JCC0000241 片状电感 2 L3700,01 J0JCC0000364 片状电感 2 L3707,08 J0JCC0000100 扼流线圈 2 L4500-07 J0JHC0000078 片状电感 8 L4511 J0JHC0000078 片状电感 1 L4512 J0JCC0000077 片状电感 1 L4516-18 J0JHC0000078 片状电感 3 L4520,21 J0JHC0000078 片状电感 2 L4524 J0JHC0000078 片状电感 1 L5550 G1C3R3ZA0083 感应线圈 1 L5551,52 G1C150ZA0083 感应线圈 2 L5564 G1C3R3ZA0083 感应线圈 1 L5565 G1C220MA0077 感应线圈 1 L5566 G1C3R3ZA0083 感应线圈 1 L5600,01 G1C2R2ZA0083 感应线圈 2 L5602 G1C3R3ZA0083 感应线圈 1 L5604 G1C100MA0077 感应线圈 1 L5605 J0JCC0000241 片状电感 1 L5606 G1C100MA0077 感应线圈 1 L5610,11 J0JHC0000035 片状电感 2 L5670 J0JHC0000078 片状电感 1 L5690,91 J0JHC0000078 片状电感 2 L5735 J0JHC0000078 片状电感 1 L5750 J0JHC0000035 片状电感 1 L6000 J0JJC0000015 片状电感 1 L6001-03 G0C1R6KA0119 校正线圈 3 L6005 G0C1R6KA0119 校正线圈 1 L6010 J0JJC0000015 片状电感 1 L6011-14 G0C1R6KA0119 校正线圈 4 L6061-64 J0JKB0000051 铁氧体磁芯 4 L6081-84 J0JKB0000051 铁氧体磁芯 4 L6101,02 J0JJC0000015 片状电感 2 L6103 G0ZZ00002183 校正线圈 1 L6105,06 J0JJC0000015 片状电感 2 L6221 G0ZZ00002183 校正线圈 1 L6241 G0ZZ00002183 校正线圈 1 L6262 G0ZZ00002183 校正线圈 1 L6271 G0ZZ00002183 校正线圈 1 L6401-03 G0C1R6KA0119 校正线圈 3 L6405 G0C1R6KA0119 校正线圈 1 L6411-13 G0C1R6KA0119 校正线圈 3 L6415 G0C1R6KA0119 校正线圈 1 L6463-66 J0JKB0000051 铁氧体磁芯 4 L6472 G0ZZ00002183 校正线圈 1 L6474 G0ZZ00002183 校正线圈 1 L6483-86 J0JKB0000051 铁氧体磁芯 4 L6571 J0JJC0000015 片状电感 1 L6573 J0JJC0000015 片状电感 1 L6591,92 G0ZZ00002183 校正线圈 2 L6601,02 G0ZZ00002183 校正线圈 2 L6690 G0ZZ00002183 校正线圈 1 L6801,02 J0JJC0000015 片状电感 2 L6841 J0JJC0000015 片状电感 1 L6881 G0ZZ00002183 校正线圈 1 L8001-05 J0JHC0000045 片状电感 5 L8007-10 J0JHC0000045 片状电感 4 L8551 J0JCC0000241 片状电感 1 L8621 J0JCC0000241 片状电感 1 L9500 G1C150KA0038 感应线圈 1 L9501,02 J0JHC0000078 片状电感 2 L9504,05 J0JHC0000078 片状电感 2 L9800 G1C2R2Z00007 感应线圈 1 L9801 G1C1R5Z00006 感应线圈 1 L9802 G1C2R2Z00007 感应线圈 1 PA9800 K5H4022A0023 保险丝 1 PA9900 K5H5022A0023 保险丝 1 参考号 部品号 部品名称及说明 数量 备注 PC6480 B3PBA0000223 IC 1 PC6701,02 B3PBA0000233 IC 2 PC6703 B3PBA0000234 IC 1 PC6705 B3PBA0000397 IC 1 PC6801 B3PBA0000223 IC 1 PC6861 B3PBA0000223 IC 1 PC6871 B3PBA0000223 IC 1 PCB TXNDG1HNTC DG 电路板 1 PPDS PCB ETXMM655MEH P 电路板 1 PCB TNPA4169 C1 电路板 1 PCB TNPA4170 C2 电路板 1 PCB TNPA4171 C3 电路板 1 PCB TXN/D1HMTC D 电路板 1 PPDS PCB TNPA4186 SC 电路板 1 PCB TNPA4189 SD 电路板 1 PCB TNPA4202 SS2 电路板 1 PCB TNPA4187 SS 电路板 1 PCB TNPA4203 SS3 电路板 1 PCB TNPA4188 SU 电路板 1 PCB TNPA4262AB G 电路板 1 PCB TNPA4137AJ K 电路板 1 PCB TNPA4138AD S 电路板 1 Q1107,08 2SD0601ARL 三极管 2 Q2000,01 2SD0601ARL 三极管 2 Q2002,03 2SC584500L 三极管 2 Q2015 2SA207700L 三极管 1 Q2016,17 2SC584500L 三极管 2 Q2021 2SA207700L 三极管 1 Q2031 2SA207700L 三极管 1 Q2033 2SA207700L 三极管 1 Q2034,35 2SC584500L 三极管 2 Q2039-42 2SC584500L 三极管 4 Q2101,02 2SC584500L 三极管 2 Q2301 2SA207700L 三极管 1 Q2510,11 2SD0601ARL 三极管 2 Q2513 2SD0601ARL 三极管 1 Q2635 2SC584500L 三极管 1 Q2636,37 2SA207700L 三极管 2 Q2638 2SC584500L 三极管 1 Q2639 2SK3065T100 FET 1 Q2640,41 B1CBHD000002 FET 2 Q3031,32 2SC584500L 三极管 2 Q3200 2SA207700L 三极管 1 Q4500-05 2SD0601ARL 三极管 6 Q4514-17 2SB0709ARL 三极管 4 Q5501 2SD0601ARL 三极管 1 Q5521,22 2SA207700L 三极管 2 Q5523,24 2SD0601ARL 三极管 2 Q5561 B1DHDC000028 三极管 1 Q5562 2SD0601ARL 三极管 1 Q5600-02 B1MBEDA00015 三极管 3 Q5603,04 2SD0601ARL 三极管 2 Q5690,91 2SD0601ARL 三极管 2 Q5692,93 B1DHDC000028 三极管 2 Q6001-04 2PG0010000RP 三极管 4 Q6021-23 2PG0010000RP 三极管 3 Q6031 B1ADRD000001 三极管 1 Q6041-43 2PG0010000RP 三极管 3 Q6052,53 2PG0010000RP 三极管 2 Q6101,02 B1DFKM000002 三极管 2 Q6103 B1ABPF000014 三极管 1 Q6104 B1ADPF000004 三极管 1 Q6105,06 B1DFKM000002 三极管 2 Q6111 2SK326800L FET 1 Q6112 B1DFKM000001 三极管 1 Q6114 B1DFKM000001 三极管 1 Q6141 B1ABPF000014 三极管 1 Q6142 B1ADPF000004 三极管 1 Q6146 B1ABPF000014 三极管 1 Q6147 B1ADPF000004 三极管 1 Q6171 B1ABRD000003 三极管 1 Q6172 B1ADRD000001 三极管 1 Q6181 B1ABRD000003 三极管 1 参考号 部品号 部品名称及说明 数量 备注 41 Q6222A 2SC1473AEA 三极管 1 Q6251 2SD0601ARL 三极管 1 Q6256 2SD1263A 三极管 1 Q6271 2SD0601ARL 三极管 1 Q6281 B1ABPF000014 三极管 1 Q6282 B1ADPF000004 三极管 1 Q6401-04 2PG0010000RP 三极管 4 Q6422-24 2PG0030000RP 三极管 3 Q6441-43 2PG0010000RP 三极管 3 Q6452,53 2PG0030000RP 三极管 2 Q6500 2SD0601ARL 三极管 1 Q6501 B1ABPF000014 三极管 1 Q6502 B1ADPF000004 三极管 1 Q6521 B1ABPF000014 三极管 1 Q6522 B1ADPF000004 三极管 1 Q6531 B1ABRD000003 三极管 1 Q6532 B1ADRD000001 三极管 1 Q6551 B1ABRD000003 三极管 1 Q6552 B1ADRD000001 三极管 1 Q6561 B1ABPF000014 三极管 1 Q6562 B1ADPF000004 三极管 1 Q6571 B1DFKM000002 三极管 1 Q6573 B1DFKM000002 三极管 1 Q6581 2SD0601ARL 三极管 1 Q6601 B1DFES000003 三极管 1 Q6602 2SD0601ARL 三极管 1 Q6603 2SB0709ARL 三极管 1 Q6621 2SK399500L FET 1 Q6623 2SK399500L FET 1 Q6643 2SK399500L FET 1 Q6645-49 2SK399500L FET 5 Q6651 2SK399500L FET 1 Q6661 B1DEET000002 三极管 1 Q6662 2SD0601ARL 三极管 1 Q6665 B1ABPF000014 三极管 1 Q6671-73 B1DFDR000001 三极管 3 Q6679 B1ABPF000014 三极管 1 Q6680 B1ADPF000004 三极管 1 Q6690 2SA19610Q0HW 三极管 1 Q6742,43 2SD0601ARL 三极管 2 Q6763 B1ADPF000004 三极管 1 Q6781 B1ABPF000014 三极管 1 Q6782 B1ADPF000004 三极管 1 Q6791 2SD0601ARL 三极管 1 Q6803 2SD0814A 三极管 1 Q6805 2SC3063 三极管 1 Q6806 2SC1473AEA 三极管 1 Q6821 2SD1263A 三极管 1 Q6822 2SC3063 三极管 1 Q6824 2SD0601ARL 三极管 1 Q6841 2SD1263A 三极管 1 Q6842 2SC1473AEA 三极管 1 Q6881 2SD1263A 三极管 1 Q6882 2SB940A 三极管 1 Q6883 2SC1473AEA 三极管 1 Q9010 2SD0601ARL 三极管 1 Q9044 2SD0601ARL 三极管 1 Q9046 2SD0601ARL 三极管 1 Q9050-54 2SD0601ARL 三极管 5 Q9301,02 2SD0601ARL 三极管 2 Q9805,06 2SD0601ARL 三极管 2 Q9807-09 B1MBEDA00015 三极管 3 R1104 ERJ2GEJ473 M 47KOHM, J,0.063W 1 R1122 ERJ2GEJ473 M 47KOHM, J,0.063W 1 R1134 ERJ2GEJ101 M 100 OHM, J,0.063W 1 R1138 ERJ2GEJ473 M 47KOHM, J,0.063W 1 R1140 ERJ2GEJ473 M 47KOHM, J,0.063W 1 R1144 ERJ2GEJ473 M 47KOHM, J,0.063W 1 R1146 ERJ2GEJ102X M 1KOHM, J,0.063W 1 R1147,48 ERJ2GEJ473 M 47KOHM, J,0.063W 2 R1152 ERJ2GEJ473 M 47KOHM, J,0.063W 1 R1153 ERJ2GEJ821 M 820 OHM, J,0.063W 1 R1162 ERJ2GEJ101 M 100 OHM, J,0.063W 1 R1163 ERJ2GEJ105 M 1MOHM, J,0.063W 1 R1164 ERJ2GEJ103 M 10KOHM, J,0.063W 1 R1165 ERJ2GEJ182 M 1.8KOHM, J,0.063W 1 参考号 部品号 部品名称及说明 数量 备注 R1166 ERJ2GEJ104 M 100KOHM, J,0.063W 1 R1169 ERJ2GED563X M 56KOHM ,J,0.063W 1 R1170 ERJ2GEJ273 M 27KOHM ,J,0.063W 1 R1171 ERJ2GED563X M 56KOHM ,J,0.063W 1 R1172 ERJ2GEJ273 M 27KOHM ,J,0.063W 1 R1174,75 ERJ2GEJ220 M 22 OHM, J,0.063W 2 R1179 ERJ2GEJ101 M 100 OHM, J,0.063W 1 R1181 ERJ2GEJ101 M 100 OHM, J,0.063W 1 R1182 ERJ2GEJ273 M 27KOHM ,J,0.063W 1 R1183,84 ERJ2GEJ220 M 22 OHM, J,0.063W 2 R1186 ERJ2GEJ101 M 100 OHM, J,0.063W 1 R1194 ERJ2GED563X M 56KOHM ,J,0.063W 1 R1195 ERJ2GEJ104 M 100KOHM, J,0.063W 1 R1196 ERJ2GEJ333 M 33KOHM, J,0.063W 1 R1198 ERJ2GEJ104 M 100KOHM, J,0.063W 1 R1199 ERJ2GEJ473 M 47KOHM, J,0.063W 1 R1200,01 ERJ2GEJ562 M 5.6KOHM, J,0.063W 2 R1203 ERJ2GEJ473 M 47KOHM, J,0.063W 1 R1204 D0YAR0000007 M 0.0 OHM, J,0.063W 1 R1205,06 ERJ2GEJ220 M 22 OHM, J,0.063W 2 R1209 ERJ2GEJ473 M 47KOHM, J,0.063W 1 R1216 ERJ2GEJ333 M 33KOHM, J,0.063W 1 R1217 ERJ2GED563X M 56KOHM ,J,0.063W 1 R1218-20 ERJ2GEJ103 M 10KOHM, J,0.063W 3 R1221 ERJ3EKF7151 M 7.15KOHM, 1/16W 1 R1222,23 ERJ2GEJ473 M 47KOHM, J,0.063W 2 R1226-28 ERJ2GEJ473 M 47KOHM, J,0.063W 3 R1229 ERJ2GEJ101 M 100 OHM, J,0.063W 1 R1231-34 ERJ2GEJ473 M 47KOHM, J,0.063W 4 R1235 ERJ2GEJ104 M 100KOHM, J,0.063W 1 R1236,37 ERJ2GEJ473 M 47KOHM, J,0.063W 2 R1243-47 ERJ2GEJ473 M 47KOHM, J,0.063W 5 R1250,51 ERJ2GEJ473 M 47KOHM, J,0.063W 2 R1255 ERJ2GEJ102X M 1KOHM, J,0.063W 1 R2001,02 ERJ2GEJ104 M 100KOHM, J,0.063W 2 R2005 ERJ3GEY0R00 M 0 OHM, 1/16W 1 R2006 ERJ2GEJ103 M 10KOHM, J,0.063W 1 R2007 ERJ2GEJ473 M 47KOHM, J,0.063W 1 R2010-15 ERJ2GEJ473 M 47KOHM, J,0.063W 6 R2018-23 ERJ2GEJ473 M 47KOHM, J,0.063W 6 R2025 ERJ2GEJ473 M 47KOHM, J,0.063W 1 R2028 ERJ2GEJ473 M 47KOHM, J,0.063W 1 R2029-34 ERJ6GEYJ184 M 180KOHM,J,1/10W 6 R2035,36 ERJ6GEYJ101V M 100 OHM,J,1/10W 2 R2046 ERJ3GEY0R00 M 0 OHM, 1/16W 1 R2047 ERJ3GEYJ331 M 330 OHM,J,1/16W 1 R2048 ERJ2GEJ222 M 2.2KOHM, J,0.063W 1 R2049 ERJ3GEYJ331 M 330 OHM,J,1/16W 1 R2050 ERJ2GEJ222 M 2.2KOHM, J,0.063W 1 R2051,52 ERJ6GEYJ184 M 180KOHM,J,1/10W 2 R2053,54 ERJ2GEJ104 M 100KOHM, J,0.063W 2 R2056,57 ERJ2GEJ220 M 22 OHM, J,0.063W 2 R2058 ERJ3GEYJ301 M 300 OHM,J,1/16W 1 R2059 ERJ2GEJ105 M 1MOHM, J,0.063W 1 R2084 ERJ3GEYJ472 M 4.7KOHM,J,1/16W 1 R2085 ERJ3GEYJ561 M 560 OHM,J,1/16W 1 R2086 ERJ2GEJ471 M 470 OHM, J,0.063W 1 R2088 ERJ2GEJ101 M 100 OHM, J,0.063W 1 R2089 ERJ3GEYJ561 M 560 OHM,J,1/16W 1 R2092 ERJ2GEJ471 M 470 OHM, J,0.063W 1 R2093 ERJ2GEJ332 M 3.3KOHM, J,0.063W 1 R2094 ERJ2GEJ222 M 2.2KOHM, J,0.063W 1 R2096 ERJ2GEJ103 M 10KOHM, J,0.063W 1 R2097 ERJ2GEJ332 M 3.3KOHM, J,0.063W 1 R2098,99 ERJ2GEJ103 M 10KOHM, J,0.063W 2 R2100 ERJ3EKF2002 M 20KOHM, 1/16W 1 R2104 ERJ3EKF2001 M 2KOHM, 1/16W 1 R2110 ERJ2GEJ103 M 10KOHM, J,0.063W 1 R2111 ERJ2GEJ101 M 100 OHM, J,0.063W 1 R2112 ERJ2GEJ105 M 1MOHM, J,0.063W 1 R2113 ERJ3EKF1203 M 120KOHM, 1/16W 1 R2114 ERJ3EKF7502 M 75KOHM, 1/16W 1 R2118 ERJ2GEJ105 M 1MOHM, J,0.063W 1 R2119 ERJ2GEJ103 M 10KOHM, J,0.063W 1 R2122 ERJ2GEJ103 M 10KOHM, J,0.063W 1 R2123 ERJ2GEJ473 M 47KOHM, J,0.063W 1 R2124 ERJ2GEJ103 M 10KOHM, J,0.063W 1 参考号 部品号 部品名称及说明 数量 备注 42 R2125 ERJ2GEJ222 M 2.2KOHM, J,0.063W 1 R2127 ERJ2GEJ103 M 10KOHM, J,0.063W 1 R2128 ERJ2GEJ473 M 47KOHM, J,0.063W 1 R2129 ERJ2GEJ103 M 10KOHM, J,0.063W 1 R2131 ERJ2GEJ103 M 10KOHM, J,0.063W 1 R2132 ERJ2GEJ473 M 47KOHM, J,0.063W 1 R2137,38 ERJ2GEJ221 M 220 OHM, J,0.063W 2 R2143,44 ERJ2GEJ103 M 10KOHM, J,0.063W 2 R2145,46 D0YAR0000007 M 0.0 OHM, J,0.063W 2 R2149 ERJ2GEJ103 M 10KOHM, J,0.063W 1 R2150,51 ERJ3EKF2002 M 20KOHM, 1/16W 2 R2152 ERJ2GEJ220 M 22 OHM, J,0.063W 1 R2154 ERJ2GEJ220 M 22 OHM, J,0.063W 1 R2156 ERJ2GEJ331 M 330 OHM, J,0.063W 1 R2160 ERJ2GEJ221 M 220 OHM, J,0.063W 1 R2162 ERJ2GEJ221 M 220 OHM, J,0.063W 1 R2164 ERJ2GEJ221 M 220 OHM, J,0.063W 1 R2165 ERJ2GEJ103 M 10KOHM, J,0.063W 1 R2166 ERJ3EKF1602 M16.0KOHM, 1/16W 1 R2167 ERJ2GEJ221 M 220 OHM, J,0.063W 1 R2168 ERJ3EKF1602 M16.0KOHM, 1/16W 1 R2169 ERJ3EKF2202 M 22KOHM, 1/16W 1 R2170-75 ERJ2GEJ221 M 220 OHM, J,0.063W 6 R2178 ERJ2GEJ102X M 1KOHM, J,0.063W 1 R2179 ERJ2GEJ103 M 10KOHM, J,0.063W 1 R2180 ERJ2GEJ102X M 1KOHM, J,0.063W 1 R2181 ERJ3EKF2202 M 22KOHM, 1/16W 1 R2182,83 ERJ3EKF3602 M 36KOHM, 1/16W 2 R2184,85 ERJ6GEYJ101V M 100 OHM,J,1/10W 2 R2186 ERJ2GEJ823 M 82KOHM, J,0.063W 1 R2187 D0YAR0000007 M 0.0 OHM, J,0.063W 1 R2189 ERJ2GEJ103 M 10KOHM, J,0.063W 1 R2192,93 ERJ2GEJ104 M 100KOHM, J,0.063W 2 R2194 ERJ2GEJ102X M 1KOHM, J,0.063W 1 R2195,96 ERJ2GEJ104 M 100KOHM, J,0.063W 2 R2197 ERJ3EKF6802 M 68KOHM, 1/16W 1 R2198 ERJ3EKF1583 M 158KOHM, 1/16W 1 R2205 ERJ2GEJ203 M 20KOHM,J,0.063W 1 R2206 ERJ2GEJ103 M 10KOHM, J,0.063W 1 R2208-10 ERJ2GEJ103 M 10KOHM, J,0.063W 3 R2216 ERJ2GEJ103 M 10KOHM, J,0.063W 1 R2217 ERJ2GEJ473 M 47KOHM, J,0.063W 1 R2218 ERJ2GEJ102X M 1KOHM, J,0.063W 1 R2220 ERJ2GEJ123 M 12KOHM ,J,0.063W 1 R2233 ERJ2GEJ103 M 10KOHM, J,0.063W 1 R2235 ERJ2GEJ473 M 47KOHM, J,0.063W 1 R2236,37 ERJ2GEJ153 M 15KOHM ,J,0.063W 2 R2238 ERJ2GEJ473 M 47KOHM, J,0.063W 1 R2257 D0YAR0000007 M 0.0 OHM, J,0.063W 1 R2265 ERJ3GEYJ472 M 4.7KOHM,J,1/16W 1 R2266 ERJ3GEYJ561 M 560 OHM,J,1/16W 1 R2271 EXB28V220J 电阻阵列 1 R2276 ERJ2GEJ103 M 10KOHM, J,0.063W 1 R2296,97 D0YAR0000007 M 0.0 OHM, J,0.063W 2 R2301,02 ERJ2GEJ222 M 2.2KOHM, J,0.063W 2 R2305 ERJ2GEJ471 M 470 OHM, J,0.063W 1 R2306 ERJ2GEJ683 M 68KOHM, J,0.063W 1 R2308 ERJ8GEYJ3R3V M 3.3 OHM, J,1/8W 1 R2311 ERJ8GEYJ3R3V M 3.3 OHM, J,1/8W 1 R2313 ERJ8GEYJ3R3V M 3.3 OHM, J,1/8W 1 R2315 ERJ8GEYJ3R3V M 3.3 OHM, J,1/8W 1 R2317 ERJ6GEYJ100V M 10 OHM,J,1/10W 1 R2319 ERJ6GEYJ100V M 10 OHM,J,1/10W 1 R2321 ERJ6GEYJ100V M 10 OHM,J,1/10W 1 R2323 ERJ6GEYJ100V M 10 OHM,J,1/10W 1 R2325 ERJ6GEYJ100V M 10 OHM,J,1/10W 1 R2330 ERJ2GEJ102X M 1KOHM, J,0.063W 1 R2331 ERJ2GEJ222 M 2.2KOHM, J,0.063W 1 R2506,07 J0JHC0000096 片状电感 2 R2516 ERJ3GEYJ223 M 22KOHM,J,1/16W 1 R2517 ERJ6GEYG470V M 47 OHM,J,1/10W 1 R2520 ERJ3GEYJ224 M 220KOHM,J,1/16W 1 R2524 ERJ3GEYJ223 M 22KOHM,J,1/16W 1 R2525 ERJ3EKF5760 M 576 OHM, 1/16W 1 R2530 ERJ3GEYJ223 M 22KOHM,J,1/16W 1 R2531 ERJ3GEYJ271 M 270 OHM,J,1/16W 1 R2542 D0GB473JA057 M 47KOHM,J,1/16W 1 参考号 部品号 部品名称及说明 数量 备注 R2556,57 ERJ3GEYJ562 M 5.6KOHM,J,1/16W 2 R2558 ERJ6GEY0R00V M 0 OHM, 1/10W 1 R2576,77 J0JCC0000241 片状电感 2 R2578,79 ERJ3GEY0R00 M 0 OHM, 1/16W 2 R2624,25 ERJ2GEJ220 M 22 OHM, J,0.063W 2 R2628,29 ERJ2RHD682X M 22KOHM, J, 2W 2 R2647 ERJ6GEY0R00V M 0 OHM, 1/10W 1 R2853 ERJ2GEJ103 M 10KOHM, J,0.063W 1 R2854 ERJ2GEJ222 M 2.2KOHM, J,0.063W 1 R2855 ERJ2GEJ473 M 47KOHM, J,0.063W 1 R2857 ERJ2GEJ472 M 4.7KOHM, J,0.063W 1 R2858 ERJ2GEJ222 M 2.2KOHM, J,0.063W 1 R2859 ERJ2GEJ472 M 4.7KOHM, J,0.063W 1 R2860 ERJ2GEJ103 M 10KOHM, J,0.063W 1 R2861 ERJ2GEJ102X M 1KOHM, J,0.063W 1 R2863,64 ERJ2GEJ102X M 1KOHM, J,0.063W 2 R2865 ERJ2GEJ103 M 10KOHM, J,0.063W 1 R2866 ERJ2GEJ222 M 2.2KOHM, J,0.063W 1 R2867 ERJ6ENF8202 M 82KOHM, 1/10W 1 R2868 ERJ6ENF1602 M 16KOHM, 1/10W 1 R2869 ERJ2GEJ472 M 4.7KOHM, J,0.063W 1 R2890 ERJ2GEJ104 M 100KOHM, J,0.063W 1 R3001-10 ERJ6RED750 M 75 OHM, 1/10W 10 R3012 ERJ6RED750 M 75 OHM, 1/10W 1 R3020-22 ERJ2GEJ472 M 4.7KOHM, J,0.063W 3 R3059 ERJ2GEJ221 M 220 OHM, J,0.063W 1 R3062-65 ERJ2GEJ221 M 220 OHM, J,0.063W 4 R3068 ERJ6RED750 M 75 OHM, 1/10W 1 R3069 ERJ2GEJ221 M 220 OHM, J,0.063W 1 R3072-74 ERJ2GEJ221 M 220 OHM, J,0.063W 3 R3076,77 D0YAR0000007 M 0.0 OHM, J,0.063W 2 R3087 ERJ2GEJ221 M 220 OHM, J,0.063W 1 R3089 ERJ2GEJ331 M 330 OHM, J,0.063W 1 R3090 ERJ2GEJ220 M 22 OHM, J,0.063W 1 R3096-98 ERJ2GEJ680 M 68 OHM, J,0.063W 3 R3099-01 ERJ2GEJ221 M 220 OHM, J,0.063W 3 R3107 ERJ2GEJ103 M 10KOHM, J,0.063W 1 R3109,10 ERJ3GEY0R00 M 0 OHM, 1/16W 2 R3111 ERJ2GEJ220 M 22 OHM, J,0.063W 1 R3112,13 ERJ2GEJ473 M 47KOHM, J,0.063W 2 R3114 ERJ2GEJ103 M 10KOHM, J,0.063W 1 R3121 ERJ2GEJ470 M 47 OHM, J,0.063W 1 R3123 ERJ2GEJ470 M 47 OHM, J,0.063W 1 R3130,31 ERJ3GEYJ221 M 220 OHM,J,1/16W 2 R3133 ERJ2GEJ220 M 22 OHM, J,0.063W 1 R3137 ERJ3EKF1000 M 100 OHM, 1/16W 1 R3140 ERJ2GEJ470 M 47 OHM, J,0.063W 1 R3143 ERJ6ENF69R8 M 69.8OHM, 1/10W 1 R3145 ERJ2GEJ104 M 100KOHM, J,0.063W 1 R3168 ERJ2GEJ221 M 220 OHM, J,0.063W 1 R3174-76 ERJ2GEJ680 M 68 OHM, J,0.063W 3 R3177 ERJ2GEJ103 M 10KOHM, J,0.063W 1 R3180 ERJ3GEYJ101 M 100 OHM,J,1/16W 1 R3188 D0YAR0000007 M 0.0 OHM, J,0.063W 1 R3191 ERJ2GEJ220 M 22 OHM, J,0.063W 1 R3233,34 ERJ6RED750 M 75 OHM, 1/10W 2 R3239 ERJ2GEJ221 M 220 OHM, J,0.063W 1 R3240 ERJ3EKF5600 M 560 OHM, 1/16W 1 R3243 ERJ6GEYG271 M 270 OHM,J,1/10W 1 R3244 ERJ2GEJ220 M 22 OHM, J,0.063W 1 R3246 ERJ2GEJ220 M 22 OHM, J,0.063W 1 R3247 ERJ2GEJ221 M 220 OHM, J,0.063W 1 R3249 ERJ2GEJ152 M 1.5KOHM, J,0.063W 1 R3266 ERJ2GEJ152 M 1.5KOHM, J,0.063W 1 R3302 ERJ6GEYJ101V M 100 OHM,J,1/10W 1 R3305 ERJ6GEYJ101V M 100 OHM,J,1/10W 1 R3306,07 ERJ6GEYF472 M 4.7KOHM,J,1/10W 2 R3308,09 ERJ6GEY0R00V M 0 OHM, 1/10W 2 R3310 ERJ6RED750 M 75 OHM, 1/10W 1 R3312 ERJ2GEJ473 M 47KOHM, J,0.063W 1 R3313 ERJ6RED750 M 75 OHM, 1/10W 1 R3318 ERJ6RED750 M 75 OHM, 1/10W 1 R3348,49 ERJ2GEJ680 M 68 OHM, J,0.063W 2 R3709-11 ERJ3GEY0R00 M 0 OHM, 1/16W 3 R3714 ERJ3GEY0R00 M 0 OHM, 1/16W 1 R3716,17 ERJ6GEYJ184 M 180KOHM,J,1/10W 2 R3721 ERJ6GEYG103 M 10KOHM,J,1/10W 1 参考号 部品号 部品名称及说明 数量 备注 43 R3722-25 ERJ3GEY0R00 M 0 OHM, 1/16W 4 R3732 ERJ3GEY0R00 M 0 OHM, 1/16W 1 R3746 ERJ6GEY0R00V M 0 OHM, 1/10W 1 R3748 ERJ6GEY0R00V M 0 OHM, 1/10W 1 R3750 ERJ6GEY0R00V M 0 OHM, 1/10W 1 R3751 ERJ6ENF1432 M14.3KOHM, 1/10W 1 R3753 ERJ6ENF1741 M1.74KOHM, 1/10W 1 R3754 ERJ6ENF1621 M1.62KOHM, 1/10W 1 R3755 ERJ6GEY0R00V M 0 OHM, 1/10W 1 R3758 ERJ6ENF6651 M6.65KOHM, 1/10W 1 R3765 ERJ6ENF2321 M2.32KOHM, 1/10W 1 R3767 ERJ6ENF3161 M3.16KOHM, 1/10W 1 R3768 ERJ6GEY0R00V M 0 OHM, 1/10W 1 R4001 ERJ2GEJ103 M 10KOHM, J,0.063W 1 R4284 ERJ2GEJ103 M 10KOHM, J,0.063W 1 R4286-88 ERJ2GEJ473 M 47KOHM, J,0.063W 3 R4322,23 ERJ2GEJ473 M 47KOHM, J,0.063W 2 R4325-30 ERJ2GEJ473 M 47KOHM, J,0.063W 6 R4500,01 ERJ2GEJ103 M 10KOHM, J,0.063W 2 R4502,03 ERJ2RKD330 M 33 OHM, J,0.063W 2 R4506,07 ERJ2GEJ103 M 10KOHM, J,0.063W 2 R4508-23 ERJ2GEJ2R2X M 2.2OHM, J,0.063W 16 R4524,25 ERJ2GEJ103 M 10KOHM, J,0.063W 2 R4526,27 ERJ2GEJ102X M 1KOHM, J,0.063W 2 R4528 ERJ2GEJ103 M 10KOHM, J,0.063W 1 R4529 ERJ2GEJ472 M 4.7KOHM, J,0.063W 1 R4530 ERJ2GEJ103 M 10KOHM, J,0.063W 1 R4531 ERJ2GEJ472 M 4.7KOHM, J,0.063W 1 R4532,33 ERJ2GEJ103 M 10KOHM, J,0.063W 2 R4534 ERJ2GEJ473 M 47KOHM, J,0.063W 1 R4535,36 ERJ2GEJ472 M 4.7KOHM, J,0.063W 2 R4537 ERJ2GEJ473 M 47KOHM, J,0.063W 1 R4539 ERJ2GEJ680 M 68 OHM, J,0.063W 1 R4541-43 ERJ2GEJ680 M 68 OHM, J,0.063W 3 R4544-47 ERJ2GEJ103 M 10KOHM, J,0.063W 4 R4548,49 ERJ2GEJ472 M 4.7KOHM, J,0.063W 2 R4552 ERJ2GEJ220 M 22 OHM, J,0.063W 1 R4561-63 ERJ2GEJ472 M 4.7KOHM, J,0.063W 3 R4564,65 ERJ2GEJ220 M 22 OHM, J,0.063W 2 R4585 ERJ2GEJ101 M 100 OHM, J,0.063W 1 R4587 ERJ3GEYF821 M 820 OHM, 1/16W 1 R4593 ERJ3EKF1001 M 1KOHM, 1/16W 1 R4596-98 ERJ6GEYG102 M 1KOHM,J,1/10W 3 R4601 ERJ6GEYG102 M 1KOHM,J,1/10W 1 R4604 ERJ3EKF7501 M 7.5KOHM, 1/16W 1 R4606 ERJ3EKF4701 M 4.7KOHM, 1/16W 1 R4611 ERJ3EKF1371 M 1.37KOHM, 1/16W 1 R4612 ERJ3EKF1501 M 1.5KOHM, 1/16W 1 R4613,14 ERJ2GEJ220 M 22 OHM, J,0.063W 2 R4615 ERJ3EKF1600 M 160 OHM, 1/16W 1 R4616-19 D0YAR0000007 M 0.0 OHM, J,0.063W 4 R4622 ERJ2GEJ101 M 100 OHM, J,0.063W 1 R4624 ERJ3EKF1691 M1.69KOHM, 1/16W 1 R4626 ERJ2GEJ105 M 1MOHM, J,0.063W 1 R4627 D0YAR0000007 M 0.0 OHM, J,0.063W 1 R4631 ERJ3EKF4990 M 499 OHM, 1/16W 1 R4635 EXB28V680JX 电阻阵列 1 R4636-38 ERJ2GEJ680 M 68 OHM, J,0.063W 3 R4639,40 EXB28V680JX 电阻阵列 2 R4641 ERJ2GEJ220 M 22 OHM, J,0.063W 1 R4642 EXB28V680JX 电阻阵列 1 R4643,44 ERJ2GEJ220 M 22 OHM, J,0.063W 2 R4645-47 ERJ2GEJ680 M 68 OHM, J,0.063W 3 R4648 EXB28V330J 电阻阵列 1 R4649 EXB28V680JX 电阻阵列 1 R4650,51 ERJ2GEJ680 M 68 OHM, J,0.063W 2 R4652 ERJ2GEJ473 M 47KOHM, J,0.063W 1 R4653 ERJ2GEJ103 M 10KOHM, J,0.063W 1 R4654 ERJ3EKF4701 M 4.7KOHM, 1/16W 1 R4655 ERJ2GEJ101 M 100 OHM, J,0.063W 1 R4656 ERJ2GEJ222 M 2.2KOHM, J,0.063W 1 R4657,58 ERJ2GEJ220 M 22 OHM, J,0.063W 2 R4659 D0YAR0000007 M 0.0 OHM, J,0.063W 1 R4661 ERJ2GEJ101 M 100 OHM, J,0.063W 1 R4665,66 ERJ2GEJ473 M 47KOHM, J,0.063W 2 R4670 ERJ2GEJ680 M 68 OHM, J,0.063W 1 R4672 D0YAR0000007 M 0.0 OHM, J,0.063W 1 参考号 部品号 部品名称及说明 数量 备注 R4682 ERJ3EKF1002 M 10KOHM, 1/16W 1 R4683 ERJ2GEJ103 M 10KOHM, J,0.063W 1 R4691,92 ERJ2GEJ220 M 22 OHM, J,0.063W 2 R4706 ERJ2GEJ102X M 1KOHM, J,0.063W 1 R4707 ERJ2GEJ103 M 10KOHM, J,0.063W 1 R4708 ERJ2GEJ102X M 1KOHM, J,0.063W 1 R4800 D0YAR0000007 M 0.0 OHM, J,0.063W 1 R4819,20 ERJ2GEJ220 M 22 OHM, J,0.063W 2 R4838 ERJ2GEJ101 M 100 OHM, J,0.063W 1 R4856-65 D0YAR0000007 M 0.0 OHM, J,0.063W 10 R4872 D0YAR0000007 M 0.0 OHM, J,0.063W 1 R5506 ERJ6GEYG103 M 10KOHM,J,1/10W 1 R5507 ERJ2GEJ103 M 10KOHM, J,0.063W 1 R5508 ERJ2GEJ473 M 47KOHM, J,0.063W 1 R5509 ERJ6GEY0R00V M 0 OHM, 1/10W 1 R5531 ERJ2GEJ222 M 2.2KOHM, J,0.063W 1 R5532 ERJ2GEJ472 M 4.7KOHM, J,0.063W 1 R5533 ERJ2GEJ103 M 10KOHM, J,0.063W 1 R5534 ERJ2GEJ473 M 47KOHM, J,0.063W 1 R5535 ERJ2GEJ222 M 2.2KOHM, J,0.063W 1 R5536 ERJ2GEJ472 M 4.7KOHM, J,0.063W 1 R5537 ERJ2GEJ681 M 680 OHM, J,0.063W 1 R5538 ERJ2GEJ222 M 2.2KOHM, J,0.063W 1 R5540 ERJ6GEYJ471 M 470 OHM,J,1/10W 1 R5542 ERJ6GEYJ471 M 470 OHM,J,1/10W 1 R5544 ERJ3GEYJ221 M 220 OHM,J,1/16W 1 R5546,47 ERJ2GEJ103 M 10KOHM, J,0.063W 2 R5548,49 ERJ2GEJ472 M 4.7KOHM, J,0.063W 2 R5554 ERJ6ENF2611 M2.61KOHM, 1/10W 1 R5555 ERJ6ENF1301 M 1.3KOHM, 1/10W 1 R5570 ERJ2GEJ103 M 10KOHM, J,0.063W 1 R5571 ERJ2GEJ473 M 47KOHM, J,0.063W 1 R5572 ERJ2GEJ222 M 2.2KOHM, J,0.063W 1 R5573 ERJ2GEJ472 M 4.7KOHM, J,0.063W 1 R5600 ERJ2GEJ680 M 68 OHM, J,0.063W 1 R5604 ERJ3GEYF473 M 47KOHM, 1/16W 1 R5605 ERJ3EKF1242 M12.4KOHM, 1/16W 1 R5606-09 D0YAR0000007 M 0.0 OHM, J,0.063W 4 R5610 ERJ2GEJ104 M 100KOHM, J,0.063W 1 R5611 ERJ3EKF3602 M 36KOHM, 1/16W 1 R5612 ERJ3EKF2322 M23.2KOHM, 1/16W 1 R5620 ERJ2GEJ680 M 68 OHM, J,0.063W 1 R5621 ERJ3GEYF473 M 47KOHM, 1/16W 1 R5622 ERJ2GEJ104 M 100KOHM, J,0.063W 1 R5623 ERJ3GEYF473 M 47KOHM, 1/16W 1 R5625-28 D0YAR0000007 M 0.0 OHM, J,0.063W 4 R5629 ERJ3EKF2802 M 28KOHM, 1/16W 1 R5630 ERJ3EKF4752 M47.5KOHM, 1/16W 1 R5631 ERJ3EKF3602 M 36KOHM, 1/16W 1 R5632 ERJ3EKF3002 M 30KOHM, 1/16W 1 R5633,34 ERJ3EKF1602 M16.0KOHM, 1/16W 2 R5635 ERJ2GEJ223 M 22KOHM, J,0.063W 1 R5636 ERJ2GEJ683 M 68KOHM, J,0.063W 1 R5637 D0YAR0000007 M 0.0 OHM, J,0.063W 1 R5638 ERJ2GEJ103 M 10KOHM, J,0.063W 1 R5641 ERJ2GEJ473 M 47KOHM, J,0.063W 1 R5644 ERJ2GEJ222 M 2.2KOHM, J,0.063W 1 R5646 ERJ2GEJ103 M 10KOHM, J,0.063W 1 R5647 ERJ2GEJ473 M 47KOHM, J,0.063W 1 R5660 ERJ2GEJ562 M 5.6KOHM, J,0.063W 1 R5661 ERJ2GEJ473 M 47KOHM, J,0.063W 1 R5662 ERJ2GEJ103 M 10KOHM, J,0.063W 1 R5670 D0YAR0000007 M 0.0 OHM, J,0.063W 1 R5671 ERJ2GEJ183 M 18KOHM ,J,0.063W 1 R5672 D0YAR0000007 M 0.0 OHM, J,0.063W 1 R5674 ERJ2GEJ473 M 47KOHM, J,0.063W 1 R5690,91 ERJ2GEJ103 M 10KOHM, J,0.063W 2 R5692,93 ERJ2GEJ473 M 47KOHM, J,0.063W 2 R5694,95 ERJ2GEJ102X M 1KOHM, J,0.063W 2 R5696,97 ERJ2GEJ103 M 10KOHM, J,0.063W 2 R5730,31 ERJ2GEJ473 M 47KOHM, J,0.063W 2 R5741 D0YAR0000007 M 0.0 OHM, J,0.063W 1 R5750 ERJ6GEY0R00V M 0 OHM, 1/10W 1 R6001 ERJT08J7R5V M 7.5OHM,J, 0.33W 1 R6003 ERJT08J7R5V M 7.5OHM,J, 0.33W 1 R6005 ERJT08J7R5V M 7.5OHM,J, 0.33W 1 R6007 ERJT08J7R5V M 7.5OHM,J, 0.33W 1 参考号 部品号 部品名称及说明 数量 备注 44 R6020 ERF5TJ330 W 33 OHM, 5W 1 R6021 ERJT08J7R5V M 7.5OHM,J, 0.33W 1 R6024 ERJT08J7R5V M 7.5OHM,J, 0.33W 1 R6026 ERJT08J7R5V M 7.5OHM,J, 0.33W 1 R6031,32 ERJ6ENF8202 M 82KOHM, 1/10W 2 R6033 ERJ6ENF5602 M 56KOHM, 1/10W 1 R6034 ERJ6ENF2702 M 27KOHM, 1/10W 1 R6041 ERJT08J7R5V M 7.5OHM,J, 0.33W 1 R6043 ERJT08J7R5V M 7.5OHM,J, 0.33W 1 R6045 ERJT08J7R5V M 7.5OHM,J, 0.33W 1 R6053 ERJT08J7R5V M 7.5OHM,J, 0.33W 1 R6055 ERJT08J7R5V M 7.5OHM,J, 0.33W 1 R6102 ERJT06J101V M 100 OHM,F,0.25W 1 R6104 ERJT06J101V M 100 OHM,F,0.25W 1 R6106 ERJT06J101V M 100 OHM,F,0.25W 1 R6108 ERJT06J101V M 100 OHM,F,0.25W 1 R6109 ERJT06J100V M 10 OHM,F,0.25W 1 R6110 ERJ6GEYF473 M 47KOHM,J,1/10W 1 R6111,12 ERJT06J470V M 47 OHM,F,0.25W 2 R6113 ERJ14YJ224 M 220KOHM, J,1/4W 1 R6114 ERJT06J470V M 47 OHM,F,0.25W 1 R6116 ERJ6GEYF473 M 47KOHM,J,1/10W 1 R6131,32 ERJ6GEYJ101V M 100 OHM,J,1/10W 2 R6134 ERJT06J750V M 75 OHM,F,0.25W 1 R6135,36 ERJT06J100V M 10 OHM,F,0.25W 2 R6141,42 ERJ6GEYF473 M 47KOHM,J,1/10W 2 R6145 ERJT08J1R0V M 1.8OHM,J, 0.33W 1 R6146,47 ERJ6GEYF473 M 47KOHM,J,1/10W 2 R6151,52 ERJ6GEYJ101V M 100 OHM,J,1/10W 2 R6154 ERJT06J750V M 75 OHM,F,0.25W 1 R6157-60 ERJT08J1R0V M 1.8OHM,J, 0.33W 4 R6171 ERJT06J100V M 10 OHM,F,0.25W 1 R6172,73 ERJ6GEYF473 M 47KOHM,J,1/10W 2 R6181 ERJT06J100V M 10 OHM,F,0.25W 1 R6182,83 ERJ6GEYF473 M 47KOHM,J,1/10W 2 R6191,92 ERJ6GEYJ101V M 100 OHM,J,1/10W 2 R6193 ERJT06J750V M 75 OHM,F,0.25W 1 R6194 ERJT08J1R0V M 1.8OHM,J, 0.33W 1 R6210 ERJ6GEYG222 M 2.2KOHM,J,1/10W 1 R6213 ERJ6GEYJ101V M 100 OHM,J,1/10W 1 R6214 ERJT06J151V M 150 OHM,F,0.25W 1 R6222 ERG1FJS103D M 10KOHM, J, 1W 1 R6223 ERG2FJS123D M 12KOHM, J, 2W 1 R6225 ERJ6ENF5492 M54.9KOHM, 1/10W 1 R6226 ERJ6ENF5622 M5.62KOHM, 1/10W 1 R6227 ERJ6ENF5102 M 51KOHM, 1/10W 1 R6232 ERJ6ENF2491 M2.49KOHM, 1/10W 1 R6233 ERJ14YJ154 M 150KOHM, J,1/4W 1 R6234 ERJ6GEYG183 M 18KOHM,J,1/10W 1 R6241 EXB38V470J 电阻阵列 1 R6242 EXB38V472JV 电阻阵列 1 R6243 EXB38V470J 电阻阵列 1 R6244 EXB38V472JV 电阻阵列 1 R6246 ERJ6GEYJ273 M 27KOHM,J,1/10W 1 R6247 ERJT08J154V M150KOHM,J, 0.33W 1 R6248 ERJ6GEYJ273 M 27KOHM,J,1/10W 1 R6249 ERJT08J154V M150KOHM,J, 0.33W 1 R6252,53 ERJ6ENF3902 M 39KOHM, 1/10W 2 R6254 ERJ6ENF8201 M 8.2KOHM, 1/10W 1 R6255 ERJ6ENF1201 M 1.2KOHM, 1/10W 1 R6256 ERJ6ENF1801 M 1.8KOHM, 1/10W 1 R6257 ERJ6GEYG103 M 10KOHM,J,1/10W 1 R6258 ERJ6GEYG222 M 2.2KOHM,J,1/10W 1 R6261 ERJ6GEYG104 M 100KOHM,J,1/10W 1 R6272 ERJ6GEYG222 M 2.2KOHM,J,1/10W 1 R6273 ERJ6GEYG103 M 10KOHM,J,1/10W 1 R6274 ERJ6GEYG221 M 220 OHM,J,1/10W 1 R6275 ERJT08J154V M150KOHM,J, 0.33W 1 R6276 ERJ6GEYG823 M 82KOHM,J,1/10W 1 R6277 ERJT08J154V M150KOHM,J, 0.33W 1 R6282 ERG2FJS150D M 15 OHM, J, 2W 1 R6283 ERJ6GEYJ273 M 27KOHM,J,1/10W 1 R6284 ERJ6GEYF472 M 4.7KOHM,J,1/10W 1 R6285 ERJ6GEYJ273 M 27KOHM,J,1/10W 1 R6286 ERJT06J101V M 100 OHM,F,0.25W 1 R6288,89 ERJ6ENF1241 M1.24KOHM, 1/10W 2 R6290 ERJ6ENF1201 M 1.2KOHM, 1/10W 1 参考号 部品号 部品名称及说明 数量 备注 R6291 ERJ6ENF2491 M2.49KOHM, 1/10W 1 R6292 ERJ6GEYF473 M 47KOHM,J,1/10W 1 R6401-04 ERJT08J7R5V M 7.5OHM,J, 0.33W 4 R6422-24 ERJT08J7R5V M 7.5OHM,J, 0.33W 3 R6441-43 ERJT08J7R5V M 7.5OHM,J, 0.33W 3 R6446 ERF5TJ820 W 82 OHM, 5W 1 R6452,53 ERJT08J7R5V M 7.5OHM,J, 0.33W 2 R6465 ERJ6ENF2702 M 27KOHM, 1/10W 1 R6466 ERJ6ENF5602 M 56KOHM, 1/10W 1 R6467,68 ERJ6ENF8202 M 82KOHM, 1/10W 2 R6471 ERJ6GEYG392 M 3.9KOHM,J,1/10W 1 R6472 ERJ6GEYG222 M 2.2KOHM,J,1/10W 1 R6473 ERJ6GEYF561 M 560 OHM,J,1/10W 1 R6474 ERJ6GEYG102 M 1KOHM,J,1/10W 1 R6475,76 ERJ6GEYF472 M 4.7KOHM,J,1/10W 2 R6477 ERJ6GEYJ101V M 100 OHM,J,1/10W 1 R6481,82 ERJ6GEYJ101V M 100 OHM,J,1/10W 2 R6485 ERJT08J1R0V M 1.8OHM,J, 0.33W 1 R6487 ERJT06J750V M 75 OHM,F,0.25W 1 R6488 ERJT06J100V M 10 OHM,F,0.25W 1 R6489,90 ERJ6GEYF473 M 47KOHM,J,1/10W 2 R6493 ERJ6GEYG222 M 2.2KOHM,J,1/10W 1 R6494,95 ERJ6ENF1003 M 100KOHM, 1/10W 2 R6496 ERJ6ENF1002 M 10KOHM, 1/10W 1 R6497 ERJ6ENF2201 M 2.2KOHM, 1/10W 1 R6498 ERJ6ENF1201 M 1.2KOHM, 1/10W 1 R6499 ERJ6GEYG103 M 10KOHM,J,1/10W 1 R6501,02 ERJ6GEYJ101V M 100 OHM,J,1/10W 2 R6503 ERJT06J100V M 10 OHM,F,0.25W 1 R6504 ERJT06J750V M 75 OHM,F,0.25W 1 R6505 ERJT08J1R0V M 1.8OHM,J, 0.33W 1 R6506 ERJT06J100V M 10 OHM,F,0.25W 1 R6507-09 ERJT08J1R0V M 1.8OHM,J, 0.33W 3 R6511,12 ERJ6GEYF473 M 47KOHM,J,1/10W 2 R6516,17 ERJ6GEYF473 M 47KOHM,J,1/10W 2 R6521,22 ERJ6GEYJ101V M 100 OHM,J,1/10W 2 R6523 ERJT06J750V M 75 OHM,F,0.25W 1 R6531 ERJT06J100V M 10 OHM,F,0.25W 1 R6532,33 ERJ6GEYF473 M 47KOHM,J,1/10W 2 R6551 ERJT06J100V M 10 OHM,F,0.25W 1 R6552,53 ERJ6GEYF473 M 47KOHM,J,1/10W 2 R6558 ERJ3GEY0R00 M 0 OHM, 1/16W 1 R6560 ERJ3GEY0R00 M 0 OHM, 1/16W 1 R6561-64 EXB38V470J 电阻阵列 4 R6565-68 EXB38V472JV 电阻阵列 4 R6570 ERJT08J1R0V M 1.8OHM,J, 0.33W 1 R6571 ERJT06J100V M 10 OHM,F,0.25W 1 R6573 ERJT06J100V M 10 OHM,F,0.25W 1 R6579 ERJ6GEYF472 M 4.7KOHM,J,1/10W 1 R6580 ERJ6GEYG222 M 2.2KOHM,J,1/10W 1 R6582,83 ERJ6ENF3902 M 39KOHM, 1/10W 2 R6584 ERJ6ENF8201 M 8.2KOHM, 1/10W 1 R6585 ERJ6ENF1801 M 1.8KOHM, 1/10W 1 R6586 ERJ6ENF2201 M 2.2KOHM, 1/10W 1 R6587 ERJ6GEYF472 M 4.7KOHM,J,1/10W 1 R6588 ERJ6GEYG103 M 10KOHM,J,1/10W 1 R6590 ERJ6GEYG221 M 220 OHM,J,1/10W 1 R6591 EXB38V472JV 电阻阵列 1 R6592 ERJ6GEYF472 M 4.7KOHM,J,1/10W 1 R6605 ERJ6GEYG182 M 1.8KOHM,J,1/10W 1 R6607 ERJ6ENF6811 M6.81KOHM, 1/10W 1 R6608,09 ERJT08J102V M 1KOHM,J, 0.33W 2 R6610 ERJ6GEYG104 M 100KOHM,J,1/10W 1 R6612 ERJT06J470V M 47 OHM,F,0.25W 1 R6621 ERJ6GEYG221 M 220 OHM,J,1/10W 1 R6623 ERJ6GEYG221 M 220 OHM,J,1/10W 1 R6629 ERG2FJS333D M 33KOHM, J, 2W 1 R6631 ERJT06J100V M 10 OHM,F,0.25W 1 R6633 ERJT06J100V M 10 OHM,F,0.25W 1 R6638,39 ERJT08J1R0V M 1.8OHM,J, 0.33W 2 R6643 ERJT06J330V M 33 OHM,F,0.25W 1 R6645-49 ERJT06J330V M 33 OHM,F,0.25W 5 R6651 ERJT06J330V M 33 OHM,F,0.25W 1 R6658 D0D1101JA009 M 100 OHM,J,1W 1 R6659,60 ERJ6GEYJ224 M 220KOHM,J,1/10W 2 R6661 ERJ6GEYG104 M 100KOHM,J,1/10W 1 R6662 ERJ6ENF2201 M 2.2KOHM, 1/10W 1 参考号 部品号 部品名称及说明 数量 备注 45 R6663 ERJ6GEYG103 M 10KOHM,J,1/10W 1 R6664 ERJT08J222V M2.2KOHM,J, 0.33W 1 R6665 ERJT06J470V M 47 OHM,F,0.25W 1 R6666 ERJ6GEYG104 M 100KOHM,J,1/10W 1 R6667,68 ERJ6GEYF472 M 4.7KOHM,J,1/10W 2 R6671 ERJT06J470V M 47 OHM,F,0.25W 1 R6672 ERJ6GEYF473 M 47KOHM,J,1/10W 1 R6673-75 ERJT06J470V M 47 OHM,F,0.25W 3 R6692 D0GZ472JA020 M 4.7KOHM,J, 0.5W 1 R6693 ERJ6GEYG823 M 82KOHM,J,1/10W 1 R6694 ERJ6GEYJ273 M 27KOHM,J,1/10W 1 R6695 ERJ8GEYJ124 M 120KOHM, J,1/8W 1 R6696 ERF5TK2R2 W 2.2 OHM, K, 5W 1 R6700-04 ERJ6GEYJ471 M 470 OHM,J,1/10W 5 R6705,06 ERJ6GEYJ101V M 100 OHM,J,1/10W 2 R6707,08 ERJ6GEYJ471 M 470 OHM,J,1/10W 2 R6709 ERJ6GEYJ101V M 100 OHM,J,1/10W 1 R6710-14 ERJ6GEYG222 M 2.2KOHM,J,1/10W 5 R6716-18 ERJ6GEYG222 M 2.2KOHM,J,1/10W 3 R6721,22 EXB38V220JV 电阻阵列 2 R6723 ERJ6GEYG182 M 1.8KOHM,J,1/10W 1 R6725 ERJ6GEYG104 M 100KOHM,J,1/10W 1 R6726 ERJ6GEYJ474 M 470KOHM,J,1/10W 1 R6727 ERJ6GEYJ273 M 27KOHM,J,1/10W 1 R6728 ERJ6GEY0R00V M 0 OHM, 1/10W 1 R6731 ERJT06J470V M 47 OHM,F,0.25W 1 R6733 ERJT06J470V M 47 OHM,F,0.25W 1 R6742 ERJ6GEYG103 M 10KOHM,J,1/10W 1 R6743 ERJ6GEYG332 M 3.3KOHM,J,1/10W 1 R6745 ERJ6GEYF472 M 4.7KOHM,J,1/10W 1 R6746,47 ERJT06J103V M 10KOHM,F,0.25W 2 R6761 ERJT06J100V M 10 OHM,F,0.25W 1 R6762 ERJ6GEYF473 M 47KOHM,J,1/10W 1 R6765 ERJT08J1R0V M 1.8OHM,J, 0.33W 1 R6766 ERJT06J750V M 75 OHM,F,0.25W 1 R6768 ERJT08J1R0V M 1.8OHM,J, 0.33W 1 R6769 ERJT06J750V M 75 OHM,F,0.25W 1 R6775,76 ERJ6GEYJ101V M 100 OHM,J,1/10W 2 R6777 ERJT06J151V M 150 OHM,F,0.25W 1 R6781 ERJT06J470V M 47 OHM,F,0.25W 1 R6782 ERJ6GEYF473 M 47KOHM,J,1/10W 1 R6791 ERJ6GEYG102 M 1KOHM,J,1/10W 1 R6792 ERJ6GEYG103 M 10KOHM,J,1/10W 1 R6793 ERJ6GEYJ101V M 100 OHM,J,1/10W 1 R6802 ERG2FJS683D M 68KOHM, J, 2W 1 R6803 ERG3FJS333D M 33KOHM, J, 3W 1 R6806,07 ERX12SJ1R2 M 1.2 OHM, J,1/2W 2 R6808 ERJT06J272V M 2.7KOHM,F,0.25W 1 R6809 ERJ6GEYG103 M 10KOHM,J,1/10W 1 R6810,11 ERJ6GEYF333 M 33KOHM,J,1/10W 2 R6812 ERJ6ENF2403 M 240KOHM, 1/10W 1 R6813 ERJ6ENF1002 M 10KOHM, 1/10W 1 R6814 ERJ6ENF5601 M 5.6KOHM, 1/10W 1 R6815 ERJ6GEYG332 M 3.3KOHM,J,1/10W 1 R6819 ERJ6GEYG681 M 680 OHM,J,1/10W 1 R6820 ERJ6GEY0R00V M 0 OHM, 1/10W 1 R6821 ERF5TJ221 W 220 OHM, J, 5W 1 R6822 ERJ12YJ104U M 100KOHM, 1/2W 1 R6823 ERG1FJS104D M 100KOHM, J, 1W 1 R6824 ERJ6GEYG392 M 3.9KOHM,J,1/10W 1 R6825-27 ERJ6ENF2003 M 200KOHM, 1/10W 3 R6828 ERJ6ENF4701 M 4.7KOHM, 1/10W 1 R6829,30 ERJ6GEYG104 M 100KOHM,J,1/10W 2 R6831 ERJ6GEYG153 M 15KOHM,J,1/10W 1 R6832 ERJT08J4R7V M 4.7OHM,J, 0.33W 1 R6833-36 ERJ6ENF7502 M 75KOHM, 1/10W 4 R6837 ERJ6ENF5602 M 56KOHM, 1/10W 1 R6839 ERJ6GEYF472 M 4.7KOHM,J,1/10W 1 R6841 ERJ12YJ153U M 15KOHM, 1/2W 1 R6842 ERJ12YJ433U M 43KOHM, 1/2W 1 R6843 ERJ6GEYJ623 M 62KOHM,J,1/10W 1 R6844 D0D2101JA021 M 100 OHM,J,2W 1 R6845-47 ERJ6GEYJ623 M 62KOHM,J,1/10W 3 R6848 ERJ6GEYG103 M 10KOHM,J,1/10W 1 R6849,50 ERJ6ENF6802 M 68KOHM, 1/10W 2 R6851 ERJ6ENF1802 M 18KOHM, 1/10W 1 R6852 ERJ6ENF2701 M 2.7KOHM, 1/10W 1 参考号 部品号 部品名称及说明 数量 备注 R6853 ERJ6GEYJ101V M 100 OHM,J,1/10W 1 R6855 ERJ12YJ103 M 10KOHM,J, 1/2W 1 R6856 ERQ12AJW560E F 56 OHM, J,1/2W 1 R6857 ERJ12YJ124U M 120KOHM, 1/2W 1 R6858 ERJ6GEYG102 M 1KOHM,J,1/10W 1 R6860 D0D28R2JA021 M 8.2 OHM,J,2W 1 R6861,62 ERJ6ENF5102 M 51KOHM, 1/10W 2 R6863 ERJ6ENF5602 M 56KOHM, 1/10W 1 R6864 ERJ6ENF6801 M 6.8KOHM, 1/10W 1 R6865 ERJ6ENF3301 M 3.3KOHM, 1/10W 1 R6866 ERJ6ENF6200 M 620 OHM, 1/10W 1 R6867 ERJ6GEYG392 M 3.9KOHM,J,1/10W 1 R6868 ERJ6GEYJ223 M 22KOHM,J,1/10W 1 R6869 ERJ6GEYF472 M 4.7KOHM,J,1/10W 1 R6870 ERJ6GEYG104 M 100KOHM,J,1/10W 1 R6871-73 ERJ6ENF3902 M 39KOHM, 1/10W 3 R6874 ERJ6ENF6801 M 6.8KOHM, 1/10W 1 R6875 ERJ6ENF3301 M 3.3KOHM, 1/10W 1 R6876 ERJ6RBD561 M 560 OHM, 1/10W 1 R6877 ERJ6GEYG392 M 3.9KOHM,J,1/10W 1 R6878 ERJ6GEYJ223 M 22KOHM,J,1/10W 1 R6879 ERJ6GEYF472 M 4.7KOHM,J,1/10W 1 R6880 ERG1FJS103D M 10KOHM, J, 1W 1 R6881 ERG2FNJS8R2E M 8.2 OHM, J, 2W 1 R6882 ERJ6ENF1692 M16.9KOHM, 1/10W 1 R6883,84 ERJ6GEY0R00V M 0 OHM, 1/10W 2 R6886-88 ERJ6GEYJ224 M 220KOHM,J,1/10W 3 R6889 ERG2FJS223D M 22KOHM, J, 2W 1 R6890 ERJ6GEYF472 M 4.7KOHM,J,1/10W 1 R6891-93 ERJ6GEYF473 M 47KOHM,J,1/10W 3 R6894 ERJ6GEYG103 M 10KOHM,J,1/10W 1 R6895-97 ERJ6ENF4702 M 47KOHM, 1/10W 3 R6898 ERJ6ENF2491 M2.49KOHM, 1/10W 1 R6899 ERJ6GEY0R00V M 0 OHM, 1/10W 1 R6901 ERJ6GEYJ101V M 100 OHM,J,1/10W 1 R6902-04 ERJ3GEYJ220 M 22 OHM,J,1/16W 3 R6905 ERJ6GEYG221 M 220 OHM,J,1/10W 1 R6909 ERJ6GEYG221 M 220 OHM,J,1/10W 1 R6913 ERJ6GEYG221 M 220 OHM,J,1/10W 1 R6917 ERJ6GEYG221 M 220 OHM,J,1/10W 1 R6924 ERJ6GEYG221 M 220 OHM,J,1/10W 1 R6925,26 ERJ3GEY0R00 M 0 OHM, 1/16W 2 R6931-34 ERJ6GEYG103 M 10KOHM,J,1/10W 4 R6935,36 ERJ8GEYJ224 M 220KOHM, J,1/8W 2 R6938 ERJ6GEYG103 M 10KOHM,J,1/10W 1 R6951 ERJ6GEYG221 M 220 OHM,J,1/10W 1 R6955 ERJ6GEYG221 M 220 OHM,J,1/10W 1 R6959 ERJ6GEYG221 M 220 OHM,J,1/10W 1 R6963 ERJ6GEYG221 M 220 OHM,J,1/10W 1 R6967 ERJ6GEYG221 M 220 OHM,J,1/10W 1 R6971 ERJ6GEYJ101V M 100 OHM,J,1/10W 1 R6972-74 ERJ3GEYJ220 M 22 OHM,J,1/16W 3 R6975,76 ERJ3GEY0R00 M 0 OHM, 1/16W 2 R6981-84 ERJ6GEYG103 M 10KOHM,J,1/10W 4 R6985,86 ERJ8GEYJ224 M 220KOHM, J,1/8W 2 R6989 ERJ6GEYG103 M 10KOHM,J,1/10W 1 R7103 EXB38V220JV 电阻阵列 1 R7105,06 D0GZ100JA020 M 10 OHM,J, 0.5W 2 R7108 EXB38V102J 电阻阵列 1 R7110 EXB38V220JV 电阻阵列 1 R7111,12 D0GZ100JA020 M 10 OHM,J, 0.5W 2 R7113 D0GB102JA057 M 1KOHM,J,1/16W 1 R7115-18 D0GZ100JA020 M 10 OHM,J, 0.5W 4 R7122-25 D0GZ100JA020 M 10 OHM,J, 0.5W 4 R7127 EXB38V471J 电阻阵列 1 R7130-33 D0GZ100JA020 M 10 OHM,J, 0.5W 4 R7135-38 D0GZ100JA020 M 10 OHM,J, 0.5W 4 R7145 EXB38V471J 电阻阵列 1 R7146-49 D0GZ100JA020 M 10 OHM,J, 0.5W 4 R7154-57 D0GZ100JA020 M 10 OHM,J, 0.5W 4 R7166-73 EXB38V471J 电阻阵列 8 R7179 D0GF472JA047 M 4.7KOHM,J,0.33W 1 R7183 EXB38V220JV 电阻阵列 1 R7184 EXB38V102J 电阻阵列 1 R7191,92 ERJ3GEYJ470 M 47 OHM,J,1/16W 2 R7193 ERJ3GEY0R00 M 0 OHM, 1/16W 1 R7195 EXB38V470J 电阻阵列 1 参考号 部品号 部品名称及说明 数量 备注 46 R7198,99 D0GZ100JA020 M 10 OHM,J, 0.5W 2 R7202 EXB38V220JV 电阻阵列 1 R7205 EXB38V220JV 电阻阵列 1 R7210 EXB38V222J 电阻阵列 1 R7211-14 D0GZ100JA020 M 10 OHM,J, 0.5W 4 R7219 EXB38V471J 电阻阵列 1 R7220 ERJ3GEYJ222 M 2.2KOHM,J,1/16W 1 R7221-23 EXB38V471J 电阻阵列 3 R7224-27 D0GZ100JA020 M 10 OHM,J, 0.5W 4 R7229-32 D0GZ100JA020 M 10 OHM,J, 0.5W 4 R7240,41 EXB38V471J 电阻阵列 2 R7243 EXB38V102J 电阻阵列 1 R7244 EXB38V222J 电阻阵列 1 R7245-47 EXB38V470J 电阻阵列 3 R7250 EXB38V470J 电阻阵列 1 R7251 EXB38V222J 电阻阵列 1 R7252 ERJ3GEY0R00 M 0 OHM, 1/16W 1 R7254-59 D0GZ100JA020 M 10 OHM,J, 0.5W 6 R7301-04 D0GZ100JA020 M 10 OHM,J, 0.5W 4 R7309-12 D0GZ100JA020 M 10 OHM,J, 0.5W 4 R7317-20 D0GZ100JA020 M 10 OHM,J, 0.5W 4 R7325 EXB38V102J 电阻阵列 1 R7327 EXB38V220JV 电阻阵列 1 R7330 EXB38V220JV 电阻阵列 1 R7334-39 EXB38V102J 电阻阵列 6 R7341 ERJ6GEYG102 M 1KOHM,J,1/10W 1 R7342 D0GF472JA047 M 4.7KOHM,J,0.33W 1 R7343 EXB38V471J 电阻阵列 1 R7344 EXB38V470J 电阻阵列 1 R7345 EXB38V471J 电阻阵列 1 R7346 EXB38V470J 电阻阵列 1 R7347 EXB38V471J 电阻阵列 1 R7348 EXB38V470J 电阻阵列 1 R7349 EXB38V471J 电阻阵列 1 R7350 EXB38V470J 电阻阵列 1 R7351 EXB38V471J 电阻阵列 1 R7352 EXB38V470J 电阻阵列 1 R7353 EXB38V471J 电阻阵列 1 R7354 EXB38V470J 电阻阵列 1 R7361 ERJ6GEYJ224 M 220KOHM,J,1/10W 1 R7364,65 ERJ3GEYJ470 M 47 OHM,J,1/16W 2 R7366 ERJ3GEY0R00 M 0 OHM, 1/16W 1 R7367-72 D0GZ100JA020 M 10 OHM,J, 0.5W 6 R8001 ERJ2GEJ181 M 180 OHM, J,0.063W 1 R8002 ERJ2GEJ820 M 82 OHM, J,0.063W 1 R8004 ERJ3EKF2402 M 24KOHM, 1/16W 1 R8005 ERJ3EKF1002 M 10KOHM, 1/16W 1 R8006 ERJ3EKF6801 M 6.8KOHM, 1/16W 1 R8023-29 D0YAR0000007 M 0.0 OHM, J,0.063W 7 R8030 ERJ2GEJ101 M 100 OHM, J,0.063W 1 R8031,32 ERJ3EKF2700 M 270 OHM, 1/16W 2 R8035 D0YAR0000007 M 0.0 OHM, J,0.063W 1 R8036 ERJ3GEY0R00 M 0 OHM, 1/16W 1 R8039 D0YAR0000007 M 0.0 OHM, J,0.063W 1 R8056-73 ERJ2GEJ470 M 47 OHM, J,0.063W 18 R8074 ERJ2GEJ221 M 220 OHM, J,0.063W 1 R8075-78 ERJ2GEJ470 M 47 OHM, J,0.063W 4 R8079,80 D0YAR0000007 M 0.0 OHM, J,0.063W 2 R8081 ERJ2GEJ103 M 10KOHM, J,0.063W 1 R8082 D1BA75R0A026 M0.75KOHM, 1/10W 1 R8083 ERJ2GEJ301 M 300 OHM, J,0.063W 1 R8084 D0YAR0000007 M 0.0 OHM, J,0.063W 1 R8086 ERJ2GEJ104 M 100KOHM, J,0.063W 1 R8087 ERJ2GEJ103 M 10KOHM, J,0.063W 1 R8090 ERJ2GEJ103 M 10KOHM, J,0.063W 1 R8091 ERJ2GEJ101 M 100 OHM, J,0.063W 1 R8093 ERJ2GEJ470 M 47 OHM, J,0.063W 1 R8095 ERJ2GEJ103 M 10KOHM, J,0.063W 1 R8097 ERJ2GEJ221 M 220 OHM, J,0.063W 1 R8098,99 ERJ2GEJ103 M 10KOHM, J,0.063W 2 R8100 ERJ2GEJ470 M 47 OHM, J,0.063W 1 R8101 ERJ2GEJ103 M 10KOHM, J,0.063W 1 R8106 ERJ2GEJ202 M 2KOHM, J,0.063W 1 R8107 ERJ2GEJ101 M 100 OHM, J,0.063W 1 R8108 ERJ2GEJ223 M 22KOHM, J,0.063W 1 R8111 ERJ2GEJ103 M 10KOHM, J,0.063W 1 R8328 ERJ2GEJ103 M 10KOHM, J,0.063W 1 参考号 部品号 部品名称及说明 数量 备注 R8470,71 ERJ2GEJ103 M 10KOHM, J,0.063W 2 R8472 D1HG1038A002 排阻 1 R8474,75 EXB28V103JX 电阻阵列 2 R8502-04 ERJ2GEJ331 M 330 OHM, J,0.063W 3 R8507-10 ERJ3EKF91R0 M 91 OHM, 1/16W 4 R8512 ERJ3EKF1800 M 180 OHM, 1/16W 1 R8513 D0YAR0000007 M 0.0 OHM, J,0.063W 1 R8551 ERJ2GEJ103 M 10KOHM, J,0.063W 1 R8556 ERJ2GEJ680 M 68 OHM, J,0.063W 1 R8564 ERJ2GEJ103 M 10KOHM, J,0.063W 1 R8601,02 ERJ2GEJ220 M 22 OHM, J,0.063W 2 R8603 ERJ2GEJ473 M 47KOHM, J,0.063W 1 R8604 ERJ6GEY0R00V M 0 OHM, 1/10W 1 R8605 ERJ2GEJ680 M 68 OHM, J,0.063W 1 R8621-36 ERJ2GEJ680 M 68 OHM, J,0.063W 16 R8653 ERJ2GEJ103 M 10KOHM, J,0.063W 1 R8655 ERJ2GEJ103 M 10KOHM, J,0.063W 1 R8710 ERJ2GEJ680 M 68 OHM, J,0.063W 1 R8711,12 ERJ2GEJ103 M 10KOHM, J,0.063W 2 R8735-39 ERJ2GEJ680 M 68 OHM, J,0.063W 5 R8742 ERJ2GEJ103 M 10KOHM, J,0.063W 1 R8745,46 ERJ2GEJ103 M 10KOHM, J,0.063W 2 R8749 ERJ2GEJ103 M 10KOHM, J,0.063W 1 R8802-09 ERJ2GEJ103 M 10KOHM, J,0.063W 8 R8812 D0YAR0000007 M 0.0 OHM, J,0.063W 1 R8813 EXB28V221J 电阻阵列 1 R8814-17 ERJ2GEJ680 M 68 OHM, J,0.063W 4 R8825 ERJ6GEY0R00V M 0 OHM, 1/10W 1 R8828 ERJ2GEJ103 M 10KOHM, J,0.063W 1 R8832 ERJ2GEJ103 M 10KOHM, J,0.063W 1 R8865-67 EXB2HV680J 电阻阵列 3 R8868 ERJ2GEJ680 M 68 OHM, J,0.063W 1 R8869 ERJ2GEJ103 M 10KOHM, J,0.063W 1 R8870 D0YAR0000007 M 0.0 OHM, J,0.063W 1 R8871 ERJ2GEJ103 M 10KOHM, J,0.063W 1 R8874-76 ERJ2GEJ103 M 10KOHM, J,0.063W 3 R8877 ERJ2GEJ680 M 68 OHM, J,0.063W 1 R8879-81 ERJ2GEJ680 M 68 OHM, J,0.063W 3 R8883-87 ERJ2GEJ680 M 68 OHM, J,0.063W 5 R8891,92 ERJ2GEJ680 M 68 OHM, J,0.063W 2 R8893 D0YAR0000007 M 0.0 OHM, J,0.063W 1 R8896,97 D0YAR0000007 M 0.0 OHM, J,0.063W 2 R8898,99 ERJ2GEJ103 M 10KOHM, J,0.063W 2 R8900,01 ERJ2GEJ680 M 68 OHM, J,0.063W 2 R8904-10 ERJ2GEJ103 M 10KOHM, J,0.063W 7 R8911-18 ERJ2GEJ680 M 68 OHM, J,0.063W 8 R8919-22 ERJ2GEJ472 M 4.7KOHM, J,0.063W 4 R8923,24 ERJ2GEJ562 M 5.6KOHM, J,0.063W 2 R8925,26 ERJ2GEJ472 M 4.7KOHM, J,0.063W 2 R8927 D0YAR0000007 M 0.0 OHM, J,0.063W 1 R8935 ERJ2GEJ103 M 10KOHM, J,0.063W 1 R8947 ERJ2GEJ680 M 68 OHM, J,0.063W 1 R8948 ERJ2GEJ103 M 10KOHM, J,0.063W 1 R8963 ERJ2GEJ103 M 10KOHM, J,0.063W 1 R9062-67 ERJ3GEYJ101 M 100 OHM,J,1/16W 6 R9070 ERJ3GEYJ470 M 47 OHM,J,1/16W 1 R9099 D0GB103JA057 M 10KOHM,J,1/16W 1 R9101,02 D0GB103JA057 M 10KOHM,J,1/16W 2 R9104,05 D0GB103JA057 M 10KOHM,J,1/16W 2 R9107 ERJ3GEYJ332 M 3.3KOHM,J,1/16W 1 R9108,09 D0GB103JA057 M 10KOHM,J,1/16W 2 R9110 ERJ3GEYJ101 M 100 OHM,J,1/16W 1 R9112 D0GB103JA057 M 10KOHM,J,1/16W 1 R9113 ERJ3GEYJ100 M 10 OHM,J,1/16W 1 R9115,16 ERJ3GEYJ101 M 100 OHM,J,1/16W 2 R9119 EXB38V470J 电阻阵列 1 R9120 ERJ3GEYJ101 M 100 OHM,J,1/16W 1 R9121 ERJ3GEYJ104 M 100KOHM,J,1/16W 1 R9122,23 D0GB103JA057 M 10KOHM,J,1/16W 2 R9126 D0GB103JA057 M 10KOHM,J,1/16W 1 R9127 ERJ3GEYJ683 M 68KOHM,J,1/16W 1 R9129 ERJ3GEYJ683 M 68KOHM,J,1/16W 1 R9131-33 ERJ3GEYJ472 M 4.7KOHM,J,1/16W 3 R9134 ERJ3GEYJ333 M 33KOHM,J,1/16W 1 R9135 ERJ3GEYJ472 M 4.7KOHM,J,1/16W 1 R9141-45 ERJ3GEYJ101 M 100 OHM,J,1/16W 5 R9149 ERJ3GEYJ472 M 4.7KOHM,J,1/16W 1 参考号 部品号 部品名称及说明 数量 备注 47 R9150,51 ERJ3GEYJ220 M 22 OHM,J,1/16W 2 R9154,55 ERJ3GEYJ562 M 5.6KOHM,J,1/16W 2 R9156 D0GB103JA057 M 10KOHM,J,1/16W 1 R9158,59 D0GB103JA057 M 10KOHM,J,1/16W 2 R9160,61 ERJ3GEY0R00 M 0 OHM, 1/16W 2 R9164,65 ERJ3GEYJ222 M 2.2KOHM,J,1/16W 2 R9166 D0GB103JA057 M 10KOHM,J,1/16W 1 R9167 ERJ3GEYJ101 M 100 OHM,J,1/16W 1 R9170-72 D0GB393JA041 M 39KOHM,J,1/16W 3 R9173,74 D0GB103JA057 M 10KOHM,J,1/16W 2 R9177 ERJ3GEYJ223 M 22KOHM,J,1/16W 1 R9181-84 D0GB102JA057 M 1KOHM,J,1/16W 4 R9185,86 ERJ3GEYJ220 M 22 OHM,J,1/16W 2 R9187,88 ERJ3GEYJ562 M 5.6KOHM,J,1/16W 2 R9189,90 D0GB103JA057 M 10KOHM,J,1/16W 2 R9193 D0GB103JA057 M 10KOHM,J,1/16W 1 R9194 ERJ3GEY0R00 M 0 OHM, 1/16W 1 R9196 D0GB103JA057 M 10KOHM,J,1/16W 1 R9199 ERJ3GEYJ272 M 2.7KOHM,J,1/16W 1 R9200,01 ERJ3GEYJ100 M 10 OHM,J,1/16W 2 R9203 D0GB102JA057 M 1KOHM,J,1/16W 1 R9205 ERJ3GEYJ472 M 4.7KOHM,J,1/16W 1 R9206,07 D0GB102JA057 M 1KOHM,J,1/16W 2 R9215 D0GB123JA057 M 12KOHM,J,1/16W 1 R9217-22 D0GB103JA057 M 10KOHM,J,1/16W 6 R9223 ERJ3GEYJ272 M 2.7KOHM,J,1/16W 1 R9225 ERJ3GEYJ272 M 2.7KOHM,J,1/16W 1 R9237 D0GB103JA057 M 10KOHM,J,1/16W 1 R9240 ERJ3GEY0R00 M 0 OHM, 1/16W 1 R9317 ERJ3GEYJ391 M 390 OHM,J,1/16W 1 R9347,48 EXB2HV220JV 电阻阵列 2 R9349 EXB2HV470JV 电阻阵列 1 R9350,51 ERJ3GEYJ220 M 22 OHM,J,1/16W 2 R9352-56 EXB2HV220JV 电阻阵列 5 R9357-59 EXB2HV470JV 电阻阵列 3 R9361,62 ERJ3GEYJ220 M 22 OHM,J,1/16W 2 R9363 EXB2HV470JV 电阻阵列 1 R9369 ERJ3GEYJ472 M 4.7KOHM,J,1/16W 1 R9370 D0GB103JA057 M 10KOHM,J,1/16W 1 R9371 ERJ3GEYJ104 M 100KOHM,J,1/16W 1 R9379 ERJ3GEY0R00 M 0 OHM, 1/16W 1 R9380 ERJ3GEYJ560 M 56 OHM,J,1/16W 1 R9383 D0GB102JA057 M 1KOHM,J,1/16W 1 R9384,85 ERJ3GEYJ472 M 4.7KOHM,J,1/16W 2 R9391 ERJ3GEYJ104 M 100KOHM,J,1/16W 1 R9392,93 ERJ3GEY0R00 M 0 OHM, 1/16W 2 R9396-99 ERJ3GEYJ220 M 22 OHM,J,1/16W 4 R9402 ERJ6GEY0R00V M 0 OHM, 1/10W 1 R9403 EXB2HV470JV 电阻阵列 1 R9501 D0GB103JA057 M 10KOHM,J,1/16W 1 R9503 ERJ3GEYJ470 M 47 OHM,J,1/16W 1 R9506 ERJ3GEYJ220 M 22 OHM,J,1/16W 1 R9507 ERJ3GEY0R00 M 0 OHM, 1/16W 1 R9512,13 ERJ3GEYJ470 M 47 OHM,J,1/16W 2 R9514 D0GB103JA057 M 10KOHM,J,1/16W 1 R9516 D0GB103JA057 M 10KOHM,J,1/16W 1 R9518 ERJ3GEY0R00 M 0 OHM, 1/16W 1 R9520 ERJ3GEYJ470 M 47 OHM,J,1/16W 1 R9523 ERJ3GEYJ472 M 4.7KOHM,J,1/16W 1 R9525 D0GB103JA057 M 10KOHM,J,1/16W 1 R9526 ERJ3GEY0R00 M 0 OHM, 1/16W 1 R9530 D0GB103JA057 M 10KOHM,J,1/16W 1 R9531-33 ERJ3GEYJ470 M 47 OHM,J,1/16W 3 R9534 EXB38V470J 电阻阵列 1 R9535,36 ERJ3GEYJ470 M 47 OHM,J,1/16W 2 R9538 D0GB103JA057 M 10KOHM,J,1/16W 1 R9540,41 D0GB103JA057 M 10KOHM,J,1/16W 2 R9543,44 D0GB103JA057 M 10KOHM,J,1/16W 2 R9545 ERJ3GEYJ304 M 300KOHM,J,1/16W 1 R9548-50 D0GB103JA057 M 10KOHM,J,1/16W 3 R9552 D0GB103JA057 M 10KOHM,J,1/16W 1 R9553-55 ERJ3GEY0R00 M 0 OHM, 1/16W 3 R9556 D0GB103JA057 M 10KOHM,J,1/16W 1 R9557,58 ERJ3GEY0R00 M 0 OHM, 1/16W 2 R9561 EXB38V222J 电阻阵列 1 R9562 ERJ3GEYJ470 M 47 OHM,J,1/16W 1 R9563-66 EXB2HV470JV 电阻阵列 4 参考号 部品号 部品名称及说明 数量 备注 R9567 D0GB103JA057 M 10KOHM,J,1/16W 1 R9569 ERJ3GEY0R00 M 0 OHM, 1/16W 1 R9824-27 ERJ3GEYJ101 M 100 OHM,J,1/16W 4 R9828 ERJ3GEYJ104 M 100KOHM,J,1/16W 1 R9839 EXB38V101JV 电阻阵列 1 R9840 ERJ3GEYJ220 M 22 OHM,J,1/16W 1 R9845 D0GB103JA057 M 10KOHM,J,1/16W 1 R9846,47 EXB2HV222JV 电阻阵列 2 R9848,49 EXB2HV470JV 电阻阵列 2 R9850 D0GB473JA057 M 47KOHM,J,1/16W 1 R9854 ERJ3GEYJ101 M 100 OHM,J,1/16W 1 R9859 EXB38V101JV 电阻阵列 1 R9861-63 D0GB103JA057 M 10KOHM,J,1/16W 3 R9868 ERJ3GEYJ104 M 100KOHM,J,1/16W 1 R9869-71 D0GB103JA057 M 10KOHM,J,1/16W 3 R9872 ERJ3GEY0R00 M 0 OHM, 1/16W 1 R9874 ERJ3GEY0R00 M 0 OHM, 1/16W 1 R9878 ERJ3EKF1102 M 11KOHM, 1/16W 1 R9879 ERJ3EKF1302 M 13KOHM, 1/16W 1 R9886,87 ERJ3EKF5602 M 56KOHM, 1/16W 2 R9888 ERJ3EKF1102 M 11KOHM, 1/16W 1 R9889 ERJ3EKF1742 M17.2KOHM, 1/16W 1 R9890 ERJ3EKF4752 M47.5KOHM, 1/16W 1 R9891 ERJ3EKF1272 M12.7KOHM, 1/16W 1 R9892 ERJ3GEYJ104 M 100KOHM,J,1/16W 1 R9893 ERJ3EKF5602 M 56KOHM, 1/16W 1 R9894 ERJ3EKF1102 M 11KOHM, 1/16W 1 R9895 ERJ3GEYJ104 M 100KOHM,J,1/16W 1 R9896 ERJ3EKF1822 M18.2KOHM, 1/16W 1 R9897 ERJ3EKF4752 M47.5KOHM, 1/16W 1 R9901,02 ERJ3GEY0R00 M 0 OHM, 1/16W 2 R9903 EXB2HV470JV 电阻阵列 1 R9904 ERJ3GEYJ470 M 47 OHM,J,1/16W 1 R9905 ERJ3GEYJ330 M 33 OHM,J,1/16W 1 R9906 EXB38V470J 电阻阵列 1 R9907 D0GB151JA057 M 150 OHM,J,1/16W 1 R9908-11 ERJ3GEY0R00 M 0 OHM, 1/16W 4 R9915-18 ERJ3GEY0R00 M 0 OHM, 1/16W 4 R9919 D0GB102JA057 M 1KOHM,J,1/16W 1 R9922 ERJ3GEY0R00 M 0 OHM, 1/16W 1 R9928 ERJ3GEY0R00 M 0 OHM, 1/16W 1 R9936-39 ERJ3EKF1001 M 1KOHM, 1/16W 4 R9940 ERJ3GEYJ330 M 33 OHM,J,1/16W 1 R9941,42 ERJ3GEYJ470 M 47 OHM,J,1/16W 2 R9943-51 EXB38V470J 电阻阵列 9 R9952-55 ERJ3GEYJ470 M 47 OHM,J,1/16W 4 R9956 D0GB103JA057 M 10KOHM,J,1/16W 1 R9960 ERJ3GEY0R00 M 0 OHM, 1/16W 1 R9961 D0GB103JA057 M 10KOHM,J,1/16W 1 RM2501 PNA4701M05TV 远程接收器 1 S1 K1KA03BA0061 3P 连接接头 1 SC2 K1KA02A00676 2P 连接接头 1 SC20 K1KY30AA0369 30P 连接接头 1 SC30 K1KA10AA0191 10P 连接接头 1 SC41 K1ML80B00001 80P 连接接头 1 SC43 K1ML80B00001 80P 连接接头 1 SC45,46 K1KA09AA0707 9P 连接接头 2 SCMM2,M3 TMME260 线夹 2 SD1-D4 K1MN96BA0260 96P 连接接头 4 SD46 K1KB09AA0219 9P 连接接头 1 SS11 K1KA02A00676 2P 连接接头 1 SS12 K1KA10AA0194 10P 连接接头 1 SS21,22 K1KA07A00170 7P 连接接头 2 SS23,24 K1KB07AA0087 7P 连接接头 2 SS33 K1KA10A00416 10P 连接接头 1 SS34 K1KA03AA0193 3P 连接接头 1 SS35 K1KA04AA0193 4P 连接接头 1 SS52 K1MN13B00091 13P 连接接头 1 SS54,55 K1MN13B00091 13P 连接接头 2 SS57 K1MN13B00091 13P 连接接头 1 参考号 部品号 部品名称及说明 数量 备注 48 SSMM1 TMME260 线夹 1 SU1-U4 K1MN96BA0260 96P 连接接头 4 SU45 K1KB09AA0219 9P 连接接头 1 SW2500 K0F162B00002 开关 1 SW3753-57 EVQPC105K 开关 5 T6602 ETS25AZ179AD 转接变压器 1 TU3200A ENGF9701GF 调谐器 1 VR6000 EVMEASA00B14 控制 10KOHMB 0.3W 1 VR6600 EVMEASA00B13 控制 1KOHMB 0.3W 1 VR6602 EVMEASA00B53 控制 5KOHMB 0.3W 1 VR6604 EVMEASA00B34 控制 30KOHMB 0.3W 1 X1100 H0J100500035 晶体 1 X2010 H0J245500082 晶体 1 X4500 H0J270500113 晶体 1 X8001 H0J270500061 晶体 1 X9000 H2D100500004 晶体 1 X9200 H0J200500038 晶体 1 ZA0002-08 K4AZ01D00004 端子 7 ZA3701 K4CZ01000027 与 ALCO K9 兼容 1 ZA6001-03 K4CD01000011 AV 端子 3 ZA6401-03 K4CD01000011 AV 端子 3 ZA7101-06 K4AD01Z00001 端子 6 ZA7201-04 K4AD01Z00001 端子 4 ZA7301-04 K4AD01Z00001 端子 4 ZA9001 K4CD01000011 AV 端子 1 A601,02 RA362MSV7 放电管 2 C201 KZE1H560 电解电容器 1 C202,03 RR3DD221K 陶瓷电容器 2 C204 MPEF12393H 塑料薄膜电容器 1 C205 MPEF12473H 塑料薄膜电容器 1 C251 MBB224K2 陶瓷电容器 1 C253 MBB224K2 陶瓷电容器 1 C254,55 ECQE6223KF P 0.022UF, K,400V 2 C256-58 KMQ220901Z 电解电容器 3 C301 KZE1H560 电解电容器 1 C302,03 RR3DD101K 陶瓷电容器 2 C304 MPEF12333H 塑料薄膜电容器 1 C351 ECQV1H224JL 塑料薄膜电容器 1 C352 KZE1E182S C 1800UF 25V 1 C354 MBB224K2 陶瓷电容器 1 C355 ECJ2VB1H223K C 0.022UF, K, 50V 1 C356 MBB104K5 陶瓷电容器 1 C357,58 KZE1E471L 电解电容器 2 C401,02 TAB104K2E 陶瓷电容器 2 C403 KMQ2C471H 电解电容器 1 C404 KZE1H221 电解电容器 1 C405 MBB224K2 陶瓷电容器 1 C406-08 KZE2A471S C 470UF 100V 3 C451 KZE1A471 电解电容器 1 C501 ECQU2A103ML 塑料薄膜电容器 1 C503 KMQ2W560 电解电容器 1 C504 KZE1H560 电解电容器 1 C505 YBB474K1 陶瓷电容器 1 C506 TBB106K1A C 10U 10V 1 C507 KZE1H221 电解电容器 1 C508 KZE1H560 电解电容器 1 C509 ECKENA101KBR C 100P 250V 1 C551 KZE1A471 电解电容器 1 C552 TBB474K2 陶瓷电容器 1 C554 MBB103K5 陶瓷电容器 1 C555 KZE1E470 C 470U 25V 1 C556 MBB103K5 陶瓷电容器 1 C601 ECQU2A105ML P 1UF, 250V 1 C602 ECQU2A104ML 塑料薄膜电容器 1 C603,04 ECKENA221KBR C 221P 250V 2 C605 DE1R102K 陶瓷电容器 1 参考号 部品号 部品名称及说明 数量 备注 C606 MMXC2W105K C 1P 450V 1 C608 MMXC2W105K C 1P 450V 1 C610 MBB224K2 陶瓷电容器 1 C611 KZE1H560 电解电容器 1 C612-14 KMQ2W221L C 220U 450V 3 C615 ECKENA101KBR C 100P 250V 1 C620,21 ECKENA221KBR C 221P 250V 2 C623 MPEF12223H 塑料薄膜电容器 1 C624,25 RR3AD471K 陶瓷电容器 2 C701 KZE1A471 电解电容器 1 D201,02 AG01A 二极管 2 D251 D4SBL40 二极管 1 D253 1SS355 二极管 1 D351 YG805C06R 二极管 1 D352 AG01A 二极管 1 D353 YG805C06R 二极管 1 D401 D6SBN20 二极管 1 D402 AG01A 二极管 1 D403 YG901C3R 二极管 1 D451 RK39 二极管 1 D501 B0EBKT000007 二极管 1 D504 ST3D82 二极管 1 D505 AG01A 二极管 1 D506 RF101A2S 二极管 1 D551 RK39 二极管 1 D552 1SS355 二极管 1 D553 B0JCMD000024 二极管 1 D601,02 1SS355 二极管 2 D603,04 AP01C 二极管 2 D605,06 B0EAKR000059 二极管 2 D701 1SS355 二极管 1 D702 B0JCMD000024 二极管 1 F201 216005BP 保险丝盒 1 F301 216005BP 保险丝盒 1 F603 HU382T2 微型保险丝 1 IC251 HA17431UA 集成电路 1 IC351 HA17431UA 集成电路 1 IC401 HA17431UA 集成电路 1 IC451 PQ1CN41H2Z 电压调节器 1 IC501 MIP3E30MP IC 1 IC551 HA17431UA 集成电路 1 IP351 ERBSE0R75U 微型保险丝 1 IP701 ERBSE0R75U 微型保险丝 1 K601 KQ3298 继电器 1 K602 DJ5D2QT8 继电器 1 L401 LH8TB681K 扼流圈 1 L402 H221012HY 扼流圈 1 L403 EXCELSA35 扼流线圈 1 L404 EXCELSR35 扼流线圈 1 L451 SNK1012A 扼流圈 1 L501 EXCELSA35 扼流线圈 1 L502,03 EXCELDR35 扼流线圈 2 L601,02 B3180207Z 滤波扼流圈 2 L603 ETB50CZ13GAD 雷诺扼流圈 1 L607,08 EXCELDR35 扼流线圈 2 MC201 MLQNF153 模块 1 MC202 MLKJA154 模块 1 MC203 MP00R3 模块 1 MC301 MLQNF682 模块 1 MC351 MLJFF103 模块 1 MC401 MLPSC103 模块 1 MC501 MLTZB100 模块 1 MC502 MLJHA103 模块 1 MC601 MLLPD103 模块 1 MC602 MP00P18 模块 1 MC603 MP00P13 模块 1 MC701 MLZDE103 模块 1 参考号 部品号 部品名称及说明 数量 备注 49 P2 B2P3-VH-B 连接接头 1 P6 B12B-EH-A 连接接头 1 P7 B11B-EH-A 连接接头 1 P9 B03P-VL 连接接头 1 P11 B2P3-VH-B 连接接头 1 P12 B10B-PH-KS 连接接头 1 P23 B3B-PH-KS 连接接头 1 P25 B13B-PH-KS 连接接头 1 PC201,02 PS2581A 光电耦合器 2 PC301,02 PS2581A 光电耦合器 2 PC401 PS2581A 光电耦合器 1 PC501,02 PS2581A 光电耦合器 2 Q301,02 FMA16N55G 场效应管 2 Q351,52 2SK2510 场效应管 2 Q401 2SK3607 场效应管 1 Q402,03 2SA17670Q1TV 三极管 2 Q551 HAT1130R FET 1 Q552 2SB710AQRSTX 三极管 1 Q602 2SD2185 三极管 1 Q603 2SB14400RL 三极管 1 Q701,02 2SD602A-R 三极管 2 Q704 2SK3018 场效应管 1 R201 ERJ6GEY0R00V M 0 OHM, 1/10W 1 R202 ERQ14AJ4R7J 熔金属薄膜电阻 1 R203,04 ERJ6GEYJ334 M 330KOHM,J,1/10W 2 R205 ERJ6ENF1782 M17.8KOHM, 1/10W 1 R206-08 ERJ12YJ683 M 68KOHM, 1/2W 3 R215,16 SG732K220 片状电阻 2 R251-54 ERJ6ENF6802 M 68KOHM, 1/10W 4 R258 ERJ6GEYJ220 M 22 OHM,J,1/10W 1 R259 ERJ6GEYJ101V M 100 OHM,J,1/10W 1 R260 ERJ6GEYF151 M 150 OHM,F,1/10W 1 R261 ERJ6GEYJ101V M 100 OHM,J,1/10W 1 R263 ERJ6GEYG102 M 1KOHM,J,1/10W 1 R264 ERJ6ENF4701 M 4.7KOHM, 1/10W 1 R265 ERJ6ENF1073 M 107KOHM, 1/10W 1 R266 ERJ6GEYF472 M 4.7KOHM,F,1/10W 1 R267-69 ERJ6ENF1073 M 107KOHM, 1/10W 3 R270 ERJ6GEYG103 M 10KOHM,J,1/10W 1 R301 ERJ6GEY0R00V M 0 OHM, 1/10W 1 R302 ERQ14AJ4R7J 熔金属薄膜电阻 1 R303,04 ERJ6GEYJ334 M 330KOHM,J,1/10W 2 R305 ERJ6ENF4421 M4.42KOHM, 1/10W 1 R306-08 ERJ12YJ683 M 68KOHM, 1/2W 3 R309 ERG1SJ680 金属氧化物电阻 1 R310 ERG12SJ220 金属氧化膜电阻器 1 R351 ERJ6ENF1052 M10.5KOHM, 1/10W 1 R352 ERJ12YJ100 M 10 OHM,J, 1/2W 1 R353 ERJ6GEYG102 M 1KOHM,J,1/10W 1 R355 ERJ6GEYG682 片状电阻 1 R356 ERJ6GEYG102 M 1KOHM,J,1/10W 1 R358 ERJ6ENF4701 M 4.7KOHM, 1/10W 1 R359 ERJ6ENF2102 M 21KOHM, 1/10W 1 R362 ERJ12YJ332 M 3.3KOHM,J, 1/2W 1 R363,64 ERJ6GEYF333 M 33KOHM,J,1/10W 2 R365 ERJ6ENF1052 M10.5KOHM, 1/10W 1 R366 ERJ6ENF6981 M6.98KOHM, 1/10W 1 R367 ERJ6ENF1002 M 10KOHM, 1/10W 1 R368,69 ERJ6GEYG102 M 1KOHM,J,1/10W 2 R370 ERJ6ENF1002 M 10KOHM, 1/10W 1 R371 ERJ6ENF6981 M6.98KOHM, 1/10W 1 R403 ERJ12YJ100 M 10 OHM,J, 1/2W 1 R404 ERJ6ENF2152 M21.5KOHM, 1/10W 1 R405 MPC2WR10J 金属板电阻器 1 R406 ERJ6ENF2152 M21.5KOHM, 1/10W 1 R407 ERJ6GEYJ220 M 22 OHM,J,1/10W 1 R408 ERJ6GEYJ5R6 M 5.6 OHM,J,1/10W 1 R409 ERJ6GEYF473 M 47KOHM,J,1/10W 1 R410 ERJ6ENF2152 M21.5KOHM, 1/10W 1 R411,12 ERJ6GEYG152 片状电阻 2 R413,14 ERJ6ENF1622 M16.2KOHM, 1/10W 2 R415 ERJ6ENF8662 片状电阻 1 参考号 部品号 部品名称及说明 数量 备注 R416 ERJ6ENF8061 M8.06KOHM, 1/10W 1 R417-19 ERJ6ENF3572 M35.7KOHM, 1/10W 3 R420 ERJ6ENF2870 M 287 OHM, 1/10W 1 R451 ERJ6GEYG102 M 1KOHM,J,1/10W 1 R452 ERJ6GEYF124 片状电阻 1 R453 ERJ6GEYF473 M 47KOHM,J,1/10W 1 R454 ERJ6ENF3001 M 3KOHM, 1/10W 1 R455 ERJ6ENF1001 M 1KOHM, 1/10W 1 R456 ERJ6ENF1332 M13.3KOHM, 1/10W 1 R505 ERJ6GEYJ101V M 100 OHM,J,1/10W 1 R506-11 ERJ6ENF8253 M 825KOHM, 1/10W 6 R514-21 ERJ6ENF2703 M 270KOHM, 1/10W 8 R522 ERJ6GEYJ180 M 18 OHM,J,1/10W 1 R551 ERJ6GEYG121 片状电阻 1 R552 ERJ6GEYG222 M 2.2KOHM,J,1/10W 1 R553 ERJ6GEYJ150 M 15 OHM,J,1/10W 1 R555 ERJ6ENF1072 M10.7KOHM, 1/10W 1 R556 ERJ6ENF1022 M10.2KOHM, 1/10W 1 R557 ERJ6GEYG392 M 3.9KOHM,J,1/10W 1 R558 ERJ6GEYF473 M 47KOHM,J,1/10W 1 R559 ERJ6GEYG332 M 3.3KOHM,J,1/10W 1 R561 ERJ6ENF2152 M21.5KOHM, 1/10W 1 R562 ERJ6GEYG103 M 10KOHM,J,1/10W 1 R563,64 ERJ6GEYG221 M 220 OHM,J,1/10W 2 R601 RCRU5J125 金属釉固定电阻器 1 R602 R5B100J W 10 OHM, J, 5W 1 R603 ERJ6ENF1693 M 169KOHM, 1/10W 1 R604-06 ERJ6ENF1783 M 178KOHM, 1/10W 3 R607-10 ERJ6ENF3743 片状电阻 4 R611 ERJ6ENF1783 M 178KOHM, 1/10W 1 R617,18 RF5EJR15B 金属板电阻器 2 R619 RF5EJR10B 金属板电阻器 1 R621 ERJ6GEYJ101V M 100 OHM,J,1/10W 1 R622 ERJ6GEYG103 M 10KOHM,J,1/10W 1 R623 ERJ12YJ470 M 47 OHM, J,1/2W 1 R624 ERJ6GEYG103 M 10KOHM,J,1/10W 1 R625 ERJ12YJ470 M 47 OHM, J,1/2W 1 R626 ERJ6GEYG103 M 10KOHM,J,1/10W 1 R627 ERJ12YJ470 M 47 OHM, J,1/2W 1 R628 ERQ14AJ330J 熔金属薄膜电阻 1 R629 ERJ6GEYG154 片状电阻 1 R630 ERJ6ENF5902 M 59KOHM, 1/10W 1 R631-36 ERJ6ENF1103 M 110KOHM, 1/10W 6 R637 RCR6J825 金属釉固定电阻器 1 R638 RCRU5J155 金属釉固定电阻器 1 R701 ERJ6GEYG182 M 1.8KOHM,J,1/10W 1 R702 ERJ6GEYG222 M 2.2KOHM,J,1/10W 1 R703 ERJ6GEYG182 M 1.8KOHM,J,1/10W 1 R704 ERJ6GEYG222 M 2.2KOHM,J,1/10W 1 R706 ERJ6GEYG182 M 1.8KOHM,J,1/10W 1 R707 ERJ6GEYG222 M 2.2KOHM,J,1/10W 1 R708 ERJ14YJ471 片状电阻 1 R709 ERJ6GEYG103 M 10KOHM,J,1/10W 1 R710 ERJ6GEYG182 M 1.8KOHM,J,1/10W 1 R711 ERJ14YJ471 片状电阻 1 R712 ERJ6GEYG103 M 10KOHM,J,1/10W 1 R713 ERJ6GEYG222 M 2.2KOHM,J,1/10W 1 R716 ERJ6GEYG103 M 10KOHM,J,1/10W 1 R717 ERJ6GEYJ474 M 470KOHM,J,1/10W 1 R718 ERJ6GEYG470V M 47 OHM,J,1/10W 1 RF601 A5MC100JP2 139C 10 1 T201 ETB50LZ15GAD 变阻器 1 T301 ETB50LZ14GAD 变阻器 1 T501 ETB25BG118AD 变阻器 1 VR251 EVMEASA01B25 可变电阻器 1 VR351 EVMEASA01B14 可变电阻器 1 VR401 EVMEASA01B24 可变电阻器 1 Z501 ERZVGAD471 变阻器 1 Z601 ERZVGED751 变阻器 1 Z602 ERZVGAD471 变阻器 1 ZD201,02 MAZ4270NMF 稳压二极管 2 参考号 部品号 部品名称及说明 数量 备注 50 FLE20071000003 ZD301,02 MAZ4270NMF 稳压二极管 2 ZD305 MAZ4270NMF 稳压二极管 1 ZD401 MA4033 稳压二极管 1 ZD402 MA8360 稳压二极管 1 ZD451 MAZ4068NMF 稳压二极管 1 ZD501,02 MA4300N 稳压二极管 2 ZD503 MA4082N 稳压二极管 1 ZD601 MA4047N 稳压二极管 1 参考号 部品号 部品名称及说明 数量 备注

标签:

版权声明

1. 本站所有素材,仅限学习交流,仅展示部分内容,如需查看完整内容,请下载原文件。
2. 会员在本站下载的所有素材,只拥有使用权,著作权归原作者所有。
3. 所有素材,未经合法授权,请勿用于商业用途,会员不得以任何形式发布、传播、复制、转售该素材,否则一律封号处理。
4. 如果素材损害你的权益请联系客服QQ:77594475 处理。