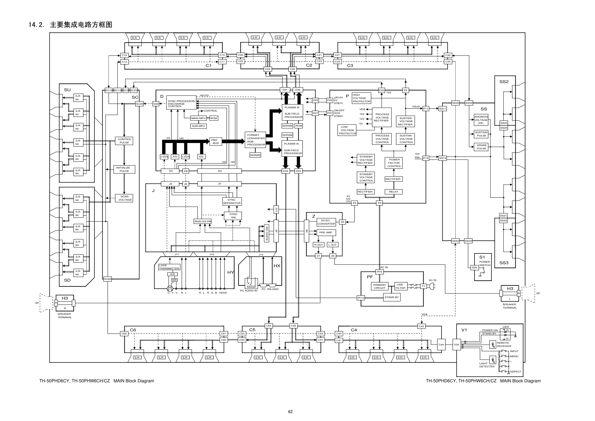
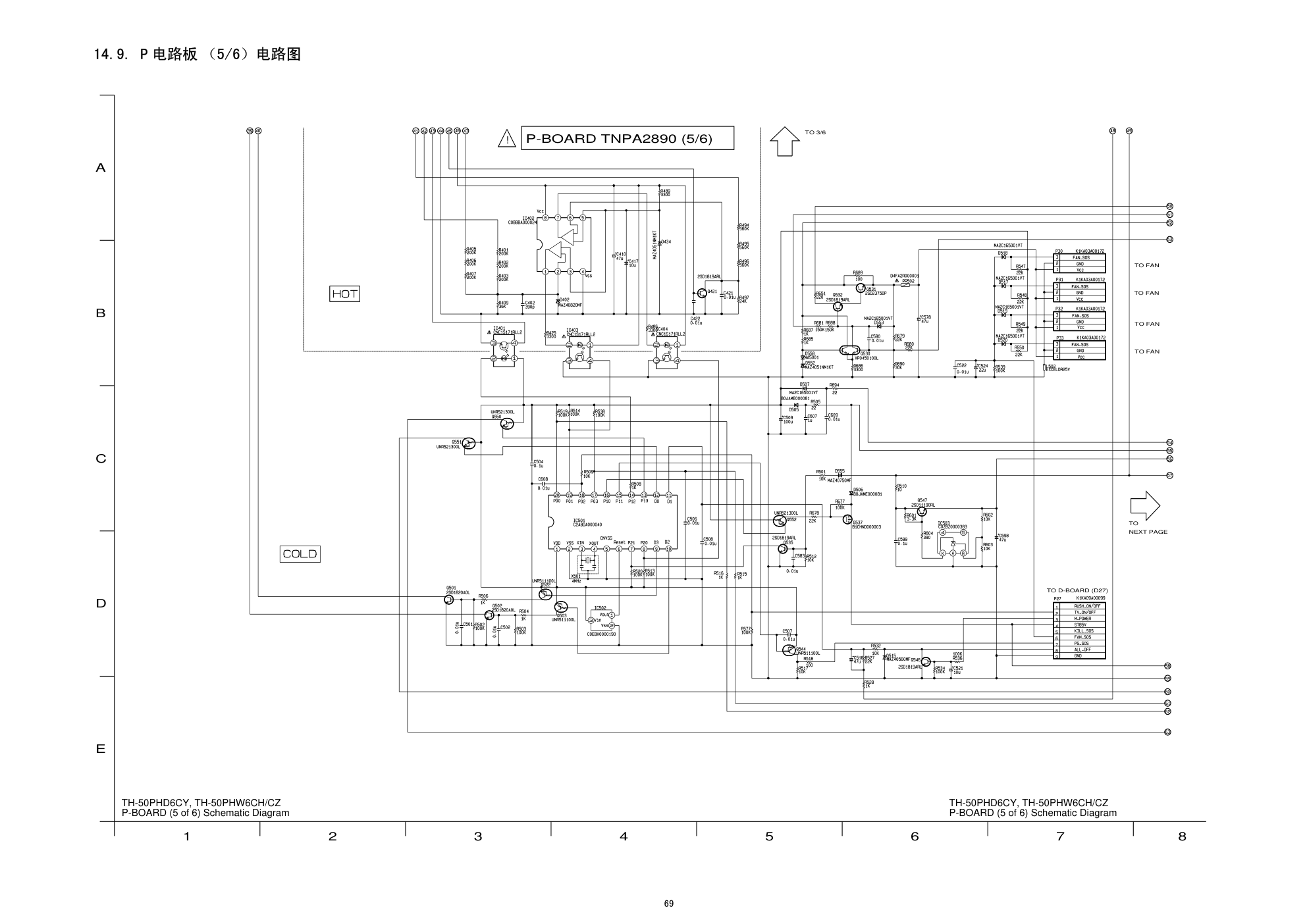
松下TH-50PHW6等离子电视电路原理图

分类:电子电工 日期: 点击:0
松下TH-50PHW6等离子电视电路原理图-0 松下TH-50PHW6等离子电视电路原理图-1 松下TH-50PHW6等离子电视电路原理图-2 松下TH-50PHW6等离子电视电路原理图-3 松下TH-50PHW6等离子电视电路原理图-4 松下TH-50PHW6等离子电视电路原理图-5 松下TH-50PHW6等离子电视电路原理图-6 松下TH-50PHW6等离子电视电路原理图-7 松下TH-50PHW6等离子电视电路原理图-8 松下TH-50PHW6等离子电视电路原理图-9

61 14 电路图 14.1. 电路图注意事项 ��� ���������������������������������� �������� � � � � � � �� 1. ��� �������1/4W������������ �����OHM [ ] (K=1,000, M=1,000,000)� : �� : ����� : �� : ��� : �� : ��� 2. ��� �������50V�������������� ��������������� : ���� : ���� : �� : ��� : ����� : ��� : ��� : Z� 3. �� ��������������� 4. ��� : ����� 5. ���� : ����(�) : ���(�) 6. ���� ��DC��� ������� �� ...................................................... AC220-240V, 50/60Hz ���� ............................................... ������� (RF) ������� .................................... ���� 7. ��������������� (�����) 8. ������� ( ) ��������������� 9. �������� : �� �� 10. ���������������������� + - M m T Z NP TH-50PHD6CY, TH-50PHW6CH/CZ ������� ��� 1. ������������������������������� ���������HOT(�)�COLD(�)����������� ������������������ ���� a. ���������������������������� b. ������������������������������ c. ����������������������������� ���������������������� d. ��������������� 2. ����������� MA150- MA162 (����) ������� TH-50PHD6CY, TH-50PHW6CH/CZ 62 14.2. 主要集成电路方框图 INITIALIZE PULSE 64 64 S.R S.R S.R 64 S.R 64 64 S.R 64 S.R CONTROL PULSE VOLTAGE SCAN SC2 SC23 SC20 D20 CONTROL DISCHARGE MAIN MPU SUB MPU ROM LVDS LVDS A/D BUS 24bit FORMAT CONVERTER RGB PROCESSOR PROCESSOR SUB-FIELD PLASMA AI SDRAM D34 D33 P25 D25 P27 P5 D27 P9 Z5 P12 P11 SS11 SS12 SS42 SS34 SS20 SS22 SUSTAIN PULSE ERASE PULSE ADDRESS VOLTAGE (VE) S.R. 5V UR12V STB7V D5 D6 D3 J5 J6 J3 ANALOG SW SYNC SW SYNC SEPARATOR SDRAM DC/DC CONVERTER PROCESS VOLTAGE RECTIFIER CONTROL SUSTAIN VOLTAGE RECTIFIER SUSTAIN VOLTAGE VDA 15V 5V 12V P23 P2 VSUS PRE AMP R OUT L OUT Z7 Z6 C61 C60 C43 C41 C44 C42 AUDIO SW J8 POWER ON STAND BY G R LED + - INPUT MENU ASPECT REMOTE RECEIVER DETECTER LIGHT - + LINE FILTER STAND BY F1 PF10 PF9 J10 + - POWER SWITCH SC SU SD H3 H3 L R Z8 J14 CONTROL D P SOS ON/OFF STB5V S34 S1 J Vda 15V SS PF Z SS2 SS3 SPEAKER TERMINAL SPEAKER TERMINAL PC RS-232C PC AUDIO IN HX V34 VDA SP SP AC IN AC IN C6 C4 V1 15V S.R. S.R. S.R. S.R. S.R. S.R. 64 64 S.R S.R S.R 64 S.R 64 64 S.R 64 S.R PRIMARY CIRCUIT SS23 SS21 SS35 S.R. S.R. C3 C11 S.R. S.R. S.R. S.R. S.R. S.R. C33 S.R. C1 C10 C31 C35 D31 D32 SUB-FIELD PLASMA AI PROCESSOR SDRAM ROM RECTIFIER POWER RELAY FACTOR CONTROL VOLTAGE PROCESS CONTROL VOLTAGE STANDBY RECTIFIER CONTROL VOLTAGE RECTIFIER STANDBY LOW VOLTAGE PROTECTOR VOLTAGE HIGH PROTECTOR SYNC PROCESSOR/ HD/VD VD HD HD VD A/D C Y V R L R L R G B HDVD SW A/D LVDS TRANSMITTER HY J12 J11 5V 12V 15V SC62 SC13 SC12 C51 S.R. C5 C53 S.R. S.R. C54 C55 C52 C50 C62 C21 C2 C22 S.R. S.R. C20 C24 S.R. C25 C23 C12 C13 C32 SS32 TH-50PHD6CY, TH-50PHW6CH/CZ MAIN Block Diagram TH-50PHD6CY, TH-50PHW6CH/CZ MAIN Block Diagram 63 14.3. P 和 PF 电路板方框图 - + - + - + TP901 TP902 RL901 D903 L904 TP903 TP904 D907 1 2 3 D902 1 3 2 F900 F901 D404 D401 NEUTRAL 350V LIVE D410 D409 D510 D511 D557 D434 350V L403 F405 PFC DC400V PR401 Q414 Q415 Q412 Q413 D419 D420 D539 D537 DC180V D555 X501 4NHz D521 D530 D563 D531 Q527 DC85V D534 D536 D533 D543 D541 R665 R443 DC75V DC15V DC15V DC12V DC5V D535 PR509 D564 R661 1 2 3 R608 PR510 D549 D554 D565 D506 D505 PR502 D553 R641 1 2 5 6 STB+5V TO J-BOARD J10 PF10 F.STB ON/OFF F.STB+14V F.STB+14V Q903 SW 14V 8 10 1 3 5 6 LED DRIVE T901 CONTROL FULL WAVE RECTIFIER NEUTRAL L905 ! LINE FILTER NEUTRAL LIVE LIVE L901 FILTER LINE L902 AC INLET AC PLUG LIVE NEUTRAL 4 1 LIVE NEURTAL PF9 3 1 P9 8 6 T410 5 IC409 4 2 1 4 3 1 2 3 4 IC408 Q403 Q416 14 15 13 10 R K A IC504 STB7V 4 3 5 8 7 2 1 6 4 2 1 3 1 3 4 2 1 3 4 2 IC404 IC403 IC401 STB7V 3 9 8 14 4 2 16 10 T401,T406 5 8 7 6 VCC MOS DRIVE CURR DET CURR COMP 2 1 3 4 IC402 Q407 PFC Q420 Q401 AMP Q404 Q406 L402 D415 Q410 Q411 DRIVE IC406 IC902 IC901 POWER FACTOR CONTROL 2 8 16 T405 5 12 10 7 6 9 2 T403 9 1 8 5 7 10 T402 Q504 3 Q514 RL401 RL402 Q535 Q501 Q522 Q503 Q502 8 6 10 7 5 9 2 3 4 1 11 15 20 14 18 19 12 13 17 16 VDD VSS XIN XOUT RESET P21 P20 D3 D2 P00 P01 P02 P03 P10 P11 P12 P13 D0 D1 IC501 3 1 IC502 RESET STB5V CLR PR 7 3 1 6 Q CK 2 D 5 Q Q515 Q525 Q528 1 3 6 4 IC522 2 5 1 4 6 Q512 Q517 Q551 Q513 Q506 Q511 3 T407 5 11 2 9 12 8 T404 14 13 7 Q519 Q545 Q518 Q510 D544 D545 R K A IC512 Vda 1 4 5VAVR IC511 1 3 6 4 IC520 Q CK 2 D IC523 5 Q CLR PR 7 3 1 6 Q516 Q540 Q543 Q521 Q542 Q541 Q509 Q508 Q524 Vlow Vsus Q520 Csus 1 2 4 Vda TO SS-BOARD SS12 P12 Vda +15V +15V 1 2 P7 +15V +12V TO Z-BOARD 1 2 7 Z5 P5 +12V +12Vs 3 5V +12Vs 8 +15V 11 1 +15V 2 +15V P23 TO SC-BOARD SC23 SS11 P11 2 1 Vsus TO SS-BOARD TO SC-BOARD P2 SC2 2 1 Vsus Vsus Vsus PS SOS ALL OFF 4 8 STB5V TO D-BOARD FAN SOS 2 7 P27 D27 TV ON/OFF 6 FAN CONT STB7V 2 8 +12V TO D-BOARD 5V 1 7 P25 D25 +12V 5 Q544 PS SOS TV ON/OFF ALL OFF Q537 Q552 3 1 P33 P32 3 1 P31 3 1 P30 3 VCC 1 FAN SOS FAN SOS VCC VCC FAN SOS FAN SOS VCC Q531 Q530 Q532 FAN Q421 POWER MPC COLD HOT COLD HOT COLD HOT PF Line P Power Filter Board Supply Board 1 4 PF1 3 M.POWER Q546 ALL OFF 10 STB_PS L903 V SUS STB5V STB7V ! ! ! ! ! ! ! ! ! ! ! ! ! ! ! ! ! ! ! ! ! ! ! ! ! ! ! ! ! ! ! TH-50PHD6CY, TH-50PHW6CH/CZ P and PF-BOARD Block Diagram TH-50PHD6CY, TH-50PHW6CH/CZ P and PF-BOARD Block Diagram 64 14.4. PF 电路板电路图 + + - + + L.F + + L.F L.F + + L.F + LIVE LIVE NEUTRAL NEUTRAL LIVE NEUTRAL LIVE LIVE NEUTRAL LIVE 400V 560V 560Vp 16V 5V 14V 2.5V 14V NEUTRAL LIVE NEUTRAL NEUTRAL C919 2kV 1000p 2W R904 68k T901 ETS28AZ1E6AD 1 * P1 2 PT 3 * P2 6 V2 5 V1 12 NC 11 NC 10 * S2 9 NC 8 * S1 7 NC D921 B0BA02000024 C913 450V 100u ** ** TP903 C923 25V 1500u R921 2.2k JS901 1/2W R902 1M * * PF10 1 2 3 4 5 6 PF9 ** 1 ** 3 ** 4 ** 7W R903 3.3 * * R924 24k D906 B0BA01000046 C917 50V 0.1u D902 B0EBNT000002 * * * * D901 ERZV10V621P2 R926 3.3k C906 250V 0.22u * * R922 4.7k R905 33 C901 250V 1u * * RL901 K6B2ADA00007 * * * * D922 MA2C165001VT D907 B3PAA0000012 C910 220p C904 470p C920 220p K5Y802B00001 F900 C922 25V 2700u C905 470p Q903 2SC3311A0A IC901 MIP2E4DMY1TV D * 3 2 S * CONTROL 1 C908 220p L903 G0A101L00002 1 ** 2 ** 3 ** 4 ** D903 B0HAGV000004 TP902 C921 1kV 220p L906 EXCELDR35V C925 50V 10u 1/2W R906 3.3 C915 50V 10u C911 220p D904 B0HAMM000072 R927 47k L904 10u L905 ELF17N011A 1 * 2 * 3 * 4 * R925 10k 1/2W R901 1M * * D923 LNJ201LPQJA IC902 C0DAEJC00003 3 2 1 TP901 L902 G0BYYYL00004 1 ** 2 ** 3 ** 4 ** C916 35V 47u TP904 C909 220p D920 B0HFRJ000012 C924 50V 1u R923 22k R928 2.2k L901 G0BYYYL00004 1 ** 2 ** 3 ** 4 ** C907 250V 0.22u * * C914 630V 0.022u PF1 ** 1 ** 3 ** 4 ** K5Y802B00001 F901 C912 250V 1u * * K5D312BK0012 F902 R920 100 R907 12 C918 50V 33u S900 J0LT00000009 D900 ERZVG7Z361 T3.15AL 250V AC INLET T8AH 250V T8AH 250V 3.5mm 3.5mm 3.5mm 3.5mm STB+5V F.STB ON/OFF GND GND F.STB+14V F.STB+14V COLD HOT 14V/1.4A TO P-BOARD (P9) TO J-BOARD (J10) 3 6 C 1 D 4 8 7 2 A E 5 B ! PF-BOARD TXNPF1QMSC STB REG * $ M # + $ + m ! ! ! ! ! ! ! ! ! ! ! ! ! ! ! ! ! ! ! ! ! ! ! ! ! ! ! TH-50PHD6CY, TH-50PHW6CH/CZ PF-BOARD Schematic Diagram TH-50PHD6CY, TH-50PHW6CH/CZ PF-BOARD Schematic Diagram 65 14.5. P 电路板 (1/6)电路图 1 A 5 6 D 4 E 3 7 C B 2 8 TH-50PHD6CY, TH-50PHW6CH/CZ P-BOARD (1 of 6) Schematic Diagram TH-50PHD6CY, TH-50PHW6CH/CZ P-BOARD (1 of 6) Schematic Diagram P-BOARD TNPA2890 (1/6) ! TO PF-BOARD (PF9) NEXT PAGE TO TO 3/6 66 14.6. P 电路板 (2/6)电路图 10 11 12 13 8 14 9 15 P-BOARD TNPA2890 (2/6) TH-50PHD6CY, TH-50PHW6CH/CZ P-BOARD (2 of 6) Schematic Diagram TH-50PHD6CY, TH-50PHW6CH/CZ P-BOARD (2 of 6) Schematic Diagram ! TO SS-BOARD (SS11) TO SC-BOARD (SC2) BACK PAGE TO TO 4/6 67 14.7. P 电路板 (3/6)电路图 1 A 5 6 D 4 E 3 7 C B 2 8 TH-50PHD6CY, TH-50PHW6CH/CZ P-BOARD (3 of 6) Schematic Diagram TH-50PHD6CY, TH-50PHW6CH/CZ P-BOARD (3 of 6) Schematic Diagram P-BOARD TNPA2890 (3/6) ! TO 5/6 TO 1/6 NEXT PAGE TO 68 14.8. P 电路板 (4/6)电路图 10 11 12 13 8 14 9 15 P-BOARD TNPA2890 (4/6) TH-50PHD6CY, TH-50PHW6CH/CZ P-BOARD (4 of 6) Schematic Diagram TH-50PHD6CY, TH-50PHW6CH/CZ P-BOARD (4 of 6) Schematic Diagram ! TO SC-BOARD (SC23) TO SS-BOARD (SS12) TO Z-BOARD (Z5) TO D-BOARD (D25) BACK PAGE TO TO 2/6 TO 6/6 69 14.9. P 电路板 (5/6)电路图 1 A 5 6 D 4 E 3 7 C B 2 8 TH-50PHD6CY, TH-50PHW6CH/CZ P-BOARD (5 of 6) Schematic Diagram TH-50PHD6CY, TH-50PHW6CH/CZ P-BOARD (5 of 6) Schematic Diagram P-BOARD TNPA2890 (5/6) ! TO D-BOARD (D27) TO FAN TO FAN TO FAN TO FAN TO 3/6 NEXT PAGE TO 70 14.10.P 电路板 (6/6)电路图 10 11 12 13 8 14 9 15 P-BOARD TNPA2890 (6/6) TH-50PHD6CY, TH-50PHW6CH/CZ P-BOARD (6 of 6) Schematic Diagram TH-50PHD6CY, TH-50PHW6CH/CZ P-BOARD (6 of 6) Schematic Diagram ! BACK PAGE TO TO 4/6 71 14.11.H 和 HZ 电路板方框图和电路图 + + AB_P_STATUS AB_REMOTE AD_TXD-DP AD_RXD-DP 9V 9V AA_HD AA_VD RESET2 SOS S2_DET RESET1 AB_C_DET AB_TXD_DP AB_RXD_DP AB_REMOTE AB_P_STATUS AC_SCL AC_SDA AB_C_DET AA_HD AA_VD AA_SR AA_SL AD_TXD-DP AA_SR AA_SL AE_G AE_B AE_R AE_R AE_B AE_G AB_RXD_DP AB_TXD_DP CDG_TXD CDG_TXD CDG_RXD CDG_RXD AD_RXD-DP STB5V STB5V 9V AB_REMOTE AB_P_STATUS AB_C_DET AD_TXD-DP AD_RXD-DP AD_RXD-DP AB_TXD_DP AB_RXD_DP AD_TXD-DP AB_TXD_DP AB_RXD_DP STB5V AB_C_DET AB_P_STATUS AB_REMOTE IC3003 TVRJ987 1 A0 2 A1 3 A2 4 GND 5 SDA 6 SCL 7 WP 8 VCC R3003 56 C3032 0.1u 16V TP3004 C3025 16V 47u Q3005 2SD0601A0L R3039 100 JS3018 R3012 180k R3016 33k D3011 MAZ81600HL C3001 16V 1u JS3028 0 TP3007 Q3002 2SD0601A0L C3007 25V 0.1u R3031 1k C3004 16V 1u R3001 56 R3061 22 JS3014 0 C3015 6.3V 10u D3014 MAZ81600HL DL3006 J0HABB000004 1 2 3 4 C3014 6.3V 10u JS3025 R3062 22 R3015 33k JS3001 R3052 3.3 C3026 16V 47u C3005 1u 16V H1 A1 A2 A3 A4 A5 A6 A7 A8 A9 A10 A11 A12 A13 A14 A15 A16 A17 A18 A19 A20 A21 A22 A23 A24 A25 A26 A27 A28 A29 A30 A31 A32 A33 A34 A35 A36 A37 A38 A39 A40 B1 B2 B3 B4 B5 B6 B7 B8 B9 B10 B11 B12 B13 B14 B15 B16 B17 B18 B19 B20 B21 B22 B23 B24 B25 B26 B27 B28 B29 B30 B31 B32 B33 B34 B35 B36 B37 B38 B39 B40 Q3001 2SD0601A0L C3022 16V 0.1u JS3006 R3018 33k R3007 4.7k JS3024 C3006 1u 16V L3003 ELJPA100KF JS3005 JS3004 R3013 100 R3041 3.3 TP3003 C3028 10V 1u JS3023 JS3015 0 R3045 4.7k DL3005 J0HABB000004 1 2 3 4 IC3001 C0ZBZ0000205 1 C1+ 2 VS 3 C1- 4 C2+ 5 C2- 6 VS- 7 T2OUT 8 R2IN 9 R2OUT 10 T2IN 11 T1IN 12 R1OUT 13 R1IN 14 T1OUT 15 GND 16 VCC JS3012 0 D3001 MA3X15300L Q3006 2SB0709A0L JS3029 0 R3053 3.3 D3012 MAZ81600HL C3023 16V 0.1u DL3004 J0HAAB000012 1 2 3 4 JS3020 R3046 4.7k JS3011 JS3002 CN3001 1 2 3 4 5 6 7 8 9 10 11 12 13 14 15 16 17 18 19 20 21 22 23 24 25 26 TP3005 C3002 16V 1u TP3006 R3017 33k Q3004 2SB0709A0L DL3002 J0HAAB000012 J0HABB000003 1 2 3 4 R3019 100 D3013 MAZ81600HL R3034 4.7k R3033 100 R3038 1k R3011 180k TP3002 R3020 100 R3014 100 R3006 4.7k D3002 MA3X15300L C3003 16V 1u R3056 10k Q3003 2SD0601A0L R3040 3.3 JS3003 DL3001 J0HAAB000012 J0HABB000003 1 2 3 4 DL3003 J0HAAB000012 1 2 3 4 L3001 ELJPA100KF R3035 4.7k R3005 56 JS3013 0 DL3007 J0HABB000004 1 2 3 4 TP3001 R3057 10k R3002 56 R3004 56 R3032 100 R3021 100 JS3010 JS3019 CN3001 1 2 3 4 5 6 7 8 9 10 11 12 13 14 15 16 17 18 19 20 21 22 23 24 25 26 IC3002 1 A0 2 A1 3 A2 4 GND 5 SDA 6 SCL 7 WP 8 VCC IC3001 1 C1+ 2 VS 3 C1- 4 C2+ 5 C2- 6 VS- 7 T2OUT 8 R2IN 9 R2OUT 10 T2IN 11 T1IN 12 R1OUT 13 R1IN 14 T1OUT 15 GND 16 VCC RS232C DRIVER REMO P_STS AUD_R AUD_L VD HD SCL R G PLUG_DET 3.3V RSVD RSVD LAN15V LAN15V B C_DET RXD TXD SDA EEPROM 3.3V H-BOARD TXN/H10QZS TUNER IN INFORMATION EEPROM TERMINAL BOARD SCL SDA TUNER IN H1 G A34 A38 R A36 B L AMP Q3002 R AMP Q3001 A26 L A28 R Q3003,4 LEVEL SHIFT Q3005,6 LEVEL SHIFT A22 EEPROM SCL SDA STB5V B25 TERMINAL BOARD B24 9V 9V INFORMATION A21 VD A30 HD A32 VD HD B R G L R Tuner TerminalBoard H RS232C DRIVER RXD TXD B26 B27 REMOTE P STATUS B30 B32 CABEL DET B29 TH-50PHD6CY, TH-50PHW6CH/CZ H and HZ-Board Block and Schematic Diagram B GR R + Y Pb Pr AB_AUD_L 9V PWR_STAT STB5V AB_AUD_R SOS AB_AUD_L REMOTE CABEL_DET TXD RXD S2_DET AA_SCL2 RESET1 AA_SDA2 9V RESET2 AB_AUD_R AA_SCL2 AA_SDA2 R3042 0 JS3004 JS3012 L3005 J0HABB000003 J0HAAB000012 1 2 3 4 TP033 R3007 100 R3015 10k JS3001 L3001 J0HABB000004 1 2 3 4 R3026 100 L3006 10u Q3001 2SD0601A0L R3005 180k R3037 10k R3023 1k R3006 100 JK3001 K2HA306B0049 TP035 R3014 10k R3036 10k TP036 R3019 100 C3008 1u 16V R3016 10k JS3013 TP034 R3041 0 JS3016 JS3015 TP032 JS3014 R3025 100 JS3007 C3022 0.1u 16V L3002 J0HABB000004 1 2 3 4 JS3006 JS3011 L3004 J0HABB000003 J0HAAB000012 1 2 3 4 R3017 10k C3012 16V 0.1u JS3005 Q3002 2SD0601A0L JS3008 JS3003 C3007 1u 16V C3021 10V 1u JS3002 H1 A1 A2 A3 A4 A5 A6 A7 A8 A9 A10 A11 A12 A13 A14 A15 A16 A17 A18 A19 A20 A21 A22 A23 A24 A25 A26 A27 A28 A29 A30 A31 A32 A33 A34 A35 A36 A37 A38 A39 A40 B1 B2 B3 B4 B5 B6 B7 B8 B9 B10 B11 B12 B13 B14 B15 B16 B17 B18 B19 B20 B21 B22 B23 B24 B25 B26 B27 B28 B29 B30 B31 B32 B33 B34 B35 B36 B37 B38 B39 B40 JK3002 K2HA204B0097 R3022 1k L3003 J0HABB000004 1 2 3 4 R3004 180k IC3002 TVRJ983 1 A0 2 A1 3 A2 4 GND 5 SDA 6 SCL 7 WP 8 VCC C3011 16V 47u R3018 100 IC3002 1 A0 2 A1 3 A2 4 GND 5 SDA 6 SCL 7 WP 8 VCC JK3002 JK3001 G Y G G G Pb G G G Pr G G PLUG_DET 3.3V 3.3V RSVD RSVD VD HD LAN15V LAN15V Pr Pb Y AUD_R AUD_L EEPROM HZ-BOARD TNPA2952 COMPONENT VIDEO IN AUDIO IN L R EEPROM TERMINAL BOARD INFORMATION A36 VIDEO IN COMPONENT TERMINAL BOARD R EEPROM L Pr L AMP H1 INFORMATION R AMP Q3002 A22 A34 A28 HZ Component Video Terminal(RCA) Board A21 9V 9V AUDIO IN L Q3001 Y A38 SCL A26 SDA B25 R B24 Pb STB5V TH-50PHD6CY, TH-50PHW6CH/CZ H and HZ-Board Block and Schematic Diagram 72 14.12.HV 电路板方框图 X3101 Y R IN C + - + - 1 1 3 3 Q3006 Q3104 Q3005 Q3007 Q3101,3102 L.P.F. Q3023 Q3051 Q3052 L IN IC3003 AMP C IN Y IN VIDEO IN Analog Front-End AGC 2 × ADC Adaptive Comb Filter NTSC Color Decoder NTSC PAL SECAM Saturation Tint Mixer 2DScalar PIP Panorama Contast Brightness Peaking Output Formatter PAL Clock Sync + Generation MEMORY CONTROLLOR R07 R00 G07 G00 B00 B07 13 6 199 206 160 153 3 55 56 54 52 2 51 50 24 18 22 16 15 23 20 19 14 10 11 8 4 12 7 6 R07 G07 R00 G00 B00 B07 TTL PARALLEL TO LYDS 46 45 47 48 37 42 38 41 40 39 PLL 31 27 28 72 95 163 162 165 HS VS CLK IN 117 116 212 210 IIC Bus Clock Gen. SDA SCL C V/Y 17 32 B5 B6 B2 B9 B14 B8 B15 B3 TX0+ TX0- TX1+ TX1- TX2- TX2+ TX3- TX3+ B24 B25 SCL2 SDA2 P1 P2 5 6 P0 4 14 SCL SDA 15 SDA 5 6 SCL IC3305 DAC ICC EXPANDER IC3699 EEPROM 65 4 OUT RESET IC3104 5M FIFO MEMORY IC3201 IC3251 LVDS TRANSMITTER GC2M IC3103 CLKSEL /PDWN B36 R A26 S2 DET A28 V/Y A38 L B11 TXC+ B12 TXC- JK3001 S-VIDEO IN JK3005 H1 TX0- TX2- TX2+ TXC- TX3- TX3+ TX0+ TXC+ TX1- TX1+ H Sync V Sync LL Clock /POWN CLK SEL S DET TO J11 8 8 8 BUFFER BUFFER BUFFER BUFFER AMP AMP L AMP R AMP Composite Video Terminal(RCA) Board HV IC3003 AMP AMP Q3002 AMP Q3003 INV. Q3004 7 6 1 5 SWITCH IC3003 INFORMATION TERMINAL BOARD P7 12 S SEL SDA 6 7 SCL 3 2 IC3304 5V<=>3.3V 5V<=>3.3V IC3105 SCL 2 SDA 5 6 3 X3101 Y R IN C + - + - 1 1 3 3 Q3006 Q3104 Q3005 Q3007 Q3101,3102 L.P.F. Q3023 Q3051 Q3052 L IN IC3003 AMP C IN Y IN VIDEO IN Analog Front-End AGC Adaptive Comb Filter NTSC Color Decoder NTSC PAL SECAM Saturation Tint Mixer 2DScalar PIP Panorama Contast Brightness Peaking Output Formatter PAL Clock Sync + Generation R07 R00 G07 G00 B00 B07 13 6 199 206 160 153 3 55 56 54 52 2 51 50 24 18 22 16 15 23 20 19 14 10 11 8 4 12 7 6 R07 G07 R00 G00 B00 B07 TTL PARALLEL TO LYDS 46 45 47 48 37 42 38 41 40 39 PLL 31 27 28 72 163 162 165 HS VS CLK IN 117 116 212 210 IIC Bus Clock Gen. SDA SCL C V/Y 17 32 B5 B6 B2 B9 B14 B8 B15 B3 TX0+ TX0- TX1+ TX1- TX2- TX2+ TX3- TX3+ B24 B25 SCL2 SDA2 P1 P2 5 6 P0 4 14 SCL SDA 15 SDA 5 6 SCL IC3305 DAC ICC EXPANDER IC3699 EEPROM 65 4 OUT RESET IC3104 5M FIFO MEMORY IC3201 IC3251 LVDS TRANSMITTER GC2M IC3103 CLKSEL /PDWN B36 R A26 S2 DET A28 V/Y A38 L B11 TXC+ B12 TXC- JK3001 S-VIDEO IN JK3005 H1 TX0- TX2- TX2+ TXC- TX3- TX3+ TX0+ TXC+ TX1- TX1+ H Sync V Sync LL Clock /POWN CLK SEL S DET TO J11 8 8 8 BUFFER BUFFER BUFFER BUFFER AMP AMP L AMP R AMP Composite Video Terminal(RCA) Board IC3003 AMP AMP Q3002 AMP Q3003 INV. Q3004 7 6 1 5 SWITCH IC3003 INFORMATION TERMINAL BOARD P7 12 S SEL SDA 6 7 SCL 3 2 IC3304 5V<=>3.3V 5V<=>3.3V IC3105 SCL 2 SDA 5 6 3 TH-50PHD6CY, TH-50PHW6CH/CZ HV-Board Block Diagram TH-50PHD6CY, TH-50PHW6CH/CZ HV-Board Block Diagram 73 14.13.HV 电路板 (1/2)电路图 + + C Y + + NP + + NP NP + Y L R AA_BO7 AO_RE AO_FO0 AO_FI4 AA_BO6 AO_RR AO_FO3 AO_FO1 AA_BO5 AO_FI0 AO_FO4 3.3V AO_FO2 AA_BO4 AE_V_Y AO_FI1 AO_FO0 AO_FO5 AC_RO0 AD2R5V 3.3V 3.3V 5V AA_BO3 AO_FI2 PLL2.5V AO_FO1 AO_FO3 AL_S_SEL AA_BO2 AO_FI3 AO_FO2 AO_FO4 AL_S_DET GC2R5V AO_FI4 AO_WR AG_SDA2 AE_L AO_WE AC_RO2 AO_WE AE_R AC_RO7 AC_RO3 AG_SCL2 AO_WR AO_FO6 2.5v_MM AC_RO4 AO_FI5 AO_FI5 DA2.5V AO_FO9 AO_FI6 AC_RO5 AO_FI6 2.5v_MF AC_RO6 AO_FI7 AO_FO9 AO_FI8 2.5v_MB AO_FI0 AO_FI9 AO_FI1 AO_FO7 AC_RO1 AO_FO8 AB_GO5 GC3R3V AB_GO6 AO_FO8 AO_FO6 AB_GO7 AA_BO1 AO_FI8 9V 9V AO_FO5 AA_BO0 AO_FI9 AO_FO7 AB_GO1 AO_FI7 AB_GO0 AO_RE AL_S2_DET AB_GO2 AO_RR AB_GO3 AM_VS AO_FI2 AB_GO4 AM_HS AO_FI3 9V R3009 100 Q3007 2SB0709A0L C3141 1u 6.3V C3115 16V 0.1u C3111 16V 0.1u 1% R3005 75 R3144 1k 1% R3180 1.1k R3116 0 R3059 1k R3046 100 1% R3030 390 C3202 10V 1u R3165 0 C3144 16V 0.1u 1% R3040 330 C3214 10V 1u C3175 16V 0.1u C3106 16V 0.1u C3207 4V 220u R3058 100 C3126 16V 0.1u C3138 10u 6.3V R3152 560 1% R3172 75 C3009 16V 47u IC3104 C0EBE0000066 1 GND 2 SUB 3 NC 5 Vcc 4 Out C3161 16V 0.1u R3158 1.8k JS3309 C3140 50V 100p R3060 1k C3137 16V 0.1u C3136 50V 33p 33k R3051 JS3308 C3002 25V 0.1u C3185 50V 6p R3140 22 R3151 22 R3053 15k JS3305 1% R3163 2.7k C3134 16V 0.1u R3033 100 C3160 16V 0.1u C3022 10V 1u R3013 15k R3145 1k 1% R3123 15k R3194 0 JK3001 K1CB106B0027 C3122 10V 1u R3118 0 R3037 220 1% C3125 16V 0.1u C3013 16V 1u C3162 10V 1u R3117 1k C3113 16V 0.1u R3149 22 R3141 0 R3062 560 1% R3173 220 L3103 ELJPA100KF 560p C3051 50V R3017 100 R3065 0 R3014 10k Q3005 2SD0601A0L C3021 16V 1u 1% R3042 6.8k C3116 16V 0.1u C3121 16V 0.1u R3007 100k C3017 50V 68p R3057 100 R3138 0 1% R3161 2.7k R3115 1k R3028 100 1% R3133 10 1% R3134 10 R3166 0 Q3006 2SB0709A0L 1% R3113 1.5k R3148 22 C3012 16V 0.1u C3150 16V 0.01u C3165 10V 1u R3154 330 C3172 16V 0.1u C3005 16V 0.1u C3024 10u 6.3V Q3101 2SB0709A0L 1% R3168 200 C3158 16V 0.1u C3218 16V 0.1u C3117 16V 0.1u C3006 16V 0.1u C3108 16V 0.1u C3174 16V 0.1u C3135 16V 0.01u C3056 1u 16V C1AB00001826 IC3103 1 VSS 2 VDDE 3 VDDI 4 UV0 5 UV1 6 RO0 7 RO1 8 RO2 9 RO3 10 RO4 11 RO5 12 RO6 13 RO7 14 HPO1 15 VPO1 16 LCLK1 17 VDDI 18 VDDE 19 VSS 20 HPIN2 21 VPIN2 22 UVIN0 23 UVIN1 24 UVIN2 25 UVIN3 26 UVIN4 27 UVIN5 28 UVIN6 29 UVIN7 30 UVIN8 31 UVIN9 32 CLKIN 33 VDDI 34 VDDE 35 VSS 36 YIN0 37 YIN1 38 YIN2 39 YIN3 40 YIN4 41 YIN5 42 YIN6 43 YIN7 44 YIN8 45 YIN9 46 VDDI 47 VDDE 48 VSS 49 YUV0 50 YUV1 51 YUV2 52 YUV3 53 YUV4 54 YUV5 55 YUV6 56 YUV7 57 YUV8 58 YUV9 59 VDDI 60 VDDE 61 VSS 62 BCLK 63 HFR 64 LCDSW 65 NRST 66 AVSAD12 67 AVDAD12 68 AVSAD11 69 AVDAD11 70 VRH1 71 NC 72 VIN1 73 VRL1 74 NC 75 NC 76 AVSAD22 77 AVDAD22 78 AVSAD21 79 AVDAD21 80 NC 81 VRH2 82 NC 83 VIN2 84 NC 85 VRL2 86 NC 87 NC 88 AVSAD32 89 AVDAD32 90 AVSAD31 91 AVDAD31 92 NC 93 VRH3 94 NC 95 VIN3 96 NC 97 VRL3 98 NC 99 NC 100 AVDCLP 101 AVSCLP 102 UCLP 103 VCLP 104 YCLP 105 VSS 106 VDDI 107 VDDE 108 MST 109 SMCK 110 VPD 111 XTST 112 VPIN1 113 HPIN1 114 SCS 115 XSM 116 SDA 117 SCL 118 VSS 119 VDDE 120 FO9 121 FO8 122 FO7 123 FIN9 124 FIN8 125 FIN7 126 FIN6 127 FIN5 128 FO6 129 FO5 130 VSS 131 VDDI 132 VDDE 133 WE 134 WR 135 FCKR 136 RR 137 RE 138 FO4 139 FO3 140 FIN4 141 FIN3 142 FIN2 143 FIN1 144 FIN0 145 FO2 146 FO1 147 FO0 148 OSDCNT 149 VDDE 150 VSS 151 VDDI 152 INTLC 153 VDAF 154 EWO 155 HO2 156 HO1 157 158 HDO 159 HTRAP 160 HINP 161 HPO3 162 VPO3 163 HPO2 164 VPO2 165 LCLK2 166 VDDE 167 BXS3 168 VSS 169 CW358 170 VDDI 171 VGS3 172 CPO3 173 AVDPL3 174 AVSPL3 175 VGS2 176 CPO2 177 AVDPL2 178 AVSPL2 179 VSS 180 HREF 181 VDDE 182 BXS2 183 VDDI 184 FBPMO 185 VDDE 186 FBPIN 187 VSS 188 AVSPL1 189 AVDPL1 190 CPO1 191 VGS1 192 VSS 193 VDDI 194 POUT 195 VDDE 196 VSAW 197 VDDE 198 RDV 199 BDV 200 RCF 201 GCF 202 BCF 203 HCLP 204 BLK 205 HPO4 206 VPO4 207 FRCLK 208 VDDE 209 VSS 210 XIN 211 VDDI 212 XOUT 213 VDDE 214 VSS 215 VMYS 216 YUVOE 217 TEST 218 AIN1 219 AIN2 220 AIN3 221 AIN4 222 AVSAD 223 VR 224 AVDAD 225 VRO1 226 VREF1 227 AOUT1 228 AVSDA1 229 AVDDA1 230 VRO2 231 VREF2 232 AVSDA2 233 AVDDA2 234 AOUT2 235 AVSDA3 236 AVDDA3 237 AOUT3 238 COMP3 239 AVSDA4 240 AOUT4 241 AVDDA4 242 VRO4 243 VREF4 244 COMP4 245 NC 246 AVDDA5 247 AVSDA5 248 AOUT5 249 COMP5 250 NC 251 AVSDA6 252 AOUT6 253 AVDDA6 254 VRO6 255 VREF6 256 COMP6 1% R3169 75 R3055 15k R3045 10k R3125 0 1% R3181 1.4k C3109 16V 0.1u C3001 25V 0.1u C3110 16V 0.1u R3012 10k JS3302 1% R3177 1.4k C3127 16V 1u C3212 10V 1u R3006 10k C3169 16V 0.1u C3146 16V 0.1u R3054 33k C3114 16V 0.1u L3201 ELJPA100KF JS3301 C3055 1u 16V C3147 10u 6.3V C3123 16V 0.1u L3104 ELJPA100KF R3101 22 C3107 16V 0.1u R3025 100 L3007 G1C2R2K00006 C3105 4V 220u IC3002 C0ABGB000001 1 2 3 5 4 1% R3171 75 C3139 16V 0.1u 1% R3032 120 R3048 100 R3026 10k Q3104 2SD10300TL 560p C3053 50V C3118 16V 0.1u C3103 10V 1u R3119 120 C3023 16V 47u C3104 16V 0.1u C3180 16V 0.1u R3153 220 L3052 ELJNA1R5JF C3168 16V 0.1u R3136 0 R3102 0 C3119 16V 0.1u C3181 16V 0.1u C3204 10V 1u C3173 16V 0.1u Q3023 2SD0601A0L C3131 16V 0.1u C3203 10V 1u D3001 MA2J72900L C3186 50V 47p C3213 10V 1u C3010 16V 0.1u C0CBABB00029 IC3301 4 GND 3 SW 1 OUT 2 IN R3159 0 C3130 16V 0.1u C3008 16V 0.1u 1% R3036 180 C3151 50V 33p C3132 16V 0.1u C3154 16V 0.1u Q3003 2SD0601A0L R3193 10k C3133 16V 0.1u C3166 10V 1u R3143 0 Q3052 2SD0601A0L R3035 1k 1% R3183 1.4k R3027 1k C3102 16V 0.1u R3114 0 1% R3124 10 Q3002 2SD0601A0L R3142 0 1% R3041 180 R3016 100 1% R3170 75 JS3310 C3004 10V 10u R3010 15k R3003 10k R3120 0 560p C3054 50V JS3306 R3008 10k R3023 4.7k 1% R3178 1.1k C3206 10V 1u L3051 ELJNA1R5JF C3014 16V 47u JS3303 L3001 J0HABB000003 1 2 3 4 C3209 10V 1u C3210 10V 1u IC3201 C3HBKZ000001 1 VCC 2 CS 3 CSMODE 4 NC 5 VSS 6 DI0 7 DI1 8 NC 9 DI2 10 VSS 11 DO0 12 DO1 13 VCC 14 NC 15 DO2 16 VSS 17 VSS 18 VCC 19 VCC 20 DO3 21 NC 22 VCC 23 NC 24 DO4 25 VSS 26 DI3 27 NC 28 NC 29 DI4 30 VSS 31 OE 32 RE 33 RSTR 34 SRCK 35 VCC 36 VSS 37 SWCK 38 RSTW 39 WE 40 IE 41 VCC 42 DI5 43 NC 44 NC 45 DI6 46 VSS 47 DO5 48 NC 49 VCC 50 NC 51 DO6 52 VCC 53 VCC 54 VSS 55 VSS 56 DO7 57 NC 58 VCC 59 DO8 60 DO9 61 VSS 62 DI7 63 NC 64 DI8 65 DI9 66 VCC 67 NC 68 NC 69 NC 70 VSS IC3101 C0DBEZG00004 1 IN 2 ON/OFF 3 OUT 4 V_adj 5 GND 6 OUT L3002 J0HABB000004 1 2 3 4 R3155 330 C3142 16V 0.1u C3211 10V 1u C3148 1u 6.3V C3011 16V 0.1u R3022 100 C3120 16V 0.1u R3174 0 Q3001 2SD0601A0L R3104 22 1% R3004 75 R3157 220 R3043 560 1% R3050 75 33k R3052 C3016 50V 22p C3164 10V 1u C3019 6.3V 3.3u IC3105 C0JBAZ001834 1 2 3 4 5 6 7 8 R3044 10k C3179 4V 220u R3156 560 L3003 J0HABB000004 1 2 3 4 C3153 50V 100p C3015 50V 47p 1% R3127 12 R3021 1k C3124 16V 0.1u R3106 10k R3192 10k R3049 1k 1% R3135 10 C3170 16V 0.1u R3189 0 R3185 0 C3205 10V 1u R3019 1k C3178 16V 0.1u C3188 10V 1u Q3004 2SD0601A0L C3167 16V 0.1u C3018 10V 10u R3121 120 C3156 1u 6.3V R3131 22 R3056 33k R3137 0 1% R3112 1.5k C3163 10V 1u R3167 0 C3183 16V 0.1u C3112 16V 0.1u 1% R3031 470 C3217 10V 1u C3007 16V 0.1u C3208 10V 1u IC3102 C0DBZLB00001 K 1 3 R A 2 1% R3129 12 C3152 16V 0.1u 560p C3052 50V R3061 560 R3195 0 L3102 ELJPA100KF C3177 16V 0.1u R3108 0 C3128 16V 0.1u R3018 100 R3107 33 IC3001 C0JBAR000111 1 2 3 4 5 6 7 8 JS3304 IC3003 C0ABGB000001 1 2 3 5 4 R3164 0 R3047 1k R3011 10k Q3051 2SD0601A0L 1% R3179 1.4k R3139 0 1% R3029 220 1% R3160 2.7k R3015 15k L3005 0 R3020 1k C3003 10V 10u 1% R3182 1.1k 1% R3122 8.2k C3176 16V 0.1u Q3102 2SD10300TL R3024 100 C3129 16V 0.1u R3038 2.7k D3002 MAZ31000ML X3101 H0J202500002 C3149 16V 0.1u 1% R3162 2.7k C3171 16V 0.1u 1% R3184 1.1k C3159 4V 220u C3182 16V 0.1u C3157 10u 6.3V C3216 10V 1u L3006 J0E8004B0008 1 2 3 4 5 6 7 9 10 12 *JK3005 K2HA306B0048 1% *R3064 75 ACL XTAL D Macro GC2M+ Global_tvsiginal_processing_CoreLSI 4 ver.2_for_Main_processor C 1 + 2 - Macro Macro Macro 5M_FIFO DA AVR 3.3V AD 5V=>3.3V AD RESET PLL AVR 2.5V PLL ERROR DET PLL AMP AMP SWITCH 13 5 6 4 2 3 1 11 12 10 VCC For Mid_CLK GND VEE INH COM I1 I0 SEL + - CROMA 8 /OE1 9 /OE2 7 B1 A2 Vcc A1 B2 GND For BurstLock F For FBP 5 Macro Macro A Macro AVDDA4 AVSDA2 HV-BOARD TNPA2844 (1/2) B AVDDA2 E AVSDA3 9 AVDDA3 6 AVSDA4 8 MP 7 EHT 3 TH-50PHD6CY, TH-50PHW6CH/CZ HV-Board (1 of 2) Schematic Diagram TH-50PHD6CY, TH-50PHW6CH/CZ HV-Board (1 of 2) Schematic Diagram 74 14.14.HV 电路板 (2/2)电路图 + + + + + + + SCL2 AC_RO2 AL_S_SEL AL_S2_DET SDA2 AC_RO0 3.3V 3.3V 3.3V AM_HS AI_TX3+ AE_V_Y AH_TX2- AM_HS AC_RO3 SRQ AI_TX3- AH_TX2+ AC_RO4 AM_VS AJ_TXC+ AG_SDA2 AD_TX0- AM_VS AC_RO5 AA_BO4 AE_L AJ_TXC- AK_TX1+ AC_RO6 AA_BO3 AH_TX2- AH_TX2+ AK_TX1- AA_BO1 AK_TX1+ AD_TX0+ AG_SCL2 AA_BO0 AK_TX1- AA_BO2 SCL2 AD_TX0+ AA_BO6 SDA2 AD_TX0- AA_BO7 AL_S_DET AA_BO5 AG_SCL2 SRQ AB_GO6 C C C C C PLL2.5V SDA2 AG_SDA2 SCL2 AC_RO7 SCL2 AC_RO1 AI_TX3- 3.3V 3.3V AJ_TXC+ SDA2 AI_TX3+ 9V AB_GO7 AB_GO5 2.5V AB_GO1 AE_R 3.3V 3.3V AB_GO0 AB_GO4 3.3V AJ_TXC- AB_GO3 AB_GO2 5V R3253 4.7k R3338 22 C3262 50V 1000p IC3251 C0ZBZ0000684 DS90C383AMTDX 1 2 3 4 5 6 7 8 9 10 11 12 13 14 15 16 17 18 19 20 21 22 23 24 25 26 27 28 29 30 31 32 33 34 35 36 37 38 39 40 41 42 43 44 45 46 47 48 49 50 51 52 53 54 55 56 TS3102 C3324 6.3V 100u R3305 0 R3304 22 C3317 10V 1u R3252 10k R3308 10k R3302 4.7k C3254 16V 0.1u C3258 16V 0.1u L3305 ELKE103FA 1 2 3 C3319 16V 0.1u C3313 10V 1u H0 K1KA08A00293 1 2 3 4 5 6 7 8 L3308 ELKE103FA 1 2 3 C3257 50V 1000p R3315 10k C3328 16V 0.1u C3253 50V 1000p R3254 22 1% R3301 1.5k R3313 33k C3255 50V 1000p 1% R3300 1.5k IC3305 C0JBAZ000801 1 A0 2 A1 3 A2 4 P0 5 P1 6 P2 7 P3 8 GND 9 P4 10 P5 11 P6 12 P7 13 VDAC 14 SCL 1 15 SDA 1 16 VCC C3320 16V 0.1u C3260 16V 0.1u R3307 0 R3309 10k C3309 10V 1u IC3699 TVRJ982 1 A0 2 A1 3 A2 4 GND 5 SDA 6 SCL 7 WP 8 VCC C3261 4V 220u 33k R3319 C3318 16V 0.1u L3306 ELKE103FA 1 2 3 C3322 4V 220u C3301 10V 1u C3256 16V 0.1u TS3100 C3311 16V 0.1u TS3101 R3251 100 R3303 22 R3255 22 C3308 4V 220u C3259 50V 1000p L3251 ELJPA2R2MF C3264 16V 0.1u C3263 16V 0.1u C3265 4V 220u C3321 16V 0.1u L3307 ELKE103FA 1 2 3 C3325 16V 47u IC3303 AN80L25RMSTX 5 4 3 1 2 IC3302 C0DBEZG00004 1 IN 2 ON/OFF 3 OUT 4 V_adj 5 GND 6 OUT C3327 16V 0.1u C3330 16V 0.1u H1 K1KA80B00034 A1 A2 A3 A4 A5 A6 A7 A8 A9 A10 A11 A12 A13 A14 A15 A16 A17 A18 A19 A20 A21 A22 A23 A24 A25 A26 A27 A28 A29 A30 A31 A32 A33 A34 A35 A36 A37 A38 A39 A40 B1 B2 B3 B4 B5 B6 B7 B8 B9 B10 B11 B12 B13 B14 B15 B16 B17 B18 B19 B20 B21 B22 B23 B24 B25 B26 B27 B28 B29 B30 B31 B32 B33 B34 B35 B36 B37 B38 B39 B40 C0JBBZ000285 IC3304 1 NC 2 SCL0 3 SDA0 4 GND 5 EN 6 SDA1 7 SCL1 8 VCC C3316 10V 1u R3337 22 R3314 10k C3329 16V 0.1u L3252 ELJPA2R2MF C3323 4V 220u C3266 16V 0.1u 12 VP 10 16 11 HP STB5V 15 GND 13 Y3- LVDS TRANSMITTER Y3+ LVDS GND AVR 2.5V EEPROM PLL GND TERMINAL BOARD PLL VCC INFORMATION PLL GND /PDWN 5V=>3.3V CLK IN DAC IIC EXPANDER D26 AVR 2.5V GND D25 D24 VCC D23 D22 D21 D20 GND D19 D5 D18 VCC D27 CLKI_M LVDS GND Y0- Y0+ Y1- Y1+ LVDS VCC LVDS GND Y2- Y2+ CLKOUT- CLKOUT+ S_DET D17 SRQ CLKSEL GND D16 SDA D15 SCL D14 GND GND OUT D13 ON/OFF D12 VCC D10 3 D11 1 D9 11 GND 12 D2 10 D3 8 D4 9 D0 7 D1 13 17 D8 5 6 GND 4 18 D7 2 14 D6 HV-BOARD TNPA2844 (2/2) IN GND NC TH-50PHD6CY, TH-50PHW6CH/CZ HV-Board (2 of 2) Schematic Diagram TH-50PHD6CY, TH-50PHW6CH/CZ HV-Board (2 of 2) Schematic Diagram 75 14.15.HX 电路板方框图 L AMP Q3532 R IN L IN PC AUDIO IN JK3513 14 16 13 1 2 3 15 R AMP Q3531 13 11 5 1 3 7 9 6 5 7 VCLK SDA SCL DDC EEPROM IC3502 PC R PC G PC B PC HD PC VD SCL SDA L R PC IN JK3511 PC R PC B PC HD PC VD PC G PC Ls PC Rs TXD 3 2 RXD RXD-PC TXD-PC 19 18 JK3509 RS-232C SERIAL HX PC Terminal Board HX1 9V 5V 22 21 9V 5V REMOTE IN TO J-BOARD J14 TH-50PHD6CY, TH-50PHW6CH/CZ HX-BOARD Block Diagram TH-50PHD6CY, TH-50PHW6CH/CZ HX-BOARD Block Diagram 76 14.16.HX 电路板电路图 + + + AB_TXD AB_RXD AC_VD AC_HD AC_HD AB_RXD AB_TXD AC_VD R3510 100 L3508 J0HABB000004 1 2 3 4 C3562 1u 16V D3509 MAZ81600HL R3400 10k L3509 J0HABB000004 1 2 3 4 JK3509 1 2 3 4 5 8 9 6 7 R3586 56 HX1 1 2 3 4 5 6 7 8 9 10 11 22 21 20 19 18 17 16 12 13 14 15 L3517 J0HAAB000012 1 2 3 4 L3514 J0HAAB000012 1 2 3 4 IC3502 C3EBCC000020 1 NC 2 NC 3 NC 4 VSS 5 SDA 6 SCL 7 VCLK 8 VCC R3530 180k R3668 100 C3550 50V 0.01u R3529 180k C3551 16V 47u R3508 4.7k JK3511 1 2 3 4 5 6 7 8 9 10 11 12 13 14 15 C3524 50V 0.01u D3504 MAZ30560ML R3656 33k R3547 100 C3405 16V 47u R3672 100 R3663 1k L3513 J0HAAB000012 1 2 3 4 R3585 56 L3555 ELJPA100KF L3512 J0HAAB000012 1 2 3 4 R3589 47k R3591 0 D3502 MAZ30560ML R3790 100 L3510 J0HAAB000012 1 2 3 4 R3511 100 R3548 100 L3511 J0HAAB000012 1 2 3 4 C3404 16V 0.1u R3653 15k L3515 J0HAAB000012 1 2 3 4 D3503 MAZ30560ML Q3531 2SD0601A0L D3510 MAZ81600HL R3664 1k R3654 33k R3592 0 R3593 0 R3590 56 C3561 1u 16V D3508 MAZ81600HL R3778 47k R3791 100 C3523 16V 47u JK3513 K2HC103B0105 R3777 100 C3409 16V 0.1u L3507 J0HABB000004 1 2 3 4 R3509 4.7k Q3532 2SD0601A0L L3526 ELJPA100KF L3516 J0HAAB000012 1 2 3 4 R3655 15k D3501 MAZ30560ML D3507 MAZ81600HL R3776 100 5V 9V TXD RXD VD HD TJS8A9880 RS-232C REMOTE_IN TJS4A8390 CTS RTS PCis DSR RI K1FB109B0058 L R EEPROM DDC RXD TXD DTR CD GND 9V PC Ls PC Rs PC R PC G PC B STB5 4 E C 7 B 2 A 5 6 D 3 1 8 ! HX-BOARD TZTNP020QMS TO (J14) J-BOARD TH-50PHD6CY, TH-50PHW6CH/CZ HX-BOARD Schematic Diagram TH-50PHD6CY, TH-50PHW6CH/CZ HX-BOARD Schematic Diagram 77 14.17.HY 电路板方框图 X3101 /POWN Q3052 B07 CLK SEL R00 L IN S DET B00 Q3401 G00 TO J11 IC3401 G07 TO J12 AMP & SW TTL PARALLEL TO LYDS 8 C IN 8 46 Y IN 8 45 VIDEO INV. 47 IN 48 VIDEO BUFFER 37 OUT BUFFER 42 Analog BUFFER 38 Front-End BUFFER 41 AGC BUFFER 40 VIDEO IN/OUT BUFFER 2 x ADC Gen. JK3004 39 L AMP Adaptive SDA AUDIO IN PLL R AMP Comb SCL JK3303 31 R AMP Filter C L AMP AUDIO IN 27 V/Y NTSC HD AMP Y 28 17 Color VD AMP PB 72 32 AV PR 95 B5 COMPONENT COMPONENT 163 Decoder B6 /RGB JK3304 162 NTSC B2 CVBS & RGB/COMPONENT(BNC) Terminal Board /RGB PAL 165 B9 HY H SECAM HS SCL B14 V Saturation 3 VS B8 AUDIO L 2 Tint CLK IN B15 A26 IC3311 Mixer 117 B3 AUDIO R 5V<=>3.3V 2DScalar 116 TX0+ A28 SDA PIP 212 TX0- Y 6 Panorama 210 TX1+ A38 7 Contast IIC Bus TX1- PB 3 Brightness Clock TX2- A36 R Peaking TX2+ PR A28 Output TX3- A34 S2 DET Formatter TX3+ HD A26 PAL B24 A32 Clock B25 VD Sync SCL2 A30 L + SDA2 H1 B11 Generation HFP TXC+ MEMORY CONTROLLOR Y-SEL B12 R07 5 TXC- R00 6 Q3505,3506 S-DET B07 Q3501,3502 12 B00 H2 R IN 14 G00 TX0- Q3503 SCL G07 TX2- Q3504 SDA 13 TX2+ 15 L IN TXC- 6 SDA JK3001 TX3- 199 5 S-VIDEO IN TX3+ 206 6 JK3002 TX0+ 160 SCL IC3305 153 R IN DAC ICC EXPANDER 3 C 55 + IC3699 56 EEPROM - 54 65 + 52 - 4 2 + OUT 51 - RESET 12 50 IC3104 10 24 5M FIFO 15 18 FOR NTSC 3D COMB FILTER 5 22 IC3201 16 IC3251 2 7 15 LVDS TRANSMITTER 9 Y 23 16 GC2M 20 Q3403 IC3103 19 Q3104 CLKSEL 14 Q3005 /PDWN 10 Q3007 B36 11 Q3101,3102 TXC+ IC3105 8 5V<=3.3V TX1- L.P.F. 4 SDA TX1+ L.P.F. 2 12 H Sync Q3004 5 7 V Sync Q3023 SCL 6 LL Clock Q3051 6 R07 4 AV 8 1 SW L3006 4 S-SEL 104 Y CLIP R/PR G/Y B/PB H/HV V H0 7 6 2 1 A22 B23 STB5V A17 B17 A19 B19 A21 B21 SRQ 9V 5V REG 2 IC3301 1 3.3V 3.3V 1 IC3303 2.5V PLL 2.5V 2 5 REG 1 IC3302 REG 2.5V 3 1 IC3101 REG 2.5V 3 SDA SCL SRQ STB5V A38 Y/G GLOBAL TV SIGNAL PROCESSOR STB5V TH-50PHD6CY, TH-50PHW6CH/CZ HY-BOARD Block Diagram TH-50PHD6CY, TH-50PHW6CH/CZ HY-BOARD Block Diagram 78 14.18.HY 电路板 (1/3)电路图 + R/PR G/Y B/PB H/HV V + NP + 2 1 NP C Y 9V AD_VD_2 S2_DET RESET1 RESET2 PWR_STAT SOS REMOTE CABEL_DET RXD TXD AB_V_Y AC_S_DET AC_S_SEL 9V AB_R AB_L AA_Ls_2 AA_Rs_2 AD_VD_2 AD_HD_2 STB5V 9V AD_HD_2 9V AC_S2_DET 9V L3001 J0HABB000003 1 2 3 4 R3412 1k 1% R3409 680 C3520 16V 47u R3056 33k R3011 10k R3012 7.5k R3055 15k 1% R3402 1.8k JK3304 K1QBB5AB0005 G R/PR G G G G/Y G G G B/PB G G G H/HV G G G V G G R3536 1k R3065 0 L3525 J0HABB000003 1 2 3 4 R3411 10k C3526 0.1u 16V R3535 1k Q3004 2SD0601A0L C3525 0.1u 16V R3525 10k C3508 6.3V 10u C3521 16V 0.1u R3007 100k L3002 J0HABB000004 1 2 3 4 L3531 J0HABB000003 1 2 3 4 560p C3051 50V R3544 4.7k C3009 16V 47u R3028 82 R3546 3.3 R3013 4.7k Q3504 2SD0601A0L R3014 7.5k 1% R3401 2.7k R3528 10k TS3004 C3511 1u 16V R3539 100 C3011 16V 0.1u D3352 MA3X15300L R3015 4.7k 560p C3053 50V 1% R3406 1.8k R3053 15k 33k R3051 R3507 4.7k C3510 1u 16V 1% R3004 75 R3006 10k JS3506 0 TS3005 1% R3002 75 R3529 100 R3527 10k 1% R3404 1.8k R3062 560 R3026 3.3k R3060 1k R3010 15k 560p C3052 50V Q3051 2SD0601A0L JS3508 0 1% R3403 2.7k Q3052 2SD0601A0L R3408 47k L3530 J0HABB000003 1 2 3 4 C3527 6.3V 6.8u JK3004 K2HA204B0097 YKC21-4206 R3008 10k C3055 1u 16V H2 A1 A2 A3 A4 A5 A6 A7 A8 A9 A10 A11 A12 A13 A14 A15 A16 A17 A18 A19 A20 A21 A22 A23 A24 A25 A26 A27 A28 A29 A30 A31 A32 A33 A34 A35 A36 A37 A38 A39 A40 B1 B2 B3 B4 B5 B6 B7 B8 B9 B10 B11 B12 B13 B14 B15 B16 B17 B18 B19 B20 B21 B22 B23 B24 B25 B26 B27 B28 B29 B30 B31 B32 B33 B34 B35 B36 B37 B38 B39 B40 C3003 10V 10u 560p C3054 50V R3532 3.3 R3530 100 1% R3001 75 C3012 16V 0.1u R3526 10k Q3401 2SD0601A0L C3507 6.3V 10u C3001 25V 0.1u Q3506 2SB0709A0L C3523 16V 47u JK3002 K1QBB2AB0005 C3005 16V 0.1u C3524 16V 0.1u L3003 J0HABB000004 1 2 3 4 L3529 J0HABB000004 1 2 3 4 C3004 10V 10u L3052 ELJNA1R5JF R3009 100 IC3401 C0ABZA000028 1 2 3 4 5 6 7 8 9 10 11 12 13 14 15 16 1% R3413 180 R3514 100 JS3501 0 C3010 16V 0.1u R3545 4.7k C3002 25V 0.1u 1% R3005 75 R3538 100 R3057 100 Q3503 2SD0601A0L L3527 J0HABB000004 1 2 3 4 R3058 100 33k R3052 C3006 16V 0.1u R3501 180k D3351 MA3X15300L R3003 10k L3528 J0HABB000004 1 2 3 4 JS3507 0 R3027 15k L3533 ELJPA100KF C3007 16V 0.1u R3522 4.7k R3054 33k L3532 ELJPA100KF R3506 4.7k Q3501 2SD0601A0L L3051 ELJNA1R5JF JK3303 K2HA204B0097 R3059 1k R3517 100 R3061 560 L3526 J0HABB000003 1 2 3 4 1% R3405 2.7k Q3502 2SB0709A0L Q3505 2SD0601A0L 1% R3031 180 C3056 1u 16V R3531 3.3 R3515 100 JS3502 0 R3516 100 1% R3407 2.2k JS3503 0 R3502 180k D3002 MAZ31000ML R3521 4.7k JK3001 K1CB106B0027 YKF51-5575 R3547 3.3 1% R3410 2.2k S - short STV5V SRQ AUD_L AUD_R LAN15V PLUG_DET 3.3V LAN15V HD RSVD RSVD VD 3.3V + - -VDD + - VDD GND GND + - R_IN L_IN 3.3V Y PB PR H V 4 E C 7 B 2 A 5 6 D 3 1 8 5 6 4 2 3 1 10 8 9 7 HY-BOARD TXNHY1QBSC (1/3) TO J-BOARD (J12) AMP & SW ! TH-50PHD6CY, TH-50PHW6CH/CZ HY-BOARD (1 of 3) Schematic Diagram TH-50PHD6CY, TH-50PHW6CH/CZ HY-BOARD (1 of 3) Schematic Diagram 79 14.19.HY 电路板 (2/3)电路图 + + + + NP + + + + + 5V AR_RO0 AR_RO7 AR_RO6 AR_RO5 AR_RO4 AR_RO3 AR_RO2 AR_RO1 AS_FO9 AS_FO8 AS_FO7 AS_FI9 AS_FI8 AS_FI7 AS_FI6 AS_FI5 AS_FO6 AS_WE AS_WR AS_FI4 AS_FI3 AS_FI2 AS_FI1 AS_FI0 AS_RR AS_RE AS_FO4 AS_FO3 AS_FO5 AS_FO2 AS_FO1 AS_FO0 AG_HS AP_GO7 AP_GO6 AP_GO5 AP_GO4 AP_GO3 AP_GO2 AP_GO0 AP_GO1 AQ_BO0 AQ_BO1 AQ_BO2 AQ_BO3 AQ_BO4 AQ_BO5 AQ_BO6 3.3V AS_FI1 AS_FI0 AS_FO2 AS_FO1 AS_FO0 AS_FO4 AS_FO3 AS_FI4 AS_FI3 AS_FI2 AS_RR AS_RE AS_FI8 AS_FI9 AS_FO7 AS_FO8 AS_FO9 AS_FO5 AS_FO6 AS_FI6 AS_FI7 AS_FI5 AS_WR AS_WE PLL2.5V AS_SCL2 3.3V DA2.5V AG_VS 2.5v_MM 2.5v_MF 2.5v_MB AD2R5V GC2R5V GC3R3V AS_SDA2 3.3V AQ_BO7 1% R3170 75 C3166 10V 1u C3202 10V 1u JS3306 C3181 16V 0.1u R3148 22 C3163 10V 1u 1% R3134 10 1% R3177 1.4k L3104 ELJPA100KF C3109 16V 0.1u R3185 0 C3165 10V 1u R3151 22 1% R3171 75 Q3101 2SB0709A0L C3131 16V 0.1u 1% R3133 10 C3170 16V 0.1u R3207 0 L3103 ELJPA100KF JS3301 R3142 0 Q3007 2SB0709A0L R3047 1k R3033 100 C3149 16V 0.1u IC3104 C0EBE0000066 1 GND 2 SUB 3 NC 5 Vcc 4 Out C3160 16V 0.1u R3107 33 L3201 ELJPA100KF C3147 10u 6.3V JS3308 Q3023 2SD0601A0L C3105 4V 220u L3303 ELJPA100KF C3137 16V 0.1u R3191 10k R3164 0 C3148 1u 6.3V C3019 6.3V 3.3u C3022 10V 1u 1% R3135 10 R3102 0 C3106 16V 0.1u C3118 16V 0.1u C3015 50V 47p IC3303 AN80L25RMSTX 5 4 3 1 2 C3175 16V 0.1u C3177 16V 0.1u JS3307 C3208 10V 1u R3121 120 R3137 0 1% R3173 220 C3121 16V 0.1u L3102 ELJPA100KF R3115 1k R3204 0 R3203 0 1% R3180 1.1k R3153 220 Q3102 2SD10300TL C3111 16V 0.1u C3102 16V 0.1u L3101 ELJPA100KF C3309 10V 1u R3145 1k C3185 50V 6p 1% R3123 15k C3178 16V 0.1u C3110 16V 0.1u IC3101 C0DBEZG00004 1 IN 2 ON/OFF 3 OUT 4 V_adj 5 GND 6 OUT R3189 0 C3182 16V 0.1u R3158 1.8k C3153 50V 100p 1% R3172 75 C3124 16V 0.1u C3120 16V 0.1u JS3305 C3116 16V 0.1u C3173 16V 0.1u C3217 10V 1u L3108 ELJPA100KF R3157 220 C3021 16V 1u C3136 50V 33p R3125 0 C3114 16V 0.1u R3149 22 1% R3162 2.7k JS3312 R3117 1k 1% R3184 1.1k 1% R3122 8.2k 1% R3161 2.7k 1% R3179 1.4k R3138 0 C3016 50V 22p 1% R3045 220 C3206 10V 1u JS3303 1% R3163 2.7k C3132 16V 0.1u IC3201 C3HBKZ000001 MS81V05200-13TA 1 VCC 2 CS 3 CSMODE 4 NC 5 VSS 6 DI0 7 DI1 8 NC 9 DI2 10 VSS 11 DO0 12 DO1 13 VCC 14 NC 15 DO2 16 VSS 17 VSS 18 VCC 19 VCC 20 DO3 21 NC 22 VCC 23 NC 24 DO4 25 VSS 26 DI3 27 NC 28 NC 29 DI4 30 VSS 31 OE 32 RE 33 RSTR 34 SRCK 35 VCC 36 VSS 37 SWCK 38 RSTW 39 WE 40 IE 41 VCC 42 DI5 43 NC 44 NC 45 DI6 46 VSS 47 DO5 48 NC 49 VCC 50 NC 51 DO6 52 VCC 53 VCC 54 VSS 55 VSS 56 DO7 57 NC 58 VCC 59 DO8 60 DO9 61 VSS 62 DI7 63 NC 64 DI8 65 DI9 66 VCC 67 NC 68 NC 69 NC 70 VSS C3158 16V 0.1u R3136 0 1% R3183 1.4k R3418 1k 1% R3124 10 L3107 J0JGC0000021 C3213 10V 1u 1% R3042 6.8k C3187 4V 220u C3146 16V 0.1u C3172 16V 0.1u R3190 10k C3180 16V 0.1u C3167 16V 0.1u C3112 16V 0.1u R3206 0 C3157 10u 6.3V C3152 16V 0.1u C3144 16V 0.1u C3156 1u 6.3V C3218 16V 0.1u C3162 10V 1u 1% R3032 620 C3203 10V 1u C3214 10V 1u R3118 0 L3007 G1C2R2K00006 R3131 22 C3108 16V 0.1u C3210 10V 1u R3202 0 C3129 16V 0.1u R3156 560 C3017 50V 68p R3104 22 1% R3178 1.1k R3154 330 R3140 22 JS3304 1% R3181 1.4k C3125 16V 0.1u C3151 50V 33p C3169 16V 0.1u R3174 0 C3211 10V 1u C3101 4V 220u 1% R3182 1.1k JS3302 C3204 10V 1u C3013 16V 1u C3179 4V 220u C3171 16V 0.1u D3001 MA2J72900L R3166 0 R3038 2.7k JS3310 C3168 16V 0.1u L3006 J0E8004B0008 1 2 3 4 5 6 7 9 10 12 1% R3169 75 C3123 16V 0.1u C3313 10V 1u C3139 16V 0.1u R3106 10k C3188 10V 1u C3150 16V 0.01u R3101 22 JS3311 R3159 0 Q3403 2SD0601A0L C3183 16V 0.1u C3127 16V 1u C3113 16V 0.1u R3139 0 Q3104 2SD10300TL C3140 50V 100p R3144 1k C3133 16V 0.1u C3122 10V 1u C3401 16V 10u R3152 560 C3130 16V 0.1u R3049 1k 1% R3046 100 IC3301 C0CBABB00029 4 GND 3 SW 1 OUT 2 IN C3138 10u 6.3V 1% R3168 200 R3048 100 1% R3040 330 R3155 330 IC3102 C0DBZLB00001 K 1 3 R A 2 R3141 0 C3128 16V 0.1u C3212 10V 1u R3119 120 Q3005 2SD0601A0L C3161 16V0.1u R3205 0 IC3105 C0JBAZ001834 1 2 3 4 5 6 7 8 C3141 1u 6.3V 1% R3050 75 C3107 16V 0.1u JS3309 C3134 16V 0.1u C3117 16V 0.1u C3216 10V 1u 1% R3160 2.7k X3101 H0J202500002 1% R3113 1.5k R3108 0 C3174 16V 0.1u C3159 4V 220u C3135 16V 0.01u R3167 0 C3115 16V 0.1u C3142 16V 0.1u C3219 6.3V 100u C3126 16V 0.1u L3005 0 1% R3129 12 C3154 16V 0.1u C3186 50V 47p C3014 16V 47u C3209 10V 1u R3143 0 R3165 0 C3205 10V 1u 1% R3112 1.5k 1% R3127 12 C3119 16V 0.1u C3184 4V 220u C3103 10V 1u C1AB00001826 IC3103 1 VSS 2 VDDE 3 VDDI 4 UV0 5 UV1 6 RO0 7 RO1 8 RO2 9 RO3 10 RO4 11 RO5 12 RO6 13 RO7 14 HPO1 15 VPO1 16 LCLK1 17 VDDI 18 VDDE 19 VSS 20 HPIN2 21 VPIN2 22 UVIN0 23 UVIN1 24 UVIN2 25 UVIN3 26 UVIN4 27 UVIN5 28 UVIN6 29 UVIN7 30 UVIN8 31 UVIN9 32 CLKIN 33 VDDI 34 VDDE 35 VSS 36 YIN0 37 YIN1 38 YIN2 39 YIN3 40 YIN4 41 YIN5 42 YIN6 43 YIN7 44 YIN8 45 YIN9 46 VDDI 47 VDDE 48 VSS 49 YUV0 50 YUV1 51 YUV2 52 YUV3 53 YUV4 54 YUV5 55 YUV6 56 YUV7 57 YUV8 58 YUV9 59 VDDI 60 VDDE 61 VSS 62 BCLK 63 HFR 64 LCDSW 65 NRST 66 AVSAD2 67 AVDAD2 68 AVSAD1 69 AVDAD1 70 VRH1 71 NC 72 VIN1 73 VRL 74 NC 75 NC 76 AVSAD22 77 AVDAD22 78 AVSAD21 79 AVDAD21 80 NC 81 VRH2 82 NC 83 VIN2 84 NC 85 VRL2 86 NC 87 NC 88 AVSAD32 89 AVDAD32 90 AVSAD31 91 AVDAD31 92 NC 93 VRH3 94 NC 95 VIN3 96 NC 97 VRL3 98 NC 99 NC 100 AVDCLP 101 AVSCLP 102 UCLP 103 VCLP 104 YCLP 105 VSS 106 VDDI 107 VDDE 108 MST 109 SMCK 110 VPD 111 XTST 112 VPIN1 113 HPIN1 114 SCS 115 XSM 116 SDA 117 SCL 118 VSS 119 VDDE 120 FO9 121 FO8 122 FO7 123 FIN9 124 FIN8 125 FIN7 126 FIN6 127 FIN5 128 FO6 129 FO5 130 VSS 131 VDDI 132 VDDE 133 WE 134 WR 135 FCKR 136 RR 137 RE 138 FO4 139 FO3 140 FIN4 141 FIN3 142 FIN2 143 FIN1 144 FIN0 145 FO2 146 FO1 147 FO0 148 OSDCNT 149 VDDE 150 VSS 151 VDDI 152 INTLC 153 VDAF 154 EWO 155 HO2 156 HO1 157 158 PSO 159 HTRAP 160 HINP 161 HPO3 162 VPO3 163 HPO2 164 VPO2 165 LCLK2 166 VDDE 167 BXS3 168 VSS 169 CW358 170 VDDI 171 VGS3 172 CPO3 173 AVDPL3 174 AVSPL3 175 VGS2 176 CPO2 177 AVDPL2 178 AVSPL2 179 VSS 180 HREF 181 VDDE 182 BXS2 183 VDDI 184 FBPMO 185 VDDE 186 FBPIN 187 VSS 188 AVSPL1 189 AVDPL1 190 CPO1 191 VGS1 192 VSS 193 VDDI 194 POUT 195 VDDE 196 VSAW 197 VDDE 198 RDV 199 BDV 200 RCF 201 GCF 202 BCF 203 HCLP 204 BLK 205 HPO4 206 VPO4 207 FRCLK 208 VDDE 209 VSS 210 XIN 211 VDDI 212 XOUT 213 VDDE 214 VSS 215 VMYS 216 YUVOE 217 TEST 218 AIN1 219 AIN2 220 AIN3 221 AIN4 222 AVSAD 223 VR 224 AVDAD 225 VRO1 226 VREF1 227 AOUT1 228 AVSDA1 229 AVDDA1 230 VRO2 231 VREF2 232 AVSDA2 233 AVDDA2 234 AOUT2 235 AVSDA3 236 AVDDA3 237 AOUT3 238 COMP 239 AVSDA4 240 AOUT4 241 AVDDA4 242 VRO4 243 VREF4 244 COMP4 245 NC 246 AVDDA5 247 AVSDA5 248 AOUT5 249 COMP5 250 NC 251 AVSDA6 252 AOUT6 253 AVDDA6 254 VRO6 255 VREF6 256 COMP6 C3176 16V 0.1u C3207 4V 220u 1% R3036 180 C3104 16V 0.1u C3164 10V 1u R3035 1k R3114 0 G1 G0 RST FOR InnerPing FOR DEF FOR EHT FOR HDAF FOR BOW(pararel) Macro Macro Macro DA AD AD PLL PLL PLL For BurstLock For Mid_CLK For FBP Macro Macro COMP4 AVDDA4 AOUT4 AVSDA2 AVDDA2 AOUT2 AVSDA3 AVDDA3 AVSDA4 AOUT3 MP EHT ACL XTAL Macro GC2M+ Global_tvsignal_processing_CoreLSI ver.2_for_Main_processor 5M_FIFO /OE1 /OE2 B1 A2 Vcc A1 B2 GND SDA(5V) SDA(3.3V) SCL(5V) SCL(3.3V) 12 8 14 9 13 10 11 15 3 6 7 1 9 8 4 5 10 2 24 23 22 21 25 30 31 29 32 27 28 26 33 HY-BOARD TXNHY1QBSC (2/3) AVR 3.3V 5V -> 3.3V ERROR DET AVR 2.5V RESET AVR 2.5V ! TH-50PHD6CY, TH-50PHW6CH/CZ HY-BOARD (2 of 3) Schematic Diagram TH-50PHD6CY, TH-50PHW6CH/CZ HY-BOARD (2 of 3)Schematic Diagram 80 14.20.HY 电路板 (3/3)电路图 + + + + + + + + AH_SRQ AC_S2_DET 3.3V 5V 9V AB_V_Y AC_CMP_SYNC AH_SDA2 AC_S_DET AC_S_SEL 3.3V AR_RO1 AR_RO7 AG_VS AG_HS AR_RO6 AR_RO5 AR_RO4 AR_RO3 AR_RO0 AR_RO2 AP_GO2 AP_GO3 AP_GO4 AP_GO0 AP_GO1 AP_GO5 AP_GO7 AP_GO6 AQ_BO5 AQ_BO7 AQ_BO6 AQ_BO2 AQ_BO0 AQ_BO1 AQ_BO3 AQ_BO4 3.3V AH_SRQ AH_SDA2 AH_SCL2 3.3V AS_SDA2 AH_SCL2 AH_SCL2 AS_SCL2 AH_SDA2 AH_SDA2 AH_SCL2 AJ_TX3+ AM_TXC+ AM_TXC- AK_TX2- AL_TX1+ AL_TX1- AN_TX0- C C C C C AK_TX2+ AJ_TX3- AN_TX0+ AJ_TX3+ AJ_TX3- AM_TXC+ AM_TXC- AK_TX2+ AK_TX2- AL_TX1+ AL_TX1- AN_TX0+ AN_TX0- C C C C C AB_R AB_L STB5V 2.5V 3.3V R3317 33k R3334 0 R3302 20k C3320 16V 0.1u TS3101 C3312 16V 0.1u C3266 16V 0.1u H1 A1 A2 A3 A4 A5 A6 A7 A8 A9 A10 A11 A12 A13 A14 A15 A16 A17 A18 A19 A20 A21 A22 A23 A24 A25 A26 A27 A28 A29 A30 A31 A32 A33 A34 A35 A36 A37 A38 A39 A40 B1 B2 B3 B4 B5 B6 B7 B8 B9 B10 B11 B12 B13 B14 B15 B16 B17 B18 B19 B20 B21 B22 B23 B24 B25 B26 B27 B28 B29 B30 B31 B32 B33 B34 B35 B36 B37 B38 B39 B40 L3307 ELKE103FA 1 2 3 R3338 22 C3324 6.3V 100u C3318 16V 0.1u 1% R3300 1.5k C3265 4V 220u C3308 4V 220u C3330 16V 0.1u TS3100 C3264 16V 0.1u R3306 10k IC3305 C0JBAZ000801 1 A0 2 A1 3 A2 4 P0 5 P1 6 P2 7 P3 8 GND 9 P4 10 P5 11 P6 12 P7 13 VDAC 14 SCL 1 15 SDA 1 16 VCC C3257 50V 1000p IC3699 C3EBGC000018 1 A0 2 A1 3 A2 4 GND 5 SDA 6 SCL 7 WP 8 VCC R3252 10k R3313 10k C3255 50V 1000p IC3251 C0ZBZ0000684 1 2 3 4 5 6 7 8 9 10 11 12 13 14 15 16 17 18 19 20 21 22 23 24 25 26 27 28 29 30 31 32 33 34 35 36 37 38 39 40 41 42 43 44 45 46 47 48 49 50 51 52 53 54 55 56 C3326 16V 47u C3262 50V 1000p C3328 16V 0.1u R3303 22 C3259 50V 1000p L3305 ELKE103FA 1 2 3 H0 1 2 3 4 5 6 7 8 C3261 4V 220u C3319 16V 0.1u R3305 10k IC3302 C0DBEZG00004 1 IN 2 ON/OFF 3 OUT 4 V_adj 5 GND 6 OUT C3323 4V 220u R3304 22 C3317 10V 1u L3308 ELKE103FA 1 2 3 C3254 16V 0.1u C3263 16V 0.1u R3314 10k L3252 ELJPA2R2MF IC3311 C0JBBZ000285 1 NC 2 SCL0 3 SDA0 4 GND 5 EN 6 SDA1 7 SCL1 8 VCC C3311 16V 0.1u C3325 16V 47u C3260 16V 0.1u L3306 ELKE103FA 1 2 3 C3329 16V 0.1u 33k R3318 C3321 16V 0.1u C3253 50V 1000p C3258 16V 0.1u R3307 10k C3315 16V 0.1u TS3102 C3256 16V 0.1u 1% R3301 1.5k C3322 4V 220u C3316 16V 1u R3308 10k R3253 4.7k R3251 100 TS3301 R3337 22 R3309 10k C3327 16V 0.1u L3251 ELJPA2R2MF GND VP HP STB5V Y3- Y3+ LVDS GND PLL GND PLL VCC PLL GND /PDWN CLK IN D26 GND D25 D24 VCC D23 D22 D21 D20 GND D19 D18 D27 LVDS GND Y0- Y0+ Y1- Y1+ LVDS VCC LVDS GND Y2- Y2+ CLKOUT- CLKOUT+ D17 CLKSEL D16 D15 D14 GND D13 D12 VCC D10 D11 D9 GND D2 D3 D4 D0 D1 D8 GND D7 D6 D5 VCC CLKI_M S_DET SRQ GND SDA SCL GND 18 20 19 16 17 21 22 23 23 26 22 33 25 29 32 30 31 21 27 24 28 HY-BOARD TXNHY1QBSC (3/3) TO (J11) J-BOARD AVR 2.5V LVDS TRANSMITTER DAC IIC EXPANDER EEPROM TERMINAL BOARD INFORMATION 5V -> 3.3V TH-50PHD6CY, TH-50PHW6CH/CZ HY-BOARD (3 of 3) Schematic Diagram TH-50PHD6CY, TH-50PHW6CH/CZ HY-BOARD (3 of 3) Schematic Diagram ! 81 14.21.J 电路板方框图 X9350 32.768K J11 TO HY-BOARD Y/G A38 A36 A34 PB/B PR/R 19 17 15 Pb Y Pr Y/G Pb/B Pr/R 9 7 5 Y Y/G Pb Pr/R Pb/B Pr R 55 G B R B G 53 57 S2 DET SCL SDA 27 26 13 23 S2 DET B36 S2 DETECT SCL3 SDA3 AV RGB/ PC COMP Q3104 40 BUFFER/LPF IC3251 Q3105 AMP AMP 25 Pb/B 5 1 17 11 14 Q3106 Y/G Pr/R AMP 44 42 Y/G Pr/R AMP 11 14 BUFFER/LPF Q3103 IC3201 50 48 Q3102 AMP Q3101 46 5 1 17 AMP 25 Pb/B R G B 1 5 SUB IC8008 6 7 5 MAIN IC8007 6 7 1 B R G IC8009 7 1 2 6 5 3 Q8001 AMP Q8002 AMP CS(S) CS(M) 17 15 SYNC SEPA IC8003 4 6 13 8 G CLAMP/H V VD HD CLAMP VD 17 V 15 CLAMP/H G HD CLAMP SYNC SEPA IC8004 4 6 13 8 NCLP 8 INVERTER IC8005 9 12 13 11 10 2 VD 1 HD 11 VD 8 12 10 2 NCLP INVERTER IC8006 9 1 HD 13 J5 B15 B14 B12 B11 B9 B8 B6 B5 B3 B2 2 3 5 6 8 9 11 12 14 15 21 23 25 27 29 TX0- TX0+ TX1- TX1+ TX2- TX2+ TXC- TXC+ TX3- TX3+ 31 G B R HD VD CLP TO D-BOARD D5 H1 TX3+ TX3- TXC+ TXC- TX2+ TX2- TX1+ TX1- TX0+ TX0- VD HD A30 A32 HD1 VD1 L R A28 A26 AUDIO R IN AUDIO L IN B35 RESET RESET B29 CABLE DET CABLE DET B30 SRQ REMOCON OUT B23 SDA2 B24 SCL2 SDA B25 SCL B28 SLOT1 DET A21 +9V B21 +9V A22 STB5V STB5V +9V IIC SW 4 6 7 IC3002 5 2 11 10 14 12 9 SDA SDA SCL SCL J12 AUDIO L A26 TO HY-BOARD H2 L R A28 AUDIO R A38 Y Pb A36 A34 Pr HD HD2 A32 VD VD2 A30 B36 S2 DET SCL B25 SCL2 SDA B24 SDA2 B23 SRQ SLOT2 DET B28 RESET B35 TX3+ B15 TX3- B14 B12 TXC+ TXC- B11 B9 TX2+ TX2- B8 TX1+ B6 B5 TX1- TX0+ B3 TX0- B2 8 2 3 5 9 11 12 14 15 D6 TX1- TO D-BOARD TX1+ TX2- TX2+ TXC- TXC+ TX3- TX3+ TX0+ TX0- 6 J6 Pr/R Pb/B Y/G SLOT2 2 IIC SW SLOT1 EXPAND I/O IC3004 4 14 1 15 SDA3 3 IIC SW DET DET AUDIO SW 14 1 11 4 5 IC3001 12 3 13 L R L R Q3002 AMP SW0 SW1 Q3003 AMP SW0 SW1 15 14 DAC SDA SCL EXPAND I/O IC3006 2 1 3 CS(M) L R 4 12 5 14 11 1 13 3 SW0 SW1 VD HD 1 13 3 12 5 14 4 HD VD 11 SW3 SW2 Q8010,8011 HD AMP Q8012,8013 VD AMP VD2 VD1 HD2 HD1 4 14 SCL FAN EXPAND I/O IC3003 2 1 15 9 SDA 3 10 CONT SW0 SW1 SW2 SW3 6 1 IC3007 2 3 7 5 CS(S) +9V SCL3 SDA3 HX1 TO HX-BOARD J14 1 Y/G 3 PB/B 5 PR/R 7 VD 9 HD 11 AUDIO R 13 AUDIO L 18 TXD PC RXD PC 19 P5V 21 9V 22 L R R L 14 13 RS232C DRIVER IC8015 11 12 TXD RXD G R B HD VD HD VD TXD RXD SDA3 RESET TO Z-BOARD 6 J8 SLOT 3.3V 5 11 SCL3 Z8 12 DR15V 17 SLOT 3.3V SLOT 5V AUDIO L IN 14 3 SLOT 9V 10 1 AUDIO R IN 19 SOUND MAIN MUTE 15 RESET SMM DR15V SLOT 3.3V SLOT 5V SLOT 9V 2 REG IC951 1 DR15V 12V 1 2 DIG12V 9V REG IC952 2 9V 5V REG IC3108 1 1 9V 2 5V REG IC3109 TO D-BOARD STB5V J3 1 D3 5V 29 36 PR-S 38 PB-S Y-S 40 32 34 31 REAL TIME/INTRA 27 SCL1 4 SDA1 5 FAN CONT 26 R B G NCLP VD HD 2 3 TIMER IC1001 5 6 7 SCL3 SDA3 9 SCL3 8 SDA3 SCL3 SDA3 25 REMOCON OUT 11 RESET 12 SOUND MAIN MUTE 13 CABLE DET 21 TXD-PC 23 RXD-PC 28 STB ON REMOCON OUT RESET SMM CABLE DET RXD TXD TO PF-BOARD J10 1 STB5V 2 STB ON 5 LAN 15V 6 LAN 15V PF10 STB5V LAN15V INPUT SW (VIDEO) IC3005 G HD INPUT SELECT IC8001 IC8002 INPUT SELECT S1 SCL SDA S0 SCL3 RS232C SERIAL 5V STB5V J Slot Interface/SYNC Processor Board REMOTE IIC_CONT NCLP_S VD_S HD_S IIC_CONT 2 IIC_CONT TH-50PHD6CY, TH-50PHW6CH/CZ J-BOARD Block Diagram TH-50PHD6CY, TH-50PHW6CH/CZ J-BOARD Block Diagram 82 14.22.J 电路板 (1/4)电路图 + + + + AC_CS((M)) AC_CS((S)) 9V AL_HD_2 AK_HD_3 AK_VD_3 AI_VD_1 AD_VD_4 AL_VD_2 AD_HD_4 AI_HD_1 5V 5V AF_VD_S AF_HD_S AG_VD_M AG_HD_M 12V 12V AE_SW1 AE_SW0 AE_SW2 AE_SW3 AG_NCLP_M AF_NCLP_S 9V AC_CS((M)) AC_CS((S)) D8004 C8039 1000p L8005 ELJPA100KF R8005 0 R8012 270 C8001 16V 47u L8006 ELJPA100KF 9V R8008 0 C8051 16V 0.1u R8004 0 C8014 16V 0.1u C8045 16V 1u Q8001 2SD0601A0L TPJH1 C8016 16V 4.7u C8046 16V 1u R8036 150 R8061 150 R8057 100 C8031 50V 0.01u TPJV1 C8030 16V 47u R8069 100 R8050 2.2k C8025 50V 0.01u 1% R8031 2.2k R8089 1k IC8007 C0JBAR000111 1 2 3 4 5 6 7 8 R8001 0 R8056 100 R8065 100 JS8093 R8002 0 C8021 16V 0.47u R8078 1.5k C8034 1000p TPJH2 R8003 0 C8038 50V 1000p R8066 100 R8013 270 R8100 10k Q8002 2SD0601A0L R8041 18k C8009 6.3V 10u L8003 ELJPA100KF R8070 100 L8002 ELJPA100KF R8082 1.5k IC8003 C1AA00000395 H.State 1 2 V.State 3 Green Sep Filter 4 Green IN 5 GND 6 Comp/H IN 7 Comp/H Det 8 Vert IN 9 Vert Det 10 Vert S/S Adj 11 Vert S/S IN 12 Digital GND 13 VD+OUT 14 HD+OUT 15 HD-OUT 16 Vcc 17 Clamp OUT 18 H.Pol. 19 V.Pol. 20 Clamp Timing R8083 1k R8051 2.2k C8035 16V 0.1u C8037 50V 100p P5V R8046 2.2k R8020 5.6k C8027 16V 2.2u C8011 6.3V 10u C8006 50V 0.01u 1% R8030 3.3k D8002 IC8001 C0JBAR000241 1 Y0 2 Y2 3 Y 4 Y3 5 Y1 6 INH 7 VEE 8 VSS 9 B 10 A 11 X3 12 X0 13 X 14 X1 15 X2 16 VDD TPJV2 R8022 2.2k D8001 C8007 50V 100p R8084 1k JS8092 L8004 ELJPA100KF R8009 270 R8099 10k R8045 2.2k R8018 5.6k R8071 0 R8062 270 R8006 0 R8047 270 12V R8054 100 R8058 100 D8003 R8035 330 1% R8037 4.7k R8007 0 R8072 0 IC8006 C0JBAB000417 1 2 3 4 5 6 7 8 9 10 11 12 13 14 R8025 0 R8048 2.2k R8097 10k R8011 270 R8019 5.6k 9V R8044 1k C8013 16V 0.1u R8010 270 R8060 330 R8014 270 R8098 10k IC8004 C1AA00000395 H.State 1 2 V.State 3 Green Sep Filter 4 Green IN 5 GND 6 Comp/H IN 7 Comp/H Det 8 Vert IN 9 Vert Det 10 Vert S/S Adj 11 Vert S/S IN 12 Digital GND 13 VD+OUT 14 HD+OUT 15 HD-OUT 16 Vcc 17 Clamp OUT 18 H.Pol. 19 V.Pol. 20 Clamp Timing C8023 50V 0.01u R8077 1.5k IC8005 C0JBAB000417 1 2 3 4 5 6 7 8 9 10 11 12 13 14 C8050 50V 0.01u C8026 50V 0.01u C8019 50V 0.01u R8080 1.5k R8033 100k C8049 50V 0.01u R8079 1.5k C8015 10V 10u 1% R8029 3.3k IC8002 C0JBAR000241 1 Y0 2 Y2 3 Y 4 Y3 5 Y1 6 INH 7 VEE 8 VSS 9 B 10 A 11 X3 12 X0 13 X 14 X1 15 X2 16 VDD ZA3002 K4ZZ01000121 C8022 16V 0.47u R8021 2.2k L8001 ELJPA100KF C8029 50V 0.01u 1% R8039 4.7k ZA3003 K4ZZ01000121 C8020 50V 0.01u C8043 16V 0.1u 1% R8032 2.2k R8085 1k 1% R8038 4.7k IC8009 C0JBAS000109 1 2 3 4 5 6 7 8 R8026 330 C8024 50V 0.01u R8067 100 L8007 ELJPA100KF R8091 1k C8036 50V 100p 5V_S 1% R8040 4.7k C8003 50V 0.1u C8033 50V 1000p C8002 16V 47u R8049 2.2k IC8008 C0JBAR000111 1 2 3 4 5 6 7 8 R8081 1.5k R8028 330 C8004 50V 0.1u R8059 100 R8093 100 C8018 16V 4.7u R8034 100k R8016 270 R8015 270 R8055 100 R8068 100 R8043 1k R8087 1k R8027 0 R8017 5.6k P5V C8032 16V 47u R8042 18k C8008 50V 100p C8005 50V 0.01u 5V_M R8094 100 JS8094 JS8095 R3163 1k R3162 1k C8041 16V 2.2u C8017 10V 10u VSS VDD I0 VCC COM INH SEL I1 VEE GND SEL I1 I0 VCC COM INH VEE GND O5 I4 O4 GND O3 I3 O6 I5 O2 I2 O1 I1 I6 VCC O5 I4 O4 GND O3 I3 O6 I5 O2 I2 O1 I1 I6 VCC 8 A 5 6 D E C B 4 3 2 7 1 3 6 2 4 1 7 5 8 A B C D E F G H J-BOARD TNPA2826 (1/4) INPUT SELECT SYNC SW SW SYNC SEPA SYNC SEPA PROCESS B SYNC C SYNC PROCESS MAIN SUB TH-50PHD6CY, TH-50PHW6CH/CZ J-BOARD (1 of 4) Schematic Diagram TH-50PHD6CY, TH-50PHW6CH/CZ J-BOARD (1 of 4) Schematic Diagram ! 83 14.23.J 电路板 (2/4)电路图 + AA_SDA3 AA_SCL3 AI_S2_1 AK_PR_3 AK_Y_3 AK_PB_3 AD_PB_4 AD_Y_4 AD_PR_4 9V AI_PR_1 AI_PB_1 AI_Y_1 AL_S2_2 AL_Y_2 AL_PB_2 AL_PR_2 AK_S2_3 5V C3028 2.2u C3016 50V 0.01u ZA3004 K4ZZ01000121 R3053 56 Q3106 2SD0601A0L 1% R3201 180 C3022 2.2u C3020 2.2u 1% R3074 75 C3023 2.2u 1% R3072 75 R3064 56 R3058 56 R3048 330k R3051 330k 1% R3090 75 R3068 56 Q3102 2SD0601A0L R3066 56 C3019 16V 0.1u C3014 50V 0.01u C3030 2.2u R3131 180 1% R3103 180 Q3103 2SD0601A0L R3077 56 C3012 50V 0.01u R3129 180 1% R3199 180 R3056 330k 1% R3089 75 R3069 56 C3024 2.2u C3027 2.2u Q3104 2SD0601A0L 1% R3105 180 1% R3073 75 R3052 330k C3017 50V 0.01u R3080 56 R3067 56 1% R3071 75 C3025 2.2u R3128 180 1% R3106 180 9V R3132 180 L3006 ELJPA100KF R3057 56 1% R3091 75 R3078 56 1% R3093 75 R3050 56 C3015 50V 0.01u R3055 330k C3013 50V 0.01u R3054 56 1% R3203 180 1% R3101 180 R3130 180 R3049 330k 1% R3102 180 9V 1% R3104 180 C3029 2.2u C3026 2.2u 1% R3202 180 1% R3070 75 R3076 56 R3079 56 1% R3088 75 Q3101 2SD0601A0L R3081 56 1% R3200 180 1% R3092 75 P5V Q3105 2SD0601A0L 1% R3204 180 R3065 56 C3021 2.2u IC3005 C1AB00001139 1 L1 2 L2 3 L3 4 Vcc 5 Y2 6 GND 7 PB2 8 GND 9 PR2 10 SW 11 L1 12 L2 13 L3 14 Vcc 15 Y3 16 GND 17 PB3 18 GND 19 PR3 20 SW 21 L1 22 L2 23 L3 24 DGND 25 ADRESS 26 SDA 27 SCL 28 DVcc 29 L3out 30 L2out 31 L1out 32 MonSW 33 GND 34 PRout3 35 GND 36 PBout3 37 GND 38 Yout3 39 Vcc 40 PRout2 41 GND 42 PBout2 43 GND 44 Yout2 45 Vcc 46 PRout1 47 GND 48 PBout1 49 GND 50 Yout1 51 Avcc 52 Vcc 53 TV_Y 54 GND 55 TV_PB 56 GND 57 TV_PR 58 Vcc 59 Y1 60 GND 61 PB1 62 GND 63 PR1 64 SW 1% R3075 75 C3031 2.2u R3133 180 C3018 16V 47u 12 8 13 10 11 14 9 15 3 4 2 8 6 1 5 7 AC AI AJ AE AF AD AG AK AA AH AB J-BOARD TNPA2826 (2/4) ! INPUT SW (VIDEO) TH-50PHD6CY, TH-50PHW6CH/CZ J-BOARD (2 of 4) Schematic Diagram TH-50PHD6CY, TH-50PHW6CH/CZ J-BOARD (2 of 4) Schematic Diagram 84 14.24.J 电路板 (3/4)电路图 + + + + + + + + + + + + + AA_SCL3 AB_SCL3 AB_SDA3 AB_SCL3 AB_SDA3 AE_SW1 AE_SW0 AF_NCLP_S STB5V 5V AF_PB_S AF_PR_S AF_HD_S AF_VD_S 9V AI_R_1 AH_SLOT1_DET AI_L_1 AJ_RXD1 15V 3.3V 5V AH_SOS AB_SCL3 AB_SDA3 AA_SDA3 AA_SCL3 AJ_RXD1 AJ_TXD1 AJ_TXD4 AJ_RXD4 AF_DPMS_VD AF_DPMS_HD AH_SLOT3_DET AC_CS((S)) AM_SDA_S3 AM_SCL_S3 AK_R_3 AK_L_3 AL_L_2 AH_SLOT2_DET AL_R_2 AL_VD_2 AL_HD_2 AL_PR_2 AL_PB_2 AL_Y_2 AN_SDA_S1 AN_SCL_S1 AJ_TXD1 AI_VD_1 AI_HD_1 AI_PR_1 AI_PB_1 AI_Y_1 AH_SLOT2_DET AB_SDA3 AB_SCL3 AG_NCLP_M AG_VD_M AG_Y_M AG_PB_M AG_PR_M AG_HD_M AH_SOS AE_SW2 AE_SW3 AN_SCL_S1 AH_SOS AN_SDA_S1 AL_R_2 AD_R_4 AI_L_1 AL_L_2 AD_L_4 AF_Y_S 15V AI_R_1 AC_SW0 AC_SW1 AH_SLOT1_DET STB5V AA_SDA3 AI_S2_1 9V AL_S2_2 9V R3025 100 SLOT9V L1001 ELJPA100KF STB5V_S R3017 0 L957 ELKE103FA 1 2 3 C1004 1.5 J12 A1 A2 A3 A4 A5 A6 A7 A8 A9 A10 A11 A12 A13 A14 A15 A16 A17 A18 A19 A20 A21 A22 A23 A24 A25 A26 A27 A28 A29 A30 A31 A32 A33 A34 A35 A36 A37 A38 A39 A40 B1 B2 B3 B4 B5 B6 B7 B8 B9 B10 B11 B12 B13 B14 B15 B16 B17 B18 B19 B20 B21 B22 B23 B24 B25 B26 B27 B28 B29 B30 B31 B32 B33 B34 B35 B36 B37 B38 B39 B40 9V R3004 100 SLOT9V R3034 330 R951 100 SLOT5V R3045 10k J10 1 2 3 4 5 6 R3026 10k J8 1 2 3 4 5 6 7 8 9 10 11 12 13 14 15 16 17 18 19 20 SLOT3.3V Q3002 2SD0601A0L C956 16V 47u STB5V_S 12V R3031 0 R1001 56 R3041 330 IC3007 C0JBAS000109 1 2 3 4 5 6 7 8 R3005 4.7k 9V R3006 4.7k R3032 0 C3010 16V 0.1u R3038 0 C968 50V 0.01u L958 ELKE103FA 1 2 3 C3011 16V 0.1u R3013 15k C954 16V 47u R3014 33k R3161 5.6k C3041 16V 0.1u C963 16V 0.1u C969 16V 47u R3036 330 LAN15V C1002 50V 15p R3002 1k R3140 47k C3001 50V 0.01u STB5V_S R3063 100 R3009 100 C961 50V 0.01u R3141 47k J6 1 2 3 4 5 6 7 8 9 10 11 12 13 14 15 16 17 18 19 20 21 R3047 10k STB5V_S X9350 H0J327200038 IC952 C0CBAHG00005 GND 3 2 OUT IN 1 SLOT9V IC1001 C1DB00000274 1 2 3 4 5 6 7 8 R3015 0 R3198 12k R3011 15k C3006 16V 1u IC3002 C0JBBR000002 1 2 3 4 5 6 7 8 9 10 11 12 13 14 15 16 C958 16V 47u R3019 0 R952 100 R3027 10k C966 16V 47u UNREG15V L952 ELKE103FA 1 2 3 R3037 0 IC951 C0CBAKG00003 GND 3 2 OUT IN 1 IC3003 C1AB00000441 1 SW1 2 SW0 3 DAC4 4 DAC3 5 DAC2 6 DAC1 7 DAC0 8 GND 9 SW2 10 SW3 11 SAD0 12 SAD1 13 SAD2 14 SDA 15 SCL 16 Vcc LAN15V C3005 16V 1u D1001 MA2J11100L R3082 100 R3022 0 C1003 16V 0.1u R3030 0 IC3001 C0JBAR000241 1 Y0 2 Y2 3 Y 4 Y3 5 Y1 6 INH 7 VEE 8 VSS 9 B 10 A 11 X3 12 X0 13 X 14 X1 15 X2 16 VDD L959 ELKE103FA 1 2 3 C3008 50V 0.1u R3007 0 C970 50V 0.01u LAN15V R3020 0 C3004 16V 47u C3009 16V 0.1u C953 16V 47u SLOT3.3V ZA3001 K4ZZ01000121 R3046 10k L3001 ELJPA100KF R3018 0 R3021 0 C965 50V 0.01u R3196 10k C951 16V 47u C957 16V 47u R3042 0 UNREG12V 9V C955 16V 47u R1002 56 SLOT5V STB5V_S R3016 0 Q3001 2SB0709A0L R3044 10k L955 ELKE103FA 1 2 3 SLOT3.3V STB5V_S R3033 0 R3001 10k R3029 10k L951 ELKE103FA 1 2 3 SLOT5V R3197 12k Q3003 2SD0601A0L C960 16V 0.1u STB5V_S L960 ELKE103FA 1 2 3 R3039 330 C967 50V 0.01u C971 16V 47u C952 50V 0.01u STB5V_S D3003 MA2J11100L R3035 330 C962 16V 0.1u STB5V_S J3 1 2 3 4 5 6 7 8 9 10 11 12 13 14 15 16 17 18 19 20 21 22 23 24 25 26 27 28 29 30 31 32 33 34 35 36 37 38 39 40 P5V L953 ELKE103FA 1 2 3 C1001 50V 15p C3040 16V 0.1u J11 A1 A2 A3 A4 A5 A6 A7 A8 A9 A10 A11 A12 A13 A14 A15 A16 A17 A18 A19 A20 A21 A22 A23 A24 A25 A26 A27 A28 A29 A30 A31 A32 A33 A34 A35 A36 A37 A38 A39 A40 B1 B2 B3 B4 B5 B6 B7 B8 B9 B10 B11 B12 B13 B14 B15 B16 B17 B18 B19 B20 B21 B22 B23 B24 B25 B26 B27 B28 B29 B30 B31 B32 B33 B34 B35 B36 B37 B38 B39 B40 R3043 0 R3003 47k L956 ELKE103FA 1 2 3 R3195 10k 9V R3040 330 R1003 100 R3012 33k R3008 0 R3160 5.6k C959 16V 0.1u C972 16V 0.1u L3005 ELJPA100KF ZA3008 K4ZZ01000121 J5 1 2 3 4 5 6 7 8 9 10 11 12 13 14 15 16 17 18 19 20 21 22 23 24 25 26 27 28 29 30 31 IC3004 C1AB00000454 1 2 3 4 5 6 DAC1 7 DAC0 8 GND 9 10 SW3 11 SAD0 12 SAD1 13 SAD2 14 SDA 15 SCL 16 VCC R3028 10k L3003 ELJPA100KF R3010 100 C964 16V 0.1u D3001 MA2J11100L L954 ELKE103FA 1 2 3 L3002 ELJPA100KF C3007 16V 47u DAC0 DAC3=FAN_CONT VDD VSS DAC2=75ohm DAC0 DAC1 DAC2=LPF(S) SDA3 SCL3 5V GND GND GND GND DIG12V SLOT9V SLOT5V SLOT3.3V SLOT3.3V RESET SOUND MAIN MUTE L R GND GND GND GND DR15V GND STB5V SCL1 IIC_CONT SDA2 SCL2 SDA1 GND SDA3 SCL3 RESET SOUND MAIN MUTE GND CABLE DET POWER STATUS GND TXD_TU GND RXD_TU GND TXD_PC GND RXD_PC ALL_OFF REMOCON_OUT FAN_CONT REAL TIME /INTRA STB_ON NCLP_S GND VD_S GND HD_S GND PR_S GND Y_S GND PB_S GND HD GND GND VD CLP R GND B GND G GND GND DAC4=CS(S) LAN15V PLUG DET CABLE DET SYNC GND REMOTE VD SOS SYNC GND PWR_STATUS HD PR/R GND RESET2 PR/R RESET1 PB/B GND S2DETECT PB/B Y/G GND Y/G GND GND STB5V SRQ RSVD IIC DAT RSVD IIC SCL AUDIO GND RXD AUDIO IN L TXD AUDIO GND AUDIO IN R GND SLOT3.3V SLOT9V GND SLOT5V TX1+ GND TX3+ TX3- TXC+ TXC- TXCG TX3G TXG+ TXG- TX2G TX1- TX1G TX0+ TX0- TX0G SOS SYNC GND PWR_STATUS HD PR/R GND RESET2 PR/R GND RESET1 PB/B GND S2DETECT PB/B Y/G GND Y/G LAN15V CABLE DET SYNC GND REMOTE VD SLOT5V GND SLOT9V GND STB5V SRQ RSVD IIC DAT RSVD IIC SCL AUDIO GND RXD AUDIO IN L TXD AUDIO GND PLUG DET AUDIO IN R SLOT3.3V GND TX2G TXG- TXG+ TX3G TXCG TXC- TXC+ TX3- TX3+ GND TX1+ TX0G TX0- TX0+ TX1G TX1- DAC1=SYNC_INH(S) STB5V STB_ON LAN15V LAN15V GND GND TXC+ TX3G TX3- TX3+ TX0G TX0- TX0+ TX1G TX1- TXG+ TXCG TXC- TX1+ TX2G TXG- GND GND GND TXG- TX2G TX1+ TX3+ TX3- TX3G TXC+ TXC- TXCG TXG+ TX1- TX1G TX0+ TX0- TX0G SL3_DET=SW2 SW1=SL2_DET SW0=SL1_DET DAC3=IICSW DAC4=IICSW SDA SCL GND 1OE S1 1B4 1B3 1B2 1B1 1A GND VCC 2OE S0 2B4 2B3 2B2 2B1 2A SW0 SW1 GND Y1 INH 8 F 5 6 I J H G 4 3 2 7 1 20 12 19 14 21 16 11 15 23 13 22 17 18 A B C D E F G H J-BOARD TNPA2826 (3/4) AVR 12V TIMER IC AVR 9V SW AUDIO SW EXPAND I/O IIC SW EXPAND I/O TO (Z8) Z-BOARD TO (PF10) PF-BOARD TO (D3) D-BOARD TO (D5) D-BOARD TO (H1) HY-BOARD TO (D6) D-BOARD TO (H2) HY-BOARD < TH-50PHD6CY, TH-50PHW6CH/CZ J-BOARD (3 of 4) Schematic Diagram TH-50PHD6CY, TH-50PHW6CH/CZ J-BOARD (3 of 4) Schematic Diagram ! 85 14.25.J 电路板 (4/4)电路图 + + + + + + + + + AF_VD_HX AF_HD_HX AF_DPMS_HD AC_CS((M)) AF_DPMS_VD 5V AG_Y_M AA_SCL3 AA_SDA3 AF_VD_HX AF_HD_HX 9V AM_SDA_S3 AM_SCL_S3 AH_SOS AH_SLOT3_DET AK_Y_3 AK_PB_3 AK_PR_3 AK_VD_3 AK_L_3 AG_PR_M AG_PB_M AF_Y_S AF_PB_S AF_PR_S AJ_TXD_4 AJ_RXD_4 AJ_TXD4 AJ_RXD4 AJ_TXD_4 AD_L_4 AD_Y_4 AD_PR_4 AD_R_4 AD_PB_4 AJ_RXD_4 AD_VD_4 AD_HD_4 AC_SW0 AC_SW1 AF_VD_HX AF_HD_HX AK_S2_3 AK_HD_3 AK_R_3 C3114 16V 4.7u 1% R3262 75 R3216 3.3 Q8010 2SD0601A0L R3193 33 C3202 16V 1u R3112 0 C3205 16V 1u R3097 0 R3122 0 C3204 16V 1u C3109 16V 0.1u STB5V_S SLOT9V C3104 16V 0.1u C3200 16V 1u R3083 100 C3262 16V 0.1u 5V_S 4.7k R3213 C3261 16V 4.7u D8011 MA3X15300L ZA3007 K4ZZ01000121 C3201 16V 1u R3214 4.7k R3217 3.3 R3108 0 R3127 0 1% R3117 4.7k C1AB00001720 IC3251 1 GINA/UINA 2 GSG1 3 GINB/UINB 4 NC 5 BINA/VINA 6 GSB1 7 BINB/VINB 8 NC 9 DISABLE 10 GND3 11 BOUT/VOUT 12 VCC3 13 GND2 14 GOUT/UOUT 15 VCC2 16 GND1 17 ROUT/YOUT 18 VCC1 19 GND4 20 RFC 21 VFC 22 MUXSEL 23 SYNCIN 24 VCC4 25 RINA/YINA 26 GSR1 27 RINB/YINB 28 NC IC3109 AN78L05M-E1 IN 3 2 COMMON OUT 1 C3032 16V 0.1u R3121 0 R3060 0 ZA3005 K4ZZ01000121 C1AB00001720 IC3201 1 GINA/UINA 2 GSG1 3 GINB/UINB 4 NC 5 BINA/VINA 6 GSB1 7 BINB/VINB 8 NC 9 DISABLE 10 GND3 11 BOUT/VOUT 12 VCC3 13 GND2 14 GOUT/UOUT 15 VCC2 16 GND1 17 ROUT/YOUT 18 VCC1 19 GND4 20 RFC 21 VFC 22 MUXSEL 23 SYNCIN 24 VCC4 25 RINA/YINA 26 GSR1 27 RINB/YINB 28 NC C3257 16V 0.1u C3134 16V 470u L3050 ELJPA100KF C3203 25V 0.1u C3267 16V 470u R3194 33 R3061 0 R3059 100 IC8016 C0JBAZ001934 1 2 3 4 5 6 7 8 9 10 11 12 13 14 1% R3257 1.5k C3256 16V 0.1u 1% R3189 75 R3107 0 D3004 MA2J11100L R3124 0 C3112 16V 0.1u C3263 16V 0.1u C3116 16V 0.1u R3084 10k Q8012 2SD0601A0L LAN15V Q8011 2SB0709A0L IC8015 C0ZBZ0000205 1 C1+ 2 VS 3 C1- 4 C2+ 5 C2- 6 VS- 7 T2OUT 8 R2IN 9 R2OUT 10 T2IN 11 T1IN 12 R1OUT 13 R1IN 14 T1OUT 15 GND 16 VCC R3086 0 C3111 16V 0.1u P5V R3230 100 C3254 16V 0.1u C3142 16V 2.2u R3256 0 ZA3006 K4ZZ01000121 9V 4.7k R3215 C3115 16V 0.1u C8070 0.1u C3117 16V 0.1u R3218 3.3 C3107 16V 0.1u R3125 0 C3135 16V 470u R3210 100 C3252 16V 0.1u C3136 16V 470u R3298 0 J13 A1 A2 A3 A4 A5 A6 A7 A8 A9 A10 A11 A12 A13 A14 A15 A16 A17 A18 A19 A20 A21 A22 A23 A24 A25 A26 A27 A28 A29 A30 A31 A32 A33 A34 A35 A36 A37 A38 A39 A40 B1 B2 B3 B4 B5 B6 B7 B8 B9 B10 B11 B12 B13 B14 B15 B16 B17 B18 B19 B20 B21 B22 B23 B24 B25 B26 B27 B28 B29 B30 B31 B32 B33 B34 B35 B36 B37 B38 B39 B40 C3258 16V 0.1u C3268 16V 470u STB5V_S 1% R3114 820 R3100 10k 1% R3190 75 STB5V_S C3266 16V 470u J14 1 2 3 4 5 6 7 8 9 10 11 22 21 20 19 18 17 16 12 13 14 15 1% R3254 4.7k C3108 16V 2.2u R3085 10k 1% R3118 1.5k 1% R3261 75 R3126 0 C3110 16V 0.1u R3087 0 R3259 0 9V 9V 1% R3188 75 IC3108 AN78L05M-E1 IN 3 2 COMMON OUT 1 C3260 16V 2.2u C3143 16V 2.2u IC3006 C1AB00000441 1 SW1 2 SW0 3 DAC4 4 DAC3 5 DAC2 6 DAC1 7 DAC0 8 GND 9 SW2 10 SW3 11 SAD0 12 SAD1 13 SAD2 14 SDA 15 SCL 16 Vcc C3105 16V 0.1u D8010 MA3X15300L R3099 10k R3253 0 R3113 0 C3253 16V 2.2u Q8013 2SB0709A0L 9V R3219 3.3 R3120 0 C8071 47u C3141 16V 2.2u R3211 100 R3123 0 R3098 0 R3212 4.7k R3192 33 C3255 16V 2.2u C3259 16V 0.1u 1% R3260 75 C3106 16V 2.2u R3116 0 5V_M SLOT3.3V SLOT5V R3095 330 R3191 33 R3231 100 R3297 0 C3118 16V 47u C3113 16V 2.2u R3096 330 R3094 330 C3264 16V 0.1u C3144 16V 2.2u C3251 16V 0.1u 1% R3255 820 C3265 16V 47u D3024 MA2J11100L D3021 MA2J11100L JS8096 JS8097 STB5V_S C8072 10V 10u C8073 10V 10u DAC0 DAC1=SYNC_INH(M) DAC2=LPF(M) DAC4=CS(M) O5 I4 O4 GND O3 I3 O6 I5 O2 I2 O1 I1 I6 VCC DAC3 SW0 SW1 GND GND LAN15V AUDIO GND TXD AUDIO IN R Y/G Y/G GND PB/B S2DETECT PB/B GND RESET1 PR/R RESET2 PR/R GND HD PWR_STATUS SYNC GND SOS VD REMOTE SYNC GND CABLE DET PLUG DET GND SLOT5V GND SLOT9V SLOT3.3V GND AUDIO IN L RXD AUDIO GND IIC SCL RSVD IIC DAT RSVD SRQ STB5V GND TX1G TX1- TX2G TXG- TXG+ TX3G TXCG TXC- TXC+ TX3- TX3+ TX1+ TX0G TX0- TX0+ STB5V_S GND GND 75ohm L R HD GND GND GND GND GND GND GND RXD TXD Y/G PB/B PR/R VD 12 8 13 10 11 14 9 15 16 18 19 11 14 17 13 15 21 20 12 23 22 AB AG AD AA AK AC AI AJ AE AH AF J-BOARD TNPA2826 (4/4) EXPAND I/O VIDEO AMP (MAIN) (SUB) VIDEO AMP AVR 5V AVR 5V DRIVER RS232C INVERTER TO (HX1) HX-BOARD TH-50PHD6CY, TH-50PHW6CH/CZ J-BOARD (4 of 4) Schematic Diagram TH-50PHD6CY, TH-50PHW6CH/CZ J-BOARD (4 of 4) Schematic Diagram ! 86 14.26.D 电路板 (1/2)方框图 TH-50PHD6CY, TH-50PHW6CH/CZ D-BOARD (1 of 2) Block Diagram TH-50PHD6CY, TH-50PHW6CH/CZ D-BOARD (1 of 2) Block Diagram 1 P5V SDA1(IIC 5V) CLKB 5 Q9719 St-r 4 5V->3.3V IIC_CONT /Y Pb Pr 3.3V 5V->3.3V IC9151 IIC_CONT OSC IN COLOR 5 OSC OUT FORMAT CONVERTER(I/P) 4 NV IN 2 3.3V D00 PLL M 8BIT REG 3.3V WB-Adj A01 30 IC9010 8BIT A19 36 P5V CTI/TINT IC9605 IC9009 G D15 HD IC9157 43 CLP C1 R WE 56 VD F.CLP 40 SERIAL 38 OE CLK 9 110M 57 VD TX2- 31 RAS HD CONVERTER J3 10 OSD 5 CAS VD RGB SCL2 HS OUT VDS I/O 8 CE CLK OSD G7 TX0- 19 77 5V->3.3V (100MHz) 5 Y/G IN IC9015 PR S DATA IC9023 6 SDRAM I/F 9 70 OSD HS SCL CONTRAST 54 TX1+ SDA2 187 SDA CLP ADC 48 TXC- Y S 23 IC9702 HS FORMAT HD VS OUT B0 HDS I/O EEPROM CLP 3.3V->5V 26 CLAMP 188 Q9707 VS IC9154 TXC+ VS OUT SDA1 8 SDA3 5V->3.3V 3 SYNC/SEPA PB S CLP SCL2 IC9014 D5 SDA2 SCL1 HS C1 SDA2 19 DIGITAL C D3 R(8Bit) 3 SDA1 12 32 A/D CONVERTER(SUB) CLKC HD SCL3 5 9 VD DIGITAL B VS C1 SCL1 CLK OUT 66 SCL2 OCK PLL SCL3 7 Q9002 R7 34 64M SDRAM SDA3 HD S 1 J5 27 IC9155 CABLE DCKC 7 17 64 55 B0-B7,G0-G7,R0-R7 REG 3.3V DET VD S 2 16 B 1 VS IC9001 27 5 VRAM(1Mbit) TX2+ CLKC G0 SOUND MAIN MUTE P5V 15 29 OE TX0+ NCLP IC9704 12 5 15 9 27 8 38 FLASH MEMORY SMM 4 IC9012 6 55 20 Pr/R IN IC9705 CABLE DET 3.3V 2 VDM I/O 1 TX1- VD (8M ROM) 13 REG 3.3V 5 CLKB VDM I/O 12 CLP CABLE DET IC9006 14 3 HDM I/O TTL PARALLEL TO LVDS SMM 12 TXC- 15 P5V R/G/B 18 VS OUT D-Board(1of2)Block Diagram HDM I/O SCL3 6 17 5 SW 26 BUS SWITCH TX3+ B(8Bit) Q9704 13 4 D TXC+ 11 Q9703 HD TX3- HS OUT 2 3.3V Format Converter 3 SCL2(3.3V) LEFT(MASTER)RGB 8bit 11 VD IC9011 HSYNC 6 REG 3.3V B0 D6 SDA2(3.3V) 29 D 2 ADC 4 IC9007 PB 19 (1/2) NCLP TO J-BOARD 132 4 Pb/B IN 5 P5V R(8Bit) 12 HD SDA1 133 TO J-BOARD 6 9 3 67 A/D CONVERTER(MAIN) 5 VD SCL1 SCL2 TO J-BOARD IC9013 CLP 7 PLL IC9018 CLK OUT 31 7 SDA2 B 4 3 18 CLAMP SCL2 Q9001 27 6 18 G CLP 14 VD BUS SWITCH J6 9 SCL2 17 R HD 16 HD OE 17 66 SDA2 SCL I/O G 2 87 110M 16 R7 R SDA I/O IC9711 88 G(8Bit) TX2+ 64 B MCVD SDA1 77 7 TX0+ B (I/P SDA2 MCHD VSYNC 5 8 G0 CONVERTER) SCL1 B7 20 38 LVDS:Low Voltage Differential Signaling SCL2 R0 TX1- Pr/R IN 38 2 12 VD_M 39 8BIT TTL PARALLEL TO LVDS CLP OSC OUT 30 12 6 25 OSC IN TX3+ B(8Bit) G 113 TX3- HS OUT R 100 IC9002 HSYNC 21 71 2 ADC 106 57 3 67 4 Pb/B IN 185 SCL2 18 61 6 CLP 206 G7 BUS SWITCH 70 IC9004 CLP 202 Y/G IN 11 NH IN IC9019 3 205 54 11 AD1 43 1 203 48 15 56 MICRO PROCESSOR 7 CLPM HD_M 15 23 SDA3 2 5 VS OUT IC9003 31 IC9701 5 6 SYNC/SEPA 2 19 SCL3 OE 4 SDA2 5 PR SOUND MUTE IC9008 4 67 B0-B7,G0-G7,R0-R7 14 70 9 BUS SWITCH IC9606 PLL R/G/B RIGHT(SLAVE)RGB 8bit SDA2 10 OE RESET 5 SW Y 89 110M VS B1 RESET 4 9 90 G(8Bit) DCKB 3.3V->5V 3.3V TX2- 68 77 24 IC9703 REG 3.3V 10 111 31 SYNC PROCESSOR 17 IC9016 HS OUT VSYNC CLP B1 15 P5V TX0- B7 HS B1 5 5 IC9005 SDA3 3 4 9 R0 BUFFER 3.3V TX1+ 3 REG 3.3V IC9602 6 IC9017 SCL2(IIC 5V) LVDS/TTL(PARALLEL) INVERTER SWITCHING SWITCHING SDA2 SCL2 LVDS/TTL(PARALLEL) INVERTER SWITCHING 198 199 X9701 X9703 OSD (1/2) 24.6MHz SMM 87 14.27.D 电路板 (2/2)方框图 J3 D3 19 17 27 21 23 IC9455 NEW PLASMA AI P27 15 28 TO J-BOARD TO P-BOARD (3.3V->2.5V) 26 25 11 5 D25 P25 7 TO P-BOARD 2 1 3 IC9153 REG 5V 1 5V UNREG 14V P5V REG 3.3V 5 4 IC9152 3.3V 5 4 P5V IC9302 3.3V REG 3.3V DC DC CONVERTER IC9800 (1.8V) DC DC CONVERTER IC9952 (1.8V) 1.8V UNREG 14V UNREG 14V 1.8V UNREG 14V DC DC CONVERTER 3.3V 2.5V IC9951 (3.3V) DC DC CONVERTER IC9453 64M SDRAM IC9454 FLASH MEMORY (32M ROM) IC9456 Plasma AI control IC9459 BUS SW Q9400 BUS RELEASE IIC_CONT RESET SMM 10bit PROCESSOR SUB-FIELD PROCESSOR (L Master) SLV44h FC RAM I/F FLASH ROM I/F DATA DRIVER FPGA I/F DATA DRIVER IC9305 NEW PLASMA AI DATA DRIVER (R Slave) SLV42h FLASH ROM I/F 10bit PROCESSOR DATA DRIVER FPGA I/F SUB-FIELD PROCESSOR FC RAM I/F DISCHARGE CONTROL IC9605 SUB MPU(CONVERTER) IC9709 (2/2) IC9304 64M SDRAM IC9601 BUFFER IC9603 BUFFER IC9604 BUFFER 5 6 SCL SDA IC9708 9 11 3.3V->5V IC9703 TO C2-BOARD Q9702 Q9701 STB5V_M STB5V_S LEFT(MASTER)RGB 8bit RIGHT(SLAVE)RGB 8bit 23 X9702 9,216MHz 22 31 15 51 52 20 4 14 35 21 62 SCL2 SDA2 132 133 100 DRVRST D32 A3 A33 C25 DRVRST-5V DRVRST DRVRST-5V B3 A38 C55 D33 DRVRST B37 A37 A36 A36 D31 L-UP A3 B38 TO C2-BOARD DRVRST-5V DRVRST DRVRST-5V B3 A38 C54 D34 DRVRST 12 D20 SOS2 11 TO SC-BOARD SOS1 LED G REMOCON LED R SOS1 KEY SOS2 26 62 54 28 1 6 7 STB 5V RESET IC9710 RESET TXD_TU REMOCON_OUT TXD_PC FAN_CONT STB_ON POW_STATUS RTC_INT RESET RXD_TU RXD_PC FAN_CONT 15V 15V 5V 15V 15V 5V RESET 42 SMM IIC CONT 55 8 4 1 IC9707 32 54 53 SCL3 SDA3 LED G LED R REMOCON KEY Q9597 Q9596 Q9594 Q9591 Q9599 Q9598 Q9593 Q9592 19 41 Q9301 DRVRST PCD,PCU PS SOS 7 TV ON/OFF 1 2 ALL OFF1 8 4 RUSH ON/OFF M POWER FAN SOS KILL SOS ALL OFF1 3 D27 KILL SOS M POWER PS SOS 6 RUSH ON/OFF FAN SOS TV ON/OFF STB5V STB5V 5 27 46 63 33 45 44 RUSH ON/OFF TV ON/OFF KILL SOS FAN SOS PS SOS ALL OFF1 Plasma AI Sub-Field Processor D (2/2) 12 RESET POW_STATUS RXD_TU RXD_PC STB_ON TXD_TU RTC_INT TXD_PC CABLE_DET TO C5-BOARD C24 TO C5-BOARD SC20 L-DOWN R-UP R-DOWN POWER_STATUS RESET RXD_TU RXD_PC STB_ON TXD_TU REAL TIME/INPUT TXD_PC REMOCON_OUT FAN_CONT B0-B7,G0-G7,R0-R7 B0-B7,G0-G7,R0-R7 OR EEPROM FAN CONT DRVRST-5V X IN X OUT 29 2 Q9708 REMO OUT REMO INH DATA DRIVE DATA DRIVE DATA DRIVE DATA DRIVE SCAN OUT CLE, CBK, CSL, CSH, CML, CMH, PCU CL, CLK,SIU, SID, SCSU, CPL CPH UEH, USL, USH, UML, UMH, NUEL, UBK CEL CER BLKL BLKD HZ IC9457 BUFFER DSLL, DSHL, DMLL, DMHL, DSLR, DSHR, DMHR TH-50PHD6CY, TH-50PHW6CH/CZ D-BOARD (2 of 2) Block Diagram TH-50PHD6CY, TH-50PHW6CH/CZ D-BOARD (2 of 2) Block Diagram 88 14.28.D 电路板 (1/15)电路图 + + + + AL_NCLP_S AAF_DPMS_HD AAF_DPMS_VD AM_R AL_VD_S AA_ALL_OFF1 AA_FAN_CONT AK_SCL2 AK_SDA2 AK_IIC_CONT AK_SCL1 AK_SDA1 AK_SCL3 AK_SDA3 AM_B AM_G AA_STB_ON AA_RTC_INT AA_REMOCON_OUT AR_RXD_TU AR_RXD_PC AR_TXD_PC AR_TXD_TU AS_R1 AS_R0 AS_R2 AS_R3 AS_R4 AS_R5 AS_R6 AS_R7 AS_G1 AS_G0 AS_G2 AS_G3 AS_G4 AS_G5 AS_G6 AS_G7 AS_B0 AS_B1 AS_B2 AS_B3 AS_B4 AS_B5 AS_B6 AS_B7 3.3V 3.3V 3.3V AU_VDID_S AU_HDID_S 5V AV_R5 AV_R4 AV_R3 AV_R2 AT_G4 AT_G5 AT_G6 AT_G7 AT_B0 AT_B1 AT_B2 AT_B3 AT_B4 AT_B5 AT_B6 AT_B7 AT_R0 AT_R1 AT_R2 AT_R3 AT_R4 AT_R5 AT_R6 AT_R7 AT_G0 AT_G1 AT_G2 AT_G3 3.3V AV_B3 AV_B1 AV_B0 AV_B7 AV_R0 AV_B6 AV_B5 AV_B4 AV_B2 AV_G7 AV_G6 AV_G5 AV_G4 AV_G3 AV_G2 AV_R7 AV_R1 AV_R6 AV_G1 AV_G0 AL_HD_S AAU_TX0- AAU_TX0+ AAR_TX1- AAR_TX1+ AAN_TX2- AAN_TX2+ AAS_TXC- AAS_TXC+ AAT_TX3- AAT_TX3+ AAU_TX0- AAU_TX0+ AAR_TX1- AAR_TX1+ AAN_TX2- AAN_TX2+ AAS_TXC- AAS_TXC+ AAT_TX3- AAT_TX3+ AV_R0 AT_G5 AV_R7 AT_B4 AV_G6 AT_R2 AV_B5 AT_G1 AV_R3 AT_B0 AV_G2 AT_B7 AV_B1 AT_R5 AT_G4 AV_R6 AT_B3 AV_G5 AT_R1 AV_B4 AT_G0 AV_R2 AT_G7 AV_G1 AT_B6 AV_B0 AT_R4 AV_B7 AT_G3 AV_R5 AT_B2 AV_G4 AT_R0 AV_B3 AT_R7 AV_R1 AT_G6 AV_G0 AT_B5 AV_G7 AT_R3 AV_B6 AT_G2 AV_R4 AT_B1 AV_G3 AV_B2 AT_R6 R9030 4.7k C9022 16V 0.1u L9002 ELKE103FA 1 2 3 C9016 16V 0.1u C9010 4V 220u R9006 EXB38V470JV C9007 4V 220u L9003 ELKE103FA 1 2 3 P5V P5V C9020 16V 0.1u C9017 16V 0.1u IC9004 C0JBAS000109 1 2 3 4 5 6 7 8 R9016 56 C9050 6.3V 10u C9052 16V 0.1u R9008 100 IC9003 C0JBAB000550 1 NC 2 A 3 GND 5 VCC 4 Y C9003 16V 0.1u R9729 100 C9011 16V 0.1u C9005 16V 0.1u C9013 16V 0.1u C9014 16V 0.1u R9005 100 R9728 0 R9010 EXB38V470JV R9009 100 R9131 100 L9001 ELKE103FA 1 2 3 D9001 MAZ30360HL R9002 0 R9004 EXB38V470JV IC9008 C0JBAZ001992 1 NC 2 1A1 3 1A2 4 1A3 5 1A4 6 1A5 7 1A6 8 GND 9 1A7 10 1A8 11 1A9 12 1A10 13 1A11 14 1A12 15 2A1 16 2A2 17 VCC 18 2A3 19 GND 20 2A4 21 2A5 22 2A6 23 2A7 24 2A8 25 2A9 26 2A10 27 2A11 28 2A12 29 2B12 30 2B11 31 2B10 32 2B9 33 2B8 34 2B7 35 2B6 36 2B5 37 2B4 38 GND 39 2B3 40 2B2 41 2B1 42 1B12 43 1B11 44 1B10 45 1B9 46 1B8 47 1B7 48 1B6 49 GND 50 1B5 51 1B4 52 1B3 53 1B2 54 1B1 55 2OE 56 1OE R9011 100 R9014 10k R9727 EXB38VR000V C9023 16V 0.1u R9003 0 R9007 100 R9730 100 R9012 EXB38V470JV R9726 0 C9004 6.3V 10u C9006 16V 0.1u R9132 100 C9009 4V 220u C9001 6.3V 10u R9018 0 R9130 100 R9731 100 C9027 16V 0.1u C9002 16V 0.1u R9001 EXB38V470JV R9026 47k C9008 4V 220u R9015 33 D3 1 2 3 4 5 6 7 8 9 10 11 12 13 14 15 16 17 18 19 20 21 22 23 24 25 26 27 28 29 30 31 32 33 34 35 36 37 38 39 40 C9012 16V 0.1u R9017 EXB38V470JV R9025 10k R9027 330 IC9002 C0ZBZ0000551 1 D22 2 D23 3 D24 4 GND 5 D25 6 D26 7 D27 8 LVDS GND 9 Y0- 10 Y0+ 11 Y1- 12 Y1+ 13 LVDS VCC 14 LVDS GND 15 Y2- 16 Y2+ 17 CLKIN- 18 CLKIN+ 19 Y3- 20 Y3+ 21 LVDS GND 22 PLL GND 23 PLL VCC 24 PLL GND 25 /PDWN 26 CLK OUT 27 D0 28 GND 29 D1 30 D2 31 VCC 32 D3 33 D4 34 D5 35 D6 36 GND 37 D7 38 D8 39 D9 40 VCC 41 D10 42 D11 43 D12 44 GND 45 D13 46 D14 47 D15 48 VCC 49 D16 50 D17 51 D18 52 GND 53 D19 54 D20 55 D21 56 VCC IC9001 C0CBCBD00008 1 Vcont 2 GND 3 Np 5 Vin 4 Vout Q9001 2SD0601A0L 0 R9984 0 R9985 0 R9986 0 R9987 0 R9988 D6 1 2 3 4 5 6 7 8 9 10 11 12 13 14 15 16 17 18 19 20 21 C9029 16V 0.1u IC9005 C0JBAZ001992 1 NC 2 1A1 3 1A2 4 1A3 5 1A4 6 1A5 7 1A6 8 GND 9 1A7 10 1A8 11 1A9 12 1A10 13 1A11 14 1A12 15 2A1 16 2A2 17 VCC 18 2A3 19 GND 20 2A4 21 2A5 22 2A6 23 2A7 24 2A8 25 2A9 26 2A10 27 2A11 28 2A12 29 2B12 30 2B11 31 2B10 32 2B9 33 2B8 34 2B7 35 2B6 36 2B5 37 2B4 38 GND 39 2B3 40 2B2 41 2B1 42 1B12 43 1B11 44 1B10 45 1B9 46 1B8 47 1B7 48 1B6 49 GND 50 1B5 51 1B4 52 1B3 53 1B2 54 1B1 55 2OE 56 1OE P5V C9028 6.3V 10u 5V GND GND GND GND GND GND STB5V IIC_CONT SCL1 SDA2 SCL2 SDA1 GND SDA3 SCL3 RESET POWER STATUS TXD_TU RXD_TU CABLE DET GND GND GND SOUND MAIN MUTE ALL_OFF TXD_PC RXD_PC GND GND FAN_CONT REMOCON_OUT PR_S HD_S VD_S NCLP_S STB_ON REAL TIME /INTRA Y_S PB_S TX0G GND GND DPMS_VD GND TX3+ TX3- TX3G TXC+ TXC- TXCG TXG2+ TXG2- TX2G TX1+ TX1- TX1G TX0+ DPMS_HD TX0- GND VSS VDD 2 B A 7 5 3 D 4 1 C 8 6 E 4 2 1 3 5 6 8 7 B C H F G E D A I J K D-BOARD (1/15) TZTNP01QMSC (TH-50PHD6CY) TZTNP01SGSC (TH-50PHW6CH/CZ) ! TO (J3) J-BOARD TO (J6) J-BOARD LVDS/TTL (PARALLEL) BUS SW BUS SW ANALOG(S) DIGITAL2 AVR 3.3V INVERTER SW & TO NEXT PAGE TO 6/15 TH-50PHD6CY, TH-50PHW6CH/CZ D-BOARD (1 of 15) Schematic Diagram TH-50PHD6CY, TH-50PHW6CH/CZ D-BOARD (1 of 15) Schematic Diagram 89 14.29.D 电路板 (2/15)电路图 + + + + AE_NCLP_M AE_VD_M AE_HD_M AE_HD_M AE_NCLP_M AE_VD_M 5V AS_R0 AS_R1 AS_R2 AS_R3 AS_R4 AS_R5 AS_R6 AS_R7 AJ_SCL2 AJ_SDA2 AAV_G AU_HD_S AU_VD_S AU_NCLP_S AU_HD_M AU_VD_M AU_NCLP_M AL_NCLP_S AL_HD_S AL_VD_S AU_HDIA_S AU_VDIA_S AU_VDIA_M AU_HDIA_M AAV_B AAV_R AU_VDID_M AU_HDID_M 5V 3.3V ABO_R7 ABO_R6 ABO_R5 ABO_R0 ABO_R4 ABO_R3 ABO_R2 ABO_R1 3.3V AAQ_R2 AAQ_R3 AAQ_R4 AAQ_R5 3.3V 3.3V AAQ_B3 AAQ_B1 AAQ_B0 AAQ_B5 AAQ_B4 AAQ_B2 AAQ_G7 AAQ_B7 AAQ_R0 AAQ_B6 AAL_TX1- AAM_TX0- AAM_TX0+ AAQ_G4 AAQ_G3 AAQ_G1 AAQ_G0 AAQ_G6 AAQ_G5 AAK_TXC- AAI_TX2- AAI_TX2+ AAJ_TX3- AAJ_TX3+ AAK_TXC+ AAL_TX1+ AAQ_R1 AAQ_R6 AAQ_G2 AAQ_R7 AAQ_R0 AAQ_R1 AAQ_R2 ABM_R0 ABM_R1 ABM_R2 5V 5V AAQ_R6 AAQ_R7 AAQ_G0 AAQ_G1 AAQ_G2 AAQ_G3 AAQ_G4 AAQ_G5 AAQ_G6 AAQ_R4 AAQ_R5 AAQ_R3 ABM_R6 ABM_R7 ABM_G0 ABM_G1 ABM_G2 ABM_G3 ABM_G4 ABM_G5 ABM_G6 ABM_G7 ABM_R4 ABM_R5 ABM_R3 3.3V AJ_SCL2 AJ_SDA2 AAQ_B2 AAQ_B3 AAQ_B4 AAQ_B5 AAQ_B6 AAQ_B7 AAQ_G7 AAQ_B0 AAQ_B1 ABM_B3 ABM_B4 ABM_B5 ABM_B6 ABM_B7 ABM_B0 ABM_B1 ABM_B2 AU_CLP_M ABO_R1 ABO_R0 ABO_R2 ABO_R3 ABO_R4 ABO_R5 ABO_R6 ABO_R7 ABO_G0 ABM_R4 ABM_R5 ABM_R6 ABM_R7 ABM_G0 ABM_R0 ABM_R1 ABM_R2 ABM_R3 AU_HD_ADM AU_VD_ADM ABO_B3 ABO_B4 ABO_B5 ABO_B6 ABO_B7 ABO_B1 ABO_B0 ABO_B2 ABO_G6 ABO_G7 ABO_G0 ABO_G1 ABO_G2 ABO_G3 ABO_G4 ABO_G5 ABO_G4 ABO_G5 ABO_G6 ABO_G7 ABO_B0 ABO_B1 ABO_B2 ABO_B3 ABO_B4 ABO_G3 ABO_G1 ABO_G2 ABM_B0 ABM_B1 ABM_B2 ABM_B3 ABM_B4 ABM_B5 ABM_G5 ABM_G6 ABM_G7 ABM_G4 ABM_G1 ABM_G2 ABM_G3 ABO_B5 ABO_B6 ABO_B7 ABM_B6 ABM_B7 5V 5V 5V AU_CLP_S AU_HD_ADS AU_VD_ADS AS_B1 AS_B0 AS_B3 AS_B4 AS_B5 AS_B6 AS_B7 AS_B2 AS_G0 AS_G1 AS_G2 AS_G3 AS_G4 AS_G5 AS_G6 AS_G7 AM_B AM_G AM_R AAV_B AAV_G AAV_R 3.3V AAM_TX0- AAL_TX1- AAL_TX1+ AAI_TX2- AAK_TXC- AAK_TXC+ AAJ_TX3- AAJ_TX3+ AAM_TX0+ AAI_TX2+ 3.3V 3.3V 3.3V 3.3V R9051 0 D9003 MAZ30360HL IC9016 C0CBCBD00008 1 Vcont 2 GND 3 Np 5 Vin 4 Vout R9031 EXB38V470JV C9037 6.3V 10u C9107 16V 0.1u L9008 ELKE103FA 1 2 3 R9057 10k C9097 16V 0.1u C9103 16V 0.1u C9062 16V 0.1u C9061 16V 0.1u R9034 EXB38V470JV C9091 16V 0.1u R9023 75 R9047 EXB38V470JV C9063 4V 220u C9064 4V 220u C9035 16V 0.1u C9113 16V 0.1u R9135 100 C9084 16V 0.1u IC9012 C0JBAB000550 1 NC 2 A 3 GND 5 VCC 4 Y R9028 0 IC9010 C0CBCBD00008 1 Vcont 2 GND 3 Np 5 Vin 4 Vout L9010 ELKE103FA 1 2 3 R9056 75 C9110 16V 0.1u IC9015 C0JBAZ001992 1 NC 2 1A1 3 1A2 4 1A3 5 1A4 6 1A5 7 1A6 8 GND 9 1A7 10 1A8 11 1A9 12 1A10 13 1A11 14 1A12 15 2A1 16 2A2 17 VCC 18 2A3 19 GND 20 2A4 21 2A5 22 2A6 23 2A7 24 2A8 25 2A9 26 2A10 27 2A11 28 2A12 29 2B12 30 2B11 31 2B10 32 2B9 33 2B8 34 2B7 35 2B6 36 2B5 37 2B4 38 GND 39 2B3 40 2B2 41 2B1 42 1B12 43 1B11 44 1B10 45 1B9 46 1B8 47 1B7 48 1B6 49 GND 50 1B5 51 1B4 52 1B3 53 1B2 54 1B1 55 2OE 56 1OE R9050 0 C9065 4V 220u C9092 16V 0.1u R9044 33 C9059 16V 0.1u C9056 16V 0.1u R9045 10k R9113 0 C9045 16V 0.1u R9052 0 R9104 0 C9060 6.3V 10u C9101 25V 0.047u P5V C9066 4V 220u C9070 16V 0.1u C9034 16V 0.1u C9030 6.3V 10u L9009 ELKE103FA 1 2 3 C9033 16V 0.1u R9058 47k C9046 16V 0.1u IC9006 C0CBCBD00008 1 Vcont 2 GND 3 Np 5 Vin 4 Vout IC9007 C0CBCBD00008 1 Vcont 2 GND 3 Np 5 Vin 4 Vout R9029 3.3k R9042 100 IC9013 C0JBAS000109 1 2 3 4 5 6 7 8 C9042 25V 0.047u C9100 25V 0.047u C9109 16V 0.039u R9019 0 C9087 16V 0.1u R9120 0 C9086 6.3V 10u C9111 50V 3900p C9053 50V 3900p C9099 16V 0.1u C9077 16V 0.1u R9039 100 C9096 16V 0.1u C9044 50V 1000p P5V R9105 0 R9038 100 P5V C9102 50V 1000p R9119 0 C9041 16V 0.1u C9038 16V 0.1u C9032 16V 0.1u R9110 0 IC9017 C0CBCBD00008 1 Vcont 2 GND 3 Np 5 Vin 4 Vout C9114 16V 0.1u R9033 0 C9043 25V 0.047u R9133 100 C9076 16V 0.1u C9058 16V 0.1u C9108 6.3V 10u R9062 4.7k R9107 0 C9078 16V 0.1u R9053 0 R9046 56 R9032 0 IC9018 C0JBAZ001992 1 NC 2 1A1 3 1A2 4 1A3 5 1A4 6 1A5 7 1A6 8 GND 9 1A7 10 1A8 11 1A9 12 1A10 13 1A11 14 1A12 15 2A1 16 2A2 17 VCC 18 2A3 19 GND 20 2A4 21 2A5 22 2A6 23 2A7 24 2A8 25 2A9 26 2A10 27 2A11 28 2A12 29 2B12 30 2B11 31 2B10 32 2B9 33 2B8 34 2B7 35 2B6 36 2B5 37 2B4 38 GND 39 2B3 40 2B2 41 2B1 42 1B12 43 1B11 44 1B10 45 1B9 46 1B8 47 1B7 48 1B6 49 GND 50 1B5 51 1B4 52 1B3 53 1B2 54 1B1 55 2OE 56 1OE R9115 0 C9080 16V 0.1u C9057 6.3V 10u C9112 16V 0.1u R9055 75 C9048 16V 0.1u C9095 6.3V 10u C9049 16V 0.1u C9054 16V 0.1u C9051 16V 0.039u C9094 6.3V 10u C9040 25V 0.047u IC9019 C0FBAD000069 1 GND 2 GREEN<7> 3 GREEN<6> 4 GREEN<5> 5 GREEN<4> 6 GREEN<3> 7 GREEN<2> 8 GREEN<1> 9 GREEN<0> 10 GND 11 VDD 12 BLUE<7> 13 BLUE<6> 14 BLUE<5> 15 BLUE<4> 16 BLUE<3> 17 BLUE<2> 18 BLUE<1> 19 BLUE<0> 20 GND 21 GND 22 VDD 23 VDD 24 GND 25 GND 26 VD 27 VD 28 GND 29 COAST 30 HSYNC 31 VSYNC 32 GND 33 FILT 34 PVD 35 PVD 36 GND 37 MIDSCV 38 CLAMP 39 VD 40 GND 41 GND 42 VD 43 BAIN 44 GND 45 VD 46 VD 47 GND 48 GAIN 49 SOGIN 50 GND 51 VD 52 VD 53 GND 54 RAIN 55 A0 56 SCL 57 SDA 58 REF BYPASS 59 VD 60 GND 61 GND 62 VD 63 GND 64 VSOUT 65 SOGOUT 66 HSOUT 67 DATACK 68 GND 69 VDD 70 RED<7> 71 RED<6> 72 RED<5> 73 RED<4> 74 RED<3> 75 RED<2> 76 RED<1> 77 RED<0> 78 VDD 79 VDD 80 GND C9036 6.3V 10u C9089 6.3V 10u R9024 75 IC9011 C0ZBZ0000551 1 D22 2 D23 3 D24 4 GND 5 D25 6 D26 7 D27 8 LVDS GND 9 Y0- 10 Y0+ 11 Y1- 12 Y1+ 13 LVDS VCC 14 LVDS GND 15 Y2- 16 Y2+ 17 CLKIN- 18 CLKIN+ 19 Y3- 20 Y3+ 21 LVDS GND 22 PLL GND 23 PLL VCC 24 PLL GND 25 /PDWN 26 CLK OUT 27 D0 28 GND 29 D1 30 D2 31 VCC 32 D3 33 D4 34 D5 35 D6 36 GND 37 D7 38 D8 39 D9 40 VCC 41 D10 42 D11 43 D12 44 GND 45 D13 46 D14 47 D15 48 VCC 49 D16 50 D17 51 D18 52 GND 53 D19 54 D20 55 D21 56 VCC R9036 EXB38V470JV R9061 3.3k P5V R9040 EXB38V470JV C9072 16V 0.1u C9073 16V 0.1u R9134 100 C9106 16V 0.1u C9067 16V 0.1u R9035 100 R9060 0 3.3V 3.3V C9090 16V 0.1u IC9009 C0FBAD000069 1 GND 2 GREEN<7> 3 GREEN<6> 4 GREEN<5> 5 GREEN<4> 6 GREEN<3> 7 GREEN<2> 8 GREEN<1> 9 GREEN<0> 10 GND 11 VDD 12 BLUE<7> 13 BLUE<6> 14 BLUE<5> 15 BLUE<4> 16 BLUE<3> 17 BLUE<2> 18 BLUE<1> 19 BLUE<0> 20 GND 21 GND 22 VDD 23 VDD 24 GND 25 GND 26 VD 27 VD 28 GND 29 COAST 30 HSYNC 31 VSYNC 32 GND 33 FILT 34 PVD 35 PVD 36 GND 37 MIDSCV 38 CLAMP 39 VD 40 GND 41 GND 42 VD 43 BAIN 44 GND 45 VD 46 VD 47 GND 48 GAIN 49 SOGIN 50 GND 51 VD 52 VD 53 GND 54 RAIN 55 A0 56 SCL 57 SDA 58 REF BYPASS 59 VD 60 GND 61 GND 62 VD 63 GND 64 VSOUT 65 SOGOUT 66 HSOUT 67 DATACK 68 GND 69 VDD 70 RED<7> 71 RED<6> 72 RED<5> 73 RED<4> 74 RED<3> 75 RED<2> 76 RED<1> 77 RED<0> 78 VDD 79 VDD 80 GND C9069 16V 0.1u R9037 100 R9117 0 R9022 75 R9059 330 R9114 0 C9055 16V 0.1u R9106 0 R9043 EXB38V470JV C9031 6.3V 10u R9054 75 C9088 6.3V 10u C9093 16V 0.1u 3.3V IC9023 C0JBAZ000545 OE1 1 2 I0 3 O7 4 I1 5 O6 6 I2 7 O5 8 I3 9 O4 10 GND 11 I4 12 O3 13 I5 14 O2 15 I6 16 O1 17 I7 18 O0 19 OE2 20 VCC C9098 25V 0.047u C9105 16V 0.1u R9020 0 C9039 16V 0.1u C9068 16V 0.1u Q9002 2SD0601A0L D5 1 2 3 4 5 6 7 8 9 10 11 12 13 14 15 16 17 18 19 20 21 22 23 24 25 26 27 28 29 30 31 VSS VDD TX0G GND GND GND TX3+ TX3- TX3G TXC+ TXC- TXCG TXG2+ TXG2- TX2G TX1+ TX1- TX1G TX0+ TX0- GND GND GND GND GND PR_M Y_M PB_M GND HD_M VD_M NCLP_M GND 15 8 14 9 11 13 12 10 4 8 7 1 3 2 5 6 43 41 44 42 AB AA AC AD ANALOG(M) DIGITAL1 & A/D CONVERTER LVDS/TTL (PARALLEL) BUS SW BUS SW A/D CONVERTER AVR 3.3V AVR 3.3V AVR 3.3V SW AVR 3.3V AVR 3.3V 5V -> 3.3V INVERTER TO BACK PAGE TO NEXT PAGE TO 7/15 TO (J5) J-BOARD TH-50PHD6CY, TH-50PHW6CH/CZ D-BOARD (2 of 15) Schematic Diagram TH-50PHD6CY, TH-50PHW6CH/CZ D-BOARD (2 of 15) Schematic Diagram D-BOARD (2/15) TZTNP01QMSC (TH-50PHD6CY) TZTNP01SGSC (TH-50PHW6CH/CZ) ! 90 14.30.D 电路板 (3/15)电路图 + + + + + + + Thermal Pad + + + + Thermal Pad + AF_D3 AF_D2 AF_D1 AF_D0 AF_D4 AF_D5 AF_D6 AF_D7 AG_BUS_REQ AF_SL0 AF_SL1 AF_SL2 AA_KILL_SOS AA_PS_SOS AA_FAN_SOS 5V AF_RD_XBY AF_XOE AG_TCK AG_TDI AG_TDO AG_TMS AF_SBU6 AF_SAU6 AF_SCU5 AF_SBU5 AF_SAU5 AF_SL0 AF_SL1 AF_SL2 AF_SCU6 AF_XWE AF_XCE 3.3V AG_TDI AG_TDO AG_TMS AG_TCK AA_TV_ON/OFF AA_RUSH_ON/OFF AA_FAN_CONT AA_ALL_OFF1 5V AG_BUS_REQ AF_XWE AF_XCE AF_D3 AF_D0 AF_D1 AF_D2 AF_D4 AF_D5 AF_D6 AF_D7 AF_SAU0 AF_D15 AF_SCU0 AF_SBU0 AF_SBU2 AF_SCU4 AF_SBU4 AF_SAU4 AF_SCU3 AF_SBU3 AF_SAU3 AF_SCU2 AF_SAU2 AF_SCU1 AF_SBU1 AF_SAU1 AF_BYTE C9466 4V 220u R9975 4.7k 1% R9962 1k R9664 4.7k C9955 16V 0.1u R9668 4.7k C9638 16V 0.1u C9952 16V 47u R9662 10k C9969 16V 4.7u C9465 16V 0.1u R9667 4.7k C9641 16V 0.1u C9951 16V 47u C9971 50V 2200p R9697 0 R9998 10k D9952 B0JCME000025 P5V R9695 0 R9959 4.7k R9966 0 C9957 16V 4.7u C9471 16V 0.1u C9970 25V 0.1u R9970 10k R9659 4.7k 1% R9961 1.62k R9699 0 C9960 16V 0.1u D9953 MA3X152K0L C9958 25V 220u R9666 4.7k R9954 0 C9640 16V 0.1u 1% R9480 1k 1% R9481 1k R9693 EXB38V103JV D25 1 2 3 4 5 6 7 8 3.3V R9661 4.7k R9807 EXB38V103JV C9959 25V 220u C9961 4V 120u IC9951 C0DBAMH00006 1 Vin 2 Vout 3 COM 4 Oadj 5 Vsoft 6 COM C9637 16V 0.1u C9965 16V 0.1u 2.5V C9964 16V 0.1u L9955 G1C470M00012 C9956 50V 0.01u L9953 ELKE103FA 1 2 3 C9953 16V 47u C9472 6.3V 10u R9665 4.7k L9954 ELKE103FA 1 2 3 R9692 4.7k D27 1 2 3 4 5 6 7 8 9 R9960 4.7k R9656 0 R9696 0 C9954 16V 0.1u R9660 4.7k R9969 0 D9954 B0JCME000025 R9957 0 1.8V_S D10 1 2 3 4 5 6 7 8 9 10 11 12 IC9453 C0DBEZG00004 1 IN 2 ON/OFF 3 OUT 4 V_adj 5 GND 6 OUT L9952 ELKE103FA 1 2 3 R9669 4.7k R9971 0 STB5V_S C0DBAFH00021 IC9952 1 GND 2 BOOST 3 VIN 4 VIN 5 SW 6 SW 7 NC 8 GND 9 GND 10 NC 11 SHDN 12 FB 13 VC 14 SYNC 15 NC 16 GND IC9608 C0ZBZ0000764 1 STATUS[1] 2 STATUS[2] 3 TDO 4 TDI 5 TMS 6 CONFIG_SEL[4] 7 CONFIG_SEL[3] 8 CONFIG_SEL[2] 9 CONFIG_SEL[1] 10 CONFIG_SEL[0] 11 TCK 12 VSS 13 VDD 14 ADDRESS[21] 15 ADDRESS[20] 16 ADDRESS[19] 17 ADDRESS[18] 18 ADDRESS[17] 19 ADDRESS[16] 20 VSS 21 VDD 22 ADDRESS[15] 23 ADDRESS[14] 24 ADDRESS[13] 25 ADDRESS[12] 26 ADDRESS[11] 27 ADDRESS[10] 28 ADDRESS[9] 29 ADDRESS[8] 30 ADDRESS[7] 31 ADDRESS[6] 32 VSS 33 VDD 34 ADDRESS[5] 35 ADDRESS[4] 36 ADDRESS[3] 37 ADDRESS[2] 38 ADDRESS[1] 39 ADDRESS[0] 40 VSS 41 VDD 42 DATA[7] 43 DATA[6] 44 DATA[5] 45 DATA[4] 46 DATA[3] 47 DATA[2] 48 DATA[1] 49 DATA[0] 50 XCE 51 XOE 52 VSS 53 XWE 54 RD_XBY 55 REG_SEL 56 D[3] 57 D[2] 58 D[1] 59 D[0] 60 VSS 61 VDD 62 XRESET 63 XWR 64 NC 65 XRD 66 XCS 67 BUS_REQ 68 BUS_RELEASE 69 DATA 70 XCEO 71 VSS 72 CLK 73 VDD 74 VDD 75 XRST 76 VDD 77 XCF 78 XCEI 79 MODE_SEL 80 STATUS[2] R9952 0 R9963 0 L9951 ELKE103FA 1 2 3 R9947 4.7k R9831 10k R9658 10k C9967 6.3V 10u C9709 16V 47u R9694 0 UNREG14V R9956 0 C9636 16V 0.1u R9964 0 R9972 10k L9956 G1C1R5Z00002 D9955 B0JCPD000010 R9808 EXB38V103JV R9663 4.7k R9965 1k R9955 0 R9951 0 C9966 4V 220u R9948 10k R9657 0 C9968 16V 47u P5V R9902 1k R9912 0 C9803 16V 4.7u C9801 6.3V 10u G1C1R5Z00002 L9800 C9805 50V 2200p C9804 25V 0.1u 1.8V D9801 B0JCME000025 C9802 16V 47u C0DBAFH00021 IC9800 1 GND 2 BOOST 3 VIN 4 VIN 5 SW 6 SW 7 NC 8 GND 9 GND 10 NC 11 SHDN 12 FB 13 VC 14 SYNC 15 NC 16 GND R9854 0 C9806 16V 0.1u C9800 4V 220u R9892 10k D9800 B0JCPD000010 P5V STB5V GND GND 3.3V CONFIG_SEL0 CONFIG_SEL1 CONFIG_SEL2 FLASH_0=T 1=B M_POWER 15V 15V TDI TDO TMS TCK UNREG14V GND 5V GND GND FAN_CONT RUSH_ON/OFF TV_ON/OFF GND FAN_SOS KILL_SOS PS_SOS ALL_OFF1 TEDASIC 17 23 20 21 22 16 19 18 43 41 44 42 62 61 BB BK BJ BC BG BD BH BA BF BE BL BI TH-50PHD6CY, TH-50PHW6CH/CZ D-BOARD (3 of 15) Schematic Diagram TH-50PHD6CY, TH-50PHW6CH/CZ D-BOARD (3 of 15) Schematic Diagram TO (P25) P-BOARD TO (P27) P-BOARD AVR 1.8V AVR 3.3V 3.3V -> 2.5V FPGA CONTROL AVR 1.8V TO BACK PAGE TO NEXT PAGE TO 8/15 D-BOARD (3/15) TZTNP01QMSC (TH-50PHD6CY) TZTNP01SGSC (TH-50PHW6CH/CZ) ! 91 14.31.D 电路板 (4/15)电路图 + ABX_HPLO ABX_OHOLD ABX_HFBC R9203 22 R9232 330 1% R9184 1k 1% R9183 3k C9085 16V 0.1u C9191 50V 0.01u C9169 16V 0.1u R9220 150 UNREG14V C9174 16V 0.1u IC9014 C0JBAZ000545 OE1 1 2 I0 3 O7 4 I1 5 O6 6 I2 7 O5 8 I3 9 O4 10 GND 11 I4 12 O3 13 I5 14 O2 15 I6 16 O1 17 I7 18 O0 19 OE2 20 VCC R9219 10 R9063 10 R9123 0 C9171 16V 47u C9175 6.3V 10u R9221 150 C9198 16V 0.1u IC9153 C0DBEZG00004 1 IN 2 ON/OFF 3 OUT 4 V_adj 5 GND 6 OUT C9177 16V 0.1u IC9157 C0ABFA000012 1 DVDD 2 SEL 3 VCOout 4 FinA 5 FinB 6 PFDout 7 VSS 8 (NC) 9 PFDinh 10 VCOinh 11 AVSS 12 VCOin 13 Rbias 14 AVDD R9218 0 R9228 150 R9224 2.2k C9195 16V 1u 3.3V C9192 16V 1u R9231 2.7k IC9154 C0JBAZ001604 1 2 3 4 5 6 7 8 9 10 11 12 13 14 15 16 17 18 19 20 C9197 25V 0.056u R9191 0 C9196 16V 1u 2Y1 1OE VCC 1A1 2Y4 1A2 1A3 1A4 GND 2Y3 2Y2 2OE 1Y1 1Y2 1Y3 1Y4 2A4 2A3 2A2 2A1 26 27 30 24 25 23 28 29 61 62 CB CA CD CC TH-50PHD6CY, TH-50PHW6CH/CZ D-BOARD (4 of 15) Schematic Diagram TH-50PHD6CY, TH-50PHW6CH/CZ D-BOARD (4 of 15) Schematic Diagram PLL 3.3V 5V -> 3.3V 5V -> 3.3V PLLM (36MHz) TO BACK PAGE TO 9/15 D-BOARD (4/15) TZTNP01QMSC (TH-50PHD6CY) TZTNP01SGSC (TH-50PHW6CH/CZ) ! 92 14.32.D 电路板 (5/15)电路图 ABP_AD0 ABP_AD2 ABP_BA1 ABP_AD10 ABP_AD3 ABP_IO20 ABP_IO21 ABP_BA0 ABP_RAS ABP_WE ABP_CAS ABP_IO23 ABP_IO22 ABP_CS ABP_IO19 ABP_IO18 ABP_IO17 ABP_IO16 ABP_IO7 ABP_IO6 ABP_IO5 ABP_IO4 ABP_IO3 ABP_IO1 ABP_IO2 ABP_IO0 ABP_IO9 ABP_IO8 ABP_IO10 ABP_IO11 ABP_IO12 ABP_IO13 ABP_IO14 ABP_IO15 ABP_IO24 ABP_IO25 ABP_IO26 ABP_IO28 ABP_IO27 ABP_IO31 ABP_IO29 ABP_IO30 ABP_AD8 ABP_AD9 ABP_AD4 ABP_AD5 ABP_AD7 ABP_AD6 ABP_AD1 C9335 16V 0.1u C9327 16V 4.7u IC9304 C3ABPJ000043 1 DQ3 2 VDDQ 3 DQ4 4 DQ5 5 VSSQ 6 DQ6 7 DQ7 8 VDDQ 9 DQ16 10 DQ17 11 VSSQ 12 DQ18 13 DQ19 14 VDDQ 15 VDD 16 VSS 17 DQ20 18 DQ21 19 VSSQ 20 DQ22 21 DQ23 22 VDDQ 23 DM0 24 DM2 25 ^WE 26 ^CAS 27 ^RAS 28 ^CS 29 BA0 30 BA1 31 A0 32 A1 33 A2 34 A3 35 VDD 36 A10 37 N.C 38 N.C 39 N.C 40 N.C 41 N.C 42 N.C 43 N.C 44 N.C 45 A9 46 VSS 47 A4 48 A5 49 A6 50 A7 51 A8/AP 52 N.C 53 CKE 54 ^CLK 55 CLK 56 DM1 57 DM3 58 VREF 59 VDDQ 60 DQ8 61 DQ9 62 VSSQ 63 DQ10 64 DQ11 65 VDD 66 VSS 67 VDDQ 68 DQ12 69 DQ13 70 VSSQ 71 DQ14 72 DQ15 73 VDDQ 74 DQ24 75 DQ25 76 VSSQ 77 DQ26 78 DQ27 79 VDDQ 80 DQ28 81 DQ29 82 VSSQ 83 DQ30 84 DQ31 85 VSS 86 VDDQ 87 N.C 88 N.C 89 N.C 90 N.C 91 N.C 92 VSSQ 93 N.C 94 DQS 95 VDDQ 96 VDD 97 DQ0 98 DQ1 99 VSSQ 100 DQ2 1% R9397 1k 1% R9398 1k C9338 16V 0.1u 2.5V C9332 16V 0.1u W946432AD-6 M13S64322A-4L 47 53 50 51 52 46 49 48 DE DB DD DA DC TH-50PHD6CY, TH-50PHW6CH/CZ D-BOARD (5 of 15) Schematic Diagram TH-50PHD6CY, TH-50PHW6CH/CZ D-BOARD (5 of 15) Schematic Diagram 64M SDRAM TO 12/15 D-BOARD (5/15) TZTNP01QMSC (TH-50PHD6CY) TZTNP01SGSC (TH-50PHW6CH/CZ) ! 93 14.33.D 电路板 (6/15)电路图 + + + STB5V AA_CABLE_DET AK_SDA3 AK_SCL3 AK_SDA2 AK_SCL2 AK_SDA1 AK_SCL1 AR_SDA2 AR_SCL2 AR_SDA3 AR_SCL3 AA_CATS_EYE AR_SDA2 AR_SCL2 AR_SDA1 AR_SCL1 AN_NO_SYNC AJ_SDA2 AJ_SCL2 AAZ_CML AAZ_CMH AAZ_CEH AAY_CL AAY_CPL AAZ_CEL AAZ_CSL AAY_CLK AAY_SIU AAY_SID AAY_SCSU AAY_CPH AAZ_CSH AAE_MCLD AAE_MCDATA AAE_MCCLK AR_SCL1 AR_SDA1 AR_SCL3 AR_SDA3 AR_IIC_INT ABL_VA0 ABL_VA4 ABL_VA6 ABL_VA7 ABL_VA8 ABL_VA5 ABL_VA1 ABL_VA2 ABL_VA3 ABI_J ABI_I ABI_D AO_A5 AO_A6 AO_A12 AO_A13 AO_A14 AO_A15 AO_A16 AO_A17 AO_A18 AO_A7 AO_A8 AO_A9 AO_A10 AO_A11 AO_A4 AO_A3 AO_A2 AO_A1 AO_A0 ABV_D15 ABV_D14 ABV_D13 ABV_D12 ABV_D11 ABV_D10 ABV_D09 ABV_D08 ABV_D07 ABV_D06 ABV_D05 ABV_D04 ABV_D03 ABV_D02 ABI_A ABI_B ABI_C AK_IIC_CONT AR_SDA2 AR_SCL2 AA_SOS1 AA_SOS2 AR_IIC_INT AJ_IIC_CONT AA_DRVMUTE_M5V AR_SCL1 AR_SDA1 ABV_D00 ABV_D01 AN_CLKC C9710 16V 47u R9721 150 D9713 MAZ30620ML R9750 1k R9787 1k R9751 EXB38V103JV C9727 16V 0.1u C9706 16V 0.1u R9756 2.7k R9790 1.5k R9743 4.7k R9777 470 R9766 0 R9702 68 C9705 50V 1000p C9703 50V 100p R9718 0 R9734 1k R9773 100 R9700 0 D9715 MAZ30620ML R9712 150 R9737 1k P5V R9776 10k R9717 0 D9710 MAZ30620ML R9757 56 R9732 100 IC9701 MN102L230 1 2 3 4 5 6 7 8 9 10 11 12 13 14 15 16 17 18 19 20 21 22 23 24 25 26 27 28 29 30 31 32 33 34 35 36 37 38 39 40 41 42 43 44 45 46 47 48 49 50 51 52 53 54 55 56 57 58 59 60 61 62 63 64 65 66 67 68 69 70 71 72 73 74 75 76 77 78 79 80 81 82 83 84 85 86 87 88 89 90 91 92 93 94 95 96 97 98 99 100 101 102 103 104 105 106 107 108 109 110 111 112 113 114 115 116 117 118 119 120 121 122 123 124 125 126 127 128 129 130 131 132 133 134 135 136 137 138 139 140 141 142 143 144 145 146 147 148 149 150 151 152 153 154 155 156 157 158 159 160 R9701 100 R9725 22k C9715 50V 100p R9714 150 STB5V_M C9714 50V 100p R9791 4.7k R9708 100 R9806 1k STB5V_M R9703 100 R9754 EXB38V272JV R9759 56 C9723 10p R9723 150 R9736 2.7k R9781 10k R9761 1k R9747 1k R9786 EXB38VR000V C9701 16V 0.1u R9758 10k C9716 50V 100p R9769 EXB38VR000V D9709 MAZ30620ML C9726 16V 4.7u 3.3V D9712 MAZ30620ML R9779 10k D20 1 2 3 4 5 6 7 8 9 10 11 12 13 14 15 16 17 18 19 20 R9996 0 R9762 EXB38V103JV C9722 10p STB5V_S R9739 2.7k R9788 0 L9701 ELKE103FA 1 2 3 R9749 4.7k R9783 56 R9710 150 R9707 100 C9725 6.3V 10u C9719 16V 4.7u STB5V_S D9708 MAZ30620ML X9701 H0J245500024 D9716 MA2J11100L R9704 100 Q9702 2SB14400HL R9784 56 C9707 16V 0.1u R9738 2.7k R9888 10k R9735 10k R9748 0 R9789 470 R9741 4.7k D9705 MAZ30620ML R9753 100 R9765 100 R9774 10k C9712 50V 100p R9775 10k R9706 100 R9768 EXB38V470JV R9745 10k R9719 150 C9702 16V 47u R9767 100 R9715 150 STB5V_M D9706 MAZ30620ML R9722 150 C9724 16V 0.1u D9711 MAZ30620ML R9771 EXB38VR000V D4 1 2 3 4 5 6 7 8 9 10 11 12 D9707 MAZ30620ML IC9711 C0JBAS000109 1 2 3 4 5 6 7 8 R9949 10k R9755 2.7k R9716 150 C9720 16V 0.1u R9782 5.6k C9718 16V 0.1u R9709 47k R9763 10k R9724 150 C9713 50V 100p R9785 EXB38VR000V C9717 50V 100p C9708 16V 47u R9711 150 R9705 100 IC9702 C3EBJC000038 1 E0 2 E1 3 E2 4 VSS 5 SDA 6 SCL 7 WC 8 VCC R9733 5.6k R9713 150 C9700 16V 0.1u X9703 H0J200500016 R9720 150 R9795 1M Q9701 2SD0601A0L Q9710 2SB0709A0L Q9707 2SB0709A0L Q9703 B1CBHD000001 G D S Q9704 B1CBHD000001 G D S Q9719 B1CBHD000001 G D S CABLE_DET SOS1 SOS2 VSS VDD CLK SIU CL CPH SCSU SID CPL CEH CEL CSL CSH CML CMH RES AD4 84.MUSID 83.MUSIB 82.MUSKIK 81.TESTIN AD1 AD2 AD3 AD6 AD7 SDA3 SCL3 P03 80.VSS 79.VDD 78.P27 V-MUTE(DRIVER) 77.NIRQ2 76.NIRQ1 IIC_INT 75.P16 IIC EX. CONT P12 SDA1 P11 SCL1 P10 P07 P06 P02 P01 P23 FPGA_CHIP SEL GND SDA1 SCL2 SDA2 IIC_CONT SCL1 STB5V SCL3 SDA3 IRQ RST GND A15 A14 A16 VDD A20 A19 A18 A17 A21 A22 A23 P00 A-MUTE A13 A12 A10 A11 A09 VSS P15 P05 NO_SYNC P04 RESET_OUT P14 P13 VDD A00 A01 D09 D10 D11 D13 D14 D15 D12 A02 A04 A03 SYSCLK NRST A05 A08 A07 VDD OSCI OSCO VSS A06 SDA2 SCL2 VDD ADVSS ADVDD NSBT NSBD AD5 VA6 NWEL D03 D04 D02 NRE NWEH NCS0 NCS1 VDD VSS D01 DOSCI DOSCO D00 D05 D06 D07 D08 VSS VA0 SID14 SID15 SID05 SID06 SID07 SID08 SID09 SID10 SID11 SID12 SID13 VA5 VA2 VA3 VA4 VA1 NDCAS VA7 VA8 NDRAS AVSS ECLK NVCAS NVRAS RW601 NDTOE SID00 SID01 SID02 SID03 SID04 POW_STATUS(TUNER) P24 FPGA DATA FPGA_LD P25 YS YMWR YM P26 NVIN NVOUT NHIN NHOUT CS601 RMIN REMOCON VREF GOUT BOUT IREF ROUT YMCS IRQ0 VSS P20 P21 P22 AD0 AVDD SC VDD 2 G F 7 5 3 I 4 1 H 8 6 J 17 18 16 19 14 15 13 20 11 12 24 23 22 21 25 30 29 27 28 26 31 32 F G H D E C B A J I K 5V <-> 3.3V IIC CONT TO (SC20) SC-BOARD MICRO PROCESSOR SW EEPROM TO NEXT PAGE TO 1/16 TH-50PHD6CY, TH-50PHW6CH/CZ D-BOARD (6 of 15) Schematic Diagram TH-50PHD6CY, TH-50PHW6CH/CZ D-BOARD (6 of 15) Schematic Diagram D-BOARD (6/15) TZTNP01QMSC (TH-50PHD6CY) TZTNP01SGSC (TH-50PHW6CH/CZ) ! 94 14.34.D 电路板 (7/15)电路图 + AA_SOS1 AR_RXD_TU AAE_MCDATA AA_SOS3 AA_SOS2 VPP12V AAO_MCHD AAO_MCVD AAE_MCCLK AAE_MCLD AA_DRVMUTE_S5V AA_DRVRST_5V AA_DRVMUTE_M AA_DRVMUTE_S AA_DRVMUTE_S5V AA_DRVMUTE_M5V AA_DRVRST_5V AA_DRVRST AA_NRST AA_SOS_STATUS AJ_IIC_CONT AA_REMOCON AA_CABLE_DET AA_KEY AH_REM_OUT AAE_MCCLK AAO_MCCLKO AAO_MCLDO AAO_MCDATAO ABV_D04 ABV_D08 AO_A14 ABV_D15 AO_A2 AA_STB_ON AR_IIC_INT AAF_DPMS_VD AAF_DPMS_HD AA_ALL_OFF1 AA_PS_SOS AA_FAN_SOS AH_REM_OUT AH_REM_INH AA_RUSH_ON/OFF AA_TV_ON/OFF AA_KILL_SOS AN_CLKB AR_SCL3 AR_SDA3 AH_REM_INH AA_LED_R AA_LED_G ABV_D15 ABV_D12 ABV_D14 ABV_D13 ABV_D05 ABV_D06 ABV_D07 AAH_SD08 AAH_SD09 AAH_SD11 AO_A18 ABI_I ABI_J ABI_D ABV_D09 ABV_D10 ABV_D11 AAH_SD10 ABI_A ABI_B ABI_D ABL_VA6 ABL_VA8 ABI_C ABL_VA4 ABL_VA5 AAH_SD12 AAH_SD13 AAH_SD14 AAH_SD15 ABV_D13 ABV_D12 ABL_VA0 ABL_VA1 ABV_D14 ABL_VA2 ABL_VA3 ABL_VA7 AO_A4 AO_A5 AO_A6 AO_A7 AO_A17 ABV_D01 ABV_D02 ABV_D08 ABV_D09 AO_A1 AO_A3 AO_A0 ABV_D00 ABV_D11 ABV_D03 ABV_D10 AO_A12 AO_A11 AO_A10 AO_A9 AO_A8 AO_A16 AO_A15 AO_A13 AAE_MCDATA AR_TXD_TU AR_TXD_PC AR_RXD_PC AA_REMOCON_OUT AR_TXD_PC AR_RXD_PC STB5V_S AA_RTC_INT STB5V_M 1% R9919 10k C9760 16V 0.056u R9818 100 R9857 1k C9756 50V 1000p R9803 100 D9724 MA2J11100L R9823 56 R9872 0 R9840 100 R9890 10k R9910 100 R9833 39k R9804 100 IC9707 C0JBAE000283 1 IN B 2 IN A 3 GND 5 VCC 4 OUT Y C9741 16V 0.1u R9921 100 1% R9913 22k R9843 10k R9794 2.7k R9897 10k STB5V_S R9876 10k C9742 16V 47u R9856 100 D9719 MAZ30620ML R9917 10k R9941 330 C9731 16V 0.1u R9907 10k D9730 MA3X152K0L R9853 10k R9852 10k R9814 10 R9898 0 D9727 MA3X152K0L R9851 22k C9751 0.01u UNREG14V R9908 100 R9932 1k C9733 16V 0.1u IC9710 C0EBB0000024 1 2 IN 3 4 GND 5 6 OUT 7 VCC 8 R9855 39k R9893 100 R9878 100 R9811 0 R9936 5.6k R9882 100 R9873 4.7k R9904 10k C9766 6.3V 10u 1.8V R9889 100 C9753 0.1u IC9704 C3HAHC000006 4 SI/O2 8 I/O1 9 1/O2 6 DT/OE 3 SI/O1 2 SI/O0 10 I/O3 11 VCC 12 WE 7 I/O0 13 NC 14 RAS 1 SC 15 NC 16 A8 17 A6 5 SI/O3 18 A5 19 A4 20 VCC 26 QSF 40 VSS 28 NC 27 CAS 39 SI/O7 29 DSF 38 SI/O6 37 SI/O5 36 SI/O4 35 SE 34 1/O7 33 I/O6 32 I/O5 31 I/O4 22 A3 21 A7 23 A2 30 VSS 24 A1 25 A0 R9826 100 R9909 10k C9765 16V 0.1u R9834 56 R9844 10k C9754 0.1u R9846 10k R9820 4.7k R9940 10k R9894 100 R9860 100 R9901 0 D9720 MAZ30620ML R9824 56 C9729 16V 4.7u R9798 5.6k R9819 100 R9839 100 R9805 0 R9934 10k R9925 0 R9816 1k C9755 1000p R9800 0 R9900 100 R9935 5.6k IC9708 C3EBGC000018 1 A0 2 A1 3 A2 4 GND 5 SDA 6 SCL 7 WP 8 VCC C9749 16V 0.1u C9737 16V 0.1u R9918 0 R9924 22k C9769 16V 0.1u C9740 16V 0.1u C9750 16V 4.7u 3.3V R9886 100 C9767 16V 1u R9867 33 R9895 100 C9730 16V 0.1u R9864 100 R9829 39k STB5V_S R9869 100 D9769 MA3X152K0L C9761 50V 33p R9945 10 R9861 10k R9943 100 R9859 1k D12 1 2 3 4 5 6 7 R9868 4.7k R9865 10k D9723 MAZ30620ML R9930 100 R9905 10k R9799 5.6k R9922 100 R9914 1k R9875 100 IC9706 C0JBAZ000545 OE1 1 2 I0 3 O7 4 I1 5 O6 6 I2 7 O5 8 I3 9 O4 10 GND 11 I4 12 O3 13 I5 14 O2 15 I6 16 O1 17 I7 18 O0 19 OE2 20 VCC R9850 100 R9848 EXB38V103JV C9759 16V 0.1u R9942 10k R9577 0 R9849 100 R9880 100 R9825 1k R9838 0 R9946 10 R9871 1k C9762 50V 33p R9832 10k R9944 1k IC9703 C0JBAZ001604 1 2 3 4 5 6 7 8 9 10 11 12 13 14 15 16 17 18 19 20 R9858 100 R9906 100 C9748 16V 0.1u R9885 EXB38V103JV R9931 10k P5V R9903 10k R9883 100 3.3V C9752 0.01u R9817 0 C9728 16V 0.1u C9768 16V 1u R9920 1M R9827 3.3k C9743 16V 1u R9937 330 R9835 56 R9916 0 R9933 330 R9879 100 P5V R9887 10k R9923 100 R9744 0 R9896 100 R9836 100 C9732 16V 0.1u D9771 MA3X152K0L R9837 10k X9702 H0J921400003 R9770 10k R9874 100 C3FBLD000039 IC9705 1 RY/BY 44 RESET 2 A18 3 A17 4 A7 5 A6 6 A5 7 A4 8 A3 9 A2 10 A1 11 A0 12 CE 13 VSS 14 OE 15 DQ0 16 DQ8 17 DQ1 18 DQ9 19 DQ2 20 DQ10 21 DQ3 22 DQ11 23 VCC 24 DQ4 25 DQ12 26 DQ5 27 DQ13 28 DQ6 29 DQ14 30 DQ7 31 DQ15/A-1 32 VSS 33 BYTE 34 A16 35 A15 36 A14 37 A13 38 A12 39 A11 40 A10 41 A9 42 A8 43 WE R9847 10k R9939 330 R9810 0 Q9715 2SD0601A0L Q9714 2SD0601A0L Q9709 2SD0601A0L Q9708 2SD0601A0L Q9716 2SD0601A0L IC9709 C2BBGF000491 1 2 3 4 5 6 7 8 9 10 11 12 13 14 15 16 17 18 19 20 21 22 23 24 25 26 27 28 29 30 31 32 33 34 35 36 37 38 39 40 41 42 43 44 45 46 47 48 49 50 51 52 53 54 55 56 57 58 59 60 61 62 63 64 R9991 10k Q9717 2SD0601A0L R9990 330 R9992 330 R9993 10k D9714 MA3X152K0L 1.8V_S Q9706 B1CBHD000001 G D S NC MAIN_RESET P53/SRDY2 3.AN0 15V_DET 1.P62/AN2 SC_SOS GND TXD RXD GND STB5V 12V 31.P21 STB_ON 4.P57/INT3 RTC_INT NC P54/CNTR0 DPMS VD P55/CNTR1 DPMS HD 21.P40/INT40/XCOUT SCL 20.P41/INT00/XCIN SDA KEY_SCAN NC DRV_SOS POWER_SOS NC IICINT IIC SEL 48.P00/AN8 A_MUTE 47.P01/AN9 M_POWER 46.P02/AN10 KILL_SOS IICCONT P31/DA2 RUSH_ON/OFF P04/AN12 DRIVER_MUTE P06/AN14 NC DRVER_RST POWER_SNS P11/INT01 P12 NC P13 NC P14 CABLE_Z P24 LED_R P15 POWER STAT P17 ALL_OFF1 P16 SOS_INH 29.REM_INH 30.P22LODER_MD 32.P20_REM OUT P25MAIN_CONF P26 LED_G P27 INT_SERIAL XOUT XIN VSS 18.CNVSS/VPP 19._RESET 17.P42/INT1 FPGA CS /CNTR2 PRG RST P47/_SRDY1 P50/_SIN2 DIN P51/_SOUT2 DOUT P52/_SCLK2 CLK 5.P56/PWM NC P63/AN3 P64/AN4 P65/AN5 P66/AN6 P67/AN7 AVSS VREF VCC P30/DA1 P32/SDA P33/SCL P34/RXD3 P35/TXD3 P36/SCLK3 P37/_SRDY3 P44/RXD1 RXD_TU P45/TXD1 TXD_TU P46/SCLK1 PROG_CTL P43/INT2 2.AN1 5V_DET P10/INT41 REM_IN P07/AN15 P05/AN13 45.P03/AN11 2Y1 1OE VCC 1A1 2Y4 1A2 1A3 1A4 GND 2Y3 2Y2 2OE 1Y1 1Y2 1Y3 1Y4 2A4 2A3 2A2 2A1 15 8 14 9 11 13 12 10 16 19 17 13 14 20 12 11 15 18 22 21 24 23 25 26 32 29 27 28 30 31 55 56 54 57 52 53 51 58 59 AB AA AD AC TH-50PHD6CY, TH-50PHW6CH/CZ D-BOARD (7 of 15) Schematic Diagram TH-50PHD6CY, TH-50PHW6CH/CZ D-BOARD (7 of 15) Schematic Diagram 3.3V -> 5V 1Mbit VRAM 8M ROM 5V -> 3.3V EEPROM OR RESET CONVERT MICRO PROCESSOR TO BACK PAGE TO NEXT PAGE TO 2/16 D-BOARD (7/15) TZTNP01QMSC (TH-50PHD6CY) TZTNP01SGSC (TH-50PHW6CH/CZ) ! 95 14.35.D 电路板 (8/15)电路图 AN_REFCK AN_VDO_M AN_HDO_M AN_CLKC AN_CLKB AN_DOE AN_DOUT AU_HDID_M AU_VDID_M AU_HD_M AU_VD_M AU_NCLP_M AU_VD_S AU_HD_S AU_VDIA_M AU_HDIA_M AU_HDIA_S AU_VDIA_S AU_VDID_S AU_HDID_S AB_PCD AB_PCU AD_CSL AD_CSH AD_PCD AD_PCU AD_PCD AD_PCU AAC_HP AAC_VP AD_CEL AD_SCSU AU_CLP_S AU_VD_ADS AU_HD_ADS AU_CLP_M AU_VD_ADM AU_HD_ADM AU_NCLP_S ABA_LATCH ABA_SFVRST ABA_SFRST ABA_FPCLK ABA_FPDAT0 ABA_FPDAT1 AAG_SD10 AAG_SD11 AAG_SD12 AAG_SD13 AAG_SD14 AAG_SD15 AAX_UBK AAX_NUEL AAX_UMH AAX_UML AAX_USH AAX_USL AAX_UEH AD_CMH AD_CML AD_CBK AD_CEL AD_CL AD_CLK AD_SIU AD_SID AD_CPH AD_CPL AD_SCSU AAO_MCDATAO AAO_MCVD AF_SBU6 AF_SCU6 AA_DRVRST AA_DRVMUTE_M AF_SAU6 AAH_SD11 AAH_SD14 AP_HZ AD_CBK AD_CPL AD_CPH AD_SIU AD_SID AD_CLK AD_CL AD_CMH AD_CML AD_CSH AD_CSL AAX_USH AAX_NUEL AAX_USL AAX_UEH AAX_UMH AN_NO_SYNC AC_BLKD ABB_CER AAC_N_VD47 AP_BLKL AP_CEL AN_HDO_S AN_VDO_S AAD_OSD9 AAD_OSD10 AAD_OSD11 AAD_OSD12 AAD_OSD13 AAD_OSD14 AAD_OSD8 AAD_OSD7 AAD_OSD6 AAD_OSD5 AAD_OSD4 AAD_OSD3 AAD_OSD2 AAD_OSD1 AAD_OSD0 AAD_YS AAD_CKO AAD_HO AAD_VO AAD_OSD15 AAG_SD08 AAG_SD09 AAO_MCLDO AAO_MCCLKO AAX_UML AAX_UBK AAO_MCHD AAZ_CML AAZ_CMH AAY_SCSU AAY_CPL AAY_CPH AAH_SD12 AAH_SD13 AAH_SD15 AAH_SD08 AAH_SD09 AAH_SD10 AAG_SD10 AAG_SD11 AAG_SD09 AAG_SD08 AAG_SD15 AAG_SD14 AAG_SD13 AAG_SD12 AJ_SCL2 AJ_SDA2 AAX_USH AD_SID AD_CMH AD_SIU AD_CLK AB_UBK AD_CSL AD_CML AD_CSH AB_UMH AB_UE2H AAY_CL AAY_CLK AAY_SIU AAZ_CEL AAY_SID AAZ_CEH AAZ_CSH AAZ_CSL AB_UML AB_UEH AB_USL AB_USH AAD_HI AAD_CKI 1.8V AAX_USL AAX_UEH AD_CPH AAX_UBK AAX_UMH AAX_UML AD_CPL AD_SCSU 3.3V AA_NRST AA_DRVMUTE_S AX_DSHL AX_DSLL AX_DMHL AX_DMLL AX_DSHR AX_DSLR AX_DMHR AX_DMLR R9245 0 R9647 0 R9632 0 STB5V_M R9673 0 C9622 16V 0.1u R9671 0 R9565 0 R9976 10k C9607 16V 0.1u R9645 0 C9621 16V 0.1u R9640 0 R9629 0 C9620 16V 0.1u R9600 560 R9613 0 C9633 16V 0.1u R9631 0 IC9603 C0JBAZ001604 1 2 3 4 5 6 7 8 9 10 11 12 13 14 15 16 17 18 19 20 C9635 16V 0.1u R9608 0 R9648 10k R9651 EXB38V103JV R9653 EXB38V103JV R9618 22k R9679 0 R9670 0 C9611 16V 4.7u R9602 0 1.8V R9625 560 C9631 16V 0.1u R9108 0 R9585 0 IC9606 C0EBE0000066 1 GND 2 SUB 3 NC 5 Vcc 4 Out R9652 EXB38V103JV C9608 16V 0.1u C9624 16V 0.1u R9672 0 C9613 50V 0.01u C9632 16V 0.1u R9643 0 R9569 0 R9650 EXB38V103JV C9612 16V 0.1u IC9605 C1ZBZ0002329 1 GND 2 TMS 3 I/O 4 I/O 5 I/O 6 I/O 7 I/O 8 I/O 9 I/O 10 I/O 11 I/O 12 GND 13 VCCO 14 VCCINT 15 I/O 16 I/O 17 I/O 18 I/O 19 GND 20 I/O 21 I/O 22 I/O 23 I/O 24 I/O 25 GND 26 VCCO 27 I/O 28 VCCINT 29 I/O 30 I/O 31 I/O 32 GND 33 I/O 34 I/O 35 I/O 36 I/O 37 VCCINT 38 VCCO 39 GND 40 I/O 41 I/O 42 I/O 43 I/O 44 I/O 45 I/O 46 I/O 47 I/O 48 I/O 49 I/O 50 M1 51 GND 52 M0 53 VCCO 54 M2 55 I/O 56 I/O 57 I/O 58 I/O 59 I/O 60 I/O 61 I/O 62 I/O 63 I/O 64 I/O 65 GND 66 VCCO 67 VCCINT 68 I/O 69 I/O 70 I/O 71 I/O 72 GND 73 I/O 74 I/O 75 I/O 76 VCCINT 77 GCK1 78 VCCO 79 GND 80 GCK0 81 I/O 82 I/O 83 I/O 84 I/O 85 GND 86 I/O 87 I/O 88 I/O 89 I/O 90 VCCINT 91 VCCO 92 GND 93 I/O 94 I/O 95 I/O 96 I/O 97 I/O 98 I/O 99 I/O 100 I/O 101 I/O 102 I/O 103 GND 104 DONE 105 VCCO 106 PROGRAM 107 I/O 108 I/O 109 I/O 110 I/O 111 I/O 112 I/O 113 I/O 114 I/O 115 I/O 116 I/O 117 GND 118 VCCO 119 VCCINT 120 I/O 121 I/O 122 I/O 123 I/O 124 GND 125 I/O 126 I/O 127 I/O 128 I/O 129 I/O 130 VCCO 131 GND 132 I/O 133 I/O 134 I/O 135 I/O 136 I/O 137 GND 138 I/O 139 I/O 140 I/O 141 I/O 142 VCCINT 143 VCCO 144 GND 145 I/O 146 I/O 147 I/O 148 I/O 149 I/O 150 I/O 151 I/O 152 I/O 153 I/O 154 I/O 155 CCLK 156 VCCO 157 TDO 158 GND 159 TDI 160 I/O 161 I/O 162 I/O 163 I/O 164 I/O 165 I/O 166 I/O 167 I/O 168 I/O 169 I/O 170 GND 171 VCCO 172 VCCINT 173 I/O 174 I/O 175 I/O 176 I/O 177 GND 178 I/O 179 I/O 180 I/O 181 I/O 182 GCK2 183 GND 184 VCCO 185 GCK3 186 VCCINT 187 I/O 188 I/O 189 I/O 190 GND 191 I/O 192 I/O 193 I/O 194 I/O 195 VCCINT 196 VCCO 197 GND 198 I/O 199 I/O 200 I/O 201 I/O 202 I/O 203 I/O 204 I/O 205 I/O 206 I/O 207 TCK 208 VCCO R9615 0 IC9601 C0JBAZ001604 1 2 3 4 5 6 7 8 9 10 11 12 13 14 15 16 17 18 19 20 R9617 0 R9635 0 R9616 0 IC9602 C0JBAZ000545 OE1 1 2 I0 3 O7 4 I1 5 O6 6 I2 7 O5 8 I3 9 O4 10 GND 11 I4 12 O3 13 I5 14 O2 15 I6 16 O1 17 I7 18 O0 19 OE2 20 VCC R9609 0 C9630 16V 0.1u R9676 0 R9642 4.7k C9618 16V 0.1u R9607 0 R9682 0 IC9604 C0JBAZ001604 1 2 3 4 5 6 7 8 9 10 11 12 13 14 15 16 17 18 19 20 R9654 0 R9633 0 R9567 0 C9619 16V 0.1u C9606 16V 0.1u R9683 0 R9688 0 C9623 16V 0.1u R9604 0 R9620 10k R9601 0 R9627 0 R9655 0 R9641 0 3.3V R9684 0 C9615 16V 0.1u C9616 16V 0.1u C9603 16V 0.1u P5V R9675 0 R9674 0 R9611 0 R9603 0 R9621 10k R9614 0 R9610 0 R9628 0 R9685 0 R9979 10k C9602 16V 0.1u C9629 16V 0.1u R9638 10k C9617 16V 0.1u R9637 10k R9623 0 C9601 16V 0.1u R9612 0 R9646 4.7k R9690 0 R9687 0 C9634 16V 0.1u R9622 0 R9605 0 R9698 0 C9625 16V 0.1u R9677 0 R9244 0 R9678 0 R9686 0 C9605 16V 0.1u R9634 0 R9109 0 R9689 0 C9609 16V 0.1u R9624 100 3.3V C9604 16V 0.1u Q9601 2SD0601A0L Q9602 2SD0601A0L NRST DRVMUTE_M DRVMUTE_S ROM47_2 ROM47_1 ROM47_0 NCLP_M RESERVE4 NCLCP_S LSI43_33MHz SDAT REFCK DOE VDO_M HDO_M CGL VD_M HD_M HD_S VD_S HD_ADM VD_ADM DMLR1 DMHR1 VD_ADS HD_ADS HDIA_S VDIA_S VDID_S HDID_S SYNCRST OSDHO HDO_S VDO_S PCU GCK3 CLPC_M N_VD47 CLPC_S DCKB LAC RESERVE4 RESERVE4 RESERVE HDID_M VDID_M HDIA_M VDIA_M SCL SDA CL XNVD MCHD SFRST 2Y1 1OE VCC 1A1 2Y4 1A2 1A3 1A4 GND 2Y3 2Y2 2OE 1Y1 1Y2 1Y3 1Y4 2A4 2A3 2A2 2A1 2Y1 1OE VCC 1A1 2Y4 1A2 1A3 1A4 GND 2Y3 2Y2 2OE 1Y1 1Y2 1Y3 1Y4 2A4 2A3 2A2 2A1 2Y1 1OE VCC 1A1 2Y4 1A2 1A3 1A4 GND 2Y3 2Y2 2OE 1Y1 1Y2 1Y3 1Y4 2A4 2A3 2A2 2A1 OSDHD OSDVD DSHR1 DSLR1 DSLL1 VCCINT CLKM_IN DSHL1 CLK20M DMLL1 DMHL1 BLKU LEU BLKD LED PCD UBK NUEL UMH UML USH USL UEH CPH CPL SCSU SID SIU CLK CMH CML CSH CSL CEL CBK DRVRST XNHD FPDATA0 FPDATA1 LATCH SFVRST DCKC FPCLK OSDCLK CKI YS VCCO GND OSD0 OSD1 OSD2 OSD3 OSD4 OSD5 OSD6 OSD7 OSD8 OSD9 OSD10 OSD11 OSD12 OSD13 OSD14 OSD15 OSDIN0 OSDIN1 OSDIN2 OSDIN3 OSDIN5 OSDIN6 OSDIN7 MCLD MCCLK SCO MCVD MCDATA NO_SYNC OSDIN4 GND VCCO GCK1 VCCINT GND GCK0 GND DIN ^INIT GND VCCINT 17 23 20 21 22 16 19 18 54 58 57 59 52 53 51 55 56 BL BE BA BD BB BH BK BF BG BC BI BJ 3.3V -> 5V 3.3V -> 5V 3.3V -> 5V 5V -> 3.3V SYNC PROCESSOR/ OSD/ DISCHARGE CONTROL RESET 71 72 73 74 75 79 77 81 78 76 80 82 TO BACK PAGE TO NEXT PAGE TO 3/16 TH-50PHD6CY, TH-50PHW6CH/CZ D-BOARD (8 of 15) Schematic Diagram TH-50PHD6CY, TH-50PHW6CH/CZ D-BOARD (8 of 15) Schematic Diagram D-BOARD (8/15) TZTNP01QMSC (TH-50PHD6CY) TZTNP01SGSC (TH-50PHW6CH/CZ) ! 96 14.36.D 电路板 (9/15)电路图 + + AN_CLKB AAD_YM AAD_HI AAD_CKI AN_CLKC AN_VDO_S AN_HDO_S AN_VDO_M AN_HDO_M 5V AAD_HO AAD_VO AAD_CKO ABH_G2 ABH_G0 ABH_G1 ABH_R2 ABH_R0 ABH_R1 AT_G2 AT_G1 AT_G0 AT_R2 AT_R1 AT_R0 AT_B2 AT_B1 AT_B0 ABH_G7 ABH_G6 ABH_G5 ABH_R7 AT_G7 ABH_R6 ABH_R5 AT_G6 AT_G5 ABH_G4 ABH_G3 ABH_R4 AT_G4 ABH_R3 AT_G3 AT_R7 AT_R6 AT_R5 AT_R4 AT_R3 AT_B7 AT_B6 AT_B5 AT_B4 AT_B3 ABH_B2 ABH_B1 ABH_B0 ABH_B7 ABH_B6 ABH_B5 ABH_B4 ABH_B3 ABM_R0 ABM_R1 ABM_R2 ABM_R3 ABM_R4 ABM_R5 ABM_R6 ABM_R7 ABM_G0 ABM_G1 ABM_G2 ABM_G3 ABN_R1 ABN_R0 ABN_R2 ABN_R3 ABM_G4 ABN_R4 ABN_G1 ABN_G0 ABN_G2 ABN_G3 ABN_G4 ABN_B0 ABN_B1 ABN_B2 ABN_B3 ABM_B0 ABM_B1 ABM_B2 ABM_B3 ABN_B4 ABM_B4 ABM_G5 ABM_G6 ABN_R5 ABN_R6 ABM_G7 ABN_R7 ABN_G5 ABN_G6 ABN_B5 ABN_B6 ABM_B5 ABM_B6 ABN_G7 ABN_B7 ABM_B7 AN_DOE AN_DOUT AN_REFCK ABN_G7 ABN_G6 ABN_G5 ABN_G4 ABN_G3 ABN_G2 ABN_G1 ABN_G0 ABN_R7 ABN_R6 ABN_R5 ABN_R4 ABN_R3 ABN_R2 ABN_R1 ABN_R0 ABH_R3 ABH_R4 ABH_R5 ABH_R6 ABH_R7 ABH_R0 ABH_R1 ABH_R2 ABH_G0 ABH_G1 ABH_G2 ABH_G3 ABH_G4 ABH_G5 ABH_G6 ABH_G7 AJ_SDA2 AJ_SCL2 ABN_B2 ABN_B1 ABN_B0 ABN_B3 ABN_B7 ABN_B6 ABN_B4 ABN_B5 ABH_B0 ABH_B1 ABH_B2 ABH_B3 ABH_B4 ABH_B5 ABH_B6 ABH_B7 3.3V AAD_OSD0 AAD_OSD1 AAD_OSD2 AAD_OSD3 AAD_OSD4 AAD_OSD5 AAD_OSD6 AAD_OSD7 AAD_OSD8 AAD_OSD9 AAD_OSD10 AAD_OSD11 AAD_OSD12 AAD_OSD13 AAD_OSD14 AAD_OSD15 AAD_YS AAD_YM ABW_DQ0 ABW_DQ1 ABW_DQ2 ABW_DQ4 ABW_DQ3 ABW_DQ5 ABW_DQ6 ABW_A0 ABW_A1 ABW_A2 ABW_A3 ABW_A4 ABW_A5 ABW_A6 ABW_DQ7 ABW_DQ8 ABW_DQ9 ABW_DQ10 ABW_DQ11 ABW_DQ12 ABW_DQ13 ABW_DQ14 ABW_DQ15 ABW_DQ16 ABW_DQ17 ABW_DQ18 ABW_CAS ABW_RAS ABW_DQM ABW_CS0 ABW_BA1 ABW_BA0 ABW_A7 ABW_A8 ABW_A9 ABW_A10 ABW_DQ19 ABW_DQ20 ABW_DQ21 ABW_DQ22 ABW_DQ23 ABW_DQ24 ABW_DQ25 ABW_DQ26 ABW_DQ27 ABW_DQ28 ABW_DQ29 ABW_DQ30 ABW_WE ABW_SCK0 ABW_DQ31 ABX_HFBC ABX_HPLO ABX_OHOLD 3.3V 3.3V IC9151 H8 VSS C9158 16V 0.1u IC9151 M1 SDD4 IC9151 L1 VSS IC9151 K15 VSS IC9151 L19 GYIC4 IC9151 A21 YREFL C9159 16V 0.1u IC9151 W4 BANK0 IC9151 C23 VSS IC9151 U21 OSD7 IC9151 H11 VDD18 IC9151 B23 VSS IC9151 R21 OSD14 IC9151 M14 VSS IC9151 B8 RVIB5 IC9151 H4 ADRS7 IC9151 U1 SDD24 IC9151 E11 VDD33 C9168 16V 0.1u C9172 16V 0.1u IC9151 L21 GYIC2 IC9151 G19 DVC C9166 16V 0.1u IC9151 N4 SDD13 C9162 6.3V 10u IC9151 B20 YREFM R9168 10k IC9151 E7 VDD18 IC9151 P4 SDD16 IC9151 D21 ZTILD IC9151 G21 RVIC6 IC9151 M15 VSS IC9151 R23 OSDCKI IC9151 F20 I2CSLAV2 IC9151 P5 VDD33 IC9151 AB3 HPLO IC9151 J11 VSS IC9151 F1 ADRS6 C9164 16V 0.1u IC9151 N21 OSDHO IC9151 C13 GYIB3 IC9151 C19 UREFL IC9151 A15 VSS IC9151 K3 SDD0 IC9151 L8 VDD18 IC9151 U20 OSD2 IC9151 A17 VSS IC9151 K11 VSS IC9151 D11 BUIB2 IC9151 V5 DQM IC9151 K23 GYIC6 IC9151 N12 VSS IC9151 AA4 HFBC IC9151 AA1 0CKREF IC9151 K4 NCS1 IC9151 C9 RVIB3 IC9151 K1 SCKO1 IC9151 D8 DVIDE IC9151 T2 SDD20 IC9151 K20 BUIC2 IC9151 A8 RVIB4 IC9151 L9 VSS C9154 16V 0.1u C9173 16V 0.1u IC9151 D17 CLL IC9151 A18 VREFM IC9151 M3 SDD5 IC9151 E23 VSS IC9151 N16 VDD18 R9152 EXB2HVR000V IC9151 H13 VDD18 IC9151 P13 VSS IC9151 L5 VDD33 IC9151 N5 VDD33 IC9151 M13 VSS IC9151 B22 VSS IC9151 C3 VSS IC9151 R20 OSD11 IC9151 A12 GYIB6 IC9151 B9 RVIB2 IC9151 N8 VDD18 IC9151 D10 RVIB0 IC9151 U23 OSD9 IC9151 P14 VSS IC9151 A22 VSS IC9151 D1 VSS IC9151 H16 VSS IC9151 K21 GYIC7 IC9151 M2 SDD6 IC9151 N11 VSS IC9151 J5 VDD33 IC9151 D20 VSS IC9151 U4 SDD27 IC9151 M12 VSS C9152 6.3V 33u IC9151 T1 SDD19 R9190 10k IC9151 J1 VSS IC9151 P9 VSS IC9151 L11 VSS C9167 16V 0.1u IC9151 N14 VSS IC9151 A5 REFCK IC9151 D12 GYIB7 IC9151 C17 VREFH IC9151 H5 AVDD IC9151 V22 OSD3 R9179 0 R9157 EXB2HVR000V IC9151 G5 ADRS0 IC9151 J4 ADRS11 IC9151 H9 VDD18 IC9151 B5 SDWUSE IC9151 A19 BUI R9155 EXB2HVR000V IC9151 C14 GYIB0 R9177 22 IC9151 A13 VSS IC9151 L23 GYIC3 IC9151 P23 VSS IC9151 D16 RVI IC9151 C18 XADPDN IC9151 C12 GYIB5 IC9151 P21 YM IC9151 H12 VDD18 IC9151 N19 VDD33 IC9151 P8 VDD18 IC9151 G1 VSS IC9151 F22 RVIC7 IC9151 A14 DCKB IC9151 M8 VDD18 IC9151 D7 RATEOUT IC9151 L20 GYIC1 IC9151 J14 VSS IC9151 B12 BUIB0 IC9151 E17 AVDD IC9151 M5 VDD33 P5V IC9151 C11 BUIB4 IC9151 B13 GYIB4 IC9151 D13 GYIB1 IC9151 L2 SDD2 IC9151 A7 RVIB6 IC9151 V4 SDD31 R9182 0 IC9151 G20 DHC IC9151 L10 VSS IC9151 N23 OSDCKO IC9151 N3 SDD11 IC9151 L15 VSS IC9151 R19 OSD10 IC9151 B10 BUIB7 IC9151 R4 SDD22 IC9151 T20 OSD6 IC9151 D18 UREFM IC9151 F19 I2CSCL IC9151 H20 RVIC1 IC9151 J12 VSS R9153 EXB2HVR000V IC9151 L13 VSS IC9151 R3 SDD18 IC9151 M23 VSS IC9151 G2 ADRS8 IC9151 D22 I2CSLAV1 IC9151 M22 GYIC0 IC9151 M10 VSS IC9151 J8 AVSS IC9151 J9 VSS R9112 0 IC9151 A10 BUIB5 IC9151 A9 RVIB1 IC9151 B19 UREFH IC9151 J22 BUIC3 IC9151 J10 VSS IC9151 B14 GYIB2 IC9151 F3 ADRS2 IC9151 J2 NCS0 IC9151 C22 ZTSEL C9170 16V 0.1u IC9151 E22 I2CSLAV0 IC9151 H19 RVIC5 IC9151 L12 VSS IC9151 J3 ADRS10 IC9151 E15 VDD33 R9176 100 C9176 16V 0.1u IC9151 H2 VSS R9167 10k IC9151 C10 RUIB6 IC9151 H21 RVIC0 IC9151 N22 OSDVO IC9151 K12 VSS C9156 6.3V 10u IC9151 U2 SDD25 IC9151 H14 AVSS IC9151 R1 SDD15 IC9151 N15 VSS IC9151 L3 SDD3 3.3V IC9151 E6 VDD18 IC9151 J16 VDD18 IC9151 J23 BUIC1 IC9151 K14 VSS IC9151 B21 VSS IC9151 C7 RATEOE IC9151 K13 VSS IC9152 C0CBCBD00008 1 Vcont 2 GND 3 Np 5 Vin 4 Vout R9111 0 IC9151 A16 DCKA IC9151 H23 BUIC6 IC9151 U3 SDD26 IC9151 W23 DOSD0 IC9151 B18 VREFL IC9151 T22 OSD13 C9163 16V 0.1u IC9151 N1 SDD8 IC9151 B15 DHB IC9151 P20 YS IC9151 R16 AVDD IC9151 P1 SDD10 IC9151 V21 OSD1 IC9151 E5 VSS R9118 0 IC9151 J15 VSS R9178 0 IC9151 L14 VSS IC9151 K2 VSS IC9151 B2 VSS IC9151 W1 NRAS IC9151 C15 DVA IC9151 AB4 OHOLD IC9151 H15 AVSS IC9151 D19 GYI IC9151 D14 DVB IC9151 D9 RVIB7 IC9151 G23 RVIC2 IC9151 B1 VSS IC9151 E18 AVDD IC9151 K19 VDD33 IC9151 A6 VSS IC9151 H22 BUIC7 IC9151 G22 RVIC4 IC9151 B17 HFBA IC9151 P3 SDD14 IC9151 P12 VSS IC9151 T4 SDD23 IC9151 P15 VSS IC9151 F2 ADRS4 IC9151 M16 VDD18 IC9151 E12 VDD33 C9157 16V 0.1u IC9151 G3 ADRS5 IC9151 T19 OSD4 IC9151 J13 VSS IC9151 E19 VSS 1.8V IC9151 V2 SDD29 R9154 EXB2HVR000V IC9151 V23 OSD5 IC9151 W3 NWE IC9151 P16 AVSS IC9151 G4 ADRS3 IC9151 R2 SDD17 IC9151 P10 VSS IC9151 E14 VDD33 IC9151 E13 VDD33 C9151 16V 0.1u IC9151 N10 VSS IC9151 P22 OSDHI IC9151 P2 SDD12 IC9151 H10 VDD18 IC9151 K22 BUIC0 IC9151 F23 RVIC3 IC9151 C16 PLLHD IC9151 D15 DHA IC9151 J21 BUIC5 IC9151 V3 SDD30 IC9151 T21 OSD12 IC9151 C2 VSS C9153 6.3V 10u IC9151 T3 SDD21 R9172 10k IC9151 E16 VDD18 IC9151 E10 VDD33 IC9151 E20 ZLPFON IC9151 L4 SDD1 IC9151 B16 HOLD IC9151 N2 SDD9 IC9151 A4 VSS IC9151 K16 VDD18 IC9151 E21 I2CSDA IC9151 A20 CLH IC9151 K9 VSS IC9151 C21 VSS IC9151 MN845041-A A1 VSS IC9151 H3 ADRS9 C9160 16V 0.1u IC9151 M4 SDD7 IC9151 K10 VSS IC9151 D23 DCKC IC9151 J20 BUIC4 C9155 16V 47u R9171 10k IC9151 P11 VSS IC9151 J19 VDD33 IC9151 W2 NCAS IC9151 A2 VSS C9165 16V 0.1u IC9151 N13 VSS IC9151 U22 OSD8 IC9151 H1 SDCKO0 C9161 16V 0.1u IC9151 Y2 BANK1 IC9151 E9 VDD33 IC9151 C20 YREFH IC9151 B11 BUIB1 R9180 10 IC9151 A23 VSS IC9151 D4 VSS IC9151 A11 BUIB3 IC9151 K5 VDD33 IC9151 E8 VDD33 IC9151 L22 GYIC5 IC9151 R22 OSD15 IC9151 M9 VSS IC9151 L16 VDD18 IC9151 K8 VDD18 IC9151 M11 VSS R9151 EXB2HVR000V IC9151 P19 VDD33 IC9151 V1 SDD28 IC9151 N9 VSS IC9151 E1 ADRS1 R9136 0 Digital-B Digital-C IIC Analog To micom OSD A/D PLL SD-RAM I/F OCK PLL 26 27 30 24 25 23 28 29 IC9151 99 97 95 98 96 94 100 93 92 101 102 103 CA CB CC CD AVR 3.3V FORMAT CONVERTER TH-50PHD6CY, TH-50PHW6CH/CZ D-BOARD (9 of 15) Schematic Diagram TH-50PHD6CY, TH-50PHW6CH/CZ D-BOARD (9 of 15) Schematic Diagram 71 72 74 73 75 79 76 77 81 80 78 82 91 TO BACK PAGE TO NEXT PAGE TO 4/16 D-BOARD (9/15) TZTNP01QMSC (TH-50PHD6CY) TZTNP01SGSC (TH-50PHW6CH/CZ) ! 97 14.37.D 电路板 (10/15)电路图 AAC_VP AAC_HP AA_NRST ABU_B7 ABU_G7 ABU_R7 ABW_DQ15 ABW_DQ14 ABW_DQ13 ABW_DQ12 ABW_DQ11 ABW_DQ0 ABW_DQ1 ABW_DQ2 ABW_DQ3 ABW_DQ4 ABT_R7 ABT_R6 ABT_R5 ABT_R4 ABT_R2 ABT_R1 ABT_R0 ABT_R3 ABU_R2 ABU_R1 ABU_R0 ABU_R6 ABU_R5 ABU_R4 ABU_R3 ABW_SCK0 ABW_DQM ABW_DQ10 ABW_DQ9 ABW_DQ8 ABW_A9 ABW_A8 ABW_A7 ABW_A6 ABW_A5 ABW_A4 ABW_CS0 ABW_DQM ABW_DQ5 ABW_DQ6 ABW_DQ7 ABW_WE ABW_CAS ABW_RAS ABW_BA0 ABW_BA1 ABW_A10 ABW_A0 ABW_A1 ABT_B7 ABT_B6 ABT_B5 ABT_B4 ABT_G7 ABT_G6 ABT_G5 ABT_G4 ABT_B3 ABT_B2 ABT_B1 ABT_B0 ABT_G3 ABT_G2 ABT_G1 ABT_G0 ABU_B2 ABU_B1 ABU_B0 ABU_G2 ABU_G1 ABU_G0 ABU_B6 ABU_B5 ABU_B4 ABU_G6 ABU_G5 ABU_G4 ABU_B3 ABU_G3 ABW_DQ24 ABW_DQ25 ABW_DQ26 ABW_DQ27 ABW_DQ28 ABW_DQ29 ABW_DQ30 ABW_DQ31 ABW_A3 ABW_A2 ABW_DQ16 ABW_DQ17 ABW_DQ18 ABW_DQ19 ABW_DQ20 ABW_DQ21 ABW_DQ22 ABW_DQ23 IC9151 T23 VSS IC9151 AC7 ORA6 IC9151 Y23 VSS IC9151 Y13 OBB4 IC9151 AB10 VSS IC9151 U5 VDD33 IC9151 AA8 OGA1 IC9151 AA2 VSS IC9151 C8 XSYNCRST IC9151 Y6 OBA3 IC9151 AC21 OFPO IC9151 AB1 VSS IC9151 F21 XRST IC9151 W21 MDIV0 IC9151 N20 MFPI IC9151 AA15 OBB1 IC9151 Y1 VSS IC9151 W15 VDD33 R9199 10k IC9151 AB19 ORB3 IC9151 Y12 FJP IC9151 AC10 OCKOA C9181 16V 0.1u IC9151 AB18 ORB7 IC9151 AC22 VSS IC9151 Y11 VDD33 IC9151 M21 MVD5I IC9151 AA14 OBB6 IC9151 W11 VDD33 IC9151 R11 VSS IC9151 W5 VSS R9240 33 IC9151 AB2 VSS IC9151 Y17 OGB0 R9213 0 R9205 0 IC9151 E3 SDIV0 IC9151 T10 VDD18 IC9151 AC12 PWMOUT IC9151 W13 VDD33 IC9151 C4 TEST4 IC9151 D5 TEST2 IC9151 Y18 ORB4 R9211 0 IC9151 M20 OVD5I C9179 16V 0.1u IC9151 AC5 OBA0 R9234 10k IC9151 AA11 ORA0 IC9151 AB16 OGB7 IC9151 AC6 OGA2 IC9151 AB7 OGA4 IC9151 AA21 VSS IC9151 Y9 ORA7 IC9151 AC20 ORB2 IC9151 R14 VSS IC9151 AC1 VSS IC9151 AC13 VSS IC9151 B3 MINTEST IC9151 AB12 BLOUT IC9151 AC17 OGB6 IC9151 AA7 OGA6 R9216 10k IC9151 AA10 ORA1 IC9151 Y22 MDIV1 IC9151 Y20 VSS IC9151 AA23 MCKREF IC9151 B7 OMASK IC9151 W10 VDD33 IC9151 D2 SDIV2 IC9151 W7 VDD33 IC9151 V19 MPLLPDN IC9151 W6 VDD33 IC9155 C3ABPJ000042 1 Vcc 2 DQ0 3 VccQ 4 DQ1 5 DQ2 6 VssQ 7 DQ3 8 DQ4 9 VccQ 10 DQ5 11 DQ6 12 VssQ 13 DQ7 14 NC 15 Vcc 16 DQM0 17 /WE 18 /CAS 19 /RAS 20 /CS 21 NC 22 BS0 23 BS1 24 A10/AP 25 A0 26 A1 27 A2 28 DQM2 29 Vcc 30 NC 31 DQ16 32 VssQ 33 DQ17 34 DQ18 35 VccQ 36 DQ19 37 DQ20 38 VssQ 39 DQ21 40 DQ22 41 VccQ 42 DQ23 43 Vcc 44 Vss 45 DQ24 46 VssQ 47 DQ25 48 DQ26 49 VccQ 50 DQ27 51 DQ28 52 VssQ 53 DQ29 54 DQ30 55 VccQ 56 DQ31 57 NC 58 Vss 59 DQM3 60 A3 61 A4 62 A5 63 A6 64 A7 65 A8 66 A9 67 CKE 68 CLK 69 NC 70 NC 71 DQM1 72 Vss 73 NC 74 DQ8 75 VccQ 76 DQ9 77 DQ10 78 VssQ 79 DQ11 80 DQ12 81 VccQ 82 DQ13 83 DQ14 84 VssQ 85 DQ15 86 Vss IC9151 B6 XTGLRST R9215 0 IC9151 AB14 VSS C9178 16V 0.1u IC9151 Y5 OBA7 IC9151 AC11 VSS R9212 0 IC9151 W19 VSS IC9151 AA6 OBA2 IC9151 T9 VDD18 C9187 16V 0.1u R9236 10k IC9151 T13 VDD18 IC9151 AB20 OVD50 IC9151 R5 VDD33 IC9151 T11 VDD18 IC9151 AB23 VSS IC9151 W12 VDD33 IC9151 AA20 MVD5O IC9151 U19 HPLBC IC9151 AC9 VSS IC9151 AC4 OBA4 IC9151 AA19 ORB1 IC9151 AB22 VSS IC9151 AC19 ORB6 IC9151 C6 SCANEN IC9151 W17 VDD33 IC9151 AA22 VSS IC9151 Y10 ORA3 IC9151 AC15 VSS R9443 0 IC9151 Y7 OGA7 IC9151 Y14 OBB5 IC9151 AB5 OBA1 IC9151 AA17 OGB12 IC9151 AC18 OGB2 IC9151 AB6 OGA5 R9202 10k IC9151 D3 SDIV3 IC9151 AC3 OBA6 IC9151 C1 SCKREF IC9151 C5 TEST0 IC9151 T14 VDD18 R9214 0 IC9151 W22 MCPOUT IC9151 Y15 DOBB0 R9229 0 IC9151 W14 VDD33 IC9151 AB9 ORA2 IC9151 E4 SDIV1 IC9151 AB15 OBB2 IC9151 W8 VDD33 IC9151 W20 MDIV2 C9199 16V 0.1u IC9151 AC23 VSS IC9151 AA12 VP IC9151 AC2 VSS IC9151 Y21 MDIV3 IC9151 W9 VDD33 IC9151 Y19 ORB0 R9187 10k IC9151 R15 VSS IC9151 E2 SPLLPDN R9204 0 C9200 16V 0.1u IC9151 AB17 OGB3 IC9151 Y3 XOUTRST IC9151 R12 VSS IC9151 R13 VSS IC9151 AB21 MFPO IC9151 AA13 OBB7 IC9151 AB11 HP IC9151 Y16 OGB4 IC9151 AA16 OGB5 IC9151 T16 VSS IC9151 AA18 0RB5 IC9151 T8 VSS IC9151 T12 VDD18 IC9151 F5 XPLLRST C9182 16V 0.1u IC9151 AA3 VSS IC9151 R10 VSS IC9151 D6 OCKOBUSE R9230 0 IC9151 AB8 OGA0 IC9151 AB13 ENOUT R9241 33 IC9151 W18 VDD33 IC9151 R9 VSS IC9151 T15 VSS IC9151 M19 OFPI R9760 0 IC9151 Y4 VSS IC9151 V20 HFBB IC9151 AC16 OBB3 IC9151 AC8 ORA5 IC9151 W16 VDD33 IC9151 AC14 OCKOB R9441 0 IC9151 AA9 ORA4 C9180 16V 0.1u IC9151 Y8 OGA3 IC9151 T5 VDD33 IC9151 F4 SCPOUT IC9151 AA5 OBA5 IC9151 B4 TEST3 R9226 10k IC9151 A3 TEST1 IC9151 R8 VDD18 TEST SCK PLL For many use Output - A LEFT(Master) Output - B RIGHT(Slave) 36 35 37 33 31 34 38 32 93 92 99 97 103 95 98 96 94 100 102 101 TH-50PHD6CY, TH-50PHW6CH/CZ D-BOARD (10 of 15) Schematic Diagram TH-50PHD6CY, TH-50PHW6CH/CZ D-BOARD (10 of 15) Schematic Diagram 64M-SDRAM 91 111 112 113 114 115 116 117 118 119 120 123 122 121 124 125 126 TO BACK PAGE TO NEXT PAGE D-BOARD (10/15) TZTNP01QMSC (TH-50PHD6CY) TZTNP01SGSC (TH-50PHW6CH/CZ) ! 98 14.38.D 电路板 (11/15)电路图 + TERM SIDE TERM SIDE AB_PCU AB_PCD 5V 5V 5V ABC_CKD1 ABC_CKD2 ABC_CKD1 ABC_CKD2 AQ_CLKR AQ_NCLKR AP_HZ AP_CEL AP_HZ ABB_CER AAP_D134 AAP_D124 AAP_D125 AAP_D135 AAP_D165 AAP_D155 AAP_D145 ABD_D055 ABD_D053 ABD_D051 ABD_D045 ABD_D043 ABD_D041 ABD_D035 ABD_D033 ABD_D031 ABD_D025 ABD_D023 ABD_D021 ABD_D015 ABD_D013 ABD_D011 ABJ_AD9 ABJ_BD9 ABJ_AD8 ABJ_BD8 ABJ_CD9 ABJ_CD8 ABJ_BD4 ABJ_CD4 ABJ_BD7 ABJ_CD7 ABJ_CD6 ABJ_BD6 ABJ_AD6 ABJ_AD7 ABJ_CD3 ABJ_AD2 ABJ_CD2 ABJ_AD4 ABJ_AD5 ABJ_CD5 ABJ_BD2 ABJ_BD5 ABJ_AD1 ABJ_BD1 ABJ_AD0 ABJ_BD3 ABJ_BD0 ABJ_AD3 ABJ_CD1 ABJ_CD0 AAP_D166 AAP_D165 AAP_D163 AAP_D155 AAP_D162 AAP_D156 AAP_D154 AAP_D153 AAP_D151 AAP_D143 AAP_D146 AAP_D144 AAP_D142 AAP_D141 AAP_D135 AAP_D134 AAP_D131 AAP_D132 AAP_D126 AAP_D125 AAP_D123 AAP_D122 AAW_CU8 AAW_CU9 AAW_AU8 AAW_BU9 AAW_AU9 AAW_BU8 AAW_BU5 AAW_AU5 AAW_BU6 AAW_AU6 AAW_CU7 AAW_AU7 AAW_BU7 AAW_CU6 AAW_AU2 AAW_CU3 AAW_AU3 AAW_CU5 AAW_AU4 AAW_CU4 AAW_BU4 AAW_BU3 AAW_CU0 AAW_BU0 AAW_CU1 AAW_BU1 AAW_BU2 AAW_CU2 AAW_AU0 AAW_AU1 ABD_D056 ABD_D055 ABD_D053 ABD_D052 ABD_D045 ABD_D046 ABD_D044 ABD_D043 ABD_D041 ABD_D033 ABD_D034 ABD_D036 ABD_D032 ABD_D031 ABD_D025 ABD_D024 ABD_D023 ABD_D021 ABD_D016 ABD_D013 ABD_D014 ABD_D012 ABD_D011 AAP_D144 AAP_D154 AB_PCD ABB_CER AP_HZ AAP_D124 AAP_D121 AAP_D136 AAP_D133 AAP_D161 AAP_D152 AAP_D145 AAP_D164 ABD_D036 ABD_D034 ABD_D014 ABD_D016 ABD_D032 ABD_D026 ABD_D024 ABD_D022 ABD_D012 ABD_D015 ABD_D056 ABD_D054 ABD_D052 ABD_D046 ABD_D044 ABD_D042 AP_CEL AB_PCU ABD_D026 ABD_D022 AP_HZ ABD_D042 ABD_D051 ABD_D035 ABD_D054 3.3V AA_DRVRST AAP_D166 AAP_D164 AAP_D161 AAP_D162 AAP_D163 AAP_D156 AAP_D153 AAP_D152 AAP_D151 AAP_D146 AAP_D143 AAP_D142 AAP_D141 AAP_D136 AAP_D133 AAP_D132 AAP_D131 AAP_D123 AAP_D122 AAP_D121 AAP_D126 AA_DRVRST_5V AA_SOS2 AA_DRVRST_5V AQ_NCLKR AQ_CLKR AC_BLKD AP_BLKL AAA_DMHR AAA_DSHR AAA_DMLR AAA_DSLR AX_DMHL AAA_DSHR AX_DMLL AX_DMHR AX_DSHL AX_DSLR AAB_DSHL AAA_DMLR AX_DSLL AAB_DMLL AX_DSHR AAA_DMHR AAB_DMHL AAB_DSLL AX_DMLR AAA_DSLR R9327 EXB38V680JV R9354 47 C9308 16V 0.1u R9315 10k P5V C9304 16V 4.7u C9301 50V 0.01u C9316 16V 0.1u C9309 6.3V 10u R9332 EXB38V680JV R9318 EXB38V470JV R9350 0 R9322 10k R9365 EXB38V680JV C9310 50V 33p R9324 EXB38V680JV R9548 0 R9368 EXB38V680JV C9596 50V 0.01u R9586 100k R9321 EXB38V470JV R9329 10 R9355 10 R9336 10 R9335 0 R9369 EXB38V680JV R9362 10k R9323 EXB38V680JV R9363 EXB38V680JV R9359 EXB38V680JV R9349 EXB38V680JV R9319 EXB38V470JV R9425 4.7k C9311 16V 0.1u R9312 0 R9320 EXB38V470JV R9597 100 C9302 16V 0.1u R9371 0 R9357 EXB38V680JV R9346 0 R9348 10 R9596 10k R9342 47 R9341 47 R9514 100 C9317 16V 0.1u R9460 10 R9122 0 R9330 10 R9304 0 R9309 0 3.3V R9328 47 R9337 0 C9307 16V 0.1u R9317 0 C9318 16V 4.7u R9347 10 R9311 10k R9302 0 C9305 6.3V 10u C9314 16V 4.7u R9338 47 R9310 22k R9339 10k 3.3V R9352 10 R9462 10 R9351 EXB38V680JV 3.3V R9314 0 R9431 4.7k C9315 16V 4.7u P5V R9373 0 C9303 16V 47u 3.3V IC9302 C0CBCBD00008 1 Vcont 2 GND 3 Np 5 Vin 4 Vout R9513 10k R9461 10 R9367 0 D34 A1 A2 A3 A4 A5 A6 A7 A8 A9 A10 A11 A12 A13 A14 A15 A16 A17 A18 A19 A20 A21 A22 A23 A24 A25 A26 A27 A28 A29 A30 A31 A32 A33 A34 A35 A36 A37 A38 A39 A40 B1 B2 B3 B4 B5 B6 B7 B8 B9 B10 B11 B12 B13 B14 B15 B16 B17 B18 B19 B20 B21 B22 B23 B24 B25 B26 B27 B28 B29 B30 B31 B32 B33 B34 B35 B36 B37 B38 B39 B40 C9599 50V 0.01u D31 A1 A2 A3 A4 A5 A6 A7 A8 A9 A10 A11 A12 A13 A14 A15 A16 A17 A18 A19 A20 A21 A22 A23 A24 A25 A26 A27 A28 A29 A30 A31 A32 A33 A34 A35 A36 A37 A38 A39 A40 B1 B2 B3 B4 B5 B6 B7 B8 B9 B10 B11 B12 B13 B14 B15 B16 B17 B18 B19 B20 B21 B22 B23 B24 B25 B26 B27 B28 B29 B30 B31 B32 B33 B34 B35 B36 B37 B38 B39 B40 P5V R9595 100k R9331 47 X9302 H0J200500016 Q9598 2SD0601A0L Q9593 2SD0601A0L Q9301 2SD0601A0L Q9592 2SD0601A0L Q9599 2SD0601A0L IC9301 C1ZBZ0002358 1 XIN 2 VDD 3 PD# 4 VSS 5 CLK1 6 CLK2 7 SSON 8 XOUT C1ZBZ0002357 IC9303 1 CLKC 2 VDD 3 AGND 4 XTALIN 5 XTALOUT 6 XBUF 7 CLKD 8 CLKE 9 CLKB 10 CLKA 11 GND 12 S0 13 S1 14 AVDD 15 S2/SUSPEND 16 SHUTDOWN/OE R9358 EXB38V680JV IC9457 C0JBAZ001604 1 2 3 4 5 6 7 8 9 10 11 12 13 14 15 16 17 18 19 20 C C9499 16V 0.1u P5V 5V DET 5V DET ~DRVRST ~DRVRST CER CLKR NCLKR BLKR SOS GND GND GND GND GND GND GND D12-1 D12-2 D12-3 D12-4 D12-5 D12-6 D13-1 D13-2 D13-4 D13-3 D13-5 D13-6 D14-1 D14-2 D14-3 D14-4 D14-5 D14-6 D15-1 D15-2 D15-3 D15-4 D15-5 D15-6 GND GND GND GND GND GND D16-2 D16-1 D16-3 D16-5 D16-4 D16-6 PCR CLK3R CLK4R GND GND GND GND HZ GND GND GND GND GND GND NC NC NC NC GND GND GND GND DSLR DSHR DMHR DMLR 5V 5V 5V 5V GND SOS GND GND GND GND GND GND D1-4 D1-3 D1-6 D1-5 D2-2 D2-1 D2-4 D2-3 D2-6 D2-5 D3-2 D3-1 D3-4 D3-3 D3-6 D3-5 D1-2 D1-1 GND GND GND GND GND D4-2 D4-1 D4-3 D4-4 D4-5 D4-6 D5-2 D5-1 D5-4 D5-3 D5-6 D5-5 GND CER BLKR NCLKR CLKR PCR CLK3R CLK4R GND GND GND GND GND GND NC NC NC GND NC SCL2 SDA2 GND GND GND GND HZ DSLR DSHR DMLR DMHR 3.3V 5V 5V 5V 5V 44 39 41 43 42 40 38 45 136 134 135 131 132 133 137 138 139 140 147 148 149 146 142 143 144 145 141 PLL SYNTHESIZER PLL SYNTHESIZER AVR 3.3V TO (C24) C2-BOARD TO (C54) C5-BOARD 1Y2 1A4 VCC 1Y3 1A1 2A2 2Y1 2Y4 2A4 1OE 2Y3 SN74ACT244PWR GND 1A3 ^2OE 1Y4 3.3V->5V 1Y1 2Y2 2A1 2A3 1A2 TH-50PHD6CY, TH-50PHW6CH/CZ D-BOARD (11 of 15) Schematic Diagram TH-50PHD6CY, TH-50PHW6CH/CZ D-BOARD (11 of 15) Schematic Diagram 111 112 113 114 115 116 117 118 119 120 122 123 121 124 125 126 150 152 153 151 154 TO BACK PAGE TO NEXT PAGE D-BOARD (11/15) TZTNP01QMSC (TH-50PHD6CY) TZTNP01SGSC (TH-50PHW6CH/CZ) ! 99 14.39.D 电路板 (12/15)电路图 AF_D0 AF_D2 AF_D3 AF_D1 AF_D4 AF_D5 AF_D6 AF_D7 AF_D8 AF_D9 AF_D10 AF_D11 AF_D12 AF_D13 AF_D14 AF_D15 AW_D2 AW_D3 AW_D1 AW_D4 AW_D5 AW_D6 AW_D7 AW_D8 AW_D9 AW_D10 AW_D11 AW_D12 AW_D13 AW_D14 AW_D15 ABP_IO24 ABP_IO16 ABP_IO31 ABP_IO30 ABP_IO29 ABP_IO28 ABP_IO23 ABP_IO22 ABP_IO21 ABP_IO20 ABP_IO27 ABP_IO26 ABP_IO25 ABP_IO19 ABP_IO18 ABP_IO17 ABP_IO8 ABP_IO15 ABP_IO14 ABP_IO13 ABP_IO12 ABP_IO11 ABP_IO10 ABP_IO9 AW_D13 AW_D12 AW_D11 AW_D10 AW_D15 AW_D14 AW_D9 AW_D8 AW_D5 AW_D4 AW_D3 AW_D2 AW_D7 AW_D6 AW_D0 AW_D1 AJ_SCL2 AJ_SDA2 1.25V ABA_SFVRST ABA_SFRST ABQ_B7 ABQ_B6 ABQ_B0 ABQ_B5 ABQ_B4 ABQ_B3 ABQ_B2 ABQ_B1 ABQ_G7 ABQ_G6 ABQ_G0 ABQ_G5 ABQ_G4 ABQ_G3 ABQ_G2 ABQ_G1 AA_NRST ABQ_R7 ABQ_R6 ABQ_R0 ABQ_R5 ABQ_R4 ABQ_R3 ABQ_R2 ABQ_R1 ABU_R7 ABU_R6 ABU_R5 ABU_R4 ABU_R3 ABU_R2 ABU_R1 ABU_R0 ABQ_R7 ABQ_R6 ABQ_R5 ABQ_R4 ABQ_R3 ABQ_R2 ABQ_R0 ABQ_R1 ABU_G7 ABU_G6 ABU_G5 ABU_G4 ABU_G3 ABU_G2 ABU_G1 ABU_G0 ABQ_G7 ABQ_G6 ABQ_G5 ABQ_G4 ABQ_G3 ABQ_G2 ABQ_G0 ABQ_G1 ABU_B7 ABU_B6 ABU_B5 ABU_B4 ABU_B3 ABU_B2 ABU_B1 ABU_B0 ABQ_B7 ABQ_B6 ABQ_B5 ABQ_B4 ABQ_B3 ABQ_B2 ABQ_B1 ABQ_B0 AW_D0 AAC_N_VD47 ABP_AD6 ABP_CAS ABP_IO2 ABP_IO7 ABP_AD5 ABP_RAS ABP_CS ABP_IO1 ABP_IO6 ABP_AD8 ABP_AD4 ABP_BA1 ABP_IO5 ABP_AD10 ABP_AD3 ABP_AD0 ABP_BA0 ABP_IO4 ABP_AD9 ABP_AD2 ABP_AD7 ABP_WE ABP_IO3 ABP_IO0 ABP_AD1 AAC_HP IC9305 W18 VDD18 IC9305 W12 VDD33 IC9305 J14 VSS IC9305 A16 ROMD1 IC9305 J12 VSS IC9305 AA21 FCIO18 IC9305 Y8 VDD33 IC9305 T19 VDD33 IC9305 T10 VSS IC9305 R15 VSS IC9305 J4 VSS IC9305 F4 AVDD IC9305 H14 VDD18 IC9305 C5 FPDAT0 IC9305 J16 VSS C9345 16V 0.1u IC9305 C23 RSTDRAM IC9305 B19 ACKSEL1 IC9305 D7 VDI IC9305 C7 BI6 IC9305 L4 VDD25 C9340 16V 0.1u IC9305 A15 ROMD5 IC9305 K1 VSS IC9305 W14 VDD33 IC9305 D4 VSS IC9305 L13 VSS R9392 1k IC9305 B17 NC IC9305 N15 VSS C9321 6.3V 10u IC9305 L12 VSS IC9305 D14 ROMD7 IC9305 C21 VSS IC9305 B4 ID0 IC9305 L15 VSS IC9305 L2 VSS IC9305 P10 VSS IC9305 M10 VSS IC9305 Y19 VDD18 R9377 EXB2HVR000V IC9305 Y4 VSS IC9305 Y16 VDD33 IC9305 L23 VSS IC9305 N11 VSS IC9305 T8 VDD25 IC9305 Y1 FCIO11 R9390 10k IC9305 M9 VSS IC9305 B10 GI2 IC9305 W10 VDD33 IC9305 H15 VDD18 IC9305 A14 ROMD10 IC9305 C12 RI1 IC9305 W13 VDD33 L9309 ELJFA1R0KF IC9305 A17 TILD R9385 100 R9394 10k IC9305 U4 VDD25 IC9305 E18 VDD18 IC9305 D13 ROMD12 IC9305 W1 FCIO9 IC9305 B6 HDI IC9305 E17 VSS IC9305 E12 ROMCE IC9305 W7 VDD18 IC9305 AA7 FCIO29 C9324 16V 0.1u IC9305 A7 BI4 IC9305 D10 GI1 IC9305 W16 VDD33 R9437 0 IC9305 E20 VDD18D C9347 16V 4.7u IC9305 L20 VSS IC9305 F22 DLLRST IC9305 L9 VSS IC9305 L3 VSS IC9305 Y3 FCIO19 IC9305 H20 VSS IC9305 B22 VSS IC9305 H8 VSS R9378 EXB2HVR000V IC9305 R16 VSS IC9305 E4 AVDD IC9305 M19 VDD33 IC9305 Y5 VDD18 R9396 10k IC9305 B18 TEST2 IC9305 H11 VDD33 IC9305 H22 VSS IC9305 AB6 FCIO30 IC9305 B13 ROMD14 IC9305 J10 VSS IC9305 P12 VSS R9435 0 IC9305 T13 VSS IC9305 F5 AVSS R9388 0 C9344 16V 0.1u IC9305 G20 AUP IC9305 J9 VSS IC9305 AC1 VSS IC9305 L14 VSS IC9305 Y14 VDD33 IC9305 A21 TIOCTL1 IC9305 T4 FCIO6 IC9305 C10 GI0 IC9305 AB4 FCIO24 IC9305 V3 FCIO12 IC9305 D11 RI4 IC9305 E9 VSS IC9305 R13 VSS IC9305 L16 VSS IC9305 H9 VDD18 IC9305 T16 VSS IC9305 C9 GI4 IC9305 W2 FCIO13 IC9305 E21 PTESTDRAM1 IC9305 C14 ROMD8 IC9305 B3 SRL C9333 16V 0.1u IC9305 AC6 VSS IC9305 G5 AVSS IC9305 A2 VSS IC9305 L10 VSS IC9305 B5 FPDAT1 IC9305 N5 VDD25 IC9305 E6 VDD18 IC9305 G22 FCDDRSEL0 IC9305 M14 VSS IC9305 W5 VSS IC9305 M5 VDD25 R9389 10k IC9305 V1 VSS C9346 16V 0.1u IC9305 E13 ROMD11 R9492 EXB38VR000V IC9305 C22 SCANE IC9305 F19 VDD18D IC9305 R4 VDD25 IC9305 C13 ROMD13 IC9305 W8 VDD33 IC9305 D23 NTDRAM IC9305 P9 VSS IC9305 P16 VSS IC9305 A9 GI7 IC9305 T12 VSS IC9305 A23 VSS IC9305 K9 VSS IC9305 AC14 VSS IC9305 H5 VSS IC9305 AC5 FCIO31 IC9305 A5 DCK IC9305 L19 VDD33 IC9305 Y10 VDD33 IC9305 P13 VSS IC9305 U19 FCIO4 R9375 0 IC9305 D8 BI3 IC9305 AB22 VSS R9391 1k C9342 16V 0.1u IC9305 V4 FCIO14 IC9305 W4 VDD18 IC9305 H19 VDD33D IC9305 G23 LATCH IC9305 L8 VSS IC9305 R8 VSS IC9305 C20 TIOCTL2 IC9305 Y20 FCIO16 IC9305 N16 VSS C9330 16V 0.1u IC9305 AB5 FCIO28 IC9305 E22 OCK C9331 6.3V 10u IC9305 AC22 VSS R9494 EXB38VR000V IC9305 AC23 VSS IC9305 R19 VDD33 IC9305 J5 VSS IC9305 H12 VDD33 IC9305 A20 MCKSEL1 IC9305 A6 BI7 IC9305 L5 VDD25 R9374 0 IC9305 M11 VSS IC9305 T5 FCIO8 IC9305 A12 RI3 R9439 0 IC9305 D21 MINTEST IC9305 Y18 VDD18 IC9305 W19 VSS IC9305 D19 MCKSEL2 IC9305 P14 VSS IC9305 D9 GI6 IC9305 R11 VSS IC9305 E15 VSS IC9305 K8 VSS IC9305 E8 VSS IC9305 C18 TEST1 IC9305 B11 RI6 IC9305 D17 TEST4 IC9305 F20 VDD18D IC9305 P1 VSS IC9305 D15 ROMD2 IC9305 N4 VDD25 IC9305 P5 VDD25 IC9305 J11 VSS IC9305 L11 VSS IC9305 M12 VSS IC9305 C19 ACKSEL0 IC9305 B8 BI0 IC9305 E16 VSS IC9305 T15 VSS IC9305 B14 ROMD9 IC9305 C6 FPCLK IC9305 K12 VSS IC9305 D20 VSS IC9305 AC2 VSS IC9305 E10 VDD33 IC9305 E23 SFRST TP0768 R9393 10k C9323 50V 100p IC9305 V5 VDD18 IC9305 C17 TEST5 IC9305 AA6 FCIO26 IC9305 E5 VSS IC9305 N10 VSS IC9305 D6 SCL IC9305 E14 ROMD6 IC9305 C15 ROMD3 C9329 16V 0.1u R9470 0 IC9305 F21 PTESTDRAM0 IC9305 D16 NC C9343 16V 0.1u IC9305 N8 VSS IC9305 C2 PCK IC9305 B2 VSS IC9305 AC3 FCIO22 IC9305 N14 VSS C9334 16V 0.1u R9386 22 R9401 22 IC9305 C8 BI1 IC9305 B9 GI5 IC9305 AC4 FCIO25 IC9305 W6 VDD18 IC9305 AB23 VSS IC9305 B1 VSS IC9305 H23 VSS IC9305 A3 NRST IC9305 A19 NC IC9305 K14 VSS IC9305 C16 NC IC9305 J19 VSS IC9305 AC18 VSS IC9305 K5 VDD25 IC9305 P11 VSS IC9305 H16 VSS IC9305 R5 VDD25 IC9305 D2 DLLCKIN R9379 EXB2HVR000V IC9305 AA4 FCIO21 IC9305 J2 VSS TP0767 IC9305 N12 VSS IC9305 K13 VSS IC9305 AB1 VSS IC9305 W17 VDD18 IC9305 U5 VDD25 C9328 16V 0.1u IC9305 W11 VDD33 IC9305 AA2 VSS IC9305 J3 VSS IC9305 B23 VSS IC9305 H21 VSS IC9305 MN84510-A A1 VSS IC9305 A8 BI2 IC9305 K10 VSS IC9305 M16 VSS IC9305 T9 VSS IC9305 L21 VSS IC9305 L1 VSS IC9305 Y12 VDD33 IC9305 R14 VSS IC9305 A10 GI3 R9402 22 IC9305 L22 VSS IC9305 A18 TEST3 IC9305 M8 VSS IC9305 J15 VSS IC9305 B20 MCKSEL0 IC9305 R9 VSS IC9305 C1 TCPOUT IC9305 E19 VSS C9339 16V 0.1u IC9305 V19 VDD18 IC9305 Y7 FCIO27 IC9305 A4 SDA IC9305 C3 VSS C9341 16V 0.1u IC9305 K4 VSS IC9305 K15 VSS IC9305 C11 RI5 IC9305 T11 VSS IC9305 B12 RI2 IC9305 B21 TIOCTL0 IC9305 R10 VSS IC9305 AA3 VSS C9325 16V 4.7u IC9305 E11 VDD33 IC9305 K19 VDD18 IC9305 AB3 FCIO20 IC9305 C4 ID1 IC9305 B7 BI5 IC9305 A13 ROMD15 IC9305 B15 ROMD4 IC9305 Y2 VSS IC9305 AB2 VSS IC9305 D3 NRESET IC9305 P8 VSS IC9305 AC10 VSS IC9305 P15 VSS 3.3V IC9305 J13 VSS IC9305 K11 VSS R9495 EXB38VR000V IC9305 MN84510-A D12 RI0 IC9305 H13 VDD33 IC9305 W9 VDD33 IC9305 D1 TIDDQ IC9305 Y6 VDD18 IC9305 W3 FCIO15 IC9305 T14 VSS IC9305 E7 MUTE IC9305 F23 SFVRST IC9305 K16 VSS R9395 10k IC9305 A22 VSS IC9305 A11 RI7 IC9305 V2 FCIO10 IC9305 R12 VSS IC9305 N9 VSS IC9305 B16 ROMD0 IC9305 D18 TEST0 IC9305 M1 VREF IC9305 W15 VDD33 IC9305 D22 DRAMCK IC9305 N13 VSS IC9305 E3 DLLPOUT IC9305 AA5 FCIO23 IC9305 J8 VSS IC9305 J1 VSS IC9305 G21 FCDDRSEL1 IC9305 AA1 FCIO17 C9319 16V 0.1u R9493 EXB38VR000V IC9305 M13 VSS IC9305 D5 TIIC IC9305 G19 VDD18D IC9305 H10 VDD18 IC9305 M15 VSS 1.8V_S R9382 0 R9400 10 IC9305 F1 FCADR4 IC9305 P3 BA0 IC9305 G3 FCADR6 IC9305 U2 FCIO5 IC9305 M3 FCADR9 IC9305 U1 VSS IC9305 T2 VDD33 IC9305 M2 FCADR8 IC9305 K3 CLK IC9305 G2 FCADR7 IC9305 E2 FCADR0 R9399 10 IC9305 T1 FCIO2 IC9305 H2 DQS3 IC9305 N1 FCADRX IC9305 R1 BA2 IC9305 F2 FCADR3 IC9305 H4 DQS1 IC9305 R2 FCIO0 IC9305 G4 FCADR5 IC9305 P4 BA1 IC9305 P2 WE IC9305 H1 CS IC9305 N2 RAS IC9305 K2 NCLK IC9305 F3 FCADR2 IC9305 U3 FCIO7 IC9305 T3 DOUTAU7 IC9305 R3 FCIO1 IC9305 H3 DQS2 IC9305 G1 DQS0 IC9305 N3 CAS IC9305 E1 FCADR1 IC9305 M4 FCADR10 50MHz clk RIGHT(Slave) Flash ROM I/F IIC TEST FPGA I/F other PLL RST 130MHz DLL DRAM clk 65MHz clk CLK From LSI43 130MHz CKOUT FC RAM I/F 53 50 51 52 46 47 49 48 149 146 145 147 148 142 143 144 141 139 140 135 137 138 136 131 132 133 134 172 173 174 175 171 167 168 169 170 166 162 163 164 165 161 DA DE DC DB DD TH-50PHD6CY, TH-50PHW6CH/CZ D-BOARD (12 of 15) Schematic Diagram TH-50PHD6CY, TH-50PHW6CH/CZ D-BOARD (12 of 15) Schematic Diagram PLASMA AI IC9305 SUB FIELD PROCESSOR 150 153 152 151 154 176 177 178 179 180 181 TO BACK PAGE TO NEXT PAGE TO 5/16 D-BOARD (12/15) TZTNP01QMSC (TH-50PHD6CY) TZTNP01SGSC (TH-50PHW6CH/CZ) ! 100 14.40.D 电路板 (13/15)电路图 + ABJ_CD9 ABJ_CD8 ABJ_CD7 ABJ_BD9 ABJ_BD8 ABJ_BD7 ABJ_CD6 ABJ_CD5 ABJ_CD4 ABJ_CD3 ABJ_CD2 ABJ_CD0 ABJ_CD1 ABJ_BD6 ABJ_BD5 ABJ_BD4 ABJ_BD3 ABJ_BD2 ABJ_BD0 ABJ_BD1 AAW_CU9 AAW_BU9 AAW_CU8 AAW_CU7 AAW_CU6 AAW_CU5 AAW_CU4 AAW_CU3 AAW_BU8 AAW_BU7 AAW_BU6 AAW_BU5 AAW_BU4 AAW_BU3 AAW_CU2 AAW_CU1 AAW_CU0 AAW_BU2 AAW_BU1 AAW_BU0 ABJ_AD9 ABJ_AD8 ABJ_AD7 ABC_CKD2 ABJ_AD6 ABJ_AD5 ABJ_AD4 ABJ_AD3 ABJ_AD2 ABJ_AD1 ABJ_AD0 ABC_CKD1 AAW_AU9 AAW_AU8 AAW_AU7 AAW_AU6 AAW_AU5 AAW_AU4 AAW_AU3 AAW_AU2 AAW_AU1 AAW_AU0 ABA_SFRST ABA_SFVRST ABA_LATCH ABA_FPDAT1 ABA_FPDAT0 ABA_FPCLK AJ_SDA2 AJ_SCL2 1.25V ABR_R6 ABR_R7 ABR_G6 ABR_G7 ABR_B6 ABR_B7 ABR_R3 ABR_R5 ABR_R4 ABR_R0 ABR_R2 ABR_R1 ABR_G3 ABR_G5 ABR_G4 ABR_B3 ABR_B5 ABR_B4 ABR_G0 ABR_B0 ABR_G2 ABR_G1 ABR_B2 ABR_B1 ABS_IO3 ABS_IO2 ABS_IO1 ABS_IO20 ABS_IO21 ABS_IO16 ABS_IO7 ABS_IO6 ABS_IO5 ABS_IO4 ABS_IO17 ABS_IO18 ABS_IO19 ABS_AD0 ABS_AD1 ABS_AD2 ABS_IO22 ABS_RAS ABS_WE ABS_CAS ABS_IO23 ABS_BA1 ABS_BA0 ABS_CS ABS_IO0 ABS_AD10 ABS_AD3 ABT_R3 ABT_R2 ABT_R1 ABT_R0 ABR_R3 ABR_R2 ABR_R0 ABR_R1 ABT_G3 ABT_G2 ABT_G1 ABT_G0 ABR_G3 ABR_G2 ABR_G0 ABR_G1 ABT_R7 ABT_R6 ABT_R5 ABT_R4 ABR_R7 ABR_R6 ABR_R5 ABR_R4 ABT_G7 ABT_G6 ABT_G5 ABT_G4 ABR_G7 ABR_G6 ABR_G5 ABR_G4 ABT_B3 ABT_B2 ABT_B1 ABT_B0 ABR_B3 ABR_B2 ABR_B1 ABR_B0 ABT_B7 ABT_B6 ABT_B5 ABT_B4 ABR_B7 ABR_B6 ABR_B5 ABR_B4 ABS_IO28 ABS_IO29 ABS_IO31 ABS_IO30 ABS_IO10 ABS_IO11 ABS_IO15 ABS_IO24 ABS_IO25 ABS_IO26 ABS_IO27 ABS_IO14 ABS_IO13 ABS_IO12 ABS_IO9 ABS_IO8 ABS_AD8 ABS_AD7 ABS_AD5 ABS_AD6 ABS_AD4 ABS_AD9 2.5V AQ_CLKR AQ_NCLKR AA_NRST C9469 4V 220u IC9455 E15 VSS C9485 16V 0.1u C9482 16V 0.1u IC9455 E21 PTESTDRAM1 IC9455 C21 VSS IC9455 K12 VSS IC9455 G20 AUP IC9455 J14 VSS IC9455 G19 VDD18D IC9455 J15 VSS IC9455 D7 VDI IC9455 E17 VSS R9485 1k R9445 0 IC9305 P19 DOUTBU9 IC9305 AC11 DOUTCD9 IC9455 M10 VSS IC9455 E10 VDD33 IC9305 AB19 DOUTAD0 R9447 0 R9468 EXB2HVR000V IC9455 B7 BI5 IC9455 E23 SFRST C9470 50V 100p R9403 56 IC9455 K5 VDD25 IC9455 C6 FPCLK R9488 10 IC9455 P5 VDD25 R9479 100 C9467 16V 0.1u IC9305 R22 DOUTAU8 IC9305 AA23 DOUTAU2 IC9455 F22 DLLRST IC9455 U4 VDD25 IC9305 W22 DOUTAU3 R9475 1k R9476 22 IC9455 E18 VDD18 IC9455 E3 DLLPOUT IC9455 D3 NRESET IC9455 L16 VSS IC9305 AC9 DOUTCD11 C9488 16V 0.1u IC9305 AC16 DOUTAD4 R9466 EXB2HVR000V IC9455 J3 VSS IC9455 K4 VSS R9491 22 IC9455 B23 VSS IC9305 J20 DRVCLKD4 IC9455 E7 MUTE IC9455 D11 RI4 IC9305 W23 DOUTAU4 IC9305 AB8 DOUTBD12 IC9305 Y17 DOUTAD1 IC9455 D20 VSS IC9305 AC8 DOUTAD11 IC9455 J9 VSS IC9455 B21 TIOCTL0 IC9455 E22 OCK IC9305 V23 DOUTBU5 IC9305 AA8 DOUTBD13 IC9305 P20 DOUTAU9 IC9455 E4 AVDD C9474 16V 4.7u IC9455 D2 DLLCKIN IC9455 K14 VSS IC9455 A22 VSS C9455 16V 4.7u IC9305 Y9 DOUTCD13 IC9455 J11 VSS IC9455 C20 TIOCTL2 1% R9487 1k R9405 56 IC9455 J16 VSS IC9455 L2 VSS IC9455 MN84510-A A1 VSS IC9305 N21 DOUTAU11 IC9455 F20 VDD18D IC9455 C11 RI5 IC9455 E11 VDD33 IC9305 T21 DOUTAU6 IC9455 B19 ACKSEL1 IC9305 AB14 DOUTBD6 IC9305 M22 DOUTBU13 IC9455 L8 VSS IC9455 K10 VSS IC9455 N13 VSS IC9455 B18 TEST2 IC9455 L1 VSS IC9455 C22 SCANE IC9455 H19 VDD33D IC9305 AB16 DOUTCD4 IC9455 A5 DCK IC9455 M8 VSS IC9455 D19 MCKSEL2 IC9455 J1 VSS IC9455 B10 GI2 IC9305 AB18 DOUTBD2 R9489 10 IC9455 D16 NC IC9305 AC17 DOUTBD3 IC9455 C7 BI6 IC9455 N10 VSS IC9305 J23 DRVCLKD1 IC9455 C23 RSTDRAM IC9305 AA15 DOUTCD5 IC9455 A9 GI7 IC9455 A17 TILD R9484 1k IC9455 B2 VSS IC9455 D12 RI0 IC9455 A3 NRST IC9305 T20 FCIO3 IC9305 K22 DRVCLKU2 IC9455 E5 VSS IC9455 G23 LATCH IC9305 N19 DOUTCU11 IC9455 H16 VSS IC9455 A23 VSS C9487 16V 0.1u C9476 16V 0.1u IC9305 J21 DRVCLKD3 IC9455 C5 FPDAT0 IC9455 N15 VSS IC9455 M14 VSS IC9305 P21 DOUTCU10 IC9455 D8 BI3 IC9455 L12 VSS IC9305 AA17 DOUTAD2 IC9455 D9 GI6 IC9455 J10 VSS TP0887 R9455 0 IC9455 L3 VSS IC9455 M15 VSS IC9305 AA16 DOUTAD3 TP0889 IC9455 D21 MINTEST IC9305 AA18 DOUTCD2 IC9455 L13 VSS C9477 16V 0.1u IC9455 F23 SFVRST R9449 0 IC9305 W20 DOUTAU1 IC9455 A11 RI7 IC9305 K21 DRVCLKU3 IC9305 AB20 DOUTCU0 R9490 22 IC9455 L21 VSS IC9305 AB15 DOUTBD5 IC9455 G21 FCDDRSEL1 IC9455 C9 GI4 IC9455 A12 RI3 IC9455 N16 VSS IC9455 N14 VSS IC9455 D6 SCL IC9305 AA11 DOUTAD9 IC9455 D5 TIIC IC9455 H20 VSS IC9455 H13 VDD33 IC9455 R19 VDD33 IC9455 A2 VSS IC9305 AB7 DOUTAD13 IC9305 M20 DOUTAU12 IC9305 AA22 DOUTBU1 IC9455 N4 VDD25 IC9305 AC20 DOUTCD1 IC9455 A21 TIOCTL1 IC9305 W21 DOUTBU2 IC9305 Y13 DOUTCD7 IC9305 AB11 DOUTBD9 IC9455 H8 VSS IC9455 L10 VSS R9483 0 IC9455 C12 RI1 IC9455 E20 VDD18D IC9455 A19 NC IC9305 AC19 DOUTBD1 C9479 16V 0.1u IC9305 AB13 DOUTBD7 IC9455 L19 VDD33 IC9455 E8 VSS IC9455 D22 DRAMCK IC9455 D23 NTDRAM IC9455 F19 VDD18D C9454 16V 4.7u IC9455 C10 GI0 IC9305 P23 DOUTAU10 IC9455 B17 NC IC9455 R4 VDD25 1% R9486 1k IC9455 A7 BI4 IC9455 B1 VSS IC9305 AB12 DOUTBD8 R9469 0 IC9305 N23 DOUTBU12 IC9455 T5 FCIO8 IC9455 B5 FPDAT1 IC9305 N20 DOUTBU11 IC9455 C17 TEST5 IC9455 C4 ID1 IC9305 T23 DOUTBU7 IC9455 D18 TEST0 IC9455 N11 VSS IC9455 M13 VSS IC9455 J5 VSS IC9455 L11 VSS IC9455 C8 BI1 IC9305 U23 DOUTBU6 IC9305 AA13 DOUTAD6 IC9305 AA19 DOUTBD0 IC9455 A4 SDA IC9455 A6 BI7 IC9305 AA14 DOUTAD5 IC9455 G22 FCDDRSEL0 IC9455 T19 VDD33 IC9455 L15 VSS IC9455 L14 VSS IC9305 AC7 DOUTAD12 C9480 16V 0.1u IC9305 V21 DOUTCU4 IC9455 L23 VSS IC9455 K16 VSS IC9305 U22 DOUTCU6 IC9305 P22 DOUTBU10 IC9455 H10 VDD18 IC9305 T22 DOUTCU7 IC9455 M9 VSS IC9455 B3 SRL IC9455 H22 VSS IC9454 C3ABPJ000043 1 DQ3 2 VDDQ 3 DQ4 4 DQ5 5 VSSQ 6 DQ6 7 DQ7 8 VDDQ 9 DQ16 10 DQ17 11 VSSQ 12 DQ18 13 DQ19 14 VDDQ 15 VDD 16 VSS 17 DQ20 18 DQ21 19 VSSQ 20 DQ22 21 DQ23 22 VDDQ 23 DM0 24 DM2 25 ^WE 26 ^CAS 27 ^RAS 28 ^CS 29 BA0 30 BA1 31 A0 32 A1 33 A2 34 A3 35 VDD 36 A10 37 N.C 38 N.C 39 N.C 40 N.C 41 N.C 42 N.C 43 N.C 44 N.C 45 A9 46 VSS 47 A4 48 A5 49 A6 50 A7 51 A8/AP 52 N.C 53 CKE 54 ^CLK 55 CLK 56 DM1 57 DM3 58 VREF 59 VDDQ 60 DQ8 61 DQ9 62 VSSQ 63 DQ10 64 DQ11 65 VDD 66 VSS 67 VDDQ 68 DQ12 69 DQ13 70 VSSQ 71 DQ14 72 DQ15 73 VDDQ 74 DQ24 75 DQ25 76 VSSQ 77 DQ26 78 DQ27 79 VDDQ 80 DQ28 81 DQ29 82 VSSQ 83 DQ30 84 DQ31 85 VSS 86 VDDQ 87 N.C 88 N.C 89 N.C 90 N.C 91 N.C 92 VSSQ 93 N.C 94 DQS 95 VDDQ 96 VDD 97 DQ0 98 DQ1 99 VSSQ 100 DQ2 IC9455 K8 VSS IC9305 U21 DOUTAU5 R9459 0 IC9455 H23 VSS IC9455 M12 VSS IC9305 R23 DOUTCU9 R9444 0 IC9455 H11 VDD33 IC9455 C18 TEST1 IC9455 M19 VDD33 IC9455 C1 TCPOUT IC9305 AB10 DOUTBD10 IC9305 K20 DRVCLKU4 IC9455 L4 VDD25 IC9455 B20 MCKSEL0 IC9455 J13 VSS IC9455 H9 VDD18 IC9305 AB17 DOUTCD3 IC9455 N9 VSS IC9455 N8 VSS IC9455 B12 RI2 C9453 16V 0.1u IC9455 N5 VDD25 IC9455 H21 VSS IC9455 E16 VSS IC9455 C19 ACKSEL0 IC9455 B9 GI5 IC9455 A8 BI2 IC9455 M16 VSS IC9455 K13 VSS IC9455 F4 AVDD IC9455 E6 VDD18 IC9305 R21 DOUTBU8 IC9305 K23 DRVCLKU1 IC9455 G5 AVSS IC9455 J8 VSS IC9455 K11 VSS IC9455 L20 VSS IC9455 F21 PTESTDRAM0 IC9455 K1 VSS IC9455 C3 VSS IC9455 M1 VREF IC9305 AC13 DOUTAD7 C9475 16V 0.1u IC9455 F5 AVSS L9452 ELJFA1R0KF IC9455 E9 VSS IC9455 H12 VDD33 IC9305 J22 DRVCLKD2 IC9455 B22 VSS 1.8V_S IC9305 AC15 DOUTCD6 IC9455 J2 VSS IC9455 J4 VSS IC9455 V1 VSS IC9305 AA9 DOUTCD12 R9408 56 IC9455 J12 VSS IC9455 D1 TIDDQ IC9455 D4 VSS IC9455 L22 VSS IC9455 A20 MCKSEL1 IC9455 D17 TEST4 IC9455 K15 VSS IC9455 B4 ID0 IC9305 M21 DOUTCU13 IC9305 Y15 DOUTBD4 IC9455 L9 VSS C9478 6.3V 10u IC9305 AA12 DOUTAD8 IC9305 AB21 DOUTBU0 2.5V R9478 10k IC9455 C2 PCK IC9305 AB9 DOUTBD11 IC9455 L5 VDD25 IC9455 K9 VSS R9477 10k IC9305 V20 DOUTBU3 IC9455 A18 TEST3 IC9455 B6 HDI C9486 16V 0.1u IC9305 AC21 DOUTCD0 IC9305 U20 DOUTCU5 R9440 0 IC9455 N12 VSS IC9455 R5 VDD25 IC9305 V22 DOUTBU4 IC9455 J19 VSS IC9455 B8 BI0 IC9305 Y21 DOUTCU1 R9421 56 IC9305 Y22 DOUTCU2 IC9455 D10 GI1 IC9305 N22 DOUTCU12 IC9305 AA20 DOUTAU0 IC9455 E19 VSS C9481 16V 0.1u 3.3V R9465 EXB2HVR000V IC9305 M23 DOUTAU13 IC9455 H5 VSS IC9305 AA10 DOUTAD10 IC9305 R20 DOUTCU8 IC9455 M5 VDD25 IC9305 Y23 DOUTCU3 IC9455 C16 NC IC9455 M11 VSS IC9305 AC12 DOUTCD8 IC9305 Y11 DOUTCD10 IC9455 A10 GI3 IC9455 U19 FCIO4 IC9455 B11 RI6 IC9455 U5 VDD25 R9422 0 50MHz clk VDI HDI PLL RST FPGA I/F IIC to lsi47 TEST 65MHz clk CLK DRAM clk 60MHz 130MHz DLL other From LSI43 60 54 55 53 58 59 57 56 162 161 174 175 171 172 167 168 169 170 166 163 164 165 173 64M SDRAM 176 177 179 180 178 181 192 191 193 194 196 195 197 198 200 199 201 202 203 TO BACK PAGE TO NEXT PAGE TH-50PHD6CY, TH-50PHW6CH/CZ D-BOARD (13 of 15) Schematic Diagram TH-50PHD6CY, TH-50PHW6CH/CZ D-BOARD (13 of 15) Schematic Diagram D-BOARD (13/15) TZTNP01QMSC (TH-50PHD6CY) TZTNP01SGSC (TH-50PHW6CH/CZ) ! 101 14.41.D 电路板 (14/15)电路图 AI_AU0 AI_CU5 AI_BU5 AI_AU5 AI_CU4 AI_BU4 AI_AU4 AI_CU3 AI_BU3 AI_AU3 AI_CU2 AI_BU2 AI_AU2 AI_CU1 AI_BU1 AI_AU1 AI_CU0 AI_BU0 AF_BYTE AF_SBU0 AF_SCU0 AF_SAU1 AF_SBU1 AF_SCU1 AF_SAU2 AF_SBU2 AF_SCU2 AF_SAU3 AF_SBU3 AF_SCU3 AF_SAU4 AF_SCU4 AF_SBU4 AF_SAU5 AF_SBU5 AF_SCU5 AF_SAU6 AF_SBU6 AF_SCU6 AF_SAU0 AF_XCE AP_CLKL AF_D6 AF_D5 AF_D7 AF_D4 AF_D3 AF_D2 ABK_AD11 ABK_AD8 ABK_AD7 ABK_AD9 ABK_AD10 AF_D14 AF_D13 AF_D15 AF_D12 AF_D11 AF_D10 ABK_BD11 ABK_CD11 ABK_BD8 ABK_BD7 ABK_CD8 ABK_CD7 ABK_BD9 ABK_BD10 ABK_CD9 ABK_CD10 AF_D0 AF_D1 ABK_AD0 ABK_AD4 ABK_AD3 ABK_AD2 ABK_AD1 ABK_AD5 AF_D8 ABF_CKD2 ABK_AD6 AF_D9 ABK_BD0 ABK_BD4 ABK_BD3 ABK_BD2 ABK_BD1 ABK_BD5 ABK_CD0 ABK_CD4 ABK_CD3 ABK_CD2 ABK_CD1 ABK_CD5 ABK_BD6 ABK_CD6 AP_NCLKL ABF_CKD1 AI_AU4 AI_AU3 AI_AU11 AI_AU10 AI_AU9 AI_AU8 AI_AU7 AI_AU6 AI_AU5 AI_BU4 AI_BU3 AI_CU4 AI_CU3 AI_BU11 AI_BU10 AI_BU9 AI_CU11 AI_CU10 AI_CU9 AI_BU8 AI_BU7 AI_BU6 AI_BU5 AI_CU8 AI_CU7 AI_CU6 AI_CU5 AI_AU1 AI_AU0 AI_AU2 AI_BU1 AI_BU0 AI_BU2 AI_CU1 AI_CU0 AI_CU2 ABS_BA1 ABS_BA0 ABS_CS ABS_RAS ABS_WE ABS_CAS ABS_AD8 ABS_AD9 ABS_AD10 ABS_AD7 ABS_AD6 ABS_AD5 ABS_AD4 ABS_AD0 ABS_AD1 ABS_AD3 ABS_AD2 ABS_IO7 ABS_IO6 ABS_IO5 ABS_IO4 ABS_IO15 ABS_IO14 ABS_IO13 ABS_IO12 ABS_IO0 ABS_IO1 ABS_IO3 ABS_IO2 ABS_IO8 ABS_IO9 ABS_IO11 ABS_IO10 ABS_IO23 ABS_IO22 ABS_IO21 ABS_IO20 ABS_IO31 ABS_IO30 ABS_IO29 ABS_IO28 ABS_IO16 ABS_IO24 ABS_IO17 ABS_IO19 ABS_IO18 ABS_IO25 ABS_IO27 ABS_IO26 IC9455 Y14 VDD33 IC9455 AC15 DOUTCD6 IC9455 P20 DOUTAU9 IC9455 AC10 VSS C9491 16V 0.1u IC9455 P9 VSS IC9455 AA10 DOUTAD10 IC9455 W12 VDD33 IC9455 N2 RAS IC9455 R16 VSS IC9455 W17 VDD18 IC9455 H3 DQS2 IC9455 T23 DOUTBU7 IC9455 E12 ROMCE IC9455 W15 VDD33 IC9455 AA19 DOUTBD0 IC9455 V21 DOUTCU4 IC9455 AC5 FCIO31 IC9455 R20 DOUTCU8 IC9455 W5 VSS IC9455 V23 DOUTBU5 IC9455 AC3 FCIO22 IC9455 W23 DOUTAU4 IC9455 P3 BA0 IC9455 W19 VSS IC9455 K2 NCLK IC9455 N20 DOUTBU11 IC9455 Y20 FCIO16 IC9455 R15 VSS IC9455 AC13 DOUTAD7 IC9455 K23 DRVCLKU1 IC9455 P8 VSS IC9455 R21 DOUTBU8 IC9455 H4 DQS1 IC9455 AA18 DOUTCD2 IC9455 V5 VDD18 IC9455 V2 FCIO10 IC9455 B14 ROMD9 IC9455 AA13 DOUTAD6 IC9455 T1 FCIO2 IC9455 W22 DOUTAU3 R9496 56 IC9455 T10 VSS IC9455 P2 WE IC9455 B16 ROMD0 IC9455 AC6 VSS IC9455 Y10 VDD33 IC9455 T13 VSS IC9455 E13 ROMD11 IC9455 P14 VSS IC9455 AA5 FCIO23 IC9455 U21 DOUTAU5 IC9455 V4 FCIO14 IC9455 W20 DOUTAU1 C9450 6.3V 10u IC9455 M3 FCADR9 IC9455 H15 VDD18 IC9455 M21 DOUTCU13 R9415 4.7k IC9455 AA21 FCIO18 IC9455 N21 DOUTAU11 IC9455 AC20 DOUTCD1 IC9455 T12 VSS IC9455 T16 VSS IC9455 R11 VSS IC9455 R3 FCIO1 IC9455 T20 FCIO3 IC9455 T21 DOUTAU6 IC9455 AC8 DOUTAD11 IC9455 P15 VSS IC9455 Y17 DOUTAD1 IC9455 AC14 VSS IC9455 AB23 VSS IC9455 AB3 FCIO20 IC9455 R9 VSS IC9455 AC21 DOUTCD0 IC9455 T3 DOUTAU7 IC9455 AC4 FCIO25 C9489 16V 0.1u IC9455 T11 VSS IC9455 D15 ROMD2 IC9455 A16 ROMD1 IC9455 U20 DOUTCU5 IC9455 C15 ROMD3 IC9455 AB4 FCIO24 R9420 47k IC9455 U22 DOUTCU6 IC9455 Y3 FCIO19 IC9455 AA17 DOUTAD2 IC9455 AB14 DOUTBD6 IC9455 J21 DRVCLKD3 IC9455 W14 VDD33 IC9455 F2 FCADR3 IC9455 P22 DOUTBU10 IC9455 R8 VSS IC9455 T2 VDD33 IC9455 C14 ROMD8 IC9455 AA23 DOUTAU2 IC9455 V20 DOUTBU3 IC9455 AB11 DOUTBD9 IC9455 E2 FCADR0 IC9455 AA16 DOUTAD3 IC9455 AC1 VSS IC9455 A13 ROMD15 C9449 16V 0.1u IC9455 U3 FCIO7 IC9455 P19 DOUTBU9 IC9455 R22 DOUTAU8 IC9455 AB9 DOUTBD11 IC9455 W9 VDD33 IC9455 Y4 VSS IC9455 M20 DOUTAU12 IC9455 U1 VSS IC9455 Y13 DOUTCD7 IC9455 T4 FCIO6 IC9459 C0JBAZ001992 1 NC 2 1A1 3 1A2 4 1A3 5 1A4 6 1A5 7 1A6 8 GND 9 1A7 10 1A8 11 1A9 12 1A10 13 1A11 14 1A12 15 2A1 16 2A2 17 VCC 18 2A3 19 GND 20 2A4 21 2A5 22 2A6 23 2A7 24 2A8 25 2A9 26 2A10 27 2A11 28 2A12 29 2B12 30 2B11 31 2B10 32 2B9 33 2B8 34 2B7 35 2B6 36 2B5 37 2B4 38 GND 39 2B3 40 2B2 41 2B1 42 1B12 43 1B11 44 1B10 45 1B9 46 1B8 47 1B7 48 1B6 49 GND 50 1B5 51 1B4 52 1B3 53 1B2 54 1B1 55 2OE 56 1OE IC9455 H2 DQS3 IC9455 AB19 DOUTAD0 IC9455 AB6 FCIO30 IC9455 N19 DOUTCU11 IC9455 AB22 VSS IC9455 P13 VSS IC9455 G4 FCADR5 IC9455 AB1 VSS IC9455 Y19 VDD18 IC9455 W6 VDD18 IC9455 AB16 DOUTCD4 IC9455 AC19 DOUTBD1 IC9455 AB20 DOUTCU0 IC9455 Y6 VDD18 IC9455 A14 ROMD10 IC9455 V19 VDD18 IC9455 Y5 VDD18 IC9455 W18 VDD18 IC9455 U23 DOUTBU6 IC9455 K3 CLK IC9455 P16 VSS IC9455 K20 DRVCLKU4 IC9455 AC12 DOUTCD8 IC9455 G2 FCADR7 R9501 56 IC9455 W16 VDD33 IC9455 AA2 VSS IC9455 G3 FCADR6 IC9455 AB7 DOUTAD13 IC9455 AC23 VSS IC9455 K19 VDD18 P5V IC9455 T9 VSS IC9455 AA14 DOUTAD5 IC9455 R14 VSS IC9455 E1 FCADR1 IC9455 W7 VDD18 IC9455 AB2 VSS IC9455 J22 DRVCLKD2 IC9455 V22 DOUTBU4 IC9455 AA3 VSS IC9455 P11 VSS IC9455 A15 ROMD5 IC9455 AC16 DOUTAD4 IC9455 AC22 VSS IC9455 AA11 DOUTAD9 IC9455 H14 VDD18 C9490 16V 0.1u IC9455 Y15 DOUTBD4 IC9455 AB12 DOUTBD8 IC9455 K22 DRVCLKU2 IC9455 M23 DOUTAU13 IC9455 AC18 VSS IC9455 J23 DRVCLKD1 IC9455 P1 VSS IC9455 M22 DOUTBU13 IC9455 N23 DOUTBU12 IC9455 P23 DOUTAU10 R9413 330 IC9455 W13 VDD33 IC9455 AC11 DOUTCD9 IC9455 P12 VSS IC9455 R23 DOUTCU9 IC9455 M2 FCADR8 IC9455 U2 FCIO5 IC9455 E14 ROMD6 IC9455 W1 FCIO9 IC9455 R1 BA2 R9498 56 IC9455 AB8 DOUTBD12 IC9455 AA1 FCIO17 IC9455 AA20 DOUTAU0 IC9455 N1 FCADRX IC9455 Y18 VDD18 R9503 56 IC9455 AA8 DOUTBD13 IC9455 R10 VSS IC9455 V3 FCIO12 IC9455 AC17 DOUTBD3 IC9455 N3 CAS IC9455 D13 ROMD12 IC9455 AA12 DOUTAD8 C9492 16V 0.1u IC9455 AB10 DOUTBD10 IC9455 AB13 DOUTBD7 IC9455 Y21 DOUTCU1 IC9455 AB15 DOUTBD5 IC9455 J20 DRVCLKD4 IC9455 W4 VDD18 IC9455 Y22 DOUTCU2 IC9455 W3 FCIO15 IC9455 Y2 VSS IC9455 AA6 FCIO26 IC9455 R12 VSS IC9455 Y8 VDD33 IC9455 AB18 DOUTBD2 IC9455 W10 VDD33 IC9455 T15 VSS IC9455 Y16 VDD33 IC9455 P10 VSS IC9455 Y9 DOUTCD13 IC9455 Y11 DOUTCD10 IC9455 T14 VSS IC9455 G1 DQS0 IC9455 Y12 VDD33 IC9455 M4 FCADR10 IC9455 AB5 FCIO28 IC9455 AA22 DOUTBU1 IC9455 B13 ROMD14 IC9455 F3 FCADR2 IC9455 Y1 FCIO11 IC9455 W2 FCIO13 IC9455 B15 ROMD4 IC9455 AB17 DOUTCD3 IC9455 D14 ROMD7 IC9455 K21 DRVCLKU3 IC9455 AC7 DOUTAD12 IC9455 AA9 DOUTCD12 IC9455 R2 FCIO0 IC9455 W11 VDD33 IC9455 N22 DOUTCU12 IC9455 R13 VSS IC9455 P21 DOUTCU10 IC9455 Y23 DOUTCU3 IC9455 AC2 VSS IC9455 AC9 DOUTCD11 IC9455 C13 ROMD13 IC9455 AA4 FCIO21 IC9455 T22 DOUTCU7 IC9455 W21 DOUTBU2 IC9455 W8 VDD33 IC9455 H1 CS IC9455 AA15 DOUTCD5 IC9455 AB21 DOUTBU0 IC9455 F1 FCADR4 IC9455 AA7 FCIO29 IC9455 P4 BA1 IC9455 T8 VDD25 IC9455 Y7 FCIO27 Q9400 2SD0601A0L MN84510-A Flash ROM I/F L master to DATA Driver 130MHz CKOUT IC9455 FC RAM I/F 66 65 67 63 61 64 68 62 BUS SW PLASMA AI SUB FIELD PROCESSOR 194 192 193 191 198 196 197 195 202 200 201 199 203 212 211 214 213 215 216 217 218 219 220 221 222 223 TO BACK PAGE TO NEXT PAGE TH-50PHD6CY, TH-50PHW6CH/CZ D-BOARD (14 of 15) Schematic Diagram TH-50PHD6CY, TH-50PHW6CH/CZ D-BOARD (14 of 15) Schematic Diagram D-BOARD (14/15) TZTNP01QMSC (TH-50PHD6CY) TZTNP01SGSC (TH-50PHW6CH/CZ) ! 102 14.42.D 电路板 (15/15)电路图 TERM SIDE TERM SIDE AA_DRVRST_5V AB_PCD AA_SOS3 AB_PCU AP_BLKL 5V AA_KEY AA_LED_G AA_LED_R ABF_CKD1 ABF_CKD2 AC_BLKD AP_CLKL AP_NCLKL AF_SAU6 AF_SBU6 AF_SCU6 AF_SCU3 AF_SAU4 AF_SBU4 AF_SCU4 AF_SAU5 AF_SCU2 AF_SAU3 AF_SBU3 AF_SBU2 AF_SCU5 AF_XWE AF_RD_XBY AF_SBU1 AF_SCU1 AF_SAU2 AF_SBU0 AF_SCU0 AF_SAU1 AP_NCLKL AP_CLKL ABF_CKD1 ABF_CKD2 AF_XCE AP_CEL AP_HZ AP_HZ ABB_CER AF_XOE AF_BYTE AF_D0 AF_D8 AF_D1 AF_D9 AF_D2 AF_D10 AF_D3 AF_D11 AF_D4 AF_D12 AF_D5 AF_D13 AF_D6 AF_D14 AF_D7 AF_D15 AA_CATS_EYE ABG_D112 ABG_D102 ABG_D106 ABG_D104 ABG_D114 ABG_D101 ABG_D103 ABG_D105 ABG_D111 ABG_D113 ABG_D115 ABG_D082 ABG_D076 ABG_D074 ABG_D084 ABG_D086 ABG_D096 ABG_D094 ABG_D092 ABG_D072 ABG_D073 ABG_D075 ABG_D083 ABG_D085 ABG_D095 ABG_D093 ABG_D091 ABG_D081 ABG_D062 ABG_D064 ABG_D066 ABG_D071 ABG_D061 ABG_D063 ABG_D065 AF_SBU5 ABE_D225 ABE_D223 ABE_D221 ABE_D215 ABE_D213 ABE_D211 ABE_D205 ABE_D203 ABE_D201 ABE_D195 ABE_D193 ABE_D191 ABE_D185 ABE_D183 ABE_D181 ABE_D175 ABE_D173 ABE_D171 ABE_D226 ABE_D224 ABE_D222 ABE_D216 ABE_D214 ABE_D212 ABE_D206 ABE_D204 ABE_D202 ABE_D196 ABE_D194 ABE_D192 ABE_D186 ABE_D184 ABE_D182 ABE_D176 ABE_D174 ABE_D172 ABK_AD1 ABK_BD1 ABK_AD0 ABK_BD0 ABK_BD3 ABK_AD3 ABK_CD3 ABK_AD2 ABK_CD2 ABK_AD5 ABK_AD4 ABK_CD5 ABK_BD4 ABK_CD4 ABK_BD7 ABK_CD7 ABK_CD6 ABK_BD6 ABK_AD9 ABK_BD9 ABK_AD8 ABK_BD8 ABK_BD11 ABK_AD11 ABK_CD11 ABK_AD10 ABK_CD10 ABK_CD1 ABK_CD0 ABK_BD2 ABK_AD7 ABK_BD5 ABK_AD6 ABK_CD8 ABK_CD9 ABE_D226 ABE_D225 ABE_D223 ABE_D222 ABE_D215 ABE_D216 ABE_D214 ABE_D213 ABE_D211 ABE_D206 ABE_D203 ABE_D204 ABE_D202 ABE_D201 ABE_D195 ABE_D194 ABE_D191 ABE_D192 ABE_D186 ABE_D185 ABE_D183 ABE_D182 ABE_D175 ABE_D176 ABE_D174 ABE_D173 ABE_D171 AI_CU0 AI_CU1 AI_AU0 AI_BU1 AI_AU1 AI_BU2 AI_AU2 AI_AU3 AI_BU3 AI_CU4 AI_BU4 AI_CU5 AI_BU5 AI_BU6 AI_CU6 AI_AU6 AI_CU7 AI_AU7 AI_CU8 AI_BU8 AI_CU9 AI_BU9 AI_BU10 AI_CU10 AI_AU10 AI_CU11 AI_AU11 AI_BU0 AI_CU2 AI_CU3 AI_AU5 AI_AU4 AI_AU9 AI_BU7 AI_AU8 AI_BU11 ABG_D116 ABG_D113 ABG_D114 ABG_D112 ABG_D111 ABG_D105 ABG_D104 ABG_D101 ABG_D102 ABG_D096 ABG_D095 ABG_D093 ABG_D092 ABG_D085 ABG_D086 ABG_D084 ABG_D083 ABG_D081 ABG_D075 ABG_D076 ABG_D073 ABG_D072 ABG_D065 ABG_D066 ABG_D064 ABG_D063 ABG_D061 AA_REMOCON AF_SAU0 ABG_D062 ABG_D074 ABG_D082 ABG_D071 AP_CEL AB_PCU AP_BLKL ABG_D094 ABG_D091 AP_HZ AB_UBK AB_UMH AB_USH AB_UML AB_UEH AB_UE2H AB_USL ABG_D103 ABG_D106 ABG_D115 ABE_D181 ABE_D184 ABE_D193 ABE_D196 ABE_D205 ABB_CER AB_PCD AC_BLKD ABE_D212 ABE_D221 ABE_D224 AP_HZ ABK_BD10 ABE_D172 ABG_D116 AA_SOS2 AAB_DMHL AAB_DSLL AAB_DSHL AAB_DMLL 3.3V R9313 0 R9511 10k R9564 10k R9540 EXB38V470JV R9556 150 C9597 50V 0.01u R9553 EXB38V680JV P5V D32 A1 A2 A3 A4 A5 A6 A7 A8 A9 A10 A11 A12 A13 A14 A15 A16 A17 A18 A19 A20 A21 A22 A23 A24 A25 A26 A27 A28 A29 A30 A31 A32 A33 A34 A35 A36 A37 A38 A39 A40 B1 B2 B3 B4 B5 B6 B7 B8 B9 B10 B11 B12 B13 B14 B15 B16 B17 B18 B19 B20 B21 B22 B23 B24 B25 B26 B27 B28 B29 B30 B31 B32 B33 B34 B35 B36 B37 B38 B39 B40 R9515 100k C3FBND000172 IC9456 1 2 3 4 5 6 7 8 9 10 11 12 13 14 15 16 17 18 19 20 21 22 23 24 25 26 27 28 29 30 31 32 33 34 35 36 37 38 39 40 41 42 43 44 45 46 47 48 R9523 EXB38V680JV R9559 EXB38V470JV R9551 EXB38V470JV R9561 EXB38V470JV R9517 0 R9538 0 R9554 150 R9519 EXB38V680JV R9533 47 R9542 0 R9543 EXB38V470JV R9526 EXB38V680JV R9545 47 C9497 16V 0.1u P5V R9510 10k R9539 0 R9547 47 R9558 150 R9532 47 R9512 10k R9520 EXB38V680JV R9376 4.7k R9594 100 R9522 EXB38V680JV R9529 EXB38V680JV R9516 0 R9552 150 3.3V R9506 EXB38V103JV R9557 150 C9494 16V 4.7u D33 A1 A2 A3 A4 A5 A6 A7 A8 A9 A10 A11 A12 A13 A14 A15 A16 A17 A18 A19 A20 A21 A22 A23 A24 A25 A26 A27 A28 A29 A30 A31 A32 A33 A34 A35 A36 A37 A38 A39 A40 B1 B2 B3 B4 B5 B6 B7 B8 B9 B10 B11 B12 B13 B14 B15 B16 B17 B18 B19 B20 B21 B22 B23 B24 B25 B26 B27 B28 B29 B30 B31 B32 B33 B34 B35 B36 B37 B38 B39 B40 R9527 EXB38V680JV C9493 16V 0.1u R9504 EXB38V103JV R9536 47 R9518 EXB38V680JV R9562 150 R9544 47 R9563 100 R9525 EXB38V680JV C9495 16V 4.7u R9550 EXB38V470JV R9541 0 R9509 10k R9530 EXB38V680JV R9521 EXB38V680JV R9325 0 STB5V_S R9560 150 R9534 47 C9598 50V 0.01u R9411 4.7k L9459 ELKE103FA 1 2 3 R9524 EXB38V680JV R9535 47 R9537 47 C9498 16V 4.7u C9496 16V 0.1u R9593 10k Q9594 2SD0601A0L Q9597 2SD0601A0L Q9596 2SD0601A0L Q9591 2SD0601A0L R9380 4.7k R9592 100k R9549 EXB38V680JV 5V DET 5V DET OPT ~DRVRST ~DRVRST A15 A14 A13 A12 A11 A10 A9 A8 NC NC BYTE Vss DQ15/A-1 A16 DQ12 DQ5 DQ13 DQ6 DQ14 DQ7 WE RESET NC NC RY/BY A18 A17 A7 A6 A5 A4 A3 A2 Vss DQ0 DQ1 DQ9 DQ2 DQ10 DQ3 DQ11 Vcc DQ4 CE OE DQ8 A1 A0 GND SOS D6-5 D6-6 D6-3 D6-4 D6-1 D6-2 GND D9-6 D9-4 D9-2 D9-5 D9-3 D9-1 GND GND D8-5 D8-6 D8-3 D8-4 GND GND D8-2 D8-1 D7-5 D7-6 D7-3 D7-4 GND GND D7-1 D7-2 D11-6 D11-5 D11-3 D11-4 D11-2 D11-1 GND NCLKL BLKL CEL PCL GND GND GND D10-6 GND D10-5 D10-4 D10-2 D10-1 D10-3 GND CLK3L CLK4L 5V 5V HZ CLKL GND URL URH DMHL GND DMLL DSHL DSLL UMH UBK USH UML UEH USL UEL 5V 5V L-UP GND SOS D17-2 D17-1 D17-4 D17-3 D17-6 D17-5 GND GND GND GND GND GND GND D20-2 D20-1 D20-3 D20-6 D20-5 D20-4 D19-2 D19-1 D19-4 D19-3 D19-6 D19-5 D18-2 D18-4 D18-3 D18-6 D18-5 D18-1 GND NCLKL BLKL PCL GND CEL D22-6 D22-5 D22-4 D22-3 D22-1 GND GND D22-2 GND GND D21-2 D21-1 D21-4 D21-3 D21-6 D21-5 CLK3L CLK4L 5V 5V GND 5V 5V REMOCON STB5V HZ CLKL GND GND DMHL DMLL DSHL DSLL LED_G LED_R KEY_SW GND NC 74 69 71 73 72 70 75 68 32M-FLASH TO (C55) C5-BOARD TO (C25) C2-BOARD 212 211 214 213 215 216 217 218 219 220 221 222 223 TO BACK PAGE TH-50PHD6CY, TH-50PHW6CH/CZ D-BOARD (15 of 15) Schematic Diagram TH-50PHD6CY, TH-50PHW6CH/CZ D-BOARD (15 of 15) Schematic Diagram D-BOARD (15/15) TZTNP01QMSC (TH-50PHD6CY) TZTNP01SGSC (TH-50PHW6CH/CZ) ! 103 14.43.C1, C2, C3, C4, C5, C6 和 V1 电路板方框图 (1/2) IC7104 CA2 D3 17 19 CLK C11 20 D2 BUFFER CA3 CLK CA1 CLK 18 D1 CLK CA4 D4 IC7105 BUFFER IC7106 BUFFER IC7103 BUFFER CLOCK IC7102 C10 12 14 11 13 B30 B29 A29 A30 A1 3 1 2 4 DSLR 6 DMLR DMHR Vda75V C12 DSHR TO SC12 1 2 Vda75V 5 C13 TO SC13 4 78V_L C1 C6 Board (Rear View) Board (Rear View) Data drive (Upper Left) Data drive (Lower Left) TO SC62 CLK 5 18 D15 CLK CB1 D12 CLOCK 12 CB4 78V CLK C61 20 D13 D14 11 BUFFER 17 13 BUFFER IC7606 19 C62 14 CB2 CLK IC7604 BUFFER 6 IC7603 IC7605 BUFFER IC7602 CB3 C60 B12 C20 B11 A11 2 9 7 A12 B40 4 1 C22 3 8 10 DSLR D4 B29 A30 D3 A29 SOS2 DSHR DMLR D1 DMHR C24 D2 A1 CLKR B30 D5 BUFFER IC7203 CA5 D5 CLOCK IC7201 CLKR C25 CLKL D6 BUFFER IC7204 IC7205 BUFFER D7 D11 D10 D8 D9 CA6 CLKL D6 CLKL CA7 D7 13 78V_R UMH B6 DMHL D11 B7 A9 A10 URL A7 DMLL CLKL USL 11 A4 UML 78V_R A40 UEL URH B5 B37 78V_R C21 B4 14 D8 Vda75V DSLL C23 B10 78V_R A8 A6 D9 DSHL 19 Vda75V SOS2 B9 20 USH 18 12 D10 Vda75V Vda75V 17 UEH SOS3 B31 URL B34 DMLL USL B37 UML UEL URH A36 UMH A35 DMHL A34 B32 UEH A1 SOS3 A37 DSLL A31 B33 B35 DSHL A32 USH TO C31 Vda75V SOS D3 D1 D2 D4 CLKR DSHR DMLR DMHR Vda75V 78V_L Vda75V 78V_L Vda75V 78V_L DSLR 78V_L D12 C54 D13 CLKR D22 IC7504 CLK C55 CB7 BUFFER D18 BUFFER CLK D21 D19 D20 D16 CB6 CB5 CLK CLOCK D16 IC7502 CLKL D18 D17 IC7503 D17 D15 D14 9 D15 3 C50 C52 D12 10 CLKR D14 D13 4 8 1 2 7 7 2 78V_R D22 LED_G 78V_R Vda75V REMOCON 3 LED_R D20 D21 B37 4 Vda75V A36 A37 KEY_SW A35 A7 8 Vda75V 1 OPT Vda75V D19 78V_R C51 78V_R 10 CLKL 9 C53 78V_L Vda75V Vda75V Vda75V 78V_L Vda75V 78V_L 78V_L IC7505 BUFFER TO C41 C5 (Lower Center) Board Data drive Data drive C2 (Upper Center) Board TO D31 TO D34 TO D32 TO D33 KEY_SW OPT LED_G REMOCON LED_R A4 B4 B6 B5 B7 TO C33 TO C43 TH-50PHD6CY, TH-50PHW6CH/CZ C1, C2, C3, C4, C5, C6 and V1-BOARD (1 of 2) Block Diagram TH-50PHD6CY, TH-50PHW6CH/CZ C1, C2, C3, C4, C5, C6 and V1-BOARD (1 of 2) Block Diagram 104 14.44.C1, C2, C3, C4, C5, C6 和 V1 电路板方框图 (2/2) V34 V1 RECEIVER REMOTE Data drive (Upper Right) C3 Board (Rear View) TO SS35 CLK 4 A36 3 D11 CLK CA8 D8 CLOCK A35 B34 B33 9 2 CA11 78V_R CLK C33 1 D9 D10 10 BUFFER 4 8 B31 B37 BUFFER B35 IC7305 2 A37 A4 C35 A31 A32 B32 7 A1 CA9 CLK IC7303 BUFFER 5 IC7302 IC7304 BUFFER IC7301 CA10 A34 C31 1 Vda75V 15 2 USH UEL UMH URL UML SOS2 UEH 4 USL URH DSHL 6 5 10 3 9 14 16 SOS3 17 8 DSLL DMHL DMLL 19 7 C32 TO SS32 12 Vda75V UP DOWN 7 R-STANDBY OPT G-POWER ON STR 2 VOL F KEY_SW LED_R 6 REMOCON 4 LED_G 3 OPT VOL TV/VTR 9 BUFFER IC7402 78V_R TO C51 CB8 D19 3 IC7404 BUFFER IC7401 C41 D22 CLK CB11 CLK C43 D19 CB10 D22 CLK IC7403 Vda75V Vda75V CLK Data drive (Lower Right) Vda75V D21 CB9 10 CLKL BUFFER CLOCK 78V_R D20 D21 4 8 Vda75V 1 BUFFER D20 IC7405 2 78V_R 78V_R Board (Rear View) C4 7 TO SS42 78V_R 5 1 Vda75V 2 C42 4 C44 2 6 3 4 7 A4 B5 B4 B6 B34 KEY_SW LED_G LED_R OPT REMOCON Q7401 Q7402 KEY_SW LED_G LED_R OPT REMOCON D10 DMHL 78V_R URH D9 78V_R DSLL UEL URL Vda75V 78V_R USH CLKL D8 DSHL Vda75V UMH UEH Vda75V 78V_R TO C21 Vda75V SOS2 D11 USL SOS3 DMLL UML TO C23 TO C53 TH-50PHD6CY, TH-50PHW6CH/CZ C1, C2, C3, C4, C5, C6 and V1-BOARD (2 of 2) Block Diagram TH-50PHD6CY, TH-50PHW6CH/CZ C1, C2, C3, C4, C5, C6 and V1-BOARD (2 of 2) Block Diagram 105 14.45.C1 电路板 (1/2)电路图 TERM SIDE SIDE TERM TERM SIDE TERM SIDE TERM SIDE AA_BD36 LE4 AA_BD45 AA_BD12 AA_BD24 PCR_N AA_BD31 AA_BD35 AA_BD14 AA_BD44 AA_BD11 CLK11 AA_BD45 LE2 PCR_N AA_BD32 AA_BD16 LE1 AA_BD11 AA_BD15 PCR_N PCR_N AA_BD34 AA_BD23 AA_BD13 CLK12 AA_BD44 AA_BD14 AA_BD22 PCR_N AA_BD22 AA_BD42 AA_BD35 CLK21 LE2 AA_BD12 LE3 LE3 AA_BD36 AA_BD43 AA_BD33 AA_BD32 AA_BD21 LE4 AA_BD26 PCR_N AA_BD23 AA_BD46 CLK12 AA_BD41 AA_BD41 AA_BD16 PCR_N AA_BD26 AA_BD42 AA_BD31 AA_BD24 AA_BD25 PCR_N CLK11 LE1 AA_BD33 PCR_N AA_BD34 CLK22 AA_BD46 AA_BD15 AA_BD21 AA_BD43 CLK22 AA_BD25 AA_BD13 PCR_N CLK21 PCR_N PCR_N R7101 1k C7102 16V 1u 1/2W R7131 2.2 1/2W R7113 2.2 CA2 1 3 4 5 7 8 9 10 11 12 13 14 15 16 17 18 19 20 21 22 23 25 26 27 29 30 31 33 34 35 36 37 38 39 40 41 42 43 44 45 46 47 48 49 51 52 53 55 L7107 J0JJC0000011 R7133 100 C7125 16V 1u 1/2W R7132 2.2 C11 1 2 3 4 5 6 7 8 9 10 11 12 13 14 15 16 17 18 19 20 L7106 J0JJC0000011 L7101 J0JJC0000011 R7117 220 C7118 100V 0.1u R7107 220 D7106 B0HCMM000009 C7113 50V 100p R7116 220 L7102 J0JJC0000011 1/2W R7128 2.2 L7103 J0JJC0000011 CA4 1 3 4 5 7 8 9 10 11 12 13 14 15 16 17 18 19 20 21 22 23 25 26 27 29 30 31 33 34 35 36 37 38 39 40 41 42 43 44 45 46 47 48 49 51 52 53 55 D7101 B0HCMM000009 D7105 B0HCMM000009 C7126 16V 1u CA1 1 3 4 5 7 8 9 10 11 12 13 14 15 16 17 18 19 20 21 22 23 25 26 27 29 30 31 33 34 35 36 37 38 39 40 41 42 43 44 45 46 47 48 49 51 52 53 55 C7114 50V 100p C7101 16V 1u C7110 100V 0.1u L7104 J0JJC0000011 CA3 1 3 4 5 7 8 9 10 11 12 13 14 15 16 17 18 19 20 21 22 23 25 26 27 29 30 31 33 34 35 36 37 38 39 40 41 42 43 44 45 46 47 48 49 51 52 53 55 1/2W R7115 2.2 D7102 B0HCMM000009 D7104 B0HCMM000009 D7103 B0HCMM000009 R7134 100 C7117 100V 0.1u L7108 J0JJC0000011 C13 1 2 3 4 5 6 7 8 1/2W R7127 2.2 C7107 100V 0.1u C7108 100V 0.1u R7123 100 L7105 J0JJC0000011 C7111 50V 100p 1/2W R7111 2.2 R7124 100 D7107 B0HCMM000009 R7104 220 C7112 50V 100p D7108 B0HCMM000009 C7109 100V 0.1u C7115 100V 0.1u 1/2W R7109 2.2 C7116 100V 0.1u GND Vda 75V Vda 75V GND GND GND 78V_L Vda 75V NC TO SC-BOARD (SC13) 78V_L 78V_L 78V_L 5V Vda 75V 5V 78V_L 5V Vda 75V 78V_L GND 5V GND NC NC 15V GND NC Vda 75V GND NC NC NC 1 8 7 A 5 6 D E C 4 B 2 3 5 6 4 2 3 1 C1-BOARD TNPA2903 (1/2) ! TO NEXT PAGE TO C2-BOARD (C22) TH-50PHD6CY, TH-50PHW6CH/CZ C1-BOARD (1 of 2) Schematic Diagram TH-50PHD6CY, TH-50PHW6CH/CZ C1-BOARD (1 of 2) Schematic Diagram 106 14.46.C1 电路板 (2/2)电路图 TERM SIDE AA_BD12 DSHR DSHR AA_D031 AA_D022 AA_BD43 AA_BD16 AA_BD11 AA_BD15 AA_D015 AA_D044 AA_D045 DSLR AA_D043 DMHR AA_BD31 AA_BD32 LE1 AA_BD36 CLKR NCLKR CLK11 AA_BD35 AA_D016 AA_D026 AA_D025 AA_D013 AA_BD14 AA_D014 AA_D036 AA_D011 AA_D033 LE4 AA_BD42 AA_D021 AA_BD22 AA_D046 AA_BD24 AA_BD46 CLK21 AA_BD41 CLK22 AA_D012 AA_BD25 AA_BD45 AA_D024 AA_BD23 AA_D022 LE2 LE3 AA_BD13 DMLR AA_D041 AA_D034 AA_BD44 AA_BD34 AA_D023 AA_BD26 CLK12 AA_D042 CER AA_D035 AA_D032 AA_D032 AA_BD33 AA_BD21 PCR AA_D012 PCR_N DMLR DMHR DSLR CER NCLKR CLKR AA_D043 AA_D042 AA_D046 AA_D045 AA_D044 AA_D041 AA_D033 AA_D031 AA_D036 AA_D035 AA_D034 AA_D011 AA_D023 AA_D021 AA_D026 AA_D025 AA_D024 AA_D016 AA_D015 AA_D014 AA_D013 IC7104 C0JBAZ001604 1G~ 1 2 1A1 3 2Y4 4 1A2 5 2Y3 6 1A3 7 2Y2 8 1A4 9 2Y1 10 GND 11 2A1 12 1Y4 13 2A2 14 1Y3 15 2A3 16 1Y2 17 2A4 18 1Y1 19 2G~ 20 VCC R7184 0 R7161 47 R7152 47 C7140 50V 100p R7168 47 C12 1 2 3 4 5 6 C7137 6.3V 10u C7131 16V 1u R7171 0 R7186 22k R7174 47 R7179 0 C7138 6.3V 10u R7154 47 R7159 47 IC7105 C0JBAZ001604 1G~ 1 2 1A1 3 2Y4 4 1A2 5 2Y3 6 1A3 7 2Y2 8 1A4 9 2Y1 10 GND 11 2A1 12 1Y4 13 2A2 14 1Y3 15 2A3 16 1Y2 17 2A4 18 1Y1 19 2G~ 20 VCC R7167 47 R7150 47 IC7106 C0JBAZ001604 1G~ 1 2 1A1 3 2Y4 4 1A2 5 2Y3 6 1A3 7 2Y2 8 1A4 9 2Y1 10 GND 11 2A1 12 1Y4 13 2A2 14 1Y3 15 2A3 16 1Y2 17 2A4 18 1Y1 19 2G~ 20 VCC R7185 0 C7130 6.3V 10u C7136 6.3V 10u R7157 47 R7146 47 C7139 16V 1u IC7102 C0JBAZ001604 1G~ 1 2 1A1 3 2Y4 4 1A2 5 2Y3 6 1A3 7 2Y2 8 1A4 9 2Y1 10 GND 11 2A1 12 1Y4 13 2A2 14 1Y3 15 2A3 16 1Y2 17 2A4 18 1Y1 19 2G~ 20 VCC R7173 47 R7175 47 IC7103 C0JBAZ001604 1G~ 1 2 1A1 3 2Y4 4 1A2 5 2Y3 6 1A3 7 2Y2 8 1A4 9 2Y1 10 GND 11 2A1 12 1Y4 13 2A2 14 1Y3 15 2A3 16 1Y2 17 2A4 18 1Y1 19 2G~ 20 VCC R7163 0 C7135 6.3V 10u R7153 47 R7176 0 R7177 0 R7141 47 C10 A1 A2 A3 A4 A5 A6 A7 A8 A9 A10 A11 A12 A13 A14 A15 A16 A17 A18 A19 A20 A21 A22 A23 A24 A25 A26 A27 A28 A29 A30 A31 A32 A33 A34 A35 A36 A37 A38 A39 A40 B1 B2 B3 B4 B5 B6 B7 B8 B9 B10 B11 B12 B13 B14 B15 B16 B17 B18 B19 B20 B21 B22 B23 B24 B25 B26 B27 B28 B29 B30 B31 B32 B33 B34 B35 B36 B37 B38 B39 B40 C7129 16V 1u C7133 16V 1u R7151 47 R7147 47 C7134 16V 1u R7160 47 R7169 47 R7138 47 R7178 0 R7187 100k R7170 47 R7155 47 R7140 47 C7132 16V 1u R7139 47 R7149 47 R7172 47 R7148 47 R7156 47 R7158 47 5V GND GND 5V SCL2 GND GND GND DMHR D2-6 GND GND D4-6 GND GND GND CLKR GND NC D5-1 D3-1 STB5V D1-1 NC D2-5 TO SC-BOARD (SC12) GND DRST SOS DMLR CER HZ DSHR 5V DSLR D4-1 GND D4-4 D2-1 GND D4-2 5V D2-3 D2-4 D1-5 D3-4 D3-5 D5-4 D5-5 D1-4 D3-2 D5-2 NC D2-2 NC 5V DET PCR GND GND D1-2 GND D4-3 GND SOS GND DRST GND D5-3 D1-6 D4-5 NC D3-6 D3-3 GND D5-6 D1-3 GND BLKR GND GND NCLKR GND GND SDA2 15 14 12 13 9 10 11 8 2 3 1 6 5 4 C1-BOARD TNPA2903 (2/2) ! BACK PAGE TO BUFFER BUFFER BUFFER BUFFER CLOCK/BUFFER TO C2-BOARD (C20) TH-50PHD6CY, TH-50PHW6CH/CZ C1-BOARD (2 of 2) Schematic Diagram TH-50PHD6CY, TH-50PHW6CH/CZ C1-BOARD (2 of 2) Schematic Diagram 107 14.47.C2 电路板电路图 SIDE TERM TERM SIDE SIDE TERM TERM SIDE TERM SIDE TERM SIDE TERM SIDE TERM SIDE TERM SIDE A_HZ AB_D051 CLKR1 AA_D072 AB_D052 AA_D065 CEL AA_D051 15V AA_D064 AA_D065 LE6 AB_D054 AB_D064 AA_D076 AB_D066 AA_D075 DSHR CER AB_D064 PCR AB_D051 AB_D065 AA_D066 AB_D061 CLKL AB_D056 D022 CER AA_D061 AB_D065 BLKR AB_D062 AB_D064 CLKL2 AB_D056 AB_D051 NCLKL CLKR2 CLKL1 AB_D066 D012 AA_D063 AB_D061 CLKR AA_D076 AA_D062 LE7 AB_D053 D042 AA_D072 AB_D053 AB_D052 AA_D062 AB_D054 LE5 AA_D063 AA_D073 AB_D056 AB_D063 AA_D066 AB_D076 D032 AB_D053 AB_D065 AA_D071 AB_D055 AB_D055 AB_D066 AB_D061 AB_D052 LE5 AB_D054 AA_D053 AA_D071 AA_D056 AB_D055 AB_D062 AA_D052 AB_D075 AA_D055 AA_D061 AA_D064 NCLKR AB_D063 CLKR AB_D063 AA_D074 AA_D073 AA_D054 AB_D062 PCR DSHR DSLR DMLR DMHR A_HZ CLKR CER BLKR AA_D056 AA_D055 AA_D054 AA_D053 AA_D052 NCLKR PCR D011 D012 D013 D014 D015 D016 D021 D022 D023 D024 D025 D026 D031 D032 D033 D034 D035 D036 D041 D042 D043 D044 D045 D046 AA_D051 DMHL DSLL DSHL D082 D116 D113 D101 D102 D103 D111 D112 D091 D092 D093 D081 D083 D106 D096 AA_D075 AA_D074 DMLL CLKL NCLKL PCL B_HZ BLKL CEL D115 D114 D105 D104 D095 D094 D086 D085 D084 DMLL DSLL DMHL CLKL B_HZ DSHL NCLKL PCL D081 D082 D083 D084 D085 D086 D091 D092 D093 D094 D096 D095 D101 D102 D103 D104 D105 D106 D111 D112 D113 D114 D116 D115 CEL BLKL PCL DMLR D043 D033 D023 D013 D046 D045 D044 D041 D036 D035 D034 D031 D025 D024 D021 D016 D026 D015 D014 D011 NCLKR PCR LE5 CLKR1 CLKR2 PCR AB_D071 AB_D072 AB_D073 AB_D074 PCR CLKL2 PCL_N CLKL1 PCL_N LE6 PCL_N DSLR DMHR AB_D072 AB_D074 AB_D076 PCL_N AB_D076 CLKL2 PCL_N LE7 AB_D075 AB_D071 AB_D073 PCL_N LE7 CLKL1 AB_D074 AB_D075 AB_D071 AB_D073 AB_D072 LE6 PCL_N 75V C7212 16V 1u C23 1 2 3 4 5 6 7 8 9 10 11 12 13 14 15 16 17 18 19 20 C7223 16V 1u R7241 0 R7245 47 R7215 0 L7202 J0JJC0000011 D7202 B0HCMM000009 D7206 B0HCMM000009 R7231 47 IC7204 C0JBAZ001604 1G~ 1 2 1A1 3 2Y4 4 1A2 5 2Y3 6 1A3 7 2Y2 8 1A4 9 2Y1 10 GND 11 2A1 12 1Y4 13 2A2 14 1Y3 15 2A3 16 1Y2 17 2A4 18 1Y1 19 2G~ 20 VCC C7231 6.3V 10u R7247 47 1/2W R7266 2.2 1/2W R7227 2.2 R7251 100 R7259 47 L7205 J0JJC0000011 C7201 16V 1u IC7205 C0JBAZ001604 1G~ 1 2 1A1 3 2Y4 4 1A2 5 2Y3 6 1A3 7 2Y2 8 1A4 9 2Y1 10 GND 11 2A1 12 1Y4 13 2A2 14 1Y3 15 2A3 16 1Y2 17 2A4 18 1Y1 19 2G~ 20 VCC C7222 100V 0.1u C21 A1 A2 A3 A4 A5 A6 A7 A8 A9 A10 A11 A12 A13 A14 A15 A16 A17 A18 A19 A20 A21 A22 A23 A24 A25 A26 A27 A28 A29 A30 A31 A32 A33 A34 A35 A36 A37 A38 A39 A40 B1 B2 B3 B4 B5 B6 B7 B8 B9 B10 B11 B12 B13 B14 B15 B16 B17 B18 B19 B20 B21 B22 B23 B24 B25 B26 B27 B28 B29 B30 B31 B32 B33 B34 B35 B36 B37 B38 B39 B40 D7204 B0HCMM000009 1/2W R7244 2.2 R7252 47 R7225 0 C22 1 2 3 4 5 6 7 8 9 10 11 12 13 14 15 16 17 18 19 20 C7206 16V 1u R7248 47 R7208 0 D7205 B0HCMM000009 R7238 100 C7215 16V 1u C7208 6.3V 10u R7269 0 C7227 50V 100p R7257 47 R7235 100 R7263 47 C7218 100V 0.1u L7201 J0JJC0000011 R7260 47 R7219 0 R7207 0 DL7201 ELKE103FA 1 2 3 1/2W R7230 2.2 C7216 6.3V 10u R7211 100 R7232 47 C7202 50V 100p C25 A1 A2 A3 A4 A5 A6 A7 A8 A9 A10 A11 A12 A13 A14 A15 A16 A17 A18 A19 A20 A21 A22 A23 A24 A25 A26 A27 A28 A29 A30 A31 A32 A33 A34 A35 A36 A37 A38 A39 A40 B1 B2 B3 B4 B5 B6 B7 B8 B9 B10 B11 B12 B13 B14 B15 B16 B17 B18 B19 B20 B21 B22 B23 B24 B25 B26 B27 B28 B29 B30 B31 B32 B33 B34 B35 B36 B37 B38 B39 B40 C7226 100V 0.1u R7258 47 C7217 100V 0.1u DL7202 ELKE103FA 1 2 3 L7206 J0JJC0000011 C7225 6.3V 10u R7239 47 R7233 47 R7246 47 CA5 1 3 4 5 7 8 9 10 11 12 13 14 15 16 17 18 19 20 21 22 23 25 26 27 29 30 31 33 34 35 36 37 38 39 40 41 42 43 44 45 46 47 48 49 51 52 53 55 1/2W R7250 2.2 C7203 16V 1u R7234 47 CA6 1 3 4 5 7 8 9 10 11 12 13 14 15 16 17 18 19 20 21 22 23 25 26 27 29 30 31 33 34 35 36 37 38 39 40 41 42 43 44 45 46 47 48 49 51 52 53 55 R7218 0 IC7203 C0JBAZ001604 1G~ 1 2 1A1 3 2Y4 4 1A2 5 2Y3 6 1A3 7 2Y2 8 1A4 9 2Y1 10 GND 11 2A1 12 1Y4 13 2A2 14 1Y3 15 2A3 16 1Y2 17 2A4 18 1Y1 19 2G~ 20 VCC C7213 100V 0.1u R7206 47 L7203 J0JJC0000011 R7216 47 C7230 16V 1u C24 A1 A2 A3 A4 A5 A6 A7 A8 A9 A10 A11 A12 A13 A14 A15 A16 A17 A18 A19 A20 A21 A22 A23 A24 A25 A26 A27 A28 A29 A30 A31 A32 A33 A34 A35 A36 A37 A38 A39 A40 B1 B2 B3 B4 B5 B6 B7 B8 B9 B10 B11 B12 B13 B14 B15 B16 B17 B18 B19 B20 B21 B22 B23 B24 B25 B26 B27 B28 B29 B30 B31 B32 B33 B34 B35 B36 B37 B38 B39 B40 IC7201 C0JBAZ001604 1G~ 1 2 1A1 3 2Y4 4 1A2 5 2Y3 6 1A3 7 2Y2 8 1A4 9 2Y1 10 GND 11 2A1 12 1Y4 13 2A2 14 1Y3 15 2A3 16 1Y2 17 2A4 18 1Y1 19 2G~ 20 VCC 1/2W R7262 2.2 D7203 B0HCMM000009 R7253 47 D7201 B0HCMM000009 R7264 47 C7214 100V 0.1u R7240 47 R7217 47 C20 A1 A2 A3 A4 A5 A6 A7 A8 A9 A10 A11 A12 A13 A14 A15 A16 A17 A18 A19 A20 A21 A22 A23 A24 A25 A26 A27 A28 A29 A30 A31 A32 A33 A34 A35 A36 A37 A38 A39 A40 B1 B2 B3 B4 B5 B6 B7 B8 B9 B10 B11 B12 B13 B14 B15 B16 B17 B18 B19 B20 B21 B22 B23 B24 B25 B26 B27 B28 B29 B30 B31 B32 B33 B34 B35 B36 B37 B38 B39 B40 L7204 J0JJC0000011 R7267 100 R7256 100 C7221 50V 100p CA7 1 3 4 5 7 8 9 10 11 12 13 14 15 16 17 18 19 20 21 22 23 25 26 27 29 30 31 33 34 35 36 37 38 39 40 41 42 43 44 45 46 47 48 49 51 52 53 55 C7224 16V 1u CLKL DRST Vda 75V D9-2 D10-4 GND D5-1 R-UP D11-5 D5-5 GND GND D2-5 CEL NC GND D11-3 CEL GND Vda 75V D2-5 DSLL GND DMHR D11-1 DMLL GND D2-4 78V_L NC GND D11-3 78V_R D9-2 UMH D1-1 GND PCL D4-6 DSHL D3-2 GND D6-5 D10-1 NC 78V_R NC D9-4 D7-6 NC D5-1 GND GND DMLL GND GND CLKR 5V D11-5 GND DSHL D4-4 D3-1 D6-2 GND GND STB5V SDA2 HZ DRST URH GND CLK3L HZ D2-2 NCLKL GND GND UEL SCL2 DRST BLKL GND GND D2-4 D11-6 78V_L GND DMHR D10-6 SCL2 NC GND PCR DMHL D10-2 GND 78V_L GND L-UP DMHL D8-6 URH NC D9-3 D5-2 Vda 75V USH GND GND GND NC GND D1-2 NC GND NC GND D1-5 GND NCLKR GND GND UML D4-4 D10-6 NC D2-2 D9-6 D6-2 5V PCR GND UBK D4-5 D7-4 D4-3 GND GND 5V D10-2 DSHR D6-3 5V DMLR D5-3 SOS2 GND 5V DET GND SOS3 GND D9-5 UBK D3-3 GND NCLKL D10-3 78V_L D2-3 D3-2 GND D11-6 GND HZ D4-2 UMH DRST D9-1 BLKR D1-3 GND CLKR D8-3 CLK4L 5V DET GND D7-1 CLK4R D3-5 CER D9-6 GND 15V D3-1 5V DSLR 5V D8-3 GND D7-2 D4-1 5V DET GND GND D9-4 D7-4 GND D8-4 D2-1 GND NC NC NC D6-6 DRST SOS2 HZ GND 5V D6-4 GND D5-5 D3-4 D8-2 GND GND NC USL D6-1 D3-6 D8-5 USL GND D8-1 GND GND UEL 15V D8-2 GND Vda 75V GND D1-2 5V 78V_R GND D5-4 GND GND Vda 75V D2-3 GND UEH 5V NC GND GND D1-1 SOS2 GND D6-6 Vda 75V D5-4 USH NC D5-3 GND D8-6 D11-4 DSLR D1-6 GND NC D8-1 URL Vda 75V DMLR D3-5 UEH NCLKR D11-2 GND D10-5 D1-4 GND GND URL CLK4L D6-1 SOS3 5V DET D4-2 3.3V D9-1 D10-4 5V D1-3 BLKL D7-5 GND D6-4 Vda 75V PCL D4-1 D11-1 BLKR GND GND D2-6 D11-2 GND D5-6 NC D8-4 D4-6 D10-5 D2-1 5V CLK3R GND GND D1-6 UML GND D3-3 GND GND GND D7-6 GND GND GND GND GND D3-6 NC CER GND 78V_R D9-3 D7-5 D8-5 SDA2 D10-1 CLKL NC GND GND GND D3-4 D11-4 D4-3 D7-3 D1-5 D5-6 DSHR 5V GND NC D1-4 D5-2 D6-3 DSLL D10-3 5V D9-5 5V GND D2-6 D4-5 GND CLK3L 5V 5V 1 7 8 A 5 6 D E C 2 B 4 3 ! C2-BOARD TNPA2904 BUFFER BUFFER BUFFER CLOCK/BUFFER TO C3-BOARD (C31) (C33) TO C1-BOARD (C11) TO C3-BOARD TO C1-BOARD (C10) TO D-BOARD (D31) TO D-BOARD (D32) TH-50PHD6CY, TH-50PHW6CH/CZ C2-BOARD Schematic Diagram TH-50PHD6CY, TH-50PHW6CH/CZ C2-BOARD Schematic Diagram 108 14.48.C3 电路板 (1/2)电路图 TERM SIDE DMHL AB_D082 UML NCLKL LE10 AB_D113 AA_D112 AA_D093 URL CEL CLK21 AB_D094 CLK11 AB_D105 AB_D103 AA_D083 AB_D093 AA_D113 USH NCLKL AB_D085 CEL UEL AA_D093 UEH DMLL URL AB_D111 DSLL AA_D082 DSHL CLK22 AA_D102 USH AB_D092 PCL AB_D101 AA_D112 AA_D113 CLKL CLK12 AB_D104 AA_D091 AB_D095 AA_D101 AA_D082 AB_D091 UMH AA_D094 AB_D083 AA_D092 AA_D092 AB_D106 AA_D102 CLKL AA_D103 AA_D114 USL AA_D104 AB_D096 URH LE9 AB_D084 AA_D103 AB_D081 AB_D114 LE11 DMLL LE8 USL AA_D111 AA_D083 AB_D086 AB_D102 AB_D112 AA_D081 AA_D084 URH UMH UML UEH UEL DSHL DSLL DMHL AA_D116 AA_D115 AA_D114 AA_D111 AA_D106 AA_D105 AA_D104 AA_D101 AA_D096 AA_D095 AA_D094 AA_D091 AA_D086 AA_D085 AA_D084 AA_D081 AA_D086 AA_D095 AA_D096 AA_D106 AA_D105 AA_D115 AA_D116 PCL PCL_N AB_D115 AB_D116 AA_D085 IC7301 C0JBAZ001604 1G~ 1 2 1A1 3 2Y4 4 1A2 5 2Y3 6 1A3 7 2Y2 8 1A4 9 2Y1 10 GND 11 2A1 12 1Y4 13 2A2 14 1Y3 15 2A3 16 1Y2 17 2A4 18 1Y1 19 2G~ 20 VCC C7307 16V 1u R7325 47 R7347 0 R7335 47 R7341 0 R7319 47 R7321 47 R7317 47 R7303 47 R7386 100k R7333 47 R7334 47 R7304 47 R7306 47 R7387 22k R7322 47 C7302 50V 100p R7339 0 R7311 47 R7320 47 R7340 0 R7336 47 C7304 6.3V10u R7330 47 R7305 47 R7329 0 R7302 0 C7301 16V 1u R7313 47 C7309 6.3V 10u C7308 6.3V 10u R7331 47 R7337 47 C7306 16V 1u IC7303 C0JBAZ001604 1G~ 1 2 1A1 3 2Y4 4 1A2 5 2Y3 6 1A3 7 2Y2 8 1A4 9 2Y1 10 GND 11 2A1 12 1Y4 13 2A2 14 1Y3 15 2A3 16 1Y2 17 2A4 18 1Y1 19 2G~ 20 VCC C7305 16V 1u IC7304 C0JBAZ001604 1G~ 1 2 1A1 3 2Y4 4 1A2 5 2Y3 6 1A3 7 2Y2 8 1A4 9 2Y1 10 GND 11 2A1 12 1Y4 13 2A2 14 1Y3 15 2A3 16 1Y2 17 2A4 18 1Y1 19 2G~ 20 VCC R7316 47 C7311 6.3V 10u R7332 47 IC7305 C0JBAZ001604 1G~ 1 2 1A1 3 2Y4 4 1A2 5 2Y3 6 1A3 7 2Y2 8 1A4 9 2Y1 10 GND 11 2A1 12 1Y4 13 2A2 14 1Y3 15 2A3 16 1Y2 17 2A4 18 1Y1 19 2G~ 20 VCC C31 A1 A2 A3 A4 A5 A6 A7 A8 A9 A10 A11 A12 A13 A14 A15 A16 A17 A18 A19 A20 A21 A22 A23 A24 A25 A26 A27 A28 A29 A30 A31 A32 A33 A34 A35 A36 A37 A38 A39 A40 B1 B2 B3 B4 B5 B6 B7 B8 B9 B10 B11 B12 B13 B14 B15 B16 B17 B18 B19 B20 B21 B22 B23 B24 B25 B26 B27 B28 B29 B30 B31 B32 B33 B34 B35 B36 B37 B38 B39 B40 R7346 0 R7324 47 C7312 6.3V 10u C7310 16V 1u C32 1 2 3 4 5 6 7 8 9 10 11 12 13 14 15 16 17 18 19 20 R7312 47 R7338 0 R7323 47 R7315 47 IC7302 C0JBAZ001604 1G~ 1 2 1A1 3 2Y4 4 1A2 5 2Y3 6 1A3 7 2Y2 8 1A4 9 2Y1 10 GND 11 2A1 12 1Y4 13 2A2 14 1Y3 15 2A3 16 1Y2 17 2A4 18 1Y1 19 2G~ 20 VCC C7303 16V 1u R7314 47 R7326 47 R7318 47 D9-4 GND D10-5 GND SOS3 5V GND NC GND GND USL 5V GND GND D10-3 PCL D8-4 D6-2 D7-6 GND UMH D6-3 DSHL 5V UEL D11-4 TO SS-BOARD (SS32) DRST DMLL UEH UML D6-6 D10-6 D9-2 HZ D11-2 NC SOS2 D6-1 D7-4 GND D9-3 GND CLKL D10-2 UBK D10-1 D9-1 USH D11-3 D8-6 GND CLK4L GND DSLL D8-2 CEL USL UEL GND UEH 5V DMHL URL URH D9-5 D8-1 GND D8-3 DRST CLK3L GND D10-4 D6-4 GND URH SOS3 NCLKL GND 5V BLKL UML SOS2 GND D11-5 GND D9-6 NC D11-1 USH URL D11-6 D8-5 UMH D7-5 1 7 8 A 5 6 D E C 2 B 4 3 4 2 5 6 3 1 ! C3-BOARD TNPA2905 (1/2) TO NEXT PAGE BUFFER BUFFER BUFFER BUFFER CLOCK/BUFFER TO C2-BOARD (C21) TH-50PHD6CY, TH-50PHW6CH/CZ C3-BOARD (1 of 2) Schematic Diagram TH-50PHD6CY, TH-50PHW6CH/CZ C3-BOARD (1 of 2) Schematic Diagram 109 14.49.C3 电路板 (2/2)电路图 TERM SIDE TERM SIDE TERM SIDE TERM SIDE SIDE TERM AB_D114 AB_D113 AB_D112 AB_D102 AB_D092 LE11 AB_D092 PCL_N AB_D094 AB_D094 PCL_N AB_D093 AB_D116 AB_D105 AB_D104 AB_D102 CLK21 AB_D115 AB_D106 PCL_N PCL_N PCL_N AB_D103 AB_D113 AB_D116 AB_D115 LE9 AB_D101 AB_D103 AB_D096 AB_D093 LE9 CLK11 AB_D091 CLK12 AB_D095 AB_D096 CLK22 AB_D114 AB_D095 AB_D091 AB_D104 AB_D111 AB_D106 AB_D111 AB_D101 PCL_N AB_D112 LE11 PCL_N AB_D105 AB_D086 AB_D085 AB_D084 AB_D083 AB_D082 AB_D081 AB_D086 AB_D085 AB_D084 AB_D083 AB_D082 AB_D081 CLK21 PCL_N LE8 CLK11 PCL_N LE8 PCL_N CLK22 PCL_N LE10 PCL_N LE10 CLK12 C7323 50V 100p D7302 B0HCMM000009 C7331 100V 0.1u R7365 2.2 R7367 100 C7325 100V 0.1u C7340 16V 1u R7385 1k R7377 2.2 C7316 16V1u C7339 16V 1u L7301 J0JJC0000011 C7328 100V 0.1u D7305 B0HCMM000009 C7332 100V 0.1u C7333 100V 0.1u R7373 220 L7307 J0JJC0000011 D7308 B0HCMM000009 L7304 J0JJC0000011 D7304 B0HCMM000009 D7306 B0HCMM000009 R7374 220 L7302 J0JJC0000011 CA10 1 3 4 5 7 8 9 10 11 12 13 14 15 16 17 18 19 20 21 22 23 25 26 27 29 30 31 33 34 35 36 37 38 39 40 41 42 43 44 45 46 47 48 49 51 52 53 55 R7360 2.2 R7384 220 D7307 B0HCMM000009 CA9 1 3 4 5 7 8 9 10 11 12 13 14 15 16 17 18 19 20 21 22 23 25 26 27 29 30 31 33 34 35 36 37 38 39 40 41 42 43 44 45 46 47 48 49 51 52 53 55 C7327 100V 0.1u R7366 100 CA11 1 3 4 5 7 8 9 10 11 12 13 14 15 16 17 18 19 20 21 22 23 25 26 27 29 30 31 33 34 35 36 37 38 39 40 41 42 43 44 45 46 47 48 49 51 52 53 55 C7329 50V 100p D7303 B0HCMM000009 C7326 50V 100p C35 1 2 3 4 5 6 7 8 CA8 1 3 4 5 7 8 9 10 11 12 13 14 15 16 17 18 19 20 21 22 23 25 26 27 29 30 31 33 34 35 36 37 38 39 40 41 42 43 44 45 46 47 48 49 51 52 53 55 L7305 J0JJC0000011 R7381 2.2 R7354 100 C7330 50V 100p R7361 2.2 R7364 2.2 C33 1 2 3 4 5 6 7 8 9 10 11 12 13 14 15 16 17 18 19 20 R7355 100 R7378 2.2 C7334 100V 0.1u R7383 220 D7301 B0HCMM000009 L7303 J0JJC0000011 L7306 J0JJC0000011 C7315 16V 1u C7324 100V 0.1u R7382 2.2 L7308 J0JJC0000011 GND 5V GND GND NC Vda 75V NC GND 78V_R 78V_R NC GND NC GND GND 5V 78V_R 5V TO SS-BOARD (SS35) Vda 75V Vda 75V Vda 75V 78V_R GND Vda 75V 5V NC Vda 75V NC 78V_R 15V 78V_R NC 11 14 15 9 12 8 13 10 6 2 5 1 4 3 C3-BOARD TNPA2905 (2/2) ! BACK PAGE TO TO C2-BOARD (C23) TH-50PHD6CY, TH-50PHW6CH/CZ C3-BOARD (2 of 2) Schematic Diagram TH-50PHD6CY, TH-50PHW6CH/CZ C3-BOARD (2 of 2) Schematic Diagram 110 14.50.C4 电路板 (1/2)和 V1 电路板电路图 TERM SIDE R G AB_D214 PCL AA_D223 LE10 CLK21 AA_D202 CLKL AB_D215 AA_D225 OPTOPT AB_D204 CLKL AA_D214 AA_D201 REMOCON AA_D195 AA_D225 AA_D194 AA_D213 AA_D221 AB_D225 LE11 AA_D205 AB_D212 AA_D203 CEL PCL AA_D211 AA_D214 CLK11 AB_D211 AB_D194 AA_D193 AA_D224 AB_D226 AB_D223 AA_D204 AA_D205 LE9 AB_D192 CLK22 AA_D216 AB_D195 AB_D205 KEY_SW AA_D226 AB_D221 AA_D224 NCLKL AA_D222 AB_D196 AB_D206 CLK12 CEL AA_D206 AB_D222 AA_D192 AB_D191 LE8 AB_D216 AA_D191 AB_D213 AA_D204 NCLKL AB_D201 AB_D224 AA_D194 AB_D193 AA_D215 AB_D203 AB_D202 AA_D212 AA_D191 AA_D192 AA_D193 AA_D196 AA_D201 AA_D202 AA_D203 AA_D206 AA_D211 AA_D212 AA_D213 AA_D216 AA_D221 AA_D222 AA_D223 AA_D226 5V OPT REMOCON KEY_SW PCL_N AA_D215 AA_D196 AA_D195 R7426 47 C7406 6.3V 10u R7411 47 R7433 47 R7436 47 R7491 100k R7425 47 R7438 47 R7435 47 R7437 47 R7430 47 R7427 47 C7413 6.3V 10u C7402 16V 1u R7444 0 R7423 47 C7401 16V 1u IC7402 C0JBAZ001604 1G~ 1 2 1A1 3 2Y4 4 1A2 5 2Y3 6 1A3 7 2Y2 8 1A4 9 2Y1 10 GND 11 2A1 12 1Y4 13 2A2 14 1Y3 15 2A3 16 1Y2 17 2A4 18 1Y1 19 2G~ 20 VCC R7439 47 IC7404 C0JBAZ001604 1G~ 1 2 1A1 3 2Y4 4 1A2 5 2Y3 6 1A3 7 2Y2 8 1A4 9 2Y1 10 GND 11 2A1 12 1Y4 13 2A2 14 1Y3 15 2A3 16 1Y2 17 2A4 18 1Y1 19 2G~ 20 VCC R7419 47 R7440 0 C7404 16V 1u R7490 22k C7409 16V 1u D7404 MA3X152K0L R7412 47 C7408 16V 1u IC7405 C0JBAZ001604 1G~ 1 2 1A1 3 2Y4 4 1A2 5 2Y3 6 1A3 7 2Y2 8 1A4 9 2Y1 10 GND 11 2A1 12 1Y4 13 2A2 14 1Y3 15 2A3 16 1Y2 17 2A4 18 1Y1 19 2G~ 20 VCC R7422 47 R7401 0 R7420 47 R7432 47 D7403 MA3X152K0L R7414 10k D7402 MA3X152K0L D7401 MA3X152K0L R7443 0 Q7401 2SB0709A0L C7415 6.3V 10u C7403 50V 100p R7404 0 C41 A1 A2 A3 A4 A5 A6 A7 A8 A9 A10 A11 A12 A13 A14 A15 A16 A17 A18 A19 A20 A21 A22 A23 A24 A25 A26 A27 A28 A29 A30 A31 A32 A33 A34 A35 A36 A37 A38 A39 A40 B1 B2 B3 B4 B5 B6 B7 B8 B9 B10 B11 B12 B13 B14 B15 B16 B17 B18 B19 B20 B21 B22 B23 B24 B25 B26 B27 B28 B29 B30 B31 B32 B33 B34 B35 B36 B37 B38 B39 B40 C7412 6.3V 10u R7434 47 R7418 47 R7429 47 R7402 10k IC7403 C0JBAZ001604 1G~ 1 2 1A1 3 2Y4 4 1A2 5 2Y3 6 1A3 7 2Y2 8 1A4 9 2Y1 10 GND 11 2A1 12 1Y4 13 2A2 14 1Y3 15 2A3 16 1Y2 17 2A4 18 1Y1 19 2G~ 20 VCC Q7402 2SB0709A0L R7428 47 R7431 47 R7417 47 C7410 16V 1u IC7401 C0JBAZ001604 1G~ 1 2 1A1 3 2Y4 4 1A2 5 2Y3 6 1A3 7 2Y2 8 1A4 9 2Y1 10 GND 11 2A1 12 1Y4 13 2A2 14 1Y3 15 2A3 16 1Y2 17 2A4 18 1Y1 19 2G~ 20 VCC C7414 6.3V 10u R7410 47 R7454 0 C7411 16V 1u R7416 47 R7421 47 R7424 47 R7441 0 R7415 10k R7413 47 R7409 10k R7442 0 RM001 PNA4601M05TV VOUT GND VCC V34 1 2 3 4 5 6 7 8 R1550 1k R1511 3.3k S1552 EVQPBD05R S1551 EVQPBD05R D1550 LNJ107W5PRW IC1550 B3L000000020 R1554 270 R1552 220k C1530 6.3V 10u R1500 0 D1551 MA8056MTX R1510 2.2k R1512 4.7k S1553 EVQPBD05R S1550 EVQPBD05R R1513 4.7k D1552 MA8056MTX S1554 EVQPBD05R R1551 47 R1556 47 D1553 MA8056MTX R1555 47 R1553 470 Q1540 2SD0601A0L C44 1 2 3 4 5 6 7 8 LED_G CLK4L GND D22-6 5V OPT NC D21-1 D22-5 D21-4 D22-4 D18-6 D20-4 BLKL D21-6 D21-3 5V D18-5 5V DET D22-3 DSHL D17-4 D19-4 D22-1 5V REMOCON D19-3 D19-6 GND GND CLKL GND GND GND D19-2 D19-5 GND GND STB5V D20-5 D22-2 CEL DSLL D21-5 SOS D21-2 DMLL 5V D20-2 GND D19-1 DMHL PCL GND DRST D17-3 CLK3L GND NC D17-5 D20-6 D20-1 GND GND D17-6 GND LED_R D20-3 GND GND KEY_SW GND NC DRST GND D17-2 HZ D17-1 GND GND NCLKL ! TXNV1QMSC CPU_GND noPush V1-BOARD KEY_SW STB5V GND LED_R OPT LED_G REMOCON GND 1 7 8 A 5 6 D E C 2 B 4 3 4 2 5 6 3 1 C4-BOARD TNPA2906 (1/2) ! TO C5-BOARD (C51) TO NEXT PAGE BUFFER BUFFER BUFFER BUFFER CLOCK/BUFFER TH-50PHD6CY, TH-50PHW6CH/CZ C4-BOARD (1 of 2) and V1-BOARD Schematic Diagram TH-50PHD6CY, TH-50PHW6CH/CZ C4-BOARD (1 of 2) and V1-BOARD Schematic Diagram 111 14.51.C4 电路板 (2/2)电路图 TERM SIDE TERM SIDE SIDE TERM TERM SIDE TERM SIDE LE11 AB_D211 PCL_N AB_D216 PCL_N AB_D224 AB_D196 CLK12 AB_D225 AB_D223 AB_D194 AB_D202 AB_D206 AB_D191 AB_D222 AB_D226 PCL_N AB_D214 LE9 PCL_N CLK11 AB_D201 LE8 PCL_N AB_D215 AB_D222 AB_D204 AB_D216 AB_D203 AB_D201 AB_D214 AB_D226 AB_D224 LE9 LE10 AB_D221 AB_D195 PCL_N AB_D203 AB_D213 LE8 AB_D202 LE10 LE11 AB_D225 AB_D211 PCL_N AB_D223 AB_D192 AB_D193 AB_D194 PCL_N AB_D204 AB_D221 CLK21 AB_D193 PCL_N PCL_N AB_D195 AB_D212 AB_D205 AB_D215 AB_D191 AB_D192 AB_D205 AB_D213 PCL_N AB_D212 AB_D196 CLK22 AB_D206 PCL_N CLK11 CLK21 CLK22 CLK12 C7432 100V 0.1u D7406 B0HCMM000009 R7486 2.2 C7440 16V 1u R7487 220 CB10 1 3 4 5 7 8 9 10 11 12 13 14 15 16 17 18 19 20 21 22 23 25 26 27 29 30 31 33 34 35 36 37 38 39 40 41 42 43 44 45 46 47 48 49 51 52 53 55 R7469 2.2 R7488 220 R7485 2.2 C7425 100V 0.1u R7461 100 C7418 16V1u R7472 1k C7430 50V 100p D7411 B0HCMM000009 C7433 100V 0.1u C7435 100V 0.1u R7465 2.2 CB9 1 3 4 5 7 8 9 10 11 12 13 14 15 16 17 18 19 20 21 22 23 25 26 27 29 30 31 33 34 35 36 37 38 39 40 41 42 43 44 45 46 47 48 49 51 52 53 55 R7460 100 D7412 B0HCMM000009 R7468 2.2 C43 1 2 3 4 5 6 7 8 9 10 11 12 13 14 15 16 17 18 19 20 D7409 B0HCMM000009 R7477 220 C7424 100V 0.1u R7482 2.2 L7401 J0JJC0000011 L7405 J0JJC0000011 L7402 J0JJC0000011 C7441 16V 1u D7408 B0HCMM000009 C7427 100V 0.1u L7408 J0JJC0000011 R7471 100 R7478 220 D7410 B0HCMM000009 L7404 J0JJC0000011 R7470 100 CB11 1 3 4 5 7 8 9 10 11 12 13 14 15 16 17 18 19 20 21 22 23 25 26 27 29 30 31 33 34 35 36 37 38 39 40 41 42 43 44 45 46 47 48 49 51 52 53 55 CB8 1 3 4 5 7 8 9 10 11 12 13 14 15 16 17 18 19 20 21 22 23 25 26 27 29 30 31 33 34 35 36 37 38 39 40 41 42 43 44 45 46 47 48 49 51 52 53 55 R7481 2.2 D7405 B0HCMM000009 C7419 16V1u C7426 100V 0.1u L7407 J0JJC0000011 D7407 B0HCMM000009 C7434 100V 0.1u R7464 2.2 L7406 J0JJC0000011 C7428 50V 100p C7429 50V 100p L7403 J0JJC0000011 C42 1 2 3 4 5 6 7 8 C7431 50V 100p GND Vda 75V 78V_R 78V_R NC GND GND GND 5V NC 5V 5V 15V NC NC NC 78V_R GND Vda 75V GND Vda 75V 78V_R Vda 75V 5V GND GND 78V_R Vda 75V Vda 75V 78V_R NC NC 11 14 15 9 12 8 13 10 6 3 1 4 2 5 C4-BOARD TNPA2906 (2/2) ! BACK PAGE TO TO SS-BOARD (SS42) TO C5-BOARD (C53) TH-50PHD6CY, TH-50PHW6CH/CZ C4-BOARD (2 of 2) Schematic Diagram TH-50PHD6CY, TH-50PHW6CH/CZ C4-BOARD (2 of 2) Schematic Diagram 112 14.52.C5 电路板电路图 TERM SIDE TERM SIDE TERM SIDE SIDE TERM SIDE TERM TERM SIDE TERM SIDE TERM SIDE TERM SIDE D134 AB_D164 AB_D172 CLKR AB_D171 AB_D186 PCR CLKL LE6 LE6 CLKR D124 AB_D186 CER AA_D173 AA_D161 AB_D166 AB_D185 AB_D164 AB_D162 AB_D175 AB_D185 PCL_N LE7 AB_D171 AB_D174 D193 LE5 AB_D162 PCR CLKR AB_D181 AB_D163 PCR D203 D192 AB_D176 CLKR1 AB_D183 LE5 AB_D161 NCLKL D144 CLKL1 DSHL AB_D174 D154 LED_G D154 CLKL1 AB_D181 BLKR AB_D161 AB_D173 B_HZ AB_D165 AB_D164 CLKL2 CEL PCR AB_D166 D144 D213 D222 REMOCON AB_D172 AA_D164 AA_D162 AB_D182 AB_D182 D212 KEY DMLR PCL_N KEY AA_D164 CLKR2 LE7 AB_D173 AB_D173 CLKL D124 AA_D175 AA_D171 AB_D175 AA_D163 AB_D185 AB_D162 AB_D175 AA_D181 AA_D182 D202 AA_D183 AA_D184 A_HZ AA_D186 A_HZ PCL_N AB_D166 CLKR1 DMLR CEL DMLL AB_D172 AB_D176 AB_D186 CER AA_D176 AB_D176 AA_D174 LE5 NCLKR NCLKR LE7 BLKL AB_D174 AB_D184 AA_D184 AB_D161 AB_D184 PCL_N AB_D165 AB_D163 AA_D174 AA_D185 AA_D172 AB_D165 D134 AB_D183 AB_D163 LED_G PCL_N CLKR2 D125 D135 D145 D155 D121 D122 D123 D126 D131 D132 D133 D136 D141 D142 D143 D146 D151 D152 D153 D156 AA_D165 AA_D161 AA_D162 AA_D163 AA_D166 PCR NCLKR DSHR DSLR DMHR CLKL2 AA_D175 AA_D171 AA_D172 AA_D173 AA_D176 AA_D185 AA_D181 AA_D182 AA_D183 AA_D186 D193 D213 D223 D191 D194 D195 D196 D201 D203 D204 D206 D205 D211 D214 D216 D215 D221 D226 D225 D224 NCLKL PCL DSLL BLKL CLKL B_HZ DSHL DMHL REMOCON CLKL2 PCR D125 D135 D145 D155 D121 D122 D123 D126 D131 D132 D133 D136 D141 D142 D143 D146 D151 D152 D153 D156 CER BLKR DMHR DSLR DSHR PCL_N LE6 CLKL1 AA_D165 AA_D166 PCL PCL_N CEL AB_D184 AB_D183 AB_D182 AB_D181 LED_R DMLL DMHL DSLL NCLKL PCL D222 D212 D202 D192 D226 D225 D224 D223 D221 D216 D215 D214 D211 D206 D205 D204 D201 D196 D195 D194 D191 LED_R C7520 50V 100p C51 A1 A2 A3 A4 A5 A6 A7 A8 A9 A10 A11 A12 A13 A14 A15 A16 A17 A18 A19 A20 A21 A22 A23 A24 A25 A26 A27 A28 A29 A30 A31 A32 A33 A34 A35 A36 A37 A38 A39 A40 B1 B2 B3 B4 B5 B6 B7 B8 B9 B10 B11 B12 B13 B14 B15 B16 B17 B18 B19 B20 B21 B22 B23 B24 B25 B26 B27 B28 B29 B30 B31 B32 B33 B34 B35 B36 B37 B38 B39 B40 R7550 47 C7516 100V 0.1u R7506 0 R7529 47 L7502 J0JJC0000011 R7565 47 C54 A1 A2 A3 A4 A5 A6 A7 A8 A9 A10 A11 A12 A13 A14 A15 A16 A17 A18 A19 A20 A21 A22 A23 A24 A25 A26 A27 A28 A29 A30 A31 A32 A33 A34 A35 A36 A37 A38 A39 A40 B1 B2 B3 B4 B5 B6 B7 B8 B9 B10 B11 B12 B13 B14 B15 B16 B17 B18 B19 B20 B21 B22 B23 B24 B25 B26 B27 B28 B29 B30 B31 B32 B33 B34 B35 B36 B37 B38 B39 B40 C7502 16V 1u L7504 J0JJC0000011 R7538 47 C7521 16V 1u R7525 100 DL7503 ELKE103FA 1 2 3 R7557 2.2 R7562 47 R7520 0 R7541 2.2 C7529 16V 1u R7514 2.2 D7506 B0HCMM000009 C55 A1 A2 A3 A4 A5 A6 A7 A8 A9 A10 A11 A12 A13 A14 A15 A16 A17 A18 A19 A20 A21 A22 A23 A24 A25 A26 A27 A28 A29 A30 A31 A32 A33 A34 A35 A36 A37 A38 A39 A40 B1 B2 B3 B4 B5 B6 B7 B8 B9 B10 B11 B12 B13 B14 B15 B16 B17 B18 B19 B20 B21 B22 B23 B24 B25 B26 B27 B28 B29 B30 B31 B32 B33 B34 B35 B36 B37 B38 B39 B40 D7505 B0HCMM000009 R7552 47 R7554 47 R7544 0 R7522 100 R7569 0 R7555 47 C53 1 2 3 4 5 6 7 8 9 10 11 12 13 14 15 16 17 18 19 20 D7503 B0HCMM000009 IC7504 C0JBAZ001604 1G~ 1 2 1A1 3 2Y4 4 1A2 5 2Y3 6 1A3 7 2Y2 8 1A4 9 2Y1 10 GND 11 2A1 12 1Y4 13 2A2 14 1Y3 15 2A3 16 1Y2 17 2A4 18 1Y1 19 2G~ 20 VCC R7549 100 R7536 47 R7537 47 R7526 0 R7553 47 IC7505 C0JBAZ001604 1G~ 1 2 1A1 3 2Y4 4 1A2 5 2Y3 6 1A3 7 2Y2 8 1A4 9 2Y1 10 GND 11 2A1 12 1Y4 13 2A2 14 1Y3 15 2A3 16 1Y2 17 2A4 18 1Y1 19 2G~ 20 VCC C7522 50V 100p R7551 47 L7503 J0JJC0000011 L7501 J0JJC0000011 R7528 47 R7504 0 DL7502 ELKE103FA 1 2 3 C7519 6.3V 10u C52 1 2 3 4 5 6 7 8 9 10 11 12 13 14 15 16 17 18 19 20 C7511 16V 1u R7545 47 R7559 2.2 C7507 100V 0.1u R7546 47 C7524 100V 0.1u R7566 47 R7560 47 R7561 47 L7506 J0JJC0000011 D7502 B0HCMM000009 R7517 2.2 R7564 100 L7505 J0JJC0000011 R7521 0 R7539 47 C7512 16V 1u IC7502 C0JBAZ001604 1G~ 1 2 1A1 3 2Y4 4 1A2 5 2Y3 6 1A3 7 2Y2 8 1A4 9 2Y1 10 GND 11 2A1 12 1Y4 13 2A2 14 1Y3 15 2A3 16 1Y2 17 2A4 18 1Y1 19 2G~ 20 VCC C7527 6.3V 10u C7517 100V 0.1u CB5 1 3 4 5 7 8 9 10 11 12 13 14 15 16 17 18 19 20 21 22 23 25 26 27 29 30 31 33 34 35 36 37 38 39 40 41 42 43 44 45 46 47 48 49 51 52 53 55 R7503 100 C7523 100V 0.1u R7535 2.2 R7527 0 IC7503 C0JBAZ001604 1G~ 1 2 1A1 3 2Y4 4 1A2 5 2Y3 6 1A3 7 2Y2 8 1A4 9 2Y1 10 GND 11 2A1 12 1Y4 13 2A2 14 1Y3 15 2A3 16 1Y2 17 2A4 18 1Y1 19 2G~ 20 VCC C7501 50V 100p C7518 16V 1u CB7 1 3 4 5 7 8 9 10 11 12 13 14 15 16 17 18 19 20 21 22 23 25 26 27 29 30 31 33 34 35 36 37 38 39 40 41 42 43 44 45 46 47 48 49 51 52 53 55 D7501 B0HCMM000009 R7543 100 C7513 6.3V 10u C50 A1 A2 A3 A4 A5 A6 A7 A8 A9 A10 A11 A12 A13 A14 A15 A16 A17 A18 A19 A20 A21 A22 A23 A24 A25 A26 A27 A28 A29 A30 A31 A32 A33 A34 A35 A36 A37 A38 A39 A40 B1 B2 B3 B4 B5 B6 B7 B8 B9 B10 B11 B12 B13 B14 B15 B16 B17 B18 B19 B20 B21 B22 B23 B24 B25 B26 B27 B28 B29 B30 B31 B32 B33 B34 B35 B36 B37 B38 B39 B40 D7504 B0HCMM000009 CB6 1 3 4 5 7 8 9 10 11 12 13 14 15 16 17 18 19 20 21 22 23 25 26 27 29 30 31 33 34 35 36 37 38 39 40 41 42 43 44 45 46 47 48 49 51 52 53 55 DL7501 ELKE103FA 1 2 3 R7519 47 R7563 47 C7525 16V 1u C7530 6.3V 10u C7506 100V 0.1u GND 5V GND KEY_SW D22-3 HZ GND REMOCON GND D12-5 D12-4 GND GND DSHL GND GND GND SOS GND STB5V D22-1 GND GND GND GND 5V D21-6 HZ D19-6 GND GND GND GND DRST GND Vda 75V 78V_L D21-5 GND GND D15-1 GND D20-2 78V_L GND D21-3 GND SOS NC DMLL D19-5 D21-3 D13-6 CLKR D20-1 D19-3 D13-3 78V_L GND D18-1 GND GND NC D17-1 D13-1 D19-2 D21-6 GND NC CLK3L NCLKL Vda 75V D14-3 D17-2 D13-5 D17-4 GND OPT BLKL GND D14-5 5V D17-3 GND 5V D21-4 D19-1 78V_R GND D18-2 PCL GND DSLR D12-6 D21-1 5V D17-6 D20-3 D15-4 CLK3R NC D17-4 D12-1 Vda 75V 78V_L GND GND 5V CLKL 5V D12-6 LED_G 5V NC 5V GND D17-5 BLKR 5V NC DSLR D19-2 CER D13-1 D17-3 GND GND OPT D20-6 D15-6 NC DMLR 78V_R D19-5 D21-2 NCLKL NC D16-4 PCR DMLL D22-2 GND CLK4R GND GND GND 78V_R SOS DSLL 5V DET D14-6 PCR GND DMHR D21-1 D13-3 NC D13-6 NCLKR LED_R DRST GND CER BLKR SOS D13-5 GND BLKL 5V D15-1 NC GND Vda 75V GND CLK3L D19-4 GND NC DMLR D17-2 D22-2 D16-2 GND NC HZ 5V DET CEL GND GND PCL 5V GND GND GND D20-5 D16-5 NC GND GND GND DSHR CLKL D14-1 GND GND DRST NC GND D20-5 GND D12-1 5V GND CLK4R D13-2 CEL DSHR 5V DET NC GND GND D17-6 D14-1 D22-6 D20-4 GND 15V D16-1 78V_R D12-2 STB5V GND GND D14-2 GND NC D14-2 D21-5 5V DET GND D15-3 D22-5 D13-4 GND OPT 5V D15-2 D17-5 15V D20-3 D18-6 GND GND GND D15-4 CLK4L GND NC GND D12-4 DMHL GND D22-4 D15-2 GND D14-4 DSHL D13-2 D22-3 GND NC D22-1 NC GND LED_G D16-6 D14-5 D17-1 D14-6 D13-4 DRST DSLL GND LED_R GND D20-1 D19-4 KEY_SW GND NC CLKR GND GND D19-1 GND D12-2 GND DMHL NC DRST GND D12-5 5V 5V D16-1 D19-3 GND GND D16-3 D21-2 GND D15-6 GND GND GND D12-3 D20-6 Vda 75V D18-4 D15-5 DMHL D14-3 D22-6 5V DSHL GND GND D20-2 NCLKR CLK4L Vda 75V D14-4 D18-3 D22-5 CLK3R GND D16-3 D16-2 REMOCON 5V GND D15-5 D18-6 D20-4 GND Vda 75V GND GND GND D19-6 GND D22-4 GND 15V D18-5 5V GND GND GND D12-3 HZ D15-3 DMHR D21-4 Vda 75V NC A 5 6 D E C B 7 2 3 1 4 8 C5-BOARD TNPA2907 ! CLOCK/BUFFER BUFFER BUFFER BUFFER TO C6-BOARD (C61) TO SC-BOARD (SC12) TO D-BOARD (D34) TO D-BOARD (D33) TO C4-BOARD (C41) TO C6-BOARD (C60) TH-50PHD6CY, TH-50PHW6CH/CZ C5-BOARD Schematic Diagram TH-50PHD6CY, TH-50PHW6CH/CZ C5-BOARD Schematic Diagram 113 14.53.C6 电路板 (1/2)电路图 TERM SIDE TERM SIDE TERM SIDE SIDE TERM TERM SIDE AB_D134 AB_D123 AB_D142 AB_D145 AB_D145 AB_D155 AB_D146 AB_D144 AB_D156 AB_D121 AB_D154 PCR_N AB_D153 PCR_N AB_D144 AB_D146 AB_D136 AB_D126 PCR_N CLK22 LE3 AB_D143 AB_D124 AB_D122 AB_D133 AB_D132 LE4 AB_D131 AB_D126 AB_D154 CLK12 AB_D151 PCR_N AB_D141 AB_D131 PCR_N LE2 CLK11 AB_D135 CLK11 AB_D142 AB_D134 AB_D152 LE2 AB_D156 AB_D151 AB_D125 AB_D122 PCR_N AB_D155 AB_D141 LE3 AB_D133 AB_D123 LE1 AB_D153 LE4 AB_D136 CLK12 PCR_N AB_D152 AB_D124 AB_D135 AB_D121 AB_D132 AB_D143 PCR_N PCR_N AB_D125 CLK21 LE1 CLK22 CLK21 PCR_N PCR_N PCR_N CB4 1 3 4 5 7 8 9 10 11 12 13 14 15 16 17 18 19 20 21 22 23 25 26 27 29 30 31 33 34 35 36 37 38 39 40 41 42 43 44 45 46 47 48 49 51 52 53 55 R7616 220 C7602 16V 1u C7624 16V 1u D7604 B0HCMM000009 L7602 J0JJC0000011 D7605 B0HCMM000009 C7614 50V 100p R7634 100 R7613 2.2 C7607 100V 0.1u R7633 100 R7609 2.2 C7618 100V 0.1u L7607 J0JJC0000011 L7601 J0JJC0000011 CB2 1 3 4 5 7 8 9 10 11 12 13 14 15 16 17 18 19 20 21 22 23 25 26 27 29 30 31 33 34 35 36 37 38 39 40 41 42 43 44 45 46 47 48 49 51 52 53 55 L7603 J0JJC0000011 R7611 2.2 R7604 220 CB3 1 3 4 5 7 8 9 10 11 12 13 14 15 16 17 18 19 20 21 22 23 25 26 27 29 30 31 33 34 35 36 37 38 39 40 41 42 43 44 45 46 47 48 49 51 52 53 55 C7617 100V 0.1u C7611 50V 100p C7612 50V 100p L7606 J0JJC0000011 R7618 1k D7601 B0HCMM000009 R7628 2.2 D7608 B0HCMM000009 C7601 16V 1u L7608 J0JJC0000011 D7603 B0HCMM000009 D7607 B0HCMM000009 R7627 2.2 C7613 50V 100p C7609 100V 0.1u R7607 220 D7602 B0HCMM000009 L7604 J0JJC0000011 R7631 2.2 R7617 220 R7615 2.2 R7632 2.2 R7623 100 C7615 100V 0.1u C7608 100V 0.1u L7605 J0JJC0000011 D7606 B0HCMM000009 C7616 100V 0.1u C62 1 2 3 4 5 6 C7610 100V 0.1u C7623 16V 1u C61 1 2 3 4 5 6 7 8 9 10 11 12 13 14 15 16 17 18 19 20 CB1 1 3 4 5 7 8 9 10 11 12 13 14 15 16 17 18 19 20 21 22 23 25 26 27 29 30 31 33 34 35 36 37 38 39 40 41 42 43 44 45 46 47 48 49 51 52 53 55 R7624 100 Vda 75V GND GND GND NC 15V NC NC NC 78V 78V Vda 75V Vda 75V NC NC GND 78V_L NC GND GND 78V_L 78V_L 78V_L 5V 5V 5V 5V GND Vda 75V GND 8 7 2 A 5 6 D E C B 4 3 1 C6-BOARD TNPA2908 (1/2) ! 5 6 4 2 3 1 TO NEXT PAGE TO SC-BOARD (SC62) TO C5-BOARD (C52) TH-50PHD6CY, TH-50PHW6CH/CZ C6-BOARD (1 of 2) Schematic Diagram TH-50PHD6CY, TH-50PHW6CH/CZ C6-BOARD (1 of 2) Schematic Diagram 114 14.54.C6 电路板 (2/2)电路图 TERM SIDE AA_D142 AB_D146 AA_D136 PCR_N AA_D125 AB_D145 CLKR AA_D155 AA_D156 CLK22 AA_D133 LE2 AB_D152 AA_D151 LE1 LE4 AA_D126 AB_D132 AA_D145 AB_D151 CLK11 AA_D144 AB_D156 AA_D132 AB_D124 CER AA_D124 AA_D135 CLK21 NCLKR AA_D152 AA_D134 AA_D143 AB_D154 AB_D121 LE3 AB_D155 AA_D121 AA_D146 AA_D134 AA_D144 AA_D131 AA_D123 AA_D141 PCR AB_D134 AA_D124 AA_D122 AA_D155 AA_D154 CLK12 CLKR AA_D145 AB_D136 AB_D131 AB_D135 AB_D125 AA_D125 AB_D144 AB_D141 AB_D126 AB_D143 NCLKR AB_D122 AA_D153 AB_D133 AB_D123 AB_D142 AB_D153 AA_D154 AA_D135 AA_D156 AA_D151 AA_D152 AA_D153 AA_D146 AA_D143 AA_D141 AA_D142 AA_D136 AA_D133 AA_D131 AA_D132 AA_D126 AA_D121 AA_D122 AA_D123 PCR R7656 47 IC7605 C0JBAZ001604 1G~ 1 2 1A1 3 2Y4 4 1A2 5 2Y3 6 1A3 7 2Y2 8 1A4 9 2Y1 10 GND 11 2A1 12 1Y4 13 2A2 14 1Y3 15 2A3 16 1Y2 17 2A4 18 1Y1 19 2G~ 20 VCC C7636 6.3V 10u R7659 47 R7653 47 R7661 47 R7665 47 C7629 16V 1u C7633 16V 1u C7630 6.3V 10u C7635 6.3V 10u R7638 47 IC7604 C0JBAZ001604 1G~ 1 2 1A1 3 2Y4 4 1A2 5 2Y3 6 1A3 7 2Y2 8 1A4 9 2Y1 10 GND 11 2A1 12 1Y4 13 2A2 14 1Y3 15 2A3 16 1Y2 17 2A4 18 1Y1 19 2G~ 20 VCC R7670 47 R7680 0 R7667 47 IC7603 C0JBAZ001604 1G~ 1 2 1A1 3 2Y4 4 1A2 5 2Y3 6 1A3 7 2Y2 8 1A4 9 2Y1 10 GND 11 2A1 12 1Y4 13 2A2 14 1Y3 15 2A3 16 1Y2 17 2A4 18 1Y1 19 2G~ 20 VCC C60 A1 A2 A3 A4 A5 A6 A7 A8 A9 A10 A11 A12 A13 A14 A15 A16 A17 A18 A19 A20 A21 A22 A23 A24 A25 A26 A27 A28 A29 A30 A31 A32 A33 A34 A35 A36 A37 A38 A39 A40 B1 B2 B3 B4 B5 B6 B7 B8 B9 B10 B11 B12 B13 B14 B15 B16 B17 B18 B19 B20 B21 B22 B23 B24 B25 B26 B27 B28 B29 B30 B31 B32 B33 B34 B35 B36 B37 B38 B39 B40 C7631 16V 1u R7647 47 IC7606 C0JBAZ001604 1G~ 1 2 1A1 3 2Y4 4 1A2 5 2Y3 6 1A3 7 2Y2 8 1A4 9 2Y1 10 GND 11 2A1 12 1Y4 13 2A2 14 1Y3 15 2A3 16 1Y2 17 2A4 18 1Y1 19 2G~ 20 VCC R7685 0 C7638 6.3V 10u R7673 0 R7674 0 R7637 47 C7637 6.3V 10u R7635 47 R7636 47 R7646 47 R7654 47 R7643 0 R7650 47 R7687 100k R7649 47 R7651 47 R7669 47 C7632 16V 1u R7671 47 R7655 47 R7686 22k R7657 47 R7672 0 IC7602 C0JBAZ001604 1G~ 1 2 1A1 3 2Y4 4 1A2 5 2Y3 6 1A3 7 2Y2 8 1A4 9 2Y1 10 GND 11 2A1 12 1Y4 13 2A2 14 1Y3 15 2A3 16 1Y2 17 2A4 18 1Y1 19 2G~ 20 VCC C7639 50V 100p R7664 47 R7658 47 C7640 16V 1u R7677 0 C7634 16V 1u R7668 47 R7675 0 R7660 47 R7648 47 R7666 47 R7652 47 GND GND 5V D16-3 GND 5V GND SOS GND GND CLK3R D12-6 GND NC DRST D13-6 5V DET GND D14-6 NC D13-5 NC GND GND D12-5 PCR NC CER BLKR D14-5 D15-6 D15-4 NC GND D14-4 D15-5 DMHR DRST DSHR D16-4 DSLR D12-4 GND D12-2 D13-4 GND D13-3 NCLKR GND DMLR CLKR D13-1 GND GND GND GND GND HZ GND GND D14-2 D13-2 D14-1 D12-1 D15-3 D16-2 D15-2 D15-1 GND D12-3 D16-1 GND GND 5V GND GND D14-3 GND GND 5V 12 8 13 14 10 11 9 15 ! C6-BOARD TNPA2908 (2/2) 1 5 6 4 2 3 TO C5-BOARD (C50) BUFFER BUFFER BUFFER BUFFER CLOCK/BUFFER BACK PAGE TO TH-50PHD6CY, TH-50PHW6CH/CZ C6-BOARD (2 of 2) Schematic Diagram TH-50PHD6CY, TH-50PHW6CH/CZ C6-BOARD (2 of 2) Schematic Diagram 115 14.55.SC 电路板方框图 TPVSCN TPSC1 TPVSET PHOTO COUPLER Q6611 3 5 4 6 9 8 11 10 1 2 13 12 FCLD FCLU FCLKD FCLKU PHOTO COUPLER PHOTO COUPLER 2 PHOTO COUPLER 4 1 2 3 4 IC6505 IC6506 IC6507 IC6508 8 9 11 10 PHOTO COUPLER IC6509 FSIU FSID PROU PROD 12 8 14 1 12 8 12 8 Q6612 Q6613 Q6601 Q6610 Q6604 Q6605 9 4 16 6 14 17 3 11 IC6602 FET DRIVER FET DRIVER IC6601 19 14 18 17 2 7 13 6 18 14 4 16 15 8 5 12 IC6502 INVERTER INVERTER IC6501 2 4 7 LOGIC IC6511 Q6476, Q6477 Q6511 Q6512 7 2 4 LOGIC IC6521 LOGIC IC6541 2 7 4 VAD+15V Q6523 Q6521 Q6520 Q6530~ Q6539 Q6540~ Q6549 PHOTO COUPLER IC6510 PHOTO COUPLER IC6503 Q6551 Q6552 IC6504 PHOTO COUPLER IC6542 2 4 2 4 2 4 1 4 1 4 1 4 1 4 2 LOGIC Q6561 VSCN Q6614 S2 CMH S3 CML CSL CSH 1/2 Vo VSUS A1 A3 A4 A5 B3 B5 B1 B3 A7 A6 B7 B6 A8 A20 B8 B20 A10 A1 B10 B1 B11 A11 B12 A12 B13 A13 B20 A20 B18 A14 B1 B17 A1 A18 A17 B14 A13 A16 B13 A19 B19 B16 B8 B1 A1 A8 B20 A20 A11 B11 B10 A10 B9 A9 Vf FCLD FCLKD PROD VF5V Vf Vf VSCN IC6458 Q6452 Q6451 Q6455 Q6454 T6451 IC6451 5V REG IC6454 3 1 5V REG IC6455 3 1 Q6474 IC6471 IC6459 Q6475 Q6472 Q6471 SCSU VAD INSERT VAD VSET2 INSERT CEL VSET INSERT CPH VSCN GEN VSET VAD GEN Q6491 Q6492 IC6491 VSET REG. VSUS SC20 9 11 L6611~6615 2 4 8 11 IC6606 BUFFER IC6605 BUFFER 3 6 9 7 CSH CSL CML CBK SOS1 CEL2 CL CLK SIU SID CPH SCSU Q6581 IC6581 IC6457 IC6467 IC6458 IC6480 Vf5 SOS Vfo SOS VSCAN SOS VAD SOS D6459 D6468 D6470 D6479 D6584 Vfo FSIU FCLU FCLKU PROU VF5V Vf Vf Vfo Vf FCLD FCLKD PROD VF5V Vf Vf Vfo Vf Vf Vfo FCLKU FSIU VF5V PROU FCLU VSCN VSCN VSCN VSCN VSCN Scan Drive Board SC SC44 SC43 SC41 SC42 TO SD52 TO SD51 TO SU51 TO SU52 TO D20 D6583 (RED LED) SC SC CPH CEL 4 VSET IC6452 T6431 Q6431 D6434 Q6432 Q6435 IC6431 F15V T6471 IC6472 Q6513 6 5 Q6522 Q6557 Q6558 15 5 20 CMH 8 12 13 CEL Q6617 Q6616 CLK SIU SID CL CEL2 CPH CEL SCSU 3 4 6 1 13 11 2 12 5 IC6603 FET DRIVER 3 17 Q6628 Q6627 Q6630 Q6629 Q6622 Q6621 Q6625 Q6624 IC6607 BUFFER D6618 D6617 D6616 D6615 S1 FSID A2 B2 FSID Vf A20 B20 A15 B15 Vf Q6562 Q6564 Q6525 Q6526 15V REG IC6452 3 1 15V REG IC6453 3 1 15V Q6524 5V Q6556 Q6555 Q6553 Q6554 4 Vsus Vsus TO P2 2 Vsus SC2 TPVSUS 10 9 8 12 8 FET DRIVER IC6604 Q6645 Q6642 Q6641 Q6646 IC6671 Q6672 Q6671 Q6673 VR6670 1 2 3 Vsus TPVBK CL221 FSID FCLD TO SD46 2 SC46 4 6 8 PROD FCLKD 10 5V 5V 9 5V TO SU45 2 SC45 4 8 PROU FCLKU 5V 5V 9 FCLU 6 FSIU 5V 10 +15V +15V TO P23 1 +15V SC23 2 TP15V Q6812 Q6814 Q6813 Q6816 Q6815 Q6821 L6825~L6828 TPCVDA TPVDA SC-BOARD IC6804 SOS DET TPSC4 2 1 SC13 Vda 75V Vda 75V 5 4 78V 78V TO C13 TO C62 6 SC62 5 78V 78V 1 DSHR 2 DSLR 3 DMHR 4 DMLR 6 SOS2 BUFFER IC6801 2 18 4 16 FET DRIVER 12 IC6802 8 FET DRIVER IC6805 8 12 FET DRIVER IC6803 8 12 1 14 6 14 8 12 Q6811 Q6820 Q6819 Q6818 Q6817 Q6824 SC12 TO C12 TH-50PHD6CY, TH-50PHW6CH/CZ SC-BOARD Block Diagram TH-50PHD6CY, TH-50PHW6CH/CZ SC-BOARD Block Diagram 116 14.56.SC 电路板 (1/3)电路图 + + + + + + + + + + + + + AC_CBK AC_CEL2 CMH CSL AC_SIU CL AC_SCSU CEL CBK CML AC_SID SCSU CSH AC_CPH AC_CL AC_CLK SOS2 AC_CBK AC_CEL 5V R6662 0 R6635 5.6 SC2 1 2 3 4 5 6 C6600 200V 220u R6623 47 C0ZBZ0000562 IC6602 1 LOUT 2 GND 3 VCC 4 NC 5 NC 6 VS 7 VB 8 HOUT 9 NC 10 NC 11 VDD 12 HIN 13 NC 14 LIN 15 GND 16 NC IC6671 AN1431M-E1 CATHODE 3 1 REFERENCE ANODE 2 R6657 1k 2W R6687 0.22 TP21 Q6645 2SD21850RL TP26 R6625 10k 2W R6688 0.22 R6589 10k R6615 10 C6625 25V 4.7u Q6629 2SD21850RL D6633 B0JCME000025 C6618 630V 2200p C6616 630V 2200p Q6673 2SC1473AEA TP2 C6627 25V 47u C6585 16V 1u R6611 10 R6582 100k D6631 B0ECHP000001 Q6614 2SB1073001TV Q6642 2SK3192000LB G D S TP7 C6568 250V 2u TP28 IC6607 C0JBAA000195 1 1A 2 1B 3 1Y 4 2A 5 2B 6 2Y 7 GND 8 3Y 9 3A 10 3B 11 4Y 12 4A 13 4B 14 VCC R6632 5.6 L6619 G0ZZ00002183 D6582 MAZ80510LL Q6617 2SK062000L G D S R6663 0 D6650 B0HBSN000007 L6639 G0ZZ00002183 D6651 B0ECHP000001 D6609 B0JCME000025 R6621 47 TP20 D6608 B0JCME000025 C6682 16V 1u L6645 G0ZZ00002183 R6586 1.5k Q6611 2SD21850RL L6608 J0JJC0000021 C6683 25V 47u TP29 R6683 47 R6681 100 L6641 G0ZZ00002183 R6629 100 L6518 G0ZZ00002183 L6626 G0ZZ00002183 R6633 5.6 R6612 10 R6636 5.6 D6600 B0ECHP000001 C6562 250V 2u R6652 0 R6580 10k R6677 0 R6619 47 L6637 G0ZZ00002183 C6565 250V 2u C6615 630V 2200p Q6604 B1DEJM000005 G D S Q6630 2SB1073001TV Q6607 B1DEJM000005 G D S L6613 1u IC6604 M63991FP-E2 1 2 3 4 5 6 7 8 9 10 11 12 13 14 15 16 D6634 B0JCME000025 Q6622 B1DEJM000003 G D S L6638 G0ZZ00002183 TP72 1/2W R6690 22 C6604 200V 220u R6654 0 C6620 630V 2200p R6627 10k D6606 B0JCME000025 R6618 10 C6641 25V 4.7u R6661 0 TP25 D6618 B0HBSN000007 C6684 25V 47u C6640 16V 1u L6614 1u D6607 B0JCME000025 R6693 EXB38V471JV C6611 630V 2200p C6626 25V 1u R6616 10 L6618 G0ZZ00002183 R6463 0 R6696 EXB38V473JV D6583 LNJ201LPQJA L6624 G0ZZ00002183 C6605 200V 220u Q6613 2SD21850RL D6627 B0HBSN000007 C6610 25V 470u L6453 G0ZZ00002183 R6588 2.2k D6617 B0HBSN000007 L6627 G0ZZ00002183 L6603 G0ZZ00002183 TP22 Q6608 B1DEJM000005 G D S R6653 0 R6638 5.6 C6491 630V 2200p R6642 100 TP12 C6650 25V 4.7u TP24 L6611 1u Q6671 2SB0940AP0LB TP15 R6613 10 C6621 25V 4.7u L6607 J0JJC0000021 R6655 0 Q6603 B1DEJM000005 G D S Q6616 2SK062000L G D S R6634 5.6 R6583 100k C6614 630V 2200p L6644 G0ZZ00002183 TP3 R6470 33k R6614 10 SC20 1 2 3 4 5 6 7 8 9 10 11 12 13 14 15 16 17 18 19 20 TP73 C6564 250V 2u L6651 G0ZZ00002183 R6685 100 C6681 16V 1u D6605 B0JCME000025 R6587 10k D6468 MA2J11100L L6623 G0ZZ00002183 D6586 MAZ83300ML Q6606 B1DEJM000005 G D S Q6609 B1DEJM000005 G D S TP9 L6615 1u TP71 TP14 L6628 G0ZZ00002183 L6642 G0ZZ00002183 D6585 MAZ83300ML D6614 B0ECHP000001 D6612 B0ECHP000001 D6465 MAZ83300ML Q6624 B1DEJM000003 G D S R6684 10k Q6627 2SD21850RL TP4 R6678 3.3k L6662 J0JJC0000021 D6613 B0ECHP000001 L6625 G0ZZ00002183 TP11 C0ZBZ0000562 IC6603 1 LOUT 2 GND 3 VCC 4 NC 5 NC 6 VS 7 VB 8 HOUT 9 NC 10 NC 11 VDD 12 HIN 13 NC 14 LIN 15 GND 16 NC R6585 1.5k C0JBAZ000005 IC6606 1G~ 1 2 1A1 3 2Y4 4 1A2 5 2Y3 6 1A3 7 2Y2 8 1A4 9 2Y1 10 GND 11 2A1 12 1Y4 13 2A2 14 1Y3 15 2A3 16 1Y2 17 2A4 18 1Y1 19 2G~ 20 VCC C6563 250V 2u D6584 MA2J11100L C6602 200V 220u D6491 B0ECHP000001 R6637 5.6 C6561 250V 2u C6624 16V 1u C6622 25V 4.7u C6606 200V 220u L6661 J0JJC0000021 2W R6675 22k C6601 200V 220u 1W R6499 8.2 C6639 250V 0.1u L6612 1u R6584 22k C6629 200V 150u D6623 B0HBSN000007 Q6605 B1DEJM000005 G D S R6604 10 R6682 47 R6630 100 D6616 B0HBSN000007 D6466 MAZ83300ML VR6670 10k 1 2 3 IC6467 B3PBA0000062 1 2 3 4 C6584 25V 1u L6636 G0ZZ00002183 D6610 B0JCME000025 R6603 10k D6615 B0HBSN000007 L6629 G0ZZ00002183 C6617 630V 2200p R6624 47 R6660 0 C6609 25V 1u L6649 G0ZZ00002183 SC23 1 2 3 L6621 G0ZZ00002183 C6567 250V 2u R6694 EXB38V473JV Q6646 2SB1073001TV R6449 33k TP10 Q6610 B1DEJM000005 G D S TP8 R6639 0 R6622 47 L6602 G0ZZ00002183 R6600 0 2W R6671 82 C0ZBZ0000562 IC6601 M63992FP-200D 1 LOUT 2 GND 3 VCC 4 NC 5 NC 6 VS 7 VB 8 HOUT 9 NC 10 NC 11 VDD 12 HIN 13 NC 14 LIN 15 GND 16 NC R6609 10k R6608 10 TP30 Q6621 B1DEJM000003 G D S R6626 10 IC6581 C0BBBA000043 1 2 3 4 5 6 7 8 C6566 250V 2u Q6602 B1DEJM000005 G D S R6617 10 D6632 B0ECHP000001 1W R6673 10k R6656 0 Q6628 2SB1073001TV L6643 G0ZZ00002183 C6623 16V 1u R6697 EXB38V471JV C6608 250V 2u C6619 630V 2200p L6648 G0ZZ00002183 TP16 C6612 630V 2200p C6603 200V 220u R6651 0 R6628 10 R6686 100 L6650 G0ZZ00002183 C6490 630V 2200p D6611 B0ECHP000001 C6642 25V 4.7u R6631 5.6 R6698 EXB38V473JV 1W R6672 8.2 R6659 1k Q6641 2SK3192000LB G D S 1/2W R6674 100 C6651 25V 4.7u R6641 100 C6628 25V 47u Q6625 B1DEJM000003 G D S R6676 47k L6640 G0ZZ00002183 Q6612 2SB1073001TV L6620 G0ZZ00002183 C0JBAZ000005 IC6605 1G~ 1 2 1A1 3 2Y4 4 1A2 5 2Y3 6 1A3 7 2Y2 8 1A4 9 2Y1 10 GND 11 2A1 12 1Y4 13 2A2 14 1Y3 15 2A3 16 1Y2 17 2A4 18 1Y1 19 2G~ 20 VCC R6695 EXB38V471JV C6680 16V 0.1u R6679 1k TP17 TP27 Q6672 2SD1263AP0LB R6489 4.7k TP74 R6620 47 C6613 630V 2200p TP31 R6691 EXB38V471JV D6649 B0ECHP000001 C6607 250V 2u TP75 R6692 EXB38V473JV L6647 G0ZZ00002183 Q6601 B1DEJM000005 G D S TP1 R6658 1k L6646 G0ZZ00002183 TP23 Q6581 2SD0601A0L C6652 16V 1u TP6 1/2W R6689 22 +15V +15V NC GND GND LOUT VCC NC HOUT VB VS NC GND NC LIN NC NC NC VDD HIN GND + - + - GND GND Vsus Vsus SCSU CEL CMH CSH CPH B E 9 6 8 7 3 D 4 C 1 2 F 5 A SC-BOARD TXNSC1QMSC (1/3) ! 1 2 9 7 8 4 6 5 3 BUFFER BUFFER BUFFER FET DRIVER FET DRIVER COMPARATOR FET DRIVER FET DRIVER TO NEXT PAGE = * = * * * * * * TH-50PHD6CY, TH-50PHW6CH/CZ SC-BOARD (1 of 3) Schematic Diagram TH-50PHD6CY, TH-50PHW6CH/CZ SC-BOARD (1 of 3) Schematic Diagram 117 14.57.SC 电路板 (2/3)电路图 + + + + + + + NC Nd NC N1 N2 NC Nd NC N1 N2 + + + + + + AC_CEL AC_CL AC_CLK AC_SID AA_PROU AA_PROD AC_SCSU AC_CPH AC_SIU AC_CEL2 AA_FCLKU AA_FCLKD AA_FCLU AA_FCLD AA_FSID AA_FSIU C6541 25V 4.7u R6590 1.8k R6536 47 Q6491 2SD1263AP0LB IC6512 AN78L05M-E1 IN 3 2 COMMON OUT 1 R6501 2.2k R6801 100 IC6502 C0JBAB000417 1 2 3 4 5 6 7 8 9 10 11 12 13 14 Q6531 2SK349400L G D S D6490 MAZ80560HL Q6511 B1DFGL000005 G D S C6543 200V 1000p R6578 470 R6665 68 D6513 MA2J11100L R6484 4.7k R6573 470 R6497 10k R6439 2.2k R6513 10 R6535 47 D6523 B0ECHP000001 Q6552 B1DADU000001 G D S R6544 10 Q6537 2SK349400L G D S D6483 MAZ80560HL D6476 B0ECHP000001 C6505 16V 1u R6453 22k R6575 470 Q6547 2SK373100L G D S C6456 160V 100u D6548 MAZ83300ML Q6536 2SK349400L G D S D6492 B0ECHP000001 R6452 0 C6461 50V 100u R6505 2.2k Q6452 2SB0709ARL C6455 25V 220u Q6543 2SK373100L G D S C6515 25V 4.7u C6542 25V 4.7u R6561 47 R6480 10k R6482 4.7k D6498 B0JCME000025 C6472 50V 0.01u 1% R6457 10k IC6456 B3PBA0000062 1 2 3 4 Q6542 2SK373100L G D S R6553 150 IC6472 AN1431M-E1 CATHODE 3 1 REFERENCE ANODE 2 IC6471 AN1431M-E1 CATHODE 3 1 REFERENCE ANODE 2 R6435 3.3k Q6545 2SK373100L G D S D6521 B0ECHP000001 D6459 MA2J11100L R6546 10 R6525 100k R6559 2.2k C6537 50V 0.1u R6538 47 D6514 MA2J11100L Q6549 2SK373100L G D S IC6458 B3PBA0000062 1 2 3 4 C6467 25V 4.7u D6482 MAZ83300ML C6522 35V 47u R6581 100 D6524 MAZ80510LL 1% R6524 1.8k 1W R6565 3.3k D6478 B0HCKS000001 R6539 47 C6462 25V 4.7u D6509 MA2J11100L R6532 47 R6515 100k Q6561 2SB1073001TV IC6480 B3PBA0000062 1 2 3 4 D6522 MA2J11100L R6444 10k R6516 10 D6455 MA2J11100L R6459 100k R6564 5.6 D6525 MA2J11100L R6540 10 D6572 B0ECHP000001 3W R6512 2.2 C6506 16V 1u IC6542 C0ZBZ0000735 1 Vcc 2 In 3 Gnd 4 Lo 5 NC 6 Vs 7 Ho 8 Vb D6552 B0JCME000025 C6459 25V 47u R6496 1k R6593 220k R6551 1k C6574 16V 1u R6509 2.2k D6511 B0HCMM000009 D6453 MA2J11100L R6563 5.6 1% R6493 220k R6479 100k Q6558 2SK062000L G D S Q6540 2SK373100L G D S Q6435 2SD0601A0L D6516 MAZ82400ML IC6491 AN1431M-E1 CATHODE 3 1 REFERENCE ANODE 2 D6510 B0JCME000025 R6486 10k D6479 MA2J11100L D6485 MAZ80560HL D6481 MAZ83300ML Q6564 B1DEDS000001 G D S R6517 470 L6431 J0JJC0000021 Q6557 2SK062000L G D S R6487 4.7k Q6554 2SK349400L G D S R6520 10k D6547 MAZ83300ML 1% R6567 100k R6549 10 1% R6495 5.23k C6524 200V 1000p Q6471 B1BBCJ000003 D6475 MA2J11100L Q6454 2SD814ATX R6592 220k R6591 1.8k Q6472 2SB0709ARL R6550 47 R6522 0 R6521 100k Q6524 2SD21850RL C6475 25V 220u R6534 47 1% R6436 154k Q6521 B1DEDS000001 G D S D6487 MAZ80560HL R6571 470 Q6534 2SK349400L G D S D6433 MA2J11100L Q6539 2SK349400L G D S Q6544 2SK373100L G D S TP77 R6542 10 R6594 100k Q6512 B1DFGL000005 G D S C6514 16V 1u R6566 0 R6507 2.2k C6580 16V 1u D6542 MA2J11100L C6507 16V 1u TP76 Q6563 B1DEDS000001 G D S R6579 10 C6453 16V 1u C6504 16V 1u R6514 470 C6532 50V 4700p R6469 0 R6508 2.2k C6466 25V 4.7u D6460 B0HCKS000001 Q6538 2SK349400L G D S D6484 MAZ80560HL D6488 MAZ80560HL C6536 50V 220u Q6532 2SK349400L G D S Q6525 2SD21850RL 1/2W R6441 1 T6451 G4D1A0000072 1 2 3 4 5 6 7 8 R6485 10k D6550 MA2J11100L Q6530 2SK349400L G D S R6552 100 1/2W R6454 220 1/2W R6474 220 T6471 G4D1A0000072 1 2 3 4 5 6 7 8 R6460 10k C6493 630V 2200p IC6434 B3PBA0000062 1 2 3 4 R6475 3.3k IC6455 AN78L05M-E1 IN 3 2 COMMON OUT 1 IC6541 C0ZBZ0000735 1 Vcc 2 In 3 Gnd 4 Lo 5 NC 6 Vs 7 Ho 8 Vb IC6511 C0ZBZ0000735 1 Vcc 2 In 3 Gnd 4 Lo 5 NC 6 Vs 7 Ho 8 Vb D6499 B0JCME000025 R6500 1.8k R6643 1k R6556 3.9k R6471 0 1W R6498 8.2 C6492 350V 10u R6502 2.2k VR6557 10k 1 2 3 R6541 10 R6668 68 R6473 22k L6472 G0ZZ00002183 Q6541 2SK373100L G D S R6572 470 R6646 10k R6562 5.6 1% R6569 10k C6510 25V 4.7u 1% R6458 10k Q6432 2SB0709ARL 3W R6511 2.2 Q6535 2SK349400L G D S D6512 MA2J11100L Q6548 2SK373100L G D S C6458 25V 4.7u D6495 B0HCKS000001 D6461 B0HCKS000001 Q6546 2SK373100L G D S D6553 MA2J11100L C6503 16V 1u R6577 470 IC6459 B3PBA0000062 1 2 3 4 D6473 MA2J11100L R6708 68 C6473 16V 1u R6504 2.2k 1/2W R6434 220 1% R6456 453k R6440 2.2k C6454 50V 0.01u Q6474 2SD814ATX C6525 200V 1000p D6545 MAZ80510LL Q6513 2SK062000L G D S C6511 25V 4.7u L6471 J0JJC0000021 C6581 16V 1u D6549 MA2J11100L IC6431 AN1431M-E1 CATHODE 3 1 REFERENCE ANODE 2 R6518 10k C6474 50V 0.01u R6483 2.2k C6526 250V 47u 2W R6464 27k D6486 MAZ80560HL R6527 1k C6513 160V 100u R6666 68 C6550 160V 100u C6571 16V 1u C6501 16V 1u Q6551 2SD0601A0L Q6492 2SC1473AEA R6664 68 Q6550 2SC1473AEA C6521 25V 4.7u Q6555 2SK373100L G D S R6446 150 R6644 1k D6470 MA2J11100L C6577 16V 1u R6437 0 R6554 100k R6530 47 R6510 100 IC6457 B3PBA0000062 1 2 3 4 D6515 MAZ82400ML T6431 ETS13TB139AP N4 N2 1 2 3 NC 4 5 6 NC 7 9 10 NC R6503 2.2k Q6556 2SK373100L G D S 1% R6492 220k R6543 10 R6506 2.2k D6544 MA2J11100L D6497 B0JCME000025 C6463 25V 4.7u D6436 B0JCKG000001 C6533 16V 1u Q6522 2SK062000L G D S Q6526 2SB1073001TV Q6455 2SD0601A0L R6526 47 Q6562 B1DEDS000001 G D S C6509 50V 1000p D6451 B0JCME000025 R6803 100 D6543 MAZ80510LL 1% R6568 100k D6477 MA2J11100L Q6476 2SD0601A0L C6476 160V 100u C6508 16V 1u 1% R6438 22k D6541 B0HCKS000001 R6555 100k R6670 68 C6465 50V 0.1u R6491 100k D6526 B0HCMM000009 IC6452 AN78L15ME1 IN 3 2 COMMON OUT 1 R6669 68 R6547 10 Q6431 B1BBCJ000003 R6448 0 Q6523 2SB1073001TV C6516 25V 4.7u IC6543 AN78L05M-E1 IN 3 2 COMMON OUT 1 R6645 10k D6489 MAZ80560HL R6443 4.7k R6488 10k R6548 10 R6528 1k R6468 4.7k R6601 47 C6545 200V 1000p C6546 25V 4.7u R6596 4.7k Q6475 2SD0601A0L R6574 470 C6512 25V 4.7u R6466 2.2k TP70 Q6520 2SD0601A0L C6452 50V 0.01u R6490 10 IC6501 C0JBAB000417 1 2 3 4 5 6 7 8 9 10 11 12 13 14 C6578 16V 1u 1% R6476 324k 1/2W R6442 1 R6667 68 D6456 B0ECHP000001 R6467 1.8k R6576 470 Q6451 B1BBCJ000003 R6531 47 IC6454 AN78L05M-E1 IN 3 2 COMMON OUT 1 VR6477 5k 1 2 3 R6445 150 IC6453 AN78L15ME1 IN 3 2 COMMON OUT 1 C6544 200V 1000p R6595 4.7k Q6553 2SK349400L G D S D6546 MAZ83300ML R6455 3.3k R6519 100 C6576 16V 1u R6533 47 D6435 MA2J11100L R6560 47 R6802 100 1% R6494 14.3k Q6533 2SK349400L G D S C6502 16V 1u D6463 MAZ80560HL Q6477 2SD0601A0L L6451 J0JJC0000021 R6558 10k R6602 47 C6517 16V 1u C6535 25V 220u R6529 68 D6520 MA2J11100L R6537 47 R6433 100k IC6521 C0ZBZ0000735 1 Vcc 2 In 3 Gnd 4 Lo 5 NC 6 Vs 7 Ho 8 Vb C6534 50V 0.01u R6451 0 1% R6478 6.98k R6545 10 IC6505 B3PBA0000191 1 2 3 4 5 IC6506 B3PBA0000191 1 2 3 4 5 IC6507 B3PBA0000191 1 2 3 4 5 IC6508 B3PBA0000191 1 2 3 4 5 IC6509 B3PBA0000191 1 2 3 4 5 IC6510 B3PBA0000191 1 2 3 4 5 1W R6557 470 D6493 MA2J11100L IC6503 B3PBA0000191 1 2 3 4 5 IC6504 B3PBA0000191 1 2 3 4 5 2W R6465 8.2 IC6451 AN1431M-E1 CATHODE 3 1 REFERENCE ANODE 2 C6575 16V 1u INIT-R INIT-F 18 14 12 10 16 11 15 13 17 SC-BOARD TXNSC1QMSC (2/3) ! 3 1 2 9 7 8 4 6 5 11 12 10 17 16 14 15 13 INVERTER INVERTER 5V REG 5V REG 5V REG 5V REG 15V REG LOGIC LOGIC LOGIC LOGIC 15V REG BACK PAGE TO TO NEXT PAGE * = # # * = # * * TH-50PHD6CY, TH-50PHW6CH/CZ SC-BOARD (2 of 3) Schematic Diagram TH-50PHD6CY, TH-50PHW6CH/CZ SC-BOARD (2 of 3) Schematic Diagram 118 14.58.SC 电路板 (3/3)电路图 + + + + + + + + AA_FCLKU 55V 55V 93V DSHR DSLR DMHR DMLR AA_FSID AA_FCLD AA_FCLKD AA_PROD AA_FSIU AA_FCLU AA_PROU DSHR DSLR DMHR DMLR 40V 40V 75V 78V AA_FSIU AA_FCLU AA_FCLKU AA_PROU AA_FSID AA_FCLD AA_FCLKD AA_PROD 78V 78V 15V 5V L6816 J0JJC0000011 C6812 25V 4.7u 1% R6841 13k Q6818 2SB1073001TV R6817 100k Q6819 2SD21850RL R6605 220k R6816 5.6 L6804 J0JJC0000021 Q6822 2SD21850RL TP60 TP6810 D6814 B0HDSM000004 TP6813 TP6804 L6819 J0JJC0000011 TP43 C0ZBZ0000562 IC6802 1 LOUT 2 GND 3 VCC 4 NC 5 NC 6 VS 7 VB 8 HOUT 9 NC 10 NC 11 VDD 12 HIN 13 NC 14 LIN 15 GND 16 NC Q6823 2SB1073001TV IC6804 C0BBBA000043 1 2 3 4 5 6 7 8 TP44 TP6808 C6821 25V 4.7u C6828 50V 0.01u R6811 100 D6807 B0HDSM000004 TP84 TP57 D6816 B0HDSM000004 D6818 B0ECHP000001 C6820 16V 1u R6814 22 R6825 22 Q6816 2SK326900L G D S TP81 L6817 J0JJC0000011 TP41 Q6815 2SK326900L G D S R6849 5.6 R6844 220 15W R6845 33 L6826 1u R6830 100 SC13 1 2 3 4 5 6 7 8 D6829 B0JCME000025 C6817 25V 4.7u TP6814 R6813 10k C0ZBZ0000562 IC6803 1 LOUT 2 GND 3 VCC 4 NC 5 NC 6 VS 7 VB 8 HOUT 9 NC 10 NC 11 VDD 12 HIN 13 NC 14 LIN 15 GND 16 NC TP58 Q6812 2SK326900L G D S C6811 16V1u D6824 B0JCME000025 R6831 470k L6828 1u 1% R6835 38.3k R6832 2.2k SC62 1 2 3 4 5 6 D6805 B0ECHP000001 SC42 A1 A2 A3 A4 A5 A6 A7 A8 A9 A10 A11 A12 A13 A14 A15 A16 A17 A18 A19 A20 B1 B2 B3 B4 B5 B6 B7 B8 B9 B10 B11 B12 B13 B14 B15 B16 B17 B18 B19 B20 TP6803 D6813 B0ECHP000001 C6841 100V 100u TP56 C0ZBZ0000562 IC6805 1 LOUT 2 GND 3 VCC 4 NC 5 NC 6 VS 7 VB 8 HOUT 9 NC 10 NC 11 VDD 12 HIN 13 NC 14 LIN 15 GND 16 NC C6832 25V 220u C6598 160V 100u TP48 L6825 1u C6813 25V 4.7u R6823 22 TP59 TP6820 C6807 16V1u R6606 220k R6812 100 L6827 1u L6808 G0ZZ00002183 TP47 C6831 50V 0.01u SC43 A1 A2 A3 A4 A5 A6 A7 A8 A9 A10 A11 A12 A13 A14 A15 A16 A17 A18 A19 A20 B1 B2 B3 B4 B5 B6 B7 B8 B9 B10 B11 B12 B13 B14 B15 B16 B17 B18 B19 B20 C0JBAZ000005 IC6801 1G~ 1 2 1A1 3 2Y4 4 1A2 5 2Y3 6 1A3 7 2Y2 8 1A4 9 2Y1 10 GND 11 2A1 12 1Y4 13 2A2 14 1Y3 15 2A3 16 1Y2 17 2A4 18 1Y1 19 2G~ 20 VCC L6832 G0ZZ00002183 D6821 B0HDSM000004 C6827 16V 1u D6811 B0ECHP000001 TP6815 TP6819 Q6821 2SB1193000LB TP40 C6808 250V 0.1u L6805 J0JJC0000021 SC12 1 2 3 4 5 6 TP83 L6806 J0JJC0000021 R6839 10 C6816 250V 2u 1% R6836 10k R6838 10k R6607 220k 1% R6829 4.7k D6828 B0JCME000025 R6820 100 Q6824 2SK326900L G D S L6821 J0JJC0000011 C6809 25V 220u L6822 J0JJC0000011 TP6805 TP6809 TP6821 L6803 J0JJC0000011 TP42 1% R6842 22k C6840 250V 0.1u R6821 100 D6802 B0ECHP000001 C6822 25V 4.7u D6827 B0JCME000025 D6823 MA3X152E0L TP49 C6815 250V 2u TP61 D6820 B0HDSM000004 SC44 A1 A2 A3 A4 A5 A6 A7 A8 A9 A10 A11 A12 A13 A14 A15 A16 A17 A18 A19 A20 B1 B2 B3 B4 B5 B6 B7 B8 B9 B10 B11 B12 B13 B14 B15 B16 B17 B18 B19 B20 TP63 D6806 B0ECHP000001 R6810 EXB38V473JV Q6813 2SK326900L G D S C6803 100V 100u C6810 25V 220u Q6814 2SK326900L G D S R6840 10k C6833 100V 100u L6818 J0JJC0000011 TP80 L6820 J0JJC0000011 D6812 B0ECHP000001 C6830 50V 0.01u 15W R6846 33 TP6823 R6805 100k TP62 C6801 100V 100u R6824 22 1% R6828 11.8k TP55 R6822 22 TP51 TP46 Q6817 2SD21850RL D6570 B0HCMM000009 SC41 A1 A2 A3 A4 A5 A6 A7 A8 A9 A10 A11 A12 A13 A14 A15 A16 A17 A18 A19 A20 B1 B2 B3 B4 B5 B6 B7 B8 B9 B10 B11 B12 B13 B14 B15 B16 B17 B18 B19 B20 1% R6827 69.8k D6815 B0HDSM000004 R6837 10 R6847 10 TP6818 L6807 G0ZZ00002183 1% R6843 22k TP45 R6809 EXB38V471JV D6817 B0HDSM000004 R6833 2.2k D6826 B0JCME000025 TP50 C6829 50V 0.01u Q6820 2SB1073001TV Q6811 2SK326900L G D S D6822 MA3X152E0L L6823 J0JJC0000011 TP6811 TP54 L6802 G0ZZ00002183 C6818 25V 4.7u SC45 1 2 3 4 5 6 7 8 9 10 SC46 1 2 3 4 5 6 7 8 9 10 NC + + - - Vda_75V 15V GND Vda 75V Vda 75V 78V 78V GND 78V 78V GND SOS2 5V GND TO C1-BOARD (C13) TO C6-BOARD (C62) GND DMLR DMHR DSLR DSHR NC NC NC TO C1-BOARD (C12) 27 22 21 25 26 23 20 24 19 SC-BOARD TXNSC1QMSC (3/3) ! 17 11 12 16 14 15 10 13 FET DRIVER FET DRIVER FET DRIVER BUFFER COMPARATOR TO SU-BOARD (SU45) TO SD-BOARD (SD46) BACK PAGE TO TH-50PHD6CY, TH-50PHW6CH/CZ SC-BOARD (3 of 3) Schematic Diagram TH-50PHD6CY, TH-50PHW6CH/CZ SC-BOARD (3 of 3) Schematic Diagram 119 14.59.SU 电路板方框图 98 SU2 A48 FCL 91 HV03 85 HV64 88 Vf5 Vf 92 81 SELECTOR FCLK 75 42 86 32 IC6401 93 30 PRO 83 97 1 Vfo 41 44 31 PDP SCAN DRIVER 34 79 78 45 HV62 IC6402 82 89 35 SHIFT RESISTOR 83 LATCH FSO1 90 FSO2 FSO2 FSO3 91 Vf5 88 Vf 42 Vf Vfo VSCN 97 SU 98 FSI 76 Scan Out (up) Board FCL FCLK 41 Vfo PRO 76 Vf HV63 VF5V 98 PRO 75 64 PIN 81 Vf VF5V OUTPUT FCLK A8 30 64 PIN OUTPUT A7 35 OUTPUT 32 A6 34 Vfo 64 PIN 78 PRO A47 45 31 82 HV02 FCL SHIFT RESISTOR HV03 84 32 46 LATCH 44 92 PRO 84 93 HV02 79 FSI 89 FCL 46 44 90 VSCN To 1st 96pins of PDP SCAN DRIVER 94 PDP SCAN DRIVER 91 Vf HV01 SCAN ELECTRODES 95 94 IC6403 FCLK SU52 A32 To 2nd 96pins of 87 FSI 74 B48 85 100 TO SC41 HV01 SCAN ELECTRODES B32 99 SELECTOR TO SC42 B33 86 B47 35 83 A33 A47 1 34 74 A5 78 A4 Vf5 45 100 A2 Vf A48 A3 A17 82 SU51 A16 99 SHIFT RESISTOR A1 LATCH 86 HV63 A2 84 HV64 B1 30 81 46 B2 FCLK HV62 88 92 Vfo FCL B48 95 93 B17 B16 42 94 79 87 B47 97 SU1 85 95 A1 89 31 41 A2 90 B1 87 SELECTOR B2 A22 A23 A24 A25 A26 A27 A28 A40 A20 Vf A1 A21 Vf B1 B10 B11 B12 B13 B20 B40 B33 B32 B31 B30 B21 74 100 1 HV01 99 HV03 HV02 75 76 HV62 HV64 HV63 87 74 SELECTOR 30 B48 B2 64 PIN 83 85 97 100 1 OUTPUT HV01 SCAN ELECTRODES B32 99 Vf SELECTOR 35 1 HV01 OUTPUT 32 B33 86 B47 34 35 Vfo 83 64 PIN A33 A47 1 78 Vfo 34 FCLK 41 HV62 74 88 92 LATCH Vfo 78 PRO 92 SHIFT RESISTOR A47 FCL Vf5 FSO4 B48 45 81 45 95 SELECTOR 100 31 FCLK 82 Vf 90 HV02 93 A48 FSO5 FCL SHIFT RESISTOR B17 FSO5 B16 A17 HV03 42 82 94 84 91 32 Vf5 79 A16 87 99 46 A48 88 FCL LATCH B47 44 97 42 92 Vf PRO SU3 83 84 85 93 32 95 74 A1 97 HV02 89 75 31 42 86 98 41 79 A2 IC6404 91 76 45 93 HV03 HV62 30 FSO3 IC6405 PRO 89 99 90 HV64 HV03 82 B1 46 41 HV02 75 44 76 HV62 SHIFT RESISTOR HV64 90 44 A1 HV63 31 76 To 3rd 96pins of PDP SCAN DRIVER LATCH 86 PDP SCAN DRIVER 35 HV63 98 HV63 94 SU4 98 A2 PDP SCAN DRIVER 91 84 HV01 75 HV64 SCAN ELECTRODES 64 PIN B1 95 81 89 94 85 30 88 IC6406 81 Vf5 46 34 OUTPUT A32 FCLK 79 To 4th 96pins of B2 78 87 100 FS01 FSO4 FCLK 4 3 6 5 8 9 TO SC45 10 2 1 FSI PRO FCL SU45 5V 7 Vf TH-50PHD6CY, TH-50PHW6CH/CZ SU-BOARD Block Diagram TH-50PHD6CY, TH-50PHW6CH/CZ SU-BOARD Block Diagram 120 14.60.SU 电路板 (1/2)电路图 Thermal Pad TERM SIDE Thermal Pad TERM SIDE Thermal Pad AD_181 AE_123 AF_7 AD_143 AE_87 AE_98 AF_12 AF_44 AD_137 AD_191 AD_133 AE_115 AD_149 AF_9 AF_18 AD_183 AD_146 AD_167 AE_124 AG_FCLK AD_145 AF_46 AE_97 AE_86 AF_54 AD_136 AE_118 AE_79 AE_117 AD_151 AE_110 AD_130 AF_8 AF_17 AE_77 AF_43 AD_145 AD_169 AG_FSI AD_147 AE_125 AF_59 AE_96 AF_55 AE_81 AE_119 AD_153 AE_119 AE_112 AG_FSI AF_45 AD_144 AD_171 AE_76 AF_60 AD_149 AE_83 AE_114 AE_74 AF_47 AE_75 AE_116 AF_61 AE_85 AD_148 AD_164 AE_72 AD_162 AD_158 AE_118 AD_143 AF_27 AE_96 AD_162 AD_164 AD_147 AE_102 AE_71 AD_160 AE_120 AF_14 AF_62 AE_65 AD_142 AE_94 AE_124 AF_28 AD_159 AD_161 AE_104 AD_166 AD_178 AE_122 AF_16 AD_186 AF_64 AG_FCLK AF_29 AE_126 AD_158 AF_12 AE_97 AD_160 AE_106 AD_168 AD_179 AE_89 AF_18 AD_135 AD_187 AG_PRO AE_128 AF_23 AD_129 AD_170 AE_108 AF_11 AE_99 AF_57 AD_183 AD_180 AF_9 AD_137 AE_90 AD_156 AF_25 AF_20 AD_171 AD_155 AD_141 AF_59 AD_151 AD_184 AF_11 AD_130 AD_139 AE_66 AE_88 AG_FCL AF_27 AF_22 AD_172 AF_61 AE_101 AE_103 AD_157 AF_32 AD_140 AF_31 AD_150 AD_141 AF_13 AD_185 AD_167 AD_132 AF_24 AF_29 AF_60 AF_52 AE_100 AF_33 AF_15 AE_102 AD_159 AD_139 AF_33 AD_134 AF_54 AF_16 AF_26 AE_68 AF_62 AE_110 AE_99 AF_34 AE_104 AF_15 AD_136 AD_190 AF_56 AD_165 AE_107 AD_181 AE_105 AD_152 AE_70 AF_43 AD_155 AD_176 AD_170 AF_37 AF_64 AD_173 AF_40 AG_PRO AE_111 AF_56 AF_39 AE_112 AD_153 AF_4 AE_109 AD_192 AF_14 AD_161 AE_73 AF_58 AD_184 AD_154 AE_72 AD_182 AD_157 AD_178 AD_172 AE_106 AE_82 AG_FCLK AD_175 AF_44 AE_65 AG_FCL AF_41 AF_57 AF_38 AE_113 AE_111 AD_185 AD_154 AF_3 AE_100 AE_120 AE_75 AF_13 AD_186 AD_163 AF_1 AE_74 AF_25 AG_FSO1 AD_180 AD_174 AD_156 AF_1 AD_177 AE_101 AE_81 AF_32 AF_30 AD_175 AF_45 AE_115 AF_42 AF_58 AE_113 AE_114 AE_77 AF_2 AD_152 AE_76 AE_98 AD_188 AE_121 AF_21 AF_34 AD_165 AD_182 AF_26 AE_103 AF_31 AG_FCL AF_48 AD_176 AF_28 AE_116 AG_FCL AE_78 AE_122 AE_82 AF_17 AF_20 AD_146 AF_36 AF_48 AE_105 AF_24 AD_177 AF_49 AE_117 AF_63 AF_30 AG_FCLK AE_80 AD_133 AE_80 AE_84 AF_19 AD_148 AF_38 AF_50 AF_19 AD_135 AG_FSO3 AD_138 AF_7 AF_49 AF_50 AD_163 AG_FSO1 AE_79 AE_86 AF_21 AD_150 AD_132 AD_140 AD_134 AF_46 AF_51 AF_6 AF_51 AE_95 AF_35 AE_78 AD_192 AD_131 AF_23 AD_188 AD_166 AD_142 AE_87 AE_94 AF_47 AG_PRO 5.5V AF_52 AF_53 AF_5 AF_36 AE_107 AE_93 AF_63 AG_PRO AD_144 AD_189 AF_22 AD_168 AE_121 AE_89 AE_93 AF_55 AF_53 AD_191 AE_108 AE_95 AF_35 AE_91 AF_4 AE_123 AE_92 AD_190 AD_169 AE_85 AE_91 AG_FSO2 AE_70 AF_37 AE_66 AE_109 AF_2 AG_FSO2 AE_88 AD_173 AE_125 AE_73 AE_67 AE_84 AE_126 AE_69 AF_39 AF_6 AE_90 AE_127 AF_3 AD_174 AF_40 AF_8 AD_187 AE_69 AD_131 AE_127 AE_68 AE_83 AE_128 AF_41 AD_179 AF_5 AE_92 AE_71 AF_42 AD_138 AF_10 AD_189 AD_129 AE_67 AF_10 5V 80V 0V A1 A35 R6407 10k R6403 220 A38 A40 A27 C6401 16V 1u A34 A14 D6402 MAZ80560HL A10 C0HBC0000006 IC6403 1 HVO3 2 HVO4 3 HVO5 4 HVO6 5 HVO7 6 HVO8 7 HVO9 8 HVO10 9 HVO11 10 HVO12 11 HVO13 12 HVO14 13 HVO15 14 HVO16 15 HVO17 16 HVO18 17 HVO19 18 HVO20 19 HVO21 20 HVO22 21 HVO23 22 HVO24 23 HVO25 24 HVO26 25 HVO27 26 HVO28 27 HVO29 28 HVO30 29 NC 30 GND 31 GND 32 GND 33 NC 34 VH1 35 VH1 36 HVO31 37 HVO32 38 HVO33 39 HVO34 40 HVO35 41 VH2 42 VH2 43 NC 44 GND 45 GND 46 GND 47 NC 48 HVO36 49 HVO37 50 HVO38 51 HVO39 52 HVO40 53 HVO41 54 HVO42 55 HVO43 56 HVO44 57 HVO45 58 HVO46 59 HVO47 60 HVO48 61 HVO49 62 HVO50 63 HVO51 64 HVO52 65 HVO53 66 HVO54 67 HVO55 68 HVO56 69 HVO57 70 HVO58 71 HVO59 72 HVO60 73 HVO61 74 HVO62 75 HVO63 76 HVO64 77 NC 78 VH2 79 VH2 80 NC 81 GND 82 GND 83 NC 84 A/B 85 DB 86 CLK 87 LE 88 VDD 89 OC1 90 OC2 91 DA 92 CLK 93 GND 94 GND 95 GND 96 NC 97 VH1 98 VH1 99 HVO1 100 HVO2 A3 C6417 250V 0.1u R6411 220k A2 A24 SU1 A1 A2 A3 A4 A5 A6 A7 A8 A9 A10 A11 A12 A13 A14 A15 A16 A17 A18 A19 A20 A21 A22 A23 A24 A25 A26 A27 A28 A29 A30 A31 A32 A33 A34 A35 A36 A37 A38 A39 A40 A41 A42 A43 A44 A45 A46 A47 A48 B1 B2 B3 B4 B5 B6 B7 B8 B9 B10 B11 B12 B13 B14 B15 B16 B17 B18 B19 B20 B21 B22 B23 B24 B25 B26 B27 B28 B29 B30 B31 B32 B33 B34 B35 B36 B37 B38 B39 B40 B41 B42 B43 B44 B45 B46 B47 B48 A16 A33 A29 A12 C0HBC0000006 IC6401 1 HVO3 2 HVO4 3 HVO5 4 HVO6 5 HVO7 6 HVO8 7 HVO9 8 HVO10 9 HVO11 10 HVO12 11 HVO13 12 HVO14 13 HVO15 14 HVO16 15 HVO17 16 HVO18 17 HVO19 18 HVO20 19 HVO21 20 HVO22 21 HVO23 22 HVO24 23 HVO25 24 HVO26 25 HVO27 26 HVO28 27 HVO29 28 HVO30 29 NC 30 GND 31 GND 32 GND 33 NC 34 VH1 35 VH1 36 HVO31 37 HVO32 38 HVO33 39 HVO34 40 HVO35 41 VH2 42 VH2 43 NC 44 GND 45 GND 46 GND 47 NC 48 HVO36 49 HVO37 50 HVO38 51 HVO39 52 HVO40 53 HVO41 54 HVO42 55 HVO43 56 HVO44 57 HVO45 58 HVO46 59 HVO47 60 HVO48 61 HVO49 62 HVO50 63 HVO51 64 HVO52 65 HVO53 66 HVO54 67 HVO55 68 HVO56 69 HVO57 70 HVO58 71 HVO59 72 HVO60 73 HVO61 74 HVO62 75 HVO63 76 HVO64 77 NC 78 VH2 79 VH2 80 NC 81 GND 82 GND 83 NC 84 A/B 85 DB 86 CLK 87 LE 88 VDD 89 OC1 90 OC2 91 DA 92 CLK 93 GND 94 GND 95 GND 96 NC 97 VH1 98 VH1 99 HVO1 100 HVO2 R6402 220 D6401 MAZ80560HL R6410 10k A8 A18 A21 R6412 10k C6402 16V 1u C6408 50V 2200p A17 A30 A39 A11 C6403 16V 1u A9 SU2 A1 A2 A3 A4 A5 A6 A7 A8 A9 A10 A11 A12 A13 A14 A15 A16 A17 A18 A19 A20 A21 A22 A23 A24 A25 A26 A27 A28 A29 A30 A31 A32 A33 A34 A35 A36 A37 A38 A39 A40 A41 A42 A43 A44 A45 A46 A47 A48 B1 B2 B3 B4 B5 B6 B7 B8 B9 B10 B11 B12 B13 B14 B15 B16 B17 B18 B19 B20 B21 B22 B23 B24 B25 B26 B27 B28 B29 B30 B31 B32 B33 B34 B35 B36 B37 B38 B39 B40 B41 B42 B43 B44 B45 B46 B47 B48 C0HBC0000006 IC6402 1 HVO3 2 HVO4 3 HVO5 4 HVO6 5 HVO7 6 HVO8 7 HVO9 8 HVO10 9 HVO11 10 HVO12 11 HVO13 12 HVO14 13 HVO15 14 HVO16 15 HVO17 16 HVO18 17 HVO19 18 HVO20 19 HVO21 20 HVO22 21 HVO23 22 HVO24 23 HVO25 24 HVO26 25 HVO27 26 HVO28 27 HVO29 28 HVO30 29 NC 30 GND 31 GND 32 GND 33 NC 34 VH1 35 VH1 36 HVO31 37 HVO32 38 HVO33 39 HVO34 40 HVO35 41 VH2 42 VH2 43 NC 44 GND 45 GND 46 GND 47 NC 48 HVO36 49 HVO37 50 HVO38 51 HVO39 52 HVO40 53 HVO41 54 HVO42 55 HVO43 56 HVO44 57 HVO45 58 HVO46 59 HVO47 60 HVO48 61 HVO49 62 HVO50 63 HVO51 64 HVO52 65 HVO53 66 HVO54 67 HVO55 68 HVO56 69 HVO57 70 HVO58 71 HVO59 72 HVO60 73 HVO61 74 HVO62 75 HVO63 76 HVO64 77 NC 78 VH2 79 VH2 80 NC 81 GND 82 GND 83 NC 84 A/B 85 DB 86 CLK 87 LE 88 VDD 89 OC1 90 OC2 91 DA 92 CLK 93 GND 94 GND 95 GND 96 NC 97 VH1 98 VH1 99 HVO1 100 HVO2 A31 C6400 50V 2200p A15 A6 A36 A25 A32 A23 A26 A4 D6409 B0ECHP000001 A19 A5 A20 A13 C6418 250V 0.1u A28 R6408 10k A7 R6401 220 A37 A22 VF5V PROU CLKU PRO SIU FSI CLU FCL FCLK VF5V A 5 6 D E C B 7 2 3 1 4 8 2 3 1 5 6 4 SU-BOARD TNPA2911AB (1/2) ! NEXT PAGE TO PDP SCAN DRIVER PDP SCAN DRIVER PDP SCAN DRIVER (SC41) SC-BOARD TO SU51 TH-50PHD6CY, TH-50PHW6CH/CZ SU-BOARD (1 of 2) Schematic Diagram TH-50PHD6CY, TH-50PHW6CH/CZ SU-BOARD (1 of 2) Schematic Diagram 121 14.61.SU 电路板 (2/2)电路图 Thermal Pad Thermal Pad TERM SIDE Thermal Pad TERM SIDE AC_245 AB_285 AA_330 AC_231 AC_256 AA_372 AC_233 AA_383 AC_213 AC_237 AB_280 AC_247 AA_369 AC_244 AB_284 AB_264 AC_233 AB_292 AC_207 AC_227 AA_373 AC_234 AA_364 AC_212 AC_246 AC_241 AA_371 AA_378 AB_286 AC_235 AA_337 AB_263 AB_291 AC_209 AC_226 AA_374 AA_363 AA_362 AB_307 AC_248 AC_239 AC_255 AB_287 AA_373 AA_380 AG_FCLK AC_223 AA_335 AA_332 AB_293 AB_262 AC_211 AA_375 AB_288 AC_225 AA_365 AA_329 AA_340 AB_279 AA_328 AC_250 AB_309 AC_249 AB_308 AA_382 AC_193 AC_237 AC_222 AA_333 AA_334 AB_319 AC_224 AB_289 AB_281 AA_367 AB_311 AA_339 AA_323 AB_278 AA_356 AC_251 AB_310 AA_384 AB_310 AA_331 AB_271 AC_221 AA_336 AA_352 AG_FSO4 AC_238 AC_209 AB_307 AB_257 AB_290 AB_275 AB_283 AA_358 AC_253 AB_277 AB_312 AB_311 AC_248 AG_FCLK AB_270 AA_354 AB_259 AC_208 AB_308 AB_277 AB_313 AB_285 AA_360 AB_288 AB_269 AC_255 AA_357 AC_250 AA_359 AA_375 AC_249 AB_261 AC_207 AB_309 AB_279 AB_283 AB_315 AA_345 AC_206 AB_271 AC_238 AC_198 AA_359 AA_346 AA_377 AC_251 AA_322 AB_317 AB_317 AA_345 AC_211 AB_273 AC_240 AC_205 AA_361 AC_197 AB_300 AC_196 AA_379 AA_344 AC_252 AB_320 AB_318 AC_219 AC_220 AB_302 AC_242 AB_262 AC_210 AB_263 AC_195 AA_381 AC_195 AA_343 AB_320 AB_261 AB_289 AC_219 AC_221 AB_304 AB_264 AC_220 AC_214 AB_282 AB_265 AC_193 AB_259 AG_FCL AC_239 AB_260 AB_306 AB_291 AA_325 AC_223 AC_194 AC_196 AA_338 AB_266 AA_329 AA_353 AC_216 AC_232 AC_222 AB_267 AB_284 AC_197 AB_302 AC_240 AG_PRO AA_323 AB_258 AC_231 AG_PRO AA_338 AC_194 AA_327 AA_354 AC_218 AA_337 AC_228 AC_234 AC_224 AB_286 AB_315 AB_303 AC_241 AA_356 AB_305 AC_252 AA_321 AB_293 AG_FSO5 AA_340 AC_198 AB_295 AC_230 AA_355 AC_236 AA_358 AA_336 AB_257 AA_378 AA_384 AB_316 AB_304 AA_357 AA_344 AC_254 AB_295 AB_306 AC_200 AC_229 AA_342 AG_FCL AA_383 AC_213 AB_314 AA_360 AC_256 AC_201 AB_297 AC_215 AB_316 AA_379 AB_297 AA_361 AA_321 AG_FSO4 AA_349 AC_200 AC_217 AA_367 AB_318 AA_324 AA_363 AC_253 AB_298 AA_348 AA_380 AA_350 AA_346 AB_299 AA_347 AB_282 AC_199 AA_368 AA_364 AA_325 AC_225 AC_199 AB_287 AB_281 AC_254 AA_347 AB_299 AA_322 AA_351 AA_366 AA_376 AA_335 AB_301 AA_372 AA_348 AA_365 AC_242 AA_349 AA_369 AB_280 AB_276 AA_326 AC_201 AB_258 AA_326 AA_381 AC_227 AB_300 AA_352 AC_235 AA_368 AB_303 AA_374 AA_334 AA_366 AA_350 AA_370 AC_243 AA_328 AB_275 AC_203 AB_260 AA_327 AC_217 AC_229 AB_292 AB_301 AG_FSO5 AC_236 AA_370 AA_376 AB_305 AB_269 AA_371 AA_382 AB_294 AA_330 AC_205 AC_244 AC_245 AC_218 AC_202 AB_290 AG_FSO3 AB_268 AA_343 AC_208 AB_268 AB_296 AB_266 AC_246 AB_294 AC_204 AC_204 AA_341 AB_267 AA_362 AC_212 AB_270 AB_296 AA_342 AB_265 AC_247 AC_206 AC_203 AA_333 AB_274 AA_339 AB_312 AC_210 AB_319 AB_272 AC_226 AB_298 AA_341 AA_351 AC_202 AA_332 AB_273 AG_FCL AA_324 AB_274 AB_313 AC_216 AC_228 AA_353 AB_276 AC_243 AA_331 AG_PRO AB_272 AA_377 AB_314 AC_230 AC_215 AC_232 AC_214 AA_355 AB_278 AG_FCLK B21 B15 D6408 B0ECHP000001 R6405 220 C6410 250V 0.1u C6405 16V 1u C0HBC0000006 IC6406 1 HVO3 2 HVO4 3 HVO5 4 HVO6 5 HVO7 6 HVO8 7 HVO9 8 HVO10 9 HVO11 10 HVO12 11 HVO13 12 HVO14 13 HVO15 14 HVO16 15 HVO17 16 HVO18 17 HVO19 18 HVO20 19 HVO21 20 HVO22 21 HVO23 22 HVO24 23 HVO25 24 HVO26 25 HVO27 26 HVO28 27 HVO29 28 HVO30 29 NC 30 GND 31 GND 32 GND 33 NC 34 VH1 35 VH1 36 HVO31 37 HVO32 38 HVO33 39 HVO34 40 HVO35 41 VH2 42 VH2 43 NC 44 GND 45 GND 46 GND 47 NC 48 HVO36 49 HVO37 50 HVO38 51 HVO39 52 HVO40 53 HVO41 54 HVO42 55 HVO43 56 HVO44 57 HVO45 58 HVO46 59 HVO47 60 HVO48 61 HVO49 62 HVO50 63 HVO51 64 HVO52 65 HVO53 66 HVO54 67 HVO55 68 HVO56 69 HVO57 70 HVO58 71 HVO59 72 HVO60 73 HVO61 74 HVO62 75 HVO63 76 HVO64 77 NC 78 VH2 79 VH2 80 NC 81 GND 82 GND 83 NC 84 A/B 85 DB 86 CLK 87 LE 88 VDD 89 OC1 90 OC2 91 DA 92 CLK 93 GND 94 GND 95 GND 96 NC 97 VH1 98 VH1 99 HVO1 100 HVO2 B11 B2 C0HBC0000006 IC6405 1 HVO3 2 HVO4 3 HVO5 4 HVO6 5 HVO7 6 HVO8 7 HVO9 8 HVO10 9 HVO11 10 HVO12 11 HVO13 12 HVO14 13 HVO15 14 HVO16 15 HVO17 16 HVO18 17 HVO19 18 HVO20 19 HVO21 20 HVO22 21 HVO23 22 HVO24 23 HVO25 24 HVO26 25 HVO27 26 HVO28 27 HVO29 28 HVO30 29 NC 30 GND 31 GND 32 GND 33 NC 34 VH1 35 VH1 36 HVO31 37 HVO32 38 HVO33 39 HVO34 40 HVO35 41 VH2 42 VH2 43 NC 44 GND 45 GND 46 GND 47 NC 48 HVO36 49 HVO37 50 HVO38 51 HVO39 52 HVO40 53 HVO41 54 HVO42 55 HVO43 56 HVO44 57 HVO45 58 HVO46 59 HVO47 60 HVO48 61 HVO49 62 HVO50 63 HVO51 64 HVO52 65 HVO53 66 HVO54 67 HVO55 68 HVO56 69 HVO57 70 HVO58 71 HVO59 72 HVO60 73 HVO61 74 HVO62 75 HVO63 76 HVO64 77 NC 78 VH2 79 VH2 80 NC 81 GND 82 GND 83 NC 84 A/B 85 DB 86 CLK 87 LE 88 VDD 89 OC1 90 OC2 91 DA 92 CLK 93 GND 94 GND 95 GND 96 NC 97 VH1 98 VH1 99 HVO1 100 HVO2 B5 B23 B32 B13 C6404 16V 1u B20 C6406 16V 1u B37 B24 R6404 220 R6409 220k R6406 220 B27 B12 B17 B10 B26 B36 B22 B39 B18 B8 B14 B33 B4 B1 SU3 A1 A2 A3 A4 A5 A6 A7 A8 A9 A10 A11 A12 A13 A14 A15 A16 A17 A18 A19 A20 A21 A22 A23 A24 A25 A26 A27 A28 A29 A30 A31 A32 A33 A34 A35 A36 A37 A38 A39 A40 A41 A42 A43 A44 A45 A46 A47 A48 B1 B2 B3 B4 B5 B6 B7 B8 B9 B10 B11 B12 B13 B14 B15 B16 B17 B18 B19 B20 B21 B22 B23 B24 B25 B26 B27 B28 B29 B30 B31 B32 B33 B34 B35 B36 B37 B38 B39 B40 B41 B42 B43 B44 B45 B46 B47 B48 C0HBC0000006 IC6404 1 HVO3 2 HVO4 3 HVO5 4 HVO6 5 HVO7 6 HVO8 7 HVO9 8 HVO10 9 HVO11 10 HVO12 11 HVO13 12 HVO14 13 HVO15 14 HVO16 15 HVO17 16 HVO18 17 HVO19 18 HVO20 19 HVO21 20 HVO22 21 HVO23 22 HVO24 23 HVO25 24 HVO26 25 HVO27 26 HVO28 27 HVO29 28 HVO30 29 NC 30 GND 31 GND 32 GND 33 NC 34 VH1 35 VH1 36 HVO31 37 HVO32 38 HVO33 39 HVO34 40 HVO35 41 VH2 42 VH2 43 NC 44 GND 45 GND 46 GND 47 NC 48 HVO36 49 HVO37 50 HVO38 51 HVO39 52 HVO40 53 HVO41 54 HVO42 55 HVO43 56 HVO44 57 HVO45 58 HVO46 59 HVO47 60 HVO48 61 HVO49 62 HVO50 63 HVO51 64 HVO52 65 HVO53 66 HVO54 67 HVO55 68 HVO56 69 HVO57 70 HVO58 71 HVO59 72 HVO60 73 HVO61 74 HVO62 75 HVO63 76 HVO64 77 NC 78 VH2 79 VH2 80 NC 81 GND 82 GND 83 NC 84 A/B 85 DB 86 CLK 87 LE 88 VDD 89 OC1 90 OC2 91 DA 92 CLK 93 GND 94 GND 95 GND 96 NC 97 VH1 98 VH1 99 HVO1 100 HVO2 B40 B34 B35 B7 SU4 A1 A2 A3 A4 A5 A6 A7 A8 A9 A10 A11 A12 A13 A14 A15 A16 A17 A18 A19 A20 A21 A22 A23 A24 A25 A26 A27 A28 A29 A30 A31 A32 A33 A34 A35 A36 A37 A38 A39 A40 A41 A42 A43 A44 A45 A46 A47 A48 B1 B2 B3 B4 B5 B6 B7 B8 B9 B10 B11 B12 B13 B14 B15 B16 B17 B18 B19 B20 B21 B22 B23 B24 B25 B26 B27 B28 B29 B30 B31 B32 B33 B34 B35 B36 B37 B38 B39 B40 B41 B42 B43 B44 B45 B46 B47 B48 B6 B30 B3 B29 B28 B38 B25 B31 C6409 250V 0.1u B19 B16 B9 Vfo 14 13 12 9 10 11 8 15 1 2 5 6 4 3 SU-BOARD TNPA2911AB (2/2) ! TO BACK PAGE PDP SCAN DRIVER PDP SCAN DRIVER PDP SCAN DRIVER SC-BOARD TO SD52 (SC42) TH-50PHD6CY, TH-50PHW6CH/CZ SU-BOARD (2 of 2) Schematic Diagram TH-50PHD6CY, TH-50PHW6CH/CZ SU-BOARD (2 of 2) Schematic Diagram 122 14.62.SD 电路板方框图 TH-50PHD6CY, TH-50PHW6CH/CZ SC-BOARD Block Diagram TH-50PHD6CY, TH-50PHW6CH/CZ SC-BOARD Block Diagram FSO3 To 4th 96pins of 100 C30 97 99 PRO B2 88 C31 VF5V OUTPUT 92 87 C40 HV03 Vfo FSI SCAN ELECTRODES FCL B32 B48 B48 SD2 1 95 Vf 85 Vf 30 93 78 92 SELECTOR B17 FSO1 PRO TO SC44 35 42 B16 45 78 FCLK 90 42 87 PRO VF5V Vf SCAN ELECTRODES 94 OUTPUT 41 HV64 B32 FCL OUTPUT 79 30 FS01 LATCH 32 35 87 FSO3 B47 FSO4 B33 SELECTOR B47 IC6415 44 TO SC43 97 97 PRO 32 B33 SD1 42 PDP SCAN DRIVER 89 85 SHIFT RESISTOR 86 IC6411 85 92 88 34 B47 95 Vf 90 Scan Out (down) Board 83 35 A1 PRO HV62 83 89 SD3 A33 31 82 83 Vf5 86 41 A47 B1 84 32 45 B47 A2 46 86 85 FCL 34 31 90 34 41 93 SELECTOR 35 35 97 B1 32 Vf5 Vf Vfo 87 98 95 79 A48 Vf 83 SELECTOR 44 78 FSI FCLK 64 PIN B2 A1 89 A33 A17 D39 97 FCL A47 82 SHIFT RESISTOR HV02 46 SD52 89 A48 44 78 81 90 A16 75 30 90 83 Vfo 44 31 VSCN 64 PIN 34 A1 42 SHIFT RESISTOR To 1st 96pins of FCLK 86 A1 41 PDP SCAN DRIVER 31 98 LATCH 94 41 86 To 3rd 96pins of PDP SCAN DRIVER 79 88 A2 A2 41 91 VSCN PDP SCAN DRIVER 92 IC6414 Vf 84 LATCH LATCH 91 86 Vfo 74 FCLK B1 SCAN ELECTRODES PDP SCAN DRIVER 78 45 30 95 PRO IC6412 35 93 81 FSO2 98 94 92 Vfo 46 IC6413 SHIFT RESISTOR Vfo B2 Vf FCLK A47 FCLK SD51 FCL 45 FSI Vf5 A32 95 FSO4 SELECTOR To 2nd 96pins of Vf5 91 B48 42 31 45 44 FCLK 81 89 81 91 82 SD Vf HV63 90 OUTPUT 98 FSO2 93 94 A48 SD4 FSO5 88 98 FCL 93 A2 79 SHIFT RESISTOR PDP SCAN DRIVER LATCH OUTPUT B17 34 Vf 91 FSO5 Vfo FCL 84 98 B16 64 PIN D38 64 PIN A17 78 D37 HV01 PRO D36 42 A47 SCAN ELECTRODES D35 82 45 64 PIN 94 D34 31 B1 84 D33 82 95 91 D21 81 32 FCL 89 Vf5 SHIFT RESISTOR Vf 94 79 85 A16 84 D40 30 87 32 Vf 88 87 46 IC6416 46 76 LATCH C11 81 A48 SELECTOR 44 C10 Vf5 88 30 92 46 B48 PRO 34 B2 84 OUTPUT 64 PIN 93 A32 83 C21 FCLK 85 Vfo C28 79 82 97 C29 D1 D18 D17 D16 D19 D15 D14 D13 D20 C20 C9 C8 C1 100 74 99 HV03 HV01 1 HV02 HV62 75 HV64 HV63 76 100 74 99 HV03 HV01 1 HV02 HV62 75 HV64 HV63 76 100 74 99 HV03 HV01 1 HV02 HV62 75 HV64 HV63 76 100 74 99 HV03 HV01 1 HV02 HV62 75 HV64 HV63 76 100 74 99 HV03 HV01 1 HV02 HV62 75 HV64 HV63 76 9 TO SC46 10 2 1 FSI PRO FCL SD46 5V 7 Vf FCLK 4 3 6 5 8 FCLK FSI PRO FCL 5V 5V 123 14.63.SD 电路板 (1/2)电路图 Thermal Pad TERM SIDE Thermal Pad TERM SIDE Thermal Pad AE_457 AD_540 AF_386 AE_512 AF_433 AE_498 AF_429 AF_392 AG_FCLK AD_523 AE_480 AD_571 AG_FSO2 AD_542 AF_423 AE_483 AE_486 AF_435 AD_569 AD_513 AF_391 AD_522 AD_573 AD_575 AE_511 AE_471 AD_544 AF_422 AF_437 AE_481 AE_488 AD_548 AE_484 AD_570 AE_473 AE_479 AD_546 AF_439 AF_424 AD_550 AE_485 AE_489 AE_482 AD_571 AD_545 AF_406 AD_547 AE_475 AE_480 AD_552 AE_486 AE_490 AF_415 AD_572 AD_547 AF_405 AG_FSO1 AD_548 AE_477 AF_438 AE_481 AD_554 AE_488 AD_563 AF_417 AD_549 AF_447 AF_404 AD_549 AF_425 AE_479 AE_482 AD_556 AF_439 AF_398 AD_565 AG_FCLK AD_551 AF_419 AG_FSO1 AF_403 AF_427 AE_483 AF_440 AF_397 AD_514 AE_510 AE_449 AG_FCLK AF_421 AD_562 AF_429 AF_430 AG_FSI AE_495 AE_502 AF_441 AD_553 AD_516 AF_396 AE_452 AE_512 AE_497 AF_397 AF_423 AF_388 AD_563 AF_434 AE_503 AD_555 AD_518 AF_395 AD_573 AE_451 AF_421 AE_499 AF_399 AD_566 AF_386 AF_416 AF_432 AD_564 AF_385 AF_430 AE_504 AD_557 AD_575 AF_402 AE_475 AE_501 AF_407 AF_401 AD_574 AE_450 AF_441 AE_464 AF_417 AE_472 AF_436 AD_567 AG_PRO AD_565 AF_409 AF_390 AF_431 AD_559 AG_FSO2 AE_505 AF_401 AE_476 AE_503 AF_409 AF_403 AD_576 AF_443 AE_506 AE_487 AF_418 AF_438 AE_474 AE_463 AD_517 AG_FCL AD_568 AF_410 AF_389 AD_561 AF_432 AG_FSO3 AF_405 AE_477 AE_505 AF_400 AF_445 AF_411 AE_491 AD_566 AF_419 AE_507 AD_519 AE_476 AE_462 AD_514 AE_500 AF_408 AF_388 AF_433 AE_478 AE_473 AF_399 AF_420 AF_420 AE_484 AD_570 AF_447 AF_413 AD_521 AE_492 AD_551 AE_508 AE_478 AE_461 AE_502 AD_558 AF_407 AF_442 AF_387 AD_525 AE_449 AF_390 AE_474 AF_440 AF_422 AE_485 AD_572 AE_450 AD_558 AD_523 AD_529 AE_493 AD_550 AE_451 AE_509 AE_472 AE_504 AD_560 AF_443 AD_527 AE_453 AF_392 AF_412 AF_442 AF_424 AF_434 AD_540 AD_574 AE_469 AD_559 AD_528 AE_494 AE_506 AD_552 AD_562 AF_412 AE_471 AD_529 AE_455 AF_444 AF_394 AD_576 AF_387 AF_400 AF_411 AF_444 AF_426 AD_539 AF_435 AD_560 AE_508 AD_527 AD_564 AD_553 AF_414 AE_470 AD_531 AE_457 AF_396 AF_402 AF_413 AF_446 AF_428 AD_541 AF_445 AF_385 AF_436 AD_561 AD_568 AD_526 AE_468 AD_554 AF_416 AD_533 AE_459 AF_398 AF_404 AF_414 AF_448 AE_487 AF_389 AD_533 AF_437 AE_461 AE_495 AE_467 AD_555 AF_418 AF_415 AF_406 AE_489 AF_391 AD_521 AD_532 AD_535 AE_463 AD_537 AE_452 AE_496 AE_507 AD_520 AE_466 AD_556 AF_408 AE_491 AF_393 AD_537 AD_538 AD_520 AD_531 AE_465 AE_454 AE_456 AE_509 AE_497 AD_522 AE_462 AD_542 AF_410 AE_465 AE_493 AF_395 AD_557 AD_530 AE_467 AD_539 AD_536 AD_519 AD_530 AE_456 AE_455 AD_524 AF_425 AE_511 AE_464 AD_543 AE_498 AE_490 AE_460 AD_532 AE_469 AD_518 AE_458 AD_541 AD_535 AD_526 AE_466 AD_544 AE_454 AF_426 AD_513 AE_499 AD_517 AE_492 AF_446 AD_534 AE_459 AE_460 AD_543 AD_534 AD_528 AE_468 AD_545 AD_515 AE_453 AF_427 AE_500 AE_494 AF_394 AD_516 AD_525 AD_536 AG_PRO AF_448 AD_569 AG_FCL AE_458 AE_470 AD_546 AE_510 AF_431 AE_496 AF_428 AE_501 AF_393 AD_515 AD_524 AD_538 AG_FCL AD_567 AG_PRO 0V 5V 80V C40 C28 C0HBC0000006 IC6413 1 HVO3 2 HVO4 3 HVO5 4 HVO6 5 HVO7 6 HVO8 7 HVO9 8 HVO10 9 HVO11 10 HVO12 11 HVO13 12 HVO14 13 HVO15 14 HVO16 15 HVO17 16 HVO18 17 HVO19 18 HVO20 19 HVO21 20 HVO22 21 HVO23 22 HVO24 23 HVO25 24 HVO26 25 HVO27 26 HVO28 27 HVO29 28 HVO30 29 NC 30 GND 31 GND 32 GND 33 NC 34 VH1 35 VH1 36 HVO31 37 HVO32 38 HVO33 39 HVO34 40 HVO35 41 VH2 42 VH2 43 NC 44 GND 45 GND 46 GND 47 NC 48 HVO36 49 HVO37 50 HVO38 51 HVO39 52 HVO40 53 HVO41 54 HVO42 55 HVO43 56 HVO44 57 HVO45 58 HVO46 59 HVO47 60 HVO48 61 HVO49 62 HVO50 63 HVO51 64 HVO52 65 HVO53 66 HVO54 67 HVO55 68 HVO56 69 HVO57 70 HVO58 71 HVO59 72 HVO60 73 HVO61 74 HVO62 75 HVO63 76 HVO64 77 NC 78 VH2 79 VH2 80 NC 81 GND 82 GND 83 NC 84 A/B 85 DB 86 CLK 87 LE 88 VDD 89 OC1 90 OC2 91 DA 92 CLK 93 GND 94 GND 95 GND 96 NC 97 VH1 98 VH1 99 HVO1 100 HVO2 C22 C2 D6412 MAZ80560HL SD1 A1 A2 A3 A4 A5 A6 A7 A8 A9 A10 A11 A12 A13 A14 A15 A16 A17 A18 A19 A20 A21 A22 A23 A24 A25 A26 A27 A28 A29 A30 A31 A32 A33 A34 A35 A36 A37 A38 A39 A40 A41 A42 A43 A44 A45 A46 A47 A48 B1 B2 B3 B4 B5 B6 B7 B8 B9 B10 B11 B12 B13 B14 B15 B16 B17 B18 B19 B20 B21 B22 B23 B24 B25 B26 B27 B28 B29 B30 B31 B32 B33 B34 B35 B36 B37 B38 B39 B40 B41 B42 B43 B44 B45 B46 B47 B48 C15 R6422 220 C17 C33 C39 C21 C13 R6423 220 C6421 16V 1u C27 C38 C30 C16 D6418 B0ECHP000001 C9 C12 C6423 16V 1u C10 C37 C6 C3 C11 C6428 250V 0.1u C35 C0HBC0000006 IC6411 1 HVO3 2 HVO4 3 HVO5 4 HVO6 5 HVO7 6 HVO8 7 HVO9 8 HVO10 9 HVO11 10 HVO12 11 HVO13 12 HVO14 13 HVO15 14 HVO16 15 HVO17 16 HVO18 17 HVO19 18 HVO20 19 HVO21 20 HVO22 21 HVO23 22 HVO24 23 HVO25 24 HVO26 25 HVO27 26 HVO28 27 HVO29 28 HVO30 29 NC 30 GND 31 GND 32 GND 33 NC 34 VH1 35 VH1 36 HVO31 37 HVO32 38 HVO33 39 HVO34 40 HVO35 41 VH2 42 VH2 43 NC 44 GND 45 GND 46 GND 47 NC 48 HVO36 49 HVO37 50 HVO38 51 HVO39 52 HVO40 53 HVO41 54 HVO42 55 HVO43 56 HVO44 57 HVO45 58 HVO46 59 HVO47 60 HVO48 61 HVO49 62 HVO50 63 HVO51 64 HVO52 65 HVO53 66 HVO54 67 HVO55 68 HVO56 69 HVO57 70 HVO58 71 HVO59 72 HVO60 73 HVO61 74 HVO62 75 HVO63 76 HVO64 77 NC 78 VH2 79 VH2 80 NC 81 GND 82 GND 83 NC 84 A/B 85 DB 86 CLK 87 LE 88 VDD 89 OC1 90 OC2 91 DA 92 CLK 93 GND 94 GND 95 GND 96 NC 97 VH1 98 VH1 99 HVO1 100 HVO2 SD2 A1 A2 A3 A4 A5 A6 A7 A8 A9 A10 A11 A12 A13 A14 A15 A16 A17 A18 A19 A20 A21 A22 A23 A24 A25 A26 A27 A28 A29 A30 A31 A32 A33 A34 A35 A36 A37 A38 A39 A40 A41 A42 A43 A44 A45 A46 A47 A48 B1 B2 B3 B4 B5 B6 B7 B8 B9 B10 B11 B12 B13 B14 B15 B16 B17 B18 B19 B20 B21 B22 B23 B24 B25 B26 B27 B28 B29 B30 B31 B32 B33 B34 B35 B36 B37 B38 B39 B40 B41 B42 B43 B44 B45 B46 B47 B48 C5 C14 C18 R6421 220 C7 C34 C8 C23 C20 C19 C1 C4 C32 C25 C0HBC0000006 IC6412 1 HVO3 2 HVO4 3 HVO5 4 HVO6 5 HVO7 6 HVO8 7 HVO9 8 HVO10 9 HVO11 10 HVO12 11 HVO13 12 HVO14 13 HVO15 14 HVO16 15 HVO17 16 HVO18 17 HVO19 18 HVO20 19 HVO21 20 HVO22 21 HVO23 22 HVO24 23 HVO25 24 HVO26 25 HVO27 26 HVO28 27 HVO29 28 HVO30 29 NC 30 GND 31 GND 32 GND 33 NC 34 VH1 35 VH1 36 HVO31 37 HVO32 38 HVO33 39 HVO34 40 HVO35 41 VH2 42 VH2 43 NC 44 GND 45 GND 46 GND 47 NC 48 HVO36 49 HVO37 50 HVO38 51 HVO39 52 HVO40 53 HVO41 54 HVO42 55 HVO43 56 HVO44 57 HVO45 58 HVO46 59 HVO47 60 HVO48 61 HVO49 62 HVO50 63 HVO51 64 HVO52 65 HVO53 66 HVO54 67 HVO55 68 HVO56 69 HVO57 70 HVO58 71 HVO59 72 HVO60 73 HVO61 74 HVO62 75 HVO63 76 HVO64 77 NC 78 VH2 79 VH2 80 NC 81 GND 82 GND 83 NC 84 A/B 85 DB 86 CLK 87 LE 88 VDD 89 OC1 90 OC2 91 DA 92 CLK 93 GND 94 GND 95 GND 96 NC 97 VH1 98 VH1 99 HVO1 100 HVO2 R6432 220k C36 C31 R6430 10k C29 C26 C6420 50V 2200p C24 C6422 16V 1u R6431 220k C6427 250V 0.1u Vf Vfo Vf Vfo A 5 6 D E C B 7 2 3 1 4 8 2 3 1 5 6 4 SD-BOARD TNPA2912AB (1/2) ! TO NEXT PAGE PDP SCAN DRIVER PDP SCAN DRIVER PDP SCAN DRIVER (SC43) SC-BOARD TO SD51 TH-50PHD6CY, TH-50PHW6CH/CZ SD-BOARD (1 of 2) Schematic Diagram TH-50PHD6CY, TH-50PHW6CH/CZ SD-BOARD (1 of 2) Schematic Diagram 124 14.64.SD 电路板 (2/2)电路图 Thermal Pad TERM SIDE Thermal Pad TERM SIDE Thermal Pad AC_595 AB_652 AA_719 AA_732 AB_643 AB_681 AC_635 AB_677 AB_682 AC_620 AC_617 AA_722 AA_723 AC_613 AB_675 AA_707 AC_626 AA_721 AC_594 AG_FCL AC_610 AB_645 AA_734 AB_644 AB_691 AB_683 AA_725 AA_721 AB_681 AC_615 AB_676 AB_651 AA_706 AC_628 AG_PRO AB_672 AG_PRO AB_647 AC_593 AC_612 AC_610 AB_693 AB_643 AC_606 AB_684 AA_727 AB_683 AC_617 AA_720 AB_677 AC_579 AC_611 AB_650 AA_713 AC_630 AA_743 AB_649 AC_614 AB_695 AA_729 AC_607 AB_642 AB_657 AC_602 AA_729 AB_685 AC_580 AC_612 AC_577 AA_760 AC_632 AB_649 AA_760 AA_712 AC_616 AB_697 AC_608 AA_706 AB_687 AC_578 AC_588 AB_656 AC_604 AC_613 AA_733 AC_621 AC_581 AC_634 AA_762 AA_761 AC_618 AB_699 AB_648 AA_711 AC_590 AA_763 AC_609 AB_689 AC_622 AB_655 AG_FCLK AC_587 AC_606 AA_732 AC_592 AC_583 AA_731 AA_764 AB_661 AA_762 AA_757 AA_764 AA_766 AB_651 AC_577 AC_623 AA_731 AC_586 AC_608 AC_594 AA_735 AA_766 AB_663 AC_603 AG_FCLK AA_759 AC_580 AB_691 AA_765 AB_653 AA_768 AG_FSO4 AC_624 AC_596 AC_585 AA_768 AB_665 AC_604 AA_737 AA_761 AC_579 AB_655 AB_692 AG_FCLK AC_598 AC_625 AB_703 AC_605 AG_FCL AB_667 AA_763 AC_621 AB_647 AA_719 AB_657 AC_578 AA_739 AC_600 AG_FSO3 AB_693 AB_698 AA_705 AC_592 AA_749 AB_654 AA_736 AB_669 AC_619 AB_646 AA_718 AB_659 AA_705 AA_741 AA_730 AB_699 AA_751 AC_591 AC_637 AB_656 AA_738 AB_701 AB_661 AC_623 AB_667 AB_645 AB_671 AA_707 AA_717 AA_743 AA_765 AA_728 AA_767 AB_700 AB_688 AA_753 AB_701 AB_658 AC_590 AC_638 AB_694 AC_625 AA_740 AB_702 AA_767 AB_660 AB_669 AC_629 AA_709 AB_675 AA_745 AG_FSO4 AG_FCLK AB_690 AA_755 AA_727 AB_660 AB_703 AB_695 AC_589 AA_742 AA_742 AC_640 AC_627 AB_641 AA_744 AB_670 AB_704 AC_584 AB_659 AC_630 AA_711 AA_747 AG_FSO5 AB_673 AC_605 AB_692 AA_744 AB_662 AA_716 AB_685 AC_582 AB_676 AB_696 AA_746 AB_671 AB_658 AA_713 AC_583 AC_631 AG_FCL AB_679 AC_636 AC_607 AB_694 AC_599 AA_718 AA_745 AG_FSO5 AA_726 AC_584 AB_686 AA_738 AB_697 AA_748 AB_672 AC_633 AG_PRO AC_582 AC_632 AC_595 AC_638 AA_720 AC_609 AC_598 AA_746 AC_586 AB_665 AA_725 AC_601 AA_739 AB_687 AA_747 AC_634 AC_639 AC_597 AC_640 AC_581 AA_753 AA_722 AC_611 AC_597 AC_588 AB_666 AA_740 AB_674 AA_724 AC_602 AA_748 AC_599 AB_642 AC_635 AA_724 AB_678 AA_754 AC_596 AA_741 AA_723 AC_600 AA_749 AC_601 AB_644 AC_636 AB_680 AA_750 AC_585 AA_755 AB_668 AB_696 AC_603 AB_682 AA_750 AC_587 AA_751 AA_756 AA_733 AB_698 AC_637 AB_684 AA_752 AB_688 AC_589 AC_626 AA_752 AA_716 AA_734 AB_700 AB_664 AB_664 AC_639 AB_686 AA_754 AC_591 AB_689 AA_735 AC_627 AA_715 AB_702 AB_666 AB_663 AA_710 AC_622 AA_756 AB_646 AC_593 AB_690 AA_736 AA_708 AB_704 AC_628 AA_714 AB_679 AB_668 AA_726 AC_615 AC_629 AB_662 AC_620 AA_758 AB_648 AA_757 AA_709 AA_737 AA_710 AB_654 AB_678 AA_728 AB_670 AA_715 AC_618 AC_614 AC_631 AC_624 AB_650 AA_758 AA_708 AB_673 AA_712 AB_653 AA_730 AB_680 AA_717 AB_641 AC_633 AC_619 AC_616 AB_652 AA_759 AB_674 AA_714 AG_FCL AG_FSI AG_PRO 5.5V R6428 10k D6411 MAZ80560HL R6425 220 C0HBC0000006 IC6415 1 HVO3 2 HVO4 3 HVO5 4 HVO6 5 HVO7 6 HVO8 7 HVO9 8 HVO10 9 HVO11 10 HVO12 11 HVO13 12 HVO14 13 HVO15 14 HVO16 15 HVO17 16 HVO18 17 HVO19 18 HVO20 19 HVO21 20 HVO22 21 HVO23 22 HVO24 23 HVO25 24 HVO26 25 HVO27 26 HVO28 27 HVO29 28 HVO30 29 NC 30 GND 31 GND 32 GND 33 NC 34 VH1 35 VH1 36 HVO31 37 HVO32 38 HVO33 39 HVO34 40 HVO35 41 VH2 42 VH2 43 NC 44 GND 45 GND 46 GND 47 NC 48 HVO36 49 HVO37 50 HVO38 51 HVO39 52 HVO40 53 HVO41 54 HVO42 55 HVO43 56 HVO44 57 HVO45 58 HVO46 59 HVO47 60 HVO48 61 HVO49 62 HVO50 63 HVO51 64 HVO52 65 HVO53 66 HVO54 67 HVO55 68 HVO56 69 HVO57 70 HVO58 71 HVO59 72 HVO60 73 HVO61 74 HVO62 75 HVO63 76 HVO64 77 NC 78 VH2 79 VH2 80 NC 81 GND 82 GND 83 NC 84 A/B 85 DB 86 CLK 87 LE 88 VDD 89 OC1 90 OC2 91 DA 92 CLK 93 GND 94 GND 95 GND 96 NC 97 VH1 98 VH1 99 HVO1 100 HVO2 D14 D27 D29 D18 D34 D11 D12 D32 D31 D5 C6430 50V 2200p D26 D6 D24 D6419 B0ECHP000001 D4 D19 D39 R6429 10k D15 D23 D36 D16 D9 C6424 16V 1u SD3 A1 A2 A3 A4 A5 A6 A7 A8 A9 A10 A11 A12 A13 A14 A15 A16 A17 A18 A19 A20 A21 A22 A23 A24 A25 A26 A27 A28 A29 A30 A31 A32 A33 A34 A35 A36 A37 A38 A39 A40 A41 A42 A43 A44 A45 A46 A47 A48 B1 B2 B3 B4 B5 B6 B7 B8 B9 B10 B11 B12 B13 B14 B15 B16 B17 B18 B19 B20 B21 B22 B23 B24 B25 B26 B27 B28 B29 B30 B31 B32 B33 B34 B35 B36 B37 B38 B39 B40 B41 B42 B43 B44 B45 B46 B47 B48 D3 D1 D40 R6424 220 C6438 250V 0.1u D25 D2 D20 D30 C6437 250V 0.1u C6426 16V 1u C0HBC0000006 IC6416 1 HVO3 2 HVO4 3 HVO5 4 HVO6 5 HVO7 6 HVO8 7 HVO9 8 HVO10 9 HVO11 10 HVO12 11 HVO13 12 HVO14 13 HVO15 14 HVO16 15 HVO17 16 HVO18 17 HVO19 18 HVO20 19 HVO21 20 HVO22 21 HVO23 22 HVO24 23 HVO25 24 HVO26 25 HVO27 26 HVO28 27 HVO29 28 HVO30 29 NC 30 GND 31 GND 32 GND 33 NC 34 VH1 35 VH1 36 HVO31 37 HVO32 38 HVO33 39 HVO34 40 HVO35 41 VH2 42 VH2 43 NC 44 GND 45 GND 46 GND 47 NC 48 HVO36 49 HVO37 50 HVO38 51 HVO39 52 HVO40 53 HVO41 54 HVO42 55 HVO43 56 HVO44 57 HVO45 58 HVO46 59 HVO47 60 HVO48 61 HVO49 62 HVO50 63 HVO51 64 HVO52 65 HVO53 66 HVO54 67 HVO55 68 HVO56 69 HVO57 70 HVO58 71 HVO59 72 HVO60 73 HVO61 74 HVO62 75 HVO63 76 HVO64 77 NC 78 VH2 79 VH2 80 NC 81 GND 82 GND 83 NC 84 A/B 85 DB 86 CLK 87 LE 88 VDD 89 OC1 90 OC2 91 DA 92 CLK 93 GND 94 GND 95 GND 96 NC 97 VH1 98 VH1 99 HVO1 100 HVO2 D28 D37 D8 D21 D38 SD4 A1 A2 A3 A4 A5 A6 A7 A8 A9 A10 A11 A12 A13 A14 A15 A16 A17 A18 A19 A20 A21 A22 A23 A24 A25 A26 A27 A28 A29 A30 A31 A32 A33 A34 A35 A36 A37 A38 A39 A40 A41 A42 A43 A44 A45 A46 A47 A48 B1 B2 B3 B4 B5 B6 B7 B8 B9 B10 B11 B12 B13 B14 B15 B16 B17 B18 B19 B20 B21 B22 B23 B24 B25 B26 B27 B28 B29 B30 B31 B32 B33 B34 B35 B36 B37 B38 B39 B40 B41 B42 B43 B44 B45 B46 B47 B48 R6427 10k D13 D10 R6426 220 D35 D17 C6425 16V 1u D7 D33 D22 C0HBC0000006 IC6414 1 HVO3 2 HVO4 3 HVO5 4 HVO6 5 HVO7 6 HVO8 7 HVO9 8 HVO10 9 HVO11 10 HVO12 11 HVO13 12 HVO14 13 HVO15 14 HVO16 15 HVO17 16 HVO18 17 HVO19 18 HVO20 19 HVO21 20 HVO22 21 HVO23 22 HVO24 23 HVO25 24 HVO26 25 HVO27 26 HVO28 27 HVO29 28 HVO30 29 NC 30 GND 31 GND 32 GND 33 NC 34 VH1 35 VH1 36 HVO31 37 HVO32 38 HVO33 39 HVO34 40 HVO35 41 VH2 42 VH2 43 NC 44 GND 45 GND 46 GND 47 NC 48 HVO36 49 HVO37 50 HVO38 51 HVO39 52 HVO40 53 HVO41 54 HVO42 55 HVO43 56 HVO44 57 HVO45 58 HVO46 59 HVO47 60 HVO48 61 HVO49 62 HVO50 63 HVO51 64 HVO52 65 HVO53 66 HVO54 67 HVO55 68 HVO56 69 HVO57 70 HVO58 71 HVO59 72 HVO60 73 HVO61 74 HVO62 75 HVO63 76 HVO64 77 NC 78 VH2 79 VH2 80 NC 81 GND 82 GND 83 NC 84 A/B 85 DB 86 CLK 87 LE 88 VDD 89 OC1 90 OC2 91 DA 92 CLK 93 GND 94 GND 95 GND 96 NC 97 VH1 98 VH1 99 HVO1 100 HVO2 Vf5 CLD DOWN FCLK PRO CLKD VF5V VF5V SID FSI FCL PROD 14 13 12 9 10 11 8 15 2 1 5 3 6 4 SD-BOARD TNPA2912AB (2/2) ! BACK PAGE TO PDP SCAN DRIVER PDP SCAN DRIVER PDP SCAN DRIVER TO SC-BOARD (SC44) SD52 TH-50PHD6CY, TH-50PHW6CH/CZ SD-BOARD (2 of 2) Schematic Diagram TH-50PHD6CY, TH-50PHW6CH/CZ SD-BOARD (2 of 2) Schematic Diagram 125 14.65.SS,S1,SS2 和 SS3 电路板方框图 + PUSH 1 SS21 12 8 Q6733 R6770 Q6732 Ve Q6735 SOS3 Q6734 6 VSUS Q6711 VSUS Q6714 VDA Q6715 +15V Q6720 STB PS FET DRIVER L6713 8 L6715 12 12 IC6702 15V 8 UMH UML S2 9 S3 12 D6711,12 11 D6715,16 8 S1 IC6707 USH Q6741 USL DISCHARGE L6701 1/2 Vo L6704 SS34 FET DRIVER 1 IC6704 Sustain Drive Board 12 SS 8 TO P12 14 TO P11 14 TO C32 6 4 SS2 2 7 BUFFER IC6705 IC6706 FET DRIVER +15V D6764 (RED LED) D6760 UEH (RED LED) VE Q6729 INSERT Q6730 UEL UEL TPSS1 SS-BOARD Q6728 SOS DET Q6727 SS55 SS54 SS58 SS51 SS52 SS57 16 4 SS3 3 UEL 9 USL 5 SS11 8 3 UEH 2 SS12 SS32 2 UMH 4 7 Q6738 4 USH Q6739 UML IC6709 6 TPVSUS 5 TP15V 7 TPVDA 15 TPVe 13 VE FET DRIVER GENERATOR 14 10 IC6701 Q6731 FET DRIVER IC6703 Q6702 Q6701 Q6745 Q6744 Q6724 Q6723 Q6722 Q6721 SS31 TPSOS3 1 VDA S34 1 Power Switch Board S1 POWER SWITCH SW61 Sustain Connection (Upper) Board (Lower) Board Sustain Connection 1 Q6725 SS41 SS48 L6767 Q6736 Q6737 SS53 SS56 BUFFER IC6901 2 18 4 16 FET DRIVER 12 IC6902 8 FET DRIVER IC6905 8 12 FET DRIVER IC6903 8 12 1 14 6 14 8 12 Q6911 Q6923 Q6922 Q6920 Q6919 Q6918 Q6917 Q6924 Q6912 Q6914 Q6913 Q6916 Q6915 Q6921 L6930~L6933 L6925 TPSVDA TPVDA SS-BOARD IC6904 SOS DET TPSS4 2 TO C3 BOARD 1 SS35 Vda 75V Vda 75V 5 4 78V 78V (C35) 2 TO C4 BOARD (C42) 5 1 SS42 Vda 75V Vda 75V 4 78V 78V 14 DSHL 15 DSLL 16 DMHL 17 DMLL 19 SOS2 TH-50PHD6CY, TH-50PHW6CH/CZ SS, S1, SS2 and SS3-BOARD Block Diagram TH-50PHD6CY, TH-50PHW6CH/CZ SS, S1, SS2 and SS3-BOARD Block Diagram 126 14.66.SS电路板(1/2)和S1电路板电路图 + + + + + + + + + + + + PUSH + + AA_UEH AA_UMH AA_USH DSHL DSLL DMHL DMLL AA_UML AA_UEL AA_UEH AA_USL AA_UEL AA_UML SOS2 AA_USH AA_USL AA_UMH AA_UML R6753 10 C6716 250V 2u TP11 R6764 22k L6717 G0ZZ00002183 TP6913 L6754 G0ZZ00002183 D6752 B0ECHP000001 Q6728 B1DFHM000002 G D S C6771 200V 220u L6730 G0ZZ00002183 D6756 B0JCME000025 TP6919 TP16 Q6724 B1DEJM000003 G D S R6767 1k L6703 1u Q6732 2SD21850RL R6728 10k TP33 D6771 MA2J11100L C6750 25V 4.7u TP8 Q6725 2SK062000L G D S R6734 5.6 IC6707 C0BBBA000043 1 2 3 4 5 6 7 8 R6795 0 L6732 G0ZZ00002183 D6750 B0JCME000025 Q6735 2SB1073001TV R6730 100 R6851 0 D6738 B0JCME000025 TP3 D6739 B0JCME000025 L6715 G0ZZ00002183 D6712 B0HBSN000007 Q6727 B1DFHM000002 G D S 2W R6818 0.22 C6773 25V 1u Q6737 2SB1073001TV AN1431M-E1 IC6709 CATHODE 3 1 REFERENCE ANODE 2 L6759 J0JJC0000021 R6854 0 L6705 G0ZZ00002183 L6722 G0ZZ00002183 C6727 630V 2200p SS32 1 2 3 4 5 6 7 8 9 10 11 12 13 14 15 16 17 18 19 20 D6716 B0HBSN000007 D6701 B0HBSN000007 R6727 10 TP5 TP19 3W R6703 0.22 D6764 LNJ201LPQJA Q6721 B1DEJM000003 G D S Q6720 B1DEJM000005 G D S TP6921 R6731 5.6 L6737 G0ZZ00002183 C0ZBZ0000562 IC6701 1 LOUT 2 GND 3 VCC 4 NC 5 NC 6 VS 7 VB 8 HOUT 9 NC 10 NC 11 VDD 12 HIN 13 NC 14 LIN 15 GND 16 NC R6726 10k D6772 MA2J11100L C6755 16V 1u C6741 630V 2200p L6724 G0ZZ00002183 R6780 1.5k D6737 B0JCME000025 C6762 16V 1u 3W R6702 0.22 Q6716 B1DEJM000005 G D S Q6738 2SC1473AEA L6701 1u L6704 1u R6736 5.6 Q6744 2SD21850RL C6712 200V 220u Q6713 B1DEJM000005 G D S C6709 250V 0.1u R6722 47 R6715 10 TP14 C6729 630V 2200p C0ZBZ0000562 IC6704 1 LOUT 2 GND 3 VCC 4 NC 5 NC 6 VS 7 VB 8 HOUT 9 NC 10 NC 11 VDD 12 HIN 13 NC 14 LIN 15 GND 16 NC C6759 25V 4.7u R6796 0 TP4 R6732 5.6 R6747 47 D6763 MA2J11100L C6719 25V 220u C6717 25V 1u TP10 R6784 10k Q6734 2SD21850RL L6755 G0ZZ00002183 L6736 G0ZZ00002183 C6749 16V 1u C6718 25V 220u R6788 EXB38V473JV C6752 16V 1u TP15 R6721 47 L6752 G0ZZ00002183 TP17 C6739 630V 2200p Q6730 2SK326800L G D S D6728 B0HBSN000007 Q6736 2SD21850RL TP32 Q6729 2SK326800L G D S D6762 MA2J11100L Q6718 B1DEJM000005 G D S R6769 0 Q6715 B1DEJM000005 G D S L6725 G0ZZ00002183 Q6712 B1DEJM000005 G D S C6761 16V 1u L6767 1u R6775 220k SS11 1 2 3 4 5 6 7 C6768 200V 220u R6741 100 C6731 630V 2200p C6772 25V 1u C6784 630V 2200p R6733 5.6 SS34 1 NC 2 3 TP6923 L6733 G0ZZ00002183 C6711 200V 220u C6737 630V 2200p Q6702 2SB1073001TV L6702 1u R6781 1.5k R6720 47 C6763 16V 1u D6795 B0ECHP000001 R6787 EXB38V471JV TP22 R6850 0 C6714 200V 220u D6713 B0ECHP000001 R6750 0 VR6770 10k 1 2 3 C6757 25V 4.7u TP18 L6708 G0ZZ00002183 D6760 LNJ201LPQJA TP13 Q6719 B1DEJM000005 G D S R6712 10 R6853 0 L6719 G0ZZ00002183 TP21 1/2W R6874 22 L6762 J0JJC0000021 C6751 25V 4.7u L6731 G0ZZ00002183 TP2 C6724 200V 220u R6725 10 R6793 0 D6773 B0ECHP000001 L6716 G0ZZ00002183 L6758 J0JJC0000021 R6713 10 C6721 25V 100u D6759 MAZ83300ML R6749 1k R6792 0 L6761 J0JJC0000021 2W R6857 0.22 R6757 100 D6710 B0ECHP000001 R6777 100k 1% R6772 1.2k 3W R6701 0.22 R6705 10 TP6 R6716 10 1WR6760 4.7k L6721 G0ZZ00002183 C6745 630V 2200p D6729 B0HBSN000007 IC6705 C0ZBZ0000735 1 Vcc 2 In 3 Gnd 4 Lo 5 NC 6 Vs 7 Ho 8 Vb L6726 G0ZZ00002183 C0ZBZ0000562 IC6702 1 LOUT 2 GND 3 VCC 4 NC 5 NC 6 VS 7 VB 8 HOUT 9 NC 10 NC 11 VDD 12 HIN 13 NC 14 LIN 15 GND 16 NC Q6714 B1DEJM000005 G D S R6738 5.6 C6767 200V 220u R6723 47 R6791 0 R6700 0 R6782 10k TP9 R6752 100 D6734 B0JCME000025 R6852 0 R6710 100 L6735 G0ZZ00002183 TP1 C6735 630V 2200p R6790 220k R6756 47 R6776 10k Q6741 2SD0601A0L D6766 MA2J11100L R6763 10k L6714 G0C101K00023 TP23 L6707 G0ZZ00002183 D6751 B0ECHP000001 C6758 25V 1u R6754 100 C6760 25V 4.7u R6766 33k R6786 EXB38V473JV R6789 220k L6727 G0ZZ00002183 Q6733 2SB1073001TV R6707 10k L6723 G0ZZ00002183 R6704 10k R6737 5.6 Q6722 B1DEJM000003 G D S R6729 100 L6713 G0ZZ00002183 C6756 25V 4.7u D6753 B0ECHP000001 Q6745 2SB1073001TV Q6711 B1DEJM000005 G D S D6761 MAZ80510LL SS12 1 2 3 4 5 6 7 8 9 10 D6711 B0HBSN000007 R6719 47 2WR6759 100 R6717 10 D6736 B0JCME000025 D6740 B0ECHP000001 R6779 22k Q6717 B1DEJM000005 G D S C6726 25V 560u R6714 10 Q6723 B1DEJM000003 G D S R6742 100 R6765 33k L6720 G0ZZ00002183 D6715 B0HBSN000007 TP6920 R6724 47 R6706 10 C6753 25V 4.7u D6749 B0JCME000025 TP7 Q6731 2SD1263AP0LB R6785 EXB38V471JV L6718 G0ZZ00002183 D6758 MAZ83300ML L6729 G0ZZ00002183 R6758 10k R6751 100 R6711 10 C0JBAZ000005 IC6706 1G~ 1 2 1A1 3 2Y4 4 1A2 5 2Y3 6 1A3 7 2Y2 8 1A4 9 2Y1 10 GND 11 2A1 12 1Y4 13 2A2 14 1Y3 15 2A3 16 1Y2 17 2A4 18 1Y1 19 2G~ 20 VCC C6764 16V 1u L6947 G0ZZ00002183 Q6701 2SD21850RL C6748 25V 4.7u R6783 2.2k L6728 G0ZZ00002183 C6733 630V 2200p C6713 200V 220u C6747 25V 4.7u R6762 220k R6718 10 L6734 G0ZZ00002183 R6755 100 1/2W R6873 22 TP6918 L6753 G0ZZ00002183 TP12 R6794 0 C0ZBZ0000562 IC6703 1 LOUT 2 GND 3 VCC 4 NC 5 NC 6 VS 7 VB 8 HOUT 9 NC 10 NC 11 VDD 12 HIN 13 NC 14 LIN 15 GND 16 NC Q6739 2SC1473AEA R6735 5.6 C6715 250V 2u R6778 100k L6706 G0ZZ00002183 TP20 D6769 B0ECHP000001 D6754 MAZ82400ML C6743 630V 2200p 2W R6761 12k D6735 B0JCME000025 C6703 250V 2u C6706 250V 2u C6707 250V 2u C6702 250V 2u C6704 250V 2u C6701 250V 2u C6705 250V 2u C6708 250V 2u SW061 K0F162B00002 S34 1 2 3 C6722 160V 100u C6723 160V 100u GNDa GNDa GNDa NC STB_PS GND +15V NC Vda75V Vda75V + - - + NC ED ED ED ED VSUS VSUS NC GND GND GND SOS2 NC TO C3-BOARD (C32) USL UEH UEL UML UMH GND URL URH 5V SOS3 USH DSHL DSLL DMHL DMLL GND GND TO P-BOARD (P11) TO P-BOARD (P12) ED ! S1-BOARD TNPA2868AB NC STB_PS GND A 5 6 D E C B 7 2 3 1 4 8 2 3 1 5 4 SS-BOARD TXNSS1QMSC (1/2) ! FET DRIVER FET DRIVER BUFFER COMPARATOR FET DRIVER FET DRIVER FET DRIVER TO NEXT PAGE = * = * * < * * TH-50PHD6CY, TH-50PHW6CH/CZ SS-BOARD (1 of 2) and S1-BOARD Schematic Diagram TH-50PHD6CY, TH-50PHW6CH/CZ SS-BOARD (1 of 2) and S1-BOARD Schematic Diagram 127 14.67.SS电路板(2/2)和SS2和SS3电路板电路图 TERM SIDE + + + + TERM SIDE + + TERM SIDE TERM SIDE TERM SIDE TERM SIDE + TERM SIDE TERM SIDE 55V DMHL DMLL DSHL DSLL 90V 78V 40V 40V 78V 75V SOS2 78V 5V 15V C0JBAZ000005 IC6901 1G~ 1 2 1A1 3 2Y4 4 1A2 5 2Y3 6 1A3 7 2Y2 8 1A4 9 2Y1 10 GND 11 2A1 12 1Y4 13 2A2 14 1Y3 15 2A3 16 1Y2 17 2A4 18 1Y1 19 2G~ 20 VCC R6922 22 C6922 25V 4.7u L6904 G0ZZ00002183 SS51 1 2 3 4 5 6 7 8 9 10 11 12 13 TP6915 R6914 22 L6902 G0ZZ00002183 Q6919 2SD21850RL C6921 25V 4.7u TP6905 L6918 J0JJC0000011 C6910 25V 220u Q6924 2SK326900L G D S R6920 100 C6918 25V 4.7u L6921 J0JJC0000011 1% R6942 22k R6930 100 R6947 10 SS57 1 2 3 4 5 6 7 R6902 EXB38V471JV R6921 100 C6916 250V 2u SS42 1 2 3 4 5 6 7 8 C6928 50V 0.01u D6906 B0ECHP000001 C6913 25V 4.7u D6921 B0HDSM000004 C6912 25V 4.7u TP31 C6929 50V 0.01u TP6903 R6913 10k TP25 TP6911 L6920 J0JJC0000011 C6940 250V 0.1u R6924 5.6 D6920 B0HDSM000004 C0ZBZ0000562 IC6902 1 LOUT 2 GND 3 VCC 4 NC 5 NC 6 VS 7 VB 8 HOUT 9 NC 10 NC 11 VDD 12 HIN 13 NC 14 LIN 15 GND 16 NC Q6920 2SB1073001TV R6912 100 SS58 1 2 3 4 5 6 7 Q6921 2SB1193000LB L6931 1u C6933 100V 100u R6905 100k L6917 J0JJC0000011 1% R6927 69.8k 1% R6936 10k L6905 G0ZZ00002183 R6939 10 D6922 MA3X152E0L L6906 J0JJC0000021 C6930 50V 0.01u SS35 1 2 3 4 5 6 7 8 Q6912 2SK326900L G D S C6941 100V 100u R6940 10k R6911 100 D6927 B0JCME000025 C6920 16V 1u Q6923 2SB1073001TV L6903 J0JJC0000011 Q6917 2SD21850RL 15W R6945 33 C6903 100V 100u R6933 2.2k D6912 B0ECHP000001 C0ZBZ0000562 IC6903 1 LOUT 2 GND 3 VCC 4 NC 5 NC 6 VS 7 VB 8 HOUT 9 NC 10 NC 11 VDD 12 HIN 13 NC 14 LIN 15 GND 16 NC IC6904 C0BBBA000043 1 2 3 4 5 6 7 8 L6932 1u L6919 J0JJC0000011 Q6916 2SK326900L G D S L6930 1u 1% R6941 13k TP6914 1% R6943 22k C6907 16V 1u TP27 Q6913 2SK326900L G D S L6916 J0JJC0000011 SS55 1 2 3 4 5 6 7 8 9 10 11 12 13 D6902 B0ECHP000001 L6933 1u R6916 5.6 C6932 25V 220u Q6918 2SB1073001TV D6914 B0HDSM000004 D6926 B0JCME000025 D6913 B0ECHP000001 TP6904 R6923 22 C6915 250V 2u TP30 C0ZBZ0000562 IC6905 1 LOUT 2 GND 3 VCC 4 NC 5 NC 6 VS 7 VB 8 HOUT 9 NC 10 NC 11 VDD 12 HIN 13 NC 14 LIN 15 GND 16 NC Q6911 2SK326900L G D S C6911 16V 1u C6901 100V 100u 1% R6935 38.3k R6931 470k D6916 B0HDSM000004 D6915 B0HDSM000004 R6949 5.6 Q6914 2SK326900L G D S L6923 J0JJC0000011 Q6922 2SD21850RL C6927 16V 1u L6925 1u TP24 C6908 250V 0.1u D6907 B0HDSM000004 TP29 1% R6929 4.7k SS54 1 2 3 4 5 6 7 8 9 10 11 12 13 R6903 EXB38V473JV L6900 J0JJC0000021 TP26 D6911 B0ECHP000001 R6925 5.6 D6918 B0ECHP000001 SS56 1 2 3 4 5 6 7 8 9 10 11 12 13 R6938 10k SS52 1 2 3 4 5 6 7 8 9 10 11 12 13 L6901 J0JJC0000021 SS53 1 2 3 4 5 6 7 8 9 10 11 12 13 D6917 B0HDSM000004 L6922 J0JJC0000011 TP28 R6944 220 D6924 B0JCME000025 C6917 25V 4.7u TP6910 R6932 2.2k 1% R6928 11.8k R6917 100k 15W R6946 33 R6937 10 D6905 B0ECHP000001 D6923 MA3X152E0L C6931 50V 0.01u C6902 25V 220u Q6915 2SK326900L G D S SS21 1 2 3 4 5 6 7 SS41 1 2 3 4 5 6 7 8 9 10 11 12 13 SS48 1 2 3 4 5 6 7 8 9 10 11 12 13 SS31 1 2 3 4 5 6 7 - + - + Vda_75V TO C3-BOARD (C35) TO C4-BOARD (C42) GND GND Vda 75V Vda 75V 78V 78V NC NC NC NC Vda 75V 78V 78V GND GND Vda 75V UP TNPA2919 ! SS2-BOARD DOWN ! TNPA2917 SS3-BOARD 14 13 12 9 10 11 8 15 3 2 1 5 4 ! SS-BOARD TXNSS1QMSC (2/2) BACK PAGE TO FET DRIVER FET DRIVER BUFFER FET DRIVER COMPARATOR TH-50PHD6CY, TH-50PHW6CH/CZ SS-BOARD (2 of 2), SS2-BOARD and SS3-BOARD Schematic Diagram TH-50PHD6CY, TH-50PHW6CH/CZ SS-BOARD (2 of 2), SS2-BOARD and SS3-BOARD Schematic Diagram 128 14.68.Z 电路板和 H3 电路板方框图 Q2330 Q2331 R AMP Q2410 100Hz LPF Q2406 32 20 L IN L OUT 12 1 R IN R OUT 28 29 27 11 16 OUT(R) AUDIO L AMP Q2408 Q2302 L AMP Q2301 R AMP 17 20 21 4 IC2302 AUDIO AMP (L) IC2301 AUDIO AMP (R) AMP STB SW AUDIO OUT(L) 17 11 16 B IN ADD MS IN 17 19 MUTE Q2305 Q2303 MUTE POWER ON MUTE Q2306 15 16 17 SCL SDA PORT 10 11 5 6 3 1 15 SLOT3.3V SLOT3.3V SLOT5V SLOT9V SOUND MAIN MUTE SCL3 SDA3 R L Z8 9V 9V 1 4 1 3 Z6 Z7 L+ L- R+ R- H37 1 3 IC2401 SOUND PROCESSOR 2 1 AVR 9V 31 VCC IC2304 Z Sound Processor Board + - H3 SPEAKER TERMINAL (L) (R) TERMINAL + SPEAKER H37 H3 1 3 - J8 14 RESET JK8500 JK8500 Q2370 Q2334 Q2333 ERROR DETECT SW REG 23 22 24 TO J-BOARD LPF P5 Z5 DIG12V STB5V 1 DIG12V 8 2 SOUND12V 4 7 SOUND12V TO P-BOARD SOUND12V SOUND12V SOUND12V 24 AMP STB SW 22 23 20 21 4 SW REG 1 IC801 4 IC803 11 REG 3.3V 2 REG 5V 7 REG 9V IC802 1 9V 9V DR15V 11 DR15V 12 3 5V D2308 # M # M # TH-50PHD6CY, TH-50PHW6CH/CZ Z and H3-BOARD Block Diagram TH-50PHD6CY, TH-50PHW6CH/CZ Z and H3-BOARD Block Diagram 129 14.69.Z 电路板 (1/2)和 H3 电路板电路图 + + + + + + + + + + + + + + + + + + + Thermal Pad Thermal Pad 9V 9V R2467 220k R2321 0 C2314 25V 47u R2452 47k R2306 22k C2358 50V 2.2u C2431 50V 0.01u IC2401 C1BA00000302 1 2 3 4 5 6 7 8 9 10 11 12 13 14 15 16 17 18 19 20 21 22 23 24 25 26 27 28 29 30 31 32 L2306 ELJPA100KF R2484 33k R2445 0 R2464 100 Q2330 2SD1266AQ0LB C2360 50V 1000p C2352 50V 10u 1/2W R2355 2.2 C2364 50V 0.1u R2348 10k R2343 10k Z6 1 2 3 4 C2367 50V 2.2u R2482 15k C2368 50V 0.1u C2459 16V 1u C2422 4.7u 16V R2439 56k R2462 100 C2369 50V 0.1u Q2410 2SD0601A0L C2454 50V 4.7u L2331 220uH L2330 220uH 1/2W R2356 2.2 C2461 50V 1000p R2457 33k R2304 47k R2480 1k C2484 50V 0.01u 1/2W R2358 2.2 Q2406 2SD0601A0L R2461 100 R2434 4.7k R2466 100k R2470 4.7k Q2306 2SD0601A0L Q2408 2SD0601A0L C2419 50V 10u R2325 560 R2310 5.6k R2469 100k R2431 12k 1/2W R2359 2.2 C2427 50V 10u C2429 16V 100u C2354 35V 47u C2442 1u 16V D2316 B0JCME000025 C2440 16V 4.7u R2332 1.8k R2324 560 C2437 16V 100u D2308 MA3X152E0L C2453 50V 0.1u C2435 50V 0.01u C2433 50V 0.039u C2312 50V 0.01u R2471 1.8k C2355 35V 47u R2305 22k C2350 2.2u 16V 1/2W R2360 2.2 Q2305 2SD0601A0L R2450 56k C2365 50V 0.1u C2450 50V 10u R2320 560 C2458 50V 1000p R2347 47k C2359 50V 2.2u R2483 1k C2313 50V 47u R2331 0 C2363 25V 470u R2476 22 R2352 10k Q2303 2SD0601A0L R2410 10k C2438 16V 100u R2453 10k C2423 50V 0.01u 1/2W R2357 2.2 C2362 25V 470u Q2302 2SD0601A0L R2468 4.7k C2466 16V 1u R2354 10k R2346 12k IC2304 C0CBAHG00005 GND 3 2 OUT IN 1 R2448 1k 1% R2463 15k R2481 15k R2353 10k C2366 50V 2.2u C2353 50V 10u R2333 470 C2467 16V 1u R2440 0 C2351 2.2u 16V R2301 4.7k R2408 10k C2460 50V 0.047u D2301 B0JCME000025 C2451 50V 4.7u R2485 0 R2319 560 D2317 B0JCME000025 C2361 50V 1000p R2341 10k R2351 10k C2452 50V 5600p C2357 50V 1000p R2350 4.7k C2434 50V 0.022u C2463 50V 0.047u C2441 16V 4.7u C2457 50V 4.7u C2480 1u 16V R2477 22 C2436 16V 1u R2309 4.7k C2417 4.7u 16V C2356 50V 1000p D2302 B0JCME000025 R2473 1.8k 1% R2460 18k R2472 4.7k C2426 50V 0.015u R2456 10k Q2331 2SD1266AQ0LB R2438 100 Q2301 2SD0601A0L R2441 12k C1BA00000278 IC2301 1 2 3 4 5 6 7 8 9 10 11 12 13 14 15 16 17 18 19 20 21 22 23 24 25 26 27 28 C1BA00000278 IC2302 1 2 3 4 5 6 7 8 9 10 11 12 13 14 15 16 17 18 19 20 21 22 23 24 25 26 27 28 JS2301 Z7 1 2 3 ZA001 K4ZZ01000121 ZA002 K4ZZ01000121 ZA003 K4ZZ01000121 L8502 G0A2R5H00003 H37 1 2 3 JK8500 K4BC02B00013 L8501 G0A2R5H00003 L8502 G0A2R5H00003 H37 1 2 3 JK8500 K4BC02B00013 L8501 G0A2R5H00003 SCL3 SDA3 +R OUT -R OUT -L OUT +L OUT FILTER LIPPLE AMPSTB SW ON TIME NC NC POWER GND BEEP IN NC PRE GND NC POWER GND Vcc(SW) OUT SW SWE SWB SW GND OUT- OUT+ Vcc SW GND POWER GND SW GND POWER GND Vcc OUT+ OUT- SW GND B SW E SW SWOUT Vcc(SW) POWER GND NC PRE GND NC IN BEEP POWER GND NC NC ON TIME STB SW AMP LIPPLE FILTER R L 100Hz LPF STT MS_IN B_GAIN LT B_IN ADD C_IN S_OUT V_REF PS STB LS2 AGC_ADJ(4.2V) LS1 VCC L_IN A_GND R_IN SCV PORT SDA SCL LB CB CT RT R_OUT RB C_OUT L_OUT SLV SRV L R_IN R 1 A 5 6 D 4 E 3 7 C B 2 8 ! 1 2 3 4 5 6 8 10 12 7 9 11 Z-BOARD TNPA2815 (1/2) NC L-OUT SOUND_GND ! H3-BOARD TNPA3003 NC ! H3-BOARD L-OUT TNPA3003 SOUND_GND SOUND PROCESSOR AVR 9V AUDIO AMP AUDIO AMP NEXT PAGE TO = # M M M M = # = # = # = # M = # M TH-50PHD6CY, TH-50PHW6CH/CZ Z-BOARD (1 of 2) and H3-BOARD Schematic Diagram TH-50PHD6CY, TH-50PHW6CH/CZ Z-BOARD (1 of 2) and H3-BOARD Schematic Diagram 130 14.70.Z 电路板 (2/2)电路图 + + + + + + Thermal Pad + 3.3V 5V 9V 12V C811 50V 0.01u L801 G1C101ZA0037 D803 B0JCME000025 IC802 C0DAAHG00007 1 V IN 2 V OUT 3 GND 4 VO S 5 ON/OFF C809 50V 0.01u C806 10V 1000u L802 G1C121ZA0037 1% R803 1k C802 25V 470u IC801 C0DAAHG00008 1 V IN 2 V OUT 3 GND 4 VO S 5 ON/OFF D802 B0JCME000025 C816 50V 6800p L803 G1C680ZA0037 1% R805 1k 1% R810 510 C815 50V 0.1u R808 47 Z8 1 2 3 4 5 6 7 8 9 10 11 12 13 14 15 16 17 18 19 20 D806 B0BC6R8A0010 C813 50V 0.047u 1% R807 15 D804 B0JCPD000010 Z5 1 2 3 4 5 6 7 8 9 10 11 C812 50V 0.1u C814 6.3V 1500u 1% R809 1.2k C808 50V 0.01u D807 B0BC6R8A0010 C810 25V 560u C803 25V 330u C805 16V 1000u 1% R806 15 C807 50V 0.1u C0DBALH00002 IC803 1 AGND 2 N.C 3 DGND 4 CE/SS 5 Reg 6 N.C 7 Swout 8 N.C 9 N.C 10 N.C 11 Vin 12 BS 13 N.C 14 Comp 15 Vref 16 N.C R2365 56 R2366 56 R2367 3.3k R2368 10k C2370 35V 47u Q2370 2SB0709A0L R2369 10k R2370 2.2k R2372 1k R2371 1k Q2334 2SD0601A0L R2373 10k Q2333 2SD0601A0L SDA3 SCL3 DR15V SOUND12V SOUND12V STB5V DIG12V DIG12V DR15V SLOT3.3V SLOT3.3V SLOT5V SLOT9V DIG12V GND GND GND GND GND GND GND GND R L SOUND MAIN MUTE RESET 9V/0.5A 3.3V/1.2A 5V GND GND 5V/0.4A 10 11 12 13 8 14 9 15 2 1 3 4 5 6 8 10 12 7 9 11 TO (J8) J-BOARD TO (P5) P-BOARD AVR 9V AVR 5V AVR 3.3V Z-BOARD TNPA2815 (2/2) ! TO BACK PAGE M M M M M M M TH-50PHD6CY, TH-50PHW6CH/CZ Z-BOARD (2 of 2) Schematic Diagram TH-50PHD6CY, TH-50PHW6CH/CZ Z-BOARD (2 of 2) Schematic Diagram

标签:

版权声明

1. 本站所有素材,仅限学习交流,仅展示部分内容,如需查看完整内容,请下载原文件。
2. 会员在本站下载的所有素材,只拥有使用权,著作权归原作者所有。
3. 所有素材,未经合法授权,请勿用于商业用途,会员不得以任何形式发布、传播、复制、转售该素材,否则一律封号处理。
4. 如果素材损害你的权益请联系客服QQ:77594475 处理。