松下TH-42PWD8CK等离子电视电路原理图

分类:电子电工 日期: 点击:0
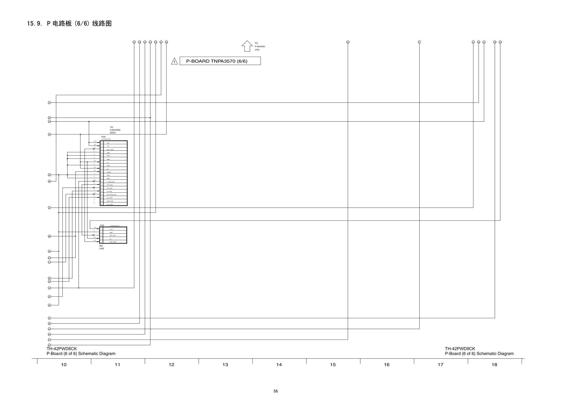
松下TH-42PWD8CK等离子电视电路原理图-0 松下TH-42PWD8CK等离子电视电路原理图-1 松下TH-42PWD8CK等离子电视电路原理图-2 松下TH-42PWD8CK等离子电视电路原理图-3 松下TH-42PWD8CK等离子电视电路原理图-4 松下TH-42PWD8CK等离子电视电路原理图-5 松下TH-42PWD8CK等离子电视电路原理图-6 松下TH-42PWD8CK等离子电视电路原理图-7 松下TH-42PWD8CK等离子电视电路原理图-8 松下TH-42PWD8CK等离子电视电路原理图-9

48 15 方框图和线路图 15.1. 线路图注意事项 49 15.2. 主要集成电路方框图 SUSTAIN PULSE VOLTAGE GENERATOR CONTROL PULSE PULSE SCAN SC2 SC23 SC20 D20 CONTROL DISCHARGE MAIN MPU ROM LVDS LVDS A/D FORMAT CONVERTER RGB PROCESSOR PROCESSOR SUB-FIELD PLASMA AI SDRAM D31 D32 P25 D25 P12 P11 SS11 SS12 SS23 SS34 SUSTAIN PULSE ERASE PULSE ADDRESS VOLTAGE (VE) S.R. STBY5V +5V D5 D1 J5 J6 J1 ANALOG SW SYNC SW SYNC SEPARATOR SDRAM ROM DC/DC CONVERTER (1.2V)3.3V 1.5V STB3.3V PROCESS VOLTAGE RECTIFIER CONTROL SUSTAIN VOLTAGE RECTIFIER SUSTAIN VOLTAGE VOLTAGE PROCESS CONTROL RECTIFIER STANDBY VOLTAGE FACTOR POWER CONTROL RECTIFIER RELAY VOLTAGE STANDBY CONTROL RECTIFIER VDA 15V 5V 12V STB5V STB14V P23 P2 VSUS VSUS C12 C11 C22 C21 C23 AUDIO SW - + + - H3 L R CONTROL D P SOS ON/OFF S34 S1 J STB_PS_ON STB_PS SS SPEAKER TERMINAL PC RS-232C PC AUDIO IN VDA,SOS/SUSTAIN DRIVE PULSE SP SP C1 C2 15V S.R. S.R. S.R. S.R. S.R. S.R. D3 J3 CONTROL J11 J12 J13 J14 VD HD J2 J15 J10 J4 J8 J7 L OUT R OUT P10 P5 LINE FILTER P9 AC IN +15V +12V(s) +12V F_STB_14V V34 LED_G POWER ON LED_R STAND-BY RECEIVER REMOTE V1 REMOTE RECEIVER/LED_G,R V2 KEY SW V15 VOL DN F VTR TV/ VOL UP STR 15V Vda POWER SW STB_PS_ON STB_PS AUDIO PROCESSOR L R DR15V SOUND12V DIG12V DC_DC CONVERTER 5V 9V 3.3V F_STB_14V CONTROL HX HX1 DIGITAL SIGNAL PROCESSOR/FORMAT CONVERTER PLASMA AI PROCESSOR +12V SDRAM CPG OSD IIC EEPROM VSUS 15V DATA DRIVER(RIGHT) DATA DRIVER(LEFT) SUSTAIN DRIVE SOS POWER SUPPLY S.R S.R SCAN OUT 64 S.R 64 SU 64 64 S.R S.R 64 64 S.R 64 64 S.R S.R SOS1 SOS2 SCAN DRIVE SC Vda 15V SD SCAN OUT SOS H3 SPEAKER TERMINAL S-VIDEO AUDIO IN H1 HB VIDEO IN/OUT IN LVDS GC2M SW SLOT I/F, SYNC PROCESSOR AUDIO PROCESSOR TO J-BOARD SLOT 42PWD8UK HA HB J12 J11 J13 TH-42PWD8CK Main Block Diagram TH-42PWD8CK Main Block Diagram 50 15.3. P 电路板方框图 D510 D509 X501 4NHz Q527 D534 D536 R443 R661 1 2 3 D545 D544 D542 D555 D521 R665 1 2 3 D535 PR509 D532 D531 R628 R671 D530 D568 Q409 Q408 Q413 Q412 PR503 D417 D420 D419 C405 L403 D404 D462 D401 D511 D567 PR501 D444 1 2 IC408 4 2 1 3 1 3 4 2 1 3 4 2 IC404 IC403 IC401 3 9 8 14 4 2 16 10 T401 5 8 7 6 VCC MOS DRIVE CURR DET CURR COMP 2 1 3 4 Q407 PFC Q420 Q404 Q406 L402 D415 IC406 POWER FACTOR CONTROL 5 4 9 2 10 6 T402 Q535 Q501 Q503 Q502 8 6 10 7 9 2 3 4 1 15 19 24 18 22 23 16 17 21 20 VDD VSS XIN XOUT RESET STB PS PFC DET F STB PC ON/OFF DISCHARGE ECO ON/OFF F STB ON/OFF V LOW DET AC P DET TV ON/OFF VSUS DET STB ON/OFF PS SOS PFC ON/OFF V LOW ON/OFF IC501 1 3 IC502 RESET 1 5 2 4 6 3 T407 9 8 11 3 15 2 6 4 1 IC512 Q541 1 2 Vda P12 +15V +12V TO 1 2 6 PB5 P5 +12V +12Vs 4 +15V +12Vs 7 +12Vs 8 1 +15V 2 +15V P23 TO SC23 SS11 P11 3 2 Vsus TO TO P2 SC2 2 1 Vsus Vsus Vsus 9 +5V TO STB5V 7 P25 D25 +5V 10 Q421 POWER MCU COLD COLD HOT 4 STB_PS IC411 4 1 5 3 IC402 Q422 Q418 Vda 75V 7 5 STB12V DC15V DC12V Q509 USE +15V FAN SOS 5 4 3 P30 +5V NO FAN CONT 1 Q536 14 FAN SOS Q538 Q537 Q550 Q553 Q554 Q557 2 3 1 16 17 15 18 12V 2 12V 3 1 FAN CONT Q552 3 HOT P POWER SUPPLY 4 Vda Q508 13 14 PR601 Q505 9 6 5 4 3 5 ZCD 7 GD 8 VCC 1 3 VFF 4 CB INV Q507 Q506 3 1 IC506 Q530 Vsus Q525 1 2 IC505 3 4 IC509 13 14 12 MAIN RELAY RUSH RELAY VSUS ON/OFF ALL OFF 11 Q561 Q559 13 F STBY ON IC507 1 5 REG Q544 ALL OFF PS SOS PANEL MAIN ON ECO_ON Q551 Q567 Q565 Q564 Q560 Q518 Q562 Q558 IC503 1 2 Q519 F STB 14V 2 1 3 F STB 14V F STB 14V P10 TO PA10 Q512 Q511 12 16 15 13 2 4 6 IC520 Q510 Q516 Q520,Q517 5 PR401 PR402 Q401 4 1 5 3 4 7 8 5 3 2 1 Q435 Q423 R903-R906 R928-R931 Q424,Q434.Q436 L405 L404 F401 F402 1 4 NEWTRAL RL402 RL403 R455,R474 R479,R481 R483,R488 Q430,Q432 Q433,Q441 Q417 Q4O3 IC407 Q415 Q438 Q414 Q431 Q439 Q440 4 IC412 2 4 2 IC409 3 1 1 3 3 14 13 10 18 9 6 15 16 SS12 TO T601 REG Vsus REG IC504 2 1 T410 T404 D539 LIVE P9 1 2 ERROR DET (Vda) BUFFER POWER SUPPLY ERROR DET ERROR DET(Vsus) ERROR DET COMPARATOR(AC IN) COMPARATOR(PFC) +5V REG DC-DC CONVERTER COLD HOT AC CORD TO PFC DET STB5V DET ALLOFF SW EXT Isen VIN CE/SS CLK FB VSS VlOW DET VlOW DET INV. INV. MAIN ON/OFF RUSH ON/OFF Vsus DET Vsus 188V SW STB 5V INV. INV. Vlow Vlow POWER CURCIUT Vsus POWER CURCIUT INV. INV. SW F STB 14V SW SW SW INV. INV. OSC OSC 395V F STB 14V STB 5V PS SOS LED 5TIMES SOS BLINKING TIMES TH-42PWD8CK P-Board Block Diagram TH-42PWD8CK P-Board Block Diagram 51 15.4. P 电路板 (1/6) 线路图 C426 470P C429 0.015 R444 12K R430 430K[F] D503 MA165 R424 22K D504 MA165 R440 470K C436 1[KB] R451 33K R433 12K[F] C443 1000p R449 R10 C432 1[KB] R458 4700 C403 2200pF IC406 C0DAZZZ00021 1 2 3 4 5 6 7 8 R436 15K R443 2K ZN401 D4EAD6210001 D418 MA4082-M C444 1000p C409 1.0uF R441 680K[F] R473 560K[F] D415 AW04V0 R452 10K R439 12 R417 430K[F] R448 R10 R456 33K R437 18K C428 220P R454 10K R464 33K[F] R438 330 R442 680K[F] C430 0.015 R472 560K[F] ZN402 D4EAD6210001 R465 560K[F] R475 680K[F] R462 430K[F] C459 0.015 C460 330p C461 330p C463 22P R414 15K D433 MA4150-M C445 1[KB] Q401 B1CHND000004 R421 33K R471 3300 R426 10K C440 10[YXF] C431 1000P[KB] L403 EXCELSA35T D431 RB520 R415 10K C449 *** TP1 TP2 TP3 TP4 TP5 TP6 TP7 TP8 R428 10K C412 0.01[KB] L402 EXCELSA24V ZH2 ZH1 ZH3 ZH4 ZH18 ZH20 ZH17 ZH19 ZH21 ZH22 ZH32 ZH30 ZH31 ZH34 ZH35 ZH33 ZH92 ZH95 ZH96 ZH97 ZH8 ZH7 ZH37 ZH36 ZH38 ZH48 ZH49 R431 10K C423 4700P C427 1[KB] Q420 2SD1819ARL R463 33K R467 1000 Q407 XN0460100L C468 0.01[KB] D429 ERA15-10 R419 100K P9 4 LIVE NC 3 - 2 NEUTRAL 1 ZH11 ZH12 L404 SC06-120J 1 2 4 3 L405 SC06-120J 1 2 4 3 C470 *** C473 220P C476 220P Q422 2SD1819ARL R490 47K R491 47K Q404 B1BCCF000022 R493 12 R410 10/5W ZH43 ZH42 ZH40 ZH51 D419 RU30ALF014 D420 RU30ALF014 ZH102 ZH103 ZH104 ZH105 ZH106 ZH107 ZH108 ZH109 ZH110 ZH111 ZH5 ZH6 Q406 B1DEHQ000007 C446 390uF/450V ZN403 D4EA8511A001 ZH15 ZH16 ZH9 ZH10 F401 T8AH 250V F402 T8AH 250V 1mm 1mm 1mm 1mm Z450 EYF52BCY Z451 EYF52BCY Z452 EYF52BCY Z453 EYF52BCY C404 1.0uF ZN404 D4EAD6210001 Z2 K4ZZ01000121 1 D401 D6SB80 4 2 3 1 RL403 DJ12D2-O(M)0.25W 2 3 4 5 6 1 RL402 DG12D1-O(M)-2 0.25W TV-8 1 4 2 3 T401 G4D2A0000229 1 2 3 4 5 6 7 8 9 11 12 13 14 15 16 17 18 19 20 D417 RU30ALF014 ZH54 ZH55 ZH50 ZH61 ZH64 S401 RA-362MS-V7-Y S402 RA-362MS-V7-Y ZH67 C499 *** R492 22 PR401 0216005.MXEP ZH75 ZH73 D428 ERA15-10 D427 ERA15-10 PR402 T 2.0A 250V C462 1[KB] CURR Vcc GND CURR DRIVE COMP MOS DET PFC CAUTION CAUTION B E 9 6 8 7 3 D 4 C 1 2 F 5 A COLD HOT COLD HOT COLD HOT A B C D E F G H I J L 1 2 3 P-BOARD (3/6) TO P-BOARD TNPA3570 (1/6) 10 AC CORD TO K POWER FACTOR CONTROL TH-42PWD8CK P-Board (1 of 6) Schematic Diagram TH-42PWD8CK P-Board (1 of 6) Schematic Diagram 52 15.5. P 电路板 (2/6) 线路图 R681 150[F] R545 10K D535 MA188 C605 150u/160V D425 MA188 C624 1[KB] R598 47K R592 3000[F] D521 1SR153 D545 MA4180-H R632 220 IC520 C9ZB00000496 1 2 3 4 5 6 7 8 11 12 13 14 15 16 9 10 C604 150u/160V R641 47K R537 36K[F] R613 16K[F] J501 LSJW0001 R609 8200 C547 0.033[KB] R922 100 C530 0.033[KB] R679 R39 C572 0.1[KB] ZH83 T402 G4D1A0000098 9 10 2 6 3 5 4 D574 MA111 Q516 B1DHBD000004 R660 12K[F] ZH82 R596 10K[F] C548 0.1[KB] D542 MA4180-H ZH86 Q541 B1CBGD000001 C620 0.01[KB] Z1 K4ZZ01000206 1 ZH80 T407 ETQ11K5AZ 6 5 2 4 1 ZH79 R579 10K ZH60 ZH58 R547 1000 C574 0.1[KB] C646 330P[JC] C527 4R7[KB] T404 G4D4A0000109 9 11 13 14 1 3 2 4 15 7 8 6 5 C523 1[KB] R597 47K ZH56 D570 MA4300-M R614 3300[F] C551 0.1[KB] R607 8200 R698 R39 C555 100u/100V D568 MA142WA R576 12K[F] C457 0.033u D531 S3K60-5004P15 R667 0 D539 D8LD40 C577 33/100V R664 9100[F] Q409 B1CHND000004 R588 390[F] R612 2200 C601 0.01[KB] R649 22K R624 0.22/1W R665 2000 Q413 B1DAGQ000013 R567 4.7k R572 390[F] R675 2R2 C552 0.1[KB] R528 4R7 R631 33K R482 22 R551 100K PR509 F IC512 C0DAEMB00004 1 3 2 R669 130K[F] D534 SF20JC6 L510 EXCELDR25V ZH94 R584 10K Q508 XN0450100L R562 18K[F] R560 13K[F] R561 4300[F] R682 2200 ZH66 ZH84 ZH85 ZH72 ZH78 L509 J0JBC0000032 R582 10K[F] R477 180 ZH59 C534 470P[JC] C553 0.1[KB] ZH53 Q520 B1HFCFA00021 6 1 5 3 4 2 D551 MA4130-M ZH57 D549 MA4075-M R563 2R2 P5 K1KA11A00073 11 GNDs 10 GNDs 9 GNDs +12Vs 8 +12Vs 7 +12Vs 6 GND 5 +15V 4 GND 3 +12V 2 +12V 1 D544 MA4180-H R713 4700 ZH63 C643 47[YXF] R600 390 R585 33K Q510 B1DHBD000004 R599 390 C625 10 D538 MA3051-MTX R476 180 ZH62 R661 5K C606 1[KB] R670 1000 R655 R39 C546 0.033[KB] R680 R39 R574 330 R659 30K[F] D569 MA4300-M R645 47K R662 130K[F] Q517 B1HFCFA00021 6 1 5 3 4 2 D529 MA3X15300L C557 25V/1500 Q509 XN0440100L 6 1 5 3 4 2 R683 150[F] J502 LSJW0001 R674 33K C451 100P D579 MA111 C647 330P[JC] Q408 B1CHND000004 D532 S3K60-5004P15 C554 1[KB] D543 MAZ41500MF D536 SF15JC10 R573 390[F] Q527 B1DEHL000018 R531 4.7K C550 1000P[KB] R663 2R2 R591 1M ZH99 P12 K1KA05A00139 5 STB12V 4 STB_PS 3 GND 2 +15V 1 Vda C581 0.022[KB] Q412 B1DAGQ000013 R668 0 P23 K1KA03A00213 3 GND 2 +15V 1 +15V ZH91 R650 10K D528 MA3X15300L D571 MA4300-M R666 1000 ZH74 ZH81 D572 MA188 C528 1[KB] ZH65 D423 MA188 C584 0.022[KB] C556 1500u/16V R676 33K C465 220P R712 0 R478 22 D530 MA4100-MTA ZH52 R593 5600[F] C587 0.01[KB] Vlow Vda COLD HOT COLD HOT COLD HOT AB AA AC AD AE AF AG AH AI AJ AK AL AM AN 2 3 1 P-BOARD (4/6) TO TO SS-BOARD (SS12) (SC23) TO SC-BOARD (PB5) TO PB-BOARD 0 12.0 0 0 0 0 12.0 12.0 12.0 5.0 12.0 15.0 15.0 0 67.0 0 15.0 12.0 12.0 12 13 11 16 17 18 14 10 15 P-BOARD TNPA3570 (2/6) AVR DC75V TH-42PWD8CK P-Board (2 of 6) Schematic Diagram TH-42PWD8CK P-Board (2 of 6) Schematic Diagram 53 15.6. P 电路板 (3/6) 线路图 R926 220K R403 47K[F] D404 S1WB(A)80-7101 4 2 3 1 R445 100K[F] R905 120K[F] ZH88 D438 MA4150-M R550 1M R564 470K R910 10M Q433 B1CBGD000001 C494 100P Q565 2SD1819ARL R470 R39 ZH69 R407 10K Q564 2SD1819ARL R920 100K R604 1200 D440 MA4300-M R555 1M R930 120K[F] R911 10M R558 330K C407 22u/450V R552 1000 C512 470P[JC] R435 10K D444 D1NL20U-7070 R928 120K[F] D467 ERA15-10 R544 330 R901 27K[F] Q511 B1CFND000005 R704 100/2W R524 1800 R447 33K[F] R925 3300K R466 1000 C514 470P[JC] IC407 C0DBAZZ00111 1 2 3 4 5 6 7 8 Q560 B1CHHG000002 R507 220 R707 1000 R927 220K R906 120K[F] R485 1K D414 MA111 R903 120K[F] Q518 B1DEHL000018 C526 *** C464 *** C498 1[KB] R481 10M Q519 B1DEHF000002 R913 1000 C417 0.01[KB] C433 1[KB] D466 ERA15-10 R401 4700 D510 RL2Z LF-C1 R594 10K L501 EXCELSA35T D508 MA4150-M L506 EXCELDR25V D441 D1NL20U-7070 C533 0.01[KB] R914 1000 R483 10M Q423 B1CBGD000001 C513 470P[JC] D443 MA4240-M C414 0.01[KB] Q414 B1ABCF000134 Q439 B1CHND000004 R559 47K[D] C415 1000P D407 MA188 R402 3.6M ZH41 C495 100P R461 1K D442 MA4075-M C492 270P D464 ERA15-10 D445 MA165 D410 MA111 R411 10/5W D462 MA142WK ZH14 C467 220P R489 1000 R929 120K[F] Q434 B1CEJQ000002 R427 330K D437 MA4082-M C491 0.1[KB] D436 MA188 Q438 B1CBGD000001 R468 4700 R706 10K R570 1000 R932 1M D460 *** D465 ERA15-10 R446 R39 C425 0.01[KB] R549 1000 Q424 B1CBGD000001 ZH89 D463 ERA15-10 R412 4700 C496 1[KB] C520 0.1[KB] C424 1000P Q558 B1CHHG000002 R907 27K[F] D509 RL2Z LF-C1 R565 330K C516 0.47[KB] R554 3300 IC412 CNC1S171RLL2 2 1 4 3 R530 33K[D] C511 330 R522 10 IC409 CNC1S171RLL2 2 1 4 3 IC408 CNC1S171RLL2 2 1 4 3 R904 120K[F] R469 10K R474 100K/1W D412 MA111 D406 MA4200-M D411 ST03D-170_New C529 1[KB] R909 10M D511 RF1001T2D Q415 2SB1218ARL R915 10K R633 330K IC503 C0DAEMB00004 1 3 2 R912 10K Q440 2SD1819ARL D563 MA4062-M Q436 B1CEJQ000002 D507 MA4150-M C434 1[KB] R703 100/2W R908 3300K Q567 B1CBGD000001 R708 100K D567 WA5001=5 R548 1000 Q432 B1CEJQ000002 R587 47K R630 47K R931 120K[F] ZH68 Q562 2SD1819ARL R423 150K R521 10 T410 G4D2A0000229 9 8 6 3 1 2 10 11 12 13 14 18 16 15 C562 0.1[KB] C416 1000P R413 10/5W R457 33K D461 MA4082-M Q441 2SD1819ARL R566 100K C493 100/25V[YXF] R488 10M Q435 B1CBGD000001 R629 100K ZH13 R702 100 C515 1200[ZL] R918 10K R479 100K/1W R429 10K R405 3.6M D566 D1NL20U-7070 R432 10K C490 330P R455 10M D435 ERA15-10 D564 MA7200 C419 1000P R917 330K C517 APS-250ETD101MJC5S Q512 B1CBGD000001 C497 220/25V[YXF] ZH87 Q430 B1CEJQ000002 Q431 B1DEGS000001 R921 30.9K[D] R635 100K R916 0 C413 0.01[KB] D413 MA111 IC504 C0DAEMB00004 1 3 2 R422 180 R539 10K[D] D459 MA188 R553 4700 D552 MA4082-M PR501 K5H502Z00003 COLD HOT HOT COLD BA BB BC BD BE BF BG BH BI BJ BK BL BM C L D E F G H B I J A 11 12 13 14 15 16 17 18 19 P-BOARD (1/6) TO P-BOARD TO (5/6) C 2 F 4 1 3 9 B E D 7 6 5 A 8 K P-BOARD TNPA3570 (3/6) DC-DC CONVERTER PHOTO COUPLER COUPLER PHOTO COUPLER PHOTO STB 5V STB 14V TH-42PWD8CK P-Board (3 of 6) Schematic Diagram TH-42PWD8CK P-Board (3 of 6) Schematic Diagram 54 15.7. P 电路板 (4/6) 线路图 D501 RU30ALF014-102 R533 22K R526 220K IC505 CNC1S171RLL2 2 1 4 3 C629 0.01[KB] Q530 B1CBGD000001 Q507 B1DAGQ000013 R671 10K R656 47K[F] R691 100K D584 MA4075-M R608 3300 R603 3300 D582 MA7056 R646 22K ZH29 D586 1SR153 ZH27 IC506 C0ZBZ0000878 1 2 5 3 4 R643 R68 C603 47 R647 22K Q525 B1CBGD000001 C592 0.015 R534 220K D514 MAZ40620MF C611 1700u/200V L502 1mH T601 G4D2A0000227 5 9 3 4 6 R654 100 ZH45 R696 10 ZH46 R628 3K C633 0.01[KB] C641 1000P[KB] C591 0.015 ZH23 R658 1M R622 150K[F] ZH25 R601 47K R626 150K[F] R595 2200 C615 1700u/200V R637 R68 R590 12K P2 K1KA06A00180 VSUS 1 VSUS 2 NC 3 GND 4 GND 5 GND 6 ZH24 R636 150K[F] D506 MA4051N-MKT R644 R68 R648 150K[F] ZH26 D587 MA188 R642 R68 P11 K1KA07A00096 GND 7 GND 6 GND 5 NC 4 Vsus 3 Vsus 2 NC 1 PR601 T 3.15A 250V R589 12K Q505 B1CEJQ000002 IC509 C0DABZZ00010 1 INV 2 COMP 3 VFF 4 CS 5 ZCD 6 GND 7 GD 8 Vcc D575 MA188 C619 0.1[KB] R634 R68 ZH28 R627 7500 R695 16K[F] C634 1000P[KB] C518 1[KB] C640 0.1[KB] R621 12K R652 9.1K[F] R543 2200 R527 220K C616 1000P ZH47 C632 *** R619 R68 R657 1000 R620 10K ZH44 ZH39 Q506 B1CHND000004 P10 K1KA06A00220 F_STB_14V 1 F_STB_14V 2 F_STB_14V 3 GND 4 GND 5 GND 6 C525 820/25V CA CB CC CD CE CF CG CH CI CJ CK CL CM CN AA AE AG AD AF AC AB AI AJ AK AL AM AN AH 12 17 15 16 18 19 11 14 13 P-BOARD (2/6) TO TO P-BOARD (6/6) (SS11) TO SS-BOARD (SC2) TO SC-BOARD (PA10) TO PA-BOARD 185.1 185.1 0 0 0 0 185.1 185.1 0 0 0 0 0 0 0 14.0 14.0 14.0 11 15 12 13 16 17 18 14 10 P-BOARD TNPA3570 (4/6) SHUNT REGULATOR COUPLER PHOTO AC-DC CONVERTER TH-42PWD8CK P-Board (4 of 6) Schematic Diagram TH-42PWD8CK P-Board (4 of 6) Schematic Diagram 55 15.8. P 电路板 (5/6) 线路图 R480 91K[F] R580 47K R577 47K C504 1[KB] IC402 C0BBAA000040 1 2 5 3 4 R686 1000 R418 47K R689 1000 C508 0.01[KB] Q551 B1CBGD000001 R685 100K R425 3300 R615 10K D434 MA4082-M C631 0.01[KB] Q550 B1CHGD000006 C421 0.01[KB] R692 4700 R583 47K R503 100K D403 MA4051N-MKT C637 0.1[KB] R640 10K Q535 2SD1819ARL C609 0.01[KB] R519 100K R578 47K R497 24K[F] C402 100p R542 1000 R677 220K R514 100K Q553 2SD1819ARL Q544 XN0440100L R557 470 R501 22K R523 1000 C583 1000P[KB] C638 0.01[KB] R575 1000 IC411 C0BBAA000040 1 2 5 3 4 R495 560K[F] Q417 B1CHND000004 X501 4MHz R450 1000 R697 100K R518 100 Q557 2SD1819ARL R611 10K R508 1000 R581 47K Q537 B1CFQD000001 C418 1[KB] C519 1[KB] R525 47K C507 0.01[KB] R502 100K Q536 B1CFQD000001 C503 0.01[KB] C405 0.01[KB] C505 1000P[KB] PR503 K5H502Z00003 C623 10/50V R517 10K R571 10K IC403 CNC1S171RLL2 2 1 4 3 C482 0.1[KB] Q421 2SD1819ARL C506 0.01[KB] C593 0.22[KB] R536 1000 R510 100K R625 100K R486 6800 R504 1000 C612 0.01[KB] R687 10K Q418 2SD1819ARL R511 100K Q403 B1CBGD000001 C639 0.01[KB] IC404 CNC1S171RLL2 2 1 4 3 R623 10K C635 0.01[KB] Q501 2SD1820A0L R416 3300 R568 180 R515 1000 R420 470K Q502 2SD1820A0L C510 0.1[KB] R404 100K R520 100K R546 1000 R506 1000 Q552 B1CBGD000001 C502 0.01[KB] R538 100K R694 100K C422 0.01[KB] C636 1[KB] R653 10K R688 22K R487 6800 R541 100K R617 10K D402 MA4240-M D565 MA4160-M IC401 CNC1S171RLL2 2 1 4 3 R509 100K R496 560K[F] D505 AW04V0 C471 1[KB] D559 MA4075-M R618 100K C501 0.01[KB] C411 0.01[KB] R606 1200[F] IC501 C2ABDD000064 VDD 1 VSS 2 XIN 3 XOUT 4 CNVSS 5 Reset 6 P21 7 P20 8 D5 9 D4 10 21 P01 22 P00 D1 13 D0 14 P13 15 P12 16 P11 17 P10 18 P03 19 P02 20 D3 11 D2 12 23 P31 24 P30 R651 47K Q554 B1DHBD000004 R408 100K R678 22K R693 4700 R569 180 C610 1[KB] R453 1000 IC502 COEBH0000190 1 2 3 R610 10K R516 1000 R586 47K C607 1[KB] R512 22K R616 10K R540 1000 C410 1[KB] Q503 XN0440100L R602 3300[F] R532 100 R494 560K[F] R505 33 Q561 2SD1819ARL C608 0.01[KB] R684 22K R513 100K C626 0.01[KB] R690 10K Q559 2SD1819ARL C509 100/25V Q538 B1CFQD000001 D555 MA4075-M R535 1000 IC507 C0CBABE00023 1 2 5 3 4 COLD HOT HOT COLD HOT COLD BE BF BC BG BD BH BA BB BI BJ BK BL BM 31 32 33 34 35 36 37 38 39 40 41 42 43 44 45 46 47 48 49 50 51 52 (3/6) P-BOARD TO 2 F 4 1 3 9 B E D 7 6 5 A 8 C P-BOARD TNPA3570 (5/6) POWER MCU COUPLER PHOTO COUPLER PHOTO PHOTO COUPLER COMPARATOR COMPARATOR RESET REGULATOR TH-42PWD8CK P-Board (5 of 6) Schematic Diagram TH-42PWD8CK P-Board (5 of 6) Schematic Diagram 56 15.9. P 电路板 (6/6) 线路图 P25 K1KA20A00085 ALL_OFF 18 Panel_Main_ON 17 PS_SOS 16 ECO_ON 15 FAN_SOS 14 F_STBY_ON 13 GND 12 GND 11 STB5V 10 5V 9 GND 8 5V 7 GND 6 GND 5 GND 4 FAN_CONT 3 12V 2 12V 1 RUSH_ON 19 KILL_SOS 20 P30 K1KA05A00177 5 FAN_CONT 4 5V 3 FAN_SOS 2 GND 1 +15V CB CG CC CH CM CL CI CN CD CK CJ CE CF CA 39 50 36 46 49 51 38 45 47 52 37 42 44 41 40 34 33 43 35 32 31 48 (4/6) P-BOARD TO (D25) D-BOARD TO NO USE 12.0 12.0 0 0 0 0 5.0 5.0 5.0 0 0 0 6.7 0 0 0 0 0 15.4 0 5.3 6.6 10 15 11 17 18 14 12 16 13 P-BOARD TNPA3570 (6/6) 2.6 0 3.2 TH-42PWD8CK P-Board (6 of 6) Schematic Diagram TH-42PWD8CK P-Board (6 of 6) Schematic Diagram 57 15.10.HB 电路板方框图 C Y 2 1 9V Q3002 Q3023 JK3001 9V Q3052 9V X3101 9V 9V Q3003 JK3004 Q3004 Q3005 Q3051 9V JK3002 IC3003 7 B07 HS TTL PARALLEL TO LVDS SECAM AMP R07 SCL Comb 7 AMP 27 VS 46 TERMINAL BOARD 15 TX3+ G07 3 56 Saturation B24 VIDEO IN/OUT 5V<=>3.3V 6 SCL2 CLK SEL + Filter SDA 54 55 15 R00 28 SDA2 TXC- AMP G00 MEMORY 8 B25 L IN 5 P7 IC3304 4 - S DET P1 23 V Sync IC3105 L AMP TX1+ 6 TX1- 199 TX2- 6 206 TX2+ B6 Generation 17 B2 TXC+ Clock 32 CLKSEL MEMORY CONTROLLOR Sync 2DScalar B9 R07 B12 212 B14 B5 /PDWN 3 R00 + 11 PIP B8 165 3 210 G07 8 B36 TX1- IC3003 Panorama L Q3006 Formatter B15 4 G00 SDA AMP B3 V/Y Decoder Q3104 B00 B11 163 NTSC TX0+ 5 S-VIDEO IN Brightness 72 B07 TX3- SDA A28 PAL 12 TX0- TX1+ 162 SDA Front-End TXC- 5M FIFO 13 Peaking NTSC 40 Color RESET V/Y SWITCH 95 6 SCL AGC PAL S SEL Output 39 IC3104 A38 CLK IN 5V<=>3.3V C IC3103 TXC+ 8 Tint LVDS TRANSMITTER 65 TX2- AUDIO IN 117 52 6 SCL P2 45 Mixer VIDEO 8 1 2 5 EEPROM 47 116 42 2 VIDEO H1 48 3 OUT 160 IN 38 TX3- 37 Analog LL Clock 41 2 ADC 153 PLL TX3+ IC3003 /POWN IC3251 3 Adaptive 31 INFORMATION IC3201 5 IIC Bus 6 R IC3699 12 Clock 51 AMP Contast H Sync 7 + A26 SCL 20 P0 2 TX2+ R AMP BUFFER Q3101,3102 Q3007 DAC ICC EXPANDER S2 DET GC2M - BUFFER 50 6 Gen. 4 19 SCL SDA 24 1 R IN L.P.F. TX0+ HB BNC COMPOSITE/S VIDEO 14 22 AMP BUFFER 1 BUFFER TO J-BOARD SLOT B00 14 10 16 TX0- IC3305 INV. OUT 18 TH-42PWD8CK HB-Board Block Diagram TH-42PWD8CK HB-Board Block Diagram 58 15.11.HB 电路板 (1/2) 线路图 + C Y + + + + + 2 1 + NP NP NP AL_S_DET AL_S_SEL AE_V_Y AE_R AE_L AC_RO0 AC_RO7 AC_RO6 AC_RO5 AC_RO4 AC_RO3 AC_RO2 AC_RO1 AO_FO9 AO_FO8 AO_FO7 AO_FI9 AO_FI8 AO_FI7 AO_FI6 AO_FI5 AO_FO6 AO_WE AO_WR AO_FI4 AO_FI3 AO_FI2 AO_FI1 AO_FI0 AO_RR AO_RE AO_FO4 AO_FO3 AO_FO5 AO_FO2 AO_FO1 AO_FO0 AM_HS AB_GO7 AB_GO6 AB_GO5 AB_GO4 AB_GO3 AB_GO2 AB_GO0 AB_GO1 AA_BO0 AA_BO1 AA_BO2 AA_BO3 AA_BO4 AA_BO5 AA_BO6 AA_BO7 DA2.5V AL_S2_DET AO_FI1 AO_FI0 AO_FO2 AO_FO1 AO_FO0 AO_FO4 AO_FO3 AO_FI4 AO_FI3 AO_FI2 AO_RR AO_RE AO_FO7 AO_FO5 AO_FO6 AO_FI6 AO_FI5 AO_WR AO_WE AO_FI7 AO_FI9 AO_FI8 AO_FO8 AO_FO9 AD2R5V GC2R5V AM_VS GC3R3V 5V AG_SCL2 AG_SDA2 3.3V 9V 9V 9V 3.3V 3.3V PLL2.5V C3202 10V 1u C3173 16V 0.1u C3102 16V 0.1u Q3051 2SD0601A0L R3043 560 C3144 16V 0.1u R3047 1k R3048 100 C3115 16V 0.1u R3055 15k L3051 ELJNA1R5JF L3006 J0E8004B0008 1 2 3 4 5 6 7 9 10 12 R3101 22 C3016 50V 22p C3108 16V 0.1u C3209 10V 1u 560p C3054 50V C3112 16V 0.1u C3110 16V 0.1u R3025 100 R3112 1.5k R3135 10 C3118 16V 0.1u R3056 33k R3020 1k R3018 100 C3125 16V 0.1u L3104 ELJPA100KF R3115 1k C3133 16V 0.1u R3184 1.1k R3030 390 C3136 50V 33p C3176 16V 0.1u C3009 16V 47u R3123 15k C3010 16V 0.1u R3012 10k JK3001 K1CB106B0027 R3160 2.7k C3021 16V 1u C3154 16V 0.1u R3161 2.7k Q3002 2SD0601A0L C3167 16V 0.1u 33k R3051 C3139 16V 0.1u R3181 1.4k C3151 50V 33p C3169 16V 0.1u R3032 120 R3172 75 R3011 10k Q3006 2SB0709A0L R3156 560 IC3102 C0DBZLB00001 K 1 3 R A 2 R3168 200 IC3001 C0JBAR000111 1 2 3 4 5 6 7 8 R3013 15k R3062 560 1% R3005 75 Q3104 2SD10300TL C3217 10V 1u C3160 16V 0.1u C3103 10V 1u R3131 22 R3060 1k L3201 ELJPA100KF C3179 4V 220u 1% R3040 330 C3152 16V 0.1u C3117 16V 0.1u C3206 10V 1u C3159 4V 220u R3113 1.5k C3015 50V 47p C3174 16V 0.1u 560p C3051 50V C3107 16V 0.1u L3003 J0HABB000004 1 2 3 4 Q3023 2SD0601A0L R3038 2.7k C3114 16V 0.1u R3028 100 Q3052 2SD0601A0L C3109 16V 0.1u R3121 120 C3140 50V 100p R3027 1k R3023 4.7k C3129 16V 0.1u C3181 16V 0.1u R3029 220 R3014 10k R3133 10 C3124 16V 0.1u R3031 470 R3163 2.7k C3134 16V 0.1u C3166 10V 1u C3014 16V 47u R3158 1.8k C3180 16V 0.1u C3175 16V 0.1u C3183 16V 0.1u R3053 15k C3011 16V 0.1u R3059 1k R3162 2.7k C3001 25V 0.1u R3119 120 C3178 16V 0.1u C3137 16V 0.1u R3010 15k R3182 1.1k C3170 16V 0.1u R3157 220 R3151 22 R3171 75 C3153 50V 100p R3033 100 R3104 22 R3007 100k R3061 560 Q3003 2SD0601A0L C3216 10V 1u C3163 10V 1u R3140 22 C3105 4V 220u L3007 G1C2R2K00006 C3205 10V 1u C3161 16V 0.1u R3036 180 R3045 10k C3116 16V 0.1u C3211 10V 1u Q3007 2SB0709A0L 560p C3053 50V R3049 1k R3057 100 C3122 10V 1u IC3101 C0DBEZG00004 1 IN 2 ON/OFF 3 OUT 4 V_adj 5 GND 6 OUT R3145 1k Q3004 2SD0601A0L C3113 16V 0.1u D3001 MA2J72900L L3102 ELJPA100KF R3117 1k C3119 16V 0.1u R3106 10k R3149 22 R3026 10k C3017 50V 68p C3158 16V 0.1u R3008 10k R3024 100 L3052 ELJNA1R5JF C3104 16V 0.1u IC3002 C0ABGB000001 1 2 3 5 4 R3037 220 1% C3128 16V 0.1u C3123 16V 0.1u C3056 1u 16V R3173 220 C3186 50V 47p R3015 15k R3017 100 C3131 16V 0.1u C3165 10V 1u C3007 16V 0.1u C3002 25V 0.1u C3168 16V 0.1u C3207 4V 220u R3177 1.4k C3013 16V 1u R3016 100 R3179 1.4k Q3102 2SD10300TL C3172 16V 0.1u R3153 220 C3150 16V 0.01u R3170 75 C3005 16V 0.1u R3003 10k R3122 8.2k R3154 330 R3044 10k R3001 75 C3203 10V 1u C3164 10V 1u 1% R3042 6.8k R3046 100 C3182 16V 0.1u C3127 16V 1u C3142 16V 0.1u C3055 1u 16V R3050 75 C3210 10V 1u R3058 100 L3002 J0HABB000004 1 2 3 4 C3213 10V 1u 560p C3052 50V Q3005 2SD0601A0L C3120 16V 0.1u R3144 1k C3218 16V 0.1u C3111 16V 0.1u JK3002 K1QBB2AB0005 R3148 22 JK3004 K2HA204B0097 R3127 12 C3106 16V 0.1u R3006 10k R3021 1k R3107 33 R3035 1k X3101 H0J202500002 C3121 16V 0.1u L3103 ELJPA100KF R3129 12 C3022 10V 1u Q3001 2SD0601A0L C3126 16V 0.1u R3054 33k R3022 100 Q3101 2SB0709A0L R3009 100 C3132 16V 0.1u C3185 50V 6p R3134 10 R3183 1.4k C3130 16V 0.1u C3177 16V 0.1u C3006 16V 0.1u C3019 6.3V 3.3u C3008 16V 0.1u C3149 16V 0.1u C3162 10V 1u R3019 1k R3152 560 C3146 16V 0.1u 33k R3052 R3180 1.1k R3169 75 R3178 1.1k C3171 16V 0.1u IC3003 C0ABGB000001 1 2 3 5 4 C3135 16V 0.01u 1% R3004 75 IC3104 C0EBE0000066 1 GND 2 SUB 3 NC 5 Vcc 4 Out R3155 330 R3124 10 C3012 16V 0.1u R3041 180 R3002 75 L3001 J0HABB000003 1 2 3 4 C1AB00001826 IC3103 1 VSS 2 VDDE 3 VDDI 4 UV0 5 UV1 6 RO0 7 RO1 8 RO2 9 RO3 10 RO4 11 RO5 12 RO6 13 RO7 14 HPO1 15 VPO1 16 LCLK1 17 VDDI 18 VDDE 19 VSS 20 HPIN2 21 VPIN2 22 UVIN0 23 UVIN1 24 UVIN2 25 UVIN3 26 UVIN4 27 UVIN5 28 UVIN6 29 UVIN7 30 UVIN8 31 UVIN9 32 CLKIN 33 VDDI 34 VDDE 35 VSS 36 YIN0 37 YIN1 38 YIN2 39 YIN3 40 YIN4 41 YIN5 42 YIN6 43 YIN7 44 YIN8 45 YIN9 46 VDDI 47 VDDE 48 VSS 49 YUV0 50 YUV1 51 YUV2 52 YUV3 53 YUV4 54 YUV5 55 YUV6 56 YUV7 57 YUV8 58 YUV9 59 VDDI 60 VDDE 61 VSS 62 BCLK 63 HFR 64 LCDSW 65 NRST 66 AVSAD12 67 AVDAD12 68 AVSAD11 69 AVDAD11 70 VRH1 71 NC 72 VIN1 73 VRL1 74 NC 75 NC 76 AVSAD22 77 AVDAD22 78 AVSAD21 79 AVDAD21 80 NC 81 VRH2 82 NC 83 VIN2 84 NC 85 VRL2 86 NC 87 NC 88 AVSAD32 89 AVDAD32 90 AVSAD31 91 AVDAD31 92 NC 93 VRH3 94 NC 95 VIN3 96 NC 97 VRL3 98 NC 99 NC 100 AVDCLP 101 AVSCLP 102 UCLP 103 VCLP 104 YCLP 105 VSS 106 VDDI 107 VDDE 108 MST 109 SMCK 110 VPD 111 XTST 112 VPIN1 113 HPIN1 114 SCS 115 XSM 116 SDA 117 SCL 118 VSS 119 VDDE 120 FO9 121 FO8 122 FO7 123 FIN9 124 FIN8 125 FIN7 126 FIN6 127 FIN5 128 FO6 129 FO5 130 VSS 131 VDDI 132 VDDE 133 WE 134 WR 135 FCKR 136 RR 137 RE 138 FO4 139 FO3 140 FIN4 141 FIN3 142 FIN2 143 FIN1 144 FIN0 145 FO2 146 FO1 147 FO0 148 OSDCNT 149 VDDE 150 VSS 151 VDDI 152 INTLC 153 VDAF 154 EWO 155 HO2 156 HO1 157 158 HDO 159 HTRAP 160 HINP 161 HPO3 162 VPO3 163 HPO2 164 VPO2 165 LCLK2 166 VDDE 167 BXS3 168 VSS 169 CW358 170 VDDI 171 VGS3 172 CPO3 173 AVDPL3 174 AVSPL3 175 VGS2 176 CPO2 177 AVDPL2 178 AVSPL2 179 VSS 180 HREF 181 VDDE 182 BXS2 183 VDDI 184 FBPMO 185 VDDE 186 FBPIN 187 VSS 188 AVSPL1 189 AVDPL1 190 CPO1 191 VGS1 192 VSS 193 VDDI 194 POUT 195 VDDE 196 VSAW 197 VDDE 198 RDV 199 BDV 200 RCF 201 GCF 202 BCF 203 HCLP 204 BLK 205 HPO4 206 VPO4 207 FRCLK 208 VDDE 209 VSS 210 XIN 211 VDDI 212 XOUT 213 VDDE 214 VSS 215 VMYS 216 YUVOE 217 TEST 218 AIN1 219 AIN2 220 AIN3 221 AIN4 222 AVSAD 223 VR 224 AVDAD 225 VRO1 226 VREF1 227 AOUT1 228 AVSDA1 229 AVDDA1 230 VRO2 231 VREF2 232 AVSDA2 233 AVDDA2 234 AOUT2 235 AVSDA3 236 AVDDA3 237 AOUT3 238 COMP3 239 AVSDA4 240 AOUT4 241 AVDDA4 242 VRO4 243 VREF4 244 COMP4 245 NC 246 AVDDA5 247 AVSDA5 248 AOUT5 249 COMP5 250 NC 251 AVSDA6 252 AOUT6 253 AVDDA6 254 VRO6 255 VREF6 256 COMP6 C0CBABB00029 IC3301 4 GND 3 SW 1 OUT 2 IN R3166 0 R3142 0 R3102 0 R3167 0 R3165 0 R3125 0 R3139 0 R3141 0 R3189 0 R3114 0 R3164 0 R3174 0 R3138 0 R3143 0 R3108 0 R3118 0 R3136 0 R3137 0 R3065 0 R3159 0 R3185 0 JS3309 JS3310 JS3308 JS3302 JS3306 JS3304 JS3305 JS3301 JS3303 L3005 0 R3192 10k R3193 10k R3195 0 R3194 0 C3023 16V 47u C3018 10V 10u C3004 10V 10u C3003 10V 10u IC3105 C0JBAZ001834 1 2 3 4 5 6 7 8 C3188 10V 1u C3156 1u 6.3V C3148 1u 6.3V C3141 1u 6.3V C3138 10u 6.3V C3147 10u 6.3V C3157 10u 6.3V C3024 10u 6.3V R3120 0 R3116 0 D3002 MAZ31000ML C3204 10V 1u C3208 10V 1u C3214 10V 1u C3212 10V 1u IC3201 C3HBKZ000002 1 VCC 2 CS 3 CSMODE 4 NC 5 VSS 6 DI0 7 DI1 8 NC 9 DI2 10 VSS 11 DO0 12 DO1 13 VCC 14 NC 15 DO2 16 VSS 17 VSS 18 VCC 19 VCC 20 DO3 21 NC 22 VCC 23 NC 24 DO4 25 VSS 26 DI3 27 NC 28 NC 29 DI4 30 VSS 31 OE 32 RE 33 RSTR 34 SRCK 35 VCC 36 VSS 37 SWCK 38 RSTW 39 WE 40 IE 41 VCC 42 DI5 43 NC 44 NC 45 DI6 46 VSS 47 DO5 48 NC 49 VCC 50 NC 51 DO6 52 VCC 53 VCC 54 VSS 55 VSS 56 DO7 57 NC 58 VCC 59 DO8 60 DO9 61 VSS 62 DI7 63 NC 64 DI8 65 DI9 66 VCC 67 NC 68 NC 69 NC 70 VSS R_IN L_IN Macro Macro Macro DA AD AD PLL PLL PLL For BurstLock For Mid_CLK For FBP Macro Macro Macro AVDDA4 AVSDA2 AVDDA2 AVSDA3 AVDDA3 AVSDA4 MP EHT ACL XTAL Macro GC2M+ Global_tvsiginal_processing_CoreLSI ver.2_for_Main_processor + - VCC GND VEE INH COM I1 I0 SEL + - CROMA /OE1 /OE2 B1 A2 Vcc A1 B2 GND F 5 A B E 9 6 8 7 3 D 4 C 1 2 AVR 3.3V 5V=>3.3V RESET AVR 2.5V ERROR DET AMP AMP SWITCH 1 5 6 4 2 3 1 1 1 1 8 9 7 HB-BOARD TNPA2844AB (1/2) MEMORY 5M_FIFO AUDIO IN VIDEO IN/OUT S-VIDEO IN IN OUT TH-42PWD8CK HB-Board (1 of 2) Schematic Diagram TH-42PWD8CK HB-Board (1 of 2) Schematic Diagram 59 15.12.HB 电路板 (2/2) 线路图 + + + + + + + C C C C C AH_TX2+ AJ_TXC- AJ_TXC+ AI_TX3- AI_TX3+ AD_TX0- AD_TX0+ AK_TX1- AK_TX1+ AH_TX2- AE_L AM_VS SRQ AM_HS AL_S2_DET 9V 5V 3.3V PLL2.5V AL_S_DET 3.3V 3.3V AC_RO1 AC_RO7 AC_RO6 AC_RO5 AC_RO4 AC_RO3 AC_RO0 AC_RO2 AB_GO2 AB_GO3 AB_GO4 AB_GO0 AB_GO1 AB_GO5 AB_GO7 AB_GO6 AA_BO5 AA_BO7 AA_BO6 AA_BO2 AA_BO0 AA_BO1 AA_BO3 AA_BO4 3.3V AJ_TXC- 3.3V AI_TX3+ AJ_TXC+ AI_TX3- AD_TX0+ AK_TX1- AK_TX1+ AD_TX0- AH_TX2+ AH_TX2- AL_S_SEL SCL2 SDA2 SRQ 3.3V AM_VS AM_HS SDA2 SCL2 AG_SDA2 AG_SCL2 SDA2 SCL2 AG_SCL2 AG_SDA2 AE_V_Y SDA2 SCL2 AE_R 3.3V 3.3V 2.5V IC3302 C0DBEZG00004 1 IN 2 ON/OFF 3 OUT 4 V_adj 5 GND 6 OUT 1% R3300 1.5k R3338 22 R3308 10k C3254 16V 0.1u C3322 4V 220u C3327 16V 0.1u C3316 10V 1u IC3699 C3EBGC000018 1 A0 2 A1 3 A2 4 GND 5 SDA 6 SCL 7 WP 8 VCC C3265 4V 220u C3264 16V 0.1u IC3251 C0ZBZ0000684 1 2 3 4 5 6 7 8 9 10 11 12 13 14 15 16 17 18 19 20 21 22 23 24 25 26 27 28 29 30 31 32 33 34 35 36 37 38 39 40 41 42 43 44 45 46 47 48 49 50 51 52 53 54 55 56 C3258 16V 0.1u C3311 16V 0.1u R3253 4.7k C3313 10V 1u R3337 22 C3260 16V 0.1u C3318 16V 0.1u C3328 16V 0.1u C3308 4V 220u C3257 50V 1000p R3304 22 R3252 10k C3256 16V 0.1u C3309 10V 1u IC3303 AN80L25RMSTX 5 4 3 1 2 C3325 16V 47u C3321 16V 0.1u H0 1 2 3 4 5 6 7 8 C3324 6.3V 100u TS3101 C3319 16V 0.1u C3329 16V 0.1u L3251 ELJPA2R2MF C3266 16V 0.1u R3303 22 TS3102 1% R3301 1.5k C3259 50V 1000p C3255 50V 1000p R3251 100 C3261 4V 220u TS3100 C3253 50V 1000p C3323 4V 220u C3320 16V 0.1u C3330 16V 0.1u IC3305 C0JBAZ000801 1 A0 2 A1 3 A2 4 P0 5 P1 6 P2 7 P3 8 GND 9 P4 10 P5 11 P6 12 P7 13 VDAC 14 SCL 1 15 SDA 1 16 VCC C3263 16V 0.1u L3252 ELJPA2R2MF R3309 10k C3262 50V 1000p H1 A1 A2 A3 A4 A5 A6 A7 A8 A9 A10 A11 A12 A13 A14 A15 A16 A17 A18 A19 A20 A21 A22 A23 A24 A25 A26 A27 A28 A29 A30 A31 A32 A33 A34 A35 A36 A37 A38 A39 A40 B1 B2 B3 B4 B5 B6 B7 B8 B9 B10 B11 B12 B13 B14 B15 B16 B17 B18 B19 B20 B21 B22 B23 B24 B25 B26 B27 B28 B29 B30 B31 B32 B33 B34 B35 B36 B37 B38 B39 B40 L3305 ELKE103FA 1 2 3 L3306 ELKE103FA 1 2 3 L3307 ELKE103FA 1 2 3 L3308 ELKE103FA 1 2 3 C3317 10V 1u R3302 4.7k C3301 10V 1u R3313 33k R3314 10k R3315 10k R3305 0 R3307 0 R3254 22 R3255 22 C0JBBZ000285 IC3304 1 NC 2 SCL0 3 SDA0 4 GND 5 EN 6 SDA1 7 SCL1 8 VCC 33k R3319 GND VP HP STB5V Y3- Y3+ LVDS GND PLL GND PLL VCC PLL GND /PDWN CLK IN D26 GND D25 D24 VCC D23 D22 D21 D20 GND D19 D18 D27 LVDS GND Y0- Y0+ Y1- Y1+ LVDS VCC LVDS GND Y2- Y2+ CLKOUT- CLKOUT+ D17 CLKSEL D16 D15 D14 GND D13 D12 VCC D10 D11 D9 GND D2 D3 D4 D0 D1 D8 GND D7 D6 D5 VCC CLKI_M S_DET SRQ GND SDA SCL GND OUT ON/OFF 17 18 14 12 10 16 11 15 13 LVDS TRANSMITTER AVR 2.5V EEPROM TERMINAL BOARD INFORMATION 5V=>3.3V DAC IIC EXPANDER AVR 2.5V 3 1 11 12 10 8 9 7 13 5 6 4 2 HB-BOARD TNPA2844AB (2/2) TO J-BOARD SLOT USE FACTORY FOR IN GND NC TH-42PWD8CK HB-Board (2 of 2) Schematic Diagram TH-42PWD8CK HB-Board (2 of 2) Schematic Diagram 60 15.13.HX 电路板方框图和线路图 B C 4 2 A 3 E 7 8 6 F 5 9 1 D TH-42PWD8CK HX-Board Block Diagram And Schematic Diagram B C 4 2 A 3 E 7 8 6 F 5 9 1 D B C 4 2 A 3 E 7 8 6 F 5 9 1 D B C 4 2 A 3 E 7 8 F 5 9 1 D B C 4 2 A 3 E 7 8 F 5 9 1 D B C 4 2 A 3 E 7 8 F 5 9 1 D B C 4 2 A 3 E 7 8 F 5 9 1 D PC-R PC-VD PC-R PC-B PC-G PC-VD PC-G PC-B PC-HD PC-HD JK3513 IC3502 9V STB5V JK3511 1 2 3 4 5 6 7 8 9 10 11 12 13 14 15 JK3509 1 2 3 4 5 8 9 6 7 SDA 22 PC-TXD HX1 INPUT TERMINAL STB+5V PC-R PC-AUDIO_IN_L PC-G PC_AUDIO_IN_R +5V 5 1 8 13 9 6 PC PC-VD_HX PC-B HX RS232C PC TYPE PC-RXD 18 PC IN +9V 11 21 3 19 5 DDC EEPROM PC-HD_HX 12 7 TO J14 AUDIO IN SCL TH-42PWD8CK HX-Board Block Diagram And Schematic Diagram + + + AC_HD AB_RXD AB_TXD AB_RXD AB_TXD AC_VD AC_HD AC_VD R3776 100 R3400 10k D3509 MAZ81600HL R3672 100 FL3509 J0HABB000004 1 2 3 4 C3409 16V 0.1u C3524 50V 0.01u R3656 33k R3510 100 Q3532 2SD0601A0L JK3511 1 2 3 4 5 6 7 8 9 10 11 12 13 14 15 FL3513 J0HAAB000012 1 2 3 4 D3504 MAZ30560ML C3405 16V 47u L3526 ELJPA100KF R3592 0 D3503 MAZ30560ML FL3508 J0HABB000004 1 2 3 4 L3555 ELJPA100KF R3664 1k R3654 33k D3502 MAZ30560ML C3561 1u 16V FL3515 J0HAAB000012 1 2 3 4 R3590 56 Q3531 2SD0601A0L R3511 100 R3548 100 R3529 180k JK3509 1 2 3 4 5 8 9 6 7 R3791 0 C3550 50V 0.01u R3508 4.7k FL3517 J0HAAB000012 1 2 3 4 R3777 100 HX1 1 2 3 4 5 6 7 8 9 10 11 22 21 20 19 18 17 16 12 13 14 15 FL3514 J0HAAB000012 1 2 3 4 FL3511 J0HAAB000012 1 2 3 4 C3404 16V 0.1u R3668 100 R3589 47k D3508 MAZ81600HL D3501 MAZ30560ML R3653 15k R3585 56 R3509 4.7k FL3516 J0HAAB000012 1 2 3 4 R3790 0 D3510 MAZ81600HL FL3507 J0HABB000004 1 2 3 4 FL3510 J0HAAB000012 1 2 3 4 C3562 1u 16V R3778 47k D3507 MAZ81600HL R3547 100 IC3502 1 NC 2 NC 3 NC 4 VSS 5 SDA 6 SCL 7 VCLK 8 VCC R3593 0 C3551 16V 47u C3523 16V 47u R3591 0 R3655 15k R3663 1k JK3513 K2HC103B0105 FL3512 J0HAAB000012 1 2 3 4 R3586 56 R3530 180k 9V TXD RXD VD STB5 PC R PC G PC B R EEPROM DDC RXD TXD DTR CD GND PC Ls PC Rs HD TJS8A9880 CTS RTS PCis DSR RI L 5V RS-232C AUDIO IN PC IN J-BOARD TO (J14) HX-BOARD TNPA3400 TVRN304 0 0 5.2 5.0 0 0 9.0 0 5.0 0 0 0.4 0 0.4 0.4 0 0 0.4 0.4 0 0 5.2 61 15.14.S1,V1 和 V2 电路板方框图和线路图 R G R G VCC GND OUT PUSH PUSH STB3.3V R1554 270 SW1551 EVQPLHA15 D1551 MAZ80330LL R1500 1k SW1553 EVQPLHA15 SW1554 EVQPLHA15 SW1552 EVQPLHA15 R1550 1k L1501 C1530 6.3V 10u R1553 470 D1554 MAZ80330LL L1507 R1511 3k R1512 4.7k L1503 R1510 2.2k L1504 V15 1 2 3 R1552 220k SW1550 EVQPLHA15 RM001 PNA4701M05TV VOUT GND VCC V2 1 2 3 4 5 6 R1513 8.2k L1502 Q1540 2SD0601ASL L1508 L1505 L1506 D1550 LNJ107W5PRW R1551 47 R1554 R1511 R1550 R1512 Q1540 D1550 R1500 R1510 SW1551 SW1550 RM001 D1554 SW1553 R1551 SW1552 R1552 R1553 C1530 D1551 SW1554 R1513 SW061 K0F162B00002 S34 1 2 3 SW061 4 2 B E C A 5 REMOTE RECIEVER 6 8 F VOL.DOWN VOL.UP GND LED_G LED G OPT LED R TV/VTR 7 V2-BOARD TNPA3641 V1-BOARD TNPA3640 D J-BOARD (J15) GND REMOCON TO LED_R (J2) KEY_SW TO J-BOARD STB3.3V 3.3 4.5 1 0 0 3 0 0.8 3.2 0 STR 0 6 3 V15 1 LED R REMOTE RECIEVER LED G STB+3.3V REMOTE_IN LED_R LED_G TO J2 V2 KEY SWITCH VOL.UP F VOL.DOWN TV/VTR V1 STR TO J15 KEY SW POWER LED 2 1 V2 REMOTE RECIEVER NC STB_PS STB_PS_ON S1-BOARD TNPA3642 SS-BOARD (SS34) TO 1 3 STB PS S34 POWER SWITCH STB12V S1 KEY SWITCH POWER SWITCH TO SS34 12.0 0 12.0 TH-42PWD8CK S1, V1 and V2-Board Block and Schematic Diagram TH-42PWD8CK S1, V1 and V2-Board Block and Schematic Diagram 62 15.15.J 板 (1/2) 和 H3 电路板方框图 Q2371 Q2334 Q2333 3.3V 1.8V Q2370 9V Q2372 5V 3.3V 12V JK8500 JK8500 5V 1.8V DIG12V +R OUT 11 1 4 IC2301 -R OUT BTL AMP R 10W MONO IC2303 SDA3 17 5 AVR 5V 1 TO P5 +L OUT 27 AVR 1.8V 6 Z37 11 2 AUDIO L 3 AMP_STB_SW 8 -L OUT RST J4 1 J8 67 SP_R+ 32 SP_R- SP_L- L OUT TONE Z37 VCC 16 S_CLOCK3 17 IC2302 3 1 VCC 16 DR15V 4 AUDIO R AVR 9V AUDIO MUTE R IC802 AUDIO+12V DIG+12V AMP_STB_SW 4 J SLOT INTERFACE/SYNC PROCESSOR/SOUND PROCESSOR S_DATA3 3 38 IC8100 3 SP_L+ 1 1 1 8 8 7 1 2 1 AMP 37 3 PHASE 2 1 VOL L IC801 8 J7 7 SCL3 12V DET 5 2 3 AVR 12V 2 12V DET IC2305 D2303 12V DET EQUALIZER IC804 AUDIO+12V H3 A G C BAL 71 IC803 12V DET AUDIO+12V 73 LPF 20 DIG+12V SHIFT MUTE SW 20 RESET AVR 3.3V R OUT 2 SOUND CONTROL BTL AMP L 10W MONO H3 1 2 3 4 5 6 TH-42PWD8CK J-Board (1 of 2) and H3-Board Block Diagram TH-42PWD8CK J-Board (1 of 2) and H3-Board Block Diagram 63 15.16.J 板 (2/2) 电路板方框图 IIC_SW IIC_SW AD_R4 AL_VD_2 AD_HD_4 AI_HD_1 AI_R1 AH_SLOT3_DET AH_SLOT2_DET AA_SCL3 KEY_SW RESET AI_VD_1 AL_R2 AK_HD_3 KEY_SW AD_VD_4 LED_G AD_R3 AD_L3 REMOTE_IN AL_HD_2 LED_R AH_SLOT1_DET AK_VD_3 AD_L4 REMOTE_IN LED_G AL_L2 AI_L1 LED_R AA_SDA3 SLOT5V 9V SLOT3.3V LAN15V SLOT5V STB3.3V 5V 9V LAN15V SLOT3.3V 12V 9V SLOT9V 3.3V 9V 5V 5V STB5V 5V SLOT5V STB5V SLOT3.3V STB5V STB5V STB3.3V P5V 5V STB3.3V STB5V STB5V STB5V STB3.3V SLOT9V STB5V STB5V 5V_M STB3.3V SLOT9V 9V LAN15V STB5V STB5V 9V LAN15V HD J3 27 14 3.3V<=>5V COMPONENT SELECT VFC AI_HD_1 SLOT9V 8 3.3V<=>5V AG_HD_M 14 15 3 Q8183 1 11 B26 SOS S_DATA1 SYNC_INH(M) 6 16 Q8019 AL_S2_2 AD_Y_4 3.3V<=>5V RESET A26 AL_VD_2 6 7 Q8184 IC3003 POWER STATUS AH_SLOT2_DET 18 SLOT5V TXD_PC A17 B35 LEVEL SHIFT TX2+(S) TX1-(S) 2 1 B15 AH_SOS_ALL IC3004 1 TXC-(M) TO H2 HD 1 STB_ON TX0-(S) 1 IC3001 PC-RXD B23 IC8181 9 S2 DETECT 13 AN_SDA_S1 J10 Q3102 A28 AB_SDA3 46 AD_HD_4 REMOTE 50 A32 B29 J15 AL_L_2 AL_HD_2 7 RESET AN_SDA_S1 TIME CLOCK AC_SW1 TO V15 +5V DRIVER RTC INT AB_SCL3 B14 LED_G IIC_SCL 26 B28 8 9 A21 B30 AD_L_4 6 14 B24 AE_SW0 AM_SDA_S3 SRQ REMOTE A40 TX3+ B3 TX1+(S) AM_SCL_S3 S2 DETECT Q3002 J11 TX1+(M) AG_PR_M 35 G/Y(M) 16 4 9 2 AD_Y_4 3 TX1+ SRQ 15 S_CLOCK1 SYNC SELECT A34 15 IIC ON/OFF TXC+(M) 5 14 RESET AH_SOS Y/G Q3003 VD CABLE_DET AI_R_1 RESET 3.3V<=>5V RESET PC-B STB5V A17 11 9 A30 AJ_RXD1 AJ_RXD1 8 PC-AUDIO_IN_L A19 VIDEO BUFFER B35 STB+3.3V STB+3.3V SRQ 25 IC8003 TX2-(M) RS232C IC8009 TO V2 TX2+ 2 TO D5 4 10 1 B11 B14 12 TXC-(S) J2 15 PR/R TX1- A32 8 TO P10 LAN+15V 5 TX0+(M) 10 B24 AJ_TXD4 13 AG_VD_M AA_SCL3 28 B25 9 AI_PR_1 AL_Y_2 AA_SDA3 A38 B31 A32 B21 TO HX1 AJ_TXD1 AJ_TXD_4 B21 TX2+(M) FAN CONT 21 9 2 B19 A17 Green REMOTE OUT RTC INT IC3150 19 2 +9V SOS B25 LPF TX0+(S) 16 IC8014 1 Green in +5V REMOTE AI_PB_1 15 SRQ B19 S CLOCK1 3 B28 B28 TXC- TX0- P_STATUS 11 AE_SW1 5 EX I/O(VIDEO/AUDIO SELECT) SOS 8 AL_PB_2 RESET Q3101 TX2+ 17 J12 B31 TERMINAL GND J1 AC_CS(M) TX3+(M) TX2-(S) B23 AN_SCL_S1 23 FAN_CONT 13 B9 B15 SLOT3.3V TXC- TO D1 SLOT5V IC8016 8 IC8005 AG_PR_M 4 53 IIC_SCL AJ_RXD_4 SLOT9V AC_SW0 7 AC_CS(M) PC_AUDIO_IN_R AJ_RXD4 17 AB_SDA3 IC3101 AJ_TXD1 17 SOS OUT B19 PC-HD_HX AI_Y_1 IIC CONT. S_CLOCK3 A22 A28 A40 AI_S2_1 5 Q8200-Q8202 B40 16 61 PC-G 12 HD B3 B12 6 AK_PB_3 LAN+15V 5 A36 3 6 14 AK_PR_3 AD_PB_4 AJ_TXD4 VD 14 28 19 7 5 PROCESSOR S_CLOCK3 PC-VD_HX R/PR(M) DPMS_VD AUDIO R AC_CS(M) AUDIO SELECT AG_HD_M A38 AF_VD_HX LAN+15V S_DATA3 57 RESET TXD_TU(SBI) TX3-(M) VD(M) LAN+15V PRout1 AUDIO IN L AUDIO MUTE POWER_STATUS AA_SDA3 2 AF_HD_HX V Sync 4 AUDIO L B11 AL_PR_2 7 L AD_PB_4 6 B5 TXC+ CABLE DET PC-R AL_Y_2 IC3002 12 14 A36 B40 TX3+(S) B8 B32 6 TO H1 B36 12 AC_SCL3 23 19 1 B9 Q8181 B5 AI_VD_1 HD SWITCH AA_SDA3 TX2- AH_SOS 2 B2 LPF(M) B27 4 AG_Y_M A22 B6 9 A26 B6 AK_PB_3 AB_SDA3 8 12 AC_SW0 22 REMOTE 11 AB_SCL3 4 B31 TXC+(S) AK_Y_3 HD 1 AK_S2_3 IIC AC_SDA3 SEPA 15 P_STATUS Q8010- AK_PR_3 STB+5V 52 TX0+ CABLE_DET S DATA1 AC_SCL3 S2 DETECT 12 DPMS_VD AI_PB_1 EX.I/O(IIC SEL) 20 A34 TX3+ IIC_SDA 15 TO H3 3 IC3005 3.3V<=>5V AC_SCL3 S_DATA1 A30 A26 Q8182 J5 Q8013 AD_PR_4 PR/R 3 A30 RXD_TU(SBO) 55 3 5 5 LED_R B36 SEPA AI_PR_1 PLUG DET 16 AH_SOS SLOT3.3V KEY SW PB/B A28 AI_Y_1 RXD_PC 3 REMOTE_IN AE_SW0 TX1+ IIC_DATA B30 J13 FAN_CONT B35 A36 AG_VD_M LED_G MAIN 18 A22 LED_R 29 4 B21 PB/B B17 Yout1 1 A21 17 AK_L_3 A19 9 7 F_STB+14V VD B24 AL_PB_2 AG_PB_M 4 IC3007 B17 DPMS_HD F_STB+14V 21 AK_R_3 5 SYNC SWITCH TO D3 AC_SDA3 A21 2 31 2 B12 TX2- AH_SOS_ALL AJ_RXD4 AK_VD_3 J6 6 A34 32 SCL 6 AG_Y_M A40 S_DATA3 2 REMOTE_IN 36 RXD AK_HD_3 X8181 LPF 5 2 13 AK_Y_3 1 R 8 AK_S2_3 IIC_CLOCK 63 3 SRQ 59 DPMS_VD AH_SLOT1_DET AN_SCL_S1 AI_S2_1 J14 TO D6 B/PB(M) AM_SDA_S3 10 25 1 STB ON IIC CONT SOUND MUTE AI_L_1 AD_PR_4 TXC+ TX0- AM_SCL_S3 16 2 AC_SDA3 TX1-(M) 1 48 AA_SCL3 21 B25 AL_PR_2 Q3004 1 AC_SDA3 HD(M) 12 CABLE DET B17 AD_VD_4 AL_S2_2 SDA B8 3 AB_SCL3 13 PLUG DET IC8001 LEVEL SHIFT AB_SDA3 S_CLOCK1 PBout1 TX3- Y/G 3 D3005 11 7 TX3-(S) 16 Q3103 TX0-(M) IC3008 3 1 INVERTER DPMS_HD LPF AL_R_2 1 AUDIO IN R RESET AH_SLOT3_DET STB+5V KEY_SW TX1- IIC_DAT AH_SOS A38 AD_R_4 B23 10 SRQ LPF(M) TX0+ PC-TXD RESET 13 LAN+15V 9 B40 SRQ AC_SW1 AG_PB_M H Sync LAN+15V 3 AB_SCL3 IC8007 B36 B2 AA_SCL3 TXD A19 TX3- AE_SW1 11 DPMS_HD SYNC_INH(M) AC_SCL3 11 SLOT3.3V SLOT9V SLOT9V STB5V SLOT5V SLOT5V SLOT3.3V VD PB/B HD PR/R Y/G AUDIO IN R AUDIO IN L REMOTE PLUG DET SLOT9V SLOT9V STB5V SLOT5V SLOT5V SLOT3.3V SLOT3.3V VD AUDIO IN R AUDIO IN L HD LEVEL SHIFT LEVEL SHIFT LEVEL SHIFT SYNC SIGNAL EX.I/O(SLOT DET IIC CONTROL) ASPECT DET CUT-OFF FQ CONT INVERTER PC SYNC OUTPUT PORT(SW1) 8bit ADC(SYNC INH(M)) 8bit ADC(CS(M)) 8bit ADC(LPF(M)) OUTPUT PORT(SW0) 8bit ADC(FAN CONT) OUTPUT PORT(SW0) OUTPUT PORT(SW1) CONT. OUTPUT PORT 8bit ADC 8bit ADC OUTPUT PORT OUTPUT PORT OUTPUT PORT CONT. IIC IIC ON/OFF SYNC SIGNAL 3 4 1 6 2 5 J SLOT INTERFACE/SYNC PROCESSOR/SOUND PROCESSOR TERMINAL GND TH-42PWD8CK J-Board (2 of 2) Block Diagram TH-42PWD8CK J-Board (2 of 2) Block Diagram 64 15.17.J 电路板 (1/4) 线路图 + + + NP Thermal Pad + + + + + NP + + + + + + + Thermal Pad NP + + + + + + + NP GUARD_CL 1.8V L802 G1C101MA0078 C2361 50V 1000p R2372 1k C2364 50V 0.1u C2370 35V 47u C812 16V 470u C2407 6.3V 10u C847 10u 6.3V R804 390k C2385 10V 100u R2415 1k C842 16V 2.2u DIG12V C848 16V 2.2u C2403 16V 0.1u C2359 2.2u 35V JS806 ERJ6GEY0R00V C2367 25V 2.2u C2360 50V 1000p C1BB00001006 IC2303 1 PLLPWRR 2 PLLGNDR 3 PLLAVDD 4 PLLAVSS 5 PLLDVDD 6 PLLDVSS 7 TEST2 8 TEST3 9 DVSS4 10 DVDD4 11 XVSS 12 XOUT 13 XIN 14 XVDD 15 CVDD4 16 CVSS4 17 TEST0 18 TEST1 19 TEST4 20 TEST5 21 BVSS1 22 BVDD1 23 AVSS4 24 AVDD4 25 AVDD3 26 AVSS3 27 AOUT1 28 EVRINL 29 DAOUTL 30 DAOUTR 31 EVRINR 32 AOUT2 33 AVSS2 34 AVDD2 35 VREF2 36 VREF1 37 INL 38 INR 39 AVSS1 40 AVDD1 41 TEST6 42 XSEL0 43 XSEL1 44 XSEL2 45 CVSS1 46 CVDD1 47 LRCKI 48 BCKI 49 DATAI 50 SCKI 51 DVSS1 52 DVDD1 53 SCK0 54 TEST7 55 DATAO2 56 DATAO1 57 DATAO0 58 BCKO 59 LRCKO 60 CVSS2 61 CVDD2 62 XPDESC 63 PDEN 64 DVSS2 65 DVDD2 66 PWDB 67 RSTB 68 INTB 69 MCUIFSEL 70 CE 71 SCL/CL 72 I2CBUSY/DI 73 SDA/DO 74 DVSS3 75 DVDD3 76 MRREQ 77 GPFLAG 78 EMPF 79 CVSS3 80 CVDD3 X2301 H0J184500020 C827 16V 4.7u R2405 10k R802 22k C2374 16V 0.1u C2395 16V 0.1u C835 10u 6.3V C1BA00000383 IC2301 1 HP_IN 2 HP-STB 3 D.C 4 AMP-STB 5 NC 6 NC 7 ON-TIME 8 NC 9 PRE-GND 10 NC 11 IN 12 BEEP 13 PWR-GND 14 PWR-GND 15 PWR-GND 16 OUT+ 17 OUT- 18 C 19 C 20 Vcc 21 Vcc(SW) 22 SW_OUT 23 SW_E 24 SW_B 25 SW_GND 26 SW_GND 27 HP_D.C 28 HP_OUT C2402 16V 0.1u R2418 47k 5V R821 24.3k C2388 16V 0.1u C2408 6.3V 10u R816 0 C2409 50V 180p R2387 1.8k A_3.3V IC802 C0DBAMH00013 1 VIN 2 SW 3 FB 4 INV 5 EN 6 RT 7 GND 8 VIN D_3.3V R2376 3.3k R2388 0 C2396 16V 0.1u C2369 50V 0.1u C841 10u 6.3V C806 16V 0.1u C819 16V 2.2u R2393 22 C2366 25V 2.2u C832 16V 0.1u C822 16V 470u C815 16V 1u JS807 ERJ6GEY0R00V D2302 B0JCME000037 C2400 16V 0.1u C807 16V 4.7u J4 1 2 3 4 5 6 7 8 9 10 11 R2411 0 A_1.8V JS812 ERJ6GEY0R00V R2390 10k L809 J0JHC0000078 A_5V R808 0 R2423 10k C805 16V 1u R2406 10k D801 B0JCPD000026 R813 42.2k IC801 C0DBAMH00013 1 VIN 2 SW 3 FB 4 INV 5 EN 6 RT 7 GND 8 VIN R814 10.5k C2363 25V 470u D_3.3V C804 50V 2200p DR15V R2377 10k R805 84.5k C0CBCAC00275 IC804 1 VDD 2 GND 3 CE 5 VOUT 4 NC D_1.8V R823 10k C2352 50V 10u C2368 50V 0.1u R2355 2.2 R824 0 R2385 4.7k C831 47u 6.3V R801 0 DIG12V C2391 16V 0.1u C2383 10V 100u C2387 1u 50V C844 16V 2.2u JS815 ERJ6GEY0R00V R812 82k L808 J0JHC0000078 R815 10k C2401 16V 0.1u R803 91k R2397 5.1k R820 82k 5V JS805 ERJ6GEY0R00V C828 16V 0.1u C830 50V 82p Q2331 B1BBCF000028 C2351 2.2u 16V A_5V L807 J0JHC0000078 C0ABBA000168 IC2305 1 2 3 4 5 6 7 8 Q2372 2SD0601A0L C838 16V 2.2u D803 B0JCME000037 C2393 1u 16V R2371 1k C821 6.3V 1000u C840 16V 2.2u R2383 4.7k R2398 4.7k C802 16V 470u C2406 6.3V 2.2u IC803 C0DBAMH00013 1 VIN 2 SW 3 FB 4 INV 5 EN 6 RT 7 GND 8 VIN R2392 10k C2392 1u 16V C2376 50V 15p R2391 10k R2404 10k JS803 ERJ6GEY0R00V C2354 35V 47u JS801 ERJ6GEY0R00V C2362 25V 470u JS813 ERJ6GEY0R00V R2353 10k DIG12V R2373 10k JS811 ERJ6GEY0R00V JS808 ERJ6GEY0R00V D802 B0JCME000037 Q2334 2SD0601A0L C2381 16V 0.1u C2353 50V 10u C811 16V 470u A_3.3V C836 16V 2.2u R819 91k C817 16V 4.7u R2408 0 C829 10u 6.3V C808 16V 0.1u R2395 10k R818 22k L810 J0JHC0000078 C2373 16V 0.1u C2405 6.3V 2.2u C825 16V 1u R2359 2.2 R2360 2.2 A_1.8V 1.8V JS802 ERJ6GEY0R00V R809 0 R2419 47k C2356 50V 1000p R2407 10k R2351 10k R2386 5.6k Q2300 B1BBCF000028 C839 10u 6.3V C2355 35V 47u C1BA00000383 IC2302 1 HP_IN 2 HP-STB 3 D.C 4 AMP-STB 5 NC 6 NC 7 ON-TIME 8 NC 9 PRE-GND 10 NC 11 IN 12 BEEP 13 PWR-GND 14 PWR-GND 15 PWR-GND 16 OUT+ 17 OUT- 18 C 19 C 20 Vcc 21 Vcc(SW) 22 SW_OUT 23 SW_E 24 SW_B 25 SW_GND 26 SW_GND 27 HP_D.C 28 HP_OUT R2357 2.2 L2330 220u R2370 2.2k D2301 B0JCME000037 L805 J0JHC0000078 5V_S R2356 2.2 R810 22k L2331 220u C845 10u 6.3V R2413 0 C2410 50V 180p C2412 10u 16V C814 50V 4700p JS809 ERJ6GEY0R00V C824 50V 4700p D2303 B0JCME000037 C2378 16V 0.1u R2365 0.56 C833 50V 0.01u C837 10u 6.3V R2410 0 C2358 2.2u 35V C818 16V 0.1u C2411 10u 16V C2357 50V 1000p J8 1 2 3 R2417 1.2k C2379 16V 0.1u R2368 10k C846 16V 2.2u C2397 10V 100u R2420 10k L806 J0JHC0000078 C2389 10V 100u R2421 18k R826 8.2k R2416 0 R2422 18k 5V_M R2369 10k R2412 1k 3.3V C2377 50V 15p Q2333 2SD0601A0L C2390 50V 10u C2394 50V 10u R2352 10k C2365 50V 0.1u L811 J0JHC0000078 JS810 ERJ6GEY0R00V 3.3V C2382 16V 0.1u R2389 10k C2371 35V 47u C2380 16V 0.1u Q2370 2SB0709A0L R825 8.2k R2367 3.3k C2413 10u 16V C2404 16V 0.01u C843 10u 6.3V 3.3V R2414 1.2k C2398 16V 0.1u R2358 2.2 C2375 16V 0.1u L801 G1C470MA0078 R811 91k J7 1 2 3 R2394 10k R2396 10k R2400 22 C816 16V 0.1u R827 8.2k JS814 ERJ6GEY0R00V C2399 16V 0.1u L804 J0JHC0000078 C2384 16V 0.1u R2374 0.56 C834 16V 47u C801 16V 470u 1.8V C2386 1u 50V R822 10.5k DIG12V C820 50V 82p D_1.8V R2399 22 C2350 2.2u 16V Q2371 2SB0709A0L JS816 ERJ6GEY0R00V R817 0 DIG12V 9V R2384 47k 9V D_3.3V L803 G1C220MA0078 C826 16V 0.1u R2409 0 C809 16V 2.2u JS804 ERJ6GEY0R00V R2354 10k R806 10.5k L8502 G0A2R5H00003 JK8500 K4BC02B00013 H37 1 2 3 L8501 G0A2R5H00003 L8502 G0A2R5H00003 JK8500 K4BC02B00013 H37 1 2 3 L8501 G0A2R5H00003 A 7 TO C 2 +L OUT GND 9 SOUND12V DR15V J-BOARD TNPA3630AB (1/4) 6 GND DIG12V GND SOUND12V 4 3 1 3 AVR 3.3V B RESET OUT-L GND 4 GND AVR 9V DIG12V SOUND COMTROL P-BOARD AVR 1.8V 1 6 5V/0.4A AVR 5V 5 E D 5 8 2 SOUND12V F (P5) 9V/0.5A OUT-R 3.3V/1.3A -L OUT TNPA3003 TERMINAL SPEAKER (R) 0.1 H3-BOARD 1.7 +R OUT -R OUT 1.7 TNPA3003 TERMINAL SPEAKER (L) 0.1 H3-BOARD 1.7 1.7 EQUALIZER BTL AMP R 10W MONO BTL AMP R 10W MONO 12.0 12.0 0 15.0 0 12.0 12.0 12.0 0 0 0 M M M # # # # # M # TH-42PWD8CK J-Board (1 of 4) and H3-Board Schematic Diagram TH-42PWD8CK J-Board (1 of 4) and H3-Board Schematic Diagram 65 15.18.J 电路板 (2/4) 线路图 G G G G + G G + + + + + + + + G G G G G G + + + G G G G G G + + AK_VD_3 AG_VD_M AG_HD_M AF_HD_S AG_PB_M AK_L_3 AE_SW0 AC_CS((M)) AE_SW1 AI_VD_1 AD_L_4 AL_L_2 AC_SDA3 AI_L_1 AK_HD_3 AJ_TXD4 AC_SDA3 AJ_RXD1 AL_HD_2 AC_SW0 AC_SW1 AJ_TXD1 AC_SCL3 AD_R_4 AC_SCL3 AL_R_2 AB_SCL3 AB_SCL3 AI_R_1 AB_SDA3 CABLE_DET AF_DPMS_HD AI_HD_1 5V AF_VD_S POWER_STATUS AA_SCL3 AD_HD_4 AF_DPMS_VD AA_SDA3 AL_VD_2 AJ_RXD4 AD_VD_4 AK_R_3 AG_Y_M AG_PR_M AJ_STATUS AB_SDA3 C8009 6.3V 10u C8116 50V 0.01u R3134 100k R8021 2.2k R8184 0 IC8181 C1DB00001208 1 2 3 4 5 6 7 8 R3020 0 R3001 10k R3021 0 Q8183 B1CBHD000001 G D S R3141 47k C8111 16V 0.1u 9V R8188 56 IC8009 C0JBAS000215 1 1A 2 1B 3 2C 4 GND 5 2A 6 2B 7 1C 8 Vcc L8106 J0JHC0000078 IC3001 C0JBAR000241 1 Y0 2 Y2 3 Y 4 Y3 5 Y1 6 INH 7 VEE 8 VSS 9 B 10 A 11 X3 12 X0 13 X 14 X1 15 X2 16 VDD R3160 5.6k R8181 100 L8181 G1C100K00020 L8107 J0JHC0000078 R3063 100 Q3002 2SD0601A0L C8007 50V 100p R8119 0 R3012 33k F1J1E1040022 FL3000 1 2 3 R8129 0 C8051 16V 0.1u R3014 33k STB3.3V C3146 16V 2.2u R3010 100 R8025 0 C3003 16V 1u R8004 0 C8101 50V 0.01u R8135 0 F1J1E1040022 FL3008 1 2 3 R3150 100 D3061 MA2J72800L D8180 MA2J11100L R3125 10k D8184 MAZ80560ML C8182 50V 15p C3005 16V 1u R3061 0 R8185 2.7k L8103 J0JHC0000078 D8181 MAZ80560ML 12V C8123 16V 0.1u R3016 0 DR15V C8105 16V 47u Q8184 B1CBHD000001 G D S C8112 16V 0.1u STB3.3V R3002 1k R3011 2.2k STB5V_S J2 1 2 3 4 5 6 R8011 270 R8183 0 R8186 2.7k L8001 G1C100K00020 R3161 5.6k Q8182 B1CBHD000001 G D S L8104 J0JHC0000078 C8035 16V 0.1u F1J1E1040022 FL3010 1 2 3 R8002 0 Q8181 B1CBHD000001 G D S C3041 16V 0.1u J15 1 2 3 R8190 0 R8134 0 IC3008 C0JBAS000215 1 1A 2 1B 3 2C 4 GND 5 2A 6 2B 7 1C 8 Vcc C8100 16V 47u R8133 0 C8122 16V 47u IC8001 C0JBAR000241 1 Y0 2 Y2 3 Y 4 Y3 5 Y1 6 INH 7 VEE 8 VSS 9 B 10 A 11 X3 12 X0 13 X 14 X1 15 X2 16 VDD C8106 16V 47u C8103 16V 47u C8005 50V 0.01u SLOT5V R8035 330 R8189 0 R8036 150 STB5V_S J3 1 2 3 4 5 6 7 8 9 10 11 12 13 14 15 16 17 18 19 20 21 22 23 24 25 26 27 28 29 30 31 32 33 34 35 36 37 38 39 40 C3033 16V 1u R8017 5.6k R3022 0 R3147 1.8k R8207 0 R3149 1.8k Q3001 2SB0709A0L R8047 270 R8098 10k Q8002 2SD0601A0L R3062 100 SLOT3.3V C8027 16V 2.2u R8121 2.7k R3163 1k 9V_2 C8120 25V 47u IC3007 C0JBAS000215 1 1A 2 1B 3 2C 4 GND 2A 5 6 2B 7 1C 8 Vcc R8003 0 C8107 16V 470u SLOT9V R8100 10k P5V STB5V_S R3006 3.3k R8187 56 R8182 100 3.3V C3004 16V 47u C8001 16V 47u C8003 50V 0.1u F1J1E1040022 FL3003 1 2 3 R3013 2.2k C8121 25V 0.1u F1J1E1040022 FL3001 1 2 3 C8108 16V 0.1u F1J1E1040022 FL3007 1 2 3 C8181 50V 15p 3.3V R8012 270 STB5V_S C8115 16V 47u C3145 16V 47u C8049 50V 0.01u STB5V_S C3007 16V 47u R8132 0 X8181 H0J327200114 IC8100 C0CBAKG00008 GND 3 2 OUT IN 1 R3140 47k L3002 G1C100K00020 R3005 3.3k R3148 33k R3018 0 5V R8072 0 Q3003 2SD0601A0L D8183 MAZ80330LL C8183 16V 0.1u R8010 270 R3017 0 R3152 33k F1J1E1040022 FL3009 1 2 3 F1J1E1040022 FL3002 1 2 3 R8120 0 C8114 50V 0.01u R8009 270 LAN15V R3003 47k L8105 J0JHC0000078 IC8007 C0JBAR000419 1 2 3 4 5 6 7 8 J10 1 2 3 4 5 6 STB3.3V R3019 0 F1J1E1040022 FL3006 1 2 3 C3001 50V 0.01u R8097 10k R3015 0 R8001 0 C3008 50V 0.1u J1 1 2 3 4 5 6 7 8 9 10 11 12 13 14 15 16 17 18 19 20 R8018 5.6k L3140 J0JHC0000078 R8093 100 C8185 5.5V 1.5 L8108 J0JHC0000078 C8113 16V 0.1u C3006 16V 1u C8109 16V 0.1u L8102 J0JHC0000078 C8102 16V 47u C3040 16V 0.1u 9V R3009 100 D8185 MAZ80560ML R8131 0 R8122 2.7k STB3.3V L8101 J0JHC0000078 TO TIME CLOCK TO 29 21 27 V-BOARD 26 9V LO 31 LO LO LO AVR 12V 16 V-BOARD HI VEE 24 GND 45 47 INH SEL A I1 38 SLOT2 I0 VCC COM 43 3 SYNC SWITCH 2 1 4 GND 23 GND GND 22 40 33 11 HI 36 SCL 25 SLOT3 SDA 42 SLOT1 (D1) 46 HI HI HI AUDIO SELECT D-BOARD LO B LO P-BOARD 12 28 39 18 L HI TO 15 13 PC LO J-BOARD TNPA3630AB (2/4) SLOT3 HI R TO LO HI LO SLOT2 34 SLOT1 A LO B 32.768K HI PC 10 14 PC SLOT3 35 LO 17 (P10) HI HI HI LO SLOT2 (V2) A 44 B F_STB14V (D3) SYNC SELECT TO 41 (V15) 30 D-BOARD 37 5 SLOT1 F_STB_14V 32 F_STB_14V 6 HD SWITCH IIC ON/OFF IIC ON/OFF 0.4 0 0 0 0 0 0 0.4 0 0 0 0.4 GND REMOCON LED_R LED_G OPT STB3.3V 0 4.5 0 0.8 0 0 3.2 0 0 KEY_SW GND 3.2 0 0 0 0 14.0 14.0 14.0 0 0 0 0.4 0 3.2 4.4 3.2 0 0 0 0 6.6 0 3.9 3.9 3.9 2.3 0 5.0 0 4.9 0.5 0.5 0.5 3.3 0 0.5 0.6 0.5 5.0 0 0 0 2.9 2.9 0 0 3.9 3.2 0 0.8 3.3 0 0 4.5 CABLE DET SOUND MUTE GND GND FAN CONT LED-R IIC_CONT LED-G STB5V SDA1 POWER STATUS V MUTE IN TXD_TU GND SDA3 GND SCL1 OPT REMOCON OUT KEY-SW RXD_TU TXD_PC GND REMOCON RTC INT/PANEL_SOS ALL_OFF STB3.3V ON/OFF 5V STB3.3V RESET STB_ON GND SCL3 RXD_PC GND GND 232C_STATUS GND DPMS_VD G/Y_S HD_S GND B/PB_S GND GND DPMS_HD VD_S VD_M GND R/PR_S HD_M B/PB_M GND G/Y_M GND R/PR_M GND TH-42PWD8CK J-Board (2 of 4) Schematic Diagram TH-42PWD8CK J-Board (2 of 4) Schematic Diagram 66 15.19.J 电路板 (3/4) 线路图 + + + + + + AD_L_4 AC_SCL3 AA_SDA3 AI_Y_1 AI_S2_1 AA_SCL3 AF_VD_HX AK_PR_3 AM_SCL_S3 AG_VD_M AG_Y_M AI_PB_1 AM_SDA_S3 AC_SW0 AF_HD_HX AH_SLOT3_DET AG_HD_M AE_SW0 AL_S2_2 AC_SW1 AH_SLOT2_DET AD_PB_4 AH_SOS_ALL AA_SCL3 AD_R_4 AL_PR_2 AK_S2_3 AA_SDA3 AD_PR_4 AL_PB_2 AC_CS((M)) AD_Y_4 AD_PR_4 AI_PR_1 AC_SCL3 AE_SW1 AL_Y_2 AC_SDA3 AD_Y_4 AD_PB_4 AK_PB_3 AG_PB_M AH_SLOT1_DET AJ_TXD_4 AN_SDA_S1 AN_SCL_S1 AC_SDA3 AJ_RXD_4 AK_Y_3 AG_PR_M L8003 G1C100K00020 R3030 0 C3017 50V 0.01u R3035 330 R8031 2.2k R3117 0 R8051 2.2k R8033 100k Q3103 2SD0601A0L R3058 56 C3030 2.2u 16V R3081 56 JS8094 D0YBR0000002 R3057 56 C8019 50V 0.01u R3090 75 R3037 0 C3143 16V 2.2u IC3005 C1AB00002311 1 L1 2 L2 3 L3 4 Vcc 5 Y2 6 GND 7 PB2 8 GND 9 PR2 10 SW 11 L1 12 L2 13 L3 14 Vcc 15 Y3 16 GND 17 PB3 18 GND 19 PR3 20 SW 21 L1 22 L2 23 L3 24 DGND 25 ADRESS 26 SDA 27 SCL 28 DVcc 29 L3out 30 L2out 31 L1out 32 MonSW 33 GND 34 PRout3 35 GND 36 PBout3 37 GND 38 Yout3 39 Vcc 40 PRout2 41 GND 42 PBout2 43 GND 44 Yout2 45 Vcc 46 PRout1 47 GND 48 PBout1 49 GND 50 Yout1 51 Avcc 52 Vcc 53 TV_Y 54 GND 55 TV_PB 56 GND 57 TV_PR 58 Vcc 59 Y1 60 GND 61 PB1 62 GND 63 PR1 64 SW R3047 10k R3046 10k R3071 75 C3110 16V 2.2u R3055 330k L3003 G1C100K00020 C3022 2.2u 16V R3048 330k R8089 180 R3038 0 R3069 56 STB5V_S R3032 0 R3031 0 R3197 12k R3029 10k C3019 16V 0.1u ZA3003 K4CD01000013 R3088 75 R3078 56 R3104 180 R3040 330 R3079 56 R3034 330 C3135 6.3V 1000u J14 1 2 3 4 5 6 7 8 9 10 11 22 21 20 19 18 17 16 12 13 14 15 ZA3005 K4CD01000013 R3075 75 5V_M C3112 16V 0.1u R3042 0 R8045 2.2k R3050 56 L8005 G1C100K00020 C3016 50V 0.01u C8023 50V 0.01u C8036 50V 100p Q3102 2SD0601A0L R3026 10k C3010 16V 0.1u C3012 50V 0.01u R3102 180 C3031 2.2u 16V R3093 75 R3198 12k R8050 2.2k IC3003 C1AB00000441 1 SW1 2 SW0 3 DAC4 4 DAC3 5 DAC2 6 DAC1 7 DAC0 8 GND 9 SW2 10 SW3 11 SAD0 12 SAD1 13 SAD2 14 SDA 15 SCL 16 Vcc R3036 330 R3092 75 R3051 330k R3195 10k R3105 180 JS8096 D0YBR0000002 C8025 50V 0.01u C3111 16V 0.1u IC3002 C0JBBR000002 1 1OE 2 S1 3 1B4 4 1B3 5 1B2 6 1B1 7 1A 8 GND 9 2A 10 2B1 11 2B2 12 2B3 13 2B4 14 S0 15 2OE 16 VCC C3103 16V 2.2u L3006 G1C100K00020 ZA3004 K4CD01000013 R8046 2.2k L3005 G1C100K00020 ZA3008 K4CD01000013 ZA3007 K4CD01000013 C8015 10V 10u IC3004 C1AB00000454 1 SW1 2 SW0 3 DAC4 4 DAC3 5 DAC2 6 DAC1 7 DAC0 8 GND 9 SW2 10 SW3 11 SAD0 12 SAD1 13 SAD2 14 SDA 15 SCL 16 VCC C3018 16V 47u C3108 16V 0.1u 9V C3011 16V 0.1u R3045 10k Q8019 2SD0601A0L P5V R3028 10k IC8005 C0JBAB000646 1 2 3 4 5 6 7 8 9 10 11 12 13 14 R3074 75 C3029 2.2u 16V R8029 3k R3111 1.5k R3189 39 R8056 100 R3070 75 R3049 330k R8041 18k R3130 180 R3080 56 C8030 16V 47u R8058 100 R3072 75 R3064 56 C3028 2.2u 16V R3053 56 C3020 2.2u 16V D8001 MA2J11100L R3073 75 C8045 16V 1u C3026 2.2u 16V C8029 50V 0.01u C3021 2.2u 16V R3082 100 R8037 4.7k TPJH1 R3044 10k ZA3001 K4CD01000013 R3188 39 C3009 16V 0.1u R8055 100 C3013 50V 0.01u R3128 180 R8059 100 R8026 330 R3126 0 R3066 56 ZA3006 K4CD01000013 R3106 180 R3103 180 R8069 680 C3114 16V 4.7u R3076 56 C3136 6.3V 1000u P5V C3024 2.2u 16V R3089 75 R3118 820 R3054 56 C3144 16V 2.2u C8016 16V 4.7u R3190 39 R8067 910 C3101 16V 2.2u 5V_M TPJV1 C3014 50V 0.01u C3002 16V 4.7u R3052 330k IC8003 C1AA00000706 H.State 1 2 V.State 3 Green Sep Filter 4 Green IN 5 GND 6 Comp/H IN 7 Comp/H Det 8 Vert IN 9 Vert Det 10 Vert S/S Adj 11 Vert S/S IN 12 Digital GND 13 VD+OUT 14 HD+OUT 15 HD-OUT 16 Vcc 17 Clamp OUT 18 H.Pol. 19 V.Pol. 20 Clamp Timing R3041 330 C8021 16V 0.47u R3065 56 R3101 180 R8057 1k C3023 2.2u 16V C3134 6.3V 1000u D8003 MA2J11100L R3077 56 C3105 16V 0.1u C1AB00002238 IC3101 1 GINA/UINA 2 GSG1 3 GINB/UINB 4 NC 5 BINA/VINA 6 GSB1 7 BINB/VINB 8 NC 9 DISABLE 10 GND3 11 BOUT/VOUT 12 VCC3 13 GND2 14 GOUT/UOUT 15 VCC2 16 GND1 17 ROUT/YOUT 18 VCC1 19 GND4 20 RFC 21 VFC 22 MUXSEL 23 NC 24 VCC4 25 RINA/YINA 26 GSR1 27 RINB/YINB 28 NC C3106 16V 0.1u JS8097 D0YBR0000002 R3056 330k C3113 16V 47u R3068 56 Q3101 2SD0601A0L C3027 2.2u 16V R3027 10k R3033 0 R8065 910 C3025 2.2u 16V R3110 4.7k C8013 16V 0.1u R3129 180 ZA3002 K4CD01000013 R3196 10k R8039 4.7k C8038 50V 1000p C8033 50V 1000p 5V_S R3067 56 R3043 0 C3107 16V 0.1u C3115 16V 0.1u R8048 2.2k C3015 50V 0.01u R3039 330 R3091 75 SLOT2 23 35 27 LO 40 LO 55 HI LO 58 75ohm LO GND 26 PC :T 62 68 HI 43 :SYNC_INH(M) SLOT1 :3 26 SLOT3 :1 TO 60 31 (HX1) SDA SCL 45 54 :CS(M) 21 42 46 O3 GND I3 PB/B 66 J-BOARD TNPA3630AB (3/4) O6 TXD O4 Y/G GND 47 EX.I/O(IIC SW) GND 65 51 24 37 30 21 25 38 24 57 INVERTER 25 64 RXD O1 HD S1 I1 S0 GND I6 PR/R I5 52 GND O2 O5 I2 22 29 I4 34 69 22 67 53 39 27 VCC 32 36 20 SYNC SIGNAL GND PROCESSOR L 12V 41 :LPF(M) GND R 19 GND :FAN_CONT 61 23 63 28 44 12V 5V 33 59 56 VD HX-BOARD SLOT1 STB5V_S SLOT2 :2 GND SLOT3 COMPONENT SELECT VIDEO BUFFER EX I/O(VIDEO/AUDIO SELECT) SYNC SIGNAL EX.I/O(SLOT DET IIC CONTROL) 0.4 0 0.4 0.4 0 0 0.4 0.4 0 0 5.2 5.2 5.0 0 0 0 0 0 0 0 5.0 9.0 TH-42PWD8CK J-Board (3 of 4) Schematic Diagram TH-42PWD8CK J-Board (3 of 4) Schematic Diagram 67 15.20.J 电路板 (4/4) 线路图 + + AN_SCL_S1 AL_Y_2 AL_PB_2 AI_Y_1 AF_HD_HX AM_SCL_S3 AM_SDA_S3 AD_VD_4 AI_PR_1 AH_SOS AI_HD_1 AK_VD_3 AI_VD_1 AI_PB_1 AK_PR_3 AF_VD_S AI_R_1 AK_HD_3 AI_L_1 AK_PB_3 AH_SLOT2_DET AK_Y_3 AK_R_3 AF_HD_S AK_L_3 AH_SOS AH_SOS_ALL AD_HD_4 AH_SLOT1_DET AH_SOS AL_S2_2 AF_DPMS_HD AL_VD_2 AF_VD_HX AJ_RXD_4 AL_R_2 AJ_RXD1 AF_DPMS_VD AH_SOS AL_L_2 AJ_TXD4 AF_HD_HX AJ_TXD1 AH_SLOT3_DET AL_PR_2 AJ_RXD4 AL_HD_2 AF_VD_HX AJ_TXD_4 AN_SDA_S1 AK_S2_3 POWER_STATUS AI_S2_1 CABLE_DET R3151 100 C8080 16V 0.1u LAN15V R3144 100 SLOT9V R3116 10k R8117 0 Q8010 2SD0601A0L STB5V_S D8011 MA3X15300L C3200 16V 1u Q8012 2SD0601A0L C8073 10V 10u R8205 56k SLOT9V C8082 16V 0.1u C8070 0.1u 16V R8200 22k LAN15V R3218 3.3 STB3.3V C3203 10u 6.3V Q8202 2SD0601A0L P5V J11 A1 A2 A3 A4 A5 A6 A7 A8 A9 A10 A11 A12 A13 A14 A15 A16 A17 A18 A19 A20 A21 A22 A23 A24 A25 A26 A27 A28 A29 A30 A31 A32 A33 A34 A35 A36 A37 A38 A39 A40 B1 B2 B3 B4 B5 B6 B7 B8 B9 B10 B11 B12 B13 B14 B15 B16 B17 B18 B19 B20 B21 B22 B23 B24 B25 B26 B27 B28 B29 B30 B31 B32 B33 B34 B35 B36 B37 B38 B39 B40 R8127 100 R3007 10k J13 A1 A2 A3 A4 A5 A6 A7 A8 A9 A10 A11 A12 A13 A14 A15 A16 A17 A18 A19 A20 A21 A22 A23 A24 A25 A26 A27 A28 A29 A30 A31 A32 A33 A34 A35 A36 A37 A38 A39 A40 B1 B2 B3 B4 B5 B6 B7 B8 B9 B10 B11 B12 B13 B14 B15 B16 B17 B18 B19 B20 B21 B22 B23 B24 B25 B26 B27 B28 B29 B30 B31 B32 B33 B34 B35 B36 B37 B38 B39 B40 R8206 47k D8200 MAZ31500ML Q8013 2SB0709A0L J5 1 2 3 4 5 6 7 8 9 10 11 12 13 14 15 16 17 18 19 20 21 22 23 R3023 100 R8203 22k R3230 1k LAN15V STB3.3V SLOT5V R3008 10k STB5V_S R3059 100 D8203 MAZ31000ML P5V R3143 100 P5V R3211 100 SLOT9V D3003 MA2J11100L Q8011 2SB0709A0L SLOT3.3V Q3004 2SD0601A0L D8010 MA3X15300L Q8201 2SD0601A0L 4.7k R3213 L3050 G1C100K00020 J6 1 2 3 4 5 6 7 8 9 10 11 12 13 14 15 16 17 18 19 20 21 LAN15V R8118 0 R8201 47k 4.7k R3215 R8124 100 D3007 MA2J11100L STB5V_S IC8016 C0JBAZ001934 1 1A 2 1Y 3 2A 4 2Y 5 3A 6 3Y 7 GND 8 4Y 9 4A 10 5Y 11 5A 12 6Y 13 6A 14 VCC C8072 10V 10u D3004 MA2J11100L C8081 16V 0.1u R3004 100 C8200 16V 47u SLOT5V C8071 47u 16V R3217 3.3 C0ZBZ0000911 IC8014 EN 1 2 C1+ 3 V+ 4 C1- 5 C2+ 6 C2- 7 V- 8 T2_OUT 9 R2_IN 10 R2_OUT 11 STATUS 12 T2_IN 13 T1_IN 14 ONLINE 15 R1_OUT 16 R1_IN 17 T1_OUT 18 GND 19 VCC 20 SHUTDOWN D3008 MA2J11100L R3231 1k C0JBAA000419 IC3150 1 A 2 B 3 GND 5 Vcc 4 Y D3001 MA2J11100L STB5V_S D8204 MA2J11100L R3216 3.3 R3025 100 TPJH2 C8083 16V 0.1u R8126 100 R8202 22k TPJV2 SLOT3.3V R3024 100 R3060 1k J12 A1 A2 A3 A4 A5 A6 A7 A8 A9 A10 A11 A12 A13 A14 A15 A16 A17 A18 A19 A20 A21 A22 A23 A24 A25 A26 A27 A28 A29 A30 A31 A32 A33 A34 A35 A36 A37 A38 A39 A40 B1 B2 B3 B4 B5 B6 B7 B8 B9 B10 B11 B12 B13 B14 B15 B16 B17 B18 B19 B20 B21 B22 B23 B24 B25 B26 B27 B28 B29 B30 B31 B32 B33 B34 B35 B36 B37 B38 B39 B40 R8204 100k R3212 4.7k C3150 16V 0.1u STB5V_S LAN15V C8084 16V 1u SLOT3.3V D3005 LNJ206R5ARA R8125 100 D8201 MA2J11100L Q8200 2SD0601A0L R3219 3.3 R3214 4.7k R3210 100 SLOT5V C3201 10u 6.3V C3202 10u 6.3V RSVD TX1- (H2) PR/R DETECT SRQ S2DETECT TX3- SRQ 54 STB5V S2DETECT D-BOARD PB/B STB5V (D6) 55 35 GND (D5) Y/G GND 53 GND Y/G 31 H-BOARD SLOT9V J-BOARD TNPA3630AB (4/4) LAN15V TXC+ D-BOARD TDETECT RXD 36 TXC- 32 CABLE DET TXG- 66 SYNC GND AUDIO IN L 62 IIC SCL REMOTE RSVD TX0- TXD TX3G TX0G VD GND TXC+ LAN15V SLOT5V TX1G IIC DAT TX0+ RSVD 52 AUDIO GND TX2G IIC SCL TX2G TX1- RSVD TXC- SLOT9V Y/G GND SLOT3.3V GND AUDIO IN L RXD PB/B IIC DAT TX0+ VD TXG- RSVD SOS IIC SCL 30 68 AUDIO GND GND 34 RXD AUDIO IN L GND SYNC GND TXD CABLE DET TX0+ AUDIO GND PLUG DET GND LAN15V GND 67 SLOT5V 59 TX0G CABLE DET GND TX0- SYNC GND AUDIO GND PWR_STATUS 60 REMOTE TX3- TXC+ PLUG DET SYNC GND TX3+ TX1+ SOS AUDIO IN R 51 TX2G TX1+ SLOT3.3V VD TXG- GND REMOTE TX1+ TX1+ TO TXG+ RS232C DRIVER TX3+ TX0- STB5V PLUG DET GND TX1G 57 61 TX3G 58 TXG- 29 TX3G TXCG TX2G TX1- RSVD RESET1 69 TXC- SRQ PB/B GND RESET1 AMP TXC+ PR/R TX3- RESET2 PR/R GND HD TX3+ GND AUDIO GND TX1+ RESET2 TXC- Y/G TXG+ TX0G TXCG Y/G GND TX0- SOS HD TX0+ PB/B TXG+ PR/R GND S2DETECT H-BOARD TX1G PB/B GND TX3G AUDIO GND TXG+ TX3+ TX1- TXD PWR_STATUS TX1- AUDIO IN R IIC DAT 65 SYNC GND SLOT3.3V TX1G TX0+ GND SYNC GND TXCG 56 TX3+ SLOT9V TX3- TX0- AUDIO IN R TXC- PWR_STATUS TX3- 64 TXC+ HD PR/R GND SLOT5V TXG+ TX3G RESET2 TO 33 28 TXCG TXCG PR/R TX2G GND TXG- RESET1 TO PB/B GND GND Y/G (H1) TO TX1G 63 TO (H3) H-BOARD INVERTER PC SYNC 4.9 1.2 4 0 0 0 0 8 3.3 0 12 1.1 0 11 16 0 3.3 0 9 39 6 0 0 0 23 5.0 0 0 0 0 5.0 37 0 0 38 0 24 0 0.8 0 0 0 0 0 0 7 5.0 27 0.7 0 0 25 0 0 22 13 0 0 0 29 0 9.0 0 0 19 0 0 3 0.7 5.0 26 32 0 33 0 2.3 0 0 10 5 18 14 0 28 20 1 0 9.0 0 B 0 0 31 0 0 0 2 0 0 0 21 15 17 0 36 1.6 30 34 40 0 0 0 0 0 A 0 0 0 35 0 0 0.8 0 0 0 1.6 1.6 5 8 1.6 22 0 0 0 0 0 4.8 3 0 35 15 3.3 0 0.7 0 0 30 0 32 0 1 0 0.5 2 0 4.9 0 5.0 0 34 23 0 0 14 B 28 A 20 0 6 1.6 9 7 0 0 0 1.6 12 37 38 0 19 0 0 1.6 27 5.0 0 2.3 0 -0.8 33 0 0 17 16 3.3 39 1.6 0 10 0 18 4.8 0 0 5.0 31 0 0 0.4 0 0 29 0 0.7 0 4 0 0 25 5.0 1.3 0 1.6 0 11 36 0 0 21 1.6 0 9.0 0 0 13 9.0 1.6 40 26 24 0 0 0 4 0 0 25 5.0 1.3 0 1.6 0 11 36 0 0 21 1.6 0 9.0 0 0 0 13 0 9.0 1.6 1.6 12 40 37 26 38 24 0 0 19 0 0 0 1.6 27 5.0 0 2.3 0 -0.8 0 33 1.6 0 1.6 0 5 17 16 8 3.3 1.6 39 22 1.6 0 0 0 0 0 4.8 3 0 35 15 0 5.0 0 34 23 0 0 14 B 3.3 28 0 A 0.7 20 0 0 0 6 30 1.6 0 9 32 7 0 0 1 0 0.5 2 0 0 4.9 10 0 18 4.8 0 0 5.0 0 31 0 0 0 0.4 0 0 29 0 0.7 1.6 1.6 1.6 1.6 1.6 0 1.6 0 1.6 1.6 0 1.6 0 0 1.6 1.6 1.6 1.6 1.6 0 1.6 0 1.6 1.6 0 1.6 0 0 1.6 1.6 TH-42PWD8CK J-Board (4 of 4) Schematic Diagram TH-42PWD8CK J-Board (4 of 4) Schematic Diagram 68 15.21.D 电路板方框图 G G SDA2 SDA1 SOUND_MUTE CABLE_DET SCL3 SDA2 SCL2 SCL1 POWER_STAT SOUND_MUTE TXD_PC SDA3 SDA3 SL0 SCL3 CEL2 SDA2 TMS SL2 SC_SOS2 KEY_INPUT SCL2 DRVRST TDO SDA1 IIC_CONT DPMS_HD SDA3 5VRXD_TU RXD_PC SL1 CSL TXD_PC DRVRST DRVRST NRST DPMS_VD TDI TCK B(M) CMH SDA2 IIC_CONT DRVRST_5V DRVRST_5V CPH IIC_CONT ODED SDA2 SDA1 ALL_OFF CLRD RXD_PC CLK2 SCL1 TV_ON/OFF DPMS_VD SID PCD2 RTC_INT SCL3 5VTXD_TU TXD_TU VD(M) PS_SOS CEL DPMS_HD LED TDO IIC_CONT NRST SDA3 STB_ON CLK0 SL0 5VTXD_TU STB_ON IIC_INT SCL2 CLK1 TMS 5VRXD_TU TV_ON/OFF STB_ON SDA2 CLRD SL2 LED_G LED_R ODED CLK LED_R TDI PCD1 SL1 LED TCK UEH CSH G(M) SCL2 USL SCSU SCL2 DRVRST_5V NRST USH R(M) SIU SC_SOS7 UML SC_SOS2 SCL3 RXD_TU SCL2 SDA2 UMH SCL1 LED_G LED_G KEY_INPUT ALL_OFF CLK3 SDA1 CML NUEL TXD_PC LED_R RTC_INT PS_SOS SCL1 HD(M) IIC_INT CEH SC_SOS7 SCL2 CABLE_DET POWER_STAT CL RXD_PC P5V STB3.3V IC9954 R9824 1.2V R9873 Q9708 G D S 3.3V L5VDD3.3V R9819 2.5V 1.2V 3.3V Q9706 R9811 STB+3.3V D9713 R9815 R9825 P5V STB+5V R9823 P+5V D9711 STB+3.3V Q9711 R9818 P+5V 1.5V FL9601 1 2 3 3.3V IC9002 STB3.3V P+5V 3.3V IC9955 3.3V Q9704 Q9705 STB5V R9817 P+5V P+5V R9843 R9813 3.3V Q9707 STB+5V D9712 2.5V P12V 3.3V STB+3.3V R9821 R9822 1.5V R9812 IC9605 P5V R9820 P+5V STB+5V_M P+3.3V Q9702 Q9703 STB3.3V STB+5V 3.3V R9816 1.5V P+5V 3.3V R9814 3.3V L5VDD3.3V STB3.3V STB3.3V 2.5V 2.5V STB5V P+5V P+12V CLK7 XRESET CLK6 S DATA3 SC_SOS2 18 TRST FLASH MEMORY ACCESS SOUND MUTE CONFIGRATION TAP CONTROLLER VCC 2.5V 29 2 SUB VIDEO 36 OSD_HD0/VD0 3.3V 5V P+12V SELECTOR Q9303 B/PB(M) CPH A01 IC9601 23 5 OSD_CLK G/Y(M) 29 HD(M) 91 FLASH RXC+(S) HD,VD DC1-12 84 14 RX2-(M) DA1-12 17 SUS DATA 6bit HD,VD 116 16 STB ON RTC INT DB1-12 HD,VD,CLP SUSTAIN RX2+(M) IICBUS TXC-(S) TXC+(S) TX0 3-(S) 27 S CLOCK3 IC9102 CONFIG_SEL1 CEL2 IC9153 CLK ALL_OFF SID 9 SC_SOS2 2 13 TRST RX1-(S) POWER STATUS CSL 20 RST TRST 52 7 45 6 D11-D16 LEVEL CONVERTER RX3+(M) SCKREF CLK STB5V 16 17 REFCK CLP TDI SEPA RX3+(S) CEL TXD 3.3V 5V HSYNC RXC-(S) 8-bit ADC RXC+(M) 13 SS_SOS9 PGA HD_S,VD_S 4 RX2-(M) HD,VD,CLK +3.3V 9 R,G,B IC9714 IC9715 11 REMOCON OUT 8 3.3V RX2+(M) SCSU TO J3 IC9703 CLK(CLK0-CLK3) 14 MCKREF TDO_PROM IC9500 10 20 RX1+(M) 4 OCK TDI MAIN VIDEO 18 RX1+(S) +1.5V CML VCC 94 IIC_CONT RXC+(S) X9501 1 2 TCK LED_R Block Loop 11 STB+5V A 9 TMS 6 DPMS HD 21 B VDD TX0 3+(M) 41 D32 PARALLEL DPMS_HD 21 16 CLK 40 30 HSYNC RXC-(M) OSD_HD0/VD0 TXC-(M) 17 24bit S CLOCK1 RX2-(S) 9 AD20 LED_G RX0-(S) DATA RESET DRVRST 20 P+1.5V SOS R,G,B 2 JTAG STB+5V 8 P+3.3V SOS SS_SOS9 CLK 21 D71-D76 TRST 6 CLK IIC RESET TRST DC2-12 2 MAIN_VIDEO RX0-(M) LED_G 2 DATA DA1-12 107 32 24bit 5V 3.3V CPU,FPGA 6 RX3-(S) 34 D25 106 8 INTERFACE TDO CLK9 D41-D46 NRST 15 CLK8 IC9103 CONT. NRST +3.3V CLK3 RXD_PC DRVRST RX3-(M) IC9303 85 REMOCON IN 5 RX0+(M) 105 +5VDET TO J1 95 CLK VOLTAGE 96 4 REMOCON INH TO J5/J6 OSD0 LVDS RECEIVER OSD_YM,YS NRST 42 KEY_INPUT OSD15 87 17 OSD0-15 22 20 RESET PLASMA AI POWER_STATUS TMS 20 NRST DPMS_VD VOUT STB3.3V VD(M) 54 TCK D21-D26 VD VSYNC NRST D31-D36 NRST R/PR(M) 3.3V 1 12 1.5V 38 1 97 15 RXD_TU TO C21 57 37 5 DATA TIMING 8bit OSD_YM F_STBY_ON SOS 29 S CLOCK3 25 SCAN 24bit R,G,B REMOCON REMOCON OUT +5V 52 HD,VD,CLK DO Q9302 P+5V 23 S_SCL1 58 125 RX3+(S) 102 IC9203 FPGA PROM DPMS VD OSD_CLK SOUND_MUTE FOR NRST 59 S_SDA1 RXC-(S) 21 TDI RST 145 IC9602,9603 VCC TTL RXC+(M) 4Mbit 11 4 TDO (D0A D13C) 4 OSD_VD0 A18 48 5 RESET OSD_YS 146 OSDKXI 48 55 RXD_PC 53 12 DTCLK 47 64Mbit SDRAM IIC_INT A20 32MFLASHMSB 93 13 D3 DISCHARGE VOLTAGE CONTROL 7 S_SCL2 TDO_PROM 17 TV_ON/OFF 56 DCK 18bit RTC_INT 51 FLASH MEMORY CLK1 TDI 1 24bit 86 50 RST 10 10 RX0-(S) 42bit TMS CLK4 HD,VD,CLK 88 P+12V RX1+(S) TRST 39 31 CABLE_DET PANEL_MAIN_ON S CLOCK2 IIC 36 TO P25 7 BUS 5 8 Y 44 55 IC9711 3.3V 3 28 19 8bit A/D CONVERTER TMS (D8A D13C) 108 CLK S DATA1 TDO 11 (D0A D8C) D5 24 RXD_TU IC9154 TDO S DATA3 RX1-(M) 18 TXD_TU 16 P+12V SOS 46 RX1-(M) 9 17 OSDHD 109 S_SDA2 RX3-(M) CONFIG_SEL0 110 44 HD,VD,CLK 2.5V TXD_PC 62 P+3.3V SOS D4 3 3 TXD_TU 19 46 VDD 17 RESET 49 2.5V 3.3V IC9713 RX3+(M) IC9702 CLAMP XRST 64k CEH 92 SCAN DATA 13bit IIC SWITCH IC9031 RX0+(M) S DATA2 18 2 FPGA IC9701 IC9151,9152 IC9953 RX2+(S) TO SC20 HD OSD_HD0 D31 IC9101 LED_R IICBUS 12 RX0+(S) 8 26 51 CMH OSD_HDIN 6 Q9301 RESET CONT. IIC P+5V 3.3V 5V 14 IC9001 EEPROM 1.2V STB+3.3V STB 3.3V 35 TCK 9 CLAMP IIC_CONT TDO CONFIG_SEL2 D15 S_SCL3 DB2-12 CLK IIC CONT D00 MCU ROM AD18-20 HD_M,VD_M CL TX0 3-(M) AD18-20 CABLE DET FLASH MEMORY TCK ROM AD18,19 TO C11 SC_SOS7 TMS VIDEO DATA RXD 127 TXC+(M) 23 CONT. RX2+(S) 144 5V 3.3V RX0+(S) VDD 7 S CLOCK1 IC9201 CLKM_IN RX0-(M) +2.5V P+3.3V SOS:LED 3TIMES 117 +1.2V PS_SOS VDD 158 104 HD,VD S_SDA3 KEY_SW VSYNC VDD 7 SYNC SIGNAL CONTROL 2.5V 3.3V 103 9 3.3V 12 PS_SOS VDD STB_ON 3.3V 8 CLK 2 TCK P+3.3V SOS 112 P+5V IC9951 19 DIN/O 1 Q9951-Q9953 D20 12 SYNC RGB CSH SIU 2 P+5V TXD_PC VCC VCC CLKOUT VCC 6 D1 4 1 IICBUS VCCENT 20MHz RX3-(S) 18 VCC RX1-(S) 27 D51-D56 RXC-(M) 60 FLASH ROM IC9952 5V 3.3V 5 D61-D66 SC_SOS7 RX1+(M) D10 ALL_OFF ROM RX2-(S) TX0 3+(S) 6 TMS IIC_INT PICTURE TV_ON/OFF 4 TCK S DATA1 IC9704 TTL S/P FPGA VIDEO DATA VIDEO DATA PPL SYNTHESIZER CONTROL DISCHARGE SYNC SIGNAL CONTROL P+5V SOS FACTORY USE ODED CLRD PCD2 LED CLK3 CLK2 DRV_RST P+5V P+5V ODED CLK1 CLK0 CLRD PCD1 LED SS_SOS9 NUEL UMH UML USH USL UEH DRV_RST P+5V P+5V +5VDET LEVEL CONVERTER LEVEL CONVERTER LEVEL CONVERTER LEVEL CONVERTER LVDS Signaling Differential RECEIVER Low Voltage D SUB-FIELD PROCESSOR DIGITAL SIGNAL PROCESSOR FORMAT CONVERTER, PlASMA AI TIMING PROCESSOR DATA SUB-FIELD PLASMA AI OUTPUT CONVERTER I/P,FORMAT PROCESSING DRIVER SIGNAL DIGITAL PICTURE IMPROVER CONTROL FOR FACTORY USE SUB-FIELD PROCESSOR FORMAT CONVERTER SIGNAL PROCESSOR IIC CONT. LEVEL CONVERTER LEVEL CONVERTER SOS BLINKING TIMES P+5V SOS:LED 4TIMES OR GATE TH-42PWD8CK D-Board Block Diagram TH-42PWD8CK D-Board Block Diagram 69 15.22.D 电路板 (1/12) 线路图 30 28 26 24 22 18 16 14 12 10 8 6 4 2 20 31 29 27 25 23 21 19 17 15 13 11 9 7 5 3 1 G G + + + + G G + G G + + + + + SB_RX3+ SB_RX0+ AA_ALL_OFF1 MN_RX2+ STB_ON MN_RX1- MN_RX1+ SB_RX3- SB_CLK- SB_RX1+ AA_FAN_CONT HD_M AA_PS_SOS A_TV_ON/OFF DPMS_VD SB_RX1- AA_FAN_SOS VD_M MN_RX2- DPMS_HD MN_CLK- SB_RX2- MN_RX3- MN_RX3+ SB_RX0- SB_CLK+ VD_S ANF_B_M MN_RX0- HD_S MN_RX0+ SB_RX2+ MN_CLK+ ANF_G_M ANF_R_M R9894 10k C0DBEGE00002 IC9954 1 CTL 2 Vcc 3 GND 4 OUT 5 ADJ 3.3V C9031 16V 0.1u D5 3.3V C9961 50V 4700p R9892 0 P5V FL9705 F1J1E1040022 1 2 3 C9981 16V 47u 1.5V P12V C9764 16V 0.1u C9964 16V 4.7u 1.2V P12V R9042 0 IC9951 C0DBAMH00013 1 VIN 2 SW 3 FB 4 INV 5 EN 6 RT 7 GND 8 VIN 3.3V R9895 0 C9974 50V 4700p C9985 6.3V 10u R9218 100 C9983 4V 220u C9767 16V 0.1u R9217 100 1% R9973 20k R9963 0 C9766 16V 47u C9989 16V 0.1u *R9028 0 R9038 100 R9956 47k C9762 50V 0.01u R9035 100 IC9031 C0JBAZ002198 OE1 1 2 I0 3 O7 4 I1 5 O6 6 I2 7 O5 8 I3 9 O4 10 GND 11 I4 12 O3 13 I5 14 O2 15 I6 16 O1 17 I7 18 O0 19 OE2 20 VCC C9965 25V 220u R9044 1.2k R9971 0 R9976 0 1% R9964 5.1k L9951 G1C150MA0169 L9952 G1C150MA0169 R9039 0 C9951 16V 4.7u R9955 10k R9220 100 R9214 100 R9213 100 D25 1 2 3 4 5 6 7 8 9 10 11 12 13 14 15 16 17 18 19 20 FL9703 F1J1E1040022 1 2 3 R9891 0 C9969 4V 68u *R9029 0 R9215 100 C9957 16V 0.1u C9982 16V 0.1u R9040 0 D1 1 2 3 4 5 6 7 8 9 10 11 12 13 14 15 16 17 18 19 20 R9219 100 R9974 33k 1% R9965 10k FL9706 F1J1E1040022 1 2 3 R9037 100 C9988 6.3V 10u *R9030 0 *R9032 0 C9955 4V 220u C9984 16V 0.1u C9956 4V 68u C9952 25V 220u P12V R9893 0 R9966 18k R9957 68k R9211 100 C9975 16V 0.1u C9761 16V 47u C0DBAMH00014 IC9952 1 VIN 2 SW 3 FB 4 GND 5 INV 8 GND 6 RT 7 EN R9896 0 FL9051 J0MAB0000175 C9970 16V 0.1u C0CBCAC00282 IC9955 1 VDD 2 GND 3 CE 5 VOUT 4 NC R9041 0 R9961 0 R9216 100 STB5V_M D9952 B0JCPE000004 2.5V 3.3V R9043 1.2k C9986 16V 0.1u R9951 0 R9897 0 R9953 0 R9977 0 R9036 100 R9967 68k C9963 16V 0.1u *R9034 0 C9763 16V 47u C9959 16V 4.7u R9212 100 D9951 B0JCPE000004 R9954 23.2k FAN_CONT S_XCLK+ GND GND M_XCLK+ +5V M_XCLK- D GND STBY5V TO 6 +5V B/PB_S R/PR_M S_X3- 3 1 1 GND M_X0- S_XCLK- GND GND GND DPMS_HD 2 4 M_X3+ 5 GND G/Y_S B GND GND S_X1- A GND DPMS_VD RUSH_ON/OFF 8 HD_S GND M_X3- (J1) J-BOARD PANEL_MAIN_ON 5 S_X2- VD_S DG-BOARD 2 VD_M (7/12) GND ECO_ON +12V GND TO GND M_X1+ S_X0- GND M_X1- GND M_X0+ GND S_X1+ S_X2+ B/PB_M 3 (J5,J6) S_X0+ J-BOARD GND S_X3+ E B G/Y_M FAN_SOS TO C GND F_STBY_ON GND (P25) C R/PR_S P-BOARD A TO GND GND +12V 4 KILL_SOS GND PS_SOS HD_M GND 7 M_X2+ ALL_OFF M_X2- D-BOARD (1/12) TNPA3634AC 1.2V REG. SWITCHING REG. 3.3V 1.5V SWITCHING REG. 3.3V->2.5V REG. LEVEL CONVERTER 5V->3.3V 5.0 12.0 0 0 0 0 6.7 0 0 0 0 12.0 0 0 0 5.0 5.0 2.6 3.2 0 0.4 0 3.2 4.4 3.2 1.6 0 0 1.6 1.6 0 1.6 0 1.6 0 1.6 1.6 0 1.6 1.6 0 1.6 0 1.6 1.6 1.6 0 1.6 1.6 0 1.6 1.6 0 1.6 0 1.6 0 0 0 0 0 0 0 0.4 0 0 0.4 0.4 0 0 0 TH-42PWD8CK D-Board (1 of 12) Schematic Diagram TH-42PWD8CK D-Board (1 of 12) Schematic Diagram 70 15.23.D 电路板 (2/12) 线路图 MA_R0 MA_R6 P3V_SDA2 MA_B0 D08 A10 MAIN_G3 MAIN_R4 D00 CLP_M A12 MAIN_R7 MA_B1 ABI_J MA_B4 D13 MA_G6 MA_G0 D04 MA_R7 MAIN_G1 D01 D11 MA_R5 A7 AM_HD MA_B7 MAIN_R6 D03 MA_R3 MA_G5 D05 A18 MA_R7 A17 MA_B6 MAIN_G5 D09 MA_G7 ANF_G_M D07 MA_R4 MA_B4 MAIN_G7 MAIN_R3 MA_B3 MA_R1 MA_G4 MA_B5 A14 MAIN_B1 A4 AM_CLK MA_R2 MAIN_G2 MA_G3 MAIN_B2 A9 MA_B6 MAIN_R5 MA_G1 HD_ADM MA_B1 MA_R4 A15 MA_G3 D12 MA_B2 5V P3V_SCL2 MA_G2 MAIN_R0 D02 D10 A5 VD_ADM MA_B2 D14 MA_R3 ANF_R_M A8 MA_G2 MA_G5 A20 MA_R1 ABI_D D15 A13 MA_G6 D06 A1 MA_G1 MA_G7 MAIN_R2 MA_B7 A3 A16 MAIN_G0 MA_R0 MAIN_B5 MA_R6 ANF_B_M MAIN_G4 MAIN_B7 MAIN_B4 MAIN_R1 MA_G0 MAIN_G6 A6 MA_G4 A11 MAIN_B3 NRST MAIN_B0 A2 ABI_I MA_R2 MA_B0 MA_B3 MA_R5 MA_B5 MAIN_B6 AM_VD R9007 39 R9005 2.7k P5V C9020 16V 0.1u STB3.3V R9023 0 C9010 50V 1000p R9009 39 C9003 50V 8200p C9008 50V 0.01u R9839 0 R9018 0 C9011 16V 0.1u IC9001 C0FBAD000102 1 DVSS 2 GOUT7 3 GOUT6 4 GOUT5 5 GOUT4 6 GOUT3 7 GOUT2 8 GOUT1 9 GOUT0 10 DVSS 11 DVDD 12 BOUT7 13 BOUT6 14 BOUT5 15 BOUT4 16 BOUT3 17 BOUT2 18 BOUT1 19 BOUT0 20 DVSS 21 DVSS 22 DVDD 23 DVDD 24 TEST 25 PVSS 26 PVDD 27 PVDD 28 PVSS 29 COAST 30 HSYNC 31 VSYNC 32 PVSS 33 FLT 34 PVDD 35 PVDD 36 AVSS 37 BIAS 38 CLAMP 39 AVDD 40 AVSS 41 AVSS 42 AVDD 43 BIN 44 AVSS 45 AVDD 46 AVDD 47 AVSS 48 GIN 49 SOGIN 50 AVSS 51 AVDD 52 AVDD 53 AVSS 54 RIN 55 A0 56 SCL 57 SDA 58 BYPASS 59 AVDD 60 AVSS 61 AVSS 62 AVDD 63 RESET 64 VSYNCO 65 SOGOUT 66 HSYNCO 67 DTCLK 68 DVSS 69 DVDD 70 ROUT7 71 ROUT6 72 ROUT5 73 ROUT4 74 ROUT3 75 ROUT2 76 ROUT1 77 ROUT0 78 DVDD 79 DVDD 80 DVSS C9001 16V 0.1u R9004 0 C9734 16V 0.1u R9017 0 R9840 10k R9014 0 C9007 50V 0.01u R9020 0 C9013 16V 0.1u C9009 50V 0.01u R9012 0 R9003 EXB2HVR000V R9010 0 1% R9006 6.8k C9006 16V 0.1u C9022 16V 0.1u TVRN500 IC9702 1 A15 2 A14 3 A13 4 A12 5 A11 6 A10 7 A9 8 A8 9 N.C. 10 N.C. 11 WE 12 RESET 13 N.C. 14 N.C. 15 RY/BY 16 A18 17 A17 18 A7 19 A6 20 A5 21 A4 22 A3 23 A2 24 A1 25 A0 26 CE 27 VSS 28 OE 29 DQ0 30 DQ8 31 DQ1 32 DQ9 33 DQ2 34 DQ10 35 DQ3 36 DQ11 37 VCC 38 DQ4 39 DQ12 40 DQ5 41 DQ13 42 DQ6 43 DQ14 44 DQ7 45 DQ15/A-1 46 VSS 47 BYTE 48 A16 C9016 6.3V 10u R9013 0 C9004 16V 0.082u R9019 0 R9011 39 C0CBCBC00190 IC9002 1 VDD 2 GND 3 CE 5 VOUT 4 NC C9733 16V 4.7u R9016 0 C9017 16V 0.1u C9019 6.3V 10u C9002 16V 0.1u C9012 16V 0.1u R9008 0 R9002 EXB2HVR000V R9000 EXB2HVR000V 3.3V *R9021 10 13 14 9 3 DG-BOARD (8/12) 15 16 5 1 8 TO 110MHz AC AD 14 AB 2 15 4 12 13 AE 11 11 12 AA 10 8bits A/D 3.3V REG 4Mbit FLASH MEMORY CONVERTER TH-42PWD8CK D-Board (2 of 12) Schematic Diagram TH-42PWD8CK D-Board (2 of 12) Schematic Diagram D-BOARD (2/12) TNPA3634AC 71 15.24.D 电路板 (3/12) 线路图 + + AM_CLK VDO_M FP_NUEL MAIN_R3 HD_M MAIN_R7 MAIN_B1 FP_CML MAIN_G0 MAIN_R5 SB_RX3+ MAIN_B7 FP_ODED MAIN_B2 MN_CLK- MAIN_B6 MAIN_R6 MN_RX2+ CLP_M FP_UML AM_HD AM_VD MAIN_R2 HDO_M MN_RX0- SB_RX0+ FP_PCD1(R) FP_CEL FP_CLK FP_CL HD_ADM MAIN_G6 MAIN_G5 MAIN_G4 SB_CLK- OSD_HDO MAIN_G7 DCK_M SB_RX1+ MAIN_B5 SB_RX2+ FP_CSL SB_RX0- TMS_2V FP_CSH FP_CLRD MAIN_B3 MAIN_R0 FP_CPL MN_RX0+ MN_RX2- FP_CPH OSD_VDO FP_USL MN_RX1- MAIN_G1 FP_SIU MAIN_G2 SB_RX3- SB_RX2- HD_S DCK_M FP_PCD2(R) FP_CEH MAIN_B4 FP_SID MAIN_B0 SB_CLK+ TCK_2V MN_RX3+ MAIN_R4 VD_M TDO_2V FP_UMH VD_S FP_CMH FP_LED(R) FP_USH FP_SCSU TDO_PROM MAIN_R1 AM_CLK MN_RX3- SB_RX1- MN_RX1+ FP_UEH MAIN_G3 MN_CLK+ VD_ADM IC9201 P14 IO_L16P_3 IC9201 L10 VCCO_4 IC9201 F2 IO_L22N_7 IC9201 E16 IO_L20P_2 IC9201 F4 IO_L21N_7 R9275 0 IC9201 H13 IO_L39N_2 IC9201 L16 VCCAUX IC9201 K9 GND IC9201 M1 IO_L20P_6 IC9201 H9 GND IC9201 B15 GND IC9201 B16 IO_L01N_2/VRP_2 C9203 16V 0.1u 3.3V IC9201 H2 GND IC9201 K3 IO_L24N_6/VREF_6 IC9201 E5 VCCINT IC9201 K10 GND IC9201 G6 VCCO_7 IC9201 G11 VCCO_2 C9227 6.3V 10u C9207 16V 0.1u IC9201 N16 IO_L17N_3 IC9201 H6 VCCO_7 IC9201 H3 IO_L39N_7 IC9201 C16 IO_L01P_2/VRN_2 R9245 1k IC9201 D14 IO_L16P_2 IC9201 G5 IO_L23N_7 IC9201 J14 IO_L39N_3 C9218 16V 0.1u IC9201 E11 IO_L28P_1 IC9201 L13 IO_L21N_3 IC9201 J15 GND IC9201 G3 IO_L24N_7 IC9201 G15 IO_L24P_2 IC9201 H5 VCCO_7 C9214 16V 47u IC9201 D13 VCCINT C9208 16V 0.1u IC9201 N12 IO/VREF_4 IC9201 A16 GND IC9201 A4 IO_L01P_0/VRN_0 C9206 16V 0.1u IC9201 K4 IO_L23P_6 2.5V IC9201 R13 IO_L01N_4/VRP_4 IC9201 M13 IO_L21P_3 IC9201 T11 VCCAUX R9171 47 IC9201 H7 GND IC9201 B2 GND IC9201 C9 IO_L32N_1/GCLK5 IC9201 F1 VCCAUX IC9201 F16 VCCAUX IC9201 N11 IO_L27P_4/D1 IC9201 M9 VCCO_4 IC9201 T9 IO_L32P_4/GCLK0 IC9201 C14 TCK IC9201 N10 IO_L29P_4 C9213 16V 0.1u IC9201 J9 GND R9257 0 IC9201 J6 VCCO_6 R9271 EXB2HV470JV R9244 22 IC9201 H8 GND IC9201 F5 IO_L23P_7 IC9201 A1 GND IC9201 A11 VCCAUX IC9201 E3 IO_L19N_7/VREF_7 C9215 16V 0.1u IC9201 L12 IO_L23P_3/VREF_3 IC9201 G4 IO_L24P_7 IC9201 G2 IO IC9201 R16 IO_L01P_3/VRN_3 R9250 0 C9222 16V 0.1u C9226 6.3V 10u IC9201 L3 IO_L22N_6 IC9201 D9 IO_L32P_1/GCLK4 IC9201 B1 IO_L01P_7/VRN_7 IC9201 P3 M0 IC9201 L2 IO_L22P_6 IC9201 J10 GND IC9201 P4 M2 IC9201 D1 IO_L17N_7 IC9201 E4 IO_L21P_7 IC9201 B14 IO_L01P_1/VRN_1 IC9201 J1 IO_L40P_6/VREF_6 IC9201 J11 VCCO_3 IC9201 F15 IO_L22P_2 IC9201 R2 GND IC9201 T13 IO_L01P_4/VRN_4 IC9201 C11 IO_L29P_1 C9211 16V 0.1u IC9201 G14 IO_L24N_2 IC9201 M5 VCCINT C9216 16V 0.1u IC9201 M2 IO_L20N_6 IC9201 F10 VCCO_1 IC9201 N8 IO_L32P_5/GCLK2 IC9201 J5 VCCO_6 IC9201 F11 GND IC9201 K2 IO_L24P_6 IC9201 P13 IO/VREF_4 IC9201 F14 IO_L22N_2 IC9201 N13 VCCINT IC9201 C13 TMS IC9201 T10 IO/VREF_4 R9274 0 IC9201 H12 VCCO_2 C9217 16V 0.1u IC9201 K6 VCCO_6 IC9201 G8 GND C9212 16V 0.1u IC9201 H14 IO_L39P_2 IC9201 F3 IO_L22P_7 IC9201 B9 GND IC9201 P16 IO_L01N_3/VRP_3 IC9201 K13 IO_L24P_3 IC9201 J12 VCCO_3 C9204 16V 0.1u R9240 0 IC9201 M14 IO_L19N_3 IC9201 E9 VCCO_1 C9220 16V 0.1u IC9201 D8 IO_L31N_0 IC9201 R8 GND IC9201 H11 VCCO_2 IC9201 D2 IO_L17P_7 IC9201 T6 VCCAUX IC9201 D6 IO_L27P_0 IC9201 G13 IO_L23P_2 IC9201 C1 IO_L01N_7/VRP_7 IC9201 G1 IO_L40P_7 IC9201 H10 GND IC9201 E15 IO_L20N_2 IC9201 T14 IO IC9201 B11 IO_L29N_1 IC9201 P12 IO_L25N_4 1.2V IC9201 C5 IO_L25N_0 FPGA2.5V IC9201 G10 GND IC9201 A14 IO_L01N_1/VRP_1 C9221 16V 0.1u R9276 22 IC9201 T2 M1 IC9201 T12 IO IC9201 E6 IO_L27N_0 R9207 0 C9225 6.3V 10u IC9201 G7 GND IC9201 D7 IO_L29P_0 IC9201 R15 GND R9249 0 IC9201 F9 VCCO_1 C9201 16V 47u C9210 16V 0.1u R9205 0 R9209 0 IC9201 P10 IO_L30N_4/D2 IC9201 L9 VCCO_4 R9241 0 IC9201 B13 IO_L10P_1 IC9201 E12 VCCINT L9204 J0JHC0000096 IC9201 D4 VCCINT IC9201 E2 IO_L20P_7 IC9201 R10 IO_L30P_4/D3 C9202 16V 0.1u IC9201 H1 IO_L40N_7/VREF_7 IC9201 F7 VCCO_0 IC9201 A6 VCCAUX IC9201 N4 VCCINT IC9201 P8 IO_L32N_5/GCLK3 IC9201 E13 IO_L19N_2 L9205 J0JHC0000096 R9272 EXB2HV470JV FPGA3.3V IC9201 J2 IO_L40N_6 R9273 EXB2HV470JV IC9201 J4 IO_L39N_6 IC9201 R11 IO_L28P_4 IC9201 A2 TDI IC9201 P15 IO_L16N_3 IC9201 D15 IO_L17N_2 C9219 16V 0.1u IC9201 H4 IO_L39P_7 IC9201 M12 VCCINT IC9201 F12 IO_L21N_2 C9209 16V 0.1u R9252 0 IC9201 K11 VCCO_3 IC9201 K7 GND IC9201 P11 IO_L28N_4 IC9201 L11 GND IC9201 J3 IO_L39P_6 IC9201 M10 IO_L29N_4 R9251 0 IC9201 N14 IO_L19P_3 IC9201 J7 GND L9206 J0JHC0000096 IC9201 B8 IO_L32N_0/GCLK7 R9256 0 IC9201 B5 IO_L25P_0 IC9201 E1 IO_L20N_7 R9242 0 IC9201 G9 GND IC9201 L1 VCCAUX IC9201 F8 VCCO_0 IC9201 N1 IO_L17P_6/VREF_6 IC9201 G16 IO IC9201 E14 IO_L19P_2 IC9201 M8 VCCO_5 IC9201 E8 VCCO_0 IC9201 L8 VCCO_5 IC9201 E7 IO_L29N_0 IC9201 T1 GND IC9201 K1 IO IC9201 K8 GND IC9201 A13 IO_L10N_1/VREF_1 IC9201 L6 GND IC9201 J8 GND IC9201 T16 GND IC9201 L7 VCCO_5 IC9201 A8 IO_L32P_0/GCLK6 IC9201 C12 IO_L27P_1 IC9201 F6 GND R9243 0 IC9201 R12 IO_L25P_4 IC9201 A15 TDO IC9201 F13 IO_L21P_2 IC9201 K12 IO_L23N_3 C9205 16V 0.1u IC9201 N15 IO_L17P_3/VREF_3 IC9201 B4 IO_L01N_0/VRP_0 VDA M_GOUT0 CPH CL LVDS-TEST CSH LVDSA_RXDN 24 LVDSA_CLKP M_ROUT5 LVDSB_CLKN LVDSB_RXAN SIU DMHR VCCI(3.3V) LVDSB_RXDN M_GOUT7 LVDSB_RXCP M_BOUT6 NUEL M_ROUT1 LVDSA_RXCN OUTPUT_MAIN UML LVDSB_RXDP ODEU CMH 17 LVDS_INPUT FPGA 13 HD_ADB LVDSA_RXCP BG LVDSB_RXAP DMHL HDOA CLK_D BD 22 HDB 11 LVDSA_RXAP M_GOUT1 LVDSA_RXDP M_ROUT0 BB CEL2 CLK_INPUT ODED LVDSA_RXAN M_ROUT7 LVDSB_CLKP BC USH M_BOUT3 HD_ADA CML UMH M_ROUT6 BF CEL LER 23 CLPB DCKAO PCU M_GOUT5 DCKA DG-BOARD JTAG 23 M_BOUT2 SC_PULSE M_GOUT6 (9/12) PCD M_ROUT2 16 M_ROUT3 DMLR M_ROUT4 19 DATA_DRIVER M_GOUT2 XNHD VD_ADA M_GOUT3 TDI XNVD CSL HDIAB CLRD 14 DCKB M_BOUT1 SCSU TDO M_BOUT0 BE 12 TMS CLPA HDA USL TCK M_BOUT4 VD_ADB GND CLRU VCCAUX(2.5V) DMLL 15 SS_PULSE DSLL M1 VDOA UEH VDIAA M0 BA 21 M_BOUT7 22 16 LEL LVDSB_RXCN LVDSA_RXBP VDIAB VCCINT(1.2V) M2 DSLR FPGA_MODE M_BOUT5 21 TEST PIN M_GOUT4 SYNC LVDSA_RXBN DSHR 25 LVDSA_CLKN HDIAA TO LVDSB_RXBN LVDSB_RXBP PCU2 20 CBK VDB KME-TEST SID PCD2 DSHL 18 CLKM_IN IC9201 C1ZBZ0002917 DATA POWER FEEDBACK TTL S/P FPGA LVDS RECEIVER DISCHARGE VOLTAGE CONTROL SYNC SIGNAL CONTROL TH-42PWD8CK D-Board (3 of 12) Schematic Diagram TH-42PWD8CK D-Board (3 of 12) Schematic Diagram D-BOARD (3/12) TNPA3634AC 72 15.25.D 电路板 (4/12) 线路图 FP_ODED FP_NUEL FP_UEH USH NUEL FP_PCD1(R) USL TDO_2V FP_PCD1(R) TCK_2V TDI_55 UEH FP_UML FP_USH FP_LED(R) OCK REFCK FP_UML FP_LED(R) PCD1(RIGHT) FP_USH TMS_2V PCD2(RIGHT) DCK TDO_TED FP_CLRD FP_PCD2(R) SCKREF TDO_55 UMH ODED FP_USL FP_UMH UML CLRD FP_PCD2(R) FP_USL FP_UMH FP_ODED TCK_BS TMS_BS TDI_2V FP_CLRD TRST_BS FP_UEH LED(RIGHT) FP_NUEL MCKREF R9509 47 C9504 16V 0.1u C9154 16V 1u C9503 16V 0.1u C9153 16V 1u C9506 50V 8p C0JBAZ000856 IC9154 G1 1 2 A1 3 A2 4 A3 5 A4 6 A5 7 A6 8 A7 9 A8 10 GND 11 Y8 12 Y7 13 Y6 14 Y5 15 Y4 16 Y3 17 Y2 18 Y1 19 G2 20 Vcc 3.3V R9149 0 R9508 10k C9502 6.3V 10u R9510 47 P5V R9503 10k R9148 4.7k FL9501 G1C150KA0038 R9513 47 C9108 16V 0.1u R9502 0 C9107 16V 0.1u IC9103 C0JBAE000354 1 A 2 B 3 GND 5 VCC 4 Y R9512 47 P5V C1ZBZ0002769 IC9500 X1/ICLK 1 2 S0 3 S1 4 CLK9 5 VDD 6 GND 7 CLK1 8 CLK2 9 CLK3 10 CLK4 11 CLK8 12 CLK7 13 CLK6 14 CLK5 15 GND 16 VDD 17 S2 18 PDTS 19 VDD 20 X2 R9516 47 X9501 H0J200500038 R9518 10k R9154 10k 3.3V C9505 50V 15p R9155 EXB38V103JV R9505 10k C0JBAZ000856 IC9153 G1 1 2 A1 3 A2 4 A3 5 A4 6 A5 7 A6 8 A7 9 A8 10 GND 11 Y8 12 Y7 13 Y6 14 Y5 15 Y4 16 Y3 17 Y2 18 Y1 19 G2 20 Vcc R9153 EXB2HV103JV R9514 47 IC9102 C0JBAZ002198 OE1 1 2 I0 3 O7 4 I1 5 O6 6 I2 7 O5 8 I3 9 O4 10 GND 11 I4 12 O3 13 I5 14 O2 15 I6 16 O1 17 I7 18 O0 19 OE2 20 VCC 2.5V R9515 47 3.3V CA 24 50/60/64/39.5/20.75 22 37 63/50/60/64 20SS 26 20/72/70 31 OFF/60/50 23 84/36/90/50 CB 31.6/OFF CPG 3.3V->2.5V 36 39.5/20.75 32 21 27 24 2.5V->3.3V 25 25 28 29 30 35 DG-BOARD 33 (10/12) 23 CC TO OFF/39.5/20.75 CD 34 PLL SYNTHESIZER LEVEL CONVERTER 3.3V->5V LEVEL CONVERTER LEVEL CONVERTER 3.3V->5V LEVEL CONVERTER TH-42PWD8CK D-Board (4 of 12) Schematic Diagram TH-42PWD8CK D-Board (4 of 12) Schematic Diagram D-BOARD (4/12) TNPA3634AC 73 15.26.D 电路板 (5/12) 线路图 G G G G G G + + L5_SDDB15 L5_SDDA03 P3V_SDA2 OSD1 OSD_HDO TRST_BS OSD4 L5_SDCKB L5_SDDB14 L5_SDDB19 OSD10 L5_ADRSB10 L5_ADRSA02 L5_SDDB25 L5_SDDA08 L5_SDDB21 L5_SDDA20 L5_ADRSB00 L5_SDDA25 L5_SDDA21 L5_SDDA10 L5_SDDA29 L5_SDDA07 L5_ADRSB04 L5_SDDA19 L5_SDDB02 L5_SDDB23 MCKREF L5_SDDA16 L5_ADRSB05 OSD8 L5_SDDA00 L5_ADRSB03 L5_SDDA31 L5_SDDA27 OSD_YM L5_SDDB30 L5_ADRSA05 L5_ADRSB01 OSD3 OSD12 OSD_VDO L5_ADRSA06 DCK L5_NRASA L5_ADRSB02 L5_SDDA15 L5_NCASB L5_SDDA06 OSD6 L5_SDDA01 L5_SDDA14 L5_SDDA23 L5_SDDB26 P3V_SCL2 OCK L5_SDDA28 L5_ADRSA01 L5_SDDB20 L5_NWEA OSD13 L5_SDDA24 L5_SDDB27 L5_SDDB16 L5_SDDB08 L5_SDDB22 L5_SDDB07 L5_SDDA02 L5_ADRSA09 L5_ADRSA00 L5_ADRSB07 L5_ADRSA03 L5_ADRSA07 L5_BANKA1 OSD11 L5_ADRSA10 L5_SDDA30 L5_SDDA04 OSD9 L5_SDDB13 OSD_HDIN L5_SDCKA L5_SDDB12 OSD5 L5_SDDA05 L5_ADRSB09 SCKREF L5_NCASA L5_SDDB17 L5_ADRSA11 L5_SDDA09 L5_SDDB11 L5_BANKB0 L5_SDDB24 L5_NRASB L5_SDDB06 REFCK L5_SDDB05 L5_NWEB L5_SDDA11 L5_SDDB09 L5_BANKB1 L5_SDDB03 OSD2 L5_ADRSA04 L5_BANKA0 TDI_55 L5_ADRSA08 L5_SDDA26 TCK_BS L5_SDDB29 OSD15 L5_SDDB01 L5_SDDA12 L5_ADRSB08 L5_SDDB04 L5_SDDB10 L5_ADRSB11 L5_ADRSB06 L5_SDDA22 L5_SDDA17 OSD7 OSD0 OSD14 L5_SDDA13 OSD_CKIN L5_SDDB28 OSD_YS L5_SDDB18 TMS_BS L5_SDDA18 IC9601 C16 OSD15 IC9601 B2 VSS IC9601 C19 BANKA1 IC9601 W14 SDDB03 IC9601 A17 OSDHI IC9601 AA19 SDDB27 IC9601 P8 VDD33 IC9601 AC19 SDDB29 IC9601 A16 OSD13 IC9601 D21 SDDA26 IC9601 W17 SDDB18 IC9601 B22 VSS C9659 16V 0.1u IC9601 H9 VSS IC9601 Y11 ADRSB04 IC9601 D4 VSS IC9601 W22 SCL C9614 16V 0.1u IC9601 E15 OSD12 R9611 0 IC9601 N21 ADRSA00 IC9601 W11 VDD33 C9691 16V 0.1u IC9601 Y21 TDO IC9601 K2 VDD33 IC9601 J19 VDD33 IC9601 AC17 SDDB22 C9661 16V 0.1u C9630 16V 0.1u FL9603 F1J1E1040022 1 2 3 IC9601 M19 ADRSA07 C9606 16V 0.1u IC9601 N5 XRST IC9601 T14 VDD33 R9630 0 IC9601 E12 REFCK C9682 16V 0.1u IC9601 M22 ADRSA04 IC9601 M10 VSS C9618 16V 0.1u IC9601 N12 VSS C9643 16V 0.1u R9617 0 1.5V IC9601 M11 VSS IC9601 G23 SDDA12 IC9601 W21 SDA IC9601 AC21 NWEB IC9601 J23 SDDA03 R9629 0 IC9601 AB12 ADRSB11 C9647 16V 0.1u IC9601 A12 MCKREF IC9601 E13 OSD02 IC9601 F23 SDDA17 IC9601 J21 SDDA05 IC9601 AA10 ADRSB01 IC9601 A18 ALPHA1 IC9601 J9 VSS IC9601 H20 SDDA10 IC9601 C20 NCASA IC9601 L10 VSS IC9601 K11 VSS IC9601 E21 SDDA23 C9693 16V 0.1u IC9601 G21 SDDA14 C9626 16V 0.1u R9615 0 IC9601 E22 SDDA22 IC9601 H14 VDD33 L5P1.5V IC9601 N19 ADRSA02 IC9601 AB7 VDD33 IC9601 A23 VSS IC9601 Y14 SDDB04 C9694 6.3V 10u IC9601 L11 VSS IC9601 AC15 SDDB12 IC9601 C15 OSD10 R9631 0 IC9601 AB16 SDDB16 IC9601 F22 SDDA18 IC9601 M2 TCKSEL4 IC9601 E19 VSS IC9601 M12 VSS IC9601 H22 SDDA08 C9610 16V 0.1u R9622 0 IC9601 A22 SDDA30 IC9601 A15 OSD08 IC9601 K23 SDCKA IC9601 Y10 ADRSB00 IC9601 B14 OSD04 L5P1.5V IC9601 R14 VDD33 IC9601 D23 SDDA24 IC9601 H13 VDD33 IC9601 H8 VSS IC9601 M21 ADRSA05 IC9601 AC12 SDCKB IC9601 M20 ADRSA06 IC9601 H21 SDDA09 IC9601 N20 ADRSA01 IC9601 N11 VSS R9609 10k IC9601 J22 SDDA04 IC9601 L13 VSS IC9601 T11 VDD33 IC9601 AC13 SDDB02 C9622 16V 0.1u IC9601 A21 NRASA IC9601 T12 VDD33 IC9601 L21 ADRSA10 IC9601 K21 SDDA00 L5VDD3.3V IC9601 H23 SDDA07 IC9601 E5 VSS IC9601 W13 VDD33 IC9601 J16 VSS IC9601 H10 VDD33 C9653 16V 0.1u IC9601 AC10 ADRSB03 C9657 16V 0.1u C9628 16V 0.1u IC9601 AA12 ADRSB10 IC9601 AC11 ADRSB07 IC9601 D22 SDDA25 IC9601 AB19 SDDB28 IC9601 D16 BFJ IC9601 L1 TCKSEL0 R9628 0 IC9601 K14 VSS C9655 16V 0.1u C9639 16V 0.1u FL9602 F1J1E1040022 1 2 3 IC9601 B21 SDDA31 IC9601 AB13 SDDB01 IC9601 W23 TMS IC9601 L8 VDD33 IC9601 AA11 ADRSB05 IC9601 AB14 SDDB06 C9645 16V 0.1u IC9601 Y16 SDDB14 IC9601 N14 VSS IC9601 A11 XMPLLRST IC9601 G19 SDDA16 IC9601 B18 ALPHA2 R9614 0 R9616 0 C9665 16V 0.1u IC9601 H19 SDDA11 IC9601 AA15 SDDB10 C9667 16V 0.1u IC9601 W10 VDD33 IC9601 M8 VDD33 R9624 0 IC9601 H15 VSS IC9601 AB17 SDDB21 IC9601 K19 SDDA02 IC9601 W16 SDDB13 C9612 16V 0.1u IC9601 L19 VDD33 IC9601 D15 OSD11 IC9601 W12 ADRSB08 IC9601 D17 OSDCKI IC9601 F21 SDDA19 IC9601 T10 VDD33 IC9601 K8 VDD33 IC9601 D13 OSD01 IC9601 G20 SDDA15 IC9601 B16 OSD14 IC9601 N8 VDD33 IC9601 C23 SDDA27 IC9601 R19 XSPLLRST IC9601 N13 VSS IC9601 N16 VDD33 IC9601 L20 ADRSA11 R9626 0 IC9601 B13 OSDCKO IC9601 AA18 SDDB24 IC9601 C17 YS IC9601 K15 VDD33 IC9601 AB11 ADRSB06 IC9601 A1 VSS IC9601 E16 AFJ R9620 0 IC9601 A19 OSDVO IC9601 AC20 NRASB IC9601 B23 SDDA29 IC9601 AC14 SDDB07 IC9601 AA13 SDDB00 IC9601 Y13 NCSB IC9601 P16 VDD33 IC9601 L22 ADRSA09 IC9601 Y15 SDDB09 IC9601 C18 ALPHA3 IC9601 H11 VDD33 C9692 6.3V 10u IC9601 AA22 TRST C9602 16V 0.1u IC9601 P22 SCKREF IC9601 L16 VDD33 IC9601 AB18 SDDB25 IC9601 N2 OCK IC9601 AC22 BANKB0 IC9601 M13 VSS C9663 16V 0.1u R9627 0 IC9601 K13 VSS IC9601 AB21 NCASB 3.3V IC9601 B20 NWEA IC9601 K20 SDDA01 IC9601 Y18 SDDB23 IC9601 M23 ADRSA03 IC9601 T13 VDD33 IC9601 E14 OSD07 IC9601 AB10 ADRSB02 L5VDD3.3V C9608 16V 0.1u C9624 16V 0.1u IC9601 L12 VSS IC9601 AC16 SDDB17 IC9601 Y23 TCK IC9601 K10 VSS IC9601 AB15 SDDB11 IC9601 F20 SDDA20 IC9601 Y22 TDI R9610 0 IC9601 AB20 SDDB31 IC9601 L15 VDD33 IC9601 AA14 SDDB05 C9649 16V 0.1u C9604 16V 0.1u IC9601 P10 VSS IC9601 AC9 DCK IC9601 D20 VSS IC9601 C21 VSS IC9601 C3 VSS FL9601 F1J1E1040022 1 2 3 R9607 10k IC9601 J20 SDDA06 IC9601 J15 VSS IC9601 K16 VDD33 C9683 16V 0.1u C9632 16V 0.1u C9651 16V 0.1u IC9601 G22 SDDA13 IC9601 E10 VDD33 IC9601 D14 OSD06 IC9601 C14 OSD05 IC9601 H16 VSS IC9601 E17 ALPHA0 IC9601 E23 SDDA21 C9670 220u 4V C9634 220u 4V IC9601 AC18 SDDB26 IC9601 L23 ADRSA08 C9637 16V 0.1u IC9601 AA17 SDDB20 IC9601 AB23 BANKB1 IC9601 M3 TCKSEL3 IC9601 K22 NCSA IC9601 M1 TCKSEL5 IC9601 K1 VSS IC9601 W15 SDDB08 IC9601 B15 OSD09 IC9601 D18 OSDHO IC9601 Y12 ADRSB09 C9669 16V 0.1u IC9601 M4 TCKSEL2 IC9601 N10 VSS IC9601 M16 VDD33 IC9601 J8 VSS C9616 16V 0.1u IC9601 N1 VDD33 IC9601 AA20 SDDB30 IC9601 C13 OSD00 IC9601 B17 YM IC9601 M5 TCKSEL1 R9608 0 C9620 16V 0.1u IC9601 K12 VSS IC9601 Y17 SDDB19 IC9601 C22 SDDA28 IC9601 A14 OSD03 IC9601 H12 VDD33 C9635 16V 0.1u IC9601 AA16 SDDB15 IC9601 A20 BANKA0 L5VDD3.3V C9641 16V 0.1u IC9601 V5 VDD15 IC9601 L9 VDD15 IC9601 Y5 VDD15 IC9601 P9 VDD15 IC9601 E18 VDD15 IC9601 D19 VDD15 IC9601 W20 VDD15 IC9601 W18 VDD15 IC9601 J11 VDD15 IC9601 F19 VDD15 IC9601 M15 VDD15 IC9601 M9 VDD15 IC9601 R10 VDD15 IC9601 J10 VDD15 IC9601 J13 VDD15 IC9601 E20 VDD15 IC9601 N9 VDD15 IC9601 J12 VDD15 IC9601 Y19 VDD15 IC9601 E4 VDD15 IC9601 F5 VDD15 IC9601 R12 VDD15 IC9601 P15 VDD15 IC9601 R11 VDD15 IC9601 K9 VDD15 IC9601 N15 VDD15 IC9601 L14 VDD15 IC9601 M14 VDD15 IC9601 E6 VDD15 IC9601 D5 VDD15 IC9601 W6 VDD15 IC9601 R13 VDD15 IC9601 W4 VDD15 IC9601 V19 VDD15 IC9601 J14 VDD15 34 TO 33 37 31 31 32 33 37 34 35 36 38 36 35 DA DG-BOARD (11/12) 32 IC9601 MN84513-A 44 43 41 42 PLASMA AI SUB-FIELD PROCESSOR FORMAT CONVERTER SIGNAL PROCESSOR TH-42PWD8CK D-Board (5 of 12) Schematic Diagram TH-42PWD8CK D-Board (5 of 12) Schematic Diagram D-BOARD (5/12) TNPA3634AC 74 15.27.D 电路板 (6/12) 线路图 + + L5_ADRSA00 L5_SDDA11 L5_SDDB27 L5_SDDB23 L5_ADRSA10 L5_SDDB03 L5_SDDB12 L5_SDDA08 L5_SDDA05 L5_ADRSB04 L5_SDDA10 L5_SDDA13 L5_SDDB28 L5_SDDB10 L5_ADRSA05 L5_SDCKB L5_ADRSB09 L5_SDDB26 L5_SDDA25 L5_SDDA02 L5_SDDB16 L5_SDDB29 L5_SDDA20 L5_ADRSA08 L5_ADRSB06 L5_NCASA L5_SDDB13 L5_ADRSA02 L5_SDDA17 L5_ADRSB02 L5_SDDB24 L5_SDDA09 L5_SDDA12 L5_ADRSA09 L5_SDDB15 L5_SDDA21 L5_SDDB07 L5_BANKB1 L5_SDDB00 L5_SDDB09 L5_NWEB L5_ADRSB05 L5_NRASA L5_SDDB01 L5_SDDA27 L5_SDDB04 L5_NCSB L5_BANKA0 L5_NCSA L5_NCASB L5_NWEA L5_SDDA07 L5_ADRSA03 L5_SDCKA L5_ADRSA04 L5_SDDA30 L5_SDDB11 L5_SDDA16 L5_NRASB L5_SDDB05 L5_BANKB0 L5_SDDB21 L5_ADRSA07 L5_ADRSB01 L5_SDDA15 L5_ADRSA06 L5_ADRSB03 L5_SDDA24 L5_SDDB17 L5_SDDA06 L5_ADRSB10 L5_SDDA04 L5_SDDA01 L5_SDDB18 L5_BANKA1 L5_SDDA14 L5_SDDB25 L5_SDDB22 L5_SDDB08 L5_SDDA18 L5_SDDA22 L5_SDDB19 L5_SDDA28 L5_SDDB31 L5_SDDA26 L5_SDDA29 L5_ADRSB00 L5_SDDB02 L5_ADRSB07 L5_ADRSB08 L5_ADRSA01 L5_SDDA23 L5_SDDB30 L5_SDDA19 L5_SDDA03 L5_SDDB06 L5_SDDB14 L5_SDDB20 R9551 16V 0.1u R9550 16V 0.1u R9595 22 C3ABPJ000071 IC9603 1 VDD 2 DQ0 3 VDDQ 4 DQ1 5 DQ2 6 VSSQ 7 DQ3 8 DQ4 9 VDDQ 10 DQ5 11 DQ6 12 VSSQ 13 DQ7 14 NC 15 VDD 16 DQM0 17 /WE 18 /CAS 19 /RAS 20 /CS 21 NC 22 BA0 23 BA1 24 A10(AP) 25 A0 26 A1 27 A2 28 DQM2 29 VDD 30 NC 31 DQ16 32 VSSQ 33 DQ17 34 DQ18 35 VDDQ 36 DQ19 37 DQ20 38 VSSQ 39 DQ21 40 DQ22 41 VDDQ 42 DQ23 43 VDD 44 VSS 45 DQ24 46 VSSQ 47 DQ25 48 DQ26 49 VDDQ 50 DQ27 51 DQ28 52 VSSQ 53 DQ29 54 DQ30 55 VDDQ 56 DQ31 57 NC 58 VSS 59 DQM3 60 A3 61 A4 62 A5 63 A6 64 A7 65 A8 66 A9 67 CKE 68 CLK 69 NC 70 NC 71 DQM1 72 VSS 73 NC 74 DQ8 75 VDDQ 76 DQ9 77 DQ10 78 VSSQ 79 DQ11 80 DQ12 81 VDDQ 82 DQ13 83 DQ14 84 VSSQ 85 DQ15 86 VSS C9526 16V 0.1u R9584 0 C9528 16V 0.1u C9530 16V 0.1u R9585 22 C9533 220u 4V R9593 0 R9581 0 R9586 0 C9544 16V 0.1u C3ABPJ000071 IC9602 1 VDD 2 DQ0 3 VDDQ 4 DQ1 5 DQ2 6 VSSQ 7 DQ3 8 DQ4 9 VDDQ 10 DQ5 11 DQ6 12 VSSQ 13 DQ7 14 NC 15 VDD 16 DQM0 17 /WE 18 /CAS 19 /RAS 20 /CS 21 NC 22 BA0 23 BA1 24 A10(AP) 25 A0 26 A1 27 A2 28 DQM2 29 VDD 30 NC 31 DQ16 32 VSSQ 33 DQ17 34 DQ18 35 VDDQ 36 DQ19 37 DQ20 38 VSSQ 39 DQ21 40 DQ22 41 VDDQ 42 DQ23 43 VDD 44 VSS 45 DQ24 46 VSSQ 47 DQ25 48 DQ26 49 VDDQ 50 DQ27 51 DQ28 52 VSSQ 53 DQ29 54 DQ30 55 VDDQ 56 DQ31 57 NC 58 VSS 59 DQM3 60 A3 61 A4 62 A5 63 A6 64 A7 65 A8 66 A9 67 CKE 68 CLK 69 NC 70 NC 71 DQM1 72 VSS 73 NC 74 DQ8 75 VDDQ 76 DQ9 77 DQ10 78 VSSQ 79 DQ11 80 DQ12 81 VDDQ 82 DQ13 83 DQ14 84 VSSQ 85 DQ15 86 VSS C9522 16V 0.1u C9548 16V 0.1u C9547 16V 0.1u C9525 16V 0.1u C9531 16V 0.1u C9541 16V 0.1u L5VDD3.3V C9521 16V 0.1u C9524 16V 0.1u R9591 0 R9553 220u 4V C9542 16V 0.1u C9523 16V 0.1u R9594 0 C9543 16V 0.1u C9546 16V 0.1u ZA007 K4CD01000013 L5VDD3.3V R9549 16V 0.1u R9552 16V 0.1u C9529 16V 0.1u ZA001 K4CD01000013 C9532 16V 0.1u C9545 16V 0.1u C9527 16V 0.1u R9583 0 R9596 0 DG-BOARD (12/12) TO 43 SDRAM-B 42 41 38 43 42 39 44 EB 44 45 SDRAM-A 41 EA 40 64Mbit SDRAM-A 64Mbit SDRAM-B TH-42PWD8CK D-Board (6 of 12) Schematic Diagram TH-42PWD8CK D-Board (6 of 12) Schematic Diagram D-BOARD (6/12) TNPA3634AC 75 15.28.D 电路板 (7/12) 线路图 G G G G G G + G G + G G SC_CL AA_CABLE_DET AA_NRST 3V_SCL1 FP_CLK SC_SID P3V_SCL2 SC_CLK 5VRXD_TU 3VRXD_TU 3V_SDA3 FP_CPH FP_SIU LED_R 3V_SCL1 AA_RTC_INT LED_G 5VTXD_TU AA_FAN_CONT FP_CEH AR_IIC_CONT AR_IIC_CONT SC_CPL FP_CPL FP_SCSU 3V_SDA3 P3V_SCL2 FP_SID SC_CEH 3V_SDA1 FP_CPL 3V_SCL3 SOUND_MUTE AA_REMOCON FP_CL POWER_STAT FP_CPH AH_LED_R SC_CEL LED_G FP_CML AR_IIC_CONT AA_REMOCON_OUT SC_CEH SC_CSH DRVRST_5V FP_SID 3V_SDA3 SC_CPL TXD_PC TXD_PC RXD_PC 3V_SCL3 DRVRST 3V_SCL3 SC_CMH FP_CML 5VRXD_TU FP_CSL SC_CPH AH_LED_G FP_CEL SC_SIU SC_CSH SC_CPH SC_SIU SC_SCSU 5VTXD_TU FP_CSH SC_CSL SC_CMH FP_CSH SC_CL P3V_SDA2 SC_CML RXD_PC AA_NRST SC_CML AA_DRV_SOS7 NRST A_TV_ON/OFF FP_SCSU FP_CMH SC_CEL FP_CLK SC_SID P3V_SDA2 AR_IIC_INT SC_CSL FP_CSL FP_CEH 3V_SDA1 SC_CLK SC_SCSU KEY_INPUT FP_CEL FP_SIU AA_DRV_SOS2 FP_CL 3VTXD_TU LED_R FP_CMH TP9704 FL9702 F1J1E1040022 1 2 3 C9749 16V 0.1u R9984 1k P5V Q9709 B1ABCF000138 C0JBAZ000856 IC9714 G1 1 2 A1 3 A2 4 A3 5 A4 6 A5 7 A6 8 A7 9 A8 10 GND 11 Y8 12 Y7 13 Y6 14 Y5 15 Y4 16 Y3 17 Y2 18 Y1 19 G2 20 Vcc R9880 10k TP9707 R9872 10k TP9703 STB5V R9873 10k R9156 EXB2HV470JV R9881 0 FL9707 F1J1E1040022 1 2 3 FL9701 F1J1E1040022 1 2 3 R9152 EXB2HV103JV STB5V C0JBAZ000856 IC9151 G1 1 2 A1 3 A2 4 A3 5 A4 6 A5 7 A6 8 A7 9 A8 10 GND 11 Y8 12 Y7 13 Y6 14 Y5 15 Y4 16 Y3 17 Y2 18 Y1 19 G2 20 Vcc TP9713 D9735 B0ACCE000005 P12V R9844 5.6k R9861 3.3k R9151 EXB2HV103JV STB5V C9747 16V 0.1u R9876 0 R9866 100 P12V R9875 100 TP9705 C9156 16V 0.1u STB5V R9855 100 R9865 10k R9868 0 C0JBAZ000856 IC9152 G1 1 2 A1 3 A2 4 A3 5 A4 6 A5 7 A6 8 A7 9 A8 10 GND 11 Y8 12 Y7 13 Y6 14 Y5 15 Y4 16 Y3 17 Y2 18 Y1 19 G2 20 Vcc C9993 16V 0.1u D9732 B0ACCE000005 C9992 16V 47u STB3.3V R9852 100 3.3V R9851 100 C9745 16V 0.1u R9884 100 R9981 0 Q9708 B1CBHD000001 G D S R9869 0 C9152 16V 1u R9996 10k R9860 10k R9993 100 IC9713 C0JBAS000215 1 1A 2 1B 3 2C 4 GND 5 2A 6 2B 7 1C 8 Vcc TP9702 R9877 0 TP9712 R9854 100 FL9708 F1J1E1040022 1 2 3 TP9708 C9991 16V 0.1u TP9706 R9879 0 D3 1 2 3 4 5 6 7 8 9 10 11 12 13 14 15 16 17 18 19 20 21 22 23 24 25 26 27 28 29 30 31 32 33 34 35 36 37 38 39 40 D9721 MAZ30360HL C9994 6.3V 10u C9746 50V 100p C9155 16V 47u Q9953 B1ABCF000138 R9848 100 C9748 16V 0.1u C9151 16V 1u R9850 100 TP9701 STB3.3V R9849 100 R9157 EXB2HV470JV R9870 0 TP9711 D9731 MA2J72800L R9863 10k R9864 3.3k R9853 100 STB5V P5V D9733 B0ACCE000005 R9992 10k Q9951 B1ABCF000138 D20 1 2 3 4 5 6 7 8 9 10 11 12 13 14 15 16 17 18 19 20 R9995 10k R9843 10k TP9710 R9845 100 Q9710 B1ABCF000138 Q9952 B1ABCF000138 P5V STB3.3V P5V R9857 100 STB3.3V P5V STB5V R9985 0 D9734 B0ACCE000005 D4 1 2 3 4 5 6 7 8 9 10 11 12 13 14 FL9709 F1J1E1040022 1 2 3 R9982 0 R9885 EXB38VR000V C0DBEJG00001 IC9953 1 CTL 2 Vcc 3 GND 4 OUT 5 C IC9715 C0JBAE000354 1 A 2 B 3 GND 5 VCC 4 Y STB5V_M R9847 100 R9874 0 TP9709 C9750 50V 0.01u STB5V STB3.3V R9846 100 R9994 10k STB3.3V R9883 10k Q9711 B1ABCF000138 R9158 47k STB5V_M R9871 22k R9991 10k R9878 0 R9882 EXB38VR000V R9983 1.6k CSL RESET DSP3 N.C. CLK N.C. GND REMOCON OUT 3 SDA1 GND STB5V CEL DRV_SOS2 E CPH N.C. CML FAN CONT B C TO (1/12) KEY_SW POWER STATUS VDD CL STB3.3V DG-BOARD GND D TXD_TU GND CEH SCL3 SDA2 C GND DSP2 RTC INT IIC CONT SCL2 DRV_SOS7 GND B SID REMOCON STB_ON GND RXD_PC SDA3 52 SCL1 CMH 8 STB5V OPT 7 (J3) J-BOARD IIC_INT/BOOT SOUND MUTE GND TO USE GND FACTORY RXD_TU 5V 4 CSH 51 TO TXD_PC SDA3 GND CABLE DET 5 53 GND 6 A 1 (SC20) P5V SC-BOARD LED_R IIC_CONT STB5V->STB3.3V LED_G IIC_CONT A SDA1 SCSU TXD TO SCL1 54 232C_STATUS CPL RXD 55 DSP1 GND GND 2 SCL3 GND SIU STB3.3V REG. LEVEL CONVERTER 3.3V->5V LEVEL CONVERTER 3.3V->5V IIC SWITCH LEVEL CONVERTER 3.3V->5V LEVEL CONVERTER 3.3V->5V 5.3 0 0 0.8 2.2 5.0 2.8 0.1 0 2.9 4.3 0.5 0 0.7 3.9 0.9 0 0 0 0 0 2.7 3.1 2.7 2.7 0 3.3 2.7 2.7 2.7 5.7 0 0 5.0 3.9 3.9 3.9 3.9 2.3 0 5.0 0 4.9 0.5 0.5 3.3 0.5 0.5 0 0.6 0.5 2.9 2.9 0 0 0 0 0 0 5.0 3.2 0 6.6 0 3.2 0.8 0 0 0 0 4.5 0 0 0 TH-42PWD8CK D-Board (7 of 12) Schematic Diagram TH-42PWD8CK D-Board (7 of 12) Schematic Diagram D-BOARD (7/12) TNPA3634AC 76 15.29.D 电路板 (8/12) 线路图 A6 5V_SOS D07 AA_DRV_SOS7 DPMS_VD OSD_HDIN 3V_SCL1 3V_SDA1 OSD14 A7 SCL2 3.3V_SOS 3V_SDA1 OSD7 OSD9 AR_IIC_CONT 3VTXD_TU DRVMUTE OSD10 A10 A3 D00 A1 D13 AH_LED_G OSD12 AA_ALL_OFF1 AA_PS_SOS AH_LED_R 3V_SCL1 STB_ON A20 OSD3 A4 TDO_PROM OSD8 AAE_MCCLK D12 OSD_YM OSD_YS SCL1 A16 OSD1 AA_DRV_SOS9 REM_IN A5 SOUND_MUTE P3V_SCL2 P_CLK D14 SDA3 P_DATA DPMS_HD SCL3 ABI_J KEY_INPUT A9 AA_REMOCON_OUT A14 D03 A_TV_ON/OFF OSD5 A8 AH_REM_OUT ABI_I AA_FAN_SOS D06 OSD0 NRST P3V_SDA2 A18 AA_DRV_SOS2 SCL2 OSD4 DRVRST A11 D10 D11 AA_REMOCON OSD6 SDA1 SCL3 AA_RTC_INT AH_REM_OUT A17 SDA2 A15 AR_IIC_INT A2 OSD_HDO D02 D05 D08 D04 D01 OSD13 REM_IN TDI_2V SDA1 ABI_D D15 TCK_2V OSD11 AA_CABLE_DET POWER_STAT D09 AH_REM_INH RXD_PC 3V_SDA3 OSD_CKIN 5V_SOS A12 AAE_MCDATA_O SDA3 3V_SCL3 OSD2 AAE_MCLD P_CE OSD15 AH_REM_INH OSD_VDO A13 3VRXD_TU SCL1 TMS_2V 3.3V_SOS P_INT SDA2 C9741 16V 0.1u P5V C9710 16V 0.1u Q9702 B1ABCF000138 R9716 0 IC9711 C0JBAE000354 1 A 2 B 3 GND 5 VCC 4 Y C9716 16V 1u R9818 47k D9712 B0ACCE000005 R9725 0 R9797 10k R9830 10k R9811 10k R9779 100 R9765 100 3.3V R9808 10k R9712 B1ABCF000138 R9805 0 C9735 16V 4.7u STB3.3V R9795 10k R9807 0 R9786 100 R9753 100 R9773 0 R9822 330 R9757 10k 1.5V R9826 10k C9712 50V 1000p R9764 39k R9738 33 R9806 10k D9707 MA2J72800L R9812 47k R9820 5.6k P12V D9715 MA2J72800L R9783 100 R9713 10k R9726 0 D9702 MAZ303300L R9829 1k R9752 10k R9777 0 R9739 10k STB3.3V D9711 B0ACCE000005 R9791 2.7k R9788 100 R9814 1k R9803 0 R9756 1k STB3.3V R9709 10k R9775 12k R9743 10k R9767 100 R9703 10k C9725 50V 22p R9701 10k R9824 3.3k R9801 0 R9736 5.6k D9713 B0ACCE000005 C9236 16V 0.1u C9709 16V 0.1u D9706 MAZ303300L R9796 100 R9728 0 TVRN628 IC9203 D0 1 2 (DNC) 3 CLK 4 TDI 5 TMS 6 TCK 7 CF 8 OE/RESET 9 (DNC) 10 CE 11 GND 12 (DNC) 13 CEO 14 (DNC) 15 (DNC) 16 (DNC) 17 TDO 18 VCCENT 19 VCCO 20 VCCJ 3.3V R9766 39k R9741 10k R9731 47 R9733 EXB38V220JV R9792 100 R9781 100 C9721 16V 0.1u R9715 10k R9810 0 R9768 39k R9730 2.7k R9771 100 C9738 100p 50V R9815 47k *R9707 3.3k C9235 16V 0.1u C9726 50V 1000p R9828 22k STB3.3V R9740 100 R9729 47 C0EBE0000447 IC9704 1 Vout 2 VDD 3 GND 5 N.C. 4 N.C. R9711 10k C9701 16V 0.1u 3.3V Q9706 B1ABCF000138 R9821 5.6k C9717 16V 1u C9713 50V 1000p X9701 H0J400400025 C9706 16V 0.1u R9710 100 C9724 50V 27p R9702 10k 2.5V R9297 4.7k C9722 16V 0.1u R9798 100 3.3V Q9707 B1ABCF000138 R9772 0 R9769 100 R9744 0 R9720 10k R9834 10k C9736 16V 0.1u R9762 15k D9704 MAZ303300L STB3.3V R9836 10k R9833 100 R9714 100 R9718 10k R9735 2.7k C9702 16V 0.1u R9747 10k R9825 6.8k R9813 10k C9711 16V 0.1u R9708 100 R9750 0 R9838 6.8k R9722 EXB2HV470JV R9761 1k R9727 0 R9819 10k R9737 5.6k C9703 16V 0.1u R9723 EXB2HV470JV R9706 3.3k R9787 100 R9785 10k MN102H90MPD IC9701 1 TSTMD1 2 P83/A20 3 P66/A07 4 P65/A06 5 P64/A05 6 P63/A04 7 P62/A03 8 P61/A02 9 P60/A01 10 TEST 11 VDD 12 RTCXI 13 RTCX0 14 VSS 15 P45/HI0 16 P44/HI1 17 P43/VI0 18 P42/VI1 19 P16/TM3IO 20 P15/TM2IO 21 P14/TM1IO 22 P13/TM0IO 23 PC3/SDA0B 24 PC2/SCL0B 25 VSS 26 P41/HCCLK0 27 P40/HCCLK1 28 VDD 29 P37/B04 30 P36/B03 31 P35/B02 32 P34/B01 33 P33/B00 34 P32/G05 35 P31/G04 36 P30/G03 37 P27/G02 38 P26/G01 39 P25/G00 40 VDD 41 VSS 42 P24/R04 43 P23/R03 44 P22/R02 45 P21/R01 46 P20/R00 47 VDD 48 OSDKXI 49 OSDKX0 50 VSS 51 P12/VSYNC/IRQ1 52 P11/YS 53 P10/YM 54 P07/HSYNC 55 PC1/SDA0A 56 PC0/SCLA0 57 P06/VCLKOUT 58 P05/AL3 59 P04/AL2 60 P03/AL1 61 P02/AL0 62 P01/HOUT 63 P00/SYSCLK 64 AVSS 65 AVdd2 66 DAALOUT/DACOUT3 67 DABOUT/DACOUT2 68 DAGOUT/DACOUT1 69 DAROUT/DACOUT0 70 COMP 71 VREF 72 IREF 73 AVss 74 CVBS1 75 VREFHS1 76 CLL 77 AVdd1 78 CVBS0 79 VREFHS0 80 CLH 81 PLLTST 82 AVdd1 83 AVss 84 PC7/SCL2 85 PC6/SDA2 86 PF3/ADIN11/IRQ5 87 PF2/ADIN10/IRQ4 88 PF1/ADIN9/IRQ03 89 PF0/ADIN8/IRQ02 90 PE7/ADIN7 91 PE6/ADIN6 92 PE5/ADIN5 93 PE4/ADIN4 94 PE3/ADIN3 95 PE2/ADIN2 96 PE1/ADIN1 97 PE0/ADIN0 98 VSS 99 OSC2 100 OSC1 101 VDD 102 P57/RMIN/IRQ0 103 P95/SBO1 104 P94/SBI1 105 P93/SBT1 106 P92/SBO0 107 P91/SBI0 108 P90/SBT0 109 P56/PWM3/CS3 110 P55/PWM2/CS2 111 P54/PWM1/CS1 112 P53/PWM0/CS0 113 PD2/SBO2 114 PD1/STOP/SBI2 115 PD0/WDOUT/SBT2 116 PC5/SCL1 117 PC4/SDA1 118 CPUMD2 119 CPUMD1 120 CPUMD0 121 TSTMD0 122 P52/WE 123 P51/OE 124 VDD 125 P50/RST 126 VSS 127 PB7/D15 128 PB6/D14 129 PB5/D13 130 PB4/D12 131 PB3/D11 132 PB2/D10 133 BP1/D09 134 PB0/D08 135 PA7/D07 136 PA6/D06 137 PA5/D05 138 PA4/D04 139 VSS 140 VDD 141 PA3/D03 142 PA2/D02 143 PA1/D01 144 PA0/D00 145 P82/A19 146 P81/A18 147 P80/A17 148 P77/A16 149 P76/A15 150 P75/A14 151 P74/A13 152 P73/A12 153 VDD 154 VSS 155 P72/A11 156 P71/A10 157 P70/A09 158 P67/A08 159 P84/A21 160 OSCMD0 C9708 16V 0.1u R9827 22k R9778 100 R9704 16V 0.1u C9707 16V 0.1u R9754 10k Q9704 B1ABCF000138 C9718 16V 1u C9705 16V 0.1u R9732 2.7k R9724 1k R9742 1k R9751 10k R9759 39k C9737 16V 0.1u R9755 100 P5V R9832 1k 3.3V R9734 2.7k R9793 10k Q9703 B1ABCF000138 R9774 1k R9705 10k Q9701 B1CBHD000001 G D S D9703 MAZ303300L R9823 1k R9749 0 C9723 16V 0.1u R9837 10k R9782 10k R9760 100 2.5V IC9703 1 E0 2 E1 3 E3 4 Vss 5 SDA 6 SCL 7 WC 8 Vcc R9816 10k R9748 0 R9817 1k C9715 16V 1u Q9705 B1ABCF000138 R9293 4.7k R9294 4.7k R9296 330 R9295 4.7k 119 CPUMD1 AI_SENSE DPMS_VD 68 FPGA_LD 10 DRIVER_MUTE 66 AA KILL_SOS 88 CABLE_DET 86 RTC_INT ALL_OFF 120 CPUMD0 AB LED_R DPMS_HD DSP1 DSP3 83 AVSS 115 FPGA_CLK 118 CPUMD2 RXD_PC 53 82 AVDD1 TO IIC_INT (2/12) DRVSOS1 DRVSOS3 64 REM_IN STB_ON 81 PLLTST 116 SCL2 5V_SOS DG-BOARD 65 DRVSOS2 SOS_INH TXD_TU LSIRST RUSH_ON/OFF 63 IIC_CONT 114 FPGA_DATAIN TV_ON/OFF LED_G 8 SOUND MUTE 117 SDA2 RXD_TU DRIVER_RESET 13 REMO_INH 67 87 POWER_STAT DSP2 KEY_INPUT 54 3.3_SOS NC 84 SCL3 11 12 52 89 FAN_SOS 62 51 POWER_SOS 69 55 61 TXD_PC 14 9 REMO_OUT 85 SDA3 15 FLASH_SEL AE 113 FPGA_DATAOUT AC EEPROM_WP AD MCU RESET EEPROM FPGA PROM OR GATE 37PWD8GK/GS/UK:TVRN631 37PWD8BK/BS/EK/ES:TVRN632 42PWD8GK/GS/UK:TVRN634 42PWD8BK/BS/EK/ES:TVRN635 TH-42PWD8CK D-Board (8 of 12) Schematic Diagram TH-42PWD8CK D-Board (8 of 12) Schematic Diagram D-BOARD (8/12) TNPA3634AC 77 15.30.D 电路板 (9/12) 线路图 SFVRST SUB_R0 AAE_MCCLK P3V_SDA2 SUB_B7 SUB_G4 DRVRST SUB_G5 HDO_S P_DATA SUB_B0 SUB_R4 ROM_AD20 NRST SUB_R2 SUB_B1 SUB_R1 SUB_R3 AAE_MCLD FPDAT0 SUB_B5 P_INT SUB_B6 SUB_B3 SUB_G7 SUB_B2 ROM_AD19 SUB_B4 SUB_R6 ROM_AD18 SFRST FPCLK SUB_G6 SUB_G3 VDO_S DRVRST DCK_S DRVMUTE SUB_R5 FPDAT1 P_CLK AAE_MCDATA_O SUB_G2 P3V_SCL2 P_CE SUB_G1 SUB_R7 SUB_G0 LATCH IC9201 N5 IO FPGA2.5V IC9201 L15 IO_L22N_3 R9287 10k IC9201 N6 IO_L28N_5/D6 R9261 0 R9238 EXB38V470JV IC9201 L14 IO_L22P_3 IC9201 R1 IO_L01N_6/VRP_6 IC9201 N3 IO_L16P_6 IC9201 B3 PROG_B IC9201 M3 IO_L19P_6 IC9201 N9 IO_L31N_4/INIT_B IC9201 P7 IO IC9201 P6 IO_L29P_5/VREF_5 R9283 4.7k IC9201 K15 IO IC9201 H16 IO_L40P_2/VREF_2 IC9201 A7 IO IC9201 C10 IO IC9202 C0EBD0000038 1 NC 2 SUB 3 GND 5 VCC 4 VOUT IC9201 P5 IO_L27P_5 R9265 0 IC9201 R4 IO_L10P_5/VRN_5 IC9201 R5 IO_L27N_5/VREF_5 R9281 0 IC9201 A5 IO 3.3V IC9201 D10 IO_L30N_1 IC9201 R7 IO_L31P_5/D5 R9224 0 IC9201 A9 IO IC9201 D12 IO/VREF_1 IC9201 K14 IO_L24N_3 R9226 0 R9221 47 Q9201 B1ABCF000138 IC9201 T4 IO_L10N_5/VRP_5 R9279 EXB2HV470JV R9288 10k IC9201 D11 IO_L28N_1 IC9201 P2 IO_L16N_6 IC9201 M7 IO_L30P_5 IC9201 B6 IO_L28P_0 IC9201 P1 IO_L01P_6/VRN_6 IC9201 C4 HSWAP_EN IC9201 H15 IO_L40N_2 IC9201 R14 DONE IC9201 A12 IO IC9201 J13 IO_L39P_3 R9284 0 IC9201 M4 IO_L19N_6 IC9201 C3 IO_L16P_7/VREF_7 IC9201 C15 IO_L16N_2 IC9201 C2 IO_L16N_7 R9286 22k IC9201 C8 IO_L31P_0/VREF_0 C9241 16V 0.1u IC9201 A3 IO/VREF_0 STB5V IC9201 T8 IO/VREF_5 IC9201 C7 IO_L30N_0 C9234 50V 0.01u IC9201 T3 IO_L01N_5/RDWR_B IC9201 M6 IO_L28P_5/D7 IC9201 B10 IO_L31P_1 IC9201 L4 IO_L21P_6 IC9201 J16 IO_L40N_3/VREF_3 IC9201 B12 IO_L27N_1 R9280 0 IC9201 M11 IO_L27N_4/DIN/D0 R9282 22 IC9201 C6 IO_L28N_0 IC9201 R3 IO_L01P_5/CS_B IC9201 B7 IO_L30P_0 R9239 47 IC9201 E10 IO_L30P_1 IC9201 K5 IO_L23N_6 IC9201 P9 IO_L31P_4/DOUT/BUSY R9228 0 Q9202 B1ABCF000138 IC9201 M15 IO_L20P_3 IC9201 T15 CCLK IC9201 M16 IO_L20N_3 IC9201 D3 IO_L19P_7 IC9201 G12 IO_L23N_2/VREF_2 R9229 10k IC9201 A10 IO_L31N_1/VREF_1 R9222 47 2.5V R9277 EXB2HV470JV R9278 EXB2HV470JV IC9201 T5 IO IC9201 R9 IO_L32N_4/GCLK1 R9260 0 IC9201 N7 IO_L30N_5 IC9201 N2 IO_L17N_6 IC9201 T7 IO_L31N_5/D4 IC9201 D16 IO_L17P_2/VREF_2 R9290 560 IC9201 L5 IO_L21N_6 IC9201 D5 IO/VREF_0 IC9201 K16 IO_L40P_3 R9237 47 R9289 100 IC9201 R6 IO_L29N_5 IIC BD BA PRCKI S_BOUT7 BB 73 ROM57AD[1] ROM57AD[2] 76 VDOB S_GOUT2 DCKBO MODEL SELECT 61 NC DIN HDOB SFVRST 75 19 S_GOUT5 S_GOUT6 S_ROUT3 DONE 22 CCLK PROG_B S_ROUT0 S_BOUT5 S_GOUT3 HSWAP_EN S_BOUT4 S_BOUT6 65 BE SDA 63 NRST DA_SWM S_ROUT7 S_GOUT1 S_ROUT4 CONTROL MCCLK MODEL1 72 TO 23 (3/12) FPDATA1 FPCLK 62 MODEL2 SFRST DA_SWS 20 BG S_ROUT5 FPDATA0 S_GOUT0 RESET 77 S_BOUT3 MCLD ROM57AD[0] SCL 17 S_GOUT7 79 LATCH 16 MCDATA DG-BOARD S_ROUT2 S_BOUT1 DRVRST DRVMUTE S_GOUT4 FLASH_CONTROL 71 80 S_ROUT6 OUTPUT_SUB 78 MICON INIT_B 69 DOUTBUSY FREE_RUN CLK 67 66 21 S_BOUT0 74 S_ROUT1 18 64 LSI58 S_BOUT2 68 BC BF MODEL0 FPGA C1ZBZ0002917 IC9201 LVDS RECEIVER DISCHARGE VOLTAGE CONTROL FPGA SYNC SIGNAL CONTROL TTL S/P TH-42PWD8CK D-Board (9 of 12) Schematic Diagram TH-42PWD8CK D-Board (9 of 12) Schematic Diagram D-BOARD (9/12) TNPA3634AC 78 15.31.D 电路板 (10/12) 线路图 DO_DC3 DO_DC8 DO_DB7 ROM_CE ROM_AD19 ROM_OE DO_DA9 DO_DA2 TDO_TED ROM_OE ROM_A20 AF_SL1 TMS_TED TDI_TED TCK_BS DO_DA2 DO_DB10 ROM_AD20 AF_SL4 ROM_RD_BY DO_DC7 AF_SL0 DO_DB8 AF_SL1 ROM_A19 ROM_A20 DO_DA7 TDO_55 ROM_AD18 TMS_BS AF_SL4 ROM_WE DO_DA1 TMS_TED ROM_WE DO_DC2 DO_DA1 TCK_TED DO_DB11 TDO_TED TDO_TED ROM_RD_BY DO_DC4 DO_DB9 DO_DC11 DO_DA11 AF_SL3 DO_DB3 DO_DB2 DO_DC12 DO_DC9 DO_DC2 DO_DA8 DO_DB2 AF_SL1 DO_DA10 AF_SL2 AF_SL0 DO_DA3 AF_SL0 DO_DC10 ROM_A19 AF_SL3 ROM_A18 DO_DA6 TDI_TED DO_DC3 AF_SL2 DO_DB3 AF_SL2 DO_DC4 ROM_A18 DO_DA12 DO_DB12 TCK_TED DO_DA3 ROM_CE NRST TRST_BS R9121 4.7k R9132 10k R9131 10k R9129 0 R9123 4.7k R9125 4.7k R9572 10k R9569 0 R9134 47 3.3V R9106 0 C9101 16V 0.1u D10 1 2 3 4 5 6 7 8 9 10 11 12 C9104 16V 0.1u C9696 16V 0.1u R9112 0 R9124 4.7k R9118 4.7k R9144 4.7k R9116 4.7k R9126 4.7k R9105 0 R9137 47 R9108 EXB38V103JV R9130 0 R9114 10k IC9101 C0ZBZ0000764 1 STATUS[1] 2 STATUS[0] 3 TDO 4 TDI 5 TMS 6 CONFIG_SEL[4] 7 CONFIG_SEL[3] 8 CONFIG_SEL[2] 9 CONFIG_SEL[1] 10 CONFIG_SEL[0] 11 TCK 12 VSS 13 VDD 14 ADDRESS[21] 15 ADDRESS[20] 16 ADDRESS[19] 17 ADDRESS[18] 18 ADDRESS[17] 19 ADDRESS[16] 20 VSS 21 VDD 22 ADDRESS[15] 23 ADDRESS[14] 24 ADDRESS[13] 25 ADDRESS[12] 26 ADDRESS[11] 27 ADDRESS[10] 28 ADDRESS[9] 29 ADDRESS[8] 30 ADDRESS[7] 31 ADDRESS[6] 32 VSS 33 VDD 34 ADDRESS[5] 35 ADDRESS[4] 36 ADDRESS[3] 37 ADDRESS[2] 38 ADDRESS[1] 39 ADDRESS[0] 40 VSS 41 VDD 42 DATA[7] 43 DATA[6] 44 DATA[5] 45 DATA[4] 46 DATA[3] 47 DATA[2] 48 DATA[1] 49 DATA[0] 50 XCE 51 XOE 52 VSS 53 XWE 54 RD_XBY 55 REG_SEL 56 D[3] 57 D[2] 58 D[1] 59 D[0] 60 VSS 61 VDD 62 XRESET 63 XWR 64 NC 65 XRD 66 XCS 67 BUS_REQ 68 BUS_RELEASE 69 DATA 70 XCEO 71 VSS 72 CLK 73 VDD 74 VDD 75 XRST 76 VDD 77 XCF 78 XCEI 79 MODE_SEL 80 STATUS[2] R9115 10k R9111 EXB38V103JV R9117 4.7k R9113 10k R9107 0 C9105 16V 0.1u R9122 4.7k R9127 0 C9102 16V 0.1u R9142 4.7k R9110 EXB38V103JV R9568 0 R9102 0 R9571 10k R9570 0 R9140 4.7k R9120 4.7k P12V R9133 47 4.7k R9119 R9145 0 C9103 16V 0.1u R9101 0 R9104 0 IC9605 C0EBE0000066 1 NC 2 SUB 3 GND 5 Vcc 4 Vout 3.3V R9109 10k R9139 1k 29 TO 77 USE 3.3V CA 95 FACTORY CONFIG_SEL0 CONFIG_SEL1 96 CONFIG_SEL2 98 25 93 TMS 76 23 CC 27 24 80 TCK 72 TDI 75 P12V 73 CB TO 28 (4/12) 74 DG-BOARD 71 78 91 79 97 P5V/TRST 92 GND 94 CD TDO 30 26 RESET CONFIGRATION FPGA 3.2 3.2 3.2 12.0 0 0 3.1 3.2 3.2 0 3.2 0 TH-42PWD8CK D-Board (10 of 12) Schematic Diagram TH-42PWD8CK D-Board (10 of 12) Schematic Diagram D-BOARD (10/12) TNPA3634AC 79 15.32.D 电路板 (11/12) 线路图 TERM SIDE DO_DC7 DO_DC4 SUB_R0 DRVCLKD1 MAIN_R7 SUB_G6 DO_DC3 DO_DC2 DO_DB12 FPDAT1 SUB_R2 DO_DB10 DO_DC12 DO_DB6 PCD2(RIGHT) MAIN_R1 VDO_M DO_DC13 DO_DB8 DO_DC6 SUB_R7 DRDLY1 MAIN_B6 DO_DA8 DO_DB7 ODED HDO_M VDO_S DO_DB9 DO_DC8 DO_DA4 MAIN_R0 MAIN_G4 LATCH FPCLK DO_DA1 SUB_B6 DO_DA2 DO_DB0 SUB_R4 DO_DA11 DO_DB13 ROM_CE MAIN_B7 SFRST DO_DB11 DO_DA9 DO_DA11 DO_DA9 DO_DC10 DO_DB13 MAIN_R5 DO_DA6 DRVCLKD0 MAIN_B0 MAIN_B1 SUB_B4 SUB_B1 MAIN_R3 DO_DA10 SUB_G5 DO_DC11 DCK_S DO_DA12 MAIN_R2 SUB_B2 SUB_B7 DO_DA12 DO_DC13 SUB_G3 SUB_R6 DO_DC12 SUB_B5 DO_DC11 DO_DC10 FPDAT0 DRVCLKD2 MAIN_G0 DO_DC9 DO_DC1 SUB_G7 MAIN_R6 DO_DB8 MAIN_B5 MAIN_B4 MAIN_G3 LED(RIGHT) DO_DB4 DO_DA13 DO_DA0 L5_TPLLOUT SUB_B0 SUB_G4 MAIN_G7 DO_DB10 SUB_G1 MAIN_G1 DO_DA7 SUB_B3 DO_DB1 DO_DC0 DO_DB3 DO_DB5 SUB_R3 MAIN_G5 DO_DC9 DRVCLKD3 DO_DB12 DRVCLKD3 MAIN_B2 DO_DB2 HDO_S MAIN_G2 DCK_M SUB_G2 DO_DC5 SFVRST DO_DA3 SUB_R5 DO_DA13 DO_DB9 SUB_R1 MAIN_R4 SUB_G0 DO_DA8 DRVCLKD2 DO_DA5 CLRD DO_DB11 MAIN_B3 DO_DC8 DRDLY0 MAIN_G6 DO_DA10 DRVRST_5V IC9601 V2 DOUTDB06 IC9601 W7 DRVCLKD3 IC9601 B11 MDIV3 IC9601 C9 GYIA6 IC9601 B3 CLAMPA IC9601 U19 TEST3 IC9601 P1 DOUTDB12 IC9601 U20 TEST2 IC9601 R22 SDIV2 IC9601 A13 TIDDQM IC9601 U1 DOUTDB07 L5VDD3.3V IC9601 E8 GYIA3 IC9601 J2 RHB IC9601 R2 DOUTDC11 IC9601 AA1 DOUTDB03 IC9601 H4 RVIB4 R9643 0 IC9601 Y9 LATCH IC9601 T5 DOUTDB10 IC9601 AA8 FPDAT0 R9604 100 IC9601 R3 DOUTDB11 IC9601 N22 TPLLOUT IC9601 J1 DCKB IC9601 J3 DHB IC9601 Y4 VSS IC9601 P12 VSS R9638 0 IC9601 N23 TIDDQS IC9601 W8 DRDLY0 IC9601 N3 SCANMODE IC9601 E7 BUIA6 R9682 0 TP9301 IC9601 E1 BUIB7 C9302 16V 4.7u IC9601 C10 DHA IC9601 D9 GYIA7 IC9601 B5 RVIA4 IC9601 V4 DOUTDC07 C9672 16V 0.1u IC9601 V3 DOUTDA06 R9649 0 R9684 0 IC9601 AB9 SFVRST IC9601 G2 RVIB7 IC9601 H3 RVIB3 C9676 50V 8p P5V IC9601 Y20 VSS IC9601 D7 BUIA5 L5VDD3.3V IC9601 W1 DOUTDC05 IC9601 AC4 DOUTDC01 IC9601 AB8 FPDAT1 R9652 0 IC9601 C4 RVIA2 IC9601 T23 TEST4 IC9601 T15 VSS IC9601 L3 TIOCTL2 IC9601 W9 MUTE Q9301 B1ABCF000138 R9683 0 IC9601 V21 TIIC57 R9310 100k IC9601 R20 SDIV0 C9301 50V 0.01u IC9601 A9 GYIA4 IC9601 Y1 DOUTDC04 IC9601 AC3 DOUTDC02 IC9601 K5 CLAMPB IC9601 P4 DOUTDB13 D31 1 2 3 4 5 6 7 8 9 10 11 12 13 14 15 16 17 18 19 20 21 22 23 24 25 26 27 28 29 30 31 32 33 34 35 36 37 38 39 40 41 42 43 44 45 46 47 48 49 50 51 52 53 54 55 IC9601 W5 VSS R9305 47 R9601 10 IC9601 U23 MINTEST R9311 10k IC9601 AC1 VSS IC9601 G5 BUIB2 IC9601 R15 VSS IC9601 AB6 DRVCLKD1 IC9601 AA21 VSS IC9601 AB2 VSS IC9601 AA7 DRVCLKD5 R9303 47 IC9601 AA2 DOUTDA03 IC9601 AA6 DRVCLKD0 IC9601 K3 VMASKB IC9601 AB1 DOUTDC03 IC9601 T2 DOUTDB09 IC9601 F2 BUIB4 IC9601 T19 TIDDQ R9304 47 IC9601 C6 BUIA0 IC9601 P23 XSPLLPDN IC9601 R1 DOUTDA10 IC9601 G4 BUIB1 IC9601 D1 GYIB2 IC9601 P2 DOUTDA12 IC9601 R4 DOUTDA11 IC9601 V1 DOUTDC06 IC9601 V20 TILD IC9601 T8 VSS R9606 0 R9603 0 R9644 0 IC9601 P21 AVSSS L5VDD3.3V IC9601 A4 RVIA0 IC9601 B7 BUIA3 IC9601 C5 RVIA5 IC9601 L5 TIOCTL0 IC9601 F4 BUIB6 IC9601 AC2 DOUTDA02 R9308 0 R9605 0 IC9601 P3 DOUTDC13 R9302 47 IC9601 C8 GYIA1 IC9601 D6 BUIA1 TP9328 IC9601 T21 TEST6 IC9601 P11 VSS IC9601 A5 RVIA3 IC9601 B6 RVIA7 IC9601 T4 DOUTDC10 IC9601 B9 GYIA5 IC9601 AC6 DRVCLKD2 IC9601 D8 GYIA2 IC9601 Y3 DOUTDA04 IC9601 B12 AVDD33M IC9601 T3 DOUTDA09 IC9601 T9 VSS R9309 4.7k 3.3V IC9601 P14 VSS IC9601 T22 TEST5 IC9601 AA5 DOUTDA00 R9633 0 R9602 0 IC9601 D3 GYIB4 IC9601 J4 DVB IC9601 N4 SCANEN R9307 EXB2HV470JV IC9601 H5 RVIB5 R9306 EXB2HV470JV IC9601 R23 SDIV3 IC9601 R16 VSS IC9601 R5 DOUTDC12 IC9601 E2 GYIB0 IC9601 A7 BUIA2 IC9601 J5 RVIB0 IC9601 V22 TIIC58 IC9601 AB4 DOUTDB01 IC9601 B8 GYIA0 IC9601 W3 DOUTDA05 IC9601 Y8 DRDLY1 IC9601 D2 GYIB3 IC9601 A8 BUIA7 IC9601 B1 GYIB7 IC9601 AB3 DOUTDB02 IC9601 AC23 VSS IC9601 R8 VSS C9671 16V 0.1u IC9601 U2 DOUTDA07 R9647 0 IC9601 AB5 DOUTDB00 IC9601 T1 DOUTDC09 IC9601 C2 GYIB6 IC9601 H1 RVIB1 IC9601 AC5 DOUTDC00 IC9601 F1 BUIB3 IC9601 R9 VSS IC9601 C1 GYIB5 IC9601 AB22 VSS IC9601 Y7 DRVCLKD4 R9653 0 IC9601 T20 TEST7 IC9601 AA9 SFRST IC9601 A10 DCKA IC9601 T16 VSS IC9601 L4 TIOCTL1 IC9601 G3 BUIB0 IC9601 C7 BUIA4 IC9601 E11 MDIV0 R9651 0 IC9601 A2 VMASKA IC9601 G1 RVIB6 IC9601 U22 TEST0 IC9601 AA23 MONOUT R9635 0 IC9601 A6 RVIA6 R9654 0 IC9601 K4 HMASKB R9312 0 IC9601 A3 HMASKA R9637 0 C9303 16V 0.1u IC9601 U4 DOUTDB08 R9301 EXB38V470JV IC9601 E3 GYIB1 IC9601 F3 BUIB5 IC9601 D10 XMPLLPDN IC9601 B4 RVIA1 IC9601 B10 DVA IC9601 P20 SCPOUT IC9601 P5 DOUTDA13 R9685 0 IC9601 AA3 VSS IC9601 Y2 DOUTDB04 IC9601 AC8 FPCLK IC9601 P13 VSS IC9601 W2 DOUTDB05 IC9601 H2 RVIB2 IC9601 V23 IICLPFON IC9601 AC7 CKOUT IC9601 AA4 DOUTDA01 IC9601 D12 AVSSM IC9601 P19 AVDD33S IC9601 D11 MDIV1 IC9601 C12 MCPOUT IC9601 L2 TIOCTL3 IC9601 U5 DOUTDA08 IC9601 B19 SDCLSEL IC9601 W19 VSS R9641 0 IC9601 C11 MDIV2 IC9601 R21 SDIV1 IC9601 E9 RHA IC9601 U3 DOUTDC08 IC9601 Y6 ROMCE IC9601 U21 TEST1 TP9324 TP9312 TP9304 TP9326 TP9302 TP9314 TP9317 TP9322 TP9306 TP9308 TP9318 TP9319 TP9316 TP9303 TP9327 TP9323 TP9315 TP9311 TP9310 TP9309 TP9320 TP9325 TP9305 TP9313 TP9307 TP9321 95 GND 91 GND DSHL D22 DA GND D12 GND D31 D15 38 NCLKR D23 P5V PCR DMHR D34 D33 D26 FPC_DET 93 106 GND 96 D21 D16 GND P5V 104 DMLL 105 DRVRST D11 5V DET N.C. D36 33 N.C. D35 N.C. DMHL GND P5V D13 94 D25 N.C. LPF ON ODED N.C. DSLL GND N.C. CLKR N.C. N.C. CLRD P5V 36 35 TO 101 97 N.C. (5/12) 32 D24 31 GND 34 102 DG-BOARD 103 GND D14 CER GND (C11) 92 C1-BOARD D32 37 TO 98 IC9601 MN84513-A SIGNAL PROCESSOR FORMAT CONVERTER PLASMA AI SUB-FIELD PROCESSOR TH-42PWD8CK D-Board (11 of 12) Schematic Diagram TH-42PWD8CK D-Board (11 of 12) Schematic Diagram D-BOARD (11/12) TNPA3634AC 80 15.33.D 电路板 (12/12) 线路图 TERM SIDE DO_DC5 ROM_A19 DRVRST_5V ROM_RD_BY DO_DA4 DRVRST DO_DC2 DO_DB6 DO_DA1 DO_DA8 ROM_A18 DO_DA9 DRDLY0 ROM_OE DO_DC0 DO_DC4 USH DO_DA2 DO_DA11 DO_DC12 AA_DRV_SOS2 DO_DC3 NUEL DO_DA3 DO_DA4 DO_DB4 DO_DB6 DRDLY1 DO_DB1 DO_DA10 DO_DA2 UEH DO_DC7 DO_DB2 DO_DC11 DO_DA5 DRVCLKD0 DO_DB9 UMH DO_DB5 UML DO_DC3 DO_DB8 DO_DB2 DO_DA5 DO_DB4 DO_DC8 ROM_CE DO_DB5 DO_DB0 DO_DA12 USL DO_DC4 DO_DC10 DO_DA1 DO_DA3 DO_DB12 DO_DA6 DO_DC1 ROM_WE DO_DB10 AA_DRV_SOS9 DO_DB7 DO_DC5 DO_DB3 DO_DC2 DO_DB7 DO_DC9 DO_DC7 DRVCLKD1 DO_DA6 DO_DC6 DO_DB11 DO_DA7 DO_DC6 DO_DA7 DO_DB3 ROM_BYTE DO_DA0 ROM_A20 PCD1(RIGHT) LED(RIGHT) CLRD ODED R9325 EXB38V470JV R9316 10k R9566 4.7k TP9330 TP9370 R9317 100 R9319 10k Q9303 B1ABCF000138 D32 1 2 3 4 5 6 7 8 9 10 11 12 13 14 15 16 17 18 19 20 21 22 23 24 25 26 27 28 29 30 31 32 33 34 35 36 37 38 39 40 41 42 43 44 45 46 47 48 49 50 51 52 53 54 55 R9321 0 D9302 B0ACCE000005 R9320 10k R9318 100k R9314 4.7k 3.3V C9306 16V 0.1u C9561 16V 0.1u TVRN627 IC9303 1 A15 2 A14 3 A13 4 A12 5 A11 6 A10 7 A9 8 A8 9 A19 10 NC 11 WE# 12 RESET# 13 NC 14 NC 15 RY/BY# 16 A18 17 A17 18 A7 19 A6 20 A5 21 A4 22 A3 23 A2 24 A1 25 A0 26 CE# 27 VSS 28 OE# 29 DQ0 30 DQ8 31 DQ1 32 DQ9 33 DQ2 34 DQ10 35 DQ3 36 DQ11 37 VCC 38 DQ4 39 DQ12 40 DQ5 41 DQ13 42 DQ6 43 DQ14 44 DQ7 45 DQ15/A-1 46 VSS 47 BYTE# 48 A16 TP9329 R9323 EXB2HV470JV Q9302 B1ABCF000138 R9315 100k C9304 50V 0.01u D9301 B0ACCE000005 R9328 EXB2HV470JV R9322 EXB2HV470JV 3.3V C9305 16V 4.7u R9327 47 R9326 47 R9561 0 TP9369 TP9001 P5V R9324 EXB2HV470JV R9313 0 R9563 4.7k 3.3V C9562 16V 4.7u TP9364 TP9368 TP9365 TP9366 TP9367 TP9361 TP9349 TP9332 TP9362 TP9340 TP9344 TP9359 TP9337 TP9345 TP9354 TP9338 TP9333 TP9358 TP9363 TP9360 TP9347 TP9341 TP9346 TP9339 TP9355 TP9343 TP9335 TP9348 TP9352 TP9334 TP9336 TP9331 TP9351 TP9357 TP9350 TP9342 TP9356 TP9353 TO P5V DRV_SOS2(SS) D45 FPC_DET UMH 104 105 P5V USL 42 GND CLRD D44 UEH D71 D43 D61 P5V D56 D42 5V DET D66 D41 GND CEL P5V PCL GND 106 GND ODED NCLKL 39 D55 D54 GND EA D53 GND D52 41 D51 GND GND UML GND CLKL D46 38 DRVRST D76 101 DRV_SOS9(SS) 44 GND D75 102 D74 D65 EB TO LSI55ROM (6/12) D64 45 103 D73 USH DG-BOARD UE2H 43 40 GND D63 D62 D72 (C21) C2-BOARD 16Mbit FLASH ROM TH-42PWD8CK D-Board (12 of 12) Schematic Diagram TH-42PWD8CK D-Board (12 of 12) Schematic Diagram D-BOARD (12/12) TNPA3634AC 81 15.34.C1 和 C2 电路板方框图 USL UMH NUEL UEH UML USH UEH USL USH UML UMH NUEL DRY_SOS9 DRY_SOS9 +5V(P) PANEL DATA DRIVER +5V(P) 32 65 +5V(P) PANEL DATA DRIVER 35 +5V(P) 33 32 31 36 1 4 54 2 C21 Vda 4 53 Vda +5V(P) 12 CB3 CB4 +5V(P) +5V(P) +5V(P) 55 24 5 35 +5V(P) +5V(P) 31 +5V(P) CB5 52 +5V(P) 37 64 63 Vda 65 C11 63 CB6 Vda TO D34 CB1 C22 CB2 +5V(P) 3 44 33 3 CB7 3 +5V(P) +5V(P) +5V(P) 56 36 +5V(P) TO 5 Vda 64 37 Vda 4 DATA DRIVER DATA DRIVER Data 16 48 22 17 15 18 24bit 1 19 OE2 OE1 20 IC7201 VCC BUFFER 50 DRVRST IC7202 BUFFER IC7203 BUFFER IC7204 BUFFER 20 20 20 4 5 7 6 C23 8 3 C12 SUSTAIN TO SS23 14 33 38 35 36 37 18bit Data IC7101 BUFFER 20 1 19 12 DRVRST IC7104 BUFFER IC7106 BUFFER BUFFER IC7105 2bit 8bit 20 20 CLK D12 CLK CLK CLK CLK CLK CLK (LEFT) 8bit 6bit 6bit 6bit 6bit 39 40 CLRD ODED 63 4 12 3 44 24 33 56 5 35 65 64 31 36 37 32 53 21 57 25 63 4 12 3 44 24 33 56 5 35 65 64 31 36 37 32 3 4 2 1 Vda Vda 5 7 6 8 9 10 20 19 25 57 21 53 25 57 21 53 25 57 21 53 25 57 21 53 ODED CLRD 56 24 44 12 36 4 37 64 24 44 65 63 32 3 12 5 35 56 33 31 36 4 37 64 24 44 65 63 32 3 12 5 35 56 33 31 36 4 37 64 24 44 65 63 32 3 12 5 35 56 33 31 5V DET 51 11 5V DET 53 21 57 25 21 57 25 53 D33 9 CLKL NCLKL LED PCD1 12 C2 Vda (RIGHT) C1 SUSTAIN 12 8bit 8bit 8bit PCD2 LED NCLKR CLKR OE2 OE1 VCC 20 6bit 6bit 6bit /D13 /D11 D10 D8 /D9 D6 /D7 D4 /D5 D2 /D3 D0 /D1 TH-42PWD8CK C1 and C2-Board Block Diagram TH-42PWD8CK C1 and C2-Board Block Diagram 82 15.35.C1 电路板 (1/2) 线路图 TH-42PWD8CK C1-Board (1 of 2) Schematic Diagram TH-42PWD8CK C1-Board (1 of 2) Schematic Diagram TERM SIDE AD_LE1 AB_DDA13 AB_DDB13 AB_DDC13 AB_DDA12 AB_DDB12 AB_DDC12 AD_LE1 AA_CLRD AA_ODED AA_CLRD AA_ODED 67V 67V AB_DDB12 AB_DDA13 AB_DDB13 AB_DDC13 AB_DDC12 AB_DDA12 AD_CLK11 AD_CLK21 R7172 0 R7162 47 R7136 22 C7161 100V 0.47u 67V ZA7102 K4CD01000013 CB1 1 3 4 5 7 8 9 10 11 12 13 14 15 16 17 18 19 20 21 22 23 24 25 26 27 28 29 31 32 33 34 35 36 37 39 40 41 42 43 44 45 46 47 48 49 50 51 52 53 54 55 57 58 59 60 61 63 64 65 67 68 56 C7108 16V 1u ZA7101 K4CD01000013 C7153 50V 100p R7175 0 R7102 22 R7125 1k ZA7104 K4CD01000013 C7104 16V 1u R7137 22 R7163 47 R7121 22 R7133 0 C1_5V 5V VDD2 NC NC VDD1 CLR NC A6 A3 BLK GND FS GND GND VDD2 A5 VDD2 GND VDD2 A1 GND GND A2 BLK DM GND VDD2 GND A3 VDD2 VDD2 A2 A6 FX VDD2 VDD1 GND NC FS A4 A4 LEN GND A1 NC LEN ODE VDD2 FX VDD2 VDD1 A5 DM GND ODE NC VDD1 NC NC CLR GND GND VDD2 VDD2 FDET1 GND GND FDET GND 5 6 2 D 3 1 E C A B 8 4 7 C1-BOARD TNPA3545 (1/2) TO DRIVER PANEL DATA 1 2 3 4 5 83 15.36.C1 电路板 (2/2) 线路图 TERM SIDE TERM SIDE TERM SIDE G G AD_CLK21 AD_LE3 AD_LE2 AD_LE1 AD_CLK21 AD_CLK11 AD_CLK21 AH_LED AH_PCD2 AA_DDC12 AA_DDB12 AA_DDA12 AB_DDA13 AD_LE3 AB_DDA9 AB_DDB9 AB_DDC9 AB_DDA8 AB_DDB8 AB_DDC9 67V AD_LE3 AB_DDA9 AB_DDB9 AB_DDC9 AB_DDA8 AB_DDB8 AB_DDC8 67V AD_LE2 AB_DDA11 AB_DDB11 AB_DDC11 AB_DDA10 AB_DDB10 AB_DDC10 67V AD_LE2 AB_DDA11 AB_DDB11 AB_DDC11 AB_DDA10 AB_DDB10 AB_DDC10 67V AD_CLK11 AH_NCLKR AA_ODED 5V AA_CLRD AA_CLRD AA_ODED AA_CLRD AA_ODED AA_CLRD AA_ODED AA_DDA12 AA_DDC12 AA_DDB12 AH_PCD2 AH_LED AH_NCLKR AA_DDA13 AA_DDB13 AA_DDC13 AA_DDA10 AA_DDB10 AA_DDC10 AA_DDC11 AA_DDA11 AA_DDB11 AA_DDC8 AA_DDA8 AA_DDB8 AA_DDB9 AA_DDC9 AA_DDA9 AH_CLKR AA_DDB13 AA_DDC13 AA_DDA13 AB_DDB13 AB_DDC13 AB_DDA12 AB_DDB12 AB_DDC12 AB_DDB8 AB_DDC9 AB_DDB9 AB_DDC8 AB_DDA9 AB_DDA8 AB_DDB10 AB_DDC11 AB_DDC10 AB_DDA10 AA_DDC9 AA_DDA8 AA_DDA11 AA_DDB11 AA_DDA10 AA_DDC11 AA_DDA9 AA_DDC10 AA_DDB10 AA_DDB9 AA_DDB8 AA_DDC8 AB_DDB11 AB_DDA11 AA_ODED AH_CLKR AD_CLK11 5V AA_CLRD C1_5V R7105 10k R7120 0 C7139 16V 0.1u C1_5_3V C1_5V R7126 47 C1_5V R7119 0 R7134 0 67V C1_5_3V_B R7187 22k C7135 16V 0.1u R7135 0 C1_5V R7154 EXB38V101JV R7196 EXB38V101JV C12 1 2 3 4 R7192 0 R7132 0 C1_5_3V R7127 47 IC7106 C0JBAZ001120 OE1 1 2 A1 3 A2 4 A3 5 A4 6 A5 7 A6 8 A7 9 A8 10 GND 11 Y8 12 Y7 13 Y6 14 Y5 15 Y4 16 Y3 17 Y2 18 Y1 19 OE2 20 Vcc R7110 22 C7186 50V 100p C1_5V R7130 0 R7161 0 R7141 22 C7165 100V 0.47u R7142 EXB38V101JV R7107 22 C7106 16V 1u C1_5V(SS) C7163 100V 0.47u C1_5V(SS) R7108 47 67V R7148 EXB38V101JV R7171 47 R7138 22 C1_5_3V R7194 0 R7166 47 C7105 16V 1u 67V R7167 47 R7128 47 R7139 22 R7143 EXB38V101JV IC7101 C0JBAZ001120 OE1 1 2 A1 3 A2 4 A3 5 A4 6 A5 7 A6 8 A7 9 A8 10 GND 11 Y8 12 Y7 13 Y6 14 Y5 15 Y4 16 Y3 17 Y2 18 Y1 19 OE2 20 Vcc R7188 100k R7170 47 R7117 220k R7109 0 C7110 16V 1u R7176 0 C7182 50V 100p C7109 16V 1u C11 1 2 3 4 5 6 7 8 9 10 11 12 13 14 15 16 17 18 19 20 21 22 23 24 25 26 27 28 29 30 31 32 33 34 35 36 37 38 39 40 41 42 43 44 45 46 47 48 49 50 51 52 53 54 55 C7101 16V 0.1u C1_5_3V CB2 1 3 4 5 7 8 9 10 11 12 13 14 15 16 17 18 19 20 21 22 23 24 25 26 27 28 29 31 32 33 34 35 36 37 39 40 41 42 43 44 45 46 47 48 49 50 51 52 53 54 55 57 58 59 60 61 63 64 65 67 68 56 R7177 0 R7173 0 R7106 22 R7111 22 IC7105 C0JBAZ001120 OE1 1 2 A1 3 A2 4 A3 5 A4 6 A5 7 A6 8 A7 9 A8 10 GND 11 Y8 12 Y7 13 Y6 14 Y5 15 Y4 16 Y3 17 Y2 18 Y1 19 OE2 20 Vcc CB3 1 3 4 5 7 8 9 10 11 12 13 14 15 16 17 18 19 20 21 22 23 24 25 26 27 28 29 31 32 33 34 35 36 37 39 40 41 42 43 44 45 46 47 48 49 50 51 52 53 54 55 57 58 59 60 61 63 64 65 67 68 56 R7174 0 R7140 22 C7138 16V 0.1u C1_5_3V_B IC7104 C0JBAZ001120 OE1 1 2 A1 3 A2 4 A3 5 A4 6 A5 7 A6 8 A7 9 A8 10 GND 11 Y8 12 Y7 13 Y6 14 Y5 15 Y4 16 Y3 17 Y2 18 Y1 19 OE2 20 Vcc J0HABH000013 FL7106 1 2 3 5V VDD2 NC NC VDD1 CLR NC A6 A3 BLK GND FS GND GND VDD2 A5 VDD2 GND VDD2 A1 GND GND A2 BLK DM GND VDD2 GND A3 VDD2 VDD2 A2 A6 FX VDD2 VDD1 GND NC FS A4 A4 LEN GND A1 NC LEN ODE VDD2 FX VDD2 VDD1 A5 DM GND ODE NC VDD1 NC NC CLR GND GND VDD2 VDD2 FDET1 GND GND FDET GND VDD2 NC NC VDD1 CLR NC A6 A3 BLK GND FS GND GND VDD2 A5 VDD2 GND VDD2 A1 GND GND A2 BLK DM GND VDD2 GND A3 VDD2 VDD2 A2 A6 FX VDD2 VDD1 GND NC FS A4 A4 LEN GND A1 NC LEN ODE VDD2 FX VDD2 VDD1 A5 DM GND ODE NC VDD1 NC NC CLR GND GND VDD2 VDD2 FDET1 GND GND FDET GND GND DOUTDC[12] DOUTDC[11] CLRD P5V DOUTDB[10] DOUTDA[13] DOUTDA[11] DOUTDB[8] GND DOUTDB[9] GND GND DOUTDA[8] DOUTDA[15] GND DOUTDB[14] LED GND GND P5V P5V DOUTDA[17] CLK[3](-) DOUTDC[17] GND DRV_RST DOUTDB[17] DOUTDA[10] GND ODED DSHL GND DMLL GND DMHL DOUTDA[14] DMHR DOUTDC[13] DOUTDA[9] P5V DSLL DOUTDC[10] DOUTDB[13] DOUTDC[14] PCD2 DOUTDA[12] DOUTDB[11] DOUTDC[15] CLK[2](+) DOUTDC[9] DOUTDB[15] 5V_DET DOUTDC[8] DOUTDB[12] GND NC Vda_67V Vda_67V 10 12 11 13 15 8 9 14 C1-BOARD TNPA3545 (2/2) BUFFER BUFFER BUFFER TO (D34) D-BOARD C2-BOARD TO (C22) TO DRIVER PANEL DATA TO DRIVER PANEL DATA 4 5 1 2 3 67.0 67.0 0 0 TH-42PWD8CK C1-Board (2 of 2) Schematic Diagram TH-42PWD8CK C1-Board (2 of 2) Schematic Diagram BUFFER 84 15.37.C2 电路板 (1/2) 线路图 G G TERM SIDE TERM SIDE TERM SIDE AB_CLK21 AB_CLK11 AB_LE4 AB_LE6 AB_LE7 AB_LE5 AB_CLK21 AB_CLK21 AB_CLK11 AB_CLK11 AC_LED AB_LE5 AB_DDA5 AB_DDB5 AB_DDC5 AB_DDA4 AB_DDB4 AB_DDC4 AB_LE5 AB_DDA5 AB_DDB5 AB_DDC5 AB_DDA4 AB_DDB4 AB_DDC4 AB_LE4 AB_DDA7 AB_DDB7 AB_DDC7 AB_DDA6 AB_DDB6 AB_DDC6 67V AB_LE4 AB_DDB7 AB_DDC7 AB_DDA6 AB_DDB6 AB_DDC6 67V AC_PCD1 AC_CLKL AC_NCLKL AA_ODED AA_CLRD AA_ODED AA_CLRD AA_CLRD AA_ODED AA_CLRD AA_ODED 67V 67V AA_DDA0 AA_DDC0 AA_DDB0 AA_DDB1 AA_DDA1 AA_DDC1 AA_DDC2 AA_DDB2 AA_DDA2 AA_DDA3 AA_DDB3 AA_DDC3 AA_DDC4 AA_DDB4 AA_DDA4 AA_DDA5 AA_DDB5 AA_DDC5 AA_DDC6 AA_DDB6 AA_DDA6 AA_DDA7 AA_DDB7 AA_DDC7 AC_CLKL AC_NCLKL AC_LED AC_PCD1 BA_USH BA_NUEL BA_USL BA_UEH BA_DRV_SOS9 BA_UML BA_UMH AA_DDB1 AA_DDC1 AA_DDA0 AA_DDB0 AA_DDC0 AA_DDA1 AB_DDB1 AB_DDC1 AB_DDB0 AB_DDA0 AB_DDA1 AB_DDC0 AB_DDB3 AB_DDC3 AB_DDA3 AB_DDA5 AB_DDB5 AB_DDC5 AB_DDA2 AB_DDB2 AB_DDA4 AB_DDB4 AB_DDA7 AB_DDB7 AB_DDC7 AB_DDA6 AB_DDB6 AB_DDC6 AB_DDC4 AA_DDA3 AA_DDB3 AA_DDC3 AA_DDA2 AA_DDB2 AA_DDC2 AA_DDA5 AA_DDB5 AA_DDC5 AA_DDA4 AA_DDB4 AA_DDA7 AA_DDB7 AA_DDC7 AA_DDA6 AA_DDB6 AA_DDC6 AA_DDC4 AB_DDA7 BA_UEH BA_USH BA_NUEL BA_UMH BA_USL BA_UML BA_DRV_SOS9 AA_CLRD 67V AA_ODED R7217 220k C7201 16V 0.1u R7261 0 R7222 56 R7219 0 R7226 47 C23 1 2 3 4 5 6 7 8 9 10 11 12 R7229 47 J0HABH000013 FL7208 1 2 3 C7209 16V 1u IC7204 C0JBAZ001120 OE1 1 2 A1 3 A2 4 A3 5 A4 6 A5 7 A6 8 A7 9 A8 10 GND 11 Y8 12 Y7 13 Y6 14 Y5 15 Y4 16 Y3 17 Y2 18 Y1 19 OE2 20 Vcc C2_5_3V R7203 22 R7296 150 C7208 16V 1u ZA7204 K4CD01000013 CB5 1 3 4 5 7 8 9 10 11 12 13 14 15 16 17 18 19 20 21 22 23 24 25 26 27 28 29 31 32 33 34 35 36 37 39 40 41 42 43 44 45 46 47 48 49 50 51 52 53 54 55 57 58 59 60 61 63 64 65 67 68 56 C22 1 2 3 4 C7227 50V 22p C2_5V(SS) R7248 22k C2_5V C2_5V R7262 0 C2_5_3V C7237 16V 0.1u C2_5V ZA7203 K4CD01000013 R7257 EXB38V101JV R7249 EXB38V101JV R7241 EXB38V101JV R7251 0 R7244 0 C7204 16V 1u R7218 0 C7239 16V 0.1u R7290 47 R7204 ERJ8GEY0R00V R7289 47 67V C7226 50V 22p R7212 10k R7207 22 C7203 16V 1u R7247 100k R7293 47 C7254 50V 100p R7234 22 C2_5V(SS) R7253 0 C7242 16V 1u IC7203 C0JBAZ001120 OE1 1 2 A1 3 A2 4 A3 5 A4 6 A5 7 A6 8 A7 9 A8 10 GND 11 Y8 12 Y7 13 Y6 14 Y5 15 Y4 16 Y3 17 Y2 18 Y1 19 OE2 20 Vcc IC7201 C0JBAZ001120 OE1 1 2 A1 3 A2 4 A3 5 A4 6 A5 7 A6 8 A7 9 A8 10 GND 11 Y8 12 Y7 13 Y6 14 Y5 15 Y4 16 Y3 17 Y2 18 Y1 19 OE2 20 Vcc C7266 100V 0.47u R7205 ERJ8GEY0R00V R7228 47 ZA7201 K4CD01000013 R7206 22 R7235 22 R7242 EXB38V101JV R7202 22 C7253 50V 100p R7259 0 R7252 0 R7227 47 R7232 0 C2_5V C7268 100V 0.47u 67V C2_5V R7230 0 R7250 EXB38V101JV C2_5_3V R7233 22 C2_5_3V_B C2_5_3V_B IC7202 C0JBAZ001120 OE1 1 2 A1 3 A2 4 A3 5 A4 6 A5 7 A6 8 A7 9 A8 10 GND 11 Y8 12 Y7 13 Y6 14 Y5 15 Y4 16 Y3 17 Y2 18 Y1 19 OE2 20 Vcc R7258 EXB38V101JV C2_5V(SS) R7245 0 C7235 16V 0.1u R7213 0 C2_5_3V 67V C7218 16V 1u C21 K1MN55B00002 1 2 3 4 5 6 7 8 9 10 11 12 13 14 15 16 17 18 19 20 21 22 23 24 25 26 27 28 29 30 31 32 33 34 35 36 37 38 39 40 41 42 43 44 45 46 47 48 49 50 51 52 53 54 55 R7236 22 CB4 1 3 4 5 7 8 9 10 11 12 13 14 15 16 17 18 19 20 21 22 23 24 25 26 27 28 29 31 32 33 34 35 36 37 39 40 41 42 43 44 45 46 47 48 49 50 51 52 53 54 55 57 58 59 60 61 63 64 65 67 68 56 5V 5V GND FS GND GND VDD2 A5 VDD2 GND VDD2 VDD2 A1 NC GND GND A2 BLK DM GND VDD2 GND A3 VDD2 VDD2 A2 A6 FX VDD2 VDD1 GND NC FS A4 A4 LEN GND A1 NC LEN ODE VDD2 FX VDD2 VDD1 A5 DM GND ODE NC VDD1 NC NC CLR GND GND VDD2 VDD2 FDET1 GND GND FDET GND NC VDD1 CLR NC A6 A3 BLK GND FS GND GND VDD2 A5 VDD2 GND VDD2 VDD2 A1 NC GND GND A2 BLK DM GND VDD2 GND A3 VDD2 VDD2 A2 A6 FX VDD2 VDD1 GND NC FS A4 A4 LEN GND A1 NC LEN ODE VDD2 FX VDD2 VDD1 A5 DM GND ODE NC VDD1 NC NC CLR GND GND VDD2 VDD2 FDET1 GND GND FDET GND NC VDD1 CLR NC A6 A3 BLK P5V DOUTDB[3] DOUTDB[1] DOUTDB[4] UML DRV_RST DOUTDC[5] DOUTDC[3] NUEL USH CLK[1](-) GND 5V_DET DOUTDA[0] CLK[0](+) GND DOUTDC[7] GND UMH P5V DOUTDA[3] DOUTDB[0] P5V GND DOUTDA[2] DOUTDA[1] GND DOUTDC[0] DOUTDA[7] PCD1 DOUTDC[6] DOUTDB[5] CLRD DOUTDC[2] DOUTDA[5] LED GND GND DRV_SOS2 DOUTDB[7] GND GND DRV_SOS9 ODED GND GND USL UEH DOUTDA[4] DOUTDB[2] DOUTDB[6] DOUTDC[1] DOUTDC[4] P5V DOUTDA[6] UML Vda67V NUEL DRV_SOS9 USH NC GND USL UEH 5V GND UMH GND Vda_67V NC Vda_67V B D 5 3 E C 8 2 6 A 4 1 7 BUFFER BUFFER BUFFER (D33) D-BOARD TO C2-BOARD TNPA3546 (1/2) (SS23) SS-BOARD TO TO C1-BOARD (C12) TO DRIVER PANEL DATA TO DRIVER PANEL DATA 1 2 3 4 5 6 7 8 9 5.0 67.0 3.8 0.9 0.4 0 1.0 0.5 0 2.4 0 0 67.0 67.0 0 0 TH-42PWD8CK C2-Board (1 of 2) Schematic Diagram TH-42PWD8CK C2-Board (1 of 2) Schematic Diagram BUFFER 85 15.38.C2 电路板 (2/2) 线路图 TERM SIDE TERM SIDE AB_CLK21 AB_CLK11 AB_CLK21 AB_LE7 67V AB_LE7 67V AB_LE6 AB_DDA3 AB_DDB3 AB_DDC3 AB_DDA2 AB_DDB2 AB_DDC2 67V AB_LE6 AB_DDA3 AB_DDB3 AB_DDC3 AB_DDA2 AB_DDB2 67V AB_CLK11 AA_ODED AA_CLRD AA_ODED AA_CLRD AA_ODED AA_CLRD AA_ODED AA_CLRD AB_DDC0 AB_DDC1 AB_DDB1 AB_DDB0 AB_DDA1 AB_DDA0 AB_DDB1 AB_DDA0 AB_DDA1 AB_DDC1 AB_DDB0 AB_DDC0 AB_DDC2 R7237 22 C7272 100V 0.47u R7225 1k C2_5V R7239 22 R7220 0 C7205 16V 1u R7255 47 C7256 50V 100p C7255 50V 100p R7210 22 R7240 22 R7223 47 C7206 16V 1u 67V R7243 0 R7208 0 R7215 22 C7219 16V 1u R7211 22 R7283 0 CB6 1 3 4 5 7 8 9 10 11 12 13 14 15 16 17 18 19 20 21 22 23 24 25 26 27 28 29 31 32 33 34 35 36 37 39 40 41 42 43 44 45 46 47 48 49 50 51 52 53 54 55 57 58 59 60 61 63 64 65 67 68 56 CB7 1 3 4 5 7 8 9 10 11 12 13 14 15 16 17 18 19 20 21 22 23 24 25 26 27 28 29 31 32 33 34 35 36 37 39 40 41 42 43 44 45 46 47 48 49 50 51 52 53 54 55 57 58 59 60 61 63 64 65 67 68 56 R7214 22 C7270 100V 0.47u 67V R7254 47 R7238 22 R7297 47 C2_5V R7209 0 C7222 16V 1u R7221 0 5V 5V GND FS GND GND VDD2 A5 VDD2 GND VDD2 VDD2 A1 NC GND GND A2 BLK DM GND VDD2 GND A3 VDD2 VDD2 A2 A6 FX VDD2 VDD1 GND NC FS A4 A4 LEN GND A1 NC LEN ODE VDD2 FX VDD2 VDD1 A5 DM GND ODE NC VDD1 NC NC CLR GND GND VDD2 VDD2 FDET1 GND GND FDET GND NC VDD1 CLR NC A6 A3 BLK GND FS GND GND VDD2 A5 VDD2 GND VDD2 VDD2 A1 NC GND GND A2 BLK DM GND VDD2 GND A3 VDD2 VDD2 A2 A6 FX VDD2 VDD1 GND NC FS A4 A4 LEN GND A1 NC LEN ODE VDD2 FX VDD2 VDD1 A5 DM GND ODE NC VDD1 NC NC CLR GND GND VDD2 VDD2 FDET1 GND GND FDET GND NC VDD1 CLR NC A6 A3 BLK 8 12 11 15 13 10 9 14 C2-BOARD TNPA3546 (2/2) TO DRIVER PANEL DATA TO DRIVER PANEL DATA 2 3 4 5 6 7 8 1 9 TH-42PWD8CK C2-Board (2 of 2) Schematic Diagram TH-42PWD8CK C2-Board (2 of 2) Schematic Diagram 86 15.39.SC 电路板方框图 CEL2 CL CLK SIU SID SCSU SCSU CEL D6479 D6468 D6459 D6470 PHOTO COUPLER Q6611 3 5 4 6 9 8 11 10 1 2 13 12 FCLD FCLU FCLKD FCLKU PHOTO COUPLER 1 2 3 4 PC6505 PC6507 PHOTO COUPLER PC6509 FSIU FSID 12 8 14 1 12 8 14 1 Q6612 Q6613 Q6601 Q6602 Q6621 Q6624 14 15 5 17 3 8 12 6 IC6602 FET DRIVER FET DRIVER IC6601 20 19 18 17 11 18 2 8 9 12 17 3 6 4 14 16 IC6502 BUFFER BUFFER IC6501 2 4 7 FET DRIVER IC6511 Q6477 Q6476 Q6511 Q6512 7 2 4 FET DRIVER IC6521 FET DRIVER IC6541 2 7 4 VAD+15V Q6530 Q6521 Q6520 Q6522 Q6529 Q6542 Q6549 Q6541 PHOTO COUPLER PC6510 PHOTO COUPLER PC6503 Q6551 Q6552 IC6542 2 7 2 4 1 4 1 7 2 FET DRIVER Q6553 VSCN Q6614 S2 CMH S3 CML CSL CSH 1/2 Vo VSUS D6624 D6629 A6 B6 A7 B7 B33 A33 B40 A40 B37 A34 B36 A37 A36 B34 A11 A35 B11 A39 A38 B39 B38 B35 B1 B8 A8 A1 B8 A8 A30 B30 FSID FCLD FCLKD PROD VF5V Q6454 IC6451 AVR 15V IC6453 3 1 AVR 5V IC6455 3 1 Q6474 IC6471 Q6472 Q6471 SCSU VAD INSERT VAD VSET2 INSERT CEL VSET INSERT CPH VSCN GEN VSET VAD GEN Q6491 Q6492 IC6491 VSET REG. VSUS SC20 7 13 L6611,12,13 L6614,15,16 2 4 8 11 IC6605 BUFFER IC6606 BUFFER 3 6 9 7 CSH CSL CMH CML SOS1 CEL2 CL CLK SIU SID CPH SCSU Q6581 IC6581 D6584 Vfo FSIU FCLU FCLKU PROU VF5V Vf Vf Vfo FSID FCLD FCLKD PROD VF5V Vfo Vf Vf Vfo FCLKU FSIU VF5V PROU FCLU SC SC42 SC41 TO D20 D6583 (GREEN LED) SC SC CPH CEL 4 VSET IC6452 Q6462 Q6461 Q6463 T6461 IC6456 VSCN GEN VSET T6471 IC6472 Q6555 Q6501 6 5 Q6502 Q6503 Q6504 SOS2 12 12 9 4 4A 3A 2A 13 2B 3B 4B 11 8 4Y 3Y 2Y 11 9 2 18 13 CEL Q6583 Q6584 CPH CEL IC6607 AND GATE VSUS VSUS 1 2 SC2 TO P2 SC23 TO P23 +15V 1 2 +15V PROU PROD 11 10 9 8 FLOATING GROUND COLD CHASSIS GROUND COLD CHASSIS GROUND FLOATING GROUND +5V(SC3) PC6469 Vscn(VAD+118V=28V) PC6467 VAD(-90V) PC6480 PC6458 +5V(SC1) PHOTO COUPLER PHOTO COUPLER PHOTO COUPLER PHOTO COUPLER SCAN DRIVE SCAN DRIVER 1 SOS BLINKING TIMES LED 2 TIMES SCAN DRIVER 2 SOS BLINKING TIMES LED 7 TIMES VOLTAGE DOWN DET Vscn,VAD(-90V)LINE +5V(SC1),+5V(SC3) 10 5 6 ENERGY RECOVERY Vsus GEN. VSET TPSC1 WAVEFORM VAD VSCN VSET2 VSUS (Vfo) TPSC1 VSCN gen. VSCN perfect VSET perfect (VSET rise) VSET perfect D S S D Q6554 SC46 2 4 6 8 9 10 FCLKD PROD FSID FCLD VF5V VF5V 8 4 FCLKU 9 VF5V FSIU 6 2 FCLU 10 VF5V PROU SC45 Q6603 Q6606 Q6607 Q6608 3 6 TO SD42 TO SD46 TO SU45 TO SU41 6 3 2 7 6 4 A33 B33 B40 A40 B2 A2 B5 A4 B3 A5 B4 A3 A1 B1 PC6517 Q6451 PC6474 SCAN DRIVE TH-42PWD8CK SC-Board Block Diagram TH-42PWD8CK SC-Board Block Diagram 87 15.40.SC 电路板 (1/2) 线路图 + + + + + + 15V AA_CLK AA_SIU AA_SID AA_CPH AA_SCSU AA_CL AA_CEL AA_CEL AA_SCSU AA_CPH AC_CPH AA_CEL2 190V 175V 5V 15V TP32 R6472 1k R6655 100 R6626 10 PC6467 B3PBA0000062 1 2 3 4 D6582 MAZ80510LL R6656 100k TP39 C6471 16V 1u R6637 15 R6670 EXB38V470JV C6615 630V 5600p R6635 15 TP33 TP15 C6529 630V 470p D6479 MA2J11100L C6624 250V 1u D6468 MA2J11100L L6636 TP8 D6624 B0HBSN000008 L6647 J0JJC0000021 B0ECHP000003 D6621 Q6601 B1JADN000001 G D S 150 R6668 C6628 250V 1u C6534 630V 470p C6530 630V 470p R6590 2.2k R6686 EXB38V472JV R6466 1k Q6584 2SK062000L G D S TP19 C6629 250V 1u R6663 EXB38V472JV SC2 1 2 3 4 5 6 C6626 250V 1u D6640 B0ECHP000003 C6637 25V 4.7u R6648 5.6 B0ECHP000003 D6623 TP17 D6584 MA2J11100L TP5 R6439 10k C6584 25V 1u TP14 TP24 IC6607 C0JBAA000174 1 1A 2 1B 3 1Y 4 2A 5 2B 6 2Y 7 GND 8 3Y 9 3A 10 3B 11 4Y 12 4A 13 4B 14 Vcc TP35 C6659 630V 470p SC20 1 2 3 4 5 6 7 8 9 10 11 12 13 14 15 16 17 18 19 20 TP21 C6533 630V 470p D6622 B0HBSN000008 C6490 630V 3300p C6603 200V 220u R6647 5.6 Q6606 B1JADN000001 Q6624 C0ZBZ0000895 IC6601 1 LO 2 GND 3 VCC 4 NC 5 NC 6 VS 7 VB 8 HO 9 NC 10 NC 11 NC 12 HIN 13 NC 14 LIN 15 GND 16 NC R6611 15 D6491 B0ECHP000003 L6614 1u D6465 MAZ83300ML R6586 10k R6627 100 R6624 10 TP1 TP10 C6612 5600p 630V D6586 MAZ83300ML SC23 1 2 3 C6635 25V 4.7u L6637 TP13 C6608 25V 470u C6546 16V 1u C6652 50V 0.01u 20k R6460 R6669 EXB38V472JV R6620 15 Q6602 B1JADN000001 R6614 15 C6616 630V 3900p C6647 16V 1u R6660 100 R6612 15 C6655 10V 100u R6623 10k TP25 R6643 15 Q6607 B1JADN000001 TP11 C6622 250V 1u C6639 25V 4.7u D6482 MAZ83300ML TP16 TP18 C6627 250V 1u L6635 TP20 D6615 B0ECHP000003 R6591 1.5k TP27 Q6583 2SK062000L G D S TP52 TP4 TP38 C6660 630V 470p R6676 EXB38V470JV R6675 EXB38V472JV R6499 8.2 C6611 630V 3900p L6624 R6463 1k D6636 MA2J11100L C6601 200V 220u D6647 B0ECHP000003 TP34 R6583 39k 150 R6662 C6634 25V 4.7u C6651 50V 0.01u D6585 MAZ83300ML D6635 MAZ80330LL PC6480 B3PBA0000062 1 2 3 4 L6613 0.6u R6483 7.5k TP6 R6451 10k L6612 0.6u TP7 R6628 100 D6629 B0HBSN000008 L6626 D6481 MAZ83300ML L6627 R6664 EXB38V470JV TP31 TP28 C0JBAZ000005 IC6606 1G~ 1 2 1A1 3 2Y4 4 1A2 5 2Y3 6 1A3 7 2Y2 8 1A4 9 2Y1 10 GND 11 2A1 12 1Y4 13 2A2 14 1Y3 15 2A3 16 1Y2 17 2A4 18 1Y1 19 2G~ 20 VCC L6602 G0ZZ00002183 D6620 B0HBSN000008 200k R6630 R6644 15 TP26 C6650 250V 0.22u 150 R6661 Q6612 2SB1073001TV D6601 B0HBSN000008 R6482 4.7k C6623 250V 1u 1u 250V C6630 Q6621 TP9 Q6608 B1JADN000001 C6621 250V 1u R6641 5.6 C6631 25V 4.7u C6617 630V 5600p L6611 0.6u TP12 Q6603 B1JADN000001 D6602 B0HBSN000008 R6589 10k TP23 R6636 15 C6625 250V 1u C6602 200V 220u R6489 4.7k R6587 1.5k 150 R6667 C0JBAZ000005 IC6605 1G~ 1 2 1A1 3 2Y4 4 1A2 5 2Y3 6 1A3 7 2Y2 8 1A4 9 2Y1 10 GND 11 2A1 12 1Y4 13 2A2 14 1Y3 15 2A3 16 1Y2 17 2A4 18 1Y1 19 2G~ 20 VCC C6632 25V 4.7u C0ZBZ0000895 IC6602 1 LO 2 GND 3 VCC 4 NC 5 NC 6 VS 7 VB 8 HO 9 NC 10 NC 11 NC 12 HIN 13 NC 14 LIN 15 GND 16 NC R6638 15 R6582 39k TP22 Q6611 2SD21850RL TP2 D6583 LNJ301MPUJA L6625 C6607 25V 1u R6642 5.6 TP30 L6618 J0JJC0000021 L6634 R6683 EXB38V470JV R6584 7.5k R6440 10k TP29 R6659 100 IC6581 C0BBBA000043 1 2 3 4 5 6 7 8 Q6581 2SD0601A0L R6613 15 R6619 15 D6466 MAZ83300ML C6656 10V 100u C6585 16V 1u L6604 G0ZZ00002183 Q6614 2SB1073001TV R6625 10k Q6613 2SD21850RL m NC +15V GND (GREEN LED) +15V GND GND Vsus Vsus 2 6 9 5 C F 4 D 1 8 E B A 3 7 BUFFER FET DRIVER BUFFER AND GATE SOS DET FET DRIVER SC-BOARD (1/2) TNPA3543 P-BOARD (P2) TO P-BOARD TO (P23) SID SCSU GND CEL2 CPH GND SOS1 SOS2 CEL CBK GND GND CSL CSH CML CMH P5V CL CLK SIU D-BOARD (D20) TO 5 6 10 8 9 4 2 3 7 1 B1DEKM000001 B1DEKM000001 185.1 185.1 0 0 0 0 15.0 0 15.0 0 5.3 0 0 0 0.8 2.2 5.0 4.3 2.8 0.5 0.1 0 0 0.7 2.9 3.9 0 0.9 0 + - + - TH-42PWD8CK SC-Board (1 of 2) Schematic Diagram TH-42PWD8CK SC-Board (1 of 2) Schematic Diagram L6615 1u 88 15.41.SC 电路板 (2/2) 线路图 + + + + + + + + + + + + + + + AA_CEL 410V AB_FCLD AB_FCLU AC_CPH 15V AA_CEL2 AA_SID AA_SIU AA_CLK AA_CL 380V 390V AA_SCSU AB_FCLKD AB_PROD AB_FSIU AB_FCLU AB_FCLKU AB_PROU AB_FCLD AB_FSID AB_FCLKU AB_FCLKD AB_PROD AB_PROU AB_FSID AB_FSIU 205V 405V 15V 390V -90V R6498 8.2 C6598 160V 22u D6503 MAZ80560HL TP50 D6463 MAZ80560HL C6476 160V 100u R6546 10 TP54 D6515 MAZ82400ML R6581 100 ZA6601 K4CD01000013 R6594 100k PC6469 B3PBA0000062 1 2 3 4 D6471 MA2J11100L C6473 16V 1u L6453 J0JJC0000021 D6453 MA2J11100L R6519 1k R6592 1M ZA6602 K4CD01000013 D6452 MA2J11100L C6507 50V 0.1u D6501 MA2J11100L TP59 R6493 270k D6554 B0HCKS000002 C6550 160V 100u D6484 MAZ80560HL R6531 47 D6478 B0HCKS000002 R6468 4.7k D6488 MAZ80560HL PC6505 B3PBA0000233 1 2 3 4 5 6 7 8 D6467 B0ECHP000003 C6503 50V 0.1u VR6557 10k 1 2 3 D6544 MA2J11100L Q6522 2SK400000L Q6503 2SK062000L G D S PC6517 B3PBA0000062 1 2 3 4 C6591 25V 4.7u D6492 B0ECHP000003 R6464 2.2k D6511 B0HCMM000014 SC45 1 2 3 4 5 6 7 8 9 10 Q6530 2SB1073001TV VR6477 2k 1 2 3 C6467 50V 4700p R6534 47 D6570 B0HCMM000014 Q6545 2SK399500L R6479 100k R6510 2.2 D6550 MA2J11100L Q6477 2SD0601A0L SC42 A1 A2 A3 A4 A5 A6 A7 A8 A9 A10 A11 A12 A13 A14 A15 A16 A17 A18 A19 A20 A21 A22 A23 A24 A25 A26 A27 A28 A29 A30 A31 A32 A33 A34 A35 A36 A37 A38 A39 A40 B1 B2 B3 B4 B5 B6 B7 B8 B9 B10 B11 B12 B13 B14 B15 B16 B17 B18 B19 B20 B21 B22 B23 B24 B25 B26 B27 B28 B29 B30 B31 B32 B33 B34 B35 B36 B37 B38 B39 B40 C6587 25V 1u D6545 MAZ80510LL TP46 R6554 100 R6536 47 R6568 4.7k Q6502 2SK062000L G D S Q6555 B1DFES000001 G D S C6589 25V 4.7u Q6491 2SD1263AP0LB R6608 1 D6487 MAZ80560HL R6532 47 IC6453 C0CBALC00010 INPUT 3 2 COMMON OUTPUT 1 R6455 10k PC6509 B3PBA0000234 1 2 3 4 5 D6459 MA2J11100L R6551 100 R6580 10k Q6501 2SK062000L G D S Q6552 B1DEET000002 G D S R6511 10 R6471 4.7k C6463 25V 4.7u R6485 10k Q6548 2SK399500L IC6541 C0ZBZ0000735 1 Vcc 2 In 3 Gnd 4 Lo 5 NC 6 Vs 7 Ho 8 Vb TP63 TP64 R6596 5.23k D6485 MAZ80560HL R6600 100 TP43 T6461 ETS13TB139AP N4 N2 1 2 3 NC 4 5 6 NC 7 9 10 NC IC6452 C0CBALC00010 INPUT 3 2 COMMON OUTPUT 1 R6696 10k D6464 B0JCME000037 R6615 3.3k L6471 J0JJC0000021 TP60 R6560 47 C6509 50V 1000p R6487 4.7k TP57 R6509 2.2k Q6461 B1BBCJ000004 R6515 10 C6524 630V 470p D6548 MAZ83300ML TP45 D6541 B0HCKS000002 R6571 470 R6529 47 R6646 150 R6433 0 Q6511 B1DFFM000003 G D S PC6507 B3PBA0000233 1 2 3 4 5 6 7 8 R6480 10k D6461 B0HCKS000002 R6452 56k R6645 150 Q6504 2SK062000L G D S Q6523 2SK400000L Q6541 2SB1073001TV R6461 470 C6505 50V 0.1u R6504 2.2k R6609 1 R6533 47 D6523 B0ECHP000003 R6526 47 L6472 G0ZZ00002183 D6516 MA2J11100L D6451 B0JCME000037 C6462 25V 4.7u R6588 10k TP47 IC6451 C0DBEMB00002 CATHODE 3 1 REF ANODE 2 Q6551 2SD0601A0L R6503 2.2k R6621 154k C6577 50V 0.1u Q6524 2SK400000L R6497 10k R6556 1.8k L6451 J0JJC0000021 Q6474 2SD814ATX C6480 50V 0.1u TP48 R6507 2.2k R6496 150k TP58 SC41 A1 A2 A3 A4 A5 A6 A7 A8 A9 A10 A11 A12 A13 A14 A15 A16 A17 A18 A19 A20 A21 A22 A23 A24 A25 A26 A27 A28 A29 A30 A31 A32 A33 A34 A35 A36 A37 A38 A39 A40 B1 B2 B3 B4 B5 B6 B7 B8 B9 B10 B11 B12 B13 B14 B15 B16 B17 B18 B19 B20 B21 B22 B23 B24 B25 B26 B27 B28 B29 B30 B31 B32 B33 B34 B35 B36 B37 B38 B39 B40 R6454 10k D6476 B0ECHP000003 D6456 B0ECHP000003 D6522 MA2J11100L R6573 470 Q6472 2SB0709ARL D6486 MAZ80560HL C6469 25V 220u R6563 5.6 Q6512 B1DFFM000003 G D S R6570 10k C6526 250V 22u D6549 MA2J11100L C6475 25V 220u Q6492 2SC1473AEA Q6554 2SD21850RL PC6510 B3PBA0000234 1 2 3 4 5 D6526 B0HCMM000014 C6502 50V 0.1u C6464 25V 4.7u R6458 2.55k R6475 3.3k Q6542 2SK399500L TP42 Q6454 2SC1473AEA ZA6603 K4CD01000013 R6478 6.98k R6629 22k R6502 2.2k R6575 470 C6474 50V 0.01u Q6471 B1BBCJ000004 C6544 630V 1000p D6572 B0ECHP000003 TP62 D6473 MA2J11100L R6492 200k R6605 220k Q6505 2SK062000L G D S R6598 10k PC6503 B3PBA0000233 1 2 3 4 5 6 7 8 R6469 16k C6468 16V 1u R6552 100k R6607 220k R6599 100 R6618 2.2k R6453 4.7k D6470 MA2J11100L R6553 100k R6456 118k D6521 B0ECHP000003 C6513 160V 100u C6511 25V 4.7u R6500 1.2k TP61 D6546 MAZ83300ML C6492 400V 10u R6450 56k D6520 B0JCKG000002 R6559 2.2k IC6543 C0CBADC00075 INPUT 3 2 COMMON OUTPUT 1 C6512 25V 4.7u R6576 470 TP51 R6593 1M R6561 47 R6525 100k D6542 MA2J11100L Q6527 2SK400000L R6572 470 R6459 100k R6481 1k R6516 470 TP44 R6457 2.55k C6501 50V 0.1u D6489 MAZ80560HL IC6502 C0JBAZ000994 1 1A 2 1Y 3 2A 4 2Y 5 3A 6 3Y 7 GND 8 4Y 9 4A 10 5Y 11 5A 12 6Y 13 6A 14 VCC R6545 10 IC6542 C0ZBZ0000735 1 Vcc 2 In 3 Gnd 4 Lo 5 NC 6 Vs 7 Ho 8 Vb Q6544 2SK399500L C6458 25V 4.7u R6527 1k C6466 50V 0.01u R6465 8.2 C6472 50V 0.033u R6501 2.2k R6484 4.7k R6486 10k D6527 MA2J11100L D6502 MA2J11100L R6528 1k R6548 10 R6622 10k R6518 100 R6606 220k D6490 MAZ80560HL R6540 100k Q6553 2SB1073001TV R6508 2.2k IC6511 C0ZBZ0000735 1 Vcc 2 In 3 Gnd 4 Lo 5 NC 6 Vs 7 Ho 8 Vb R6567 4.7k D6483 MAZ80560HL R6562 1k R6431 0 R6555 100k D6512 MA2J11100L Q6520 2SD0601A0L PC6474 B3PBA0000062 1 2 3 4 C6491 400V 10u IC6455 C0CBADC00075 INPUT 3 2 COMMON OUTPUT 1 D6543 B0HCKS000002 R6544 10 TP40 R6542 10 R6517 10k C6588 16V 1u R6467 1.2k Q6476 2SD0601A0L IC6456 C0DBEMB00002 CATHODE 3 1 REF ANODE 2 Q6521 B1DFES000001 G D S R6577 470 C6571 50V 0.1u C6543 630V 1000p R6524 2.74k C6459 25V 47u Q6451 2SD1263AP0LB R6578 470 C6457 160V 10u TP53 PC6458 B3PBA0000062 1 2 3 4 D6509 MA2J11100L IC6491 C0DBEMB00002 CATHODE 3 1 REF ANODE 2 IC6471 C0DBEMB00002 CATHODE 3 1 REF ANODE 2 IC6454 C0CBADC00075 INPUT 3 2 COMMON OUTPUT 1 C6465 25V 4.7u R6495 150k C6521 4.7u 25V C6551 0.22u 250V R6653 EXB38V680JV TP49 D6475 MA2J11100L IC6472 C0DBEMB00002 CATHODE 3 1 REF ANODE 2 R6505 2.2k C6478 50V 0.01u C6580 16V 1u R6541 47 C6590 16V 1u D6462 B0JCME000037 R6474 120 R6699 10k R6530 47 R6595 14.3k R6488 10k D6460 B0HCKS000002 Q6525 2SK400000L D6525 MA2J11100L Q6528 2SK400000L C6541 25V 4.7u D6552 MA2J11100L Q6463 2SD0601A0L R6535 47 R6649 EXB38V680JV D6513 MA2J11100L TP55 R6520 150 D6551 B0JCME000037 R6513 2.2 C6470 50V 220u IC6521 C0ZBZ0000735 1 Vcc 2 In 3 Gnd 4 Lo 5 NC 6 Vs 7 Ho 8 Vb R6604 100 R6566 100 R6610 100k R6476 274k C6581 16V 1u C6479 50V 0.1u D6496 B0JCME000037 D6553 MA2J11100L C6532 25V 4.7u T6471 ETS19AA259AC 1 B2 2 B1 3 P1 4 NC 5 P2 6 ST 7 S1 8 NC 9 S3 10 S2 R6512 470 Q6546 2SK399500L C6461 50V 100u D6477 MA2J11100L C6523 35V 47u D6514 MA2J11100L D6455 MA2J11100L Q6462 2SB0709ARL R6565 10k R6550 22k C6531 25V 4.7u R6616 220 TP56 D6529 B0JCME000037 D6547 MAZ83300ML R6506 2.2k R6521 100k R6538 1k D6519 MA2J11100L C6456 160V 100u R6585 1k R6558 10k R6539 100 R6617 2.2k Q6526 2SK400000L R6574 470 R6473 22k D6524 MAZ80510LL R6491 100k IC6512 C0CBADC00075 INPUT 3 2 COMMON OUTPUT 1 R6514 100k C6575 50V 0.1u TP41 IC6501 C0JBAZ000994 1 1A 2 1Y 3 2A 4 2Y 5 3A 6 3Y 7 GND 8 4Y 9 4A 10 5Y 11 5A 12 6Y 13 6A 14 VCC D6495 B0HCKS000002 C6493 630V 2200p SC46 1 2 3 4 5 6 7 8 9 10 AB_FSIU AB_FCLU AB_FCLKU AB_PROU AB_FSID AB_FCLD AB_FCLKD AB_PROD 13 10 18 17 11 12 16 14 15 AVR 5V BUFFER FET DRIVER FET DRIVER FET DRIVER BUFFER AVR 5V AVR 15V AVR 5V FET DRIVER TO (SU45) SU-BOARD (SD46) SD-BOARD TO 9 7 1 4 10 3 6 2 5 8 TO (SU41) SU-BOARD (SD42) SD-BOARD TO m # TH-42PWD8CK SC-Board (2 of 2) Schematic Diagram TH-42PWD8CK SC-Board (2 of 2) Schematic Diagram SC-BOARD (2/2) TNPA3543 89 15.42.SU 电路板方框图 B40 SU2 A40 FCL Vf5 FCLK IC6901 PRO PDP SCAN DRIVER IC6902 Q6901 FS01 FSO1 FS02 FS02 FS03 Vf5 FS03 SCAN ELECTRODES 48 PIN OUTPUT FCLK 64 PIN OUTPUT OUTPUT 64 PIN OUTPUT FCLK 64 PIN PRO A39 FCL FCL PRO PRO PDP SCAN DRIVER IC6904 A1 B1 Vf5 FSI To 1st 80pins of PDP SCAN DRIVER PDP SCAN DRIVER SCAN ELECTRODES IC6903 A24 To 2nd 80pins of B40 SCAN ELECTRODES B24 To 3rd 80pins of B25 B39 A25 A39 A2 B32 Vf5 A40 A17 A16 A1 A2 B1 B2 FCLK B33 FCL B40 B39 B17 B16 A33 B39 A39 SU1 SU3 A1 A40 A2 B2 B1 A32 B2 A47 FCL A71 Vfo A3 7 4 VSCN VF5V A30 PRO VSCN A32 TO SC41 Vfo FCL SU41 A80 A42 FCLK FSI FCLK A33 A48 A44 A6 10 VF5V Vf A4 A5 A46 A31 A73 A40 TO SC45 FCL A72 SU45 2 A2 FCLK 6 FSI VF5V 9 PRO FSI VF5V PRO A7 A70 A8 Vf A45 A43 80 LATCH 86 96 43 33 96 44 44 89 Vf 79 HV63 79 75 Vf HV17 33 16 SHIFT RESISTOR 15 88 HV64 43 HV62 97 77 HV18 85 SELECTOR 32 Vfo 90 97 32 80 76 Vf 33 SHIFT RESISTOR 88 43 99 85 HV33 SELECTOR 32 100 HV02 46 90 30 HV32 97 80 LATCH HV64 86 96 44 HV03 HV01 1 89 76 Vf 79 Vf 33 SHIFT RESISTOR 88 43 99 85 HV33 SELECTOR 32 100 HV02 46 90 91 30 HV32 97 80 LATCH HV64 86 96 44 HV03 HV01 1 89 76 Vf 79 Vf 33 SHIFT RESISTOR 88 43 99 85 HV33 SELECTOR 32 100 HV02 46 90 91 30 HV32 97 80 LATCH HV64 86 96 44 HV03 HV01 1 89 76 Vf 79 80 43 33 96 44 79 97 Vfo 32 80 43 33 96 44 79 97 Vfo 32 80 43 33 96 44 79 97 Vfo 32 SU SCAN OUT (UP) BOARD TH-42PWD8CK SU-Board Block Diagram TH-42PWD8CK SU-Board Block Diagram 90 15.43.SU 电路板线路图 TERM SIDE TERM SIDE TERM SIDE AA_240 AA_239 AA_238 AA_237 AA_236 AA_235 AA_234 AA_233 AA_232 AA_231 AA_230 AA_229 AA_228 AA_227 AA_226 AA_225 AA_224 AA_223 AA_222 AA_221 AA_220 AA_219 AA_218 AA_217 AA_216 AA_215 AA_214 AA_213 AA_212 AA_211 AA_206 AA_205 AA_204 AA_179 AA_180 AA_181 AA_182 AA_183 AA_184 AA_185 AA_186 AA_187 AA_188 AA_189 AA_190 AA_191 AA_192 AA_193 AA_194 AA_195 AA_196 AA_197 AA_198 AA_199 AA_200 AA_201 AA_202 AA_203 AB_176 AB_175 AB_174 AB_173 AB_172 AB_171 AB_170 AB_169 AB_168 AB_167 AB_166 AB_165 AB_164 AB_163 AB_162 AB_161 AB_160 AB_159 AB_158 AB_157 AB_156 AB_155 AB_154 AB_153 AB_152 AB_151 AB_150 AB_149 AB_148 AB_147 AB_142 AB_141 AB_140 AB_115 AB_116 AB_117 AB_118 AB_119 AB_120 AB_121 AB_122 AB_123 AB_124 AB_125 AB_126 AB_127 AB_128 AB_129 AB_130 AB_131 AB_132 AB_133 AB_134 AB_135 AB_136 AB_137 AB_138 AB_139 AC_110 AC_109 AC_108 AC_107 AC_106 AC_105 AC_104 AC_103 AC_102 AC_101 AC_100 AC_99 AC_98 AC_97 AC_96 AC_95 AC_94 AC_93 AC_92 AC_91 AC_90 AC_89 AC_88 AC_87 AC_86 AC_76 AC_85 AC_84 AC_83 AC_78 AC_77 AC_51 AC_52 AC_53 AC_54 AC_55 AC_56 AC_57 AC_58 AC_59 AC_60 AC_61 AC_62 AC_63 AC_64 AC_65 AC_66 AC_67 AC_68 AC_69 AC_70 AC_71 AC_72 AC_73 AC_74 AC_75 AD_48 AD_47 AD_46 AD_45 AD_44 AD_43 AD_42 AD_41 AD_40 AD_38 AD_39 AD_37 AD_36 AD_35 AD_30 AD_28 AD_29 AD_3 AD_4 AD_5 AD_6 AD_7 AD_8 AD_9 AD_10 AD_11 AD_12 AD_13 AD_14 AD_15 AD_16 AD_17 AD_18 AD_19 AD_20 AD_21 AD_22 AD_23 AD_24 AD_25 AD_27 AD_26 AA_240 AA_238 AA_236 AA_234 AA_232 AA_230 AA_228 AA_226 AA_224 AA_222 AA_220 AA_218 AA_216 AA_214 AA_212 AA_210 AA_208 AA_206 AA_204 AA_202 AA_200 AA_198 AA_196 AA_194 AA_192 AA_190 AA_188 AA_186 AA_184 AA_182 AA_178 AA_180 AA_239 AA_237 AA_235 AA_233 AA_231 AA_229 AA_227 AA_225 AA_223 AA_221 AA_219 AA_217 AA_215 AA_213 AA_211 AA_209 AA_207 AA_205 AA_203 AA_201 AA_199 AA_197 AA_195 AA_193 AA_191 AA_189 AA_187 AA_185 AA_183 AA_181 AA_177 AA_179 AB_175 AB_173 AB_171 AB_169 AB_167 AB_165 AB_161 AB_163 AB_176 AB_174 AB_172 AB_170 AB_168 AB_166 AB_162 AB_164 AB_160 AB_158 AB_156 AB_154 AB_152 AB_150 AB_148 AB_146 AB_144 AB_142 AB_140 AB_138 AB_136 AB_134 AB_132 AB_130 AB_128 AB_126 AB_124 AB_122 AB_120 AB_118 AB_114 AB_116 AB_159 AB_157 AB_155 AB_153 AB_151 AB_149 AB_147 AB_145 AB_143 AB_141 AB_139 AB_137 AB_135 AB_133 AB_131 AB_129 AB_127 AB_125 AB_123 AB_121 AB_119 AB_117 AB_113 AB_115 AC_81 AC_112 AC_110 AC_108 AC_106 AC_104 AC_102 AC_100 AC_98 AC_96 AC_94 AC_92 AC_90 AC_88 AC_86 AC_82 AC_84 AC_111 AC_109 AC_107 AC_105 AC_103 AC_101 AC_99 AC_97 AC_95 AC_93 AC_91 AC_89 AC_87 AC_85 AC_83 AC_80 AC_78 AC_76 AC_74 AC_72 AC_70 AC_68 AC_66 AC_64 AC_62 AC_60 AC_58 AC_56 AC_54 AC_52 AC_50 AC_79 AC_77 AC_75 AC_73 AC_71 AC_69 AC_67 AC_65 AC_63 AC_61 AC_59 AC_57 AC_55 AC_53 AC_51 AC_49 AD_48 AD_46 AD_44 AD_42 AD_40 AD_38 AD_36 AD_34 AD_32 AD_30 AD_28 AD_26 AD_24 AD_22 AD_20 AD_18 AD_16 AD_14 AD_12 AD_10 AD_8 AD_6 AD_4 AD_2 AD_47 AD_45 AD_43 AD_41 AD_39 AD_37 AD_35 AD_33 AD_31 AD_29 AD_27 AD_25 AD_23 AD_21 AD_19 AD_17 AD_15 AD_13 AD_11 AD_9 AD_7 AD_5 AD_3 AD_1 AC_111 AE_FCLK AE_PRO AE_FCL AE_FSI AE_FSO3 AE_FCLK AE_FSO3 AE_FSO2 AE_FSO2 AE_FCL AE_PRO AE_FCLK AE_PRO AE_FCL AE_FCLK AE_PRO AE_FCL AD_1 AD_2 AD_31 AD_32 AD_33 AD_34 AC_49 AC_50 AC_79 AC_80 AC_81 AC_82 AB_113 AB_114 AB_143 AB_144 AB_145 AB_146 AA_177 AA_178 AA_207 AA_208 AA_209 AA_210 AE_FCL AE_FCLK AE_PRO AC_112 120V 150V AE_FSI R6912 4.7k C6904 16V 1u R6904 220 D6910 B0ECHP000001 D6905 B0ECHP000001 C6933 250V 0.1u C6917 50V 220p R6911 100k R6913 220k C6901 16V 1u R6923 10k R6903 220 R6910 100k AN16021A-VT IC6901 1 OUT3 2 OUT4 3 OUT5 4 OUT6 5 OUT7 6 OUT8 7 OUT9 8 OUT10 9 OUT11 10 OUT12 11 OUT13 12 OUT14 13 OUT15 14 OUT16 15 OUT17 16 OUT18 17 OUT19 18 OUT20 19 OUT21 20 OUT22 21 OUT23 22 OUT24 23 OUT25 24 OUT26 25 OUT27 26 OUT28 27 OUT29 28 OUT30 29 OUT31 30 OUT32 31 N.C. 32 VDDH 33 VDDH 34 N.C. 35 GND 36 GND 37 GND 38 GND 39 GND 40 GND 41 GND 42 N.C. 43 VDDH 44 VDDH 45 N.C. 46 OUT33 47 OUT34 48 OUT35 49 OUT36 50 OUT37 51 OUT38 52 OUT39 53 OUT40 54 OUT41 55 OUT42 56 OUT43 57 OUT44 58 OUT45 59 OUT46 60 OUT47 61 OUT48 62 OUT49 63 OUT50 64 OUT51 65 OUT52 66 OUT53 67 OUT54 68 OUT55 69 OUT56 70 OUT57 71 OUT58 72 OUT59 73 OUT60 74 OUT61 75 OUT62 76 OUT63 77 OUT64 78 N.C. 79 VDDH 80 VDDH 81 N.C. 82 GND 83 GND 84 DIR 85 SO 86 CLK 87 LAT 88 VDD 89 OC1 90 OC2 91 SI 92 CLR 93 GND 94 GND 95 N.C. 96 VDDH 97 VDDH 98 N.C. 99 OUT1 100 OUT2 C6912 50V 1000p R6901 100 D6903 MAZ80560HL SU1 A1 A2 A3 A4 A5 A6 A7 A8 A9 A10 A11 A12 A13 A14 A15 A16 A17 A18 A19 A20 A21 A22 A23 A24 A25 A26 A27 A28 A29 A30 A31 A32 A33 A34 A35 A36 A37 A38 A39 A40 B1 B2 B3 B4 B5 B6 B7 B8 B9 B10 B11 B12 B13 B14 B15 B16 B17 B18 B19 B20 B21 B22 B23 B24 B25 B26 B27 B28 B29 B30 B31 B32 B33 B34 B35 B36 B37 B38 B39 B40 C6931 250V 0.1u SU3 A1 A2 A3 A4 A5 A6 A7 A8 A9 A10 A11 A12 A13 A14 A15 A16 A17 A18 A19 A20 A21 A22 A23 A24 A25 A26 A27 A28 A29 A30 A31 A32 A33 A34 A35 A36 A37 A38 A39 A40 B1 B2 B3 B4 B5 B6 B7 B8 B9 B10 B11 B12 B13 B14 B15 B16 B17 B18 B19 B20 B21 B22 B23 B24 B25 B26 B27 B28 B29 B30 B31 B32 B33 B34 B35 B36 B37 B38 B39 B40 D6909 B0ECHP000001 SU2 A1 A2 A3 A4 A5 A6 A7 A8 A9 A10 A11 A12 A13 A14 A15 A16 A17 A18 A19 A20 A21 A22 A23 A24 A25 A26 A27 A28 A29 A30 A31 A32 A33 A34 A35 A36 A37 A38 A39 A40 B1 B2 B3 B4 B5 B6 B7 B8 B9 B10 B11 B12 B13 B14 B15 B16 B17 B18 B19 B20 B21 B22 B23 B24 B25 B26 B27 B28 B29 B30 B31 B32 B33 B34 B35 B36 B37 B38 B39 B40 R6921 10k D6902 MAZ80560HL R6902 220 C6903 16V 1u C6911 50V 1000p D6901 MAZ80560HL C6902 16V 1u Q6901 2SK062000L G D S R6922 10k R6920 10k AN16021A-VT IC6902 1 OUT3 2 OUT4 3 OUT5 4 OUT6 5 OUT7 6 OUT8 7 OUT9 8 OUT10 9 OUT11 10 OUT12 11 OUT13 12 OUT14 13 OUT15 14 OUT16 15 OUT17 16 OUT18 17 OUT19 18 OUT20 19 OUT21 20 OUT22 21 OUT23 22 OUT24 23 OUT25 24 OUT26 25 OUT27 26 OUT28 27 OUT29 28 OUT30 29 OUT31 30 OUT32 31 N.C. 32 VDDH 33 VDDH 34 N.C. 35 GND 36 GND 37 GND 38 GND 39 GND 40 GND 41 GND 42 N.C. 43 VDDH 44 VDDH 45 N.C. 46 OUT33 47 OUT34 48 OUT35 49 OUT36 50 OUT37 51 OUT38 52 OUT39 53 OUT40 54 OUT41 55 OUT42 56 OUT43 57 OUT44 58 OUT45 59 OUT46 60 OUT47 61 OUT48 62 OUT49 63 OUT50 64 OUT51 65 OUT52 66 OUT53 67 OUT54 68 OUT55 69 OUT56 70 OUT57 71 OUT58 72 OUT59 73 OUT60 74 OUT61 75 OUT62 76 OUT63 77 OUT64 78 N.C. 79 VDDH 80 VDDH 81 N.C. 82 GND 83 GND 84 DIR 85 SO 86 CLK 87 LAT 88 VDD 89 OC1 90 OC2 91 SI 92 CLR 93 GND 94 GND 95 N.C. 96 VDDH 97 VDDH 98 N.C. 99 OUT1 100 OUT2 AN16021A-VT IC6903 1 OUT3 2 OUT4 3 OUT5 4 OUT6 5 OUT7 6 OUT8 7 OUT9 8 OUT10 9 OUT11 10 OUT12 11 OUT13 12 OUT14 13 OUT15 14 OUT16 15 OUT17 16 OUT18 17 OUT19 18 OUT20 19 OUT21 20 OUT22 21 OUT23 22 OUT24 23 OUT25 24 OUT26 25 OUT27 26 OUT28 27 OUT29 28 OUT30 29 OUT31 30 OUT32 31 N.C. 32 VDDH 33 VDDH 34 N.C. 35 GND 36 GND 37 GND 38 GND 39 GND 40 GND 41 GND 42 N.C. 43 VDDH 44 VDDH 45 N.C. 46 OUT33 47 OUT34 48 OUT35 49 OUT36 50 OUT37 51 OUT38 52 OUT39 53 OUT40 54 OUT41 55 OUT42 56 OUT43 57 OUT44 58 OUT45 59 OUT46 60 OUT47 61 OUT48 62 OUT49 63 OUT50 64 OUT51 65 OUT52 66 OUT53 67 OUT54 68 OUT55 69 OUT56 70 OUT57 71 OUT58 72 OUT59 73 OUT60 74 OUT61 75 OUT62 76 OUT63 77 OUT64 78 N.C. 79 VDDH 80 VDDH 81 N.C. 82 GND 83 GND 84 DIR 85 SO 86 CLK 87 LAT 88 VDD 89 OC1 90 OC2 91 SI 92 CLR 93 GND 94 GND 95 N.C. 96 VDDH 97 VDDH 98 N.C. 99 OUT1 100 OUT2 AN16021A-VT IC6904 1 OUT3 2 OUT4 3 OUT5 4 OUT6 5 OUT7 6 OUT8 7 OUT9 8 OUT10 9 OUT11 10 OUT12 11 OUT13 12 OUT14 13 OUT15 14 OUT16 15 OUT17 16 OUT18 17 OUT19 18 OUT20 19 OUT21 20 OUT22 21 OUT23 22 OUT24 23 OUT25 24 OUT26 25 OUT27 26 OUT28 27 OUT29 28 OUT30 29 OUT31 30 OUT32 31 N.C. 32 VDDH 33 VDDH 34 N.C. 35 GND 36 GND 37 GND 38 GND 39 GND 40 GND 41 GND 42 N.C. 43 VDDH 44 VDDH 45 N.C. 46 OUT33 47 OUT34 48 OUT35 49 OUT36 50 OUT37 51 OUT38 52 OUT39 53 OUT40 54 OUT41 55 OUT42 56 OUT43 57 OUT44 58 OUT45 59 OUT46 60 OUT47 61 OUT48 62 OUT49 63 OUT50 64 OUT51 65 OUT52 66 OUT53 67 OUT54 68 OUT55 69 OUT56 70 OUT57 71 OUT58 72 OUT59 73 OUT60 74 OUT61 75 OUT62 76 OUT63 77 OUT64 78 N.C. 79 VDDH 80 VDDH 81 N.C. 82 GND 83 GND 84 DIR 85 SO 86 CLK 87 LAT 88 VDD 89 OC1 90 OC2 91 SI 92 CLR 93 GND 94 GND 95 N.C. 96 VDDH 97 VDDH 98 N.C. 99 OUT1 100 OUT2 A65 A50 A56 A53 A38 A33 A57 A6 A78 A15 A74 A80 A72 A8 A7 A36 A23 A79 A45 A34 A64 A5 A73 A20 A21 A55 A62 A46 A12 A76 A43 A58 A60 A19 A61 A67 A48 A10 A69 A18 A3 A68 A17 A66 A39 A14 A9 A42 A47 A2 A52 A4 A77 A1 A59 A24 A32 A28 A35 A11 A54 A26 A49 A75 A22 A37 A16 A63 A44 A70 A29 A13 A41 A27 A30 A31 A40 A71 A51 A25 SU45 1 2 3 4 5 6 7 8 9 10 TPSU1 R6924 220k Vscn NONUSE 1st OUTPUTS 14 OUTPUTS NONUSE PROU CLKU CLU UP Vf Vfo Vf5 Vf Vfo AE_FSI AE_FCL AE_FCLK AE_PRO GND VF5V FSI VF5V FCL PRO FCLK VF5V VF5V SIU VF5V 7 3 6 8 9 B 1 A E F 5 4 D C 2 Vfo Vscn Vf SU-BOARD TNPA3242AB PDP SCAN DRIVER PDP SCAN DRIVER PDP SCAN DRIVER PDP SCAN DRIVER TO (SC41) SC-BOARD SU41 SC-BOARD (SC45) TO To 3rd 80pins of SCAN ELECTRODES SCAN ELECTRODES To 2nd 80pins of SCAN ELECTRODES To 1st 80pins of TH-42PWD8CK SU-Board Schematic Diagram TH-42PWD8CK SU-Board Schematic Diagram 91 15.44.SD 电路板方框图 PDP SCAN DRIVER SHIFT RESISTOR B40 IC6958 A39 B2 SD2 B9 A1 OUTPUT SCAN ELECTRODES B79 IC6957 HV02 90 A39 B38 PRO 30 B34 A40 80 FS01 B78 B74 A2 VSCN 86 B37 Vfo B50 OUTPUT IC6956 SD3 A2 FSI 44 HV03 89 A40 B41 FSI Vf B35 OUTPUT B1 B2 PRO 99 85 B39 64 PIN B25 46 B36 A9 B39 64 PIN SD SCAN ELECTRODES B40 FCL B1 LATCH HV64 FCLK Vf B75 FCLK B17 A16 Vf5 Vf5 A2 SD42 Vfo A25 PRO B48 FS03 FS02 VF5V 76 B16 FCL 48 PIN Vf SD1 A1 33 A8 B9 SCAN OUT (DOWN) BOARD 88 FCLK B11 64 PIN SCAN ELECTRODES HV33 SELECTOR PDP SCAN DRIVER 100 A40 FCL PDP SCAN DRIVER PRO VF5V HV32 B24 B1 B1 To 2nd 80pins of OUTPUT FCLK FSI FCLK To 3rd 80pins of B2 B8 B73 B49 HV01 1 A1 FS01 A24 To 1st 80pins of 79 PRO FS02 B10 B8 B39 43 IC6955 FCL B51 B33 B76 VSCN FS03 32 Vf5 B40 PRO 91 TO SC42 A39 FCL 97 A17 FCL Vf5 96 Vf B77 FCLK PDP SCAN DRIVER B39 10 TO SC46 FCL SD46 2 FCLK 6 9 FSI VF5V PRO 7 4 VF5V 80 LATCH HV64 86 96 44 HV03 HV01 1 89 76 Vf 79 Vf 33 SHIFT RESISTOR 88 43 99 85 HV33 SELECTOR 32 100 HV02 46 90 91 30 HV32 97 80 LATCH HV64 86 96 44 HV03 HV01 1 89 76 Vf 79 Vf 33 SHIFT RESISTOR 88 43 99 85 HV33 SELECTOR 32 100 HV02 46 90 91 30 HV32 97 80 LATCH 86 96 44 89 Vf 79 Vf 33 SHIFT RESISTOR 88 43 85 SELECTOR 32 90 97 76 HV63 75 HV17 16 15 HV64 HV62 77 HV18 80 43 33 96 44 79 97 Vfo 32 80 43 33 96 44 79 97 Vfo 32 80 43 33 96 44 79 97 Vfo 32 80 43 33 96 44 79 97 Vfo 32 TH-42PWD8CK SD-Board Block Diagram TH-42PWD8CK SD-Board Block Diagram 92 15.45.SD 电路板线路图 TERM SIDE TERM SIDE TERM SIDE AA_240 AA_239 AA_238 AA_237 AA_236 AA_235 AA_234 AA_233 AA_232 AA_231 AA_230 AA_229 AA_228 AA_227 AA_221 AA_220 AA_195 AA_196 AA_197 AA_198 AA_199 AA_200 AA_201 AA_202 AA_203 AA_204 AA_205 AA_206 AA_207 AA_208 AA_209 AA_210 AA_211 AA_212 AA_213 AA_214 AA_215 AA_216 AA_217 AA_218 AA_219 AB_192 AB_191 AB_190 AB_189 AB_188 AB_187 AB_186 AB_185 AB_184 AB_183 AB_182 AB_181 AB_180 AB_179 AB_178 AB_177 AB_176 AB_175 AB_174 AB_173 AB_172 AB_171 AB_170 AB_169 AB_168 AB_167 AB_166 AB_165 AB_164 AB_163 AB_158 AB_157 AB_156 AB_131 AB_132 AB_133 AB_134 AB_135 AB_136 AB_137 AB_138 AB_139 AB_140 AB_141 AB_142 AB_143 AB_144 AB_145 AB_146 AB_147 AB_148 AB_149 AB_150 AB_151 AB_152 AB_153 AB_154 AB_155 AC_128 AC_127 AC_126 AC_125 AC_124 AC_123 AC_122 AC_121 AC_120 AC_119 AC_118 AC_117 AC_116 AC_115 AC_114 AC_113 AC_112 AC_111 AC_110 AC_109 AC_108 AC_107 AC_106 AC_105 AC_104 AC_103 AC_102 AC_101 AC_100 AC_99 AC_93 AC_92 AC_67 AC_68 AC_69 AC_70 AC_71 AC_72 AC_73 AC_74 AC_75 AC_76 AC_77 AC_78 AC_79 AC_80 AC_81 AC_82 AC_83 AC_84 AC_85 AC_86 AC_87 AC_88 AC_89 AC_90 AC_91 AD_64 AD_62 AD_61 AD_60 AD_59 AD_58 AD_57 AD_56 AD_55 AD_54 AD_53 AD_52 AD_51 AD_50 AD_49 AD_48 AD_47 AD_46 AD_45 AD_44 AD_43 AD_42 AD_41 AD_40 AD_39 AD_38 AD_37 AD_36 AD_35 AD_30 AD_29 AD_28 AD_3 AD_4 AD_5 AD_6 AD_7 AD_8 AD_9 AD_10 AD_11 AD_12 AD_13 AD_14 AD_15 AD_16 AD_17 AD_18 AD_19 AD_20 AD_21 AD_22 AD_23 AD_24 AD_25 AD_26 AD_27 AE_FCLK AE_PRO AE_FCL AE_FCLK AD_63 AE_FSO1 AE_PRO AE_FCL AB_160 AA_240 AA_238 AA_236 AA_234 AA_232 AA_230 AA_228 AA_226 AA_224 AA_222 AA_220 AA_218 AA_216 AA_214 AA_212 AA_210 AA_208 AA_206 AA_204 AA_202 AA_200 AA_198 AA_194 AA_196 AA_239 AA_237 AA_235 AA_233 AA_231 AA_229 AA_227 AA_225 AA_223 AA_221 AA_219 AA_217 AA_215 AA_213 AA_211 AA_209 AA_207 AA_205 AA_203 AA_201 AA_199 AA_197 AA_193 AA_195 AB_179 AB_187 AB_189 AB_191 AB_183 AB_181 AB_185 AB_188 AB_190 AB_192 AB_184 AB_182 AB_186 AB_177 AB_175 AB_173 AB_171 AB_169 AB_167 AB_165 AB_163 AB_161 AB_174 AB_178 AB_176 AB_170 AB_168 AB_166 AB_164 AB_162 AB_172 AB_180 AB_158 AB_156 AB_154 AB_152 AB_150 AB_148 AB_146 AB_144 AB_142 AB_140 AB_138 AB_136 AB_134 AB_130 AB_132 AB_159 AB_157 AB_155 AB_153 AB_151 AB_149 AB_147 AB_145 AB_143 AB_141 AB_139 AB_137 AB_135 AB_133 AB_129 AB_131 AC_128 AC_126 AC_124 AC_122 AC_120 AC_118 AC_116 AC_114 AC_112 AC_110 AC_108 AC_106 AC_104 AC_102 AC_100 AC_98 AC_96 AC_94 AC_92 AC_90 AC_88 AC_86 AC_82 AC_84 AC_127 AC_125 AC_123 AC_121 AC_119 AC_117 AC_115 AC_113 AC_111 AC_109 AC_107 AC_105 AC_103 AC_101 AC_99 AC_97 AC_95 AC_93 AC_91 AC_89 AC_87 AC_85 AC_81 AC_83 AC_80 AC_78 AC_76 AC_74 AC_72 AC_70 AC_66 AC_68 AC_79 AC_77 AC_75 AC_73 AC_71 AC_69 AC_67 AC_65 AD_63 AD_61 AD_59 AD_57 AD_55 AD_53 AD_51 AD_49 AD_47 AD_45 AD_43 AD_41 AD_39 AD_37 AD_35 AD_33 AD_31 AD_29 AD_27 AD_25 AD_23 AD_21 AD_19 AD_17 AD_15 AD_13 AD_11 AD_9 AD_7 AD_5 AD_3 AD_1 AD_64 AD_62 AD_60 AD_58 AD_56 AD_54 AD_52 AD_50 AD_48 AD_46 AD_44 AD_42 AD_40 AD_38 AD_36 AD_34 AD_32 AD_30 AD_28 AD_26 AD_24 AD_22 AD_20 AD_18 AD_16 AD_14 AD_12 AD_10 AD_8 AD_6 AD_2 AD_4 AE_FSO3 AE_FSO3 AE_FSO2 AE_FSO2 AE_FSO1 AE_FSI AE_FCL AE_PRO AE_FCLK AE_PRO AE_FCL AE_FCLK AC_94 AD_1 AD_2 AD_31 AD_32 AD_33 AD_34 AC_65 AC_66 AC_95 AC_96 AC_97 AC_98 AB_129 AB_130 AB_159 AB_160 AB_161 AB_162 AA_193 AA_194 AA_223 AA_224 AA_222 AA_225 AA_226 AE_FCLK 120V AE_FCL 130V AE_FSI AE_PRO C6958 16V 1u C6955 16V 1u D6957 MAZ80560HL TPSD1 D6962 B0ECHP000001 SD3 A1 A2 A3 A4 A5 A6 A7 A8 A9 A10 A11 A12 A13 A14 A15 A16 A17 A18 A19 A20 A21 A22 A23 A24 A25 A26 A27 A28 A29 A30 A31 A32 A33 A34 A35 A36 A37 A38 A39 A40 B1 B2 B3 B4 B5 B6 B7 B8 B9 B10 B11 B12 B13 B14 B15 B16 B17 B18 B19 B20 B21 B22 B23 B24 B25 B26 B27 B28 B29 B30 B31 B32 B33 B34 B35 B36 B37 B38 B39 B40 C6977 250V 0.1u R6959 220k R6979 220k R6977 10k D6961 B0ECHP000001 C6956 16V 1u R6975 10k C6972 50V 1000p D6956 MAZ80560HL R6957 220 R6958 220 C6979 250V 0.1u AN16021A-VT IC6955 1 OUT3 2 OUT4 3 OUT5 4 OUT6 5 OUT7 6 OUT8 7 OUT9 8 OUT10 9 OUT11 10 OUT12 11 OUT13 12 OUT14 13 OUT15 14 OUT16 15 OUT17 16 OUT18 17 OUT19 18 OUT20 19 OUT21 20 OUT22 21 OUT23 22 OUT24 23 OUT25 24 OUT26 25 OUT27 26 OUT28 27 OUT29 28 OUT30 29 OUT31 30 OUT32 31 N.C. 32 VDDH 33 VDDH 34 N.C. 35 GND 36 GND 37 GND 38 GND 39 GND 40 GND 41 GND 42 N.C. 43 VDDH 44 VDDH 45 N.C. 46 OUT33 47 OUT34 48 OUT35 49 OUT36 50 OUT37 51 OUT38 52 OUT39 53 OUT40 54 OUT41 55 OUT42 56 OUT43 57 OUT44 58 OUT45 59 OUT46 60 OUT47 61 OUT48 62 OUT49 63 OUT50 64 OUT51 65 OUT52 66 OUT53 67 OUT54 68 OUT55 69 OUT56 70 OUT57 71 OUT58 72 OUT59 73 OUT60 74 OUT61 75 OUT62 76 OUT63 77 OUT64 78 N.C. 79 VDDH 80 VDDH 81 N.C. 82 GND 83 GND 84 DIR 85 SO 86 CLK 87 LAT 88 VDD 89 OC1 90 OC2 91 SI 92 CLR 93 GND 94 GND 95 N.C. 96 VDDH 97 VDDH 98 N.C. 99 OUT1 100 OUT2 R6976 10k SD1 A1 A2 A3 A4 A5 A6 A7 A8 A9 A10 A11 A12 A13 A14 A15 A16 A17 A18 A19 A20 A21 A22 A23 A24 A25 A26 A27 A28 A29 A30 A31 A32 A33 A34 A35 A36 A37 A38 A39 A40 B1 B2 B3 B4 B5 B6 B7 B8 B9 B10 B11 B12 B13 B14 B15 B16 B17 B18 B19 B20 B21 B22 B23 B24 B25 B26 B27 B28 B29 B30 B31 B32 B33 B34 B35 B36 B37 B38 B39 B40 R6955 100 SD2 A1 A2 A3 A4 A5 A6 A7 A8 A9 A10 A11 A12 A13 A14 A15 A16 A17 A18 A19 A20 A21 A22 A23 A24 A25 A26 A27 A28 A29 A30 A31 A32 A33 A34 A35 A36 A37 A38 A39 A40 B1 B2 B3 B4 B5 B6 B7 B8 B9 B10 B11 B12 B13 B14 B15 B16 B17 B18 B19 B20 B21 B22 B23 B24 B25 B26 B27 B28 B29 B30 B31 B32 B33 B34 B35 B36 B37 B38 B39 B40 C6957 16V 1u C6971 50V 1000p R6956 220 R6978 10k AN16021A-VT IC6956 1 OUT3 2 OUT4 3 OUT5 4 OUT6 5 OUT7 6 OUT8 7 OUT9 8 OUT10 9 OUT11 10 OUT12 11 OUT13 12 OUT14 13 OUT15 14 OUT16 15 OUT17 16 OUT18 17 OUT19 18 OUT20 19 OUT21 20 OUT22 21 OUT23 22 OUT24 23 OUT25 24 OUT26 25 OUT27 26 OUT28 27 OUT29 28 OUT30 29 OUT31 30 OUT32 31 N.C. 32 VDDH 33 VDDH 34 N.C. 35 GND 36 GND 37 GND 38 GND 39 GND 40 GND 41 GND 42 N.C. 43 VDDH 44 VDDH 45 N.C. 46 OUT33 47 OUT34 48 OUT35 49 OUT36 50 OUT37 51 OUT38 52 OUT39 53 OUT40 54 OUT41 55 OUT42 56 OUT43 57 OUT44 58 OUT45 59 OUT46 60 OUT47 61 OUT48 62 OUT49 63 OUT50 64 OUT51 65 OUT52 66 OUT53 67 OUT54 68 OUT55 69 OUT56 70 OUT57 71 OUT58 72 OUT59 73 OUT60 74 OUT61 75 OUT62 76 OUT63 77 OUT64 78 N.C. 79 VDDH 80 VDDH 81 N.C. 82 GND 83 GND 84 DIR 85 SO 86 CLK 87 LAT 88 VDD 89 OC1 90 OC2 91 SI 92 CLR 93 GND 94 GND 95 N.C. 96 VDDH 97 VDDH 98 N.C. 99 OUT1 100 OUT2 AN16021A-VT IC6957 1 OUT3 2 OUT4 3 OUT5 4 OUT6 5 OUT7 6 OUT8 7 OUT9 8 OUT10 9 OUT11 10 OUT12 11 OUT13 12 OUT14 13 OUT15 14 OUT16 15 OUT17 16 OUT18 17 OUT19 18 OUT20 19 OUT21 20 OUT22 21 OUT23 22 OUT24 23 OUT25 24 OUT26 25 OUT27 26 OUT28 27 OUT29 28 OUT30 29 OUT31 30 OUT32 31 N.C. 32 VDDH 33 VDDH 34 N.C. 35 GND 36 GND 37 GND 38 GND 39 GND 40 GND 41 GND 42 N.C. 43 VDDH 44 VDDH 45 N.C. 46 OUT33 47 OUT34 48 OUT35 49 OUT36 50 OUT37 51 OUT38 52 OUT39 53 OUT40 54 OUT41 55 OUT42 56 OUT43 57 OUT44 58 OUT45 59 OUT46 60 OUT47 61 OUT48 62 OUT49 63 OUT50 64 OUT51 65 OUT52 66 OUT53 67 OUT54 68 OUT55 69 OUT56 70 OUT57 71 OUT58 72 OUT59 73 OUT60 74 OUT61 75 OUT62 76 OUT63 77 OUT64 78 N.C. 79 VDDH 80 VDDH 81 N.C. 82 GND 83 GND 84 DIR 85 SO 86 CLK 87 LAT 88 VDD 89 OC1 90 OC2 91 SI 92 CLR 93 GND 94 GND 95 N.C. 96 VDDH 97 VDDH 98 N.C. 99 OUT1 100 OUT2 AN16021A-VT IC6958 1 OUT3 2 OUT4 3 OUT5 4 OUT6 5 OUT7 6 OUT8 7 OUT9 8 OUT10 9 OUT11 10 OUT12 11 OUT13 12 OUT14 13 OUT15 14 OUT16 15 OUT17 16 OUT18 17 OUT19 18 OUT20 19 OUT21 20 OUT22 21 OUT23 22 OUT24 23 OUT25 24 OUT26 25 OUT27 26 OUT28 27 OUT29 28 OUT30 29 OUT31 30 OUT32 31 N.C. 32 VDDH 33 VDDH 34 N.C. 35 GND 36 GND 37 GND 38 GND 39 GND 40 GND 41 GND 42 N.C. 43 VDDH 44 VDDH 45 N.C. 46 OUT33 47 OUT34 48 OUT35 49 OUT36 50 OUT37 51 OUT38 52 OUT39 53 OUT40 54 OUT41 55 OUT42 56 OUT43 57 OUT44 58 OUT45 59 OUT46 60 OUT47 61 OUT48 62 OUT49 63 OUT50 64 OUT51 65 OUT52 66 OUT53 67 OUT54 68 OUT55 69 OUT56 70 OUT57 71 OUT58 72 OUT59 73 OUT60 74 OUT61 75 OUT62 76 OUT63 77 OUT64 78 N.C. 79 VDDH 80 VDDH 81 N.C. 82 GND 83 GND 84 DIR 85 SO 86 CLK 87 LAT 88 VDD 89 OC1 90 OC2 91 SI 92 CLR 93 GND 94 GND 95 N.C. 96 VDDH 97 VDDH 98 N.C. 99 OUT1 100 OUT2 B75 B36 B70 B73 B11 B24 B20 B26 B35 B10 B21 B37 B3 B19 B28 B78 B63 B54 B48 B46 B58 B17 B40 B38 B22 B9 B42 B12 B5 B29 B68 B53 B32 B39 B59 B49 B7 B14 B15 B34 B55 B6 B1 B41 B76 B61 B52 B45 B2 B62 B79 B67 B65 B60 B74 B50 B66 B18 B44 B43 B13 B30 B57 B33 B8 B56 B69 B27 B47 B77 B72 B4 B64 B71 B51 B25 B23 B31 B16 SD46 1 2 3 4 5 6 7 8 9 10 B80 Vscn PROD CLKD CLD SID Vf Vfo Vf Vf5 Vfo DOWN AE_FSI AE_FCL AE_FCLK AE_PRO VF5V FCL FCLK FSI VF5V PRO VF5V 4 C 2 8 7 B F A E 6 1 5 D 3 9 Vfo Vscn Vf FOIL SIDE (UPPER) COMPONENT SIDE (LOWER) GND PDP SCAN DRIVER PDP SCAN DRIVER PDP SCAN DRIVER PDP SCAN DRIVER TO (SC46) SC-BOARD VF5V SD42 TO SC-BOARD (SC42) SCAN ELECTRODES To 3rd 80pins of SCAN ELECTRODES To 2nd 80pins of SCAN ELECTRODES To 1st 80pins of SD-BOARD TNPA3243AB TH-42PWD8CK SD-Board Schematic Diagram TH-42PWD8CK SD-Board Schematic Diagram 93 15.46.SS 电路板方框图 + D6064 1 12 8 Q6012 R6074 Q6011 Ve Q6014 SOS Q6013 VDA 6 VSUS Q6001 VSUS Q6002 VDA Q6006 +15V Q6007 STB PS FET DRIVER L6003 1 L6004 14 12 L6002 IC6002 8 UMH Q6021 UML Q6024 S2 14 S3 16 D6024 6 D6029 4 S1 IC6005 USH Q6056 USL L6011 DISCHARGE 1/2 Vo L6015 SS34 FET DRIVER 1 IC6003 12 8 TO P12 3 TO P11 18 TO C23 2 1 2 Lo 7 4 BUFFER IC6004 IC6006 FET DRIVER VCC VCC D6065 Ho UEH (GREEN LED) VE Q6045 INSERT Q6046 VEL VEL TPSS1 VE2 SS-BOARD Q6042 SOS_DET Q6041 SS44 SS43 SS41 STB-PS SS42 5 15 3 UEL 9 USL 12 5 SS11 8 3 UEH 2 SS12 SS23 1 UMH 2 7 In Q6052 4 USH Q6051 UML IC6011 6 TPVSUS 3 TP15V 12 TPVDA 17 TPVe 8 VE FET DRIVER GENERATOR 14 4 IC6001 SOS BLINKING TIMES LED 9 TIMES VE VSET2 VSUS TPSS1 WAVEFORM SS Sustain Drive Ve2 GEN. SUSTAIN DRIVER Ve GEN. RECOVERY ENERGY Vsus GEN. Sustain Panel Electrode VE GEN. 1 5V 3 VCC 11 VDD 3 VCC 11 VDD 20 VCC VDD 11 SUSTAIN Q6025 DRIVE Q6008 3 STB12V 5 Q6003 STB12V TH-42PWD8CK SS-Board Block Diagram TH-42PWD8CK SS-Board Block Diagram TO S1 94 15.47.SS 电路板线路图 TERM SIDE + TERM SIDE + + + + + + + + + TERM SIDE TERM SIDE 67V 175V 15V 175V 175V 15V 175V 5V ZA6004 K4CD01000013 R6126 1.5k R6124 10k D6015 B0ECHP000003 R6012 15 D6066 MAZ83300ML ZA6003 K4CD01000013 R6063 220k TP26 L6018 J0JJC0000021 Q6046 2SK373100L G D S TP10 100 R6006 VR6074 10k 1 2 3 L6011 0.6u R6013 15 D6002 B0HBSN000008 R6085 47 TP23 SS44 1 2 3 4 5 6 7 8 9 10 11 12 13 C6023 250V 1u C6001 200V 220u TP27 Q6007 B1JADN000001 TP25 R6027 100 SS42 1 2 3 4 5 6 7 8 9 10 11 12 13 TP11 C0ZBZ0000895 IC6002 1 LO 2 GND 3 VCC 4 NC 5 NC 6 VS 7 VB 8 HO 9 NC 10 NC 11 NC 12 HIN 13 NC 14 LIN 15 GND 16 NC C6026 250V 1u C6008 160V 100u TP6 D6058 MA2J11100L SS11 1 2 3 4 5 6 7 100k R6008 L6022 J0JJC0000021 C6055 25V 1u 150 R6092 C6034 25V 4.7u Q6012 2SB1073001TV B0ECHP000003 D6021 R6120 7.5k R6107 47 C6027 250V 1u TP30 C6057 25V 4.7u R6057 47 D6040 B0ECHP000003 C6037 250V 0.22u D6020 B0HBSN000008 R6061 1k Q6042 B1DFKM000002 G D S D6061 MAZ81000ML Q6056 2SD0601A0L R6082 100 B0ECHP000003 D6023 TP14 TP17 R6062 220k R6110 4.7k C6051 16V 1u C6046 25V 4.7u L6005 G0C101K00023 R6118 39k TP32 R6025 10k IC6005 C0BBBA000043 1 2 3 4 5 6 7 8 C0ZBZ0000895 IC6003 1 LO 2 GND 3 VCC 4 NC 5 NC 6 VS 7 VB 8 HO 9 NC 10 NC 11 NC 12 HIN 13 NC 14 LIN 15 GND 16 NC TP31 R6060 100 D6051 B0ECHP000003 1u 250V C6030 R6090 180 TP21 C6029 250V 1u R6076 0 R6041 5.6 D6036 MA2J11100L TP2 Q6006 B1JADN000001 D6053 B0JCME000037 R6088 10k L6035 D6035 MAZ80330LL R6020 15 C6022 250V 1u C6003 200V 220u C6031 25V 4.7u C6028 250V 1u L6027 150 R6002 R6074 48.7k R6019 15 R6022 15 R6029 10k L6036 D6064 MA2J11100L L6019 G0ZZ00002183 D6057 B0ECHP000003 R6015 15 R6050 5.6 SS23 1 2 3 4 5 6 7 8 9 10 11 12 TP20 R6021 15 R6083 100 C0DBEMB00002 IC6011 CATHODE 3 1 REF ANODE 2 R6068 12k L6026 C6024 250V 1u R6077 0.22 L6002 G0ZZ00002183 Q6008 B1JADN000001 R6079 100 Q6021 R6056 100k Q6041 B1DFKM000002 G D S L6013 0.6u R6070 48.7k 100 R6007 TP1 R6121 10k Q6052 2SC1473AEA C6048 25V 220u C0JBAZ000005 IC6006 1G~ 1 2 1A1 3 2Y4 4 1A2 5 2Y3 6 1A3 7 2Y2 8 1A4 9 2Y1 10 GND 11 2A1 12 1Y4 13 2A2 14 1Y3 15 2A3 16 1Y2 17 2A4 18 1Y1 19 2G~ 20 VCC 220u 200V C6004 TP15 C6007 160V 100u L6050 G0ZZ00002183 C6016 3900p 630V D6041 B0ECHP000003 R6078 0.22 L6034 C6050 16V 1u C6021 250V 1u TP24 R6101 47 100k R6009 C6061 630V D6065 LNJ301MPUJA Q6051 2SD1263AP0LB R6091 1k R6031 10k C6053 25V 220u L6012 0.6u C6058 25V 1u TP5 C6025 250V 1u Q6055 2SD0601A0L R6105 EXB38V472JV L6043 D6067 MAZ83300ML D6029 B0HBSN000008 L6003 G0ZZ00002183 C6005 25V 4.7u 150 R6005 R6042 5.6 Q6011 2SD21850RL R6011 15 C6054 25V 220u R6081 2.2k C6043 25V 4.7u L6037 Q6014 2SB1073001TV 200k R6033 D6054 B0ECHP000003 150 R6004 R6059 100 Q6024 Q6045 2SK326800L G D S Q6001 B1JADN000001 D6024 B0HBSN000008 TP7 C6044 25V 4.7u L6047 J0JJC0000021 SS34 1 2 3 Q6025 2SK062000L G D S R6080 100 TP29 R6016 15 D6059 MA2J11100L R6073 2.55k Q6013 2SD21850RL C6047 200V 150u R6024 10 Q6002 B1JADN000001 R6055 100 TP22 D6062 MA2J11100L D6001 B0HBSN000008 R6014 15 C0ZBZ0000895 IC6001 1 LO 2 GND 3 VCC 4 NC 5 NC 6 VS 7 VB 8 HO 9 NC 10 NC 11 NC 12 HIN 13 NC 14 LIN 15 GND 16 NC C6056 10V 100u TP8 L6024 R6035 15 R6026 10 L6014 1u C6012 5600p 630V R6001 100k Q6003 B1JADN000001 L6025 IC6004 C0ZBZ0000735 1 Vcc 2 In 3 Gnd 4 Lo 5 NC 6 Vs 7 Ho 8 Vb TP19 D6022 B0HBSN000008 C6049 25V 4.7u SS41 1 2 3 4 5 6 7 8 9 10 11 12 13 D6070 MA2J11100L TP28 R6119 39k C6060 630V 470p R6125 2.2k D6060 MA2J11100L R6089 1k TP13 TP9 R6049 5.6 150 R6003 R6030 10k R6067 4.7k D6052 B0JCME000037 R6087 100 ZA6001 K4CD01000013 L6042 R6104 4.7k C6011 630V 3900p TP18 D6063 MAZ80510LL TP16 D6055 B0JCME000037 R6023 10k R6102 EXB38V470JV SS12 1 2 3 4 5 R6034 15 R6084 220k R6086 47 SS43 1 2 3 4 5 6 7 8 9 10 11 12 13 C6032 25V 4.7u C6035 25V 4.7u C6009 50V 0.01u R6028 100 R6069 49.9k C6015 630V 5600p ZA6002 K4CD01000013 R6123 1.5k L6004 G0ZZ00002183 TP3 TP12 m - + - + NC STB_PS STB12V GND (GREEN LED) Vda67V VSUS VSUS NC GND GND +15V GND 5 D 4 E 3 C 7 2 B 8 A 1 6 FET DRIVER BUFFER SOS DET FET DRIVER FET DRIVER FET DRIVER 5V NUEL GND UEH USH USL UML UMH GND DRY_SOS9 NC Vda 75V STB12V NC STB_PS S-BOARD TO (S1) P-BOARD (P12) TO (P11) TO P-BOARD (C23) TO C2-BOARD TPVSUS TP15V TPVDA VE GEN. PANEL ELECTRODE SUSTAIN TO B1DEKM000001 B1DEKM000001 SS-BOARD TNPA3544 TH-42PWD8CK SS-Board Schematic Diagram TH-42PWD8CK SS-Board Schematic Diagram

标签:

版权声明

1. 本站所有素材,仅限学习交流,仅展示部分内容,如需查看完整内容,请下载原文件。
2. 会员在本站下载的所有素材,只拥有使用权,著作权归原作者所有。
3. 所有素材,未经合法授权,请勿用于商业用途,会员不得以任何形式发布、传播、复制、转售该素材,否则一律封号处理。
4. 如果素材损害你的权益请联系客服QQ:77594475 处理。