松下TH-42PW4C等离子电视电路原理图

分类:电子电工 日期: 点击:0
松下TH-42PW4C等离子电视电路原理图-0 松下TH-42PW4C等离子电视电路原理图-1 松下TH-42PW4C等离子电视电路原理图-2 松下TH-42PW4C等离子电视电路原理图-3 松下TH-42PW4C等离子电视电路原理图-4 松下TH-42PW4C等离子电视电路原理图-5 松下TH-42PW4C等离子电视电路原理图-6 松下TH-42PW4C等离子电视电路原理图-7 松下TH-42PW4C等离子电视电路原理图-8 松下TH-42PW4C等离子电视电路原理图-9

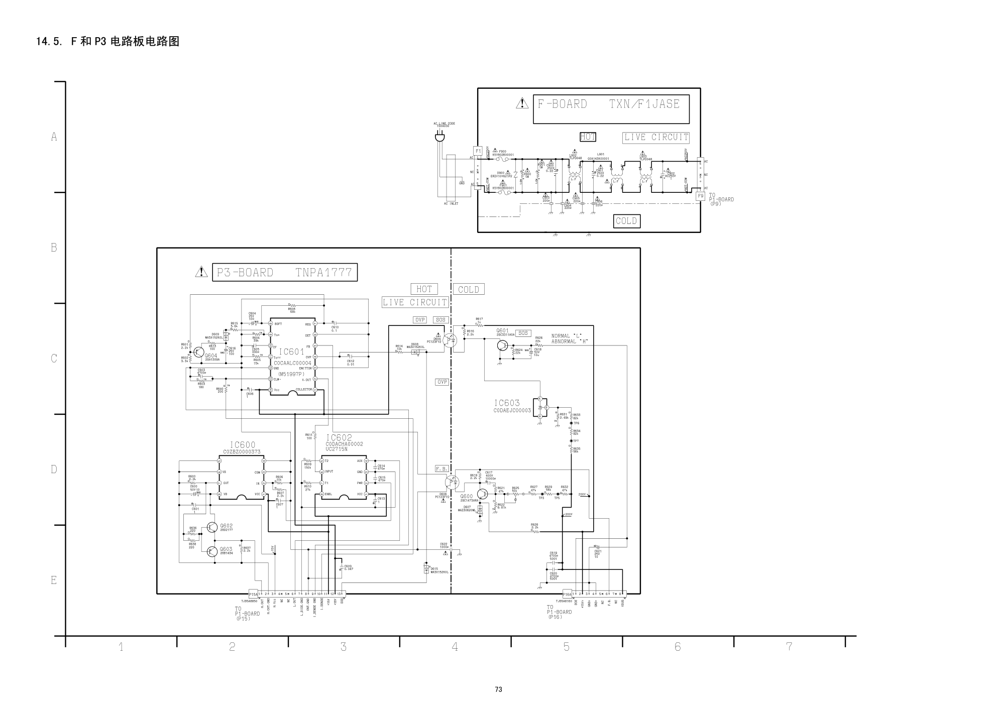
68 14 方框图和电路图 14.1. 电路图附注 ������ �� �������������������� ���������� ����� ������� �� 1. ��� �������1 4W������ ��������� ������OHM[W] K 1000 M 1000000 ��� ����� �� ��� �� ��� 2. ��� ������� 50V������ ��������� ������ mF ������ ���� ���� �� ���� ����� ��� ��� Z� 3. �� ����� mF ������ 4. ��� ����� 5. ���� ���� � ��� � 6. ���� �������� DC��� ������ ��………………………………………… AC220 240 50 60Hz ����…………………………………… ������� �� �������…………………………… ���� 7. �������������� ������ 8. �������� ������������� 9. ������� ���� 10. ��������� ���� ������ 69 �� 1. ������������ ����������������� ���� ���� HOT � � COLD � ��� ��������� ������ � ��������� ���� a.�������� ��������� �� ������� b.��������������������� �� ������ c.������������������������ d.������ ���������� 2. ������������ MA150 MA162 ���� 70 14.2. 主要集成电路方框图 FLOATING GROUND INPUT - + SS.R. C13 D13 SS.R. SS.R. SS.R. SS.R. SS.R. SS.R. SC SC2 PLASMA AI MAIN MPU I/P CONV. RGB PROCESSOR FORMAT CONV. D D43 D35 FF 64 SU FF 48 FF 64 FF 64 VIDEO/YUV CONVERTE DIGITAL RGB INTERFACE SYNC. SW J V/Y SW AUDIO SW HX C23 P1 SS.R. V S POWER SWITCH PC RGB/ COMPONENT AV / S-VIDEO AV RGB AUDIO IN REMOTE RECEIVE POWER LED SS2 SS1 ADDRESS VOLTAGE (VE) SUSTAIN PULSE ERASE PULSE SS48 SS49 SS33 C22 LINE FILTER F1 F9 F SS SS.R. SS.R. SS.R. SS.R. SS.R. SS.R. C49 C4 C3 C34 C33 C41 V34 Vda L SPEAKER TERMINAL - + R SPEAKER TERMINAL - + J10 J11 CONTROL PULSE SD FF 48 FF 64 FF 64 FF 64 C1 C42 C32 C43 C31 C2 C14 C24 Vda Vda Vda from J10 DISCHARGE CONTROL SC20 SC21 D21 D20 SUSTAIN PULSE SCAN PULSES C35 AC220 - 240V H3 H3 HZ /HY RS232C BUFFER BUFFER BUFFER INFO. ROM HD/VD J2 H3 J3 H2 J8 P5 AUDIO AMP D8 J9 D9 SUB MPU SYNC. P6 SEPARATOR YUV/RGB SW VOLTAGE GENERATOR SUB-FIELD PROCESSOR STB7V STB5V SOS P3 STV 5V ON/OFF J13 +15V -15V 5V J14 13.5V 15V 5V STB7V STB5V 13.5V 5V P7 VSUS VSUS Vbk SC23 15V D5 D7 OUT LINE D23 SUSTAIN VOLTAGE PROTECTOR SUSTAIN VOLTAGE CONTROL 15V Vda PROCESS VOLTAGE PROTECTOR POWER FACTOR CONTROL STAND BY P1 P5 P7 PROCESS P8 VOLTAGE CONTROL P22 PRIMARY CIRCUIT P19 P9 P18 P15 P16 P21 PROCESS VOLTAGE RECTIFIER P2 P23 P13 P14 SS12 SS34 S34 SUSTAIN VOLTAGE RECTIFIER P12 71 14.3. 电源集成电路方框图 DRIVE VOLTAGE PROTECTOR PROCESS VOLTAGE PROTECTOR P3 P16 SOS IN VCC 1 P7 P8 8 5 4 3 2 1 7 4 3 2 1 6 13.5V VSUS 15V VSUS 5V 8 VDA Vbk SOS 15Vs IC601 -15Vs P2 To SC2 IC600 3 AC IN P15 Vbk 2 AC INLET 1 1 OSC T400 P1 To SS1 OVP 15V 11 2 3 18V 12 TO FAN 6 1 F1 3 IC602 4 F901 F900 13 T401 LINE D446 VDA FILTER START + F RL402 D403 - 1 5 F9 P9 POWER FACTOR CONTROL TO SC23 3 L401 D412 D445 15V 1 RL401 2 + 1 - D441 +15V To J13 + 1 3 + For AUDIO 6 -15V STOP STOP D442 T402 5V P19 4 11 9 5 1 P18 + IC735 IC650 D443 - 13.5V D440 D439 D434 OSC. + + - - 110V PROTECTION P5 230V P6 D436 PFC : Power Factor Control STB 7V STB 5V + MAIN POWER SWITCH ON/OFF - P10 PFC STOP T401 P22 P13 P23 P21 Q604 1 5 FULL WAVE RECTIFIER Q402 Q404 Q422/Q401 7 3 5 IC737 IC736 Q730 11 8 Q410 6 10 Q650 Q651 8 IC409 AVR 1 2 IC411 AVR 1 2 Q421 Q423 IC403 3 2 1 IC407 AVR 2 1 Q412 Q414 Q415 2 4 6 2 7 2 Q600 Q601 D604 D606 IC603 5 7 4 Q602 Q603 IC750 COMPARATOR Q751 Q750 IC775 COMPARATOR Q775 Q776 Q413 D419 9 Q405 Q406 Q407 Q408 + Q465 Q464 IC464 Q419 Q420 IC412 IC401 AVR IC402 AVR 1 3 1 3 R K A D435 P12 1 2 4 5 POWER SW 15V Vda TO SS12 P14 4 3 1 6 8 9 P5 3 1 P7 1 2 4 5 6 7 8 5V +15V -15V 5V 15V UN 15V ALL OFF 13.5V 13.5V 5V 5V STB5V STB7V TV ON/OFF STB5V KILL SOS FAN SOS PS SOS FAN SOS TO D7 TO J14 TO D5 VSUS VSUS Vbk STOP IC410 AVR 1 2 4 S.MPU ON/OF Q413 SOS 9 Q417 Q416 72 14.4. P1 电路板电路图 73 14.5. F 和 P3 电路板电路图 74 14.6. P5,P6,P7 和 P8 电路板电路图 75 14.7. HX 和 H 集成电路方框图 1 2 3 14 13 Q3531 12 14 19 20 HX1 20 16 18 Q3532 B A Q3507 Q3508 Q3509 Q3513 / Q3514 Q3515 / Q3516 7 5 6 DDC EEPROM IC3509 VCLK PC IN R IN G IN B I N R IN L IN R OUT L OUT R OUT G OUT B OUT HD OUT VD OUT 15 12 4 5 SCL SDA SCL SDA 3 TXD 2 RXD 6 12V 4 DTR 13 14 7 8 9 8 7 6 12 11 10 9 12V 10 TXD-XC RXD-XC DCE-XC DTE-XC RS-232C PC AUDIO IN IC3515 3 1 2 5 4 Q3451 7 9 11 13 H2 15 17 19 Q3453 B A Q3452 Q3459 Q3456 Q3454 / Q3455 Q3457 / Q3458 5 6 EEPROM IC3699 TUNER IN R IN G IN B I N R IN L IN R OUT L OUT R OUT G OUT B OUT HD OUT VD OUT 11 24 19 20 SCL SDA POWER STATUS POWER STATUS 21 TXD 19 RXD 6 CABLE DET. 25 REMOTE OUT 13 14 15 14 10 12 12 11 TXD-XC RXD-XC CABLE DET. REMOTE IC3451 HD IN VD IN 8 7 TERMINAL BOARD INFORMATION This board is for option only. PC Terminal Board Tuner Terminal Board HX H HD IN VD IN 76 14.8. HX 电路板电路图 77 14.9. H 电路板 ( 选项 TY-42TM4H) 电路图 TXN/H10JKS 78 14.10.HY 和 HZ 集成电路方框图 COMPONENT/RGB IN Pb/B Y/G Pr/R HD VD Q3301 Q3302 Q3801/Q3803/Q3805 1 7 5 6 + 3 1 4 Q3306 # 42PWD4 only S-VIDEO IN C Y VIDEO IN VIDEO OUT IC3301 IC3302 Q3505 Q3504 Y R IN L IN AUDIO IN Q3351 Q3356 Q3357 A/D 84 62 LPF 83 SYNC. DET. SYNC. SEPARATOR Y Pb Pr OUT DIGITAL 3D COMB FILTER 7 94 96 VCO 184 161 H PLL PLL Q3802 Q3804 Q3806/Q3807 Q3808 Q3809 Q3810 206 PICTURE IMPROVER D/A 200 195 100 ~ 119 120 ~ 138 2 ~ 12, 39 ~ 49 15 ~ 32 IC3803 for NTSC 3D COMB FILTER 16M SDRAM C Memory Controllor Q3817 SYNC. PULSE GENERATOR V(50~120) H(15K~ 45K) 156 6 14 4 16 Q3812 Q3813 Q3815 Q3501/Q3507 IC3804 GC1 COLOUR SYSTEM DET. Q3502/Q3508 Q3503/Q3509 AV Q3505 Q3504 R IN L IN AUDIO IN AV Q3352 Q3353 Q3358 Q3359 RGB/ COMPONENT H1 89 90 SCL SDA 89 5 6 IC3699 TERMINAL BOARD INFORMATION EEPROM 15 14 IC3501 H OUT FREE RUN L: FREE RUN H:LOCK 12 9 SCL SDA S-DET. H2 5 A B 9 13 1 9V 5V 3.3V STB5V TO J1 TO J2 6 19 1 3 5 8 20 A B 4 2 AUDIO L 1 13 19 17 B / Pb AUDIO R AUDIO L AUDIO R 15 7 9 G / Y R / Pr HD VD HD VD SCL3 SDA3 Y Pb Pr 6 S2 DET. IC3809 SYNC, BUFFER Y Pb Pr DAC - IIC EXPANDER Q3307 S SELECT 4 HY (for TH-42PWD4 series) HZ (for TH-42PW4 series) IC3303 79 14.11.HY 电路板 (1/2)( 选项 TY-42TM4Y) 电路图 80 14.12.HY 电路板 (2/2)( 选项 TY-42TM4Y) 电路图 81 14.13.HZ 电路板 (1/2)( 选项 TY-42TM4Z) 电路图 82 14.14.HZ 电路板 (2/2)( 选项 TY-42TM4Z) 电路图 83 14.15.J 电路板集成电路方框图 IC2302 L J10 TO SPEAKER IC2401 AUDIO AMP IC2301 R J11 TO SPEAKER MUTE HD- VD CLP J9 6 19 1 3 J2 5 8 20 A B 4 2 AV AUDIO L 1 13 19 17 B / Pb AUDIO R AUDIO L AUDIO R 15 7 9 G / Y R / Pr HD VD HD VD SCL3 SDA3 Y Pb Pr J1 A B 10 FROM H1 FROM H2 6 S2 DET. 46 61 63 59 48 50 7 9 5 17 19 15 Y Pb Pr B / Pb G / Y R / Pr 12 14 19 2 J3 18 20 16 A B R L G B R HD VD 4 5 SCL SDA 9 8 7 6 IIC VOLTAGE CONVERT 5V - 3.3V TXD-XC RXD-XC DCE-XC DTE-XC B G R J8 12 13 14 10 Q3007/Q3008 Q3001/Q3002 Q3009/Q3010 Q3003/Q3004 Q3011/Q3012 Q3005/Q3006 1 TO D8 AV RGB/COMP. PC IC3001 INPUT SELECT 27 26 SCL3 SDA3 14 5 L AV R 15 2 RGB/COMP. 11 4 PC 13 3 32 1 20 27 Q2406 Q2302 11 4 12 12 29 11 4 12 1 1 Q2301 Q2303 Q2304 IC3003 AUDIO SELECT 5 14 HD AV VD 2 15 4 11 PC 3 13 IC3002 SYNC. SELECT RGB/ COMP. 6 4 15 8 13 17 44 17 2 3 18 IC8001 SYNC. SEPALATOR 13 12 10 11 1 2 9 8 15 4 5 16 13 7 IC8002 IC8003 33 37 26 38 29 34 25 NHS NHD NVS NVD NHCLP IIC | DAC 5 4 15 6 7 14 B / Pb G / Y R / Pr Q3085 Q3082 / Q3081 Q3083 / Q3080 SCL2 SDA2 SCL1 SDA1 21 22 SCL2 SDA2 18 17 SCL3 SDA3 IIC 5V + - 8 6 7 TIMER CLOCK IC1004 5 1 3 2 4 SCL1 SDA1 C1006 STB 5V 54 53 SUB MPU IC1002 17 32 38 SCL1 SDA1 54 53 IIC CONT. IIC INT. 51 52 45 31 Q3086 from RS-232C STB 5 POWER STATUS TXD-XC RXD-XC DCE-XC DTE-XC SCL3 SDA3 29 28 LED R LED G 33 40 REMOTE IN ALL OFF 14 30 2 3 5 6 IIC CONT. IIC INT. LED R LED G REMOTE IN ALL OFF 7 IC1003 6 19 STB 5 RESET 31 Q3086 REMOTE OUT 2 IC1001 4 47 1 CABLE DET For TUNER IC3004 DAC 3 DAC 2 DAC 1 DAC0 For IC3003 AUDIO SELECT For IC3002 SYNC. SELECT 16 15 SCL3 SDA3 FROM H3 26 S2 DET. AV RGB/COMP. PC A/DAC2 B/DAC3 H L L H H H 9 10 DAC2 DAC3 A B 9 10 DAC0 DAC1 A B 24 DVI DVI IN J TO IC1002 PC AV RGB/COMP. PC A/DAC0 B/DAC1 H L L H H H AV RGB/ COMP. AV RGB/ COMP. RGB/ COMP. INVERTOR SYNC. SEPALATOR Q8021 SYNC. ON G 84 14.16.J 电路板 (1/5) 电路图 85 14.17.J 电路板 (2/5) 电路图 86 14.18.J 电路板 (3/5) 和 H3 电路板电路图 87 14.19.J 电路板 (4/5) 电路图 88 14.20.J 电路板 (5/5) 电路图 89 14.21.D 集成电路方框图 To C13 To C23 IC9508 IC9512 IC9502 FIELD MEMORY UB IC9401 PLASMA AI CONTROL IC9503 FIELD MEMORY UF IC9501 IC9008 SUB-FIELD PROCESSOR A/D IC9007 8MHz / 525P 15MHz / XGA 25MHz / HD,UXGA IC9009 LSI28 IC9507 IC9402 IC9403 DB IC9506 IC9900 DF IIC IIC IC9701 IC9702 SCL1 SDA1 SCL2 SDA2 IC9200 IC9201 IC9209 To SC Board SCL3 IC9705 FIELD MEMORY SDA3 IC9509 IC9513 To C43 To C35 D43 D8 13 12 14 10 IC9204 FORMAT CONVERTER (LINE DOWN CONVERTER) A/D A/D A/D 7 7 7 8MHz 3 1 15MHz 25MHz 5 2 16 7 1 8 6 17 19 8 14 34 ~41 44 ~51 55 ~62 113 ~10 102 ~95 94 ~87 271 ~278 281 ~288 289 ~296 233 ~242 244 ~252 254 ~262 IC9216 BUFFER IC9215 PLLM 50MHz IC9211 PLL2 50MHz IC9212 PLL1 95MHz IC9206 BUFFER YUV OUT CTI / COLOUR CONTRAST W/B-g YUV IN IC9207 BUFFER 16M SDRAM 16M SDRAM 16M SDRAM 123~116 135~128 147~140 24~17 16 ~ 9 18 ~ 1 171~156 191~172 211~192 SUB-FIELD PROCESSOR 28 ~ 39 14 ~ 25 2 ~ 13 16M SDRAM FIELD MEMORY 16M SDRAM FIELD MEMORY 8M FLASH MEMORY UF1 UF2 UB2 DF1 DF2 16M SDRAM 16M SDRAM S/CONVERTER UPPER RIGHT S/CONVERTER UPPER LEFT CLK D1 D2 D3 D4 D5 D6 D7 CLK D13 D23 IC9510 CLOCK BUFFER IC9514 CLOCK BUFFER S/P CONVERTER LOWER RIGHT S/P CONVERTER LOWER LEFT SC PULSE CLK D1 D2 D3 D4 D5 D6 D7 CLK D43 D35 IC9511 CLOCK BUFFER IC9515 CLOCK BUFFER DB2 16M SDRAM FIELD MEMORY 16M SDRAM FIELD MEMORY DISCHARGE CONTROL IC9903 BUFFER IC9904 BUFFER IC9905 BUFFER D20 D21 MAIN MPU 1 Mbit VRAM 8M FLASH MEMORY UB1 DB1 1 FROM J8 B/Pb G/Y R/Pr Q9001 Q9002 Q9003 LC9015 LC9016 LC9017 IC9004 BAND SW IC9000 IC9019 8MHz 3 1 15MHz 25MHz 2 16 7 1 8 Q9005 Q9006 Q9007 LC9019 LC9020 LC9021 IC9005 BAND SW IC9001 6 17 19 14 IC9020 IC9302 DIGITAL RGB PROCESSOR 6 17 19 14 IC9020 RGB-YUV CONVERTER 5 3 IC9801 9 ~ 20 27 ~ 55 IC9803 2 ~ 7 19~12 IC9802 IC9804 11~20 11~20 11~20 19 ~26 11~18 3~10 G/Y B/Pb R/Pr DVI G DVI B DVI R DVI IN 8MHz 3 1 15MHz 25MHz 5 16 1 8 Q9009 Q9010 Q9011 LC9023 LC9024 LC9025 IC9006 BAND SW IC9002 PLASMA AI QUAGI 9bit PROCESSOR QUAGI PAL 100Hz IC9400 D9 SCL1 SDA1 SCL2 SDA2 SCL3 SDA3 25 26 22 21 17 18 1080 720 625 2 9 7 8 9 7 0 IIC CONT. IIC INT. LED R LED G REMOTE ALL OFF 30 14 6 5 3 2 75 76 110 D7 RUSH ON/OFF TV ON/OFF KILL SOS FAN SOS POWER STOP SOS TO J9 1 2 5 6 7 8 LED R LED G ALL OFF 29 30 Q9700 REMOTE IN 6 7 6 8 6 TO P7 TO D43 D13 FAN SOS 9 TO C13 37 29 34 33 38 NHS NHD NVS NVD NHCLP 1 2 IC9223 11 1 5 6 9 8 3 4 13 1 Q9200 4 IC9202 HD CLP HDP HS VD VS 6 2 SYNC . IN BRIGHTNESS CLAMP 5 G/Y B/Pb R/Pr CONTRAST NO SYNC. 2~7 19~12 2~7 19~12 14 15 43 41 42 16 HD VD CLPHSVS HDP 480 LATCH D D4 12 12 7 12 90 14.22.D 电路板 (1/14) 电路图 91 14.23.D 电路板 (2/14) 电路图 92 14.24.D 电路板 (3/14) 电路图 93 14.25.D 电路板 (4/14) 电路图 94 14.26.D 电路板 (5/14) 电路图 95 14.27.D 电路板 (6/14) 电路图 96 14.28.D 电路板 (7/14) 电路图 97 14.29.D 电路板 (8/14) 电路图 98 14.30.D 电路板 (9/14) 电路图 99 14.31.D 电路板 (10/14) 电路图 100 14.32.D 电路板 (11/14) 电路图 101 14.33.D 电路板 (12/14) 电路图 102 14.34.D 电路板 (13/14) 电路图 103 14.35.D 电路板 (14/14) 电路图 104 14.36.C1 电路板电路图 105 14.37.C2 电路板电路图 106 14.38.C3 电路板和 V1 电路板电路图 �������� 107 14.39.C4 电路板电路图 108 14.40.SC 电路板集成电路方框图 SC41 from IC6501 P2 FSIU CL Vsus 1 FCLU 2 To SC44 Vbk 3 PIN 9, 39(FCLD) FC CLK 15V 7 IC6453 IC6454 PROU To SC44 PIN 8, 38(FCLKD) SU 5V IC6502 from SID D20 SC 1 S2 To SC44 GND IC6605 IC6601 PIN 20, 40 CMH 9 SC44 1 S3 To SC44 VSET 21 PIN 17, 37 CML 8 14 15 34 16 35 SD CEL 36 5V 17 IC6602 37 PROD 18 CSH 7 38 FCLKD 9 39 FCLD 20 1/2 Vo S1 VAD 40 FSID VSET CSL 6 CPH SC42 1 IC6603 Q6583 GND SOS 1 Vbk 10 INITI. 11 30 DRIVE 31 CBK 2 CEL 3 20 40 SC43 IC6606 SID 1 from 21 D21 5V 1 10 11 30 CL 2 31 SC CLK 3 GND SIU 4 20 SID 6 40 CPH 9 SCSU 7 VAD 5V 18 2 12 14 8 1 Q6627 Q6628 Q6621 Q6622 Q6623 Q6613 Q6614 Q6601 Q6602 Q6603 Q6604 8 12 12 16 12 14 8 1 15 17 2 8 13 6 7 12 5 14 18 3 3 1 1 2 3 Q6611 Q6612 Q6605 Q6606 Q6607 Q6608 Q6624 Q6625 Q6626 Q6629 Q6630 4 6 14 14 SC20 SC21 Q6645 Q6646 Q6641 Q6642 8 11 9 SC22 3 4 2 5 6 13 11 10 12 9 8 1 2 3 11 10 4 9 8 Q6511 Q6530 / Q6522 Q6523 Q6524 Q6525 Q6526 Q6527 Q6528 Q6529 Q6553/ Q6554 Q6555 Q6556 15V 1 2 3 IC6581 Q6581 1/2 Vo SOS DISCHARGE CHARGE Q6650 D6467 VSCN SOS VSCN from TPSCN 14 1 16 15 20 19 18 17 2 12 3 7 IC6521 LOGIC H in L in H out L out 2 12 3 7 IC6511 LOGIC H in L in H out L out 5 D6505 5 3 D6506 5 3 D6508 5 VSUS VSET REG. Q6491/Q6492 IC6491 15V VSCN GEN. Q6512 3 D6501 5 Q6476 Q6477 3 D6502 5 Q6520 / Q6521 2 12 3 7 IC6541 LOGIC H in L in H out L out 3 D6503 5 Q6541 / Q6542 Q6543 Q6544 Q6545 Q6546 Q6547 Q6550 / Q6548 Q6549 Q6551 / Q6552 3 PHOTO COUPLER D6504 5 2 12 3 7 IC6542 LOGIC H in L in H out L out VAD GEN. Q6451 Q6454 Q6452 T6451 IC6451 Q6453 IC6452 Q6471 Q6474 Q6472 T6471 IC6471 IC6472 SCSU Q6671 VSET2 INSERT VAD INSERT VSET INSERT TPSC1 SC GND SC GND MIX SC OUT 6 DO NOT MEASURE DC VOLTAGE BY MULTIMETER FROATING GROUND COLD CHASSIS GROUND SC PHOTO COUPLER PHOTO COUPLER PHOTO COUPLER PHOTO COUPLER PHOTO COUPLER PHOTO COUPLER 109 14.41.SC 电路板 (1/2) 电路图 110 14.42.SC 电路板 (2/2) 电路图 111 14.43.SU/SD 集成电路方框图 Vf IC6401/IC6405 FSI B40 A40 B39 A39 FCLK SCAN OUT PUT PULSE FCL PRO SC41/SC43 To 1st 80 pins of Vf5 SCAN ELECTRODES B18 A18 B17 A17 FSI 31 11 FCL 32 12 Vf0 FSO1 Vf FCLK 33 13 IC6402/IC6406 VCC FOR SIFT RESISTORS PRO 34 14 FSI 35 15 B1 A1 36 16 FCLK 37 17 FCL B40 A40 Vf0 B39 B39 50 30 PRO Vf5 SC42/SC44 B25 A25 71 51 FSO2 B24 A24 SU/SD BOARD GROUND VOLTAGE (FLOATING GROUND) Vf0 Vf0 To 2ND 80 pins of Vf SCAN ELECTRODES 80 60 IC6403/IC6407 81 61 FSI Vf FCLK 90 70 ADDRESS FCL B2 A2 (SCAN) B1 A1 PERIOD PRO Vf5 B40 A40 FSO3 Vf0 B33 A33 Vf B32 A32 IC6404/IC6408 FSI To 3rd 80 pins of SCAN ELECTRODES FCLK FCL PRO Vf5 B1 A1 Vf0 SU1/SD1 SU2/SD2 SU3/SD3 64 PIN OUTPUT 77 100 76 75 1 64 PIN OUTPUT 77 100 76 75 1 64 PIN OUTPUT 77 100 76 75 1 SIFT RESISTOR 81,83 78,79 85 91 86 89 90 85 48 PIN OUTPUT 85 91 86 89 90 85 SIFT RESISTOR 81,83 78,79 85 91 86 89 90 85 SIFT RESISTOR 81,83 78,79 85 91 86 89 90 85 Vf5V Q6401 Vf Vf0 Vf5V 5 V 0 V 0 V 0 V Note: 75 14 74 73 15 81,83 SIFT RESISTOR 78,79 SU / SD 112 14.44.SU 电路板电路图 113 14.45.SD 电路板电路图 114 14.46.SS 电路板集成电路方框图 SS2 P11 SS11 SS45 1 1 2 2 SS49 SS47 VSUS 3 3 1 1 2 2 3 3 P12 SS12 SS22 C22 4 4 Vda 1 1 1 1 15V 2 2 2 2 SS41 C33 SS33 IC6706 IC6701 S2 5V 1 1 UMH 8 8 S2,S3 CONTROL S3 UML 7 7 SS42 IC6702 S1 USH 6 6 SS43 USL 5 5 S1 SS44 UEH 4 4 UEL 3 3 SS3 SS46 SS48 SS40 1 1 9 9 2 2 3 3 4 4 16 4 14 Q6711 Q6712 Q6713 Q6714 15 Q6741 Q6742 Q6701 Q6702 Q6703 Q6704 1 8 Q6745 Q6746 6 Q6727 Q6728 12 14 8 1 Q6724 Q6725 Q6726 Q6729 Q6730 13 8 12 Q6743 Q6744 11 9 Q6751 Q6752 Q6753 IC6711 14 12 Q6705 Q6706 Q6707 Q6708 Q6721 Q6722 Q6723 2 12 3 7 IC6704 LOGIC H L L H L L L L H in L in L L H out L L out H H H H L H in L in H out L out 2 12 3 IC6703 LOGIC H in L in H out TPSS1 IC6703,IC6704 LOGIC TABLE IC6705 Q6756 VE INSERT VE GENTATOR VE2 GENERATOR 15V 1/2 V0 SOS 1/2V0 Q6755 15V S1 CONTROL 5 7 SS 115 14.47.SS,SS2,SS3 和 S1 电路板电路图

标签:

版权声明

1. 本站所有素材,仅限学习交流,仅展示部分内容,如需查看完整内容,请下载原文件。
2. 会员在本站下载的所有素材,只拥有使用权,著作权归原作者所有。
3. 所有素材,未经合法授权,请勿用于商业用途,会员不得以任何形式发布、传播、复制、转售该素材,否则一律封号处理。
4. 如果素材损害你的权益请联系客服QQ:77594475 处理。