松下TH-42PA30C等离子电视电路原理图

分类:电子电工 日期: 点击:0
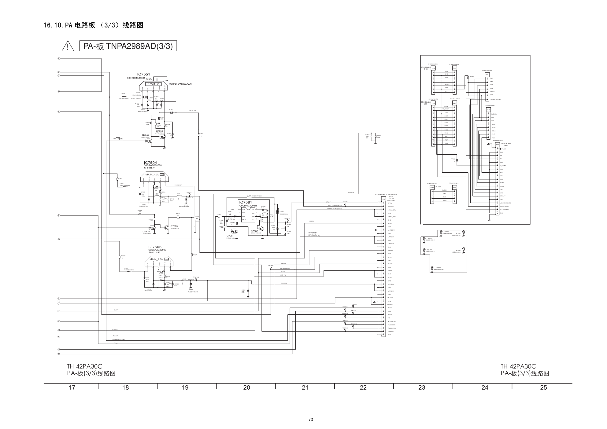
松下TH-42PA30C等离子电视电路原理图-0 松下TH-42PA30C等离子电视电路原理图-1 松下TH-42PA30C等离子电视电路原理图-2 松下TH-42PA30C等离子电视电路原理图-3 松下TH-42PA30C等离子电视电路原理图-4 松下TH-42PA30C等离子电视电路原理图-5 松下TH-42PA30C等离子电视电路原理图-6 松下TH-42PA30C等离子电视电路原理图-7 松下TH-42PA30C等离子电视电路原理图-8 松下TH-42PA30C等离子电视电路原理图-9

64 16 方框图和线路图 16.1. 线路图注意事项 65 16.2. 主要集成电路方框图 DC/DC CONVERTER TA MSP H10 H11 T10 AV2 AV1 AV H1 DG1 SWITCH GC2M GC2S RGB AMP RGB/PC SELECT D3 DG3 TEXT MICOM SOUND PROCESSOR L OUT PA3 PA1 WOOFER SPEAKER PA6 DG6 AC CORD PF1 AC IN LINE FILTER PF PF2 P9 RECTIFIER RELAY CONTROL RECTIFIER STANDBY VOLTAGE VOLTAGE STANDBY STB7V STB5V RECTIFIER FACTOR POWER CONTROL CONTROL SUSTAIN VOLTAGE VOLTAGE PROCESS CONTROL RECTIFIER SUSTAIN VOLTAGE PROCESS VOLTAGE RECTIFIER P23 VSUS P11 5V UR12V ON/OFF STB5V P25 P P27 SOS +12Vs STB5V P5 P7 +15Vs 15V P12 Vda MICOM CONVERT EEPROM TUNER 30V PA5 PA7 PA SS23 SS48 SS40 SS2 SUSTAIN PULSE SS3 ERASE PULSE ADDRESS VOLTAGE (VE) VSUS SS11 SS12 A/D SDRAM ROM FORMAT CONVERTER RGB PROCESSOR PROCESSOR SUB-FIELD PLASMA AI SDRAM SUSTAIN PULSE 64 64 S.R S.R S.R 64 64 S.R 48 S.R S.R VOLTAGE 48 GENERATOR S.R 64 CONTROL PULSE PULSE 64 SCAN S.R SC2 SC23 SC20 SC (Scan Drive) SD (Scan Out) D25 D27 VDA 15V 5V 12V P2 D20 SDRAM SDRAM DC/DC CONVERTER 3.3V 2.5V 1.8V CONTROL DISCHARGE D 15V VSUS S.R. VDA C12 C11 C22 C1 C21 C2 C24 C23 S.R. S.R. S.R. S.R. S.R. S.R. MAIN MPU SUB MPU ROM CONTROL D31 D32 PROTECTION (SOS) VDA AUDIO OUT AV4 AV SWITCH DG (MCU Digital Signal Processor) H (AV Terminal, Input Select Audio Processor) SU (Scan Out) H4 DG4 H9 PC CARD JG(JPEG) JG3 SD CARD DG10 (BT30V, MAIN12V, MAIN9V, MAIN5V, SUB5V, MAIN3.3V, MAIN2.5V, SOS) HEADPHONES G5 G (AV3/ PC Input) PCIN G18 KEYSCAN G7 AV3 DG18 DG7 IRDA (Remote Control Recelver) K24 K (Digital Signal Processor) SQUAWKER SPEAKER SQUAWKER SPEAKER R OUT R OUT L OUT (AVR Speaker Output) PA10 (Data Drive (Lower Right)) (Data Drive (Lower Left)) (Line Filter Voltage Rectifier) PF10 SS (Sustain Drive) SS47 SS34 +15V SS49 S34 PUSH S (POWER SWITCH) WOOFER SPEAKER DG2 PA2 (Voltage Control Voltage Rectifier) VOLTAGE RECTIFIER STB PS L R TB T11 TH-42PA30C TH-42PA30C MAIN TUNER SUB TUNER 66 16.3. PF 电路板方框图 + L.F L.F - + + + OVP Q Vref - Soft - VOVP Thermal Vcc(start) S IF/B + R GND Q comp Detection + UVLO Vcc comp Zero Current Limit F/B Current Limit Z/C drive On Time Timer + R On Dead Timer D Timer comp VUL + Stand-By Peak S - - + Restart Latch-stop Current /Vcc(startup on) UVLO Vcc(startup off) - S Startup comp Burst Peak Startup Shutdown /Vcc(stop) L.F + + L.F 400V DC187V AC120V R928 C971 R925 C974 LF904 1 2 3 4 CF902 CF901 R924 R901 L921 C924 R940 C921 D925 R934 C911 C970 RL901 S901 IC921 LF909 1 2 3 4 C910 C915 R975 C914 C926 F901 D920 R974 C922 C920 D922 R929 C925 C902 R904 C928 F902 K5D312BK0012 F900 R976 D970 C903 D926 R935 IC920 3 1 4 5 2 R927 R972 R973 LF911 1 2 3 4 C901 R971 C975 R970 D990 R990 R992 Q990 C990 C972 C973 D971 LF915 1 2 3 4 T920 2 S3 3 S4 5 S1A 7 S2A 8 S2B 10 V1 11 V2 12 NC 13 NC 14 P1 15 NC 16 PT 17 NC 18 P2 6 S1B T3.15AL 250V HOT COLD HOT COLD HOT COLD HOT COLD IC970 ERROR VOLTAGE DET POWER CONTROL 4 PF2 FEED BACK 1 1 4 PF1 LIVE LIVE TO P9 NEUTRAL NEUTRAL LIVE T8AH 250V 1 2 14V(UN REG) 3 21V(UN REG) 4 REF_2.5V NEUTRAL T8AH 250V TO PA10 POWER ON/OFF CONTROL STAND-BY 5V 9 PF10 1 7 2 5 AC CORD GND AC INLET AC_ON/OFF STB_5V UNR_21V UNR_21V UNR_14V HOT COLD PF Tuner Power Supply HOT COLD HOT COLD # $ 3 2 1 ! ! ! ! ! ! ! ! ! ! ! ! ! ! ! ! ! ! ! ! ! TH-42PA30C TH-42PA30C 67 16.4. PF 电路板线路图 A B C D E F 1 2 3 4 5 6 7 8 9 ���������� ������� ���������� ������� PF-� TNPA2926AB ! + + + L.F + - + + L.F L.F L.F + RESET REG - REG TFC S/GND Mirror Vcc - OVP Q - BEC DRIVE REG RTFC + Current R + BD OSC D + OLP LATCH + BTC DRV FB/OLP TSD S - Current OCP OCP/BD Mirror HOTCOM100V-240V AC100V-240V -140Vp -140Vp 585Vp R938 100k C929 50V 10u F901 K5Y802B00001 JS80 C971 35V 1200u JS70 PF1 1 ** 3 2 4 ** 1/2W R939 0.82 D921 B0EAKT000018 TP978 C990 50V 10u LF904 G0B123K00001 1 * 2 * 3 * 4 * IC970 AN1431M-E1 CATHODE 3 1 REFERENCE ANODE 2 1% R975 2.32k 7W R904 3.3 ** ** L973 10u TP904 T920 ETS29AK7E6AD 2 S3 3 S4 5 S1A 7 S2A 8 S2B 10 V1 11 V2 12 NC 13 NC 14 P1 * 15 NC 16 PT 17 NC 18 P2 * 6 S1B C973 25V 1000u D990 MA3X152K0L C974 50V 3300p D920 B0EBNT000002 DJ501-0(M)-0 RL901 K6B1ADA00023 * * * * L971 10u 0 R994 R972 100 D926 B0HCMM000001 C922 50V 0.1u JS9 IC921 B3PAA0000261 1/2W R924 3.3 C917 470p C926 50V 470p Q990 2SD13280TL L972 0 D922 B0HCMM000001 C916 470p R992 47k C903 1u * * L921 EXCELSA24T L922 EXCELDR35V C915 0.22u * * R970 680 C910 220p C914 220p 1W R920 100k 1W R921 100k F900 K5Y802B00001 R928 470 C902 0.22u * * C911 220p R927 560 C924 2kV 470p * * C970 1kV 330p C931 50V 150p PF10 1 2 3 4 5 6 7 8 9 C972 1kV 330p CF901 ERZV10V621P2 D925 B0HCMM000001 D971 B0HAPM000012 GT GT 2W R923 10 C920 450V 150u ** ** C901 1u * * L970 EXCELSA24T R935 1k C927 50V 220p R971 470 JS12 JS11 TP979 R922 220k R973 2.2k R933 180 LF915 G0B123K00001 1 * 2 * 3 * 4 * 0 R993 D970 FMLG12SLF118 * * LF909 G0B123K00001 1 * 2 * 3 ** 4 * 1/2W R901 1M * * 1% R974 16.9k 1/2W R932 0.82 D929 B0BA01000046 TP901 JS73 ZA901 K4ZZ01000121 CF902 ERZV10V621P2 S901 J0LT00000009 S915 J0LT00000009 R990 3.3k * * R936 22k K5D312BK0012 F902 LF911 G0B353G00001 1 * 2 * 3 * 4 * C928 50V 2200p 1/2W R902 1M * * C923 400V 0.01u JS10 C930 50V 0.01u C921 50V 33u PF2 1 ** 3 4 ** 1/2W R931 0.68 R940 100 TP977 R934 150 IC920 C5HABZZ00121 * 1 * 3 5 4 6 7 L920 J0JKB0000038 * * K2AH3H000028 AC LINE CODE VR160V 73uA -0.65V GND T3.15AL-250V LIVE 50HD NEUTRAL 1 2 3 4 HOT LIVE CIRCUIT 4 LF:900-919 3 N 2 LIVE 1 F/S_COLD:970-999 F/S_HOT:920-969 1 2 HOT 3 LIVE CIRCUIT 4 HOT T8AH 250V LIVE CIRCUIT COLD STAND-BY 5V GND PF_AC_ON/OFF 10 3 9 NR_14V 8 NR_20.5V NR_20.5V 1 2 3 4 14V_0.9A REF_2.5V COLD LF:7000-7019 T8AH 250V GND GND GND = = * < # = * * * # < < $ = * $ * = * TO PA-BOARD (PA10) To P-BOARD (P9) COLD 68 16.5. P 电路板方框图 + + + + + + + + + + + + + - + + + + + + - + + + + RL401 R425 D411 C409 C564 R462 Q406 D412 C406 R628 RL402 C573 R432 R427 D568 R407 C572 R577 D582 R603 R563 C581 D584 R421 D558 Q404 D570 D554 R558 Q451 G D S R552 C408 R604 C456 Q454 G D S C576 C567 C569 R426 D595 D581 D402 D586 Q452 R451 C591 R616 D573 R631 D581 C577 R436 D594 MAZ30560ML R569 C557 Q557 C575 D462 C559 R424 C556 R415 D585 MAZ30560ML D409 R423 RL403 R552 D410 D552 Q401 R626 D406 C416 R606 Q405 R504 R588 R581 R467 C423 R431 Q453 D592 R452 D571 C570 D407 Q555 R412 C468 Q552 G D S D580 D405 R463 R422 D563 R635 Q403 R413 C574 D451 R680 D401 R459 C555 R630 D582 R555 C417 R551 D553 D559 R406 15 ERU5TAJ150 R602 R590 1 2 3 R409 R428 R623 D457 R453 R625 D567 C415 R593 C414 D660 R435 R464 R408 D661 C410 D583 D454 D590 C563 R591 C590 Q402 R557 Q558 R582 D572 D413 MAZ32000ML R420 R469 R468 R414 R605 1 2 3 C554 R454 R416 D552 C413 R586 D404 D452 C568 R614 D557 R613 C466 R617 C412 R556 R458 R455 D593 C571 R564 R627 C566 C420 D403 L554 D574 D654 MAZ30560ML C650 * # + # # # # # SUSTAIN VOLTAGE CONTROL RUSH ON/OFF TV ON/OFF POWER FACTOR CONTROL Rg2 DR15V IC557 + Vda 8 4 STB PS IC402 3 M_POWER 14 1 1 12 2 3 13 5 TO PF2 +5V(STB) 1 OCP/FB TO PA5 AVR 2 Source 5V TO D25 3 GND IC403 4 TO SS12 Drain 1 15 TO D27 Rg2 3 11 Rg1 2 DRV.REG IC558 =8.3V 1 1 RUSH ON/OFF LATCH Vda 3 4 Vsus(170V) 3 O.V.P 20V 1 2 STB5V 2 START STB7V 5 REG 3 OCP/FB T.S.D 2 12 Q552 Q554 ALL_OFF 1 14 O.S.C D 15 IC554 S 17 + Vda Adj STB_5V C 18 - STB7V KILL_SOS IC401 19 - POWER_SOS KILL SOS CONTROL 20 LIVE + AUDIO12V IC553 NEUTRAL 5V(P) 9 1 1 Rg1 3 3 DRIVER 2 P9 1 12V 14 20V LINE 4 4 P11 Q650,Q651 2 1 15V LINE 1 10 2 170V LINE 8 13 3 6 12 15s,12Vs 2 4 15 P2 12V LINE 9 14 Vsus POWER START 7 11 Vsus PROTECT CONTROL 16 10 Vsus Q455,Q456,Q457 3 9 Vsus IPD GND 8 1 15V VC 17 2 15V 3 OUT 15V VIN- 16 D566 Vda OVP 2 IDET TO SS11 AVR VDET 10 1 TO SC2 VCC SW REG 10 9 5V IC555 +5V 380V DRIVER 3 DRV.REG 380V P23 400Vp =8.3V 2 1 LATCH 1 Vin 5 UNR_12V O.V.P 2 Vin UNR_12V START P25 REG AUDIO12V TO PA7 AUDIO15V AUDIO15V T.S.D 1 O.S.C 2 IC552 5V(P) + 4 P - P12 18 - D565 5 12Vs 1 2 15Vs 7 L451 3 1 DR15V D408 8 4 2 T401 4 TO SC23 IC451 8 3 DR15V T501 2 P5 Vsus Adj Source IC551 4 7 7 7 GND T502 STB_5V 6 TV_ON/OFF 6 Drain P27 7 HOT COLD HOT COLD HOT COLD HOT COLD HOT COLD HOT COLD START CONTROL VOLTAGE DOWN DET VOLTAGE DOWN DET VOLTAGE DOWN DET SOS BLINKING TIMES : LED 5 TIMES POWER SOS DET 4 PF2 1 Power Supply 3 1 IC550 AVR 18V ! ! ! ! ! ! ! ! ! ! ! ! ! TH-42PA30C TH-42PA30C 1 2 P7 69 16.6. P 电路板线路图 A B C D E F 1 2 3 4 5 6 7 8 9 ���������� ������ ���������� ������ + + + + + + + + + + + + + + + - + + + + + + - - + Drain GND OCP/FB Source Rg1 Rg2 =8.3V DRV.REG Vin DRIVE REG T.S.D O.V.P START O.S.C LATCH P2 P1 + + + + + + + - - + Drain GND OCP/FB Source Rg1 Rg2 =8.3V DRV.REG Vin DRIVE REG T.S.D O.V.P START O.S.C LATCH + - + + + + + HOT COLD HOT C587 50V 0.01u 640V 375V 7V 7V 4V 100V 140V 112V 125V 5V 70V 70V 750V 70V 70V 70V 70V 250V 128V 254V 400Vp 7V 55V 28V 520V AC264V 15V 200V 128V 254V 70V 82V 750V 2.5V 135V 65V 35V -550V 70V AC264V 200V 2.5V DC380V 380V 380V 190V 20V 15V 15V 20V 12V 12V 12V 15V 21V 380V 15V R492 22k C562 50V 4700p D571 MAZ30560ML R557 3.3k R487 100 C403 4700p 1W R550 0.56 Q406 2SC3311A0A IC451 C0DABZG00001 1 2 3 4 5 6 7 8 9 10 11 12 13 14 15 16 C421 50V 0.1u D596 MAZ30510ML C1 1% R434 330k IC550 C0CAAME00003 OUTPUT 3 2 GND INPUT 1 R493 2.2k R425 47k 1/2W R580 22 C573 200V 1800u 1/2W R595 470 TP16 R410 6.8 C570 1kV 470p R599 4.7k R630 4.7k C557 630V 0.047u TP10 1% R612 2.55k R590 10k 1 2 3 TP51 D592 B0HCMM000001 TP4 1/2W R469 220 Q405 B1CBGD000001 R424 47k D554 B0HCMM000001 D578 MA3X152K0L TP59 R657 2.2k C576 25V 2200u C560 2kV 220p C405 4700p C418 16V 100u C581 6.3V 1200u R575 2.2k 1/2W R463 22 D595 MA3X152K0L 1% R433 330k C564 1kV 100p R585 100 R465 100k TP3 P9 1 3 C457 50V 0.01u C579 25V 220u 1% R604 49.9k TP41 1% R611 1.5k C412 50V 10u D463 B0JCME000025 D583 MA3X152K0L C455 630V 1u IC402 C0DAEJC00003 3 2 1 1/2W R600 220k D587 B0JCME000025 D580 MA3X152K0L 1% R473 330k C420 25V 100u R421 10k D567 B0HARR000009 R414 47k D573 B0HFRJ000012 TP14 TP2 C1 D405 MAZ30820LL 1W R650 2.2k P25 1 2 3 4 5 6 7 8 TP60 Q554 2SC3311A0A RL403 K6B1ADA00009 P23 1 2 3 TP50 1% R479 330k C555 25V 100u D579 MA3X152K0L D402 MA3X152K0L IC555 C0DAAHG00007 1 V IN 2 V OUT 3 GND 4 VO S 5 ON/OFF 1/2W R655 4.7k C650 50V 100u R618 68 Q557 2SC3311A0A R593 100k C591 1kV 100p 1% R482 422 C460 50V 100p D586 B0HCMM000001 D572 B0HCMM000001 1/2W R452 220k D590 MA3X152K0L R491 22k C459 50V 33u 1% R430 330k 1% R432 100k 1W R592 2.2k C423 50V 0.1u D575 B0JCME000025 TP34 IC558 C0DAEJC00003 3 2 1 1W R574 0.56 D577 MA3X152K0L 3W R455 33k C414 500V 560p Q403 2SC3311A0A D403 MA3X152K0L R406 15 ERU5TAJ150 D552 B0BA02700021 B0BA02700022 R617 10k D409 B0HCMM000001 IC401 MIP2E1DMY1TV Drain 3 2 Source Control 1 R564 680 1W R485 39k 1/2W R621 4.7k R626 10k D459 MAZ32700ML C558 2kV 100p 10W R404 3.3 R607 150 R407 0 D559 B0HCMM000001 C554 50V 220p 1% R555 2.49k TP35 R486 33k C409 25V 47u T401 ETS25AD1H6AG 2 V3 3 V2 5 NC 6 P1 7 PT 8 P2 14 S2 15 NC 4 V1 1 V4 9 NC 10 NC 11 NC 12 S1 13 NC 1/2W R579 22 C552 50V 470p 2W R553 100k P12 1 2 3 4 5 C462 50V 0.1u R488 47k D576 B0HCMM000001 1W R462 100 R616 1k L554 220u 1% R472 330k R558 3.3k D564 B0HCMM000001 1% R589 49.9k C551 50V 470p 1/2W R464 10k R422 10k TP12 C577 25V 2200u T502 ETS42BV116AD 1 V2 2 V1 3 V3 4 V4 7 P2 8 PT 9 P1 10 S1 11 S2 12 S4 13 S3 14 S6 15 S5 16 S9 17 S7 18 S8 1/2W R412 220 P10 1 2 3 4 5 R653 47k R631 100k 1% R429 330k 1W R560 0.56 1/2W R456 2.7 D555 B0HCMM000001 D413 MAZ32000ML 5W R458 0.15 1% R635 2.55k C585 25V 100u P5 1 2 3 4 5 6 7 8 9 10 11 Q452 2SD2177RTA Q401 2SC3311A0A R556 12k R471 0 D660 B0HFRJ000012 R625 10k R623 10k 1/2W R652 22 C470 25V 330u R620 68 D557 B0BA01000046 R460 10k C406 450V 10u R573 2.2k TP53 1%R466 270k 1/2W R467 22 D462 B0EAKT000012 R582 1k R601 6.8k P7 1 2 3 4 1% R477 402 D556 B0HCMM000001 TP18 Q456 2SC3311A0A 1% R561 12.1k TP30 TP55 Q552 B1DEGQ000019 G D S C422 50V 0.1u C411 50V 0.1u D561 B0HCMM000001 R591 47k C569 1kV 100p R583 2.2k R654 56 TP49 D570 B0HARR000009 R581 1k TP20 C407 50V 0.1u D451 B0FBBR000019 1% R480 330k IC403 AN7705F 3 2 1 P11 1 2 3 4 5 6 7 R627 47k C469 450V 330u D568 B0HFRJ000012 C408 2kV 3900p D650 B0HCMM000001 Q453 2SB14340RA 2W R483 100k C456 35V 330u D566 B3PAA0000012 C451 4700p D550 B0HCMM000001 D654 MAZ30560ML C464 50V 0.1u TP32 C468 450V 330u Q553 2SB0621AWA C415 50V 4700p C452 4700p TP54 1% R470 56k 1% R474 330k D563 RC3B2LFU1 C565 1% R602 46.4k IC552 C5HABZZ00080 1 2 3 4 5 D410 B0HCMM000001 TP31 C461 50V 330p R504 10k Q457 2SA1309A0A C586 50V 0.01u TP47 TP61 R614 4.7k D458 MAZ32700ML R453 2.7k L451 G4D4A0000048 1 2 4 5 3 8 10 19 11 12 13 14 15 20 18 1% R436 12k T501 ETS49BP116AD 2 V1 4 P2 7 PTA 9 P1 12 S1 20 NC 14 STA 15 STB 17 S2 19 S3 6 PTB 10 NC 18 S4 1 V2 Q651 2SC3311A0A D560 RC3B2LFU1 C419 10V 470u R413 10k TP1 C416 16V 470u TP44 R459 27 TP45 C553 50V 1000p TP42 D581 MA3X152K0L 1/2W R619 4.7k C590 25V 2200u D407 B0HCMM000001 C465 50V 1u D585 MAZ30560ML D661 MA3X152K0L D584 MA3X152K0L C466 2kV 100p IC554 C0DAEJC00003 3 2 1 C550 50V 0.01u D574 B0HFRJ000012 L452 EXCELDR35V C559 630V 0.047u 1% R481 3.3k C567 50V 4700p 1/2W R594 22 3W R563 68k 1% R610 3.3k D411 B0HCMM000001 1/2W R468 10k C568 50V 4700p R565 680 D562 B0HCMM000001 R428 22k D401 MA3X152K0L C549 50V 100u Q454 B1DEGR000021 G D S R427 4.7k R586 100 D553 B0HCMM000001 C572 25V 2200u TP5 R408 6.8 1% R478 330k 1/2W R451 270k R418 0 10W R402 3.3 C561 50V 4700p R554 105k R588 47k TP48 R461 56k C453 4700p IC551 C5HABZZ00123 1 2 3 4 5 C583 50V 0.1u IC557 C0DAEJC00003 3 2 1 C463 50V 0.01u C417 25V 47u D594 MAZ30560ML 1W R568 0.56 1/2W R597 220k TP13 3W R578 68k D551 B0BA02700021 B0BA02700022 D589 B0HCMM000001 1% R609 12.1k 1% R415 3.9k 5W R457 0.15 Q402 2SC3311A0A R420 10k D582 MA3X152K0L 1/2W R411 100 Q451 B1DEGR000021 G D S R596 6.8k RL402 K6B1ADA00009 R502 5.6k C458 50V 820p 2W R576 0.47 TP57 C571 1kV 100p 1% R603 49.9k RL401 K6B2ADA00007 Q455 2SC3311A0A R608 6.8k 1% R435 330k D460 MAZ31000ML R417 100k D565 B3PAA0000012 D406 B0EAEV000001 D408 B3PAA0000012 3W R454 33k 3W R577 68k D404 B0EBKT000003 S1WBA80Z 1% R476 3.6k 2W R551 100k Q650 2SC3311A0A 3W R572 68k TP52 C575 50V 22u R656 2.2k TP17 C556 50V 22u 1W R409 100k 1/2W R587 22 R423 22k R489 15k 1% R431 330k C548 25V 100u D454 B0HCMM000001 C1 R426 4.7k C563 Not specified DC 1000p TP009 R571 0 D558 B0BA01000046 TP58 R490 2.7k R613 10k R552 105k L401 ELEXT100KA D652 B0HCMM000001 Q555 2SC3311A0A R605 50k 1 2 3 R615 1k R503 5.6k D457 B0HARR000016 C574 200V 1800u 1% R606 2.55k R584 2.2k 1/2W R598 220k R484 5.6k TP56 TP40 C578 50V 3300p P2 1 2 3 4 5 6 IC553 C0DAEJC00003 3 2 1 1% R416 2.55k TP46 TP33 D453 MAZ32700ML C566 2kV 1000p 1/2W R628 47 P27 1 2 3 4 5 6 7 8 9 Q558 2SC3311A0A C584 50V 0.01u Q404 2SC3311A0A D412 MAZ30510ML C471 50V 0.1u D593 B0HCMM000001 C404 4700p D452 B0HCMM000001 TP008 2W R569 0.47 TP43 TPP1 STB7V (2.0mm) TJS1A8800 (2.0mm) +15Vs +15Vs GNDs GNDs FAN_CONT 5V FAN SOS GND DR15V DG5D1-O(M)- DG5D1-O(M)- (LF1353) 12V 12V 12V 12V +12Vs +12Vs TJS1A8840 (2.0mm) K1KA11A00073 (2.0mm) TJS1A8850 (2.0mm) COM OUT IN DR15V DR15V DR15V DR15V M_POWER (PC123) TXAUCO20QBS GNDs STB5V (2.5mm) K1KA05A00139 K1KA03A00213 (2.5mm) K1KA06A00180 (2.5mm) K1KA07A00096 NC (PC123) (TMPG10G3) NEUTRAL VH-TOP ECQE2A104MWB LIVE ECKRAE472ZE (ERA22-10V3) MT132E D1AGR150A003 D1AGR150A003 CT IDET IIN- IFB ON/OFF CS REF SYNC FA5502P VIN- VFB OVP VDET TUCJ5424 VC VCC OUT GND EETHC2W331L PFC LN15XB60H-4009F14 GND GND 5V GND FAN_CONT 5V GND GNDs GND GND GND GND Vda Vsus=170V 190V Vsus PS SOS Vda STB PS GND GND FAN SOS RUSH ON/OFF GND NC NC Vsus Vsus GND GND Vsus Vsus GND (TMPG10G3) ALL OFF TV ON/OFF STB5V GND KILL SOS NEUTRAL LIVE M # # m # = # M m # * # # * * * # * M * # # # # = # M * M m # * # # + # * # * * * * * # + # M # M * P-� TNPA3336 ! TO SS-BOARD (SS11) TO SC-BOARD (SC23) TO PA-BOARD (PA5) TO D-BOARD (D25) TO PA-BOARD (PA7) TO SS-BOARD (SS12) TO D-BOARD (D27) TO SC-BOARD (SC2) TO PF-BOARD (PF2) 70 16.7. PA 电路板方框图 + + + + + + SP_R+ SP_R- SP_L+ SP_L- SP_R- SP_R+ SCL1 SDA1 SDA1 SCL1 SP_L- SP_L+ R7545 D7549 Q7542 L7511 R7525 C7541 Q7509 R7552 L7552 R7516 R7546 D7539 MAZ30470HL D7542 R7506 R7549 R7548 D7546 C7522 R7538 L7508 R7539 D7537 R7586 R7582 L7502 Q7544 R7514 R7540 R7543 D7545 D7540 MAZ30390HL Q7582 R7547 Q7501 R7544 D7547 L7514 R7551 Q7543 R7560 R7541 Q7581 D7538 C7512 R7537 L7582 C7506 D7582 Q7553 R7526 Q7502 D7544 R7527 D7543 Q7506 R7519 D7541 C7502 Q7541 C7552 C7582 C7583 R7505 Q7510 Q7504 L7505 C7517 Q7507 C7543 AGC TONE IRQ SOUND CONTROL IC2401 RXD 2 WOOFER AMP(L) SCL1 8 11 9 14 PA6 1 L_IN PA4 IIC_BUS (FOR FACTORY) 4 IIC_BUS PA12 S_CLOCK3 R_IN 4 S_CLOCK2 16 IC2301 5 20 1 S_DATA1 3 WOOFER AMP(R) AMP 8 3 19 16 TXD 4 S_CLOCK1 2 Q2309,Q2311 17 6 ADJ 1 24 13 PA22 25 MUTE SPEAKER 2 SDA2 TO D12 9 10 TO D4 SCL2 5 11 11 4 FLITER 4 PA3 17 7 3 IRQ 4 IC2302 AMP SQUAWKER(R) 16 1 2 2 PA25 SQUAWER(L) 2 WOOFER(R) 3 WOOFER(L) PA17 3 SBO BAO IIC_BUS CONNECTION(FOR FACTORY USED) SCL3 EQUALIZER IC2305 2 SURROUND IC2306 16 R AMP 400Hz IIC_CONT 11 1 HPF SQUAWKER AMP(R) 10 400Hz RESET 16 LPF 5 17 IC2402 AMP TO DG6 IC2403 4 7 SDA1 ACTIVE 4 SDA3 AMP 3 6 30 17 11 S_CLOCK1 31 1 BASS SPEAKER_MUTE RIN PA1 L AMP PA21 LIN POWER_OFF_DEFEAT 11 R OUT S_DATA2 S_DATA1 S_DATA3 L OUT Q2303,Q2304,Q2308 TREBLE IIC_CONT RESET MAIN_DEFEAT TV_ON/OFF UNR_14V 1 SOS BLINKING TIMES : LED 12 TIMES 2 SW REG SW REG AVR PA DC/DC Audio +9V(M) 9V SW REG +2.5V(M) IC7501 9V +3.3V(M) +9V1(S) 2 AVR 4 VOLTAGE DOWN DET CONTROL 32 UNR21V,UNR14V TV POWER 2 +9V1(S),+9V2(S) PA10 PA2 5 STB5V 3 7 COMPARATOR VOLTAGE DOWN DET IC7581 OVER VOLTAGE DET 8 5 VREF 3 2 OSC 2 2.5V 1 2 1 2 9V TV_ON AVR +2.5V(M),+9V(M) LINE 1 3 IC2304 TO P5 AUDIO+9V 7 AUDIO+14V PROTECT 4 CONTROL PWM 8 4 +9V2(S) PA5 DET UNR_21V 1 5 UNR_21V ERROR 5 +3.3V(M),+2.5V(M) LINE 5 OUT 4.2V 7 START +5V(S) LINE 1 1 +3.3V(M) CONTROL AUDIO+14V +2.5V(M) SUB_9V2 +9V(M) SUB_9V2 +9V(M) STB_5V +9V2(S) IC7503 +5V(S) +4.2V(M) AC_ON/OFF NR_14V SOS +2.5V(M) NR_21V IC7504 SUB_5V IC7505 MAIN_2.5V +5V(S) MAIN_2.5V 2 AVR 1 IC7502 2 1 PA7 TO P7 SUB_5V BT_30V SUB_5V 25 UNR_14V MAIM_12V 11 MAIN_4.2V 27 MAIN_4.2V 23 17 MAIN_9V 15 AVR 33 34 9 21 5V 36 CONTROL 1 7 AVR AUDIO_12V IC7551 BT+30V 19 AVR STB_5V 5 2 13 SW REG MAIN 12V SUB_5V BT+30V CONTROL SW REG SW REG BT+30V OUT AC_ON/OFF 12V 1 TUNER POWER SOS DET +9V1(S) TO DG2 1 1 SUB_5V 1 1 STB_5V STB_5V TO PF10 5 7 7 5 STB_5V Vpp12V 1 6 S_SCL0 5 12 14 10 18 TO DG8 19 6 S_SDA3 15 SUB_3.3V IIC_CONT S_SDA3(PANEL) S_SCL3(PANEL) SRQ S_SDA0 S_SCL3 PA23 PA8 17 18 STB_5V RESET 26 8 8 20 20 20 20 1 7 3 5 5 3 7 1 SQUAWKER AMP(L) (FOR FACTORY) (FOR FACTORY) (FOR FACTORY) AUDIO_12V AUDIO_15V AUDIO_15V FLITER ACTIVE CONTROL CONTROL MUTE AUDIO Q2305,Q2306 TH-42PA30C TH-42PA30C 5 PA24 1 3 7 4 17 4 3 2 4 7 9 11 SUB_5V TXD RXD LOADER_IN_SEL SRQ LOADER_IN_SEL RX TX 71 16.8. PA 电路板 (1/3)线路图 A B C D E F 1 2 3 4 5 6 7 8 9 ���������� ������������ ���������� ������������ A B C D E F H I J K + + NP + + + + NP + + NP GUARG_DA GUARD_CL GARD_DA GUARD_SR GUARD_SR GUARD_SL GUARD_N GUARD_SR GUARD_SL GUARD_SR GUARD_N GUARD_SR GUARD_SR GUARD_SL GUARD_SL GARD_CL +9V NR14V GUARD_SL +9V GUARD_SR +9V +9V STB5V C2443 16V 100u R2378 100k R2377 470 R2403 22k JS2107 R2374 100k C2413 50V 47u CAU R2443 47k C2420 270p 50V Q2303 2SD0601A0L C2445 0.012u 50V R2435 22k C2404 50V 4.7u R2444 1k D2315 MA2J11100L R2409 4.7k R2383 0 R2382 0 C2422 270p 50V C2402 50V 1800p R2373 5.6k C2414 16V 47u R2402 5.6k C2416 270p 50V R2421 36k Q2308 2SD0601A0L R2445 1k C2421 0.033u 25V C2436 270p 50V R2439 22k JS2303 R2404 22k R2413 33k R2423 56k R2385 820 JS2304 C2419 0.033u 25V R2372 22k R2431 22k C2441 0.012u 50V R2442 22k C2423 0.033u 25V R2408 33k R2414 47k C2432 270p 50V Q2304 2SD0601A0L C2428 100u 16V IC2403 C0ABBA000073 1 2 3 4 5 6 7 8 R2428 100 R2420 56k AN7709SP-E1 IC2304 OUT 3 2 COMMON IN 1 C2382 16V 100u D2314 MA2J11100L C1BB00000800 IC2401 1 Lin 2 Rin 3 ADDout 4 Bout 5 Sout 6 ADDin 7 DIFin 8 SWin 9 HPout 10 HPin 11 PeqL11 12 PeqL12 13 PeqR11 14 PeqR12 15 PeqL21 16 PeqL22 17 PeqR21 18 PeqR22 19 PeqL31 20 PeqL32 21 PeqR31 22 PeqR32 23 SWout 24 Rout Port 25 Lout 26 Vcc 27 Vref 28 29 ADJ 30 SCL 31 SDA 32 GND L2306 ELJPA100KF C2424 5600p 50V R2419 100k JS2106 L2430 0 CAU C2442 0.012u 50V C2401 50V 1800p C2381 50V 10u R2416 180k C2403 50V 4.7u D2312 MA3X152K0L C2425 5600p 50V R2430 22k PA6 1 2 3 4 5 6 7 8 9 10 11 12 13 14 15 16 17 18 19 20 R2418 47k R2406 22 C2427 5600p 50V PA5 1 2 3 4 5 6 7 8 9 10 11 C2417 0.033u 25V IC2402 C0ABBA000073 1 2 3 4 5 6 7 8 C2444 0.012u 50V C2412 50V 0.01u CAU R2422 36k R2417 33k C2426 5600p 50V R2401 5.6k C2429 50V 0.01u D2311 MA3X152K0L C2407 5600p 50V 1/2W R2494 820 R2371 180k R2434 22k CAU C2418 270p 50V R2440 47k C2440 50V 0.01u R2412 180k C2408 4.7u 50V C2431 50V 0.01u C2430 16V 100u R2415 100k R2405 22 C2415 4.7u 50V R2427 100 NC K1KA11A00073 GND GND 5V STB5V +12Vs 12V 12V GNDs GNDs +12Vs DR15V SCL1 K1KA20A00180 STB5V GND SP_MUTE MAIN_DEF (AMUTE) SUBMUTE MAIN_DEF R_IN L_IN POFF_DEF SDA1 SCL1 SDA1 GND POFF-DEF RESET SUBMONO GND GND GND GND RESET SOUND CTRL MAIN SOUND R-IN SDA1 L-IN SCL1 NC MUTE CCT. - + - + VCC GND - + - + GND VCC L R L R 200Hz LPF 400Hz HPF ROHM BD3834FS-E2 PA-� TNPA2989AD(1/3) ! AVR TO P-BOARD (P5) TO DG-BOARD (DG6) 72 16.9. PA 电路板 (2/3)线路图 9 10 11 12 13 14 15 16 17 ���������� ������������ ���������� ������������ A B C D E F G H I J K L M N O P I A B C D E F H J K + + + + + + + + NP + + + + + + + + + + Thermal Pad + + + + + + + + Thermal Pad NP + + + + + Thermal Pad + + NP + NP Thermal Pad + + + + GUARD_SR C2332 1/2W 10 D7503 MA3X152K0L B0ACCJ000016 D7506 MA3X152K0L B0ACCJ000016 MAIN9V SUB5V GUARD_RO GUARD_RO GUARD_RO GUARD_RO GUARD_LO GUARD_LO GUARD_LO GUARD_LO GUARD_LO GUARD_LO GUARD_RO GUARD_RO GUARD_RO GUARD_RO GUARD_SL GUARD_SR GUARD_SL GUARD_SR GUARD_SR GUARD_SL GUARD_SR GUARD_SL SUB9V2 MAIN5V NR14V GUARD_LO GUARD_LO +12Vs SUB9V1 +9V R2392 27k R2337 27 Q7543 2SB0709A0L R7515 22k C2311 50V 6800p D7538 MA2J11100L C2395 50V 1000p 1/2W R2311 2.2 C7542 16V 0.1u L2303 EXCELDR35V Q7544 2SD0601A0L TPB7503 C2333 25V 470u C2384 50V 6800p R2305 2.2k R7541 2.2k 100k Q7504 UNR221400L C2396 50V 1000p C2306 35V C2318 35V 47u 220u D7504 MA2Q73700L R2333 0 C2398 50V 0.1u R7538 10k TPB7523 1/2W R2324 2.2 R2348 10k C2314 50V 2.2u C2385 50V 2.2u C7525 50V 10u R2307 2k PA3 1 2 3 4 R2395 27k C2326 25V 470u D7548 MA2J11100L D2302 B0JCME000025 1/2W R2327 2.2 1% R7507 820 C7530 16V 330u Q7503 B1DHDD000013 NO C7537 0.47u PA7 1 2 3 4 D2301 B0JCME000025 R7514 2.2k 1/2W R2325 2.2 C7506 25V 470u C2355 2.2u 50V D7547 MA2J11100L C2324 50V 1000p R2376 22k L7507 G0C101K00023 R2320 2.2k L2309 0 R7529 R7517 2.2k 1/2W R2315 2.2 C2330 50V 0.1u C2321 50V 2.2u R2332 0 R2339 3.9k C7572 50V 10u L7502 100u D7537 MA2J11100L D2305 B0HAPM000037 C7531 16V 330u C2346 35V 47u C7502 25V 470u D7540 MAZ30390HL D7544 MA2J11100L C2312 50V 6800p C2393 25V 470u R2340 3.9k Q7541 2SB0709A0L C7503 50V 0.01u R2393 0 IC7502 C0DAAZG00006 1 V IN 2 SW out 3 GND 4 VO S 5 ON/OFF L2301 C2388 35V 220u R2375 10k C2305 35V 47u C7512 25V 470u Q2309 2SD0601A0L R7525 4.7k Q2311 2SD0601A0L D7543 MA2J72800L D7501 MA2Q73700L R7543 1k R7544 2.2k L2310 0 R7588 0 R7532 470 R7505 22k L2304 EXCELDR35V C2313 50V 2.2u C1BA00000278 IC2302 1 2 3 4 5 6 7 8 9 10 11 12 13 14 15 16 17 18 19 20 21 22 23 24 25 26 27 28 TPB7521 C7505 25V 470u R7535 220 D7542 MA2J11100L R2338 27 1% R7545 2.2k R7533 1k 1% R7559 3.3k C2387 35V 220u 1/2W R2328 2.2 D7507 MA2Q73700L R7549 100k Q7542 2SB0709A0L C C2339 50V 10u C2392 50V 2.2u TPB7522 1/2W R2313 2.2 TPB7508 C2389 25V 470u D7545 MA2J11100L C2347 50V 22u C2390 25V 470u L2308 1% R7546 2.2k R2319 2.2k R2308 2k C7535 16V 0.47u 1/2W R2314 2.2 R2336 0 1% R7503 806 R2390 1k D2304 B0JCME000025 D7508 MAZ20680A0LS C2323 50V 1000p R7536 470 PA10A 1 2 3 4 5 6 7 8 9 C2328 50V 0.1u PA1 1 2 3 4 5 R2330 20k C2322 50V 2.2u L7508 100u C7532 16V 330u D7546 MA3X152E0L Q2306 2SD0601A0L R2317 270 C7544 16V 0.1u R7548 2.2k 1% R7502 1.87k C7541 16V 0.1u R7506 2.2k 16V C2342 50V 10u C7513 50V 0.01u Q7506 B1DHDD000013 D7505 MAZ21200A0LS R2334 0 D7502 MAZ21200A0LS C1BA00000278 IC2301 1 2 3 4 5 6 7 8 9 10 11 12 13 14 15 16 17 18 19 20 21 22 23 24 25 26 27 28 C2310 2.2u 50V R2347 47k C2383 50V 6800p R7526 4.7k IC7501 C0DAAZG00006 1 V IN 2 SW out 3 GND 4 VO S 5 ON/OFF C7509 50V 10u Q2302 2SD1266AQ0LB R2306 2.2k R2329 20k L7505 100u R7547 680 R2321 100k TPB7501 C2307 50V 22u TPB7509 C2345 35V 47u D7549 MA2J11100L C7570 50V 0.01u Q2305 2SD0601A0L R7550 220 R2391 6.8k C7501 25V 470u R7537 10k 1/2W R2326 2.2 C1BA00000278 IC2306 1 2 3 4 5 6 7 8 9 10 11 12 13 14 15 16 17 18 19 20 21 22 23 24 25 26 27 28 R7516 22k C7543 16V 0.1u C2394 25V 470u C2391 50V 2.2u R7540 4.7k TPB7502 L7509 22u Q2301 2SD1266AQ0LB R2398 1k R7539 2.2k C2327 50V 0.1u R2346 47k L7506 33u C2334 25V 470u 1% R7501 820 1% R7504 3.92k 1/2W R2323 2.2 R2322 100k R2331 0 R2318 270 Q2314 B1BBCF000013 C2309 2.2u 50V 1/2W R2312 2.2 C2331 100k 2.0 x 1.25 L7503 33u Q7507 UNR521100L Q2313 B1BBCF000013 C2325 25V C2317 35V 220u 470u R7542 470 1% R7508 1.87k D7541 MA2J11100L Q7501 B1DHDD000013 R7530 0 0 R2396 0 D2303 B0JCME000025 C2349 2.2u 50V C2399 50V 0.1u C1BA00000278 IC2305 1 2 3 4 5 6 7 8 9 10 11 12 13 14 15 16 17 18 19 20 21 22 23 24 25 26 27 28 L7501 G0C101K00023 L2307 C2386 50V 2.2u L2302 C2397 50V 0.1u R7534 100 C2348 50V 22u 1/2W R2316 2.2 R2335 0 C2329 50V 0.1u C2400 50V 0.1u Q7505 UNR221400L C7511 25V 470u IC7503 C0DAAZG00006 1 V IN 2 SW out 3 GND 4 VO S 5 ON/OFF C7536 16V 0.47u L7504 G0C101K00023 R7527 4.7k C2308 50V 22u Q7502 UNR221400L D7539 MAZ30470HL K1KA04A00242 R L R L K1KA09A00074 W_L- W_L+ W_R- W_R+ AMP FILTER LIPPLE STB SW H/P HP IN STB SW SW REG.PART POWER GND POWER GND BEEP IN HLS NC PRE GND NC ON TIME NC NC NC FILTER LIPPLE HP OUT 6dB SW GND OUT- OUT+ POWER GND SW Vcc Vcc(SW) OUT SW E SW B SW 6dB HP OUT LIPPLE FILTER NC HP IN SW REG.PART NC SW GND SW B SW E SW OUT Vcc(SW) Vcc NC ON TIME NC PRE GND NC HLS SW H/P STB SW LIPPLE FILTER STB SW AMP IN POWER GND BEEP OUT+ OUT- POWER GND POWER GND TV-ON SUB_5V SUB_9V1 0.62A SI-8015JF 0.62A SI-8015JF SUB_9V2 SI-8015JF 0.62A SW REG.PART POWER GND ON TIME POWER GND NC NC BEEP NC IN FILTER HLS LIPPLE HP OUT NC 6dB PRE GND SW GND NC OUT- OUT+ SW H/P STB SW LIPPLE FILTER STB SW AMP IN POWER GND BEEP OUT+ OUT- POWER GND POWER GND R 6dB L HP OUT LIPPLE R FILTER L NC HP IN SW REG.PART NC SW GND SW B POWER GND SW Vcc Vcc(SW) OUT SW E SW B SW SW AMP E SW FILTER OUT LIPPLE Vcc(SW) STB SW Vcc H/P NC HP IN ON TIME STB SW NC PRE GND NC HLS +15Vs GNDs GNDs +15Vs SP_R- SP_R+ SP_L- SP_L+ TO TO (W-R & W-L) (SP-R & SP-L) MUTE SW K1KA04A00195 K1KA05A00139 NC SUB5V_IDTV(AC,AD) = # M = # = # = # < = # M M < = # M = # = # M M = # M M = # = # M M = # M M PA-� TNPA2989AD(2/3) ! TO P-BOARD (P7) TO PF-BOARD (PF10) 73 16.10.PA 电路板 (3/3)线路图 17 18 19 20 21 22 23 24 25 ���������� ������������ ���������� ������������ I A B C D E F G H J K L M N O P + + + + + + + + + + + ODU11/15V MAIN2.5V MAIN4.2V R7583 1k D7515 MA2Q73700L PA12 1 2 3 4 5 6 7 R7584 5.1k 1% R7512 604 L7514 100u L7552 100u TPB7513 C7582 16V 0.22u R7552 806 PA17 1 2 3 4 1% R7586 1.37k C7516 25V 470u PA4 1 2 3 4 5 6 7 8 9 10 11 12 1% R7511 820 R7523 Q7510 UNR221400L R7579 100k R7595 0 D7513 MAZ20510A0LS JK7004 K4ZZ01000121 C7581 50V 4.7u IC7505 C0DAAZG00006 1 V IN 2 SW out 3 GND 4 VO S 5 ON/OFF JK7005 K4ZZ01000121 L7515 22u C7521 25V 470u C0DBCMG00001 IC7551 1 VIN 2 VO 3 COM 4 OADJ 5 ON/OFF 6 COM PA22 1 2 3 4 5 6 7 8 9 10 11 12 C7534 16V 330u R7560 47k R7519 12k R7580 0 0 L7582 G1C101M00018 1% R7585 82k D7552 MA3X152K0L B0ACCJ000016 L7581 33u JK7003 K4ZZ01000121 C7568 50V 22u PA21 1 2 3 4 5 6 7 TPB7510 TPB7520 C7517 16V 820u Q7553 UNR221N00L L7510 G0C101K00023 PA2 1 2 3 4 5 6 7 8 9 10 11 12 13 14 15 16 17 18 19 20 21 22 23 24 25 26 27 28 29 30 31 32 33 34 35 36 37 38 39 40 R7558 1k C7585 50V 10u Q7581 UNR521100L TPB7505 Q7509 2SD0601A0L R7551 7.15k TPB7517 TPB7519 TPB7504 TPB7515 C7551 25V 220u C7522 16V 820u D7582 MA3X78900L R7557 100k R7591 56k L7512 22u PA24 1 2 3 4 5 6 7 IC7504 C0DAAZG00006 1 V IN 2 SW out 3 GND 4 VO S 5 ON/OFF IC7581 C0DBAMA00015 1 EaIn 2 SCP 3 VCC 4 BR/CTL 5 Out 6 GND 7 OSC 8 FB D7581 MA2J11100L R7590 0 R7522 0 TPB7514 TPB7518 L7513 G0C101K00023 PA23 1 2 3 4 5 6 7 8 C7583 50V 0.1u R7518 22k Q7582 B1ABPF000005 Q7552 UNR221N00L PA25 1 2 3 4 D7512 MA2Q73700L PA8 1 2 3 4 5 6 7 8 9 10 11 12 13 14 15 16 17 18 19 20 TPB7516 R7531 0 C7554 1u 1% R7509 806 C7571 50V 0.01u C7533 16V 330u JK7002 K4ZZ01000121 D7551 MA2Q73700L C7523 50V 0.01u C7518 50V 0.01u JK7007 K4ZZ01000121 JK7006 K4ZZ01000121 D7511 MAZ20680A0LS 1% R7510 1k C7584 50V 270p TPB7506 L7511 100u L7551 G0C101K00023 R7520 1k C7552 25V 220u K1KA07A00096 NR14V(NR12V) SUB3.3V SUB3.3V LOADER_IN_SEL MAIN_2.5V MAIN2.5V K1KA20A00180 K1KA40A00140 GND TXD RXD GND LOADER_IN_SEL GND STB5V SRQ SCL3 SDA3 VPP SCL3(PANEL) SDA3(PANEL) SRQ GND SCL0 SDA0 SRQ GND SCL0 SDA0 SCL3 SDA3 VPP K1KA07A00056 K1KA12A00176 RXD TXD GND K1KA07A00056 12V STB5V GND K1KA12A00176 IIC_CONT SDA3 SCL3 SCL1 SDA2 SCL2 SDA1 GND STB5V GND RST IRQ TVON MAIN9V SUB9V2 ODUONOFF(TVON) SUB5V SUB5V MAIN9V MAIN3.3V(AC,AD) SUB5V SUB9V1(SUB5V_IDTV) ODU11/15V(MAIN12V) BT30V ODU MAIN_4.2V SUB-9V2 0.62A DGON_INV SI-8015JF ODU_OFF ON 15V/11V 0.62A SI-8015JF FAN SOS GND FAN+B GND TX RX GND IIC_CONT GND K1KA08A00180 SUB5V SBO BAO GND K1KA04A00242 K1KA04A00242 TO BA03 GND GND GND GND MAIN3.3V SUB5V AC,AD BT30V SUB5V_IDTV SUB5V_IDTV MAIN12V SUB5V (UNREG7V) MAIN3.3V MAIN5V NR14V GND GND GND SUB9V SUB9V MAIN2.5V GND MAIN2.5V MAIN5V TVON AC_ON/OFF SOS FANONOFF FANMax/Min FANSOS NC TVON GND MAIN9V GND GND GND GND GND (ASIA/EURO) GND MAIN12V(AC,AD) MAIN5V(AB) MAIN4.2V(nil) PA-� TNPA2989AD(3/3) ! TO D-BOARD (D12) TO D-BOARD (D4) TO DG-BOARD (DG8) TO DG-BOARD (DG2) 74 16.11.H、TA 和 TB 电路板方框图 HD VD PR PB Y PR AV2 V L C R R L Y R L V AV4 R V V AV1 L MONITOR OUT PB Y JK3100 HD VD G Y-SW Y G PB PR V L R-SW R G Y-SW Y G PB PR V L R-SW R G C Y G Y-G C-G G V L R-SW R G V L R G Main Tuner Board T10 2 H10 VIDEO 14 2 4 22 SCL 17 AFT1 10 AGC 12 14 8 11 SDA 4 23 S-CLOCK AFT SIF S-DATA 24 14 TA MSP VIDEO TNR001 AGC Main Tuner AFT1 22 23 24 AGC1 MSP SDA0 SCL0 Q002 Q003 14 8 11 SDA 4 23 S-CLOCK AFT AUDIO S-DATA 24 13 TB AUDIO VIDEO TNR051 AGC2 Sun Tuner 22 T11 2 H11 VIDEO 14 2 SCL0 4 22 SCL 23 SDA0 24 Sub Tuner Board Q052 Q053 17 AFT2 10 AGC 12 Q3202 Q3203 TV R TV L 62 IN 64 TV TV V 63 MAIN TV V 60 SUB IN TV L S R 22 26 AV1 R IN Y AV1 C 28 AV1 V AV1 L C AV1 V AV1 S 24 23 25 AV1 Y AV1 S2 27 S2 AV2 R V AV2 9 11 AV2 V AV2 S 14 8 L AV2 L S R IN AV3 R AV3 16 18 V AV3 S 21 L AV3 V AV3 L S 15 R IN AV4 R AV4 29 31 V AV4 S 7 L AV4 V AV4 L S 30 R IN AFT2 AGC2 AV SW IC3200 58 Q3208 56 Q3209 Q3210 OUT Q3211 C SUB 54 L 52 R 47 Y 44 C MAIN Y OUT SCL 33 SDA 34 SDA0 SCL0 TV R TV L AV4 PB AV4 PR AV4 Y AV2 Y AV2 PB AV2 PR AV4 HD AV4 VD AV4 V AV4 L AV4 R AV2 S AV2 V AV2 L AV2 R AV1 C AV1 Y AV1 V AV1 L AV1 R AV4 S AV1 S2 Q3103 Q3104 Q3170 Q3171 Q3172 Q3173 Q3174 Q3175 AV3 Y 17 Y AV3 C C S2 19 AV3 S2 20 Q3100 Q3102 Q3101 MUTE OUT MONITOR V 41 3 MONO SIF 67 60 MSP AM AM Q2006 Q2007 DEMODULATOR MAIN R MAIN L 56 57 A/D DSP DIGITAL SIGNAL PROCESSOR BASS/TREBLE EQUALIKZER LOUDNESS D/A SP R SP L HP L HP R TV L TV R 34 33 28 27 25 24 MSP IC2002 MONI R 36 37 MONI L VAO - IC2207 7 1 3 5 + - + L R Q2204 Q2203 MAIN L MAIN L MAIN R MAIN R + 7 Q2003 1 Q2004 3 5 - - + L 24 R 20 IC2206 VAO OUT1 13 IN2 4 8 IN1 IC2200 HP AMP 6 9 OUT2 VOL 6 4 HP L HP R H9 TO G5 Q2202 SOUND DEF MAIN Y/VBS MAIN C/Pb 40 28 SUB C/Pb MAIN YV 36 MAIN C SUB Y SUB C 32 SUB Y/VBS TO DG1 H1 47 AFT2 AFT1 43 AFT1 AFT1 AV3 Y AV3 V AV3 C AV3 V 21 AV3 C 25 AV3 Y AV2 PB AV4 HD AV4 VD AV2 Y 17 13 5 9 AV4 Pb AV4 Y AV4 PR AV4 PB JPEG Y JPEG C JPEG Y JPEG C AV4 Y AV4 Pr 2 AV2 Y AV2 PR AV2 PB AV2 Pr AV4 VD AV4 HD SDA0 13 SCL0 11 39 37 AV MUTE SOUND DEF 3 1 AVR 8V 9V IC2001 8V 5V 3 1 3 AVR 5V 9V IC2003 6 EXP I/O PORT 15 14 SDA SCL IC3290 SCL0 SDA0 Rear AV Terminal,Input Select,Audio Board H DA3 DA4 3 4 DA1 DA2 5 6 SW2 DA0 7 9 SW310 AV2 S AV4 S MAIN SIF2 SUB SIF2 MSP RESET SUB SIF1 MAIN SIF1 2 30V 4 MAIN5V 6 SUB5V 8 MAIN9V 10 MAIN9V 1 SUB9V 3 SUB9V 5 MAIN3.3V 7 MAIN3.3V 44 48 33 31 H4 17 22 18 29 26 21 25 AV3 S AGC1 AV3 L AGC2 AV3 R AV3 S AGC1 AV3 L AGC2 AV3 R JPEG Y JPEG C 5 75 16.12.H 电路板 (1/2)线路图 A B C D E F 1 2 3 4 5 6 7 8 9 ���������� ����������� ���������� ����������� A B C D E F G H I J K L M N O Q S T U P R + + HD VD PR PB Y PR AV2 V L C R R L Y R L V AV4 R V V AV1 L MONITOR OUT PB Y + + + + + + + + + + NP NP + + + + + + + + + NP + AUDIOOUT_R AUDIOOUT_L HP_GND L_OUT HP_L HP_R SOUND_DEF MAIN_R MAIN_L AV2_Y R_OUT AV2_PB AM AV4_PB AV4_Y AV4_PR AV4_R AC_PB AC_Y AV4_L AV4_S AC_V AC_YSW AC_L AC_RSW AB_V AB_R AV1_L AB_RSW AV2_R AV1_C AV1_S2 AV2_S AD_V AV1_Y AD_L AB_PB AV1_S AV2_V AD_Y AB_YSW AV1_V AV2_L AB_L AE_ML AE_MR AV1_R MONITOROUT AUDIOOUT_R AUDIOOUT_L 3.3V_MAIN AD_R AC_R AE_MV AB_PR AC_PR AV2_PR AB_Y AV_MUTE HD VD AC_YSW AC_Y AC_PB AC_PR AC_V AC_L AC_RSW AC_R AB_YSW AB_Y AB_PR AB_PB AB_V AB_L AB_RSW AB_R AD_C AD_Y AD_YSW AD_V AD_L AD_RSW AD_R AE_MV AE_ML AE_MR AD_RSW 8V 8V 8V 8V 5V_MAIN SOS AD_YSW AD_C AV4_V SUB_RF SUB_RF_GND MAIN_RF_GND MAIN_RF 9V_MAIN 9V_MAIN 9V_MAIN 9V_MAIN 5V 5V 5V TV_R TV_L R2210 100 C2262 10V 1u C2036 50V 47p R2254 33k R2048 220 1% R3107 75 R2023 470 R2225 2.2 JS3201 L2010 J0JCC0000241 J0JCC0000241 C2273 10V 1u CL099 C2013 50V 1000p AN17880A-E1 IC2200 1 Ripple Filter 2 CAMP_SW 3 VCC 4 OUT_2 5 CAMP_OUT 6 OUT_1 7 OUT_GND 8 IN_1 9 IN_2 10 IN_GND 11 Beep_IN 12 Mute_T 13 Mute 14 Standby 15 Bias Output 16 Bias input R3150 10k CA R3209 0 H9 K1KA06A00220 B6B-PH-K 1 2 3 4 5 6 L2001 J0JCC0000100 Q3173 2SD0601A0L R3102 33k C2017 16V 0.1u C2050 16V 0.1u R2017 220 R2009 100 C3112 16V 1u C2202 50V 10u X2001 H0D184500008 R3145 33k C3109 16V 0.1u L2028 EXCELDR35V R3125 22k C2205 16V 100u Q3172 2SD0601A0L D3111 MAZ31400ML C3142 16V 1u R2226 2.2 C2039 50V 22p R2016 220 Q3202 2SB0709A0L R2282 33k D3125 B0BC3R400001 C3113 50V 560p C2026 16V 0.1u R3149 820 JK3100 TJB0A637 HD VD G Y-SW Y G PB PR V L R-SW R G Y-SW Y G PB PR V L R-SW R G C Y G Y-G C-G G V L R-SW R G V L R G R3185 82 L2200 ELJPA470KF JS3112 0 C2004 50V 1000p R2015 220 R2284 27k C2003 50V 1000p C2238 16V 1u R2295 47k R3153 53.6k 1% Q3101 2SD0601A0L C2034 16V 100u R2251 10k JS3121 ERJ6GEY0R00V R3117 22k R2047 220 JS3115 ERJ6GEY0R00V 1% R3109 75 R3175 33k C2009 50V 0.01u R3301 1.5k R2014 220 L3119 ELESN6R8KA JS3100 Q2004 2SB0709A0L C311650V 10u R2256 47k C3122 50V 560p R3134 33k R3130 1k R3221 82 C3120 50V 560p JS3113 ERJ6GEY0R00V C2276 50V 0.01u C2029 50V 3p Q2204 2SB0709A0L R3156 560 R3152 68k 1% C2228 10V 1u C2239 16V 1u Q3174 2SD0601A0L C2006 50V 0.01u C2286 50V 0.01u C2274 50V 47p R3123 100k Q2202 2SD0601A0L JS3101 L3105 EXC3BB221H R2059 J0JCC0000241 C2201 50V 10u C2214 50V 1000p JS3103 R3177 33k C2203 16V 1u C2290 16V 0.1u 1% R3162 75 1% R3163 75 C2287 50V 47p R2050 0 R3222 82 R3208 0 C2028 16V 4.7u C2033 50V 47p R3151 10k C2226 50V 0.1u C3123 50V 560p R2207 10k L3109 EXC3BB221H C0ABBB000102 IC2207 1 2 3 4 5 6 7 8 L2004 J0JCC0000241 C2027 16V 0.1u D3105 MAZ30910LL L3108 ELESN4R7JA C2031 16V 100u JS3108 ERJ6GEY0R00V R2001 100 C2288 50V 47p D3127 MA2J11100L C2212 16V 2.2u R3126 330 R2279 33k L2017 L2016 J0JCC0000241 R3277 470 JS3118 0 R2203 10k V Q2003 2SB0709A0L R3101 100 C2032 16V 100u C2021 50V 3.3u L2027 EXCELDR35V R3143 1k R3187 470 R2220 100 R2027 100 L3103 EXC3BB221H C3172 50V 10u 1% R3160 75 C3141 16V 1u L2220 EXC3BB221H Q3104 2SD0601A0L B1ABCC000004 JS3114 ERJ6GEY0R00V L3110 EXC3BB221H L3102 EXC3BB221H 1% R3104 75 R2250 10k C3139 16V 0.1u R3116 1k R3304 10k C2207 25V 0.22u L3104 EXC3BB221H C2011 25V 470u R2286 10k C2272 10V 1u CL101 C3171 50V 10u R2208 0 1% R3159 75 Q3103 2SD0601A0L B1ABCC000004 C3174 16V 0.1u C0DBEZE00002 IC2003 1 IN 2 SW 3 OUT 4 ADJ 5 GND 6 D2001 MA3X152K0L R3186 82 R3178 33k R3276 470 R3188 470 C2022 16V 0.1u JS3111 ERJ6GEY0R00V R3119 22k C2225 50V 0.1u R3155 53.6k 1% 1% R3121 75 R3303 10k R3100 100 C3118 50V 560p R2283 47k R2049 0 R2296 27k R3137 10k C2030 50V 3p C2016 50V 10u L3106 EXC3BB221H L2029 EXCELDR35V L3111 EXC3BB221H C2060 4.7u 16V L2031 J0JCC0000241 1% R2034 1.6k JS2026 R2010 100 C2275 50V 47p 1% R3158 75 C2052 16V 1u 1% R3210 560 R2205 0 L2015 J0JCC0000241 1% R3112 75 R3174 33k R2259 4.7k JS3104 R3184 82 Q3214 MSB709-T1 R3302 10k C2008 50V 10u Q3170 2SD0601A0L Q3102 2SD0601A0L IC2001 AN77L08M-E1 IN 3 2 COM OUT 1 JS3120 ERJ6GEY0R00V R2253 47k Q2203 2SB0709A0L Q3203 2SB0709A0L L3210 ERJ3GEY0R00V R3120 22k L2038 L3107 EXC3BB221H 1% R3207 560 R3220 82 1% R3161 75 C2204 16V 10u R3106 100k 1% R2033 1.78k L2009 J0JCC0000241 JS2227 0 C3235 4.7u 16V C2037 50V 56p C0ABBB000102 IC2206 1 2 3 4 5 6 7 8 C3117 50V 560p JS3107 0 R2260 100 R3103 33k L2030 EXCELDR35V R3124 22k D3112 MAZ31400ML R2245 10k R2204 0 JS3102 R3275 470 C3202 16V 0.1u R2261 4.7k R2258 100 1% R3105 75 C3126 16V 0.1u R3176 33k R2257 33k D2210 MAZ30360HL CL098 C3121 25V 470u IC2002 C1AB00002026 1 NC 2 I2C_CL 3 I2C_DA I2S_CL I2S_WS I2S_DA_OUT 7 6 5 4 I2S_DA_IN1 8 I2S_DEL_IN 9 I2S_DEL_OUT 10 I2S_DEL_CL I2S_DEL_WS 12 DVSUP 13 DVSUP 14 DVSS 15 DVSS 16 DVSS IS2_DA_IN2 18 NC 19 I2S_CL3 20 I2S_WS3 21 RESETQ 22 I2S_DA_IN3 23 I2S_DA_IN4 24 DACA_R 25 DACA_L 26 VREF2 27 DACM_R 28 DACM_L 29 DACM_C 30 DACM_SUB 31 DACM_SR 32 DACM_SL 33 SC2_OUT_R 34 SC2_OUT_L 35 VREF1 36 SC1_OUT_R 37 SC1_OUT_L 38 CAPL_A 39 AHVSUP 40 CAPL_M 41 SC3_OUT_R 42 SC3_OUT_L 43 AHVSS 44 AHVSS 45 AGNDC 46 NC 47 SC4_IN_L 48 SC4_IN_R 49 ASG 50 SC3_IN_L 51 SC3_IN_R 52 ASG 53 SC2_IN_L 54 SC2_IN_R 55 ASG 56 SC1_IN_L 57 SC1_IN_R 58 VREFTOP 59 SC5_IN_L 60 SC5_IN_R 61 AVSS 62 AVSS 63 NC 64 NC 65 AVSUP 66 AVSUP 67 ANA_IN1+ 68 ANA_IN- 69 ANA_IN2+ 70 TESTEN 71 XTAL_IN 72 XTAL_OUT 73 TP 74 AUD_CL_OUT 75 NC 76 SPDIF_OUT 77 D_CTR_I/O_1 78 D_CTR_I/O_0 79 ADR_SEL 80 STANDBYQ C2222 50V 0.1u L2014 J0JCC0000241 Q3171 2SD0601A0L R2209 0 R3148 820 R2211 100 C2024 50V 10u C3132 50V 10u JS3200 C2289 16V 100u C311535V 47u C2018 50V 10u JS3105 L2221 EXC3BB221H R3133 33k C3140 25V 470u L2207 EXCELDR35V R3204 220 C3170 35V 47u C3108 16V 0.1u R3179 33k C2023 16V 0.1u C2010 16V 0.1u L2035 J0JCC0000241 D3124 MA3X152D0L JS3110 ERJ6GEY0R00V D2003 MA3X152K0L C3119 50V 560p Q3100 2SB0709A0L L3100 EXC3BB221H C2270 16V 100u R2007 4.7k R3154 68k 1% L2032 J0JCC0000100 C3175 16V 0.1u R2222 2.2 R2058 J0JCC0000241 R3189 470 C2063 4.7u 16V C2035 16V 0.1u R3127 33k L2002 J0JCC0000100 R3146 33k CL100 C2213 16V 2.2u C2215 50V 1000p R3132 33k R2221 100 R2006 4.7k R2201 47k C2019 50V 0.01u R3205 220 R3157 560 C2271 16V 0.1u L2012 J0JCC0000241 R2002 100 L3101 EXC3BB221H R2200 47k C3114 50V 560p L2006 L2222 EXC3BB221H R3118 22k D3126 MA2J11100L C3176 16V 0.1u Q3175 2SD0601A0L R3147 330 R3122 100k C2012 50V 0.01u C2038 50V 10p R2206 10k C2007 50V 10u JS2022 ERJ6GEY0R00V 0 C3177 50V 10u AUDIO 0 L2013 EXCELDR35V ELESN6R8KA L ANALOG GND HEADPHONE R HEADPHONE L GP1E orignal Cr.No23 R TUCC5789 TUCC5477 R GND ANALOG 8V VCC DIGTAL GND L VCC GND MAIN HP out AGNDC DVSUP MAIN in (MSP4410K-QA-B3) 8V SPEAKER L 4/1 SPEAKER R AHVSS NC SUB in VREFTOP AV4 AV4 AV1 AV2 AV2 AV1 AUDIO OUT 11 17 H-� TNPA3337(1/2) ! TO G-BOARD (G5) 76 16.13.H 电路板 (2/2)线路图 9 10 11 12 13 14 15 16 17 ���������� ����������� ���������� ����������� A B C D E F G H I J K L M N O Q S T U P R + AGC1 MAIN_YV SUB_C SUB_C_OUT AV2_S AV2_V MAIN_SIF1 AFT1 AV3_R MAIN_Y_OUT AV3_L SUB_C SDA0 AV2_L TV_R SDA0 SUB_YV MAIN_C MONITOROUT TV_L MAIN_C_OUT MSP AV3_GND SUB_Y_OUT AV2_PB AV2_R SUB_L AV1_C SCL0 MAIN_RF_GND SCL0 MAIN_YV MAIN_L MAIN_R SUB_YV MAIN_SIF2 MAIN_RF MSP AV3_V MAIN_C JPEG_C SCL0 MAIN_Y_OUT MAIN_C_OUT SUB_Y_OUT SUB_C_OUT AGC1 R_OUT AV3_C AV3_Y AV3_GND AV3_V AV2_PR AV2_PB AV2_Y L_OUT AV_MUTE AFT1 AGC2 JPEG_Y JPEG_C JPEG_Y AGC2 AFT2 AM AFT2 30V 30V SCL0 SUB_SIF1 SUB_SIF2 SUB_RF SUB_RF_GND SUB_R AV4_S MAIN_SIF1 SUB_SIF1 AV2_S AV4_R AV4_L AV1_R AV1_L AV3_S AV1_V AV1_Y SDA0 AV3_Y SCL0 SDA0 SDA0 MEP_RESET 3.3V_MAIN 3.3V_MAIN 3.3V_MAIN 5V_SUB 5V_SUB 30V AV1_S2 AV1_S AV4_S 5V_MAIN AV3_C SOS AV4_Y AV4_PB AV4_PR VD SUB_SIF2 MAIN_SIF2 SAW_SW2(SUB) HD SOUND_DEF AV3_R AV3_L AV3_S 9V_SUB 9V_MAIN 9V_MAIN 9V_MAIN 5V L2215 EXCELDR35V C2001 50V 0.015u Q3223 UNR521100L R3233 220 C3219 10V 1u CL168 JS3134 R3289 12k C3223 6.3V 3.3u CL167 C3194 16V 0.1u TP3109 C3226 6.3V 3.3u Q3220 UNR521100L CL108 C3290 16V 0.1u R3293 100 R3231 220 C0EBB0000024 IC2004 1 2 IN 3 4 GND 5 6 OUT 7 VCC 8 C3287 50V 0.1u CL158 C3220 10V 1u R3229 220 CA CL154 CL150 1% R3264 750 C3207 16V 100u L3200 J0JCC0000241 R2003 18k CL151 1% R3262 750 Q3222 UNR521100L CL120 R3232 220 C3227 10V 1u L2023 J0JCC0000100 C3237 6.3V 3.3u R3265 100 R3267 698 1% CL122 CL170 R3249 100 C3229 6.3V 3.3u R3296100 C3240 6.3V 3.3u CL125 CL133 H10 1 2 3 4 5 6 7 8 9 10 11 12 13 14 15 16 17 18 19 20 21 22 23 24 CL169 TP3117 ZA3104 K4ZZ01000121 CL104 TP3119 R3255 220 R3224 100 C3215 10V 1u R3250 100 H11 1 2 3 4 5 6 7 8 9 10 11 12 13 14 15 16 17 18 19 20 21 22 23 24 CL136 IC3290 C1AB00000441 SW1 SW0 3 DAC4 4 DAC3 5 DAC2 6 DAC1 7 DAC0 8 GND 9 SW2 10 SW3 11 SAD0 12 SAD1 13 SAD2 14 SDA 15 SCL 16 Vcc CL143 TP3111 1% R3259 750 CL127 C3217 6.3V 3.3u C3218 16V 100u D3233 MAZ81400ML Q3209 2SB0709A0L C3280 16V 0.1u Q3221 UNR521100L C3206 6.3V 3.3u TP3108 R3225 100 JS2002 C3279 16V 0.1u CL111 C3195 50V 5600p H1 1 2 3 4 5 6 7 8 9 10 11 12 13 14 15 16 17 18 19 20 21 22 23 24 25 26 27 28 29 30 31 32 33 34 35 36 37 38 39 40 41 42 43 44 45 46 47 48 49 50 CL138 Q3208 2SB0709A0L ZA3106 K4ZZ01000121 C3222 10V 1u CL179 CL155 CL149 JS3132 0 C3228 6.3V 3.3u C3282 50V 0.1u CA R3280 220 R3251 220 R329810k R3288 12k R3266 100 R3268 698 1% C3201 16V 0.1u ZA3103 K4ZZ01000121 C2002 16V 0.1u D3234 MAZ81400ML CL156 CL132 R3238 220 R3241 220 R3244 220 CL152 CL114 CL103 R3248 100 R3215 220 R3214 10k V ZA3102 K4ZZ01000121 TP3114 ZA3107 K4ZZ01000121 C3216 16V 0.1u R3299100 FL3101 G1BYYYH00003 1 4 3 2 R3252 220 CL161 IC3200 C1AB00000459 1 V1 2 LV1 3 Y1 4 RV1 5 C1 6 S2-1 7 S-1 8 V2 9 LV2 10 Y2 11 RV2 12 C2 13 S2-2 14 S-2 15 V3 16 LV3 17 Y3 18 RV3 19 C3 20 S2-3 21 S-3 22 V4 23 LV4 24 Y4 25 RV4 26 C4 27 S2-4 28 S-4 29 LV5 30 V5 31 RV5 32 ADR 33 SCL 34 SDA 35 AGND 36 DC OUT 37 COUT3 38 LOUT3 39 YOUT3 40 ROUT3 41 VOUT3 42 Vcc 43 LOUT2 44 V/YOUT2 45 ROUT2 46 TRAP2 47 COUT2 48 MUTE 49 YIN1 50 BIAS 51 CIN1 52 LOUT1 53 VOUT1 54 ROUT1 55 TRAP1 56 YOUT1 57 VGND 58 COUT1 59 LV6 60 V6 61 RV6 62 LTV 63 TV 64 RTV CL177 ZA3101 K4ZZ01000121 CL164 C3231 16V 1u CL130 R3239 220 C3232 10V 1u D3219 MAZ81400ML CL165 CL110 CL148 R3300100 R3271 698 1% MAZ81400ML D3235 MAZ81400ML R3242 47 R3292 47 R3236 220 D3232 MAZ81400ML 1% R3263 750 R3223 100 Q3210 2SB0709A0L R3247 100 C3199 16V 0.1u H4 1 2 3 4 5 6 7 8 9 10 11 12 13 14 15 16 17 18 19 20 21 22 23 24 25 26 27 28 29 30 31 32 33 34 35 36 37 38 39 40 41 42 43 44 45 46 47 48 49 50 C3200 50V 0.1u C3197 50V 5600p C2059 50V 220p C3196 16V 0.1u R3269 100 R3243 220 Q3211 2SB0709A0L CL159 R3235 220 CL153 C3181 50V 47p C3221 6.3V 3.3u CL119 C3205 6.3V 3.3u R3290 100 CL142 R3228 220 CL128 R3240 220 CA JS3234 0 R3297100 C3225 10V 1u C3239 6.3V 3.3u CL106 C3224 10V 1u CL147 CL109 R3282 0 CL178 D3200 MAZ31200ML C2058 50V 220p TP3110 R3260 100k C3238 6.3V 3.3u CL162 CL118 CL113 D3222 MAZ81400ML C3233 10V 1u JS3280 J0JGC0000021 C3241 10V 1u R3216 220 R3246 220 CL112 CL129 CL126 R2004 10k JS3137 0 CL166 CL117 R3234 220 R3245 220 R3227 220 JS3202 C3198 16V 0.1u R3281 0 R3270 698 1% FL3102 G1BYYYH00003 1 4 3 2 R3237 47 CL182 C3214 6.3V 3.3u CL137 C3285 16V 0.1u CL160 D3225 MAZ81400ML C3182 50V 47p R3291 47 CL171 C3230 16V 1u V C3234 16V 1u L3120 G0BYYYG00005 1 2 3 4 5 6 7 8 R3253 220 CL134 C3209 16V 1u CL123 CL102 R3261 100k CL135 CL163 JS3220 J0JGC0000021 R3230 220 JS3133 0 1% GND GND AV4_PR SDA1 SUB9V AV3_input IIC Audio Out GND SDA0 SOUND_DEF GND VD AV3_C_GND AV3_V_GND AV2_PB SOUND_DEF AV3_C AGC1 AV2_Y TUCC5939 MAIN9V MAIN-L MAIN5V MAIN-R IC2002 AV_MUTE GND JPEG_C H3 POWER AV4_Y AV4_PB GND H9 MAIN3.3V TUCC5939 JPEG_Y MAIN_C SUB_Y_VBS mute AV3_Y AV_MUTE SCL0 IC3200 AFT1 AV3_L AV3_V GND AV3_R AV3_S GND AV2_PR AV2 GND mute MAIN9V AV3_Y_GND H1 SUB_C AFT2 GND HD SUB5V MAIN3.3V SCL1 JPEG MAIN_Y_VBS 30V SUB9V H10 GND GND GND GND GND GND GND GND AGC2 GND GND GND GND GND GND GND GND GND JPEG_CGND GND GND JPEG_YGND GND GND GND GND SUB_SIF1 AFT2 GND GND PACHI_GND 30V GND GND GND GND GND AGC2 GND PACHI_GND SCL SDA 5V 5V 30V AUDIO OUT VIDEO V_GND SUB_SIF2 PACHI_GND 30V PACHI_GND SCL SDA SUB5V MAIN5V(SUB5V) 30V MSP VIDEO V_GND MAIN_SIF2 MAIN_SIF1 AFT1 GND GND GND GND GND GND GND AGC1 GND MAIN Video SUB Video AV4 Controll Controll AV3_input DELAY SOS SAW_SW1(MAIN)/AM H4 SAW_SW2(SUB) H-� TNPA3337(2/2) ! TO TA-BOARD (T10) TO TB-BOARD (T11) TO DG-BOARD (DG1) 77 16.14.TA、TB 电路板线路图 A B C D E F 1 2 3 4 5 6 7 8 9 ���������� ������� ���������� ������� + + BALLAN + V1 GUARD_V V1_GND SCL1 GUARD_CLK SDA1 GUARD AFT1 SUB_SIF2 V1_GND GUARD_V V1 GUARD_A AUDIO SUB_SIF2 SCL1 GUARD_CLK SDA1 GUARD 30V SUB_SIF1 GUARD_A AUDIO SUB_SIF1 AGC1 5V AFT1 GUARD_A AGC1 GUARD_V 5V L055 J0JCC0000364 TP051 CL066 C069 6.3V 1000u C058 10u 50V R055 560 TU002 ENG39A01GF NC 1 NC 2 BM 3 NC 4 SW1 5 SW2 6 BT 7 RF_AGC 8 NC 9 SCL 10 SDA 11 AFT 12 NC 13 NC 14 BTL 15 NC 16 VIDEO_OUT 17 C053 50V 33p C063 10u 50V CL069 CL057 CL060 R053 0 C070 50V 100p JS052 0 CL061 L063 G0B181Y00001 1 2 3 4 L067 J0JCC0000364 CL059 C051 16V 0.1u CL064 L058 J0JCC0000241 CL067 R052 220 D053 MA3X152K0L R056 4.7k R058 1k CL065 C067 16V 0.1u JS060 0 Q053 MSB709-T1 L052 J0JCC0000364 C055 6.3V 1000u L062 J0JCC0000241 C071 6.3V 3.3u C052 50V 33p L061 J0JCC0000241 JS061 0 L059 EXC3BB221H C064 16V 0.1u C068 16V 0.47u C056 16V 0.1u CL062 R059 1k L057 J0JCC0000241 CL068 Q052 2SB0709A0L C059 50V 0.1u R057 0 L066 J0JGC0000021 L056 J0JCC0000241 L051 15n T11 1 2 3 4 5 6 7 8 9 10 11 12 13 14 15 16 17 18 19 20 21 22 23 24 L054 J0JCC0000364 ZA052 K4ZZ01000121 CL058 C054 50V 22p CL063 PACHI_GND PACHI_GND SCL SDA SUB5V MAIN5V 30V AUDIO OUT VIDEO V_GND SUB_SIF2 SUB_SIF1 AFT1 SAW_SW2(SUB) GND GND GND GND GND GND GND RGAGC2 GND 30V TA-� TNPA3338 ! TB-� TNPA3339 ! + + + BALLAN + SCL1GUARD_CLK SDA1 GUARD AFT1 MAIN_SIF2 V1_GND GUARD_V V1 GUARD_A MSP MAIN_SIF2 SCL1 GUARD_CLK SDA1 GUARD 30V MAIN_SIF1 GUARD_A MSP GUARD_A MAIN_SIF1 AGC1 AGC1 GUARD_V V1_GND GUARD_V V1 5V AFT1 L020 EXCELDR35V C020 16V 0.1u L007 J0JCC0000241 R002 220 CL020 L012 J0JCC0000241 R009 1k C018 50V 33p TU001 ENGF9301GF NC 1 NC 2 BM 3 NC 4 SW1 5 SW2 6 BT 7 RF_AGC 8 NC 9 SCL 10 SDA 11 AFT 12 AUDIO_OUT 13 SIF_OUT 14 BTL 15 NC 16 VIDEO_OUT 17 R008 1k CL010 R007 0 C006 50V 22p L003 J0JCC0000364 D003 MA3X152K0L C021 50V 100p C003 10u 50V CL014 R003 0 L005 J0JCC0000364 R006 4.7k CL007 C002 10u 50V C001 6.3V 1000u CL019 L008 EXC3BB221H R005 560 L004 J0JCC0000364 L011 J0JCC0000241 T10 1 2 3 4 5 6 7 8 9 10 11 12 13 14 15 16 17 18 19 20 21 22 23 24 JS005 0 L018 J0JGC0000021 L013 G0B181Y00001 1 2 3 4 Q002 2SB0709A0L C007 16V 0.1u C009 50V 0.1u C022 6.3V 3.3u Q003 MSB709-T1 JS001 0 C019 50V 33p C004 6.3V 1000u C013 16V 0.1u C017 16V 0.47u CL011 L017 J0JGC0000021 CL015 CL016 C023 50V 1000p L019 EXCELDR35V CL018 C024 50V 220p L010 J0JCC0000241 CL017 CL013 C016 16V 0.1u L006 J0JCC0000241 CL008 CL009 TP001 PACHI_GND PACHI_GND SCL SDA SUB5V MAIN5V 30V MSP VIDEO V_GND MAIN_SIF2 MAIN_SIF1 AFT1 SAW_SW1(MAIN) GND GND GND GND GND GND GND RGAGC1 GND 30V C012 16V 0.1u C011 16V 0.1u L002 TO H-BOARD (H10) TO H-BOARD (H11) 78 16.15.DG 电路板 (1/2) 方框图 PC_V PC_H AV3_R AV3_L AV3_V AV3_C AV3_Y AV3_S AV3_S AV3_L AV3_R AV3_Y AV3_V AV3_C MAIN_L MAIN_R MAIN_L MAIN_R KEY TV_ON SOS SUB_ON FAN_SOS LED_R LED_G POFF_DEF SP_MUTE MAIN_DEF MCU_RST JPEG_Y JPEG_C AGC1 AFT1 SOS AV_MUTE HD VD JPEG_RST RST SDA SCL RST SDA SCL RST SDA SCL CVBS1 5 36 13 28 MAIN Y VBS MAIN C AV4 Pr AV4 Pb AV4 Y 40 AV2 Y AV2 Pb AV2 Pr 2 44 SUB C TO H1 9 32 48 DG1 SUB Y VBS DG4 TO H4 12 13 17 18 1 2 3 8 6 7 IC1270 AV SW 35 36 103 101 Q1755 Q1763 Q1750 Q1759 Q1762 Q1765 89 Q1756 Q1761 Q1764 Q1752 60MHz VIN1 CLK GC2S+ A/D 8bit 525i/p 1080i 144 60MHz CONTROL Noise level NR/IP VIN2 RGB-> YUV SYNC GAIN ADJ IC1302 Sync Macrovision 60MHz MEMORY 180 Detection Y I/F 625i/p UV RGB 189 VIN3 720p CHROMA DEM. SUPER YUV 2D COM A/D 8bit PROGRESSIVE H SCALEER 135 I/F A/D 8bit SEPA COLOUR DETECT self,ID,ED2 MULTI VP 173 172 HP CLK 161 CLK 177 179 178 VP HP 171 UV162 Y 157 148 IC1321 Main/Sub-Mix 64Mbit SDRAM P-NR 145 UV Y 154 158 167 PROCESSOR INPUT 168 155 VP HP CLK 169 GC2V IC1350 Generation PLLs Clock DE-INTERLACER MOTION ADAPIVE NR FRAME RATE CONVERTER IC1308 V-Scale 64Mbit SDRAM SCALERS V/H V/H ENHANCER PROCESSOR OUTPUT Y 119 128 UV 114 105 103 104 HP CLK VP 118 18 15 SDA SCL RST 17 IC1301 SELF,ID,ED2 1080i A/D 10bit VPK COLOUR DETECT 30MHz 30MHz A/D 10bit VP Macrovision 625i/p A/D 10bit MATRIX NOISE LEVEL GC2M+ 15 14 RGB-> YUV CLK CHROMA DEM. 720p 21 95 32 VIN1 16 VP MAIN-Y CLK HP VIN3 MAIN-PB Sync 72 22 VIN2 SEPA 30MHz Detection 3D/2D com HP 525i/p MAIN-PR 83 SYNC CLK SW TBC I/F FF IP NR JUST NR I/P FF 36 UV 31 Y 45 22 49 Y 58 UV 13 4 3D Y MAIN-PB OUT1 1 A 11 MAIN-Y B 14 A IC1305 3D C 3 3D/OTHER 5 B 16 OUT2 Q1327 Q1361 Q1355 Q1325 Q1360 12 2 Y L H A:3D B:OTHER L H H L TP2 21 IC1304 GC 2P 10 16 AOUT1 AOUT2 VIN 27 3D COMB 64Mbit SDRAM IC1331 SUB MAIN AV2C AV4C SUB PB SUB PR SUB Y MAIN PB MAIN Y MAIN PR 32 31 33 26 25 27 SDA0 SCL0 LOGIC Q1303 Q1336 Q1304 Q1337 Q1302 Q1363 Q1317 Q1340 Q1351 Q1310 Q1326 SOS2 32 JPEG Y 21 JPEG C 25 AGC1 26 AV3 S 17 AV3 L 22 AV3 R 18 SCL0 SDA0 11 13 6 7 SCLO SCLI SDAI SDA0 SCL0 IC1235 5V<=>3.3V 3 2 SDAO AV4 VD AV4 HD 31 33 AV MUTE 37 43 AFT1 21 AV3 Y AV3 V 25 AV3 C 17 MAIN L 20 MAIN R 24 SDA1 R IN L IN SCL1 3 13 14 DG6 18 1 SP MUTE RESET POFF DEF 16 19 MAIN DEF 20 TO PA6 3 2 LED R LED G TVON TO 33 34 DG2 32 TO PA2 36 39 38 DG12 FANMax/Min K12 SOS AC ON/OFF FAN_SOS TVON 13 Vpulse 11 Hpulse AV3 V 1 AV3 C KEY TO G7 10 AV3 S 3 24 20 AV3 L DG7 17 AV3 R 15 AV3 Y 1 4 IC1106 DAC DAC3 SW1 13 14 SDA SCL SCL0 SDA0 IC1306 6 AVR 2.5V 3.3V 2 3 1 2.5V IC1325 1 AVR 3.3V 5V 3 3.3V 5 AVR 9V IC1323 1 3 12V 9V 2.5V PLL2.5V IC1315 4 1 5 5V 3.3V AVR 3.3V IC1333 5 1 3 5V 3.3V AVR 3.3V IC1332 5 1 3 5V PLL 2.5V AVR 2.5V IC1324 4 1 5 5V AD 2.5V AVR 2.5V IC1322 4 1 5 5V FRCLK 13 SDA SCL RST 135 97 98 100 FRCLK 2 7 CLK CLOCK CLK IC1313 210 XIN 120 SDA 32 RST SCL 31 92 FRCLK TP3 22 DG Micom,Digtal Signal Processor TH-42PA30C TH-42PA30C 112 113 VP VD HD HP 79 16.16.DG 电路板 (2/2) 方框图 PC_B PC_G PC_R OSD_R OSD_YM OSD_YS OSD_G OSD_B CONTRAST CLP PC_B PC_G PC_R VD HD CLP TV_ON REMO SOS_INFO GREEN OSD_YS OSD_B OSD_G OSD_YM OSD_R JPEG_Y JPEG_C JPEG_RST SOS_INFO LED_G LED_R KEY AFC1 MAIN_DEF AV_MUTE REMO TV_ON SP_MUTE POFF_DEF SUB_ON SOS FAN_SOS MCU_RST RST SDA SCL LOADER LO_RXD LO_TXD LOADER LO_RXD LO_TXD TU_TXD TU_RXD SDA3 SCL3 WP SDA3 SCL3 CVBS1 TXD_TU RXD_TU SDA3 SCL3 WP SDA3 SCL3 SCL3 SDA3 PC_H PC_V HSYNC VSYNC HSYNC VSYNC HD VD CLP GREEN 27 25 LPF 17 LPF 3 1 14 5 11 LPF 7 22 21 B R G B YS R YM G OSD OUT DATA ADJ R/G/B 13 15 17 3 9 4 5 7 11 1 2 23 21 22 20 203 24 VDOUT 22 21 NCLPS 5 15 17 REMOCON REALTIME/INTRA POW STATUS 7 RXD TU TXD TU HDOUT 9 D/A OSD x 2 CONT 110MHz x 3 D/A 10bit D/A 8bit IMPROVEMENT PICTURE RGB PROCESSOR TO D3 26 30 28 ROUT GOUT BOUT DG3 CTI,CRI AI DSC B G R 240 237 248 199 198 BDV RDV 148 CNT IC1309 RGB PROCESSOR IC1329 BUFFER HCLP IC3251 AV/PC SELECT TO G18 DG18 PC B PC G PC R 1 3 5 I1 VP HP CLP 9 13 O5 8 1 I6 10 2 O1 I4 BUFFER IC8006 O4 Q1026 Q1025 Q1004 Q1600 Q1601 Q1602 SDA SOS 3 5 SDA0 CVBS1B OSD H SCL0 105 OSD V 18 EEPROM 99 Q1225 97 6 ABOOT IC1009 IC1319 IC1007 SCL1 103 IC1012 SOUND DEF IC1013 4 SCL1L 16Mbit RES IN 11 5 KEY SP MUTE SDA2 112 STB 3.3V AVR 104 90 IC1003 SCL2 3.3V IC1005 2 16 POFF DEF 4 AFC1 125 SDA2 15 SCL0 LED G FLASH-ROM G 8 5V AVR 2.5V SCL1 SUB ON TVON 74 Q1010 2 5V<=>3.3V AD COR SCL1 IC1008 3.3V 5 BLANK STB 2.5V AVR 13 1 5 MEMORY 113 101 SDA0 SDA0 6 PLL SDA1 127 75 80 92 10 114 SDA1L SDA1 2.5V 82 9 RST-DEV 81 CVBS1A SCL2 2 73 17 8 1 14 78 102 SRQ 98 SCL2 SCL0 3.3V 100 5 2.5V 1 121 SDA1 R 77 124 SCL LED R B IC1311 SDA2 3 1 3 AVR 2.5V 2.5V 7 4 64Mbit SDRAM REMOCON IN TEXT MICOM 93 SOS INFO Q1254 Q1255 12 120 6 5V 6 TO JG3 DG10 TXD 1 RXD 3 IDO 5 RST 9 Y 15 C 19 83 9 JPEG TXD JPEG IDO 94 JPEG RXD RESET 73 OUT 4 IC1010 Q1007 Q1013 Q1015 14 2 CONVERT MICON 14 Y1 19 SDA1 LO TXD SDA 3 18 SCL2 PANEL SCL3 SCL3 6 PA8 TO RST SDA3 PANEL SDA3 11 7 SCL2 Y 4 SDA2 12 SCL1 X0 SCL1 SDA1 SCL DG31 SRQ 10 IC1001 2 1 A X RESET SDA2 SRQ SCL3 12 SCL2 SRQ 14 SDA0 54 19 53 TXD1 SCL1 6 RXD1 10 SCL0 15 SDA3 17 DG32 9 DG8 LO RXD 13 4 X1 LOADER 5 SDA2 3 Y0 SWITCHING 7 SDA1 5 IC1002 IC1004 SRQ 5 2 3 6 SCL1 SDA1 6 OUT 5 6 SCL SDA EEPROM IC3699 14 15 SCL SDA DAC IC3004 7 WP 5 1 6 2 SWITCHING IC3517 SDA SCL DAC 15 IC3003 14 7 3 1 COM IC8002 SWITCHING X3 13 Y3 12 Y Q1850 15 5 6 VIN IC8008 13 2CH MULTIPLEXER GIN 8 HIN 4 HD- VD- SYNC SEP IC8004 HD VD 11 X 1 Y0 3 X0 CLP 4 6 I1 I0 17 IC8009 CLPO SWITCHING 6 5 SEL CS(S) 3 10 9 A B Q1851 5 LPF(S) TH-42PA30C TH-42PA30C 117 116 65 SCL SDA RST 80 16.17.DG 电路板 (1/8)线路图 A B C D E F 1 2 3 4 5 6 7 8 9 ���������� ������������ ���������� ������������ TOP + + + + + PC_B SCL0 LOADER_INSEL SOS_PANEL PANEL_SDA3 EC_GREEN PC_B_GND TU_RXD SDA1 PC_G IIC_CONT SCL1 EC_RED HPO PC_G_GND NCLP LO_TXD PC_R SDA2 SOS-INFO SOS FAN-MAX/MIN PC_R_GND GUARD_Y MAIN_YV LO_RXD VPO PANEL_SCL3 SDA2 SCL2 YUV_HD SCL0 SCL2 AV3_R SUBON SDA0 PC_V SDA0 EC_BLUE SUB5VGK LOADER_INSEL,LO_RXD,LO_TXD,SOS_PANEL,TU_RXD,TU_TXD REMOCON AV3_L SRQ PC_H TVON AV3_YGND IDTV_VBS TU_TXD AFC2 AGC2 GUARD_SR GUARD_SC MAIN_C GUARD_C YUV_VD MSP_DEF SUB_C SUB_YV AV2_PB GUARD_PB AV2_PR GUARD_PR AFC1 IDTV_L AV_MUTE GUARD_SR IDTV_R GUARD_SR JPEG_C GUARD_Y JPEG_Y GUARD_C GUARD_Y GUARD_Y AV3_C AV3_CGND AV3_Y AV3_YGND AV3_V AV3_VGND AV3_S GUARD_G AGC1 AV3_L AV3_R JPEG_YGND JPEG_CGND GUARD_PB GUARD_Y GUARD_C SUB9V B_DRV R_DRV 12V G_DRV GUARD_YAV3_Y AV3_V GUARD_C AV3_C AV3_S SOS AV3_CGND MAIN9V 9V MAIN9V RDR_GND BDR_GND GDR_GND SUB5V SUB5V SUB5V MAIN5V AV3_VGND GUARD_Y AV2_Y MAIN3.3V DG3 1 2 3 4 5 6 7 8 9 10 11 12 13 14 15 16 17 18 19 20 21 22 23 24 25 26 27 28 29 30 CL236 CL234 CL345 CL291 JS207 JS208 CL290 CL335 JS227 DG4 K1KB50A00127 1 2 3 4 5 6 7 8 9 10 11 12 13 14 15 16 17 18 19 20 21 22 23 24 25 26 27 28 29 30 31 32 33 34 35 36 37 38 39 40 41 42 43 44 45 46 47 48 49 50 CL238 CL318 CL216 JS011 JS042 CL326 1% R1205 75 CL341 R1016 0 CL221 C JS178 CL298 CL354 R1215 10k CL268 CL267 CL324 DG12 1 2 3 4 5 6 7 8 9 C CL248 C1239 50V 100p C JS016 JS063 JS023 FL1046 ELKE103FA 1 2 3 CL325 CL283 CL217 JS012 CL295 CL293 C C1235 50V 270p CL331 CL301 R1000 47k C1009 16V 0.1u TP47G CL334 R1071 10k R1222 0 CL317 CL302 CL360 CL224 TP47B JS232 CL292 CL237 CL321 DG7 1 2 3 4 5 6 7 8 9 10 11 12 13 14 15 16 17 18 19 20 21 22 23 24 25 26 27 28 JS031 JS064 CL356 CL282 JS032 JS041 FL1003 ELKE103FA 1 2 3 R1214 47 JS052 CL296 C1000 16V 0.1u JS030 CL352 CL294 CL315 R1005 10K JS038 C1008 16V 47u CL241 CL239 DG6 1 2 3 4 5 6 7 8 9 10 11 12 13 14 15 16 17 18 19 20 CL349 JS228 JS007 CL340 CL350 JS192 0 CL212 JS054 JS043 JS171 CL339 1% R1212 75 JS073 TP47R C1002 16V 0.1u JS036 JS074 CL269 CL219 CL333 JS146 JS226 C1007 4V 100u CL285 CL289 JS059 JS194 JS102 CL297 JS047 CL336 CL242 CL270 CL330 CL299 JS026 R1075 1k JS019 JS048 FL1092 J0MAB0000081 1 2 3 4 Q1026 2SD0601A0L B1ABCC000004 DG18 K1KA06A00149 B6B-PH-SM3-TB 1 2 3 4 5 6 Q1007 2SD0601A0L B1ABCC000004 CL353 JS145 C1234 50V 0.01u STB5V_A CL246 DG32 1 2 3 4 5 6 7 JS053 CL304 CL276 CL272 CL235 JS018 CL266 R1017 0 D1311 MAZ31400ML JS008 CL328 IC1235 C0ZBZ0000800 1 Vcc2 2 SCLOUT 3 SCLIN 4 GND 5 ACC 6 SDAIN 7 SDAOUT 8 Vcc FL1015 ELKE103FA 1 2 3 CL273 CL363 CL362 CL346 CL344 CL358 JS057 JS029 JS060 CL313 JS014 CL323 C1004 16V 0.1u JS065 JS066 CL211 CL243 CL213 JS229 JS221 0 CL314 D1000 MA3X152K0L R1213 1k CL348 CL271 R1224 0 CL220 CL244 CL245 CL322 CL308 R1025 R1023 0 JS046 CL284 JS017 C1238 50V 100p JS028 CL332 C1001 6.3V 47u FL1000 ELKE103FA 1 2 3 C1236 50V 270p CL300 D1312 MAZ31400ML CL249 FL1032 ELKE103FA 1 2 3 CL286 JS061 C JS013 CL327 CL215 CL223 JS230 JS025 JS072 CL287 L1354 ERJ3GEY0R00V JS166 JS186 C1003 4V 220u JS027 FL1031 ELKE103FA 1 2 3 JS164 JS223 CL364 CL342 R1268 10k CL351 JS021 JS015 JS044 JS071 CL279 R1237 10k CL305 C1005 16V 47u JS193 0 FL1051 ELKE103FA 1 2 3 JS179 DG1 K1KB50A00127 1 2 3 4 5 6 7 8 9 10 11 12 13 14 15 16 17 18 19 20 21 22 23 24 25 26 27 28 29 30 31 32 33 34 35 36 37 38 39 40 41 42 43 44 45 46 47 48 49 50 R1236 4.7k JS051 JS225 DG2 1 2 3 4 5 6 7 8 9 10 11 12 13 14 15 16 18 17 19 20 21 22 23 24 25 26 27 28 29 30 31 32 33 34 35 36 37 38 39 40 C JS070 CL347 C C1201 16V 1u CL355 CL278 JS177 CL222 CL218 Q1025 2SD0601A0L B1ABCC000004 JS035 DG8 1 2 3 4 5 6 7 8 9 10 11 12 13 14 15 16 17 18 19 20 FL1094 J0MAB0000081 1 2 3 4 CL359 FL1048 ELKE103FA 1 2 3 FL1001 ELKE103FA 1 2 3 JS040 CL337 L1353 ERJ3GEY0R00V CL312 CL214 JS022 CL329 FL1064 ELKE103FA 1 2 3 CL281 CL343 CL209 CL306 CL247 R1235 4.7k CL320 D1310 MAZ31400ML C1006 16V 0.1u FL1093 J0MAB0000081 1 2 3 4 JS009 CL274 JS144 CL210 R1068 4.7k JS154 JS182 HS GND_Y L_IN R_IN EQONOFF SUBMONO GND_3 SUBVOL SUBMUTE (AMUTE) SCL1 TVON SDA1 NC? GND STB5V SCL0 RESET SCL3 SDA0 GND SRQ GND SP.MUTE FANSOS GND FANMax/Min SDA3 FANONOFF SOS LOADERINSEL GND C KEYSAN R TO AP(Audio/DC-DC) GND GND GND SUB9V_2 GND_R SUB9V_2 MAIN9V SUB5V_IDTV SUB5V_IDTV MAIN_12V STB5V SUB5V VS NR_12V GND MAIN_5V TO G-PCB(front) GND GND GND NCLPS R_GND SRQ B_GND G_GND GND VD HD GND GND MAIN3.3V MAIN3.3V UNREG7V SUB5V GND GND GND GND V3_DET GND_B LO_RXD LO-TXD GND side angle side angle IIC_CONT PANEL_SDA3 PANEL_SCL3 K1KA09A00126 Top angle FAN+B GND SL main5v SW_5V B V_pulse GND GND_3 GND AC-ON/OFF (SUBON) GND MAIN_2.5V for IDTV G 1/29 Power_status 5V K1MN28A000023 TO PA-BOARD (PA2) TO PA-BOARD (PA6) TO PA-BOARD (PA8) TO D-BOARD (D3) TO H-BOARD (H1) H_pulse SR V TVON ALL_OFF GND LED_G 5V STB_LED RXD_TU REALTIME/INTRA STB_5V POWER_STATUS ALL_OFF To K-PCB STB_ON TXD_PC(AUDIO-L) GND (SOUND_MAIN_MUTE) RXD_PC(AUDIO-R) SW5V REMOCON_OUT RESET IRD_LED GND GND CABLE_DET GND GND GND FAN_CONT (SRQ) TXD_TU SOS-OUT(SUB5V) GOUT BOUT ROUT MAIN_5V SW K1KA30B00054 To D-PCB GND_G K1KA40B00062 K1KA20B00103 side angle HPDET POFF_DEF MAIN_DEF GND GND GND NC MAIN9V Y SCL1 SDA1 GND SCL2 GND SDA2 VPP BT30V MAIN_2.5V K1KA20B00125 GND_C GND GND GND GND GND SDA1 SUB9V GND SDA0 DVB_L MAIN9V MAIN-L MAIN5V(SUB5V) MAIN-R GND DVB_R MAIN3.3V SCL0 DVB_V GND MAIN9V GND SUB5V MAIN3.3V SCL1 30V SUB9V GND GND GND GND GND GND GND GND GND GND GND GND STB5V GND AV4_Y AV4_PB GND AV3_C AV3_R JPEG_Y AGC1 AV3_S EC_FB MAIN_C QLINK_SEL AV4_PR AV2_PR SUB_Y_VBS GND AV3_Y AV3_V_GND AV3_Y_GND SUB_C AFT2 SOUND_DEF AV4_QLINK AV2_QLINK GND GND GND AV3_C_GND AGC2 GND GND GND AFT1 GND AV3_L JPEG_CGND AV3_V JPEG_YGND AV_MUTE JPEG_C MAIN_Y_VBS GND AV2_Y AV2_PB SRQ 0 D1313 + SUB_Y_VBS EC_GREEN SUB_C_PB MAIN_C_PB MAIN_C SUB_YV SUB_C MAIN_PR MAIN_YV AV2_PR AV2_PB SUB_PR MAIN_Y_VBS AV2_Y EC_RED EC_BLUE AN15858A-VF IC1270 1 G/Y/CV-1_INPUT 2 B/U/SC-1_INPUT 3 R/V/SY-1_INPUT 4 L1_INPUT 5 R1_INPUT 6 Y/CV-2_INPUT 7 U/SC-2_INPUT 8 V/SY-2_INPUT 9 L2_INPUT 10 R2_INPUT 11 VCC1 12 Y/CV-3_INPUT 13 U/SC-3_INPUT 14 V/SY-3_INPUT 15 L3_INPUT 16 R3_INPUT 17 Y/CV-4_INPUT 18 U/SC-4_INPUT 19 V/SY-4_INPUT 20 L4_INPUT 21 R4_INPUT 22 GND1 23 ROUT2 24 LOUT2 25 V/SY_OUT2 26 U/SC_OUT2 27 Y/SY/CV_OUT2 28 VCC2 29 ROUT1 30 LOUT1 31 V/SY_OUT1 32 U/SC_OUT1 33 Y/SY/CV_OUT1 34 GND2 35 SCL 36 SDA R1277 100 R1281 47 R1287 100 R1276 100 TP013 JS168 R1272 100 JS170 R1275 100 L1270 J0JCC0000241 TP014 C1273 16V 1u C1279 16V 1u TP015 C1274 16V 47u C1271 16V 1u R1282 100 JS172 R1283 100 TP012 TP016 R1271 100 R1279 100 C1278 16V 1u R1274 100 R1278 100 C1275 16V 1u C1277 16V 1u C1272 16V 1u TP017 JS169 R1285 0 R1270 100 C1281 16V 1u C1270 16V 0.1u R1280 47 R1284 100 R1286 100 C1280 16V 1u C1276 16V 1u R1273 100 1/10 add MEC AV-SW DG-� TNPA3367(1/8) ! TO H-BOARD (H4) TO G-BOARD (G18) TO K-BOARD (K12) TO G-BOARD (G7) A B C D E F G H I J K L M N O Q S T P R 81 16.18.DG 电路板 (2/8)线路图 9 10 11 12 13 14 15 16 17 ���������� ������������ ���������� ������������ + + + + + NP + + + + + + + + + LO_TXD GUARD AD_D11 AD_D4 AC_A0 AD_D3 AC_A13 5VDET MCU-RST STB_SDA1 GUARD_CL LOADER_INSEL AI_CSD AC_A18 GUARD_CL STB_SDA2 AD_D9 AE_UDQM TCK AD_D12 AD_D1 FANSOS SOS_OUT AC_A16 AE_WR AC_A15 TU_TXD GUARD AD_D10 AD_D8 OSDYS AC_A9 AC_A3 GUARD LO_RXD AD_D13 5.0V COR AD_D6 KEY AV_MUTE REMOCON OSD_V OSD_V STB_SCL0 STB_SDA0 AD_D14 AC_A6 STB_SCL1 OSD_H OSD_H AE_CS AE_CLK LOADER_INSEL,LO_RXD,LO_TXD,SOS_PANEL,TU_RXD,TU_TXD TMS TRIG_IN SUBON MSP_DEF TRIG_OUT AC_A19 OSDG AE_LDQM OSDB 2.5V 2.5V 2.5V AC_A10 AC_A11 AV_MUTE TDI OSDR AD_D0 AC_A5 AD_D2 AI_RD AE_CKE AC_A17 SOS_PANEL SOS_PANEL AC_A2 AD_D5 AC_A1 5VDET AD_D15 SDA1 AC_A14 TDO AD_D7 AC_A4 SCL1 AC_A12 AC_A8 GUARD TU_RXD AC_A7 STB_SCL2 SP_MUTE POFF_DEF LED-G LED-R JPEG_RXD0 SOS-INFO TVON FREERUN MAIN_DEF JPEG_IDO GC_RESET AFC1 AFC2 MAIN12V SOS SOS JPEG_TXD0 9V MAIN9V MAIN5V R1292 22k R1095 47k R1259 100 R1132 22 R1083 0 JS100 C1034 6.3V 100u C1037 10u C1049 16V 0.1u R1048 10k C1036 4V 220u Q1024 2SD0601A0L B1ABCC000004 C1033 50V 0.1u R1126 27k C1032 4V 100u C1053 16V 0.1u R1053 10k C1072 16V 0.1u Q1233 2SD0601A0L R1120 56k R1057 10k R1243 68k D1232 MA2J11100L R1249 15k Q1013 2SD0601A0L B1ABCC000004 R1208 82 R1055 10k R1226 10k C1017 16V 0.1u D1227 MA2J11100L R1079 4.7k D1002 MA3X152K0L R1210 82 R1038 22 R1119 56k C1046 16V 10u C1028 16V 0.1u R1129 0 R1081 47k R1051 3.3k R1099 EXB38V680JV C1209 220p 50V 1.6X0.8 Q1255 2SD0601A0L B1ABCC000004 R1065 3.9k 1% C1068 16V 0.1u R1146 100 R1045 10k FL1074 ELKE103FA 1 2 3 R1267 68k C1203 100p 50V 1.6X0.8 C0DBEZG00004 IC1003 1 IN 2 ON/OFF 3 OUT 4 V_adj 5 GND 6 OUT C1060 16V 0.1u R1231 470 R1043 10k IC1007 C2CBYF000029 1 2 3 4 5 6 7 8 9 10 11 12 13 14 15 16 17 18 19 20 21 22 23 24 25 26 27 28 29 30 31 32 33 34 35 36 37 38 39 40 41 42 43 44 45 46 47 48 49 50 51 52 53 54 55 56 57 58 59 60 61 62 63 64 65 66 67 68 69 70 71 72 73 74 75 76 77 78 79 80 81 82 83 84 85 86 87 88 89 90 91 92 93 94 95 96 97 98 99 100 101 102 103 104 105 106 107 108 109 110 111 112 113 114 115 116 117 118 119 120 121 122 123 124 125 126 127 128 Q1225 2SB0709A0L R1229 100 R1134 EXB38V680JV C0JBAR000241 IC1001 1 Y0 2 Y2 3 Y 4 Y3 5 Y1 6 INH 7 VEE 8 VSS 9 B 10 A 11 X3 12 X0 13 X 14 X1 15 X2 16 VDD R1164 100 R1147 EXB38V680JV D1011 MAZ30620ML R1069 1M R1151 100 R1125 EXB38V680JV L1004 R1227 0 R1138 100 R1233 10k R1257 47k R1067 22k R1256 100k Q1230 2SB0709A0L R1266 68k R1154 100 C1042 16V 0.1u R1160 1k R1124 10k L1005 G1C4R7MA0063 R1073 0 FL1090 ELKE103FA 1 2 3 C1018 6.3V 47u R1161 3.3k C1016 16V 0.1u R1037 10k X1000 H0J921400003 R1027 2.2k C1044 16V 0.1u C1039 16V 0.1u R1082 22k R1028 4.7k R1070 1k C C1045 50V 150p R1141 82 R1112 1k STB3.3V C1064 16V 0.1u C1055 16V 0.1u R1177 0 R1108 100 FL1072 ELKE103FA 1 2 3 C1035 16V 1u R1169 100 D1004 MA2J11100L C1021 16V 0.1u R1111 56 R1152 4.7k R1049 3.3k R1114 100 D1231 MA2J11100L C1254 50V 100p R1113 1k R1056 10k R1093 470 R1167 100 C1231 6.3V 100u C1069 16V 0.1u C1031 50V 0.056u R1130 EXB38V680JV C1023 16V 0.1u R1110 100 R1163 100 R1143 0 C1040 16V 0.1u STB5V_A D1003 MAZ30330LL C1029 50V 33p C1070 16V 0.1u L1008 G1C4R7MA0063 L1003 C1057 16V 0.1u C1071 16V 0.1u C R1034 10k R1145 100 R1159 EXB38V680JV R1232 22k R1140 EXB38V680JV C1020 4.7u 50V C1063 50V 22p R1052 10k R1040 0 C1019 16V 0.1u R1058 0 R1063 10k R1107 0 C1058 16V 0.1u 1% R1066 3.9k L1006 G1C4R7MA0063 R1148 100 R1260 100 R1033 10k C1202 220p 50V 1.6X0.8 R1150 100 R1100 EXB38V680JV R1149 100 R1242 68k C1047 4V 220u R1137 EXB38V680JV R1254 100k R1209 82 C1024 6.3V 100u C1210 220u 4V R1059 0 R1142 100 C1052 50V 0.01u C1050 16V 0.1u D1015 MA3X152K0L L1000 ELJPA100KF R1258 1k C1027 16V 0.1u C1065 50V 22p R1054 47k C1013 16V 0.1u R1039 22 C1054 4V 220u C1062 16V 0.1u R1158 EXB38V680JV R1162 100 C R1255 47k R1031 1k R1156 0 R1225 10k R1092 10k R1072 10k C Q1015 2SD0601A0L B1ABCC000004 R1102 EXB38V680JV D1006 MA3X152K0L D1234 MA2J11100L C1051 4V 100u C1041 16V 47u R1091 390 IC1002 C2BBFE000138 1 P62/AN2 2 P61/AN1 3 P60/AN0 4 P57/INT3 5 P56/PWM 6 P55/CNTR1 7 P54/CNTR0 8 P53/_SRDY2 9 P52/SCLK2 10 P51/SOUT2 11 P50/SIN2 12 P47/_SRDY1/CNTR2 13 P46/SCLK1 14 P45/TXD1 15 P44/RXD1 16 P43/INT2 17 P42/INT1 18 CNVSS 19 _RESET 20 P41/INT00/XCIN 21 P40/INT40/XCOUT 22 XIN 23 XOUT 24 VSS 25 P27 26 P26 27 P25 28 P24 29 P23 30 P22 31 P21 32 P20 33 P17 34 P16 35 P15 36 P14 37 P13 38 P12 39 P11/INT41 40 P10/INT01 41 P07/AN15 42 P06/AN14 43 P05/AN13 44 P04/AN12 45 P03/AN11 46 P02/AN10 47 P01/AN9 48 P00/AN8 49 P37/_SRDY3 50 P36/SCLK3 51 P35/TXD3 52 P34/RXD3 53 P33/SCL 54 P32/SDA 55 P31/DA2 56 P30/DA1 57 VCC 58 VREF 59 AVSS 60 P67/AN7 61 P66/AN6 62 P65/AN5 63 P64/AN4 64 P63/AN3 C1025 50V 1000p R1030 330 R1228 1k Q1010 2SD0601A0L B1ABCC000004 D1007 MAZ30470ML R1155 100 R1157 22k R1044 10k C1038 16V 0.1u Q1254 2SD0601A0L B1ABCC000004 R1090 100 R1047 10k C1030 50V 33p Q1004 2SD0601A0L R1230 10k R1109 0 X1001 H0J600400006 H0J600400005 C1014 6.3V 100u D1228 MA2J11100L R1207 4.7k R1234 1k R1153 100 C0CBCBF00001 IC1005 1 IN 2 ON/OFF 3 OUT 4 NC 5 GND 6 FL1073 ELKE103FA 1 2 3 IC1004 C0EBB0000024 1 2 IN 3 4 GND 5 6 OUT 7 VCC 8 R1046 10k C1066 16V 0.1u C1048 16V 0.1u IDTV controll R269 TDO Vddc COR SDA1 AVLINK IN Vss33 Vdd33 XTAL2 D10 A0 9.216M D2 D0 Vss33 A14/RAS RSTIN 3.0-3.6v G Vddc Vdd33 D5 A13 A9 A3 Vss33 D13 5V DETECT CSROM STB5v TMODE AFC2 SCL2 Vss33 Vssa STB2.5V Vdda SDA6000-B12 TDI D12 D15 HSYNC A17 A4 WR RxD0 LDQM Vssa ROM CONTROL D7 CSSDRAM A15/CAS TxD0 SDRAM CONTROL SDA2 CS3 D6 A8 SCL1 Vdd33 UDQM A5 SRQ Vdd33 Vss33 VSYNC MEMCLK ADDRESS D9 A10 A11 R A16 TCK Vdda CVBS1A Vdda DATA D3 TX BLANK main_Y/VBS A19 ON CHIP DEBUGGER A6 CVBS1A Vdd33 Vdd33 FREERUN D8 TRIG_OUT CLKEN M51953 D1 Vdda SOUND DEF D11 RMCN IN A2 STB3.3V A18 PROTECT STB5V Vssa Vss33 D4 2.25-2.75V TRIG_IN Fan max\min B CVBS1B XTAL1 A7 AFC1 Vdd33 A12 Vssc ABOOT TMS RELAY Vss33 LED KEY Vdd33 RX A20 CVBS2 Vss33 D14 Vssc A1 RD Vssa AVLINK OUT Q-Link Select (AV4/AV2) JPEG_RXD0 SOS-INFO SUBON RST-DEV JPEG_TXD0 A006-0502 SOS_OUT SP_MUTE POFF_DEF LED-G SRQ DG-� TNPA3367(2/8) ! A B C D E F G H I J K L M N O Q S T P R A B C D E F G H I J K L M N O Q S T U V W Y 2 X P R 1 3 4 5 6 7 82 16.19.DG 电路板 (3/8)线路图 17 18 19 20 21 22 23 24 25 ���������� ������������ ���������� ������������ + + + + + AD_D10 AC_A5 AC_A9 AI_RD AD_D10 AD_D6 AC_A3 AD_D5 SDA0L AC_A13 AD_D12 SCL0L AC_A19 AC_A0 AC_A15 STB_SDA0 AE_UDQM AD_D8 AD_D11 AE_CKE STB_SDA1 AD_D1 STB_SCL0 AD_D9 AD_D14 AC_A18 STB_SCL1 AC_A5 AE_CLK AD_D1 AC_A15 AC_A9 AD_D4 SCL2 STB_SDA2 5.0V AD_D13 AC_A7 AC_A6 AC_A0 AD_D13 AC_A3 AD_D12 AD_D4 AI_CSD AD_D7 AC_A17 AE_WR SDA1 AC_A4 AD_D3 AD_D14 AC_A8 AC_A7 AC_A2 AE_LDQM SCL1 AE_WR AC_A1 AD_D15 AE_CS AD_D6 AD_D0 AC_A13 AC_A16 AC_A11 AD_D3 AD_D2 AD_D8 AC_A8 TRIG_OUT AD_D2 SCL0 AC_A2 AC_A11 AC_A14 AC_A14 AC_A12 AC_A6 AC_A4 AD_D9 AD_D0 AD_D5 AC_A1 MAIN2.5V TRIG_IN AD_D7 AC_A10 AC_A10 STB_SCL2 AC_A12 SDA2 AD_D15 SDA0 AD_D11 TDO JPEG_RXD0 JPEG_TXD0 SDA0 GUARD SCL0 GUARD_CLK JPEG_RESET JPEG_RESET JPEG_IDO JPEG_CGND JPEG_YGND JPEG_Y JPEG_C MAIN12V FAN-MAX/MIN MAIN9V SUB5V SUB5V MAIN5V MAIN3.3V R1186 10k C1078 16V 0.1u C1242 16V 0.1u R1263 0 C1092 16V 0.1u C1093 50V 0.01u C1086 16V 0.1u C3FBMD000182 IC1013 C3FBMD000178 C3FBMD000156 1 A15 2 A14 3 A13 4 A12 5 A11 6 A10 7 A9 8 A8 9 A19 10 NC 11 WE 12 RESET 13 NC 14 NC 15 RY/BY 16 A18 17 A17 18 A7 19 A6 20 A5 21 A4 22 A3 23 A2 24 A1 25 A0 26 CE 27 Vss 28 OE 29 DQ0 30 DQ8 31 DQ1 32 DQ9 33 DQ2 34 DQ10 35 DQ3 36 DQ11 37 Vcc 38 DQ4 39 DQ12 40 DQ5 41 DQ13 42 DQ6 43 DQ14 44 DQ7 45 DQ15/A-1 46 Vss 47 BYTE 48 A16 C R1197 10k R1245 56 C1205 100p 50V 1.6X0.8 R1183 100 C1208 100p 50V 1.6X0.8 R1175 2.7k R1172 2.7k R1246 56 JS084 C1081 4V 100u JS215 JS083 R1178 100 C1073 16V 0.1u IC1012 C3ABPG000133 1 VDD 2 DQ0 3 VDDQ 4 DQ1 5 DQ2 6 VSSQ 7 DQ3 8 DQ4 9 VDDQ 10 DQ5 11 DQ6 12 VSSQ 13 DQ7 14 VDD 15 LDQM 16 WE 17 CAS 18 RAS 19 CS 20 BA0 21 BA1 22 A10/AP 23 A0 24 A1 25 A2 26 A3 27 VDD 28 VSS 29 A4 30 A5 31 A6 32 A7 33 A8 34 A9 35 A11 36 NC 37 CKE 38 CLK 39 UDQM 40 NC/RFU 41 VSS 42 DQ8 43 VDDQ 44 DQ9 45 DQ10 46 VSSQ 47 DQ11 48 DQ12 49 VDDQ 50 DQ13 51 DQ14 52 VSSQ 53 DQ15 54 VSS R1187 1k C1089 16V 0.1u C1AB00000454 IC1106 1 SW1 2 SW0 3 DAC4 4 DAC3 5 DAC2 6 DAC1 7 DAC0 8 GND 9 SW2 10 SW3 11 SAD0 12 SAD1 13 SAD2 14 SDA 15 SCL 16 VCC C R1195 10k R1193 10k R1181 10k DG10 K1KA20A00180 BM20B-SRDS-G-TFC 1 2 3 4 5 6 7 8 9 10 11 12 13 14 15 16 17 18 19 20 R1188 10k R1185 5.6k JS216 C1207 220p 50V 1.6X0.8 C1204 220p 50V 1.6X0.8 R1290 10k R1196 10k R1189 10k R1179 47k C1240 100u 16V C1152 16V 0.1u Q1019 2SD0601A0L B1ABCC000004 R1192 10k R1202 5.6k C1211 4V 100u IC1010 C0EBE0000066 1 NC 2 SUB 3 GND 5 Vcc 4 Vout C1077 16V 10u JS081 TP1266 IC1008 C3EBHC000020 1 E0 2 E1 3 E2 4 Vss 5 SDA 6 SCL 7 WC 8 Vcc R1190 10k C1082 50V 220p IC1009 C0JBAZ001839 1 nc 2 A1 3 A2 4 A3 5 A4 6 A5 7 A6 8 A7 9 A8 10 GND 11 B8 12 B7 13 B6 14 B5 15 B4 16 B3 17 B2 18 B1 19 OE 20 Vcc C1088 16V 0.1u C1090 10V 3.3u C1084 16V 0.1u FL1091 ELKE103FA 1 2 3 C1087 16V 0.1u R1176 2.7k C1076 16V 0.1u C1083 16V 0.1u R1264 0 R1180 0 R1184 10k R1174 2.7k R1171 10k R1170 10k R1203 5.6k C1206 220p 50V 1.6X0.8 L1009 G1C4R7MA0063 R1182 100 C1075 50V 100p C1241 220u 6.3V SCL1L RAS CAS SCL1 9V SDA0 for DEBUGER A10 DQ1 SCL0 VDDQ DG21 DG20 DQ4 A0 SDA0 12V SDA1 BA0 SDA2 VDD SDA1L VDD SDA1L 700mA 2.5V 5.0V 3.3V A2 SCL1 SDA2 SDA1 SCL2 MBM29LV160BE70TN-GK DQ0 PROTECT 5v CS EEPROM DQ7 VSSQ OSD 12v DQ5 SCL1L A3 1/10 VDDQ SCL0 WE DQ2 A1 K4S641632H-UC75 VDD 3.3v iic DQ3 STB5V DQ6 9v 3.3v iic OSD BA1 WRITE VSSQ SCL2 CXA1875 SLV:48H PCCVON MAIN_9V MAIN_9V MAIN_5V MAIN_5V MAIN_3.3V MAIN_3.3V TXD RXD ID0 INT0 RST JPEG_YGND GND GND JPEG_CGND GND GND Y C MAIN9V 120mA(MAX 500mA) MAIN5V 110mA MAIN3.3V 220mA CONNECTOR SPEC MAX 1A AE_CKE DG-� TNPA3367(3/8) ! TO JG-BOARD (JG3) A B C D E F G H I J K A B C D E F G H I J K L M N O L M N O Q S T U V W Y 2 1 3 4 5 6 7 X P R 83 16.20.DG 电路板 (4/8)线路图 25 26 27 28 29 30 31 32 33 ���������� ������������ ���������� ������������ + + + NP + + NP + NP + + + + + NP + AAC_A2 SCL0L AAB_DQ23 AAB_DQ8 AL_C-OUT GUARD_C AAB_DQ30 MAIN_PR GUARD_PR AAB_DQ17 AAB_DQ1 AAB_DQ31 3.3V AAB_DQ16 AAC_A0 AAB_DQ0 AAB_DQ26 AAB_DQ31 AL_C-OUT AAB_DQ18 AAC_A1 AAB_DQ2 AAB_DQ27 AAB_DQ30 AAB_DQ19 A_MAIN_C AAB_DQ3 AAB_DQ25 AL_Y-OUT AAB_DQ20 AAB_DQ5 AAB_DQ24 AAF_FO4 5V AAB_DQ21 AAB_DQ4 AAF_RE AAB_DQ22 AAB_DQ6 AAF_RR AAH_GC2M-PB AAH_GC2M-PB AAC_A4 AAF_WR 3.3V 3.3V AAB_DQ1 AAB_DQ7 AAC_A3 A_MAIN_C AAF_WE AAB_DQ2 AAC_A5 GC_RESET AAF_FCKR AAB_DQ3 AAC_A6 AAF_FO1 AAB_DQ4 AAC_A7 AAF_FO2 AAB_DQ5 AAC_A8 9V AAH_GC2M-Y AAB_DQ12 AAF_FO3 AAB_DQ6 GUARD_Y AAC_WE AAB_DQ9 AAB_DQ7 AAC_CAS AL_Y-OUT GUARD_Y AAB_DQ10 GUARD_Y A_MAIN_Y AAC_RAS AAC_A8 1080i/other 1080IXOTHER AAB_DQ11 AAH_MAIN-PR AAH_MAIN-PR AAB_DQ29 A_MAIN_Y GUARD_Y AAC_BA0 AAC_A7 AAB_DQ8 AAB_DQ13 GUARD_Y AAB_DQ28 AAC_BA1 AAC_A6 AAB_DQ14 AAB_DQ14 AAC_A10 AAB_DQ17 AAB_DQ15 AAF_FO5 AAC_A5 AAB_DQ23 AAC_A0 AAB_DQ15 AAB_DQ16 AAB_DQ0 AAF_FO6 AAC_A4 AAB_DQ24 AAC_A1 AAB_DQ13 AAB_DQ18 AAF_FO7 AAC_A3 AAB_DQ25 AAC_A2 AAB_DQ12 AAB_DQ19 AAF_FO8 GUARD_Y GUARD_Y MAIN_Y_VBS AAC_BA0 AAB_DQ26 AAC_WE 3.3V 3.3V AAB_DQ21 3.3V 3.3V AAB_DQ10 AAF_FO9 AAB_DQ27 AAC_BA1 AAC_CAS SDA0L AAB_DQ20 AAB_DQ11 AAB_DQ28 MAIN_C_PB GUARD_PB AAC_A10 GUARD_C AAC_RAS AAB_DQ22 AAB_DQ9 AAB_DQ29 MAIN9V MAIN9V MAIN9V MAIN5V MAIN5V MAIN5V MAIN3.3V MAIN3.3V MAIN3.3V L1311 G1C4R7MA0063 C1310 6.3V 47u C1441 16V 0.1u IC1331 C3ABPJ000063 1 VDD 2 DQ0 3 VDDQ 4 DQ1 5 DQ2 6 VSSQ 7 DQ3 8 DQ4 9 VDDQ 10 DQ5 11 DQ6 12 VSSQ 13 DQ7 14 NC 15 VDD 16 DQM0 17 WE 18 CAS 19 RAS 20 CS 21 NC 22 BA0 23 BA1 24 A10/AP 25 A0 26 A1 27 A2 28 DQM2 29 VDD 30 NC 31 DQ16 32 VSSQ 33 DQ17 34 DQ18 35 VDDQ 36 DQ19 37 DQ20 38 VSSQ 39 DQ21 40 DQ22 41 VDDQ 42 DQ23 43 VDD 44 VSS 45 DQ24 46 VSSQ 47 DQ25 48 DQ26 49 VDDQ 50 DQ27 51 DQ28 52 VSSQ 53 DQ29 54 DQ30 55 VDDQ 56 DQ31 57 NC 58 VSS 59 DQM3 60 A3 61 A4 62 A5 63 A6 64 A7 65 A8 66 A9 67 CKE 68 CLK 69 NC 70 NC 71 DQM1 72 VSS 73 NC 74 DQ8 75 VDDQ 76 DQ9 77 DQ10 78 VSSQ 79 DQ11 80 DQ12 81 VDDQ 82 DQ13 83 DQ14 84 VSSQ 85 DQ15 86 VSS 1% R1419 102 C1410 6.3V 2.2u R1412 0 R1390 680 1% R1411 1.4k C1405 16V 0.1u 1% R1345 6.8k R1394 470 C1320 4V 100u C1312 6.3V 47u C1444 10V 1u R1723 2.2k R1368 22k L1301 G1C2R2K00006 R1395 120 C1425 50V 100p IC1303 C0JBAS000061 1 IN/OUT 2 OUT/IN 3 GND 5 VDD 4 CONT C1393 50V 22p 1.6X0.8 R1312 220 L1302 G1C100KA0009 C1731 6.3V 1u 1.6X0.8 1% R1413 255 R1654 EXB38V820JV C1408 10V 1u C1428 10V 1u C1433 10V 1u C1426 50V 0.01u Q1361 2SB0709A0L R1398 0 R1305 0 R1400 10k R1700 220 L1320 G1C6R8K00005 C1402 10V 1u Q1312 2SD0601A0L C1404 16V 0.1u R1661 EXB38V820JV Q1311 2SD0601A0L Q1351 2SK01980RL G D S C1739 10u L1317 G1C3R3K00007 C1420 50V 5p R1318 2.2k R1323 2.2k R1311 220 C1446 10V 1u C1389 50V 47p 1.6X0.8 1% R1415 1.4k C1326 16V 0.1u 1.6X0.8 C1431 50V 100p C1732 6.3V 1u 1.6X0.8 R1369 22k L1316 G1C4R7MA0063 C1416 50V 0.01u C1411 6.3V 2.2u R1310 150 R1392 220 1% R1393 240 Q1316 2SD0601A0L L1319 G1C6R8K00005 R1702 820 R1388 680 1% R1406 2.7k C1308 16V 47u 1% R1417 180 C1421 50V 18p Q1336 2SB0709A0L C1741 6.3V 6.8u 3.2X1.6 C1412 6.3V 2.2u C1440 10V 1u 1% R1391 240 Q1335 2SD0601A0L Q1315 2SD0601A0L 1% R1332 470 C1725 6.3V 1u 1.6X0.8 L1313 G1C4R7MA0063 Q1317 2SD0601A0L B1ABCC000004 L1307 G1C5R6K00007 Q1303 2SD0601A0L R1334 270 1% L1312 G1C4R7MA0063 C1311 6.3V 47u C1398 16V 0.1u 1.6X0.8 C1448 10V 1u R1659 EXB38V820JV 1% R1339 120 R1420 22 L1315 G1C4R7MA0063 R1407 2.2k R1422 47 1% L1314 G1C4R7MA0063 C1453 10V 1u R1370 1k C1379 50V 68p 1.6X0.8 R1387 0 R1383 0 R1722 10 1% R1306 180 1% R1401 220 R1384 0 R1313 10k R1656 EXB38V820JV 1% R1338 120 R1328 2.2k R1652 EXB38VR000V L1303 G1C100KA0009 R1658 EXB38V820JV C1743 10u C1375 16V 0.1u 1.6X0.8 Q1302 2SD0601A0L R1325 0 C1447 10V 1u R1657 EXB38V820JV R1360 2.2k C1738 6.3V 1u 1.6X0.8 C1424 50V 33p C1417 6.3V 3.3u R1402 150 1% R1308 180 C1745 6.3V 1u 1.6X0.8 1% R1414 1.1k C1409 10V 1u C1419 50V 10p Q1343 2SB0709A0L R1382 220 R1349 820 R1324 330 C1429 50V 18p IC1333 C0CBCBD00006 1 VIN 2 GND 3 ON/OFF 5 Vo 4 Nr L1309 G1C4R7MA0063 R1399 10k R1326 220 Q1360 2SB0709A0L C1413 6.3V 2.2u R1380 0 R1703 680 R1304 33 Q1340 2SB0709A0L R1408 150 R1397 1.5k R1418 43 1% C1318 16V 47u IC1304 C1AB00001707 1 XTST 2 XSM 3 SMCK 4 MST 5 VREF3 6 VRO3 7 AOUT3 8 AVDDA3 9 AVSDA3 10 AOUT1 11 AVDDA1 12 AVSDA1 13 VREF1 14 VRO1 15 AVDDA2 16 AOUT2 17 AVDDA2 18 AVSDA2 19 AVDCLP 20 AVSCLP 21 NC 22 AVSAD 23 AVDAD 24 NC 25 NC 26 VRH 27 VIN 28 NC 29 VRL 30 VPD 31 SCL 32 SDA 33 VSS 34 VDD 35 DQ31 36 DQ30 37 DQ29 38 DQ28 39 DQ27 40 DQ26 41 DQ25 42 DQ24 43 DQ23 44 DQ22 45 DQ21 46 DQ20 47 DQ19 48 DQ18 49 DQ17 50 DQ16 51 VSS 52 VDD 53 A2 54 A1 55 A0 56 A10 57 BS1 58 BS0 59 RAS 60 CAS 61 WE 62 VSS 63 VDD 64 DQ7 65 DQ6 66 DQ5 67 DQ4 68 DQ3 69 DQ2 70 DQ1 71 DQ0 72 DQ15 73 DQ14 74 DQ13 75 DQ12 76 DQ11 77 DQ10 78 DQ9 79 DQ8 80 VSS 81 VDD 82 CLK 83 CKE 84 A8 85 A7 86 A6 87 A5 88 A4 89 A3 90 VSS 91 VDD 92 FR_CK 93 RFC0 94 RFC1 95 RFC2 96 RFC3 97 RFC4 98 RFC5 99 RFC6 100 RFC7 101 RFC_CK 102 TEST 103 VSS 104 VDD 105 VCI1 106 CPO1 107 VDD_PLL 108 VSS_PLL 109 VDD 110 CW358 111 VSS 112 BXS1 113 VDD 114 VSS 115 SYS0 116 SYS1 117 SYS2 118 SYS3 119 SYS4 120 NRST C1452 10V 1u C1735 10u C1442 10V 1u C1430 50V 18p C1317 4V 100u C1437 16V 0.1u C1378 50V 68p 1.6X0.8 Q1342 2SB0709A0L C1319 16V 47u R1385 220 R1367 22k R1307 0 C1418 50V 68p R1389 0 L1318 G1C3R3K00007 C1390 50V 47p 1.6X0.8 IC1332 C0CBCBD00006 1 VIN 2 GND 3 ON/OFF 5 Vo 4 Nr Q1334 2SD0601A0L R1317 47k C1306 16V 47u C1395 50V 22p 1.6X0.8 1% R1410 1.1k R1660 EXB38V820JV 1% R1344 6.8k 1.6 x 0.8 R1653 EXB38VR000V R1319 10k R1322 330 R1348 820 R1320 330 Q1337 2SB0709A0L R1409 2.2k 1% R1416 2.7k R1366 22k C1449 10V 1u R1381 0 R1303 0 R1301 0 R1655 EXB38V820JV R1321 680 C1427 50V 100p IC1305 C1AB00000735 1 IN1B 2 SW1 3 OUT1 4 GND2 5 OUT2 6 OUT3 7 SW3 8 IN3A 9 IN3B 10 GND3 11 IN2A 12 SW2 13 VCC 14 IN2B 15 GND1 16 IN1A C1327 16V 0.1u 1.6X0.8 R1421 22 Q1310 2SD0601A0L C1432 50V 100p 1% R1403 220 1% R1357 1.33k C1371 50V 15p 1.6X0.8 L1352 G1C100KA0008 C1309 6.3V 47u R1333 270 1% C1434 10V 1u C1422 50V 18p R1371 1k C1438 10V 1u C1727 6.3V 1u 1.6X0.8 Q1304 2SD0601A0L R1330 22k C1439 10V 1u R1396 4.7k C1315 4V 100u C1737 10u R1386 470 1% R1353 210 C1445 10V 1u C1316 4V 100u R1724 100 R1701 220 C1383 50V 15p 1.6X0.8 Q1363 2SB0709A0L C1403 10V 1u Q1330 XN0650100L B1 C1 E1 B2 C2 E2 GC2P_postfilter 64MBit SDRAM (2M*32Bit) SLV[B2] 3D COMB MAIN-PB MAIN-Y GC2P PQ1X331M2ZP MAIN-Y PQ1X331M2ZP MAIN-Y :OTHER :3D L H A B Y 3D C 3D Y Digital 3.3V MAIN-Pb MAIN-Y MAIN-PR GUARD_Y 5V 50V 1.6X0.8 DG-� TNPA3367(4/8) ! A B C D E F G H A B C D E F G H I J K L M I J K L M N O O Q S T P R 84 16.21.DG 电路板 (5/8)线路图 ���������� ������������ ���������� ������������ 33 34 35 36 37 38 39 40 41 + + + + + + + + + + + AAJ_YUV3 GUARD_CLK AAF_WR AA_UV8_H AAJ_YUV5 AAF_FO6 2.5V 2.5V 2.5V 2.5V AAF_WE 3.3V H-REF 2.5V 2.5V 2.5V AA_UV9_H AAJ_YUV4 AS_UVI5 AAF_FO7 YUV_VD AA_HP_M-S AAF_FO8 GUARD_CLK AA_VP_M-S AAF_FO9 AA_LCLK1 AAF_FO5 AS_HPIN2 AA_YUV6 AA_YUV4 AAH_MAIN-PR AS_VPIN2 AS_UVI6 AA_YUV5 FREERUN AA_YUV2 AS_UVI0 AS_UVI7 AA_YUV6 GC_RESET AAJ_YUV9 AS_UVI1 AS_UVI8 AA_YUV7 3.3V AA_YUV3 AS_UVI2 AS_UVI9 AA_YUV8 AAJ_YUV8 2.5V 2.5V AS_UVI3 AS_CLKIN AA_YUV9 V_SYNC AA_YUV4 AJ_RDV AS_YI0 AA_UV0_H AA_CLK_M-S H_SYNC AAJ_YUV7 AJ_BDV AS_YI1 AA_UV1_H AA_YUV2 AAJ_YUV6 GUARD_CLK AAF_TP2 AS_YI2 AA_UV2_H AA_YUV3 YUV_HD OSD_H AA_YUV0 AS_YI3 AS_YI8 AAF_FO1 AA_YUV5 AS_YI4 AS_YI9 AAF_FO2 SCL0L AAJ_YUV0 AA_YUV7 OSD_V 2.5V AS_YI5 AA_YUV0 AS_UVI4 B_OUT AAJ_YUV2 GUARD_CLK AS_YI6 GUARD_Y AAH_GC2M-Y AJ_CONTRAST AA_YUV1 SDA0L AA_YUV8 G_OUT AS_YI7 AAF_FO3 R_OUT AA_UV3_H AAF_FO4 AJ_BLK AA_UV4_H AAF_RE GUARD_Y MAIN2.5V 2.5V MAIN2.5V 2.5V AA_UV5_H AAF_RR 2.5V 2.5V 2.5V 2.5V 2.5V 2.5V 2.5V AJ_HCLP AA_UV6_H AA_YUV9 AAH_GC2M-PB AAF_FCKR GUARD_CL AA_UV7_H PLLSW1 PLLSW2 2.5V AD2.5V AD2.5V PLLSW1 PLLSW2 AD2.5V AD2.5V 3.3V 3.3V 3.3V 3.3V 3.3V 3.3V 3.3V 3.3V 3.3V MAIN3.3V MAIN3.3V MAIN3.3V R1487 0 C R1534 22 C1589 10V 1u R1478 100 L1340 G1C4R7MA0063 1% R1521 2.7k R1716 0 R1549 120 R1536 22 C9 R1514 270 C1590 50V 68p Q1326 2SD0601A0L C1343 4V 100u C1 C1553 10V 1u C1600 0.01u C1344 4V 100u R1559 120 1% R1501 2.7k 1% R1504 75 1% R1495 75 C1527 10V 1u L1337 G1C4R7MA0063 C1559 10V 1u R1498 33 C1562 10V 1u C1602 50V 100p C1 L1335 G1C4R7MA0063 C1561 10V 1u C1593 50V 33p R1548 56 R1526 0 C1568 10V 1u C1533 10V 1u C C1517 10V 1u X1301 H0J202500002 C1345 4V 220u C1502 10V 1u C1537 10V 1u C1563 10V 1u R1373 10k C1339 4V 220u 1% R1494 150 R1662 EXB38VR000V R1488 1k R1477 100 C1 R1578 0 C1514 10V 1u C1569 10V 1u C1555 10V 1u C1549 10V 1u R1519 150 L1334 G1C4R7MA0063 C1597 16V 0.01u 1.6X0.8 STB3.3V CCW 1% R1499 1.1k R1489 1k C1535 50V 47p 1% R1490 2.7k C1 Q1327 2SD10300TL L1342 G1C4R7MA0063 C1592 16V 0.01u 1.6X0.8 1% R1491 1.4k C1528 16V 0.1u C1554 16V 0.1u C5 C1583 10u 6.3V C1540 16V 0.1u C1598 50V 0.01u C1587 10V 1u L1339 G1C4R7MA0063 C1551 10V 1u C1 C1581 6.3V 3.3u R1555 2.2k R1576 470 C1521 10V 1u R1528 0 CCW R1531 1k R1541 1k C1505 50V 18p Q1321 2SD0601A0L C1546 10V 1u C1541 10V 1u R1542 1.6k C1601 10V 1u C1333 4V 100u C1388 100p 50V C1557 10V 1u R1537 100 IC1311 C0CBCAD00012 1 Vcont 2 GND 3 Np 5 Vin 4 Vout C1338 4V 100u C1 R1507 33 1% C1567 10V 1u R1664 0 C1334 4V 220u R1558 120 C1552 10V 1u C1550 10V 1u R1553 2.4k IC1313 C0JBAB000382 1 2 3 4 5 6 7 8 C1572 10V 1u R1493 33 1% R1546 100 C1 C1545 16V 0.1u 1% R1503 1.4k C1515 10V 1u R1516 1k 1% R1517 2.7k CCW C C1525 10V 1u C1341 16V 10u Q1325 2SD0601A0L C1387 100p 50V C1531 16V 0.1u C1 C1 C1539 16V 0.1u C1516 10V 1u Q1355 2SB0709A0L R1529 1k R1518 33 1% C C1595 10V 1u C1519 10V 1u R1485 8.2k 1% R1502 1.4k R1694 0 1% R1512 1.1k R1714 0 R1552 330 C1603 10V 1u R1545 56 C3 C1566 10V 1u C1340 1u 16V L1336 G1C4R7MA0063 R1554 2.2k C1570 10V 1u R1547 100 R1540 1k C1599 50V 0.01u R1500 33 1% C1591 50V 68p R1533 0 R1467 0 C1520 10V 1u C1565 10V 1u R1551 1.6k CCW L1338 G1C4R7MA0063 C1510 50V 47p R1481 22 1% R1520 150 C1512 10V 1u IC1319 C0CBCAD00012 1 Vcont 2 GND 3 Np 5 Vin 4 Vout C1 C C1501 50V 15p C1594 50V 33p R1484 220 IC1301 C1AB00001826 1 VSS 2 VDDE 3 VDDI 4 UV0 5 UV1 6 RO0 7 RO1 8 RO2 9 RO3 10 RO4 11 RO5 12 RO6 13 RO7 14 HPO1 15 VPO1 16 LCLK1 17 VDDI 18 VDDE 19 VSS 20 HPIN2 21 VPIN2 22 UVIN0 23 UVIN1 24 UVIN2 25 UVIN3 26 UVIN4 27 UVIN5 28 UVIN6 29 UVIN7 30 UVIN8 31 UVIN9 32 CLKIN 33 VDDI 34 VDDE 35 VSS 36 YIN0 37 YIN1 38 YIN2 39 YIN3 40 YIN4 41 YIN5 42 YIN6 43 YIN7 44 YIN8 45 YIN9 46 VDDI 47 VDDE 48 VSS 49 YUV0 50 YUV1 51 YUV2 52 YUV3 53 YUV4 54 YUV5 55 YUV6 56 YUV7 57 YUV8 58 YUV9 59 VDDI 60 VDDE 61 VSS 62 BCLK 63 HFR 64 LCDSW 65 NRST 66 AVSAD2 67 AVDAD2 68 AVSAD1 69 AVDAD1 70 VRH1 71 NC 72 VIN1 73 VRL 74 NC 75 NC 76 AVSAD22 77 AVDAD22 78 AVSAD21 79 AVDAD21 80 NC 81 VRH2 82 NC 83 VIN2 84 NC 85 VRL2 86 NC 87 NC 88 AVSAD32 89 AVDAD32 90 AVSAD31 91 AVDAD31 92 NC 93 VRH3 94 NC 95 VIN3 96 NC 97 VRL3 98 NC 99 NC 100 AVDCLP 101 AVSCLP 102 UCLP 103 VCLP 104 YCLP 105 VSS 106 VDDI 107 VDDE 108 MST 109 SMCK 110 VPD 111 XTST 112 VPIN1 113 HPIN1 114 SCS 115 XSM 116 SDA 117 SCL 118 VSS 119 VDDE 120 FO9 121 FO8 122 FO7 123 FIN9 124 FIN8 125 FIN7 126 FIN6 127 FIN5 128 FO6 129 FO5 130 VSS 131 VDDI 132 VDDE 133 WE 134 WR 135 FCKR 136 RR 137 RE 138 FO4 139 FO3 140 FIN4 141 FIN3 142 FIN2 143 FIN1 144 FIN0 145 FO2 146 FO1 147 FO0 148 OSDCNT 149 VDDE 150 VSS 151 VDDI 152 INTLC 153 VDAF 154 EWO 155 HO2 156 HO1 157 158 PSO 159 HTRAP 160 HINP 161 HPO3 162 VPO3 163 HPO2 164 VPO2 165 LCLK2 166 VDDE 167 BXS3 168 VSS 169 CW358 170 VDDI 171 VGS3 172 CPO3 173 AVDPL3 174 AVSPL3 175 VGS2 176 CPO2 177 AVDPL2 178 AVSPL2 179 VSS 180 HREF 181 VDDE 182 BXS2 183 VDDI 184 FBPMO 185 VDDE 186 FBPIN 187 VSS 188 AVSPL1 189 AVDPL1 190 CPO1 191 VGS1 192 VSS 193 VDDI 194 POUT 195 VDDE 196 VSAW 197 VDDE 198 RDV 199 BDV 200 RCF 201 GCF 202 BCF 203 HCLP 204 BLK 205 HPO4 206 VPO4 207 FRCLK 208 VDDE 209 VSS 210 XIN 211 VDDI 212 213 VDDE 214 VSS 215 VMYS 216 YUVOE 217 218 AIN1 219 AIN2 220 AIN3 221 AIN4 222 AVSAD 223 VR 224 AVDAD 225 VRO1 226 VREF1 227 AOUT1 228 AVSDA1 229 AVDDA1 230 VRO2 231 VREF2 232 AVSDA2 233 AVDDA2 234 AOUT2 235 AVSDA3 236 AVDDA3 237 AOUT3 238 COMP 239 AVSDA4 240 AOUT4 241 AVDDA4 242 VRO4 243 VREF4 244 COMP4 245 NC 246 AVDDA5 247 AVSDA5 248 AOUT5 249 COMP5 250 NC 251 AVSDA6 252 AOUT6 253 AVDDA6 254 VRO6 255 VREF6 256 COMP6 R1522 33 1% C1526 10V 1u R1557 120 R1663 EXB38VR000V R1715 0 1% R1492 1.1k L1331 G1C4R7MA0063 C1538 10V 1u C1604 50V 0.01u R1496 10 L1333 G1C4R7MA0063 R1579 0 R1510 10 L1360 J0JGC0000021 R1505 10 C1522 10V 1u R1573 470 C1596 50V 100p C1518 10V 1u C1573 10V 1u C1332 4V 100u R1374 10k C1529 16V 0.1u R1532 0 1% R1513 1.1k C1534 10V 1u C1574 10V 1u 1%R1509 150 1% R1497 1.4k R1372 10k C1 C1342 4V 100u C1547 10V 1u C1542 16V 0.1u Q1320 2SD0601A0L R1476 1.8k C1523 10V 1u R1550 120 R1515 33 1% C1543 10V 1u C1530 10V 1u R1574 470 R1479 22 1% R1511 75 R1686 0 C4 R1539 220 C1536 16V 0.1u C1744 16V 47u R1474 1M C1 C1728 16V 0.1u R1575 470 L1341 G1C4R7MA0063 C C1 1k R1375 10k R1486 33 L1368 J0JGC0000021 L1369 J0JCC0000241 L1370 J0JCC0000241 C1683 50V 100p C1684 50V 100p C1685 50V 100p C1686 50V 100p C1687 50V 100p IIC3.3V Pullup 25mA 3.3V-[2] 45mA 3.3V-[1] Y/G/COMP HEAT SINK : TUC4G758 GC2M+ SLV[8A] :Secondary SLV[88] :Primary TAPE : TWFT2020Q024 For back For DDIF 0.5mA V/R 0.16A HDAF ON/OFF TK11125CSCL-G PLL 2.5V 0.5mA U/B/C PLL 2.5V GND VCC 20.25MHZ TK11125CSCL-G PLL 2.5V R1561 IC1316 C0DBEZD00002 50V 10V DG-� TNPA3367(5/8) ! A B C D E F I J K L M G H A B C D E F G H I J K L M O Q S T P R O Q S T U P R 85 16.22.DG 电路板 (6/8)线路图 ���������� ������������ ���������� ������������ 41 42 43 44 45 46 47 48 49 + + + + + + + AAD_GOUT GUARD PC_H PANEL_SDA3 AAD_GOUT GUARD GUARD_G GUARD_B GUARD_G SW9V COR AAD_ROUT B_OUT GUARD_B 5V 5V 5V GUARD_V PC_R_GND PANEL_SCL3 FREERUN 12V V_MUTE GUARD PC_V OSDR OSDG 5.0V AJ_HCLP GUARD_VD OSDYS GUARD_G AAE_GOUT GUARD_VD R_OUT GUARD_R GUARD_HD AAE_BOUT GUARD_B GUARD H_SYNC OSDB 9V GUARD_R AAE_ROUT AAE_BOUT GUARD_HD GUARD_HD AJ_BDV PC_R GUARD_HD AJ_RDV 9V GUARD V_SYNC AAE_GOUT AJ_CONTRAST AVPC_SEL AAD_BOUT G_OUT GUARD_G AAD_ROUT AAD_BOUT GUARD_G AAE_ROUT GUARD_R 12V 9V MAIN9V MAIN5V MAIN5V MAIN3.3V C1951 6.3V10u 3.2X1.6 C1934 16V 47u R1743 22 R1687 120 IC3699 C3EBDC000046 1 2 3 4 5 6 7 8 R1470 82k R1851 0 IC8002 C0JBAR000241 1 Y0 2 Y2 3 Y 4 Y3 5 Y1 6 INH 7 VEE 8 VSS 9 B 10 A 11 X3 12 X0 13 X 14 X1 15 X2 16 VDD IC1329 C0JBAZ001488 C0JBAZ000280 1 2 3 4 5 6 7 8 R1857 0 1% R1899 3.3k L1855 ELJPA100KF R1943 0 D1857 MA2J11100L 1% R1882 75 C1457 50V 0.01u R1468 33k C1932 50V 1000p C1878 6.3V 10u R1729 10k JS089 R1685 390 R1649 270 AN78L09M-E1 IC1323 IN 3 2 COMMON OUT 1 C1894 50V 0.01u 1% R1893 4.7k C1471 16V 0.1u R1469 33k R1872 10k C1363 50V 0.01u 1.6X0.8 R1868 10k R1889 2.2k R1869 10k C1881 16V 0.1u C1927 50V 1000p C1885 10V 1u 1.6X0.8 C1324 33u 25V R1435 10k C1362 10V 1u 1.6X0.8 R1850 0 R1737 10k D1855 MAZ31500ML R1684 390 R1728 10k R1461 4.7k R1947 2.2k R1859 330 R1884 100 1% R1904 820 R1890 3.3k C1930 6.3V 10u 3.2X1.6 R1938 18k R1871 22 R1905 0 C1896 0.1u R1883 270 R1734 330 R1439 10k JS1850 L1852 ELJPA100KF R1731 10k C1952 6.3V 3.2X1.6 C1870 50V 0.01u 1% R1937 4.7k C1877 16V 0.1u R1563 10k D1300 MA3X152K0L B0ACCJ000016 C1605 16V 47u D1850 MAZ31100ML R1862 0 R1464 10k R1683 390 C1887 6.3V 10u Q1601 2SD0601A0L C1368 50V 0.01u 1.6X0.8 R1446 10k R1447 0 C1892 16V 0.47u JS062 C1483 10V 1u R1908 0 R1877 10k C1876 50V 470p R1879 330 R1858 330 L1853 ELJPA100KF R1946 2.2k 1% R1892 1.5k BDR_GND IC1325 C0CBCBD00008 1 Vcont 2 GND 3 Np 5 Vin 4 Vout R1741 22 IC8004 C1AA00000395 H.State 1 2 V.State 3 Green Sep Filter 4 Green IN 5 GND 6 Comp/H IN 7 Comp/H Det 8 Vert IN 9 Vert Det 10 Vert S/S Adj 11 Vert S/S IN 12 Digital GND 13 VD+OUT 14 HD+OUT 15 HD-OUT 16 Vcc 17 Clamp OUT 18 H.Pol. 19 V.Pol. 20 Clamp Timing R1976 5.6k C1AB00001720 IC3251 1 GINA/UINA 2 GSG1 3 GINB/UINB 4 NC 5 BINA/VINA 6 GSB1 7 BINB/VINB 8 NC 9 DISABLE 10 GND3 11 BOUT/VOUT 12 VCC3 13 GND2 14 GOUT/UOUT 15 VCC2 16 GND1 17 ROUT/YOUT 18 VCC1 19 GND4 20 RFC 21 VFC 22 MUXSEL 23 SYNCIN 24 VCC4 25 RINA/YINA 26 GSR1 27 RINB/YINB 28 NC R1855 10k 1% R1902 2.2k R1867 10k Q1851 2SD0601A0L B1ABCC000004 C1615 16V 0.1u C1476 16V 0.1u C1897 50V 0.1u C1863 16V 0.1u IC8009 C0JBAS000109 1 2 3 4 5 6 7 8 C1489 10V 1u D1490 MA2J11100L R1944 1k R1736 330 C1733 16V 0.1u R1870 22 R1472 3.3k C1365 16V 0.01u 1.6X0.8 C1884 16V 0.1u D1856 MAZ31500ML R1853 0 R1861 0 JS103 R1706 10k C1889 6.3V 10u 3.2X1.6 R1745 47k R1942 100 C1936 16V 1u IC3517 C0JBAS000109 1 2 3 4 5 6 7 8 R1885 10 C1895 50V 0.1u R1863 0 D1858 MA2J11100L R1903 100k R1887 3.3k C1899 50V 0.1u C1886 16V 2.2u C1890 50V 0.01u R1852 10k R1866 10k C1865 16V 0.1u R1744 22 C1891 10V 1u 1.6X0.8 C1466 16V 0.1u C1893 50V 0.01u C1929 50V 0.01u R1647 270 C1369 6.3V 1u 1.6X0.8 R1689 120 C1869 50V 0.1u R1955 100 Q1602 2SD0601A0L R1875 0 C1370 10V 1u 1.6X0.8 R1958 100 C1730 16V 0.1u 1% R1909 4.7k R1886 3.3k C1855 50V 0.1u C1928 50V 100p C1898 16V 47u D1851 MAZ31100ML R1934 100 L1600 ELJPA100KF C1482 10V 1u IC3003 C1AB00000441 1 SW1 2 SW0 3 DAC4 4 DAC3 5 DAC2 6 DAC1 7 DAC0 8 GND 9 SW2 10 SW3 11 SAD0 12 SAD1 13 SAD2 14 SDA 15 SCL 16 Vcc IC1309 AN15935A-VF 1 YM_in 2 YS_in 3 OSD-Bin 4 OSD-Gin 5 OSD-Rin 6 Spot_Killer_in 7 Bout 8 Bright_S/H 9 Gout 10 Output_Vcc9V 11 Rout 12 Vcc9V 13 Rin 14 Cutoff-R 15 Gin 16 Cutoff-G 17 Bin 18 Cutoff-B 19 BLKin 20 CLPin 21 DRIVE-R 22 DRIVE-B 23 CONTRAST 24 GND R1906 R1854 100 D1853 MAZ31500ML C1953 6.3V 10u 3.2X1.6 R1901 0 C1866 16V 0.1u R1459 33k C1931 6.3V 10u 3.2X1.6 R1443 10k R1735 330 JS090 C1888 16V 4.7u R1742 22 R1739 10k IC8008 C0JBAR000111 1 2 3 4 5 6 7 8 R1956 100 D1488 MA3X152K0L C1712 50V 0.01u R1860 330 L1854 ELJPA100KF D1852 MAZ31100ML C1AB00000454 IC3004 1 SW1 2 SW0 3 DAC4 4 DAC3 5 DAC2 6 DAC1 7 DAC0 8 GND 9 SW2 10 SW3 11 SAD0 12 SAD1 13 SAD2 14 SDA 15 SCL 16 VCC C1854 16V 47u C1325 50V 0.01u D1854 MAZ31500ML Q1600 2SD0601A0L R1907 0 R1562 10k R1688 120 R1732 10k R1878 330 C1479 10V 1u R1888 100 JS104 C1900 50V 0.1u R1856 0 C1468 16V 0.1u Q1359 2SB0709A0L R1896 100 C1883 16V 0.1u R1975 5.6k C1933 10V 1u 1.6X0.8 C1464 16V 47u JS105 JS091 R1936 100 C1935 10V 1u 1.6X0.8 R1948 2.2k Q1850 2SD0601A0L B1ABCC000004 R1959 100 IC8006 C0JBAB000417 1 2 3 4 5 6 7 8 9 10 11 12 13 14 C1467 50V 82p L1856 ELJPA100KF R1650 270 =3.0V DC I4 R OUT O4 GND O3 I3 I2 O1 I1 I6 DAC3 DAC0 HD RB_DIV VSS CS Video LPF&Sync Contorll 1/10 add VCC O6 I5 O2 SW0 B OUT DAC1 G OUT GND SW1 VD DAC4 SLV[4C] O5 AO A1 A2 VSS VCC WP SCL SDA 5V 2-CHANNEL M52346SP COM INH VEE GND MULTIPLEXER VCC I0 I1 VDD VSS SEL DAC2 VDD CS(S) FAN_CONT LPF(S) SYNC_INH(S) IC3251 IC3251 GUARD_VD GUARD_G DG-� TNPA3367(6/8) ! A B C D E F I J G K L M H A B C D E F G H I J K L M O Q S T U P R O Q S T U V W Y 2 X P R 1 3 4 5 6 8 9 a c b 7 86 16.23.DG 电路板 (7/8)线路图 ���������� ������������ ���������� ������������ 49 50 51 52 53 54 55 56 57 + + + + + + + + + + + + + + AAL_A2 AAL_A0 AAM_DQ15 AA_LCLK1 AAM_DQ6 GC_RESET AAL_A9 AAL_BS AR_YO5 AAL_A1 AA_UV9_H AAM_DQ7 AAM_DQ1 AB_RAS AA_UV8_H AR_YO2 AAL_A2 AR_UVO6 AB_CAS AA_UV7_H GUARD_G G_DRV AR_YO3 2.5V 2.5V 2.5V 2.5V AAM_DQ17 PC_G AT_FIL2 AR_UVO9 AA_UV6_H AR_YO4 AAM_DQ16 AAK_SUB-PR AA_UV5_H AAM_DQ18 AT_FIL2 AR_UVO4 AA_UV4_H AAK_SUB-PB R_DRV GUARD_R AAM_DQ19 NCLP VPO AR_UVO3 AA_UV3_H IDTV_SEL G_DRV GUARD_G AAM_DQ20 AR_UVO2 AA_UV2_H B_DRV GUARD_B AAM_DQ21 AR_YO9 AA_UV1_H AR_UVO5 AAF_TP2 AAM_DQ22 AA_UV0_H AR_YO6 AA_YUV0 AAM_DQ24 GUARD_R R_DRV AR_YO7 AA_YUV1 HPO GUARD AA_HP_M-S AAM_DQ25 AR_YO8 AA_YUV2 AAM_DQ26 AR_UVO8 AA_YUV3 AAM_DQ27 AR_UVO7 AA_YUV4 AAM_DQ29 AAM_DQ28 HPO AA_YUV5 1080IXOTHER AAM_DQ30 3.3V 3.3V 3.3V 3.3V 3.3V 3.3V AA_YUV6 AR_YO1 PC_B_GND AAM_DQ31 AA_YUV7 AB_WE AR_YO0 AVPC_SEL AAM_DQ9 AA_YUV8 AB_CAS AR_UVO1 GUARD_CLK AT_YLVL AA_YUV9 AAM_DQ8 AT_YLVL AB_RAS AR_UVO0 AAL_A3 AAM_DQ10 AAM_DQ0 AR_CLK_S_F AAL_A4 AB_WE AAM_DQ11 AAM_DQ2 SCL0L PC_B SUB_Y_VBS AAL_A5 AAM_DQ12 AA_VP_M-S AAM_DQ3 AAL_A0 SUB_PR PC_G_GND AAL_A6 AAL_BS AAM_DQ13 AAL_A10 AAM_DQ4 SUB_C_PB AR_VPO SDA0L AAL_A7 AAM_DQ23 AGC1 AAL_A10 AAM_DQ14 AAL_A1 AAM_DQ5 AR_HPO 2.5V 2.5V 2.5V 2.5V 2.5V V_MUTE AAL_A8 AGC2 MAIN9V MAIN9V BDR_GND GUARD_B B_DRV MAIN12V GDR_GND RDR_GND MAIN9V MAIN5V 2.5V MAIN3.3V MAIN3.3V C1367 10V 1u C1747 16V 0.1u 1.6X0.8 C1658 10V 1u R1799 0 C1761 50V 47p 1.6X0.8 R1783 0 1% R1769 4.7k 1% R1424 3.9k C1654 16V 0.1u L1344 ELJPA100KF C1640 10V 1u C1625 50V 33p C1667 10V 1u 1% R1790 2.61k TP1852 C1649 10V 1u D1302 MAZ30330LL Q1757 XN0650100L B1 C1 E1 B2 C2 E2 1% R1613 33 C1357 4V 100u Q1756 2SD0601A0L C1645 10V 1u R1779 0 R1760 330 C1665 10V 1u C1648 10V 1u C1939 470u 10V R1634 2.2k JS174 ERJ3GEY0R00V 0 C1772 50V 39p 1.6X0.8 1% R1606 33 C1301 16V 0.1u C1663 10V 1u L1350 J0JCC0000241 DG31 1 2 3 4 5 6 7 8 C1302 16V 0.1u R1966 1.5k C1636 10V 1u C1358 10V 1u 1% R1761 180 C1613 10V 1u R1639 0 CL231 DG30 1 2 3 4 5 6 7 8 9 10 C1629 10V 1u C1763 6.3V 1u 1.6X0.8 C1359 10V 1u 1% R1626 1.4k 1% R1970 75 C1639 10V 1u 1% R1628 2.7k Q1758 2SD0601A0L CL228 C1643 10V 1u 1% R1753 1.1k R1668 220 R1713 EXB38V221JV C1751 50V 100p 1.6X0.8 1% R1615 220 IC1800 C0JBAZ001488 C0JBAZ000280 1 2 3 4 5 6 7 8 C1360 16V 10u R1964 33 C1352 4V 220u R1604 470 R1709 0 1% R1954 75 Q1764 2SD10300TL R1807 33 C1637 10V 1u C1355 4V 100u C1642 10V 1u JS109 0 2.0 x 1.25 L1750 G1C5R6K00007 C1938 470u 10V 1% R1766 150 1.6 x 0.8 C1622 10V 1u R1782 1k IC1302 C1AB00001703 1 VGS1 2 CPO1 3 AVDPL1 4 AVSPL1 5 NC 6 VGS2 7 CPO2 8 AVDPL2 9 AVSPL2 10 VSS 11 VDDE 12 VDDI 13 FRCLKIN 14 VPD 15 NRST 16 PLLNRST 17 SDA 18 SCL 19 TP0 20 TP1 21 TP2 22 TP3 23 TP4 24 TP5 25 TP6 26 VDDI 27 VDDE 28 VSS 29 EXCLKOUT 30 EXHPO 31 EXVPO 32 BS2YIN0 33 BS2YIN1 34 BS2YIN2 35 BS2YIN3 36 BS2YIN4 37 BS2YIN5 38 BS2YIN6 39 BS2YIN7 40 BS2YIN8 41 BS2YIN9 42 VDDI 43 VDDE 44 VSS 45 BS2UVIN0 46 BS2UVIN1 47 BS2UVIN2 48 BS2UVIN3 49 BS2UVIN4 50 BS2UVIN5 51 BS2UVIN6 52 BS2UVIN7 53 BS2UVIN8 54 BS2UVIN9 55 BS2CLKIN 56 BS2HPIN 57 BS2VPIN 58 VSS 59 VDDI 60 VDDE 61 BXS1 62 VSS 63 CW358 64 VDDE 65 VGS3 66 CPO3 67 AVDPL3 68 AVSPL3 69 NC 70 VRO1 71 VREF1 72 AVSDA1 73 AVDDA1 74 AOUT1 75 NC 76 AVDCLP 77 AVSCLP 78 UCLP 79 VCLP 80 YCLP 81 NC 82 NC 83 VRH1 84 NC 85 AVSAD1 86 AVDAD1 87 VRL1 88 NC 89 VIN1 90 NC 91 NC 92 NC 93 VRH2 94 NC 95 AVSAD2 96 AVDAD2 97 NC 98 VRL2 99 NC 100 NC 101 VIN2 102 NC 103 VIN3 104 VRL3 105 AVSAD3 106 AVDAD3 107 VRH3 108 VSS 109 VDDE 110 VDDI 111 TEST 112 IOCTRL 113 SADR 114 SMCK 115 MST 116 XTST 117 XSM 118 VDDI 119 VDDE 120 VSS 121 BSUVIN7 122 BSUVIN6 123 BSUVIN5 124 BSUVIN4 125 BSUVIN3 126 BSUVIN2 127 BSUVIN1 128 BSUVIN0 129 BSHPIN 130 BSVPIN 131 BSCLKIN 132 VSS 133 VDDE 134 VDDI 135 BSYIN7 136 BSYIN6 137 BSYIN5 138 BSYIN4 139 BSYIN3 140 BSYIN2 141 BSYIN1 142 BSYIN0 143 YIN1 144 YIN0 145 VSS 146 VDDE 147 VDDI 148 YOUT9 149 YOUT8 150 YOUT7 151 YOUT6 152 YOUT5 153 YOUT4 154 YOUT3 155 YOUT2 156 YOUT1 157 YOUT0 158 VSS 159 VDDE 160 VDDI 161 CLKOUT 162 UVOUT9 163 UVOUT8 164 UVOUT7 165 UVOUT6 166 UVOUT5 167 UVOUT4 168 UVOUT3 169 UVOUT2 170 UVOUT1 171 UVOUT0 172 VPO 173 HPO 174 VSS 175 VDDE 176 VDDI 177 CLKIN 178 VPIN 179 HPIN 180 YUVIN9 181 YUVIN8 182 YUVIN7 183 YUVIN6 184 YUVIN5 185 YUVIN4 186 YUVIN3 187 YUVIN2 188 YUVIN1 189 YUVIN0 190 VDDI 191 VDDE 192 VSS 193 DQ15 194 DQ14 195 DQ13 196 DQ12 197 DQ11 198 DQ10 199 DQ9 200 DQ8 201 VDDI 202 VDDE 203 VSS 204 SDCLK 205 CKE 206 A9 207 A8 208 A7 209 A6 210 A5 211 A4 212 A3 213 VDDI 214 VDDE 215 VSS 216 DQ31 217 DQ30 218 DQ29 219 DQ28 220 DQ27 221 DQ26 222 DQ25 223 DQ24 224 DQ23 225 DQ22 226 DQ21 227 DQ20 228 DQ19 229 DQ18 230 DQ17 231 DQ16 232 VDDI 233 VDDE 234 VSS 235 A2 236 A1 237 A0 238 A10 239 BS 240 RAS 241 CAS 242 SDWE 243 VDDI 244 VDDE 245 VSS 246 DQ7 247 DQ6 248 DQ5 249 DQ4 250 DQ3 251 DQ2 252 DQ1 253 DQ0 254 VDDI 255 VDDE 256 VSS R1993 1k 1% R1794 4.7k R1974 1k C1644 10V 1u C1351 10V 1u JS173 ERJ3GEY0R00V 0 R1972 1k R1755 0 L1362 J0JGC0000021 R1989 100 R1666 220 R1778 1k R1756 470 C1641 16V 0.01u 1.6X0.8 C1753 50V 22p 1.6X0.8 C1630 10V 1u C1647 10V 1u Q1760 2SD0601A0L C1614 50V 68p C1734 10V 1u 1.6X0.8 L1366 J0JGC0000021 C1765 50V 33p 1.6X0.8 JS175 ERJ3GEY0R00V 0 R1792 33 1% R1608 33 C1657 50V 0.01u L1367 J0JGC0000021 R1624 22 R1719 0 C1780 10V 1u R1775 470 R1708 0 1% R1614 33 R1994 1k 1% R1757 120 R1770 1k C1609 10V 1u C1610 16V 0.01u 1.6X0.8 C1653 10V 1u C1496 10V 1u R1780 22k R1797 820 1% R1773 39 1.6 x 0.8 C1638 10V 1u C1774 6.3V 6.8u 3.2X1.6 Q1751 2SD0601A0L R1781 33 Q1759 2SB0709A0L Q1753 2SD0601A0L 1% R1952 75 C1656 10V 1u C1937 470u 10V R1827 470 CL361 TP1851 C1662 10V 1u R1705 47k R1992 1k C1660 10V 1u C1354 6.3V 47u R1990 100 C1766 50V 100p 1.6X0.8 1% R1612 33 1% R1793 150 1.6 x 0.8 IC1324 C0CBCAD00012 1 Vcont 2 GND 3 Np 5 Vin 4 Vout C1771 16V 0.1u 1.6X0.8 R1971 1.5k C1329 50V 1u C1646 10V 1u C1785 16V 0.1u L1753 G1C1R0K00005 C1777 6.3V 1u 1.6X0.8 1% R1787 20 1.6 x 0.8 Q1762 2SB0709A0L CL230 C1618 10V 1u R1712 EXB38V221JV CL233 C1671 10V 1u L1751 G1C1R0K00005 CL227 C1628 10V 1u R1791 680 L1343 ELJPA100KF R1798 470 Q1755 2SB0709A0L R1750 330 1% R1609 150 IC1322 C0CBCAD00012 1 Vcont 2 GND 3 Np 5 Vin 4 Vout C1633 10V 1u R1767 10k Q1754 UNR221500L C1755 50V 39p 1.6X0.8 D1301 MA3X152K0L C1762 6.3V 1u 1.6X0.8 R1817 330 R1963 33 R1747 0 R1991 1k R1746 0 C1757 50V 15p 1.6X0.8 C1736 16V 0.1u 1.6X0.8 CL229 1% R1968 75 Q1761 2SB0709A0L C1623 10V 1u R1721 0 C1767 50V 33p 1.6X0.8 Q1765 2SD10300TL L1754 G1C5R6K00007 R1629 22 R1772 820 C1356 10V 1u C1382 6.3V 47u R1704 0 C1668 10V 1u R1796 33 C161610V 1u Q1750 2SD0601A0L C1760 10V 1u 1.6X0.8 JS056 C1750 10V 1u 1.6X0.8 C0DBEZG00004 IC1306 1 IN 2 ON/OFF 3 OUT 4 V_adj 5 GND 6 OUT JS058 R1748 0 R1717 0 R1768 330 R1771 47k C1776 6.3V 1u 1.6X0.8 C1758 50V 8p 1.6X0.8 IC1750 C0JBAS000061 1 IN/OUT 2 OUT/IN 3 GND 5 VDD 4 CONT R1711 EXB38V221JV 1% R1777 120 R1776 2.2k R1630 220 R1710 EXB38V221JV Q1800 UNR221500L C1632 10V 1u L1752 G1C1R0K00005 C1386 50V 1000p 1% R1784 180 R1785 10k TP1850 R1667 220 R1965 100 C1350 4V 100u 1% R1610 150 CL226 1%R1627 1k 1% R1751 511 R1765 0 R1665 220 C1620 10V 1u C1781 16V 47u C1670 10V 1u C1353 4V 220u C1783 16V 0.1u R1759 0 1% R1969 75 R1707 22k R1423 3.9k 1% Q1763 2SD0601A0L R1623 22 C1621 10V 1u 1% R1762 150 C1784 16V 0.1u CL232 R1758 1k C1773 50V 15p 1.6X0.8 1% R1611 150 JS110 C1664 10V 1u L1755 0 C1669 10V 1u C1366 10V 1u R1967 1.5k R1570 1.5k R1973 1k R1774 0 R1752 1k L1310 G1C4R7MA0063 C1348 6.3V 47u L1361 J0JGC0000021 C1611 50V 100p R1605 470 Q1752 2SD0601A0L R1795 0 C1651 10V 1u C1619 10V 1u 1% R1607 33 C1688 50V 100p C1689 50V 100p C1690 50V 100p C1786 50V 100p ANAb ADI2 ANAb ANAb Macro VSS VDDE_3.3 CPO3 VGS3 JW SUB-Pr SUB-Pb SUB-Y H:else GC2M+ VPO1 L:fc 14MHz PR HFE:800, @6.8 SY_GND Y:2.0Vp-p FIL2 DC=2.05V DC=2.05V H:fc 30MHz Macro 200mA Y PB PB:1.4Vp-p DC=1.15V GC2S+ PR1.4Vp-p CW358 10K AD GCRESET R G B VP NCLP 1/10 HP Delete NCLP Sync_SEL TK11125CSCL-G TK11125CSCL-G AGC1 GND VCC L:1080i/525p/625p STB5V SRQ GND NC NC SCL SDA GND HP GUARD_N 3.2X1.6 50V DG-� TNPA3367(7/8) ! A B C D E F I J G K L M H O Q S T U V W Y 2 1 3 4 5 6 8 9 a c b 7 X P R A B C D E F G H I J K L M O Q S T U V W Y X P R 87 16.24.DG 电路板 (8/8)线路图 ���������� ������������ ���������� ������������ 57 58 59 60 61 62 63 64 65 + + + + + + + + + + NP + AV_DQ26 AV_A7 AAM_DQ24 AV_CLK GUARD_CLK AV_A1 AAM_DQ19 AV_DQ23 AV_BS1 AAM_DQ30 AV_A6 AV_DQ22 AAM_DQ31 AV_BS0 AV_A5 AV_DQ21 AV_BS1 AAM_DQ29 GC_RESET AV_A4 AQ_X_F AV_DQ20 AV_DQ28 AAM_DQ28 AV_A3 AS_YI6 AV_DQ19 AS_YI9 AAM_DQ8 AS_YI5 AV_DQ31 AV_DQ18 AV_DQ13 SDA0L AS_YI8 AAM_DQ14 AS_YI4 AV_DQ12 AV_DQ17 AV_DQ30 SCL0L AAM_DQ13 AS_YI3 AV_WE AV_DQ16 AV_DQ29 AAM_DQ11 AV_A2 AAM_DQ12 AS_YI2 AV_DQ7 AV_CAS AV_DQ29 AAM_DQ9 AV_DQ28 AV_DQ16 AAM_DQ10 AS_YI1 AV_DQ6 AS_UVI9 AV_DQ30 AAM_DQ15 AV_RAS AV_DQ27 AV_DQ17 AS_YI0 AV_DQ5 AS_UVI8 AV_DQ31 AV_A9 AV_DQ26 AS_UVI7 AV_DQ18 AV_DQ4 AS_CLKIN AV_A7 AV_DQ25 AAM_DQ1 AS_UVI6 AV_DQ3 AV_DQ19 AR_CLK_S_F AV_A8 AS_YI7 AAM_DQ2 2.5V AV_DQ24 AS_UVI5 AV_DQ2 AR_VPO AV_DQ20 AR_YO9 AAM_DQ3 AV_CKE AS_UVI4 AV_DQ0 AV_DQ1 AR_UVO9 AV_DQ21 AV_A10 AR_YO8 AAM_DQ5 AS_UVI3 AAL_A3 AV_DQ0 AV_DQ1 AR_UVO8 AR_HPO AV_DQ22 AV_A2 AR_YO0 AAM_DQ4 AS_UVI2 AAL_A8 AR_UVO7 AV_DQ2 AV_DQ23 AV_A0 AR_YO1 AAM_DQ6 AS_UVI1 AAL_A9 3.3V 3.3V AR_UVO6 AV_DQ3 GUARD_CLK AV_A1 AR_YO2 AAM_DQ7 AS_UVI0 AAL_A7 AR_UVO5 GUARD_CL AV_DQ4 AR_YO3 AAM_DQ0 AV_A3 AAL_A6 AV_DQ9 AV_DQ27 AR_UVO4 AV_DQ5 AV_DQ11 AR_YO4 AAM_DQ21 AV_A5 AAL_A5 AV_DQ8 AV_BS0 AV_DQ8 AR_UVO3 AV_DQ6 AR_YO5 AAM_DQ20 AAL_A4 AV_DQ9 AV_A4 AV_WE AR_UVO2 AV_CLK GUARD_CLK AR_YO6 AAM_DQ22 AV_DQ7 AV_DQ10 AR_UVO1 AV_DQ15 AV_DQ10 AR_YO7 AV_CAS AAM_DQ23 AV_DQ11 AR_UVO0 AV_DQ14 MAIN2.5V AV_CKE AAM_DQ26 AV_RAS AS_HPIN2 AAM_DQ17 AV_DQ12 AV_DQ15 AV_DQ24 AV_A9 AAM_DQ27 AV_A10 AS_VPIN2 AAM_DQ16 AV_DQ13 AV_A6 AV_DQ25 AV_A8 AAM_DQ25 AV_A0 AAM_DQ18 AV_DQ14 MAIN5V MAIN3.3V MAIN3.3V MAIN3.3V C1814 50V 0.01u C1818 50V 0.01u JS142 R1927 82 IC1321 C3ABPJ000063 1 VDD 2 DQ0 3 VDDQ 4 DQ1 5 DQ2 6 VSSQ 7 DQ3 8 DQ4 9 VDDQ 10 DQ5 11 DQ6 12 VSSQ 13 DQ7 14 NC 15 VDD 16 DQM0 17 WE 18 CAS 19 RAS 20 CS 21 NC 22 BA0 23 BA1 24 A10/AP 25 A0 26 A1 27 A2 28 DQM2 29 VDD 30 NC 31 DQ16 32 VSSQ 33 DQ17 34 DQ18 35 VDDQ 36 DQ19 37 DQ20 38 VSSQ 39 DQ21 40 DQ22 41 VDDQ 42 DQ23 43 VDD 44 VSS 45 DQ24 46 VSSQ 47 DQ25 48 DQ26 49 VDDQ 50 DQ27 51 DQ28 52 VSSQ 53 DQ29 54 DQ30 55 VDDQ 56 DQ31 57 NC 58 VSS 59 DQM3 60 A3 61 A4 62 A5 63 A6 64 A7 65 A8 66 A9 67 CKE 68 CLK 69 NC 70 NC 71 DQM1 72 VSS 73 NC 74 DQ8 75 VDDQ 76 DQ9 77 DQ10 78 VSSQ 79 DQ11 80 DQ12 81 VDDQ 82 DQ13 83 DQ14 84 VSSQ 85 DQ15 86 VSS C1655 50V 0.01u R1930 82 R1960 82 L1652 J0JGC0000021 IC1315 C0CBCAD00012 1 Vcont 2 GND 3 Np 5 Vin 4 Vout C1691 50V 0.01u C1812 50V 0.01u JS139 C1706 50V 0.01u C1810 50V 0.01u C1813 50V 0.01u JS125 C1718 50V 0.01u R1916 82 C1817 50V 0.01u JS127 R1949 EXB38V820JV JS129 C1874 56u 4V C1631 50V 0.01u R1941 EXB38V820JV JS143 R1929 82 R1675 EXB38V820JV R1682 0 R1961 EXB38V820JV C1634 50V 0.01u R1910 82 C1659 50V 1u R1681 100 JS118 C1679 10V 1u JS135 C1707 50V 0.01u C1868 100u 4V R1935 0 C1713 50V 0.01u R1919 82 JS123 C1807 50V 0.01u C1674 10V 1u R1912 82 JS112 C1742 50V 0.01u C1652 50V 0.01u R1913 82 C1696 50V 0.01u C1811 50V 0.01u C1682 4V 100u R1926 82 R1921 82 R1931 82 JS140 R1674 EXB38V820JV R1635 330 JS113 R1673 EXB38V820JV C1816 16V 0.1u JS136 C1661 10V 1u C JS141 R1915 82 C1705 50V 0.01u C1808 50V 0.01u C1635 50V 0.01u C1819 50V 0.01u C1875 56u 4V C1700 50V 0.01u C1681 10V 1u R1676 EXB38V820JV R1928 82 C1717 50V 0.01u C1694 50V 0.01u C1680 16V 0.01u 1.6X0.8 JS119 R1933 82 R1924 82 R1917 82 R1923 82 R1911 82 L1651 J0JGC0000021 R1670 0 C1361 4V 100u JS121 R1677 EXB38V820JV C1719 50V 0.01u C1666 10V 1u JS124 JS130 JS152 JS219 C1AB00001827 IC1350 1 UVINB0 2 UVINB1 3 UVINB2 4 UVINB3 5 UVINB4 6 UVINB5 7 UVINB6 8 UVINB7 9 UVINB8 10 UVINB9 11 VPINB 12 HPINB 13 VDDI 14 VDDE 15 VSS 16 VGS2 17 CPO2 18 AVDPL2 19 AVSPL2 20 VSS 21 VDDE 22 VDDI 23 DQ0 24 DQ1 25 DQ2 26 DQ3 27 DQ4 28 DQ5 29 DQ6 30 DQ7 31 VSS 32 VDDE 33 VDDI 34 SDWE 35 CAS 36 RAS 37 BS0 38 BS1 39 A10 40 A0 41 A1 42 A2 43 VSS 44 VDDE 45 DQ16 46 DQ17 47 DQ18 48 DQ19 49 DQ20 50 DQ21 51 DQ22 52 DQ23 53 VSS 54 VDDE 55 DQ24 56 DQ25 57 DQ26 58 DQ27 59 DQ28 60 DQ29 61 DQ30 62 DQ31 63 VDDE 64 VSS 65 VDDI 66 A3 67 A4 68 A5 69 A6 70 A7 71 A8 72 A9 73 CKE 74 SDCLK 75 VDDE 76 VSS 77 SDCLKIN 78 VDDI 79 VSS 80 VDDE 81 DQ8 82 DQ9 83 DQ10 84 DQ11 85 DQ12 86 DQ13 87 DQ14 88 DQ15 89 VDDE 90 VSS 91 VDDI 92 VPD 93 TRST 94 TCK 95 TMS 96 TSTP 97 SCL 98 SDA 99 TDI 100 FRCLKIN 101 VDDE 102 VSS 103 HPOA 104 VPOA 105 UVOUTA0 106 UVOUTA1 107 UVOUTA2 108 UVOUTA3 109 UVOUTA4 110 UVOUTA5 111 UVOUTA6 112 UVOUTA7 113 UVOUTA8 114 UVOUTA9 115 VDDE 116 VSS 117 VDDI 118 CLKOUTA 119 YOUTA0 120 YOUTA1 121 YOUTA2 122 YOUTA3 123 YOUTA4 124 YOUTA5 125 YOUTA6 126 YOUTA7 127 YOUTA8 128 YOUTA9 129 VDDI 130 VDDE 131 VSS 132 TDO 133 SADR 134 TEST 135 NRST 136 VDDI 137 VDDE 138 VSS 139 AVSPL1 140 AVDPL1 141 CPO1 142 VGS1 143 VSS 144 VDDE 145 YINA9 146 YINA8 147 YINA7 148 YINA6 149 YINA5 150 YINA4 151 YINA3 152 YINA2 153 YINA1 154 YINA0 155 CLKINA 156 VSS 157 VDDE 158 UVINA9 159 UVINA8 160 UVINA7 161 UVINA6 162 UVINA5 163 UVINA4 164 UVINA3 165 UVINA2 166 UVINA1 167 UVINA0 168 VPINA 169 HPINA 170 VDDI 171 VDDE 172 VSS 173 VGS3 174 CPO3 175 AVDPL3 176 AVSPL3 177 VSS 178 VDDE 179 VDDI 180 VPOB 181 HPOB 182 CLKOUTB 183 YOUTB9 184 YOUTB8 185 YOUTB7 186 YOUTB6 187 YOUTB5 188 YOUTB4 189 YOUTB3 190 YOUTB2 191 YOUTB1 192 YOUTB0 193 VDDE 194 VSS 195 VDDI 196 YINB0 197 YINB1 198 YINB2 199 YINB3 200 YINB4 201 YINB5 202 YINB6 203 YINB7 204 YINB8 205 YINB9 206 CLKINB 207 VDDE 208 VSS C1872 4V 100u JS137 JS138 R1920 82 C1827 16V 0.1u C1584 220u 4V C1828 16V 0.1u R1669 0 L1806 G1C100KA0008 C1673 10V 1u C1820 50V 0.01u C1626 1u 50V C1695 50V 0.01u JS151 R1918 82 C R1932 82 C1650 10V 1u JS117 R1939 R1945 EXB38V820JV R1953 EXB38V820JV C1708 50V 0.01u JS131 C1710 50V 0.01u L1801 G1C100KA0008 R1925 82 R1678 EXB38V820JV 3.3V_DI C1675 50V 0.01u C1672 10V 1u C1678 10V 1u C1809 50V 0.01u C C1677 10V 1u C1692 50V 0.01u JS116 JS150 JS120 C1709 50V 0.01u JS122 L1328 G1C100KA0008 JS126 C1711 50V 0.01u JS218 L1805 G1C100KA0008 JS111 C1873 4V 100u R1679 EXB38V820JV C1697 50V 0.01u R1922 82 C1698 50V 0.01u R1957 EXB38V820JV C1699 50V 0.01u C1729 10u R1672 EXB38V820JV C1867 4V 100u R1680 330 R1940 0 IC1308 C3ABPJ000065 1 VDD 2 DQ0 3 VDDQ 4 DQ1 5 DQ2 6 VSSQ 7 DQ3 8 DQ4 9 VDDQ 10 DQ5 11 DQ6 12 VSSQ 13 DQ7 14 NC 15 VDD 16 DQM0 17 WE 18 CAS 19 RAS 20 CS 21 NC 22 BA0 23 BA1 24 A10 25 A0 26 A1 27 A2 28 DQM2 29 VDD 30 NC 31 DQ16 32 VSSQ 33 DQ17 34 DQ18 35 VDDQ 36 DQ19 37 DQ20 38 VSSQ 39 DQ21 40 DQ22 41 VDDQ 42 DQ23 43 VDD 44 VSS 45 DQ24 46 VSSQ 47 DQ25 48 DQ26 49 VDDQ 50 DQ27 51 DQ28 52 VSSQ 53 DQ29 54 DQ30 55 VDDQ 56 DQ31 57 NC 58 VSS 59 DQM3 60 A3 61 A4 62 A5 63 A6 64 A7 65 A8 66 A9 67 CKE 68 CLK 69 NC 70 NC 71 DQM1 72 VSS 73 NC 74 DQ8 75 VDDQ 76 DQ9 77 DQ10 78 VSSQ 79 DQ11 80 DQ12 81 VDDQ 82 DQ13 83 DQ14 84 VSSQ 85 DQ15 86 VSS C R1914 82 JS128 C1693 50V 0.01u L1650 J0JGC0000021 GC2V 2.5V 10uH 3.3V IC Address 2.5V 64MBit SDRAM (2M*32Bit) 64M SDRAM TK11125CSCL-G PLL 2.5V 2.5V 2.5V DG-� TNPA3367(8/8) ! A B C D E F I J G K L M H O Q S T U V W Y X P R 88 16.25.D 电路板方框图 CEH MCLD PCL VD UMH SCL2 MCCLK CEL CMH HD SDA2 MCVD VD CML MCLD CSH RESET SDA1 CLKR MCCLK CPL CSL TXD_TU NCLKR VD_AD MCDATA SCSU CEL RXD_TU SCL1 FPGA_CHIP CLKL SID MCLD CPH REMOCON HD_AD FPGA_CHIP NCLKL SIU SDA2 CABLE_DET CLK SCL2 CL MCDATA IIC_INT MCCLK SCL2 SCL2 RESET RESET SDA2 SDA2 CATS_EYE SDA2 CABLE_DET SDA1 REMOCON SCL2 SCL1 IRQ CATS_EYE IIC_CONT CDA3 REMOCON RESET SCL3 RESET MCHD IRQ RESET MCDATA SDA3 IIC_CONT MCDATA SCL3 SDA2 REMOCON SDA2 SCL2 MCHD TXD_PC USH SCL2 HD_AD RXD_PC UE2H MCVD SDA1 VD_AD TXD_TU UEH PCR RESET SCL1 RXD_TU UML CER RESET HD IIC_CONT USL RXD_PC TXD_PC POWER_STATUS SOS_PANEL CABEL_DET POWER_STATUS SOS_PANEL CABEL_DET RESET MCCLK D9730 D9769 R9940 Q9714 Q9715 Q9716 D9771 R9932 R9942 R9859 R9931 R9937 R9941 R9934 R9939 R9933 Q9701 R9736 R9734 R9737 Q9702 R9735 6 5 6 2 5 3 1 7 SEPA. 36MHz D20 IIC CONT 205 SYNC R 8bit 64 IIC Bus Scan Control DATA 13bit IC9157 RESET 7 IIC BUS G 8bit 66 IRQ 8 IIC Bus B 8bit INV. 8 S_CLOCK1 24 D Digtal Signal Processor INV. 14 S_DATA2 23 B 8bit Q9708 9 S_CLOCK2 R 8bit Q9709 17 S_CLOCK3 Q9719 4 SCAN S_DATA1 13 INV. SUS 7 Q9703 Sustain Control DATA 6bit 6 Q9704 3 Q9706 2 G 8bit HD,VD Level Converter 21 35 HD 36 TX_TU(SBI) IC9601 RESET 2 REMOCON 41 56 G OUT 44 57 B OUT 28 PLL PROCESSOR RX_TU(SBO) 3 R OUT DATA 5 VD DRIVER TO DG3 6 17 TO C21 2 15 TO C11 10 TO SC20 5 IC9023 IC9706 8 19 A/D CONVERTER FPGA 48 18 9 IC9009 15 FPGA CONTROL 20 D4 I/P 14 IC9608 11 IIC_INT 52 5V -> 3.3V IIC_CONT 51 FORMAT 3.3V -> 5V 1 CABLE DET SYNTHESIZER 19 MCCLK 3 FPGA CHIP SYNC DISCHARGE 32 A MCDATA HD CONTROL RXD_TU 29 B 56 VD IN LEVEL CONVERTER VD TXD_TU 40 REM IN 55 SYNTHESIZER FPGA_LD OSD 22 TXD_PC REN INH 60 PROCESSOR HD IN 23 IC9151 RXD_PC REM OUT 17 FET SYNC IC9703 9 SW OSD EEPROM 11 Format Converter/RGB Processor 64k 42 37 IC9605 10 38 SYNC/OSD/DISCHARGE CONTROL LSIRESET IC9702 39 MC CLK IC9704 40 Serial 1M VRAM MC DATA OUT IC9705 X9703 5V -> 3.3V FLASH MC DATA IN 32 20MHz IC9602 MEMORY 8M 100 40 CATS EYE NEW PLASMA AI 34 CABEL DET SUB-FIELD D3 FPGA CHIP 36 IC9455 17 PLASMA AI/SUB FIELD PROCESSOR 38 IC9709 IC9456 CONVERT MICOM FLASH MAIN MICOM MEMORY 8M IC9701 IC9454 XIN DDR-SDRAM 105 XOUT 64M 85 S_SCL2 XIN X9702 SDR-SDRAM 86 S_SDA2 XOUT 27 9.216MHz IC9603,04 104 IC9301 S_SCL3 26 RESET 111 S_SDA3 IC9303 30 IC9710 S_SCL1 113 IIC BUS SW 31 RESET S_SDA1 70 IC9711 30 RESET IIC_INT 35 71 STB 5V HD,VD 34 FET 89 25 HD,VD SYNTHESIZER 31 SW 90 19 SYNC PLL 7 11 87 X9302 CONVERTER 4 48 88 CTI/TINT MAIN RESET 20MHz 54 76 COLOR RESET PLL 30 Video DATA 24biit(00A 07A) IC9707 35 WB-ADJ 3.3V -> 5V SIGNAL 60MHz OR 43 Level Converter 99 CONTRAST 3.3V -> 5V Video DATA 18biit(08A 13A) 65MHz CLAMP O CONVERTER 39 R st-r 50MHz CLK OR GATE AMP LEVEL 38 G OSD MIX D31 50MHz A/D CONVERTER B 64M D32 CLK 8BIT LEVEL 2 CLK IC9155 CONVERTER 31 Control DATA PLL 206 S_DATA3 LEVEL DATA R L-DOWN DATA L R-DOWN DATA R TIMING DATA L TIMING CONVERTER 9 1 30 24 DG3 22 26 7 28 15 13 29 15 27 17 5 19 3 CABLE DET POWER STATUS SOS PANEL 5V SC_SOS2 SC_SOS1 11 12 1 +5V(P) +5V(P) SS_SOS +5V(P) +5V(P) +5V(P) +5V(P) 50 48 47 49 43 DRVRST 23 DRVRST LED_R 39 +5V(P) 37 +5V(P) +5V(P) +5V(P) +5V(P) 40 49 48 47 50 STB_5V LED_G 43 STB_5V 7 Vpss TO PA12 5 D12 5V(P) UNR_15V UNR_15V 1 2 5 TO P25 D25 TV ON/OFF +1.8V(P) OUT STB_5V 2 KILL SOS +3.3V(P) OUT POWER_SOS LED_G 44 VOLTAGE DOWN DET M_POWER LED_R 45 18 47 Vpss 33 46 12V,1.8V(P),3.3V(P) ALL OFF 63 4 57 KILL SOS UNR_15V 5 D27 26 POWER_SOS 5V(P) 28 7 1 +5V(STB-S) 64 61 8 SC_SOS1 SS_SOS RUSH ON/OFF SC_SOS2 M_POWER 1 TO P27 TV ON/OFF RUSH ON/OFF 3V_SOS 3 ALL OFF 3 5V -> 3.3V 5 PANEL_SOS POWER_STATUS CABEL_DET 35 60 +5V(STB-M) +5V(STB-S) +5V(STB-M) CONTROL D-BOARD SOS DET 8 TXD_PC RXD_PC 20 +5V(P) 20 +5V(STB-M) 23 8 11 +5V(STB-M) +5V(STB-M) 20 Q9707 INV. 100 2 2 AVR 4 +3.3V(PLL) IC9302 5 +5V(P) 4 +3.3V(AD) +3.3V(AD) AVR AVR +3.3V(AD) 5 4 IC9007 +3.3V(AD) IC9006 5 +5V(P) IC9459 FET BUS SWITCH 17 14 1 IC9153 5 +3.3V(PLL) AVR 4 IC9152 +3.3V(ASIC) 5 4 AVR +3.3V(ASIC) +3.3V(P) +1.8V(P) 106 RESET DRVRST 5 RESET 4 RESET IC9606 +3.3V(P) +1.8V(P) +3.3V(P) 62 RESET 4 +3.3V(P) +3.3V(P) +5V(P) +5V(P) +5V(P) 12 +3.3V(P) 37 RESET +3.3V(P) 1 +3.3V(P) +3.3V(P) +1.8V(P) +1.8V(P) +3.3V(P) 3 IC9453 +2.5V(P) AVR +3.3V(P) 1 +3.3V(P) +1.8V(P) +1.8V(P) +3.3V(P) 20 +3.3V(P) 1 SOS BLINKING TIMES : LED 3 TIMES 2 IC9951 +3.3V(P) AVR 1 +1.8V(P) 3 5 IC9952 AVR 4 6 +3.3V(P) +3.3V(P) +1.8V(P) TH-42PA30C TH-42PA30C 89 16.26.D 电路板 (1/12) 线路图 ����������������������� ����������������������� A B C D E F 1 2 3 4 5 6 7 8 9 A B C D E F G H I J K L M N O 1 2 3 4 AE_VD_S AF_B AF_R AF_G GUARD_CL AJ_R4 AJ_R3 AJ_R2 AJ_R0 AJ_R1 AJ_G0 AJ_G7 AJ_G6 AJ_G5 AJ_G4 AJ_G3 AJ_G2 AJ_G1 AJ_R7 AJ_R6 AJ_R5 AJ_B0 AJ_B5 AJ_B4 AJ_B3 AJ_B2 AJ_B7 AJ_B6 AJ_B1 AK_B0 AK_B1 AK_B2 AK_G0 AK_B7 AK_B6 AK_B5 AK_B4 AK_B3 AK_G7 AK_G6 AK_G5 AK_G4 AK_G3 AK_G2 AK_G1 AK_R7 AK_R6 AK_R5 AK_R4 AK_R3 AK_R2 AK_R1 AK_R0 AD_STB_ON AD_REMOCON_OUT AS_TXD_TU AS_RXD_TU AS_TXD_PC AS_RXD_PC 5V 3.3V AH_HDIA_S AH_VDIA_S 3.3V AJ_R7 AJ_R6 AJ_R0 AJ_R5 AJ_R4 AJ_R3 AJ_R2 AJ_R1 3.3V 5V 5V AH_CLP_S AAC_SCL2 AAC_SDA2 AH_HD_ADS AH_VD_ADS AJ_B1 AJ_B0 AJ_B3 AJ_B4 AJ_B5 AJ_B6 AJ_B7 AJ_B2 AJ_G0 AJ_G1 AJ_G2 AJ_G3 AJ_G4 AJ_G5 AJ_G6 AJ_G7 AF_B AF_G AF_R AD_SOS_STATUS AE_NCLP_S AD_ALL_OFF1 AD_FAN_CONT C9037 6.3V 10u C9036 6.3V 10u R9020 0 0 R9985 0 R9104 0 C R9018 0 C9149 10p C R9130 100 C C9056 16V 0.1u C C0FBAD000069 IC9009 1 GND 2 GREEN<7> 3 GREEN<6> 4 GREEN<5> 5 GREEN<4> 6 GREEN<3> 7 GREEN<2> 8 GREEN<1> 9 GREEN<0> 10 GND 11 VDD 12 BLUE<7> 13 BLUE<6> 14 BLUE<5> 15 BLUE<4> 16 BLUE<3> 17 BLUE<2> 18 BLUE<1> 19 BLUE<0> 20 GND 21 GND 22 VDD 23 VDD 24 GND 25 GND 26 VD 27 VD 28 GND 29 COAST 30 HSYNC 31 VSYNC 32 GND 33 FILT 34 PVD 35 PVD 36 GND 37 MIDSCV 38 CLAMP 39 VD 40 GND 41 GND 42 VD 43 BAIN 44 GND 45 VD 46 VD 47 GND 48 GAIN 49 SOGIN 50 GND 51 VD 52 VD 53 GND 54 RAIN 55 A0 56 SCL 57 SDA 58 REF BYPASS 59 VD 60 GND 61 GND 62 VD 63 GND 64 VSOUT 65 SOGOUT 66 HSOUT 67 DATACK 68 GND 69 VDD 70 RED<7> 71 RED<6> 72 RED<5> 73 RED<4> 74 RED<3> 75 RED<2> 76 RED<1> 77 RED<0> 78 VDD 79 VDD 80 GND C R9728 0 C C9031 6.3V 10u R9727 EXB38VR000V R9029 3.3k C9040 25V 0.047u R9110 0 R9023 75 C R9730 100 C9055 16V 0.1u R9726 0 R9113 0 P5V 3.3V D3 1 2 3 4 5 6 7 8 9 10 11 12 13 14 15 16 17 18 19 20 21 22 23 24 25 26 27 28 29 30 31 32 33 34 35 36 37 38 39 40 C9044 1000p R9105 0 C9034 16V 0.1u R99840 IC9007 C0CBCBD00008 1 Vcont 2 GND 3 Np 5 Vin 4 Vout C9045 16V 0.1u R9024 75 C C C C9030 6.3V 10u C9051 16V 0.039u P5V C9054 16V 0.1u C9042 25V 0.047u R9028 10 C R9114 0 C C9032 16V 0.1u R9064 0 C9033 16V 0.1u R9131 100 R9022 75 C R9115 0 C C9046 16V 0.1u R9987 0 C9053 3900p C R9986 0 R9929 100 C9035 16V 0.1u C9041 16V 0.1u R9019 0 C C9049 16V 0.1u C9038 16V 0.1u C9048 16V 0.1u IC9006 C0CBCBD00008 1 Vcont 2 GND 3 Np 5 Vin 4 Vout C9043 25V 0.047u C C9039 16V 0.1u R9731 100 R9132 100 5V GND SDA3 SCL3 STB5V SCL1 IIC_CONT SDA2 SCL2 SDA1 GND G B GND GND GND R GND HD VD GND FAN_CONT STB_ON REAL TIME /INTRA REMOCON_OUT CLP ALL_OFF GND GND RXD_PC TXD_PC RXD_TU GND TXD_TU GND GND CABLE DET POWER STATUS SOUND MAIN MUTE D=J RESET 100MHz SLV[9A] DIGITAL2 ANALOG(S) & MA2J11100L IC9004 C0JBAS000109 D-� TNPA2825AH(1/12) ! R9127 EXB2HVR000V R9128 EXB2HVR000V R9129 EXB2HVR000V TO DG-BOARD (DG3) TO D-BOARD (7/12) 90 16.27.D 电路板 (2/12) 线路图 ����������������������� ����������������������� 9 10 11 12 13 14 15 16 17 P Q 1 2 3 4 5 6 7 AE_VD_S AE_HD_S AE_NCLP_S AH_NCLP_S AH_HD_S AH_VD_S C9077 16V 0.1u C C 3.3V IC9023 C0JBAZ001466 OE1 1 I0 3 O7 4 I1 5 O6 6 I2 7 O5 8 I3 9 O4 10 GND 11 I4 12 O3 13 I5 14 O2 15 I6 16 O1 17 I7 18 O0 19 OE2 20 VCC 74LCX244MTCX 5V->3.3V DIGITAL1 & ANALOG(M) SN74LVC244APWR 100 D-� TNPA2825AH(2/12) ! TO D-BOARD (8/12) 91 16.28.D 电路板 (3/12) 线路图 ����������������������� ����������������������� 17 18 19 20 21 22 23 24 25 R S T U V W X Y Z a b 5 6 7 8 9 + + + + + + + + AD_PS_SOS 5V AD_KILL_SOS AD_ALL_OFF1 3.3V AD_TV_ON/OFF AD_RUSH_ON/OFF AH_VD_S AH_HD_S 5V L9955 G1C470M00012 D25 1 2 3 4 5 6 7 8 IC9453 C0DBEZG00004 1 IN 2 ON/OFF 3 OUT 4 V_adj 5 GND 6 OUT L9951 ELKE103FA 1 2 3 C C C C9956 16V 0.1u C9951 16V 47u C C9960 16V 0.1u L9952 ELKE103FA 1 2 3 C P5V R9954 C9472 6.3V 10u C IC9951 C0DBAMH00006 1 Vin 2 Vout 3 COM 4 Oadj 5 Vsoft 6 COM C C9953 16V 47u R9956 4.7k C D9952 B0JCME000025 R9964 0 C9709 16V 47u C L9953 ELKE103FA 1 2 3 C9957 16V 4.7u C9955 16V 0.1u 2.5V 3.3V C9952 16V 47u R9951 470 C C C9959 25V 220u R9973 0 1% R9962 1k 1% R9961 1.62k UNREG15V C9466 4V 220u R9959 4.7k 1% R9481 1k C9465 16V 0.1u C C9471 16V 0.1u R9952 470 C9958 25V 220u C9964 16V 0.1u STB5V_S L9954 ELKE103FA 1 2 3 D9953 MA3X152K0L C R9957 10k D27 1 2 3 4 5 6 7 8 9 R9960 4.7k C9961 4V 120u C9954 16V 0.1u R9971 0 1% R9480 1k C STB5V STB7V UNREG15V 3.3V->2.5V M_POWER 15V 15V GND 5V GND GND FAN_CONT RUSH_ON/OFF TV_ON/OFF GND FAN_SOS KILL_SOS PS_SOS ALL_OFF1 (PQ1CY1032ZP) M1FS4 H.DI-1280G-470 3.3V D-� TNPA2825AH(3/12) ! TO P-BOARD (P25) TO P-BOARD (P27) TO D-BOARD (9/12) 92 16.29.D 电路板 (4/12) 线路图 ����������������������� ����������������������� 25 26 27 28 29 30 31 32 33 c d e f g h 8 9 10 11 + Thermal Pad + GUARD_CL ABE_HFBC ABE_HPLO ABE_OHOLD GUARD_CL 5V 3.3V C9162 6.3V 10u CD IC9157 C0ABFA000012 1 DVDD 2 SEL 3 VCOout 4 FinA 5 FinB 6 PFDout 7 VSS 8 (NC) 9 PFDinh 10 VCOinh 11 AVSS 12 VCOin 13 Rbias 14 AVDD C9195 16V 1u C9161 16V 0.1u CD C9971 50V 2200p R9228 150 R9998 10k R9231 2.7k CD C9196 16V 1u C9968 16V 47u C9163 16V 0.1u C9969 16V 4.7u R9218 0 C0DBAFH00021 IC9952 1 GND 2 BOOST 3 VIN 4 VIN 5 SW 6 SW 7 NC 8 GND 9 GND 10 NC 11 SHDN 12 FB 13 VC 14 SYNC 15 NC 16 GND D9955 B0JCPD000010 C R9208 10 CD C9965 16V 0.1u C C9160 16V 0.1u C9198 16V 0.1u 1.8V C9967 6.3V 10u P5V C IC9152 C0CBCBD00008 1 Vcont 2 GND 3 Np 5 Vin 4 Vout C C9197 25V 0.056u C C9154 16V 0.1u R9969 0 R9183 2.2k C C9207 6.3V 10u R9232 330 C9970 25V 0.1u C9156 6.3V 10u C C9966 4V 220u C R9203 0 C9150 16V 0.1u R9224 2.2k D9954 B0JCME000025 R9220 150 R9966 0 C9169 16V 0.1u L9956 1.5u G1C1R5Z00002 C C9192 16V 1u P5V R9221 150 C9174 16V 0.1u R9965 1k IC9153 C0CBCBD00008 1 Vcont 2 GND 3 Np 5 Vin 4 Vout C9175 6.3V 10u C9191 50V 0.01u C LT1765EFE-1.8#TRPBF 36MHz 36MHz 1.8V PLLM R9968 D-� TNPA2825AH(4/12) ! TO D-BOARD (10/12) 93 16.30.D 电路板 (5/12) 线路图 ����������������������� ����������������������� 33 34 35 36 37 38 39 40 41 i j k l m n o p q 10 11 12 13 14 15 16 17 18 19 20 21 22 23 24 25 AX_HP AX_N_VD47 AD_NRST ABA_R3 ABA_R2 ABA_R1 ABA_R0 AAY_R3 AAY_R2 AAY_R0 AAY_R1 ABA_G3 ABA_G2 ABA_G1 ABA_G0 AAY_G3 AAY_G2 AAY_G0 AAY_G1 ABA_R7 ABA_R6 ABA_R5 ABA_R4 AAY_R7 AAY_R6 AAY_R5 AAY_R4 ABA_G7 ABA_G6 ABA_G5 ABA_G4 AAY_G7 AAY_G6 AAY_G5 AAY_G4 ABA_B3 ABA_B2 ABA_B1 ABA_B0 AAY_B3 AAY_B2 AAY_B1 AAY_B0 ABA_B7 ABA_B6 ABA_B5 ABA_B4 AAY_B7 AAY_B6 AAY_B5 AAY_B4 1.8V 3.3V C R9477 10k C9453 16V 0.1u C9468 6.3V 10u C9467 16V 0.1u R9465 EXB2HVR000V TP0889 R9466 EXB2HVR000V R9455 0 R9468 EXB2HVR000V R9478 10k R9479 100 R9449 0 3.3V 1.8V C9455 16V 4.7u C9454 16V 4.7u R9475 1k R9515 10 R9459 0 R9513 10 TP0887 C R9514 10 C VDI HDI TP_HD TP_VD R9505 10k D-� TNPA2825AH(5/12) ! TO D-BOARD (11/12) 94 16.31.D 电路板 (6/12) 线路图 ����������������������� ����������������������� 41 42 43 44 45 46 47 48 49 r s t u v w x y z z1 12 13 14 15 16 17 18 19 20 21 22 23 24 25 GUARD_CL GUARD_CL AAZ_AD8 AT_CKD2 AT_CKD1 GUARD_CL AU_CD13 AU_CD12 AU_BD12 AU_BD13 AU_AD13 AU_AD12 AAR_SFRST AAR_SFVRST AAR_LATCH AAR_FPDAT1 AAR_FPDAT0 AAR_FPCLK AAC_SDA2 AAC_SCL2 AA_D6 AA_D5 AA_D7 AA_D4 AA_D3 AA_D2 AU_AD11 AU_AD8 AU_AD7 AU_AD9 AU_AD10 AA_D14 AA_D13 AA_D15 AA_D12 AA_D11 AA_D10 AU_BD11 AU_CD11 AU_BD8 AU_BD7 AU_CD8 AU_CD7 AU_BD9 AU_BD10 AU_CD9 AU_CD10 1.25V AA_D0 AA_D1 AU_AD0 AU_AD4 AU_AD3 AU_AD2 AU_AD1 AU_AD5 AA_D8 AU_AD6 AA_D9 AU_BD0 AU_BD4 AU_BD3 AU_BD2 AU_BD1 AU_BD5 AU_CD0 AU_CD4 AU_CD3 AU_CD2 AU_CD1 AU_CD5 AU_BD6 AU_CD6 AAY_R6 AAY_R7 AAY_G6 AAY_G7 AAY_B6 AAY_B7 AC_AU4 AC_AU3 AC_AU6 AC_AU5 AC_BU4 AC_BU3 AC_CU4 AC_CU3 AC_BU6 AC_BU5 AC_CU5 AAY_R3 AAY_R5 AAY_R4 AAY_R0 AAY_R2 AAY_R1 AAY_G3 AAY_G5 AAY_G4 AAY_B3 AAY_B5 AAY_B4 AAY_G0 AAY_B0 AAY_G2 AAY_G1 AAY_B2 AAY_B1 AC_AU1 AC_AU0 AC_AU2 AC_BU1 AC_BU0 AC_BU2 AC_CU1 AC_CU0 AC_CU2 AAZ_IO3 AAZ_IO2 AAZ_IO1 AAZ_IO20 AAZ_IO21 AAZ_IO16 AAZ_IO7 AAZ_IO6 AAZ_IO5 AAZ_IO4 AAZ_IO17 AAZ_IO18 AAZ_IO19 AAZ_AD0 AAZ_AD1 AAZ_AD2 AAZ_IO22 AAZ_RAS AAZ_WE AAZ_CAS AAZ_IO23 AAZ_BA1 AAZ_BA0 AAZ_CS AAZ_BA1 AAZ_BA0 AAZ_CS AAZ_RAS AAZ_WE AAZ_CAS AAZ_AD8 AAZ_AD9 AAZ_AD10 AAZ_AD7 AAZ_AD6 AAZ_AD5 AAZ_AD4 AAZ_AD0 AAZ_AD1 AAZ_AD3 AAZ_AD2 AAZ_IO7 AAZ_IO6 AAZ_IO5 AAZ_IO4 AAZ_IO15 AAZ_IO14 AAZ_IO13 AAZ_IO12 AAZ_IO0 AAZ_IO1 AAZ_IO3 AAZ_IO2 AAZ_IO8 AAZ_IO9 AAZ_IO11 AAZ_IO10 AAZ_IO23 AAZ_IO22 AAZ_IO21 AAZ_IO20 AAZ_IO31 AAZ_IO30 AAZ_IO29 AAZ_IO28 AAZ_IO16 AAZ_IO24 AAZ_IO17 AAZ_IO19 AAZ_IO18 AAZ_IO25 AAZ_IO27 AAZ_IO26 AAZ_IO0 AAZ_AD10 AAZ_AD3 AAZ_IO28 AAZ_IO29 AAZ_IO31 AAZ_IO30 AAZ_IO10 AAZ_IO11 AAZ_IO15 AAZ_IO24 AAZ_IO25 AAZ_IO26 AAZ_IO27 AAZ_IO14 AAZ_IO13 AAZ_IO12 AAZ_IO9 AAZ_IO8 AAZ_AD7 AAZ_AD5 AAZ_AD6 AAZ_AD4 AAZ_AD9 2.5V R9484 1k IC9455 N16 VSS IC9455 AA14 DOUTAD5 IC9455 A13 ROMD15 IC9455 K9 VSS IC9455 AC17 DOUTBD3 R9491 22 IC9455 R1 BA2 IC9455 P19 DOUTBU9 IC9455 AA16 DOUTAD3 IC9455 L4 VDD25 R9469 0 IC9455 B3 SRL IC9455 P5 VDD25 IC9455 AC2 VSS IC9455 N9 VSS IC9455 Y7 FCIO27 C IC9455 D8 BI3 IC9455 D14 ROMD7 IC9455 M22 DOUTBU13 IC9455 H19 VDD33D IC9455 L21 VSS IC9455 AC7 DOUTAD12 IC9455 AC13 DOUTAD7 IC9455 E15 VSS IC9455 P10 VSS IC9455 AB23 VSS IC9455 W20 DOUTAU1 IC9455 B1 VSS IC9455 AB11 DOUTBD9 IC9455 R12 VSS IC9455 H5 VSS IC9455 AA8 DOUTBD13 IC9455 D11 RI4 IC9455 W9 VDD33 IC9455 F21 PTESTDRAM0 IC9455 K19 VDD18 IC9455 V3 FCIO12 IC9455 AB16 DOUTCD4 IC9455 F2 FCADR3 IC9455 M14 VSS IC9455 J21 DRVCLKD3 C9470 50V 100p IC9455 P8 VSS IC9455 N12 VSS IC9455 B22 VSS IC9455 H21 VSS IC9455 G23 LATCH IC9455 L20 VSS IC9455 K3 CLK IC9455 Y15 DOUTBD4 IC9455 R13 VSS C9478 6.3V 10u IC9455 C16 NC IC9455 P13 VSS IC9455 AC9 DOUTCD11 IC9455 W19 VSS IC9455 E23 SFRST IC9455 T9 VSS IC9455 J5 VSS IC9455 R11 VSS IC9455 Y9 DOUTCD13 IC9455 T20 FCIO3 IC9455 D21 MINTEST IC9455 V22 DOUTBU4 IC9455 W16 VDD33 IC9455 Y8 VDD33 IC9455 D15 ROMD2 IC9455 A6 BI7 IC9455 P16 VSS IC9455 T14 VSS IC9455 N11 VSS IC9455 C12 RI1 IC9455 AB20 DOUTCU0 IC9455 F19 VDD18D IC9455 AA22 DOUTBU1 IC9455 V23 DOUTBU5 IC9455 J16 VSS IC9455 W17 VDD18 IC9455 B15 ROMD4 IC9455 H14 VDD18 IC9455 AC15 DOUTCD6 IC9455 N4 VDD25 IC9455 T5 FCIO8 IC9455 J14 VSS IC9455 N15 VSS R9489 10 IC9455 N20 DOUTBU11 IC9455 B11 RI6 IC9455 T13 VSS IC9455 Y14 VDD33 IC9455 W13 VDD33 IC9455 K12 VSS IC9455 J4 VSS IC9455 D10 GI1 IC9455 G22 FCDDRSEL0 IC9455 M21 DOUTCU13 IC9455 J19 VSS IC9455 D6 SCL IC9455 AA21 FCIO18 IC9455 C5 FPDAT0 IC9455 U20 DOUTCU5 IC9455 N5 VDD25 IC9455 G1 DQS0 IC9455 Y18 VDD18 IC9455 G20 AUP IC9455 AC10 VSS IC9455 U4 VDD25 IC9455 Y4 VSS IC9455 K16 VSS IC9455 Y16 VDD33 R9476 100 IC9455 C23 RSTDRAM IC9455 B4 ID0 IC9455 A18 TEST3 IC9455 H15 VDD18 IC9455 E13 ROMD11 1% R9486 1k IC9455 G19 VDD18D IC9455 G4 FCADR5 C IC9455 R21 DOUTBU8 IC9455 AA19 DOUTBD0 IC9455 U1 VSS IC9455 A11 RI7 IC9455 C15 ROMD3 IC9455 A7 BI4 C IC9455 E21 PTESTDRAM1 IC9455 W23 DOUTAU4 IC9455 U19 FCIO4 IC9455 J11 VSS IC9455 B9 GI5 IC9455 Y1 FCIO11 IC9455 R5 VDD25 IC9455 T22 DOUTCU7 IC9455 C19 ACKSEL0 IC9455 C21 VSS IC9455 R20 DOUTCU8 IC9455 H10 VDD18 IC9455 N2 RAS IC9455 B16 ROMD0 IC9455 H3 DQS2 IC9455 K23 DRVCLKU1 IC9455 H12 VDD33 C IC9455 C6 FPCLK IC9455 R3 FCIO1 IC9455 AA17 DOUTAD2 IC9455 M4 FCADR10 IC9455 D4 VSS IC9455 A9 GI7 C IC9455 R14 VSS IC9455 T10 VSS IC9455 AC3 FCIO22 IC9455 A23 VSS IC9455 G5 AVSS IC9455 K1 VSS IC9455 AA1 FCIO17 IC9455 E16 VSS R9488 10 IC9455 K5 VDD25 IC9455 B7 BI5 IC9455 AB17 DOUTCD3 IC9455 N14 VSS IC9455 P9 VSS IC9455 B12 RI2 IC9455 P15 VSS IC9455 Y23 DOUTCU3 IC9455 AB13 DOUTBD7 IC9455 F23 SFVRST IC9455 D5 TIIC IC9455 Y17 DOUTAD1 IC9455 W4 VDD18 IC9455 B19 ACKSEL1 IC9455 W15 VDD33 C IC9455 H13 VDD33 IC9455 Y20 FCIO16 IC9455 T1 FCIO2 IC9455 N21 DOUTAU11 IC9455 N19 DOUTCU11 IC9455 A4 SDA IC9455 AC18 VSS IC9455 T4 FCIO6 IC9455 V19 VDD18 IC9455 L9 VSS IC9455 A15 ROMD5 IC9455 Y11 DOUTCD10 IC9455 J2 VSS IC9455 K21 DRVCLKU3 IC9455 N1 FCADRX IC9455 A19 NC IC9455 J23 DRVCLKD1 IC9455 W21 DOUTBU2 1% R9487 1k IC9455 K4 VSS IC9455 M20 DOUTAU12 IC9455 P3 BA0 IC9455 AA18 DOUTCD2 IC9455 K8 VSS IC9455 L22 VSS IC9455 W3 FCIO15 IC9455 AB5 FCIO28 IC9455 P2 WE IC9455 AB21 DOUTBU0 IC9455 D23 NTDRAM IC9455 J22 DRVCLKD2 IC9455 U2 FCIO5 IC9455 AC23 VSS IC9455 H8 VSS IC9455 E10 VDD33 IC9455 A3 NRST IC9455 F22 DLLRST C IC9455 AA5 FCIO23 IC9455 Y5 VDD18 IC9455 Y12 VDD33 IC9455 AC16 DOUTAD4 IC9455 C11 RI5 IC9455 N23 DOUTBU12 IC9455 B17 NC IC9455 T23 DOUTBU7 C C9485 16V 0.1u IC9455 F4 AVDD IC9455 T3 DOUTAU7 IC9455 R22 DOUTAU8 R9485 1k IC9455 AC20 DOUTCD1 IC9455 E3 DLLPOUT IC9455 H20 VSS IC9455 E12 ROMCE IC9455 Y3 FCIO19 IC9455 R19 VDD33 IC9455 D18 TEST0 IC9455 E6 VDD18 IC9455 H11 VDD33 IC9455 M9 VSS IC9455 E19 VSS IC9455 B14 ROMD9 IC9455 F20 VDD18D IC9455 U3 FCIO7 IC9455 W1 FCIO9 IC9455 P4 BA1 C9487 16V0.1u IC9455 AB12 DOUTBD8 IC9455 AA12 DOUTAD8 IC9455 AC4 FCIO25 IC9455 A10 GI3 IC9455 E11 VDD33 IC9455 D22 DRAMCK IC9455 M5 VDD25 C IC9455 J13 VSS IC9455 E9 VSS C IC9455 B2 VSS IC9455 E20 VDD18D IC9455 A8 BI2 IC9455 D12 RI0 IC9455 N13 VSS IC9455 L19 VDD33 C9477 16V0.1u IC9455 D16 NC IC9455 AA20 DOUTAU0 R9503 0 IC9455 R8 VSS IC9455 L1 VSS C9474 16V 4.7u IC9455 L10 VSS IC9455 W2 FCIO13 IC9455 C7 BI6 IC9455 AA6 FCIO26 IC9455 E1 FCADR1 IC9455 Y6 VDD18 IC9455 H22 VSS IC9455 F3 FCADR2 IC9455 AB1 VSS IC9455 L2 VSS IC9455 E14 ROMD6 IC9455 V5 VDD18 IC9455 AA2 VSS IC9455 R9 VSS IC9455 Y22 DOUTCU2 C9482 16V 0.1u IC9455 B23 VSS IC9455 AA15 DOUTCD5 R9501 0 R9490 22 2.5V IC9455 W8 VDD33 IC9455 C10 GI0 IC9455 AC6 VSS IC9455 AB9 DOUTBD11 IC9455 MN84510-A A1 VSS IC9455 E2 FCADR0 IC9455 AB15 DOUTBD5 IC9455 E7 MUTE IC9455 A5 DCK IC9455 C13 ROMD13 IC9455 P12 VSS IC9455 M16 VSS IC9455 Y13 DOUTCD7 IC9455 J20 DRVCLKD4 IC9455 R2 FCIO0 IC9455 AC21 DOUTCD0 C9476 16V0.1u IC9455 R16 VSS IC9455 E5 VSS IC9455 L5 VDD25 IC9455 C8 BI1 IC9455 N22 DOUTCU12 IC9455 U23 DOUTBU6 IC9455 M13 VSS IC9455 K22 DRVCLKU2 IC9455 K15 VSS IC9455 B8 BI0 IC9455 AB10 DOUTBD10 IC9455 C22 SCANE IC9455 D9 GI6 IC9455 A16 ROMD1 IC9455 T2 VDD33 IC9455 D2 DLLCKIN C9481 16V0.1u IC9455 Y19 VDD18 IC9455 V4 FCIO14 IC9455 R15 VSS IC9455 B5 FPDAT1 IC9455 A21 TIOCTL1 IC9455 J3 VSS IC9455 AA13 DOUTAD6 IC9455 L13 VSS IC9455 V20 DOUTBU3 IC9455 L15 VSS IC9455 E22 OCK IC9455 B20 MCKSEL0 C IC9455 AB8 DOUTBD12 IC9455 A12 RI3 IC9455 K10 VSS IC9455 E17 VSS IC9455 D20 VSS IC9455 P22 DOUTBU10 IC9455 L16 VSS IC9455 P20 DOUTAU9 IC9455 C20 TIOCTL2 IC9455 T15 VSS IC9455 A22 VSS IC9455 J1 VSS C IC9455 H23 VSS IC9455 B10 GI2 IC9455 M15 VSS IC9455 AB22 VSS IC9455 W11 VDD33 IC9455 H1 CS IC9455 M19 VDD33 IC9455 D17 TEST4 C9491 16V 0.1u IC9455 R4 VDD25 IC9455 A17 TILD IC9455 L23 VSS IC9455 J10 VSS IC9455 AB2 VSS IC9455 M1 VREF IC9455 W6 VDD18 IC9455 W10 VDD33 IC9455 W7 VDD18 IC9455 AC14 VSS IC9455 AC22 VSS IC9455 C1 TCPOUT IC9455 K20 DRVCLKU4 IC9455 C9 GI4 IC9455 V2 FCIO10 IC9455 B18 TEST2 IC9455 N10 VSS IC9455 T21 DOUTAU6 IC9455 AB19 DOUTAD0 IC9455 J12 VSS IC9455 L12 VSS IC9455 M23 DOUTAU13 IC9455 U21 DOUTAU5 IC9455 U5 VDD25 IC9455 AB6 FCIO30 IC9455 A14 ROMD10 IC9455 AB18 DOUTBD2 IC9455 P23 DOUTAU10 IC9455 T12 VSS IC9455 AA3 VSS IC9455 D19 MCKSEL2 IC9454 C3ABPJ000043 C3ABPJ000046 1 DQ3 2 VDDQ 3 DQ4 4 DQ5 5 VSSQ 6 DQ6 7 DQ7 8 VDDQ 9 DQ16 10 DQ17 11 VSSQ 12 DQ18 13 DQ19 14 VDDQ 15 VDD 16 VSS 17 DQ20 18 DQ21 19 VSSQ 20 DQ22 21 DQ23 22 VDDQ 23 DM0 24 DM2 25 ^WE 26 ^CAS 27 ^RAS 28 ^CS 29 BA0 30 BA1 31 A0 32 A1 33 A2 34 A3 35 VDD 36 A10 37 N.C 38 N.C 39 N.C 40 N.C 41 N.C 42 N.C 43 N.C 44 N.C 45 A9 46 VSS 47 A4 48 A5 49 A6 50 A7 51 A8/AP 52 N.C 53 CKE 54 ^CLK 55 CLK 56 DM1 57 DM3 58 VREF 59 VDDQ 60 DQ8 61 DQ9 62 VSSQ 63 DQ10 64 DQ11 65 VDD 66 VSS 67 VDDQ 68 DQ12 69 DQ13 70 VSSQ 71 DQ14 72 DQ15 73 VDDQ 74 DQ24 75 DQ25 76 VSSQ 77 DQ26 78 DQ27 79 VDDQ 80 DQ28 81 DQ29 82 VSSQ 83 DQ30 84 DQ31 85 VSS 86 VDDQ 87 N.C 88 N.C 89 N.C 90 N.C 91 N.C 92 VSSQ 93 N.C 94 DQS 95 VDDQ 96 VDD 97 DQ0 98 DQ1 99 VSSQ 100 DQ2 C IC9455 AC1 VSS IC9455 W12 VDD33 IC9455 B21 TIOCTL0 IC9455 J9 VSS C9479 16V 0.1u IC9455 D13 ROMD12 IC9455 L14 VSS IC9455 AB4 FCIO24 IC9455 AA10 DOUTAD10 IC9455 W14 VDD33 IC9455 D3 NRESET IC9455 E4 AVDD IC9455 U22 DOUTCU6 IC9455 M11 VSS C9480 16V0.1u IC9455 A20 MCKSEL1 IC9455 R23 DOUTCU9 IC9455 H4 DQS1 IC9455 K13 VSS IC9455 D1 TIDDQ IC9455 D7 VDI IC9455 AA7 FCIO29 IC9455 AA4 FCIO21 IC9455 AB3 FCIO20 C9490 16V0.1u C9492 16V0.1u IC9455 M12 VSS IC9455 N8 VSS IC9455 AB7 DOUTAD13 IC9455 K14 VSS IC9455 P11 VSS IC9455 W5 VSS IC9455 L3 VSS IC9455 J8 VSS IC9455 C17 TEST5 IC9455 T16 VSS R9483 0 IC9455 K2 NCLK IC9455 W22 DOUTAU3 IC9455 T8 VDD25 IC9455 P1 VSS IC9455 C4 ID1 IC9455 P14 VSS IC9455 AC5 FCIO31 IC9455 C14 ROMD8 IC9455 AA9 DOUTCD12 IC9455 AB14 DOUTBD6 IC9455 AA23 DOUTAU2 IC9455 W18 VDD18 IC9455 L8 VSS C9489 16V0.1u IC9455 AC8 DOUTAD11 C IC9455 R10 VSS IC9455 E8 VSS IC9455 C18 TEST1 IC9455 M8 VSS IC9455 L11 VSS IC9455 Y2 VSS IC9455 M10 VSS IC9455 J15 VSS C9486 16V0.1u IC9455 V1 VSS IC9455 AC12 DOUTCD8 IC9455 AC11 DOUTCD9 IC9455 H2 DQS3 IC9455 AC19 DOUTBD1 IC9455 N3 CAS IC9455 H16 VSS IC9455 P21 DOUTCU10 IC9455 Y10 VDD33 IC9455 M3 FCADR9 IC9455 T11 VSS IC9455 T19 VDD33 IC9455 V21 DOUTCU4 L9452 ELJFA1R0KF IC9455 F1 FCADR4 IC9455 E18 VDD18 IC9455 G2 FCADR7 IC9455 C2 PCK IC9455 G21 FCDDRSEL1 IC9455 A2 VSS IC9455 Y21 DOUTCU1 IC9455 AA11 DOUTAD9 IC9455 C3 VSS IC9455 B6 HDI IC9455 F5 AVSS IC9455 G3 FCADR6 C C9475 16V0.1u IC9455 B13 ROMD14 IC9455 H9 VDD18 IC9455 M2 FCADR8 C9488 16V0.1u IC9455 K11 VSS MN84510-A IC9455 50MHz clk PLL RST FPGA I/F IIC to lsi47 TEST Flash ROM I/F 65MHz clk CLK DRAM clk 60MHz 130MHz DLL other From LSI43 L master to DATA Driver SLV 44h 130MHz CKOUT FC RAM I/F W946432AD-6 M13S64322A-4L D-� TNPA2825AH(6/12) ! TO D-BOARD (12/12) 95 16.32.D 电路板 (7/12) 线路图 A B C D E F 1 2 3 4 5 6 7 8 9 ����������������������� ����������������������� O A B C D E F G H I J K L M N 34 35 36 37 38 39 40 41 42 43 44 45 46 47 26 27 28 29 30 31 32 33 + + + AAC_IIC_CONT AD_SC_SOS2 AAQ_CEH AAQ_CEL AS_IIC_INT AS_SDA3 AS_SCL3 AS_SCL1 AS_SDA2 AS_SCL2 AS_SDA1 AS_SDA1 AS_SCL1 ABB_A4 ABB_A3 ABB_A2 ABB_A1 ABB_A0 GUARD_CL AS_SCL2 AS_SDA2 AS_SDA3 AS_SCL3 AD_CATS_EYE AS_IIC_INT AAC_SDA2 AAC_SCL2 AAQ_CML AAQ_CMH AAP_CL AAP_CPL AAQ_CSL AAP_CLK AAP_SIU AAP_SID AAP_SCSU AAP_CPH AAQ_CSH AAD_MCLD AAD_MCDATA AAD_MCCLK AS_SCL1 AS_SDA1 AS_SDA2 AS_SCL2 AAU_VA0 AAU_VA4 AAU_VA6 AAU_VA7 AAU_VA8 AAU_VA5 AAU_VA1 AAU_VA2 AAU_VA3 AAT_J AAT_I AAT_D ABB_A5 ABB_A6 ABB_A12 ABB_A13 ABB_A14 ABB_A15 ABB_A16 ABB_A17 ABB_A18 ABB_A7 ABB_A8 ABB_A9 ABB_A10 ABB_A11 ABC_D15 ABC_D14 ABC_D13 ABC_D12 ABC_D11 ABC_D10 ABC_D09 ABC_D08 ABC_D07 ABC_D06 ABC_D05 ABC_D04 ABC_D03 ABC_D02 AAT_A AAT_B AAT_C ABC_D01 ABC_D00 AD_DRVMUTE10 GUARD_OPT STB5V_S AD_CABLE_DET AD_SC_SOS1 R9787 1k C2 R9713 150 R9769 EXB38VR000V C9722 50V 10p Q9710 2SB0709A0L C2 R9784 56 R9783 56 R9714 150 C2 C9710 16V 47u C9712 100p R9733 5.6k C9706 16V 0.1u C9715 100p C9724 16V 0.1u C2 C R9758 10k C C2 R9738 2.7k C2 C9703 100p C X9701 H0J245500024 H0J245500013 C2 C C9714 100p R9773 100 C9700 16V 0.1u 3.3V C C2 IC9702 C3EBJC000038 1 E0 2 E1 3 E2 4 VSS 5 SDA 6 SCL 7 WC 8 VCC C2 D9710 MAZ30620ML C9720 16V 0.1u R9771 EXB38VR000V C9702 16V 47u L9701 ELKE103FA 1 2 3 R9779 10k R9785 EXB38VR000V R9706 100 R9700 0 R9763 10k R9724 150 D9716 MA2J11100L R9761 1k C2 C2 R9766 0 C9727 16V 0.1u P5V R9762 EXB38V103JV Q9707 2SB0709A0L X9703 H0J200500016 C2 IC9701 MN102L230 1 2 3 4 5 6 7 8 9 10 11 12 13 14 15 16 17 18 19 20 21 22 23 24 25 26 27 28 29 30 31 32 33 34 35 36 37 38 39 40 41 42 43 44 45 46 47 48 49 50 51 52 53 54 55 56 57 58 59 60 61 62 63 64 65 66 67 68 69 70 71 72 73 74 75 76 77 78 79 80 81 82 83 84 85 86 87 88 89 90 91 92 93 94 95 96 97 98 99 100 101 102 103 104 105 106 107 108 109 110 111 112 113 114 115 116 117 118 119 120 121 122 123 124 125 126 127 128 129 130 131 132 133 134 135 136 137 138 139 140 141 142 143 144 145 146 147 148 149 150 151 152 153 154 155 156 157 158 159 160 R9722 150 C2 R9710 150 R9712 150 R9949 10k C C C9718 16V 0.1u Q9704 2SK062000L G D S C9707 16V 0.1u R9768 EXB38V470JV C R9767 100 Q9702 2SB14400HL C R9756 2.7k C2 R9788 0 C R9743 10k R9711 150 C R9744 10k R9707 100 Q9703 2SK062000L G D S C9723 50V 10p R9704 100 C D9709 MAZ30620ML R9715 150 D9706 MAZ30620ML R9736 2.7k D9708 MAZ30620ML C C9713 100p R9703 100 C R9751 100 EXB38V103JV D9705 MAZ30620ML D20 1 2 3 4 5 6 7 8 9 10 11 12 13 14 15 16 17 18 19 20 R9748 0 C2 R9735 10k C2 R9867 10k C STB5V_S R9741 4.7k C2 R9776 10k R9789 470 R9750 1k C R9790 1.5k R9739 2.7k C9716 100p R9737 1k R9718 0 R9765 100 R9705 100 R9996 0 R9749 4.7k R9732 100 R9774 10k D9712 MAZ30620ML C2 C C2 C2 R9701 100 C D9715 R9795 MAZ30620ML STB5V_M R9781 10k C9708 16V 47u C R9747 1k R9717 0 R9725 22k R9777 470 R9782 5.6k C9725 6.3V 10u C2 STB5V_M R9754 EXB38V272JV R9721 150 R9757 56 C9701 16V 0.1u C9726 16V 4.7u R9775 10k R9708 100 C9717 100p C9719 16V 4.7u C2 Q9701 2SD0601A0L R9791 4.7k R9755 2.7k D4 1 2 3 4 5 6 7 8 9 10 11 12 C2 D9707 MAZ30620ML R9806 1k D9713 MAZ30620ML C C2 C2 C2 R9719 150 R9786 EXB38VR000V D9711 MAZ30620ML R9702 68 C2 Q9719 2SK062000L G D S R9709 47k C C9705 1000p 100 R9759 56 R9716 150 R9734 1k R9720 150 IC9711 C0JBAS000109 1 2 3 4 5 6 7 8 R9745 10k R9723 150 CABLE_DET CATS EYE SOS1 SOS2 VSS VDD IIC CONT CLK SIU CL CPH SCSU SID CPL CEH CEL CSL CSH CML CMH AD4 84.MUSID 83.MUSIB 82.MUSKIK 81.TESTIN AD1 AD2 AD3 AD6 AD7 SDA3 SCL3 P03 80.VSS 79.VDD 78.P27 77.NIRQ2 76.NIRQ1 IIC_INT 75.P16 IIC P12 SDA1 P11 SCL1 P10 P07 P06 P02 P01 P23 FPGA_CHIP SEL GND SDA1 SCL2 SDA2 IIC_CONT SCL1 STB5V SCL3 SDA3 IRQ RST GND IIC 5V IIC 5V IIC 3.3V 5V<->3.3V A15 A14 A16 VDD A20 A19 A18 A17 A21 A22 A23 P00 A13 A12 A10 A11 A09 VSS P15 P05 NO_SYNC P04 RESET_OUT P14 P13 VDD A00 A01 D09 D10 D11 D13 D14 D15 D12 A02 A04 A03 SYSCLK NRST A05 A08 A07 VDD OSCI OSCO VSS A06 SDA2 SCL2 VDD ADVSS ADVDD NSBT NSBD AD5 VA6 NWEL D03 D04 D02 NRE NWEH NCS0 NCS1 VDD VSS D01 DOSCI DOSCO D00 D05 D06 D07 D08 24.576MHz or VSS VA0 SID14 SID15 SID05 SID06 SID07 SID08 SID09 SID10 SID11 SID12 SID13 VA5 VA2 VA3 VA4 VA1 NDCAS VA7 VA8 NDRAS AVSS ECLK NVCAS NVRAS RW601 NDTOE SID00 SID01 SID02 SID03 SID04 POW_STATUS(TUNER) P24 FPGA DATA FPGA_LD P25 YS YMWR YM P26 NVIN NVOUT NHIN NHOUT CS601 RMIN VREF GOUT BOUT IREF ROUT YMCS IRQ0 VSS P20 P21 P22 AD0 AVDD SC VDD IC9701 85,86pin 2003.04.02 A004-0258 D-� TNPA2825AH(7/12) ! TO SC-BOARD (SC20) TO PA-BOARD (PA4) TO D-BOARD (1/12) 96 16.33.D 电路板 (8/12) 线路图 9 10 11 12 13 14 15 16 17 ����������������������� ����������������������� P Q 34 26 27 28 29 30 31 32 33 35 36 37 38 39 40 41 42 43 44 45 46 47 48 49 50 51 52 53 54 55 56 + AD_CABLE_DET AD_KEY STB5V_S AAD_MCCLK AD_NRST AAL_MCLDO AAL_MCCLKO AAL_MCDATAO AAD_MCDATA AG_REM_OUT AD_STB_ON AS_IIC_INT AS_TXD_TU AS_RXD_TU AAD_MCDATA AD_ALL_OFF1 AD_DATA_SOS AD_SC_SOS2 AD_PS_SOS AD_FAN_SOS AG_REM_OUT AG_REM_INH VPP12V AS_TXD_PC AS_RXD_PC AD_SC_SOS1 AD_RUSH_ON/OFF AD_TV_ON/OFF AD_KILL_SOS AS_SCL3 AS_SDA3 AD_DRVMUTE20 AG_REM_INH GUARD_CL GUARD_CL AD_LED_R AD_LED_G ABC_D15 ABC_D12 ABC_D04 ABC_D14 ABC_D13 ABC_D05 ABC_D06 ABC_D07 AD_REMOCON_OUT AS_TXD_PC AS_RXD_PC AAF_SD08 AAF_SD09 AAF_SD11 ABB_A18 AAT_I AAT_J AAT_D ABC_D09 ABC_D08 ABC_D10 ABC_D11 AAF_SD10 AAT_A AAT_B AAT_D AAU_VA6 AAU_VA8 AAT_C AAU_VA4 AAU_VA5 AAF_SD12 AAF_SD13 AAF_SD14 AAF_SD15 ABC_D13 ABC_D12 AAU_VA0 AAU_VA1 ABC_D15 ABC_D14 AAU_VA2 AAU_VA3 AAU_VA7 ABB_A4 ABB_A5 ABB_A6 ABB_A7 ABB_A17 ABC_D01 ABC_D02 ABC_D08 ABC_D09 ABB_A1 ABB_A2 ABB_A3 ABB_A0 ABC_D00 ABC_D11 ABC_D03 ABC_D10 ABB_A12 ABB_A11 ABB_A10 ABB_A9 ABB_A8 ABB_A16 ABB_A15 ABB_A14 ABB_A13 AD_SOS_STATUS AD_RTC_INT AD_REMOCON AAC_IIC_CONT AD_DRVRST0 AD_DRVRST AD_DRVRST0 AD_DRVMUTE10 AD_DRVMUTE1 AD_DRVMUTE20 AD_DRVMUTE2 AAL_MCHD AAL_MCVD AAD_MCCLK AAD_MCLD Q9708 2SD0601A0L C R9916 0 CD R9839 100 STB5V_S R9869 100 R9814 10 R9564 R9849 100 C C9766 6.3V 10u C9761 33p R9859 1k R9860 100 C9742 16V 47u R9883 100 R9818 100 R9835 56 C R9843 10k R9803 100 CD R9871 1k C2 C2 C9749 16V 0.1u IC9707 C0JBAE000239 1 A 2 B 3 GND 5 VCC 4 Y R9893 100 R9794 2.7k 3.3V R9834 56 Q9706 2SK062000L G D S R9934 10k P5V CD C9756 1000p R9823 0 C3HBHC000009 IC9704 4 SI/O2 8 I/O1 9 1/O2 6 DT/OE 3 SI/O1 2 SI/O0 10 I/O3 11 VCC 12 WE 7 I/O0 13 NC 14 RAS 1 SC 15 NC 16 A8 17 A6 5 SI/O3 18 A5 19 A4 20 VCC 26 QSF 40 VSS 28 NC 27 CAS 39 SI/O7 29 DSF 38 SI/O6 37 SI/O5 36 SI/O4 35 SE 34 1/O7 33 I/O6 32 I/O5 31 I/O4 22 A3 21 A7 23 A2 30 VSS 24 A1 25 A0 R9876 10k CD R9844 10k R9890 10k Q9714 2SD0601A0L C2 R9811 0 C9729 16V 4.7u C R9820 4.7k C9759 16V 0.1u C9752 0.01u R9943 100 CD R9838 0 R9922 100 3.3V R9855 39k C9754 16V0.1u R9872 0 R9809 10k CD C9739 16V 0.1u R9880 100 R9940 10k R9923 100 C9741 16V 0.1u C9743 16V 1u R9917 10k CD R9829 39k C2 C9733 16V 0.1u R9918 0 R9836 100 CD R9898 0 R9920 1M CD 1% R9913 22k CD R9878 100 C9760 16V 0.056u Q9716 2SD0601A0L R9799 5.6k CD R9946 10 R9924 22k R9804 100 R9879 100 R9931 10k R9910 100 R9925 0 R9939 330 CD R9837 10k R9930 100 R9770 10k C3FBLD000039 IC9705 1 RY/BY 44 RESET 2 A18 3 A17 4 A7 5 A6 6 A5 7 A4 8 A3 9 A2 10 A1 11 A0 12 CE 13 VSS 14 OE 15 DQ0 16 DQ8 17 DQ1 18 DQ9 19 DQ2 20 DQ10 21 DQ3 22 DQ11 23 VCC 24 DQ4 25 DQ12 26 DQ5 27 DQ13 28 DQ6 29 DQ14 30 DQ7 31 DQ15/A-1 32 VSS 33 BYTE 34 A16 35 A15 36 A14 37 A13 38 A12 39 A11 40 A10 41 A9 42 A8 43 WE R9846 10k C9762 33p C9730 16V 0.1u IC9709 C2BBGF000491 1 2 3 4 5 6 7 8 9 10 11 12 13 14 15 16 17 18 19 20 21 22 23 24 25 26 27 28 29 30 31 32 33 34 35 36 37 38 39 40 41 42 43 44 45 46 47 48 49 50 51 52 53 54 55 56 57 58 59 60 61 62 63 64 C2 R9900 100 R9857 1k D12 1 2 3 4 5 6 7 CD C R9798 5.6k R9905 10k R9875 100 C9737 16V 0.1u R9816 1k R9942 10k IC9708 C3EBGC000018 1 A0 2 A1 3 A2 4 GND 5 6 7 8 VCC C R9852 10k R9896 100 R9825 1k 1% R9919 10k R9868 4.7k C2 R9800 0 D9720 MAZ30620ML C9753 16V 0.1u C Q9709 2SD0601A0L C2 C C9740 16V 0.1u C9748 16V 0.1u R9851 22k R9577 100 D9719 MAZ30620ML R9850 100 R9936 5.6k R9826 100 R9904 10k R9847 10k CD C9767 16V1u R9909 10k C9732 16V 0.1u C0JBAZ001466 IC9706 OE1 1 2 I0 3 O7 4 I1 5 O6 6 I2 7 O5 8 I3 9 O4 10 GND 11 I4 12 O3 13 I5 14 O2 15 I6 16 O1 17 I7 18 O0 19 OE2 20 VCC R9827 3.3k C9750 16V 4.7u R9817 0 C2 CD R9856 100 R9861 10k CD R9889 100 CD R9858 100 R9882 100 R9874 100 C R9933 330 C9769 16V 0.1u R9853 10k CD R9907 10k C9728 16V 0.1u R9848 EXB38V103JV R9810 0 D9769 MA3X152K0L R9805 0 C2 R9903 10k R9833 39k C Q9715 2SD0601A0L R9894 100 C2 R9864 100 D9724 MA2J11100L D9730 MA3X152K0L R9873 4.7k R9842 56 R9895 100 X9702 H0J921400003 C9751 0.01u R9824 0 CD CD R9906 100 R9819 100 CD R9937 330 C R9944 1k R9561 33 R9897 10k P5V R9886 100 CD UNREG15V D9771 MA3X152K0L C9768 16V 1u CD IC9703 C0JBAZ001494 1 2 3 4 5 6 7 8 9 10 11 12 13 14 15 16 17 18 19 20 R9901 0 R9908 100 D9723 MAZ30620ML R9945 10 R9840 100 R9841 56 C9755 1000p CD C9765 16V 0.1u IC9710 C0EBB0000024 RESET 1 2 3 4 GND 5 6 OUT 7 8 C9731 16V 0.1u STB5V_S D9727 MA3X152K0L R9941 330 C9763 0.01u R9885 EXB38V103JV 1.8V R9914 1k C R9935 5.6k R9932 1k R9921 100 C CD CD R9887 10k R9832 10k SN74LVC244APWR M38049MF-C00FP TVRJ951-1: SN74AHC1G32DBVR 5V->3.3V NC NC IN Cd VCC NC NC MAIN_RESET P53/SRDY2 3.AN0 15V_DET 1.P62/AN2 SC_SOS GND TXD RXD GND STB5V 12V 31.P21 STB_ON 4.P57/INT3 RTC_INT NC P54/CNTR0 DPMS VD P55/CNTR1 DPMS HD 21.P40/INT40/XCOUT SCL 20.P41/INT00/XCIN SDA KEY_SCAN NC DRV_SOS POWER_SOS NC IICINT IIC SEL 48.P00/AN8 A_MUTE 47.P01/AN9 M_POWER 46.P02/AN10 KILL_SOS IICCONT P31/DA2 RUSH_ON/OFF P04/AN12 DRIVER_MUTE P06/AN14 NC DRVER_RST POWER_SNS P11/INT01 P12 NC P13 NC P14 CABLE_Z P24 LED_R P15 POWER STAT P17 ALL_OFF1 P16 SOS_INH 29.REM_INH 30.P22LODER_MD 32.P20_REM OUT P25MAIN_CONF P26 LED_G P27 INT_SERIAL XOUT XIN VSS 18.CNVSS/VPP 19._RESET 17.P42/INT1 FPGA CS /CNTR2 PRG RST P47/_SRDY1 P50/_SIN2 DIN P51/_SOUT2 DOUT P52/_SCLK2 CLK SDA SCL WP 5.P56/PWM NC P63/AN3 P64/AN4 P65/AN5 P66/AN6 P67/AN7 AVSS VREF VCC P30/DA1 P32/SDA P33/SCL P34/RXD3 P35/TXD_PC P36/SCLK3 P37/_SRDY3 P44/RXD1 RXD_TU P45/TXD1 TXD_TU P46/SCLK1 PROG_CTL P43/INT2 2.AN1 5V_DET P10/INT41 REM_IN P07/AN15 P05/AN13 45.P03/AN11 9.216M VRAM (128KW*8bit) 1Mbit 8M ROM FLASH MEMORY TVRJ232 2Y1 1OE VCC 1A1 2Y4 1A2 1A3 1A4 GND 2Y3 2Y2 2OE 1Y1 1Y2 1Y3 1Y4 2A4 2A3 2A2 2A1 3.3V->5V 74ACT244MTCX TVRJ951-3: TVRJ951-2:Ver2.09 TVRJ951-3:Ver2.17 TVRJ951-1:Ver2.01 TVRN239 :Ver3.00S6 for PA30E,PE30B R9796 5.6k R9828 2.7k R9802 0 C9746 100p C9747 100p C9757 0.01u R9830 2.7k D-� TNPA2825AH(8/12) ! TO PA-BOARD (PA12) TO D-BOARD (2/12) 97 16.34.D 电路板 (9/12) 线路图 17 18 19 20 21 22 23 24 25 ����������������������� ����������������������� R S T U V W X Y Z a b 48 49 50 51 52 53 54 55 56 57 58 59 60 61 62 63 64 65 66 67 AY_SCSU AY_CPL AY_CEL AY_CPL AH_CLP_S AH_VD_ADS AH_HD_ADS AAR_LATCH AAR_SFVRST AAR_SFRST AAR_FPCLK AAR_FPDAT0 AAR_FPDAT1 AAE_SD10 AAE_SD11 AAE_SD12 AAE_SD13 AAE_SD14 AAE_SD15 AAL_MCDATAO AAL_MCVD AAO_UBK AAO_NUEL AAO_UMH AAO_UML AAO_USH AAO_USL AAO_UEH AY_CMH AY_CML AY_CSH AY_CSL AY_CBK AY_CEL AY_CPH AY_CPL AY_SCSU AY_SID AY_SIU AY_CLK AY_CL AA_SBU6 AA_SAU6 AD_DRVRST AA_SCU6 AAB_CKO AAB_VO AAB_HO AA_XWE AAA_CLKC GUARD_CL AD_NRST AAA_CLKC AAA_REFCK AAA_DOE AAA_DOUT AZ_HZ AY_CBK AY_SID AY_CLK AY_CL AY_CMH AY_CML AY_CSH AY_CSL AAO_USH AAO_NUEL AAO_USL AAO_UEH AAO_UMH AAA_NO_SYNC AZ_BLKD AV_CER AX_N_VD47 AX_HP AAA_HDO_S AAA_VDO_S AAA_VDO_M AAA_HDO_M AAB_OSD9 AAB_OSD10 AAB_OSD11 AAB_OSD12 AAB_OSD13 AAB_OSD14 AAB_OSD8 AAB_OSD7 AAB_OSD6 AAB_OSD5 AAB_OSD4 AAB_OSD3 AAB_OSD2 AAB_OSD1 AAB_OSD0 AAB_YS AD_DRVMUTE1 AAB_OSD15 AAE_SD08 AAE_SD09 AAL_MCLDO AAL_MCCLKO AAO_UML AAO_UBK AAL_MCHD AAQ_CML AAQ_CMH AAP_SCSU AAP_CPL AAP_CPH AAF_SD12 AAF_SD13 AAF_SD14 AAF_SD15 AAF_SD08 AAF_SD09 AAF_SD10 AAF_SD11 AAE_SD10 AAE_SD11 AAE_SD09 AAE_SD08 AAE_SD15 AAE_SD14 AAE_SD13 AAE_SD12 AY_CPH AAC_SCL2 AAC_SDA2 AAO_UBK AAO_USH AAO_UML AAO_UMH AAO_USL AAO_UEH AY_SID AY_CMH AY_SIU AY_CLK AY_CSL AY_CML AY_CSH AW_UMH AW_UE2H AAP_CL AAP_CLK AAP_SIU AAQ_CEL AAP_SID AAQ_CEH AAQ_CSH AAQ_CSL AW_UML AW_UEH AW_USL AW_USH AAS_G2 AAS_G0 AAS_G1 AAS_R2 AAS_R0 AAS_R1 AK_G2 AK_G1 AK_G0 AK_R2 AK_R1 AK_R0 AK_B2 AK_B1 AK_B0 AAS_G7 AAS_G6 AAS_G5 AAS_R7 AK_G7 AAS_R6 AAS_R5 AK_G6 AK_G5 AAS_G4 AAS_G3 AAS_R4 AK_G4 AAS_R3 AK_G3 AK_R7 AK_R6 AK_R5 AK_R4 AK_R3 AK_B7 AK_B6 AK_B5 AK_B4 AK_B3 AAS_B2 AAS_B1 AAS_B0 AAS_B7 AAS_B6 AAS_B5 AAS_B4 AAS_B3 AAB_HI AAB_CKI AX_VP AD_DRVMUTE2 AZ_PCDI AZ_PCD AZ_PCDI AH_HDIA_S AH_VDIA_S 3.3V Q9601 2SD0601A0L R9634 0 R9624 100 C1ZBZ0002377 IC9605 1 GND 2 TMS 3 I/O 4 I/O 5 I/O 6 I/O 7 I/O 8 I/O 9 I/O 10 I/O 11 I/O 12 GND 13 VCCO 14 VCCINT 15 I/O 16 I/O 17 I/O 18 I/O 19 GND 20 I/O 21 I/O 22 I/O 23 I/O 24 I/O 25 GND 26 VCCO 27 I/O 28 VCCINT 29 I/O 30 I/O 31 I/O 32 GND 33 I/O 34 I/O 35 I/O 36 I/O 37 VCCINT 38 VCCO 39 GND 40 I/O 41 I/O 42 I/O 43 I/O 44 I/O 45 I/O 46 I/O 47 I/O 48 I/O 49 I/O 50 M1 51 GND 52 M0 53 VCCO 54 M2 55 I/O 56 I/O 57 I/O 58 I/O 59 I/O 60 I/O 61 I/O 62 I/O 63 I/O 64 I/O 65 GND 66 VCCO 67 VCCINT 68 I/O 69 I/O 70 I/O 71 I/O 72 GND 73 I/O 74 I/O 75 I/O 76 VCCINT 77 GCK1 78 VCCO 79 GND 80 GCK0 81 I/O 82 I/O 83 I/O 84 I/O 85 GND 86 I/O 87 I/O 88 I/O 89 I/O 90 VCCINT 91 VCCO 92 GND 93 I/O 94 I/O 95 I/O 96 I/O 97 I/O 98 I/O 99 I/O 100 I/O 101 I/O 102 I/O 103 GND 104 105 VCCO 106 PROGRAM 107 I/O 108 I/O 109 I/O 110 I/O 111 I/O 112 I/O 113 I/O 114 I/O 115 I/O 116 I/O 117 GND 118 VCCO 119 VCCINT 120 I/O 121 I/O 122 I/O 123 I/O 124 GND 125 I/O 126 I/O 127 I/O 128 I/O 129 I/O 130 VCCO 131 GND 132 I/O 133 I/O 134 I/O 135 I/O 136 I/O 137 GND 138 I/O 139 I/O 140 I/O 141 I/O 142 VCCINT 143 VCCO 144 GND 145 I/O 146 I/O 147 I/O 148 I/O 149 I/O 150 I/O 151 I/O 152 I/O 153 I/O 154 I/O 155 CCLK 156 VCCO 157 TDO 158 GND 159 TDI 160 I/O 161 I/O 162 I/O 163 I/O 164 I/O 165 I/O 166 I/O 167 I/O 168 I/O 169 I/O 170 GND 171 VCCO 172 VCCINT 173 I/O 174 I/O 175 I/O 176 I/O 177 GND 178 I/O 179 I/O 180 I/O 181 I/O 182 GCK2 183 GND 184 VCCO 185 GCK3 186 VCCINT 187 I/O 188 I/O 189 I/O 190 GND 191 I/O 192 I/O 193 I/O 194 I/O 195 VCCINT 196 VCCO 197 GND 198 I/O 199 I/O 200 I/O 201 I/O 202 I/O 203 I/O 204 I/O 205 I/O 206 I/O 207 TCK 208 VCCO R9599 EXB38VR000V R9994 10k TP0324 R9598 EXB38VR000V TP0326 C C C9612 16V 0.1u R9631 0 R9614 0 IC9606 C0EBE0000066 1 2 3 5 4 R9615 0 R9991 10k R9654 0 R9605 0 C9602 16V 0.1u R9648 10k C R9687 0 R9109 0 R9608 0 C TP0349 TP0344 R9609 0 R9688 0 C9607 16V 0.1u R9603 0 C 3.3V *R9600 0 0 R9653 EXB38V103JV TP0348 R9602 0 R9641 0 R9652 EXB38V103JV C TP0350 R9153 EXB2HVR000V TP0323 C9616 C R9655 C9629 16V 0.1u IC9603 C0JBAZ001494 1 2 3 4 5 6 7 8 9 10 11 12 13 14 15 16 17 18 19 20 C9625 16V 0.1u R9635 0 R9244 0 C R9632 0 R9604 0 R9650 EXB38V103JV R9633 0 R96790 R9618 22k C R9640 0 C9632 16V 0.1u C R9581 0 16V 0.1u C9601 16V 0.1u R9686 IC9604 C0JBAZ001494 1 2 3 4 5 6 7 8 9 10 11 12 13 14 15 16 17 18 19 20 R9601 0 R9683 0 C9613 50V 0.01u C R9972 10k C9605 16V 0.1u C STB5V_M P5V C9603 16V 0.1u R9671 0 C R9670 0 TP0345 R9154 EXB2HVR000V TP0343 R9612 0 C R9628 0 C9604 16V 0.1u TP0325 C Q9602 2SD0601A0L R9157 EXB2HVR000V R9580 0 C R9672 0 C R9570 0 R9643 0 TP0347 R9613 0 C C C9621 16V 0.1u IC9601 C0JBAZ001494 1 2 3 4 5 6 7 8 9 10 11 12 13 14 15 16 17 18 19 20 C R9620 10k R9651 EXB38V103JV TP0346 R9245 0 C IC9602 C0JBAZ001466 OE1 1 2 I0 3 O7 4 I1 5 O6 6 I2 7 O5 8 I3 9 O4 10 GND 11 I4 12 O3 13 I5 14 O2 15 I6 16 O1 17 I7 18 O0 19 OE2 20 VCC R9621 10k 16V 0.1u R9579 C9630 16V 0.1u R9993 10k TP0321 R9625 560 3.3V C R9611 0 C9620 16V 0.1u C9611 16V 4.7u SN74LVC244APWR XC2S200E-6PQG208C 74ACT244MTCX 3.3V->5V 3.3V->5V 3.3V->5V 5V->3.3V 2Y1 1OE VCC 1A1 2Y4 1A2 1A3 1A4 GND 2Y3 2Y2 2OE 1Y1 1Y2 1Y3 1Y4 2A4 2A3 2A2 2A1 2Y1 1OE VCC 1A1 2Y4 1A2 1A3 1A4 GND 2Y3 2Y2 2OE 1Y1 1Y2 1Y3 1Y4 2A4 2A3 2A2 2A1 2Y1 1OE VCC 1A1 2Y4 1A2 1A3 1A4 GND 2Y3 2Y2 2OE 1Y1 1Y2 1Y3 1Y4 2A4 2A3 2A2 2A1 XC17S200APD8C Vcc Out SUB NC GND (SPARTAN2E) NO_SYNC CLPC_S GND BLKU MCDATA DRVMUTE NCLP_M HDO_M HD_S OSDIN3 VCCINT DMLR1 VCCO MCLD HDIA_S GCK1 SCSU OSD1 ROM47_2 CLK20M OSD5 UBK VCCO OSD9 CML HDID_S LATCH VDO_S IO OSDCLK M1 USH HDIA_M OSDVD OSD13 GND VCCO OSDIN1 SCL GND IO N_VD47 IO MCVD DCKB CBK DIN LSI43_33MHz VCCO GND VDO_M HD_M OSDIN4 VCCO CPL OSDIN2 VD_ADM OSDIN7 HD_ADS ROM47_1 CMH DSHL1 OSD4 PCD ^PROGRAM OSD8 M0 VDID_S GND FPDATA1 HDO_S UML GCK0 FPCLK VCCINT RESERVE4 RESERVE OSDHD OSD12 CLPC_M OSDIN0 IO CL CEL NRST CCLK DSLR1 LAC GND TDI IO NCLCP_S DSLL1 GND CPH DOE VD_M HD_ADM IO OSDIN6 VD_ADS ROM47_0 VCCO CLKM_IN OSD3 LED ^INIT OSD7 UMH GND GND FPDATA0 OSDHO RESERVE4 DCKC YS CSL IO VCCO VCCINT OSD15 DMLL1 VDID_M SCO IO DSHR1 UEH LEU DRVRST RESERVE4 OSD0 VCCINT CLK XNVD CGL VD_S OSDIN5 DMHR1 MCCLK VDIA_S M2 OSD2 BLKD VCCINT TCK TDO OSD6 NUEL RESERVE4 SID OSD10 SYNCRST DONE SFVRST OSD11 CSH CKI IO GND VDIA_M GND MCHD PCU OSD14 HDID_M USL SDA 74ACT244MTCX 74ACT244MTCX R9630 220 R9616 0 R9681 10k R9644 10k 16V 0.1u C9626 100p C9622 16V R9678 220 R9636 10k D-� TNPA2825AH(9/12) ! TO D-BOARD (3/12) 98 16.35.D 电路板 (10/12) 线路图 25 26 27 28 29 30 31 32 33 ������������������������ ������������������������ c d e f g h 57 58 59 60 61 62 63 64 65 66 67 68 69 70 73 74 75 76 77 78 79 80 81 72 71 AAB_YM AAB_HI AAB_CKI AAA_VDO_S AAA_HDO_S AAA_CLKB AAA_VDO_M AAA_HDO_M AX_VP AX_HP GUARD_CL AAA_CLKC AAB_HO AAB_VO AAB_CKO AD_NRST AAA_DOE AAA_DOUT AAA_REFCK 1.8V AAW_G7 AAW_G6 AAW_G5 AAW_G4 AAW_G3 AAW_G2 AAW_G1 AAW_G0 AAW_R7 AAW_R6 AAW_R5 AAW_R4 AAW_R3 AAW_R2 AAW_R1 AAW_R0 AAS_R3 AAS_R4 AAS_R5 AAS_R6 AAS_R7 AAS_R0 AAS_R1 AAS_R2 AAS_G0 AAS_G1 AAS_G2 AAS_G3 AAS_G4 AAS_G5 AAS_G6 AAS_G7 AAC_SDA2 AAC_SCL2 AAW_B2 AAW_B1 AAW_B0 AAW_B3 AAW_B7 AAW_B6 AAW_B4 AAW_B5 AAS_B0 AAS_B1 AAS_B2 AAS_B3 AAS_B4 AAS_B5 AAS_B6 AAS_B7 AAB_OSD0 AAB_OSD1 AAB_OSD2 AAB_OSD3 AAB_OSD4 AAB_OSD5 AAB_OSD6 AAB_OSD7 AAB_OSD8 AAB_OSD9 AAB_OSD10 AAB_OSD11 AAB_OSD12 AAB_OSD13 AAB_OSD14 AAB_OSD15 AAB_YS AAB_YM ABD_DQ0 ABD_DQ1 ABD_DQ2 ABD_DQ4 ABD_DQ3 ABD_DQ5 ABD_DQ6 ABD_A0 ABD_A1 ABD_A2 ABD_A3 ABD_A4 ABD_A5 ABD_A6 ABD_DQ7 ABD_DQ8 ABD_DQ9 ABD_DQ10 ABD_DQ11 ABD_DQ12 ABD_DQ13 ABD_DQ14 ABD_DQ15 ABD_DQ16 ABD_DQ17 ABD_DQ18 ABD_CAS ABD_RAS ABD_DQM ABD_CS0 ABD_BA1 ABD_BA0 ABD_A7 ABD_A8 ABD_A9 ABD_A10 ABD_DQ19 ABD_DQ20 ABD_DQ21 ABD_DQ22 ABD_DQ23 ABD_DQ24 ABD_DQ25 ABD_DQ26 ABD_DQ27 ABD_DQ28 ABD_DQ29 ABD_DQ30 ABD_WE ABD_SCK0 GUARD_CL ABD_DQ31 ABE_HFBC ABE_HPLO ABE_OHOLD ABA_R7 ABA_R6 ABA_R5 ABA_R4 ABA_R2 ABA_R1 ABA_R0 ABA_R3 ABA_B7 ABA_B6 ABA_B5 ABA_B4 ABA_G7 ABA_G6 ABA_G5 ABA_G4 ABA_B3 ABA_B2 ABA_B1 ABA_B0 ABA_G3 ABA_G2 ABA_G1 ABA_G0 3.3V 3.3V IC9151 H22 BUIC7 R9229 0 IC9151 M21 MVD5I C C9167 16V 0.1u R9178 0 C IC9151 AA4 HFBC IC9151 W1 NRAS IC9151 K3 SDD0 IC9151 M1 SDD4 IC9151 H9 VDD18 IC9151 H12 VDD18 IC9151 L5 VDD33 IC9151 P22 OSDHI IC9151 B13 GYIB4 IC9151 AC10 OCKOA IC9151 N13 VSS IC9151 AA1 0CKREF IC9151 J20 BUIC4 IC9151 T14 VDD18 C9164 16V 0.1u R9187 10k IC9151 MN845041-A A1 VSS C IC9151 U3 SDD26 IC9151 AB16 OGB7 IC9151 K13 VSS IC9151 B19 UREFH R9171 10k IC9151 B5 SDWUSE R9199 10k IC9151 T20 OSD6 IC9151 J5 VDD33 IC9151 R19 OSD10 IC9151 AC14 OCKOB IC9151 U2 SDD25 C IC9151 AA8 OGA1 C9176 16V 0.1u IC9151 AB4 OHOLD IC9151 A7 RVIB6 IC9151 T11 VDD18 IC9151 B20 YREFM R9216 10k IC9151 C10 RUIB6 IC9151 H23 BUIC6 IC9151 AA19 ORB1 IC9151 E8 VDD33 IC9151 N12 VSS IC9151 E2 SPLLPDN IC9151 N4 SDD13 IC9151 M12 VSS IC9151 F19 I2CSCL IC9151 M14 VSS IC9151 AC4 OBA4 IC9151 E10 VDD33 IC9151 L22 GYIC5 IC9151 U20 OSD2 IC9151 M22 GYIC0 IC9151 C18 XADPDN IC9151 Y12 FJP IC9151 K19 VDD33 IC9151 B11 BUIB1 IC9151 F5 XPLLRST IC9151 W18 VDD33 IC9151 R3 SDD18 IC9151 J3 ADRS10 IC9151 N23 OSDCKO IC9151 E1 ADRS1 IC9151 T10 VDD18 IC9151 K16 VDD18 R9111 33 IC9151 R16 AVDD C IC9151 Y23 VSS IC9151 R15 VSS IC9151 AA7 OGA6 IC9151 D17 CLL IC9151 W15 VDD33 C IC9151 E18 AVDD IC9151 B8 RVIB5 IC9151 T1 SDD19 IC9151 L3 SDD3 IC9151 B4 TEST3 IC9151 C5 TEST0 IC9151 Y9 ORA7 IC9151 G2 ADRS8 IC9151 D21 ZTILD IC9151 Y13 OBB4 IC9151 R14 VSS IC9151 A11 BUIB3 IC9151 H13 VDD18 IC9151 P15 VSS IC9151 B23 VSS C IC9151 C16 PLLHD IC9151 E9 VDD33 IC9151 L15 VSS IC9151 W6 VDD33 IC9151 G22 RVIC4 C IC9151 Y11 VDD33 IC9151 R12 VSS IC9151 R13 VSS IC9151 P12 VSS IC9151 K23 GYIC6 IC9151 L11 VSS IC9151 V5 DQM IC9151 C3 VSS IC9151 E7 VDD18 C IC9151 K12 VSS IC9151 AC8 ORA5 IC9151 K11 VSS IC9151 E3 SDIV0 IC9151 K10 VSS IC9151 N10 VSS IC9151 T16 VSS IC9151 T9 VDD18 IC9151 K9 VSS IC9151 A15 VSS IC9151 B10 BUIB7 IC9151 R9 VSS R9240 33 IC9151 C1 SCKREF IC9151 Y1 VSS 1.8V IC9151 N21 OSDHO IC9151 T2 SDD20 IC9151 Y2 BANK1 IC9151 L14 VSS IC9151 Y3 XOUTRST IC9151 AB13 ENOUT IC9151 C4 TEST4 IC9151 AB18 ORB7 IC9151 N14 VSS IC9151 T15 VSS IC9151 V19 MPLLPDN IC9151 J4 ADRS11 IC9151 J23 BUIC1 IC9151 N15 VSS IC9151 AC17 OGB6 IC9151 T4 SDD23 IC9151 AA18 0RB5 IC9151 D23 DCKC IC9151 M4 SDD7 IC9151 R20 OSD11 IC9151 B18 VREFL C9170 16V 0.1u IC9151 T5 VDD33 IC9151 W9 VDD33 C9172 16V 0.1u R9176 100 IC9151 P4 SDD16 IC9151 AA15 OBB1 R9179 0 IC9151 L16 VDD18 IC9151 B2 VSS IC9151 K20 BUIC2 IC9151 C21 VSS IC9151 B12 BUIB0 IC9151 A6 VSS IC9151 AC18 OGB2 IC9151 Y15 DOBB0 IC9151 D14 DVB C9158 16V 0.1u IC9151 C11 BUIB4 IC9151 W7 VDD33 IC9151 P14 VSS R9230 0 IC9151 AC15 VSS IC9151 H16 VSS IC9151 W16 VDD33 IC9151 A8 RVIB4 IC9151 H5 AVDD IC9151 P8 VDD18 IC9151 Y7 OGA7 IC9151 G1 VSS IC9151 D11 BUIB2 IC9151 F21 XRST R9234 10k C C IC9151 P20 YS IC9151 L21 GYIC2 IC9151 J8 AVSS IC9151 F22 RVIC7 IC9151 P13 VSS IC9151 T3 SDD21 IC9151 P2 SDD12 IC9151 Y20 VSS IC9151 D1 VSS IC9151 L12 VSS IC9151 AA21 VSS IC9151 B15 DHB C IC9151 H3 ADRS9 IC9151 E16 VDD18 IC9151 P1 SDD10 IC9151 AB3 HPLO C IC9151 M19 OFPI IC9151 B17 HFBA IC9151 Y8 OGA3 IC9151 AB12 BLOUT IC9151 N8 VDD18 R9190 10k IC9151 AA3 VSS IC9151 E19 VSS IC9151 P10 VSS IC9151 V3 SDD30 IC9151 AA20 MVD5O IC9151 L20 GYIC1 IC9151 W13 VDD33 IC9151 C2 VSS IC9151 V20 HFBB IC9151 J14 VSS IC9151 AC5 OBA0 R9204 0 IC9151 A5 REFCK IC9151 D5 TEST2 C IC9151 J22 BUIC3 IC9151 AC12 PWMOUT IC9151 K15 VSS IC9151 D10 RVIB0 C9165 16V 0.1u C IC9151 B14 GYIB2 IC9151 Y17 OGB0 IC9151 J1 VSS C9153 6.3V 10u IC9151 N20 MFPI IC9151 AA13 OBB7 C IC9151 W23 DOSD0 IC9151 J10 VSS R9177 22 IC9151 D2 SDIV2 IC9151 P21 YM IC9151 G3 ADRS5 IC9151 J11 VSS C9178 16V 0.1u IC9151 G5 ADRS0 IC9151 U22 OSD8 IC9151 W3 NWE R9202 10k IC9151 T13 VDD18 IC9151 N1 SDD8 IC9151 P9 VSS IC9151 E12 VDD33 IC9151 AC21 OFPO IC9151 F23 RVIC3 IC9151 M5 VDD33 R9182 0 IC9151 B6 XTGLRST C9168 16V 0.1u IC9151 AB5 OBA1 IC9151 C7 RATEOE IC9151 U1 SDD24 IC9151 AB1 VSS IC9151 AC1 VSS IC9151 D3 SDIV3 IC9151 K2 VSS IC9151 M8 VDD18 IC9151 G20 DHC IC9151 A21 YREFL IC9151 R1 SDD15 R9112 33 IC9151 M9 VSS IC9151 B3 MINTEST 3.3V IC9151 C12 GYIB5 IC9151 D18 UREFM IC9151 A2 VSS IC9151 B9 RVIB2 IC9151 U4 SDD27 IC9151 AC11 VSS IC9151 H2 VSS IC9151 L23 GYIC3 IC9151 D12 GYIB7 IC9151 A18 VREFM R9180 10 IC9151 E6 VDD18 IC9151 AA22 VSS IC9151 H8 VSS IC9151 V21 OSD1 IC9151 N2 SDD9 IC9151 W22 MCPOUT IC9151 C19 UREFL IC9151 A13 VSS C9159 16V 0.1u IC9151 AB17 OGB3 IC9151 W2 NCAS R9205 0 IC9151 M3 SDD5 IC9151 M23 VSS IC9151 Y16 OGB4 IC9151 A20 CLH IC9151 R10 VSS IC9151 W11 VDD33 IC9151 AB6 OGA5 IC9151 R21 OSD14 IC9151 K22 BUIC0 IC9151 AC13 VSS IC9151 M16 VDD18 IC9151 E15 VDD33 IC9151 F4 SCPOUT IC9151 G23 RVIC2 IC9151 E13 VDD33 IC9151 H4 ADRS7 IC9151 Y10 ORA3 IC9151 AA23 MCKREF R9118 0 IC9151 AB11 HP IC9151 D13 GYIB1 IC9151 C13 GYIB3 IC9151 E22 I2CSLAV0 IC9151 B7 OMASK IC9151 K14 VSS IC9151 G21 RVIC6 IC9151 N22 OSDVO R9236 10k IC9151 U19 HPLBC IC9151 G19 DVC IC9151 W12 VDD33 R9247 0 IC9151 J21 BUIC5 IC9151 AA12 VP IC9151 V23 OSD5 IC9151 C20 YREFH IC9151 N19 VDD33 IC9151 E17 AVDD C9187 16V 0.1u IC9151 D22 I2CSLAV1 IC9151 Y6 OBA3 IC9151 AA2 VSS IC9151 U21 OSD7 IC9151 W4 BANK0 IC9151 C23 VSS IC9151 A23 VSS IC9151 R23 OSDCKI IC9151 J13 VSS IC9151 Y4 VSS IC9151 L1 VSS IC9151 L19 GYIC4 IC9151 AB9 ORA2 IC9151 AA11 ORA0 IC9151 AB14 VSS IC9151 Y21 MDIV3 IC9151 Y22 MDIV1 IC9151 AB22 VSS IC9151 AC6 OGA2 IC9151 AA17 OGB12 IC9151 M10 VSS IC9151 A4 VSS IC9151 H1 SDCKO0 IC9151 M2 SDD6 IC9151 AB21 MFPO IC9151 R2 SDD17 IC9151 W14 VDD33 IC9151 D4 VSS IC9151 D15 DHA IC9151 N3 SDD11 IC9151 AC23 VSS R9207 10 IC9151 K8 VDD18 IC9151 AC20 ORB2 R9760 0 IC9151 J19 VDD33 IC9151 M15 VSS IC9151 E23 VSS IC9151 Y14 OBB5 IC9151 AA9 ORA4 IC9151 AB7 OGA4 C9180 16V 0.1u C9173 16V 0.1u IC9151 R5 VDD33 IC9151 AC16 OBB3 IC9151 J2 NCS0 C IC9151 N16 VDD18 IC9151 AB19 ORB3 IC9151 AA6 OBA2 IC9151 W19 VSS IC9151 B1 VSS IC9151 E11 VDD33 IC9151 A10 BUIB5 IC9151 E5 VSS IC9151 AB20 OVD50 IC9151 H15 AVSS C9157 16V 0.1u IC9151 D20 VSS IC9151 AB15 OBB2 IC9151 A14 DCKB IC9151 H21 RVIC0 C9166 16V 0.1u IC9151 K5 VDD33 IC9151 Y19 ORB0 IC9151 L2 SDD2 IC9151 P16 AVSS IC9151 E14 VDD33 IC9151 AB2 VSS IC9151 U23 OSD9 IC9151 K1 SCKO1 IC9151 AA5 OBA5 IC9151 AB23 VSS IC9151 H20 RVIC1 IC9151 F20 I2CSLAV2 IC9151 W5 VSS R9226 10k IC9151 H14 AVSS IC9151 K21 GYIC7 IC9151 P5 VDD33 IC9151 AC9 VSS C IC9151 B16 HOLD IC9151 E4 SDIV1 IC9151 AB8 OGA0 IC9151 W10 VDD33 IC9151 A9 RVIB1 IC9151 F3 ADRS2 IC9151 P11 VSS IC9151 E21 I2CSDA IC9151 J9 VSS C9151 16V 0.1u IC9151 H10 VDD18 IC9151 J12 VSS IC9151 M20 OVD5I IC9151 R11 VSS IC9151 R4 SDD22 IC9151 AC7 ORA6 IC9151 Y18 ORB4 IC9151 L10 VSS IC9151 T22 OSD13 IC9151 Y5 OBA7 IC9151 T8 VSS C IC9151 P19 VDD33 IC9151 D19 GYI C9179 16V 0.1u IC9151 N5 VDD33 IC9151 B21 VSS IC9151 AC19 ORB6 IC9151 A3 TEST1 IC9151 T12 VDD18 IC9151 A19 BUI IC9151 W20 MDIV2 IC9151 AA14 OBB6 IC9151 M11 VSS IC9151 C8 XSYNCRST IC9151 C22 ZTSEL IC9151 T23 VSS IC9151 A17 VSS IC9151 W8 VDD33 IC9151 R22 OSD15 IC9151 V2 SDD29 IC9151 G4 ADRS3 IC9151 C15 DVA IC9151 P3 SDD14 IC9151 AC22 VSS IC9151 D7 RATEOUT IC9151 H11 VDD18 IC9151 AB10 VSS IC9151 D6 OCKOBUSE IC9151 L9 VSS IC9151 C17 VREFH IC9151 L4 SDD1 IC9151 A22 VSS IC9151 AA10 ORA1 IC9151 C9 RVIB3 IC9151 N9 VSS IC9151 AC2 VSS IC9151 J16 VDD18 IC9151 F2 ADRS4 IC9151 R8 VDD18 IC9151 A12 GYIB6 IC9151 D8 DVIDE IC9151 V1 SDD28 IC9151 M13 VSS IC9151 J15 VSS IC9151 AC3 OBA6 IC9151 H19 RVIC5 IC9151 L13 VSS C IC9151 L8 VDD18 IC9151 T21 OSD12 IC9151 V22 OSD3 IC9151 D16 RVI IC9151 W17 VDD33 C IC9151 W21 MDIV0 IC9151 V4 SDD31 IC9151 A16 DCKA IC9151 E20 ZLPFON IC9151 C6 SCANEN IC9151 AA16 OGB5 IC9151 C14 GYIB0 IC9151 K4 NCS1 IC9151 U5 VDD33 IC9151 F1 ADRS6 IC9151 N11 VSS IC9151 D9 RVIB7 IC9151 B22 VSS IC9151 P23 VSS IC9151 T19 OSD4 R9167 10k R9168 10k Digital-B Digital-C 100MHz IIC SLV[8A] Analog To micom OSD A/D PLL MCK PLL SD-RAM I/F 166MHz OCK PLL TEST SCK PLL For many use Output - A LEFT(Master) Output - B RIGHT(Slave) MN845041-A R9170 10k D-� TNPA2825AH(10/12) ! TO D-BOARD (4/12) 99 16.36.D 电路板 (11/12) 线路图 ������������������������ ������������������������ 33 34 35 36 37 38 39 40 41 i j k l m n o p q 68 69 70 73 72 71 74 75 76 77 78 79 80 81 82 83 84 85 86 87 88 89 90 + SIDE TERM GUARD_CL 3.3V GUARD_CL AZ_HZ AZ_BLKD AZ_PCD AT_CKD1 GUARD_CL AT_CKD2 GUARD_CL 5V AD_DRVRST AT_CKD1 GUARD_CL AT_CKD2 GUARD_CL AD_DATA_SOS AU_AD13 AU_CD12 AU_CD13 AU_BD13 AU_BD12 AU_AD12 AU_CD11 AU_BD11 AU_CD10 AU_BD10 AU_BD9 AU_CD9 AU_AD10 AU_AD11 AU_CD8 AU_AD9 AU_AD8 AU_BD8 AW_UE2H AW_UEH AW_UML AW_UMH AW_USH AW_USL AZ_HZ AZ_BLKD AZ_PCD AV_CER GUARD_CL ABD_DQ15 ABD_DQ14 ABD_DQ13 ABD_DQ12 ABD_DQ11 ABD_DQ0 ABD_DQ1 ABD_DQ2 ABD_DQ3 ABD_DQ4 ABD_SCK0 ABD_DQM ABD_DQ10 ABD_DQ9 ABD_DQ8 ABD_A9 ABD_A8 ABD_A7 ABD_A6 ABD_A5 ABD_A4 ABD_CS0 ABD_DQM ABD_DQ5 ABD_DQ6 ABD_DQ7 ABD_WE ABD_CAS ABD_RAS ABD_BA0 ABD_BA1 ABD_A10 ABD_A0 ABD_A1 ABD_DQ24 ABD_DQ25 ABD_DQ26 ABD_DQ27 ABD_DQ28 ABD_DQ29 ABD_DQ30 ABD_DQ31 ABD_A3 ABD_A2 ABD_DQ16 ABD_DQ17 ABD_DQ18 ABD_DQ19 ABD_DQ20 ABD_DQ21 ABD_DQ22 ABD_DQ23 5V AV_CER AD_DRVRST0 C9310 50V 33p C C R9362 10k R9352 10 C9314 16V 4.7u Q9301 2SD0601A0L R9333 47 R9311 10k R9460 10 R9339 10k C P5V C C C9303 16V 47u IC9155 C3ABPJ000042 C3ABPJ000040 C3ABPJ000017 1 Vcc 2 DQ0 3 VccQ 4 DQ1 5 DQ2 6 VssQ 7 DQ3 8 DQ4 9 VccQ 10 DQ5 11 DQ6 12 VssQ 13 DQ7 14 NC 15 Vcc 16 DQM0 17 /WE 18 /CAS 19 /RAS 20 /CS 21 NC 22 BS0 23 BS1 24 A10/AP 25 A0 26 A1 27 A2 28 DQM2 29 Vcc 30 NC 31 DQ16 32 VssQ 33 DQ17 34 DQ18 35 VccQ 36 DQ19 37 DQ20 38 VssQ 39 DQ21 40 DQ22 41 VccQ 42 DQ23 43 Vcc 44 Vss 45 DQ24 46 VssQ 47 DQ25 48 DQ26 49 VccQ 50 DQ27 51 DQ28 52 VssQ 53 DQ29 54 DQ30 55 VccQ 56 DQ31 57 NC 58 Vss 59 DQM3 60 A3 61 A4 62 A5 63 A6 64 A7 65 A8 66 A9 67 CKE 68 CLK 69 NC 70 NC 71 DQM1 72 Vss 73 NC 74 DQ8 75 VccQ 76 DQ9 77 DQ10 78 VssQ 79 DQ11 80 DQ12 81 VccQ 82 DQ13 83 DQ14 84 VssQ 85 DQ15 86 Vss R9353 EXB38V470JV C R9357 EXB38V470JV C9302 16V 0.1u C C X9302 H0J200500016 C C 3.3V C R9595 100k R9308 10k R9306 10k C R9355 10 R9380 EXB38V151JV R9349 EXB38V470JV R9365 EXB38V470JV C9305 6.3V 10u C R9597 100 C C9304 16V 4.7u IC9303 C1ZBZ0002357 1 CLKC 2 VDD 3 AGND 4 XTALIN 5 XTALOUT 6 XBUF 7 CLKD 8 CLKE 9 CLKB 10 CLKA 11 GND 12 S0 13 S1 14 AVDD 15 S2/SUSPEND 16 SHUTDOWN/OE R9586 4.7k C9316 16V 0.1u R9315 10k C9200 16V 0.1u R9322 10k R9122 0 R9310 22k R9303 EXB38V103JV P5V R9336 10 R9462 10 D31 1 2 3 4 5 6 7 8 9 10 11 12 13 14 15 16 17 18 19 20 21 22 23 24 25 26 27 28 29 30 31 32 33 34 35 36 37 38 39 40 41 42 43 44 45 46 47 48 49 50 C9308 16V 0.1u C9182 16V 0.1u IC9302 C0CBCBD00008 1 Vcont 2 GND 3 Np 5 Vin 4 Vout C R9560 150 R9373 0 R9558 150 R9562 150 R9330 10 C9311 16V 0.1u R9368 EXB38V470JV C 3.3V R9376 47 R9335 22 C R9302 0 C9181 16V 0.1u R9337 22 C R9548 0 Q9598 2SD0601A0L C9315 16V 4.7u C9307 16V 0.1u R9461 10 C9309 6.3V 10u C C9301 50V 0.01u IC9301 C1ZBZ0002358 1 XIN 2 VDD 3 PD# 4 VSS 5 CLK1 6 CLK2 7 SSON 8 XOUT R9367 0 C C C9199 16V 0.1u R9596 10k R9371 0 C9599 0.01u Q9599 2SD0601A0L CY22392ZC-335T CY25010SC-1T K1MN50B00026 SOS (HZ) (BLKR) UML USH USL UE2H UEH UMH D36 D35 D34 D33 D32 D31 D26 D25 D24 D23 D22 D21 D16 D15 D14 D13 D12 D11 NCLKR CLKR 5V 5V 5V 5V PCR CER DRVRST FPC_DET GND GND GND GND GND GND GND GND GND GND GND GND GND DRIVER RESET 64M-SDRAM 166MHz EM638325TS-6 MT48LC2M32B2TG-6 W94632HD-6 GUARD_CL R9340 50V R9366 D-� TNPA2825AH(11/12) ! TO C1-BOARD (C11) TO D-BOARD (5/12) 100 16.37.D 电路板 (12/12) 线路图 ������������������������ ������������������������ 41 42 43 44 45 46 47 48 49 r s t u v w x y z z1 82 83 84 85 86 87 88 89 90 SIDE TERM AD_KEY AD_LED_G AD_LED_R AA_SBU6 AA_SAU5 AC_AU0 AC_CU5 AC_BU5 AC_AU5 AC_CU4 AC_BU4 AC_AU4 AC_CU3 AC_BU3 AC_AU3 AC_CU2 AC_BU2 AC_AU2 AC_CU1 AC_BU1 AC_AU1 AC_CU0 AC_BU0 AV_CER AZ_PCD AZ_BLKD GUARD_CL AT_CKD2 GUARD_CL AT_CKD1 AA_BYTE AA_XWE AA_RD_XBY AA_SBU5 AA_SAU0 AA_XCE AA_SBU0 AA_SCU0 AA_SAU1 AA_SBU1 AA_SCU1 AA_SAU2 AA_SBU2 AA_SCU2 AA_SAU3 AA_SBU3 AA_SCU3 AA_SAU4 AA_SBU4 AA_SCU4 AA_SAU5 AA_SBU5 AA_SCU5 AA_SAU6 AA_SBU6 AA_SCU6 AA_SAU0 AA_XCE AU_AD2 AU_BD1 AU_AD0 AU_BD0 AU_CD0 AU_AD1 AU_BD4 AU_CD4 AU_AD5 AU_AD4 AU_BD3 AU_CD3 AU_AD3 AU_CD2 AU_CD1 AU_BD2 AU_BD6 AU_AD6 AU_CD5 AU_BD5 AU_CD6 AU_AD7 AU_BD7 AU_CD7 AT_CKD1 GUARD_CL AT_CKD2 GUARD_CL AD_CATS_EYE GUARD_EYE AD_REMOCON AZ_PCD AV_CER AZ_BLKD AA_XOE AA_BYTE AA_D0 AA_D8 AA_D1 AA_D9 AA_D2 AA_D10 AA_D3 AA_D11 AA_D4 AA_D12 AA_D5 AA_D13 AA_D6 AA_D14 AA_D7 AA_D15 AA_SCU2 AA_SAU3 AA_SBU3 AA_SCU3 AA_SAU4 AA_SBU4 AA_SCU4 AA_SAU1 AA_SBU1 AA_SCU1 AA_SAU2 AA_SCU5 AA_SBU2 AA_SBU0 AA_SCU0 5V AD_DRVRST0 C0JBAZ001992 IC9459 1 NC 2 1A1 3 1A2 4 1A3 5 1A4 6 1A5 7 1A6 8 GND 9 1A7 10 1A8 11 1A9 12 1A10 13 1A11 14 1A12 15 2A1 16 2A2 17 VCC 18 2A3 19 GND 20 2A4 21 2A5 22 2A6 23 2A7 24 2A8 25 2A9 26 2A10 27 2A11 28 2A12 29 2B12 30 2B11 31 2B10 32 2B9 33 2B8 34 2B7 35 2B6 36 2B5 37 2B4 38 GND 39 2B3 40 2B2 41 2B1 42 1B12 43 1B11 44 1B10 45 1B9 46 1B8 47 1B7 48 1B6 49 GND 50 1B5 51 1B4 52 1B3 53 1B2 54 1B1 55 2OE 56 1OE P5V C9450 6.3V 10u L9459 ELKE103FA 1 2 3 Q9597 2SD0601A0L R9525 EXB38V470JV C R9541 22 R9532 47 R9553 EXB38V680JV R9537 47 R9530 EXB38V470JV C C9598 0.01u R9594 100 Q9400 2SD0601A0L C C C STB5V_S C R9551 EXB38V470JV C9496 16V 0.1u C 3.3V R9415 4.7k C R9593 10k R9420 47k R9592 100k Q9596 2SD0601A0L R9540 EXB38V470JV R9547 47 C9493 16V 0.1u C C9449 16V 0.1u C C P5V C9495 16V 4.7u D32 1 2 3 4 5 6 7 8 9 10 11 12 13 14 15 16 17 18 19 20 21 22 23 24 25 26 27 28 29 30 31 32 33 34 35 36 37 38 39 40 41 42 43 44 45 46 47 48 49 50 R9535 47 C9494 16V 4.7u R9526 EXB38V470JV R9411 4.7k R9538 22 C3FBMD000156 IC9456 1 A15 2 A14 3 A13 4 A12 5 A11 6 A10 7 A9 8 A8 9 A19 10 NC 11 WE 12 RESET 13 NC 14 NC 15 RY/BY 16 A18 17 A17 18 A7 19 A6 20 A5 21 A4 22 A3 23 A2 24 A1 25 A0 26 CE 27 GND 28 OE 29 Q0 30 Q8 31 Q1 32 Q9 33 Q2 34 Q10 35 Q3 36 Q11 37 VCC 38 Q4 39 Q12 40 Q5 41 Q13 42 Q6 43 Q14 44 Q7 45 Q15/A-1 46 GND 47 BYTE 48 A16 R9585 4.7k C R9417 0 C R9559 EXB38V470JV R9413 330 K1MN50B00026 nil :TVRJ952-2 MBM29DL323TE90TN-K nil/AB:32M-FLASH SN74CBT16211ADGGR DRVRST (BLKL) D76 D75 D74 D73 D72 D71 D66 D65 D64 D63 D62 D61 D56 D55 D54 D53 D52 D51 D46 D45 D44 D43 D42 D41 CEL PCL LED_R LED_G REMOCON KEY_SW OPT STB5V GND GND GND GND GND GND GND GND GND NC 5V 5V 5V 5V NCLKL CLKL AB :TVRJ952-1 AC AJ:16M-FLASH MX29LV160ABTC-70G AC/AF/AG:TVRJ952-4 AD/AE/AH/AJ:TVRJ952-3 AA_SAU6 AA_SCU6 R9416 4.7k D-� TNPA2825AH(12/12) ! TO C2-BOARD (C21) TO D-BOARD (6/12) 101 16.38.C1, C2, G 和 K 电路板方框图 CLKL NCLKL CEL PCL USL UML USL USH UMH UMH UE2H UEH UML UEH UE2H USH USH UEH UE2H UMH USL UML UE2H NCLKR UEH CLKR UMH CER PCR USL USH UML R7224 R7223 R7222 Q7201 R7221 Q7202 D7202 D7201 D7203 D7204 JK3709 1 2 3 4 5 6 7 8 9 10 11 12 13 14 15 +5V(P) SS_SOS 31 10 PANEL DATA DRIVER +5V(P) Vda 5V 53 +5V(P) PANEL DATA DRIVER 10 51 SS_SOS 25 29 +5V(P) 26 27 1 4 3 Vda SS_SOS 2 to SS23 C21 Vda 4 2 17 27 Vda 8 +5V(P) 8 52 20 3 10 20 CB3 CB4 +5V(P) +5V(P) +5V(P) 4 36 2 1 20 5 29 +5V(P) +5V(P) 9 25 Vda +5V(P) 46 26 11 30 CB5 C23 30 1 4 52 31 1 +5V(P) 18 51 29 Vda 53 C11 1 Vda STB_5V CB6 53 51 11 Vda LED_G 19 TO D31 20 20 CB1 C22 5 CB2 +5V(P) 12 36 17 27 36 46 53 3 CB7 3 +5V(P) +5V(P) +5V(P) 46 30 LED_R +5V(P) TO D32 3 3 Vda 52 25 31 TO K24 26 Vda Vda 4 C2 Data Driver(Right) C1 Data Driver REMOCON 7 CATS EYE 10 Data 17 49 23 20 16 21 24bit 1 19 2G 1G 20 IC7201 +5V(P) CLK BUFFER 28 DRVRST IC7202 Buffer IC7203 Buffer IC7204 Buffer 20 20 20 4 13 5 12 15 7 14 6 C23 16 8 3 17 6 5 9 4 7 8 C12 SUSTAIN TO SS23 30 49 25 20 21 24 18bit 16 13 14 15 12 11 Data IC7101 CLK BUFFER 20 1 19 +3.3V(C1) 28 DRVRST IC7104 BUFFER IC7106 BUFFER BUFFER IC7105 20 6bit 6bit 20 20 CLK D1 CLK D2 D3 CLK D4 D5 D6 D7 SUSTAIN (Left) 6bit 6bit 6bit 6bit 6bit REMOCON 6 7 CATS EYE STB_5V 1 LED_R 3 2 LED_G C24 TV/VTR VOL.DN VOL.UP G V-pulse 26 28 H-pulse KEYSCAN 5 DG18 TO 3 TO S3701 6 S3702 TO C24 S3703 REMOCON SENSOR S3704 K24 S3705 2 Front Terminal 3 Remocon Sensor,LED Q305 VOUT VIN STBY5V K12 2 Q300 AV3 IN JK3714 1 C Y 16 G7 5 3 VGA D302 (fH=31.5kHz) K G18 19 18 Q301 OPT G 7 STBY5V 14 CATS SENSOR 12 IC300 9 L R V 6 G5 RM300 4 SR V SL SW Y C ROUT STB-LED(LED-R) LOUT ON-LED(LED-G) B G 5V R TO PC IN DG7 R LED-G R DG12 L LED-R OUT HP PRESET REMOCON ASPECT ON STBY H9 TO V H B G R TH-42PA30C TH-42PA30C 53 26 4 10 20 5 29 25 51 36 27 46 30 3 52 31 CLK 53 26 4 10 20 5 29 25 51 36 27 46 30 3 52 31 CLK 53 26 4 10 20 5 29 25 51 36 27 46 30 3 52 31 CLK 53 26 4 10 20 5 29 25 51 36 27 46 30 3 52 31 CLK 102 16.39.C1 电路板线路图 A B C D E F 1 2 3 4 5 6 7 8 9 ���������� ������� ���������� ������� SIDE TERM SIDE TERM TERM SIDE TERM SIDE TERM SIDE C1-� TNPA3083 ! AH_NCLKR AH_NCLKR AH_CER AH_CLKR AH_PCR 67V 67V 67V 67V 67V 67V AB_D24 AB_D23 AB_D22 AB_D21 AF_BD24 AF_BD23 AF_BD22 AF_BD21 AB_D25 AB_D26 AA_D32 AA_D34 AA_D33 AA_D31 AG_BD34 AG_BD33 AG_BD32 AG_BD31 AA_D36 AC_D11 AC_D12 AC_D13 AC_D14 AE_BD14 AE_BD13 AE_BD12 AE_BD11 AC_D15 AD_LE1 AE_BD11 AE_BD12 AE_BD13 AE_BD14 AE_BD16 AD_PCR AE_BD15 AD_LE1 AE_BD11 AE_BD12 AD_PCR AE_BD16 AE_BD15 AE_BD13 AE_BD14 AD_LE3 AD_PCR AD_PCR AD_LE3 AD_LE2 AD_PCR AD_CLK11 AD_PCR AD_LE2 AD_CLK21 AF_BD21 AF_BD22 AF_BD23 AF_BD24 AF_BD26 AF_BD25 AF_BD21 AF_BD22 AF_BD26 AF_BD25 AF_BD23 AF_BD24 AI_SOS AI_UEH AI_UE2H AI_OSL AI_OSH AI_OML AA_D33 AA_D32 AA_D31 AA_D36 AA_D35 AA_D34 AB_D23 AB_D22 AB_D21 AB_D26 AB_D25 AB_D24 AC_D13 AC_D12 AC_D11 AC_D16 AC_D15 AC_D14 AH_CER AG_BD36 AG_BD31 AG_BD32 AG_BD33 AG_BD34 AG_BD35 AG_BD36 AG_BD31 AG_BD32 AG_BD33 AG_BD34 AG_BD35 AD_LE3 AD_LE2 AD_LE1 AI_OMH AI_SOS AI_OMH AI_OML AI_OSH AI_OSL AI_UEH AI_UE2H AF_BD25 AF_BD26 AG_BD36 AG_BD35 AE_BD15 AE_BD16 5V 5V DRVRST AH_PCR AH_CLKR AC_D16 AA_D35 AD_PCR AD_CLK21 AD_PCR AD_PCR AD_CLK11 67V AD_CLK11 67V 67V 67V 67V AD_CLK21 AD_CLK11 5V 5V 5V 5V 5V AD_PCR AD_CLK21 R7163 180 R7111 22 C7136 6.3V 10u R7127 47 R7187 22k R7157 47 1% R7119 1.65k IC7101 C0JBAZ001604 1G~ 1 2 1A1 3 2Y4 4 1A2 5 2Y3 6 1A3 7 2Y2 8 1A4 9 2Y1 10 GND 11 2A1 12 1Y4 13 2A2 14 1Y3 15 2A3 16 1Y2 17 2A4 18 1Y1 19 2G~ 20 VCC C7153 50V 100p R7143 47 C7117 100V 0.47u C7101 16V 1u C7155 50V 100p R7189 0 C12 1 2 3 4 5 6 7 8 9 10 11 12 13 14 15 16 17 18 19 20 C11 1 2 3 4 5 6 7 8 9 10 11 12 13 14 15 16 17 18 19 20 21 22 23 24 25 26 27 28 29 30 31 32 33 34 35 36 37 38 39 40 41 42 43 44 45 46 47 48 49 50 C7137 16V 1u R7141 22 R7126 47 C7140 6.3V 10u C7115 100V 0.47u R7106 22 R7142 47 R7102 22 R7138 22 R7145 47 R7136 22 R7128 47 R7130 0 C7154 50V 100p R7149 47 C7107 100V 0.1u R7117 220k R7150 47 R7152 47 R7192 0 R7178 0 C7102 6.3V 10u R7159 47 R7158 47 R7171 120 R7103 22 C7113 100V 0.47u R7120 1k R7156 47 R7132 0 R7139 22 C7142 50V 100p R7170 120 IC7106 C0JBAZ001604 1G~ 1 2 1A1 3 2Y4 4 1A2 5 2Y3 6 1A3 7 2Y2 8 1A4 9 2Y1 10 GND 11 2A1 12 1Y4 13 2A2 14 1Y3 15 2A3 16 1Y2 17 2A4 18 1Y1 19 2G~ 20 VCC C7139 16V 1u R7153 47 R7167 150 R7140 22 R7166 150 C7106 16V 1u R7125 1k R7146 47 C7138 6.3V 10u R7110 22 R7147 47 R7154 47 R7148 47 C7104 16V 1u R7137 22 C7135 16V 1u R7188 100k R7144 47 R7107 22 IC7104 C0JBAZ001604 1G~ 1 2 1A1 3 2Y4 4 1A2 5 2Y3 6 1A3 7 2Y2 8 1A4 9 2Y1 10 GND 11 2A1 12 1Y4 13 2A2 14 1Y3 15 2A3 16 1Y2 17 2A4 18 1Y1 19 2G~ 20 VCC C7105 16V 1u R7151 47 IC7105 C0JBAZ001604 1G~ 1 2 1A1 3 2Y4 4 1A2 5 2Y3 6 1A3 7 2Y2 8 1A4 9 2Y1 10 GND 11 2A1 12 1Y4 13 2A2 14 1Y3 15 2A3 16 1Y2 17 2A4 18 1Y1 19 2G~ 20 VCC R7162 180 R7155 47 R7161 0 FL7106 ELKE103FA 1 2 3 CB3 1 3 4 5 7 8 9 10 11 12 13 14 15 16 17 18 19 20 21 22 23 25 26 27 29 30 31 33 34 35 36 37 38 39 40 41 42 43 44 45 46 47 48 49 51 52 53 55 CB1 1 3 4 5 7 8 9 10 11 12 13 14 15 16 17 18 19 20 21 22 23 25 26 27 29 30 31 33 34 35 36 37 38 39 40 41 42 43 44 45 46 47 48 49 51 52 53 55 CB2 1 3 4 5 7 8 9 10 11 12 13 14 15 16 17 18 19 20 21 22 23 25 26 27 29 30 31 33 34 35 36 37 38 39 40 41 42 43 44 45 46 47 48 49 51 52 53 55 L7111 J0JHC0000096 L7112 J0JHC0000096 L7113 J0JHC0000096 5V 5V (SN74ACT244PWR) (SN74ACT244PWR) (SN74ACT244PWR) (BLKR) (HZ) 3.3V (SN74ACT244PWR) TO C2-BOARD (C22) TO D-BOARD (D31) 103 16.40.C2 电路板线路图 A B C D E F 1 2 3 4 5 6 7 8 9 ���������� ������� ���������� ������� TERM SIDE SIDE TERM TERM SIDE SIDE TERM SIDE SIDE TERM C2-� TNPA3084 ! 5V 5V 5V 5V AB_CLK21 AB_CLK11 AC_NCLKL AC_CLKL AK_REMOCON AJ_BD42 AJ_BD41 AA_BD56 AA_BD55 AD_D43 AD_D44 AD_D45 AJ_BD46 AJ_BD45 AJ_BD44 AJ_BD43 AA_BD54 AA_BD53 AA_BD52 AA_BD51 AF_D63 AF_D65 AF_D66 AI_BD66 AI_BD65 AI_BD64 AI_BD63 AH_BD74 AH_BD73 AH_BD72 AH_BD71 AG_D75 AG_D76 AF_D61 AF_D62 AI_BD62 AI_BD61 AE_D52 AE_D53 AE_D54 AE_D56 AD_D41 AD_D42 AH_BD76 AH_BD75 67V 67V 67V 67V 67V 67V 67V 67V 67V (BLKL) AC_CEL GUARD_OPT AK_OPT AK_KEY_SW AG_D73 AC_PCL AC_CEL AC_CLKL AC_NCLKL AG_D72 AF_D65 AF_D66 AF_D61 AF_D62 AG_D71 AF_D63 AG_D74 AG_D75 AG_D76 AF_D64 AD_D43 AE_D54 AE_D53 AE_D52 AE_D51 AE_D56 AE_D55 AD_D42 AD_D45 AD_D46 AD_D41 AD_D44 AB_LE4 AB_LE6 AB_LE7 AB_LE5 AB_CLK21 AB_PCL AH_BD72 AH_BD73 AH_BD74 AH_BD76 AH_BD75 AB_LE7 AH_BD71 AH_BD72 AH_BD73 AH_BD74 AH_BD76 AH_BD75 AH_BD71 AB_PCL AB_LE7 AI_BD62 AI_BD63 AI_BD64 AI_BD66 AI_BD65 AI_BD61 AB_PCL AI_BD62 AI_BD63 AI_BD64 AI_BD66 AI_BD65 AB_LE6 AI_BD61 AB_PCL AB_LE6 AB_CLK21 AB_PCL AA_BD52 AA_BD53 AA_BD54 AA_BD56 AA_BD55 AB_LE5 AA_BD51 AA_BD53 AA_BD54 AB_PCL AA_BD56 AA_BD55 AA_BD51 AA_BD52 AB_LE5 AB_CLK21 AB_LE4 AB_PCL AJ_BD41 AJ_BD42 AJ_BD43 AJ_BD44 AJ_BD46 AJ_BD45 AJ_BD41 AJ_BD42 AJ_BD43 AJ_BD44 AB_LE4 AB_PCL AJ_BD46 AJ_BD45 AG_D74 AG_D72 AG_D71 AK_OPT AL_UE2H AL_UEH AL_OSL AL_OSH AL_OML AL_OMH AL_SOS AL_SOS AL_OMH AL_OML AL_OSH AL_OSL AL_UEH AL_UE2H AK_REMOCON AK_KEY_SW 5V 5V DRVRST AC_PCL AG_D73 AE_D51 AF_D64 AE_D55 AD_D46 AB_PCL AB_CLK11 AB_PCL AB_CLK11 AB_PCL AB_CLK11 AB_PCL AB_CLK11 AB_CLK21 67V 67V 67V 67V 67V 5V 5V 5V AB_PCL R7300 180 R7210 22 R7249 47 C7205 16V 1u R7242 47 C7211 100V 0.47u FL7209 ELKE103FA 1 2 3 R7278 0 C7238 6.3V 10u C7243 16V 1u R7258 47 R7240 22 R7214 22 R7226 47 R7306 100k R7256 47 R7234 22 R7202 22 D7204 MA3X152K0L L7217 J0JHC0000096 C7256 50V 100p C7201 16V 1u R7253 47 R7260 47 D7201 MA3X152K0L C7204 16V 1u L7216 J0JHC0000096 R7309 0 CB4 1 3 4 5 7 8 9 10 11 12 13 14 15 16 17 18 19 20 21 22 23 25 26 27 29 30 31 33 34 35 36 37 38 39 40 41 42 43 44 45 46 47 48 49 51 52 53 55 C7240 6.3V 10u L7215 J0JHC0000096 C21 1 2 3 4 5 6 7 8 9 10 11 12 13 14 15 16 17 18 19 20 21 22 23 24 25 26 27 28 29 30 31 32 33 34 35 36 37 38 39 40 41 42 43 44 45 46 47 48 49 50 R7247 47 CB7 1 3 4 5 7 8 9 10 11 12 13 14 15 16 17 18 19 20 21 22 23 25 26 27 29 30 31 33 34 35 36 37 38 39 40 41 42 43 44 45 46 47 48 49 51 52 53 55 R7232 0 R7215 22 R7305 22k R7238 22 R7225 1k IC7204 C0JBAZ001604 1G~ 1 2 1A1 3 2Y4 4 1A2 5 2Y3 6 1A3 7 2Y2 8 1A4 9 2Y1 10 GND 11 2A1 12 1Y4 13 2A2 14 1Y3 15 2A3 16 1Y2 17 2A4 18 1Y1 19 2G~ 20 VCC R7296 150 R7241 47 C7206 16V 1u R7233 22 R7261 47 R7262 47 R7293 150 R7230 0 R7211 22 R7251 47 R7224 10k FL7207 ELKE103FA 1 2 3 R7285 0 R7206 22 C7253 50V 100p D7202 MA3X152K0L R7254 47 R7246 47 Q7201 2SB0709A0L CB6 1 3 4 5 7 8 9 10 11 12 13 14 15 16 17 18 19 20 21 22 23 25 26 27 29 30 31 33 34 35 36 37 38 39 40 41 42 43 44 45 46 47 48 49 51 52 53 55 R7227 47 R7297 180 R7222 10k R7255 47 L7214 J0JHC0000096 R7290 100 R7221 10k C7237 16V 1u FL7208 ELKE103FA 1 2 3 C7242 16V 1u C7210 16V 1u R7235 22 IC7203 C0JBAZ001604 1G~ 1 2 1A1 3 2Y4 4 1A2 5 2Y3 6 1A3 7 2Y2 8 1A4 9 2Y1 10 GND 11 2A1 12 1Y4 13 2A2 14 1Y3 15 2A3 16 1Y2 17 2A4 18 1Y1 19 2G~ 20 VCC R7203 22 R7239 22 CB5 1 3 4 5 7 8 9 10 11 12 13 14 15 16 17 18 19 20 21 22 23 25 26 27 29 30 31 33 34 35 36 37 38 39 40 41 42 43 44 45 46 47 48 49 51 52 53 55 R7289 100 R7264 47 C7217 100V 0.47u C7203 16V 1u R7223 10k C7236 6.3V 10u R7237 22 IC7202 C0JBAZ001604 1G~ 1 2 1A1 3 2Y4 4 1A2 5 2Y3 6 1A3 7 2Y2 8 1A4 9 2Y1 10 GND 11 2A1 12 1Y4 13 2A2 14 1Y3 15 2A3 16 1Y2 17 2A4 18 1Y1 19 2G~ 20 VCC C7235 16V 1u C22 1 2 3 4 5 6 7 8 9 10 11 12 13 14 15 16 17 18 19 20 R7229 47 R7257 47 C7255 50V 100p R7248 47 Q7202 2SB0709A0L IC7201 C0JBAZ001604 1G~ 1 2 1A1 3 2Y4 4 1A2 5 2Y3 6 1A3 7 2Y2 8 1A4 9 2Y1 10 GND 11 2A1 12 1Y4 13 2A2 14 1Y3 15 2A3 16 1Y2 17 2A4 18 1Y1 19 2G~ 20 VCC R7228 47 R7250 47 R7236 22 R7217 220k C7215 100V 0.47u R7304 220 C7213 100V 0.47u R7263 47 C7207 100V 0.1u R7259 47 R7245 47 R7243 47 R7301 220 R7244 47 C7202 6.3V 10u C24 1 2 3 4 5 6 7 8 R7207 22 C7252 50V 100p D7203 MA3X152K0L R7310 0 C7239 16V 1u C7254 50V 100p C23 1 2 3 4 5 6 7 8 9 10 11 R7252 47 (SN74ACT244PWR) 5V 5V 5V 5V (SN74ACT244PWR) (SN74ACT244PWR) (SN74ACT244PWR) 3.3V OPT GND UMH UML USH USL UEL GND Vda 67V 5V UEH SS_SOS STB5V STB5V LED_G LED_R KEY_SW REMOCON 5V TO D-BOARD (D32) TO K-BOARD (K24) TO SS-BOARD (SS23) TO C1-BOARD (C12) 104 16.41.G、K 电路板线路图 A B C D E F 1 2 3 4 5 6 7 8 9 ���������� �������� ���������� �������� G-� TNPA3427 ! BALLAN SIDE TERM BALLAN BALLAN L R G R V L Y C GUA R3720 4.7K R7725 0 R7726 0 GUARD_R GUARD_R GUARD_R GUARD_G GUARD_R GUARD_G GUARD_G GUARD_G GUARD_B GUARD_B GUARD_B GUARD_B GUARD_LO GUARD_LO GUARD_RO GUARD_RO GUARD_Y GUARD_C GUARD_V R3714 75 MAZ31400ML D3715 1% 2.0 x 1.25 4.7k R3721 2.0 x 1.25 R3715 180k 2.0 x 1.25 SW3705 EVQ23405R SW3702 EVQ23405R FL3772 J0HABB000003 1 2 3 4 D3766 MAZ31100ML D3774 MAZ40680MF L3778 G0B101Y00001 1 2 3 4 D3773 MAZ40680MF C3719 560p 50V R3723 100 FL3775 J0HABB000004 1 2 3 4 L3769 J0JCC0000364 D3769 MAZ40270LF R3706 12k SW3703 EVQ23405R G5 1 2 3 4 5 6 R3704 0 R3701 68k R3702 22k JS3706 R3711 10k L3770 J0JCC0000364 D3771 MA2C165001VT FL3777 J0HABB000004 1 2 3 4 G7 1 2 3 4 5 6 7 8 9 10 11 12 13 14 15 16 17 18 19 20 21 22 23 24 25 26 27 28 D3770 MAZ40270LF R3705 0 ZA1 K4ZZ01000121 D3764 MAZ31100ML C3714 0.01u 50V R3724 100 G18 1 2 3 4 5 6 FL3776 J0HABB000004 1 2 3 4 SW3701 EVQ23405R L3780 G0B101Y00001 1 2 3 4 L3767 J0JCC0000364 D3772 MA2C165001VT C3713 0.01u 50V FL3773 J0HABB000003 1 2 3 4 2.0 x 1.25 R3716 180k D3768 MA2C165001VT L3768 J0JCC0000364 L3779 G0B101Y00001 1 2 3 4 D3767 MA2C165001VT R3751 0 2.0 x 1.25 JS3705 JK3709 1 2 3 4 5 6 7 8 9 10 11 12 13 14 15 SW3704 EVQ23405R JK3714 K4BK29A00006 C Y G Y-G C-G G R2 SW4 NC4 SW3 NC3 R1 T NC1 SW1 NC2 SW2 R-SW R R-G L L-G V-SW V V-G C3718 560p 50V R3703 6.8k ROUT V H B G SL SR R SUB_OUT GND_HP GND HPDET GND_C Y GND_Y S2 KEYSCAN SW5V SW C V V3_DET ROUT GND_HP GND_HP LOUT ASPECT TV/VTR VOL.UP VOL.DN GND KEYSCAN SW9V + R G 5V 5V 5V STB5V,STBY5V 5V D309 MA3X152K0L D308 MA8056MTX Q305 2SD0601A0L R302 470 D310 MA3X152K0L IC300 B3L000000020 Q301 B1ABCF000010 D311 MA8056MTX D303 MA3X152K0L R314 47 Q300 B1ABCF000010 C300 16V 47u 6.6X6.6 R312 0 D302 LNJ107W5PRW K24 1 2 3 4 5 6 7 8 D009 MA8056MTX R313 1k R310 47 R301 22k R306 1k R300 5.6k C301 6.3V 10u R307 47 R311 220k R304 22k D301 MA3X152K0L JS305 0 Not specified 2.0 x 1.25 RM300 PNA4601M05TV VOUT GND VCC D300 MA3X152K0L R317 5.6k K12 1 2 3 4 5 6 7 8 9 C309 50V 0.01u D317 MAZ30620ML K13 K1KA03B00006 1 2 3 CPU_GND K1KA08B00005 STBY5V LED_R REMOCON ON_LED STB_LED 5V GND ALL_OFF STB_LED ON_LED GND (LED_R) (LED_G) 5V MODEM LED STB5V LED_G 10.6mA 1.9mA STB3.3V K-� TNPA2988AC ! TO H-BOARD (H9) TO DG-BOARD (DG7) TO DG-BOARD (DG18) TO C-BOARD (C24) TO DG-BOARD (DG12) 105 16.42.SC 电路板方框图 D6479 D6468 D6459 D6470 PHOTO COUPLER Q6611 3 5 4 6 9 8 11 10 1 2 13 12 FCLD FCLU FCLKD FCLKU PHOTO COUPLER PHOTO COUPLER 3 PHOTO COUPLER 5 1 2 3 4 IC6505 IC6506 IC6507 IC6508 PHOTO COUPLER IC6509 FSIU FSID 12 8 14 1 12 8 14 1 Q6612 Q6613 Q6601 Q6606 Q6602 Q6605 Q6621 Q6624 14 15 5 17 3 8 12 6 14 12 8 Q6642 Q6641 IC6602 FET DRIVER FET DRIVER IC6601 IC6603 FET DRIVER 20 19 18 17 11 18 2 8 9 12 17 3 6 4 14 16 IC6502 BUFFER BUFFER IC6501 2 4 7 FET DRIVER IC6511 Q6477 Q6476 Q6511 Q6512 7 2 4 FET DRIVER IC6521 FET DRIVER IC6541 2 7 4 VAD+15V Q6530 Q6521 Q6520 Q6522 Q6527 Q6542 Q6547 Q6541 PHOTO COUPLER IC6510 PHOTO COUPLER IC6503 Q6551 Q6552 IC6504 PHOTO COUPLER IC6542 3 5 3 5 3 5 3 5 1 5 1 5 1 5 2 FET DRIVER Q6553 VSCN Q6614 S2 CMH S3 CML Q6672 Q6671 Q6673 IC6604 VSUS CSL CSH 1/2 Vo VSUS D6624 D6629 A1 A2 A3 A4 B3 B4 B1 B2 A6 A5 B6 B5 A7 A20 B7 B20 A10 A1 B10 B1 B11 A11 B12 A12 B13 A13 B20 A20 B18 A15 B1 B17 A1 A18 A17 B15 A14 A16 B14 A20 A19 B20 B19 B16 B8 B1 A1 A8 B20 A20 A11 B11 B10 A10 B9 A9 FSID FCLD FCLKD PROD VF5V Vf Vf VSCN IC6434 Q6452 Q6451 Q6455 Q6454 T6451 IC6451 15V IC6453 3 1 5V IC6455 3 1 Q6474 IC6471 IC6474 Q6475 Q6472 Q6471 SCSU VAD INSERT VAD VSET2 INSERT CEL VSET INSERT CPH VSCN GEN VSET VAD GEN Q6491 Q6492 IC6491 VSET REG. VSUS SC20 7 13 L6611,12 L6615,16 2 4 8 11 IC6605 BUFFER IC6606 BUFFER 3 6 9 7 CSH CSL CMH CML SOS1 CEL2 CL CLK SIU SID CPH SCSU Q6581 IC6581 D6584 Vfo FSIU FCLU FCLKU PROU VF5V Vf Vf Vfo FSID FCLD FCLKD PROD VF5V Vf Vf Vfo Vf Vf Vfo FCLKU FSIU VF5V PROU FCLU VSCN VSCN VSCN VSCN VSCN Scan Drive SC SC44 SC43 SC41 SC42 TO SD44 TO SD43 TO SU41 TO SU42 TO D20 VBK GEN D6583 (RED LED) SC SC CPH CEL 4 VSET IC6452 Q6462 Q6461 IC6517 Q6463 T6461 IC6456 VSCN GEN VSET T6471 IC6472 Q6555 Q6501 6 5 Q6502 Q6503 Q6504 SOS2 12 12 1 9 4 4A 1A 3A 2A 2 13 1B 2B 3B 4B 11 3 8 4Y 1Y 3Y 2Y 4 16 14 CBK 11 9 2 18 13 CEL Q6603 Q6604 CLK SIU SID CL CEL2 CPH CEL SCSU IC6607 AND GATE VSUS VSUS 1 2 SC2 TO P2 SC23 TO P23 +15V 1 2 +15V PROU PROD 11 10 9 8 FLOATING GROUND COLD CHASSIS GROUND COLD CHASSIS GROUND FLOATING GROUND +5V(SC3) IC6469 Vscn(VAD+118V=28V) IC6467 VAD(-90V) IC6480 IC6458 +5V(SC1) PHOTO COUPLER PHOTO COUPLER PHOTO COUPLER PHOTO COUPLER SCAN DRIVE SCAN DRIVER 1 SOS BLINKING TIMES : LED 2 TIMES SCAN DRIVER 2 SOS BLINKING TIMES : LED 7 TIMES VOLTAGE DOWN DET Vscn,VAD(-90V)LINE +5V(SC1),+5V(SC3) 10 5 6 ENERGY RECOVERY Vsus GEN. Vbk GEN. VSET TPSC1 WAVEFORM VAD VSCN VSET2 VSUS (Vfo) TPSC1 VSCN gen. VSCN perfect VSET perfect (VSET rise) VSET perfect (VSET decay) D S S D Q6554 SC46 2 4 6 8 9 10 FCLK PRO FSI FCL VF5V VF5V TO SD46 8 4 FCLK TO SU45 9 VF5V FSI 6 2 FCL 10 VF5V PRO SC45 TH-42PA30C TH-42PA30C 106 16.43.SC 电路板 (1/2) 线路图 A B C D E F 1 2 3 4 5 6 7 8 9 ���������� ������������ ���������� ������������ A B C D E F G H I J K L + + + + + + + + + + SC-� TNPA3106(1/2) ! 175V 80V 80V 190V 80V 160V 160V 160V 15V 175V 190V AA_CLK AA_SIU AA_SID AA_CPH AA_SCSU CSH AA_CL 320V AA_CBK SCSU AA_CEL AA_CEL2 160V 15V CSL CML CMH CBK CEL SOS1 SID CPH CEL2 CLK CL SIU SOS2 80V AA_CEL AA_SCSU AA_CBK AA_CPH AC_CBK AC_CBK AC_CPH 190V 175V 175V 5V 5V IC6604 AN1431M-E1 CATHODE 3 1 REFERENCE ANODE 2 R6463 1k C6546 16V 1u C6490 630V 1000p R6452 0 D6493 B0ECHP000001 TP10 R6627 100 R6656 100k 3W R6671 820 D6647 B0ECHP000001 C6624 250V 1u D6621 SF20LC30F10 B0HBSN000005 L6625 G0ZZ00002183 Q6673 2SD1263AP0LB 2SD1263AQ0LB D6635 MAZ80510LL Q6613 2SD21850RL C6603 200V 220u C6622 250V 1u C6626 250V 1u R6658 0 L6605 G0ZZ00002183 TP39 TP25 C6625 250V 1u R6698 47k C0ZBZ0000562 IC6602 1 LOUT 2 GND 3 VCC 4 NC 5 NC 6 VS 7 VB 8 HOUT 9 NC 10 NC 11 VDD 12 HIN 13 NC 14 LIN 15 GND 16 NC D6629 B0HBSM000031 L6620 G0ZZ00002183 L6612 0.82u 1/2W R6637 1 TP36 C6647 16V 1u L6636 G0ZZ00002183 L6628 G0ZZ00002183 Q6601 2SK3795000SB G D S 2W R6447 22k C6627 250V 1u TP4 C6655 10V 100u TP23 R6470 15k R6693 47k D6583 LNJ201LPQJA 2W R6448 4.7k R6675 47k 1W R6673 10 Q6672 2SC1473AEA TP30 1/2W R6643 22 1W R6499 8.2 C6584 25V 1u L6634 G0ZZ00002183 TP20 L6645 G0ZZ00002183 C6646 35V 120u R6624 10 R6623 10k Q6642 B1DFHM000002 G D S C6644 25V 4.7u L6602 G0ZZ00002183 D6491 B0ECHP000001 TP29 C6633 16V 1u R6695 470 TP7 C6491 630V 1000p C6635 25V 4.7u TP9 C6628 250V 1u R6692 47k R6612 5.6 R6681 47k R6472 1k TP33 TP8 D6637 B0ECHP000001 TP19 R6614 5.6 C6607 25V 1u SC2 1 2 3 4 5 6 R6668 100 L6635 G0ZZ00002183 TP32 TP1 D6620 SF20LC30F10 B0HBSN000005 TP17 L6624 G0ZZ00002183 IC6467 B3PBA0000062 1 2 3 4 D6494 B0ECHP000001 R6662 47 1/2W R6639 1 R6655 100 D6479 MA2J11100L C6601 200V 220u R6661 47 R6686 47k L6604 G0ZZ00002183 R6642 5.6 C6604 200V 220u R6687 47k Q6611 2SD21850RL TP15 C6602 200V 220u TP28 L6621 G0ZZ00002183 TP37 JS6601 0 D6584 MA2J11100L TP27 C6661 630V 1000p C6656 10V 100u C0ZBZ0000562 IC6603 1 LOUT 2 GND 3 VCC 4 NC 5 NC 6 VS 7 VB 8 HOUT 9 NC 10 NC 11 VDD 12 HIN 13 NC 14 LIN 15 GND 16 NC Q6606 2SK3795000SB G D S C6529 630V 1000p TP2 R6660 100 R6584 22k TP21 R6697 47k SC20 1 2 3 4 5 6 7 8 9 10 11 12 13 14 15 16 17 18 19 20 L6615 0.82u R6669 47k TP14 IC6581 C0BBBA000043 AN6914S-E1 1 2 3 4 5 6 7 8 L6638 G0ZZ00002183 L6622 G0ZZ00002183 R6489 4.7k R6680 47k Q6603 2SK062000L G D S C6652 50V 0.01u R6611 5.6 C6623 250V 1u R6626 10 C6645 25V 1u R6648 5.6 L6623 G0ZZ00002183 D6482 MAZ83300ML C6611 630V 3900p Q6604 2SK062000L G D S C6632 25V 4.7u R6682 470 D6465 MAZ83300ML D6641 B0JCME000025 1/2W R6636 1 R6442 69.8k R6466 1k D6466 MAZ83300ML C6696 630V 1000p Q6605 2SK3795000SB G D S R6587 1.5k D6481 MAZ83300ML TP24 SC23 1 2 3 C6634 25V 4.7u R6620 24 1/2W R6672 100 TP6 L6611 0.82u R6589 10k C6481 630V 5600p L6647 J0JJC0000021 R6586 10k D6585 MAZ83300ML D6622 SF20LC30F10 B0HBSN000005 C6621 250V 1u C6485 630V 5600p TP16 R6444 2.7k D6582 MAZ80510LL L6626 G0ZZ00002183 C6585 16V 1u 1% 1% R6441 75k L6616 0.82u TP38 TP22 L6618 J0JJC0000021 Q6612 2SB1073001TV Q6624 2SK3637000VE G D S Q6614 2SB1073001TV TP5 TP11 C6637 25V 120u L6627 G0ZZ00002183 R6694 470 R6582 100k D6645 B0ECHP000001 D6612 B0JCME000025 R6690 470 D6586 MAZ83300ML R6628 100 R6483 6.2k C6636 16V 1u TP52 L6637 G0ZZ00002183 C0ZBZ0000562 IC6601 1 LOUT 2 GND 3 VCC 4 NC 5 NC 6 VS 7 VB 8 HOUT 9 NC 10 NC 11 VDD 12 HIN 13 NC 14 LIN 15 GND 16 NC R6689 47k R6664 470 C0JBAZ000005 IC6606 1G~ 1 2 1A1 3 2Y4 4 1A2 5 2Y3 6 1A3 7 2Y2 8 1A4 9 2Y1 10 GND 11 2A1 12 1Y4 13 2A2 14 1Y3 15 2A3 16 1Y2 17 2A4 18 1Y1 19 2G~ 20 VCC R6678 470 R6659 100 R6688 47k R6625 10k C6617 630V 5600p 1% R6445 2.55k Q6641 B1DFHM000002 G D S R6583 100k C6631 25V 4.7u Q6671 2SB0940AP0LB R6482 4.7k TP13 R6685 470 R6603 0 C6639 200V 150u Q6621 2SK3637000VE G D S R6663 47k 1/2W R6644 22 C0JBAZ000005 IC6605 1G~ 1 2 1A1 3 2Y4 4 1A2 5 2Y3 6 1A3 7 2Y2 8 1A4 9 2Y1 10 GND 11 2A1 12 1Y4 13 2A2 14 1Y3 15 2A3 16 1Y2 17 2A4 18 1Y1 19 2G~ 20 VCC 1/2W R6638 1 TP35 R6684 470 TP26 L6648 J0JJC0000021 D6611 B0JCME000025 VR6443 20k 1 2 3 TP34 R6667 100 L6644 G0ZZ00002183 R6641 5.6 C6608 25V 470u D6468 MA2J11100L R6683 470 R6647 5.6 R6590 2.2k R6670 470 R6446 220k D6640 B0ECHP000001 D6642 B0JCME000025 R6691 470 D6636 MA2J11100L D6615 B0ECHP000001 TP18 D6624 SF20LC30F10 IC6480 B3PBA0000062 1 2 3 4 R6613 5.6 IC6607 C0JBAA000195 1 1A 2 1B 3 1Y 4 2A 5 2B 6 2Y 7 GND 8 3Y 9 3A 10 3B 11 4Y 12 4A 13 4B 14 VCC D6646 B0ECHP000001 R6676 470 C6660 630V 1000p C6651 50V 0.01u Q6581 2SD0601A0L C6534 630V 1000p R6591 1.5k C6471 16V 1u C6650 250V 0.22u R6619 24 Q6602 2SK3795000SB G D S R6679 470 C6486 630V 3900p TP12 C6695 630V 1000p C6642 250V 0.1u TP31 NC TPVBK TUC25628 TXAUC460QBS K1KA20A00180 (TLP181GR) +15V GND (RED LED) + - (NJM2903MTE1) + - TP15V +15V GND GND Vsus Vsus GND GND GND GND TC74VHC244FT(EL) TC74VHC244FT(EL) TC74HC08AF(EL) C6676 C6677 = * = * * * * = = m TO P-BOARD (P2) TO P-BOARD (P23) TO D-BOARD (D20) 107 16.44.SC 电路板 (2/2) 线路图 9 10 11 12 13 14 15 16 17 ���������� ������������ ���������� ������������ A B C D E F G H I J K L + + + + + + Nd N1 + + + + + + Nd N1 + SC-� TNPA3106(2/2) ! 410V 380V 60V 60V 400V 510V 30V 30V 30V 220V AA_CEL AB_FSID AB_FCLD AB_FCLKD AB_PROD 400V 380V 395V -80V -85V 390V -70V 205V AB_FCLD AB_FCLU AB_FCLKU AB_FCLKD AB_FSID AB_FSIU AB_PROU AB_PROD 30V AC_CPH AA_SCSU 405V -80V 15V 60V AA_CEL2 AA_SID AA_SIU AA_CLK AA_CL -75V -90V 316V AB_FSIU AB_FCLU AB_FCLKU AB_PROU AB_FSID AB_FCLD AB_FCLKD AB_PROD 390V C6598 160V22u D6522 MA2J11100L R6576 470 D6512 MA2J11100L D6485 MAZ80560HL R6652 68 D6456 B0ECHP000001 R6645 150 1% R6621 154k D6496 B0JCME000025 Q6472 2SB0709ARL D6463 MAZ80560HL R6485 10k TP48 L6472 G0ZZ00002183 R6654 68 Q6512 B1DFGL000005 G D S IC6454 AN78L05M-E1 IN 3 2 COMMON OUT 1 1/2W R6450 1 TP43 IC6512 AN78L05M-E1 IN 3 2 COMMON OUT 1 C6466 50V 0.01u D6519 MA2J11100L R6666 68 Q6527 2SK2993TE24L G D S R6610 100k D6475 MA2J11100L C6547 200V 1000p Q6491 2SD1263AP0LB R6543 5.6 TP45 R6516 470 R6539 100 Q6554 2SD21850RL R6578 470 R6605 220k C6476 160V 100u IC6471 AN1431M-E1 CATHODE 3 1 REFERENCE ANODE 2 Q6502 2SK062000L G D S D6552 MA2J11100L C6458 25V 4.7u TP50 R6561 47 R6520 150 D6478 B0HCKS000001 R6653 68 Q6476 2SD0601A0L IC6505 K7GBZEE00006 1 3 4 5 6 R6650 68 IC6509 K7GBZEE00006 1 3 4 5 6 C6452 50V 0.01u D6541 B0HCKS000001 D6572 B0ECHP000001 IC6434 B3PBA0000062 1 2 3 4 R6522 R6524 0 L6471 J0JJC0000021 1/2W R6608 1 R6615 3.3k L6453 J0JJC0000021 R6480 10k R6585 1k IC6504 K7GBZEE00006 1 3 4 5 6 C6509 50V 1000p C6470 50V 220u Q6451 B1BBCJ000003 Q6522 2SK2993TE24L G D S R6518 100 D6524 MAZ80510LL C6508 16V 1u 1/2W R6449 1 C6502 16V 1u D6460 B0HCKS000001 C6465 25V 4.7u C6463 25V 4.7u C6462 25V 4.7u Q6547 2SK373100L G D S R6453 22k IC6521 C0ZBZ0000735 1 Vcc 2 In 3 Gnd 4 Lo 5 NC 6 Vs 7 Ho 8 Vb D6525 MA2J11100L TP49 IC6517 B3PBA0000062 1 2 3 4 R6517 10k TP40 TP57 D6486 MAZ80560HL IC6510 K7GBZEE00006 1 3 4 5 6 D6462 B0JCME000025 C6474 50V 0.01u IC6472 AN1431M-E1 CATHODE 3 1 REFERENCE ANODE 2 Q6521 B1DFES000001 G D S D6527 MA2J11100L 1% R6456 453k C6571 16V 1u 1/2W R6496 1 R6526 47 D6516 MA2J11100L T6461 ETS13TB139AP N4 N2 1 2 3 NC 4 5 6 NC 7 9 10 NC Q6524 2SK2993TE24L G D S R6469 16k R6577 470 IC6455 AN78L05M-E1 IN 3 2 COMMON OUT 1 IC6453 AN78L15ME1 IN 3 2 COMMON OUT 1 R6566 100 R6519 1k 1% R6476 324k R6486 10k Q6544 2SK373100L G D S D6515 MAZ82400ML 1% R6552 100k IC6507 K7GBZEE00006 1 3 4 5 6 D6570 B0HCMM000009 3W R6510 2.2 D6544 MA2J11100L R6606 220k 1% R6554 10k R6500 1.2k R6555 100k C6543 200V 1000p 1% R6595 5.23k R6512 470 TP54 R6533 22 TP42 D6464 B0JCME000025 D6548 MAZ83300ML R6484 4.7k R6594 100k SC46 1 2 3 4 5 6 7 8 9 10 R6649 68 C6591 25V 4.7u R6501 2.2k R6599 100 Q6553 2SB1073001TV Q6542 2SK373100L G D S R6563 5.6 IC6451 AN1431M-E1 CATHODE 3 1 REFERENCE ANODE 2 R6558 10k R6575 470 IC6491 AN1431M-E1 CATHODE 3 1 REFERENCE ANODE 2 R6525 100k C6523 35V 47u 1W R6498 8.2 IC6502 C0JBAB000417 1 2 3 4 5 6 7 8 9 10 11 12 13 14 D6542 MA2J11100L D6459 MA2J11100L Q6452 2SB0709ARL D6513 MA2J11100L R6532 22 C6521 25V 47u R6529 47 D6523 B0ECHP000001 R6551 0 D6545 MAZ80510LL IC6458 B3PBA0000062 1 2 3 4 R6573 470 IC6469 B3PBA0000062 1 2 3 4 D6477 MA2J11100L C6512 25V 4.7u R6467 1.2k D6509 MA2J11100L IC6456 AN1431M-E1 CATHODE 3 1 REFERENCE ANODE 2 1/2W R6616 220 R6568 4.7k TP55 R6507 2.2k D6514 MA2J11100L R6593 220k R6521 100k Q6526 2SK2993TE24L G D S IC6452 AN78L15ME1 IN 3 2 COMMON OUT 1 D6476 B0ECHP000001 R6604 100 C6455 25V 220u C6454 50V 0.01u D6461 B0HCKS000001 C6464 25V 4.7u C6588 16V 1u C6473 16V 1u D6549 MA2J11100L SC44 A1 A2 A3 A4 A5 A6 A7 A8 A9 A10 A11 A12 A13 A14 A15 A16 A17 A18 A19 A20 B1 B2 B3 B4 B5 B6 B7 B8 B9 B10 B11 B12 B13 B14 B15 B16 B17 B18 B19 B20 C6524 200V 1000p D6483 MAZ80560HL D6488 MAZ80560HL 1/2W R6609 1 R6460 10k Q6546 2SK373100L G D S C6532 25V 4.7u C6544 200V 1000p 1% R6596 5.23k R6559 2.2k R6607 220k C6505 16V 1u Q6525 2SK2993TE24L G D S Q6462 2SB0709ARL R6547 5.6 R6433 0 C6493 630V 2200p R6562 1k C6459 25V 47u R6515 10 Q6545 2SK373100L G D S R6617 2.2k R6506 2.2k TP58 R6571 470 IC6542 C0ZBZ0000735 1 Vcc 2 In 3 Gnd 4 Lo 5 NC 6 Vs 7 Ho 8 Vb 1% R6478 6.98k VR6477 5k 1 2 3 D6453 MA2J11100L D6490 MAZ80560HL IC6508 K7GBZEE00006 1 3 4 5 6 Q6530 2SB1073001TV SC43 A1 A2 A3 A4 A5 A6 A7 A8 A9 A10 A11 A12 A13 A14 A15 A16 A17 A18 A19 A20 B1 B2 B3 B4 B5 B6 B7 B8 B9 B10 B11 B12 B13 B14 B15 B16 B17 B18 B19 B20 R6540 100k R6479 100k IC6503 K7GBZEE00006 1 3 4 5 6 D6550 MA2J11100L IC6511 C0ZBZ0000735 1 Vcc 2 In 3 Gnd 4 Lo 5 NC 6 Vs 7 Ho 8 Vb D6470 MA2J11100L SC42 A1 A2 A3 A4 A5 A6 A7 A8 A9 A10 A11 A12 A13 A14 A15 A16 A17 A18 A19 A20 B1 B2 B3 B4 B5 B6 B7 B8 B9 B10 B11 B12 B13 B14 B15 B16 B17 B18 B19 B20 1W R6550 3.3k 2W R6465 8.2 1/2W R6454 220 C6577 16V 1u TP47 IC6506 K7GBZEE00006 1 3 4 5 6 R6508 2.2k R6503 2.2k Q6474 2SD814ATX TP59 C6581 16V 1u C6620 50V 0.1u C6575 16V1u R6488 10k T6451 G4D1A0000072 N4 N2 1 2 3 4 5 6 7 8 1% R6553 100k R6464 2.2k Q6454 2SD814ATX 1% R6493 220k R6530 22 D6451 B0JCME000025 SC41 A1 A2 A3 A4 A5 A6 A7 A8 A9 A10 A11 A12 A13 A14 A15 A16 A17 A18 A19 A20 B1 B2 B3 B4 B5 B6 B7 B8 B9 B10 B11 B12 B13 B14 B15 B16 B17 B18 B19 B20 R6565 10k R6546 5.6 TP62 SC45 1 2 3 4 5 6 7 8 9 10 C6472 50V 0.01u R6651 68 1/2W R6474 220 R6542 5.6 R6581 100 D6520 B0JCKG000001 R6527 1k IC6543 AN78L05M-E1 IN 3 2 COMMON OUT 1 TP56 IC6474 B3PBA0000062 1 2 3 4 R6491 100k R6514 100k R6646 150 R6572 470 R6538 1k R6497 10k R6528 1k D6471 MA2J11100L Q6520 2SD0601A0L C6503 16V 1u D6526 B0HCMM000009 C6504 16V 1u C6513 160V 100u R6541 47 Q6511 B1DFGL000005 G D S C6492 350V 10u R6505 2.2k IC6501 C0JBAB000417 1 2 3 4 5 6 7 8 9 10 11 12 13 14 C6456 160V 100u Q6492 2SC1473AEA R6473 22k R6471 4.7k Q6455 2SD0601A0L Q6504 2SK062000L G D S Q6477 2SD0601A0L Q6543 2SK373100L G D S D6484 MAZ80560HL R6504 2.2k R6534 22 D6521 B0ECHP000001 R6531 22 C6478 50V 0.1u R6459 100k VR6557 10k 1 2 3 TP41 R6511 10 Q6555 B1DFES000001 G D S C6461 50V 100u D6489 MAZ80560HL D6455 MA2J11100L R6567 4.7k R6580 10k D6495 B0HCKS000001 C6580 16V1u C6590 16V 1u Q6552 B1DFES000001 G D S TP63 C6468 16V 1u D6487 MAZ80560HL C6578 16V1u D6543 MAZ80510LL C6453 16V 1u R6475 3.3k C6467 50V 4700p D6529 B0JCME000025 C6507 16V 1u C6475 25V 220u R6509 2.2k R6588 10k D6511 B0HCMM000009 D6473 MA2J11100L C6550 160V 100u D6553 MA2J11100L Q6471 B1BBCJ000003 TP46 Q6541 2SB1073001TV TP51 TP61 R6487 4.7k R6665 68 3W R6513 2.2 D6551 B0JCME000025 C6531 25V 4.7u Q6461 B1BBCJ000003 Q6503 2SK062000L G D S Q6475 2SD0601A0L 1/2W R6495 1 C6501 16V 1u R6574 470 D6546 MAZ83300ML C6511 25V 4.7u D6492 B0ECHP000001 TP64 C6506 16V 1u IC6541 C0ZBZ0000735 1 Vcc 2 In 3 Gnd 4 Lo 5 NC 6 Vs 7 Ho 8 Vb 1W R6461 470 R6535 22 Q6550 2SC1473AEA Q6551 2SD0601A0L Q6523 2SK2993TE24L G D S C6541 25V 4.7u R6560 47 Q6501 2SK062000L G D S 1% R6629 22k TP44 TP60 R6600 100 1% R6457 10k C6469 25V 220u R6455 3.3k C6576 16V 1u R6544 5.6 R6431 0 D6547 MAZ83300ML 1% R6458 10k C6525 200V 1000p R6556 3.9k R6618 2.2k R6468 4.7k R6502 1k T6471 G4D1A0000072 N4 N2 1 2 3 4 5 6 7 8 1% R6492 220k R6545 5.6 C6589 25V 4.7u C6526 250V 22u L6451 J0JJC0000021 Q6463 2SD0601A0L R6592 220k (D1FK70) (FS10AS-3) (FS10AS-3) (2SC4978) F2A2C1010008 RUBICON RUBICON RUBICON (D1FK70) (D1FK70) (D1FK70) (D1FK70) (2SC4978) (TLP181GR) (TLP181GR) (TLP181GR) VAD TPVAD TPVSCN TC74HC14AF TC74HC14AF INIT-R INIT-F VSET TPVSET (2SC4978) (TLP181GR) F6S70HVX2 F6S70HVX2 F6S70HVX2 (D1FS6) (PDPT-5) (PDPT-5) 2k = * # * # # = * TPSC1 TO SU-BOARD (SU45) TO SU-BOARD (SU41) TO SD-BOARD (SD43) TO SU-BOARD (SU42) TO SD-BOARD (SD44) TO SD-BOARD (SD46) 108 16.45.SU 电路板方框图 B40 98 SU2 91 A40 FCL 91 HV03 88 85 HV64 88 Vf5 Vf 79 46 HV63 42 92 81 SERECTOR FCLK 75 42 86 32 34 30 IC6401 93 30 PRO 35 83 97 1 HV18 Vfo 41 78 44 31 31 PDP SCAN DRIVER 34 97 79 32 78 41 45 HV62 IC6402 98 82 HV17 76 44 89 35 SHIFT RESISTOR 75 45 83 Q6401 LATCH 81 74 FS01 FSO1 100 90 FS02 82 FS02 99 FS03 91 Vf5 FS03 83 88 Vf 1 42 Vf Vfo 84 HV64 92 VSCN HV63 97 HV62 SU 98 FSI 76 Scan Out (up) FCL FCLK 41 Vfo PRO 93 76 HV03 Vf HV63 VF5V 98 HV02 PRO SCAN ELECTRODES 75 48 PIN 81 Vf A1 VF5V OUTPUT FCLK A27 A2 HV01 30 64 PIN A40 A3 OUTPUT A26 94 A4 35 Vfo OUTPUT 32 A25 A5 34 Vfo 64 PIN Vf A6 78 OUTPUT A7 FCLK 64 PIN A20 PRO A39 FCL 45 31 82 HV02 FCL SHIFT RESISTOR PRO HV03 B11 84 32 B12 46 LATCH 44 B32 92 PRO PDP SCAN DRIVER 84 B33 93 IC6404 A1 HV02 B30 B1 79 Vf5 B31 FSI 89 FCL 46 44 B40 90 VSCN To 1st 80pins of PDP SCAN DRIVER 94 B21 PDP SCAN DRIVER 91 Vf HV01 SCAN ELECTRODES 95 94 IC6403 FCLK SU42 A24 To 2nd 80pins of 87 FSI 74 B40 85 100 TO SC41 HV01 SCAN ELECTRODES B24 99 SERECTOR To 3rd 80pins of TO SC42 B25 86 B39 35 83 A25 A39 1 34 A2 74 B32 A24 78 A23 Vf5 45 100 A21 Vf A40 95 A22 A17 82 SU41 87 A16 99 B1 SHIFT RESISTOR A1 B10 LATCH 86 HV63 SHIFT RESISTOR A2 75 B13 84 HV64 B1 LATCH 30 81 46 B20 SERECTOR B2 74 FCLK HV62 B33 88 92 Vfo 85 FCL B40 95 86 B39 93 16 B17 B16 42 94 A33 79 87 15 B39 A39 97 HV64 SU1 SU3 89 85 95 HV62 A1 89 31 A40 41 A2 B2 90 76 90 B1 87 A32 SERECTOR B2 64bit 64bit 48bit 64bit FCL VF5V SU45 VF5V TO SC45 FSI 2 4 6 8 9 10 FCLK PRO TH-42PA30C TH-42PA30C 109 16.46.SU 电路板线路图 A B C D E F 1 2 3 4 5 6 7 8 9 ���������� ������� ���������� ������� TERM SIDE TERM SIDE TERM SIDE AA_240 AA_239 AA_238 AA_237 AA_236 AA_235 AA_234 AA_233 AA_232 AA_231 AA_230 AA_229 AA_228 AA_227 AA_226 AA_225 AA_224 AA_223 AA_222 AA_221 AA_220 AA_219 AA_218 AA_217 AA_216 AA_215 AA_214 AA_213 AA_212 AA_211 AA_210 AA_209 AA_208 AA_207 AA_206 AA_205 AA_204 AA_203 AA_177 AA_178 AA_179 AA_180 AA_181 AA_182 AA_183 AA_184 AA_185 AA_186 AA_187 AA_188 AA_189 AA_190 AA_191 AA_192 AA_193 AA_194 AA_195 AA_196 AA_197 AA_198 AA_199 AA_200 AA_201 AA_202 AB_176 AB_175 AB_174 AB_173 AB_172 AB_171 AB_170 AB_169 AB_168 AB_167 AB_166 AB_165 AB_164 AB_163 AB_162 AB_161 AB_160 AB_159 AB_158 AB_157 AB_156 AB_155 AB_154 AB_153 AB_152 AB_151 AB_150 AB_149 AB_148 AB_147 AB_146 AB_145 AB_144 AB_143 AB_142 AB_141 AB_140 AB_139 AB_113 AB_114 AB_115 AB_116 AB_117 AB_118 AB_119 AB_120 AB_121 AB_122 AB_123 AB_124 AB_125 AB_126 AB_127 AB_128 AB_129 AB_130 AB_131 AB_132 AB_133 AB_134 AB_135 AB_136 AB_137 AB_138 AC_112 AC_110 FOIL SIDE (UP SIDE) (COMPONENT SIDE) (BOTTOM SIDE) FOIL SIDE (UP SIDE) (COMPONENT SIDE) (BOTTOM SIDE) AC_109 AC_108 AC_107 AC_106 AC_105 AC_104 AC_103 AC_102 AC_101 AC_100 AC_99 AC_98 AC_97 AC_96 AC_95 AC_94 AC_93 AC_92 AC_91 AC_90 AC_89 AC_88 AC_87 AC_86 AC_75 AC_85 AC_84 AC_83 AC_82 AC_81 AC_80 AC_79 AC_78 AC_77 AC_76 AC_49 AC_50 AC_51 AC_52 AC_53 AC_54 AC_55 AC_56 AC_57 AC_58 AC_59 AC_60 AC_61 AC_62 AC_63 AC_64 AC_65 AC_66 AC_67 AC_68 AC_69 AC_70 AC_71 AC_72 AC_73 AC_74 AD_48 AD_47 AD_46 AD_45 AD_44 AD_43 AD_42 AD_41 AD_40 AD_38 AD_39 AD_37 AD_36 AD_35 AD_34 AD_33 AD_32 AD_31 AD_30 AD_29 AD_27 AD_28 AD_1 AD_2 AD_3 AD_4 AD_5 AD_6 AD_7 AD_8 AD_9 AD_10 AD_11 AD_12 AD_13 AD_14 AD_15 AD_16 AD_17 AD_18 AD_19 AD_20 AD_21 AD_22 AD_23 AD_24 AD_26 AD_25 120V AA_240 AA_238 AA_236 AA_234 AA_232 AA_230 AA_228 AA_226 AA_224 AA_222 AA_220 AA_218 AA_216 AA_214 AA_212 AA_210 AA_208 AA_206 AA_204 AA_202 AA_200 AA_198 AA_196 AA_194 AA_192 AA_190 AA_188 AA_186 AA_184 AA_182 AA_178 AA_180 AA_239 AA_237 AA_235 AA_233 AA_231 AA_229 AA_227 AA_225 AA_223 AA_221 AA_219 AA_217 AA_215 AA_213 AA_211 AA_209 AA_207 AA_205 AA_203 AA_201 AA_199 AA_197 AA_195 AA_193 AA_191 AA_189 AA_187 AA_185 AA_183 AA_181 AA_177 AA_179 AB_175 AB_173 AB_171 AB_169 AB_167 AB_165 AB_161 AB_163 AB_176 AB_174 AB_172 AB_170 AB_168 AB_166 AB_162 AB_164 AB_160 AB_158 AB_156 AB_154 AB_152 AB_150 AB_148 AB_146 AB_144 AB_142 AB_140 AB_138 AB_136 AB_134 AB_132 AB_130 AB_128 AB_126 AB_124 AB_122 AB_120 AB_118 AB_114 AB_116 AB_159 AB_157 AB_155 AB_153 AB_151 AB_149 AB_147 AB_145 AB_143 AB_141 AB_139 AB_137 AB_135 AB_133 AB_131 AB_129 AB_127 AB_125 AB_123 AB_121 AB_119 AB_117 AB_113 AB_115 AC_81 AC_112 AC_110 AC_108 AC_106 AC_104 AC_102 AC_100 AC_98 AC_96 AC_94 AC_92 AC_90 AC_88 AC_86 AC_82 AC_84 AC_111 AC_109 AC_107 AC_105 AC_103 AC_101 AC_99 AC_97 AC_95 AC_93 AC_91 AC_89 AC_87 AC_85 AC_83 AC_80 AC_78 AC_76 AC_74 AC_72 AC_70 AC_68 AC_66 AC_64 AC_62 AC_60 AC_58 AC_56 AC_54 AC_52 AC_50 AC_79 AC_77 AC_75 AC_73 AC_71 AC_69 AC_67 AC_65 AC_63 AC_61 AC_59 AC_57 AC_55 AC_53 AC_51 AC_49 AD_48 AD_46 AD_44 AD_42 AD_40 AD_38 AD_36 AD_34 AD_32 AD_30 AD_28 AD_26 AD_24 AD_22 AD_20 AD_18 AD_16 AD_14 AD_12 AD_10 AD_8 AD_6 AD_4 AD_2 AD_47 AD_45 AD_43 AD_41 AD_39 AD_37 AD_35 AD_33 AD_31 AD_29 AD_27 AD_25 AD_23 AD_21 AD_19 AD_17 AD_15 AD_13 AD_11 AD_9 AD_7 AD_5 AD_3 AD_1 AC_111 AE_FCLK AE_PRO AE_FCL AE_FSI AE_FSO3 AE_FCLK AE_FSO3 AE_FSO2 AE_FSO2 AE_FCL AE_PRO AE_FCLK AE_PRO AE_FCL AE_FCLK AE_PRO AE_FCL AE_FSI AE_PRO AE_FCL AE_FCLK B21 Q6401 2SK062000L G D S B2 B39 R6413 220k A30 D6405 B0ECHP000001 B3 B40 C6411 50V 2200p B1 B38 A4 C6402 16V 1u A1 B23 B20 R6422 10k R6412 4.7k A27 C6403 16V 1u R6404 220 B24 B19 C6404 16V 1u B4 A29 B35 B15 A28 A25 A39 B36 D6402 MAZ80560HL B37 A34 B34 A17 B17 A40 R6402 220 B16 B18 B14 A21 B31 A38 A3 A26 B29 A18 B30 A20 A9 SU3 A1 A2 A3 A4 A5 A6 A7 A8 A9 A10 A11 A12 A13 A14 A15 A16 A17 A18 A19 A20 A21 A22 A23 A24 A25 A26 A27 A28 A29 A30 A31 A32 A33 A34 A35 A36 A37 A38 A39 A40 B1 B2 B3 B4 B5 B6 B7 B8 B9 B10 B11 B12 B13 B14 B15 B16 B17 B18 B19 B20 B21 B22 B23 B24 B25 B26 B27 B28 B29 B30 B31 B32 B33 B34 B35 B36 B37 B38 B39 B40 B12 A19 R6411 100k A31 A2 A13 A24 B11 C6401 16V 1u B10 D6410 B0ECHP000001 A35 C6412 50V 1000p A6 B32 A37 SU1 A1 A2 A3 A4 A5 A6 A7 A8 A9 A10 A11 A12 A13 A14 A15 A16 A17 A18 A19 A20 A21 A22 A23 A24 A25 A26 A27 A28 A29 A30 A31 A32 A33 A34 A35 A36 A37 A38 A39 A40 B1 B2 B3 B4 B5 B6 B7 B8 B9 B10 B11 B12 B13 B14 B15 B16 B17 B18 B19 B20 B21 B22 B23 B24 B25 B26 B27 B28 B29 B30 B31 B32 B33 B34 B35 B36 B37 B38 B39 B40 B33 R6420 10k A36 B13 A22 A5 B26 R6410 100k R6423 10k A32 A14 B27 SU2 A1 A2 A3 A4 A5 A6 A7 A8 A9 A10 A11 A12 A13 A14 A15 A16 A17 A18 A19 A20 A21 A22 A23 A24 A25 A26 A27 A28 A29 A30 A31 A32 A33 A34 A35 A36 A37 A38 A39 A40 B1 B2 B3 B4 B5 B6 B7 B8 B9 B10 B11 B12 B13 B14 B15 B16 B17 B18 B19 B20 B21 B22 B23 B24 B25 B26 B27 B28 B29 B30 B31 B32 B33 B34 B35 B36 B37 B38 B39 B40 A10 C6417 50V 220p B25 D6401 MAZ80560HL B7 A8 A33 D6403 MAZ80560HL B5 A16 A15 B6 R6401 220 R6424 220k B28 A11 B8 C6433 250V 0.1u R6403 220 R6421 10k TPSU1 B9 A23 A12 A7 B22 C6431 250V 0.1u D6409 B0ECHP000001 AN16001A-VT IC6401 C0HBC0000006 1 OUT3 2 OUT4 3 OUT5 4 OUT6 5 OUT7 6 OUT8 7 OUT9 8 OUT10 9 OUT11 10 OUT12 11 OUT13 12 OUT14 13 OUT15 14 OUT16 15 OUT17 16 OUT18 17 OUT19 18 OUT20 19 OUT21 20 OUT22 21 OUT23 22 OUT24 23 OUT25 24 OUT26 25 OUT27 26 OUT28 27 OUT29 28 OUT30 29 NC 30 GNDH 31 GNDH 32 GNDH 33 NC 34 VDDH 35 VDDH 36 OUT31 37 OUT32 38 OUT33 39 OUT34 40 OUT35 41 VDDH 42 VDDH 43 NC 44 GNDH 45 GNDH 46 GNDH 47 NC 48 OUT36 49 OUT37 50 OUT38 51 OUT39 52 OUT40 53 OUT41 54 OUT42 55 OUT43 56 OUT44 57 OUT45 58 OUT46 59 OUT47 60 OUT48 61 OUT49 62 OUT50 63 OUT51 64 OUT52 65 OUT53 66 OUT54 67 OUT55 68 OUT56 69 OUT57 70 OUT58 71 OUT59 72 OUT60 73 OUT61 74 OUT62 75 OUT63 76 OUT64 77 NC 78 VDDH 79 VDDH 80 NC 81 GNDH 82 GNDH 83 NC 84 DIR 85 SO 86 CLK 87 LAT 88 VDD 89 OC1 90 OC2 91 SI 92 CLR 93 GND 94 GNDH 95 GNDH 96 NC 97 VDDH 98 VDDH 99 OUT1 100 OUT2 AN16001A-VT IC6402 C0HBC0000006 1 OUT3 2 OUT4 3 OUT5 4 OUT6 5 OUT7 6 OUT8 7 OUT9 8 OUT10 9 OUT11 10 OUT12 11 OUT13 12 OUT14 13 OUT15 14 OUT16 15 OUT17 16 OUT18 17 OUT19 18 OUT20 19 OUT21 20 OUT22 21 OUT23 22 OUT24 23 OUT25 24 OUT26 25 OUT27 26 OUT28 27 OUT29 28 OUT30 29 NC 30 GNDH 31 GNDH 32 GNDH 33 NC 34 VDDH 35 VDDH 36 OUT31 37 OUT32 38 OUT33 39 OUT34 40 OUT35 41 VDDH 42 VDDH 43 NC 44 GNDH 45 GNDH 46 GNDH 47 NC 48 OUT36 49 OUT37 50 OUT38 51 OUT39 52 OUT40 53 OUT41 54 OUT42 55 OUT43 56 OUT44 57 OUT45 58 OUT46 59 OUT47 60 OUT48 61 OUT49 62 OUT50 63 OUT51 64 OUT52 65 OUT53 66 OUT54 67 OUT55 68 OUT56 69 OUT57 70 OUT58 71 OUT59 72 OUT60 73 OUT61 74 OUT62 75 OUT63 76 OUT64 77 NC 78 VDDH 79 VDDH 80 NC 81 GNDH 82 GNDH 83 NC 84 DIR 85 SO 86 CLK 87 LAT 88 VDD 89 OC1 90 OC2 91 SI 92 CLR 93 GND 94 GNDH 95 GNDH 96 NC 97 VDDH 98 VDDH 99 OUT1 100 OUT2 AN16001A-VT IC6403 C0HBC0000006 1 OUT3 2 OUT4 3 OUT5 4 OUT6 5 OUT7 6 OUT8 7 OUT9 8 OUT10 9 OUT11 10 OUT12 11 OUT13 12 OUT14 13 OUT15 14 OUT16 15 OUT17 16 OUT18 17 OUT19 18 OUT20 19 OUT21 20 OUT22 21 OUT23 22 OUT24 23 OUT25 24 OUT26 25 OUT27 26 OUT28 27 OUT29 28 OUT30 29 NC 30 GNDH 31 GNDH 32 GNDH 33 NC 34 VDDH 35 VDDH 36 OUT31 37 OUT32 38 OUT33 39 OUT34 40 OUT35 41 VDDH 42 VDDH 43 NC 44 GNDH 45 GNDH 46 GNDH 47 NC 48 OUT36 49 OUT37 50 OUT38 51 OUT39 52 OUT40 53 OUT41 54 OUT42 55 OUT43 56 OUT44 57 OUT45 58 OUT46 59 OUT47 60 OUT48 61 OUT49 62 OUT50 63 OUT51 64 OUT52 65 OUT53 66 OUT54 67 OUT55 68 OUT56 69 OUT57 70 OUT58 71 OUT59 72 OUT60 73 OUT61 74 OUT62 75 OUT63 76 OUT64 77 NC 78 VDDH 79 VDDH 80 NC 81 GNDH 82 GNDH 83 NC 84 DIR 85 SO 86 CLK 87 LAT 88 VDD 89 OC1 90 OC2 91 SI 92 CLR 93 GND 94 GNDH 95 GNDH 96 NC 97 VDDH 98 VDDH 99 OUT1 100 OUT2 AN16001A-VT IC6404 C0HBC0000006 1 OUT3 2 OUT4 3 OUT5 4 OUT6 5 OUT7 6 OUT8 7 OUT9 8 OUT10 9 OUT11 10 OUT12 11 OUT13 12 OUT14 13 OUT15 14 OUT16 15 OUT17 16 OUT18 17 OUT19 18 OUT20 19 OUT21 20 OUT22 21 OUT23 22 OUT24 23 OUT25 24 OUT26 25 OUT27 26 OUT28 27 OUT29 28 OUT30 29 NC 30 GNDH 31 GNDH 32 GNDH 33 NC 34 VDDH 35 VDDH 36 OUT31 37 OUT32 38 OUT33 39 OUT34 40 OUT35 41 VDDH 42 VDDH 43 NC 44 GNDH 45 GNDH 46 GNDH 47 NC 48 OUT36 49 OUT37 50 OUT38 51 OUT39 52 OUT40 53 OUT41 54 OUT42 55 OUT43 56 OUT44 57 OUT45 58 OUT46 59 OUT47 60 OUT48 61 OUT49 62 OUT50 63 OUT51 64 OUT52 65 OUT53 66 OUT54 67 OUT55 68 OUT56 69 OUT57 70 OUT58 71 OUT59 72 OUT60 73 OUT61 74 OUT62 75 OUT63 76 OUT64 77 NC 78 VDDH 79 VDDH 80 NC 81 GNDH 82 GNDH 83 NC 84 DIR 85 SO 86 CLK 87 LAT 88 VDD 89 OC1 90 OC2 91 SI 92 CLR 93 GND 94 GNDH 95 GNDH 96 NC 97 VDDH 98 VDDH 99 OUT1 100 OUT2 SU45 1 2 3 4 5 6 7 8 9 10 Vscn NONUSE 1st OUTPUTS (SN755864) (SN755864) (SN755864) (SN755864) SU41(Card Edge) 14 OUTPUTS NONUSE VF5V PROU CLKU CLU SIU SU42 (Card Edge) FCL FSI PRO FCLK VF5V VFO VFO UP Vf Vfo Vf5 Vf Vfo TPSU2 SU-� TNPA2957AC ! TO SC-BOARD (SC45) TO SC-BOARD (SC41) TO SC-BOARD (SC42) 110 16.47.SD 电路板方框图 PDP SCAN DRIVER SHIFT RESISTOR SHIFT RESISTOR B40 45 IC6408 A39 85 B2 SD2 97 HV01 C29 30 31 A1 SELECTOR 76 85 95 OUTPUT 79 SCAN ELECTRODES D20 IC6407 C11 HV02 79 90 93 A39 D39 PRO 74 D35 A40 46 FS01 D19 D15 A2 SHIFT RESISTOR 81 VSCN 86 93 34 D38 HV62 Vfo 42 C9 OUTPUT IC6406 HV03 89 SD3 A2 HV62 98 HV63 FSI 95 83 35 44 HV03 84 42 82 89 A40 91 C8 FSI Vf Vfo 81 83 94 89 D36 92 87 86 46 OUTPUT HV01 46 100 99 B1 B2 32 79 PRO 99 85 92 B39 75 HV63 C40 LATCH Vf 83 C20 64 PIN B25 75 D37 35 A9 Vf B39 64 PIN SD SCAN ELECTRODES 34 78 B40 FCL 78 B1 LATCH HV64 FCLK Vf 35 42 HV64 88 74 44 85 D16 35 FCLK B17 A16 31 Vf5 Vf5 A2 SD44 Vfo 75 Vfo A25 84 41 PRO 32 C1 86 94 74 FS03 FS02 87 VF5V 30 76 B16 FCL 79 48 PIN Vf SD1 A1 31 A8 B9 90 Scan Out (Down) 46 88 84 C30 98 FCLK 88 97 SELECTOR D21 TO SC43 64 PIN Vfo SCAN ELECTRODES HV63 81 30 100 SELECTOR 41 PDP SCAN DRIVER 100 Vfo A40 45 FCL 78 91 PDP SCAN DRIVER PRO VF5V HV62 HV03 92 LATCH 44 B24 98 B1 1 C28 89 88 94 90 95 To 2nd 80pins of 94 31 OUTPUT 41 FCLK Vf FSI FCLK To 3rd 80pins of 95 B2 16 HV63 C21 D14 45 C10 Vf LATCH 83 HV01 41 1 A1 86 FS01 A24 To 1st 80pins of HV64 45 PRO 78 97 15 FS02 87 99 C28 B8 SHIFT RESISTOR D40 32 IC6405 FCL HV18 D1 D34 D17 SD43 34 84 32 44 1 HV64 74 VSCN HV02 FS03 30 75 Vf5 B40 PRO HV17 91 TO SC44 A39 FCL 82 90 92 98 34 87 76 A17 FCL HV02 Vf5 82 SELECTOR 76 81 HV62 93 Vf 82 42 97 D18 FCLK Vf PDP SCAN DRIVER B39 93 48bit 64bit 64bit 64bit FCL VF5V SD46 VF5V TO SC46 FSI 2 4 6 8 9 10 FCLK PRO TH-42PA30C TH-42PA30C 111 16.48.SD 电路板线路图 A B C D E F 1 2 3 4 5 6 7 8 9 ���������� ������� ���������� ������� TERM SIDE TERM SIDE TERM SIDE AA_240 AA_239 AA_238 AA_237 AA_236 AA_235 AA_234 AA_233 AA_232 AA_231 AA_230 AA_229 AA_228 AA_227 AA_226 AA_225 AA_224 AA_223 AA_222 AA_221 AA_220 AA_219 AA_194 AA_195 AA_196 AA_197 AA_198 AA_199 AA_200 AA_201 AA_202 AA_203 AA_204 AA_205 AA_206 AA_207 AA_208 AA_209 AA_210 AA_211 AA_212 AA_213 AA_214 AA_215 AA_216 AA_217 AA_218 AB_192 AB_191 AB_190 AB_189 AB_188 AB_187 AB_186 AB_185 AB_184 AB_183 AB_182 AB_181 AB_180 AB_179 AB_178 AB_177 AB_176 AB_175 AB_174 AB_173 AB_172 AB_171 AB_170 AB_169 AB_168 AB_167 AB_166 AB_165 AB_164 AB_163 AB_162 AB_161 AB_160 AB_159 AB_158 AB_157 AB_156 AB_155 AB_130 AB_131 AB_132 AB_133 AB_134 AB_135 AB_136 AB_137 AB_138 AB_139 AB_140 AB_141 AB_142 AB_143 AB_144 AB_145 AB_146 AB_147 AB_148 AB_149 AB_150 AB_151 AB_152 AB_153 AB_154 AC_128 AC_127 AC_126 AC_125 AC_124 AC_123 AC_122 AC_121 AC_120 AC_119 AC_118 AC_117 AC_116 AC_115 AC_114 AC_113 AC_112 AC_111 AC_110 AC_109 AC_108 AC_107 AC_106 AC_105 AC_104 AC_103 AC_102 AC_101 AC_100 AC_99 AC_98 AC_97 AC_96 AC_95 AC_94 AC_92 AC_91 AC_66 AC_67 AC_68 AC_69 AC_70 AC_71 AC_72 AC_73 AC_74 AC_75 AC_76 AC_77 AC_78 AC_79 AC_80 AC_81 AC_82 AC_83 AC_84 AC_85 AC_86 AC_87 AC_88 AC_89 AC_90 AD_64 AD_62 AD_61 AD_60 AD_59 AD_58 AD_57 AD_56 AD_55 AD_54 AD_53 AD_52 AD_51 AD_50 AD_49 AD_48 AD_47 AD_46 AD_45 AD_44 AD_43 AD_42 AD_41 AD_40 AD_39 AD_38 AD_37 AD_36 AD_35 AD_34 AD_33 AD_32 AD_31 AD_30 AD_29 AD_28 AD_27 AD_2 AD_3 AD_4 AD_5 AD_6 AD_7 AD_8 AD_9 AD_10 AD_11 AD_12 AD_13 AD_14 AD_15 AD_16 AD_17 AD_18 AD_19 AD_20 AD_21 AD_22 AD_23 AD_24 AD_25 AD_26 AA_193 AE_FCLK AE_PRO AE_FCL AD_1 AE_FCLK AD_63 AE_FSO1 AE_PRO AE_FCL 120V AB_160 AA_240 AA_238 AA_236 AA_234 AA_232 AA_230 AA_228 AA_226 AA_224 AA_222 AA_220 AA_218 AA_216 AA_214 AA_212 AA_210 AA_208 AA_206 AA_204 AA_202 AA_200 AA_198 AA_194 AA_196 AA_239 AA_237 AA_235 AA_233 AA_231 AA_229 AA_227 AA_225 AA_223 AA_221 AA_219 AA_217 AA_215 AA_213 AA_211 AA_209 AA_207 AA_205 AA_203 AA_201 AA_199 AA_197 AA_193 AA_195 AB_179 AB_187 AB_189 AB_191 AB_183 AB_181 AB_185 AB_188 AB_190 AB_192 AB_184 AB_182 AB_186 AB_177 AB_175 AB_173 AB_171 AB_169 AB_167 AB_165 AB_163 AB_161 AB_174 AB_178 AB_176 AB_170 AB_168 AB_166 AB_164 AB_162 AB_172 AB_180 AB_158 AB_156 AB_154 AB_152 AB_150 AB_148 AB_146 AB_144 AB_142 AB_140 AB_138 AB_136 AB_134 AB_130 AB_132 AB_159 AB_157 AB_155 AB_153 AB_151 AB_149 AB_147 AB_145 AB_143 AB_141 AB_139 AB_137 AB_135 AB_133 AB_129 AB_131 AC_128 AC_126 AC_124 AC_122 AC_120 AC_118 AC_116 AC_114 AC_112 AC_110 AC_108 AC_106 AC_104 AC_102 AC_100 AC_98 AC_96 AC_94 AC_92 AC_90 AC_88 AC_86 AC_82 AC_84 AC_127 AC_125 AC_123 AC_121 AC_119 AC_117 AC_115 AC_113 AC_111 AC_109 AC_107 AC_105 AC_103 AC_101 AC_99 AC_97 AC_95 AC_93 AC_91 AC_89 AC_87 AC_85 AC_81 AC_83 AC_80 AC_78 AC_76 AC_74 AC_72 AC_70 AC_66 AC_68 AC_79 AC_77 AC_75 AC_73 AC_71 AC_69 AC_67 AC_65 AD_63 AD_61 AD_59 AD_57 AD_55 AD_53 AD_51 AD_49 AD_47 AD_45 AD_43 AD_41 AD_39 AD_37 AD_35 AD_33 AD_31 AD_29 AD_27 AD_25 AD_23 AD_21 AD_19 AD_17 AD_15 AD_13 AD_11 AD_9 AD_7 AD_5 AD_3 AD_1 AD_64 AD_62 AD_60 AD_58 AD_56 AD_54 AD_52 AD_50 AD_48 AD_46 AD_44 AD_42 AD_40 AD_38 AD_36 AD_34 AD_32 AD_30 AD_28 AD_26 AD_24 AD_22 AD_20 AD_18 AD_16 AD_14 AD_12 AD_10 AD_8 AD_6 AD_2 AD_4 AC_65 AE_FSO3 AE_FSO3 AE_FSO2 AE_FSO2 AE_FSO1 AE_FSI AE_FCL AE_PRO AE_FCLK AB_129 AE_PRO AE_FCL AE_FCLK AC_93 AE_FSI AE_FCL AE_FCLK AE_PRO C29 D6406 MAZ80560HL R6425 10k D18 C35 C18 C40 D10 D4 C33 D27 C13 C6422 50V 1000p R6408 220 D34 C37 TPSD1 C31 C21 R6428 10k D40 D11 C38 C30 R6427 10k D2 D6407 MAZ80560HL C26 D30 R6406 220 D29 D25 C8 SD1 A1 A2 A3 A4 A5 A6 A7 A8 A9 A10 A11 A12 A13 A14 A15 A16 A17 A18 A19 A20 A21 A22 A23 A24 A25 A26 A27 A28 A29 A30 A31 A32 A33 A34 A35 A36 A37 A38 A39 A40 B1 B2 B3 B4 B5 B6 B7 B8 B9 B10 B11 B12 B13 B14 B15 B16 B17 B18 B19 B20 B21 B22 B23 B24 B25 B26 B27 B28 B29 B30 B31 B32 B33 B34 B35 B36 B37 B38 B39 B40 C1 D21 D33 D32 C34 D3 C39 C16 C28 D1 R6407 220 C14 C27 C24 C6405 16V 1u D20 C6421 50V 2200p C22 C12 C25 C36 SD2 A1 A2 A3 A4 A5 A6 A7 A8 A9 A10 A11 A12 A13 A14 A15 A16 A17 A18 A19 A20 A21 A22 A23 A24 A25 A26 A27 A28 A29 A30 A31 A32 A33 A34 A35 A36 A37 A38 A39 A40 B1 B2 B3 B4 B5 B6 B7 B8 B9 B10 B11 B12 B13 B14 B15 B16 B17 B18 B19 B20 B21 B22 B23 B24 B25 B26 B27 B28 B29 B30 B31 B32 B33 B34 B35 B36 B37 B38 B39 B40 D6411 B0ECHP000001 D14 D23 D28 D5 D19 SD3 A1 A2 A3 A4 A5 A6 A7 A8 A9 A10 A11 A12 A13 A14 A15 A16 A17 A18 A19 A20 A21 A22 A23 A24 A25 A26 A27 A28 A29 A30 A31 A32 A33 A34 A35 A36 A37 A38 A39 A40 B1 B2 B3 B4 B5 B6 B7 B8 B9 B10 B11 B12 B13 B14 B15 B16 B17 B18 B19 B20 B21 B22 B23 B24 B25 B26 B27 B28 B29 B30 B31 B32 B33 B34 B35 B36 B37 B38 B39 B40 C23 C6406 16V 1u C32 C6429 250V 0.1u C6 D22 C19 D36 C6427 250V 0.1u D31 R6426 10k D26 D12 C6407 16V 1u C17 D24 D15 D17 R6405 220 D6412 B0ECHP000001 C15 C11 D8 D39 D7 C2 R6429 220k C7 D6 C20 D9 D16 C10 D38 C5 D13 D35 C4 R6409 220k C9 C3 C6408 16V 1u D37 AN16001A-VT IC6405 C0HBC0000006 1 OUT3 2 OUT4 3 OUT5 4 OUT6 5 OUT7 6 OUT8 7 OUT9 8 OUT10 9 OUT11 10 OUT12 11 OUT13 12 OUT14 13 OUT15 14 OUT16 15 OUT17 16 OUT18 17 OUT19 18 OUT20 19 OUT21 20 OUT22 21 OUT23 22 OUT24 23 OUT25 24 OUT26 25 OUT27 26 OUT28 27 OUT29 28 OUT30 29 NC 30 GNDH 31 GNDH 32 GNDH 33 NC 34 VDDH 35 VDDH 36 OUT31 37 OUT32 38 OUT33 39 OUT34 40 OUT35 41 VDDH 42 VDDH 43 NC 44 GNDH 45 GNDH 46 GNDH 47 NC 48 OUT36 49 OUT37 50 OUT38 51 OUT39 52 OUT40 53 OUT41 54 OUT42 55 OUT43 56 OUT44 57 OUT45 58 OUT46 59 OUT47 60 OUT48 61 OUT49 62 OUT50 63 OUT51 64 OUT52 65 OUT53 66 OUT54 67 OUT55 68 OUT56 69 OUT57 70 OUT58 71 OUT59 72 OUT60 73 OUT61 74 OUT62 75 OUT63 76 OUT64 77 NC 78 VDDH 79 VDDH 80 NC 81 GNDH 82 GNDH 83 NC 84 DIR 85 SO 86 CLK 87 LAT 88 VDD 89 OC1 90 OC2 91 SI 92 CLR 93 GND 94 GNDH 95 GNDH 96 NC 97 VDDH 98 VDDH 99 OUT1 100 OUT2 AN16001A-VT IC6406 C0HBC0000006 1 OUT3 2 OUT4 3 OUT5 4 OUT6 5 OUT7 6 OUT8 7 OUT9 8 OUT10 9 OUT11 10 OUT12 11 OUT13 12 OUT14 13 OUT15 14 OUT16 15 OUT17 16 OUT18 17 OUT19 18 OUT20 19 OUT21 20 OUT22 21 OUT23 22 OUT24 23 OUT25 24 OUT26 25 OUT27 26 OUT28 27 OUT29 28 OUT30 29 NC 30 GNDH 31 GNDH 32 GNDH 33 NC 34 VDDH 35 VDDH 36 OUT31 37 OUT32 38 OUT33 39 OUT34 40 OUT35 41 VDDH 42 VDDH 43 NC 44 GNDH 45 GNDH 46 GNDH 47 NC 48 OUT36 49 OUT37 50 OUT38 51 OUT39 52 OUT40 53 OUT41 54 OUT42 55 OUT43 56 OUT44 57 OUT45 58 OUT46 59 OUT47 60 OUT48 61 OUT49 62 OUT50 63 OUT51 64 OUT52 65 OUT53 66 OUT54 67 OUT55 68 OUT56 69 OUT57 70 OUT58 71 OUT59 72 OUT60 73 OUT61 74 OUT62 75 OUT63 76 OUT64 77 NC 78 VDDH 79 VDDH 80 NC 81 GNDH 82 GNDH 83 NC 84 DIR 85 SO 86 CLK 87 LAT 88 VDD 89 OC1 90 OC2 91 SI 92 CLR 93 GND 94 GNDH 95 GNDH 96 NC 97 VDDH 98 VDDH 99 OUT1 100 OUT2 AN16001A-VT IC6407 C0HBC0000006 1 OUT3 2 OUT4 3 OUT5 4 OUT6 5 OUT7 6 OUT8 7 OUT9 8 OUT10 9 OUT11 10 OUT12 11 OUT13 12 OUT14 13 OUT15 14 OUT16 15 OUT17 16 OUT18 17 OUT19 18 OUT20 19 OUT21 20 OUT22 21 OUT23 22 OUT24 23 OUT25 24 OUT26 25 OUT27 26 OUT28 27 OUT29 28 OUT30 29 NC 30 GNDH 31 GNDH 32 GNDH 33 NC 34 VDDH 35 VDDH 36 OUT31 37 OUT32 38 OUT33 39 OUT34 40 OUT35 41 VDDH 42 VDDH 43 NC 44 GNDH 45 GNDH 46 GNDH 47 NC 48 OUT36 49 OUT37 50 OUT38 51 OUT39 52 OUT40 53 OUT41 54 OUT42 55 OUT43 56 OUT44 57 OUT45 58 OUT46 59 OUT47 60 OUT48 61 OUT49 62 OUT50 63 OUT51 64 OUT52 65 OUT53 66 OUT54 67 OUT55 68 OUT56 69 OUT57 70 OUT58 71 OUT59 72 OUT60 73 OUT61 74 OUT62 75 OUT63 76 OUT64 77 NC 78 VDDH 79 VDDH 80 NC 81 GNDH 82 GNDH 83 NC 84 DIR 85 SO 86 CLK 87 LAT 88 VDD 89 OC1 90 OC2 91 SI 92 CLR 93 GND 94 GNDH 95 GNDH 96 NC 97 VDDH 98 VDDH 99 OUT1 100 OUT2 AN16001A-VT IC6408 C0HBC0000006 1 OUT3 2 OUT4 3 OUT5 4 OUT6 5 OUT7 6 OUT8 7 OUT9 8 OUT10 9 OUT11 10 OUT12 11 OUT13 12 OUT14 13 OUT15 14 OUT16 15 OUT17 16 OUT18 17 OUT19 18 OUT20 19 OUT21 20 OUT22 21 OUT23 22 OUT24 23 OUT25 24 OUT26 25 OUT27 26 OUT28 27 OUT29 28 OUT30 29 NC 30 GNDH 31 GNDH 32 GNDH 33 NC 34 VDDH 35 VDDH 36 OUT31 37 OUT32 38 OUT33 39 OUT34 40 OUT35 41 VDDH 42 VDDH 43 NC 44 GNDH 45 GNDH 46 GNDH 47 NC 48 OUT36 49 OUT37 50 OUT38 51 OUT39 52 OUT40 53 OUT41 54 OUT42 55 OUT43 56 OUT44 57 OUT45 58 OUT46 59 OUT47 60 OUT48 61 OUT49 62 OUT50 63 OUT51 64 OUT52 65 OUT53 66 OUT54 67 OUT55 68 OUT56 69 OUT57 70 OUT58 71 OUT59 72 OUT60 73 OUT61 74 OUT62 75 OUT63 76 OUT64 77 NC 78 VDDH 79 VDDH 80 NC 81 GNDH 82 GNDH 83 NC 84 DIR 85 SO 86 CLK 87 LAT 88 VDD 89 OC1 90 OC2 91 SI 92 CLR 93 GND 94 GNDH 95 GNDH 96 NC 97 VDDH 98 VDDH 99 OUT1 100 OUT2 SD46 1 2 3 4 5 6 7 8 9 10 Vscn (SN755864) (SN755864) (SN755864) (SN755864) VF5V VF5V PROD CLKD CLD SID Vf Vfo Vf FOILSIDE (UP SIDE) COMPONENT SIDE (BOTTOM SIDE) Vf5 Vfo DOWN TPSD2 SD44 (Card Edge) SD43 (Card Edge) FOILSIDE (UP SIDE) COMPONENT SIDE (BOTTOM SIDE) SD-� TNPA2958AC ! TO SC-BOARD (SC43) TO SC-BOARD (SC44) TO SC-BOARD (SC46) 112 16.49.SS、S、SS2 和 SS3 电路板方框图 + PUSH D6764 S300 SS40 1 SS47 12 SS45 8 SS46 Q6712 R6774 Q6711 Ve Q6714 SOS Q6713 VDA 6 VSUS Q6701 VSUS Q6702 VDA Q6705 +15V Q6706 STB PS FET DRIVER L6703 1 L6704 14 12 L6702 IC6702 8 UMH Q6721 UML Q6724 S2 14 S3 16 D6724 6 D6729 4 S1 IC6705 USH Q6756 USL L6711 DISCHARGE 1/2 Vo L6714 SS34 FET DRIVER 1 IC6703 12 8 TO P12 3 TO P1 18 TO C23 2 1 2 Lo 7 4 BUFFER IC6704 IC6706 FET DRIVER D6769 VCC (RED LED) VCC D6765 Ho UEH (RED LED) VE Q6745 INSERT Q6746 VEL VEL TPSS1 VE2 SS-BOARD Q6742 SOS_DET Q6741 SS49 SS44 SS43 SS41 STB-PS SS42 SS48 5 15 3 UEL 9 USL 11 5 SS11 8 3 UEH 2 SS12 SS23 1 UMH 2 7 In Q6753 4 USH Q6751 UML IC6711 6 TPVSUS 3 TP15V 12 TPVDA 17 TPVe 8 VE FET DRIVER GENERATOR 14 4 IC6701 SOS BLINKING TIMES : LED 9 TIMES VE VSET2 VSUS TPSS1 WAVEFORM Sustain connection (Lower) Sustain connection (Upper) SS Sustain Drive Ve2 GEN. SUSTAIN DRIVER Ve GEN. RECOVERY ENERGY Vsus GEN. SS3 SS2 Sustain Panel Electrode Sustain Panel Electrode Sustain Panel Electrode VE GEN. 1 5V 3 VCC 11 VDD 3 VCC 11 VDD 20 VCC VDD 11 15V DET SUSTAIN DRIVE POWER SWITCH S34 1 S Power Switch Q6725 (42inch) (42inch) (42inch) TH-42PA30C TH-42PA30C 113 16.50.SS、 S、 SS2 和 SS3 电路板线路图 A B C D E F 1 2 3 4 5 6 7 8 9 ���������� �������������������� + + + + + + + + TERM SIDE + TERM SIDE TERM SIDE TERM SIDE + + 175V STB_PS GND NC GND GND 67V 15V 150V 175V 5V 5V UEL UEH UMH SOS UML USH USL 67V VDA 175V 15V 175V SS34 1 2 3 L6718 J0JJC0000021 TP18 C6760 630V 1000p R6768 22k TP17 Q6753 2SC14730LA 2SC1473AEA 1/2W R6744 22 R6802 470 C6701 200V 150u R6789 1k L6726 G0ZZ00002183 C6742 16V 1u D6768 MA2J11100L R6748 5.6 D6735 MAZ80510LL Q6705 2SK3795000SB G D S C0JBAZ000005 IC6706 1G~ 1 2 1A1 3 2Y4 4 1A2 5 2Y3 6 1A3 7 2Y2 8 1A4 9 2Y1 10 GND 11 2A1 12 1Y4 13 2A2 14 1Y3 15 2A3 16 1Y2 17 2A4 18 1Y1 19 2G~ 20 VCC D6762 MA2J11100L C0ZBZ0000562 IC6702 1 LOUT 2 GND 3 VCC 4 NC 5 NC 6 VS 7 VB 8 HOUT 9 NC 10 NC 11 VDD 12 HIN 13 NC 14 LIN 15 GND 16 NC R6809 470 R6728 100 D6750 B0ECHP000001 Q6725 2SK062000L G D S TP30 R6825 2.2k R6805 47k L6704 G0ZZ00002183 R6781 2.2k C6734 25V 4.7u R6712 5.6 L6745 G0ZZ00002183 TP25 D6736 MA2J11100L R6719 24 C6755 25V 1u D6721 SF20LC30F10 B0HBSN000005 R6807 470 C6708 160V 47u Q6706 2SK3795000SB G D S R6810 47k JS6702 0 TP14 C6741 16V 1u L6703 G0ZZ00002183 TP31 C6737 250V 0.22u C6748 25V 220u C6732 25V 4.7u 1/2W R6743 22 TP16 Q6756 2SD0601A0L TP7 TP9 D6763 MAZ80510LL L6737 G0ZZ00002183 R6818 100k TP12 3W R6777 0.22 L6714 0.82u TP11 L6702 G0ZZ00002183 R6765 10k R6725 10k C6722 250V 1u C6707 160V 47u SS48 1 2 3 4 5 6 7 D6724 SF20LC30F10 R6766 22k L6712 0.82u D6751 B0ECHP000001 1/2W R6738 1 Q6746 2SK326800L G D S C6746 25V 4.7u IC6704 C0ZBZ0000735 1 Vcc 2 In 3 Gnd 4 Lo 5 NC 6 Vs 7 Ho 8 Vb C6704 200V 150u AN1431M-E1 IC6711 CATHODE 3 1 REFERENCE ANODE 2 R6784 220k C6744 25V 4.7u 1/2W R6739 1 R6747 5.6 C6751 16V 1u L6750 G0ZZ00002183 R6756 100k R6701 100k C6736 16V 1u TP3 R6785 47 D6759 MA2J11100L C6750 16V 1u TP29 C6731 25V 4.7u C6733 16V 1u R6811 47k D6765 LNJ201LPQJA TP23 R6770 100k 1/2W R6761 47 C6757 25V 4.7u C6772 3900p 630V L6744 G0ZZ00002183 R6824 10k R6760 100 D6722 SF20LC30F10 B0HBSN000005 L6747 J0JJC0000021 C6774 5600p 630V C0ZBZ0000562 IC6703 1 LOUT 2 GND 3 VCC 4 NC 5 NC 6 VS 7 VB 8 HOUT 9 NC 10 NC 11 VDD 12 HIN 13 NC 14 LIN 15 GND 16 NC R6727 100 C6756 10V 100u TP21 SS49 1 2 3 4 5 6 7 R6726 10 C6749 25V 4.7u R6782 100 3W R6778 0.22 R6723 10k L6705 G0C101K00023 Q6712 2SB1073001TV R6713 5.6 L6717 J0JJC0000021 C6740 630V 2200p L6723 G0ZZ00002183 TP20 Q6721 2SK3637000VE G D S D6720 SF20LC30F10 B0HBSN000005 C6747 200V 150u R6821 10k SS23 1 2 3 4 5 6 7 8 9 10 11 C6726 250V 1u Q6714 2SB1073001TV D6766 MAZ83300ML R6724 10 L6713 0.82u R6804 47k Q6742 B1DFHM000002 G D S TP6 L6722 G0ZZ00002183 TP24 Q6701 2SK3795000SB G D S C6725 250V 1u R6827 100 TP27 Q6741 B1DFHM000002 G D S D6740 B0ECHP000001 Q6713 2SD21850RL R6808 470 C6753 25V 220u TP2 TP13 D6753 B0JCME000025 TP1 D6737 B0ECHP000001 TP28 D6764 MA2J11100L SS44 1 2 3 4 5 6 7 8 9 10 11 12 13 R6720 24 R6826 1.5k C6761 630V 1000p R6762 220k C6702 200V 150u R6787 100 SS11 1 2 3 4 5 6 7 SS42 1 2 3 4 5 6 7 8 9 10 11 12 13 R6780 100 C6724 250V 1u 1/2W R6736 1 R6788 10k R6714 5.6 R6820 22k R6779 100 L6727 G0ZZ00002183 R6806 47k R6819 100k SS43 1 2 3 4 5 6 7 8 9 10 11 12 13 D6754 B0ECHP000001 Q6752 2SC14730LA 2SC1473AEA TP26 L6736 G0ZZ00002183 TP10 SS41 1 2 3 4 5 6 7 8 9 10 11 12 13 TP8 C6727 250V 1u R6803 470 TP19 L6719 G0ZZ00002183 R6769 100k C6728 250V 1u C6721 250V 1u L6711 0.82u R6763 220k R6755 100 D6758 MA2J11100L SS12 1 2 3 4 5 L6721 G0ZZ00002183 R6772 2.2k TP15 D6715 B0ECHP000001 D6769 LNJ201LPQJA R6773 2.7k C6775 5600p 630V C6723 250V 1u Q6711 2SD21850RL R6742 5.6 IC6705 C0BBBA000043 AN6914S-E1 1 2 3 4 5 6 7 8 TP22 R6783 100 C6709 50V 0.01u D6741 B0ECHP000001 R6771 10k TP5 C0ZBZ0000562 IC6701 1 LOUT 2 GND 3 VCC 4 NC 5 NC 6 VS 7 VB 8 HOUT 9 NC 10 NC 11 VDD 12 HIN 13 NC 14 LIN 15 GND 16 NC R6812 47k Q6745 2SK326800L G D S R6801 470 C6718 3900p 630V Q6702 2SK3795000SB G D S C6703 200V 150u R6764 220k Q6724 2SK3637000VE G D S D6711 B0JCME000025 Q6751 2SD1263AP0LB R6741 5.6 R6711 5.6 VR6774 5k 1 2 3 1/2W R6737 1 R6823 1.5k C6735 25V 4.7u C6739 250V 0.1u C6754 25V 220u R6767 22k D6757 B0ECHP000001 R6759 100 D6712 B0JCME000025 TP4 D6755 B0JCME000025 D6767 MAZ83300ML L6720 G0ZZ00002183 D6729 B0HBSM000031 D6752 B0JCME000025 R6786 47 TUCJ5466 F2A2D1510004 RUBICON RUBICON RUBICON (RED LED) TP15V NC (NJM2903MTE1) 500V TPVDA EB STB_PS GND GND - + - + EB (RED LED) TPSS1 TPVe TPVSUS Vda60V VSUS VSUS NC GND GND To P-BOARD (P11) To P-BOARD (P12) To S-BOARD (S34) To C-BOARD (C23) +15V GND (42") TXAUC410QCS TC74VHC244FT(EL) m TERM SIDE SS47 1 2 3 4 5 6 7 SS45 1 2 3 4 5 6 7 8 9 10 11 12 13 SS2-� TNPA2872AB ! UP SS3-� TNPA2873AB ! TERM SIDE SS40 1 2 3 4 5 6 7 SS46 1 2 3 4 5 6 7 8 9 10 11 12 13 DOWN SS-� TNPA3107 ! PUSH S300 K0F162B00002 S34 1 2 3 JS301 STB_PS JS300 STB_PS GND NC K1KA03A00213 To SS34 S-� TNPA2990AC ! S4 1 2 3 4 5 6 7 JS304 ALL_OFF SW5V K1KA05B00053 SW5VBC_STBPS(from DG to S) POWER_ON(from S to DG) To SS-BOARD (SS34) 114 16.51.JG 电路板方框图 3 5 9 TXD RXD JG3 15 19 1 Y C IDO RST TO DG10 Q6001,Q6008 Q6003,Q6010 IC6015 DA,ENCODER Y C PC/SD Card Interface JG YD0 YD7 CD0 CD7 Y7 Y0 C7 C0 IC6013 MCU(JPEG) YC OUT RST ENC RST TXD SYSIDO Q6005,Q6006 MRESET RESET IC6018 IC6014 128M SDRAM SDRAM I/F RXD SYSRST IC6001 AND GATE D3.3V (12-11) (10-11) WP XCD OPEN CARD IN NO CARD NO CARD WRITE UNABLE CLOSE WRITE ABLE OPEN CLOSE CLOSE JG2 4 3.3V CMD 2 5 CLK DAT0 7 XCD 10 11 WP 12 IC6005 INVERTER BUFFER IC6010 SD3.3V RDY/BSY REG BVD1 SD CARD I/F SDCENA SDCD SDWP PCCENA 8M FLASH IC6012 FD15 FD0 FA19 FA0 SYSRST DATA BUS ADDRESS BUS JG1 6 2 32 30 41 37 66 64 BUFFER IC6003 D15 D0 DATA BUS ADDRESS BUS GPIO D15 D0 DATA BUFFER IC6006,IC6008 ADDRESS A10 A1 12 8 22 29 11 36 67 SD CARD SLOT SLOT CARD PC D7 D3 D2 D0 D15 D11 D10 D8 A10 A9, A8 A7 A0 CD1 CD2 INVERTER IC6005 IC6001 AND GATE IC6002 OR GATE BUFFER IC6009 BUFFER IC6007 OE OE OE OE A1 A10 OE OE CONTROL CONTROL CONTROL SIGNAL CONTROL SIGNAL REG,RESET,IOWR,IORD,FWE,FOE,CE1,CE2 WAIT,RDYBSY,WP,BVD1,BVD2,INPACK IORD,FOE CE1,CE2 CD2 CD1 PC CARD PCCVON I/F TH-42PA30C TH-42PA30C IC6004 9V 5V 115 16.52.JG 电路板 (1/2) 线路图 A B C D E F 1 2 3 4 5 6 7 8 9 ���������� ������������ ���������� ������������ A B C D + + + + PC-CARD D.SW W.P. + AA_CD2 AA_CE2 AL_FA9 AA_CD2 AA_IORD AA_FOE AL_FA6 AA_CD1 AL_FA2 AA_CE1 AL_FA8 AA_CE1 AA_CE2 AA_IORD AA_FOE AC_SUB_RST AA_CD2 AA_CD1 AC_RST AA_CD1 AA_SDCD AN_PCC_VS1 AN_PCC_VS2 AA_VS2 AA_VS1 AA_INPACK AA_BVD2 AA_BVD1 AA_WP AA_WAIT AA_FWE AA_IOWR AA_RESET GUARD_CL AA_REG GUARD_CL AL_FA10 AL_FA7 AL_FA5 AL_FA4 AL_FA3 AM_WP AM_DAT0 GUARD_CL AM_CLK AM_CMD GUARD_CL AA_SDCENA AN_PCC_WP AM_CLK GUARD_CL 5V AA_PCCENA AL_FA0 AL_FA1 AB_PCC_A4 AA_BVD1 AA_RDYBSY AM_DAT0 AA_SDWP AM_WP D3.3V AM_CMD AA_SDCDIN D3.3V D3.3V AN_PCC_CD2 AN_PCC_WP AN_PCC_BVD1 AN_PCC_INPACK AN_PCC_BVD2 D3.3V AN_PCC_RB AN_PCC_CD1 AN_PCC_WAIT AB_PCC_CE1 AB_PCC_WE AB_PCC_OE AB_PCC_CE2 AB_PCC_IORD AB_PCC_REG GUARD_CL AB_PCC_RESET AB_PCC_IOWR AB_PCC_A9 AB_PCC_A10 AB_PCC_A8 AB_PCC_A5 AB_PCC_A6 AB_PCC_A7 AB_PCC_A3 AB_PCC_A0 AB_PCC_A1 AB_PCC_A2 AN_PCC_BVD1 AN_PCC_BVD2 AN_PCC_CD2 AO_PCC_D8 AO_PCC_D9 AO_PCC_D10 AB_PCC_REG GUARD_CL AN_PCC_VS2 AN_PCC_WAIT AN_PCC_INPACK AB_PCC_RESET AN_PCC_VS1 AO_PCC_D15 AO_PCC_D14 AO_PCC_D13 AO_PCC_D12 AB_PCC_IOWR AB_PCC_IORD AB_PCC_CE2 AN_PCC_CD1 AO_PCC_D11 AO_PCC_D0 AO_PCC_D1 AO_PCC_D2 AB_PCC_A2 AB_PCC_A1 AB_PCC_A0 AB_PCC_A3 AB_PCC_A4 AB_PCC_A5 AB_PCC_A6 AB_PCC_A7 AO_PCC_D5 AO_PCC_D6 AO_PCC_D7 AB_PCC_WE AB_PCC_CE1 AB_PCC_OE AB_PCC_A10 AB_PCC_A8 AB_PCC_A9 AO_PCC_D3 AO_PCC_D4 AO_PCC_D0 AO_PCC_D1 AO_PCC_D2 AO_PCC_D3 AO_PCC_D4 AO_PCC_D5 AO_PCC_D6 AO_PCC_D7 AO_PCC_D8 AO_PCC_D9 AO_PCC_D13 AO_PCC_D12 AO_PCC_D11 AO_PCC_D10 AO_PCC_D14 AO_PCC_D15 5V AA_INT_PCCCD AA_PCCENA D3.3V AK_FD9 AK_FD8 AK_FD7 AK_FD6 AK_FD5 AK_FD4 AK_FD3 AK_FD2 AK_FD1 AK_FD0 AK_FD15 AK_FD14 AK_FD13 AK_FD12 AK_FD11 AK_FD10 AA_SDCDIN AA_REG GUARD_CL AA_PCCVON AN_PCC_RB SD3.3V AA_RDYBSY AAAND_RXD AA_RXD D3.3V PCC5V PCC5V AC_MAIN_RST PC9V R6049 47 C6017 C6016 16V 0.1u C6032 10u 6.3V ECJ3YB0J106M C6009 16V 0.1u R6093 4.7k R6073 10k R6009 4.7k 5V R6041 10k C6034 16V 0.1u R6042 22k R6053 47 L6004 J0JHC0000035 R6003 47 R6007 100 R6001 10k R6064 47 C R6325 10k R6084 22k R6059 47 R6005 100 C6014 16V 0.1u C6110 10V 100u R6024 47 C6042 16V 0.1u R6065 100 TP6002 C6006 10u 6.3V R6046 47 R6082 22k R6072 100 C R6012 47 R6075 150 R6016 47 R6033 22k D3.3V C0JBAE000231 IC6002 1 1A 2 1B 3 1Y 4 2A 5 2B 6 2Y 7 GND 8 3Y 9 3A 10 3B 11 4Y 12 4A 13 4B 14 Vcc 1W R6030 10 C6008 16V 0.1u TP6003 C6002 16V 0.1u R6010 47 C C R6068 100 L6001 J0JHC0000035 R6067 100 C0DBZHE00019 IC6004 PQ05DZ5UJ00H 1 Vin 2 Vc 3 Vo 4 NC 5 GND 6 Vo R6089 22 C6043 100u 4V R6069 100 C6005 10u 6.3V C6035 16V 0.1u TP6001 IC6007 C0JBAZ001590 1 OE1 2 A1 3 A2 4 A3 5 A4 6 A5 7 A6 8 A7 9 A8 10 GND 11 Y8 12 Y7 13 Y6 14 Y5 15 Y4 16 Y3 17 Y2 18 Y1 19 OE2 20 Vcc C6031 16V 0.1u IC6006 C0JBAZ001713 1 1OE 2 1A 3 1Y 4 2OE 5 2A 6 2Y 7 GND 8 3Y 9 3A 10 3OE 11 4Y 12 4A 13 4OE 14 VCC R6051 47 5V R6070 100 C6026 50V 0.01u C6044 16V 0.1u R6063 47 R6034 22k R6079 1k C6023 50V 0.01u L6003 J0JHC0000035 R6090 22 C6021 50V 0.01u R6071 100 C0JBAZ002059 IC6003 1 1DIR 2 1B1 3 1B2 4 GND 5 1B3 6 1B4 7 VCCB(3.3V_5V) 8 1B5 9 1B6 10 GND 11 1B7 12 1B8 13 2B1 14 2B2 15 GND 16 2B3 17 2B4 18 VCCB(3.3V_5V) 19 2B5 20 2B6 21 GND 22 2B7 23 2B8 24 2DIR 25 2OE# 26 2A8 27 2A7 28 GND 29 2A6 30 2A5 31 VCCA(2.5V_3.3V) 32 2A4 33 2A3 34 GND 35 2A2 36 2A1 37 1A8 38 1A7 39 GND 40 1A6 41 1A5 42 VCCA(2.5V_3.3V) 43 1A4 44 1A3 45 GND 46 1A2 47 1A1 48 1OE# C6010 16V 0.1u R6038 10k R6054 47 R6091 0 R6017 47 CGGND 1u 16V C6040 220u 6.3V R6076 0 R6045 47 C6028 16V 0.1u C R6031 10k D3.3V R6006 100 9V D3.3V R6011 47 C6024 50V 0.01u R6032 22k C6022 50V 0.01u C D3.3V C0CBCBD00004 IC6011 1 Nr 2 GND 3 ON/OFF 5 Vo 4 Vin 1W R6028 10 C6039 16V 0.1u C6030 16V 0.1u IC6010 C0JBAZ002060 1 1OE 2 1A 3 1B 4 2OE 5 2A 6 2B 7 GND 8 3B 9 3A 10 3OE 11 4B 12 4A 13 4OE 14 VCC R6037 22k R6081 1k C6003 16V 0.1u R6061 47 R6087 22 1W R6027 10 D3.3V R6047 47 R6036 22k R6013 47 R6062 47 C6007 16V 0.1u R6055 22k R6026 10k C6018 6.3V 47u R6021 47 R6058 47 R6004 47 R6002 10k R6039 10k R6035 22k R6086 22 IC6008 C0JBAZ001120 1 _OE1 2 A1 3 A2 4 A3 5 A4 6 A5 7 A6 8 A7 9 A8 10 GND 11 Y8 12 Y7 13 Y6 14 Y5 15 Y4 16 Y3 17 Y2 18 Y1 19 _OE2 20 Vcc R6056 22k SD3.3V R6025 47 R6050 47 R6023 47 R6040 10k R6022 47 R6057 47 JS6009 R6074 10k R6060 47 C0JBAA000244 IC6001 1 2 3 4 5 6 7 8 9 10 11 12 13 14 C6019 16V 0.1u D3.3V R6043 22k R6085 22 L6002 J0JHC0000035 R6092 0 C6041 16V 0.1u SD3.3V R6008 10k R6020 47 PCC5V D3.3V R6014 47 IC6009 C0JBAZ001120 1 _OE1 2 A1 3 A2 4 A3 5 A4 6 A5 7 A6 8 A7 9 A8 10 GND 11 Y8 12 Y7 13 Y6 14 Y5 15 Y4 16 Y3 17 Y2 18 Y1 19 _OE2 20 Vcc C0JBAB000408 IC6005 1 1A 2 1Y 3 2A 4 2Y 5 3A 6 3Y 7 GND 8 4Y 9 4A 10 5Y 11 5A 12 6Y 13 6A 14 VCC JG1 1 2 3 4 5 6 7 8 9 10 11 12 13 14 15 16 17 18 19 20 21 22 23 24 25 26 27 28 29 30 31 32 33 34 35 36 37 38 39 40 41 42 43 44 45 46 47 48 49 50 51 52 53 54 55 56 57 58 59 60 61 62 63 64 65 66 67 68 1W R6029 10 5V JG2 K1NA09E00042 1 2 3 4 5 6 7 8 9 10 11 12 R6052 47 R6044 47 R6019 47 C6027 50V 0.01u C6020 16V 0.1u C6013 10V 100u R6066 100 C R6018 47 R6048 47 R6015 47 SD-POWER GND WP_I D2_IO D1_IO D0_IO A0_O A1_O A2_O A3_O A4_O A5_O A6_O A7_O A12_O A15_O A16_O VPP1 VCC READY_I WE#_O A14_O A13_O A8_O A9_O A11_O OE#_O A10_O CE1#_O D7_IO D6_IO D5_IO GND D3_IO D4_IO SN74AHCT125PWR SN74LVC14APWR DAT0 CLK CMD L:Hi-Z, H:A=B SDCD SDWP SDCENA SN74CBTLV3126PWR(TSSOP) CLK CMD WP XCD DAT1 DAT0 CLK CMD CD/DAT3 DAT2 High:Hi-z Low:Conect /OE SN74LVC541APWR(TSSOP) PCCENA High:Hi-z Low:Conect /OE SN74AHCT541PWR (TSSOP) PCCENA SN74AHCT541PWR (TSSOP) PCCENA PCCENA GND BVD1 I BVD2 I CD2#_I REG#_O D10_IO D9_IO D8_IO A25_O A24_O A23_O A22_O VPP2 VCC A21_O INPACK_I WAIT_I RESET_O VS2#_I A20_O A19_O A18_O A17_O IOWR#_O IORD#_O VS1#_I CE2#_O D15_IO D14_IO D13_IO D12_IO CD1#_I D11_IO 9V 5V SN74ALVC164245DGGR(TSSOP) SN74LVC32APWR(TSSOP) SN74LVC08APWR(TSSOP) GND VCC Low:OFF Hi:ON 3.3V PULLUP tpd=3.8ns tpd=4.1ns IC6515(NTSC Enc) AD JS6012 JS6018 JS6020 JS6022 JS6024 JS6026 �������������������� ! JG5 KIYY68000007 116 16.53.JG 电路板 (2/2) 线路图 9 10 11 12 13 14 15 16 17 ���������� ������������ ���������� ������������ A B C D + + + + + + + AL_FA4 AL_FA5 AL_FA1 AL_FA3 AL_FA7 AL_FA0 AL_FA10 AA_SYS_RST AA_FWR AL_FA19 AL_FA8 AL_FA9 AL_FA11 AL_FA12 AL_FA13 AL_FA14 AL_FA15 AA_FLBUSY AL_FA18 AL_FA17 AL_FA6 AL_FA2 AA_FCS0 AA_FRD AK_FD0 AK_FD8 AK_FD1 AK_FD9 AK_FD2 AK_FD10 AK_FD3 AK_FD11 AK_FD4 AK_FD12 AK_FD5 AK_FD13 AK_FD6 AK_FD14 AK_FD7 AK_FD15 AL_FA16 AH_LD0 AH_LD1 AH_LD2 AH_LD3 AH_LD4 AH_LD5 AH_LD6 AH_LD7 AE_DQML AE_WE AE_CAS AE_RAS AF_MA4 AF_MA5 AF_MA6 AF_MA7 AF_MA8 AF_MA9 AF_MA11 AE_CKE AE_SDCLK GUARD_CL AE_DQMU AH_UD0 AH_UD1 AH_UD2 AH_UD3 AH_UD4 AH_UD5 AH_UD6 AH_UD7 AG_C7 AG_C6 AG_C5 AG_C4 AG_C3 AG_C2 AG_C1 AG_C0 AG_Y6 AG_Y5 AG_Y4 AG_Y3 AG_Y2 AG_Y1 AG_Y0 AG_Y7 AG_VBLK AG_HBLK AG_FLD AG_PCLKO GUARD_CL AA_SYS_INT0 AA_SYS_IO0 AA_TXD GUARD_CL AA_REG GUARD_CL AA_REG GUARD_CL AE_SDCLK GUARD_CL AG_PCLKO GUARD_CL 5V AA_SYS_INT1 AH_UD7 AH_UD6 AH_UD5 AH_UD4 AH_UD0 AH_UD1 AH_UD2 AH_UD3 AF_MA11 AF_MA10 AF_MA9 AF_MA8 AF_MA7 AF_MA6 AF_MA5 AF_MA4 AF_MA3 AF_MA2 AF_MA1 AF_MA0 AA_ENC_RST AA_SYS_IO0 AA_SYS_RST AA_ENC_RST GUARD_Y AJ_Y GUARD_C AJ_C AJ_C AJ_Y 1.8V AI_TDO AI_TDI AI_TMS AI_TCK AC_SUB_RST AE_CKE AE_DQML AE_DQMU AE_WE AE_CAS AE_RAS GUARD_CL AH_LD7 AH_LD6 AH_LD5 AH_LD4 AH_LD3 AH_LD2 AH_LD1 AH_LD0 AF_MA13 AF_MA12 AG_FLD AG_HBLK AG_VBLK AG_C7 AG_C6 AG_C5 AG_C4 AG_C3 AG_C2 AG_C1 AG_C0 AG_Y7 AG_Y6 AG_Y5 AG_Y4 AG_Y3 AG_Y2 AG_Y1 AG_Y0 AA_TXD AAAND_RXD GUARD_CL GUARD_CL AA_FLBUSY AK_FD15 AK_FD14 AK_FD13 AK_FD12 AK_FD11 AK_FD10 AK_FD9 AK_FD8 AK_FD7 AK_FD6 AK_FD5 AK_FD4 AK_FD3 AK_FD2 AK_FD1 AK_FD0 AL_FA19 AL_FA18 AL_FA17 AL_FA16 AL_FA15 AL_FA14 AL_FA13 AL_FA12 AL_FA11 AL_FA10 AL_FA9 AL_FA8 AL_FA7 AL_FA6 AL_FA5 AL_FA4 AL_FA3 AL_FA2 AL_FA1 AL_FA0 AA_SYS_RST AA_SDC_INT3 AA_SYS_INT0 AA_VS1 AA_VS2 AA_PCCVON AA_PCCENA AA_SDCD AA_SDCENA AA_SDWP AA_CD2 AA_WP AA_INPACK AA_IORD AA_CE2 AA_CD1 AA_IOWR AA_RESET AA_FWE AA_FOE AA_BVD2 AA_BVD1 AA_VS1 AA_WAIT AA_RDYBSY AA_CE1 AA_FRD AA_FWR AA_FCS0 AA_BVD2 AA_BVD1 AA_WP AA_WAIT AA_RDYBSY AA_INPACK AA_IOWR AA_RESET AA_IORD AA_FWE AA_FOE AA_CE2 AA_CE1 AA_SYS_RST AA_SDC_INT3 AA_SYS_INT1 AA_SYS_INT0 AK_FD15 AK_FD14 AK_FD13 AK_FD12 AK_FD11 AK_FD10 AK_FD9 AK_FD8 AK_FD7 AK_FD6 AK_FD5 AK_FD4 AK_FD3 AK_FD2 AK_FD1 AK_FD0 AF_MA13 AF_MA12 AF_MA10 AF_MA0 AF_MA1 AF_MA2 AF_MA3 M3.3V M3.3V 1.8V AI_TDO AI_TCK AI_TMS AI_TDI AC_SUB_RST AC_SUB_RST AA_RXD DA5V D3.3V MD3.3V ND3.3V A3.3V MD3.3V R6313 100 R6194 22 L17 FA13 R6249 10k N17 FWR D7 VDDP G15 FA2 R6269 100 R6199 22 K3 P37 C N2 C5 R6324 0 R6103 10k R6137 4.7k C6061 16V 0.1u R6192 22 R6277 100 J17 FA5 H3 VDDC R6094 4.7k R6101 10k R6253 100 C6059 16V 0.1u L14 FA16 C T13 FOE R6178 22 C6052 16V 0.1u L3 P36 R6250 100 C6058 16V 0.1u R6203 0 T1 VDDP F15 FD13 R6310 33k T6 P23 TP6016 C 5V 5V R6244 47 R6107 10k R6278 100 F1 HBLK R6322 0 K14 FA12 M4 NC R6303 240 A8 CKE R17 P32 R6264 100 1% R6301 6.8k R6160 22 H16 VBLK R6154 10k R6202 0 R6159 0 R6153 10k R6147 22k IC6015 C1AB00001815 1 YD0 2 YD1 3 YD2 4 YD3 5 YD4 6 YD5 7 YD6 8 YD7 9 GND 10 VDD 11 CBF 12 BKANK_ 13 V 14 H 15 VRTENB 16 FIELD 17 KEY 18 GD3 19 GD2 20 GD1 21 GD0 22 CS_ 23 RS 24 RD_ 25 WR_ 26 RESET_ 27 GND 28 VDD 29 D7 30 D6 31 D5 32 D4 33 GND 34 CLOCK 35 VDD 36 D3 37 D2 38 D1 39 D0 40 GND 41 VDD 42 TEST 43 SUSPEND 44 AVDD 45 AGND 46 VREF 47 VCS 48 AGND 49 C 50 NC 51 NC 52 AVDD 53 Y 54 AGND 55 GND 56 VDD 57 CD0 58 CD1 59 CD2 60 CD3 61 CD4 62 CD5 63 CD6 64 CD7 R6166 22 R6268 100 CAGND R6150 10k P8 P21 E15 FD9 C6089 16V 10u TP6010 R6320 100 J14 FA8 P13 P13 9V T2 P47 CAGND U17 GNDP R6222 0 U3 P46 R6212 0 C6097 4V 100u R6280 100 R6145 10k C6049 16V 0.1u FL6007 J0HABB000018 1 2 3 4 C2 RXD B2 SCS R6096 4.7k C6050 16V 0.1u CAGND C5 MA1 R6223 0 P4 TEST C11 LD6 A4 MA6 R10 POR C6051 16V 0.1u CGGND C6071 16V 1u R1 C0 J15 FA7 B12 LD5 D16 FD4 R6114 10k R6187 22 P5 NC R6274 100 TP6013 R6155 10k R6172 22 FL6004 ELKE103FA 1 2 3 T11 INPACK R6254 100 A13 UD3 A5 MA7 P15 NC L6009 G1C8R2K00009 L4 NC R6127 10k R6163 22 H4 GNDC R6292 100 R6129 4.7k R6217 0 A6 MA9 MD3.3V MD3.3V Q6003 2SA207700L B1ADCC000004 C6070 16V 0.1u R6144 10k R6321 0 C6104 4V 220u A14 UD5 FL6001 J0HAAC000010 1 2 3 R6319 100 D1 SO C6062 16V 0.1u D6 NC Q6006 2SC584500L B1ABCF000115 B1ABCC000004 2SD0601A0L C8 MA12 CAGND R6287 10k C6047 16V 0.1u CAGND CAGND R6309 33k E14 FD10 T16 P33 TP6015 E17 FD7 B15 LD0 U2 MCLKI R6198 22 R6262 100 G16 FA1 R6142 10k L6011 J0JHC0000035 D3.3V R6183 22 R6157 4.7k G1 PCLKO M17 FRD C6093 16V 0.1u R6214 100 E3 TDI R6191 22 C6067 16V 0.1u C6102 16V 0.01u C6068 16V 0.1u B16 FD0 R6170 22 R6134 10k T15 USBP C15 LD1 B8 RAS R16 P31 B14 UD6 R6293 1k R6323 0 B4 MA2 B3 MA3 R6131 10k C6066 16V 0.1u R6224 10k P1 C2 R6133 4.7k R6259 100 G3 ECNT D17 FD3 U5 P25 N4 NC TP6007 B6 MA10 M16 FA17 R6151 1k CAGND R6105 10k T7 RDY/BSY CAGND R6201 0 C6112 16V 0.1u Q6005 2SC584500L B1ABCF000115 B1ABCC000004 2SD0601A0L IC6013 C1AB00001816 A1 GNDP A16 P40 U8 BVD1 R6186 22 T3 P45 C6073 10V 10u R6176 22 R6291 75 L15 FA15 R6196 22 D3.3V R6164 22 N15 VDDP A10 DQMU R6275 100 IC6016 C0CBCBD00008 1 Vcont 2 GND 3 Np 5 Vin 4 Vout L2 Y1 A15 UD7 R6185 22 C7 MA14 C13 LD3 R6197 22 TP6014 F2 VBLK D3.3V R6 P24 R6248 10k N16 CCS0 T12 FWE H17 FA3 R6189 22 T4 GNDP R6336 0 R6337 1K 1/8W 1K 1/8W R6348 R6255 100 L6010 J0JHC0000035 TP6008 R6122 10k X6001 H1A4905B0001 1 CONT 2 G 3 OUT 4 VDD C6054 16V 0.1u M3 P35 D15 FD5 J4 GNDP B10 DQML R6220 0 J16 FA6 G4 TRST U13 WP C12 LD4 R6276 100 R9 P16 R6193 22 R6266 100 T5 P26 E4 INT2 R6314 0 R6215 0 R6169 22 M15 FA18 R6125 4.7k TP6011 G17 FA0 U10 CD2 R6213 100 FL6012 J0HABB000018 1 2 3 4 TP6006 Q6001 2SA207700L B1ADCC000004 T14 P11 R6219 0 A11 UD0 A3 MA4 R6271 100 C6096 16V 0.1u U4 P44 R6175 22 R6211 220 J3 VDDP Q6008 2SA207700L B1ADCC000004 E16 FD8 R6117 10k C6074 16V 0.1u R6171 22 JG3 K1KA20A00180 1 2 3 4 5 6 7 8 9 10 11 12 13 14 15 16 17 18 19 20 E1 FLD B13 UD4 U14 D+ C6088 50V 47p C4 MA5 R6126 10k C6060 16V 0.1u R6263 100 FL6003 ELKE103FA 1 2 3 D12 NC B17 VDDP A12 UD2 R6123 10k U16 VDDP CGGND R6190 22 C6105 16V 0.1u R6312 33k F17 FD11 R6225 0 FL6011 J0HABB000018 1 2 3 4 R6110 10k R6285 100 H14 GNDC R6350 10 R6116 10k R6221 100 R3 INT0 R6206 0 H2 Y7 T10 CE1 B7 MA13 TP6005 R6227 0 R6179 22 C3 P41 R6139 10k B1 SCK C TP6012 D8 GNDP R6174 22 TP6009 R2 C1 P2 C3 FL6002 ELKE103FA 1 2 3 R14 P12 R6218 0 M14 FA19 R6148 10k H1 Y6 R4 P27 C6063 16V 0.1u D13 NC MD3.3V L6008 J0JHC0000035 1.8V R6168 22 D5 P43 R8 P20 R6247 47 C6078 16V 1u C6106 6.3V 220u C6 MA8 D3.3V D9 GNDC U11 BVD2 F4 TCK K4 NC R6245 47 C6064 16V 0.1u P16 GNDP R6120 10k R6209 0 R6205 0 C3ABQG000069 IC6014 C3ABQG000068 C3ABQG000083 C3ABQG000061 1 VDD 2 DQ0 3 VDDQ 4 DQ1 5 DQ2 6 VSSQ 7 DQ3 8 DQ4 9 VDDQ 10 DQ5 11 DQ6 12 VSSQ 13 DQ7 14 VDD 15 LDQM 16 WE 17 CAS 18 RAS 19 CS 20 BA0 21 BA1 22 A10/AP 23 A0 24 A1 25 A2 26 A3 27 VDD 28 VSS 29 A4 30 A5 31 A6 32 A7 33 A8 34 A9 35 A11 36 N.C 37 CKE 38 CLK 39 UDQM 40 N.C/RFU 41 VSS 42 DQ8 43 VDDQ 44 DQ9 45 DQ10 46 VSSQ 47 DQ11 48 DQ12 49 VDDQ 50 DQ13 51 DQ14 52 VSSQ 53 DQ15 54 VSS T9 VDDC C1 SI R6152 10k FL6009 J0HABB000018 1 2 3 4 C6101 4V 100u P17 P30 P10 GNDC R6316 1k C C16 FD2 R6113 10k B11 UD1 D3.3V FL6010 J0HABB000018 1 2 3 4 R6282 100 R6305 0 B5 MA0 D3 INT3 R6267 100 L6006 J0JHC0000035 C17 FD1 G2 PXOE R6283 100 K16 FA10 R6173 22 R6162 22 P12 P14 C6046 16V 0.1u TP6004 R6195 22 T17 UCLKI IC6018 C0EBE0000066 1 GND 2 SUB 3 NC 5 Vcc 4 Out E2 TDO U9 CD1 C6084 16V 0.1u D11 NC C6048 16V 0.1u N3 P34 K15 FA11 C9 WE C6053 16V 0.1u R6188 22 C6065 16V 0.1u R13 WAIT C6087 16V 0.1u C6107 6.3V 220u C6095 16V 0.1u R6347 0 R6200 C6055 16V 0.1u D10 VDDC R6281 100 R6141 10k R6294 220 R6296 0 R12 IOWR R6270 100 R5 VDDP C6083 16V 0.1u R6095 4.7k FL6013 J0HABB000018 1 2 3 4 R6204 0 A9 SDCLK R6279 100 R6246 47 C6077 16V 0.1u R6130 10k R6351 10 U7 REG R6161 22 R6290 10k A2 VDDP M1 C6 R6318 100 C6080 16V 0.1u R6119 10k F14 FD14 C6100 16V 1u K1 Y2 T8 RESET P11 P15 R6288 10k L6013 J0JHC0000035 A7 MA11 Q6010 2SA207700L B1ADCC000004 P7 WKP C6091 16V 0.1u P6 MRESET R6265 100 D3.3V 1% R6302 5.1k C6111 16V 0.1u R6184 22 R11 IORD U12 VS1 C10 LD7 C6090 50V 27p C6075 50V 49p J1 Y4 R6210 0 C6056 50V 0.01u R6289 10k R6261 100 C6069 16V 0.1u R6167 22 D4 P42 R6284 100 R6256 100 P9 P17 F3 TMS D14 FD6 G14 FD15 P14 CCS1 R15 P10 K2 Y3 R6272 100 U1 GNDP R6306 0 F16 FD12 A17 GNDP R6165 22 R6258 100 U15 D- N1 C4 R6207 0 L16 FA14 C6103 16V 0.1u C6081 16V 0.1u D3.3V 1% R6299 1k R6317 100 C6094 16V 0.1u L1 Y0 R6216 0 N14 NC CAGND FL6008 J0HABB000018 1 2 3 4 P3 INT1 B9 CAS 1.8V R6251 100 R6181 22 R6135 10k R6257 100 H15 VDDC L6005 J0JHC0000035 R6286 10k IC6017 C0CBCAD00015 1 Vcont 2 GND 3 Np 5 Vin 4 Vout C6057 50V 0.1u R6295 75 9V R6308 0 R7 P22 R6273 100 M2 C7 R6108 10k C6086 16V 0.01u MD3.3V C6092 50V 150p TP6017 D2 TXD J2 Y5 R6180 22 R6260 100 K17 FA9 R6297 100 U6 CE2 R6138 22k C6082 4V 100u R6208 0 C14 LD2 C6072 16V 0.1u R6252 100 R6177 22 R6182 22 L6012 J0JHC0000035 R6300 1k R6111 10k R6228 D1HG4708A002 R6236 D1HG4708A002 C3FBLD000142 IC6012 C3FBKD000104 1 A15 2 A14 3 A13 4 A12 5 A11 6 A10 7 A9 8 A8 9 NC 10 NC 11 WE 12 RESET 13 NC 14 NC 15 RY/BY 16 A18 17 A17 18 A7 19 A6 20 A5 21 A4 22 A3 23 A2 24 A1 25 A0 26 CE 27 Vss 28 OE 29 DQ0 30 DQ8 31 DQ1 32 DQ9 33 DQ2 34 DQ10 35 DQ3 36 DQ11 37 VCC 38 DQ4 39 DQ12 40 DQ5 41 DQ13 42 DQ6 43 DQ14 44 DQ7 45 DQ15/A-1 46 Vss 47 BYTE 48 A16 MD2406P MD0217P RST VDD 1.8V:100mA C Y 1.8V:100mA JTAG NC OV GND OV I/O GND 1.8V VDD 3.3V VDD USB YC NC USART GPIO CE2 CE1 REG 4 3 2 1 Vo Vin NC GND YGND GND GND CGND GND GND Y C TO DG-BOARD (DG10) PCCVON CONNECTOR SPEC MAX 1A MAIN_9V MAIN_9V MAIN_5V MAIN_5V MAIN_3.3V MAIN_3.3V TXD(M2) RXD(M2) ID0 INT0 RST MAIN SUB TVRN178 D6001 MA3X152K0L B0ACCJ000016 �������������������� !

标签:

版权声明

1. 本站所有素材,仅限学习交流,仅展示部分内容,如需查看完整内容,请下载原文件。
2. 会员在本站下载的所有素材,只拥有使用权,著作权归原作者所有。
3. 所有素材,未经合法授权,请勿用于商业用途,会员不得以任何形式发布、传播、复制、转售该素材,否则一律封号处理。
4. 如果素材损害你的权益请联系客服QQ:77594475 处理。