松下TC-37LZ700D液晶电视电路原理图

分类:电子电工 日期: 点击:0
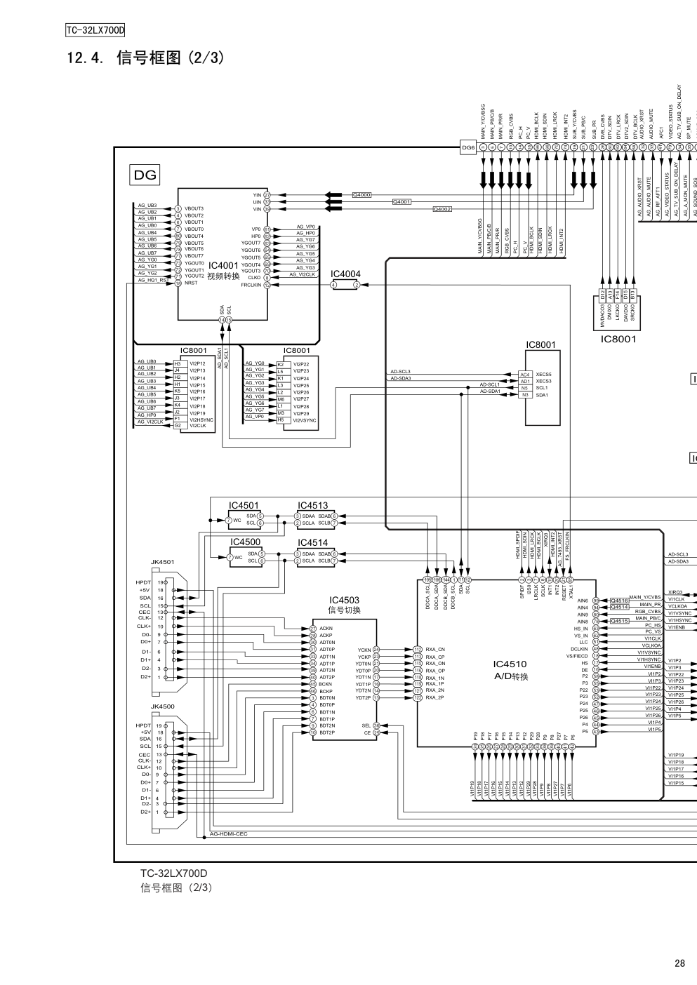
松下TC-37LZ700D液晶电视电路原理图-0 松下TC-37LZ700D液晶电视电路原理图-1 松下TC-37LZ700D液晶电视电路原理图-2 松下TC-37LZ700D液晶电视电路原理图-3 松下TC-37LZ700D液晶电视电路原理图-4 松下TC-37LZ700D液晶电视电路原理图-5 松下TC-37LZ700D液晶电视电路原理图-6 松下TC-37LZ700D液晶电视电路原理图-7 松下TC-37LZ700D液晶电视电路原理图-8 松下TC-37LZ700D液晶电视电路原理图-9

25 12 框图 12.1. 主框图 P UNIT DG MAIN 9V SUB 5V +15V_S DTV 9V PANEL_12V STB_5V LCD_3.3V/SUB9V KEY L/R SIF DC/DC IC1100 IC4001 IC8 C IC2106 IC2105 TU3200 IC3001 ������ ���� �� ���� �� �� ���� ��� JK3100 JK3001 JK2003 AV1:S/V/L/R AV2:V/L/R AV3:V/L/R Y/PB/PR Y/PB/PR PCin Monitor Out AV4:V/L/R ������ ��� � ����� � ����� � ��� � H G AP ��� TC-32LX700D P5 AP5 H6 DG6 H51 H12 H11 G51 ���� ��� RF IN H3A H4A AP3 AP4 H2 DG2 IC2301 IC2302 IC855 NOR IC8621 IC8622 D-LATCH IC8002 128M DDR GS GS8 JK3900 DG52 KEY TC-32LX700D 25 AC IN 220V �� ���� �� IC4510 IC4500 IC4501 A/D 2K EEP 2K EEP IC4513 IC8001 CPU LCD� ����� ��� �� ��� �� V K P11 P8 ��� TC-32LX700D K8 P5 AP5 P9 P10 24V V1A DG25 DG33 JK4501 JK4500 IC4514 IC8554 NOR DG27 DG1 �� �� IC8003 IC8002 128M DDR 128M DDR IC8601 EEPROM JK3900 SD� IC4503 HDMI ���� IC4200 ���� IC4201 DDR IC4207 LVDS�� IC4209 EEPROM AP6 KEY TC-32LX700D 26 12.2. 电源框图 3 SUB_5V SUB_5V MAIN_9V 21 H3A 2 17 18 +15V_S DTV9V 23 22 17 3 23 18 22 21 2 AP3 VCC DG25 VCC IC4504 8 P65/SBO2 IC1100 66 I MAIN5V IC4510 23 57 CVDD CVDD CVDD CVDD DVDD DVDD DVDD IC2012 VCC 8 P5 VCC IC4500 8 AP P ���� ���� ���� ���� TC-32LX700D PVDD PVDD TVDD TVDD TVDD TVDD 88 AVDD 84 AVDD 67 50 35 15 DVDDIO DVDDIO DVDDIO DVDDIO 104 101 125 141 109 139 127 123 111 2 3 8 1 STB_5V 24V 24V 24V AC CORD 1 2 P11 +15V_S DTV9V 11 17 H4A PANEL_12V LCD_3.3V/FHD9V LCD_3.3V/FHD9V HQ3.3V HQ3.3V STB_5V PANEL_12V 3 12 16 12 11 16 17 3 AP4 VIN IC2303 3 VOUT 1 SOUND12V SUB_3.3V AUD3.3 DVDD1.8 6.3V 5V BT30V PVDD_A PVDD_A PVDD_B PVDD_C PVDD_D PVDD_D IC2301 40 41 35 32 27 26 GVDD_A GVDD_B VDD GVDD_C GVDD_D 44 1 21 22 23 PVDD_A PVDD_A PVDD_B PVDD_C PVDD_D PVDD_D IC2302 GVDD_A GVDD_B VDD GVDD_C GVDD_D 44 1 21 22 23 VDD IC2610 2 VOUT 1 IC2011 4 8 IC2105 5 VCC2 VCC3 VCC4 VCC1 IC3001 6 25 45 69 HVOE VIN IC2008 7 VOUT 1 VDD IC2010 1 VOUT 5 IC2013 3 4 5 VIN VOUT CE Q2636,Q2637 IC2107 7 5 1 16 9 18 5 BB +B VB BTL TU3200 5 13 2 12 6 9 8 14 1 H2 17 DG2 AP5 2 3 8 1 18 21 23 5 13 2 12 6 9 8 14 1 17 18 21 23 PANEL_12V PANEL_12V SUB_5V SUB_5V SUB_5V SUB_3.3V SUB_3.3V MAIN9V STB_5V DTV9V DTV9V 3 2 4 1 Q5690,Q5692 VDD IC4507 1 VOUT 5 VDD IC5671 2 VCCA IC4514 1 VCCA IC4513 1 VDD IC5670 1 VOUT 5 Vin IC4506 7 Vo 1 VCC A_+INPUT IC4515 8 3 MAIN3.3V Q5691,Q5693 VDD VDD VDD IC8004 5 13 15 Vin IC4509 8 Vout 1 Vin IC4508 8 Vout 1 71 142 D4532 R1169 R3134 Q2301 Q4000 Q4001 Q4002 Q4514 Q4515 Q4516 Q4517 DG33 1 1 3 P10 4 1 V- V+ VCCB 8 VCCB 8 IC1100 50 31 74 81 85 94 IVDD IVDD VPPEX RDNA IVDD NTEST IVDD 78 IVDD 108 VCC IC8621 20 VCC IC8622 20 IC1101 8 B_+INPUT 5 IC7301 IC7401 IC7701 IC7501 IC7601 PUSH 3 K8 K STB_5V 3 P8 24V 24V 24V 24V P9 6 7 8 5 VCC IC4501 8 VCC BYTE VIO IC8554 43 53 29 Vdd VCC IC8553 47 37 VCC IC8601 8 MHQ1.2V IC4202 8 1 2 VIN SW PVIN Vin IC4208 4 Vo 5 MHQLV3.3V VDD IC4204 1 VOUT 5 MHQPL3.3V VDD 1 VOUT 5 MHQPLDDR1. VDD IC4205 1 VOUT 5 MHQVD1.2V IC4206 Vcc IC4203 4 OUT 5 MHQDDR2.5V 1 DG27 CVDD-1.8V DVDD-1.8V DVDDIO-3.3V STB3.3V VCC VCC VCC IC4503 11 18 2 VCC VCC VCC 26 35 19 VCC VCC VCC 38 42 37 VCC VCC VCC 47 48 43 43 26 SUB_5V STB_3.3V IC5601 3 23 12 7 V1A 5 12 4 VO2 VCC VO1 RM1001 OUT GND VCC 3 PC1001 H DG V ���� TC-32LX700D AUD3.3V DVDD1.8V 6.3V PVDD_A PVDD_A PVDD_B PVDD_C PVDD_D PVDD_D IC2302 40 41 35 32 27 26 GVDD_A GVDD_B VDD GVDD_C GVDD_D 44 1 21 22 23 VIN IC2008 7 VOUT 1 VDD IC2010 1 VOUT 5 IC2107 7 5 1 IC2106 53 4 59 68 71 12 14 AVDD AVDD AVDD AVDD AVDD AVDD DVDD DVDD 21 31 40 29 51 DVDD DVDD DVDD ODVDD Q4514 Q4515 Q4516 Q4517 SUB1.2V SUB1.8V VDD IC4005 1 VOUT 5 VDD IC4002 1 VOUT 5 IC4001 58 68 AVD4 VDDE VDDE VDDE VDDE VDDE AVD3 AVD2 AVD1 VDDE 36 30 24 20 9 1 76 11 56 5 60 54 42 49 66 74 G LCC IC4004 1 5 Vdd IC5660 2 3.3V 3.3V 1 GS8 GS SD DG1 MHQ1.2V 02 2 SW 208 Vo 5 MHQLV3.3V 04 VOUT 5 MHQPL3.3V MHQVD3.3V VOUT 5 MHQPLDDR1.2V IC4200 D12 VDDI VDDI VDDI VDDI VDDI VDDI VDDI VDDI VDDI VDDI VDDI VDDI D13 D14 D17 D18 F4 G4 H4 J4 K10 K11 K16 IC4200 K17 VDDI VDDI VDDI VDDI VDDI VDDI VDDI VDDI VDDI VDDI VDDI VDDI K23 L10 L11 L16 L17 L23 M16 M17 N16 N17 P10 IC4200 P17 VDDI VDDI VDDI VDDI VDDI VDDI VDDI VDDI VDDI VDDI VDDI VDDI P23 P24 R10 R11 R23 T4 R24 T10 U4 V4 IC4200 VDDI VDDI VDDI VDDI VDDI VDDI VDDI VDDI VDDI VDDI VDDI VDDI VDDI P16 VDDI W3 W4 AC4 AC5 AC10 AC16 AC22 AC23 AD4 AD10 AD16 AD17 AD23 AE10 05 VOUT 5 MHQVD1.2V MHQPL1.2V 06 c 203 OUT 5 MHQDDR2.5V IC4200 P3 MODE3 MODE2 MODE1 R3 T3 IC4200 G1 OUT_AVDE2 OUT_AVSE2 J1 IC4200 L1 OUT_AVD1 SYS_PLLVD P2 DDRPLLVD U3 IC4200 C10 VDDE33 VDDE33 VDDE33 VDDE33 VDDE33 VDDE33 VDDE33 VDDE33 VDDE33 VDDE33 VDDE33 VDDE33 D7 D8 D9 D10 D11 D19 D20 D21 G23 H23 H24 IC4200 J24 K12 K13 K14 K15 L4 L13 L12 L14 L15 M4 IC4200 J23 M10 M11 M12 N4 N10 N11 P4 P11 R16 R17 T17 T23 T24 U23 VDDE33 VDDE33 VDDE33 VDDE33 VDDE33 VDDE33 VDDE33 VDDE33 VDDE33 VDDE33 VDDE33 VDDE33 VDDE33 VDDE33 VDDE33 VDDE33 VDDE33 VDDE33 VDDE33 VDDE33 VDDE33 VDDE33 VDDE33 VDDE33 VDDE33 VDDE33 IC4200 AA3 VDDE25 VDDE25 VDDE25 VDDE25 VDDE25 VDDE25 VDDE25 VDDE25 VDDE25 VDDE25 VDDE25 VDDE25 VDDE25 VDDE25 VDDE25 VDDE25 VDDE25 VDDE25 AA4 AA23 AA24 AD11 AD14 IC4200 AB3 AB24 AC11 AD8 AD19 AD7 IC4200 AD20 AC7 AC20 AC14 AC15 U12 IC4200 U14 U15 U13 VDDE25 VDDE25 VDDE25 IC4201 D7 D8 E4 E11 L4 L8 L7 L11 C4 C3 VDD VDD VDD VDD VDD VDD VDD VDD NC VDDQ IC4201 C5 C7 C8 C10 C11 E3 C12 E12 F4 F11 VDDQ VDDQ VDDQ VDDQ NC VDDQ VDDQ VDDQ VDDQ VDDQ IC4201 G4 G11 J4 J11 K4 H4 K11 H11 VDDQ VDDQ VDDQ VDDQ VDDQ VDDQ NC NC IC8001 K23 VDDIO VDDIO VDDIO VDDIO VDDIO VDDIO VDDIO VDDIO VDDIO VDDIO VDDIO VDDIO VDDIO K26 M21 M23 N24 P25 R21 T25 U24 V22 W26 Y22 Y24 IC8001 AA21 VDDIO AB19 AB22 AB25 AC18 AC23 AD17 AD22 AD25 AE16 AE21 AF20 AF26 VDDIO VDDIO VDDIO VDDIO VDDIO VDDIO VDDIO VDDIO VDDIO VDDIO VDDIO VDDIO IC8001 N10 VDD12 VDD12 VDD12 VDD12 VDD12 VDD12 VDD12 VDD12 VDD12 VDD12 P10 R10 R11 R12 R13 T10 T11 T12 T13 IC8001 U10 U11 U12 U13 AA14 AB14 AC14 AD14 AE14 AF14 IC8001 N17 VDDR R17 T15 U16 AB15 AC15 AD15 AE15 AF15 U14 VDDR VDDR VDDR VDDR VDDR VDDR VDDR VDDR DPAVDD12 VDD12 VDD12 VDD12 VDD12 VDD12 VDD12 VDD12 VDD12 VDD12 VDD12 IC8001 M17 VDDA U15 T17 VDDA VDDA IC8001 AA8 VDD33 VDD33 VDD33 VDD33 VDD33 VDD33 VDD33 VDD33 VDD33 VDD33 VDD33 VDD33 VDD33 VDD33 VDD33 VDD33 AA9 A25 A26 B24 C23 D7 D8 D16 D17 D22 E21 F11 F12 F15 F20 IC8001 G4 H4 J6 K6 N6 P6 R4 T4 U6 AC10 AC11 P16 H21 P3 E22 E23 F21 VDD33 VDD33 VDD33 VDD33 VDD33 VDD33 VDD33 VDD33 VDD33 VDD33 VDD33 DPAVDD MVAVDD AGAVDD LVVDD LVVDD LVVDD VCC IC5600 17 VO 23 SUB3.3V IC8001 K17 LVVPD12 C12 E14 DACVDD1 DACVDD2 MAIN-FS-1.8V 47 VDDI VDDI VDDI VDDI PLLVD VDDI VDDI VDDE VDDE VDD LVCC VCC IC4207 3 45 55 VCC VCC PVCC 71 87 24 VCC IC4209 8 3 VCC VCC VCC 38 42 37 VCC VCC VCC 47 48 43 DG52 1 JK3900 4 27 12.3. 信号框图 (1/3) JK3100 14 21 13 20 17 12 9 H51 5 G51 HP_ROUT HP_LOUT AV4_S AV4_Y AV4_C AV4_V AV4_R AV4_L G 1 3 13 15 11 9 7 10 8 7 19 15 �����1/3� TC-32LX700D AV2C_YSW AV2C_Y AV2C_PB AV2C_PR L AV2 MONITOR OUT AV1 AV3 AV3C_YSW IC3001 ���� LP3 G3 B3 S13 Y5 S23 C5 V5 R3 V2 AV3C_Y AV3C_PB AV3C_PR AV3C_V AV1_C AV1_Y AV1_S AV2C_V VOUT4 AU AU A2N A2N AU AU JK3001 IC2105 AV1_V 17 16 SC SD 79 78 Y C L R G R L V JK3700 ���� PC_R PC_G PC_B PC_V_IN PC_H_IN TU3200 SDA SCL SIF_OUT VIDEO_OUT AFT_OUTT Pr Pb Y LP3 G3 B3 R3 V L R R V Y C R_SW R L V Pr Pb Y C4 Y4 S12 V4 V2 VOUT3 AV2_L AV2_R LOUT2 ROUT2 L6 R6 L7 R7 L8 R8 Q2003 Q2002 Q2031 PC_R PC_G PC_B PC_H_IN PC_V_IN AUDIOOUT_L AUDIOOUT_R AV1_L AV1_R AV3_L AV3_R V L R 19 63 65 67 5 3 2 1 8 33 31 12 13 14 15 16 17 30 AV3_L AV3_R AV2_L AV2_R AV1_L AV1_R 1 2 14 3 13 81 79 77 78 B4 H2N2 R4 G4 V2N2 14 73 58 60 75 71 PC_LIN PC_RIN L12 R12 41 42 JK2003 L R L5 R5 10 11 PC_V PC_H MAIN_RGB_CVBS_OUT SDA0B_5V SCL0B_5V MAIN_RF_CVBS DVB_CVBS VIDEO_STATUS SUB_PR_OUT SUB_PB_OUT MAIN_PR_OUT VOUT HOUT VOUT7 V1 OUT2(Pr) OUT2(PB) OUT1(Pr) 41 42 44 20 FLAG 85 34 35 38 MAIN_PB_OUT OUT1(PB) 39 MAIN_Y_OUT OUT1(CY) 40 SUB_Y_OUT OUT2(CY) 36 V7 SDA 91 SCL 84 LOUT1 ROUT1 32 33 AV4_L AV4_R AV_L AV_R TV_L TV_R SCL0B_5V SDA0B_5V SCL SDA 35 36 L3 R3 6 7 83 97 98 96 95 99 74 75 72 73 AUDIOOUT_L AUDIOOUT_R AUDIOOUT_L AUDIOOUT_R IC2011 6 2 7 1 PC_LIN PC_RIN 11 Q2033,Q2034 SQ_L+ I 7 1 AUDIO_MUTE MU 15 Q2102 SOUND_SOS Q2101 Q2641 Q2640 TC-32LX700D 27 5 3 H6 7 10 14 16 19 21 23 26 33 32 HDMI_LRCK HDMI_SDIN HDMI_BCLK DTV_LRCK DTV_SDIN DTV_BCLK AUDIO_XRST DTV2_SDIN 58 60 62 64 66 68 70 �����1/3� TC-32LX700D TO DG6 AFC1 AUXOUTL1 AUXOUTR1 A2NL1 A2NR1 AUXOUTL2 AUXOUTR2 IC2106 H 17 16 SCL SDA 79 78 OUT_C BST_A BST_D IC2301 31 OUT_B OUT_C BST_A BST_D OUT_B 36 43 24 PWM_C PWM_A PWM_D 16 PWM_B PWM_C PWM_A PWM_D SD PWM_B 8 6 RESET_AB RESET_CD 7 RESET_AB 18 ����� RF SIGNAL AUDIO MAIN SIGNAL VIDEO MAIN SIGNAL SD 5 74 79 41 74 75 72 73 11 6 2 OUT2 OUT1 INT1 INT2 LRCLK2 BCLK2 SD2N2 LRCLK0 BCLK0 22 23 SD2N0 SD2N1 26 24 27 18 19 DTV_LRCK DTV_BCLK HDMI_SDIN DTV2_SDIN DTV_SDIN HDMI_LRCK HDMI_BCLK PC_V PC_H MAIN_RGB_CVBS_OUT DVB_CVBS VIDEO_STATUS SUB_PR_OUT SUB_PB_OUT MAIN_PR_OUT MAIN_PB_OUT MAIN_Y_OUT SUB_Y_OUT AUDIO_MUTE PWM1A PWM1B PWM2A PWM2B PWM3A PWM3B PWM4A PWM4B 44 45 46 47 48 49 42 43 WO_R- SQ_L+ SQ_L- SQ_R+ SQ_R- WO_L+ WO_L- WO_R+ WO_R- WO_R+ 4 3 H12 2 SQ_R- SQ_R+ Woo_R- Woo_R+ SQ_L- SQ_L+ Woo_L- Woo_L+ 1 5 4 H11 2 1 ��� � ���� ���� ��� � IC2302 16 8 6 18 5 SQ_R+ SQ_R- SQ_L+ SQ_L- WO_L+ WO_L- SOUND_SOS 31 36 43 24 HPOUTL1 HPOUTR1 57 58 HDMI_INT2 7 IC2012 3 5 MUTE 2 7 1 HDMI_INT2 AMUTE Q2040 17 RESET_CD 17 AUDIO_MUTE Q2301 AUDIO_MUTE MUTEB 15 Q2102 SOUND_SOS Q2101 33 34 35 39 SOUND_SOS TV_SUB_ON_DELAY AUDIO_MUTE SP_MUTE Q2635,Q2636 STB_5V SIF_IN1 8 TC-32LX700D 28 12.4. 信号框图 (2/3) UIN VIN DG IC4001 ���� IC4500 YIN 33 27 39 HPDT SDA +5V SCL CEC CLK- CLK+ D0- D0+ D1+ D2- D2+ D1- HPDT SDA SCL CLK- CLK+ D0- D0+ D1+ D2- D2+ D1- 19 16 15 12 10 9 7 6 4 3 1 19 16 15 12 10 9 7 6 4 3 1 13 JK4501 JK4500 IC4510 A/D�� SDA 5 SCL 6 IC4501 SDA 5 SCL 6 VI1P19 VI1P18 VI1P17 VI1P16 VI1P15 VI1P14 VI1P13 VI1P12 VI1P29 VI1P28 VI1P9 VI1P8 VI1P27 VI1P7 VI1P6 P19 P18 P17 P16 P15 P14 P13 P12 P29 P28 P9 P8 P27 P7 P6 DDCA_SCL DDCA_SDA DDCB_SDA SDA DDCB_SCL VBOUT3 VBOUT2 VBOUT1 VBOUT0 VBOUT4 VBOUT5 VBOUT6 VBOUT7 YGOUT0 YGOUT1 YGOUT2 NRST 3 AG_VP0 AG_HP0 AG_YG7 AG_YG6 AG_YG5 AG_YG4 AG_YG3 AG_VI2CLK 4 6 7 80 79 78 77 73 72 71 18 VP0 61 HP0 62 YGOUT7 YGOUT6 YGOUT5 YGOUT4 YGOUT3 63 64 65 69 70 CLKO 8 SCL 15 SDA AD_SCL1 AD_SDA1 14 IC8001 K2 L5 K1 L3 L2 M6 L1 M3 IC8001 VI2P13 VI2P12 VI2P15 VI2P14 VI2P17 VI2P16 VI2P19 VI2P18 J4 H2 H1 K5 J3 K4 J2 AG_UB0 AG_UB1 AG_UB2 AG_UB3 AG_UB4 AG_UB5 AG_UB6 AG_UB7 AG_YG0 AG_YG1 AG_YG2 AG_YG3 AG_YG4 AG_YG5 AG_YG6 AG_YG7 H3 18 WC 7 WC 7 13 CEC ������/3� TC-32LX700D FRCLKIN 12 +5V 18 5 3 DG6 7 10 14 16 19 21 23 26 32 58 60 62 64 66 68 70 74 79 41 33 34 35 VI2P23 VI2P22 VI2P25 VI2P24 VI2P27 VI2P26 VI2P29 VI2P28 VI2HSYNC F1 AG_HP0 VI2VSYNC H5 AG_VP0 VI2CLK G2 AG_VI2CLK AG_UB3 AG_UB2 AG_UB1 AG_UB0 AG_UB4 AG_UB5 AG_UB6 AG_UB7 AG_YG0 AG_YG1 AG_YG2 AG_HQ1_RST IC4513 SDAB 6 SCLB 7 SDAA 3 SCLA 2 IC4514 SDAB 6 SCLB 7 SDAA 3 SCLA 2 112 RXA_CN RXA_CP RXA_ON RXA_OP RXA_1N RXA_1P RXA_2N RXA_2P 113 115 116 118 119 121 122 24 25 26 27 28 29 30 31 32 33 38 39 40 41 42 105 106 144 1 LLC DCLKIN VS/FIECD HS DE 51 48 18 17 16 58 55 53 52 47 46 45 44 43 HS_IN VS_IN 63 62 VI1P2 VI1P3 VI1P22 VI1P23 VI1P24 VI1P25 VI1P26 VI1P4 VI1P5 VI1P2 VI1P3 VI1P22 VI1P23 VI1P24 VI1P25 VI1P26 VI1P4 VI1P5 PC_HS PC_VS VI1CLK VCLKOA VI1VSYNC VI1HSYNC VI1ENB VI1CLK VCLKOA VI1VSYNC VI1HSYNC VI1ENB P2 P3 P22 P23 P24 P25 P26 P4 P5 VI1P19 VI1P18 VI1P17 VI1P16 VI1P15 XTAL1 65 SPIDF I2S0 LRCLK SCLK INT1 INT2 RESET 2 3 7 8 19 20 21 HDMI_LRCK HDMI_SDIN HDMI_BCLK DTV_LRCK DTV_SDIN DTV_BCLK AUDIO_XRST DTV2_SDIN PC_V PC_H RGB_CVBS DVB_CVBS VIDEO_STATUS SUB_PR SUB_PB/C MAIN_PR/R MAIN_PB/C/B MAIN_Y/CVBSG SUB_Y/CVBS HDMI_INT2 AFC1 AG_TV_SUB_ON_DELAY AUDIO_MUTE SP_MUTE PC_V PC_H RGB_CVBS MAIN_PR/R MAIN_PB/C/B MAIN_Y/CVBSG HDMI_LRCK HDMI_SDIN HDMI_BCLK HDMI_INT2 HDMI_LRCK HDMI_SDIN HDMI_SPDIF XIRQ3 HDMI_INT2 HDMI_BCLK IC4004 4 2 AG_RF_AFT1 AG_AUDIO_XRST AG_AUDIO_MUTE AG_VIDEO_STATUS AG_A_MON_MUTE AG_TV_SUB_ON_DELAY IC8001 D12 A13 F14 D15 B13 MVDACO3 DMIXO LKCKO DAVDIO SRCKO AG-HDMI-CEC AC4 AD1 N5 N3 XECS5 XECS3 SCL1 SDA1 AD-SCL1 AD-SDA1 11 12 SCL IC8001 AG_7493_XRST FS_FRCLKIN AIN6 AIN4 AIN9 AIN8 99 94 80 78 MAIN_PB/C MAIN_Y/CVBS MAIN_PR RGB_CVBS IC4503 ���� ACKN ACKP ADT0N ADT0P ADT1N ADT1P ADT2N ADT2P BCKN BCKP 27 28 30 31 33 34 39 40 45 46 3 4 24 23 21 20 17 16 14 13 6 7 9 10 BDT0N BDT0P BDT1N BDT1P BDT2N BDT2P YCKN YCKP YDT0N YDT0P YDT1N YDT1P YDT2N YDT2P 36 SEL 25 CE XIRQ3 AD-SCL3 AD-SDA3 AD-SCL3 AD-SDA3 I I Q4516 Q4514 Q4515 Q4000 Q4001 Q4002 28 IC8001 C9 A8 D2 D1 E3 �����2/3� TC-32LX700D IC8001 B10 C10 A9 B9 B8 C8 A7 B7 C7 IC8001 A3 C4 B4 A4 C5 B5 A5 C6 B6 A6 IC1100 P16 P35 P30 126 PC0 118 P87 127 PC1 111 P80 AG_RF_AFT1 AG_AUDIO_XRST AG_AUDIO_MUTE AG_VIDEO_STATUS AG_SOUND_SOS AG_A_MON_MUTE AG_TV_SUB_ON_DELAY 32 58 79 41 33 34 35 39 VI1P2 VI1P3 VI1P22 VI1P23 VI1P24 VI1P25 VI1P26 VI1P4 VI1P5 VI1P2 VI1P3 VI1P22 VI1P23 VI1P24 VI1P25 VI1P26 VI1P4 VI1P5 VI1P2 VI1P3 VI1P22 VI1P23 VI1P24 VI1P25 VI1P26 VI1P4 VI1P5 PC_HS PC_VS VI1CLK VCLKOA VI1VSYNC VI1HSYNC VI1ENB VI1CLK VCLKOA VI1VSYNC VI1HSYNC VI1ENB VI1CLK VI1CKOUT VI1VSYNC VI1HSYNC VI1ENB IC8001 C1 C2 B1 A2 B3 VI1P19 VI1P18 VI1P17 VI1P16 VI1P15 VI1P19 VI1P18 VI1P17 VI1P16 VI1P15 VI1P14 VI1P13 VI1P12 VI1P29 VI1P28 VI1P9 VI1P8 VI1P27 VI1P7 VI1P6 VI1P14 VI1P13 VI1P12 VI1P29 VI1P28 VI1P9 VI1P8 VI1P27 VI1P7 VI1P6 68 58 71 P91 P11 P13 P31 69 53 55 DTV_BCLK AUDIO_XRST VIDEO_STATUS SOUND_SOS AFC1 AG_TV_SUB_ON_DELAY AUDIO_MUTE SP_MUTE AG_RF_AFT1 AG_AUDIO_XRST AG_AUDIO_MUTE AG_VIDEO_STATUS AG_SOUND_SOS AG_A_MON_MUTE AG_TV_SUB_ON_DELAY 1 65 70 R1 XIRQ3 P76/CEC0 P32 39 40 93 SDA0 SCL0 MAIN_PB/C AIN_Y/CVBS MAIN_PR RGB_CVBS 6 7 P01 P02 RST VDD NRST XIRQ3 AD-SCL3 AD-SDA3 C15 U4 VOP0 VOP10 VOP21 VOP20 B16 A16 C25 C26 D24 D25 D26 E25 E26 F24 F25 OSDI15 OSDI14 OSDI13 OSDI12 OSDI11 OSDI9 OSDI8 OSDI7 OSDI6 OSDI5 OSDI4 OSDI3 OSDI2 OSDI1 OSDHPI OSDYSI F26 G24 G25 G26 H25 K25 K26 A15 E11 E10 F10 E9 F9 E8 F8 E7 D6 C16 LCSID LCSCK VI1CVBS3 VI1CVBS2 VI1CVBS1 VI1CVBS0 VI1CK204F VI1CK208F VI2P0 VI2P1 VI2P3 VOP1 E16 B15 D20 U4 VOP12 VOP10 VOP21 VOP20 VOP12 VOP10 VOP21 VOP20 VOP12 VOP10 VOP21 VOP20 SDA0 SCL0 C18 B22 B22 B17 C17 A18 B18 C18 A19 B19 C19 GIN0 BIN7 BIN6 BIN5 BIN4 BIN3 BIN2 BIN1 BIN0 VPI HPI CLKI SDA SCL C16 A17 A16 U26 U25 F19 B21 A21 C20 E9 F9 E8 M2 M1 A22 C21 IC8001 B18 U4 VI2P2 VOP29 VOP28 VOP27 VOP26 VOP25 VOP24 VOP23 VOP22 F7 E18 IC4200 J26 C22 A23 B23 C23 A24 B24 C24 B25 OSDCLKI RIN7 RIN6 RIN5 RIN4 RIN3 RIB2 RIN1 RIN0 GIN7 GIN6 GIN5 GIN4 GIN3 GIN2 GIN1 A20 B20 C20 A21 B21 C21 A22 C17 B17 A17 E17 B20 E19 A20 C19 F18 B19 A19 F17 A18 VOP19 VOP18 VOP17 VOP16 VOP15 VOP14 VOP13 OEMUTE U24 P00 5 M26 OSDVPO OSDHPO OSDCLKO L25 L26 E4 F4 D3 VI2P9 VI2P7 VI2P8 DDR 128M IC8002 IC8003 DDR 128M NOR IC8554 EEPROM IC8601 IC5671 1 2 STB5V STB3.3V 106 29 12.5. 信号框图 (3/3) DG �����3/3) TC-32LX700D IC4200 B2 U4 ROUT9 ROUT8 ROUT7 ROUT6 ROUT5 ROUT4 ROUT3 ROUT2 GOUT9 GOUT8 GOUT7 GOUT6 GOUT5 GOUT4 B3 A3 C1 D3 D2 B6 A6 C5 B5 A5 C4 GOUT3 GOUT2 B4 A4 C3 C2 IC4207 LVDS�� 58 57 54 53 52 51 68 67 66 65 60 59 64 64 62 61 R17 R16 R15 R14 R13 R12 R11 R10 G17 G16 G15 G14 G13 G12 B17 B16 B15 B14 B13 B12 B11 B10 HSYNC VSYNC DE CLKIN G11 G10 76 75 74 73 70 69 7 8 9 10 78 77 B9 A9 C8 B8 A8 C7 B7 C6 A10 C9 B10 A11 BOUT9 BOUT8 BOUT7 BOUT6 BOUT5 BOUT4 BOUT3 BOUT2 VPO HPO ENO CLKO T T T T T T TCL TCL T T T T T T TCL TCL T T T T /PD DDR IC4201 SUB_5V AI_SENSOR STB_3.3V REMOTE R_LED_ON G_LED_ON 5 1 2 V1A 7 8 4 RM1001 VOUT GND VCC 3 PC1001 D1001 4 Q1004 Q1006 Q1002 V Q1007 4 2 3 DG1 12 9 1 SUB_5V STB_3.3V TC-32LX700D 29 �����3/3� TC-32LX700D DG5 7 � 47 46 49 48 44 38 37 36 35 33 32 30 29 24 23 40 39 22 21 20 19 17 16 14 13 P5 8 4 P10 1 LCD� P K8 3 4 4 K DG27 3 2 5 DG33 6 7 4 5 10 11 8 9 TA1- TA1+ TB1- TB1+ TC1- TC1+ TCLK1- TCLK1+ TD1- TD1+ TA2- TA2+ TB2- TB2+ TCLK2- TCLK2+ TD2- TD2+ TC2- TC2+ 43 42 41 40 39 37 36 35 34 32 31 30 29 28 27 RSV OPEN RXB3+ RXB3- GND RXB2+ RXB2- RXB2+ RXB2- RXB1- RXB0+ RSV OPEN RX3A+ RX3A- GND RXA2+ RXA2- RXA1- RXA1+ CLKA+ CLKA- 4 IC4200 PWMA PWMB C14 B15 IC1100 IC1101 PB3 P47 P27 P23 P50/RMIN/IRQ0 P82/ADIN2 P73/SCL1 P72/SAD1 13 123 113 64 63 5 6 2 NBOOT 92 IC8001 XECS5 XECS3 AC4 AD1 SBT2 SBT0 AD6 AB8 SCL1 SDA1 N5 N3 CURRENT INV_PWM_A INV_ON INV_SOS LITE2_SCL3 LITE2_SDA3 LITE2_SCL1 LITE2_SDA1 LITE2_SCL2 LITE2_SDA2 GenX4_SCL GenX4_SDA SRQ 11 9 10 8 GS8 3 5 SDCMD SDDAT3 SDDAT1 SDDAT2 SDDAT0 SDCLK 8 9 12 W.P. D.SW 10 7 JK3900 5 2 1 GS SD 7 12 SDCLK SDCMD SDDAT3 SDDAT1 SDDAT2 SDDTC SDWP SDDAT0 11 9 10 8 DG52 3 5 7 12 IC8001 SDDAT3 AA13 SDCMD AD12 SDCLK AF13 SDDAT0 AB12 SDDAT1 AE13 SDDAT2 AB13 SDCD AD13 SDWP AE12 PB5 15 45 49 89 O/E 17 /PDWN 19 P8 3 STB_5V RELAY_5V PUSH P11 AC IN TC-32LX700D 30 13 线路图 13.1. 连接图 AP ��� TC-32LX700D AP3 H3A 1 2 3 4 5 6 7 8 9 10 11 12 13 14 15 16 17 18 19 20 20 DTV9V GND 1 2 3 4 5 6 7 8 9 10 11 12 13 14 15 16 17 18 19 +15_S +15_S +15_S S_GND 24V_DET N.C. GND FAN_MAX GND GND GND DTV9V FAN_SOS 21 22 23 23 SUB5V MAIN9V 21 22 SUB5V N.C. GND GND N.C. S_GND DTV9V GND N.C. +15_S +15_S S_GND 24V_DET N.C. DGND FAN_MAX GND GND GND DTV9V FAN_SOS SUB5V MAIN9V SUB5V N.C. GND GND N.C. S_GND AP4 H4A 1 2 3 4 5 6 7 8 9 10 11 12 13 14 15 16 17 18 19 20 20 N.C. GND 1 2 3 4 5 6 7 8 9 10 11 12 13 14 15 16 17 18 19 TV_SOS GND STB_5V GND TV_MAIN_ON GND KEYSCAN PANELVCC_ON PANEL_12V PANEL_12V LCD3.3V LCD3.3V GND 21 22 23 23 GND N.C. 21 22 N.C. TV_SUB_ON GND N.C. N.C. N.C. N.C. GND TV_SOS GND STB_5V GND TV_MAIN_ON GND KEYSCAN PANELVCC_ON PANEL_12V PANEL_12V LCD3.3V LCD3.3V GND GND N.C. N.C. TV_SUB_ON GND N.C. N.C. N.C. G51 H51 1 2 3 4 5 6 7 8 9 10 11 12 13 14 15 16 17 18 19 20 20 1 2 3 4 5 6 7 8 9 10 11 12 13 14 15 16 17 18 19 GND GND KEY N.C. N.C. GND GND HP_R GND AV4_Y AV4_S N.C. GND AV4_C AV4_V AV4_R AV4_L HP_GND HP_L HP_GND GND GND KEY N.C. N.C. GND GND HP_R GND AV4_Y AV4_S N.C. GND AV4_C AV4_V AV4_R AV4_L HP_GND HP_L HP_GND G SUB3.3V GND LCD3.3V LCD3.3V GND GND N.C. DTV9V SUB5V GND SUB5V GND GND SUB3.3V GND MAIN9V STB5V. GND DTV9V GND SUB5V GND N.C. GND GND SUB_PR GND SUB_PB/C GND GND GND RGB_CVBS GND N.C. GND GND MAIN_PR/R MAIN_PB/C/B MAIN_Y/CVBS/G GND GND PC_V PC_H GND GND SUB_Y.CVBS GND GND N.C. GND N.C. GND AFC1 SOS AUDIO_MUTE AUDIO_XRST SP_MUTE GENX_RST GND SDA0B_3.3V SCL0B_3.3V DVB_CVBS GND GND SOUND_SOS GND TV_SUB_ON_DEL GND AFC2 P5 AP5 4 5 3 2 1 1 4 5 3 2 STB_5V GND SUB_ON ALL OFF 24V 24V GND GND 24V STB_5V GND SUB_ON ALL OFF 24V 24V GND GND 24V 9 8 7 6 6 9 8 7 P8 K8 1 2 3 4 4 1 2 3 ALL OFF RELAY_5V 5VS STB_5V ALL OFF RELAY_5V 5VS STB_5V P K AC IN 220V P10 P9 H P11 30 DG LCD� SD� ��� TC-32LX700D DG25 DG33 DG27 H12 1 2 3 4 4 1 2 3 SQ_R- W_R- SQ_R+ W_R+ SQ_L- W_L- SQ_L+ W_L+ SQ_L- W_L- SQ_L+ W_L+ SQ_R- W_R- SQ_R+ W_R+ G51 1 2 3 4 4 1 2 3 H2 DG2 1 2 3 4 5 6 7 8 9 10 11 12 13 14 15 16 17 18 19 20 20 SUB3.3V GND 1 2 3 4 5 6 7 8 9 10 11 12 13 14 15 16 17 18 19 LCD3.3V LCD3.3V GND GND N.C. DTV9V SUB5V GND SUB5V GND GND SUB3.3V GND 21 22 23 23 MAIN9V STB5V. 21 22 GND DTV9V GND SUB5V GND N.C. SUB3.3V GND LCD3.3V LCD3.3V GND GND N.C. DTV9V SUB5V GND SUB5V GND GND SUB3.3V GND MAIN9V STB5V. GND DTV9V GND SUB5V GND N.C. H6 DG6 4 GND GND 23 22 21 20 19 18 17 16 15 14 13 12 11 10 9 8 7 6 5 SUB_PR GND SUB_PB/C GND GND GND RGB_CVBS GND N.C. GND GND MAIN_PR/R MAIN_PB/C/B 1 MAIN_Y/CVBS/G GND 3 2 GND PC_V PC_H GND GND SUB_Y.CVBS 27 GND GND 46 45 44 43 42 41 40 39 38 37 36 35 34 33 32 31 30 29 28 N.C. GND N.C. GND AFC1 SOS AUDIO_MUTE AUDIO_XRST SP_MUTE GENX_RST GND SDA0B_3.3V SCL0B_3.3V 24 DVB_CVBS GND 26 25 4 23 22 21 20 19 18 17 16 15 14 13 12 11 10 9 8 7 6 5 1 3 2 27 46 45 44 43 42 41 40 39 38 37 36 35 34 33 32 31 30 29 28 24 26 25 GND SOUND_SOS GND TV_SUB_ON_DELAY GND AFC2 GND GND SUB_PR GND SUB_PB/C GND GND GND RGB_CVBS GND N.C. GND GND MAIN_PR/R MAIN_PB/C/B MAIN_Y/CVBS/G GND GND PC_V PC_H GND GND SUB_Y.CVBS GND GND N.C. GND N.C. GND AFC1 SOS AUDIO_MUTE AUDIO_XRST SP_MUTE GENX_RST GND SDA0B_3.3V SCL0B_3.3V DVB_CVBS GND GND SOUND_SOS GND TV_SUB_ON_DELAY GND AFC2 DG6 H6 79 ALL_OFF VIDEO_STATUS 60 61 62 63 64 65 66 67 68 69 70 71 72 73 74 75 76 77 78 DTV_SDIN GND DTV_LRCK GND GND HDMI_SDIN GND HDMI_INT2 GND HDMI_LRCK GND ECO_ON GND GND 80 GND GND SPDIF_IN HDMI_BCLK DTV2_SDIN 47 48 49 50 51 52 53 54 55 56 57 58 59 79 60 61 62 63 64 65 66 67 68 69 70 71 72 73 74 75 76 77 78 80 47 48 49 50 51 52 53 54 55 56 57 58 59 GND TUNER_MAIN_ON TUNER_SUB_ON GND FAN_SOS PANEL_STBY_ON DTV_BCLK GND KEY AC_GOOD GND GND FAN_CONT ALL_OFF VIDEO_STATUS DTV_SDIN GND DTV_LRCK GND GND HDMI_SDIN GND HDMI_INT2 GND HDMI_LRCK GND ECO_ON GND GND GND GND SPDIF_IN HDMI_BCLK DTV2_SDIN GND TUNER_MAIN_ON TUNER_SUB_ON GND FAN_SOS PANEL_STBY_ON DTV_BCLK GND KEY AC_GOOD GND GND FAN_CONT DG1 V1A 4 5 3 2 1 1 4 5 3 2 AI_SENSOR N.C. N.C. SUB5V TIME_REC_LED C_LED_ON REMOTE STB3.3V R_LED_ON 9 8 7 6 6 9 8 7 V GS AI_SENSOR N.C. N.C. SUB5V TIME_REC_LED C_LED_ON REMOTE STB3.3V R_LED_ON DG52 GS8 1 2 3 4 5 6 7 8 9 10 11 12 1 2 3 4 5 6 7 8 9 10 11 12 3.3V GND SDCLK GND GND SDDAT1 SDWP SDDAT3 SDDAT0 SDDAT2 SDDTC SDCMD 3.3V GND SDCLK GND GND SDDAT1 SDWP SDDAT3 SDDAT0 SDDAT2 SDDTC SDCMD H ��� JK3900 1 2 3 4 5 6 7 8 9 10 11 12 SDDAT3 SDCMD GND 3.3V GND SDDAT2 W.P. N.C. SDDAT1 D.SW SDDAT0 SDCLK 31 13.2. 线路图注意事项 TC-32LX700D 31 TC-32LX700D 32 13.3. P 板线路图 1 2 3 4 5 A B C D E F ! P� TNPA4116AB ����������� ����� + - + + 0.0V ZA801 K9ZZ00000424 D813 MA2J11100L D815 MAZ83600ML JS808 R814 100k ZA805 K9ZZ00000424 TP803 C807 330p CF801 D4CAY8R0A010 R813 4.7 D802 B0EBKT000007 * * * * TP801 D812 B0HCMM000014 C801 0.22u C813 50V 4.7u JS811 0 JS809 D811 D804 ERZV10V621T2 C803 0.22u * * 1W R802 10M D0XB106J0003 Q801 2SB0709ASL D814 MAZ82400ML C815 0.1u 50V C809 0.22u D820 B0ZAZ0000045 ** * * JS807 MAZ805 C806 330p C0DABYY00008 IC801 1 O.C.P 2 VCC 3 GND 4 FB/O.L.P 5 Startup 7 D 8 D C814 0.01u 100V C818 2200p 1kV 12.0X4.5 C811 450V 2.2u F2A2W2R2A002 R816 100 D818 R801 1M 1/2W C802 0.22u LF802 G0B103H00002 LF801 G0B103H00002 D824 2W R812 10 D816 MAZ83600ML TP812 P11 K1KA02A00613 1 2 1 3 TP802 JS810 H JS812 0 C816 47p 2kV D803 ERZV10V621T2 ZA802 K9ZZ00000424 R815 100k R81 4.7 C819 1u E * * TP804 K5D502BNA005 F801 D819 B0BA42500001 H 1 V- 2 V- 3 NC 1 2 3 4 1 2 4 & 32 5 6 7 8 9 ����������� ����� + - + REF K A D813 MA2J11100L ZA804 K9ZZ00000424 C821 10V 220u D815 MAZ83600ML R814 100k R819 1k R818 1k C822 0.1u 50V T801 ETS15AB136AH 2 NC 3 V1 6 P1 8 P2 14 NC 15 NC 4 V2 1 NC 9 S1 12 S2 13 NC 270 R821 1W R825 33 C D812 B0HCMM000014 C813 50V 4.7u P8 K1KA04AA0192 1 2 3 4 D823 MA2J11100L TP821 TP811 RL801 K6B1AGA00043 * * D811 B0HCMM000014 R824 3.3k Q801 2SB0709ASL D814 MAZ82400ML R817 1k CNC1S171R PC801 TP823 RL802 K6B2ADA00007 * * * * D801 B0FBAT000008 ** * * * C0DAAMA00003 IC802 D817 MAZ80560ML D821 C817 50V 680p P5 K1KA09AA0190 Male type 1 2 3 4 5 6 7 8 9 C C814 0.01u 100V R827 2.2k R822 6.8k 1% TP824 R816 100 C ZA803 K9ZZ00000424 D816 3600ML Q802 2SD0601ASL TP812 R823 6.8k 1% C823 0.1u 50V R820 1k P10 K1KA02A00626 1 3 270 R828 1W R826 1k TP822 JS821 0 H TP825 P9 K1KA08AA0192 1 2 3 4 5 6 7 8 R815 100k R811 4.7 C819 1u ECQE2W105L28 * * D822 MA2J11100L COLD INV Side HOT HEAT SINK TUCJ5346 1 V- 2 V- 3 NC 4 V+ PED 24V RELAY_5V 5VS STB_5V GND GND SUB_ON Hi ON/Lo OFF 24V GND 24V GND 24V 24V 24V 24V GND GND GND 1 2 3 4 1 2 3 4 1 2 ALL OFF (SW DET) STB_5V To K-PCB To D-INV ALL OFF (SW DET) 9/12 B0FBAT000006 * * 33 13.4. K 板和 V 板线路图 R_LED_ON C1 R1017 10k Q1004 2SB0709ASL R1019 10k Q1006 2SD0601ASL C1 D1001 B3CKE0000007 R1020 10k Q1002 2SB0709ASL R1008 47k C1 R1010 47k R1003 1k R1015 10k Q1007 2SD0601ASL R1022 1.5k R1002 47k 1 2 3 4 5 A B C D E F ����������� ����� ����� PUSH *K8 K1KA04AA0193 B4B-PH-K-S(LF)(SN) 1 2 3 4 TP7004 TP7000 SW7000 MAIN POWER K0F162B00002 TP7001 SW_GND TP7002 TP7003 RELAY ALL_OFF 5VS STB_5V TO AP ! K� TNPA4128AB TC-32LX700D 33 + + TIMER_REC_LED R_LED_ON G_LED_ON REMOTE REMOTE SUB5V SUB5V AI_SENSOR STB3.3V TP1005 C1 *JS1005 TP1007 C1 C1 *V1A S9B-PH-K-S(LF)(SN) K1KA09BA0061 1 2 3 4 5 6 7 8 9 R1046 22k TP1003 C1006 6.3V 47u C1 C1 C1 1% R1034 51k Q1010 2SD0601ASL R1049 47k RM1001 PNA4701M05TV 1 VOUT 2 GND 3 VCC C1 R1048 220k TP1001 C1008 16V 0.1u TP1002 R1028 47 C1 C1 C1010 6.3V 22u TP1008 PC1001 B3JB00000026 1 2 3 4 TP1004 1% R1033 24k C1007 0.01u 50V C1 AI RM MEC:TYPRM2501FTJ < 5 6 7 8 9 ����������� ����� ����� ! V� TNPA4127AE TC-32LX700D 34 13.5. AP 板 (1/2) 线路图 1 2 3 A B C D E F ! AP� TNPA4117AB(1/2 ) ������������� ����������� 4 5 + + + 0V *C7604 50V 6800p R7703 560k 0V 0V 0V 0V 24V_4 0V 0V PANEL STB_5V_1 0V 0V 24V *JS7601 5 *R7603 1.69k C7501 50V 0.01u 1% *R7602 1k L7302 68u C *D7602 B0HCMM000014 R7229 10k R7206 4.7k R7506 36k R7312 47k Q7202 2SB0709ASL C *C7601 50V 0.01u D7703 B0HCMM000014 Q7204 2SD0601ASL *C7605 50V 0.01u IC7301 BD9280-V3 1 SS 2 RT 3 FB 4 INV 5 SW 6 GND D7401 B0JCPG000005 C7512 0.01u 50V C7703 16V 680u C7705 50V 0.01u C7312 0.01u 50V *D7601 B0JCPG000005 C R7204 47k L7402 100u JS7301 C7313 0.1u 50V 1% R7505 91k 1% R7704 1k TP7701 R7205 10k R7203 47k R7236 22k R7231 47k C7406 1000p 50V C7101 50V 0.1u R7410 47k D7101 MAZ82700ML Q7203 2SB0709ASL C75 0.1u 50V R7510 47k C0DAAZG00014 IC7701 PQ1CG41H2RZH 1 Vin 2 Vout 3 COM 4 Oadj 5 ON/OFF C7204 10V 1u AP5 B9B-EH-F1(LF)(SN) K1KA09AA0190 1 2 3 4 5 6 7 8 9 R7305 36k D7303 B0HCMM000014 D7206 MA3X152D0L L7502 47u C7702 50V 220u F2A1H221A253 C0DAAZG00014 *IC7601 PQ1CG41H2RZH 1 Vin 2 Vout 3 COM 4 Oadj 5 ON/OFF JS7401 R7228 47k C7502 50V 220u F2A1H221A253 1% R7705 8.66k C 0.1u 50V C7211 50V 0.1u C7506 2200p 50V D7403 B0HCMM000014 Q7402 2SD0601A0L R7201 1k C C7303 50V 0.01u C7210 50V 0.1u Q7212 2SD0601ASL R7235 47k R7230 47k D7301 B0JCPG000005 C7301 50V 0.01u F2A1 JS7501 C7409 0.1u 50V R7232 10k JS7701 5 R7210 1k R7237 22k 1% R7304 160k D7501 B0JCPG000005 C C7202 10V 1u IC7501 BD9281-V3 1 SS 2 RT 3 FB 4 INV 5 SW 6 GND D7503 B0HCMM000014 Q7502 2SD0601A0L Q7302 2SD0601A0L R7208 4.7k C7510 0.1u 50V C7310 0.1u 50V C7401 50V 0.01u C7410 0.1u 50V *TP7601 C7402 50V 220u F2A1H221A253 D7205 MAZ81800ML Q7210 2SD0601ASL R7202 10k C7701 50V 0.01u C7309 0.1u 50V TP7101 R7405 82k *C7608 0.1u 50V D7702 B0JCPG000005 C7102 50V 0.1u TP7102 C7412 4700p 50V ZA7001 K9ZZ00000424 C L7702 100u *C7603 16V 1000u F2A1C102A530 *L7602 100u D7102 MA2J11100L Q7201 2SD0601ASL Q7211 2SD0601ASL 0. C7203 10V 1u R7207 4.7k TP7103 R7209 4.7k IC74 BD9281-V3 1 SS 2 RT 3 FB 4 INV 5 SW 6 GND *C7602 50V 220u F2A1H221A253 C7201 10V 1u C7306 2200p 50V C7706 0.1u 50V C7509 0.1u 50V C C7302 50V 220u F2A1H221A253 1% R7404 56k < 24V_DET To P-PCB 24V OVP 24V SUB_5V(ROHM) SOUND(ROHM) DTV_9V(ROHM) GND GND 24V GND SUB_ON Hi ON/Lo OFF 24V ALL OFF (SW DET) 24V STB_5V ALL_OFF_DET 34 7 8 9 ����������� ������������� 5 6 + + + PANEL_12V_1 10 *C7604 50V 6800p 5V 0V 9V 0V 0V 0V 24V_4 0V VIN_9VVIN_9V SUB_9V LCD_3.3V PANEL_12V_1 STB_5V_1 D7505 MAZ81100ML *R7607 1k *R7603 1.69k C7403 50V 0.01u R7707 1/2W 1% *R7602 1k L7302 68u L7304 EXCELDR25V *L7603 EXCELDR25V Q7701 2SD0601ASL 2 4 *D7605 MA2J11100L C7408 0.1u 50V R7309 10k C7508 0.1u 50V *C7607 0.1u 50V 1% R7301 910 R7506 36k *TP7602 TP7302 C C7305 50V 0.01u R7408 47k Q7703 2SD0601ASL C7405 50V 0.022u *C7605 50V 0.01u R7313 10k C0DAAZH00025 IC7301 BD9280-V3 2 RT 3 FB 4 INV 5 SW 6 GND 7 VIN 8 PVIN 9 EN 10 SUB-GND JS7702 SOUND D7401 B0JCPG000005 R7712 47k R7311 0 2.0 x 1.25 2 C7512 0.01u 50V 3 Q7301 2SD0601A0L C7705 50V 0.01u C7312 0.01u 50V 005 R7407 100 R7310 0 2.0 x 1.25 2 R7557 4.7k L7402 100u C7313 0.1u 50V 1% R7505 91k 1% R7704 1k 1% R7502 8.2k R7555 10k C C7406 1000p 50V 410 7k C7513 0.1u 50V R7702 22k 7510 47k R7552 2.2k TP7702 R7511 10k *R7606 10k G00014 01 41H2RZH COM 4 Oadj 5 ON/OFF D7405 MAZ80750ML R7305 36k D7303 B0HCMM000014 *D7604 MAZ80560LL R7711 4.7k L7502 47u *C7606 0.1u 50V PQ1CG41H2RZH 2 Vout 3 COM 4 Oadj 5 ON/OFF R7701 47k C7308 0.1u 50V R7709 12k 1% R7705 8.66k R7551 22k C7413 0.1u 50V R7553 47k D7306 MAZ82000ML C C7506 2200p 50V D7403 B0HCMM000014 R7714 22k 1% R7501 1k C7551 50V 10u D7705 MA2J11100L C7311 50V 0.01u 1% R7401 1.5k R7503 47k Q7553 2SC584500L L7403 EXCELDR25V 1% R7302 13k C7303 50V 0.01u C7411 50V 0.01u D7305 MA2J11100L D7301 B0JCPG000005 R7507 1k R7559 4.7k TP7502 L7504 EXCELDR25V R7713 4.7k C7304 16V 1000u F2A1C102A530 C7507 0.1u 50V Q7551 B1DHDD000033 1% R7304 160k R7307 100 Q7552 2SC584500L D7501 B0JCPG000005 C7505 50V 0.022u C C0DAAZH00026 IC7501 BD9281-V3 SS 2 RT 3 FB 4 INV 5 SW 6 GND 7 VIN 8 PVIN 9 EN 10 SUB-GND *R7605 47k D7406 MA2J11100L D7503 B0HCMM000014 L R7706 1k C7504 16V 1000u C7510 0.1u 50V R7411 10k C7410 0.1u 50V R7406 1k R7508 100 R7405 82k C C7552 50V 0.01u R7306 1k R7554 47k *Q7601 2SD0601ASL C7412 4700p 50V C7511 50V 0.01u Q7501 2SD0601A0L R7509 10k 2 *C7603 16V 1000u F2A1C102A530 C7407 0.1u 50V R7303 47k Q7702 2SD0601ASL *L7602 100u R7710 22k R7409 10k D7506 MA2J11100L TP7402 C7503 50V 0.01u D7704 MAZ81800ML R7556 10k R7403 47k C0DAAZH00026 IC7401 BD9281-V3 1 SS 2 RT 3 FB 4 INV 5 SW 6 GND 7 VIN 8 PVIN 9 EN 10 SUB-GND C7306 2200p 50V C7706 0.1u 50V C7307 0.1u 50V R7504 47k 1% R7402 6.2k Q7401 2SD0601A0L L7551 10u R7308 47k C7404 16V 1000u F2A1C102A530 1% R7404 56k < < SUB_9V PANEL_Vcc OVP PANEL_Vcc(12V) OVP HQ3.3V HQ_3.3V/SUB_9V(FHD) ON:>2.6V OFF:L SOUND_VCC OVP ON:>2.6V OFF:L SUB5V OVP 47k 10k MAIN_9V 1 2 3 4 5 6 7 8 9 10 11 12 13 14 35 13.6. AP 板 (2/2) 线路图 9 10 11 A B C D E F 12 13 1 2 3 4 5 6 7 8 9 10 11 12 13 14 ������������� ����������� + FAN_SOS 0V 0V 0V 0V 0V 0V 0V SUB_5V_1 SOUND_VCC MAIN_ON PANEL_VCC_ON SUB_ACT D7212 MA2J11100L R7217 1.2k 3.2 x 2.5 R7219 47k D7202 MAZ81500ML C Q7209 2SD0601ASL R7226 47k L7201 68u C R7240 0 R7241 0 R7246 0 R7222 1.5k R7218 220 C7205 6.3V 2.2u F1J0J2250003 C R7215 2.2k R7243 0 Q7205 2SD0601ASL C7207 0.22u 16V D7204 MA2J11100L * R7244 22k C7209 0.01u 50V Q7208 2SD0601ASL C Q7206 2SB0709ASL R7227 4.7k R7212 10k D7208 MA2J11100L C D7210 MA2J11100L R7213 47k C R7211 0 D7209 MA2J11100L R7239 0 C R7223 22k D7211 MA2J11100L R7216 3.3k R7245 12k R7238 10k C7206 16V 100u R7214 1.5k 3.2 x 2.5 R7225 4.7k R7224 22k C R7221 1.5k R7233 0 D7207 MA2J11100L R7242 10k SUB_9V DTV9V SOS SHORT SOS SUB_5V SUB_9V DC-DC ON/OFF CONTROL MAIN_9V SOUND_16V HQ3.3V TC-32LX700D 35 15 16 17 AP� TNPA4117AB(2/2 ) 13 14 ����������� ������������� + C7901 50V 0.01u 0V 0V SUB_5V 0V 0V +15V_S 0V TV_SUB_ON STB_5V 0V D7212 MA2J11100L R7234 1k C7905 50V 0.1u *R7251 1k *R7247 10k 209 601ASL C7906 50V 0.1u C *C7907 50V 0.1u 246 *R7250 10k C7903 50V 0.1u ZA7002 K9ZZ00000424 C7908 16V 100u SOUND *R7248 47k *Q7214 2SD0601ASL JS7901 0 5 4 *Q7213 2SD0601ASL 9 C7904 50V 0.1u R7227 4.7k CD L7903 10u AP4 K1KA23A00003 1 2 3 4 5 6 7 8 9 10 11 12 13 14 15 16 17 18 19 20 21 22 23 C C *R7249 47k L7905 10u C D7209 MA2J11100L AP3 K1KA23A00003 1 2 3 4 5 6 7 8 9 10 11 12 13 14 15 16 17 18 19 20 21 22 23 R7239 0 *R7253 0 245 2k 8 *JS7903 L7904 10u C R7901 0 AP6 1 2 C7910 16V 100u C7902 50V 0.1u 2 ZA7003 K9ZZ00000424 < < GND GND NC A3 PANEL_12V TV_SOS LCD_3.3V/SUB9V(FHD) TV_MAIN_ON KEY SUB_5V KEYSCAN GND TV_SUB_ON +15V_S (SOUND_VCC) GND SUB_5V DTV9V S_GND S_GND 24V_DET GND NC DGND GND GND DGND GND GND GND PANELVCC_ON DTV9V FAN_MAX FAN_SOS GND STB_5V PANEL_12V GND GND HQ_3.3V NC +15V_S (SOUND_VCC) NC NC MAIN_9V NC NC LCD_3.3V/SUB9V(FHD) NC NC NC TC-32LX700D 36 13.7. H 板 (1/5) 线路图 1 2 3 A B C D E F ������������ ����������� 4 5 ! � TNPA4292DA(1/5 ) ! H� TNPA4292DA(1/5 ) ! � TNPA4292DA(1/5 ) COMPONENT COMPONENT AV1 AV1S AV2 AV3 AV2 AV3 PR PB Y PR V L C R R L Y R L V R V V L MONITOR OUT PB Y A_AV1_R AV1_V AV1_S A_AV2_RSW AV3C_YSW A_AV3_RSW AV3C_PR A_AV1_R AV2_V AV1_C AV1_Y A_AV1_L A_AV3_L A_AV2_R A_LOUT A_AV2_L A_AV2_L A_AV1_RSW AV2C_YSW AV3C_Y A_VOUT AV2C_PB A_AV3_L A_AV2_RSW A_AV1_RSW A_AV1_V A_AV1_L AV3C_PB A_AV2_R AV3_V A_AV3_R AV2C_PR A_ROUT A_AV3_R A_AV3_RSW A_LOUT AV2C_Y A_ROUT MONITOROUT_MUTE AV3_L AV3_R VOUT AV2_L AV2_R AV1_L AV1_R AUDIOOUT_L AUDIOOUT_R VOUT_FEED_B C C C3120 50V 0.1u JS3012 0 R2032 22k 1% R3005 75 Q2002 2SC584500L L2016 J0JCC0000100 SUB9V_PRCT D3100 MAZ81400ML 1% R3001 75 R3145 100k JS2033 CL019 JS3014 0 ERJ6GEY0R00V JS2031 C 1% R3007 75 R3130 220 C L3013 J0JCC0000100 R2031 22k C JS3011 0 1% R3004 75 D3036 MAZ81400ML L3003 J0JCC0000100 C2010 50V 560p 1% R3012 75 1% R3002 75 D3006 MAZ81400ML R3188 0 ERJ3GEY0R00V *C3119 10u 16V C C2013 50V 560p C R3020 4.7k C L2011 J0JCC0000100 D3047 MAZ81400ML C D3046 MAZ81400ML C L3010 J0JCC0000100 R3131 220 D3038 MAZ81400ML D3049 MAZ81400ML C L2015 J0JCC0000100 JS3015 0 ERJ6GEY0R00V L2008 J0JCC0000100 C JK3100 K1U936A00002 Y-SW Y G PB PR V L R-SW R G Y-SW Y G PB PR V L R-SW R G C Y G Y-G C-G G V L R-SW R G V L R G JS3010 0 ERJ6GEY0R00V C C3060 16V 1u C R2047 330 1% R3008 75 D3035 MAZ81400ML R3021 4.7k L2004 J0JCC0000100 R2054 100k C R2034 22k JS3013 0 ERJ6GEY0R00V C2011 50V 560p R2030 22k C2016 50V 560p R3022 4.7k C R2050 2.2k D3003 MAZ81400ML R2048 2.2k C C C3070 6.3V 220u 1% *R3143 75 C Q2003 2SC584500L D3040 MAZ81400ML C C C D3005 MAZ81400ML 1% R3006 75 JS2032 R2049 330 D3039 MAZ81400ML C2006 50V 560p C L2003 J0JCC0000100 L2007 J0JCC0000100 C2005 50V 560p D3037 MAZ81400ML 1% R3003 75 CL020 L2012 J0JCC0000100 D3045 MAZ81400ML C C C L3001 J0JCC0000100 C R2033 22k 1% R3010 75 C R2053 100k C2014 50V 560p L3002 J0JCC0000100 1% R3009 75 R2029 22k C D3048 MAZ81400ML C2017 50V 560p SUB9V_VIDEO VIDEO/3 AV3 36 7 8 9 ����������� ������������ 5 6 + 0 *R3306 4.7k *R3307 4.7k 0 AV_L AV3_R SDA0B_5V SCL0B_5V AV4_L AV2_R AV1_R AV3_L AV1_L AV2_L AV4_R AV_R PC_RIN PC_LIN TV_L TV_R PC_B DAC_PD PC_H_IN PC_V_IN PC_G PC_R PC_LIN PC_RIN AV1_V AV1_S AV3C_YSW AV3C_PR AV2_V AV1_C AV1_Y AV2C_YSW AV3C_Y AV2C_PB AV3C_PB AV3_V AV2C_PR AV2C_Y MONITOROUT_MUTE VOUT VOUT_FEED_B *D3334 MA2J11100L C *R3308 0 FL2002 J0HABB000004 1 2 3 4 C C2164 16V 1u C R2196 100k *D3337 MA2J11100L R2195 100k C *JK3001 K1FB315A0006 1 2 3 4 5 6 7 8 9 10 11 12 13 14 15 C2161 16V 100u R2170 220 *R3309 0 C2021 560p 50V FL2001 J0HABB000004 1 2 3 4 C2160 16V 1u C *FL3001 J0HABB000003 1 2 3 4 R2167 220 R2132 47k *R2162 220 L2001 J0JCC0000364 *R2160 220 C2147 16V 22u AN15862A-VT IC2105 1 L1 2 R1 3 L2 4 R2 5 VCC 6 L3 7 R3 8 L4 9 R4 10 L5 11 R5 12 L6 13 R6 14 L7 15 R7 16 L8 17 R8 18 L9 19 R9 20 L10 21 R10 22 O1 23 LOUT5 24 ROUT5 25 LOUT4 26 ROUT4 27 LOUT3 28 ROUT3 29 GND 30 LOUT2 31 ROUT2 32 LOUT1 33 ROUT1 34 ADR 35 SCL 36 SDA 37 O2 38 BIAS 39 L11 40 R11 41 L12 42 R12 43 L13 44 R13 R2164 220 C2167 16V 1u C2166 16V 1u *D3336 MA2J11100L 1% *R3318 75 C C2165 16V 1u C2159 16V 1u R2152 22 *FL3003 J0HABB000004 1 2 3 4 R2052 180k C2135 16V 1u C C C2136 16V 1u SUB9V_PRCT *C2157 16V 1u *C3102 10V 1u C *C2155 16V 1u C C R2174 220 C C2022 560p 50V D2119 B0BC01100001 C C DTV9V R2051 180k 2.0 x 1.25 C C C2154 50V 0.1u C2163 16V 1u *C3100 10V 1u C L2002 *FL3005 J0HABB000004 1 2 3 4 R2137 220 *D3335 MA2J11100L R2171 220 R2138 220 *C3101 10V 1u 1% *R3310 75 R2154 22 C2162 16V 1u C R2173 220 R2172 220 1% *R3313 75 *FL3004 J0HABB000004 1 2 3 4 C *D3338 MA2J11100L JK2003 K2HA204A0041 L L-G R R-G C C C *FL3002 J0HABB000003 1 2 3 4 R2175 220 R2235 47k DTV9V *D3102 MA2J11100L VIDEO/2 AVSW/2 B G Audio SW 1 2 3 37 13.8. H 板 (2/5) 线路图 9 10 11 A B C D E F ������������ ����������� 12 13 + + + C C 50V MAIN_RGB_CVBS_ AV2C_Y AV2C_PB AV2C_PR MAIN_RF_CVBS MAIN_RF_GND PC_H PC_V SUB_PB_OUT AV4_VGND AV4_YGND AV3C_PB PC_G GUARD_G PC_R GUARD_R PC_B GUARD_B AV4_V AV4_Y AV4_S AV4_C AV4_CGND SUB_Y_OUT GUARD_R GUARD_B GUARD_G P_AVSW9V P_AVSW9V2 MAIN_RGB_CVBS_OUT MAIN_Y_OUT MAIN_PB_OUT MAIN_PR_OUT SUB_PR_OUT VIDEO_STATUS SDA0B_5V AV1_Y AV2_V AV3_V AV3C_Y AV3C_PR SUB_RF_GND AV1_V AV1_S AV1_C AV3C_YSW AV2C_YSW MAIN_TNR_SW1 MAIN_TNR_SW2 MAIN_Y_OUT MAIN_PB_OUT MAIN_PR_OUT SUB_Y_OUT SUB_PB_OUT SUB_PR_OUT SCL0B_5V PC_H_IN PC_V_IN VOUT_FEED_B VOUT R3099 68 C3021 10V 1u C R3059 220 R3090 22 C C3117 50V 0.1u *C3027 10V 1u C3103 16V 10u C *R3175 68 *R3176 68 R3110 0 C3033 10V 1u *R3073 220 C C3024 10V 1u C *D3042 MAZ81400ML *D3043 MAZ81400ML R3074 220 R3044 0 R3089 330 C C C3078 6.3V 22u F1K0J226A008 C *C3031 50V 0.1u C C *D3041 MAZ81400ML R3098 68 R3133 22 R3191 22 *R3068 75 1% *R3348 68 C C3043 10V 1u *C3029 16V 1u R3101 68 R3096 68 C3023 10V 1u *R3302 100 C C C *R3072 220 R3222 0 *R3305 100 C3052 10V 1u C C3116 50V 0.1u R3065 220 C *R3063 220 R3186 0 C AN15876A-VT IC3001 1 V4 2 S12 3 Y4 4 S22 5 C4 6 VCC2 7 LP5 8 V3 9 O3 10 Y3 11 GND2 12 C3 13 LP4 14 V2 15 S11 16 Y2 17 S21 18 C2 19 LP3 20 V1 21 O2 22 Y1 23 O1 24 C1 25 VCC3 26 VOUT6 27 DCOUT 28 VOUT5FB 29 VOUT5 30 VOUT4FB 31 VOUT4 32 VOUT3FB 33 VOUT3 34 OUT2(Pr) 35 OUT2(Pb) 36 OUT2(CY) 37 GND3 38 OUT1(Pr) 39 OUT1(Pb) 40 OUT1(CY) 41 VOUT 42 HOUT 43 HVOE 44 VOUT7 45 VCC4 46 FBLOUT 47 FBL3 48 FBL2 49 FBL1 50 FBLOE 51 G1 52 VIN1 53 B1 54 HIN1 55 R1 56 GND4 57 G2 58 VIN2 59 B2 60 HIN2 61 R2 62 NC 63 G3 64 TEST 65 B3 66 NC 67 R3 68 NC 69 VCC1 70 NC 71 G4 72 LP1 73 B4 74 L31 75 R4 76 NC 77 G5 78 LP2 79 B5 80 L32 81 R5 82 GND1 83 SDA 84 SCL 85 FLAG 86 BIAS 87 V9 88 NC 89 V8 90 NC 91 V7 92 O4 93 V6 94 LP7 95 V5 96 S13 97 Y5 98 S23 99 C5 100 LP6 R3069 220 *R3349 68 R3045 0 *R3062 220 *R3174 68 C C R3100 68 C3115 50V 0.1u D3044 B0BC01100001 C3055 10V 1u C C C3056 10V 1u R3087 220 R3097 68 C R3168 220 C R3134 270k R3064 220 C3053 10V 1u C C 1% *R3233 75 C C C C3026 50V 0.1u C3054 10V 1u R3111 22 C JS3024 1% *R3234 75 C3118 16V 47u C3075 16V 220u JS3023 *C3028 10V 1u R3109 R3103 0 0 C3040 50V 0.1u MAIN9V C C3051 10V 1u R3102 0 C R3104 0 C VIDEO/1 AVSW/1 GND? Video SW 1 2 3 JS3032 DTV9V SUB9V_VIDEO TC-32LX700D 37 15 16 17 ����������� ������������ 13 14 + R3160 1k L3201 G0B101Y00001 RGB_CVBS MAIN_RGB_CVBS_OUT 30V 0.0V SIF1 AFC1 SDA0B_5V SCL0B_5V MAIN_RF_CVBS MAIN_RF_GND MAIN_Y/CBVS/G MAIN_Y_OUT MAIN_PB/C/B MAIN_PB_OUT MAIN_PR/R MAIN_PR_OUT SUB_Y SUB_Y_OUT SUB_PB_OUT SUB_PB SUB_PR SUB_PR_OUT MAIN_TNR_SW1 MAIN_TNR_SW2 C *R3135 100 100 R3205 0 ERJ3GEY0R00V R3121 47 C3277 50V 33p C L3225 J0JCC0000241 C3278 50V 33p Q3200 2SA207700L JS3208 ERJ3GEY0R00V C3271 10u 16V L3226 J0JCC0000241 CL3207 C R3123 47 C *TU3200 ENGF9701GF BB 5 NC 6 SW1 7 SW2 8 +B 9 AUDIO_OUT 10 SIF_OUT 11 NC 12 SCL 13 SDA 14 RF_AGC 15 VB 16 NC 17 BTL 18 NC 19 AFT_OUT 20 VIDEO_OUT 21 C R3247 220 C *R3216 0 ERJ3GEY0R00V R3246 22 C3281 16V 0.1u CL3211 *R3119 100 C R3249 1.5k *C3081 6.3V 100u R3244 22 C3280 50V 100p R3240 560 1% C SUB5V 1% R3137 100 R3140 47 L3211 J0JGC0000021 CL3205 C3270 6.3V 1000u R3243 270 L3206 J0JCC0000241 C L3207 J0JCC0000241 L3209 J0JGC0000021 C3276 16V 0.1u C3272 50V 0.1u C C3275 16V 0.1u C C3279 16V 0.1u C C C BT30V R3239 220 C3273 10u 50V *R3120 *C3282 1000u 6.3V R3202 0 ERJ3GEY0R00V JS3206 0 R3266 1.5k *C3317 1500u 6.3V VIDEO/1 2Vpp to M2 2Vpp to GC3FS 2Vpp to GC3FS 2Vpp to GC3FS 1.12dB to ADV 1.12dB to ADV 1.12dB to ADV 4 5 6 7 8 9 ! H� TNPA4292DA(2/5 ) TC-32LX700D 38 13.9. H 板 (3/5) 线路图 17 18 19 A B C D E F ������������ ����������� 20 2 ! H� TNPA4292DA(3/5 ) + + + + + + + + SUB3.3V DTV_LRCK SUB5V DTV_BCLK AV_R HDMI_SDIN HDMI_BCLK HDMI_LRCK DTV2_SDIN SOUND_SOS AUDIO_MUTE AV_L DTV_SDIN SIF3.3V SDA0B SCL0B C2057 0.1u C2058 0.1u 50V C2054 10u 10V C2107 47u 6.3V C2137 47u 6.3V C2114 0.1u 50V C2246 10u C2096 50V 0.1u C0DBFFD00003 IC2107 MM1561JFBE(R59-7312) 1 2 3 4 5 6 7 C2101 10u 10V 100 R2111 H0J245500082 X2010 20k 1% R2150 Q2101 2SC584500L R2092 470 L2027 J0JHC0000045 R2093 3.3k R2210 10k L2026 G1C6R8MA0061 R2088 100 C2056 12p 50V C2102 0.1u 50V R2089 560 1M R2112 CSIF L2021 J0JHC0000078 C2131 50V 0.1u C1AB00002746 IC2106 1 FILTA 2 VREF 3 AGND 4 AVDD 5 SIF_REEP 6 SIF_REFCM 7 SIF_REFN 8 SIF_IN1 9 SIF_PGA_REF 10 SIF_IN2 11 AGND 12 AVDD 13 DGND 14 DVDD 15 MUTEB 16 SDA 17 SCL 18 LRCLK2 19 BCLK2 20 DGND 21 DVDD 22 SDIN0 23 SDIN1 24 SDIN2 25 SDIN3 26 LRCLK0 27 BCLK0 28 ODGND 29 ODVDD 30 VDRIVE 31 DVDD 32 DGND 33 MCLKI/XIN 34 XOUT 35 BCLK1 36 LRCLK1 37 SDO0 38 SPDIF_OUT 39 SPDIF_IN 40 DVDD 41 DGND 42 PWM1A 43 PWM1B 44 PWM2A 45 PWM2B 46 PWM3A 47 PWM3B 48 PWM4A 49 PWM4B 50 RESETB 51 DVDD 52 DGND 53 AVDD 54 PLL_LF 55 AGND 56 AGND 57 HPOUTL1 58 HPOUTR1 59 AVDD 60 NC 61 NC 62 NC 63 NC 64 NC 65 NC 66 VOUT_SW 67 FILTD 68 AVDD 69 AGND 70 AGND 71 AVDD 72 AUXOUTL1 73 AUXOUTR1 74 AUXOUTL2 75 AUXOUTR2 76 AINL2 77 AINR2 78 AINL1 79 AINR1 80 ISET C2113 47u 6.3V C2110 0.1u 50V C2116 470p 50V *R2178 1k C2117 0.1u 50V C C2191 10u 10V 1% R2198 158k C2055 12p 50V R2096 10k C2097 50V 0.1u R2209 10k C2053 0.1u 50V SUB3.3V CSIF L2039 J0JHC0000045 C2109 0.1u 50V *R2179 10k C2118 1u 10V C2265 100p 50V C2124 0.1u 50V C2091 50V 10p C2126 10u 10V C2130 6.3V 10u AUD3.3V C2267 100p 50V 10k R2276 20k 1% R2146 50V 22p C2264 10u 10V C2121 56p 50V C2 C2059 47u 6.3V 0 R2257 C 1M *R2059 C2188 470p 50V C_AUD C2023 0.1u 50V DVDD1.8V 300 R2058 22 R2056 R2094 2.2k C2106 0.1u 50V SUB5V DVDD1.8V 1% R2197 68k 1% *R2113 120k DVDD3.3V 2k 1% R2104 C2138 0.1u 50V SUB5V 20k 1% R2145 C2108 47u 6.3V C2266 100p 50V C2111 2.2u 6.3V 22 R2057 C2268 100p 50V C2112 47u 6.3V 1% *R2114 75k C2115 0.1u 50V C2048 0.1u 50V C2245 1000p C2049 SUB3.3V C2186 0.1u 50V C C2050 0.1u 50V R2086 470 C Q2016 Q2017 2SC584500L 2SC584500L *R2180 100 C2151 47u 6.3V JS2096 C2189 1u 10V C C2120 56p 50V C2100 0.1u 50V 20k 1% R2151 C0CBCBC00190 IC2010 MM3143DNRE(R59-1828) 1 VDD 2 GND 3 CE 5 VOUT 4 NC C2052 0.1u 50V C2105 0.1u 50V C0CBCBE00001 IC2008 MM1563DFBE(R59-7327) 1 VOUT 2 NC 3 GND 4 CN 5 CONT 6 SUB 7 VIN R2097 3.3k C2263 10u 10V CSIF Q2102 2SC584500L 2.2u 6.3V C2192 47u 6.3V 20k 1% R2100 10k R2110 C2190 10u 10V C2125 1u 10V C DTV_BCLK >> ADAV4xyz MUTE from D-AMP << DTV_LRCLK >> HDMI_BCLK >> DTV_SDIN >> MUTE(ES2-) SIF1 in HDMI_SDIN >> 1.8V (500mA) HDMI_LRCLK >> SLV: 34h DTV2_SDIN >> 4 5 6 7 8 9 38 23 24 25 ����������� ������������ 21 22 + + + + D2035 MAZ81400ML WO_R+ SQ_L+ SQ_R+ WO_L- WO_L+ SQ_R- SQ_L- WO_R- TV_R AUDIOOUT_R AUDIOOUT_L NET0012570 TV_L HP_ROUT HP_LOUT GUARD_SL GUARD_SR 5V PWM_SQ_L+ PWM_SQ_L- WO_R+ WO_R- PWM_W_L+ PWM_W_L- SQ_L+ SQ_L- PWM_SQ_R+ SQ_R+ PWM_W_R+ SQ_R- WO_L+ PWM_W_R- WO_L- PWM_SQ_R- GUARD_SL GUARD_SR AUDIO_XRST C C2057 0.1u 50V R2297 0 C2058 0.1u 50V C2246 10u 10V C2170 50V 33p *R2184 100 *R2099 10k C C_AUD R2085 560 R2265 4.7k 0 *R2116 *C2203 1u 10V C L2040 J0JHC0000045 C H0J245500082 X2010 Q2015 2SA207700L C2216 0.1u 50V *C2099 6.3V 220u C2134 50V 0.01u C2056 12p 50V C R2263 0 *R2185 100 R2291 0 *C2184 50V 1000p C2272 4.7u 16V 33 MCLKI/XIN 34 XOUT 35 BCLK1 36 LRCLK1 37 SDO0 38 UT 39 IN 40 DVDD 41 DGND 42 PWM1A 43 PWM1B 44 PWM2A 45 PWM2B 46 PWM3A 47 PWM3B 48 PWM4A 49 PWM4B 50 RESETB 51 DVDD 52 DGND 53 AVDD 54 PLL_LF 55 AGND 56 AGND 57 HPOUTL1 58 HPOUTR1 59 AVDD 60 NC 61 NC 62 NC 63 NC 64 NC 65 NC 66 VOUT_SW 67 FILTD 68 AVDD *C2271 470p 50V R2223 0 C2171 0.01u 50V 1% R2169 22k *L2034 J0JCC0000364 1% R2181 22k *C2179 16V 47u *R2187 0 MAIN9V C2055 12p 50V *C2175 16V 47u C C *L2035 J0JCC0000364 *C2195 50V 1000p SUB3.3V *C2270 470p 50V 1% R2183 36k DVDD3.3V C 1% R2168 16k *C2180 1u 10V 1% R2166 16k 2.2k R2125 C2289 10u 10V C2173 4.7u 16V *R2237 15k C2185 10u 10V L2029 R2295 0 *R2179 10k *R2271 22 EXB28V220JX C2280 4.7u 10V C R2084 4.7k Q2021 2SA207700L C2126 10u 10V C 10k R2276 R2294 0 C2183 10u 10V *C2204 1u 16V *R2193 100k C2088 4.7u 10V C2244 0.1u 50V C2059 47u 6.3V *R2236 15k C C2146 50V 180p R2266 560 DVDD1.8V 300 R2058 C C C *R2186 82k 2k 1% R2104 C2153 50V 33p C2143 50V 180p C2089 560p 50V *IC2012 C1BB00000947 1 OUT1 2 MUTE 3 IN1 4 GND 5 IN2 6 BIAS 7 OUT2 8 VCC IC2011 C0ABBB000230 NJM4565M(TE1) 1 2 3 4 5 6 7 8 C2048 0.1u 50V C0DBGYY00281 *IC2013 1 NC 2 VSS 3 CE 5 VOUT 4 VIN DTV9V C2245 1000p 50V C2049 0.1u 50V C2251 10u 10V DTV9V 2186 .1u V *R2270 22 EXB28V220JX R2165 10k 1% R2182 36k *C2133 50V 4.7u *C2197 25V 0.033u C2281 560p 50V R2290 0 C2189 1u 10V R2149 10k C2213 1000p 50V C C R2296 0 C *C2174 1u 10V *R2098 10k *C2176 50V 0.01u 0 *R2117 *R2238 47k C C *R2192 100k C C2288 10u 10V C2192 47u 6.3V *C2098 6.3V 220u *C2202 2.2u 6.3V *C2198 25V 0.033u C2125 1u 10V C R2300 0 R2189 10k D2189 MA2J11100L to D-AMP. >> - R L + - + >> Monitor R to HeadPhone out L, R >> 1.8V (500mA) >> Monitor L HP AMP Rin Lin 10 11 12 13 14 15 16 SPDIF_IN DAC_PD 10k R2233 SUB5V *L2022 D0GBR00Z0002 39 13.10.H 板 (4/5) 线路图 + + AMUTE C2351 C2350 PWM_SQ_R+ PWM_SQ_R- PWM_W_L- PWM_W_L+ AMUTE 15V_SOUND 15V_SOUND SOUND_SOS MONITOROUT_MUTE AUDIO_MUTE AMUTE HDMI_INT2 SP_MUTE 12V_SOUND 12V_SOUND 24V_DET PWM_SQ_L+ PWM_SQ_L- PWM_W_R+ PWM_W_R- *C2316 16V 0.1u C TP2303 SOUND12V *C2324 0.033u 25V C DTV9V TP2310 *C2306 25V 1u Q2039 2SC584500L C R2144 10k C R2319 10 CP CP C2301 16V 0.1u R2308 3.3 C *C2360 50V 0.1u CP CP C R2205 20k D2034 MA2J11100L *C2386 50V 1000p CP C2317 0.033u 25V *C2358 50V 0.1u C C C C C2357 50V 0.1u C *C2332 50V 0.47u C2353 50V 0.1u R2194 1k *R2307 68k CP *C2320 0.033u 25V *C2322 0.033u 25V C2313 50V 0.1u R2331 2.2k R2301 2.2k D2302 MA2J11100L R2323 10 *C2340 50V 0.022u CP CP *H1 K1KA05AA0 B5B-EH-F1(LF)( 1 2 3 4 5 *C2336 50V 0.1u *TP2304 L2308 J0JJC0000011 *C2346 50V 0.022u R2122 10k CP R2156 68 C2331 50V 0.47u TP2307 *L2305 G1C100MA0291 CP Q2031 2SA207700L D2033 MA2J11100L C2309 25V 1u *C2318 0.033u 25V *C2308 25V 1u SOUND15V C2119 10V 220u *L2301 G1C100MA0291 *C2382 50V 0.022u C2377 50V 0.022u R2128 1k *R2318 10 R2305 470 C C *TP2309 C CP C2383 50V 1000p *L2303 G1C100MA0291 C Q2033 2SA207700L *C2363 16V 0.1u C2379 50V 0.022u *R2314 3.3 *C2348 50V 0.022u R2311 3.3 C0DBGYY00202 IC2303 VIN 3 2 VSS VOUT 1 D2032 MA2J11100L C D2026 MA2J11100L TP2302 *TP2306 CP *C2338 50V 0.022u C TP2301 C2341 50V 0.1u CP C Q2040 2SC584500L C2337 50V 0.022u *L2309 J0JJC0000011 *R2322 10 C L2302 G1C100MA0291 *C2330 16V 0.1u C R2127 10k MAIN9V C2352 16V 1u CP C L2300 G1C100MA0291 C TP2305 C R2315 3.3 SOUND15V *JS2301 *C2378 50V 0.022u C2343 50V 0.1u R2325 10 R2119 10k R2313 3.3 *C2390 50V 1000p C2385 50V 1000p CP C2305 25V 1u C1AB00002730 *IC2301 1 GVDD_B 44 GVDD_A 2 OTW 3 NC 4 NC 5 SD 6 PWM_A 7 RESET_AB 8 PWM_B 9 OC_ACJ 10 GND 11 AGND 12 VREG 13 M3 14 M2 15 M1 16 PWM_C 17 RESET_CD 18 PWM_D 19 NC 20 NC 21 VDD 22 GVDD_C 23 GVDD_D 24 BST_D 25 NC 26 PVDD_D 27 PVDD_D 28 OUT_D 29 GND_D 30 GND_C 31 OUT_C 32 PVDD_C 33 BST_C 34 BST_B 35 PVDD_B 36 OUT_B 37 GND_B 38 GND_A 39 OUT_A 40 PVDD_A 41 PVDD_A 42 NC 43 BST_A C2319 0.033u 25V D2304 MA2J11100L C2361 25V 470u *C2326 50V 0.47u R2208 10k *C2356 50V 0.1u C2307 25V 1u C *R2217 47k C *C2384 50V 1000p *R2324 10 C *C2329 16V 0.1u *R2309 3.3 *R2123 47k C2302 16V 0.1u CP C2339 50V 0.022u CP R2306 68k C *C2362 25V 470u *C2314 50V 0.1u *C2380 50V 0.022u C CP *C2311 16V 0.1u C2355 50V 0.1u CP CP *C2327 16V 0.1u R2131 10k D2301 MA2J11100L R2118 1M CP D2303 MAZ30560HL C C2345 50V 0.022u L2310 J0JJC0000011 C2359 50V 0.1u C1AB00002730 *IC2302 1 GVDD_B 44 GVDD_A 2 OTW 3 NC 4 NC 5 SD 6 PWM_A 7 RESET_AB 8 PWM_B 9 OC_ACJ 10 GND 11 AGND 12 VREG 13 M3 14 M2 15 M1 16 PWM_C 17 RESET_CD 18 PWM_D 19 NC 20 NC 21 VDD 22 GVDD_C 23 GVDD_D 24 BST_D 25 NC 26 PVDD_D 27 PVDD_D 28 OUT_D 29 GND_D 30 GND_C 31 OUT_C 32 PVDD_C 33 BST_C 34 BST_B 35 PVDD_B 36 OUT_B 37 GND_B 38 GND_A 39 OUT_A 40 PVDD_A 41 PVDD_A 42 NC 43 BST_A *C2388 50V 1000p C2303 25V 1u *C2344 50V 0.1u *R2326 10 C2335 50V 0.1u C2389 50V 1000p *TP2308 H1 K1K B4B-EH- 1 2 3 4 R2317 10 *C2376 50V 0.022u R2206 10k CP *R2312 3.3 R2204 33k *C2364 16V 0.1u C2325 50V 0.47u C2347 50V 0.022u *C2342 50V 0.1u STB+5V C2375 50V 0.022u *C2354 50V 0.1u D2031 MA2J11100L C R2321 10 C2323 0.033u 25V *C2304 25V 1u MAIN9V C2381 50V 0.022u C *C2328 16V 0.1u C R2330 1k Q2034 2SC584500L D2028 MA2J11100L L2306 G1C100MA0291 *R2316 3.3 R2124 10k C Q2041 2SC584500L CP *JS2300 CP *C2334 50V 0.1u C C2333 50V 0.1u C C2387 50V 1000p C2349 50V 0.1u *L2307 G1C100MA0291 C *C2312 16V 0.1u C2321 0.033u 25V CP *R2320 10 C CP L2304 G1C100MA0291 Q2035 2SC584500L D2029 MA2J11100L *C2310 25V 1u R2216 10k *C2315 16V 0.1u R2129 10k R2302 2.2k Q2301 2SA207700L C R3354 ERJ6GEYJ180V C3309 50V 330p CP C3310 50V 330p CP R3355 ERJ6GEYJ180V CP C3311 50V 330p R3356 ERJ6GEYJ180V CP C3312 50V 330p R3357 ERJ6GEYJ180V R3358 ERJ6GEYJ180V C3313 50V 330p CP R3359 ERJ6GEYJ180V C3314 50V 330p CP R3360 ERJ6GEYJ180V C3315 50V 330p CP R3361 ERJ6GEYJ180V C3316 50V 330p CP C2401 50V 0.1u C 15V 500mA OPERATE RESET SOS OPERATE OPERATE RESET SOS OPERATE 15V MUTE MUTE SW OPERATE MUTE MUTE MUTE MUTE MUTE MUTE 25 26 27 A B C D E F ������������ ����������� 28 29 10 11 12 13 14 15 16 TC-32LX700D 39 19 20 21 35V 9.0V 0V 0V 0V 0V 0V 0V 0V SOS TV_SUB_ON_DELAY 3.30V 3.3V_SUB HDMI_INT2 SP_MUTE 24V_DET 9.0V 0.0V TP2303 C2815 50V 0.1u C TP2310 L2649 G1C100MA0072 C C C2813 50V 0.1u R2308 3.3 R2866 2.2k C *C2386 50V 1000p SUB3.3V R2864 6.8k D2634 MA3X78900L D2633 MA2J11100L *C2340 50V 0.022u *H11 K1KA05AA0190 B5B-EH-F1(LF)(SN) 1 2 3 4 5 *TP2304 C *C2346 50V 0.022u TP2608 TP2307 R2857 4.7k C *C2382 50V 0.022u C2377 50V 0.022u C C L2648 G1C470MA0077 *TP2309 R2860 10k C2383 50V 1000p C R2859 4.7k C2379 50V 0.022u Q2636 2SA207700L *R2314 3.3 *C2348 50V 0.022u R2311 3.3 D2635 MA2J11100L 2032 11100L TP2611 *TP2306 *C2338 50V 0.022u C2337 50V 0.022u Q2637 2SA207700L Q2639 B1CFNG000001 TP2607 TP2305 C R2315 3.3 *C2378 50V 0.022u C2817 50V 1000p 1% R2868 16k R2313 3.3 *C2390 50V 1000p C C2385 50V 1000p R2861 1k C C0DBAJB00004 IC2610 1 VOUT 2 VDD 3 NC 5 EXT 4 VSS *C2384 50V 1000p C *R2309 3.3 Q2635 2SC584500L 2SC584500L TP2610 R2858 2.2k TP2609 C2339 50V 0.022u *C2380 50V 0.022u BT30V STB+5V R2855 47k C2345 50V 0.022u *C2388 50V 1000p C2389 50V 1000p DTV9V *TP2308 Q2638 2SC584500L H12 K1KA04AA0190 B4B-EH-F1(LF)(SN) 1 2 3 4 R2869 4.7k TP2612 *C2376 50V 0.022u R2854 2.2k *R2312 3.3 1% R2867 82k C2347 50V 0.022u R2863 1k D2638 B0BC03900015 C2375 50V 0.022u D2632 MA2J11100L 031 1100L C C TP2606 C2381 50V 0.022u D2637 MA2J11100L *R2316 3.3 R2865 10k C2387 50V 1000p R2853 10k C R2890 100k D2636 MAZ30470HL R2891 ERJ6GEY0R00V R2856 K5H1622A0023 SUB_3.3V SUB_3.3V(0.04A) SQ_L+ SQ_R+ SQ_R- SQ_L- W_R- W_L+ W_R+ NC W_L- 4 SP 2 SP R- L+ L- R+ MUTE MUTE MUTE MUTE 31 32 33 ����������� ������������ 29 30 17 18 ! H� TNPA4292DA(4/5 ) TC-32LX700D 40 13.11.H 板 (5/5) 线路图 AV4_CGND AV4_YGND AV4_VGND HDMI_INT2 SDA0B TUNER_MAIN_ON AUDIO_MUTE AUDIO_XRST SP_MUTE SOUND_SOS AFC1 SOS TUNER_SUB_ON GENX_RST PANEL_STBY_ON 24V_DET KEY FAN_SOS ECO_ON ALL_OFF AFC2 FAN_CONT SCL0B VIDEO_STATUS KEY HP_LOUT AV4_R AV4_R HP_ROUT AV4_L AV4_S AV4_Y AV4_V AV4_C TV_SUB_ON_DELAY 24V_DET FAN_CONT 9V_SUB FAN_SOS 5V_SUB 9V_MAIN SOS 5V_STB 5V_STB TUNER_MAIN_ON ALL_OFF TUNER_SUB_ON 12V_PANEL ECO_ON KEY PANEL_STBY_ON 3.3V_LCD *H51 K1KA20AA0178 B20B-PHDSS(LF)(SN) 1 2 3 4 5 6 7 8 9 10 11 12 13 14 15 16 17 18 19 20 C3267 50V 0.1u *R3228 0 C3230 50V 0.1u *R3229 0 C C3266 50V 0.1u C *FL2006 J0HABB000003 1 2 3 4 *R3227 0 *FL3006 J0JAD0000028 1 2 3 4 SOUND15V C *FL2005 J0HABB000003 1 2 3 4 C *H3A K1KB23A00004 1 2 3 4 5 6 7 8 9 10 11 12 13 14 15 16 17 18 19 20 21 22 23 SUB9V_H264 *JS2101 0 LCD3.3V C3214 50V 0.1u C C *FL2004 J0HABB000003 1 2 3 4 CL103 DTV9V SUB5V C C *FL2003 J0HABB000003 1 2 4 C P12V C C *H4A K1KB23A00004 1 2 3 4 5 6 7 8 9 10 11 12 13 14 15 16 17 18 19 20 21 22 23 C3268 50V 0.1u MAIN9V *FL3008 J0HABB000003 1 2 3 4 C CP CL3204 JS3213 0 C L2650 G1C3R3ZA0083 *FL3007 J0JAD0000028 1 2 3 4 C C3263 50V 0.1u STB+5V C2400 50V 0.1u C TP2617 To G To AP3 To AP4 LCD N.C. SUB5V N.C.(BT30V) GND GND +15V_S GND GND +15V_S 24V_DET DTV9V GND N.C. GND S_GND SUB5V S_GND GND FAN_SOS MAIN9V DTV9V FAN_MAX +15V_S LCD SOS GND TUNER_SUB_ON P12V N.C. GND P12V GND GND TUNER_MAIN_ON GND GND STB5V GND PANEL_12V_ON N.C. FHD9V/LCD3.3V N.C. N.C. KEY N.C. N.C. FHD9V/LCD3.3V LCD HP_R AV4_R AV4_C AV4_L NC NC GND GND GND NC HP_L GND HP_GND AV4_S HP_GND AV4_V GND GND KEY AV4_Y < < SCL0B SDA0B SCL0B_5V SDA0B_5V R2624 22 Q2640 B1CBHD000002 Q2641 B1CBHD000002 R2629 5.1k R2625 22 SUB3.3V SUB5V R2628 5.1k 19 20 21 17 18 33 34 35 A B C D E F ������������ ����������� 36 3 C2819 25V 47u CP 40 HDMI_INT2 MAIN_PR/R MAIN_PB/C/B MAIN_Y/CBVS/G RGB_CVBS PC_H PC_V DVB_CVBS SUB_PR SUB_PB SUB_Y SDA0B TUNER_MAIN_ON AUDIO_MUTE AUDIO_XRST SP_MUTE SOUND_SOS AFC1 SOS TUNER_SUB_ON GENX_RST PANEL_STBY_ON 24V_DET KEY FAN_SOS ECO_ON ALL_OFF AFC2 FAN_CONT SCL0B VIDEO_STATUS DTV_BCLK DTV_SDIN DTV_LRCK DTV2_SDIN HDMI_SDIN HDMI_LRCK HDMI_BCLK TV_SUB_ON_DELAY 5V_STB .3V_LCD CL059 C3228 50V 0.1u MAIN9V C3226 50V 0.1u H2 K1KA23A00003 TWG-P23P-A1 BLK ST 1 2 3 4 5 6 7 8 9 10 11 12 13 14 15 16 17 18 19 20 21 22 23 ZA3007 K4CD08000002 JS2045 R2231 0 R2228 0 CL102 R3350 0 TP2014 ZA3003 K4CD08000002 CL066 JS2052 C3216 50V 0.1u TP2016 CL062 CL076 C ZA3001 K4CD08000002 C3227 50V 0.1u JS2062 R2225 0 JS2048 SUB3.3V C R2229 0 CL061 C C C C SUB9V_H264 CL067 C CL101 CL060 C *JS3041 JS2046 JS2044 C CL3208 C ZA3005 K4CD08000002 CL182 JS2050 CL129 DTV9V CL078 C C CL080 C3265 50V 0.1u C CSIF ZA3006 K4CD08000002 H6 K1KB80AA0218 1 2 3 4 5 6 7 8 9 10 11 12 13 14 15 16 17 18 19 20 21 22 23 24 25 26 27 28 29 30 31 32 33 34 35 36 37 38 39 40 41 42 43 44 45 46 47 48 49 50 51 52 53 54 55 56 57 58 59 60 61 62 63 64 65 66 67 68 69 70 71 72 73 74 75 76 77 78 79 80 TP2015 STB+5V 21 22 23 JS2053 CL070 JS2060 JS2061 C C_AUD LCD3.3V JS2064 JS2049 C JS2059 C3201 50V 0.1u CL077 R2227 0 CL184 CL3206 C SUB5V C R2224 0 CL025 JS2051 TP2012 CL064 CL183 C_AUD CL075 ZA3008 K4CD08000002 P12V C CL124 C CL022 R2230 0 CP JS2047 CL065 JS2104 JS2105 JS2106 JS2107 MAIN_Y/CVBS/G GND PC_V GND NC(RGB_FB) SCL0B_3.3V SUB_PB/C GND GND ALL_OFF GND GND GND SUB_PR SUB_Y/CVBS AUDIO_MUTE SOS GND GND GND GND GND VIDEO_STATUS TV_SUB_ON_DELAY GND GND AFC1 RGB_CVBS GND GND NC(QLINK_AV2) NC(QLINK_AV3) GND GND SP_MUTE SDA0B_3.3V GND GND GND GND GND PC_H GND DTV2_SDIN DTV_LRCK DTV_BCLK DTV_SDIN HDMI_SDIN HDMI_LRCK HDMI_BCLK ECO_ON GND GND GND GND GND GND GND MAIN_PB/C/B MAIN_PR/R GND DVB_CVBS AUDIO_XRST GENX_RST SOUND_SOS AFC2 TUNER_MAIN_ON TUNER_SUB_ON 24V_DET SPDIF_IN GND GND GND HDMI_INT2 GND 0.4A To AP4 To DG To DG LCD LCD PANEL_VCC_ON FAN_SOS KEY GND FAN_MAX SUB5V SUB3.3V GND GND GND GND GND FHD9V/LCD3.3V GND SUB5V MAIN9V STB5V DTV9V GND FHD9V/LCD3.3V GND SUB5V GND DTV9V GND P12V SUB3.3V P12V N.C. GND N.C. PDP AC_GOOD LCD 39 40 41 ����������� ������������ 37 38 ! H � TNPA4292DA(5/5 ) 41 13.12.DG 板 (1/15) 线路图 1 2 3 A B C D E F ! DG� TNPA4114DL(1/15 ) �������������� ����������� 4 5 Sheet001:Cover Sheet001 Sheet002 Peaks-Lite2/DDR2 Sheet003 DTV Sheet004 GC3Fs-N Sheet005 PowerSupply/RST Sheet009 HQ1L/FHD Sheet008 GenX4 Sheet007 Cn to H Sheet010 ADV7493/HDMI Sheet011 LVDS_OUT Cover TC-32LX700D 41 7 8 9 ����������� �������������� 5 6 C ZA0023 TESA169 ZA0009 TESA169 ZA0004 K4AZ01D00004 C C C C C C ZA0011 TESA169 C C ZA0010 TESA169 C C ZA0001 K4AZ01D00004 ZA0007 K4CD08000002 C C ZA0015 TESA169 ZA0005 K4AZ01D00004 C ZA0025 K4AZ01D00004 ZA0002 K4CD08000002 ZA0012 TESA169 ZA0018 TESA169 ZA0017 TESA169 C C C ZA0006 K4CD08000002 C ZA0008 TESA169 ZA0020 TESA169 ZA0014 TESA169 C C ZA0016 TESA169 ZA0019 TESA169 ZA0013 TESA169 CI SD Card ������� TC-32LX700D 42 13.13.DG 板 (2/15) 线路图 1 2 3 A B C D E F �������������� ����������� 4 5 NET002635 NET002822 TA1N IC8001 N5 SCL1 IC8001 U24 VDDIO IC8001 K C8067 25V 0.01u IC8001 M23 VDDIO C8015 6.3V 1u DACCK0 IC8001 H C8069 50V 82p IC8001 F5 VI2P6 R8001 180 IC8001 AF15 VDDR IC8001 N17 VDDR VI1VSYNC IC8001 AE24 DTCPOUT SDCLK IC8001 B9 VI1P23 VOP24 C IC8001 C22 MHSYNC IC8001 AB6 NFCLE IC8001 B21 VOP4 IC8001 L IC8001 AD3 XNFWE VI1P16 C8005 1u 6.3V IC8001 AD4 XNFRE SRCK0 IC8001 G XNFRE VOP4 L8003 J0JHC0000045 VI2P16 IC8001 M IC8001 E20 MVSYNC VI2P4 L8006 0 XNFWE IC8001 F22 LVVSS IC8001 J IC8001 AE15 VDDR SBT0 VI1P24 IC8001 B3 VI1P15 IC8001 H IC8001 P3 AGAVDD MHSYNC IC8001 AB22 VDDIO IC8001 T11 VDD12 VI1P9 VOP8 1% VOP29 VOP17 IC8001 AA14 VDD12 NFALE MVDACO IC8001 A20 VOP17 IC8001 E23 LVVDD IC8001 B6 VI1P7 SCL0 VOP10 IC8001 AE16 VDDIO VI2P26 IC8001 AE14 VDD12 R8106 2k VOP9 VI2P2 MVDACO IC8001 B23 SBO2 IC8001 R21 VDDIO VI2P7 C SUB3.3V IC8001 D3 VI2P8 R8107 100 VI2CLK IC8001 R10 VDD12 C TCK IC8001 J VI1P6 C IC8001 AB19 VDDIO VOP28 IC8001 AE12 SDWP IC8001 C12 DACVDD1 VOP7 IC8001 R13 VDD12 IC8001 K17 LVVDD12 SDWP SUB1.2V IC8001 A5 VI1P8 C8017 10u 10V IC8001 L IC8001 AD25 VDDIO IC8001 F8 VI2P0 IC8001 C18 VOP12 IC8001 AB8 SBT0 C8010 10u 10V SBI2 IC8001 P5 AVCOIN TB1N VOP12 IC8001 P2 AGAVSS IC8001 A24 IC8001 P25 VDDIO VI1P15 IC8001 A19 VOP13 VOP3 TMS VI1CVBS0 IC8001 R5 ATCPOUT C8008 16V 0.1u VI1P13 IC8001 D26 TC1P C8031 6.3V 1u C8019 16V 0.1u C8075 4V 22u IC8001 B4 VI1P12 C8074 16V 0.1u XECS5 IC8001 C13 DACCK0 IC8001 F14 LRCK0 C8011 16V 0.1u VI1P2 IC8001 C19 VOP16 IC8001 M2 SCL0 IC8001 A23 MVCLK SDA0 IC8001 E TD1N SUB3.3V IC8001 C9 VI1CLK IC8001 F23 LVVSS VI2P3 TCLK1P IC8001 U12 VDD12 VI2P12 IC8001 C24 IC8001 R6 TCK IC8001 E26 TCLK1P IC8001 R1 TMS IC8001 F18 VOP15 VI2P25 VI1CKOUT VI1CK204F IC8001 AC18 VDDIO IC8001 AC23 VDDIO IC8001 AE21 VDDIO IC8001 T5 TDI C8020 16V 0.1u L8009 J0JHC0000045 VI2P24 IC8001 C17 VOP25 VOP20 IC8001 E25 TCLK1N TD1P IC8001 V22 VDDIO IC8001 D2 VI1VSYNC IC8001 AC5 XNFCE IC8001 K23 VDDIO IC8001 AD15 VDDR SUB1.2V IC8001 C8 VI1P25 C IC8001 D24 TSTAIO IC8001 C16 VOP1 IC8001 B18 VOP28 SDDAT0 VOP15 IC8001 N24 VDDIO IC8001 D20 VOP8 LRCK0 SDCD VOP5 IC8001 C20 VOP2 IC8001 H21 MVAVDD IC8001 AC15 VDDR VI2P17 VOP16 IC8001 B15 LCSID VOP1 IC8001 E10 VI1CVBS2 IC8001 E4 VI2P7 IC8001 M17 VDDA IC8001 E16 VOP20 IC8001 R17 VDDR IC8001 A6 VI1P6 IC8001 W26 VDDIO IC8001 E8 VI1CK208F SUB1.2V IC8001 A15 LCSCK IC8001 AE3 NFALE IC8001 F17 VOP27 C8071 16V 0.1u IC8001 B13 SRCK0 IC8001 R16 DPAVSS VOP0 C8021 16V 0.1u C8073 16V 0.1u C8028 16V 0.1u IC8001 P10 VDD12 C8014 16V 0.1u IC8001 E2 VI1CLK2 IC8001 AF2 XNFWP VOP23 IC8001 Y24 VDDIO TB1P VI2P14 MVCLK IC8001 AD22 VDDIO C8002 6.3V 1u MVDACO IC8001 R12 VDD12 IC8001 C4 VI1P13 NFCLE IC8001 B25 TA1N VOP6 IC8001 U13 VDD12 IC8001 L VI1P22 VI1P5 IC8001 F21 LVVDD IC8001 P4 GTCPOUT VI1CVBS2 VI1CVBS1 VI1P19 IC8001 F7 VI2P2 VI1P23 VI1P28 C8079 16V 0.1u IC8001 M21 VDDIO VI2P15 IC8001 AA13 SDDAT3 IC8001 AF13 SDCLK VOP25 C8007 16V 0.1u C8030 6.3V 1u IC8001 T15 VDDR VI2P1 TDO IC8001 C11 DACVSS1 VI1HSYNC IC8001 M IC8001 E17 VOP22 IC8001 B22 VOP9 TA1P C8012 16V 0.1u VOP18 IC8001 AC6 NANDRYBY C8018 16V 0.1u IC8001 C26 TB1P IC8001 E22 LVVDD MVSYNC IC8001 T13 VDD12 IC8001 N3 SDA1 IC8001 B26 TA1P C8009 10u 10V IC8001 AB12 SDDAT0 IC8001 C2 VI1P18 IC8001 E3 VI1ENB IC8001 A12 DACVSS2 IC8001 G25 TE1N VI1CLK IC8001 AD13 SDCD SUB3.3V C IC8001 B10 VI1P2 C8033 16V 0.1u VI1P27 SUB1.8V L8004 J0JHC0000045 IC8001 H IC8001 F19 VOP5 IC8001 D5 VI2P5 IC8001 AF20 VDDIO VI2HSYNC IC8001 B20 VOP19 IC8001 F10 VI1CVBS1 LCSCK VI2VSYNC IC8001 AC14 VDD12 IC8001 F26 TD1P VOP22 IC8001 B8 VI1P24 IC8001 AD6 SBT2 R8003 0 IC8001 AB15 VDDR IC8001 G26 TE1P IC8001 E14 DACVDD2 VOP2 VI1CLK2 IC8001 G23 LPFIN IC8001 N10 VDD12 C8027 16V 0.1u SDDAT1 IC8001 C10 VI1P3 C IC8001 A22 VOP7 IC8001 B19 VOP14 XECS3 VI1P25 IC8001 B5 VI1P9 VI2P18 VI1P7 VOP19 L8002 J0JHC0000045 IC8001 AB14 VDD12 1.8V_DDRI/F TDI VOP14 IC8001 U14 DPAVDD12 C8078 16V 0.1u VI2P22 DAUDIO IC8001 Y22 VDDIOCK IC8001 E9 VI1CVBS0 L8010 J0JHC0000045 C IC8001 C21 VOP6 VI2P27 IC8001 C25 TB1N VI1P3 C8032 10u 10V IC8001 T17 VDDA IC8001 D25 TC1N IC8001 E18 VOP29 IC8001 D23 IC8001 D6 VI2P3 IC8001 F4 VI2P9 C8072 16V 0.1u IC8001 R3 TDO IC8001 C7 VI1P5 IC8001 D15 DAUDIO VI2P13 C IC8001 E19 VOP18 SBI0 C8006 16V 0.1u IC8001 A4 VI1P29 SDCMD IC8001 A2 VI1P16 VOP13 IC8001 K C C8013 16V 0.1u IC8001 AF26 VDDIO VOP21 IC8001 AD1 XECS3 TCLK1N IC8001 K26 VDDIO IC8001 B1 VI1P17 IC8001 T25 VDDIO LCSID IC8001 A17 VOP23 R8002 82 IC8001 AD12 SDCMD C8022 6.3V 1u IC8001 D1 VI1HSYNC DMIX0 IC8001 A13 DMIX0 VI2P8 IC8001 C1 VI1P19 IC8001 J VI1CVBS3 VI1P26 IC8001 M1 SDA0 VI2P9 IC8001 C5 VI1P28 VI2P23 SUB3.3V IC8001 AC4 XECS5 IC8001 B7 VI1P4 1% R8005 10k IC8001 K SBO0 IC8001 E7 VI2P1 L8007 J0JHC0000045 VI2P5 IC8001 R2 TRST C8070 16V 0.1u IC8001 U11 VDD12 IC8001 T10 VDD12 IC8001 A10 IECOUT0 IC8001 T12 VDD12 VOP27 VI1ENB C8034 16V 0.1u XNFWP C8001 16V 0.1u MVDACO IC8001 C6 VI1P27 IC8001 P16 DPAVDD IC8001 L IC8001 H VI2P6 IC8001 AB25 VDDIO VI1P12 C8016 6.3V 1u IC8001 H22 TCPOUT C8025 16V 0.1u IC8001 A16 VOP10 IC8001 A8 VI1CKOUT VOP26 C8029 16V 0.1u SCL1 IC8001 J21 MVAVSS IC8001 B16 VOP0 IC8001 G22 LPFOUT IC8001 F25 TD1N VI1CK208F TE1P IC8001 AA21 VDDIO VI2P19 IC8001 R11 VDD12 VI1P18 IC8001 G21 LVVSS IC8001 AF14 VDD12 IC8001 K TC1P C8004 1u 6.3V L8001 IC8001 AD14 VDD12 IC8001 U15 VDDA IC8001 A7 VI1P26 SDDAT3 IC8001 U16 VDDR C IC8001 U10 VDD12 IC8001 E11 VI1CVBS3 VOUTENB IC8001 AE13 SDDAT1 IC8001 B17 VOP24 SDDAT2 C8026 16V 0.1u IECOUT0 IC8001 AD17 VDDIO NANDRYBY VI2P29 IC8001 H26 VOUTENB VI2P0 TRST IC8001 F16 VOP11 C8023 10u 10V VOP11 L8008 J0JHC0000045 VI1P8 TC1N IC8001 A18 VOP26 SBT2 VI2P28 C8076 16V 0.1u IC8001 F XNFCE C8077 16V 0.1u VI1P17 IC8001 F9 VI1CK204F VI1P14 C8068 16V 0.1u IC8001 C15 VOP21 SDA1 VI1P4 C8024 10u 10V IC8001 AB13 SDDAT2 C8080 16V 0.1u IC8001 A9 VI1P22 IC8001 A21 VOP3 VI1P29 IC8001 A3 VI1P14 TE1N IIC I/F AUDIO IF SD CARD I/F JTAG SERIAL I/F LVDS I/F SCL2 SDA2 SCL3 SDA3 LOSDOUT11 LOSDOUT10 LOSDOUT13 LOSDOUT12 LOSDOUT15 RMCO B PORT (Sub Vid Analog Video I/F NAND I/F FOR HQ1L VIDEO LOSDOUT14 LOSDOUT9 LOSDOUT8 LOSDOUT7 LOSDOUT6 LOSD OUT (for HQ1) FOR ADV7493 LOSDOUT5 RMCO LOSDOUT4 LOSDOUT3 LOSDOUT2 LOSDOUT1 LOSDOUT0 LOSDOUT_CLK_O LOSDOUT_H_O LOSDOUT_YS LOSDOUT_YM LOSDOUT_V_I LOSDOUT_CLK_I DAUDIO LOSDOUT_H_I C 42 7 8 9 ! DG� TNPA4114DL(2/15 ) ����������� �������������� 5 6 Sheet002_1:Peaks-Lite2/DDR2 CRNo:8000~8299 IC8001 E24 VSS IC8001 K4 VI2P18 IC8001 H3 VI2P12 IC8001 AC12 VSS IC8001 P12 VSS IC8001 T1 EA0 IC8001 D10 VSS IC8001 V5 ED3 IC8001 U5 ED0 IC8001 W21 VSS IC8001 J6 VDD33 IC8001 L2 VI2P26 IC8001 AF24 VSS IC8001 D17 VDD33 IC8001 N14 VSS C8005 1u 6.3V IC8001 P15 VSS IC8001 G2 VI2CLK IC8001 T6 EA2 VI2P16 IC8001 M3 VI2P29 VI2P4 IC8001 F24 VSS IC8001 J4 VI2P13 IC8001 AA22 VSS XIRQ1 IC8001 H5 VI2VSYNC IC8001 AA3 XEWE0 IC8001 AE18 VSS IC8001 D22 VDD33 IC8001 V1 ED1 IC8001 F13 MVDACO2 T11 VDD12 1% R8004 24k IC8001 P23 VSS AA14 VDD12 IC8001 D7 VDD33 XNMIRQ MVDACO3 IC8001 W3 ED8 IC8001 B12 MVDACO1 IC8001 M15 VSS IC8001 C3 VSS VI2P26 EA3 AE14 VDD12 ED13 MVDACO2 IC8001 B23 SBO2 IC8001 N15 VSS SBO2 IC8001 AB21 VSS XECS0 IC8001 K15 VSS EA0 IC8001 AC1 ESZ1 XIRQ3 IC8001 L11 VSS C VI2CLK R10 VDD12 SUB3.3V EA5 ESZ1 IC8001 J2 VI2P19 EA2 XECS1 IC8001 N1 XIRQ2 IC8001 D21 XRST IC8001 T16 VSS R13 VDD12 IC8001 D4 VSS K17 LVVDD12 IC8001 AA15 VSS IC8001 W1 ED5 IC8001 L3 VI2P25 IC8001 Y2 ED11 IC8001 D18 VSS SBI2 IC8001 L14 VSS IC8001 D9 VSS IC8001 AE25 VSS XIRQ2 IC8001 A24 SBI2 ESZ0 C8031 6.3V 1u ED0 IC8001 P14 VSS XEWE1 IC8001 AA6 VSS IC8001 V3 ED4 IC8001 U6 VDD33 IC8001 D14 VSS IC8001 K12 VSS IC8001 E6 VI2P4 IC8001 Y23 VSS U12 VDD12 VI2P12 IC8001 C24 SBI0 IC8001 H23 VSS ED14 IC8001 M12 VSS EA7 VI2P25 IC8001 T22 VSS IC8001 N6 VDD33 XEDK IC8001 C23 VDD33 C8003 1u 6.3V XEWE0 IC8001 P1 XIRQ3 IC8001 R15 VSS IC8001 M14 VSS IC8001 AB1 ECLK IC8001 R24 VSS ED6 VI2P24 IC8001 N13 VSS IC8001 AC22 VSS EA6 IC8001 AC2 XECS1 BOOTSWAP IC8001 E12 VVREF IC8001 AB23 VSS IC8001 AC20 VSS 1% R8006 6.8k VI2P17 IC8001 AA9 VDD33 EA1 IC8001 D12 MVDACO3 IC8001 M4 VSS IC8001 AA5 XECS0 ED8 C8028 16V 0.1u P10 VDD12 IC8001 V25 VSS VI2P14 IC8001 D13 VSS IC8001 T14 VSS MVDACO1 IC8001 L22 VSS R12 VDD12 U13 VDD12 IC8001 L5 VI2P23 IC8001 B24 VDD33 IC8001 D11 MVCOMP XERE IC8001 L10 VSS VI2P15 IC8001 Y6 VSS IC8001 W4 ED9 IC8001 MN2WS0039A A1 VSS IC8001 N12 VSS IC8001 AC25 VSS C8030 6.3V 1u ED3 IC8001 AD23 VSS IC8001 B11 MVIREF ED5 IC8001 AD26 VSS IC8001 M6 VI2P27 IC8001 AC3 XECS4 IC8001 L13 VSS IC8001 W5 ED12 T13 VDD12 IC8001 W6 VSS IC8001 U1 EA5 SUB3.3V IC8001 D19 VSS IC8001 K14 VSS IC8001 L12 VSS IC8001 H2 VI2P14 IC8001 M25 VSS IC8001 N11 VSS VI2HSYNC IC8001 G24 VSS VI2VSYNC IC8001 A26 VDD33 AC14 VDD12 XRST IC8001 N2 XNMIRQ IC8001 Y3 ED13 R8003 0 IC8001 H4 VDD33 IC8001 M13 VSS ED4 N10 VDD12 IC8001 A11 SVCOMP C8027 16V 0.1u IC8001 F6 VSS IC8001 F11 VDD33 IC8001 U4 EA4 IC8001 U3 EA7 VI2P18 AB14 VDD12 IC8001 P6 VDD33 IC8001 U17 VSS VI2P22 IC8001 F15 VDD33 IC8001 D16 VDD33 IC8001 Y1 ED10 IC8001 D8 VDD33 IC8001 A25 VDD33 VI2P27 C8032 10u 10V IC8001 L15 VSS IC8001 D23 SBO0 VI2P13 IC8001 E21 VDD33 IC8001 AE22 VSS IC8001 G7 VSS SBI0 IC8001 V2 ED2 IC8001 G4 VDD33 C IC8001 M16 VSS IC8001 K1 VI2P24 C IC8001 R4 VDD33 ED10 IC8001 K6 VDD33 IC8001 W2 ED6 IC8001 AA1 ED14 IC8001 AB3 XEWE1 ED15 IC8001 AC11 VDD33 IC8001 P11 VSS IC8001 K16 VSS IC8001 T2 EA1 ERXW IC8001 U2 EA6 ED9 ED1 IC8001 J3 VI2P17 IC8001 AA4 ESZ0 IC8001 P17 VSS IC8001 T3 EA3 VI2P23 1% R8005 10k IC8001 K5 VI2P16 IC8001 AC16 VSS SBO0 IC8001 AB17 VSS IC8001 AA25 VSS L8007 J0JHC0000045 ED2 U11 VDD12 T10 VDD12 IC8001 AF23 BOOTSWAP T12 VDD12 IC8001 AA8 VDD33 IC8001 K11 VSS MVDACO0 IC8001 L1 VI2P28 IC8001 H1 VI2P15 IC8001 K13 VSS IC8001 AA2 ED15 IC8001 AF21 VSS C8025 16V 0.1u IC8001 L17 VSS IC8001 AF1 VSS IC8001 Y4 XERE C IC8001 E5 VSS XECS2 C8029 16V 0.1u EA4 IC8001 M10 VSS ED11 IC8001 V4 VSS ECLK VI2P19 R11 VDD12 IC8001 T4 VDD33 IC8001 B2 VSS IC8001 L4 VSS IC8001 R26 VSS XECS4 AF14 VDD12 IC8001 K2 VI2P22 IC8001 F20 VDD33 C8004 1u 6.3V L8001 J0JHC0000045 AD14 VDD12 IC8001 V6 ED7 IC8001 W24 VSS U10 VDD12 IC8001 N22 VSS C8026 16V 0.1u IC8001 AB4 XECS2 IC8001 R14 VSS VI2P29 IC8001 AA18 VSS IC8001 E13 MVDACO0 IC8001 F12 VDD33 IC8001 K10 VSS IC8001 AC10 VDD33 IC8001 M11 VSS VI2P28 IC8001 Y5 XEDK IC8001 L16 VSS IC8001 AD19 VSS IC8001 F1 VI2HSYNC IC8001 L24 VSS IC8001 P13 VSS IC8001 AB2 ERXW IC8001 J25 VSS IC8001 N4 XIRQ1 ED12 IC8001 AC13 VSS ED7 IC8001 AA7 VSS IC8001 N16 VSS EA19 SERIAL I/F -> -> -> -> PORT16[1] SCARD_NMIRQ SCARD_IRQ -> -> -> B PORT (Sub Video Input or Address) -> PORT16[1] PORT16[1] Analog Video I/F CPU BUS I/F EA20 EA13 EA22 EA15 EA16 EA10 EA21 PORT6[4] PORT6[5] PORT6[7] EA12 C Y Cmp V EA09 U EA18 Y EA17 Cmp EA24 EA11 R G B Cmp EA23 XEAS XEAS FE_IRQ HDMI_IRQ EA08 EA14 43 13.14.DG 板 (3/15) 线路图 9 10 11 A B C D E F �������������� ����������� 12 13 CH0A8 CH0DQ13 CH0DQ4 CH0DQ27 CH0DQ29 CH0XWE CH0XCS0 CH0CK CH0DQ8 CH0DM2 CH0DQ18 CH0DQ17 CH0XRAS CH0DQ25 CH0A2 CH0DM1 CH0DQ10 CH0A12 CH0BA2 CH0DQ1 CH0DQ5 CH0A9 CH0DQ19 CH0DQ12 CH0DQ30 CH0A7 CH0DQ21 CH0DQ9 CH0DQ15 CH0DM3 CH0DQ3 CH0A5 CH0A4 CH0DQ26 CH0DQS3 CH0DQ7 CH0BA1 CH0BA0 CH0A11 CH0DQS0 CH0A10 CH0DQ22 CH0DQ31 CH0DQ28 CH0XCAS CH0A1 CH0DQ0 CH0DQ6 CH0A6 CH0DQ16 CH0A0 CH0XCS1 CH0DQ23 CH0DQ20 CH0ODT CH0DQS1 CH0CKE CH0DM0 CH0A3 CH0DQ14 CH0XCK CH0DQ24 CH0DQS2 IC8001 AF4 IS0DATA IC8001 N25 MMDQ10 IC8001 J5 VI2P11 IC8001 AB26 MMXCK IC8001 AB20 MMDQ16 IC8001 N23 MMDQ9 C IC8001 AA26 MMA2 IS1VAL IC8001 AE26 MMRODT IC8001 K22 MMDQ4 ADIN R8084 0 IC8001 U26 MMA7 R8087 10k IS1DATA IC8001 AF3 IS0CLK R8086 100k IC8001 AA19 MMDQ20 IC8001 AE5 IS1VAL R8027 0 IC8001 M5 RMCO IC8001 AD21 MMDQ23 IC8001 H25 CLK74 DSRCK IC8001 H24 AUDCLK R8068 47 IC8001 N21 MMDQ8 IC8001 Y26 MMA6 R8064 47 CH0VAL CH0PSYNC R8072 47 C IC8001 AA24 MMODT IC8001 L21 MMDQ1 C8037 16V 0.1u IC8001 R25 MMXWE RMCO C8058 10u 10V R8090 10k R8099 10k IC8001 AD11 CH0PSYNC R8061 47 IC8001 V26 MMA1 IC8001 AD5 IS1CLK VI2P10 IC8001 J1 VI2CLK2 R8026 0 IC8001 AC17 MMDQ25 IC8001 G1 VI2P10 R8028 0 R8025 0 IC8001 AD16 MMDQ30 IC8001 AE11 CH0VAL IC8001 AF17 MMDQ27 *R8111 10k 1.8V_DDRI/F C8038 16V 0.1u IC8001 AC24 MMPCLKEXT R8024 0 X8001 H0J270500061 R8065 47 R8093 47 1% R8082 75 R8059 47 IC8001 T21 MMA3 C C IC8001 AF19 MMDQS2 IS0CLK IC8001 AD18 MMDQS3 IC8001 R23 MMCKE CH0DATA IC8001 AA17 MMDQ24 IC8001 AF18 MMDM3 IC8001 G3 VI2ENB R8071 47 R8030 100 VI2P11 SUB3.3V R8067 47 IC8001 C14 DSRCK IC8001 AB7 IS0VAL C IC8001 AB18 MMVREF1 VREF IC8001 P22 MMDQ13 IC8001 Y21 MMVCAL IC8001 K21 CK27 C8057 16V 0.1u IC8001 AB16 MMDQ28 IC8001 AF25 MMRDRV ADCCK IC8001 M22 MMVREF0 C R8070 47 VI2CLK2 IC8001 E15 SLRCK IC8001 AD20 MMDQ19 IC8001 B14 ADCCK IC8001 U25 MMA9 IC8001 AA23 MMMONB R8057 47 R8098 10k CH0CLK IC8001 AF22 MMDQ22 R8066 47 IC8001 T24 MMBA2 IC8001 T23 MMBA0 IC8001 R22 MMXCS0 IC8001 AA20 MMDQ21 R8079 0 IC8001 W22 MMXCS1 IC8001 M26 MMDM1 IC8001 P26 MMDQ15 IS1CLK IC8001 AC7 IS1PSYNC IC8001 L23 MMDQ0 IC8001 N26 MMDQ11 IC8001 AC26 MMCK IC8001 AC21 TSTSEL R8023 0 IS0VAL IS0PSYNC IC8001 AE19 MMDM2 CLKGEN_S2 C8053 25V 0.01u R8056 47 IC8001 T26 MMA10 IC8001 J23 MMDQ5 IC8001 AC19 MMDQ17 R8073 47 VI2P21 IC8001 AA16 MMDQ29 IC8001 J24 MMDQ7 IC8001 P24 MMDQ14 IC8001 V24 MMBA1 IC8001 J26 MMDQ6 R8091 100 R8076 47 R8080 0 IC8001 AE4 IS0PSYNC IC8001 AD24 CK27D R8083 300 R8058 47 R8078 47 IC8001 W25 MMXRAS C8056 16V 0.1u TP8037 IC8001 U23 MMA12 R8029 0 IC8001 AF11 CH0DATA C IC8001 K24 MMDQ3 SLRCK C0ZBZ0001030 IC8004 ICS476EG-08LFT 1 X1 2 S0 3 S1 4 VIN 5 VDD 6 GND 7 74M 8 COMM 9 27M 10 4.9152M 11 24.576/33M 12 GND 13 VDD 14 S2 15 VDD 16 X2 IC8001 U22 MMA5 IC8001 AF5 IS1DATA IC8001 AE17 MMDQ26 IC8001 M24 MMDQS1 R8039 0 IC8001 L26 MMDQS0 VI2ENB R8060 47 IC8001 V21 MMA4 IC8001 V23 MMA11 IC8001 AF16 MMDQ31 R8062 47 IC8001 AF12 CH0CLK IC8001 AE20 MMDQ18 IC8001 W23 MMA0 CL8002 IC8001 L25 MMDM0 IS1PSYNC R8077 47 IC8001 U21 MMXCAS C8051 16V 0.1u C IC8001 AB24 MMMONA C8052 6.3V 1u IS0DATA IC8001 J22 VC27 L8005 J0JHC0000045 R8063 47 IC8001 AE23 MCLK IC8001 L6 VI2P21 R8069 47 IC8001 P21 MMDQ12 C R8095 10k R8075 47 IC8001 A14 ADIN C R8100 47 IC8001 K25 MMDQ2 IC8001 Y25 MMA8 XDTR0 RSV2(SDRAMCHK2) VMUTE XRI0 XDCD0 RXD0 TXD0 XCTS0 XDSR0 RSV3(SDRAM_CHK1) XRTS0 COMMON PORT .etc CLOCK GEN RSV1(SD_ERROR) SDBOOT RSV4 CH,IS IF PANEL_STATUS EEPROM_WP R8085 P_MAIN_SW ETHER_IRQ PANEL_SOS IC8001 AE1 XECS7 SMTD0 VI1P21 RXD0 IC8001 AF9 SMTCMD0 XDTR0 IC8001 AE2 XEXDMR0 IC8001 AE10 CH1PSYNC XECS7 SMTSEL1 XDCD0 IC8001 AA11 SMTD0 XEXDMR0 IC8001 AA12 CH1VAL TXD0 XCTS0 IC8001 AC9 XRI0 XDSR0 IC8001 AE7 TXD0 IC8001 AD10 CH1CLK IC8001 G6 VI1P0 SMTCLK0 IC8001 K3 VI2P20 IC8001 AA10 SMTRST1 IC8001 AE8 SMTD1 VI1P20 IC8001 G5 VI1P1 VI1P0 VI1P10 IC8001 AD7 XCTS0 IC8001 E1 VI1P11 IC8001 AF10 CH1DATA IC8001 AE6 XRTS0 SMTCLK1 VI2P20 CH1PSYNC XRTS0 IC8001 AC8 XDTR0 SMTRST0 IC8001 AD2 XECS6 CH1DATA IC8001 AE9 SMTRST0 SMTRST1 SMTCMD1 VI1P11 IC8001 H6 VI1P20 XECS6 SMTD1 IC8001 AB9 XDCD0 IC8001 AD8 SMTCLK1 VI1P1 XEXDMK0 IC8001 AF8 SMTCMD1 IC8001 F3 VI1P10 IC8001 AD9 SMTCLK0 SMTCMD0 IC8001 AB10 SMTSEL1 CH1VAL XRI0 IC8001 AF6 XDSR0 CH1CLK IC8001 F2 VI1P21 SMTSEL0 IC8001 AF7 RXD0 IC8001 AB11 SMTSEL0 IC8001 AB5 XEXDMK0 SBI1 PORT14[1] PORT14[2] PORT14[3] PORT14[4] SBO1 HSVALIN HSSYNIN POD,CI I/F HSBCLKIN PORT5[6] SMT_OFF PORT5[7] PORT16[0] HSDIN0 HSDIN1 PORT15[5] POWER_DET HSDIN2 HSDIN3 PORT15[7] HSDIN4 HSDIN5 HSDIN6 HSDIN7 PORT10[6] PORT10[7] PORT5[4] PORT5[5] PORT9[5] TC-32LX700D 43 15 16 17 ! DG� TNPA4114DL(3/15 ) ����������� ��������������� 13 14 Sheet002_2:Peak-Lite2/DDR2 CRNo:8000~8299 + CH0DQ30 CH0DQ31 CH0DQ26 CH0XRAS CH0DQS0 CH0XRAS CH0A5 CH0CKE CH0DQ18 CH0DQ8 CH0DQ21 CH0A7 CH0DQ11 CH0DQ5 CH0XCAS CH0DQ9 CH0ODT CH0ODT CH0BA2 CH0BA0 CH0DQ27 CH0A2 CH0A12 CH0DQS3 CH0BA1 CH0DM0 CH0DQ4 CH0A3 CH0DQ15 CH0CKE CH0A8 CH0XCS1 CH0DQ10 CH0BA2 CH0DQ1 CH0DQ14 CH0CK CH0DQ29 CH0A1 CH0XCK CH0XWE CH0A0 CH0DQ25 CH0DQ7 CH0ODT CH0A4 CH0A11 CH0DQ0 CH0A10 CH0DM3 CH0DQ12 CH0A9 CH0DM2 CH0DQ20 CH0A11 CH0XCS0 CH0A6 CH0A7 CH0DQ2 CH0DQ23 CH0DQ22 CH0BA0 CH0A9 CH0XCAS CH0XWE CH0A0 CH0A5 CH0DQ6 CH0A2 CH0A10 CH0A12 CH0A3 CH0DQ16 CH0A6 CH0DQ28 CH0DQ13 CH0DQS2 CH0A4 CH0DM1 CH0BA1 CH0DQ19 CH0DQ17 CH0DQ24 CH0A8 CH0DQ3 CH0A1 CH0DQS1 CH0CKE *IC8003 = B1 DQ14 *IC8003 = B9 DQ15 *IC8002 = J7 VSSDL *IC8003 = G1 VDDQ 1% R8032 270 *IC8003 = G3 VDDQ *IC8002 = F8 VSSQ *IC8003 = R3 RFU C8035 10u 10V C C *IC8003 = D1 DQ12 *IC8002 = D7 DQ10 *IC8003 = N2 A3 *IC8003 = N8 A4 *IC8002 = K9 ODT *IC8003 = E1 VDD C8043 16V 0.1u *IC8002 = B1 DQ14 *IC8003 = B3 UDM *IC8003 = K3 WE *IC8002 = N8 A4 C8046 16V 0.1u *IC8002 = B8 VSSQ *IC8002 = F1 DQ6 *IC8002 = H9 DQ5 *IC8003 = P2 A7 *IC8003 = N7 A6 *IC8002 = P2 A7 *IC8002 = N2 A3 *IC8002 = D9 DQ13 *IC8002 = D2 VSSQ *IC8003 = R8 RFU *IC8002 = E3 VSS *IC8002 = M9 VDD *IC8003 = M9 VDD *IC8003 = C7 VDDQ *IC8002 = E7 VSSQ R8074 220 *IC8002 = M8 A0 *IC8003 = F7 LDQS C8045 16V 0.1u *IC8003 = P8 A8 C8048 16V 0.1u *IC8003 = H8 VSSQ R8097 220 *IC8003 = H7 DQ2 *IC8003 = B2 VSSQ *IC8002 = E9 VDDQ *IC8002 = K8 CK *IC8003 = L1 RFU C8050 16V 0.1u *IC8003 = H1 DQ4 *IC8002 = J9 VDD 1.8V_DDRI/F *IC8002 = B2 VSSQ *IC8002 = M2 A10 1% R8082 75 *IC8003 C3ABRY000015 C3ABRG000080 A1 VDD R8101 10k *IC8002 = J2 VREF *IC8002 = L7 CAS C8041 16V 0.1u *IC8003 = A3 VSS *IC8003 = F3 LDM *IC8003 = J8 CK *IC8003 = L3 BA1 *IC8003 = J9 VDD *IC8003 = C8 DQ8 *IC8003 = C9 VDDQ *IC8003 = P7 A11 R8035 0 C C *IC8003 = G2 DQ1 *IC8002 = C7 VDDQ *IC8002 = M7 A2 *IC8002 = D8 VSSQ *IC8002 C3ABRY000015 C3ABRG000080 A1 VDD *IC8002 = B9 DQ15 *IC8002 = N7 A6 *IC8002 = J1 VDDL *IC8003 = G9 VDDQ *IC8002 = P8 A8 C8040 16V 0.1u *IC8002 = R7 RFU C *IC8003 = F1 DQ6 *IC8003 = E7 VSSQ *IC8003 = J2 VREF *IC8003 = D2 VSSQ *IC8003 = R1 VDD C *IC8002 A8 UDQS *IC8003 = K2 CKE C8039 16V 0.1u *IC8003 = F8 VSSQ *IC8003 = M8 A0 *IC8003 = H3 DQ3 *IC8002 = G3 VDDQ *IC8002 = D1 DQ12 *IC8003 = K7 RAS *IC8003 = A9 VDDQ *IC8002 = B3 UDM *IC8003 = D8 VSSQ *IC8003 = K8 CK *IC8002 = F9 DQ7 *IC8002 = C2 DQ9 *IC8003 = J7 VSSDL *IC8002 = L1 RFU *IC8002 = A7 VSSQ *IC8003 = B8 VSSQ C 1.8V_DDRI/F *IC8002 = K3 WE C8049 16V 0.1u *IC8002 = H2 VSSQ *IC8002 = H1 DQ4 *IC8003 = M2 A10 *IC8002 = G9 VDDQ *IC8002 = H7 DQ2 *IC8003 = E9 VDDQ *IC8002 = E8 LDQS *IC8003 = F2 VSSQ C *IC8003 = D3 DQ11 *IC8002 = E2 NC *IC8003 = E2 NC *IC8002 = C8 DQ8 *IC8002 = F3 LDM *IC8003 = M7 A2 R8081 10k *IC8003 = R2 A12 *IC8002 = R8 RFU *IC8002 = M3 A1 *IC8003 A8 UDQS *IC8002 = C3 VDDQ *IC8002 = D3 DQ11 R8083 300 *IC8003 = M3 A1 *IC8002 = R2 A12 *IC8002 = G8 DQ0 *IC8002 = J3 VSS C8047 16V 0.1u *IC8003 = G8 DQ0 *IC8002 = L8 CS *IC8002 = E1 VDD *IC8003 = B7 UDQS C8036 10u 10V *IC8003 = A7 VSSQ C8044 16V 0.1u *IC8003 = D9 DQ13 *IC8003 = H2 VSSQ *IC8002 = F7 LDQS *IC8003 = L8 CS *IC8002 = R3 RFU *IC8002 = A2 NC *IC8003 = J3 VSS *IC8002 = C9 VDDQ C8042 68u 4V *IC8002 = G7 VDDQ *IC8003 = L7 CAS *IC8002 = A9 VDDQ C *IC8003 E8 LDQS *IC8002 = C1 VDDQ *IC8003 = E3 VSS C *IC8002 = G2 DQ1 *IC8003 = C2 DQ9 C *IC8002 = L3 BA1 C *IC8003 = N3 A5 1.8V_DDRI/F *IC8003 = F9 DQ7 *IC8002 = J8 CK *IC8002 = L2 BA0 1% R8031 270 C *IC8002 = P7 A11 C *IC8003 = G7 VDDQ *IC8002 = B7 UDQS *IC8003 = D7 DQ10 *IC8003 = N1 VSS *IC8003 = A2 NC *IC8002 = P3 A9 C C C *IC8003 = J1 VDDL *IC8002 = F2 VSSQ *IC8002 = P9 VSS *IC8003 = C3 VDDQ *IC8002 = H3 DQ3 *IC8003 = P3 A9 *IC8003 = H9 DQ5 C *IC8002 = H8 VSSQ *IC8002 = R1 VDD *IC8002 = G1 VDDQ *IC8002 = N1 VSS *IC8003 = K9 ODT *IC8002 = K2 CKE *IC8002 = A3 VSS *IC8002 = N3 A5 *IC8003 = P9 VSS C *IC8003 = R7 RFU *IC8003 = C1 VDDQ *IC8002 = K7 RAS *IC8003 = L2 BA0 DDR2_0 DDR2_1 DDR2 #1 84FBGA 84FBGA DDR2 #0 = = TC-32LX700D 44 13.15.DG 板 (4/15) 线路图 1 2 3 A B C D E F ! DG� TNPA4114DL(4/15 ) �������������� ����������� 4 5 Sheet003_1:DTV CRNo:8000~8999 L8551 J0JHC0000075 SUB3.3V AA_ED10 AA_ED0 AA_EA20 AA_EA14 AA_EA19 AA_EA12 AA_ED13 AA_EA22 AA_XEWE0 AA_EA8 AA_ED6 AA_EA18 AA_EA15 AA_ED4 AA_ED5 AA_XERE AA_EA3 AA_ED11 AA_ED1 AA_EA9 AA_ED8 AA_XECS0 AA_EA6 AA_ED9 AA_EA5 AA_EA21 AA_EA16 AA_EA10 AA_ED14 AA_EA2 AA_EA13 AA_ED15 AA_EA1 AA_EA11 AA_XRST AA_ED2 AA_EA7 AA_ED7 AA_EA23 AA_ED12 AA_EA17 AA_EA4 AA_ED3 C C C8555 16V 0.1u R8564 10k C3FBQD000024 *IC8554 N.C. 2 A22 3 A15 4 A14 5 A13 6 A12 7 A11 8 A10 9 A9 10 A8 11 A19 12 A20 13 WE 14 RESET 15 A21 16 WP/ACC 17 RY/BY 18 A18 19 A17 20 A7 21 A6 22 A5 23 A4 24 A3 25 A2 26 A1 27 N.C. 28 N.C. 29 Vio 30 N.C. 31 A0 32 CE 33 Vss 34 OE 35 DQ0 36 DQ8 37 DQ1 38 DQ9 39 DQ2 40 DQ10 41 DQ3 42 DQ11 43 Vcc 44 DQ4 45 DQ12 46 DQ5 47 DQ13 48 DQ6 49 DQ14 50 DQ7 51 DQ15/A-1 52 Vss 53 BYTE 54 A16 55 N.C. 56 N.C. NOR (A23) (VIO) 128/256Mbit NOR FLASH XNFWP is used as PIO for NOR FWP. (reserved) AA_ED10 AA_EA17 AA_ED0 AA_EA9 AA_EA11 AA_EA19 AA_EA8 AA_EA16 AA_ED1 AA_EA18 AA_ED9 AA_EA10 AA_ED3 AA_ED8 AA_ED11 AA_ED2 STB_RST SUB3. C8852 6.3V 2.2u R8942 5.6k C R8628 68 Q8853 2SD0601ASL C Q8852 2SD0601ASL R8946 0 R8950 0 R8623 68 R8625 68 C8854 6.3V C R8941 47k STB3.3V R8627 68 R8622 68 R8943 100k C8853 6.3V 2.2u R8944 22k C R8626 68 Q8851 2SD0601ASL R8621 68 R8940 L8621 J0JHC0000075 R8624 68 C0JBAZ002845 IC8621 OE 1 2 Q0 3 D0 4 D1 5 Q1 6 Q2 7 D2 8 D3 9 Q3 10 GND 11 LE 12 Q4 13 D4 14 D5 15 Q5 16 Q6 17 D6 18 D7 19 Q7 20 Vcc C0JBAZ002845 IC8622 OE 1 2 Q0 3 D0 4 D1 5 Q1 6 Q2 7 D2 8 D3 9 Q3 10 GND 11 LE 12 Q4 13 D4 14 D5 15 Q5 16 Q6 17 D6 18 D7 19 Q7 20 Vcc D_LATCH TC74LCX373FT (TSSOP) DeMPX ED[15-0] --> EA[23-8] TC74LCX373FT (TSSOP) 44 7 8 9 ����������� �������������� 5 6 AA_XERE AA_XEAS NET0031226 0V AA_ED7 AA_XEAS AA_XNMIRQ AA_EA4 AA_XEWE0 NET0031261 AA_ED6 AA_ED10 AD_TRST AA_ED12 AA_EA15 NET0031303 AA_EA21 AA_ED0 AA_XECS1 AG_DTV_VOUTENB AA_EA14 AD_TO_BA01 AG_DTV_XRST AA_ED15 AA_ED11 AA_ED4 AA_EA5 AA_ESZ1 AA_ED13 AA_ESZ0 AA_ED2 AA_ED1 AD_TO_GC3FS_NEXT AA_BOOTSWAP AA_EA7 AA_ED7 AA_SBI0 AA_ERXW AA_ED14 AA_XIRQ1 AA_EA23 AA_EA22 AA_XECS0 AA_ED5 AA_ED15 AD_TMS AA_ED9 AA_ED12 AA_EA6 NET0031576 AA_XRST AA_XIRQ2 AA_EA1 AA_XRST AA_EA12 AA_EA3 AA_EA20 AA_ED13 AA_XEWE1 AA_ED8 AA_EA2 AA_SBO0 AA_ED14 AA_XEDK AA_EA25 AA_EA24 AA_ED5 AA_EA13 AA_EA0 AA_ED4 AA_ED6 AA_ED3 AD_TCK GUARD_CLK 0V AA_XECS2 AG_SD_BOOT_STS AG_SW_OFF_DET AA_FE_XRST ED13 SUB3.3V R8878 68 R8735 68 R8909 10k C R8629 68 C8622 16V 0.1u NFALE XIRQ1 R8630 68 R8910 10k EA7 XNFWE XRST C IS1DATA R8634 68 R8749 10k TCK VI2P11 R8881 68 BOOTSWAP R8896 0 R8633 68 R8882 68 EA5 R8874 10k R8865 EXB2HV680JV R8867 EXB2HV680JV R8935 10k EA3 R8948 10k R8561 68 R8939 180k ADIN C8852 6.3V 2.2u SBI0 R8942 5.6k TRST ED12 R8746 10k R8745 10k ED15 R8904 10k TP8854 R8557 68 ED5 SUB3.3V XNMIRQ R8947 68 C R8559 68 R8879 68 C R8875 10k ED10 Q8853 2SD0601ASL C R8880 68 R8894 68 TDI Q8852 2SD0601ASL SLRCK R8636 68 ED6 R8901 68 R8558 68 TP8853 XECS6 VI1CLK2 NANDRYBY RMCO R8870 0 R8897 0 R8906 10k ED7 R8905 10k ED9 DSRCK R8888 68 ED1 TMS SBO0 R8739 68 XECS0 R8885 68 R8893 0 R8876 10k R8555 68 R8892 68 R8908 10k XECS2 R8635 68 R8883 68 R8871 10k R8889 68 R8907 10k R8895 0 EA0 R8560 68 C8854 6.3V C ESZ1 XERE R8869 10k ADCCK R8736 68 R8941 47k XEDK R8900 68 R8866 EXB2HV680JV ED0 XNFRE NFCLE C STB3.3V TP8852 EA1 VI2P4 XIRQ2 XEWE0 R8898 10k XECS4 R8943 100k ED14 C8853 6.3V 2.2u EA6 R8632 68 VOUTENB R8737 68 R8938 4.7k SUB3.3V R8868 68 ED4 ED3 R8886 68 ESZ0 R8891 68 C R8556 68 XNFWP R8899 10k EA4 R8887 68 944 22k TP8851 CL8702 EA2 R8884 68 XEWE1 SUB5V R8742 10k SUB3.3V R8738 68 C R8631 68 C R8877 68 ED11 TDO VI2ENB ED8 XECS1 R8710 68 C Q8851 2SD0601ASL R8703 68 C8621 16V 0.1u ERXW R8940 XNFCE L8621 J0JHC0000075 ED2 0JBAZ002845 IC8621 OE Q0 D0 D1 Q1 Q2 D2 D3 Q3 GND 11 LE 12 Q4 13 D4 14 D5 15 Q5 16 Q6 17 D6 18 D7 19 Q7 20 Vcc 0JBAZ002845 IC8622 OE Q0 D0 D1 Q1 Q2 D2 D3 Q3 GND 11 LE 12 Q4 13 D4 14 D5 15 Q5 16 Q6 17 D6 18 D7 19 Q7 20 Vcc SUB3.3V D_LATCH ExBUS from GENX JTAG INT.PU /EA10 INT.PU /EA9 /EA11 INT.PU PORT16[7], SD_BOOT OUTPUT OUTPUT/(BOOTBT) (XECS2,3 setting) No INT.PD at RESET /EA17 BOOTBT OUTPUT INT.PD INT.PU OUTPUT /EA12 INT.PU B_PORT ed_pullup_sel OUTPUT PORT16[5] /EA16 /EA14 INT.PU INT.PU OUTPUT /EA21 /EA22 L:ADMPX H:Int.PU on ED INT.PU see also SDA2 for ea_pullup_sel EA24 /EA15 TC74LCX373FT (TSSOP) Reserved for NAND I/F ED/EA with Int.PU at start Factory Mode NON USE for SEPARATING NEED EXT.PU XIRQ3 for HDMI_INT in ADV sheet DUBUG/JIG INT.PU /EA23 NEED EXT.PU INT.PD INT.PU INT.PU ExBUS 0] --> EA[23-8] /EA20 /EA13 Hi-Z non NAND I/F ADDRESS MPXed, if D-Latch INT.PU clk_mode[0-5] non PORT6[6]:PSV1 ExBUS /EA18 TC74LCX373FT (TSSOP) Reserved/(ed_pullup_sel) LiteII /EA19 non /EA8 CONNECTED TO GENX4 FROM LiteII ON SHEET008 P_MAIN_SW NORMALY USE Just for Debug Use Debug Use PORT5[1] PORT5[2] RSV3 RSV2 Hi-Z Hi-Z XECS3,5,7: USED FOR OTHER PORPOSE PINS INT.PU Hi-Z PORT16[4] 10k ECLK C C8731 25V 0.01u R8732 100 C C *R8328 10k 1 2 3 R8709 0 R8711 10k R8712 10k SUB3.3V TO Sheet004 45 13.16.DG 板 (5/15) 线路图 9 10 11 A B C D E F �������������� ����������� 12 13 ! R8471 10k SUB3.3V AC_CHDI4 AC_CHDI5 AC_CHDI6 AC_CHDI7 AC_CHCLK AC_CHVAL SMTSEL0 *R8472 EXB2HV103JV C C SUB3.3V *R8474 EXB28V103JX *R8475 EXB28V103JX XCI_IREQ XPDCD1 XPDCD2 AC_CHDI0 AC_CHDI1 AC_CHDI2 AC_CHDI3 AC_CHSYNC SMTCMD0 AC_XPDWT SMTCLK0 AH_LRCK0 GUARD_CLK AC_CHCLK AC_CHSYNC SMTCMD0 GUARD AC_XEAB AC_XETS AC_CHDI3 AD_SCL0 GUARD GUARD AD_SCL3 GUARD GUARD AE_SDDAT0 SDCD AH_DAUDIO AD_SDA3 GUARD GUARD AD_SCL2 AD_SDA2 GUARD SMTSEL0 AC_IOWR GUARD AE_SDDAT1 AC_XPDWE GUARD AE_SDCMD GUARD AD_SDA0 GUARD 0V AC_IORD GUARD AE_SDCLK AC_CHDI5 GUARD 0V AC_XPDWT AH_DMIX0 GUARD AD_SCL1 AC_CHDI7 AC_CHDI6 GUARD 0V GUARD AC_CHDI2 0V AC_CHDI1 AC_CI_XRST AC_CHDI4 GUARD AE_SDDAT3 GUARD AE_SDDAT2 AC_XPDOE AC_XPDCE1 SMTCLK0 AC_REG AC_CHVAL GUARD AD_SDA1 AH_SRCK0 AC_CHDI0 GUARD_Y MVDACO3 AE_SDCD AE_SDWP AG_MODEM_LED2/CLK74SEL IS0PSYNC GUARD GUARD GUARD GUARD XEXDMR0 CH0CLK C8601 16V 0.1u R8826 68 R8913 68 R8923 10k R8863 68 R8952 68 R8916 68 R8920 4.7k R8963 10k R8858 68 R8926 4.7k SDA1 SDCD TXD0 R8853 0 SMTD0 R8605 68 XECS5 SDWP MVDACO0 CLKGEN_S2 SCL1 R8924 10k 25M R8856 68 VI1P1 R8817 68 R8859 68 VI1P11 R8851 0 VI1P0 *IC8601 C3EBGC000066 24LC16BT-I/SNG 1 A0 2 A1 3 A2 4 VSS CH0DATA CH1VAL SBT0 R8862 68 1% R8508 91 R8925 4.7k R8814 68 1% R8510 91 IS0DATA R8914 68 VI1P20 R8832 10k SRCK0 XCTS0 SMTCLK1 CH0VAL MVDACO3 LRCK0 VI2P20 SDCLK IS0PSYNC SBT2 R8911 68 R8857 68 SDA0 SMTD1 TP8605 RXD0 R8854 0 ERJ2GE0R00X 1% R8507 91 CH1DATA SMTCLK0 SDDAT2 4.9152M R8922 4.7k R8815 68 R8828 10k R8927 0 XRTS0 R8653 10k 24.576M R8855 68 R8912 68 VI2CLK2 XECS7 XRI0 XDCD0 C SMTRST1 SDDAT1 R8921 4.7k SMTCMD1 SUB3.3V R8917 R8918 68 SUB3.3V SDDAT0 CH0PSYNC C CH1PSYNC DMIX0 R8852 0 R8915 68 SMTSEL0 R8919 4.7k C SMTRST0 SMTCMD0 XDSR0 MVDACO2 XECS3 DAUDIO R8860 68 R8816 68 1% R8509 91 R8929 EXB2HVR000V R8864 68 C SCL0 XEXDMK0 MVDACO1 CH1CLK SMTSEL1 MAIN3.3V 68 C C SDDAT3 SDCMD R8655 10k R8813 EXB28V680JX XDTR0 C SUB3.3V R8504 330 R8502 330 R8503 330 R8506 330 EEPROM XCI_IREQ I2C XPDCD2 Hi-Z Hi-Z INT.PD SMTSEL0 INT.PU SD_CARD Hi-Z RESERVED Hi-Z CI I/F LiteII OUTPUT PORT9[5] CI_XRST INT.PD INT.PD INT.PD INT.PU I2 Hi-Z XPDCD1 INT.PD INT.PU NO PU/PD TUNER SERIAL TS Hi-Z Hi-Z Hi-Z Hi-Z Hi-Z Hi-Z CI_#CE1 PORT9[4] EEPROM_WP (ea_pullup_sel) CI PARALLEL TS N.C. for CLKGEN port Hi-Z Hi-Z SMTCMD0 H:Int.PU on EA CI_POWER_ON FOR H.264 BOARD Hi-Z PORT15[4] Hi-Z PORT15[4] used for CI_OCP on DT2 Int.PU PORT5[4] SD_COIN_DET Non Used 9/14 change (AC_XEDBA) *R8501 100 R8702 0 1 2 3 TC-32LX700D 45 15 16 17 ����������� �������������� 13 14 ! DG� TNPA4114DL(5/15 ) Sheet003_2:DTV CRNo:8000~8999 *R8818 0 *R8823 47k C G G G G DVB_CVBS GUARD AE_SDCLK AA_XRST AG_SW_OFF_DET AH_IECOUT0 GUARD AD_SDA1 GUARD MVDACO3 AG_DTV_VOUTENB AH_DAUDIO GUARD AG_SD_BOOT_STS AG_SRQ-GENX AE_SDDAT0 AD_SDA3 AD_SDA0 GUARD AH_SRCK0 GUARD AD_SCL0 GUARD AH_LRCK0 GUARD AD_SCL3 AH_DMIX0 GUARD AG_MODEM_LED2/CLK74SEL STB_RST GUARD_V AE_SDCD AE_SDDAT2 AE_SDDAT3 AE_SDWP AG_SD_LED_ON AH_DMIX0 C8601 16V 0.1u AD_SDA1 C C AG_TV_MAIN_ON SUB3.3V AH_IECOUT0 AG_DTV_XRST AG_DTV_XRST 8963 10k 1% R8512 180 AA_XRST TP8601 R8518 0 *C8803 16V 0.1u R8604 0 TP8603 AH_DAUDIO SUB3.3V AD_SCL1 R8805 10k R8806 10k AD_SCL0 AD_SCL2 *IC8601 C3EBGC000066 24LC16BT-I/SNG 1 A0 2 A1 3 A2 4 VSS 5 SDA 6 SCL 7 WP 8 VCC R8802 10k AG_MODEM_LED2/CLK74SEL AH_LRCK0 R8601 22 C AG_SW_OFF_DET TP8604 TP8605 TP8602 *FL8801 J0HAAA000013 1 2 3 4 5 6 7 8 9 10 AD_SDA3 AG_SRQ-GENX R8809 10k C *L8801 J0JHC0000045 *FL8802 J0HAAA000013 1 2 3 4 5 6 7 8 9 10 *DG52 1 2 3 4 5 6 7 8 9 10 11 12 13 14 R8602 22 STB_RST DVB_CVBS AG_SD_BOOT_STS R8519 0 VMUTE R8808 10k C AD_SDA0 R8812 0 TP8501 R8603 47k AD_SDA2 AD_SCL3 AG_DTV_VOUTENB R8513 0 R8807 10k AH_SRCK0 C R8517 0 R8804 10k R8803 10k R8833 0 SUB3.3V_SD AV_OUT EEPROM SD_CARD MAIN AUDIO DATA 3.3V GENX4 GND GND SDCLK for PHOTO OUT I2C COMMON LR/SR CLK SDCMD SDDTC DIGITAL AUDIO CONNECTOR Comp. GND to other devices with AUDIO DESCRIPTION DATA HQ1L/FHD to H-PCB AE_SDCMD AE_SDDAT1 L8501 G1C2R7K00005 R8811 0 C8804 16V 0.1u AD_SCL1 GUARD AD_SCL3 GUARD AD_SDA3 GUARD TC-32LX700D 46 13.17.DG 板 (6/15) 线路图 1 2 3 A B C D E F ! DG� TNPA4114DL(6/15 ) �������������� ����������� 4 5 Sheet004:GC3Fs-next CRNo.4000~4199 AG_UB2 AG_YG0 AG_YG3 AD_TCK AG_UB0 AD_TO_HQ1L AG_UB6 AG_YG5 AG_UB4 AG_UB3 AG_VPO AG_UB1 AG_UB5 AG_UB7 GUARD_CLK GUARD_CLK AD_TO_GC3FS_NEXT AG_YG4 AG_YG2 AG_YG7 AG_YG6 AD_TRST AG_VI2CLK GUARD_CLK AG_HPO AD_TMS AG_YG1 MAIN_FS_1.8V C VI2P14 VI2P28 VI2P25 SUB5V VI2P15 C AD_TRST AD_TO_GC3FS_NEXT AG_TV_MAIN_ON VI2CLK VI2P13 AD_SDA1 AG_HQ1_XRST FS_FRCLKIN C C *R4006 22 *IC4005 C0CBCBC00190 1 VDD 2 GND 3 CE 5 VOUT 4 NC *R4004 68 VI2P29 *L4008 J0JHC0000078 *C4050 10V 1u AH_FS_Y *R4002 EXB2HV680JV *C4049 16V 0.1u VI2P24 AH_FS_U AH_FS_V VI2P16 *C4047 10V 1u VI2VSYNC AD_TCK VI2P26 VI2P18 HQ1L_FRCLKIN *R4003 EXB2HV680JV C VI2HSYNC VI2P19 *IC4004 C0JBAZ002261 1 G 2 IN A 3 GND 5 VCC 4 OUT Y *R4005 68 VI2P17 VI2P22 VI2P23 AD_TO_HQ1L AD_TMS VI2P27 AD_SCL1 *C4046 16V 0.1u VI2P12 C Sheet 002 EA23, Y7 EA10, UV2 intPU after reset HQ1L Sheet009 EA17, Y1 GenX4 Sheet008 EA18, Y2 EA15, UV7 CN_to_H Sheet007 EA22, Y6 HQ1L Sheet009 Peaks Lite II DTV Sheet003 EA8, UV0 ADV7493 Sheet010 EA19, Y3 EA21, Y5 EA12, UV4 EA13, UV5 EA11, UV3 EA20, Y4 EA9. UV1 ADV7493 Sheet010 HQ1L Sheet009 HQ1L Sheet009 DTV Sheet003 JTAG DTV Sheet003 EA14, UV6 EA16, Y0 I2C LVDS_OUT Sheet011 MAIN3.3V 46 7 8 9 ����������� �������������� 5 6 AG_UB1 AG_YG0 AG_UB2 AG_UB4 AG_UB5 AG_YG0 AG_YG3 AD_TRST AG_VI2CLK AG_UB0 AG_UB6 AG_YG5 AG_UB4 AD_TMS AG_UB3 AH_FS_U AG_TV_MAIN_ON AH_FS_Y AG_YG7 AG_YG1 0V AG_YG4 AG_YG2 AG_UB7 AG_VPO AG_UB1 AG_YG6 AG_UB5 AG_UB7 AD_TO_GC3FS_NEXT AG_YG4 AG_YG2 AG_UB3 AD_TCK AG_HQ1_XRST AG_YG5 AD_SDA1 AG_YG3 AG_YG7 AD_SCL1 AH_FS_V AG_UB6 AG_HPO AG_YG6 AG_VI2CLK GUARD_CLK AG_HPO AG_UB0 AG_YG1 AG_UB2 AD_TO_HQ1L AG_VPO C *R4014 1k *C4040 50V 15p *R4011 22 *C4027 16V 0.1u *C4022 50V 0.47u *R4016 680 C *C4013 16V 0.1u *Q4001 2SA207700L C *C4011 16V 0.1u *C4008 16V 0.1u *JS4002 *C4030 16V 0.1u *C4039 25V 0.01u C1AB00002687 *IC4001 1 VDDE 2 VSS 3 UBOUT3 4 UBOUT2 5 VDDI 6 UBOUT1 7 UBOUT0 8 CLKO 9 VDDE 10 VSS 11 VDDI 12 FRCLKIN 13 TEST 14 SDA 15 SCL 16 CTRL0 17 CTRL1 18 NRST 19 VSS 20 VDDE 21 VPD 22 RT1 23 RB1 24 AVD1 25 AVS1 26 MON1 27 YIN 28 RT2 29 RB2 30 AVD2 31 AVS2 32 MON2 33 UIN 34 RT3 35 RB3 36 AVD3 37 AVS3 38 MON3 39 VIN 40 TDI 41 TDO 42 VDDE 43 VSS 44 TRST 45 TMS 46 TCK 47 VDDI 48 VREF 49 AVD4 50 AVS4 51 AOUT 52 VSS 53 CW358 54 VDDE 55 BXS 56 VDDI 57 PLLVS 58 PLLVD 59 VSS 60 VDDE 61 VPO 62 HPO 63 YGOUT7 64 YGOUT6 65 YGOUT5 66 VDDE 67 VSS 68 VDDI 69 YGOUT4 70 YGOUT3 71 YGOUT2 72 YGOUT1 73 YGOUT0 74 VDDI 75 VSS 76 VDDE 77 UBOUT7 78 UBOUT6 79 UBOUT5 80 UBOUT4 C *C4035 10V 1u *C4023 16V 0.1u *L4006 J0JHC0000045 SUB3.3V 4006 MAIN_FS_1.8V *C4033 16V 0.1u *C4053 16V 0.1u *R4034 10k *C4021 16V 0.1u 4004 *C4015 16V 0.1u C *R4002 EXB2HV680JV *C4010 16V 0.1u *C4034 16V 0.1u *C4051 16V 0.1u C *R4003 EXB2HV680JV C_FS_PLL *L4004 J0JHC0000078 MAIN_FS_1.8V *C4045 16V 0.1u *R4019 1k *C4014 16V 0.1u *R4025 2k *C4032 16V 0.1u 1 G 2 IN A 5 VCC *C4028 16V 0.1u 4005 *R4029 100 *C4024 16V 0.1u MAIN9V C *C4005 16V 0.1u *IC4002 C0CBCAC00275 1 VDD 2 GND 3 CE 5 VOUT 4 NC *C4018 16V 0.1u C *R4013 680 C C *C4036 10V 1u *C4016 16V 4.7u TP4000 *C4025 16V 0.1u *Q4000 2SA207700L *C4038 16V 0.1u *Q4002 2SA207700L C C C_FS_PLL *R4017 1k *C4019 50V 0.47u *C4020 16V 0.1u C *L4002 J0JHC0000045 *R4028 100 *R4012 22 *C4046 16V 0.1u *C4006 16V 0.1u 1% *R4007 680 1% *R4010 1.82k C C *C4052 16V 0.1u C BPORT JTAG MAIN1.8V H:ACTIV TAG GC3FS-next 3G 47 13.18.DG 板 (7/15) 线路图 1 2 3 A B C D E F �������������� ����������� 4 5 + + + C5671 4V 100u 0 3.30V 8.04V 5.00V 0.0V 0.0V 3.30V C CC3 STB3.3V D5605 MA22D3900L CC2 C5600 1u 16V R5620 68 R5625 0 CC2 C5627 0.1u 16V CC3 CC2 CC2 TP5601 CC3 D5603 B0JCDD000002 RB520S-30TE61 C C R5622 100k C5603 0.01u 25V C L5670 J0JHC0000078 STB5V SUB5V C5624 220p 50V C5626 0.1u 16V Q5602 B1MBEDA00015 SP8K2TB S1 G1 S2 G2 D2 D2 D1 D1 C5628 68u 4V C R5628 0 L560 L5606 G1C100MA0077 C5640 0.1u 16V C5619 10u 10V CC2 C D5606 B0JCDD000002 C5641 0.1u 16V SUB3.3V D5607 MAZ802400L R5605 12.7k 1% R5671 18k C5618 10u 10V C5631 16V 47u C5676 16V 0.1u CC3 C5601 0.1u 16V C5610 16V 47u R5626 0 C0DBAYY00274 IC5601 MB39A128APFT-G-BND-ERE1 1 RT 2 CS1 3 VO1 4 FB1 5 REFIN1 6 ILIM1 7 -INC1 8 -INC2 9 ILIM2 10 FSW 11 FB2 12 VO2 13 CS2 14 GND 15 VREF 16 CTL 17 CB2 18 OUT2-1 19 LX2 20 OUT2-2 21 VB 22 PGND 23 VCC 24 OUT1-2 25 LX1 26 OUT1-1 27 CB1 28 PGOOD 29 CUVP 30 OVP R5674 1.2k D5673 B0HCMM000014 R5637 0 R5611 36k 1% CC2 Q5600 B1MBEDA00015 SP8K2TB S1 G1 S2 G2 D2 D2 D1 D1 L5604 G1C100MA0077 R5634 16k 1% D5604 B0JCDD000002 RB520S-30TE61 C5608 0.1u 16V C5602 68u 4V CC2 R5609 0 C5662 10V 0.047u C5636 0.1u 16V C5606 470p 50V D5602 MA22D3900L MA22D3900L L5600 G1C2R2ZA0083 R-12U539DE R5607 0 R5661 47k R5600 68 CL5601 R5612 23.2k 1% R5606 0 D5670 MA2J11100L R5623 47k 1% STB5V C5629 68u 4V C5617 1u 16V CL5660 R5608 0 C5607 50V 220p CC3 C5638 0.1u 16V CC2 TP5670 TP5602 CC2 STB_RST R5632 30k 1% R5627 0 C R5670 0 C0CBCBC00190 IC5670 MM3143DNRE(R59-1828) 1 VDD 2 GND 3 CE 5 VOUT 4 NC R5630 47.5k 1% C5670 10V 1u C5674 10V 1u D5608 MAZ802400L D5601 MA22D3900L MA22D3900L C C0DBAYY00273 IC5600 MB39A130APFT-G-BND-ERE1 1 GND 2 REFIN 3 VREF 4 CS 5 COVP 6 CUVP 7 PGOOD 8 CTL 9 LSAT 10 ILIM 11 +INC 12 -INC 13 FSW 14 PGND 15 OUT-2 16 VB 17 VCC 18 VBIN 19 LX 20 OUT-1 21 CB 22 RT 23 VO 24 FB L5601 G1C2R2ZA0083 R-12U539DE CC3 C5623 470p 50V R5629 30.1k 1% SUB1.8V SUB3.3V D5671 B0HCMM000014 R5621 47k 1% C5625 0.01u 25V C5605 4.7u 10V AG_AC_GOOD/24V_DET CC2 C5621 0.01u 25V C R5662 10k C5637 0.1u 16V CC3 C5615 10u 10V SUB1.2V Q5601 B1MBEDA00015 SP8K2TB S1 G1 S2 G2 D2 D2 D1 D1 STB3.3V C5630 16V 47u R5604 47k 1% C5639 0.1u 16V TP5600 R5660 5.6k C5604 0.01u 25V R5633 16k 1% IC5660 C0EBM0000026 1 OUT 2 Vdd 3 GND 5 Cd NC C AA_XRST C0EBF0000376 IC5671 1 RST 2 VDD 3 GND 5 Cd 4 NC CC3 CC3 C5622 4.7u 10V CL5600 C5609 47u 16V C DTV9V C5616 0.047u 10V L5602 G1C3R3ZA0083 R5610 100k CC2 R5631 36k 1% CC2 R5672 0 C C C5644 0.01u 25V R5638 10k R5636 68k R5644 2.2k Q5603 2SD0601ASL R5635 22k R5647 47k D5609 MAZ80560LL R5641 47k C5645 2.2u 10V C DTV9V R5646 10k Q5604 2SD0601ASL C5673 16V 1u C5620 0.1u 50V C5643 0.1u 50V C5661 25V 0.01u C5663 25V 0.01u D5672 0 ERJ3GEY0R00V PEAKS-LITE2_RESET GENX4_POWER_RST PEAKS-LITE2_POWER MAX150mA 145mA RESET Cn to H Peaks-LITE2 POWER Vo(3.3V) Vout GND Peaks-LITE2 RST PST3261 GenX4 to Sheet003 to sheet008 to sheet007 VREF(2.5V) RESET IC CTL PST3261 RESET IC PGOOD GenX4 POWER/RST 9V or 10.5V PGND PGND PGND PGND PGND PGND PGND C CC2 TC-32LX700D 47 7 8 9 ! DG� TNPA4114DL(7/15 ) ����������� �������������� 5 6 Sheet005:PowerSupply/RST CRNo.5600~5749 + + + + + AG_RMIN AG_R_LED_ON AG_G_LED_ON Q5691 B1ABCF000138 MSD601-RT1G MAIN3.3V C C TP5703 Q5693 B1DHDC000028 C C DTV9V R5697 10k CL5690 Q5692 B1DHDC000028 R5694 1k AG_RMIN STB3.3V TP5704 AG_KEY3 R5693 47k SUB5V C5715 50V 0.1u L5605 R5696 10k L5692 R5695 1k C SUB3.3V C TP5702 C5631 16V 47u CL5692 C5692 50V 0.1u STB5V AG_R_LED_ON C C C5716 50V 0.1u *R5732 0 R5692 47k C 077 C5712 50V 0.1u C Q5690 B1ABCF000138 MSD601-RT1G CL5710 C CL5691 C5695 47u 6.3V CL5712 TP5700 CL5711 C SUB5V C5711 50V 0.1u MAIN9V CL5715 R5731 47k L5690 J0JHC0000078 *L5731 J0JHC0000078 L5735 J0JHC0000078 C5690 47u 6.3V TP5706 L5734 J0JHC0000078 MAIN5V C AG_TV_MAIN_ON P12V C5713 50V 0.1u DG2 1 2 3 4 5 6 7 8 9 10 11 12 13 14 15 16 17 18 19 20 21 22 23 C TP5701 AG_KEY2 HQ3.3V CL5693 DG1 BM12B-GHS-TBT(LF)(SN) K1KA12A00317 1 2 3 4 5 6 7 8 9 10 11 12 SUB3.3V C5693 50V 0.1u SUB3.3V L5733 J0JHC0000078 CL5713 AG_G_LED_ON C C5733 16V 0.1u C5714 50V 0.1u SUB5V C5710 50V 0.1u L5691 J0JHC0000078 C5691 47u 6.3V C5632 1u 16V C DTV9V CL5714 D5691 B0BC6R600005 C5694 47u 6.3V L5611 J0JHC0000035 C R5730 47k C AA_XRST C TP5705 R5691 10k AG_AI_SENSOR R5690 10k D5690 B0BC6R600005 L5610 J0JHC0000035 TP5603 TP5608 TP5605 TP5604 TP5606 TP5707 D5692 MAZ80390HL MAIN5V_MAIN3.3V DG-K_CONNECTER DG-H_CONNECTER DG-H Connecter GenX4 From GenX4 to sheet008 SUB5V GND MAIN5V/MAIN3.3V to DG DG-K Connecter GND From H From H From H SUB3.3V SUB5V From H GND P12V GND GND GND GND MAIN5V P12V DTV9V to V-PCB DTV9V SUB3.3V SUB5V eet003 MAIN3.3V GND (sheet008) From H From H GND MAIN9V STB5V SUB9V(FHD)/LCD3.3V SUB9V(FHD)/LCD3.3V GND G_LED_ON GND AI_SENSOR SUB5V RMIN ACTIVE_STBY_LED_ON GND STB3.3V R_LED_ON GND KEY1 GND TC-32LX700D 48 13.19.DG 板 (8/15) 线路图 1 2 3 A B C D E F ! DG� TNPA4114DL(8/15 ) �������������� ����������� 4 5 Sheet007:CN to H AH_FS_U GUARD_PB MAIN_Y/CVBS GUA AH_DMIX0 GUARD MAIN_PR GUA AH_FS_Y AH_FS_U AH_DMIX0 GUARD MAIN_PB/C GUA PC_VS AH_LRCK0 GUARD GUARD PC_VS GUARD RGB_CVBS GUARD_V AH_DAUDIO GUARD HDMI_SDIN GUARD GUA RGB_CVBS AH_LRCK0 GUARD AH_FS_V DVB_CVBS AH_FS_V GUARD_PR HDMI_SDIN GUARD HDMI_INT2 HDMI_INT2 MAIN_PR GUARD_PR RGB_FB MAIN_PB/C GUARD_PB AH_SRCK0 GUARD_CLK PC_HS GUARD MAIN_Y/CVBS GUARD_Y AH_SRCK0 GUARD_ HDMI_LRCK GUARD RGB_FB HDMI_BCLK GUARD_ PC_HS HDMI_LRCK GUARD AH_DAUDIO GUARD HDMI_BCLK GUARD_CLK AH_FS_Y GUARD_Y GUARD_V DVB_CVBS GUARD AH_IECOUT0 HDMI_BCLK TP2003 AH_FS_Y HDMI_INT2 TP2001 RGB_FB AH_DAUDIO AH_FS_U TP2004 AH_DMIX0 TP2000 HDMI_LRCK MAIN_PB/C TP2020 RGB_CVBS DVB_CVBS PC_VS HDMI_SDIN AH_IECOUT0 TP2006 TP2008 PC_HS TP2007 TP2023 AH_FS_V MAIN_PR TP2005 TP2009 TP2002 TP2022 AH_SRCK0 TP2021 MAIN_Y/CVBS AH_LRCK0 to Sheet 003 ADV7493 GC3FS next IRD AD_SCL2 AD_SDA2 AD_SCL2 AD_SDA2 AD_SCL2 AD_SDA2 to Sheet 003 IIC2 to Sheet 004 to Sheet 010 48 7 8 9 ����������� �������������� 5 6 AG_A_MON_MUTE/SP_MUTE AG_VIDEO_STATUS AG_TV_MAIN_ON AG_SOS MAIN_Y/CVBS GUARD_Y MAIN_PR GUARD_PR AH_FS_Y GUARD_Y AH_FS_U GUARD_PB AH_DMIX0 GUARD MAIN_PB/C GUARD_PB PC_VS GUARD AH_LRCK0 GUARD GUARD AG_FAN_SOS STB_RST AH_DAUDIO GUARD GUARD_V RGB_CVBS AG_AUDIO_XRST AH_FS_V GUARD_PR DVB_CVBS GUARD_V AG_RF_AFT2 AG_RF_AFT1 AG_KEY1(CON-PANE) AG_AC_GOOD/24V_DET AG_SOUND_SOS AG_SOS HDMI_SDIN GUARD AG_TV_MAIN_ON AG_AUDIO_MUTE AG_TV_SUB_ON PANEL_STBY/VCC_ON AG_AC_GOOD/24V_DET HDMI_INT2 AG_ECO_ON AG_FAN_MAX/INV_PSU_ON AG_RF_AFT1 AG_KEY1(CON-PANE) AH_SRCK0 GUARD_CLK RGB_FB HDMI_BCLK GUARD_CLK PC_HS GUARD HDMI_LRCK GUARD AG_ALL_OFF AG_SOUND_SOS AG_A_MON_MUTE/SP_MUTE AG_TV_SUB_ON STB_RST AG_AUDIO_MUTE AG_AUDIO_XRST AG_VIDEO_STATUS AG_RF_AFT2 AG_FAN_SOS AG_ECO_ON AG_ALL_OFF AG_QLINK1 AG_QLINK2 AG_QLINK1 AG_QLINK2 PANEL_STBY/VCC_ON AG_TV_SUB_ON_DELAY AG_TV_SUB_ON_DELAY AG_ALL_OFF R2023 47k TP2003 R2025 47k AG_ODU_ON/GEMSTER_STBY_EN TP2011 C TP2024 AG_RF_AGC1 TP2001 AG_RF_AFT1 *R2022 47k AG_QLINK1 AG_QLINK_PU_ON C AG_KEY1(CON-PANE) R2014 47k TP2017 AG_AVSW_OFF AG_TV_MAIN_ON TP2004 TP2000 AG_PANEL_STBY_ON/PANEL_VCC_ON R2010 47k R2018 47k TP2012 AG_QLINK2 TP2020 STB_RST AG_TV_SUB_ON R2012 47k TP2019 *R2021 47k AG_ECO_ON C AG_BUS_CONNECT2 R2011 47k AG_VIDEO_STATUS TP2013 TP2006 TP2008 TP2007 TP2023 *R2016 47k TP2005 *R2019 47k TP2009 AG_FAN_MAX TP2002 AU_SBO(HOTEL) TP2018 AG_AUDIO_XRST TP2022 R2013 47k TP2016 *R2003 0 AG_RF_AFT2 AG_SOUND_SOS R2015 47k C AU_SBI(HOTEL) AG_FAN_SOS AG_AUDIO_MUTE TP2021 AG_SOS TP2010 TP2015 AG_ODU_DET AG_A_MON_MUTE/SP_MUTE TP2014 R2020 47k AG_TV_SUB_ON_DELAY AG_AC_GOOD/24V_DET DG6 K1KB80AA0218 1 2 3 4 5 6 7 8 9 10 11 12 13 14 15 16 17 18 19 20 21 22 23 24 25 26 27 28 29 30 31 32 33 34 35 36 37 38 39 40 41 42 43 44 45 46 47 48 49 50 51 52 53 54 55 56 57 58 59 60 61 62 63 64 65 66 67 68 69 70 71 72 73 74 75 76 77 78 79 80 SPDIF_IN(OPT) AFC2 FAN_SOS SUB_PB/C DTV_LRCK AC_GOOD/24V_DET ALL_OFF TV_MAIN_ON GenX4 DTV_BCKL QLINK_AV3 EURO QLINK CONTROL GENX_RST ECO_ON MAIN_Y/CVBS/G DTV_SDIN USA Only SOS DVB_CVBS JPN/USA Only MAIN_PR/R HDMI_SDIN MAIN_PB/C/B KEY1 SOUND_SOS JPN LCD Only JPN Only SUB_PR JPN LCD Only PC_V AFC1 HDMI_BCLK HDMI_LRCK AUDIO_XRST FAN_MAX/INV_PSU_ON(7/13 DTV2_SDIN PC_H SUB_Y/CVBS RGB_CVBS SP_MUTE to H-PCB QLINK_AV2 to Sheet 008 VIDEO_STATUS SCL0B SDA0B HDMI_INT2 RGB_FB TV_SUB_ON (RESERVE) AUDIO_MUTE (Common) (EURO/ASIA) (ASIA) (Common) 49 13.20.DG 板 (9/15) 线路图 1 2 3 A B C D E F ! DG� TNPA4114DL(9/15 ) �������������� ����������� 4 5 Sheet008:GenX4 CRNo.1100~1999 1u R1152 C1110 16V 0.1u R1157 AG_HDMI_CEC AG_RMIN AG_KEY3 AG_ODU_ON/GEMSTER_STBY_EN TRCST AG_TV_MAIN_ON AG_DTV_1.5V_ON AG_QLINK2 AG_CONFIG_DONE AG_HQ1_VOUTENB AG_LVDS_EN AG_ECO_ON AG_FPGA_XRST AG_HQ1_XRST AG_INVERTER_ON AG_INVERTER_SOS AG_TV_SUB_ON AG_KEY1(CON-PANE) AG_PWM_POW_ON AG_QLINK1 AG_HDMI_5V_DET1 AG_QLINK1 AG_AVSW_OFF AG_RF_AGC1 AG_QLINK2 AG_BUS_CONNECT2 AG_ALL_OFF AG_RF_AFT1 AG_RF_AFT2 AG_SOUND_SOS AG_SOS AG_A_MON_MUTE/SP_MUTE AG_AUDIO_MUTE AG_AUDIO_XRST AG_FAN_MAX AG_FAN_SOS AG_QLINK_PU_ON AG_7493_XRST AG_VIDEO_STATUS AG_PANEL_STBY_ON/PANEL_VCC_ON AG_BUS_CONNECT2 AG_ODU_DET AG_SW_OFF_DET AG_RF_AGC1 AUDCLK SLRCK AG_G_LED_ON AG_MODEM_LED2/CLK74SEL AG_MODEM_LED1/DT_IFSW/ACTIVE_STB_LED_ON AG_FAN_MAX AG_KEY2 GUARD_CLK AG_ODU_DET AG_SRQ-GENX AU_SB0 (HOTEL) AU_SB1 (HOTEL) AG_KEY2 AG_AI_SENSOR AG_INV_PSU_ON AG_KEY3 AG_HDCP_WP AG_EDID_WP AG_HDMI_5V_DET3 AG_HDMI_5V_DET2 AG_G_LED_ON AG_R_LED_ON AG_MODEM_LED1/DT_IFSW/ACTIVE_STB_LED_ON AG_HPD1 AG_HPD2 AG_HPD3 AG_HDMI_REP_EN AG_HDMI_MUX_EN AG_HDMI_MUX_SEL AG_HDMI_OPT_ENB AG_TV_MAIN_ON_DELAY AG_HDMI_REP_EN AG_HDMI_MUX_EN AG_HDMI_MUX_SEL AG_ECO_ON AG_DTV_1.5V_ON AG_INV_PSU_ON AG_PWM_POW_ON AG_RF_AFT1 AG_RF_AFT2 AG_SOS AG_SD_BOOT_STS AG_QLINK_PU_ON AG_FPGA_XRST AG_PANEL_STBY_ON/PANEL_VCC_ON AG_EDID_WP AG_HDCP_WP AG_FAN_SOS AG_SOUND_SOS AG_SD_LED_ON AG_TV_SUB_ON_DELAY AG_KEY1(CON-PANE) AG_AI_SENSOR AG_TV_SUB_ON AG_INVERTER_SOS C1109 1u 10V TP1105 AG_DTV_1.5V_ON *R1230 47k 47k AG_HDCP_WP AG_HDMI_5V_DET3 AG_QLINK1 AG_HDMI_REP_EN C AG_AVSW_OFF R1106 100 AG_KEY2 AG_QLINK2 R1104 47k AG_HDMI_OPT_ENB AG_HDMI_CEC STB3.3 R1100 AG_HQ1_XRST AG_FAN_SOS AG_TV_MAIN_ON_DELAY AG_HPD2 AG_HQ1_VOUTENB *R1246 AG_SOUND_SOS C L1100 J0JHC0000078 AG_RF_AGC1 AG_FPGA_XRST AG_PANEL_STBY_ON/PANEL_VCC_ON C1123 1u 10V AG_INV_PSU_ON R1134 100 C X1100 H0J100500035 R1144 47k AG_HDMI_5V_DET2 R1105 100 R1107 100 AG_FAN_MAX AG_HPD1 TP1103 AG_RF_AFT1 AG_INVERTER_SOS AG_A_MON_MUTE/SP_MUTE C1107 50V 22p AG_MODEM_LED1/DT_IFSW/ACTIVE_STB_LED_ON AG_ODU_DET R1146 1k AG_LVDS_EN AG_G_LED_ON R1255 1k C AG_KEY1(CON-PANE) R1229 100 R1237 47k AG_PWM_POW_ON TP R1103 33 *R1243 47k R1101 0 AG_RF_AFT2 STB3.3V R1108 100 AG_7493_XRST AG_INVERTER_ON AG_AUDIO_XRST AG_ALL_OFF C1102 10u 10V AG_AUDIO_MUTE AG_AI_SENSOR AG_R_LED_ON TP1104 R1222 47k C1117 16V 0.1u TP11 C AG_TV_MAIN_ON *R1250 47k C1103 16V 0.1u AG_HDMI_MUX_EN AG_EDID_WP STB_RST R1102 100 R1124 22 R1236 47k C R1125 22 AG_HDMI_MUX_SEL AG_ECO_ON STB3.3V AG_HPD3 AG_TV_SUB_ON_DELAY C1106 50V 27p AG_CONFIG_DONE R1153 820 AG_SOS AG_ODU_ON/GEMSTER_STBY_EN AG_HDMI_5V_DET1 C AG_QLINK_PU_ON C1108 16V 0.1u AG_RMIN AG_BUS_CONNECT2 AG_TV_SUB_ON AG_KEY3 R1221 7.15k 1% AG_VIDEO_STATUS C1104 16V 0.1u R1109 100 *R1173 200 *D1112 MA2J72800L *IC1101 C3EBFC000042 1 2 3 4 5 6 7 8 MNZSFD7GP42 IC1100 1 P41/TMIO1 2 P42/TMIO2 3 P43/TMIO3 4 P44/TMIO4 5 P00/TMIO5 6 P01 7 P02 8 P03/SBT0B 9 P04/SBO0B 10 P51/IRQ2 11 P52/IRQ3 12 PB2 13 PB3 14 PB4 15 PB5 16 PB6 17 PB7 18 P53/IRQ4 19 P54/IRQ5 20 PA7 21 PA6 22 PA5 23 74 75 N.C. 76 N.C. 77 N.C. 78 IVDD 79 VDD 80 N.C. 81 RONA 82 VSS 83 OSCXO 84 OSCXI 85 IVDD 86 P24 87 P25 88 P26 89 P27 90 P64/SBI1 91 P63/SBO1 92 NBOOT 93 NRST 94 NTEST 95 SCLOCK 96 SDATA 97 EXTRG0 98 EXTRG1 99 TRCCLK 100 TRCST 101 TRCD0 102 TRCD1 103 TRCD2 104 TRCD3 105 P90 106 P91 107 VSS 108 IVDD 109 P92 110 P93 111 P80/ADIN0 112 P81/ADIN1 113 P82/ADIN2 114 P83/ADIN3 115 P84/ADIN4 116 P85/ADIN5 117 P86/ADIN6 118 P87/ADIN7 119 P74/SDA2/CECAVL1B 120 P75/SCL2/CECAVL1A 121 P36 122 P37 123 P47 124 PB0 125 PB1 126 PC0 127 PC1 128 P40/TMIO0/SYSCLK R1147 47k R1163 1M R1263 47k C1122 25V 0.01u to Sheet 007 (SD_LED_ON) ODU_DET (For LCD) (BUS_CONNECT2) (For PDP) (USA only) (For LCD) (For PDP) (QLINK_PU_ON) (HDMI_CEC_PU_ON) (USA/EURO) (For LCD) (For LCD) HQ1_VOUTENB (For LCD) LVDS Out to Sheet 005 PANEL_STBY_ON FAN_MAX G_LED_ON TV_SUB_ON RSV3(LITE2) Power Supply RSV4(LITE2) CN to H (EURO/ASIA) HQ1L/CN to HFD sheet011/009 to Sheet 011 sheet011/009 (For LCD) to Sheet 004/005/007/009/010 USA Only SW_OFF_DET (USA Only) INVERTER_ON (JPN/USA) PWM_POWER_ON sheet009/004 DTV_VOUTENB HQ1L/GC3FS LVDS_EN sheet009/011 Power Supply sheet009/011 JPN Only to Sheet 010 to Sheet 009 ADV7493 ECO_ON DTV_1.5V_ON RF_AGC1 EURO Only EURO Only (RESERVE) GenX4 RST to Sheet 005 EURO Only Closed to sheet009 R1145 10MHz KEY3(TV_POWER) (JPN/Euro) HDMI_MUX_SEL HDMI_MUX_EN TC-32LX700D 49 7 8 9 ����������� �������������� 5 6 R1160 100 R1161 100 R1152 R1252 100 R1202 47k C1110 16V 0.1u R1254 100 R1159 100 R1253 100 D1104 MA8056MTX AD_SCL3 AD_SDA3 SCL AG_SD_LED_ON SDA AG_DTV_XRST AG_SRQ-GENX AG_DTV_VOUTENB AG_SD_BOOT_STS SCL SDA AD_SCL3 AD_SDA3 AG_HPD2 AG_HPD1 SUB5V_SENSE DTV9V_SENSE AG_BUS_CONNECT2 AG_ODU_DET AG_SW_OFF_DET SCL SDA AG_TV_MAIN_ON_DELAY AG_FAN_MAX AG_R_LED_ON AG_ODU_ON/GEMSTER_STBY_EN AG_AVSW_OFF AG_TV_MAIN_ON AG_CONFIG_DONE AG_MODEM_LED2/CLK74SEL AG_RMIN AUDCLK SLRCK ADCCK VI2ENB VI2ENB MAIN9V_SENSE AG_HDMI_CEC AG_HQ1_XRST AG_7493_XRST AG_AUDIO_XRST AG_SRQ-GENX MAIN5V_SENSE AU_SB0 (HOTEL) AU_SB1 (HOTEL) AU_SB0 (HOTEL) AU_SB1 (HOTEL) SB12 SB02 SB12 SB02 AG_SW_OFF_DET AG_HDMI_5V_DET1 AG_VIDEO_STATUS AG_KEY3 AG_HDMI_5V_DET3 AG_HDMI_5V_DET2 AG_HPD3 AG_PWM_POW_ON AG_QLINK_PU_ON AG_ALL_OFF AG_SD_LED_ON AG_HDMI_OPT_ENB AG_TV_SUB_ON_DELAY AG_SD_COIN_DET SD_PWR_CTRL SD_PWR_CTRL C1109 1u 10V TP1105 C R1231 47k R1182 27k R1205 22 SLRCK MAIN9V SCL STB3.3V C VI2ENB *R1224 47k R1233 47k R1225 47k STB3.3V C DTV9V R1175 22 C1111 1u 10V R1184 22 R1172 27k SUB5V C1123 1u 10V X1100 H0J100500035 MAIN3.3V AG_DTV_VOUTENB R1206 22 R1217 56k R1183 22 R1200 5.6k AG_SD_LED_ON R1166 100k R1218 10k 103 C1107 50V 22p C1114 16V 0.1u R1164 10k R1228 47k AG_SD_BOOT_STS R1196 33k R1234 47k R1227 47k C C R1216 33k C C1112 16V 0.1u R1237 47k TP1100 R1204 0 Q1108 2SD0601ASL R1223 47k ADCCK AG_MODEM_LED2/CLK74SEL R1226 47k TP1101 C R1194 56k R1171 56k AG_DTV_XRST R1170 27k AD_SCL3 AD_SDA3 R1174 22 R1195 100k D1107 MA3X704A0L R1199 47k R1165 1.8k C R1169 56k R1232 47k AG_SRQ-GENX C1117 16V 0.1u TP1102 R1162 100 C C R1179 100 100 R1220 10k STB_RST C1106 50V 27p C R1153 820 R1209 47k C1108 16V 0.1u SDA R1181 AG_SW_OFF_DET R1219 10k R1203 47k Q1107 2SD0601ASL AG_SD_COIN_DET R1235 100k *IC1101 C3EBFC000042 1 2 3 4 5 6 7 8 D1113 MA2J72800L R1122 47k MNZSFD7GP42 IC1100 P51/IRQ2 11 P52/IRQ3 12 PB2 13 PB3 14 PB4 15 PB5 16 PB6 17 PB7 18 P53/IRQ4 19 P54/IRQ5 20 PA7 21 PA6 22 PA5 23 VSS 24 PA4 25 PA3 26 PA2 27 PA1/IRQ1 28 PA0 29 P45 30 P46 31 IVDD 32 VDD 33 P60/SBO0A 34 P61/SBT0A 35 P62/SBI0A 36 P05/IRQ6 37 P06/IRQ7 38 P07/IRQ8 39 P70/SDA0 40 P71/SCL0 41 N.C. 42 N.C. 43 N.C. 44 N.C. 45 P50/RMIN/IRQ0 46 P20 47 P21 48 P22 49 P23 50 IVDD 51 VSS 52 P10 53 P11 54 P12 55 P13 56 P14 57 P15 58 P16 59 P17 60 N.C. 61 N.C. 62 N.C. 63 P72/SDA1 64 P73/SCL1 65 P76/CEC0 66 P65/SBO2 67 P66/SBI2 68 P30 69 P31 70 P32 71 P33 72 P34 73 P35 74 VPPEX 75 N.C. 76 N.C. 77 N.C. 78 IVDD 79 VDD 80 N.C. 81 RONA 82 VSS 83 OSCXO 84 OSCXI 85 IVDD 86 P24 P25 R1163 1M SD_PWR_CTRL shee011 VIDEO_STATUS CONFIG_DONE TV_MAIN_ON sheet003 ODU_ON/GEMSTER_STBY_EN (JPN/EURO) AVSW_OFF(US) (SD_LED_ON) ODU_DET (BUS_CONNECT2) SUB5V_SENSE GenX-EEP_WP MAIN5V_SENSE SRQ_GenX ALL_OFF RSV2(LITE2) (QLINK_PU_ON) (HDMI_CEC_PU_ON) (For LCD) (For LCD) HDMI_5V_Det1 IIC HDMI_5V_Det2 MAIN9V_SENSE MAIN3.3V_SENSE to Sheet 003 R_LED_ON FAN_MAX 7493_XRST HQ1_XRET RSV3 FE_XRST PORT5[2] MODEM_XRST AUDIO_XRST PORT0[0] ETHER/1394_XRST PORT5[1] Power Supply to Sheet 002 to Sheet 007 shee003/011 sheet003/011 Lite2 ExBUS/Etc. RSV4 RSV2 Hand Sheke Reserve UART (HOTEL) UART (LITE2-GenX4) SW_OFF_DET INVERTER_ON PWM_POWER_ON DTV_VOUTENB LVDS_EN LITE2 to Sheet 002 LITE2 GenX4 E2PROM LINE Lite2 E2PROM LINE sheet003 HPD2 HPD1 REMOTE sheet003/011 sheet003 DTV9V_SENSE STB5V_SENSE GenX4 RST to Sheet 005 sheet003 (HDMI_CEC_PU_ON) 10MHz KEY3(TV_POWER) PORT6[6] RSV1 RSV1(LITE2) HDMI_5V_Det3 SB02 SB12 TC-32LX700D 50 13.21.DG 板 (10/15) 线路图 1 2 3 A B C D E F ! DG� TNPA4114DL(10/15 ) ��������������� ����������� 4 5 Sheet009-1:HQ1L/FHD CRNo.4200~4499 LOSD6 LOSD3 AD_SDA0 AG_TV_MAIN_ON PWMA GIN1 LOSD12 NRST RIN6 LOSD4 RIN5 VI2P9 RIN4 LOSD_YM_IN LOSD13 HSOE BIN4 LOSD15 LOSD_YS_IN AD_TMS VI2P8 RIN2 VI2P7 LOSD_HP_IN GIN2 GIN6 SDA_AIR GIN0 CLKOF LOSD_YM_IN GIN7 LOSD5 BIN1 LOSD9 AD_TO_HQ1L AD_TO_HQ1L AD_TO_SC NRST GIN4 AD_TRST LOSD_CLK_IN LOSD1 RIN7 LOSD0 GIN3 AD_TCK AD_TCK LOSD8 LOSD0 LOSD7 AD_TCK LOSD14 VSOE LOSD_CLK_IN AD_TO_SC AD_TO_SC BIN3 LOSD10 AG_HQ1_VOUTENB LOSD2 LOSD_HP_IN LOSD11 BIN2 OEBLK AD_TO_HQ1L AD_TRST AD_TRST VI2P8 OEBLK SCL_AIR VI2P9 RIN0 VI2P7 RIN3 AD_SCL0 AG_PWM_POW_ON LOSD15 BIN5 LOSD_YS_IN BIN6 GIN5 PWMK BIN0 RIN1 AD_TMS AD_TMS BIN7 AG_LVDS_EN AG_INVERTER_SOS AG_INVERTER_ON LOSD14 LOSD13 LOSD12 LOSD11 LOSD10 LOSD9 LOSD8 LOSD7 LOSD6 LOSD5 LOSD4 LOSD3 LOSD2 LOSD1 AG_HQ1_VOUTENB AG_HQ1_VOUTENB VI2P2 C AD_TRST IC4200 P26 OSD2CLK R4336 68 R4413 47k VOP24 IC4200 D26 OSDI11 VI2P3 C C AG_INVERTER_SOS C VOP8 IC4200 F24 OSDI7 IC4200 VOP27 IC4200 J26 OSDCLKI IC4200 U25 SCL VI1CVBS0 R4408 EXB2HV680JV VOP3 R4338 10k R4226 0 IC4200 V25 OEBLK IC4200 C14 PWM R4223 0 IC4200 C26 OSDI14 R4215 68 R4219 68 R4216 68 LCSCK VI1CVBS2 R4339 10k R4295 47k R4341 47k VOP20 IC4200 IC4200 D25 OSDI12 VOP29 VI2P1 MHSYNC C VI1CK208F R4238 0 IC4200 VOP16 IC4200 U26 SDA C VOP18 MVSYNC R4221 0 VOP21 R4209 EXB28V680JX VOP9 IC4200 E26 OSDI8 R4343 47k IC4200 T3 MODE1 IC4200 R26 OSD2GI R4218 68 C R4412 10k AG_PWM_POW_ON IC4200 B15 PWM AG_INVERTER_ON C IC4200 H25 OSDI1 AG_LVDS_EN R4217 68 IC4200 L26 OSDHPO C VOP28 IC4200 F26 OSDI5 VOP26 VOP10 IC4200 M26 OSDCLKO R4224 10k AD_TMS R4375 0 AD_TO_SC VOP4 IC4200 P3 MODE3 MVCLK IC4200 D24 OSDI13 R4214 68 R4376 2.2k IC4200 G24 OSDI4 R4337 EXB2HV680JV IC4200 Y25 SDA_AIR IC4200 J3 OUTSEL0 VOP1 VI2P5 AG_FPGA_XRST IC4200 G25 OSDI3 AG_CONFIG_DONE R4457 47k VI1CVBS1 R4225 0 IC4200 U24 OEMUTE VI2P9 IC4200 L25 OSDVPO IC4200 K26 OSDYSI VOP19 R4405 47k R4458 47k R4213 68 C VOP7 VOP14 MHQLV3.3V VOP2 AG_HQ1_XRST IC4200 T26 OSD2RI VOP22 AG_HQ1_VOUTENB R4340 10k R4410 EXB2HV680JV IC4200 T25 OSD2BI R4227 68 VOP17 AD_TO_HQ1L VOP12 VI2P6 R4406 EXB2HV680JV VI1CK204F IC4200 C25 OSDI15 VI1CVBS3 IC4200 Y26 SCL_AIR IC4200 G26 OSDI2 R4229 68 IC4200 IC4200 N25 OSD2YS IC4200 R4228 68 PANEL_MUTE IC4200 IC4200 H26 OSDI0 VOP13 IC4200 IC4200 R25 OSD2HPO IC4200 E24 OSDI10 AG_TV_MAIN_ON VOP11 VOP5 R4230 68 VI2P8 VI2P7 R4456 47k AD_TCK IC4200 K3 OUTSEL1 IC4200 E25 OSDI9 VOP25 IC4200 N26 OSD2VPO TP4400 IC4200 R3 MODE2 VI2P0 R4342 47k C IC4200 F25 OSDI6 LCSID VOP15 IS1CLK IC4200 L24 OSDYMI IC4200 K25 OSDHPI VOP0 C R4234 68 VOP23 VOP6 TP4246 LCD forEEPROM forIIC MB87Q1430 OSD2 INPUT OUTPUT OSD1 OUTPUT INPUT OUTPUT INPUT Lite2 008 GenX 002 Lite2 002 Lite2 008 GenX LOSD_HP_OUT LOSD_VP_OUT LOSD_CLK_OUT LOSD_VP_OUT LOSD_HP_OUT LOSD_CLK_OUT (VMUTE/DISPNE) to Sheet 011 LVDS OUT (Used PDP) GenX4 to Sheet 008 HSI VSI G[3] G[5] NONUSE NONUSE NONUSE R[5] CLKO R[6] R[7] G[4} B[4] B[5] B[6] G[6] G[7] B[7] R[4] HSO CLKI [7] Ys [6] Ym PORT16[3] Hi-Z OSD_FLAG 50 7 8 9 ����������� ��������������� 5 6 RIN6 BIN7 BOE9 GIN5 GIN0 MA NRST BOE7 LVDS_CLKOF BOE5 ROE3 BIN2 AD_TMS 8 GOE5 ROE7 GOE8 BIN1 BIN3 LVDS_HSOE RIN2 ROE5 GOE2 ROE2 AD_TO_SC GOE6 AD_TRST BIN0 GIN3 CLKOF BOE8 RIN7 HSOE AD_TCK GIN7 GIN1 GOE7 VSOE ROE8 BIN4 RIN3 AD_TO_HQ1L RIN1 LVDS_ENB GOE9 BIN5 RIN5 LVDS_VSOE RIN0 ROE6 ROE9 GOE3 GOE4 GIN4 ROE4 BOE3 BOE4 BOE2 RIN4 GIN6 MK BOE6 GIN2 BIN6 IC4200 C1 ROUT4 IC4200 M25 VSS IC4200 A3 ROUT8 IC4200 A26 VSS IC4200 F23 VSS C4401 6.3V 10u R4251 68 C4206 16V 0.1u IC4200 AD6 VSS IC4200 P26 OSD2CLKO IC4200 M23 VSS R4294 47k IC4200 W1 XTAL_DDRIN C4218 16V 0.1u IC4200 AD9 VSS IC4200 AD3 VSS IC4200 B25 RIN0 IC4200 R14 VSS MHQPL3.3V C4238 50V 1000p IC4200 P24 VDDI IC4200 J4 VDDI C4228 50V 10p IC4200 T13 VSS C4219 50V 1000p IC4200 E23 VSS C4224 50V 1000p C4222 50V 1000p IC4200 P15 VSS C4239 16V 0.1u IC4200 N13 VSS C4351 16V 0.1u IC4200 V1 VSS IC4200 R4 VSS IC4200 V2 DDR_L IC4200 W26 TCK IC4200 AC4 VDDI R4250 47 IC4200 U4 VDDI IC4200 A11 CLKO IC4200 L2 VSS IC4200 A21 GIN4 U25 SCL IC4200 AE13 VSS IC4200 A12 ROUT0 IC4200 L23 VDDI IC4200 AC12 VSS 0.1u 16V C4349 IC4200 T14 VSS IC4200 B7 BOUT3 IC4200 C24 RIN1 C C4220 16V 0.1u IC4200 AC24 VSS IC4200 A6 GOUT8 IC4200 W3 VDDI IC4200 AC10 VDDI IC4200 L3 VSS IC4200 A13 BOUT1 X4200 H0J270500113 C IC4200 A2 VSS IC4200 R13 VSS IC4200 B4 GOUT3 IC4200 G3 VSS IC4200 D16 VSS PLL1.2VGND 0.1u 16V C4350 JS4200 0 R4244 EXB2HV470JV IC4200 B19 BIN1 IC4200 AD21 VSS IC4200 H1 OUT_AVSE1 IC4200 C23 RIN4 MHQVD1.2V IC4200 W23 VSS IC4200 C14 PWMA IC4200 B5 GOUT6 IC4200 R15 VSS 1% R4240 68 IC4200 G2 OUT_CPO IC4200 N17 VDDI C4400 6.3V 10u IC4200 T11 VSS IC4200 J2 VSS C4344 50V 1000p IC4200 AC8 VSS IC4200 AD5 VSS IC4200 P2 SYS_PLLVD IC4200 T12 VSS L4215 J0JHC0000078 IC4200 C2 ROUT5 IC4200 B9 BOUT9 R4247 330k C4216 16V 0.1u C4205 47u 6.3V IC4200 P10 VDDI IC4200 V24 TDI IC4200 B20 GIN6 IC4200 C18 BIN3 1000p 50V C4352 IC4200 C4 GOUT4 IC4200 B3 ROUT9 C4403 6.3V 10u L4214 J0JHC0000078 IC4200 A9 BOUT8 IC4200 C7 BOUT4 IC4200 AC16 VDDI IC4200 P14 VSS R4238 0 IC4200 W24 TMS IC4200 A22 GIN1 U26 SDA C C IC4200 E2 OUT_FBO IC4200 K4 VSS IC4200 A10 VPO IC4200 C16 VPI IC4200 AE1 VSS IC4200 G4 VDDI IC4200 A4 GOUT2 C4201 330p 50V IC4200 B22 GIN0 IC4200 AD1 VSS IC4200 Y4 VSS IC4200 D15 VSS 1% R4242 22k IC4200 A20 GIN7 L4217 J0JHC0000078 IC4200 R23 VDDI IC4200 AC22 VDDI IC4200 U10 VSS IC4200 N3 SYS_PLLVS C4207 16V 0.1u T3 MODE1 MHQPLDDR1.2V IC4200 AD10 VDDI IC4200 U16 VSS IC4200 D23 VSS C4235 50V 1000p IC4200 D13 VDDI IC4200 A18 BIN5 IC4200 B15 PWMK R4252 390 IC4200 K23 VDDI PLL3.3V_1GND IC4200 AC17 VSS IC4200 L26 OSDHPO C MHQ1.2V PLL3.3V_2GND C4404 6.3V 10u IC4200 L1 OUT_AVD1 IC4200 J1 OUT_AVDE1 1% R4239 4.7k IC4200 U3 DDR_PLLVD IC4200 M13 VSS R4249 47 C C4203 6.3V 1u IC4200 C3 ROUT6 IC4200 B2 ROUT7 IC4200 M26 OSDCLKO IC4200 B10 ENO IC4200 N1 XTAL_FR MHQPL1.2V IC4200 P1 VSS IC4200 A7 VSS P3 MODE3 IC4200 R12 VSS L4216 J0JHC0000078 IC4200 B13 GOUT0 IC4200 AD26 VSS IC4200 AE12 VSS C4232 50V 1000p IC4200 R24 VDDI IC4200 T15 VSS IC4200 AF2 VSS JS4201 0 IC4200 D1 SSOUT C4233 0.1u IC4200 AC13 VSS IC4200 B21 GIN3 IC4200 AF26 VSS IC4200 E3 OUT_IN IC4200 D17 VDDI IC4200 C19 BIN0 C_OUT IC4200 W4 VDDI IC4200 AC5 VDDI IC4200 B17 BIN7 IC4200 AD23 VDDI IC4200 AC9 VSS Y25 SDA_AIR IC4200 AD17 VDDI IC4200 A24 RIN3 IC4200 M2 SYS_L IC4200 M3 SYS_FB J3 OUTSEL0 C IC4200 B16 VSS IC4200 T2 DDR_PLLVS C4236 6.3V 1u IC4200 E1 VSS IC4200 N24 VSS R4246 100 IC4200 A17 HPI IC4200 K24 VSS IC4200 B23 RIN5 IC4200 A23 RIN6 R4248 47 IC4200 B8 BOUT6 IC4200 G1 OUT_AVDE2 IC4200 W2 VSS IC4200 K17 VDDI IC4200 AC19 VSS IC4200 D3 ROUT3 IC4200 B11 VSS IC4200 K11 VDDI C4240 6.3V 1u MHQPL1.2V IC4200 L10 VDDI IC4200 R2 VSS IC4200 N12 VSS IC4200 A16 CLKI IC4200 A15 VSS IC4200 D12 VDDI IC4200 D6 VSS IC4200 R10 VDDI IC4200 N16 VDDI IC4200 D22 VSS IC4200 F4 VDDI IC4200 AE21 VSS IC4200 L25 OSDVPO IC4200 AD24 VSS IC4200 M24 VSS IC4200 N23 VSS IC4200 Y23 VSS IC4200 AF1 VSS IC4200 C1AB00002727 A1 VSS IC4200 B26 VSS IC4200 C5 GOUT7 IC4200 F3 VSS IC4200 D4 VSS IC4200 J25 VSS IC4200 V3 DDR_FB IC4200 A8 BOUT5 IC4200 AD16 VDDI IC4200 U11 VSS C4213 16V 0.1u IC4200 AF18 VSS IC4200 M17 VDDI IC4200 AF25 VSS 27 68 IC4200 U17 VSS IC4200 C6 BOUT2 IC4200 K1 OUT_AVS1 IC4200 N2 VSS C4227 50V 1000p IC4200 L11 VDDI C C4229 50V 15p IC4200 L17 VDDI IC4200 P12 VSS IC4200 P17 VDDI X4201 H0J480500026 IC4200 AD4 VDDI R4243 EXB2HV470JV IC4200 K10 VDDI R4245 EXB2HV470JV C4223 16V 0.1u IC4200 AC25 VSS Y26 SCL_AIR C IC4200 T16 VSS IC4200 A25 VSS IC4200 B1 VSS IC4200 K2 VSS R4229 68 IC4200 A5 GOUT5 IC4200 C17 BIN6 IC4200 W25 TRST IC4200 M14 VSS IC4200 Y1 VSS IC4200 C13 GOUT1 IC4200 AD22 VSS R4241 0 IC4200 C21 GIN2 IC4200 N15 VSS IC4200 R1 XTAL_FRIN IC4200 M16 VDDI C4399 16V 0.1u C IC4200 K16 VDDI IC4200 D18 VDDI IC4200 B6 GOUT9 IC4200 AC18 VSS IC4200 F1 OUT_AVSE2 IC4200 V26 NRST IC4200 T10 VDDI IC4200 AE10 VDDI IC4200 M15 VSS R4228 68 IC4200 P25 VSS PLLSYSGND IC4200 D5 VSS IC4200 H3 VPD 0.1u 16V C4345 IC4200 P13 VSS IC4200 V23 TDO C4215 50V 1000p IC4200 Y24 VSS IC4200 T4 VDDI IC4200 P16 VDDI IC4200 R25 OSD2HPO IC4200 AC23 VDDI R4230 68 IC4200 E4 VSS IC4200 B18 BIN4 IC4200 T1 VSS K3 OUTSEL1 IC4200 V4 VDDI C4211 50V 22p C_OUT IC4200 C9 HPO IC4200 H2 VSS IC4200 H4 VDDI IC4200 M1 VSS IC4200 C20 GIN5 PLLDDRGND IC4200 C11 VSS IC4200 C12 BOUT0 C4209 50V 1000p C4348 50V 1000p C4214 50V 1000p IC4200 D14 VDDI IC4200 F2 OUT_VCI IC4200 N26 OSD2VPO IC4200 B24 RIN2 IC4200 D2 ROUT2 IC4200 AE6 VSS IC4200 U1 XTAL_DDR IC4200 C22 RIN7 C R3 MODE2 IC4200 AC2 VSS IC4200 AC3 VSS IC4200 R11 VDDI JS4202 0 IC4200 N14 VSS C4225 16V 0.1u C4347 50V 1000p IC4200 L16 VDDI IC4200 B12 ROUT1 IC4200 A19 BIN2 C4212 50V 18p C IC4200 P23 VDDI IC4200 AE26 VSS IC4200 C8 BOUT7 C4402 6.3V 10u IC4200 U2 VSS R4234 68 C4200 50V 0.1u C4202 25V 0.01u 0 VDDI/1.2V VCO/PD/CP/LGC COMMON COMMON OPEN OPEN VCO/PD/CP/LGC OPEN ROM forVCO GND/VSS ETC 1430YNK forPD/CP OUTPUT PLL_OUT forLGC PLL_DDR PLL_SYS OSD1 OUTPUT OPEN INPUT OUTPUT OPEN OUTPUT P_OUT HP_OUT CLK_OUT 1 2 3 4 51 13.22.DG 板 (11/15) 线路图 9 10 11 A B C D E F ��������������� ����������� 12 13 + + C_DDR_DQ0 C_DDR_DQ1 C_DDR_A3 C_DDR_DQ27 C_DDR_BA0 C_DDR_DQ21 C_DDR_DQ29 D_DDR_CAS D_DDR_DQ8 C_DDR_DQ30 C_DDR_DQ26 D_DDR_DQ9 C_DDR_DQ22 C_DDR_DQ2 C_DDR_DQ11 C_DDR_DQ10 C_DDR_DQ28 D_DDR_DQ27 D_DDR_DQ15 D_DDR_DQ26 D_DDR_DQ31 D_DDR_A1 C_DDR_DQ15 D_DDR_DQ6 C_DDR_DQ5 C_DDR_DQ9 C_DDR_DQ26 C_DDR_DQ14 C_DDR_DQS3 C_DDR_DQ25 C_DDR_DQ31 D_DDR_BA1 C_DDR_DQ19 D_DDR_DQ11 C_DDR_A8 C_DDR_A7 C_DDR_A7 C_DDR_DQ20 C_DDR_DQ30 C_DDR_A6 C_DDR_DQ23 C_DDR_DQ11 D_DDR_SDCKE C_DDR_DQ14 D_DDR_DQ16 C_DDR_DQ24 C_DDR_DQ27 D_DDR_DQ25 C_DDR_CLK D_DDR_DQS1 C_DDR_A5 C_DDR_A6 C_DDR_CKE C_DDR_DQ6 D_DDR_RAS C_DDR_A9 D_DDR_DQ0 C_DDR_DQ20 C_DDR_DQ7 C_DDR_RAS C_DDR_BA1 C_DDR_WE D_DDR_A11 D_DDR_A6 C_DDR_DQ17 C_DDR_A11 C_DDR_DQ0 C_DDR_DQ25 C_DDR_BA0 C_DDR_DQ1 C_DDR_A9 D_DDR_A2 D_DDR_DQS2 D_DDR_DQ19 D_DDR_DQ1 C_DDR_DQ3 C_DDR_DQ12 C_DDR_DQS1 D_DDR_DQ10 D_DDR_DQ24 C_DDR_A2 D_DDR_DQ28 C_DDR_A2 C_DDR_DQ18 C_DDR_BA1 C_DDR_A4 D_DDR_DQ4 C_DDR_A10 C_DDR_A11 D_DDR_A9 C_DDR_A4 D_DDR_DQ23 D_DDR_DQ21 D_DDR_NCLK D_DDR_DQ3 D_DDR_DQ14 C_DDR_CLK D_DDR_DQ5 D_DDR_DQ20 C_DDR_DQ4 C_DDR_DQ12 C_DDR_A10 C_DDR_A8 D_DDR_DQ29 C_DDR_CAS C_DDR_CKE C_DDR_DQS1 C_DDR_A3 C_DDR_DQ23 C_DDR_DQ28 D_DDR_A0 C_DDR_DQS0 D_DDR_CLK D_DDR_DQ18 C_DDR_DQS0 C_DDR_A5 D_DDR_BA0 D_DDR_DQ2 C_DDR_DQS2 C_DDR_NCLK C_DDR_DQ29 D_DDR_DQ22 C_DDR_A0 C_DDR_DQ19 C_DDR_DQ7 C_DDR_DQ4 C_DDR_DQ13 D_DDR_WE C_DDR_DQ8 D_DDR_DQ17 C_DDR_DQ16 C_DDR_DQ31 D_DDR_A4 C_DDR_RAS D_DDR_DQ7 D_DDR_DQ12 C_DDR_A0 C_DDR_DQ10 D_DDR_DQS0 C_DDR_DQS2 D_DDR_A8 C_DDR_DQ8 D_DDR_A3 C_DDR_DQ3 C_DDR_NCLK D_DDR_A10 D_DDR_A7 D_DDR_DQ13 C_DDR_WE C_DDR_DQ24 C_DDR_DQ13 C_DDR_DQ18 C_DDR_DQ21 C_DDR_DQ2 D_DDR_DQS3 C_DDR_DQ17 C_DDR_DQS3 C_DDR_DQ5 D_DDR_DQ30 C_DDR_A1 C_DDR_A1 C_DDR_DQ15 C_DDR_DQ22 C_DDR_DQ16 C_DDR_DQ6 C_DDR_CAS D_DDR_A5 C_DDR_DQ9 C4285 16V 0.1u Q4200 2SD0601ASL IC4200 T17 VDDE33 IC4200 K14 VDDE33 C4279 50V 1000p IC4200 AC15 VDDE25 MHQDDR2.5V IC4200 AF7 DQ11 IC4200 AE9 NSDCLKO IC4200 AF12 A6 IC4200 D8 VDDE33 IC4200 AD18 CAS IC4200 Y2 ODLLARM IC4200 AA3 VDDE25 DTV9V R4264 EXB28V220JX C4246 16V 0.1u IC4200 AF13 A4 C4265 6.3V 1u R4268 22 C IC4200 AD20 VDDE25 R4262 EXB28V220JX R4269 EXB28V220JX IC4200 AB1 DQ30 IC4200 AE5 DQ13 R4278 36k IC4200 AA26 DQ0 IC4200 AC11 VDDE25 IC4200 AF9 SDCLKO C4405 6.3V 10u IC4200 D9 VDDE33 IC4200 L4 VDDE33 IC4200 D10 VDDE33 IC4200 R16 VDDE33 IC4200 AF4 DQ15 R4261 EXB28V220JX C4276 16V 0.1u C4280 50V 1000p C TP4208 L4201 J0JHC0000078 C4250 50V 1000p IC4200 AF22 DQ19 IC4200 D20 VDDE33 MHQLV3.3V R4259 EXB28V220JX R4273 22 IC4200 AC1 DQS3 C4286 50V 1000p C C4261 50V 1000p IC4200 U23 VDDE33 C4355 2.2u 6.3V C C4243 47u 6.3V IC4200 L13 VDDE33 IC4200 AE25 DQ6 IC4200 J24 VDDE33 R4270 22 IC4200 AF24 DQ7 IC4200 AD14 VDDE25 IC4200 AE24 DQ5 IC4200 AA23 VDDE25 IC4200 AA24 VDDE25 C4331 16V 0.1u C4287 100u 10V C4415 16V 0.1u L4202 G1C220MA0077 IC4200 M11 VDDE33 IC4200 AE14 A11 IC4200 AF8 DQ9 TP4207 C4251 6.3V 10u C4273 16V 0.1u IC4200 AE22 DQ18 IC4200 AA1 DQ31 IC4200 AA2 DQ29 IC4200 AF15 A1 IC4200 AC20 VDDE25 IC4200 K12 VDDE33 IC4200 H24 VDDE33 R4271 22 IC4200 AE3 DQ26 C4252 50V 1000p C C4407 6.3V 10u IC4200 U15 VDDE25 R4272 22 C4257 50V 1000p C4262 6.3V 10u IC4200 M4 VDDE33 C R4276 EXB28V220JX R4265 22 R4267 22 IC4200 AC26 DQS0 C IC4200 L14 VDDE33 IC4200 H23 VDDE33 IC4200 AF11 A7 IC4200 AD13 A9 IC4200 Y3 ODLLLOCK IC4200 AD2 DQ27 C C C4278 6.3V 1u C IC4200 AF19 DQ23 IC4200 N4 VDDE33 I C0 1 VIN 2 SW 3 FB 4 INV IC4200 AD25 DQ4 D4208 MA2J11100L IC4200 J23 VDDE33 C4260 50V 1000p R4266 22 TP4206 IC4200 P4 VDDE33 C4266 6.3V 1u C R4257 EXB28V220JX IC4200 AF16 A0 C IC4200 AF5 DQ12 C427550V 1000p IC4200 AE2 DQ25 IC4200 AE17 WE R4275 EXB28V220JX IC4200 P11 VDDE33 IC4200 C10 VDDE33 IC4200 AB2 DQ28 C4289 25V 4.7u IC4200 AB4 VREF3 C4356 2.2u 6.3V C IC4200 T24 VDDE33 R4260 EXB28V220JX C IC4200 AC21 VREF2 R4324 6.8k IC4200 AC6 VREF1 IC4200 R17 VDDE33 IC4200 AF20 DQ20 IC4200 AE15 A2 C IC4200 AB24 VDDE25 IC4200 U14 VDDE25 C IC4200 AF6 DQS1 IC4200 M10 VDDE33 IC4200 AC7 VDDE25 IC4200 AE19 DQ22 IC4200 AE4 DQ14 IC4200 N11 VDDE33 IC4200 L12 VDDE33 IC4200 AE23 DQ17 IC4200 AD19 VDDE25 IC4200 AF23 DQ16 IC4200 AF10 CKE IC4200 AE20 DQ21 C4249 16V 0.1u IC4200 AD15 A10 IC4200 AC14 VDDE25 IC4200 AB25 DQ3 IC4200 AE7 DQ10 IC4200 AA4 VDDE25 IC4200 U13 VDDE25 IC4200 K13 VDDE33 IC4200 D19 VDDE33 IC4200 AD7 VDDE25 C4406 6.3V 10u IC4200 D7 VDDE33 IC4200 AA25 DQ2 IC4200 AF21 DQS2 C R4323 100k IC4200 AF3 DQ24 IC4200 L15 VDDE33 IC4200 N10 VDDE33 C4254 16V 0.1u IC4200 AB3 VDDE25 C4269 16V 0.1u IC4200 D11 VDDE33 IC4200 T23 VDDE33 C4283 16V 0.1u IC4200 D21 VDDE33 C C4291 16V 0.022u C4288 25V 4.7u C4277 6.3V 1u IC4200 AE18 RAS IC4200 AB26 DQ1 IC4200 G23 VDDE33 IC4200 U12 VDDE25 C4255 16V 0.1u C4256 16V 0.1u R4263 EXB28V220JX C4253 50V 1000p MHQVD3.3V C4284 16V 0.1u IC4200 AD12 A5 IC4200 AB23 VREF0 IC4200 AD11 VDDE25 R4274 EXB28V220JX IC4200 M12 VDDE33 IC4200 AF14 A3 R4277 150 C4412 50V 1000p IC4200 K15 VDDE33 IC4200 AD8 VDDE25 C4263 16V 0.1u IC4200 AE8 DQ8 C4244 47u 6.3V C4274 50V 1000p C4242 6.3V 1u IC4200 AE16 BA1 IC4200 AF17 BA0 C4408 6.3V 10u C4245 16V 0.1u C4267 1000p IC4200 AE11 A8 C4241 6.3V 1u R4258 EXB28V220JX C4290 25V 0.01u C_DDR_SDCKE DDR I/F VREF/0.5VDDE DDR PORT VDDE25/2.5V VDDE33/3.3V forDLL MAIN_1.2V 2.5V / 3.3V 1.2V 1 3 4 2 TC-32LX700D 51 15 16 17 ����������� ���������������� 13 14 ! DG� TNPA4114DL(11/15 ) Sheet009_2:HQ1L/FHD CRNo.4200~4499 + + D_DDR_SDCKE D_DDR_CAS D_DDR_DQ14 D_DDR_CAS D_DDR_A10 D_DDR_DQS0 D_DDR_DQ2 D_DDR_A1 D_DDR_DQ0 D_DDR_DQ1 D_DDR_DQ16 D_DDR_A6 D_DDR_BA1 D_DDR_A5 A7 D_DDR_SDCKE D_DDR_DQ18 D_DDR_DQ12 D_DDR_RAS CLK D_DDR_DQ23 D_DDR_DQS1 _A5 _A6 D_DDR_DQ30 D_DDR_DQ25 D_DDR_RAS D_DDR_DQ27 D_DDR_DQ20 _RAS BA1 D_DDR_DQ11 D_DDR_A11 D_DDR_A6 D_DDR_A4 A11 BA0 D_DDR_WE D_DDR_DQS3 A9 D_DDR_A2 D_DDR_DQ17 D_DDR_A1 D_DDR_DQ26 D_DDR_DQ15 A2 D_DDR_DQ22 D_DDR_DQ4 D_DDR_A7 D_DDR_A3 D_DDR_A9 _A4 D_DDR_DQ7 D_DDR_BA1 D_DDR_NCLK D_DDR_NCLK D_DDR_DQ10 A10 A8 CKE D_DDR_A9 D_DDR_A0 A3 D_DDR_DQ9 D_DDR_A0 D_DDR_CLK D_DDR_CLK D_DDR_BA0 NCLK A0 D_DDR_WE D_DDR_A2 D_DDR_A4 D_DDR_DQ8 D_DDR_DQ21 D_DDR_DQ13 D_DDR_DQ31 D_DDR_DQ6 D_DDR_A8 D_DDR_A3 D_DDR_A10 D_DDR_A7 _WE D_DDR_DQ19 D_DDR_DQ28 D_DDR_DQ3 D_DDR_DQS2 D_DDR_A8 A1 D_DDR_DQ5 D_DDR_A11 D_DDR_BA0 CAS D_DDR_A5 D_DDR_DQ24 D_DDR_DQ29 *IC4201 B7 DQ0 *IC4201 C10 VDDQ *IC4201 F4 VDDQ *IC4201 E10 VSS Q4200 2SD0601ASL *IC4201 J10 VSSQ C4320 16V 0.1u *IC4201 D3 DQ5 *IC4201 H10 VSSQ *IC4201 B5 DQ3 *IC4201 H4 NC C4296 68u 4V C4321 10V 10u R4288 0 *IC4201 M11 CK SUB5V *IC4201 D13 DQ25 1% R4286 15k C *IC4201 C3 VDDQ *IC4201 E3 VDDQ *IC4201 G8 VSS_Thermal *IC4201 M8 A9 R4269 EXB28V220JX *IC4201 N11 A8/AP C *IC4201 N13 VREF R4278 36k C C4297 4V 68u *IC4201 E2 DQ7 C R4279 47k C *IC4201 D7 VDD D4202 MAZ80390LL *IC4201 E13 DQ24 *IC4201 N7 A3 C4292 50V 100p C *IC4201 M13 NC C *IC4201 F3 DQ16 C *IC4201 B11 VSSQ *IC4201 H2 DQS2 *IC4201 C2 DQ4 *IC4201 F13 DQ14 *IC4201 L12 NC *IC4201 H7 VSS_Thermal *IC4201 C13 DQ27 R4273 22 *IC4201 C12 VDDQ C4310 16V 0.1u *IC4201 N4 BA0 *IC4201 G9 VSS_Thermal *IC4201 E7 VSS C4264 6.3V 1u *IC4201 C4 NC C4355 2.2u 6.3V MHQ1.2V R4298 0 *IC4201 D12 DQ26 C *IC4201 N2 CS *IC4201 F11 VDDQ Q4201 2SD0601ASL R4270 22 4287 100u 10V *IC4201 M7 A11 *IC4201 J3 DQ20 7 C4409 4V 100u *IC4201 H6 VSS_Thermal *IC4201 J9 VSS_Thermal C *IC4201 B3 DM0 *IC4201 M5 BA1 C4313 6.3V 10u *IC4201 N9 A6 *IC4201 E12 VDDQ *IC4201 H3 DM2 TP4209 *IC4201 N5 A0 R4300 0 R4271 22 *IC4201 K6 VSS C4328 6.3V 10u *IC4201 B9 DQ29 C R4272 22 *IC4201 D8 VDD *IC4201 B2 DQS0 C4311 10V 10u C *IC4201 B10 DQ28 *IC4201 G7 VSS_Thermal *IC4201 G6 VSS_Thermal R4276 EXB28V220JX *IC4201 C5 VDDQ *IC4201 F8 VSS_Thermal *IC4201 K8 VSS *IC4201 C3ABQJ000051 HY5DU283222BFP-4 N12 CKE D4201 B0JCPD000026 C4295 4V 470u C4323 16V 0.1u C *IC4201 M12 CK C R4280 100 1% R4289 1k R4284 160k *IC4201 L8 VDD *IC4201 F6 VSS_Thermal IC4202 C0DBAMH00018 BD9003F-E2 1 VIN 2 SW 3 FB 4 INV 5 SS 6 RT 7 GND 8 PVIN *IC4201 D9 VSSQ MHQLV3.3V *IC4201 E8 VSS *IC4201 G13 DQ12 *IC4201 F9 VSS_Thermal C C4325 6.3V 10u *IC4201 J8 VSS_Thermal *IC4201 L4 VDD *IC4201 L13 NC *IC4201 G3 DQ18 L4203 G1C330MA0167 C C *IC4201 B4 VSSQ *IC4201 M3 NC *IC4201 K12 DQ9 R4275 EXB28V220JX *IC4201 G4 VDDQ R4282 47k C4307 16V 0.1u C4289 25V 4.7u 4356 .2u 6.3V *IC4201 J7 VSS_Thermal C L4204 J0JHC0000078 C4306 4.7u 6.3V *IC4201 G10 VSSQ *IC4201 J2 DQ21 C4319 16V 0.1u *IC4201 J6 VSS_Thermal *IC4201 K7 VSS TP4210 1% R4292 30k C4301 16V 0.1u 1% R4291 68k *IC4201 M4 NC *IC4201 C11 NC C4410 50V 0.01u C C *IC4201 E6 VSSQ R4281 47k R4299 0 *IC4201 D2 DQ6 *IC4201 J12 DQ11 *IC4201 D6 VSSQ *IC4201 J4 VDDQ *IC4201 F10 VSSQ *IC4201 D10 VSSQ *IC4201 L5 VSS *IC4201 G2 DQ19 *IC4201 K2 DQ22 *IC4201 B8 DQ31 *IC4201 G5 VSSQ MHQDDR2.5V *IC4201 L7 VDD *IC4201 M10 NC *IC4201 E9 VSSQ *IC4201 D5 VSSQ *IC4201 C6 DQ1 C4300 50V 1000p *IC4201 H8 VSS_Thermal *IC4201 H13 DQS1 *IC4201 L2 CAS *IC4201 F7 VSS_Thermal *IC4201 D11 VSSQ *IC4201 J5 VSSQ *IC4201 K13 DQ8 *IC4201 G12 DQ13 *IC4201 H12 DM1 1% R4399 2k *IC4201 L11 VDD *IC4201 F5 VSSQ *IC4201 E5 VSS *IC4201 M6 A2 C4298 6.3V 10u *IC4201 L6 A10 C4322 4V 100u R4283 22k *IC4201 N8 A4 C4291 16V 0.022u *IC4201 K10 VSSQ C4294 50V 1000p C4314 16V 0.1u *IC4201 K9 VSS C4288 25V 4.7u TP4235 *IC4201 H9 VSS_Thermal *IC4201 J13 DQ10 C4277 6.3V 1u *IC4201 E4 VDD *IC4201 B6 DQ2 C HQ3.3V R4400 0 *IC4201 F2 DQ17 *IC4201 B12 DM3 C *IC4201 M2 RAS *IC4201 K4 VDDQ *IC4201 C7 VDDQ *IC4201 N3 NC C4327 16V 0.1u C4329 50V 1000p *IC4201 K11 VDDQ *IC4201 L10 VSS MHQDDR2.5V C 1% R4290 1k C0CBCBD00043 IC4208 1 Nr 2 GND 3 ON/OFF 5 Vo 4 Vin *IC4201 L9 NC *IC4201 J11 VDDQ C4312 16V 0.1u *IC4201 L3 WE R4274 EXB28V220JX C4293 16V 0.1u *IC4201 C9 DQ30 R4277 150 L4213 J0JHC0000078 *IC4201 F12 DQ15 R4296 0 *IC4201 E11 VDD *IC4201 G11 VDDQ C0DBEHG00006 IC4203 BD7820FP-E2 CTL 2 Vcc 3 GND(FIN) 4 OUT 5 ADJ *IC4201 D4 VSSQ *IC4201 H11 NC *IC4201 M9 A5 *IC4201 B13 DQS3 *IC4201 N6 A1 *IC4201 K5 VSSQ R4297 0 C4308 16V 0.1u R4285 0 *IC4201 C8 VDDQ C4315 16V 0.1u *IC4201 H5 VSSQ *IC4201 K3 DQ23 C *IC4201 N10 A7 C4304 50V 1000p C4381 10V 1u C4411 10V 1u C4330 25V 0.01u C4316 25V 0.01u C4303 25V 0.01u C4302 25V 0.01u C4305 25V 0.01u C4299 25V 0.01u C4324 25V 0.01u C4290 25V 0.01u C4326 25V 0.01u 1% R4287 57.6k Must Connect Low 0.49 0.51VDDQ DDR DCKE MAIN_ON 2.5V / 3.3V 1.2V Main3.3V(HQ1L/LVDS) DDR2.5V Main1.2V MAIN_ON MAIN_ON 7/20 5 6 7 8 9 10 TC-32LX700D 52 13.23.DG 板 (12/15) 线路图 17 18 19 A B C D E F ��������������� ����������� 20 2 5 6 7 8 10 9 C + + + B PWMK AG_PWM_POW_ON B PWMA B R4315 10k C0CBCAC00269 IC4206 MM3141CNRE(R59-1718) 1 VDD 2 GND 3 CE 5 VOUT NC L4205 J0JHC0000078 C MHQPL1.2V C C4363 6.3V 1u JS4206 0 C0CBCAC00269 IC4205 MM3141CNRE(R59-1718) 1 VDD 2 GND 3 CE 5 VOUT NC TP4212 JS4203 0 MHQVD3.3V L4206 J0JHC0000078 C4367 50V 1000p MHQVD1.2V Q4207 2SC39380QL C0CBCBC00190 IC4204 MM3143DNRE(R59-1828) 1 VDD 2 GND 3 CE 5 VOUT NC C MHQICTL9V TP4213 D4204 MA3X152K0L Q4204 2SD0601ASL C R4310 10k MHQPL3.3V C R4326 10 C4336 6.3V 1u C R4304 3k R4314 1k JS4212 0 L4207 J0JHC0000078 C4354 6.3V 1u R4316 10k C4342 6.3V 1u C C4366 0.1u 16V MHQLV3.3V C4362 6.3V 1u C4334 6.3V 1u C C JS4204 0 C R4317 10k HQ3.3V C JS4205 0 C4353 6.3V 1u L4209 J0JHC0000078 MHQPLDDR1.2V MHQLV3.3V 1% R4320 3k C4365 47u 16V Q4203 2SB0709ASL C 1% R4318 5.11k MHQICTL9V PLL3.3V_1GND Q4202 2SD0601ASL C4373 16V 47u C4335 6.3V 1u JS4211 0 C R4321 1k HQ3.3V R4301 10k R4302 1k R4303 10k C TP4211 C4368 6.3V 22u C4343 6.3V 1u PLL1.2VGND R4311 10k R4309 10k C 1% R4319 4.87k PLLDDRGND R4254 0 SUB5V C4337 6.3V 1u R4312 10k Q4205 2SC39380QL C R4308 10k C4372 0.1u 16V R4313 10k 1% R4322 3.9k DTV9V C4369 6.3V 1u L4208 G1C100KA0008 MHQICTL9V Q4206 2SD0601ASL C C4364 25V 0.01u C4340 25V 0.01u C4339 25V 0.01u C4341 25V 0.01u C4338 25V 0.01u C4374 25V 0.01u C4371 25V 0.01u PWM_A PLL1.2V PLLDDR1.2V PLL3.3V_1 PWM_K ICTRL_VCC PWM_K PWM_A PLL 1.2V PLLDDR 1.2V MAIN_ON MAIN_ON PLL3.3V_1 MAIN_ON 52 23 24 25 ����������� ���������������� 21 22 ! DG� TNPA4114DL(12/15 ) Sheet009_3:HQ1L/FHD CRNo.4200~4499 MHQLV3.3V J0JHC0000078 + + G G G G G G G G G G G G R4347 10k R4351 R4355 10k TCLK1+ BOE9 ROE2 LVDS_ENB ROE4 TCLK1- GOE9 LVDS_HSOE LVDS_CLKOF ROE5 GOE6 BOE2 BOE3 GOE8 ROE7 TD1+ TD2+ GOE3 SDA_AIR ROE6 TD2- ROE3 LVDS_VSOE GOE2 GOE7 TCLK2+ ROE9 BOE7 GOE5 TCLK2- GOE4 ROE8 BOE8 BOE5 AG_LVDS_EN BOE4 BOE6 TD1- AG_INVERTER_ON AG_INVERTER_SOS SCL_AIR 3.3V 3.3V 3.3V 0.0V 0V 0V TA1- TA1+ TB1- TB1+ TC1- TC1+ TA2- TA2+ TB2- TB2+ TC2- TC2+ C4388 6.3V 1u ZA4209 TESA169 C0JBCZ000556 IC4207 1 B24 2 B25 3 VCC 4 GND 5 B26 6 B27 7 HSYNC 8 VSYNC 9 DE 10 CLKIN 11 R/F 12 RS 13 Reserved 14 MAP 15 MODE1 16 MODE0 17 O/E 18 6/8 19 /PDWN 20 PRBS 21 Reserved 22 N/C 23 PGND 24 PVCC 25 PGND 26 LGND 27 TD2+ 28 TD2- 29 TCLK2+ 30 TCLK2- 31 TC2+ 32 TC2- 33 LVCC 34 TB2+ 35 TB2- 36 TA2+ 37 TA2- 38 LGND 39 TD1+ 40 TD1- 41 TCLK1+ 42 TCLK1- 43 TC1+ 44 TC1- 45 LVCC 46 TB1+ 47 TB1- 48 TA1+ 49 TA1- 50 LGND 51 R10 52 R11 53 R12 54 R13 55 VCC 56 GND 57 R14 58 R15 59 R16 60 R17 61 G10 62 G11 63 G12 64 G13 65 G14 66 G15 67 G16 68 G17 69 B10 70 B11 71 VCC 72 GND 73 B12 74 B13 75 B14 76 B15 77 B16 78 B17 79 R20 80 R21 81 R22 82 R23 83 R24 84 R25 85 R26 86 R27 87 VCC 88 GND 89 G20 90 G21 91 G22 92 G23 93 G24 94 G25 95 G26 96 G27 97 B20 98 B21 99 B22 100 B23 C4387 6.3V 1u FL4205 J0MAB0000169 TCM2010-201-4P 1 2 3 4 D4450 MAZ30560ML C C C TP4219 C4396 16V 47u ZA4205 TESA169 ZA4207 TESA169 TP4223 DG27 1 2 3 4 5 6 FL4202 J0MAB0000169 TCM2010-201-4P 1 2 3 4 C4393 10u 6.3V P12V C4359 16V 0.1u TP4451 TP4218 C R4330 22 R4356 0 TP4227 R4385 0 C3EBJC000055 *IC4209 1 E0 2 E1 3 E2 4 VSS 5 SDA 6 SCL 7 WC 8 VCC TP4230 L4453 J0JHC0000078 1 2 TP4220 C4385 47u 6.3V C C C C4317 4.7u 6.3V TP4236 TP4214 ZA4206 TESA169 L4452 J0JHC0000078 1 2 R4334 4.7k TP4221 R4357 22k R4335 22 C4394 50V 0.01u C TP4243 FL4201 J0MAB0000169 TCM2010-201-4P 1 2 3 4 TP4231 C4389 16V 0.1u DG25 1 2 3 4 5 6 7 8 9 10 11 12 13 14 15 16 17 18 19 20 21 22 23 24 25 26 27 28 29 30 31 32 33 34 35 36 37 38 39 40 41 42 43 44 45 46 47 48 49 50 51 FL4203 J0MAB0000169 TCM2010-201-4P 1 2 3 4 C FL4204 J0MAB0000169 TCM2010-201-4P 1 2 3 4 R4361 0 F1H0J4740004 FL4206 C4395 50V 0.01u 78 C4379 6.3V 47u L4450 J0JHC0000078 1 2 TP4244 TP4217 TP4224 TP4229 R4331 4.7k L4451 J0JHC0000078 1 2 TP4225 ZA4204 TESA169 R4352 0 TP4222 C R4327 10k C4384 16V 0.1u R4328 100 TP4226 TP4232 L4211 C TP4216 TP4233 C MHQLV3.3V P12V C4358 47u 6.3V R4360 22k R4332 22 C4383 6.3V 1u TP4215 R4333 22 TP4228 C4390 16V 0.1u L4210 J0JHC0000078 L4212 J0JHC0000078 TP4234 TP4450 R4348 0 L4220 J0JHC0000078 MHQICTL9V TP4452 TP4453 TP4454 TP4455 C4451 25V 0.01u C C4380 25V 0.01u C4392 25V 0.01u C4382 25V 0.01u C4374 25V 0.01u C4391 25V 0.01u C4375 25V 0.01u C4386 25V 0.01u C4376 25V 0.01u C4377 25V 0.01u 1 GND 2 TEST 3 NC 4 NC 5 NC 6 NC 7 LVDSSEL 8 NC 9 NC 10 NC 11 GND 12 RXA0- 13 RXA0+ 14 RXA1- 15 RXA1+ 16 RXA2- 17 RXA2+ 18 GND 19 CLKA- 20 CLKA+ 21 GND 22 RX3A- 23 RX3A+ 24 RSV OPEN 25 RSV OPEN 26 GND 27 GND 28 RXB0- 29 RXB0+ 30 RXB1- 31 RXB1+ 32 RXB2- 33 RXB2+ 34 GND 35 CLKB- 36 CLKB+ 37 GND 38 RXB3- 39 RXB3+ 40 RSV OPEN 41 VSYNC 42 GND 43 GND 44 GND 45 GND 46 GND 47 NC 48 VDD 49 VDD 50 VDD 51 VDD PANEL Side DIVIDED GROUND TABLE digital common SIDE TOP 6/23 INV_ON INV_PWM_A CURRENT(ADIM) GND INV_SOS INV_VCC EEPROM 64kbit SLV : A0 SHILD CLIP 53 13.24.DG 板 (13/15) 线路图 ��������������� ����������� 1 2 3 A B C D E F 4 5 + + MA2J11100L R4685 10k AG_HDMI_5V_DET2 DDC_SDA0 AG_EDID_WP DDC_SDA1 AG_HDMI_5V_DET1 AG_HDMI_5V_DET1 DDC_SCL1 AG_HDMI_CEC AG_HPD2 AG_HPD1 DDC_SCL0 AG_HDMI_MUX_SEL Q4505 2SD0601ASL R4552 22 D4502 EZAEG2A50AX D4527 B0HCMM000014 Q4503 2SD0601ASL D4519 EZAEG2A50AX C TP4504 C4507 0.1u 16V C C4503 0.1u 16V C4506 0.1u 16V C R4686 47k R4543 68 R4541 68 D4504 EZAEG2A50AX TP4503 R4538 47k R4523 2.2 D4509 EZAEG2A50AX R4544 10k C4627 16V 0.1u R4545 10k R4540 47k C C C4502 0.1u 16V R4542 68 R4688 4.7k C R4524 10k D4505 EZAEG2A50AX R4527 1k D4500 EZAEG2A50AX R4676 22 C4621 16V 0.1u R4681 22 C R4634 47k R4508 2.2 R4689 22 R4513 2.2 C R4511 2.2 R4679 22 IC4500 C3EBDC000067 M24C02-WMN6TP 1 E0 2 E1 3 E2 4 VSS 5 SDA 6 SCL 7 WC 8 VCC 33u 6.3V C4508 D4512 EZAEG2A50AX D4503 EZAEG2A50AX R4539 68 C R4510 2.2 R4521 2.2 R4518 2.2 C Q4500 2SD0601ASL D4518 EZAEG2A50AX R4526 1k C R4512 2.2 L4507 J0JHC0000078 R4687 4.7k R4678 22 R4532 10k C C C R4547 10k R4536 4.7k TP4501 C C TP4505 D4526 B0HCMM000014 C C4510 0.1u 16V R4680 22 TP4502 D4506 EZAEG2A50AX D4511 EZAEG2A50AX C R4507 10k L4505 J0JHC0000078 C IC4501 C3EBDC000067 M24C02-WMN6TP 1 E0 2 E1 3 E2 4 VSS 5 SDA 6 SCL 7 WC 8 VCC C MAIN5V D4516 EZAEG2A50AX L4503 J0JHC0000078 C R4503 33 C R4520 2.2 TP4507 R4519 2.2 R4509 2.2 TP4506 C4622 16V 0.1u Q4502 2SD0601ASL C4500 0.1u 16V D4507 EZAEG2A50AX C C D4508 EZAEG2A50AX C D4513 MAZ30560ML Q4501 2SD0601ASL R4506 10k D4524 B0HCMM000014 JK4501 K1FY119D0002 1 2 3 4 5 6 7 8 9 10 11 12 13 14 15 16 17 18 19 R4690 22 C IC4513 C0JBAU000034 PCA9517DP 1 VCCA 2 SCLA 3 SDAA 4 GND 5 EN 6 SDAB 7 SCLB 8 VCCB D4520 EZAEG2A50AX R4522 2.2 R4525 10k D4522 EZAEG2A50AX R4501 10k C4511 0.1u 16V R4502 33 D4510 EZAEG2A50AX D4515 MAZ30560ML Q4504 2SD0601ASL D4517 EZAEG2A50AX D4521 EZAEG2A50AX D4528 EZAEG2A50AX R4677 22 C C D4514 EZAEG2A50AX Q4520 2SD0601ASL TP4508 L4506 J0JHC0000078 R4531 4.7k C4626 16V 0.1u R4530 10k R4516 2.2 C TP4500 D4501 EZAEG2A50AX C C L4501 J0JHC0000078 R4514 2.2 JK4500 K1FY119D0002 1 2 3 4 5 6 7 8 9 10 11 12 13 14 15 16 17 18 19 R4546 10k MAIN3.3V IC4514 C0JBAU000034 PCA9517DP 1 VCCA 2 SCLA 3 SDAA 4 GND 5 EN 6 SDAB 7 SCLB 8 VCCB D4525 B0HCMM000014 L4500 J0JHC0000078 R4535 4.7k R4517 2.2 C R4500 10k R4529 4.7k L4504 J0JHC0000078 R4528 10k C R4515 2.2 C R4533 10k L4502 J0JHC0000078 33u 6.3V C4509 D4523 EZAEG2A50AX C4501 0.1u 16V C C DDCG D0G D1+ +5V CLKG D0- D0G N.C. SCL D1+ CLKG CLK+ D1G D2+ D2G CLK+ D2- +5V N.C. D1- SDA CEC D2+ HPDT CEC DDCG SDA SCL D0+ CLK- D0- D1- CLK- D1G HPDT D2- D2G D0+ TC-32LX700D 53 ����������� ���������������� ! DG� TNPA4114DL(13/15 ) Sheet010_1:HDMI-Mux CRNo.4500~4799 7 8 9 5 6 0.1u 16V C4512 R4685 10k RXA_1N RXA_CP RXA_2P RXA_0P RXA_0N RXA_1P RXA_2N RXA_CN AG_HDMI_MUX_EN AG_HDMI_MUX_SEL C4515 16V 0.1u R4561 47k R4703 0 R4686 47k C4520 10V 10u TP4509 C R4688 4.7k 0.1u 16V C4521 R4634 47k R4563 4.7k C TP4510 D4532 B0HCMM000014 MAIN3.3V R4562 4.7k L4508 J0JHC0000078 MAIN3.3V C IC4504 C3EBEY000009 M24C04-RMN6TP 1 NC 2 E1 3 E2 4 VSS 5 SDA 6 SCL 7 WC 8 VCC C C 0.1u 16V C4514 R4565 22 C1AB00002641 IC4503 1 TEST 2 VCC 3 BDT0N 4 BDT0P 5 GND 6 BDT1N 7 BDT1P 8 GND 9 BDT2N 10 BDT2P 11 VCC 12 REXT 13 YDT2P 14 YDT2N 15 GND 16 YDT1P 17 YDT1N 18 VCC 19 VCC 20 YDT0P 21 YDT0N 22 GND 23 YCKP 24 YCKN 25 CE 26 VCC 27 ACKN 28 ACKP 29 GND 30 ADT0N 31 ADT0P 32 GND 33 ADT1N 34 ADT1P 35 VCC 36 SEL 37 VCC 38 VCC 39 ADT2N 40 ADT2P 41 GND 42 VCC 43 VCC 44 GND 45 BCKN 46 BCKP 47 VCC 48 VCC R4663 4.7k R4564 22 1% R4567 4.7k Q4520 2SD0601ASL TP4511 R4702 0 3.3V 0.1u 16V C4517 TP4516 C 0.1u 16V C4513 MCL SDA SCL MDA DDCA_SDA DDCA_SCL 1 7 2 3 4 5 6 TC-32LX700D 54 13.25.DG 板 (14/15) 线路图 ��������������� ����������� 9 10 11 A B C D E F 12 1 + + + + C4530 50V 8p R4706 C4529 50V 8p VI1P25 VI1P27 MAIN_PB/C RXA_1P RXA_0N VI1P7 VI1P22 VI1P26 RXA_1N RXA_2P RXA_2N MAIN_PR GUARD_PR PC_VS VI1P6 VI1P2 PC_HS VI1P4 VI1P3 RXA_0P VI1P24 VI1P23 VI1CLK RXA_CN VI1P5 RXA_CP FS_FRCLKIN GUARD_Y MAIN_Y/CVBS GUARD_V RGB_CVBS CLKOA C4568 16V 0.1u C4560 16V 0.1u 1M R4626 R4585 100 R4578 150 C4566 16V 0.039u C4592 1u 10V C_ANA SUB5V R4596 1k C_ANA R4622 100 C_ANA R4613 22 C C4596 16V 0.1u C4611 1u 10V C C4528 16V 0.1u R4579 150 TP4514 R4638 68 C4548 50V 0.1u C_ANA C4557 16V 0.1u C4551 50V 0.1u Q4517 2SB0709ASL C4604 6.3V 2.2u C4601 25V 0.01u C4593 25V 0.01u C C C4552 50V 0.1u 1% R4631 499 C4563 16V 0.082u C C4564 25V 0.01u R4637 68 C R4629 100 C4553 50V 1000p C4546 6.3V 2.2u C4575 1u 10V C4549 50V 0.1u C4587 16V 0.1u SUB3.3V C4555 10V 10u 1% R4612 1.5k 1% R4624 1.69k C4580 25V 0.01u C4595 25V 0.01u R4667 150 C4582 16V 0.1u C4562 50V 8200p R4614 22 C4565 25V 0.01u C4589 15p 50V 1% R4587 820 C_ANA C4569 16V 0.68u R4598 1k C4581 10V 1u C4577 16V 0.1u C C_ANA C4598 1u 10V C4541 50V 470p C4539 10u 10V SUB5V C4573 16V 0.1u TP4513 C C4576 47u 6.3V C4527 10V 1u C4609 10V 1u C4591 1u 10V C_ANA C4559 16V 0.1u L4518 J0JHC0000078 R4628 100 IC4508 C0CBCAD00082 MM1681JFBE(R59-1615) 1 Vout 2 NC 3 Cn 4 GND 5 Cont 6 NC 7 NC 8 Vin C4625 50V 0.1u R4601 1k R4636 68 0 R4627 *R4672 0 C4570 47u 6.3V R4692 22 C4538 47u 6.3V L4516 J0JHC0000078 L4512 J0JCC0000077 C4584 1u 10V C_ANA C4585 1u 10V C4543 16V 0.1u C_ANA TP4512 R4666 47k C_ANA C4612 25V 0.01u C4534 50V 0.1u C C C4602 16V 0.1u L4524 J0JHC0000078 Q4515 2SB0709ASL 1% *R4593 1k C_ANA MAIN9V C_ANA X4500 H0J270500113 C_ANA C4535 50V 0.1u Q4514 2SB0709ASL C *R4659 0 C4588 16V 0.082u C C_ANA C4624 50V 0.1u L4511 J0JHC0000078 C4533 50V 68p C4590 18p 50V 1% R4615 160 C4600 25V 0.01u C4556 10V 10u L452 J0JHC00 C4578 16V 0.1u L4517 J0JHC0000078 C_ANA C462 16 0.1u Q4516 2SB0709ASL C_ANA C_ANA C4583 16V 0.1u C4607 47u 6.3V C4545 16V 0.1u C4572 16V 0.1u C_ANA C4605 16V 0.1u R4635 68 EXB28V680JX R4691 22 R4661 100 1% R4611 1.37k C4550 16V 0.1u C_ANA C4574 25V 0.01u C4586 25V 0.01u C4544 16V 0.1u L452 J0JHC0 *R4694 33 R4597 1k C0CBCBC00190 IC4507 1 VDD 2 GND 3 CE 5 VOUT 4 NC C4547 16V 0.1u C0DBGGF00001 IC4506 1 Vo 2 NC 3 GND 4 Cn 5 Cont 6 Sub 7 Vin C4531 16V 0.1u C C1AB00002753 IC4510 ADV7493BBSTZ-150 DDCB_SDA SPDIF I2S0 SFL/SYNC_OUT DGND DVDDIO P11 P10 P9 P8 40 41 P7 42 P6 43 P5 44 P4 45 P26 46 R_ACTIVE/P25 47 SRLIN/P24 48 DCLKIN 49 DGND 50 DVDDIO 51 LLC 52 SRLUP/P23 53 TRGIN/P22 54 P21 55 P3 56 DGND 57 DVDD 58 P2 59 P1 60 P0 61 P20 62 VS_IN 63 HS_IN 64 DGND 65 XTAL1 66 XTAL 67 DVDDIO 68 PVDD 69 PGND 70 ELPF 71 PVDD 72 PGND 73 ELPF2 74 FB 75 SOG 76 AIN7 77 AIN1 78 AIN8 79 AIN2 80 AIN9 81 AIN3 82 AGND 83 AGND 84 AVDD 85 REFOUT 86 CML 87 AGND 88 AVDD 89 BIAS 90 CAPY1 91 CAPC1 92 CAPC2 93 AIN10 94 AIN4 95 AIN11 96 AIN5 97 SOY 98 AIN12 99 AIN6 100 PGND 101 PVDD 102 ELPF3 103 CGND 104 CVDD 105 DDCA_SCL 106 DDCA_SDA 107 MDA 108 MCL 109 CVDD 110 CGND 111 TVDD 112 RXA_CN 113 RXA_CP 114 TGND 115 RXA_0N 116 RXA_0P 117 TGND 118 RXA_1N 119 RXA_1P 120 TGND 121 RXA_2N 122 RXA_2P 123 TVDD 124 RTERM 125 CVDD 126 CGND 127 TVDD 128 RXB_CN 129 RXB_CP 130 TGND 131 RXB_0N 132 RXB_0P 133 TGND 134 RXB_1N 135 RXB_1P 136 TGND 137 RXB_2N 138 RXB_2P 139 TVDD 140 CGND 141 DVDD DGND DDCB_SCL TP4519 R4665 47k R4707 10k MAIN5V SUB5V MAIN5V 1% R4682 10k C R4653 10k C C IC4515 C0BBBA000024 1 A_OUTPUT 2 A_-INPUT 3 A_+INPUT 4 GND 5 B_+INPUT 6 B_-INPUT 7 B_OUTPUT 8 VCC 1% R4654 4.7k R4683 10k C4628 16V 0.1u C4629 10V 10u C 1k C R4708 1k 1% R4604 7.5k R4606 4.7k 1% IN PVDD OUT AVDD PB/C YIN PR TVDD Euro NONUSE Euro USE 1 2 3 4 5 6 7 54 ����������� ���������������� ! DG� TNPA4114DL(14/15 ) Sheet010_2:HDMI-Mux CRNo.4500~4799 15 16 17 13 14 + VI1P25 VI1P22 VI1P28 CLKOA VI1P27 VI1P8 VI1HSYNC PC_VS XIRQ3 VI1P25 AG_HDMI_5V_DET1 VI1P7 VI1ENB AG_HPD1 VI1P7 AG_HDMI_MUX_SEL AG_HDMI_5V_DET2 VI1VSYNC HDMI_LRCK VI1P26 VI1P19 VI1P12 VI1P29 VI1P9 XIRQ3 VI1P12 VI1P3 AG_HDCP_WP VI1P15 HDMI_SDIN VI1P16 FS_FRCLKIN MAIN_PB/C GUARD_PB VI1P9 RGB_CVBS GUARD_V VI1P6 VI1CLK VI1HSYNC 1.8V VI1P24 VI1P4 VI1P13 AG_HDMI_MUX_EN AG_HDMI_CEC AG_7493_XRST VI1P15 PC_HS VI1P29 RGB_FB VI1P2 VI1P27 VI1P18 VI1VSYNC VI1P13 VI1P24 VI1P28 VI1P26 VI1P17 GUARD_Y MAIN_Y/CVBS VI1P14 VI1P5 VI1P18 VI1P4 VI1P8 AG_HPD2 VI1ENB AG_EDID_WP VI1P19 AG_7493_XRST DVDD_1.8V VI1CLK VI1P16 VI1P5 VI1P6 VI1P23 MAIN_PR GUARD_PR CVDD_1.8V VI1P14 VI1P17 HDMI_BCLK HDMI_SPDIF HDMI_INT2 CLKOA DVDDIO_3.3V R4649 68 EXB28V680JX VI1P8 AD_SCL1 R4648 EXB28V330JX C4617 16V 0.1u TP4515 AG_HDMI_5V_DET1 AG_HDMI_CEC HDMI_SPDIF C4611 1u 10V VI1P18 TP4514 R4638 68 C4604 6.3V 2.2u 0.01u MAIN_PR R4647 68 AG_HPD1 VI1P29 R4637 68 VI1P25 AG_7493_XRST C VI1P23 R4657 22 R4698 0 VI1P27 VI1P13 C VI1P12 PC_HS MAIN_Y/CVBS VI1P4 HDMI_LRCK VI1P5 VI1P17 FS_FRCLKIN VI1P26 XIRQ3 HDMI_INT2 C4609 10V 1u VI1P9 R4699 0 L4518 J0JHC0000078 RGB_CVBS R4642 68 EXB28V680JX VI1P14 R4636 68 VI1VSYNC HDMI_BCLK JS4501 AG_HDMI_MUX_EN AD_SDA1 VI1P16 R4666 47k C4612 25V 0.01u VI1HSYNC C4619 16V 0.1u C R4651 68 C4618 25V 0.01u R4645 68 C C4616 16V 0.1u VI1P7 TP4518 C RGB_FB VI1P24 R4652 47k VI1ENB R4639 68 EXB28V680JX C AG_HDMI_5V_DET2 R4670 68 C4615 25V 0.01u VI1P6 C4613 AG_HPD2 VI1P2 AG_HDCP_WP PC_VS L4520 J0JHC0000078 IC4509 C0CBCAD00082 MM1681JFBE(R59-1615) 1 Vout 2 NC 3 Cn 4 GND 5 Cont 6 NC 7 NC 8 Vin VI1P3 VI1CLK C4623 16V 0.1u R4640 68 EXB28V680JX VI1P22 C C4614 16V 0.1u AG_EDID_WP R4650 68 C4607 47u 6.3V HDMI_SDIN C4620 10V 1u MAIN_PB/C VI1P15 C4605 16V 0.1u R4661 100 VI1P19 VI1P28 C_ANA L4521 J0JHC0000078 R4658 22 AG_HDMI_MUX_SEL VI1CKOUT R4655 100 R4656 2.2k R4646 68 R4644 22 C 753 0 -150 1 DDCB_SDA 2 SPDIF 3 I2S0 4 I2S1 5 I2S2 6 I2S3 7 LRCLK 8 SCLK 9 MCLKOUT 10 MCLKIN 11 SDA 12 SCL 13 ALSB 14 DGND 15 DVDDIO 16 DE 17 HS 18 VS/FIELD 19 INT1 20 SFL/SYNC_OUT/INT2 21 RESET 22 DGND 23 DVDD 24 P19 25 P18 26 P17 27 P16 28 P15 29 P14 30 P13 31 P12 32 P29 33 P28 34 DGND 35 DVDDIO 36 P11 37 P10 38 P9 39 P8 40 P27 41 P7 42 P6 43 P5 44 P4 45 P26 46 R_ACTIVE/P25 47 SRLIN/P24 48 DCLKIN 49 DGND 50 DVDDIO 51 LLC SRLUP/P23 RXB_CP 130 TGND 131 RXB_0N 132 RXB_0P 133 TGND 134 RXB_1N 135 RXB_1P 136 TGND 137 RXB_2N 138 RXB_2P 139 TVDD 140 CGND 141 CVDD 142 DVDD 143 DGND 144 DDCB_SCL R4665 47k AIN5V C R4708 1k R4710 4.7k R4711 4.7k YIN3 RX_SD0# GenX4 Sheet008 YIN1 YIN2 UVIN8 YIN4 CN_to_H Sheet007 RIN2 UVIN9 RIN3 Peaks Lite II RIN0 Peaks Lite II DTV Sheet003 RIN1 Sheet 002 YIN0 CLKOA UVIN7 HSIA UVIN4 Sheet 002 UVIN2 VSIA UVIN3 CLKIA UVIN5 UVIN0 UVIN6 GC3FS-n Sheet004 YIN9 UVIN1 RX_WS YIN7 RX_SCK YIN5 CN_to_H Sheet007 CN_to_H Sheet007 YIN6 YIN8 GC3FS-n Sheet004 DTV Sheet011 55 13.26.DG 板 (15/15) 线路图 1 2 3 A B C D E F ��������������� ����������� 4 5 ! DG� TNPA Sheet011:L CRNo.4800 VMUTE SCL SDA AD_SCL3 AD_SDA3 AD_SCL1 AD_SDA1 AD_SCL2 AD_SDA2 TD1P R4838 0 TC1N STB5V TCLK1P TB1N C TD1N DG33 K1KA11AA0153 B11B-PH-SM4-TBT(LF)(SN) 1 2 3 4 5 6 7 8 9 10 11 TC1P TE1P TA1P TA1N TCLK1N AG_SRQ-GENX VMUTE TE1N PANEL_MUTE TB1P GenX4 Ex IIC HQ1L/FHD to Sheet 009 to Sheet 008 to Sheet 003 LITE2 ExBUS/Etc. HQ1L/FHD to Sheet 009 (VMUTE/DISPEN) (Common) SRQ GND STB5V GenX4_SCL GenX4_SDA LITE2_SCL3 LITE2_SDA3 LITE2_SCL1 LITE2_SDA1 LITE2_SCL2 LITE2_SDA2 (Ge (G (L (Li ( ( ( ( Rx1+ Rx3- Rx4+ Rx3+ RxCLK- Rx4- Rx2- Rx0- RxCLK+ Rx1- Rx0+ Rx2+ to Sheet 002 Lite2 LVDS OUT TC-32LX700D 55 7 8 9 ����������� ��������������� 5 6 � TNPA4114DL(15/15 ) et011:LVDS Out No.4800~4999 AD_SCL1 SCL AD_SCL3 AD_SCL2 AD_SDA2 AD_SDA1 SDA AD_SDA3 STB5V AD_SCL1 C AD_SDA2 R4800 0 DG33 K1KA11AA0153 B11B-PH-SM4-TBT(LF)(SN) 1 2 3 4 5 6 7 8 9 10 11 AD_SCL3 AD_SCL2 AD_SDA3 SDA SCL AD_SDA1 IIC GenX4 to Sheet 008 to Sheet 003 SRQ GND STB5V GenX4_SCL GenX4_SDA LITE2_SCL3 LITE2_SDA3 LITE2_SCL1 LITE2_SDA1 LITE2_SCL2 LITE2_SDA2 (GenX4 Loarder/E2PROM) (GenX4 Loarder/E2PROM) (Lite2 E2PROM) (Lite2 E2PROM) (Device Control) (Device Control) (Device Control) (Device Control) TC-32LX700D 56 13.27.GS 板和 G 板线路图 1 2 3 4 5 A B C D E F ����������� ����� ������ D.SW W.P. SD3.3V *L3900 J0JCC0000294 TP3900 TP3910 CS R3909 68 TP3915 R3922 0 TP3916 R3903 68 TP3917 TP3909 R3921 47k R3902 68 R3912 0 C3901 16V 47u 5 R3911 68 TP3906 TP3912 TP3905 TP3901 TP3907 TP3908 CS TP3902 R3900 0 C3910 16V 0.1u CS CS C3900 50V 0.1u JK3900 K1NA12B00004 1903572-1 1 2 3 4 5 6 7 8 9 10 11 12 R3926 0 R3916 0 R3904 68 R3901 0 R3913 0 R3927 100 TP3913 CS TP3903 R3908 0 CS TP3911 C3912 22u 4V R3915 47k TP3904 R3907 0 CS C3911 16V 0.1u R3914 0 CS TP3914 SDDAT0 GND GND SDCLK SDDAT1 3.3V SDDAT2 SDCMD SDDAT3 ! GS� TNPA4206AC 56 5 6 7 8 9 ����������� ����� ������ C C C C L L V Y C G R R AV4_V AV4_R AV4_C AV4_L AV4_S_DET AV4_Y L3703 J0JCC0000364 TP3704 C G51 1 2 3 4 5 6 7 8 9 10 11 12 13 14 15 C3702 50V 560p TP3700 C *R3704 0 R3702 180k *R3710 10k C TP3703 TP3707 C C3707 50V 0.1u C C J0JCC0000100 L3700 R3703 180k TP3706 R3701 39k TP3701 L3702 J0JCC0000364 TP3702 C3700 50V 560p J0JCC0000100 L3701 C3705 50V 0.1u TP3705 C R3700 39k JK3700 K4AK18B00004 R R-G L L-G V V-G Y-SW Y Y-G G C-G C-SW C G b a c R-SW HP_LOUT AV4_RIN AV4_Y AV4_LIN GND GND AV4_C L AV4_S_DET HP_ROUT AV4_V R GND GND GND GND GND TP3900 CS TP3909 TP3906 TP3905 TP3901 TP3907 TP3908 TP3902 *GS8 K1KA12AA0194 B12B-PH-K-S(LF)(SN) 1 2 3 4 5 6 7 8 9 10 11 12 TP3903 TP3904 SDDAT2 GND GND 3.3V GND SDDTC SDCMD SDDAT3 SDCLK SDWP SDDAT1 SDDAT0 ! G� TNPA4118AB C

标签:

版权声明

1. 本站所有素材,仅限学习交流,仅展示部分内容,如需查看完整内容,请下载原文件。
2. 会员在本站下载的所有素材,只拥有使用权,著作权归原作者所有。
3. 所有素材,未经合法授权,请勿用于商业用途,会员不得以任何形式发布、传播、复制、转售该素材,否则一律封号处理。
4. 如果素材损害你的权益请联系客服QQ:77594475 处理。