九阳电磁炉JYC-19DS电源板电路图(官方 )

分类:电子电工 日期: 点击:0
九阳电磁炉JYC-19DS电源板电路图(官方 )-0 九阳电磁炉JYC-19DS电源板电路图(官方 )-1 九阳电磁炉JYC-19DS电源板电路图(官方 )-2 九阳电磁炉JYC-19DS电源板电路图(官方 )-3 九阳电磁炉JYC-19DS电源板电路图(官方 )-4 九阳电磁炉JYC-19DS电源板电路图(官方 )-5 九阳电磁炉JYC-19DS电源板电路图(官方 )-6 九阳电磁炉JYC-19DS电源板电路图(官方 )-7 九阳电磁炉JYC-19DS电源板电路图(官方 )-8 九阳电磁炉JYC-19DS电源板电路图(官方 )-9

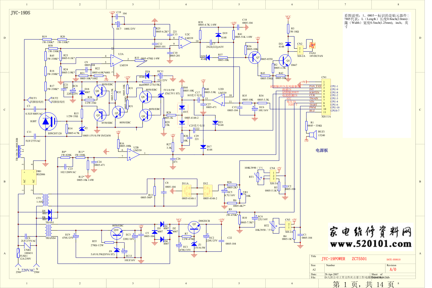
注意保密 技术支持部 1 2 3 4 5 6 7 8 A B C D 8 7 6 5 4 3 2 1 D C B A Title Number Revision Size A2 Date: 28-Apr-2007 Sheet of File: D:\九阳公司\工作文件夹\主要工作\电路图\20070104.Ddb Drawn By: C13 221 BUZ1 15240 RT2 10K/3950/5% +5V FAN1 18VDCFAN Q1 D667 VCC D21 4148 R5 0805-5.1K* 1 2 CN2 XH-2A 1 2 3 CN4 XH-3A RT1 100K/3990/1% 1 2 CN3 XH-2A R1 0805-330Ω +5V R4 0805-1K* C2 0805-104 C1 0805-104 R2 0805-1.5K R3 1W-10Ω +5V 1 2 3 4 5 6 7 8 9 10 11 CN1 XH-11A PAN_FAN INT IGBTEN TMAIN TIGBT VIN CUR PWM BUZ +5V C21 104 C10 0805-201 5 4 2 3 12 U2A LM339 9 8 14 U2C LM339 R25 0805-6.2K* C12 0805-101 C15 0805-104 C7 2N2J(222j)/63V R37 0805-10K C25瓷片电容 222 R35 0805-10K 11 10 13 U2D LM339 R10 0805-7.5K* EC6 10U/16V R39 0805-4.7K 1/4W EC8 220U/25V EC4 22U/16V R23 0805-9.1K* D19 4148 R38 1/2W-33Ω R41 0805-51K 1/4W D18 4007 C19 104 R34 0805-3.3K FUSE1 12A/250V L 250# N 250# CNR1 10D431 AC 1 AC 2 + 3 - 4 DB1 RS2006 L1 TB-106-26-400UHB C11 5UF/275VAC CT1 1:/850 220VAC IGBT IHW20T120 R17 1W-330K* C3 0.3UF/800VAC C6 2UF/275VAC R14 0805-4.7K R18 1W-330K* C8 0805-104 R13 0805-560* VR1 10K EC5 4.7U/16V D6 4007 D5 4007 R9 2W-470K* C18 0805-104 R20 1W-330K* Z2 0805-15V/0.5W IN52458 EC3 220U/16V C5 0805-104 +5V Q2 D882ECB Z1 15V/0.5W R7 1/2W-470Ω C22 0805-104 EC1 470U/35V VCC EC2 220U/25V D1 4007 D2 4007 D3 4007 D4 4007 EC9 470U/25V D20 4148 +15V R26 0805-2K* R11* 1W-330K R16 0805-100k C24 0805-471 R12* 0805-10k 1/4W R8* 1W-820K C23 102/1200VAC R27 3.3K +5V +5V R15 1/2W-33Ω R29 15K +15V Q4 8050/EBC Q3 8550/EBC R32 0805-3.3K Q9 8050/EBC Q5 8050/EBC R40 0805-3.9K R31 0805-10K R28 0805-1K D17 4148 C17 103瓷片电容 +5V 7 6 1 U2B LM339 R33 0805-470Ω 1/4W R22 0805-6.8K*6801 +5V R21 0805-10K*1002 C9 0805-104 R24 0805-3.9K* R19 1W-330K* OUT2 四脚接线柱 OUT1 四脚接线柱 电源板 D15 0805-4148-2 R30 10K C26 471 +15V R36 0805-10K +5V Q7 0805-8550 R42 0805-10K R43 0805-330Ω +15V R44 0805-10K D23 4148 R45 1W-330K* Q6 8050/EBC Z3(C5V1 ST) 5V1/0.5W R490805-273(15K) EC11 22U/25V D24 4148 R55 270Ω-1/2W R51 0805-100Ω R50 1W-330K* R6 0805-4K7* C27 0805-471 TRAN1 TRANS4 C29 221 试探脉冲IN及风扇驱动 电流检测IN 电压IN 试探脉冲OUT 浪涌IN NTC IGBT-T D11A 0805-4148-1 D12 0805-4148-2 EC7 100U/25V Q10 8050/EBC Z4 5.6V/0.5W(D5V6 ST) EC13 10Uf/16V 看图说明:1、0805-标识的是贴元器件� ?805代表:L(Length)长度0.8inch(2.0mm)� 籛(Width)宽度0.5inch(1.25mm);inch:英 寸 CPU-1 CPU-9 CPU-8 CPU-2 CPU-3 CPU-4 CPU-6 CPU-10 CPU0-7 ZC75501 A/0 JYC-19POWER DATE:050610 JYC-19DS 第 1 页,共 14 页 注意保密 技术支持部 1 2 3 4 A B C D 4 3 2 1 D C B A C13 221 BUZ1 15240 RT2 10K/3950 +5V FAN1 18VDCFAN Q1 S8050 VCC R5 5K1* 1 2 CN2 XH-2A 1 2 3 CN4 XH-3A RT1 100K/3990* R1 330Ω +5V R4 56K* C2 104 C1 104 R2 1K5 +5V 1 2 3 4 5 6 7 8 9 10 11 CN1 XH-11A PAN_FAN INT IGBTEN TMAIN TIGBT VIN CUR PWM BUZ +5V C21 104 C10 201 5 4 2 3 12 U2A LM339 9 8 14 U2C LM339 R25 6K2* C12 101 C15 104 C7 2N2J/63V R37 10K C25 2A222 EC7 100U/25V R35 10K 11 10 13 U2D LM339 R10 10K5* EC6 4.7U/16V R39 4K7 EC8 220U/25V EC4 10U/16V R23 5K1* D19 4148 R38 1/2W-33Ω R41 56K +17V D18 FR107 C19 104 R34 3K3 FUSE1 12A/250V L 250# N 250# CNR1 10D561 AC 1 AC 2 + 3 - 4 DB1 RS1506 L1 TB-106-26-400UHB C11 5UF/275VAC CT1 1:/850 220VAC IGBT1 IHW20T120 R17 1W-180K* C3 0.3UF/800VAC C6 2UF/275VAC R14 4K7 R18 1W-180K* C8 104 R13 560* D12 4148 D14 4148 D11 4148 D13 4148 VR1 10K EC5 4.7U/16V D6 4007 D5 4007 R008 1W-330K* C18 104 R20 1W-330K* C502 10U/50V Q500 S8050 ZD500 16V/0.5W C501 471/1KV C504 470U/25V D501 FR107 C500 10U/400V D20 4148 +17V R26 1K* R27 3K3 +5V R15 1/2W-20Ω R29 15K +17V Q4 8050/EBC R32 4K7 Q6 8050/EBC Q5 8050/EBC R40 3K3 R31 4K3 R28 1K D17 4148 C17 2A103 +5V 7 6 1 U2B LM339 R33 470 R22 6K2* +5V R21 10K* C9 104 R24 2K2* R19 1W-330K* R1 47K C1 104 R2 47K C2 104 R3 47K C3 104 R4 47K C4 104 OUT2 四脚接线柱 OUT1 四脚接线柱 电源板 显示板 1 2 3 4 5 6 7 8 9 10 11 CN1 XH-11A PAN_FAN INT IGBTEN TMAIN TIGBT VIN CUR PWM BUZ +5V 至MCU C503 103 D15 4148 R30 10K C26 471 +17V R36 10K +5V Q7 8550-sot R42 10K R43 330Ω D22 4148 R44 10K R45 1W-180K* Q9 8050/EBC Z3 3V6/0.5W R49 330 R50 1W-180K* R6 4K7* C27 471 T500 EEH-19 D500 4007 R012 1K* 8 1 3 4 PWM Control Drain VDD FB Source 7 5 6 2 IC500 VIPER12 R500 390K/0.5W R501 100 R502 1K5 D503 FR104 D504 FR104 D502 4148 C505 470U/10V C506 10U/10V C507 220U/10V C508 104 C510 104 ZD501 5V6/0.5W2% +5V VCC R54 3K3 1 2 3 4 5 6 注:带*号的精度是1%的,不带是5%的。 C29 221 R503 10/2W D7 4007 D8 4007 ZC75501 B/2 制图 审核 批准 名称 PCB图号: 日期: VER: Sheet: JYC--19POWER JYC--19POWER VER:B/2 2007年03月27日 1of1 乔中义 R006 2K* R009 10K* RT3 100K/3990* +5V 1 2 CN3 XH-2A C002 104 R48 2K R011 56K D26 4148 +17V VCD VCD D28 4148 R010 1W-330KJ R9 1W-330K* 3 2 1 8 4 U1A LM393 5 6 7 U1B LM393 R007 10K* +5V 2V5 2V5 R001 9K1* +5V R002 1K5* R003 4K7* C001 473 R005 150* R004 1K5* +5V R11 1W-330K* R16 100K C24 102 R12 20K* R8 1W-820K* C23 102/1000V C28 104 D27 4148 R56 620K +5V 绕线电阻 +17V 黄色 注:R36、R42不插,D20插跳线 JYC-19POWERB2 第 2 页,共 14 页 注意保密 技术支持部 1 2 3 4 A B C D 4 3 2 1 D C B A C400 221 RT2 10K/3950 +5V FAN1 18VDCFAN Q501 S8050 VCC R504 5K1* 1 2 CN2 XH-2A 1 2 3 CN4 XH-3A RT1 100K/3990* 1 2 CN3 XH-2A R505 5K1* C511 104 C512 104 R509 1K +5V C301 104 C402 221 5 4 2 3 12 U2A LM339 9 8 14 U2C LM339 R402 5K1* C401 101 C405 105 C403 222K C407 100U/25V 11 10 13 U2D LM339 R202 9.1K* C404 4.7U/16V R412 2K C300 100U/25V C200 10U/16V R407 4K3* D400 4148 R302 1/2W-39Ω R413 62K +18V D300 4148 C408 104 R414 3K3 FUSE1 12A/250V L 250# N 250# CNR1 10D561 AC 1 AC 2 + 3 - 4 DB1 RS1506 L1 TB-106-26-400UHB C3 4UF/275VAC 220VAC IGBT1 IHW20T120 C4 0.3UF/800VAC C1 2UF/275VAC R300 4K7 D201 4007 D200 4007 R201 1/2W-470K* C409 104 R401 RH470K*0.5W R204 1W-330K* R2053.6K* R203 1W-820K* C201 102K/1000V R207 3.3K +5V R301 1/2W-20Ω +18V Q301 8050/EBC Q300 8550/EBC R303 3K3 7 6 1 U2B LM339 R411 200 R409 10K +5V R410 10K C406 104 R408 3K3* OUT2 四脚接线柱 OUT1 四脚接线柱 +5V R405 RH330K*0.5W R406 RH330K*0.5W RT3 100K/3990* +5V R507 5K1* C513 104 风扇 线盘 黄色 面板 C204 102 R506 1K C515 2.2U/16V TMB CUR 电流检测、反馈 FAN_线盘TEMP PWM PAN FAN R209 1/2W-150K R210 1/2W-150K Q201 S9014 Q200 S9014 R211 5.1K R213 1kJ D206 4148 VIN TIGBT GJ_INT R21510K* +18V R208 20k RJ00J C902 4.7UF/400V C904 102K/1KV R902 100KJ/0.5W C911 301 R910 2M2 D902 HER204 C912 103 D901 FR107 D903 4148 VCC T901 R901 10J/2W 绕线电阻 D202 4007 C902 100U/16V ZD903 7.5V C905 220U/25V C907 104 C910 100uF/16V C909 104 OC 8 OC 7 OE 6 VCC 5 OB 1 CT 2 GND 3 FB 4 IC901 TH202 3 12 D205 4148 R220 3.3K 1 3 2 Q902 7805 C206 334 R212 5.1k +5V D401 4148 JP-R101 15mm康铜丝 VR1 103KB R101 33K D101 1N4148 C101 1uF/50V R102 10K IC101 HK358 R104 150KJ 15V R103 3.9KJ* 2 3 1 4 8 D100 IN4148 C100 104Z* 0.3v C103 102Z C102 104Z IC101 HK358 R118 150KJ* R117 7.5KJ* 6 5 7 Y1 4.00MHz C711 470uF/10V C710 104Z R703 47K C704 104 R705 47K R702 47K R704 47K C703 104 C705 104 C702 104 C701 102 R701 2K +5V BUZ1 +5V 10 6 7 2 3 4 9 15 16 1 8 20 19 18 17 12 11 5 13 14 R14 PWM1O INT0 AN5 AN6 AN7 R13 RESET VSS AN4 BUZO R03 R02 AN1 R00 R32 R31 VDD Xin Xout MC80F0204B/0204D C106 561Z +5V 1 2 3 4 5 6 7 8 CN1 XH-8A L07 L08 L09 L10 KEY L0 L1 L2 COM0 COM1 R00 470 R01 470 R02 470 L01 L02 L03 L04 L05 L06 R04 820 SW5 调小 R05 3K6 SW4 炒菜/煎炸 R06 6K8 SW3 调大 R07 12K SW2 火锅 R08 30K SW1 定时 显示板 SW6 开/关 1 2 3 4 5 6 7 8 CN1 XH-8A +5V KEY L0 L1 L2 COM0 COM1 R706 47K R119 15K R216 10K* +5V IC701 R707 10K C706 104 +5 C104 102Z 5分钟 30分钟 60分钟 120W 1000W 600W 火锅 1400W 1900W 炒菜/煎炸 C302 301 名 称: 页 次: 批准: PCB图号 : 制图: 审核: JYC-19BE1/19BE5线路原理图 2007.03.26 客服技术支持部 原理图号: 1/页 日 期: A0 A0 HK358 电压检测、反馈点 电流反馈点电压 电流浪涌点电压 电压浪涌保护点电压 电流反馈检测保护部分 驱动电路部分 同步、振荡电路部分 上电延时电路 5V JYCP-19BE1/BE5 AO 第 3 页,共 14 页 注意保密 技术支持部 1 2 3 4 A B C D 4 3 2 1 D C B A C400 221 BUZ1 15240 RT2 10K/3950 +5V FAN1 18VDCFAN Q501 S8050 VCC R504 5K1* 1 2 CN2 XH-2A 1 2 3 CN4 XH-3A RT1 100K/3990* 1 2 CN3 XH-2A +5V R505 5K1* C511 104 C512 104 R509 1K +5V 1 2 3 4 5 6 7 8 CN1 XH-8A C301 104 C402 201 5 4 2 3 12 U2A LM339 9 8 14 U2C LM339 R402 5K6* C401 301 C405 105 C403 2N2 C407 100U/25V 11 10 13 U2D LM339 R202 13K* C404 4.7U/16V R412 100 C300 100U/25V C200 10U/16V R407 3K9* D400 4148 R302 1/2W-33Ω R413 56K +18V D300 4148 C408 104 R414 3K3 FUSE1 15A/250V L 250# N 250# CNR1 10D561 AC 1 AC 2 + 3 - 4 DB1 RS1506 L1 411208W 340uH 15% 1.3mm C3 4UF/275VAC CT1 1:/850 220VAC IGBT1 IHW20T120 C4 0.3UF/800VAC C1 2UF/275VAC R300 4K7 C100 104 R100 560 D101 4148 VR1 10K C101 4.7U/16V R201 330K* C409 104 R401 240K*0.5W C500 4.7U/400V R101 24K R204 1/2W-330K C202 472 R205 9K1 R203 1/2W-820K C201 102K/1000V R207 3K3 +5V R301 1/2W-20Ω +18V Q301 8050/EBC Q300 8550/EBC R303 3K3 7 6 1 U2B LM339 R411 680 R409 10K +5V R410 10K C406 104 R408 2K2* OUT2 四脚接线柱 OUT1 四脚接线柱 C207 472 +18V R405 120K*0.5W R406 120K*0.5W D500 4007 +5V 1 6 注:带*号的精度是1%的,不带是5%的。 D204 4148 R503 22/2W R206 3K9* 电磁炉事业部 制图 审核 批准 名称 PCB图号 日期 页次 JYCP--19BE1/5 JYCP--19BE1/5 VER:A/1 2006年07月18日 乔中义 绕线电阻 R218 9K1* RT3 100K/3990* +5V R507 5K1* D206 4148 C513 104 风扇 线盘 黄色 面板 IGBT测温电路 +5V C204 101 R506 1K C515 2.2U/16V XL1 4M +5V VSS 1 Xi/P1.0 2 Xo/P1.1 3 RST/P1.2 4 T0/P2.0 5 P2.1 6 P2.2 7 P2.3 8 P2.4 9 P2.5 10 CLO/A8/P2.6 11 PWM/A6/P0.6 13 A7/P0.7 12 VDD 20 INT0/A0/P0.0 19 INT1/A1/P0.1 18 A2/P0.2 17 A3/P0.3 16 A4/P0.4 15 A5/P0.5 14 IC1 S3F9454 +5V KEY L0 L1 L2 COM0 COM1 C516 104 原理图号 1of1 线路原理图 R03 10K* C00 103 +5V 显示板 主控板 注: R03,C00可放在主控板上 显示板上可不用5V线和 地线即排线用6根线即可 R200 330K* R209 1/2W-150K R210 1/2W-150K Q201 8050 Q200 8050 R211 47K R212 5K1 C502 220U/16V Q500 S8050 ZD500 6V8,1/2W C501 102,1KV C504 470U/25V D501 FR107 +18V C503 103 T500 EEH-16/19 R500 100K,1/2W R501 2M2,1/2W R502 1K5 D503 FR104 D504 FR104 C505 470U/16V C506 4.7U/10V C507 220U/10V C508 104 C510 104 ZD501 5V6/0.5W2% VCC 1 2 3 4 5 6 C514 223 OC 8 OC 7 OE 6 VCC 5 OB 1 CT 2 GND 3 FB 4 IC500 TH202 C520 301 D502 4148 D100 4148 D102 4148 D103 4148 R216 2K7* R215 2K2* R217 1K* R213 1K C206 104 +5V D205 4148 R219 3K3 +5V R214 150 R208 100K C402不插 R416 240K*0.5W R417 120K*0.5W +5V 1 2 3 4 5 6 7 8 CN1 XH-8A L08 1400W L09 1900W KEY L0 L1 L2 COM0 COM1 R00 510 R01 510 R02 510 L01 5分 L02 30分 L03 60分 L04 600W L05 1000W L06 120W R04 820 SW1 定时 R05 3K6 SW2 火锅 R06 6K8 SW3 调小 R07 12K SW4 调大 R08 30K SW5 煎炸 SW6 开/关 L07 火锅 L10 煎炸/炒菜 C514不插 R404 120K*0.5W R418 2K +5V +5V R220 330K* R221 330K* C205 471 C205不插 C204不插 VER:A/2 R508 1K 开关电源部分 电流检测电路(不检锅或功率不足) 浪涌保护电路 主回路 驱动电路 同步电路 振荡电路 反压保护电路 风扇驱动电路 线盘测温电路 炉面测温电路 上电延时 保护电路 CPU 电压检测E3/E4 试探脉冲/反馈PAN 软关机电路GJ PWM脉冲调制 E5/E6 E2 JYCP-19BE1/BE5 A2 第 4 页,共 14 页 注意保密 技术支持部 1 2 3 4 A B C D 4 3 2 1 D C B A C13 221 BUZ1 15240 RT2 10K/3950 +5V FAN1 18VDCFAN Q1 S8050 VCC R5 5K1* 1 2 CN2 XH-2A 1 2 3 CN4 XH-3A RT1 100K/3990* R1 330Ω +5V R4 56K* C2 104 C1 104 R2 1K5 +5V 1 2 3 4 5 6 7 8 9 10 11 CN1 XH-11A PAN_FAN INT IGBTEN TMAIN TIGBT VIN CUR PWM BUZ +5V C21 104 C10 201 5 4 2 3 12 U2A LM339 9 8 14 U2C LM339 R25 6K2* C12 101 C15 104 C7 2N2J/63V R37 10K C25 2A222 EC7 100U/25V R35 10K 11 10 13 U2D LM339 R10 10K5* EC6 4.7U/16V R39 4K7 EC8 220U/25V EC4 10U/16V R23 5K1* D19 4148 R38 1/2W-33Ω R41 56K +17V D18 FR107 C19 104 R34 3K3 FUSE1 12A/250V L 250# N 250# CNR1 10D561 AC 1 AC 2 + 3 - 4 DB1 RS1506 L1 TB-106-26-400UHB C11 5UF/275VAC CT1 1:/850 220VAC IGBT1 IHW20T120 R17 1W-180K* C3 0.3UF/800VAC C6 2UF/275VAC R14 4K7 R18 1W-180K* C8 104 R13 560* D12 4148 D14 4148 D11 4148 D13 4148 VR1 10K EC5 4.7U/16V D6 4007 D5 4007 R008 1W-330K* C18 104 R20 1W-330K* C502 10U/50V Q500 S8050 ZD500 16V/0.5W C501 471/1KV C504 470U/25V D501 FR107 C500 10U/400V D20 4148 +17V R26 1K* R27 3K3 +5V R15 1/2W-20Ω R29 15K +17V Q4 8050/EBC R32 4K7 Q6 8050/EBC Q5 8050/EBC R40 3K3 R31 4K3 R28 1K D17 4148 C17 2A103 +5V 7 6 1 U2B LM339 R33 470 R22 6K2* +5V R21 10K* C9 104 R24 2K2* R19 1W-330K* OUT2 四脚接线柱 OUT1 四脚接线柱 电源板 C503 103 D15 4148 R30 10K C26 471 +17V R36 10K +5V Q7 8550-sot R42 10K R43 330Ω D22 4148 R44 10K R45 1W-180K* Q9 8050/EBC Z3 3V6/0.5W R49 330 R50 1W-180K* R6 4K7* C27 471 T500 UM580/EE-19 D500 4007 R012 1K* 8 1 3 4 PWM Control Drain VDD FB Source 7 5 6 2 IC500 VIPER12 R500 390K/0.5W R501 100 R502 1K5 D503 FR104 D504 FR104 D502 4148 C505 470U/10V C506 10U/10V C507 220U/10V C508 104 C510 104 ZD501 5V6/0.5W2% +5V VCC R54 3K3 1 2 3 4 5 6 注:带*号的精度是1%的,不带是5%的。 C29 221 R503 10/2W D7 4007 D8 4007 ZH75703 A 制图 审核 批准 名称 PCB图号: 日期: VER: Sheet: JYCP--21P 2006年07月20日 1of1 乔中义 R006 2K* R009 10K* RT3 100K/3990* +5V 1 2 CN3 XH-2A C002 104 R48 2K R011 56K D26 4148 +17V VCD VCD D28 4148 R010 1W-330KJ R9 1W-330K* 3 2 1 8 4 U1A LM393 5 6 7 U1B LM393 R007 10K* +5V 2V5 2V5 R001 9K1* +5V R002 1K5* R003 4K7* C001 473 R005 150* R004 1K5* +5V R11 1W-330K* R16 100K C24 102 R12 20K* R8 1W-820K* C23 102/1000V C28 104 D27 4148 R56 620K +5V 绕线电阻 +17V 黄色 注:R36、R42不插,D20插跳线 RDE198509A JYCP-19POWER 第 5 页,共 14 页 注意保密 技术支持部 1 2 3 4 A B C D 4 3 2 1 D C B A Title Number Revision Size B Date: 28-Apr-2007 Sheet of File: D:\九阳公司\工作文件夹\主要工作\电路图\20070104.Ddb Drawn By: C400 0805-221 RT2 10K/3950 +5V FAN1 18VDCFAN Q501 8050D/EBC兼容D667/ECB VCC R504 0805-5.1K* 1 2 CN2 XH-2A 1 2 3 CN4 XH-3A RT1 100K/3990* 1 2 CN3 XH-2A R505 0805-1K* C511 0805-104 C512 0805-104 R509 0805-1K +5V 1 2 3 4 5 6 7 8 9 10 11 CN1 XH-11A C301 0805-104 C402 0805-201 5 4 2 3 12 U2A LM339 9 8 14 U2C LM339 R402 0805-5.1K* C401 0805-101 C405 0805-105 C403 2N2J/63V(涤纶电容) C407 100U/25V 11 10 13 U2D LM339 R202 0805-13K* C404 4.7U/16V R412 0805-100Ω C300 100U/25V C200 10U/16V R407 0805-4.3K* D400 4148 R302 1/2W-30Ω R413 0805-62K +18V D300 4148 C408 0805-104 R414 0805-3.3K FUSE1 12A/250V L 250# N 250# CNR1 10D561 AC 1 AC 2 + 3 - 4 DB1 RS2006 L1 TB-106-26-400UHB C3 4UF/275VAC CT1 ZME1915007B 220VAC IGBT1 IHW20N120R C4 0.3UF/800VAC C1 2UF/275VAC R300 0805-4.7K C100 0805-103 R100 0805-1.2K* VR1 10K C101 4.7U/16V +18V D201 4007 D200 4007 R201 1/2W-330K* R416 1/2W-240K* R101 0805-10K* R204 1W-330K* R205 1.2K* R203 1W-820K* C201 102/1000V R207 3K3 +5V R301 1/2W-10Ω +18V Q301 8050/EBC Q300 8550/EBC R303 0805-3.3K 7 6 1 U2B LM339 R411 0805-200Ω R409 0805-10K +5V R410 0805-10K C406 0805-104 R408 0805-3.3K* OUT2 四脚接线柱 OUT1 四脚接线柱 +5V 注:带*号的精度是1%的,不带是5%的。 R216 0805-3.9K* RT3 100K/3990* +5V R507 0805-5.1K* C513 0805-104 风扇 线盘 黄色 面板 IGBT +5V C204 0805-472 R506 0805-1K C515 2.2U/16V +5V TMB CUR XP_BUZ PWM PAN FAN R200 1/2W-330K* Q201 8050(SOT23) Q200 8050(sot23) R211 0805-5.1KK R212 0805-5.1KΩ R213 0805-1K D206 4148 +5V VIN TIGBT GJ_INT R503 2W-22Ω 绕线电阻 C500 10UF/450V D500 IN4007 R510 1/2W-100Ω VCC +18V C507 100UF/16V C508 0805-104Z +5V Q500 8050D/EBC R502 1/2W-330Ω C506 10UF/16V ZD501 1/2W-5.6V±2%(20mA) C 505 100UF/16V(高频低阻) IN +8V 1 2 3 4 5 SP SP-FSD200 R214 0805-4.7K C207 0805-472 R217 0805-1K* R215 0805-2K* R218 0805-9.1K* +5V C206 0805-104Z D103 D102 4148 D101 D100 R418 0805-2K R401 1/2W-240K* R406 1W-240K* R405 R417 1W-180K* R219 0805-4.7K +18V C205 0805-472 C409 104 D501 4148 JYCP-19T JR0 0805-0Ω ZD200 0805-20kΩ C102 0805-104 C302 0805-221J 改动的部分 2.72V 0.023V(接上线盘后,电压为2.93V) 0.02V 0.06V 0.29V(接上线盘后,开起功能键电压为4.97V) 0V(开机选择功能键后电压为4.87V) 5.5V 1.56V 1.56V 0V 0.02V 4.97V 1.35V 2.61V 19.19V 0.21V 3.58V 0.25V 4.72V 4.72V MC80F0604BP 检锅反馈信号 浪涌检测端 风扇驱动信号 电流检测端 电压检测端 炉面温度检测端 IGBT温度检测端 PWM脉冲调制信号 +5V直流电压 接地 关机信号 线盘温度检测端 试探脉冲信号 开关电源 高压脉冲电阻 同步 振荡 风扇驱动 放大 主回路 电压浪涌保护 IGBT测温电路 线盘测温电路 炉面测温电路 JYCP-19T 第 6 页,共 14 页 注意保密 技术支持部 A B C D D C B A Title Number Revision Size A4 Date: 28-Apr-2007 Sheet of File: D:\九阳公司\工作文件夹\主要工作\电路图\20070104.Ddb Drawn By: R503 2W-22Ω 绕线电阻 C500 10UF/450V D500 IN4007 R510 1/2W-100Ω VCC +18V C507 100UF/16V C508 0805-104Z +5V Q500 8050D/EBC R502 1/2W-330Ω C506 10UF/16V ZD501 1/2W-5.6V±2%(20mA) C 505 100UF/16V(高频低阻) IN +8V 1 2 3 4 5 SP SP-FSD200 接整流桥堆输出 gnd 1 gnd 2 gnd 3 fvb 4 vcc 5 drain 7 vstr 8 IC902 FSD200 EC1 102K/1KV Q1(SMT) S9014 R1 100KJ/0.5W Z1 16V D1 BYV26C EC1(靠近IC) 4.7UF/50V D1 UF4007 R3 120J R4 750J R2 680KJ C3 104 EC2 220U/25V C2 104 IN 1 2 3 4 5 SP SP-FSD200 GND FGND VCC 8V T1 0617 JYCP-19T D2 UF4007 8V VCC FGND 主控板 开关电源小板 JYCP-19T-FSD200 第 7 页,共 14 页 注意保密 技术支持部 1 2 3 4 A B C D 4 3 2 1 D C B A Title Number Revision Size A4 Date: 28-Apr-2007 Sheet of File: D:\九阳公司\工作文件夹\主要工作\电路图\20070104.Ddb Drawn By: R503 2W-22Ω 绕线电阻 C500 10UF/450V D500 IN4007 R510 1/2W-100Ω VCC +18V C507 100UF/16V C508 0805-104Z +5V Q500 8050D/EBC R502 1/2W-330Ω C506 10UF/25V ZD501 1/2W-5.6V±2%(20mA) C 505 100UF/16V(高频低阻) IN +8V 1 2 3 4 5 SP SP-FSD200 接整流桥堆输出 C1 102/500V R1 102/500V D2 BYV26C EC1(靠近IC) 4.7UF/50V D1 UF4007 C3 104 EC2 220U/25V C2 104 IN 1 2 3 4 5 SP SP-FSD200 GND FGND VCC 8V T1 XD 13 军绿 ZC75501 A/0 JYCP-19T D3 UF4007 8V 主控板 开关电源小板 Z1 16V/0.5W/5% D4 4148 8 1 3 4 PWM Control Drain VDD FB Source 7 5 6 2 U1 VIPER12 JYCP-19T-VIPER12A 第 8 页,共 14 页 注意保密 技术支持部 1 2 3 4 A B C D 4 3 2 1 D C B A C13 221 BUZ1 15240 RT2 10K/3950 +5V FAN1 18VDCFAN Q1 S8050 VCC R5 5K1* 1 2 CN2 XH-2A 1 2 3 CN4 XH-3A RT1 100K/3990* R1 330Ω +5V R4 56K* C2 104 C1 104 R2 1K5 +5V 1 2 3 4 5 6 7 8 9 10 11 CN1 XH-11A PAN_FAN INT IGBTEN TMAIN TIGBT VIN CUR PWM BUZ +5V C21 104 C10 201 5 4 2 3 12 U2A LM339 9 8 14 U2C LM339 R25 6K2* C12 101 C15 104 C7 2N2J/63V R37 10K C25 2A102 EC7 100U/25V R35 10K 11 10 13 U2D LM339 R10 10K5* EC6 4.7U/16V R39 4K7 EC8 220U/25V EC4 10U/16V R23 5K1* D19 4148 R38 1/2W-33Ω R41 56K +17V D18 FR107 C19 104 R34 3K3 FUSE1 12A/250V L 250# N 250# CNR1 10D561 AC 1 AC 2 + 3 - 4 DB1 RS1506 L1 TB-106-26-400UHB C11 5UF/275VAC CT1 1:/850 220VAC IGBT1 IHW20T120 R17 1W-180K* C3 0.3UF/800VAC C6 2UF/275VAC R14 4K7 R18 1W-180K* C8 104 R13 560* D12 4148 D14 4148 D11 4148 D13 4148 VR1 10K EC5 4.7U/16V D6 4007 D5 4007 R008 1W-330K* C18 104 R20 1W-330K* C902 220U/25V Q902 78L05 ZD903 5.6V/0.5W C904 102/1KV C905 220U/25V D901 FR107 C901 4.7U/400V D20 4148 +16V R26 1K* R27 3K3 +5V R15 1/2W-20Ω R29 15K +17V Q4 8050/EBC R32 4K7 Q6 8050/EBC Q5 8050/EBC R40 3K3 R31 4K3 R28 1K D17 4148 C17 2A103 +5V 7 6 1 U2B LM339 R33 470 R22 6K2* +5V R21 10K* C9 104 R24 2K2* R19 1W-330K* OUT2 四脚接线柱 OUT1 四脚接线柱 电源板 C903 103 D15 4148 R30 10K C26 471 +17V R36 10K +5V Q7 8550-sot R42 10K R43 330Ω D22 4148 R44 10K R45 1W-180K* Q9 8050/EBC Z3 3V9/0.5W R49 330 R50 1W-180K* R6 4K7* C27 471 T901 QF-EE 16HT D500 4007 R012 1K* R902 100K/0.5W R910 2.2M D902 SR260 D903 4148 C909 100U/16V +5V R54 3K3 注:带*号的精度是1%的,不带是5%的。 C29 221 R503 10/2W D7 4007 D8 4007 R006 2.7K* R009 10K* RT3 100K/3990* +5V 1 2 CN3 XH-2A C002 104 R48 2K R011 56K D26 4148 +17V VCD VCD D28 4148 R010 1W-330KJ R9 1W-330K* 3 2 1 8 4 U1A LM393 5 6 7 U1B LM393 R007 10K* +5V 2V5 2V5 R001 9K1* +5V R002 1K5* R003 4K7* C001 473 R005 150* R004 1K5* +5V R11 1W-330K* R16 100K C24 102 R12 18K* R8 1W-820K* C23 102/1000V C28 104 D27 4148 R56 180K +5V 绕线电阻 +17V 黄色 注:R36、R42不插,D20插跳线 TH202 1 4 2 8 7 5 3 6 C911 311 C912 103 名 称: 页 次: 批准: PCB图号 : 制图: 审核: 主控板JYC-21P-21BS6 2006.06.30 电 磁 炉 事 业 部 原理图号: 1/页 日 期: A0 C0 ZME19080509A JYCP-21P-21BS6 第 9 页,共 14 页 注意保密 技术支持部 1 2 3 4 A B C D 4 3 2 1 D C B A C13 221 BUZ1 15240 RT2 10K/3950 +5V FAN1 18VDCFAN Q1 S8050 VCC R5 5K1* 1 2 CN2 XH-2A 1 2 3 CN4 XH-3A RT1 100K/3990* R1 330Ω +5V R4 56K* C2 104 C1 104 R2 1K5 +5V 1 2 3 4 5 6 7 8 9 10 11 CN1 XH-11A PAN_FAN INT IGBTEN TMAIN TIGBT VIN CUR PWM BUZ +5V C21 104 C10 201 5 4 2 3 12 U2A LM339 9 8 14 U2C LM339 R25 6K2* C12 101 C15 104 C7 2N2J/63V R37 10K C25 2A102 EC7 100U/25V R35 10K 11 10 13 U2D LM339 R10 10K5* EC6 4.7U/16V R39 4K7 EC8 220U/25V EC4 10U/16V R23 5K1* D19 4148 R38 1/2W-33Ω R41 56K +17V D18 FR107 C19 104 R34 3K3 FUSE1 12A/250V L 250# N 250# CNR1 10D561 AC 1 AC 2 + 3 - 4 DB1 RS1506 L1 TB-106-26-400UHB C11 5UF/275VAC CT1 1:/850 220VAC IGBT1 IHW20T120 R17 1W-180K* C3 0.3UF/800VAC C6 2UF/275VAC R14 4K7 R18 1W-180K* C8 104 R13 560* D12 4148 D14 4148 D11 4148 D13 4148 VR1 10K EC5 4.7U/16V D6 4007 D5 4007 R008 1W-330K* C18 104 R20 1W-330K* C902 220U/25V Q902 78L05 ZD903 5.6V/0.5W C904 102/1KV C905 220U/25V D901 FR107 C901 4.7U/400V D20 4148 +16V R26 1K* R27 3K3 +5V R15 1/2W-20Ω R29 15K +17V Q4 8050/EBC R32 4K7 Q6 8050/EBC Q5 8050/EBC R40 3K3 R31 4K3 R28 1K D17 4148 C17 2A103 +5V 7 6 1 U2B LM339 R33 470 R22 6K2* +5V R21 10K* C9 104 R24 2K2* R19 1W-330K* OUT2 四脚接线柱 OUT1 四脚接线柱 电源板 C903 103 D15 4148 R30 10K C26 471 +17V R36 10K +5V Q7 8550-sot R42 10K R43 330Ω D22 4148 R44 10K R45 1W-180K* Q9 8050/EBC Z3 3V9/0.5W R49 330 R50 1W-180K* R6 4K7* C27 471 T500 QF-EEH-16HT D500 4007 R012 1K* R902 100K/0.5W R910 2.2M D902 SR260 D903 4148 C909 100U/16V +5V R54 3K3 注:带*号的精度是1%的,不带是5%的。 C29 221 R503 10/2W D7 4007 D8 4007 R006 2.7K* R009 10K* RT3 100K/3990* +5V 1 2 CN3 XH-2A C002 104 R48 2K R011 56K D26 4148 +17V VCD VCD D28 4148 R010 1W-330KJ R9 1W-330K* 3 2 1 8 4 U1A LM393 5 6 7 U1B LM393 R007 10K* +5V 2V5 2V5 R001 9K1* +5V R002 1K5* R003 4K7* C001 473 R005 150* R004 1K5* +5V R11 1W-330K* R16 100K C24 102 R12 18K* R8 1W-820K* C23 102/1000V C28 104 D27 4148 R56 180K +5V 绕线电阻 +17V 黄色 注:R36、R42不插,D20插跳线 TH202 1 4 2 8 7 5 3 6 C911 311 C912 103 名 称: 页 次: 批准: PCB图号 : 制图: 审核: JYCP-21P 2006.06.30 电 磁 炉 事 业 部 原理图号: 1/页 日 期: A0 B/01 E19 QF-T850A IC902/IC901 JYCP-21P LH B01 第 10 页,共 14 页 注意保密 技术支持部 1 2 3 4 A B C D 4 3 2 1 D C B A C13 221 BUZ1 15240 RT2 10K/3950 +5V FAN1 18VDCFAN Q1 S8050 VCC R5 5K1* 1 2 CN2 XH-2A 1 2 3 CN4 XH-3A RT1 100K/3990* R1 330Ω +5V R4 56K* C2 104 C1 104 R2 1K5 +5V 1 2 3 4 5 6 7 8 9 10 11 CN1 XH-11A PAN_FAN INT IGBTEN TMAIN TIGBT VIN CUR PWM BUZ +5V C21 104 C10 201 5 4 2 3 12 U2A LM339 9 8 14 U2C LM339 R25 6K2* C12 101 C15 104 C7 2N2J/63V R37 10K C25 2A222 EC7 100U/25V R35 10K 11 10 13 U2D LM339 R10 10K5* EC6 4.7U/16V R39 4K7 EC8 220U/25V EC4 10U/16V R23 5K1* D19 4148 R38 1/2W-33Ω R41 56K +17V D18 FR107 C19 104 R34 3K3 FUSE1 12A/250V L 250# N 250# CNR1 10D561 AC 1 AC 2 + 3 - 4 DB1 RS1506 L1 TB-106-26-400UHB C11 5UF/275VAC CT1 1:/850 220VAC IGBT1 IHW20T120 R17 1W-180K* C3 0.3UF/800VAC C6 2UF/275VAC R14 4K7 R18 1W-180K* C8 104 R13 560* D12 4148 D14 4148 D11 4148 D13 4148 VR1 10K EC5 4.7U/16V D6 4007 D5 4007 R008 1W-330K* C18 104 R20 1W-330K* C502 10U/50V Q500 S8050 ZD500 16V/0.5W C501 471/1KV C504 470U/25V D501 FR107 C500 10U/400V D20 4148 +17V R26 1K* R27 3K3 +5V R15 1/2W-20Ω R29 15K +17V Q4 8050/EBC R32 4K7 Q6 8050/EBC Q5 8050/EBC R40 3K3 R31 4K3 R28 1K D17 4148 C17 2A103 +5V 7 6 1 U2B LM339 R33 470 R22 6K2* +5V R21 10K* C9 104 R24 2K2* R19 1W-330K* OUT2 四脚接线柱 OUT1 四脚接线柱 C503 103 D15 4148 R30 10K C26 471 +17V R36 10K +5V Q7 8550-sot R42 10K R43 330Ω D22 4148 R44 10K R45 1W-180K* Q9 8050/EBC Z3 3V6/0.5W R49 330 R50 1W-180K* R6 4K7* C27 471 T500 UM580/EE-19 D500 4007 R012 1K* 8 1 3 4 PWM Control Drain VDD FB Source 7 5 6 2 IC500 VIPER12 R500 390K/0.5W R501 100 R502 1K5 D503 FR104 D504 FR104 D502 4148 C505 470U/10V C506 10U/10V C507 220U/10V C508 104 C510 104 ZD501 5V6/0.5W2% +5V VCC R54 3K3 1 2 3 4 5 6 注:带*号的精度是1%的,不带是5%的。 C29 221 R503 10/2W D7 4007 D8 4007 ZH75703 A 制图 审核 批准 名称 PCB图号: 日期: VER: Sheet: JYCP--21P 2006年07月20日 1of1 乔中义 R006 2K* R009 10K* RT3 100K/3990* +5V 1 2 CN3 XH-2A C002 104 R48 2K R011 56K D26 4148 +17V VCC VCC D28 4148 R010 1W-330KJ R9 1W-330K* 3 2 1 8 4 U1A LM393 5 6 7 U1B LM393 R007 10K* +5V 2V5 2V5 R001 9K1* +5V R002 1K5* R003 4K7* C001 473 R005 150* R004 1K5* +5V R11 1W-330K* R16 100K C24 102 R12 20K* R8 1W-820K* C23 102/1000V C28 104 D27 4148 R56 620K +5V 绕线电阻 +17V 黄色 注:R36、R42不插,D20插跳线 RDE198509A 高压脉冲电阻 开关电源 电压检测 电流检测 电压浪涌保护 放大 驱动 同步 振荡 反压保护 风扇驱动 电流浪涌保护 IGBT测温电路 线盘测温电路 炉面测温电路 主回路 蜂鸣器 上电延时保护电路 检锅反馈信号/风扇驱动信号 浪涌检测端 IGBT试探脉冲 电流检测端 电压检测端 炉面温度检测端 IGBT温度检测端 PWM脉冲调制信号 蜂鸣器驱动端 +5V直流电压 接地 JYCP-21P-ZH75703 第 11 页,共 14 页 注意保密 技术支持部 1 2 3 4 A B C D 4 3 2 1 D C B A C402 221 RT2 10K/3950/5% +5V FAN1 18VDCFAN Q501 S8050D VCC R504 5K1* 1 2 CN2 XH-2A 1 2 3 CN4 XH-3A RT1 100K/3990/1% 1 2 CN3 XH-2A R503 5K1* C512 104 C511 104 R505 2K R506 1W-2Ω +5V 1 2 3 4 5 6 7 8 9 10 11 CN1 XH-11A PAN_FAN INT IGBTEN TMAIN TIGBT VIN CUR PWM +5V C301 104 C403 201 5 4 2 3 12 IC1A LM339 9 8 14 IC1C LM339 R408 6K2* C401 101 C408 104 C404 2N2J/63V R415 3K3 C411 222 C10 100U/25V R417 10K 11 10 13 IC1D LM339 R213 13K* C407 4.7U/16V R412 4K7 C300 220U/25V C204 10U/16V R406 5K1* D401 4148 R413 56K D301 FR107 C11 104 R416 3K3 FUSE1 15A/250V L 250# N 250# CNR1 10D561 AC 1 AC 2 + 3 - 4 DB1 RS2006 L1 TB-106-26-400UHB C3 5UF/275VAC CT1 1:/1200 220VAC IGBT1 K25T120 R400 180K*1W C4 0.3UF/800VAC C1 2UF/275VAC R303 4K7 R401 180K*1W C100 2A103 R100 2K* D103 4148 D102 4148 D101 4148 D100 4148 VR1 10K C101 2.2U/16V D203 4007 D202 4007 R212 330K*1W C405 104 R405 330K*1W D400 4148 R201 330K*1W R205 100K C201 102 R202 13K* R200 1W-820K* C200 102/1KVAC R206 3K3 +5V +5V R302 1/2W-33Ω +17V Q302 8050/EBC R301 3K3 Q300 8050/EBC Q301 8050/EBC R418 3K9 R300 10K D200 4148 C410 2A103 +5V 7 6 1 IC1B LM339 R411 470 R410 6K2* +5V R409 10K* C400 104 R407 2K2* R404 330K*1W OUT2 四脚接线柱 OUT1 四脚接线柱 电源板 D402 4148 R422 10K +17V R414 2K +5V D300 4148 R419 10K R402 180K*1W Q200 S9014 R210 10K R403 180K*1W C203 105 R101 20K* C409 471 R204 1M2 R207 10K R203 220K +17V C202 10U/16V D201 4148 R420 1K R208 10K R209 4K7 +5V GJ C406 103 R211 330K*1W L2 2mH 1.2mm C2 2UF/275VAC 注:R506\R510\D505不插,R506插跳线 R104 20K* R306 1/2W-39Ω C502 10U/50V Q500 S8050D ZD500 16V/0.5W/5% C501 471/1KV C504 470U/25V D501 FR107 C500 10U/400V +17V C503 103 T500 EEH-19 D500 4007 8 1 3 4 PWM Control Drain VDD FB Source 7 5 6 2 IC500 VIPER12 R500 390K/0.5W R501 100 R502 2K D503 FR104 D504 FR104 D502 4148 L500 10uH C509 220U/25V C505 470U/16V C506 10U/10V C507 220U/10V C508 104 C510 104 ZD501 5V6/0.5W2% VCC 2 3 4 5 +5V 注:带*号的电阻精度为1% 1 6 R509 10/2W 绕线电阻 R108 10K* R510 10K D505 4148 +5V 立式 C410/100涤纶电容 风扇检测电路布板保留,备用。 JYC-21POWER 名称: PCB图号: 批准: 日期: 制图: 审核: 2006/07/06 VER:01 JYC-21POWER VER:01 sheet 1 of 1 单管K25T120 L500插跳线,C509不插 C2不插 调整R400\401\402\403=180K,R406=5K1,R407=2K2,R410=6K2 JYCP-21POWER /A1 第 12 页,共 14 页 注意保密 技术支持部 1 2 3 4 5 6 A B C D 6 5 4 3 2 1 D C B A C400 0805-221 RT2 10K/3950 +5V FAN1 18VDCFAN Q501 8050D/EBC兼容D667/ECB VCC R504 0805-5.1K* 1 2 CN2 XH-2A 1 2 3 CN4 XH-3A RT1 100K/3990* 1 2 CN3 XH-2A R505 0805-1K* C511 0805-104 C512 0805-104 R509 0805-1K +5V 1 2 3 4 5 6 7 8 9 10 11 CN1 XH-11A C301 0805-104 C402 0805-201 0.1uF 5 4 2 3 12 U2A LM339 9 8 14 U2C LM339 R402 0805-5.6K* C401 0805-301 0.1uF C405 0805-105 C403 2N2J/63V(涤纶电容) C407 100U/25V 11 10 13 U2D LM339 R202 0805-13K* C404 4.7U/16V R412 0805-100Ω C300 100U/25V C200 10U/16V R407 0805-5.1K* D400 4148 R302 1/2W-30Ω R413 0805-62K +18V D300 4148 C408 0805-104 R414 0805-3.3K FUSE1 15A/250V L 四脚接线柱 N 四脚接线柱 CNR1 10D561 AC 1 AC 2 + 3 - 4 DB1 RS2006M或D15XB 60 L1 TB-106-26-400UHB C3 5UF/275VAC CT1 ZME1915007B 220VAC IGBT1 H20R120或H20R1202或H20T120 C4 0.3UF/800VAC C1 2UF/275VAC R300 0805-4.7K C100 0805-104 R100 0805-820* VR1 10K C101 4.7U/16V +18V D201 4007 D200 4007 R201 1/2W-330K* R416 RH470K*0.5W R101 0805-24K* R204 1W-330K* R205 2.2K* R203 1W-820K* C201 102/1000V R207 3K3 +5V R301 1/2W-10Ω +18V Q301 8050/EBC Q300 8550/EBC R303 0805-3.3K 7 6 1 U2B LM339 R411 0805-200Ω R409 0805-10K +5V R410 0805-10K C406 0805-104 R408 0805-3.3K* OUT2 四脚接线柱 OUT1 四脚接线柱 +5V 注:带*号的精度是1%的,不带是5%的。 R216 0805-2.7K* RT3 100K/3990* +5V R507 0805-5.1K* C513 0805-104 风扇 线盘 黄色 面板 IGBT +5V C204 0805-471 R506 0805-1K C515 2.2U/16V +5V TMB CUR XP_BUZ PWM PAN FAN R200 1/2W-330K* Q201 8050(SOT23) Q200 8050(sot23) R211 0805-5.1KK R212 0805-5.1KΩ R213 0805-1K D206 4148 +5V VIN TIGBT GJ_INT C207 0805-472 0.1uF R217 0805-1K* R215 0805-2K* R218 0805-9.1K* +5V C206 0805-104Z D103 4148 D102 4148 D101 4148 D100 4148 R418 0805-2K R405 RH330K*0.5W R406 RH330K*0.5W C205 0805-472 C409 104 R220 0805-200Ω R208 0805-20kΩ C302 0805-221J R209 1/2W--150K R210 1/2W--150K D205 4148 名 称: 页 次: 批准: PCB图号: 制图: 审核: 2007.03.27 客服技术支持部 原理图号: 1/页 日 期: 21T主控板 R510 0805-1K 不插 C2 104 L2和C2不插,PCB预留 D204 4148 红色框内元件不插,PCB布板预留,D204插跳线 R214 0805-100Ω R219 0805-3.3KΩ +5V 不插PCB预留 R415 0805-3.3K 可调 可调 根据温升可把线径由1.2MM改为1.5MM 可调 可调 不插 R206 1K2* C202 472 侧调 L2 2mH 1.2mm D506 1N4148-sot23 R500 100K/0.5W D505 FR107 C501 222/1000V C502 2.2uF/25V D503 FR103 Q502 13002-to126 D502 1N4148-sot23 R508 150-0805 R513 1M-1/2W ZD500 13V/0.5W C504 100UF/25V C509 4.7uF 25V R511 200-0805 C503 104-0508 VCC EE16 10P立式变压器 4 2 7 9 ZD502 5.6V/ 0.5W C500 10U/450V D500 IN4007 R503 47J/2W 绕线电阻 T500 电感L(2---4)=2.1mH±10% 120TS R501 1M-1/2W C516 471-0805 IC500 ACT30B 3 1 2 T0-92 C510 104Z C508 104Z C507 100uF16V +5V 1 3 2 Q503 78L05 5V统一改用78L05稳压 D504 FR104 C505 220uF16V 15TS 13TS 8 双向功能:试探脉冲/检锅反馈信号 风扇驱动I/O口 双向功能:关机/浪涌延时关机信号 电流反馈 电压反馈 脉冲调制PWM 炉面测温 IGBT测温 线盘测温及蜂鸣器驱动I/O 开关电源部分 电压检测 电流检测 电压浪涌保护 电流浪涌保护 上电延时保护 关机保护 驱动 放大 主回路 反压保护 同步电路 振荡电路 风扇回路 测温电路 为电磁炉整机工作提供稳 定的+5V/VCC直流电� ´ VCC 高压脉冲电阻R405/R406/R416 注意: 1、以0805开头的标示值,代表着是贴片元器件。 2、 JYCP-21T 第 13 页,共 14 页 注意保密 技术支持部 故障代码 含义 数码管显示 检查电路部分 备注 E0 电磁炉内部故障 主回路、高压电阻、同步振荡 指示正常,无故障代码显示,有敲锅 声,不加热,故障仍为E0 E1 不检锅 主回路、驱动电路、高压电阴、同 步振荡、保护电路(浪涌、关机信 息号回路) 指示正常,无故障代码显示,无敲锅 声,不加热,故障仍为E1 E2 IGBT温度过高 CPU、显示板、测温回路 IGBT的传感器开路或短路同样出现些故 障 E3 电源电压过高 电压检测电路 E4 电源电压过低 电压检测电路 E5 炉面温度传感器开路 CPU、显示板、测温回路 E6 炉面温度传感器短路 CPU、显示板、测温回路 E7 线盘干烧(21DJ) CPU、显示板、测温回路 E8 按键故障 显示板、按键 任何一个按键,油污或进水/按键自身 损坏 电路回路中的电器件变值/损坏也会造 成显示此故障 电路回路中的电器件变值/损坏也会造 成显示此故障 第 14 页,共 14 页

标签:

版权声明

1. 本站所有素材,仅限学习交流,仅展示部分内容,如需查看完整内容,请下载原文件。
2. 会员在本站下载的所有素材,只拥有使用权,著作权归原作者所有。
3. 所有素材,未经合法授权,请勿用于商业用途,会员不得以任何形式发布、传播、复制、转售该素材,否则一律封号处理。
4. 如果素材损害你的权益请联系客服QQ:77594475 处理。