乐视Letv 5X Air液晶电视电源板电路图

分类:电子电工 日期: 点击:0
乐视Letv 5X Air液晶电视电源板电路图-0 乐视Letv 5X Air液晶电视电源板电路图-1 乐视Letv 5X Air液晶电视电源板电路图-2 乐视Letv 5X Air液晶电视电源板电路图-3

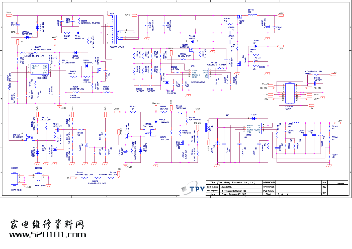
5 4 3 2 1 D D C C B B A A R- Vsin BO N R- R- BO N OEM MODEL Size Rev Date Sheet of TPV MODEL PCB NAME 称爹 T P V ( Top Victory Electronics Co . , Ltd. ) Key Component 絬 隔 瓜 絪 腹 Custom 1 4 Friday, December 27, 2013 01.AC input <絬隔瓜絪腹> OEM MODEL Size Rev Date Sheet of TPV MODEL PCB NAME 称爹 T P V ( Top Victory Electronics Co . , Ltd. ) Key Component 絬 隔 瓜 絪 腹 Custom 1 4 Friday, December 27, 2013 01.AC input <絬隔瓜絪腹> OEM MODEL Size Rev Date Sheet of TPV MODEL PCB NAME 称爹 T P V ( Top Victory Electronics Co . , Ltd. ) Key Component 絬 隔 瓜 絪 腹 Custom 1 4 Friday, December 27, 2013 01.AC input <絬隔瓜絪腹> R9903 510K 1/4W R9903 510K 1/4W FB9904 127R FB9904 127R 1 2 FB9901 BEAD FB9901 BEAD 1 2 GND3 GND GND3 GND 1 CN9901 NC CN9901 NC 1 2 C9920 220PF 250V C9920 220PF 250V R9908 510K 1/4W R9908 510K 1/4W t NR9901 2.5R t NR9901 2.5R 1 2 L9902 18mH L9902 18mH 1 2 4 3 R9904 510K 1/4W R9904 510K 1/4W GND4 GND GND4 GND 1 FB9903 BEAD FB9903 BEAD 1 2 SG9901 DSPL-501N-A21F SG9901 DSPL-501N-A21F R9905 510K 1/4W R9905 510K 1/4W C9901 470NF 275V C9901 470NF 275V GND1 GND GND1 GND 1 CN9902 AC SOKET CN9902 AC SOKET 1 2 IC9901 CAP004DG-TL IC9901 CAP004DG-TL NC 1 D1 2 D1 3 NC 4 NC 5 D2 6 D2 7 NC 8 F9901 FUSE F9901 FUSE 1 2 3 4 - + BD9901 TS10P06G - + BD9901 TS10P06G 2 1 3 4 RV9901 620V RV9901 620V FB9902 BEAD FB9902 BEAD 1 2 R9906 510K 1/4W R9906 510K 1/4W C9912 220PF 250V C9912 220PF 250V C9902 470NF 275V C9902 470NF 275V C9930 47PF C9930 47PF SG9902 DSPL-501N-A21F SG9902 DSPL-501N-A21F C9911 100PF 250V C9911 100PF 250V GND2 GND GND2 GND 1 C9913 220PF 250V C9913 220PF 250V R9907 510K 1/4W R9907 510K 1/4W L9901 18mH L9901 18mH 1 2 4 3 C9914 100PF 250V C9914 100PF 250V CN9903 CONN CN9903 CONN L 1 N 2 t NR9902 2.5R t NR9902 2.5R 1 2 HS9901 HEAT SINK HS9901 HEAT SINK 1 2 3 4 5 4 3 2 1 D D C C B B A A Vsin R- R- +VCC2 Vbus GND GND GND GND GND GND GND GND GND GND GND OEM MODEL Size Rev Date Sheet of TPV MODEL PCB NAME 称爹 T P V ( Top Victory Electronics Co . , Ltd. ) Key Component 絬 隔 瓜 絪 腹 Custom 2 4 Friday, December 27, 2013 02. PFC with Sanken <絬隔瓜絪腹> OEM MODEL Size Rev Date Sheet of TPV MODEL PCB NAME 称爹 T P V ( Top Victory Electronics Co . , Ltd. ) Key Component 絬 隔 瓜 絪 腹 Custom 2 4 Friday, December 27, 2013 02. PFC with Sanken <絬隔瓜絪腹> OEM MODEL Size Rev Date Sheet of TPV MODEL PCB NAME 称爹 T P V ( Top Victory Electronics Co . , Ltd. ) Key Component 絬 隔 瓜 絪 腹 Custom 2 4 Friday, December 27, 2013 02. PFC with Sanken <絬隔瓜絪腹> + C9801 68uF 450V + C9801 68uF 450V + C9815 10UF 50V + C9815 10UF 50V R9816 15K4 1/8W 1% R9816 15K4 1/8W 1% C9806 100N 50V C9806 100N 50V L9801 300uH L9801 300uH 1 3 4 5 6 C9810 1uF C9810 1uF C9814 10nF 50V C9814 10nF 50V FB9802 BEAD FB9802 BEAD 1 2 R9809 680K OHM +-1% 1/4W R9809 680K OHM +-1% 1/4W R9805 10R 1/8W 5% R9805 10R 1/8W 5% R9802 NC R9802 NC R9806 10K OHM +-5% 1/8W R9806 10K OHM +-5% 1/8W R9812 22K 1/8W 1% R9812 22K 1/8W 1% R9811 24K 1/8W 1% R9811 24K 1/8W 1% R9810 47 OHM 1/4W R9810 47 OHM 1/4W + C9802 68uF 450V + C9802 68uF 450V D9803 SS1060FL D9803 SS1060FL R9808 NC/18.7K 1% R9808 NC/18.7K 1% Q9801 STF24NM60N Q9801 STF24NM60N FB9803 BEAD FB9803 BEAD 1 2 R9815 100K 1% 1/4W R9815 100K 1% 1/4W IC9801 SSC-2005S IC9801 SSC-2005S FB 1 COMP 2 RT 3 RDLY 4 CS 5 GND 6 OUT 7 VCC 8 C9809 0.47UF 50V C9809 0.47UF 50V C9811 1NF 50V C9811 1NF 50V C9807 3.3nF 50V C9807 3.3nF 50V R9804 1MOHM +-1% 1/4W R9804 1MOHM +-1% 1/4W C9808 47PF 50V C9808 47PF 50V R9807 680K OHM +-1% 1/4W R9807 680K OHM +-1% 1/4W ZD9801 BZT52-B3V6 ZD9801 BZT52-B3V6 1 2 D9801 FMNS-1106S D9801 FMNS-1106S C9805 10nF 50V C9805 10nF 50V R9813 27K 1/8W R9813 27K 1/8W - + D9802 KBP206G X0G - + D9802 KBP206G X0G 2 1 3 4 C9813 47PF C9813 47PF C9820 1UF 450V C9820 1UF 450V R9814 33K 1/8W R9814 33K 1/8W HS9801 HEAT SINK HS9801 HEAT SINK 1 2 3 4 R9801 0.07R R9801 0.07R FB9801 BEAD FB9801 BEAD 1 2 R9803 82 OHM R9803 82 OHM C9812 47PF C9812 47PF 5 4 3 2 1 D D C C B B A A Vbus 12VS 12VS DV5 12VS +12V DV5 +VCC1 +VCC2 PS_ON 12VS DV5 +12V +12V PS_ON +5V BL_ON DIM 3D_ON 12VS +5V BR 12VS +24V +24V BR Main_ov +VCC1 BO GND GND GND GND OEM MODEL Size Rev Date Sheet of TPV MODEL PCB NAME 称爹 T P V ( Top Victory Electronics Co . , Ltd. ) Key Component 絬 隔 瓜 絪 腹 Custom 3 4 Friday, December 27, 2013 3. Flyback with Sanken 123 <絬隔瓜絪腹> OEM MODEL Size Rev Date Sheet of TPV MODEL PCB NAME 称爹 T P V ( Top Victory Electronics Co . , Ltd. ) Key Component 絬 隔 瓜 絪 腹 Custom 3 4 Friday, December 27, 2013 3. Flyback with Sanken 123 <絬隔瓜絪腹> OEM MODEL Size Rev Date Sheet of TPV MODEL PCB NAME 称爹 T P V ( Top Victory Electronics Co . , Ltd. ) Key Component 絬 隔 瓜 絪 腹 Custom 3 4 Friday, December 27, 2013 3. Flyback with Sanken 123 <絬隔瓜絪腹> R9303 NC R9303 NC C9302 NC C9302 NC IC9101 SSC3S123 IC9101 SSC3S123 FB/OLP 1 BR 2 ST 4 DRV 5 OCP 6 VCC 7 GND 8 + C9113 470UF 25V + C9113 470UF 25V D9109 NC D9109 NC C9148 NC C9148 NC R9132 27 OHM R9132 27 OHM C9307 NC C9307 NC R9123 5.1K 1/4W R9123 5.1K 1/4W ZD9103 BZT52-B39 ZD9103 BZT52-B39 1 2 R9130 NC R9130 NC R9109 10K 1/8W R9109 10K 1/8W D9108 1N4148W D9108 1N4148W C9110 NC C9110 NC C9123 2.2NF C9123 2.2NF Q9104 NC Q9104 NC R9160 510K 1% 1/8W R9160 510K 1% 1/8W C9147 0.1uF 50V C9147 0.1uF 50V D9102 SS1060FL D9102 SS1060FL R9144 NC R9144 NC R9107 22R 1% R9107 22R 1% C9120 NC C9120 NC R9126 10 OHM 1/4W R9126 10 OHM 1/4W R9114 10 OHM 1/4W R9114 10 OHM 1/4W R9119 1K5 +-1% 1/8W R9119 1K5 +-1% 1/8W HS9101 HEAT SINK HS9101 HEAT SINK 1 2 3 4 Q9111 AOTF298L Q9111 AOTF298L R9301 NC R9301 NC R9143 NC R9143 NC R9307 NC R9307 NC IC9301 NC IC9301 NC PGND 1 VIN 2 AGND 3 VCC 4 FB 5 COMP 6 LX 7 EN 8 R9118 4.7K 1/8W R9118 4.7K 1/8W R9158 10K 1/8W 1% R9158 10K 1/8W 1% Q9101 TK8A65D Q9101 TK8A65D R9113 5.1 OHM 1/4W R9113 5.1 OHM 1/4W R9306 NC R9306 NC R9302 NC R9302 NC C9143 1uF C9143 1uF R9133 27 OHM R9133 27 OHM + C9105 1500UF 35V + C9105 1500UF 35V IC9111 SP6018S8RGB IC9111 SP6018S8RGB Timing 1 Pred 2 VR 3 Adj 4 GND 5 MOSG-C 6 Vdd 7 SYNC 8 C9308 NC C9308 NC R9111 27 OHM R9111 27 OHM C9141 0.1uF 50V C9141 0.1uF 50V Q9105 NC Q9105 NC R9120 9K1 1/8W 1% R9120 9K1 1/8W 1% C9122 NC C9122 NC R9142 NC R9142 NC R9135 NC R9135 NC R9304 NC R9304 NC R9128 NC R9128 NC C9140 1nF 50V C9140 1nF 50V C9114 1uF C9114 1uF IC9104 AS431AN-E1 IC9104 AS431AN-E1 D9105 SS1060FL D9105 SS1060FL D9101 SARS01-V1 D9101 SARS01-V1 R9136 200 OHM 1/4W R9136 200 OHM 1/4W Q9110 NC Q9110 NC R9134 130K +-5% 1/8W R9134 130K +-5% 1/8W R9127 0 OHM +-5% 1/8W R9127 0 OHM +-5% 1/8W T9101 POWER X'FMR T9101 POWER X'FMR 1 2 3 4 5 6 10 7 9 FB9301 NC FB9301 NC 1 2 R9101 0.33R R9101 0.33R R9124 47KOHM +-1% 1/8W R9124 47KOHM +-1% 1/8W C9104 470PF 50V C9104 470PF 50V ZD9106 BZT52-B15 ZD9106 BZT52-B15 1 2 ZD9301 NC ZD9301 NC 1 2 R9157 10K OHM R9157 10K OHM Q9103 BTC4672M3 Q9103 BTC4672M3 D9106 SS1060FL D9106 SS1060FL R9112 27 OHM R9112 27 OHM D9103 PR1007 D9103 PR1007 ZD9105 BZT52-B39 ZD9105 BZT52-B39 1 2 R9145 NC R9145 NC C9121 220N 50V C9121 220N 50V R9161 1 MOHM +-5% 1/4W R9161 1 MOHM +-5% 1/4W R9122 10K 1/4W R9122 10K 1/4W C9118 1nF 50V C9118 1nF 50V IC9102 EL817M(X) IC9102 EL817M(X) 1 2 3 4 + C9106 1500UF 35V + C9106 1500UF 35V + C9146 10UF 50V + C9146 10UF 50V C9116 1NF C9116 1NF C9149 0.47UF 50V C9149 0.47UF 50V HS9102 HEAT SINK HS9102 HEAT SINK 3 4 1 2 L9301 NC L9301 NC R9155 2K 1/4W R9155 2K 1/4W Q9108 2N7002K Q9108 2N7002K R9116 120R 1/8W 1% R9116 120R 1/8W 1% R9104 4.7 MOHM +-5% 1/4W R9104 4.7 MOHM +-5% 1/4W C9136 NC C9136 NC + C9103 47UF 50V + C9103 47UF 50V R9131 27 OHM R9131 27 OHM R9154 100KOHM +-1% 1/4W R9154 100KOHM +-1% 1/4W R9105 13K 1% R9105 13K 1% + C9309 NC + C9309 NC R9125 4.7 OHM R9125 4.7 OHM C9124 1uF C9124 1uF L9101 3UH L9101 3UH R9162 1 MOHM +-5% 1/4W R9162 1 MOHM +-5% 1/4W R9140 22R R9140 22R R9108 10R 1% R9108 10R 1% R9121 1K 1/8W 1% R9121 1K 1/8W 1% R9141 82KOHM +-5% 2WS R9141 82KOHM +-5% 2WS C9119 NC C9119 NC Q9109 PMBT3906 Q9109 PMBT3906 C9112 10nF 50V C9112 10nF 50V C9117 1NF C9117 1NF R9115 2K2 1/8W 1% R9115 2K2 1/8W 1% R9129 NC R9129 NC R9156 10K 1/4W R9156 10K 1/4W C9133 0.1uF 50V C9133 0.1uF 50V R9106 4.7 MOHM +-5% 1/4W R9106 4.7 MOHM +-5% 1/4W R9117 5.1K 1/4W R9117 5.1K 1/4W IC9103 EL817M(X) IC9103 EL817M(X) 1 2 3 4 D9104 MB510 D9104 MB510 1 2 R9159 100 OHM 1/4W R9159 100 OHM 1/4W C9139 1nF 50V C9139 1nF 50V CN9101 CONN CN9101 CONN 2 4 6 8 10 12 14 16 1 3 5 7 9 11 13 15 R9153 3K R9153 3K + C9301 NC + C9301 NC C9134 100PF 50V C9134 100PF 50V C9142 NC C9142 NC R9305 NC R9305 NC C9306 NC C9306 NC C9135 0.1uF 50V C9135 0.1uF 50V C9303 NC C9303 NC R9110 27 OHM R9110 27 OHM C9304 NC C9304 NC C9305 NC C9305 NC C9137 1uF C9137 1uF R9163 1 MOHM +-5% 1/4W R9163 1 MOHM +-5% 1/4W 5 4 3 2 1 D D C C B B A A Vbus VS VS +VCC2 +48VS +24VS +48V +24VS 12VS Main_ov +24VS +48VS +48VS +24VS +48V +12V BL_ON DIM 3D_ON +24V GND GND GND GND GND GND GND OEM MODEL Size Rev Date Sheet of TPV MODEL PCB NAME 称爹 T P V ( Top Victory Electronics Co . , Ltd. ) Key Component 絬 隔 瓜 絪 腹 Custom 4 4 Friday, December 27, 2013 4.LLC with Sanken LED Driver <絬隔瓜絪腹> OEM MODEL Size Rev Date Sheet of TPV MODEL PCB NAME 称爹 T P V ( Top Victory Electronics Co . , Ltd. ) Key Component 絬 隔 瓜 絪 腹 Custom 4 4 Friday, December 27, 2013 4.LLC with Sanken LED Driver <絬隔瓜絪腹> OEM MODEL Size Rev Date Sheet of TPV MODEL PCB NAME 称爹 T P V ( Top Victory Electronics Co . , Ltd. ) Key Component 絬 隔 瓜 絪 腹 Custom 4 4 Friday, December 27, 2013 4.LLC with Sanken LED Driver <絬隔瓜絪腹> R9219 3K R9219 3K R9237 12K 5% 1/4W R9237 12K 5% 1/4W C9208 0.47UF 50V C9208 0.47UF 50V D9204 FMXA-2202S D9204 FMXA-2202S 1 2 3 R9202 1.5M 1% 1/4W R9202 1.5M 1% 1/4W R9224 0R05OHM1/8W R9224 0R05OHM1/8W ZD9206 BZT52-B6V2 ZD9206 BZT52-B6V2 1 2 R9206 82 OHM 1/4W R9206 82 OHM 1/4W R9209 18K 1/8W 1% R9209 18K 1/8W 1% Q9204 PMBT3906 Q9204 PMBT3906 R9239 5.1K 1/4W R9239 5.1K 1/4W D9210 SS1060FL D9210 SS1060FL C9227 0.1uF 50V C9227 0.1uF 50V C9204 1uF C9204 1uF C9229 100N 50V C9229 100N 50V C9230 1NF C9230 1NF C9209 560PF 50V C9209 560PF 50V R9223 2K43 1/8W 1% R9223 2K43 1/8W 1% C9226 NC C9226 NC R9214 NC R9214 NC R9216 470 OHM R9216 470 OHM L9201 3UH L9201 3UH HS9201 HEAT SINK HS9201 HEAT SINK 3 4 1 2 R9231 24KOHM +-1% 1/8W R9231 24KOHM +-1% 1/8W C9207 0.1uF 50V C9207 0.1uF 50V R9203 1.5M 1% 1/4W R9203 1.5M 1% 1/4W + C9219 47uF 100V + C9219 47uF 100V C9213 4.7uF 10V C9213 4.7uF 10V D9206 SS1060FL D9206 SS1060FL R9210 82 OHM R9210 82 OHM D9203 FMEN-2308 D9203 FMEN-2308 1 2 3 R9240 5.1K 1/4W R9240 5.1K 1/4W R9221 2.4K 1/8W R9221 2.4K 1/8W Q9201 STF11NM50N Q9201 STF11NM50N R9234 12K 5% 1/4W R9234 12K 5% 1/4W D9209 SS1060FL D9209 SS1060FL R9201 0.1R R9201 0.1R R9213 470 OHM 1/8W R9213 470 OHM 1/8W C9228 NC C9228 NC C9214 0.1uF 50V C9214 0.1uF 50V IC9201 SSC9522S IC9201 SSC9522S Vsen 1 Vcc 2 FB 3 GND 4 Css 5 OC 6 RC 7 Reg 8 RV 9 COM 10 VGL 11 NC 12 NC 13 VB 14 VS 15 VGH 16 NC 17 NC 18 C9202 1uF C9202 1uF R9215 180R 1% R9215 180R 1% C9201 0.1uF 50V C9201 0.1uF 50V Q9203 PMBS3904 Q9203 PMBS3904 D9205 UF4007 D9205 UF4007 C9210 1nF 50V C9210 1nF 50V R9222 2K49 1/8W 1% R9222 2K49 1/8W 1% + C9231 390UF 63V + C9231 390UF 63V ZD9203 BZT52-B30 ZD9203 BZT52-B30 1 2 R9207 1.5M 1% 1/4W R9207 1.5M 1% 1/4W CN9201 CONN CN9201 CONN 1 2 3 4 5 6 7 8 9 10 R9229 100R 1% R9229 100R 1% R9227 1K 1/8W 1% R9227 1K 1/8W 1% R9228 1Kohm +-1% 1/4W R9228 1Kohm +-1% 1/4W R9218 NC R9218 NC D9207 SS1060FL D9207 SS1060FL R9230 1K 1/8W 1% R9230 1K 1/8W 1% C9212 0.47UF 50V C9212 0.47UF 50V R9241 5.1K 1/4W R9241 5.1K 1/4W C9211 22nF C9211 22nF + C9216 NC + C9216 NC R9235 12K 5% 1/4W R9235 12K 5% 1/4W C9203 5PF C9203 5PF Q9202 STF11NM50N Q9202 STF11NM50N D9201 FMEN-2308 D9201 FMEN-2308 1 2 3 ZD9202 BZT52-B15 ZD9202 BZT52-B15 1 2 C9220 100PF1KV C9220 100PF1KV + C9223 330UF 35V + C9223 330UF 35V + C9232 390UF 63V + C9232 390UF 63V + C9221 330UF 35V + C9221 330UF 35V IC9203 AS431AZTR-E1 IC9203 AS431AZTR-E1 + C9206 22UF 50V + C9206 22UF 50V + C9224 330UF 35V + C9224 330UF 35V C9217 47P 50V C9217 47P 50V R9204 10 OHM R9204 10 OHM C9205 100PF1KV C9205 100PF1KV IC9202 EL817M(X) IC9202 EL817M(X) 1 2 3 4 R9208 10K 1/8W 1% R9208 10K 1/8W 1% C9225 NC C9225 NC R9242 5.1K 1/4W R9242 5.1K 1/4W + C9218 NC + C9218 NC R9236 12K 5% 1/4W R9236 12K 5% 1/4W R9220 4.7K OHM R9220 4.7K OHM R9232 180K 1/8W 5% R9232 180K 1/8W 5% R9233 12K 5% 1/4W R9233 12K 5% 1/4W D9208 SS1060FL D9208 SS1060FL R9225 2K 1/8W 1% R9225 2K 1/8W 1% L9202 3UH L9202 3UH T9201 POWER X'FMR T9201 POWER X'FMR 1 4 5 6 7 8 9 10 11 12 HS9202 HEAT SINK HS9202 HEAT SINK 1 2 3 4 R9217 2K43 1/8W 1% R9217 2K43 1/8W 1% D9202 FMEN-2308 D9202 FMEN-2308 1 2 3 ZD9201 BZT52-B15 ZD9201 BZT52-B15 1 2 R9238 5.1K 1/4W R9238 5.1K 1/4W R9205 10 OHM 1/4W R9205 10 OHM 1/4W ZD9204 BZT52-B30 ZD9204 BZT52-B30 1 2 R9226 0 OHM +-5% 1/8W R9226 0 OHM +-5% 1/8W C9215 0.1uF 50V C9215 0.1uF 50V + C9222 330UF 35V + C9222 330UF 35V R9211 10 OHM R9211 10 OHM R9212 10K 1/8W 1% R9212 10K 1/8W 1% ZD9205 BZT52-B6V2 ZD9205 BZT52-B6V2 1 2

标签:

版权声明

1. 本站所有素材,仅限学习交流,仅展示部分内容,如需查看完整内容,请下载原文件。
2. 会员在本站下载的所有素材,只拥有使用权,著作权归原作者所有。
3. 所有素材,未经合法授权,请勿用于商业用途,会员不得以任何形式发布、传播、复制、转售该素材,否则一律封号处理。
4. 如果素材损害你的权益请联系客服QQ:77594475 处理。