三洋LCD-27CA2液晶电视电路图

分类:电子电工 日期: 点击:0
三洋LCD-27CA2液晶电视电路图-0 三洋LCD-27CA2液晶电视电路图-1 三洋LCD-27CA2液晶电视电路图-2 三洋LCD-27CA2液晶电视电路图-3 三洋LCD-27CA2液晶电视电路图-4 三洋LCD-27CA2液晶电视电路图-5 三洋LCD-27CA2液晶电视电路图-6 三洋LCD-27CA2液晶电视电路图-7 三洋LCD-27CA2液晶电视电路图-8 三洋LCD-27CA2液晶电视电路图-9

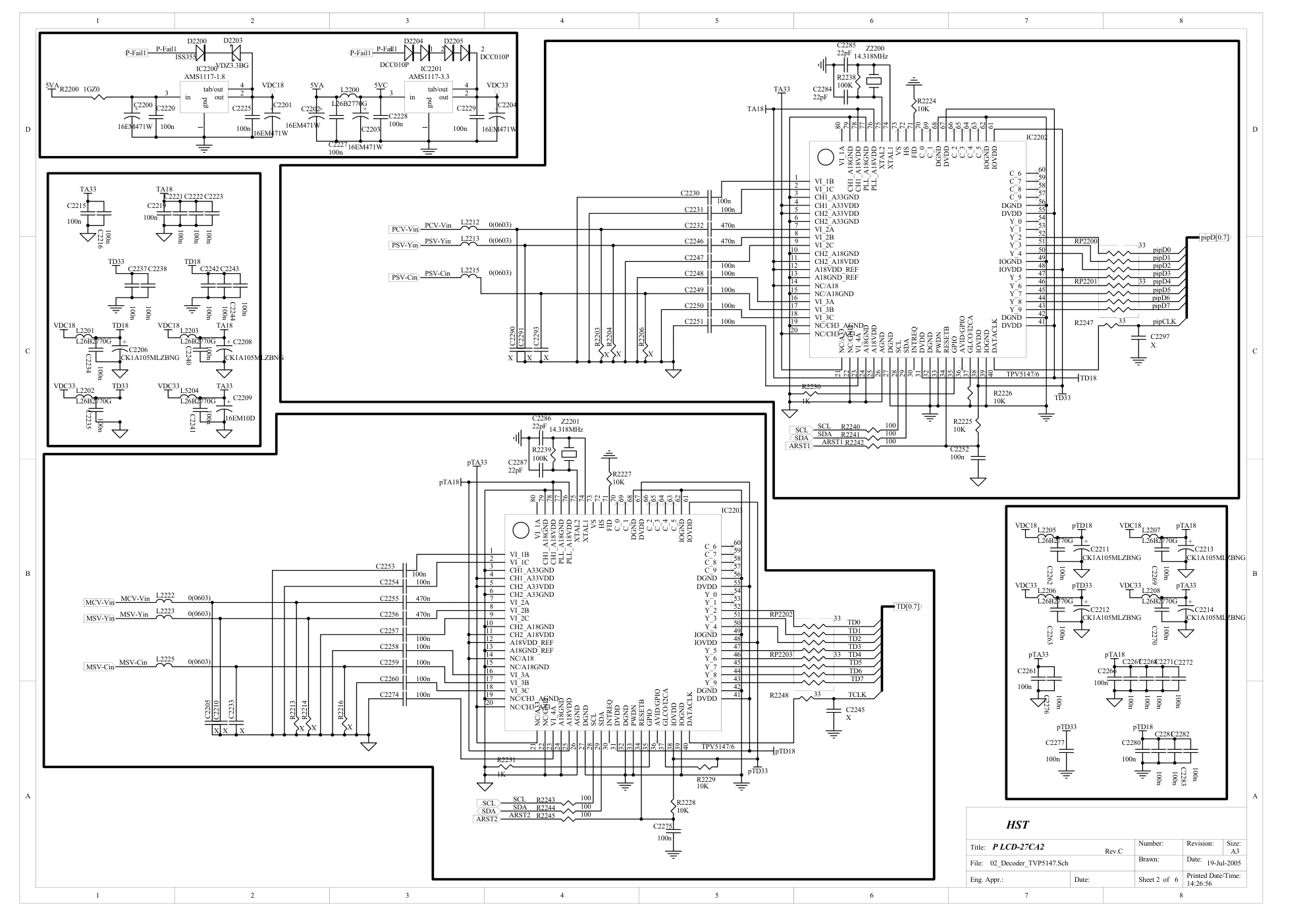
机型:LCD-27CA2 副板 机型:LCD-27CA2 副板 机型:LCD-27CA2 副板 机型:LCD-27CA2 副板 机型:LCD-27CA2 副板 1 2 3 4 5 6 7 8 A B C D 8 7 6 5 4 3 2 1 D C B A HST Size: Revision: Number: Title: File: Eng. Appr.: Brawn: Date: Date: Sheet of Printed Date/Time: A3 14:26:54 6 06_MST~1.SCH 19-Jul-2005 LCD-27CA2 Rev.C 6 FAN-CTRL1 IRin BUD[0..7] BLON V-SW0 RLmute ARST1 ARST2 LED2 LED1 P_EN MS-SW0 MS-SW1 MS-SW2 FAN-LOCK RST_MST Line-off P-Fail1 P-Fail2 PWR-ON M-AFT P-AFT KEY TVsync Subsync POWER_SW 05_MCU_M30624 05_MCU_M30624.Sch V-SW0 HP_Y HP_Pb HP_Pr HP_Y HP_Pb HP_Pr MSV-Y MCV-V MSV-C PSV-Y PCV-V PSV-C AV3_Y AV3_Pb AV3_Pr CARD_Pr CARD_Pb CARD_Y IRin P-Fail1 P-Fail1 P-Fail2 MSV-Y MCV-V MSV-C PSV-Y PCV-V PSV-C MCV-Vin MSV-Yin MSV-Cin PCV-Vin PSV-Yin PSV-Cin P-Fail1 E-PWM I-PWM BLON Line-off PWR-ON FAN-CTRL1 FAN-LOCK PS-SW0 MS-SW0 MS-SW1 MS-SW2 PS-SW1 PS-SW2 Line-off RLmute M-AFT P-AFT SCL SDA HDMI_L HDMI_R PC_AL PC_AR DVI_AL DVI_AR TVsync V-SW0 01_Connector 01_Connector.Sch TD[0.7] pipD[0.7] MCV-Vin MSV-Yin MSV-Cin PCV-Vin PSV-Yin PSV-Cin P-Fail1 SDA SCL ARST1 SDA SCL ARST2 P-Fail1 02_Decoder_TVP5147 02_Decoder_TVP5147.Sch BUD[0..7] HP_Y HP_Pb HP_Pr TD[0.7] pipD[0.7] E-PWM I-PWM P-Fail1 PC_AL PC_AR DVI_AL DVI_AR 03_Scaler_1 03_Scaler_1.Sch HDMI_L HDMI_R P_EN P-Fail1 P-Fail1 P-Fail1 04_Scaler_2 04_Scaler_2.Sch 1 2 3 4 5 6 7 8 A B C D 8 7 6 5 4 3 2 1 D C B A HST Size: Revision: Number: Title: File: Eng. Appr.: Brawn: Date: Date: Sheet of Printed Date/Time: A3 14:26:54 5 05 05_MCU_M30624.Sch 19-Jul-2005 LCD-27CA2 Rev.C 6 1 2 3 4 5 6 7 8 1 2 3 4 5 6 7 8 1 2 3 4 5 6 7 8 1 2 3 4 5 6 7 8 1 2 3 4 5 6 7 8 5Vstb Key L8007 FB 1 2 3 4 5 6 7 8 9 10 11 K8001 J11B4710N SC8003 Z30B0220G SC8005 Z30B0220G SC8004 Z30B0220G 5Vstb 5Vstb L8001 FB L8002 FB LED1 L8003 FB IRin +C8015 16EM10D LED2 L8004 FB 1 2 3 4 5 6 7 K8000 CON7 Q8002 AH Q8008 AH Q8007 AH Q8006 AH R8077 820 R8076 820 R8078 820 R8079 820 OFFTIMLED L8005 FB L8006 FB SCLE SDAE NC1 1 NC2 2 NC3 3 GND 4 SDA 5 SCL 6 VCLK 7 VCC 8 IC8001 X C8001 100n SCL SDA NC1 1 NC2 2 NC3 3 GND 4 SDA 5 SCL 6 VCLK 7 VCC 8 IC8002 Q24LC32AT/SNP C8002 100n 5Vstb P96 1 P95 2 P94 3 P93 4 P92 5 P91 6 P90 7 BYTE 8 CNVSS 9 P87 10 P86 11 RESET 12 XOUT 13 VSS 14 XIN 15 VCC 16 P85 17 P84 18 P83 19 P82 20 P81 21 P80 22 P77 23 P76 24 P75 25 P74 26 P73 27 P72 28 P71 29 P70 30 P67 31 P66 32 P65 33 P64 34 P63 35 P62 36 P61 37 P60 38 P57 39 P56 40 P55 41 P54 42 P53 43 P52 44 P51 45 P50 46 P47 47 P46 48 P45 49 P44 50 P43 51 P42 52 P41 53 P40 54 P37 55 P36 56 P35 57 P34 58 P33 59 P32 60 P31 61 VCC 62 P30 63 VSS 64 P27 65 P26 66 P25 67 P24 68 P23 69 P22 70 P21 71 P20 72 P17 73 P16 74 P15 75 P14 76 P13 77 P12 78 P11 79 P10 80 P07 81 P06 82 P05 83 P04 84 P03 85 P02 86 P01 87 P00 88 P107 89 P106 90 P105 91 P104 92 P103 93 P102 94 P101 95 AVSS 96 P100 97 VREF 98 AVCC 99 P97 100 IC8000 M30624 FAN-CTRL1 FAN-CTRL1 C8010 100n R8035 10K R8036 10K CNVSS R8011 100 MCU_RST 1 1 2 2 3 3 5 5 4 4 IC8004 TC7F08S VSS 3 VCC 2 RES 1 IC8003 MN1382-QP C8011 100n R8081 470 C8021 10KZ1UGQF R8050 10K 5Vstb D8001 ISS355 D8000 ISS355 5Vstb MCU_RST C8016 X C8017 X C8009 10n R8037 10K 5Vstb MCUIR MCUIR BLKon BLON C8020 X 5Vstb R8044 10K R8046 10K Q8005 AH R8026 100 BLON R8043 10K BLKon R8049 10K R8013 100 R8014 100 SCLE SDAE R8053 4.7K R8055 4.7K CNVSS R8015 56 R8020 56 TXD RXD SCLK BUSY MRXD MTXD TXD RXD SCLK BUSY RST_IN RST_IN R8070 22K V-SW0 V-SW0 R8041 0 R8025 10K R8069 22K 5Vstb R8038 10K R8032 10K R8031 10K R8005 0 SCL R8004 0 SDA 5Vstb R8052 4.7K R8054 4.7K ARST1 ARST1 ARST2 ARST2 LED2 LED1 LED2 LED1 C8000 100n 5Vstb P_EN P_EN R8030 10KR8051 X FAN-LOCK FAN-LOCK R8002 100 RST_MST R8058 47K R8033 10K R8056 4.7K Q8000 AH R8062 2.2K R8059 47K 5Vstb Q8009 AJ C8012 2.2n R8064 2.7K P-Fail1 Fail1 P-Fail1 R8060 47K R8042 10K R8057 4.7K Q8001 AH R8063 2.2K R8061 47K 5Vstb Q8010 AJ C8013 2.2n R8065 2.7K P-Fail2 Fail2 P-Fail2 Fail1 Fail2 PWR-ON PWR-ON R8007 1K R8008 1K C8007 100n C8004 100n M-AFT P-AFT M-AFT P-AFT R8072 22K R8074 22K R8073 22K R8075 22K 5Vstb M-AFT P-AFT C8018 10n R8068 0 C8019 X R8071 6.8K R8027 100 5Vstb TH8000 DHXAVB011G R8080 1M T_SENSE T_SENSE R8009 22 C8003 100n D8002 5.6V Key KEY + C8014 16EM10D C8005 100n 5Vstb L8000 L2FB3R3MG C8006 100n C8008 10KZ1UGQF R8010 1K R8067 0 Z8000 1AV4V11B1680G SC8006 Z30B0220G R8006 100 TVsync TVsync Subsync Subsync R8003 1K D8003 5.6V POWER_SWPOWER_SW SC8002 Z30B0220G SC8001 Z30B0220G SC8000 Z30B0220G POWER_SW R8029 1K R8001 1K R8028 27K 5Vstb 1 1 2 2 3 3 4 4 K8003 CON4 5Vstb MRXD MTXD R8093 100 R8094 22K OFFTIMLED C8022 CJ68CGQ C8023 CJ68CGQ 5Vstb R809622K R8095 22K R8090 100 R8084 1K R8097 1M R8098 1M + C8024 16EM10D R8099 0 RP8001 33 RP8000 33 R8022 10K R8034 10K R8021 10K 5Vstb R8018 10K R8019 10K 5Vstb ALE BUD3 BUD2 BUD1 BUD0 RDZ WRZ MINT Rstmst R8016 33 FANCTR FANCTR Rstmst R8012 100 R8000 10k 5Vstb RP8003 33 RP8004 33 MS-SW0 MS-SW1 MS-SW2 MS-SW0 MS-SW1 MS-SW2 Line-off Line-off RLmute RLmute PS-SW0 PS-SW1 PS-SW2 RP8006 33 RP8005 33 RP8002 33 1 2 3 4 5 6 7 8 9 10 K8004 CON10 5Vstb TP8000 J30A00102 RST_MST R801722K 5Vstb 1 1 2 2 3 3 4 4 K8002 1AV4J10EG040G ALE BUD3 BUD2 BUD1 BUD0 RDZ WRZ R8023 100 R8024 10k 5Vstb TP8001 J30A00102 P42 P43 P42 P43 P43 5Vstb R8040 X Q8011 X R8039 0 IRin MCUIR 5Vstb R8048 X Q8012 X R8047 0 IRin IR IR HDCP_SW HDCP_SW PLUG_DVI DPU_in PLUG_DVI DPU_in R8045 X 1 2 3 4 5 6 7 8 A B C D 8 7 6 5 4 3 2 1 D C B A HST Size: Revision: Number: Title: File: Eng. Appr.: Brawn: Date: Date: Sheet of Printed Date/Time: A3 14:26:55 1 01_Connector.Sch 19-Jul-2005 LCD-27CA2 Rev.C 6 R1500 75 R1501 75 R1502 75 C1501 10pF L1500 0(0603) C1502 10pF L1502 0(0603) C1500 10pF L1501 0(0603) AV3_Y AV3_Pr AV3_Pb 1 3 2 D1503 X 1 3 2 D1504 X 1 3 2 D1505 X AV3_Y AV3_Pr AV3_Pb R1503 X R1505 X R1504 X C1504 10pF L1503 0(0603) C1505 10pF L1505 0(0603) C1503 10pF L1504 0(0603) CARD_Y CARD_Pr CARD_Pb 5VA S1A 2 S2A 3 S1B 5 S2B 6 S1C 11 S2C 10 S1D 14 S2D 13 IN 1 EN 15 GND 8 VCC 16 DA 4 DB 7 DC 9 DD 12 IC1500 P15V330 P15V330 L1506 L2FB100MG + C1520 16EM101W R1506 X R1507 X R1508 X HP_Pr HP_Y HP_Pb C1519 100n V-SW0 + C1518 16EM471W R1509 10K R1531 4.7K R1523 4.7K Q1500 AJ Q1501 AJ RP1501 10K RP1500 10K R1522 10K V-SW0 R1524 4.7K Q1502 AJ + C1512 16EM10D + C1513 16EM10D + C1514 16EM10D + C1515 16EM10D + C1516 16EM10D + C1517 16EM10D HD_Yin HD_Prin HD_Pbin HP_Pr HP_Y HP_Pb HP_Y HP_Pb HP_Pr 5VS HP_Y HP_Pb HP_Pr To MST5151A 5VS 1 2 3 4 5 6 7 8 9 10 11 K1500 1AV4J10QF110G 5Vstb 5VD 5V2 + C1532 16EM4701W C1521 100n + C1531 16EM4701W + C1530 16EM4701W C1522 100n C1523 100n Line-off I-PWM BLON PWR-ON FAN-CTRL1 FAN-LOCK From Power board 5Vstb Line-off RLmute P-Fail1 P-Fail2 MS-SW0 MS-SW1 MS-SW2 M-AFT PS-SW0 PS-SW1 PS-SW2 P-AFT SCL SDA MSV-Y MSV-C MSV-Y MCV-V MCV-V MSV-C PSV-Y PSV-C PSV-Y PCV-V PCV-V PSV-C From SUB board CARD_Y CARD_Pr CARD_Pb P-Fail2 IR AV3_Pr AV3_Pb From AVinput board AV3_Y AV3_Pb AV3_Pr CARD_Pr CARD_Pb CARD_Y IR P-Fail2 P-Fail1 P-Fail2 + C1533 16EM10D R1525 1K R1532 10 R1538 680 Q1509 AH R151110K R1510 10K 5VC Q1503 AJ C1524 100n R1550 1.5K R1544 2.2K C1549 27pF L1510 L2A5150JG C1537 12pF C1506 10pF C1543 15pF R1556 1.5K 5VC MSV-Y MSV-C MSV-Y MCV-V MCV-V MSV-C PSV-Y PSV-C PSV-Y PCV-V PCV-V PSV-C MCV-Vin MCV-Vin + C1534 16EM10D R1528 1K R1533 10 R1541 680 Q1510 AH R151210K R1518 10K 5VC Q1506 AJ C1527 100n R1553 1.5K R1545 2.2K C1552 27pF L1513 L2A5150JG C1540 12pF C1509 10pF C1544 15pF R1557 1.5K 5VC MSV-Yin MSV-Yin R1527 1K R1536 10 R1540 680 Q1513 AH R151710K R1516 10K 5VC Q1505 AJ C1526 100n R1552 1.5K R1548 2.2K C1551 27pF L1512 L2A5150JG C1539 12pF C1508 10pF C1547 15pF R1560 1.5K 5VC MSV-Cin MSV-Cin + C1535 16EM10D R1526 1K R1534 10 R1539 680 Q1511 AH R151410K R1513 10K 5VC Q1504 AJ C1525 100n R1551 1.5K R1546 2.2K C1550 27pF L1511 L2A5150JG C1538 12pF C1507 10pF C1545 15pF R1558 1.5K 5VC PCV-Vin PCV-Vin + C1536 16EM10D R1530 1K R1535 10 R1543 680 Q1512 AH R151510K R1521 10K 5VC Q1508 AJ C1529 100n R1555 1.5K R1547 2.2K C1554 27pF L1515 L2A5150JG C1542 12pF C1511 10pF C1546 15pF R1559 1.5K 5VC PSV-Yin PSV-Yin R1529 1K R1537 10 R1542 680 Q1514 AH R152010K R1519 10K 5VC Q1507 AJ C1528 100n R1554 1.5K R1549 2.2K C1553 27pF L1514 L2A5150JG C1541 12pF C1510 10pF C1548 15pF R1561 1.5K 5VC PSV-Cin PSV-Cin D1502 ISS355 D1501 ISS355 D1500 ISS355 P-Fail1 P-Fail1 P43 I-PWM BLON Line-off PWR-ON FAN-CTRL1 FAN-LOCK PS-SW0 MS-SW0 MS-SW1 MS-SW2 PS-SW1 PS-SW2 Line-off RLmute M-AFT P-AFT SCL SDA 1 2 3 4 5 6 7 8 9 10 11 12 13 14 15 16 17 18 19 20 21 22 23 24 25 26 27 28 29 30 31 32 33 34 35 36 37 38 39 40 41 42 43 44 45 46 47 48 49 50 K1503 1AV4J11B2940G PC_AR PC_AL HDMI_L HDMI_R HDMI_L HDMI_R PC_AL PC_AR DVI_AL DVI_AR DVI_AL DVI_AR 1 2 3 4 5 6 7 8 9 K1501 1AV4J10QF090G 1 2 3 4 5 6 7 8 9 10 11 12 13 14 15 16 17 18 19 20 21 22 23 24 25 26 27 28 29 30 K1502 1AV4J11B5780G 2 3 1 4 L1507 L26B2890G 2 3 1 4 L1508 L26B2890G 2 3 1 4 L1509 L26B1730G SC1500 Z30B0220G SC1502 Z30B0220G SC1501 Z30B0220G TVsync TVsync V-SW0 V-SW0 AV3_Y TP1501 J30A00102 TP1502 J30A00102 TP1503 J30A00102 TP1506 J30A00102 TP1505 J30A00102 TP1504 J30A00102 TP1507 J30A00102 TP1208 J30A00102 TP1509 J30A00102 marker 2 3 1 4 L1516 L26B2890G + C1557 16EM4701W C1558 100n 5VA D1506 ISS355 C1555 16KK0.47GQ C1556 16KK0.47GQ R1562 RGG1002JTCANL P42 P43 P42 P43 R1563 0 R1564 0 marker 1 2 3 4 5 6 7 8 A B C D 8 7 6 5 4 3 2 1 D C B A HST Size: Revision: Number: Title: File: Eng. Appr.: Brawn: Date: Date: Sheet of Printed Date/Time: A3 14:26:56 2 02_Decoder_TVP5147.Sch 19-Jul-2005 P LCD-27CA2 Rev.C 6 VI_1B 1 VI_1C 2 CH1_A33GND 3 CH1_A33VDD 4 CH2_A33VDD 5 CH2_A33GND 6 VI_2A 7 VI_2B 8 VI_2C 9 CH2_A18GND 10 CH2_A18VDD 11 A18VDD_REF 12 A18GND_REF 13 NC/A18 14 NC/A18GND 15 VI_3A 16 VI_3B 17 VI_3C 18 NC/CH3_AGND 19 NC/CH3_A33 20 NC/A33 21 NC/GND 22 VI_4A 23 A18GND 24 A18VDD 25 AGND 26 DGND 27 SCL 28 SDA 29 INTREQ 30 DVDD 31 DGND 32 PWDN 33 RESETB 34 GPIO 35 AVID/GPIO 36 GLCO/I2CA 37 IOVDD 38 IOGND 39 DATACLK 40 DVDD 41 DGND 42 Y_9 43 Y_8 44 Y_7 45 Y_6 46 Y_5 47 IOVDD 48 IOGND 49 Y_4 50 Y_3 51 Y_2 52 Y_1 53 Y_0 54 DVDD 55 DGND 56 C_9 57 C_8 58 C_7 59 C_6 60 IOVDD 61 IOGND 62 C_5 63 C_4 64 C_3 65 C_2 66 DVDD 67 DGND 68 C_1 69 C_0 70 FID 71 HS 72 VS 73 XTAL1 74 XTAL2 75 PLL_A18VDD 76 PLL_A18GND 77 CH1_A18VDD 78 CH1_A18GND 79 VI_1A 80 IC2202 TPV5147/6 R2206 X R2204 X C2230 100n C2250 100n C2246 470n C2251 100n C2231 100n C2232 470n C2247 100n R2226 10K C2249 100n C2252 100n R2247 33 R2225 10K C2248 100n C2297 X R2224 10K R2203 X TA18 TA33 RP2201 33 RP2200 33 C2285 22pF C2284 22pF Z2200 14.318MHz R2238 100K VDC18 5VA VDC33 gnd 1 out 2 in 3 tab/out 4 IC2200 AMS1117-1.8 C2220 100n +C2201 16EM471W C2225 100n gnd 1 out 2 in 3 tab/out 4 IC2201 AMS1117-3.3 + C2203 16EM471W C2228 100n +C2204 16EM471W C2229 100n TA18 C2240 100n + C2208 CK1A105MLZBNG L2203 L26B2770G VDC18 C2244 100n C2216 100n TD33 TD18 C2219 100n C2221 100n C2223 100n C2222 100n TA18 C2215 100n TA33 C2237 100n C2238 100n TD33 C2242 100n C2243 100n TD18 SDA SCL TD0 TD1 TD2 TD3 TD4 TD5 TD6 TD7 TCLK TD[0.7] R2241 100 R2242 100 R2240 100 +C2200 16EM471W L2200 L26B2770G R2230 1K ARST1 L2212 0(0603) L2213 0(0603) L2215 0(0603) C2291 X C2293 X C2290 X VI_1B 1 VI_1C 2 CH1_A33GND 3 CH1_A33VDD 4 CH2_A33VDD 5 CH2_A33GND 6 VI_2A 7 VI_2B 8 VI_2C 9 CH2_A18GND 10 CH2_A18VDD 11 A18VDD_REF 12 A18GND_REF 13 NC/A18 14 NC/A18GND 15 VI_3A 16 VI_3B 17 VI_3C 18 NC/CH3_AGND 19 NC/CH3_A33 20 NC/A33 21 NC/GND 22 VI_4A 23 A18GND 24 A18VDD 25 AGND 26 DGND 27 SCL 28 SDA 29 INTREQ 30 DVDD 31 DGND 32 PWDN 33 RESETB 34 GPIO 35 AVID/GPIO 36 GLCO/I2CA 37 IOVDD 38 IOGND 39 DATACLK 40 DVDD 41 DGND 42 Y_9 43 Y_8 44 Y_7 45 Y_6 46 Y_5 47 IOVDD 48 IOGND 49 Y_4 50 Y_3 51 Y_2 52 Y_1 53 Y_0 54 DVDD 55 DGND 56 C_9 57 C_8 58 C_7 59 C_6 60 IOVDD 61 IOGND 62 C_5 63 C_4 64 C_3 65 C_2 66 DVDD 67 DGND 68 C_1 69 C_0 70 FID 71 HS 72 VS 73 XTAL1 74 XTAL2 75 PLL_A18VDD 76 PLL_A18GND 77 CH1_A18VDD 78 CH1_A18GND 79 VI_1A 80 IC2203 TPV5147/6 R2216 X R2214 X C2253 100n C2260 100n C2256 470n C2274 100n C2254 100n C2255 470n C2257 100n C2259 100n C2275 100n R2248 33 R2228 10K C2258 100n C2245 X R2227 10K R2213 X pTA18 pTA33 RP2203 33 RP2202 33 C2286 22pF C2287 22pF Z2201 14.318MHz R2239 100K pTD33 pTD18 SDA SCL R2244 100 R2245 100 R2243 100 R2231 1K ARST2 L2222 0(0603) L2223 0(0603) L2225 0(0603) C2210 X C2233 X C2205 X pipD[0.7] pipD0 pipD1 pipD2 pipD3 pipD4 pipD5 pipD6 pipD7 pipCLK MCV-Vin MCV-Vin MSV-Yin MSV-Yin MSV-Cin MSV-Cin PCV-Vin PCV-Vin PSV-Yin PSV-Yin PSV-Cin PSV-Cin C2283 100n C2276 100n C2266 100n C2267 100n C2271 100n C2268 100n pTA18 C2261 100n pTA33 C2272 100n C2277 100n pTD33 C2280 100n C2281 100n C2282 100n pTD18 TD18 C2234 100n + C2206 CK1A105MLZBNG L2201 L26B2770G VDC18 TA33 C2241 100n L5204 L26B2770G VDC33 TD33 C2235 100n L2202 L26B2770G VDC33 pTA18 C2269 100n + C2213 CK1A105MLZBNG L2207 L26B2770G VDC18 pTD18 C2262 100n + C2211 CK1A105MLZBNG L2205 L26B2770G VDC18 pTA33 C2270 100n + C2214 CK1A105MLZBNG L2208 L26B2770G VDC33 pTD33 C2263 100n + C2212 CK1A105MLZBNG L2206 L26B2770G VDC33 P-Fail1 P-Fail1 D2200 ISS355 D2203 VDZ3.3BG SDA SCL ARST1 SDA SCL ARST2 P-Fail1 P-Fail1 R2229 10K 1 2 D2204 DCC010P 1 2 D2205 DCC010P R2200 1GZ0 5VC 5VA + C2202 16EM471W C2227 100n + C2209 16EM10D 1 2 3 4 5 6 7 8 A B C D 8 7 6 5 4 3 2 1 D C B A HST Size: Revision: Number: Title: File: Eng. Appr.: Brawn: Date: Date: Sheet of Printed Date/Time: A3 14:26:57 3 03_Scaler_1.Sch 19-Jul-2005 LCD-27CA2 Rev.C 6 R7230 4.7K R7231 4.7K R7200 75 R7201 75 R7202 75 GR GG GB GHS GVS GR GB GG 1 3 2 D7202 BAV99L 1 3 2 D7203 BAV99L 1 3 2 D7204 BAV99L 5VA R7239 10 R7245 0 C7292 47n C7293 47n C7286 1n C7296 47n R7222 100 R7223 100 C7291 47n C7294 47n C7295 47n R7235 47 R7236 47 R7237 47 C7284 X C7285 X C7283 X R7240 10 R7238 10 R7248 0 R7249 0 R7251 0 R7250 0 R7247 0 R7246 0 R7252 0 R7253 0 R7226 X R7254 390 R72324.7K R72334.7K C7224 100n D7216 ISS355 D7214 ISS355 5VA R+ R- G+ G- B- B+ CK+ CK- R7224 100 R7225 100 DA2- DA1- DA1+ DA2+ DA0- DA0+ CLK+ CLK- DDC_C DDC_D DVI33 PLUG_DVI R7206 1K R7255 3.3K Q7200 AH H_PLUG C7309 100nF 1 3 2 D7206 BAV99L 1 3 2 D7207 BAV99L 1 3 2 D7208 BAV99L 1 3 2 D7209 BAV99L 1 3 2 D7210 BAV99L 5VA 1 3 2 D7211 BAV99L 1 3 2 D7212 BAV99L DA2- DA1- DA1+ DA2+ DA0- DA0+ CLK+ CLK- 1 3 2 D7205 BAV99L NC1 1 NC2 2 NC3 3 GND 4 SDA 5 SCL 6 VCLK 7 VCC 8 IC7203 24LC21 R7229 4.7K R7228 4.7K C7223 100n D7215 ISS355 D7213 ISS355 5VA PC_DCD PC_DCC 5 10 4 9 3 8 2 7 1 15 14 13 12 11 6 16 17 K7200 1AV4J11B2731N R7203 75 R724410 R7243 10 R7241 10 R7242 10 C7297 47n C7299 47n C7308 1n C7301 47n C7298 47n C7300 47n C7302 47n R7205 75 R7204 75 D7222 5.6V D7223 5.6V D7224 5.6V D7225 5.6V D7227 5.6V D7226 5.6V PC and HDTV input HDMI/DVI input ALE BUD0 BUD1 BUD2 BUD3 RDZ WRZ BUD[0..7] BUD[0..7] C7310 100pF C7311 100pF C7312 220pF C7317 22pF C7318 22pF Z7222 14.318MHz C7316 100n C7315 100n C7314 100n RST_MST R7256 1K C7313 100n MINT RP7200 33 RP7201 33 From MM502 DDRbus HP_Pr HP_Y HP_Pb HP_Y HP_Pb HP_Pr BIN0M 27 BIN0P 28 GIN0M 29 GIN0P 30 SOGIN0 31 RIN0M 32 RIN0P 33 HSYNC0 36 VSYNC0 37 IC7200C MST5151A HSYNC1 18 VSYNC1 19 BIN1P 20 BIN1M 21 SOGIN1 22 GIN1P 23 GIN1M 24 RIN1P 25 RIN1M 26 IC7200B MST5151A DVIG+ 2 DVIG- 3 DVIB+ 5 DVIB- 6 DVICK+ 8 DVICK- 9 DDCD_DA 14 DDCD_CK 15 DVR+ 207 DVR- 208 DVI REXT 11 IC7200A MST5151A XIN 203 XOUT 202 PWM0 200 PWM1 201 RMID 38 REFP 39 REFM 40 VCTRL 62 BYPASS 158 HWRST 67 INT 68 ALE 69 RDZ 70 WRZ 71 DBUS0 72 DBUS1 73 DBUS2 74 DBUS3 75 IC7200E MST5151A TD0 TD1 TD2 TD3 TD4 TD5 TD6 TD7 TCLK TD[0.7] ITU656 input 656_CK 53 656_DA0 54 656_DA1 55 656_DA2 56 656_DA3 57 656_DA4 58 656_DA5 59 656_DA6 60 656_DA7 61 VS/GPIO1 78 FILED/GPIO2 77 DE/GPIO3 76 CLK2/GPIO4 52 HS/GPIO5 51 656_2DA0 41 656_2DA1 42 656_2DA2 43 656_2DA3 44 656_2DA4 45 656_2DA5 46 656_2DA6 47 656_2DA7 48 IC7200D MST5151A pipCLK pipD[0.7] pipD0 pipD1 pipD2 pipD3 pipD4 pipD5 pipD6 pipD7 PLUG_DVI DVI33 AD33 AP33 MP33 C7303 47n + C7210 CK1A105MLZBNG L7208 L26B2770G AV33 C7228 100n + C7208 CK1A105MLZBNG L7205 L26B2770G AV33 C7304 47n + C7211 CK1A105MLZBNG L7206 L26B2770G AV33 C7227 100n C7231 100n C7232 100n C7320 470n C7327 220n L7207 L26B2770G AV33 AV33 5VAD gnd 1 out 2 in 3 tab/out 4 IC7202 AMS1117-3.3 C7225 100n +C7206 16EM471W C7226 100n +C7277 16EM4701W 3.3VA For MST5151A 5VPD I-PWM C7230 100n 5VD PWM0 R7210 10K R7208 10K Q7202 AH R7212 100 PWM1 I-PWM P-Fail1 P-Fail11 2 D7218 DCC010P 1 2 D7219 DCC010P DVI_AL DVI_AR R7221 100K R7220 100K L7217 0(0603) L7218 0(0603) C7290 X C7289 X DVI_AL1 DVI_AR1 L R 3 K7204 1AV4J12B06800 DATA2- 1 DATA2+ 2 DATA2/4_SHLD+ 3 DATA4- 4 DATA4+ 5 DDC_DATA 7 A_VSYNC 8 DATA1- 9 DATA1+ 10 DDC_CLK 6 DATA1/3_SHLD 11 DATA3- 12 DATA3+ 13 +5V 14 GND 15 H_PULG_DET 16 DATA0- 17 DATA0+ 18 DATA0/5_SHLD 19 DATA5- 20 DATA5+ 21 CLK_SHLD 22 CLK+ 23 CLK- 24 SHELL1 31 SHELL2 32 A_RED C1 A_GREEN C2 A_BLUE C3 A_HSYNC C4 AGND C5 AGND C6 GND 25 GND 26 K7202 1AV4J11B4390N DA2- DA1- DA1+ DA2+ DA0- DA0+ CLK+ CLK- DDC_C DDC_D H_PLUG 5VH 5VH PC_AL PC_AR R7219 100K R7218 100K L7215 0(0603) L7216 0(0603) C7288 X C7287 X PC_AL1 PC_AR1 L R 3 K7203 1AV4J12B06800 PC_AL PC_AR DVI_AL DVI_AR SC7210 Z30B0220G SC7209 Z30B0220G C7282 X C7281 X SC7204 Z30B0220G SC7203 Z30B0220G SC7202 Z30B0220G SC7201 Z30B0220G SC7200 Z30B0220G SC7208 Z30B0220G SC7207 Z30B0220G SC7214 Z30B0220G SC7215 Z30B0220G SC7216 Z30B0220G SC7217 Z30B0220G SC7218 Z30B0220G SC7219 Z30B0220G SC7220 Z30B0220G SC7221 Z30B0220G SC7205 Z30B0220G SC7206 Z30B0220G SC7211 Z30B0220G SC7213 Z30B0220G SC7212 Z30B0220G R B SWAP!!! C7205 47pF L7212 L26B2770G 5VA + C7217 16EM471W L7200 F34EA207A L7201 F34EA207A L7203 F34EA207A L7202 F34EA207A L7204 F34EA207A C7201 CK1A105MLZBNG C7202 CK1A105MLZBNG C7203 CK1A105MLZBNG C7204 CK1A105MLZBNG + C7209 16EM471W 5VH DPU_in PLUG_DVI DPU_in NC1 1 NC2 2 NC3 3 GND 4 SDA 5 SCL 6 VCLK 7 VCC 8 IC7204 24C01CT/SNP NC 1 1CE 2 1A 3 1Y 4 2CE 5 3CE 12 4CE 15 2A 6 2Y 7 GND 8 NC 9 3Y 10 3A 11 4Y 13 4A 14 VCC 16 IC7210 X NC1 1 NC2 2 NC3 3 GND 4 SDA 5 SCL 6 VCLK 7 VCC 8 IC7211 X R7286 NC R7285 NC C7343 X C7344 X C7342 X R7282 X HDCP_SW R7284 X R7283 X Q7201 X 5VHD DDC_C DDC_D HDCP_SW R7288 0 R7287 0 C7207 1uF 5VHD R7207 0 R7213 0 R7214 X 1 2 3 4 5 6 7 8 A B C D 8 7 6 5 4 3 2 1 D C B A HST Size: Revision: Number: Title: File: Eng. Appr.: Brawn: Date: Date: Sheet of Printed Date/Time: A3 14:26:58 4 04_Scaler_2.Sch 19-Jul-2005 LCD-27CA2 Rev.C 6 MAD0 MAD1 MAD2 MAD3 MAD4 MAD5 MAD6 MAD7 MAD8 MAD9 MAD10 MAD11 MBA0 MBA1 MCLKE MWE MCAS MRAS MDQM1 MDQM2 MCLK+ 2.5VM + C7215 16EM471W L7211 L26B2770G MD25 C7323 470n MD25 5VD gnd 1 out 2 in 3 tab/out 4 IC7205 AMS1117-2.5 C7254 100n C7255 100n + C7214 16EM471W C7256 100n C7257 100n C7258 100n C7260 100n C7259 100n 2.5VM C7261 100n DDRAM 2Mx4x32 2.5VD For MST5151A and DDRAM Memory of MST5151A MADR0 117 MADR1 118 MADR2 119 MADR3 120 MADR4 121 MADR5 122 MADR6 123 MADR7 124 MADR8 127 MADR9 128 MADR10 129 MADR11 130 DQM0 133 DQS1 134 DQM1 101 DQS2 100 BADR1 110 BADR0 111 WEZ 116 CASZ 115 MCLK 107 MCLKZ 106 MCLKE 105 MVREF 104 DQS3 81 DQS0 153 RASZ 112 MDATA0 152 MDATA1 151 MDATA2 150 MDATA3 149 MDATA4 148 MDATA5 147 MDATA6 146 MDATA7 145 MDATA8 144 MDATA9 143 MDATA10 142 MDATA11 141 MDATA12 138 MDATA13 137 MDATA14 136 MDATA15 135 MDATA16 99 MDATA17 98 MDATA18 97 MDATA19 96 MDATA20 95 MDATA21 94 MDATA22 93 MDATA23 92 MDATA24 91 MDATA25 90 MDATA26 89 MDATA27 88 MDATA28 85 MDATA29 84 MDATA30 83 MDATA31 82 IC7200G MST5151A MDQ0 MDQ1 MDQ2 MDQ3 MDQ4 MDQ5 MDQ6 MDQ7 MDQ8 MDQ9 MDQ10 MDQ11 MDQ12 MDQ13 MDQ14 MDQ15 MDQ16 MDQ17 MDQ18 MDQ19 MDQ20 MDQ21 MDQ22 MDQ23 MDQ24 MMDQ25 MDQ26 MDQ27 MDQ28 MDQ29 MDQ30 MDQ31 MDQ0 MDQ1 MDQ2 MDQ3 MDQ4 MDQ5 MDQ6 MDQ7 MDQ8 MDQ9 MDQ10 MDQ11 MDQ12 MDQ13 MDQ14 MDQ15 MDQ16 MDQ17 MDQ18 MDQ19 MDQ20 MDQ21 MDQ22 MDQ23 MDQ24 MMDQ25 MDQ26 MDQ27 MDQ28 MDQ29 MDQ30 MDQ31 RP7206 10 RP7207 10 RP7204 10 RP7205 10 RP7202 10 RP7203 10 RP7208 10 RP7209 10 R7264 33 R7263 33 R7266 33 R7265 33 R7259 33 R7262 33 R7261 33 R7260 33 MWE MCAS MRAS MCLKE MCLK+ MCLK- 1.25VRF MAD0 MAD1 MAD2 MAD3 MAD4 MAD5 MAD6 MAD7 MAD8 MAD9 MAD10 MAD11 MBA0 MBA1 MDQM1 MDQM1 MDQM2 MDQM2 MQS0 MQS1 MQS2 MQS3 MCLK- MQS0 MQS1 MQS2 MQS3 VSS K8 VSS L5 VSS K6 VSS L10 VSS K7 NC C4 NC C11 NC H4 NC H11 NC M3 NC N3 NC M4 VDDQ F4 NC L12 NC L13 VDDQ F11 VDDQ C3 VDDQ C5 VDDQ C7 VDDQ C8 VDDQ C10 VDDQ C12 VDDQ E3 VDDQ E12 VDD L4 VDD L7 VDD L8 VDD L11 VDDQ G4 VDDQ G11 VDDQ J4 VDDQ J11 VDDQ K4 VDDQ K11 VDD D7 VDD D8 VDD E4 VDD E11 VSSQ D11 VSSQ B4 VSSQ B11 VSSQ D4 VSSQ D5 VSSQ D6 VSSQ D9 VSSQ D10 VSSQ G10 VSS E7 VSS E8 VSS E10 VSS K9 VSSQ E9 VSSQ F5 VSSQ F10 VSSQ G5 VSSQ H5 VSSQ H10 VSSQ J5 VSSQ J10 VSSQ K5 VSSQ K10 VSSQ E6 VSS E5 TH VSS F6 TH VSS F7 TH VSS F8 TH VSS F9 TH VSS G6 TH VSS G7 TH VSS G8 TH VSS G9 TH VSS H6 TH VSS H7 TH VSS H8 TH VSS H9 TH VSS J6 TH VSS J7 TH VSS J8 TH VSS J9 IC7201B K4D263238E-GC45 MDQ25 MVD25 R7267 RGG1001JTCANL C7330 100n 2.5VM MVref R7268 RGG1001JTCANL R7258 1K MDQ25 R7257 1K C7329 220n C7233 100n C7236 100n C7242 100n C7239 100n C7245 100n C7248 100n C7251 100n MDQ25 C7234 100n C7237 100n C7246 100n C7249 100n C7252 100n MDQ25 C7235 100n C7238 100n C7244 100n C7241 100n C7247 100n C7250 100n C7253 100n MVD25 MDQ25 + C7212 16EM471W L7209 L26B2770G MD25 C7321 470n MVD25 + C7213 16EM471W L7210 L26B2770G MD25 C7322 470n VPPO LA3P LA3M LACKP LACKM LA2P LA2M LA1P LA1M LA0P LA0M LA3P LA3M LACKP LACKM LA2P LA2M LA1P LA1M LA0P LA0M LB3P LB3M LBCKP LBCKM LB2P LB2M LB1P LB1M LB0P LB0M AUMCK AUSD AUSCK AUWS + C7334 CK1A105MLZBNG C7335 X HDMI_L HDMI_R L7221 X HDMI_L HDMI_R SDATA 1 DEM/SCLK 2 LRCK 3 MCLK 4 AOUTR 5 AGND 6 VA 7 AOUTL 8 IC7209 X 5VD 5V2 P_EN P_EN S2 3 G2 4 D2b 5 D2a 6 S1 1 G1 2 D1b 7 D1a 8 IC7206 IRF7314 R7269 2.7K C7262 100n Q7204 AH R7234 4.7K + C7278 16EM4701W C7263 100n VPPO D7200 ISS355 D7228 VDZ3.0BG P-Fail1 P-Fail1 BA0 N4 A8(AP) N11 A7 N10 A6 N9 A5 M9 A4 N8 A3 N7 A2 M6 A1 N6 A0 N5 CK M11 DM1 H12 DM2 H3 WE L3 CAS L2 RAS M2 CS N2 /CK M12 A10 L6 A11 M7 A9 M8 NC/RFU L9 DSF,MCL M13 VREF N13 BA1 M5 DQ31 B8 DQ30 C9 DQ29 B9 DQ28 B10 DQ27 C13 DQ26 D12 DQ25 D13 DQ24 E13 DQ23 K3 DQ22 K2 DQ21 J2 DQ20 J3 DQ19 G2 DQ18 G3 DQ17 F2 DQ16 F3 DQ15 F12 DQ14 F13 DQ13 G12 DQ12 G13 DQ11 J12 DQ10 J13 DQ9 K12 DQ8 K13 DQ7 E2 DQ6 D2 DQ5 D3 DQ4 C2 DQ3 B5 DQ2 B6 DQ1 C6 DQ0 B7 CKE N12 DM3 B12 DM0 B3 NC/RFU M10 DQS3 B13 DQS2 H2 DQS1 H13 DQS0 B2 IC7201A K4D263238E-GC45 CV18 3.3VD C7222 100n R7270 1K 1% R7271 470 1% C7221 100n + C7331 16EM4701W C7268 100n C7269 100n C7271 100n C7270 100n C7272 100n C7273 100n C7275 100n C7274 100n CV18 C7267 100n gnd 1 out 2 in 3 tab/out 4 IC7207 AMS1085-ADJ 1.8V For MST5151A D7201 ISS355 D7217 VDZ3.3BG P-Fail1 P-Fail1 DVI33 AD33 AP33 MP33 OD33 CV18 AP233 2.5VM Power of MST5151A VDDC 63 VDDC 79 VDDC 156 VDDC 173 VDDC 185 VDDC 195 VDDP 66 VDDP 162 VDDP 182 VDDM 86 VDDM 102 VDDM 113 VDDM 125 VDDM 139 VDDM 154 GND 50 GND 64 GND 65 GND 80 GND 87 GND 103 GND 108 GND 114 GND 126 GND 140 GND 155 GND 157 GND 159 GND 172 GND 183 GND 184 GND 194 GND 205 GND 206 GND 163 GND 35 GND 132 AVDD_PLL 12 AVDD_ADC 17 AVDD_ADC 34 AVDD 4 AVDD 10 GND 1 GND 7 GND 13 GND 16 VDDC 49 AVDD_MPLL 204 AVDD_PLL2 109 VDDC 131 NC. 198 NC. 199 IC7200H MST5151A C7326 470n C7276 100n AP233 + C7220 CK1A105MLZBNG L7214 L26B2770G 3.3VD C7325 470n 3.3VD 5VD gnd 1 out 2 in 3 tab/out 4 IC7208 AMS1085-3.3 C7265 100n + C7219 16EM4701W C7266 100n OD33 C7306 47n + C7218 16EM471W L7213 L26B2770G 3.3VD C7324 470n P-Fail1 P-Fail11 2 D7220 DCC010P 1 2 D7221 DCC010P LVA3P/OCLK 160 LVA3M/LDE 161 LVA2P/B2 166 LVA2M/B3 167 LVA1P/B4 168 LVA1M/B5 169 LVA0P/B6 170 LVA0M/B7 171 LVACKP/B0 164 LVACKM/B1 165 LVB0P/R0 186 LVB0M/R1 187 LVB1P/G6 180 LVB1M/G7 181 LVB3P/G0 174 LVB3M/G1 175 LVBCKP/G2 176 LVBCKM/G3 177 LVB2P/G4 178 LVB2M/G5 179 AUMCK/NC 188 AUSD/NC 189 AUSCK/NC 190 AUWS/NC 191 AIMCK 196 AISD 197 AISCK 198 AIWS 199 IC7200F MST5151A R7272 150 MCLK+ MCLK- R727433 C7337 X R7273 33 C7338 X CHANNEL SWAP !!! POLARITY SWAP!!! C7333 X C7332 X R7275 NC C7339 100n + C7340 16EM471W R7279 0 R7278 0 R7277 0 R7276 0 1 2 3 4 5 6 7 8 9 10 11 12 13 14 15 16 17 18 19 20 21 22 23 24 25 26 27 28 29 30 31 32 K7205 1AV4J10PJ300G R7280 X 3.3VD R7281 X

标签:

版权声明

1. 本站所有素材,仅限学习交流,仅展示部分内容,如需查看完整内容,请下载原文件。
2. 会员在本站下载的所有素材,只拥有使用权,著作权归原作者所有。
3. 所有素材,未经合法授权,请勿用于商业用途,会员不得以任何形式发布、传播、复制、转售该素材,否则一律封号处理。
4. 如果素材损害你的权益请联系客服QQ:77594475 处理。