先锋PIONEER DV-646A电路图

分类:电子电工 日期: 点击:0
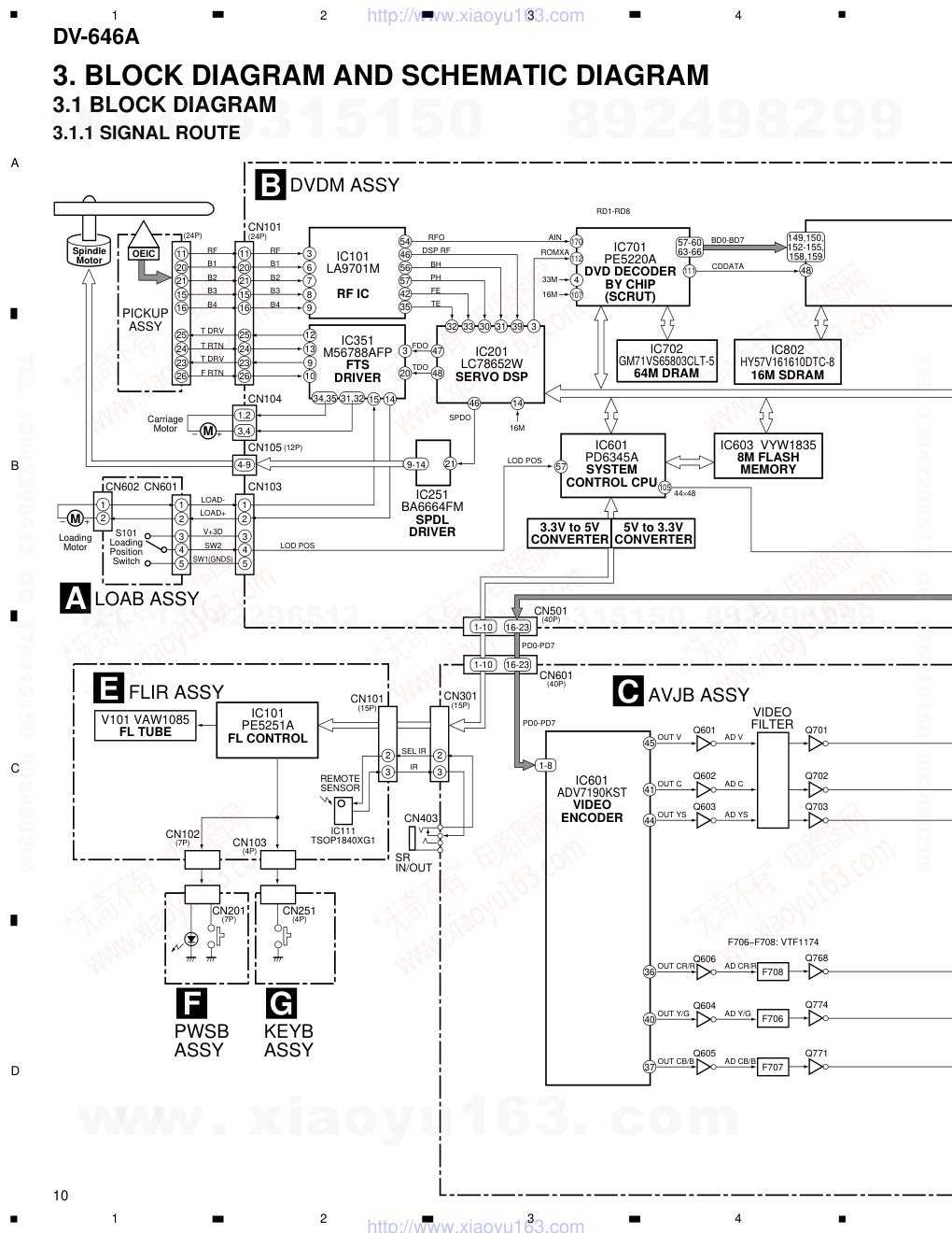
先锋PIONEER DV-646A电路图-0 先锋PIONEER DV-646A电路图-1 先锋PIONEER DV-646A电路图-2 先锋PIONEER DV-646A电路图-3 先锋PIONEER DV-646A电路图-4 先锋PIONEER DV-646A电路图-5 先锋PIONEER DV-646A电路图-6 先锋PIONEER DV-646A电路图-7 先锋PIONEER DV-646A电路图-8 先锋PIONEER DV-646A电路图-9

ORDER NO. PIONEER CORPORATION 4-1, Meguro 1-chome, Meguro-ku, Tokyo 153-8654, Japan PIONEER ELECTRONICS SERVICE, INC. P.O. Box 1760, Long Beach, CA 90801-1760, U.S.A. PIONEER EUROPE NV Haven 1087, Keetberglaan 1, 9120 Melsele, Belgium PIONEER ELECTRONICS ASIACENTRE PTE. LTD. 253 Alexandra Road, #04-01, Singapore 159936 PIONEER CORPORATION 2001 c DV-646A RRV2453 T – ZZE JUNE 2001 Printed in Japan DVD PLAYER 1. SAFETY INFORMATION ....................................... 2 2. EXPLODED VIEWS AND PARTS LIST ................. 3 3. BLOCK DIAGRAM AND SCHEMATIC DIAGRAM ... 10 4. PCB CONNECTION DIAGRAM ........................... 39 5. PCB PARTS LIST ................................................ 51 6. ADJUSTMENT..................................................... 55 CONTENTS 7. GENERAL INFORMATION ................................ 61 7.1 DIAGNOSIS .................................................. 61 7.1.1 ID NUMBER AND ID DATA SETTING . 61 7.1.2 SELF-DIAGNOSTIC FUNCTION OF PICKUP DEFECTIVE ........................... 63 7.1.3 TEST POINTS LOCATION................... 64 7.1.4 TEST MODE SCREEN DISPLAY ........ 66 7.1.5 TROUBLE SHOOTING ........................ 70 7.1.6 ERROR CODE ..................................... 71 7.1.7 DISASSEMBLY .................................... 75 7.2 IC .................................................................. 80 8. PANEL FACILITIES AND SPECIFICATIONS .. 101 THIS MANUAL IS APPLICABLE TO THE FOLLOWING MODEL(S) AND TYPE(S). Type Model Power Requirement Region No. Remarks DV-646A WYXJ AC220-240V 2 0 8 7 ¡ ¢ 4 1 3 Î STANDBY/ON FL DIMMER LEGATO PRO FL OFF AUDIO/VIDEO www. xiaoyu163. com QQ 376315150 9 9 2 8 9 4 2 9 8 TEL 13942296513 9 9 2 8 9 4 2 9 8 0 5 1 5 1 3 6 7 3 Q Q TEL 13942296513 QQ 376315150 892498299 TEL 13942296513 QQ 376315150 892498299 http://www.xiaoyu163.com 2 DV-646A 1. SAFETY INFORMATION (Printed on the Rear Panel) LABEL CHECK WARNING ! THE AEL (ACCESSIBLE EMISSION LEVEL) OF THE LASER POWER OUTPUT IS LESS THAN CLASS 1 BUT THE LASER COMPONENT IS CAPABLE OF EMITTING RADIATION EXCEEDING THE LIMIT FOR CLASS 1. A SPECIALLY INSTRUCTED PERSON SHOULD DO SERVICING OPERATION OF THE APPARATUS. LASER DIODE CHARACTERISTICS FOR DVD : MAXIMUM OUTPUT POWER : 5 mW WAVELENGTH : 655 nm FOR CD : MAXIMUM OUTPUT POWER : 5 mW WAVELENGTH : 785 nm This service manual is intended for qualified service technicians; it is not meant for the casual do-it-yourselfer. Qualified technicians have the necessary test equipment and tools, and have been trained to properly and safely repair complex products such as those covered by this manual. Improperly performed repairs can adversely affect the safety and reliability of the product and may void the warranty. If you are not qualified to perform the repair of this product properly and safely, you should not risk trying to do so and refer the repair to a qualified service technician. Additional Laser Caution 1. Loading-status detection switch (S101 on the LOAB assy) are detected by the microprocessor (IC601 in the DVDM assy). • To permit the laser diode to oscillate, it is required to set the loading- status detection switch for the clamp position (the center terminal of S101 is shorted to +3V). When the voltage of IC101-pin 20 is +3V and IC601 (microprocessor) - pin 83 is +3V, 650nm laser diode for DVD oscillates in the DVDM Assy. When the voltage of IC101-pin 20 is +3V and IC601 (microprocessor) - pin 83 is 0V (GND), 780nm laser diode for CD oscillates in the DVDM Assy. In the test mode ∗ , the laser diode oscillates when microprocessor detects a PLAY signal, or when the PLAY key is pressed (S252 ON in the KEYB assy), with the above requirements satisfied. 2. When the cover is open, close viewing through the objective lens with the naked eye will cause exposure to the laser beam. ∗ : See page 57. www. xiaoyu163. com QQ 376315150 9 9 2 8 9 4 2 9 8 TEL 13942296513 9 9 2 8 9 4 2 9 8 0 5 1 5 1 3 6 7 3 Q Q TEL 13942296513 QQ 376315150 892498299 TEL 13942296513 QQ 376315150 892498299 http://www.xiaoyu163.com DV-646A 3 PACKING PARTS LIST Mark No. Description Part No. FRONT 13, 14 "Operating Instructions" 5 4 12 6 20 10 2 3 1 8 9 7 11 1 Power Cable ADG1154 2 Audio Cable (L = 1.5m) VDE1052 3 Video Cable (L = 1.5m) VDE1053 4 Remote Control Unit VXX2627 5 Battery Cover VNK4423 NSP 6 Dry Cell Battery (R6P, AA) VEM-013 7 Pad F VHA1269 8 Pad R VHA1270 9 Packing Case VHG2062 10 Mirror Mat Sheet Z23-007 2.1 PACKING 2. EXPLODED VIEWS AND PARTS LIST NOTES: • Parts marked by "NSP" are generally unavailable because they are not in our Master Spare Parts List. • The mark found on some component parts indicates the importance of the safety factor of the part. Therefore, when replacing, be sure to use parts of identical designation. • Screws adjacent to mark on the product are used for disassembly. NSP 11 Warranty Card ARY7022 12 Polyethylene Bag VHL1051 13 Operating Instructions VRE1088 (English/French/German/Italian) 14 Operating Instructions VRF1057 (Spanish/Portuguese/Dutch/Swedish) 15 • • • • • 16 • • • • • 17 • • • • • 18 • • • • • 19 • • • • • NSP 20 Polyethylene Bag AHG7032 Mark No. Description Part No. www. xiaoyu163. com QQ 376315150 9 9 2 8 9 4 2 9 8 TEL 13942296513 9 9 2 8 9 4 2 9 8 0 5 1 5 1 3 6 7 3 Q Q TEL 13942296513 QQ 376315150 892498299 TEL 13942296513 QQ 376315150 892498299 http://www.xiaoyu163.com DV-646A 4 2.2 EXTERIOR SECTION A B C D D C E E A B Refer to "2.3 LOADING MECHANISM ASSY". 34 32 10 32 30 9 12 5 17 33 31 33 28 30 29 29 11 16 1 2 3 20 24 21 22 25 26 4 19 29 29 23 14 13 15 6 30 30 30 30 7 D C F E G H B 27 18 31 33 33 29 29 29 29 8 29 29 29 29 29 www. xiaoyu163. com QQ 376315150 9 9 2 8 9 4 2 9 8 TEL 13942296513 9 9 2 8 9 4 2 9 8 0 5 1 5 1 3 6 7 3 Q Q TEL 13942296513 QQ 376315150 892498299 TEL 13942296513 QQ 376315150 892498299 http://www.xiaoyu163.com DV-646A 5 EXTERIOR PARTS LIST Mark No. Description Part No. 1 FLIR Assy VWG2297 NSP 2 KEYB Assy VWG2306 NSP 3 PWSB Assy VWG2307 4 AVJB Assy VWV1866 5 DVDM Assy VWS1470 6 SCRB Assy VWV1850 7 Connector Assy PG05KK-E15 8 FFC VDA1870 9 POWER SUPPLY Unit VWR1340 NSP 10 Loading Mechanism Assy VWT1188 11 PCB Support VEC1266 12 PCB Support VEC2184 13 Foot VEC2185 14 PCB Holder VEC2215 NSP 15 Chassis VNA2160 16 Rear Panel VNA2309 17 Adapter27 L VNL1926 18 Adapter27 R VNL1927 19 Insulator VXA2424 20 DVD-A/V Plate VAM1118 21 Sub Plate VEC2205 22 FL Lens VEC2211 23 FL Filter VEC2213 24 Tray Panel VNK4819 25 Front Panel Assy VXA2447 26 Pioneer Name Plate VAM1109 27 Label VRW1872 NSP 28 ID Label VRW1877 29 Screw BBZ30P060FMC 30 Screw BBZ30P080FZK 31 Screw BBZ30P180FMC 32 Screw BCZ40P060FZK 33 Screw PPZ30P080FMC 34 Bonnet Case S VXX2750 www. xiaoyu163. com QQ 376315150 9 9 2 8 9 4 2 9 8 TEL 13942296513 9 9 2 8 9 4 2 9 8 0 5 1 5 1 3 6 7 3 Q Q TEL 13942296513 QQ 376315150 892498299 TEL 13942296513 QQ 376315150 892498299 http://www.xiaoyu163.com DV-646A 6 2.3 LOADING MECHANISM ASSY NSP 1 LOAB Assy VWG2279 2 Traverse Mechanism Assy-S VXX2782 3 Loading Motor Assy VXX2505 4 Motor Pulley PNW1634 5 Carriage DC Motor / 0.3W PXM1027 6 Flexible Cable (26P) VDA1864 7 Connector Assy 2P VKP2253 8 Float Rubber VEB1327 9 Belt VEB1330 10 Stabilizer VNE2253 11 Loading Base VNL1917 12 Float Base DVD VNL1918 13 Drive Cam VNL1919 14 Gear Pulley VNL1921 15 Loading Gear VNL1922 16 Drive Gear VNL1923 17 SW Lever VNL1925 18 Clamper Plate VNE2251 19 Bridge VNE2252 20 Clamper VNL1924 21 Screw JGZ17P028FMC 22 Screw Z39-019 23 Tray VNL1920 A A To DVDM CN101 2 8 3 5 4 Refer to "2.4 TRAVERSE MECHANISM ASSY-S". 8 8 12 23 13 17 21 16 22 15 14 22 22 22 22 20 18 19 9 1 7 11 10 6 8 A Lubricating Oil GYA1001 Daifree GEM1036 Refer to " Apply Position of Lubricant". Note : Lubricating Oil GYA1001 Mark No. Description Part No. • LOADING MECHANISM ASSY PARTS LIST Mark No. Description Part No. www. xiaoyu163. com QQ 376315150 9 9 2 8 9 4 2 9 8 TEL 13942296513 9 9 2 8 9 4 2 9 8 0 5 1 5 1 3 6 7 3 Q Q TEL 13942296513 QQ 376315150 892498299 TEL 13942296513 QQ 376315150 892498299 http://www.xiaoyu163.com DV-646A 7 Apply Position of Lubricant No. 11 Loading Base Lubricating Oil GYA1001 Around the shaft Concave of unevenness Concave of unevenness Concave of unevenness No. 13 Drive Cam No. 13 Drive Cam No. 23 Tray No. 23 Tray Top View Rear View Top View Bottom View Daifree GEM1036 Daifree GEM1036 Daifree GEM1036 Daifree GEM1036 Daifree GEM1036 Side of the rib Inner side of a ditch Inner side of a ditch Lubricating Oil GYA1001 Lubricating Oil GYA1001 Inner side of a ditch Lubricating Oil GYA1001 Lubricating Oil GYA1001 Lubricating Oil GYA1001 www. xiaoyu163. com QQ 376315150 9 9 2 8 9 4 2 9 8 TEL 13942296513 9 9 2 8 9 4 2 9 8 0 5 1 5 1 3 6 7 3 Q Q TEL 13942296513 QQ 376315150 892498299 TEL 13942296513 QQ 376315150 892498299 http://www.xiaoyu163.com DV-646A 8 2.4 TRAVERSE MECHANISM ASSY-S 1 Spindle Motor VXM1088 (or VXM1089) 2 Stepping Motor VXM1090 (CARRIAGE) (or VXM1091) 3 Pickup Assy-S OXX8003 4 Skew Screw VBA1080 5 Skew Spring VBH1335 6 Guide Bar VLL1514 7 Sub Guide Bar VLL1515 8 Hold Spring VNC1017 12 8 3 7 1 18 18 13 16 19 4 (Adjustment Screw) 4 (Adjustment Screw) 18 10 10 6 5 5 11 15 14 9 16 2 Screw Tight GYL1001 Silicone Adhesive GEM1037 Silicone Adhesive GEM1037 Silicone Adhesive GEM1037 17 (Torque : 0.12 ± 0.01 N•m) 17 (Torque : 0.12 ± 0.01 N•m) 17 (Torque : 0.12 ± 0.01 N•m) 9 Joint Spring VNC1019 10 Support Spring VNC1020 NSP 11 Mechanism Chassis VNE2248 12 Slider VNL1811 13 Spacer VNL1913 14 Joint VNL1914 15 FFC Holder VNL1915 16 Screw BBZ20P050FZK 17 Screw OBA8009 18 Screw PMA26P100FMC 19 Damper Sheet VEB1335 Mark No. Description Part No. • TRAVERSE MECHANISM ASSY-S PARTS LIST Mark No. Description Part No. www. xiaoyu163. com QQ 376315150 9 9 2 8 9 4 2 9 8 TEL 13942296513 9 9 2 8 9 4 2 9 8 0 5 1 5 1 3 6 7 3 Q Q TEL 13942296513 QQ 376315150 892498299 TEL 13942296513 QQ 376315150 892498299 http://www.xiaoyu163.com DV-646A 9 www. xiaoyu163. com QQ 376315150 9 9 2 8 9 4 2 9 8 TEL 13942296513 9 9 2 8 9 4 2 9 8 0 5 1 5 1 3 6 7 3 Q Q TEL 13942296513 QQ 376315150 892498299 TEL 13942296513 QQ 376315150 892498299 http://www.xiaoyu163.com DV-646A 10 A B C D 1 2 3 4 1 2 3 4 3. BLOCK DIAGRAM AND SCHEMATIC DIAGRAM 3.1 BLOCK DIAGRAM 3 4 5 3 4 5 Spindle Motor OEIC 11 20 21 15 16 25 24 23 26 11 20 21 15 16 25 24 23 26 RF B1 B2 B3 B4 T RTN T DRV Carriage Motor Loading Motor S101 Loading Position Switch LOAD- LOD POS LOD POS LOAD+ V+3D SW2 SW1(GNDS) T DRV 1 2 1 2 F RTN PICKUP ASSY IC101 LA9701M RF IC CN101 (24P) CN105 CN103 CN104 CN501 (40P) CN601 (40P) CN103 (4P) CN251 (4P) CN201 (7P) CN403 SR IN/OUT CN301 (15P) CN101 (15P) 1 2 CN601 CN602 (24P) (12P) A LOAB ASSY E FLIR ASSY C AVJB ASSY F PWSB ASSY G KEYB ASSY B DVDM ASSY M M IC351 M56788AFP FTS DRIVER IC251 BA6664FM SPDL DRIVER IC201 LC78652W SERVO DSP IC701 PE5220A DVD DECODER BY CHIP (SCRUT) IC702 GM71VS65803CLT-5 64M DRAM IC601 PD6345A SYSTEM CONTROL CPU IC101 PE5251A FL CONTROL V101 VAW1085 FL TUBE IC603 VYW1835 8M FLASH MEMORY 3 RF 54 170 111 107 RFO AIN ROMXA RD1-RD8 46 DSP RF 56 BH 57 PH 42 FE 35 4 57-60 63-66 149,150, 152-155, 158,159 48 TE 6 B1 7 B2 8 B3 9 B4 FDO 3 TDO 20 47 48 46 14 32 33 30 31 39 3 SPDO 21 112 33M BD0-BD7 CDDATA OUT V AD V 16M 44×48 3.3V to 5V CONVERTER 5V to 3.3V CONVERTER IC802 HY57V161610DTC-8 16M SDRAM 57 IC601 ADV7190KST VIDEO ENCODER 45 1-8 2 3 2 3 REMOTE SENSOR IC111 TSOP1840XG1 16M PD0-PD7 PD0-PD7 VIDEO FILTER 12 13 9 10 15 14 34,35 1,2 3,4 4-9 31,32 9-14 IR SEL IR Q601 Q701 OUT C AD C 41 Q602 Q702 OUT YS AD YS 44 Q603 OUT Y/G AD Y/G 40 Q604 OUT CB/B AD CB/B 37 Q605 OUT CR/R AD CR/R 36 Q606 Q703 F706 Q774 F707 Q771 F708 Q768 F706–F708: VTF1174 16-23 16-23 1-10 1-10 CN102 (7P) 105 3.1.1 SIGNAL ROUTE www. xiaoyu163. com QQ 376315150 9 9 2 8 9 4 2 9 8 TEL 13942296513 9 9 2 8 9 4 2 9 8 0 5 1 5 1 3 6 7 3 Q Q TEL 13942296513 QQ 376315150 892498299 TEL 13942296513 QQ 376315150 892498299 http://www.xiaoyu163.com DV-646A 11 A B C D 5 6 7 8 5 6 7 8 25 DOUT CN302 (40P) CN401 (40P) JA401 JA501 JA502 5.1CH ANALOG AUDIO 2CH ANALOG AUDIO L R L R L LS RS C LFE R COAXIAL OPTICAL DIGITAL AUDIO OUT IC801 M65774BFP MPEG2 DECODER AV-1 IC901 XCA56367PV150 DVD AUDIO DSP 95-98, 100-103 27M DOUT0 36/16M 2 4 27MDSP 44×48 IC491 TC74VHC153FT IC905 TC7WH157FU IC913 TC7SH04FU IC906 TC74VHC157FT IC908 TC74VHC157FT IC331 PD0274A IC441 CS4392-KS IC442-1/2 NJM4580M IC904 LC89051V IC902 IC61LV6416-12T IC903 IC63LV1024-12T IC481 BU2288FV CLOCK GENERATOR D SCRB ASSY 3 14 27M (For IC801,IC913) (For IC201,IC701) (For IC701) (For IC801) 13 16M 9 36/16M 10 22/24M 22/24M 15 33M 74 25 18 36 64 55 Q391 2 3 1 4 1 23 DOUT1 73 3 7 CN702 (16P) CN101 (16P) 2 10 16 12 14 31 33 2 3 1 24 3 19 18 2 3 4 4 AO0 SDI1 SDO0 SDO1 SDO2 71 1 AO1 PD0-PD7 PD0-PD7 68 2 5 V V V V IC701 LA7138M 3IN 6OUT VIDEO AMP IC710 MM1508XN 6dB 75Ω DRIVER IC708 MM1506XN 6dB 75Ω DRIVER JA701 JA702 VIDEO OUT (YELLOW) VIDEO OUT S VIDEO OUT COMPOSITE C Y Y G B C Y Y C R C AMP 3 AMP 6 AMP 10 6 4 2 19 17 23 21 15 13 OUT IN 5 6 7 10 11 6 5 4 10 16 28 55 9 18 DACCLK DACCLK 36 DATA0 31 DATA1 33 DATA2 B 5 G 3 R/C 1 Y/V 7 AUDIOL AUD. L OUT AUD. L IN B OUT G OUT R/C OUT V/Y OUT V/Y IN AUD. L OUT AUD. L IN B IN (C OUT) G IN R/C IN (C OUT) V/Y OUT V/Y IN 15 JA101 (21P) 3 6 7 11 15 19 20 JA102 (21P) 3 6 7 11 15 19 20 IC501 CS4392-KS IC502-1/2 NJM4580M 2 3 1 3 19 18 IC551 CS4392-KS IC552-1/2 NJM4580M IC552-2/2 NJM4580M 2 3 1 3 19 18 5 6 7 15 14 2 4 22/24M IC401 TC7SH04FU Q311 RY101 RY301 EURO CONNECTOR RY201 RY203 IC707 MM1509XN 6dB 75Ω DRIVER 4 2 IC706 MM1509XN 6dB 75Ω DRIVER 4 2 6 4 2 4 3 2 7 8 9 4 3 2 7 8 9 7 8 9 4 3 2 7 8 9 www. xiaoyu163. com QQ 376315150 9 9 2 8 9 4 2 9 8 TEL 13942296513 9 9 2 8 9 4 2 9 8 0 5 1 5 1 3 6 7 3 Q Q TEL 13942296513 QQ 376315150 892498299 TEL 13942296513 QQ 376315150 892498299 http://www.xiaoyu163.com DV-646A 12 A B C D 1 2 3 4 1 2 3 4 3.1.2 AUDIO DATA STREAM (ANALOG OUTPUT) B DVDM ASSY C AVJB ASSY CD VCD MP3 DVD LPCM DVD AC3 5.1ch dts MPEG audio DVD-A DVD AC3 5.1ch dts DVD-A DVD AC3 5.1ch dts DVD-A IC201 SERVO DSP SERVO DSP LC78652W IC801 AV1 M65774BFP IC801 AV1 M65774BFP IC801 AV1 M65774BFP IC801 AV1 M65774BFP IC801 AV1 M65774BFP IC801 AV1 M65774BFP 2 IC908 TC74VHC 157FT 4 57– 66 71 BD0–7 IC701 SCRUT PE5220A 4 149– 159 126–135 ASDATA0–7 IC701 SCRUT PE5220A 34–43 IC901 DSP XCA56367 IC908 TC74VHC 157FT 4 2 4 JA501 IC701 SCRUT PE5220A 3 11 ROMXA 111 48 CDDATA IC905 TC7WH 157FU 68 2 AOD IC906 TC74VHC 157FT 3 5 IC901 DSP XCA56367 4 10 4 IC331 AQE PD0274A 1 IC441 DAC CS4392 3 24 14,15, 18,19 IC201 LC78652W 3 IC908 TC74VHC 157FT 4 JA501 IC701 SCRUT PE5220A 3 11 ROMXA IC905 TC7WH 157FU 68 2 AOD IC906 TC74VHC 157FT 3 5 4 IC331 AQE PD0274A 1 IC441 DAC CS4392 3 24 14,15, 18,19 IC905 TC7WH 157FU 1 AO0 IC906 TC74VHC 157FT 3 5 3 IC908 TC74VHC 157FT 4 JA501 IC331 AQE PD0274A 1 IC441 DAC CS4392 3 24 14,15, 18,19 57– 66 73 BD0–7 IC701 SCRUT PE5220A 4 149– 159 1 DOUT1 IC906 TC74VHC 157FT 2 23 2 IC908 TC74VHC 157FT 4 JA501 IC331 AQE PD0274A 1 IC441 DAC CS4392 3 24 14,15, 18,19 IC901 DSP XCA56367 10 4 JA501 IC331 AQE PD0274A 1 IC441 DAC CS4392 3 24 14,15, 18,19 IC904 DIR LC89051V 126–135 IC701 SCRUT PE5220A IC901 DSP XCA56367 IC908 TC74VHC 157FT 5 7 57– 66 73 BD0–7 IC701 SCRUT PE5220A 7 149– 159 1 DOUT1 IC906 TC74VHC 157FT 2 23 5,6 5,6 IC908 TC74VHC 157FT 4 JA502 IC501 DAC CS4392 3 14,15, 18,19 14,15, 18,19 IC901 DSP XCA56367 10 5 JA502 IC501 DAC CS4392 3 IC904 DIR LC89051V 126–135 IC701 SCRUT PE5220A 34–43 IC901 DSP XCA56367 IC908 TC74VHC 157FT 6 9 57– 66 73 BD0–7 IC701 SCRUT PE5220A 9 149– 159 1 DOUT1 IC906 TC74VHC 157FT 2 23 10,11 10,11 IC908 TC74VHC 157FT 4 JA502 IC551 DAC CS4392 3 14,15, 18,19 IC901 DSP XCA56367 10 6 JA502 IC551 DAC CS4392 3 14,15, 18,19 IC904 DIR LC89051V 34–43 ASDATA0–7 ASDATA0–7 57– 66 BD0–7 149– 159 www. xiaoyu163. com QQ 376315150 9 9 2 8 9 4 2 9 8 TEL 13942296513 9 9 2 8 9 4 2 9 8 0 5 1 5 1 3 6 7 3 Q Q TEL 13942296513 QQ 376315150 892498299 TEL 13942296513 QQ 376315150 892498299 http://www.xiaoyu163.com DV-646A 13 A B C D 1 2 3 4 1 2 3 4 3.1.3 AUDIO DATA STREAM (COAXIAL/OPTICAL OUTPUT) B DVDM ASSY C AVJB ASSY CD VCD MP3 DVD LPCM DVD AC3 MPEG audio dts DVD-A 46 19 48 74 74 74 73 3 112 111 IC201 SERVO DSP LC78652W IC201 SERVO DSP LC78652W IC801 AV1 M65774BFP IC801 AV1 M65774BFP IC801 AV1 M65774BFP IC801 AV1 M65774BFP 4 IC491 TC74VHC153FT IC491 TC74VHC153FT IC491 TC74VHC153FT IC491 TC74VHC153FT IC491 TC74VHC153FT 7 DOUT DOUT0 ROMXA IC701 SCRUT PE5220A IC701 SCRUT PE5220A IC701 SCRUT PE5220A IC701 SCRUT PE5220A CDDATA 4 7 57– 66 BD0–7 BD0–7 4 7 149– 159 57– 66 149– 159 IC906 TC74VHC157FT 1 23 DOUT1 IC904 DIR LC89051V IC901 DSP XCA56367 IC901 DSP XCA56367 2 4 10 27 HADO 5 7 126–135 ASDATA0–7 34–43 27 HADO 5 7 DOUT0 DOUT0 JA401 JA402 JA401 JA402 JA401 JA402 JA401 JA402 JA401 JA402 www. xiaoyu163. com QQ 376315150 9 9 2 8 9 4 2 9 8 TEL 13942296513 9 9 2 8 9 4 2 9 8 0 5 1 5 1 3 6 7 3 Q Q TEL 13942296513 QQ 376315150 892498299 TEL 13942296513 QQ 376315150 892498299 http://www.xiaoyu163.com DV-646A 14 A B C D 1 2 3 4 1 2 3 4 H POWER SUPPLY UNIT E D FLIR ASSY C AVJB ASSY 1 1 R439 V+12V V+12V V+6M V+5E V+5E -27V -27V V+12V V+5E -27V Q421 DV-646A /WYXJ ONLY IC421 PQ15RW11 EXCEPT DV-646A /WYXJ DV-646A/WYXJ: GND EXCEPT DV-646A/WYXJ: SW+3.3V V+3V V+2R5V V+5V +5V V+5A R440 R794 R790 R800 R793 LIVE 2 1 2 2 SW+3.3V 4 4 SW+5V 6 6 SW+12V 8 8 M+6V 10 10 EVER+5V 14 14 -27V CN303 (14P) CN2 CN101 (14P) 1 1 10 10 EVER+5V V+12 14 14 -27V CN301 (15P) CN101 (15P) SCRB ASSY B DVDM ASSY +12V +5V V+12V V+5V 14 3 2 5 7 8 10 9 12 14 12 5 +5V +12V CN702 (16P) CN302 (40P) CN101 (16P) 2 5 6V 5V 7 6V 8 3.3V 10 3.3V 9 12V 12 2.5V 14 2.5V CN401 (40P) NEUTRAL AC IN VREG 10V REG. 2.5V REG. 5V REG. 1.8V REG. V+10A V+5A V+5V SW+5V V+5D V+6M V+5S V+3V V+12V V+2R5V V+6M V+12V IC422 NJM78M05FA IC909 MM1561JF IC301 BA25BCOFP V+3D V3VD V18D V18_ADSP1 V+3_18REG V+12 V12M V25V V+2A 3.1.4 POWER SUPPLY BLOCK www. xiaoyu163. com QQ 376315150 9 9 2 8 9 4 2 9 8 TEL 13942296513 9 9 2 8 9 4 2 9 8 0 5 1 5 1 3 6 7 3 Q Q TEL 13942296513 QQ 376315150 892498299 TEL 13942296513 QQ 376315150 892498299 http://www.xiaoyu163.com DV-646A 15 www. xiaoyu163. com QQ 376315150 9 9 2 8 9 4 2 9 8 TEL 13942296513 9 9 2 8 9 4 2 9 8 0 5 1 5 1 3 6 7 3 Q Q TEL 13942296513 QQ 376315150 892498299 TEL 13942296513 QQ 376315150 892498299 http://www.xiaoyu163.com DV-646A 16 A B C D 1 2 3 4 1 2 3 4 Note : When ordering service parts, be sure to refer to "EXPLODED VIEWS and PARTS LIST" or "PCB PARTS LIST". 3.2 LOAB ASSY and OVERALL WIRING DIAGRAM C 1/3- C 3/3 AVJB ASSY (VWV1866) C POWER SUPPLY UNIT (VWR1340) H SCRB ASSY (VWV1850) D FLIR ASSY (VWG2297) E www. xiaoyu163. com QQ 376315150 9 9 2 8 9 4 2 9 8 TEL 13942296513 9 9 2 8 9 4 2 9 8 0 5 1 5 1 3 6 7 3 Q Q TEL 13942296513 QQ 376315150 892498299 TEL 13942296513 QQ 376315150 892498299 http://www.xiaoyu163.com DV-646A 17 A B C D 5 6 7 8 5 6 7 8A B 1/4- B 4/4 DVDM ASSY (VWS1470) B PWSB ASSY (VWG2307) F LOAB ASSY (VWG2279) A KEYB ASSY (VWG2306) G PICKUP ASSY-S (OXX8003) SPINDLE MOTOR : VXX1088 STEPPING MOTOR (CARRIAGE) : VXM1090 LOADING MOTOR ASSY : VXX2505 TRAVERSE MECHANISM ASSY-S (VXX2782) LOADING MECHANISM ASSY (VWT1188) : RF SIGNAL ROUTE : FOCUS SERVO LOOP LINE : TRACKING SERVO LOOP LINE (F) (RF) (T) : SLIDER SERVO LOOP LINE (S) (RF) (RF) (RF) (F) (F) (F) (T) (F) (T) (F) (T) (T) (F) (S) (S) (S) (S) www. xiaoyu163. com QQ 376315150 9 9 2 8 9 4 2 9 8 TEL 13942296513 9 9 2 8 9 4 2 9 8 0 5 1 5 1 3 6 7 3 Q Q TEL 13942296513 QQ 376315150 892498299 TEL 13942296513 QQ 376315150 892498299 http://www.xiaoyu163.com DV-646A 18 A B C D 1 2 3 4 1 2 3 4 1/4 B 3.3 DVDM ASSY (1/4) CN101 CN103 CN104 CN105 PICKUP ASSY CN601 A CARRIAGE MOTOR SPINDLE MOTOR ASSY 2/4 B 2/4 B 2/4 B 2/4 B 2/4 B 2/4 B 2/4 B 2/4 B 3/4 B B 1/4 DVDM ASSY (VWS1470) RF IC FTS DRIVER (RF) (F) (F) (T) (F) (F) (F) (T) (T) (RF) (RF) (F) (T) (T) (F) (F) (T) (T) (S) (S) (S) (S) (S) (A) (F) (T) (V) (V) 1 2 4 www. xiaoyu163. com QQ 376315150 9 9 2 8 9 4 2 9 8 TEL 13942296513 9 9 2 8 9 4 2 9 8 0 5 1 5 1 3 6 7 3 Q Q TEL 13942296513 QQ 376315150 892498299 TEL 13942296513 QQ 376315150 892498299 http://www.xiaoyu163.com DV-646A 19 A B C D 5 6 7 8 5 6 7 81/4 B : The power supply is shown with the marked box. 3/4 B 3/4 B 3/4 B 3/4 B 2/4 B 2/4 B 2/4 B 3/4 B 3/4 B 2/4 B 3/4 B 2/4 B SERVO DSP SPDL DRV IC : RF SIGNAL ROUTE : AUDIO DATA SIGNAL ROUTE : FOCUS SERVO LOOP LINE : TRACKING SERVO LOOP LINE : SLIDER SERVO LOOP LINE (F) (AD) (RF) : RF (VIDEO) SIGNAL ROUTE (V) : RF (AUDIO) SIGNAL ROUTE (A) (T) (S) (T) (F) (T) (F) (F) (T) (F) (T) (A) (AD) (AD) (V) (V) 5 6 8 9 11 10 7 www. xiaoyu163. com QQ 376315150 9 9 2 8 9 4 2 9 8 TEL 13942296513 9 9 2 8 9 4 2 9 8 0 5 1 5 1 3 6 7 3 Q Q TEL 13942296513 QQ 376315150 892498299 TEL 13942296513 QQ 376315150 892498299 http://www.xiaoyu163.com DV-646A 20 A B C D 1 2 3 4 1 2 3 4 3.4 DVDM ASSY (2/4) 2/4 B VYW1835 3/4 B 3/4 B 3/4 B 1/4 B 3/4 B 1/4 B 3/4 B 3/4 B 1/4 B 1/4 B 1/4 B 1/4 B 1/4 B 1/4 B 1/4 B 1/4 B 1/4 B 4/4 B 3/4 B 4/4 B 3/4 B 3/4 B 4/4 B 1/4 B 3/4 B B 2/4 DVDM ASSY (VWS1470) PGM FLASH MEMORY FR www. xiaoyu163. com QQ 376315150 9 9 2 8 9 4 2 9 8 TEL 13942296513 9 9 2 8 9 4 2 9 8 0 5 1 5 1 3 6 7 3 Q Q TEL 13942296513 QQ 376315150 892498299 TEL 13942296513 QQ 376315150 892498299 http://www.xiaoyu163.com DV-646A 21 A B C D 5 6 7 8 5 6 7 82/4 B : The power supply is shown with the marked box. CN501 CN401 10P 10P CN601 C 2/3 CN302 C 1/3 1/4 B 4/4 B 3/4 B 3/4 B 3/4 B 1/4 B 2/4, 4/4 B 3/4 B 3/4 B 3/4 B 3/4 B 3/4 B 4/4 B 4/4 B 4/4 B 4/4 B 4/4 B 3/4 B CLOCK GENERATOR 3.3→5V CONVERTOR 5→3.3V CONVERTOR (D) : AUDIO (DIGITAL) SIGNAL ROUTE (D) (D) (D) (D) (D) (D) (D) (VD) : VIDEO DATA SIGNAL ROUTE (VD) (VD) (D) www. xiaoyu163. com QQ 376315150 9 9 2 8 9 4 2 9 8 TEL 13942296513 9 9 2 8 9 4 2 9 8 0 5 1 5 1 3 6 7 3 Q Q TEL 13942296513 QQ 376315150 892498299 TEL 13942296513 QQ 376315150 892498299 http://www.xiaoyu163.com DV-646A 22 A B C D 1 2 3 4 1 2 3 4 3.5 DVDM ASSY (3/4) 3/4 B 4/4 B 2/4 B 2/4, 4/4 B 2/4 B 2/4 B 1/4 B 1/4 B 1/4 B 1/4 B 1/4 B 2/4 B 4/4 B 1/4 B 2/4 B 1/4 B 2/4 B 4/4 B B 3/4 DVDM ASSY (VWS1470) 64M DRAM SCRUT (VD) (V) (V) (VD) (V) (AD) (AD) www. xiaoyu163. com QQ 376315150 9 9 2 8 9 4 2 9 8 TEL 13942296513 9 9 2 8 9 4 2 9 8 0 5 1 5 1 3 6 7 3 Q Q TEL 13942296513 QQ 376315150 892498299 TEL 13942296513 QQ 376315150 892498299 http://www.xiaoyu163.com DV-646A 23 A B C D 5 6 7 8 5 6 7 83/4 B 2/4 B 2/4 B 2/4 B 4/4 B 2/4, 4/4 B 4/4 B 4/4 B 2/4 B 2/4 B 1/4 B 16M SDRAM AV-1 (AD) (VD) : RF (VIDEO) SIGNAL ROUTE (V) : VIDEO DATA SIGNAL ROUTE : AUDIO DATASIGNAL ROUTE (D) : AUDIO (DIGITAL) SIGNAL ROUTE : AUDIO SIGNAL ROUTE (VD) (VD) (VD) (D) (D) (D) (VD) www. xiaoyu163. com QQ 376315150 9 9 2 8 9 4 2 9 8 TEL 13942296513 9 9 2 8 9 4 2 9 8 0 5 1 5 1 3 6 7 3 Q Q TEL 13942296513 QQ 376315150 892498299 TEL 13942296513 QQ 376315150 892498299 http://www.xiaoyu163.com DV-646A 24 A B C D 1 2 3 4 1 2 3 4 22 22 2/4 B 2/4 B 2/4 B 3/4 B 2/4 B 2/4 B 3/4 B 3/4 B 2/4 B 2/4 B 2/4 B 2/4 B 2/4 B 2/4 B 3/4 B 3/4 B 2/4 B 3/4 B 3/4 B 3/4 B 2/4 B 3/4 B DVD-AUDIO DSP B 4/4 DVDM ASSY (VWS1470) (D) (D) (D) (D) (D) (D) (D) (D) (D) (D) (D) (D) (D) (D) (D) (D) (D) (D) (D) (D) (D) 3.6 DVDM ASSY (4/4) 4/4 B www. xiaoyu163. com QQ 376315150 9 9 2 8 9 4 2 9 8 TEL 13942296513 9 9 2 8 9 4 2 9 8 0 5 1 5 1 3 6 7 3 Q Q TEL 13942296513 QQ 376315150 892498299 TEL 13942296513 QQ 376315150 892498299 http://www.xiaoyu163.com DV-646A 25 A B C D 5 6 7 8 5 6 7 84/4 B : The power supply is shown with the marked box. 2/4 B 1.8V REGULATOR (D) : AUDIO (DIGITAL) SIGNAL ROUTE www. xiaoyu163. com QQ 376315150 9 9 2 8 9 4 2 9 8 TEL 13942296513 9 9 2 8 9 4 2 9 8 0 5 1 5 1 3 6 7 3 Q Q TEL 13942296513 QQ 376315150 892498299 TEL 13942296513 QQ 376315150 892498299 http://www.xiaoyu163.com DV-646A 26 A B C D 1 2 3 4 1 2 3 4 1/3 C C 1/3 AVJB ASSY (VWV1866) CN401 D 2/4 CN101 H CN101 E (D) (D) (D) (D) (D) (D) (D) (D) (D) (D) 3.7 AVJB ASSY (1/3) www. xiaoyu163. com QQ 376315150 9 9 2 8 9 4 2 9 8 TEL 13942296513 9 9 2 8 9 4 2 9 8 0 5 1 5 1 3 6 7 3 Q Q TEL 13942296513 QQ 376315150 892498299 TEL 13942296513 QQ 376315150 892498299 http://www.xiaoyu163.com DV-646A 27 A B C D 5 6 7 8 5 6 7 81/3 C : The power supply is shown with the marked box. R1042 R1041 R1043 R1044 R1045 GNDD GNDD R1047 R1046 R1048 R1049 R1050 GNDD GNDD R1052 R1051 R1053 R1054 R1055 GNDD GNDD 3/3 C (D) (D) (D) (D) (D) (D) (D) (D) (D) (D) : AUDIO (DIGITAL) SIGNAL ROUTE : AUDIO SIGNAL ROUTE www. xiaoyu163. com QQ 376315150 9 9 2 8 9 4 2 9 8 TEL 13942296513 9 9 2 8 9 4 2 9 8 0 5 1 5 1 3 6 7 3 Q Q TEL 13942296513 QQ 376315150 892498299 TEL 13942296513 QQ 376315150 892498299 http://www.xiaoyu163.com DV-646A 28 A B C D 1 2 3 4 1 2 3 4 2/3 C CN601 CN501 B 2/4 C 2/3 AVJB ASSY (VWV1866) 3/3 C VIDEO ENCODER 3/3 C 1/3 C (R) (B) (C) (V) (G) (Y) (VD) (VD) 1 2 5 4 3 6 3.8 AVJB ASSY (2/3) www. xiaoyu163. com QQ 376315150 9 9 2 8 9 4 2 9 8 TEL 13942296513 9 9 2 8 9 4 2 9 8 0 5 1 5 1 3 6 7 3 Q Q TEL 13942296513 QQ 376315150 892498299 TEL 13942296513 QQ 376315150 892498299 http://www.xiaoyu163.com DV-646A 29 A B C D 5 6 7 8 5 6 7 82/3 C Q601 2SA1037K Q602 2SA1037K Q603 2SA1037K Q604 2SA1037K Q605 2SA1037K Q606 2SA1037K 3/3 C 3/3 C (G) (B) (R) (G) (R) (B) (G) (B) (R) (V) (V) (C) (Y) (C) (Y) (C) (Y) (V) : V SIGNAL ROUTE : Y SIGNAL ROUTE : C SIGNAL ROUTE (VD) (G) (R) : VIDEO DATA SIGNAL ROUTE : R SIGNAL ROUTE (B) : G SIGNAL ROUTE : B SIGNAL ROUTE www. xiaoyu163. com QQ 376315150 9 9 2 8 9 4 2 9 8 TEL 13942296513 9 9 2 8 9 4 2 9 8 0 5 1 5 1 3 6 7 3 Q Q TEL 13942296513 QQ 376315150 892498299 TEL 13942296513 QQ 376315150 892498299 http://www.xiaoyu163.com DV-646A 30 A B C D 1 2 3 4 1 2 3 4 Q701 2SA1037K Q702 2SA1037K Q703 2SA1037K Q774 2SA1037K Q771 2SA1037K Q768 2SA1037K 2/3 C 2/3 C C 3/3 AVJB ASSY (VWV1866) 6dB, 75Ω DRIVER 6dB, 75Ω DRIVER (V) (V) (C) (V) (G) (B) (R) (C) (Y) (V) (C) (C) (Y) (V) (Y) (G) (G) (B) (R) (C) (Y) (V) (R) (B) (R) 3.9 AVJB ASSY (3/3) 3/3 C www. xiaoyu163. com QQ 376315150 9 9 2 8 9 4 2 9 8 TEL 13942296513 9 9 2 8 9 4 2 9 8 0 5 1 5 1 3 6 7 3 Q Q TEL 13942296513 QQ 376315150 892498299 TEL 13942296513 QQ 376315150 892498299 http://www.xiaoyu163.com DV-646A 31 A B C D 5 6 7 8 5 6 7 83/3 C Q704 2SA1037K CN702 CN703 1/3 C 2/3 C 2/3 C CN101 D 2/3 C 2/3 C 2/3 C 3 IN 6 OUT VIDEO AMP. 6dB, 75Ω SW DRIVER 6dB, 75Ω SW DRIVER (C) (Y) (V) (V) (V) (V) (V) (C) (C) (Y) (Y) (V) : V SIGNAL ROUTE : Y SIGNAL ROUTE : C SIGNAL ROUTE : AUDIO SIGNAL ROUTE (Y/V) (R/C) (R) : Y/V SIGNAL ROUTE : R/C SIGNAL ROUTE (G) : R SIGNAL ROUTE : G SIGNAL ROUTE (B) : B SIGNAL ROUTE (R) (C) (C) (C) (V) (R/C) (Y/V) (V) (Y) (Y) (C) (Y) (C) (Y/V) (B) (G) (R/C) www. xiaoyu163. com QQ 376315150 9 9 2 8 9 4 2 9 8 TEL 13942296513 9 9 2 8 9 4 2 9 8 0 5 1 5 1 3 6 7 3 Q Q TEL 13942296513 QQ 376315150 892498299 TEL 13942296513 QQ 376315150 892498299 http://www.xiaoyu163.com DV-646A 32 A B C D 1 2 3 4 1 2 3 4 Q401 2SC2412K Q401 2SC2412K Q401 2SC2412K Q401 2SC2412K Q401 2SC2412K Q401 2SC2412K Q403 2SA1037K Q403 2SA1037K CN101 CN702 C 3/3 SCRB ASSY (VWV1850) D (B) (B) (G) (B) (G) (G) (R/C) (R/C) (Y/V) (Y/V) (Y/V) (Y/V) 3.10 SCRB ASSY D www. xiaoyu163. com QQ 376315150 9 9 2 8 9 4 2 9 8 TEL 13942296513 9 9 2 8 9 4 2 9 8 0 5 1 5 1 3 6 7 3 Q Q TEL 13942296513 QQ 376315150 892498299 TEL 13942296513 QQ 376315150 892498299 http://www.xiaoyu163.com DV-646A 33 A B C D 5 6 7 8 5 6 7 8D : The power supply is shown with the marked box. 0.1 (R/C) (R/C) (R/C) (R/C) (B) (B) (G) (B) (B) (B) (G) (G) (G) (G) (B) (G) (B) (B) (G) (G) (Y/V) (Y/V) (Y/V) (Y/V) (Y/V) (Y/V) (Y/V) (Y/V) (Y/V) (Y/V) (Y/V) (Y/V) (R/C) (B) (G) (Y/V) (Y/V) (R/C) (R/C) (R/C) (V/Y) (R/C) (Y/V) (Y/V) (Y) (V) : V SIGNAL ROUTE : Y SIGNAL ROUTE : AUDIO SIGNAL ROUTE (Y/V) (R/C) : Y/V SIGNAL ROUTE : R/C SIGNAL ROUTE (G) : G SIGNAL ROUTE (B) : B SIGNAL ROUTE www. xiaoyu163. com QQ 376315150 9 9 2 8 9 4 2 9 8 TEL 13942296513 9 9 2 8 9 4 2 9 8 0 5 1 5 1 3 6 7 3 Q Q TEL 13942296513 QQ 376315150 892498299 TEL 13942296513 QQ 376315150 892498299 http://www.xiaoyu163.com DV-646A 34 A B C D 1 2 3 4 1 2 3 4 FLIR ASSY (VWG2297) E FL CONTROL MICROCOMPUTER 3.11 FLIR, PWSB and KEYB ASSYS E www. xiaoyu163. com QQ 376315150 9 9 2 8 9 4 2 9 8 TEL 13942296513 9 9 2 8 9 4 2 9 8 0 5 1 5 1 3 6 7 3 Q Q TEL 13942296513 QQ 376315150 892498299 TEL 13942296513 QQ 376315150 892498299 http://www.xiaoyu163.com DV-646A 35 A B C D 5 6 7 8 5 6 7 8G F E : The power supply is shown with the marked box. CN251 CN103 CN201 CN102 CN101 KEYB ASSY (VWG2306) G PWSB ASSY (VWG2307) F CN301 C 1/3 KEYB ASSY S251 : 0 (OPEN/CLOSE) S252 : 3 (PLAY) S253 : 4 1 S254 : 4 1 S255 : 7 (STOP) S256 : 8 (PAUSE) PWSB ASSY S201 : POWER STANDBY/ON S202 : FL DIMMER www. xiaoyu163. com QQ 376315150 9 9 2 8 9 4 2 9 8 TEL 13942296513 9 9 2 8 9 4 2 9 8 0 5 1 5 1 3 6 7 3 Q Q TEL 13942296513 QQ 376315150 892498299 TEL 13942296513 QQ 376315150 892498299 http://www.xiaoyu163.com DV-646A 36 A B C D 1 2 3 4 1 2 3 4 CN1 CN101 AC IN A A B B 5 8 4 2 1 10 11 14 12 13 12V 5V EV5V SW5V PO CONT SW3.3V GND –27V FLAC (B) FLAC (A) GND 3 GND 5 GND 7 GND 9 CN303 C 1/3 F101 REK1102 2.5A Z1 C1 LIVE NEUTRAL C2 C5 C5 C82 C8 C7 GND BEA1 BEA2 R2 R71 R72 Q71 D71 R74 R73 D72 D7 D23 D24 C22 C11 C108 R301 R304 C302 R302 R307 R104 R403 R404 R405 Q401 Q402 D402 D403 R401 R420 R303 R410 Q412 R402 C110 R414 R407 R408 R409 D404 R103 R10 C9 R8 C21 C10 D25 R20 R12 D5 R17 D9 R23 R201 R202 R205 R203 R204 VR201 C201 R24 R25 R11 R22 D8 D4 PC1 D6 R9 Q20 Q1 Q2 PC2 PC1 IC201 R7 R6 R5 R19 R1 D14 D13 T1 D11 D12 D81 D82 D83 R84 R85 Q81 R82 R83 C81 L1 D105 D104 C107 D103 D102 P101 AEK7063 P102 AEK7066 C105 C106 C410 L101 C109 Q411 Q410 D111 D407 D112 D405 D406 D107 D301 D108 D109 D304 C112 PC2 C111 C411 IC103 IC102 C301 C303 800mA 1.6A NOTE OF SPARE PARTS IN POWER SUPPLY (SYPS) UNIT • In case of repairing, use the described parts only to prevent an accident. • Please write the red mark on the board when the primary section of POWER SUPPLY (SYPS) Unit is repaired. • Please take care to keep the space, not touching other parts when replacing the parts. POWER SUPPLY UNIT (VWR1340) H BEA401 BEA3 3.12 POWER SUPPLY UNIT (VWR1340) H www. xiaoyu163. com QQ 376315150 9 9 2 8 9 4 2 9 8 TEL 13942296513 9 9 2 8 9 4 2 9 8 0 5 1 5 1 3 6 7 3 Q Q TEL 13942296513 QQ 376315150 892498299 TEL 13942296513 QQ 376315150 892498299 http://www.xiaoyu163.com DV-646A 37 1 Foot of R104 (RF) V: 100mV/div. H: 0.2µsec/div. 2 Q106-emitter (RFO) V: 500mV/div. H: 0.1µsec/div. 3 4 IC101-pin 35 (Tracking Error) (AI-Inner Tracking Off) V: 500mV/div. H: 2msec/div. 5 IC201 - pin 39 (EFM before slice) V: 1V/div. H: 1µsec/div. 6 IC201 - pin 1 (EFM) V: 1V/div. H: 0.2µsec/div. 7 IC251 - pin 24 (FG) V: 1V/div. H: 5msec/div. 1 IC601 - pin 45 (Composite Video output) V: 0.2V/div. H: 10µsec/div. 2 IC601 - pin 44 (Y output) V: 0.2V/div. H: 10µsec/div. 3 IC601 - pin 41 (C output) V: 0.2V/div. H: 10µsec/div. 4 IC601 - pin 36 (R output) V: 0.2V/div. H: 20µsec/div. 5 IC601 - pin 40 (G output) V: 0.2V/div. H: 20µsec/div. 6 IC601 - pin 37 (B output) V: 0.2V/div. H: 20µsec/div. 8 Foot of R261 (FPWM) V: 1V/div. H: 5msec/div. 9 Foot of R262 (VPWM) V: 1V/div. H: 5msec/div. 10 Foot of R263 (PPWM) V: 1V/div. H: 5msec/div. 11 Foot of R264 (RPWM) V: 1V/div. H: 5msec/div. GND GND GND GND DVDM ASSY B AVJB ASSY C WAVEFORMS Note : The encircled numbers denote measuring point in the schematic diagram. Measurement condition : No. 1 to 4 and 6 to 11 : MJK1, Title 1-chp 1 No. 5 : CD, ABEX-784 Track 1 Measurement condition : No. 1 to 3 : MJK1, Title 1-chp 4 No. 4 to 6 : T2-19, Color-bar www. xiaoyu163. com QQ 376315150 9 9 2 8 9 4 2 9 8 TEL 13942296513 9 9 2 8 9 4 2 9 8 0 5 1 5 1 3 6 7 3 Q Q TEL 13942296513 QQ 376315150 892498299 TEL 13942296513 QQ 376315150 892498299 http://www.xiaoyu163.com DV-646A 38 www. xiaoyu163. com QQ 376315150 9 9 2 8 9 4 2 9 8 TEL 13942296513 9 9 2 8 9 4 2 9 8 0 5 1 5 1 3 6 7 3 Q Q TEL 13942296513 QQ 376315150 892498299 TEL 13942296513 QQ 376315150 892498299 http://www.xiaoyu163.com A B C D 1 2 3 4 1 2 3 4 39 DV-646A SIDE A SIDE B (VNP1836-B) (VNP1836-B) CN103 B LOAB ASSY A LOAB ASSY A LOADING MOTOR ASSY M NOTE FOR PCB DIAGRAMS : 1. Part numbers in PCB diagrams match those in the schematic diagrams. 2. A comparison between the main parts of PCB and schematic diagrams is shown below. 3. The parts mounted on this PCB include all necessary parts for several destinations. For further information for respective destinations, be sure to check with the schematic diagram. 4. View point of PCB diagrams. Symbol In PCB Diagrams Symbol In Schematic Diagrams Part Name B C E D D G G S S B C E B C E D G S B C E B C E B C E Transistor Transistor with resistor Field effect transistor Resistor array 3-terminal regulator Capacitor Connector P.C.Board Chip Part SIDE A SIDE B 4. PCB CONNECTION DIAGRAM 4.1 LOAB ASSY A www. xiaoyu163. com QQ 376315150 9 9 2 8 9 4 2 9 8 TEL 13942296513 9 9 2 8 9 4 2 9 8 0 5 1 5 1 3 6 7 3 Q Q TEL 13942296513 QQ 376315150 892498299 TEL 13942296513 QQ 376315150 892498299 http://www.xiaoyu163.com A B C D 1 2 3 4 1 2 3 4 40 DV-646A B 4.2 DVDM ASSY (VNP1825-A) DVDM ASSY B SIDE A IC401 IC911 IC912 IC901 Q101 Q115 Q116 Q117 Q111 Q118 IC281 IC351 IC532 IC291 IC201 IC904 IC302 IC802 IC804 IC803 IC261 IC210 IC702 IC601 IC606 IC491 IC211 Q571 Q542 Q112 Q543 Q292 Q241 Q141 Q107 Q291 Q102 www. xiaoyu163. com QQ 376315150 9 9 2 8 9 4 2 9 8 TEL 13942296513 9 9 2 8 9 4 2 9 8 0 5 1 5 1 3 6 7 3 Q Q TEL 13942296513 QQ 376315150 892498299 TEL 13942296513 QQ 376315150 892498299 http://www.xiaoyu163.com A B C D 1 2 3 4 1 2 3 4 41 DV-646A B SPINDLE MOTOR PICKUP ASSY CN601 A CN302 C CN601 C STEPPING MOTOR (CARRIAGE) (VNP1825-A) DVDM ASSY B SIDE B IC251 Q103 Q109 Q108 Q130 IC903 IC909 IC910 IC902 IC913 IC907 Q142 Q113 Q281 Q271 Q210 Q106 Q601 IC306 IC305 IC701 IC299 IC603 IC801 IC303 IC304 IC101 IC271 IC905 IC608 IC612 Q161 www. xiaoyu163. com QQ 376315150 9 9 2 8 9 4 2 9 8 TEL 13942296513 9 9 2 8 9 4 2 9 8 0 5 1 5 1 3 6 7 3 Q Q TEL 13942296513 QQ 376315150 892498299 TEL 13942296513 QQ 376315150 892498299 http://www.xiaoyu163.com A B C D 1 2 3 4 1 2 3 4 42 DV-646A IC391 IC421 IC502 IC442 IC552 Q391 Q421 Q554 Q558 Q504 Q508 Q452 Q449 Q444 Q446 Q445 Q447 IC441 IC333 IC501 IC351 IC551 IC371 IC334 IC352 IC353 IC302 IC361 IC312 IC314 IC316 IC311 IC313 IC315 IC317 IC362 IC422 IC332 Q552 Q556 Q502 Q506 Q442 Q443 Q441 CN101 E CN101 H CN401 B AVJB ASSY C 4.3 AVJB ASSY C www. xiaoyu163. com QQ 376315150 9 9 2 8 9 4 2 9 8 TEL 13942296513 9 9 2 8 9 4 2 9 8 0 5 1 5 1 3 6 7 3 Q Q TEL 13942296513 QQ 376315150 892498299 TEL 13942296513 QQ 376315150 892498299 http://www.xiaoyu163.com A B C D 5 6 7 8 5 6 7 8 43 DV-646A 7 Q791 IC791 IC701 Q704 Q601 Q605 Q604 VR602 VR601 VR951 IC601 IC905 IC901 IC902 IC903 IC1000 Q982 Q983 Q981 Q1000 Q603 Q602 Q601 Q701 Q702 Q703 IC710 IC708 IC706 IC707 IC705 IC703 IC709 IC702 IC704 Q1002 Q705 Q1001 CN101 D CN501 B (VNP1839-A) SIDE A C www. xiaoyu163. com QQ 376315150 9 9 2 8 9 4 2 9 8 TEL 13942296513 9 9 2 8 9 4 2 9 8 0 5 1 5 1 3 6 7 3 Q Q TEL 13942296513 QQ 376315150 892498299 TEL 13942296513 QQ 376315150 892498299 http://www.xiaoyu163.com A B C D 1 2 3 4 1 2 3 4 44 DV-646A Q45 Q450 Q774 Q771 Q768 Q706 Q707 Q708 IC921 (VNP1839-A) SIDE B C www. xiaoyu163. com QQ 376315150 9 9 2 8 9 4 2 9 8 TEL 13942296513 9 9 2 8 9 4 2 9 8 0 5 1 5 1 3 6 7 3 Q Q TEL 13942296513 QQ 376315150 892498299 TEL 13942296513 QQ 376315150 892498299 http://www.xiaoyu163.com A B C D 5 6 7 8 5 6 7 8 45 DV-646A Q457 Q451 Q448 Q456 Q507 Q505 Q501 Q503 Q557 Q555 Q551 Q553 Q450 IC331 IC301 AVJB ASSY C C www. xiaoyu163. com QQ 376315150 9 9 2 8 9 4 2 9 8 TEL 13942296513 9 9 2 8 9 4 2 9 8 0 5 1 5 1 3 6 7 3 Q Q TEL 13942296513 QQ 376315150 892498299 TEL 13942296513 QQ 376315150 892498299 http://www.xiaoyu163.com A B C D 1 2 3 4 1 2 3 4 46 DV-646A D 4.4 SCRB ASSY CN702 C (VNP1838-A) SIDE A SCRB ASSY D www. xiaoyu163. com QQ 376315150 9 9 2 8 9 4 2 9 8 TEL 13942296513 9 9 2 8 9 4 2 9 8 0 5 1 5 1 3 6 7 3 Q Q TEL 13942296513 QQ 376315150 892498299 TEL 13942296513 QQ 376315150 892498299 http://www.xiaoyu163.com A B C D 1 2 3 4 1 2 3 4 47 DV-646A D (VNP1838-A) SIDE B SCRB ASSY D Q212 Q211 Q231 Q231 Q313 Q311 Q401 Q403 Q312 www. xiaoyu163. com QQ 376315150 9 9 2 8 9 4 2 9 8 TEL 13942296513 9 9 2 8 9 4 2 9 8 0 5 1 5 1 3 6 7 3 Q Q TEL 13942296513 QQ 376315150 892498299 TEL 13942296513 QQ 376315150 892498299 http://www.xiaoyu163.com A B C D 1 2 3 4 1 2 3 4 48 DV-646A 4.5 FLIR ASSY CN201 F CN301 C CN251 G SIDE A SIDE B FLIR ASSY E (VNP1839-A) IC103 IC111 IC101 Q101 E www. xiaoyu163. com QQ 376315150 9 9 2 8 9 4 2 9 8 TEL 13942296513 9 9 2 8 9 4 2 9 8 0 5 1 5 1 3 6 7 3 Q Q TEL 13942296513 QQ 376315150 892498299 TEL 13942296513 QQ 376315150 892498299 http://www.xiaoyu163.com A B C D 1 2 3 4 1 2 3 4 49 DV-646A 4.6 PWSB and KEYB ASSYS CN103 E CN102 E SIDE A SIDE B SIDE A SIDE B PWSB ASSY F (VNP1839-A) KEYB ASSY G (VNP1839-A) G F www. xiaoyu163. com QQ 376315150 9 9 2 8 9 4 2 9 8 TEL 13942296513 9 9 2 8 9 4 2 9 8 0 5 1 5 1 3 6 7 3 Q Q TEL 13942296513 QQ 376315150 892498299 TEL 13942296513 QQ 376315150 892498299 http://www.xiaoyu163.com A B C D 1 2 3 4 1 2 3 4 50 DV-646A POWER SUPPLY UNIT H CN303 C AC IN SIDE A Q411 Q410 IC102 IC103 VR 201 IC201 Q20 Q71 Q2 Q1 Q412 Q402 Q401 H 4.7 POWER SUPPLY UNIT www. xiaoyu163. com QQ 376315150 9 9 2 8 9 4 2 9 8 TEL 13942296513 9 9 2 8 9 4 2 9 8 0 5 1 5 1 3 6 7 3 Q Q TEL 13942296513 QQ 376315150 892498299 TEL 13942296513 QQ 376315150 892498299 http://www.xiaoyu163.com 51 DV-646A Mark No. Description Part No. Mark No. Description Part No. Mark No. Description Part No. Mark No. Description Part No. 5. PCB PARTS LIST NOTES: •Parts marked by "NSP" are generally unavailable because they are not in our Master Spare Parts List. •The mark found on some component parts indicates the importance of the safety factor of the part. Therefore, when replacing, be sure to use parts of identical designation. •When ordering resistors, first convert resistance values into code form as shown in the following examples. Ex.1 When there are 2 effective digits (any digit apart from 0), such as 560 ohm and 47k ohm (tolerance is shown by J=5%, and K=10%). 560 Ω → 56 × 10 1 → 561 ........................................................ RD1/4PU 5 6 1 J 47k Ω → 47 × 10 3 → 473 ........................................................ RD1/4PU 4 7 3 J 0.5 Ω → R50 ..................................................................................... RN2H R 5 0 K 1 Ω → 1R0 ..................................................................................... RS1P 1 R 0 K Ex.2 When there are 3 effective digits (such as in high precision metal film resistors). 5.62k Ω → 562 × 10 1 → 5621 ...................................................... RN1/4PC 5 6 2 1 F LIST OF ASSEMBLIES NSP LOADING MECHANISM ASSY VWT1188 NSP LOAB ASSY VWG2279 DVDM ASSY VWS1470 NSP FLJB ASSY VWM2088 FLIR ASSY VWG2297 NSP KEYB ASSY VWG2306 NSP PWSB ASSY VWG2307 AVJB ASSY VWV1866 SCRB ASSY VWV1850 POWER SUPPLY UNIT VWR1340 LOAB ASSY SWITCHES AND RELAYS S101 REAF SWITCH VSK1011 OTHERS CN602 CONNECTOR S2B-PH-K CN601 CONNECTOR S5B-PH-K PRINTED CIRCUIT BORD VNP1836 DVDM ASSY SEMICONDUCTORS IC261, IC281, IC302 BA4510F IC251 BA6664FM IC481 BU2288FV IC702 GM71VS65803CLT-5 IC802 HY57V161610DTC-8 IC902 IS61LV6416-12T IC903 IS63LV1024-12T IC101 LA9701M IC201 LC78652W IC904 LC89051V IC351 M56788AFP IC801 M65774BFP IC909 MM1561JF IC601 PD6345A IC701 PE5220A IC111, IC271 TC74HC4053AFT IC612 TC74VHC125FT IC491 TC74VHC153FT IC906, IC908 TC74VHC157FT IC608 TC74VHCT125AFT IC401, IC911–IC913 TC7SH04FU IC532 TC7SH32FU IC303, IC304 TC7SZU04F IC907 TC7WH125FU IC905 TC7WH157FU IC603 VYW1835 IC901 XCA56367PV150 Q109 2SA1576A Q114, Q130 2SC4081 Q107, Q111, Q115, Q241, Q271 DTC114EUA Q281 DTC114EUA Q101, Q102, Q106 HN1A01F Q103, Q141, Q142, Q542, Q543 HN1B04FU Q112, Q113 HN1C01FU Q108 HN1K03FU Q571 RN1911 Q117, Q171, Q601 RN4982 D302, D303 KV1470 D601 RB501V-40 COILS AND FILTERS L946 LCYA1R0J2520 L304 LCYA1R5J2520 L418, L893 CHIP BEADS VTL1082 L516–L523 CHIP BEADS VTL1083 L481 CHIP BEADS VTL1084 CAPACITORS C480, C481, C516–C523, C662 CCSRCH100D50 C152 CCSRCH101J50 C104–C108, C314 CCSRCH150J50 C151 CCSRCH270J50 C324, C391, C392 CCSRCH331J50 C146 CCSRCH390J50 C122, C123 CCSRCH391J50 C116, C134, C283, C284, C297 CCSRCH470J50 C145, C241 CCSRCH560J50 C281, C282 CCSRCH5R0C50 C286 CCSRCH680J50 C117, C360 CCSRCH681J50 C124 CCSRCH820J50 C128, C142, C189, C201, C205 CEV101M16 C237, C254, C358, C364 CEV101M16 www. xiaoyu163. com QQ 376315150 9 9 2 8 9 4 2 9 8 TEL 13942296513 9 9 2 8 9 4 2 9 8 0 5 1 5 1 3 6 7 3 Q Q TEL 13942296513 QQ 376315150 892498299 TEL 13942296513 QQ 376315150 892498299 http://www.xiaoyu163.com 52 DV-646A Mark No. Description Part No. Mark No. Description Part No. C368, C369, C401, C407, C413 CEV101M16 C944 CEV101M16 C113, C139 CEV220M16 C147, C405, C410, C452, C620 CEV221M4 C623, C701, C702, C710, C803 CEV221M4 C822, C902, C992, C996 CEV221M4 C111, C207 CEV470M6R3 C140, C223, C224, C264, C312 CKSQYB105K10 C209, C211, C216, C275, C313 CKSRYB102K50 C351 CKSRYB102K50 C133, C136, C203, C220, C225 CKSRYB103K50 C239, C261, C320–C322, C330 CKSRYB103K50 C591, C619, C705, C707, C943 CKSRYB103K50 C947 CKSRYB103K50 C101, C103, C118–C120 CKSRYB104K16 C212, C213, C227, C231 CKSRYB104K16 C248–C251, C255, C263, C315 CKSRYB104K16 C317 CKSRYB104K16 C208, C210 CKSRYB222K50 C271–C274 CKSRYB223K50 C266 CKSRYB224K10 C206, C214, C242, C357 CKSRYB472K50 C946 CKSRYB473K50 C102, C121, C138, C143, C154 CKSRYF104Z25 C253, C256, C258, C279, C285 CKSRYF104Z25 C332, C353, C359, C365, C366 CKSRYF104Z25 C402, C475–C477, C609, C768 CKSRYF104Z25 C772, C773 CKSRYF104Z25 C109, C115, C130, C131, C144 CKSRYF105Z10 C148, C200, C202, C204, C215 CKSRYF105Z10 C217, C221, C222, C226, C230 CKSRYF105Z10 C236, C265, C298, C299, C319 CKSRYF105Z10 C328, C329, C400, C404, C406 CKSRYF105Z10 C408, C411, C451, C491, C532 CKSRYF105Z10 C542, C543, C602–C605 CKSRYF105Z10 C607, C608, C610, C613–C616 CKSRYF105Z10 C618, C622, C626, C628, C631 CKSRYF105Z10 C657, C658, C703, C704, C708 CKSRYF105Z10 C715, C721, C727, C730, C740 CKSRYF105Z10 C743, C749, C753, C757, C762 CKSRYF105Z10 C774–C778, C783, C796, C804 CKSRYF105Z10 C807, C808, C810, C812 CKSRYF105Z10 C820, C821, C823–C830 CKSRYF105Z10 C835, C836, C838, C847, C848 CKSRYF105Z10 C856, C859, C862, C863, C865 CKSRYF105Z10 C867, C873, C874, C877, C880 CKSRYF105Z10 C882, C883, C888, C894, C898 CKSRYF105Z10 C901, C903, C905–C908 CKSRYF105Z10 C911–C913, C918–C920 CKSRYF105Z10 C923–C926, C929, C933, C934 CKSRYF105Z10 C938, C942, C945, C948, C949 CKSRYF105Z10 C956, C957, C965, C974, C980 CKSRYF105Z10 C986, C988, C991, C993–C995 CKSRYF105Z10 C403 (100µF/6.3V) VCH1194 C472, C700, C801 (150µF/4V) VCH1195 C367 (33µF/16V) VCH1197 RESISTORS R800, R895 RAB4C0R0J R543, R545, R631, R714, R744 RAB4C103J R841–R844, R903, R931, R934 RAB4C103J R940 RAB4C103J R121, R757, R763, R790, R868 RAB4C220J R873 RAB4C220J R123 RAB4C470J R202, R341 RS1/10S101J R126–R129, R176–R179 RS1/10S220J R287 RS1/16S1002F R364, R369, R373, R375 RS1/16S1003F R289, R358, R361 RS1/16S1503F R288 RS1/16S2201F R357, R362, R363, R368, R372 RS1/16S6802F R374 RS1/16S6802F R257 (1.0Ω, 1/4W) VCN1127 R258, R259 (2.2Ω, 1/4W) VCN1128 Other Resistors RS1/16S&&&J OTHERS CN104 4P CONNECTOR DKN1223 CN103 CONNECTOR S5B-PH-SM3 FLEXIBLE CABLE VDA1681 CN101 FFC CONNECT0R VKN1787 CN401, CN501 B TO B CONNECTOR 40P VKN1788 CN105 12P CONNECTOR VKN1795 X481 (27.000MHz) VSS1159 X601 (16.5MHz) VSS1160 AVJB ASSY SEMICONDUCTORS IC601 ADV7190KST IC301 BA25BC0FP IC441, IC501, IC551 CS4392-KS IC701 LA7138M IC708 MM1506XN IC710 MM1508XN IC706, IC707 MM1509XN IC442, IC502, IC552 NJM4580M-TFB IC422 NJM78M05FA IC331 PD0274A-TFB IC421 PQ15RW11 IC361, IC362 TC7SH32FU IC332, IC334, IC352, IC353 TC7SHU04FU Q442, Q446, Q502, Q506, Q552 2SA1037K Q556, Q601–Q606, Q701–Q704 2SA1037K Q768, Q771, Q774 2SA1037K Q421 2SC1740S Q391 2SC2412K Q444, Q448–Q452, Q456, Q457 2SD2114K Q504, Q508, Q554, Q558 2SD2114K Q441, Q443, Q445, Q447, Q501 DTC114YK Q503, Q505, Q507, Q551, Q553 DTC114YK Q555, Q557 DTC114YK D411, D423, D721–D728 1SS355 COILS AND FILTERS L702, L704, L706 LAU100J L701, L703, L705 LAU4R7J F 706–F 708 6MHz LPF(VIDEO) VTF1174 L368, L370, L386 CHIP BEADS VTL1084 www. xiaoyu163. com QQ 376315150 9 9 2 8 9 4 2 9 8 TEL 13942296513 9 9 2 8 9 4 2 9 8 0 5 1 5 1 3 6 7 3 Q Q TEL 13942296513 QQ 376315150 892498299 TEL 13942296513 QQ 376315150 892498299 http://www.xiaoyu163.com 53 DV-646A Mark No. Description Part No. Mark No. Description Part No. CAPACITORS C477, C497, C532, C533, C579 CCSRCH101J50 C581 CCSRCH101J50 C462, C465, C482, C485, C512 CCSRCH102J50 C515, C522, C525, C562, C565 CCSRCH102J50 C572, C575 CCSRCH102J50 C719, C749, C759 CCSRCH150J50 C463, C466, C483, C486, C513 CCSRCH221J50 C516, C523, C526, C563, C566 CCSRCH221J50 C573, C576 CCSRCH221J50 C720, C750, C760 CCSRCH270J50 C718, C748, C758 CCSRCH330J50 C412, C715, C716 CCSRCH470J50 C717, C747, C757 CCSRCH7R0D50 C312, C339 CEAL101M6R3 C710, C714, C722, C753, C762 CEAT100M50 C431, C511, C514, C521, C524 CEAT101M16 C561, C564, C571, C574 CEAT101M16 C700, C701, C791, C793 CEAT101M16 C397, C601, C603, C725, C752 CEAT101M6R3 C796, C798 CEAT101M6R3 C394, C503, C505, C553, C555 CEAT1R0M50 C801, C802, C805, C806 CEAT471M6R3 C507, C557 CEBA101M25 C443, C445 CEHAT1R0M50 C423, C427, C429 CEHAZA101M16 C452 CEHAZA221M16 C338, C356, C375, C442, C502 CEHAZA221M6R3 C552 CEHAZA221M6R3 C467, C487, C517, C527, C567 CEHAZA470M35 C577 CEHAZA470M35 C425 CEHAZA471M6R3 C705 CEHAZL331M16 C712, C721, C780, C781 CKSRYB104K16 C809, C810 CKSRYB104K16 C321, C331, C332, C335, C352 CKSRYF104Z25 C354, C382, C383, C392, C396 CKSRYF104Z25 C398, C411, C422, C424, C426 CKSRYF104Z25 C428, C444, C447, C475, C504 CKSRYF104Z25 C508, C529, C554, C558, C582 CKSRYF104Z25 C602, C604–C614, C671–C673 CKSRYF104Z25 C681–C683, C702–C704 CKSRYF104Z25 C706–C709, C723, C754, C763 CKSRYF104Z25 C768, C771, C774, C790, C792 CKSRYF104Z25 C794, C797, C851, C852, C871 CKSRYF104Z25 C320, C334, C353, C372, C441 CKSRYF105Z10 C501, C551 CKSRYF105Z10 C420, C421, C451, C506, C556 CKSRYF224Z16 C461, C464, C481, C484 (100µF) VCH1192 RESISTORS R461, R475, R481, R495, R511 RN1/16SE1202D R521, R532, R535, R561, R571 RN1/16SE1202D R582, R585 RN1/16SE1202D R464, R467, R484, R487, R514 RN1/16SE1502D R517, R524, R527, R564, R567 RN1/16SE1502D R574, R577 RN1/16SE1502D R462, R465, R482, R485, R512 RN1/16SE2201D R515, R522, R525, R562, R565 RN1/16SE2201D R572, R575 RN1/16SE2201D R474, R476, R494, R496, R531 RN1/16SE3301D R533, R534, R536, R581 RN1/16SE3301D R583, R584, R586 RN1/16SE3301D R666, R667, R726–R728 RS1/16S1201F R655 RS1/16S1502F R428 RS1/16S1601D R719, R736, R738 RS1/16S3000D R672, R676, R680, R684, R688 RS1/16S3000F R692 RS1/16S3000F R427 RS1/16S4701D R656 RS1/16S4702F R801, R803, R805, R807, R809 RS1/16S62R0D R811 RS1/16S62R0D R674, R678, R682 RS1/16S6800F R657 RS1/16S6801F Other Resistors RS1/16S&&&J OTHERS CN303 CONNECTOR 14P 14P-FJ CN301 15P CONNECTOR 15P-1.25FJ CN403 JACK AKN1006 JA702 SOCKET AKP7117 JA402 OPT. LINK OUT 12MB/S GP1FA502TZ JA701 JACK VKB1124 JA502 JACK VKB1126 JA501 JACK VKB1130 JA401 JACK VKB1159 CN702 16P CONNECTOR VKN1247 CN703 7P CONNECTOR VKN1267 CN302, CN601 B TO B CONNECTOR 40P VKN1789 SCRB ASSY SEMICONDUCTORS Q212, Q403 2SA1037K Q211, Q311–Q313, Q401 2SC2412K D301, D401 1SS355 SWITCHES AND RELAYS RY101, RY102, RY201 VSR1016 RY203, RY301 VSR1016 CAPACITORS C103–C110 CCSRCH391J50 C221, C241, C251, C315 CEAT101M10 C321, C331 CEAT471M10 C101, C102, C11, C201, C203 CKSRYF104Z25 C21, C212, C215, C301 CKSRYF104Z25 C311, C312, C314, C402, C403 CKSRYF104Z25 C94 CKSRYF104Z25 RESISTORS R215, R223, R242, R252, R321 RS1/16S68R0F R331 RS1/16S68R0F Other Resistors RS1/16S&&&J OTHERS JA101, JA102 CONNECTOR VKB1157 CN101 16P CONNECTOR VKN1247 PRINTED CIRCUIT BOARD VNP1838 www. xiaoyu163. com QQ 376315150 9 9 2 8 9 4 2 9 8 TEL 13942296513 9 9 2 8 9 4 2 9 8 0 5 1 5 1 3 6 7 3 Q Q TEL 13942296513 QQ 376315150 892498299 TEL 13942296513 QQ 376315150 892498299 http://www.xiaoyu163.com 54 DV-646A Mark No. Description Part No. Mark No. Description Part No. FLIR ASSY SEMICONDUCTORS IC101 PE5251A IC103 PST3242 IC111 TSOP1840XG1 D101 SLR-56VC(NPQ) COILS AND FILTERS L101 LAU680J CAPACITORS C111, C112, C116, C117 CCSRCH102J50 C121, C122 CCSRCH102J50 C105, C132 CEAL101M6R3 C101–C104, C106, C108, C131 CKSRYF104Z25 C107 CKSRYF104Z50 RESISTORS All Resistors RS1/16S&&&J OTHERS CN103 CONNECTOR 4P 04R-FJ CN102 CONNECTOR 7P 07R-FJ CN101 15P CONNECTOR 15R-1.25FJ V101 FL TUBE VAW1065 FL HOLDER VNK4748 X101 (5MHz) VSS1142 PWSB ASSY SEMICONDUCTORS D202 SLR-56DC(NPQ) SWITCHES AND RELAYS S201, S202 ASG7013 RESISTORS All Resistors RS1/16S&&&J OTHERS CN201 CONNECTOR 7P 07P-FJ KEYB ASSY SWITCHES AND RELAYS S251–S256 ASG7013 RESISTORS All Resistors RS1/16S&&&J OTHERS CN251 CONNECTOR 4P 04P-FJ POWER SUPPLY UNIT OTHERS P101 PROTECTOR (800mA) AEK7063 P102 PROTECTOR (1.6A) AEK7066 FU1 FUSE (2.5A) REK1102 www. xiaoyu163. com QQ 376315150 9 9 2 8 9 4 2 9 8 TEL 13942296513 9 9 2 8 9 4 2 9 8 0 5 1 5 1 3 6 7 3 Q Q TEL 13942296513 QQ 376315150 892498299 TEL 13942296513 QQ 376315150 892498299 http://www.xiaoyu163.com 55 DV-646A 1 1 2 2 3 Tangential adjustment screw 1 2 Radial adjustment screw Screwdriver (large) TV monitor Precise screwdriver DVD test disc (GGV1025) Test mode remote control unit (GGF1067) Screw tight (GYL1001) Screwdriver (medium) 6. ADJUSTMENT 6.1 ADJUSTMENT ITEMS AND LOCATION Adjustment Items [Mechanism Part] [Electrical Part] Tangential and Radial Height Coarse Adjustment DVD Jitter Adjustment Initialize the Focus Sweep Setting Electrical adjustments are not required. 6.2 JIGS AND MEASURING INSTRUMENTS Adjustment Points (Mechanism Part) Cautions: After adjustment, adjustment screw locks with the Screw tight. www. xiaoyu163. com QQ 376315150 9 9 2 8 9 4 2 9 8 TEL 13942296513 9 9 2 8 9 4 2 9 8 0 5 1 5 1 3 6 7 3 Q Q TEL 13942296513 QQ 376315150 892498299 TEL 13942296513 QQ 376315150 892498299 http://www.xiaoyu163.com 56 DV-646A ∗ After adjustment, screw locks with the Screw tight. ∗ After adjustment, screw locks with the Screw tight. ~, Ÿ, ! Ÿ, ! Mechanical point Electric point ! Mechanical point Electric point Mechanical point Electric point Be sure to perform the following step finally when replaced Pickup, Traverse Mechanism and Spindle Motor. Purpose: To set the sweep which was correct with the individual Traverse mechanism. Mechanical point Electric point SSIB, LOAB, DVDM ASSY ∗ GGF1067 Test mode remote control unit ESC CLEAR Exchange Parts of Mechanism Assy Exchange PCB Assy 6.3 NECESSARY ADJUSTMENT POINTS When Adjustment Points Exchange the Pickup Exchange the Traverse Mechanism Exchange the Spindle Motor Exchange PC Board (It is necessary when performed adjustment procedure Ÿ.) www. xiaoyu163. com QQ 376315150 9 9 2 8 9 4 2 9 8 TEL 13942296513 9 9 2 8 9 4 2 9 8 0 5 1 5 1 3 6 7 3 Q Q TEL 13942296513 QQ 376315150 892498299 TEL 13942296513 QQ 376315150 892498299 http://www.xiaoyu163.com 57 DV-646A TEST MODE: ON TEST MODE: DISC SET DSC - &&& GGF1067 Test mode remote control unit GGF1067 Test mode remote control unit POWER ON OPEN/CLOSE (Player or Remote Control Unit) OPEN/CLOSE (Player or Remote Control Unit) DVD disc TEST MODE: PLAY TEST MODE: OFF An address is displayed For example, when playback with # 30000 During PLAY Press keys in order OR ESC OFF POWER 6.4 TEST MODE 030000 < When playback with the target address of disc (DVD)> TV/LDP +10 3 0 0 0 0 CHP/TIM ESC TEST CHECK DVD, CD www. xiaoyu163. com QQ 376315150 9 9 2 8 9 4 2 9 8 TEL 13942296513 9 9 2 8 9 4 2 9 8 0 5 1 5 1 3 6 7 3 Q Q TEL 13942296513 QQ 376315150 892498299 TEL 13942296513 QQ 376315150 892498299 http://www.xiaoyu163.com 58 DV-646A • Remove the servo mechanism. • Remove a Spacer for height adjustment attached to the back side (shaded area) of the Servo Mechanism (Float Base) with nippers. Cautions: Because there is not a Spacer for height adjustment in adjustment after the second time, will keep it at need. (This parts is Traverse mechanism exclusive use of a model for 2001 years) Put a spacer between a Tangential (or Radial) adjustment screw and Mechanism Base and turn each screw to adjust the height. (Refer to "6.1 ADJUSTMENT ITEMS AND LOCATION".) Note: Turn the Short switch to Short side when removing the Pickup Flexible Cable. (Refer to "7.1.7 DISASSEBLY".) START 6.5 MECHANISM ADJUSTMENT Tangential and Radial Height Coarse Adjustment 1 Servo Mechanism 7.3mm Turn a flat side into bottom Spacer for Height adjustment Float Base www. xiaoyu163. com QQ 376315150 9 9 2 8 9 4 2 9 8 TEL 13942296513 9 9 2 8 9 4 2 9 8 0 5 1 5 1 3 6 7 3 Q Q TEL 13942296513 QQ 376315150 892498299 TEL 13942296513 QQ 376315150 892498299 http://www.xiaoyu163.com 59 DV-646A Player Monitor • Test mode • Play the DVD test disc at outer track (around #200000) • Play the DVD test disc at inner track (around #30000) • Play the DVD test disc at outer track (around #200000) Mechanism Assy Adjust the Tangential Adjustment Screw so that jitter becomes minimum. Mechanism Assy Readjust the Tangential Adjustment Screw so that jitter becomes minimum. Mechanism Assy Adjust the Radial Adjustment Screw so that jitter becomes minimum. Use disc: GGV1025 START DVD Jitter Adjustment 2 J4 : - - - - J4 : Min J4 : Min Test mode end J4 : Min ESC Disc playback normally. • The measurement of block error rate If error rate is OK, locks a root of tangential and radial adjustment screws with the Screw tight, and go to step !. Screw tight: GYL1001 Turn the POWER OFF in case of NG once, and perform the adjustment once again. Confirm the error rate that is displayed "OK" (Example ER (av): 2.5e - 5-*OK ) 5 ESC CHECK NG OK • Playback method of inner and outer address for the purpose is refererd to "6.3 TEST MODE". • Jitter indication of the monitor is refererd to "7.1.3 TEST MODE SCREEN DISPLAY". www. xiaoyu163. com QQ 376315150 9 9 2 8 9 4 2 9 8 TEL 13942296513 9 9 2 8 9 4 2 9 8 0 5 1 5 1 3 6 7 3 Q Q TEL 13942296513 QQ 376315150 892498299 TEL 13942296513 QQ 376315150 892498299 http://www.xiaoyu163.com 60 DV-646A Initialize the Focus Sweep Setting 3 Turn on the Player ESC CLEAR POWER Note: Be sure to perform this step when replaced the Pickup or Traverse mechanism. Purpose: To set the sweep which was correct with the individual Traverse mechanism. www. xiaoyu163. com QQ 376315150 9 9 2 8 9 4 2 9 8 TEL 13942296513 9 9 2 8 9 4 2 9 8 0 5 1 5 1 3 6 7 3 Q Q TEL 13942296513 QQ 376315150 892498299 TEL 13942296513 QQ 376315150 892498299 http://www.xiaoyu163.com 61 DV-646A 7. GENERAL INFORMATION 7.1 DIAGNOSIS 7.1.1 ID NUMBER AND ID DATA SETTING Entering the ID Number and ID Data for Players with DVD-Audio Compatibility To enter the input mode, press ESC + STEREO in a status with no ID number set, such as after FLASH-ROM downloading. • Downloading FLASH-ROM is finished. (The latest version must be downloaded when a repair is made.) • "No ID Number" is displayed on the screen or FL display immediately after the power is turned on or in Stop mode. • If "No ID DATA" is displayed, the ID data must be entered. Important: If no yellow label is found on the rear panel, write down the specified ID number by checking it according to "How to confirm the ID number" shown below. Note: Be sure to enter the ID number in Stop mode. Use the service remote control (GGF1067) for operations. Only opening/closing of the tray are performed from the player. It is necessary with a player with DVD-audio compatibility to set an individual number (ID number) and ID data. If the number and data are not set correctly with the following procedure, operations in the future may not be guaranteed. You will find the ID number to be set on the yellow label on the rear panel. The Input is Necessary When: How to Input the ID Number and ID Data [Player's ID Number Setting] ID Number ? > - - - - - - - - - Exit Input ID Number ! 1 As number input is enabled when the unit enters the input mode, input the 9-digit ID number. (The entered number is also displayed on the FL display.) 2 2 [Player's ID Data Setting] Exit Insert The ID Data Disc ! When the ID number has been registered, the unit enters the ID data input mode. (The FL display indicates "NO ID DATA.") In this condition, place the ID data disc on the tray and close the tray using the CLOSE key "7/0" on the player. 4 4 [Player's ID Data Setting] Loading The ID Data Disc ! While the data are being read, the message shown in the figure at left is displayed on the screen. (The FL display indicates "RD ID DATA.") 5 5 [Player's ID Number Setting] ID Number ? > 0 0 0 0 0 0 0 0 1 OK ? Compare Mode Enter Input ID Number ! After inputting the number, press SEARCH to register the ID number. 3 3 www. xiaoyu163. com QQ 376315150 9 9 2 8 9 4 2 9 8 TEL 13942296513 9 9 2 8 9 4 2 9 8 0 5 1 5 1 3 6 7 3 Q Q TEL 13942296513 QQ 376315150 892498299 TEL 13942296513 QQ 376315150 892498299 http://www.xiaoyu163.com 62 DV-646A How to Confirm the ID Number How to Clear the ID Number [Player's ID Data Setting] Wait Rom Writing ! When the ID data have been read, the data are written to the FLASH-ROM. (The FL display indicates "WR ID DATA.") 6 6 [Player's ID Data Setting] Rom Write OK ! Exit When the ID data have been written to the FLASH-ROM, the message "Rom Write OK" is displayed on the screen. (The FL display indicates "ID DATA OK.") After confirming this message, press CLEAR to exit the input mode. 7 8 7 8 [Player's ID Number Setting] ID Number ? [ 0 0 0 0 0 0 0 0 1] Compare > * * * * * * * * * Exit Input ID Number ! Press ESC + STEREO with an ID number set, and the unit enters the ID number confirmation mode. The set ID number is displayed on the screen (and on the FL display), permitting you to confirm it. To exit this mode, press CLEAR . 1 Press ESC + STEREO with an ID number set, and the unit enters the ID number confirmation mode. Input the same number as the ID number you have set. 1 2 2 3 2 3 [Player's ID Number Setting] ID Number ? [ 0 0 0 0 0 0 0 0 1] Compare > * * * * * * * * * Exit Input ID Number ! 2 After inputting the number, press STOP . Only when the entered number matches the set ID number, the ID number is cleared and the unit exits this mode. If the numbers do not match, you must return to step 2. ( STOP is not accepted until 9 digits are entered.) 3 [Player's ID Number Setting] ID Number ? [ 0 0 0 0 0 0 0 0 1] Compare > 0 0 0 0 0 0 0 0 1 OK ? Enter Memory Clear Input ID Number ! 3 www. xiaoyu163. com QQ 376315150 9 9 2 8 9 4 2 9 8 TEL 13942296513 9 9 2 8 9 4 2 9 8 0 5 1 5 1 3 6 7 3 Q Q TEL 13942296513 QQ 376315150 892498299 TEL 13942296513 QQ 376315150 892498299 http://www.xiaoyu163.com 63 DV-646A 7.1.2 SELF-DIAGNOSTIC FUNCTION OF PICKUP DEFECTIVE Character in bold : Item name : Information display Test Mode Screen Display Laser diode current value Symptom • Indicates "No Disc" in FL display. • Player does not playback, etc.. This unit can confirm the laser diode current value (DVD: 650nm, CD: 780nm) of pickup on the Test Mode screen. (Press the ESC → TEST keys in order on the test mode remote control unit (GGF1067) to enter the test mode.) Note : When a DVD disc or a CD disc is played in the test mode, this function is effective. Procedure of Self-Diagnosis 1 Enter the Test mode. 2 When diagnosing the 650nm laser diode: Press the → keys in order, and turn on the laser diode (It light-up for nine seconds.). When diagnosing the 780nm laser diode: Press the → keys in order, and turn on the laser diode (It light-up for nine seconds.). When let it turn on once again after performed 2 once, After pressed REP.B key once 650nm: Press the → keys in order 780nm: Press the → keys in order 3 Confirm the indicated value of the laser diode current (LDI). (Refer to following figure.) 4 When indicated value is more than 100, pickup is defective. → Replacement is necessary Replace the Traverse Mechanism Assy or Pickup. TEST 1 TEST 1 TEST 4 TEST 4 It's effective in case of the following condition. www. xiaoyu163. com QQ 376315150 9 9 2 8 9 4 2 9 8 TEL 13942296513 9 9 2 8 9 4 2 9 8 0 5 1 5 1 3 6 7 3 Q Q TEL 13942296513 QQ 376315150 892498299 TEL 13942296513 QQ 376315150 892498299 http://www.xiaoyu163.com 64 DV-646A DVDM ASSY B SIDE A Vref RFO B2 B1 B3 B4 This model has not test terminal. Please use following points on the DVDM Assy when checking RF, FE and TE, etc.. 7.1.3 TEST POINTS LOCATION www. xiaoyu163. com QQ 376315150 9 9 2 8 9 4 2 9 8 TEL 13942296513 9 9 2 8 9 4 2 9 8 0 5 1 5 1 3 6 7 3 Q Q TEL 13942296513 QQ 376315150 892498299 TEL 13942296513 QQ 376315150 892498299 http://www.xiaoyu163.com 65 DV-646A DVDM ASSY B SIDE B TE FE www. xiaoyu163. com QQ 376315150 9 9 2 8 9 4 2 9 8 TEL 13942296513 9 9 2 8 9 4 2 9 8 0 5 1 5 1 3 6 7 3 Q Q TEL 13942296513 QQ 376315150 892498299 TEL 13942296513 QQ 376315150 892498299 http://www.xiaoyu163.com 66 DV-646A Remote control code Key code Mechanism position value and slider position Output video system and Skirt terminal output FL controller version and region setting for the player Port No. of Flash ROM and system controller System controller revision Flash ROM version and Flash ROM size FL controller destination setting AV1 chip version DVD mechanism controller revision (Control and part No. of GUI-ROM) Character in bold : Item name : Information display Test Mode Screen Display (First Screen Display) • Screen Composition Address Background color Tracking status and Laser diode current value Spindle status and AFB status AGC setting FTS servo IC information C1 error value of CD and DVD Internal operation mode of the mechanism control Disc judgment and CD 1/3 beam switch Equalizer value and jitter value 7.1.4 TEST MODE SCREEN DISPLAY TEST MODE SCREEN DISPLAY Consecutive double-OSD display is supported during test mode. The screen is composed 10 lines with a maximum of 32 characters per line. It can't be used with the debugging display mode together. Caution : The first screen and second screen switch by pressing [DISPLAY] key of the remote control unit. It is only a version display part on the lower right of the screen those contents of display change. ATB : ON/OFF information display and AGC manual setting display deleted with the second generation. The displays of Tilt error value, Tilt servo status and pickup DVD/CLD display deleted with the third generation becomes LD part is deleted. • Description of Each Item on the Display (1) Address indication The address being traced is displayed in number. DVD : ID indication (hexadecimal number, 8 digits) [ ∗ ∗ ∗ ∗ ∗ ∗ ∗ ∗ ] CD : A-TIME (min. sec.) [ 0 0 0 0 ∗ ∗ ∗ ∗ ] (Note : For DVDs, decimal-number indication is possible.) (2) Code indication of the remote control unit [R – ∗ ∗ ∗ ∗] The code for the key pressed on the remote control unit, which is received by the FL controller, is displayed while the key is pressed. In the case of the double code, the second code will be displayed. (3) Key code indication for the main unit [K – ∗ ∗ ] The code for the key pressed on the main unit, which is received by the system controller, is displayed while the key is pressed. (4) Background color indication [C – R∗ ∗ G∗ ∗ B∗ ∗] (5) 1 Tracking status [TRKG – ∗∗∗] Tracking on [ON ] Tracking off [OFF] 2 Laser diode current value [LDI – ∗∗∗] (6) 1 Spindle status [SPDL – ∗ ∗ ∗] Spindle accelerator and brake, free-runnimg [A/B] FG servo [FG] Rough, velocity phase servo [SRV] Offset addition, rough, velocity phase servo [O_S] 2 AFB status [AFB – ∗ ∗] ON [ON ] OFF [OFF] (7) Mechanism position value [M – ∗] Position code [1] to [3] (8) Slider position [S – ∗ ∗ ∗ ∗] CD TOC area [IN ] CD active area [CD ] (9) AGC setting [AGC – ∗ ∗] AGC on [AGC-ON] AGC off [AGC-OFF] When the test mode is entered, press the ESC button and the TEST button in order of the test mode remote control unit (GGF1067). www. xiaoyu163. com QQ 376315150 9 9 2 8 9 4 2 9 8 TEL 13942296513 9 9 2 8 9 4 2 9 8 0 5 1 5 1 3 6 7 3 Q Q TEL 13942296513 QQ 376315150 892498299 TEL 13942296513 QQ 376315150 892498299 http://www.xiaoyu163.com 67 DV-646A (10) Output video system [V – ∗ ∗ ∗ ∗] NTSC system [NTSC] PAL system [PAL ] Auto-setting [AUTO] Skirt terminal output [SK – ∗ ∗] VIDEO [00] S-VIDEO [01] RGB [02] Note : Display only the model which can do the output setting of skirt terminal. (11) FTS servo IC information DSP coefficient indication [KS – [∗ ∗ ∗ ∗] ∗ ∗ ∗ ∗ ] Displays the address (four digits) of the specified coefficient and the setting value (four digits) with [TEST] and [9] keys. (12) Error rate indication 1 C1 error value of CD [ER – C1 ∗ ∗ ∗ ∗ ] 2 C1 error value of DVD [ER – ∗ ∗ ∗ ∗ ∗ ∗ ∗ ∗ ] (13) Internal operation mode of mechanism controller [MM – ∗ ∗ : ∗ ∗] Internal mechanism mode (2 digits) and internal mechanism step (2 digits) of the mechanism controller (14) 1 Disk sensing [DSC – ∗ ∗ ∗] The type of discs loaded is displayed. [DVD], [CD ], [VCD], [ ] 2 CD 1/3 beam switch [BM – ∗ ∗] (15) 1 Equalizer value [E – ∗ ∗] 2 Jitter value [J – ∗ ∗] Make the jitter four times, and renew it in every 0.5 second. [J4 – * *] CD is effective only in the jitter value. (16) Version of the AV-1 chip [ AV : ∗ . ∗ ∗' ∗' ] (17) 1 Version of the FL controller [FL : ∗ ∗ ∗ ∗] 2 Region setting of the player [REG : ∗ ] Setting value [1] to [6] (18) Destination setting of the FL controller [MDL : ∗ ∗ ∗ ∗ / ∗ ∗ ∗ ] Four charactors in the front represent the type of model : three charactors in the back represent the destination code. J : /J, K : /KU, /KC, /KU/KC, R : /RAM, /RL, /RD, /LB, WY : /WY (19) The part number of the flash ROM and system controller [∗ ∗ ∗ ∗ ∗ ∗ / ∗ ∗ ∗ ∗ ∗ ∗ ∗] 1 Part number of the flash ROM (Example) VYW1536-A = W1536A (Example) PD6256A9 = 6256A9 2 Part number of the system controller (Example) PD3381T1 = 3381T1 (20) 1 Version of the flash ROM [V : ∗ . ∗ ∗ ∗] 2 Flash ROM size [FLSH = ∗] (21) Revision of the system controller [S : ∗ . ∗ ∗ ∗ / ∗ . ∗ ∗ ] 1 Revision number of the external ROM part (flash ROM) of the system controller 2 Revision of the internal ROM part of the system controller (22) Revision of the DVD mechanism controller [M : ∗ . ∗ ∗ ∗] Revision number of the external ROM part (flash ROM) of the DVD mechanism controller (23) Control and part numbers of the GUI-ROM [GUI : ∗ ∗ ∗ ∗] No GUI model displays as "––– / ––––". OEM model displays the part number of GUI-ROM [GUI : * * * *] www. xiaoyu163. com QQ 376315150 9 9 2 8 9 4 2 9 8 TEL 13942296513 9 9 2 8 9 4 2 9 8 0 5 1 5 1 3 6 7 3 Q Q TEL 13942296513 QQ 376315150 892498299 TEL 13942296513 QQ 376315150 892498299 http://www.xiaoyu163.com 68 DV-646A DEBUGGING SCREEN SPECIFICATION FOR THE MECHANISM CONTROLLER 3 Indication Contents 1. The error that became the trigger that an error of 2 occurred. There are many cases same as 2. 2. The error number that transferred to the system controller Refer to the error list about contents of error number. 3. Code read in state (it does not support in this unit) When X is indicated, ID or subcode are not able to read in. When X is not indicated, they are able to read in. 4. ID or subcode (it does not support in this unit) Subcode indicates the A time. 5. Inside mode of the mechanism controller when an error of 1 occurred It can indicate to a maximum 10 mode. Indicate it in order of an old mode from the left, and go right, and become a new mode. Indicate only a nest share of the mode. 6. Processing step of inside mode of 5 It can grasp the mode reaching an error and transition of step by watching 5 and 6 and it can specify the occurrence place of most errors. 7. Disk information in the mechanism controller ? : Indistinctness NO : There is no disc DVD 1 : DVD single layer DVD 2 : DVD dual layer CD : CD CDR : CD-R or CD-RW CDR P : PRD of CD-R or CD-RW 8. As a result of 8cm /12cm distinction ? : Indistinctness (undistinction) 8 : 8 cm 12 : 12 cm 9. OEIC gain (it does not support in this unit) H : OEIC HIGH gain L : OEIC LOW gain 10. SGC gain for LD of 780nm It indicates a step using in the mechanism controller inside with a hexadecimal number. Set the gain so that S curve becomes 1.8V (p-p) in disc distinction. 11. SGC gain for LD of 650nm For L0. It indicates a step using in the mechanism controller inside with a hexadecimal number. Set a gain so that S curve becomes 1.8V (p-p) in disc distinction. 12. SGC gain for LD of 650nm For L1. It indicates a step using in the mechanism controller inside with a hexadecimal number. Set a gain so that a S curve becomes 1.8V (p-p) in disc distinction. 13. RF count value for disc distinction RF count value to use the disc distinction. It compares threshold value of 14 and 15 and distinguishes the disc. 14. Disc distinction threshold value (DVD and CD) Threshold value of the disc distinction. Distinguish it from DVD if bigger than this value, and distinguish it from CD if small. 1 Indication Method of The Mechanism Controller Debugging Screen A debugging screen of the mechanism controller is indicated when pressing the test mode remote control unit [GGF1067] in order of the and buttons. Releace from debugging screen display of the mechanism controller with the button. ESC ESC CHP/TM 2 Screen Layout • This specifications is subject to change without notice. www. xiaoyu163. com QQ 376315150 9 9 2 8 9 4 2 9 8 TEL 13942296513 9 9 2 8 9 4 2 9 8 0 5 1 5 1 3 6 7 3 Q Q TEL 13942296513 QQ 376315150 892498299 TEL 13942296513 QQ 376315150 892498299 http://www.xiaoyu163.com 69 DV-646A 15. Disc distinction threshold value (CD and unrecorded disc) Threshold value of the disc distinction. Distinguish it from CD if bigger than this value, and distinguish it from an unrecorded disc if small. 16. Current jitter value Indicate the value that was read in from the MY-CHIP (IC701) in DVD, and indicate the value that was read in from the servo DSP in CD. 17. Focus balance setting value of L0 18. Focus balance setting value of L1 19. Current mechanism controller inside mode (it does not support in this unit) It can indicate to a maximum 10 modes. Indicate only a nest share of the mode. 20. Processing step of 11 inside modes (it does not support in this unit) It can grasp the current mode, the mode reaching it and transition of step by watching 19 and 20. 21. Spindle control state of MY-CHIP (IC701) (it does not support in this unit) OFF : Motor off condition A/B : Accelerator and brakes FG : FG servo RVP : Rough speed phase servo ORVP : Rough speed phase servo of offset addition 22. Rotation number of spindle motor Do not FG read in ? indication (during spindle stop). 23. Tracking error generation system (it does not support in this unit) 1: 1 beam (DPD) 3: 3 beams 24. TZC count value (it does not support in this unit) The value that counted the number of TZC for one rotation in the tracking open state. When this value is more than 512 with CD, set it in 1 beam because the eccentric is large. DVD does not measure it because it is 1 beam fixed (indication is 0000). 25. It indicates the frequency that entered the focus backup Hexadecimal number indication. Counter does not reset till turns the power off after turning it on. Due to a 1 byte counter, next of FF becomes 00. 26. It indicates focus backup limit frequency with the hexadecimal number Initial value is 14H, it does decrement whenever enter the focus backup and it gives up backup if it became 0. Then the error is generated. After reverted from the backup, When not enter the backup and pass fixed time (1500ms), return to initial value again. 27. It indicates the frequency that entered the internal circumference plunging into backup of the sled Hexadecimal number indication. Counter does not reset till turns the power off after turning it on. Due to a 1 byte counter, next of FF becomes 00. 28. It indicates the frequency that entered the tracking overrun backup Hexadecimal number indication. Counter does not reset till turns the power off after turning it on. Due to a 1 byte counter, next of FF becomes 00. 29. It indicates the limit frequency of tracking overrun backup with a hexadecimal number Initial value is 03H, it does decrement whenever enter the tracking overrun backup and it gives up backup if it became 0. 30. It indicates the frequency that entered sled overrun backup Hexadecimal number indication. Counter does not reset till turns the power off after turning it on. Due to a 1 byte counter, next of FF becomes 00. 31. It indicates the limit frequency of sled overrun backup with a hexadecimal number Initial value is 03H, it does decrement whenever enter the sled overrun backup and it gives up backup if it became 0. 32. It indicates the frequency that entered the tracking close NG backup Hexadecimal number indication. Counter does not reset till turns the power off after turning it on. Next of FF is be a 1 byte counter in 00. The hexadecimal number indication which indicates the frequency that reads 33. ID/subQ, and entered NG backup Hexadecimal number indication. A counter does not reset it till cuts it off after turning it on. Due to a 1 byte counter, next of FF becomes 00. 34. An address to indicate in 35 Set it by using RS232.I (an address) Set it with DA. 35. Contents of an address indicated in 34. www. xiaoyu163. com QQ 376315150 9 9 2 8 9 4 2 9 8 TEL 13942296513 9 9 2 8 9 4 2 9 8 0 5 1 5 1 3 6 7 3 Q Q TEL 13942296513 QQ 376315150 892498299 TEL 13942296513 QQ 376315150 892498299 http://www.xiaoyu163.com 70 DV-646A 7.1.5 TROUBLE SHOOTING • No Power ON • FL is not turned ON • FL indication is unusual START Is FL turn on ? Is tray open ? Is the indication of FL normal ? Do the video and sound come on ? Power ON Yes Yes Yes Yes No No No Turn on the power again after 2 - 3 minutes. • Blow out fuse of the primary side • Blow out micro-fuse on the POWER SUPPLY Unit. (Check the each voltage.) (P101 and P102) • FL controller IC (IC101) on the FLIR Assy is damaged. • Blow out micro-fuse on the POWER SUPPLY Unit. (P101 and P102) FL indication is dark or flickers. No Indicates the error message Refer to the section "7.1.6 ERROR CODE". Refer to the section "7.1.6 ERROR CODE". Check the connection between AVJB Assy and DVDM Assy. Indicate the error message. • Check the following connections : POWER SUPPLY Unit - DVDM Assy DVDM Assy - AVJB Assy AVJB Assy - FLIR Assy • Check each voltage (EV+5V, SW+5V, SW+3.3V, +6V and +12V) (If above voltage are not supplied, check the micro-fuse P101 and P102.) • Check the following connections : DVDM Assy - LOAB Assy (5P connector assy) • Check the voltage of +6V and +12V power supply (If above voltage is not supplied, check the micro-fuse P101 and P102.) Spindle does not turn. Carriage does not move. Yes Laser diode does not light. Focus does not in. Yes No • Check the following connections : DVDM Assy - Spindle motor (12P flexible cable) DVDM Assy - Stepping motor (4P flexible cable) • Check the voltage of +6V and +12V power supply (If above voltage is not supplied, check the micro-fuse P101 and P102.) No • Check the following connection : DVDM Assy - Pickup Assy (26P flexible cable) • Check the voltage of +6V and +12V power supply and SW+5V (If the voltage of +6V and +12V power supply are not supplied, check the micro-fuse P101 and P102.) • Check it whether the pickup is defectiveness. Perform the section "7.1.2 Self-Diagnostic Function of Pickup Defective" and check the LD current value. • Short or open the zenner diode on the POWER SUPPLY Unit. (D304) • Check the values of R132 - R134 on the FLIR Assy. OK www. xiaoyu163. com QQ 376315150 9 9 2 8 9 4 2 9 8 TEL 13942296513 9 9 2 8 9 4 2 9 8 0 5 1 5 1 3 6 7 3 Q Q TEL 13942296513 QQ 376315150 892498299 TEL 13942296513 QQ 376315150 892498299 http://www.xiaoyu163.com 71 DV-646A FL Display Possible causes Operation of the unit AV1 VER AV-1 chip is not a match with the program of system controller The sound may not out with the specific audio. CPU AERR CPU address error (Hardware is unusual.) No operation DMA AERR DMA address error (Hardware is unusual.) No operation FLASH ID Difference in versions of the internal ROM of the system controller and of the flash ROM, or bus line failure or reverse installation No operation FLASH WRP Write protect error of the flash ROM No operation FLASH SIG Difference in part number of the flash ROM (When the ROM which could't be used was used.) No operation FLASH SUM Check sum error of the flash ROM (It exceeds the regular size.) or reverse installation (Hardware is unusual.) No operation FLASH SIZE Size error of the flash ROM (Use 4 or 8 M-bit.) No operation ILLGAL The system controller fetched a code other than an operation code (Hardware is unusual.) No operation RESERVE Undefined interrupt (Hardware is unusual.) No operation SLOT Inappropriate slot command issued (Hardware is unusual.) No operation SDSP PWER Access error to the servo DSP or clock does not oscillation (Hardware is unusual.) Accept only OFF operation of the POWER key of the main unit. Remote control unit is impossible. Error codes that are displayed on the FL display without using the remote control unit 7.1.6 ERROR CODE Error codes that are displayed on the FL display by using the remote control unit (Mechanism controller error) To display: ESC + DISPLAY + DISPLAY; Location of the display: At the two digits of center of the FL display To display the error history: ESC + DISPLAY + One shot; Location of the display: TV screen FL Description of Error Causes if with a DVD Causes if with a CD Operation of the Unit 11 Search timeout Search could not be complete within 7 seconds. Search could not be complete within 7 seconds, and it could not enter the target area within 7 seconds by VCD scan. CD : Stops, DVD : Continues operation 12 Search retry error A search could not be completed after 3 retries, search backup was executed 4 times, or in a case of timeout (6 seconds) while the unit was tracing 11 tracks or more beyond the target while the search operation was converging. Backup against slider skip was executed 4 times during a search, or slider skip twice resulted in starting from the read-in point. CD : Stops, DVD : Continues operation 19 Tracing timeout while converging Timeout (10.5 seconds) while tracing at the stage of convergence of a search. Stop 1B Index 0 search error During Track (Index) Search, the search for the beginning of a program could not be completed within 3 seconds (20 seconds in the case of Index Search) after positioning based on the TOC data was completed. Stop 1C Wobble distinction error Distinguished RW disc without wobble. Read the RW control data. 22 Timeout of slider inner circumference Inside switch could not ON within 3 seconds. Stop 23 Timeout of slider outer circumference Inside switch could not OFF within 2 seconds. Stop www. xiaoyu163. com QQ 376315150 9 9 2 8 9 4 2 9 8 TEL 13942296513 9 9 2 8 9 4 2 9 8 0 5 1 5 1 3 6 7 3 Q Q TEL 13942296513 QQ 376315150 892498299 TEL 13942296513 QQ 376315150 892498299 http://www.xiaoyu163.com 72 DV-646A FL Description of Error Causes if with a DVD Causes if with a CD Operation of the Unit 39 SGC converge timeout SGC could not converge during detects the peak Open 41 Spindle timeout The unit did not enter Stop mode within 10 seconds of issuance of a Stop command. Stop 48 Spindle FG transition timeout The spindle could not converge into within ± 12% of the target FG rotation speed within 10 seconds after spindle kick. The first time after startup (the first time after disc distinction), it doesn't become the number of the target rotation within five seconds. The first time after startup, detects the abnormal rotation number of high-speed continuously 3 loops. DVD: 5 to 9 mS , CD: 40 to 60 mS Stops. (FG timeout) 49 Spindle PLL transition timeout After the second times after startup, it doesn't become the number of the target rotation within five seconds. Detects the abnormal high-speed or low-speed rotations. DVD: 5 to 9 mS , CD: 40 to 60 mS Stops. ("73" is displayed during starting process.) 4A Spindle lock timeout Spindle could not lock more than 1.5 seconds before start the AFB. Stops. ("73" is displayed during starting process.) 51 Auto sequence timeout of peak detection ABUSY did not return within 1 second after the DDTCT (peak detection) command was sent. Stop 52 Auto sequence timeout of focus jump down ABUSY did not return within 30 mS after the FJMPD (Focus jump 1 to 0) command was sent. Stop 53 Auto sequence timeout of focus jump up ABUSY did not return within 30 mS after the FJMPU (Focus jump 0 to 1) command was sent. Stop 54 Auto sequence timeout of play AGC ABUSY did not return within 50 mS after the GSUMON (play-AGC-measuring) command was sent. Stop 55 Auto sequence timeout of disc-type- sensing ABUSY did not return within 2 seconds after the DJSRT (disc-sensing) command was sent. Stop 56 Auto sequence timeout of ATB2 ABUSY did not return within 1 second after the TBLOFS (Internal ATB after the completion of external ATB) command was sent. Stop 57 Auto sequence timeout of tracking servo ON ABUSY did not return within 500 mS after the TSON (tracking servo ON) command was sent. Stop 58 Auto sequence timeout of ATB1 ABUSY did not return within 200 mS after the TBL (external ATB) command was sent. Stop 59 Auto sequence timeout of focus gain adjustment ABUSY did not return within 2 seconds after the FGN (focus gain adjustment) command was sent. Stop 5A Auto sequence timeout of tracking gain adjustment ABUSY did not return within 2 seconds after TGN (tracking gain adjustment) command was sent. Stop 5B Auto sequence timeout of offset adjustment ABUSY did not return within 1 second after the CMDAVE (offset adjustment) command was sent. Stop 33 No FOK pulse during playback CLVA When the focus was deviated continuously 20 times. Adjusts focus at the innermost circumference and tries to return to its position where the error was generated (for 3 times),then opens. If the same error persists after one retry, the tray opens. (No FOK pulse) 38 Disc-type- sensing error If normal starting was impossible in the following three cases, disc-type sensing will be retried if other errors occure excepting C5 error. However, when the focus error "33" was occured continuously 3 times, it is finished as "38 error" at the moment: (1) startup with the first disc-type-sensing result, (2) forced startup with another disc by designating the disc type, (3) forced startup with the original disc by designating the disc type. Open www. xiaoyu163. com QQ 376315150 9 9 2 8 9 4 2 9 8 TEL 13942296513 9 9 2 8 9 4 2 9 8 0 5 1 5 1 3 6 7 3 Q Q TEL 13942296513 QQ 376315150 892498299 TEL 13942296513 QQ 376315150 892498299 http://www.xiaoyu163.com 73 DV-646A 71 ID can not read during tracing FL Description of Error Causes if with a DVD Causes if with a CD Operation of the Unit An ID could not be read for 1 second or more. Stop 72 Subcode check failure during playback No frame could be read for 3 seconds or more. Stop 73 ID can not read at the startup An ID could not be read within 1 second after the AFB adjustment had been finished. Opens (ID readout failure) 74 Subcode check failure during startup No subcode could be read within 3 seconds after AFB adjustment had been finished. Opens (Subcode readout failure). 81 Timeout for reading TOC of the mechanism controller TOC readout took 30 seconds or more. Stop 82 Timeout for reading TOC of the system controller Reading TOC of the system controller took 30 seconds or more. Stop A1 Communication timeout of DSP command A command could not be issued to DSP because Command Busy (XCBUSY) was in force (XCBUSY = L) for a specified time (about 200 mS). Open A2 Communication timeout for reading DSP coefficient Command Busy (XCBUSY) was in force for a specified time (about 200 mS) before and after a coefficient read command was issued to DSP, or the address echo-back after command issuance did not match the setup address. Open A3 Communication timeout for writing DSP coefficient Command Busy (XCBUSY) was in force for a specified time (about 1024 mS) before and after the coefficient write command was issued to DSP. Open A4 Communication timeout for continuously writing DSP coefficient Command Busy (XCBUSY) was in force for 200 µS during continuous coefficient writing, or before and after a continuous write command was issued to DSP. Open B1 Timeout error for backup In the tracing state during the backup sequence, codes could not be read for 1 second or more. In the backup sequence, tracking ON sequence of the servo DSP could not be completed even if more than 500 mS after the tracking ON command was issued. Stops B2 Retry error for backup Tracing impossible after retring the tracking ON for 3 times in the backup sequence. Stops B3 Retry error for trace During tracing, runaway was detected after three iterations of backup operations for detecting runaway. Stops C3 Detection of tracking overcurrent During playback, the overcurrent detection port was at L for 300 ms or more continuously. Stops (the mechanical controller operates independently). (C5) Short-circuit test corresponding error While the power was on, the overcurrent detection port was at L for 40 ms or more continuously. Turns off the power instantly (No indication on the FL display and no writing to flash memory) E3 Violation against digital copy guard Stops 5C Auto sequence timeout of modulation factor measurement ABUSY did not return within 200 mS after the ADJMIR (modulation factor measurement) command was sent. Stop 5D Auto sequence timeout of auto focus bias ABUSY did not return within 2 seconds after the AFB (auto focus bias) command was sent. Stop 5F Auto sequence already busy A command could not be sent because ABUSY was low. ABUSY did not return within 200 mS after TLV command was sent. Stop 62 Pause retry error Pause mode could not be restored within three retries after it had been released. Continues operation www. xiaoyu163. com QQ 376315150 9 9 2 8 9 4 2 9 8 TEL 13942296513 9 9 2 8 9 4 2 9 8 0 5 1 5 1 3 6 7 3 Q Q TEL 13942296513 QQ 376315150 892498299 TEL 13942296513 QQ 376315150 892498299 http://www.xiaoyu163.com 74 DV-646A Error codes that are displayed on the FL display by using the remote control unit (Device error) To display : ESC + DISPLAY + DISPLAY ; Location of the display : At the two digits of left of the FL display FL Description of Error Causes if with a DVD Causes if with a CD Operation of the Unit bit3=1 08 etc. AV1 access error (read, write NG) No operation or it becomes debugging indication if the power is able to ON. bit2=1 04 etc. MY CHIP access error bit1=1 01 etc. SRAM access error F5 Tray being pushed The tray switch that had been Open mode was forcibly changed to a mode other than Open by an external force. Closes F8 Loading timeout Loading, unloading or clamping could not be completed within a specified time (about 5 seconds). Reverses the loading direction. It timeout is repeated upon retry, the unit stops. FC Focus The following error occured eight times. (1) Focus ON sequence could not be completed even if more than two seconds after the focus ON command (to the servo DSP) was sent. (2) Focus IN sequence was finished, actually focus IN was not completed. Stops wherever possible then opens (stops in the case of side B). FL Description of Error Causes if with a DVD Causes if with a CD Operation of the Unit www. xiaoyu163. com QQ 376315150 9 9 2 8 9 4 2 9 8 TEL 13942296513 9 9 2 8 9 4 2 9 8 0 5 1 5 1 3 6 7 3 Q Q TEL 13942296513 QQ 376315150 892498299 TEL 13942296513 QQ 376315150 892498299 http://www.xiaoyu163.com 75 DV-646A 1 Remove the Bonnet (Screws × 7) 2 Power ON 3 Tray open (0) 4 Remove the Tray Panel 1 Set the Test Disc 2 Tray close (0) → Clamp the Test Disc 1 Unhook (×6) 2 Remove the Front Panel 3 Power OFF 4 Pull out the Power Cord from the outlet Bonnet and Tray Panel 1 Test Disc Set 2 Front Panel Assy 3 2 3 3 2 4 1 Tray Test Disc Tray Panel 3 1 ×3 1 ×3 7.1.7 DISASSEMBLY Note When diagnosing the unit, be sure to use two connection cables for service. (Part No. : GGD1271) DIAGNOSIS OF PCBs 2 Front Panel Assy Loading Mechanism Assy 4 Loading Mechanism Assy 1 × 4 1 Remove four screws. 2 Remove the Loading Mechanism Assy. (Remove the Connector (×2).) 2 www. xiaoyu163. com QQ 376315150 9 9 2 8 9 4 2 9 8 TEL 13942296513 9 9 2 8 9 4 2 9 8 0 5 1 5 1 3 6 7 3 Q Q TEL 13942296513 QQ 376315150 892498299 TEL 13942296513 QQ 376315150 892498299 http://www.xiaoyu163.com 76 DV-646A 1 1 1 1 2 AVJB Assy Connection Cable for Service [GGD1271] DVDM Assy Styling of the Connection Cables 5 Diagnosis (2) 7 (×2) 3 1 Remove the Rear Panel (Screws × 15) 2 Remove the PCBs (Screws × 14) 1 Connect two Connection Cables for Service (GGD1271) between DVDM Assy and AVJB Assy. 2 3 Remove two screws. Remove the DVDM Assy. Diagnosis (1) 6 1 2 Arrange the Loading Mechanism Assy and the DVDM Assy like the figure below. Put in spacers under the Loading Mechanism Assy not to rub the Clamper. 3 Playback with a test disc, and diagnose the DVDM Assy and the other Assys. DVDM Assy Loading Mechanism Assy Spacer DVDM Assy POWER SUPPLY Unit AVJB Assy KEYB Assy PWSB Assy FLIR Assy Loading Mechanism Assy Spacer 3 Arrange the Loading Mechanism Assy and the PCBs like the figure below. 4 Playback with a test disc, and diagnose the AVJB Assy and the other Assys. www. xiaoyu163. com QQ 376315150 9 9 2 8 9 4 2 9 8 TEL 13942296513 9 9 2 8 9 4 2 9 8 0 5 1 5 1 3 6 7 3 Q Q TEL 13942296513 QQ 376315150 892498299 TEL 13942296513 QQ 376315150 892498299 http://www.xiaoyu163.com 77 DV-646A 4 5 Pull out the Tray and remove it while unhooking a Hook. 6 In the Tray insertion, insert it after matching a triangle mark of the Loading Base and a position of pin of the Drive Cam. 8 Remove a screw. 7 Remove the DVDM Assy (Screws ×2). When Removing The Traverse Mechanism Assy 9 9 Traverse Mechanism Assy Traverse Mechanism Assy Remove the FFC Holder with the state which Flexible Cable was atatched. Remove the Bridge (Screw ×1). 1 2 Remove the Front Panel. 3 Remove the Loading Mechanism Assy (Screws ×4). Turn the Short SW to Short side. Remove the Bonnet and Tray Panel. 10 11 12 Unhook ( ×4) Remove the Traverse Mechanism Assy Remove the Pickup Flexible Cable 8 4 × 2 × 2 Bottom View RearView Short Bridge -1 4 -2 5 -1 5 -2 Loading Base Triangle mark Drive Cam Pin Short SW 6 Exchange Traverse Mechanism Assy Pickup Assy Hook Caution in the tray insertion Cautions: Screw is locked with Silicone adhesive. Please lock it with Silicone adhesive when installs it. Silicone Adhesive GEM1037 12 10 11 11 Disassembly of the Traverse Mechanism Assy and the Pickup Assy Open FFC Holder www. xiaoyu163. com QQ 376315150 9 9 2 8 9 4 2 9 8 TEL 13942296513 9 9 2 8 9 4 2 9 8 0 5 1 5 1 3 6 7 3 Q Q TEL 13942296513 QQ 376315150 892498299 TEL 13942296513 QQ 376315150 892498299 http://www.xiaoyu163.com 78 DV-646A Remove the Pickup Assy. Skew Spring Skew Spring Skew Screw Skew Screw Pickup Assy Joint Slider Hold Spring Pickup Assy Remove two Skew Screws and two Skew Springs. Remove two screws. When Removing The Pickup Assy Traverse Mechanism Assy Remove the Pickup Flexible Cable. 10 10 11 11 11 12 13 13 13 12 Exchange Silicone Adhesive GEM1037 Silicone Adhesive GEM1037 Cautions: Screw is locked with Silicone adhesive. Please lock it with Silicone adhesive when installs it. www. xiaoyu163. com QQ 376315150 9 9 2 8 9 4 2 9 8 TEL 13942296513 9 9 2 8 9 4 2 9 8 0 5 1 5 1 3 6 7 3 Q Q TEL 13942296513 QQ 376315150 892498299 TEL 13942296513 QQ 376315150 892498299 http://www.xiaoyu163.com 79 DV-646A Lose slack Bottom View Fold position of step 6 7 8 Bottom View 9 10 Bottom View 11 12 Reference line Fold it at the position of reference line. Pickup Assy FFC Holder Conducting plane 1 1 2 2 Insert the Pickup Flexible Cable in connector, and lock it surely. 3 Perform the styling as shown in figure below. Caution: Move the Pickup to the innermost of the disc. Fold a edge of lining part of the Pickup Flexible Cable. Bottom View Bottom View 1 2 3 6 4 5 Styling the Pickup Flexible Cable 5 www. xiaoyu163. com QQ 376315150 9 9 2 8 9 4 2 9 8 TEL 13942296513 9 9 2 8 9 4 2 9 8 0 5 1 5 1 3 6 7 3 Q Q TEL 13942296513 QQ 376315150 892498299 TEL 13942296513 QQ 376315150 892498299 http://www.xiaoyu163.com 80 DV-646A • The information shown in the list is basic information and may not correspond exactly to that shown in the schematic diagrams. LA9701M (DVDM ASSY : IC101) • RF IC • Block Diagram 7.2 IC •List of IC LA9701M, LC78652W, BA6664FM, PD6345A, M65774BFP, XCA5636PV150, ADV7190KST, PE5251A 1 PDRF– REF1 RF1 GND PDRF PD1 PD2 PD3 PD4 VCC FIN1 FIN2 PD5 PD6 LDD1 LDS1 EQI2 VCC EFMO N/C DEF RREC FE TE– TEO CP TLP THC VCC TE TESI TES REF VCC 2 3 4 5 6 7 8 9 10 11 12 13 14 15 16 48 64 63 62 61 60 59 58 57 56 55 54 53 52 51 50 49 REF RFOUT PHC BHC PHI BHI AUX PH BH GND RFO TC EQI1 DEFC EQO1 EQO2 LDD2 LDS2 LDON1 LDON2 GND AGOF XQBH XHTR DVD/CD DPD/TE CPOF TH AUX/RR TEBAL FFBAL SGC 17 18 19 20 21 22 23 24 25 26 27 28 29 30 31 32 47 46 45 44 43 42 41 40 39 38 37 36 VCC VCC 35 34 33 PH LIM PD CP PD PD PD APC DVD CD APC BH PH BH Scratch Detection LIM LIM LIM LIM VCC DVD CD REF REF REF REF REF REF REF REF REF www. xiaoyu163. com QQ 376315150 9 9 2 8 9 4 2 9 8 TEL 13942296513 9 9 2 8 9 4 2 9 8 0 5 1 5 1 3 6 7 3 Q Q TEL 13942296513 QQ 376315150 892498299 TEL 13942296513 QQ 376315150 892498299 http://www.xiaoyu163.com 81 DV-646A LC78652W (DVDM ASSY : IC201) • Servo DSP IC • Block Diagram 33 FE 32 TE 29 TILTE 30 RF_PH 31 RF_BH 28 JITT 26 TES 51 HFLIO 81 VPDO 15 XOUT 73 BUSYB 8 XTALOUT 100 LEFM 97 LEFM2 52 LASER 92 JV MPX Servo Processor (16×16+32→32) 8bit A/D 8bit D/A CMP Track Counter 56 PP2/EVENT Event Counter 55 FG 39 EFMIN 80 VCOC 96 DVDSYNC 14 XIN 58 CSB 94 ADRAO 60 WRB 59 RDB 91 CDFR 90 DVDFR 1 EFMOUT SLCIST1,2 FG Counter SLC CLV PLL Frame Synchronous Detection, Protection, Insertion EFM Demodulation Error Detect Correction C1-Twofold, C2-Fourfold Supplement/Mute D Attenuate Deemphasis Filter Clock Generator Command Interface 34,35 SLCO1,2 36,37 PCKIST1,2 87,88 PD01-3 83-85 P0-7 63-70 PP0-3 93 PCK For De-Interleave 16k SRAM DOUT Serial Out Sub Code Decode CRC DVD Lock Detection 74 SQOUT 47 FDO 48 TDO 45 SLDO 46 SPDO 44 TBAL 43 TILTDO 42 AUXO 24 DRF 22 FAST 95 DVDSYEQ 23 V_PB 21 FSEQ 77 WRQ 17 EMPH 4 ROMCK 5 LRSY 19 DOUT 3 ROMXA 57 RESB 2 C2F 20 EFLG 9 FSX 12 PW 18 SBSY 11 SFSY 75 CQCKB TEST1-4 76 RWC 10 SBCK 25,27 38,50 7 FBUSYB General Purpose Register 53,54 ,56 www. xiaoyu163. com QQ 376315150 9 9 2 8 9 4 2 9 8 TEL 13942296513 9 9 2 8 9 4 2 9 8 0 5 1 5 1 3 6 7 3 Q Q TEL 13942296513 QQ 376315150 892498299 TEL 13942296513 QQ 376315150 892498299 http://www.xiaoyu163.com 82 DV-646A • Pin Function . o N e m a N n i P O /I n o it c n u F n i P 1 T U O M F E O M F E e ula v d e t a ts - y r a nib s a w t a h t e t a ts e h t t u p t u O 2 F 2 C O t u p t u o g alf 2 C 3 A X M O R O t u p t u o a t a d M O R - D C 4 K C M O R O t u p t u o a t a d M O R - D C r o f t u p t u o k c olc tfih S 5 Y S R L O t u p t u o a t a d M O R - D C r o f t u p t u o k c olc R / L 6 3 P P O /I t u p t u o D O - h c N t u p nila n gis .c n y s D V D / t u p t u o /t u p nitr o p e s o p r u p -la r e n e G 7 B Y S U B F O t u p t u o D O - h c N n oit a r e p o s s e c o r p P S D f o t u p t u o la n gis y s u B 8 T U O L A T X O t u p t u o k c olc m e ts y s la n r e tx E 9 X S F O t u p t u o la n gis .c n y s e m a rf 1 D C 0 1 K C B S I t u p ni k c olc t u o g nid a e r e d o c b u S 1 1 Y S F S O e d o c b u s f o t u p t u o la n gis .c n y s e m a r F 2 1 W P O t u p t u o W d n a V , U , T , S , R , Q , P e d o c b u S 3 1 S S V − nip D N G 4 1 N I X I ) z H M 4 4 3 9 . 6 1 ( r o t a n o s e r la ts y r c a tc e n n o C 5 1 T U O X O r o t a n o s e r la ts y r c a tc e n n o C 6 1 1 D D V D − tiu c ric n oit allic s o e h t f o ylp p u s r e w o p V 3 . 3 7 1 H P M E O sis a h p m e e d e h t f o nip r o tin o M 8 1 Y S B S O k c olb e d o c b u s e h t f o t u p t u o la n gis .c n y S 9 1 T U O D O t u p t u o a t a d J A I E oid u A 0 2 G L F E O 2 C d n a 1 C n oitc e rr o c r o rr e e h t f o r o tin o m e t a ts n oitc e rr o c r o rr E 1 2 Q E S F O la n gis .c n y s e m a rf D V D / D C e h t f o r o tin o m n oitc e t e D 2 2 T S A F O t u p t u o D O - h c N r o tin o m d e e p s k c a b y al P 3 2 B P _ V O lo rt n o c V L C / o v r e s h g u o r e h t f o t u p t u o r o tin o M 4 2 F R D O r o tin o m s u c o f n I 5 2 3 T S E T I 3 t u p nits e T 6 2 S E T I t u p nila n gis r o rr e g nik c a r T 7 2 2 T S E T I 2 t u p nits e T 8 2 T T IJ I L L P M F E f o t u p nila n gis g nitc e t e d ytit n a u q r e ttiJ 9 2 E T L I T I t u p nila n gis r o rr e tli T 0 3 H P _ F R I t u p nila n gis dlo h k a e p F R 1 3 H B _ F R I t u p nila n gis dlo h m o tt o b F R 2 3 E T I t u p nila n gis r o rr e g nik c a r T 3 3 E F I t u p nila n gis r o rr e s u c o F 4 3 1 T S I C L S − C L S r o f p m u p e g r a h c t n e rr u c t n a ts n o c e h t f o 1 nip g nitt e s t n e rr u C 5 3 2 T S I C L S − C L S r o f p m u p e g r a h c t n e rr u c t n a ts n o c e h t f o 2 nip g nitt e s t n e rr u C 6 3 1 O C L S O C L S r o f 1 t u p t u o lo rt n o C 7 3 2 O C L S O C L S r o f 2 t u p t u o lo rt n o C 8 3 1 T S E T I 1 t u p nits e T 9 3 N I M F E I t u p ni + M F E / M F E 0 4 D D V A − o v r e s r o f A / D d n a D / A f o ylp p u s r e w o p V 5 1 4 S S V A − o v r e s r o f A / D d n a D / A f o D N G 2 4 O X U A O t u p t u o y r ailix u a A D 3 4 O D T L I T O t u p t u o la n gis lo rt n o c tli T 4 4 L A B T O t u p t u o la n gis lo rt n o c e c n ala b g nik c a r T 5 4 O D L S O t u p t u o la n gis lo rt n o c d el S 6 4 O D P S O t u p t u o la n gis lo rt n o c eld nip S 7 4 O D F O t u p t u o la n gis lo rt n o c s u c o F 8 4 O D T O t u p t u o la n gis lo rt n o c g nik c a r T 9 4 F E R V − o v r e s r o f A / D f o le v el e c n e r e f e R 0 5 4 T S E T I 4 t u p nits e T www. xiaoyu163. com QQ 376315150 9 9 2 8 9 4 2 9 8 TEL 13942296513 9 9 2 8 9 4 2 9 8 0 5 1 5 1 3 6 7 3 Q Q TEL 13942296513 QQ 376315150 892498299 TEL 13942296513 QQ 376315150 892498299 http://www.xiaoyu163.com 83 DV-646A . o N e m a N n i P O /I n o it c n u F n i P 1 5 O I L F H O /I t u p t u o /t u p nila n gis n oitc e t e d r o rri M 2 5 R E S A L O lo rt n o c F F O / N O r e s al r o f nip t u p t u O 3 5 B D C _ D V D / 0 P P O /I t u p t u o la n gis n oit a ni m ir c sid c si D / t u p t u o /t u p ni tr o p e s o p r u p -la r e n e G 4 5 B R R E C R C / 1 P P O /I t u p t u o la n gis tlu s e r C R C e d o c b u S / t u p t u o /t u p ni tr o p e s o p r u p -la r e n e G 5 5 G F I t u p ni r e t n u o c G F 6 5 T N E V E / 2 P P O /I t u p ni r e t n u o c t n e v E / t u p t u o /t u p ni tr o p e s o p r u p -la r e n e G 7 5 B S E R I t u p ni t e s e R 8 5 B S C I t u p ni tc ele s pih C 9 5 B D R I t u p nila n gis g nid a e r e t a ts la n r e t n I 0 6 B R W I t u p nila n gis g nitir w a t a d / d n a m m o C 1 6 2 D D V D − ylp p u s r e w o p V 5 2 6 S S V − D N G 3 6 0 P O /I t u p t u o /t u p ni a t a d / d n a m m o C 4 6 1 P 5 6 2 P 6 6 3 P 7 6 4 P 8 6 5 P 9 6 6 P 0 7 7 P 1 7 S S V − D N G 2 7 1 D D V D − la n r e t ni r o f ylp p u s r e w o p V 3 . 3 3 7 B Y S U B O s s e c o r p d n a m m o c f o t u p t u o la n gis y s u B 4 7 T U O Q S O Q e d o c b u s f o t u p t u o lair e S 5 7 B K C Q C I t u p t u o a t a d Q e d o c b u s r o f t u p ni k c olc tfih S 6 7 C W R I Q e d o c b u s f o t u p ni n ois si m r e p e t a d p U 7 7 Q R W O Q e d o c b u s f o r o tin o m y d a e r t u o d a e R 8 7 S S V A − k c olc m e ts y s la n r e t ni r o f D N G L L P 9 7 R F P R V − k c olc m e ts y s r o f L L P f o g nitt e s e g n a r n oit allic s o O C V 0 8 C O C V I k c olc m e ts y s r o f r e tlif L L P a tc e n n o C 1 8 O D P V O 2 8 D D V A − k c olc m e ts y s r o f ylp p u s r e w o p V 5 L L P 3 8 1 O D P O /I k c a b y alp M F E r o f 1 nip n oitc e n n o c r e tlif L L P 4 8 2 O D P O /I k c a b y alp M F E r o f 2 nip n oitc e n n o c r e tlif L L P 5 8 3 O D P O /I k c a b y alp M F E r o f 3 nip n oitc e n n o c r e tlif L L P 6 8 S S V A − k c a b y alp M F E r o f D N G L L P 7 8 1 T S I K C P − k c a b y alp M F E r o f p m u p e g r a h c t n e rr u c t n a ts n o c L L P f o 1 g nitt e s t n e rr u C 8 8 2 T S I K C P − k c a b y alp M F E r o f p m u p e g r a h c t n e rr u c t n a ts n o c L L P f o 2 g nitt e s t n e rr u C 9 8 D D V A − k c a b y alp M F E r o f ylp p u s r e w o p V 5 L L P 0 9 R F D V D − 1 k c a b y alp M F E r o f L L P f o g nitt e s e g n a r n oit allic s o O C V 1 9 R F D C − 2 k c a b y alp M F E r o f L L P f o g nitt e s e g n a r n oit allic s o O C V 2 9 V J O k c a b y alp M F E r o f k c olc L L P f o t u p t u o r e ttiJ 3 9 K C P O k c a b y alp M F E r o f t u p t u o k c olc ti B 4 9 O A R D A I t u p ni s s e r d d A 5 9 Q E Y S D V D I t u p ni e slu p e zin o r h c n y s D V D 6 9 C N Y S D V D I t u p nila n gis s u o n o r h c n y s D V D 7 9 2 M F E L O 2 K C P h ti w M F E e ula v d e t a ts - y r a nib s a w h cih w la n gis a t u o d n a t u c t a h t e t a ts e h t t u p t u O 8 9 1 D D V D − O /I r o f ylp p u s r e w o p V 3 . 3 9 9 S S V − D N G 0 0 1 M F E L O 1 K C P h ti w M F E e ula v d e t a ts - y r a nib s a w h cih w la n gis a t u o d n a t u c t a h t e t a ts e h t t u p t u O www. xiaoyu163. com QQ 376315150 9 9 2 8 9 4 2 9 8 TEL 13942296513 9 9 2 8 9 4 2 9 8 0 5 1 5 1 3 6 7 3 Q Q TEL 13942296513 QQ 376315150 892498299 TEL 13942296513 QQ 376315150 892498299 http://www.xiaoyu163.com 84 DV-646A DRIVER TSD PS TORQUE CURRENT SENSE AMP SENSE AMP SHORT BRAKE D R Q CK Q TL GAIN CONTROL GAIN SWITCH Vcc Vcc Vcc A3 2 A2 4 A1 7 GND 8 H1+ 9 H1- 10 H2+ 11 H2- 12 H3+ 13 H3- 14 GSW 26 FG 24 VCC 25 RNF 28 VM 27 HALL AMP PS 23 EC 22 ECR 21 FR 20 FG2 19 SB 18 CNF 17 BR 16 VH 15 BRAKE MODE HALL BIAS No. Pin Name Pin Name Pin Function No. Pin Function 1 N.C. N.C. 16 BR Brake mode switching pin 2 A3 Output pin 17 CNF Capacitor connection pin for phase compensation 3 N.C. N.C. 18 SB Short brake pin 4 A2 Output pin 19 FG2 FG 3-phase mix signal output pin 5 N.C. N.C. 20 FR Rotation detecting pin 6 N.C. N.C. 21 ECR Control reference pin of output voltage 7 A1 Output pin 22 EC Output voltage control pin 8 GND GND pin 23 PS Power save pin 9 H1+ Hall signal input pins 24 FG FG signal output pin 10 H1- 25 VCC Power supply pin 11 H2+ 26 GSW Gain switching pin 12 H2- 27 VM Motor power pin 13 H3+ 28 RNF Resistor connection pin for output current detection 14 H3- FIN FIN GND 15 VH Hall bias pin BA6664FM (DVDM ASSY : IC251) • Three-phase Motor Driver • Block Diagram • Block Diagram www. xiaoyu163. com QQ 376315150 9 9 2 8 9 4 2 9 8 TEL 13942296513 9 9 2 8 9 4 2 9 8 0 5 1 5 1 3 6 7 3 Q Q TEL 13942296513 QQ 376315150 892498299 TEL 13942296513 QQ 376315150 892498299 http://www.xiaoyu163.com 85 DV-646A PD6345A (DVDM ASSY : IC601) • FR CPU • Pin Function . o N k r a M e m a N n i P O /I n o it c n u F n i P 1 6 1 D / 0 2 P 0 D O /I t u p t u o /t u p ni s u b a t a D 2 7 1 D / 1 2 P 1 D 3 8 1 D / 2 2 P 2 D 4 9 1 D / 3 2 P 3 D 5 0 2 D / 4 2 P 4 D 6 1 2 D / 5 2 P 5 D 7 2 2 D / 6 2 P 6 D 8 3 2 D / 7 2 P 7 D 9 4 2 D / 0 3 P 8 D 0 1 5 2 D / 1 3 P 9 D 1 1 6 2 D / 2 3 P 0 1 D 2 1 7 2 D / 3 3 P 1 1 D 3 1 8 2 D / 4 3 P 2 1 D 4 1 9 2 D / 5 3 P 3 1 D 5 1 0 3 D / 6 3 P 4 1 D 6 1 1 3 D / 7 3 P 5 1 D 7 1 S S V D N G − d n u o r G 8 1 0 0 A / 0 4 P 0 A O t u p t u o s u b s s e r d d A 9 1 1 0 A / 1 4 P 1 A 0 2 2 0 A / 2 4 P 2 A 1 2 3 0 A / 3 4 P 3 A 2 2 4 0 A / 4 4 P 4 A 3 2 5 0 A / 5 4 P 5 A 4 2 6 0 A / 6 4 P 6 A 5 2 7 0 A / 7 4 P 7 A 6 2 3 C C V D 3 . 3 + V − ylp p u s r e w o P 7 2 2 C C V D 5 . 2 + V − ylp p u s r e w o P 8 2 8 0 A / 0 5 P 8 A O t u p t u o s u b s s e r d d A 9 2 9 0 A / 1 5 P 9 A 0 3 0 1 A / 2 5 P 0 1 A 1 3 1 1 A / 3 5 P 1 1 A 2 3 2 1 A / 4 5 P 2 1 A 3 3 3 1 A / 5 5 P 3 1 A 4 3 4 1 A / 6 5 P 4 1 A 5 3 5 1 A / 7 5 P 5 1 A 6 3 S S V D N G − d n u o r G 7 3 6 1 A / 0 6 P 6 1 A O t u p t u o s u b s s e r d d A 8 3 7 1 A / 1 6 P 7 1 A 9 3 8 1 A / 2 6 P 8 1 A 0 4 9 1 A / 3 6 P 9 1 A 1 4 0 2 A / 4 6 P 0 2 A 2 4 1 2 A / 5 6 P A T S F O T O o v r e s r o f A - n oitc ejni t e sff o g nik c a r T 3 4 2 2 A / 6 6 P C T S F O T O o v r e s r o f C - n oitc ejni t e sff o g nik c a r T 4 4 3 2 A / 7 6 P L B W O ) nia m ( W / R D V D o t g nid n o p s e rr o c n oitc e t e d elb b o W r o F 5 4 S V A D D N G − d n u o r G 6 4 C V A D D 3 . 3 + V − ylp p u s r e w o P 7 4 0 A D 1 P E T S I lo rt n o c r o t o m g nip p e ts r o F 8 4 1 A D 2 P E T S I 9 4 2 A D V R D O L I e vir d r o t o m tc ele s d n a r o o d , g nid a o L www. xiaoyu163. com QQ 376315150 9 9 2 8 9 4 2 9 8 TEL 13942296513 9 9 2 8 9 4 2 9 8 0 5 1 5 1 3 6 7 3 Q Q TEL 13942296513 QQ 376315150 892498299 TEL 13942296513 QQ 376315150 892498299 http://www.xiaoyu163.com 86 DV-646A . o N k r a M e m a N n i P O /I n o it c n u F n i P 0 5 0 N A 2 P E T S I t u p t u o A / D f o le c n a c t e sff o r o F 2 lo rt n o c r e p p e ts r o F 1 5 1 N A 1 P E T S I t u p t u o A / D f o le c n a c t e sff o r o F 1 lo rt n o c r e p p e ts r o F 2 5 2 N A W S P A N I P / A / M = L / M / H le n a p r a e R 3 5 3 N A M E O X I t u p ni n oitc e t o r p le d o m M E O 4 5 4 N A R U C D L I n oit a cid ni e ula v t n e rr u c D L r o f t u p n I 5 5 5 N A S O P L E S I r e g n a h c o r ci m f o t u p ni r o tc ele s y a r T 6 5 6 N A W S P M A L C I t u p ni W S n oitis o p p m al C 7 5 7 N A S O P D O L I t u p ni W S n oitis o p p m alc g nid a o L 8 5 C C V A D 3 . 3 + V − ylp p u s r e w o P 9 5 H R V A D 3 . 3 + V − ylp p u s r e w o P 0 6 I R V A / S S V A D N G − d n u o r G 1 6 S S V D N G − d n u o r G 2 6 X G T A / 0 P P S O P D L S I n oitis o p e dis ni r e dils f o t u p ni W S 3 6 K C R F / 1 P P W S G O ) L :s r e h t o , H : R B C A t a ( R B C A t a p u nia G 4 6 0 N I/ 2 P P N O 0 8 7 I e d oid r e s al m n 0 8 7 f o la n gis lo rt n o c F F O / N O 5 6 1 N I/ 3 P P O D E S O t u p t u o e vir d n oit a t o r y a r T 6 6 2 N I/ 4 P P N O M X O ) H : N O r o t o m eld nip s ( V R D f o e t u M 7 6 3 N I/ 5 P P T U M V R D X O t u p t u o e t u m r e vir d S T F 8 6 6 P P 1 T L O r ello rt n o c L F e h t o t e s n o p s e r n oit a cin u m m o C 9 6 7 P P Y D R X I r ello rt n o c L F e h t m o rf ts e u q e r n oit a cin u m m o C 0 7 3 C C V D 3 . 3 + V − ylp p u s r e w o P 1 7 2 C C V D 5 . 2 + V − ylp p u s r e w o P 2 7 0 C O / 0 O P T E D R U C X I s m 0 0 3 " L " r o f F F O o v r e S t u p ni n oitc e t e d t n e rr u c r o t a u tc A 3 7 1 C O / 1 O P Y S U B C X I " L " : elb a t p e c c a d n a m m o C s s e c o r p d n a m m o c f o la n gis y s u B 4 7 2 C O / 2 O P T S R P S D X O t e s e r P S D o v r e S 5 7 3 C O / 3 O P A C B − ) d e s u t o N ( ) H : d a e r A C B t a ( la n gis d a e r A C B 6 7 4 C O / 4 O P / S N S C S D X 4 D C X O /I tsix e c si D :" L " e slu p n oitc e t e d c si D ) d e e p s h tr u o F :" L "( k c a b y alp D C d e e p s h tr u o f o t d n o p s e rr o C 7 7 5 C O / 5 O P T N C P P O ) H : P P t a ( la s r e v a rt L B W ni C Z T f o h cti w S 8 7 6 C O / 6 O P H N I F D X O )" L " : F F O ; Z -i H : N O T C E F E D ( lo rt n o c la n gis tc e f e D 9 7 7 C O / 7 O P E T / D P D O s m a e b 3 = L , m a e b 1 = H 0 8 S S V D N G − d n u o r G 1 8 0 N I A / 0 N P D C X / D V D O D C :" L " , D V D :" H " D C / D V D t a la n gis g nih cti w s Q E F R 2 8 0 N I B / 1 N P F F O G A O C I F R f o C G A ff o n r u T :" H " 3 8 1 N I A / 2 N P 0 8 7 X 0 5 6 O la n gis g nih cti w s m n 0 5 6 / m n 0 8 7 4 8 1 N I B / 3 N P N O D L O e d oid r e s al f o la n gis lo rt n o c F F O / N O 5 8 2 N I A / 4 N P 2 T S F O F O ) Z -i H ," L " ," H " lo rt n o c e ula v -ir T ( 1 t n e m ts ujd a t e sff o s u c o F 6 8 2 N I B / 5 N P 1 T S F O F O ) Z -i H ," L " ," H " lo rt n o c e ula v -ir T ( 2 t n e m ts ujd a t e sff o s u c o F 7 8 3 N I A / 6 N P X 2 D C X O k c a b y alp d e e p s elb u o d D C V r o F 8 8 3 N I B / 7 N P G C I E O O B d 6 o t p u C I E O f o nia G :" H " 9 8 0 N I Z / 0 M P S O P Y R T I r e b m u n c sid f o t u p ni t n u o C 0 9 1 N I Z / 1 M P W S P X / N O ) L A P / C S T N ( tr o p lo rt n o c r e d o c n e o e di V 1 9 2 N I Z / 2 M P L E S V O h cti w s ) B G R ( r o )r C b C Y ( / ) S , e tis o p m o C ( 2 9 3 N I Z / 3 M P 2 L E S V O h cti w s ) S ( / la ni m r e t trik s f o ) e tis o p m o C ( 3 9 1 A D S / 0 L P I A D S s e nillo rt n o c C 2 1 4 9 0 A D S / 1 L P O A D S 5 9 1 L C S / 2 L P I L C S 6 9 0 L C S / 3 L P O L C S 7 9 4 L P S T C I t u p ni d n e s o t r a elc C 2 3 2 - S R 8 9 5 L P R T D O t u p t u o d n e s o t r a elc C 2 3 2 - S R 9 9 0 C U / 6 L P - − − 0 0 1 S S V D N G − d n u o r G www. xiaoyu163. com QQ 376315150 9 9 2 8 9 4 2 9 8 TEL 13942296513 9 9 2 8 9 4 2 9 8 0 5 1 5 1 3 6 7 3 Q Q TEL 13942296513 QQ 376315150 892498299 TEL 13942296513 QQ 376315150 892498299 http://www.xiaoyu163.com 87 DV-646A . o N k r a M e m a N n i P O /I n o it c n u F n i P 1 0 1 0 N I T / 0 K P T S R E Q V X O la n gis t e s e r 3 E Q V 2 0 1 1 N I T / 1 K P 1 O R P S C X − C I r e tr e v n o c e vis s e r g o r p e h t f o elb a n e n oit a cin u m m o c lair e S 3 0 1 2 N I T / 2 K P 5 E Q V S C X − C I 5 E Q V f o elb a n e n oit a cin u m m o c lair e S 4 0 1 3 N I T / 3 K P . C . N − . C . N 5 0 1 0 T O T / 4 K P 8 4 X 4 4 O n oitc ele s 8 4 / 4 4 sf k c olc ylp p u s P S A D d n a C A D 6 0 1 1 T O T / 5 K P R R E I D I t u p ni )la n gis k c oln u ( r o rr e n oit p e c e r R I D 7 0 1 2 T O T / 6 K P 2 N O C I M X 1 L E S O A O H C itlu m r o f la n gis X I M r e t n e c ci M ) a t a d R / L t n o rf( h cti w s P S D oid u a / 1 - V A 8 0 1 3 T O T / 7 K P 0 L E S O A − h cti w s 0 O A d n a D O A t u p t u o 1 V A 9 0 1 3 C C V D 3 . 3 + V − ylp p u s r e w o P 0 1 1 2 C C V D 5 . 2 + V − ylp p u s r e w o P 1 1 1 0 T N I/ 0 J P 0 T N I X I 2 1 1 1 T N I/ 1 J P 1 T N I X I 3 1 1 2 T N I/ 2 J P 0 1 Q R I X I 0 # t p u rr e t ni pih c Y M 4 1 1 3 T N I/ 3 J P 1 1 Q R I X I 1 # t p u rr e t ni pih c Y M 5 1 1 4 T N I/ 4 J P Y S U B A X I " L " n oit a r e p o s s e c o r p P S D f o la n gis y s u B 6 1 1 5 T N I/ 5 J P D L H T I la n gis g nir o tin o m d e e p s k c a b y al P 7 1 1 6 T N I/ 6 J P Y S B S I )" H " I S + O S d oir e p ( k c olb e d o c b u s f o la n gis .c n y S 8 1 1 7 T N I/ 7 J P . C . N I . C . N 9 1 1 0 I S / 0 I P I S S I t u p ni a t a d s u b lair e S 0 2 1 0 O S / 1 I P O S S O t u p t u o a t a d s u b lair e S 1 2 1 0 K C S / 2 I P K C S S I t u p ni k c olc s u b lair e S 2 2 1 1 I S / 3 I P D X R I D X R C 2 3 2 - S R 3 2 1 1 O S / 4 I P D X T O D X T C 2 3 2 - S R 4 2 1 1 K C S / 5 I P D O M L E S − h cti w s e d o m P S D oid u A 5 2 1 2 I S / 0 H P 2 T E S E R − 2 P S D r o f t e s e R 6 2 1 2 O S / 1 H P 1 P S D A S C X O 2 P S D r o f S C 7 2 1 2 K C S / 2 H P D P S S C X − la n gis lo rt n o c P S D oid u a g nit a r e n e g r o f C I lella r a p /lair e s f o la n gis h ct a L 8 2 1 0 D M D N G − d n u o r G 9 2 1 1 D M D N G − 0 3 1 2 D M D N G − 1 3 1 S S V D N G − d n u o r G 2 3 1 2 C C V D 5 . 2 + V − ylp p u s r e w o P 3 3 1 S S V D N G − d n u o r G 4 3 1 1 X L A T X E O 5 3 1 0 X L A T X I 6 3 1 3 C C V D 3 . 3 + V − ylp p u s r e w o P 7 3 1 2 Q E R D / 0 C P N O E F L 1 T E S E R O t n e m ele E F L f o R / L t n o rf o t xi M tc ele S t e s e r 1 P S D 8 3 1 2 K C A D / 1 C P 1 N O C I M X P S D S X / 1 V A O h c 2 r o f la n gis X I M R / L t n o rf ci M h cti w s P S D o v r e s/ 1 - V A 9 3 1 2 P O E D / 2 C P D M H C 6 O ( h cti w s h c 6 / h c 2 t u p t u o C A D ← ) 2 T S R V D X 0 4 1 0 Q E R D / 0 B P 0 Q E R D X I pih C Y B o t t u p t u o e s n o p s e r A M D 1 4 1 0 K C A D / 1 B P 0 K C A D O pih C Y B m o rf t u p ni ts e u q e r A M D 2 4 1 0 P O E D / 2 B P . C . N − . C . N 3 4 1 1 Q E R D / 3 B P 1 Q E R D X I pih C 1 - V A o t t u p t u o e s n o p s e r A M D 4 4 1 1 K C A D / 4 B P 1 K C A D X O pih C 1 - V A m o rf t u p ni ts e u q e r A M D 5 4 1 1 P O E D / 5 B P N O K C X E X O k c olc la n r e tx e P S D f o h cti w s F F O / N O 6 4 1 X R W O I/ 6 B P 1 L E S I O D O ) D N G d n a P S D . 1 - V A ( P S D oid u a f o 1 h cti w s t u p t u o la tigi D 7 4 1 X D R O I/ 7 B P 2 L E S I O D O ) D N G d n a P S D . 1 - V A ( P S D oid u a f o 2 h cti w s t u p t u o la tigi D 8 4 1 S S V D N G − d n u o r G 9 4 1 X O S C / 0 A P 0 2 S C X O M O R h s al F o t t u p t u o tc ele s pih C 0 5 1 X 1 S C / 1 A P 6 S C X O tc ele s pih C 1 - V A www. xiaoyu163. com QQ 376315150 9 9 2 8 9 4 2 9 8 TEL 13942296513 9 9 2 8 9 4 2 9 8 0 5 1 5 1 3 6 7 3 Q Q TEL 13942296513 QQ 376315150 892498299 TEL 13942296513 QQ 376315150 892498299 http://www.xiaoyu163.com 88 DV-646A . o N k r a M e m a N n i P O /I n o it c n u F n i P 1 5 1 X 2 S C / 2 A P 3 S C X O ) pih C Y M ( A 5 9 9 4 D P f o tc ele s pih C 2 5 1 X 3 S C / 3 A P 4 S C X O P S D o v r e s f o tc ele s pih C 3 5 1 X 4 S C / 4 A P 3 2 S C X O ) M 1 ( M A R S o t t u p t u o tc ele s pih C 4 5 1 X 5 S C / 5 A P . C . N O . C . N 5 5 1 X 6 S C / 6 A P . C . N O . C . N 6 5 1 X 7 S C / 7 A P . C . N O . C . N 7 5 1 3 C C V D 3 . 3 + V − ylp p u s r e w o P 8 5 1 2 C C V D 5 . 2 + V − ylp p u s r e w o P 9 5 1 X I M N − − d e xif D 3 . 3 + V 0 6 1 X T S H − − d e xif D 5 . 2 + V 1 6 1 X T I N I T I N I X I 2 6 1 Y D R / 0 8 P Y D R I 3 6 1 X T N R G B / 1 8 P E T U M A X I t u p t u o oid u a h c 2 f o e t u m e g a ts la ni F 4 6 1 Q R B / 2 8 P E T U M M X O e t u m le n n a h c itlu m oid u A 5 6 1 X D R / 3 8 P D R X O 6 6 1 X 0 R W / 4 8 P 0 R W X O 7 6 1 X 1 R W / 5 8 P 1 R W X O 8 6 1 S S V D N G − d n u o r G 9 6 1 K L C S Y S / 0 9 P K L C S Y S O 0 7 1 1 9 P T S R F D − ) R / L t n o rf r o f( t e s e r C A D 1 7 1 K L C M / 2 9 P 1 T S R F D − ) E F L d n a d n u o rr u s ,r e t n e c r o f( t e s e r C A D 2 7 1 3 9 P 0 F D S C X O ( tc ele s pih c C A D ← ) 3 T A L X 3 7 1 X A B L / 4 9 P 1 F D S C X O E F L d n a d n u o rr u s ,r e t n e c r o f tc ele s pih c C A D 4 7 1 X A A B / 5 9 P T S R Q A X O t e s e r E Q A 5 7 1 6 9 P E Q A S C X O tc ele s pih c E Q A 6 7 1 X E W / 7 9 P T N E M T I y rt n e e d o m ts e T www. xiaoyu163. com QQ 376315150 9 9 2 8 9 4 2 9 8 TEL 13942296513 9 9 2 8 9 4 2 9 8 0 5 1 5 1 3 6 7 3 Q Q TEL 13942296513 QQ 376315150 892498299 TEL 13942296513 QQ 376315150 892498299 http://www.xiaoyu163.com 89 DV-646A M65774BFP (DVDM ASSY : IC801) • MPEG2 Decoder IC • Block Diagram • Pin Function Descrambler Bit Streem Input Interface Bit Streem Host CPU 16M DRAM 16M bit SDRAM Video Output PCM Audio Output IEC958 Output Internal CPU Write BUS H BUS SDRAM Controller ROM RAM Host Interface Video Decoder Sub-picture Decoder Display Processor Special Playback Processor Video Output Interface Audio Output Interface Read BUS . o N e m a N n i P O /I n o it c n u F n i P . o N e m a N n i P O /I n o it c n u F n i P 1 D N G I d n u o r G 1 2 D D V 5 I ylp p u s r e w o p V 5 2 0 D H O /I tr o p t u p t u o d n a t u p ni a t a D 2 2 5 1 D H O /I tr o p t u p t u o d n a t u p ni a t a D 3 1 D H 3 2 S C I t u p nila n gis tc ele s pih C 4 2 D H 4 2 E R I t u p nila n gis elb a n E d a e R 5 3 D H 5 2 E W I t u p nila n gis elb a n E e tir W 6 4 D H 6 2 E H B I t u p nila n gis elb a n E h gi H e ty B 7 D D V 5 I ylp p u s r e w o p V 5 7 2 Y D R O e h t d e t a cid ni si h cih w la n gis e g d el w o n k c A ts o h e h t aiv g nitir w r o g nid a e r a t a d f o h sinif s u b 8 D D V I ylp p u s r e w o P 8 2 R T N I O e h t o t ts nia g a la n gis ts e u q e r t p u rr e t n I P F 3 7 7 5 6 M m o rf U P C la n r e tx e 9 5 D H O /I tr o p t u p t u o d n a t u p ni a t a D 9 2 D N G I d n u o r G 0 1 6 D H 0 3 0 A H I tr o p t u p ni s s e r d d A 1 1 7 D H 1 3 1 A H 2 1 8 D H 2 3 2 A H 3 1 9 D H 3 3 3 A H 4 1 D N G I d n u o r G 4 3 4 A H 5 1 0 1 D H O /I tr o p t u p t u o d n a t u p ni a t a D 5 3 D D V I ylp p u s r e w o P 6 1 1 1 D H 6 3 D D V 5 I ylp p u s r e w o p V 5 7 1 2 1 D H 7 3 5 A H I tr o p t u p ni s s e r d d A 8 1 3 1 D H 8 3 6 A H 9 1 4 1 D H 9 3 7 A H 0 2 D D V I ylp p u s r e w o P 0 4 8 A H www. xiaoyu163. com QQ 376315150 9 9 2 8 9 4 2 9 8 TEL 13942296513 9 9 2 8 9 4 2 9 8 0 5 1 5 1 3 6 7 3 Q Q TEL 13942296513 QQ 376315150 892498299 TEL 13942296513 QQ 376315150 892498299 http://www.xiaoyu163.com 90 DV-646A . o N e m a N n i P O /I n o it c n u F n i P . o N e m a N n i P O /I n o it c n u F n i P 1 4 9 A H I tr o p t u p ni s s e r d d A 3 8 D D V I ylp p u s r e w o P 2 4 D N G I d n u o r G 4 8 C N Y S V O t u p t u o la n gis .c n y s lc aitr e V 3 4 K C M D C I d n u o r g o t tc e n n o C 5 8 C N Y S H O t u p t u o la n gis .c n y s la t n o zir o H 4 4 K C R L D C I P S D D C m o rf t u p ni k c olc k c olc R / L 6 8 T R T S C I P 5 4 K C B D C I P S D D C m o rf t u p ni k c olc tib M C P 7 8 T R T S B M 6 4 A T A D D C I t u p ni e c a fr e t ni oid u a la tigi D 8 8 A T A D B M 7 4 D D V I ylp p u s r e w o P 9 8 D N G I d n u o r G 8 4 N I D D C I P S D D C m o rf t u p ni a t a d oid u a M C P 0 9 D W P O .c n y s la n r e tx e r o f t u p t u o r o t a r a p m o c e s a h P n oit a r e p o 9 4 2 T N I O e h t o t ts nia g a la n gis ts e u q e r t p u rr e t n I P F 3 7 7 5 6 M m o rf U P C la n r e tx e 1 9 C N Y S C I t u p nila n gis C N Y S e tis o p m o C 0 5 3 T N I 2 9 Y E K D S O O t u p t u o g alf y e k D S O 1 5 Q E R D O r e fs n a rt p a m tib D S O r o fla n gis ts e u q e r A M D 3 9 K L C X P O ) k c olc g nin n u r- e e rf z H M 7 2 ( k c olc le xi P 2 5 K C A D I p a m tib D S O r o fla n gis e g d el w o n k c a A M D r e fs n a rt 4 9 D D V I ylp p u s r e w o P 3 5 D N G I d n u o r G 5 9 7 D P O a t a d le xip la tigi D 4 5 O K L C O t u p t u o k c olc z H M 7 2 6 9 6 D P 5 5 N I K L C I t u p ni k c olc m e ts y S 7 9 5 D P 6 5 1 D D V A I ylp p u s r e w o p g ola n A 8 9 4 D P 7 5 1 D N G A I d n u o r g g ola n A 9 9 D N G I d n u o r G 8 5 3 D N G A 0 0 1 3 D P O a t a d le xip la tigi D 9 5 3 D D V A I ylp p u s r e w o p g ola n A 1 0 1 2 D P 0 6 P A C C I d n u o r g o t tc e n n o C 2 0 1 1 D P 1 6 2 D N G A I d n u o r g g ola n A 3 0 1 0 D P 2 6 2 D D V A I ylp p u s r e w o p g ola n A 4 0 1 D D V I ylp p u s r e w o P 3 6 O K L C A − n e p O 5 0 1 D N G I d n u o r G 4 6 I K L C A I t u p ni k c olc oid u A 6 0 1 T E S E R I t u p nit e s e r e r a w d r a H 5 6 1 E D O M H I e d o m g nit a r e p o e c a fr e t nits o h f o nip g nitt e S 7 0 1 0 T S E T I ylla m r o n d n u o r g o t tc e n n o C 6 6 D N G I d n u o r G 8 0 1 1 T S E T 7 6 D D V I ylp p u s r e w o P 9 0 1 2 T S E T 8 6 D O A O a t a d oid u a f o t u p t u o M C P 0 1 1 D D V I ylp p u s r e w o P 9 6 2 O A 1 1 1 0 D M N O /I M A R D h ti w e nil r e fs n a rt a t a D 0 7 1 O A 2 1 1 5 1 D M N 1 7 0 O A 3 1 1 1 D M N 2 7 D N G I d n u o r G 4 1 1 4 1 D M N 3 7 1 T U O D O t u p t u o e c a fr e t ni oid u a la tigi D 5 1 1 D N G I d n u o r G 4 7 0 T U O D 6 1 1 2 D M N O /I M A R D h ti w e nil r e fs n a rt a t a D 5 7 A D S − n e p O 7 1 1 3 1 D M N 6 7 L C S − n e p O 8 1 1 3 D M N 7 7 D D V I ylp p u s r e w o P 9 1 1 2 1 D M N 8 7 D N G I d n u o r G 0 2 1 D D V I ylp p u s r e w o P 9 7 K L C C A D O t u p t u o k c olc g nit a r e p o g nilp m a s -r e v O 1 2 1 4 D M N O /I M A R D h ti w e nil r e fs n a rt a t a D 0 8 K L C O D O t u p t u o k c olc tib M C P 2 2 1 1 1 D M N 1 8 K L C R L O le n n a h c e h t g nit a ni m ir c sid r o f t u p t u o k c ol C a t a d oid u a M C P f o ) R / L ( 3 2 1 5 D M N 2 8 0 E D O M H I e d o m g nit a r e p o e c a fr e t nits o h f o nip g nitt e S 4 2 1 0 1 D M N www. xiaoyu163. com QQ 376315150 9 9 2 8 9 4 2 9 8 TEL 13942296513 9 9 2 8 9 4 2 9 8 0 5 1 5 1 3 6 7 3 Q Q TEL 13942296513 QQ 376315150 892498299 TEL 13942296513 QQ 376315150 892498299 http://www.xiaoyu163.com 91 DV-646A . o N e m a N n i P O /I n o it c n u F n i P . o N e m a N n i P O /I n o it c n u F n i P 5 2 1 D N G I d n u o r G 7 6 1 5 A M O M A R D S h ti w e nil s s e r d d A 6 2 1 6 D M N O /I M A R D h ti w e nil r e fs n a rt a t a D 8 6 1 D N G I d n u o r G 7 2 1 9 D M N 9 6 1 1 A M O M A R D S h ti w e nil s s e r d d A 8 2 1 7 D M N 0 7 1 6 A M 9 2 1 8 D M N 1 7 1 0 A M 0 3 1 D D V I ylp p u s r e w o P 2 7 1 7 A M 1 3 1 0 S A C N O f o e nillo rt n o c ) e b o rt S s s e r d d A n m ulo C ( S A C M A R D 3 7 1 D D V I ylp p u s r e w o P 2 3 1 E W N O M A R D f o e nillo rt n o c E W 4 7 1 0 1 A M O M A R D S h ti w e nil s s e r d d A 3 3 1 1 S A C N O f o e nillo rt n o c ) e b o rt S s s e r d d A n m ulo C ( S A C M A R D 5 7 1 8 A M 4 3 1 S A R N O f o e nillo rt n o c ) e b o rt S s s e r d d A w o R ( S A R M A R D 6 7 1 1 1 A M 5 3 1 D N G I d n u o r G 7 7 1 9 A M 6 3 1 9 A M N O M A R D h ti w e nil s s e r d d A 8 7 1 D N G I d n u o r G 7 3 1 8 A M N 9 7 1 S C D O M A R D S f o tc ele s pih C 8 3 1 D D V I ylp p u s r e w o P 0 8 1 S A R O f o e nillo rt n o c ) e b o rt S s s e r d d A w o R ( S A R M A R D S 9 3 1 0 A M N O M A R D h ti w e nil s s e r d d A 1 8 1 S A C O e nillo rt n o c ) e b o rt S s s e r d d A n m ulo C ( S A C M A R D S f o 0 4 1 7 A M N 2 8 1 D D V I ylp p u s r e w o P 1 4 1 1 A M N 3 8 1 K L C M O M A R D S f o k c olc n oit a r e p O 2 4 1 6 A M N 4 8 1 D N G I d n u o r G 3 4 1 D N G I d n u o r G 5 8 1 E W D O M A R D S f o e nillo rt n o c E W 4 4 1 2 A M N O M A R D h ti w e nil s s e r d d A 6 8 1 U M Q D O M A R D S f o e nillo rt n o c M Q D .t u p t u o e ty b r e p p u f o k s a m r o f e s U 5 4 1 5 A M N 7 8 1 L M Q D O M A R D S f o e nillo rt n o c M Q D .t u p t u o e ty b r e w ol f o k s a m r o f e s U 6 4 1 3 A M N 8 8 1 D D V I ylp p u s r e w o P 7 4 1 4 A M N 9 8 1 7 D M O /I M A R D S h ti w e nil r e fs n a rt a t a D 8 4 1 D D V I ylp p u s r e w o P 0 9 1 8 D M 9 4 1 7 D B I tr o p t u p ni m a e rts ti B 1 9 1 6 D M 0 5 1 6 D B 2 9 1 9 D M 1 5 1 D N G I d n u o r G 3 9 1 D N G I d n u o r G 2 5 1 5 D B I tr o p t u p ni m a e rts ti B 4 9 1 5 D M O /I M A R D S h ti w e nil r e fs n a rt a t a D 3 5 1 4 D B 5 9 1 0 1 D M 4 5 1 3 D B 6 9 1 4 D M 5 5 1 2 D B 7 9 1 1 1 D M 6 5 1 D D V I ylp p u s r e w o P 8 9 1 D D V I ylp p u s r e w o P 7 5 1 D N G I d n u o r G 9 9 1 3 D M O /I M A R D S h ti w e nil r e fs n a rt a t a D 8 5 1 1 D B I tr o p t u p ni m a e rts ti B 0 0 2 2 1 D M 9 5 1 0 D B 1 0 2 2 D M 0 6 1 K L C B I tr o p D B f o ) k c olc ( la n gis e b o rt S 2 0 2 3 1 D M 1 6 1 N E D B I si h cih w a t a d dila v ni r o e vitc e ff e e h t s e t a cid n I tr o p D B m o rf d elp m a s 3 0 2 D N G I d n u o r G 2 6 1 Q E R D B O e h t o t ts nia g a la n gis n ois si m r e p t u p t u O g nitc e n n o c h cih w )r e d o c e d le n n a h c ( e civ e d tr o p D B o t 4 0 2 1 D M O /I M A R D S h ti w e nil r e fs n a rt a t a D 3 6 1 D D V I ylp p u s r e w o P 5 0 2 4 1 D M 4 6 1 3 A M O M A R D S h ti w e nil s s e r d d A 6 0 2 0 D M 5 6 1 4 A M 7 0 2 5 1 D M 6 6 1 2 A M 8 0 2 D D V I ylp p u s r e w o P www. xiaoyu163. com QQ 376315150 9 9 2 8 9 4 2 9 8 TEL 13942296513 9 9 2 8 9 4 2 9 8 0 5 1 5 1 3 6 7 3 Q Q TEL 13942296513 QQ 376315150 892498299 TEL 13942296513 QQ 376315150 892498299 http://www.xiaoyu163.com 92 DV-646A XCA56367PV150 (DVDM ASSY : IC901) • DVD-Audio decoder • Pin Arrangement 108 D6 107 D5 106 D4 105 D3 104 GNDD 103 VCCD 102 D2 101 D1 100 D0 99 A17 98 A16 97 A15 96 GNDA 95 VCCQH 94 A14 93 A13 92 A12 91 VCCQL 90 GNDQ 89 A11 88 A10 87 GNDA 86 VCCA 85 A9 84 A8 83 A7 82 A6 81 GNDA 80 VCCA 79 A5 78 A4 77 A3 76 A2 75 GNDA 74 VCCA 73 A1 HAD4 37 VCCH 38 GNDH 38 HAD3 40 HAD2 41 HAD1 42 HAD0 43 RESET# 44 VCCP 45 PCAP 46 GNDP 47 SDO5_1/SDI0_1 48 VCCQH 49 FST_1 50 AA2 51 CAS# 52 SCKT_1 53 GNDQ 54 EXTAL 55 VCCQL 56 VCCC 57 GNDC 58 FSR_1 59 SCKR_1 60 PINIT/NMI# 61 TA# 62 BR# 63 BB# 64 VCCC 65 GNDC 66 WR# 67 RD# 68 AA1 69 AA0 70 BG# 71 A0 72 SCK/SCL 1 SS#/HA2 2 HREQ# 3 SDO0/SDO0_1 4 SDO1/SDO1_1 5 SDO2/SDI3/SDO2_1/SDI3_1 6 SDO3/SDI2/SDO3_1/SDI2_1 7 VCCS 8 GNDS 9 SDO4/SDI1 10 SDO5/SDI0 11 FST 12 FSR 13 SCKT 14 SCKR 15 HCKT 16 HCKR 17 VCCQL 18 GNDQ 19 VCCQH 20 HDS/HWR 21 HRW/HRD 22 HACK/HRRQ 23 HOREQ/HTRQ 24 VCCS 25 GNDS 26 ADO 27 ACI 28 TIO0 29 HCS/HA10 30 HA9/HA2 31 HA8/HA1 32 HAS/HA0 33 HAD7 34 HAD6 35 HAD5 36 144 MISO/SDA 143 MOSI/HA0 142 TMS 141 TCK 140 TDI 139 TDO 138 SDO4_1/SDI1_1 137 MODA/IRQA# 136 MODB/IRQB# 135 MODCIRQC# 134 MODD/IRQD# 133 D23 132 D22 131 D21 130 GNDD 129 VCCD 128 D20 127 GNDQ 126 VCCQL 125 D19 124 D18 123 D17 122 D16 121 D15 120 GNDD 119 VCCD 118 D14 117 D13 116 D12 115 D11 114 D10 113 D9 112 GNDD 111 VCCD 110 D8 109 D7 www. xiaoyu163. com QQ 376315150 9 9 2 8 9 4 2 9 8 TEL 13942296513 9 9 2 8 9 4 2 9 8 0 5 1 5 1 3 6 7 3 Q Q TEL 13942296513 QQ 376315150 892498299 TEL 13942296513 QQ 376315150 892498299 http://www.xiaoyu163.com 93 DV-646A • Pin Function . o N e m a N n i P O /I n o it c n u F 1 K C S I n oit a cin u m m o c lair e s ts o h r o f k c olc A 2 S S Ι n oit a cin u m m o c lair e s r o f 3 # Q E R H O n oit a m r o f ni n ois si m r e p r e fs n a rt I H S 4 0 O D S O t u p t u o a t a d h c 2 R / L ,f R /f L I A S E 5 1 O D S O t u p t u o ) a t a d m e ts y s d n u o rr u s ( ,s R /s L I A S E 6 2 O D S O t u p t u o e f L / r e t n e c I A S E 7 3 O D S O . C . N 8 S C C V − r e w o P r e m i T ,I C S ,I S S E 9 S D N G − D N G r e m i T ,I C S ,I S S E 0 1 1 I D S I . C . N 1 1 5 O D S O t u p t u o e r u txi m n w o d 2 1 T S F O /I t u p t u o /t u p ni K C R L 3 1 R S F O . C . N 4 1 T K C S O /I t u p t u o /t u p ni K C B 5 1 R K C S − . C . N 6 1 T K C H I t u p ni K C H 7 1 R K C H O . C . N 8 1 L Q C C V − V 8 . 1 r e w o P e r o C t eiu Q 9 1 Q D N G − D N G t eiu Q 0 2 H Q C C V − r e w o P la n r e tx E t eiu Q 1 2 S D H I pih C y M m o rf e p o r e kirts a t a D 2 2 W R H I pih C y M s a r o s s e c o r P la n gi S la tigi D n e e w t e b e s r u o c r e fs n a rt a t a d a stc ele s h cih w tr o P 3 2 K C A H O )r e t u p m o c o r ci m a o t e cit o n r o rr e r o f( t u p t u o O I P G 4 2 Q E R O H O ) T U R C S o t ts e u q e r a ( t u p t u o O I P G 5 2 S C C V − r e w o P r e m i T ,I C S ,I S S E 6 2 S D N G − D N G r e m i T ,I C S ,I S S E 7 2 O D A O t u p t u o a t a d X A D 8 2 I C A I X A D r o f k c olc A 9 2 0 O I T O n oit a m r o f ni n ois si m r e p r e fs n a rt I H S 0 3 S C H O ) n oit a m r o f nillu f r e ff u b e d o c e d ( t u p t u o O I P G ) n oit a m r o f ni e t a ts e vitc a r o s s e c o r P la n gi S la tigi D ( t u p t u o O I P G 1 3 2 A H I 2 t u p n I s s e r d d A ts o H 2 3 1 A H I 1 t u p n I s s e r d d A ts o H 3 3 0 A H I 0 t u p n I s s e r d d A ts o H 4 3 7 D A H I s u B a t a D /s s e r d d A 5 3 6 D A H 6 3 5 D A H www. xiaoyu163. com QQ 376315150 9 9 2 8 9 4 2 9 8 TEL 13942296513 9 9 2 8 9 4 2 9 8 0 5 1 5 1 3 6 7 3 Q Q TEL 13942296513 QQ 376315150 892498299 TEL 13942296513 QQ 376315150 892498299 http://www.xiaoyu163.com 94 DV-646A . o N e m a N n i P O /I n o it c n u F 7 3 4 D A H I s u B a t a D /s s e r d d A 8 3 H C C V − r e w o P ts o H 9 3 H D N G − D N G ts o H 0 4 3 D A H I s u B a t a D /s s e r d d A 1 4 2 D A H 2 4 1 D A H 3 4 0 D A H 4 4 T E S E R I T E S E R 5 4 P C C V − R E W O P L L P 6 4 P A C P I r e tlif p o ol L L P r o f n oitc e n n o c r o tic a p a C 7 4 P D N G − D N G L L P 8 4 1 _ 0 I D S I t u p ni s R /s L 9 4 H Q C C V − r e w o P la n r e tx E t eiu Q 0 5 1 _ T S F I K C R L 1 5 2 A A O y r o m e m r o f tc ele s pih C 2 5 S A C O . C . N 3 5 1 _ T K C S I K C B 4 5 Q D N G − D N G t eiu Q 5 5 L A T X E I k c olc z H M 7 2 6 5 L Q C C V − r e w o P e r o C t eiu Q 7 5 C C C V − r e w o P lo rt n o C s u B 8 5 C D N G − D N G lo rt n o C s u B 9 5 1 _ R S F − . C . N 0 6 1 _ R K C S − . C . N 1 6 T N I P I lait n I L L P 2 6 A T I . C . N 3 6 R B O 4 6 B B I 5 6 C C C V − r e w o P lo rt n o C s u B 6 6 C D N G − D N G lo rt n o C s u B 7 6 R W O y r o m e m r o f la n gis t h gir W 8 6 D R O y r o m e m r o f la n gis d a e R 9 6 1 A A O . C . N 0 7 0 A A O 1 7 G B I 2 7 0 A O s u B s s e r d d A www. xiaoyu163. com QQ 376315150 9 9 2 8 9 4 2 9 8 TEL 13942296513 9 9 2 8 9 4 2 9 8 0 5 1 5 1 3 6 7 3 Q Q TEL 13942296513 QQ 376315150 892498299 TEL 13942296513 QQ 376315150 892498299 http://www.xiaoyu163.com 95 DV-646A . o N e m a N n i P O /I n o it c n u F 3 7 1 A O s u B s s e r d d A 4 7 A C C V − r e w o P s u B s s e r d d A 5 7 A D N G − D N G s u B s s e r d d A 6 7 2 A O s u B s s e r d d A 7 7 3 A 8 7 4 A 9 7 5 A 0 8 A C C V − r e w o P s u B s s e r d d A 1 8 A D N G − D N G s u B s s e r d d A 2 8 6 A O s u B s s e r d d A 3 8 7 A 4 8 8 A 5 8 9 A 6 8 A C C V − r e w o P s u B s s e r d d A 7 8 A D N G − D N G s u B s s e r d d A 8 8 0 1 A O s u B s s e r d d A 9 8 1 1 A 0 9 Q D N G − D N G t eiu Q 1 9 L Q C C V − V 8 . 1 r e w o P e r o C t eiu Q 2 9 2 1 A O s u B s s e r d d A 3 9 3 1 A 4 9 4 1 A 5 9 H Q C C V − r e w o P la n r e tx E t eiu Q 6 9 A D N G − D N G s u B s s e r d d A 7 9 5 1 A O s u B s s e r d d A 8 9 6 1 A 9 9 7 1 A 0 0 1 0 D O /I s u B a t a D 1 0 1 1 D 2 0 1 2 D 3 0 1 D C C V − r e w o P s u B a t a D 4 0 1 D D N G − D N G s u B a t a D 5 0 1 3 D O /I s u B a t a D 6 0 1 4 D 7 0 1 5 D 8 0 1 6 D www. xiaoyu163. com QQ 376315150 9 9 2 8 9 4 2 9 8 TEL 13942296513 9 9 2 8 9 4 2 9 8 0 5 1 5 1 3 6 7 3 Q Q TEL 13942296513 QQ 376315150 892498299 TEL 13942296513 QQ 376315150 892498299 http://www.xiaoyu163.com 96 DV-646A . o N e m a N n i P O /I n o it c n u F 9 0 1 7 D O /I s u B a t a D 0 1 1 8 D 1 1 1 D C C V − r e w o P s u B a t a D 2 1 1 D D N G − D N G s u B a t a D 3 1 1 9 D O /I s u B a t a D 4 1 1 0 1 D 5 1 1 1 1 D 6 1 1 2 1 D 7 1 1 3 1 D 8 1 1 4 1 D 9 1 1 D C C V − r e w o P s u B a t a D 0 2 1 D D N G − D N G s u B a t a D 1 2 1 5 1 D O /I s u B a t a D 2 2 1 6 1 D 3 2 1 7 1 D 4 2 1 8 1 D 5 2 1 9 1 D 6 2 1 L Q C C V − V 8 . 1 r e w o P e r o C t eiu Q 7 2 1 Q D N G − D N G t eiu Q 8 2 1 0 2 D O /I s u B a t a D 9 2 1 D C C V − r e w o P s u B a t a D 0 3 1 D D N G − D N G s u B a t a D 1 3 1 1 2 D O /I s u B a t a D 2 3 1 2 2 D 3 3 1 3 2 D 4 3 1 D D O M I e cio h c n oit a r e p o f o e d o M 5 3 1 C D O M 6 3 1 B D O M 7 3 1 A D O M 8 3 1 1 _ 1 I D S I t u p ni e f L / C 9 3 1 O D T O t u p t u O a t a D ts e T G A T J 0 4 1 I D T I t u p n I a t a D ts e T G A T J 1 4 1 K C T I k c ol C ts e T G A T J 2 4 1 S M T I tc ele S e d o M ts e T G A T J 3 4 1 I S O M I t u p ni a t a d lair e s H S 4 4 1 O S O M O t u p t u o a t a d lair e s H S www. xiaoyu163. com QQ 376315150 9 9 2 8 9 4 2 9 8 TEL 13942296513 9 9 2 8 9 4 2 9 8 0 5 1 5 1 3 6 7 3 Q Q TEL 13942296513 QQ 376315150 892498299 TEL 13942296513 QQ 376315150 892498299 http://www.xiaoyu163.com 97 DV-646A ADV7190KST (AVJB ASSY : IC601) • Video Encoder IC • Pin Arrangement • Block Diagram 48 47 46 45 44 43 42 41 40 39 38 37 36 35 34 33 1 2 3 4 5 6 7 8 9 10 11 13 14 15 16 12 17 18 19 20 21 22 23 24 25 26 27 28 29 30 31 32 64 63 62 61 60 55 54 53 52 51 50 49 59 58 57 56 PIN 1 IDENTIFIER TOP VIEW (Not to Scale) ADV7190/ADV7191 LQFP NC = NO CONNECT AGND VAA NC NC NC NC NC NC TTX AGND VAA NC PAL_NTSC VSO/CLAMP CSO_HSO RESET P0 P1 P2 P3 P4 P5 P6 P7 P8 P9 P10 P11 P12 P13 P14 P15 RSET1 VREF COMP 1 DAC A DAC B VAA AGND DAC C DAC D AGND VAA DAC E DAC F COMP 2 RSET2 AGND AGND HSYNC VSYNC BLANK ALSB TTXREQ AGND VAA AGND VAA SCL SDA SCRESET/RTC/TR CLKIN CLKOUT VAA I N T E R P O L A T O R MODULATOR AND HUE CONTROL BRIGHTNESS CONTROL AND ADD SYNC AND INTERPOLATOR SATURATION CONTROL AND ADD BURST AND INTERPOLATOR PROGRAMMABLE LUMA FILTER AND SHARPNESS FILTER PROGRAMMABLE CHROMA FILTER SIN/COS DDS BLOCK REAL-TIME CONTROL CIRCUIT SCRESET/RTC/TR I N T E R P O L A T O R M U L T I P L E X E R YUV-TO-RGB MATRIX AND YUV LEVEL CONTROL BLOCK 10-BIT DAC 10-BIT DAC 10-BIT DAC DAC CONTROL BLOCK 10-BIT DAC 10-BIT DAC 10-BIT DAC DAC CONTROL BLOCK DAC A DAC B DAC C VREF RSET2 COMP2 DAC D DAC F DAC E RSET1 COMP1 DNR AND GAMMA CORRECTION 10 10 10 V U Y YCrCb TO YUV MATRIX 10 10 10 V U Y PLL DEMUX 10 10 10 TELETEXT INSERTION BLOCK VIDEO TIMING GENERATOR CGMS/WSS AND CLOSED CAPTIONING CONTROL I2C MPU PORT ALSB SDA SCL PAL_NTSC VSO/CLAMP CSO_HSO TTX TTXREQ HSYNC VSYNC BLANK RESET P0 P15 CLKIN CLKOUT ADV7190/ADV7191 www. xiaoyu163. com QQ 376315150 9 9 2 8 9 4 2 9 8 TEL 13942296513 9 9 2 8 9 4 2 9 8 0 5 1 5 1 3 6 7 3 Q Q TEL 13942296513 QQ 376315150 892498299 TEL 13942296513 QQ 376315150 892498299 http://www.xiaoyu163.com 98 DV-646A • Pin Function Pin Input / No. Mnemonic Output Function 1–16 P0–P15 I 8-Bit or 16-Bit 4:2:2 Multiplexed YCrCb Pixel Port. The LSB of the input data is set up on Pin P0. 17, 25, 29, VAA P Analog Power Supply (3.3 V to 5 V). 38, 43, 54, 63 18, 24, 26, AGND HSYNC VSYNC BLANK G Analog Ground. 33, 39, 42, 55, 64 19 I/O (Modes 1, 2, and 3) Control Signal. This pin may be configured to be an output (Master Mode) or an input (Slave Mode) and accept Sync Signals. 20 I/O Control Signal. This pin may be configured as an output (Master Mode) or as an input ( Slave Mode) and accept as a Control Signal. 21 I/O Video Blanking Control Signal. This signal is optional. For further information see Vertical Blanking Data Insertion and Input section. 22 ALSB I TTL Address Input. This signal sets up the LSB of the MPU address. 23 TTXREQ O Teletext Data Request Output Signal, used to control teletext data transfer. 27 CLKIN I TTL Clock Input. Requires a stable 27 MHz reference clock for standard operation. Alterna- tively, a 24.5454 MHz (NTSC) or 29.5 MHz (PAL) can be used for square pixel operation. 28 CLKOUT O Clock Output Pin. 30 SCL I MPU Port Serial Interface Clock Input. 31 SDA I/O MPU Port Serial Data Input/Output. 32 SCRESET/ I Multifunctional Input: Real-Time Control (RTC) Input, Timing Reset Input, Subcarrier Reset RTC/TR Input. 34 RSET2 I A 1200 Ω resistor connected from this pin to ground is used to control full-scale amplitudes of the Video Signals from DACs D, E, and F. 35 COMP 2 O Compensation Pin for DACs D, E, and F. Connect a 0.1 µF Capacitor from COMP2 to VAA. 36 DAC F O S-Video C/V/RED Analog Output. This DAC is capable of providing 4.33 mA output. 37 DAC E O S-Video Y/U/BLUE Analog Output. This DAC is capable of providing 4.33 mA output. 40 DAC D O Composite/Y/GREEN Analog Output. This DAC is capable of providing 4.33 mA output. 41 DAC C O S-Video C/V/RED Analog Output. This DAC is capable of providing 4.33 mA output. 44 DAC B O S-Video Y/U/BLUE Analog Output. This DAC is capable of providing 4.33 mA output. 45 DAC A O Composite/Y/GREEN Analog Output. This DAC is capable of providing 4.33 mA output. 46 COMP 1 O Compensation Pin for DACs A, B, and C. Connect a 0.1 µF Capacitor from COMP1 to VAA. 47 VREF I/O Voltage Reference Input for DACs or Voltage Reference Output (1.235 V). An external VREF cannot be used in 4 oversampling mode. 48 RSET1 I A 1200 Ω resistor connected from this pin to ground is used to control full-scale amplitudes of the Video Signals from DACs A, B, and C. 49 I The input resets the on-chip timing generator and sets the ADV7190/ADV7191 into default mode. See Appendix 8 for Default Register settings. 50 O Dual function or Output Sync Signal at TTL Level. 51 VSO/CLAMP CSO_HSO RESET I/O M ultifunction Pin. Output Sync Signal at TTL level. CLAMP TTL Output Signals can be used to drive external circuitry to enable clamping of all Video Signals. 52 PAL_NTSC I Input signal to select PAL or NTSC mode of operation, pin set to Logic 1 selects PAL. 53, 57–62 NC No Connect. 56 TTX I Teletext Data Input Pin. HSYNC VSYNC VSYNC BLANK HSO VSO CSO www. xiaoyu163. com QQ 376315150 9 9 2 8 9 4 2 9 8 TEL 13942296513 9 9 2 8 9 4 2 9 8 0 5 1 5 1 3 6 7 3 Q Q TEL 13942296513 QQ 376315150 892498299 TEL 13942296513 QQ 376315150 892498299 http://www.xiaoyu163.com 99 DV-646A PE5251A (FLIR ASSY : IC101) • Mode Control IC • Pin Function No. Pin Name I/O Pin Function 1 VDD1 − Positive power supply (excepting port, analog and FIP controller/driver section) 2 VSS1 − Ground (excepting port and analog) 3 X1 I Connect a crystal for main system clock oscillation 4 X2 − 5 IC − Internal connection Connect to Vss1 directly. 6 RESET I System reset input 7 P27/SCK1 I/O Port 2 8 bit input/output port / serial clock input/output 8 P26/SI1 I/O I Port 2 8 bit input/output port / Serial data input 9 P25/SO1 I/O O Port 2 8 bit input/output port / Serial data output 10 P24/BUSY I/O I Port 2 8 bit input/output port / Busy signal input 11 P23 I/O Port 2 8 bit input/output port 12 P22 13 P21/SO3 I/O O Port 2 8 bit input/output port / Serial data output 14 P20/SCK3 I/O Port 2 8 bit input/output port / serial clock input/output 15 P00/INTP0 I/O I Port 0 3 bit input/output port / External interrupt request input 16 P01/INTP1 17 P02/TI I/O I Port 0 3 bit input/output port / Timer input of 8 bit remote control timer (TM9) 18 AVSS − Ground of A/D converter 19 ANI3 I Analog input of A/D converter 20 ANI2 21 ANI1 22 ANI0 23 VSS0 − Ground of port section 24 AVDD − Analog power supply of A/D converter / reference voltage input 25 VDD0 − Positive power supply of port section 26 P64 I/O Port 6 5-bit high proof pressure input/output ports of P-ch open drain 27 P63 28 P62 29 P61 30 P60 31 P57 I/O Port 5 8-bit high proof pressure input/output ports of P-ch open drain 32 P56 33 P55 34 P54 35 P53 36 P52 37 P51 38 P50 39 P47 O Port 4 8-bit high proof pressure input/output ports of P-ch open drain 40 P46 www. xiaoyu163. com QQ 376315150 9 9 2 8 9 4 2 9 8 TEL 13942296513 9 9 2 8 9 4 2 9 8 0 5 1 5 1 3 6 7 3 Q Q TEL 13942296513 QQ 376315150 892498299 TEL 13942296513 QQ 376315150 892498299 http://www.xiaoyu163.com 100 DV-646A No. Pin Name I/O Pin Function 41 P45 O Port 4 8-bit high proof pressure input/output ports of P-ch open drain 42 P44 43 P43/FIP35 O Port 4 8-bit high proof pressure input/output ports of P-ch open drain / High proof presure large current output of FIP controller/driver 44 P42/FIP34 45 P41/FIP33 46 P40/FIP32 47 P37/FIP31 O Port 3 8-bit high proof pressure input/output ports of P-ch open drain / High proof presure large current output of FIP controller/driver 48 P36/FIP30 49 P35/FIP29 50 P34/FIP28 51 P33/FIP27 52 P32/FIP26 53 P31/FIP25 54 P30/FIP24 55 FIP23 O High proof presure large current output of FIP controller/driver 56 FIP22 57 FIP21 58 FIP20 59 VDD2 − Positive power supply of FIP controller/driver section 60 VLOAD − Connect a pull-down resistor of FIP controller/driver 61 FIP19 O High proof presure large current output of FIP controller/driver 62 FIP18 63 FIP17 64 FIP16 65 FIP15 66 FIP14 67 FIP13 68 FIP12 69 FIP11 70 FIP10 71 FIP9 72 FIP8 73 FIP7 74 FIP6 75 FIP5 76 FIP4 77 FIP3 78 FIP2 79 FIP1 80 FIP0 www. xiaoyu163. com QQ 376315150 9 9 2 8 9 4 2 9 8 TEL 13942296513 9 9 2 8 9 4 2 9 8 0 5 1 5 1 3 6 7 3 Q Q TEL 13942296513 QQ 376315150 892498299 TEL 13942296513 QQ 376315150 892498299 http://www.xiaoyu163.com 101 DV-646A 8. PANEL FACILITIES AND SPECIFICATIONS 8.1 PANEL FACILITIES 8.1.1 Front Panel www. xiaoyu163. com QQ 376315150 9 9 2 8 9 4 2 9 8 TEL 13942296513 9 9 2 8 9 4 2 9 8 0 5 1 5 1 3 6 7 3 Q Q TEL 13942296513 QQ 376315150 892498299 TEL 13942296513 QQ 376315150 892498299 http://www.xiaoyu163.com 102 DV-646A 8.1.2 Remote Control www. xiaoyu163. com QQ 376315150 9 9 2 8 9 4 2 9 8 TEL 13942296513 9 9 2 8 9 4 2 9 8 0 5 1 5 1 3 6 7 3 Q Q TEL 13942296513 QQ 376315150 892498299 TEL 13942296513 QQ 376315150 892498299 http://www.xiaoyu163.com 103 DV-646A 8.1.3 Display Window www. xiaoyu163. com QQ 376315150 9 9 2 8 9 4 2 9 8 TEL 13942296513 9 9 2 8 9 4 2 9 8 0 5 1 5 1 3 6 7 3 Q Q TEL 13942296513 QQ 376315150 892498299 TEL 13942296513 QQ 376315150 892498299 http://www.xiaoyu163.com 104 DV-646A 0 8 7 ¡ ¢ 4 1 3 Î STANDBY/ON FL DIMMER LEGATO PRO FL OFF AUDIO/VIDEO AV CONNECTOR 1 (RGB)-TV 1 IN DIGITAL OUT AUDIO OUT AUDIO OUT L R L R CONTROL OPTICAL COAXIAL AC IN AV CONNECTOR 2 2 OUT (5.1CH) (2CH) VIDEO OUT S-VIDEO OUT 1 2 1 2 FRONT SURROUND SUB WOOFER CENTER 7 Front View 7 Rear View www. xiaoyu163. com QQ 376315150 9 9 2 8 9 4 2 9 8 TEL 13942296513 9 9 2 8 9 4 2 9 8 0 5 1 5 1 3 6 7 3 Q Q TEL 13942296513 QQ 376315150 892498299 TEL 13942296513 QQ 376315150 892498299 http://www.xiaoyu163.com 105 DV-646A 8.2 SPECIFICATIONS • Manufactured under license from Dolby Laboratories. "Dolby" and the double-D symbol are trademarks of Dolby Laboratories. Confidential Unpublished Works, © 1992-1997 Dolby Laboratories. All rights reserved. • "DTS" is a trademark of Digital Theater Systems, Inc. Audio Cable (L=1.5m): VDE1052 Video Cable (L=1.5m): VDE1053 Power Cable : ADG1154 Remote Control Unit : VXX2627 Dry Cell Battery (R6P,AA) White Red Yellow Accessories www. xiaoyu163. com QQ 376315150 9 9 2 8 9 4 2 9 8 TEL 13942296513 9 9 2 8 9 4 2 9 8 0 5 1 5 1 3 6 7 3 Q Q TEL 13942296513 QQ 376315150 892498299 TEL 13942296513 QQ 376315150 892498299 http://www.xiaoyu163.com

标签:

版权声明

1. 本站所有素材,仅限学习交流,仅展示部分内容,如需查看完整内容,请下载原文件。
2. 会员在本站下载的所有素材,只拥有使用权,著作权归原作者所有。
3. 所有素材,未经合法授权,请勿用于商业用途,会员不得以任何形式发布、传播、复制、转售该素材,否则一律封号处理。
4. 如果素材损害你的权益请联系客服QQ:77594475 处理。