先锋PIONEER DV-533K电路图

分类:电子电工 日期: 点击:0
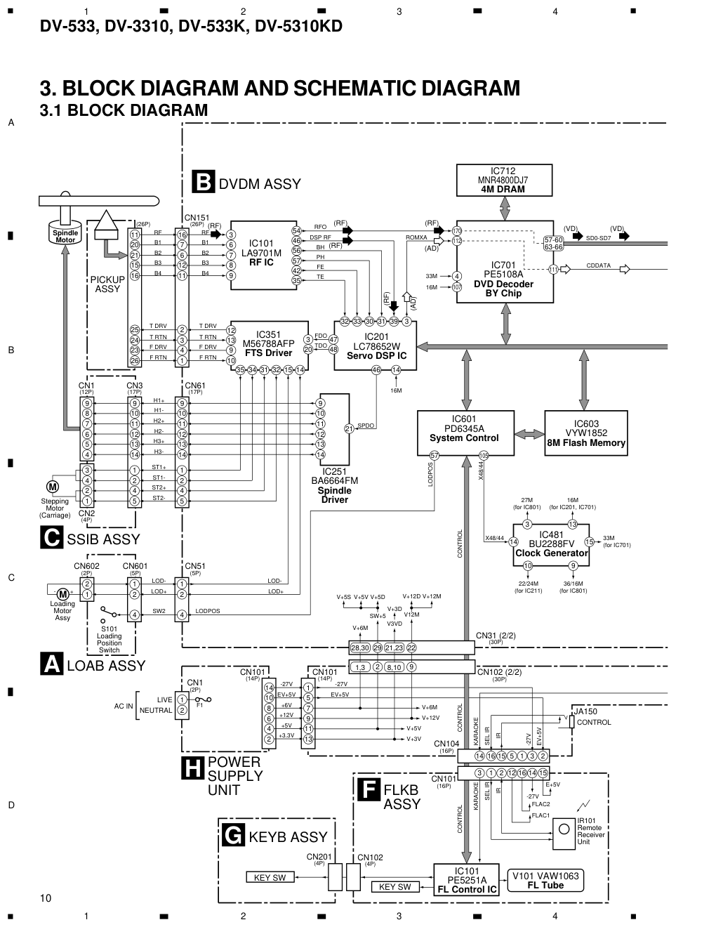
先锋PIONEER DV-533K电路图-0 先锋PIONEER DV-533K电路图-1 先锋PIONEER DV-533K电路图-2 先锋PIONEER DV-533K电路图-3 先锋PIONEER DV-533K电路图-4 先锋PIONEER DV-533K电路图-5 先锋PIONEER DV-533K电路图-6 先锋PIONEER DV-533K电路图-7 先锋PIONEER DV-533K电路图-8 先锋PIONEER DV-533K电路图-9

ORDER NO. PIONEER CORPORATION 4-1, Meguro 1-chome, Meguro-ku, Tokyo 153-8654, Japan PIONEER ELECTRONICS SERVICE, INC. P.O. Box 1760, Long Beach, CA 90801-1760, U.S.A. PIONEER EUROPE NV Haven 1087, Keetberglaan 1, 9120 Melsele, Belgium PIONEER ELECTRONICS ASIACENTRE PTE. LTD. 253 Alexandra Road, #04-01, Singapore 159936 PIONEER CORPORATION 2001 c DV-533 RRV2466 T – IZE JUNE 2001 Printed in Japan DV-3310 THIS MANUAL IS APPLICABLE TO THE FOLLOWING MODEL(S) AND TYPE(S). DVD PLAYER 1. SAFETY INFORMATION ....................................... 2 2. EXPLODED VIEWS AND PARTS LIST ................. 3 3. BLOCK DIAGRAM AND SCHEMATIC DIAGRAM ... 10 4. PCB CONNECTION DIAGRAM ........................... 35 5. PCB PARTS LIST ................................................ 47 6. ADJUSTMENT..................................................... 53 7. GENERAL INFORMATION ................................ 59 7.1 DIAGNOSIS ................................................... 59 7.1.1 SELF-DIAGNOSTIC FUNCTION OF PICKUP DEFECTIVE ........................... 59 CONTENTS 7.1.2 TEST POINTS LOCATION................... 60 7.1.3 TEST MODE SCREEN DISPLAY ........ 61 7.1.4 TROUBLE SHOOTING ........................ 65 7.1.5 ERROR CODE ..................................... 66 7.1.6 DISASSEMBLY .................................... 70 7.2 PARTS .......................................................... 76 7.2.1 IC .......................................................... 76 7.2.2 FL DISPLAY ......................................... 98 8. PANEL FACILITIES AND SPECIFICATIONS .... 99 DV-533K DV-5310KD Type Model Power Requirement Region No. The voltage can be converted by the following method DV-533 DV-3310 DV-533K DV-5310K RDXJ/RA ? − − − AC110-127V / 220-240V 1 Automatic select RDXJ/RB ? − − − AC110-127V / 220-240V 2 Automatic select RAMXQ − ? − ? AC110-127V / 220-240V 6 Automatic select RLXJ/NC − − ? − AC110-127V / 220-240V 3 Automatic select RLXJ/RB − − ? − AC110-127V / 220-240V 2 Automatic select RLXJ/RD − − ? − AC110-127V / 220-240V 4 Automatic select LBXJ − − ? − AC110V 3 Î 8 7 ¡ ¢ 4 1 STANDBY/ON 0 3 DVD PLAYER DV-533 2 DV-533, DV-3310, DV-533K, DV-5310KD 1. SAFETY INFORMATION This service manual is intended for qualified service technicians ; it is not meant for the casual do-it- yourselfer. Qualified technicians have the necessary test equipment and tools, and have been trained to properly and safely repair complex products such as those covered by this manual. Improperly performed repairs can adversely affect the safety and reliability of the product and may void the warranty. If you are not qualified to perform the repair of this product properly and safely, you should not risk trying to do so and refer the repair to a qualified service technician. WARNING This product contains lead in solder and certain electrical parts contain chemicals which are known to the state of California to cause cancer, birth defects or other reproductive harm. Health & Safety Code Section 25249.6 – Proposition 65 NOTICE (FOR CANADIAN MODEL ONLY) Fuse symbols (fast operating fuse) and/or (slow operating fuse) on PCB indicate that replacement parts must be of identical designation. REMARQUE (POUR MODÈLE CANADIEN SEULEMENT) Les symboles de fusible (fusible de type rapide) et/ou (fusible de type lent) sur CCI indiquent que les pièces de remplacement doivent avoir la même désignation. ANY MEASUREMENTS NOT WITHIN THE LIMITS OUTLINED ABOVE ARE INDICATIVE OF A POTENTIAL SHOCK HAZARD AND MUST BE CORRECTED BEFORE RETURNING THE APPLIANCE TO THE CUSTOMER. 2. PRODUCT SAFETY NOTICE Many electrical and mechanical parts in the appliance have special safety related characteristics. These are often not evident from visual inspection nor the protection afforded by them necessarily can be obtained by using replacement components rated for voltage, wattage, etc. Replacement parts which have these special safety characteristics are identified in this Service Manual. Electrical components having such features are identified by marking with a on the schematics and on the parts list in this Service Manual. The use of a substitute replacement component which does not have the same safety characteristics as the PIONEER recommended replacement one, shown in the parts list in this Service Manual, may create shock, fire, or other hazards. Product Safety is continuously under review and new instructions are issued from time to time. For the latest information, always consult the current PIONEER Service Manual. A subscription to, or additional copies of, PIONEER Service Manual may be obtained at a nominal charge from PIONEER. 1. SAFETY PRECAUTIONS The following check should be performed for the continued protection of the customer and service technician. LEAKAGE CURRENT CHECK Measure leakage current to a known earth ground (water pipe, conduit, etc.) by connecting a leakage current tester such as Simpson Model 229-2 or equivalent between the earth ground and all exposed metal parts of the appliance (input/output terminals, screwheads, metal overlays, control shaft, etc.). Plug the AC line cord of the appliance directly into a 120V AC 60Hz outlet and turn the AC power switch on. Any current measured must not exceed 0.5mA. (FOR USA MODEL ONLY) Leakage current tester Reading should not be above 0.5mA Device under test Test all exposed metal surfaces Also test with plug reversed (Using AC adapter plug as required) Earth ground AC Leakage Test DV-533, DV-3310, DV-533K, DV-5310KD 3 2.1 PACKING 1 Power Cord See Contrast table (2) 2 Audio Cord (L = 1.5m) See Contrast table (2) 3 Video Cord (L = 1.5m) See Contrast table (2) 4 Remote Control Unit VXX2702 5 Battery Cover VNK4631 NSP 6 Dry Cell Battery (R6P, AA) See Contrast table (2) 7 Pad VHA1277 NSP 8 Warranty Card See Contrast table (2) 9 Packing Case See Contrast table (2) 10 Mirror Mat (0.5 × 750 × 600) Z23-007 NSP 11 Reinforcement Board VHC1083 12 Polyethylene Bag VHL1051 (0.03 × 200 × 300) 13 Operating Instructions See Contrast table (2) 14 Operating Instructions See Contrast table (2) 15 Operating Instructions See Contrast table (2) 16 Operating Instructions See Contrast table (2) 17 Operating Instructions See Contrast table (2) NSP 18 Taiwan Label See Contrast table (2) 19 Name Plate See Contrast table (2) (1) PACKING PARTS LIST Mark No. Description Part No. 2. EXPLODED VIEWS AND PARTS LIST NOTES: • Parts marked by "NSP" are generally unavailable because they are not in our Master Spare Parts List. • The mark found on some component parts indicates the importance of the safety factor of the part. Therefore, when replacing, be sure to use parts of identical designation. • Screws adjacent to mark on the product are used for disassembly. FRONT 13 - 17 DV-533/RDXJ/RA, DV-3310 and DV-5310KD Only "Operating Instructions" DV-533K /LBXJ Only 12 12 8 18 19 11 11 10 9 5 4 6 3 2 1 7 (1/2) 7 (2/2) 7 (1/2) 7 (2/2) (2) CONTRAST TABLE DV-533/RDXJ/RA, RDXJ/RB, DV-3310/RAMXQ, DV-533K/RLXJ/NC, RLXJ/RB, RLXJ/RD, LBXJ and DV-5310KD/RAMXQ are constructed the same except for the following : Mark No. Symbol and Description Part No. DV-533 DV-3310 DV-533K DV-5310KD RDXJ/RA RDXJ/RB RAMXQ RLXJ/NC RLXJ/RB RLXJ/RD LBXJ RAMXQ NSP NSP NSP 1 2 3 6 8 9 13 14 15 16 17 18 19 Power Cord Audio Cord (L = 1.5m) Video Cord (L = 1.5m) Dry Cell Battery (R6P, AA) Warranty Card Packing Case Operating Instructions (English) Operating Instructions (Arabic) Operating Instructions (Simp-Chinese) Operating Instructions (Trad-Chinese) Operating Instructions (Simp-Chinese) Taiwan Label Name Plate ADG1158 VDE1052 VDE1053 VEM-013 ARY7025 VHG2077 VRB1270 Not used Not used Not used Not used Not used Not used ADG1158 VDE1052 VDE1053 VEM-013 Not used VHG2097 VRB1270 VRC1133 Not used Not used Not used Not used Not used ADG7018 VDE1054 VDE1055 VEM1010 ARY7046 VHG2081 Not used Not used VRC1125 Not used Not used Not used Not used ADG1154 VDE1052 VDE1053 VEM-013 Not used VHG2078 VRB1270 Not used Not used VRC1129 Not used Not used Not used ADG1154 VDE1052 VDE1053 VEM-013 Not used VHG2098 VRB1270 VRC1133 Not used Not used Not used Not used Not used ADG1154 VDE1052 VDE1053 VEM-013 Not used VHG2099 VRB1270 Not used Not used Not used Not used Not used Not used ADG7042 VDE1052 VDE1053 VEM-013 Not used VHG2063 VRB1270 Not used Not used VRC1129 Not used VRW1885 VRW1843 ADG7018 VDE1054 VDE1055 VEM1010 ARY7046 VHG2061 Not used Not used Not used Not used VRC1140 Not used Not used DV-533, DV-3310, DV-533K, DV-5310KD 4 A A B G G D E F B C C D F E 20 23 21 24 26 25 30 30 30 30 30 30 30 30 30 30 22 5 9 6 30 30 27 27 14 15 27 27 27 19 27 27 16 28 28 2 Refer to "2.3 LOADING MECHANISM ASSY". 28 29 12 11 11 13 4 10 1 17 8 7 35 36 3 28 31 28 28 28 29 18 32 Except DV-533K/LBXJ B D H E C F G DV-3310 and DV-5310KD Only DV-533K and DV-5310KD Only DV-3310, DV-533K and DV-5310KD Only DV-5310KD Only 37 DV-5310KD Only 28 29 29 18 2.2 EXTERIOR SECTION DV-533, DV-3310, DV-533K, DV-5310KD 5 1 DVDM Assy See Contrast table (2) NSP 2 Loading Mechanism Assy VWT1188 NSP 3 SSIB Assy VWG2292 4 JACB Assy See Contrast table (2) NSP 5 FLKB Assy See Contrast table (2) NSP 6 KEYB Assy See Contrast table (2) 7 MJKB Assy See Contrast table (2) 8 POWER SUPPLY Unit See Contrast table (2) 9 Flexible Cable (16P) See Contrast table (2) 10 Flexible Cable (17P) See Contrast table (2) 11 Flexible Cable (30P) See Contrast table (2) 12 Leg Assy SX AEC7113 13 Connector Assy PG05KK-E30 NSP 14 PCB Support REC1285 15 PCB Support VEC2184 16 Rear Panel See Contrast table (2) NSP 17 Base Chassis VNA2300 18 Bonnet See Contrast table (2) 19 Flexible Cable (7P) See Contrast table (2) 20 DVD-V Plate See Contrast table (2) (1) EXTERIOR SECTION PARTS LIST Mark No. Description Part No. Mark No. Description Part No. 21 Rubber Foot VEB1325 22 FP Angle VNE2250 23 Tray Panel See Contrast table (2) 24 Ring See Contrast table (2) 25 Front Panel Assy See Contrast table (2) 26 Pioneer Name Plate See Contrast table (2) 27 Screw BBZ30P060FMC 28 Screw BBZ30P080FZK 29 Screw See Contrast table (2) 30 Screw BBZ30P100FZK 31 Label See Contrast table (2) 32 Label See Contrast table (2) 33 • • • • • 34 Headphone Knob See Contrast table (2) 35 Headphone Knob See Contrast table (2) 36 Jack Holder See Contrast table (2) 37 Class 1 Caution Label See Contrast table (2) (2) CONTRAST TABLE DV-533/RDXJ/RA, RDXJ/RB, DV-3310/RAMXQ, DV-533K/RLXJ/NC, RLXJ/RB, RLXJ/RD, LBXJ and DV-5310KD/RAMXQ are constructed the same except for the following : Mark No. Symbol and Description Part No. DV-533 DV-3310 DV-533K DV-5310KD RDXJ/RA RDXJ/RB RAMXQ RLXJ/NC RLXJ/RB RLXJ/RD LBXJ RAMXQ NSP NSP NSP 1 4 5 6 7 8 9 10 11 16 18 18 19 20 23 24 25 26 29 31 32 34 35 35 36 37 DVDM Assy JACB Assy FLKB Assy KEYB Assy MJKB Assy POWER SUPPLY Unit Flexible Cable (16P) Flexible Cable (17P) Flexible Cable (30P) Rear Panel Bonnet S Bonnet Flexible Cable (7P) DVD-V Plate Tray Panel Ring Front Panel Assy Pioneer Name Plate Screw Label Label Headphone Knob Headphone Knob G Headphone Knob S Jack Holder Class 1 Caution Label VWS1487 VWV1844 VWG2284 VWG2290 Not used VWR1340 VDA1860 VDA1862 VDA1871 VNA2301 VXX2775 Not used Not used VAM1121 VNK4835 Not used VXA2463 VAM1109 BCZ40P060FZK Not used VRW1872 Not used Not used Not used Not used Not used VWS1487 VWV1844 VWG2284 VWG2290 Not used VWR1340 VDA1860 VDA1862 VDA1871 VNA2353 VXX2775 Not used Not used VAM1121 VNK4835 Not used VXA2463 VAM1109 BCZ40P060FZK Not used VRW1872 Not used Not used Not used Not used Not used VWS1501 VWV1844 VWG2287 VWG2290 Not used VWR1340 VDA1861 VDA1863 VDA1872 VNA2341 Not used VNA2332 Not used VAM1121 VNK4836 VNK4840 VXA2467 VAM1112 BCZ40P060FNI VRW1739 VRW1872 Not used Not used Not used Not used Not used VWS1487 VWV1845 VWG2286 VWG2290 VWV1849 VWR1340 VDA1860 VDA1862 VDA1871 VNA2302 VXX2774 Not used VDA1868 VAM1121 VNK4836 VNK4840 VXA2464 VAM1112 BCZ40P060FNI Not used VRW1872 PAC1707 PAC1952 Not used VNE2254 Not used VWS1487 VWV1845 VWG2286 VWG2290 VWV1849 VWR1340 VDA1860 VDA1862 VDA1871 VNA2354 VXX2774 Not used VDA1868 VAM1121 VNK4836 VNK4840 VXA2464 VAM1112 BCZ40P060FNI Not used VRW1872 PAC1707 PAC1952 Not used VNE2254 Not used VWS1487 VWV1845 VWG2286 VWG2290 VWV1849 VWR1340 VDA1860 VDA1862 VDA1871 VNA2355 VXX2774 Not used VDA1868 VAM1121 VNK4836 VNK4840 VXA2464 VAM1112 BCZ40P060FNI Not used VRW1872 PAC1707 PAC1952 Not used VNE2254 Not used VWS1487 VWV1845 VWG2285 VWG2290 VWV1849 VWR1339 VDA1860 VDA1862 VDA1871 VNA2296 VXX2773 Not used VDA1868 VAM1121 VNK4837 VNK4840 VXA2454 VAM1129 BCZ40P060FNI Not used Not used Not used Not used VNK4901 VNE2254 Not used VWS1489 VWV1846 VWG2288 VWG2296 VWV1849 VWR1340 VDA1861 VDA1863 VDA1872 VNA2295 Not used VNA2332 VDA1869 VAM1123 VNK4836 VNK4840 VXA2452 VAM1112 BCZ40P060FNI VRW1739 VRW1872 PAC1707 PAC1862 Not used VNE2254 VRW1889 DV-533, DV-3310, DV-533K, DV-5310KD 6 2.3 LOADING MECHANISM ASSY NSP 1 LOAB Assy VWG2279 2 Traverse Mechanism Assy-S VXX2782 3 Loading Motor Assy VXX2505 4 Motor Pulley PNW1634 5 Carriage DC Motor / 0.3W PXM1027 6 Flexible Cable (26P) VDA1864 7 Connector Assy 2P VKP2253 8 Float Rubber VEB1327 9 Belt VEB1330 10 Stabilizer VNE2253 11 Loading Base VNL1917 12 Float Base DVD VNL1918 13 Drive Cam VNL1919 14 Gear Pulley VNL1921 15 Loading Gear VNL1922 16 Drive Gear VNL1923 17 SW Lever VNL1925 18 Clamper Plate VNE2251 19 Bridge VNE2252 20 Clamper VNL1924 21 Screw JGZ17P028FMC 22 Screw Z39-019 23 Tray VNL1920 A A To DVDM CN151 2 8 3 5 4 Refer to "2.4 TRAVERSE MECHANISM ASSY-S". 8 8 12 23 13 17 21 16 22 15 14 22 22 22 22 20 18 19 9 1 7 11 10 6 8 A Lubricating Oil GYA1001 Daifree GEM1036 Refer to " Apply Position of Lubricant". Note : Lubricating Oil GYA1001 Mark No. Description Part No. • LOADING MECHANISM ASSY PARTS LIST Mark No. Description Part No. DV-533, DV-3310, DV-533K, DV-5310KD 7 Apply Position of Lubricant No. 11 Loading Base Lubricating Oil GYA1001 Around the shaft Concave of unevenness Concave of unevenness Concave of unevenness No. 13 Drive Cam No. 13 Drive Cam No. 23 Tray No. 23 Tray Top View Rear View Top View Bottom View Daifree GEM1036 Daifree GEM1036 Daifree GEM1036 Daifree GEM1036 Daifree GEM1036 Side of the rib Inner side of a ditch Inner side of a ditch Lubricating Oil GYA1001 Lubricating Oil GYA1001 Inner side of a ditch Lubricating Oil GYA1001 Lubricating Oil GYA1001 Lubricating Oil GYA1001 DV-533, DV-3310, DV-533K, DV-5310KD 8 2.4 TRAVERSE MECHANISM ASSY-S 1 Spindle Motor VXM1088 (or VXM1089) 2 Stepping Motor VXM1090 (CARRIAGE) (or VXM1091) 3 Pickup Assy-S OXX8003 4 Skew Screw VBA1080 5 Skew Spring VBH1335 6 Guide Bar VLL1514 7 Sub Guide Bar VLL1515 8 Hold Spring VNC1017 12 8 3 7 1 18 18 13 16 19 4 (Adjustment Screw) 4 (Adjustment Screw) 18 10 10 6 5 5 11 15 14 9 16 2 Screw Tight GYL1001 Silicone Adhesive GEM1037 Silicone Adhesive GEM1037 Silicone Adhesive GEM1037 17 (Torque : 0.12 ± 0.01 N•m) 17 (Torque : 0.12 ± 0.01 N•m) 17 (Torque : 0.12 ± 0.01 N•m) 9 Joint Spring VNC1019 10 Support Spring VNC1020 NSP 11 Mechanism Chassis VNE2248 12 Slider VNL1811 13 Spacer VNL1913 14 Joint VNL1914 15 FFC Holder VNL1915 16 Screw BBZ20P050FZK 17 Screw OBA8009 18 Screw PMA26P100FMC 19 Damper Sheet VEB1335 Mark No. Description Part No. • TRAVERSE MECHANISM ASSY-S PARTS LIST Mark No. Description Part No. DV-533, DV-3310, DV-533K, DV-5310KD 9 A B C D 1 2 3 4 1 2 3 4 10 DV-533, DV-3310, DV-533K, DV-5310KD 1 5 7 9 11 13 -27V -27V -27V AC IN LIVE NEUTRAL CN101 (14P) CN104 (16P) CN101 (16P) CN101 (14P) CN1 (2P) H POWER SUPPLY UNIT EV+5V EV+5V F1 14 10 8 6 4 2 1 2 EV+5V +6V +12V +5V +3.3V 2 1 1 2 4 1 2 4 9 9 10 11 12 13 14 10 11 12 13 14 1 2 4 5 CN61 (17P) S101 Loading Position Switch IC101 LA9701M RF IC Loading Motor Assy + - M 3 54 46 56 57 42 35 6 7 8 9 Spindle Motor 11 20 21 15 16 25 24 23 26 16 7 6 12 11 2 3 4 1 RF B1 B2 B3 B4 T RTN T DRV 9 H1+ H1- H2+ H2- H3+ H3- ST1+ ST1- ST2+ ST2- LOD+ LOD+ SW2 LODPOS LODPOS CONTROL CONTROL CONTROL LOD- LOD- Stepping Motor (Carriage) 10 11 12 13 14 9 8 7 6 5 4 3 1 2 4 5 4 2 1 F DRV FDO TDO SPDO F RTN T RTN T DRV F DRV F RTN PICKUP ASSY CN151 (26P) CN1 (12P) CN2 (4P) CN602 (2P) CN601 (5P) CN51 (5P) CN3 (17P) (26P) C SSIB ASSY A LOAB ASSY B DVDM ASSY RF B1 B2 B3 B4 IC481 BU2288FV Clock Generator IC701 PE5108A DVD Decoder BY Chip IC601 PD6345A System Control IC603 VYW1852 8M Flash Memory IC712 MNR4800DJ7 4M DRAM 170 112 111 107 105 RFO ROMXA DSP RF BH PH FE 4 57-60 63-66 TE 32 33 30 31 39 3 33M SD0-SD7 CDDATA 16M 16M IC101 PE5251A FL Control IC V101 VAW1063 FL Tube IR101 Remote Receiver Unit V+12V V+6M V+6M V+3D FLAC1 FLAC2 E+5V -27V SEL IR IR SEL IR IR V+5V V+3V KEY SW KEY SW G KEYB ASSY F FLKB ASSY JA150 CONTROL 3 14 15 10 27M (for IC801) 16M (for IC201, IC701) 22/24M (for IC211) 9 X48/44 X48/44 13 36/16M (for IC801) 33M (for IC701) CN31 (2/2) (30P) CN102 (2/2) (30P) M IC351 M56788AFP FTS Driver IC201 LC78652W Servo DSP IC IC251 BA6664FM Spindle Driver 12 13 9 10 3 47 48 21 46 14 57 20 35 34 31 32 15 14 16 15 5 1 2 12 1 16 3 14 2 15 CN102 (4P) CN201 (4P) SW+5 V3VD 1,3 8,10 2 V12M V+12D V+12M V+5D V+5V V+5S 9 28,30 21,23 29 22 14 3 KARAOKE KARAOKE (RF) (RF) (RF) (AD) (RF) (RF) (VD) (VD) (AD) 3. BLOCK DIAGRAM AND SCHEMATIC DIAGRAM 3.1 BLOCK DIAGRAM A B C D 5 6 7 8 5 6 7 8 11 DV-533, DV-3310, DV-533K, DV-5310KD 26 30 28 29 27 25 7 27M 36/16M ADA0A ADATA0 ADATA0 PD0-PD7 DOUT0 DOUT0 IC805 MB81F161622C-80FN 16M SDRAM JA601 JA602 COAXIAL DIGITAL OPTICAL Q601 IC801 M65774BFP MPEG2 Decoder AV-1 IC861 ADV7172KST Video Encoder 149,150, 152-155, 158,159 95-98, 100-103 2-9 48 68 35 33 29 48 24 28 25 74 55 64 27M 27M 93 V Y C Cr/R Y/G Cb/B V Y C Cr/R Y/G Cb/B V V Y C Y C Y C Cr/R Cr/R Y/G Y/G Cb/B Cb/B Q901 Q903 Q912 Q902 Q911 Q913 CN31 (1/2) (30P) CN102 (1/2) (30P) 5 26 CN32 (30P) 26 30 28 29 27 25 7 CN106 (30P) CN401 JA403 S VIDEO COMPOSITE COMPONENT V Y Cb Cr 2 22/24M 2 DOUT IC211 PCM1742KE 192kHz, 24bit 2ch DAC IC231 BA4560F JA201 L AUDIO R 2 7 8 IC411 MM1540BF (MM1540CF) 6ch Amp. Driver with LPF 2 6 4 13 9 11 27 23 25 16 20 18 16 IC881 PM0026A Progressive Converter DV-5310KD ONLY DV-5310KD ONLY DV-533, DV-3310, DV-533K ONLY DV-533K, DV-5310KD ONLY DV-5310KD ONLY DV-5310KD ONLY 68-75 29 24 28 PRG_R PRG_B PRG_Y PRG_R PRG_B PRG_Y Q921 Q922 Q923 23 21 19 Cr/R Y/G Cb/B 23 21 19 F531, F541, F551 IC571 TC74HC4053AF PRG/INTR SW LPF LPF LPF 3 4 14 15 5 13 12 1 2 FRONT_L FRONT_R FRONT_L FRONT_R L R B A JA301 FRONT L R SURROUND L R CENTER SUBWOOFER IC351 BA4560F IC371 BA4560F IC301 PCM1601Y 96k, 24bit 6ch DAC 11 12 13 46 47 48 14 IC311 TC4W53F 1 6 L R DATA3 DATA2 DATALR ADATA0 B 11 13 DATA2 DATA3 11 13 A ADA2 ADA3 ADA2 ADA3 70 69 CN105 (7P) CN5045 (7P) 1 2 1 2 KARAOKE MIC MIC E MJKB ASSY D JACB ASSY IC2001 NJM2068M JA5045 MIC : C SIGNAL ROUTE (C) : Cb SIGNAL ROUTE : Cr SIGNAL ROUTE : Y SIGNAL ROUTE (Y) (Cb) (Cr) (VD) (VD) (VD) (V) (V) (Y) (Y) (Y) (Y) (Cb) (Cb) (Cb) (Cb) (Cr) (Cr) (Cr) (Cr) (Y) (Y) (Y) (C) (C) (C) (VD) (VD) (D) (D) (D) (D) (D) (D) (D) : VIDEO DATA SIGNAL ROUTE : VIDEO SIGNAL ROUTE (VD) : Y SIGNAL ROUTE (Y) : V SIGNAL ROUTE (V) : AUDIO DATA SIGNAL ROUTE : AUDIO SIGNAL ROUTE (AD) : AUDIO (DIGITAL) SIGNAL ROUTE (D) : RF SIGNAL ROUTE (RF) A B C D 1 2 3 4 1 2 3 4 12 DV-533, DV-3310, DV-533K, DV-5310KD D 1/3- D 3/3 JACB ASSY (DV-533, DV-3310 : VWV1844) (DV-533K : VWV1845) (DV-5310KD : VWV1846) D MJKB ASSY (VWV1849) E FLKB ASSY (DV-533 : VWG2284) (DV-3310 : VWG2287) (DV-533K/RLXJ/NC, RLXJ/RB, RLXJ/RD : VWG2286) (DV-533K/LBXJ : VWG2285) (DV-5310KD : VWG2288) F KEYB ASSY (DV-533, DV-3310, DV-533K : VWG2290) (DV-5310KD : VWG2296) G DV-533K, DV-5310KD ONLY DV-5310KD ONLY 3.2 LOAB, SSIB ASSYS and OVERALL WIRING DIAGRAM A B C D 5 6 7 8 5 6 7 8 13 DV-533, DV-3310, DV-533K, DV-5310KD POWER SUPPLY UNIT (DV-533K/LBXJ : VWR1339) (OTHERS : VWR1340) H LOAB ASSY (VWG2279) PICKUP ASSY-S (OXX8003) POWER CORD DV-533 : ADG1158 DV-3310, DV-5310KD : ADG7018 DV-533K/RLXJ/NC, RLXJ/RB, RLXJ/RD : ADG1154 DV-533K/LBXJ : ADG7042 LOADING MOTOR ASSY : VXX2505 SPINDLE MOTOR : VXM1088 STEPPING MOTOR (CARRIAGE) : VXM1090 S101 : VSK1011 CN601 S5B-PH-K CN602 S2B-PH-K CN2 VKN1264 CN1 VKN1272 CN3 VKN1277 A SSIB ASSY (VWG2292) C B 1/4- B 4/4 DVDM ASSY (DV-533, DV-533K : VWS1487) (DV-3310 : VWS1501) (DV-5310KD : VWS1489) B : RF SIGNAL ROUTE : FOCUS SERVO LOOP LINE : TRACKING SERVO LOOP LINE (F) (F) (F) (F) (T) (T) (F) (F) (F) (F) (T) (T) (F) (F) (T) (T) (F) (F) (T) (T) (F) (F) (S) (S) (S) (S) (S) (S) (S) (S) (T) (T) (F) (RF) (T) : SLIDER SERVO LOOP LINE (S) (RF) (RF) (RF) (RF) Note : When ordering service parts, be sure to refer to "EXPLODED VIEWS and PARTS LIST" or "PCB PARTS LIST". C A A B C D 1 2 3 4 1 2 3 4 14 DV-533, DV-3310, DV-533K, DV-5310KD B 1/4 PICKUP ASSY CN601 A 2/4 B 2/4 B CN3 C 2/4 B 2/4 B 2/4 B 2/4 B 2/4 B 2/4 B 2/4 B DVDM ASSY (DV-533, DV-533K : VWS1487) (DV-3310 : VWS1501) (DV-5310KD : VWS1489) DV-533, DV-533K : 220/4 DV-3310, DV-5310KD : 100/16 (F) (F) (T) (T) (F) (F) (F) (T) (S) (T) (F) (F) (T) (T) (F) (F) (T) (T) (F) (S) (T) (F) (F) (F) (F) (F) (T) (T) (T) (T) (F) (T) (RF) (RF) (RF) (V) (V) (A) (A) (A) (V) (V) 1 2 4 3.3 DVDM ASSY (1/4) 1/4 B A B C D 5 6 7 8 5 6 7 8 15 DV-533, DV-3310, DV-533K, DV-5310KD 3/4 B 3/4 B 2/4 B 2/4 B 3/4 B 2/4,3/4 B 3/4 B 2/4 B 2/4 B 3/4 B 3/4 B IC304 TC7SHU04F 330 1.8k 47k 15k 10k 22p 18p 2.2k IC304 DV-533, DV-3310, DV-533K : 33k DV-5310KD : 10k DV-533, DV-3310, DV-533K : 10k DV-5310KD : 33k C254 DV-533, DV-533K : 100/16 DV-3310, DV-5310KD : 47/16 : RF SIGNAL ROUTE : AUDIO DATA SIGNAL ROUTE : FOCUS SERVO LOOP LINE : TRACKING SERVO LOOP LINE : SLIDER SERVO LOOP LINE (F) (AD) (RF) : RF (VIDEO) SIGNAL ROUTE (V) : RF (AUDIO) SIGNAL ROUTE (A) (T) (S) (T) (F) (T) (F) (F) (T) (F) (T) (V) (V) (V) (A) (A) (AD) 6 5 8 9 11 10 7 1/4 B A B C D 1 2 3 4 1 2 3 4 16 DV-533, DV-3310, DV-533K, DV-5310KD SH5 SH5 1/4 B 3/4 B 3/4 B 1/4 B 1/4 B 1/4 B 1/4 B 1/4 B 1/4,3/4 B 3/4 B 4/4 B 4/4 B 1/4 B 1/4 B 4/4 B 4/4 B B 2/4 DVDM ASSY (DV-533, DV-533K : VWS1487) (DV-3310 : VWS1501) (DV-5310KD : VWS1489) DV-5310KD ONLY DV-533, DV-533K, DV-5310KD ONLY VYW1852 DV-533, DV-533K, ONLY 3.4 DVDM ASSY (2/4) 2/4 B A B C D 5 6 7 8 5 6 7 8 17 DV-533, DV-3310, DV-533K, DV-5310KD 1/4 B 3/4 B 3/4 B 3/4 B 1/4 B 1/4 B 3/4 B 3/4 B 4/4 B 3/4 B 3/4 B CN102 D 1/3 DV-533, DV-533K ONLY DV-533, DV-533K ONLY DV-3310, DV-5310KD ONLY L489 VTL1078 R489 22 DV-533, DV-533K : 100/16 DV-3310, DV-5310KD : 47/16 (D) : AUDIO (DIGITAL) SIGNAL ROUTE (D) (D) (D) : The power supply is shown with the marked box. 2/4 B A B C D 1 2 3 4 1 2 3 4 18 DV-533, DV-3310, DV-533K, DV-5310KD BY-5 2/4 B 2/4 B 2/4 B 4/4 B 1/4 B 4/4 B 1/4 B 1/4 B 1/4 B 1/4 B 1/4 B 1/4 B 1/4 B 1/4 B 2/4 B 2/4 B 2/4 B 2/4 B 2/4 B 2/4 B IC712 MNR4800DJ7 B 3/4 DVDM ASSY (DV-533, DV-533K : VWS1487) (DV-3310 : VWS1501) (DV-5310KD : VWS1489) DV-533, DV-533K ONLY DV-533, DV-533K ONLY DV-533, DV-533K ONLY (V) (V) (VD) (VD) (V) (AD) (AD) 3.5 DVDM ASSY (3/4) 3/4 B A B C D 5 6 7 8 5 6 7 8 19 DV-533, DV-3310, DV-533K, DV-5310KD 2/4 B 4/4 B 4/4 B 2/4 B 2/4 B 2/4 B 2/4 B (AD) (VD) : RF (VIDEO) SIGNAL ROUTE (V) : VIDEO DATA SIGNAL ROUTE : AUDIO DATASIGNAL ROUTE (D) : AUDIO (DIGITAL) SIGNAL ROUTE : AUDIO SIGNAL ROUTE (VD) (VD) (VD) (D) (VD) (D) 3/4 B A B C D 1 2 3 4 1 2 3 4 20 DV-533, DV-3310, DV-533K, DV-5310KD 3/4 B 3/4 B 2/4 B 2/4 B 2/4 B 2/4 B DV-5310KD ONLY DV-5310KD ONLY (VD) (VD) (V) (V) (V) (C) (Y) (V) (Y) (Y) (Y) (C) (C) (C) (Y) (Y) (Cr) (Cr) (Cb) (Cb) (Y) (Y) (Y) (Cr) (Cr) (Cr) (Cb) (Cb) (Cb) (VD) (VD) 3.6 DVDM ASSY (4/4) 4/4 B A B C D 5 6 7 8 5 6 7 8 21 DV-533, DV-3310, DV-533K, DV-5310KD 2/4 B 3/4 B 3/4 B 3/4 B 2/4 B CN106 D 3/3 B 4/4 DVDM ASSY (DV-533, DV-533K : VWS1487) (DV-3310 : VWS1501) (DV-5310KD : VWS1489) DV-533, DV-3310, DV-533K ONLY DV-5310KD ONLY DV-5310KD ONLY (VD) : VIDEO DATASIGNAL ROUTE (V) (Y) (C) : V SIGNAL ROUTE : Y SIGNAL ROUTE : C SIGNAL ROUTE (Y) : Y SIGNAL ROUTE (Cb) : Cb SIGNAL ROUTE (Cr) : Cr SIGNAL ROUTE : AUDIO SIGNAL ROUTE (V) (V) (V) (V) (Y) (Y) (Cr) (Cr) (Y) (Y) (Y) (Y) (C) (C) (V) (Y) (Y) (Y) (Y) (Cr) (Cr) (Cr) (Cr) (Cr) (Cb) (Cb) (Cb) (Y) (Cr) (Cb) (Y) (Y) (Cr) (Cr) (Cb) (Cb) (Cb) (Cb) (Cb) (Y) (C) 4/4 B A B C D 1 2 3 4 1 2 3 4 22 DV-533, DV-3310, DV-533K, DV-5310KD CN101 CONTROL INPUT G CN101 F CN31 B 2/4 D 1/3 3/3 D 3/3 D 3/3 D 2/3 D JACB ASSY (DV-533, DV-3310 : VWV1844) (DV-533K : VWV1845) (DV-5310KD : VWV1846) (D) (D) : AUDIO (DIGITAL) SIGNAL ROUTE : The power supply is shown with the marked box. 3.7 JACB ASSY (1/3) 1/3 D A B C D 5 6 7 8 5 6 7 8 23 DV-533, DV-3310, DV-533K, DV-5310KD CN5045 E 2/3 D 2/3 D 2/3 D DV-533K, DV-5310KD ONLY DV-5310KD ONLY DV-5310KD ONLY DV-5310KD ONLY A B C D 1 2 3 4 1 2 3 4 24 DV-533, DV-3310, DV-533K, DV-5310KD 3/3 D 1/3 D D 2/3 JACB ASSY (DV-533, DV-3310 : VWV1844) (DV-533K : VWV1845) (DV-5310KD : VWV1846) DV-533, DV-3310, DV-533K ONLY DV-5310KD ONLY DV-5310KD ONLY 3 5 1 4 2 3.8 JACB ASSY (2/3) 2/3 D A B C D 5 6 7 8 5 6 7 8 25 DV-533, DV-3310, DV-533K, DV-5310KD 1/3 D 1/3 D DV-5310KD ONLY DV-5310KD ONLY DV-5310KD ONLY DV-5310KD ONLY DV-5310KD ONLY DV-5310KD ONLY DV-5310KD ONLY DV-533, DV-3310 ONLY DV-5310KD ONLY DV-533, DV-3310 : 2.2k (D) DV-533K, DV-5310KD : 15k (D) DV-533, DV-3310 : 4.3k (D) DV-533K, DV-5310KD : 27k (D) DV-533, DV-3310 : 4.3k (D) DV-533K, DV-5310KD : 27k (D) DV-533, DV-3310 : 330p DV-533K, DV-5310KD : 33p DV-533, DV-3310 : 2.2k (D) DV-533K, DV-5310KD : 15k (D) DV-533, DV-3310 : 1k DV-533K, DV-5310KD : 10k DV-533, DV-3310 : 1k DV-533K, DV-5310KD : 10k DV-533, DV-3310 : 2700p DV-533K, DV-5310KD : 220p DV-533, DV-3310 : 2700p DV-533K, DV-5310KD : 220p : AUDIO SIGNAL ROUTE : The power supply is shown with the marked box. 2/3 D A B C D 1 2 3 4 1 2 3 4 26 DV-533, DV-3310, DV-533K, DV-5310KD CN32 B 4/4 2/3 D 1/3 D D 3/3 JACB ASSY (DV-533, DV-3310 : VWV1844) (DV-533K : VWV1845) (DV-5310KD : VWV1846) DV-5310KD ONLY DV-5310KD ONLY DV-5310KD ONLY DV-533, DV-3310, DV-533K ONLY DV-5310KD ONLY (V) (C) (Y) (V) (Cr) (Cb) (Y) (C) (Y) (Y) (V) (C) (Y) (V) (C) (Y) (Cr) (Cr) (Cr) (Cr) (Cr) (Y) (Y) (Y) (Y) (Y) (Y) (Y) (Cr) (Cr) (Y) (Cb) (Cr) (Y) (Cb) (Cr) (Y) (Cb) (Cb) (Cb) (Cb) (Cb) (Cb) (Cb) (D) (D) (D) (D) (D) (D) (D) 3.9 JACB ASSY (3/3) 3/3 D A B C D 5 6 7 8 5 6 7 8 27 DV-533, DV-3310, DV-533K, DV-5310KD 1/3 D 1/3 D D432 1SS355 D441 1SS355 V+8V D442 1SS355 D435 1SS355 D436 1SS355 D431 1SS355 : The power supply is shown with the marked box. S TERMINAL OUTPUT COMPOSITE VIDEO OUTPUT COMPONENT VIDEO OUTPUT CN401 IC411 DV-533, DV-3310, DV-533K : MM1540BF DV-5310KD : MM1540CF (V) (Y) (C) (D) : V SIGNAL ROUTE : Y SIGNAL ROUTE : C SIGNAL ROUTE (Y) : Y SIGNAL ROUTE (Cb) : Cb SIGNAL ROUTE (Cr) : Cr SIGNAL ROUTE : AUDIO SIGNAL ROUTE : AUDIO (DIGITAL) SIGNAL ROUTE (V) (V) (V) (V) (V) (V) (C) (Y) (V) (C) (C) (C) (C) (Y) (Y) (Y) (C) (Y) (Y) (Cr) (Cr) (Cr) (Y) (Y) (Y) (Cb) (Cb) (Cb) 7 8 6 8 10 9 (C) (V) (Y) 3/3 D A B C D 1 2 3 4 1 2 3 4 28 DV-533, DV-3310, DV-533K, DV-5310KD MJKB ASSY (VWV1849) E 3.10 MJKB ASSY (DV-533 and DV-5310KD ONLY) E A B C D 5 6 7 8 5 6 7 8 29 DV-533, DV-3310, DV-533K, DV-5310KD CN105 D 1/3 : The power supply is shown with the marked box. E A B C D 1 2 3 4 1 2 3 4 30 DV-533, DV-3310, DV-533K, DV-5310KD F FLKB ASSY (DV-533 : VWG2284) (DV-3310 : VWG2287) (DV-5310KD : VWG2288) (DV-533K/RLXJ/NC, RLXJ/RB, RLXJ/RD : VWG2286) (DV-533K/LBXJ : VWG2285) DV-5310KD ONLY DV-533, DV-3310, DV-533K ONLY DV-533K, DV-5310KD ONLY DV-533, DV-3310 ONLY DV-533, DV-533K/RLXJ/NC, RLXJ/RB, RLXJ/RD: 6.8k DV-533K/LBXJ : 1.5k DV-3310, DV-5310KD : 5.6k DV-533, DV-533K/RLXJ/NC, RLXJ/RB, RLXJ/RD: 2.7k DV-533K/LBXJ : 1.2k DV-3310, DV-5310KD : 33k 3.11 FLKB and KEYB ASSYS F A B C D 5 6 7 8 5 6 7 8 31 DV-533, DV-3310, DV-533K, DV-5310KD KEYB ASSY (DV-533, DV-3310, DV-533K : VWG2290) (DV-5310KD : VWG2296) G FLKB ASSY S101 : 8 (PAUSE) S102 : 7 (STOP) S203 : 3 (PLAY) KEYB ASSY S103 : ¡ ¢ (FWD) S104 : 4 1 (REV) S105 : 5.1ch MODE (DV-5310KD ONLY) S201 : 3 (PLAY) S202 : (STANDBY/ON) CN104 D 1/3 DV-5310KD ONLY : The power supply is shown with the marked box. Remote Control IR Signal Receiver Unit G F A B C D 1 2 3 4 1 2 3 4 32 DV-533, DV-3310, DV-533K, DV-5310KD CN1 CN101 AC IN A A B B 6 8 4 2 1 10 11 14 12 13 12V 6V EV5V SW5V PO CONT SW3.3V GND –27V FLAC (B) FLAC (A) GND 3 GND 5 GND 7 GND 9 CN101 D 1/3 F101 REK1102 2.5A Z1 C1 LIVE NEUTRAL C2 C5 C5 C82 C8 C7 GND BEA1 BEA2 R2 R71 R72 Q71 D71 R74 R73 D72 D7 D23 D24 C22 C11 C108 R301 R304 C302 R302 R307 R104 R403 R404 R405 Q401 Q402 D402 D403 R401 R420 R303 R410 Q412 R402 C110 R414 R407 R408 R409 D404 R103 R10 C9 R8 C21 C10 D25 R20 R12 D5 R17 D9 R23 R201 R202 R205 R203 R204 VR201 C201 R24 R25 R11 R22 D8 D4 PC1 D6 R9 Q20 Q1 Q2 PC2 PC1 IC201 R7 R6 R5 R19 R1 D14 D13 T1 D11 D12 D81 D82 D83 R84 R85 Q81 R82 R83 C81 L1 D105 D104 C107 D103 D102 P101 AEK7063 P102 AEK7066 C105 C106 C410 L101 C109 Q411 Q410 D111 D407 D112 D405 D406 D107 D301 D108 D109 D304 C112 PC2 C111 C411 IC103 IC102 C301 C303 800mA 1.6A NOTE OF SPARE PARTS IN POWER SUPPLY (SYPS) UNIT • In case of repairing, use the described parts only to prevent an accident. • Please write the red mark on the board when the primary section of POWER SUPPLY (SYPS) Unit is repaired. • Please take care to keep the space, not touching other parts when replacing the parts. POWER SUPPLY UNIT (VWR1340) H BEA401 BEA3 3.12 POWER SUPPLY UNIT (VWR1340) H A B C D 1 2 3 4 1 2 3 4 33 DV-533, DV-3310, DV-533K, DV-5310KD CN1 CN101 AC IN A A B B 6 8 4 2 1 10 11 14 12 13 12V 6V EV5V SW5V PO CONT SW3.3V GND –28V FLAC (B) FLAC (A) GND 3 GND 5 GND 7 GND 9 CN101 D 1/3 F1 REK1077 1.6A Z1 C1 LIVE NEUTRAL C2 C5 C8 C7 GND BEA1 BEA2 R2 R71 R72 D72 D7 D23 D24 C22 C11 C108 R301 R302 R307 R104 R401 R420 R303 R410 Q412 R402 C110 R414 R407 R408 R409 D404 R103 R10 C9 R8 C21 C10 D25 R20 R12 D5 R17 D9 R23 R201 R202 R205 R203 R204 VR201 C201 R24 R25 R11 R22 D8 D4 PC1 D6 R9 Q20 Q1 Q2 PC2 PC1 IC201 R7 R6 R5 R19 R1 D14 D13 T1 D11 D12 L1 D105 D104 D103 D102 P101 AEK7063 P102 AEK7066 C105 C106 C410 L101 C109 Q411 Q410 D111 D407 D112 D405 D406 D107 D108 D109 D304 C112 PC2 C111 C411 IC103 IC102 C301 C303 800mA 1.6A NOTE OF SPARE PARTS IN POWER SUPPLY (SYPS) UNIT • In case of repairing, use the described parts only to prevent an accident. • Please write the red mark on the board when the primary section of POWER SUPPLY (SYPS) Unit is repaired. • Please take care to keep the space, not touching other parts when replacing the parts. POWER SUPPLY UNIT (VWR1339) H H 3.13 POWER SUPPLY UNIT (VWR1339) 34 DV-533, DV-3310, DV-533K, DV-5310KD 1 Foot of R104 (RF) V: 100mV/div. H: 0.2µsec/div. 2 TP117 (RFO) V: 500mV/div. H: 0.1µsec/div. 3 4 TP122 (Tracking Error) (AI-Inner Tracking Off) V: 500mV/div. H: 2msec/div. 5 IC201 - pin 39 (EFM before slice) V: 1V/div. H: 1µsec/div. 6 IC201 - pin 1 (EFM) V: 1V/div. H: 0.2µsec/div. 7 TP209 (FG) V: 1V/div. H: 5msec/div. 1 IC211 - pin 2 (ADATA) V: 1V/div. H: 500nsec/div. 7 IC411 - pin 27 (V) V: 1V/div. H: 10µsec/div. 2 IC211 - pin 7, 8 (AUDIO L, R) V: 1V/div. H: 50µsec/div. 8 IC411 - pin 20, 23 (Y) V: 1V/div. H: 10µsec/div. 3 IC211 - pin 1 (BCK) V: 1V/div. H: 100nsec/div. 9 IC411 - pin 18 (Cb) V: 1V/div. H: 10µsec/div. 4 IC211 - pin 3 (LRCK) V: 1V/div. H: 5µsec/div. 10 IC411 - pin 16 (Cr) V: 1V/div. H: 10µsec/div. 5 IC211 - pin 16 (MCK) V: 1V/div. H: 20nsec/div. 6 IC411 - pin 25 (C) V: 1V/div. H: 10µsec/div. 8 Foot of R261 (FPWM) V: 1V/div. H: 5msec/div. 9 Foot of R262 (VPWM) V: 1V/div. H: 5msec/div. 10 Foot of R263 (PPWM) V: 1V/div. H: 5msec/div. 11 Foot of R264 (RPWM) V: 1V/div. H: 5msec/div. GND GND GND GND DVDM ASSY B JACB ASSY D WAVEFORMS Note : The encircled numbers denote measuring point in the schematic diagram. Measurement condition : No. 1 to 4 and 6 to 11 : MJK1, Title 1-chp 1 No. 5 : CD, ABEX-784 Track 1 Measurement condition : No. 1 to 5 : DVD-REF-A1, T1-Chap.1 No. 6 to 10 : DVD-REF-A1, T1-Chap.19 A B C D 1 2 3 4 1 2 3 4 35 DV-533, DV-3310, DV-533K, DV-5310KD SIDE A SIDE B 4.1 LOAB and SSIB ASSYS (VNP1836-B) (VNP1820-B) (VNP1820-B) (VNP1836-B) CN51 B LOAB ASSY A SSIB ASSY C SSIB ASSY C LOAB ASSY A CN61 B LOADING MOTOR ASSY M SPINDLE MOTOR M STEPPING MOTOR (CARRIAGE) M NOTE FOR PCB DIAGRAMS : 1. Part numbers in PCB diagrams match those in the schematic diagrams. 2. A comparison between the main parts of PCB and schematic diagrams is shown below. 3. The parts mounted on this PCB include all necessary parts for several destinations. For further information for respective destinations, be sure to check with the schematic diagram. 4. View point of PCB diagrams. Symbol In PCB Diagrams Symbol In Schematic Diagrams Part Name B C E D D G G S S B C E B C E D G S B C E B C E B C E Transistor Transistor with resistor Field effect transistor Resistor array 3-terminal regulator Capacitor Connector P.C.Board Chip Part SIDE A SIDE B 4. PCB CONNECTION DIAGRAM C A A B C D 1 2 3 4 1 2 3 4 36 DV-533, DV-3310, DV-533K, DV-5310KD Q601 Q571 IC601 IC608 IC612 IC302 IC304 IC303 IC712 Q117 Q109 Q118 Q116 Q111 Q141 IC481 IC451 IC805 IC806 IC861 Q911 Q913 Q902 Q922 Q923 IC351 IC201 IC881 Q115 IC281 Q102 Q114 Q107 Q108 IC261 SIDE A DVDM ASSY B (DV-533 : VNP1822-A) (DV-3310, DV-533K, DV-5310KD : VNP1823-A) CN3 C CN601 A CN106 D CN102 D PICKUP ASSY B 4.2 DVDM ASSY A B C D 1 2 3 4 1 2 3 4 37 DV-533, DV-3310, DV-533K, DV-5310KD SIDE B DVDM ASSY B IC603 IC701 IC299 Q542 Q543 Q106 Q103 Q271 Q171 Q281 Q112 Q130 Q241 Q292 Q901 Q903 Q912 Q921 IC101 IC271 IC291 IC111 IC251 IC807 Q142 IC801 (DV-533 : VNP1822-A) (DV-3310, DV-533K, DV-5310KD : VNP1823-A) B A B C D 1 2 3 4 1 2 3 4 38 DV-533, DV-3310, DV-533K, DV-5310KD IC331 IC325 IC211 IC302 IC311 IC411 IC571 IC301 IC401 JACB ASSY D CN101 F CN32 B CN31 B D 4.3 JACB ASSY A B C D 5 6 7 8 5 6 7 8 39 DV-533, DV-3310, DV-533K, DV-5310KD SIDE A (VNP1820-B) IC201 IC371 IC351 IC231 IC331 Q291 SSY CN101 H CN5045 E D A B C D 1 2 3 4 1 2 3 4 40 DV-533, DV-3310, DV-533K, DV-5310KD SIDE B (VNP1820-B) JA D IC371 IC351 Q301-Q303 Q601 Q399 Q241 Q272-Q274 Q331 Q251 Q351 IC331 I Q3 IC231 Q334-Q337 Q391-Q397 IC602 D A B C D 5 6 7 8 5 6 7 8 41 DV-533, DV-3310, DV-533K, DV-5310KD JACB ASSY D 74 Q331 Q251 Q351 IC331 IC325 Q352 Q276 Q211 IC211 IC221 Q314 Q521 Q551 Q501 Q511 Q541 Q531 Q321 Q445-Q448 Q571 Q572 IC411 IC571 IC311 IC301 IC180 Q261-Q264 D A B C D 1 2 3 4 1 2 3 4 42 DV-533, DV-3310, DV-533K, DV-5310KD SIDE A SIDE B (VNP1820-B) (VNP1820-B) IC2001 IC4001 IC1001 MJKB ASSY E MJKB ASSY E CN105 D 4.4 MJKB ASSY (DV-533K and DV-5310KD ONLY) E A B C D 1 2 3 4 1 2 3 4 43 DV-533, DV-3310, DV-533K, DV-5310KD SIDE A SIDE B IC102 IC101 FLKB ASSY F FLKB ASSY F CN104 D CN201 G (DV-533, DV-533K : VNP1832-A) (DV-3310, DV-5310KD : VNP1833-A) (DV-533, DV-533K : VNP1832-A) (DV-3310, DV-5310KD : VNP1833-A) F 4.5 FLKB ASSY A B C D 1 2 3 4 1 2 3 4 44 DV-533, DV-3310, DV-533K, DV-5310KD SIDE A SIDE B KEYB ASSY G KEYB ASSY G CN102 F (DV-533, DV-533K : VNP1834-A) (DV-3310, DV-5310KD : VNP1835-A) G 4.6 KEYB ASSY A B C D 1 2 3 4 1 2 3 4 45 DV-533, DV-3310, DV-533K, DV-5310KD POWER SUPPLY UNIT H CN101 D AC IN SIDE A Q411 Q410 IC102 IC103 VR 201 IC201 Q20 Q71 Q2 Q1 Q412 Q402 Q401 H 4.7 POWER SUPPLY UNIT (VWR1340) A B C D 1 2 3 4 1 2 3 4 46 DV-533, DV-3310, DV-533K, DV-5310KD POWER SUPPLY UNIT H CN101 D AC IN SIDE A Q2 Q1 Q20 Q411 Q412 IC201 VR201 H 4.8 POWER SUPPLY UNIT (VWR1339) Mark No. Description Part No. Mark No. Description Part No. 47 DV-533, DV-3310, DV-533K, DV-5310KD 5. PCB PARTS LIST NOTES: •Parts marked by "NSP" are generally unavailable because they are not in our Master Spare Parts List. •The mark found on some component parts indicates the importance of the safety factor of the part. Therefore, when replacing, be sure to use parts of identical designation. •When ordering resistors, first convert resistance values into code form as shown in the following examples. Ex.1 When there are 2 effective digits (any digit apart from 0), such as 560 ohm and 47k ohm (tolerance is shown by J=5%, and K=10%). 560 Ω → 56 × 10 1 → 561 ........................................................ RD1/4PU 5 6 1 J 47k Ω → 47 × 10 3 → 473 ........................................................ RD1/4PU 4 7 3 J 0.5 Ω → R50 ..................................................................................... RN2H R 5 0 K 1 Ω → 1R0 ..................................................................................... RS1P 1 R 0 K Ex.2 When there are 3 effective digits (such as in high precision metal film resistors). 5.62k Ω → 562 × 10 1 → 5621 ...................................................... RN1/4PC 5 6 2 1 F Mark Symbol and Description Part No. Remarks DV-533 DV-3310 DV-533K DV-5310KD RDXJ/RA, RDXJ/RB RAMXQ RLXJ/NC, RLXJ/RB, RLXJ/RD LBXJ RAMXQ NSP NSP NSP NSP NSP Loading Mechanism Assy LOAB Assy DVDM Assy JSMB Assy SSIB Assy JACB Assy MJKB Assy FLKB Assy KEYB Assy POWER SUPPLY Unit VWT1188 VWG2279 VWS1487 VWM2085 VWG2292 VWV1844 Not used VWG2284 VWG2290 VWR1340 VWT1188 VWG2279 VWS1501 VWM2085 VWG2292 VWV1844 Not used VWG2287 VWG2290 VWR1340 VWT1188 VWG2279 VWS1487 VWM2086 VWG2292 VWV1845 VWV1849 VWG2286 VWG2290 VWR1340 VWT1188 VWG2279 VWS1487 VWM2086 VWG2292 VWV1845 VWV1849 VWG2285 VWG2290 VWR1339 VWT1188 VWG2279 VWS1489 VWM2087 VWG2292 VWV1846 VWV1849 VWG2288 VWG2296 VWR1340 LIST OF HOLE PCB ASSEMBLIES FLKB ASSY VWG2284, VWG2287, VWG2286, VWG2285 and VWG2288 are constructed the same except for the following : F Mark Symbol and Description Part No. Remarks VWG2284 VWG2287 VWG2286 VWG2285 VWG2288 R116 R141 R142 R157 R158 R169 PC Board FLKB Not used RS1/16S682J RS1/16S272J Not used RS1/16S0R0J RS1/16S0R0J VNP1832 Not used RS1/16S562J RS1/16S333J Not used RS1/16S0R0J RS1/16S0R0J VNP1833 RS1/16S0R0J RS1/16S682J RS1/16S272J Not used RS1/16S0R0J Not used VNP1832 RS1/16S0R0J RS1/16S152J RS1/16S122J Not used RS1/16S0R0J Not used VNP1832 RS1/16S0R0J RS1/16S562J RS1/16S333J RS1/16S0R0J Not used Not used VNP1833 KEYB ASSY VWG2290 and VWG2296 are constructed the same except for the following : G Mark Symbol and Description Part No. Remarks VWG2290 VWG2296 S105 R184 Not used Not used ASG7013 RS1/16S151J Mark No. Description Part No. Mark No. Description Part No. 48 DV-533, DV-3310, DV-533K, DV-5310KD Mark No. Description Part No. Mark No. Description Part No. PCB PARTS LIST FOR DV-533/RDXJ/RA UNLESS OTHERWISE NOTED LOAB ASSY SWITCH S101 VSK1011 OTHERS CN602 KR CONNECTOR S2B-PH-K CN601 KR CONNECTOR S5B-PH-K PC BOARD LOAB VNP1836 DVDM ASSY SEMICONDUCTORS IC861 ADV7172KST IC451 BA25BC0FP IC261,IC302 BA4510F IC251 BA6664FM IC481 BU2288FV IC101 LA9701M IC201 LC78652W IC351 M56788AFP IC801 M65774BFP IC805 MB81F161622C-80FN IC712 MNR4800DJ7 IC601 PD6345A IC701 PE5108A IC111 TC74HC4053AFT IC612 TC74VHC125FT IC608 TC74VHCT125AFT IC304 TC7SHU04F IC603 VYW1852 Q109,Q901-Q903,Q911-Q913 2SA1576A Q114,Q130 2SC4081 Q107,Q111,Q115,Q241 DTC114EUA Q101,Q102,Q106 HN1A01F Q103,Q141,Q142,Q542,Q543 HN1B04FU Q112,Q113 HN1C01FU Q108 HN1K03FU Q571 RN1911 Q117,Q171,Q601 RN4982 D302 KV1470 D601 RB501V-40 COILS L304 LCYA1R5J2520 L481 CHIP BEAD VTL1084 L489 CHIP BEAD VTL1078 A B DVDM ASSY VWS1487, VWS1501 and VWS1489 are constructed the same except for the following : B Mark Symbol and Description Part No. Remarks VWS1487 NSP IC881 Q921-Q923 L489 C142 C254, C401 C407, C741 C607, C710, C714 C880, C881, C885 C882, C883, C887, C889-C893, C895 C921 R3 R4 R489 R622 R628 R882, R890, R923, R926, R963 R893 R894 R895 R921, R924, R927 R922, R925, R928 R924, R927 R929 R940, R942 PC Board DVDM Not used Not used VTL1078 CEV221M4 CEV101M16 CEV101M16 CKSRYF105Z10 Not used Not used Not used RS1/16S103J RS1/16S333J Not used RS1/16S103J Not used Not used Not used Not used Not used Not used Not used Not used Not used RS1/16S0R0J VNP1822 VWS1501 Not used Not used Not used CEV101M16 CEV470M16 Not used Not used Not used Not used Not used RS1/16S103J RS1/16S333J RS1/16S220J Not used Not used Not used Not used Not used Not used Not used Not used Not used Not used RS1/16S0R0J VNP1823 VWS1489 PM0026A 2SA1576A Not used CEV101M16 CEV470M16 Not used Not used CKSRYF105Z10 CKSRYF104Z25 CKSRYF104Z25 RS1/16S333J RS1/16S103J RS1/16S220J RS1/16S103J RS1/16S103J RS1/16S0R0J RS1/16S6800F RS1/16S3001F RS1/16S1201F RS1/16S182J RS1/16S1000F RS1/16S182J RS1/16S100J Not used VNP1823 Mark No. Description Part No. Mark No. Description Part No. 49 DV-533, DV-3310, DV-533K, DV-5310KD CAPACITORS C480,C481,C612 CCSRCH100D50 C152 CCSRCH101J50 C104-C108 CCSRCH150J50 C322 CCSRCH180J50 C314 CCSRCH220J50 C151 CCSRCH270J50 C391,C392 CCSRCH331J50 C146 CCSRCH390J50 C122,C123 CCSRCH391J50 C116,C134,C297 CCSRCH470J50 C145,C241 CCSRCH560J50 C117,C360 CCSRCH681J50 C124 CCSRCH820J50 C129,C149,C201,C205,C254 CEV101M16 C358,C368,C369,C401,C403,C410 CEV101M16 C407,C472,C741,C864 CEV101M16 C113,C139 CEV220M16 C142,C405,C454,C715 CEV221M4 C111 CEV470M6R3 C140,C223,C224,C264,C312 CKSQYB105K10 C475-C477 CKSQYB105K10 C209,C211,C216,C313,C351 CKSRYB102K50 C133,C136,C203,C220,C225 CKSRYB103K50 C239,C261,C320,C321,C330 CKSRYB103K50 C591,C619,C703,C722 CKSRYB103K50 C101,C103,C118,C119,C121 CKSRYB104K16 C212,C213,C227,C231 CKSRYB104K16 C248-C251,C255,C263,C315 CKSRYB104K16 C317 CKSRYB104K16 C208,C210 CKSRYB222K50 C266 CKSRYB224K10 C206,C214,C242,C357 CKSRYB472K50 C102,C109,C120,C130,C131 CKSRYF104Z25 C138,C143,C148,C154 CKSRYF104Z25 C157,C158,C204,C207,C215 CKSRYF104Z25 C221,C222,C226,C230,C236 CKSRYF104Z25 C253,C256,C258,C265,C299 CKSRYF104Z25 C319,C332,C353,C359 CKSRYF104Z25 C365,C366,C453,C603,C606 CKSRYF104Z25 C608-C611,C613,C615,C618 CKSRYF104Z25 C626,C628,C631,C704,C706 CKSRYF104Z25 C708,C712,C713,C716-C718 CKSRYF104Z25 C721,C723,C725,C743,C802 CKSRYF104Z25 C808,C811,C814,C866 CKSRYF104Z25 C869-C872,C874,C875,C903 CKSRYF104Z25 C913 CKSRYF104Z25 C115,C217,C328,C607,C614,C710 CKSRYF105Z10 C711,C714,C726,C801,C809,C813 CKSRYF105Z10 C816-C821,C827,C833,C843 CKSRYF105Z10 RESISTORS R815,R819 RAB4C0R0J R543,R545,R594,R631,R707 RAB4C103J R121 RAB4C220J R123 RAB4C470J R400,R403 RS1/10S0R0J R341 RS1/10S101J R126-R129,R176-R179 RS1/10S220J R902,R905,R908,R912,R915 RS1/16S1000F R918 RS1/16S1000F R364,R369,R373,R375 RS1/16S1003F R865 RS1/16S1502F R358,R361 RS1/16S1503F R876,R878 RS1/16S4701F R866 RS1/16S4702F R870,R875 RS1/16S6800F R867 RS1/16S6801F R357,R362,R363,R368,R372 RS1/16S6802F R374 RS1/16S6802F R257 (1Ω) VCN1127 R258,R259 (2.2Ω) VCN1128 Other Resistors RS1/16S J OTHERS CN51 PH CONNECTOR S5B-PH-SM3 9007 FLEXIBLE CABLE (07P) VDA1681 CN61 17P FFC CONNECTOR VKN1421 CN31,CN32 30P FFC CONNECTOR VKN1434 CN15126P FFC CONNECTOR VKN1790 X481 CRYSTAL RESONATOR VSS1159 (27.000MHz) X601 CERAMIC RESONATOR VSS1160 (16.5MHz) SSIB ASSY OTHERS CN2 4P FFC CONNECTOR VKN1264 CN1 12P FFC CONNECTOR VKN1272 CN3 17P FFC CONNECTOR VKN1277 JACB ASSY (VWV1844) SEMICONDUCTORS IC231 BA4560F IC411 MM1540BF IC302 NJM78L05A IC401 NJM78L08A IC211 PCM1742KE Q273 2SA1037K Q601 2SC2412K Q241,Q274 2SD2114K Q211,Q272,Q445,Q447 DTC114YK Q446,Q448 PDTA124EK D150,D431,D432,D435,D436 1SS355 D441,D442,D471,D472 1SS355 D475,D476,D481,D482 1SS355 D281 UDZS6.2B COILS L601 NOISE FILTER RTF1167 L455,L461 CHIP BEAD VTL1089 CAPACITORS C236,C238,C286,C288 CCSRCH331J50 C150 CCSRCH470J50 C581 CEAL100M16 C411 CEAL101M10 C415 CEAL470M10 C D Mark No. Description Part No. Mark No. Description Part No. 50 DV-533, DV-3310, DV-533K, DV-5310KD C405,C611 CEAT101M10 C605 CEAT1R0M50 C231,C237,C281,C287 CEAT470M16 C105 CEAT471M16 C431,C441,C455,C461 CEAT471M6R3 C213,C215,C451 CEJQ101M6R3 C206,C211 CEJQ331M6R3 C234,C284 CEJQ470M16 C235,C285 CKSRYB272K50 C106,C151,C212,C214,C216 CKSRYF104Z25 C233,C239,C289,C406,C412 CKSRYF104Z25 C416,C422,C423,C425,C435 CKSRYF104Z25 C584,C586,C602,C612 CKSRYF104Z25 RESISTORS R234,R284 RN1/16SE2201D R236,R286 RN1/16SE4301D R273 RS1/10S182J R456,R462 RS1/16S1000F R457,R458,R463,R464 RS1/16S4700F R432,R436,R442,R452 RS1/16S75R0F Other Resistors RS1/16S J OTHERS CN101 FJ CONNECTOR 14P 14PL-FJ CN401 4P MINI DIN SOCKET AKP7008 JA601 OPTICAL LINK OUT GP1FA550TZ JA201 2P PIN JACK PKB1034 JA150 REMOTE CONTROL JACK RKN1004 9001 PCB BINDER VEF1040 JA602 1P PIN JACK (BLK, NI) VKB1159 JA403 4P PIN JACK VKB1168 CN104 16P FFC CONNECTOR VKN1247 CN102,CN106 VKN1261 30P FFC CONNECTOR CN110 7P FFC CONNECTOR VKN1267 KN401,KN601 VNF1084 EARTH METAL FITTING JACB ASSY (VWV1845) SEMICONDUCTORS IC231 BA4560F IC411 MM1540BF IC302 NJM78L05A IC401 NJM78L08A IC211 PCM1742KE Q273 2SA1037K Q601 2SC2412K Q241,Q263,Q264,Q274 2SD2114K Q276 DTA124TK Q211,Q261,Q272,Q445,Q447 DTC114YK Q262,Q446,Q448 PDTA124EK D150,D431,D432,D435,D436 1SS355 D441,D442,D471,D472 1SS355 D475,D476,D481,D482 1SS355 D281 UDZS6.2B COILS L601 NOISE FILTER RTF1167 L455,L461 CHIP BEAD VTL1089 CAPACITORS C235,C285 CCSRCH221J50 C236,C286 CCSRCH330J50 C238,C288 CCSRCH331J50 C150 CCSRCH470J50 C581 CEAL100M16 C411 CEAL101M10 C451 CEAT102M6R3 C415 CEAL470M10 C405,C611 CEAT101M10 C605 CEAT1R0M50 C231,C237,C261,C262,C281 CEAT470M16 C287 CEAT470M16 C105 CEAT471M16 C431,C441,C455,C461 CEAT471M6R3 C213,C215 CEJQ101M6R3 C206,C211 CEJQ331M6R3 C234,C284 CEJQ470M16 C106,C151,C212,C214,C216 CKSRYF104Z25 C233,C239,C289,C406,C412 CKSRYF104Z25 C416,C422,C423,C425,C435 CKSRYF104Z25 C584,C586,C602,C612 CKSRYF104Z25 RESISTORS R234,R284 RN1/16SE1602D R236,R286 RN1/16SE3302D R273 RS1/10S182J R261 RS1/10S222J R456,R462 RS1/16S1000F R457,R458,R463,R464 RS1/16S4700F R432,R436,R442,R452 RS1/16S75R0F Other Resistors RS1/16S J OTHERS CN101 FJ CONNECTOR 14P 14PL-FJ CN401 4P MINI DIN SOCKET AKP7008 JA601 OPTICAL LINK OUT GP1FA550TZ JA201 2P PIN JACK PKB1034 JA150 REMOTE CONTROL JACK RKN1004 9001 PCB BINDER VEF1040 JA602 1P PIN JACK (BLK, NI) VKB1159 JA403 4P PIN JACK VKB1168 CN105 7P FFC CONNECTOR VKN1238 CN104 16P FFC CONNECTOR VKN1247 CN102,CN106 VKN1261 30P FFC CONNECTOR CN110 7P FFC CONNECTOR VKN1267 KN401,KN601 VNF1084 EARTH METAL FITTING JACB ASSY (VWV1846) SEMICONDUCTORS IC231,IC325,IC351,IC371 BA4560F IC411 MM1540CF IC302 NJM78L05A IC401 NJM78L08A IC301 PCM1601Y D D Mark No. Description Part No. Mark No. Description Part No. 51 DV-533, DV-3310, DV-533K, DV-5310KD IC311,IC331 TC4W53F IC571 TC74HC4053AF Q273,Q335,Q351,Q352,Q392 2SA1037K Q397,Q501,Q511,Q521,Q531 2SA1037K Q541,Q551 2SA1037K Q334,Q391,Q396,Q601 2SC2412K Q241,Q263,Q264,Q274,Q303 2SD2114K Q336,Q337,Q393-Q395,Q399 2SD2114K Q276 DTA124TK Q261,Q272,Q301,Q314,Q321 DTC114YK Q331,Q445,Q447,Q571 DTC114YK Q262,Q302,Q446,Q448,Q572 PDTA124EK Q251 PDTC124EK D150,D333,D431,D432 1SS355 D435,D436,D441,D442 1SS355 D471,D472,D475,D476 1SS355 D481,D482 1SS355 D281 UDZS6.2B COILS AND FILTERS L501,L511,L521 LAU120J L601 NOISE FILTER RTF1167 F531,F541,F551 VTF1158 12MHz LPF (VIDEO) L455,L461 CHIP BEAD VTL1089 CAPACITORS C503,C513,C523 CCSRCH180J50 C235,C285,C353,C363,C373 CCSRCH221J50 C236,C286,C354,C364,C374 CCSRCH330J50 C122,C238,C288,C341,C345 CCSRCH331J50 C356,C366,C376 CCSRCH331J50 C150 CCSRCH470J50 C501,C502,C511,C512 CCSRCH6R0D50 C521,C522,C531,C541,C551 CCSRCH6R0D50 C581 CEAL100M16 C411 CEAL101M10 C415 CEAL470M10 C355,C365,C375 CEAT100M50 C382,C384,C405,C611 CEAT101M10 C451 CEAT102M6R3 C325,C605 CEAT1R0M50 C381 CEAT220M25 C231,C237,C261,C262,C281 CEAT470M16 C287,C320 CEAT470M16 C105 CEAT471M16 C431,C441,C455,C461 CEAT471M6R3 C234,C284 CEJQ470M16 C326,C328,C352,C362,C372 CFTYA104J50 C386 CKSQYB105K10 C383 CKSRYB104K16 C106,C151,C233,C239,C289 CKSRYF104Z25 C303,C304,C306,C308,C312 CKSRYF104Z25 C322,C323,C330,C331,C351 CKSRYF104Z25 C359,C369,C371,C378,C388 CKSRYF104Z25 C391,C406,C412,C416 CKSRYF104Z25 C422,C423,C425,C435,C535 CKSRYF104Z25 C572,C584,C586,C602,C612 CKSRYF104Z25 RESISTORS R328 RN1/10SE1103D R325-R327,R330 RN1/10SE5602D R258,R260 RN1/16SE1202D R234,R284,R351,R361,R371 RN1/16SE1502D R236,R286,R353,R363,R373 RN1/16SE2702D R385 RN1/16SE3301D R331 RN1/16SE3302D R273 RS1/10S182J R261,R318,R337,R391,R397 RS1/10S222J R456,R462 RS1/16S1000F R457,R458,R463,R464 RS1/16S4700F R432,R436,R442,R452 RS1/16S75R0F Other Resistors RS1/16S J OTHERS CN101 FJ CONNECTOR 4P 14PL-FJ CN401 4P MINI DIN SOCKET AKP7008 JA601 OPTICAL LINK OUT GP1FA550TZ JA201 2P PIN JACK PKB1034 JA150 REMOTE RECEIVER JACK RKN1004 9001 PCB BINDER VEF1040 JA602 1P PIN JACK (BLK, NI) VKB1159 JA301 6P PIN JACK VKB1167 JA403 4P PIN JACK VKB1168 CN105 7P FFC CONNECTOR VKN1238 CN104 16P FFC CONNECTOR VKN1247 CN102,CN106 VKN1261 30P FFC CONNECTOR CN110 7P FFC CONNECTOR VKN1267 KN401,KN601 VNF1084 EARTH METAL FITTING MJKB ASSY SEMICONDUCTORS IC1001 M65855FP IC2001 NJM2068M IC4001 NJM2370R10-TFB D1001 UDZS5.1B CAPACITORS C2002 CCSRCH271J50 C3003 CEAL101M10 C1003,C1009,C1015 CEAL101M6R3 C1001,C3001,C3007 CEAL2R2M50 C4005 CEJQ101M16 C3002,C3006 CKSRYB102K50 C1002,C1004,C1011,C1012,C1014 CKSRYB103K50 C2001,C2005 CKSRYB103K50 C2003,C4008 CKSRYB104K16 C1007 CKSRYB223K50 C1006,C1010 CKSRYB472K50 C2004 CKSRYB473K25 C4004 CKSRYF104Z25 C1005 CKSRYF105Z10 RESISTORS VR1001,VR2001 (10KB) VCS1040 Other Resistors RS1/16S J E Mark No. Description Part No. Mark No. Description Part No. 52 DV-533, DV-3310, DV-533K, DV-5310KD POWER SUPPLY UNIT (VWR1340) OTHERS P101 PROTECTOR (800mA) AEK7063 P102 PROTECTOR (1.6A) AEK7066 F1 FUSE (2.5A) REK1102 POWER SUPPLY UNIT (VWR1339) OTHERS P101 PROTECTOR (800mA) AEK7063 P102 PROTECTOR (1.6A) AEK7066 F1 FUSE (1.6A) REK1077 OTHERS CN5045 7P FFC CONNECTOR VKN1267 JA5045 HEADPHONE JACK VKN1776 FLKB ASSY SEMICONDUCTORS IC101 PE5251A IC102 PST3242 SWITCHES S101,S102,S203 ASG7013 CAPACITORS C111,C114,C118,C119 CCSRCH102J50 C102 CCSRCH470J50 C122 CEAL101M6R3 C101,C103,C106,C112,C121 CKSRYF104Z25 C131 CKSRYF104Z25 C105 CKSRYF104Z50 RESISTORS All Resistors RS1/16S J OTHERS CN102 FJ CONNECTOR 4P 04P-FJ IR101 REMOTE RECEIVER UNIT GP1U27X V101 FL TUBE VAW1063 SPACER VEC2220 CN101 16P FFC CONNECTOR VKN1276 FL HOLDER VNF1122 PC BOARD FLKB VNP1832 X101 CERAMIC RESONATOR VSS1142 (5MHz) KEYB ASSY SWITCHES S103,S104,S201,S202 ASG7013 RESISTORS All Resistors RS1/16S J OTHERS CN201 FJ CONNECTOR 4P 04R-FJ PC BOARD KEYB VNP1834 G H H F 53 DV-533, DV-3310, DV-533K, DV-5310KD 1 1 2 2 3 Tangential adjustment screw 1 2 Radial adjustment screw Screwdriver (large) TV monitor Precise screwdriver DVD test disc (GGV1025) Test mode remote control unit (GGF1067) Screw tight (GYL1001) Screwdriver (medium) 6. ADJUSTMENT 6.1 ADJUSTMENT ITEMS AND LOCATION Adjustment Items [Mechanism Part] [Electrical Part] Tangential and Radial Height Coarse Adjustment DVD Jitter Adjustment Initialize the Focus Sweep Setting Electrical adjustments are not required. 6.2 JIGS AND MEASURING INSTRUMENTS Adjustment Points (Mechanism Part) Cautions: After adjustment, adjustment screw locks with the Screw tight. 54 DV-533, DV-3310, DV-533K, DV-5310KD ∗ After adjustment, screw locks with the Screw tight. ∗ After adjustment, screw locks with the Screw tight. ~, Ÿ, ! Ÿ, ! Mechanical point Electric point ! Mechanical point Electric point Mechanical point Electric point Be sure to perform the following step finally when replaced Pickup, Traverse Mechanism and Spindle Motor. Purpose: To set the sweep which was correct with the individual Traverse mechanism. Mechanical point Electric point SSIB, LOAB, DVDM ASSY ∗ GGF1067 Test mode remote control unit ESC CLEAR Exchange Parts of Mechanism Assy Exchange PCB Assy 6.3 NECESSARY ADJUSTMENT POINTS When Adjustment Points Exchange the Pickup Exchange the Traverse Mechanism Exchange the Spindle Motor Exchange PC Board (It is necessary when performed adjustment procedure Ÿ.) 55 DV-533, DV-3310, DV-533K, DV-5310KD TEST MODE: ON TEST MODE: DISC SET DSC - &&& GGF1067 Test mode remote control unit GGF1067 Test mode remote control unit POWER ON OPEN/CLOSE (Player or Remote Control Unit) OPEN/CLOSE (Player or Remote Control Unit) DVD disc TEST MODE: PLAY TEST MODE: OFF An address is displayed For example, when playback with # 30000 During PLAY Press keys in order OR ESC OFF POWER 6.4 TEST MODE 030000 < When playback with the target address of disc (DVD)> TV/LDP +10 3 0 0 0 0 CHP/TIM ESC TEST CHECK DVD, CD 56 DV-533, DV-3310, DV-533K, DV-5310KD • Remove the servo mechanism. • Remove a Spacer for height adjustment attached to the back side (shaded area) of the Servo Mechanism (Float Base) with nippers. Cautions: Because there is not a Spacer for height adjustment in adjustment after the second time, will keep it at need. (This parts is Traverse mechanism exclusive use of a model for 2001 years) Put a spacer between a Tangential (or Radial) adjustment screw and Mechanism Base and turn each screw to adjust the height. (Refer to "6.1 ADJUSTMENT ITEMS AND LOCATION".) Note: Turn the Short switch to Short side when removing the Pickup Flexible Cable. (Refer to "7.1.6 DISASSEMBLY".) START 6.5 MECHANISM ADJUSTMENT Tangential and Radial Height Coarse Adjustment 1 Servo Mechanism 7.3mm Turn a flat side into bottom Spacer for Height adjustment Float Base 57 DV-533, DV-3310, DV-533K, DV-5310KD Player Monitor • Test mode • Play the DVD test disc at outer track (around #200000) • Play the DVD test disc at inner track (around #30000) • Play the DVD test disc at outer track (around #200000) Mechanism Assy Adjust the Tangential Adjustment Screw so that jitter becomes minimum. Mechanism Assy Readjust the Tangential Adjustment Screw so that jitter becomes minimum. Mechanism Assy Adjust the Radial Adjustment Screw so that jitter becomes minimum. Use disc: GGV1025 START DVD Jitter Adjustment 2 J4 : - - - - J4 : Min J4 : Min Test mode end J4 : Min ESC Disc playback normally. • The measurement of block error rate If error rate is OK, locks a root of tangential and radial adjustment screws with the Screw tight, and go to step !. Screw tight : GYL1001 Turn the POWER OFF in case of NG once, and perform the adjustment once again. Confirm the error rate that is displayed "OK" (Example ER (av): 2.5e - 5-*OK ) 5 ESC CHECK NG OK • Playback method of inner and outer address for the purpose is refererd to "6.3 TEST MODE". • Jitter indication of the monitor is refererd to "7.1.3 TEST MODE SCREEN DISPLAY". 58 DV-533, DV-3310, DV-533K, DV-5310KD Initialize the Focus Sweep Setting 3 Turn on the Player ESC CLEAR POWER Note: Be sure to perform this step when replaced the Pickup or Traverse mechanism. Purpose: To set the sweep which was correct with the individual Traverse mechanism. 59 DV-533, DV-3310, DV-533K, DV-5310KD 7. GENERAL INFORMATION 7.1 DIAGNOSIS 7.1.1 SELF-DIAGNOSTIC FUNCTION OF PICKUP DEFECTIVE Character in bold : Item name : Information display Test Mode Screen Display Laser diode current value Symptom • Indicates "No Disc" in FL display. • Player does not playback, etc.. This unit can confirm the laser diode current value (DVD: 650nm, CD: 780nm) of pickup on the Test Mode screen. (Press the ESC → TEST keys in order on the test mode remote control unit (GGF1067) to enter the test mode.) Note : When a DVD disc or a CD disc is played in the test mode, this function is effective. Procedure of Self-Diagnosis 1 Enter the Test mode. 2 When diagnosing the 650nm laser diode: Press the → keys in order, and turn on the laser diode (It light-up for nine seconds.). When diagnosing the 780nm laser diode: Press the → keys in order, and turn on the laser diode (It light-up for nine seconds.). When let it turn on once again after performed 2 once, After pressed REP.B key once 650nm: Press the → keys in order 780nm: Press the → keys in order 3 Confirm the indicated value of the laser diode current (LDI). (Refer to following figure.) 4 When indicated value is more than 100, pickup is defective. → Replacement is necessary Replace the Traverse Mechanism Assy or Pickup. TEST 1 TEST 1 TEST 4 TEST 4 It's effective in case of the following condition. 60 DV-533, DV-3310, DV-533K, DV-5310KD DVDM ASSY SIDE A Front Side This model has not test terminal. Please use following points on the DVDM Assy when checking RF, FE and TE, etc.. 7.1.2 TEST POINTS LOCATION CN51 CN13 CN32 IC351 16M/36M (for AV1) 22M/24M (for DAC) 27M (for AV1) 33M (for BY Chip pin 15) 16M (for BY Chip pin 13, DSP) TE FE RFO Vref (IC101-pin 64) RF (R169) IC881 IC861 IC806 IC805 IC481 IC601 IC712 CN31 IC201 CN61 CN151 VCO DRV BCLK LRCLK DATAO for Audio DAC (IC211) Prog. Y Prog. Cr Y (/G) C V Y Cb (/B) Color difference Color difference Cr (/R) Prog. Cb 61 DV-533, DV-3310, DV-533K, DV-5310KD Remote control code Key code Mechanism position value and slider position Output video system and Skirt terminal output FL controller version and region setting for the player Port No. of Flash ROM and system controller System controller revision Flash ROM version and Flash ROM size FL controller destination setting AV1 chip version DVD mechanism controller revision (Control and part No. of GUI-ROM) Character in bold : Item name : Information display Test Mode Screen Display (First Screen Display) • Screen Composition Address Background color Tracking status and Laser diode current value Spindle status and AFB status AGC setting FTS servo IC information C1 error value of CD and DVD Internal operation mode of the mechanism control Disc judgment and CD 1/3 beam switch Equalizer value and jitter value 7.1.3 TEST MODE SCREEN DISPLAY TEST MODE SCREEN DISPLAY Consecutive double-OSD display is supported during test mode. The screen is composed 10 lines with a maximum of 32 characters per line. It can't be used with the debugging display mode together. Caution : The first screen and second screen switch by pressing [DISPLAY] key of the remote control unit. It is only a version display part on the lower right of the screen those contents of display change. ATB : ON/OFF information display and AGC manual setting display deleted with the second generation. The displays of Tilt error value, Tilt servo status and pickup DVD/CLD display deleted with the third generation becomes LD part is deleted. • Description of Each Item on the Display (1) Address indication The address being traced is displayed in number. DVD : ID indication (hexadecimal number, 8 digits) [ ∗ ∗ ∗ ∗ ∗ ∗ ∗ ∗ ] CD : A-TIME (min. sec.) [ 0 0 0 0 ∗ ∗ ∗ ∗ ] (Note : For DVDs, decimal-number indication is possible.) (2) Code indication of the remote control unit [R – ∗ ∗ ∗ ∗] The code for the key pressed on the remote control unit, which is received by the FL controller, is displayed while the key is pressed. In the case of the double code, the second code will be displayed. (3) Key code indication for the main unit [K – ∗ ∗ ] The code for the key pressed on the main unit, which is received by the system controller, is displayed while the key is pressed. (4) Background color indication [C – R∗ ∗ G∗ ∗ B∗ ∗] (5) 1 Tracking status [TRKG – ∗∗∗] Tracking on [ON ] Tracking off [OFF] 2 Laser diode current value [LDI – ∗∗∗] (6) 1 Spindle status [SPDL – ∗ ∗ ∗] Spindle accelerator and brake, free-runnimg [A/B] FG servo [FG] Rough, velocity phase servo [SRV] Offset addition, rough, velocity phase servo [O_S] 2 AFB status [AFB – ∗ ∗] ON [ON ] OFF [OFF] (7) Mechanism position value [M – ∗] Position code [1] to [3] (8) Slider position [S – ∗ ∗ ∗ ∗] CD TOC area [IN ] CD active area [CD ] (9) AGC setting [AGC – ∗ ∗] AGC on [AGC-ON] AGC off [AGC-OFF] When the test mode is entered, press the ESC button and the TEST button in order of the test mode remote control unit (GGF1067). 62 DV-533, DV-3310, DV-533K, DV-5310KD (10) Output video system [V – ∗ ∗ ∗ ∗] NTSC system [NTSC] PAL system [PAL ] Auto-setting [AUTO] Skirt terminal output [SK – ∗ ∗] VIDEO [00] S-VIDEO [01] RGB [02] Note : Display only the model which can do the output setting of skirt terminal. (11) FTS servo IC information DSP coefficient indication [KS – [∗ ∗ ∗ ∗] ∗ ∗ ∗ ∗ ] Displays the address (four digits) of the specified coefficient and the setting value (four digits) with [TEST] and [9] keys. (12) Error rate indication 1 C1 error value of CD [ER – C1 ∗ ∗ ∗ ∗ ] 2 C1 error value of DVD [ER – ∗ ∗ ∗ ∗ ∗ ∗ ∗ ∗ ] (13) Internal operation mode of mechanism controller [MM – ∗ ∗ : ∗ ∗] Internal mechanism mode (2 digits) and internal mechanism step (2 digits) of the mechanism controller (14) 1 Disk sensing [DSC – ∗ ∗ ∗] The type of discs loaded is displayed. [DVD], [CD ], [VCD], [ ] 2 CD 1/3 beam switch [BM – ∗ ∗] (15) 1 Equalizer value [E – ∗ ∗] 2 Jitter value [J – ∗ ∗] Make the jitter four times, and renew it in every 0.5 second. [J4 – * *] CD is effective only in the jitter value. (16) Version of the AV-1 chip [ AV : ∗ . ∗ ∗' ∗' ] (17) 1 Version of the FL controller [FL : ∗ ∗ ∗ ∗] 2 Region setting of the player [REG : ∗ ] Setting value [1] to [6] (18) Destination setting of the FL controller [MDL : ∗ ∗ ∗ ∗ / ∗ ∗ ∗ ] Four charactors in the front represent the type of model : three charactors in the back represent the destination code. J : /J, K : /KU, /KC, /KU/KC, R : /RAM, /RL, /RD, /LB, WY : /WY (19) The part number of the flash ROM and system controller [∗ ∗ ∗ ∗ ∗ ∗ / ∗ ∗ ∗ ∗ ∗ ∗ ∗] 1 Part number of the flash ROM (Example) VYW1536-A = W1536A (Example) PD6256A9 = 6256A9 2 Part number of the system controller (Example) PD3381T1 = 3381T1 (20) 1 Version of the flash ROM [V : ∗ . ∗ ∗ ∗] 2 Flash ROM size [FLSH = ∗] (21) Revision of the system controller [S : ∗ . ∗ ∗ ∗ / ∗ . ∗ ∗ ] 1 Revision number of the external ROM part (flash ROM) of the system controller 2 Revision of the internal ROM part of the system controller (22) Revision of the DVD mechanism controller [M : ∗ . ∗ ∗ ∗] Revision number of the external ROM part (flash ROM) of the DVD mechanism controller (23) Control and part numbers of the GUI-ROM [GUI : ∗ ∗ ∗ ∗] No GUI model displays as "––– / ––––". OEM model displays the part number of GUI-ROM [GUI : * * * *] 63 DV-533, DV-3310, DV-533K, DV-5310KD DEBUGGING SCREEN SPECIFICATION FOR THE MECHANISM CONTROLLER 3 Indication Contents 1. The error that became the trigger that an error of 2 occurred. There are many cases same as 2. 2. The error number that transferred to the system controller Refer to the error list about contents of error number. 3. Code read in state (it does not support in this unit) When X is indicated, ID or subcode are not able to read in. When X is not indicated, they are able to read in. 4. ID or subcode (it does not support in this unit) Subcode indicates the A time. 5. Inside mode of the mechanism controller when an error of 1 occurred It can indicate to a maximum 10 mode. Indicate it in order of an old mode from the left, and go right, and become a new mode. Indicate only a nest share of the mode. 6. Processing step of inside mode of 5 It can grasp the mode reaching an error and transition of step by watching 5 and 6 and it can specify the occurrence place of most errors. 7. Disk information in the mechanism controller ? : Indistinctness NO : There is no disc DVD 1 : DVD single layer DVD 2 : DVD dual layer CD : CD CDR : CD-R or CD-RW CDR P : PRD of CD-R or CD-RW 8. As a result of 8cm /12cm distinction ? : Indistinctness (undistinction) 8 : 8 cm 12 : 12 cm 9. OEIC gain (it does not support in this unit) H : OEIC HIGH gain L : OEIC LOW gain 10. SGC gain for LD of 780nm It indicates a step using in the mechanism controller inside with a hexadecimal number. Set the gain so that S curve becomes 1.8V (p-p) in disc distinction. 11. SGC gain for LD of 650nm For L0. It indicates a step using in the mechanism controller inside with a hexadecimal number. Set a gain so that S curve becomes 1.8V (p-p) in disc distinction. 12. SGC gain for LD of 650nm For L1. It indicates a step using in the mechanism controller inside with a hexadecimal number. Set a gain so that a S curve becomes 1.8V (p-p) in disc distinction. 13. RF count value for disc distinction RF count value to use the disc distinction. It compares threshold value of 14 and 15 and distinguishes the disc. 14. Disc distinction threshold value (DVD and CD) Threshold value of the disc distinction. Distinguish it from DVD if bigger than this value, and distinguish it from CD if small. 1 Indication Method of The Mechanism Controller Debugging Screen A debugging screen of the mechanism controller is indicated when pressing the test mode remote control unit [GGF1067] in order of the and buttons. Releace from debugging screen display of the mechanism controller with the button. ESC ESC CHP/TM 2 Screen Layout • This specifications is subject to change without notice. 64 DV-533, DV-3310, DV-533K, DV-5310KD 15. Disc distinction threshold value (CD and unrecorded disc) Threshold value of the disc distinction. Distinguish it from CD if bigger than this value, and distinguish it from an unrecorded disc if small. 16. Current jitter value Indicate the value that was read in from the BY-CHIP (IC701) in DVD, and indicate the value that was read in from the servo DSP in CD. 17. Focus balance setting value of L0 18. Focus balance setting value of L1 19. Current mechanism controller inside mode (it does not support in this unit) It can indicate to a maximum 10 modes. Indicate only a nest share of the mode. 20. Processing step of 11 inside modes (it does not support in this unit) It can grasp the current mode, the mode reaching it and transition of step by watching 19 and 20. 21. Spindle control state of BY-CHIP (IC701) (it does not support in this unit) OFF : Motor off condition A/B : Accelerator and brakes FG : FG servo RVP : Rough speed phase servo ORVP : Rough speed phase servo of offset addition 22. Rotation number of spindle motor Do not FG read in ? indication (during spindle stop). 23. Tracking error generation system (it does not support in this unit) 1: 1 beam (DPD) 3: 3 beams 24. TZC count value (it does not support in this unit) The value that counted the number of TZC for one rotation in the tracking open state. When this value is more than 512 with CD, set it in 1 beam because the eccentric is large. DVD does not measure it because it is 1 beam fixed (indication is 0000). 25. It indicates the frequency that entered the focus backup Hexadecimal number indication. Counter does not reset till turns the power off after turning it on. Due to a 1 byte counter, next of FF becomes 00. 26. It indicates focus backup limit frequency with the hexadecimal number Initial value is 14H, it does decrement whenever enter the focus backup and it gives up backup if it became 0. Then the error is generated. After reverted from the backup, When not enter the backup and pass fixed time (1500ms), return to initial value again. 27. It indicates the frequency that entered the internal circumference plunging into backup of the sled Hexadecimal number indication. Counter does not reset till turns the power off after turning it on. Due to a 1 byte counter, next of FF becomes 00. 28. It indicates the frequency that entered the tracking overrun backup Hexadecimal number indication. Counter does not reset till turns the power off after turning it on. Due to a 1 byte counter, next of FF becomes 00. 29. It indicates the limit frequency of tracking overrun backup with a hexadecimal number Initial value is 03H, it does decrement whenever enter the tracking overrun backup and it gives up backup if it became 0. 30. It indicates the frequency that entered sled overrun backup Hexadecimal number indication. Counter does not reset till turns the power off after turning it on. Due to a 1 byte counter, next of FF becomes 00. 31. It indicates the limit frequency of sled overrun backup with a hexadecimal number Initial value is 03H, it does decrement whenever enter the sled overrun backup and it gives up backup if it became 0. 32. It indicates the frequency that entered the tracking close NG backup Hexadecimal number indication. Counter does not reset till turns the power off after turning it on. Next of FF is be a 1 byte counter in 00. The hexadecimal number indication which indicates the frequency that reads 33. ID/subQ, and entered NG backup Hexadecimal number indication. A counter does not reset it till cuts it off after turning it on. Due to a 1 byte counter, next of FF becomes 00. 34. An address to indicate in 35 Set it by using RS232.I (an address) Set it with DA. 35. Contents of an address indicated in 34. 65 DV-533, DV-3310, DV-533K, DV-5310KD 7.1.4 TROUBLE SHOOTING • No Power ON • FL is not turned ON • FL indication is unusual START Is FL turn on ? Is tray open ? Is the indication of FL normal ? Do the video and sound come on ? Power ON Yes Yes Yes Yes No No No Turn on the power again after 2 - 3 minutes. • Blow out fuse of the primary side • Blow out micro-fuse on the POWER SUPPLY Unit. (Check the each voltage.) (P101 and P102) • FL controller IC (IC101) on the FLKB Assy is damaged. • Blow out micro-fuse on the POWER SUPPLY Unit. (P101 and P102) FL indication is dark or flickers. No Indicates the error message Refer to the section "7.1.5 ERROR CODE". Refer to the section "7.1.5 ERROR CODE". Check the connection between JACB Assy and DVDM Assy. Indicate the error message. • Check the following connections : POWER SUPPLY Unit - DVDM Assy DVDM Assy - JACB Assy JACB Assy - FLKB Assy • Check each voltage (EV+5V, SW+5V, SW+3.3V, +6V and +12V) (If above voltage are not supplied, check the micro-fuse P101 and P102.) • Check the following connections : DVDM Assy - LOAB Assy (5P connector assy) DVDM Assy - SSIB Assy (INSIDE SW signal) • Check the +6V and +12V power supply voltage (If above voltage is not supplied, check the micro-fuse P101 and P102.) Spindle does not turn. Carriage does not move. Yes Laser diode does not light. Focus does not in. Yes No • Check the following connections : DVDM Assy - SSIB Assy (17P flexible cable) SSIB Assy - Spindle motor (12P flexible cable) SSIB Assy - Stepping motor (4P flexible cable) • Check the +6V and +12V power supply voltage (If above voltage is not supplied, check the micro-fuse P101 and P102.) No • Check the following connection : DVDM Assy - Pickup Assy (26P flexible cable) • Check the +6V and +12V power supply voltage and SW+5V (If +6V voltage is not supplied, check the micro-fuse P101 and P102.) • Check it whether the pickup is defectiveness. Perform the section "7.1.1 Self-Diagnostic Function of Pickup Defective" and check the LD current value. • Short or open the zenner diode on the POWER SUPPLY Unit. (D304) • Check the values of R153 - R155 on the FLKB Assy. OK 66 DV-533, DV-3310, DV-533K, DV-5310KD FL Display Possible causes Operation of the unit AV1 VER AV-1 chip is not a match with the program of system controller The sound may not out with the specific audio. CPU AERR CPU address error (Hardware is unusual.) No operation DMA AERR DMA address error (Hardware is unusual.) No operation FLASH ID Difference in versions of the internal ROM of the system controller and of the flash ROM, or bus line failure or reverse installation No operation FLASH WRP Write protect error of the flash ROM No operation FLASH SIG Difference in part number of the flash ROM (When the ROM which could't be used was used.) No operation FLASH SUM Check sum error of the flash ROM (It exceeds the regular size.) or reverse installation (Hardware is unusual.) No operation FLASH SIZE Size error of the flash ROM (Use 4 or 8 M-bit.) No operation ILLGAL The system controller fetched a code other than an operation code (Hardware is unusual.) No operation RESERVE Undefined interrupt (Hardware is unusual.) No operation SLOT Inappropriate slot command issued (Hardware is unusual.) No operation SDSP PWER Access error to the servo DSP or clock does not oscillation (Hardware is unusual.) Accept only OFF operation of the POWER key of the main unit. Remote control unit is impossible. Error codes that are displayed on the FL display without using the remote control unit 7.1.5 ERROR CODE Error codes that are displayed on the FL display by using the remote control unit (Mechanism controller error) To display: ESC + DISPLAY + DISPLAY; Location of the display: At the two digits of center of the FL display To display the error history: ESC + DISPLAY + One shot; Location of the display: TV screen FL Description of Error Causes if with a DVD Causes if with a CD Operation of the Unit 11 Search timeout Search could not be complete within 7 seconds. Search could not be complete within 7 seconds, and it could not enter the target area within 7 seconds by VCD scan. CD : Stops, DVD : Continues operation 12 Search retry error A search could not be completed after 3 retries, search backup was executed 4 times, or in a case of timeout (6 seconds) while the unit was tracing 11 tracks or more beyond the target while the search operation was converging. Backup against slider skip was executed 4 times during a search, or slider skip twice resulted in starting from the read-in point. CD : Stops, DVD : Continues operation 19 Tracing timeout while converging Timeout (10.5 seconds) while tracing at the stage of convergence of a search. Stop 1B Index 0 search error During Track (Index) Search, the search for the beginning of a program could not be completed within 3 seconds (20 seconds in the case of Index Search) after positioning based on the TOC data was completed. Stop 1C Wobble distinction error Distinguished RW disc without wobble. Read the RW control data. 22 Timeout of slider inner circumference Inside switch could not ON within 3 seconds. Stop 23 Timeout of slider outer circumference Inside switch could not OFF within 2 seconds. Stop 67 DV-533, DV-3310, DV-533K, DV-5310KD FL Description of Error Causes if with a DVD Causes if with a CD Operation of the Unit 39 SGC converge timeout SGC could not converge during detects the peak Open 41 Spindle timeout The unit did not enter Stop mode within 10 seconds of issuance of a Stop command. Stop 48 Spindle FG transition timeout The spindle could not converge into within ± 12% of the target FG rotation speed within 10 seconds after spindle kick. The first time after startup (the first time after disc distinction), it doesn't become the number of the target rotation within five seconds. The first time after startup, detects the abnormal rotation number of high-speed continuously 3 loops. DVD: 5 to 9 mS , CD: 40 to 60 mS Stops. (FG timeout) 49 Spindle PLL transition timeout After the second times after startup, it doesn't become the number of the target rotation within five seconds. Detects the abnormal high-speed or low-speed rotations. DVD: 5 to 9 mS , CD: 40 to 60 mS Stops. ("73" is displayed during starting process.) 4A Spindle lock timeout Spindle could not lock more than 1.5 seconds before start the AFB. Stops. ("73" is displayed during starting process.) 51 Auto sequence timeout of peak detection ABUSY did not return within 1 second after the DDTCT (peak detection) command was sent. Stop 52 Auto sequence timeout of focus jump down ABUSY did not return within 30 mS after the FJMPD (Focus jump 1 to 0) command was sent. Stop 53 Auto sequence timeout of focus jump up ABUSY did not return within 30 mS after the FJMPU (Focus jump 0 to 1) command was sent. Stop 54 Auto sequence timeout of play AGC ABUSY did not return within 50 mS after the GSUMON (play-AGC-measuring) command was sent. Stop 55 Auto sequence timeout of disc-type- sensing ABUSY did not return within 2 seconds after the DJSRT (disc-sensing) command was sent. Stop 56 Auto sequence timeout of ATB2 ABUSY did not return within 1 second after the TBLOFS (Internal ATB after the completion of external ATB) command was sent. Stop 57 Auto sequence timeout of tracking servo ON ABUSY did not return within 500 mS after the TSON (tracking servo ON) command was sent. Stop 58 Auto sequence timeout of ATB1 ABUSY did not return within 200 mS after the TBL (external ATB) command was sent. Stop 59 Auto sequence timeout of focus gain adjustment ABUSY did not return within 2 seconds after the FGN (focus gain adjustment) command was sent. Stop 5A Auto sequence timeout of tracking gain adjustment ABUSY did not return within 2 seconds after TGN (tracking gain adjustment) command was sent. Stop 5B Auto sequence timeout of offset adjustment ABUSY did not return within 1 second after the CMDAVE (offset adjustment) command was sent. Stop 33 No FOK pulse during playback CLVA When the focus was deviated continuously 20 times. Adjusts focus at the innermost circumference and tries to return to its position where the error was generated (for 3 times),then opens. If the same error persists after one retry, the tray opens. (No FOK pulse) 38 Disc-type- sensing error If normal starting was impossible in the following three cases, disc-type sensing will be retried if other errors occure excepting C5 error. However, when the focus error "33" was occured continuously 3 times, it is finished as "38 error" at the moment: (1) startup with the first disc-type-sensing result, (2) forced startup with another disc by designating the disc type, (3) forced startup with the original disc by designating the disc type. Open 68 DV-533, DV-3310, DV-533K, DV-5310KD 71 ID can not read during tracing FL Description of Error Causes if with a DVD Causes if with a CD Operation of the Unit An ID could not be read for 1 second or more. Stop 72 Subcode check failure during playback No frame could be read for 3 seconds or more. Stop 73 ID can not read at the startup An ID could not be read within 1 second after the AFB adjustment had been finished. Opens (ID readout failure) 74 Subcode check failure during startup No subcode could be read within 3 seconds after AFB adjustment had been finished. Opens (Subcode readout failure). 81 Timeout for reading TOC of the mechanism controller TOC readout took 30 seconds or more. Stop 82 Timeout for reading TOC of the system controller Reading TOC of the system controller took 30 seconds or more. Stop A1 Communication timeout of DSP command A command could not be issued to DSP because Command Busy (XCBUSY) was in force (XCBUSY = L) for a specified time (about 200 mS). Open A2 Communication timeout for reading DSP coefficient Command Busy (XCBUSY) was in force for a specified time (about 200 mS) before and after a coefficient read command was issued to DSP, or the address echo-back after command issuance did not match the setup address. Open A3 Communication timeout for writing DSP coefficient Command Busy (XCBUSY) was in force for a specified time (about 1024 mS) before and after the coefficient write command was issued to DSP. Open A4 Communication timeout for continuously writing DSP coefficient Command Busy (XCBUSY) was in force for 200 µS during continuous coefficient writing, or before and after a continuous write command was issued to DSP. Open B1 Timeout error for backup In the tracing state during the backup sequence, codes could not be read for 1 second or more. In the backup sequence, tracking ON sequence of the servo DSP could not be completed even if more than 500 mS after the tracking ON command was issued. Stops B2 Retry error for backup Tracing impossible after retring the tracking ON for 3 times in the backup sequence. Stops B3 Retry error for trace During tracing, runaway was detected after three iterations of backup operations for detecting runaway. Stops C3 Detection of tracking overcurrent During playback, the overcurrent detection port was at L for 300 ms or more continuously. Stops (the mechanical controller operates independently). (C5) Short-circuit test corresponding error While the power was on, the overcurrent detection port was at L for 40 ms or more continuously. Turns off the power instantly (No indication on the FL display and no writing to flash memory) E3 Violation against digital copy guard Stops 5C Auto sequence timeout of modulation factor measurement ABUSY did not return within 200 mS after the ADJMIR (modulation factor measurement) command was sent. Stop 5D Auto sequence timeout of auto focus bias ABUSY did not return within 2 seconds after the AFB (auto focus bias) command was sent. Stop 5F Auto sequence already busy A command could not be sent because ABUSY was low. ABUSY did not return within 200 mS after TLV command was sent. Stop 62 Pause retry error Pause mode could not be restored within three retries after it had been released. Continues operation 69 DV-533, DV-3310, DV-533K, DV-5310KD Error codes that are displayed on the FL display by using the remote control unit (Device error) To display : ESC + DISPLAY + DISPLAY ; Location of the display : At the two digits of left of the FL display FL Description of Error Causes if with a DVD Causes if with a CD Operation of the Unit bit3=1 08 etc. AV1 access error (read, write NG) No operation or it becomes debugging indication if the power is able to ON. bit2=1 04 etc. MY CHIP access error bit1=1 01 etc. SRAM access error F5 Tray being pushed The tray switch that had been Open mode was forcibly changed to a mode other than Open by an external force. Closes F8 Loading timeout Loading, unloading or clamping could not be completed within a specified time (about 5 seconds). Reverses the loading direction. It timeout is repeated upon retry, the unit stops. FC Focus The following error occured eight times. (1) Focus ON sequence could not be completed even if more than two seconds after the focus ON command (to the servo DSP) was sent. (2) Focus IN sequence was finished, actually focus IN was not completed. Stops wherever possible then opens (stops in the case of side B). FL Description of Error Causes if with a DVD Causes if with a CD Operation of the Unit 70 DV-533, DV-3310, DV-533K, DV-5310KD 1 Remove the Bonnet (Screws × 6) In the reverse state, pass a small screwdriver through a slit and slide a protruding portion of the Drive Gear of the Loading Mechanism Assy to the direction of arrow. If the Tray moved toward the front about 2 or 3 cm, pull out the Tray by hands. 2 Power ON 3 Tray open (0) 4 Remove the Tray Panel 1 Set the Test Disc 2 Tray close (0) → Clamp the Test Disc 1 Unhook (×6) 2 Remove the Front Panel 3 Power OFF 4 Pull out the Power Cord from the outlet Bonnet and Tray Panel 1 Test Disc Set 2 Front Panel Assy 3 How to Open the Tray by Manual Operating 2 3 3 2 4 1 Front Panel Assy Tray Test Disc Tray Panel Slit Small Square-bar Screwdriver Small Square-bar Screwdriver Drive Gear Loading Mechanism Assy 3 2 Protruding portion 1 ×3 1 ×3 7.1.6 DISASSEMBLY Note When diagnosing the unit, be sure to use two connection cables for service. (Part No. : GGD1222) DIAGNOSIS OF PCBs 71 DV-533, DV-3310, DV-533K, DV-5310KD JACB ASSY PCB Location D MJKB ASSY E POWER SUPPLY UNIT H DVDM ASSY B SSIB ASSY C LOAB ASSY A FLKB ASSY F KEYB ASSY G Loading Mechanism Assy 4 Diagnosis of DVDM Assy 5 Loading Mechanism Assy DVDM Assy DVDM Assy Loading Mechanism Assy Spacer Connection Cable for Service (GGD1222) 1 × 4 1 Remove four screws. 2 Remove the Loading Mechanism Assy. Caution in installation: Excess length of 4P Flexible Cable of the stepping motor performs styling not to hold it under the JACB Assy. JACB Assy Performs styling on the JACB Assy. JACB Assy SSIB Assy 1 Remove two screws. 2 Remove two PCB Support. 3 Remove two Flexible Cable. 4 Remove the DVDM Assy. 5 Connect two Connection Cables for Service (GGD1222) between DVDM Assy and JACB Assy. 6 7 8 1 2 × 2 2 4 3 3 2 7 5 Reverse the Loading Mechanism Assy and DVDM Assy, and arrange as figure below. Put in spacers under the Loading Mechanism Assy not to rub the Clamper. Playback with a test disc, and diagnose the DVDM Assy. 72 DV-533, DV-3310, DV-533K, DV-5310KD Diagnosis of JACB Assy 6 1 Remove the Rear Panel (Screws ×9). 2 Remove the JACB Assy, MJKB Assy and the POWER SUPPLY Unit (Screws ×11)(PCB Support ×1). 3 4 5 Short-circuit W284 (GND of audio and video) on the JACB Assy as shown in the right figure. (Audio does not come out from output terminal that does not short-circuit.) Note: If diagnosis was completed, be sure to remove a wire. 6 POWER SUPPLY Unit JACB Assy MJKB Assy DVDM Assy Connection Cable for Service (GGD1222) 3 Loading Mechanism Assy 4 Short point of the JACB Assy SIDE B Short-circuit W284 W284 W284 W284 4 Connect two Connection Cables for Service (GGD1222) between DVDM Assy and JACB Assy. Reverse the JACB Assy and POWER SUPPLY Unit, and arrange as figure below. Playback with a test disc, and diagnose the JACB Assy. 73 DV-533, DV-3310, DV-533K, DV-5310KD 4 5 Turn the Short SW to Short side. 6 In the Tray insertion, insert it after matching a triangle mark of the Loading Base and a position of pin of the Drive Cam. 8 Remove a screw. 7 Remove the Loading Mechanism Assy (Screws ×4). When Removing The Traverse Mechanism Assy 9 9 FFC Holder Traverse Mechanism Assy Traverse Mechanism Assy Remove the FFC Holder with the state which Flexible Cable was atatched. Pull out the Tray and remove it while unhooking a Hook. 1 2 Remove the Front Panel. 3 Remove the Bridge (Screw ×1). Remove three connectors. Remove the Bonnet and Tray Panel. 10 11 12 Unhook ( ×4) Remove the Traverse Mechanism Assy Remove the Pickup Flexible Cable 8 3 × 2 × 2 Bottom View RearView Short Bridge -1 3 6 6 6 -2 4 -1 4 -2 DVDM Assy Loading Base Triangle mark Drive Cam Pin DVDM Assy Side Short SW 5 Exchange Traverse Mechanism Assy Pickup Assy Hook Caution in the tray insertion Cautions: Screw is locked with Silicone Adhesive. Please lock it with Silicone Adhesive when installs it. Silicone Adhesive GEM1037 12 10 11 11 Disassembly of the Traverse Mechanism Assy and the Pickup Assy Open 74 DV-533, DV-3310, DV-533K, DV-5310KD Remove the Pickup Assy. Skew Spring Skew Spring Skew Screw Skew Screw Pickup Assy Joint Slider Hold Spring Pickup Assy Remove two Skew Screws and two Skew Springs. Remove two screws. When Removing The Pickup Assy Traverse Mechanism Assy Remove the Pickup Flexible Cable. 10 10 11 11 11 12 13 13 13 12 Exchange Silicone Adhesive GEM1037 Silicone Adhesive GEM1037 Cautions: Screw is locked with Silicone Adhesive. Please lock it with Silicone Adhesive when installs it. 75 DV-533, DV-3310, DV-533K, DV-5310KD Lose slack Bottom View Fold position of step 6 7 8 Bottom View 9 10 Bottom View 11 12 Reference line Fold it at the position of reference line. Pickup Assy FFC Holder Conducting plane 1 1 2 2 Insert the Pickup Flexible Cable in connector, and lock it surely. 3 Perform the styling as shown in figure below. Caution: Move the Pickup to the innermost of the disc. Fold a edge of lining part of the Pickup Flexible Cable. Bottom View Bottom View 1 2 3 6 4 5 Styling the Pickup Flexible Cable 5 76 DV-533, DV-3310, DV-533K, DV-5310KD • The information shown in the list is basic information and may not correspond exactly to that shown in the schematic diagrams. LA9701M (DVDM ASSY : IC101) • RF IC • Block Diagram 7.2 PARTS 7.2.1 IC •List of IC LA9701M, LC78652W, BA6664FM, PD6345A, M65774BFP, ADV7172KST, PM0026A, PCM1742KE, MM1540BF, MM1540CF, PE5251A 1 PDRF– REF1 RF1 GND PDRF PD1 PD2 PD3 PD4 VCC FIN1 FIN2 PD5 PD6 LDD1 LDS1 EQI2 VCC EFMO N/C DEF RREC FE TE– TEO CP TLP THC VCC TE TESI TES REF VCC 2 3 4 5 6 7 8 9 10 11 12 13 14 15 16 48 64 63 62 61 60 59 58 57 56 55 54 53 52 51 50 49 REF RFOUT PHC BHC PHI BHI AUX PH BH GND RFO TC EQI1 DEFC EQO1 EQO2 LDD2 LDS2 LDON1 LDON2 GND AGOF XQBH XHTR DVD/CD DPD/TE CPOF TH AUX/RR TEBAL FFBAL SGC 17 18 19 20 21 22 23 24 25 26 27 28 29 30 31 32 47 46 45 44 43 42 41 40 39 38 37 36 VCC VCC 35 34 33 PH LIM PD CP PD PD PD APC DVD CD APC BH PH BH Scratch Detection LIM LIM LIM LIM VCC DVD CD REF REF REF REF REF REF REF REF REF 77 DV-533, DV-3310, DV-533K, DV-5310KD LC78652W (DVDM ASSY : IC201) • Servo DSP IC • Block Diagram 33 FE 32 TE 29 TILTE 30 RF_PH 31 RF_BH 28 JITT 26 TES 51 HFLIO 81 VPDO 15 XOUT 73 BUSYB 8 XTALOUT 100 LEFM 97 LEFM2 52 LASER 92 JV MPX Servo Processor (16×16+32→32) 8bit A/D 8bit D/A CMP Track Counter 56 PP2/EVENT Event Counter 55 FG 39 EFMIN 80 VCOC 96 DVDSYNC 14 XIN 58 CSB 94 ADRAO 60 WRB 59 RDB 91 CDFR 90 DVDFR 1 EFMOUT SLCIST1,2 FG Counter SLC CLV PLL Frame Synchronous Detection, Protection, Insertion EFM Demodulation Error Detect Correction C1-Twofold, C2-Fourfold Supplement/Mute D Attenuate Deemphasis Filter Clock Generator Command Interface 34,35 SLCO1,2 36,37 PCKIST1,2 87,88 PD01-3 83-85 P0-7 63-70 PP0-3 93 PCK For De-Interleave 16k SRAM DOUT Serial Out Sub Code Decode CRC DVD Lock Detection 74 SQOUT 47 FDO 48 TDO 45 SLDO 46 SPDO 44 TBAL 43 TILTDO 42 AUXO 24 DRF 22 FAST 95 DVDSYEQ 23 V_PB 21 FSEQ 77 WRQ 17 EMPH 4 ROMCK 5 LRSY 19 DOUT 3 ROMXA 57 RESB 2 C2F 20 EFLG 9 FSX 12 PW 18 SBSY 11 SFSY 75 CQCKB TEST1-4 76 RWC 10 SBCK 25,27 38,50 7 FBUSYB General Purpose Register 53,54 ,56 78 DV-533, DV-3310, DV-533K, DV-5310KD • Pin Function . o N e m a N n i P O /I n o it c n u F n i P 1 T U O M F E O M F E e ula v d e t a ts - y r a nib s a w t a h t e t a ts e h t t u p t u O 2 F 2 C O t u p t u o g alf 2 C 3 A X M O R O t u p t u o a t a d M O R - D C 4 K C M O R O t u p t u o a t a d M O R - D C r o f t u p t u o k c olc tfih S 5 Y S R L O t u p t u o a t a d M O R - D C r o f t u p t u o k c olc R / L 6 3 P P O /I t u p t u o D O - h c N t u p nila n gis .c n y s D V D / t u p t u o /t u p nitr o p e s o p r u p -la r e n e G 7 B Y S U B F O t u p t u o D O - h c N n oit a r e p o s s e c o r p P S D f o t u p t u o la n gis y s u B 8 T U O L A T X O t u p t u o k c olc m e ts y s la n r e tx E 9 X S F O t u p t u o la n gis .c n y s e m a rf 1 D C 0 1 K C B S I t u p ni k c olc t u o g nid a e r e d o c b u S 1 1 Y S F S O e d o c b u s f o t u p t u o la n gis .c n y s e m a r F 2 1 W P O t u p t u o W d n a V , U , T , S , R , Q , P e d o c b u S 3 1 S S V − nip D N G 4 1 N I X I ) z H M 4 4 3 9 . 6 1 ( r o t a n o s e r la ts y r c a tc e n n o C 5 1 T U O X O r o t a n o s e r la ts y r c a tc e n n o C 6 1 1 D D V D − tiu c ric n oit allic s o e h t f o ylp p u s r e w o p V 3 . 3 7 1 H P M E O sis a h p m e e d e h t f o nip r o tin o M 8 1 Y S B S O k c olb e d o c b u s e h t f o t u p t u o la n gis .c n y S 9 1 T U O D O t u p t u o a t a d J A I E oid u A 0 2 G L F E O 2 C d n a 1 C n oitc e rr o c r o rr e e h t f o r o tin o m e t a ts n oitc e rr o c r o rr E 1 2 Q E S F O la n gis .c n y s e m a rf D V D / D C e h t f o r o tin o m n oitc e t e D 2 2 T S A F O t u p t u o D O - h c N r o tin o m d e e p s k c a b y al P 3 2 B P _ V O lo rt n o c V L C / o v r e s h g u o r e h t f o t u p t u o r o tin o M 4 2 F R D O r o tin o m s u c o f n I 5 2 3 T S E T I 3 t u p nits e T 6 2 S E T I t u p nila n gis r o rr e g nik c a r T 7 2 2 T S E T I 2 t u p nits e T 8 2 T T IJ I L L P M F E f o t u p nila n gis g nitc e t e d ytit n a u q r e ttiJ 9 2 E T L I T I t u p nila n gis r o rr e tli T 0 3 H P _ F R I t u p nila n gis dlo h k a e p F R 1 3 H B _ F R I t u p nila n gis dlo h m o tt o b F R 2 3 E T I t u p nila n gis r o rr e g nik c a r T 3 3 E F I t u p nila n gis r o rr e s u c o F 4 3 1 T S I C L S − C L S r o f p m u p e g r a h c t n e rr u c t n a ts n o c e h t f o 1 nip g nitt e s t n e rr u C 5 3 2 T S I C L S − C L S r o f p m u p e g r a h c t n e rr u c t n a ts n o c e h t f o 2 nip g nitt e s t n e rr u C 6 3 1 O C L S O C L S r o f 1 t u p t u o lo rt n o C 7 3 2 O C L S O C L S r o f 2 t u p t u o lo rt n o C 8 3 1 T S E T I 1 t u p nits e T 9 3 N I M F E I t u p ni + M F E / M F E 0 4 D D V A − o v r e s r o f A / D d n a D / A f o ylp p u s r e w o p V 5 1 4 S S V A − o v r e s r o f A / D d n a D / A f o D N G 2 4 O X U A O t u p t u o y r ailix u a A D 3 4 O D T L I T O t u p t u o la n gis lo rt n o c tli T 4 4 L A B T O t u p t u o la n gis lo rt n o c e c n ala b g nik c a r T 5 4 O D L S O t u p t u o la n gis lo rt n o c d el S 6 4 O D P S O t u p t u o la n gis lo rt n o c eld nip S 7 4 O D F O t u p t u o la n gis lo rt n o c s u c o F 8 4 O D T O t u p t u o la n gis lo rt n o c g nik c a r T 9 4 F E R V − o v r e s r o f A / D f o le v el e c n e r e f e R 0 5 4 T S E T I 4 t u p nits e T 79 DV-533, DV-3310, DV-533K, DV-5310KD . o N e m a N n i P O /I n o it c n u F n i P 1 5 O I L F H O /I t u p t u o /t u p nila n gis n oitc e t e d r o rri M 2 5 R E S A L O lo rt n o c F F O / N O r e s al r o f nip t u p t u O 3 5 B D C _ D V D / 0 P P O /I t u p t u o la n gis n oit a ni m ir c sid c si D / t u p t u o /t u p nitr o p e s o p r u p -la r e n e G 4 5 B R R E C R C / 1 P P O /I t u p t u o la n gis tlu s e r C R C e d o c b u S / t u p t u o /t u p nitr o p e s o p r u p -la r e n e G 5 5 G F I t u p ni r e t n u o c G F 6 5 T N E V E / 2 P P O /I t u p ni r e t n u o c t n e v E / t u p t u o /t u p nitr o p e s o p r u p -la r e n e G 7 5 B S E R I t u p nit e s e R 8 5 B S C I t u p nitc ele s pih C 9 5 B D R I t u p nila n gis g nid a e r e t a ts la n r e t n I 0 6 B R W I t u p nila n gis g nitir w a t a d / d n a m m o C 1 6 2 D D V D − ylp p u s r e w o p V 5 2 6 S S V − D N G 3 6 0 P O /I t u p t u o /t u p ni a t a d / d n a m m o C 4 6 1 P 5 6 2 P 6 6 3 P 7 6 4 P 8 6 5 P 9 6 6 P 0 7 7 P 1 7 S S V − D N G 2 7 1 D D V D − la n r e t ni r o f ylp p u s r e w o p V 3 . 3 3 7 B Y S U B O s s e c o r p d n a m m o c f o t u p t u o la n gis y s u B 4 7 T U O Q S O Q e d o c b u s f o t u p t u o lair e S 5 7 B K C Q C I t u p t u o a t a d Q e d o c b u s r o f t u p ni k c olc tfih S 6 7 C W R I Q e d o c b u s f o t u p ni n ois si m r e p e t a d p U 7 7 Q R W O Q e d o c b u s f o r o tin o m y d a e r t u o d a e R 8 7 S S V A − k c olc m e ts y s la n r e t ni r o f D N G L L P 9 7 R F P R V − k c olc m e ts y s r o f L L P f o g nitt e s e g n a r n oit allic s o O C V 0 8 C O C V I k c olc m e ts y s r o f r e tlif L L P a tc e n n o C 1 8 O D P V O 2 8 D D V A − k c olc m e ts y s r o f ylp p u s r e w o p V 5 L L P 3 8 1 O D P O /I k c a b y alp M F E r o f 1 nip n oitc e n n o c r e tlif L L P 4 8 2 O D P O /I k c a b y alp M F E r o f 2 nip n oitc e n n o c r e tlif L L P 5 8 3 O D P O /I k c a b y alp M F E r o f 3 nip n oitc e n n o c r e tlif L L P 6 8 S S V A − k c a b y alp M F E r o f D N G L L P 7 8 1 T S I K C P − k c a b y alp M F E r o f p m u p e g r a h c t n e rr u c t n a ts n o c L L P f o 1 g nitt e s t n e rr u C 8 8 2 T S I K C P − k c a b y alp M F E r o f p m u p e g r a h c t n e rr u c t n a ts n o c L L P f o 2 g nitt e s t n e rr u C 9 8 D D V A − k c a b y alp M F E r o f ylp p u s r e w o p V 5 L L P 0 9 R F D V D − 1 k c a b y alp M F E r o f L L P f o g nitt e s e g n a r n oit allic s o O C V 1 9 R F D C − 2 k c a b y alp M F E r o f L L P f o g nitt e s e g n a r n oit allic s o O C V 2 9 V J O k c a b y alp M F E r o f k c olc L L P f o t u p t u o r e ttiJ 3 9 K C P O k c a b y alp M F E r o f t u p t u o k c olc ti B 4 9 O A R D A I t u p ni s s e r d d A 5 9 Q E Y S D V D I t u p ni e slu p e zin o r h c n y s D V D 6 9 C N Y S D V D I t u p nila n gis s u o n o r h c n y s D V D 7 9 2 M F E L O 2 K C P h ti w M F E e ula v d e t a ts - y r a nib s a w h cih w la n gis a t u o d n a t u c t a h t e t a ts e h t t u p t u O 8 9 1 D D V D − O /I r o f ylp p u s r e w o p V 3 . 3 9 9 S S V − D N G 0 0 1 M F E L O 1 K C P h ti w M F E e ula v d e t a ts - y r a nib s a w h cih w la n gis a t u o d n a t u c t a h t e t a ts e h t t u p t u O 80 DV-533, DV-3310, DV-533K, DV-5310KD DRIVER TSD PS TORQUE CURRENT SENSE AMP SENSE AMP SHORT BRAKE D R Q CK Q TL GAIN CONTROL GAIN SWITCH Vcc Vcc Vcc A3 2 A2 4 A1 7 GND 8 H1+ 9 H1- 10 H2+ 11 H2- 12 H3+ 13 H3- 14 GSW 26 FG 24 VCC 25 RNF 28 VM 27 HALL AMP PS 23 EC 22 ECR 21 FR 20 FG2 19 SB 18 CNF 17 BR 16 VH 15 BRAKE MODE HALL BIAS No. Pin Name Pin Name Pin Function No. Pin Function 1 N.C. N.C. 16 BR Brake mode switching pin 2 A3 Output pin 17 CNF Capacitor connection pin for phase compensation 3 N.C. N.C. 18 SB Short brake pin 4 A2 Output pin 19 FG2 FG 3-phase mix signal output pin 5 N.C. N.C. 20 FR Rotation detecting pin 6 N.C. N.C. 21 ECR Control reference pin of output voltage 7 A1 Output pin 22 EC Output voltage control pin 8 GND GND pin 23 PS Power save pin 9 H1+ Hall signal input pins 24 FG FG signal output pin 10 H1- 25 VCC Power supply pin 11 H2+ 26 GSW Gain switching pin 12 H2- 27 VM Motor power pin 13 H3+ 28 RNF Resistor connection pin for output current detection 14 H3- FIN FIN GND 15 VH Hall bias pin BA6664FM (DVDM ASSY : IC251) • Three-phase Motor Driver • Block Diagram • Block Diagram 81 DV-533, DV-3310, DV-533K, DV-5310KD PD6345A (DVDM ASSY : IC601) • FR CPU • Pin Function . o N k r a M e m a N n i P O /I n o it c n u F n i P 1 6 1 D / 0 2 P 0 D O /I t u p t u o /t u p ni s u b a t a D 2 7 1 D / 1 2 P 1 D 3 8 1 D / 2 2 P 2 D 4 9 1 D / 3 2 P 3 D 5 0 2 D / 4 2 P 4 D 6 1 2 D / 5 2 P 5 D 7 2 2 D / 6 2 P 6 D 8 3 2 D / 7 2 P 7 D 9 4 2 D / 0 3 P 8 D 0 1 5 2 D / 1 3 P 9 D 1 1 6 2 D / 2 3 P 0 1 D 2 1 7 2 D / 3 3 P 1 1 D 3 1 8 2 D / 4 3 P 2 1 D 4 1 9 2 D / 5 3 P 3 1 D 5 1 0 3 D / 6 3 P 4 1 D 6 1 1 3 D / 7 3 P 5 1 D 7 1 S S V D N G − d n u o r G 8 1 0 0 A / 0 4 P 0 A O t u p t u o s u b s s e r d d A 9 1 1 0 A / 1 4 P 1 A 0 2 2 0 A / 2 4 P 2 A 1 2 3 0 A / 3 4 P 3 A 2 2 4 0 A / 4 4 P 4 A 3 2 5 0 A / 5 4 P 5 A 4 2 6 0 A / 6 4 P 6 A 5 2 7 0 A / 7 4 P 7 A 6 2 3 C C V D 3 . 3 + V − ylp p u s r e w o P 7 2 2 C C V D 5 . 2 + V − ylp p u s r e w o P 8 2 8 0 A / 0 5 P 8 A O t u p t u o s u b s s e r d d A 9 2 9 0 A / 1 5 P 9 A 0 3 0 1 A / 2 5 P 0 1 A 1 3 1 1 A / 3 5 P 1 1 A 2 3 2 1 A / 4 5 P 2 1 A 3 3 3 1 A / 5 5 P 3 1 A 4 3 4 1 A / 6 5 P 4 1 A 5 3 5 1 A / 7 5 P 5 1 A 6 3 S S V D N G − d n u o r G 7 3 6 1 A / 0 6 P 6 1 A O t u p t u o s u b s s e r d d A 8 3 7 1 A / 1 6 P 7 1 A 9 3 8 1 A / 2 6 P 8 1 A 0 4 9 1 A / 3 6 P 9 1 A 1 4 0 2 A / 4 6 P 0 2 A 2 4 1 2 A / 5 6 P A T S F O T O o v r e s r o f A - n oitc ejnit e sff o g nik c a r T 3 4 2 2 A / 6 6 P C T S F O T O o v r e s r o f C - n oitc ejnit e sff o g nik c a r T 4 4 3 2 A / 7 6 P L B W O ) nia m ( W / R D V D o t g nid n o p s e rr o c n oitc e t e d elb b o W r o F 5 4 S V A D D N G − d n u o r G 6 4 C V A D D 3 . 3 + V − ylp p u s r e w o P 7 4 0 A D 1 P E T S I lo rt n o c r o t o m g nip p e ts r o F 8 4 1 A D 2 P E T S I 9 4 2 A D V R D O L I e vir d r o t o m tc ele s d n a r o o d , g nid a o L 82 DV-533, DV-3310, DV-533K, DV-5310KD . o N k r a M e m a N n i P O /I n o it c n u F n i P 0 5 0 N A 2 P E T S I t u p t u o A / D f o le c n a c t e sff o r o F 2 lo rt n o c r e p p e ts r o F 1 5 1 N A 1 P E T S I t u p t u o A / D f o le c n a c t e sff o r o F 1 lo rt n o c r e p p e ts r o F 2 5 2 N A W S P A N I P / A / M = L / M / H le n a p r a e R 3 5 3 N A M E O X I t u p ni n oitc e t o r p le d o m M E O 4 5 4 N A R U C D L I n oit a cid ni e ula v t n e rr u c D L r o f t u p n I 5 5 5 N A S O P L E S I r e g n a h c o r ci m f o t u p ni r o tc ele s y a r T 6 5 6 N A W S P M A L C I t u p ni W S n oitis o p p m al C 7 5 7 N A S O P D O L I t u p ni W S n oitis o p p m alc g nid a o L 8 5 C C V A D 3 . 3 + V − ylp p u s r e w o P 9 5 H R V A D 3 . 3 + V − ylp p u s r e w o P 0 6 I R V A / S S V A D N G − d n u o r G 1 6 S S V D N G − d n u o r G 2 6 X G T A / 0 P P S O P D L S I n oitis o p e dis ni r e dils f o t u p ni W S 3 6 K C R F / 1 P P W S G O ) L :s r e h t o , H : R B C A t a ( R B C A t a p u nia G 4 6 0 N I/ 2 P P N O 0 8 7 I e d oid r e s al m n 0 8 7 f o la n gis lo rt n o c F F O / N O 5 6 1 N I/ 3 P P O D E S O t u p t u o e vir d n oit a t o r y a r T 6 6 2 N I/ 4 P P N O M X O ) H : N O r o t o m eld nip s ( V R D f o e t u M 7 6 3 N I/ 5 P P T U M V R D X O t u p t u o e t u m r e vir d S T F 8 6 6 P P 1 T L O r ello rt n o c L F e h t o t e s n o p s e r n oit a cin u m m o C 9 6 7 P P Y D R X I r ello rt n o c L F e h t m o rf ts e u q e r n oit a cin u m m o C 0 7 3 C C V D 3 . 3 + V − ylp p u s r e w o P 1 7 2 C C V D 5 . 2 + V − ylp p u s r e w o P 2 7 0 C O / 0 O P T E D R U C X I s m 0 0 3 " L " r o f F F O o v r e S t u p ni n oitc e t e d t n e rr u c r o t a u tc A 3 7 1 C O / 1 O P Y S U B C X I " L " : elb a t p e c c a d n a m m o C s s e c o r p d n a m m o c f o la n gis y s u B 4 7 2 C O / 2 O P T S R P S D X O t e s e r P S D o v r e S 5 7 3 C O / 3 O P A C B − ) d e s u t o N ( ) H : d a e r A C B t a ( la n gis d a e r A C B 6 7 4 C O / 4 O P / S N S C S D X 4 D C X O /I tsix e c si D :" L " e slu p n oitc e t e d c si D ) d e e p s h tr u o F :" L "( k c a b y alp D C d e e p s h tr u o f o t d n o p s e rr o C 7 7 5 C O / 5 O P T N C P P O ) H : P P t a ( la s r e v a rt L B W ni C Z T f o h cti w S 8 7 6 C O / 6 O P H N I F D X O )" L " : F F O ; Z -i H : N O T C E F E D ( lo rt n o c la n gis tc e f e D 9 7 7 C O / 7 O P E T / D P D O s m a e b 3 = L , m a e b 1 = H 0 8 S S V D N G − d n u o r G 1 8 0 N I A / 0 N P D C X / D V D O D C :" L " , D V D :" H " D C / D V D t a la n gis g nih cti w s Q E F R 2 8 0 N I B / 1 N P F F O G A O C I F R f o C G A ff o n r u T :" H " 3 8 1 N I A / 2 N P 0 8 7 X 0 5 6 O la n gis g nih cti w s m n 0 5 6 / m n 0 8 7 4 8 1 N I B / 3 N P N O D L O e d oid r e s alf o la n gis lo rt n o c F F O / N O 5 8 2 N I A / 4 N P 2 T S F O F O ) Z -i H ," L " ," H " lo rt n o c e ula v -ir T ( 1 t n e m ts ujd a t e sff o s u c o F 6 8 2 N I B / 5 N P 1 T S F O F O ) Z -i H ," L " ," H " lo rt n o c e ula v -ir T ( 2 t n e m ts ujd a t e sff o s u c o F 7 8 3 N I A / 6 N P X 2 D C X O k c a b y alp d e e p s elb u o d D C V r o F 8 8 3 N I B / 7 N P G C I E O O B d 6 o t p u C I E O f o nia G :" H " 9 8 0 N I Z / 0 M P S O P Y R T I r e b m u n c sid f o t u p nit n u o C 0 9 1 N I Z / 1 M P W S P X / N O ) L A P / C S T N ( tr o p lo rt n o c r e d o c n e o e di V 1 9 2 N I Z / 2 M P L E S V O h cti w s ) B G R ( r o )r C b C Y ( / ) S , e tis o p m o C ( 2 9 3 N I Z / 3 M P 2 L E S V O h cti w s ) S ( /la ni m r e t trik s f o ) e tis o p m o C ( 3 9 1 A D S / 0 L P I A D S s e nillo rt n o c C 2 1 4 9 0 A D S / 1 L P O A D S 5 9 1 L C S / 2 L P I L C S 6 9 0 L C S / 3 L P O L C S 7 9 4 L P S T C I t u p ni d n e s o t r a elc C 2 3 2 - S R 8 9 5 L P R T D O t u p t u o d n e s o t r a elc C 2 3 2 - S R 9 9 0 C U / 6 L P - − − 0 0 1 S S V D N G − d n u o r G 83 DV-533, DV-3310, DV-533K, DV-5310KD . o N k r a M e m a N n i P O /I n o it c n u F n i P 1 0 1 0 N I T / 0 K P T S R E Q V X O la n gis t e s e r 3 E Q V 2 0 1 1 N I T / 1 K P 1 O R P S C X − C I r e tr e v n o c e vis s e r g o r p e h t f o elb a n e n oit a cin u m m o c lair e S 3 0 1 2 N I T / 2 K P 5 E Q V S C X − C I 5 E Q V f o elb a n e n oit a cin u m m o c lair e S 4 0 1 3 N I T / 3 K P . C . N − . C . N 5 0 1 0 T O T / 4 K P 8 4 X 4 4 O n oitc ele s 8 4 / 4 4 sf k c olc ylp p u s P S A D d n a C A D 6 0 1 1 T O T / 5 K P R R E I D I t u p ni )la n gis k c oln u ( r o rr e n oit p e c e r R I D 7 0 1 2 T O T / 6 K P 2 N O C I M X 1 L E S O A O H C itlu m r o fla n gis X I M r e t n e c ci M ) a t a d R / L t n o rf( h cti w s P S D oid u a / 1 - V A 8 0 1 3 T O T / 7 K P 0 L E S O A − h cti w s 0 O A d n a D O A t u p t u o 1 V A 9 0 1 3 C C V D 3 . 3 + V − ylp p u s r e w o P 0 1 1 2 C C V D 5 . 2 + V − ylp p u s r e w o P 1 1 1 0 T N I/ 0 J P 0 T N I X I 2 1 1 1 T N I/ 1 J P 1 T N I X I 3 1 1 2 T N I/ 2 J P 0 1 Q R I X I 0 # t p u rr e t ni pih c Y M 4 1 1 3 T N I/ 3 J P 1 1 Q R I X I 1 # t p u rr e t ni pih c Y M 5 1 1 4 T N I/ 4 J P Y S U B A X I " L " n oit a r e p o s s e c o r p P S D f o la n gis y s u B 6 1 1 5 T N I/ 5 J P D L H T I la n gis g nir o tin o m d e e p s k c a b y al P 7 1 1 6 T N I/ 6 J P Y S B S I )" H " I S + O S d oir e p ( k c olb e d o c b u s f o la n gis .c n y S 8 1 1 7 T N I/ 7 J P . C . N I . C . N 9 1 1 0 I S / 0 I P I S S I t u p ni a t a d s u b lair e S 0 2 1 0 O S / 1 I P O S S O t u p t u o a t a d s u b lair e S 1 2 1 0 K C S / 2 I P K C S S I t u p ni k c olc s u b lair e S 2 2 1 1 I S / 3 I P D X R I D X R C 2 3 2 - S R 3 2 1 1 O S / 4 I P D X T O D X T C 2 3 2 - S R 4 2 1 1 K C S / 5 I P D O M L E S − h cti w s e d o m P S D oid u A 5 2 1 2 I S / 0 H P 2 T E S E R − 2 P S D r o f t e s e R 6 2 1 2 O S / 1 H P 1 P S D A S C X O 2 P S D r o f S C 7 2 1 2 K C S / 2 H P D P S S C X − la n gis lo rt n o c P S D oid u a g nit a r e n e g r o f C Ilella r a p /lair e s f o la n gis h ct a L 8 2 1 0 D M D N G − d n u o r G 9 2 1 1 D M D N G − 0 3 1 2 D M D N G − 1 3 1 S S V D N G − d n u o r G 2 3 1 2 C C V D 5 . 2 + V − ylp p u s r e w o P 3 3 1 S S V D N G − d n u o r G 4 3 1 1 X L A T X E O 5 3 1 0 X L A T X I 6 3 1 3 C C V D 3 . 3 + V − ylp p u s r e w o P 7 3 1 2 Q E R D / 0 C P N O E F L 1 T E S E R O t n e m ele E F L f o R / L t n o rf o t xi M tc ele S t e s e r 1 P S D 8 3 1 2 K C A D / 1 C P 1 N O C I M X P S D S X / 1 V A O h c 2 r o fla n gis X I M R / L t n o rf ci M h cti w s P S D o v r e s/ 1 - V A 9 3 1 2 P O E D / 2 C P D M H C 6 O ( h cti w s h c 6 / h c 2 t u p t u o C A D ← ) 2 T S R V D X 0 4 1 0 Q E R D / 0 B P 0 Q E R D X I pih C Y B o t t u p t u o e s n o p s e r A M D 1 4 1 0 K C A D / 1 B P 0 K C A D O pih C Y B m o rf t u p nits e u q e r A M D 2 4 1 0 P O E D / 2 B P . C . N − . C . N 3 4 1 1 Q E R D / 3 B P 1 Q E R D X I pih C 1 - V A o t t u p t u o e s n o p s e r A M D 4 4 1 1 K C A D / 4 B P 1 K C A D X O pih C 1 - V A m o rf t u p nits e u q e r A M D 5 4 1 1 P O E D / 5 B P N O K C X E X O k c olc la n r e tx e P S D f o h cti w s F F O / N O 6 4 1 X R W O I/ 6 B P 1 L E S I O D O ) D N G d n a P S D . 1 - V A ( P S D oid u a f o 1 h cti w s t u p t u o la tigi D 7 4 1 X D R O I/ 7 B P 2 L E S I O D O ) D N G d n a P S D . 1 - V A ( P S D oid u a f o 2 h cti w s t u p t u o la tigi D 8 4 1 S S V D N G − d n u o r G 9 4 1 X O S C / 0 A P 0 2 S C X O M O R h s al F o t t u p t u o tc ele s pih C 0 5 1 X 1 S C / 1 A P 6 S C X O tc ele s pih C 1 - V A 84 DV-533, DV-3310, DV-533K, DV-5310KD . o N k r a M e m a N n i P O /I n o it c n u F n i P 1 5 1 X 2 S C / 2 A P 3 S C X O ) pih C Y M ( A 5 9 9 4 D P f o tc ele s pih C 2 5 1 X 3 S C / 3 A P 4 S C X O P S D o v r e s f o tc ele s pih C 3 5 1 X 4 S C / 4 A P 3 2 S C X O ) M 1 ( M A R S o t t u p t u o tc ele s pih C 4 5 1 X 5 S C / 5 A P . C . N O . C . N 5 5 1 X 6 S C / 6 A P . C . N O . C . N 6 5 1 X 7 S C / 7 A P . C . N O . C . N 7 5 1 3 C C V D 3 . 3 + V − ylp p u s r e w o P 8 5 1 2 C C V D 5 . 2 + V − ylp p u s r e w o P 9 5 1 X I M N − − d e xif D 3 . 3 + V 0 6 1 X T S H − − d e xif D 5 . 2 + V 1 6 1 X T I N I T I N I X I 2 6 1 Y D R / 0 8 P Y D R I 3 6 1 X T N R G B / 1 8 P E T U M A X I t u p t u o oid u a h c 2 f o e t u m e g a ts la ni F 4 6 1 Q R B / 2 8 P E T U M M X O e t u m le n n a h c itlu m oid u A 5 6 1 X D R / 3 8 P D R X O 6 6 1 X 0 R W / 4 8 P 0 R W X O 7 6 1 X 1 R W / 5 8 P 1 R W X O 8 6 1 S S V D N G − d n u o r G 9 6 1 K L C S Y S / 0 9 P K L C S Y S O 0 7 1 1 9 P T S R F D − ) R / L t n o rf r o f( t e s e r C A D 1 7 1 K L C M / 2 9 P 1 T S R F D − ) E F L d n a d n u o rr u s ,r e t n e c r o f( t e s e r C A D 2 7 1 3 9 P 0 F D S C X O ( tc ele s pih c C A D ← ) 3 T A L X 3 7 1 X A B L / 4 9 P 1 F D S C X O E F L d n a d n u o rr u s ,r e t n e c r o f tc ele s pih c C A D 4 7 1 X A A B / 5 9 P T S R Q A X O t e s e r E Q A 5 7 1 6 9 P E Q A S C X O tc ele s pih c E Q A 6 7 1 X E W / 7 9 P T N E M T I y rt n e e d o m ts e T 85 DV-533, DV-3310, DV-533K, DV-5310KD M65774BFP (DVDM ASSY : IC801) • MPEG2 Decoder IC • Block Diagram • Pin Function Descrambler Bit Streem Input Interface Bit Streem Host CPU 16M DRAM 16M bit SDRAM Video Output PCM Audio Output IEC958 Output Internal CPU Write BUS H BUS SDRAM Controller ROM RAM Host Interface Video Decoder Sub-picture Decoder Display Processor Special Playback Processor Video Output Interface Audio Output Interface Read BUS . o N e m a N n i P O /I n o it c n u F n i P . o N e m a N n i P O /I n o it c n u F n i P 1 D N G I d n u o r G 1 2 D D V 5 I ylp p u s r e w o p V 5 2 0 D H O /I tr o p t u p t u o d n a t u p ni a t a D 2 2 5 1 D H O /I tr o p t u p t u o d n a t u p ni a t a D 3 1 D H 3 2 S C I t u p nila n gis tc ele s pih C 4 2 D H 4 2 E R I t u p nila n gis elb a n E d a e R 5 3 D H 5 2 E W I t u p nila n gis elb a n E e tir W 6 4 D H 6 2 E H B I t u p nila n gis elb a n E h gi H e ty B 7 D D V 5 I ylp p u s r e w o p V 5 7 2 Y D R O e h t d e t a cid ni si h cih w la n gis e g d el w o n k c A ts o h e h t aiv g nitir w r o g nid a e r a t a d f o h sinif s u b 8 D D V I ylp p u s r e w o P 8 2 R T N I O e h t o t ts nia g a la n gis ts e u q e r t p u rr e t n I P F 3 7 7 5 6 M m o rf U P C la n r e tx e 9 5 D H O /I tr o p t u p t u o d n a t u p ni a t a D 9 2 D N G I d n u o r G 0 1 6 D H 0 3 0 A H I tr o p t u p ni s s e r d d A 1 1 7 D H 1 3 1 A H 2 1 8 D H 2 3 2 A H 3 1 9 D H 3 3 3 A H 4 1 D N G I d n u o r G 4 3 4 A H 5 1 0 1 D H O /I tr o p t u p t u o d n a t u p ni a t a D 5 3 D D V I ylp p u s r e w o P 6 1 1 1 D H 6 3 D D V 5 I ylp p u s r e w o p V 5 7 1 2 1 D H 7 3 5 A H I tr o p t u p ni s s e r d d A 8 1 3 1 D H 8 3 6 A H 9 1 4 1 D H 9 3 7 A H 0 2 D D V I ylp p u s r e w o P 0 4 8 A H 86 DV-533, DV-3310, DV-533K, DV-5310KD . o N e m a N n i P O /I n o it c n u F n i P . o N e m a N n i P O /I n o it c n u F n i P 1 4 9 A H I tr o p t u p ni s s e r d d A 3 8 D D V I ylp p u s r e w o P 2 4 D N G I d n u o r G 4 8 C N Y S V O t u p t u o la n gis .c n y s lc aitr e V 3 4 K C M D C I d n u o r g o t tc e n n o C 5 8 C N Y S H O t u p t u o la n gis .c n y s la t n o zir o H 4 4 K C R L D C I P S D D C m o rf t u p ni k c olc k c olc R / L 6 8 T R T S C I P 5 4 K C B D C I P S D D C m o rf t u p ni k c olc tib M C P 7 8 T R T S B M 6 4 A T A D D C I t u p ni e c a fr e t ni oid u a la tigi D 8 8 A T A D B M 7 4 D D V I ylp p u s r e w o P 9 8 D N G I d n u o r G 8 4 N I D D C I P S D D C m o rf t u p ni a t a d oid u a M C P 0 9 D W P O .c n y s la n r e tx e r o f t u p t u o r o t a r a p m o c e s a h P n oit a r e p o 9 4 2 T N I O e h t o t ts nia g a la n gis ts e u q e r t p u rr e t n I P F 3 7 7 5 6 M m o rf U P C la n r e tx e 1 9 C N Y S C I t u p nila n gis C N Y S e tis o p m o C 0 5 3 T N I 2 9 Y E K D S O O t u p t u o g alf y e k D S O 1 5 Q E R D O r e fs n a rt p a m tib D S O r o fla n gis ts e u q e r A M D 3 9 K L C X P O ) k c olc g nin n u r- e e rf z H M 7 2 ( k c olc le xi P 2 5 K C A D I p a m tib D S O r o fla n gis e g d el w o n k c a A M D r e fs n a rt 4 9 D D V I ylp p u s r e w o P 3 5 D N G I d n u o r G 5 9 7 D P O a t a d le xip la tigi D 4 5 O K L C O t u p t u o k c olc z H M 7 2 6 9 6 D P 5 5 N I K L C I t u p ni k c olc m e ts y S 7 9 5 D P 6 5 1 D D V A I ylp p u s r e w o p g ola n A 8 9 4 D P 7 5 1 D N G A I d n u o r g g ola n A 9 9 D N G I d n u o r G 8 5 3 D N G A 0 0 1 3 D P O a t a d le xip la tigi D 9 5 3 D D V A I ylp p u s r e w o p g ola n A 1 0 1 2 D P 0 6 P A C C I d n u o r g o t tc e n n o C 2 0 1 1 D P 1 6 2 D N G A I d n u o r g g ola n A 3 0 1 0 D P 2 6 2 D D V A I ylp p u s r e w o p g ola n A 4 0 1 D D V I ylp p u s r e w o P 3 6 O K L C A − n e p O 5 0 1 D N G I d n u o r G 4 6 I K L C A I t u p ni k c olc oid u A 6 0 1 T E S E R I t u p nit e s e r e r a w d r a H 5 6 1 E D O M H I e d o m g nit a r e p o e c a fr e t nits o h f o nip g nitt e S 7 0 1 0 T S E T I ylla m r o n d n u o r g o t tc e n n o C 6 6 D N G I d n u o r G 8 0 1 1 T S E T 7 6 D D V I ylp p u s r e w o P 9 0 1 2 T S E T 8 6 D O A O a t a d oid u a f o t u p t u o M C P 0 1 1 D D V I ylp p u s r e w o P 9 6 2 O A 1 1 1 0 D M N O /I M A R D h ti w e nil r e fs n a rt a t a D 0 7 1 O A 2 1 1 5 1 D M N 1 7 0 O A 3 1 1 1 D M N 2 7 D N G I d n u o r G 4 1 1 4 1 D M N 3 7 1 T U O D O t u p t u o e c a fr e t ni oid u a la tigi D 5 1 1 D N G I d n u o r G 4 7 0 T U O D 6 1 1 2 D M N O /I M A R D h ti w e nil r e fs n a rt a t a D 5 7 A D S − n e p O 7 1 1 3 1 D M N 6 7 L C S − n e p O 8 1 1 3 D M N 7 7 D D V I ylp p u s r e w o P 9 1 1 2 1 D M N 8 7 D N G I d n u o r G 0 2 1 D D V I ylp p u s r e w o P 9 7 K L C C A D O t u p t u o k c olc g nit a r e p o g nilp m a s -r e v O 1 2 1 4 D M N O /I M A R D h ti w e nil r e fs n a rt a t a D 0 8 K L C O D O t u p t u o k c olc tib M C P 2 2 1 1 1 D M N 1 8 K L C R L O le n n a h c e h t g nit a ni m ir c sid r o f t u p t u o k c ol C a t a d oid u a M C P f o ) R / L ( 3 2 1 5 D M N 2 8 0 E D O M H I e d o m g nit a r e p o e c a fr e t nits o h f o nip g nitt e S 4 2 1 0 1 D M N 87 DV-533, DV-3310, DV-533K, DV-5310KD . o N e m a N n i P O /I n o it c n u F n i P . o N e m a N n i P O /I n o it c n u F n i P 5 2 1 D N G I d n u o r G 7 6 1 5 A M O M A R D S h ti w e nil s s e r d d A 6 2 1 6 D M N O /I M A R D h ti w e nil r e fs n a rt a t a D 8 6 1 D N G I d n u o r G 7 2 1 9 D M N 9 6 1 1 A M O M A R D S h ti w e nil s s e r d d A 8 2 1 7 D M N 0 7 1 6 A M 9 2 1 8 D M N 1 7 1 0 A M 0 3 1 D D V I ylp p u s r e w o P 2 7 1 7 A M 1 3 1 0 S A C N O f o e nillo rt n o c ) e b o rt S s s e r d d A n m ulo C ( S A C M A R D 3 7 1 D D V I ylp p u s r e w o P 2 3 1 E W N O M A R D f o e nillo rt n o c E W 4 7 1 0 1 A M O M A R D S h ti w e nil s s e r d d A 3 3 1 1 S A C N O f o e nillo rt n o c ) e b o rt S s s e r d d A n m ulo C ( S A C M A R D 5 7 1 8 A M 4 3 1 S A R N O f o e nillo rt n o c ) e b o rt S s s e r d d A w o R ( S A R M A R D 6 7 1 1 1 A M 5 3 1 D N G I d n u o r G 7 7 1 9 A M 6 3 1 9 A M N O M A R D h ti w e nil s s e r d d A 8 7 1 D N G I d n u o r G 7 3 1 8 A M N 9 7 1 S C D O M A R D S f o tc ele s pih C 8 3 1 D D V I ylp p u s r e w o P 0 8 1 S A R O f o e nillo rt n o c ) e b o rt S s s e r d d A w o R ( S A R M A R D S 9 3 1 0 A M N O M A R D h ti w e nil s s e r d d A 1 8 1 S A C O e nillo rt n o c ) e b o rt S s s e r d d A n m ulo C ( S A C M A R D S f o 0 4 1 7 A M N 2 8 1 D D V I ylp p u s r e w o P 1 4 1 1 A M N 3 8 1 K L C M O M A R D S f o k c olc n oit a r e p O 2 4 1 6 A M N 4 8 1 D N G I d n u o r G 3 4 1 D N G I d n u o r G 5 8 1 E W D O M A R D S f o e nillo rt n o c E W 4 4 1 2 A M N O M A R D h ti w e nil s s e r d d A 6 8 1 U M Q D O M A R D S f o e nillo rt n o c M Q D .t u p t u o e ty b r e p p u f o k s a m r o f e s U 5 4 1 5 A M N 7 8 1 L M Q D O M A R D S f o e nillo rt n o c M Q D .t u p t u o e ty b r e w olf o k s a m r o f e s U 6 4 1 3 A M N 8 8 1 D D V I ylp p u s r e w o P 7 4 1 4 A M N 9 8 1 7 D M O /I M A R D S h ti w e nil r e fs n a rt a t a D 8 4 1 D D V I ylp p u s r e w o P 0 9 1 8 D M 9 4 1 7 D B I tr o p t u p ni m a e rts ti B 1 9 1 6 D M 0 5 1 6 D B 2 9 1 9 D M 1 5 1 D N G I d n u o r G 3 9 1 D N G I d n u o r G 2 5 1 5 D B I tr o p t u p ni m a e rts ti B 4 9 1 5 D M O /I M A R D S h ti w e nil r e fs n a rt a t a D 3 5 1 4 D B 5 9 1 0 1 D M 4 5 1 3 D B 6 9 1 4 D M 5 5 1 2 D B 7 9 1 1 1 D M 6 5 1 D D V I ylp p u s r e w o P 8 9 1 D D V I ylp p u s r e w o P 7 5 1 D N G I d n u o r G 9 9 1 3 D M O /I M A R D S h ti w e nil r e fs n a rt a t a D 8 5 1 1 D B I tr o p t u p ni m a e rts ti B 0 0 2 2 1 D M 9 5 1 0 D B 1 0 2 2 D M 0 6 1 K L C B I tr o p D B f o ) k c olc ( la n gis e b o rt S 2 0 2 3 1 D M 1 6 1 N E D B I si h cih w a t a d dila v ni r o e vitc e ff e e h t s e t a cid n I tr o p D B m o rf d elp m a s 3 0 2 D N G I d n u o r G 2 6 1 Q E R D B O e h t o t ts nia g a la n gis n ois si m r e p t u p t u O g nitc e n n o c h cih w )r e d o c e d le n n a h c ( e civ e d tr o p D B o t 4 0 2 1 D M O /I M A R D S h ti w e nil r e fs n a rt a t a D 3 6 1 D D V I ylp p u s r e w o P 5 0 2 4 1 D M 4 6 1 3 A M O M A R D S h ti w e nil s s e r d d A 6 0 2 0 D M 5 6 1 4 A M 7 0 2 5 1 D M 6 6 1 2 A M 8 0 2 D D V I ylp p u s r e w o P 88 DV-533, DV-3310, DV-533K, DV-5310KD 48 1 2 3 4 5 6 7 8 9 10 11 12 VAA P0 P1 P2 P3 P4 P5 P6 P7 CSO_HSO VAA GND COMP1 DAC A VAA DAC B VAA GND VAA DAC C DACD VAA GND DAC E 36 35 34 33 32 31 30 29 28 27 26 25 47 46 45 44 43 42 41 40 39 38 37 CLOCK GND VAA VSO RESET PAL_NTSC CLAMP TTX TTXREQ SCRESET/RTC RESET1 VREF GND HSYNC FIELD/VSYNC BLANK ALSB GND VAA SCLOCK SDATA RESET2 COMP2 DAC F 13 14 15 16 17 18 19 20 21 22 23 24 14 48 HSYNC CLOCK 16 BLANK 41 TTX 39 SCRESET/RTC GND 12,13,18,26,31,47 40 TTXREQ P0-P7 (COLOR DATA) 1 11 19 27 30 32 34 46 2 | 9 VAA DAC A 44 RESET 15 FIELD/ VSYNC VIDEO TIMING GENERATOR TELETEXT INSERTION BLOCK BRIGHTNESS AND CONTRAST CONTROL LUMA PROGRAMMABLE FILTER SHARPNESS FILTER PROGRAMMABLE CHROMA FILTER REAL-TIME CONTROL CIRCUIT SIN/COS DDS SLOCK MODULATOR MULTI-PLEXER YUV TO RGB MATRIX YUV LEVEL CONTROL BLOCK 10BIT DAC HUE CONTROL ADD SYNC INTERPOLATOR 4:2:2 TO 4:4:4 INTER- POLATOR 43 PAL_NTSC 20 SCLOCK 21 SDATA 17 35 ALSB 10 CSO_HSO 45 VSO 14 CLAMP I2C MPU PORT VCrCb TO YUV MATRIX 8 8 10 10 10 10 10 10 10 10 DAC B 33 DAC C 29 DAC E 25 DAC F 24 DAC D 28 RESET1 38 COMP1 36 RESET2 22 VREF 37 COMP2 23 10 10 10 10 Y 8 U 8 V 8 8 ADD BURST SATURATION CONTROL INTERPOLATOR MULTI-PLEXER 10BIT DAC 10 10BIT DAC DAC CONTROL BLOCK 10 10BIT DAC 10 10BIT DAC 10 10BIT DAC 10 DAC CONTROL BLOCK ADV7172KST (DVDM ASSY : IC861) • Digital PAL/NTSC Video Encoder with Six DACs (10-bits), Color Control and Enhanced Power Management • Pin Arrangement • Block Diagram • Pin Function . o N e m a N O /I n o it c n u F n i P 1 V A A P ) V 5 + o t V 3 + ( ylp p u S r e w o P 2 0 P I B S L e h t st n e s e r p e r 0 P ) 0 P - 7 P ( tr o P le xi P b C r C Y d e x elpitlu M 2 : 2 : 4 tib - 8 3 1 P 4 2 P 5 3 P 89 DV-533, DV-3310, DV-533K, DV-5310KD . o N e m a N O /I n o it c n u F n i P 6 4 P I B S L e h t st n e s e r p e r 0 P ) 0 P - 7 P ( tr o P le xi P b C r C Y d e x elpitlu M 2 : 2 : 4 tib - 8 7 5 P 8 6 P 9 7 P 0 1 O S H _ O S C O la n gi S c n y S t u p t u O L T T O S H r o O S C n oitc n u fla u D 1 1 V A A P ) V 5 + o t V 3 + ( ylp p u S r e w o P 2 1 D N G G ni P d n u o r G 3 1 D N G G ni P d n u o r G 4 1 C N Y S H O /I t u p ni n a s a r o ) e d o M r e ts a M ( t u p t u o o t d e r u gif n o c e b y a m nip sih T .la n gi S lo rt n o C ) 2 d n a 1 sle d o M ( C N Y S H .sla n gis c n y S ) e d o M e v al S ( t p e c c a d n a 5 1 C N Y S V / D L E I F O /I t u p t u o o t d e r u gif n o c e b y a m nip sih T .la n gi S lo rt n o C ) 2 e d o M ( C N Y S V d n a ) 1 e d o M ( D L E I F n oitc n u F la u D .sla n gis lo rt n o c e s e h t t p e c c a d n a ) e d o M e v al S ( t u p ni n a s a r o ) e d o M r e ts a M ( 6 1 K N A L B O /I .la n oit p o sila n gis sih T ." 0 " le v el cig ol si sih t n e h w d e r o n gi e r a st u p nile xip e h T .la n gi S lrt n o C g nik n al B o e di V 7 1 B S L A I .s s e r d d a U P M e h t f o B S L e h t p u st e s la n gis sih T .t u p n I s s e r d d A L T T 8 1 D N G G ni P d n u o r G 9 1 V A A P ) V 5 + o t V 3 + ( ylp p u S r e w o P 0 2 K C O L C S I t u p n I k c ol C e c a fr e t n Ilair e S tr o P U P M 1 2 A T A D S O /I t u p t u O /t u p n I a t a D lair e S tr o P U P M 2 2 2 T E S R I o e di V e h t f o s e d u tilp m a ela c s -llu flo rt n o c o t d e s u si D N G o t nip sih t m o rf d e tc e n n o c r o tsis e r m h o 0 0 6 A .) s C A D "lla m s " e h t( F d n a E , D s C A D m o rf sla n gi S 3 2 2 P M O C O 1 . 0 a tc e n n o C . F d n a E , d s C A D r o f ni P n oit a s n e p m o C µ . A A V o t P M O C m o rf r o tic a p a C F 4 2 F C A D O .t u p t u o A m 6 6 . 8 g nidiv o r p f o elb a p a c si C A D sih T .t u p t u O g ola n A V / C o e di V - S / D E R 5 2 E C A D O .t u p t u o A m 6 6 . 8 g nidiv o r p f o elb a p a c si C A D sih T .t u p t u O g ola n A U / Y o e di V - S / E U L B 6 2 D N G G ni P d n u o r G 7 2 V A A P ) V 5 + o t V 3 + ( ylp p u S r e w o P 8 2 D C A D O .t u p t u o A m 6 6 . 8 g nidiv o r p f o elb a p a c si C A D sih T .t u p t u O g ola n A Y / e tis o p m o C / N E E R G 9 2 C C A D O .t u p t u o A m 6 6 . 4 3 g nidiv o r p f o elb a p a c si C A D sih T .t u p t u O g ola n A V / C o e di V - S / D E R 0 3 V A A P ) V 5 + o t V 3 + ( ylp p u S r e w o P 1 3 D N G G ni P d n u o r G 2 3 V A A P ) V 5 + o t V 3 + ( ylp p u S r e w o P 3 3 B C A D O .t u p t u o A m 6 6 . 4 3 g nidiv o r p f o elb a p a c si C A D sih T .t u p t u O g ola n A U / Y o e di V - S / E U L B 4 3 V A A P ) V 5 + o t V 3 + ( ylp p u S r e w o P 5 3 A C A D O .t u p t u o A m 6 6 . 4 3 g nidiv o r p f o elb a p a c si C A D sih T .t u p t u O g ola n A Y / e tis o p m o C / N E E R G 6 3 1 P M O C O 1 . 0 a tc e n n o C . C d n a B , A s C A D r o f ni P n oit a s n e p m o C µ m u m it p O r o F . A A V o t P M O C m o rf r o tic a p a C F s a w ol s a o t d e r e w ol e b n a c r o tic a p a c 1 P M O C e h t f o e ula v e h t , e d o M r e w o P w o L ni e c n a m r o fr e P ci m a n y D . F m 2 . 2 7 3 V F E R O /I ) V 5 3 2 . 1 ( t u p t u O e c n e r e f e R e g a tlo V r o s C A D r o f t u p n I e c n e r e f e R e g a tlo V 8 3 1 T E S R I o e di V e h t f o s e d u tilp m a ela c s -llu flo rt n o c o t d e s u si D N G o t nip sih t m o rf d e tc e n n o c r o tsis e r m h o 0 5 1 A .) s C A D " e g r al" e h t( C d n a B , A s C A D m o rf sla n gi S 9 3 C T R / T E S E R C S I s a d e r u gif n o c e b n a c tI . 4 r o tsis e R e d o M f o 1 4 R M d n a 2 4 R M g nitt e s y b t u p ni n a s a d e r u gif n o c e b n a c nip sih T dlei F o t e s a h p r eirr a c b u s e h t t e s e r lli w nip sih t n o n oitis n a rt w ol o t h gih a e s a c h cih w ni, nip t e s e r r eirr a c b u s a .t u p n I ) F C T R ( lo rt n o C e m i T -la e R a s a d e r u gif n o c e b y a m ti yle vit a n r e tl A . 0 0 4 Q E R X T T O .r e fs n a rt a t a d tx e t ele tlo rt n o c o t d e s u la n gis t u p nits e u q e R a t a D tx e t ele T 1 4 X T T O . ni P t u p n I a t a D tx e t ele T 2 4 P M A L C O .sla n gis o e div lla f o g nip m alc elb a n e o t y rtiu c ric la n r e tx e o tla n gi S t u p t u O L T T 3 4 C S T N _ L A P I . L A P stc ele s " 1 " cig o L o t t e s nip , n oit a r e p o f o e d o m C S T N r o L A P tc ele s o tla n gis t u p n I 4 4 T E S E R I C S T N si sih T . e d o m tlu a f e d o t ni T S K 2 7 1 7 V D A e h t st e s d n a r o t a r e n e g g ni m it pih c - n o e h t st e s e r t u p ni e h T e tis o p m o C , N O d e r e w o p F d n a E , D s C A D , F F O d e r e w o p C d n a B , A s C A D , 0 e d o M e v al S g ni m i T , n oit a r e p o .t u o o e di V - S d n a 5 4 O S V O la n gi S c n y S t u p t u O L T T O S V 6 4 V A A P ) V 5 + o t V 3 + ( ylp p u S r e w o P 7 4 D N G G ni P d n u o r G 8 4 K C O L C I z H M 2 5 . 4 2 a ,yle vit a n r e tl A . n oit a r e p o d r a d n a ts r o f k c olc e c n e r e f e r z H M 7 2 elb a ts a s e riu q e R .t u p n I k c ol C L T T . n oit a r e p o le xip e r a u q s r o f d e s u e b n a c ) L A P ( z H M 5 . 9 2 r o ) C S T N ( 90 DV-533, DV-3310, DV-533K, DV-5310KD 61 VDD2 62 CSB 63 SDATA 64 SCLK 65 RMA1 66 RMA0 67 CKPOL 68 VIA9 69 VIA8 70 VIA7 71 VIA6 72 VIA5 73 VIA4 74 VIA3 75 VIA2 76 VIA1 77 VIA0 78 NVS 79 NHS 80 VDD3 1 VDD3 2 VIB9 3 VIB8 4 VIB7 5 VIB6 6 VIB5 7 VIB4 8 VIB3 9 GND 10 GND 11 GND 12 VIB2 13 VIB1 14 VIB0 15 DOS1 16 DOS0 17 TEST2 18 TEST1 19 TEST0 20 VDD3 VDD3 60 SRN 59 CLK 58 GND 57 RMA2 56 RMA3 55 RMA4 54 RMA5 53 GND 52 GND 51 GND 50 VDD3 49 VO0 48 VO1 47 SPR0/VO2 46 SPR1/VO3 45 SPR2/VO4 44 SPR3/VO5 43 GND 42 VDD3 41 VDD3 40 SPR4/VO6 39 SPR5/VO7 38 SPR6/VO8 37 GND 36 SPR7/VO9 35 CLMP 34 AGND 33 VG 32 AVDD2 31 FSADJ 30 VREF 29 AVDD2 28 DAO_R 27 AGND 26 DAO_B 25 AVDD2 24 DAO_Y 23 AGND 22 VDD2 21 MPU MPU Interface with Configuration Register MPEG2 Video Decoder Sync and Timing Generator Input Interface Video Processing Engine Anti Copy Signal Processor 3 ch D/A 3 ch 75 ohm Driver PM0026A (DVDM ASSY : IC881) (DV-5310KD Only) • Progressive Scan Converter (PRO-1) • Pin Arrangement • PBlock Diagram 91 DV-533, DV-3310, DV-533K, DV-5310KD • Pin Function . o N e m a N n i P O /I n o it c n u F n i P 1 3 D D V − O I r o f ) V 3 . 3 ( D D V 2 9 B I V I ) B S M ( t u p ni B a t a d o e di V 3 8 B I V 4 7 B I V 5 6 B I V 6 5 B I V 7 4 B I V 8 3 B I V 9 D N G − d n u o r g la tigi D 0 1 D N G 1 1 D N G 2 1 2 B I V I t u p ni B a t a d o e di V ) B S L ( 3 1 1 B I V 4 1 0 B I V 5 1 1 S O D I ) d n u o r g ( s nip t u p nits e T 6 1 0 S O D 7 1 2 T S E T 8 1 1 T S E T 9 1 0 T S E T 0 2 3 D D V − O I r o f ) V 3 . 3 ( D D V 1 2 2 D D V e r o C r o f ) V 5 . 2 ( D D V 2 2 D N G A − C A D r o f d n u o r G 3 2 Y _ O A D O ) Y ( t u p t u o o e div g ola n A 4 2 2 D D V A − C A D r o f ) V 5 . 2 ( D D V 5 2 B _ O A D O ) b C ( t u p t u o o e div g ola n A 6 2 D N G A − C A D r o f d n u o r G 7 2 R _ O A D O )r C ( t u p t u o o e div g ola n A 8 2 2 D D V A − C A D r o f ) V 5 . 2 ( D D V 9 2 F E R V I t u p ni e g a tlo v e c n e r e f e r C A D 0 3 J D A S F O /I C A D f o g nitt e s e d u tilp m a m u m ix a m r o f nip n oitc e n n o c r o tsis e R 1 3 2 D D V A − C A D r o f ) V 5 . 2 ( D D V 2 3 G V O lle c t n e rr u c C A D f o n oit a s n e p m o c e g a tlo v e t a g r o f nip n oitc e n n o c e c n a tc a e R 3 3 D N G A − C A D r o f d n u o r G 4 3 P M L C O t u p t u o e slu p p m al C 5 3 9 O V / 7 R P S O ) B S M ( t u p t u o a t a d o e di V / ) B S M ( n ois r e v n o c lella r a p d n a lair e S 6 3 D N G − d n u o r g la tigi D 7 3 8 O V / 6 R P S O t u p t u o a t a d o e di V / n ois r e v n o c lella r a p d n a lair e S 8 3 7 O V / 5 R P S 9 3 6 O V / 4 R P S 0 4 3 D D V − O I r o f ) V 3 . 3 ( D D V 92 DV-533, DV-3310, DV-533K, DV-5310KD . o N e m a N n i P O /I n o it c n u F n i P 1 4 3 D D V − O I r o f ) V 3 . 3 ( D D V 2 4 D N G − d n u o r g la tigi D 3 4 5 O V / 3 R P S O t u p t u o a t a d o e div / n ois r e v n o c lella r a p d n a lair e S ) B S L ( 4 4 4 O V / 2 R P S 5 4 3 O V / 1 R P S 6 4 2 O V / 0 R P S 7 4 1 O V t u p t u o a t a d o e di V ) B S L ( 8 4 0 O V 9 4 3 D D V − O I r o f ) V 3 . 3 ( D D V 0 5 D N G − d n u o r g la tigi D 1 5 D N G 2 5 D N G 3 5 5 A M R I ) B S M ( t u p ni s s e r d d a r o tin o m r e tsig s e R 4 5 4 A M R 5 5 3 A M R 6 5 2 A M R 7 5 D N G − d n u o r g la tigi D 8 5 K L C I t u p ni k c olc m e ts y s z H M 7 2 9 5 N R S I t u p nit e s e r m e ts y S 0 6 3 D D V − O I r o f ) V 3 . 3 ( D D V 1 6 2 D D V − e r o C r o f ) V 5 . 2 ( D D V 2 6 B S C I e c a fr e t nilair e s U P M f o t u p nitc ele s pih C 3 6 A T A D S I e c a fr e t nilair e s U P M f o t u p ni a t a D 4 6 K L C S I e c a fr e t nilair e s U P M f o t u p ni k c ol C 5 6 1 A M R I t u p ni s s e r d d a r o tin o m r e tsig e R ) B S L ( 6 6 0 A M R 7 6 L O P K C − k c olc m e ts y s la n r e t nif o t u p ni g nitt e s ytir alo P 8 6 9 A I V I ) B S M ( t u p ni A a t a d o e di V ) B S L ( 9 6 8 A I V 0 7 7 A I V 1 7 6 A I V 2 7 5 A I V 3 7 4 A I V 4 7 3 A I V 5 7 2 A I V 6 7 1 A I V 7 7 0 A I V 8 7 S V N O /I t u p t u o /t u p ni.c n y s la citr e V 9 7 S H N t u p t u o /t u p ni.c n y s la t n o zir o H 0 8 3 D D V − O I r o f ) V 3 . 3 ( D D V 93 DV-533, DV-3310, DV-533K, DV-5310KD 1 BCK 16 SCK 2 DATA 15 ML 3 LRCK 14 MC 4 DGND 13 MD 5 VDD 12 ZEROL/NA 6 VCC 11 ZEROR/ZEROA 7 VOUTL 10 VCOM 8 VOUTR 9 AGND Audio Serial Port Enhanced Multi-level Delta-Sigma Modulator 4× / 8× Oversampling Digital Filter with Function Controller Serial Control Port System Clock System Clock Manager BCK 1 LRCK 3 DATA 2 ML 15 MC 14 MD 13 SCK 16 DAC Output Amp and Low-pass Filter DAC Power Supply Output Amp and Low-pass Filter VOUTL 7 VOUTR 8 AGND 8 VCC 6 DGND 9 VDD ZEROR/ZEROA 5 11 ZEROL/NA 12 VCOM 10 Zero Detect No. Nmae I/O Pin Function 1 BCK I Audio data bit clock input 2 DATA I Audio data digital input 3 LRCK I L-channel and R-channel Audio data latch enable input 4 DGND − Digital ground 5 VDD − Digital power supply +3.3V 6 VCC − Analog power supply +5V 7 VOUTL O Analog output for L-channel 8 VOUTR O Analog output for R-channel 9 AGND − Analog ground 10 VCOM − Common voltage decoupling 11 ZEROR/ZEROA O Zero flag output for R-channel / Zero flag output for L/R-channel 12 ZEROL/NA O Zero flag output for L-channel / No assign 13 MD I Mode control data input 14 MC I Mode control clock input 15 ML I Mode control latch input 16 SCK I System clock input PCM1742KE (JACB ASSY : IC211)(DV-533, DV-3310 and DV-533K Only) • D/A Converter • Pin Arrangement • Pin Function • Block Diagram 94 DV-533, DV-3310, DV-533K, DV-5310KD 1 28 VCC1 VCC2 2 27 VIN VOUT 3 26 YC MIX PS1 4 25 CIN COUT 5 24 CLP VEE2 6 23 YIN1 YOUT1 7 22 MUTE1 VEE2 8 21 MUTE2 VEE2 9 20 YIN2 YOUT2 10 19 GND VEE2 11 18 CbIN CbOUT 12 17 Dual/Single PS2 13 16 CrIN CrOUT 14 15 VEE1 VEE2 1 VCC1 2 VIN 4 CIN 5 CLP 28 VCC2 27 VOUT 26 PS1 3 YC MIX LPF 6dB Amp -6dB LPF 6 YIN LPF 9 YIN2 LPF 11 CbIN 12 Dual/Single 14 VEE1 LPF 13 CrIN LPF CLP CLP 7 MUTE1 8 MUTE2 10 GND 25 COUT 24 VEE2 22 VEE2 21 VEE2 23 YOUT1 75ohm Driver +9dB 75ohm Driver +9dB 75ohm Driver +9dB 20 YOUT2 19 VEE2 15 VEE2 75ohm Driver +9dB 18 YOUT1 CrOUT 75ohm Driver +9dB 16 PS2 17 75ohm Driver +9dB No. Name Pin Function No. Name Pin Function 1 VCC1 VCC 15 VEE2 VEE 2 VIN Video input 16 CrOUT Video input 3 YC MIX YC MIX select 17 PS2 Power save select 4 CIN Croma input 18 CbOUT Vide output 5 CLP Clamp select 19 VEE2 VEE 6 YIN1 Video input 20 YOUT2 Vide output 7 MUTE1 Mute select 21 VEE2 VEE 8 MUTE2 Mute select 22 VEE2 VEE 9 YIN2 Component input 23 YOUT1 Vide output 10 GND Ground 24 VEE2 VEE 11 CbIN Component input 25 COUT Vide output 12 Dual/Single Power supply select 26 PS1 Power save select 13 CrIN Component input 27 VOUT Vide output 14 VEE1 VEE 28 VCC2 VCC MM1540BF (JACB ASSY : IC411)(DV-533, DV-3310 and DV-533K Only) • 75Ω × 2 Driver for DVD (6 ch / 9dB) • Pin Arrangement • Pin Function • Block Diagram 95 DV-533, DV-3310, DV-533K, DV-5310KD 1 28 VCC1 VCC2 2 27 VIN VOUT 3 26 YC MIX PS1 4 25 CIN COUT 5 24 CLP VEE2 6 23 YIN1 YOUT1 7 22 MUTE1 VEE2 8 21 MUTE2 VEE2 9 20 YIN2 YOUT2 10 19 GND VEE2 11 18 CbIN CbOUT 12 17 Dual/Single PS2 13 16 CrIN CrOUT 14 15 VEE1 VEE2 1 VCC1 2 VIN 4 CIN 5 CLP 28 VCC2 27 VOUT 26 PS1 3 YC MIX LPF 6dB Amp -6dB LPF 6 YIN LPF 9 YIN2 11 CbIN 12 Dual/Single 14 VEE1 13 CrIN CLP CLP 7 MUTE1 8 MUTE2 10 GND 25 COUT 24 VEE2 22 VEE2 21 VEE2 23 YOUT1 75ohm Driver +9dB 75ohm Driver +9dB 75ohm Driver +9dB 20 YOUT2 19 VEE2 15 VEE2 75ohm Driver +9dB 18 YOUT1 CrOUT 75ohm Driver +9dB 16 PS2 17 75ohm Driver +9dB No. Name Pin Function No. Name Pin Function 1 VCC1 VCC 15 VEE2 VEE 2 VIN Video input 16 CrOUT Video input 3 YC MIX YC MIX select 17 PS2 Power save select 4 CIN Croma input 18 CbOUT Vide output 5 CLP Clamp select 19 VEE2 VEE 6 YIN1 Video input 20 YOUT2 Vide output 7 MUTE1 Mute select 21 VEE2 VEE 8 MUTE2 Mute select 22 VEE2 VEE 9 YIN2 Component input 23 YOUT1 Vide output 10 GND Ground 24 VEE2 VEE 11 CbIN Component input 25 COUT Vide output 12 Dual/Single Power supply select 26 PS1 Power save select 13 CrIN Component input 27 VOUT Vide output 14 VEE1 VEE 28 VCC2 VCC MM1540CF (JACB ASSY : IC411)(DV-5310KD Only) • 75Ω × 2 Driver for DVD (6 ch / 9dB / for progressive) • Pin Arrangement • Pin Function • Block Diagram 96 DV-533, DV-3310, DV-533K, DV-5310KD PE5251A (FLKB ASSY : IC101) • Mode Control IC • Pin Function No. Pin Name I/O Pin Function 1 VDD1 − Positive power supply (excepting port, analog and FIP controller/driver section) 2 VSS1 − Ground (excepting port and analog) 3 X1 I Connect a crystal for main system clock oscillation 4 X2 − 5 IC − Internal connection Connect to Vss1 directly. 6 RESET I System reset input 7 P27/SCK1 I/O Port 2 8 bit input/output port / serial clock input/output 8 P26/SI1 I/O I Port 2 8 bit input/output port / Serial data input 9 P25/SO1 I/O O Port 2 8 bit input/output port / Serial data output 10 P24/BUSY I/O I Port 2 8 bit input/output port / Busy signal input 11 P23 I/O Port 2 8 bit input/output port 12 P22 13 P21/SO3 I/O O Port 2 8 bit input/output port / Serial data output 14 P20/SCK3 I/O Port 2 8 bit input/output port / serial clock input/output 15 P00/INTP0 I/O I Port 0 3 bit input/output port / External interrupt request input 16 P01/INTP1 17 P02/TI I/O I Port 0 3 bit input/output port / Timer input of 8 bit remote control timer (TM9) 18 AVSS − Ground of A/D converter 19 ANI3 I Analog input of A/D converter 20 ANI2 21 ANI1 22 ANI0 23 VSS0 − Ground of port section 24 AVDD − Analog power supply of A/D converter / reference voltage input 25 VDD0 − Positive power supply of port section 26 P64 I/O Port 6 5-bit high proof pressure input/output ports of P-ch open drain 27 P63 28 P62 29 P61 30 P60 31 P57 I/O Port 5 8-bit high proof pressure input/output ports of P-ch open drain 32 P56 33 P55 34 P54 35 P53 36 P52 37 P51 38 P50 39 P47 O Port 4 8-bit high proof pressure input/output ports of P-ch open drain 40 P46 97 DV-533, DV-3310, DV-533K, DV-5310KD No. Pin Name I/O Pin Function 41 P45 O Port 4 8-bit high proof pressure input/output ports of P-ch open drain 42 P44 43 P43/FIP35 O Port 4 8-bit high proof pressure input/output ports of P-ch open drain / High proof presure large current output of FIP controller/driver 44 P42/FIP34 45 P41/FIP33 46 P40/FIP32 47 P37/FIP31 O Port 3 8-bit high proof pressure input/output ports of P-ch open drain / High proof presure large current output of FIP controller/driver 48 P36/FIP30 49 P35/FIP29 50 P34/FIP28 51 P33/FIP27 52 P32/FIP26 53 P31/FIP25 54 P30/FIP24 55 FIP23 O High proof presure large current output of FIP controller/driver 56 FIP22 57 FIP21 58 FIP20 59 VDD2 − Positive power supply of FIP controller/driver section 60 VLOAD − Connect a pull-down resistor of FIP controller/driver 61 FIP19 O High proof presure large current output of FIP controller/driver 62 FIP18 63 FIP17 64 FIP16 65 FIP15 66 FIP14 67 FIP13 68 FIP12 69 FIP11 70 FIP10 71 FIP9 72 FIP8 73 FIP7 74 FIP6 75 FIP5 76 FIP4 77 FIP3 78 FIP2 79 FIP1 80 FIP0 98 DV-533, DV-3310, DV-533K, DV-5310KD 35 1 1G 2G 5G 6G 8G 7G 10G 11G 4G 9G 3G S4 S8 S7 S3 S15 S10 S5 S9 S6 S14 S13 S1 S11 S12 S2 (2G - 11G) Pin No. 35 34 33 32 31 30 29 28 27 26 25 24 23 22 21 20 18 18 Connection F2 F2 NP P17 P16 P15 P14 P13 P12 P11 P10 NX P9 P8 P7 P6 P5 P4 Pin No. 17 16 15 14 13 12 11 10 9 8 7 6 5 4 3 2 1 Connection P3 P2 P1 11G 10G 9G 8G 7G 6G 5G 4G 3G 2G 1G NP F1 F1 Pin Connection Anode Connection Note ; 1) F1, F2 : Filament 2) NP : No pin 3) NX : No extend pin 4) DL : Datum Line 5) 1G - 11G : Grid 1G 2G 3G 4G 5G 6G 7G 8G 9G 10G 11G P1 S1 S2 S3 S4 S5 S6 S7 S8 S9 S10 S11 S12 S13 S14 S15 P2 P3 P4 P5 P6 P7 P8 P9 P10 P11 P12 P13 P14 P15 P16 P17 S1 S2 S3 S4 S5 S6 S7 S8 S9 S10 S11 S12 S13 S14 S15 S1 S2 S3 S4 S5 S6 S7 S8 S9 S10 S11 S12 S13 S14 S15 S1 S2 S3 S4 S5 S6 S7 S8 S9 S10 S11 S12 S13 S14 S15 S1 S2 S3 S4 S5 S6 S7 S8 S9 S10 S11 S12 S13 S14 S15 S1 S2 S3 S4 S5 S6 S7 S8 S9 S10 S11 S12 S13 S14 S15 S1 S2 S3 S4 S5 S6 S7 S8 S9 S10 S11 S12 S13 S14 S15 S1 S2 S3 S4 S5 S6 S7 S8 S9 S10 S11 S12 S13 S14 S15 S1 S2 S3 S4 S5 S6 S7 S8 S9 S10 S11 S12 S13 S14 S15 S1 S2 S3 S4 S5 S6 S7 S8 S9 S10 S11 S12 S13 S14 S15 7.2.2 FL DISPLAY VAW1063 (FLKB ASSY : V101) • FL Tube 99 DV-533, DV-3310, DV-533K, DV-5310KD 1 STANDBY/ON button Press to switch the player on or to put in standby. 2 Disc tray When loading a disc, place discs in the disc tray with the label side facing up. 3 Remote sensor Point the remote control toward the remote sensor to operate the player. 4 Display window Displays system information. 5 Karaoke controls (DV-533K only) MIC input jack Use to connect a microphone (not supplied) to the player to use the karaoke function. The karaoke function is active when a microphone is connected. VOLUME control Turn to adjust the volume of the vocals when using the karaoke function. ECHO control Turn to adjust the amount of digital echo effect to add to the vocals when using the karaoke function. 6 0 (open/close) button Press to open and close the disc tray. 7 4 1 (reverse) button Press to go back to previous chapters/tracks. Press and hold to perform reverse playback scanning. 8 ¡ ¢ (forward) button Press to advance to chapters/tracks. Press and hold to perform fast-forward scanning. 9 7 (stop) button Press to stop playback. Pressing once enables playback to resume from a point shortly before the location where it stopped. Pressing twice causes the disc to return to the beginning of the disc if playback starts again. 0 8 (pause) button Press during playback to pause. Press again to resume playback. - 3 (play) button Press to start or resume playback. Î 8 7 ¡ ¢ 4 1 STANDBY/ON 0 3 DVD PLAYER 1 3 4 2 8 9 6 7 - 0 DV-533 DV-533K Î 8 7 ¡ ¢ 4 1 STANDBY/ON 0 3 DVD PLAYER MIC VOLUME MIN–MAX MIN–MAX ECHO 1 3 4 2 8 9 6 5 7 - 0 8. PANEL FACILITIES AND SPECIFICATIONS 8.1 PANEL FACILITIES Front Panel (DV-533 and DV-533K) 100 DV-533, DV-3310, DV-533K, DV-5310KD 1 STANDBY/ON button Press to switch the player on or to put in standby. 2 Disc tray When loading a disc, place discs in the disc tray with the label side facing up. 3 Remote sensor Point the remote control toward the remote sensor to operate the player. 4 Display window Displays system information. 5 Karaoke controls (DV-5310KD Only) ECHO control Turn to adjust the amount of digital echo effect to add to the vocals when using the karaoke function. VOLUME control Turn to adjust the volume of the vocals when using the karaoke function. MIC input jack Use to connect a microphone (not supplied) to the player to use the karaoke function. The karaoke function is active when a microphone is connected. 6 5.1CH MODE button (DV-5310KD Only) Press to switch the audio output between 5.1 channel audio and 2 channel audio. It is also possible to set the default audio output in the Setup screen Audio 2 menu. 7 0 (open/close) button Press to open and close the disc tray. 8 4 1 (reverse) button Press to go back to previous chapters/tracks. Press and hold to perform reverse playback scanning. 9 ¡ ¢ (forward) button Press to advance to chapters/tracks. Press and hold to perform fast-forward scanning. 0 7 (stop) button Press to stop playback. Pressing once enables playback to resume from a point shortly before the location where it stopped. Pressing twice causes the disc to return to the beginning of the disc if playback starts again. - 8 (pause) button Press during playback to pause. Press again to resume playback. = 3 (play) button Press to start or resume playback. Î 8 7 ¡ ¢ 4 1 STANDBY/ON 0 3 DVD PLAYER MIC VOLUME MIN–MAX MIN–MAX ECHO 5.1ch MODE 1 3 4 2 9 0 7 6 5 8 = - Front Panel (DV-3310 and DV-5310KD) DV-5310KD 101 DV-533, DV-3310, DV-533K, DV-5310KD 1 DTS indicator Indicates DTS audio playback. 2 GUI indicator Indicates an on-screen menu operation is being performed. 3 indicator Indicates Multi-Angle playback is in progress. 4 TITLE indicator Indicates a title number is being displayed. 5 indicator Indicates that TruSurround is selected. 6 TRK indicator Indicates a track number is being displayed. 7 CHP indicator Indicates a chapter number is being displayed. 8 LAST indicator Indicates the Last Memory location is recorded in memory for the currently loaded DVD or Super VCD/Video CD. 9 COND. indicator Indicates that Condition Memory settings are memorized for the currently loaded DVD. 0 TOTAL indicator Indicates that the disc in the player is stopped and DISPLAY has been pressed. - REMAIN indicator Indicates that the remaining playback time of a title or chapter/ track is being displayed. = 2D indicator Indicates Dolby Digital audio playback. ~ 3 indicator Indicates when a disc is playing. ! 8 indicator Indicates when a disc is paused. @ Counter display Displays the playback mode, type of disc, title/folder and chapter/track numbers, playback time, etc. TRK GUI DTS D CHP LAST TITLE COND. TOTAL REMAIN 2 @ ! ~ = 1 2 3 4 5 6 7 8 9 0 - Display Window (DV-533 and DV-533K) 102 DV-533, DV-3310, DV-533K, DV-5310KD 1 DTS indicator Indicates DTS audio playback. 2 5.1CH indicator (DV-5310KD Only) Indicates that the 5.1CH mode is selected. 3 PRGSVE indicator Lights when unit is set to output 525 line progessive scan (non- interlaced) video. 4 indicator Indicates Multi-Angle playback is in progress. 5 GUI indicator Indicates an on-screen menu operation is being performed. 6 TITLE indicator Indicates a title number is being displayed. 7 indicator Indicates that TruSurround is selected. 8 TRK indicator Indicates a track number is being displayed. 9 CHP indicator Indicates a chapter number is being displayed. 0 LAST indicator Indicates the Last Memory location is recorded in memory for the currently loaded DVD or Super VCD/Video CD. - COND. indicator Indicates that Condition Memory settings are memorized for the currently loaded DVD. = TOTAL indicator Indicates that the disc in the player is stopped and DISPLAY has been pressed. ~ REMAIN indicator Indicates that the remaining playback time of a title or chapter/ track is being displayed. ! 2D indicator Indicates Dolby Digital audio playback. @ 3 indicators Indicates when a disc is playing. # 8 indicator Indicates when a disc is paused. $ Counter display Displays the playback mode, type of disc, title/folder and chapter/track numbers, playback time, etc. TRK PRGSVE GUI DTS D CHP LAST TITLE COND. TOTAL REMAIN 5.1CH 2 $ # @ ! 3 1 5 4 6 7 8 9 0 - = ~ 2 Display Window (DV-3310 and DV-5310KD) DV-5310KD 103 DV-533, DV-3310, DV-533K, DV-5310KD AC IN Y PB PR Other models (Non polarity) VIDEO OUT COMPONENT VIDEO OUT CONTROL IN AUDIO OUT R L DIGITAL OUT OPTICALCOAXIAL S 1 2 3 4 6 5 8 7 1 CONTROL IN jack Use to connect this player to another component bearing the Pioneer Î mark. This lets you control this unit as though it were a component in a system. Player operations are then performed by pointing the remote control at the component that the player is connect to. 2 COMPONENT VIDEO OUT jacks If your TV or monitor has component video inputs, you can produce a higher quality picture on your TV or monitor by connecting to the component video outputs on this unit. 3 AUDIO OUT jacks Use to output two-channel audio (analog) to the audio stereo inputs on a TV or stereo amplifier. If you are connecting to a receiver that has both digital and analog input jacks for DVD player connection, it may be beneficial to make both connections. 4 AC IN power cord connection terminal Use to connect the power cord to the wall outlet. 5 S-VIDEO OUT jack If your TV or monitor has an S-video input, clear picture reproduction is possible by connecting the player to your TV or monitor via the S-Video jack. You can switch between [S1] and [S2] S-video output from the Setup menu. 6 VIDEO OUT jack Connect to the video input on a TV or monitor or AV amplifier or receiver with video input capability. 7 DIGITAL OUT OPTICAL jack Use to output the digital audio signal recorded on discs. You can output the digital signal via the optical output jack to an AV amplifier or receiver. 8 DIGITAL OUT COAXIAL jack Use to output the digital audio signal recorded on discs. You can output the digital signal via the coaxial output jack to an AV amplifier or receiver. DV-533K/LBXJ Rear Panel (DV-533 and DV-533K) 104 DV-533, DV-3310, DV-533K, DV-5310KD 1 CONTROL IN jack Use to connect this player to another component bearing the Pioneer Î mark. This lets you control this unit as though it were a component in a system. Player operations are then performed by pointing the remote control at the component that the player is connect to. 2 COMPONENT VIDEO OUT jacks If your TV or monitor has component video inputs, you can produce a higher quality picture on your TV or monitor by connecting to the component video outputs on this unit. 3 AUDIO OUT jacks 2ch Use to output two-channel audio (analog) to the audio stereo inputs on a TV or stereo amplifier. If you are connecting to a receiver that has both digital and analog input jacks for DVD player connection, it may be beneficial to make both connections. 5.1ch (DV-5310KD Only) Use to output 6 discrete audio channels of decoded digital audio to a receiver or amplifier with discrete audio inputs. 4 AC IN power cord connection terminal Use to connect the power cord to the wall outlet. 5 S-VIDEO OUT jack If your TV or monitor has an S-video input, clear picture reproduction is possible by connecting the player to your TV or monitor via the S-Video jack. You can switch between [S1] and [S2] S-video output from the Setup menu. 6 VIDEO OUT jack Connect to the video input on a TV or monitor or AV amplifier or receiver with video input capability. 7 DIGITAL OUT OPTICAL jack Use to output the digital audio signal recorded on discs. You can output the digital signal via the optical output jack to an AV amplifier or receiver. 8 DIGITAL OUT COAXIAL jack Use to output the digital audio signal recorded on discs. You can output the digital signal via the coaxial output jack to an AV amplifier or receiver. AC IN Y PB PR VIDEO OUT COMPONENT VIDEO OUT CONTROL IN AUDIO OUT R L L LS RS R 2ch 5.1ch DIGITAL OUT OPTICALCOAXIAL S SUB WOOFER CENTER 1 2 3 4 7 8 6 5 Rear Panel (DV-3310 and DV-5310KD) DV-5310KD 105 DV-533, DV-3310, DV-533K, DV-5310KD (Buttons indicated with * are used for menu operation.) 1 LAST MEMORY button You can resume DVD or Super VCD/Video CD playback from the point you last watched even if the disc is removed from the player. Press LAST MEMORY during playback to set a Last Memory point. When you want to resume playback of that disc, press LAST MEMORY in the stop mode and playback starts from the memorized point. Last Memory locations can be stored for up to 5 DVDs and 1 Super VCD/Video CD. 2 (standby/on) button Press to switch the player on or to put in standby. 3 AUDIO button Press repeatedly to select one of the audio languages programmed on a DVD. For Video CD, CD and MP3, each press changes the audio output as follows. For Super VCD, each press changes the audio output as follows. 4 SUBTITLE button Press repeatedly to select one of the subtitle languages programmed on a DVD or to turn the subtitles off. 5 SETUP button* Press when the player is in either play or stop mode to open and close the Setup screen. 6 MENU button* Use to display or close the DVD menu or MP3 Navigator screen. 7 DISPLAY button Press during playback to display statistical disc information. Press repeatedly to display different information. 8 Cursor buttons (2/3/5/∞)* Use to move through the options on menu screens and to change settings. 9 ENTER button* Use to implement settings selected with the cursor buttons or to set items highlighted in a menu. 0 PREV 4 (previous) button During playback, press PREV 4 to go back to a previous chapter/track. = Stereo = 1/L (Left) = 2/R (Right) RANDOM PROGRAM SEARCH MODE 0 9 8 7 +10 6 5 4 CLEAR 3 2 1 1REV FWD ¡ PLAY 3 PAUSE 8 STOP 7 eSTEP/SLOWE NEXT ¢ PREV RETURN REPEAT CONDITION MEMORY LAST MEMORY ANGLE SUB TITLE AUDIO SETUP MENU TOP MENU DISPLAY ¶ 5 ∞ 3 2 Î ¶ OPEN/ CLOSE REPEAT A-B ¶ ¶ 5 5 5 5 E N T E R 4 ¶ ¶ 2 3 4 5 6 7 8 £ 9 0 - = ~ ! 1 $ % ^ & * ( ) _ + ¡ ™ # @ = 1 Stereo = 1L = 1R 2R + 2L + 2 Stereo + Remote Control Unit 106 DV-533, DV-3310, DV-533K, DV-5310KD ) NEXT ¢ button During playback, press NEXT ¢ to advance to the next chapter/track. _ PLAY 3 button Press to start or resume playback. + PAUSE 8 button Press to pause playback of a disc. Press again to resume playback. ¡ REV 1/FWD ¡ (fast reverse/forward) buttons During playback of DVD and Super VCD/Video CD, press FWD ¡ to perform fast forward scanning. Press REV 1 to perform fast reverse scanning of DVD and Super VCD/Video CD. When a CD or MP3 is loaded, audio scanning is performed . ™ CLEAR button Works in conjunction with a number of player functions. Use to cancel repeat and random playback, and to edit programs. £ SEARCH MODE button Press to perform a title/folder, chapter/track or elapsed time search. - STOP 7 button Press to stop playback. Pressing once enables playback to resume from a point shortly before the location where it was stopped. Pressing twice causes the disc to return to the beginning of the disc when playback starts again. = STEP/SLOW e/E buttons Press STEP/SLOW e or E during playback to view still frame. Press and hold STEP/SLOW e or E during playback to view slow playback. In still frame, press STEP/SLOW E to advance DVDs and Video CDs frame by frame and STEP/ SLOW e to back up a few frames at a time (DVD only). ~ Number buttons (1-9, 0, +10)* Use to perform direct title and chapter/track searches, and to input numerical values. ! RANDOM button Press to play title and chapters/tracks in random order. @ PROGRAM button You can program titles, chapters, or tracks to play back in a desired order. Programs can be a maximum of 24 steps. Additionally, DVD programs for up to 24 discs can be stored in the player’s memory for future use. # CONDITION MEMORY button You can store in memory the settings for up to 15 DVDs. Press CONDITION MEMORY during DVD playback to memorize the settings. $ OPEN/CLOSE button Press to open or close the disc tray. % ANGLE button Some DVDs are recorded with various camera angle playback options. Press ANGLE repeatedly to display different camera angles. ^ REPEAT button Use to set the repeat mode. & REPEAT A-B button Press at the beginning and end of the section you want to repeat or to mark a location you want to return to. * TOP MENU button* Press to call up the top menu programmed on the DVD. Depending on the DVD, the top menu may be identical to the DVD menu. ( RETURN button* Use to go one menu back (current settings are maintained). Use RETURN when you do not want to change the option setting in a menu. 107 DV-533, DV-3310, DV-533K, DV-5310KD General System ................. DVD, Super VCD, Video CD, CD and MP3 files Power requirements DV-533 / DV-533K (except for LBXJ Type) ................................................AC 110-127/220-240 V, 50/60 Hz DV-533K (LBXJ Type only) ...........................................................................AC 110 V, 60 Hz Power consumption DV-533 / DV-533K (except for LBXJ Type) ............................................................................................. 13 W DV-533K (LBXJ Type only) ............................................................................................. 12 W Power consumption in standby mode ........................less than 1 W Weight DV-533 ................................................................................ 2.5 kg DV-533K ............................................................................. 2.6 kg Dimensions (Not including protruding cables, etc.) DV-533 ....................................... 420 (W) x 279 (D) x 55 (H) mm DV-533K .................................... 420 (W) x 284 (D) x 55 (H) mm Operating temperature ............................................. +5°C to +35°C Operating humidity ........................... 5% to 85% (no condensation) S-Video output Y (luminance) - Output level ......................................1 Vp-p (75 Ω) C (color) - Output level ....................................... 286 mVp-p (75 Ω) Jacks .......................................................................... S-VIDEO jack Video output Output level ................................................................1 Vp-p (75 Ω) Jacks ..................................................................................RCA jack Component video output (Y, PB, PR) Output level ........................................................ Y: 1.0 Vp-p (75 Ω) PB, PR: 0.7 Vp-p (75 Ω) Jacks ................................................................................ RCA jacks Audio output Output level During audio output .............................200 mVrms (1 kHz, –20 dB) Number of channels ....................................................................... 2 Jacks ................................................................................ RCA jacks Digital audio characteristics Frequency response ... 4 Hz to 44 kHz (DVD fs: 96 kHz) S/N ratio ................................................................................ 118 dB Dynamic range ..................................................................... 103 dB Total harmonic distortion ................................................... 0.0016% Wow and flutter..............................................Limit of measurement (±0.001% W. PEAK) or lower Digital output Optical digital output ........................................... Optical digital jack Coaxial digital output .........................................................RCA jack Other terminals CONTROL IN........................................................... Minijack (3.5 ø) Accessories Audio cord....................................................................................... 1 Video cord....................................................................................... 1 Power cord...................................................................................... 1 Remote control unit ........................................................................ 1 AA (R6P) dry cell batteries ............................................................. 2 Operating Instructions .................................................................... 1 Note The specifications and design of this product are subject to change without notice, due to improvement. 8.2 SPECIFICATIONS DV-533 and DV-533K Accessories • Audio Cord (VDE1052 or VDE1054) (L = 1.5m) • Video Cord (VDE1053 or VDE1055) (L = 1.5m) • Remote Control Unit (VXX2702) • Power Cord (DV-533) (ADG1158) • Power Cord (DV-533K) (LBXJ Type : ADG7042) (Others : ADG1154) • Dry Cell Battery (R6P, AA) White Red Yellow RANDOM PROGRAM SEARCH MODE 0 9 8 7 +10 6 5 4 CLEAR 3 2 1 1REV FWD ¡ PLAY 3 PAUSE 8 STOP 7 eSTEP/SLOWE NEXT ¢ PREV RETURN REPEAT CONDITION MEMORY LAST MEMORY ANGLE SUB TITLE AUDIO SETUP MENU TOP MENU DISPLAY ¶ 5 ∞ 3 2 Î ¶ OPEN/ CLOSE REPEAT A-B ¶ ¶ 5 5 5 5 E N T E R 4 ¶ ¶ • Manufactured under license from Dolby Laboratories. "Dolby" and the double-D symbol are trademarks of Dolby Laboratories. Confidential Unpublished Works, © 1992-1997 Dolby Laboratories. All rights reserved. • "DTS" is a trademark of Digital Theater Systems, Inc. 108 DV-533, DV-3310, DV-533K, DV-5310KD General System ...................DVD, Super VCD, Video CD, CD and MP3 files Power requirements .....................AC 110-127/220-240 V, 50/60 Hz Power consumption DV-3310 ................................................................................ 13 W DV-5310KD ........................................................................... 14 W Power consumption in standby mode ......................... less than 1 W Weight ..................................................................................... 2.7 kg Dimensions (Not including protruding cables, etc.) .................................................... 420 (W) x 279 (D) x 55 (H) mm Operating temperature ................... +5°C to +35°C (+36°F to +96°F) Operating humidity .............................5% to 85% (no condensation) S-Video output Y (luminance) - Output level ....................................... 1 Vp-p (75 Ω) C (color) - Output level ......................................... 286 mVp-p (75 Ω) Jacks ...........................................................................S-VIDEO jack Video output Output level ................................................................. 1 Vp-p (75 Ω) Jacks .................................................................................. RCA jack Component video output (Y, PB, PR) Output level .......................................................... Y: 1.0 Vp-p (75 Ω) PB, PR: 0.7 Vp-p (75 Ω) Jacks ................................................................................ RCA jacks Audio output (2ch) Output level During audio output .............................. 200 mVrms (1 kHz, –20 dB) Number of channels ........................................................................ 2 Jacks ................................................................................ RCA jacks Audio output (5.1ch) (DV-5310KD Only) Output level During audio output .............................. 200 mVrms (1 kHz, –20 dB) (except 0.1 ch, 112 mVrms 30 Hz, –20 dB) Number of channels ........................................................................ 6 Jacks ................................................................................ RCA jacks Digital audio characteristics Frequency response ..................... 4 Hz to 44 kHz (DVD fs: 96 kHz) S/N ratio ................................................................................ 118 dB Dynamic range ...................................................................... 103 dB Total harmonic distortion .....................................................0.0016% Wow and flutter .............................................. Limit of measurement (±0.001% W. PEAK) or lower Digital output Optical digital output ............................................ Optical digital jack Coaxial digital output .......................................................... RCA jack Other terminals CONTROL IN ........................................................... Minijack (3.5 ø) Accessories Audio cord ....................................................................................... 1 Video cord ....................................................................................... 1 Power cord ...................................................................................... 1 Remote control unit ......................................................................... 1 AA (R6P) dry cell batteries .............................................................. 2 Operating Instructions ..................................................................... 1 Note The specifications and design of this product are subject to change without notice, due to improvement. DV-3310 and DV-5310KD Accessories • Audio Cord (VDE1054) (L = 1.5m) • Video Cord (VDE1055) (L = 1.5m) • Remote Control Unit (VXX2702) • Power Cord (ADG7018) • Dry Cell Battery (R6P, AA) White Red Yellow RANDOM PROGRAM SEARCH MODE 0 9 8 7 +10 6 5 4 CLEAR 3 2 1 1REV FWD ¡ PLAY 3 PAUSE 8 STOP 7 eSTEP/SLOWE NEXT ¢ PREV RETURN REPEAT CONDITION MEMORY LAST MEMORY ANGLE SUB TITLE AUDIO SETUP MENU TOP MENU DISPLAY ¶ 5 ∞ 3 2 Î ¶ OPEN/ CLOSE REPEAT A-B ¶ ¶ 5 5 5 5 E N T E R 4 ¶ ¶ • Manufactured under license from Dolby Laboratories. "Dolby" and the double-D symbol are trademarks of Dolby Laboratories. Confidential Unpublished Works, © 1992-1997 Dolby Laboratories. All rights reserved. • "DTS" is a trademark of Digital Theater Systems, Inc.

标签:

版权声明

1. 本站所有素材,仅限学习交流,仅展示部分内容,如需查看完整内容,请下载原文件。
2. 会员在本站下载的所有素材,只拥有使用权,著作权归原作者所有。
3. 所有素材,未经合法授权,请勿用于商业用途,会员不得以任何形式发布、传播、复制、转售该素材,否则一律封号处理。
4. 如果素材损害你的权益请联系客服QQ:77594475 处理。