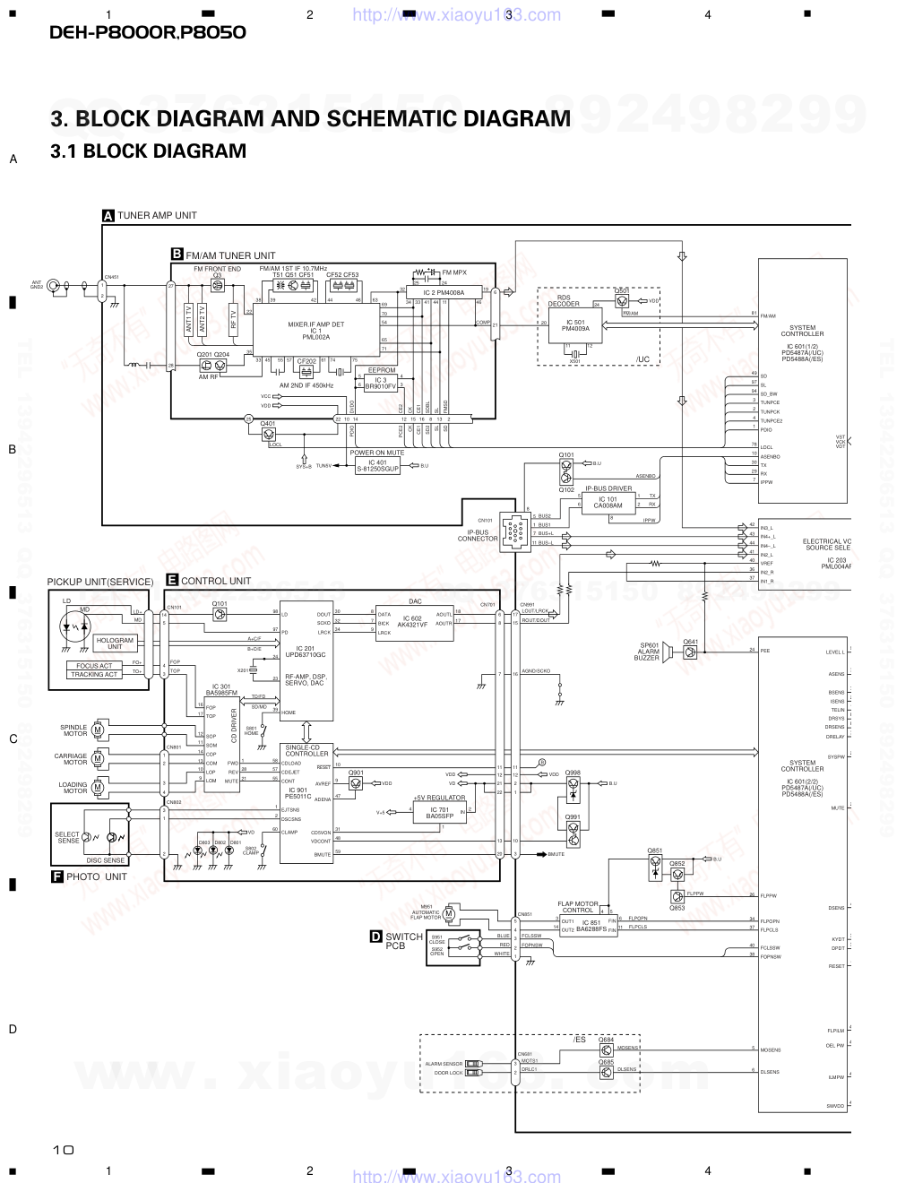
先锋PIONEER DEH-P8050ES电路图

分类:电子电工 日期: 点击:0
先锋PIONEER DEH-P8050ES电路图-0 先锋PIONEER DEH-P8050ES电路图-1 先锋PIONEER DEH-P8050ES电路图-2 先锋PIONEER DEH-P8050ES电路图-3 先锋PIONEER DEH-P8050ES电路图-4 先锋PIONEER DEH-P8050ES电路图-5 先锋PIONEER DEH-P8050ES电路图-6 先锋PIONEER DEH-P8050ES电路图-7 先锋PIONEER DEH-P8050ES电路图-8 先锋PIONEER DEH-P8050ES电路图-9

PIONEER ELECTRONIC CORPORATION 4-1, Meguro 1-Chome, Meguro-ku, Tokyo 153-8654, Japan PIONEER ELECTRONICS SERVICE INC. P.O.Box 1760, Long Beach, CA 90801-1760 U.S.A. PIONEER ELECTRONIC [EUROPE] N.V. Haven 1087 Keetberglaan 1, 9120 Melsele, Belgium PIONEER ELECTRONICS ASIACENTRE PTE.LTD. 253 Alexandra Road, #04-01, Singapore 159936 C PIONEER ELECTRONIC CORPORATION 1999 K-ZZB. APR. 1999 Printed in Japan ORDER NO. CRT2344 MULTI-CD/DAB CONTROL HIGH POWER CD PLAYER WITH RDS TUNER DEH-P8000R�UC Service Manual CONTENTS 1. SAFETY INFORMATION ............................................2 2. EXPLODED VIEWS AND PARTS LIST.......................3 3. BLOCK DIAGRAM AND SCHEMATIC DIAGRAM ...10 4. PCB CONNECTION DIAGRAM ................................28 5. ELECTRICAL PARTS LIST ........................................38 6. ADJUSTMENT..........................................................47 7. GENERAL INFORMATION .......................................51 7.1 DIAGNOSIS ........................................................51 7.1.1 TEST MODE..............................................51 7.1.2 DISASSEMBLY .........................................55 7.2 IC ........................................................................60 8. OPERATIONS AND SPECIFICATIONS.....................71 - See the separate manual CX-916(CRT2300) for the CD mechanism description, disassembly and circuit description. - The CD mechanism employed in this model is one of S8 series. DEH-P8000R/UC DEH-P8050�ES MULTI-CD CONTROL HIGH POWER CD PLAYER WITH FM/AM TUNER SERVICE PRECAUTION In the first production, the following parts had been mounted temporarily to support the microcomputer IC601 (PD5487A): R591 (RS1/16S473J), R592 (RS1/16S102J), and IC591 (Non spare part). When replacing IC601 PD5487A, use PD5487B as IC601, and then remove the 3 parts listed above. IC601 (PD5488A): R591 (RS1/16S473J), R592 (RS1/16S102J), and IC591 (Non spare part). When replacing IC601 PD5488A, use PD5488B as IC601, and then remove the 3 parts listed above. www. xiaoyu163. com QQ 376315150 9 9 2 8 9 4 2 9 8 TEL 13942296513 9 9 2 8 9 4 2 9 8 0 5 1 5 1 3 6 7 3 Q Q TEL 13942296513 QQ 376315150 892498299 TEL 13942296513 QQ 376315150 892498299 http://www.xiaoyu163.com 2 DEH-P8000R,P8050 - CD Player Service Precautions 1. For pickup unit(CXX1285) handling, please refer to"Disassembly"(see page 51). During replacement, handling precautions shall be taken to prevent an electrostatic discharge(protection by a short pin). 2. During disassembly, be sure to turn the power off since an internal IC might be destroyed when a con- nector is plugged or unplugged. 3. Please checking the grating after changing the ser- vice pickup unit(see page 49). 1. SAFETY INFORMATION CAUTION This service manual is intended for qualified service technicians; it is not meant for the casual do-it-yourselfer. Qualified technicians have the necessary test equipment and tools, and have been trained to properly and safely repair complex products such as those covered by this manual. Improperly performed repairs can adversely affect the safety and reliability of the product and may void the warranty. If you are not qualified to perform the repair of this product properly and safely; you should not risk trying to do so and refer the repair to a qualified service technician. WARNING This product contains lead in solder and certain electrical parts contain chemicals which are known to the state of California to cause cancer, birth defects or other reproductive harm. Health & Safety Code Section 25249.6 - Proposition 65 www. xiaoyu163. com QQ 376315150 9 9 2 8 9 4 2 9 8 TEL 13942296513 9 9 2 8 9 4 2 9 8 0 5 1 5 1 3 6 7 3 Q Q TEL 13942296513 QQ 376315150 892498299 TEL 13942296513 QQ 376315150 892498299 http://www.xiaoyu163.com DEH-P8000R,P8050 2. EXPLODED VIEWS AND PARTS LIST 2.1 PACKING 8 1 26 21 27 25 24 28 13 18 19 7 15 101112 14 9 16 17 23 20 5 2 3 4 3 www. xiaoyu163. com QQ 376315150 9 9 2 8 9 4 2 9 8 TEL 13942296513 9 9 2 8 9 4 2 9 8 0 5 1 5 1 3 6 7 3 Q Q TEL 13942296513 QQ 376315150 892498299 TEL 13942296513 QQ 376315150 892498299 http://www.xiaoyu163.com 4 DEH-P8000R,P8050 - Owner's Manual, Installation Manual Model Part No. Language DEH-P8000R/UC CRD2974 English, French CRD2975 English, French DEH-P8050/ES CRD2980 English, Spanish CRD2981 Portuguese, Arabic CRD2982 English, Spanish, Portuguese, Arabic NOTE: - Parts marked by “*” are generally unavailable because they are not in our Master Spare Parts List. - Screws adjacent to ∇ mark on the product are used for disassembly. - PACKING SECTION PARTS LIST Part No. Mark No. Description DEH-P8000R/UC DEH-P8050/ES 1 Cord Assy CDE5854 CDE5854 2 Base Assy CEA2426 CEA2426 * 3 Base CNS5031 CNS5031 * 4 Sheet CZA3371 CZA3371 5 Polyethylene Bag CZE3188 CZE3188 6 ••••• 7 Spring CBH-865 CBH-865 8 Case Assy CXB3520 CXB3520 9 Screw BMZ50P060FMC BMZ50P060FMC 10 Screw CBA-102 Not used 11 Screw CBA1002 CBA1002 12 Screw CBA1120 CBA1120 * 13 Polyethylene Bag CEG-127 CEG-127 14 Screw CMZ50P060FMC CMZ50P060FMC 15 Nut NF50FMC Not used * 16 Polyethylene Bag CEG-158 CEG-158 17 Handle CNC5395 CNC5395 18 Strap CNF-111 Not used 19 Bush CNV1917 CNV1917 20-1 Polyethylene Bag CEG1116 CEG1116 20-2 Owner’s Manual CRD2974 CRD2980 20-3 Owner’s Manual Not used CRD2981 20-4 Installation Manual CRD2975 CRD2982 * 20-5 Caution Card CRP1207 CRP1207 * 20-6 Card ARY1048 Not used * 20-7 Caution Card CRP1209 CRP1210 21 Polyethylene Bag CEG1185 * CEG1088(Cover) 22 ••••• 23 Battery CEX1006 CEX1006 24 Carton CHG3775 CHG3773 25 Contain Box CHL3775 CHL3773 26 Protector CHP2032 CHP2032 27 Protector CHP2033 CHP2033 28 Remote Control Assy CXB3875 CXB3875 www. xiaoyu163. com QQ 376315150 9 9 2 8 9 4 2 9 8 TEL 13942296513 9 9 2 8 9 4 2 9 8 0 5 1 5 1 3 6 7 3 Q Q TEL 13942296513 QQ 376315150 892498299 TEL 13942296513 QQ 376315150 892498299 http://www.xiaoyu163.com 5 DEH-P8000R,P8050 2.2 EXTERIOR B B 24 24 24 17 122 2 16 1 1 1 125 1 2 5 8 11 14 14 12 12 123 60 65 89 99 71 61 97 29 94 91 96 66 66 73 81 84 67 68 66 66 78 78 87 86 75 67 98 91 74 69 85 66 74 23 110 115 107 111 113 120 112 109 119 25 118 108 106 108 121 28 2 2 2 2 59 27 27 26 108 117 116 114 69 86 62 62 82 95 76 76 77 127 77 83 63 90 93 92 79 64 88 124 6 21 7 15 2 19 22 20 18 53 52 50 48 10 34 33 43 41 32 30 31 51 9 49 35 44 40 42 46 47 39 126 126 127 127 127 127 127 4 13 13 3 www. xiaoyu163. com QQ 376315150 9 9 2 8 9 4 2 9 8 TEL 13942296513 9 9 2 8 9 4 2 9 8 0 5 1 5 1 3 6 7 3 Q Q TEL 13942296513 QQ 376315150 892498299 TEL 13942296513 QQ 376315150 892498299 http://www.xiaoyu163.com 6 DEH-P8000R,P8050 1 Screw BSZ26P060FMC 2 Screw BSZ30P050FMC 3 Cap See Contrast table(2) 4 Cord Assy See Contrast table(2) 5 Cord Assy CDE5842 6 Cord Assy See Contrast table(2) 7 Connector CDE5846 8 Cord Assy CDE5854 9 IC(IC301) PAL005A 10 Transistor(Q803,921,998) 2SD2396 11 Fuse(10A) CEK1136 12 Cap CNS1472 13 Cord Assy See Contrast table(2) 14 Resistor RS1/2PMF102J 15 Antenna Cable CDH1256 16 Case CNB2426 17 Holder CNC6798 18 Earth Terminal See Contrast table(2) 19 Holder CNC8170 20 Spacer See Contrast table(2) 21 Cushion CNM6065 22 Cushion CNM6387 23 Panel See Contrast table(2) 24 Cap See Contrast table(2) * 25 PCB CNP5508 26 Screw BSZ30P200FMC 27 Screw CBA1447 28 Insulator CNM6135 29 Cover CNM6489 30 Tuner Amp Unit See Contrast table(2) 31 Screw BMZ26P160FMC 32 Clamper CEF1004 33 Clamper See Contrast table(2) 34 Clamper CEF1009 35 Plug(CN901) CKM1278 36 ••••• 37 ••••• 38 ••••• 39 Plug(CN851) CKS-786 * 40 Plug(CN101) CKS1058 41 Connector(CN801) CKS1532 42 Connector(CN991) CKS1960 43 Connector(CN681) See Contrast table(2) 44 Connector(CN351) See Contrast table(2) 45 ••••• 46 Mini Pin Jack(CN451) CKX1046 47 Holder See Contrast table(2) 48 Holder CNC8168 49 Holder CNC8169 50 Insulator See Contrast table(2) 51 Heat Sink CNR1535 52 FM/AM Tuner Unit CWE1501 53 Holder CNC7532 54 ••••• 55 ••••• 56 ••••• 57 ••••• 58 ••••• 59 Chassis Unit CXB3556 60 Panel Assy CXB3578 61 Screw BMZ20P030FMC 62 Screw CBA1154 63 Screw BPZ20P060FMC 64 Screw CBA1060 65 Screw CBA1061 66 Screw CBA1082 67 Screw CBA1430 68 Screw CBA1454 69 Spring CBH2130 70 ••••• 71 Cord CDE5960 72 ••••• 73 Connector CKS3997 74 Roller CLA3583 75 Frame CNC8201 76 Spacer CNM6155 77 Spacer CNM6156 78 Spacer CNM6419 79 PCB CNP5321 80 ••••• 81 PCB CNP5355 82 Panel CNS5247 83 Lighting Conductor CNV5605 84 Cover CNV5610 85 Guide CNV5672 86 Guide CNV5696 87 Rack CNV5697 88 Gear CNV5698 89 Gear CNV5761 90 Torque Limiter Unit CNV5762 91 Holder CNV5763 92 Switch(S951) CSN1012 93 Switch(S952) CSN1022 94 Arm Unit CXB3574 95 Frame Unit CXB3575 96 Holder Unit CXB3576 97 Bracket Unit CXB3577 98 Arm Unit CXB3866 99 Motor(M951) CXM1085 100 ••••• (1) EXTERIOR SECTION PARTS LIST Mark No. Description Part No. Mark No. Description Part No. www. xiaoyu163. com QQ 376315150 9 9 2 8 9 4 2 9 8 TEL 13942296513 9 9 2 8 9 4 2 9 8 0 5 1 5 1 3 6 7 3 Q Q TEL 13942296513 QQ 376315150 892498299 TEL 13942296513 QQ 376315150 892498299 http://www.xiaoyu163.com DEH-P8000R,P8050 7 101 ••••• 102 ••••• 103 ••••• 104 ••••• 105 ••••• 106 Detach Grille Assy See Contrast table(2) 107 Screw BPZ20P060FMC 108 Screw BPZ20P080FZK 109 Button( ) See Contrast table(2) 110 Button(D) CAC5891 111 Button(SOURCE) See Contrast table(2) 112 Button( ) See Contrast table(2) 113 Button(EQ) See Contrast table(2) 114 Button(1-6) See Contrast table(2) 115 Housing CNV5606 116 Keyboard Unit CWM6226 117 Connector(CN1902) CKS3995 118 Connector(CN1901) CKS3996 119 OEL Module MXK8002 120 Grille Unit See Contrast table(2) 121 Cover Unit See Contrast table(2) 122 Case Assy CXB3520 123 Remote Control Assy CXB3875 124 Battery Cover CNS5032 125 CD Mechanism Module(S8) CXK5251 126 Washer 2-1816-0035-D2-00 127 Washer 2-1821-0045-D2-00 Mark No. Description Part No. Mark No. Description Part No. (2) CONTRAST TABLE DEH-P8000R/UC and DEH-P8050/ES are constructed same except for the following: Part No. Mark No. Description DEH-P8000R/UC DEH-P8050/ES 3 Cord Assy Not used CDE5841 4 Cord Assy CDE5840 Not used 6 Cord Assy Not used CDE5844 13 Cap Not used CNV2680 18 Earth Terminal CNC7358 CNC6469(Holder) 20 Spacer CNM6482 CNM4870(Cushion) 23 Panel CNS5256 CSN5548 24 Cap CNV2680 Not used 30 Tuner Amp Unit CWM6222 CWM6224 33 Clamper Not used CEF1088 43 Connector(CN681) Not used CKS3597 44 Connector(CN351) CKS3606 CKS3602 47 Holder CNC7533 Not used 50 Insulator CNM5967 Not used 106 Detach Grille Assy CXB3980 CXB3288 109 Button( ) CAC5890 CAC6126 111 Button(SOURCE) CAC5892 CAC5901 112 Button( ) CAC5893 CAC6045 113 Button(EQ) CAC5894 CAC5899 114 Button(1-6) CAC5910 CAC5911 120 Grille Unit CXB3984 CXB3286 121 Cover Unit CXB4309 CXB4310 www. xiaoyu163. com QQ 376315150 9 9 2 8 9 4 2 9 8 TEL 13942296513 9 9 2 8 9 4 2 9 8 0 5 1 5 1 3 6 7 3 Q Q TEL 13942296513 QQ 376315150 892498299 TEL 13942296513 QQ 376315150 892498299 http://www.xiaoyu163.com 8 DEH-P8000R,P8050 2.3 CD MECHANISM MODULE www. xiaoyu163. com QQ 376315150 9 9 2 8 9 4 2 9 8 TEL 13942296513 9 9 2 8 9 4 2 9 8 0 5 1 5 1 3 6 7 3 Q Q TEL 13942296513 QQ 376315150 892498299 TEL 13942296513 QQ 376315150 892498299 http://www.xiaoyu163.com 9 DEH-P8000R,P8050 Mark No. Description Part No. Mark No. Description Part No. 1 Control Unit CWX2358 2 Connector(CN802) CKS2192 3 Connector(CN801) CKS2193 4 Connector(CN701) CKS2771 5 Connector(CN101) CKS3486 6 Screw BMZ20P030FZK 7 Screw BSZ20P040FZK 8 Screw(M2×3) CBA1077 9 Screw(M2×6) CBA1489 10 Screw CBA1243 11 Screw(M2×4) CBA1362 12 Washer CBF1037 13 Washer CBF1038 14 Washer CBF1060 * 15 Washer CBF1075 16 Spring CBH2079 17 Spring CBH2117 18 Spring CBH2278 19 Spring CBH2110 20 Spring CBH2282 21 Spring CBH2114 22 Spring CBH2115 23 Spring CBH2080 24 Spring CBH2118 25 Spring CBH2161 26 Spring CBH2163 27 Spring CBH2189 28 Spring CBH2249 29 Spring CBH2260 30 Spring CBH2262 31 Spring CBL1367 32 Spring CBL1369 33 Connector CDE5531 34 Connector CDE5532 35 Shaft CLA3304 36 Screw(M2.6×6) CBA1458 37 Frame CNC7544 38 Frame CNC7545 39 Lever CNC7546 40 Arm CNC7739 41 Bracket CNC7798 42 Plate CNC8090 43 Spacer CNM3315 44 Sheet CNM6170 45 Cushion CNM6204 46 Sheet CNM6215 47 Ball CNR1189 48 Belt CNT1086 49 Roller CNV4509 50 Arm CNV5246 51 Arm CNV5247 52 Arm CNV5248 53 Arm CNV5249 54 Guide CNV5254 55 Guide CNV5255 56 Gear CNV5257 57 Gear CNV5256 58 Guide CNV5869 59 Damper CNV5266 60 Arm CNV5359 61 Arm CNV5360 62 Arm CNV5361 63 Guide CNV5509 64 Guide CNV5510 65 Holder CNV5578 66 Guide CNV5751 67 Clamper CNV5758 68 Gear CNV5813 69 Motor Unit(M1) CXB2190 70 Screw Unit CXB2191 71 Chassis Unit CXB2192 72 Gear Unit CXB2193 73 Arm Unit CXB2194 74 Motor Unit(M2) CXB2195 75 Lever Unit CXB2553 76 Arm Unit CXB2554 77 Motor Unit(M3) CXB2562 78 Arm Unit CXB2795 79 Bracket Unit CXB4071 80 Screw JFZ20P025FMC 81 Screw JGZ17P025FZK 82 Washer YE15FUC 83 Pickup Unit(Service)(P8) CXX1285 84 Screw IMS26P030FMC * 85 PCB CNX2982 86 Photo-transistor(Q1, 2) CPT230SX-TU - CD MECHANISM MODULE SECTION PARTS LIST www. xiaoyu163. com QQ 376315150 9 9 2 8 9 4 2 9 8 TEL 13942296513 9 9 2 8 9 4 2 9 8 0 5 1 5 1 3 6 7 3 Q Q TEL 13942296513 QQ 376315150 892498299 TEL 13942296513 QQ 376315150 892498299 http://www.xiaoyu163.com ANT1 TV ANT2 TV RF TV IC 3 BR9010FV AM 2ND IF 450kHz M M M M LD MD HOLOGRAM UNIT FOCUS ACT TRACKING ACT LD+ MD FO+ TO+ 14 5 4 3 PICKUP UNIT(SERVICE) SPINDLE MOTOR CARRIAGE MOTOR LOADING MOTOR 1 2 3 4 3 1 2 SELECT SENSE DISC SENSE F PHOTO UNIT CN801 CN802 D803 D802 D801 VD S802 CLAMP 58 57 55 1 2 60 10 1 28 21 9 47 31 48 59 CDLOAD CDEJET CONT EJTSNS DSCSNS CLAMP reset AVREF ADENA CD5VON VDCONT BMUTE IC 901 PE5011C VDD V+5 IC 701 BA05SFP IN +5V REGULATOR 2 4 1 VDD VD Q998 Q991 B VDD BMUTE B.U B.U Q851 Q852 Q853 FLAP MOTOR CONTROL IC 851 BA6288FS 4 5 FIN FIN OUT1 OUT2 6 3 14 11 FLPOPN FLPCLS 5 4 3 3 2 2 1 CN851 CN681 Q684 Q685 FCLSSW MOTS1 DRLC1 DOOR LOCK ALARM SENSOR FOPNSW BLUE RED WHITE S951 CLOSE S952 OPEN D SWITCH PCB AUTOMATIC FLAP MOTOR ANT GND2 CN451 1 2 A TUNER AMP UNIT B FM/AM TUNER UNIT 27 28 FM FRONT END Q3 Q201 Q204 AM RF FM/AM 1ST IF 10.7MHz T51 Q51 CF51 CF52 CF53 MIXER.IF AMP DET IC 1 PML002A 38 39 42 44 46 63 32 19 46 6 21 COMP 34 33 41 44 11 69 70 54 65 71 75 74 61 57 55 45 33 35 22 22 25 10 14 12 15 16 8 13 2 CF202 VCC LOCL VDD Q401 SYS+B TUN5V B.U DI/DO CE2 CK CE1 SDBL SL FMSD PCE2 CK CE1 SD2 SL SD PDIO EEPROM 5 6 4 3 IC 2 PM4008A FM MPX POWER ON MUTE IC 401 S-81250SGUP CN101 IP-BUS CONNECTOR 8 5 1 7 11 B.U ASENBO TX RX IPPW 1 8 2 5 6 IP-BUS DRIVER IC 101 CA008AM BUS2 BUS1 BUS+L BUS–L Q101 Q102 RDS DECODER IC 501 PM4009A 20 11 12 24 X501 Q501 VDD /UC fm/AM 81 FM/AM SD SL SD_BW TUNPCE TUNPCK TUNPCE2 PDIO LOCL ASENBO TX RX IPPW IN3_L IN4+_L IN4–_L IN2_L VREF IN2_R IN1_R PEE 49 97 94 3 2 4 1 78 10 30 29 7 42 43 44 41 40 36 37 24 FLPPW FLPPW 26 FLPOPN 34 FLPCLS 37 FOPNSW 38 FCLSSW 40 MOSENS 5 DLSENS 6 DLSENS MOSENS SYSTEM CONTROLLER IC 601(1/2) PD5487A(/UC) PD5488A(/ES) VST VCK VDT E CONTROL UNIT Q101 CN101 FOP TOP A+C/F B+D/E 98 8 7 9 LD DATA BICK LRCK DOUT AOUTL AOUTR SCKO LRCK PD HOME 97 24 23 39 X201 TD/FD SD/MD RF-AMP, DSP, SERVO, DAC IC 201 UPD63710GC 30 18 17 32 34 IC 602 AK4321VF DAC CN701 CN991 17 15 16 11 12 2 1 10 3 6 8 7 11 12 21 22 13 20 LOUT/LRCK ROUT/DOUT AGND/SCKO SP601 ALARM BUZZER IC 301 BA5985FM S801 HOME 12 16 17 11 14 13 10 9 SOP TOP FOP SOM COP COM LOP LOM FWD REV MUTE ELECTRICAL VO SOURCE SELE IC 203 PML004AF Q641 /ES SYSTEM CONTROLLER IC 601(2/2) PD5487A(/UC) PD5488A(/ES) LEVEL L 9 ASENS 7 BSENS 7 ISENS 2 TELIN 1 DRSYS 8 DRSENS 8 DRELAY 7 SYSPW 2 MUTE 2 DSENS 4 KYDT 3 DPDT 3 RESET 1 OEL PW 4 ILMPW 4 SWVDD 4 FLPILM 4 25 24 Q901 SINGLE-CD CONTROLLER CD DRIVER M951 10 DEH-P8000R,P8050 1 2 3 4 1 2 3 4 D C B A 3. BLOCK DIAGRAM AND SCHEMATIC DIAGRAM 3.1 BLOCK DIAGRAM www. xiaoyu163. com QQ 376315150 9 9 2 8 9 4 2 9 8 TEL 13942296513 9 9 2 8 9 4 2 9 8 0 5 1 5 1 3 6 7 3 Q Q TEL 13942296513 QQ 376315150 892498299 TEL 13942296513 QQ 376315150 892498299 http://www.xiaoyu163.com ADRESS DATA IC 1903 RS-140 REMOTE CONTROL SENSOR OPT IN SWVDD AVCC VDD REM KYDT DPDT KEY AND OEL MODULE CONTROLLER IC 1901 PD5471A ILB SWVDD 1 4 5 7 11 2 9 8 12 9 8 6 2 11 4 5 KEY MATRIX IC 1902 PD8051A SWVDD DATA ROM 25 4 97 14 1 5 M LLER /2) (/UC) (/ES) VST VCK VDT Q913 B.U VDD Q911 B.U BACKUP BACKUP GND RL– RL+ FL– FL+ RL– RL+ FL– FL+ B.REM B.REM ILL ACC ILL ACC MUTE DOOR SW TEL1 ALARM DOOR SW 1 2 9 11 10 12 4 3 5 8 7 6 LECTRICAL VOLUME/ OURCE SELECTOR IC 203 PML004AF M LLER 2/2) (/UC) (/ES) LEVEL L 92 3 ASENS 74 BSENS 73 ISENS 23 TELIN 11 DRSYS 87 DRSENS 86 DRELAY 76 SYSPW 22 MUTE 27 DSENS 47 KYDT 36 DPDT 35 RESET 12 OEL PW 46 ILMPW 44 SWVDD 45 FLPILM 43 FL 10 RL 11 PREL 9 LEVEL DET. IC 231 NJM2068MD 1 DZF MUTERQ BMUTE POWER AMP IC 301 PAL005A 12 14 22 4 25 5 3 21 23 FL MUTE STBY B.REM RL B.U B.U B.U DRELAY DRSENS DRSYS TELIN bsens asens ILL Q941 Q942 Q681 Q951 Q931 Q932 Q682 Q683 Q301 MUTE Q302 Q982 7 11 16 14 18 9 SWL1 RLI FLI FLO RLO SWLO IC 271 PA2028A HIGH OUT Q353 Q355 Q351 CN351 FRONT L CH REAR L CH SUB WOOFER L CH 7 6 3 2 11 10 /UC C KEYBOARD UNIT CN1901 CN801 DSENS ILB CN1902 OEL MODULE MXK8002 18 17 1-15 11 13 X1901 33 34 RST S1925 Q261 Q922 Q923 Q921 Q981 B.U B.U SYS+B SYSPW Q803 Q808 Q801 Q802 VDD B.U Q805 Q806 Q807 B.U B.U B.U RESET IC 961 S–80735ANDZI VDD 1 2 Q962 RESET B SYSPW LEVEL L 92 ALARM 11 DEH-P8000R,P8050 5 6 7 8 5 6 7 8 D C B A www. xiaoyu163. com QQ 376315150 9 9 2 8 9 4 2 9 8 TEL 13942296513 9 9 2 8 9 4 2 9 8 0 5 1 5 1 3 6 7 3 Q Q TEL 13942296513 QQ 376315150 892498299 TEL 13942296513 QQ 376315150 892498299 http://www.xiaoyu163.com 12 DEH-P8000R,P8050 1 2 3 4 1 2 3 4 D C B A 3.2 OVERALL CONNECTION DIAGRAM(GUIDE PAGE) Note: When ordering service parts, be sure to refer to “EXPLODED VIEWS AND PARTS LIST” or “ELECTRICAL PARTS LIST”. A-a A-b A-a A-b A-b A-a Large size SCH diagram Guide page Detailed page A CN701 S951 CSN1012 S952 CSN1022 CLOSE OPEN M951 AUTOMATIC FLAP MOTOR CXM1085 /UC C433 100P /ES R201 0R0 R203 1K R204 1K TUNER SIGNAL IP-BUS SIGNAL CD SIGNAL CD,TUNER,IP-BUS SIGNAL IP-BUS:+2.2dBs FM(100%):-19.5dBs AM(30%):-30dBs CD:+1 IP-BU FM(10 AM(3 IP-BUS CD MECHANISM TUNER RDS DECODER AUTOMATIC FLAP IP-BUS DRIVER � 1 2 3 4 5 6 7 8 9 10 11 E F CD MECHANISM MODULE C KEYB D SWITCH PCB B FM/AM TUNER UNIT EEPROM /UC A-a F G www. xiaoyu163. com QQ 376315150 9 9 2 8 9 4 2 9 8 TEL 13942296513 9 9 2 8 9 4 2 9 8 0 5 1 5 1 3 6 7 3 Q Q TEL 13942296513 QQ 376315150 892498299 TEL 13942296513 QQ 376315150 892498299 http://www.xiaoyu163.com CN1901 PD5487A(/UC) PD5488A(/ES) R284 0R0 BMUTE R659 0R0 R204 1K /UC /UC /UC /ES 1 2 3 4 5 6 +1.7dBs US:+2.2dBs 100%):-20.5dBs 30%):-31dBs CD:+7.8dBs CD:+33.8dBs CD:+18.3dBs SYSTEM CONTROLLER GRILLE BUZZER 8V REGULATOR MUTE VDD 5V SENSE TEL MUTE AMP RESET PRE OUT E-VOL DFS ALARM PRE OUT A TUNER AMP UNIT BOARD UNIT 10A 0.5A CEK1136 GND ILL B REMOTE ACC ALARM BACK UP CELLULAR MUTE RL- FL- RL+ FL+ RR- FR- RR+ FR+ DOOR SW /ES CEK1014 DOOR LOCK ALARM SENSOR 1K(1/2W) 1K(1/2W) 13 DEH-P8000R,P8050 5 6 7 8 5 6 7 8 D C B A A-b A www. xiaoyu163. com QQ 376315150 9 9 2 8 9 4 2 9 8 TEL 13942296513 9 9 2 8 9 4 2 9 8 0 5 1 5 1 3 6 7 3 Q Q TEL 13942296513 QQ 376315150 892498299 TEL 13942296513 QQ 376315150 892498299 http://www.xiaoyu163.com 14 DEH-P8000R,P8050 1 2 3 4 1 2 3 4 D C B A CN701 /UC R201 0R0 R203 1K R204 1K TUNER SIGNAL IP-BUS SIGNAL CD SIGNAL CD,TUNER,IP-BUS SIGNAL IP-BUS:+2.2dBs FM(100%):-19.5dBs AM(30%):-30dBs CD:+1.7dBs IP-BUS:+2.2dBs FM(100%):-20.5dBs AM(30%):-31dBs CD:+ IP-BUS CD MECHANISM E-VOL IP-BUS DRIVER � 1 2 3 4 5 6 7 8 9 10 11 E F CD MECHANISM MODULE M TUNER UNIT A-a A-a A-b 1 2 3 www. xiaoyu163. com QQ 376315150 9 9 2 8 9 4 2 9 8 TEL 13942296513 9 9 2 8 9 4 2 9 8 0 5 1 5 1 3 6 7 3 Q Q TEL 13942296513 QQ 376315150 892498299 TEL 13942296513 QQ 376315150 892498299 http://www.xiaoyu163.com 15 DEH-P8000R,P8050 5 6 7 8 5 6 7 8 D C B A A-a A-a A-b D CN1901 PD5487A(/ PD5488A(/ S951 CSN1012 S952 CSN1022 CLOSE OPEN M951 AUTOMATIC FLAP MOTOR CXM1085 C433 100P /ES SYSTEM CONTRO TUNER RDS DECODER AUTOMATIC FLAP C KEYBOARD UNIT D SWITCH PCB B FM/AM TU EEPROM /UC www. xiaoyu163. com QQ 376315150 9 9 2 8 9 4 2 9 8 TEL 13942296513 9 9 2 8 9 4 2 9 8 0 5 1 5 1 3 6 7 3 Q Q TEL 13942296513 QQ 376315150 892498299 TEL 13942296513 QQ 376315150 892498299 http://www.xiaoyu163.com 16 1 2 3 4 1 2 3 4 D C B A A-a A-b A-b DEH-P8000R,P8050 R284 0R0 BMUTE R659 0R0 /UC /UC /UC /ES 1 2 3 4 5 6 CD:+7.8dBs CD:+18.3dBs AMP RESET PRE OUT PRE OUT A TUNER AMP UNIT 1 3 2 www. xiaoyu163. com QQ 376315150 9 9 2 8 9 4 2 9 8 TEL 13942296513 9 9 2 8 9 4 2 9 8 0 5 1 5 1 3 6 7 3 Q Q TEL 13942296513 QQ 376315150 892498299 TEL 13942296513 QQ 376315150 892498299 http://www.xiaoyu163.com 17 DEH-P8000R,P8050 5 6 7 8 5 6 7 8 D C B A A-b A-a A-b CN1901 PD5487A(/UC) PD5488A(/ES) CD:+33.8dBs M CONTROLLER GRILLE BUZZER 8V REGULATOR MUTE VDD 5V SENSE TEL MUTE AMP DFS ALARM UNIT 10A 0.5A CEK1136 GND ILL B REMOTE ACC ALARM BACK UP CELLULAR MUTE RL- FL- RL+ FL+ RR- FR- RR+ FR+ DOOR SW /ES CEK1014 DOOR LOCK ALARM SENSOR 1K(1/2W) 1K(1/2W) www. xiaoyu163. com QQ 376315150 9 9 2 8 9 4 2 9 8 TEL 13942296513 9 9 2 8 9 4 2 9 8 0 5 1 5 1 3 6 7 3 Q Q TEL 13942296513 QQ 376315150 892498299 TEL 13942296513 QQ 376315150 892498299 http://www.xiaoyu163.com KV1410(23) Voltage of IC Terminals Mark None F0 F65 F125 A0 A74 A125 Band – FM FM FM AM AM AM Input Level – 0dBf 65dBf 125dBf 0dBµ 74dBµ 125dBµ 18 DEH-P8000R,P8050 1 2 3 4 1 2 3 4 D C B A B 3.3 FM/AM TUNER UNIT B A www. xiaoyu163. com QQ 376315150 9 9 2 8 9 4 2 9 8 TEL 13942296513 9 9 2 8 9 4 2 9 8 0 5 1 5 1 3 6 7 3 Q Q TEL 13942296513 QQ 376315150 892498299 TEL 13942296513 QQ 376315150 892498299 http://www.xiaoyu163.com 19 DEH-P8000R,P8050 5 6 7 8 5 6 7 8 D C B A B KV1410(23) www. xiaoyu163. com QQ 376315150 9 9 2 8 9 4 2 9 8 TEL 13942296513 9 9 2 8 9 4 2 9 8 0 5 1 5 1 3 6 7 3 Q Q TEL 13942296513 QQ 376315150 892498299 TEL 13942296513 QQ 376315150 892498299 http://www.xiaoyu163.com S1901,1902:CSG1112 S1903,1904:CSG1111 S1905-1924:CSG1112 S1925:CSG1111 DISP VOL+ EQ+ EQ- VOL- SOURCE ENT PGM 1 2 3 5 4 6 LOUD CLOCK BAND AUDIO FUNC EJECT RESET A CN801 20 DEH-P8000R,P8050 1 2 3 4 1 2 3 4 D C B A C 3.4 KEYBOARD UNIT www. xiaoyu163. com QQ 376315150 9 9 2 8 9 4 2 9 8 TEL 13942296513 9 9 2 8 9 4 2 9 8 0 5 1 5 1 3 6 7 3 Q Q TEL 13942296513 QQ 376315150 892498299 TEL 13942296513 QQ 376315150 892498299 http://www.xiaoyu163.com 21 DEH-P8000R,P8050 5 6 7 8 5 6 7 8 D C B A C C KEYBOARD UNIT www. xiaoyu163. com QQ 376315150 9 9 2 8 9 4 2 9 8 TEL 13942296513 9 9 2 8 9 4 2 9 8 0 5 1 5 1 3 6 7 3 Q Q TEL 13942296513 QQ 376315150 892498299 TEL 13942296513 QQ 376315150 892498299 http://www.xiaoyu163.com 22 DEH-P8000R,P8050 1 2 3 4 1 2 3 4 D C B A 3.5 CD MECHANISM MODULE SPINDLE MOTOR M3 CXB2562 Q1 CPT230SX-TU Q2 CPT230SX-TU CARRIAGE MOTOR M1 CXB2190 LOADING MOTOR M2 CXB2195 PHOTO UNIT CONTROL UNIT PICKUP UNIT(SERVICE) RF-AM CD DRIVER 5V REGULATOR CN101 CN802 CN801 SWITCHES: CONTROL UNIT S801 : HOME SWITCH.....ON-OFF S802 : CLAMP SWITCH....ON-OFF The underlined indicates the switch position. E F E F www. xiaoyu163. com QQ 376315150 9 9 2 8 9 4 2 9 8 TEL 13942296513 9 9 2 8 9 4 2 9 8 0 5 1 5 1 3 6 7 3 Q Q TEL 13942296513 QQ 376315150 892498299 TEL 13942296513 QQ 376315150 892498299 http://www.xiaoyu163.com 23 DEH-P8000R,P8050 5 6 7 8 5 6 7 8 D C B A RF-AMP,SERVO,DSP,DAC SINGLE-CD CONTROLLER DAC 8.380MHz CN701 E A CN991 www. xiaoyu163. com QQ 376315150 9 9 2 8 9 4 2 9 8 TEL 13942296513 9 9 2 8 9 4 2 9 8 0 5 1 5 1 3 6 7 3 Q Q TEL 13942296513 QQ 376315150 892498299 TEL 13942296513 QQ 376315150 892498299 http://www.xiaoyu163.com 24 DEH-P8000R,P8050 1 RFI 0.5V/div. 0.5µs/div. Normal mode: play 1 CH1: RFI 1V/div. 2 CH2: MIRR 5V/div. Test mode: Tracking open 0.5ms/div. 1 CH1: RFI 1V/div. 2 CH2: MIRR 5V/div. Normal mode: The defect part passes 800µm 0.5ms/div. 3 CH1: FD 0.5V/div. 4 CH2: FO+ 2V/div. Test mode: No disc, Focus close 0.2s/div. 3 CH1: FD 0.5V/div. 5 CH2: FOK 2V/div. Normal mode: Focus close 0.2s/div. 6 CH1: FE 0.5V/div. 7 CH2: XSI 2V/div. Normal mode: Focus close 1ms/div. REFO → 8 CH1: TE 0.5V/div. 9 CH2: TD 0.5V/div. Test mode: 32 tracks jump (REV) 0.5ms/div. 8 CH1: TE 0.5V/div. 9 CH2: TD 0.5V/div. Test mode: Single jump (REV) 0.5ms/div. 8 CH1: TE 0.5V/div. 9 CH2: TD 0.5V/div. Test mode: 100 tracks jump (REV) 5ms/div. 6 CH1: FE 0.1V/div. 3 CH2: FD 0.2V/div. Normal mode: Play 20ms/div. 3 CH1: FD 0.5V/div. 0 CH2: MD 1V/div. Normal mode: Focus close (12cm) 0.5s/div. 3 CH1: FD 0.5V/div. 0 CH2: MD 1V/div. Normal mode: Focus close (8cm) 0.5s/div. REFO → REFO → REFO → REFO → REFO → REFO → GND → REFO → REFO → REFO → REFO → REFO → REFO → REFO → REFO → REFO → REFO → REFO → REFO → - Waveforms Note:1. The encircled numbers denote measuring pointes in the circuit diagram. 2. Reference voltage REFO:2.5V REFO → REFO → REFO → REFO → www. xiaoyu163. com QQ 376315150 9 9 2 8 9 4 2 9 8 TEL 13942296513 9 9 2 8 9 4 2 9 8 0 5 1 5 1 3 6 7 3 Q Q TEL 13942296513 QQ 376315150 892498299 TEL 13942296513 QQ 376315150 892498299 http://www.xiaoyu163.com 25 DEH-P8000R,P8050 8 CH1: TE 0.2V/div. 9 CH2: TD 0.2V/div. Normal mode: play 8 CH1: TE 0.5V/div. ! CH2: SD 0.5V/div. TEST mode: 100 Tracks jump(FWD) 5ms/div. 0 MD 0.5V/div. 0.1s/div. Normal mode: Play (12cm) 0 MD 1V/div. 10ms/div. Normal mode: Long Search (12cm) @ EFM 1V/div. 5µs/div. Normal mode: play 8 CH1: TE 1V/div. # CH2: TEC 1V/div. Test mode: Focus close Tracking open 2ms/div. 8 CH1: TE 0.5V/div. 6 CH2: FE 0.5V/div. Normal mode: AGC after focus close 0.2s/div. $ PLCK 2V/div. 0.5µs/div. Normal mode: play 20ms/div. % SCKO 2V/div. 1µs/div. Normal mode: play ^ Dout 2V/div. 10µs/div. Normal mode: play & LRCK 2V/div. 20µs/div. Normal mode: play * VD 5V/div. 50ms/div. Normal mode: No disc GND → REFO → REFO → GND → REFO → REFO → REFO → REFO → REFO → REFO → REFO → REFO → REFO → GND → REFO → GND → REFO → GND → REFO → GND → REFO → www. xiaoyu163. com QQ 376315150 9 9 2 8 9 4 2 9 8 TEL 13942296513 9 9 2 8 9 4 2 9 8 0 5 1 5 1 3 6 7 3 Q Q TEL 13942296513 QQ 376315150 892498299 TEL 13942296513 QQ 376315150 892498299 http://www.xiaoyu163.com 26 DEH-P8000R,P8050 ( CH1: R OUT 1V/div. ) CH2: L OUT 1V/div. Normal mode: Play (1kHz 0dB) 6 CH1: FE 0.2V/div. 3 CH2: FD 0.5V/div. Normal mode: During AGC 1ms/div. 8 CH1: TE 0.2V/div. 9 CH2: TD 0.5V/div. Normal mode: During AGC 1 CH1: RFI 1V/div. ⁄ CH2: HOLD 5V/div. Normal mode: The defect part passes 800µm(B.D) 0.2ms/div. 1ms/div. 0.5ms/div. 3 CH1: FD 1V/div. ⁄ CH2: HOLD 5V/div. Normal mode: The defect part passes 800µm(B.D) 0.5ms/div. 9 CH1: TD 0.1V/div. ⁄ CH2: HOLD 5V/div. Normal mode: The defect part passes 800µm(B.D) 0.5ms/div. REFO → REFO → REFO → REFO → REFO → REFO → REFO → REFO → REFO → REFO → REFO → REFO → www. xiaoyu163. com QQ 376315150 9 9 2 8 9 4 2 9 8 TEL 13942296513 9 9 2 8 9 4 2 9 8 0 5 1 5 1 3 6 7 3 Q Q TEL 13942296513 QQ 376315150 892498299 TEL 13942296513 QQ 376315150 892498299 http://www.xiaoyu163.com 27 DEH-P8000R,P8050 www. xiaoyu163. com QQ 376315150 9 9 2 8 9 4 2 9 8 TEL 13942296513 9 9 2 8 9 4 2 9 8 0 5 1 5 1 3 6 7 3 Q Q TEL 13942296513 QQ 376315150 892498299 TEL 13942296513 QQ 376315150 892498299 http://www.xiaoyu163.com 28 DEH-P8000R,P8050 1 2 3 4 1 2 3 4 D C B A A CORD ASSY MAIN ANTENNA 4. PCB CONNECTION DIAGRAM 4.1 TUNER AMP UNIT NOTE FOR PCB DIAGRAMS 1. The parts mounted on this PCB include all necessary parts for several destination. For further information for respective destinations, be sure to check with the schematic dia- gram. 2. Viewpoint of PCB diagrams A Capacitor Connector P.C.Board Chip Part SIDE A SIDE B TUNER AMP UNIT M951 CN701 E D PRE OUT www. xiaoyu163. com QQ 376315150 9 9 2 8 9 4 2 9 8 TEL 13942296513 9 9 2 8 9 4 2 9 8 0 5 1 5 1 3 6 7 3 Q Q TEL 13942296513 QQ 376315150 892498299 TEL 13942296513 QQ 376315150 892498299 http://www.xiaoyu163.com 29 DEH-P8000R,P8050 5 6 7 8 5 6 7 8 D C B A SIDE A B IP-BUS IN CN1901 C A CORD ASSY www. xiaoyu163. com QQ 376315150 9 9 2 8 9 4 2 9 8 TEL 13942296513 9 9 2 8 9 4 2 9 8 0 5 1 5 1 3 6 7 3 Q Q TEL 13942296513 QQ 376315150 892498299 TEL 13942296513 QQ 376315150 892498299 http://www.xiaoyu163.com 30 DEH-P8000R,P8050 1 2 3 4 1 2 3 4 D C B A A A TUNER AMP UNIT www. xiaoyu163. com QQ 376315150 9 9 2 8 9 4 2 9 8 TEL 13942296513 9 9 2 8 9 4 2 9 8 0 5 1 5 1 3 6 7 3 Q Q TEL 13942296513 QQ 376315150 892498299 TEL 13942296513 QQ 376315150 892498299 http://www.xiaoyu163.com 31 DEH-P8000R,P8050 5 6 7 8 5 6 7 8 D C B A A SIDE B www. xiaoyu163. com QQ 376315150 9 9 2 8 9 4 2 9 8 TEL 13942296513 9 9 2 8 9 4 2 9 8 0 5 1 5 1 3 6 7 3 Q Q TEL 13942296513 QQ 376315150 892498299 TEL 13942296513 QQ 376315150 892498299 http://www.xiaoyu163.com 32 DEH-P8000R,P8050 1 2 3 4 1 2 3 4 D C B A 4.2 FM/AM TUNER UNIT B B SIDE A FM/AM TUNER UNIT A www. xiaoyu163. com QQ 376315150 9 9 2 8 9 4 2 9 8 TEL 13942296513 9 9 2 8 9 4 2 9 8 0 5 1 5 1 3 6 7 3 Q Q TEL 13942296513 QQ 376315150 892498299 TEL 13942296513 QQ 376315150 892498299 http://www.xiaoyu163.com 33 DEH-P8000R,P8050 1 2 3 4 1 2 3 4 D C B A B B SIDE B FM/AM TUNER UNIT www. xiaoyu163. com QQ 376315150 9 9 2 8 9 4 2 9 8 TEL 13942296513 9 9 2 8 9 4 2 9 8 0 5 1 5 1 3 6 7 3 Q Q TEL 13942296513 QQ 376315150 892498299 TEL 13942296513 QQ 376315150 892498299 http://www.xiaoyu163.com 34 DEH-P8000R,P8050 1 2 3 4 1 2 3 4 D C B A 4.3 KEYBOARD UNIT A CN801 VOL+ DISP RESET EQ+ EQ- VOL- SOURCE ENT PGM 1 2 3 4 5 6 T.I CLOCK EJECT FUNC BAND AUDIO SIDE A SIDE B OEL MODULE C C KEYBOARD UNIT C KEYBOARD UNIT www. xiaoyu163. com QQ 376315150 9 9 2 8 9 4 2 9 8 TEL 13942296513 9 9 2 8 9 4 2 9 8 0 5 1 5 1 3 6 7 3 Q Q TEL 13942296513 QQ 376315150 892498299 TEL 13942296513 QQ 376315150 892498299 http://www.xiaoyu163.com 35 DEH-P8000R,P8050 1 2 3 4 1 2 3 4 D C B A F SWITCH PCB A CN851 4.4 SWITCH PCB BLUE RED WHITE F www. xiaoyu163. com QQ 376315150 9 9 2 8 9 4 2 9 8 TEL 13942296513 9 9 2 8 9 4 2 9 8 0 5 1 5 1 3 6 7 3 Q Q TEL 13942296513 QQ 376315150 892498299 TEL 13942296513 QQ 376315150 892498299 http://www.xiaoyu163.com F E REFO 36 DEH-P8000R,P8050 1 2 3 4 1 2 3 4 D C B A SIDE A E F CONTROL UNIT M1 CARRIAGE MOTOR M2 LOADING MOTOR M3 SPINDLE MOTOR PICKUP UNIT(SERVICE) CN991 321 PHOTO UNIT E F A E CN802 F 4.5 CD MECHANISM MODULE www. xiaoyu163. com QQ 376315150 9 9 2 8 9 4 2 9 8 TEL 13942296513 9 9 2 8 9 4 2 9 8 0 5 1 5 1 3 6 7 3 Q Q TEL 13942296513 QQ 376315150 892498299 TEL 13942296513 QQ 376315150 892498299 http://www.xiaoyu163.com 1 100 76 26 50 25 75 51 37 DEH-P8000R,P8050 1 2 3 4 1 2 3 4 D C B A SIDE B E CONTROL UNIT E www. xiaoyu163. com QQ 376315150 9 9 2 8 9 4 2 9 8 TEL 13942296513 9 9 2 8 9 4 2 9 8 0 5 1 5 1 3 6 7 3 Q Q TEL 13942296513 QQ 376315150 892498299 TEL 13942296513 QQ 376315150 892498299 http://www.xiaoyu163.com 38 DEH-P8000R,P8050 5. ELECTRICAL PARTS LIST NOTES: - Parts whose parts numbers are omitted are subject to being not supplied. - The part numbers shown below indicate chip components. Chip Resistor RS1/_S___J,RS1/__S___J Chip Capacitor (except for CQS.....) CKS....., CCS....., CSZS..... =====Circuit Symbol and No.===Part Name Part No. --- ------ ------------------------------------------ ------------------------- Unit Number : CWM6222(DEH-P8000R/UC) Unit Number : CWM6224(DEH-P8050/ES) Unit Name : Tuner Amp Unit MISCELLANEOUS IC 101 IC CA0008AM IC 203 IC PML004AF IC 231 IC NJM2068MD IC 271 IC PA2028A IC 301 IC PAL005A IC 401 IC S-81250SGUP IC 501 IC See Contrast table IC 601 IC See Contrast table IC 851 IC BA6288FS IC 961 IC S-80735ANDZI Q 101 Transistor 2SA1162 Q 102 Transistor DTC124EK Q 261 Transistor IMD2A Q 301 Transistor DTC124EK Q 302 Transistor DTC124EK Q 351 Transistor 2SC3326 Q 352 Transistor 2SC3326 Q 353 Transistor 2SC3326 Q 354 Transistor 2SC3326 Q 355 Transistor See Contrast table Q 356 Transistor See Contrast table Q 401 Transistor 2SC2412K Q 501 Transistor See Contrast table Q 641 Transistor DTC114EK Q 681 Transistor 2SA1162 Q 682 Transistor DTC124EK Q 683 Transistor 2SC2412K Q 684 Transistor See Contrast table Q 685 Transistor See Contrast table Q 801 Transistor 2SD1760F5 Q 802 Transistor IMD2A Q 803 Transistor 2SD2396 Q 805 Transistor 2SC2412K Q 806 Transistor 2SB1238 Q 807 Transistor DTC143EK Q 808 Transistor IMD2A Q 851 Transistor 2SD1760F5 Q 852 Transistor DTA114EK Q 853 Transistor DTC124EK Q 911 Transistor 2SD1760F5 Q 913 Transistor IMD2A Q 921 Transistor 2SD2396 Q 922 Transistor DTC114EK Q 923 Transistor 2SB1238 Q 931 Transistor IMX1 Q 932 Transistor DTC114EK Q 941 Transistor 2SB1243 Q 942 Transistor DTC124EK Q 951 Transistor 2SA1162 Q 962 Transistor 2SC2412K Q 981 Transistor 2SC2412K Q 982 Transistor 2SC2412K Q 991 Transistor IMD2A Q 998 Transistor 2SD2396 D 231 Diode Network DA204U D 232 Diode Network DA204U D 233 Diode Network DA204U D 234 Diode Network DA204U D 401 Diode 1SR154-400 D 402 Diode HZS16(2) D 683 LED BR4361F D 801 Diode Network DA204U D 802 Diode Network DA204U D 803 Diode Network DA204U D 804 Diode Network DA204U D 805 Diode MA3056(M) D 806 Diode HZS9L(C2) D 807 LED CL170PGCD D 808 LED CL170PGCD D 809 LED CL170PGCD D 810 Diode MA3062(M) D 851 Diode HZS7L(C3) D 852 Diode 1SS133 D 853 Diode 1SS133 D 901 Diode ERA15-02VH D 902 Diode ERA15-02VH D 903 Diode ERA15-02VH D 911 Diode ERA15-02VH D 912 Diode HZS6L(B1) D 921 Diode HZS9L(C1) D 931 Diode HZS7L(A1) D 932 Diode HZS7L(C3) D 933 Diode ERA15-02VH D 941 Diode ERA15-02VH D 942 Diode ERA15-02VH D 951 Diode MA152WK D 961 Diode MA152K D 981 Diode MA152WK D 982 Diode HZS9L(A2) D 983 Diode MA152K D 984 Diode MA152WK D 985 Diode 1SS133 D 991 Diode HZS9L(B1) ZNR 451 DSPS-201M-S00B L 101 Inductor LAU3R3K L 251 Ferri-Inductor LAU2R2K L 271 Ferri-Inductor LAU101K L 401 Ferri-Inductor LAU2R2K L 402 Inductor LCTB4R7K2125 L 403 Inductor CTF1420 L 404 Inductor LCTA1R0J3225 L 501 Inductor See Contrast table L 502 Inductor See Contrast table L 601 Inductor LAU100K L 801 Inductor LAU100K =====Circuit Symbol and No.===Part Name Part No. --- ------ ------------------------------------------ ------------------------- A www. xiaoyu163. com QQ 376315150 9 9 2 8 9 4 2 9 8 TEL 13942296513 9 9 2 8 9 4 2 9 8 0 5 1 5 1 3 6 7 3 Q Q TEL 13942296513 QQ 376315150 892498299 TEL 13942296513 QQ 376315150 892498299 http://www.xiaoyu163.com L 802 Inductor CTF1484 L 951 Ferri-Inductor LAU2R2K X 501 Crystal Resonator 3.648MHz See Contrast table X 601 Radiator 10.00MHz CSS1475 SP 641 Buzzer CPV1012 FM/AM Tuner Unit CWE1501 RESISTORS R 101 RS1/10S101J R 102 RS1/10S620J R 103 RS1/10S101J R 104 RS1/10S222J R 105 RS1/10S103J R 106 RS1/10S562J R 107 RS1/10S332J R 108 RS1/16S102J R 109 RS1/16S102J R 110 RS1/16S223J R 111 RS1/16S223J R 112 RS1/16S181J R 113 RS1/16S181J R 151 RS1/10S0R0J R 152 RS1/10S0R0J R 161 RS1/16S272J R 162 RS1/16S272J R 163 RS1/16S162J R 164 RS1/16S162J R 201 RS1/10S0R0J R 203 RS1/10S102J R 204 RS1/10S102J R 205 RA3C102J R 231 RS1/10S474J R 232 RS1/10S474J R 233 RS1/10S104J R 234 RS1/10S104J R 235 RS1/10S273J R 236 RS1/10S273J R 283 RS1/10S203J R 284 RS1/10S0R0J R 301 RS1/10S103J R 302 RS1/10S103J R 303 RS1/10S103J R 304 RS1/10S331J R 351 RS1/10S820J R 352 RS1/10S820J R 353 RS1/10S820J R 354 RS1/10S820J R 355 See Contrast table R 356 See Contrast table R 357 RS1/16S223J R 358 RS1/16S223J R 359 RS1/16S223J R 360 RS1/16S223J R 361 See Contrast table R 362 See Contrast table R 363 RS1/16S103J R 364 RS1/16S103J R 365 RS1/16S103J R 366 RS1/16S103J R 367 See Contrast table R 368 See Contrast table R 369 RS1/16S471J R 370 RS1/16S471J R 371 RS1/16S471J R 372 RS1/16S471J R 373 See Contrast table R 374 See Contrast table R 375 RS1/10S0R0J R 376 RS1/10S0R0J R 377 See Contrast table R 401 RS1/10S473J R 402 RS1/10S473J R 403 RS1/10S681J R 404 RS1/10S681J R 409 RS1/16S681J R 410 RS1/16S103J R 411 RS1/16S681J R 412 RS1/16S681J R 413 RS1/16S681J R 414 RS1/16S473J R 415 RS1/16S472J R 416 RS1/16S473J R 417 RS1/16S473J R 418 RS1/10S473J R 419 RS1/10S222J R 420 RS1/10S222J R 423 RS1/10S0R0J R 424 RS1/16S393J R 431 RS1/8S151J R 501 See Contrast table R 502 See Contrast table R 503 See Contrast table R 507 See Contrast table R 508 See Contrast table R 511 See Contrast table R 512 See Contrast table R 513 See Contrast table R 514 See Contrast table R 518 See Contrast table R 591 RS1/16S473J R 592 RS1/16S102J R 601 RS1/16S473J R 602 RS1/16S472J R 603 RS1/16S221J R 604 RS1/16S682J R 605 RS1/16S221J R 606 RS1/16S682J R 607 RS1/16S102J R 608 RS1/16S102J R 609 RS1/16S473J R 610 RS1/16S473J R 611 RS1/16S473J R 614 RS1/16S221J R 615 RS1/16S682J R 616 RS1/16S221J R 617 RS1/16S473J R 618 RS1/16S221J R 619 RS1/16S682J R 620 RS1/16S473J R 623 RS1/16S473J R 627 RS1/16S473J R 628 RS1/16S473J R 633 RS1/10S0R0J R 634 RS1/10S102J R 637 RS1/16S473J R 641 RS1/10S202J R 642 RS1/10S102J R 654 RS1/10S0R0J DEH-P8000R,P8050 =====Circuit Symbol and No.===Part Name Part No. --- ------ ------------------------------------------ ------------------------- =====Circuit Symbol and No.===Part Name Part No. --- ------ ------------------------------------------ ------------------------- 39 www. xiaoyu163. com QQ 376315150 9 9 2 8 9 4 2 9 8 TEL 13942296513 9 9 2 8 9 4 2 9 8 0 5 1 5 1 3 6 7 3 Q Q TEL 13942296513 QQ 376315150 892498299 TEL 13942296513 QQ 376315150 892498299 http://www.xiaoyu163.com 40 DEH-P8000R,P8050 R 655 RS1/10S0R0J R 656 RS1/10S0R0J R 658 RS1/16S473J R 659 RS1/16S0R0J R 681 RS1/8S102J R 682 See Contrast table R 683 See Contrast table R 685 See Contrast table R 686 RS1/10S103J R 687 RS1/10S223J R 688 RS1/10S223J R 689 RS1/10S223J R 690 RS1/10S272J R 691 See Contrast table R 692 See Contrast table R 693 See Contrast table R 694 See Contrast table R 695 RS1/16S473J R 696 See Contrast table R 697 See Contrast table R 698 RS1/8S471J R 699 RS1/10S102J R 700 RS1/10S103J R 801 RS1/8S222J R 802 RS1/8S222J R 803 RS1/8S222J R 804 RS1/8S103J R 805 RS1/8S472J R 806 RS2PMF220J R 807 RS1/8S221J R 809 RS1/10S103J R 810 RS1/10S222J R 811 RD1/4PU102J R 812 RS1/10S152J R 813 RS1/4S221J R 814 RD1/4PU391J R 818 RS1/10S103J R 819 RS1/8S221J R 820 RS1/10S1R0J R 821 RS1/10S1R0J R 851 RD1/4PU271J R 852 RS1/10S102J R 853 RS1/10S102J R 862 RS1/10S102J R 864 RS1/10S102J R 911 RS1/10S0R0J R 912 RS1/10S152J R 913 RS1/10S512J R 914 RS1/10S1R0J R 921 RS1/10S1R0J R 922 RD1/4PU221J R 923 RS1/10S102J R 924 RS1/4S152J R 926 RS1/10S223J R 931 RS1/10S472J R 932 RS1/10S473J R 933 RS1/10S103J R 934 RS1/10S473J R 935 RS1/10S103J R 936 RS1/10S103J R 941 RS1/10S472J R 942 RS1/4S221J R 943 RS1/4S221J R 951 RS1/8S153J R 952 RS1/10S472J R 953 RS1/10S472J R 954 RS1/16S102J R 962 RS1/10S102J R 963 RS1/10S473J R 964 RS1/10S822J R 981 RS1/16S223J R 982 RS1/10S473J R 983 RS1/10S103J R 984 RS1/10S473J R 985 RS1/10S102J R 986 RS1/10S224J R 989 RS1/10S473J R 991 RD1/4PU221J R 992 RS1/10S221J CAPACITORS C 101 CKSQYB104K16 C 102 CKSQYB104K16 C 161 CKSQYB183K25 C 162 CKSQYB183K25 C 171 CEJA470M16 C 172 CKSQYB104K16 C 173 CEJA100M16 C 203 CKSYB225K16 C 204 CKSYB225K16 C 205 CKSYB224K16 C 206 CKSYB224K16 C 207 CKSYB105K16 C 208 CKSYB105K16 C 209 CKSYB105K16 C 210 CKSYB105K16 C 211 CEJANP4R7M16 C 212 CEJANP4R7M16 C 213 CEJANP4R7M16 C 214 CEJANP4R7M16 C 215 CKSQYB473K50 C 216 CKSQYB473K50 C 217 CKSQYB473K50 C 218 CKSQYB473K50 C 219 CKSYB105K16 C 220 CKSYB105K16 C 221 CKSYB105K16 C 222 CKSYB105K16 C 223 CKSYB105K16 C 224 CKSYB105K16 C 225 CKSQYB333K50 C 226 CKSQYB123K50 C 227 CKSQYB473K50 C 228 CKSQYB153K50 C 229 CKSQYB153K50 C 231 CKSQYB103K50 C 233 CKSQYB474K16 C 234 CKSQYB474K16 C 235 CKSQYB104K16 C 236 CKSQYB104K16 C 237 CKSQYB104K25 C 238 CKSQYB104K25 C 239 CCSQCH470J50 C 240 CCSQCH470J50 C 241 CKSQYB152K50 C 242 CKSQYB152K50 C 262 CKSYB475K10 C 277 CEJA4R7M35 C 278 CEJA101M16 C 279 CEJA100M16 C 280 CEJA100M16 =====Circuit Symbol and No.===Part Name Part No. --- ------ ------------------------------------------ ------------------------- =====Circuit Symbol and No.===Part Name Part No. --- ------ ------------------------------------------ ------------------------- www. xiaoyu163. com QQ 376315150 9 9 2 8 9 4 2 9 8 TEL 13942296513 9 9 2 8 9 4 2 9 8 0 5 1 5 1 3 6 7 3 Q Q TEL 13942296513 QQ 376315150 892498299 TEL 13942296513 QQ 376315150 892498299 http://www.xiaoyu163.com DEH-P8000R,P8050 C 281 CKSYB225K16 C 282 CEJA330M25 C 283 CEJA330M25 C 286 CASAQ3R3M16 C 287 CKSYB684K25 C 301 CKSQYB224K16 C 302 CKSQYB224K16 C 303 CKSQYB224K16 C 304 CKSQYB224K16 C 306 CEJA330M10 C 307 470µF/16 CCH1339 C 309 CKSQYB104K16 C 310 CEJA100M16 C 311 CKSYB105K16 C 351 CEJA100M35 C 352 CEJA100M35 C 353 CEJA100M35 C 354 CEJA100M35 C 355 See Contrast table C 356 See Contrast table C 357 CKSRYB222K50 C 358 CKSRYB222K50 C 359 CKSRYB222K50 C 360 CKSRYB222K50 C 361 See Contrast table C 362 See Contrast table C 403 CKSQYB473K16 C 404 CEJA101M10 C 405 CKSQYB103K50 C 406 CEJA220M10 C 407 CKSQYB103K50 C 408 CKSQYB223K50 C 409 CKSQYB223K50 C 411 CKSRYB472K50 C 413 See Contrast table C 431 CEJA101M16 C 432 CKSQYB104K16 C 433 See Contrast table C 435 CCSQCH101J50 C 502 See Contrast table C 503 See Contrast table C 504 See Contrast table C 505 See Contrast table C 506 See Contrast table C 507 See Contrast table C 508 See Contrast table C 509 See Contrast table C 511 See Contrast table C 512 See Contrast table C 601 CEJA4R7M35 C 602 CKSQYB103K50 C 603 CCSQCH101J50 C 604 CCSQCH150J50 C 605 CCSQCH220J50 C 651 CKSYB225K16 C 683 CKSQYB103K50 C 684 See Contrast table C 685 See Contrast table C 686 CKSQYB473K16 C 801 CKSYB475K10 C 802 CKSQYB104K16 C 803 CEJA470M10 C 804 CKSQYB103K50 C 805 CEJA470M10 C 806 CKSQYB103K50 C 807 CKSQYB102K50 C 808 CKSYB221K50 C 809 CKSYB103K50 C 810 CKSYB475K10 C 811 CKSYB225K16 C 812 CCSCH101J50 C 813 CKSQYB103K50 C 814 CKSQYB105K10 C 851 CKSQYB103K50 C 852 CKSYB104K16 C 853 CEJA220M16 C 855 CKSQYB102K50 C 856 CCSQCH101J50 C 857 CCSQCH101J50 C 901 CKSYB103K50 C 911 470µF/16V CCH1183 C 912 CKSQYB472K50 C 913 CKSQYB103K50 C 914 CEJA470M10 C 915 470µF/16V CCH1183 C 921 330µF/10V CCH1181 C 922 CKSQYB103K50 C 923 CEJA101M16 C 931 CKSYB105K16 C 951 CKSYB103K50 C 961 CKSQYB102K50 C 962 CKSQYB104K16 C 963 CEJA2R2M50 C 981 CEJA220M16 C 991 CKSQYB473K50 C 992 CKSQYB102K50 C 993 CEJA101M10 =====Circuit Symbol and No.===Part Name Part No. --- ------ ------------------------------------------ ------------------------- =====Circuit Symbol and No.===Part Name Part No. --- ------ ------------------------------------------ ------------------------- 41 www. xiaoyu163. com QQ 376315150 9 9 2 8 9 4 2 9 8 TEL 13942296513 9 9 2 8 9 4 2 9 8 0 5 1 5 1 3 6 7 3 Q Q TEL 13942296513 QQ 376315150 892498299 TEL 13942296513 QQ 376315150 892498299 http://www.xiaoyu163.com 42 DEH-P8000R,P8050 CONTRAST TABLE of TUNER AMP UNIT DEH-P8000R/UC and DEH-P8050/ES are constructed same except for the following: Part No. Symbol and Description DEH-P8000R/UC DEH-P8050/ES IC501 IC PM4009A Not used IC601 IC PD5487A PD5488A Q355,356 Transistor 2SC3326 Not used Q501 Transistor DTA124EK Not used Q684,685 Transistor Not used 2SC2412K L501 Inductor CTF1295 Not used L502 Inductor CTF1420 Not used X501 Crystal Resonator 3.648MHz CSS1447 Not used R355,356 RS1/10S820J Not used R361,362 RS1/16S223J Not used R367,368 RS1/16S103J Not used R373,374 RS1/16S471J Not used R377,514 RS1/10S0R0J Not used R501,502,503,511 RS1/16S102J Not used R507 RS1/10S0R0J Not used R508,512 RS1/16S0R0J Not used R513 RS1/16S225J Not used R518 RS1/16S681J Not used R682,683 Not used RS1/8S102J R685 Not used RS1/10S103J R691,693 Not used RS1/10S223J R692,694 Not used RS1/10S272J R696,697 Not used RS1/16S473J C355,356 CEJA100M35 Not used C361,362 CKSRYB222K50 Not used C413,511 CKSQYB103K50 Not used C433 Not used CCSQCH101J50 C502 CCSQCH101J50 Not used C503,504 CCSQCH270J50 Not used C505 CKSQYB104K16 Not used C506,507 CKSQYB471K50 Not used C508 CKSQYB104K16 Not used C509 CEJA220M6R3 Not used C512 CCSRCH101J50 Not used C684,685 Not used CKSQYB103K50 www. xiaoyu163. com QQ 376315150 9 9 2 8 9 4 2 9 8 TEL 13942296513 9 9 2 8 9 4 2 9 8 0 5 1 5 1 3 6 7 3 Q Q TEL 13942296513 QQ 376315150 892498299 TEL 13942296513 QQ 376315150 892498299 http://www.xiaoyu163.com 43 DEH-P8000R,P8050 Unit Number : CWE1501 Unit Name : FM/AM Tuner Unit MISCELLANEOUS IC 1 IC PML002A IC 2 IC PM4008A IC 3 IC BR9010FV Q 1 Transistor 2SC4081 Q 2 Transistor DTC124EU Q 3 FET 3SK263 Q 51 Transistor 2SC4081 Q 201 FET 2SK932 Q 202 Transistor DTC124EU Q 204 Transistor 2SC4081 D 1 Diode KV1410(23) D 2 Diode 1SV248 D 6 Diode KV1410(23) D 201 Diode MA143 D 202 Diode MA147 D 903 Diode KV1410(23) D 904 Diode SVC253 L 1 Coil CTC1155 L 3 Inductor LCTB1R5K2125 L 4 Coil CTC1155 L 201 Inductor LCTB330K1608 L 202 Inductor CTF1287 L 203 Inductor LCTA121J3225 L 901 Coil CTC1154 L 902 Inductor LCTA3R3J3225 L 904 Inductor LCTBR47K1608 L 905 Inductor LCTBR47K1608 T 51 Coil CTE1132 CF 51 Ceramic Filter CTF1442 CF 52 Ceramic Filter CTF1442 CF 53 Ceramic Filter CTF1442 CF 202 Ceramic Filter CTF1476 X 901 Crystal Resonator 10.250MHz CSS1432 RESISTORS R 1 RS1/16S183J R 2 RS1/16S103J R 5 RS1/16S0R0J R 7 RS1/16S273J R 8 RS1/16S473J R 9 RS1/16S223J R 10 RS1/16S473J R 11 RS1/16S221J R 12 RS1/16S103J R 13 RS1/16S104J R 16 RS1/16S223J R 17 RS1/16S221J R 18 RS1/16S221J R 19 RS1/16S473J R 20 RS1/16S470J R 31 RS1/16S0R0J R 51 RS1/16S470J R 52 RS1/16S103J R 53 RS1/16S103J R 54 RS1/16S331J R 55 RS1/16S331J R 56 RS1/16S560J R 57 RS1/16S560J R 58 RS1/16S102J R 59 RS1/16S225J R 60 RS1/16S133J R 61 RS1/16S433J R 101 RS1/16S333J R 102 RS1/16S103J R 103 RS1/16S333J R 104 RS1/16S562J R 106 RS1/16S0R0J R 108 RS1/16S0R0J R 110 RS1/16S154J R 111 RS1/16S273J R 113 RS1/16S222J R 114 RS1/16S333J R 115 RS1/16S334J R 116 RS1/16S473J R 202 RS1/16S472J R 203 RS1/16S225J R 204 RS1/16S102J R 205 RS1/16S220J R 206 RS1/16S471J R 208 RS1/16S104J R 209 RS1/16S104J R 210 RS1/16S563J R 213 RS1/16S223J R 902 RS1/16S103J R 904 RS1/16S473J R 907 RS1/16S103J R 908 RS1/16S681J R 909 RS1/16S473J R 914 RS1/16S562J CAPACITORS C 1 CCSQCH4R0C50 C 6 CKSQYB105K10 C 8 CKSRYB222K50 C 10 CCSRCH220J50 C 11 CCSRCH150J50 C 12 CCSRCH8R0D50 C 14 CCSRCJ3R0C50 C 15 CKSRYB103K50 C 16 CKSRYB222K50 C 17 CKSRYB222K50 C 18 CCSRCJ3R0C50 C 19 CKSRYB103K50 C 20 CKSRYB103K50 C 21 CKSRYB103K50 C 24 CKSQYB334K16 C 26 CKSRYB472K50 C 30 CCSRCH220J50 C 32 CCSRCH470J50 C 35 CKSRYB103K50 C 51 CKSRYB103K50 C 52 CKSRYB473K16 C 53 CCSRCK2R0C50 C 54 CKSRYB103K50 C 55 CKSRYB104K16 C 56 CKSRYB104K16 C 58 CKSQYB224K16 C 101 CEALNP100M10 C 102 CCSRCH151J50 C 103 CKSRYB473K16 C 105 CKSRYB682K25 C 106 CEALR68M50 C 107 CKSRYB103K50 C 108 CKSQYB474K16 C 109 CKSQYB474K16 C 110 CKSRYB104K16 C 111 CKSRYB104K16 C 112 CKSRYB104K16 C 113 CKSRYB123K25 C 114 CEAL220M6R3 C 115 CKSRYB473K16 =====Circuit Symbol and No.===Part Name Part No. --- ------ ------------------------------------------ ------------------------- =====Circuit Symbol and No.===Part Name Part No. --- ------ ------------------------------------------ ------------------------- B www. xiaoyu163. com QQ 376315150 9 9 2 8 9 4 2 9 8 TEL 13942296513 9 9 2 8 9 4 2 9 8 0 5 1 5 1 3 6 7 3 Q Q TEL 13942296513 QQ 376315150 892498299 TEL 13942296513 QQ 376315150 892498299 http://www.xiaoyu163.com C 116 CEAL2R2M50 C 117 CKSRYB102K50 C 120 CKSRYB183K25 C 121 CKSRYB332K50 C 122 CKSRYB562K25 C 123 CKSRYB681K50 C 125 CKSRYB103K50 C 126 CKSRYB103K50 C 127 CEAL2R2M50 C 128 CKSRYB103K50 C 201 CCSRCH471J50 C 202 CCSRCH100D50 C 203 CKSRYB104K16 C 204 CKSRYB332K50 C 205 CKSRYB103K50 C 206 CKSRYB104K16 C 207 CKSRYB473K16 C 208 CCSRCH560J50 C 209 CEAL470M6R3 C 210 CKSRYB103K50 C 211 CKSRYB103K50 C 212 CCSRCH101J50 C 215 CKSRYB223K25 C 216 CKSQYB334K16 C 217 CKSRYB103K50 C 219 CKSQYB105K10 C 220 CKSRYB104K16 C 221 CKSRYB473K16 C 222 CKSQYB334K16 C 223 CKSQYB474K16 C 224 CKSRYB104K16 C 225 CKSRYB272K50 C 226 CKSRYB682K25 C 902 CCSRCH270J50 C 904 CKSRYB223K25 C 905 CKSRYB103K50 C 906 CCSRTH100D50 C 907 CCSRTH150J50 C 909 CCSRTH100D50 C 910 CKSRYB332K50 C 912 CKSQYB474K16 C 913 CKSRYB223K25 C 914 CKSRYB682K25 C 915 CKSQYB223K25 C 916 CKSQYB474K16 C 917 CKSYB475K10 C 918 CKSRYB223K25 C 919 CKSQYB225K10 C 920 CCSRCH270J50 C 921 CCSRCH270J50 C 922 CKSYB105K16 C 923 CKSRYB103K50 Unit Number : CWM6226 Unit Name : Keyboard Unit MISCELLANEOUS IC 1901 IC PD5471A IC 1902 IC PD8051A IC 1903 HIC Module RS-140 D 1901 Diode Network DA204U D 1902 Diode Network DA204U D 1904 Diode MA110 D 1905 LED CL170UBX L 1901 Chip Inductor LCTA2R2J3225 L 1902 Chip Inductor LCTA2R2J3225 L 1903 Inductor CTF1484 L 1904 Inductor LCTA220J2520 L 1905 Inductor Array CTF1421 L 1906 Inductor Array CTF1421 L 1907 Inductor CTF1295 L 1908 Inductor CTF1295 X 1901 Ceramic Resonator 15.62MHz CSS1458 S 1901 Push Switch CSG1112 S 1902 Push Switch CSG1112 S 1903 Push Switch CSG1111 S 1904 Push Switch CSG1111 S 1905 Push Switch CSG1112 S 1906 Push Switch CSG1112 S 1907 Push Switch CSG1112 S 1908 Push Switch CSG1112 S 1909 Push Switch CSG1112 S 1910 Push Switch CSG1112 S 1911 Push Switch CSG1112 S 1912 Push Switch CSG1112 S 1913 Push Switch CSG1112 S 1914 Push Switch CSG1112 S 1915 Push Switch CSG1112 S 1916 Push Switch CSG1112 S 1917 Push Switch CSG1112 S 1918 Push Switch CSG1112 S 1919 Push Switch CSG1112 S 1920 Push Switch CSG1112 S 1921 Push Switch CSG1112 S 1922 Push Switch CSG1112 S 1923 Push Switch CSG1112 S 1924 Push Switch CSG1112 S 1925 Push Switch CSG1111 RESISTORS R 1901 RS1/16S154J R 1902 RS1/16S473J R 1903 RA4C101J R 1904 RA3C101J R 1905 RA3C101J R 1906 RA4C101J R 1907 RS1/16S473J R 1908 RA3C101J R 1909 RA3C101J R 1910 RA4C101J R 1911 RA4C101J R 1912 RA4C101J R 1913 RA3C101J R 1914 RA4C101J R 1915 RA4C101J R 1922 RS1/10S121J R 1923 RS1/10S2R2J R 1924 RS1/8S222J R 1925 RS1/8S222J R 1930 RS1/16S472J R 1931 RS1/16S473J R 1956 RS1/10S0R0J R 1957 RS1/10S0R0J R 1958 RS1/10S0R0J R 1959 RS1/10S0R0J R 1960 RS1/8S911J R 1961 RS1/8S911J R 1962 RS1/10S511J R 1963 RS1/10S511J R 1964 RS1/10S511J R 1965 RS1/10S511J R 1966 RS1/8S511J R 1967 RS1/8S511J R 1968 RS1/8S511J R 1969 RS1/8S511J =====Circuit Symbol and No.===Part Name Part No. --- ------ ------------------------------------------ ------------------------- =====Circuit Symbol and No.===Part Name Part No. --- ------ ------------------------------------------ ------------------------- 44 DEH-P8000R,P8050 C www. xiaoyu163. com QQ 376315150 9 9 2 8 9 4 2 9 8 TEL 13942296513 9 9 2 8 9 4 2 9 8 0 5 1 5 1 3 6 7 3 Q Q TEL 13942296513 QQ 376315150 892498299 TEL 13942296513 QQ 376315150 892498299 http://www.xiaoyu163.com 45 DEH-P8000R,P8050 R 1970 RS1/8S511J R 1971 RS1/8S511J R 1972 RS1/8S511J R 1973 RS1/8S511J R 1974 RS1/8S751J R 1975 RS1/8S751J R 1976 RS1/8S751J R 1977 RS1/8S751J CAPACITORS C 1901 CKSQYB105K10 C 1902 CKSRYB103K25 C 1903 CSZS100M6R3 C 1904 CSZS100M6R3 C 1906 CKSQYB103K25 C 1907 CSZS100M6R3 C 1908 CKSRYB473K16 C 1911 CKSRYB473K16 C 1914 CKSRYB103K25 C 1916 CKSQYB104K25 C 1917 CSZSR100M16 C 1918 CKSRYB102K50 C 1919 CCSQCH221J50 Unit Number : Unit Name : Switch PCB S 951 Switch(CLOSE) CSN1012 S 952 Switch(OPEN) CSN1022 Unit Number : CWX2358 Unit Name : Control Unit MISCELLANEOUS IC 201 IC UPD63710GC IC 301 IC BA5985FM IC 602 IC AK4321VF IC 701 IC BA05SFP IC 901 IC PE5011C Q 101 Transistor 2SB1132 Q 901 Transistor UN2111 D 801 LED CL200IRX D 802 LED CL200IRX TH 901 Thermistor CCX1037 X 201 Ceramic Oscillator 16.934MHz CSS1456 X 901 Radiator 8.380MHz CSS1453 S 801 Spring Switch(HOME) CSN1051 S 802 Spring Switch(CLAMP) CSN1052 RESISTORS R 101 RS1/8S120J R 102 RS1/8S100J R 103 RS1/16S222J R 201 RS1/16S104J R 205 RS1/16S103J R 206 RS1/16S393J R 207 RS1/16S182J R 208 RS1/16S304J R 210 RS1/16S0R0J R 212 RS1/16S103J R 213 RS1/16S103J R 214 RS1/16S123J R 215 RS1/16S273J R 216 RS1/16S273J R 217 RS1/16S681J R 218 RS1/16S681J R 309 RS1/16S473J R 310 RS1/16S473J R 501 RS1/16S102J R 502 RS1/16S681J R 503 RS1/16S681J R 504 RS1/16S681J R 505 RS1/16S681J R 506 RS1/16S681J R 511 RS1/16S0R0J R 601 RS1/16S102J R 602 RS1/16S102J R 603 RS1/16S223J R 604 RS1/16S223J R 606 RS1/16S0R0J R 607 RS1/16S0R0J R 612 RA4C0R0J R 801 RS1/8S751J R 802 RS1/8S751J R 901 RS1/16S222J R 902 RS1/16S473J R 903 RS1/16S222J R 904 RS1/16S473J R 905 RN1/16SE1502D R 906 RS1/16S473J R 908 RS1/16S222J R 909 RS1/16S104J R 910 RS1/16S103J R 911 RS1/16S223J R 912 RS1/16S473J R 917 RS1/16S0R0J CAPACITORS C 101 CCSRCH102J25 C 102 CKSQYB104K16 C 103 CEV101M6R3 C 104 CEV470M6R3 C 105 CKSQYB334K16 C 106 CKSQYB334K16 C 107 CKSQYB334K16 C 201 CKSQYB104K16 C 202 CEV101M6R3 C 203 CKSQYB104K16 C 204 CKSRYB332K50 C 205 CKSQYB104K16 C 206 CKSRYB392K50 C 207 CKSQYB224K16 C 208 CCSRCH270J50 C 209 CCSRCJ3R0C50 C 210 CCSRCH221J50 C 211 CCSRCH101J50 C 212 CKSRYB682K25 C 213 CKSQYB104K16 C 214 CKSRYB104K16 C 215 CKSQYB104K16 C 216 CKSRYB104K16 C 217 CKSRYB104K16 C 218 CKSRYB104K16 C 219 CKSRYB104K16 C 220 CKSRYB104K16 C 223 CKSQYB471K50 C 301 CEV101M10 C 601 CEV4R7M35 C 602 CEV4R7M35 C 603 CCSQSL152J50 C 604 CCSQSL152J50 C 605 CEV470M6R3 C 606 CKSRYB104K16 C 607 CKSRYB104K16 C 608 CKSRYB104K16 C 609 CEV100M16 C 610 CKSRYB104K16 C 612 CKSRYB104K16 =====Circuit Symbol and No.===Part Name Part No. --- ------ ------------------------------------------ ------------------------- =====Circuit Symbol and No.===Part Name Part No. --- ------ ------------------------------------------ ------------------------- D E www. xiaoyu163. com QQ 376315150 9 9 2 8 9 4 2 9 8 TEL 13942296513 9 9 2 8 9 4 2 9 8 0 5 1 5 1 3 6 7 3 Q Q TEL 13942296513 QQ 376315150 892498299 TEL 13942296513 QQ 376315150 892498299 http://www.xiaoyu163.com C 701 CEV101M6R3 C 702 22µF/6.3V CCH1300 C 703 CKSQYB334K16 C 801 CKSRYB103K25 C 802 CKSRYB103K25 C 901 CKSRYB472K50 C 902 CKSYB475K10 C 903 CKSRYB103K25 Unit Number : Unit Name : Photo Unit Q 1 Photo-transistor CPT230SX-TU Q 2 Photo-transistor CPT230SX-TU Miscellaneous Parts List Pickup Unit(Service)(P8) CXX1285 M 1 Motor Unit(CARRIAGE) CXB2190 M 2 Motor Unit(LOADING) CXB2195 M 3 Motor Unit(SPINDLE) CXB2562 M 951 Motor (AUTO FLAP) CXM1085 =====Circuit Symbol and No.===Part Name Part No. --- ------ ------------------------------------------ ------------------------- 46 DEH-P8000R,P8050 F www. xiaoyu163. com QQ 376315150 9 9 2 8 9 4 2 9 8 TEL 13942296513 9 9 2 8 9 4 2 9 8 0 5 1 5 1 3 6 7 3 Q Q TEL 13942296513 QQ 376315150 892498299 TEL 13942296513 QQ 376315150 892498299 http://www.xiaoyu163.com 47 DEH-P8000R,P8050 1) Precautions • This unit uses a single power supply (+5V) for the reg- ulator. The signal reference potential, therefore, is connected to REFO(approx. 2.5V) instead of GND. If REFO and GND are connected to each other by mis- take during adjustments, not only will it be impossi- ble to measure the potential correctly, but the servo will malfunction and a severe shock will be applied to the pick-up. To avoid this, take special note of the fol- lowing. Do not connect the negative probe of the measuring equipment to REFO and GND together. It is especially important not to connect the channel 1 negative probe of the oscilloscope to REFO with the channel 2 negative probe connected to GND. Since the frame of the measuring instrument is usual- ly at the same potential as the negative probe, change the frame of the measuring instrument to floating sta- tus. If by accident REFO comes in contact with GND, immediately switch the regulator or power OFF. • Always make sure the regulator is OFF when connect- ing and disconnecting the various filters and wiring required for measurements. • Before proceeding to further adjustments and mea- surements after switching regulator ON, let the player run for about one minute to allow the circuits to stabi- lize. • Since the protective systems in the unit's software are rendered inoperative in test mode, be very careful to avoid mechanical and /or electrical shocks to the sys- tem when making adjustment. • Disc detection during loading and eject operations is performed by means of a photo transistor in this unit.Consequently, if the inside of the unit is exposed to a strong light source when the outer casing is removed for repairs or adjustment, the following mal- functions may occur. *During PLAY, even if the eject button is pressed,the disc will not be ejected and the unit will remain in the PLAY mode. *The unit will not load a disc. When the unit malfunctions this way, either re-posi- tion the light source, move the unit or cover the photo transistor. 2) Test Mode This mode is used for adjusting the CD mechanism module of the device. • Test mode starting procedure Reset while pressing the 4 and 6 keys together. • Test mode cancellation Switch ACC, back-up OFF. • After pressing the EJECT key, do not press any other key until the disk is completely ejected. • If the ] or [ key is pressed while focus search is in progress, immediately turn the power off (otherwise the actuator may be damaged due to adhesion of the lenses). • Jump operation of TRs other than 100TR continues after releasing the key. CRG move and 100TR jump operations are brought into the “Tracking close” sta- tus when the key is released. • Powering Off/On resets the jump mode to “Single TR (91)”, the RF AMP gain setting to 0 dB, and the auto- matic adjustment value to the initial value. 6. ADJUSTMENT 6.1 CD ADJUSTMENT www. xiaoyu163. com QQ 376315150 9 9 2 8 9 4 2 9 8 TEL 13942296513 9 9 2 8 9 4 2 9 8 0 5 1 5 1 3 6 7 3 Q Q TEL 13942296513 QQ 376315150 892498299 TEL 13942296513 QQ 376315150 892498299 http://www.xiaoyu163.com 48 DEH-P8000R,P8050 - Flow Chart Focus Close *2 S Curve Check 01 01 01 00 00 00 (99 99 99) Display TYP 4 3 Reset SOURCE New test mode 6 [ BAND BAND BAND BAND BAND 3 *2 *1 +6dB +12dB *4 *5 6 6 6 6 1 2 1 2 ] ] [ 06 06 06 12 12 12 Sourse CD Single TR 32TRK 92(82) CRG Move 94(84) 100TRK 93(83) Focus Mode Select Focus Close/ S Curve Check CRG- Auto Adjustment Display Select CRG+ RF AGC Coefficient Display/ Rough Servo and RF AGC Tracking Open Display Tracking Open T. Close and Fit Servo *3 F.Offset Display RF.Offset Display F.Cansel Display *7 Single TR/32TR/100TR Voltage of CRG Motor = 2 [V] (F,T.AGC Gain = (Present Value/Initial Value) ¥ 20) *6 ] [ 1 3 Display 2 3 Display or 8x 8x 8x TRK SEC MIN 9x 9x 9x TRK SEC MIN or CRG- CRG+ T.Balance Adjustment *7 F, T, RF AGC/ F.Bias Display Select F, T AGC and RF AGC CRG Move, 100TR Jump Only TRK, MIN, SEC F.AGC Gain RF AGC Gain T.AGC Gain *8 Power ON (Adjustment for T.Offset) *5 *4 *4 *6 CRG/TR Jump NO. Select CRG+/TR Jump+ CRG-/TR Jump- Power OFF Display Display Display T.Close and F,T AGC and RF AGC and Fit Servo Display Power ON (Not adjustment for T.Offset) Display Display 2 RF AMP Gain Select 2 Power OFF Power OFF Power OFF 8x 8x 8x TRK SEC MIN 9x 9x 9x TRK SEC MIN 8x 8x 8x TRK SEC MIN 9x 9x 9x TRK SEC MIN or 8x 8x 8x TRK SEC MIN 9x 9x 9x TRK SEC MIN or 00 00 00 TRK SEC MIN 99 99 99 TRK SEC MIN or 00 00 00 TRK SEC MIN 99 99 99 TRK SEC MIN or 00 00 00 TRK SEC MIN 99 99 99 TRK SEC MIN or 91 91 91 TRK SEC MIN 0x 0x 0x TRK SEC MIN 00 00 00 TRK SEC MIN 99 99 99 TRK SEC MIN GG GG GG TRK SEC MIN Test Mode In *1 *8 *3 *8 F.Cancel Value = {Top Rank 8bit of Set Value (7F [H] to 80 [H] ) + 128} / 4 = 63 [D] to (32 [D] ) to 00 [D] 9x(8x):91(81) www. xiaoyu163. com QQ 376315150 9 9 2 8 9 4 2 9 8 TEL 13942296513 9 9 2 8 9 4 2 9 8 0 5 1 5 1 3 6 7 3 Q Q TEL 13942296513 QQ 376315150 892498299 TEL 13942296513 QQ 376315150 892498299 http://www.xiaoyu163.com 49 DEH-P8000R,P8050 • Note : The grating angle of the PU unit cannot be adjusted after the PU unit is changed. The PU unit in the CD mecha- nism module is adjusted on the production line to match the CD mechanism module and is thus the best adjusted PU unit for the CD mechanism module. Changing the PU unit is thus best considered as a last resort. However, if the PU unit must be changed, the grating should be checked using the procedure below. • Purpose : To check that the grating is within an acceptable range when the PU unit is changed. • Symptoms of Mal-adjustment : If the grating is off by a large amount symptoms such as being unable to close tracking, being unable to perform track search operations, or taking a long time for track searching. • Method : • Measuring Equipment • Oscilloscope, Two L.P.F. • Measuring Points • E, F, REFO • Disc • ABEX TCD-784 • Mode • TEST MODE • Checking Procedure 1. In test mode, load the disc and switch the 5V regulator on. 2. Using the ] and [ buttons, move the PU unit to the innermost track. 3. Press key 3 to close focus, the display should read "91". Press key 2 to implement the tracking balance adjust- ment the display should now read "81". Press key 3 2 times. The display will change, returning to "81" on the fourth press. 4. As shown in the diagram above, monitor the LPF outputs using the oscilloscope and check that the phase differ- ence is within 75° . Refer to the photographs supplied to determine the phase angle. 5. If the phase difference is determined to be greater than 75° try changing the PU unit to see if there is any improvement. If, after trying this a number of times, the grating angle does not become less than 75° then the mechanism should be judged to be at fault. • Note Because of eccentricity in the disc and a slight misalignment of the clamping center the grating waveform may be seen to "wobble" ( the phase difference changes as the disc rotates). The angle specified above indicates the aver- age angle. • Hint Reloading the disc changes the clamp position and may decrease the "wobble". F REFO E 100kΩ 390pF 100kΩ 390pF E REFO F REFO L.P.F. L.P.F. CONTROL UNIT Xch Ych Oscilloscope 6.2 CHECKING THE GRATING AFTER CHANGING THE PICKUP UNIT www. xiaoyu163. com QQ 376315150 9 9 2 8 9 4 2 9 8 TEL 13942296513 9 9 2 8 9 4 2 9 8 0 5 1 5 1 3 6 7 3 Q Q TEL 13942296513 QQ 376315150 892498299 TEL 13942296513 QQ 376315150 892498299 http://www.xiaoyu163.com 50 DEH-P8000R,P8050 Grating waveform Ech → Xch 20mV/div, AC Fch → Ych 20mV/div, AC 45° 0° 75° 60° 30° 90° www. xiaoyu163. com QQ 376315150 9 9 2 8 9 4 2 9 8 TEL 13942296513 9 9 2 8 9 4 2 9 8 0 5 1 5 1 3 6 7 3 Q Q TEL 13942296513 QQ 376315150 892498299 TEL 13942296513 QQ 376315150 892498299 http://www.xiaoyu163.com 51 DEH-P8000R,P8050 7. GENERAL INFORMATION 7.1 DIAGNOSIS 7.1.1 TEST MODE - Error Messages If a CD is not operative or stopped during operation due to an error, the error mode is turned on and cause(s) of the error is indicated with a corresponding number. This arrangement is intended at reducing nonsense calls from the users and also for facilitating trouble analysis and repair work in servicing. (1) Basic Indication Method 1) When SERRORM is selected for the CSMOD (CD mode area for the system), error codes are written to DMIN (min- utes display area) and DSEC (seconds display area). The same data is written to DMIN and DSEC. DTNO remains in blank as before. 2) Main unit display examples Depending on display capability of LCD used, display will vary as shown below. xx contains the error number. 8-digit display 6-digit display 4-digit display ERROR–xx ERR–xx E–xx OR Err–xx (2) Error Code List Code Class Displayed error code Description of the code and potential cause(s) 10 Electricity Carriage Home NG CRG can't be moved to inner diameter. CRG can't be moved from inner diameter. → Failure on home switch or CRG move mechanism. 11 Electricity Focus Servo NG Focusing not available. → Stains on rear side of disc or excessive vibrations on REWRITABLE. 12 Electricity Spindle Lock NG Spindle not locked. Sub-code is strange (not readable). → Failure on spindle, stains or damages on disc, or excessive vibrations. Subcode NG A disc not containing CD-R data is found. Turned over disc are found, though rarely. → Failure on home switch or CRG move mechanism. RF AMP NG An appropriate RF AMP gain can't be determined. → CD signal error. 17 Electricity Setup NG APC protection doesn't work. Focus can be easily lost. → Damages or stains on disc, or excessive vibrations. 30 Electricity Search Time Out Failed to reach target address. → CRG tracking error or damages on disc. A0 System Power Supply NG Power (VD) is ground faulted. → Failure on SW transistor or power supply (failure on connector). Remarks: Mechanical errors are not displayed (because a CD is turned off in these errors). Unreadable TOC does not constitute an error. An intended operation continues in this case. A newly designed main unit must conform to the example given above. Upper digits of an error code are subdivided as shown below: 1x: Setup relevant errors, 3x: Search relevant errors, 3x: Search relevant errors, Ax: Other errors. www. xiaoyu163. com QQ 376315150 9 9 2 8 9 4 2 9 8 TEL 13942296513 9 9 2 8 9 4 2 9 8 0 5 1 5 1 3 6 7 3 Q Q TEL 13942296513 QQ 376315150 892498299 TEL 13942296513 QQ 376315150 892498299 http://www.xiaoyu163.com 52 DEH-P8000R,P8050 - New Test Mode S-CD plays the same way as before. If an error such as off focus, spindle unlocking, unreadable sub-code, or sound skipping occurs after setup, its cause and time occurred (in absolute time) are displayed. During setup, operational status of the control software (internal RAM: CPOINT) is displayed. These displays and functions are prepared for enhancing aging in the servicing and efficiency of trouble analysis. (1) Shifting to the New Test Mode 1 Turn on the current test mode by starting the reset from the key (it varies between the products). 2 Select S-CD for the source through the specified procedure including use of the [SOURCE] key, and inserting the disc. Then, press the [ 6 ] key while maintaining the regulator turned off. 3 After the above operations, the new test mode remains on irrespective of whether the S-CD is turned on or off. You can reset the new test mode by turning on the reset start. * With some products, the new test mode can be reset through the same operations as that employed for shifting to the STBY mode (while maintaining the Acc turned off). (2) Key Correspondence Key Test mode New test mode Power Off Power On In-play Error Production BAND To power on To power off – Time/Err.No. switching (offset adjustment performed) ] – FWD-Kick FF/TR+ – [ – REV-Kick REV/TR- – 1 – T.Close (AGC performed) Scan – /parameter display switching 2 RF AMP gain switching Parameter display switching Mode – /T.BAL adjustment/T.Open 3 To power on F.Close/RF AGC/F.T.AGC – – (offset adjustment not performed) 6 – F.Mode switching Auto/Manu T.No./Time switching /T.Close (no AGC)/Jump switching Note: Eject and CD on/off is performed in the same procedure as that for the normal mode. (3) Cause of Error and Error Code Code Class Contents Description and cause 40 Electricity Off focus detected. FOK goes low. → Damages/stains on disc, vibrations or failure on servo. 41 Electricity Spindle unlocked. FOK = Low continued for 50 msec. → Damages/stains on disc, vibrations or failure on servo. 42 Electricity Sub-code unreadable. Sub-code was unreadable for 50 msec. → Damages/stains on disc, vibrations or failure on servo. 43 Electricity Sound skipping detected. Last address memory function was activated. → Damages/stains on disc, vibrations or failure on servo. Note: Mechanical errors during aging are not displayed. The error codes should be indicated in the same way as in the normal mode. www. xiaoyu163. com QQ 376315150 9 9 2 8 9 4 2 9 8 TEL 13942296513 9 9 2 8 9 4 2 9 8 0 5 1 5 1 3 6 7 3 Q Q TEL 13942296513 QQ 376315150 892498299 TEL 13942296513 QQ 376315150 892498299 http://www.xiaoyu163.com 53 DEH-P8000R,P8050 (4) Display of Operational Status (CPOINT) during Setup Status No. Contents Protective action 00 CD+5V ON process in progress. None 01 Servo LSI initialization (1/3) in progress. None 02 Servo LSI CRAM initialization in progress. None 03 Servo LSI initialization (2/3) in progress. None 04 Offset adjustment (1/3) in progress. None 05 Offset adjustment (2/3) in progress. None 06 Offset adjustment (3/3) in progress. None 07 FZD adjustment in progress. None 08 Servo LSI initialization (3/3) in progress. None 10 Carriage move to home position started. None 11 Carriage move to home position started. None 12 Carriage is moving toward inner diameter. Specified 10 seconds has been passed or failure on home switch. 13 Carriage is moving toward outer diameter. Specified 10 seconds has been passed or failure on home switch. 14 Carriage outer kick in progress. None 15 Carriage outer diameter feed (1 second) in progress. None 20 Servo close started. None 21 Pre-processing for focus search started. None 22 Spindle rotation and focus search started. None 23 Waiting for focus close (XSI=Low). Specified focus search time has been passed. 24 Standing by after focus close is over. Specified focus search time has been passed. 25 Focus search preprocessing is in None progress while setup protection is turned on. 26 Focus search preprocessing is in None progress while focus recovery is turned on. 27 Wait time after focus close is set up. Off focus. 28 Standing by after focus close is over. Off focus. 29 Setup (1/2) before T balance adjustment is started. Off focus. 30 Setup (2/2) before T balance adjustment is started. Off focus. 31 T balance adjustment started. Off focus. 32 T balance adjustment (1/2). Off focus. 33 T balance adjustment (2/2). Off focus. 34 Waiting for spindle rotation to end. Off focus. Spindle rough servo. 35 Standing by after spindle rough servo is over. Off focus. 36 RF AGC started. Off focus. 37 RF AGC started. Off focus. 38 RF AGC ending process in progress. Off focus. 39 Tracking close in progress. Off focus. 40 Standing by after tracking is closed. Off focus. Carriage closing in progress. 41 Focus/tracking AGC started. Off focus. 42 Focus AGC started. Off focus. 43 Focus AGC in progress. Off focus. 44 Tracking AGC in progress. Off focus. 45 Standing by after focus/tracking AGC are over. Off focus. 46 Spindle processes applicable servo. Off focus. 47 Check for servo close is started. Off focus. 48 Check of LOCK pin started. Off focus or spindle not locked. 49 RF AGC started. Off focus. 50 RF AGC in progress. Off focus. 51 Standing by after RF AGC is over. Off focus. www. xiaoyu163. com QQ 376315150 9 9 2 8 9 4 2 9 8 TEL 13942296513 9 9 2 8 9 4 2 9 8 0 5 1 5 1 3 6 7 3 Q Q TEL 13942296513 QQ 376315150 892498299 TEL 13942296513 QQ 376315150 892498299 http://www.xiaoyu163.com 54 DEH-P8000R,P8050 (5) Display Examples 1) During Setup (When status no. = 11) TRK No. MIN. SEC. 11 11' 11" 2) During Operation (TOC read, TRK search, Play, FF and REV) The same as in the normal mode. 3) When a Protection Error Occurred Switch to the following displays (A) and (B) using the [BAND] switch: (A) Error occurrence timing display in absolute time. An example: Error occurred in 12th tune at 34'56" in absolute time. TRK No. MIN. SEC. 12 34' 56" (B) Error No. display An example: Error #40 (Off focus is detected) ERROR-40 www. xiaoyu163. com QQ 376315150 9 9 2 8 9 4 2 9 8 TEL 13942296513 9 9 2 8 9 4 2 9 8 0 5 1 5 1 3 6 7 3 Q Q TEL 13942296513 QQ 376315150 892498299 TEL 13942296513 QQ 376315150 892498299 http://www.xiaoyu163.com 55 DEH-P8000R,P8050 7.1.2 DISASSEMBLY - Removing the Case (Not shown) 1. Remove the two screws, and then remove the Case. - Removing the CD Mechanism Module 1. Remove the four screws A. 2. Disconnect the connector, and then remove the CD Mechanism Module. - Removing the Tuner Amp Unit (1/2) 1. Disconnect the two connectors. 2. Remove the four screws A. 3. Disconnect the two stoppers indicated by arrows, and then remove the Grille Assy. A A A A CD Mechanism Module A Grille Assy A A A www. xiaoyu163. com QQ 376315150 9 9 2 8 9 4 2 9 8 TEL 13942296513 9 9 2 8 9 4 2 9 8 0 5 1 5 1 3 6 7 3 Q Q TEL 13942296513 QQ 376315150 892498299 TEL 13942296513 QQ 376315150 892498299 http://www.xiaoyu163.com 56 DEH-P8000R,P8050 - Removing the Tuner Amp Unit (2/2) 1. Remove the screw A, four screws C, and then remove the Antenna Cable and Holder. 2. Remove the screw B. 3. Stretch the four tabs, and then remove the Tuner Amp Unit. Antenna Cable A C C C C B Holder Tuner Amp Unit www. xiaoyu163. com QQ 376315150 9 9 2 8 9 4 2 9 8 TEL 13942296513 9 9 2 8 9 4 2 9 8 0 5 1 5 1 3 6 7 3 Q Q TEL 13942296513 QQ 376315150 892498299 TEL 13942296513 QQ 376315150 892498299 http://www.xiaoyu163.com 57 DEH-P8000R,P8050 - Removing the Upper Frame 1. Remove six Springs A, two Springs B and four Screws. 2. Remove two Tabs situated on rear side of the Upper Frame, remove two Arms on the front side, then remove two Tabs on the front side. - Removing the Carriage Mechanism 1. Disengage the Carriage Mechanism from the two dampers situated in the front side by driving it up, then disengage and remove the mechanism from the two dampers by driving it up aslant into front side direction. Note : When assembling the Carriage Mechanism, coat the dampers with alcohol prior to the assembly. - Removing the Clamp Arm Assy 1. Remove a Spring A, a B and a Spring C. 2. Drive the Clamp Arm Assy up into rear side direction, then disengage the arm from its current position Finally, drive the assembly approximately 45 degrees upward, then slide the assembly toward right side to remove it. B A B A A A Arm Arm A B C Upper Frame Carriage Mechanism Section Clamp Arm Assy Section A A www. xiaoyu163. com QQ 376315150 9 9 2 8 9 4 2 9 8 TEL 13942296513 9 9 2 8 9 4 2 9 8 0 5 1 5 1 3 6 7 3 Q Q TEL 13942296513 QQ 376315150 892498299 TEL 13942296513 QQ 376315150 892498299 http://www.xiaoyu163.com 58 DEH-P8000R,P8050 - Removing the Guide Arm Assy 1. Remove a connector, a spring A and B 2. Drive the Guide Arm Assy up aslant into rear side direction, then remove it from a Pin. Finally, drive the assembly approximately 45 degrees upward, then slide the assembly toward left side to remove it. Note : When assembling the guide arm assembly, route the cord inside the assembly. In this operation, care must be exercised so that cord may be caught by the gear. - Removing the LO Arm Assy 1. Remove two Pins to dismount the LO Arm Assy. - Removing the Control Unit and the Spindle Motor 1. Remove from the connector after mounting the short pin on the flexible PCB of the pickup unit. 2. Remove two Soldered joints, then remove two Screws A. 3. Remove two connectors and a Screw B. 4. Disengage the Control Unit from two Tabs, then dis- mount the unit by sliding it toward left. 5. Dismount the Spindle Motor. A Guide Arm Assy Section B Pin LO Arm Assy Section Spindle Motor A A Control Unit Short Pin B www. xiaoyu163. com QQ 376315150 9 9 2 8 9 4 2 9 8 TEL 13942296513 9 9 2 8 9 4 2 9 8 0 5 1 5 1 3 6 7 3 Q Q TEL 13942296513 QQ 376315150 892498299 TEL 13942296513 QQ 376315150 892498299 http://www.xiaoyu163.com 59 DEH-P8000R,P8050 - Removing the Loading Motor and Carriage Motor 1. Remove the Spring and two Screws A. 2. Dismount the Loading Motor. 3. Remove the Belt, a Screw B, two Screws C, a Guide and a Screw Unit. 4. Dismount the Carriage Motor. Note : When assembling the Belt, use care so that it may not be contaminated by grease. - Removing the Pickup Unit 1. Remove two Screws and a Shaft. 2. Dismount the Pickup Unit. Pickup Unit Shaft C Guide B Screw Unit Carriage Motor A A C Belt Loading Motor www. xiaoyu163. com QQ 376315150 9 9 2 8 9 4 2 9 8 TEL 13942296513 9 9 2 8 9 4 2 9 8 0 5 1 5 1 3 6 7 3 Q Q TEL 13942296513 QQ 376315150 892498299 TEL 13942296513 QQ 376315150 892498299 http://www.xiaoyu163.com 60 DEH-P8000R,P8050 7.2 IC PML004AF PA2028A PAL005A S-81250SGUP PM4009A PD5487A, PD5488A BA6288FS BR9010FV PD5471A UPD63710GC BA5985FM PE5011C PML004AF www. xiaoyu163. com QQ 376315150 9 9 2 8 9 4 2 9 8 TEL 13942296513 9 9 2 8 9 4 2 9 8 0 5 1 5 1 3 6 7 3 Q Q TEL 13942296513 QQ 376315150 892498299 TEL 13942296513 QQ 376315150 892498299 http://www.xiaoyu163.com 61 DEH-P8000R,P8050 PA2028A PAL005A 1 2 3 4 5 6 7 Mute 8 9 10 11 12 13 14 15 16 17 18 19 20 21 22 23 24 25 Mute Mute Mute STBY Protector Amp2 Amp1 Amp3 Amp4 TAB P-GND2 OUT2- OUT2+ STBY VCC OUT1- OUT1+ P-GND1 P-GND3 P-GND4 Switch_out MUTE OUT4+ OUT4- SVR IN1 IN2 IN4 S-GND IN3 Ac_gnd OUT3+ OUT3- VCC S-81250SGUP - + GND VIN VOUT 3 2 1 www. xiaoyu163. com QQ 376315150 9 9 2 8 9 4 2 9 8 TEL 13942296513 9 9 2 8 9 4 2 9 8 0 5 1 5 1 3 6 7 3 Q Q TEL 13942296513 QQ 376315150 892498299 TEL 13942296513 QQ 376315150 892498299 http://www.xiaoyu163.com 62 DEH-P8000R,P8050 PM4009A - Pin Functions (PD5487A, PD5488A) Pin No. Pin Name I/O Function and Operation 1 TUNPDO O PLL data output 2 TUNPCK O PLL clock output 3 TUNPCE O PLL chip enable output 4 TUNPCE2 O PLL chip enable output 2 5 MOSENS I Motion/window damage sensor input 6 DLSENS I Door lock sense input 7 IPPW O IP-BUS power supply control output 8,9 VSS1,2 GND 10 ASENBO O IP-BUS slave power supply control output 11 TELIN I Cellular mute input 12 RESET I Reset input 13 OSC1 O Oscillator connection pin 1 14 VSS3 GND 15 OSC2 O Oscillator connection pin 2 16 VCC1 5V 17 NMI Pull up 18 rck I RDS clock input 19 NC Not used 20 DALMON O DFS alarm output 21 RX2 I IP-BUS data input 2 22 SYSPW O System power supply control output 23 ISENS I Illumination sense input 24 PEE O Beep tone output 25 RDS57K I 57kHzBP-OUT sense input 26 FLPPW O Flap motor driver power ON/OFF output 27 MUTE O Mute output 28 NC Not used 29 RX I IP-BUS data input 30 TX O IP-BUS data output www. xiaoyu163. com QQ 376315150 9 9 2 8 9 4 2 9 8 TEL 13942296513 9 9 2 8 9 4 2 9 8 0 5 1 5 1 3 6 7 3 Q Q TEL 13942296513 QQ 376315150 892498299 TEL 13942296513 QQ 376315150 892498299 http://www.xiaoyu163.com 63 DEH-P8000R,P8050 Pin No. Pin Name I/O Function and Operation 31 BSO O P-BUS communication data output 32 BSI I P-BUS communication data input 33 BSCK I/O P-BUS serial clock input/output 34 FLPOPN O Flap motor open output 35 DPDT O Display serial data output 36 KYDT I Display enable data input 37 FLPCLS O Flap motor close output 38 FOPENSW I Flap open switch input 39 NC Not used 40 FCLSSW I Flap close switch input 41 DLED O Alarm LED output 42 NC Not used 43 FLPILM O Inside of flap illumination output 44 ILMPW O Illumination power supply control output 45 SWVDD O Display chip select output 46 OELPW O OEL module power supply control output 47 DSENS I Grille detach sense input 48 ST I FM stereo input 49 SD I SD input 50–61 NC Not used 62 VCC3 5V 63 NC Not used 64 VSS4 GND 65 VCK/ROMCLK O E-VOL clock output / ROM correction clock output 66 VDT/ROMDATA O/I E-VOL data output / ROM correction data input 67 VST/BSRQ2 O/I E-VOL strobe pulse output / P-BUS communication input/output 68 NC Not used 69 BRXEN I/O P-BUS communication input/output 70 BRST O P-BUS reset output 71 BSRQ I/O P-BUS communication request input/output 72 NC Not used 73 BSENS I Back up power sense input 74 ASENS I ACC power sense input 75 NC Not used 76 DRELAY O External relay output 77 LOCH O Local “H” output 78 LOCL O Local “L” output 79 NC Not used 80 NC Open 81 FM/AM O FM/AM power select output 82 TMUTE O Tuner mute output 83 DRST O RDS decoder reset output 84 RDSLK I RDS lock signal input 85 RDT I RDS data input 86 DRSENS I Door open/close sense input 87 DRSYS O Door system select output 88 TESTIN I Test mode IN/test enable 89,90 NC Not used 91 LEVELR I Level meter “R“ AD input 92 LEVELL I Level meter “L“ AD input 93 NC Not used 94 SD_BW I SD input 95 NC Not used 96 VSS5 GND 97 SL I Signal level input 98 VREF A/D converter reference voltage 99 VCC4 5V 100 TUNPDI I PLL data input www. xiaoyu163. com QQ 376315150 9 9 2 8 9 4 2 9 8 TEL 13942296513 9 9 2 8 9 4 2 9 8 0 5 1 5 1 3 6 7 3 Q Q TEL 13942296513 QQ 376315150 892498299 TEL 13942296513 QQ 376315150 892498299 http://www.xiaoyu163.com 64 DEH-P8000R,P8050 IC's marked by* are MOS type. Be careful in handling them because they are very liable to be damaged by electrostatic induction. *PD5487A, PD5488A 30 31 50 51 80 81 100 1 16 15 14 13 12 11 10 9 RNF OUT2 VREF RIN 1 2 3 4 5 6 7 8 GND OUT1 VM VCC FIN CONTROL LOGIC TSD POWER SAVE DRIVER DRIVER BA6288FS NC VCC CS SK WC GND DO DI 1 2 3 4 8 7 6 5 CS SK DI DO WC : Chip select input : Serial data clock input : Serial data input : Serial data output : Write control input BR9010FV www. xiaoyu163. com QQ 376315150 9 9 2 8 9 4 2 9 8 TEL 13942296513 9 9 2 8 9 4 2 9 8 0 5 1 5 1 3 6 7 3 Q Q TEL 13942296513 QQ 376315150 892498299 TEL 13942296513 QQ 376315150 892498299 http://www.xiaoyu163.com 65 DEH-P8000R,P8050 - Pin Functions (PD5471A) Pin No. Pin Name I/O Format Function and Operation 1–4 NC Not used 5 REM I Remote control reception 6 BYTE I External data BUS width select input 7 CNVSS I Processor mode select input 8,9 NC Not used 10 reset I Reset input 11 XOUT O Crystal oscillating element connection pin 12 VSS GND 13 XIN I Crystal oscillating element connection pin 14 VDD VDD 15 nmi I NMI input 16 NC Not used 17–20 kd1-4 I Key data 1-4 21–26 ks1-6 I/O Key strobe input/output 1-6 27–31 NC Not used 32 ILMD O C Dual illumination 33 KYDT O C Key data output 34 DPDT I Display data input 35 NC Not used 36 OEL O C OEL controller ON 37 rdy I OEL controller ready input 38 NC Not used 39 hold I Hold input 40,41 NC Not used 42 rd O C Read strobe 43 NC Not used 44 wr O C Write strobe 45 NC Not used 46 cs2 O C Bank address (High) 47 cs1 O C Bank address (Low) 48 cs0 O C External ROM chip select 49 A19 O C Address bus Output 50 NC Not used 51-59 A17-9 O C Address bus Output 60 VDD VDD 61 A8 O C Address bus Output 62 VSS GND 63–69 A7-1 O C Address bus Output 70 NC Not used 71–86 D15-0 I/O Data bus input/output 87–93 NC Not used 94 AVSS Connect to VSS 95 NC Not used 96 VREF Connect to VSS 97 AVCC Connect to VCC 98-100 NC Not used Format Meaning C C MOS *PD5471A 25 26 50 51 75 76 100 1 www. xiaoyu163. com QQ 376315150 9 9 2 8 9 4 2 9 8 TEL 13942296513 9 9 2 8 9 4 2 9 8 0 5 1 5 1 3 6 7 3 Q Q TEL 13942296513 QQ 376315150 892498299 TEL 13942296513 QQ 376315150 892498299 http://www.xiaoyu163.com 66 DEH-P8000R,P8050 - Pin Functions (UPD63710GC) Pin No. Pin Name I/O Function and Operation 1 GND Logic circuit GND 2 HOLD I/O Defect detection output 3 MIRR I/O MIRR output 4 FOK O RFOK signal output 5 rst I Reset signal input 6 A0 I Command/parameter identification signal input 7 stb I Data strobe signal input 8 sck I Clock signal input for serial data input/output 9 SO O Serial data and status signal output 10 SI I Serial data input 11 VDD Positive power supply terminal to logic circuit 12 DA.VDD Positive power supply terminal to D/A converter 13 NC Not used 14, 15 DA.GND D/A converter GND 16 NC Not used 17 DA.VDD Positive power supply terminal to D/A converter 18 R+ O Right channel audio data output 19 R- O Right channel audio data output 20 L- O Left channel audio data output 21 L+ O Left channel audio data output 22 X.VDD Positive power supply terminal to crystal oscillation circuit 23 xtal O Crystal oscillator connect pin 24 XTAL I Crystal oscillator connect pin 25 X.GND Crystal oscillation circuit GND 26 VDD Positive power supply terminal to logic circuit 27 EMPH O Output pin for the pre-emphasis data in the sub-Q code 28 FLAG O Flag output pin to indicate that audio data currently being output consists of noncorrectable data 29 DIN I Serial data input to internal DAC 30 DOUT O Serial audio data output 31 SCKIN I Serial clock input to internal DAC 32 SCKO O Audio data that is output from DOUT changes at rising edge of this clock 33 LRCKIN I LRCK signal input to internal DAC 34 LRCK O Signals to distinguish the right and left channels of the audio data output from DOUT 35 WDCK O Output double the frequency of LRCK 36 TX O Digital audio interface data output 37 GND Logic circuit GND 38 C16M O Oscillator clock buffering output 39 LIMIT I Status of the pin is output at Bit 5 of the status output 40 VDD Positive power supply terminal to logic circuit 41 LOCK O EFM synchronous detection signal 42 RFCK O Frame synchronous signal of XTAL-system 43 WFCK O Frame synchronous signal of PLL-system 44 PLCK O Monitor pin of bit clock 45 GND Logic circuit GND 46 C1D1 O Output pin for indicating the C1 error correction results 47 C1D2 O Output pin for indicating the C1 error correction results 48 C2D1 O Output pin for indicating the C2 error correction results 49 C2D2 O Output pin for indicating the C2 error correction results 50 C2D3 O Output pin for indicating the C2 error correction results 51 VDD Positive power supply terminal to logic circuit 52 PACK O CD-TEXT PACK synchronous signal 53 TSO O CD-TEXT data serial output 54 TSI I CD-TEXT control parameter serial input 55 tsck I CD-TEXT serial clock input 56 TSTB I CD-TEXT parameter strobe signal input 57 GND Logic circuit GND 58 TEST I Test pin www. xiaoyu163. com QQ 376315150 9 9 2 8 9 4 2 9 8 TEL 13942296513 9 9 2 8 9 4 2 9 8 0 5 1 5 1 3 6 7 3 Q Q TEL 13942296513 QQ 376315150 892498299 TEL 13942296513 QQ 376315150 892498299 http://www.xiaoyu163.com 67 DEH-P8000R,P8050 Pin No. Pin Name I/O Function and Operation 59 ATEST I/O Test pin 60 RFMODE I Use/not use select for internal RF amplifier 61 A.GND Analog circuit GND 62 FD O Focus drive output 63 TD O Tracking drive output 64 SD O Sled drive output 65 MD O Spindle drive output 66 DACO O DAC output for adjustment 67 FBAL O DAC output for adjustment 68 TBAL O DAC output for adjustment 69 TEVCA O DAC output for adjustment 70 A.VDD Power supply terminal to analog circuit 71 EFM O EFM signal output 72 ASY I EFM comparator reference voltage input 73 C3T 3T detection capacitor additional pin 74 RFI I RF signal input for EFM data regulation 75 AGCO O RF signal output of after gain adjustment 76 AGCI I RF-AGC amplifier input 77 RFO O RF summing amplifier output 78 EQ2 RF amplifier equalizer parts additional pin 79 EQ1 RF amplifier equalizer parts additional pin 80 RF- I RF summing amplifier inverted input 81 A.GND Analog circuit GND 82 A I Photo detector A input 83 C I Photo detector C input 84 B I Photo detector B input 85 D I Photo detector D input 86 F I Photo detector F input 87 E I Photo detector E input 88 A.VDD Positive power supply terminal to analog circuit 89 REFOUT O Reference electric potential output 90 FE- I Focus error amplifier inverted input 91 FEO I/O Focus error amplifier output 92 TE- I Tracking error amplifier inverted input 93 TEO I/O Tracking error amplifier output 94 TE2 I/O Tracking error output of after amplification 95 TEC I Tracking comparator input 96 A.GND Analog circuit GND 97 PD I PD detection signal input for LD output monitor 98 LD O LD control current output 99 PN I APC circuit control polarity set pin 100 A.VDD Positive power supply terminal to analog circuit 25 26 50 51 75 76 100 1 *UPD63710GC www. xiaoyu163. com QQ 376315150 9 9 2 8 9 4 2 9 8 TEL 13942296513 9 9 2 8 9 4 2 9 8 0 5 1 5 1 3 6 7 3 Q Q TEL 13942296513 QQ 376315150 892498299 TEL 13942296513 QQ 376315150 892498299 http://www.xiaoyu163.com 68 DEH-P8000R,P8050 - Pin Functions (BA5985FM) Pin No. Pin Name I/O Function and Operation 1 FWD I Loading driver FWD input 2 OPIN1(+) I CH1 pre-amplifier input 3 OPIN1(−) I CH1 pre-amplifier inverted input 4 OPOUT1 O CH1 pre-amplifier output 5 OPIN2(+) I CH2 pre-amplifier input 6 OPIN2(−) I CH2 pre-amplifier inverted input 7 OPOUT2 O CH2 pre-amplifier output 8 VCC Power supply 9 VOL(−) O Loading driver negative output 10 VOL(+) O Loading driver positive output 11 VO2(−) O Driver CH2 negative output 12 VO2(+) O Driver CH2 positive output 13 VO1(−) O Driver CH1 negative output 14 VO1(+) O Driver CH1 positive output 15 VO4(+) O Driver CH4 positive output 16 VO4(−) O Driver CH4 negative output 17 VO3(+) O Driver CH3 positive output 18 VO3(−) O Driver CH3 negative output 19 GND GND 20 BIAS I Bias input 21 MUTE Mute control 22 OPOUT3 O CH3 pre-amplifier output 23 OPIN3(−) I CH3 pre-amplifier inverted input 24 OPIN3(+) I CH3 pre-amplifier input 25 OPOUT4 O CH4 pre-amplifier output 26 OPIN4(−) I CH4 pre-amplifier inverted input 27 OPIN4(+) I CH4 pre-amplifier input 28 REV I Loading driver REV input BA5985FM www. xiaoyu163. com QQ 376315150 9 9 2 8 9 4 2 9 8 TEL 13942296513 9 9 2 8 9 4 2 9 8 0 5 1 5 1 3 6 7 3 Q Q TEL 13942296513 QQ 376315150 892498299 TEL 13942296513 QQ 376315150 892498299 http://www.xiaoyu163.com 69 DEH-P8000R,P8050 - Pin Functions(PE5011C) Pin No. Pin Name I/O Format Function and Operation 1 EJTSNS Disc eject position sense input 2 DSCSNS Disc insert position sense input 3 VDSENS VD power supply short sense input 4 TEMP Temperature sense input 5-8 NC Not used VSS 9 AVREF A/D reference voltage input 10 reset I System reset input 11 XT1 I VDD 12 XT2 Open 13 IC(VPP) VSS 14 X1 I Main clock radiator(8.38MHz)connection 15 X2 Main clock radiator(8.38MHz)connection 16 VDD Power supply(+5V) 17 VSS GND 18 xsck O C CD LSI serial clock output 19 XSO O C CD LSI serial data output 20 XSI I CD LSI serial data input 21 brst P-Bus reset input 22 pack CD-TEXT pack sync signal input 23, 24 NC Not used Open 25 XA0 O C CD LSI data discrimination control signal output 26 xstb O C CD LSI strobe output 27 xrst O C CD LSI reset output 28 FOK I Focus OK input 29 MIRR I Specular surface detection input 30 LOCK I Spindle lock input 31 CD5VON O C CD +5V power supply control output 32, 33 NC Not used Open 34 EMPH O C Emphasis information output 35-44 NC Not used Open 45 VSS GND 46 VDD Power supply(+5V) 47 adena O C A/D reference voltage supply control output 48 VDCONT O C VD power supply control output 49 NC Not used Open 50 csens I Flap close sense input 51 BRXEN I/O /C Input/output by which P-Bus can be received 52 bsrq O C P-Bus polling request output 53, 54 NC Not used Open 55 CONT O C Servo driver power supply control output 56 CDMUTE O C CD mute control output 57 CDEJET O C Load/Eject motor Eject control output 58 CDLOAD O C Load/Eject motor Load control output 59 BMUTE O C Bus mute output 60 clamp I Disc clamp input 61, 62 NC Not used Open 63-66 NC Not used VDD or VSS 67 TXARI I Tx output set selection input 68 fsck O C Flash writing clock input(Open) 69 FTXD O C Flash writing data output(Open) 70 FRXD O C Flash writing data input(Open) 71 bsck I/O /C P-Bus serial clock input/output 72 BDATA I/O /C P-Bus serial data input/output 73 testin I Test program start input 74 NC Not used Open 75 TSTB O C CD-TEXT strobe output 76 NC Not used Open www. xiaoyu163. com QQ 376315150 9 9 2 8 9 4 2 9 8 TEL 13942296513 9 9 2 8 9 4 2 9 8 0 5 1 5 1 3 6 7 3 Q Q TEL 13942296513 QQ 376315150 892498299 TEL 13942296513 QQ 376315150 892498299 http://www.xiaoyu163.com 70 DEH-P8000R,P8050 Pin No. Pin Name I/O Format Function and Operation 77 tsck O C CD-TEXT serial clock output 78 TSO O C CD-TEXT serial data output 79 TSI I CD-TEXT serial data input 80 AVSS A/D GND *PE5011C 20 21 40 41 60 61 80 1 www. xiaoyu163. com QQ 376315150 9 9 2 8 9 4 2 9 8 TEL 13942296513 9 9 2 8 9 4 2 9 8 0 5 1 5 1 3 6 7 3 Q Q TEL 13942296513 QQ 376315150 892498299 TEL 13942296513 QQ 376315150 892498299 http://www.xiaoyu163.com 71 DEH-P8000R,P8050 8. OPERATIONS AND SPECIFICATIONS - Connection Diagram (DEH-P8000R/UC) + ≠� + ≠� + ≠� + ≠� + ≠� + ≠� + ≠� + ≠� + ≠� + ≠� Subwoofer output or Non-Fading output This Product Multi-CD player (sold separately) IP-BUS cable IP-BUS input (Blue) Blue/white To system control terminal of the power amp or Auto-antenna relay control terminal. (Max. 300 mA 12 V DC.) Connecting cords with RCA pin plugs (sold separately) System remote control Power amp (sold separately) Rear output Front output Rear speaker Subwoofer Subwoofer Rear speaker Right Front speaker Rear speaker White Gray White/black Green Green/black Gray/black Violet Violet/black Front speaker Rear speaker Left Front speaker Front speaker Perform these connections when using a different amp (sold separately). With a 2 speaker system, do not connect anything to the speaker leads that are not connected to speakers. Yellow To terminal always supplied with power regardless of ignition switch position. Orange/White To lighting switch terminal. Red To electric terminal controlled by ignition switch (12 V DC) ON/OFF. White/yellow Brown See the section “DFS Alarm Installation”. Power amp (sold separately) Power amp (sold separately) Yellow/black If you use a cellular telephone, connect it via the Audio Mute lead on the cellular telephone. If not, keep the Audio Mute lead free of any connections. Black (ground) To vehicle (metal) body. Fuse holder Antenna jack Fuse resistor Fuse resistor Fuse holder www. xiaoyu163. com QQ 376315150 9 9 2 8 9 4 2 9 8 TEL 13942296513 9 9 2 8 9 4 2 9 8 0 5 1 5 1 3 6 7 3 Q Q TEL 13942296513 QQ 376315150 892498299 TEL 13942296513 QQ 376315150 892498299 http://www.xiaoyu163.com 72 DEH-P8000R,P8050 - Connection Diagram (DEH-P8050/ES) + ≠� + ≠� + ≠� + ≠� + ≠� + ≠� + ≠� + ≠� Subwoofer output or Non-Fading output This Product Multi-CD player (sold separately) IP-BUS cable IP-BUS input (Blue) Blue/white To system control terminal of the power amp or Auto-antenna relay control terminal. (Max. 300 mA 12 V DC.) Connecting cords with RCA pin plugs (sold separately) System remote control Power amp (sold separately) Front output Subwoofer Subwoofer Right Front speaker Rear speaker White Gray White/black Green Green/black Gray/black Violet Violet/black Front speaker Rear speaker Left Front speaker Front speaker Perform these connections when using a different amp (sold separately). With a 2 speaker system, do not connect anything to the speaker leads that are not connected to speakers. Yellow To terminal always supplied with power regardless of ignition switch position. Orange/White To lighting switch terminal. Red To electric terminal controlled by ignition switch (12 V DC) ON/OFF. White/yellow Brown See the section “DFS Alarm Installation”. Power amp (sold separately) White/orange White/red Yellow/black If you use a cellular telephone, connect it via the Audio Mute lead on the cellular telephone. If not, keep the Audio Mute lead free of any connections. Black (ground) To vehicle (metal) body. Fuse holder Antenna jack Fuse resistor Fuse resistor Fuse holder www. xiaoyu163. com QQ 376315150 9 9 2 8 9 4 2 9 8 TEL 13942296513 9 9 2 8 9 4 2 9 8 0 5 1 5 1 3 6 7 3 Q Q TEL 13942296513 QQ 376315150 892498299 TEL 13942296513 QQ 376315150 892498299 http://www.xiaoyu163.com 73 DEH-P8000R,P8050 8.1 OPERATIONS (DEH-P8000R/UC)) ATT button This lets you quickly lower volume level (by about 90%). Press once more to return to the original volume level. FUNCTION button SOURCE/OFF button BAND button +/– button 5/∞ buttons 2/3 buttons AUDIO button PGM button 5/∞/2/3 buttons SOURCE/OFF button +/– button AUDIO button PTY button Buttons 1–6 RT button PGM button FUNCTION button EQ button DISPLAY button ENTERTAINMENT button EJECT button BAND button RESET button www. xiaoyu163. com QQ 376315150 9 9 2 8 9 4 2 9 8 TEL 13942296513 9 9 2 8 9 4 2 9 8 0 5 1 5 1 3 6 7 3 Q Q TEL 13942296513 QQ 376315150 892498299 TEL 13942296513 QQ 376315150 892498299 http://www.xiaoyu163.com 74 DEH-P8000R,P8050 Basic Operation To Listen to Music The following explains the initial operations required before you can listen to music. Note: • Loading a disc in this product. 1. Select the desired source (e.g. Tuner). Each press of the SOURCE/OFF button selects the desired source in the following order: Built-in CD player (Compact Disc) = TV (Television) = Tuner = DAB (Digital Audio Broadcasting) Tuner = Multi-CD player = AUX Note: • In the following cases, the sound source will not change: * No TV tuner is connected to this product. * No Multi-CD player is connected to this product. (When “Multi-CD” display is OFF.) * No DAB tuner is connected to this product. * No disc is set in this product. * No magazine is set in the Multi-CD player. * AUX (external input) is set to OFF. 2. Raise or lower the volume. 3. Source OFF. Hold for 1 second or more Each press changes the Source ... Basic Operation of Tuner Preset Tuning • You can memorize broadcast stations in buttons 1 through 6 for easy, one-touch station recall. Preset station recall 2 seconds or less Broadcast station preset memory 2 seconds or more Note: • Up to 18 FM stations (6 in FM-1, FM-2 and FM-3) and 6 AM stations can be stored in memory. • You can also use the 5 or ∞ buttons to recall broadcast stations memorized in buttons 1 through 6. Preset Number Indicator Frequency Indicator Band FM-1 = FM-2 = FM-3 = AM Band Indicator Manual and Seek Tuning • You can select the tuning method by changing the length of time you press the 2/3 button. Manual Tuning (step by step) 0.5 seconds or less Seek Tuning 0.5 seconds or more Note: • If you continue pressing the button for longer than 0.5 seconds, you can skip broadcast stations. Seek Tuning starts as soon as you stop pressing the button. • “” stereo indicator lights when a stereo station is selected. www. xiaoyu163. com QQ 376315150 9 9 2 8 9 4 2 9 8 TEL 13942296513 9 9 2 8 9 4 2 9 8 0 5 1 5 1 3 6 7 3 Q Q TEL 13942296513 QQ 376315150 892498299 TEL 13942296513 QQ 376315150 892498299 http://www.xiaoyu163.com Switching the Display (only for CD TEXT Discs) Each press of the DISPLAY button changes the display in the following order: Playback mode (Play Time) = Disc Title = Disc Artist = Track Title = Track Artist With text longer than 20 letters, you can scroll to see the rest of the text by pressing the DISPLAY button for 2 seconds or more. Note: • A CD TEXT disc is a CD featuring recorded text information such as Disc Title, Artist Name and Track Title. • If you switch a display when the disc title has not been input, “No Title” is displayed. • If you switch a display when the disc artist has not been input, “No Artist Name” is displayed. • If you switch a display when the track title has not been input, “No Title” is displayed. • If you switch a display when the track artist has not been input, “No Artist Name” is displayed. 75 DEH-P8000R,P8050 Basic Operation Track Search and Fast Forward/Reverse • You can select between Track Search or Fast Forward/Reverse by pressing the 2/3 button for a different length of time. Track Search 0.5 seconds or less Fast Forward/Reverse Continue pressing Basic Operation of Built-in CD Player Play Time Indicator Track Number Indicator Switching the Display Each press of the DISPLAY button changes the display in the following order: Playback mode (Play Time) = Disc Title Note: • If you switch a display when the disc title has not been input, “No Title” is displayed. Eject Press the EJECT button, and you can open the front panel before ejection. In case of opening the front panel, you can just eject a CD. Note: • The CD function can be turned ON/OFF with the disc remain- ing in this product. • Discs left partially inserted after ejection may incur dam- age or fall out. Disc Loading Slot If a CD is inserted, the front panel is closed automatically. The Built-in CD player plays one standard 12 cm or 8 cm (single) CD at a time. Do not use an adapter when playing 8 cm CD. Note: • If a disc cannot be inserted fully or playback fails, make sure the recorded side is down. Push the EJECT button and check the disc for damage before reinserting it. • If the Built-in CD player cannot operate properly, an error message (such as “ERROR-14”) appears on the display. Open Press the EJECT button for 1 second or more, and you can open the front panel without ejecting a CD. In case of opening the front panel, you can close it. Note: • When opening the front panel, the 1 to 6 buttons are not available. WARNING: • Do not use with the front panel left open. If you do leave it open, it may result in injury in the event of an accident. www. xiaoyu163. com QQ 376315150 9 9 2 8 9 4 2 9 8 TEL 13942296513 9 9 2 8 9 4 2 9 8 0 5 1 5 1 3 6 7 3 Q Q TEL 13942296513 QQ 376315150 892498299 TEL 13942296513 QQ 376315150 892498299 http://www.xiaoyu163.com 76 DEH-P8000R,P8050 Basic Operation Basic Operation of Multi-CD Player This product can control a Multi-CD player. (With certain old type Multi-CD players, using a multiple connection adapter lets you connect multiple units which you can control with this product.) Track Search and Fast Forward/Reverse • You can select between Track Search or Fast Forward/Reverse by pressing the 2/3 button for a different length of time. Track Search 0.5 seconds or less Fast Forward/Reverse Continue pressing Switching the Multi-CD Player When two or more Multi-CD players are connected using a multiple connection adapter, you can select the Multi-CD player by pressing the BAND button. Magazine 1 = Magazine 2 = Magazine 3 (Displayed about for 2 seconds.) Play Time Indicator Disc Search Disc Number Indicator Track Number Indicator Switching the Display Each press of the DISPLAY button changes the display in the following order: Playback mode (Play Time) = Disc Title Note: • If you switch displays when disc titles have not been input, “No Title” is displayed. Disc Number Search (for 6-Disc, 12-Disc types) • You can select discs directly with the 1 to 6 buttons. Just press the number corresponding to the disc you want to listen to. Note: • When a 12-Disc Multi-CD Player is connected and you want to select disc 7 to 12, press the 1 to 6 buttons for 2 seconds or longer. Disc Number Rough Search (for 50-Disc type only) This handy function lets you select discs loaded in a 50-Disc Multi-CD Player using the 1 to 5 buttons. The 50 discs are divided into five blocks, with each of the 1 to 5 buttons assigned to a block. • Select the desired block with the 1 to 5 buttons. Note: • After completing a rough search, use the 5 and ∞ buttons to select a desired disc. Note: • The Multi-CD player may perform a preparatory operation, such as verifying the presence of a disc or reading disc information, when the power is turned ON or a new disc is selected for playback. “READY” is displayed. • When a magazine is loaded into a 50-Disc type Multi-CD Player, information on all the discs in the magazine is read. If you start playing a disc on a 50-Disc type Multi-CD Player before reading of information on all discs has been completed, reading of information stops part way through. This will prevent you from using the ITS function. (If you try and use this function, “Not Ready” is displayed.) If this happens, reading of information begins again when you switch to a component other than the 50-Disc Type Multi-CD Player. • If the Multi-CD player cannot operate properly, an error message such as “ERROR-14” is displayed. Refer to Multi-CD Player Owner’s Manual. • If there are no discs in the Multi-CD player magazine, “No Disc” is displayed. • “LOADING” will be displayed in the following cases: * If the disc in the extra tray in selected. * If the disc in moved from the extra tray to the magazine. (Refer to the 50-Disc Type Multi-CD Player Owner’s Manual.) • You cannot use the “Ejecting a Single Disc”, “Frequency Play”, “Music Group Play” or “ABC Disc Title Search” functions with this product. When playing a CD TEXT disc on a CD TEXT compatible Multi-CD Player such as the CDX-P650: • You can use the following two functions. Refer to Multi-CD Player’s Owner’s Manual for opera- tion details. * Title display switching * Title scroll • You cannot switch to the Disc Title Input mode in the Detailed Setting Menu. www. xiaoyu163. com QQ 376315150 9 9 2 8 9 4 2 9 8 TEL 13942296513 9 9 2 8 9 4 2 9 8 0 5 1 5 1 3 6 7 3 Q Q TEL 13942296513 QQ 376315150 892498299 TEL 13942296513 QQ 376315150 892498299 http://www.xiaoyu163.com 77 DEH-P8000R,P8050 Specifications (DEH-P8000R/UC) General Power source .......... 14.4 V DC (10.8 – 15.1 V allowable) Grounding system ........................................ Negative type Max. current consumption ...................................... 10.0 A Dimensions (DIN) (chassis) ...... 178 (W) × 50 (H) × 155 (D) mm [7 (W) × 2 (H) × 6-1/8 (D) in.] (nose) ............ 188 (W) × 58 (H) × 20 (D) mm [7-3/8 (W) × 2-1/4 (H) × 3/4 (D) in.] (D) (chassis) ...... 178 (W) × 50 (H) × 160 (D) mm [7 (W) × 2 (H) × 6-1/4 (D) in.] (nose) ............ 170 (W) × 46 (H) × 15 (D) mm [6-3/4 (W) × 1-3/4 (H) × 5/8 (D) in.] Weight ........................................................ 1.8 kg (4.0 lbs) Audio Continuous power output is 22 W per channel min. into 4 ohms, both channels driven 50 to 15,000 Hz with no more than 5% THD. Maximum power output ...................................... 45 W × 4 45 W × 2 ch/4 Ω + 70 W × 1 ch/2 Ω (for Subwoofer) Load impedance ...................... 4 Ω (4 – 8 Ω [2 Ω for 1 ch] allowable) Preout maximum output level/ output impedance .................................. 4.0 V/100 Ω Equalizer (3-Band Parametric Equalizer) (Low) .......................... Frequency: 40/80/100/160 Hz Q Factor: 0.35/0.59/0.95/1.15 (+6 dB when boosted) Gain: ±12 dB (Mid) .......................... Frequency: 200/500/1k/2k Hz Q Factor: 0.35/0.59/0.95/1.15 (+6 dB when boosted) Gain: ±12 dB (High) ................ Frequency: 3.15k/8k/10k/12.5k Hz Q Factor: 0.35/0.59/0.95/1.15 (+6 dB when boosted) Gain: ±12 dB Loudness contour (Low) .................. +3.5 dB (100 Hz), +3 dB (10 kHz) (Mid) ................ +10 dB (100 Hz), +6.5 dB (10 kHz) (High) ................ +11 dB (100 Hz), +11 dB (10 kHz) (volume: –30 dB) HPF Frequency ............................................ 50/80/125 Hz Slope ........................................................ –12 dB/oct. Subwoofer output Frequency ............................................ 50/80/125 Hz Slope ........................................................ –18 dB/oct. Gain ................................................................ ±12 dB Phase ................................................ Normal/Reverse CD player System .................................... Compact disc audio system Usable discs .................................................. Compact disc Signal format .................... Sampling frequency: 44.1 kHz Number of quantization bits: 16; linear Frequency characteristics .............. 5 – 20,000 Hz (±1 dB) Signal-to-noise ratio ...... 95 dB (1 kHz) (IHF-A network) Dynamic range ............................................ 94 dB (1 kHz) Number of channels ............................................ 2 (stereo) FM tuner Frequency range .................................... 87.9 – 107.9 MHz Usable sensitivity .................................................... 10 dBf (0.9 µV/75 Ω, mono, S/N: 30 dB) 50 dB quieting sensitivity .... 15 dBf (1.5 µV/75 Ω, mono) Signal-to-noise ratio ...................... 70 dB (IHF-A network) Distortion .......................... 0.3% (at 65 dBf, 1 kHz, stereo) Frequency response ...................... 30 – 15,000 Hz (±3 dB) Stereo separation .......................... 40 dB (at 65 dBf, 1 kHz) Selectivity .................................................... 70 dB (2ACA) Three-signal intermodulation (desired signal level) ........................................ 30 dBf (two undesired signal level: 100 dBf) AM tuner Frequency range ...................................... 530 – 1,710 kHz Usable sensitivity .............................. 18 µV (S/N: 20 dB) Selectivity ................................................ 50 dB (±10 kHz) Specifications (DEH-P8050/ES) General Power source .......... 14.4 V DC (10.8 – 15.1 V allowable) Grounding system ........................................ Negative type Max. current consumption ...................................... 10.0 A Dimensions (DIN) (chassis) ...... 178 (W) × 50 (H) × 155 (D) mm (nose) .......... 188 (W) × 58 (H) × 20 (D) mm (D) (chassis) ...... 178 (W) × 50 (H) × 160 (D) mm (nose) .......... 170 (W) × 46 (H) × 15 (D) mm Weight ...................................................................... 1.8 kg Audio Continuous power output is 22 W per channel min. into 4 ohms, both channels driven 50 to 15,000 Hz with no more than 5% THD. Maximum power output ...................................... 45 W × 4 45 W × 2 ch/4 Ω + 70 W × 1 ch/2 Ω (for Subwoofer) Load impedance ...................... 4 Ω (4 – 8 Ω [2 Ω for 1 ch] allowable) Preout maximum output level/ output impedance .................................. 4.0 V/100 Ω Equalizer (3-Band Parametric Equalizer) (Low) .......................... Frequency: 40/80/100/160 Hz Q Factor: 0.35/0.59/0.95/1.15 (+6 dB when boosted) Level: ±12 dB (Mid) .......................... Frequency: 200/500/1k/2k Hz Q Factor: 0.35/0.59/0.95/1.15 (+6 dB when boosted) Level: ±12 dB (High) ................ Frequency: 3.15k/8k/10k/12.5k Hz Q Factor: 0.35/0.59/0.95/1.15 (+6 dB when boosted) Level: ±12 dB Loudness contour (Low) ..................+3.5 dB (100 Hz), +3 dB (10 kHz) (Mid) ..................+10 dB (100 Hz), +6.5 dB (10 kHz) (High) ..................+11 dB (100 Hz), +11 dB (10 kHz) (volume: –30 dB) HPF Frequency ............................................ 50/80/125 Hz Slope ........................................................ –12 dB/oct. Subwoofer output Frequency ............................................ 50/80/125 Hz Slope ........................................................ –18 dB/oct. Level .............................................................. ±12 dB Phase ................................................ Normal/Reverse CD player System .................................... Compact disc audio system Usable discs .................................................. Compact disc Signal format .................... Sampling frequency: 44.1 kHz Number of quantization bits: 16; linear Frequency characteristics .............. 5 – 20,000 Hz (±1 dB) Signal-to-noise ratio ...... 95 dB (1 kHz) (IEC-A network) Dynamic range ............................................ 94 dB (1 kHz) Number of channels ............................................ 2 (stereo) FM tuner Frequency range ...................................... 87.5 – 108 MHz Usable sensitivity .................. 10 dBf (0.9 µV/75 Ω, mono, S/N: 30 dB) 50 dB quieting sensitivity .... 15 dBf (1.5 µV/75 Ω, mono) Signal-to-noise ratio ...................... 70 dB (IEC-A network) Distortion .......................... 0.3% (at 65 dBf, 1 kHz, stereo) Frequency response ...................... 30 – 15,000 Hz (±3 dB) Stereo separation .......................... 40 dB (at 65 dBf, 1 kHz) AM tuner Frequency range ........................ 531 – 1,602 kHz (9 kHz) 530 – 1,710 kHz (10 kHz) Usable sensitivity .............................. 18 µV (S/N: 20 dB) Selectivity .................................................. 50 dB (±9 kHz) 50 dB (±10 kHz) www. xiaoyu163. com QQ 376315150 9 9 2 8 9 4 2 9 8 TEL 13942296513 9 9 2 8 9 4 2 9 8 0 5 1 5 1 3 6 7 3 Q Q TEL 13942296513 QQ 376315150 892498299 TEL 13942296513 QQ 376315150 892498299 http://www.xiaoyu163.com

标签:

版权声明

1. 本站所有素材,仅限学习交流,仅展示部分内容,如需查看完整内容,请下载原文件。
2. 会员在本站下载的所有素材,只拥有使用权,著作权归原作者所有。
3. 所有素材,未经合法授权,请勿用于商业用途,会员不得以任何形式发布、传播、复制、转售该素材,否则一律封号处理。
4. 如果素材损害你的权益请联系客服QQ:77594475 处理。