先锋PIONEER DEH-P6700MPXNUC电路图

分类:电子电工 日期: 点击:0
先锋PIONEER DEH-P6700MPXNUC电路图-0 先锋PIONEER DEH-P6700MPXNUC电路图-1 先锋PIONEER DEH-P6700MPXNUC电路图-2 先锋PIONEER DEH-P6700MPXNUC电路图-3 先锋PIONEER DEH-P6700MPXNUC电路图-4 先锋PIONEER DEH-P6700MPXNUC电路图-5 先锋PIONEER DEH-P6700MPXNUC电路图-6 先锋PIONEER DEH-P6700MPXNUC电路图-7 先锋PIONEER DEH-P6700MPXNUC电路图-8 先锋PIONEER DEH-P6700MPXNUC电路图-9

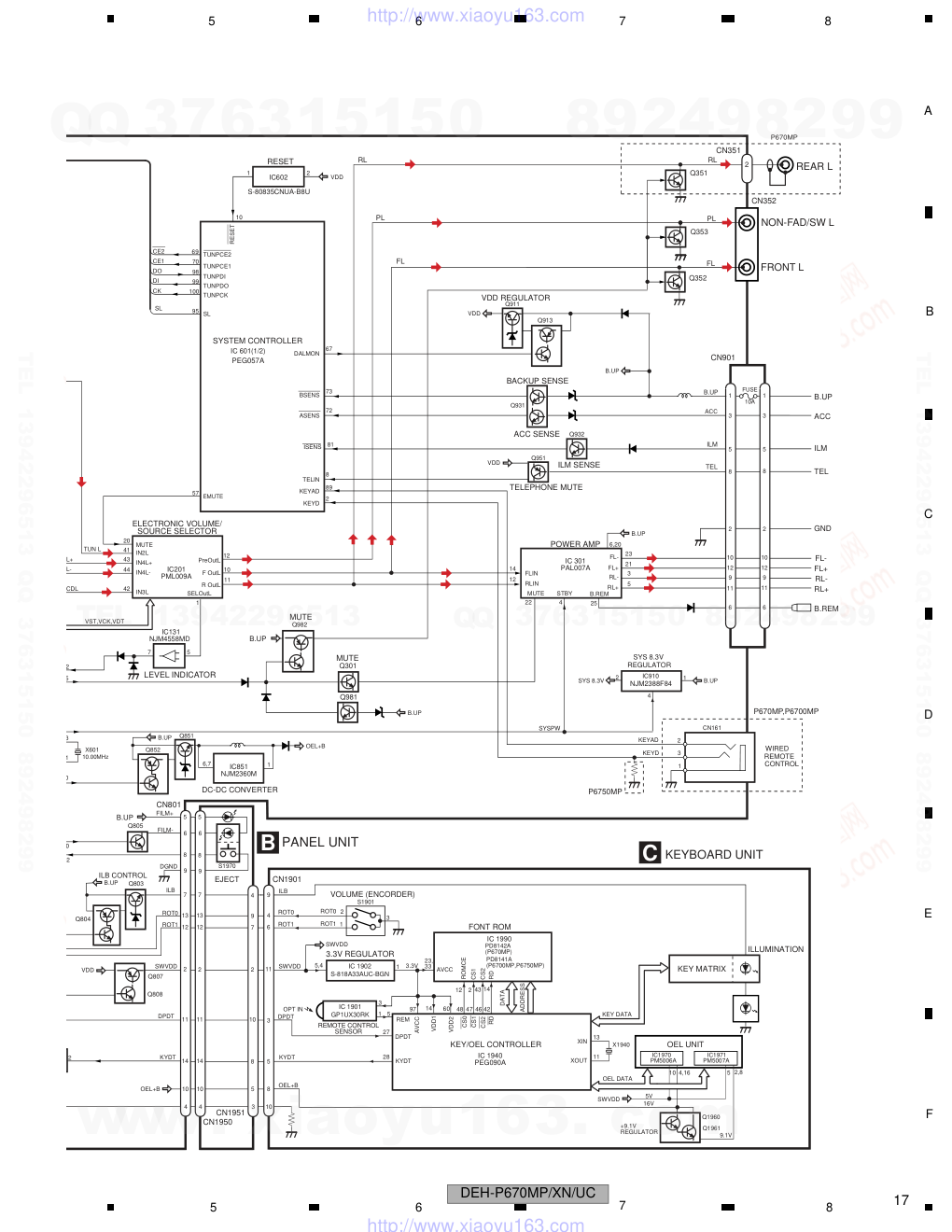
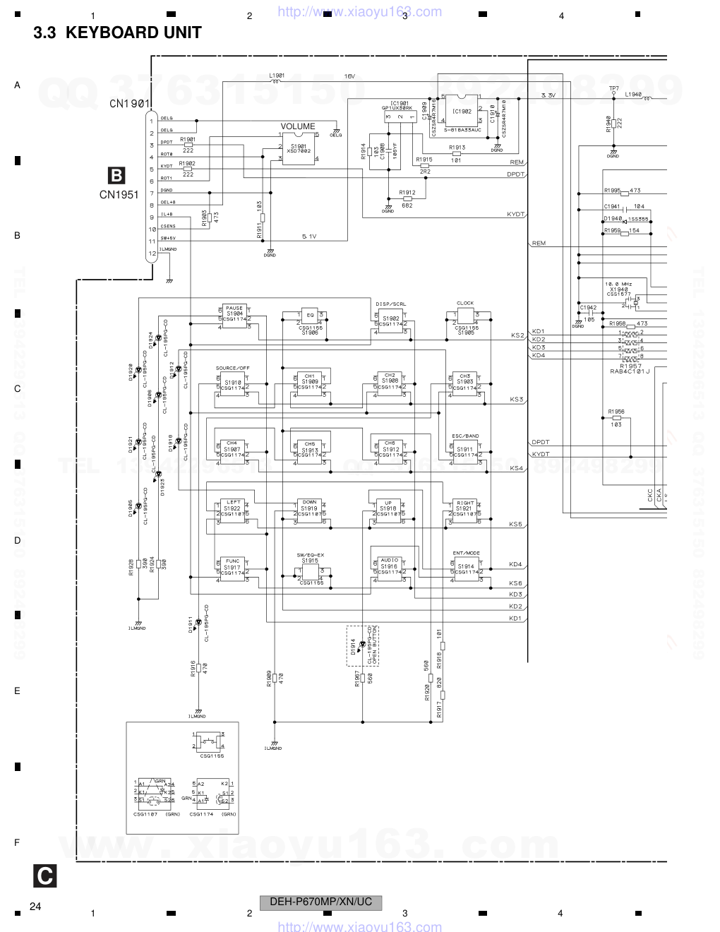
ORDER NO. PIONEER CORPORATION 4-1, Meguro 1-chome, Meguro-ku, Tokyo 153-8654, Japan PIONEER ELECTRONICS (USA) INC. P.O. Box 1760, Long Beach, CA 90801-1760, U.S.A. PIONEER EUROPE NV Haven 1087, Keetberglaan 1, 9120 Melsele, Belgium PIONEER ELECTRONICS ASIACENTRE PTE. LTD. 253 Alexandra Road, #04-01, Singapore 159936 PIONEER CORPORATION 2004 DEH-P670MP/XN/UC CRT3335 MULTI-CD CONTROL HIGH POWER CD/MP3/WMA PLAYER WITH FM/AM TUNER DEH-P670MP/XN/UC DEH-P6700MP/XN/UC DEH-P6750MP/XN/ES This service manual should be used together with the following manual(s): Model No. Order No. Mech.Module Remarks CX-3158 CRT3394 S10.1AAC CD Mech. Module:Circuit Description, Mech. Description, Disassembly For details, refer to "Important Check Points for Good Servicing". K-ZZU.DEC. 2004 Printed in Japan www. xiaoyu163. com QQ 376315150 9 9 2 8 9 4 2 9 8 TEL 13942296513 9 9 2 8 9 4 2 9 8 0 5 1 5 1 3 6 7 3 Q Q TEL 13942296513 QQ 376315150 892498299 TEL 13942296513 QQ 376315150 892498299 http://www.xiaoyu163.com DEH-P670MP/XN/UC 16 1 2 3 4 1 2 3 4 C D F A B E 3. BLOCK DIAGRAM AND SCHEMATIC DIAGRAM 3.1 BLOCK DIAGRAM ASENBO 85 MUTE XIN XOUT IN2L 41 PEE 22 38 IN4L+ 43 IN4L- 44 IN3L 42 80 28 27 79 SYSTEM CONTROLLER IC 601(2/2) CN401 1 2 BUS- BUS+ L+ L- TX RX IPPW ELEC SOU SWVDD TUNER AMP UNIT 13 X601 11 VST,VCK,VDT TUN L L+ L- CDL 33 DPDT 34 KYDT 1 SYSPW EJTIN 42 41 ILMPW A 5 8 1 7 CN101 11 BUZZER IC 101 HA12240FP IP-BUS DRIVER 1 2 8 6 5 TX RX IPPW B.UP Q101 TUN 3.3V VDD ANTENNA N 7 92 LVLINL LE B.UP 20 LCDPW/ OELPW Q8 BZ641 2 4 35 ROT1 36 ROT0 VDD 20 MUTE FLPILM 40 CN651 21 19 5 14 20 BRST,BRXEN,BSRQ BDATA,BSCK,CONT, CDMUTE VD 22 B.UP VDD VD OEL 19 RX2 BUFFER Q651 Q652 Q650 Q653 Q Q Q805 SYS 8.3V NJM2391DL1-33 IC 401 1 3 TUNER 3.3V REGULATOR PEG057A S802 DETACH SENSE SW 39 DSENS Q803 Q804 B.UP Q102 CDL VD2 VDCONT IC 801 TC7SET08FUS1 10.00MHz FM/AM TUNER UNIT FMRF ANT adj RF adj FM ANT T51 CF52 CF51 RFGND OSCGND DGND AUDIOGND NC VCC VDD_3.3 3.3V 2.5V IC 4 3.3V 2.5V IC 2 2.5V WC CE2 ROM_VDD SL DI CK CE1 NC DO NC NC NC NC 7 6 13 5 10 9 8 11 14 18 19 20 21 1 3 2 12 15 22 16 4 17 IC 1 3.3V AM ANT FMRF ATT LPF OSC IC 3 EEPROM 5.0V IC 5 5V 3.3V ATT MIXER, IF AMP DET, FM MPX 24 23 Rch Lch 91 CSENS ILB CONTROL BRST,BRXEN,BSRQ D CN901 Q101 M LASER DIODE MONITOR DIODE S903 DSCSNS FOCUS ACT. M1 SPINDLE MOTOR M M2 LOADING/CARRIAGE MOTOR TRACKING ACT. LD- MD FOP TOP 15 5 1 4 PICKUP UNIT (P10)(SERVICE) HOLOGRAM UNIT IC 301 BA5835FP IC 201 UPD63763GJ IC 703 3V REGULATOR RF AMP, CD DECODER, MP3 AND WMA DECODER, DIGITAL SERVO/DATA PROCESSOR CD DRIVER 3 VD VD 3VDD 10 LOUT 5 CN101 TOP FOP 16 SOP 15 SOM 18 LCOP 17 LCOM 22 2 LOEJ 31 LOUT 9 CONT 12 FOP FD,TD AC,BD E,F SD,MD 3 13 TOP S901 HOME S904 12EJ S905 8EJ LD+ 14 142 LD 143 PD CD CORE UNIT(S10.1) 13 12 X701 DSCSNS CONT LOEJ HOME 32 97 53 47 VDD IC 203 NJM2885DL1-33 3.3V REGULATOR V3R3D 1 3 VDCONT 49 S-812C33AUA-C2N MICRO COMPUTER IC 701 PE5454A 4 V3R3D 19 BDATA,BSCK VD2 VDD 2 15 5 1 4 14 VD2 VDCONT 30 31 8EJ 12EJ X1 X2 www. xiaoyu163. com QQ 376315150 9 9 2 8 9 4 2 9 8 TEL 13942296513 9 9 2 8 9 4 2 9 8 0 5 1 5 1 3 6 7 3 Q Q TEL 13942296513 QQ 376315150 892498299 TEL 13942296513 QQ 376315150 892498299 http://www.xiaoyu163.com DEH-P670MP/XN/UC 17 5 6 7 8 5 6 7 8 C D F A B E NON-FAD/SW L FRONT L 10 1 BSENS ASENS VDD B.UP 72 73 10 F OutL 11 R OutL 5 ILB SWVDD 23 21 3 5 FL- FL+ RL- RL+ ACC IN2L 41 IN4L+ 43 IN4L- 44 IN3L 42 FLIN 14 RLIN KEYAD 3 KEYD KEYAD KEYD WIRED REMOTE CONTROL 2 12 22 4 RESET POWER AMP IC 601(1/2) IC201 PML009A IC602 IC 301 PAL007A RESET VDD Q911 Q931 SYSPW ELECTRONIC VOLUME/ SOURCE SELECTOR STBY MUTE 3 X601 1 2 VST,VCK,VDT TUN L L+ L- CDL DPDT KYDT CN161 MUTE PL FL Q352 12 PreOutL 2 7 2 11 14 7 2 11 14 CN1950 CN1951 4 2 10 8 PANEL UNIT MUTE SYSTEM CONTROLLER Q951 VDD TELIN 8 89 2 25 B.REM VDD REGULATOR BACKUP SENSE ACC SENSE TELEPHONE MUTE 3 9 11 12 10 1 8 6 3 9 11 12 10 1 8 6 2 2 B CN901 Q301 B.UP FUSE 10A SL TUNPCE2 TUNPCE1 TUNPDI TUNPDO 95 69 70 98 99 TUNPCK 100 CE2 CE1 DO DI CK DALMON 67 B.UP 6,20 10 10 5 Q353 PL FL ILM SENSE 5 5 NJM4558MD IC131 5 7 2 1 SELOutL LEVEL INDICATOR B.UP 0 B.UP Q852 6,7 2 13 13 9 12 12 7 ROT1 ROT0 VDD S-80835CNUA-B8U 20 EMUTE 57 MUTE CN801 8 8 S1970 EJECT 9 9 DGND 5 6 5 6 0 RL Q351 2 CN351 RL REAR L OEL+B VOLUME (ENCORDER) RL- RL+ B.UP GND ACC B.REM ILM TEL FL- FL+ B.UP SL Q808 Q807 Q805 IC851 NJM2360M 1 OEL+B DC-DC CONVERTER SYS 8.3V B.UP 1 2 NJM2388F84 4 IC910 SYS 8.3V REGULATOR Q982 PEG057A ISENS 81 Q932 Q913 Q981 Q803 Q804 ILM TEL P670MP,P6700MP P670MP P6750MP B.UP FILM+ FILM- Q851 10.00MHz 1 B.UP CN352 ILB SWVDD OEL+B IC 1940 PEG090A KEY/OEL CONTROLLER 9 11 8 KEY DATA OEL DATA AVCC 97 CN1901 KEYBOARD UNIT 3 5 DPDT KYDT IC 1990 FONT ROM IC 1901 GP1UX30RK REMOTE CONTROL SENSOR OPT IN 3 1 5 REM 27 28 DPDT KYDT OEL UNIT 4,16 2,8 IC 1902 S-818A33AUC-BGN 3.3V REGULATOR 1 5,4 C S1901 3 2 1 4 6 ROT1 ROT0 ROT1 ROT0 KEY MATRIX ILLUMINATION Q1960 Q1961 IC1970 IC1971 VDD1 14 VDD2 60 23, 33 AVCC 16V 9.1V ROMCE CS0 48 SWVDD SWVDD XIN XOUT 13 X1940 11 CS1 47 CS2 46 ADDRESS DATA PD8141A (P6700MP,P6750MP) CS1 CS2 5V 10 5 PM5006A PM5007A +9.1V REGULATOR 3.3V 12 2 43 4 4 3 10 PD8142A (P670MP) RD 42 RD 14 ILB CONTROL www. xiaoyu163. com QQ 376315150 9 9 2 8 9 4 2 9 8 TEL 13942296513 9 9 2 8 9 4 2 9 8 0 5 1 5 1 3 6 7 3 Q Q TEL 13942296513 QQ 376315150 892498299 TEL 13942296513 QQ 376315150 892498299 http://www.xiaoyu163.com DEH-P670MP/XN/UC 18 1 2 3 4 1 2 3 4 C D F A B E 3.2 OVERALL CONNECTION DIAGRAM(GUIDE PAGE) A-a A-b A-a A-b A-b A-a Large size SCH diagram Guide page Detailed page Note: When ordering service parts, be sure to refer to " EXPLODED VIEWS AND PARTS LIST" or "ELECTRICAL PARTS LIST". A-a A B FM/AM TUNER UNIT FM:-19.5dBs AM:-30.0dBs CD:0.36dBs IPBUS:-2.2dBs For resistors and capacitors in the circuit diagrams, their resistance values or capacitance values are expressed in codes: Ex. *Resistors Code Practical value 123 12k ohms 103 10k ohms *Capacitors Code Practical value 103 0.01uF 101/10 100uF/10V The > mark found on some component parts indicates the importance of the safety factor of the part. Therefore, when replacing, be sure to use parts of identical designation. Symbol indicates a resistor. No differentiation is made between chip resistors and discrete resistors. NOTE : Symbol indicates a capacitor. No differentiation is made between chip capacitors and discrete capacitors. C B PANEL UNIT D EJECT www. xiaoyu163. com QQ 376315150 9 9 2 8 9 4 2 9 8 TEL 13942296513 9 9 2 8 9 4 2 9 8 0 5 1 5 1 3 6 7 3 Q Q TEL 13942296513 QQ 376315150 892498299 TEL 13942296513 QQ 376315150 892498299 http://www.xiaoyu163.com DEH-P670MP/XN/UC 19 5 6 7 8 5 6 7 8 C D F A B E A-b A DETACH SENSE > > 3A 3A CD:9.66dBs CD:10.01dBs REAR R ch REAR L ch SUB WOOFER R ch SUB WOOFER L ch FRONT R ch FRONT L ch BACK UP 10A > FUSE CEK1208 IP-BUS:9.30dBs CD:10.46dBs FM:5.80dBs AM:-4.90dBs IP- BUS:36.46dBs CD:35.30dBs FM:31.60dBs AM:21.10dBs A TUNER AMP UNIT www. xiaoyu163. com QQ 376315150 9 9 2 8 9 4 2 9 8 TEL 13942296513 9 9 2 8 9 4 2 9 8 0 5 1 5 1 3 6 7 3 Q Q TEL 13942296513 QQ 376315150 892498299 TEL 13942296513 QQ 376315150 892498299 http://www.xiaoyu163.com DEH-P670MP/XN/UC 20 1 2 3 4 1 2 3 4 C D F A B E A-a A-b A-a A-a A-b 1 FM/AM TUNER UNIT FM:-19.5dBs AM:-30.0dBs IP-BUS:9.30 CD:10.46dBs FM:5.80dBs AM:-4.90dBs IPBUS:-2.2dBs www. xiaoyu163. com QQ 376315150 9 9 2 8 9 4 2 9 8 TEL 13942296513 9 9 2 8 9 4 2 9 8 0 5 1 5 1 3 6 7 3 Q Q TEL 13942296513 QQ 376315150 892498299 TEL 13942296513 QQ 376315150 892498299 http://www.xiaoyu163.com DEH-P670MP/XN/UC 21 5 6 7 8 5 6 7 8 C D F A B E A-a A-b A-a A-a A-b B 2 3 EJECT CD:0.36dBs For resistors and capacitors in the circuit diagrams, their resistance values or capacitance values are expressed in codes: Ex. *Resistors Code Practical value 123 12k ohms 103 10k ohms *Capacitors Code Practical value 103 0.01uF 101/10 100uF/10V The > mark found on some component parts indicates the importance of the safety factor of the part. Therefore, when replacing, be sure to use parts of identical designation. Symbol indicates a resistor. No differentiation is made between chip resistors and discrete resistors. NOTE : Symbol indicates a capacitor. No differentiation is made between chip capacitors and discrete capacitors. C B PANEL UNIT D www. xiaoyu163. com QQ 376315150 9 9 2 8 9 4 2 9 8 TEL 13942296513 9 9 2 8 9 4 2 9 8 0 5 1 5 1 3 6 7 3 Q Q TEL 13942296513 QQ 376315150 892498299 TEL 13942296513 QQ 376315150 892498299 http://www.xiaoyu163.com DEH-P670MP/XN/UC 22 1 2 3 4 1 2 3 4 C D F A B E A-a A-b A-b 1 > > 3A 3A CD:9.66dBs CD:10.01dBs REAR R ch REAR L ch SUB WOOFER R ch SUB WOOFER L ch FRONT R ch FRONT L ch BACK UP 10A > FUSE CEK1208 IP-BUS:9.30dBs CD:10.46dBs FM:5.80dBs AM:-4.90dBs A TUNER AMP UNIT www. xiaoyu163. com QQ 376315150 9 9 2 8 9 4 2 9 8 TEL 13942296513 9 9 2 8 9 4 2 9 8 0 5 1 5 1 3 6 7 3 Q Q TEL 13942296513 QQ 376315150 892498299 TEL 13942296513 QQ 376315150 892498299 http://www.xiaoyu163.com DEH-P670MP/XN/UC 23 5 6 7 8 5 6 7 8 C D F A B E A-a A-b A-b 2 3 BACK UP 10A > FUSE CEK1208 DETACH SENSE IP- BUS:36.46dBs CD:35.30dBs FM:31.60dBs AM:21.10dBs www. xiaoyu163. com QQ 376315150 9 9 2 8 9 4 2 9 8 TEL 13942296513 9 9 2 8 9 4 2 9 8 0 5 1 5 1 3 6 7 3 Q Q TEL 13942296513 QQ 376315150 892498299 TEL 13942296513 QQ 376315150 892498299 http://www.xiaoyu163.com DEH-P670MP/XN/UC 24 1 2 3 4 1 2 3 4 C D F A B E 3.3 KEYBOARD UNIT C B CN1951 VOLUME www. xiaoyu163. com QQ 376315150 9 9 2 8 9 4 2 9 8 TEL 13942296513 9 9 2 8 9 4 2 9 8 0 5 1 5 1 3 6 7 3 Q Q TEL 13942296513 QQ 376315150 892498299 TEL 13942296513 QQ 376315150 892498299 http://www.xiaoyu163.com DEH-P670MP/XN/UC 25 5 6 7 8 5 6 7 8 C D F A B E C C KEYBOARD UNIT P670MP:PD8142A P6700MP:PD8141A P6750MP:PD8141A 15k(B) 15k(B) OEL UNIT MXS8221 OEL CONTROLLER www. xiaoyu163. com QQ 376315150 9 9 2 8 9 4 2 9 8 TEL 13942296513 9 9 2 8 9 4 2 9 8 0 5 1 5 1 3 6 7 3 Q Q TEL 13942296513 QQ 376315150 892498299 TEL 13942296513 QQ 376315150 892498299 http://www.xiaoyu163.com DEH-P670MP/XN/UC 26 1 2 3 4 1 2 3 4 C D F A B E 3.4 CD MECHANISM MODULE(GUIDE PAGE) D-a D TY PICKUP UNIT(P10)(SERVICE) M1 CXC4440 SPINDLE MOTOR M2 CXB8933 LOADING /CARRIAGE MOTOR CD DRIVER T F F T T T F F F T C S T F S C F F T T S S C C C C S S T T F F 1 3 2 0 9 7 $ 8 5 4 @ # % www. xiaoyu163. com QQ 376315150 9 9 2 8 9 4 2 9 8 TEL 13942296513 9 9 2 8 9 4 2 9 8 0 5 1 5 1 3 6 7 3 Q Q TEL 13942296513 QQ 376315150 892498299 TEL 13942296513 QQ 376315150 892498299 http://www.xiaoyu163.com DEH-P670MP/XN/UC 27 5 6 7 8 5 6 7 8 C D F A B E D-b D ras SRAMLEVEL0 SRAMLEVEL1 SRAMLEVEL2 TYPE_A/D SWITCHES: CD CORE UNIT(S10.1) S901:HOME SWITCH..........ON-OFF S903:DSCSNS SWITCH......ON-OFF S904:12EJ SWITCH.............ON-OFF S905:8EJ SWITCH...............ON-OFF The underlined indicates the switch position. CD CORE UNIT(S10.1) D A CN651 F SIGNAL LINE FOCUS SERVO LINE TRACKING SERVO LINE CARRIAGE SERVO LINE SPINDLE SERVO LINE T C S 3V REGULATOR 3.3V REGULATOR MICRO COMPUTER ! ^ & 6 www. xiaoyu163. com QQ 376315150 9 9 2 8 9 4 2 9 8 TEL 13942296513 9 9 2 8 9 4 2 9 8 0 5 1 5 1 3 6 7 3 Q Q TEL 13942296513 QQ 376315150 892498299 TEL 13942296513 QQ 376315150 892498299 http://www.xiaoyu163.com DEH-P670MP/XN/UC 28 1 2 3 4 1 2 3 4 C D F A B E D-b D-a D-a D-b 1 2 PICKUP UNIT(P10)(SERVICE) T F F T T T F F F T C S T T F F @ # % www. xiaoyu163. com QQ 376315150 9 9 2 8 9 4 2 9 8 TEL 13942296513 9 9 2 8 9 4 2 9 8 0 5 1 5 1 3 6 7 3 Q Q TEL 13942296513 QQ 376315150 892498299 TEL 13942296513 QQ 376315150 892498299 http://www.xiaoyu163.com DEH-P670MP/XN/UC 29 5 6 7 8 5 6 7 8 C D F A B E D-b D-a D-a D-b 2 3 4 5 6 M1 CXC4440 SPINDLE MOTOR M2 CXB8933 LOADING /CARRIAGE MOTOR CD DRIVER T F S C F F T T S S C C C C S S 1 3 2 0 9 7 $ 8 5 4 www. xiaoyu163. com QQ 376315150 9 9 2 8 9 4 2 9 8 TEL 13942296513 9 9 2 8 9 4 2 9 8 0 5 1 5 1 3 6 7 3 Q Q TEL 13942296513 QQ 376315150 892498299 TEL 13942296513 QQ 376315150 892498299 http://www.xiaoyu163.com DEH-P670MP/XN/UC 30 1 2 3 4 1 2 3 4 C D F A B E D-a D-b D-b 1 2 ras SWITCHES: CD CORE UNIT(S10.1) S901:HOME SWITCH..........ON-OFF S903:DSCSNS SWITCH......ON-OFF S904:12EJ SWITCH.............ON-OFF S905:8EJ SWITCH...............ON-OFF The underlined indicates the switch position. CD CORE UNIT(S10.1) D F SIGNAL LINE FOCUS SERVO LINE TRACKING SERVO LINE CARRIAGE SERVO LINE SPINDLE SERVO LINE T C S 3.3V REGULATOR ! www. xiaoyu163. com QQ 376315150 9 9 2 8 9 4 2 9 8 TEL 13942296513 9 9 2 8 9 4 2 9 8 0 5 1 5 1 3 6 7 3 Q Q TEL 13942296513 QQ 376315150 892498299 TEL 13942296513 QQ 376315150 892498299 http://www.xiaoyu163.com DEH-P670MP/XN/UC 31 5 6 7 8 5 6 7 8 C D F A B E D-a D-b D-b 2 3 4 5 6 SRAMLEVEL0 SRAMLEVEL1 SRAMLEVEL2 TYPE_A/D A CN651 3V REGULATOR MICRO COMPUTER ^ & 6 www. xiaoyu163. com QQ 376315150 9 9 2 8 9 4 2 9 8 TEL 13942296513 9 9 2 8 9 4 2 9 8 0 5 1 5 1 3 6 7 3 Q Q TEL 13942296513 QQ 376315150 892498299 TEL 13942296513 QQ 376315150 892498299 http://www.xiaoyu163.com DEH-P670MP/XN/UC 32 1 2 3 4 1 2 3 4 C D F A B E - Waveforms Note : 1. The encircled numbers denote measuring points in the circuit diagram. 2. Reference voltage REFO1(1.65V) 1 DSCSNS 2 8SNS 3 12SNS 4 LOEJ 5V/div 5V/div 5V/div 5V/div 500ms/div 12 cm CD Loading operation Ref.: GND Mode: Normal 1 DSCSNS 2 8SNS 3 12SNS 4 LOEJ 5V/div 5V/div 5V/div 5V/div 500ms/div Ref.: GND Mode: Normal 1 DSCSNS 5 CLCONT 4 LOEJ 6 VD 5V/div 5V/div 5V/div 10V/div 500ms/div 12 cm CD Loading operation 8 cm CD Loading operation Ref.: GND Mode: Normal 0 FIN ! RFOK 7 SIN 200mV/div 2V/div 2V/div 500ms/div 12 cm CD-DA Source On setup operation Ref.: REFO Mode: Normal # FE 0 FIN @ TE 9 TIN 500mV/div 500mV/div 500mV/div 500mV/div 20ms/div Ref.: REFO Mode: Normal @ TE # FE 500mV/div 500mV/div 200ms/div Source On setup operation CD-DA Play operation Ref.: REFO Mode: Normal # FE 0 FIN @ TE 9 TIN 500mV/div 500mV/div 500mV/div 500mV/div 20ms/div CD-ROM play operation(Regular track Jump) Ref.: REFO Mode: Normal $ MDX 7 SIN 2V/div 1V/div 5µs/div Ref.: REFO Mode: Normal $ MDX 7 SIN 1V/div 200mV/div 50ms/div Spindle waveform during play operation Spindle waveform during play operation (Wider) Ref.: REFO Mode: Normal 7 SIN 8 CIN 9 TIN 1V/div 500mV/div 500mV/div 2s/div 12 cm CD-DA setup operation after loading 12 cm CD-ROM(3 sessions) setup operation after loading Ref.: REFO Mode: Normal 7 SIN 8 CIN 9 TIN 1V/div 500mV/div 500mV/div 2s/div Ref.: REFO Mode: Normal 7 SIN 8 CIN 9 TIN 1V/div 500mV/div 500mV/div 1s/div 12 cm CD-ROM(1 session) setup operation after loading Ref.: REFO Mode: Normal www. xiaoyu163. com QQ 376315150 9 9 2 8 9 4 2 9 8 TEL 13942296513 9 9 2 8 9 4 2 9 8 0 5 1 5 1 3 6 7 3 Q Q TEL 13942296513 QQ 376315150 892498299 TEL 13942296513 QQ 376315150 892498299 http://www.xiaoyu163.com DEH-P670MP/XN/UC 33 5 6 7 8 5 6 7 8 C D F A B E 0 FIN # FE 500mV/div 500mV/div 200ms/div Focus Search waveform Ref.: REFO Mode: TEST % RFAGC @ TE 9 TIN 1V/div 500mV/div 500mV/div 500µs/div Ref.: REFO Mode: TEST @ TE % RFAGC 500mV/div 500mV/div 2ms/div Track Open waveform 1 Track Jump waveform Ref.: REFO Mode: TEST % RFAGC @ TE 8 CIN 7 SIN 1V/div 1V/div 500mV/div 2V/div 200ms/div Ref.: REFO Mode: Normal Search operation(Outter to Inner) ^ LOUT & ROUT 1V/div 1V/div 200µs/div Analog audio waveform Ref.: AGND Mode: Normal 7 SIN 8 CIN 9 TIN 1V/div 500mV/div 500mV/div 500ms/div Ref.: REFO Mode: Normal 1 DSCSNS 2 8SNS 3 12SNS 4 LOEJ 5V/div 5V/div 5V/div 5V/div 500ms/div 12 cm CD Eject operation CD-DA >> CD-ROM mode change(Band key) Ref.: GND Mode: Normal % RFAGC @ TE 9 TIN 1V/div 500mV/div 500mV/div 500µs/div 4 Tracks Jump waveform 32 Tracks Jump waveform Ref.: REFO Mode: TEST % RFAGC @ TE 9 TIN 1V/div 500mV/div 500mV/div 2ms/div Ref.: REFO Mode: TEST % RFAGC @ TE 9 TIN 1V/div 500mV/div 500mV/div 1ms/div 10 Tracks Jump waveform Ref.: REFO Mode: TEST 1 DSCSNS 5 CLCONT 4 LOEJ 5V/div 5V/div 5V/div 500ms/div 12 cm CD Eject operation Ref.: GND Mode: Normal 1 DSCSNS 2 8SNS 3 12SNS 4 LOEJ 5V/div 5V/div 5V/div 5V/div 500ms/div 8 cm CD Eject operation Ref.: GND Mode: Normal www. xiaoyu163. com QQ 376315150 9 9 2 8 9 4 2 9 8 TEL 13942296513 9 9 2 8 9 4 2 9 8 0 5 1 5 1 3 6 7 3 Q Q TEL 13942296513 QQ 376315150 892498299 TEL 13942296513 QQ 376315150 892498299 http://www.xiaoyu163.com DEH-P670MP/XN/UC 34 1 2 3 4 1 2 3 4 C D F A B E 7 SIN 8 CIN 9 TIN 1V/div 500mV/div 500mV/div 500ms/div CD-ROM >> CD-DA mode change(Band key) Ref.: REFO Mode: Normal % RFAGC 9 TIN @ TE 0 FIN 1V/div 1V/div 1V/div 1V/div 500µs/div Black dot(800µm) during play Ref.: REFO Mode: Normal www. xiaoyu163. com QQ 376315150 9 9 2 8 9 4 2 9 8 TEL 13942296513 9 9 2 8 9 4 2 9 8 0 5 1 5 1 3 6 7 3 Q Q TEL 13942296513 QQ 376315150 892498299 TEL 13942296513 QQ 376315150 892498299 http://www.xiaoyu163.com DEH-P670MP/XN/UC 62 1 2 3 4 1 2 3 4 C D F A B E 7.1.1 CONNECTOR FUNCTION DESCRIPTION A 0 1 F SW ANTENNA JACK FRONT OUTPUT SUBWOOFER OUTPUT NON FADING OUTPUT 1. BUS+ 2. GND 3. GND 4. NC 5. BUS- 6. GND 7. BUS L+ INPUT 8. ASENB 9. BUS R+ INPUT 10. BUS R- INPUT 11. BUS L- INPUT IP-BUS WIRED REMOTE CONTROL (P670MP,P6700MP) REAR OUTPUT(P670MP) 11 10 9 8 7 6 5 4 3 2 1 9. RL- 10. FL- 11. RL+ 12. FL+ 13. RR- 14. FR- 15. RR+ 16. FR+ 1. BACK UP 2. GND 3. ACC 4. NC 5. ILM 6. B.REM 7. NC 8. TEL MUTE POWER SUPPLY,SPEAKER OUTPUT 15 1 13 11 9 7 5 3 16 2 14 12 10 8 6 4 www. xiaoyu163. com QQ 376315150 9 9 2 8 9 4 2 9 8 TEL 13942296513 9 9 2 8 9 4 2 9 8 0 5 1 5 1 3 6 7 3 Q Q TEL 13942296513 QQ 376315150 892498299 TEL 13942296513 QQ 376315150 892498299 http://www.xiaoyu163.com

标签:

版权声明

1. 本站所有素材,仅限学习交流,仅展示部分内容,如需查看完整内容,请下载原文件。
2. 会员在本站下载的所有素材,只拥有使用权,著作权归原作者所有。
3. 所有素材,未经合法授权,请勿用于商业用途,会员不得以任何形式发布、传播、复制、转售该素材,否则一律封号处理。
4. 如果素材损害你的权益请联系客服QQ:77594475 处理。