先锋PIONEER XV-HTD510电路图

分类:电子电工 日期: 点击:0
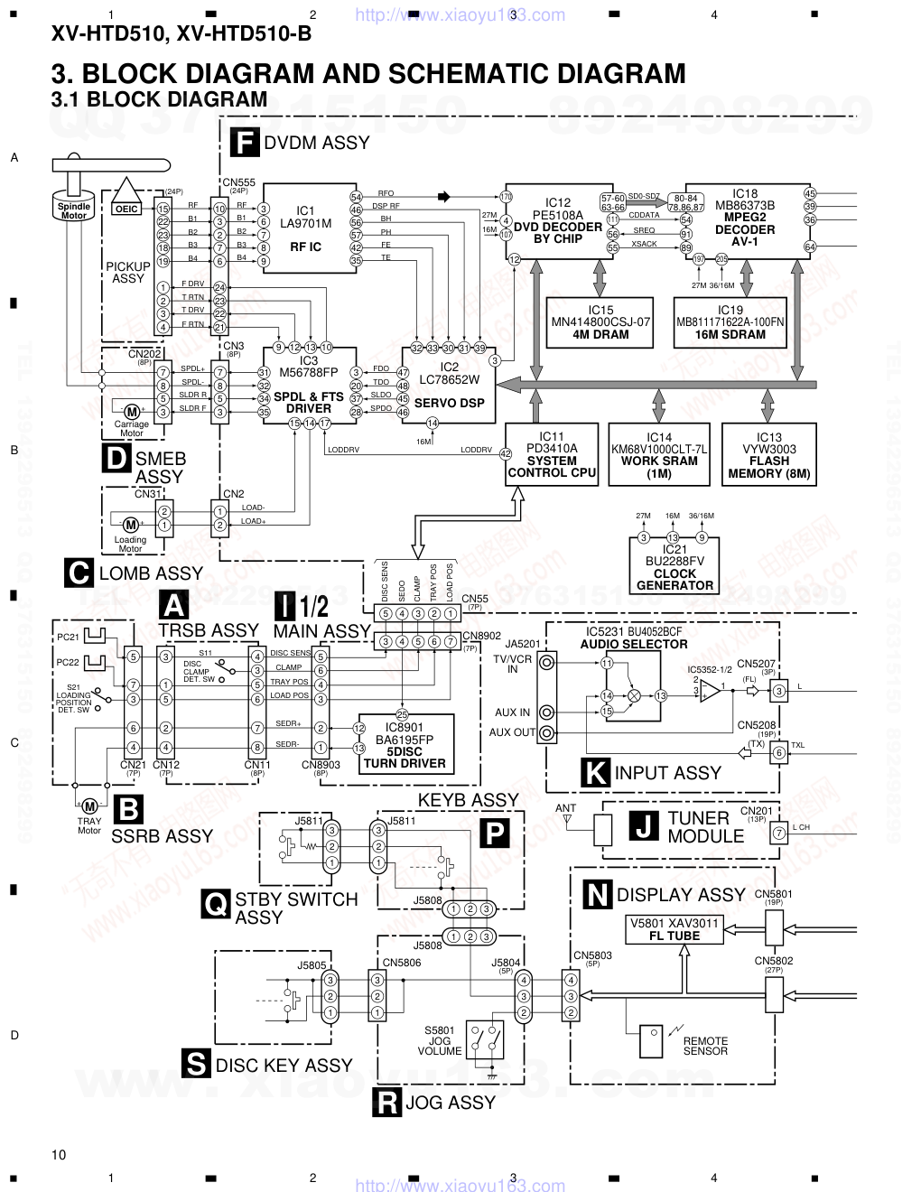
先锋PIONEER XV-HTD510电路图-0 先锋PIONEER XV-HTD510电路图-1 先锋PIONEER XV-HTD510电路图-2 先锋PIONEER XV-HTD510电路图-3 先锋PIONEER XV-HTD510电路图-4 先锋PIONEER XV-HTD510电路图-5 先锋PIONEER XV-HTD510电路图-6 先锋PIONEER XV-HTD510电路图-7 先锋PIONEER XV-HTD510电路图-8 先锋PIONEER XV-HTD510电路图-9

ORDER NO. PIONEER CORPORATION 4-1, Meguro 1-chome, Meguro-ku, Tokyo 153-8654, Japan PIONEER ELECTRONICS SERVICE, INC. P.O. Box 1760, Long Beach, CA 90801-1760, U.S.A. PIONEER EUROPE NV Haven 1087, Keetberglaan 1, 9120 Melsele, Belgium PIONEER ELECTRONICS ASIACENTRE PTE. LTD. 253 Alexandra Road, #04-01, Singapore 159936 PIONEER CORPORATION 2001 c XV-HTD510 RRV2452 T – IZK MAY 2001 Printed in Japan XV-HTD510-B Type Model Power Requirement Region No. Remarks XV-HTD510 XV-HTD510-B KUXJ – AC120V 1 KCXJ – AC120V 1 KUCXJ – AC120V 1 THIS MANUAL IS APPLICABLE TO THE FOLLOWING MODEL(S) AND TYPE(S). DVD RECEIVER 1. SAFETY INFORMATION ....................................... 2 2. EXPLODED VIEWS AND PARTS LIST ................. 3 3. BLOCK DIAGRAM AND SCHEMATIC DIAGRAM ... 10 4. PCB CONNECTION DIAGRAM ........................... 46 5. PCB PARTS LIST ................................................ 66 6. ADJUSTMENT..................................................... 73 7. GENERAL INFORMATION ................................ 74 7.1 DIAGNOSIS .................................................. 74 7.1.1 SELF-DIAGNOSTIC FUNCTION OF PICKUP DEFECTIVE ........................... 74 7.1.2 TEST POINTS LOCATION................... 75 CONTENTS Component System Service Manual Remarks DVD SURROUND SYSTEM DVD RECEIVER XV-HTD510 XV-HTD510-B RRV2452 This service manual SPEAKER SYSTEM S-HTD510 S-HTD510-B RRV2444 This product is component of system. 7.1.3 TEST MODE SCREEN DISPLAY ........ 76 7.1.4 POWER ON SEQUENCE .................... 78 7.1.5 TROUBLE SHOOTING ........................ 79 7.1.6 ERROR CODE ..................................... 80 7.1.7 DISASSEMBLY .................................... 84 7.1.8 TROUBLE SHOOTING FOR MECHANISM SECTION....................... 95 7.2 PARTS .......................................................... 98 7.2.1 IC .......................................................... 98 7.2.2 DISPLAY............................................. 117 8. PANEL FACILITIES AND SPECIFICATIONS .. 118 www. xiaoyu163. com QQ 376315150 9 9 2 8 9 4 2 9 8 TEL 13942296513 9 9 2 8 9 4 2 9 8 0 5 1 5 1 3 6 7 3 Q Q TEL 13942296513 QQ 376315150 892498299 TEL 13942296513 QQ 376315150 892498299 http://www.xiaoyu163.com 2 XV-HTD510, XV-HTD510-B 1. SAFETY INFORMATION This service manual is intended for qualified service technicians ; it is not meant for the casual do-it- yourselfer. Qualified technicians have the necessary test equipment and tools, and have been trained to properly and safely repair complex products such as those covered by this manual. Improperly performed repairs can adversely affect the safety and reliability of the product and may void the warranty. If you are not qualified to perform the repair of this product properly and safely, you should not risk trying to do so and refer the repair to a qualified service technician. WARNING This product contains lead in solder and certain electrical parts contain chemicals which are known to the state of California to cause cancer, birth defects or other reproductive harm. Health & Safety Code Section 25249.6 – Proposition 65 NOTICE (FOR CANADIAN MODEL ONLY) Fuse symbols (fast operating fuse) and/or (slow operating fuse) on PCB indicate that replacement parts must be of identical designation. REMARQUE (POUR MODÈLE CANADIEN SEULEMENT) Les symboles de fusible (fusible de type rapide) et/ou (fusible de type lent) sur CCI indiquent que les pièces de remplacement doivent avoir la même désignation. ANY MEASUREMENTS NOT WITHIN THE LIMITS OUTLINED ABOVE ARE INDICATIVE OF A POTENTIAL SHOCK HAZARD AND MUST BE CORRECTED BEFORE RETURNING THE APPLIANCE TO THE CUSTOMER. 2. PRODUCT SAFETY NOTICE Many electrical and mechanical parts in the appliance have special safety related characteristics. These are often not evident from visual inspection nor the protection afforded by them necessarily can be obtained by using replacement components rated for voltage, wattage, etc. Replacement parts which have these special safety characteristics are identified in this Service Manual. Electrical components having such features are identified by marking with a on the schematics and on the parts list in this Service Manual. The use of a substitute replacement component which does not have the same safety characteristics as the PIONEER recommended replacement one, shown in the parts list in this Service Manual, may create shock, fire, or other hazards. Product Safety is continuously under review and new instructions are issued from time to time. For the latest information, always consult the current PIONEER Service Manual. A subscription to, or additional copies of, PIONEER Service Manual may be obtained at a nominal charge from PIONEER. 1. SAFETY PRECAUTIONS The following check should be performed for the continued protection of the customer and service technician. LEAKAGE CURRENT CHECK Measure leakage current to a known earth ground (water pipe, conduit, etc.) by connecting a leakage current tester such as Simpson Model 229-2 or equivalent between the earth ground and all exposed metal parts of the appliance (input/output terminals, screwheads, metal overlays, control shaft, etc.). Plug the AC line cord of the appliance directly into a 120V AC 60Hz outlet and turn the AC power switch on. Any current measured must not exceed 0.5mA. (FOR USA MODEL ONLY) Leakage current tester Reading should not be above 0.5mA Device under test Test all exposed metal surfaces Also test with plug reversed (Using AC adapter plug as required) Earth ground AC Leakage Test www. xiaoyu163. com QQ 376315150 9 9 2 8 9 4 2 9 8 TEL 13942296513 9 9 2 8 9 4 2 9 8 0 5 1 5 1 3 6 7 3 Q Q TEL 13942296513 QQ 376315150 892498299 TEL 13942296513 QQ 376315150 892498299 http://www.xiaoyu163.com 3 XV-HTD510, XV-HTD510-B 2.1 PACKING (1) PACKING PARTS LIST Mark No. Description Part No. 2. EXPLODED VIEWS AND PARTS LIST NOTES: • Parts marked by "NSP" are generally unavailable because they are not in our Master Spare Parts List. • The mark found on some component parts indicates the importance of the safety factor of the part. Therefore, when replacing, be sure to use parts of identical designation. • Screws adjacent to mark on the product are used for disassembly. 1 Power Cord ADG7022 2 FM Antenna ADH7004 3 Video Cord (L = 1.5m) VDE1053 4 Remote Control Unit See Contrast table (2) 5 Battery Cover XZN3117 NSP 6 Dry Cell Battery (R6P, AA) VEM-013 7 Pad F XHA3124 8 Pad R XHA3125 9 Packing Case See Contrast table (2) 10 Packing Sheet AHG7010 NSP 11 Polyethylene Bag Z21-038 NSP 12 Warranty Card ARY7045 13 Operating Instructions (English) See Contrast table (2) 14 Operating Instructions See Contrast table (2) (English/French) 15 AM Loop Antenna ATB7009 FRONT 12 5 KUXJ Type Only 13 KCXJ, KUCXJ Types Only 14 4 6 11 15 3 2 1 8 9 7 10 (2) CONTRAST TABLE XV-HTD510/KUXJ, KCXJ and XV-HTD510-B/KUCXJ are constructed the same except for the following : Mark No. Symbol and Description Part No. Remarks XV-HTD510 /KUXJ XV-HTD510 /KCXJ XV-HTD510-B /KUCXJ 4 9 13 14 Remote Control Unit Packing Case Operating Instructions (English) Operating Instructions (English/French) XXD3033 XHD3171 XRB3009 Not used XXD3033 XHD3171 Not used XRE3039 XXD3032 XHD3192 Not used XRE3039 DSP Button www. xiaoyu163. com QQ 376315150 9 9 2 8 9 4 2 9 8 TEL 13942296513 9 9 2 8 9 4 2 9 8 0 5 1 5 1 3 6 7 3 Q Q TEL 13942296513 QQ 376315150 892498299 TEL 13942296513 QQ 376315150 892498299 http://www.xiaoyu163.com 4 XV-HTD510, XV-HTD510-B 2.2 EXTERIOR A B C D A B L N I G I F G F E H J K H J M M E D L O O N C K Refer to "2.4 TABLE MECHANISM SECTION". Refer to "2.3 FRONT PANEL SECTION". J K F L I M H G T N O 23 44 41 47 47 31 26 2 25 12 24 6 46 18 27 29 14 30 28 28 34 3 4 32 33 10 8 20 7 1 11 22 38 37 15 19 9 21 5 36 35 13 17 16 39 44 44 48 43 43 43 48 48 4848 48 43 43 43 44 43 43 43 40 40 40 40 45 45 43 43 49 43 43 43 42 42 43 43 44 44 44 www. xiaoyu163. com QQ 376315150 9 9 2 8 9 4 2 9 8 TEL 13942296513 9 9 2 8 9 4 2 9 8 0 5 1 5 1 3 6 7 3 Q Q TEL 13942296513 QQ 376315150 892498299 TEL 13942296513 QQ 376315150 892498299 http://www.xiaoyu163.com 5 XV-HTD510, XV-HTD510-B (1) EXTERIOR PARTS LIST Mark No. Description Part No. 1 DVDM Assy XWX3034 2 PRIMARY Assy XWZ3432 3 FRONT AMP Assy XWZ3438 4 REAR AMP Assy XWZ3442 5 DISPLAY Assy XWZ3446 6 MIC HP Assy XWZ3450 7 INPUT Assy XWZ3455 8 VIDEO Assy XWZ3459 9 MAIN Assy XWX3030 10 DSP Assy XWX3040 11 TUNER MODULE AXQ7228 12 T1 Power Transformer XTS3051 13 FU1 Fuse (5A) REK1067 14 DC Fan Motor AXM7014 15 13P F.F.C/60V XDD3089 (MAIN CN5701 – TUNER CN201) 16 19P F.F.C/60V XDD3090 (MAIN CN5509 – DISPLAY CN5801) 17 27P F.F.C/60V XDD3091 (MAIN CN5511 – DISPLAY CN5802) 18 5P F.F.C/60V XDD3093 (MAIN CN5501 – MIC HP CN5807) 19 7P F.F.C/60V XDD3094 (MAIN CN8902 – DVDM CN55) 20 Connector Assy 3P XDE3041 (INPUT CN5207 – DSP CN3703) NSP 21 Chassis XNA3008 22 Rear Panel See Contrast table (2) 23 Bonnet Case See Contrast table (2) 24 Front Frame XNG3056 25 PCB Angle XNG3057 26 Mecha Frame XNG3059 Mark No. Description Part No. (2) CONTRAST TABLE XV-HTD510/KUXJ, KCXJ and XV-HTD510-B/KUCXJ are constructed the same except for the following : Mark No. Symbol and Description Part No. Remarks XV-HTD510 /KUXJ XV-HTD510 /KCXJ XV-HTD510-B /KUCXJ 22 23 36 Rear Panel Bonnet Case Tray Cap XNC3094 XZN3118 XAN3032 XNC3094 XZN3118 XAN3032 XNC3097 XZN3119 XAN3033 27 DV Bracket XNG3064 28 Heat Sink XNH3021 NSP 29 Spacer XEB3019 30 Fan Mold AMR7321 31 Rotary Tray VNK4739 32 Barrier H XEC3016 NSP 33 PCB Support XEC3020 34 Rear Mold XMR3038 35 DVDV Badge XAM3003 36 Tray Cap See Contrast table (2) 37 65 Label ARW7050 NSP 38 Large Label XAX3217 39 Cord Clamper RNH-184 40 Screw ABA1021 41 Screw ABA7069 42 Screw ASZ40P060FMC 43 Screw BBZ30P060FMC 44 Screw BBZ30P080FZK 45 Screw BBZ30P160FMC 46 Screw BPZ30P350FZK 47 Screw PBA1106 48 Screw VPZ30P080FZK 49 Washer VEC1254 www. xiaoyu163. com QQ 376315150 9 9 2 8 9 4 2 9 8 TEL 13942296513 9 9 2 8 9 4 2 9 8 0 5 1 5 1 3 6 7 3 Q Q TEL 13942296513 QQ 376315150 892498299 TEL 13942296513 QQ 376315150 892498299 http://www.xiaoyu163.com 6 XV-HTD510, XV-HTD510-B Q P S R 16 4 3 1 2 11 10 15 13 7 9 8 17 6 17 14(1/2) 12 14(2/2) 19 19 19 18 19 5 2.3 FRONT PANEL SECTION (2) CONTRAST TABLE XV-HTD510/KUXJ, KCXJ and XV-HTD510-B/KUCXJ are constructed the same except for the following : Mark No. Symbol and Description Part No. Remarks XV-HTD510 /KUXJ XV-HTD510 /KCXJ XV-HTD510-B /KUCXJ NSP 5 6 7 8 9 10 11 12 Front Panel Assy Front Cap Display Panel Front Panel Volume Knob Disc Button Function Button power Button XXG3070 XAK3212 XAK3213 XMB3047 XAA3020 XAD3093 XAD3100 XAD3101 XXG3070 XAK3212 XAK3213 XMB3047 XAA3020 XAD3093 XAD3100 XAD3101 XXG3071 XAK3227 XAK3229 XMB3048 XAA3021 XAD3099 XAD3094 XAD3095 (1) FRONT PANEL SECTION PARTS LIST Mark No. Description Part No. NSP 1 JOG Assy XWZ3448 2 KEYB Assy XWZ3447 NSP 3 DISC KEY Assy XWZ3449 NSP 4 STBY SWITCH Assy XWZ3453 NSP 5 Front Panel Assy See Contrast table (2) 6 Front Cap See Contrast table (2) 7 Display Panel See Contrast table (2) 8 Front Panel See Contrast table (2) 9 Volume Knob See Contrast table (2) 10 Disc Button See Contrast table (2) Mark No. Description Part No. 11 Function Button See Contrast table (2) 12 Power Button See Contrast table (2) 13 Pioneer Badge XAM3001 14 Lens XAX3216 15 FL Filter XEC3015 16 Top Frame XNG3063 17 Leg AEB7090 NSP 18 Small Label XAX3291 19 Screw VPZ30P080FZK www. xiaoyu163. com QQ 376315150 9 9 2 8 9 4 2 9 8 TEL 13942296513 9 9 2 8 9 4 2 9 8 0 5 1 5 1 3 6 7 3 Q Q TEL 13942296513 QQ 376315150 892498299 TEL 13942296513 QQ 376315150 892498299 http://www.xiaoyu163.com 7 XV-HTD510, XV-HTD510-B 2.4 TABLE MECHANISM SECTION 37 (1/6) 37 (2/6 - 5/6) [Roller Cover] 37 (6/6) [PCB Cover] 36 35 2 1 16 29 20 18 14 30 28 21 14 14 19 32 13 14 11 12 26 25 30 30 27 22 15 17 38 33 40 34 42 39 31 10 5 7 8 3 4 42 9 6 From DVDM CN555 From DVDM CN2 Refer to "2.5 TRAVERSE MECHANISM ASSY-S". 43 42 41 24 23 30 B A C www. xiaoyu163. com QQ 376315150 9 9 2 8 9 4 2 9 8 TEL 13942296513 9 9 2 8 9 4 2 9 8 0 5 1 5 1 3 6 7 3 Q Q TEL 13942296513 QQ 376315150 892498299 TEL 13942296513 QQ 376315150 892498299 http://www.xiaoyu163.com 8 XV-HTD510, XV-HTD510-B TABLE MECHANISM SECTION PARTS LIST Mark No. Description Part No. NSP 1 5C Mech. Base Assy XXA3027 NSP 2 5C Table Mech. Assy VWT1175 NSP 3 TRSB Assy XWZ3461 NSP 4 SSRB Assy XWZ3462 NSP 5 LOMB Assy XWZ3463 6 Traverse Mechanism Assy-S VXX2653 7 Flexible Cable 24P XDD3074 8 Flexible Cable 8P (T) XDD3075 9 Flexible Cable 8P (M) XDD3076 10 Housing Assy 2P XDE3039 11 Slider Motor (LOADING) VXM1033 12 Motor Pulley PNW1634 13 Spring VBH1333 14 Floating Rubber VEB1286 15 Load Belt VEB1316 16 Clamper Plate VNE2162 17 Mechanism Base VNK4826 18 Clamper VNL1738 19 Float Base VNL1907 20 Clamper Holder VNL1872 21 Clamp Cam VNL1873 22 Planet Base VNL1874 23 Gear Pulley VNL1876 24 Loading Gear (1) VNL1877 25 Loading Gear (2) VNL1908 26 Drive Gear VNL1879 27 Change Gear VNL1904 28 Screw ABA7009 29 Screw BPZ30P080FMC 30 Screw Z39-019 31 Motor (TRAY) DXM1118 32 Flexible Cable (7P) VDA1835 33 Motor Pulley PNW1634 34 Tray Belt VEB1317 35 Rubber Roller VEB1318 36 Roller Shaft VLL1511 37 Slide Table VNK4751 38 Motor Holder VNL1880 39 Worm Gear VNL1881 40 Tray Gear VNL1882 41 Screw JGZ17P028FMC 42 Screw Z39-019 43 CR Cushion 2 XEB3020 www. xiaoyu163. com QQ 376315150 9 9 2 8 9 4 2 9 8 TEL 13942296513 9 9 2 8 9 4 2 9 8 0 5 1 5 1 3 6 7 3 Q Q TEL 13942296513 QQ 376315150 892498299 TEL 13942296513 QQ 376315150 892498299 http://www.xiaoyu163.com 9 XV-HTD510, XV-HTD510-B NSP 1 SMEB Assy VWG2048 NSP 2 FGSB Assy VWG2009 NSP 3 Motor (CARRIAGE) VXM1079 NSP 4 Motor (SPINDLE) VXM1084 NSP 5 Pickup Assy VWY1055 6 Table Sheet DEC2040 7 Screw VBA1058 8 Centering Spring VBH1278 9 Hook Spring VBH1317 10 Skew Spring VBH1303 11 Gear Spring VBH1308 NSP 12 Reflected Sheet VEC1959 13 Guide Bar VLL1504 14 Sub-guide Bar VLL1505 15 Hold Spring VNC1017 NSP 16 Magnet Holder VNE2070 NSP 17 Motor Base VNE2154 NSP 18 Cover VNE2155 19 Centering Ring VNL1746 NSP 20 Disc Table VNL1747 2.5 TRAVERSE MECHANISM ASSY-S 21 Hook VNL1770 22 FFC Holder VNL1802 23 Mechanism Base VNL1806 24 FG Holder VNL1807 25 Gear A VNL1808 26 Gear B VNL1809 27 Gear C VNL1810 28 Slider VNL1811 29 Gear D VNL1814 NSP 30 Magnet VYM1024 31 Screw JFZ17P025FZK 32 Screw JGZ17P028FMC 33 Screw VBA1051 34 Magnet Holder Assy VXX2507 35 Spindle Motor Assy VXX2649 36 Carriage Motor Assy VXX2650 37 Screw PBA1069 TRAVERSE MECHANISM ASSY-S PARTS LIST Mark No. Description Part No. Mark No. Description Part No. • Top View 30 16 34 19 8 15 10 10 22 33 23 5 14 10 37 18 32 13 10 37 18 26 25 27 29 7 7 7 3 1 11 28 33 6 35 20 12 21 4 9 31 37 17 24 37 36 To DVDM Assy CN3 21 9 17 2 E D www. xiaoyu163. com QQ 376315150 9 9 2 8 9 4 2 9 8 TEL 13942296513 9 9 2 8 9 4 2 9 8 0 5 1 5 1 3 6 7 3 Q Q TEL 13942296513 QQ 376315150 892498299 TEL 13942296513 QQ 376315150 892498299 http://www.xiaoyu163.com A B C D 1 2 3 4 1 2 3 4 10 XV-HTD510, XV-HTD510-B 7 8 5 3 Spindle Motor OEIC 15 22 23 18 19 1 2 3 4 10 3 2 7 6 24 23 22 21 RF B1 B2 B3 B4 T RTN F DRV 7 SPDL+ Carriage Motor Loading Motor DISC CLAMP DET. SW S11 + - 8 SPDL- LOAD- LODDRV LODDRV DISC SENS SEDO CLAMP TRAY POS LOAD POS DISC SENS SEDR+ SEDR- CLAMP TRAY POS LOAD POS LOAD+ 5 SLDR R 3 SLDR F T DRV F RTN PICKUP ASSY IC1 LA9701M RF IC CN555 (24P) CN3 (8P) S5801 JOG VOLUME 1 2 CN2 CN202 (8P) CN31 (24P) D SMEB ASSY C LOMB ASSY A TRSB ASSY B SSRB ASSY S DISC KEY ASSY Q STBY SWITCH ASSY F DVDM ASSY M + - M IC3 M56788FP SPDL & FTS DRIVER IC2 LC78652W SERVO DSP IC12 PE5108A DVD DECODER BY CHIP IC18 MB86373B MPEG2 DECODER AV-1 IC15 MN414800CSJ-07 4M DRAM IC11 PD3410A SYSTEM CONTROL CPU REMOTE SENSOR V5801 XAV3011 FL TUBE IC14 KM68V1000CLT-7L WORK SRAM (1M) 3 RF 54 170 111 197 107 RFO 46 DSP RF 56 BH 57 PH 42 FE 35 4 56 57-60 63-66 80-84 78,86,87 55 91 54 89 TE 6 B1 7 B2 8 B3 9 B4 FDO 9 12 13 10 31 3 47 48 45 46 14 32 33 30 31 39 3 TDO 20 SLDO 37 SPDO 16M 27M 205 36/16M 12 27M SD0-SD7 SREQ CDDATA XSACK 16M 28 35 15 14 17 34 32 IC19 MB811171622A-100FN 16M SDRAM IC13 VYW3003 FLASH MEMORY (8M) IC21 BU2288FV CLOCK GENERATOR 42 3 27M 13 16M 9 36/16M 45 39 36 64 L CH L TXL IC5231 BU4052BCF AUDIO SELECTOR 13 14 11 15 IC8901 BA6195FP 5DISC TURN DRIVER 25 12 13 2 1 3 4 1 2 5 5 4 7 6 3 S21 LOADING POSITION DET. SW PC21 PC22 TRAY Motor + - M IC5352-1/2 3 2 1 CN5801 (19P) CN5802 (27P) CN5208 (19P) 6 CN201 (13P) 7 CN5207 (3P) CN55 (7P) CN8902 JA5201 (7P) 3 CN8903 (8P) 5 6 4 3 1 2 CN11 (8P) 4 3 5 6 8 7 CN12 (7P) 3 1 5 4 2 CN21 (7P) 5 7 3 4 6 N DISPLAY ASSY K INPUT ASSY P KEYB ASSY MAIN ASSY J TUNER MODULE R JOG ASSY CN5803 (5P) 3 4 2 J5804 (5P) J5805 J5811 J5811 CN5806 2 3 1 3 4 2 2 3 1 2 3 1 2 3 1 J5808 J5808 2 1 3 2 1 3 TV/VCR IN AUX IN ANT AUX OUT I 1/2 (FL) (TX) 3. BLOCK DIAGRAM AND SCHEMATIC DIAGRAM 3.1 BLOCK DIAGRAM www. xiaoyu163. com QQ 376315150 9 9 2 8 9 4 2 9 8 TEL 13942296513 9 9 2 8 9 4 2 9 8 0 5 1 5 1 3 6 7 3 Q Q TEL 13942296513 QQ 376315150 892498299 TEL 13942296513 QQ 376315150 892498299 http://www.xiaoyu163.com A B C D 5 6 7 8 5 6 7 8 11 XV-HTD510, XV-HTD510-B CN15 (30P) CN8501 (30P) CN5352 (11P) IC5501 PDC076A MICROCOMPUTER V/Cb IC5351 LA7138M VIDEO AMP IC8801 LC89056W-E DIR VIDEO FILTER IC3851 W24257AJ-12 256k SRAM L VIDEO ASSY M DSP ASSY G FRONT AMP ASSY JA5351 CN5352 VIDEO OUT S-VIDEO OUT JA5103 FL SP SW SP DIGITAL IN 7 11 9 29 7 11 9 29 4 8 6 11 CN3001 (21P) 3 1 15 CN5351 (11P) 4 8 6 11 Y C Y C/Cr AODAI AC-3 Q83 Q85 Q81 IC5104-2/3 IC5104-1/3 IC8701-2/2 IC8703-1/2 IC8705-1/2 IC8705-2/2 VIDEO Y C/Cr DIN CN3702 (21P) CN3703 (3P) 3 1 DIN AODAI CN3051 (15P) CN3052 (13P) CN5501 (5P) 2 6 FL IN SW IN SL IN C IN LOUT SW AMP 3 3 4 IC3001 M62446FP E-VOL 17 9 11 6 31 IC3301 STK413-000 POWER AMP 13 36 34 33 IC3801 YSS912C-F DSP 85 IC3751 AK4527BVQ 6 ch CODEC 6 47 7 46 8 9 30 45 27 25 24 23 84 13 12 AMP 10 IC8351 TC74HCT7007AF AMP 6 16 21 23 13 15 17 19 6 7 2 1 2 1 6 IC3151-1/2 IC3151,IC3152,IC3161,IC3171: BA4558F 5 6 7 7 15 21 C 21 17 SL 17 11 FL 11 3 IC3151-1/2 5 6 7 IC3171-2/2 5 6 7 10 5 CN5701 (13P) CN5509 (19P) CN5511 (27P) 7 CN5209 (19P) 6 CN5807 (5P) 1 6 CN3303 (6P) 6 2 5 1 CN3301 (15P) 2 6 IC3161-1/2 5 6 7 IC3161-2/2 3 2 1 IC3902-1/2 5 6 7 18 8,9 20,21 H REAR AMP ASSY O MIC HP ASSY MAIN ASSY SL SP C SP PHONES IC3401 STK402-230 POWER AMP 1 CN3401 (6P) 1 5 2 6 CN3501 (13P) 6 10 15 6,7 18,19 I 2/2 (VCB) (DVD) (DVD) (DVD) (Y) (C) (VCB) (Y) (C) (VCB) (Y) (C) (VCB) (Y) (C) (DI) (DI) (DI) (FL) (FL) (FL) (SL) (C) (SW) (FL) (FL) (SW) (SL) (C) (SL) (HP) (C) (SW) (FL) (SL) (SL) (C) (C) (SW) (SW) : C SIGNAL ROUTE : DVD AUDIO SIGNAL ROUTE : VCB SIGNAL ROUTE : Y SIGNAL ROUTE (Y) (VCB) (C) (DVD) : SL AUDIO SIGNAL ROUTE : C AUDIO SIGNAL ROUTE : DI AUDIO SIGNAL ROUTE : FL AUDIO SIGNAL ROUTE (FL) (DI) (SL) (C) : TX AUDIO SIGNAL ROUTE : HP AUDIO SIGNAL ROUTE : SW AUDIO SIGNAL ROUTE (SW) (HP) (TX) (TX) www. xiaoyu163. com QQ 376315150 9 9 2 8 9 4 2 9 8 TEL 13942296513 9 9 2 8 9 4 2 9 8 0 5 1 5 1 3 6 7 3 Q Q TEL 13942296513 QQ 376315150 892498299 TEL 13942296513 QQ 376315150 892498299 http://www.xiaoyu163.com A B C D 1 2 3 4 1 2 3 4 12 XV-HTD510, XV-HTD510-B PICKUP ASSY (VWY1055) FGSB ASSY (VWG2009) 5CH MECH.BASE ASSY (XXA3027) TRAVERSE MECHANISM ASSY-S (VXX2653) E SMEB ASSY (VWG2048) D LOMB ASSY (XWZ3463) C TRSB ASSY (XWZ3461) A SSRB ASSY (XWZ3462) B DISPLAY ASSY (XWZ3446) STBY SWITCH ASSY (XWZ3453) N Q PRIMARY ASSY (XWZ3432) T TUNER MODULE (AXQ7228) INPUT ASSY (XWZ3455) J K KEYB ASSY (XWZ3447) P LIVE NEUTRAL POWER CORD ADG7022 AC 120V 50/60Hz FM AM (F) (T) (T) (F) (F) (T) (T) (F) : RF SIGNAL ROUTE : FOCUS SERVO LOOP LINE : TRACKING SERVO LOOP LINE (F) (T) : SLIDER SERVO LOOP LINE (S) 3.2 OVERALL WIRING DIAGRAM www. xiaoyu163. com QQ 376315150 9 9 2 8 9 4 2 9 8 TEL 13942296513 9 9 2 8 9 4 2 9 8 0 5 1 5 1 3 6 7 3 Q Q TEL 13942296513 QQ 376315150 892498299 TEL 13942296513 QQ 376315150 892498299 http://www.xiaoyu163.com A B C D 5 6 7 8 5 6 7 8 13 XV-HTD510, XV-HTD510-B F 1/3- F 3/3 DVDM ASSY (XWX3034) DSP ASSY (XWX3040) F M 1/2- M 2/2 M I 1/3- I 3/3 MAIN ASSY (XWX3030) I VIDEO ASSY (XWZ3459) L FRONT AMP ASSY (XWZ3438) G REAR AMP ASSY (XWZ3442) H JOG ASSY (XWZ3448) MIC HP ASSY (XWZ3450) R DISC KEY ASSY (XWZ3449) S O DC FAN MOTOR AXM7014 Note : When ordering service parts, be sure to refer to "EXPLODED VIEWS and PARTS LIST" or "PCB PARTS LIST". www. xiaoyu163. com QQ 376315150 9 9 2 8 9 4 2 9 8 TEL 13942296513 9 9 2 8 9 4 2 9 8 0 5 1 5 1 3 6 7 3 Q Q TEL 13942296513 QQ 376315150 892498299 TEL 13942296513 QQ 376315150 892498299 http://www.xiaoyu163.com A B C D 1 2 3 4 1 2 3 4 14 XV-HTD510, XV-HTD510-B CARRIAGE MOTOR (LOADING) : VXM1033 LOMB ASSY (XWZ3463) C SSRB ASSY (XWZ3462) B TRSB ASSY (XWZ3461) A CN2 F 1/3 CN8903 I 3/3 : The power supply is shown with the marked box. 3.3 TRSB, SSRB, LOMB, SMEB and FGSB ASSYS A B C www. xiaoyu163. com QQ 376315150 9 9 2 8 9 4 2 9 8 TEL 13942296513 9 9 2 8 9 4 2 9 8 0 5 1 5 1 3 6 7 3 Q Q TEL 13942296513 QQ 376315150 892498299 TEL 13942296513 QQ 376315150 892498299 http://www.xiaoyu163.com A B C D 5 6 7 8 5 6 7 8 15 XV-HTD510, XV-HTD510-B SPINDLE MOTOR ASSY : VXX2649 CARRRIAGE MOTOR ASSY : VXX2650 SMEB ASSY (VWG2048) D FGSB ASSY (VWG2009) E CN3 F 1/3 : SLIDER SERVO LOOP LINE (S) (S) (S) E D www. xiaoyu163. com QQ 376315150 9 9 2 8 9 4 2 9 8 TEL 13942296513 9 9 2 8 9 4 2 9 8 0 5 1 5 1 3 6 7 3 Q Q TEL 13942296513 QQ 376315150 892498299 TEL 13942296513 QQ 376315150 892498299 http://www.xiaoyu163.com A B C D 1 2 3 4 1 2 3 4 16 XV-HTD510, XV-HTD510-B 1/2 2/3 F 2/3 F 2/3 F 2/3 F 2/3 F 2/3 F 2/3 F PICKUP ASSY CN31 C CN202 D (V) (V) (V) (A) (A) (A) (F) (F) (T) (T) (S) (S) (S) (S) (S) (F) (T) (T) (F) (F) (T) (T) (F) (T) (F) (F) (F) (T) (T) (S) (S) 2 4 1 7 3.4 DVDM ASSY (1/3) 1/3 F www. xiaoyu163. com QQ 376315150 9 9 2 8 9 4 2 9 8 TEL 13942296513 9 9 2 8 9 4 2 9 8 0 5 1 5 1 3 6 7 3 Q Q TEL 13942296513 QQ 376315150 892498299 TEL 13942296513 QQ 376315150 892498299 http://www.xiaoyu163.com A B C D 5 6 7 8 5 6 7 8 17 XV-HTD510, XV-HTD510-B 2/2 2/3 F 3/3 F 2/3 F 2/3 F 2/3 F 2/3 F 2/3 F 2/3 F 2/3 F 2/3 F 2/3 F 2/3 F 2/3 F : The power supply is shown with the marked box. VNK1493 1/2 2/2 CN8902 I 3/3 F 1/3 DVDM ASSY (XWX3034) : RF AUDIO SIGNAL ROUTE : AUDIO DATA SIGNAL ROUTE : RF SIGNAL ROUTE : RF VIDEO SIGNAL ROUTE : FOCUS SERVO LOOP LINE : TRACKING SERVO LOOP LINE : SLIDER SERVO LOOP LINE (F) (V) (A) (AD) (T) (S) (V) (V) (A) (A) (AD) (T) (S) (F) (T) (S) (F) (T) (T) (F) (F) 8 10 11 19 20 18 9 6 5 1/3 F www. xiaoyu163. com QQ 376315150 9 9 2 8 9 4 2 9 8 TEL 13942296513 9 9 2 8 9 4 2 9 8 0 5 1 5 1 3 6 7 3 Q Q TEL 13942296513 QQ 376315150 892498299 TEL 13942296513 QQ 376315150 892498299 http://www.xiaoyu163.com A B C D 1 2 3 4 1 2 3 4 18 XV-HTD510, XV-HTD510-B F 2/3 DVDM ASSY (XWX3034) 3/3 F 1/3 F 3/3 F 3/3 F 1/3 F 1/3 F 1/3 F 1/3 F 1/3 F 1/3 F 3/3 F 3/3 F 3/3 F 1/3 F 3/3 F VYW3003 (V) (AD) (VD) (VD) (AD) : AUDIO DATA SIGNAL ROUTE : RF VIDEO SIGNAL ROUTE (V) (AD) : VIDEO DATA SIGNAL ROUTE (VD) 3.5 DVDM ASSY (2/3) 2/3 F www. xiaoyu163. com QQ 376315150 9 9 2 8 9 4 2 9 8 TEL 13942296513 9 9 2 8 9 4 2 9 8 0 5 1 5 1 3 6 7 3 Q Q TEL 13942296513 QQ 376315150 892498299 TEL 13942296513 QQ 376315150 892498299 http://www.xiaoyu163.com A B C D 5 6 7 8 5 6 7 8 19 XV-HTD510, XV-HTD510-B 3/3 F 3/3 F 3/3 F 3/3 F 3/3 F 1/3 F 1/3 F 1/3 F 1/3 F 1/3 F 1/3 F 1/3 F 1/3 F 3/3 F 3/3 F 1/3 F 1/3, 3/3 F 1/3, 3/3 F 20MHz CN8502 I 3/3 : The power supply is shown with the marked box. VNK1626 2/3 F www. xiaoyu163. com QQ 376315150 9 9 2 8 9 4 2 9 8 TEL 13942296513 9 9 2 8 9 4 2 9 8 0 5 1 5 1 3 6 7 3 Q Q TEL 13942296513 QQ 376315150 892498299 TEL 13942296513 QQ 376315150 892498299 http://www.xiaoyu163.com A B C D 1 2 3 4 1 2 3 4 20 XV-HTD510, XV-HTD510-B AV-1 MPEG2 DECODER 2/3 F 2/3 F 2/3 F 2/3 F 2/3 F 2/3 F 2/3 F 2/3 F 1316 1215 1417 (VCB) (VCB) (Y) (Y) (DVD) (DVD) (AD) (VD) (C) (C) 3.6 DVDM ASSY (3/3) 3/3 F www. xiaoyu163. com QQ 376315150 9 9 2 8 9 4 2 9 8 TEL 13942296513 9 9 2 8 9 4 2 9 8 0 5 1 5 1 3 6 7 3 Q Q TEL 13942296513 QQ 376315150 892498299 TEL 13942296513 QQ 376315150 892498299 http://www.xiaoyu163.com A B C D 5 6 7 8 5 6 7 8 21 XV-HTD510, XV-HTD510-B F 3/3 DVDM ASSY (XWX3034) 2/3 F 2/3 F 2/3 F 2/3 F 2/3 F 1/3 F CN8501 I 3/3 (DVD) (DVD) (DVD) (DVD) (DVD) (VCB) (Y) (C) (VCB) (Y) (VCB) (VCB) (VCB) (Y) (Y) (Y) (C) (C) (C) (V/Cb) : DVD AUDIO SIGNAL ROUTE VNK1626 : VIDEO DATA SIGNAL ROUTE (VD) : VCB SIGNAL ROUTE (VCB) : Y SIGNAL ROUTE (Y) : C SIGNAL ROUTE (C) (DVD) : AUDIO DATA SIGNAL ROUTE (AD) 3/3 F www. xiaoyu163. com QQ 376315150 9 9 2 8 9 4 2 9 8 TEL 13942296513 9 9 2 8 9 4 2 9 8 0 5 1 5 1 3 6 7 3 Q Q TEL 13942296513 QQ 376315150 892498299 TEL 13942296513 QQ 376315150 892498299 http://www.xiaoyu163.com A B C D 1 2 3 4 1 2 3 4 22 XV-HTD510, XV-HTD510-B FRONT AMP ASSY (XWZ3438) G CN3051 I 2/3 CN3053 I 2/3 : The power supply is shown with the marked box. 3.7 FRONT AMP ASSY G www. xiaoyu163. com QQ 376315150 9 9 2 8 9 4 2 9 8 TEL 13942296513 9 9 2 8 9 4 2 9 8 0 5 1 5 1 3 6 7 3 Q Q TEL 13942296513 QQ 376315150 892498299 TEL 13942296513 QQ 376315150 892498299 http://www.xiaoyu163.com A B C D 5 6 7 8 5 6 7 8 23 XV-HTD510, XV-HTD510-B SPEAKERS DC FAN MOTOR : SW AUDIO SIGNAL ROUTE (SW) : FL AUDIO SIGNAL ROUTE (FL) G www. xiaoyu163. com QQ 376315150 9 9 2 8 9 4 2 9 8 TEL 13942296513 9 9 2 8 9 4 2 9 8 0 5 1 5 1 3 6 7 3 Q Q TEL 13942296513 QQ 376315150 892498299 TEL 13942296513 QQ 376315150 892498299 http://www.xiaoyu163.com A B C D 1 2 3 4 1 2 3 4 24 XV-HTD510, XV-HTD510-B REAR AMP ASSY (XWZ3442) H CN3052 I 2/3 CN3054 I 2/3 : The power supply is shown with the marked box. 3.8 REAR AMP ASSY H www. xiaoyu163. com QQ 376315150 9 9 2 8 9 4 2 9 8 TEL 13942296513 9 9 2 8 9 4 2 9 8 0 5 1 5 1 3 6 7 3 Q Q TEL 13942296513 QQ 376315150 892498299 TEL 13942296513 QQ 376315150 892498299 http://www.xiaoyu163.com A B C D 5 6 7 8 5 6 7 8 25 XV-HTD510, XV-HTD510-B SPEAKERS : C AUDIO SIGNAL ROUTE (C) : SL AUDIO SIGNAL ROUTE (SL) H www. xiaoyu163. com QQ 376315150 9 9 2 8 9 4 2 9 8 TEL 13942296513 9 9 2 8 9 4 2 9 8 0 5 1 5 1 3 6 7 3 Q Q TEL 13942296513 QQ 376315150 892498299 TEL 13942296513 QQ 376315150 892498299 http://www.xiaoyu163.com A B C D 1 2 3 4 1 2 3 4 26 XV-HTD510, XV-HTD510-B I 1/3 MAIN ASSY (XWX3030) : The power supply is shown with the marked box. 3.9 MAIN ASSY (1/3) 1/3 I www. xiaoyu163. com QQ 376315150 9 9 2 8 9 4 2 9 8 TEL 13942296513 9 9 2 8 9 4 2 9 8 0 5 1 5 1 3 6 7 3 Q Q TEL 13942296513 QQ 376315150 892498299 TEL 13942296513 QQ 376315150 892498299 http://www.xiaoyu163.com A B C D 5 6 7 8 5 6 7 8 27 XV-HTD510, XV-HTD510-B 3/3 I 3/3 I 3/3 I 3/3 I 3/3 I 2/3 I 2/3 I 2/3 I 2/3 I 2/3, 3/3 I 2/3, 3/3 I 2/3, 3/3 I CAUTION : FOR CONTINUED PROTECTION AGAINST RISK OF FIRE. REPLACE ONLY WITH SAME TYPE NO. 491010 MFD, BY LITTELFUSE INC. FOR IC13 AND IC14 (AEK7022). CAUTION : FOR CONTINUED PROTECTION AGAINST RISK OF FIRE. REPLACE ONLY WITH SAME TYPE NO. 491005 MFD, BY LITTELFUSE INC. FOR IC15 AND IC5004 (AEK7019). CAUTION : FOR CONTINUED PROTECTION AGAINST RISK OF FIRE. REPLACE ONLY WITH SAME TYPE NO. 4910.75 MFD, BY LITTELFUSE INC. FOR IC5001 (AEK7007). CAUTION : FOR CONTINUED PROTECTION AGAINST RISK OF FIRE. REPLACE ONLY WITH SAME TYPE NO. 49103.5 MFD, BY LITTELFUSE INC. FOR IC5005 (AEK7017). 1/3 I www. xiaoyu163. com QQ 376315150 9 9 2 8 9 4 2 9 8 TEL 13942296513 9 9 2 8 9 4 2 9 8 0 5 1 5 1 3 6 7 3 Q Q TEL 13942296513 QQ 376315150 892498299 TEL 13942296513 QQ 376315150 892498299 http://www.xiaoyu163.com A B C D 1 2 3 4 1 2 3 4 28 XV-HTD510, XV-HTD510-B I 2/3 MAIN ASSY (XWX3030) 1/3 I 3/3 I 1/3 I 3/3 I CN3702 M1/2 (VCB) CN5351 L CN5208 K 3.10 MAIN ASSY (2/3) 2/3 I www. xiaoyu163. com QQ 376315150 9 9 2 8 9 4 2 9 8 TEL 13942296513 9 9 2 8 9 4 2 9 8 0 5 1 5 1 3 6 7 3 Q Q TEL 13942296513 QQ 376315150 892498299 TEL 13942296513 QQ 376315150 892498299 http://www.xiaoyu163.com A B C D 5 6 7 8 5 6 7 8 29 XV-HTD510, XV-HTD510-B CN3301 G CN3501 H CN3302 G CN3502 H CN201 J : C SIGNAL ROUTE : DVD AUDIO SIGNAL ROUTE : VCB SIGNAL ROUTE : Y SIGNAL ROUTE (Y) (VCB) (C) (DVD) : SL AUDIO SIGNAL ROUTE : C AUDIO SIGNAL ROUTE : DI AUDIO SIGNAL ROUTE : FL AUDIO SIGNAL ROUTE (FL) (DI) (SL) (C) : TX AUDIO SIGNAL ROUTE : HP AUDIO SIGNAL ROUTE : SW AUDIO SIGNAL ROUTE (SW) (HP) (TX) 2/3 I www. xiaoyu163. com QQ 376315150 9 9 2 8 9 4 2 9 8 TEL 13942296513 9 9 2 8 9 4 2 9 8 0 5 1 5 1 3 6 7 3 Q Q TEL 13942296513 QQ 376315150 892498299 TEL 13942296513 QQ 376315150 892498299 http://www.xiaoyu163.com A B C D 1 2 3 4 1 2 3 4 30 XV-HTD510, XV-HTD510-B I 3/3 MAIN ASSY (XWX3030) 1/3 I 2/3 I 1/3 I 2/3 I 1/3 I 1/3 I 2/3 I 1/3 I CN15 F 3/3 CN5 CN5801 F 2/3 N CN5802 N J13 T (VCB) 3.11 MAIN ASSY (3/3) 3/3 I www. xiaoyu163. com QQ 376315150 9 9 2 8 9 4 2 9 8 TEL 13942296513 9 9 2 8 9 4 2 9 8 0 5 1 5 1 3 6 7 3 Q Q TEL 13942296513 QQ 376315150 892498299 TEL 13942296513 QQ 376315150 892498299 http://www.xiaoyu163.com A B C D 5 6 7 8 5 6 7 8 31 XV-HTD510, XV-HTD510-B CN55 F 1/3 CN3701 M1/2 CN5807 O CN11 A LEVEL SHIFT 2.5V 2.5V 2.5V 0V 0V 0V 3.1V 3.1V 1.6V 1.6V FOR DOWNLOAD : C SIGNAL ROUTE : DVD AUDIO SIGNAL ROUTE : VCB SIGNAL ROUTE : Y SIGNAL ROUTE (Y) (VCB) (C) (DVD) : TRAY POSITION SERVO LOOP LINE (T) : SEDO SERVO LOOP LINE (S) : HP AUDIO SIGNAL ROUTE (HP) 3/3 I www. xiaoyu163. com QQ 376315150 9 9 2 8 9 4 2 9 8 TEL 13942296513 9 9 2 8 9 4 2 9 8 0 5 1 5 1 3 6 7 3 Q Q TEL 13942296513 QQ 376315150 892498299 TEL 13942296513 QQ 376315150 892498299 http://www.xiaoyu163.com A B C D 1 2 3 4 1 2 3 4 32 XV-HTD510, XV-HTD510-B FM FRONT END AM RF TUNING BLOCK TUNER MODULE (AXQ7228) J OSC : 981 - 2052kHz 9k step (AM) (AM) (AM) (AM) (AM) (AM) (FM) (FM) (FM) (FM) (FM) (FM) (FM) (FM) (FM) (FM) 3.12 TUNER MODULE J www. xiaoyu163. com QQ 376315150 9 9 2 8 9 4 2 9 8 TEL 13942296513 9 9 2 8 9 4 2 9 8 0 5 1 5 1 3 6 7 3 Q Q TEL 13942296513 QQ 376315150 892498299 TEL 13942296513 QQ 376315150 892498299 http://www.xiaoyu163.com A B C D 5 6 7 8 5 6 7 8 33 XV-HTD510, XV-HTD510-B 2/3 I CN5701 L201 ATE7003 : TUNER AUDIO SIGNAL ROUTE (TX) : AM SIGNAL ROUTE (AM) : FM SIGNAL ROUTE (FM) (AM) (AM) (FM) (AM) (AM) (AM) (AM) (AM) (AM) (FM) (AM) (FM) (TX) (TX) (TX) (TX) (TX) (FM) : The power supply is shown with the marked box. J www. xiaoyu163. com QQ 376315150 9 9 2 8 9 4 2 9 8 TEL 13942296513 9 9 2 8 9 4 2 9 8 0 5 1 5 1 3 6 7 3 Q Q TEL 13942296513 QQ 376315150 892498299 TEL 13942296513 QQ 376315150 892498299 http://www.xiaoyu163.com A B C D 1 2 3 4 1 2 3 4 34 XV-HTD510, XV-HTD510-B INPUT ASSY (XWZ3455) K VIDEO ASSY (XWZ3459) L 3.13 INPUT and VIDEO ASSYS K L www. xiaoyu163. com QQ 376315150 9 9 2 8 9 4 2 9 8 TEL 13942296513 9 9 2 8 9 4 2 9 8 0 5 1 5 1 3 6 7 3 Q Q TEL 13942296513 QQ 376315150 892498299 TEL 13942296513 QQ 376315150 892498299 http://www.xiaoyu163.com A B C D 5 6 7 8 5 6 7 8 35 XV-HTD510, XV-HTD510-B CN5209 I 2/3 CN5352 I 2/3 CN3703 M1/2 : The power supply is shown with the marked box. : C SIGNAL ROUTE : DVD AUDIO SIGNAL ROUTE : VCB SIGNAL ROUTE : Y SIGNAL ROUTE (Y) (VCB) (VCB) (VCB) (VCB) (VCB) (VCB) (VCB) (C) (DVD) : AUX OUT AUDIO SIGNAL ROUTE : TV AUDIO SIGNAL ROUTE : DI AUDIO SIGNAL ROUTE : FL AUDIO SIGNAL ROUTE (FL) (DI) (AO) (TV) : TX AUDIO SIGNAL ROUTE : AUX IN AUDIO SIGNAL ROUTE (AI) (TX) L K www. xiaoyu163. com QQ 376315150 9 9 2 8 9 4 2 9 8 TEL 13942296513 9 9 2 8 9 4 2 9 8 0 5 1 5 1 3 6 7 3 Q Q TEL 13942296513 QQ 376315150 892498299 TEL 13942296513 QQ 376315150 892498299 http://www.xiaoyu163.com A B C D 1 2 3 4 1 2 3 4 36 XV-HTD510, XV-HTD510-B CN5503 I 3/3 CN3001 I 2/3 : The power supply is shown with the marked box. M 1/2 DSP ASSY (XWX3040) CN5207 K 3.14 DSP ASSY (1/2) 1/2 M www. xiaoyu163. com QQ 376315150 9 9 2 8 9 4 2 9 8 TEL 13942296513 9 9 2 8 9 4 2 9 8 0 5 1 5 1 3 6 7 3 Q Q TEL 13942296513 QQ 376315150 892498299 TEL 13942296513 QQ 376315150 892498299 http://www.xiaoyu163.com A B C D 5 6 7 8 5 6 7 8 37 XV-HTD510, XV-HTD510-B 2/2 M 2/2 M 2/2 M : DVD AUDIO SIGNAL ROUTE (DVD) : C AUDIO SIGNAL ROUTE : SW AUDIO SIGNAL ROUTE : DI AUDIO SIGNAL ROUTE : FL AUDIO SIGNAL ROUTE (FL) (DI) (C) (SW) : AUDIO SIGNAL ROUTE : SL AUDIO SIGNAL ROUTE (SL) 1/2 M www. xiaoyu163. com QQ 376315150 9 9 2 8 9 4 2 9 8 TEL 13942296513 9 9 2 8 9 4 2 9 8 0 5 1 5 1 3 6 7 3 Q Q TEL 13942296513 QQ 376315150 892498299 TEL 13942296513 QQ 376315150 892498299 http://www.xiaoyu163.com A B C D 1 2 3 4 1 2 3 4 38 XV-HTD510, XV-HTD510-B M 2/2 DSP ASSY (XWX3040) 1/2 M 1/2 M (FL) (FL) (FL) (C) (C) (C) (SW) (SW) (SW) (SL) (SL) (SL) 3.15 DSP ASSY (2/2) 2/2 M www. xiaoyu163. com QQ 376315150 9 9 2 8 9 4 2 9 8 TEL 13942296513 9 9 2 8 9 4 2 9 8 0 5 1 5 1 3 6 7 3 Q Q TEL 13942296513 QQ 376315150 892498299 TEL 13942296513 QQ 376315150 892498299 http://www.xiaoyu163.com A B C D 5 6 7 8 5 6 7 8 39 XV-HTD510, XV-HTD510-B : C AUDIO SIGNAL ROUTE : SW AUDIO SIGNAL ROUTE : FL AUDIO SIGNAL ROUTE (FL) (C) (SW) : SL AUDIO SIGNAL ROUTE (SL) (FL) (FL) (C) (C) (SW) (SW) (SL) (SL) 2/2 M www. xiaoyu163. com QQ 376315150 9 9 2 8 9 4 2 9 8 TEL 13942296513 9 9 2 8 9 4 2 9 8 0 5 1 5 1 3 6 7 3 Q Q TEL 13942296513 QQ 376315150 892498299 TEL 13942296513 QQ 376315150 892498299 http://www.xiaoyu163.com A B C D 1 2 3 4 1 2 3 4 40 XV-HTD510, XV-HTD510-B DISPLAY ASSY (XWZ3446) N DISC KEY ASSY (XWZ3449) S CN5509 I 3/3 CN5511 I 3/3 3.16 DISPLAY, MIC HP, KEYB, STBY SWITCH, JOG and DISC KEY ASSYS N S www. xiaoyu163. com QQ 376315150 9 9 2 8 9 4 2 9 8 TEL 13942296513 9 9 2 8 9 4 2 9 8 0 5 1 5 1 3 6 7 3 Q Q TEL 13942296513 QQ 376315150 892498299 TEL 13942296513 QQ 376315150 892498299 http://www.xiaoyu163.com A B C D 5 6 7 8 5 6 7 8 41 XV-HTD510, XV-HTD510-B MIC HP ASSY (XWZ3450) O STBY SWITCH ASSY (XWZ3453) Q KEYB ASSY (XWZ3447) P JOG ASSY (XWZ3448) R : The power supply is shown with the marked box. SWITCHES JOG ASSY S5801 : VOLUME DISC KEY ASSY S5803 : 0 OPEN/CLOSE S5804 : EXCHANGE S5805 : DISC SKIP S5806 : 5 S5807 : 4 S5808 : 3 S5809 : 2 S5810 : 1 STBY SWITCH ASSY S5811 : STANDBY/ON KEYB ASSY S5802 : ¡•¢ (FORWARD) S5812 : DVD/CD S5813 : TUNER/BAND S5814 : TV/AUX S5815 : CD MODE S5816 : 7 (STOP) S5817 : 6 (PLAY/PAUSE) S5818 : 4•1 (REVERSE) CN5501 I 3/3 DISC R Q P O N www. xiaoyu163. com QQ 376315150 9 9 2 8 9 4 2 9 8 TEL 13942296513 9 9 2 8 9 4 2 9 8 0 5 1 5 1 3 6 7 3 Q Q TEL 13942296513 QQ 376315150 892498299 TEL 13942296513 QQ 376315150 892498299 http://www.xiaoyu163.com A B C D 1 2 3 4 1 2 3 4 42 XV-HTD510, XV-HTD510-B CN5011 I 1/3 ATT7049 XTS3051 CN5012 I 1/3 CN8503 I 3/3 3.17 PRIMARY ASSY T www. xiaoyu163. com QQ 376315150 9 9 2 8 9 4 2 9 8 TEL 13942296513 9 9 2 8 9 4 2 9 8 0 5 1 5 1 3 6 7 3 Q Q TEL 13942296513 QQ 376315150 892498299 TEL 13942296513 QQ 376315150 892498299 http://www.xiaoyu163.com A B C D 5 6 7 8 5 6 7 8 43 XV-HTD510, XV-HTD510-B PRIMARY ASSY (XWZ3432) T 5A 2.2M,1/2W FU1: REK1067 • NOTE FOR FUSE REPLACEMENT FOR CONTINUED PROTECTION AGAINST RISK OF FIRE, REPLACE WITH SAME TYPE AND RATINGS OF FUSE. CAUTION - T www. xiaoyu163. com QQ 376315150 9 9 2 8 9 4 2 9 8 TEL 13942296513 9 9 2 8 9 4 2 9 8 0 5 1 5 1 3 6 7 3 Q Q TEL 13942296513 QQ 376315150 892498299 TEL 13942296513 QQ 376315150 892498299 http://www.xiaoyu163.com A B C D 1 2 3 4 1 2 3 4 44 XV-HTD510, XV-HTD510-B WAVEFORMS Note : The encircled numbers denote measuring point in the schematic diagram. Measurement condition : No. 1 to 4 and 6 to 11 : MJK1, Title 1-chp 1 No. 5 : CD, ABEX-784 Track 1 No. 12 to 14 : MJK1, Title 1-chp 4 No. 15 to 17 : MJK1, Title 1-chp 5 1 Foot of R169 (RF) V: 100mV/div. H: 0.2µsec/div. 2 TP2 (RFO) V: 500mV/div. H: 0.1µsec/div. 4 TP3 (Tracking Error) (AI-Inner Tracking Off) V: 500mV/div. H: 2msec/div. 5 IC2 - pin 39 (EFM before slice) V: 1V/div. H: 1µsec/div. 6 IC2 - pin 1 (EFM) V: 1V/div. H: 0.2µsec/div. 7 IC3 - pin 41 (REGB) V: 1V/div. H: 5msec/div. 8 Foot of R261 (FPWM) V: 1V/div. H: 5msec/div. 9 Foot of R262 (VPWM) V: 1V/div. H: 5msec/div. 10 Foot of R263 (PPWM) V: 1V/div. H: 5msec/div. 11 Foot of R264 (RPWM) V: 1V/div. H: 5msec/div. 12 IC18 - pin 45 (Composite Video output) V: 0.2V/div. H: 1msec/div. 13 IC18 - pin 39 (Y output) V: 0.2V/div. H: 5msec/div. 14 IC18 - pin 36 (C output) V: 0.2V/div. H: 5msec/div. 15 IC18 - pin 45 (CB output when selecting color difference output) V: 0.2V/div. H: 5msec/div. 18 18 19 CN55 - pin 5 (DISC SENS) V: 2V/div. H: 1sec/div. 19 CN55 - pin 2 (TRAY POS) V: 2V/div. H: 1sec/div. 20 CN55 - pin 4 (SED0) V: 2V/div. H: 5sec/div. 16 IC18 - pin 39 (Y output when selecting color difference output) V: 0.2V/div. H: 5msec/div. 17 IC18 - pin 36 (CR output when selecting color difference output) V: 0.2V/div. H: 5msec/div. GND GND GND GND GND GND CLOSE Tray Close OPEN DISC CHANGE GND GND GND GND GND GND GND GND GND www. xiaoyu163. com QQ 376315150 9 9 2 8 9 4 2 9 8 TEL 13942296513 9 9 2 8 9 4 2 9 8 0 5 1 5 1 3 6 7 3 Q Q TEL 13942296513 QQ 376315150 892498299 TEL 13942296513 QQ 376315150 892498299 http://www.xiaoyu163.com A B C D 1 2 3 4 1 2 3 4 45 XV-HTD510, XV-HTD510-B VOLTAGES I 3/3 MAIN ASSY • Mode: DVD Play Note ∗ : FL drive voltage, pulse waveform of Low level is VFDP (about -31V) and High level is VDD (+5V). IC5501 (PDC076A) Pin No. Voltage (V) Pin No. Voltage (V) Pin No. Voltage (V) Pin No. Voltage 1 4.8 26 2.4 51 -30.8 76 0 2 4.8 27 0 52 ∗ 77 0 3 3.3 28 0 53 ∗ 78 0 4 4.8 29 4.6 54 ∗ 79 4.7 5 4.8 30 ∗ 55 ∗ 80 − 6 4.8 31 ∗ 56 ∗ 81 4.7 7 4.8 32 ∗ 57 ∗ 82 4.5 8 4.8 33 ∗ 58 ∗ 83 0 9 3.3 34 ∗ 59 ∗ 84 4.7 10 3.4 35 ∗ 60 ∗ 85 0 11 4.8 36 ∗ 61 ∗ 86 0 12 0 37 ∗ 62 ∗ 87 4.8 13 3.2 38 ∗ 63 ∗ 88 0 14 0 39 ∗ 64 ∗ 89 0 15 2.5 40 ∗ 65 ∗ 90 4.8 16 2.5 41 ∗ 66 − 91 0 17 4.8 42 ∗ 67 0 92 0 18 4.8 43 − 68 5.0 93 0 19 4.9 44 − 69 4.2 94 0 20 0 45 − 70 0 95 0 21 0 46 4.8 71 0 96 0 22 4.8 47 ∗ 72 4.8 97 4.8 23 0.2 48 ∗ 73 4.9 98 0 24 4.7 49 ∗ 74 0 99 4.8 25 − 50 ∗ 75 0 100 4.6 www. xiaoyu163. com QQ 376315150 9 9 2 8 9 4 2 9 8 TEL 13942296513 9 9 2 8 9 4 2 9 8 0 5 1 5 1 3 6 7 3 Q Q TEL 13942296513 QQ 376315150 892498299 TEL 13942296513 QQ 376315150 892498299 http://www.xiaoyu163.com A B C D 1 2 3 4 1 2 3 4 46 XV-HTD510, XV-HTD510-B PC101 R101 (VNP1722-A) (XNP3042-A) (XNP3042-A) (XNP3042-A) (XNP3042-A) (XNP3042-A) (XNP3042-A) CARRIAGE MOTOR SPINDLE MOTOR LOADING MOTOR TRAY MOTOR BLK RED M M M NOTE FOR PCB DIAGRAMS : 1. Part numbers in PCB diagrams match those in the schematic diagrams. 2. A comparison between the main parts of PCB and schematic diagrams is shown below. 3. The parts mounted on this PCB include all necessary parts for several destinations. For further information for respective destinations, be sure to check with the schematic diagram. 4. View point of PCB diagrams. Symbol In PCB Diagrams Symbol In Schematic Diagrams Part Name B C E D D G G S S B C E B C E D G S B C E B C E B C E Transistor Transistor with resistor Field effect transistor Resistor array 3-terminal regulator Capacitor Connector P.C.Board Chip Part SIDE A SIDE B 4. PCB CONNECTION DIAGRAM 4.1 TRSB, SSRB, LOMB, SMEB and FGSB ASSYS CN3 F CN2 F SMEB ASSY D TRSB ASSY A TRSB ASSY A SSRB ASSY B SSRB ASSY B LOMB ASSY C CN8903 I SIDE A SIDE B M FGSB ASSY E (VNP1784-A) A B C D E www. xiaoyu163. com QQ 376315150 9 9 2 8 9 4 2 9 8 TEL 13942296513 9 9 2 8 9 4 2 9 8 0 5 1 5 1 3 6 7 3 Q Q TEL 13942296513 QQ 376315150 892498299 TEL 13942296513 QQ 376315150 892498299 http://www.xiaoyu163.com A B C D 1 2 3 4 1 2 3 4 47 XV-HTD510, XV-HTD510-B (ANP7338-B) (ANP7338-B) CN5701 I TUNER MODULE J TUNER MODULE J SIDE A SIDE B IC201 Q205 Q204 Q203 IC202 Q201 Q202 4.2 TUNER MODULE J www. xiaoyu163. com QQ 376315150 9 9 2 8 9 4 2 9 8 TEL 13942296513 9 9 2 8 9 4 2 9 8 0 5 1 5 1 3 6 7 3 Q Q TEL 13942296513 QQ 376315150 892498299 TEL 13942296513 QQ 376315150 892498299 http://www.xiaoyu163.com A B C D 1 2 3 4 1 2 3 4 48 XV-HTD510, XV-HTD510-B DVDM ASSY F (VNP1817-A) SIDE A Q3 IC23 IC11 IC7 IC5 IC15 Q101 Q121 IC8 Q7 IC21 Q4 Q103 Q5 Q102 Q109 Q107 IC1 Q81 IC3 Q83 Q91 IC18 Q6 CN8902 I PICKUP ASSY 4.3 DVDM ASSY F www. xiaoyu163. com QQ 376315150 9 9 2 8 9 4 2 9 8 TEL 13942296513 9 9 2 8 9 4 2 9 8 0 5 1 5 1 3 6 7 3 Q Q TEL 13942296513 QQ 376315150 892498299 TEL 13942296513 QQ 376315150 892498299 http://www.xiaoyu163.com A B C D 1 2 3 4 1 2 3 4 49 XV-HTD510, XV-HTD510-B Q1 IC14 IC13 IC12 IC2 Q114 Q113 Q131 Q106 Q251 Q85 Q89 Q87 IC26 IC27 Q112 IC19 CN202 D CN8501 I DVDM ASSY F SIDE B (VNP1817-A) CN8502 I CN31 C F www. xiaoyu163. com QQ 376315150 9 9 2 8 9 4 2 9 8 TEL 13942296513 9 9 2 8 9 4 2 9 8 0 5 1 5 1 3 6 7 3 Q Q TEL 13942296513 QQ 376315150 892498299 TEL 13942296513 QQ 376315150 892498299 http://www.xiaoyu163.com A B C D 1 2 3 4 1 2 3 4 50 XV-HTD510, XV-HTD510-B (XNP3044-C) CN3051 I FRONT AMP ASSY G CN3053 I DC FAN MOTOR Q3701 Q3714 Q3713 IC3321 Q3352 Q3351 Q3651 Q3372 IC3301 SIDE A 4.4 FRONT AMP ASSY G www. xiaoyu163. com QQ 376315150 9 9 2 8 9 4 2 9 8 TEL 13942296513 9 9 2 8 9 4 2 9 8 0 5 1 5 1 3 6 7 3 Q Q TEL 13942296513 QQ 376315150 892498299 TEL 13942296513 QQ 376315150 892498299 http://www.xiaoyu163.com A B C D 1 2 3 4 1 2 3 4 51 XV-HTD510, XV-HTD510-B (XNP3044-C) FRONT AMP ASSY G Q3703 Q3705 Q3715 Q3603 Q3302 Q3301 Q3711 Q3712 Q3717 Q3716 Q3774 Q3771 Q3773 SIDE B G www. xiaoyu163. com QQ 376315150 9 9 2 8 9 4 2 9 8 TEL 13942296513 9 9 2 8 9 4 2 9 8 0 5 1 5 1 3 6 7 3 Q Q TEL 13942296513 QQ 376315150 892498299 TEL 13942296513 QQ 376315150 892498299 http://www.xiaoyu163.com A B C D 1 2 3 4 1 2 3 4 52 XV-HTD510, XV-HTD510-B 4.5 REAR AMP ASSY (XNP3044-C) CN3052 I REAR AMP ASSY H CN3054 I Q3813 Q3702 Q3814 IC3322 IC3401 IC5021 IC5007 Q5021 SIDE A H www. xiaoyu163. com QQ 376315150 9 9 2 8 9 4 2 9 8 TEL 13942296513 9 9 2 8 9 4 2 9 8 0 5 1 5 1 3 6 7 3 Q Q TEL 13942296513 QQ 376315150 892498299 TEL 13942296513 QQ 376315150 892498299 http://www.xiaoyu163.com A B C D 1 2 3 4 1 2 3 4 53 XV-HTD510, XV-HTD510-B (XNP3044-C) REAR AMP ASSY H SIDE B Q3812 Q3815 Q3811 Q3817 Q3816 Q3452 Q3451 Q3501 Q3551 Q3401 Q3402 Q3704 Q3706 H www. xiaoyu163. com QQ 376315150 9 9 2 8 9 4 2 9 8 TEL 13942296513 9 9 2 8 9 4 2 9 8 0 5 1 5 1 3 6 7 3 Q Q TEL 13942296513 QQ 376315150 892498299 TEL 13942296513 QQ 376315150 892498299 http://www.xiaoyu163.com A B C D 1 2 3 4 1 2 3 4 54 XV-HTD510, XV-HTD510-B CN3501 H MAIN ASSY I CN3301 G CN3302 G T CN5807 O CN201 J CN3701 M CN3502 H CN3702 M CN5208 K CN5351 L IC3151 IC3152 IC3171 IC3161 IC3002 IC3181 Q5721 IC15 IC14 IC13 IC18 4.6 MAIN ASSY I www. xiaoyu163. com QQ 376315150 9 9 2 8 9 4 2 9 8 TEL 13942296513 9 9 2 8 9 4 2 9 8 0 5 1 5 1 3 6 7 3 Q Q TEL 13942296513 QQ 376315150 892498299 TEL 13942296513 QQ 376315150 892498299 http://www.xiaoyu163.com A B C D 5 6 7 8 5 6 7 8 55 XV-HTD510, XV-HTD510-B (XNP3043-C) CN15 F CN55 F CN5 F CN5802 N CN5801 N T1 T1 J13 T CN11 A CN3701 8 IC17 Q5072 IC5001 IC5004 IC5005 IC5071 Q5031 Q5041 Q5071 Q5501 IC5081 Q5043 SIDE A I www. xiaoyu163. com QQ 376315150 9 9 2 8 9 4 2 9 8 TEL 13942296513 9 9 2 8 9 4 2 9 8 0 5 1 5 1 3 6 7 3 Q Q TEL 13942296513 QQ 376315150 892498299 TEL 13942296513 QQ 376315150 892498299 http://www.xiaoyu163.com A B C D 1 2 3 4 1 2 3 4 56 XV-HTD510, XV-HTD510-B MAIN ASSY I IC8541 IC8531 IC8901 IC5401 IC8521 IC5081 IC5501 Q5042 Q5032 Q5551-Q5554 Q5571 Q5572 Q3905 Q3906 I www. xiaoyu163. com QQ 376315150 9 9 2 8 9 4 2 9 8 TEL 13942296513 9 9 2 8 9 4 2 9 8 0 5 1 5 1 3 6 7 3 Q Q TEL 13942296513 QQ 376315150 892498299 TEL 13942296513 QQ 376315150 892498299 http://www.xiaoyu163.com A B C D 5 6 7 8 5 6 7 8 57 XV-HTD510, XV-HTD510-B (XNP3043-C) IC5701 Q3919 Q3904 Q3903 IC8802 Q3252 Q3251 Q3253 IC3001 SIDE B I www. xiaoyu163. com QQ 376315150 9 9 2 8 9 4 2 9 8 TEL 13942296513 9 9 2 8 9 4 2 9 8 0 5 1 5 1 3 6 7 3 Q Q TEL 13942296513 QQ 376315150 892498299 TEL 13942296513 QQ 376315150 892498299 http://www.xiaoyu163.com A B C D 1 2 3 4 1 2 3 4 58 XV-HTD510, XV-HTD510-B (XNP3048-C) (XNP3048-C) (XNP3048-C) (XNP3048-C) CN3703 M INPUT ASSY K INPUT ASSY K VIDEO ASSY L VIDEO ASSY L CN5352 I CN5209 I IC5353 Q5273 Q5254 Q5272 IC5104 IC5351 Q5161 Q5171 Q5181 Q5351 Q5271 IC5352 IC5231 Q5231 Q5232 SIDE A SIDE B 4.7 INPUT and VIDEO ASSYS K L www. xiaoyu163. com QQ 376315150 9 9 2 8 9 4 2 9 8 TEL 13942296513 9 9 2 8 9 4 2 9 8 0 5 1 5 1 3 6 7 3 Q Q TEL 13942296513 QQ 376315150 892498299 TEL 13942296513 QQ 376315150 892498299 http://www.xiaoyu163.com A B C D 1 2 3 4 1 2 3 4 59 XV-HTD510, XV-HTD510-B (XNP3045-C) (XNP3045-C) CN3001 I DSP ASSY M DSP ASSY M CN5503 I CN5207 K Q8713 Q8715 IC8705 IC8703 Q8714 Q8712 Q8711 Q8717 Q8716 IC8701 IC8801 IC3751 IC3851 IC3801 Q8718 Q8710 Q8709 SIDE A SIDE B 4.8 DSP ASSY M www. xiaoyu163. com QQ 376315150 9 9 2 8 9 4 2 9 8 TEL 13942296513 9 9 2 8 9 4 2 9 8 0 5 1 5 1 3 6 7 3 Q Q TEL 13942296513 QQ 376315150 892498299 TEL 13942296513 QQ 376315150 892498299 http://www.xiaoyu163.com A B C D 1 2 3 4 1 2 3 4 60 XV-HTD510, XV-HTD510-B DISPLAY ASSY N KEYB ASSY P MIC HP ASSY O STBY SWITCH ASSY Q CN5509 I CN5501 I (XNP3044-C) (XNP3044-C) 4.9 DISPLAY, MIC HP, KEYB, STBY SWITCH, JOG and DISC KEY ASSYS N O P Q www. xiaoyu163. com QQ 376315150 9 9 2 8 9 4 2 9 8 TEL 13942296513 9 9 2 8 9 4 2 9 8 0 5 1 5 1 3 6 7 3 Q Q TEL 13942296513 QQ 376315150 892498299 TEL 13942296513 QQ 376315150 892498299 http://www.xiaoyu163.com A B C D 5 6 7 8 5 6 7 8 61 XV-HTD510, XV-HTD510-B (XNP3044-C) DISC KEY ASSY S JOG ASSY R 5509 CN5511 I SIDE A (XNP3044-C) (XNP3044-C) (XNP3044-C) N P R S www. xiaoyu163. com QQ 376315150 9 9 2 8 9 4 2 9 8 TEL 13942296513 9 9 2 8 9 4 2 9 8 0 5 1 5 1 3 6 7 3 Q Q TEL 13942296513 QQ 376315150 892498299 TEL 13942296513 QQ 376315150 892498299 http://www.xiaoyu163.com A B C D 1 2 3 4 1 2 3 4 62 XV-HTD510, XV-HTD510-B DISPLAY ASSY N KEYB ASSY P DISC KEY ASSY S JOG ASSY R IC5801 Q5804 Q5803 SIDE B (XNP3044-C) (XNP3044-C) N P R S www. xiaoyu163. com QQ 376315150 9 9 2 8 9 4 2 9 8 TEL 13942296513 9 9 2 8 9 4 2 9 8 0 5 1 5 1 3 6 7 3 Q Q TEL 13942296513 QQ 376315150 892498299 TEL 13942296513 QQ 376315150 892498299 http://www.xiaoyu163.com A B C D 5 6 7 8 5 6 7 8 63 XV-HTD510, XV-HTD510-B (XNP3044-C) MIC HP ASSY O STBY SWITCH ASSY Q Q5802 (XNP3044-C) (XNP3044-C) (XNP3044-C) IC5802 N O P Q www. xiaoyu163. com QQ 376315150 9 9 2 8 9 4 2 9 8 TEL 13942296513 9 9 2 8 9 4 2 9 8 0 5 1 5 1 3 6 7 3 Q Q TEL 13942296513 QQ 376315150 892498299 TEL 13942296513 QQ 376315150 892498299 http://www.xiaoyu163.com A B C D 1 2 3 4 1 2 3 4 64 XV-HTD510, XV-HTD510-B T 4.10 PRIMARY ASSY (XNP3044-C) CN8503 I AC IN PRIMARY ASSY T IC41 Q41 SIDE A T1 www. xiaoyu163. com QQ 376315150 9 9 2 8 9 4 2 9 8 TEL 13942296513 9 9 2 8 9 4 2 9 8 0 5 1 5 1 3 6 7 3 Q Q TEL 13942296513 QQ 376315150 892498299 TEL 13942296513 QQ 376315150 892498299 http://www.xiaoyu163.com A B C D 1 2 3 4 1 2 3 4 65 XV-HTD510, XV-HTD510-B (XNP3044-C) PRIMARY ASSY T SIDE B T www. xiaoyu163. com QQ 376315150 9 9 2 8 9 4 2 9 8 TEL 13942296513 9 9 2 8 9 4 2 9 8 0 5 1 5 1 3 6 7 3 Q Q TEL 13942296513 QQ 376315150 892498299 TEL 13942296513 QQ 376315150 892498299 http://www.xiaoyu163.com Mark No. Description Part No. Mark No. Description Part No. 66 XV-HTD510, XV-HTD510-B Mark No. Description Part No. Mark No. Description Part No. 5. PCB PARTS LIST NOTES: •Parts marked by "NSP" are generally unavailable because they are not in our Master Spare Parts List. •The mark found on some component parts indicates the importance of the safety factor of the part. Therefore, when replacing, be sure to use parts of identical designation. •When ordering resistors, first convert resistance values into code form as shown in the following examples. Ex.1 When there are 2 effective digits (any digit apart from 0), such as 560 ohm and 47k ohm (tolerance is shown by J=5%, and K=10%). 560 Ω → 56 × 10 1 → 561 ........................................................ RD1/4PU 5 6 1 J 47k Ω → 47 × 10 3 → 473 ........................................................ RD1/4PU 4 7 3 J 0.5 Ω → R50 ..................................................................................... RN2H R 5 0 K 1 Ω → 1R0 ..................................................................................... RS1P 1 R 0 K Ex.2 When there are 3 effective digits (such as in high precision metal film resistors). 5.62k Ω → 562 × 10 1 → 5621 ...................................................... RN1/4PC 5 6 2 1 F LIST OF ASSEMBLIES NSP 5C MECH. BASE ASSY XXA3027 NSP MECB ASSY XWM3197 NSP TRSB ASSY XWZ3461 NSP SSRB ASSY XWZ3462 NSP LOMB ASSY XWZ3463 Traverse Mechanism Assy-S VXX2653 NSP SMEB ASSY VWG2048 NSP FGSB ASSY VWG2009 NSP COMPLEX ASSY XWM3187 PRIMARY ASSY XWZ3432 FRONT AMP ASSY XWZ3438 REAR AMP ASSY XWZ3442 DISPLAY ASSY XWZ3446 KEYB ASSY XWZ3447 NSP JOG ASSY XWZ3448 NSP DISC KEY ASSY XWZ3449 MIC HP ASSY XWZ3450 NSP STBY SWITCH ASSY XWZ3453 NSP CONNECT ASSY XWM3193 INPUT ASSY XWZ3455 VIDEO ASSY XWZ3459 DVDM ASSY XWX3034 MAIN ASSY XWX3030 DSP ASSY XWX3040 TUNER MODULE AXQ7228 TRSB ASSY SWITCH S11 VSK1011 RESISTORS R11 RS1/10S0R0J OTHERS CN12 7P FFC CONNECTOR VKN1211 CN11 8P FFC CONNECTOR VKN1268 SSRB ASSY SEMICONDUCTORS Q21 2SC2412K Q22 DTC124EK PC21 GP2S28 PC22 RPI-574 SWITCH S21 VSK1011 CAPACITOR C21 CKSQYB102K50 RESISTORS All Resistors RS1/10S J OTHERS CN21 7P FFC CONNECTOR VKN1211 LOMB ASSY CAPACITOR C31 CKSQYB102K50 OTHERS CN31 KR CONNECTOR B2B-PH-K SMEB ASSY SWITCH S201 DSG1016 OTHERS CN201 3P FFC CONNECTOR 52044-0345 CN202 8P FFC CONNECTOR VKN1212 PC BOARD SMEB VNP1722 B C D A www. xiaoyu163. com QQ 376315150 9 9 2 8 9 4 2 9 8 TEL 13942296513 9 9 2 8 9 4 2 9 8 0 5 1 5 1 3 6 7 3 Q Q TEL 13942296513 QQ 376315150 892498299 TEL 13942296513 QQ 376315150 892498299 http://www.xiaoyu163.com Mark No. Description Part No. Mark No. Description Part No. 67 XV-HTD510, XV-HTD510-B FGSB ASSY SEMICONDUCTOR PC101 GP2S60 RESISTOR R101 RS1/10S331J DVDM ASSY SEMICONDUCTORS IC5,IC7 BA4510F IC21 BU2288FV IC14 KM68V1000CLT-7L IC1 LA9701M IC2 LC78652W IC3 M56788FP IC19 MB811171622A-100FN IC18 MB86373B IC15 MN414800CSJ-07 IC11 PD3410A IC12 PE5108A IC8 TC7SHU04F IC13 XYW3003 Q106,Q109,Q81,Q83,Q85 2SA1576A Q114,Q121,Q251 2SC4081 Q131 DTC114EUA Q102 HN1A01F Q103,Q6,Q7 HN1B04FU Q101 HN1C01F Q112,Q113 HN1C01FU Q107,Q4,Q5 RN1902 Q3 RN1911 Q1 RN4982 D301 KV1471E D6 RB501V-40 COILS L150,L330 LCYA100J2520 L304 LCYA2R7J2520 L81 CHIP COIL VTL1067 L9170 CHIP BEAD VTL1084 CAPACITORS C845,C846,C849-C852 CCSRCH100D50 C123,C146,C613,C806,C843 CCSRCH101J50 C372,C402,C404,C408 CCSRCH101J50 C322 CCSRCH120J50 C135 CCSRCH121J50 C104-C108 CCSRCH150J50 C206,C210,C211 CCSRCH151J50 C333 CCSRCH180J50 C314,C336 CCSRCH220J50 C152 CCSRCH221J50 C151 CCSRCH270J50 C127,C209,C337 CCSRCH331J50 C116,C134,C236 CCSRCH470J50 C122,C208 CCSRCH471J50 C126,C335 CCSRCH560J50 C334 CCSRCH5R0C50 C124,C132 CCSRCH680J50 C117,C240,C352,C360 CCSRCH681J25 C129,C142,C842 CEV101M10 C113,C139 CEV220M16 C405,C413,C700,C808 CEV221M4 C368,C411 CEV470M16 C111,C149,C205,C207,C401 CEV470M6R3 C403,C407 CEV470M6R3 C140,C223,C224,C252,C264 CKSQYB105K10 C312 CKSQYB105K10 C216,C313 CKSRYB102K50 C133,C136,C203,C220,C225 CKSRYB103K50 C239,C320,C321,C330,C625 CKSRYB103K50 C703,C711 CKSRYB103K50 C101,C102,C114,C118,C119 CKSRYB104K25 C121,C138,C204,C212,C213 CKSRYB104K25 C227,C231,C263,C315,C317 CKSRYB104K25 C332,C804,C604,C606,C609 CKSRYB104K25 C611,C612,C614,C617,C619 CKSRYB104K25 C705,C707,C709,C710,C713 CKSRYB104K25 C714,C722,C724,C807,C809 CKSRYB104K25 C811,C812,C814,C815,C817 CKSRYB104K25 C819,C821 CKSRYB104K25 C153,C266,C357 CKSRYB223K50 C214,C251,C261,C351,C354 CKSRYB472K50 C109,C110,C120,C130,C131 CKSRYF104Z50 C143,C150,C1901,C1902,C202 CKSRYF104Z50 C215,C221,C222,C226,C230 CKSRYF104Z50 C235,C265,C299,C319,C359 CKSRYF104Z50 C367,C369,C370,C601,C605 CKSRYF104Z50 C607,C608,C610,C615,C618 CKSRYF104Z50 C620,C626,C701,C702,C704 CKSRYF104Z50 C706,C708,C712,C715-C721 CKSRYF104Z50 C723,C726,C820,C844 CKSRYF104Z50 C148,C217,C327,C801,C802 CKSRYF105Z10 C810,C813,C818,C828,C830 CKSRYF105Z10 RESISTORS R632 RAB4C0R0J R657,R658 RAB4C103J R121,R663 RAB4C220J R123 RAB4C390J R202,R3510 RS1/10S101J R700 RS1/10S1R0J R807 RS1/16S1201F R806 RS1/16S1501F R363,R365 RS1/16S1503F R825-R827 RS1/16S2000F R805 RS1/16S2701F R361,R364 RS1/16S7502F Other Resistors RS1/16S J OTHERS X2 CHIP CERALOCK DSS1110 (20MHz) CN2 PH CONNECTOR S2B-PH-SM3 FLEXIBLE CABLE(07P) VDA1681 CN555 24P FFC CONNECTOR VKN1464 CN55 7P FFC CONNECTOR VKN1493 CN15,CN5 B TO B CONNECTOR 30P VKN1626 CN3 8P FFC CONNECTOR VKN1763 X1 CRYSTAL RESONATOR VSS1159 (27.000MHz) E F www. xiaoyu163. com QQ 376315150 9 9 2 8 9 4 2 9 8 TEL 13942296513 9 9 2 8 9 4 2 9 8 0 5 1 5 1 3 6 7 3 Q Q TEL 13942296513 QQ 376315150 892498299 TEL 13942296513 QQ 376315150 892498299 http://www.xiaoyu163.com Mark No. Description Part No. Mark No. Description Part No. 68 XV-HTD510, XV-HTD510-B FRONT AMP ASSY SEMICONDUCTORS IC3301 STK413-000 Q3351,Q3352,Q3651 2SC2240 Q3716,Q3717 2SC2412K Q3701 2SD1858X Q3301,Q3302,Q3603 2SD2114K Q3772 2SD2144S Q3713,Q3714 DTA123JS Q3771 DTA124EK Q3773 DTA124TK Q3703,Q3715 DTA143EK Q3705 DTC123TK Q3774 DTC124EK Q3711,Q3712 DTC143EK D3771 11ES2 D3351-D3354,D3361,D3371,D3372 1SS133 D3651,D3653,D3705,D3706,D3772 1SS133 D3774,D3775 MTZJ15B COILS L3361,L3362,L3661 ATH1004 RELAYS RY3361,RY3362 XSR3002 CAPACITORS C3305,C3306,C3312 CCSRCH101J50 C3309-C3311 CCSRCJ3R0C50 C3713 CEAL101M10 C3771 CEAT101M16 C3322-C3325 CEAT101M63 C3772 CEAT2R2M50 C3601 CEJQ100M35 C3712,C3774,C3775 CEJQ101M10 C3331 CEJQ220M25 C3301,C3302 CEJQ2R2M50 C3711,C3776 CEJQ470M16 C3307,C3321 CEJQNP330M35 C3609 CKSRYB102K50 C3603 CKSRYB103K50 C3361-C3364,C3661,C3663 CKSRYB104K25 C3303,C3304 CKSRYB222K50 RESISTORS R3363,R3364,R3663 RD1/2PM4R7J R3361,R3362,R3661 RD1/2PMF100J R3321,R3322 RD1/4MUF101J R3708 RD1/4PU120J R3776,R3777 RD1/4PU152J R3773 RF1/4PS330J R3324-R3329 RS2LMFR22J R3351,R3352,R3651 (0.22Ω/5W) XCN3001 Other Resistors RS1/16S J OTHERS CN3302 09P CONNECTOR PLUG AKM7063 CN3301 15P SOCKET AKP7071 CN3701 PLUG(2P) KM200SA2 CN3303 SPEAKER TERMINAL 6-P XKE3008 REAR AMP ASSY SEMICONDUCTORS IC5021 NJM7812FA IC5007 NJM7912FA IC3401 STK402-230 Q5021 2SB1237X Q3451,Q3452,Q3551,Q3816,Q3817 2SC2412K Q3702 2SD1858X Q3401,Q3402,Q3501 2SD2114K Q3813,Q3814 DTA123JS Q3704,Q3815 DTA143EK Q3706 DTC123TK Q3811,Q3812 DTC143EK D5013-D5018 11ES2 D3451,D3453,D3454,D3461,D3551 1SS133 D3553,D3703,D3704,D5022 1SS133 D3452 1SS355 D5021 MTZJ15B D62 MTZJ5.1B COILS L3461,L3462,L3561 ATH-133 RELAYS RY3461,RY3462 XSR3002 CAPACITORS C3409,C3410,C3509 CCSRCH330J50 C62 CEAL470M16 C3811 CEAT470M16 C3407,C3408,C3507,C5012,C5022 CEJQ100M35 C3812 CEJQ101M10 C3423,C3424 CEJQ101M35 C3813 CEJQ101M6R3 C3431 CEJQ220M25 C3401,C3402,C3501 CEJQ2R2M50 C5023 CEJQ470M16 C3425,C3461-C3464,C3561,C3563 CKSRYB104K25 C3405,C3406,C3505 CKSRYB221K50 C3403,C3404,C3503 CKSRYB471K50 C5011,C5021 CKSRYF104Z50 RESISTORS R62 RD1/2PM221J R3463,R3464,R3563 RD1/2PM4R7J R3461,R3462,R3561 RD1/2PMF100J R3421,R3422 RD1/4MUF101J R3707 RD1/4PU120J R3451,R3452,R3551 RS2LMFR22J Other Resistors RS1/16S J OTHERS CN3502 13P CONNECTOR PLUG AKM7067 CN3501 13P SOCKET AKP7070 PCB BINDER VEF1040 CN3401 SPEAKER TERMINAL 6P XKE3009 G H www. xiaoyu163. com QQ 376315150 9 9 2 8 9 4 2 9 8 TEL 13942296513 9 9 2 8 9 4 2 9 8 0 5 1 5 1 3 6 7 3 Q Q TEL 13942296513 QQ 376315150 892498299 TEL 13942296513 QQ 376315150 892498299 http://www.xiaoyu163.com Mark No. Description Part No. Mark No. Description Part No. 69 XV-HTD510, XV-HTD510-B MAIN ASSY SEMICONDUCTORS IC5001 PROTECTOR (750mA) AEK7007 IC5005 PROTECTOR (3.5A) AEK7017 IC15,IC5004 PROTECTOR (5A) AEK7019 IC13,IC14 PROTECTOR (10A) AEK7022 IC5071 BA05T IC8521 BA25BC0FP IC3151,IC3152,IC3161,IC3171 BA4558F IC3902 BA4560F IC8901 BA6195FP IC3001 M62446FP IC5081 NJM78M05FA IC5501 PDC076A IC8531 TC74HCT7007AF IC8541 TC74VHC125F Q3906 2SA1037K Q5072 2SA965 Q5043,Q5071 2SB1237X Q5031,Q5041 2SB1375 Q5032,Q5042,Q5572 2SC2412K Q5501,Q5721 2SD1858X Q3903,Q3904,Q3919,Q3920,Q5051 2SD2114K Q3905 DTA124EK Q5553,Q5554 DTA143EK Q3251,Q3252 DTC114TK Q8922 DTC114YK Q3253 DTC124EK Q5551,Q5552,Q5571 DTC143EK D5010,D5011,D5074,D5075 11ES2 D3901,D5042,D5072,D5078,D5578 1SS133 D5741 1SS133 D5005,D5006 D3SBA20(B) D11,D12 D5SBA20(B) D5721 MTZJ11C D5079 MTZJ33A D5043 MTZJ4.7A D3203,D3204,D5076 MTZJ6.8B D5071 MTZJ7.5C D5031 UDZS7.5B COIL L5501 LAU220J CAPACITORS C5526 (0.047F) ACH1246 C21,C22 (3300µF/56V) ACH7045 C3006-C3008,C5504,C5513-C5516 CCSRCH101J50 C5573,C8536,C8914 CCSRCH101J50 C8910-C8913,C8916 CCSRCH221J50 C9004 CCSRCH331J50 C8907 CEAL101M10 C33,C34 CEANP100M35 C3190,C3903-C3908,C3917,C5043 CEAT100M50 C5072,C5076,C5082,C5571,C5722 CEAT100M50 C5741,C5742 CEAT100M50 C5032,C5042,C5045,C5073,C5523 CEAT101M10 C8522,C8909 CEAT101M10 C5010 CEAT101M50 C5574 CEAT1R0M50 C5051,C5074,C5075 CEAT220M50 C3001,C3002 CEAT221M16 C3157,C3158,C3167,C3168,C3179 CEAT2R2M50 C5033,C5703 CEAT470M16 C31,C32 CEAT472M35 C5006,C5008 CEAT682M16 C3005 CEJQ100M16 C3181,C3183 CFTLA154J50 C3155,C3156 CFTLA393J50 C3913,C3914,C5527 CKSRYB102K50 C3010,C3165,C3166,C3175 CKSRYB103K50 C3191-C3196,C5510-C5512 CKSRYB103K50 C5517,C5518,C5524,C5572,C8902 CKSRYB103K50 C8908,C9003 CKSRYB103K50 C3141-C3144,C5031,C5041,C5071 CKSRYB104K25 C5081,C5502,C5503,C5525,C8521 CKSRYB104K25 C8523,C8533,C8543,C8905,C8906 CKSRYB104K25 C8915 CKSRYB104K25 C3911,C3912 CKSRYB221K50 C3151,C3152 CKSRYB222K50 C3153,C3154,C3163,C3164,C3171 CKSRYB472K50 C8532,C8542 CKSRYB473K25 RESISTORS R3219,R3220 RD1/2PM151J R5077,R5078,R8533,R8534 RD1/4PU101J R5075 RD1/4PU102J R5580 RD1/4PU103J R3909,R3910 RD1/4PU470J R5076 RD1/4PU472J R5568 RD1/4PU473J R5031 RD1/4PU821J R8930 RS1/16S1002F R8909 RS1/16S1502F R8914,R8928 RS1/16S2402F R8927 RS1/16S2701F R8929 RS1/16S5601F Other Resistors RS1/16S J OTHERS CN5501 5P FFC CONNECTOR 52045-0545 CN5701 13P FFC CONNECTOR 52045-1345 CN5509 19P FFC CONNECTOR 52045-1945 CN5511 27P FFC CONNECTOR 52045-2745 CN8503 4P JUMPER CONNECTOR 52147-0410 CN5352 11P PLUG AKP7058 CN3052 13P PLUG AKP7059 CN3051,CN5503 15P PLUG AKP7060 CN5209 19P PLUG AKP7062 CN3001 21P PLUG AKP7063 CN3053 09P CONNECTOR AKP7151 SOCKET CN3054 13P CONNECTOR AKP7155 SOCKET HEAT SINK ANH-575 CN5011 5P-VH CONNECTOR B5P-VH CN5012 7P-VH CONNECTOR B7P-VH SCREW BBZ30P080FZK CN5507,CN8902 VKN1211 7P FFC CONNECTOR CN8501,CN8502 VKN1627 B TO B CONNECTOR 30P CN8903 8P FFC CONNECTOR VKN1707 KN5001 EARTH METAL FITTING VNF1084 X5501 CERAMIC RESONATOR ASS7034 (10MHz) I www. xiaoyu163. com QQ 376315150 9 9 2 8 9 4 2 9 8 TEL 13942296513 9 9 2 8 9 4 2 9 8 0 5 1 5 1 3 6 7 3 Q Q TEL 13942296513 QQ 376315150 892498299 TEL 13942296513 QQ 376315150 892498299 http://www.xiaoyu163.com Mark No. Description Part No. Mark No. Description Part No. 70 XV-HTD510, XV-HTD510-B TUNER MODULE SEMICONDUCTORS IC201 BA1451F IC202 LC72131MD Q201,Q204,Q205 2SC2412K Q202 DTA124ES Q203 DTC124EK D201 1SS133 D202 MTZJ5.1C COILS AND FILTERS L201 ATE7003 F202 ATF-107 F201 ATF-119 F203 ATF1155 CAPACITORS C206 CCSRCH100D50 C212,C213,C226,C233-C235 CCSRCH101J50 C240 CCSRCH101J50 C231,C232 CCSRCH150J50 C223 CEAT100M50 C229 CEAT101M10 C224 CEAT1R0M50 C227 CEAT220M25 C241 CEAT2R2M50 C243 CEAT330M16 C228 CEAT3R3M50 C237 CEAT470M10 C211 CEJA1R0M50 C210 CEJA470M16 C204,C238,C602 CKSRYB102K50 C101,C102,C208,C220,C239 CKSRYB103K50 C242,C601 CKSRYB103K50 C216,C217 CKSRYB123K50 C225 CKSRYB153K50 C201,C205,C209,C214,C230 CKSRYB223K50 C236,C603 CKSRYB223K50 C221 CKSRYB224K10 C202,C222 CKSRYB473K16 C215 CKSRYB681K50 RESISTORS R211 RD1/4PU221J R221 RD1/4PU222J R233 RD1/4PU391J R243 RS1/10S0R0J R103 RS1/10S331J R104 RS1/10S391J Other Resistors RS1/16S J OTHERS CN201 13P CONNECTOR 52044-1345 BN201 TERMINAL 4P AKA7003 SHIELD CASE T ANK7072 SHIELD CASE B ANK7073 X201 CRYSTAL RESONATOR ASS1093 (7.2000MHz) FM FRONT END AXF7003 AM RF TUNING BLOCK AXX7071 INPUT ASSY SEMICONDUCTORS IC5352 BA4558F-HT IC5231 BU4052BCF Q5271,Q5272 2SD2114K Q5273 DTA124EK Q5231,Q5232 DTC124EK D5253 1SS181 D5252 1SS355 COILS L5201,L5202,L5205,L5207,L5208 VTL1112 L5211,L5271,L5272,L5280 VTL1112 CAPACITORS C5201-C5204,C5207-C5210 CCSRCH101J50 C5271,C5272 CCSRCH101J50 C5239,C5240 CEAT100M50 C5212-C5215,C5231,C5232 CEAT470M16 C5229,C5230,C5233,C5234 CKSRYB103K50 C5244-C5246 CKSRYB103K50 RESISTORS Other Resistors RS1/16S J OTHERS JA5201 PIN JACK (6P) AKB7113 CN5208 19P SOCKET AKP7073 CN5207 KR CONNECTOR S3B-PH-K VIDEO ASSY SEMICONDUCTORS IC5351 LA7138M IC5104 TC7WU04F Q5161,Q5171,Q5181,Q5351 2SA1037K COILS AND FILTERS L5161,L5171,L5181 LCTB120K1608 F5101 VTF1096 L5371,L5378,L5379 VTL1087 CAPACITORS C5106 CCSRCH100D50 C5163,C5173,C5183 CCSRCH180J50 C5371,C5379 CCSRCH331J50 C5161,C5162,C5171,C5172 CCSRCH6R0D50 C5181,C5182 CCSRCH6R0D50 C5354,C5356,C5360 CEAT101M16 C5105 CEAT470M16 C5372,C5380 CEAT471M6R3 C5107,C5392 CKSRYB102K50 C5101,C5103,C5104,C5164,C5174 CKSRYB104K25 C5184,C5351-C5353,C5357,C5361 CKSRYB104K25 C5381 CKSRYB104K25 RESISTORS Other Resistors RS1/16S J K L J www. xiaoyu163. com QQ 376315150 9 9 2 8 9 4 2 9 8 TEL 13942296513 9 9 2 8 9 4 2 9 8 0 5 1 5 1 3 6 7 3 Q Q TEL 13942296513 QQ 376315150 892498299 TEL 13942296513 QQ 376315150 892498299 http://www.xiaoyu163.com Mark No. Description Part No. Mark No. Description Part No. 71 XV-HTD510, XV-HTD510-B OTHERS JA5103 PIN JACK (1P) AKB7111 CN5352 4P MINI DIN SOCKET AKP7008 CN5351 11P SOCKET AKP7069 JA5351 PIN JACK (1P) VKB1063 DSP ASSY SEMICONDUCTORS IC3751 AK4527BVQ IC8701,IC8703,IC8705 BA4558F-HT IC8801 LC89056W-E IC3851 W24257AJ-12 IC3801 YSS912C Q8709-Q8714 2SD2114K Q8715,Q8716,Q8718 DTA124EK Q8717 DTC124EK D8701,D8702 1SS181 D8703 1SS184 FILTERS F3731-F3736,F3801,F3802,F3851 DTF1064 F8801,F8802 DTF1064 F3751,F3752 DTF1067 CAPACITORS C3807,C3810,C3814,C3817,C3821 CCSRCH101J50 C3825,C3828,C3854,C8825 CCSRCH101J50 C8733 CCSRCH121J50 C3803,C3804,C8816,C8817 CCSRCH200J50 C3820 CCSRCH221J50 C8709,C8710 CCSRCH470J50 C3811 CCSRCH471J50 C8721,C8722 CCSRCH820J50 C8711,C8712,C8723,C8724 CEAT100M50 C8735,C8736,C8741-C8746 CEAT100M50 C8761-C8766 CEAT100M50 C3709,C3710,C3756,C3759,C3801 CEAT101M10 C3851,C8801 CEAT101M10 C3705,C3706,C3802 CEAT220M25 C3856 CEAT221M6R3 C8812,C8915,C8917 CEAT470M16 C3752 CEJQ470M10 C3783-C3785 CKSRYB102K50 C3732,C3734,C3765,C3786 CKSRYB103K50 C8701,C8702,C8751,C8753 CKSRYB103K50 C8755-C8758,C8808,C8811 CKSRYB103K50 C3711,C3712,C3754,C3755,C3758 CKSRYB104K25 C3833,C3834,C3855,C8802,C8803 CKSRYB104K25 C8805,C8806,C8809,C8810,C8814 CKSRYB104K25 C8818,C8820,C8821,C8916,C8918 CKSRYB104K25 C8715,C8716,C8727 CKSRYB122K50 C8713,C8714,C8725 CKSRYB152K50 C3707,C3708 CKSRYB222K50 C8728 CKSRYB224K10 C8703,C8704,C8734 CKSRYB472K50 C3805,C3809,C3813,C3816,C3819 CKSRYB473K25 C3822,C3824,C3827,C3830,C3831 CKSRYB473K25 C3852 CKSRYB473K25 RESISTORS R3751,R3757,R3809,R3813,R3822 RAB4C101J R3827,R3830,R8801,R8825 RAB4C101J R3817 RAB4C102J Other Resistors RS1/16S J OTHERS CN3701 15P SOCKET AKP7071 CN3702 21P SOCKET AKP7074 CN3703 CONNECTOR POST S3B-PH-K X3801,X8801 CRYSTAL VSS1140 RESONATOR (12.288MHz) DISPLAY ASSY SEMICONDUCTORS IC5801 HEF4794BT Q5803,Q5804 2SC2412K Q5802 DTA143EK D5801-D5808 MPG5064X D5809 SLR-343VC(NPQ) CAPACITORS C5825-C5827 CCSRCH101J50 C5902 CEAL470M16 C5802 CKSRYB104K25 C5901 CKSRYB473K25 RESISTORS Other Resistors RS1/16S J OTHERS X5901 REMOTE RECEIVER UNIT GP1U27X CN5802 27P FFC CONNECTOR HLEM27R-1 FL HOLDER(FE) VNF1085 V5801 FL TUBE XAV3011 MIC HP ASSY CAPACITORS C5822 CKSRYB104K25 C5819,C5821 CKSRYB223K50 RESISTORS Other Resistors RS1/16S J OTHERS CN5807 5P FFC CONNECTOR 52044-0545 JA5802 MINI JACK AKN7003 KN5801 EARTH METAL FITTING VNF1084 KEYB ASSY SWITCHES S5802,S5812-S5818 ASG7013 RESISTORS Other Resistors RS1/16S J OTHERS 3P CABLE HOLDER 51048-0300 N O P M www. xiaoyu163. com QQ 376315150 9 9 2 8 9 4 2 9 8 TEL 13942296513 9 9 2 8 9 4 2 9 8 0 5 1 5 1 3 6 7 3 Q Q TEL 13942296513 QQ 376315150 892498299 TEL 13942296513 QQ 376315150 892498299 http://www.xiaoyu163.com Mark No. Description Part No. Mark No. Description Part No. 72 XV-HTD510, XV-HTD510-B STBY SWITCH ASSY SWITCH S5811 ASG7013 RESISTORS Other Resistors RS1/16S J OTHERS 3P CABLE HOLDER 51048-0300 J5811 JUMPER WIRE 03P D20PYY0310E JOG ASSY SWITCH S5801 XSX3003 CAPACITOR C5801 CKSRYB102K50 RESISTORS Other Resistors RS1/16S J OTHERS 3P CABLE HOLDER 51048-0300 5P CABLE HOLDER 51048-0500 CN5806 3P JUMPER CONNECTOR 52147-0310 J5808 JUMPER WIRE 3P D20PYY0310E J5804 JUMPER WIRE 5P D20PYY0515E DISC KEY ASSY SWITCHES S5803-S5810 ASG7013 RESISTORS Other Resistors RS1/16S J OTHERS 3P CABLE HOLDER 51048-0300 J5805 JUMPER WIRE 3P D20PYY0310E PRIMARY ASSY SEMICONDUCTORS IC41 NJM78M56FA Q41 2SD1859X D42,D44,D45 1SS133 D41 DF06SA COIL AND TRANSFORMER L1 ATF7018 T2 ATT7049 RELAY RY41 XSR3004 CAPACITORS C1,C3 (0.01µF) ACE7027 C42 CEAT102M16 C41 CEJQ100M35 C44 CKSRYB104K25 RESISTORS R1 (2.2MΩ, 1/2W) RCN1080 R43 RS1/16S102J Other Resistors RD1/4PU J OTHERS 4P CABLE HOLDER 51048-0400 H1,H2 FUSE CLIP AKR7001 CN1 2P-VH CONNECTOR B2P3-VH J13 JUMPER WIRE 5P D20PYY0420E KN2 EARTH METAL FITTING VNF1084 AN1 AC INLET 1P XKP3042 Q R S T www. xiaoyu163. com QQ 376315150 9 9 2 8 9 4 2 9 8 TEL 13942296513 9 9 2 8 9 4 2 9 8 0 5 1 5 1 3 6 7 3 Q Q TEL 13942296513 QQ 376315150 892498299 TEL 13942296513 QQ 376315150 892498299 http://www.xiaoyu163.com 73 XV-HTD510, XV-HTD510-B MPX SG FM SG PRODUCT DC Voltmeter L201 IC201 pin 21 pin 23 TUNER MODULE J SIDE B Step No. Adjustment Title ANT. Input level and signal condition Adjustment Input Level (dBµV) Adjust point Contents Frequency (MHz) Modulation 1 T-METER Adjustment 98 OFF 80 L201 Adjust L201 so that the DC voltage between Pin 21 and Pin 23 of IC201 (Test point Vtm) gets within 0 ± 50mV. 6. ADJUSTMENT 6.1 TUNER SECTION AM Tuner Section • There is no adjustment in the AM tuner. FM75Ω antenna terminal Fig.1 Adjustment Wiring Diagram Fig.2 Adjustment Point FM Tuner Section • Set the mode selector to FM BAND. • Connect the wiring as shown in Fig. 1. www. xiaoyu163. com QQ 376315150 9 9 2 8 9 4 2 9 8 TEL 13942296513 9 9 2 8 9 4 2 9 8 0 5 1 5 1 3 6 7 3 Q Q TEL 13942296513 QQ 376315150 892498299 TEL 13942296513 QQ 376315150 892498299 http://www.xiaoyu163.com 74 XV-HTD510, XV-HTD510-B 7. GENERAL INFORMATION 7.1 DIAGNOSIS 7.1.1 SELF-DIAGNOSTIC FUNCTION OF PICKUP DEFECTIVE Character in bold : Item name : Information display Test Mode Screen Display Laser diode current value Symptom • Indicates "No Disc" in FL display. • Player does not playback, etc.. Note : When a DVD disc is played in the test mode, this function is effective. This function is effective only for DVD pickup (650nm). Procedure of Self-Diagnosis 1 Press the → buttons (of the test mode remote control unit : GGF1067) in the test mode screen, and turn on the laser diode (It light-up for nine seconds.). 2 Confirm the indicated value of the laser diode current (LDI). 3 When indicated value is more than 110, pickup is defective. → Release the Traverse Mechanism Assy. TEST 1 www. xiaoyu163. com QQ 376315150 9 9 2 8 9 4 2 9 8 TEL 13942296513 9 9 2 8 9 4 2 9 8 0 5 1 5 1 3 6 7 3 Q Q TEL 13942296513 QQ 376315150 892498299 TEL 13942296513 QQ 376315150 892498299 http://www.xiaoyu163.com 75 XV-HTD510, XV-HTD510-B SIDE B Front Side 7.1.2 TEST POINTS LOCATION IC1 IC19 IC2 C707 IC26 IC27 R389 Short-circuit at diagnosis CN4 CN3 CN1 CN15 IC13 CN5 IC14 CN2 VCODR SREQ VREF VREF TP3 (TE) TP1 (FE) TP2 (RFO) TP4 (FDO) DVDM ASSY F www. xiaoyu163. com QQ 376315150 9 9 2 8 9 4 2 9 8 TEL 13942296513 9 9 2 8 9 4 2 9 8 0 5 1 5 1 3 6 7 3 Q Q TEL 13942296513 QQ 376315150 892498299 TEL 13942296513 QQ 376315150 892498299 http://www.xiaoyu163.com 76 XV-HTD510, XV-HTD510-B Remote control code Key code Mechanism position value and slider position FL controller version and region setting for the player Port No. of Flash ROM and system controller System controller revision Flash ROM version and Flash ROM size FL controller destination setting AV1 chip version DVD mechanism controller revision (Control and part No. of GUI-ROM) Character in bold : Item name : Information display First Screen Display • Screen Composition Address Background color Tracking status and Laser diode current value Spindle status and AFB status AGC setting FTS servo IC information C1 error value of CD and DVD Internal operation mode of the mechanism control Disc judgment and CD 1/3 beam switch jitter value 7.1.3 TEST MODE SCREEN DISPLAY TEST MODE SCREEN DISPLAY Consecutive double-OSD display is supported during test mode. The screen is composed 10 lines with a maximum of 32 characters per line. It can't be used with the debugging display mode together. Caution : The first screen and second screen switch by pressing [DISPLAY] key of the remote control unit. It is only a version display part on the lower right of the screen those contents of display change. ATB : ON/OFF information display and AGC manual setting display deleted with the second generation. The displays of Tilt error value, Tilt servo status and pickup DVD/CLD display deleted with the third generation becomes LD part is deleted. • Description of Each Item on the Display (1) Address indication The address being traced is displayed in number. DVD : ID indication (hexadecimal number, 8 digits) [ ∗ ∗ ∗ ∗ ∗ ∗ ∗ ∗ ] CD : A-TIME (min. sec.) [ 0 0 0 0 ∗ ∗ ∗ ∗ ] (Note : For DVDs, decimal-number indication is possible.) (2) Code indication of the remote control unit [R – ∗ ∗ ∗ ∗] The code for the key pressed on the remote control unit, which is received by the FL controller, is displayed while the key is pressed. In the case of the double code, the second code will be displayed. (3) Key code indication for the main unit [K – ∗ ∗ ] The code for the key pressed on the main unit, which is received by the system controller, is displayed while the key is pressed. (4) Background color indication [C – R∗ ∗ G∗ ∗ B∗ ∗] (5) 1 Tracking status [TRKG – ∗∗∗] Tracking on [ON ] Tracking off [OFF] 2 Laser diode current value [LDI – ∗∗∗] (6) 1 Spindle status [SPDL – ∗ ∗ ∗] Spindle accelerator and brake, free-runnimg [A/B] FG servo [FG] Rough, velocity phase servo [SRV] Offset addition, rough, velocity phase servo [O_S] 2 AFB status [AFB – ∗ ∗] ON [ON ] OFF [OFF] (7) Mechanism position value [M – ∗] Position code [1] to [7] (8) Slider position [S – ∗ ∗ ∗ ∗] CD TOC area [IN ] CD active area [CD ] (9) AGC setting [AGC – ∗ ∗] AGC on [AGC-ON] AGC off [AGC-OFF] www. xiaoyu163. com QQ 376315150 9 9 2 8 9 4 2 9 8 TEL 13942296513 9 9 2 8 9 4 2 9 8 0 5 1 5 1 3 6 7 3 Q Q TEL 13942296513 QQ 376315150 892498299 TEL 13942296513 QQ 376315150 892498299 http://www.xiaoyu163.com 77 XV-HTD510, XV-HTD510-B (10) Output video system [V – ∗ ∗ ∗ ∗] NTSC system [NTSC] PAL system [PAL ] Auto-setting [AUTO] (11) FTS servo IC information DSP coefficient indication [KS – [∗ ∗ ∗ ∗] ∗ ∗ ∗ ∗ ] Displays the address (four digits) of the specified coefficient and the setting value (four digits) with [TEST] and [9] keys. (12) Error rate indication 1 C1 error value of CD [ER – C1 ∗ ∗ ∗ ∗ ] 2 C1 error value of DVD [ER – ∗ ∗ ∗ ∗ ∗ ∗ ∗ ∗ ] (13) Internal operation mode of mechanism controller [MM – ∗ ∗ : ∗ ∗] Internal mechanism mode (2 digits) and internal mechanism step (2 digits) of the mechanism controller (14) 1 Disc sensing [DSC – ∗ ∗ ∗] The type of discs loaded is displayed. [DVD], [CD ], [VCD], [ ] 2 CD 1/3 beam switch [BM – ∗ ∗] (15) Jitter value [J – ∗ ∗] CD is effective only in the jitter value. (16) Version of the AV-1 chip [ AV : ∗ . ∗ ∗' ∗' ] (17) 1 Version of the FL controller [FL : ∗ ∗ ∗ ∗] 2 Region setting of the player [REG : ∗ ] Setting value [1] to [6] (18) Destination setting of the FL controller [MDL : ∗ ∗ ∗ ∗ / ∗ ∗ ∗ ] For characters in front represent the type of model : There characters that follow represent the destination code. J : /J, K : /KU, /KC, /KU/KC, R : /RAM, /RL, /RD, /LB, WY : /WY (19) The part number of the flash ROM and system controller [∗ ∗ ∗ ∗ ∗ ∗ / ∗ ∗ ∗ ∗ ∗ ∗ ∗] 1 Part number of the flash ROM (Example) VYW1536-A = W1536A (Example) PD6256A9 = 6256A9 2 Part number of the system controller (Example) PD3381T1 = 3381T1 (20) 1 Version of the flash ROM [V : ∗ . ∗ ∗ ∗] 2 Flash ROM size [FLSH = ∗] (21) Revision of the system controller [S : ∗ . ∗ ∗ ∗ / ∗ . ∗ ∗ ] 1 Revision number of the external ROM part (flash ROM) of the system controller 2 Revision of the internal ROM part of the system controller (22) Revision of the DVD mechanism controller [M : ∗ . ∗ ∗ ∗] Revision number of the external ROM part (flash ROM) of the DVD mechanism controller (23) Control and part numbers of the GUI-ROM [GUI : ∗ ∗ ∗ ∗] No GUI model displays as "––– / ––––". OEM model displays the part number of GUI-ROM [GUI : * * * *] www. xiaoyu163. com QQ 376315150 9 9 2 8 9 4 2 9 8 TEL 13942296513 9 9 2 8 9 4 2 9 8 0 5 1 5 1 3 6 7 3 Q Q TEL 13942296513 QQ 376315150 892498299 TEL 13942296513 QQ 376315150 892498299 http://www.xiaoyu163.com 78 XV-HTD510, XV-HTD510-B Reset start demonstration mode? Yes :Power ON Yes No No Microcomputer initialization Model discrimination Standby setting • It starts when the XRESET terminal (Pin 11) is "H level". Microcomputer IC (PDC076) (MAIN ASSY : IC5501) • The input of Pin 20 is inspected and the model discrimination is done. Demonstration mode permission Demonstration mode System power supply on DVD microcomputer start-up Relay release Demonstration mode or Normal power ON mode • The POWER terminal (Pin 82) is "H". • Only in DVD function, the DVD RESET terminal (Pin 87) is "H". • The speaker relay is turned on after about four seconds from power on. The RELAY ON/OFF terminal (Extended port of VOLIC) is "H". * If the pulse is not input to the AC terminal (Pin 26) about 60ms, during the memory backup mode, the microcomputer does not process all. * It returns from the memory backup mode when there is a rising up input at the XRESET terminal (Pin 11). • The system mute is released after about four seconds from power on. The XLINEMUTE terminal (Pin 88) is "H". * However, mute is not released in the following cases. • When the main volume is 0. • When The XDSP MUTE terminal (Pin 1) is error or no lock to the input signal on the DIGITAL input mode. • Inspecting the backup data, it is decited whether the demonstration mode is done. • The setting at default is "demonstration mode ok". Standby Initialization routine Main loop processing 7.1.4 POWER ON SEQUENCE www. xiaoyu163. com QQ 376315150 9 9 2 8 9 4 2 9 8 TEL 13942296513 9 9 2 8 9 4 2 9 8 0 5 1 5 1 3 6 7 3 Q Q TEL 13942296513 QQ 376315150 892498299 TEL 13942296513 QQ 376315150 892498299 http://www.xiaoyu163.com 79 XV-HTD510, XV-HTD510-B 7.1.5 TROUBLE SHOOTING Microcomputer troubleshooting Symptom of problem • The power supply does not enter . • The standby LED lights even if the POWER key is pushed. • It enters the state of POWER OFF soon even in case of the POWER ON. • DVD does not operate at all. • Time is not displayed in FL DISPLAY at the DVD function. • The operation key is not accepted at all. Check method • Whether terminal RESET (11Pin) is "H" is confirmed. The operation of the RESET circuit is confirmed if not becoming "H". • Whether the AC pulse is input to AC input terminal (26Pin) is confirmed. If the AC pulse is not input, the AC pulse generation circuit is confirmed. • The microcomputer or the oscillation circuit is broken. The microcomputer or the oscillation circuit is exchanged. • If the voltage of the 3.3DETECT (13Pin) terminal of the microcomputer is 2.9V or less, the voltage is adjusted to 2.9V or more. • Whether terminal (27Pin, 83Pin, 98-100Pin) for the communication with the DVD microcomputer does the communication operation is confirmed. If the communication operation is not done, whether the B to B connector etc. are disconnected is confirmed. • Whether "H" is output to terminal DVDRESET (87Pin) is confirmed. • When KEY is not pushed, whether KEY input terminal (18Pin, 22Pin) is 5V is confirmed. If the KEY input terminal is not 5V, whether KEY SW on the line breaks is confirmed. Thought cause • The microcomputer is not reset. • The AC pulse is not input. • The oscillation circuit of the microcomputer does not oscillate. • If the function is DVD, the 3.3DETECT input is 2.9V or less. • It does not communicate with the DVD microcomputer. • It is recognized that other KEY has already been pushed. www. xiaoyu163. com QQ 376315150 9 9 2 8 9 4 2 9 8 TEL 13942296513 9 9 2 8 9 4 2 9 8 0 5 1 5 1 3 6 7 3 Q Q TEL 13942296513 QQ 376315150 892498299 TEL 13942296513 QQ 376315150 892498299 http://www.xiaoyu163.com 80 XV-HTD510, XV-HTD510-B FL Display Possible causes Operation of the unit AV1 VER AV-1 chip is not a match with the program of system controller The sound may not produced with the specific audio. CPU AERR CPU address error (Hardware is unusual.) No operation DMA AERR DMA address error (Hardware is unusual.) No operation FLASH ID Difference in versions of the internal ROM of the system controller and of the flash ROM, or bus line failure or reverse installation No operation FLASH WRP Write protect error of the flash ROM No operation FLASH SIG Difference in part number of the flash ROM (When the ROM which couldn't be used was used.) No operation FLASH SUM Check sum error of the flash ROM (It exceeds the regular size.) or reverse installation (Hardware is unusual.) No operation FLASH SIZE Size error of the flash ROM (Use 4 or 8 M-bit.) No operation ILLGAL The system controller fetched a code other than an operation code (Hardware is unusual.) No operation RESERVE Undefined interrupt (Hardware is unusual.) No operation SLOT Inappropriate slot command issued (Hardware is unusual.) No operation Error codes that are displayed on the FL display without using the remote control unit 7.1.6 ERROR CODE Error codes that are displayed on the FL display by using the remote control unit (Mechanism controller error) To display: ESC + DISPLAY + DISPLAY; Location of the display: At the two digits of center of the FL display To display the error history: ESC + DISPLAY + One shot; Location of the display: TV screen FL Description of Error Causes if with a DVD Causes if with a CD Operation of the Unit 11 Search timeout Search could not be complete within 7 seconds. Search could not be complete within 7 seconds, and it could not enter the target area within 7 seconds by VCD scan. CD : Stops, DVD : Continues operation 12 Search retry error A search could not be completed after 3 retries, search backup was executed 4 times, or in a case of timeout (6 seconds) while the unit was tracing 11 tracks or more beyond the target while the search operation was converging. Backup against slider skip was executed 4 times during a search, or slider skip twice resulted in starting from the read-in point. CD : Stops, DVD : Continues operation 19 Tracing timeout while converging Timeout (10.5 seconds) while tracing at the stage of convergence of a search. Stop 1B Index 0 search error During Track (Index) Search, the search for the beginning of a program could not be completed within 3 seconds (20 seconds in the case of Index Search) after positioning based on the TOC data was completed. Stop 22 Timeout of slider inner circumference Inside switch could not ON within 3 seconds. Stop 23 Timeout of slider outer circumference Inside switch could not OFF within 2 seconds. Stop 33 No FOK pulse during playback CLVA When the focus was deviated continuously 20 times. Adjusts focus at the innermost circumference and tries to return to its position where the error was generated (for 3 times),then opens. If the same error persists after one retry, the tray opens. (No FOK pulse) DVD ERR This display appears when the terminal of microcomputer PIN.No13 becomes 2.9V or less and the set enters the standby state. CT FAN ERR display appears when the terminal of microcomputer PIN.No21 becomes more than 2.5V (fan abnormality), and the set enters the state of the standby. No operation No operation www. xiaoyu163. com QQ 376315150 9 9 2 8 9 4 2 9 8 TEL 13942296513 9 9 2 8 9 4 2 9 8 0 5 1 5 1 3 6 7 3 Q Q TEL 13942296513 QQ 376315150 892498299 TEL 13942296513 QQ 376315150 892498299 http://www.xiaoyu163.com 81 XV-HTD510, XV-HTD510-B FL Description of Error Causes if with a DVD Causes if with a CD Operation of the 39 SGC converge timeout SGC could not converge during detects the peak Open 41 Spindle timeout The unit did not enter Stop mode within 10 seconds of issuance of a Stop command. Stop 48 Spindle FG transition timeout The spindle could not converge into within ± 12% of the target FG rotation speed within 10 seconds after spindle kick. The first time after startup (the first time after disc distinction), it doesn't become the number of the target rotation within five seconds. The first time after startup, detects the abnormal rotation number of high-speed continuously 3 loops. DVD: 5 to 9 mS , CD: 40 to 60 mS Stops. (FG timeout) 49 Spindle PLL transition timeout After the second times after startup, it doesn't become the number of the target rotation within five seconds. Detects the abnormal high-speed or low-speed rotations. DVD: 5 to 9 mS , CD: 40 to 60 mS Stops. ("73" is displayed during starting process.) 4A Spindle lock timeout Spindle could not lock more than 1.5 seconds before start the AFB. Stops. ("73" is displayed during starting process.) 51 Auto sequence timeout of peak ABUSY did not return within 1 second after the DDTCT (peak detection) command was sent. Stop 52 Auto sequence timeout of focus jump down ABUSY did not return within 30 mS after the FJMPD (Focus jump 1 to 0) command was sent. Stop 53 Auto sequence timeout of focus ABUSY did not return within 30 mS after the FJMPU (Focus jump 0 to 1) command was sent. Stop 54 Auto sequence timeout of play AGC ABUSY did not return within 50 mS after the GSUMON (play-AGC-measuring) command was sent. Stop 55 Auto sequence timeout of disc-type- sensing ABUSY did not return within 2 seconds after the DJSRT (disc-sensing) command was sent. Stop 56 Auto sequence timeout of ATB2 ABUSY did not return within 1 second after the TBLOFS (Internal ATB after the completion of external ATB) command was sent. Stop 57 Auto sequence timeout of tracking servo ON ABUSY did not return within 500 mS after the TSON (tracking servo ON) command was sent. Stop 58 Auto sequence timeout of ATB1 ABUSY did not return within 200 mS after the TBL (external ATB) command was sent. Stop 59 Auto sequence timeout of focus gain adjustment ABUSY did not return within 2 seconds after the FGN (focus gain adjustment) command was sent. Stop 5A Auto sequence timeout of tracking gain adjustment ABUSY did not return within 2 seconds after TGN (tracking gain adjustment) command was sent. Stop 5B Auto sequence timeout of offset adjustment ABUSY did not return within 1 second after the CMDAVE (offset adjustment) command was sent. Stop 5C Auto sequence timeout of modulation factor measurement ABUSY did not return within 200 mS after the ADJMIR (modulation factor measurement) command was sent. Stop 5D Auto sequence timeout of auto focus bias ABUSY did not return within 2 seconds after the AFB (auto focus bias) command was sent. Stop 5F Auto sequence already busy A command could not be sent because ABUSY was low. ABUSY did not return within 200 mS after TLV command was sent. Stop 62 Pause retry error Pause mode could not be restored within three retries after it had been released. Continues operation 38 Disc-type- sensing error If normal starting was impossible in the following three cases, disc-type sensing will be retried if other errors occure excepting C5 error. However, when the focus error "33" was occured continuously 3 times, it is finished as "38 error" at the moment: (1) startup with the first disc-type-sensing result, (2) forced startup with another disc by designating the disc type, (3) forced startup with the original disc by designating the disc type. Open www. xiaoyu163. com QQ 376315150 9 9 2 8 9 4 2 9 8 TEL 13942296513 9 9 2 8 9 4 2 9 8 0 5 1 5 1 3 6 7 3 Q Q TEL 13942296513 QQ 376315150 892498299 TEL 13942296513 QQ 376315150 892498299 http://www.xiaoyu163.com 82 XV-HTD510, XV-HTD510-B FL Description of Error Causes if with a DVD Causes if with a CD Operation of the Unit 71 ID can not read during tracing An ID could not be read for 1 second or more. Stop 72 Subcode check failure during playback No frame could be read for 3 seconds or more. Stop 73 ID can not read at the startup An ID could not be read within 1 second after the AFB adjustment had been finished. Opens (ID readout failure) 74 Subcode check failure during startup No subcode could be read within 3 seconds after AFB adjustment had been finished. Opens (Subcode readout failure). 81 Timeout for reading TOC of the mechanism controller TOC readout took 30 seconds or more. Stop 82 Timeout for reading TOC of the system controller Reading TOC of the system controller took 30 seconds or more. Stop A1 Communication timeout of DSP command A command could not be issued to DSP because Command Busy (XCBUSY) was in force (XCBUSY = L) for a specified time (about 200 mS). No operation A2 Communication timeout for reading DSP coefficient Command Busy (XCBUSY) was in force for a specified time (about 200 mS) before and after a coefficient read command was issued to DSP, or the address echo-back after command issuance did not match the setup address. No operation A3 Communication timeout for writing DSP coefficient Command Busy (XCBUSY) was in force for a specified time (about 1024 mS) before and after the coefficient write command was issued to DSP. No operation A4 Communication timeout for continuously writing DSP coefficient Command Busy (XCBUSY) was in force for 200 mS during continuous coefficient writing, or before and after a continuous write command was issued to DSP. No operation B1 Timeout error for backup In the tracing state during the backup sequence, codes could not be read for 1 second or more. In the backup sequence, tracking ON sequence of the servo DSP could not be completed even if more than 500 mS after the tracking ON command was issued. Stops B2 Retry error for backup Tracing impossible after retring the tracking ON for 3 times in the backup sequence. Stops B3 Retry error for trace During tracing, runaway was detected after three iterations of backup operations for detecting runaway. Stops C3 Detection of tracking overcurrent During playback, the overcurrent detection port was at L for 300 ms or more continuously. Stops (the mechanical controller operates independently). (C5) Short-circuit test corresponding error While the power was on, the overcurrent detection port was at L for 40 ms or more continuously. Turns off the power instantly (No indication on the FL display and no writing to flash memory) E3 Violation against digital copy guard Stops F5 Tray being pushed The tray switch that had been Open mode was forcibly changed to a mode other than Open by an external force. Closes F8 Loading timeout Loading, unloading or clamping could not be completed within a specified time (about 5 seconds). Reverses the loading direction. It timeout is repeated upon retry, the unit stops. FC Focus The following error occured eight times. (1) Focus ON sequence could not be completed even if more than two seconds after the focus ON command (to the servo DSP) was sent. (2) Focus IN sequence was finished, actually focus IN was not completed. Stops wherever possible then opens (stops in the case of side B). www. xiaoyu163. com QQ 376315150 9 9 2 8 9 4 2 9 8 TEL 13942296513 9 9 2 8 9 4 2 9 8 0 5 1 5 1 3 6 7 3 Q Q TEL 13942296513 QQ 376315150 892498299 TEL 13942296513 QQ 376315150 892498299 http://www.xiaoyu163.com 83 XV-HTD510, XV-HTD510-B Error codes that are displayed on the FL display by using the remote control unit (Device error) To display : ESC + DISPLAY + DISPLAY ; Location of the display : At the two digits of left of the FL display FL Description of Error Causes if with a DVD Causes if with a CD Operation of the Unit bit3=1 08 etc. AV1 access error (read, write NG) No operation or it becomes debugging indication if the power is able to ON. bit2=1 04 etc. MY CHIP access error bit1=1 01 etc. SRAM access error www. xiaoyu163. com QQ 376315150 9 9 2 8 9 4 2 9 8 TEL 13942296513 9 9 2 8 9 4 2 9 8 0 5 1 5 1 3 6 7 3 Q Q TEL 13942296513 QQ 376315150 892498299 TEL 13942296513 QQ 376315150 892498299 http://www.xiaoyu163.com 84 XV-HTD510, XV-HTD510-B 7.1.7 DISASSEMBLY 1 Remove the Bonnet (Screws × 7) 6 Remove one Screw 8 9 Remove the DVDM Assy (Connectors × 2) 7 Remove one DV Brackets (one screw) Unhook two PCB Supports (Remove FFC Cable (CN5807)) 4 Remove the Tray Cap 2 Power ON 5 8 Power OFF (Pull out the Power Cord from the outlet.) 3 Tray Open (0 OPEN/CLOSE) DVDM Assy Note 3 4 9 9 ×2 Rotary Tray Connect two Connection Cables for Service (GGD1228) Attention: Be carefull not to put the flexible cables when closing the tray Tray Cap Test Disc Insullation Sheet When diagnosing the unit, be sure to use two connection cables for service. (Part No : GGD1228) DIAGNOSIS OF PCBs Cutting Pliers PCB Support DVDM Assy 7 CN5 CN5807 CN15 13 11 Put the Power Cord in the outlet 14 16 Power On → Tray close (Automatically) 15 6 DVDM Assy 12 10 16 16 -2 -1 Press the EXCHANGE Button (clamp the Test Disc → Tray Open) Diagnosis www. xiaoyu163. com QQ 376315150 9 9 2 8 9 4 2 9 8 TEL 13942296513 9 9 2 8 9 4 2 9 8 0 5 1 5 1 3 6 7 3 Q Q TEL 13942296513 QQ 376315150 892498299 TEL 13942296513 QQ 376315150 892498299 http://www.xiaoyu163.com 85 XV-HTD510, XV-HTD510-B Unhook Unhook Diagnosis 1 Remove the Bonnet (Screws × 7) 2 Remove the Front Panel section Open Pickup Flexible Cable Short SW Short 1 Turn the Pickup Short SW to Short side. Refer to the " TRAVERSE MECHANISM ASSY-S" section. 2 Power ON 3 Tray Open (0 OPEN/CLOSE) 4 Remove the Tray Cap 5 Close the tray 6 Power OFF (Pull out the Power Cord from the outlet.) 4 FRONT PANEL SECTION TABLE MECHANISM SECTION 10 Put the Power Cord in the outlet 11 Power ON 12 × 4 8 7 7 9 9 × 3 3 × 3 3 3 5 4 STBY SWITCH Assy KEYB Assy Tray Cap DISC KEY Assy JOG Assy www. xiaoyu163. com QQ 376315150 9 9 2 8 9 4 2 9 8 TEL 13942296513 9 9 2 8 9 4 2 9 8 0 5 1 5 1 3 6 7 3 Q Q TEL 13942296513 QQ 376315150 892498299 TEL 13942296513 QQ 376315150 892498299 http://www.xiaoyu163.com 86 XV-HTD510, XV-HTD510-B 5 Remove four connectors. MAIN Assy DVDM Assy MIC HP Assy MAIN Assy DISPLAY Assy DVDM Assy FRONT AMP Assy REAR AMP Assy DSP Assy VIDEO Assy INPUT Assy TUNER MODULE PRIMARY Assy CN8903 CN555 CN2 CN3 PCB LOCATION How to Open the Tray by Manual Operating If the tray moved toward the front about 2 or 3 cm, pull out the tray by hands. 1 1 2 3 Gear Pulley Gear Pulley Tray Open J T N I G E O K L M H www. xiaoyu163. com QQ 376315150 9 9 2 8 9 4 2 9 8 TEL 13942296513 9 9 2 8 9 4 2 9 8 0 5 1 5 1 3 6 7 3 Q Q TEL 13942296513 QQ 376315150 892498299 TEL 13942296513 QQ 376315150 892498299 http://www.xiaoyu163.com 87 XV-HTD510, XV-HTD510-B 1 Remove the Bonnet (Screws × 7) 3 Power ON 4 Tray Open (0 OPEN/CLOSE) 5 Pull out the power cord from the outlet. 6 Push the Tray by hand. (about 5 cm) 7 Bring an extra flexible cable close to the rear side. 8 Disconnect the flexible cable. 9 9 9 Unhook × 2 Pull out the tray while pressing the two hooks ( ). When Tray Cannot Pull Out Tray cannot pull out that is not at a position of home position. (When two hooks ( ) hide under the Rotary Tray and can not pull out the tray.) In that case, set the tray in the following procedures. Note : Do not need to match with Disc No. (1 to 5) when returns the tray. Detect it automatically. Set the tray to the position that can see a hole of the center. 2 Remove the Tray Cap Remove the Front Panel Section (Refer to " FRONT PANEL SECTION") Unhook TRSB Assy CN12 Tray Section Note : The Traverse mechanism being an unclamp (=down) state. Remove Disassembly 9 Unhook 9 8 7 6 1 Tighten Rotary Tray 3 2 TRAVERSE MECHANISM ASSY-S 10 10 www. xiaoyu163. com QQ 376315150 9 9 2 8 9 4 2 9 8 TEL 13942296513 9 9 2 8 9 4 2 9 8 0 5 1 5 1 3 6 7 3 Q Q TEL 13942296513 QQ 376315150 892498299 TEL 13942296513 QQ 376315150 892498299 http://www.xiaoyu163.com 88 XV-HTD510, XV-HTD510-B 12 14 15 11 Mecha Frame Clamper Holder Unhook Spring Release ×2 SMEB Assy CN202 Pickup Connector FFC Holder One Screw Unhook ×4 ×2 Flexible Cable (24P) Mechanism Base Section Flexible Cable (8P) 20 21 22 13 18 17 16 19 13 Unhook One Screw • Bottom View Traverse Mechanism Assy-S 21 Exchange www. xiaoyu163. com QQ 376315150 9 9 2 8 9 4 2 9 8 TEL 13942296513 9 9 2 8 9 4 2 9 8 0 5 1 5 1 3 6 7 3 Q Q TEL 13942296513 QQ 376315150 892498299 TEL 13942296513 QQ 376315150 892498299 http://www.xiaoyu163.com 89 XV-HTD510, XV-HTD510-B Assembly Hook ×2 Float Rubber Pole of the Float Base Check the Float Rubbers ×4 NG OK Styling of the Flexible Cables Leave slacking of two flexible cables Reference 1 1 2 24P Flexible Cable 8P Flexible Cable 2 Hook ×2 SMEB Assy CN202 Pickup Connector FFC Holder One Screw Hook Hook ×2 Flexible Cable (24P) Flexible Cable (8P) 2 1 4 5 6 3 • Bottom View Traverse Mechanism Assy-S 1 One Screw Float Rubber Float Rubber Float Rubber Float Rubber www. xiaoyu163. com QQ 376315150 9 9 2 8 9 4 2 9 8 TEL 13942296513 9 9 2 8 9 4 2 9 8 0 5 1 5 1 3 6 7 3 Q Q TEL 13942296513 QQ 376315150 892498299 TEL 13942296513 QQ 376315150 892498299 http://www.xiaoyu163.com 90 XV-HTD510, XV-HTD510-B 7 Rear View DVDM Assy Side PRIMARY Assy Side Open Pickup Flexible Cable Pickup Flexible Cable Short SW Short SW Change Gear Match it between first teeth of the gear. When the tooth of gear deviates more than two or three tooth, Strange sound is generated, and cause trouble. Planet Base Turn it till stops OK NG 9 8 Connect four connectors. MAIN Assy DVDM Assy CN8903 CN555 CN2 CN3 www. xiaoyu163. com QQ 376315150 9 9 2 8 9 4 2 9 8 TEL 13942296513 9 9 2 8 9 4 2 9 8 0 5 1 5 1 3 6 7 3 Q Q TEL 13942296513 QQ 376315150 892498299 TEL 13942296513 QQ 376315150 892498299 http://www.xiaoyu163.com 91 XV-HTD510, XV-HTD510-B 13 11 10 14 Mecha Frame Clamper Holder Hook Spring ×4 Mechanism Base Section 12 12 www. xiaoyu163. com QQ 376315150 9 9 2 8 9 4 2 9 8 TEL 13942296513 9 9 2 8 9 4 2 9 8 0 5 1 5 1 3 6 7 3 Q Q TEL 13942296513 QQ 376315150 892498299 TEL 13942296513 QQ 376315150 892498299 http://www.xiaoyu163.com 92 XV-HTD510, XV-HTD510-B Assemble the Bonnet. (Screws × 7) Tray Section Flexible cable from SSRB Assy CN21 Flexible cable from SSRB Assy CN21 Tray Section Mechanism Base Section TRSB Assy CN12 Mechanism Base Section Assemble the Tray Section to the Mechanism Base Section Match a convex part of the Tray section with a concave part of the Mechanism Base, and put it. Bring an extra flexible cable close to the front side. 15 Assemble the Front Panel Section. 22 23 17 19 18 20 21 16 Confirmation : Fully turning the Planet Base to an arrow direction. www. xiaoyu163. com QQ 376315150 9 9 2 8 9 4 2 9 8 TEL 13942296513 9 9 2 8 9 4 2 9 8 0 5 1 5 1 3 6 7 3 Q Q TEL 13942296513 QQ 376315150 892498299 TEL 13942296513 QQ 376315150 892498299 http://www.xiaoyu163.com 93 XV-HTD510, XV-HTD510-B Important Points when Assembling the Mechanism Section 1 2 5 3 Motor (for Tray) Motor Pulley (for Tray Motor) Motor (for Loading) Motor Pulley (for Loading Motor) Motor Holder 4 Tray Gear Clamper Plate Worm Gear, Tray Belt 6 www. xiaoyu163. com QQ 376315150 9 9 2 8 9 4 2 9 8 TEL 13942296513 9 9 2 8 9 4 2 9 8 0 5 1 5 1 3 6 7 3 Q Q TEL 13942296513 QQ 376315150 892498299 TEL 13942296513 QQ 376315150 892498299 http://www.xiaoyu163.com 94 XV-HTD510, XV-HTD510-B 1 Motor (for Tray), Motor Pulley (for Tray Motor) 2 Motor Holder Adjust the height of the Motor Pulley to 2.4mm. Wiring lead wires into the hook of Motor Holder. (So that lead wires are caught at the Tray open or close.) 4 Tray Gear 5 Clamper Plate Apply Lubricating Oil (GYA1001) to the holder part. 3 Worm Gear and Tray Belt Be carefull not to damage it in exchange. 2.4mm Motor Pulley Motor Motor Motor Holder Tray Gear Apply Lubricating Oil (GYA1001) Apply Lubricating Oil (GYA1001) 6 Motor (for Loading), Motor Pulley (for Loading Motor) Adjust the height of Motor Pulley to 6.2mm. 6.2mm Motor Pulley Motor SSRB Assy Clamper Plate Apply the adhesive on the inside of hooks. (Prevention of dropping) Black Black Red Red Motor Holder Worm Gear Apply the one round Lubricating Oil (GYA1001) Apply the one round Lubricating Oil (GYA1001) Tray Belt www. xiaoyu163. com QQ 376315150 9 9 2 8 9 4 2 9 8 TEL 13942296513 9 9 2 8 9 4 2 9 8 0 5 1 5 1 3 6 7 3 Q Q TEL 13942296513 QQ 376315150 892498299 TEL 13942296513 QQ 376315150 892498299 http://www.xiaoyu163.com 95 XV-HTD510, XV-HTD510-B 7.1.8 TROUBLE SHOOTING FOR MECHANISM SECTION Location of Motors and Switches Disc Clamp Detect SW (S11 : VSK1011) Clamp Clamp Unclamp Unclamp Tray Open/Close Position Detect SW (S21 : VSK1011) Motor : DXM1118 (for Rotary Tray Drive) Carriage Motor : VXM1033 (for LOADING) Operation : Tray open → close Traverse Mecha. clamp → unclamp * When continued turning a gear by hand Tray open → close → Disc clamp → open Tray position Detect Sensor (PC22 : RPI-574) Disc Detect Sensor (PC21 : GP2S28) ↓ Continuous action Disc exchange operation Open Open Close Close Open Close www. xiaoyu163. com QQ 376315150 9 9 2 8 9 4 2 9 8 TEL 13942296513 9 9 2 8 9 4 2 9 8 0 5 1 5 1 3 6 7 3 Q Q TEL 13942296513 QQ 376315150 892498299 TEL 13942296513 QQ 376315150 892498299 http://www.xiaoyu163.com 96 XV-HTD510, XV-HTD510-B Trouble Shooting Condition Condition Trouble Point Tray does not open. (Nothing works) POWER OFF Key → "OFF" indication does not disappear 0 (OPEN) key → "OPEN" indication does not disappear 3 (PLAY) key → It becomes indication of "OPEN" from "NO DISC", and stop by the condition. (When a disc is not put in the Tray.) Loading Motor is damage, disconnection or contact defectiveness. Tray does not open. (Hear the clatter continuation sound.) It becomes the state that flashed indication of " ". Contact defectiveness of Flexible Cable (7P) or the connector comes off, etc.. Tray Open/Close Position SW (S21) is damage or contact defectiveness, etc.. Tray opens it in POWER ON freely, and stay by the state. Contact defectiveness of Flexible Cable (8P) or the connector comes off, etc.. Rotary Tray does not stop at the home position. (May stop on the way of rotation suddenly.) Tray Position Detect Sensor (PC22) is damage or contact defectiveness, etc.. "CHANGE" indication does not change in POWER ON, and Rotary Tray does not move. (In this case only opening and closing of Tray are possible.) Motor for Rotary Tray Drive is damage, disconnection or contact defectiveness. Hear the clatter sound in clamp of the disc. A gear of Planet Base deviates. Rotation of Rotary Tray does not stop in POWER ON. In this case indication more than two which seems to be " " lights, and abnormal indication appears. Slit part of bottom of the Rotary Tray is damaged. When Rotary Tray turns, hear the rattle and large sound. Damage of Worm Gear or grease is insufficient. Playback even if indicates it with "NO DISC". Take time till playbacks. Disc Detect Sensor (PC21) is damage or contact defectiveness, etc.. 1 2 3 4 5 6 7 8 9 10 1 2 3 4 5 1 2 3 4 5 www. xiaoyu163. com QQ 376315150 9 9 2 8 9 4 2 9 8 TEL 13942296513 9 9 2 8 9 4 2 9 8 0 5 1 5 1 3 6 7 3 Q Q TEL 13942296513 QQ 376315150 892498299 TEL 13942296513 QQ 376315150 892498299 http://www.xiaoyu163.com 97 XV-HTD510, XV-HTD510-B Tray Open/Close Position Detect SW (S21 : VSK1011) Motor : DXM1118 (for Rotary Tray Drive) Carriage Motor : VXM1033 (for LOADING) 1 Planet Base : VNL1874 7 Flexible Cable (8P) (SMEB CN202 ↔ DVDM CN3) 4 Tray position Detect Sensor (PC22 : RPI-574) 5 Disc Detect Sensor (PC21 : GP2S28) 10 Worm Gear : VNL1881 9 Rotary Tray : VNK4739 8 3 6 Flexible Cable (7P) : VDA1835 (TRSB CN12 ↔ SSRB CN21) 2 www. xiaoyu163. com QQ 376315150 9 9 2 8 9 4 2 9 8 TEL 13942296513 9 9 2 8 9 4 2 9 8 0 5 1 5 1 3 6 7 3 Q Q TEL 13942296513 QQ 376315150 892498299 TEL 13942296513 QQ 376315150 892498299 http://www.xiaoyu163.com 98 XV-HTD510, XV-HTD510-B • The information shown in the list is basic information and may not correspond exactly to that shown in the schematic diagrams. LC78652W (DVDM ASSY : IC2) • Servo DSP IC • Block Diagram 7.2.1 IC •List of IC LC78652W, PD3410A, MB86373B, PDC076A, BA6195FP, AK4527BVQ, LC89056W-E, STK413-000 33 FE 32 TE 29 TILTE 30 RF_PH 31 RF_BH 28 JITT 26 TES 51 HFLIO 81 VPDO 15 XOUT 73 BUSYB 8 XTALOUT 100 LEFM 97 LEFM2 52 LASER 92 JV MPX Servo Processor (16×16+32→32) 8bit A/D 8bit D/A CMP Track Counter 56 PP2/EVENT Event Counter 55 FG 39 EFMIN 80 VCOC 96 DVDSYNC 14 XIN 58 CSB 94 ADRAO 60 WRB 59 RDB 91 CDFR 90 DVDFR 1 EFMOUT SLCIST1,2 FG Counter SLC CLV PLL Frame Synchronous Detection, Protection, Insertion EFM Demodulation Error Detect Correction C1-Twofold, C2-Fourfold Supplement/Mute D Attenuate Deemphasis Filter Clock Generator Command Interface 34,35 SLCO1,2 36,37 PCKIST1,2 87,88 PD01-3 83-85 P0-7 63-70 PP0-3 93 PCK For De-Interleave 16k SRAM DOUT Serial Out Sub Code Decode CRC DVD Lock Detection 74 SQOUT 47 FDO 48 TDO 45 SLDO 46 SPDO 44 TBAL 43 TILTDO 42 AUXO 24 DRF 22 FAST 95 DVDSYEQ 23 V_PB 21 FSEQ 77 WRQ 17 EMPH 4 ROMCK 5 LRSY 19 DOUT 3 ROMXA 57 RESB 2 C2F 20 EFLG 9 FSX 12 PW 18 SBSY 11 SFSY 75 CQCKB TEST1-4 76 RWC 10 SBCK 25,27 38,50 7 FBUSYB General Purpose Register 53,54 ,56 7.2 PARTS www. xiaoyu163. com QQ 376315150 9 9 2 8 9 4 2 9 8 TEL 13942296513 9 9 2 8 9 4 2 9 8 0 5 1 5 1 3 6 7 3 Q Q TEL 13942296513 QQ 376315150 892498299 TEL 13942296513 QQ 376315150 892498299 http://www.xiaoyu163.com 99 XV-HTD510, XV-HTD510-B •Pin Function . o N e m a N n i P O /I n o it c n u F 1 T U O M F E O M F E e ula v d e t a ts - y r a nib s a w t a h t e t a ts e h t t u p t u O 2 F 2 C O t u p t u o g alf 2 C 3 A X M O R O t u p t u o a t a d M O R - D C 4 K C M O R O t u p t u o a t a d M O R - D C r o f t u p t u o k c olc tfih S 5 Y S R L O t u p t u o a t a d M O R - D C r o f t u p t u o k c olc R / L 6 3 P P O /I t u p t u o D O - h c N t u p nila n gis .c n y s D V D / t u p t u o /t u p ni tr o p e s o p r u p -la r e n e G 7 B Y S U B F O t u p t u o D O - h c N n oit a r e p o s s e c o r p P S D f o t u p t u o la n gis y s u B 8 T U O L A T X O t u p t u o k c olc m e ts y s la n r e tx E 9 X S F O t u p t u o la n gis .c n y s e m a rf 1 D C 0 1 K C B S I t u p ni k c olc t u o g nid a e r e d o c b u S 1 1 Y S F S O e d o c b u s f o t u p t u o la n gis .c n y s e m a r F 2 1 W P O t u p t u o W d n a V , U , T , S , R , Q , P e d o c b u S 3 1 S S V − nip D N G 4 1 N I X I ) z H M 4 4 3 9 . 6 1 ( r o t a n o s e r la ts y r c a tc e n n o C 5 1 T U O X O r o t a n o s e r la ts y r c a tc e n n o C 6 1 1 D D V D − tiu c ric n oit allic s o e h t f o ylp p u s r e w o p V 3 . 3 7 1 H P M E O sis a h p m e e d e h t f o nip r o tin o M 8 1 Y S B S O k c olb e d o c b u s e h t f o t u p t u o la n gis .c n y S 9 1 T U O D O t u p t u o a t a d J A I E oid u A 0 2 G L F E O 2 C d n a 1 C n oitc e rr o c r o rr e e h t f o r o tin o m e t a ts n oitc e rr o c r o rr E 1 2 Q E S F O la n gis .c n y s e m a rf D V D / D C e h t f o r o tin o m n oitc e t e D 2 2 T S A F O t u p t u o D O - h c N r o tin o m d e e p s k c a b y al P 3 2 B P _ V O lo rt n o c V L C / o v r e s h g u o r e h t f o t u p t u o r o tin o M 4 2 F R D O r o tin o m s u c o f n I 5 2 3 T S E T I 3 t u p ni ts e T 6 2 S E T I t u p nila n gis r o rr e g nik c a r T 7 2 2 T S E T I 2 t u p ni ts e T 8 2 T T IJ I L L P M F E f o t u p nila n gis g nitc e t e d ytit n a u q r e ttiJ 9 2 E T L I T I t u p nila n gis r o rr e tli T 0 3 H P _ F R I t u p nila n gis dlo h k a e p F R 1 3 H B _ F R I t u p nila n gis dlo h m o tt o b F R 2 3 E T I t u p nila n gis r o rr e g nik c a r T 3 3 E F I t u p nila n gis r o rr e s u c o F 4 3 1 T S I C L S − C L S r o f p m u p e g r a h c t n e rr u c t n a ts n o c e h t f o 1 nip g nitt e s t n e rr u C 5 3 2 T S I C L S − C L S r o f p m u p e g r a h c t n e rr u c t n a ts n o c e h t f o 2 nip g nitt e s t n e rr u C 6 3 1 O C L S O C L S r o f 1 t u p t u o lo rt n o C 7 3 2 O C L S O C L S r o f 2 t u p t u o lo rt n o C 8 3 1 T S E T I 1 t u p ni ts e T 9 3 N I M F E I t u p ni + M F E / M F E 0 4 D D V A − o v r e s r o f A / D d n a D / A f o ylp p u s r e w o p V 5 1 4 S S V A − o v r e s r o f A / D d n a D / A f o D N G 2 4 O X U A O t u p t u o y r ailix u a A D 3 4 O D T L I T O t u p t u o la n gis lo rt n o c tli T 4 4 L A B T O t u p t u o la n gis lo rt n o c e c n ala b g nik c a r T 5 4 O D L S O t u p t u o la n gis lo rt n o c d el S 6 4 O D P S O t u p t u o la n gis lo rt n o c eld nip S 7 4 O D F O t u p t u o la n gis lo rt n o c s u c o F 8 4 O D T O t u p t u o la n gis lo rt n o c g nik c a r T 9 4 F E R V − o v r e s r o f A / D f o le v el e c n e r e f e R 0 5 4 T S E T I 4 t u p ni ts e T www. xiaoyu163. com QQ 376315150 9 9 2 8 9 4 2 9 8 TEL 13942296513 9 9 2 8 9 4 2 9 8 0 5 1 5 1 3 6 7 3 Q Q TEL 13942296513 QQ 376315150 892498299 TEL 13942296513 QQ 376315150 892498299 http://www.xiaoyu163.com 100 XV-HTD510, XV-HTD510-B . o N e m a N n i P O /I n o it c n u F 1 5 O I L F H O /I t u p t u o /t u p nila n gis n oitc e t e d r o rri M 2 5 R E S A L O lo rt n o c F F O / N O r e s al r o f nip t u p t u O 3 5 B D C _ D V D / 0 P P O /I t u p t u o la n gis n oit a ni m ir c sid c si D / t u p t u o /t u p ni tr o p e s o p r u p -la r e n e G 4 5 B R R E C R C / 1 P P O /I t u p t u o la n gis tlu s e r C R C e d o c b u S / t u p t u o /t u p ni tr o p e s o p r u p -la r e n e G 5 5 G F I t u p ni r e t n u o c G F 6 5 T N E V E / 2 P P O /I t u p ni r e t n u o c t n e v E / t u p t u o /t u p ni tr o p e s o p r u p -la r e n e G 7 5 B S E R I t u p ni t e s e R 8 5 B S C I t u p ni tc ele s pih C 9 5 B D R I t u p nila n gis g nid a e r e t a ts la n r e t n I 0 6 B R W I t u p nila n gis g nitir w a t a d / d n a m m o C 1 6 2 D D V D − ylp p u s r e w o p V 5 2 6 S S V − D N G 3 6 0 P O /I t u p t u o /t u p ni a t a d / d n a m m o C 4 6 1 P 5 6 2 P 6 6 3 P 7 6 4 P 8 6 5 P 9 6 6 P 0 7 7 P 1 7 S S V − D N G 2 7 1 D D V D − la n r e t ni r o f ylp p u s r e w o p V 3 . 3 3 7 B Y S U B O s s e c o r p d n a m m o c f o t u p t u o la n gis y s u B 4 7 T U O Q S O Q e d o c b u s f o t u p t u o lair e S 5 7 B K C Q C I t u p t u o a t a d Q e d o c b u s r o f t u p ni k c olc tfih S 6 7 C W R I Q e d o c b u s f o t u p ni n ois si m r e p e t a d p U 7 7 Q R W O Q e d o c b u s f o r o tin o m y d a e r t u o d a e R 8 7 S S V A − k c olc m e ts y s la n r e t ni r o f D N G L L P 9 7 R F P R V − k c olc m e ts y s r o f L L P f o g nitt e s e g n a r n oit allic s o O C V 0 8 C O C V I k c olc m e ts y s r o f r e tlif L L P a tc e n n o C 1 8 O D P V O 2 8 D D V A − k c olc m e ts y s r o f ylp p u s r e w o p V 5 L L P 3 8 1 O D P O /I k c a b y alp M F E r o f 1 nip n oitc e n n o c r e tlif L L P 4 8 2 O D P O /I k c a b y alp M F E r o f 2 nip n oitc e n n o c r e tlif L L P 5 8 3 O D P O /I k c a b y alp M F E r o f 3 nip n oitc e n n o c r e tlif L L P 6 8 S S V A − k c a b y alp M F E r o f D N G L L P 7 8 1 T S I K C P − k c a b y alp M F E r o f p m u p e g r a h c t n e rr u c t n a ts n o c L L P f o 1 g nitt e s t n e rr u C 8 8 2 T S I K C P − k c a b y alp M F E r o f p m u p e g r a h c t n e rr u c t n a ts n o c L L P f o 2 g nitt e s t n e rr u C 9 8 D D V A − k c a b y alp M F E r o f ylp p u s r e w o p V 5 L L P 0 9 R F D V D − 1 k c a b y alp M F E r o f L L P f o g nitt e s e g n a r n oit allic s o O C V 1 9 R F D C − 2 k c a b y alp M F E r o f L L P f o g nitt e s e g n a r n oit allic s o O C V 2 9 V J O k c a b y alp M F E r o f k c olc L L P f o t u p t u o r e ttiJ 3 9 K C P O k c a b y alp M F E r o f t u p t u o k c olc ti B 4 9 O A R D A I t u p ni s s e r d d A 5 9 Q E Y S D V D I t u p ni e slu p e zin o r h c n y s D V D 6 9 C N Y S D V D I t u p nila n gis s u o n o r h c n y s D V D 7 9 2 M F E L O 2 K C P h ti w M F E e ula v d e t a ts - y r a nib s a w h cih w la n gis a t u o d n a t u c t a h t e t a ts e h t t u p t u O 8 9 1 D D V D − O /I r o f ylp p u s r e w o p V 3 . 3 9 9 S S V − D N G 0 0 1 M F E L O 1 K C P h ti w M F E e ula v d e t a ts - y r a nib s a w h cih w la n gis a t u o d n a t u c t a h t e t a ts e h t t u p t u O www. xiaoyu163. com QQ 376315150 9 9 2 8 9 4 2 9 8 TEL 13942296513 9 9 2 8 9 4 2 9 8 0 5 1 5 1 3 6 7 3 Q Q TEL 13942296513 QQ 376315150 892498299 TEL 13942296513 QQ 376315150 892498299 http://www.xiaoyu163.com 101 XV-HTD510, XV-HTD510-B PD3410A (DVDM ASSY : IC11) • System Control IC • Pin Function . o N k r a M e m a N n i P O /I n o it c n u F 1 L S A C X / 3 S C X 3 S C X O t u p t u o la n gis tc ele s pih c ) P I H C Y M ( A 5 9 9 4 D P 2 D N G D N G − D N G 3 K C – O . C . N 4 C C V D 3 + V − D 3 + V 5 K L C I P − O /I . C . N 6 A T A D I P − O /I . C . N 7 D N G D N G − D N G 8 0 H T R O P − O . C . N 9 1 H T R O P − O . C . N 0 1 2 H T R O P – O . C . N )r o t a r e n e g k c ol C ( F 8 5 1 2 U B 1 1 3 H T R O P 2 L E S _ V O ]le d o m Y W [ la ni m r e t trik s e h t f o t u p t u o la n gis g nih cti w s S / e tis o p m o C 2 1 C C V D 3 + V − D 3 + V 3 1 4 H T R O P − O . C . N 4 1 5 H T R O P − O . C . N 5 1 6 H T R O P − O . C . N 6 1 7 H T R O P − O . C . N 7 1 D N G D N G − D N G 8 1 L A T X E L A T X E I r o t a n o s e r ci m a r e c a tc e n n o C 9 1 L A T X L A T X O 0 2 C C V D 3 + V − D 3 + V 1 2 0 G T R O P 0 F D S C X O ( t u p t u o la n gis tc ele s pih c C A D ← ) 3 T A L X 2 2 1 G T R O P 1 F D S C X O ( e c a fr e t ni r e t u p m o c o r ci m P S D oid u a r o f t u p t u o la n gis tc ele s pih C ← ) S C A D _ T L X 3 2 2 G T R O P − O . C . N 4 2 3 G T R O P − O . C . N 5 2 4 G T R O P N O E F L O t n e m ele E F L f o h c R d n a h c L t n o rf e h t o t xi m e h t tc ele S 6 2 D N G D N G − D N G 7 2 5 G T R O P D M H C 6 O ( h c 6 / h c 2 st u p t u o C A D e h t h cti w S ← ) 2 T S R V D X 8 2 6 G T R O P – O . C . N t u p t u o 1 - V A o t / t u p t u o P S A D h g u o r h t P S A D 9 2 7 G T R O P E T U M A X O oid u a e h t f o t u p t u o la n gis e t u m e g a ts ts a L 0 3 0 F T R O P 8 4 X 4 4 O t u p t u o la n gis g nih cti w s S F 8 4 / 4 4 C A D 1 3 1 F T R O P − I . C . N 2 3 2 F T R O P – O . C . N t u p t u o la n gis g nih cti w s s s a p y b / N O oid u a D 3 3 3 C C V D 3 + V − D 3 + V 4 3 3 F T R O P − O . C . N 5 3 4 F T R O P T S R S V A X O tr o p t e s e r .c n y S 6 3 5 F T R O P S N S C S D O tsix e c si D : L t u p t u o e slu p n oitc e t e d c si D www. xiaoyu163. com QQ 376315150 9 9 2 8 9 4 2 9 8 TEL 13942296513 9 9 2 8 9 4 2 9 8 0 5 1 5 1 3 6 7 3 Q Q TEL 13942296513 QQ 376315150 892498299 TEL 13942296513 QQ 376315150 892498299 http://www.xiaoyu163.com 102 XV-HTD510, XV-HTD510-B . o N k r a M e m a N n i P O /I n o it c n u F 7 3 6 F T R O P − O . C . N 8 3 7 F T R O P E V S C X O ]le d o m Y W [ r e d o c n e o e div e h t f o t u p t u o la n gis elb a n e n oit a cin u m m o c lair e S 9 3 D N G D N G − D N G 0 4 S S V A D N G − D N G 1 4 C C V A D 3 + V − D 3 + V 2 4 P _ A T U O V R D O L O t u p t u o e vir d g nid a o L 3 4 F E R V D 3 + V − D 3 + V 4 4 P _ B T U O I E T O t u p t u o la n gis t e sff o g nik c a r T 5 4 S S V A D N G − D N G 6 4 S S V A D N G − D N G 7 4 0 E T R O P L E S _ V O t u p t u o la n gis g nih cti w s e tis o p m o c/t n e n o p m o C 8 4 1 E T R O P − I . C . N 9 4 2 E T R O P − I . C . N 0 5 3 E T R O P 1 T S F O F O /I 1 t u p t u o t n e m ts ujd a t e sff o s u c o F 1 5 4 E T R O P 2 T S F O F O /I 2 t u p t u o t n e m ts ujd a t e sff o s u c o F 2 5 5 E T R O P H N I F D X O /I t u p t u o la n gis t n u h s tc e f e D 3 5 6 E T R O P D C X / D V D O t u p t u o la n gis g nih cti w s D C / D V D 4 5 7 E T R O P N O _ 1 D L O t u p t u o la n gis N O e d oid r e s al m n 0 5 6 5 5 0 D T R O P N O _ 2 D L O t u p t u o la n gis N O e d oid r e s al m n 0 8 7 6 5 C C V D 3 + V − D 3 + V 7 5 1 D T R O P E T / D P D O t u p t u o la n gis g nih cti w s s m a e b 3 / m a e b 1 8 5 2 D T R O P F F O G A O C I F R f o t u p t u o la n gis g nih cti w s F F O / N O C G A 9 5 3 D T R O P X 2 D C X O ) D C V ( k c a b y alp d e e p s elb u o d e h t g nih cti w s r o f t u p t u o la n gi S 0 6 4 D T R O P G C I E O O t u p t u o la n gis g nih cti w s nia g C I E O 1 6 D N G D N G − D N G 2 6 5 D T R O P N O M X O t u p t u o lo rt n o c r o t o m eld nip s e h t f o t u p t u o la n gis g nih cti w s F F O / N O 3 6 6 D T R O P − O . C . N 4 6 7 D T R O P − I . C . N 5 6 0 J T R O P T U M V R D X O t u p t u o e t u m r e vir D 6 6 1 J T R O P − O . C . N 7 6 2 J T R O P T S R P S D X O t e s e r P S D o v r e S 8 6 3 J T R O P 0 D E S I e vir d n oit a t o r y a r T 9 6 C C V D 3 + V − D 3 + V 0 7 4 J T R O P T N E _ M T I y rt n e e d o m ts e T 1 7 5 J T R O P − O . C . N 2 7 6 J T R O P W S _ L E S V I t u p ni W S e tis o p m o c/t n e n o p m o C 3 7 7 J T R O P − I . C . N 4 7 2 A C O I T / 0 B P Y S U B C X I t u p ni y s u b d n a m m o C 5 7 2 B C O I T / 1 B P Y S U B A X I t u p ni y s u b e c n e u q e s - o t u A 6 7 3 A C O I T / 2 B P 2 T N I X I ) 1 - V A ( 2 t u p ni t p u rr e t n I 7 7 C C V D 3 + V − D 3 + V 8 7 3 B C O I T / 3 B P 1 T L O r ello rt n o c L F e h t o t t u p t u o la n gis e s n o p s e r n oit a cin u m m o C 9 7 4 A C O I T / 4 B P Y S B S I t u p ni .c n y s k c olb e d o c b u S 0 8 T S E T M X − I ) D 3 + V ( la ni m r e t ts e T 1 8 D M U P C X − I ) D 3 + V ( la ni m r e t ts e T 2 8 S E R X T E S E R X I t u p ni t e s e R www. xiaoyu163. com QQ 376315150 9 9 2 8 9 4 2 9 8 TEL 13942296513 9 9 2 8 9 4 2 9 8 0 5 1 5 1 3 6 7 3 Q Q TEL 13942296513 QQ 376315150 892498299 TEL 13942296513 QQ 376315150 892498299 http://www.xiaoyu163.com 103 XV-HTD510, XV-HTD510-B . o N k r a M e m a N n i P O /I n o it c n u F 3 8 D N G D N G − D N G 4 8 0 N A S O P D O L I t u p ni n oitis o p g nid a o L 5 8 1 N A S O P D L S I t u p ni n oitis o p r e dil S 6 8 2 N A P M A L C I t u p ni W S n oitis o p p m al C 7 8 3 N A W S _ P A N I t u p ni W S L A P / O T U A / C S T N 8 8 4 N A M E O X I n oitc e t o r p le d o m M E O f o la ni m r e t t u p n I 9 8 5 N A D A E D D L I y alp sid e ula v t n e rr u c D L r o f t u p n I 0 9 6 N A − I . C . N 1 9 7 N A − I . C . N 2 9 f e r v A D 3 + V − D 3 + V 3 9 C C V A D 3 + V − D 3 + V 4 9 S S V A D N G − D N G 5 9 4 B C O I T / 5 B P S O P Y R T I t u p ni t n u o c r e b m u n c si D 6 9 C K L C T / 4 A X C O I T / 6 B P F 2 C I t u p ni r o rr e 2 C 7 9 D K L C T / 4 B X C O I T / 7 B P Y D R X I r ello rt n o c L F e h t m o rf t u p ni ts e u q e r n oit a cin u m m o C 8 9 0 D x R / 8 B P I S S I )r ello rt n o c L F ( t u p ni a t a d lair e S 9 9 0 D x T / 9 B P O S S O )r ello rt n o c L F ( t u p t u o a t a d lair e S 0 0 1 C C V D 3 + V − D 3 + V 1 0 1 1 D x R / 0 1 B P D X R I C 2 3 2 - S R e h t f o t u p ni a t a D 2 0 1 1 D x T / 1 1 B P D X T O C 2 3 2 - S R e h t f o t u p t u o a t a D 3 0 1 0 K C S / 4 Q R I X / 2 1 B P K C S S O /I )r ello rt n o c L F ( t u p t u o k c olc lair e S 4 0 1 1 K C S / 5 Q R I X / 3 1 B P 0 1 L Q R I X I ) P I H C Y M ( 0 # t u p ni t p u rr e t n I 5 0 1 D N G D N G − D N G 6 0 1 6 Q R I X / 4 1 B P 1 1 L Q R I X I ) P I H C Y M ( 1 # t u p ni t p u rr e t n I 7 0 1 7 Q R I X / 5 1 B P 0 T N I X I ) 1 - V A ( 0 # t u p ni t p u rr e t n I 8 0 1 0 A C O I T / 4 S C X / 0 A P 4 S C X O t u p t u o la n gis tc ele s pih c P S D o v r e S 9 0 1 S A R X / 5 S C X / 1 A P − O . C . N 0 1 1 0 B C O I T / 6 S C X / 2 A P 6 S C X O t u p t u o la n gis tc ele s pih c 1 - V A 1 1 1 T I A W X T I A W X I t u p nila n gis tia W 2 1 1 L R W X L R W X O L t u p t u o e slu p e tir W 3 1 1 D N G D N G − D N G 4 1 1 H R W X H R W X O H t u p t u o e slu p e tir W 5 1 1 D R X D R X O t u p t u o e slu p d a e R 6 1 1 K C A B X / 7 A P T E D R U C X I t u p nila n gis n oitc e t e d t n e rr u c -r e v O 7 1 1 Q E R B X / 8 A P S T C I t u p ni ti m r e p r e fs n a rt C 2 3 2 - S R 8 1 1 / T U O Q R I X / H A X / 9 A P G R T D A X R T D O t u p t u o ti m r e p r e fs n a rt C 2 3 2 - S R 9 1 1 1 A C O I T / L P D / 0 1 A P 1 T N I X I ) 1 - V A ( 1 t u p ni t p u rr e t n I 0 2 1 1 B C O I T / H P D / 1 1 A P D L H T I t u p nila n gis dlo h g nik c a r T 1 2 1 C C V D 3 + V − D 3 + V 2 2 1 / 0 K C A D / 0 Q R I X / 2 1 A P A K L C T 0 K C A D O ) P I H C Y M ( t u p t u o e s n o p s e r A M D 3 2 1 / 1 Q R I X / 3 1 A P B K L C T / 0 Q E R D X 0 Q E R D X I ) P I H C Y M ( t u p ni ts e u q e r A M D 4 2 1 1 K C A D X / 2 Q R I X / 4 1 A P 1 K C A D X O ) 1 - V A ( t u p t u o e s n o p s e r A M D 5 2 1 1 Q E R D X / 3 Q R I X / 5 1 A P 1 Q E R D X I ) 1 - V A ( t u p ni ts e u q e r A M D 6 2 1 0 D A 0 D O /I 0 s u b a t a D www. xiaoyu163. com QQ 376315150 9 9 2 8 9 4 2 9 8 TEL 13942296513 9 9 2 8 9 4 2 9 8 0 5 1 5 1 3 6 7 3 Q Q TEL 13942296513 QQ 376315150 892498299 TEL 13942296513 QQ 376315150 892498299 http://www.xiaoyu163.com 104 XV-HTD510, XV-HTD510-B . o N k r a M e m a N n i P O /I n o it c n u F 7 2 1 D N G D N G − D N G 8 2 1 1 D A 1 D O /I 1 s u b a t a D 9 2 1 2 D A 2 D O /I 2 s u b a t a D 0 3 1 3 D A 3 D O /I 3 s u b a t a D 1 3 1 4 D A 4 D O /I 4 s u b a t a D 2 3 1 5 D A 5 D O /I 5 s u b a t a D 3 3 1 6 D A 6 D O /I 6 s u b a t a D 4 3 1 C C V D 3 + V − D 3 + V 5 3 1 7 D A 7 D O /I 7 s u b a t a D 6 3 1 8 D A 8 D O /I 8 s u b a t a D 7 3 1 9 D A 9 D O /I 9 s u b a t a D 8 3 1 0 1 D A 0 1 D O /I 0 1 s u b a t a D 9 3 1 D N G D N G − D N G 0 4 1 1 1 D A 1 1 D O /I 1 1 s u b a t a D 1 4 1 2 1 D A 2 1 D O /I 2 1 s u b a t a D 2 4 1 3 1 D A 3 1 D O /I 3 1 s u b a t a D 3 4 1 4 1 D A 4 1 D O /I 4 1 s u b a t a D 4 4 1 C C V D 3 + V − D 3 + V 5 4 1 5 1 D A 5 1 D O /I 5 1 s u b a t a D 6 4 1 ) S B H X ( 0 A 0 A O 0 s u b s s e r d d A 7 4 1 1 A 1 A O 1 s u b s s e r d d A 8 4 1 2 A 2 A O 2 s u b s s e r d d A 9 4 1 D N G D N G − D N G 0 5 1 3 A 3 A O 3 s u b s s e r d d A 1 5 1 4 A 4 A O 4 s u b s s e r d d A 2 5 1 5 A 5 A O 5 s u b s s e r d d A 3 5 1 6 A 6 A O 6 s u b s s e r d d A 4 5 1 7 A 7 A O 7 s u b s s e r d d A 5 5 1 8 A 8 A O 8 s u b s s e r d d A 6 5 1 9 A 9 A O 9 s u b s s e r d d A 7 5 1 0 1 A 0 1 A O 0 1 s u b s s e r d d A 8 5 1 1 1 A 1 1 A O 1 1 s u b s s e r d d A 9 5 1 2 1 A 2 1 A O 2 1 s u b s s e r d d A 0 6 1 3 1 A 3 1 A O 3 1 s u b s s e r d d A 1 6 1 4 1 A 4 1 A O 4 1 s u b s s e r d d A 2 6 1 5 1 A 5 1 A O 5 1 s u b s s e r d d A 3 6 1 6 1 A 6 1 A O 6 1 s u b s s e r d d A 4 6 1 7 1 A 7 1 A O 7 1 s u b s s e r d d A 5 6 1 C C V D 3 + V − D 3 + V 6 6 1 8 1 A 8 1 A O 8 1 s u b s s e r d d A 7 6 1 9 1 A 9 1 A O 9 1 s u b s s e r d d A 8 6 1 0 2 A 0 2 A O ]le d o m M A R [ 0 2 s u b s s e r d d A 9 6 1 1 2 A 1 2 A O . C . N 0 7 1 I M N X I M N X I D 3 + V 1 7 1 D N G D N G − D N G 2 7 1 0 1 S C X − O . C . N 3 7 1 0 2 S C X 0 2 S C X O M O R h s alf e h t f o t u p t u o la n gis tc ele s pih C 4 7 1 2 2 S C X − O ]le d o m M E O [ M O R I U G e h t f o t u p t u o la n gis tc ele s pih C 5 7 1 3 2 S C X 3 2 S C X O M A R S e h t f o t u p t u o la n gis tc ele s pih C 6 7 1 2 S C X − O . C . N www. xiaoyu163. com QQ 376315150 9 9 2 8 9 4 2 9 8 TEL 13942296513 9 9 2 8 9 4 2 9 8 0 5 1 5 1 3 6 7 3 Q Q TEL 13942296513 QQ 376315150 892498299 TEL 13942296513 QQ 376315150 892498299 http://www.xiaoyu163.com 105 XV-HTD510, XV-HTD510-B MB86373B (DVDM ASSY : IC18) • MPEG2 Decoder IC • Block Diagram Memory Controller Block Audio Clock Generation Block System Clock Generation Block Control Block Video Decoder Block Sync. Control Block Reset Signal Starting Signal NTSC/PAL Video Encoder DAC OSD Sub- picture MIX Audio Decoder Block System Clock Clock for video Clock for audio LPF VCO Clock Signal Video Output (Y,C,Comp/Y,Cb,Cr) Digital Signal Output (Component/ Composite) System Decoder Block CPU Interface CPU Clock Generation Block 27MHz Audio Output Internal Bus Reset Signal 16Mbit SDRAM Exclusive Parallel port Input Signal Picture Block Whole Control Block Video Output Block www. xiaoyu163. com QQ 376315150 9 9 2 8 9 4 2 9 8 TEL 13942296513 9 9 2 8 9 4 2 9 8 0 5 1 5 1 3 6 7 3 Q Q TEL 13942296513 QQ 376315150 892498299 TEL 13942296513 QQ 376315150 892498299 http://www.xiaoyu163.com 106 XV-HTD510, XV-HTD510-B • Pin Function . o N e m a N n i P O /I n o it c n u F . o N e m a N n i P O /I n o it c n u F 1 L E S K L C I ) F F O : " L " , N O : " H "( L L P f o la n gis F F O / N O 7 2 D D V − ylp p u s r e w o p V 5 . 2 2 7 N P C G I D O ) B S M ( t u p t u o la n gis t n e n o p m o c la tigi D ) B S M ( )tib - 9 ( t u p t u o la n gis Y la tigi D 8 2 4 P M O C G I D O t u p t u o la n gis e tis o p m o c la tigi D t u p t u o la n gis C la tigi D 3 S S V − D N G 9 2 3 P M O C G I D 4 6 N P C G I D O t u p t u o la n gis t n e n o p m o c la tigi D )tib - 9 ( t u p t u o la n gis Y la tigi D 0 3 2 P M O C G I D 5 5 N P C G I D 1 3 1 P M O C G I D 6 4 N P C G I D 2 3 0 P M O C G I D ) B S L ( t u p t u o la n gis e tis o p m o c la tigi D ) B S L ( t u p t u o la n gis C la tigi D 7 3 N P C G I D 3 3 K C A D O t u p t u o k c olc z H M 7 2 8 2 N P C G I D 4 3 . C . N − n oitc e n n o c n o N 9 1 N P C G I D 5 3 3 A S S V − )r e tr e v n o c A / D ( D N G 0 1 D D V − ylp p u s r e w o p V 5 . 2 6 3 C A N A O la n gis t u p t u o ) C ( r olo c g ola n A 1 1 0 N P C G I D O ) B S L ( t u p t u o la n gis t n e n o p m o c la tigi D ) B S L ( )tib - 9 ( t u p t u o la n gis Y la tigi D 7 3 3 A D D V − r e tr e v n o c A / D ni-tliu b r o f( ylp p u s r e w o p V 5 . 2 ) yln o 2 1 L E S B R O la tigid e h t t a la n gis n oit a ni m ir c sid r C d n a b C .t u p t u o la n gis t n e n o p m o c .t u p t u o la n gis Y la tigid e h t t a B S L 8 3 2 A S S V − )r e tr e v n o c A / D ( D N G 3 1 S H X O la n gis t u p t u o .c n y s la t n o zir o H 9 3 Y A N A O la n gis t u p t u o ) Y ( e c n a ni m ul g ola n A 4 1 S V X O la n gis t u p t u o .c n y s la citr e V 0 4 2 A D D V − r e tr e v n o c A / D ni-tliu b r o f( ylp p u s r e w o p V 5 . 2 ) yln o 5 1 S S V − D N G 1 4 F E R V I r e tr e v n o c A / D r o f e g a tlo v e c n e r e f e R 6 1 T E S E R X I la n gis t e s e r I S L 2 4 O R V O r e tr e v n o c A / D f o nip g nitt e s t n e rr u c la n r e t n I 7 1 C N Y S C D L X I ) e d o m D L ( t u p nila n gis .c n y s la n r e tx E 3 4 4 A D D V − r e tr e v n o c A / D ni-tliu b r o f( ylp p u s r e w o p V 5 . 2 ) yln o 8 1 Y E K O y alr e v o D S O d n a D L r o f la n gis Y E K ) e d o m D L ( 4 4 1 A S S V − )r e tr e v n o c A / D ( D N G 9 1 D P O f o la n gis t u p t u o tlu s e r n o sir a p m o c e s a h P ) e d o m D L ( .c n y s la t n o zir o h 5 4 P M O C A N A O la n gis t u p t u o e tis o p m o c g ola n A 0 2 D L F V O la n gis la tigid e h t t a la n gis n oit a ni m ir c sid dlei F dleif d d o : L dleif n e v e : H t u p t u o 6 4 1 A D D V − r e tr e v n o c A / D ni-tliu b r o f( ylp p u s r e w o p V 5 . 2 ) yln o 1 2 9 P M O C G I D O ) B S M ( t u p t u o la n gis e tis o p m o c la tigi D ) B S M ( t u p t u o la n gis C la tigi D 7 4 F B O la n gis g alf ts r u B 2 2 8 P M O C G I D t u p t u o la n gis e tis o p m o c la tigi D t u p t u o la n gis C la tigi D 8 4 K L B X O la n gis g nik n alb e tis o p m o c V / H 3 2 7 P M O C G I D 9 4 4 T S E T O ." n e p o " o t t e s ,ylla m r o N 4 2 6 P M O C G I D 0 5 S S V − D N G 5 2 5 P M O C G I D 1 5 0 T S E T I ." n e p o " o t t e s ,ylla m r o N 6 2 S S V − D N G 2 5 1 T S E T I ylla m r o n s u t a ts " L " www. xiaoyu163. com QQ 376315150 9 9 2 8 9 4 2 9 8 TEL 13942296513 9 9 2 8 9 4 2 9 8 0 5 1 5 1 3 6 7 3 Q Q TEL 13942296513 QQ 376315150 892498299 TEL 13942296513 QQ 376315150 892498299 http://www.xiaoyu163.com 107 XV-HTD510, XV-HTD510-B . o N e m a N n i P O /I n o it c n u F . o N e m a N n i P O /I n o it c n u F 3 5 N II A D I ) F I D P S ( t u p nila n r e tx e f o t u p ni a t a d la tigi D 2 9 0 1 S R D A H I ) B S M ( la n gis s u b s s e r d d a U P C 4 5 A T A D D C I t u p nila n r e tx e f o t u p ni a t a d oid u A ) D C o t d n o p s e rr o c ( 3 9 9 S R D A H I la n gis s u b s s e r d d a U P C 5 5 R L D C I t u p nila n r e tx e f o t u p ni k c olc le n n a h c a t a D ) D C o t d n o p s e rr o c ( 4 9 8 S R D A H 6 5 K C B D C I t u p nila n r e tx e f o t u p ni k c olc a t a D ) D C o t d n o p s e rr o c ( 5 9 7 S R D A H 7 5 3 A T A D O A O a t a d e d o c e d oid u A 6 9 S S V − D N G 8 5 2 A T A D O A 7 9 D D V − ylp p u s r e w o p V 5 . 2 9 5 1 A T A D O A 8 9 6 S R D A H I la n gis s u b s s e r d d a U P C 0 6 S S V − D N G 9 9 5 S R D A H 1 6 D D V − ylp p u s r e w o p V 5 . 2 0 0 1 4 S R D A H 2 6 0 A T A D O A O a t a d e d o c e d oid u A 1 0 1 3 S R D A H 3 6 M C P O A O t u p t u o e c a fr e t ni oid u a la tigi D ) a t a d n ois s e r p m o c ( 2 0 1 2 S R D A H ) B S L ( la n gis s u b s s e r d d a U P C 4 6 I A D O A O ) a t a d e d o c e d ( t u p t u o e c a fr e t ni oid u a la tigi D 3 0 1 5 1 A T A D H O /I ) B S M ( la n gis s u b a t a d U P C 5 6 K C R L O r e tlif la tigid d n a A / D r o f k c olc le n n a h c a t a D 4 0 1 4 1 A T A D H la n gis s u b a t a d U P C 6 6 K C M O A O r e tlif la tigid d n a A / D r o f k c olc r e ts a M 5 0 1 3 1 A T A D H 7 6 K C B O r e tlif la tigid d n a A / D r o f k c olc ti B 6 0 1 2 1 A T A D H 8 6 2 T S E T I ." n e p o " o t t e s ,ylla m r o N 7 0 1 S S V − D N G 9 6 3 T S E T 8 0 1 1 1 A T A D H O /I la n gis s u b a t a d U P C 0 7 C N − n oitc e n n o c n o N 9 0 1 0 1 A T A D H 1 7 T S R P S D X I ." n e p o " o t t e s ,ylla m r o N 0 1 1 9 A T A D H 2 7 S S V − D N G 1 1 1 8 A T A D H 3 7 5 T S E T O ." n e p o " o t t e s ,ylla m r o N 2 1 1 7 A T A D H 4 7 C N − ." n e p o " o t t e s ,ylla m r o N 3 1 1 6 A T A D H 5 7 C N 4 1 1 D D V − ylp p u s r e w o p V 5 . 2 6 7 C N 5 1 1 5 A T A D H O /I la n gis s u b a t a d U P C 7 7 C N 6 1 1 4 A T A D H 8 7 7 D S I t u p ni a t a d lella r a P 7 1 1 3 A T A D H 9 7 D D V − ylp p u s r e w o p V 5 . 2 8 1 1 2 A T A D H 0 8 6 D S I t u p ni a t a d lella r a P 9 1 1 S S V − D N G 1 8 5 D S 0 2 1 1 A T A D H O /I la n gis s u b a t a d U P C 2 8 4 D S 1 2 1 0 A T A D H ) B S L ( la n gis s u b a t a d U P C 3 8 3 D S 2 2 1 L E S S U B I la n gis n oitc ele s h t di w s u B ) s u b tib - 6 1 : 1 ,s u b tib - 8 : 0 ( 4 8 2 D S 3 2 1 K C A D S O X I la n gis e g d el w o n k c a a t a d D S O 5 8 S S V − D N G 4 2 1 Q E R D S O X O la n gis ts e u q e r a t a d D S O 6 8 1 D S I t u p ni a t a d lella r a P 5 2 1 1 L E S U P C H I , C R A P S : 0 0 ( la n gis n oitc ele s U P C ) e v r e s e R : 1 1 , m e ts y s 8 6 : 0 1 , m e ts y s 6 8 : 1 0 7 8 0 D S 6 2 1 0 L E S U P C H 8 8 R R E X I la n gis t u p ni r o rr E 7 2 1 3 T N I X O U P C e h t o t la n gis ts e u q e r t p u rr e t n I 9 8 K C A S X I la n gis e g d el w o n k c A 8 2 1 2 T N I X 0 9 T S E T X I e s u la m r o n t a " H " o t t e S 9 2 1 1 T N I X 1 9 Q E R S O la n gis ts e u q e r a t a D 0 3 1 S S V − D N G www. xiaoyu163. com QQ 376315150 9 9 2 8 9 4 2 9 8 TEL 13942296513 9 9 2 8 9 4 2 9 8 0 5 1 5 1 3 6 7 3 Q Q TEL 13942296513 QQ 376315150 892498299 TEL 13942296513 QQ 376315150 892498299 http://www.xiaoyu163.com 108 XV-HTD510, XV-HTD510-B . o N e m a N n i P O /I n o it c n u F . o N e m a N n i P O /I n o it c n u F 1 3 1 D D V − ylp p u s r e w o p V 5 . 2 0 7 1 S A C R D M X O M A R D S r o fla n gis S A C 2 3 1 0 T N I X O U P C o tla n gis ts e u q e r t p u rr e t n I 1 7 1 1 M Q D R D M X O r o fla n gis elb a n e t u p t u o / k s a m t u p n I M A R D S 3 3 1 Y D R T X E X O U P C o tla n gis y d a e R : m e ts y s 8 6 , C R A P S o tla n gis ) K C A ( e g d el w o n k c A : m e ts y s 6 8 U P C 2 7 1 S S V − D N G 4 3 1 W R H I la n gis e tir w / d a e r U P C 3 7 1 E W R D M X O M A R D S r o fla n gis elb a n e e tir W 5 3 1 N I K L C H I t u p ni k c olc ts o H 4 7 1 0 M Q D R D M X O r o fla n gis elb a n e t u p t u o / k s a m t u p n I M A R D S 6 3 1 S C H X I la n gis tc ele s pih c I S L 5 7 1 8 T A D R D M O /I M A R D S r o fla n gis s u b a t a D 7 3 1 S A H X I e b o rts s s e r d d a U P C : m e ts y s 8 6 , C R A P S s u t a ts s s e r d d a U P C : m e ts y s 6 8 6 7 1 S S V − D N G 8 3 1 3 E B H X I la n gis elb a n e e ty b U P C 7 7 1 7 T A D R D M O /I M A R D S r o fla n gis s u b a t a D 9 3 1 2 E B H X 8 7 1 9 T A D R D M 0 4 1 1 E B H X 9 7 1 6 T A D R D M 1 4 1 0 E B H X 0 8 1 0 1 T A D R D M 2 4 1 S S V − D N G 1 8 1 5 T A D R D M 3 4 1 4 R D A R D M O M A R D S r o fla n gis s s e r d d A 2 8 1 S S V − D N G 4 4 1 3 R D A R D M 3 8 1 D D V − ylp p u s r e w o p V 5 . 2 5 4 1 5 R D A R D M 4 8 1 1 1 T A D R D M O /I M A R D S r o fla n gis s u b a t a D 6 4 1 2 R D A R D M 5 8 1 4 T A D R D M 7 4 1 D D V − ylp p u s r e w o p V 5 . 2 6 8 1 2 1 T A D R D M 8 4 1 S S V − D N G 7 8 1 3 T A D R D M 9 4 1 6 R D A R D M O M A R D S r o fla n gis s s e r d d A 8 8 1 3 1 T A D R D M 0 5 1 1 R D A R D M 9 8 1 S S V − D N G 1 5 1 7 R D A R D M 0 9 1 2 T A D R D M O /I M A R D S r o fla n gis s u b a t a D 2 5 1 0 R D A R D M ) B S L ( M A R D S r o fla n gis s s e r d d A 1 9 1 4 1 T A D R D M 3 5 1 8 R D A R D M M A R D S r o fla n gis s s e r d d A 2 9 1 1 T A D R D M 4 5 1 S S V − D N G 3 9 1 5 1 T A D R D M ) B S M ( M A R D S r o fla n gis s u b a t a D 5 5 1 6 T S E T I ylla m r o n s u t a ts " L " 4 9 1 0 T A D R D M O /I ) B S L ( M A R D S r o fla n gis s u b a t a D 6 5 1 7 T S E T 5 9 1 S S V − D N G 7 5 1 8 T S E T 6 9 1 . C . N − n oitc e n n o c n o N 8 5 1 9 T S E T 7 9 1 M 7 2 K C I I t u p ni k c olc m e ts y S 9 5 1 0 1 R D A R D M O M A R D S r o fla n gis s s e r d d A 8 9 1 S S V − D N G 0 6 1 9 R D A R D M 9 9 1 M 7 2 K C O O t u p t u o k c olc m e ts y S 1 6 1 1 1 R D A R D M ) B S M ( M A R D S r o fla n gis s s e r d d A 0 0 2 ) O C V ( A S S V − ) yln o O C V r o f( D N G 2 6 1 S C R D M X O M A R D S r o fla n gis tc ele s pih C 1 0 2 ) O C V ( A D D V − ) yln o O C V r o f( ylp p u s r e w o p V 5 . 2 3 6 1 E K C R D M O M A R D S r o fla n gis elb a n e k c ol C 2 0 2 F P L I O oid u a r o f t u p t u o r e tr e v ni k c olb L L P 4 6 1 S S V − D N G 3 0 2 F P L M I oid u a r o f t u p ni r e tr e v ni k c olb L L P 5 6 1 D D V − ylp p u s r e w o p V 5 . 2 4 0 2 F P L O O oid u a r o f t u p t u o r o tc e t e d e s a h P 6 6 1 S A R R D M X O M A R D S r o fla n gis S A R 5 0 2 O C V O I k c olc oid u a r o f t u p ni O C V 7 6 1 K L C R D M O M A R D S r o fla n gis t u p t u o k c ol C 6 0 2 S S V − D N G 8 6 1 S S V − D N G 7 0 2 T S R L L P X I la n gis t e s e r n oitc e s L L P 9 6 1 N I K L C R D M I M A R D S r o fla n gis t u p ni k c ol C 8 0 2 T S R C N Y S X I la n gis t e s e r C N Y S www. xiaoyu163. com QQ 376315150 9 9 2 8 9 4 2 9 8 TEL 13942296513 9 9 2 8 9 4 2 9 8 0 5 1 5 1 3 6 7 3 Q Q TEL 13942296513 QQ 376315150 892498299 TEL 13942296513 QQ 376315150 892498299 http://www.xiaoyu163.com 109 XV-HTD510, XV-HTD510-B PDC076A (MAIN ASSY : IC5501) • Microcomputer IC • Pin Function . o N k r a M e m a N n i P O /I n o it c n u F 1 L M W P 1 T / 6 1 P E T U M P S D X O t u p t u o e t u m P S D 2 Z U B / H M W P 1 T / 7 1 P T S R C D C X O t e s e r C E D O C 3 0 3 P O D C D C O a t a D C E D O C 4 1 3 P K C C D C O k c ol C C E D O C 5 2 3 P S C C D C X O tc ele S pih C C E D O C 6 3 3 P T S R P S D X O t e s e R P S D 7 4 3 P S C B U S P S D X O ) b u S ( tc ele S pih C P S D 8 5 3 P S C N I A M P S D X O ) nia M ( tc ele S pih C P S D 9 6 3 P I D / N E W O /I D A O L N W O D r o f 0 1 7 3 P O D W 1 1 S E R T E S E R X t e s e R P - u 2 1 0 1 N A / 1 T X E D O M T S E T X I t u p ni e d o m ts e t m e ts y s 3 1 1 1 N A / 2 T X ) D / A ( T C E T E D 3 . 3 I n oitc e t e D V 3 . 3 ) D V D ( 4 1 1 S S V D D N G − − 5 1 1 F C 1 F C r o t allic s O la ts y r C 6 1 2 F C 2 F C 7 1 1 D D V E 5 + V − − 8 1 0 N A / 0 8 P 0 Y E K D / A ) y s s A . p si D ( lo rt n o c n o tt u B 9 1 1 N A / 1 8 P E N U T / T S D / A n oitc e t e d D E N U T O E R E T S R E N U T 0 2 2 N A / 2 8 P ) D / A ( 0 L E D O M D / A r o f d e d n e t nile d o M e ni m r e t e D 1 2 3 N A / 3 8 P T E D N A F D / A n oitc e t e D n a F 2 2 4 N A / 4 8 P 1 Y E K D / A ) y s s A . p si D ( lo rt n o c n o tt u B 3 2 5 N A / 5 8 P G O J D / A ) y s s A . p si D ( 4 2 6 N A / 6 8 P D E L Y B T S X O 5 2 7 N A / 7 8 P C N 6 2 8 N A / P C L 0 T / 0 T N I/ 0 7 P C A I n oitc e t e d e slu p C A 7 2 9 N A / P C H 0 T / 1 T N I/ 1 7 P 1 1 T L I ) D V D ( 8 2 N I 0 T / 2 T N I/ 2 7 P K C S D R I k c ol C S D R 9 2 N I 0 T / 3 T N I/ 3 7 P N O C O M E R I ) y s s A . p si D ( lo rt n o c e t o m e R 0 3 0 T / 0 S 1 0 G O dir G 1 3 1 T / 1 S 2 0 G 2 3 2 T / 2 S 3 0 G 3 3 3 T / 3 S 4 0 G 4 3 4 T / 4 S 5 0 G 5 3 5 T / 5 S 6 0 G 6 3 6 T / 6 S 7 0 G 7 3 7 T / 7 S 8 0 G 8 3 8 T / 8 S 9 0 G 9 3 9 T / 9 S 0 1 G 0 4 0 1 T / 0 1 S 1 1 G 1 4 1 1 T / 1 1 S 2 1 G 2 4 2 1 T / 2 1 S 3 1 G 3 4 3 1 T / 3 1 S C N 4 4 4 1 T / 4 1 S C N 5 4 5 1 T / 5 1 S C N 6 4 3 D D V E 5 + V − − 7 4 0 C P / 6 1 S 1 0 S O t n e m g e S 8 4 1 C P / 7 1 S 2 0 S 9 4 2 C P / 8 1 S 3 0 S 0 5 3 C P / 9 1 S 4 0 S www. xiaoyu163. com QQ 376315150 9 9 2 8 9 4 2 9 8 TEL 13942296513 9 9 2 8 9 4 2 9 8 0 5 1 5 1 3 6 7 3 Q Q TEL 13942296513 QQ 376315150 892498299 TEL 13942296513 QQ 376315150 892498299 http://www.xiaoyu163.com 110 XV-HTD510, XV-HTD510-B . o N k r a M e m a N n i P O /I n o it c n u F 1 5 P V D D N G − − 2 5 4 C P / 0 2 S 5 0 S O t n e m g e S 3 5 5 C P / 1 2 S 6 0 S 4 5 6 C P / 2 2 S 7 0 S 5 5 7 C P / 3 2 S 8 0 S 6 5 0 D P / 4 2 S 9 0 S 7 5 1 D P / 5 2 S 0 1 S 8 5 2 D P / 6 2 S 1 1 S 9 5 3 D P / 7 2 S 2 1 S 0 6 4 D P / 8 2 S 3 1 S 1 6 5 D P / 9 2 S 4 1 S 2 6 6 D P / 0 3 S 5 1 S 3 6 7 D P / 1 3 S 6 1 S 4 6 0 E P / 2 3 S 7 1 S 5 6 1 E P / 3 3 S 8 1 S 6 6 2 E P / 4 3 S C N 7 6 3 E P / 5 3 S K L C P X E O k c olc C I r e vir d D E L 8 6 4 E P / 6 3 S A T A D P X E O a t a d C I r e vir d D E L 9 6 5 E P / 7 3 S E C P X E O E C C I r e vir d D E L 0 7 6 E P / 8 3 S R R E R I D I r o rr E R I D 1 7 7 E P / 9 3 S A T A D S D R I a t a D S D R 2 7 4 D D V E 5 + V − − 3 7 0 F P / 0 4 S E D Y R I E L B A N E s'y ale R P S 4 7 1 F P / 1 4 S T C E T E D P H I tc e t e D e n o h p d a e H 5 7 2 F P / 2 4 S I D R I D I n I a t a D R I D 6 7 3 F P / 3 4 S A T A D X T I C I L L P m o rf a t a D 7 7 4 F P / 4 4 S F F O / N O S D R O F F O / N O r o t allic s o C I S D R 8 7 5 F P / 5 4 S E T U M X T O E T U M r e n u T 9 7 6 F P / 6 4 S E T U M T U O A X O e t u m t u O oid u A 0 8 7 F P / 7 4 S C N O C N 1 8 0 G P / 8 4 S T S R R I D X O t e s e R R I D 2 8 1 G P / 9 4 S R E W O P O lo rt n o c r e w o p m e ts y s 3 8 2 G P / 0 5 S 1 Y D R X O t u p t u o Y D A E R e c a fr e t ni U C M D V D 4 8 3 G P / 1 5 S F F O / N O D V D O lo rt n o c r e w o p D V D 5 8 0 0 P K C S Y S O k c ol C m e ts y S 6 8 1 0 P A T A D S Y S O a t a D m e ts y S 7 8 2 0 P T S R D V D X O t e s e R D V D 8 8 3 0 P E T U M E N I L X O E T U M oid u a m e ts y s 9 8 2 S S V D D N G − − 0 9 2 D D V E 5 + V − -− 1 9 4 0 P E C L O V N I A M O E C 6 4 4 2 6 M C I L O V N I A M 2 9 5 0 P E C L L P O E C C I L L P 3 9 6 0 P E C R I D O elb a n E pih C R I D 4 9 7 0 P K L C W O D A O L N W O D r o f 5 9 0 O S / 0 1 P O S P S D O 2 1 9 S S Y o t A T A D 6 9 0 B S / 0 I S / 1 1 P I S P S D I 2 1 9 S S Y m o rf A T A D 7 9 0 K C S / 2 1 P K C P S D O k c ol C ) P S D ( 2 1 9 S S Y 8 9 1 O S / 3 1 P I S S O U C M D V D o t a t a D 9 9 1 B S / 1 I S / 4 1 P 1 O S S I U C M D V D m o rf a t a D 0 0 1 1 K C S / 5 1 P K C S S O k c olc U C M D V D www. xiaoyu163. com QQ 376315150 9 9 2 8 9 4 2 9 8 TEL 13942296513 9 9 2 8 9 4 2 9 8 0 5 1 5 1 3 6 7 3 Q Q TEL 13942296513 QQ 376315150 892498299 TEL 13942296513 QQ 376315150 892498299 http://www.xiaoyu163.com 111 XV-HTD510, XV-HTD510-B BA6195FP (MAIN ASSY : IC8901) • Optical Disc IC • Block Diagram . o N e m a N n i P n o it c n u F . o N e m a N n i P n o it c n u F 1 T U O P O t u p t u o r eifilp m a la n oit a r e p O 4 1 . C . N n oitc e n n o c n o N 2 . C . N n oitc e n n o c n o N 5 1 . C . N n oitc e n n o c n o N 3 . C . N n oitc e n n o c n o N 6 1 . C . N n oitc e n n o c n o N 4 S A I B s ai B 7 1 C C V c c V 5 ' N I R D t n e m ts ujd a nia g r e vir D 8 1 . C . N n oitc e n n o c n o N 6 N I R D t u p ni nia g r e vir D 9 1 D N G d n u o r g e t a rts b u S 7 . C . N n oitc e n n o c n o N 0 2 D N G d n u o r g e t a rts b u S 8 . C . N n oitc e n n o c n o N 1 2 . C . N n oitc e n n o c n o N 9 . C . N n oitc e n n o c n o N 2 2 E T U M e t u M 0 1 . C . N n oitc e n n o c n o N 3 2 . C . N n oitc e n n o c n o N 1 1 . C . N n oitc e n n o c n o N 4 2 + N I P O t u p ni g nitr e v nin o n r eifilp m a la n oit a r e p O 2 1 - T U O R D t u p t u o )t u p ni o t e vit ale r( e vit a g e n r e vir D 5 2 - N I P O t u p ni g nitr e v ni r eifilp m a la n oit a r e p O 3 1 + T U O R D t u p t u o )t u p ni o t e vit ale r( e vitis o p r e vir D OPOUT 1 N.C. 2 N.C. 3 BIAS 4 N.C. 7 N.C. 8 N.C. 9 N.C. 10 N.C. 11 DROUT– 12 DROUT+ 13 OPIN– 25 OPIN+ 24 N.C. 23 MUTE 22 DRIN' 5 DRIN 6 N.C. 21 GND 20 GND GND GND 19 N.C. 18 VCC 17 N.C. IN LEVEL SHIFT 16 N.C. 10k 10k 10k 10k 10k 10k 15 N.C. 14 DRIVER MUTE TSD Vcc • Pin Function www. xiaoyu163. com QQ 376315150 9 9 2 8 9 4 2 9 8 TEL 13942296513 9 9 2 8 9 4 2 9 8 0 5 1 5 1 3 6 7 3 Q Q TEL 13942296513 QQ 376315150 892498299 TEL 13942296513 QQ 376315150 892498299 http://www.xiaoyu163.com 112 XV-HTD510, XV-HTD510-B AK4527BVQ (DSP ASSY : IC3751) • High Performance Multi-channel Audio CODEC • Pin Function Audio I/F LPF LPF DAC DATT LPF DAC DATT LPF DAC DATT LPF DAC DATT LPF DAC DATT LOUT1 ROUT1 LOUT2 ROUT2 LOUT3 ROUT3 DAC DATT ADC HPF ADC HPF RIN- RIN+ LIN- LIN+ LRCK BICK SDTI1 SDTI2 SDTI3 DAUX SDOS MCLK LRCK BICK SDOUT SDIN1 SDIN2 SDIN3 MCLK SDTO Format Converter 30 39 5 4 10 1 9 6 7 8 29 32 31 27 28 25 26 23 24 . o N e m a N n i P O /I n o it c n u F 1 S O D S I t u p ni X U A D : H ,t u p t u o C D A la n r e t n I : L n oitc ele s e c r u o s O T D S 2 C 2 I I I : H ,lair e s s e nil- 3 : L n oitc ele s e d o m lo rt n o c lair e S 2 s u b C 3 E T U M S I le c n a C : L , e t u m tf o s e h t tr a t S : H e t u m tf o S 4 K C I B I k c olc a t a d lair e s oid u A 5 K C R L I k c olc le n n a h c t u p n I 6 1 I T D S I t u p ni a t a d lair e s oid u a 1 C A D 7 2 I T D S I t u p ni a t a d lair e s oid u a 2 C A D 8 3 I T D S I t u p ni a t a d lair e s oid u a 3 C A D 9 O T D S O t u p t u o a t a d lair e s oid u A 0 1 X U A D I t u p ni a t a d lair e s oid u a y r ailix u A 1 1 S F D I d e e p s elb u o D : H , d e e p s la m r o N : L e d o m g nilp m a s d e e p s elb u o D 2 1 C N − tc e n n o c o N 3 1 E F Z D I n oitc n u f n oitc e t e d t u p ni o r e z f o nip e vitc e ff E e d o m lair e s t a 0 - 2 M F Z D h ti w elb a tc ele s d n a e d o m lella r a p t a ) elb a sid ( 7 e d o m : L ) h c 6 f o D N A h ti w 1 F Z D m o rf ti t u p t u O ( 0 e d o m : H 4 1 D D V T − V 5 . 5 o t V 7 . 2 ,r e ff u b t u p t u o r o f ylp p u s r e w o P 5 1 D D V D − V 5 . 5 o t V 5 . 4 ,ylp p u s r e w o p la tigi D 6 1 S S V D − V 0 , d n u o r g la tigi D 7 1 N D P I . d e zilaitini si r e tsig e r a d n a , L o t ni nip sih t s n r u t n e h w e t a ts n w o d d e r e w o p s e m o c e b tI t e s e r & n w o d r e w o P . 1 - 0 D A C d n a S / P d e h cti w s n e h w nip N D P h ti w ti t e s e R • Block Diagram www. xiaoyu163. com QQ 376315150 9 9 2 8 9 4 2 9 8 TEL 13942296513 9 9 2 8 9 4 2 9 8 0 5 1 5 1 3 6 7 3 Q Q TEL 13942296513 QQ 376315150 892498299 TEL 13942296513 QQ 376315150 892498299 http://www.xiaoyu163.com 113 XV-HTD510, XV-HTD510-B . o N e m a N n i P O /I n o it c n u F 8 1 T S T I . S S V D o t tc e n n o C nip ts e T 9 1 C N − tc e n n o c o N 0 2 F I D A I t u p ni d n e elg ni S : L ,t u p nilait n e r e ffi D : H n oitc ele s m r o f t u p ni g ola n A 1 2 1 D A C I nip 1 s s e r d d a pih C 2 2 0 D A C I nip 0 s s e r d d a pih C 3 2 3 T U O L O 3 C A D f o t u p t u o g ola n a h c L 4 2 3 T U O R O 3 C A D f o t u p t u o g ola n a h c R 5 2 2 T U O L O 2 C A D f o t u p t u o g ola n a h c L 6 2 2 T U O R O 2 C A D f o t u p t u o g ola n a h c R 7 2 1 T U O L O 1 C A D f o t u p t u o g ola n a h c L 8 2 1 T U O R O 1 C A D f o t u p t u o g ola n a h c R 9 2 - N I L I t u p ni g nitr e v ni g ola n a h c L 0 3 + N I L I t u p ni g nitr e v ni- n o n g ola n a h c L 1 3 - N I R I t u p ni g nitr e v ni g ola n a h c R 2 3 + N I R I t u p ni g nitr e v ni- n o n g ola n a h c R 3 3 2 F Z D O 2 n oitc e t e d t u p ni o r e Z . 0 si tib N T S R r o yls u o u nit n o c o r e z f o s e m it 2 9 1 8 si 2 p u o r g f o a t a d t u p ni e h t n e h w H s e m o c e b tI F V O O n oitc e t e d w olfr e v o t u p ni g ola n A . d e w olfr e v o si h c R r o h c L f o u p ni g ola n a n e h w H s e m o c e b tI 4 3 M O C V O 2 / D D V A ,t u p ni e g a tlo v n o m m o C 2 . 2 t u o b a ( e c n a tic a p a c h gih si h cih w r o tic a p a c a lla ts n I µ . e sio n ylp p u s r e w o p e h t e t a ni m ile o t ) F 5 3 H F E R V I D D V A ,t u p ni e g a tlo v e c n e r e f e R 6 3 D D V A − V 5 . 5 o t V 5 . 4 ,ylp p u s r e w o p g ola n A 7 3 S S V A − V 0 , d n u o r g g ola n A 8 3 1 F Z D O 1 n oitc e t e d t u p ni o r e Z . 0 si tib N T S R r o yls u o u nit n o c o r e z f o s e m it 2 9 1 8 si 1 p u o r g f o a t a d t u p ni e h t n e h w H s e m o c e b tI 9 3 K L C M I t u p ni k c olc r e ts a M 0 4 S / P I e d o m lo rt n o c lella r a P : H , e d o m lo rt n o c lair e S : L n oitc ele s lair e s / lella r a P 1 4 0 F I D I ) e d o m lo rt n o c lella r a p t a ( 0 t a m r o f e c a fr e t ni a t a d oid u A N S C I I t a D D V D o t tc e n n o C ) e d o m lo rt n o c lair e s s e nil- 3 t a ( tc ele s pih C 2 . e d o m lo rt n o c s u b C 2 4 1 F I D I ) e d o m lo rt n o c lella r a p t a ( 1 t a m r o f e c a fr e t ni a t a d oid u A K L C C / L C S I I( L C S : H = C 2 I ,)lair e s s e nil- 3 ( K L C C : L = C 2 I ) e d o m lo rt n o c lair e s t a ( k c olc a t a d lo rt n o C 2 ) s u b C 3 4 0 P O O L I . C A D lla o t C D A m o rf k c a b p o olla tigid e h t e t a dila V ) e d o m lo rt n o c lella r a p t a ( 0 e d o m k c a b p o o L I T D C / A D S O /I I( A D S : H = C 2 I ,)lair e s s e nil- 3 ( I T D C : L = C 2 I ) e d o m lo rt n o c lair e s t a ( t u p ni a t a d lo rt n o C 2 ) s u b C 4 4 1 P O O L I . C A D lla o t 1 I T D S m o rf t u p n I 1 e d o m k c a b p o ol www. xiaoyu163. com QQ 376315150 9 9 2 8 9 4 2 9 8 TEL 13942296513 9 9 2 8 9 4 2 9 8 0 5 1 5 1 3 6 7 3 Q Q TEL 13942296513 QQ 376315150 892498299 TEL 13942296513 QQ 376315150 892498299 http://www.xiaoyu163.com 114 XV-HTD510, XV-HTD510-B LC89056W-E (DSP ASSY : IC8801) • Digital Audio Interface Receiver • Block Diagram DI Microcomputer Interface C-bit Detection Input Section Data Demodulation Lock Detection Pa, Pb Detection fs calculator CE DO PLL Timing DATAO ERROR VIN DIN2 R DIN0 DIN1 LPF AUDIO CKOUT BCK LRCK CL DOUT DISEL EMPHA MODE0 MODE1 DOSEL0 X’tal1 XOUT XIN XMCK CKSEL0 XSEL XMODE XSTATE CKSEL1 DOSEL1 F2 F1 F0 VF BPSYNC CSFLAG ERR9P 38 37 36 23 24 1 2 3 4 5 44 8 9 10 46 17 22 21 20 39 48 41 40 47 15 14 13 45 16 32 34 33 29 28 27 26 25 35 www. xiaoyu163. com QQ 376315150 9 9 2 8 9 4 2 9 8 TEL 13942296513 9 9 2 8 9 4 2 9 8 0 5 1 5 1 3 6 7 3 Q Q TEL 13942296513 QQ 376315150 892498299 TEL 13942296513 QQ 376315150 892498299 http://www.xiaoyu163.com 115 XV-HTD510, XV-HTD510-B • Pin Function . o N e m a N n i P O /I n o it c n u F 1 L E S I D I ) 1 N I D d n a 0 N I D ( nip t u p ni a t a d f o t u p ni tc ele S 2 T U O D O t u p t u o h g u o r h t a t a d e s a h pib t u p n I 3 0 N I D I )r o tsis e r n w o d -llu p ,t u p ni L T T ( t u p ni a t a d la tigi D 4 1 N I D 5 2 N I D 6 D N G D − D N G la tigi D 7 D D V D − ) V 3 . 3 ( ylp p u s r e w o p la tigi D 8 R I t u p nilo rt n o c nia g O C V 9 N I V I y c n e u q e rf g nin n u r- e e rf O C V f o t u p ni g nitt e S 0 1 F P L O t u p t u o g nitt e s r e tlif p o ol L L P 1 1 D D V A − ) V 3 . 3 ( ylp p u s r e w o p g ola n A 2 1 D N G A − D N G g ola n A 3 1 T U O K C O ) n oit allic s o g nin n u r- e e rf O C V , n oit allic s o la ts y r c ,sf 2 1 5 ,sf 4 8 3 ,sf 6 5 2 ( t u p t u o k c ol C 4 1 K C B O t u p t u o k c olc sf 4 6 5 1 K C R L O I , h c L = H , h c R = L ( t u p t u o k c olc sf 2 ) n ois r e v ni = S 6 1 O A T A D O t u p t u o a t a D 7 1 E T A T S X O t u p t u o r o tin o m g nih cti w s k c olc e c r u o S 8 1 D N G D − D N G la tigi D 9 1 D D V D − ) V 3 . 3 ( ylp p u s r e w o p la tigi D 0 2 K C M X O ) z H M 6 7 5 . 4 2 r o z H M 8 8 2 . 2 1 ( t u p t u o k c olc n oit allic s o la ts y r C 1 2 T U O X O t u p t u o n oitc e n n o c r o t allic s o la ts y r C 2 2 N I X I ) z H M 6 7 5 . 4 2 r o z H M 8 8 2 . 2 1 ( t u p ni n oitc e n n o c r o t allic s o la ts y r C 3 2 A H P M E O s u t a ts le n n a h c f o t u p t u o n oit a m r o f ni sis a h p m E 4 2 O I D U A O s u t a ts le n n a h c f o t u p t u o )tib n oitc e t e d a t a d M C P - n o n ( 1 ti B 5 2 G A L F S C O s u t a ts le n n a h c f o t u p t u o g alf e t a d p u tib - 0 4 d a e L 6 2 0 F O sf t u p ni f o t u p t u o tlu s e r n oit alu cla C 7 2 1 F 8 2 2 F 9 2 F V O t u p t u o g alf y dila V 0 3 D D V D − ) V 3 . 3 ( ylp p u s r e w o p la tigi D 1 3 D N G D − D N G la tigi D 2 3 P 9 R R E O )r o rr e = L ( t u p t u o g alf r o rr e r e fs n a rt a t a d s u o u nit n o c s e m it e ni N 3 3 C N Y S P B O d P ,c P , b P , a P elb m a e r p ,ts r u b M C P - n o n f o t u p t u o la n gis .c n y S 4 3 R O R R E O )r o rr e = H ( t u p t u o g alf r o rr e a t a d ,r o rr e k c ol L L P 5 3 O D O F I r e t u p m o c o r ci m f o t u p t u o a t a d t u o d a e R 6 3 I D I F I r e t u p m o c o r ci m f o t u p ni a t a d g nitir W 7 3 E C I F I r e t u p m o c o r ci m f o t u p ni elb a n e pih C 8 3 L C I F I r e t u p m o c o r ci m f o t u p ni k c ol C 9 3 L E S X I ) z H M 8 8 2 . 2 1 r o z H M 6 7 5 . 4 2 ( y c n e u q e rf r o t allic s o la ts y r c ] N I X [ f o t u p ni tc ele S 0 4 0 E D O M I t u p ni g nitt e s e d o M 1 4 1 E D O M 2 4 D N G D − D N G la tigi D 3 4 D D V D − ) V 3 . 3 ( ylp p u s r e w o p la tigi D 4 4 0 L E S O D I t a m r o f a t a d t u p t u o f o t u p ni tc ele S 5 4 1 L E S O D 6 4 0 L E S K C I k c olc t u p t u o f o t u p ni tc ele S 7 4 1 L E S K C 8 4 E D O M X I t u p ni t e s e r m e ts y S www. xiaoyu163. com QQ 376315150 9 9 2 8 9 4 2 9 8 TEL 13942296513 9 9 2 8 9 4 2 9 8 0 5 1 5 1 3 6 7 3 Q Q TEL 13942296513 QQ 376315150 892498299 TEL 13942296513 QQ 376315150 892498299 http://www.xiaoyu163.com 116 XV-HTD510, XV-HTD510-B STK413-000 (FRONT AMP ASSY : IC3301) • Power Amplifier • Block Diagram 22 10 14 15 16 12 9 8 13 18 17 21 11 1 3 19 20 2 6 4 5 7 D2 R3 C2 C1 R1 R4 R5 R6 R2 R7 D1 TR3 TR4 TR8 TR11 TR12 TR16 R13 C12 TR14 TR13 TR15 R12 R16 R17 TR17 R15 R14 TR20 TR19 TR29 TR30 TR28 R25 R22 R51 TR51 D51 D41 TR41 R41 D52 D44 D43 D42 D53 D54 Comparator Comparator R24 R21 C21 R23 C22 TR24 TR25 TR26 TR22 TR21 TR23 D4 R27 R26 TR27 C11 R11 TR10 TR7 TR5 BIAS CH1 NF CH1 IN CH3 IN CH2 IN CH2+VE Pre -VH +VH +V ref +VL GND -VL -V ref -VH CH3+VE CH3-VE CH3NF CH3 IN CH1+VE CH1-VE Pre-VH CH2 NF TR2 TR6 TR1 www. xiaoyu163. com QQ 376315150 9 9 2 8 9 4 2 9 8 TEL 13942296513 9 9 2 8 9 4 2 9 8 0 5 1 5 1 3 6 7 3 Q Q TEL 13942296513 QQ 376315150 892498299 TEL 13942296513 QQ 376315150 892498299 http://www.xiaoyu163.com 117 XV-HTD510, XV-HTD510-B 13G P1 P2 P3 P4 P5 P6 P7 P8 P9 P10 P11 P12 P13 P14 P15 P16 P17 P18 a1 a2 b h j k 12G 11G 10G 9G 8G 7G 6G 5G 4G 3G 2G 1G 3G 1G 1 62 S1 a1 a2 b h j k f g s m c r p f g s m c r p a1 a2 b h j k f g s m c r p S2 a1 a2 b h j k f g s m c r p a1 a2 b h j k f g s m c r p a1 a2 b h j k f g s m c r p S3 a1 a2 b h j k f g s m c r p col2 a1 a2 b h j k f g s m c r p S4 a1 a2 b h j k f g s m c r p col1 a1 a2 b h j k f g s m c r p S5 a1 a2 b h j k f g s m c r p n e d1 d2 n e d1 d2 n e d1 d2 n e d1 d2 n e d1 d2 n e d1 d2 n e d1 d2 n e d1 d2 n e d1 d2 n e d1 d2 n e d1 d2 14 15 16 17 18 19 20 21 P9 P8 P7 P6 P5 P4 P3 P2 Pin Assignment Anode Connection Pin Connection Pin No. 1 2 3 4 5 6 7 8 9 10 11 12 13 Connection F1 F1 NP NP P18 P17 P16 P15 P14 P13 P12 P11 P10 35 36 37 38 39 40 41 NX NX NX NX NX NX NX 42 NX Pin No. 22 23 24 25 26 27 28 29 30 31 32 33 34 Connection P1 NX NX NX NX NX NX NX NX NX NX NX NX 56 57 58 59 60 61 62 3G 2G 1G NP NP F2 F2 Pin No. 43 44 45 46 47 48 49 50 51 52 53 54 55 Connection NX NX NX 13G 12G 11G 10G 9G 8G 7G 6G 5G 4G Note (1) F1, F2 : Filament (2) NP : No pin (3) NX : No extend pin (4) DL : Datum Line (5) 1G to 13G : Grid RANDOM S DISC ALL REPEAT MIDNIGHT CONDITION ANGLE LAST MEMO L C LFE R Ls S Rs 4G 5G 6G 7G 8G 9G 10G S2 S3 col2 col1 S5 S4 11G 12G 13G 2G S1 a2 a1 d2 d1 e s g f b m c h j k r p n (3G - 13G) ALL DISCS RANDOM REPEAT MIDNIGHT CONDITION ANGLE L C LFE Ls S Rs R LAST MEMO XAV3011 (DISPLAY ASSY :V5801) • FL DISPLAY 7.2.2 DISPLAY www. xiaoyu163. com QQ 376315150 9 9 2 8 9 4 2 9 8 TEL 13942296513 9 9 2 8 9 4 2 9 8 0 5 1 5 1 3 6 7 3 Q Q TEL 13942296513 QQ 376315150 892498299 TEL 13942296513 QQ 376315150 892498299 http://www.xiaoyu163.com 118 XV-HTD510, XV-HTD510-B 1 STANDBY indicator CD MODE indicator ADVANCED THEATER indicator DSP indicator (XV-HTD510 only) 2 Disc tray 3 Disc buttons 4 DISC SKIP 5 EXCHANGE 6 0 OPEN/CLOSE 7 PHONES Plug in a pair of headphones here. 8 VOLUME Turn to adjust the volume. STANDBY STANDBY/ON DVD/CD TUNER/BAND TV/AUX CD MODE ¡.¢ 4.1 3/8 7 CD MODE ADVANCED THEATER DSP 1 2 3 4 5 1 2 3 4 5 DISC SKIP EXCHANGE PHONES 0 OPEN/CLOSE DISC VOLUME VIDEO DVD RECEIVER XV-HTD510 XV-HTD510 ONLY 2 1 7 8 10 9 11 12 13 14 15 16 17 18 4 5 6 3 8. PANEL FACILITIES AND SPECIFICATIONS 8.1 PANEL FACILITIES Front Panel 9 DISC indicators 10 ¡ • ¢ 11 4 • 1 12 6 13 7 14 CD MODE 15 TV/AUX (/DIGITAL IN) 16 TUNER/BAND 17 DVD/CD 18 STANDBY/ON www. xiaoyu163. com QQ 376315150 9 9 2 8 9 4 2 9 8 TEL 13942296513 9 9 2 8 9 4 2 9 8 0 5 1 5 1 3 6 7 3 Q Q TEL 13942296513 QQ 376315150 892498299 TEL 13942296513 QQ 376315150 892498299 http://www.xiaoyu163.com 119 XV-HTD510, XV-HTD510-B 1 DTS 2 2 DIGITAL 3 2 PRO LOGIC 4 Timer indicator 5 Sleep indicator 6 Tuned indicator 7 FM stereo indicator 8 FM mono indicator 9 MIDNIGHT 10 CONDITION 11 ANGLE ALL DISCS RANDOM REPEAT MIDNIGHT CONDITION ANGLE L C LFE Ls S Rs R LAST MEMO 2 1 16 15 17 14 13 3 4 5 6 7 8 9 10 11 12 AC INLET TV/ VCR DIGITAL IN VIDEO OUT S-VIDEO OUT AUX IN OUT IN R L COAX VOLTAGE SELECTOR 240V AM LOOP ANTENNA FM UNBAL 75Ω 220- 230V 110- 127V H H SUB- WOOFER CENTER FRONT REAR R L R L SPEAKERS L R SPEAKER terminals AC IN power cord connection terminal DIGITAL IN jack VIDEO OUT jack AUDIO IN/OUT jacks FM/AM ANTENNA terminals S-VIDEO OUT jack Rear Panel Display 12 LAST MEMO 13 Channel indicators Show which channels are available on the current disc. 14 Character display When playing discs : Left to right displays disc number, title, chapter/track, minutes, seconds. 15 RANDOM 16 REPEAT 17 DISC : ALL DISCS Indicates the random or repeat mode; www. xiaoyu163. com QQ 376315150 9 9 2 8 9 4 2 9 8 TEL 13942296513 9 9 2 8 9 4 2 9 8 0 5 1 5 1 3 6 7 3 Q Q TEL 13942296513 QQ 376315150 892498299 TEL 13942296513 QQ 376315150 892498299 http://www.xiaoyu163.com 120 XV-HTD510, XV-HTD510-B 1 DVD/CD 2 TUNER/BAND 3 TV/AUX 4 STANDBY/ON 5 MUTE Silences/restores all sound. 6 TEST TONE/CH LEVEL 7 SURROUND MODE 8 DSP (XV-HTD510 only) 9 VOLUME – Lowers the volume. 10 VOLUME + Raises the volume. 11 DVD SETUP 12 Cursor up Use for navigating menus and on- screen displays. 13 SYSTEM SETUP 14 Cursor left Use for navigating menus and on- screen displays. 15 ENTER SHIFT DISC 4 DISC 5 OPEN/ CLOSE DISC 1 DISC 2 DISC 3 DISC SKIP CD MODE AUDIO SUBTITLE SYSTEM DISP PROGRAM RANDOM REPEAT REP A–B ANGLE MONO SLEEP 1 2 3 CLEAR 4 5 6 >10 7 8 9 10/0 CONDITION LAST MEMO SEARCH DVD DISP e STEP/SLOW E – PREV NEXT + FL DIMMER DVD /CD TUNER /BAND TV /AUX STANDBY /ON MUTE SURROUND MODE DSP TEST TONE CH LEVEL VOLUME 7 6 RETURN ENTER TOP MENU DVD SETUP SYSTEM SETUP SOUND MENU 4 ¢ 0 ¡ 1 3 5 ∞ 2 – + 1 2 3 4 5 6 7 8 23 24 25 26 27 28 29 30 31 32 33 34 35 36 37 38 39 40 41 42 43 44 45 46 47 48 49 50 9 12 15 14 16 18 10 21 11 13 17 19 20 22 XV-HTD510 (XXD3033) ONLY Remote Control Unit 16 Cursor right Use for navigating menus and on- screen displays. 17 MENU TOP MENU 18 Cursor down Use for navigating menus and on- screen displays. 19 SOUND 20 7 21 3/8 22 RETURN 23 4 / – PREV 24 1 / STEP/SLOW e 25 ¡ / STEP/SLOW E 26 ¢ / NEXT+ 27 1 / CONDITION (SHIFT & 1) 28 2 / LAST MEMO (SHIFT & 2) 29 3 / SEARCH (SHIFT & 3) 30 CLEAR Clears/cancels various functions DVD DISP (SHIFT & CLEAR) 31 4 / ANGLE (SHIFT & 4) 32 5 / MONO (SHIFT & 5) 33 6 / SLEEP (SHIFT & 6) 34 >10 Selects numbers over 10 FL DIMMER (SHIFT & >10) 35 7 / PROGRAM (SHIFT & 7) 36 8 / RANDOM (SHIFT & 8) 37 9 / REPEAT (SHIFT & 9) 38 REP A–B (SHIFT & 10/0) 10/0 Number button (10 and 0) 39 CD MODE 40 AUDIO 41 SUBTITLE 42 SYSTEM DISP 43 DISC 1 44 DISC 2 45 DISC 3 46 DISC SKIP 47 SHIFT Hold down to access secondary button functions 48 DISC 4 49 DISC 5 50 OPEN/CLOSE 0 www. xiaoyu163. com QQ 376315150 9 9 2 8 9 4 2 9 8 TEL 13942296513 9 9 2 8 9 4 2 9 8 0 5 1 5 1 3 6 7 3 Q Q TEL 13942296513 QQ 376315150 892498299 TEL 13942296513 QQ 376315150 892498299 http://www.xiaoyu163.com 121 XV-HTD510, XV-HTD510-B 8.2 SPECIFICATIONS Amplifier Section Continuous power output (RMS) Front ............................................................ 100 W, per channel ........................................................... (1 kHz, 10 % T.H.D., 8 Ω) Rear............................................................... 33 W, per channel ........................................................... (1 kHz, 10 % T.H.D., 8 Ω) Center............................................................ 34 W, per channel ........................................................... (1 kHz, 10 % T.H.D., 8 Ω) Subwoofer ................................. 100W (100Hz 10% T.H.D., 8Ω) DVD Player (Audio) Section S/N ratio .................................................................... 115 dB (EIAJ) Dynamic range .......................................................... 100 dB (EIAJ) Distortion ............................................................................. 0.004% Frequency response 48 kHz sampling ................................................. 4 Hz to 22 kHz 96 kHz sampling ................................................. 4 Hz to 44 kHz Wow & flutter ............................................ Below measurable levels (±0.001% W.PEAK) DVD Player (Video) Section Output level ................................................................ 1 Vp-p (75 Ω) Video Y output level.................................................... 1 Vp-p (75 Ω) Video C output level ........................................... 286 mVp-p (75 Ω) DVD (Other jacks) Section Digital coaxial input (PCM/2/DTS) .................... Coaxial connector Tuner Section FM tuner Frequency range ................................. 87.5 MHz to 108.0 MHz Antenna .......................................................... 75 Ω unbalanced AM tuner Frequency range .............. 530 kHz to 1,700 kHz (10 kHz step) Antenna ................................................ loop antenna (supplied) Power Supply Section Power requirements .............................................. AC 120 V, 60 Hz Power consumption ............................................................... 166 W Power consumption in standby mode ....................................... 1 W Miscellaneous DVD Receiver Dimensions.......................... 420 (W) x 410.4 (D) x 150 (H) mm ........................................... 16 9/16(W) 16 3/16 (D) 5 7/8 (H) in. Weight ...................................................... 9.5 kg (20 lbs 15 oz.) Supplied Items Remote control .............................................................................. 1 AA/R6P dry cell batteries .............................................................. 2 AM loop antenna ........................................................................... 1 FM antenna ................................................................................... 1 Video cord (yellow)........................................................................ 1 Power cord .................................................................................... 1 Operating instructions ................................................................... 1 Warranty card ................................................................................ 1 Note: • Specifications and design subject to possible modification without notice, due improvements. Accessories Remote Control Unit × 1 (XV-HTD510 : XXD3033) (XV-HTD510-B : XXD3032) FM Antenna × 1 (ADH7004) AM Loop Antenna × 1 (ATB7009) AA/R6P Dry Cell Batteries × 2 (VEM-013) Power Cord × 1 (ADG7022) Video Cord × 1 (VDE1053) Yellow (L=1.5m) SHIFT DISC 4 DISC 5 OPEN/ CLOSE DISC 1 DISC 2 DISC 3 DISC SKIP CD MODE AUDIO SUBTITLE SYSTEM DISP PROGRAM RANDOM REPEAT REP A–B ANGLE MONO SLEEP 1 2 3 CLEAR 4 5 6 >10 7 8 9 10/0 CONDITION LAST MEMO SEARCH DVD DISP e STEP/SLOW E – PREV NEXT + FL DIMMER DVD /CD TUNER /BAND TV /AUX STANDBY /ON MUTE SURROUND MODE DSP TEST TONE CH LEVEL VOLUME 7 6 RETURN ENTER TOP MENU DVD SETUP SYSTEM SETUP SOUND MENU 4 ¢ 0 ¡ 1 3 5 ∞ 2 – + * Manufactured under license from Dolby Laboratories. “Dolby” and the double-D symbol are trademarks of Dolby Laborato- ries. Confidential unpublished works. © 1992-1997 Dolby Laboratories. All rights reserved. ** “DTS” and “DTS Digital Surround” are registered trademarks of Digital Theater Systems, Inc. www. xiaoyu163. com QQ 376315150 9 9 2 8 9 4 2 9 8 TEL 13942296513 9 9 2 8 9 4 2 9 8 0 5 1 5 1 3 6 7 3 Q Q TEL 13942296513 QQ 376315150 892498299 TEL 13942296513 QQ 376315150 892498299 http://www.xiaoyu163.com

标签:

版权声明

1. 本站所有素材,仅限学习交流,仅展示部分内容,如需查看完整内容,请下载原文件。
2. 会员在本站下载的所有素材,只拥有使用权,著作权归原作者所有。
3. 所有素材,未经合法授权,请勿用于商业用途,会员不得以任何形式发布、传播、复制、转售该素材,否则一律封号处理。
4. 如果素材损害你的权益请联系客服QQ:77594475 处理。