先锋PIONEER XV-HID1电路图

分类:电子电工 日期: 点击:0
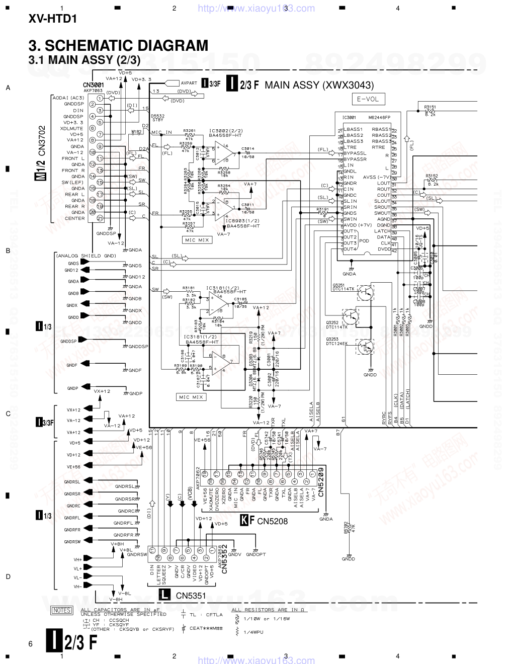
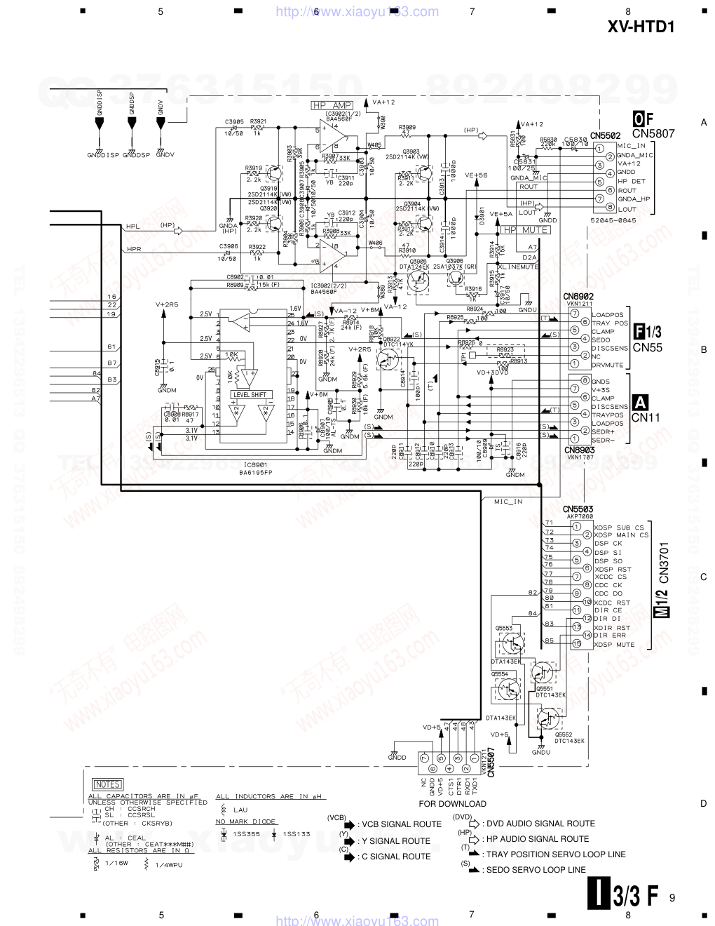
先锋PIONEER XV-HID1电路图-0 先锋PIONEER XV-HID1电路图-1 先锋PIONEER XV-HID1电路图-2 先锋PIONEER XV-HID1电路图-3 先锋PIONEER XV-HID1电路图-4 先锋PIONEER XV-HID1电路图-5 先锋PIONEER XV-HID1电路图-6 先锋PIONEER XV-HID1电路图-7 先锋PIONEER XV-HID1电路图-8 先锋PIONEER XV-HID1电路图-9

PIONEER CORPORATION 4-1, Meguro 1-chome, Meguro-ku, Tokyo 153-8654, Japan PIONEER ELECTRONICS (USA) INC. P.O. Box 1760, Long Beach, CA 90801-1760, U.S.A. PIONEER EUROPE NV Haven 1087, Keetberglaan 1, 9120 Melsele, Belgium PIONEER ELECTRONICS ASIACENTRE PTE. LTD. 253 Alexandra Road, #04-01, Singapore 159936 PIONEER CORPORATION 2001 ORDER NO. RRV2529 T – ZZK AUG. 2001 Printed in Japan Model No. Order No. Remarks XV-HTD1/MYXJ RRV2460 ¶ This service manual should be used together with the following manual(s): DVD RECEIVER XV-HTD1 THIS MANUAL IS APPLICABLE TO THE FOLLOWING MODEL(S) AND TYPE(S). Type Model Power Requirement Region No. Remarks XV-HTD1 NKXJ AC220V 3 Component System Service Manual Remarks DVD SURROUND SYSTEM DVD RECEIVER XV-HTD1 RRV2529 (RRV2460) This service manual SPEAKER SYSTEM S-HTD1 RRV2456 This product is component of system. CONTENTS 1. SAFETY INFORMATION ...................................... 2 2. CONTRAST OF MISCELLANEOUS PARTS ........ 3 3. SCHEMATIC DIAGRAM ....................................... 6 www. xiaoyu163. com QQ 376315150 9 9 2 8 9 4 2 9 8 TEL 13942296513 9 9 2 8 9 4 2 9 8 0 5 1 5 1 3 6 7 3 Q Q TEL 13942296513 QQ 376315150 892498299 TEL 13942296513 QQ 376315150 892498299 http://www.xiaoyu163.com XV-HTD1 2 Printed on the Rear Panel 1. SAFETY INFORMATION WARNING THE AEL(ACCESSIBLE EMISSION LEVEL) OF THE LASER POWER OUTPUT IS LESS THAN CLASS 1 BUT THE LASER COMPONENT IS CAPABLE OF EMITTING RADIATION EXCEEDING THE LIMIT FOR CLASS1. A SPECIALLY INSTRUCTED PERSON SHOULD DO SERVICING OPERATION OF THE APPARATUS. LASER DIODE CHARACTERISTICS FOR DVD : MAXIMUM OUTPUT POWER : 5 mW WAVELENGTH : 655 nm FOR CD : MAXIMUM OUTPUT POWER : 5mW WAVELENGTH : 785 nm Additional Laser Caution 1. Inside detection switch (S201 on the SMEB assy) and clamp- status detection switch (S11 on the TRSB assy) are detected by the microprocessor (IC11 in the DVDM assy). • To permit the laser diode to oscillate, it is required to set the inside detection switch for the inside position (S201 : ON) and to set the loading-status detection switch for the clamp position (the center terminal of S11 is shorted to +3.3V). The 655 nm laser diode for DVD oscillation will continue if pin 19 of IC1 is shorted to +5V (fault condition) in the DVDM assy. The 785 nm laser diode for CD oscillates if pin 20 of IC1 is shorted to +5V in the DVDM assy. In the test mode ∗ , the laser diode oscillates when microproces- sor detects a PLAY signal, or when the PLAY key is pressed (S5817 ON in the KEYB assy), with the above requirements sat- isfied. 2. When the cover is open, close viewing through the objective lens with the naked eye will cause exposure to the laser beam. ∗ : Refer to page 74 on service manual RRV2460. LABEL CHECK www. xiaoyu163. com QQ 376315150 9 9 2 8 9 4 2 9 8 TEL 13942296513 9 9 2 8 9 4 2 9 8 0 5 1 5 1 3 6 7 3 Q Q TEL 13942296513 QQ 376315150 892498299 TEL 13942296513 QQ 376315150 892498299 http://www.xiaoyu163.com XV-HTD1 3 2. CONTRAST OF MISCELLANEOUS PARTS CONTRAST TABLE Part No. Ref. No. Mark Symbol and Description XV-HTD1 XV-HTD1 Remarks /MYXJ /NKXJ PCB ASSEMBLIES NSP COMPLEX ASSY XWM3188 XWM3192 P5- 2 PRIMARY ASSY XWZ3433 XWZ3437 P5- 3 FRONT AMP ASSY XWZ3439 XWZ3441 P5- 4 REAR AMP ASSY XWZ3443 XWZ3445 P5- 6 MIC HP ASSY XWZ3451 XWZ3452 NSP CONNECT ASSY XWM3194 XWM3196 P5- 7 INPUT ASSY XWZ3456 XWZ3458 P5- 9 MAIN ASSY XWX3031 XWX3043 P5-10 DSP ASSY XWX3040 XWX3041 PACKING SECTION P3- 1 Power Cord ADG1154 DDG1086 P3- 9 Packing Case XHD3193 XHD3194 P3-12 NSP Warranty Card ARY7022 Not used P3-13 Operating Instructions (English) XRB3006 Not used P3-14 Operating Instructions (French/German/Italian) XRC3034 Not used P3-16 Operating Instructions (Dutch/Swedish/Portuguese) XRC3035 Not used P3-17 Operating Instructions (Spanish) XRC3036 Not used Operating Instructions (Korean) Not used XRC3039 Region Label (For Packing Case) Not used VRW1702 EXTERIOR SECTION P5-18 5P F.F.C/60V XDD3093 Not used P5-18 8P F.F.C/60V Not used XDD3092 P5-22 Rear Panel XNC3098 XNC3105 P5-37 Caution Label VRW1699 VRW1886 Mic Knob Not used XAB3014 No. 1 FRONT PANEL SECTION P6- 5 NSP Front Panel Assy XXG3072 XXG3073 P6- 6 Front Cap XAK3212 XAK3211 P6- 7 Display Panel XAK3214 XAK3215 XV-HTD1/NKXJ and MYXJ are constructed the same except for the following : Parts marked by "NSP" are generally unavailable because they are not in our Master Spare Parts List. The mark found on some component parts indicates the importance of the safety factor of the part. Therefore, when replacing, be sure to use parts of identical designation. Screws adjacent to mark on product are used for disassembly. Reference Nos. indicate the pages and Nos. in the service manual for the base model. NOTES: When ordering resistors, first convert resistance values into code form as shown in the following examples. Ex.1 When there are 2 effective digits (any digit apart from 0), such as 560 ohm and 47k ohm (tolerance is shown by J=5%, and K=10%). Ex.2 When there are 3 effective digits (such as in high precision metal film resistors). 5 6 1 4 7 3 R 5 0 1 R 0 5 6 2 1 560 47k 0.5 1 RD1/4PU J RD1/4PU J RN2H K RS1P K 56 x 101 47 x 103 R50 1R0 561 473 5.62k RN1/4PC F 562 x 101 5621 Notes : For PCB ASSEMBLIES, Refer to “CONTRAST OF PCB ASSEMBLIES” and “3. SCHEMATIC DIAGRAM”. The numbers in the remarks column correspond to the numbers on the “ EXPLODED VIEWS ”. www. xiaoyu163. com QQ 376315150 9 9 2 8 9 4 2 9 8 TEL 13942296513 9 9 2 8 9 4 2 9 8 0 5 1 5 1 3 6 7 3 Q Q TEL 13942296513 QQ 376315150 892498299 TEL 13942296513 QQ 376315150 892498299 http://www.xiaoyu163.com XV-HTD1 4 CONTRAST OF PCB ASSEMBLIES EXPLODED VIEWS INPUT ASSY F K Mark Symbol and Description Part No. Remarks XWZ3456 XWZ3458 IC5353 Not used BA4558F-HT C5241, C5247 Not used CEAT100M50 C5242, C5248 Not used CCSRCH470J50 C5271, C5272 CCSRCH101J50 CCSRCH221J50 R5241–R5248 Not used RS1/16S332J R9001, R9002 RS1/16S0R0J Not used XWZ3458 and XWZ3456 are constructed the same except for the following : MIC HP ASSY F O Mark Symbol and Description Part No. Remarks XWZ3451 XWZ3452 IC5802 Not used BA4558F-HT C5805 Not used CKSRYB681K50 C5806 Not used CEAL1R0M50 C5807, C5812, C5813 Not used CEAL100M16 C5808, C5814 Not used CCSRCH101J50 C5809 Not used CKSRYB471K50 C5810 Not used CKSRYB104K25 C5811 Not used CKSRYB473K25 R5814 Not used RS1/16S101J R5866 Not used RS1/16S222J R5867, R5872, R5874 Not used RS1/16S104J R5868, R5885 Not used RS1/16S223J R5869 Not used RS1/16S224J R5870 Not used RS1/16S681J R5871 Not used RS1/16S102J R5873 Not used RS1/16S0R0J VR5801 Not used XCS3005 CN5807 5P FFC CONNECTOR 52044-0545 Not used CN5807 8P FFC CONNECTOR Not used 52044-0845 JA5801 MINI JACK Not used XKN3008 XWZ3452 and XWZ3451 are constructed the same except for the following : Front Panel 1 www. xiaoyu163. com QQ 376315150 9 9 2 8 9 4 2 9 8 TEL 13942296513 9 9 2 8 9 4 2 9 8 0 5 1 5 1 3 6 7 3 Q Q TEL 13942296513 QQ 376315150 892498299 TEL 13942296513 QQ 376315150 892498299 http://www.xiaoyu163.com XV-HTD1 5 FRONT AMP ASSY F G Mark Symbol and Description Part No. Remarks XWZ3439 XWZ3441 C3773 Not used CEAT101M35 XWZ3441 and XWZ3439 are constructed the same except for the following : MAIN ASSY F I Mark Symbol and Description Part No. Remarks XWX3031 XWX3043 IC3002, IC3181 Not used BA4558F-HT IC3151, IC3152, IC3161, IC3171 NJM4558MD BA4558F-HT IC5701 BU1923F Not used C3011, C3014 Not used CEAT100M50 C3185 Not used CEJQ100M35 C3186, C3187 Not used CKSRYB473K25 C3913, C3914 CKSRYB103K50 CKSRYB102K50 C5701 CKSRYB271K50 Not used C5702 CEAT100M50 Not used C5704 CKSRYB103K50 Not used C5705, C5706 CCSRCH270J50 Not used C5707 CKSRYB561K50 Not used C5708 CKSRYB104K25 Not used C5830 Not used CEAT101M10 C5831 Not used CEAT101M25 R3181 Not used RD1/4PU332J R3182 Not used RS1/16S332J R3183, R3184, R3254, R3258, R3263, R3264, R5703 Not used RS1/16S103J R3186, R5705 RS1/16S0R0J Not used R3189, R3190 Not used RS1/16S682J R3255, R3257, R3259, R3261, R5702 Not used RS1/16S473J R3256, R3260 Not used RS1/16S182J R5558 RS1/16S153J RS1/16S123J R5559 RS1/16S562J RS1/16S153J R5701 RD1/4PU101J Not used R5830 Not used RS1/16S224J R5831 Not used RS1/16S101J CN5501 5P FFC CONNECTOR 52045-0545 Not used CN5502 8P FFC CONNECTOR Not used 52045-0845 KN5701 EARTH METAL FITTING VNF1084 Not used X5701 CRYSTAL RESONATOR (4.332MHz) ASS7004 Not used XWX3043 and XWX3031 are constructed the same except for the following : Although XWX3041 and XWX3040 are different in part number, they consist of the same components. DSP ASSY F M PRIMARY ASSY F T REAR AMP ASSY F H Although XWZ3445 and XWZ3443 are different in part number, they consist of the same components. Although XWZ3437 and XWZ3433 are different in part number, they consist of the same components. www. xiaoyu163. com QQ 376315150 9 9 2 8 9 4 2 9 8 TEL 13942296513 9 9 2 8 9 4 2 9 8 0 5 1 5 1 3 6 7 3 Q Q TEL 13942296513 QQ 376315150 892498299 TEL 13942296513 QQ 376315150 892498299 http://www.xiaoyu163.com XV-HTD1 6 A B C D 1 2 3 4 1 2 3 4 1/3 I 3/3F I 1/3 I 3/3F I CN3702 M1/2 (VCB) CN5351 CN5208 I 2/3 F MAIN ASSY (XWX3043) K F L 3.1 MAIN ASSY (2/3) 2/3 F I 3. SCHEMATIC DIAGRAM www. xiaoyu163. com QQ 376315150 9 9 2 8 9 4 2 9 8 TEL 13942296513 9 9 2 8 9 4 2 9 8 0 5 1 5 1 3 6 7 3 Q Q TEL 13942296513 QQ 376315150 892498299 TEL 13942296513 QQ 376315150 892498299 http://www.xiaoyu163.com XV-HTD1 7 A B C D 5 6 7 8 5 6 7 8 CN3301 CN3501 CN3302 CN3502 CN201 J : C SIGNAL ROUTE : DVD AUDIO SIGNAL ROUTE : VCB SIGNAL ROUTE : Y SIGNAL ROUTE (Y) (VCB) (C) (DVD) : SL AUDIO SIGNAL ROUTE : C AUDIO SIGNAL ROUTE : DI AUDIO SIGNAL ROUTE : FL AUDIO SIGNAL ROUTE (FL) (DI) (SL) (C) : TX AUDIO SIGNAL ROUTE : HP AUDIO SIGNAL ROUTE : SW AUDIO SIGNAL ROUTE (SW) (HP) (TX) H G G H 2/3 F I Note : When ordering service parts, be sure to refer to "EXPLODED VIEWS and PARTS LIST" or "PCB PARTS LIST" www. xiaoyu163. com QQ 376315150 9 9 2 8 9 4 2 9 8 TEL 13942296513 9 9 2 8 9 4 2 9 8 0 5 1 5 1 3 6 7 3 Q Q TEL 13942296513 QQ 376315150 892498299 TEL 13942296513 QQ 376315150 892498299 http://www.xiaoyu163.com XV-HTD1 8 A B C D 1 2 3 4 1 2 3 4 1/3 I 2/3F I 1/3 I 2/3F I 1/3 I 1/3 I 2/3F I 1/3 I CN15 F 3/3 CN5 CN5801 F 2/3 N CN5802 N T J13 (VCB) NKXJ I 3/3 F MAIN ASSY (XWX3043) 3.2 MAIN ASSY (3/3) 3/3 F I www. xiaoyu163. com QQ 376315150 9 9 2 8 9 4 2 9 8 TEL 13942296513 9 9 2 8 9 4 2 9 8 0 5 1 5 1 3 6 7 3 Q Q TEL 13942296513 QQ 376315150 892498299 TEL 13942296513 QQ 376315150 892498299 http://www.xiaoyu163.com XV-HTD1 9 A B C D 5 6 7 8 5 6 7 8 CN55 F 1/3 CN3701 M1/2 CN5807 CN11 A LEVEL SHIFT 2.5V 2.5V 2.5V 0V 0V 0V 3.1V 3.1V 1.6V 1.6V FOR DOWNLOAD : C SIGNAL ROUTE : DVD AUDIO SIGNAL ROUTE : VCB SIGNAL ROUTE : Y SIGNAL ROUTE (Y) (VCB) (C) (DVD) : TRAY POSITION SERVO LOOP LINE (T) : SEDO SERVO LOOP LINE (S) : HP AUDIO SIGNAL ROUTE (HP) O F 3/3 F I www. xiaoyu163. com QQ 376315150 9 9 2 8 9 4 2 9 8 TEL 13942296513 9 9 2 8 9 4 2 9 8 0 5 1 5 1 3 6 7 3 Q Q TEL 13942296513 QQ 376315150 892498299 TEL 13942296513 QQ 376315150 892498299 http://www.xiaoyu163.com XV-HTD1 10 A B C D 1 2 3 4 1 2 3 4 NKXJ K F INPUT ASSY (XWZ3458) F K 3.3 INPUT ASSY www. xiaoyu163. com QQ 376315150 9 9 2 8 9 4 2 9 8 TEL 13942296513 9 9 2 8 9 4 2 9 8 0 5 1 5 1 3 6 7 3 Q Q TEL 13942296513 QQ 376315150 892498299 TEL 13942296513 QQ 376315150 892498299 http://www.xiaoyu163.com XV-HTD1 11 A B C D 5 6 7 8 5 6 7 8 CN5209 I 2/3F CN3703 M1/2 : The power supply is shown with the marked box. : DVD AUDIO SIGNAL ROUTE (DVD) : AUX OUT AUDIO SIGNAL ROUTE : TV AUDIO SIGNAL ROUTE : DI AUDIO SIGNAL ROUTE : FL AUDIO SIGNAL ROUTE (FL) (DI) (AO) (TV) : TX AUDIO SIGNAL ROUTE : AUX IN AUDIO SIGNAL ROUTE (AI) (TX) F K www. xiaoyu163. com QQ 376315150 9 9 2 8 9 4 2 9 8 TEL 13942296513 9 9 2 8 9 4 2 9 8 0 5 1 5 1 3 6 7 3 Q Q TEL 13942296513 QQ 376315150 892498299 TEL 13942296513 QQ 376315150 892498299 http://www.xiaoyu163.com XV-HTD1 12 A B C D 1 2 3 4 1 2 3 4 3.4 FRONT AMP and MIC HP ASSYS F G F O DC FAN MOTOR FRONT AMP ASSY (XWZ3441) G F MIC HP ASSY (XWZ3452) CN5502 I 3/3F O F www. xiaoyu163. com QQ 376315150 9 9 2 8 9 4 2 9 8 TEL 13942296513 9 9 2 8 9 4 2 9 8 0 5 1 5 1 3 6 7 3 Q Q TEL 13942296513 QQ 376315150 892498299 TEL 13942296513 QQ 376315150 892498299 http://www.xiaoyu163.com

标签:

版权声明

1. 本站所有素材,仅限学习交流,仅展示部分内容,如需查看完整内容,请下载原文件。
2. 会员在本站下载的所有素材,只拥有使用权,著作权归原作者所有。
3. 所有素材,未经合法授权,请勿用于商业用途,会员不得以任何形式发布、传播、复制、转售该素材,否则一律封号处理。
4. 如果素材损害你的权益请联系客服QQ:77594475 处理。