先锋PIONEER XV-DV33电路图

分类:电子电工 日期: 点击:0
先锋PIONEER XV-DV33电路图-0 先锋PIONEER XV-DV33电路图-1 先锋PIONEER XV-DV33电路图-2 先锋PIONEER XV-DV33电路图-3 先锋PIONEER XV-DV33电路图-4 先锋PIONEER XV-DV33电路图-5 先锋PIONEER XV-DV33电路图-6 先锋PIONEER XV-DV33电路图-7 先锋PIONEER XV-DV33电路图-8 先锋PIONEER XV-DV33电路图-9

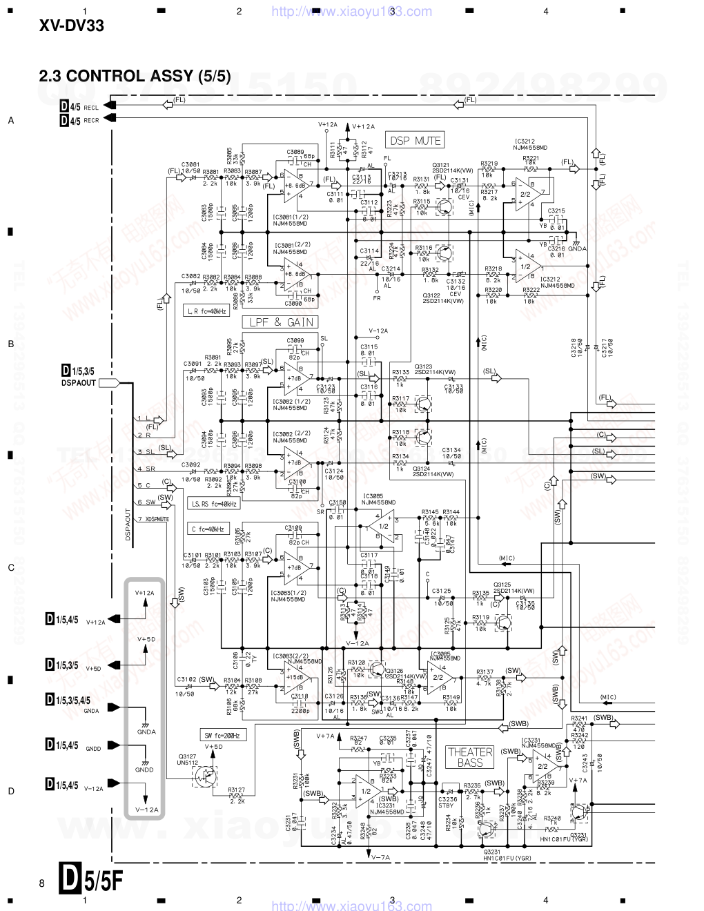
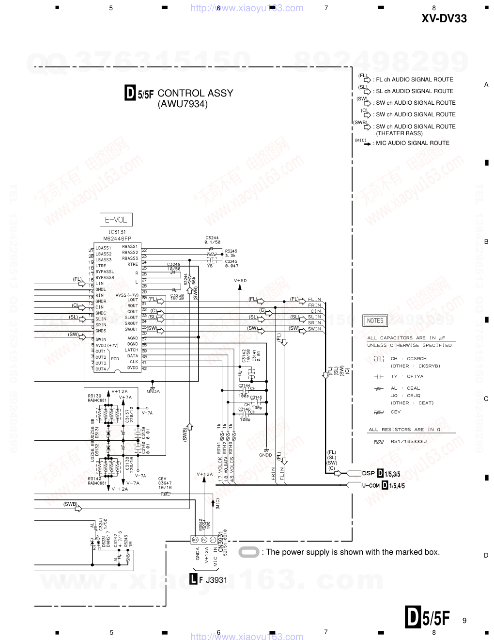
PIONEER CORPORATION 4-1, Meguro 1-chome, Meguro-ku, Tokyo 153-8654, Japan PIONEER ELECTRONICS (USA) INC. P.O. Box 1760, Long Beach, CA 90801-1760, U.S.A. PIONEER EUROPE NV Haven 1087, Keetberglaan 1, 9120 Melsele, Belgium PIONEER ELECTRONICS ASIACENTRE PTE. LTD. 253 Alexandra Road, #04-01, Singapore 159936 PIONEER CORPORATION 2001 ORDER NO. RRV2573 T – ZZK DEC. 2001 Printed in Japan THIS MANUAL IS APPLICABLE TO THE FOLLOWING MODEL(S) AND TYPE(S). Model No. Order No. Remarks XV-S100DV/MYXJN RRV2497 ¶ This service manual should be used together with the following manual(s): DVD/CD RECEIVER XV-DV33 CONTENTS 1. CONTRAST OF MISCELLANEOUS PARTS ........ 2 2. SCHEMATIC DIAGRAM ....................................... 5 3. PCB CONNECTION DIAGRAM .......................... 10 Type Model Power Requirement Region No. Remarks XV-DV33 MAMXQ AC220-230V 6 www. xiaoyu163. com QQ 376315150 9 9 2 8 9 4 2 9 8 TEL 13942296513 9 9 2 8 9 4 2 9 8 0 5 1 5 1 3 6 7 3 Q Q TEL 13942296513 QQ 376315150 892498299 TEL 13942296513 QQ 376315150 892498299 http://www.xiaoyu163.com XV-DV33 2 Part No. Ref. No. Mark Symbol and Description XV-S100DV XV-DV33 Remarks /MYXJN /MAMXQ PCB ASSEMBLIES NSP DCS MAIN ASSY AWM7634 AWM7662 P5- 2 CONTROL ASSY AWU7856 AWU7934 P5- 5 AMP ASSY AWU7935 AWU7857 NSP DCS COMPLEX ASSY AWM7635 AWM7641 P5- 7 POWER ASSY AWU7860 AWU7869 P6- 2 HP ASSY AWU7863 Not used MIC ASSY Not used AWU7870 No. 1 PACKING SECTION P3- 1 Power Cord ADG1154 ADG7018 P3- 4 NSP Warranty Card ARY7022 ARY7046 P3- 9 Pad L AHA7360 AHA7370 P3-10 Pad R AHA7361 AHA7371 P3-11 Spacer AHB7059 Not used P3-12 Packing Case AHD8038 AHD8051 P3-13 Packing Sheet AHG7065 PHF1001 P3-15 Operating Instructions (German/Italian) ARC7366 Not used P3-16 Operating Instructions (German/Italian) ARC7367 Not used P3-17 Operating Instructions (Dutch/Spanish) ARC7368 Not used P3-18 Operating Instructions (Dutch/Spanish) ARC7369 Not used P3-19 Operating Instructions (Swedish/Portuguese) ARC7370 Not used P3-20 Operating Instructions (Swedish/Portuguese) ARC7371 Not used P3-21 Operating Instructions (English/French) ARE7290 Not used P3-22 Operating Instructions (English/French) ARE7291 Not used Operating Instructions (Chinese) Not used ARC7380 Operating Instructions (Chinese) Not used ARC7381 EXTERIOR SECTION P5-19 Rear Panel ANC8009 ANC8062 P5-38 Name Sheet AAX7879 AAX7898 P5-39 Getter Label DCS AAX7882 AAX7883 P5-40 Caution Label VRW1699 VRW1904 Label Not used VRW1739 *1 FRONT PANEL SECTION P6- 6 Display Window AAK7941 AAK7913 MIC Knob Not used AAB7240 No. 2 1. CONTRAST OF MISCELLANEOUS PARTS CONTRAST TABLE Parts marked by "NSP" are generally unavailable because they are not in our Master Spare Parts List. The mark found on some component parts indicates the importance of the safety factor of the part. Therefore, when replacing, be sure to use parts of identical designation. Screws adjacent to mark on product are used for disassembly. Reference Nos. indicate the pages and Nos. in the service manual for the base model. NOTES: When ordering resistors, first convert resistance values into code form as shown in the following examples. Ex.1 When there are 2 effective digits (any digit apart from 0), such as 560 ohm and 47k ohm (tolerance is shown by J=5%, and K=10%). Ex.2 When there are 3 effective digits (such as in high precision metal film resistors). 5 6 1 4 7 3 R 5 0 1 R 0 5 6 2 1 560 47k 0.5 1 RD1/4PU J RD1/4PU J RN2H K RS1P K 56 x 101 47 x 103 R50 1R0 561 473 5.62k RN1/4PC F 562 x 101 5621 XV-DV33/MAMXQ and XV-S100DV/MYXJN are constructed the same except for the following : Notes : The numbers in the remarks column correspond to the numbers on the “ EXPLODED VIEWS ”. For PCB ASSEMBLIES, Refer to “CONTRAST OF PCB ASSEMBLIES”, “PCB PARTS LIST”, “2. SCHEMATIC DIAGRAM” and “3. PCB CONNECTION DIAGRAM”. *1 Stick Label on the Rear Panel. www. xiaoyu163. com QQ 376315150 9 9 2 8 9 4 2 9 8 TEL 13942296513 9 9 2 8 9 4 2 9 8 0 5 1 5 1 3 6 7 3 Q Q TEL 13942296513 QQ 376315150 892498299 TEL 13942296513 QQ 376315150 892498299 http://www.xiaoyu163.com XV-DV33 3 EXPLODED VIEWS ÷ FRONT PANEL SECTION Front Panel 1 Screw ABA1005 2 L F CONTRAST OF PCB ASSEMBLIES CONTROL ASSY AWU7934 and AWU7856 are constructed the same except for the following : Mark Symbol and Description Part No. Remarks AWU7856 AWU7934 IC3901 NJM4560M Not used IC5701 BU1923F Not used Q3906 2SA1576A Not used C3147 Not used CKSRYB473K25 C3148 Not used CKSRYB223K50 C3906–C3908, C3911, C3912, C3917, C3918, C5701 CEAT100M50 Not used C3909, C3910 CCSRCH470J50 Not used C3913, C3914 CCSRCH221J50 Not used C3947 Not used CEV100M16 C5702 CCSRCH271J50 Not used C5703 CCSRCH561J50 Not used C5704 CKSRYB103K50 Not used C5705 CEAT470M16 Not used C5706, C5707 CCSRCH270J50 Not used R3108 RS1/16S183J RS1/16S273J R3144, R3148, R3219, R3220, R3931 Not used RS1/16S103J R3145 Not used RS1/16S562J R3150 RS1/16S100J Not used R3916 RS1/16S153J Not used R3917, R3918 RS1/16S102J Not used R3919, R3920 RS1/8S0R0J Not used R3921, R3922, R3925, R3926 RS1/16S393J Not used R3923, R3924 RS1/16S182J Not used R3927, R3928, R3933, R3934 RS1/16S470J Not used R3929, R3930 RS1/16S104J Not used R3940 Not used RS1/16S101J R5566 RS1/16S473J RS1/16S103J R5567 Not used RS1/16S393J R5705 RS1/16S101J Not used R5781, R5782 Not Used RS1/16S473J CN3902 5P CONNECTOR 52151-0510 Not used CN3931 3P CONNECTOR Not used 52151-0310 X5701 CRYSTAL RESONATOR (4.332MHz) ASS7004 Not used F D www. xiaoyu163. com QQ 376315150 9 9 2 8 9 4 2 9 8 TEL 13942296513 9 9 2 8 9 4 2 9 8 0 5 1 5 1 3 6 7 3 Q Q TEL 13942296513 QQ 376315150 892498299 TEL 13942296513 QQ 376315150 892498299 http://www.xiaoyu163.com XV-DV33 4 PCB PARTS LIST Mark No. Description Part No. AWU7857 and AWU7935 are constructed the same except for the following : AMP ASSY Mark Symbol and Description Part No. Remarks AWU7935 AWU7857 R3187 RS1/16S472J RS1/16S682J R3188 RS1/16S823J RS1/16S683J F G POWER ASSY F K MIC ASSY SEMICONDUCTORS IC3931 NJM4558MD CAPACITORS C3951, C3952 CCSRCH101J50 C3937 CCSRCH331J50 C3945, C3946 CCSRCH470J50 C3933, C3935, C3936, C3939 CEAT2R2M50 C3934 CEAT470M16 C3943, C3932, C3949, C3953, C3954 CKSRYB103K50 C3941 CKSRYB104K16 C3950 CKSRYB223K50 RESISTORS VR3931 (10KΩ-B) VCS1040 Other Resistors RS1/16S&&&J OTHERS 3932 3P CABLE HOLDER 51048-0300 3931 MINI JACK AKN7003 J3931 3P JUMPER WIRE D20PYY0325E KN3931 EARTH METAL FITTING VNF1084 F L Although AWU7869 and AWU7860 are different in part number, they consist of the same components. www. xiaoyu163. com QQ 376315150 9 9 2 8 9 4 2 9 8 TEL 13942296513 9 9 2 8 9 4 2 9 8 0 5 1 5 1 3 6 7 3 Q Q TEL 13942296513 QQ 376315150 892498299 TEL 13942296513 QQ 376315150 892498299 http://www.xiaoyu163.com XV-DV33 5 A B C D 1 2 3 4 1 2 3 4 2.1 MIC ASSY Note : When ordering service parts, be sure to refer to "EXPLODED VIEWS and PARTS LIST" or "PCB PARTS LIST" 2. SCHEMATIC DIAGRAM F L CN3931 D 5/5F MIC ASSY (AWU7870) L F www. xiaoyu163. com QQ 376315150 9 9 2 8 9 4 2 9 8 TEL 13942296513 9 9 2 8 9 4 2 9 8 0 5 1 5 1 3 6 7 3 Q Q TEL 13942296513 QQ 376315150 892498299 TEL 13942296513 QQ 376315150 892498299 http://www.xiaoyu163.com XV-DV33 6 A B C D 1 2 3 4 1 2 3 4 (D) (D) (TX) (TX) (FL) Additional Parts D 4/5F CONTROL ASSY (AWU7934) Q5501 MAMXQ Additional Parts D 1/5F CONTROL ASSY (AWU7934) 1/5F D 2.2 CONTROL (1/5) and CONTROL (4/5) ASSYS 4/5F D www. xiaoyu163. com QQ 376315150 9 9 2 8 9 4 2 9 8 TEL 13942296513 9 9 2 8 9 4 2 9 8 0 5 1 5 1 3 6 7 3 Q Q TEL 13942296513 QQ 376315150 892498299 TEL 13942296513 QQ 376315150 892498299 http://www.xiaoyu163.com XV-DV33 7 A B C D 5 6 7 8 5 6 7 8 1/5,5/5 D Q5711 2SC4081(QR) (D) (TX) (TX) (TX) (TX) (FL) (FL) (FL) C F CN201 Additional Parts Additional Parts 4/5F D www. xiaoyu163. com QQ 376315150 9 9 2 8 9 4 2 9 8 TEL 13942296513 9 9 2 8 9 4 2 9 8 0 5 1 5 1 3 6 7 3 Q Q TEL 13942296513 QQ 376315150 892498299 TEL 13942296513 QQ 376315150 892498299 http://www.xiaoyu163.com XV-DV33 8 A B C D 1 2 3 4 1 2 3 4 2/2 1/2 1/2 1/2 2/2 2/2 4/5 D 4/5 D 1/5,3/5 D 1/5,4/5 D 1/5,4/5 D 1/5,4/5 D 1/5,3/5 D 1/5,3/5,4/5 D Q3121 2SD2114K(VW) Q3123 2SD2114K(VW) Q3124 2SD2114K(VW) Q3122 2SD2114K(VW) Q3126 2SD2114K(VW) Q3127 UN5112 Q3125 2SD2114K(VW) (SW) (SW) (SW) (SWB) (SWB) (SW) (SWB) (SWB) (SWB) (SWB) (SWB) (SWB) (SWB) (SW) (C) (SW) (SW) (FL) (SL) (C) (C) (C) (C) (SL) (SL) (FL) (FL) (FL) (FL) (FL) (SL) (C) (SW) (SL) (FL) (FL) (FL) (FL) (FL) (FL) (FL) 5/5F D 2.3 CONTROL ASSY (5/5) www. xiaoyu163. com QQ 376315150 9 9 2 8 9 4 2 9 8 TEL 13942296513 9 9 2 8 9 4 2 9 8 0 5 1 5 1 3 6 7 3 Q Q TEL 13942296513 QQ 376315150 892498299 TEL 13942296513 QQ 376315150 892498299 http://www.xiaoyu163.com XV-DV33 9 A B C D 5 6 7 8 5 6 7 8 1/5,3/5 D 1/5,4/5 D : The power supply is shown with the marked box. (FL) : FL ch AUDIO SIGNAL ROUTE (SL) : SL ch AUDIO SIGNAL ROUTE (SW) : SW ch AUDIO SIGNAL ROUTE (C) : SW ch AUDIO SIGNAL ROUTE (SWB) : SW ch AUDIO SIGNAL ROUTE (THEATER BASS) : MIC AUDIO SIGNAL ROUTE (SWB) (SWB) (SWB) (FL) (FL) (FL) (FL) (FL) (SL) (SW) (C) (FL) (SL) (SL) (SW) (SW) (SL) (SW) (FL) (SL) (SW) (SW) (C) (SL) (FL) (C) (C) (C) J3931 L F D 5/5F CONTROL ASSY (AWU7934) 5/5F D www. xiaoyu163. com QQ 376315150 9 9 2 8 9 4 2 9 8 TEL 13942296513 9 9 2 8 9 4 2 9 8 0 5 1 5 1 3 6 7 3 Q Q TEL 13942296513 QQ 376315150 892498299 TEL 13942296513 QQ 376315150 892498299 http://www.xiaoyu163.com XV-DV33 10 A B C D 1 2 3 4 1 2 3 4 F L 3. PCB CONNECTION DIAGRAM 3.1 MIC ASSY MIC ASSY CN3931 D (ANP7415-C) SIDE A (ANP7415-C) SIDE B L F MIC ASSY L F www. xiaoyu163. com QQ 376315150 9 9 2 8 9 4 2 9 8 TEL 13942296513 9 9 2 8 9 4 2 9 8 0 5 1 5 1 3 6 7 3 Q Q TEL 13942296513 QQ 376315150 892498299 TEL 13942296513 QQ 376315150 892498299 http://www.xiaoyu163.com

标签:

版权声明

1. 本站所有素材,仅限学习交流,仅展示部分内容,如需查看完整内容,请下载原文件。
2. 会员在本站下载的所有素材,只拥有使用权,著作权归原作者所有。
3. 所有素材,未经合法授权,请勿用于商业用途,会员不得以任何形式发布、传播、复制、转售该素材,否则一律封号处理。
4. 如果素材损害你的权益请联系客服QQ:77594475 处理。