先锋PIONEER XC-L11电路图

分类:电子电工 日期: 点击:0
先锋PIONEER XC-L11电路图-0 先锋PIONEER XC-L11电路图-1 先锋PIONEER XC-L11电路图-2 先锋PIONEER XC-L11电路图-3 先锋PIONEER XC-L11电路图-4 先锋PIONEER XC-L11电路图-5 先锋PIONEER XC-L11电路图-6 先锋PIONEER XC-L11电路图-7 先锋PIONEER XC-L11电路图-8 先锋PIONEER XC-L11电路图-9

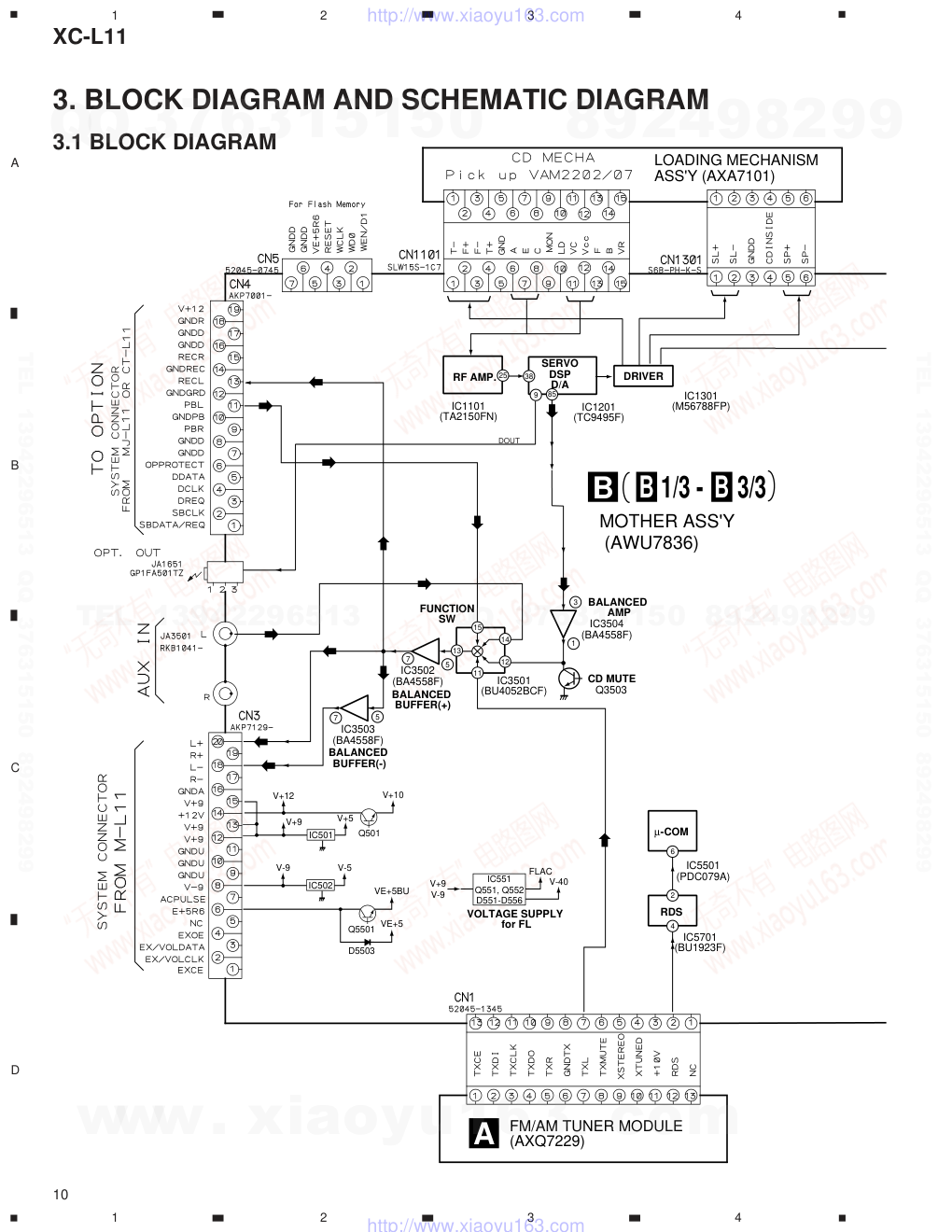
ORDER NO. PIONEER CORPORATION 4-1, Meguro 1-chome, Meguro-ku, Tokyo 153-8654, Japan PIONEER ELECTRONICS SERVICE, INC. P.O. Box 1760, Long Beach, CA 90801-1760, U.S.A. PIONEER ELECTRONIC NV Haven 1087, Keetberglaan 1, 9120 Melsele, Belgium PIONEER ELECTRONICS ASIACENTRE PTE. LTD. 253 Alexandra Road, #04-01, Singapore 159936 � � � � � � � � � �PIONEER CORPORATION 2001 c XC-L11 RRV2470 1. SAFETY INFORMATION...................................... 2 2. EXPLODED VIEWS AND PARTS LIST ............... 3 3. BLOCK DIAGRAM AND SCHEMATIC DIAGRAM... 10 4. PCB CONNECTION DIAGRAM ......................... 22 5. PCB PARTS LIST ............................................... 30 6. ADJUSTMENT .................................................... 34 CONTENTS 7. GENERAL INFORMATION ................................ 37 7.1 DISASSEMBLY ............................................ 37 7.2 PARTS .......................................................... 40 7.2.1 IC ............................................................ 40 7.2.2 DISPLAY................................................. 43 8. PANEL FACILITIES AND SPECIFICATIONS....... 44 T – ZZR JUNE 2001 Printed in Japan STEREO CD TUNER PLAY/PAUSE STANDBY/ON 6 OPEN/CLOSE STOP 0 7 Type Model Power Requirement XC-L11 ZVYXJ DC power supplied from other system component THIS MANUAL IS APPLICABLE TO THE FOLLOWING MODEL(S) AND TYPE(S). Remarks ÷ This products are component of systems. This product does not operate normally by itself. Please connect it to the STEREO CD TUNER XC-L11 and the STEREO POWER AMPLIFIER M-L11, for adjustment and operation inspection. ¶ This product is a system(s) component. Be sure to connect it to the prescribed system component(s), otherwise damage may result. Component Model Service manual Remarks STEREO CD TUNER XC-L11 RRV2470 This manual. STEREO POWER AMPLIFIER M-L11 RRV2479 SPEAKER SYSTEM S-L11-LRW –– RRV2483 –– S-L11-Q-LRW RRV2484 STEREO CASSETTE DECK CT-L11 RRV2471 MINIDISC RECORDER MJ-L11 RRV2472 www. xiaoyu163. com QQ 376315150 9 9 2 8 9 4 2 9 8 TEL 13942296513 9 9 2 8 9 4 2 9 8 0 5 1 5 1 3 6 7 3 Q Q TEL 13942296513 QQ 376315150 892498299 TEL 13942296513 QQ 376315150 892498299 http://www.xiaoyu163.com 2 XC-L11 IMPORTANT THIS PIONEER APPARATUS CONTAINS LASER OF CLASS 1. SERVICING OPERATION OF THE APPARATUS SHOULD BE DONE BY A SPECIALLY INSTRUCTED PERSON. LASER DIODE CHARACTERISTICS MAXIMUM OUTPUT POWER: 5 mW WAVELENGTH: 780 – 785 nm 1. Laser Interlock Mechanism The loading position detect switch (in CD mechanism assembly) is set to "CLMP ON(CD CLOSE)" (ON:low level,OFF:high level) position, the system control IC(IC5501) get the "CLMP" signal, and hand the laser "LDON" signal to IC1101. Then a laser diode can be lighted except when the level of signal CLMP is low. The interlock also does not function in the test mode∗. Laser diode oscillation will continue, if pin 1 of TA2150FN (IC1101) on the RF AMP is connected to GND, or pin 19 is connected to low level (ON), or else the terminals of Q1101 are shorted to each other (fault condition). 2. When the cover is opened, close viewing of the objective lens with the naked eye will cause exposure to a Class 1 laser beam. ∗ : Refer to page 34. Additional Laser Caution WARNING! Lithium batteries. Danger of explo- sion. Replacement must be done by qualified personnel and only by fol- lowing the instructions given in the service manual. This warning is stated on the product or in the operating instructions. When replacing the lithium batteries, follow the note below. Dispose of the used battery promptly. Keep away from children. Do not disassemble and do not dispose of in fire. The battery used in this device may present a fire or chemical hazard if mistreated. Do not recharge, disassemble, heat above 100°C or incinerate. Replace only with the same Part Number. Use of another battery may present a risk of fire or explosion. Note: The lithium battery installation po- sition is shown in the exploded views. ADVARSEL! Lithiumbatteri − Eksplosionsfare ved fejlagtig håndtering. Udskiftning må kun ske med batteri af samme fabrikat og type. Levér det brugte batteri tilbage til leverandøren. Denne advarsel or angivet på produktet eller i brugsvejledningen. Ved udskiftning af lithium batterierne følges nedenstående anveisning. Batterierne må kun udskiftes med batteri- er af samme type og mærke. 1. SAFETY INFORMATION LITHIUM BATTERY NOTICE LABEL CHECK VRW-328 www. xiaoyu163. com QQ 376315150 9 9 2 8 9 4 2 9 8 TEL 13942296513 9 9 2 8 9 4 2 9 8 0 5 1 5 1 3 6 7 3 Q Q TEL 13942296513 QQ 376315150 892498299 TEL 13942296513 QQ 376315150 892498299 http://www.xiaoyu163.com 3 XC-L11 2.1 PACKING 2. EXPLODED VIEWS AND PARTS LIST NOTES: • Parts marked by "NSP" are generally unavailable because they are not in our Master Spare Parts List. • The mark found on some component parts indicates the importance of the safety factor of the part. Therefore, when replacing, be sure to use parts of identical designation. • Screws adjacent to mark on the product are used for disassembly. • PACKING PARTS LIST Mark No. Description Part No. 1 DISPLAY UNIT AXX7107 2 Front Pad AHA7340 3 Rear Pad AHA7341 4 Spacer NS2001 AHB7056 5 Packing Case CD/Y AHD7988 6 Packing Sheet AHG7073 7 Seat Z23-007 6 1 3 4 5 7 2 Refer to "2.4 DISPLAY UNIT". FRONT www. xiaoyu163. com QQ 376315150 9 9 2 8 9 4 2 9 8 TEL 13942296513 9 9 2 8 9 4 2 9 8 0 5 1 5 1 3 6 7 3 Q Q TEL 13942296513 QQ 376315150 892498299 TEL 13942296513 QQ 376315150 892498299 http://www.xiaoyu163.com 4 XC-L11 E D G F F E D C A G H B B C A H 1 4 3 5 11 37 15 14 24 44 43 43 44 44 42 44 4544 44 44 44 44 42 42 42 42 25 8 9 44 16 18 34 31 31 35 30 33 28 29 20 30 36 32 12 6 2 D E B G F A Refer to "2.3 LOADING MECHANISM ASSY". 21 27 17 38 21 39 40 41 46 20 2.2 EXTERIOR www. xiaoyu163. com QQ 376315150 9 9 2 8 9 4 2 9 8 TEL 13942296513 9 9 2 8 9 4 2 9 8 0 5 1 5 1 3 6 7 3 Q Q TEL 13942296513 QQ 376315150 892498299 TEL 13942296513 QQ 376315150 892498299 http://www.xiaoyu163.com 5 XC-L11 • EXTERIOR PARTS LIST Mark No. Description Part No. Mark No. Description Part No. 1 MOTHER ASSY AWU7836 2 FLAC ASSY AWU7837 3 KEYR ASSY AWU7838 4 KEYL ASSY AWU7839 5 HP ASSY AWU7840 6 FM/AM TUNER MODULE AXQ7229 7 • • • • • 8 13P FFC/60V ADD7319 9 9P FFC/60V ADD7321 10 • • • • • 11 Adapter12 L ANW7231 12 Adapter12 R ANW7232 13 • • • • • 14 Connector Ass’y PG05KK-E07 NSP 15 Loading Mecha. Ass’y AXA7101 16 Rear Panel ANC8001 NSP 17 Bottom Plate ANF7027 NSP 18 Top Plate ANF7028 19 • • • • • 20 Sensor Plate ANG7360 21 Leg AEB7090 22 • • • • • 23 • • • • • 24 Lead Barrier AEC7361 25 Wire Barrier AEC7379 26 • • • • • NSP 27 PC Support VEC1749 28 Sensor Button L AAD7622 29 Sensor Button R AAD7623 30 Illuminate Lens AAK7896 31 Side Line AAP7088 32 Bottom Base AMA7025 33 Top Panel 1 AMB7779 34 Top Panel 2 AMB7755 35 Button L Assy AXG7110 36 Button R Assy AXG7111 37 Tray Cap Assy AXG7112 38 Bonnet ANE7270 39 Caution Label PRW1018 40 Caution Label PRW1233 NSP 41 Caution Label VRW-328 42 Screw BBZ30P060FMC 43 Screw BBZ30P100FMC 44 Screw BPZ30P080FZK 45 Screw PSC30P080FNI 46 Caution Label VRW1094 www. xiaoyu163. com QQ 376315150 9 9 2 8 9 4 2 9 8 TEL 13942296513 9 9 2 8 9 4 2 9 8 0 5 1 5 1 3 6 7 3 Q Q TEL 13942296513 QQ 376315150 892498299 TEL 13942296513 QQ 376315150 892498299 http://www.xiaoyu163.com 6 XC-L11 2.3 LOADING MECHANISM ASSY A A 2 8 3 5 4 8 8 12 13 17 21 16 22 15 14 22 22 22 20 18 19 9 1 7 11 27 6 8 25 25 24 C Lubricating Oil GYA1001 Refer to " Application of Lubricant". Note : Lubricating Oil GYA1001 23 Daifree GEM1036 www. xiaoyu163. com QQ 376315150 9 9 2 8 9 4 2 9 8 TEL 13942296513 9 9 2 8 9 4 2 9 8 0 5 1 5 1 3 6 7 3 Q Q TEL 13942296513 QQ 376315150 892498299 TEL 13942296513 QQ 376315150 892498299 http://www.xiaoyu163.com 7 XC-L11 NSP 1 LOAB Assy VWG2279 2 CD Traverse Mechanism VAM2202/03 3 Loading Motor Assy VXX2505 4 Motor Pulley PNW1634 5 Carriage DC Motor / 0.3W PXM1027 6 Flexible Cable (15P) ADD7317 7 Connector Assy 2P VKP2253 8 Float Rubber AEB7227 9 Belt VEB1330 10 • • • • • 11 Loading Base VNL1917 12 Float Base CD ANW7233 13 Drive Cam VNL1919 14 Gear Pulley VNL1921 15 Loading Gear VNL1922 16 Drive Gear VNL1923 17 SW Lever VNL1925 18 Clamper Plate CD ANB7261 19 Bridge VNE2252 20 Clamper CD ANW7234 21 Screw JGZ17P028FMC 22 Screw Z39-019 23 Tray VNL1920 24 Screw PBA1069 25 Screw ABA7069 26 • • • • 27 Clamp Magnet AMG7006 Mark No. Description Part No. • LOADING MECHANISM ASSY PARTS LIST Mark No. Description Part No. www. xiaoyu163. com QQ 376315150 9 9 2 8 9 4 2 9 8 TEL 13942296513 9 9 2 8 9 4 2 9 8 0 5 1 5 1 3 6 7 3 Q Q TEL 13942296513 QQ 376315150 892498299 TEL 13942296513 QQ 376315150 892498299 http://www.xiaoyu163.com 8 XC-L11 Application of Lubricant No. 11 Loading Base Lubricating Oil GYA1001 Around the shaft Concave of unevenness Concave of unevenness Concave of unevenness No. 13 Drive Cam No. 13 Drive Cam No. 23 Tray No. 23 Tray Top View Rear View Top View Bottom View Daifree GEM1036 Daifree GEM1036 Daifree GEM1036 Daifree GEM1036 Daifree GEM1036 Side of the rib Inner side of a ditch Inner side of a ditch Lubricating Oil GYA1001 Lubricating Oil GYA1001 Inner side of a ditch Lubricating Oil GYA1001 Lubricating Oil GYA1001 Lubricating Oil GYA1001 www. xiaoyu163. com QQ 376315150 9 9 2 8 9 4 2 9 8 TEL 13942296513 9 9 2 8 9 4 2 9 8 0 5 1 5 1 3 6 7 3 Q Q TEL 13942296513 QQ 376315150 892498299 TEL 13942296513 QQ 376315150 892498299 http://www.xiaoyu163.com 9 XC-L11 2.4 DISPLAY UNIT Mark No. Description Part No. 1 FLDP ASSY AWU7854 2 CNB ASSY AWU7855 3 Leg AEB7090 4 Window AAK7889 5 Deco Screw ABA7072 6 FL Filter AEC7195 7 Display Panel AMB7750 8 Display Cover AMC7048 9 Screw BPZ30P080FZK 10 Screw PSC30P080FNI 11 DISPLAY UNIT AXX7107 • DISPLAY UNIT PARTS LIST H 1 7 4 8 6 9 10 11 I 2 5 3 3 www. xiaoyu163. com QQ 376315150 9 9 2 8 9 4 2 9 8 TEL 13942296513 9 9 2 8 9 4 2 9 8 0 5 1 5 1 3 6 7 3 Q Q TEL 13942296513 QQ 376315150 892498299 TEL 13942296513 QQ 376315150 892498299 http://www.xiaoyu163.com XC-L11 10 A B C D 1 2 3 4 1 2 3 4 IC3502 (BA4558F) IC3503 (BA4558F) IC3501 (BU4052BCF) BALANCED BUFFER(+) BALANCED AMP FUNCTION SW VOLTAGE SUPPLY for FL BALANCED BUFFER(-) 7 5 7 5 IC3504 (BA4558F) 3 1 IC5701 (BU1923F) IC5501 (PDC079A) RDS µ-COM 13 15 14 11 12 Q3503 CD MUTE IC502 V-9 V+9 V+9 V-9 V-5 FLAC V-40 V+5 V+10 IC501 Q501 V+12 VE+5BU VE+5 Q5501 D5503 IC551 Q551, Q552 D551-D556 4 2 6 FM/AM TUNER MODULE (AXQ7229) A B 1/3 - B 3/3 MOTHER ASS'Y (AWU7836) B LOADING MECHANISM ASS'Y (AXA7101) IC1101 (TA2150FN) IC1201 (TC9495F) IC1301 (M56788FP) RF AMP. SERVO DSP D/A DRIVER 25 85 9 38 DOUT 3. BLOCK DIAGRAM AND SCHEMATIC DIAGRAM 3.1 BLOCK DIAGRAM www. xiaoyu163. com QQ 376315150 9 9 2 8 9 4 2 9 8 TEL 13942296513 9 9 2 8 9 4 2 9 8 0 5 1 5 1 3 6 7 3 Q Q TEL 13942296513 QQ 376315150 892498299 TEL 13942296513 QQ 376315150 892498299 http://www.xiaoyu163.com XC-L11 11 A B C D 5 6 7 8 5 6 7 8 S101 : VSK1011 CN601 S5B-PH-K CN602 S2B-PH-K CN2 AKP7015 DISPLAY UNIT AXX7107 HP ASS'Y (AWU7840) F KEYL ASS'Y (AWU7839) E KEYR ASS'Y (AWU7838) D CNB ASS'Y (AWU7855) I FLDP ASS'Y (AWU7854) H FLAC ASS'Y (AWU7837) G C LOADING MOTOR ASSY : VXX2505 LOAB ASSY (VWG2279) : AUDIO SIGNAL ROUTE C Note : When ordering service parts, be sure to refer to "EXPLODED VIEWS and PARTS LIST" or "PCB PARTS LIST". www. xiaoyu163. com QQ 376315150 9 9 2 8 9 4 2 9 8 TEL 13942296513 9 9 2 8 9 4 2 9 8 0 5 1 5 1 3 6 7 3 Q Q TEL 13942296513 QQ 376315150 892498299 TEL 13942296513 QQ 376315150 892498299 http://www.xiaoyu163.com XC-L11 12 A B C D 1 2 3 4 1 2 3 4 FM FRONT END MW RF TUNING BLOCK FM/AM TUNER MODULE (AXQ7229) A OSC : 981 - 2052kHz 9k step (AM) (AM) (AM) (AM) (AM) (AM) (FM) (FM) (FM) (FM) (FM) (FM) (FM) (FM) (FM) (FM) A 3.2 FM/AM TUNER MODULE www. xiaoyu163. com QQ 376315150 9 9 2 8 9 4 2 9 8 TEL 13942296513 9 9 2 8 9 4 2 9 8 0 5 1 5 1 3 6 7 3 Q Q TEL 13942296513 QQ 376315150 892498299 TEL 13942296513 QQ 376315150 892498299 http://www.xiaoyu163.com XC-L11 13 A B C D 5 6 7 8 5 6 7 8 2/3 B CN 1 L201 ATE7003 : AUDIO SIGNAL ROUTE (TUNER) (TX) : AM SIGNAL ROUTE (AM) : FM SIGNAL ROUTE (FM) (AM) (AM) (FM) (AM) (AM) (AM) (AM) (AM) (AM) (FM) (AM) (FM) (TX) (TX) (TX) (TX) (TX) (FM) : The power supply is shown with the marked box. A www. xiaoyu163. com QQ 376315150 9 9 2 8 9 4 2 9 8 TEL 13942296513 9 9 2 8 9 4 2 9 8 0 5 1 5 1 3 6 7 3 Q Q TEL 13942296513 QQ 376315150 892498299 TEL 13942296513 QQ 376315150 892498299 http://www.xiaoyu163.com XC-L11 14 A B C D 1 2 3 4 1 2 3 4 1 2 VC To CD PICK UP To CD MECHA CN601 C (T) (T) (F) (F) (L) (L) (S) (S) (C) (C) (F) (T) (T) (T) (F) (T) (T) (L) (C) (L) (S) (S) (C) (F) (T) (C) (L) (T) (S) (S) (F) (F) (T) (F) (C) DRIVER RF AMP B 1/3 MOTHER(1/3) ASSY (AWU7836) 1/3 B 3.3 MOTHER(1/3) ASSY www. xiaoyu163. com QQ 376315150 9 9 2 8 9 4 2 9 8 TEL 13942296513 9 9 2 8 9 4 2 9 8 0 5 1 5 1 3 6 7 3 Q Q TEL 13942296513 QQ 376315150 892498299 TEL 13942296513 QQ 376315150 892498299 http://www.xiaoyu163.com XC-L11 15 A B C D 5 6 7 8 5 6 7 8 1 IC1101- Pin 25: PLAY MODE (RF) 1.0Vp-p 2 IC1101- Pin 14 : TEST MODE, Tracking Open (TRER) H : 500nsec/div H : 5msec/div VC : IC1101- Pin19 VC 2.0Vp-p Note: The encircled numbers denote measuring point in the schematic diagram. VC : FOCUS SERVO LOOP LINE (F) : TRACKING SERVO LOOP LINE (T) : SPINDLE SERVO LOOP LINE (S) : CARRIAGE SERVO LOOP LINE (C) : LOADING SERVO LOOP LINE (L) : CD AUDIO SIGNAL ROUTE : The power supply is shown with the marked box. B 2/3 B 2/3 (F) (T) (T) (F) (S) (C) DECODER 1/3 B www. xiaoyu163. com QQ 376315150 9 9 2 8 9 4 2 9 8 TEL 13942296513 9 9 2 8 9 4 2 9 8 0 5 1 5 1 3 6 7 3 Q Q TEL 13942296513 QQ 376315150 892498299 TEL 13942296513 QQ 376315150 892498299 http://www.xiaoyu163.com XC-L11 16 A B C D 1 2 3 4 1 2 3 4 B 3/3 B 3/3 B 3/3 B 1/3 From M-L11 T0 CT-L11, MJ-L11 (TX) (A) (A) (A) (A) (A) (REC) (REC) (PB) (PB) (PB) 2/3 B 3.4 MOTHER(2/3) ASSY www. xiaoyu163. com QQ 376315150 9 9 2 8 9 4 2 9 8 TEL 13942296513 9 9 2 8 9 4 2 9 8 0 5 1 5 1 3 6 7 3 Q Q TEL 13942296513 QQ 376315150 892498299 TEL 13942296513 QQ 376315150 892498299 http://www.xiaoyu163.com XC-L11 17 A B C D 5 6 7 8 5 6 7 8 B 2/3 MOTHER(2/3) ASSY (AWU7836) CN201 A : The power supply is shown with the marked box. : TUNER AUDIO SIGNAL ROUTE (TX) : AUX AUDIO SIGNAL ROUTE (A) : REC AUDIO SIGNAL ROUTE (REC) : PB AUDIO SIGNAL ROUTE (PB) : AUDIO SIGNAL ROUTE 2/3 B www. xiaoyu163. com QQ 376315150 9 9 2 8 9 4 2 9 8 TEL 13942296513 9 9 2 8 9 4 2 9 8 0 5 1 5 1 3 6 7 3 Q Q TEL 13942296513 QQ 376315150 892498299 TEL 13942296513 QQ 376315150 892498299 http://www.xiaoyu163.com XC-L11 18 A B C D 1 2 3 4 1 2 3 4 FLAC ASS'Y (AWU7837) G B 2/3 B 2/3 B 3/3 MOTHER(3/3) ASSY (AWU7836) Binder G 3/3 B 3.5 MOTHER(3/3), FLAC, KEY R, KEY L and HP ASSYS www. xiaoyu163. com QQ 376315150 9 9 2 8 9 4 2 9 8 TEL 13942296513 9 9 2 8 9 4 2 9 8 0 5 1 5 1 3 6 7 3 Q Q TEL 13942296513 QQ 376315150 892498299 TEL 13942296513 QQ 376315150 892498299 http://www.xiaoyu163.com XC-L11 19 A B C D 5 6 7 8 5 6 7 8 : The power supply is shown with the marked box. KEY L ASS'Y (AWU7839) E KEY R ASS'Y (AWU7838) D HP ASS'Y (AWU7840) F KEY R ASSY S5904 : 7�STOP SENS 1(Touch Sensor): Open/Close KEY L ASSY S5903 : Stand by / ON SENS 2(Touch Sensor): Play/Pause £/8 Shield Case D E F G 3/3 B www. xiaoyu163. com QQ 376315150 9 9 2 8 9 4 2 9 8 TEL 13942296513 9 9 2 8 9 4 2 9 8 0 5 1 5 1 3 6 7 3 Q Q TEL 13942296513 QQ 376315150 892498299 TEL 13942296513 QQ 376315150 892498299 http://www.xiaoyu163.com XC-L11 20 A B C D 1 2 3 4 1 2 3 4 H I 5.1 FLDP ASSY (AWU7854) H CNB ASSY (AWU7855) I 3.6 FLDP and CNB ASSYS www. xiaoyu163. com QQ 376315150 9 9 2 8 9 4 2 9 8 TEL 13942296513 9 9 2 8 9 4 2 9 8 0 5 1 5 1 3 6 7 3 Q Q TEL 13942296513 QQ 376315150 892498299 TEL 13942296513 QQ 376315150 892498299 http://www.xiaoyu163.com XC-L11 21 A B C D 5 6 7 8 5 6 7 8H www. xiaoyu163. com QQ 376315150 9 9 2 8 9 4 2 9 8 TEL 13942296513 9 9 2 8 9 4 2 9 8 0 5 1 5 1 3 6 7 3 Q Q TEL 13942296513 QQ 376315150 892498299 TEL 13942296513 QQ 376315150 892498299 http://www.xiaoyu163.com XC-L11 22 NOTE FOR PCB DIAGRAMS : 1. Part numbers in PCB diagrams match those in the schematic diagrams. 2. A comparison between the main parts of PCB and schematic diagrams is shown below. 3. The parts mounted on this PCB include all necessary parts for several destinations. For further information for respective destinations, be sure to check with the schematic diagram. 4. View point of PCB diagrams. Symbol In PCB Diagrams Symbol In Schematic Diagrams Part Name B C E D D G G S S B C E B C E D G S B C E B C E B C E Transistor Transistor with resistor Field effect transistor Resistor array 3-terminal regulator Capacitor Connector P.C.Board Chip Part SIDE A SIDE B 4. PCB CONNECTION DIAGRAM www. xiaoyu163. com QQ 376315150 9 9 2 8 9 4 2 9 8 TEL 13942296513 9 9 2 8 9 4 2 9 8 0 5 1 5 1 3 6 7 3 Q Q TEL 13942296513 QQ 376315150 892498299 TEL 13942296513 QQ 376315150 892498299 http://www.xiaoyu163.com XC-L11 23 A B C D 1 2 3 4 1 2 3 4 (ANP7338-B) (ANP7338-B) CN1 B FM/AM TUNER MODULE A FM/AM TUNER MODULE A SIDE A SIDE B IC201 Q205 Q204 Q203 IC202 Q201 Q202 4.1 FM/AM TUNER MODULE A www. xiaoyu163. com QQ 376315150 9 9 2 8 9 4 2 9 8 TEL 13942296513 9 9 2 8 9 4 2 9 8 0 5 1 5 1 3 6 7 3 Q Q TEL 13942296513 QQ 376315150 892498299 TEL 13942296513 QQ 376315150 892498299 http://www.xiaoyu163.com XC-L11 24 A B C D 1 2 3 4 1 2 3 4 OPT. OUT IC5701 IC3506 IC5501 IC501 IC502 IC3501 (ANP7409-B) MOTHER ASSY B From M-L11 From MJ-L11 or CT-L11 CD MECHA CN115 G TUNER MODULE A B 4.2 MOTHER, LOAB and HP ASSYS www. xiaoyu163. com QQ 376315150 9 9 2 8 9 4 2 9 8 TEL 13942296513 9 9 2 8 9 4 2 9 8 0 5 1 5 1 3 6 7 3 Q Q TEL 13942296513 QQ 376315150 892498299 TEL 13942296513 QQ 376315150 892498299 http://www.xiaoyu163.com XC-L11 25 A B C D 5 6 7 8 5 6 7 8 B C SIDE A IC1101 IC1301 (ANP7409-B) HP ASSY F IC3002 IC1201 CN111 To CD MECHA E 110 D LOADING MOTOR ASSY M (VNP1836-B) LOAB ASSY C F www. xiaoyu163. com QQ 376315150 9 9 2 8 9 4 2 9 8 TEL 13942296513 9 9 2 8 9 4 2 9 8 0 5 1 5 1 3 6 7 3 Q Q TEL 13942296513 QQ 376315150 892498299 TEL 13942296513 QQ 376315150 892498299 http://www.xiaoyu163.com XC-L11 26 A B C D 1 2 3 4 1 2 3 4 B (VNP1836-B) LOAB ASSY C Q3004 Q3003 Q5952 Q5905 Q5901 Q1102 IC1201 IC1301 Q1101 IC1101 (ANP7409-B) (ANP7409-B) MOTHER ASSY B HP ASSY F Q1201 IC3002 Q1301 Q5506 Q3001 C F www. xiaoyu163. com QQ 376315150 9 9 2 8 9 4 2 9 8 TEL 13942296513 9 9 2 8 9 4 2 9 8 0 5 1 5 1 3 6 7 3 Q Q TEL 13942296513 QQ 376315150 892498299 TEL 13942296513 QQ 376315150 892498299 http://www.xiaoyu163.com XC-L11 27 A B C D 5 6 7 8 5 6 7 8B SIDE B Q1301 Q3505 Q3501 Q3502 Q3572 IC3504 Q3505 Q3503 Q3571 IC5501 Q5505 Q5501 Q5503 Q5506 www. xiaoyu163. com QQ 376315150 9 9 2 8 9 4 2 9 8 TEL 13942296513 9 9 2 8 9 4 2 9 8 0 5 1 5 1 3 6 7 3 Q Q TEL 13942296513 QQ 376315150 892498299 TEL 13942296513 QQ 376315150 892498299 http://www.xiaoyu163.com XC-L11 28 A B C D 1 2 3 4 1 2 3 4 D E 4.3 KEYR, KEYL and FLAC ASSYS (ANP7409-B) (ANP7409-B) IC5601 Q5605 Q5606 Q5904 Q5903 Q5603 Q5604 IC5601 KEYR ASSY D KEYL ASSY E FLAC ASSY G 10 B CN11 B CN15 B CN5651 I SIDE A SIDE B G www. xiaoyu163. com QQ 376315150 9 9 2 8 9 4 2 9 8 TEL 13942296513 9 9 2 8 9 4 2 9 8 0 5 1 5 1 3 6 7 3 Q Q TEL 13942296513 QQ 376315150 892498299 TEL 13942296513 QQ 376315150 892498299 http://www.xiaoyu163.com XC-L11 29 A B C D 1 2 3 4 1 2 3 4 (ANP7412-B) SIDE B (ANP7412-B) (ANP7412-B) FLDP ASSY H CNB ASSY I CN2 G SIDE A (ANP7412-B) Q5661 Q5681 IC5661 4.4 FLDP and CNB ASSYS I H www. xiaoyu163. com QQ 376315150 9 9 2 8 9 4 2 9 8 TEL 13942296513 9 9 2 8 9 4 2 9 8 0 5 1 5 1 3 6 7 3 Q Q TEL 13942296513 QQ 376315150 892498299 TEL 13942296513 QQ 376315150 892498299 http://www.xiaoyu163.com 30 XC-L11 Mark No. Description Part No. Mark No. Description Part No. LIST OF PCB ASSEMBLIES FM/AM TUNER MODULE AXQ7229 NSP CD COMP AWM7629 MOTHER ASSY AWU7836 FLAC ASSY AWU7837 KEYR ASSY AWU7838 KEYL ASSY AWU7839 HP ASSY AWU7840 DISPLAY AWM7633 FLDP ASSY AWU7854 CNB ASSY AWU7855 NSP LOADING MECHAISM ASSY AXA7101 NSP LOAB ASSY AWG2279 FM/AM TUNER MODULE SEMICONDUCTORS IC201 BA1451F IC202 LC72131MD-TFB Q201, Q204, Q205, Q601 2SC2412K Q202 DTA124ES Q203 DTC124EK D201 1SS133 D202 MTZJ5.1C D101 UDZS6.8B COILS AND FILTERS L201 FM DETECTOR COIL ATE7003 F202 CERAMIC FILTER ATF-107 F201 CERAMIC FILTER ATF-119 F203 AM CERAMIC FILTER ATF1155 F601 ANTIBIRDY FILTER ATF7025 L601 LCTA270J2520 CAPACITORS C605 CCSQCH680J50 C212, C213, C226, C233–C235 CCSRCH101J50 C240, C614 CCSRCH101J50 C206 CCSRCH120J50 C231, C232 CCSRCH150J50 C223 CEAT100M50 C229 CEAT101M10 C224 CEAT1R0M50 C227 CEAT220M25 C241 CEAT2R2M50 5. PCB PARTS LIST NOTES: •The mark found on some component parts indicates the importance of the safety factor of the part. Therefore, when replacing, be sure to use parts of identical designation. •When ordering resistors, first convert resistance values into code form as shown in the following examples. Ex.1 When there are 2 effective digits (any digit apart from 0), such as 560 ohm and 47k ohm (tolerance is shown by J=5%, and K=10%). 560 Ω → 56 × 10 1 → 561 ........................................................ RD1/4PU 5 6 1 J 47k Ω → 47 × 10 3 → 473 ........................................................ RD1/4PU 4 7 3 J 0.5 Ω → R50 ..................................................................................... RN2H R 5 0 K 1 Ω → 1R0 ..................................................................................... RS1P 1 R 0 K Ex.2 When there are 3 effective digits (such as in high precision metal film resistors). 5.62k Ω → 562 × 10 1 → 5621 ...................................................... RN1/4PC 5 6 2 1 F Mark No. Description Part No. Mark No. Description Part No. C243 CEAT330M16 C228 CEAT3R3M50 C237 CEAT470M10 C211 CEJA1R0M50 C210 CEJA470M16 C103, C104, C204, C238 CKSRYB102K50 C102, C208, C216, C217, C220 CKSRYB103K50 C239, C242, C604, C615 CKSRYB103K50 C225 CKSRYB153K50 C607, C608 CKSRYB182K50 C201, C205, C214, C230, C236 CKSRYB223K50 C244 CKSRYB223K50 C221 CKSRYB224K10 C603 CKSRYB392K50 C215 CKSRYB471K50 C202, C222 CKSRYB473K16 C606 CKSRYB561K50 RESISTORS R211 RD1/4PU221J R221 RD1/4PU222J R233 RD1/4PU391J R103, R104 RS1/10S221J Other Resistors RS1/16S&&&J OTHERS CN201 13P CONNECTOR 52044-1345 BN201 2P TERMINAL WITHPAL AKA7002 0 SHIELD CASE T ANK7072 0 SHIELD CASE B ANK7073 X201 CRYSTAL RES.(7.2MHz) ASS1093 0 FM FRONT END AXF7004 AM RF TUNING BLOCK AXX7072 MOTHER ASSY SEMICONDUCTORS IC3001 BA4558F-HT IC3502-IC3505 BA4558F-HT IC5701 BU1923F IC3501 BU4052BCF IC3506 BU4066BCF IC1301 M56788AFP IC3002 M62421FP IC5901 NJM062M IC501 NJM7805FA IC502 NJM7905FA IC5501 PDC079A IC1101 TA2150FN A B www. xiaoyu163. com QQ 376315150 9 9 2 8 9 4 2 9 8 TEL 13942296513 9 9 2 8 9 4 2 9 8 0 5 1 5 1 3 6 7 3 Q Q TEL 13942296513 QQ 376315150 892498299 TEL 13942296513 QQ 376315150 892498299 http://www.xiaoyu163.com 31 XC-L11 Mark No. Description Part No. Mark No. Description Part No. IC1660 TC7WU04F IC1201 TC9495F Q1101 2SA1577 Q501 2SC2412K Q3501-Q3504, Q502, Q5501, Q5504 2SC4081 Q5905 2SC4081 Q3005, Q3006 2SD2114K Q1201, Q1661, Q3505, Q3570 DTA124EUA Q5951, Q5952 DTC114TUA Q5503 DTC143EUA Q1301, Q1660, Q3571, Q3572 UN5212 Q5505, Q5506 UN5212 D505–D507 1SR154-400 D1201, D3010, D3501, D3506, D3507 1SS355 D504, D5501, D5503, D5504, D5506 1SS355 D5951-D5960 1SS355 D3502-D3505, D503 UDZ11B D5701 UDZS5.1B D5505 UDZS6.8B COILS AND FILTERS X5701 CRYSTAL RES.(4.3MHz) ASS7004 X5501 CERAMIC RES.(10MHz) DSS1048 L1206, L1651, L5501, L5952 LFEA220J L1201 LFEA2R2J L3001 LFEA680J X1201 CRYSTAL RES. PSS1008 CAPACITORS C5519 BCH1072 C1119, C3513-C3520, C5511-C5514 CCSRCH101J50 C5520, C5521, C5529-C5533 CCSRCH101J50 C1201 CCSRCH150J50 C1307 CCSRCH151J50 C1202, C1209 CCSRCH220J50 C5509 CCSRCH221J50 C5701, C5702 CCSRCH270J50 C5704 CCSRCH271J50 C3501-C3504, C3528 CCSRCH331J50 C1117 CCSRCH390J50 C1210, C1303, C3003, C3004 CCSRCH470J50 C1237, C1263 CCSRCH471J50 C5705 CCSRCH561J50 C5534 CCSRCH681J25 C1116 CCSRCK2R0C50 C3021, C3022 CEAL100M50 C1101, C1102, C1108, C1115, C1203 CEAL101M10 C1205, C1222, C1224, C1228, C1231 CEAL101M10 C1236, C1321, C1328, C3014 CEAL101M10 C3001, C3002 CEAL3R3M50 C3025, C3026, C5955 CEAL470M16 C5951, C5952 CEAL4R7M50 C3015, C3016 CEALNP470M6R3 C5703 CEAT100M50 C1651, C3511, C3512, C501, C502 CEAT101M10 C505, C506, C5506, C5517, C5707 CEAT101M10 C5504 CEAT1R0M50 C3523, C3524, C3535, C3536 CEAT220M50 C3539, C3540 CEAT220M50 C3521, C3522 CEAT2R2M50 C508 CEAT470M16 C5501 CEJQ100M50 C3009 CEJQ221M6R3 C3537, C3538 CKSQYB104K25 C1241, C1249, C1250, C5507, C5508 CKSRYB102K50 C5801, C5802, C5953, C5954 CKSRYB102K50 C1103, C1107, C1114, C1130, C1204 CKSRYB103K50 C1206, C1207, C1212, C1214, C1223 CKSRYB103K50 C1225, C1227, C1232, C1239, C1245 CKSRYB103K50 C1315, C1316, C1330, C1652, C1653 CKSRYB103K50 C3008, C3010, C3013, C3509, C3510 CKSRYB103K50 C3550, C3551, C3570, C3571, C509 CKSRYB103K50 C5502, C5526, C5708, C5956 CKSRYB103K50 C5981, C5982 CKSRYB103K50 C1104, C1110, C1111, C1131, C1218 CKSRYB104K16 C1226, C1322, C1325, C1327, C1350 CKSRYB104K16 C5510, C5515 CKSRYB152K50 C1211 CKSRYB153K50 C1660-C1662 CKSRYB183K25 C1213 CKSRYB222K50 C3552, C3553 CKSRYB223K25 C1112, C1113 CKSRYB224K10 C1216, C1217 CKSRYB473K25 C1141, C1311, C1319 CKSRYB682K50 C3011, C3527, C5503, C5505, C5516 CKSRYF104Z25 C5518, C5528 CKSRYF104Z25 C3012 CKSRYF105Z10 RESISTORS R1901, R1950, R1953, R1955-R1959 RS1/10S0R0J R5573 RS1/16S103J R1318 RS1/16S1202F R3549, R3550, R3565-R3568 RS1/16S2200F R1319 RS1/16S2202F R1317 RS1/16S2702F R3519-R3522, R3531, R3532 RS1/16S4701F R3545-R3548, R3551, R3552 RS1/16S4701F Other Resistors RS1/16S&&&J OTHERS 10 7P CABLE HOLDER 51063-0705 CN11 9P FFC CONNECTOR 52045-0945 CN1 13P FFC CONNECTOR 52045-1345 CN12 6P JUMPER CONN. 52147-0610 CN4 19P SOCKET AKP7001 CN15 13P PLUG AKP7059 CN3 20P SOCKET AKP7129 BZ1660 BUZZER APV7002 CN1302 KR CONNECTOR B5B-PH-K CN1301 KR CONNECTOR B6B-PH-K JA5851 MINI JACK DKN1124 JA1651 OPTICAL LINK JACK GP1FA501TZ JA3501 2P PIN JACK RKB1041 CN1101 FCC CONNECTOR SLW15S-1C7 KN1299 EARH METAL FITTING VNF1084 FLAC ASSY SEMICONDUCTORS IC5601 BA4558F-HT Q5606 2SB1237X Q5604 2SB1238X Q5603 2SC2412K Q5605 2SD1858X G www. xiaoyu163. com QQ 376315150 9 9 2 8 9 4 2 9 8 TEL 13942296513 9 9 2 8 9 4 2 9 8 0 5 1 5 1 3 6 7 3 Q Q TEL 13942296513 QQ 376315150 892498299 TEL 13942296513 QQ 376315150 892498299 http://www.xiaoyu163.com 32 XC-L11 Mark No. Description Part No. Mark No. Description Part No. D5612-D5617 1SR154-400 D5618, D5619 1SS355 D5620 UDZS6.8B COILS AND FILTERS L5601-L5603 LFEA680J CAPACITORS C1591, C1593, C1594 CCSRCH101J50 C5608 CEAL100M50 C5603, C5604 CEAL101M10 C5612 CEAL470M35 C5620, C5621 CEAT100M50 C1592 CEAT101M10 C5610, C5611, C5613-C5617 CEJQ470M25 C5601, C5602, C5605, C5606 CKSRYB473K25 C5618, C5619 CKSRYB473K25 C1590 CKSRYF104Z25 RESISTORS R5605 RS1/10S1R0J Other Resistors RS1/16S&&&J OTHERS CN115 13P SOCKET AKP7070 CN2 10P CONNECTOR AKP7134 1 SHIELD CASE CD ANK7091 2 PCB BINDER VEF1040 KEYR ASSY SEMICONDUCTORS D5901 LED(BLUE) E1L55-3B0A SWITCHES AND RELAYS S5904 ASG7013 CAPACITORS C5901 CKSRYF104Z25 RESISTORS R5905 RS1/16S682J OTHERS 110 7P JUMPER WIRE 51063-0705 J 10 7P CABLE HOLDER D15A07-100-2651 KEYL ASSY SEMICONDUCTORS Q5903, Q5904 DTA124EUA D5908 LED(BLUE) E1L55-3B0A D5906 LED(RED, GREEN) VRPG5615S SWITCHES AND RELAYS S5903 ASG7013 CAPACITORS C5902 CKSRYF104Z25 RESISTORS Other Resistors RS1/16S&&&J OTHERS CN111 9P FFC CONNECTOR 52045-0945 HP ASSY SEMICONDUCTORS Q3003, Q3004 2SD2114K Q3001 DTA124EUA CAPACITORS C3903, C3904 CKSRYB103K50 C3901, C3902 CKSRYB473K25 RESISTORS Other Resistors RS1/16S&&&J OTHERS 112 6P CABLE HOLDER 51048-0600 3901 MINI JACK AKN7026 J 12 6P JUMPER WIRE D20PYY0605E KN3901 EARTH METAL FITTING VNF1084 FLDP ASSY SEMICONDUCTORS IC5661 MSM9202-01 Q5681 UN5212 D5681 1SS355 D5661 UDZS8.2B COILS AND FILTERS L5663 LAU100J L5662 LAU220J CAPACITORS C5674 CCSRCH470J50 C5681 CEJQ100M16 C5661, C5664 CEJQ101M10 C5669 CEJQ330M35 C5953 CEJQ470M16 C5671-C5673 CKSRYB102K50 C5679, C5682 CKSRYB103K50 C5662, C5663, C5665, C5666, C5668 CKSRYF473Z50 C5670, C5675, C5952 CKSRYF473Z50 RESISTORS Other Resistors RS1/16S&&&J OTHERS V5661 FL TUBE AAV7082 CN5661 11P SOCKET AKP7069 5951 REMOTE RECEIVER UNIT GP1UM27XK CNB ASSY SEMICONDUCTORS D5656 1SS355 D5655 UDZ2.0B D5651-D5654 UDZS8.2B RESISTORS Other Resistors RS1/16S&&&J OTHERS CN5652 11P PLUG AKP7058 CN5651 10P CONNECTOR AKP7134 I H D E F www. xiaoyu163. com QQ 376315150 9 9 2 8 9 4 2 9 8 TEL 13942296513 9 9 2 8 9 4 2 9 8 0 5 1 5 1 3 6 7 3 Q Q TEL 13942296513 QQ 376315150 892498299 TEL 13942296513 QQ 376315150 892498299 http://www.xiaoyu163.com 33 XC-L11 Mark No. Description Part No. Mark No. Description Part No. LOAB ASSY SWITCHES AND RELAYS S101 VSK1011 OTHERS CN602 CONNECTOR POST S2B-PH-K CN601 CONNECTOR POST S5B-PH-K PC BOARD LOAB VNP1836 J www. xiaoyu163. com QQ 376315150 9 9 2 8 9 4 2 9 8 TEL 13942296513 9 9 2 8 9 4 2 9 8 0 5 1 5 1 3 6 7 3 Q Q TEL 13942296513 QQ 376315150 892498299 TEL 13942296513 QQ 376315150 892498299 http://www.xiaoyu163.com 34 XC-L11 6. ADJUSTMENT MOTHER ASSY B SIDE A 6.1.1 How to Start/Cancel Service Test Mode 6.1 TEST MODE NOTE: There is no information to be shown in this CD adjustment. An initial function becomes CD, then becomes CD TEST MODE. And becomes a blank display [ : ]. Fig. 1 Test Mode Point Location Kind of test mode The following four modes exist. There is no information to be shown in this CD adjustment . 1-1. TEST mode. : For adjustment in main body distance of production line 1-2. Unit TEST mode. : For inspection by the function checker of production line 1-3. Service TEST mode. : For inspection by service It is not possible to operate at all by recognition because of there is no AC pulse if it is CD tuner alone and there is no part AMP as the power failure. Then, to be able to move the CD tuner, mode yet in the inconvenience without the part AMP. It is possible to operate only in the CD tuner even if the part AMP is not connected. An initial function becomes CD if the product starts in this mode, and CD becomes CD TEST mode different from a usual operation. Even if the function is returned to the CD function again, the product does not become CD TEST mode when the function is made functions other than CD once. The product becomes a usual CD operation. To put the product from the state in the CD TEST mode, the remote control code of A25F is received. 1-4. CD TEST mode. : For inspection by service When the remote control code of A25F is received at the CD function when it is on, power becomes CDTEST mode. The CD tuner is effective to this even the ordinary mode. However, the product becomes off this mode when the function is changed besides CD. The step in the part CD can operate. From LD ON to SPDL LOCK , TRKG ON/OFF and etc. MAIN UNIT STEST Short TEST MODE TEST MODE : ON TEST MODE The function is changed. Becomes a usual CD operation CD TEST MODE : CANCEL STOP for two seconds STOP TEST MODE : STOP TEST MODE Short www. xiaoyu163. com QQ 376315150 9 9 2 8 9 4 2 9 8 TEL 13942296513 9 9 2 8 9 4 2 9 8 0 5 1 5 1 3 6 7 3 Q Q TEL 13942296513 QQ 376315150 892498299 TEL 13942296513 QQ 376315150 892498299 http://www.xiaoyu163.com 35 XC-L11 PLAY/PAUSE STANDBY/ON 6 OPEN/CLOSE STOP 0 7 PLAY/PAUSE(TOUCH SENSOR) Disc tray 0 (TOUCH SENSOR) ���� STOP VOLUME STANDBY/ON 6.1.2 Function And Operation In CD Test Mode Main body key Single goods CD remote control unit Operation condition Content of operation FL display OPEN/CLOSE (None) When CD STOP The CD tray opens and close. STOP STOP When CD STOP The function is changed. CD : When Servo ON All servos are turned off. POWER (∗1) RANDOM (A24A) When CD STOP LD is turned on, and auto focus is done. FOCUS ON PLAY/PAUSE PLAY (A217) After FOK The spindle is kicked. And, the self adjustment processing tracking servo is turned on and MUTE is released. (∗2) SPNDL KICK ↓ SERVO ON PLAY/PAUSE PLAY (A217) When TRK SERVO OFF The tracking servo is turned on, and MUTE is released. SERVO ON PLAY/PAUSE PLAY (A217) PAUSE (A218) When TRK SERVO ON The tracking servo is turned off, and MUTE is put. SERVO OFF VOL UP TRK UP (A210) When TRK SERVO ON The tracking servo is turned off, MUTE is put, and the slider is moved in the direction of FWD. CD XX : XX ↓ SERVO OFF VOL DOWN TRK DOWN (A211) When TRK SERVO ON The tracking servo is turned off, MUTE is put, and the slider is moved in the direction of RVS. CD XX : XX ↓ SERVO OFF (None) (∗3) PGM (A20D) When CD has Stopped LDON → Auto focus → Spindle kick → Self adjustment → TOC lead → The 2th search → Tracking servo ON → MUTE release FOCUS ON ↓ SPNDL KICK ↓ SERVO ON ∗1 Method of making POWER OFF when there is no remote control. The function is changed besides CD keeping pushing the STOP key again for two seconds after CD is stopped with the STOP key. And, please push the POWER key. ∗2 If the slider is not sent to outer a little to turn on the servo by surroundings the in DISC, the sound is not occasionally emitted. ∗3 It is possible to operate only by remote control for the unit check mode. OPEN/CLOSE VOL. + VOL. – STANDBY/ON VOL UP VOL DOWN Remote Control www. xiaoyu163. com QQ 376315150 9 9 2 8 9 4 2 9 8 TEL 13942296513 9 9 2 8 9 4 2 9 8 0 5 1 5 1 3 6 7 3 Q Q TEL 13942296513 QQ 376315150 892498299 TEL 13942296513 QQ 376315150 892498299 http://www.xiaoyu163.com 36 XC-L11 6.2 TUNER SECTION MPX SG FM SG PRODUCT DC Voltmeter L201 IC201 pin 21 pin 23 FM/AM TUNER MODULE A SIDE B Step No. Adjustment Title ANT. Input level and signal condition Adjustment Input Level (dBµV) Adjust point Contents Frequency (MHz) Modulation 1 T-METER Adjustment 98 OFF 80 L201 Adjust L201 so that the DC voltage between Pin 21 and Pin 23 of IC201 (Test point Vtm) gets within 0 ± 50mV. AM Tuner Section • There is no adjustment in the AM tuner. FM75Ω antenna terminal Fig.1 Adjustment Wiring Diagram Fig.2 Adjustment Point FM Tuner Section • Set the mode selector to FM BAND. • Connect the wiring as shown in Fig. 1. www. xiaoyu163. com QQ 376315150 9 9 2 8 9 4 2 9 8 TEL 13942296513 9 9 2 8 9 4 2 9 8 0 5 1 5 1 3 6 7 3 Q Q TEL 13942296513 QQ 376315150 892498299 TEL 13942296513 QQ 376315150 892498299 http://www.xiaoyu163.com 37 XC-L11 Bonnet, Top Panel 1, Top Panel 2 and Top Plate 1 1 2 1 1 2 2 1 1 1 1 1 4 2 1 3 2 1 3 3 Bonnet Top Panel 1 Top Panel 2 Illuminate Lens Illuminate Lens Illuminate Lens Top Plate Illuminate Lens hook hook KEYR Assy KEYL Assy 7.1 DISASSEMBLY DIAGNOSIS OF PCBs 1 7. GENERAL INFORMATION www. xiaoyu163. com QQ 376315150 9 9 2 8 9 4 2 9 8 TEL 13942296513 9 9 2 8 9 4 2 9 8 0 5 1 5 1 3 6 7 3 Q Q TEL 13942296513 QQ 376315150 892498299 TEL 13942296513 QQ 376315150 892498299 http://www.xiaoyu163.com 38 XC-L11 CD MECHA CD MECHA 2 2 ×2 ×2 The binder is removed. 1 PCB Location KEYL ASSY E LOAB ASSY C HP ASSY F KEYR ASSY D FLAC ASSY G FM/AM TUNER MODULE A MOTHER ASSY B www. xiaoyu163. com QQ 376315150 9 9 2 8 9 4 2 9 8 TEL 13942296513 9 9 2 8 9 4 2 9 8 0 5 1 5 1 3 6 7 3 Q Q TEL 13942296513 QQ 376315150 892498299 TEL 13942296513 QQ 376315150 892498299 http://www.xiaoyu163.com 39 XC-L11 Display Unit 1 1 1 2 4 2 Display Panel Display Cover 3 Unhook ×3 2 Display Panel and Display Cover are vertically moved. 3 The hook three places of the upper part are removed. 4 Removes while rotating Display Cover in the direction of the arrow. Display Cover FLDP ASSY H CNB ASSY I www. xiaoyu163. com QQ 376315150 9 9 2 8 9 4 2 9 8 TEL 13942296513 9 9 2 8 9 4 2 9 8 0 5 1 5 1 3 6 7 3 Q Q TEL 13942296513 QQ 376315150 892498299 TEL 13942296513 QQ 376315150 892498299 http://www.xiaoyu163.com 40 XC-L11 No. Pin Name I/O MOS Function Pin Function Active 1 FLACDATA O C Port FL AC Control Data - 2 BUS0 I/O C Port CD LSI Communication Bus - 3 BUCK O C Port CD LSI Communication Bus Clock - 4 BEEP O C Port BEEP Output 5 TXMUTE O C Port FM/AM Tuner module Mute 6 TXCLK O C Port FM/AM Tuner module Control Clock - 7 TXDI O C Port FM/AM Tuner module Control Data 8 TXCE O C Port FM/AM Tuner module Control CE 9 XRDSON O C Port RDS Decoder Control (H : Stop) L 10 XFLCS O C Port FL Connect Signal - 11 XRESET I - RESET RESET L 12 (NC) - - Connect VDD1 for Not used - 13 (NC) - - Open for Not used - 14 GND - - GND GND - 15 CF1 - - SERALOCK Seramic resonator Connected terminal - 16 CF2 - - SERALOCK Seramic resonator Connected terminal - 17 VDD1 - - VDD VDD - 18 ST/TUNE O N Port FL Driver Hardware Reset L 19 KEY I N Anarog Input KEY Input - 20 CD O/C I N Anarog Input CD DOOR SW Input - 21 OPPROTECT O N Port Not used - 22 (NC) O N Port Not used - 23 XCDRST O N Port CD LSI Hardware Reset L 24 PROTECT I N Anarog Input Measures of short test with Summing circuit - 25 DSTN I N Anarog Input Destination Switch - 26 ACPULSE I N INT0 Port AC Pulse Input - 27 XCDCE O C INT1 Port CD LSI CE 28 RDSCLK I C INT2 Port Clock Input from RDS Decoder (Without RDS : Low Output) - 29 SR IN I C INT3 Port System Remote Control Signal Input - 30 (NC) O P VFD Controller Prohibition of use only for VFD - 31 (NC) O P VFD Controller Prohibition of use only for VFD - 32 (NC) O P VFD Controller Prohibition of use only for VFD - 33 (NC) O P VFD Controller Prohibition of use only for VFD - 34 (NC) O P VFD Controller Prohibition of use only for VFD - 35 (NC) O P VFD Controller Prohibition of use only for VFD - 36 (NC) O P VFD Controller Prohibition of use only for VFD - 37 (NC) O P VFD Controller Prohibition of use only for VFD - 38 (NC) O P VFD Controller Prohibition of use only for VFD - 39 (NC) O P Port Not used - 40 (NC) O P Port Not used - 41 (NC) O P Port Not used - 42 (NC) O P Port Not used - 43 (NC) O P Port Not used - 44 (NC) O P Port Not used - 45 (NC) O P Port Not used - 46 VDD - - VDD VDD - 47 (NC) O P Port Not used - 48 (NC) O P Port Not used - 49 XCDDROFF O P Port CD Door Driver Control ON/OFF (0 : OFF, 1 : Drive ON) L 50 CDSLEEP O P Port CD LSI Function Stop (0 : OFF, LSI Stop : LSI Operation) H PDC079A (MOTHER ASSY : IC5501) • System Control IC • Pin Function • The information shown in the list is basic information and may not correspond exactly to that shown in the schematic diagrams. 7.2 PARTS 7.2.1 IC www. xiaoyu163. com QQ 376315150 9 9 2 8 9 4 2 9 8 TEL 13942296513 9 9 2 8 9 4 2 9 8 0 5 1 5 1 3 6 7 3 Q Q TEL 13942296513 QQ 376315150 892498299 TEL 13942296513 QQ 376315150 892498299 http://www.xiaoyu163.com 41 XC-L11 No. Pin Name I/O MOS Function Pin Function Active 51 GND - - GND GND - 52 ZDET I P Port CD Zero Detection Input 53 CDINSIDE I P Port CD INSIDE SW Input 54 LOADIN O P Port CD Door Driver Control (Direction where door is closed) H 55 LOADOUT O P Port CD Door Driver Control (Direction where door is opened) H 56 ATT O P Port LINE Input ATT Control L 57 WCLK O P Port For Flash Rewrite L 58 SBD1 O P Port DISC LED Control, lights brightly *3 H 59 NC O P Port DISC LED Control, lights a little darkly *3 H 60 OPPWR O P Port DISC LED Control, lights considerably darkly *3 H 61 HP DET O P Port Infrared RadiationControl for Sensor L 62 FLDIMA O P Port FL Dimmer Control A 63 FLDIMB O P Port FL Dimmer Control B 64 CDRD O P Port Not used 65 TXDO I P Port Data Input from FM/AM Tuner module - 66 RDSDATA I P Port Data Input from RDS Decoder - 67 TEST I P Port CD Core Checker Mode Detection Jumper 68 UTEST I P Port Unit Test Mode Detection Jumper L 69 SERVICE O P Port Service Mode Detection Jumper H 70 TXSW O P Port TX SW Output H 71 4052B O P Port BU4052BCF Control A *1 - 72 VDD - - VDD VDD - 73 4052A O P Port BU4052BCF Control B *1 - 74 MA SD O P Port Not used - 75 CD MUTE O P Port CD Mute Output L 76 HP MUTE O P Port H.P AMP Mute L 77 (NC) O P Port Not used L 78 (NC) O P Port Not used L 79 XTMRLED O P Port Timer Standby Display LED Control - 80 XSTBYLED I P Port Standby Display LED Control - 81 BULLEDL O P Port Not used - 82 BULLEDM O P Port Not used - 83 BULLEDH O P Port System Bus Received Data - 84 XEMR I P Port Signal of emergency generation from amplifier L 85 EXOE O C Port BU4094BCF Output E , Using combinedly with WD0 for Flash Rewrite *3 H 86 EX/V DATA O C Port BU4094BCF / VOL-IC Control Data *3 - 87 EX/V CLK O C Port BU4094BCF / VOL-IC Control Clock *3 - 88 EXCE O C Port BU4094BCF CE , Using combinedly with WEN/D1 for Flash Rewrite *3 H 89 GND - - GND GND - 90 VDD - - VDD VDD - 91 FL DATA O C Port FL Driver Control Data - 92 FL CLK O C Port FL Driver Control Clock - 93 SBDO/REQ O C Port System Bus Sending Data / Request - 94 SBCLK O C Port System Bus Clock - 95 DREQ O C Port Display Data Communication Request - 96 DDATA I C Hard Serial Display Data Communication Received Data - 97 DCLK I C Hard Serial Display Data Communication Clock - 98 BUS3 I/O C Port CD LSI Communication Bus - 99 BUS2 I/O C Port CD LSI Communication Bus - 100 BUS1 I/O C Port CD LSI Communication Bus - www. xiaoyu163. com QQ 376315150 9 9 2 8 9 4 2 9 8 TEL 13942296513 9 9 2 8 9 4 2 9 8 0 5 1 5 1 3 6 7 3 Q Q TEL 13942296513 QQ 376315150 892498299 TEL 13942296513 QQ 376315150 892498299 http://www.xiaoyu163.com 42 XC-L11 *1 : Change of function. The truth value table of BU4052BCF. A B Switch turned on Function L L X0, Y0 CD H L X1, Y1 AUX L H X2, Y2 PB H H X3, Y3 TX Function Name Port Kind Active OE C-MOS H ACRY C-MOS H SPRY C-MOS H XMUTE C-MOS L IND C-MOS H HPPOW C-MOS (Not used) WF1* C-MOS L WF2* C-MOS L *2 : The truth value table of Expander IC (BU4094BCF / M-L11 COMPLEX ASSY IC5801). *3 : The truth value table of PLAY LED brightness. Brightness DISCLED LEDDIMA LEDDIMB OFF L L L LOW L L H MID L H L HIGH H L L Woofer Level WF1 WF2 HIGH H H MID H L LOW L H * www. xiaoyu163. com QQ 376315150 9 9 2 8 9 4 2 9 8 TEL 13942296513 9 9 2 8 9 4 2 9 8 0 5 1 5 1 3 6 7 3 Q Q TEL 13942296513 QQ 376315150 892498299 TEL 13942296513 QQ 376315150 892498299 http://www.xiaoyu163.com 43 XC-L11 AAV7082 (FLDP ASSY : V5661) • FL DISPLAY 7.2.2 DISPLAY 1 62 16G 14G - 1G P1 1-1 P2 2-1 P3 3-1 P4 4-1 P5 5-1 P6 1-2 P7 2-2 P8 3-2 P9 4-2 P10 5-2 P11 1-3 P12 2-3 P13 3-3 P14 4-3 P15 5-3 P16 1-4 P17 2-4 P18 3-4 P19 4-4 P20 5-4 P21 1-5 P22 2-5 P23 3-5 P24 4-5 P25 5-5 P26 1-6 P27 2-6 P28 3-6 P29 4-6 P30 − − − − − − 5-6 P31 − 1-7 P32 − 2-7 P33 − 3-7 P34 − 4-7 P35 − 15G − − − − − 5-7 F1, F2 : Filament 1G~16G : Grid NP : No Pin NX : No extend pin DL : Datum Line 14G 16G 15G 5-1 5-2 5-3 5-4 5-5 5-6 5-7 4-1 4-2 4-3 4-4 4-5 4-6 4-7 3-1 3-2 3-3 3-4 3-5 3-6 3-7 2-1 2-2 2-3 2-4 2-5 2-6 2-7 1-1 1-2 1-3 1-4 1-5 1-6 1-7 (14G - 1G) 13G 12G 11G 10G 9G 8G 7G 6G 5G 4G 3G 2G 1G Anode Connection Pin Connection Pin No. 1 2 3 4 5 6 7 8 9 10 11 12 13 14 15 16 17 18 19 20 21 22 23 24 25 26 27 28 29 30 31 Connection F1 F1 NP NP NX NX NX P4 P3 P2 P1 16G 15G 14G 13G 12G 11G 10G 9G 8G 7G 6G 5G 4G 3G 2G 1G P35 P34 P33 P32 Pin No. 32 33 34 35 36 37 38 39 40 41 42 43 44 45 46 47 48 49 50 51 52 53 54 55 56 57 58 59 60 61 62 Connection P31 P30 P29 P28 P27 P26 P25 P24 P23 P22 P21 P20 P19 P18 P17 916 P15 P14 913 P12 P11 P10 P9 P8 P7 P6 P5 NP NP F2 F2 COND. COND. LAST 96KHz LAST 96KHz RPT–1 PGM RDM CD-RW FINALIZE PROLOGIC 2 DIGITAL 2 -DSP- -DSP- Ls Rs C L S R LFE PROLOGIC 2 DIGITAL 2 Ls Rs C L S R LFE DIGITAL REC ALL SKIP ON NR SYNCHRO L R 2 L R “� MD D.VOL MONO LP LP2 LP4 REC CD-R –1 RPT PGM RDM W –R CD FINALIZE DIGITAL ALL ON SKIP SYNCHRO MD D.VOL MONO LP LP2 LP4 CD-R www. xiaoyu163. com QQ 376315150 9 9 2 8 9 4 2 9 8 TEL 13942296513 9 9 2 8 9 4 2 9 8 0 5 1 5 1 3 6 7 3 Q Q TEL 13942296513 QQ 376315150 892498299 TEL 13942296513 QQ 376315150 892498299 http://www.xiaoyu163.com 44 XC-L11 8.1 PANEL FACILITIES 8. PANEL FACILITIES AND SPECIFICATIONS Front Panel CD Tuner 1 CD tray 2 Power light – Lights when the unit is switched on. 3 ^ button – Press to play a disc, or pause a disc that’s already playing (press again to restart playback). 4 ) button – Press to open or close the CD tray. 5 Play light – Lights when a CD is playing 6 Standby/On button – Press to switch the unit between standby and on modes. Indicator lights in standby mode. Note: this unit con- sumes a small amount of electricity in standby mode (0.9W). 7 HeadPphone jack – Connect a pair of head- phones for private listening. When plugged in, the speakers are automatically switched off. PLAY/PAUSE STANDBY/ON 6 OPEN/CLOSE STOP 0 7 6 6 PLAY/PAUSE (TOUCH SENSOR) STANDBY/ON Headphone jack Disc tray 0 OPEN/CLOSE (TOUCH SENSOR) 7 STOP www. xiaoyu163. com QQ 376315150 9 9 2 8 9 4 2 9 8 TEL 13942296513 9 9 2 8 9 4 2 9 8 0 5 1 5 1 3 6 7 3 Q Q TEL 13942296513 QQ 376315150 892498299 TEL 13942296513 QQ 376315150 892498299 http://www.xiaoyu163.com 45 XC-L11 Display 1 Record timer – Lights when setting the timer; flashes once set. 2 Timer – Lights when setting the timer; flashes once set. 3 Wake up timer – Lights when the wake up timer is set; flashes during wake up timer playback. 4 STEREO Indicator – Stereo channel indica- tors. 5 Character display 6 ‹ Indicator – Lights when a tape or a disc is playing mode. 7 Sleep timer – Lights when the sleep timer is set. 8 Indicator – Indicates strenghth of broad- cast signal. 9 Stereo to Mono – Auto stereo/mono mode. 10 RDS – Lights when the tuner is in an RDS mode. 11 REC – Lights when recording to the optional tape or MD mode. 12 RPT-1 – Lights during repeat play. 13 PGM – Lights during Program play. 14 RDM – Lights during Random play. the tape. REC RPT–1 PGM RDM L R 1 2 3 4 5 11 6 7 8 9 10 12 13 14 www. xiaoyu163. com QQ 376315150 9 9 2 8 9 4 2 9 8 TEL 13942296513 9 9 2 8 9 4 2 9 8 0 5 1 5 1 3 6 7 3 Q Q TEL 13942296513 QQ 376315150 892498299 TEL 13942296513 QQ 376315150 892498299 http://www.xiaoyu163.com 46 XC-L11 Remote Control 1 STANDBY/ON – Press to switch the unit between standby and on modes. Note: this unit consumes about 1W of electric- ity in standby mode. 2 + – Use to raise the volume. - – Use to lower the volume. 3 CD mode – Press to switch the sound to CD and start the disc playing (if there’s one loaded). 4 FM Tuner mode – Press to switch the sound to tuner, switch between FM and switch between preset station memories. 5 AM Tuner mode – Press to switch the sound to tuner, switch between AM and switch between preset station memories. 6 SOUND – Press to put the $ and › buttons into tone, subwoofer level and balance control mode. 7 MD mode – Press to switch the sound to MD and start the disc playing (if there’s one loaded). 8 Tape deck mode – Press to switch the sound to tape deck and start the tape playing (if there’s one loaded). 9 AUX mode – Press to switch the sound to the component connected to the AUX inputs. 10 TIMER/CHARACTER – Press to start setting the timer. Also use to select characters when naming tuner station memories, etc. 11 !�⁄ buttons – Press to fast-reverse / fast- forward scanning. 12 $�› buttons – Press to fast-reverse / fast- forward the CD/MD/tape. 13 & STOP – Press to stop playback (or recording) of the CD/MD/tape. 14 CANCEL – Also use to cancel operations, such as setting the clock, before the SET button has been pressed. 15 SET – Press to finish operations such as setting the clock, setting the reverse mode, and so on. 16 MENU – Press to access various features, including station memory naming, changing the tape reverse mode, and so on. 17 CHARACTER/DISP – Press to change the kind of information that the display shows. The choices available depend on the current function (CD, tape, etc.). 18 GUOUP +/- – Use to switch +/- remote locator. VOLUME GROUP SOUND TIMER SET MENU DISP CANCEL STANDBY/ON 1 7 ¡� 4 ¢� CD MD TAPE AM FM AUX CHARACTER DIRECT PLAY 3 1 2 2 3 4 5 6 7 9 10 11 11 8 12 12 13 15 16 17 14 18 18 www. xiaoyu163. com QQ 376315150 9 9 2 8 9 4 2 9 8 TEL 13942296513 9 9 2 8 9 4 2 9 8 0 5 1 5 1 3 6 7 3 Q Q TEL 13942296513 QQ 376315150 892498299 TEL 13942296513 QQ 376315150 892498299 http://www.xiaoyu163.com 47 XC-L11 8.2 SPECIFICATIONS • Lithium battery [VEM1009 (CR2025)] • AM loop antenna (ATB7009) (shown assembled) • FM wire antenna (ADH7005) •10P cable (ADE7077) • Remote control unit (AXD7306) • ACCESSORIES VOLUME GROUP SOUND TIMER SET MENU DISP CANCEL STANDBY/ON 1 7 ¡� 4 ¢� CD MD TAPE AM FM AUX CHARACTER DIRECT PLAY 3 •20P cable (ADE7057) Stereo CD Tuner: XC-L11 FM Tuner Section Frequency Range ................................ 87.5 - 108MHz Antenna .......................................... 75 Ω, unbalanced AM Tuner Section Frequency Range 522 kHz - 1,602 kHz(9 kHz step) Antenna ................................................ Loop antenna ....................................................................(supplied) Compact Disc Player Section Type...................... Compact disc digital audio system Usable discs ........................................ Compact discs Channels .................................................... 2 (stereo) Frequency Response ............................. 4 Hz–20 kHz Signal-to-Noise Ratio ........................... 110 dB (EIAJ) Dynamic range ....................................... 96 dB (EIAJ) Wow and Flutter .................. Below measurable levels .................................................... (±0.001% W.PEAK) Dimensions ...............220 (W) × 317 (H) × 65 (D) mm (without stands and door closed) Weight ...............................................................2.2 kg Display Unit Dimensions .................206 (W) × 50 (H) × 65 (D) mm Weight ...............................................................0.2 kg Accessories Remote control unit .................................................. 1 Lithium battery (CR2025) ......................................... 1 AM loop antenna ...................................................... 1 FM wire antenna ..................................................... 1 AC power cord.......................................................... 1 10P cable ................................................................. 1 20P cable ................................................................. 1 Operating instructions .............................................. 1 Warranty card ........................................................... 1 NOTE: Specifications and design subject to possible modification without notice, due to improvements. www. xiaoyu163. com QQ 376315150 9 9 2 8 9 4 2 9 8 TEL 13942296513 9 9 2 8 9 4 2 9 8 0 5 1 5 1 3 6 7 3 Q Q TEL 13942296513 QQ 376315150 892498299 TEL 13942296513 QQ 376315150 892498299 http://www.xiaoyu163.com

标签:

版权声明

1. 本站所有素材,仅限学习交流,仅展示部分内容,如需查看完整内容,请下载原文件。
2. 会员在本站下载的所有素材,只拥有使用权,著作权归原作者所有。
3. 所有素材,未经合法授权,请勿用于商业用途,会员不得以任何形式发布、传播、复制、转售该素材,否则一律封号处理。
4. 如果素材损害你的权益请联系客服QQ:77594475 处理。