先锋PIONEER X-HX5000电路图

分类:电子电工 日期: 点击:0
先锋PIONEER X-HX5000电路图-0 先锋PIONEER X-HX5000电路图-1 先锋PIONEER X-HX5000电路图-2 先锋PIONEER X-HX5000电路图-3 先锋PIONEER X-HX5000电路图-4 先锋PIONEER X-HX5000电路图-5 先锋PIONEER X-HX5000电路图-6 先锋PIONEER X-HX5000电路图-7 先锋PIONEER X-HX5000电路图-8 先锋PIONEER X-HX5000电路图-9

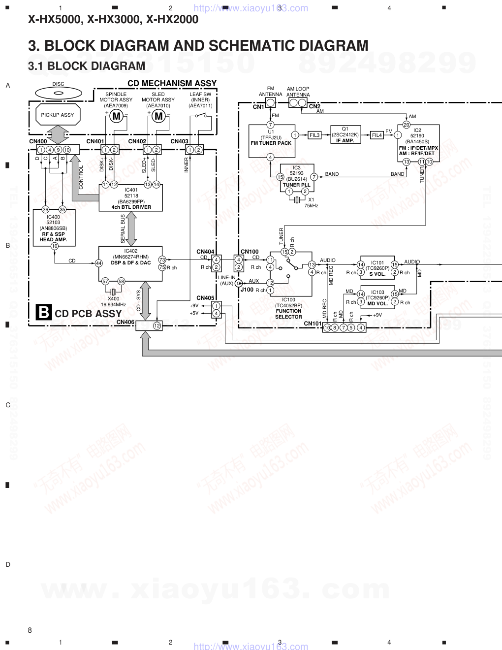
ORDER NO. PIONEER ELECTRONIC CORPORATION 4-1, Meguro 1-Chome, Meguro-ku, Tokyo 153-8654, Japan PIONEER ELECTRONICS SERVICE, INC. P.O. Box 1760, Long Beach, CA 90801-1760, U.S.A. PIONEER ELECTRONIC (EUROPE) N.V. Haven 1087, Keetberglaan 1, 9120 Melsele, Belgium PIONEER ELECTRONICS ASIACENTRE PTE. LTD. 253 Alexandra Road, #04-01, Singapore 159936 � � � � � � � � � �PIONEER ELECTRONIC CORPORATION 1999 KUCXCN ‡ ‡ ‡ AC120V KUCXCN1 ‡ ‡ ‡ AC120V CD RECEIVER AMPLIFIER XC-HX5000 XC-HX3000 XC-HX2000 This manual SPEAKER SYSTEM( L ch ) S-HX5000LR S-HX3000-L S-HX2000-L This manual SPEAKER SYSTEM( R ch ) S-HX5000LR S-HX3000-R S-HX2000-R This manual MD RECORDER MJ-HX5000 MJ-HX3000 MJ-HX2000 RRV 2134 CD RECEIVER SYSTEM RRV2135 T–ZZR MAY 1999 Printed in Japan X-HX5000 CONTENTS 1. SAFETY INFORMATION.................................... 2 2. EXPLODED VIEWS AND PARTS LIST ............. 3 3. BLOCK DIAGRAM AND SCHEMATIC DIAGRAM 8 4. PCB CONNECTION DIAGRAM ....................... 22 5. PCB PARTS LIST ............................................. 30 6. ADJUSTMENT.................................................. 33 7. GENERAL INFORMATION .............................. 35 7.1 DIAGNOSIS ............................................... 35 7.2 PARTS ....................................................... 37 8. PANEL FACILITIES AND SPECIFICATIONS ................................................................... 49 THIS MANUAL IS APPLICABLE TO THE FOLLOWING MODEL(S) AND TYPE(S). X-HX3000 X-HX2000 Power Requirement Type Model X-HX5000 X-HX3000 X-HX2000 Remarks System Component Table Model X-HX5000 X-HX3000 X-HX2000 Remarks Component ¶� KUCXCN type and KUCXCN1 type are constructed the same. www. xiaoyu163. com QQ 376315150 9 9 2 8 9 4 2 9 8 TEL 13942296513 9 9 2 8 9 4 2 9 8 0 5 1 5 1 3 6 7 3 Q Q TEL 13942296513 QQ 376315150 892498299 TEL 13942296513 QQ 376315150 892498299 http://www.xiaoyu163.com X-HX5000, X-HX3000, X-HX2000 2 1. SAFETY INFORMATION 1. SAFETY PRECAUTIONS The following check should be performed for the continued protection of the customer and service technician. ANY MEASUREMENTS NOT WITHIN THE LIMITS OUTLINED ABOVE ARE INDICATIVE OF A PO- TENTIAL SHOCK HAZARD AND MUST BE COR- RECTED BEFORE RETURNING THE APPLIANCE TO THE CUSTOMER. 2. PRODUCT SAFETY NOTICE Many electrical and mechanical parts in the appli- ance have special safety related characteristics. These are often not evident from visual inspection nor the protection afforded by them necessarily can be ob- tained by using replacement components rated for voltage, wattage , etc. Replacement parts which have these special safety characteristics are identified in this Service Manual. Electrical components having such features are identified by marking with a on the schematics and on the parts list in this Service Manual. The use of a substitute replacement component which does not have the same safety characteristics as the PIONEER recommended replacement one, shown in the parts list in this Service Manual, may create shock, fire, or other hazards. Product Safety is continuously under review and new instructions are issued from time to time. For the latest information, always consult the current PIONEER Service Manual. A subscription to, or ad- ditional copies of, PIONEER Service Manual may be obtained at a nominal charge from PIONEER. LEAKAGE CURRENT CHECK Measure leakage current to a known earth ground (water pipe, conduit, etc.) by connecting a leakage current tester such as Simpson Model 229-2 or equivalent between the earth ground and all exposed metal parts of the appliance (input/output terminals, screwheads, metal overlays, control shaft, etc.). Plug the AC line cord of the appliance directly into a 120V AC 60 Hz outlet and turn the AC power switch on. Any current measured must not exceed 0.5 mA. (FOR USA MODEL ONLY) Also test with plug reversed (Using AC adapter plug as required) Device under test Test all exposed metal surfaces Earth ground Leakage current tester Reading should not be above 0.5 mA AC Leakage Test This service manual is intended for qualified service technicians; it is not meant for the casual do-it-yourselfer. Qualified technicians have the necessary test equipment and tools, and have been trained to properly and safely repair complex products such as those covered by this manual. Improperly performed repairs can adversely affect the safety and reliability of the product and may void the warranty. If you are not qualified to perform the repair of this product properly and safely, you should not risk trying to do so and refer the repair to a qualified service technician. WARNING This product contains lead in solder and certain electrical parts contain chemicals which are known to the state of California to cause cancer, birth defects or other reproductive harm. Health & Safety Code Section 25249.6 – Proposition 65 REMARQUE (POUR MODÈLE CANADIEN SEULEMENT) Les symboles de fusible (fusible de type rapide) et/ou (fusible de type lent) sur CCI indiquent que les pièces de remplacement doivent avoir la même désignation. NOTICE (FOR CANADIAN MODEL ONLY) Fuse symbols (fast operating fuse) and/or (slow operating fuse) on PCB indicate that replacement parts must be of identical designation. www. xiaoyu163. com QQ 376315150 9 9 2 8 9 4 2 9 8 TEL 13942296513 9 9 2 8 9 4 2 9 8 0 5 1 5 1 3 6 7 3 Q Q TEL 13942296513 QQ 376315150 892498299 TEL 13942296513 QQ 376315150 892498299 http://www.xiaoyu163.com X-HX5000, X-HX3000, X-HX2000 3 2. EXPLODED VIEWS AND PARTS LIST 2.1 PACKING (1)PACKING PARTS LIST NSP 1 CD Receiver See Contrast table (2) NSP 2 Speaker System (Lch) See Contrast table (2) NSP 3 Speaker System (Rch) See Contrast table (2) 4 Display Carton See Contrast table (2) 5 Remote Control Unit(REA-22C) 60231A 6 Battery Cover 60231–01 7 Operating Instruction (English) 66780-CDU 7 Operating Instruction (French) 66780-CDF NSP 8 Dry Cell Battery (R6P, AA) 60235 9 Mirrormat Bag (360× 300× 0.5) 66692 (SPEAKER BOX) 10 AM Loop Ant . Assy 60232 11 Poly Foam B (TOP) 66682 12 Poly Foam B (BOTTOM) 66683 13 Carton Sheet B 66678 14 Safety Directions See Contrast table (2) 15 Polybag 53117 16 Guarantee Card 66689-U 17 Mirrormat Bag (400× 300× 0.5) 66794 Mark No. Description Parts No. (2) CONTRAST TABLE X-HX5000, X-HX3000 and X-HX2000 are constructed the same except for the following: NOTES : ÷ Parts marked by “ NSP ” are generally unavailable because they are not in our Master Spare Parts List. ÷ The mark found on some component parts indicates the importance of the safety factor of the part. Therefore, when replacing, be sure to use parts of identical designation. ÷ Screw adjacent to ∞ mark on the product are used for disassembly. Part No. Remarks Mark X-HX5000 X-HX3000 X-HX2000 NSP 1 CD Receiver XC-HX5000 XC-HX3000 XC-HX2000 NSP 2 Speaker System (Lch) S-HX5000LR S-HX3000L S-HX2000L NSP 3 Speaker System (Rch) S-HX5000LR S-HX3000R S-HX2000R 4 Display Carton 66677-50U 66677-30U 66677-20U 14 Safety Directions 66784-50U 66784-30U 66784-20U No. Symbol and Description 14 15 16 7 11 13 8 9 10 9 2 2 or 3 1 17 12 4 5 6 www. xiaoyu163. com QQ 376315150 9 9 2 8 9 4 2 9 8 TEL 13942296513 9 9 2 8 9 4 2 9 8 0 5 1 5 1 3 6 7 3 Q Q TEL 13942296513 QQ 376315150 892498299 TEL 13942296513 QQ 376315150 892498299 http://www.xiaoyu163.com X-HX5000, X-HX3000, X-HX2000 4 2.2 EXTERIOR 62 57 57 61 55 3 3 3 3 3 71 59 42 43 72 73 77 58 24 56 55 55 80 81 33 55 50 52 8 3 3 13 12 11 3 55 53 67 51 39 41 40 69 3 3 3 3 3 75 3 3 10 9 4 4 25 65 63 31 30 32 32 8 28 38 33 34 24 24 24 24 68 24 70 45 24 29 26 74 76 7 6 1 5 22 16 66 15 14 18 17 21 60 23 19 64 20 37 3 2 78 36 35 44 47 49 48 46 54 79 CD Mechanism assembly has no service part. www. xiaoyu163. com QQ 376315150 9 9 2 8 9 4 2 9 8 TEL 13942296513 9 9 2 8 9 4 2 9 8 0 5 1 5 1 3 6 7 3 Q Q TEL 13942296513 QQ 376315150 892498299 TEL 13942296513 QQ 376315150 892498299 http://www.xiaoyu163.com X-HX5000, X-HX3000, X-HX2000 5 (1) EXTERIOR PARTS LIST Mark No. Description Parts No. (2) CONTRAST TABLE XC-HX5000, XC-HX3000 and XC-HX2000 are constructed the same except for the following: Mark No. Description Parts No. Part No. Remarks Mark XC-HX5000 XC-HX3000 XC-HX2000 NSP 1 Inner Panel (CD) 66710-05C 66710-03C 66710-02C 5 Button C (SET) 66718-05S 66718-03S 66718-02S 6 Power Button 66720-05 66720-03 66720-02 17 Front Door A, B (CD) 66706-05C 66707-03C 66706-02C 18 Button B (CD-2) 66717-05C2 66717-03C2 66717-02C2 19 Button A (CD-1) 66716-05C1 66716-03C1 66716-02C1 No. Symbol and Description 1 Inner Panel (CD) See Contrast table (2) 2 Dumper Gear 60108 3 Screw PAN TAPP. T3X10 PBZ30P100FZK 4 Plate Nut 66741 5 Button C (SET) See Contrast table (2) 6 Power Button See Contrast table (2) 7 Button D (TIMER) 66719 8 Push Door Lock 60226 9 LCD Assy (KSG4149) 52716 10 LCD Sheet 66756 11 LCD Holder 66727 NSP 12 LED PCB Assy 66788B 13 FRONT CD PCB Assy 66788A 14 Door Shaft A 66746 15 Screw PAN TAPP. T2X8 PBZ20P080FMC 16 Cushion A 66795 NSP 17 Front Door A, B (CD) See Contrast table (2) 18 Button B (CD-2) See Contrast table (2) 19 Button A (CD-1) See Contrast table (2) 20 Lens 66734-CD NSP 21 Front Cover A, B (CD) See Contrast table (2) 22 CD Front Case See Contrast table (2) NSP 23 CD Rear Chassis 66737 24 Screw BIND M3X6 BMZ30P060FZK 25 LCD Window 66735 26 Lens (STANDBY) 66736 27 Screw BIND TAPP. T3X8 BBZ30P080FZK 28 AMP COMBI PCB Assy 66789C (HEADPHONE PCB) 29 Front Door Spring 66748 30 TUNER PCB Assy 66675 31 AMP COMBI PCB Assy 66789B (FUSE PCB) 32 Screw BTT-S T3X8 BSZ30P080FMC 33 AC Cord Bushing 60228 34 Heat Sink 66743 35 Screw PAN M3X8 PMZ30P080FZK 36 Leg Rubber (A, B) See Contrast table (2) 37 Foot (A, B) See Contrast table (2) 38 AMP COMBI PCB Assy 66789A (POWER PCB) 39 CD PCB Assy 66786 40 Cushion Rubber 60230 41 Holder Plate 66742 NSP 42 CD Door See Contrast table (2) NSP 43 CD Door Window 66733-OV NSP 44 Anntena Cord Assy 66779 45 AM Anntena Jack 60243 46 Pin Jack 52526 47 Power Transformer 54515 48 Screw BIND M4X6 BMZ40P060FMC 49 Washer WS40FMC 50 1P Jack 52525 51 Speaker Terminal(4P) 60246 52 CD Mechanism Assy 61417 53 Leaf Switch 52802 54 Fuse (F302 : 750mA/250V) 51607 55 Screw FLAT M3X6 CMZ30P060FNI 56 CD Rear Case See Contrast table (2) 57 Door Shaft B 66747 58 Rear Panel See Contrast table (2) 59 CD Door Spring 66749 60 Front Door A Assy (CD) See Contrast table (2) 60 Front Door B Assy (CD) See Contrast table (2) 61 CD Door Assy See Contrast table (2) 62 AC Power Cord 50320 63 Fuse (F301 : T5A/125V) 51604 64 Button A (CD-3) See Contrast table (2) 65 Button D (DISPLAY) See Contrast table (2) 66 Panel Tape A 66760 67 Connector Assy (2P) 66772 68 Fuse Label (5A/125V) 60224 69 Cushion Rubber 60229 70 Cushion B 66796 71 Dumper Gear 60227 72 10P Connector Cover 66685 73 12p Connector Cover 66684 74 Washer 55003 75 Shild Plat 66797 76 Barrier Plat 66693 77 Motor Cushion 60143 78 Cushion Washer 66699 79 Fuse Label (750mA/250V) 60268 80 Label Plate (CAUTION) 66690I 81 Label Plate (FCC, DOC) 66690B www. xiaoyu163. com QQ 376315150 9 9 2 8 9 4 2 9 8 TEL 13942296513 9 9 2 8 9 4 2 9 8 0 5 1 5 1 3 6 7 3 Q Q TEL 13942296513 QQ 376315150 892498299 TEL 13942296513 QQ 376315150 892498299 http://www.xiaoyu163.com X-HX5000, X-HX3000, X-HX2000 6 21 Front Cover A, B (CD) 66712-05C 66713-03C 66712-02C 22 CD Front Case 66701-05 66701-03 66701-02 36 Leg Rubber (A, B) 66758-01 66759-02 66758-01 37 Foot (A, B) 66722-05 66723-03 66722-02 NSP 42 CD Door 67705-05 67705-03 67705-02 56 CD Rear Case 66703-05 66703-03 66703-02 58 Rear Panel 66740-50U 66740-30U 66740-20U 60 Front Door A Assy (CD) 10200-05C Not used 10200-02C 60 Front Door B Assy (CD) Not used 10300-03C Not used 61 CD Door Assy 10400-05 10400-03 10400-02 64 Button A (CD-3) 66716-05C3 66716-03C3 66716-02C3 65 Button D (DISPLAY) 66719-05D 66719-03D 66719-02D 2.3 SPEAKER SYSTEM 13 6 14 5 3 4 2 8 9 12 1 11 7 10 5 Part No. Remarks Mark XC-HX5000 XC-HX3000 XC-HX2000 No. Symbol and Description www. xiaoyu163. com QQ 376315150 9 9 2 8 9 4 2 9 8 TEL 13942296513 9 9 2 8 9 4 2 9 8 0 5 1 5 1 3 6 7 3 Q Q TEL 13942296513 QQ 376315150 892498299 TEL 13942296513 QQ 376315150 892498299 http://www.xiaoyu163.com X-HX5000, X-HX3000, X-HX2000 7 ¶ SPEAKER SYSTEM PARTS LIST (S-HX5000-LR) Mark No. Description Parts No. 1 Speaker Frame Assy 10500-05 2 Speaker Frame 66724-05 3 Grille Frame 66725-05 4 Speaker Net 66744-05 NSP 5 Speaker Box Assy 10600-05 6 Speaker Cord 50318 7 Speaker Unit 54407 8 Foot A 66722-05 9 Leg Rubber A 66758-01 10 Packing 66797 11 Screw BBZ30P120FZK 12 Screw PBZ30P120FZK 13 Back Plate A Label 66673-50U 14 Label Plate B 6672 ¶ SPEAKER SYSTEM PARTS LIST (S-HX3000-L and S-HX3000-R) Mark No. Description Parts No. 1 Speaker Frame Assy L 10500-03L (S-HX3000-L) 1 Speaker Frame Assy R 10500-03R (S-HX3000-R) 2 Speaker Frame 66724-03 3 Grille Frame 66725-03 4 Speaker Net L(S-HX3000L) 66744-03L 4 Speaker Net R(S-HX3000R) 66744-03R NSP 5 Speaker Box Assy 10600-03 6 Speaker Cord 50318 7 Speaker Unit 54407 8 Foot B 66723-03 9 Leg Rubber B 66759-02 10 Packing 66697 11 Screw BBZ30P120FZK 12 Screw PBZ30P120FZK 13 Back Plate A Label 66673-30U 14 Label Plate B 6672 ¶ SPEAKER SYSTEM PARTS LIST (S-HX2000-L and S-HX2000-R) Mark No. Description Parts No. 1 Speaker Frame Assy L 10500-02L (S-HX2000-L) 1 Speaker Frame Assy R 10500-02R (S-HX2000-R) 2 Speaker Frame L 66724-02L 2 Speaker Frame R 66724-02R 3 Grille Frame L 66725-02L 3 Grille Frame R 66725-02R 4 Speaker Net L(S-HX2000L) 66744-02L 4 Speaker Net R(S-HX2000R) 66744-02R NSP 5 Speaker Box Assy L 10600-02L NSP 5 Speaker Box Assy R 10600-02R 6 Speaker Cord 50318 7 Speaker Unit 54407 8 Foot B 66723-02 9 Leg Rubber B 66759-02 10 Packing 66697 Mark No. Description Parts No. 11 Screw BBZ30P120FZK 12 Screw PBZ30P120FZK 13 Back Plate A Label 66673-20U 14 Label Plate B 6672 www. xiaoyu163. com QQ 376315150 9 9 2 8 9 4 2 9 8 TEL 13942296513 9 9 2 8 9 4 2 9 8 0 5 1 5 1 3 6 7 3 Q Q TEL 13942296513 QQ 376315150 892498299 TEL 13942296513 QQ 376315150 892498299 http://www.xiaoyu163.com X-HX5000, X-HX3000, X-HX2000 8 A B C D 1 2 3 4 1 2 3 4 3. BLOCK DIAGRAM AND SCHEMATIC DIAGRAM 3.1 BLOCK DIAGRAM SPINDLE MOTOR ASSY (AEA7009) IC400 52103 (AN8806SB) RF & SSP HEAD AMP. IC401 52118 (BA6299FP) 4ch BTL DRIVER U1 (TFFJ2U) FM TUNER PACK 1 4 9 10 1 2 DISK+ CONTROL CD X400 16.934MHz CD CD AUDIO AUDIO MD MD MD MD +9V MD REC MD REC TUNER AUX FM BAND BAND TUNER FM AM AM +9V +5V SERIAL BUS CD - SYS D C A B DISK- CN401 CN406 CN404 CN100 J100 CN400 CD MECHANISM ASSY PICKUP ASSY DISC M SLED MOTOR ASSY (AEA7010) 1 2 SLED+ SLED- CN402 M LEAF SW (INNER) (AEA7011) FM ANTENNA AM LOOP ANTENNA LINE-IN (AUX) 1 2 INNER CN403 CN2 CN1 10 8 7 5 CN101 B CD PCB ASSY IC402 (MN66274RHM) DSP & DF & DAC IC100 (TC4052BP) FUNCTION SELECTOR IC101 (TC9260P) S VOL. IC2 52190 (BA1450S) FIL3 Q1 (2SC2412K) IF AMP. IC3 52193 (BU2614) TUNER PLL 11 36 10 44 57 58 12 73 4 2 4 2 CN405 1 4 75 35 12 13 14 X1 75kHz 1 2 7 4 15 7 FIL4 1 1 11 11 15 2 13 4 14 3 15 2 IC103 (TC9260P) MD VOL. 14 3 15 2 4 10 20 13 FM : IF/DET/MPX AM : RF/IF/DET 4 R ch R ch R ch R ch R ch R ch R ch R ch R ch R ch R ch R ch 12 1 www. xiaoyu163. com QQ 376315150 9 9 2 8 9 4 2 9 8 TEL 13942296513 9 9 2 8 9 4 2 9 8 0 5 1 5 1 3 6 7 3 Q Q TEL 13942296513 QQ 376315150 892498299 TEL 13942296513 QQ 376315150 892498299 http://www.xiaoyu163.com X-HX5000, X-HX3000, X-HX2000 9 A B C D 5 6 7 8 5 6 7 8 AUDIO AUDIO AUDIO AUDIO CD + 9V CD + 9V CD + 9V CD + 9V COM + 5V COM + 5V MD + 5V COM + 5V TUNER/CD + 9V CD + 9V R ch R ch R ch R ch R ch R ch R ch R ch CD + 9V AUDIO AUDIO DATA DATA CN103 CN302 CN301 CN300 CN102 CN502 CN501 CN503 PHONES SPEAKER CN500 CN506 18V A TUNER PCB ASSY F FRONT CD PCB ASSY E HEADPHONE PCB ASSY D FUSE PCB ASSY C POWER PCB ASSY 8 10 5 7 8 5 7 10 4 10 1 CN304 J301 CN305 5 2 4 3 5 2 4 3 8 7 J303 TM4 TM6 TM5 E304 E303 TM3 CD-MD OUTPUT (TX-OUT) IC102 (BH3854AS) MAIN VOL. 31 2 IC300 52115 (BA5412) POWER AMP. POWER AMP. CONT. (ST-BY) and (MUTE) Q315 2SD2061F CD + 9V Q313 : 2SB1370F Q314 : 2SC1740S TUNER/CD + 9V Q309 : 2SB1370F Q310 : 2SC1740S MD + 5V Q511,Q512 2SC2412K PS DET0 Q505,Q507,Q510 DTC114YK LED DRIVER Q501,Q503 DTC114YK LED DRIVER KEY IC500 60124 (SPS-442-1-W) REMOTE CONTROL RECEIVER DISC-LED 1 - 3 KEY LED BACK-LIGHT LED Q511,Q512 2SC2412K PS DET0 Q311,Q312 2SA933S P-MUTE D310 - D313 (MTZJ10A) LIVE NEUTRAL AC IN POWER TRANSFORMER Q302 : 2SB1370F Q303 : 2SA933AS Q304 : 2SC1740S COM + 5V Q300 : 2SA933AS Q301 : 2SC1740S Q305 : 2SA933AS 8 5 11 2 24 10 10 IC501 52206 (CXP83232A-111Q) SYSTEM MICROCOM. LCD500 52716 (KSG4149) LCD PANEL 28 2 70 75 71 72 CN303 9 12 4 1 73 74 3 CD - SYS SW519 DOOR SW X501 4.19MHz 92 93 39 40 X500 32kHz F301 5A/125V (51604) www. xiaoyu163. com QQ 376315150 9 9 2 8 9 4 2 9 8 TEL 13942296513 9 9 2 8 9 4 2 9 8 0 5 1 5 1 3 6 7 3 Q Q TEL 13942296513 QQ 376315150 892498299 TEL 13942296513 QQ 376315150 892498299 http://www.xiaoyu163.com X-HX5000, X-HX3000, X-HX2000 10 A B C D 1 2 3 4 1 2 3 4 3.2 OVERALL CONNECTION DIAGRAM TUNER PCB ASSY (66675) A FRONT CD PCB ASSY (66788) F CD PCB ASSY (66786) CD MECHANISM ASSY (61417) PICKUP ASSY SPINDLE MOTOR ASSY (AEA7009) B 1 2 3 4 FUNC CD R CH GND L CH CN100 1 2 3 NC GND TX CN407 1 2 DISK+ DISK- CN401 2 1 4 3 6 5 8 7 10 9 12 11 14 13 16 15 18 17 D COM NC C F NC E NC A B LD GND MD VOL T+ T- F- F+ CN400 1 2 3 4 FUNC CD R CH GND L CH CN404 1 2 3 4 5 6 7 8 9 10 FACOM COM+5V COM GND LEDGND LED+9V AUGND AU+9V L ch GND R ch CN103 1 1 2 5 6 7 8 2 3 3 4 4 5 6 7 8 9 9 SVOL STB LEDGND LED+9V AUGND AU+9V RCH GND LCH REC R AU GND REC L MVOL LAT TUCE MDVOL STB CLK TUDATA DATA AMUTE TUNE SVOL STB MVOL LAT TUCE MDVOL STB CLK TUDATA DATA AMUTE TUNE CN102 CN101 CN502 CN1 CN5 J100 1 2 3 4 5 6 COM+5V CDAGND CDGGND CDM+9V CDMGND FUNC CD CN405 1 2 3 4 5 6 7 8 9 10 10 11 12 MRST STAT SUBQ SQCK BLKCK /TLOCK /PLOCK SENSE MLD MDATA MCLK REST MRST STAT SUBQ SQCK BLKCK /TLOCK /PLOCK SENSE MLD MDATA MCLK REST CN406 1 2 3 4 5 6 7 8 9 CN501 1 2 3 4 5 6 7 8 9 10 11 12 M SLED MOTOR ASSY (AEA7010) LEAF SW (INNER) (AEA7011) 1 2 SLED+ SLED- CN402 M 1 2 INNER INNER CN403 FM ANT. AM LOOP ANT. L cH R cH IN PUT (AUX) TO MD RECORDER www. xiaoyu163. com QQ 376315150 9 9 2 8 9 4 2 9 8 TEL 13942296513 9 9 2 8 9 4 2 9 8 0 5 1 5 1 3 6 7 3 Q Q TEL 13942296513 QQ 376315150 892498299 TEL 13942296513 QQ 376315150 892498299 http://www.xiaoyu163.com X-HX5000, X-HX3000, X-HX2000 11 A B C D 5 6 7 8 5 6 7 8 Note: When ordering service parts, be sure to refer to "EXPLODED VIEWS AND PARTS LIST" or "PCB PARTS LIST". POWER PCB ASSY C HEADPHONE PCB ASSY E FUSE PCB ASSY D 1 2 3 NC GND TX CN306 1 2 3 4 1 2 3 4 BLY BLG BL GND BL9V CN504 CN505 1 2 3 4 5 6 7 8 9 10 FACOM COM+5V COM GND LEDGND LED+9V AUGND AU+9V L ch GND R ch CON PCON SYSSI SYSSO SYSCLK SUBCS SUBREQ SUBRST B.LED+9V B.LEDGND COMGND COM+5V CON PCON SYSSI SYSSO SYSCLK SUBCS SUBREQ SUBRST B.LED+9V B.LEDGND COMGND COM+5V CN300 J303 1 2 3 4 5 6 COM+5V CDAGND CDGGND CDM+9V CDMGND FUNC CD CN302 1 2 3 4 1 2 3 4 5 HPGND HPROUT ROUT LOUT HPLOUT CN304 E304 TM3 TM5 TM6 E303 1 2 3 4 5 HPGND HPROUT ROUT LOUT HPLOUT LIVE F302 F301 5A/125V (51604) F302 750mA/250V (51607) AC POWER CORD (50320) NEUTRAL CN305 CN503 1 2 3 4 5 6 7 8 9 10 11 12 CN303 1 2 3 4 5 6 7 8 9 10 11 12 CN301 1 2 3 4 5 6 7 8 9 10 11 12 LOUT ROUT LGND RGND J301 TM4 AC120V 60Hz L cH R cH SPEAKER SYSTEM CD-MD OUT PUT Exclusive TO MD RECORDER www. xiaoyu163. com QQ 376315150 9 9 2 8 9 4 2 9 8 TEL 13942296513 9 9 2 8 9 4 2 9 8 0 5 1 5 1 3 6 7 3 Q Q TEL 13942296513 QQ 376315150 892498299 TEL 13942296513 QQ 376315150 892498299 http://www.xiaoyu163.com X-HX5000, X-HX3000, X-HX2000 12 A B C D 1 2 3 4 1 2 3 4 3.3 TUNER PCB ASSY 66769 51038 A TUNER PCB ASSY (66675) CN404 L cH R cH AM LOOP ANT. FM ANT. LINE IN (AUX) B : CD AUDIO SIGNAL ROUTE (CD) (CD) (CD) (CD) (CD) (CD) (MD) (MD REC) (MD REC) (MD REC) (MD REC) (MD REC) (MD REC) (CD) (T) : MD AUDIO SIGNAL ROUTE (MD) (MD) (MD) (MD) (MD) (MD) (MD) (MD) (MD) (MD) : MD REC ANALOG AUDIO SIGNAL ROUTE (MD REC) : AM SIGNAL ROUTE (AM) : FM SIGNAL ROUTE (FM) : TUNER AUDIO SIGNAL ROUTE (T) : AUDIO SIGNAL ROUTE TO MD RECORDER IC101 521889 (TC9260P) (AM) (FM) (T) (T) (T) (T) (T) (T) (T) (T) (T) (T) 3.1V 3.1V 7.08V 7.08V 2.47V 2.48V 0V 0.72V 8.63V 7.95V 8.66V 0V 0V 0V 0.64V 7.08V 3.8V 3.8V 3.55V 3.8V 0V 3.08V 3.08V 3.75V 3.08V 3.75V 8.31V 3.81V 3.81V 3.81V 3.81V 4.8V 3.81V 3.81V 3.81V 0V 0V 0V 4.68V 8.31V 3.81V 3.81V 3.81V 3.81V 3.81V 3.81V 3.81V 3.81V 0V 0V 0V 4.8V 4.68V 0V 0V 0V Pin No. Pin 9 Pin 10 CD 7.24V 7.24V MD 0V 6.85V TU 7.14V 0V AUX 0V 0V AM FM 1 2.09 2.08 2 4.9 4.82 3 0 1.01 4 0 0 5 4.9 4.82 6 4.9 4.83 7 4.9 4.81 8 0.49 0.5 9 4.14 4.06 10 1.56 1.57 11 1.61 1.63 12 0 2.03 Pin No. Voltage (V) IC2 Voltage (V) IC100 AM FM 13 1.87 2.08 14 2.08 2.08 15 2.05 2.07 16 2.13 2.39 17 0 0 18 4.88 4.83 19 4.89 4.83 20 2.09 2.09 21 2.07 2.65 22 2.1 2.09 23 2.09 2.09 24 1.47 1.53 Pin No. AM FM 1 2.37 2.18 2 1.8 1.18 3 0 0 4 0.28 0 5 0.19 0 6 4.89 4.83 7 4.87 0.3 8 1.87 2.08 9 0 0 10 0 0 11 2.31 0 12 0 2.2 4.85 4.57 4.85 4.57 1.16 1.16 0 0 13 14 15 16 Pin No. Voltage (V) IC3 4 5 6 6 5 4 A www. xiaoyu163. com QQ 376315150 9 9 2 8 9 4 2 9 8 TEL 13942296513 9 9 2 8 9 4 2 9 8 0 5 1 5 1 3 6 7 3 Q Q TEL 13942296513 QQ 376315150 892498299 TEL 13942296513 QQ 376315150 892498299 http://www.xiaoyu163.com X-HX5000, X-HX3000, X-HX2000 13 A B C D 5 6 7 8 5 6 7 8 51037 51039 CN502 F CN300 C IC102 52192 (BH3854AS) D2 57713 (SVC384) L1 50764 L2 50765 IC2 52190 (BA1450S) 50767 IC3 52193 (BU2614) 57213 56514 (FM) (FM) (FM) (FM) (FM) (FM) (AM) (AM) (AM) (AM) (T) (T) (T) (T) (T) (T) 1.46V 0V 0V 3.75V 3.75V 3.77V 7.56V 7.73V 4.03V 4.04V 4.04V 4.04V 4.05V 4.05V 4.05V 4.05V 4.06V 4.02V 4.05V 4.04V 4.05V 4.06V 3.76V 1.46V 1.8V 2.37V 4.7V 4.7V 0V 0V 0V 0V 0V 0V 3.82V 1.82V 4.76V 0V 0V 0V 0V 0V 0V 1.82V 0.75V 4.76V 4.92V 4.09V 0.1V 3.97V 4.88V 4.97V 4.21V 4.21V 3.04V 3.68V 1 2 3 U1 TFFJ2U A www. xiaoyu163. com QQ 376315150 9 9 2 8 9 4 2 9 8 TEL 13942296513 9 9 2 8 9 4 2 9 8 0 5 1 5 1 3 6 7 3 Q Q TEL 13942296513 QQ 376315150 892498299 TEL 13942296513 QQ 376315150 892498299 http://www.xiaoyu163.com X-HX5000, X-HX3000, X-HX2000 14 A B C D 1 2 3 4 1 2 3 4 B 3.4 CD PCB ASSY CN400 51014 CN401 51033 CN 51 B CD PCB ASSY (66786) SPINDLE MOTOR ASSY PICKUP ASSY SLED MOTOR ASSY INNER SW IC400 52103 (AN8806SB) 57216 IC401 52118 (BA6299FP) IC402 52187 (MN662741R (CD) (CD) (CD) (CD) (CD) (CD) (CD) (CD) (CD) (CD) (CD) (CD) (CD) (CD) 1.87V 4.29V 3.61V 0.23V 3.64V 4.8V 0.55V 4.88V 2.44V 2.87V 2.46V 3.6V 1.57V 3.8V 3.14V 3.5V 3.51V 2.41V 2.44V 2.44V 2.44V 2.44V 2.44V 2.44V 2.44V 2.46V 2.47V 2.29V 2.29V 2.42V 2.43V 0.4V 1.7V 0V 0V 0V 0V 0V 0V 2.4V 2.44V 2.44V 0.17V 0.69V 0.12V 7.89V 7.89V 0.5V 0.1V 2.44V 2.44V 2.44V 2.41V 2.45V 7.45V 7.45V 7.89V 0V 0V 0V 0V 0V 0V 0V 0V 0V 2.43V 4.85V 2.6V 4.5V 4.92V 2.68V 2.52V 2.41V 2.44V 2.44V 2.44V 2.44V 2.41V 2.13V 2.13V 4.86V 4.87V 4.87V 2.45V 3.3V 0V 0V 0V 0V 0V 0V 0V 2.19V 2.6V 2.4V 2.4V 2.4V 2.4V 2.48V 0V 4 98V 0V 0V 0V 0V 0V 2.42V 2 77V 2.44V 2.09V 1 3 2 8 9 10 www. xiaoyu163. com QQ 376315150 9 9 2 8 9 4 2 9 8 TEL 13942296513 9 9 2 8 9 4 2 9 8 0 5 1 5 1 3 6 7 3 Q Q TEL 13942296513 QQ 376315150 892498299 TEL 13942296513 QQ 376315150 892498299 http://www.xiaoyu163.com X-HX5000, X-HX3000, X-HX2000 15 A B C D 5 6 7 8 5 6 7 8B CN407 51034 51035 CN405 51036 51032 CABLE HOLDER 51048-0400 X400 60266 CN100 A CN306 C CN302 C CN501 F IC402 52187 (MN662741RHM) : CD AUDIO SIGNAL ROUTE (CD) (CD) (CD) (CD) (CD) 4.88V 4.93V 4.22V 4.22V 4.1V 4.76V 2.63V 2.63V 4.0V 4.85V 2.6V 4.5V 4.92V 4.87V 4.87V 2.45V 3.3V 0V 0V 0V 2.4V 4.78V 4.98V 2.48V 2.5V 4.88V 0V 0V 0V 0V 0V 0V 2.42V 2.77V 2.45V 2.45V 2.43V 0.1V 4.86V 4.87V 4.64V 4.82V 4.87V 4.87V 4.87V 4.87V 4.87V 4.97V 4.87V 4.56V 2.32V 2.32V 4.87V 4.87V 0V 0V 0V 0V 4.87V 0V 2.44V 2.09V 4 11 12 5 6 7 8 9 10 www. xiaoyu163. com QQ 376315150 9 9 2 8 9 4 2 9 8 TEL 13942296513 9 9 2 8 9 4 2 9 8 0 5 1 5 1 3 6 7 3 Q Q TEL 13942296513 QQ 376315150 892498299 TEL 13942296513 QQ 376315150 892498299 http://www.xiaoyu163.com X-HX5000, X-HX3000, X-HX2000 16 A B C D 1 2 3 4 1 2 3 4 66771 66777 51040 66768 51032 C POWER PCB CN405 B TO MD. RECORDER CN503 F CN407 CD-MD OUT PUT EXC. B CN103 A 52527 Q302 54610 (2SB1370F) Q315 54624 (2SD2061F) 57212 5,06V 17.9V 17.27V 4.88V 4.39V 16.5V 17.4V 4.98V 4.35V 7.88V 7.73V 17.9V 17.3V 7.16V 17.9V 8.67V 9.29V ASSY C 3.5 POWER, FUSE and HEADPHONE PCB ASSYS www. xiaoyu163. com QQ 376315150 9 9 2 8 9 4 2 9 8 TEL 13942296513 9 9 2 8 9 4 2 9 8 0 5 1 5 1 3 6 7 3 Q Q TEL 13942296513 QQ 376315150 892498299 TEL 13942296513 QQ 376315150 892498299 http://www.xiaoyu163.com X-HX5000, X-HX3000, X-HX2000 17 A B C D 5 6 7 8 5 6 7 8 CN304 66767 CN305 51041 CABLE HOLDER 51052-05000 • NOTE FOR FUSE REPLACEMENT FOR CONTINUED PROTECTION AGAINST RISK OF FIRE, REPLACE WITH SAME TYPE AND RATINGS ONLY. CAUTION : E HEADPHONE PCB ASSY D FUSE PCB ASSY F301 5A/125V (51604) AC POWER CORD AC120V 60Hz LIVE PHONES L cH R cH SPEAKER NEUTRAL IC300 52115 (BA5412) 60246 52513 66745 66745 : AUDIO SIGNAL ROUTE 0V 0V 0.64V 16.52V 16.6V 17.3V 4.65V 4.65V 4.05V 0V 0.66V 0V 17.9V 17.1V 17.82V 17.8V 8.28V 14.1V 14.1V 8.25V 0.59V 0.59V 15V 0V 0V 0V 0V F302:750mA /250V (60268) 54515 E D C www. xiaoyu163. com QQ 376315150 9 9 2 8 9 4 2 9 8 TEL 13942296513 9 9 2 8 9 4 2 9 8 0 5 1 5 1 3 6 7 3 Q Q TEL 13942296513 QQ 376315150 892498299 TEL 13942296513 QQ 376315150 892498299 http://www.xiaoyu163.com X-HX5000, X-HX3000, X-HX2000 18 A B C D 1 2 3 4 1 2 3 4 F 66772 51032 66765 66766 66764 F FRONT CD PCB ASSY (66788) CN406 B CN102 A CN303 C DOOR SW FRONT CD PCB SW500 : POWER STANDBY/ON SW501 : TIMER SETTING SW502 : MODE SW503 : TIMER SW504 : ENTER (MEMORY) SW505 : CANCEL (DELETE) SW506 : STOP ( ) SW507 : SOURCE SW508 : + ( ) SW509 : PLAY PAUSE ( ) SW510 : - ( ) SW511 : SLEEP SW512 : VOL- SW513 : EQ MODE SW514 : MUSIC UP SW515 : VOL+ SW516 : SOUND SCAPE UP SW517 : P.BASS SW518 : DISPLAY (MONO) 56560 60245 IC501 52206 (CXP83232A) 57213 53426 0.66V 0V 2 3 3.6 FRONT CD PCB ASSY www. xiaoyu163. com QQ 376315150 9 9 2 8 9 4 2 9 8 TEL 13942296513 9 9 2 8 9 4 2 9 8 0 5 1 5 1 3 6 7 3 Q Q TEL 13942296513 QQ 376315150 892498299 TEL 13942296513 QQ 376315150 892498299 http://www.xiaoyu163.com X-HX5000, X-HX3000, X-HX2000 19 A B C D 5 6 7 8 5 6 7 8 CN505 66770 CN504 51029 D500 52907 (SLA380MT3F) 1 6 232A) 50524 LCD500 52716 (KSG4149) D512 52910 (SLR342VCTE7) Q507 54653 (DTA114YK) D511 52908 (SLR342MCTE7) D510 52909 (SLR342DCTE7) 66V 4.93V 0.92V 0.48V 0.48V 0V 0V 0V 0V 0V 0V 5V (POWER ON) 4.93 (POWER OFF) 0V (POWER ON) 4.93 (POWER OFF) 4.95V (POWER ON) 0 (POWER OFF) 4.93V (TIMER LED ON) 8.47V (TIMER LED OFF) 4.86V (TIMER LED ON) 0V (TIMER LED OFF) 4.95V 4.33V (SLEEP ON) 0V (SLEEP OFF) 0V 0V (SLEEP ON) 7.3V (SLEEP OFF) 0V (POWER OFF) 0V (NIGHT) 4.45V (DAY) 0V 0V 0V Voltage (V) Pin IC501 1 0.07 2 ∗ ∗ Pin 2 4.98V (CD DOOR OPEN) 0V (CD DOOR CLOSE) 3 4.94 4 0 5 0 6 0 7 0 8 0 9 3.1 10 11 4.87 12 13 4.91 14 4.53 15 4.94 16 4.91 17 0 18 0 19 0 20 4.94 Voltage (V) Pin 21 4.94 22 0 23 0 24 0 25 0 26 4.87 27 0.25 28 4.64 29 0 30 4.87 31 0.46 32 4.9 33 0 34 4.95 35 4.95 36 4.94 37 4.95 38 4.94 39 2.16 40 2.65 Voltage (V) Pin 41 0 42 4.94 43 0.8 44 4.94 45 0 46 0 47 0.28 48 1.87 49 3.12 50 2.5 51 2.51 52 2.51 53 2.51 54 2.6 55 2.56 56 2.55 57 2.55 58 2.57 59 2.55 60 2.55 Voltage (V) Pin 61 2.56 62 2.55 63 2.55 64 2.55 65 2.55 66 2.55 67 2.55 68 2.55 69 2.55 70 0 71 4.93 72 0 73 4.82 74 4.82 75 4.92 76 2.57 77 2.59 78 2.59 79 2.59 80 2.56 Voltage (V) Pin 81 2.56 82 2.55 83 2.56 84 2.55 85 2.56 86 2.59 87 2.59 88 2.59 89 4.93 90 4.93 91 0 92 2.62 93 1.81 94 2.58 95 2.58 96 2.58 97 2.58 98 2.58 99 0 100 4.95 1 2 3 F www. xiaoyu163. com QQ 376315150 9 9 2 8 9 4 2 9 8 TEL 13942296513 9 9 2 8 9 4 2 9 8 0 5 1 5 1 3 6 7 3 Q Q TEL 13942296513 QQ 376315150 892498299 TEL 13942296513 QQ 376315150 892498299 http://www.xiaoyu163.com X-HX5000, X-HX3000, X-HX2000 20 1.95mS A TUNER PCB ASSY F FRONT CD PCB ASSY LATCH (IC102 - pin 18) V : 2V/div. H : 50µsec/div. 1 CK (IC101 - pin 8)(IC103 - pin 8) V : 2V/div. H : 10µsec/div. 4 DATA (IC102 - pin 19) V : 2V/div. H : 50µsec/div. 2 -1 -1 -2 -2 DATA (IC101 - pin 9)(IC103 - pin 9) V : 2V/div. H : 50µsec/div. 5 DATA (IC102 - pin 19) V : 2V/div. H : 200µsec/div. 2 STB (IC101 - pin 10)(IC103 - pin 10) V : 2V/div. H : 50µsec/div. 6 COM (IC501 - pin 50) V : 2V/div. H : 500µsec/div. 1 XTAL1 (IC501 - pin 40) V : 2V/div. H : 200nsec/div. 2 TX (IC501 - pin 92) V : 2V/div. H : 20µsec/div. 3 CK (IC102 - pin 20) V : 2V/div. H : 10µsec/div. 3 CK (IC102 - pin 20) V : 2V/div. H : 200µsec/div. 3 Waveforms Note: The encircled numbers denote measuring point in the schematic diagram. www. xiaoyu163. com QQ 376315150 9 9 2 8 9 4 2 9 8 TEL 13942296513 9 9 2 8 9 4 2 9 8 0 5 1 5 1 3 6 7 3 Q Q TEL 13942296513 QQ 376315150 892498299 TEL 13942296513 QQ 376315150 892498299 http://www.xiaoyu163.com X-HX5000, X-HX3000, X-HX3000 21 B CD PCB ASSY FEOUT (IC400 - pin 27) V : 50mV/div. H : 10msec/div. 1 TEOUT (IC400 - pin 25) V : 100mV/div. H : 2msec/div. 2 ARF (IC400 - pin 10) V : 500mV/div. H : 5µsec/div. 3 X2 (IC402 - pin 59) V : 2V/div. H : 20µsec/div. (f = 16.9MHz) 4 MCLK (IC402 - pin 7) V : 2V/div. H : 50µsec/div. 5 MCLK (IC402 - pin 7) V : 2V/div. H : 10µsec/div. 5 MDATA (IC402 - pin 8) V : 2V/div. H : 50µsec/div. 6 MDATA (IC402 - pin 8) V : 2V/div. H : 10µsec/div. 6 MLD (IC402 - pin 9) V : 2V/div. H : 2msec/div. 7 MLD (IC402 - pin 9) V : 2V/div. H : 20µsec/div. 7 BLKCK (IC402 - pin 13) V : 2V/div. H : 2msec/div. 8 BLKCK (IC402 - pin 13) V : 2V/div. H : 100µsec/div. 8 SQCK (IC402 - pin 14) V : 2V/div. H : 5µsec/div. 9 SQCK (IC402 - pin 14) V : 2V/div. H : 50µsec/div. 9 SUBQ (IC402 - pin 15) V : 2V/div. H : 20µsec/div. 10 PCK (IC402 - pin 53) V : 2V/div. H : 200nsec/div. 11 TX (IC402 - pin 6) V : 2V/div. H : 500nsec/div. 12 GND 2.45V 1.2V -2 -1 -2 -1 -2 -1 -2 -1 -2 -1 GND 2.45V 1.2V www. xiaoyu163. com QQ 376315150 9 9 2 8 9 4 2 9 8 TEL 13942296513 9 9 2 8 9 4 2 9 8 0 5 1 5 1 3 6 7 3 Q Q TEL 13942296513 QQ 376315150 892498299 TEL 13942296513 QQ 376315150 892498299 http://www.xiaoyu163.com X-HX5000, X-HX3000, X-HX2000 22 A B C D 1 2 3 4 1 2 3 4 4. PCB CONNECTION DIAGRAM 4.1 TUNER PCB ASSY SIDE A A TC2 Q102 Q101 Q103 IC101 IC103 IC100 IC1 IC2 IC3 Q7 IC102 Q104 Q201 Q200 Q10 CN404 B TO MINI DISC RECORDER AM LOOP ANTENNA FM ANTENNA TUNER PCB ASSY A CN502 F CN300 C www. xiaoyu163. com QQ 376315150 9 9 2 8 9 4 2 9 8 TEL 13942296513 9 9 2 8 9 4 2 9 8 0 5 1 5 1 3 6 7 3 Q Q TEL 13942296513 QQ 376315150 892498299 TEL 13942296513 QQ 376315150 892498299 http://www.xiaoyu163.com X-HX5000, X-HX3000, X-HX2000 23 A B C D 1 2 3 4 1 2 3 4 SIDE B A NOTE FOR PCB DIAGRAMS : 1. Part numbers in PCB diagrams match those in the schematic diagrams. 2. A comparison between the main parts of PCB and schematic diagrams is shown below. 3. The parts mounted on this PCB include all necessary parts for several destinations. For further information for respective destinations, be sure to check with the schematic diagram. 4. View point of PCB diagrams. Symbol In PCB Diagrams Symbol In Schematic Diagrams Part Name B C E D D G G S S B C E B C E D G S B C E B C E B C E Transistor Transistor with resistor Field effect transistor Resistor array 3-terminal regulator Capacitor Connector P.C.Board Chip Part SIDE A SIDE B Q4 Q2 Q5 Q1 Q6 Q9 Q202 TUNER PCB ASSY A www. xiaoyu163. com QQ 376315150 9 9 2 8 9 4 2 9 8 TEL 13942296513 9 9 2 8 9 4 2 9 8 0 5 1 5 1 3 6 7 3 Q Q TEL 13942296513 QQ 376315150 892498299 TEL 13942296513 QQ 376315150 892498299 http://www.xiaoyu163.com X-HX5000, X-HX3000, X-HX2000 24 A B C D 1 2 3 4 1 2 3 4 CD PCB ASSY B CN501 F CN100 A CN302 C CD MECHANISM ASSY (PICKUP ASSY) INNER SW SPINDLE MOTOR CD MECHANISM ASSY SLED MOTOR CN306 C SIDE A B 4.2 CD PCB ASSY www. xiaoyu163. com QQ 376315150 9 9 2 8 9 4 2 9 8 TEL 13942296513 9 9 2 8 9 4 2 9 8 0 5 1 5 1 3 6 7 3 Q Q TEL 13942296513 QQ 376315150 892498299 TEL 13942296513 QQ 376315150 892498299 http://www.xiaoyu163.com X-HX5000, X-HX3000, X-HX2000 25 A B C D 1 2 3 4 1 2 3 4 SIDE B B Q400 IC400 Q406 Q407 Q405 IC401 Q404 Q402 Q401 IC402 Q403 CD PCB ASSY B www. xiaoyu163. com QQ 376315150 9 9 2 8 9 4 2 9 8 TEL 13942296513 9 9 2 8 9 4 2 9 8 0 5 1 5 1 3 6 7 3 Q Q TEL 13942296513 QQ 376315150 892498299 TEL 13942296513 QQ 376315150 892498299 http://www.xiaoyu163.com X-HX5000, X-HX3000, X-HX2000 26 A B C D 1 2 3 4 1 2 3 4 SIDE A C 4.3 POWER PCB ASSY Q300 Q310 Q309 Q304 Q302 Q303 Q314 Q313 Q315 Q312 Q301 Q305 CN305 E D CN805 G CN503 F CN405 B SPEAKER POWER PCB ASSY C AC IN TM5 TM6 NEUTRAL LIVE CN407 B CN103 A www. xiaoyu163. com QQ 376315150 9 9 2 8 9 4 2 9 8 TEL 13942296513 9 9 2 8 9 4 2 9 8 0 5 1 5 1 3 6 7 3 Q Q TEL 13942296513 QQ 376315150 892498299 TEL 13942296513 QQ 376315150 892498299 http://www.xiaoyu163.com X-HX5000, X-HX3000, X-HX2000 27 A B C D 1 2 3 4 1 2 3 4 D E SIDE A 4.4 FUSE PCB ASSY and HEADPHONE PCB ASSY TM3 C TM4 C CN304 C FUSE PCB ASSY D HEADPHONE PCB ASSY E www. xiaoyu163. com QQ 376315150 9 9 2 8 9 4 2 9 8 TEL 13942296513 9 9 2 8 9 4 2 9 8 0 5 1 5 1 3 6 7 3 Q Q TEL 13942296513 QQ 376315150 892498299 TEL 13942296513 QQ 376315150 892498299 http://www.xiaoyu163.com X-HX5000, X-HX3000, X-HX2000 28 A B C D 1 2 3 4 1 2 3 4 D SIDE A 4.5 FRONT CD PCB ASSY F CN503 CN102 A CN303 C FRONT CD PCB ASSY F CN406 B www. xiaoyu163. com QQ 376315150 9 9 2 8 9 4 2 9 8 TEL 13942296513 9 9 2 8 9 4 2 9 8 0 5 1 5 1 3 6 7 3 Q Q TEL 13942296513 QQ 376315150 892498299 TEL 13942296513 QQ 376315150 892498299 http://www.xiaoyu163.com X-HX5000, X-HX3000, X-HX2000 29 A B C D 1 2 3 4 1 2 3 4 SIDE B F Q501 Q503 Q510 IC501 Q507 Q505 Q511 Q509 Q512 Q508 FRONT CD PCB ASSY F www. xiaoyu163. com QQ 376315150 9 9 2 8 9 4 2 9 8 TEL 13942296513 9 9 2 8 9 4 2 9 8 0 5 1 5 1 3 6 7 3 Q Q TEL 13942296513 QQ 376315150 892498299 TEL 13942296513 QQ 376315150 892498299 http://www.xiaoyu163.com X-HX5000, X-HX-3000, X-HX2000 30 TUNER PCB ASSY 66675 CD PCB ASSY 66786 AMP COMBI PCB ASSY 66789 NSP POWER PCB ASSY • • • • • NSP FUSE PCB ASSY • • • • • NSP HEADPHONE PCB ASSY • • • • • FRONT CD PCB ASSY 66788 CD MECHANISM ASSY 61417 TUNER PCB ASSY SEMICONDUCTORS IC101, IC103 (TC9260P) 52189 IC2 (BA1450S) 52190 IC102 (BH3854AS) 52192 IC3 (BU2614) 52193 IC100 TC4052BP Q4 2SA1037AK Q7 2SK118GR Q10, Q201 2SA933S Q101- Q104, Q200 2SC1740S Q1- Q2, Q5, Q6, Q9, Q202 2SC2412K Q3 (2SC2413KT146P) 54652 D6, D201- D207, D208 1SS133 D4, D5 (SVC234) 57712 D2 (SVC384) 57713 D1, D3 DA204K D7 (RB721Q) 51435 U1 (FM Fronted) TFFJ2U581A COILS AND FILTERS L1 AM ANT 839741 L2 AM OSC 839739 L7 FM DET 839737 T1 AM IFT 839740 L100-L104 AXIAL INDUCTOR LAU2R2J C13 CHIP INDUCTOR LK2125R22K 52411 FIL3, FIL4 CERAMIC FIL. 50508A FIL1 CERAMIC FIL. SFU450 50518 5. PCB PARTS LIST NOTES : ÷ Parts marked by “ NSP ” are generally unavailable because they are not in our Master Spare Parts List. ÷ The mark found on some component parts indicates the importance of the safety factor of the part. Therefore, when replacing, be sure to use parts of identical designation. ÷ When ordering resistors, first convert resistance values into code form as shown in the following examples. Ex. 1 When there are 2 effective digits (any digit apart from 0), such as 560 ohm and 47k ohm (tolerance is shown by J = 5%, and K = 10%). 560 Ω = 56 × 10 1 = 561 ................................................... RD1/4PU 5 6 1 J 47k Ω = 47 × 10 3 = 473 .................................................. RD1/4PU 4 7 3 J 0.5 Ω = R50 ...................................................................... RN2H  5 0 K 1 Ω = 1R0 ......................................................................... RS1P 1  0 K Ex. 2 When there are 3 effective digits (such as in high precision metal film resistors). 5.62k Ω = 562 × 10 1 = 5621 ........................................... RN1/4PC 5 6 2 1 F LIST OF PCB ASSEMBLIES Mark No. Description Parts No. Mark No. Description Parts No. A CAPACITORS C32 (0.047µF/2V) 56514 C8, C12, C36, C209 (10µF/16V) 57213 C4, C38, C75, C210, C212 (22µF/16V) 57216 C50 CCPUSL180J50 C43, C44 CCSQCH220J50 C2 CCSQUJ220J50 C9, C15, C55 CCSQSL101J50 C73, C74 CCSQSL151J50 C23 CCSQSL2R0C50 C22 CCSQSL3R0C50 C7, C30, C201, C202, C208 CEAT101M10 C213, C215, C205 CEAT101M10 C6, C11, C31 CEAT1R0M50 C107, C108 CEAT2R2M50 C34 CEAT3R3M50 C203, C206 CEAT470M10 C101- C106, C109- C112, C121, C122 CEAT4R7M50 C127, C128, C214, C221 CEAT4R7M50 C33, C211 CEATR22M50 C223- C225 CKPUYB101K50 C51, C220, C222 CKPUYB102K50 C53, C204, C226 CKPUYF104Z50 C20, C32, C207 CKPUYF473Z50 C49, C52, C200 CKPUYY103Z50 C1 CKSQYB104K50 C16, C17, C40 CKSQYB102K50 C5, C25- C28, C35- C39, C41, C42 CKSQYB103K50 C115, C116, C123, C124 CKSQYB152K50 C71, C72 CKSQYB153K50 C45 CKSQYB331K50 C10 CKSQYB682K50 C54, C117, C118, C125, C126 CKSQYF104Z50 C14, C24, C29 CKSQYF223Z50 C3 CQHA391J50 C133,C134 CQMBA103J50 C216 CQMBA223J50 C129- C132 CQMBA683J50 TC1 TRIMMER CAPACITOR (10pF) 58003 www. xiaoyu163. com QQ 376315150 9 9 2 8 9 4 2 9 8 TEL 13942296513 9 9 2 8 9 4 2 9 8 0 5 1 5 1 3 6 7 3 Q Q TEL 13942296513 QQ 376315150 892498299 TEL 13942296513 QQ 376315150 892498299 http://www.xiaoyu163.com X-HX5000, X-HX3000, X-HX2000 31 RESISTORS R220, R221 RD1/4PU102J R107 RD1/4PU153J L8 RD1/8PU101J R108 RD1/8PU153J R8, R201, R211, R223, R224 RD1/8PU102J R45 RD1/8PU222J R101– R104 RD1/8PU273J R200, R119, R120 RD1/8PU104J R121, R122 RD1/8PU152J R213,R105, R106, R222 RD1/8PU472J R205– R207 RD1/8PU471J R42, R43, R202, R111– R118 RD1/8PU473J R210 RD1/8PU680J R123, R124, R129, R130 RD1/8PU682J R212 RD1/8PU272J Other Resistors RS1/10S J OTHERS CN102 CONNECTOR (53254-0910) 51037 CN101 CONNECTOR (5268-10A) 51038 CN103 CONNECTOR (53253-1010) 51039 4P CABLE HOLDER 51048-0400 PIN JACK YKC21-3035 52526 CN5 PUSH TERMINAL YKD21 60243 X1 CRYSTAL DT-381 (75kHz) 60244 4P CONNECTOR ASSY 66769 CD PCB ASSY SEMICONDUCTORS IC400 (AN8806SB) 52103 IC401 (BA6299FP) 52118 IC402 (MN662741RHM) 52187 Q400 2SA1037K Q402,Q403 2SC2412K Q401 (2SB1561) 54651 D401,D402 DAN202K CAPACITORS C421 (0.1µF/25V) 56517 C436 (0.33µF/25V) 56549 C453- C455 (10µF/16V) 57212 C414 (22µF/16V) 57112 C439 CCSQCH100J50 C438 CCSQCH120J50 C450 CCSQSL221J50 C423, C457, C458 CCSQSL101J50 C410 CCSQSL331J50 C403, C404 CCSQSL471J50 C419 CCSQSL5R0D50 C407 CEAT101M10 C433 CEAT102M25 C422 CEAT1R0M50 C418, C430, C441, C442, C447 CEAT221M10 C408 CEAT2R2M50 Mark No. Description Parts No. Mark No. Description Parts No. C448 CEATR47M50 C400, C401, C434 CKSQYB102K50 C415, C416, C449 CKSQYB103K50 C409 CKSQYB122K50 C435 CKSQYB123K50 C417, C425, C426, C428 CKSQYB222K50 C412, C427, C429 CKSQYB223K50 C413, C424, C451, C452 CKSQYB273K50 C402, C440 CKSQYF104Z50 C405, C412, C420, C427, C431 CKSQYF223Z50 C432, C437, C443, C445, C446 CKSQYF223Z50 RESISTORS Other Resistors RS1/10S J OTHERS X400 RESONATOR CSA16.93MX 60266 424 CD PCB 66786 CN400 CONNECTOR 52043-1810 51014 CN406 CONNECTOR 53254-1210 51032 CN401-CN403 51033 CONNECTOR S2B-PH-K-S CN407 CONNECTOR 53254-0310 51034 CN404 CONNECTOR 53254-0410 51035 CN405 CONNECTOR 53254-0610 51036 AMP COMBI PCB ASSY SEMICONDUCTORS IC300 (BA5412) 52115 Q300, Q303, Q305, Q311 2SA933S Q301, Q304, Q310, Q312, Q314 2SC1740S Q302, Q309, Q313 (2SB1370F) 54610 Q315 (2SD2061F) 54624 D301, D305, D306, D314 1SS133 D315, D318 1SS133 D317 MTZJ10A D302, D307 MTZJ5.1B D310– D313 RL201 CAPACITORS C312 (10mF/25V) 57212 C301, C320 CEAT101M10 C325 CEAT101M25 C305, C361, C362 CEAT102M25 C327, C351, C352 CEAT1R0M50 C310, C321 CEAT221M10 C308 CEAT221M25 C302, C311 CEAT2R2M50 C314 CEAT332M25 C303, C313, C357– C360 CEAT470M16 C306 CEAT4R7M50 C300, C315- C319, C322, C323 CKCYF103Z50 C353, C354 CKPUYB561K50 C329 CKPUYF104Z50 C355, C356 CQMBA104J50 C309, C326 CKPUYB102K50 C304 CKPUYB101K50 B C D E www. xiaoyu163. com QQ 376315150 9 9 2 8 9 4 2 9 8 TEL 13942296513 9 9 2 8 9 4 2 9 8 0 5 1 5 1 3 6 7 3 Q Q TEL 13942296513 QQ 376315150 892498299 TEL 13942296513 QQ 376315150 892498299 http://www.xiaoyu163.com X-HX5000, X-HX-3000, X-HX2000 32 RESISTORS R331 ANTI-SURGE RS. RCR1/2PU226J R355, R356 RD1/2PU331J Other Resistors RS1/8PU J OTHERS FUSE HOLDER FH-V-0307 51606 J302 HEADPHONE JACK 52513 J303 1P PIN JACK YKB11-09 52527 J301 PUSH TERMINAL 4P 60246 AC TERMINAL 66745 AMP COMBI PCB 66789 AMP PCB 66789A FUSE PCB 66789B H/P PCB 66789C CN303 CONNECTOR 53254-1210 51032 CN301 CONNECTOR 5268-12A 51040 CN305 CONNECTOR 5129-5A 51041 CN302 6P CONNECTOR ASSY 66768 CN306 3P CONNECTOR ASSY 66771 CN300 10P CONNECTOR ASSY 66777 5P CONNECTOR 66767 CABLE HOLDER (5P) 51052-05000 GND PLATE 66676 FRONT CD PCB ASSY SEMICONDUCTORS IC501 (CXP83232A) 52206 Q508, Q509, Q511, Q512 2SC2412K Q510 (DTA114YKAT146) 54653 Q501, Q503, Q505, Q507 DTC114YK D500- D505 (SLA380MT3F) 52907 D511 (SLR342MCTE7) 52908 D510 (SLR342DCTE7) 52909 D512 (SLR342VCTE7) 52910 SWITCHES SW500- SW518 (SOA-111H) 53426 COILS L501, L502 AXIAL INDUCTOR (10µH) LAU100J CAPACITORS C504, C505 (30pF/50V) 56560 C527 (10µF/16V) 57213 C500- C526 CCSQSL101J50 C530, C534 CCSQSL560J50 C537 CEAT101M10 C528 CEAT471M10 C529, C532, C535, C536, C539, C543 CKSQYB102K50 C538, C540- C542, C546 CKSQYB103K50 Mark No. Description Parts No. F Mark No. Description Parts No. RESISTORS Other Resistors RS1/10S J OTHERS X501 RESONATOR CSTCC 50524 (4.19MHz) LCD500 LCD KSG4149(FTN) 52716 IC500 REMOTE CONTROL RECEIVER 60124 X500 CRYSTAL QRT-26 60245 (32.76kHz) LCD HOLDER 66727 LCD SHEET 66756 FRONT CD COMBI PCB 66788 FRONT CD PCB 66788A LED PCB 66788B CN504 CONNECTOR 53253-0410 51029 CN500 CONNECTOR 53254-1210 51032 CN503 CONNECTOR ASSY (12P) 66764 CN501 CONNECTOR ASSY (12P) 66765 CN502 CONNECTOR ASSY (9P) 66766 CN505 4P CONNECTOR 66770 CN506 2P CONNECTOR 66772 www. xiaoyu163. com QQ 376315150 9 9 2 8 9 4 2 9 8 TEL 13942296513 9 9 2 8 9 4 2 9 8 0 5 1 5 1 3 6 7 3 Q Q TEL 13942296513 QQ 376315150 892498299 TEL 13942296513 QQ 376315150 892498299 http://www.xiaoyu163.com X-HX5000, X-HX3000, X-HX2000 33 6. ADJUSTMENT 6.1 CD SECTION Note : There is no information to be shown in this CD adjustment. • Set the mode selector to FM BAND. • Connect the wiring as shown in Fig. 1, 2. 6.2 TUNER SECTION 6.2.1 FM Tuner Section • Set the mode selector to AM BAND. • Connect the wiring as shown in Fig. 1, 2. 6.2.2 AM Tuner Section Step No. Adjustment Title FM SG (1kHz, ± 75kHz dev.) Reception Frequency Display Adjustment Location Specifications Frequency (MHz) Level (dBmV) 1 DET. waveform Coil Adjustment 98 60 98MHz L7 • Adjust L7 so that the voltaghe between TP8 (+) and TP9 (−) becomes 0V ± 50mV. • Check the waveform with the oscilloscope, and confirm so that the output level is about −11 ± 2dBV and THD is about 0.5 ± 0.1%. Confirm that the "TUNE" indicator in the LCD is turned on. Step No. Adjustment Title AM SG (400Hz, 30% Mod.) Reception Frequency Display Adjustment Location Specifications Frequency (kHz) Level (dBmV/m) 1 Vt (Tuning Voltage Adjustment) 530 1700 − − 530kHz 1700kHz L2 − • Adjust L2 so that the voltage between TP6 (+) and TP7 (−) becomes 1.0V. • Set the reception frequency to 1700 kHz and confirm that the voltage is about 6.6V. 2 IFT Adjustment 1000 S/N about 10dB 1000kHz T1 1. Connect an electrolytic capacitor of about 10µF to TP9 (TP9 side is +), and terminate with TP10 by a resistor of about 47kΩ. Connect the sweep input to the both ends of terminated resistor. 2. Adjust T1 so that the marker of 450kHz ± 3kHz becomes the same level (single-peak characteristic of IF becomes symmetrical). 3. Input 74dBµV from the SSG, confirm the waveform of output signal so that the output level is −27V ± 2dBV and THD is about 1 ± 0.5%. And confirm that the "TUNE" indicator in the LCD is turned on. 3 Tracking Adjustment 600 1400 50 (S/N about 10dB) 600kHz 1400kHz L1 TC1 Connect an oscilloscope to TP3 (L) and TP4 (R), and adjust L1 (600kHz) and TC1 (1400kHz) repeatedly so that the output level becomes maximum. www. xiaoyu163. com QQ 376315150 9 9 2 8 9 4 2 9 8 TEL 13942296513 9 9 2 8 9 4 2 9 8 0 5 1 5 1 3 6 7 3 Q Q TEL 13942296513 QQ 376315150 892498299 TEL 13942296513 QQ 376315150 892498299 http://www.xiaoyu163.com X-HX5000, X-HX3000, X-HX2000 34 AM SG MPX SG FM SG PRODUCT DC Voltmeter Oscilloscope AM IF Sweep FM75Ω antenna terminal AM antenna terminal 60cm Center Center Loop antenna Fig. 1 AM and FM Adjustment Wiring Diagram Fig. 2 Adjustment Point Point (TP) SIDE B show . AM Loop antenna TC1 TP3 TP5 TP4 TP6 TP7 TP8 TP10 TP9 TC2 L1 L2 L4 L5 L7 T2 T1 TUNER PCB ASSY A SIDE A FM antenna 7 Check and Adjustment www. xiaoyu163. com QQ 376315150 9 9 2 8 9 4 2 9 8 TEL 13942296513 9 9 2 8 9 4 2 9 8 0 5 1 5 1 3 6 7 3 Q Q TEL 13942296513 QQ 376315150 892498299 TEL 13942296513 QQ 376315150 892498299 http://www.xiaoyu163.com X-HX5000, X-HX3000, X-HX2000 35 7. GENERAL INFORMATION 7.1 DIAGNOSIS CN407 CN202 CN404 CD Rear Case CN405 Leaf SW (Door) TUNER PCB Remove the Hook Cut the Binder CN406 POWER PCB POWER PCB TUNER PCB CD REAR CASE × 5 1 × 2 1 × 4 2 × 2 1 × 2 4 × 3 3 × 5 1 1 2 2 5 3 4 7 6 3 www. xiaoyu163. com QQ 376315150 9 9 2 8 9 4 2 9 8 TEL 13942296513 9 9 2 8 9 4 2 9 8 0 5 1 5 1 3 6 7 3 Q Q TEL 13942296513 QQ 376315150 892498299 TEL 13942296513 QQ 376315150 892498299 http://www.xiaoyu163.com X-HX5000, X-HX3000, X-HX2000 36 CD PCB CD Rear Case Servo Mecha Assy Holder Plate CD MECHANISM ASSY ×4 1 × 3 2 4 3 www. xiaoyu163. com QQ 376315150 9 9 2 8 9 4 2 9 8 TEL 13942296513 9 9 2 8 9 4 2 9 8 0 5 1 5 1 3 6 7 3 Q Q TEL 13942296513 QQ 376315150 892498299 TEL 13942296513 QQ 376315150 892498299 http://www.xiaoyu163.com X-HX5000, X-HX3000, X-HX2000 37 7.2 PARTS 7.2.1 IC 7 52193 (BU2614) (TUNER PCB ASSY : IC3) 7 PLL IC ¶ Pin Arrangement ¶ Block Diagram ¶ The information shown in the list is basic information and may not correspond exactly to that shown in the schematic diagrams. XOUT 1 XIN 2 CE 3 CK 4 DA 5 CD 6 P0 7 P1 8 16 VSS 15 PD1 14 VDD1 13 VDD2 12 FMIN 11 AMIN 10 P2 9 IF IN • List of IC 52193 (BU2614), 52192 (BH3854AS), 52103 (AN8806SB), 52118 (BA6299FP), 52187 (MN662741RHM), 52206 (CXP83232A) www. xiaoyu163. com QQ 376315150 9 9 2 8 9 4 2 9 8 TEL 13942296513 9 9 2 8 9 4 2 9 8 0 5 1 5 1 3 6 7 3 Q Q TEL 13942296513 QQ 376315150 892498299 TEL 13942296513 QQ 376315150 892498299 http://www.xiaoyu163.com X-HX5000, X-HX3000, X-HX2000 38 ¶ Pin Function No. Pin Name Function No. Pin Name Function 1 A_GND Analog ground 17 VREF 3.8V reference voltage output pin 2 IN1 1 ch volume input pin 18 LATCH Latch data reception pin 3 NF1 Gain adjustment pin of input stage amp. 19 DATA Data reception pin 4 BVN1 Pins for 1 ch low-pass filter connection 20 CK Clock reception pin 5 BIN1 21 BC Time constant install pins for change shock protection 6 BVO1 22 TC 7 TIN1 Pins for 1 ch high-pass filter connection 23 VC 8 TVO1 24 OUT2 2 ch volume output pin 9 OUT1 1 ch volume output pin 25 TVO2 2 ch high-pass filter connection pins 10 Vcc Power supply pin 26 TIN2 11 SC Time constant install pin for change shock 27 BVO2 2 ch low-pass filter connection pins 12 PORT1 Port output pins 28 BIN2 13 PORT2 29 BVN2 14 PORT3 30 NF2 Gain adjustment pin of input stage amp. 15 PORT4 31 IN2 2 ch volume input pin 16 D_GND Digital ground 32 FILTER Filter pin (BASS) (TREBLE) TONE 2kΩ 10kΩ 20kΩ 20kΩ 20kΩ 2kΩ 200kΩ 20kΩ 47kΩ 47kΩ 10kΩ 10kΩ CONTROL REF. POWER SUPPLY MATRIX • SURROUND VOLUME VOLUME VOLUME VOLUME (BASS) (TREBLE) TONE 52192 (BH3854AS) (TUNER PCB ASSY : IC102) • Main Control and TONE Control IC • Block Diagram www. xiaoyu163. com QQ 376315150 9 9 2 8 9 4 2 9 8 TEL 13942296513 9 9 2 8 9 4 2 9 8 0 5 1 5 1 3 6 7 3 Q Q TEL 13942296513 QQ 376315150 892498299 TEL 13942296513 QQ 376315150 892498299 http://www.xiaoyu163.com X-HX5000, X-HX3000, X-HX2000 39 52103 (AN8806SB) (CD PCB ASSY : IC400) • Digital Servo Head Amplifier IC • Block Diagram • Pin Function No. Pin Name Function No. Pin Name Function 1 PD APC Amp input 19 ENV 3TENV output 2 LD APC Amp output 20 VREF VREF output 3 LD ON/OFF APC ON/OFF control 21 LD OFF APC OFF control 4 LDP APC reference voltage setting 22 VDET VDET output 5 Vcc Power supply pin 23 TEBPF VDET input 6 RF- RF Amp inverting input 24 CROSS CROSS output 7 RFOUT RF Amp output 25 TEOUT TE. Amp output 8 RFIN AGC input 26 TE- TE. Amp inverting input 9 CAGC AGC loop filter connection pin 27 FEOUT FE. Amp output 10 ARF AGC output 28 FE- FE. Amp inverting input 11 CENV Capacitor connection pin for RF detection 29 FBAL F. BAL control 12 CEA Capacitor connection pin for HPF-Amp 30 TBAL T. BAL control 13 CSBDO Capacitor connection pin for RF dark side envelope 31 PDFR I-V Amp conversion resistor adjustment 14 BDO BDO output 32 PDER 15 CSHRT Capacitor connection pin for RF light side envelope 33 E I-V Amp input 16 OFTR OFTR output 34 F 17 RFDET RFDET output 35 B+D 18 GND Ground 36 A+C 6 7 29 27 28 8 9 10 17 11 12 19 13 14 15 16 5 18 20 21 2 3 4 1 22 23 26 25 24 30 33 32 34 31 35 36 EQ AGC RF DETEC- TION ENV DETECTION BDO OFTR RF- RFOUT FBAL FEOUT FE- RFIN CAGC ARF RFDET CENV CEA ENV CSBDO BDO CSHRT OFTR Vcc GND VREF LD OFF LD LD ON/OFF LDP PD VDET TEBPF TE- TEOUT CROSS TBAL E PDER F PDFR B+D A+C SUBTRACTION FEOUT by IA+C FEOUT by IB+D FEOUT by FBAL TEOUT by IF TEOUT by IE FEOUT by TBAL www. xiaoyu163. com QQ 376315150 9 9 2 8 9 4 2 9 8 TEL 13942296513 9 9 2 8 9 4 2 9 8 0 5 1 5 1 3 6 7 3 Q Q TEL 13942296513 QQ 376315150 892498299 TEL 13942296513 QQ 376315150 892498299 http://www.xiaoyu163.com X-HX5000, X-HX3000, X-HX2000 40 28 27 26 25 24 23 22 21 20 19 18 17 16 15 1 2 3 4 5 6 7 8 9 10 11 12 13 14 THERMAL SHUTDOWN GND VCC GND OP-AMP. VCC DRIVER MUTE DRIVER CH3 DRIVER CH4 DRIVER CH1 DRIVER CH2 No. Pin Name Function No. Pin Name Function 1 VIN1 CH1 input 15 VO4 + CH4 positive output 2 VIN1' CH1 gain change 16 VO4 - CH4 negative output 3 VIN2 CH2 input 17 VO3 + CH3 positive output 4 VIN2' CH2 gain change 18 VO3 - CH3 negative output 5 OPOUT OP Amp output 19 MUTE Mute control 6 OPIN - OP Amp negative input 20 VCC VCC 7 OPIN + OP Amp positive input 21 GND Sub-straight GND 8 GND Sub-straight GND 22 RGND GND (regulator GND) 9 VCC VCC 23 REGB External TR base connection pin 10 BIAS Bias input 24 REGOUT 5V output (connect a external PNP Tr collector) 11 VO2 - CH2 negative output 25 VIN3' CH3 gain change 12 VO2 + CH2 positive output 26 VIN3 CH3 input 13 VO1 - CH1 negative output 27 VIN4' CH4 gain change 14 VO1 + CH1 positive output 28 VIN4 CH4 input 52118 (BA6299FP) (CD PCB ASSY : IC401) • CD Driver IC • Block Diagram • Pin Function www. xiaoyu163. com QQ 376315150 9 9 2 8 9 4 2 9 8 TEL 13942296513 9 9 2 8 9 4 2 9 8 0 5 1 5 1 3 6 7 3 Q Q TEL 13942296513 QQ 376315150 892498299 TEL 13942296513 QQ 376315150 892498299 http://www.xiaoyu163.com X-HX5000, X-HX3000, X-HX2000 41 79 LRCKIN (MSEL) 80 BCLKIN (SSEL) 78 SRDATAIN (PSEL) 70 IOSEL 66 CLVS 67 CRC 13 BLKCK 62 /CLDCK 56 SBCK 55 SUBC 68 DEMPH 69 RESY ... FLAG6 (RESY) 80 SSEL 14 SQCK 46 DRF 44 ARF 76 RSEL 78 PSEL 9 MLD 15 SUBQ 53 PCK 52 EFM 48 PLLF 47 DSLF 45 IREF 52 CK384 (EFM) 49 VCOF 61 BYTCK 19 SMCK 63 FCLK 20 PMCK 77 CSEL 79 MSEL 59 X2 17 STAT 58 X1 60 VDD 57 VSS 4 DVDD1 5 DVSS1 18 /RST 71 /TEST 32 FE 33 TE 34 RFENV 37 TRCRS 35 VDET 39 BDO 38 /RFDET 36 OFT 51 AVSS2 50 AVDD2 75 OUTR 73 OUTL 72 AVDD1 74 AVSS1 DIGITAL DEEMPHASIS SUBCODE BUFFER CIRC ERROR CORRECTION DEINTERLEVE 16k SRAM DIGITAL AUDIO INTERFACE CLV SERVO INTER POLATION SOFT MUTING DIGITAL ATTENUATION PEAK DETECT AUTO CUE DSL • PLL VCO VCO MICROCOMPUTER INTERFACE SERVO CPU D/A CONVERTER OUTPUT PORT TIMING GENERATOR PITCH CONTROL EFM DEMODULATION SYNC INTERPOLATION SUBCODE DEMODULATION 1 bit DAC LOGICS PWM (R) PWM (L) 8TIMES OVER SAMPLING DIGITAL FILTER 65 FLAG 64 IPFLAP 6 TX 24 ECM 23 PC 2 LRCK 3 SRDATA 1 BCLK 21 TRV 26 KICK 29 VREF 61 (BYTCK) TRVSTP 25 ECS 22 TVD 27 TRD 28 FOD 31 TBAL 30 FBAL 54 TOFS 41 TES 12 /TLOCK 11 /FLOCK 42 PLAY 40 LDON 43 WVEL 10 SENSE 16 DMUTE 7 MCLK 8 MDATA A/D CONVERTER INPUT PORT SERVO TIMING GENERATOR 52187 (MN662741RHM) (CD PCB ASSY : IC402) • DSP IC • Block Diagram www. xiaoyu163. com QQ 376315150 9 9 2 8 9 4 2 9 8 TEL 13942296513 9 9 2 8 9 4 2 9 8 0 5 1 5 1 3 6 7 3 Q Q TEL 13942296513 QQ 376315150 892498299 TEL 13942296513 QQ 376315150 892498299 http://www.xiaoyu163.com X-HX5000, X-HX3000, X-HX2000 42 No. Pin Name I/O Function No. Pin Name I/O Function 1 BCLK O Bit clock output for SRDATA 31 TBAL O Tracking balance adjustment output 2 LRCK O L, R discrimination signal output H: Lch audio data , L: Rch audio data 32 FE I Focus error signal input (analog input) 3 SRDATA O Serial data output 33 TE I Tracking error signal input (analog input) 4 DVDD1 I Power supply for digital circuit 34 RFENV I RF envelope signal input (analog input) 5 DVSS1 I Ground for digital circuit 35 VDET I Vibration detection signal input (H: detection) 6 TX O Digital audio interface output signal 36 OFT I Off track signal input (H: Off track) 7 MCLK I Microcomputer command clock signal input (Data latches at rising edge.) 37 TRCRS I Track cross signal input 8 MDATA I Microcomputer command data input 38 /RFDET I RF detection signal input (L: detection) 9 MLD I Microcomputer command load signal input L: 39 BDO I Drop out signal input (H: drop out) 10 SENSE O Sense signal output (OFT, FESL, NACEND, NAJEND, SFG, NWTEND) 40 LDON O Laser ON signal outputÅiH: ON) 11 /FLOCK O Focus servo incoming signal (L:incoming 41 TES O Tracking error shunt signal output (H: shunt) 12 /TLOCK O Tracking servo incoming signal (L:incoming 42 PLAY O Play signal output (H: PLAY) 13 BLKCK O Subcode block clock signal (fBLKCK=75Hz) 43 WVEL O Double speed status signal output 14 SQCK I External clock input for subcode Q register 44 ARF I RF signal input 15 SUBQ O Subcode Q data output 45 IREF I Reference current input 16 DMUTE I Muting output H:Mute 46 DRF I Bias pin for DSL 17 STAT O Status signal (CRC, CUE, CLVS, TTSTOP, FCLV, SQOK, FLAG6, SENSE, /FLOCK, /TLOCK) 47 DSLF I/O Loop filter pin for DSL 18 /RST I Reset input (Reset at IOSEL=L and more than 472ns) L:Reset 48 PLLF I/O Loop filter pin for PLL 19 SMCK O When MSEL=H, 8.4672MHz clock signal output 49 VCOF I/O Loop filter pin for VCO 20 PMCK O 88.2kHz clock signal output 50 AVDD2 I Power supply for analog circuit (for DSL, PLL, AD input and DA output) 21 TRV O Traverse forced forward output 51 AVSS2 I GND for analog circuit (for DSL, PLL, AD input and DA output) 22 TVD O Traverse drive output 52 EFM O EFM signal output When IOSEL=H, EFM signal output. When IOSEL=L, 23 PC O Spindle motor ON signal L: ON 53 PCK O PLL extract clock output (fPCK=4.32MHz) 24 ECM O Spindle motor drive signal (forced mode output) 3-state 54 TOFS O Tracking offset adjustment output 25 ECS O Spindle motor drive signal (servo error signal output) 55 SUBC O Subcode serial output 26 KICK O Kick pulse output 3-state 56 SBCK I Clock input for subcode serial output (with pull-up resistor) 27 TRD O Trscking drive output 57 VSS I GND for oscillation circuit 28 FOD O Focus drive output 58 X1 I Crystal oscillation circuit input (f=16.9344MHz, 33.8688MHz) 29 VREF I Reference voltage for DA output section (TVD, ECS, TRD, FOD, FBAL, TBAL, TOFS) 59 X2 O Crystal oscillation circuit output (f=16.9344MHz, 33.8688MHz) 30 FBAL O Focus balance adjustment output 60 VDD I Power supply for oscillation circuit • Pin Function www. xiaoyu163. com QQ 376315150 9 9 2 8 9 4 2 9 8 TEL 13942296513 9 9 2 8 9 4 2 9 8 0 5 1 5 1 3 6 7 3 Q Q TEL 13942296513 QQ 376315150 892498299 TEL 13942296513 QQ 376315150 892498299 http://www.xiaoyu163.com X-HX5000, X-HX3000, X-HX2000 43 No. Pin Name I/O Function No. Pin Name I/O Function 61 BYTCK O When IOSEL=H, byte clock signal output When IOSEL=L, Traverse STOP signal output H: STOP mode 71 /TEST I Test pin (Normal: H) 62 /CLDCK O Subcode frame clock signal output (fCLDCK=7.35kHz) 72 AVDD1 I Power supply for analog circuit [for audio output (use both as L ch and R ch)] 63 FCLK O Crustal frame clock signal output (fFCLK=7.35kHz) 73 OUTL O L ch audio output 64 IPFLAG O Interpolate flag signal output H: Interpolate 74 AVSS1 I Ground for analog circuit [for audio output (use both as L ch and R ch)] 65 FLAG O Flag signal output 75 OUTR O R ch audio output 66 CLVS O Phase sync. state signal output of spindle servo H: CLV , L: Rough servo 76 RSEL I RF signal polarity specify pin When light level is "H", RSEL=H When light level is "L", RSEL=L 67 CRC O Subcode CRC check result output H: OK , L: NG 77 CSEL I Crystal oscillator frequency specify pin H : Oscillation frequency = 33.8688MHz L : Oscillation frequency = 16.9344MHz 68 DEMPH O Deemphasis detection signal output H: ON 78 PSEL I When IOSEL=H, test pin (normal: L) When IOSEL=L, SRDATA input 69 RESY O When IOSEL=H, playback sync signal RESY output of frame sync. H: synchronize, L: not synchronize When IOSEL=L, address reset signal FLAG6 output of RAM for deinterleave. L: generate address reset 79 MSEL I When IOSEL=H, SMCK pin output frequency switch H : SMCK= 8.4672MHz L : SMCK= 4.2336MHz When IOSEL=L, LRCK input H: Lch data, L: Rch data SMCK= 4.2336MHz fixed 70 IOSEL I Mode switch pin 80 SSEL I When IOSEL=H, SUBQpin output mode switch H: Q code buffer use mode When IOSEL=L, BCLK input Q code buffer mode fixed • Pin Function www. xiaoyu163. com QQ 376315150 9 9 2 8 9 4 2 9 8 TEL 13942296513 9 9 2 8 9 4 2 9 8 0 5 1 5 1 3 6 7 3 Q Q TEL 13942296513 QQ 376315150 892498299 TEL 13942296513 QQ 376315150 892498299 http://www.xiaoyu163.com X-HX5000, X-HX3000, X-HX2000 44 52206 (CXP83232A) (FRONT CD PCB ASSY : IC501) • System Microcomputer IC • Pin Arrangement (Top view) www. xiaoyu163. com QQ 376315150 9 9 2 8 9 4 2 9 8 TEL 13942296513 9 9 2 8 9 4 2 9 8 0 5 1 5 1 3 6 7 3 Q Q TEL 13942296513 QQ 376315150 892498299 TEL 13942296513 QQ 376315150 892498299 http://www.xiaoyu163.com X-HX5000, X-HX3000, X-HX2000 45 • Block Diagram www. xiaoyu163. com QQ 376315150 9 9 2 8 9 4 2 9 8 TEL 13942296513 9 9 2 8 9 4 2 9 8 0 5 1 5 1 3 6 7 3 Q Q TEL 13942296513 QQ 376315150 892498299 TEL 13942296513 QQ 376315150 892498299 http://www.xiaoyu163.com X-HX5000, X-HX3000, X-HX2000 46 No. Pin Name I/O Function 1 PE2/INT2 I Port (E) / External interrupt request input 2 PE3/INT3/NMI I Port (E) / External interrupt request input / Nonmaskable interrupt input 3 PE4/RMC I Port (E) / Remote control reception circuit input 4 PE5/PWM O Port (E) / 14 bit PWM output 5 PE6/TO/ADJ O Port (E) / 16 bit timer/Rectangle waveform output of counter (duty 50% output) /32 kHz oscillation frequency 6 PB0/CINT I/O 8 bit input/output port (port B) / 16 bit timer / External capture input of counter 7 PB1/CS0 I/O 8 bit input/output port (port B) / Chip select input of serial interface (CH0) 8 PB2/SCK0 I/O 8 bit input/output port (port B) / serial interface (CH0) input/output 9 PB3/SI0 I/O 8 bit input/output port (port B) / serial data (CH0) input 10 PB4/SO0 I/O 8 bit input/output port (port B) / serial data (CH0) output 11 PB5/SCK1 I/O 8 bit input/output port (port B) / serial clock (CH1) input/output 12 PB6/SI1 I/O 8 bit input/output port (port B) / serial data (CH1) input 13 PB7/SO1 I/O 8 bit input/output port (port B) / serial data (CH1) output 14 PC0 I/O 8 bit input/output port (port C) 15 PC1 16 PC2 17 PC3 18 PC4 19 PC5 20 PC6 21 PC7 22 PH0 I/O 8 bit input/output port (port H) 23 PH1 24 PH2 25 PH3 26 PH4 27 PH5 28 PH6 29 PH7 30 PA0/AN0 I/O 8 bit input/output port (port A) / Analog input to A/D converter 31 PA1/AN1 32 PA2/AN2 33 PA3/AN3 34 PA4/AN4 35 PA5/AN5 36 PA6/AN6 37 PA7/AN7 38 RST I System reset of "L" level active 39 EXTAL1 I Crystal connection pin for system clock oscillation When apply a clock from the external, input to EXTAL1 pin and input the reverse clock to XTAL1 pin.System clock oscillation use for normal operation mode (Max. 10MHz). 40 XTAL1 − 41 VSS − GND pin 42 XTAL2 − Crystal connection pin for system clock oscillation When apply a clock from the external, input to EXTAL2 pin and input the reverse clock to XTAL2 pin.System clock oscillation use for sub-clock mode (Typ. 500kHz). 43 EXTAL2 I 44 AVREF − Reference voltage input of A/D converter 45 AVSS − GND pin of A/D converter 46 VL O Control pin for cutoff the current which flows to the bias resistor for external LCD at standby. 47 VLC3 − Bias power supply pin for LCD 48 VLC2 − 49 VLC1 − 50 COM0 O Common signal output pin for LCD • Pin Function www. xiaoyu163. com QQ 376315150 9 9 2 8 9 4 2 9 8 TEL 13942296513 9 9 2 8 9 4 2 9 8 0 5 1 5 1 3 6 7 3 Q Q TEL 13942296513 QQ 376315150 892498299 TEL 13942296513 QQ 376315150 892498299 http://www.xiaoyu163.com X-HX5000, X-HX3000, X-HX2000 47 No. Pin Name I/O Function 51 COM1 O Common signal output for LCD 52 COM2 53 COM3 54 SEG0 O Segment signal output for LCD 55 SEG1 56 SEG2 57 SEG3 58 SEG4 59 SEG5 60 SEG6 61 SEG7 62 SEG8 63 SEG9 64 SEG10 65 SEG11 66 SEG12 67 SEG13 68 SEG14 69 SEG15 70 SEG16/PD0 O 8 bit output port (port D) / Segment signal output for LCD 71 SEG17/PD1 72 SEG18/PD2 73 SEG19/PD3 74 SEG20/PD4 75 SEG21/PD5 76 SEG22/PD6 77 DEG23/PD7 78 SEG24/PF0 O 8 bit output port (port F) / Segment signal output for LCD 79 SEG25/PF1 80 SEG26/PF2 81 SEG27/PF3 82 SEG28/PF4 83 SEG29/PF5 84 SEG30/PF6 85 SEG31/PF7 86 SEG32/PG0 O 8 bit output port (port G) / Segment signal output for LCD 87 SEG33/PG1 88 SEG34/PG2 89 VDD − Positive power supply pin 90 NC − NC pin Connect to VDD at normal operation. 91 VSS − GND pin 92 TX O Crystal connection pin of the clock generating circuit for 32kHz timer counter Connect a 32.768kHz crystal between TEX and TX. When using for event input, connect the source of clock generation to TEX and TX pin set to open. 93 TEX I 94 SEG35/PG3 O 8 bit output port (port G) / Segment signal output for LCD 95 SEG36/PG4 96 SEG37/PG5 97 SEG38/PG6 98 SEG39/PG7 99 PE0/INT0/EC0 I (Port E) / External interrupt request input / Timer / External event input of the timer 100 PE1/INT1/EC1 • Pin Function www. xiaoyu163. com QQ 376315150 9 9 2 8 9 4 2 9 8 TEL 13942296513 9 9 2 8 9 4 2 9 8 0 5 1 5 1 3 6 7 3 Q Q TEL 13942296513 QQ 376315150 892498299 TEL 13942296513 QQ 376315150 892498299 http://www.xiaoyu163.com X-HX5000, X-HX3000, X-HX2000 48 38 19 18 1 NO 1 2 3 4 5 6 7 8 9 10 21 7L 7D 6L 6D 5L 5D 4L 4D 3L 3D 2L 2D 1L 1L 1L 1L 1L — — — — — — — — — — — — COM4 COM3 COM2 COM1 1K 1J 1I 2E 2F P.B 2K 2J 2I 3E 3F S1 3K 3J 3I 4E 4F S2 4K 4J 4I 5E 5F S3 5K 5J 5I 6E 6F AUX 6K 6J 6I 7E 7F RE 7K 7J 7I 22 23 24 25 26 27 28 29 30 31 32 33 34 35 36 37 38 11 12. 13 14 15 16 17 18 19 20 COM1 TUNED AUTO MONO 1M 1N 1G 1H 1A 1B 1C 2M 2N 2C 3M 3N 3C 4M NAT REF REM PGM MHz KHz RAN HAPPY DEEP 4N 4C 5M 6M 6N 7M 7C 8D 8M 8N 8C 8L 8K 8J 8I — 8B 8A 8G 8H 8E 8F 7B 7A 7N 7G 7H 6C S6 S5 S4 TO 6B 6A 6G 6H 5N 5C 5B 5A 5G 5H 4B 4A 4C 4H 3B 3A 3G 3H 2B 2A 2G 2H COM2 COM3 COM4 COM1 COM2 COM3 COM4 NO ÷�Pin Connection 52716 (KSG4149) (FRONT CD PCB ASSY : LCD500) • LCD 7.2.2 DISPLAY www. xiaoyu163. com QQ 376315150 9 9 2 8 9 4 2 9 8 TEL 13942296513 9 9 2 8 9 4 2 9 8 0 5 1 5 1 3 6 7 3 Q Q TEL 13942296513 QQ 376315150 892498299 TEL 13942296513 QQ 376315150 892498299 http://www.xiaoyu163.com X-HX5000, X-HX3000, X-HX2000 49 8. PANEL FACILITIES AND SPECIFICATIONS 7 PANEL FACILITIES CD/receiver �������� �������� �������� �������� �������� ������ ������ ������ ������ ������ ����� ����� ����� ����� ����� ������� ������� ������� ������� ������� ��� ��� ��� ��� Display panel Remote sensor Standby indicator 38 button SLEEP button TIMER button POWER button TIMER SETTING button MODE button ENTER (MEMORY) button CANCEL (DELETE) button 4 / ¢� (+ / –) buttons SOURCE button 7 button MUSIC UP button* DISPLAY (MONO) button P.BASS button SOUND SCAPE UP button* PHONES jack EQ MODE button VOL + / – buttons Display panel * These buttons and indicators function only when the MD recorder (sold separately) is connected to this system. ON when audio source is external audio equipment ON when audio source is radio ON when audio source is MD* ON when audio source is CD ON when P.BASS function is ON ON when track number is displayed ON when operation status or message is displayed as text or numbers ON during radio reception ON during FM auto select reception ON during monaural reception of stereo broadcasts ON when displaying total recording time* ON during Track Repeat mode ON when displaying remain- ing recording time* ON during Random Playback mode ON during Programmed Recording, Programmed Playback, or Preset Station Select mode ON when displaying radio reception frequency ON during “DEEP” EQ mode ON during “HAPPY” EQ mode ON during “REFRESH” EQ mode ON during “NATURAL” EQ mode www. xiaoyu163. com QQ 376315150 9 9 2 8 9 4 2 9 8 TEL 13942296513 9 9 2 8 9 4 2 9 8 0 5 1 5 1 3 6 7 3 Q Q TEL 13942296513 QQ 376315150 892498299 TEL 13942296513 QQ 376315150 892498299 http://www.xiaoyu163.com X-HX5000, X-HX3000, X-HX2000 50 Remote Control * All buttons of the MD section, the SOUND SCAPE UP button and the MUSIC UP button function only when the MD recorder (sold separately) is connected to this system. See the Operating Instructions of the MD recorder for the detailed operation of these buttons. SLEEP button TIMER button CD section 38 button 4 / ¢� buttons ENTER button MODE button 7 button MD section* 38� button 4 / ¢� buttons SOUND SCAPE button MODE button 7 button VOL + / – buttons SOUND SCAPE UP button* MUSIC UP button* EQ MODE button + / – buttons FM/AM button Radio section STANDBY/ON button www. xiaoyu163. com QQ 376315150 9 9 2 8 9 4 2 9 8 TEL 13942296513 9 9 2 8 9 4 2 9 8 0 5 1 5 1 3 6 7 3 Q Q TEL 13942296513 QQ 376315150 892498299 TEL 13942296513 QQ 376315150 892498299 http://www.xiaoyu163.com X-HX5000, X-HX3000, X-HX2000 51 • Specifications and design subject to possible modification without notice, due to improvements. CD/receiver CD player unit Type ......................... Compact disc audio system Medium................................... Compact disc (CD) No. of channels ................................ Two (stereo) Program steps ................................................... 32 Amplifier unit Continuous Average Power Output of 35 Watts* per channel, min., at 4 ohms from 200 Hertz to 20 k Hertz with no more than 1 %** total harmonic distortion. Maximum practical output (RMS) .................. 5 W + 5 W (1 kHz, T.H.D. 10 %, 4 Ω) FM /AM tuner section Reception frequency U.S. and Canadian models FM ......... 88.0 to 108.0 MHz in 100-kHz steps FMW .... 87.50 to 108.00 MHz in 50-kHz steps AM ............. 530 to 1,700 kHz in 10-kHz steps AMW ............ 531 to 1,602 kHz in 9-kHz steps Antenna AM ............................. Loop antenna (supplied) FM .................................. 75 Ω unbalanced type (extends from rear of set) 7 SPECIFICATIONS Power supply, etc. Power supply voltage Taiwanese, U.S. and Canadian models .............................................. AC 120 V, 60 Hz Power consumption (based on electrical product regulations)..................................... 30 W Power consumption in standby mode ...................................................... less than 3 W External dimensions ........................ 145 (W) × 137 (H) × 250 (D) mm (5 3/4 (W) × 5 1/2 (H) × 9 7/8 (D) inches) Weight ................................... 2.6 kg (5 lb 11.7 oz) Speaker system Type ........................ Book-shelf style, bass reflex type magnetically shielded Speakers ...................10-cm full range cone type Nominal impedance ........................................ 4 Ω Playback frequency range ......... 50 Hz to 20 kHz Maximum input ............................................ 25 W External dimensions ........................ 145 (W) × 137 (H) × 200 (D) mm (5 3/4 (W) × 5 1/2 (H) × 7 7/8 (D) inches) Weight ......................... 1.3 kg (2 lb 13.8 oz) each * Measured pursuant to the Federal Trade Commissions’s Trade Regulation rule on Power Output Claims for Amplifier. ** Measured by Audio Spectrum Analyzer. Accessories Dry cell batteries (AA/R6P) Remote control unit (60231A) AM Loop Antenna (60232) • Operating instructions www. xiaoyu163. com QQ 376315150 9 9 2 8 9 4 2 9 8 TEL 13942296513 9 9 2 8 9 4 2 9 8 0 5 1 5 1 3 6 7 3 Q Q TEL 13942296513 QQ 376315150 892498299 TEL 13942296513 QQ 376315150 892498299 http://www.xiaoyu163.com

标签:

版权声明

1. 本站所有素材,仅限学习交流,仅展示部分内容,如需查看完整内容,请下载原文件。
2. 会员在本站下载的所有素材,只拥有使用权,著作权归原作者所有。
3. 所有素材,未经合法授权,请勿用于商业用途,会员不得以任何形式发布、传播、复制、转售该素材,否则一律封号处理。
4. 如果素材损害你的权益请联系客服QQ:77594475 处理。