先锋PIONEER KEH-1960音响电路图

分类:电子电工 日期: 点击:0
先锋PIONEER KEH-1960音响电路图-0 先锋PIONEER KEH-1960音响电路图-1 先锋PIONEER KEH-1960音响电路图-2 先锋PIONEER KEH-1960音响电路图-3 先锋PIONEER KEH-1960音响电路图-4 先锋PIONEER KEH-1960音响电路图-5 先锋PIONEER KEH-1960音响电路图-6 先锋PIONEER KEH-1960音响电路图-7 先锋PIONEER KEH-1960音响电路图-8 先锋PIONEER KEH-1960音响电路图-9

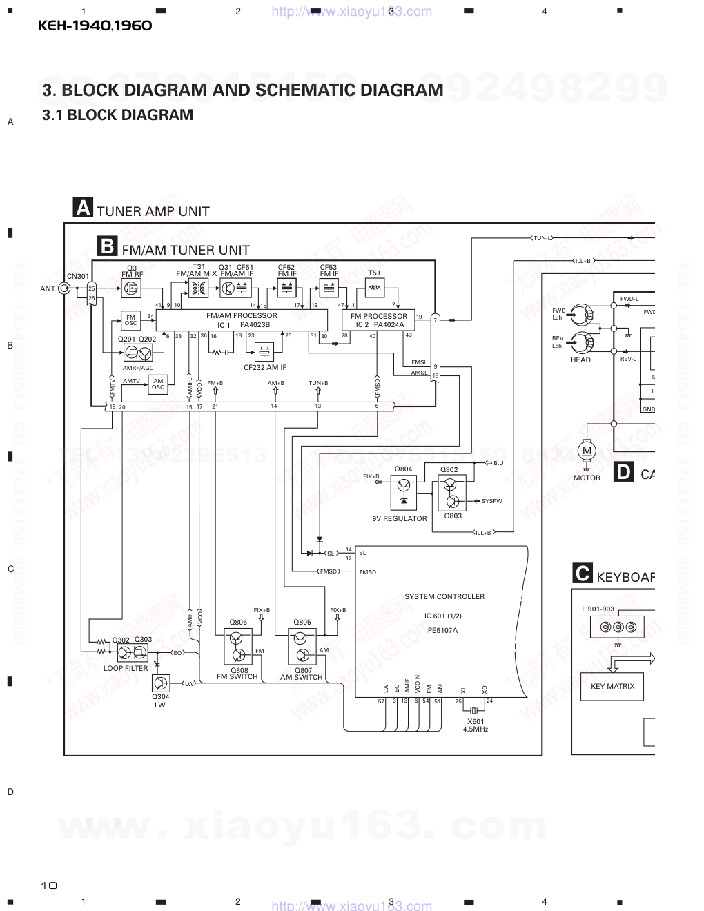
PIONEER CORPORATION 4-1, Meguro 1-Chome, Meguro-ku, Tokyo 153-8654, Japan PIONEER ELECTRONICS SERVICE INC. P.O.Box 1760, Long Beach, CA 90801-1760 U.S.A. PIONEER ELECTRONIC [EUROPE] N.V. Haven 1087 Keetberglaan 1, 9120 Melsele, Belgium PIONEER ELECTRONICS ASIACENTRE PTE.LTD. 253 Alexandra Road, #04-01, Singapore 159936 C PIONEER CORPORATION 1999 K-ZZY. NOV. 1999 Printed in Japan ORDER NO. CRT2425 HIGH POWER CASSETTE PLAYER WITH FM/MW/LW TUNER KEH-1940 X1M/EW Service Manual CONTENTS 1. SAFETY INFORMATION............................................2 2. EXPLODED VIEWS AND PARTS LIST ......................2 3. BLOCK DIAGRAM AND SCHEMATIC DIAGRAM ..10 4. PCB CONNECTION DIAGRAM................................20 5. ELECTRICAL PARTS LIST........................................28 6. ADJUSTMENT.........................................................32 7. GENERAL INFORMATION.......................................34 7.1 DISASSEMBLY ..................................................34 7.2 PARTS ................................................................35 7.2.1 IC...............................................................35 7.2.2 DISPLAY ...................................................38 8. OPERATIONS AND SPECIFICATIONS....................39 KEH-1960�X1M/EW KEH-1940/X1M/EW - This service manual should be used together with the following manual(s): Model No. Order No. Mech. Module Remarks CX-644 CRT1800 2M Cassette Mech. Module:Circuit Description, Mech.Description, Disassembly www. xiaoyu163. com QQ 376315150 9 9 2 8 9 4 2 9 8 TEL 13942296513 9 9 2 8 9 4 2 9 8 0 5 1 5 1 3 6 7 3 Q Q TEL 13942296513 QQ 376315150 892498299 TEL 13942296513 QQ 376315150 892498299 http://www.xiaoyu163.com 2 KEH-1940,1960 2. EXPLODED VIEWS AND PARTS LIST 2.1 PACKING 1 4 3 5 9 16 15 6 10 8 7 13 11 12 2 14 1. SAFETY INFORMATION This service manual is intended for qualified service technicians; it is not meant for the casual do-it-yourselfer. Qualified technicians have the necessary test equipment and tools, and have been trained to properly and safely repair complex products such as those covered by this manual. Improperly performed repairs can adversely affect the safety and reliability of the product and may void the warranty. If you are not qualified to perform the repair of this product properly and safely; you should not risk trying to do so and refer the repair to a qualified service technician. www. xiaoyu163. com QQ 376315150 9 9 2 8 9 4 2 9 8 TEL 13942296513 9 9 2 8 9 4 2 9 8 0 5 1 5 1 3 6 7 3 Q Q TEL 13942296513 QQ 376315150 892498299 TEL 13942296513 QQ 376315150 892498299 http://www.xiaoyu163.com 3 KEH-1940,1960 NOTE: - Parts marked by “*” are generally unavailable because they are not in our Master Spare Parts List. - Screws adjacent to ∇ mark on the product are used for disassembly. - PACKING SECTION PARTS LIST Part.No Mark No. Description KEH-1940/X1M/EW KEH-1960/X1M/EW 1 Accessory Assy CEA1917 CEA1917 2 Screw CBA1304 CBA1304 3 Handle CNC5395 CNC5395 4 Bush CNV3930 CNV3930 * 5 Polyethylene Bag E36-615 E36-615 6 Polyethylene Bag CEG-162 CEG-162 7 Carton CHG3911 CHG3912 8 Contain Box CHL3911 CHG3912 9 Protector CHP1622 CHP1622 10 Protector CHP1623 CHP1623 11 Owner’s Manual CRD3094 CRD3094 12 Installation Manual CRD3096 CRD3096 * 13 Passport CRY1013 CRY1013 * 14 Warranty Card CRY1157 CRY1157 15 Case Assy CXB3520 CXB3520 16 Cord Assy CDE6212 CDE6212 - Owner's Manual Model Part No. Language KEH-1940/X1M/EW CRD3094 English, Spanish, German, French, Italian, Dutch KEH-1960/X1M/EW - Installation Manual Model Part No. Language KEH-1940/X1M/EW CRD3096 English, Spanish, German, French, Italian, Dutch KEH-1960/X1M/EW www. xiaoyu163. com QQ 376315150 9 9 2 8 9 4 2 9 8 TEL 13942296513 9 9 2 8 9 4 2 9 8 0 5 1 5 1 3 6 7 3 Q Q TEL 13942296513 QQ 376315150 892498299 TEL 13942296513 QQ 376315150 892498299 http://www.xiaoyu163.com 4 KEH-1940,1960 2.2 EXTERIOR www. xiaoyu163. com QQ 376315150 9 9 2 8 9 4 2 9 8 TEL 13942296513 9 9 2 8 9 4 2 9 8 0 5 1 5 1 3 6 7 3 Q Q TEL 13942296513 QQ 376315150 892498299 TEL 13942296513 QQ 376315150 892498299 http://www.xiaoyu163.com 5 KEH-1940,1960 (1) EXTERIOR SECTION PARTS LIST Mark No. Description Part No. Mark No. Description Part No. 1 Screw BSZ26P050FMC 2 Screw BSZ30P055FUC 3 Screw BSZ30P060FMC 4 Screw BSZ30P100FMC 5 Cord Assy CDE6212 6 Cap CKX-003 7 Case CNB2481 8 Holder CNC5704 9 Insulator CNM5025 10 Cushion CNM5210 11 Tuner Amp Unit CWM6740 12 Screw BSZ26P080FMC 13 Screw BSZ26P140FMC 14 FM/AM Tuner Unit CWE1466 15 Holder CNC6554 16 Plug(CN603) CKM1270 17 Connector(CN601) CKS3362 18 Connector(CN602) CKS3581 19 Antenna Jack(CN301) CKX1056 20 Panel CNB2246 21 Holder CNC5399 22 Holder CNC6216 23 Heat Sink CNC6217 24 Holder CNC6845 25 Holder Unit CXB2687 26 Chassis Unit See Contrast table(2) 27 Detach Grille Assy See Contrast table(2) 28 Screw BPZ20P120FZK 29 Button(EJECT) See Contrast table(2) 30 Button(REW) See Contrast table(2) 31 Button(FF) See Contrast table(2) 32 Button(CROSS) See Contrast table(2) 33 Button(TUNER/BAND) See Contrast table(2) 34 Button(1-6) CAC6300 35 Button(DETACH) See Contrast table(2) 36 Spring CBH1836 37 Spring CBH2307 38 Cover See Contrast table(2) 39 Keyboard Unit See Contrast table(2) 40 LCD(LCD901) CAW1568 41 Connector(CN901) CKS3580 42 Holder CNC8525 43 Sheet CNM6486 44 Lighting Conductor CNV5969 45 Rubber CNV5970 46 Connector CNV5972 47 Grille Unit See Contrast table(2) 48 Button CAC4836 49 Spring CBH1834 50 Spring CBH1835 51 Spring CBH2367 52 Bracket CNC6135 53 Bracket CNC6791 54 Arm CNV4692 55 Arm CNV4693 56 Arm CNV4728 57 Panel Unit See Contrast table(2) 58 Door See Contrast table(2) 59 Spring CBH1838 60 Panel See Contrast table(2) 61 Screw IMS20P030FZK 62 Fuse(10A) CEK1136 63 Cassette Mechanism Assy EXK3410 64 IC(IC501) TDA7384 65 Transistor(Q804) 2SD2395 www. xiaoyu163. com QQ 376315150 9 9 2 8 9 4 2 9 8 TEL 13942296513 9 9 2 8 9 4 2 9 8 0 5 1 5 1 3 6 7 3 Q Q TEL 13942296513 QQ 376315150 892498299 TEL 13942296513 QQ 376315150 892498299 http://www.xiaoyu163.com 6 KEH-1940,1960 (2) CONTRAST TABLE KEH-1940/X1M/EW and KEH-1960/X1M/EW are constructed the same except for the following: Part No. Mark No. Description KEH-1940/X1M/EW KEH-1960/X1M/EW 26 Chassis Unit CXB4636 CXB4637 27 Detach Grille Assy CXB4671 CXB4672 29 Button(EJECT) CAC5870 CAC5871 30 Button(REW) CAC5872 CAC5873 31 Button(FF) CAC5874 CAC5875 32 Button(CROSS) CAC6295 CAC6296 33 Button(TUNER/BAND) CAC6297 CAC6298 35 Button(DETACH) CAC6301 CAC6302 38 Cover CNS5696 CNS5697 39 Keyboard Unit CWM6745 CWM6746 47 Grille Unit CXB4631 CXB4632 57 Panel Unit CXB4924 CXB4925 58 Door CAT2109 CAT2108 60 Panel CNS5211 CNS5212 www. xiaoyu163. com QQ 376315150 9 9 2 8 9 4 2 9 8 TEL 13942296513 9 9 2 8 9 4 2 9 8 0 5 1 5 1 3 6 7 3 Q Q TEL 13942296513 QQ 376315150 892498299 TEL 13942296513 QQ 376315150 892498299 http://www.xiaoyu163.com 7 KEH-1940,1960 www. xiaoyu163. com QQ 376315150 9 9 2 8 9 4 2 9 8 TEL 13942296513 9 9 2 8 9 4 2 9 8 0 5 1 5 1 3 6 7 3 Q Q TEL 13942296513 QQ 376315150 892498299 TEL 13942296513 QQ 376315150 892498299 http://www.xiaoyu163.com 8 KEH-1940,1960 2.3 CASSETTE MECHANISM ASSY www. xiaoyu163. com QQ 376315150 9 9 2 8 9 4 2 9 8 TEL 13942296513 9 9 2 8 9 4 2 9 8 0 5 1 5 1 3 6 7 3 Q Q TEL 13942296513 QQ 376315150 892498299 TEL 13942296513 QQ 376315150 892498299 http://www.xiaoyu163.com 9 KEH-1940,1960 1 Screw BSZ23P050FMC 2 Washer CBG1003 3 Connector(CN1) CKS2829 4 Screw(M2x5) EBA1038 5 Screw(M2x2.5) EBA1037 6 Spring EBH1554 7 Spring EBH1555 8 Spring EBH1556 9 Spring EBH1603 10 Spring EBH1591 11 Spring EBH1559 12 Spring EBH1593 13 Spring EBH1561 14 Spring EBH1562 15 Spring EBH1563 16 Spring EBH1623 17 Spring EBH1565 18 Spring EBH1566 19 Spring EBH1567 20 Spring EBH1568 21 Spring EBH1569 22 Spring EBH1571 23 Spring EBH1579 24 Head Base ENC1475 25 Lever ENC1429 26 Lever ENC1430 27 Lever ENC1431 28 Lever ENC1432 29 Arm ENC1433 30 Arm ENC1434 31 Arm ENC1480 32 Arm ENC1493 33 Bracket ENC1477 34 Lever ENC1483 35 Arm ENC1524 36 Frame ENC1440 37 Holder ENC1441 38 Lever ENC1446 39 Lever ENC1478 40 Belt ENT1027 41 Gear ENV1504 42 Gear ENV1470 43 Gear ENV1471 44 Lever ENV1472 45 Gear ENV1510 46 Gear ENV1475 47 Gear ENV1512 48 Gear ENV1513 49 Gear ENV1502 50 Lever ENV1480 51 Lever ENV1487 52 ••••• 53 Arm ENV1519 * 54 PCB ENP1161 55 ••••• 56 Switch(FWD)(REV)(S3) ESH1006 57 Switch(Load)(S1) ESN1016 58 Switch(Mute)(S2) ESN1017 59 Head Assy(HD1) EXA1466 60 Motor Unit(M1) EXA1467 61 Flywheel Unit EXA1547 62 ••••• 63 Arm Unit EXA1447 64 Arm Unit EXA1448 65 Arm Unit EXA1534 66 Reel Unit EXA1450 67 Pinch Holder ENV1466 68 Pinch Roller ENV1518 69 Pinch Holder ENV1467 70 ••••• 71 Chassis Unit EXA1498 72 Arm ENV1524 73 Washer HBF-167 74-78 ••••• 79 Cover ENC1452 80 Washer CBF1051 81 Spring EBH1592 Mark No. Description Part No. Mark No. Description Part No. - CASSETTE MECHANISM ASSY SECTION PARTS LIST www. xiaoyu163. com QQ 376315150 9 9 2 8 9 4 2 9 8 TEL 13942296513 9 9 2 8 9 4 2 9 8 0 5 1 5 1 3 6 7 3 Q Q TEL 13942296513 QQ 376315150 892498299 TEL 13942296513 QQ 376315150 892498299 http://www.xiaoyu163.com KEY MATRIX M L FWD GND HEAD M MOTOR FWD Lch REV Lch FWD-L REV-L Q808 Q806 Q807 Q805 FM SWITCH AM SWITCH FM AM FIX+B VCO AMIF EO Q303 Q302 LOOP FILTER 3 13 6 54 51 X601 4.5MHz 25 24 EO AMIF VCOIN FM AM XI XO SL FMSD 14 12 SYSTEM CONTROLLER IC 601 (1/2) PE5107A SL FMSD Q804 9V REGULATOR FIX+B Q803 Q802 B.U SYSPW ILL+B ILL+B IL901-903 FM OSC Q201 Q202 FMTV AM OSC AMIFC VCO FM+B AM+B TUN+B FMSD 25 26 19 20 15 17 21 14 13 6 7 9 18 41 9 10 14 15 17 19 47 1 2 19 43 40 28 30 31 25 23 18 16 36 32 38 6 34 Q3 FM RF T31 FM/AM MIX Q31 CF51 FM/AM IF CF52 FM IF CF53 FM IF T51 FMSL AMSL AMTV AMRF/AGC CF232 AM IF FM/AM PROCESSOR IC 1 PA4023B FM PROCESSOR IC 2 PA4024A TUN-L FIX+B A B C D KEYBOAR FM/AM TUNER UNIT TUNER AMP UNIT CN301 ANT Q304 LW LW 57 LW CA 10 KEH-1940,1960 A 1 2 3 4 B C D 1 2 3 4 3. BLOCK DIAGRAM AND SCHEMATIC DIAGRAM 3.1 BLOCK DIAGRAM www. xiaoyu163. com QQ 376315150 9 9 2 8 9 4 2 9 8 TEL 13942296513 9 9 2 8 9 4 2 9 8 0 5 1 5 1 3 6 7 3 Q Q TEL 13942296513 QQ 376315150 892498299 TEL 13942296513 QQ 376315150 892498299 http://www.xiaoyu163.com 11 KEH-1940,1960 5 6 7 8 A B C D 5 6 7 8 IC 501 TDA7384 FL+ FL- RL+ RL- MUTE STBY FL RL POWER AMP 9 7 17 19 FL+ FL- RL+ RL- 6 5 8 9 7 2 1 22 4 SYSPW Q501 Q609 Q502 Q607 MUTE Q608 DMINH Q606 FUSE 10A B.U B.U ACC CE VDD1 VDD2 VDD Q603 Q604 Q605 Q801 IC 801 TPD1018F B REMOTE BRE CN603 1 SYSPW 6 5 B.U SYSPW SYSPW 43 7 40 39 CE DMINH MUTE 11 15 19 20 IC 401 SN761029DL ELECTRONIC VOLUME VDT/VCK/VST 2 3 3 IC 201 LA3161P CASSETTE EQUALIZER 1 B.U FIX+B 4 MUTE Q601 63 TAPLD 1 2 NOR/REV MCMUT LOAD B.U MECPW 50 Q809 Q810 MECPW MECHA POWER SWITCH MECHA MUTE Q602 SWVDD 18 VDD SWVDD 9 10 LCK LDT 4 3 5 6 CN602 ILL+B SW5V SCK SIO 4 3 5 6 IC 901 PDC045A KEY/LCD DRIVER RES SCK SO SI VDD 24 17 15 14 13 TRIX LCD 901 CAW1568 CN901 SYSTEM CONTROLLER IC 601 (2/2) PE5107A MUTE SWITCH LOAD SWITCH FWD/REV FWD/REV SWITCH GND 1 10 6 8 4 9 1 10 6 8 4 9 CN601 FWD-L REV-L ILL+B TUN-L D BOARD UNIT B REMOTE BRE ACC BATTERY FL+ FL- RL+ RL- CASSETTE PCB www. xiaoyu163. com QQ 376315150 9 9 2 8 9 4 2 9 8 TEL 13942296513 9 9 2 8 9 4 2 9 8 0 5 1 5 1 3 6 7 3 Q Q TEL 13942296513 QQ 376315150 892498299 TEL 13942296513 QQ 376315150 892498299 http://www.xiaoyu163.com 12 KEH-1940,1960 A 1 2 3 4 B C D 1 2 3 4 A-a A-b A-a A-b A-b A-a Large size SCH diagram Guide page Detailed page SYSTEM CONTROLLER EQ AMP ELECTRONIC VO TUNER AMP UNIT A FM/AM TUNER UNIT B CASSETTE PCB D -73dBs - AM : -26.0dBs FM : -16.0dBs A D 3.2 OVERALL CONNECTION DIAGRAM(GUIDE PAGE) Note: When ordering service parts, be sure to refer to “EXPLODED VIEWS AND PARTS LIST” or “ELECTRICAL PARTS LIST”. A-a www. xiaoyu163. com QQ 376315150 9 9 2 8 9 4 2 9 8 TEL 13942296513 9 9 2 8 9 4 2 9 8 0 5 1 5 1 3 6 7 3 Q Q TEL 13942296513 QQ 376315150 892498299 TEL 13942296513 QQ 376315150 892498299 http://www.xiaoyu163.com 600µH CEL 1547 (1940/X1M/EW) CEL 1479 (1960/X1M/EW) 14V 40mA FUSE POWER AMP B.REMOTE OLUME KEYBOARD UNIT C GND RL + RR + FR + FL + RL - FL - FR - RR - ANT UP BACK ACC -29.0dBs AM : -0.9dBs FM : 9.1dBs TAPE : -3.9dBs TAPE : 22.1dBs FM : 100% 35.1dBs AM : 30% 24.1dBs TAPE : 315Hz 0dB 22.1dBs KEY/LCD DRIVER 13 KEH-1940,1960 5 6 7 8 A B C D 5 6 7 8 A A-b C www. xiaoyu163. com QQ 376315150 9 9 2 8 9 4 2 9 8 TEL 13942296513 9 9 2 8 9 4 2 9 8 0 5 1 5 1 3 6 7 3 Q Q TEL 13942296513 QQ 376315150 892498299 TEL 13942296513 QQ 376315150 892498299 http://www.xiaoyu163.com 14 KEH-1940,1960 A 1 2 3 4 B C D 1 2 3 4 ELECTRONIC VOLUME TUNER AMP UNIT A FM/AM TUNER UNIT B -29.0dBs AM : -26.0dBs FM : -16.0dBs A-a A-a A-b 1 2 www. xiaoyu163. com QQ 376315150 9 9 2 8 9 4 2 9 8 TEL 13942296513 9 9 2 8 9 4 2 9 8 0 5 1 5 1 3 6 7 3 Q Q TEL 13942296513 QQ 376315150 892498299 TEL 13942296513 QQ 376315150 892498299 http://www.xiaoyu163.com 15 KEH-1940,1960 5 6 7 8 A B C D 5 6 7 8 SYSTEM CONTROLLER EQ AMP CASSETTE PCB D -73dBs A-a A-a A-b D 3 5 4 www. xiaoyu163. com QQ 376315150 9 9 2 8 9 4 2 9 8 TEL 13942296513 9 9 2 8 9 4 2 9 8 0 5 1 5 1 3 6 7 3 Q Q TEL 13942296513 QQ 376315150 892498299 TEL 13942296513 QQ 376315150 892498299 http://www.xiaoyu163.com 16 KEH-1940,1960 A 1 2 3 4 B C D 1 2 3 4 600µH FUSE POWER AMP GND RL + RR + FR + FL + RL - FL - FR - RR - ANT UP BACK ACC AM : -0.9dBs FM : 9.1dBs TAPE : -3.9dBs TAPE : 22.1dBs FM : 100% 35.1dBs AM : 30% 24.1dBs TAPE : 315Hz 0dB 22.1dBs A-a A-b A-b 1 2 www. xiaoyu163. com QQ 376315150 9 9 2 8 9 4 2 9 8 TEL 13942296513 9 9 2 8 9 4 2 9 8 0 5 1 5 1 3 6 7 3 Q Q TEL 13942296513 QQ 376315150 892498299 TEL 13942296513 QQ 376315150 892498299 http://www.xiaoyu163.com 17 KEH-1940,1960 5 6 7 8 A B C D 5 6 7 8 CEL 1547 (1940/X1M/EW) CEL 1479 (1960/X1M/EW) 14V 40mA B.REMOTE KEYBOARD UNIT C KEY/LCD DRIVER A-b A-a A-b C 3 5 4 www. xiaoyu163. com QQ 376315150 9 9 2 8 9 4 2 9 8 TEL 13942296513 9 9 2 8 9 4 2 9 8 0 5 1 5 1 3 6 7 3 Q Q TEL 13942296513 QQ 376315150 892498299 TEL 13942296513 QQ 376315150 892498299 http://www.xiaoyu163.com 18 KEH-1940,1960 A 1 2 3 4 B C D 1 2 3 4 3.3 FM/AM TUNER UNIT B 3 1 2 FM/AM TUNER UN DSP-201M-A11F B www. xiaoyu163. com QQ 376315150 9 9 2 8 9 4 2 9 8 TEL 13942296513 9 9 2 8 9 4 2 9 8 0 5 1 5 1 3 6 7 3 Q Q TEL 13942296513 QQ 376315150 892498299 TEL 13942296513 QQ 376315150 892498299 http://www.xiaoyu163.com 19 KEH-1940,1960 5 6 7 8 A B C D 5 6 7 8B R UNIT A www. xiaoyu163. com QQ 376315150 9 9 2 8 9 4 2 9 8 TEL 13942296513 9 9 2 8 9 4 2 9 8 0 5 1 5 1 3 6 7 3 Q Q TEL 13942296513 QQ 376315150 892498299 TEL 13942296513 QQ 376315150 892498299 http://www.xiaoyu163.com 4. PCB CONNECTION DIAGRAM 4.1 TUNER AMP UNIT 20 KEH-1940,1960 A 1 2 3 4 B C D 1 2 3 4 A CORD ASSY TUNER AMP UNIT NOTE FOR PCB DIAGRAMS 1. The parts mounted on this PCB include all necessary parts for several destination. For further information for respective destinations, be sure to check with the schematic diagram. 2. Viewpoint of PCB diagrams Capacitor Connector P.C.Board Chip Part SIDE A SIDE B A www. xiaoyu163. com QQ 376315150 9 9 2 8 9 4 2 9 8 TEL 13942296513 9 9 2 8 9 4 2 9 8 0 5 1 5 1 3 6 7 3 Q Q TEL 13942296513 QQ 376315150 892498299 TEL 13942296513 QQ 376315150 892498299 http://www.xiaoyu163.com 21 KEH-1940,1960 5 6 7 8 A B C D 5 6 7 8A D B C CN1 CN901 SIDE A www. xiaoyu163. com QQ 376315150 9 9 2 8 9 4 2 9 8 TEL 13942296513 9 9 2 8 9 4 2 9 8 0 5 1 5 1 3 6 7 3 Q Q TEL 13942296513 QQ 376315150 892498299 TEL 13942296513 QQ 376315150 892498299 http://www.xiaoyu163.com 22 KEH-1940,1960 A 1 2 3 4 B C D 1 2 3 4 A A TUNER AMP UNIT www. xiaoyu163. com QQ 376315150 9 9 2 8 9 4 2 9 8 TEL 13942296513 9 9 2 8 9 4 2 9 8 0 5 1 5 1 3 6 7 3 Q Q TEL 13942296513 QQ 376315150 892498299 TEL 13942296513 QQ 376315150 892498299 http://www.xiaoyu163.com 23 KEH-1940,1960 5 6 7 8 A B C D 5 6 7 8A SIDE B www. xiaoyu163. com QQ 376315150 9 9 2 8 9 4 2 9 8 TEL 13942296513 9 9 2 8 9 4 2 9 8 0 5 1 5 1 3 6 7 3 Q Q TEL 13942296513 QQ 376315150 892498299 TEL 13942296513 QQ 376315150 892498299 http://www.xiaoyu163.com 24 KEH-1940,1960 A 1 2 3 4 B C D 1 2 3 4 4.2 FM/AM TUNER UNIT B SIDE A B FM/AM TUNER UNIT A www. xiaoyu163. com QQ 376315150 9 9 2 8 9 4 2 9 8 TEL 13942296513 9 9 2 8 9 4 2 9 8 0 5 1 5 1 3 6 7 3 Q Q TEL 13942296513 QQ 376315150 892498299 TEL 13942296513 QQ 376315150 892498299 http://www.xiaoyu163.com 25 KEH-1940,1960 1 2 3 4 A B C D 1 2 3 4 B SIDE B B FM/AM TUNER UNIT www. xiaoyu163. com QQ 376315150 9 9 2 8 9 4 2 9 8 TEL 13942296513 9 9 2 8 9 4 2 9 8 0 5 1 5 1 3 6 7 3 Q Q TEL 13942296513 QQ 376315150 892498299 TEL 13942296513 QQ 376315150 892498299 http://www.xiaoyu163.com KEH-1940,1960 A 1 2 3 4 B C D 1 2 3 4 A CN602 TUNER BAND 1 2 3 4 5 6 S CLOCK BSM LOCAL 4.3 KEYBOARD UNIT C C KEYBOARD UNIT 26 SIDE B SIDE A C KEYBOARD UNIT www. xiaoyu163. com QQ 376315150 9 9 2 8 9 4 2 9 8 TEL 13942296513 9 9 2 8 9 4 2 9 8 0 5 1 5 1 3 6 7 3 Q Q TEL 13942296513 QQ 376315150 892498299 TEL 13942296513 QQ 376315150 892498299 http://www.xiaoyu163.com 1 3 5 7 9 2 4 6 8 10 CN1 S3 FWD/REV SW S2 MUTE SW S1 LOAD SW M M1 MOTOR RR FR FL RL FWD/REV PB HEAD HD1 A CN601 27 KEH-1940,1960 1 2 3 4 A B C D 1 2 3 4D D CASSETTE PCB 4.4 CASSETTE PCB www. xiaoyu163. com QQ 376315150 9 9 2 8 9 4 2 9 8 TEL 13942296513 9 9 2 8 9 4 2 9 8 0 5 1 5 1 3 6 7 3 Q Q TEL 13942296513 QQ 376315150 892498299 TEL 13942296513 QQ 376315150 892498299 http://www.xiaoyu163.com D 617 Diode 1SS270 D 801 Diode 1SR139-400 D 802 Diode 1SR139-400 D 803 Diode 1SR139-400 D 804 Diode 1SR139-400 D 805 Diode 1SR139-400 D 806 Diode HZS6L(B2) D 807 Diode HZS9L(B3) L 601 Ferri-Inductor LAU2R2K L 602 Ferri-Inductor LAU2R2K L 801 Choke Coil 600µH CTH1168 X 601 Crystal Resonator 4.500MHz CSS1077 FM/AM Tuner Unit CWE1466 RESISTORS R 201 RS1/10S104J R 202 RS1/10S104J R 203 RS1/10S472J R 204 RS1/10S472J R 205 RS1/10S470J R 206 RS1/10S470J R 207 RS1/10S273J R 208 RS1/10S273J R 301 RS1/10S102J R 302 RS1/10S222J R 303 RS1/10S222J R 304 RD1/4PU102J R 305 RS1/10S102J R 313 RS1/8S223J R 314 RD1/4PU103J R 315 RS1/10S102J R 316 RS1/10S472J R 317 RS1/10S152J R 318 RD1/4PU222J R 319 RS1/10S222J R 320 RS1/10S102J R 321 RD1/4PU103J R 322 RS1/10S393J R 323 RS1/10S0R0J R 324 RS1/10S0R0J R 325 RD1/4PU101J R 331 RS1/8S0R0J R 401 RS1/10S272J R 402 RS1/10S272J R 403 RS1/10S0R0J R 405 RS1/10S272J R 406 RS1/10S272J R 407 RS1/10S151J R 408 RS1/10S151J R 501 RS1/10S153J R 502 RS1/10S221J R 503 RS1/10S101J R 504 RD1/4PU153J R 601 RD1/4PU102J R 602 RS1/10S473J 28 KEH-1940,1960 5. ELECTRICAL PARTS LIST NOTE: - Parts whose parts numbers are omitted are subject to being not supplied. - The part numbers shown below indicate chip components. Chip Resistor RS1/_S___J,RS1/__S___J Chip Capacitor (except for CQS.....) CKS....., CCS....., CSZS..... Unit Number : CWM6740 Unit Name : Tuner Amp Unit MISCELLANEOUS IC 201 IC LA3161P IC 401 IC SN761029DL IC 501 IC TDA7384 IC 601 IC PE5107A IC 801 IC TPD1018F Q 301 Transistor 2SC1740S Q 302 Transistor 2SC1740S Q 303 Transistor 2SK330 Q 304 Transistor DTC124ES Q 501 Transistor DTC124ES Q 502 Transistor DTC124ES Q 601 Transistor DTC114ES Q 602 Transistor 2SA933S Q 603 Transistor DTA114ES Q 604 Transistor 2SC1740S Q 605 Transistor 2SC1740S Q 606 Transistor 2SC1740S Q 607 Transistor 2SC1740S Q 608 Transistor DTC124TS Q 609 Transistor DTC143TS Q 801 Transistor 2SD1859 Q 802 Transistor 2SB1238 Q 803 Transistor DTC124ES Q 804 Transistor 2SD2395 Q 805 Transistor 2SA933S Q 806 Transistor 2SA933S Q 807 Transistor DTC114ES Q 808 Transistor DTC114ES Q 809 Transistor DTC143TS Q 810 Transistor 2SB1242 D 201 Diode 1SS270 D 301 Diode MTZJ3R0(B) D 302 Diode 1SS270 D 303 Diode 1SS270 D 601 Diode 1SS270 D 602 Diode 1SS270 D 603 Diode 1SS270 D 604 Diode 1SS270 D 605 Diode HZS7L(A1) D 606 Diode 1SS270 D 607 Diode 1SS270 D 608 Diode 1SS270 D 609 Diode HZS7L(A1) D 610 Diode HZS7L(C3) D 611 Diode HZS7L(B1) D 612 Diode 1SS270 D 613 Diode 1SS270 D 614 Diode 1SS270 D 615 Diode HZS9L(A2) D 616 Diode 1SS270 =====Circuit Symbol and No.===Part Name Part No. --- ------ ------------------------------------------ ------------------------- =====Circuit Symbol and No.===Part Name Part No. --- ------ ------------------------------------------ ------------------------- A www. xiaoyu163. com QQ 376315150 9 9 2 8 9 4 2 9 8 TEL 13942296513 9 9 2 8 9 4 2 9 8 0 5 1 5 1 3 6 7 3 Q Q TEL 13942296513 QQ 376315150 892498299 TEL 13942296513 QQ 376315150 892498299 http://www.xiaoyu163.com R 603 RS1/10S103J R 604 RD1/4PU332J R 605 RS1/10S473J R 606 RS1/10S222J R 607 RS1/10S222J R 608 RD1/4PU473J R 609 RS1/10S123J R 612 RD1/4PU472J R 613 RD1/4PU473J R 614 RS1/10S473J R 615 RS1/10S222J R 616 RD1/4PU222J R 617 RD1/4PU222J R 618 RS1/10S1R0J R 621 RD1/4PU222J R 622 RS1/10S473J R 623 RS1/10S472J R 624 RS1/10S223J R 625 RS1/10S103J R 626 RS1/10S223J R 627 RS1/10S103J R 628 RS1/10S104J R 629 RS1/10S223J R 630 RS1/10S103J R 631 RD1/4PU472J R 632 RS1/10S472J R 633 RS1/10S103J R 634 RS1/10S223J R 635 RD1/4PU152J R 636 RD1/4PU103J R 637 RD1/4PU472J R 640 RS1/10S472J R 801 RD1/4PU102J R 803 RS1/10S103J R 804 RS1/10S223J R 805 RD1/4PU331J R 806 RD1/4PU331J R 807 RD1/4PU511J R 808 RS1/10S472J R 809 RS1/10S102J R 810 RS1/10S472J R 811 RS1/10S102J R 812 RS1/10S472J R 813 RD1/4PU102J R 814 RD1/4PU1R5J R 815 RD1/4PU1R5J R 816 RD1/4PU103J CAPACITORS C 201 CEJA2R2M50 C 202 CEJA2R2M50 C 203 CKSQYB333K25 C 204 CKSQYB333K25 C 205 CEJA101M10 C 206 CEJA101M10 C 207 CKSQYB681K50 C 208 CKSQYB681K50 C 209 CEJA101M10 C 301 CKSQYB473K25 C 302 CKSQYB104K16 C 303 CKSQYB223K50 C 304 CKSQYB104K16 C 305 CKSQYB223K50 C 306 CKSQYB102K50 C 307 CKSQYB103K50 C 308 CCSQCH101J50 C 311 CCSQCH101J50 C 313 CKLSR473K16 C 314 CKSQYB102K50 C 315 4.7µF/16V CCH1250 C 316 CKSQYB103K50 C 317 CEJAR47M50 C 318 CKSQYB223K50 C 319 CKSQYB223K50 C 401 CKSQYB223K50 C 402 CKSQYB223K50 C 403 CEJA1R0M50 C 404 CEJA1R0M50 C 405 CEJA1R0M50 C 406 CEJA1R0M50 C 407 CEJA100M16 C 408 CEJA100M16 C 409 CKSQYB822K50 C 410 CKSQYB822K50 C 411 CEJA1R0M50 C 412 CEJA1R0M50 C 413 CKSQYB153K50 C 414 CKSQYB153K50 C 415 CKSQYB104K16 C 416 CKSQYB104K16 C 417 CKSQYB104K16 C 418 CKSQYB104K16 C 419 CKSQYB104K16 C 420 CEJA470M10 C 421 CEJA2R2M50 C 422 CEJA4R7M35 C 423 CKSQYB473K25 C 424 CEJA1R0M50 C 427 CCSQCH240J50 C 428 CCSQCH330J50 C 501 CFTNA224J50 C 502 CFTNA224J50 C 503 CFTNA224J50 C 504 CFTNA224J50 C 505 CEJA330M10 C 506 CEJA2R2M50 C 507 CFTNA105J50 C 508 CEJA100M16 C 510 CKSQYB104K50 C 601 CKSQYB104K16 C 602 CKSQYB102K50 C 603 CEJA4R7M35 C 604 CKSQYB224K16 C 605 CKSQYB102K50 C 606 CCSQCH100D50 C 607 CCSQCH110J50 C 608 CKSQYB103K50 C 611 CKSQYB472K50 C 801 3300µF/16V CCH1369 C 802 CKSQYB103K50 C 803 CKSYB103K50 C 804 CEAS331M16 C 805 CKSQYB102K50 C 806 330µF/10V CCH1181 C 807 CKSQYB103K50 C 808 330µF/10V CCH1181 C 809 CCSQCH101J50 C 810 CCSQCH101J50 Unit Number : CWE1466 Unit Name : FM/AM Tuner Unit MISCELLANEOUS IC 1 IC PA4023B IC 2 IC PA4024A Q 1 Transistor 2SC2412K Q 2 Transistor DTC124EU Q 3 FET 3SK263 29 KEH-1940,1960 =====Circuit Symbol and No.===Part Name Part No. --- ------ ------------------------------------------ ------------------------- =====Circuit Symbol and No.===Part Name Part No. --- ------ ------------------------------------------ ------------------------- B www. xiaoyu163. com QQ 376315150 9 9 2 8 9 4 2 9 8 TEL 13942296513 9 9 2 8 9 4 2 9 8 0 5 1 5 1 3 6 7 3 Q Q TEL 13942296513 QQ 376315150 892498299 TEL 13942296513 QQ 376315150 892498299 http://www.xiaoyu163.com Q 31 Transistor 2SC2412K Q 154 Transistor DTC124EU Q 165 Transistor 2SC2412K Q 201 FET 2SK932 Q 202 Transistor 2SC2412K Q 203 Transistor DTC124EU D 4 Diode 1SV250 D 5 Diode KV1410-F1 D 7 Diode KV1410-F1 D 8 Diode KV1410-F1 D 201 Diode MA157 D 202 Diode MA157 D 231 Diode SVC253 L 2 Coil CTC1133 L 3 Inductor LCTB2R2K2125 L 4 Coil CTC1133 L 5 Coil CTC1132 L 6 Inductor LCTBR15K1608 L 51 Ferri-Inductor LAU150K L 201 Ferri-Inductor LAU4R7K L 202 Ferri-Inductor LAU330K L 203 Inductor CTF1287 L 208 Inductor LAU121K L 231 Inductor LCTA3R3J3225 T 31 Coil CTE1116 T 51 Coil CTC1136 TC 1 CCL1038 CF 51 Ceramic Filter CTF1442 CF 52 Ceramic Filter CTF1442 CF 53 Ceramic Filter CTF1442 CF 232 Ceramic Filter CTF1348 X 151 Radiator 918.5Hz CSS1365 X 231 Crystal Resonator 10.26MHz CSS1111 VR 154 Semi-fixed 150kΩ(B) CCP1213 AR 1 DSP-201M-A11F RESISTORS R 1 RS1/16S0R0J R 4 RS1/16S154J R 5 RS1/16S391J R 6 RS1/16S223J R 7 RS1/16S123J R 8 RS1/16S332J R 9 RS1/16S473J R 10 RS1/16S223J R 11 RS1/16S124J R 13 RS1/16S563J R 15 RS1/16S271J R 16 RS1/16S104J R 17 RS1/16S332J R 18 RS1/16S332J R 31 RS1/16S470J R 32 RS1/16S822J R 33 RS1/16S822J R 34 RS1/16S331J R 35 RS1/16S331J R 40 RS1/16S470J R 51 RS1/16S271J R 52 RS1/16S560J R 55 RS1/16S102J R 56 RS1/16S823J R 61 RS1/16S392J R 62 RS1/16S393J R 101 RS1/16S272J R 102 RS1/16S682J R 103 RS1/16S333J R 104 RS1/16S334J R 105 RS1/16S683J R 107 RS1/16S222J R 151 RS1/16S222J R 152 RS1/16S393J R 154 RS1/16S104J R 155 RS1/16S273J R 156 RS1/16S243J R 157 RS1/16S203J R 160 RS1/16S222J R 161 RS1/16S563J R 162 RS1/16S105J R 163 RS1/16S222J R 202 RS1/16S223J R 203 RS1/16S225J R 204 RS1/16S103J R 206 RS1/16S220J R 207 RS1/16S101J R 208 RS1/16S102J R 209 RS1/16S471J R 214 RS1/16S822J R 215 RS1/16S822J R 217 RS1/16S102J R 231 RS1/16S272J R 232 RS1/16S473J R 237 RS1/16S103J R 238 RS1/16S104J R 239 RS1/16S104J R 240 RS1/16S332J R 241 RS1/16S202J R 243 RS1/16S123J R 244 RS1/16S103J R 247 RS1/16S123J CAPACITORS C 1 CCSQCH6R0D50 C 2 CCSRCK2R0C50 C 4 CCSRCH820J50 C 6 CCSRCH820J50 C 8 CKSRYB103K25 C 9 CKSQYB104K16 C 10 CCSRCKR50C50 C 11 CEJA1R0M50 C 13 CKSRYB222K50 C 14 CCSRCH220J50 C 16 CCSRCH8R0D50 C 17 CKSRYB222K50 C 18 CKSRYB103K25 C 19 CKSRYB222K50 C 20 CKSRYB222K50 C 21 CEJA100M16 C 22 CCSRTH9R0D50 C 23 CCSRTH120J50 C 24 CCSRCH471J50 C 25 CKSRYB103K25 C 31 CKSRYB103K25 C 32 CKSQYB472K50 C 33 CCSRCH5R0C50 C 34 CKSQYB104K16 C 36 CCSRRH201J50 C 51 CKSRYB223K25 C 52 CKSRYB103K25 C 54 CCSRCH470J50 C 55 CKSQYB223K25 C 56 CKSQYB104K16 C 57 CKSRYB472K50 C 58 CEJA330M10 C 59 CKSRYB103K25 C 61 CCSRCH270J50 C 62 CKSRYB103K25 30 KEH-1940,1960 =====Circuit Symbol and No.===Part Name Part No. --- ------ ------------------------------------------ ------------------------- =====Circuit Symbol and No.===Part Name Part No. --- ------ ------------------------------------------ ------------------------- www. xiaoyu163. com QQ 376315150 9 9 2 8 9 4 2 9 8 TEL 13942296513 9 9 2 8 9 4 2 9 8 0 5 1 5 1 3 6 7 3 Q Q TEL 13942296513 QQ 376315150 892498299 TEL 13942296513 QQ 376315150 892498299 http://www.xiaoyu163.com 31 KEH-1940,1960 =====Circuit Symbol and No.===Part Name Part No. --- ------ ------------------------------------------ ------------------------- =====Circuit Symbol and No.===Part Name Part No. --- ------ ------------------------------------------ ------------------------- C 63 CEJAR15M50 C 101 CEJANP100M10 C 102 CKSRYB182K50 C 103 CKSRYB682K25 C 104 CEJA2R2M50 C 105 CKSRYB103K25 C 106 CCSRCH151J50 C 107 CKSRYB103K25 C 151 CKSRYB472K50 C 152 CKSQYB104K16 C 153 CEJA3R3M50 C 154 CKSQYB104K16 C 157 CEJA3R3M50 C 158 CKSYB474K16 C 159 CEJA220M6R3 C 160 CKSQYB104K16 C 161 CKSQYB104K16 C 162 CEJA3R3M50 C 163 CKSRYB102K50 C 170 CCSRCH100D50 C 201 CCSRCH471J50 C 202 CCSRCH100D50 C 203 CKSRYB332K50 C 204 CKSQYB473K16 C 205 CKSQYB473K16 C 206 CKSQYB104K16 C 207 CCSRCH560J50 C 209 CKSQYB104K16 C 211 CCSRCH101J50 C 212 CEJA470M6R3 C 213 CKSRYB103K25 C 216 CCSRCH101J50 C 217 CEJA1R5M50 C 219 CCSRCH471J50 C 220 CKSRYB103K25 C 230 CKSRYB103K25 C 231 CCSRCH330J50 C 232 CCSRCH150J50 C 233 CKSQYB104K16 C 234 CEJA330M10 C 235 CKSRYB332K50 C 236 CKSQYB473K16 C 237 CCSRCH120J50 C 239 CKSRYB472K50 C 240 CEJAR47M50 C 241 CKSQYB104K16 C 242 CEJAR47M50 C 243 CEJAR33M50 C 244 CKSQYB473K16 C 245 CKSRYB123K25 C 246 CKSQYB473K16 C 250 CCSRCH471J50 Unit Number : CWM6745 (KEH-1940/X1M/EW) : CWM6746 (KEH-1960/X1M/EW) Unit Name : Keyboard Unit MISCELLANEOUS IC 901 IC PDC045A D 901 Diode MA153 D 902 Diode MA153 D 903 Diode MA110 IL 901 Lamp 14V 40mA (1940/X1M/EW) CEL1547 IL 901 Lamp 14V 40mA (1960/X1M/EW) CEL1479 IL 902 Lamp 14V 40mA (1940/X1M/EW) CEL1547 IL 902 Lamp 14V 40mA (1960/X1M/EW) CEL1479 IL 903 Lamp 14V 40mA (1940/X1M/EW) CEL1547 IL 903 Lamp 14V 40mA (1960/X1M/EW) CEL1479 LCD 901 LCD CAW1568 RESISTORS R 901 RS1/10S222J R 902 RS1/10S222J R 905 RS1/10S682J R 906 RS1/10S473J R 907 RS1/10S472J CAPACITORS C 901 CCSQCH181J50 C 902 CKSQYB103K50 C 903 CKSQYB103K50 C 905 CKSQYB104K16 C 906 10µF/16V CCH1370 Unit Number : Unit Name : Cassette PCB S 1 Swicth(Load) ESN1016 S 2 Swicth(Mute) ESN1017 S 3 Swicth(FWD/REV) ESH1006 Miscellaneous Parts List M 1 Motor Unit EXA1467 HD 1 Head Assy EXA1466 C D www. xiaoyu163. com QQ 376315150 9 9 2 8 9 4 2 9 8 TEL 13942296513 9 9 2 8 9 4 2 9 8 0 5 1 5 1 3 6 7 3 Q Q TEL 13942296513 QQ 376315150 892498299 TEL 13942296513 QQ 376315150 892498299 http://www.xiaoyu163.com FM/AM TUNER UNIT 4Ω 4Ω Lch + Lch - Rch + Rch - BACK UP ACC GND +14.4V GND Antenna Jack mV Meter (1) Oscilloscope DC Regulated Power Supply TUNER AMP UNIT 50Ω (75Ω ) FM SSG Stereo Modulator 50Ω (37.5Ω ) Antenna Plug Dummy Antenna FM/AM TUNER UNIT (TOP VIEW) T31 T51 C63 T51 Center Meter FM/AM TUNER UNIT (BOTTOM VIEW) Pin1 Pin13 Pin14 Pin 19 Pin26 L2 L4 L5 VR154 TC1 DC V Meter(1) 32 KEH-1940,1960 6. ADJUSTMENT - Connection Diagram www. xiaoyu163. com QQ 376315150 9 9 2 8 9 4 2 9 8 TEL 13942296513 9 9 2 8 9 4 2 9 8 0 5 1 5 1 3 6 7 3 Q Q TEL 13942296513 QQ 376315150 892498299 TEL 13942296513 QQ 376315150 892498299 http://www.xiaoyu163.com 33 KEH-1940,1960 FM ADJUSTMENT Modulation M:MONO MOD., 400Hz 30%(22.5kHz Dev.) or 400Hz 100%(75kHz Dev.) S:STEREO MOD., 1kHz, L or R=30%(20.25kHz+7.5kHz Dev.) NOTE:Before proceeding to further adjustments after switching power ON, let the tuner run for ten minutes to allow the circuits to stabilize. FM SSG Displayed Adjustment Adjustment Method No. Frequency(MHz) Level(dBf) Frequency(MHz) Point (Switch Position) TUN Volt 1 ••••• ••••• 108.0 L5 DC V Meter(1) : 6V IF 2 98.1 M 60—100 98.1 T51 Center Meter : 0 ANT Coil 3 98.1 M 5 98.1 L2 mV Meter(1) : Maximum RF Coil 4 98.1 M 5 98.1 L4 mV Meter(1) : Maximum RF 5 129.3 M 60—80 107.9 TC1 mV Meter(1) : Minimum Trimmer 6 RF Coil and RF Trimmer shall be adjusted twice or more IFT 7 98.1 M 5 98.1 T31 mV Meter(1) : Maximum (STEREO MODE) ARC 8 98.1 S 40 98.1 VR154 mV Meter(1) : Separation 5dB (STEREO MODE) www. xiaoyu163. com QQ 376315150 9 9 2 8 9 4 2 9 8 TEL 13942296513 9 9 2 8 9 4 2 9 8 0 5 1 5 1 3 6 7 3 Q Q TEL 13942296513 QQ 376315150 892498299 TEL 13942296513 QQ 376315150 892498299 http://www.xiaoyu163.com 34 KEH-1940,1960 7. GENERAL INFORMATION 7.1 DISASSEMBLY - Remove the Tuner Amp Unit(Fig.2) Remove the two screws. Remove the three screws. Remove the screw. Unbend the tabs at four locations indicated by arrow until straight. Remove the Tuner Amp Unit. - Remove the Case(not shown) 1.Remove the three screws. 2.Remove the Case. - Remove the Cassette Mechanism Assy (not shown) 1.Remove the four screws. 2.Disconnect the connector, and then remove the Cassette Mechanism Assy. - Remove the Panel Unit(Fig.1) Disengage the stopper at two locations indicated by arrow. Remove the Panel Unit. Fig.1 Fig.2 Panel Unit Tuner Amp Unit Cassette Mechanism Assy www. xiaoyu163. com QQ 376315150 9 9 2 8 9 4 2 9 8 TEL 13942296513 9 9 2 8 9 4 2 9 8 0 5 1 5 1 3 6 7 3 Q Q TEL 13942296513 QQ 376315150 892498299 TEL 13942296513 QQ 376315150 892498299 http://www.xiaoyu163.com 35 KEH-1940,1960 7.2 PARTS 7.2.1 IC SN761029DL 48 47 46 45 44 43 42 41 40 39 38 37 36 35 34 33 32 31 30 29 28 27 26 25 1 2 3 4 5 6 7 8 9 10 11 12 13 14 15 16 17 18 19 20 21 22 23 24 VCC AVcc IN1-R IN1-L IN2-R IN2-L IN3-R IN3-L IN4(+)-R IN4(+)-L IN4(-)-R IN4(-)-L AGND AGND SWout-R SWout-L ZCin-R ZCin-L LOUD-R LOUD-L VRin-R VRin-L TREB-R TREB-L BASS-C1-R BASS-C1-L BASS-R-R BASS-R-L BASS-C2-R BASS-C2-L NC NC TONEout-R TONEout-L FADERin-R FADERin-L FRNTout-R FRNTout-L REARout-R REARout-L DVcc VREFin DATA AGND CLK DGND STB Ct 3 Line Serial Bus Bass Treble Volume, Loudness Fader Gain Adjust Isolator Zero-cross Detector Power Supply Bass Treble Volume, Loudness Fader Gain Adjust Isolator Power Supply A A www. xiaoyu163. com QQ 376315150 9 9 2 8 9 4 2 9 8 TEL 13942296513 9 9 2 8 9 4 2 9 8 0 5 1 5 1 3 6 7 3 Q Q TEL 13942296513 QQ 376315150 892498299 TEL 13942296513 QQ 376315150 892498299 http://www.xiaoyu163.com 36 KEH-1940,1960 - Pin Functions (PE5107A) Pin No. Pin Name I/O Format Function and Operation 1 mcmute I Cassette mechanism mute input 2 tapld I Tape loading input 3 EO O C Error output 4 VDD1 Power supply 5 GND GND 6 VCOIN I AM/FM VCO input 7 CE I ACC power sense input 8 VDD2 Power supply 9 LCK I/O C Serial clock input and output for LCD driver 10 LDT O C Data output for LCD driver 11 LDI I Key/LCD driver data input 12 FMSD I FM SD input 13 AMIF I AM IF signal input 14 SL I Signal level input 15 st I FM stereo input 16 sk Not used 17 DK Not used 18 swvdd O C Grille power supply control output 19 NC Not used 20 VST O C Strobe pulse output for electronic volume 21 VCK O C Clock output for electronic volume 22 VDT O C Data output for electronic volume 23 NC Not used 24 XO O Crystal oscillator connection pin 25 XI I Crystal oscillator connection pin 26 GND GND 27–30 NC Not used 31 TEST I Test program mode input 32 dsens I Grille detach sense input 33,34 GND GND 35–38 NC Not used 39 mute O C System mute output 40 DMINH O C Mechanism mute cancel output 41,42 NC Not used 43 SYSPW O C System power supply control output 44–48 NC Not used 49 MS Not used 50 MECPW O C Cassette mechanism power output 51 AM O C AM power control output 52 LOCL O C LOC “L“ output 53 LOCH O C LOC “H” output 54 FM O C FM power control output 55 seek O C Seek output 56 NC Not used 57 LW O C LW output 58 GND GND 59 DM3 Not used 60 DM2 Not used 61 DM1 I Model,function input 62 DM0 I Model,function input 63 nor/REV I Tape running input 64 GND GND www. xiaoyu163. com QQ 376315150 9 9 2 8 9 4 2 9 8 TEL 13942296513 9 9 2 8 9 4 2 9 8 0 5 1 5 1 3 6 7 3 Q Q TEL 13942296513 QQ 376315150 892498299 TEL 13942296513 QQ 376315150 892498299 http://www.xiaoyu163.com 37 KEH-1940,1960 - Pin Functions(PDC045A) Pin No. Pin Name I/O Function and Operation 1–4 NC Not used 5–8 KS4-1 O Key strobe output 9–12 KD4-1 I Key data input 13 SI I Display data input 14 SO O Key data output 15 SCK I/O Clock input terminal for serial data input and output 16 REMIN I Remote control reception 17 RES I Reset input 18 TEST I Test input 19 OSC-IN I System clock input 20 OSC-OUT O System clock output 21 GND GND 22,23 VDD2,1 LCD power supply 24 VDD Power supply 25–28 COM1-4 O LCD common signal 29–42 SEG1-14 O LCD segment signal 43–48 NC Not used 12 13 24 25 36 37 48 1 *PDC045A IC's marked by* are MOS type. Be careful in handling them because they are very liable to be damaged by electrostatic induction. Format Meaning C C MOS 19 20 32 33 51 52 64 1 *PE5107A www. xiaoyu163. com QQ 376315150 9 9 2 8 9 4 2 9 8 TEL 13942296513 9 9 2 8 9 4 2 9 8 0 5 1 5 1 3 6 7 3 Q Q TEL 13942296513 QQ 376315150 892498299 TEL 13942296513 QQ 376315150 892498299 http://www.xiaoyu163.com 38 KEH-1940,1960 7.2.2 DISPLAY - CAW1568 SEGMENT COMMON www. xiaoyu163. com QQ 376315150 9 9 2 8 9 4 2 9 8 TEL 13942296513 9 9 2 8 9 4 2 9 8 0 5 1 5 1 3 6 7 3 Q Q TEL 13942296513 QQ 376315150 892498299 TEL 13942296513 QQ 376315150 892498299 http://www.xiaoyu163.com 39 KEH-1940,1960 8. OPERATIONS AND SPECIFICATIONS 1.This Product 2.Antenna jack 3.Connect leads of the same color to each other. 5.Cap 6.Yellow T regardless of ignition switch position. o terminal always supplied with power 7.Yellow Back-up (or Accessory) 8.Red To electric terminal controlled by ignition switch (12 V DC) ON/OFF. 9.Red Accessory (or Back-up) 5 6 7 8 9 Note: 4. Note: Depending on the kind of vehicle, the function of 7 and 9 may be different. If this is the case, be sure to connect 6 to 9 and 7 to 8. When the power cord of the other product is connected to terminal 5, check the function of the terminal 5 (Back up or Accessory) beforehand. 4. 11.ISO connector Note: In some vehicles, the ISO connector may be divided into two. If this is the case, be sure to connect to both connectors. 12.Speaker leads White: Front left + White/black: Front left ≠ Gray: Front right + Gray/black: Front right ≠ Green: Rear left + Green/black: Rear left ≠ Violet: Rear right + Violet/black: Rear right ≠ 13.Blue/white To Auto-antenna relay control terminal. (Max. 300 mA 12 V DC.) 10.Black (ground) To vehicle (metal) body. 15.Fuse 14. Blue/white The pin position of the ISO connector will differ according to the type of vehicle. Connect 13 and 14 when Pin 5 is an antenna control type. In another type of vehicle, never connect 13 and 14. www. xiaoyu163. com QQ 376315150 9 9 2 8 9 4 2 9 8 TEL 13942296513 9 9 2 8 9 4 2 9 8 0 5 1 5 1 3 6 7 3 Q Q TEL 13942296513 QQ 376315150 892498299 TEL 13942296513 QQ 376315150 892498299 http://www.xiaoyu163.com 40 KEH-1940,1960 8.1 OPERATIONS Key Finder Head Unit CLOCK button Detach button Cassette door EJECT button SHIFT/LOUD button BAND button 22/33�buttons 2/3�buttons BSM button TUNER button LOCAL button +/–�buttons Buttons 1–6 Basic Operation To Listen to Music The following explains the initial operations required before you can listen to music. Note: • Loading a cassette in this product. 1. Press the TUNER button to switch the Tuner ON/OFF. Note: • You cannot switch to the Tuner when a tape is loaded. • You cannot switch to the Cassette Player when a tape is not loaded. • When this product’s blue/white lead is connected to the car’s Auto-antenna relay control terminal, the car’s Auto-antenna extends when this product’s power is switched ON. To retract the antenna, switch the power OFF. 2. Raise or lower the volume. 3. Turn the Tuner OFF. www. xiaoyu163. com QQ 376315150 9 9 2 8 9 4 2 9 8 TEL 13942296513 9 9 2 8 9 4 2 9 8 0 5 1 5 1 3 6 7 3 Q Q TEL 13942296513 QQ 376315150 892498299 TEL 13942296513 QQ 376315150 892498299 http://www.xiaoyu163.com 41 KEH-1940,1960 Basic Operation of Tuner Basic Operation Manual and Seek Tuning • Press 2 or 3 to select a station. Note: • You can select the tuning method by pressing the 2 and 3 buttons at the same time. • When the Seek Tuning is selected, “SEEK” lights in the display. • When the Manual Tuning is selected, “SEEK” goes out from the display. • Stereo indicator “” lights when a stereo station is selected. Preset Tuning • You can memorize broadcast stations in buttons 1 through 6 for easy, one-touch station recall. Preset station recall 2 seconds or less Broadcast station preset memory 2 seconds or more Note: • Up to 18 FM stations (6 in FI (FM1), FII (FM2) and FIII (FM3)) and 6 MW/LW stations (6 in M/L) can be stored in memory. Preset Number Indicator Band FI (FM1) = FII (FM2) = FIII (FM3) = M/L (MW/LW) Band Indicator Frequency Indicator Basic Operation of Cassette Player Direction Change • To change the direction, press the 1 and ¡ buttons at the same time. Eject The power of this product turns OFF when you eject a tape with the EJECT button. When you listen to the Tuner before a tape is set to this product, the source switches to the radio. Fast Forward/Rewind • To select Fast Forward, press the button for the same direction as the tape play indicator. • To select Rewind, press the button for the opposite direction as the tape play indicator. Note: • To release Fast Forward/Rewind, lightly press the 1 or ¡ button located on the opposite side of the one you pressed to Fast Forward or Rewind. Cassette Loading Slot You can listen to a tape if it is set to this product even when listening to the Tuner. Tape Play Indicator www. xiaoyu163. com QQ 376315150 9 9 2 8 9 4 2 9 8 TEL 13942296513 9 9 2 8 9 4 2 9 8 0 5 1 5 1 3 6 7 3 Q Q TEL 13942296513 QQ 376315150 892498299 TEL 13942296513 QQ 376315150 892498299 http://www.xiaoyu163.com KEH-1940,1960 8.2 SPECIFICATIONS Specifications General Power source .......... 14.4 V DC (10.8 – 15.1 V allowable) Grounding system ........................................ Negative type Max. current consumption ........................................ 8.5 A Dimensions (mounting size) ...... 178 (W) × 50 (H) × 150 (D) mm (front face) .............. 188 (W) × 58 (H) × 20 (D) mm Weight ...................................................................... 1.2 kg Amplifier Maximum power output ...................................... 40 W × 4 Continuous power output .................................... 22 W × 4 (DIN45324, +B = 14.4 V) Load impedance .......................... 4 Ω (4 – 8 Ω allowable) Tone controls (Bass) .............................................. ±12 dB (100 Hz) (Treble) ............................................ ±12 dB (10 kHz) Loudness contour ..........+10 dB (100 Hz), +7 dB (10 kHz) (volume: –30 dB) Cassette player Tape ........................ Compact cassette tape (C-30 – C-90) Tape speed ...... 4.76 cm/sec.(+0.14 cm/sec.,-0.05 cm/sec.) Fast forward/rewinding time ...... Approx. 90 sec. for C-60 Wow & flutter .......................................... 0.13% (WRMS) Frequency response ...................... 40 – 14,000 Hz (±3 dB) Stereo separation ...................................................... 45 dB Signal-to-noise ratio...................... 52 dB (IEC-A network) FM tuner Frequency range ...................................... 87.5 – 108 MHz Usable sensitivity .................................................... 11 dBf (1.0 µV/75 Ω, mono, S/N: 30 dB) 50 dB quieting sensitivity ........................................ 16 dBf (1.7 µV/75 Ω, mono) Signal-to-noise ratio ...................... 70 dB (IEC-A network) Distortion .......................... 0.3% (at 65 dBf, 1 kHz, stereo) Frequency response ...................... 30 – 15,000 Hz (±3 dB) Stereo separation .......................... 40 dB (at 65 dBf, 1 kHz) MW tuner Frequency range ...................................... 531 – 1,602 kHz Usable sensitivity .............................. 18 µV (S/N: 20 dB) Selectivity .................................................. 50 dB (±9 kHz) LW tuner Frequency range ........................................ 153 – 281 kHz Usable sensitivity .............................. 30 µV (S/N: 20 dB) Selectivity .................................................. 50 dB (±9 kHz) Note: • Specifications and the design are subject to possible modification without notice due to improvements. www. xiaoyu163. com QQ 376315150 9 9 2 8 9 4 2 9 8 TEL 13942296513 9 9 2 8 9 4 2 9 8 0 5 1 5 1 3 6 7 3 Q Q TEL 13942296513 QQ 376315150 892498299 TEL 13942296513 QQ 376315150 892498299 http://www.xiaoyu163.com

标签:

版权声明

1. 本站所有素材,仅限学习交流,仅展示部分内容,如需查看完整内容,请下载原文件。
2. 会员在本站下载的所有素材,只拥有使用权,著作权归原作者所有。
3. 所有素材,未经合法授权,请勿用于商业用途,会员不得以任何形式发布、传播、复制、转售该素材,否则一律封号处理。
4. 如果素材损害你的权益请联系客服QQ:77594475 处理。