先锋PIONEER GM-X972音响电路图

分类:电子电工 日期: 点击:0
先锋PIONEER GM-X972音响电路图-0 先锋PIONEER GM-X972音响电路图-1 先锋PIONEER GM-X972音响电路图-2 先锋PIONEER GM-X972音响电路图-3 先锋PIONEER GM-X972音响电路图-4 先锋PIONEER GM-X972音响电路图-5 先锋PIONEER GM-X972音响电路图-6 先锋PIONEER GM-X972音响电路图-7 先锋PIONEER GM-X972音响电路图-8 先锋PIONEER GM-X972音响电路图-9

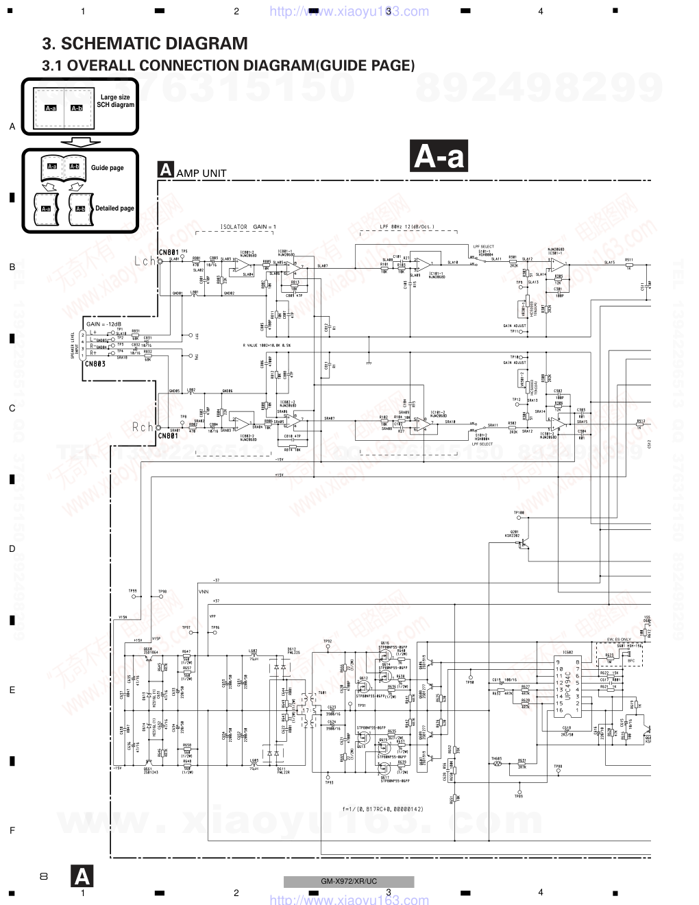
PIONEER CORPORATION 4-1, Meguro 1-Chome, Meguro-ku, Tokyo 153-8654, Japan PIONEER ELECTRONICS (USA) INC. P.O.Box 1760, Long Beach, CA 90801-1760 U.S.A. PIONEER EUROPE NV Haven 1087 Keetberglaan 1, 9120 Melsele, Belgium PIONEER ELECTRONICS ASIACENTRE PTE.LTD. 253 Alexandra Road, #04-01, Singapore 159936 C PIONEER CORPORATION 2002 K-ZZY. NOV. 2002 Printed in Japan BRIDGEABLE POWER AMPLIFIER GM-X972 XR/UC,XR/EW,XR/ES For details, refer to "Important symbols for good services". ORDER NO. CRT3008 Service Manual BRIDGEABLE 2-CH POWER AMPLIFIER BRIDGED 30A 30A GM-X972/XR/UC www. xiaoyu163. com QQ 376315150 9 9 2 8 9 4 2 9 8 TEL 13942296513 9 9 2 8 9 4 2 9 8 0 5 1 5 1 3 6 7 3 Q Q TEL 13942296513 QQ 376315150 892498299 TEL 13942296513 QQ 376315150 892498299 http://www.xiaoyu163.com 2 1 2 3 4 1 2 3 4 F E D C B A GM-X972/XR/UC [ Important symbols for good services ] In this manual, the symbols shown-below indicate that adjustments, settings or cleaning should be made securely. When you find the procedures bearing any of the symbols, be sure to fulfill them: 2. Adjustments To keep the original performances of the product, optimum adjustments or specification confirmation is indispensable. In accordance with the procedures or instructions described in this manual, adjustments should be performed. 3. Cleaning For optical pickups, tape-deck heads, lenses and mirrors used in projection monitors, and other parts requiring cleaning, proper cleaning should be performed to restore their performances. 5. Lubricants, glues, and replacement parts Appropriately applying grease or glue can maintain the product performances. But improper lubrication or applying glue may lead to failures or troubles in the product. By following the instructions in this manual, be sure to apply the prescribed grease or glue to proper portions by the appropriate amount.For replacement parts or tools, the prescribed ones should be used. 4. Shipping mode and shipping screws To protect the product from damages or failures that may be caused during transit, the shipping mode should be set or the shipping screws should be installed before shipping out in accordance with this manual, if necessary. 1. Product safety You should conform to the regulations governing the product (safety, radio and noise, and other regulations), and should keep the safety during servicing by following the safety instructions described in this manual. CAUTION This service manual is intended for qualified service technicians; it is not meant for the casual do-it-yourselfer. Qualified technicians have the necessary test equipment and tools, and have been trained to properly and safely repair complex products such as those covered by this manual. Improperly performed repairs can adversely affect the safety and reliability of the product and may void the warranty. If you are not qualified to perform the repair of this product properly and safely, you should not risk trying to do so and refer the repair to a qualified service technician. WARNING This product contains lead in solder and certain electrical parts contain chemicals which are known to the state of California to cause cancer, birth defects or other reproductive harm. Health & Safety Code Section 25249.6 - Proposition 65 SAFETY INFORMATION - GM-X972/XR/UC www. xiaoyu163. com QQ 376315150 9 9 2 8 9 4 2 9 8 TEL 13942296513 9 9 2 8 9 4 2 9 8 0 5 1 5 1 3 6 7 3 Q Q TEL 13942296513 QQ 376315150 892498299 TEL 13942296513 QQ 376315150 892498299 http://www.xiaoyu163.com 3 5 6 7 8 F E D C B A 5 6 7 8 GM-X972/XR/UC 1. SPECIFICATIONS Power source.............................................................................................................. 14.4 V DC (10.8 — 15.1 V allowable) Grounding system ............................................................................................................................................ Negative type Current consumption ........................................................................................................ 37.5 A (at continuous power, 4 Ω) Average current drawn* .......................................................................................................... 12.0 A (4 Ω for two channels) 18.5 A (4 Ω for one channel) Fuse ............................................................................................................................................................................ 30 A × 2 Dimensions .......................................................................................................................... 269 (W) × 50 (H) × 309 (D) mm [10-5/8 (W) × 2 (H) × 12-1/8 (D) in] Weight ......................................................................................................... 3.7 kg (8.2 lbs) (Leads for wiring not included) Maximum power output .................................................................................................................... 300 W × 2 / 800 W × 1 Continuous power output ..................... .................................... 150 W × 2 (at 14.4 V, 4 Ω, 20 — 20,000 Hz, 0.08% THD) 400 W × 1 (at 14.4 V, 4 Ω, 20 — 20,000 Hz, 0.8% THD) 200 W × 2 (at 14.4 V, 2 Ω, 20 — 20,000 Hz, 0.8% THD) Load impedance ............................................................................................................................ 4 Ω (2 — 8 Ω allowable) (Bridge connection: 4 — 8 Ω allowable) Frequency response ............................................................................................................ 10 — 50,000 Hz (+0 dB, –1 dB) Signal-to-noise ratio ....................................................................................................................... 100 dB (IHF–A network) Distortion .............................................................................................................................................. 0.008% (10 W, 1 kHz) Separation ......................................................................................................................................................... 65 dB (1 kHz) Low pass filter ................................................................................................................................ Cut off frequency: 80 Hz Cut off slope: –12 dB/oct Maximum input level/impedance .................................................................................... RCA: 6.5 V/22 kΩ (0.2 — 6.5 V) Speaker: 26 V/40 kΩ (0.8 — 26 V) Note: • Specifications and the design are subject to possible modification without notice due to improvements. *Average current drawn • The average current drawn is nearly the maximum current drawn by this unit when an audio signal is input. Use this value when working out total current drawn by multiple power amplifiers. Backup current ................................................................................................................................................. 3.0 mA or less CONTENTS SAFETY INFORMATION ............................................2 1. SPECIFICATIONS........................................................3 2. EXPLODED VIEWS AND PARTS LIST.......................4 2.1 PACKING...............................................................4 2.2 EXTERIOR.............................................................6 3. SCHEMATIC DIAGRAM .............................................8 3.1 OVERALL CONNECTION DIAGRAM(GUIDE PAGE)....8 4. PCB CONNECTION DIAGRAM ................................14 4.1 AMP UNIT...........................................................14 5. ELECTRICAL PARTS LIST ........................................18 6. ADJUSTMENT..........................................................20 7. GENERAL INFORMATION .......................................21 7.1 DIAGNOSIS ........................................................21 7.1.1 DISASSEMBLY .........................................21 7.1.2 CONNECTOR FUNCTION DESCRIPTION.......22 7.2 IC ........................................................................23 8. OPERATIONS............................................................24 www. xiaoyu163. com QQ 376315150 9 9 2 8 9 4 2 9 8 TEL 13942296513 9 9 2 8 9 4 2 9 8 0 5 1 5 1 3 6 7 3 Q Q TEL 13942296513 QQ 376315150 892498299 TEL 13942296513 QQ 376315150 892498299 http://www.xiaoyu163.com 4 1 2 3 4 1 2 3 4 F E D C B A GM-X972/XR/UC 2. EXPLODED VIEWS AND PARTS LIST 2.1 PACKING www. xiaoyu163. com QQ 376315150 9 9 2 8 9 4 2 9 8 TEL 13942296513 9 9 2 8 9 4 2 9 8 0 5 1 5 1 3 6 7 3 Q Q TEL 13942296513 QQ 376315150 892498299 TEL 13942296513 QQ 376315150 892498299 http://www.xiaoyu163.com 5 5 6 7 8 F E D C B A 5 6 7 8 GM-X972/XR/UC 1 Screw Assy HEA0058 2 Screw BYC40P180FZK 3 Polyethylene Bag HEG0011 4 Cover HNS0101 5 Polyethylene Bag HEG0022 6 Carton HHG0339 7 Contain Box HHL0339 8 Protector HHP0168 9 Owner’s Manual(UC) HRD0218 Owner’s Manual(EW) HRD0220 Owner’s Manual(ES) HRD0222 10 Owner’s Manual(ES) HRD0223 * 11 Warranty Card HRY1157 12 Cord Assy HDE0036 - PACKING SECTION PARTS LIST Mark No. Description Part No. NOTE: - Parts marked by “*” are generally unavailable because they are not in our Master Spare Parts List. - Screws adjacent to ∇ mark on the product are used for disassembly. - For the applying amount of lubricants or glue, follow the instructions in this manual. ( In the case of no amount instructions, apply as you think it appropriate.) - Owner's Manual Part No. Language HRD0218 English, French HRD0220 English, French, Spanish, German, Italian, Dutch HRD0222 English, Spanish HRD0223 Portuguese(B), Arabic www. xiaoyu163. com QQ 376315150 9 9 2 8 9 4 2 9 8 TEL 13942296513 9 9 2 8 9 4 2 9 8 0 5 1 5 1 3 6 7 3 Q Q TEL 13942296513 QQ 376315150 892498299 TEL 13942296513 QQ 376315150 892498299 http://www.xiaoyu163.com 6 1 2 3 4 1 2 3 4 F E D C B A GM-X972/XR/UC 2.2 EXTERIOR www. xiaoyu163. com QQ 376315150 9 9 2 8 9 4 2 9 8 TEL 13942296513 9 9 2 8 9 4 2 9 8 0 5 1 5 1 3 6 7 3 Q Q TEL 13942296513 QQ 376315150 892498299 TEL 13942296513 QQ 376315150 892498299 http://www.xiaoyu163.com 7 5 6 7 8 F E D C B A 5 6 7 8 GM-X972/XR/UC 1 Screw BBZ30P060FZK 2 Screw BBZ30P160FZK 3 Chassis HNA0013 4 Panel HNB0187 5 Panel HNB0190 6 Case HNB0194 7 Spacer HNM0006 8 Spacer HNM0124 9 Heat Sink HNR0228 10 Amp Unit(UC) HWH0194 Amp Unit(EW) HWH0195 Amp Unit(ES) HWH0196 11 Screw BBZ30P050FZK 12 Screw BBZ30P080FMC 13 Terminal(CN604) CKF1059 14 ••••• 15 Fuse(30A) HEK0030 16 Pin Jack(CN801) HKB0020 17 Terminal(CN601) HKE0048 18 Terminal(CN851) HKE0049 19 Terminal(CN852) HKE0049 20 Connector(CN803) HKM1077 21 Holder HNC0082 22 Clip HNC0145 23,24 ••••• 25 Heat Sink HNR0229 26 Screw PPZ30P100FZK 27 Light Pipe Unit HXA0391 28 Screw ISS30P055FUC 29 Screw PPZ30P100FZK 30 Screw HBA0029 31 FET(Q612,613,614,615,616,617)STP80NF55-06FP 32 Diode(D611) FML22R 33 Diode(D612) FML22S 34 Cushion HNM6623 35 Screw HBA0030 36 Screw BBZ30P060FZK - EXTERIOR SECTION PARTS LIST Mark No. Description Part No. www. xiaoyu163. com QQ 376315150 9 9 2 8 9 4 2 9 8 TEL 13942296513 9 9 2 8 9 4 2 9 8 0 5 1 5 1 3 6 7 3 Q Q TEL 13942296513 QQ 376315150 892498299 TEL 13942296513 QQ 376315150 892498299 http://www.xiaoyu163.com 8 1 2 3 4 1 2 3 4 F E D C B A GM-X972/XR/UC HCS0003 10kΩ(A) HCS0003 10kΩ(A) 75µH 75µH EW, ES ONLY GAIN = 1 GAIN = -12dB LPF SELECT LPF SELECT BFC A AMP UNIT A-a A-a A-b A-a A-b A-b A-a Large size SCH diagram Guide page Detailed page 3. SCHEMATIC DIAGRAM 3.1 OVERALL CONNECTION DIAGRAM(GUIDE PAGE) A www. xiaoyu163. com QQ 376315150 9 9 2 8 9 4 2 9 8 TEL 13942296513 9 9 2 8 9 4 2 9 8 0 5 1 5 1 3 6 7 3 Q Q TEL 13942296513 QQ 376315150 892498299 TEL 13942296513 QQ 376315150 892498299 http://www.xiaoyu163.com 9 5 6 7 8 F E D C B A 5 6 7 8 GM-X972/XR/UC > > HEK0030 HEK0030 FU602 FU603 RM4Z-LFJ4 Decimal points for resistor and capacitor fixed values are expressed as : 2.2 2R2 0.022 R022 ← ← The > mark found on some component parts indicates the importance of the safety factor of the part. Therefore, when replacing, be sure to use parts of identical designation. Symbol indicates a resistor. No differentiation is made between chip resistors and discrete resistors. NOTE : Symbol indicates a capacitor. No differentiation is made between chip capacitors and discrete capacitors. EW, ES ONLY UC EW, ES R608 1R8K 5R1K R609 1R8K 5R1K *** *** *** AMPLIFIER GAIN = 11.5 - 41.8dB 34µH A-b UC ONLY A www. xiaoyu163. com QQ 376315150 9 9 2 8 9 4 2 9 8 TEL 13942296513 9 9 2 8 9 4 2 9 8 0 5 1 5 1 3 6 7 3 Q Q TEL 13942296513 QQ 376315150 892498299 TEL 13942296513 QQ 376315150 892498299 http://www.xiaoyu163.com 10 1 2 3 4 1 2 3 4 F E D C B A GM-X972/XR/UC 1 3 2 HCS0003 10kΩ(A) HCS0003 10kΩ(A) GAIN = 1 GAIN = -12dB LPF SELECT LPF SELECT A AMP UNIT A-a A-b A-a www. xiaoyu163. com QQ 376315150 9 9 2 8 9 4 2 9 8 TEL 13942296513 9 9 2 8 9 4 2 9 8 0 5 1 5 1 3 6 7 3 Q Q TEL 13942296513 QQ 376315150 892498299 TEL 13942296513 QQ 376315150 892498299 http://www.xiaoyu163.com 11 5 6 7 8 F E D C B A 5 6 7 8 GM-X972/XR/UC 3 4 75µH 75µH EW, ES ONLY BFC A-a A-b A-a www. xiaoyu163. com QQ 376315150 9 9 2 8 9 4 2 9 8 TEL 13942296513 9 9 2 8 9 4 2 9 8 0 5 1 5 1 3 6 7 3 Q Q TEL 13942296513 QQ 376315150 892498299 TEL 13942296513 QQ 376315150 892498299 http://www.xiaoyu163.com 12 1 2 3 4 1 2 3 4 F E D C B A GM-X972/XR/UC 1 3 2 AMPLIFIER GAIN = 11.5 - 41.8dB A-a A-b A-b www. xiaoyu163. com QQ 376315150 9 9 2 8 9 4 2 9 8 TEL 13942296513 9 9 2 8 9 4 2 9 8 0 5 1 5 1 3 6 7 3 Q Q TEL 13942296513 QQ 376315150 892498299 TEL 13942296513 QQ 376315150 892498299 http://www.xiaoyu163.com 13 5 6 7 8 F E D C B A 5 6 7 8 GM-X972/XR/UC 3 4 > > HEK0030 HEK0030 FU602 FU603 Decimal points for resistor and capacitor fixed values are expressed as : 2.2 2R2 0.022 R022 ← ← The > mark found on some component parts indicates the importance of the safety factor of the part. Therefore, when replacing, be sure to use parts of identical designation. Symbol indicates a resistor. No differentiation is made between chip resistors and discrete resistors. NOTE : Symbol indicates a capacitor. No differentiation is made between chip capacitors and discrete capacitors. EW, ES ONLY UC EW, ES R608 1R8K 5R1K R609 1R8K 5R1K *** *** *** 34µH RM4Z-LFJ4 UC ONLY A-a A-b A-b www. xiaoyu163. com QQ 376315150 9 9 2 8 9 4 2 9 8 TEL 13942296513 9 9 2 8 9 4 2 9 8 0 5 1 5 1 3 6 7 3 Q Q TEL 13942296513 QQ 376315150 892498299 TEL 13942296513 QQ 376315150 892498299 http://www.xiaoyu163.com 14 1 2 3 4 1 2 3 4 F E D C B A GM-X972/XR/UC 4. PCB CONNECTION DIAGRAM 4.1 AMP UNIT Capacitor Connector P.C.Board Chip Part A A AMP UNIT SIDE B SIDE A NOTE FOR PCB DIAGRAMS 1.The parts mounted on this PCB include all necessary parts for several destination. For further information for respective destinations, be sure to check with the schematic dia- gram. 2.Viewpoint of PCB diagrams L+ L- R+ R- 1 2 3 4 L+ L- R+ R- SPEAKER INPUT INPUT GAIN LPF SELECT A www. xiaoyu163. com QQ 376315150 9 9 2 8 9 4 2 9 8 TEL 13942296513 9 9 2 8 9 4 2 9 8 0 5 1 5 1 3 6 7 3 Q Q TEL 13942296513 QQ 376315150 892498299 TEL 13942296513 QQ 376315150 892498299 http://www.xiaoyu163.com 15 5 6 7 8 F E D C B A 5 6 7 8 GM-X972/XR/UC A SIDE A FU603 FU602 1 2 3 2 1 2 1 BFC SPEAKER OUTPUT POWER SUPPLY A www. xiaoyu163. com QQ 376315150 9 9 2 8 9 4 2 9 8 TEL 13942296513 9 9 2 8 9 4 2 9 8 0 5 1 5 1 3 6 7 3 Q Q TEL 13942296513 QQ 376315150 892498299 TEL 13942296513 QQ 376315150 892498299 http://www.xiaoyu163.com 16 1 2 3 4 1 2 3 4 F E D C B A GM-X972/XR/UC A A AMP UNIT 1 1 1 A www. xiaoyu163. com QQ 376315150 9 9 2 8 9 4 2 9 8 TEL 13942296513 9 9 2 8 9 4 2 9 8 0 5 1 5 1 3 6 7 3 Q Q TEL 13942296513 QQ 376315150 892498299 TEL 13942296513 QQ 376315150 892498299 http://www.xiaoyu163.com 17 5 6 7 8 F E D C B A 5 6 7 8 GM-X972/XR/UC A SIDE B L- 1 A www. xiaoyu163. com QQ 376315150 9 9 2 8 9 4 2 9 8 TEL 13942296513 9 9 2 8 9 4 2 9 8 0 5 1 5 1 3 6 7 3 Q Q TEL 13942296513 QQ 376315150 892498299 TEL 13942296513 QQ 376315150 892498299 http://www.xiaoyu163.com 18 1 2 3 4 1 2 3 4 F E D C B A GM-X972/XR/UC 5. ELECTRICAL PARTS LIST NOTES: - Parts whose parts numbers are omitted are subject to being not supplied. - The part numbers shown below indicate chip components. Chip Resistor RS1/_S___J,RS1/__S___J Chip Capacitor (except for CQS.....) CKS....., CCS....., CSZS..... =====Circuit Symbol and No.===Part Name Part No. --- ------ ------------------------------------------ ------------------------- Unit Number : HWH0194 (UC) : HWH0195 (EW) : HWH0196 (ES) Unit Name : Amp Unit MISCELLANEOUS IC 101 IC NJM2068D IC 301 IC NJM2068D IC 501 IC TDA7293V IC 502 IC TDA7293V IC 503 IC TDA7293V IC 504 IC TDA7293V IC 505 IC TDA7293V IC 506 IC TDA7293V IC 601 IC PA2027A IC 602 IC UPC494C IC 801 IC NJM2068D IC 802 IC NJM2068D Q 201 Transistor KSR2202 Q 202 Transistor KSC1623 Q 601 Transistor KSC1623 Q 602 Transistor KSA812 Q 603 Transistor 2SB1243 Q 604 Transistor KSR2202 Q 606 Transistor 2SD1919 Q 607 Transistor 2SD1919 Q 608 Transistor 2SB1277 Q 609 Transistor 2SB1277 Q 612 FET STP80NF55-06FP Q 613 FET STP80NF55-06FP Q 614 FET STP80NF55-06FP Q 615 FET STP80NF55-06FP Q 616 FET STP80NF55-06FP Q 617 FET STP80NF55-06FP Q 660 Transistor 2SD1864 Q 661 Transistor 2SB1243 Q 901 Transistor KSA812 Q 902 Transistor KSA812 Q 905 Transistor KSA812 Q 906 Transistor KSC1623 Q 907 Transistor KSC1623 D 201 Diode 1SS133 D 601 Diode RM4Z-LFJ4 D 603 Diode HZS7L(B2) D 604 Diode 1SS133 D 611 Diode FML22R D 612 Diode FML22S D 613 Diode HZS16L(1) D 614 Diode HZS16L(1) D 615 Diode ERA15-02VH D 616 Diode ERA15-02VH D 909 Diode 1SS133 D 911 LED L934BR235SRCF L 501 Coil HTH0011 L 502 Coil HTH0011 L 601 Choke Coil 34µH (EW, ES) HTH0006 L 602 Choke Coil 75µH HTH0010 L 603 Choke Coil 75µH HTH0010 L 801 Ferri-Inductor CTF1007 L 802 Ferri-Inductor CTF1007 T 601 Transformer HTT0024 TH 603 Thermistor HCX0001 S 101 Switch(LPF SELECT) HSH0004 S 601 Switch(BFC) (EW, ES) HSH-156 VR 301 Volume 10kΩ(A) HCS0003 FU 602 Fuse 30A HEK0030 FU 603 Fuse 30A HEK0030 RESISTORS R 101 RS1/16S103J R 102 RS1/16S103J R 103 RS1/16S103J R 104 RS1/16S103J R 201 RS1/16S472J R 202 RD1/4PU102J R 203 RD1/4PU202J R 204 RD1/4PU223J R 205 RD1/4PU103J R 206 RD1/4PU333J R 301 RS1/16S222J R 302 RS1/16S222J R 303 RS1/16S510J R 304 RS1/16S510J R 305 RS1/16S103J R 306 RS1/16S103J R 307 RS1/16S222J R 308 RS1/16S222J R 501 RS1/16S223J R 502 RS1/16S223J R 503 RS1/16S911J R 504 RS1/16S911J R 505 RD1/4PU243J R 506 RD1/4PU243J R 507 2.20Ω HCN0005 R 508 2.20Ω HCN0005 R 509 RD1/4PU473J R 510 RD1/4PU473J R 511 RS1/16S102J R 512 RS1/16S102J R 513 2.20Ω HCN0005 R 514 2.20Ω HCN0005 R 515 2.20Ω HCN0005 R 516 2.20Ω HCN0005 R 601 RD1/4PU102J =====Circuit Symbol and No.===Part Name Part No. --- ------ ------------------------------------------ ------------------------- A www. xiaoyu163. com QQ 376315150 9 9 2 8 9 4 2 9 8 TEL 13942296513 9 9 2 8 9 4 2 9 8 0 5 1 5 1 3 6 7 3 Q Q TEL 13942296513 QQ 376315150 892498299 TEL 13942296513 QQ 376315150 892498299 http://www.xiaoyu163.com 19 5 6 7 8 F E D C B A 5 6 7 8 GM-X972/XR/UC R 602 RD1/4PU473J R 603 RD1/4PU103J R 604 RD1/4PU103J R 605 RD1/4PU222J R 606 RD1/4PU472J R 607 RD1/4PU472J R 608 (UC) RD1/4PU182J R 608 (EW, ES) RD1/4PU512J R 609 (UC) RD1/4PU182J R 609 (EW, ES) RD1/4PU512J R 610 RD1/4PU103J R 611 RD1/4PU472J R 612 RD1/4PU101J R 613 RD1/4PU221J R 614 RD1/4PU152J R 616 RS1/16S101J R 619 RS1/16S102J R 620 RS1/16S473J R 621 RS1/16S102J R 622 RS1/16S153J R 623 (EW, ES) RD1/4PU105J R 625 RD1/4PU621J R 626 RD1/4PU621J R 627 RS1/16S472J R 628 RS1/16S472J R 631 RD1/4PU272J R 632 RS1/16S472J R 635 RS1/2PMF360J R 636 RS1/2PMF360J R 637 RS1/2PMF360J R 638 RS1/2PMF360J R 639 RS1/2PMF360J R 640 RS1/2PMF360J R 641 RD1/4PU472J R 642 RD1/4PU472J R 643 RS1/2PMF220J R 645 RD1/4PU472J R 646 RD1/4PU472J R 647 RS1/2PMF561J R 648 RS1/2PMF561J R 649 RS1/2PMF220J R 650 RD1/4PU104J R 651 RD1/4PU103J R 652 RD1/4PU393J R 654 RD1/4PU223J R 655 RD1/4PU223J R 656 RD1/4PU223J R 657 RS1/2PMF561J R 658 RS1/2PMF561J R 665 RS1/2PMF220J R 666 RS1/2PMF220J R 801 RS1/16S471J R 802 RS1/16S471J R 803 RS1/16S223J R 804 RS1/16S223J R 805 RN1/10SE1002D R 806 RN1/10SE1002D R 807 RN1/10SE1002D R 808 RN1/10SE1002D R 811 RN1/10SE1002D R 812 RN1/10SE1002D R 813 RN1/10SE1002D R 814 RN1/10SE1002D R 831 RS1/16S683J R 832 RS1/16S683J R 901 0.22Ω HCN0001 R 902 0.22Ω HCN0001 R 903 0.22Ω HCN0001 R 904 0.22Ω HCN0001 R 905 RD1/4PU563J R 906 RD1/4PU563J R 907 RD1/4PU203J R 908 RD1/4PU203J R 917 RD1/4PU273J R 918 RD1/4PU472J R 919 RD1/4PU103J R 920 RD1/4PU392J R 924 RD1/4PU473J R 930 RD1/4PU331J R 931 RD1/4PU331J CAPACITORS C 101 CFTNA274J50 C 102 CFTNA274J50 C 103 CFTNA154J50 C 104 CFTNA154J50 C 201 CEAT1R0M50 C 202 CEAT1R0M50 C 301 CCSRCH101J50 C 302 CCSRCH101J50 C 303 CFTNA103J50 C 304 CFTNA103J50 C 501 CEAT220M50 C 502 CEAT220M50 C 503 CEAT101M50 C 504 CEAT101M50 C 505 CEAT220M50 C 506 CEAT220M50 C 507 CFTNA104J50 C 508 CFTNA104J50 C 509 CFTNA104J50 C 510 CFTNA104J50 C 511 CCSRCH471J50 C 512 CCSRCH471J50 C 517 CEAT220M50 C 518 CEAT220M50 C 519 CFTNA104J50 C 520 CFTNA104J50 C 521 CFTNA104J50 C 522 CFTNA104J50 C 529 CFTNA104J50 C 530 CFTNA104J50 C 531 CFTNA104J50 C 532 CFTNA104J50 C 537 CFTNA564J50 C 538 CFTNA564J50 C 539 CQMA102J50 C 540 CQMA102J50 C 601 CFTNA103J50 C 602 CFTNA224J50 C 603 CFTNA103J50 C 606 CFTNA103J50 C 607 CEAT100M16 C 608 CEAT100M16 C 609 CEAT470M16 C 611 CEAT220M50 C 612 470µF/16V HCH0013 C 613 CFTNA103J50 C 614 CFTNA103J50 C 615 CEAT100M16 C 616 CEAT221M10 C 617 CQMA102J50 =====Circuit Symbol and No.===Part Name Part No. --- ------ ------------------------------------------ ------------------------- =====Circuit Symbol and No.===Part Name Part No. --- ------ ------------------------------------------ ------------------------- www. xiaoyu163. com QQ 376315150 9 9 2 8 9 4 2 9 8 TEL 13942296513 9 9 2 8 9 4 2 9 8 0 5 1 5 1 3 6 7 3 Q Q TEL 13942296513 QQ 376315150 892498299 TEL 13942296513 QQ 376315150 892498299 http://www.xiaoyu163.com 20 1 2 3 4 1 2 3 4 F E D C B A GM-X972/XR/UC C 618 CEAT2R2M50 C 619 CEAT101M16 C 620 CQMA472J50 C 621 CQMA472J50 C 622 CQMA102J50 C 623 3900µF/16V HCH0018 C 624 3900µF/16V HCH0018 C 628 CFTNA564J50 C 631 CEAT470M16 C 632 CEAT470M16 C 633 CEAT221M50 C 634 CEAT221M50 C 635 CEAT470M16 C 636 CEAT470M16 C 637 CFTNA473J50 C 638 CFTNA473J50 C 644 CQMA102J50 C 651 2200µF/50V HCH0007 C 652 2200µF/50V HCH0007 C 653 2200µF/50V HCH0007 C 654 2200µF/50V HCH0007 C 670 CQMA103J50 C 801 CCSRCH471J50 C 802 CCSRCH471J50 C 803 CEAT100M16 C 804 CEAT100M16 C 805 CQMA472J50 C 806 CQMA472J50 C 807 CCSRCH470J50 C 808 CCSRCH470J50 C 809 CCSRCH470J50 C 810 CCSRCH470J50 C 811 CFTNA104J50 C 812 CFTNA104J50 C 831 CEAT100M16 C 832 CEAT100M16 C 901 220µF/10V HCH0012 =====Circuit Symbol and No.===Part Name Part No. --- ------ ------------------------------------------ ------------------------- 6. ADJUSTMENT There is no information to be shown in this chapter. www. xiaoyu163. com QQ 376315150 9 9 2 8 9 4 2 9 8 TEL 13942296513 9 9 2 8 9 4 2 9 8 0 5 1 5 1 3 6 7 3 Q Q TEL 13942296513 QQ 376315150 892498299 TEL 13942296513 QQ 376315150 892498299 http://www.xiaoyu163.com 21 5 6 7 8 F E D C B A 5 6 7 8 GM-X972/XR/UC 7. GENERAL INFORMATION 7.1 DIAGNOSIS 7.1.1 DISASSEMBLY 1 Fig.1 - Removing the Amp Unit (Fig.1) Remove the eight screws. 1. Remove the eight screws and then remove the Case. - Removing the Case (not shown) 3 4 4 4 2 1 Amp Unit 2 Remove the screw and then remove the two Panels. 3 Remove the eight screws and then remove the two Heat Sinks. 4 Remove the five screws and then remove the Amp Unit. Panel 1 1 1 1 1 1 1 Panel Heat Sink Heat Sink 3 3 3 3 3 3 3 4 4 www. xiaoyu163. com QQ 376315150 9 9 2 8 9 4 2 9 8 TEL 13942296513 9 9 2 8 9 4 2 9 8 0 5 1 5 1 3 6 7 3 Q Q TEL 13942296513 QQ 376315150 892498299 TEL 13942296513 QQ 376315150 892498299 http://www.xiaoyu163.com 7.1.2 CONNECTOR FUNCTION DESCRIPTION BRIDGEABLE 2-CH POWER AMPLIFIER BRIDGED - GM-X972/XR/UC 6.5V 0.2V 30A 30A 22 1 2 3 4 1 2 3 4 F E D C B A GM-X972/XR/UC www. xiaoyu163. com QQ 376315150 9 9 2 8 9 4 2 9 8 TEL 13942296513 9 9 2 8 9 4 2 9 8 0 5 1 5 1 3 6 7 3 Q Q TEL 13942296513 QQ 376315150 892498299 TEL 13942296513 QQ 376315150 892498299 http://www.xiaoyu163.com 23 5 6 7 8 F E D C B A 5 6 7 8 GM-X972/XR/UC 7.2 IC *TDA7293V MUTE STBY THERMAL SHUTDOWN S/C PROTECTION 2 3 4 10 9 1 8 15 5 6 12 14 13 11 7 1 3 4 7 9 11 13 15 2 5 6 8 10 12 14 STAND-BY GND INVERTING INPUT NON INVERTING INPUT SIGNAL GND CLIP AND SHORT CIRCUIT DETECTOR BOOTSTRAP +Vs (SIGNAL) -Vs (SIGNAL) STAND-BY MUTE BUFFER DRIVER BOOTSTRAP LOADER +Vs (POWER) OUT -Vs (POWER) IC's marked by * are MOS type. Be careful in handling them because they are very liable to be damaged by electrostatic induction. www. xiaoyu163. com QQ 376315150 9 9 2 8 9 4 2 9 8 TEL 13942296513 9 9 2 8 9 4 2 9 8 0 5 1 5 1 3 6 7 3 Q Q TEL 13942296513 QQ 376315150 892498299 TEL 13942296513 QQ 376315150 892498299 http://www.xiaoyu163.com 24 1 2 3 4 1 2 3 4 F E D C B A GM-X972/XR/UC 8. OPERATIONS LPF (Low-Pass Filter) Select Switch Set the LPF select switch as follows according to the type of speaker that is connected to the speaker output connector and the car stereo system: LPF Select Audio frequency range Speaker Remarks Switch to be output Type LPF (left) Very Low Frequency range Subwoofer Connect a subwoofer. OFF (right) Full range Full range Power Indicator The power indicator lights when the power is switched on. BFC (Beat Frequency Control) Switch If you hear a beat while listening to an MW/LW broadcast with your car stereo, change the BFC switch using a small standard tip screwdriver. Gain Control If the sound level is too low, even when the volume of the car stereo used along with this power amplifier is turned up, turn gain control on the front of the power amplifier clockwise. If the sound distorts when the volume is turned up, turn the gain control counter-clockwise. • When using with an RCA equipped car stereo (standard output of 500 mV), set to the NORMAL position. When using with an RCA equipped Pioneer car stereo with max. output of 4 V or more, adjust level to match the car stereo output level. • If you hear too much noise when using the speaker input terminals, turn the gain control counter-clockwise. GM-X972/XR/EW GM-X972/XR/ES www. xiaoyu163. com QQ 376315150 9 9 2 8 9 4 2 9 8 TEL 13942296513 9 9 2 8 9 4 2 9 8 0 5 1 5 1 3 6 7 3 Q Q TEL 13942296513 QQ 376315150 892498299 TEL 13942296513 QQ 376315150 892498299 http://www.xiaoyu163.com 25 5 6 7 8 F E D C B A 5 6 7 8 GM-X972/XR/UC Connection Diagram Fuse (30 A) Grommet Special red battery wire [RD-223] (sold separately) After making all other connections at the amplifier, connect the battery wire terminal of the amplifier to the positive (+) terminal of the battery. Ground wire (black) [RD-223] (sold separately) Connect to metal body or chassis. Fuse (30 A) × 2 Car stereo with RCA output jacks External Output Connecting wires with RCA pin plugs (sold separately). RCA input jack Speaker output terminal See the “Connecting the Speaker wires” section for speaker connection instructions. System remote control wire (sold separately) Connect the male terminal of this wire to the system remote control terminal of the car stereo (SYSTEM REMOTE CONTROL). The female terminal can be connected to the auto-antenna relay control terminal. If the car stereo does not have a system remote control ter- minal, connect the male terminal to the power terminal through the ignition switch. Fuse (30 A) Front side Back side Speaker input terminal www. xiaoyu163. com QQ 376315150 9 9 2 8 9 4 2 9 8 TEL 13942296513 9 9 2 8 9 4 2 9 8 0 5 1 5 1 3 6 7 3 Q Q TEL 13942296513 QQ 376315150 892498299 TEL 13942296513 QQ 376315150 892498299 http://www.xiaoyu163.com

标签:

版权声明

1. 本站所有素材,仅限学习交流,仅展示部分内容,如需查看完整内容,请下载原文件。
2. 会员在本站下载的所有素材,只拥有使用权,著作权归原作者所有。
3. 所有素材,未经合法授权,请勿用于商业用途,会员不得以任何形式发布、传播、复制、转售该素材,否则一律封号处理。
4. 如果素材损害你的权益请联系客服QQ:77594475 处理。