先锋PIONEER GM-X962音响电路图

分类:电子电工 日期: 点击:0
先锋PIONEER GM-X962音响电路图-0 先锋PIONEER GM-X962音响电路图-1 先锋PIONEER GM-X962音响电路图-2 先锋PIONEER GM-X962音响电路图-3 先锋PIONEER GM-X962音响电路图-4 先锋PIONEER GM-X962音响电路图-5 先锋PIONEER GM-X962音响电路图-6 先锋PIONEER GM-X962音响电路图-7 先锋PIONEER GM-X962音响电路图-8 先锋PIONEER GM-X962音响电路图-9

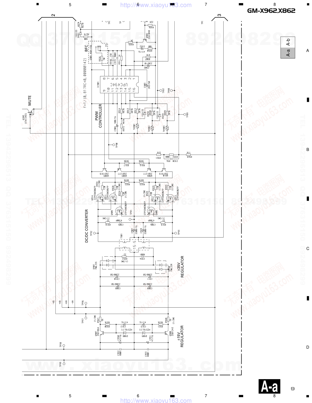
PIONEER CORPORATION 4-1, Meguro 1-Chome, Meguro-ku, Tokyo 153-8654, Japan PIONEER ELECTRONICS (USA) INC. P.O.Box 1760, Long Beach, CA 90801-1760 U.S.A. PIONEER EUROPE NV Haven 1087 Keetberglaan 1, 9120 Melsele, Belgium PIONEER ELECTRONICS ASIACENTRE PTE.LTD. 253 Alexandra Road, #04-01, Singapore 159936 C PIONEER CORPORATION 2001 K-ZZA. DEC. 2001 Printed in Japan ORDER NO. CRT2819 BRIDGEABLE POWER AMPLIFIER GM-X962 XR/UC,XR/ES GM-X862 XR/UC Service Manual CONTENTS 1. SAFETY INFORMATION............................................2 2. EXPLODED VIEWS AND PARTS LIST ......................3 3. SCHEMATIC DIAGRAM.............................................6 4. PCB CONNECTION DIAGRAM................................12 5. ELECTRICAL PARTS LIST........................................14 6. ADJUSTMENT.........................................................16 7. GENERAL INFORMATION.......................................17 7.1 DIAGNOSIS .......................................................17 7.1.1 DISASSEMBLY .............................................17 7.1.2 CONNECTOR FUNCTION DESCRIPTION ...18 8. OPERATIONS AND SPECIFICATIONS....................19 GM-X962/XR/ES For details, refer to "Important symbols for good services". www. xiaoyu163. com QQ 376315150 9 9 2 8 9 4 2 9 8 TEL 13942296513 9 9 2 8 9 4 2 9 8 0 5 1 5 1 3 6 7 3 Q Q TEL 13942296513 QQ 376315150 892498299 TEL 13942296513 QQ 376315150 892498299 http://www.xiaoyu163.com 2 GM-X962,X862 1. SAFETY INFORMATION - UC model CAUTION This service manual is intended for qualified service technicians; it is not meant for the casual do-it-yourselfer. Qualified technicians have the necessary test equipment and tools, and have been trained to properly and safely repair complex products such as those covered by this manual. Improperly performed repairs can adversely affect the safety and reliability of the product and may void the warranty. If you are not qualified to perform the repair of this product properly and safely, you should not risk trying to do so and refer the repair to a qualified service technician. WARNING This product contains lead in solder and certain electrical parts contain chemicals which are known to the state of California to cause cancer, birth defects or other reproductive harm. Health & Safety Code Section 25249.6 - Proposition 65 [ Important symbols for good services ] In this manual, the symbols shown-below indicate that adjustments, settings or cleaning should be made securely. When you find the procedures bearing any of the symbols, be sure to fulfill them: 2. Adjustments To keep the original performances of the product, optimum adjustments or specification confirmation is indispensable. In accordance with the procedures or instructions described in this manual, adjustments should be performed. 3. Cleaning For optical pickups, tape-deck heads, lenses and mirrors used in projection monitors, and other parts requiring cleaning, proper cleaning should be performed to restore their performances. 5. Lubricants, glues, and replacement parts Appropriately applying grease or glue can maintain the product performances. But improper lubrication or applying glue may lead to failures or troubles in the product. By following the instructions in this manual, be sure to apply the prescribed grease or glue to proper portions by the appropriate amount.For replacement parts or tools, the prescribed ones should be used. 4. Shipping mode and shipping screws To protect the product from damages or failures that may be caused during transit, the shipping mode should be set or the shipping screws should be installed before shipping out in accordance with this manual, if necessary. 1. Product safety You should conform to the regulations governing the product (safety, radio and noise, and other regulations), and should keep the safety during servicing by following the safety instructions described in this manual. www. xiaoyu163. com QQ 376315150 9 9 2 8 9 4 2 9 8 TEL 13942296513 9 9 2 8 9 4 2 9 8 0 5 1 5 1 3 6 7 3 Q Q TEL 13942296513 QQ 376315150 892498299 TEL 13942296513 QQ 376315150 892498299 http://www.xiaoyu163.com 3 GM-X962,X862 2. EXPLODED VIEWS AND PARTS LIST 2.1 PACKING NOTE: - Parts marked by “*” are generally unavailable because they are not in our Master Spare Parts List. - Screws adjacent to ∇ mark on the product are used for disassembly. - For the applying amount of lubricants or glue, follow the instructions in this manual. ( In the case of no amount instructions, apply as you think it appropriate.) - PACKING SECTION PARTS LIST Part No. Mark No. Description GM-X962/XR/UC GM-X962/XR/ES GM-X862/XR/UC * 1-1 PRC HRY0019 Not used HRY0019 1-2 Owner’s Manual HRD0186 HRD0188 HRD0186 1-3 Owner’s Manual Not used HRD0189 Not used * 1-4 Card ARY1048 Not used ARY1048 2 Screw BYC40P180FZK BYC40P180FZK BYC40P180FZK 3 Polyethylene Bag HEG0011 HEG0011 HEG0011 4 Polyethylene Bag HEG0022 HEG0022 HEG0022 5 Carton HHG0305 HHG0305 HHG0318 6 Contain Box HHL0305 HHL0305 HHL0318 7 Protector HHP0107 HHP0107 HHP0107 8 Cover HNS0101 HNS0101 HNS0101 9 Screw Assy HEA0058 HEA0058 HEA0058 - Owner's Manual Model Part No. Language GM-X962/XR/UC HRD0186 English, French GM-X962/XR/ES HRD0188 English, Spanish HRD0189 Portuguese(B), Arabic GM-X862/XR/UC HRD0186 English, French www. xiaoyu163. com QQ 376315150 9 9 2 8 9 4 2 9 8 TEL 13942296513 9 9 2 8 9 4 2 9 8 0 5 1 5 1 3 6 7 3 Q Q TEL 13942296513 QQ 376315150 892498299 TEL 13942296513 QQ 376315150 892498299 http://www.xiaoyu163.com 4 GM-X962,X862 2.2 EXTERIOR A www. xiaoyu163. com QQ 376315150 9 9 2 8 9 4 2 9 8 TEL 13942296513 9 9 2 8 9 4 2 9 8 0 5 1 5 1 3 6 7 3 Q Q TEL 13942296513 QQ 376315150 892498299 TEL 13942296513 QQ 376315150 892498299 http://www.xiaoyu163.com 5 GM-X962,X862 (1) EXTERIOR SECTION PARTS LIST Mark No. Description Part No. Mark No. Description Part No. 1 Screw PPZ30P120FZK 2 Screw BBZ30P050FUC 3 Screw BBZ30P060FMC 4 Screw BBZ30P080FMC 5 Screw BSZ30P050FZK 6 Screw(M3x12) CBA1323 7 Screw(M3x5) HBA0006 8 Screw(M3x8) HBA0011 9 Panel See Contrast table(2) 10 Panel See Contrast table(2) 11 Case HNB0135 12 Holder HNC0080 13 Heat Sink See Contrast table(2) 14 Cover HNS0101 15 Spacer HNV0016 16 Amp Unit See Contrast table(2) 17 Terminal(CN850) CKF1059 18 Fuse(25A) HEK0025 19 Pin Jack(CN851) HKB0002 20 Terminal(CN853) HKE0020 21 Terminal(CN854) HKE0021 22 Terminal(CN855) HKE0021 23 Buss Bar HNC0043 24 Holder HNC0082 25 Screw PPZ30P100SAD 26 Light Pipe Unit HXA0322 (2) CONTRAST TABLE GM-X962/XR/UC, /XR/ES and GM-X862/XR/UC are constructed the same except for the following: Part No. Mark No. Description GM-X962/XR/UC GM-X962/XR/ES GM-X862/XR/UC 9 Panel HNB0172 HNB0172 HNB0180 10 Panel HNB0167 HNB0167 HNB0179 13 Heat Sink HNR0207 HNR0207 HNR0213 16 Amp Unit HWH0169 HWH0171 HWH0182 www. xiaoyu163. com QQ 376315150 9 9 2 8 9 4 2 9 8 TEL 13942296513 9 9 2 8 9 4 2 9 8 0 5 1 5 1 3 6 7 3 Q Q TEL 13942296513 QQ 376315150 892498299 TEL 13942296513 QQ 376315150 892498299 http://www.xiaoyu163.com 6 GM-X962,X862 A 1 2 3 4 B C D 1 2 3 4 3. SCHEMATIC DIAGRAM 3.1 OVERALL CONNECTION DIAGRAM(GUIDE PAGE) Note: When ordering service parts, be sure to refer to “EXPLODED VIEWS AND PARTS LIST” or “ELECTRICAL PARTS LIST”. ±15V REGULATOR ±35V REGULATOR DC/DC CONVERTER PWM CONTROLLER BFC MUTE INPUT ISOLATOR GAIN=1.5 LOW PASS FILTER 80Hz-12dB/oct LPF SELECT A-a A-b A-a A-a A-b A-b A-b A-b A-a A-a Large size SCH diagram Guide page Detailed page A A-a www. xiaoyu163. com QQ 376315150 9 9 2 8 9 4 2 9 8 TEL 13942296513 9 9 2 8 9 4 2 9 8 0 5 1 5 1 3 6 7 3 Q Q TEL 13942296513 QQ 376315150 892498299 TEL 13942296513 QQ 376315150 892498299 http://www.xiaoyu163.com 7 GM-X962,X862 5 6 7 8 A B C D 5 6 7 8 1 2 4 5 3 Decimal points for resistor and capacitor fixed values are expressed as : 2.2 2R2 0.022 R022 ← ← The > mark found on some component parts indicates the importance of the safety factor of the part. Therefore, when replacing, be sure to use parts of identical designation. Symbol indicates a resistor. No differentiation is made between chip resistors and discrete resistors. NOTE : Symbol indicates a capacitor. No differentiation is made between chip capacitors and discrete capacitors. > > HEK0025 HEK0025 C POWER CONTROL /MUTE POWER AMP AMP FILTER GAIN =10.73dB-40.97dB OVER CURRENT DETECTOR A AMP UNIT 1 2 4 5 3 A A-b www. xiaoyu163. com QQ 376315150 9 9 2 8 9 4 2 9 8 TEL 13942296513 9 9 2 8 9 4 2 9 8 0 5 1 5 1 3 6 7 3 Q Q TEL 13942296513 QQ 376315150 892498299 TEL 13942296513 QQ 376315150 892498299 http://www.xiaoyu163.com 8 GM-X962,X862 A 1 2 3 4 B C D 1 2 3 4 MUTE INPUT ISOLATOR GAIN=1.5 LOW PASS FILTER 80Hz-12dB/oct LPF SELECT A-a A-b A-a 1 www. xiaoyu163. com QQ 376315150 9 9 2 8 9 4 2 9 8 TEL 13942296513 9 9 2 8 9 4 2 9 8 0 5 1 5 1 3 6 7 3 Q Q TEL 13942296513 QQ 376315150 892498299 TEL 13942296513 QQ 376315150 892498299 http://www.xiaoyu163.com 9 GM-X962,X862 5 6 7 8 A B C D 5 6 7 8 ±15V REGULATOR ±35V REGULATOR DC/DC CONVERTER PWM CONTROLLER BFC MUTE A-a A-b A-a 2 3 www. xiaoyu163. com QQ 376315150 9 9 2 8 9 4 2 9 8 TEL 13942296513 9 9 2 8 9 4 2 9 8 0 5 1 5 1 3 6 7 3 Q Q TEL 13942296513 QQ 376315150 892498299 TEL 13942296513 QQ 376315150 892498299 http://www.xiaoyu163.com 10 GM-X962,X862 A 1 2 3 4 B C D 1 2 3 4 1 2 4 5 3 POWER AMP AMP FILTER GAIN =10.73dB-40.97dB OVER CURRENT DETECTOR A AMP UNIT 1 2 4 5 3 A-b A-a A-b 1 www. xiaoyu163. com QQ 376315150 9 9 2 8 9 4 2 9 8 TEL 13942296513 9 9 2 8 9 4 2 9 8 0 5 1 5 1 3 6 7 3 Q Q TEL 13942296513 QQ 376315150 892498299 TEL 13942296513 QQ 376315150 892498299 http://www.xiaoyu163.com 11 GM-X962,X862 5 6 7 8 A B C D 5 6 7 8 Decimal points for resistor and capacitor fixed values are expressed as : 2.2 2R2 0.022 R022 ← ← The > mark found on some component parts indicates the importance of the safety factor of the part. Therefore, when replacing, be sure to use parts of identical designation. Symbol indicates a resistor. No differentiation is made between chip resistors and discrete resistors. NOTE : Symbol indicates a capacitor. No differentiation is made between chip capacitors and discrete capacitors. > > HEK0025 HEK0025 POWER CONTROL /MUTE A-b A-a A-b 2 3 www. xiaoyu163. com QQ 376315150 9 9 2 8 9 4 2 9 8 TEL 13942296513 9 9 2 8 9 4 2 9 8 0 5 1 5 1 3 6 7 3 Q Q TEL 13942296513 QQ 376315150 892498299 TEL 13942296513 QQ 376315150 892498299 http://www.xiaoyu163.com 12 GM-X962,X862 A 1 2 3 4 B C D 1 2 3 4 AMP UNIT 4. PCB CONNECTION DIAGRAM 4.1 AMP UNIT NOTE FOR PCB DIAGRAMS 1. The parts mounted on this PCB include all necessary parts for several destination. For further information for respective destinations, be sure to check with the schematic diagram. 2. Viewpoint of PCB diagrams Capacitor Connector P.C.Board Chip Part SIDE A SIDE B L R INPUT A A www. xiaoyu163. com QQ 376315150 9 9 2 8 9 4 2 9 8 TEL 13942296513 9 9 2 8 9 4 2 9 8 0 5 1 5 1 3 6 7 3 Q Q TEL 13942296513 QQ 376315150 892498299 TEL 13942296513 QQ 376315150 892498299 http://www.xiaoyu163.com 13 GM-X962,X862 5 6 7 8 A B C D 5 6 7 8 1 2 3 1 2 2 1 BFC 1 2 3 1 2 3 1 2 3 1 2 3 1 2 3 1 2 3 FUSE SPEAKER OUTPUT SPEAKER OUTPUT POWER A www. xiaoyu163. com QQ 376315150 9 9 2 8 9 4 2 9 8 TEL 13942296513 9 9 2 8 9 4 2 9 8 0 5 1 5 1 3 6 7 3 Q Q TEL 13942296513 QQ 376315150 892498299 TEL 13942296513 QQ 376315150 892498299 http://www.xiaoyu163.com 14 GM-X962,X862 Q 903 Transistor 2SB1277 Q 904 Transistor 2SB1277 Q 905 FET STP55NE06FP Q 906 FET STP55NE06FP Q 907 Transistor 2SD1864 Q 908 Transistor 2SB1243 Q 909 Transistor 2SD1919 Q 910 Transistor 2SD1919 Q 911 FET STP55NE06FP Q 912 FET STP55NE06FP Q 913 FET STP55NE06FP Q 914 FET STP55NE06FP D 553 Diode 1SS133 D 554 Diode 1SS133 D 555 Diode 1SS133 D 556 Diode 1SS133 D 557 Diode 1SS133 D 558 Diode 1SS133 D 560 Diode 1SS133 D 561 Diode 1SS133 D 562 Diode 1SS133 D 563 Diode 1SS133 D 601 LED BR4361F D 653 Diode 1SS133 D 654 Diode HZS7L(B2) D 658 Diode 1SS133 D 659 Diode 1SS133 D 661 Diode 1SS133 D 662 Diode ERA15-02VH D 663 Diode ERA15-02VH D 901 Diode RM4Z D 907 Diode FML22S D 908 Diode HZS16L(1) D 909 Diode HZS16L(1) D 910 Diode FML22R L 851 Ferri-Inductor CTF1007 L 852 Ferri-Inductor CTF1007 T 901 Transformer HTT0021 TH 901 Thermistor CCX1013 TH 902 Thermistor CCX1013 TH 903 Thermistor CCX1035 S 101 Switch(LPF/OFF) CSH1021 S 901 Switch(BFC)(GM-X962/XR/ES) HSH-156 VR 453 Volume 10kΩ(A) CCS1241 F 100 Fuse 25A HEK0025 F 101 Fuse 25A HEK0025 RESISTORS R 123 RD1/4PU222J R 124 RD1/4PU222J R 203 RD1/4PU472J R 204 RD1/4PU472J R 465 RD1/4PU470J 5. ELECTRICAL PARTS LIST NOTE: - Parts whose parts numbers are omitted are subject to being not supplied. - The part numbers shown below indicate chip components. Chip Resistor RS1/_S___J,RS1/__S___J Chip Capacitor (except for CQS.....) CKS....., CCS....., CSZS..... Unit Number : HWH0169(GM-X962/XR/UC) : HWH0171(GM-X962/XR/ES) : HWH0182(GM-X862/XR/UC) Unit Name : Amp Unit MISCELLANEOUS IC 101 IC NJM4558L IC 651 IC PA2027A IC 851 IC NJM2068D IC 852 IC NJM2068D IC 901 IC UPC494C Q 203 Transistor DTA124ES Q 204 Transistor 2SC2458 Q 205 Transistor 2SC2458 Q 551 Transistor 2SA992 Q 552 Transistor 2SA992 Q 553 Transistor 2SA992 Q 554 Transistor 2SA992 Q 555 Transistor 2SC5168 Q 556 Transistor 2SC5168 Q 559 Transistor 2SC1845 Q 560 Transistor 2SC1845 Q 561 Transistor 2SA992 Q 562 Transistor 2SA992 Q 563 Transistor 2SC1845 Q 564 Transistor 2SC1845 Q 565 Transistor 2SC1845 Q 566 Transistor 2SC1845 Q 571 Transistor 2SD1768S Q 572 Transistor 2SD1768S Q 580 Transistor 2SA1358 Q 581 Transistor 2SC3421 Q 582 Transistor 2SA1908 Q 583 Transistor 2SC5100 Q 584 Transistor 2SA1908 Q 585 Transistor 2SC5100 Q 586 Transistor 2SC3421 Q 587 Transistor 2SA1358 Q 588 Transistor 2SC5100 Q 589 Transistor 2SA1908 Q 590 Transistor 2SC5100 Q 591 Transistor 2SA1908 Q 653 Transistor 2SA1048 Q 654 Transistor 2SC2458 Q 655 Transistor 2SC2458 Q 657 Transistor 2SA1048 Q 658 Transistor 2SC2458 Q 659 Transistor 2SA1048 Q 660 Transistor 2SB1243 Q 661 Transistor 2SC2458 Q 902 Transistor 2SA1048 =====Circuit Symbol and No.===Part Name Part No. --- ------ ------------------------------------------ ------------------------- =====Circuit Symbol and No.===Part Name Part No. --- ------ ------------------------------------------ ------------------------- A www. xiaoyu163. com QQ 376315150 9 9 2 8 9 4 2 9 8 TEL 13942296513 9 9 2 8 9 4 2 9 8 0 5 1 5 1 3 6 7 3 Q Q TEL 13942296513 QQ 376315150 892498299 TEL 13942296513 QQ 376315150 892498299 http://www.xiaoyu163.com 15 GM-X962,X862 R 466 RD1/4PU470J R 555 RD1/4PU103J R 556 RD1/4PU103J R 557 RD1/4PU433J R 558 RD1/4PU433J R 559 RD1/4PU331J R 560 RD1/4PU331J R 561 RD1/4PU331J R 562 RD1/4PU331J R 563 RD1/4PU681J R 564 RD1/4PU681J R 565 RD1/4PU361J R 566 RD1/4PU361J R 567 RD1/4PU433J R 568 RD1/4PU433J R 569 RD1/4PU681J R 570 RD1/4PU681J R 571 RD1/4PU223J R 572 RD1/4PU223J R 575 RD1/4PU101J R 576 RD1/4PU101J R 579 RD1/4PU681J R 580 RD1/4PU681J R 581 RD1/4PU181J R 582 RD1/4PU181J R 583 RD1/4PU100J R 584 RD1/4PU100J R 585 RD1/4PU100J R 586 RD1/4PU100J R 587 RD1/4PU100J R 588 RD1/4PU100J R 589 RD1/4PU100J R 590 RD1/4PU100J R 591 RD1/4PU221J R 592 RD1/4PU221J R 593 RD1/4PU100J R 594 RD1/4PU100J R 595 RD1/4PU100J R 596 RD1/4PU100J R 597 RD1/4PU564J R 598 RD1/4PU564J R 599 RD1/4PU473J R 600 RD1/4PU473J R 601 RS1/2PMF100J R 602 RS1/2PMF100J R 603 0.22Ω HCN0001 R 604 0.22Ω HCN0001 R 605 0.22Ω HCN0001 R 606 0.22Ω HCN0001 R 607 0.22Ω HCN0001 R 608 0.22Ω HCN0001 R 609 0.22Ω HCN0001 R 610 0.22Ω HCN0001 R 611 RD1/4PU563J R 612 RD1/4PU563J R 613 RD1/4PU563J R 614 RD1/4PU563J R 615 0.22Ω HCN0001 R 616 0.22Ω HCN0001 R 617 0.22Ω HCN0001 R 618 0.22Ω HCN0001 R 619 0.22Ω HCN0001 R 620 0.22Ω HCN0001 R 621 0.22Ω HCN0001 R 622 0.22Ω HCN0001 R 623 RD1/4PU561J R 624 RD1/4PU561J R 625 RD1/4PU331J R 626 RD1/4PU331J R 657 RD1/4PU104J R 658 RD1/4PU472J R 659 RD1/4PU103J R 660 RD1/4PU102J R 661 RD1/4PU472J R 662 RD1/4PU221J R 663 RD1/4PU563J R 664 RD1/4PU473J R 665 RD1/4PU103J R 666 RD1/4PU103J R 667 RD1/4PU222J R 668 RD1/4PU472J R 669 RD1/4PU562J R 671 RD1/4PU221J R 672 RD1/4PU152J R 676 RD1/4PU222J R 678 RD1/4PU472J R 679 RD1/4PU101J R 680 RD1/4PU472J R 681 RD1/4PU122J R 682 RD1/4PU122J R 683 RD1/4PU103J R 684 RD1/4PU223J R 685 RD1/4PU223J R 686 RD1/4PU223J R 851 RD1/4PU471J R 852 RD1/4PU471J R 853 RD1/4PU223J R 854 RD1/4PU223J R 855 RN1/4PC1002D R 856 RN1/4PC1002D R 857 RN1/4PC1002D R 858 RN1/4PC1002D R 861 RN1/4PC1002D R 862 RN1/4PC1002D R 871 RD1/4PU102J R 872 RD1/4PU202J R 873 RD1/4PU102J R 874 RD1/4PU202J R 882 RN1/4PC1002D R 884 RN1/4PC1002D R 887 RD1/4PU103J R 888 RD1/4PU103J R 889 RD1/4PU103J R 890 RD1/4PU103J R 907 RD1/4PU473J R 910 RD1/4PU153J R 911 RD1/4PU102J R 912 RD1/4PU272J R 913 RD1/4PU472J R 914 RD1/4PU472J R 915 RD1/4PU472J R 916 RD1/4PU332J R 917 RD1/4PU332J R 918 RS1/2PMF220J R 919 RS1/2PMF220J R 920 RD1/4PU472J R 921 RD1/4PU472J R 922 RD1/4PU472J R 923 RD1/4PU472J R 924 RS1/2PMF121J =====Circuit Symbol and No.===Part Name Part No. --- ------ ------------------------------------------ ------------------------- =====Circuit Symbol and No.===Part Name Part No. --- ------ ------------------------------------------ ------------------------- www. xiaoyu163. com QQ 376315150 9 9 2 8 9 4 2 9 8 TEL 13942296513 9 9 2 8 9 4 2 9 8 0 5 1 5 1 3 6 7 3 Q Q TEL 13942296513 QQ 376315150 892498299 TEL 13942296513 QQ 376315150 892498299 http://www.xiaoyu163.com 16 GM-X962,X862 R 925 RS1/2PMF121J R 926 (GM-X962/XR/ES) RD1/4PU105J R 928 RS1/2PMF121J R 929 RS1/2PMF121J R 932 RD1/4PU104J R 933 RS1/2PMF121J R 934 RS1/2PMF121J R 935 RD1/4PU202J R 936 RD1/4PU223J R 937 RD1/4PU103J R 938 RD1/4PU272J R 939 RD1/4PU272J R 947 RS1/2PMF560J R 948 RS1/2PMF560J R 949 RD1/4PU113J R 950 RD1/4PU101J R 951 RD1/4PU513J R 952 RS1/2PMF220J R 999 RD1/4PU103J CAPACITORS C 551 CEAT100M16 C 552 CEAT100M16 C 553 CCCCH680J100 C 554 CCCCH680J100 C 555 CQMA471J50 C 556 CQMA471J50 C 559 CEAT221M10 C 560 CEAT221M10 C 561 CCPUCH150J50 C 562 CCPUCH150J50 C 563 CCCCH330J100 C 564 CCCCH330J100 C 565 CFTLA223J50 C 566 CFTLA223J50 C 567 CFTNA333J50 C 568 CFTNA333J50 C 569 CQMA102J50 C 570 CQMA102J50 C 571 CCCCH100J100 C 572 CCCCH100J100 C 573 CCCCH100J100 C 574 CCCCH100J100 C 651 220µF/10V HCH0012 C 652 CFTLA103J50 C 653 CEAT100M16 C 654 CEAT100M16 C 655 CFTLA103J50 C 656 CEAT470M16 C 658 CEAT220M16 C 659 CEAT471M16 C 661 CFTLA103J50 C 662 CFTLA103J50 C 671 CEAT101M16 C 851 CKPUYB471K50 C 852 CKPUYB471K50 C 853 CEAT100M16 C 854 CEAT100M16 C 859 CCPUSL470J50 C 860 CCPUSL470J50 C 868 CFTLA223J50 C 869 CCPUSL470J50 C 870 CFTLA223J50 C 871 CCPUSL470J50 C 872 CFTNA274J50 C 873 CFTNA274J50 C 876 CFTNA154J50 C 877 CFTNA154J50 C 902 CEAT221M10 C 903 CEAT2R2M50 C 904 CEAT101M16 C 905 CQMA472J50 C 906 CQMA472J50 C 907 3300µF/16V HCH0005 C 908 2200µF/50V HCH0007 C 909 2200µF/50V HCH0007 C 910 2200µF/50V HCH0007 C 911 2200µF/50V HCH0007 C 912 CEAT470M16 C 913 CEAT470M16 C 915 CQMA102J50 C 916 CFTNA224J50 C 920 CFTNA564J50 C 932 CEAT470M16 C 949 3300µF/16V HCH0005 C 950 CEAT470M16 C 951 CEAT470M16 C 952 CQMA102J50 C 953 CQMA102J50 C 954 CQMA102J50 C 955 CFTLA103J50 C 956 CFTLA103J50 =====Circuit Symbol and No.===Part Name Part No. --- ------ ------------------------------------------ ------------------------- =====Circuit Symbol and No.===Part Name Part No. --- ------ ------------------------------------------ ------------------------- 6. ADJUSTMENT There is no information to be shown in this chapter. www. xiaoyu163. com QQ 376315150 9 9 2 8 9 4 2 9 8 TEL 13942296513 9 9 2 8 9 4 2 9 8 0 5 1 5 1 3 6 7 3 Q Q TEL 13942296513 QQ 376315150 892498299 TEL 13942296513 QQ 376315150 892498299 http://www.xiaoyu163.com 17 GM-X962,X862 7. GENERAL INFORMATION 7.1 DIAGNOSIS 7.1.1 DISASSEMBLY Case Fig.1 - Removing the Case and the Panel (Fig.1) Remove the six screws. Remove the two screws. Remove the three screws and then remove the Case. Remove the six screws and then remove the Panel. Fig.2 Panel - Removing the Amp Unit (Fig.2) Remove the twenty screws. Remove the screw. Remove the twelve screws and then remove the Amp Unit. Amp Unit www. xiaoyu163. com QQ 376315150 9 9 2 8 9 4 2 9 8 TEL 13942296513 9 9 2 8 9 4 2 9 8 0 5 1 5 1 3 6 7 3 Q Q TEL 13942296513 QQ 376315150 892498299 TEL 13942296513 QQ 376315150 892498299 http://www.xiaoyu163.com 18 GM-X962,X862 7.1.2 CONNECTOR FUNCTION DESCRIPTION - GM-X962/XR/ES www. xiaoyu163. com QQ 376315150 9 9 2 8 9 4 2 9 8 TEL 13942296513 9 9 2 8 9 4 2 9 8 0 5 1 5 1 3 6 7 3 Q Q TEL 13942296513 QQ 376315150 892498299 TEL 13942296513 QQ 376315150 892498299 http://www.xiaoyu163.com Setting the Unit Gain Control If the sound level is too low, even when the volume of the car stereo used along with this power amplifier is turned up, turn gain control on the front of the power amplifier clockwise. If the sound distorts when the volume is turned up, turn the gain control counter-clockwise. • When using with an RCA equipped car stereo (standard output of 500 mV), set to the NORMAL position. When using with an RCA equipped Pioneer car stereo with max. output of 4 V or more, adjust level to match the car stereo output level. Power Indicator The power indicator lights when the power is switched on. BFC (Beat Frequency Control) Switch If you hear a beat while listening to an AM broadcast with your car stereo, change the BFC switch using a small standard tip screwdriver. LPF (Low-Pass Filter) Select Switch Set the LPF select switch as follows according to the type of speaker that is connected to the speaker output connector and the car stereo system: LPF Select Audio frequency range Speaker Remarks Switch to be output Type LPF (left) Very Low Frequency range Subwoofer Connect a subwoofer. OFF (right) Full range Full range 19 GM-X962,X862 8. OPERATIONS AND SPECIFICATIONS 8.1 OPERATIONS GM-X962/XR/ES www. xiaoyu163. com QQ 376315150 9 9 2 8 9 4 2 9 8 TEL 13942296513 9 9 2 8 9 4 2 9 8 0 5 1 5 1 3 6 7 3 Q Q TEL 13942296513 QQ 376315150 892498299 TEL 13942296513 QQ 376315150 892498299 http://www.xiaoyu163.com 20 GM-X962,X862 Connection Diagram Fuse (30 A) Grommet Special red battery wire [RD-223] (sold separately) After making all other connections at the amplifier, connect the battery wire terminal of the amplifier to the positive (+) terminal of the battery. Ground wire (black) [RD-223] (sold separately) Connect to metal body or chassis. Fuse (25 A) × 2 Car stereo with RCA output jacks External Output Connecting wires with RCA pin plugs (sold separately). RCA input jack Speaker terminal System remote control wire (sold separately) Connect the male terminal of this wire to the system remote control terminal of the car stereo (SYSTEM REMOTE CONTROL). The female terminal can be connected to the auto-antenna relay control terminal. If the car stereo does not have a system remote control terminal, connect the male terminal to the power terminal through the ignition switch. Fuse (30 A) Front side Back side www. xiaoyu163. com QQ 376315150 9 9 2 8 9 4 2 9 8 TEL 13942296513 9 9 2 8 9 4 2 9 8 0 5 1 5 1 3 6 7 3 Q Q TEL 13942296513 QQ 376315150 892498299 TEL 13942296513 QQ 376315150 892498299 http://www.xiaoyu163.com 21 GM-X962,X862 8.2 SPECIFICATIONS - GM-X962/XR/UC Power source .............................................................................................................. 14.4 V DC (10.8 — 15.1 V allowable) Grounding system .............................................................................................................................................. Negative type Current consumption ........................................................................................................ 25.0 A (at continuous power, 4 Ω) Average current drawn* ............................................................................................................ 9.6 A (4 Ω for two channels) 17.3 A (4 Ω for one channel) Fuse ............................................................................................................................................................................ 25 A × 2 Dimensions .......................................................................................................................... 279 (W) × 61 (H) × 324 (D) mm [11 (W) × 2-3/8 (H) × 12-3/4 (D) in] Weight ........................................................................................................ 5.0 kg (11.0 lbs) (Leads for wiring not included) Maximum power output .................................................................................................................... 250 W × 2 / 760 W × 1 Continuous power output .......................................................... 125 W × 2 (at 14.4 V, 4 Ω, 20 — 20,000 Hz, 0.08% THD) 380 W × 1 (at 14.4 V, 4 Ω, 20 — 20,000 Hz, 0.8% THD) 190 W × 2 (at 14.4 V, 2 Ω, 20 — 20,000 Hz, 0.8% THD) Load impedance .............................................................................................................................. 4 Ω (2 — 8 Ω allowable) (Bridge connection: 4 — 8 Ω allowable) Frequency response ............................................................................................................ 10 — 50,000 Hz (+0 dB, –1 dB) Signal-to-noise ratio ...................................................................................................................... 100 dB (IHF–A network) Distortion ............................................................................................................................................ 0.008% (10 W, 1 kHz) Separation ........................................................................................................................................................ 65 dB (1 kHz) Low pass filter ................................................................................................................................ Cut off frequency: 80 Hz Cut off slope: –12 dB/oct Maximum input level/impedance ...................................................................................... RCA: 6.5 V/22 kΩ (0.2 — 6.5 V) Note: • Specifications and the design are subject to possible modification without notice due to improvements. *Average current drawn • The average current drawn is nearly the maximum current drawn by this unit when an audio signal is input. Use this value when working out total current drawn by multiple power amplifiers. - GM-X962/XR/ES Power source .............................................................................................................. 14.4 V DC (10.8 — 15.1 V allowable) Grounding system .............................................................................................................................................. Negative type Current consumption ........................................................................................................ 25.0 A (at continuous power, 4 Ω) Average current drawn* ............................................................................................................ 9.6 A (4 Ω for two channels) 17.3 A (4 Ω for one channel) Fuse ............................................................................................................................................................................ 25 A × 2 Dimensions .......................................................................................................................... 279 (W) × 61 (H) × 324 (D) mm Weight ........................................................................................................................ 5.0 kg (Leads for wiring not included) Maximum power output .................................................................................................................... 250 W × 2 / 760 W × 1 Continuous power output .......................................................... 125 W × 2 (at 14.4 V, 4 Ω, 20 — 20,000 Hz, 0.08% THD) 380 W × 1 (at 14.4 V, 4 Ω, 20 — 20,000 Hz, 0.8% THD) 190 W × 2 (at 14.4 V, 2 Ω, 20 — 20,000 Hz, 0.8% THD) Load impedance .............................................................................................................................. 4 Ω (2 — 8 Ω allowable) (Bridge connection: 4 — 8 Ω allowable) Frequency response ............................................................................................................ 10 — 50,000 Hz (+0 dB, –1 dB) Signal-to-noise ratio ........................................................................................................................ 100 dB (IEC-A network) Distortion ............................................................................................................................................ 0.008% (10 W, 1 kHz) Separation ........................................................................................................................................................ 65 dB (1 kHz) Low pass filter ................................................................................................................................ Cut off frequency: 80 Hz Cut off slope: –12 dB/oct Maximum input level/impedance ...................................................................................... RCA: 6.5 V/22 kΩ (0.2 — 6.5 V) Note: • Specifications and the design are subject to possible modification without notice due to improvements. *Average current drawn • The average current drawn is nearly the maximum current drawn by this unit when an audio signal is input. Use this value when working out total current drawn by multiple power amplifiers. www. xiaoyu163. com QQ 376315150 9 9 2 8 9 4 2 9 8 TEL 13942296513 9 9 2 8 9 4 2 9 8 0 5 1 5 1 3 6 7 3 Q Q TEL 13942296513 QQ 376315150 892498299 TEL 13942296513 QQ 376315150 892498299 http://www.xiaoyu163.com GM-X962,X862 - GM-X862/XR/UC Power source .............................................................................................................. 14.4 V DC (10.8 — 15.1 V allowable) Grounding system .............................................................................................................................................. Negative type Current consumption ........................................................................................................ 25.0 A (at continuous power, 4 Ω) Average current drawn* ............................................................................................................ 9.6 A (4 Ω for two channels) 17.3 A (4 Ω for one channel) Fuse ............................................................................................................................................................................ 25 A × 2 Dimensions .......................................................................................................................... 279 (W) × 61 (H) × 324 (D) mm [11 (W) × 2-3/8 (H) × 12-3/4 (D) in] Weight ........................................................................................................ 5.0 kg (11.0 lbs) (Leads for wiring not included) Maximum power output .................................................................................................................... 250 W × 2 / 760 W × 1 Continuous power output .......................................................... 125 W × 2 (at 14.4 V, 4 Ω, 20 — 20,000 Hz, 0.08% THD) 380 W × 1 (at 14.4 V, 4 Ω, 20 — 20,000 Hz, 0.8% THD) 190 W × 2 (at 14.4 V, 2 Ω, 20 — 20,000 Hz, 0.8% THD) Load impedance .............................................................................................................................. 4 Ω (2 — 8 Ω allowable) (Bridge connection: 4 — 8 Ω allowable) Frequency response ............................................................................................................ 10 — 50,000 Hz (+0 dB, –1 dB) Signal-to-noise ratio ...................................................................................................................... 100 dB (IHF–A network) Distortion ............................................................................................................................................ 0.008% (10 W, 1 kHz) Separation ........................................................................................................................................................ 65 dB (1 kHz) Low pass filter ................................................................................................................................ Cut off frequency: 80 Hz Cut off slope: –12 dB/oct Maximum input level/impedance ...................................................................................... RCA: 6.5 V/22 kΩ (0.2 — 6.5 V) Note: • Specifications and the design are subject to possible modification without notice due to improvements. *Average current drawn • The average current drawn is nearly the maximum current drawn by this unit when an audio signal is input. Use this value when working out total current drawn by multiple power amplifiers. www. xiaoyu163. com QQ 376315150 9 9 2 8 9 4 2 9 8 TEL 13942296513 9 9 2 8 9 4 2 9 8 0 5 1 5 1 3 6 7 3 Q Q TEL 13942296513 QQ 376315150 892498299 TEL 13942296513 QQ 376315150 892498299 http://www.xiaoyu163.com

标签:

版权声明

1. 本站所有素材,仅限学习交流,仅展示部分内容,如需查看完整内容,请下载原文件。
2. 会员在本站下载的所有素材,只拥有使用权,著作权归原作者所有。
3. 所有素材,未经合法授权,请勿用于商业用途,会员不得以任何形式发布、传播、复制、转售该素材,否则一律封号处理。
4. 如果素材损害你的权益请联系客服QQ:77594475 处理。