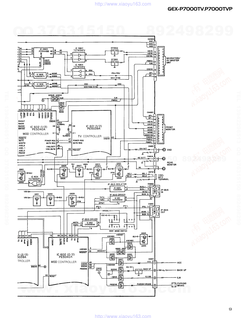
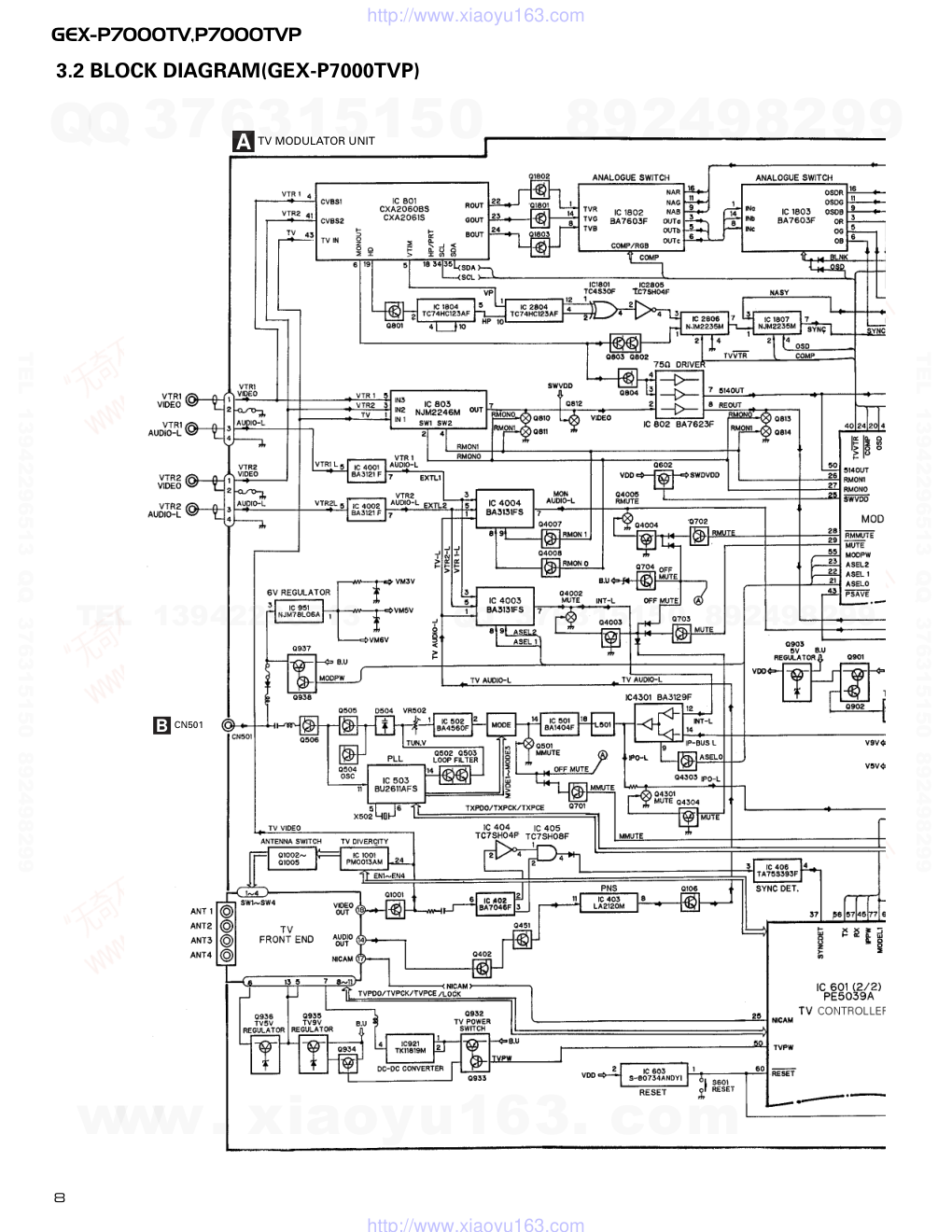
先锋PIONEER GEX-P7000TV音响电路图

分类:电子电工 日期: 点击:0
先锋PIONEER GEX-P7000TV音响电路图-0 先锋PIONEER GEX-P7000TV音响电路图-1 先锋PIONEER GEX-P7000TV音响电路图-2 先锋PIONEER GEX-P7000TV音响电路图-3 先锋PIONEER GEX-P7000TV音响电路图-4 先锋PIONEER GEX-P7000TV音响电路图-5 先锋PIONEER GEX-P7000TV音响电路图-6 先锋PIONEER GEX-P7000TV音响电路图-7 先锋PIONEER GEX-P7000TV音响电路图-8 先锋PIONEER GEX-P7000TV音响电路图-9

PIONEER ELECTRONIC CORPORATION 4-1, Meguro 1-Chome, Meguro-ku, Tokyo 153-8654, Japan PIONEER ELECTRONICS SERVICE INC. P.O.Box 1760, Long Beach, CA 90801-1760 U.S.A. PIONEER ELECTRONIC [EUROPE] N.V. Haven 1087 Keetberglaan 1, 9120 Melsele, Belgium PIONEER ELECTRONICS ASIACENTRE PTE.LTD. 253 Alexandra Road, #04-01, Singapore 159936 C PIONEER ELECTRONIC CORPORATION 1999 K-ZZS. APR.1999 Printed in Japan ORDER NO. CRT2385 HIDE-AWAY TV TUNER GEX-P7000TV UC,ES Service Manual GEX-P7000TVP/EW CONTENTS 1. SAFETY INFORMATION ............................................2 2. EXPLODED VIEWS AND PARTS LIST.......................2 3. BLOCK DIAGRAM AND SCHEMATIC DIAGRAM .....6 4. PCB CONNECTION DIAGRAM ................................23 5. ELECTRICAL PARTS LIST ........................................28 6. ADJUSTMENT..........................................................46 7. GENERAL INFORMATION .......................................49 7.1 IC ........................................................................49 7.2 CIRCUIT DESCRIPTION......................................58 8. OPERATIONS AND SPECIFICATIONS.....................60 GEX-P7000TVP EW,ES - This product is a hide-away tuner, and cannot operate by itself. When operating this unit for servicing, switch to the FM modulator mode with the slide switch located on the bottom plate. - To receive the remote control data , connect the remote sensor , as shown below: GND DSEN REM 5V Remote sensor www. xiaoyu163. com QQ 376315150 9 9 2 8 9 4 2 9 8 TEL 13942296513 9 9 2 8 9 4 2 9 8 0 5 1 5 1 3 6 7 3 Q Q TEL 13942296513 QQ 376315150 892498299 TEL 13942296513 QQ 376315150 892498299 http://www.xiaoyu163.com 2 GEX-P7000TV,P7000TVP 2. EXPLODED VIEWS AND PARTS LIST 2.1 PACKING 15 13 14 16 11 10 2 4 3 5 12 1 7 18 17 9 8 6 1. SAFETY INFORMATION(GEX-P7000TV/UC) CAUTION This service manual is intended for qualified service technicians; it is not meant for the casual do-it-yourselfer. Qualified technicians have the necessary test equipment and tools, and have been trained to properly and safely repair complex products such as those covered by this manual. Improperly performed repairs can adversely affect the safety and reliability of the product and may void the warranty. If you are not qualified to perform the repair of this product properly and safely; you should not risk trying to do so and refer the repair to a qualified service technician. WARNING This product contains lead in solder and certain electrical parts contain chemicals which are known to the state of California to cause cancer, birth defects or other reproductive harm. Health & Safety Code Section 25249.6 - Proposition 65 www. xiaoyu163. com QQ 376315150 9 9 2 8 9 4 2 9 8 TEL 13942296513 9 9 2 8 9 4 2 9 8 0 5 1 5 1 3 6 7 3 Q Q TEL 13942296513 QQ 376315150 892498299 TEL 13942296513 QQ 376315150 892498299 http://www.xiaoyu163.com 3 GEX-P7000TV,P7000TVP * 1-1 Card See Contrast table(2) 1-2 Owner’s Manual See Contrast table(2) 1-3 Installation Manual See Contrast table(2) 1-4 Polyethylene Bag See Contrast table(2) 1-5 Warranty Card See Contrast table(2) 1-6 Owner’s Manual See Contrast table(2) 2 Cord Assy CDE6094 3 Cord Assy CDE5880 4 Cord Assy CDE5906 5 Antenna Select Unit CWM5606 6 Screw BNC40P120FZK 7 Polyethylene Bag CEG1158 8 Screw HMF40P080FZK * 9 Polyethylene Bag CEG1101 10 Remote Control Unit CXB4141 11 Polyethylene Bag See Contrast table(2) 12 Battery CEX1030 13 Carton See Contrast table(2) 14 Sub Carton CHG3796 15 Contain Box See Contrast table(2) 16 Protector CHP2158 17 Angle(x2) CNB2351 18 Fastener(x2) CNM3728 Mark No. Description Part No. Mark No. Description Part No. (1) PACKING SECTION PARTS LIST NOTE: - Parts marked by “*” are generally unavailable because they are not in our Master Spare Parts List. - Screws adjacent to ∇ mark on the product are used for disassembly. - Owner’s Manual Model Part No. Language GEX-P7000TV/UC CRD3021 English, French GEX-P7000TV/ES,P7000TVP/ES CRD3048, CRD3046 English, Spanish GEX-P7000TVP/EW CRD3023 English, Spanish, German CRD3024 French, Italian, Dutch - Installation Manual Model Part No. Language GEX-P7000TV/UC CRD3022 English, French GEX-P7000TV/ES,P7000TVP/ES CRD3049, CRD3047 English, Spanish GEX-P7000TVP/EW CRD3026 English, Spanish, German, French, Italian, Dutch Part No. Mark No. Symbol and Description GEX-P7000TV/UC GEX-P7000TV/ES GEX-P7000TVP/EW GEX-P7000TVP/ES * 1-1 Card ARY1048 Not used Not used Not used 1-2 Owner’s Manual CRD3021 CRD3048 CRD3023 CRD3046 1-3 Installation Manual CRD3022 CRD3049 CRD3026 CRD3047 1-4 Polyethylene Bag CEG1116 Not used CEG1116 Not used 1-5 Warranty Card Not used Not used CRY1087 Not used 1-6 Owner’s Manual Not used Not used CRD3024 Not used 11 Polyethylene Bag CEG1173 CEG-162 CEG-162 CEG-162 13 Carton CHG3794 CHG3795 CHG3793 CHG3792 15 Contain Box CHL3794 CHL3795 CHL3793 CHL3792 (2) CONTRAST TABLE GEX-P7000TV/UC, GEX-P7000TV/ES, GEX-P7000TVP/EW and GEX-P7000TVP/ES are constructed the same except for the following: www. xiaoyu163. com QQ 376315150 9 9 2 8 9 4 2 9 8 TEL 13942296513 9 9 2 8 9 4 2 9 8 0 5 1 5 1 3 6 7 3 Q Q TEL 13942296513 QQ 376315150 892498299 TEL 13942296513 QQ 376315150 892498299 http://www.xiaoyu163.com 4 GEX-P7000TV,P7000TVP 2.2 EXTERIOR www. xiaoyu163. com QQ 376315150 9 9 2 8 9 4 2 9 8 TEL 13942296513 9 9 2 8 9 4 2 9 8 0 5 1 5 1 3 6 7 3 Q Q TEL 13942296513 QQ 376315150 892498299 TEL 13942296513 QQ 376315150 892498299 http://www.xiaoyu163.com 5 GEX-P7000TV,P7000TVP 1 Screw BSZ30P060FZK 2 Cord Assy CDE6094 3 Fuse(4A) CEK1001 4 Cap CNS1472 5 Case See Contrast table(2) 6 Antenna Select Assy CWM5606 7 Cord CDE5482 8 Antenna Cable CDH1207 9 Chassis CNA1555 10 Case CNB1764 11 Antenna Select Unit CWX2200 12 Plug(CN502) CKS1222 13 Plug(CN501) CKS2812 14 Antenna Jack(CN503) CKX1006 15 Screw BSZ30P060FMC 16 Cord Assy CDE5872 17 Cord Assy CDE5873 18 Cord CDE5878 19 Cord Assy CDE5879 20 Chassis CNA2151 21 Insulator CNM6162 22 TV Modulator Unit See Contrast table(2) 23 Screw BMZ26P060FUC 24 Cord See Contrast table(2) 25 Clamper CEF1008 26 Plug(CN901) CKS-462 27 Plug(CN802) CKS-570 28 Plug(CN803) CKS2717 29 Connector(CN1001) See Contrast table(2) 30 Connector(CN651) CKS3409 31 Connector(CN652) CKS3414 32 Connector(CN801) CKS3582 33 Connector(CN804) CKS3586 34 Connector(CN4801) CKS3644 35 Connector(CN3801) CKS3645 36 Jack(CN501) CKS3727 37 Connector(CN721) CKS4124 38 Connector(CN1002) See Contrast table(2) 39 Holder CNC7047 40 Holder CNC7634 41 Holder CNC7838 42 Holder CNC8205 43 Holder CNC8207 44 Holder CNC8208 45 Resistor RS1/2P102JL 46 TV Front End See Contrast table(2) 47 Transistor(Q930,935) 2SD2396 48 Spacer CNM6437 (1) EXTERIOR SECTION PARTS LIST Mark No. Description Part No. Mark No. Description Part No. Part No. Mark No. Symbol and Description GEX-P7000TV/UC GEX-P7000TV/ES GEX-P7000TVP/EW GEX-P7000TVP/ES 5 Case CNB2439 CNB2439 CNB2437 CNB2437 22 TV Modulator Unit CWM6345 CWM6510 CWM6346 CWM6511 24 Cord CDE6010 CDE6010 Not used Not used 29 Connector(CN1001) CKS3124 CKS3124 Not used Not used 38 Connector(CN1002) CKS4198 CKS4198 Not used Not used 46 TV Front End CWB1085 CWB1085 CWB1086 CWB1086 (2) CONTRAST TABLE GEX-P7000TV/UC, GEX-P7000TV/ES, GEX-P7000TVP/EW and GEX-P7000TVP/ES are constructed the same except for the following: www. xiaoyu163. com QQ 376315150 9 9 2 8 9 4 2 9 8 TEL 13942296513 9 9 2 8 9 4 2 9 8 0 5 1 5 1 3 6 7 3 Q Q TEL 13942296513 QQ 376315150 892498299 TEL 13942296513 QQ 376315150 892498299 http://www.xiaoyu163.com 6 GEX-P7000TV,P7000TVP 3. BLOCK DIAGRAM AND SCHEMATIC DIAGRAM 3.1 BLOCK DIAGRAM(GEX-P7000TV) B CN501 A TV MODULATOR UNIT www. xiaoyu163. com QQ 376315150 9 9 2 8 9 4 2 9 8 TEL 13942296513 9 9 2 8 9 4 2 9 8 0 5 1 5 1 3 6 7 3 Q Q TEL 13942296513 QQ 376315150 892498299 TEL 13942296513 QQ 376315150 892498299 http://www.xiaoyu163.com 7 GEX-P7000TV,P7000TVP www. xiaoyu163. com QQ 376315150 9 9 2 8 9 4 2 9 8 TEL 13942296513 9 9 2 8 9 4 2 9 8 0 5 1 5 1 3 6 7 3 Q Q TEL 13942296513 QQ 376315150 892498299 TEL 13942296513 QQ 376315150 892498299 http://www.xiaoyu163.com 8 GEX-P7000TV,P7000TVP 3.2 BLOCK DIAGRAM(GEX-P7000TVP) B CN501 A TV MODULATOR UNIT www. xiaoyu163. com QQ 376315150 9 9 2 8 9 4 2 9 8 TEL 13942296513 9 9 2 8 9 4 2 9 8 0 5 1 5 1 3 6 7 3 Q Q TEL 13942296513 QQ 376315150 892498299 TEL 13942296513 QQ 376315150 892498299 http://www.xiaoyu163.com 9 GEX-P7000TV,P7000TVP www. xiaoyu163. com QQ 376315150 9 9 2 8 9 4 2 9 8 TEL 13942296513 9 9 2 8 9 4 2 9 8 0 5 1 5 1 3 6 7 3 Q Q TEL 13942296513 QQ 376315150 892498299 TEL 13942296513 QQ 376315150 892498299 http://www.xiaoyu163.com 10 GEX-P7000TV,P7000TVP 1 2 3 4 1 2 3 4 D C B A 3.3 OVERALL CONNECTION DIAGRAM(GUIDE PAGE)(GEX-P7000TV) Note: When ordering service parts, be sure to refer to “EXPLODED VIEWS AND PARTS LIST” or “ELECTRICAL PARTS LIST”. A A-a A-a A-b A-b A-a A-a A-b A-b A-b A-b A-a A-a Large size SCH diagram Guide page Detailed page A-a www. xiaoyu163. com QQ 376315150 9 9 2 8 9 4 2 9 8 TEL 13942296513 9 9 2 8 9 4 2 9 8 0 5 1 5 1 3 6 7 3 Q Q TEL 13942296513 QQ 376315150 892498299 TEL 13942296513 QQ 376315150 892498299 http://www.xiaoyu163.com 11 GEX-P7000TV,P7000TVP 5 6 7 8 5 6 7 8 D C B A A B A GND SWITCH: S1001:MODE SWITCH......FMMOD-MAIN UNIT-AV MASTER The underlined indicates the switch position. A-b www. xiaoyu163. com QQ 376315150 9 9 2 8 9 4 2 9 8 TEL 13942296513 9 9 2 8 9 4 2 9 8 0 5 1 5 1 3 6 7 3 Q Q TEL 13942296513 QQ 376315150 892498299 TEL 13942296513 QQ 376315150 892498299 http://www.xiaoyu163.com 12 GEX-P7000TV,P7000TVP 1 2 3 4 1 2 3 4 D C B A A-a A-a A-b www. xiaoyu163. com QQ 376315150 9 9 2 8 9 4 2 9 8 TEL 13942296513 9 9 2 8 9 4 2 9 8 0 5 1 5 1 3 6 7 3 Q Q TEL 13942296513 QQ 376315150 892498299 TEL 13942296513 QQ 376315150 892498299 http://www.xiaoyu163.com 13 GEX-P7000TV,P7000TVP 5 6 7 8 5 6 7 8 D C B A A-a A-a A-b www. xiaoyu163. com QQ 376315150 9 9 2 8 9 4 2 9 8 TEL 13942296513 9 9 2 8 9 4 2 9 8 0 5 1 5 1 3 6 7 3 Q Q TEL 13942296513 QQ 376315150 892498299 TEL 13942296513 QQ 376315150 892498299 http://www.xiaoyu163.com 14 GEX-P7000TV,P7000TVP 1 2 3 4 1 2 3 4 D C B A A-b A GND SWITCH: S1001:MODE SWITCH......FMMOD-MAIN UNIT-AV MASTER The underlined indicates the switch position. A-a A-b www. xiaoyu163. com QQ 376315150 9 9 2 8 9 4 2 9 8 TEL 13942296513 9 9 2 8 9 4 2 9 8 0 5 1 5 1 3 6 7 3 Q Q TEL 13942296513 QQ 376315150 892498299 TEL 13942296513 QQ 376315150 892498299 http://www.xiaoyu163.com 15 GEX-P7000TV,P7000TVP 5 6 7 8 5 6 7 8 D C B A A-b B GND A-a A-b www. xiaoyu163. com QQ 376315150 9 9 2 8 9 4 2 9 8 TEL 13942296513 9 9 2 8 9 4 2 9 8 0 5 1 5 1 3 6 7 3 Q Q TEL 13942296513 QQ 376315150 892498299 TEL 13942296513 QQ 376315150 892498299 http://www.xiaoyu163.com 16 GEX-P7000TV,P7000TVP 1 2 3 4 1 2 3 4 D C B A 3.4 OVERALL CONNECTION DIAGRAM(GUIDE PAGE)(GEX-P7000TVP) A-a A www. xiaoyu163. com QQ 376315150 9 9 2 8 9 4 2 9 8 TEL 13942296513 9 9 2 8 9 4 2 9 8 0 5 1 5 1 3 6 7 3 Q Q TEL 13942296513 QQ 376315150 892498299 TEL 13942296513 QQ 376315150 892498299 http://www.xiaoyu163.com 17 GEX-P7000TV,P7000TVP 5 6 7 8 5 6 7 8 D C B A A-b A B GND SWITCH: S1001:MODE SWITCH......FMMOD-MAIN UNIT-AV MASTER The underlined indicates the switch position. A www. xiaoyu163. com QQ 376315150 9 9 2 8 9 4 2 9 8 TEL 13942296513 9 9 2 8 9 4 2 9 8 0 5 1 5 1 3 6 7 3 Q Q TEL 13942296513 QQ 376315150 892498299 TEL 13942296513 QQ 376315150 892498299 http://www.xiaoyu163.com 18 GEX-P7000TV,P7000TVP 1 2 3 4 1 2 3 4 D C B A A-a A-a A-b www. xiaoyu163. com QQ 376315150 9 9 2 8 9 4 2 9 8 TEL 13942296513 9 9 2 8 9 4 2 9 8 0 5 1 5 1 3 6 7 3 Q Q TEL 13942296513 QQ 376315150 892498299 TEL 13942296513 QQ 376315150 892498299 http://www.xiaoyu163.com 19 GEX-P7000TV,P7000TVP 5 6 7 8 5 6 7 8 D C B A A-a A-a A-b www. xiaoyu163. com QQ 376315150 9 9 2 8 9 4 2 9 8 TEL 13942296513 9 9 2 8 9 4 2 9 8 0 5 1 5 1 3 6 7 3 Q Q TEL 13942296513 QQ 376315150 892498299 TEL 13942296513 QQ 376315150 892498299 http://www.xiaoyu163.com 20 GEX-P7000TV,P7000TVP 1 2 3 4 1 2 3 4 D C B A A-b A GND SWITCH: S1001:MODE SWITCH......FMMOD-MAIN UNIT-AV MASTER The underlined indicates the switch position. A-a A-b www. xiaoyu163. com QQ 376315150 9 9 2 8 9 4 2 9 8 TEL 13942296513 9 9 2 8 9 4 2 9 8 0 5 1 5 1 3 6 7 3 Q Q TEL 13942296513 QQ 376315150 892498299 TEL 13942296513 QQ 376315150 892498299 http://www.xiaoyu163.com 21 GEX-P7000TV,P7000TVP 5 6 7 8 5 6 7 8 D C B A A-b B GND A-a A-b www. xiaoyu163. com QQ 376315150 9 9 2 8 9 4 2 9 8 TEL 13942296513 9 9 2 8 9 4 2 9 8 0 5 1 5 1 3 6 7 3 Q Q TEL 13942296513 QQ 376315150 892498299 TEL 13942296513 QQ 376315150 892498299 http://www.xiaoyu163.com 22 GEX-P7000TV,P7000TVP 1 2 3 4 1 2 3 4 D C B A 3.5 ANTENNA SELECT UNIT A CN501 B B www. xiaoyu163. com QQ 376315150 9 9 2 8 9 4 2 9 8 TEL 13942296513 9 9 2 8 9 4 2 9 8 0 5 1 5 1 3 6 7 3 Q Q TEL 13942296513 QQ 376315150 892498299 TEL 13942296513 QQ 376315150 892498299 http://www.xiaoyu163.com 23 GEX-P7000TV,P7000TVP 1 2 3 4 1 2 3 4 D C B A B 4. PCB CONNECTION DIAGRAM 4.1 ANTENNA SELECT UNIT NOTE FOR PCB DIAGRAMS 1. The parts mounted on this PCB include all necessary parts for several destination. For further information for respective destinations, be sure to check with the schematic dia- gram. 2. Viewpoint of PCB diagrams Capacitor Connector P.C.Board Chip Part SIDE A SIDE B ANTENNA A CN501 TUNER B ANTENNA SELECT UNIT www. xiaoyu163. com QQ 376315150 9 9 2 8 9 4 2 9 8 TEL 13942296513 9 9 2 8 9 4 2 9 8 0 5 1 5 1 3 6 7 3 Q Q TEL 13942296513 QQ 376315150 892498299 TEL 13942296513 QQ 376315150 892498299 http://www.xiaoyu163.com A TV MODULATOR UNIT 24 GEX-P7000TV,P7000TVP 1 2 3 4 1 2 3 4 D C B A A 4.2 TV MODULATOR UNIT CORD NAVIGATION/ AV MASTER UNIT DSEN REM 5V www. xiaoyu163. com QQ 376315150 9 9 2 8 9 4 2 9 8 TEL 13942296513 9 9 2 8 9 4 2 9 8 0 5 1 5 1 3 6 7 3 Q Q TEL 13942296513 QQ 376315150 892498299 TEL 13942296513 QQ 376315150 892498299 http://www.xiaoyu163.com 25 GEX-P7000TV,P7000TVP 5 6 7 8 5 6 7 8 D C B A AV MASTER-MAIN UNIT-FM MOD MODE RESET V-SEL INFO TERMINAL IP-BUS OUT(BLACK) IP-BUS IN(BLUE) CN501 FRONT MONITOR OSD CN802:VTR1 CN803:VTR2 CN804:REAR MONITOR SENSOR and SPEAKER B GND DSEN M SIDE A A www. xiaoyu163. com QQ 376315150 9 9 2 8 9 4 2 9 8 TEL 13942296513 9 9 2 8 9 4 2 9 8 0 5 1 5 1 3 6 7 3 Q Q TEL 13942296513 QQ 376315150 892498299 TEL 13942296513 QQ 376315150 892498299 http://www.xiaoyu163.com 26 GEX-P7000TV,P7000TVP 1 2 3 4 1 2 3 4 D C B A A A TV MODULATOR UNIT www. xiaoyu163. com QQ 376315150 9 9 2 8 9 4 2 9 8 TEL 13942296513 9 9 2 8 9 4 2 9 8 0 5 1 5 1 3 6 7 3 Q Q TEL 13942296513 QQ 376315150 892498299 TEL 13942296513 QQ 376315150 892498299 http://www.xiaoyu163.com 27 GEX-P7000TV,P7000TVP 5 6 7 8 5 6 7 8 D C B A SIDE B A www. xiaoyu163. com QQ 376315150 9 9 2 8 9 4 2 9 8 TEL 13942296513 9 9 2 8 9 4 2 9 8 0 5 1 5 1 3 6 7 3 Q Q TEL 13942296513 QQ 376315150 892498299 TEL 13942296513 QQ 376315150 892498299 http://www.xiaoyu163.com 28 GEX-P7000TV,P7000TVP 5. ELECTRICAL PARTS LIST NOTES: - Parts whose parts numbers are omitted are subject to being not supplied. - The part numbers shown below indicate chip components. Chip Resistor RS1/_S___J,RS1/__S___J Chip Capacitor (except for CQS.....) CKS....., CCS....., CSZS..... =====Circuit Symbol and No.===Part Name Part No. --- ------ ------------------------------------------ ------------------------- Unit Number:CWM6345(GEX-P7000TV/UC) Unit Number:CWM6510(GEX-P7000TV/ES) Unit Name :TV Modulator Unit MISCELLANEOUS IC 401 IC LA1145M IC 403 IC LA2120M IC 501 IC BA1404F IC 502 IC BA4560F IC 503 IC BU2611AFS IC 601 IC PE5039A IC 602 IC PE5040A IC 603 IC S-80734ANDYI IC 604 IC TC7SH32FU IC 651 IC CA0008AM IC 652 IC CA0008AM IC 801 IC CXA2061S IC 802 IC BA7623F IC 803 IC NJM2246M IC 921 IC TK11819M IC 951 IC NJM78L06A IC 1001 IC PM0013AM IC 1801 IC TC4S30F IC 1802 IC BA7603F IC 1803 IC BA7603F IC 1804 IC TC74HC123AF IC 1805 IC NJM2267V IC 1806 IC NJM2267V IC 1807 IC NJM2235M IC 2801 IC PD5448B IC 2804 IC TC74HC123AF IC 2805 IC TC7SH04F IC 2806 IC NJM2235M IC 3801 IC TC7W34FU IC 4001 IC BA3121F IC 4002 IC BA3121F IC 4003 IC BA3131FS IC 4004 IC BA3131FS IC 4201 IC TA2050S IC 4301 IC BA3129F IC 4801 IC TC7W34FU Q 106 Transistor 2SC4081 Q 401 Transistor 2SA1576 Q 451 Transistor 2SC4081 Q 501 Transistor DTC124EU Q 502 Transistor 2SC4081 Q 503 Transistor 2SC4081 Q 504 Transistor 2SC2059K Q 505 Transistor 2SC2059K Q 506 Transistor 2SC2059K Q 602 Transistor 2SA1037K Q 651 Transistor 2SA1037K Q 652 Transistor 2SC2412K Q 653 Transistor 2SC2412K Q 654 Transistor 2SC4081 Q 655 Transistor DTC124EU Q 656 Transistor 2SA1037K Q 657 Transistor 2SC2412K Q 658 Transistor 2SC3295 Q 659 Transistor 2SC2412K Q 660 Transistor 2SC2412K Q 661 Transistor 2SC2412K Q 662 Transistor 2SC2412K Q 701 Transistor DTC114TK Q 702 Transistor DTC114TK Q 703 Transistor DTC114TK Q 704 Transistor 2SC2412K Q 801 Transistor 2SC4081 Q 802 Transistor 2SC4081 Q 803 Transistor 2SA1037K Q 804 Transistor 2SA1037K Q 805 Transistor 2SA1576 Q 806 Transistor 2SA1576 Q 807 Transistor 2SC4081 Q 808 Transistor 2SC4081 Q 809 Transistor 2SC4081 Q 810 Transistor DTC124EU Q 811 Transistor DTC124EU Q 812 Transistor DTC124EU Q 813 Transistor DTC314TU Q 814 Transistor DTC314TU Q 901 Transistor DTA124EK Q 902 Transistor DTC124EK Q 903 Transistor 2SD1664 Q 921 Transistor 2SA1797 Q 922 Transistor 2SC2412K Q 923 Transistor 2SA1797 Q 924 Transistor 2SC2412K Q 925 Transistor 2SA1037K Q 926 Transistor DTC114EK Q 927 Transistor 2SD1760F5 Q 928 Transistor 2SA1037K Q 929 Transistor DTC114EK Q 930 Transistor 2SD2396 Q 931 Transistor 2SD1760F5 Q 932 Transistor 2SA1037K Q 933 Transistor DTC114EK Q 934 Transistor 2SA1037K Q 935 Transistor 2SD2396 Q 936 Transistor 2SD1760F5 Q 937 Transistor 2SB710A Q 938 Transistor DTC114EK Q 939 Transistor DTC114EU Q 1001 Transistor 2SA1037K Q 1002 Transistor 2SA1037K Q 1003 Transistor 2SA1037K Q 1004 Transistor 2SA1037K Q 1005 Transistor 2SA1037K Q 1006 Transistor FMW2 Q 1007 Transistor 2SC4081 =====Circuit Symbol and No.===Part Name Part No. --- ------ ------------------------------------------ ------------------------- A www. xiaoyu163. com QQ 376315150 9 9 2 8 9 4 2 9 8 TEL 13942296513 9 9 2 8 9 4 2 9 8 0 5 1 5 1 3 6 7 3 Q Q TEL 13942296513 QQ 376315150 892498299 TEL 13942296513 QQ 376315150 892498299 http://www.xiaoyu163.com 29 GEX-P7000TV,P7000TVP =====Circuit Symbol and No.===Part Name Part No. --- ------ ------------------------------------------ ------------------------- =====Circuit Symbol and No.===Part Name Part No. --- ------ ------------------------------------------ ------------------------- Q 1008 Transistor 2SA1576 Q 1801 Transistor 2SA1576 Q 1802 Transistor 2SA1576 Q 1803 Transistor 2SA1576 Q 2801 Transistor 2SC4081 Q 3802 Transistor 2SC4081 Q 3804 Transistor 2SC4081 Q 3805 Transistor DTC124EU Q 4001 Transistor DTC323TK Q 4002 Transistor DTC323TK Q 4003 Transistor DTA124EK Q 4004 Transistor DTA124EU Q 4005 Transistor FMG12 Q 4007 Transistor DTC124EU Q 4008 Transistor DTC124EU Q 4301 Transistor DTC323TK Q 4302 Transistor DTC323TK Q 4303 Transistor 2SC2412K Q 4304 Transistor DTA124EK D 501 Diode RB706D40 D 502 Diode MA110 D 503 Diode MA153 D 504 Diode KV1440 D 505 Diode MA110 D 601 Diode MA152K D 603 Diode MA110 D 604 Diode MA110 D 651 Diode MA110 D 652 Diode MA8068(H) D 653 Diode MA8056(M) D 654 Diode MA110 D 655 Diode MA8180(M) D 656 Diode MA8180(M) D 657 Diode MA110 D 701 Diode MA110 D 702 Diode MA110 D 703 Diode MA110 D 704 Diode MA110 D 705 Diode MA110 D 706 Diode MA110 D 707 Diode MA8082(L) D 721 Diode MA8062(M) D 722 Diode MA8062(M) D 802 Diode MA153 D 803 Diode MA153 D 804 Diode MA8062(M) D 805 Diode MA8062(M) D 806 Diode MA8039(H) D 901 Diode ERA15-02VH D 902 Diode ERA15-02VH D 903 Diode MA8056(M) D 927 Diode ERA15-02VH D 928 Diode MA8091(L) D 930 Diode MA8091(M) D 931 Diode MA8056(M) D 932 Diode MA8091(M) D 933 Diode MA8056(M) D 934 Diode MA8033(H) D 935 Diode MA8051(M) D 1002 Diode MA110 D 1801 Diode MA152WK D 1802 Diode MA110 D 1803 Diode MA110 D 2801 Diode MA110 D 2802 Diode MA110 D 2803 Diode MA110 D 3801 Diode MA8062(M) D 3805 Diode MA8062(M) D 3807 Diode MA8062(M) D 3809 Diode MA8062(M) D 3810 Diode MA8062(M) D 3811 Diode MA8062(M) D 3812 Diode MA8062(M) D 4001 Diode MA110 D 4002 Diode MA110 D 4003 Diode MA8120(H) D 4004 Diode MA8120(H) D 4301 Diode MA8039(H) D 4801 Diode MA8062(M) D 4802 Diode MA8062(M) D 4803 Diode MA8062(M) D 4804 Diode MA8062(M) D 4805 Diode MA8062(M) D 4806 Diode MA8062(M) D 4807 Diode MA8062(M) D 4808 Diode MA8062(M) L 401 Coil CTC1029 L 402 Inductor LCTA150J3225 L 403 Coil CTX1049 L 404 Inductor LCTB2R2K3216 L 501 Filter CTF1333 L 502 Filter CTF1333 L 503 Inductor LCTB2R2K2125 L 504 Inductor CTF1302 L 505 Inductor LCTB2R2K2125 L 506 Inductor LCTB2R2K2125 L 507 Coil CTC1079 L 508 Inductor LCTB1R0K2125 L 509 Inductor LCTA101J3225 L 510 Inductor LCTBR68K2125 L 601 Inductor LCTB2R2K3216 L 602 Inductor LCTB2R2K3216 L 604 Inductor LCTB2R2K2125 L 606 Inductor CTF1379 L 608 Inductor CTF1379 L 612 Inductor CTF1379 L 615 Inductor CTF1379 L 616 Inductor CTF1379 L 617 Inductor CTF1379 L 618 Inductor CTF1379 L 619 Inductor CTF1379 L 620 Inductor CTF1379 L 621 Inductor CTF1379 L 622 Inductor CTF1379 L 623 Inductor CTF1379 L 624 Inductor CTF1379 L 625 Inductor CTF1379 L 626 Inductor CTF1379 L 627 Inductor CTF1379 L 628 Inductor CTF1379 L 629 Inductor CTF1379 L 630 Inductor CTF1379 L 631 Inductor CTF1379 L 632 Inductor CTF1379 L 633 Inductor CTF1379 L 634 Inductor CTF1379 L 635 Inductor CTF1379 L 636 Inductor CTF1379 L 637 Inductor CTF1379 L 638 Inductor CTF1379 L 639 Inductor CTF1379 L 640 Inductor CTF1379 L 641 Inductor CTF1379 L 642 Inductor CTF1379 L 643 Inductor CTF1379 L 644 Inductor CTF1379 L 645 Inductor CTF1379 L 646 Inductor CTF1379 L 647 Inductor CTF1379 L 648 Inductor CTF1379 www. xiaoyu163. com QQ 376315150 9 9 2 8 9 4 2 9 8 TEL 13942296513 9 9 2 8 9 4 2 9 8 0 5 1 5 1 3 6 7 3 Q Q TEL 13942296513 QQ 376315150 892498299 TEL 13942296513 QQ 376315150 892498299 http://www.xiaoyu163.com 30 GEX-P7000TV,P7000TVP =====Circuit Symbol and No.===Part Name Part No. --- ------ ------------------------------------------ ------------------------- =====Circuit Symbol and No.===Part Name Part No. --- ------ ------------------------------------------ ------------------------- L 651 Inductor LCTB2R2K2125 L 652 Inductor LCTB2R2K2125 L 653 Inductor LCTB2R2K2125 L 654 Inductor CTF1379 L 655 Inductor CTF1379 L 656 Inductor CTF1379 L 657 Inductor CTF1379 L 658 Inductor CTF1379 L 659 Inductor CTF1379 L 660 Inductor CTF1379 L 661 Inductor CTF1379 L 662 Inductor CTF1379 L 663 Inductor CTF1379 L 664 Inductor CTF1379 L 665 Inductor CTF1379 L 666 Inductor CTF1379 L 670 Inductor CTF1379 L 675 Inductor CTF1379 L 676 Inductor CTF1379 L 677 Inductor CTF1379 L 678 Inductor CTF1379 L 679 Inductor CTF1379 L 680 Inductor CTF1379 L 689 Inductor CTF1379 L 690 Inductor CTF1379 L 695 Inductor CTF1379 L 696 Inductor CTF1379 L 697 Inductor CTF1379 L 698 Inductor CTF1379 L 699 Inductor CTF1379 L 701 Inductor CTF1379 L 702 Inductor CTF1379 L 703 Inductor CTF1379 L 704 Inductor CTF1379 L 705 Inductor CTF1379 L 706 Inductor CTF1379 L 707 Inductor CTF1379 L 708 Inductor CTF1379 L 709 Inductor CTF1379 L 710 Inductor CTF1379 L 711 Inductor Array CTF1421 L 801 Inductor LCTA2R2J3225 L 802 Inductor LCTA2R2J3225 L 803 Inductor LCTA2R2J3225 L 804 Inductor LCTB2R2K3216 L 805 Inductor LCTB2R2K3216 L 806 Inductor CTF1402 L 807 Inductor CTF1402 L 902 Inductor LCTA220J3225 L 921 Choke Coil 2mH CTH1074 L 922 Choke Coil 100µH CTH1157 L 923 Transformer CTX1053 L 1001 Inductor LCTB1R0K2125 L 1002 Inductor LCTA2R2J3225 L 1003 Inductor LCTA2R2J3225 L 1004 Inductor LCTA2R2J3225 L 1005 Inductor LCTB2R2K2125 L 1006 Inductor LCTB2R2K3216 L 1007 Inductor LCTA680J3225 L 1008 Inductor LCTB101K2125 L 1801 Inductor LCTB2R2K2125 L 1802 Inductor LCTB2R2K3216 L 1803 Inductor LCTB2R2K3216 L 1805 Inductor LCTB101K2125 L 1806 Inductor LCTB2R2K3216 L 1807 Inductor LCTB2R2K3216 L 1808 Inductor LCTB2R2K3216 L 1809 Inductor LCTB2R2K2125 L 1810 Inductor LCTB2R2K2125 L 1811 Inductor LCTB2R2K2125 L 2801 Inductor LCTA6R8J2520 L 2802 Inductor CTF1379 L 2805 Inductor LCTB101K2125 L 2806 Inductor LCTB2R2K3216 L 2807 Inductor LCTB2R2K2125 L 3801 Inductor LCTB2R2K2125 L 3802 Inductor CTF1402 L 3803 Inductor CTF1402 L 3804 Inductor CTF1402 L 3805 Inductor CTF1402 L 3808 Inductor CTF1379 L 4001 Inductor LCTB2R2K2125 L 4002 Inductor LCTB2R2K2125 L 4003 Inductor LCTB2R2K2125 L 4004 Inductor LCTB2R2K2125 L 4801 Inductor CTF1306 L 4802 Inductor CTF1306 L 4803 Inductor CTF1306 L 4804 Inductor CTF1306 L 4805 Inductor LCTB2R2K2125 L 4806 Inductor CTF1379 TC 1001 Trimmer CCL1048 TC 2801 Trimmer CCG1039 TH 401 Thermistor TN20-3U473K X 501 Radiator 38.000kHz CSS1372 X 502 Crystal Resonator 7.2MHz CSS1030 X 601 Radiator 6.290MHz CSS1451 X 602 Radiator 6.290MHz CSS1451 X 801 Crystal Resonator 3.579545MHz CSS1465 S 601 Switch(RESET) CSG1046 S 1001 Switch(MODE) CSH1053 VR 402 Semi-fixed 47kΩ(B) CCP1233 VR 501 Semi-fixed 47kΩ(B) CCP1233 VR 502 Semi-fixed 33kΩ(B) CCP1232 VR 801 Semi-fixed 100kΩ(B) CCP1235 FU 502 Micro-Fuse 2A CEK1190 FU 701 Micro-Fuse 2A CEK1190 FU 801 Micro-Fuse 2A CEK1190 FU 803 Micro-Fuse 2A CEK1190 FU 804 Micro-Fuse 2A CEK1190 FU 805 Micro-Fuse 2A CEK1190 FU 921 Micro-Fuse 1A CEK1187 FU 922 Micro-Fuse 500mA CEK1185 FU 3801 Micro-Fuse 2A CEK1190 FU 3802 Micro-Fuse 2A CEK1190 FU 4801 Micro-Fuse 2A CEK1190 FU 4802 Micro-Fuse 2A CEK1190 EF 901 Filter CCG1051 EF 3801 Filter CCG1067 EF 3802 Filter CCG1067 FE 1001 TV Front End CWB1085 RESISTORS R 120 RS1/16S104J R 121 RS1/16S473J R 122 RS1/16S113J R 123 RS1/16S113J R 124 RS1/16S102J R 125 RS1/16S512J R 126 RS1/16S512J R 401 RS1/16S331J R 402 RS1/16S822J R 403 RS1/16S104J R 404 RS1/16S513J R 405 RS1/16S753J R 406 RS1/16S682J R 408 RS1/16S132J R 409 RS1/16S562J www. xiaoyu163. com QQ 376315150 9 9 2 8 9 4 2 9 8 TEL 13942296513 9 9 2 8 9 4 2 9 8 0 5 1 5 1 3 6 7 3 Q Q TEL 13942296513 QQ 376315150 892498299 TEL 13942296513 QQ 376315150 892498299 http://www.xiaoyu163.com 31 GEX-P7000TV,P7000TVP =====Circuit Symbol and No.===Part Name Part No. --- ------ ------------------------------------------ ------------------------- =====Circuit Symbol and No.===Part Name Part No. --- ------ ------------------------------------------ ------------------------- R 410 RS1/16S154J R 411 RS1/16S223J R 412 RS1/16S682J R 413 RS1/16S393J R 414 RS1/16S103J R 415 RS1/16S103J R 417 RS1/16S622J R 436 RS1/10S822J R 437 RS1/16S473J R 438 RS1/16S682J R 439 RS1/16S103J R 452 RS1/16S473J R 453 RS1/16S473J R 454 RS1/16S102J R 455 RS1/16S821J R 456 RS1/16S0R0J R 457 RS1/16S153J R 458 RS1/16S0R0J R 501 RS1/10S471J R 502 RS1/10S471J R 503 RS1/16S472J R 504 RS1/16S472J R 505 RS1/16S361J R 506 RS1/16S361J R 507 RS1/16S223J R 508 RS1/16S223J R 509 RS1/16S681J R 510 RS1/16S681J R 511 RS1/16S0R0J R 512 RS1/16S0R0J R 513 RS1/16S681J R 514 RS1/16S362J R 515 RS1/16S823J R 516 RS1/16S513J R 517 RS1/16S392J R 518 RS1/16S102J R 519 RS1/16S392J R 520 RS1/16S102J R 521 RS1/16S392J R 522 RS1/16S103J R 523 RS1/16S103J R 524 RS1/16S103J R 525 RS1/16S513J R 526 RS1/16S101J R 527 RS1/16S104J R 528 RS1/16S104J R 529 RS1/16S221J R 530 RS1/16S123J R 531 RS1/16S683J R 532 RS1/16S472J R 533 RS1/16S102J R 534 RS1/16S102J R 535 RS1/16S102J R 536 RS1/16S223J R 537 RS1/16S362J R 538 RS1/16S681J R 539 RS1/16S242J R 540 RS1/16S822J R 541 RS1/16S103J R 542 RS1/16S103J R 543 RS1/16S101J R 546 RS1/16S332J R 547 RS1/16S334J R 548 RS1/16S560J R 549 RS1/16S222J R 550 RS1/16S104J R 551 RS1/16S244J R 552 RS1/16S154J R 553 RS1/16S152J R 554 RS1/16S331J R 555 RS1/8S470J R 556 RS1/16S103J R 601 RS1/16S102J R 602 RS1/16S102J R 603 RS1/16S102J R 604 RS1/16S102J R 605 RS1/16S102J R 607 RS1/16S102J R 610 RS1/16S681J R 611 RS1/16S681J R 612 RS1/16S473J R 613 RS1/16S473J R 614 RS1/16S102J R 616 RS1/16S102J R 617 RS1/16S473J R 618 RS1/10S244J R 619 RS1/16S473J R 620 RS1/16S102J R 621 RS1/16S102J R 622 (GEX-P7000TV/UC) RS1/16S103J R 622 (GEX-P7000TV/ES) RS1/16S333J R 623 RS1/16S473J R 624 RS1/10S473J R 627 RS1/10S223J R 628 RS1/10S472J R 631 RS1/16S473J R 632 RS1/16S102J R 633 RS1/16S102J R 634 RS1/16S102J R 635 RS1/16S102J R 636 RS1/16S473J R 637 RS1/16S0R0J R 638 RS1/16S0R0J R 639 RS1/16S0R0J R 646 RS1/16S102J R 647 RS1/16S102J R 648 RS1/16S102J R 649 RS1/16S102J R 651 RS1/10S103J R 652 RS1/10S473J R 653 RS1/10S472J R 654 RS1/10S102J R 656 RS1/10S103J R 657 RS1/10S223J R 658 RS1/10S103J R 659 RS1/16S473J R 660 RS1/10S223J R 661 RS1/10S473J R 662 RS1/16S473J R 663 RS1/16S473J R 664 RS1/16S103J R 665 RS1/16S562J R 666 RS1/16S332J R 667 RS1/10S182J R 668 RS1/10S472J R 669 RS1/10S223J R 670 RS1/10S224J R 671 RS1/10S224J R 672 RS1/10S473J R 673 RS1/10S472J R 674 RS1/16S101J R 675 RS1/16S101J R 676 RS1/10S473J R 677 RS1/10S473J R 678 RS1/10S102J R 679 RS1/10S102J R 680 RS1/10S103J R 681 RS1/16S222J R 682 RS1/16S101J R 683 RS1/16S101J www. xiaoyu163. com QQ 376315150 9 9 2 8 9 4 2 9 8 TEL 13942296513 9 9 2 8 9 4 2 9 8 0 5 1 5 1 3 6 7 3 Q Q TEL 13942296513 QQ 376315150 892498299 TEL 13942296513 QQ 376315150 892498299 http://www.xiaoyu163.com 32 GEX-P7000TV,P7000TVP =====Circuit Symbol and No.===Part Name Part No. --- ------ ------------------------------------------ ------------------------- =====Circuit Symbol and No.===Part Name Part No. --- ------ ------------------------------------------ ------------------------- R 684 RS1/10S620J R 685 RS1/10S473J R 686 RS1/10S473J R 687 RS1/10S102J R 688 RS1/10S102J R 689 RS1/10S103J R 690 RS1/10S473J R 691 RS1/10S473J R 692 RS1/10S103J R 693 RS1/10S103J R 694 RS1/10S473J R 695 RS1/10S223J R 696 RS1/16S473J R 697 RS1/10S473J R 698 RS1/10S473J R 699 RS1/10S473J R 701 RS1/16S472J R 702 RS1/10S472J R 703 RS1/10S472J R 704 RS1/10S473J R 705 RS1/10S223J R 706 RS1/10S153J R 707 RS1/10S103J R 708 RS1/10S103J R 721 RS1/10S102J R 722 RS1/10S102J R 801 RS1/16S0R0J R 802 RN1/16SE1002D R 805 RS1/16S102J R 806 RS1/16S222J R 807 RS1/16S123J R 808 RS1/16S222J R 809 RS1/16S222J R 810 RS1/16S101J R 811 RS1/16S101J R 812 RS1/10S103J R 813 RS1/10S471J R 814 RS1/10S471J R 815 RS1/10S471J R 816 RS1/10S471J R 817 RS1/16S471J R 818 RS1/16S102J R 819 RS1/16S102J R 820 RS1/16S0R0J R 822 RS1/16S683J R 823 RS1/16S473J R 824 RS1/16S750J R 825 RS1/16S750J R 827 RS1/16S102J R 828 RS1/16S102J R 829 RS1/16S471J R 830 RS1/16S471J R 831 RS1/16S471J R 832 RS1/16S750J R 833 RS1/16S750J R 834 RS1/10S101J R 835 RS1/16S101J R 836 RS1/16S472J R 837 RS1/16S472J R 838 RS1/16S101J R 839 RS1/16S101J R 840 RS1/16S101J R 841 RS1/16S103J R 842 RS1/16S103J R 843 RS1/16S102J R 844 RS1/16S683J R 845 RS1/16S473J R 901 RS1/10S272J R 902 RS1/10S822J R 921 RS1/10S472J R 922 RS1/10S472J R 923 RS1/10S472J R 924 RS1/4S271J R 925 RS1/4S271J R 926 RS1/10S472J R 927 RS1/10S472J R 928 RS1/10S103J R 929 RS1/10S103J R 930 RS1/10S102J R 931 RS1/10S102J R 932 RS1/10S472J R 933 RS1/10S103J R 934 RS1/10S103J R 935 RS1/8S561J R 936 RS1/10S103J R 937 RS1/10S103J R 938 RS1/8S152J R 939 RS1/10S561J R 942 RS1/10S103J R 943 RS1/10S103J R 944 RS1/10S102J R 945 RS1/10S100J R 946 RS1/10S103J R 947 RS1/10S103J R 948 RS1/4S152J R 949 RS1/10S102J R 950 RS1/10S223J R 951 RS1/10S472J R 952 RS1/10S560J R 953 RS1/10S181J R 954 RS1/16S104J R 1001 RS1/16S102J R 1002 RS1/16S102J R 1003 RS1/16S102J R 1004 RS1/16S102J R 1005 RS1/10S102J R 1007 RS1/10S101J R 1008 RS1/10S471J R 1010 RS1/10S103J R 1011 RS1/10S103J R 1012 RS1/10S103J R 1013 RS1/10S103J R 1014 RS1/10S102J R 1015 RS1/10S102J R 1016 RS1/10S102J R 1017 RS1/10S102J R 1018 RS1/16S103J R 1019 RS1/16S391J R 1020 RS1/16S105J R 1022 RS1/16S223J R 1023 RS1/16S393J R 1024 RN1/16SE1202D R 1025 RS1/10S151J R 1026 RS1/10S473J R 1027 RS1/10S223J R 1029 RS1/10S0R0J R 1030 RS1/10S0R0J R 1031 RS1/16S124J R 1032 RS1/16S273J R 1033 RS1/16S331J R 1034 RS1/16S224J R 1035 RS1/16S104J R 1036 RS1/16S821J R 1037 RS1/16S273J R 1038 RS1/16S105J R 1801 RS1/10S102J R 1802 RS1/16S102J R 1803 RS1/10S102J R 1804 RS1/16S331J R 1805 RS1/16S102J www. xiaoyu163. com QQ 376315150 9 9 2 8 9 4 2 9 8 TEL 13942296513 9 9 2 8 9 4 2 9 8 0 5 1 5 1 3 6 7 3 Q Q TEL 13942296513 QQ 376315150 892498299 TEL 13942296513 QQ 376315150 892498299 http://www.xiaoyu163.com GEX-P7000TV,P7000TVP =====Circuit Symbol and No.===Part Name Part No. --- ------ ------------------------------------------ ------------------------- =====Circuit Symbol and No.===Part Name Part No. --- ------ ------------------------------------------ ------------------------- R 1806 RS1/16S331J R 1807 RS1/16S102J R 1808 RS1/16S331J R 1809 RS1/16S102J R 1811 RS1/10S0R0J R 1812 RS1/10S332J R 1815 RS1/10S681J R 1816 (RN1/10SE1002D) GGC1320 R 1817 (RN1/10SE1002D) GGC1320 R 1818 RS1/16S750J R 1819 RS1/16S750J R 1820 RS1/16S750J R 1821 RS1/16S750J R 1822 RS1/16S101J R 1823 RS1/16S101J R 1824 RS1/16S101J R 2801 RS1/16S102J R 2802 RS1/16S102J R 2803 RS1/16S102J R 2805 RS1/16S472J R 2806 RS1/16S751J R 2807 RS1/16S472J R 2808 RS1/16S751J R 2809 RS1/16S472J R 2810 RS1/16S751J R 2811 RS1/16S681J R 2812 RS1/16S681J R 2820 RS1/10S102J R 2821 RS1/16S153J R 2822 RS1/16S102J R 2830 RS1/10S681J R 2831 (RN1/10SE1002D) GGC1320 R 2832 RS1/16S681J R 2833 (RN1/10SE1002D) GGC1320 R 3801 RS1/10S0R0J R 3805 RS1/16S0R0J R 3806 RS1/10S473J R 3807 RS1/16S223J R 3812 RS1/16S473J R 3815 RS1/16S0R0J R 3816 RS1/16S223J R 3818 RS1/16S223J R 3819 RS1/16S471J R 3820 RS1/16S103J R 3822 RS1/16S471J R 3825 RS1/16S0R0J R 3826 RS1/16S0R0J R 3829 RS1/16S750J R 3830 RS1/16S750J R 3831 RS1/16S750J R 3832 RS1/16S750J R 3834 RS1/16S471J R 3835 RS1/16S471J R 3836 RS1/16S223J R 3838 RS1/16S0R0J R 4001 RS1/16S272J R 4002 RS1/16S272J R 4003 RS1/16S272J R 4004 RS1/16S272J R 4005 RS1/16S222J R 4006 RS1/16S222J R 4007 RS1/16S222J R 4008 RS1/16S222J R 4009 RS1/16S102J R 4010 RS1/16S102J R 4011 RS1/16S102J R 4012 RS1/16S102J R 4013 RS1/16S220J R 4014 RS1/16S220J R 4015 RS1/16S104J R 4016 RS1/16S104J R 4017 RS1/16S104J R 4018 RS1/16S104J R 4019 RS1/16S104J R 4020 RS1/16S104J R 4021 RS1/16S102J R 4022 RS1/16S102J R 4023 RS1/16S222J R 4024 RS1/16S222J R 4025 RS1/16S102J R 4026 RS1/16S102J R 4027 RS1/16S222J R 4028 RS1/16S222J R 4029 RS1/16S821J R 4030 RS1/16S821J R 4031 RS1/10S223J R 4032 RS1/10S223J R 4033 RS1/16S102J R 4034 RS1/16S102J R 4035 RS1/16S104J R 4036 RS1/16S104J R 4037 RS1/16S104J R 4038 RS1/16S104J R 4039 RS1/16S104J R 4040 RS1/16S104J R 4041 RS1/16S102J R 4042 RS1/16S102J R 4043 RS1/16S222J R 4044 RS1/16S222J R 4045 RS1/16S102J R 4046 RS1/16S102J R 4047 RS1/16S222J R 4048 RS1/16S222J R 4049 RS1/16S821J R 4050 RS1/16S821J R 4051 RS1/16S223J R 4052 RS1/16S223J R 4053 RS1/10S103J R 4054 RS1/10S103J R 4055 RS1/16S102J R 4056 RS1/16S102J R 4057 RS1/16S222J R 4058 RS1/16S222J R 4059 RS1/16S102J R 4060 RS1/16S102J R 4061 RS1/16S222J R 4062 RS1/16S222J R 4201 RS1/10S102J R 4202 RS1/10S102J R 4203 RS1/10S223J R 4204 RS1/10S223J R 4205 RS1/10S102J R 4206 RS1/10S102J R 4301 RS1/10S104J R 4302 RS1/10S104J R 4303 RS1/10S104J R 4304 RS1/10S104J R 4309 RS1/16S821J R 4310 RS1/10S821J R 4311 RS1/10S223J R 4312 RS1/10S223J R 4313 RS1/10S104J R 4314 RS1/10S102J R 4315 RS1/10S473J R 4316 RS1/16S223J R 4317 RS1/16S223J R 4801 RS1/16S0R0J R 4802 RS1/16S0R0J R 4804 RS1/16S0R0J R 4805 RS1/16S471J 33 www. xiaoyu163. com QQ 376315150 9 9 2 8 9 4 2 9 8 TEL 13942296513 9 9 2 8 9 4 2 9 8 0 5 1 5 1 3 6 7 3 Q Q TEL 13942296513 QQ 376315150 892498299 TEL 13942296513 QQ 376315150 892498299 http://www.xiaoyu163.com 34 GEX-P7000TV,P7000TVP =====Circuit Symbol and No.===Part Name Part No. --- ------ ------------------------------------------ ------------------------- =====Circuit Symbol and No.===Part Name Part No. --- ------ ------------------------------------------ ------------------------- R 4806 RS1/16S473J R 4808 RS1/16S0R0J R 4811 RS1/16S471J R 4812 RS1/16S471J R 4813 RS1/16S471J R 4814 RS1/16S471J CAPACITORS C 118 CKSYB106K6R3 C 119 CKSYB106K6R3 C 121 CKSRYB223K25 C 122 CKSRYB223K25 C 401 CKSRYB103K25 C 402 CKSRYB223K25 C 403 CKSQYB105K16 C 404 CCSRCH220J50 C 405 CKSRYB473K16 C 406 CKSRYB103K25 C 407 CKSRYB103K25 C 408 CKSQYB105K16 C 409 CKSRYB223K25 C 410 CKSRYB104K16 C 411 CKSRYB103K25 C 412 CKSRYB223K25 C 413 CKSRYB103K25 C 424 CKSRYB103K25 C 425 CEV220M10 C 426 CKSRYB102K50 C 427 CKSRYB682K25 C 428 CKSQYB272K50 C 429 CKSQYB105K16 C 430 CKSRYB103K25 C 431 CKSYB106K6R3 C 432 CCSRCH101J50 C 436 CKSQYB105K16 C 437 CKSYB106K6R3 C 451 CKSRYB332K50 C 452 CKSYB106K6R3 C 456 CKSYB106K6R3 C 501 CKSRYB102K50 C 502 CKSRYB102K50 C 505 CKSRYB392K50 C 506 CKSRYB392K50 C 507 CKSRYB102K50 C 508 CKSRYB102K50 C 509 CKSRYB103K25 C 510 CKSQYB105K16 C 512 CKSYB106K6R3 C 513 CKSQYB105K16 C 514 CKSYB106K6R3 C 515 CKSRYB103K25 C 516 CCSRCH120J50 C 517 CKSRYB103K25 C 518 CCSRCH101J50 C 519 CKSQYB474K16 C 520 CCSRCH160J50 C 521 CKSYB106K6R3 C 522 CEV220M10 C 523 CKSQYB474K16 C 524 CKSYB106K6R3 C 525 CKSRYB104K16 C 526 CKSQYB105K16 C 527 CCSRCH271J50 C 528 CCSQCH162J50 C 529 CKSQYB105K16 C 530 CKSRYB104K16 C 531 CCSRCH270J50 C 532 CCSRCH270J50 C 533 CKSRYB103K25 C 534 CEV101M10 C 535 33µF/10V CCH1286 C 536 CKSRYB473K16 C 537 CEV470M6R3 C 538 CKSRYB104K16 C 539 CCSRCH180J50 C 540 CKSRYB103K25 C 541 CCSQCH1R0C50 C 542 CCSQCH100D50 C 543 CCSRCH330J50 C 544 CCSRCH180J50 C 545 CKSRYB104K16 C 546 CCSQCH1R0C50 C 547 CKSRYB103K25 C 548 CCSQCH3R0C50 C 549 CKSRYB103K25 C 550 CEJA220M16 C 551 CKSRYB473K16 C 552 CKSRYB103K25 C 604 CKSRYB102K50 C 605 CKSQYB105K16 C 606 CKSQYB473K16 C 607 CKSQYB473K16 C 609 CKSQYB102K50 C 610 CKSQYB473K16 C 611 CKSQYB473K16 C 612 CKSQYB103K25 C 651 CKSQYB103K25 C 652 CEJA100M16 C 653 CKSRYB102K50 C 654 CKSQYB105K16 C 655 CKSQYB104K16 C 656 CKSQYB104K16 C 657 CKSQYB104K16 C 801 CKSQYB105K16 C 802 CKSQYB105K16 C 803 CKSRYB104K16 C 804 CEJA100M16 C 805 CKSQYB105K16 C 806 CKSRYB472K50 C 807 CKSQYB105K16 C 808 CKSQYB105K16 C 809 CEJA470M10 C 810 CKSRYB104K16 C 811 CKSQYB105K16 C 812 CKSYB475K10 C 813 CKSQYB105K16 C 814 CKSQYB104K16 C 815 CCSQSL471J50 C 816 CKSQYB474K16 C 817 CCSQCH180J50 C 819 CEJANP100M10 C 820 CKSRYB103K25 C 823 CKSYB106K6R3 C 825 CKSRYB103K25 C 826 CKSYB106K6R3 C 828 470µF/6.3V CCH1182 C 831 470µF/6.3V CCH1182 C 832 CKSYB106K6R3 C 833 CKSRYB223K25 C 834 CKSQYB105K10 C 835 CEVNP100M10 C 836 CEVNP100M10 C 837 CKSRYB104K16 www. xiaoyu163. com QQ 376315150 9 9 2 8 9 4 2 9 8 TEL 13942296513 9 9 2 8 9 4 2 9 8 0 5 1 5 1 3 6 7 3 Q Q TEL 13942296513 QQ 376315150 892498299 TEL 13942296513 QQ 376315150 892498299 http://www.xiaoyu163.com 35 GEX-P7000TV,P7000TVP =====Circuit Symbol and No.===Part Name Part No. --- ------ ------------------------------------------ ------------------------- =====Circuit Symbol and No.===Part Name Part No. --- ------ ------------------------------------------ ------------------------- C 838 CKSRYB104K16 C 839 CKSRYB104K16 C 840 CKSRYB104K16 C 841 CKSRYB104K16 C 842 CKSRYB104K16 C 843 CKSRYB104K16 C 844 CKSRYB104K16 C 845 CKSRYB104K16 C 846 CKSRYB104K16 C 847 CKSRYB104K16 C 848 CKSRYB104K16 C 849 CKSYB106K6R3 C 901 4700µF/16V CCH1188 C 902 CKSQYB104K16 C 903 1000µF/16V CCH1185 C 904 CKSQYB103K25 C 905 CEJA220M16 C 906 CKSQYB103K25 C 907 CEJA220M16 C 921 CEJA220M10 C 922 CEAS471M25 C 923 CEAS101M25 C 924 CKSQYB103K25 C 925 CKSQYB103K25 C 926 CEJA330M10 C 927 CKSQYB103K25 C 928 CEJA330M10 C 929 CKSQYB473K16 C 930 CKSQYB103K25 C 931 CKSQYB103K25 C 932 CEJA100M16 C 933 CKSQYB473K16 C 934 CEV330M10 C 935 CKSQYB473K16 C 936 CKSQYB473K16 C 937 CEV220M10 C 938 CKSQYB473K16 C 939 CEV330M10 C 940 CKSQYB103K25 C 941 CKSQYB103K50 C 942 CEJA4R7M35 C 943 CEJA4R7M35 C 944 CKSQYB103K50 C 945 CKSQYB104K50 C 946 CEJA101M16 C 947 CKSQYB103K25 C 948 CKSQYB104K16 C 949 CKSQYB103K25 C 950 CEAS221M10 C 951 470µF/10V CCH1019 C 952 CKSQYB473K16 C 953 470µF/10V CCH1019 C 954 CEJA1R0M50 C 955 CEJA220M10 C 956 CKSQYB104K16 C 957 470µF/10V CCH1019 C 958 CEJA101M10 C 1001 CKSQYB103K50 C 1002 CEAS220M50 C 1003 CKSQYB473K16 C 1004 470µF/10V CCH1019 C 1005 470µF/10V CCH1019 C 1006 CKSQYB103K25 C 1009 CKSQYB103K25 C 1010 470µF/10V CCH1019 C 1011 CKSQYB103K25 C 1013 CEJA100M16 C 1014 CKSQYB223K25 C 1015 CKSRYB153K25 C 1016 CKSRYB102K50 C 1017 CCSRTH180J50 C 1018 CKSRYB102K50 C 1019 CKSRYB102K50 C 1020 CKSRYB102K50 C 1021 CKSRYB102K50 C 1022 CKSQYB224K16 C 1023 CKSQYB152K50 C 1024 CKSQYB102K50 C 1025 CKSQYB102K50 C 1026 CKSQYB223K25 C 1027 CEJA470M6R3 C 1028 CKSQYB103K25 C 1029 CKSQYB103K25 C 1030 CKSRYB223K25 C 1031 CEV100M16 C 1032 CCSRCH101J50 C 1033 CKSRYB103K25 C 1034 CKSRYB153K25 C 1035 CCSRCH560J50 C 1036 CKSRYB223K25 C 1037 CKSRYB104K16 C 1038 CKSQYB223K25 C 1041 CKSQYB333K25 C 1042 CKSQYB333K25 C 1043 CKSQYB333K25 C 1044 CKSQYB333K25 C 1801 CKSQYB104K16 C 1802 CKSQYB105K16 C 1803 CKSQYB105K16 C 1804 CKSQYB105K16 C 1805 CKSQYB105K16 C 1806 CKSQYB105K16 C 1807 CKSQYB105K16 C 1808 CKSQYB103K25 C 1809 CEJA100M16 C 1810 CKSQYB103K25 C 1811 CKSQYB105K16 C 1812 CKSQYB105K16 C 1813 CKSQYB105K16 C 1814 CKSQYB105K16 C 1815 CKSQYB105K16 C 1816 CKSQYB105K16 C 1817 CKSQYB103K25 C 1818 CKSYB106K6R3 C 1819 CKSRYB103K25 C 1821 CKSQYB105K16 C 1822 CKSQYB105K16 C 1823 CKSQYB105K16 C 1824 CCSQCH100J50 C 1825 CCSQSL471J50 C 1826 CCSQCH100J50 C 1827 CKSQYB104K16 C 1828 CKSYB106K6R3 C 1829 CKSQYB470K50 C 1830 CEV470M6R3 C 1831 CEV470M6R3 C 1832 CEV470M6R3 C 1833 CKSRYB103K25 C 1834 CEV100M16 C 1835 CKSRYB103K25 C 1836 CKSQYB105K16 C 1837 CKSRYB103K25 C 1838 CKSYB106K6R3 C 1839 CKSRYB103K25 C 1840 470µF/10V CCH1019 C 1841 CKSYB106K6R3 C 1842 CKSYB106K6R3 C 1843 CKSQYB103K25 C 1844 CKSQYB103K25 C 1845 CKSYB106K6R3 www. xiaoyu163. com QQ 376315150 9 9 2 8 9 4 2 9 8 TEL 13942296513 9 9 2 8 9 4 2 9 8 0 5 1 5 1 3 6 7 3 Q Q TEL 13942296513 QQ 376315150 892498299 TEL 13942296513 QQ 376315150 892498299 http://www.xiaoyu163.com 36 GEX-P7000TV,P7000TVP =====Circuit Symbol and No.===Part Name Part No. --- ------ ------------------------------------------ ------------------------- =====Circuit Symbol and No.===Part Name Part No. --- ------ ------------------------------------------ ------------------------- C 1846 CCSRCH221J50 C 1847 CCSRCH221J50 C 1848 CCSRCH221J50 C 2801 CKSQYB105K16 C 2802 CCSRUJ121J50 C 2803 CCSRUJ101J50 C 2806 CKSRYB103K25 C 2807 CASAQ150K16 C 2816 CCSQCH100J50 C 2817 CCSQSL471J50 C 2818 CCSQCH100J50 C 2819 CKSQYB104K16 C 2820 CKSYB106K6R3 C 2821 CKSYB106K6R3 C 2822 CKSRYB103K25 C 2823 CKSRYB103K25 C 2824 CKSYB106K6R3 C 2825 CKSRYB104K16 C 2830 CKSYB106K6R3 C 2831 CKSQYB183J50 C 3802 CKSRYB104K16 C 4001 CCSRSL471J50 C 4002 CCSRSL471J50 C 4003 CCSQSL471J50 C 4004 CCSRSL471J50 C 4005 CCSRSL471J50 C 4006 CCSRSL471J50 C 4007 CCSRSL471J50 C 4008 CCSRSL471J50 C 4009 CKSQYB105K16 C 4010 CKSQYB105K16 C 4011 CKSQYB105K16 C 4012 CKSQYB105K16 C 4013 CEJA220M16 C 4014 CEJA220M16 C 4015 CKSQYB105K16 C 4016 CKSQYB105K16 C 4017 CEV101M10 C 4018 CEJA101M10 C 4019 CKSQYB105K16 C 4020 CKSQYB105K16 C 4021 CKSQYB105K16 C 4022 CKSQYB105K16 C 4023 CKSQYB105K16 C 4024 CKSQYB105K16 C 4025 CCSRCH151J50 C 4026 CCSRCH151J50 C 4027 CCSRCH151J50 C 4028 CCSRCH151J50 C 4029 CKSQYB105K16 C 4030 CKSQYB105K16 C 4031 CKSQYB222K50 C 4032 CKSQYB222K50 C 4033 CEV101M10 C 4034 CKSYB106K6R3 C 4035 CEV101M10 C 4037 CKSQYB105K16 C 4038 CKSQYB105K16 C 4039 CKSQYB105K16 C 4040 CKSQYB105K16 C 4041 CKSQYB105K16 C 4042 CKSQYB105K16 C 4043 CCSRCH151J50 C 4044 CCSRCH151J50 C 4045 CCSRCH151J50 C 4046 CCSRCH151J50 C 4047 CKSQYB105K16 C 4048 CKSQYB105K16 C 4049 CKSRYB222K50 C 4050 CKSRYB222K50 C 4051 CEJA101M10 C 4052 CEJA100M16 C 4053 CEJA101M10 C 4055 CCSRCH151J50 C 4056 CCSRCH151J50 C 4057 CCSRCH151J50 C 4058 CCSRCH151J50 C 4201 CEJA1R0M50 C 4202 CEJA1R0M50 C 4203 CEJA1R0M50 C 4204 CEJA1R0M50 C 4205 CEJANP100M10 C 4206 CEJANP100M10 C 4207 CEJA220M16 C 4208 CEJA100M16 C 4301 CEJA100M16 C 4302 CEJA100M16 C 4309 CEJA100M16 C 4310 CEJA100M16 C 4311 CKSQYB222K50 C 4312 CKSQYB222K50 C 4313 CEJA220M10 C 4314 CEJA220M10 C 4801 CKSRYB104K16 Unit Number:CWM6346(GEX-P7000TVP/EW) Unit Number:CWM6511(GEX-P7000TVP/ES) Unit Name :TV Modulator Unit MISCELLANEOUS IC 402 IC BA7046F IC 403 IC LA2120M IC 404 IC TC7SH04F IC 405 IC TC7SH08F IC 406 IC TA75S393F IC 501 IC BA1404F IC 502 IC BA4560F IC 503 IC BU2611AFS IC 601 IC PE5039A IC 602 IC PE5040A IC 603 IC S-80734ANDYI IC 604 IC TC7SH32FU IC 651 IC CA0008AM IC 652 IC CA0008AM IC 801 IC CXA2060BS IC 802 IC BA7623F IC 803 IC NJM2246M IC 921 IC TK11819M IC 951 IC NJM78L06A IC 1001 IC PM0013AM IC 1801 IC TC4S30F IC 1802 IC BA7603F IC 1803 IC BA7603F IC 1804 IC TC74HC123AF IC 1805 IC NJM2267V A www. xiaoyu163. com QQ 376315150 9 9 2 8 9 4 2 9 8 TEL 13942296513 9 9 2 8 9 4 2 9 8 0 5 1 5 1 3 6 7 3 Q Q TEL 13942296513 QQ 376315150 892498299 TEL 13942296513 QQ 376315150 892498299 http://www.xiaoyu163.com 37 GEX-P7000TV,P7000TVP =====Circuit Symbol and No.===Part Name Part No. --- ------ ------------------------------------------ ------------------------- =====Circuit Symbol and No.===Part Name Part No. --- ------ ------------------------------------------ ------------------------- IC 1806 IC NJM2267V IC 1807 IC NJM2235M IC 2801 IC PD5448B IC 2804 IC TC74HC123AF IC 2805 IC TC7SH04F IC 2806 IC NJM2235M IC 3801 IC TC7W34FU IC 4001 IC BA3121F IC 4002 IC BA3121F IC 4003 IC BA3131FS IC 4004 IC BA3131FS IC 4201 IC TA2050S IC 4301 IC BA3129F IC 4801 IC TC7W34FU Q 653 Transistor 2SC2412K Q 654 Transistor 2SC4081 Q 655 Transistor DTC124EU Q 656 Transistor 2SA1037K Q 657 Transistor 2SC2412K Q 658 Transistor 2SC3295 Q 659 Transistor 2SC2412K Q 660 Transistor 2SC2412K Q 661 Transistor 2SC2412K Q 662 Transistor 2SC2412K Q 701 Transistor DTC114TK Q 702 Transistor DTC114TK Q 703 Transistor DTC114TK Q 704 Transistor 2SC2412K Q 801 Transistor 2SC4081 Q 802 Transistor 2SC4081 Q 803 Transistor 2SA1037K Q 804 Transistor 2SA1037K Q 805 Transistor 2SA1576 Q 806 Transistor 2SA1576 Q 807 Transistor 2SC4081 Q 808 Transistor 2SC4081 Q 106 Transistor 2SC4081 Q 402 Transistor 2SC4081 Q 451 Transistor 2SC4081 Q 501 Transistor DTC124EU Q 502 Transistor 2SC4081 Q 503 Transistor 2SC4081 Q 504 Transistor 2SC2059K Q 505 Transistor 2SC2059K Q 506 Transistor 2SC2059K Q 602 Transistor 2SA1037K Q 651 Transistor 2SA1037K Q 652 Transistor 2SC2412K Q 809 Transistor 2SC4081 Q 810 Transistor DTC124EU Q 811 Transistor DTC124EU Q 812 Transistor DTC124EU Q 813 Transistor DTC314TU Q 814 Transistor DTC314TU Q 901 Transistor DTA124EK Q 902 Transistor DTC124EK Q 903 Transistor 2SD1664 Q 921 Transistor 2SA1797 Q 922 Transistor 2SC2412K Q 923 Transistor 2SA1797 Q 924 Transistor 2SC2412K Q 925 Transistor 2SA1037K Q 926 Transistor DTC114EK Q 927 Transistor 2SD1760F5 Q 928 Transistor 2SA1037K Q 929 Transistor DTC114EK Q 930 Transistor 2SD2396 Q 931 Transistor 2SD1760F5 Q 932 Transistor 2SA1037K Q 933 Transistor DTC114EK Q 934 Transistor 2SA1037K Q 935 Transistor 2SD2396 Q 936 Transistor 2SD1760F5 Q 937 Transistor 2SB710A Q 938 Transistor DTC114EK Q 939 Transistor DTC114EU Q 1001 Transistor 2SA1037K Q 1002 Transistor 2SA1037K Q 1003 Transistor 2SA1037K Q 1004 Transistor 2SA1037K Q 1005 Transistor 2SA1037K Q 1006 Transistor FMW2 Q 1801 Transistor 2SA1576 Q 1802 Transistor 2SA1576 Q 1803 Transistor 2SA1576 Q 2801 Transistor 2SC4081 Q 3802 Transistor 2SC4081 Q 3804 Transistor 2SC4081 Q 3805 Transistor DTC124EU Q 4001 Transistor DTC323TK Q 4002 Transistor DTC323TK Q 4003 Transistor DTA124EK Q 4004 Transistor DTA124EU Q 4005 Transistor FMG12 Q 4007 Transistor DTC124EU Q 4008 Transistor DTC124EU Q 4301 Transistor DTC323TK Q 4302 Transistor DTC323TK Q 4303 Transistor 2SC2412K Q 4304 Transistor DTA124EK D 401 Diode MA110 D 501 Diode RB706D40 D 502 Diode MA110 D 503 Diode MA153 D 504 Diode KV1440 D 505 Diode MA110 D 601 Diode MA152K D 603 Diode MA110 D 604 Diode MA110 D 651 Diode MA110 D 652 Diode MA8068(H) D 653 Diode MA8056(M) D 654 Diode MA110 D 655 Diode MA8180(M) D 656 Diode MA8180(M) D 657 Diode MA110 D 701 Diode MA110 D 702 Diode MA110 D 703 Diode MA110 D 704 Diode MA110 D 705 Diode MA110 D 706 Diode MA110 D 707 Diode MA8082(L) D 721 Diode MA8062(M) D 722 Diode MA8062(M) D 802 Diode MA153 D 803 Diode MA153 D 804 Diode MA8062(M) D 805 Diode MA8062(M) D 806 Diode MA8039(H) D 901 Diode ERA15-02VH D 902 Diode ERA15-02VH D 903 Diode MA8056(M) D 927 Diode ERA15-02VH D 928 Diode MA8091(L) D 930 Diode MA8091(M) D 931 Diode MA8056(M) D 932 Diode MA8091(M) D 933 Diode MA8056(M) D 934 Diode MA8033(H) www. xiaoyu163. com QQ 376315150 9 9 2 8 9 4 2 9 8 TEL 13942296513 9 9 2 8 9 4 2 9 8 0 5 1 5 1 3 6 7 3 Q Q TEL 13942296513 QQ 376315150 892498299 TEL 13942296513 QQ 376315150 892498299 http://www.xiaoyu163.com 38 GEX-P7000TV,P7000TVP =====Circuit Symbol and No.===Part Name Part No. --- ------ ------------------------------------------ ------------------------- =====Circuit Symbol and No.===Part Name Part No. --- ------ ------------------------------------------ ------------------------- D 935 Diode MA8051(M) D 1801 Diode MA152WK D 1802 Diode MA110 D 1803 Diode MA110 D 2801 Diode MA110 D 2802 Diode MA110 D 2803 Diode MA110 D 3801 Diode MA8062(M) D 3805 Diode MA8062(M) D 3807 Diode MA8062(M) D 3809 Diode MA8062(M) D 3810 Diode MA8062(M) D 3811 Diode MA8062(M) D 3812 Diode MA8062(M) D 4001 Diode MA110 D 4002 Diode MA110 D 4003 Diode MA8120(H) D 4004 Diode MA8120(H) D 4301 Diode MA8039(H) D 4801 Diode MA8062(M) D 4802 Diode MA8062(M) D 4803 Diode MA8062(M) D 4804 Diode MA8062(M) D 4805 Diode MA8062(M) D 4806 Diode MA8062(M) D 4807 Diode MA8062(M) D 4808 Diode MA8062(M) L 403 Coil CTX1049 L 404 Inductor LCTB2R2K3216 L 405 Inductor LCTB2R2K2125 L 406 Inductor LCTB2R2K2125 L 407 Inductor LCTB2R2K2125 L 408 Inductor LCTB2R2K2125 L 501 Filter CTF1333 L 502 Filter CTF1333 L 503 Inductor LCTB2R2K2125 L 504 Inductor CTF1302 L 505 Inductor LCTB2R2K2125 L 506 Inductor LCTB2R2K2125 L 507 Coil CTC1079 L 508 Inductor LCTB1R0K2125 L 509 Inductor LCTA101J3225 L 510 Inductor LCTBR68K2125 L 601 Inductor LCTB2R2K3216 L 602 Inductor LCTB2R2K3216 L 604 Inductor LCTB2R2K2125 L 606 Inductor CTF1379 L 608 Inductor CTF1379 L 612 Inductor CTF1379 L 615 Inductor CTF1379 L 616 Inductor CTF1379 L 617 Inductor CTF1379 L 618 Inductor CTF1379 L 619 Inductor CTF1379 L 620 Inductor CTF1379 L 621 Inductor CTF1379 L 622 Inductor CTF1379 L 623 Inductor CTF1379 L 624 Inductor CTF1379 L 625 Inductor CTF1379 L 626 Inductor CTF1379 L 627 Inductor CTF1379 L 628 Inductor CTF1379 L 629 Inductor CTF1379 L 630 Inductor CTF1379 L 631 Inductor CTF1379 L 632 Inductor CTF1379 L 633 Inductor CTF1379 L 634 Inductor CTF1379 L 635 Inductor CTF1379 L 636 Inductor CTF1379 L 637 Inductor CTF1379 L 638 Inductor CTF1379 L 639 Inductor CTF1379 L 640 Inductor CTF1379 L 641 Inductor CTF1379 L 642 Inductor CTF1379 L 643 Inductor CTF1379 L 644 Inductor CTF1379 L 645 Inductor CTF1379 L 646 Inductor CTF1379 L 647 Inductor CTF1379 L 648 Inductor CTF1379 L 651 Inductor LCTB2R2K2125 L 652 Inductor LCTB2R2K2125 L 653 Inductor LCTB2R2K2125 L 654 Inductor CTF1379 L 655 Inductor CTF1379 L 656 Inductor CTF1379 L 657 Inductor CTF1379 L 658 Inductor CTF1379 L 659 Inductor CTF1379 L 660 Inductor CTF1379 L 661 Inductor CTF1379 L 662 Inductor CTF1379 L 663 Inductor CTF1379 L 664 Inductor CTF1379 L 665 Inductor CTF1379 L 666 Inductor CTF1379 L 670 Inductor CTF1379 L 675 Inductor CTF1379 L 676 Inductor CTF1379 L 677 Inductor CTF1379 L 678 Inductor CTF1379 L 679 Inductor CTF1379 L 680 Inductor CTF1379 L 689 Inductor CTF1379 L 690 Inductor CTF1379 L 695 Inductor CTF1379 L 696 Inductor CTF1379 L 697 Inductor CTF1379 L 698 Inductor CTF1379 L 699 Inductor CTF1379 L 701 Inductor CTF1379 L 702 Inductor CTF1379 L 703 Inductor CTF1379 L 704 Inductor CTF1379 L 705 Inductor CTF1379 L 706 Inductor CTF1379 L 707 Inductor CTF1379 L 708 Inductor CTF1379 L 709 Inductor CTF1379 L 710 Inductor CTF1379 L 711 Inductor CTF1421 L 801 Inductor LCTA2R2J3225 L 802 Inductor LCTA2R2J3225 L 803 Inductor LCTA2R2J3225 L 804 Inductor LCTB2R2K3216 L 805 Inductor LCTB2R2K3216 L 806 Inductor CTF1402 L 807 Inductor CTF1402 L 902 Inductor LCTA220J3225 L 921 Choke Coil 2mH CTH1074 L 922 Choke Coil 100µH CTH1157 L 923 Transformer CTX1053 L 1001 Inductor LCTB1R0K2125 L 1002 Inductor LCTA2R2J3225 L 1003 Inductor LCTA2R2J3225 L 1004 Inductor LCTA2R2J3225 L 1005 Inductor LCTB2R2K2125 www. xiaoyu163. com QQ 376315150 9 9 2 8 9 4 2 9 8 TEL 13942296513 9 9 2 8 9 4 2 9 8 0 5 1 5 1 3 6 7 3 Q Q TEL 13942296513 QQ 376315150 892498299 TEL 13942296513 QQ 376315150 892498299 http://www.xiaoyu163.com 39 GEX-P7000TV,P7000TVP =====Circuit Symbol and No.===Part Name Part No. --- ------ ------------------------------------------ ------------------------- =====Circuit Symbol and No.===Part Name Part No. --- ------ ------------------------------------------ ------------------------- L 1006 Inductor LCTB2R2K3216 L 1801 Inductor LCTB2R2K2125 L 1802 Inductor LCTB2R2K3216 L 1803 Inductor LCTB2R2K3216 L 1805 Inductor LCTB101K2125 L 1806 Inductor LCTB2R2K3216 L 1807 Inductor LCTB2R2K3216 L 1808 Inductor LCTB2R2K3216 L 1809 Inductor LCTB2R2K2125 L 1810 Inductor LCTB2R2K2125 L 1811 Inductor LCTB2R2K2125 L 2801 Inductor LCTA6R8J2520 L 2802 Inductor CTF1379 L 2805 Inductor LCTB101K2125 L 2806 Inductor LCTB2R2K3216 L 2807 Inductor LCTB2R2K2125 L 3801 Inductor LCTB2R2K2125 L 3802 Inductor CTF1402 L 3803 Inductor CTF1402 L 3804 Inductor CTF1402 L 3805 Inductor CTF1402 L 3808 Inductor CTF1379 L 4001 Inductor LCTB2R2K2125 L 4002 Inductor LCTB2R2K2125 L 4003 Inductor LCTB2R2K2125 L 4004 Inductor LCTB2R2K2125 L 4801 Inductor CTF1306 L 4802 Inductor CTF1306 L 4803 Inductor CTF1306 L 4804 Inductor CTF1306 L 4805 Inductor LCTB2R2K2125 L 4806 Inductor CTF1379 TC 1001 Trimmer CCL1048 TC 2801 Trimmer CCG1039 X 501 Radiator 38.000kHz CSS1372 X 502 Crystal Resonator 7.2MHz CSS1030 X 601 Radiator 6.290MHz CSS1451 X 602 Radiator 6.290MHz CSS1451 X 801 Crystal Resonator 3.579545MHz CSS1465 X 802 Crystal Resonator 4.433619MHz CSS1460 S 601 Switch(RESET) CSG1046 S 1001 Switch(MODE) CSH1053 VR 501 Semi-fixed 47kΩ(B) CCP1233 VR 502 Semi-fixed 33kΩ(B) CCP1232 VR 801 Semi-fixed 100kΩ(B) CCP1235 FU 502 Micro-Fuse 2A CEK1190 FU 701 Micro-Fuse 2A CEK1190 FU 801 Micro-Fuse 2A CEK1190 FU 803 Micro-Fuse 2A CEK1190 FU 804 Micro-Fuse 2A CEK1190 FU 805 Micro-Fuse 2A CEK1190 FU 921 Micro-Fuse 1A CEK1187 FU 922 Micro-Fuse 500mA CEK1185 FU 3801 Micro-Fuse 2A CEK1190 FU 3802 Micro-Fuse 2A CEK1190 FU 4801 Micro-Fuse 2A CEK1190 FU 4802 Micro-Fuse 2A CEK1190 EF 901 Filter CCG1051 EF 3801 Filter CCG1067 EF 3802 Filter CCG1067 FE 1001 TV Front End CWB1086 RESISTORS R 120 RS1/16S104J R 121 RS1/16S473J R 122 RS1/16S113J R 123 RS1/16S113J R 124 RS1/16S102J R 125 RS1/16S512J R 126 RS1/16S512J R 420 RS1/16S473J R 421 RS1/16S473J R 423 RS1/16S472J R 425 RS1/16S331J R 426 RS1/16S474J R 427 RS1/16S103J R 428 RS1/16S474J R 429 RN1/10SE1303D R 430 RS1/16S103J R 431 RS1/16S102J R 433 RS1/16S102J R 434 RS1/16S102J R 435 RS1/10S222J R 436 RS1/10S822J R 437 RS1/16S473J R 438 RS1/16S682J R 439 RS1/16S103J R 440 RS1/16S102J R 441 RS1/16S104J R 442 RS1/16S683J R 443 RS1/16S393J R 452 RS1/16S473J R 453 RS1/16S473J R 454 RS1/16S102J R 455 RS1/16S821J R 458 RS1/16S222J R 459 RS1/16S912J R 501 RS1/10S471J R 502 RS1/10S471J R 503 RS1/16S472J R 504 RS1/16S472J R 505 RS1/16S361J R 506 RS1/16S361J R 507 RS1/16S223J R 508 RS1/16S223J R 509 RS1/16S681J R 510 RS1/16S681J R 511 RS1/16S0R0J R 512 RS1/16S0R0J R 513 RS1/16S681J R 514 RS1/16S362J R 515 RS1/16S823J R 516 RS1/16S513J R 517 RS1/16S392J R 518 RS1/16S102J R 519 RS1/16S392J R 520 RS1/16S102J R 521 RS1/16S392J R 522 RS1/16S103J R 523 RS1/16S103J R 524 RS1/16S103J R 525 RS1/16S513J R 526 RS1/16S101J R 527 RS1/16S104J R 528 RS1/16S104J R 529 RS1/16S221J R 530 RS1/16S123J R 531 RS1/16S683J www. xiaoyu163. com QQ 376315150 9 9 2 8 9 4 2 9 8 TEL 13942296513 9 9 2 8 9 4 2 9 8 0 5 1 5 1 3 6 7 3 Q Q TEL 13942296513 QQ 376315150 892498299 TEL 13942296513 QQ 376315150 892498299 http://www.xiaoyu163.com 40 GEX-P7000TV,P7000TVP =====Circuit Symbol and No.===Part Name Part No. --- ------ ------------------------------------------ ------------------------- =====Circuit Symbol and No.===Part Name Part No. --- ------ ------------------------------------------ ------------------------- R 532 RS1/16S472J R 533 RS1/16S102J R 534 RS1/16S102J R 535 RS1/16S102J R 536 RS1/16S223J R 537 RS1/16S362J R 538 RS1/16S681J R 539 RS1/16S242J R 540 RS1/16S822J R 541 RS1/16S103J R 542 RS1/16S103J R 543 RS1/16S101J R 546 RS1/16S332J R 547 RS1/16S334J R 548 RS1/16S560J R 549 RS1/16S222J R 550 RS1/16S104J R 551 RS1/16S244J R 552 RS1/16S154J R 553 RS1/16S152J R 554 RS1/16S331J R 555 RS1/8S470J R 556 RS1/16S103J R 601 RS1/16S102J R 602 RS1/16S102J R 603 RS1/16S102J R 604 RS1/16S102J R 605 RS1/16S102J R 607 RS1/16S102J R 610 RS1/16S681J R 611 RS1/16S681J R 612 RS1/16S473J R 613 RS1/16S473J R 614 RS1/16S102J R 616 RS1/16S102J R 617 RS1/16S473J R 618 RS1/10S244J R 619 RS1/16S473J R 620 RS1/16S102J R 621 RS1/16S102J R 622 (GEX-P7000TVP/ES) RS1/16S333J R 623 (GEX-P7000TVP/EW) RS1/16S473J R 623 (GEX-P7000TVP/ES) RS1/16S223J R 624 RS1/10S473J R 627 RS1/10S223J R 628 RS1/10S472J R 631 RS1/16S473J R 632 RS1/16S102J R 633 RS1/16S102J R 634 RS1/16S102J R 635 RS1/16S102J R 636 RS1/16S473J R 637 RS1/16S0R0J R 638 RS1/16S0R0J R 639 RS1/16S0R0J R 646 RS1/16S102J R 647 RS1/16S102J R 648 RS1/16S102J R 649 RS1/16S102J R 651 RS1/10S103J R 652 RS1/10S473J R 653 RS1/10S472J R 654 RS1/10S102J R 656 RS1/10S103J R 657 RS1/10S223J R 658 RS1/10S103J R 659 RS1/16S473J R 660 RS1/10S223J R 661 RS1/10S473J R 662 RS1/16S473J R 663 RS1/16S473J R 664 RS1/16S103J R 665 RS1/16S562J R 666 RS1/16S332J R 667 RS1/10S182J R 668 RS1/10S472J R 669 RS1/10S223J R 670 RS1/10S224J R 671 RS1/10S224J R 672 RS1/10S473J R 673 RS1/10S472J R 674 RS1/16S101J R 675 RS1/16S101J R 676 RS1/10S473J R 677 RS1/10S473J R 678 RS1/10S102J R 679 RS1/10S102J R 680 RS1/10S103J R 681 RS1/16S222J R 682 RS1/16S101J R 683 RS1/16S101J R 684 RS1/10S620J R 685 RS1/10S473J R 686 RS1/10S473J R 687 RS1/10S102J R 688 RS1/10S102J R 689 RS1/10S103J R 690 RS1/10S473J R 691 RS1/10S473J R 692 RS1/10S103J R 693 RS1/10S103J R 694 RS1/10S473J R 695 RS1/10S223J R 696 RS1/16S473J R 697 RS1/10S473J R 698 RS1/10S473J R 699 RS1/10S473J R 701 RS1/16S472J R 702 RS1/10S472J R 703 RS1/10S472J R 704 RS1/10S473J R 705 RS1/10S223J R 706 RS1/10S153J R 707 RS1/10S103J R 708 RS1/10S103J R 721 RS1/10S102J R 722 RS1/10S102J R 730 RS1/10S473J R 731 RS1/16S473J R 801 RS1/16S0R0J R 802 RN1/16SE1002D R 805 RS1/16S102J R 806 RS1/16S222J R 807 RS1/16S123J R 808 RS1/16S222J R 809 RS1/16S222J R 810 RS1/16S101J R 811 RS1/16S101J R 812 RS1/10S103J R 813 RS1/10S471J R 814 RS1/10S471J R 815 RS1/10S471J R 816 RS1/10S471J R 817 RS1/16S471J R 818 RS1/16S102J R 819 RS1/16S102J R 820 RS1/16S0R0J R 822 RS1/16S683J R 823 RS1/16S473J R 824 RS1/16S750J www. xiaoyu163. com QQ 376315150 9 9 2 8 9 4 2 9 8 TEL 13942296513 9 9 2 8 9 4 2 9 8 0 5 1 5 1 3 6 7 3 Q Q TEL 13942296513 QQ 376315150 892498299 TEL 13942296513 QQ 376315150 892498299 http://www.xiaoyu163.com 41 GEX-P7000TV,P7000TVP =====Circuit Symbol and No.===Part Name Part No. --- ------ ------------------------------------------ ------------------------- =====Circuit Symbol and No.===Part Name Part No. --- ------ ------------------------------------------ ------------------------- R 825 RS1/16S750J R 827 RS1/16S102J R 828 RS1/16S102J R 829 RS1/16S471J R 830 RS1/16S471J R 831 RS1/16S471J R 832 RS1/16S750J R 833 RS1/16S750J R 834 RS1/10S101J R 835 RS1/16S101J R 836 RS1/16S472J R 837 RS1/16S472J R 838 RS1/16S101J R 839 RS1/16S101J R 840 RS1/16S101J R 841 RS1/16S103J R 842 RS1/16S103J R 843 RS1/16S102J R 844 RS1/16S683J R 845 RS1/16S473J R 901 RS1/10S272J R 902 RS1/10S822J R 921 RS1/10S472J R 922 RS1/10S472J R 923 RS1/10S472J R 924 RS1/4S271J R 925 RS1/4S271J R 926 RS1/10S472J R 927 RS1/10S472J R 928 RS1/10S103J R 929 RS1/10S103J R 930 RS1/10S102J R 931 RS1/10S102J R 932 RS1/10S472J R 933 RS1/10S103J R 934 RS1/10S103J R 935 RS1/8S561J R 936 RS1/10S103J R 937 RS1/10S103J R 938 RS1/8S152J R 939 RS1/10S561J R 942 RS1/10S103J R 943 RS1/10S103J R 944 RS1/10S102J R 945 RS1/10S100J R 946 RS1/10S103J R 947 RS1/10S103J R 948 RS1/4S152J R 949 RS1/10S102J R 950 RS1/10S223J R 951 RS1/10S472J R 952 RS1/10S560J R 953 RS1/10S181J R 954 RS1/16S104J R 1001 RS1/16S102J R 1002 RS1/16S102J R 1003 RS1/16S102J R 1004 RS1/16S102J R 1005 RS1/10S102J R 1006 RS1/10S102J R 1007 RS1/10S101J R 1008 RS1/10S471J R 1010 RS1/10S103J R 1011 RS1/10S103J R 1012 RS1/10S103J R 1013 RS1/10S103J R 1014 RS1/10S102J R 1015 RS1/10S102J R 1016 RS1/10S102J R 1017 RS1/10S102J R 1018 RS1/16S103J R 1019 RS1/16S391J R 1020 RS1/16S105J R 1022 RS1/16S223J R 1023 RS1/16S393J R 1024 RN1/16SE1202D R 1025 RS1/10S151J R 1026 RS1/10S473J R 1027 RS1/10S223J R 1028 RS1/10S0R0J R 1029 RS1/10S0R0J R 1038 RS1/16S0R0J R 1039 RS1/16S0R0J R 1801 RS1/10S102J R 1802 RS1/16S102J R 1803 RS1/10S102J R 1804 RS1/16S331J R 1805 RS1/16S102J R 1806 RS1/16S331J R 1807 RS1/16S102J R 1808 RS1/16S331J R 1809 RS1/16S102J R 1811 RS1/10S0R0J R 1812 RS1/10S332J R 1815 RS1/10S681J R 1816 (RN1/10SE1002D) GGC1320 R 1817 (RN1/10SE1002D) GGC1320 R 1818 RS1/16S750J R 1819 RS1/16S750J R 1820 RS1/16S750J R 1821 RS1/16S750J R 1822 RS1/16S101J R 1823 RS1/16S101J R 1824 RS1/16S101J R 2801 RS1/16S102J R 2802 RS1/16S102J R 2803 RS1/16S102J R 2805 RS1/16S472J R 2806 RS1/16S751J R 2807 RS1/16S472J R 2808 RS1/16S751J R 2809 RS1/16S472J R 2810 RS1/16S751J R 2811 RS1/16S681J R 2812 RS1/16S681J R 2820 RS1/10S102J R 2821 RS1/16S153J R 2822 RS1/16S102J R 2830 RS1/10S681J R 2831 (RN1/10SE1002D) GGC1320 R 2832 RS1/16S681J R 2833 (RN1/10SE1002D) GGC1320 R 3801 RS1/10S0R0J R 3805 RS1/16S0R0J R 3806 RS1/10S473J R 3807 RS1/16S223J R 3812 RS1/16S473J R 3815 RS1/16S0R0J R 3816 RS1/16S223J R 3818 RS1/16S223J R 3819 RS1/16S471J R 3820 RS1/16S103J R 3822 RS1/16S471J R 3825 RS1/16S0R0J R 3826 RS1/16S0R0J R 3829 RS1/16S750J R 3830 RS1/16S750J R 3831 RS1/16S750J R 3832 RS1/16S750J R 3834 RS1/16S471J www. xiaoyu163. com QQ 376315150 9 9 2 8 9 4 2 9 8 TEL 13942296513 9 9 2 8 9 4 2 9 8 0 5 1 5 1 3 6 7 3 Q Q TEL 13942296513 QQ 376315150 892498299 TEL 13942296513 QQ 376315150 892498299 http://www.xiaoyu163.com 42 GEX-P7000TV,P7000TVP =====Circuit Symbol and No.===Part Name Part No. --- ------ ------------------------------------------ ------------------------- =====Circuit Symbol and No.===Part Name Part No. --- ------ ------------------------------------------ ------------------------- R 3835 RS1/16S471J R 3836 RS1/16S223J R 3838 RS1/16S0R0J R 4001 RS1/16S272J R 4002 RS1/16S272J R 4003 RS1/16S272J R 4004 RS1/16S272J R 4005 RS1/16S222J R 4006 RS1/16S222J R 4007 RS1/16S222J R 4008 RS1/16S222J R 4009 RS1/16S102J R 4010 RS1/16S102J R 4011 RS1/16S102J R 4012 RS1/16S102J R 4013 RS1/16S220J R 4014 RS1/16S220J R 4015 RS1/16S104J R 4016 RS1/16S104J R 4017 RS1/16S104J R 4018 RS1/16S104J R 4019 RS1/16S104J R 4020 RS1/16S104J R 4021 RS1/16S102J R 4022 RS1/16S102J R 4023 RS1/16S222J R 4024 RS1/16S222J R 4025 RS1/16S102J R 4026 RS1/16S102J R 4027 RS1/16S222J R 4028 RS1/16S222J R 4029 RS1/16S821J R 4030 RS1/16S821J R 4031 RS1/10S223J R 4032 RS1/10S223J R 4033 RS1/16S102J R 4034 RS1/16S102J R 4035 RS1/16S104J R 4036 RS1/16S104J R 4037 RS1/16S104J R 4038 RS1/16S104J R 4039 RS1/16S104J R 4040 RS1/16S104J R 4041 RS1/16S102J R 4042 RS1/16S102J R 4043 RS1/16S222J R 4044 RS1/16S222J R 4045 RS1/16S102J R 4046 RS1/16S102J R 4047 RS1/16S222J R 4048 RS1/16S222J R 4049 RS1/16S821J R 4050 RS1/16S821J R 4051 RS1/16S223J R 4052 RS1/16S223J R 4053 RS1/10S103J R 4054 RS1/10S103J R 4055 RS1/16S102J R 4056 RS1/16S102J R 4057 RS1/16S222J R 4058 RS1/16S222J R 4059 RS1/16S102J R 4060 RS1/16S102J R 4061 RS1/16S222J R 4062 RS1/16S222J R 4201 RS1/10S102J R 4202 RS1/10S102J R 4203 RS1/10S223J R 4204 RS1/10S223J R 4205 RS1/10S102J R 4206 RS1/10S102J R 4301 RS1/10S104J R 4302 RS1/10S104J R 4303 RS1/10S104J R 4304 RS1/10S104J R 4309 RS1/16S821J R 4310 RS1/10S821J R 4311 RS1/10S223J R 4312 RS1/10S223J R 4313 RS1/10S104J R 4314 RS1/10S102J R 4315 RS1/10S473J R 4316 RS1/16S223J R 4317 RS1/16S223J R 4801 RS1/16S0R0J R 4802 RS1/16S0R0J R 4804 RS1/16S0R0J R 4805 RS1/16S471J R 4806 RS1/16S473J R 4808 RS1/16S0R0J R 4811 RS1/16S471J R 4812 RS1/16S471J R 4813 RS1/16S471J R 4814 RS1/16S471J CAPACITORS C 118 CKSYB106K6R3 C 119 CKSYB106K6R3 C 121 CKSRYB153K25 C 122 CKSRYB153K25 C 414 CEV100M16 C 415 CKSRYB103K25 C 416 CKSRYB223K25 C 417 CEJA470M10 C 418 CKSRYB222K50 C 419 CKSQYB105K16 C 420 CKSQYB105K16 C 421 CKSRYB102K50 C 422 CCSRCH101J50 C 423 CKSRYB104K16 C 424 CKSRYB103K25 C 425 CEV220M10 C 426 CKSRYB102K50 C 427 CKSRYB682K25 C 428 CKSQYB272K50 C 429 CKSQYB105K16 C 430 CKSRYB103K25 C 431 CKSYB106K6R3 C 437 CKSYB106K6R3 C 438 CKSRYB104K16 C 439 CKSRYB104K16 C 440 CKSRYB103K25 C 441 CKSRYB223K25 C 451 CKSRYB332K50 C 452 CKSYB106K6R3 C 456 CKSYB106K6R3 C 501 CKSRYB102K50 C 502 CKSRYB102K50 C 505 (GEX-P7000TVP/EW) CKSRYB272K50 C 505 (GEX-P7000TVP/ES) CKSRYB392K50 C 506 (GEX-P7000TVP/EW) CKSRYB272K50 C 506 (GEX-P7000TVP/ES) CKSRYB392K50 C 507 CKSRYB102K50 C 508 CKSRYB102K50 C 509 CKSRYB103K25 C 510 CKSQYB105K16 C 512 CKSYB106K6R3 C 513 CKSQYB105K16 C 514 CKSYB106K6R3 C 515 CKSRYB103K25 C 516 CCSRCH120J50 www. xiaoyu163. com QQ 376315150 9 9 2 8 9 4 2 9 8 TEL 13942296513 9 9 2 8 9 4 2 9 8 0 5 1 5 1 3 6 7 3 Q Q TEL 13942296513 QQ 376315150 892498299 TEL 13942296513 QQ 376315150 892498299 http://www.xiaoyu163.com 43 GEX-P7000TV,P7000TVP =====Circuit Symbol and No.===Part Name Part No. --- ------ ------------------------------------------ ------------------------- =====Circuit Symbol and No.===Part Name Part No. --- ------ ------------------------------------------ ------------------------- C 517 CKSRYB103K25 C 518 CCSRCH101J50 C 519 CKSQYB474K16 C 520 CCSRCH160J50 C 521 CKSYB106K6R3 C 522 CEV220M10 C 523 CKSQYB474K16 C 524 CKSYB106K6R3 C 525 CKSRYB104K16 C 526 CKSQYB105K16 C 527 CCSRCH271J50 C 528 CCSQCH162J50 C 529 CKSQYB105K16 C 530 CKSRYB104K16 C 531 CCSRCH270J50 C 532 CCSRCH270J50 C 533 CKSRYB103K25 C 534 CEV101M10 C 535 33µF/10V CCH1286 C 536 CKSRYB473K16 C 537 CEV470M6R3 C 538 CKSRYB104K16 C 539 CCSRCH180J50 C 540 CKSRYB103K25 C 541 CCSQCH1R0C50 C 542 CCSQCH100D50 C 543 CCSRCH330J50 C 544 CCSRCH180J50 C 545 CKSRYB104K16 C 546 CCSQCH1R0C50 C 547 CKSRYB103K25 C 548 CCSQCH3R0C50 C 549 CKSRYB103K25 C 550 CEJA220M16 C 551 CKSRYB473K16 C 552 CKSRYB103K25 C 604 CKSRYB102K50 C 605 CKSQYB105K16 C 606 CKSQYB473K16 C 607 CKSQYB473K16 C 609 CKSQYB102K50 C 610 CKSQYB473K16 C 611 CKSQYB473K16 C 612 CKSQYB103K25 C 651 CKSQYB103K25 C 652 CEJA100M16 C 653 CKSRYB102K50 C 654 CKSQYB105K16 C 655 CKSQYB104K16 C 656 CKSQYB104K16 C 657 CKSQYB104K16 C 801 CKSQYB105K16 C 802 CKSQYB105K16 C 803 CKSRYB104K16 C 804 CEJA100M16 C 805 CKSQYB105K16 C 806 CKSRYB472K50 C 807 CKSQYB105K16 C 808 CKSQYB105K16 C 809 CEJA470M10 C 810 CKSRYB104K16 C 811 CKSQYB105K16 C 812 CKSYB475K10 C 813 CKSQYB105K16 C 814 CKSQYB104K16 C 815 CCSQSL221J50 C 816 CKSQYB224K16 C 817 CCSQCH180J50 C 818 CCSQCH180J50 C 819 CEJANP100M10 C 820 CKSRYB103K25 C 823 CKSYB106K6R3 C 825 CKSRYB103K25 C 826 CKSYB106K6R3 C 828 470µF/6.3V CCH1182 C 831 470µF/6.3V CCH1182 C 832 CKSYB106K6R3 C 833 CKSRYB223K25 C 834 CKSQYB105K10 C 835 CEVNP100M10 C 836 CEVNP100M10 C 837 CKSRYB104K16 C 838 CKSRYB104K16 C 839 CKSRYB104K16 C 840 CKSRYB104K16 C 841 CKSRYB104K16 C 842 CKSRYB104K16 C 843 CKSRYB104K16 C 844 CKSRYB104K16 C 845 CKSRYB104K16 C 846 CKSRYB104K16 C 847 CKSRYB104K16 C 848 CKSRYB104K16 C 849 CKSYB106K6R3 C 901 4700µF/16V CCH1188 C 902 CKSQYB104K16 C 903 1000µF/16V CCH1185 C 904 CKSQYB103K25 C 905 CEJA220M16 C 906 CKSQYB103K25 C 907 CEJA220M16 C 921 CEJA220M10 C 922 CEAS471M25 C 923 CEAS101M25 C 924 CKSQYB103K25 C 925 CKSQYB103K25 C 926 CEJA330M10 C 927 CKSQYB103K25 C 928 CEJA330M10 C 929 CKSQYB473K16 C 930 CKSQYB103K25 C 931 CKSQYB103K25 C 932 CEJA100M16 C 933 CKSQYB473K16 C 934 CEV330M10 C 935 CKSQYB473K16 C 936 CKSQYB473K16 C 937 CEV220M10 C 938 CKSQYB473K16 C 939 CEV330M10 C 940 CKSQYB103K25 C 941 CKSQYB103K50 C 942 CEJA4R7M35 C 943 CEJA4R7M35 C 944 CKSQYB103K50 C 945 CKSQYB104K50 C 946 CEJA101M16 C 947 CKSQYB103K25 C 948 CKSQYB104K16 C 949 CKSQYB103K25 C 950 CEAS221M10 C 951 470µF/10V CCH1019 C 952 CKSQYB473K16 C 953 470µF/10V CCH1019 C 954 CEJA1R0M50 C 955 CEJA220M10 C 956 CKSQYB104K16 C 957 470µF/10V CCH1019 C 958 CEJA101M10 C 1001 CKSQYB103K50 www. xiaoyu163. com QQ 376315150 9 9 2 8 9 4 2 9 8 TEL 13942296513 9 9 2 8 9 4 2 9 8 0 5 1 5 1 3 6 7 3 Q Q TEL 13942296513 QQ 376315150 892498299 TEL 13942296513 QQ 376315150 892498299 http://www.xiaoyu163.com 44 GEX-P7000TV,P7000TVP =====Circuit Symbol and No.===Part Name Part No. --- ------ ------------------------------------------ ------------------------- =====Circuit Symbol and No.===Part Name Part No. --- ------ ------------------------------------------ ------------------------- C 1002 CEAS220M50 C 1003 CKSQYB473K16 C 1004 470µF/10V CCH1019 C 1005 470µF/10V CCH1019 C 1006 CKSQYB103K25 C 1009 CKSQYB103K25 C 1010 470µF/10V CCH1019 C 1011 CKSQYB103K25 C 1013 CEJA100M16 C 1014 CKSQYB223K25 C 1015 CKSRYB153K25 C 1016 CKSRYB102K50 C 1017 CCSRTH180J50 C 1018 CKSRYB102K50 C 1019 CKSRYB102K50 C 1020 CKSRYB102K50 C 1021 CKSRYB102K50 C 1022 CKSQYB224K16 C 1023 CKSQYB152K50 C 1024 CKSQYB102K50 C 1025 CKSQYB102K50 C 1026 CKSQYB223K25 C 1027 CEJA470M6R3 C 1028 CKSQYB103K25 C 1029 CKSQYB103K25 C 1038 CKSQYB223K25 C 1041 CKSQYB333K25 C 1042 CKSQYB333K25 C 1043 CKSQYB333K25 C 1044 CKSQYB333K25 C 1801 CKSQYB104K16 C 1802 CKSQYB105K16 C 1803 CKSQYB105K16 C 1804 CKSQYB105K16 C 1805 CKSQYB105K16 C 1806 CKSQYB105K16 C 1807 CKSQYB105K16 C 1808 CKSQYB103K25 C 1809 CEJA100M16 C 1810 CKSQYB103K25 C 1811 CKSQYB105K16 C 1812 CKSQYB105K16 C 1813 CKSQYB105K16 C 1814 CKSQYB105K16 C 1815 CKSQYB105K16 C 1816 CKSQYB105K16 C 1817 CKSQYB103K25 C 1818 CKSYB106K6R3 C 1819 CKSRYB103K25 C 1821 CKSQYB105K16 C 1822 CKSQYB105K16 C 1823 CKSQYB105K16 C 1824 CCSQCH100J50 C 1825 CCSQSL471J50 C 1826 CCSQCH100J50 C 1827 CKSQYB104K16 C 1828 CKSYB106K6R3 C 1829 CKSQYB470K50 C 1830 CEV470M6R3 C 1831 CEV470M6R3 C 1832 CEV470M6R3 C 1833 CKSRYB103K25 C 1834 CEV100M16 C 1835 CKSRYB103K25 C 1836 CKSQYB105K16 C 1837 CKSRYB103K25 C 1838 CKSYB106K6R3 C 1839 CKSRYB103K25 C 1840 470µF/10V CCH1019 C 1841 CKSYB106K6R3 C 1842 CKSYB106K6R3 C 1843 CKSQYB103K25 C 1844 CKSQYB103K25 C 1845 CKSYB106K6R3 C 1846 CCSRCH221J50 C 1847 CCSRCH221J50 C 1848 CCSRCH221J50 C 2801 CKSQYB105K16 C 2802 CCSRUJ121J50 C 2803 CCSRUJ101J50 C 2806 CKSRYB103K25 C 2807 CASAQ150K16 C 2816 CCSQCH100J50 C 2817 CCSQSL471J50 C 2818 CCSQCH100J50 C 2819 CKSQYB104K16 C 2820 CKSYB106K6R3 C 2821 CKSYB106K6R3 C 2822 CKSRYB103K25 C 2823 CKSRYB103K25 C 2824 CKSYB106K6R3 C 2825 CKSRYB104K16 C 2830 CKSYB106K6R3 C 2831 CKSQYB183J50 C 3802 CKSRYB104K16 C 4001 CCSRSL471J50 C 4002 CCSRSL471J50 C 4003 CCSQSL471J50 C 4004 CCSRSL471J50 C 4005 CCSRSL471J50 C 4006 CCSRSL471J50 C 4007 CCSRSL471J50 C 4008 CCSRSL471J50 C 4009 CKSQYB105K16 C 4010 CKSQYB105K16 C 4011 CKSQYB105K16 C 4012 CKSQYB105K16 C 4013 CEJA220M16 C 4014 CEJA220M16 C 4015 CKSQYB105K16 C 4016 CKSQYB105K16 C 4017 CEV101M10 C 4018 CEJA101M10 C 4019 CKSQYB105K16 C 4020 CKSQYB105K16 C 4021 CKSQYB105K16 C 4022 CKSQYB105K16 C 4023 CKSQYB105K16 C 4024 CKSQYB105K16 C 4025 CCSRCH151J50 C 4026 CCSRCH151J50 C 4027 CCSRCH151J50 C 4028 CCSRCH151J50 C 4029 CKSQYB105K16 C 4030 CKSQYB105K16 C 4031 CKSQYB222K50 C 4032 CKSQYB222K50 C 4033 CEV101M10 C 4034 CKSYB106K6R3 C 4035 CEV101M10 C 4037 CKSQYB105K16 C 4038 CKSQYB105K16 C 4039 CKSQYB105K16 C 4040 CKSQYB105K16 C 4041 CKSQYB105K16 C 4042 CKSQYB105K16 C 4043 CCSRCH151J50 C 4044 CCSRCH151J50 C 4045 CCSRCH151J50 C 4046 CCSRCH151J50 www. xiaoyu163. com QQ 376315150 9 9 2 8 9 4 2 9 8 TEL 13942296513 9 9 2 8 9 4 2 9 8 0 5 1 5 1 3 6 7 3 Q Q TEL 13942296513 QQ 376315150 892498299 TEL 13942296513 QQ 376315150 892498299 http://www.xiaoyu163.com 45 GEX-P7000TV,P7000TVP =====Circuit Symbol and No.===Part Name Part No. --- ------ ------------------------------------------ ------------------------- C 4047 CKSQYB105K16 C 4048 CKSQYB105K16 C 4049 CKSRYB222K50 C 4050 CKSRYB222K50 C 4051 CEJA101M10 C 4052 CEJA100M16 C 4053 CEJA101M10 C 4055 CCSRCH151J50 C 4056 CCSRCH151J50 C 4057 CCSRCH151J50 C 4058 CCSRCH151J50 C 4201 CEJA1R0M50 C 4202 CEJA1R0M50 C 4203 CEJA1R0M50 C 4204 CEJA1R0M50 C 4205 CEJANP100M10 C 4206 CEJANP100M10 C 4207 CEJA220M16 C 4208 CEJA100M16 C 4301 CEJA100M16 C 4302 CEJA100M16 C 4309 CEJA100M16 C 4310 CEJA100M16 C 4311 CKSQYB222K50 C 4312 CKSQYB222K50 C 4313 CEJA220M10 C 4314 CEJA220M10 C 4801 CKSRYB104K16 Unit Number:CWX2200 Unit Name :Antenna Select Unit MISCELLANEOUS Q 501 Transistor 2SC1740S D 501 Diode 1SS133 L 501 Ferri-Inductor LAU4R7K RY 501 Relay CSR1014 RESISTORS R 501 RD1/4PU683J R 502 RD1/4PU103J CAPACITORS C 501 CKCYB102K50 C 502 CEAL101M10 B www. xiaoyu163. com QQ 376315150 9 9 2 8 9 4 2 9 8 TEL 13942296513 9 9 2 8 9 4 2 9 8 0 5 1 5 1 3 6 7 3 Q Q TEL 13942296513 QQ 376315150 892498299 TEL 13942296513 QQ 376315150 892498299 http://www.xiaoyu163.com GEX-P7000TV,P7000TVP 6. ADJUSTMENT - Test Point AV MASTER-MAIN UNIT-FM MOD MODE ANTENNA SELECT UNIT Center Meter Pin DC V Meter (1) Pin Pin Pin Oscilloscope (1) Linear Detector DC V Meter (2) Pin Oscilloscope (2) Pin DC V Meter (3) - Adjustment Point 46 TV MODULATOR UNIT TV MODULATOR UNIT www. xiaoyu163. com QQ 376315150 9 9 2 8 9 4 2 9 8 TEL 13942296513 9 9 2 8 9 4 2 9 8 0 5 1 5 1 3 6 7 3 Q Q TEL 13942296513 QQ 376315150 892498299 TEL 13942296513 QQ 376315150 892498299 http://www.xiaoyu163.com GEX-P7000TV,P7000TVP Before adjustment, set the diversity to 1 so as to prevent the circuit from operating during input signals are weak (use “1” input for antenna input). Use rear monitor or OSD output for the video monitor. Procedure Adjustment Input signal Adjustment Adjustment method Item Point 1 Diversity Receive TV signals. TC1001 Monitor the voltage of pin 2 of IC1001 (PM0013AM) and adjust the DC adjustment voltage to 2.5V ± 0.1V.(DC V Meter(1)) Note: If this has not been adjusted properly, extreme diversity switch- ing occurs even with good receiving conditions, causing voice inter- ruption. 2 Center meter Receive TV point L401 Monitor the voltage between pins 9 and 12 of IC401 (LA1145M) and adjustment B signals reduce the potential difference between both edges to zero. (US Band 10ch) (Center Meter) Note: If this has not been adjusted properly, the voice becomes low too fast as input signals become weak. Even worse, sound may be strained or no sound output. 3 SD Receive TV point VR402 Monitor the voltage of pin 19 of IC401 (LA1145M) and adjust the DC adjustment B signals voltage to 2.5V ± 1.0V.(DC V Meter(2)) (US Band 10ch) Note: If this has not been adjusted properly, seek may stop even RF level: 33 dBµ without any signal input or may not stop even when turning input signals stronger. 4 RGB level Input white 100% VR801 Turn the TV on and enable VTR1 using the menu screen setting. adjustment with burst signal Set the source to VTR1 and monitor the waveform of pin 2 of RGB 1Vp-p to VTR1. monitor output CN4801. Adjust the video output of pin 2 as follows: When the RGB monitor or 75Ω is connected to CN4801: 0.7Vp-p ± 0.1V When nothing is connected to CN4801: 1.4Vp-p ± 0.2V (DSENS(Pin 12):Connect to GND) Note: If this has not been adjusted properly, the screen becomes too bright or dark. 5 OSD clock Input white 100% TC2801 Before this adjustment, connect the RGB monitor (since return adjustment with burst signal synchronous signals are required to be input from the monitor). 1Vp-p to VTR1 Connect AVX-7000. Turn the TV on and enable VTR1 using the menu screen setting. Set the source to VTR1 and display the OSD menu screen. Adjust the screen so that the OSD display comes center. Note: If this has not been adjusted properly, the menu screen OSD display shifts. 6 FM Play a −∞ CD. L507 Set the MODE switch (S1001) to the FM modulator mode. Connect a modulator multi-CD and start-up the source with the CD. Set the modulator tuning frequency to 89.1 MHz on the menu screen. Monitor the collector voltage voltage (positive side of C537) of Q503 and adjust the DC voltage to adjustment 3.0V ± 0.1V.(DC V Meter(3)) Note: To use the menu screen, connect an RGB monitor. Note: If this has not been adjusted properly, RF is strained when the modulator frequency is low or high. (Oscilloscope(1)) 47 www. xiaoyu163. com QQ 376315150 9 9 2 8 9 4 2 9 8 TEL 13942296513 9 9 2 8 9 4 2 9 8 0 5 1 5 1 3 6 7 3 Q Q TEL 13942296513 QQ 376315150 892498299 TEL 13942296513 QQ 376315150 892498299 http://www.xiaoyu163.com 48 GEX-P7000TV,P7000TVP Procedure Adjustment Input signal Adjustment Adjustment method Item Point 7 FM Play a −∞ CD. VR501 Set the MODE switch (S1001) to the FM modulator mode. Connect a modulator multi-CD and start-up the source with the CD. Set the modulator 38 kHz frequency to 89.1 MHz on the menu screen. Monitor pin 14 of IC501 leakage (BA1404F) with an oscilloscope and adjust 38 kHz leakage to the adjustment minimum. Note: To use the menu screen, connect an RGB monitor. Note: If this has not been adjusted properly, S/N deteriorates during FM reception. 8 FM Play a CD of VR502 Set the MODE switch (S1001) to the FM modulator mode. Connect a modulator 400 Hz, 0 dB multi-CD and start-up the source with the CD. modulation (or 500 Hz or 1 kHz) Set the modulator frequency to 89.1 MHz and the modulation level to level +3 on the menu screen. adjustment Connect the antenna select switch unit to the red mini-jack (CN501) of the antenna select unit output on the TV modulator unit. Monitor the output from the antenna select switch unit using a linear detector. Adjust the modulation level to 100 kHz. Note: If this has not been adjusted properly, sound becomes too loud or low during FM reception. (Oscilloscope(2)) www. xiaoyu163. com QQ 376315150 9 9 2 8 9 4 2 9 8 TEL 13942296513 9 9 2 8 9 4 2 9 8 0 5 1 5 1 3 6 7 3 Q Q TEL 13942296513 QQ 376315150 892498299 TEL 13942296513 QQ 376315150 892498299 http://www.xiaoyu163.com 49 GEX-P7000TV,P7000TVP - Pin Functions (PE5039A) Pin No. Pin Name I/O Format Function and Operation 1-3 NC Not used 4 AVSS A/D GND 5 SNCOUT O Stereo noise control output(Not used) 6 HCCOUT O High cut level output(Not used) 7 AVREF1 A/D converter reference voltage 8 UARTRX I Modulator IC communication input 9 UARTTX O Modulator IC communication output 10,11 NC Not used 12 TVPDO O C TV tuner data output 13 TVPCK O C TV tuner clock output 14 TVPCE O C TV tuner chip enable output 15 NC Not used 16 TESTDI I Test data input 17 TESTDO O Test data output 18 TESTCK O Test clock output 19 NC Not used 20-23 ant1-4 O C Auto antenna control output 24 NC Not used 25 NICAM O C Audio selector output 26 NC Not used 27 MAIN O C Audio select(MAIN/sub or dual)(Not used) 28 sub O C Audio select(DUAL/sub)(Not used) 29-32 NC Not used 33 VSS GND 34-36 NC Not used 37 SYNCDET I N Sync signal detect input 38 NC Not used 39 TVLK1 I N PLL lock detect input 40 NC Not used 41 antfix Antenna 1 fix input 42 SEEK O C Seek output(Not used) 43 psave O C Power save output 44 NC Not used 45 IPPW O C Power supply control output for IP BUS interface IC 46 tvmute O C TV tuner mute output 47 TVSPOW O C TV power output 48 TVOTHER O C TV/Other 49 NC Not used 50 TVPW O C TV power supply output 51 st I FM stereo input 52-55 NC Not used 56 IPTX O C IP data output 57 IPRX I IP data input 58 NC Not used 59 bilsen I Bilingual input 60 RESET I Reset Input 61,62 NC Not used 63 dsens I Grille detach sense 64 SD I SD input 65 asens I ACC power sense input 66 bsens I Back up power sense input 67 NC Not used 68 VDD Power supply 69 X2 Crystal oscillator connection pin 7. GENERAL INFORMATION 7.1 IC www. xiaoyu163. com QQ 376315150 9 9 2 8 9 4 2 9 8 TEL 13942296513 9 9 2 8 9 4 2 9 8 0 5 1 5 1 3 6 7 3 Q Q TEL 13942296513 QQ 376315150 892498299 TEL 13942296513 QQ 376315150 892498299 http://www.xiaoyu163.com 50 GEX-P7000TV,P7000TVP *PE5039A 20 21 40 41 60 61 80 1 IC's marked by* are MOS type. Be careful in handling them because they are very liable to be damaged by electrostatic induction. Pin No. Pin Name I/O Format Function and Operation 70 X1 Crystal oscillator connection pin 71 IC Connect to GND 72 XT2 Not used 73 TESTIN I Test program mode input 74 AVDD Connect to VDD 75 AVREFO Connect to VDD 76 SL I Signal level input 77 MODEL1 I Mode switch select input 78 SIMUKE I Destination information input 79 AFS I AFS input 80 NC Not used Format Meaning C C MOS N N channel open drain 1 IN B 2 IN A 3 GND 4 OUT Y 5 VCC TC7SH08F 1 NC 2 IN A 3 GND 4 OUT Y 5 VCC TC7SH04F www. xiaoyu163. com QQ 376315150 9 9 2 8 9 4 2 9 8 TEL 13942296513 9 9 2 8 9 4 2 9 8 0 5 1 5 1 3 6 7 3 Q Q TEL 13942296513 QQ 376315150 892498299 TEL 13942296513 QQ 376315150 892498299 http://www.xiaoyu163.com 51 GEX-P7000TV,P7000TVP - Pin Functions (PE5040A) Pin No. Pin Name I/O Format Function and Operation 1 TVPWIN I TV power on request input 2 TVMTIN I TV mute on request input 3 ASENBO O C ASENBO output 4 AVSS I A/D GND 5 TPDO O C FM transmitter PLL data output 6 TPCK O C FM transmitter PLL clock output 7 AVREF1 (Connect to VDD) 8 UARTRX I Modulator IC communication input 9 UARTTX O Modulator IC communication output 10 TPCE O C FM transmitter PLL chip enable output 11 NC Not used 12 OSDDT O C OSD data output 13 OSDCK O C OSD clock output 14 OSDCS O C OSD chip select output 15 NC Not used 16 TESTDI I Test data input 17 TESTDO O Test data output 18 TESTCK O Test clock output 19 MOSYNC O C Monitor sync select output(Not used) 20 BLOUT O C OSD output 21 ASEL0 O C Audio select output 22 ASEL1 O C Audio select output 23 ASEL2 O C Audio select output 24 comRGB O C Composite RGB select output 25 swvdd O C SW5V power supply control output 26 RVSEL1 O C Rear monitor select output 28 rmmute O C Rear monitor mute 29 mute O C System mute output 30,31 VSELOUT1,2 O C VSEL output 32 SYSPW O C System power control output 33 VSS GND 34 VIDEOPW O C Video power supply output 35 ILMPW O C Illumination power supply control output(Not used) 36-40 NC Not used 41 SDA O C Bus data output 42 SCL O C Bus clock output 43 psave O C Power save output 44 NC Not used 45 ippw O C Power supply control output for IP BUS interface IC 46-49 NC Not used 50 OUT514 O C Operation mode output 1 51 outmod O C Operation mode output 2 52,53 NC Not used 54 mmute O C Mute output for modulator 55 MODPW O C Modulator power supply output 56 IPTX O C IP data output 57 IPRX I IP data input 58,59 NC Not used 60 RESET I Reset Input 61 remin I Remote control data input 62 PBSENS I Parking sense input 63 dsens I Grille detach sense 64 nvsens I Navi ON sense input 65 asens I ACC power sense input 66 bsens I Back up power sense input 67 isens I Illumination sense input 68 VDD Power supply 69 X2 Crystal oscillator connection pin www. xiaoyu163. com QQ 376315150 9 9 2 8 9 4 2 9 8 TEL 13942296513 9 9 2 8 9 4 2 9 8 0 5 1 5 1 3 6 7 3 Q Q TEL 13942296513 QQ 376315150 892498299 TEL 13942296513 QQ 376315150 892498299 http://www.xiaoyu163.com 52 GEX-P7000TV,P7000TVP 1 IN B 2 IN A 3 GND 4 OUT Y 5 VCC TC7SH32FU Pin No. Pin Name I/O Format Function and Operation 70 X1 Crystal oscillator connection pin 71 IC Connect to VSS 72 XT2 Not used 73 TESTIN I Test program mode input 74 AVDD Positive power supply terminal for analog circuit 75 AVREFO I Connect to VDD 76 MODEL1 I Mode switch select input 77 SIMUKE I Destination information input 78,79 NC Not used 80 TVSELIN I TV/OTHER input *PE5040A 20 21 40 41 60 61 80 1 Format Meaning C C MOS 1 IN1 2 IN2 3 8 6 OUT1 OUT3 GND IN3 4 5 VCC 7 OUT2 75Ω dirver 75Ω dirver 75Ω dirver BA7623F NJM2267V www. xiaoyu163. com QQ 376315150 9 9 2 8 9 4 2 9 8 TEL 13942296513 9 9 2 8 9 4 2 9 8 0 5 1 5 1 3 6 7 3 Q Q TEL 13942296513 QQ 376315150 892498299 TEL 13942296513 QQ 376315150 892498299 http://www.xiaoyu163.com 53 GEX-P7000TV,P7000TVP 1 3 2 XOUT CE DA 4 8 7 6 5 16 14 15 13 9 10 11 12 P4 VSS PD2 PD1 CK P1 P2 VDD FMIN NC AMIN P3 XIN 1/16 1/17 PHASE DET. CHARGE PUMP REFERENCE DIVIDER MAIN COUNT 4BIT COUNT SHIFT REGISTER LATCH BU2611AFS 24 23 22 21 20 19 18 17 16 15 14 13 VIN LPFOUT LPFIN AST VMODE AVDD DVDD RESB ANT1 ANT2 ANT3 ANT4 EO VCOIN RREF CREF AGND DGND NS TEST EN1 EN2 EN3 EN4 1 2 3 4 5 6 7 8 9 10 11 12 RESET ANTENNA SWITCHING OUTPUT DRIVER DIGITAL SIGNAL PROCESSOR NS OUTPUT DRIVER AD SYNC. SEPA. INPUT 1/32 PHASE COMP. VCO SYNC. SEPA. PM0013AM www. xiaoyu163. com QQ 376315150 9 9 2 8 9 4 2 9 8 TEL 13942296513 9 9 2 8 9 4 2 9 8 0 5 1 5 1 3 6 7 3 Q Q TEL 13942296513 QQ 376315150 892498299 TEL 13942296513 QQ 376315150 892498299 http://www.xiaoyu163.com 54 GEX-P7000TV,P7000TVP 1 10 11 20 *PD5448B - Pin Functions (PD5448B) Pin No. Pin Name I/O Function and Operation 1 OSC1 I Oscillator for display 2 OSC2 O Oscillator for display 3 cs I Chip select input 4 SCK I Serial clock input 5 SI I Serial data input 6 ac I Auto clear input 7-10 P6-P9 O Not used 11 VSS GND 12 BLNK O Port output 13 R O R output 14 P2 O Not used 15 G O G output 16 P4 O Not used 17 B O B output 18 HOR I Horizontal sync signal input 19 VERT I Vertical sync signal input 20 VDD Power supply 1A 3Y 2A GND VCC 1Y 3A 2Y 1 2 3 4 8 7 6 5 TC7W34FU H.OSC PHASE COMP V.SEPA SYNC SEPA 1 2 3 4 8 7 6 5 BA7046F www. xiaoyu163. com QQ 376315150 9 9 2 8 9 4 2 9 8 TEL 13942296513 9 9 2 8 9 4 2 9 8 0 5 1 5 1 3 6 7 3 Q Q TEL 13942296513 QQ 376315150 892498299 TEL 13942296513 QQ 376315150 892498299 http://www.xiaoyu163.com 55 GEX-P7000TV,P7000TVP WIDE SAW FUNC. EW PARABOLA FUNC. VD SAW FUNC. LINE COUNTER V TIM GEN. <> I2C BUS DECODER STATUS I/F VSAW GEN. (50/60) VTIM DAC SW VPROT <> VM AMP (OFF YS/YM) DL PAL/NTSC SECAM Y/C MIX RGB CLAMP COLOR AMP AXIS EYUV CLAMP YUV SW YUVOUT CLAMP RGB 1/2 ABL/PEAK LIM AKB <> IREF REG HD GEN. PHASE DET. HPROT <> H TIM GEN. AFC <> <> HSAW GEN. SHARPNESS DL SHARPNESS AMP

TRAP 
PAL:4.43MHz
NTSC:3.58MHz
SECAM:4.2+4.43MHz

V SYNC SEP

ATT
ACC AMP
ACC DET.
CHROMA
AMP
BPF
PAL:4.43MHz
NTSC:3.58MHz

FILTER ALIGNMENT
CAL. by lsc
APC

CVCO
PAL/NTSC
DEMOD.
DPIC


CLAMP
DC TRAN

3
4
1
2
7
8
5
6
11
12
9
10
15
16
13
14
18
19
17
22
23
24
20
21
33
31
30
32
27
26
25
29
28
47
46
48
43
42
45
44
40
39
41
36
35
34
38
37
SW
NTSC/
PAL,SECAM
KILLER

IH
DELAYLINE
(PAL/SECAM)
DRIVE AMP

PICTURE AMP

BRIGHT CONT.

YS1 SW

YM SW
YS2 SW
DYNAMIC COLOR

CUTOFF CONT.

R/G/B BLK
        

GAMMA AMP

CLAMP
COLOR SYSTEM DISCRMINATOR

<>
<>
<>
<>






DE-
EMPHASIS
LINE BLK
BELL
FILTER

LIM
AMP
PLL
SECAM
FM DEMOD.
SECAM VCO
CAL.by
4.43MHz
H SYNC SEP


<>
COUNT DOWN



ACC DET.
ACC AMP
CHROMA SW
Y SW
MONITOR SW